











本申请大体上涉及一种电子装置,具体而言涉及一种雾化装置及其校验方法。The present application generally relates to an electronic device, and in particular, to an atomizing device and a calibration method thereof.
随着世界各地区、政府对于烟草产品的管控与限制越来越严格,人们对烟草替代品的需求也不断地成长。电子烟装置可能是一种烟草替代品,其通过电子气雾产生装置或电子雾化装置将可雾化(vaporizable)材料(例如,烟油)雾化以产生用于使用者吸入的气雾,进而达到模拟吸烟的感官体验。相对于传统烟草产品,电子烟装置作为其替代品能够有效的降低因燃烧而产生的有害物质,进而降低吸烟的有害副作用。With the stricter control and restriction of tobacco products in various regions and governments around the world, the demand for tobacco substitutes is also growing. An electronic cigarette device may be a tobacco substitute that nebulizes a vaporizable material (eg, e-liquid) by an electronic aerosol-generating device or electronic atomizing device to generate an aerosol for inhalation by the user, And then achieve the sensory experience of simulating smoking. Compared with traditional tobacco products, electronic cigarette devices can effectively reduce the harmful substances produced by combustion as a substitute, thereby reducing the harmful side effects of smoking.
目前市场上电子烟装置种类繁多,质量参差不齐,用户很难判别产品的真伪,且存在不同品牌产品混用的情况。由于不同品牌烟弹内烟油的成分和加热雾化所需的温度各不相同,不同品牌的产品混用会影响产品的口感,甚至加热时产生有害物质危害健康。此外,不同电子烟产品的控制电路并非都具有功率控制功能,造成不同品牌产品混用时有着过热风险,可能降低电子烟装置的寿命,或者烧伤/烫伤使用者。At present, there are many types of electronic cigarette devices on the market, and the quality is uneven. It is difficult for users to distinguish the authenticity of the products, and there are cases where products of different brands are mixed. Since the composition of e-liquid in different brands of pods and the temperature required for heating and atomization are different, mixing products of different brands will affect the taste of the product, and even produce harmful substances during heating that are harmful to health. In addition, the control circuits of different electronic cigarette products do not all have the power control function, resulting in the risk of overheating when products of different brands are mixed, which may reduce the life of the electronic cigarette device, or burn/scald the user.
因此,本申请提出一种可解决上述问题的雾化装置及其校验方法。Therefore, the present application proposes an atomization device and a calibration method thereof that can solve the above problems.
发明内容SUMMARY OF THE INVENTION
本发明的目的之一在于提供一种雾化装置,其对现有技术中的雾化装置进行了改进,可实现电子烟装置的双向防伪功能。One of the objectives of the present invention is to provide an atomizing device, which improves the atomizing device in the prior art and can realize the two-way anti-counterfeiting function of the electronic cigarette device.
根据本发明一实施例的雾化装置,其包括:主体以及与所述主体可拆卸地连接的烟弹;其中,主体包括:第一校验电路以及控制电路;该控制电路电连接到第一校验电路,且经配置以向第一校验电路发送第一控制信号;其中,烟弹包括:第二开关电路以及第二校验电路;该第二校验电路电连接到 第二开关电路以及第一校验电路,且经配置以间接地响应于第一控制信号而开启(turn on)第二开关电路。An atomizing device according to an embodiment of the present invention includes: a main body and a cartridge detachably connected to the main body; wherein the main body includes: a first verification circuit and a control circuit; the control circuit is electrically connected to the first a verification circuit configured to send a first control signal to the first verification circuit; wherein the cartridge includes: a second switch circuit and a second verification circuit; the second verification circuit is electrically connected to the second switch circuit and a first verification circuit configured to turn on the second switch circuit indirectly in response to the first control signal.
根据本发明另一实施例的雾化装置,其包括:主体以及烟弹;其中,主体包括第一接点及第二接点,烟弹包括第三接点及第四接点;其中,第一接点与第三接点电连接,且第二接点与第四接点电连接;其中,主体的第一校验电路经配置以经由第一接点发送第二控制信号至第三接点,烟弹的第二校验电路响应于第二控制信号而开启(turn on)烟弹的第二开关电路。According to another embodiment of the present invention, the atomizing device includes: a main body and a cartridge; wherein, the main body includes a first contact and a second contact, and the cartridge includes a third contact and a fourth contact; wherein the first contact and the first contact The three contacts are electrically connected, and the second contact is electrically connected to the fourth contact; wherein, the first verification circuit of the main body is configured to send a second control signal to the third contact through the first contact, and the second verification circuit of the cartridge is configured to send a second control signal to the third contact. A second switch circuit of the cartridge is turned on in response to the second control signal.
本发明还提供了雾化装置的校验方法,其利用本发明实施例提供的雾化装置实现了电子烟装置的双向防伪。The present invention also provides a verification method for an atomizing device, which utilizes the atomizing device provided by the embodiment of the present invention to realize two-way anti-counterfeiting of the electronic cigarette device.
根据本发明一实施例的雾化装置的校验方法,其包括:从主体发送第一指令到烟弹,其中第一指令指示烟弹反馈用于校验烟弹的第一数据信息;于主体接收来自烟弹的第一数据信息,并将第一数据信息与参考数据信息进行比较;当第一数据信息与参考数据信息相同时,主体进入抽吸控制模式。According to an embodiment of the present invention, a verification method for an atomizing device includes: sending a first instruction from a main body to a cartridge, wherein the first instruction instructs the cartridge to feed back first data information for verifying the cartridge; The first data information from the cartridge is received, and the first data information is compared with the reference data information; when the first data information is the same as the reference data information, the main body enters the suction control mode.
根据本发明另一实施例的雾化装置的校验方法,其包括:于烟弹接收并解密来自主体的第一指令,其中第一指令指示烟弹反馈用于校验烟弹的第一数据信息;将第一数据信息发送到主体;主体进入抽吸控制模式。According to another embodiment of the present invention, a verification method for an atomizing device includes: receiving and decrypting a first instruction from a main body at the cartridge, wherein the first instruction instructs the cartridge to feed back first data for verifying the cartridge information; send the first data information to the main body; the main body enters the suction control mode.
根据本发明又一实施例的雾化装置的校验方法,其包括:主体发送第一指令到烟弹,其中第一指令指示烟弹反馈用于校验烟弹的第一数据信息;烟弹接收并解密第一指令,并向主体反馈第一数据信息;主体接收第一数据信息,并将第一数据信息与参考数据信息比较;如果第一数据信息与参考数据信息相同,那么雾化装置进入抽吸控制模式。According to another embodiment of the present invention, a verification method for an atomizing device includes: the main body sends a first instruction to the pod, wherein the first instruction instructs the pod to feed back first data information used for verifying the pod; the pod Receive and decrypt the first instruction, and feed back the first data information to the main body; the main body receives the first data information, and compares the first data information with the reference data information; if the first data information is the same as the reference data information, then the atomizing device Enter suction control mode.
与现有技术相比,本发明实施例提供的雾化装置及其校验方法,通过对雾化装置的电路结构进行改进,在不增加主体与烟弹的电连接触点的情况下,解决了雾化装置的双向防伪问题。Compared with the prior art, the atomizing device and the calibration method thereof provided by the embodiment of the present invention solve the problem by improving the circuit structure of the atomizing device without increasing the electrical connection contacts between the main body and the cartridge. The two-way anti-counterfeiting problem of the atomizing device is solved.
当结合附图阅读时,从以下详细描述容易理解本申请的各方面。应注意,各种特征可能未按比例绘制,且各种特征的尺寸可出于论述的清楚起见而任意增大或减小。Aspects of the present application are readily understood from the following detailed description when read in conjunction with the accompanying drawings. It should be noted that the various features may not be drawn to scale and that the dimensions of the various features may be arbitrarily increased or decreased for clarity of discussion.
图1A及1B说明根据本申请的一些实施例的雾化装置的分解图。1A and 1B illustrate exploded views of an atomizing device according to some embodiments of the present application.
图2A说明根据本申请一些实施例的烟弹的正面视图。2A illustrates a front view of a cartridge according to some embodiments of the present application.
图2B说明根据本申请一些实施例的烟弹的侧面视图。2B illustrates a side view of a cartridge according to some embodiments of the present application.
图2C说明根据本申请一些实施例的烟弹的顶面视图。2C illustrates a top view of a cartridge according to some embodiments of the present application.
图2D说明根据本申请一些实施例的烟弹的底面视图。2D illustrates a bottom view of a cartridge according to some embodiments of the present application.
图3A及3B说明根据本申请的一些实施例的烟弹的分解图。3A and 3B illustrate exploded views of a cartridge according to some embodiments of the present application.
图4A及4B说明根据本申请的一些实施例的主体的分解图。4A and 4B illustrate exploded views of a body according to some embodiments of the present application.
图5说明根据本申请的一些实施例的雾化装置的内部电路框图。5 illustrates an internal circuit block diagram of an atomizing device according to some embodiments of the present application.
图6说明根据本申请的一些实施例的雾化装置的校验方法。FIG. 6 illustrates a verification method of an atomizing device according to some embodiments of the present application.
图7说明根据本申请的另一些实施例的雾化装置的校验方法。FIG. 7 illustrates a verification method of an atomizing device according to other embodiments of the present application.
以下公开内容提供用于实施所提供的标的物的不同特征的许多不同实施例或实例。下文描述组件和布置的特定实例。当然,这些仅是实例且并不意图为限制性的。在本申请中,在以下描述中对第一特征在第二特征之上或上的形成的参考可包含第一特征与第二特征直接接触形成的实施例,并且还可包含额外特征可形成于第一特征与第二特征之间从而使得第一特征与第二特征可不直接接触的实施例。另外,本申请可能在各个实例中重复参考标号和/或字母。此重复是出于简化和清楚的目的,且本身并不指示所论述的各种实施例和/或配置之间的关系。The following disclosure provides many different embodiments or examples for implementing different features of the provided subject matter. Specific examples of components and arrangements are described below. Of course, these are only examples and are not intended to be limiting. In this application, references in the following description to the formation of a first feature on or on a second feature may include embodiments in which the first feature is formed in direct contact with the second feature, and may also include additional features that may be formed on Embodiments between the first feature and the second feature such that the first feature and the second feature may not be in direct contact. Additionally, this application may repeat reference numerals and/or letters in various instances. This repetition is for the purpose of simplicity and clarity, and does not in itself indicate a relationship between the various embodiments and/or configurations discussed.
下文详细论述本申请的实施例。然而,应了解,本申请提供了可在多种多样的特定情境中实施的许多适用的概念。所论述的特定实施例仅仅是说明性的且并不限制本申请的范围。在本文中,用语“用于使用者吸入的气雾”可以包括,但不限于,气溶胶、悬浮液体、低温蒸气及挥发性气体。Embodiments of the present application are discussed in detail below. It should be appreciated, however, that this application provides many applicable concepts that can be embodied in a wide variety of specific contexts. The specific embodiments discussed are illustrative only and do not limit the scope of the application. As used herein, the term "aerosol for inhalation by a user" may include, but is not limited to, aerosols, suspended liquids, cryogenic vapors, and volatile gases.
图1A及1B说明根据本申请的一些实施例的雾化装置的分解图。1A and 1B illustrate exploded views of an atomizing device according to some embodiments of the present application.
雾化装置100可包含烟弹(cartridge)100A及主体100B。在某些实施例中,烟弹100A及主体100B可设计为一个整体。在某些实施例中,烟弹100A及主体100B可设计成分开的两组件。在某些实施例中,烟弹100A可设计成可移除式地与主体100B结合。在某些实施例中,烟弹100A可设计成一部分收纳于主体100B中。图1A显示烟弹100A及主体100B彼此分离的态样。图1B显示烟弹100A及主体100B彼此结合的态样。The atomizing
烟弹100A的一侧外表面包含一突起结构1p。主体100B的一侧包含一凹陷结构26r1。当烟弹100A收收纳于主体100B中时,突起结构1p收纳于凹陷结构26r1中。One outer surface of the
在某些实施例中,主体100B的另一侧不包含一凹陷结构。在某些实施例中,突起结构1p与凹陷结构26r1可确保烟弹100A以预定的方向(orientation)插入主体100B中。In some embodiments, the other side of the
图2A说明根据本申请一些实施例的烟弹的正面视图。图2B说明根据本申请一些实施例的烟弹的侧面视图。图2C说明根据本申请一些实施例的烟弹的顶面视图。图2D说明根据本申请一些实施例的烟弹的底面视图。2A illustrates a front view of a cartridge according to some embodiments of the present application. 2B illustrates a side view of a cartridge according to some embodiments of the present application. 2C illustrates a top view of a cartridge according to some embodiments of the present application. 2D illustrates a bottom view of a cartridge according to some embodiments of the present application.
烟弹100A顶部具有开口1h。开口1h可作为气雾出口。使用者可经由开口1h吸食雾化装置100产生的气雾。The top of the
烟弹100A可包含烟嘴盖(mouthpiece)1a、烟弹外壳1b及烟弹底盖1c。在某些实施例中,烟嘴盖1a与烟弹外壳1b可以是分开的两个组件。在某些实施例中,烟嘴盖1a与烟弹外壳1b可以由不同材料制成。在某些实施例中,烟嘴盖1a与烟弹外壳1b可以一体成形。在某些实施例中,烟嘴盖1a与烟弹外壳1b可以由相同材料制成。The
在某些实施例中,烟弹底盖1c可包含金属材料。在某些实施例中,烟弹底盖1c可由金属材料制成。烟弹底盖1c可以被磁性组件吸附。烟弹底盖1c可以被磁铁吸附。藉由烟弹底盖1c,烟弹100A可与设置于主体100B内的磁性组件可移除式地结合。In some embodiments, the
如图2D所示,烟弹100A的底部包含暴露的金属接点7m。主体100B可经由金属接点7m与烟弹100A电连接。主体100B可经由金属接点7m与烟弹100A进行数据交换。主体100B可经由金属接点7m与烟弹100A进行数据传输。主体100B可经由金属接点7m提供电流至烟弹100A。主体100B可经由金属接点7m提供功率至烟弹100A。As shown in FIG. 2D, the bottom of the
图3A及3B说明根据本申请的一些实施例的烟弹的分解图。3A and 3B illustrate exploded views of a cartridge according to some embodiments of the present application.
烟弹100A包含烟嘴盖1a、密封组件(sealing member)1d、烟弹外壳1b、烟弹底盖1c、密封组件2、加热组件顶盖3、密封组件4、加热组件5、加热组件底座6、电路板7、缓冲组件8、金属组件9a及9b、底座O型环10、进气管11a及11b。The
密封组件1d设置于烟嘴盖1a与烟弹外壳1b之间。密封组件1d可以防止冷凝液体经由烟嘴盖1a与烟弹外壳1b之间的间隙流至烟弹外壳1b表面。The sealing
加热组件顶盖3的一侧具有缺口3b1,另一侧具有缺口3b2。缺口3b1及缺口3b2面向不同的方向。举例言之,如图3B中所示,缺口3b1面向前方而缺口3b2面向后方。举例言之,如图5A中所示,缺口3b1面向轴z1的方向而缺口3b2面向轴z2的方向。轴z1与轴x及轴y彼此垂直。轴z2与轴x及轴y彼此垂直。One side of the
面向不同方向的缺口3b1及缺口3b2具有优势。当用户以水平方向握持雾化装置100时(亦即,雾化装置100平行于地面),缺口3b1及缺口3b2中至少一者朝上(亦即,面向地面的相反方向)。因此,即使烟弹100A内残有冷凝液体,缺口3b1及缺口3b2中至少一者不会被冷凝液体堵塞。缺口3b1及缺口3b2作为独立气道的一部分,可保证烟弹100A内储存舱的压力平衡。在后续段落中,独立气道特征将配合本案其他图式详细说明。The notch 3b1 and the notch 3b2 facing in different directions have advantages. When the user holds the
密封组件4可以设置于加热组件5及加热组件顶盖3之间。密封组件4可以增进加热组件5及加热组件顶盖3之间的密合度。The sealing component 4 can be disposed between the
加热组件5具有凹槽5c。凹槽5c可与烟弹100A内储存的烟油直接接触。加热组件5的底部表面5s上设有加热电路(图中未显示)。加热电路可设置于接脚5p1与5p2之间。加热组件5吸附的烟油可以被加热电路加热并产生气雾。加热组件5的接脚5p1与5p2可以分别与金属组件9a及9b接触。接脚5p1可以穿设于金属组件9a内。接脚5p2可以穿设于金属组件9b内。The
加热组件底座6包含支撑结构6w1及支撑结构6w2。加热组件顶盖3可以设置于支撑结构6w1及支撑结构6w2之间。加热组件顶盖3可以经由支撑结构6w1及支撑结构6w2固定于加热组件底座6上。The
电路板7的一面包含金属接点7p1及7p2。金属接点7p1及7p2可以分别与金属组件9a及9b接触。金属接点7p1及7p2可以分别与金属组件9a及9b电连接。电路板7的另一面包含数个金属接点7m。One side of the
缓冲组件8设置于电路板7与烟弹底盖1c之间。缓冲组件8可以具有黏性。电路板7可藉由缓冲组件8固定于烟弹底盖1c上。The
底座O型环10可以设置于加热组件底座6的凹槽6r中。底座O型环10可以避免雾化室内冷凝的液体从烟弹外壳1b与加热组件底座6之间的空 隙泄漏。The base O-
进气管11a及进气管11b可以分别设置于加热组件底座6的开口6h1与开口6h2中。当使用者对烟嘴盖1a上的开口1h1吸气时,新鲜空气会经由进气管11a及进气管11b进入烟弹100A内。在某些实施例中,进气管11a与进气管11b可以具有相同的内管径大小。在某些实施例中,进气管11a与进气管11b可以具有不同的内管径大小。The
图4A及4B说明根据本申请的一些实施例的主体的分解图。4A and 4B illustrate exploded views of a body according to some embodiments of the present application.
图4A及4B为本申请的一些实施例的主体100B的分解结构示意图。主体100B包括电池支架盖12、弹针13a、弹针13b、弹针13c、磁性组件14a、磁性组件14b、缓冲组件15、导光柱支架16、主控模块17、传感器18、传感器保护套19、马达20、电源组件21、充电模块22、螺丝23、电池支架24、天线模块25及主体外壳26。4A and 4B are schematic exploded structural diagrams of a
弹针13a、弹针13b、弹针13c的一部分可以经由电池支架盖12上的开口暴露。当烟弹100A与主体100B结合时,弹针13a、弹针13b、弹针13c可以与烟弹100A底部的金属接点7m接触。在某些实施例中,弹针13a和弹针13b可以作为外部供电引脚。在某些实施例中,弹针13c可以作为外部数据引脚。A portion of the
磁性组件14a及14b可与烟弹底盖1c之间产生吸引力。所述吸引力使烟弹100A与主体100B可移除式地结合。在某些实施例中,磁性组件14a及14b可以是一种永久磁铁。在某些实施例中,磁性组件14a及14b可以是一种电磁铁。在某些实施例中,磁性组件14a及14b本身具有磁性。在某些实施例中,磁性组件14a及14b在通电之后才具有磁性。The
缓冲组件15设置于电源组件21与主体外壳26之间。缓冲组件15可以与电源组件21表面及主体外壳26的内壁接触。缓冲组件15可以在电源组件21及主体外壳26之间提供缓冲力。The
导光柱支架16设置于电池支架24上,且位于主控模块17的一侧。其中,主控模块17的一侧可以包含指示灯。当指示灯亮时,指示灯发出的光可以通过导光柱支架16以及主体外壳26上的开口26c将光信息展示给用户。The light
传感器18设置于主控模块17上。传感器18可被传感器保护套19包覆。传感器18可经由电池支架盖12上的开口及传感器保护套19内的沟槽感测使用者吸气。The
传感器18可侦测一气流。传感器18可侦测气压变化。传感器18可侦测一负压。传感器18可用于侦测气压是否低于一临限值。传感器18可侦测声波。传感器18可用于侦测声波之振幅是否高于一临限值。在某些实施例中,传感器18可以是一气流传感器。在某些实施例中,传感器18可以是一气压传感器。在某些实施例中,传感器18可以是一声波传感器。在某些实施例中,传感器18可以是一声波接收器。在某些实施例中,传感器18可以是一麦克风。
主控模块17可与传感器18电连接。主控模块17可与弹针13a、弹针13b及弹针13c电连接。主控模块17可与电源组件21电连接。当传感器18侦测到一气流时,主控模块17可以控制电源组件21输出功率至弹针13a及弹针13b。当传感器18侦测到一气压变化时,主控模块17可以控制电源组件21输出功率至弹针13a及弹针13b。当传感器18侦测到一负压时,主控模块17可以控制电源组件21输出功率至弹针13a及弹针13b。当主控模块17判定传感器18侦测到之气压低于一临限值时,主控模块17可以控制电源组件21输出功率至弹针13a及弹针13b。当传感器18侦测到一声波时,主控模块17可以控制电源组件21输出功率至弹针13a及弹针13b。当主控模块17判定传感器18侦测到之声波之振幅高于一临限值时,主控模块17可以控制电源组件21输出功率至弹针13a及弹针13b。The
马达20可电连接至主控模块17。根据雾化装置100的不同操作状态,主控模块17可以控制马达20产生不同的体感效果。在某些实施例中,当使用者吸气超过一特定时间长度时,主控模块17可控制马达20产生震动以提醒使用者停止吸气。在某些实施例中,当用户对雾化装置100进行充电时,主控模块17可控制马达20产生震动以指示充电已经开始。在某些实施例中,当雾化装置100充电已经完成时,主控模块17可控制马达20产生震动以指示充电已经完成。The
在某些实施例中,电源组件21可以是电池。在某些实施例中,电源组件21可以是可充电电池。在某些实施例中,电源组件21可以是一次性电池。In some embodiments, the
充电模块22用于连接外接电源以对电源组件21进行充电。在某些实施例中,充电模块22可包括USB-Type C(一种通用串行总线接口规范)接口。雾化装置100可通过USB-type C接口连接外部电源以对电源组件21充电。需要说 明的是,充电模块22的具体形式并不限于以上所述。充电模块22可藉由螺丝23固定于电池支架24上。The charging
天线模块25可用于收发无线信号。天线模块25设置于电源组件21与主体外壳26之间的空间,天线模块25与主控模块17电连接。The
主体外壳26的一端具有开口26h,可用于收纳烟弹100A。主体外壳26上的凹陷结构26r1可与烟弹100A上的突起结构1p配合。主体外壳26的底端具有凹槽26r2,凹槽26r2可用于固定电池支架24。One end of the
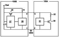
图5说明根据本申请的一些实施例的雾化装置的内部电路框图。如图1A-1B以及图5所示,雾化装置100包括主体100B和烟弹100A。5 illustrates an internal circuit block diagram of an atomizing device according to some embodiments of the present application. As shown in FIGS. 1A-1B and FIG. 5 , the
主体100B可包括控制电路27、校验电路28、开关电路29以及电阻R。控制电路27电连接到校验电路28以及开关电路29。校验电路28、开关电路29以及电阻R电连接到同一接点a。控制电路27以及校验电路28电连接到同一接点c。接点c连接到参考电压。在本申请中,参考电压为接地电压GND。The
主体100B与烟弹100A可经由接点a、接点b、接点c及接点d彼此沟通。指令、数据信息、信号、电压、电流、功率或电源可经由接点a、接点b、接点c及接点d在主体100B与烟弹100A之间传递。The
控制电路27可为,但不限于,微控制器、微处理器或单片机控制器等。控制电路27可向校验电路28发送控制信号S1。校验电路28可接收来自控制电路27的控制信号S1,并产生控制信号S2。校验电路28产生的控制信号S2可经由接点a传送至烟弹100A的接点b。The
控制电路27可直接传递控制信号S3至烟弹100A。在某些实施例中,控制电路27可开启开关电路29,使控制电路27与接点a形成通路,并将控制信号S3经由接点a传送至烟弹100A的接点b。烟弹100A可响应于来自主体100B的控制信号S2或控制信号S3,传递数据信息至主体100B。The
在某些实施例中,控制电路27和校验电路28可以整合地封装在同一个集成芯片(IC)内。在此情况中,经整合的控制电路27和校验电路28可以经由接点a传递信号/指令至烟弹100A。烟弹100A可以经由接点b传递信号/数据信息至经整合的控制电路27和校验电路28。In some embodiments, the
开关电路29可用于控制雾化装置100的雾化加热功能。控制电路27可 用于控制开关电路29,使其开启或关闭,从而开启或关闭雾化装置100的雾化加热功能。具体的,控制电路27可响应于用户的抽吸动作而开启或关闭开关电路29。电阻R的一端电连接到雾化装置100的电源Vbat,另一端电连接到接点a。电阻R可用于判断烟弹100A是否电连接到主体100B。具体的,当烟弹100A未电连接到主体100B时,接点a处为高电平;而当烟弹100A电连接到主体100B时,由于烟弹100A的接入,接点a处转为低电平;借此可判断烟弹100A是否电连接到主体100B。其中,电阻R的阻值可为,但不限于,1K~10K之间。The
烟弹100A可包括开关电路30、校验电路31以及加热电路32。开关电路30电连接到校验电路31以及加热电路32。校验电路31以及加热电路32电连接到同一接点b。检验电路31以及开关电路30电连接到同一接点d。接点d连接到参考电压。在本申请中,参考电压为接地电压GND。The
校验电路31可用于控制开关电路30的开启和关闭。在本申请的一个实施例中,开关电路30为关闭状态,只有当接收到来自校验电路31的开启信号时,才开启开关电路30。在本申请的一个实施例中,烟弹100A的校验电路31在接收到来自主体100B的校验电路28的控制信号S2之后,才开启开关电路30。控制信号S2及控制信号S3可包括由主体100B传递至烟弹100A的不同指令/信息。在某些实施例中,控制信号S2及控制信号S3可包括后续段落中提及之第一指令、第二指令、第三指令、第四指令及第五指令。The
因此,可实现烟弹100A对主体100B的校验。即,当主体100B与烟弹100A不匹配(例如不属于同一品牌)时,主体100B不具有产生控制信号S2或控制信号S3的功能,因此烟弹100A的开关电路30并不能被驱动为由常开变为闭合。因此,实现了烟弹100A对主体100B的校验。Therefore, the verification of the
加热电路32可用于对烟弹100A中的烟油进行雾化加热。在本申请的一个实施例中,加热电路32可为一个电阻式加热电路。然而,本领域技术人员可以理解:加热电路32还可为其他形式,只要能实现对烟弹100A中的烟油进行雾化加热即可,在此不做限定。The heating circuit 32 can be used to atomize and heat the e-liquid in the
当烟弹100A连接到主体100B时,烟弹100A的接点b和主体100B的接点a电连接,烟弹100A的接点d和主体100B的接点c电连接。由此,校验电路31可接收来自校验电路28的控制信号S2,并响应于控制信号S2而 开启开关电路30。When the
在本申请的一些实施例中,校验电路31可经由接点b发送数据信息至接点a,且控制电路27响应于该数据信息与参考数据信息的比较结果而产生控制信号S1。In some embodiments of the present application, the
在本申请的一些实施例中,数据信息以及参考数据信息包含烟油口味、已吸口数、生产编号以及出厂信息中的至少一者。In some embodiments of the present application, the data information and the reference data information include at least one of the flavor of e-liquid, the number of mouths that have been inhaled, a production number, and factory information.
此外,在本申请的一些实施例中,主体100B的控制电路27、校验电路28、开关电路29、电阻R以及电源可设置于图4A和图4B所示的主控模块17上;烟弹100A的校验电路31、开关电路30以及加热电路32可设置于图3A和图3B所示的电路板7上。In addition, in some embodiments of the present application, the
另外,在本申请的一些实施例中,雾化装置还可包括其他电路,例如:电源保护电路、充电管理电路、状态指示电路以及存储电路等。这些电路可为现有技术中存在的具有相同功能的任何形式的电路,在此不做具体限定。In addition, in some embodiments of the present application, the atomizing device may further include other circuits, such as a power protection circuit, a charging management circuit, a status indication circuit, and a storage circuit, and the like. These circuits can be any form of circuits with the same functions existing in the prior art, which are not specifically limited herein.
图6说明根据本申请的一些实施例的雾化装置的校验方法。以下步骤610至618为主体100B验证烟弹100A的过程。FIG. 6 illustrates a verification method of an atomizing device according to some embodiments of the present application. The following
具体的,在步骤610中,主体100B未接入烟弹100A,此时主体100B处于静态模式,开关电路29处于关闭状态。Specifically, in
在步骤612中,烟弹100A一旦接入主体100B,此时控制电路27响应于中断唤醒信号而被唤醒。In
在步骤614中,被唤醒后的控制电路27经由校验电路28而与烟弹100A建立连接,并通过校验电路28发送经加密的第一指令给烟弹100A的校验电路31。其中,该第一指令指示烟弹100A反馈用于校验该烟弹100A的第一数据信息。第一数据信息包含烟油口味、已吸口数、生产编号以及出厂信息中的至少一者。当烟弹100A的校验电路31接收到该经加密的第一指令时,其对该第一指令进行解密,并向经由校验电路28而向控制电路27反馈的该第一数据信息。In
在步骤616中,控制电路27等待是否有来自烟弹100A的第一数据信息;如果未接收到来自烟弹100A的第一数据信息,则控制电路27回到步骤614;如果接收到来自烟弹100A的第一数据信息,则进入步骤618。In
当接收到来自烟弹100A的第一数据信息后,在步骤618中,将接收到 的该第一数据信息与存储于存储器中的参考数据信息进行比较;如果两者不相同,表示该烟弹100A为无效烟弹100A,则在步骤619中发出警示信号,提醒用户此烟弹100A不能正常工作,并回到步骤610,重新开始雾化装置的校验方法;如果两者相同,则表明烟弹100A返回的第一数据信息为有效的烟弹信息,即,主体100B验证了烟弹100A的有效性,从而进入抽吸控制模式。After receiving the first data information from the
其中,存储器可设置于控制电路27中,也可以单独设置在主体100B中;参考数据信息包含烟油口味、已吸口数、生产编号以及出厂信息中的至少一者;警示信号可为灯光闪烁等明显标志形式;抽吸控制模式包括步骤620以及步骤622。Among them, the memory can be set in the
当验证了烟弹100A的有效性后,在步骤620中,主体100B经由控制电路27发送第二指令和第三指令到烟弹100A。在某些实施例中,控制电路27可经由校验电路28发送第二指令和第三指令到烟弹100A。在某些实施例中,控制电路27可直接发送第二指令和第三指令到烟弹100A。例如,经由将开关电路29开启成为通路,控制电路27可直接发送第二指令和第三指令到烟弹100A。After verifying the validity of the
其中,第二指令指示烟弹100A开启烟弹100A的开关电路30,且第三指令指示烟弹100A反馈用于校验烟弹100A的第二数据信息。第二数据信息包含烟油口味、已吸口数、生产编号以及出厂信息中的至少一者。The second instruction instructs the
在烟弹100A端,其接收来自主体100B的第二指令和第三指令,开启开关电路30,并将第二数据信息反馈回主体100B的控制电路27。At the end of the
在步骤622中,主体100B接收来自烟弹100A的第二数据信息,并将第二数据信息与参考数据信息进行比较;当第二数据信息与参考数据信息不相同时,回到步骤620,并发出警示信号;当第二数据信息与参考数据信息相同时,主体100B进入雾化加热模式。警示信号可为灯光闪烁等明显标志形式;雾化加热模式包括步骤624至630。In
在以上抽吸控制模式(即步骤620以及步骤622)中,要求烟弹100A将第二数据信息返回给主体100B的目的在于:烟弹100A与主体100B属于可拆卸式连接;与不可拆卸式连接方式相比,可拆卸式连接可能在受到外界干扰(例如震动等)后,使得烟弹100A与主体100B断开连接;因此,在步 骤620和步骤622中主体100B再次验证了烟弹100A的有效性。然而,应当理解,步骤620和步骤622中主体100B再次验证烟弹100A的有效性的步骤时可以省略的,并不是必须的。即,主体100B可以只发送指示烟弹100A开启烟弹100A的开关电路30的第二指令,而烟弹100A接收到该第二指令后,只需开启开关电路30,而不用再返回第二数据信息给主体100B的控制电路2。In the above puff control mode (ie steps 620 and 622 ), the purpose of requiring the
当验证了第二数据信息与参考数据信息相同后,在步骤624中,主体100B检测用户是否有抽吸动作。当未检测到用户的抽吸动作时,回到步骤624,直至检测到用户的抽吸动作;当检测到用户的抽吸动作,进入步骤626。After it is verified that the second data information is the same as the reference data information, in
在步骤626中,主体100B的控制电路27开启开关电路29,实现主体100B的电源Vbat与烟弹100A的加热电路32的电连接,从而可实现雾化加热。In
在步骤628中,当主体100B的控制电路27检测到用户的抽吸动作结束时,关闭开关电路29,中断主体100B的电源Vbat与烟弹100A的加热电路32的电连接,从而停止雾化加热。In
在步骤630中,主体100B的控制电路27经由校验电路28发送特定数据信息给烟弹100A;烟弹100A接收并存储该特定数据信息,同时关闭开关电路30。其中,该特定数据信息可为,但不限于,已吸口数。In
步骤610至618为主体100B验证烟弹100A的过程,实现了主体100B对烟弹100A的校验。另外,由于开关电路30初始为关闭状态,只有当接收到来自校验电路31的开启信号时,才开启开关电路30,从而才可实现雾化加热功能;也就是说,当主体100B并不与烟弹100A匹配时,由于主体100B不能开启烟弹100A的开关电路30,因此也就不能实现对烟弹100A中的烟油的雾化加热;即,实现了烟弹100A对主体100B的校验。从而,实现了主体100B和烟弹100A的双向防伪。
图7说明根据本申请的另一些实施例的雾化装置的校验方法。其中,步骤710至719为与图6中的步骤610至619相同的主体100B验证烟弹100A的过程,在此不再赘述。FIG. 7 illustrates a verification method of an atomizing device according to other embodiments of the present application. Wherein,
步骤720和722为抽吸控制模式。当控制电路27判定烟弹100A有效后,在步骤720中,主体100B的控制电路27发送第二指令到烟弹100A,其中 第二指令指示烟弹100A反馈用于校验烟弹100A的第二数据信息。第二数据信息包含烟油口味、已吸口数、生产编号以及出厂信息中的至少一者。在烟弹100A端,烟弹100A接收来自主体100B的该第二指令,并反馈第二数据信息。
在步骤722中,主体100B的控制电路27接收来自烟弹100A的第二数据信息,并将第二数据信息与参考数据信息进行比较。其中,参考数据信息包含烟油口味、已吸口数、生产编号以及出厂信息中的至少一者。当第二数据信息与参考数据信息不相同时,回到720;当第二数据信息与参考数据信息相同时,进入第二次校验过程。与步骤620和622相比,步骤720和722中不开启烟弹100A的开关电路30。因此,雾化装置还不能进入雾化加热模式,需对烟弹再次进行第二次校验过程。In
第二次校验过程包括步骤724至732。The second verification process includes
在步骤724中,主体100B经由控制电路27检测用户是否有抽吸动作;当未检测到抽吸动作时,回到724;当检测到抽吸动作时,进入步骤726。In
在步骤726中,控制电路27经由校验电路28发送经加密的第四指令到烟弹100A的校验电路31,其中第四指令指示烟弹100A反馈用于校验烟弹100A的第三数据信息。在烟弹100A端,其接收并解密该第四指令,并向主体100B反馈第三数据信息。In
在步骤728中,主体100B等待是否有烟弹100A的返回数据;当未接收到返回数据时,回到726;当接收到返回数据时,进入步骤730。In
在步骤730中,主体100B的控制电路27将接收到的第三数据信息与参考数据信息比较;如果第三数据信息与参考数据信息不相同,那么控制电路27判定该烟弹100A不是有效的烟弹,发出警示信号,并返回步骤710重新开始执行雾化装置的校验步骤;如果第三数据信息与参考数据信息相同,那么进入步骤732。其中,警示信号可为灯光闪烁等明显标志形式。In
在步骤732中,控制电路27判定该烟弹100A是有效的烟弹,此时控制电路27发送第五指令给烟弹100A;该第五指令指示烟弹100A开启开关电路30。在烟弹100A端,烟弹100A接收该指令,并开启其开关电路30。至此,第二次校验过程完成。接着,进入雾化加热模式。雾化加热模式包括步骤734至738。In step 732 , the
在步骤734中,控制电路27开启开关电路29,响应于用户的抽吸动作,加热电路32对烟弹100A中的烟油进行雾化加热。In step 734, the
在步骤736中,当控制电路27检测到用户的抽吸动作结束时,关闭开关电路29,中断主体100B的电源Vbat与烟弹100A的加热电路32的电连接,从而停止雾化加热。In step 736, when the
在步骤738中,主体100B的控制电路27经由校验电路28发送特定数据信息给烟弹100A;烟弹100A接收并存储该特定数据信息,同时关闭开关电路30。其中,该特定数据信息可为,但不限于,已吸口数。In
与步骤610至618相同,步骤710至718为主体100B验证烟弹100A的过程,实现了主体100B对烟弹100A的校验。另外,由于开关电路30初始为关闭状态,只有当接收到来自校验电路31的开启信号时,才开启开关电路30,从而才可实现雾化加热功能;也就是说,当主体100B并不与烟弹100A匹配时,由于主体100B不能开启烟弹100A的开关电路30,因此也就不能实现对烟弹100A中的烟油的雾化加热;即,实现了烟弹100A对主体100B的校验。从而,实现了主体100B和烟弹100A的双向防伪。Similar to
另外,在实现双向防伪的同时,本申请实施例的雾化装置还可以在不增加烟弹100A的接点的情况下,仅利用两个接点b和接点d实现了主体100B和烟弹100A的双向校验功能。具体的,结合图3A-3B以及图6-7,接点b可对应图3A和图3B中的金属组件9a;接点d可对应图3A和图3B中的金属组件9b。因此,烟弹100A端可仅利用2个接点实现双向校验功能。In addition, while realizing two-way anti-counterfeiting, the atomizing device of the embodiment of the present application can also realize the two-way connection between the
如本文中所使用,术语“近似地”、“基本上”、“基本”及“约”用于描述并考虑小变化。当与事件或情况结合使用时,所述术语可指事件或情况精确地发生的例子以及事件或情况极近似地发生的例子。如本文中相对于给定值或范围所使用,术语“约”大体上意味着在给定值或范围的±10%、±5%、±1%或±0.5%内。范围可在本文中表示为自一个端点至另一端点或在两个端点之间。除非另外规定,否则本文中所公开的所有范围包括端点。术语“基本上共面”可指沿同一平面定位的在数微米(μm)内的两个表面,例如,沿着同一平面定位的在10μm内、5μm内、1μm内或0.5μm内。当参考“基本上”相同的数值或特性时,术语可指处于所述值的平均值的±10%、±5%、±1%或±0.5%内的值。As used herein, the terms "approximately," "substantially," "substantially," and "about" are used to describe and account for small variations. When used in conjunction with an event or circumstance, the terms can refer to instances in which the event or circumstance occurs precisely as well as instances in which the event or circumstance occurs closely. As used herein with respect to a given value or range, the term "about" generally means within ±10%, ±5%, ±1%, or ±0.5% of the given value or range. A range may be expressed herein as from one endpoint to the other or between the two endpoints. All ranges disclosed herein are inclusive of the endpoints unless otherwise specified. The term "substantially coplanar" may refer to two surfaces positioned along the same plane within a few micrometers (μm), eg, within 10 μm, 5 μm, 1 μm, or 0.5 μm positioned along the same plane. When referring to "substantially" the same value or property, a term may refer to a value within ±10%, ±5%, ±1%, or ±0.5% of the mean of the stated value.
如本文中所使用,术语“近似地”、“基本上”、“基本”和“约”用于描述和解释小的变化。当与事件或情况结合使用时,所述术语可指事件或情况精确地发生的例子以及事件或情况极近似地发生的例子。举例来说,当与数值结合使用时,术语可指小于或等于所述数值的±10%的变化范围,例如,小于或等于±5%、小于或等于±4%、小于或等于±3%、小于或等于±2%、小于或等于±1%、小于或等于±0.5%、小于或等于±0.1%,或小于或等于±0.05%。举例来说,如果两个数值之间的差小于或等于所述值的平均值的±10%(例如,小于或等于±5%、小于或等于±4%、小于或等于±3%、小于或等于±2%、小于或等于±1%、小于或等于±0.5%、小于或等于±0.1%,或小于或等于±0.05%),那么可认为所述两个数值“基本上”或“约”相同。举例来说,“基本上”平行可以指相对于0°的小于或等于±10°的角度变化范围,例如,小于或等于±5°、小于或等于±4°、小于或等于±3°、小于或等于±2°、小于或等于±1°、小于或等于±0.5°、小于或等于±0.1°,或小于或等于±0.05°。举例来说,“基本上”垂直可以指相对于90°的小于或等于±10°的角度变化范围,例如,小于或等于±5°、小于或等于±4°、小于或等于±3°、小于或等于±2°、小于或等于±1°、小于或等于±0.5°、小于或等于±0.1°,或小于或等于±0.05°。As used herein, the terms "approximately," "substantially," "substantially," and "about" are used to describe and explain small variations. When used in conjunction with an event or circumstance, the terms can refer to instances in which the event or circumstance occurs precisely as well as instances in which the event or circumstance occurs closely. For example, when used in conjunction with a numerical value, a term may refer to a range of variation less than or equal to ±10% of the numerical value, eg, less than or equal to ±5%, less than or equal to ±4%, less than or equal to ±3% , less than or equal to ±2%, less than or equal to ±1%, less than or equal to ±0.5%, less than or equal to ±0.1%, or less than or equal to ±0.05%. For example, if the difference between two values is less than or equal to ±10% of the mean of the values (eg, less than or equal to ±5%, less than or equal to ±4%, less than or equal to ±3%, less than or equal to ±2%, less than or equal to ±1%, less than or equal to ±0.5%, less than or equal to ±0.1%, or less than or equal to ±0.05%), then the two values may be considered to be "substantially" or "substantially" about" is the same. For example, "substantially" parallel may refer to an angular variation range of less than or equal to ±10° relative to 0°, eg, less than or equal to ±5°, less than or equal to ±4°, less than or equal to ±3°, ±2° or less, ±1° or less, ±0.5° or less, ±0.1° or less, or ±0.05° or less. For example, "substantially" vertical may refer to an angular variation range of less than or equal to ±10° relative to 90°, eg, less than or equal to ±5°, less than or equal to ±4°, less than or equal to ±3°, ±2° or less, ±1° or less, ±0.5° or less, ±0.1° or less, or ±0.05° or less.
举例来说,如果两个表面之间的位移等于或小于5μm、等于或小于2μm、等于或小于1μm或等于或小于0.5μm,那么两个表面可以被认为是共面的或基本上共面的。如果表面相对于平面在表面上的任何两个点之间的位移等于或小于5μm、等于或小于2μm、等于或小于1μm或等于或小于0.5μm,那么可以认为表面是平面的或基本上平面的。For example, two surfaces may be considered coplanar or substantially coplanar if the displacement between the two surfaces is equal to or less than 5 μm, equal to or less than 2 μm, equal to or less than 1 μm, or equal to or less than 0.5 μm . A surface can be considered planar or substantially planar if its displacement relative to the plane between any two points on the surface is 5 μm or less, 2 μm or less, 1 μm or less, or 0.5 μm or less .
如本文中所使用,术语“导电(conductive)”、“导电(electrically conductive)”和“电导率”是指转移电流的能力。导电材料通常指示对电流流动呈现极少或零对抗的那些材料。电导率的一个量度是西门子/米(S/m)。通常,导电材料是电导率大于近似地104S/m(例如,至少105S/m或至少106S/m)的一种材料。材料的电导率有时可以随温度而变化。除非另外规定,否则材料的电导率是在室温下测量的。As used herein, the terms "conductive,""electricallyconductive," and "conductivity" refer to the ability to transfer electrical current. Conductive materials generally refer to those materials that exhibit little or zero resistance to current flow. One measure of conductivity is Siemens/meter (S/m). Typically, a conductive material is one that has a conductivity greater than approximately 104 S/m (eg, at least 105 S/m or at least 106 S/m). The conductivity of a material can sometimes vary with temperature. Conductivity of materials is measured at room temperature unless otherwise specified.
如本文中所使用,除非上下文另外明确规定,否则单数术语“一(a/an)”和“所述”可包含复数指示物。在一些实施例的描述中,提供于另一组件“上”或“上方”的组件可涵盖前一组件直接在后一组件上(例如,与后一组件物理 接触)的情况,以及一或多个中间组件位于前一组件与后一组件之间的情况。As used herein, the singular terms "a/an" and "the" can include plural referents unless the context clearly dictates otherwise. In the description of some embodiments, an element that is provided "on" or "over" another element may encompass situations where the former element is directly on (eg, in physical contact with) the latter element, as well as one or more A case where an intermediate component is located between the previous component and the latter component.
如本文中所使用,为易于描述可在本文中使用空间相对术语例如“下面”、“下方”、“下部”、“上方”、“上部”、“下部”、“左侧”、“右侧”等描述如图中所说明的一个组件或特征与另一组件或特征的关系。除图中所描绘的定向之外,空间相对术语意图涵盖在使用或操作中的装置的不同定向。设备可以其它方式定向(旋转90度或处于其它定向),且本文中所使用的空间相对描述词同样可相应地进行解释。应理解,当一组件被称为“连接到”或“耦合到”另一组件时,其可直接连接或耦合到所述另一组件,或可存在中间组件。As used herein, for ease of description, spatially relative terms such as "below", "below", "lower", "above", "upper", "lower", "left side", "right side" may be used herein ” etc. describe the relationship of one component or feature to another component or feature as illustrated in the figures. In addition to the orientation depicted in the figures, the spatially relative terms are intended to encompass different orientations of the device in use or operation. The device may be otherwise oriented (rotated 90 degrees or at other orientations) and the spatially relative descriptors used herein interpreted accordingly. It will be understood that when an element is referred to as being "connected" or "coupled to" another element, it can be directly connected or coupled to the other element or intervening elements may be present.
前文概述本公开的若干实施例和细节方面的特征。本公开中描述的实施例可容易地用作用于设计或修改其它过程的基础以及用于执行相同或相似目的和/或获得引入本文中的实施例的相同或相似优点的结构。这些等效构造不脱离本公开的精神和范围并且可在不脱离本公开的精神和范围的情况下作出不同变化、替代和改变。The foregoing summarizes features of several embodiments and details of the present disclosure. The embodiments described in this disclosure may readily be used as a basis for designing or modifying other processes and structures for carrying out the same or similar purposes and/or obtaining the same or similar advantages of the embodiments incorporated herein. These equivalent constructions do not depart from the spirit and scope of the present disclosure, and various changes, substitutions and alterations may be made herein without departing from the spirit and scope of the present disclosure.
| Application Number | Priority Date | Filing Date | Title |
|---|---|---|---|
| CN202010741023.3 | 2020-07-28 | ||
| CN202010741023.3ACN113995167A (en) | 2020-07-28 | 2020-07-28 | Atomization device and calibration method thereof |
| Publication Number | Publication Date |
|---|---|
| WO2022022037A1true WO2022022037A1 (en) | 2022-02-03 |
| Application Number | Title | Priority Date | Filing Date |
|---|---|---|---|
| PCT/CN2021/096285CeasedWO2022022037A1 (en) | 2020-07-28 | 2021-05-27 | Atomization device and verification method therefor |
| Country | Link |
|---|---|
| CN (1) | CN113995167A (en) |
| WO (1) | WO2022022037A1 (en) |
| Publication number | Priority date | Publication date | Assignee | Title |
|---|---|---|---|---|
| US20140096781A1 (en)* | 2012-10-08 | 2014-04-10 | R. J. Reynolds Tobacco Company | Electronic smoking article and associated method |
| CN107114825A (en)* | 2017-06-30 | 2017-09-01 | 上海烟草集团有限责任公司 | It is a kind of to be used to control the chip of electronic cigarette and the electronic cigarette comprising the chip |
| CN109247623A (en)* | 2018-10-13 | 2019-01-22 | 深圳市金致远科技有限公司 | A kind of electronic cigarette anti-counterfeiting system and the electronic cigarette using the anti-counterfeiting system |
| CN111109657A (en)* | 2020-02-06 | 2020-05-08 | 广芯微电子(广州)股份有限公司 | Electronic cigarette and encryption and decryption authentication method thereof |
| CN111248505A (en)* | 2020-02-25 | 2020-06-09 | 深圳市美深威科技有限公司 | An electronic cigarette anti-counterfeiting system and method based on a built-in encryption chip |
| CN212937918U (en)* | 2020-07-28 | 2021-04-13 | 深圳雾芯科技有限公司 | Atomization device |
| Publication number | Priority date | Publication date | Assignee | Title |
|---|---|---|---|---|
| EP3225117A4 (en)* | 2014-11-24 | 2018-09-19 | Huizhou Kimree Technology Co., Ltd | Atomizer component, electronic cigarette having limited lifespan, and method for limiting lifespan of electronic cigarette |
| CN212260467U (en)* | 2019-06-27 | 2021-01-01 | 深圳雾芯科技有限公司 | Electronic atomizer device |
| CN110279157A (en)* | 2019-06-27 | 2019-09-27 | 深圳雾芯科技有限公司 | Electronic atomizer device, electronic atomizer apparatus main body and operating method |
| Publication number | Priority date | Publication date | Assignee | Title |
|---|---|---|---|---|
| US20140096781A1 (en)* | 2012-10-08 | 2014-04-10 | R. J. Reynolds Tobacco Company | Electronic smoking article and associated method |
| CN107114825A (en)* | 2017-06-30 | 2017-09-01 | 上海烟草集团有限责任公司 | It is a kind of to be used to control the chip of electronic cigarette and the electronic cigarette comprising the chip |
| CN109247623A (en)* | 2018-10-13 | 2019-01-22 | 深圳市金致远科技有限公司 | A kind of electronic cigarette anti-counterfeiting system and the electronic cigarette using the anti-counterfeiting system |
| CN111109657A (en)* | 2020-02-06 | 2020-05-08 | 广芯微电子(广州)股份有限公司 | Electronic cigarette and encryption and decryption authentication method thereof |
| CN111248505A (en)* | 2020-02-25 | 2020-06-09 | 深圳市美深威科技有限公司 | An electronic cigarette anti-counterfeiting system and method based on a built-in encryption chip |
| CN212937918U (en)* | 2020-07-28 | 2021-04-13 | 深圳雾芯科技有限公司 | Atomization device |
| Publication number | Publication date |
|---|---|
| CN113995167A (en) | 2022-02-01 |
| Publication | Publication Date | Title |
|---|---|---|
| KR102021878B1 (en) | Electronic cigarette | |
| KR102423200B1 (en) | Electronic Steam Delivery System | |
| CN112273728B (en) | Power supply assembly and electronic atomization device | |
| CN208096006U (en) | A kind of electronic cigarette | |
| CN109952037A (en) | Real-time temperature control for aerosol delivery devices | |
| WO2020258635A1 (en) | Electronic atomizer apparatus and operating method | |
| CN111109679A (en) | Electronic smoking device | |
| WO2021000399A1 (en) | Vaporization device | |
| WO2023025041A1 (en) | Electronic atomization device and heating component thereof | |
| CN212937918U (en) | Atomization device | |
| CN111543675A (en) | Atomization device | |
| CN204861175U (en) | Electronic cigarette | |
| CN111588096A (en) | Portable electronic smoke sprayer | |
| JP2020528272A (en) | Video analysis camera system for aerosol delivery equipment | |
| CN210137820U (en) | Heating parts, heating structures, atomizers and electronic cigarettes | |
| WO2022022037A1 (en) | Atomization device and verification method therefor | |
| CN209090056U (en) | Cartridges and Electronic Cigarettes | |
| CN214283306U (en) | Power supply module and electronic atomization device | |
| EP4203720A1 (en) | Refilling device | |
| CN110693089A (en) | Electronic cigarette atomization assembly and electronic cigarette | |
| CN212117063U (en) | Connection structure and aerosol generating device | |
| CN211065029U (en) | Atomization device | |
| US20230404168A1 (en) | Aerosol Generation Device | |
| EP4203721A1 (en) | Refilling device | |
| US20220378111A1 (en) | Activation of vaporizer devices |
| Date | Code | Title | Description |
|---|---|---|---|
| 121 | Ep: the epo has been informed by wipo that ep was designated in this application | Ref document number:21849091 Country of ref document:EP Kind code of ref document:A1 | |
| NENP | Non-entry into the national phase | Ref country code:DE | |
| 122 | Ep: pct application non-entry in european phase | Ref document number:21849091 Country of ref document:EP Kind code of ref document:A1 |