








相关申请的交叉引用CROSS-REFERENCE TO RELATED APPLICATIONS
本申请要求于2020年7月22日提交的申请号为202010711000.8、名称为“图腾柱PFC电路、控制方法、线路板及空调器”的中国专利申请的优先权,其全部内容通过引用结合在本申请中。This application claims the priority of the Chinese patent application with application number 202010711000.8 and titled "Totem Pole PFC Circuit, Control Method, Circuit Board and Air Conditioner" filed on July 22, 2020, the entire contents of which are incorporated herein by reference Applying.
本发明涉及空调器技术领域,特别涉及一种图腾柱PFC电路、控制方法、线路板及空调器。The invention relates to the technical field of air conditioners, in particular to a totem pole PFC circuit, a control method, a circuit board and an air conditioner.
现有的图腾柱PFC电路和倍压电路都是很常用的电流拓扑结构。其中图腾柱PFC拓扑可以将整流的电压进行升压,倍压电路能够将整流电路输出的电压进行翻倍,但不能升压,两种电路拓扑都有各自的优点。若是简单将两种电路结合,又会导致对电容充电的电流流经开关管的反并联二极管,二极管的管压降大,导致导通损耗大,电压转换效率低。Existing totem pole PFC circuits and voltage doubler circuits are both very commonly used current topologies. Among them, the totem pole PFC topology can boost the rectified voltage, and the voltage doubler circuit can double the output voltage of the rectifier circuit, but cannot boost the voltage. Both circuit topologies have their own advantages. If the two circuits are simply combined, the current that charges the capacitor will flow through the anti-parallel diode of the switch tube, and the tube voltage drop of the diode will be large, resulting in large conduction loss and low voltage conversion efficiency.
发明内容SUMMARY OF THE INVENTION
本发明的目的在于至少在一定程度上解决现有技术中存在的技术问题之一,提供一种图腾柱PFC电路、控制方法、线路板、空调器及计算机存储介质,能够降低PFC电路的导通损耗,提高电压转换效率。The purpose of the present invention is to solve one of the technical problems existing in the prior art at least to a certain extent, and to provide a totem pole PFC circuit, a control method, a circuit board, an air conditioner and a computer storage medium, which can reduce the conduction of the PFC circuit. loss and improve the voltage conversion efficiency.
根据本发明第一方面实施例的图腾柱PFC电路,包括:The totem pole PFC circuit according to the embodiment of the first aspect of the present invention includes:
电桥电路,所述电桥电路包括相互并联的第一桥臂和第二桥臂,所述第一桥臂包括相互串联的第一开关管和第二开关管,所述第二桥臂包括相互串联的第三开关管和第四开关管,所述第一开关管、所述第二开关管、所述第三开关管和所述第四开关管均反并联有二极管;a bridge circuit, the bridge circuit includes a first bridge arm and a second bridge arm connected in parallel, the first bridge arm includes a first switch tube and a second switch tube connected in series, the second bridge arm includes a third switch tube and a fourth switch tube connected in series with each other, the first switch tube, the second switch tube, the third switch tube and the fourth switch tube all have diodes in anti-parallel;
母线电容模块,所述母线电容模块包括第一电容和第二电容,所述第一电容和所述第二电容串联后并联在所述电桥电路的输出端;a bus capacitor module, the bus capacitor module includes a first capacitor and a second capacitor, the first capacitor and the second capacitor are connected in series and then connected in parallel to the output end of the bridge circuit;
开关模块,所述开关模块的一端连接至所述第三开关管和所述第四开关管的连接点,所述开关模块的另一端连接至所述第一电容和所述第二电容的连接点;a switch module, one end of the switch module is connected to the connection point of the third switch tube and the fourth switch tube, and the other end of the switch module is connected to the connection of the first capacitor and the second capacitor point;
控制模块,分别连接所述第一开关管、所述第二开关管、所述第三开关管、所述第四开关管和所述开关模块,用于控制所述开关模块的开合,且用于在所述开关模块闭合情况下控制所述第一开关管、所述第二开关管、所述第三开关管和所述第四开关管的导通截止,以在交流电源的正半周期通过所述第一开关管向所述第一电容充电并在交流电源的负半周期通过所述第二开关管向所述第二电容充电。a control module, respectively connected to the first switch tube, the second switch tube, the third switch tube, the fourth switch tube and the switch module, for controlling the opening and closing of the switch module, and When the switch module is closed, the first switch tube, the second switch tube, the third switch tube and the fourth switch tube are controlled to be turned on and off, so as to be in the positive half of the AC power supply. Periodically, the first capacitor is charged through the first switch tube, and the second capacitor is charged through the second switch tube during the negative half cycle of the AC power supply.
根据本发明实施例的图腾柱PFC电路,至少具有如下有益效果:开关模块打开时,图 腾柱PFC电路运行于图腾柱PFC模式,开关模块闭合时,图腾柱PFC电路运行于图腾柱倍压PFC模式,控制模块控制开关模块的开合,使得图腾柱PFC电路能够在图腾柱PFC模式和图腾柱倍压PFC模式之间切换;运行于图腾柱倍压PFC模式时,控制模块通过控制所第一开关管、第二开关管、第三开关管和第四开关管的导通截止,使得在交流电源的正半周期通过第一开关管向第一电容充电并在交流电源的负半周期通过第二开关管向第二电容充电,避免了通过开关管的反并联二极管向电容充电,降低了导通损耗,提高电压转换效率。The totem-pole PFC circuit according to the embodiment of the present invention has at least the following beneficial effects: when the switch module is turned on, the totem-pole PFC circuit operates in the totem-pole PFC mode, and when the switch module is closed, the totem-pole PFC circuit operates in the totem-pole voltage doubler PFC mode , the control module controls the opening and closing of the switch module, so that the totem-pole PFC circuit can switch between the totem-pole PFC mode and the totem-pole voltage multiplier PFC mode; when running in the totem-pole voltage multiplier PFC mode, the control module controls the first switch of the The conduction and cut-off of the first switch tube, the second switch tube, the third switch tube and the fourth switch tube make the first capacitor charge through the first switch tube in the positive half cycle of the AC power supply and pass through the second switch tube in the negative half cycle of the AC power supply. The switch tube charges the second capacitor, which avoids charging the capacitor through the anti-parallel diode of the switch tube, reduces the conduction loss, and improves the voltage conversion efficiency.
根据本发明的一些实施例,还包括第一母线二极管和第二母线二极管,所述第一母线二极管的正极连接至所述第一桥臂的一端以及所述第二桥臂的一端,所述第一母线二极管的负极连接至所述母线电容模块的一端;所述第二母线二极管的正极连接至所述母线电容模块的另一端,所述第二母线二极管的负极连接至所述第一桥臂的另一端以及所述第二桥臂的另一端。通过设置第一母线二极管和第二母线二极管,能够避免母线电容模块的中存储的电能反向释放。According to some embodiments of the present invention, further comprising a first bus diode and a second bus diode, the anode of the first bus diode is connected to one end of the first bridge arm and one end of the second bridge arm, the The cathode of the first busbar diode is connected to one end of the busbar capacitor module; the anode of the second busbar diode is connected to the other end of the busbar capacitor module, and the cathode of the second busbar diode is connected to the first bridge the other end of the arm and the other end of the second bridge arm. By arranging the first bus diode and the second bus diode, the reverse discharge of the electric energy stored in the bus capacitor module can be avoided.
根据本发明的一些实施例,所述控制所述开关模块的开合,包括:According to some embodiments of the present invention, the controlling the opening and closing of the switch module includes:
在所述需求电压小于交流电源的峰值电压的两倍的情况下,控制所述开关模块断开;Controlling the switch module to disconnect when the demanded voltage is less than twice the peak voltage of the AC power supply;
在所述需求电压大于或者等于交流电源的峰值电压的两倍的情况下,控制所述开关模块闭合。When the demanded voltage is greater than or equal to twice the peak voltage of the AC power supply, the switch module is controlled to be closed.
在本实施例中,若需求电压小于交流电源的峰值电压的两倍,控制开关模块断开,使得图腾柱PFC电路运行于图腾柱PFC模式;若需求电压大于或者等于交流电源的峰值电压的两倍,控制开关模块闭合,使得图腾柱PFC电路运行于图腾柱倍压PFC模式,能够根据不同需求的电压等级,控制开关模块的状态,来选择合适的运行模式。In this embodiment, if the demanded voltage is less than twice the peak voltage of the AC power supply, the control switch module is turned off, so that the totem-pole PFC circuit operates in the totem-pole PFC mode; if the demanded voltage is greater than or equal to two times the peak voltage of the AC power supply times, the control switch module is closed, so that the totem pole PFC circuit operates in the totem pole voltage doubler PFC mode, and the state of the switch module can be controlled according to the voltage level of different requirements to select the appropriate operation mode.
根据本发明的一些实施例,还包括用于检测交流电源输入的交流电流值的电流检测模块,所述电流检测模块串联在所述电桥电路的输入端,所述电流检测模块的输出端连接所述控制模块。电流检测模块将检测到的交流电流值从输出端传输给控制模块,以便控制模块根据交流电流值对相应的开关管进行控制。According to some embodiments of the present invention, it further includes a current detection module for detecting the AC current value input by the AC power supply, the current detection module is connected in series with the input end of the bridge circuit, and the output end of the current detection module is connected to the control module. The current detection module transmits the detected AC current value from the output end to the control module, so that the control module controls the corresponding switch tube according to the AC current value.
根据本发明的一些实施例,所述的控制所述第一开关管、所述第二开关管、所述第三开关管和所述第四开关管的导通截止,以在交流电源的正半周期通过所述第一开关管向所述第一电容充电并在交流电源的负半周期通过所述第二开关管向所述第二电容充电,包括:According to some embodiments of the present invention, the control of the first switch tube, the second switch tube, the third switch tube and the fourth switch tube is turned on and off, so as to be in the positive state of the AC power supply. The first capacitor is charged through the first switch in a half cycle, and the second capacitor is charged through the second switch in the negative half cycle of the AC power supply, including:
在交流电源的正半周期,控制所述第二开关管、所述第三开关管和所述第四开关管截止,且在检测到交流电流值大于零的情况下控制所述第一开关管导通;During the positive half cycle of the AC power supply, the second switch tube, the third switch tube and the fourth switch tube are controlled to be turned off, and the first switch tube is controlled when the AC current value is detected to be greater than zero turn on;
在交流电源的负半周期,控制所述第一开关管、所述第三开关管和所述第四开关管截止,且在检测到交流电流值小于零的情况下控制所述第二开关管导通。In the negative half cycle of the AC power supply, the first switch tube, the third switch tube and the fourth switch tube are controlled to be turned off, and the second switch tube is controlled when the AC current value is detected to be less than zero on.
在本实施例中,图腾柱PFC电路运行于图腾柱倍压PFC模式时,若此时第一开关管、 第二开关管、第三开关管和第四开关管均没有驱动信号,电流是通过开关管的反并联二极管为母线电容模块充电的,此时二极管的管压降大,会导致损耗大,因此在交流电源的正半周期,检测到交流电流值大于零时控制第一开关管导通,使充电电流通过第一开关管向第一电容充电,在交流电源的负半周期,检测到交流电流值小于零时控制第二开关管导通,使充电电流通过第二开关管向第二电容充电,避免了通过开关管的反并联二极管向电容充电,降低了导通损耗,提高电压转换效率。In this embodiment, when the totem-pole PFC circuit operates in the totem-pole voltage multiplier PFC mode, if the first switch, the second switch, the third switch and the fourth switch have no driving signal at this time, the current is passed through The anti-parallel diode of the switch tube is charged for the bus capacitor module. At this time, the tube voltage drop of the diode is large, which will lead to large loss. Therefore, in the positive half cycle of the AC power supply, when the AC current value is detected to be greater than zero, the first switch tube is controlled to conduct electricity. is turned on, so that the charging current is charged to the first capacitor through the first switch tube. In the negative half cycle of the AC power supply, when the AC current value is detected to be less than zero, the second switch tube is controlled to be turned on, so that the charging current passes through the second switch tube to the first capacitor. The charging of the second capacitor avoids charging the capacitor through the anti-parallel diode of the switch tube, reduces the conduction loss, and improves the voltage conversion efficiency.
根据本发明的一些实施例,所述控制模块还用于在所述开关模块断开情况下,控制所述第一开关管和所述第四开关管在交流电源的正半周期导通且在交流电源的负半周期截止,以及控制所述第二开关管和所述第三开关管在交流电源的正半周期截止且在交流电源的负半周期导通。同理,在开关模块断开时,图腾柱PFC电路运行于图腾柱PFC模式,若此时第一开关管、第二开关管、第三开关管和第四开关管均没有驱动信号,电流是通过开关管的反并联二极管为母线电容模块充电的,此时二极管的管压降大,会导致损耗大,因此,在交流电源的正半周期,控制第一开关管和第四开关管导通,交流电源通过第一开关管和第四开关管向第一电容和第二电容充电,在交流电源的负半周期,控制第二开关管和第三开关管导通,交流电源通过第二开关管和第三开关管向第一电容和第二电容充电,避免了通过开关管的反并联二极管向电容充电,降低了导通损耗,提高电压转换效率。According to some embodiments of the present invention, the control module is further configured to control the first switch transistor and the fourth switch transistor to be turned on during the positive half cycle of the AC power supply and in the case that the switch module is disconnected The negative half cycle of the AC power supply is turned off, and the second switch tube and the third switch tube are controlled to be turned off during the positive half cycle of the AC power supply and turned on during the negative half cycle of the AC power supply. Similarly, when the switch module is disconnected, the totem-pole PFC circuit operates in the totem-pole PFC mode. If the first switch tube, the second switch tube, the third switch tube and the fourth switch tube have no driving signal at this time, the current is The bus capacitor module is charged through the anti-parallel diode of the switch tube. At this time, the tube voltage drop of the diode is large, which will lead to large loss. Therefore, in the positive half cycle of the AC power supply, the first switch tube and the fourth switch tube are controlled to be turned on. , the AC power supply charges the first capacitor and the second capacitor through the first switch tube and the fourth switch tube, and in the negative half cycle of the AC power supply, the second switch tube and the third switch tube are controlled to be turned on, and the AC power supply passes through the second switch tube. The tube and the third switch tube charge the first capacitor and the second capacitor, which avoids charging the capacitor through the anti-parallel diode of the switch tube, reduces the conduction loss, and improves the voltage conversion efficiency.
根据本发明的一些实施例,还包括直流电压检测模块,所述直流电压检测模块并联在所述母线电容模块的后端,所述直流电压检测模块的输出端连接所述控制模块。直流电压检测模块将检测到的直流母线电压值从输出端传输给控制模块,以便控制模块根据直流母线电压值进行控制调整。According to some embodiments of the present invention, it further includes a DC voltage detection module, the DC voltage detection module is connected in parallel with the rear end of the bus capacitor module, and an output end of the DC voltage detection module is connected to the control module. The DC voltage detection module transmits the detected DC bus voltage value from the output end to the control module, so that the control module can control and adjust according to the DC bus voltage value.
根据本发明的一些实施例,还包括交流电压检测模块,所述交流电压检测模块并联在交流电源和所述电桥电路之间,所述交流电压检测模块的输出端连接所述控制模块。交流电压检测模块将检测到的交流电压值从输出端传输给控制模块,以便控制模块根据交流电压值进行控制调整。According to some embodiments of the present invention, an AC voltage detection module is further included, the AC voltage detection module is connected in parallel between the AC power supply and the bridge circuit, and an output end of the AC voltage detection module is connected to the control module. The AC voltage detection module transmits the detected AC voltage value from the output end to the control module, so that the control module can control and adjust according to the AC voltage value.
根据本发明的一些实施例,所述开关模块包括第一二极管、第二二极管、第三二极管、第四二极管和第五开关管,所述第一二极管和所述第二二极管串联形成二极管第一支路,所述第三二极管和所述第四二极管相互串联形成二极管第二支路,所述第五开关管、所述二极管第一支路和所述二极管第二支路相互并联,所述第一二极管和所述第二二极管的连接点引出作为所述开关模块的一端,所述第三二极管和所述第四二极管的连接点引出作为所述开关模块的另一端。本实施例给出了开关模块的一种具体电路结构,开关模块的闭合状态对应于第五开关管导通,开关模块的断开对应于第五开关管截止。According to some embodiments of the present invention, the switch module includes a first diode, a second diode, a third diode, a fourth diode and a fifth switch transistor, the first diode and The second diode is connected in series to form the first branch of the diode, the third diode and the fourth diode are connected in series to form the second branch of the diode, the fifth switch tube and the diode are connected in series to form the second branch of the diode. One branch and the second branch of the diode are connected in parallel with each other, the connection point of the first diode and the second diode is drawn out as one end of the switch module, the third diode and the The connection point of the fourth diode is drawn out as the other end of the switch module. This embodiment provides a specific circuit structure of the switch module. The closed state of the switch module corresponds to the conduction of the fifth switch tube, and the disconnection of the switch module corresponds to the cut-off of the fifth switch tube.
根据本发明的一些实施例,所述开关模块包括反向并联的第六开关管和第七开关管。本实施例给出了开关模块的另一种具体电路结构,开关模块的闭合状态对应于第六开关管和第七开关管同时导通或者在交流电源的正半周期第六开关管导通,在交流电源的负半周 期第七开关管导通;开关模块的断开对应于第六开关管和第七开关管同时截止。According to some embodiments of the present invention, the switch module includes a sixth switch transistor and a seventh switch transistor that are connected in antiparallel. This embodiment provides another specific circuit structure of the switch module. The closed state of the switch module corresponds to the sixth switch tube and the seventh switch tube being turned on at the same time or the sixth switch tube being turned on during the positive half cycle of the AC power supply. The seventh switch tube is turned on during the negative half cycle of the AC power supply; the disconnection of the switch module corresponds to the simultaneous turn-off of the sixth switch tube and the seventh switch tube.
根据本发明的一些实施例,所述开关模块包括反向串联的第八开关管和第九开关管,所述第八开关管和所述第九开关管均反并联有二极管。本实施例给出了开关模块的又一种具体电路结构,开关模块的闭合对应于第八开关管和第九开关管同时导通或者在交流电源的正半周期第八开关管导通,在交流电源的负半周期第九开关管导通;开关模块的断开对应于第八开关管和第九开关管同时截止。According to some embodiments of the present invention, the switch module includes an eighth switch tube and a ninth switch tube connected in reverse series, and diodes are both connected in anti-parallel to the eighth switch tube and the ninth switch tube. This embodiment provides another specific circuit structure of the switch module. The closing of the switch module corresponds to the simultaneous conduction of the eighth switch tube and the ninth switch tube or the conduction of the eighth switch tube in the positive half cycle of the AC power supply. In the negative half cycle of the AC power supply, the ninth switch tube is turned on; the disconnection of the switch module corresponds to the simultaneous turn-off of the eighth switch tube and the ninth switch tube.
根据本发明的一些实施例,所述开关模块为继电器或者机械开关器件。开关模块除了可以采用上述实施例提供的三种双向可控的高频开关,还可以采用本实施例给出的另外两种实施例方式。According to some embodiments of the present invention, the switch module is a relay or a mechanical switch device. In addition to the three bidirectional controllable high-frequency switches provided in the foregoing embodiment, the switch module may also use the other two embodiments provided in this embodiment.
根据本发明第二方面实施例的图腾柱PFC电路控制方法,所述图腾柱PFC电路包括:According to a method for controlling a totem-pole PFC circuit according to an embodiment of the second aspect of the present invention, the totem-pole PFC circuit includes:
电桥电路,所述电桥电路包括相互并联的第一桥臂和第二桥臂,所述第一桥臂包括相互串联的第一开关管和第二开关管,所述第二桥臂包括相互串联的第三开关管和第四开关管,所述第一开关管、所述第二开关管、所述第三开关管和所述第四开关管均反并联有二极管;a bridge circuit, the bridge circuit includes a first bridge arm and a second bridge arm connected in parallel, the first bridge arm includes a first switch tube and a second switch tube connected in series, the second bridge arm includes a third switch tube and a fourth switch tube connected in series with each other, the first switch tube, the second switch tube, the third switch tube and the fourth switch tube all have diodes in anti-parallel;
母线电容模块,所述母线电容模块包括第一电容和第二电容,所述第一电容和所述第二电容串联后并联在所述电桥电路的输出端;a bus capacitor module, the bus capacitor module includes a first capacitor and a second capacitor, the first capacitor and the second capacitor are connected in series and then connected in parallel to the output end of the bridge circuit;
开关模块,所述开关模块的一端连接至所述第三开关管和所述第四开关管的连接点,所述开关模块的另一端连接至所述第一电容和所述第二电容的连接点;a switch module, one end of the switch module is connected to the connection point of the third switch tube and the fourth switch tube, and the other end of the switch module is connected to the connection of the first capacitor and the second capacitor point;
控制模块,连接所述第一开关管、所述第二开关管、所述第三开关管、所述第四开关管和所述开关模块;a control module, connecting the first switch tube, the second switch tube, the third switch tube, the fourth switch tube and the switch module;
所述方法包括:The method includes:
所述控制模块控制所述开关模块的开合;the control module controls the opening and closing of the switch module;
所述控制模块在所述开关模块闭合情况下控制所述第一开关管、所述第二开关管、所述第三开关管和所述第四开关管的导通截止,以在交流电源的正半周期通过所述第一开关管向所述第一电容充电并在交流电源的负半周期通过所述第二开关管向所述第二电容充电。The control module controls the on-off of the first switch tube, the second switch tube, the third switch tube and the fourth switch tube when the switch module is turned on, so that the AC power supply can be switched on and off. The first capacitor is charged through the first switch in a positive half cycle, and the second capacitor is charged through the second switch in a negative half cycle of the AC power supply.
根据本发明实施例的图腾柱PFC电路控制方法,至少具有如下有益效果:开关模块打开时,图腾柱PFC电路运行于图腾柱PFC模式,开关模块闭合时,图腾柱PFC电路运行于图腾柱倍压PFC模式,控制模块控制开关模块的开合,使得图腾柱PFC电路能够在图腾柱PFC模式和图腾柱倍压PFC模式之间切换;运行于图腾柱倍压PFC模式时,控制模块通过控制所第一开关管、第二开关管、第三开关管和第四开关管的导通截止,使得在交流电源的正半周期通过第一开关管向第一电容充电并在交流电源的负半周期通过第二开关管向第二电容充电,避免了通过开关管的反并联二极管向电容充电,降低了导通损耗,提高电压转换效率。The method for controlling a totem-pole PFC circuit according to an embodiment of the present invention has at least the following beneficial effects: when the switch module is turned on, the totem-pole PFC circuit operates in the totem-pole PFC mode, and when the switch module is closed, the totem-pole PFC circuit operates at the totem-pole voltage multiplier In PFC mode, the control module controls the opening and closing of the switch module, so that the totem-pole PFC circuit can switch between the totem-pole PFC mode and the totem-pole voltage multiplier PFC mode; when running in the totem-pole voltage multiplier PFC mode, the control module controls the A switch tube, a second switch tube, a third switch tube and a fourth switch tube are turned on and off, so that the first capacitor is charged through the first switch tube in the positive half cycle of the AC power supply and passes through the negative half cycle of the AC power supply The second switch tube charges the second capacitor, which avoids charging the capacitor through the anti-parallel diode of the switch tube, reduces the conduction loss, and improves the voltage conversion efficiency.
根据本发明的一些实施例,所述控制所述开关模块的开合,包括:According to some embodiments of the present invention, the controlling the opening and closing of the switch module includes:
在所述需求电压小于交流电源的峰值电压的两倍的情况下,所述控制模块控制所述开关模块断开;When the demanded voltage is less than twice the peak voltage of the AC power supply, the control module controls the switch module to turn off;
在所述需求电压大于或者等于交流电源的峰值电压的两倍的情况下,所述控制模块控制所述开关模块闭合。When the demand voltage is greater than or equal to twice the peak voltage of the AC power source, the control module controls the switch module to close.
在本实施例中,若需求电压小于交流电源的峰值电压的两倍,控制开关模块断开,使得图腾柱PFC电路运行于图腾柱PFC模式;若需求电压大于或者等于交流电源的峰值电压的两倍,控制开关模块闭合,使得图腾柱PFC电路运行于图腾柱倍压PFC模式,能够根据不同需求的电压等级,控制开关模块的状态,来选择合适的运行模式。In this embodiment, if the demanded voltage is less than twice the peak voltage of the AC power supply, the control switch module is turned off, so that the totem-pole PFC circuit operates in the totem-pole PFC mode; if the demanded voltage is greater than or equal to two times the peak voltage of the AC power supply times, the control switch module is closed, so that the totem pole PFC circuit operates in the totem pole voltage doubler PFC mode, and the state of the switch module can be controlled according to the voltage level of different requirements to select the appropriate operation mode.
根据本发明的一些实施例,所述图腾柱PFC电路还包括用于检测交流电源输入的交流电流值的电流检测模块,所述电流检测模块串联在所述电桥电路的输入端,所述电流检测模块的输出端连接所述控制模块;According to some embodiments of the present invention, the totem pole PFC circuit further includes a current detection module for detecting the AC current value input by the AC power supply, the current detection module is connected in series with the input end of the bridge circuit, and the current The output end of the detection module is connected to the control module;
所述的控制所述第一开关管、所述第二开关管、所述第三开关管和所述第四开关管的导通截止,以在交流电源的正半周期通过所述第一开关管向所述第一电容充电并在交流电源的负半周期通过所述第二开关管向所述第二电容充电,包括:Controlling the on-off of the first switch tube, the second switch tube, the third switch tube and the fourth switch tube, so as to pass the first switch in the positive half cycle of the AC power supply The tube charges the first capacitor and charges the second capacitor through the second switch tube during the negative half cycle of the AC power supply, including:
在交流电源的正半周期,控制所述第二开关管、所述第三开关管和所述第四开关管截止,且在检测到交流电流值大于零的情况下控制所述第一开关管导通;During the positive half cycle of the AC power supply, the second switch tube, the third switch tube and the fourth switch tube are controlled to be turned off, and the first switch tube is controlled when the AC current value is detected to be greater than zero turn on;
在交流电源的负半周期,控制所述第一开关管、所述第三开关管和所述第四开关管截止,且在检测到交流电流值小于零的情况下控制所述第二开关管导通。In the negative half cycle of the AC power supply, the first switch tube, the third switch tube and the fourth switch tube are controlled to be turned off, and the second switch tube is controlled when the AC current value is detected to be less than zero on.
在本实施例中,图腾柱PFC电路运行于图腾柱倍压PFC模式时,若此时第一开关管、第二开关管、第三开关管和第四开关管均没有驱动信号,电流是通过开关管的反并联二极管为母线电容模块充电的,此时二极管的管压降大,会导致损耗大,因此在交流电源的正半周期,检测到交流电流值大于零时控制第一开关管导通,使充电电流通过第一开关管向第一电容充电,在交流电源的负半周期,检测到交流电流值小于零时控制第二开关管导通,使充电电流通过第二开关管向第二电容充电,避免了通过开关管的反并联二极管向电容充电,降低了导通损耗,提高电压转换效率。In this embodiment, when the totem-pole PFC circuit operates in the totem-pole voltage multiplier PFC mode, if there is no driving signal for the first switch, the second switch, the third switch and the fourth switch at this time, the current is passed through The anti-parallel diode of the switch tube is charged for the bus capacitor module. At this time, the tube voltage drop of the diode is large, which will lead to large loss. Therefore, in the positive half cycle of the AC power supply, when the AC current value is detected to be greater than zero, the first switch tube is controlled to conduct electricity. is turned on, so that the charging current is charged to the first capacitor through the first switch tube. In the negative half cycle of the AC power supply, when the AC current value is detected to be less than zero, the second switch tube is controlled to be turned on, so that the charging current passes through the second switch tube to the first capacitor. The charging of the second capacitor avoids charging the capacitor through the anti-parallel diode of the switch tube, reduces the conduction loss, and improves the voltage conversion efficiency.
根据本发明的一些实施例,还包括在所述开关模块断开情况下,所述控制模块控制所述第一开关管和所述第四开关管在交流电源的正半周期导通且在交流电源的负半周期截止,以及控制所述第二开关管和所述第三开关管在交流电源的正半周期截止且在交流电源的负半周期导通。同理,在开关模块断开时,图腾柱PFC电路运行于图腾柱PFC模式,若此时第一开关管、第二开关管、第三开关管和第四开关管均没有驱动信号,电流是通过开关管的反并联二极管为母线电容模块充电的,此时二极管的管压降大,会导致损耗大,因此,在交流电源的正半周期,控制第一开关管和第四开关管导通,交流电源通过第一开关管和第四开关管向第一电容和第二电容充电,在交流电源的负半周期,控制第二开关管 和第三开关管导通,交流电源通过第二开关管和第三开关管向第一电容和第二电容充电,避免了通过开关管的反并联二极管向电容充电,降低了导通损耗,提高电压转换效率。According to some embodiments of the present invention, when the switch module is turned off, the control module controls the first switch transistor and the fourth switch transistor to be turned on in the positive half cycle of the AC power supply and in the AC power supply. The negative half cycle of the power supply is turned off, and the second switch tube and the third switch tube are controlled to be turned off during the positive half cycle of the AC power supply and turned on during the negative half cycle of the AC power supply. Similarly, when the switch module is disconnected, the totem-pole PFC circuit operates in the totem-pole PFC mode. If the first switch tube, the second switch tube, the third switch tube and the fourth switch tube have no driving signal at this time, the current is The bus capacitor module is charged through the anti-parallel diode of the switch tube. At this time, the tube voltage drop of the diode is large, which will lead to large loss. Therefore, in the positive half cycle of the AC power supply, the first switch tube and the fourth switch tube are controlled to be turned on. , the AC power supply charges the first capacitor and the second capacitor through the first switch tube and the fourth switch tube, and in the negative half cycle of the AC power supply, the second switch tube and the third switch tube are controlled to be turned on, and the AC power supply passes through the second switch tube. The tube and the third switch tube charge the first capacitor and the second capacitor, which avoids charging the capacitor through the anti-parallel diode of the switch tube, reduces the conduction loss, and improves the voltage conversion efficiency.
根据本发明第三方面实施例的线路板,包括根据本发明第一方面实施例所述的图腾柱PFC电路。The circuit board according to the embodiment of the third aspect of the present invention includes the totem-pole PFC circuit according to the embodiment of the first aspect of the present invention.
根据本发明实施例的线路板,至少具有如下有益效果:开关模块打开时,图腾柱PFC电路运行于图腾柱PFC模式,开关模块闭合时,图腾柱PFC电路运行于图腾柱倍压PFC模式,控制模块根据需求电压与交流电源的峰值电压来控制开关模块的开合,使得图腾柱PFC电路能够在图腾柱PFC模式和图腾柱倍压PFC模式之间切换;运行于图腾柱倍压PFC模式时,控制模块通过控制所第一开关管、第二开关管、第三开关管和第四开关管的导通截止,使得交流电源在正半周期通过第一开关管向第一电容充电并在负半周期通过第二开关管向第二电容充电,避免了通过开关管的反并联二极管向电容充电,降低了导通损耗,提高电压转换效率。The circuit board according to the embodiment of the present invention has at least the following beneficial effects: when the switch module is turned on, the totem-pole PFC circuit operates in the totem-pole PFC mode; when the switch module is closed, the totem-pole PFC circuit operates in the totem-pole voltage multiplier PFC mode, and the control The module controls the opening and closing of the switch module according to the demand voltage and the peak voltage of the AC power supply, so that the totem-pole PFC circuit can switch between the totem-pole PFC mode and the totem-pole voltage multiplier PFC mode; when operating in the totem-pole voltage multiplier PFC mode, The control module controls the on-off of the first switch tube, the second switch tube, the third switch tube and the fourth switch tube, so that the AC power supply charges the first capacitor through the first switch tube in the positive half cycle and charges the first capacitor in the negative half cycle. Periodically charging the second capacitor through the second switch tube, avoiding charging the capacitor through the anti-parallel diode of the switch tube, reducing the conduction loss and improving the voltage conversion efficiency.
根据本发明第四方面实施例的空调器,包括根据本发明第三方面实施例所述的线路板;或者,An air conditioner according to an embodiment of the fourth aspect of the present invention includes the circuit board according to the embodiment of the third aspect of the present invention; or,
包括至少一个处理器和用于与所述至少一个处理器通信连接的存储器;所述存储器存储有能够被所述至少一个处理器执行的指令,所述指令被所述至少一个处理器执行,以使所述至少一个处理器能够执行根据本发明第二方面实施例所述的图腾柱PFC电路控制方法。comprising at least one processor and a memory for communicative connection with the at least one processor; the memory storing instructions executable by the at least one processor, the instructions being executed by the at least one processor to The at least one processor is enabled to execute the totem-pole PFC circuit control method according to the embodiment of the second aspect of the present invention.
根据本发明实施例的空调器,至少具有如下有益效果:开关模块打开时,图腾柱PFC电路运行于图腾柱PFC模式,开关模块闭合时,图腾柱PFC电路运行于图腾柱倍压PFC模式,控制模块控制开关模块的开合,使得图腾柱PFC电路能够在图腾柱PFC模式和图腾柱倍压PFC模式之间切换;运行于图腾柱倍压PFC模式时,控制模块通过控制所第一开关管、第二开关管、第三开关管和第四开关管的导通截止,使得在交流电源的正半周期通过第一开关管向第一电容充电并在交流电源的负半周期通过第二开关管向第二电容充电,避免了通过开关管的反并联二极管向电容充电,降低了导通损耗,提高电压转换效率。The air conditioner according to the embodiment of the present invention has at least the following beneficial effects: when the switch module is turned on, the totem-pole PFC circuit operates in the totem-pole PFC mode; when the switch module is closed, the totem-pole PFC circuit operates in the totem-pole voltage multiplier PFC mode, and the control The module controls the opening and closing of the switch module, so that the totem-pole PFC circuit can switch between the totem-pole PFC mode and the totem-pole voltage multiplier PFC mode; when running in the totem-pole voltage multiplier PFC mode, the control module controls the first switch tube, The second switch tube, the third switch tube and the fourth switch tube are turned on and off, so that the first capacitor is charged through the first switch tube in the positive half cycle of the AC power supply and passed through the second switch tube in the negative half cycle of the AC power supply Charging to the second capacitor avoids charging the capacitor through the anti-parallel diode of the switch tube, reduces the conduction loss, and improves the voltage conversion efficiency.
根据本发明第五方面实施例的一种计算机可读存储介质,其特征在于,所述计算机可读存储介质存储有计算机可执行指令,所述计算机可执行指令用于使计算机执行根据本发明第二方面实施例所述的图腾柱PFC电路控制方法。A computer-readable storage medium according to an embodiment of the fifth aspect of the present invention is characterized in that, the computer-readable storage medium stores computer-executable instructions, and the computer-executable instructions are used to cause a computer to execute the The totem pole PFC circuit control method described in the second embodiment.
本发明的附加方面和优点将在下面的描述中部分给出,部分将从下面的描述中变得明显,或通过本发明的实践了解到。Additional aspects and advantages of the present invention will be set forth, in part, from the following description, and in part will be apparent from the following description, or may be learned by practice of the invention.
下面结合附图和实施例对本发明进一步地说明;Below in conjunction with accompanying drawing and embodiment, the present invention is further described;
图1为本发明实施例提供的图腾柱PFC电路的电路原理图;1 is a circuit schematic diagram of a totem pole PFC circuit provided by an embodiment of the present invention;
图2为本发明实施例提供的另一图腾柱PFC电路的电路原理图;2 is a schematic circuit diagram of another totem pole PFC circuit provided by an embodiment of the present invention;
图3为本发明实施例提供的图腾柱PFC电路控制方法的部分流程图;3 is a partial flowchart of a method for controlling a totem pole PFC circuit provided by an embodiment of the present invention;
图4为本发明实施例提供的图腾柱PFC电路的工作于图腾柱PFC模式的状态切换图;4 is a state switching diagram of a totem-pole PFC circuit provided in an embodiment of the present invention working in a totem-pole PFC mode;
图5为本发明实施例提供的图腾柱PFC电路的工作于图腾柱倍压PFC模式的状态切换图;5 is a state switching diagram of a totem-pole PFC circuit provided in an embodiment of the present invention working in a totem-pole voltage multiplier PFC mode;
图6为本发明实施例提供的图腾柱PFC电路的开关模块的电路原理图;6 is a circuit schematic diagram of a switch module of a totem pole PFC circuit provided by an embodiment of the present invention;
图7为本发明实施例提供的图腾柱PFC电路的开关模块的另一电路原理图;7 is another circuit schematic diagram of a switch module of a totem pole PFC circuit provided by an embodiment of the present invention;
图8为本发明实施例提供的图腾柱PFC电路的开关模块的又一电路原理图;8 is another circuit schematic diagram of a switch module of a totem pole PFC circuit provided by an embodiment of the present invention;
图9为本发明实施例提供的图腾柱PFC电路控制方法的流程图。FIG. 9 is a flowchart of a method for controlling a totem pole PFC circuit according to an embodiment of the present invention.
本部分将详细描述本发明的具体实施例,本发明之较佳实施例在附图中示出,附图的作用在于用图形补充说明书文字部分的描述,使人能够直观地、形象地理解本发明的每个技术特征和整体技术方案,但其不能理解为对本发明保护范围的限制。This part will describe the specific embodiments of the present invention in detail, and the preferred embodiments of the present invention are shown in the accompanying drawings. Each technical feature and overall technical solution of the invention should not be construed as limiting the protection scope of the invention.
在本发明的描述中,如果有描述到第一、第二只是用于区分技术特征为目的,而不能理解为指示或暗示相对重要性或者隐含指明所指示的技术特征的数量或者隐含指明所指示的技术特征的先后关系。In the description of the present invention, if it is described that the first and the second are only for the purpose of distinguishing technical features, it should not be understood as indicating or implying relative importance or implicitly indicating the number of indicated technical features or implicitly indicating The order of the indicated technical features.
本发明的描述中,除非另有明确的限定,设置、安装、连接等词语应做广义理解,所属技术领域技术人员可以结合技术方案的具体内容合理确定上述词语在本发明中的具体含义。In the description of the present invention, unless otherwise clearly defined, words such as setting, installation, connection should be understood in a broad sense, and those skilled in the art can reasonably determine the specific meanings of the above words in the present invention in combination with the specific content of the technical solution.
本发明实施例提供一种图腾柱PFC电路、控制方法、线路板、空调器及计算机存储介质,能够降低图腾柱PFC电路的导通损耗,提高电压转换效率。Embodiments of the present invention provide a totem-pole PFC circuit, a control method, a circuit board, an air conditioner and a computer storage medium, which can reduce the conduction loss of the totem-pole PFC circuit and improve the voltage conversion efficiency.
下面结合附图,对本发明实施例作进一步阐述。The embodiments of the present invention will be further described below with reference to the accompanying drawings.
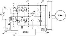
如图1所示,图1是本发明第一方面实施例提供的图腾柱PFC电路的结构示意图,图腾柱PFC电路包括电桥电路100、电抗器L1、母线电容模块200、开关模块300和控制模块400。As shown in FIG. 1, FIG. 1 is a schematic structural diagram of a totem-pole PFC circuit provided by an embodiment of the first aspect of the present invention. The totem-pole PFC circuit includes a
电桥电路100包括相互并联的第一桥臂和第二桥臂,第一桥臂包括相互串联的第一开关管Q1和第二开关管Q2,第二桥臂包括相互串联的第三开关管Q3和第四开关管Q4,第一开关管Q1、第二开关管Q2、第三开关管Q3和第四开关管Q4组成了一个桥式电路,其中,第一开关管反并联有二极管D1,第二开关管反并联有二极管D2,第三开关管反并联有二极管D3,第四开关管反并联有二极管D4;The
电抗器L1的一端连接交流电源AC的一端,电抗器L1的另一端连接至第一开关管Q1和第二开关管Q2的连接点,交流电源AC的另一端连接至第三开关管Q3和第四开关管Q4的连接点;One end of the reactor L1 is connected to one end of the AC power source AC, the other end of the reactor L1 is connected to the connection point of the first switch tube Q1 and the second switch tube Q2, and the other end of the AC power source AC is connected to the third switch tube Q3 and the first switch tube Q3. The connection point of the four-switch Q4;
母线电容模块200包括第一电容C1和第二电容C2,第一电容C1和第二电容C2串联后并联在电桥电路100的输出端;The
开关模块300的一端连接至第三开关管Q3和第四开关管Q4的连接点,开关模块300的另一端连接至第一电容C1和第二电容C2的连接点;One end of the
控制模块400,分别连接第一开关管Q1第二开关管Q2、第三开关管Q3、第四开关管Q4和开关模块300,用于控制开关模块300的开合,且用于在开关模块300闭合情况下控制第一开关Q1管、第二开关管Q2、第三开关管Q3和第四开关管Q4的导通截止,以使在交流电源AC的正半周期通过第一开关管Q1向第一电容C1充电并在在交流电源AC的负半周期通过第二开关管Q2向第二电容C2充电。The
除了图1所示的电路拓扑,本发明的另一个实施例还提供另一种图腾柱PFC电路拓扑,参照图2所示,本实施例的图腾柱PFC电路还包括第一母线二极管D10和第二母线二极管D20,第一母线二极管D10的正极连接至第一桥臂的一端以及第二桥臂的一端,第一母线二极管D10的负极连接至母线电容模块20的一端;第二母线二极管D20的正极连接至母线电容模块20的另一端,第二母线二极管D20的负极连接至第一桥臂的另一端以及第二桥臂的另一端。通过设置第一母线二极管D10和第二母线二极管D20,能够避免母线电容模块200的中存储的电能反向释放。In addition to the circuit topology shown in FIG. 1 , another embodiment of the present invention also provides another totem-pole PFC circuit topology. Referring to FIG. 2 , the totem-pole PFC circuit of this embodiment further includes a first bus diode D10 and a second Two busbar diodes D20, the anode of the first busbar diode D10 is connected to one end of the first bridge arm and one end of the second bridge arm, and the cathode of the first busbar diode D10 is connected to one end of the busbar capacitor module 20; The anode is connected to the other end of the bus capacitor module 20, and the cathode of the second bus diode D20 is connected to the other end of the first bridge arm and the other end of the second bridge arm. By arranging the first bus diode D10 and the second bus diode D20, the reverse discharge of the electric energy stored in the
开关模块300打开时,图腾柱PFC电路运行于图腾柱PFC模式,开关模块300闭合时,图腾柱PFC电路运行于图腾柱倍压PFC模式,控制模块400根据需求电压与交流电源AC的峰值电压来控制开关模块300的开合,使得图腾柱PFC电路能够在图腾柱PFC模式和图腾柱倍压PFC模式之间切换。When the
具体地,参照图3,在需求电压小于交流电源AC的峰值电压的两倍的情况下,控制模块400控制开关模块300断开,使图腾柱PFC电路运行于图腾柱PFC模式,即控制模块400控制第一开关管Q1和第四开关管Q4在交流电源AC的正半周期导通且在交流电源AC的负半周期截止,以及控制第二开关管Q2和第三开关管Q3在交流电源AC的正半周期截止且在交流电源AC的负半周期导通,如图4所示。因此,在交流电源AC的正半周期,交流电流依次流经电抗器L1、第一开关管Q1、第一电容C1、第二电容C2和第四开关管Q4,形成回路,给第一电容C1和第二电容C2充电;在交流电源AC的负半周期,交流电流依次流经第三开关管Q3、第一电容C1、第二电容C2、第二开关管Q2和电抗器L1,形成回路,给第一电容C1和第二电容C2充电;避免了通过开关管的反并联二极管向电容充电,降低了导通损耗,提高电压转换效率。Specifically, referring to FIG. 3 , when the demanded voltage is less than twice the peak voltage of the alternating current power supply AC, the
参照图3,在需求电压大于或者等于交流电源AC的峰值电压的两倍的情况下,控制模块400控制开关模块300闭合,使图腾柱PFC电路运行于图腾柱倍压PFC模式;若此时第一开关管Q1、第二开关管Q2、第三开关管Q3和第四开关管Q4均没有驱动信号,控制逻辑和传统的倍压整流电路一样,电流是通过开关管的反并联二极管为母线电容模块200充电的,二极管的管压降大,会导致损耗大。因此运行于图腾柱倍压PFC模式时,控制模块400通过控制第一开关管Q1、第二开关管Q2、第三开关管Q3和第四开关管Q4 的导通截止,使得交流电源AC在正半周期通过第一开关管Q1向第一电容C1充电并在负半周期通过第二开关管Q2向第二电容C2充电,避免了通过开关管的反并联二极管向电容充电,降低了导通损耗,提高电压转换效率。3, when the demand voltage is greater than or equal to twice the peak voltage of the alternating current power supply AC, the
具体地,参照图5,图腾柱PFC电路运行于图腾柱倍压PFC模式时,在交流电源AC的正半周期,控制第二开关管Q2、第三开关管Q3和第四开关管Q4截止,且在检测到交流电流值Is大于零的情况下控制第一开关管Q1导通,当检测到交流电流值Is为零时,控制第一开关管Q1截止;Specifically, referring to FIG. 5 , when the totem-pole PFC circuit operates in the totem-pole voltage multiplier PFC mode, in the positive half cycle of the AC power supply AC, the second switch Q2, the third switch Q3 and the fourth switch Q4 are controlled to be turned off, And when it is detected that the alternating current value Is is greater than zero, the first switch tube Q1 is controlled to be turned on, and when it is detected that the alternating current value Is is zero, the first switch tube Q1 is controlled to be turned off;
在交流电源AC的负半周期,控制第一开关管Q1、第三开关管Q3和第四开关管Q4截止,且在检测到交流电流值小于零的情况下控制第二开关管Q2导通,当检测到交流电流值Is为零时,控制第二开关管Q2截止。During the negative half cycle of the AC power supply AC, the first switch transistor Q1, the third switch transistor Q3 and the fourth switch transistor Q4 are controlled to be turned off, and the second switch transistor Q2 is controlled to be turned on when the AC current value is detected to be less than zero. When it is detected that the alternating current value Is is zero, the second switch transistor Q2 is controlled to be turned off.
本发明实施例提供的图腾柱PFC电路,可以根据不同的需求电压,控制开关模块300的状态,从而选择运行于图腾柱PFC模式还是图腾柱倍压PFC模式,在运行于图腾柱倍压PFC模式时,通过控制第一开关管Q1、第二开关管Q2、第三开关管Q3和第四开关管Q4的导通截止,使得交流电源AC在正半周期通过第一开关管Q1向第一电容C1充电并在负半周期通过第二开关管Q2向第二电容C2充电,实现同步整流控制,降低导通损耗,提高电路的电压转换效率。The totem-pole PFC circuit provided by the embodiment of the present invention can control the state of the
参照图1和图2,在本发明的一些实施例中,图腾柱PFC电路还包括用于检测交流电源输入的交流电流值Is的电流检测模块500,电流检测模块500串联在交流电源AC和电桥电路100之间,电流检测模块500的输出端连接控制模块400。电流检测模块500可以由电流互感器和外加检测电路构成,电流互感器可以串联在交流电源AC的火线端或者零线端,电流检测模块500的具体电路可以参考现有技术,此处不再赘述。1 and 2 , in some embodiments of the present invention, the totem pole PFC circuit further includes a
参照图1和图2,在本发明的一些实施例中,图腾柱PFC电路还包括直流电压检测模块600,直流电压检测模块600并联在母线电容模块200的后端,直流电压检测模块600的输出端连接控制模块400。直流电压检测模块600可以采用基于电阻分压结构形式的简单电路组成,具体电路可参考现有技术,此处不再赘述。Referring to FIG. 1 and FIG. 2 , in some embodiments of the present invention, the totem pole PFC circuit further includes a DC
参照图1和图2,在本发明的一些实施例中,图腾柱PFC电路还包括交流电压检测模块700,交流电压检测模块700并联在交流电源AC和电桥电路100之间,交流电压检测模块700的输出端连接控制模块400。交流电压检测模块700的具体电路同理可参考现有技术,此处不再赘述。1 and 2, in some embodiments of the present invention, the totem-pole PFC circuit further includes an AC
在一实施方式中,在本发明的图腾柱PFC电路中,开关模块300可以为继电器、机械开关器件或者双向可控的高频开关,其中,双向可控的高频开关可以是图6至图8所示的结构中的一种。In one embodiment, in the totem pole PFC circuit of the present invention, the
具体地,图6中展示的开关模块300包括第一二极管D-1、第二二极管D-2、第三二极管D-3、第四二极管D-4和第五开关管Q5,第一二极管D-1和第二二极管D-2串联形成 二极管第一支路,第三二极管D-3和第四二极管D-4相互串联形成二极管第二支路,第五开关管Q5、二极管第一支路和二极管第二支路相互并联,第一二极管D-1和第二二极管D-2的连接点引出作为开关模块300的一端,第三二极管D-3和第四二极管D-4的连接点引出作为开关模块300的另一端。其中,开关模块300的闭合状态对应于第五开关管Q5导通,开关模块300的断开对应于第五开关管Q5截止。Specifically, the
图7中展示的开关模块300包括反向并联的第六开关管Q6和第七开关管Q7。其中,开关模块300的闭合对应于第六开关管Q6和第七开关管Q7同时导通或者在交流电源AC的正半周期第六开关管Q6导通,在交流电源AC的负半周期第七开关管Q7导通;开关模块300的断开对应于第六开关管Q6和第七开关管Q7同时截止。The
图8中展示的开关模块300包括反向串联的第八开关管Q8和第九开关管Q9,第八开关管Q8反并联有第八二极管D-8,第九开关管Q9反并联有第九二极管D-9。其中,开关模块300的闭合对应于第八开关管Q8和第九开关管Q9同时导通或者在交流电源AC的正半周期第八开关管Q8导通,在交流电源AC的负半周期第九开关管Q9导通;开关模块300的断开对应于第八开关管Q8和第九开关管Q9同时截止。The
本发明的第二方面实施例提供一种图腾柱PFC电路控制方法,应用于图1和图2所示的图腾柱PFC电路,参照图9,控制方法包括以下步骤:The embodiment of the second aspect of the present invention provides a totem-pole PFC circuit control method, which is applied to the totem-pole PFC circuit shown in FIG. 1 and FIG. 2 . Referring to FIG. 9 , the control method includes the following steps:
S100:控制模块400控制开关模块300的开合;S100: the
S200:控制模块400在开关模块300闭合情况下控制第一开关管Q1、第二开关管Q2、第三开关管Q3和第四开关管Q4的导通截止,以在交流电源AC的正半周期通过第一开关管Q1向第一电容C1充电并在交流电源AC的负半周期通过第二开关管Q2向第二电容C2充电。S200: The
其中,步骤S100具体包括:Wherein, step S100 specifically includes:
在需求电压小于交流电源AC的峰值电压的两倍的情况下,控制模块400控制开关模块300断开,使图腾柱PFC电路运行于图腾柱PFC模式;在需求电压大于或者等于交流电源AC的峰值电压的两倍的情况下,控制模块400控制开关模块300闭合,使图腾柱PFC电路运行于图腾柱倍压PFC模式。When the demanded voltage is less than twice the peak voltage of the AC power supply AC, the
其中,参照图4,控制第一开关管Q1、第二开关管Q2、第三开关管Q3和第四开关管Q4的导通截止,以在交流电源AC的正半周期通过第一开关管Q1向第一电容C1充电并在交流电源AC的负半周期通过第二开关管Q2向第二电容C2充电,具体包括:4, the first switch transistor Q1, the second switch transistor Q2, the third switch transistor Q3 and the fourth switch transistor Q4 are controlled to be turned on and off, so as to pass the first switch transistor Q1 during the positive half cycle of the alternating current power supply AC Charge the first capacitor C1 and charge the second capacitor C2 through the second switch tube Q2 during the negative half cycle of the AC power supply, specifically including:
在交流电源AC的正半周期,控制第二开关管Q2、第三开关管Q3和第四开关管Q4截止,且在检测到交流电流值Is大于零的情况下控制第一开关管Q1导通,当检测到交流电流值Is为零时,控制第一开关管Q1截止;During the positive half cycle of the AC power supply AC, the second switch transistor Q2, the third switch transistor Q3 and the fourth switch transistor Q4 are controlled to be turned off, and the first switch transistor Q1 is controlled to be turned on when it is detected that the AC current value Is is greater than zero , when it is detected that the alternating current value Is is zero, the first switch tube Q1 is controlled to be turned off;
在交流电源AC的负半周期,控制第一开关管Q1、第三开关管Q3和第四开关管Q4截止,且在检测到交流电流值小于零的情况下控制第二开关管Q2导通,当检测到交流电 流值Is为零时,控制第二开关管Q2截止。During the negative half cycle of the AC power supply AC, the first switch transistor Q1, the third switch transistor Q3 and the fourth switch transistor Q4 are controlled to be turned off, and the second switch transistor Q2 is controlled to be turned on when the AC current value is detected to be less than zero. When it is detected that the alternating current value Is is zero, the second switch transistor Q2 is controlled to be turned off.
在本实施例提供的图腾柱PFC电路控制方法中,可以根据不同的需求电压,控制开关模块300的状态,从而选择运行于图腾柱PFC模式还是图腾柱倍压PFC模式,在运行于图腾柱倍压PFC模式时,通过控制第一开关管Q1、第二开关管Q2、第三开关管Q3和第四开关管Q4的导通截止,使得交流电源AC在正半周期通过第一开关管Q1向第一电容C1充电并在负半周期通过第二开关管Q2向第二电容C2充电,实现同步整流控制,降低导通损耗,提高电路的电压转换效率。In the totem-pole PFC circuit control method provided in this embodiment, the state of the
另外,在本发明的一些实施例中,步骤S200还包括:In addition, in some embodiments of the present invention, step S200 further includes:
控制模块400控制第一开关管Q1和第四开关管Q4在交流电源AC的正半周期导通且在交流电源AC的负半周期截止,以及控制第二开关管Q2和第三开关管Q3在交流电源AC的正半周期截止且在交流电源AC的负半周期导通。The
因此,在交流电源AC的正半周期,交流电流依次流经电抗器L1、第一开关管Q1、第一电容C1、第二电容C2和第四开关管Q4,形成回路,给第一电容C1和第二电容C2充电;在交流电源AC的负半周期,交流电流依次流经第三开关管Q3、第一电容C1、第二电容C2、第二开关管Q2和电抗器L1,形成回路,给第一电容C1和第二电容C2充电;避免了通过开关管的反并联二极管向电容充电,降低了导通损耗,提高电压转换效率。Therefore, in the positive half cycle of the alternating current power supply AC, the alternating current flows through the reactor L1, the first switch tube Q1, the first capacitor C1, the second capacitor C2 and the fourth switch tube Q4 in turn to form a loop to supply the first capacitor C1. And the second capacitor C2 is charged; in the negative half cycle of the AC power supply AC, the AC current flows through the third switch tube Q3, the first capacitor C1, the second capacitor C2, the second switch tube Q2 and the reactor L1 in turn to form a loop, The first capacitor C1 and the second capacitor C2 are charged; the charging of the capacitor through the anti-parallel diode of the switch tube is avoided, the conduction loss is reduced, and the voltage conversion efficiency is improved.
本发明第三方面实施例的线路板,包括根据本发明第一方面实施例的图腾柱PFC电路。The circuit board of the embodiment of the third aspect of the present invention includes the totem-pole PFC circuit of the embodiment of the first aspect of the present invention.
本实施例的线路板承载有本发明第一方面实施例的图腾柱PFC电路,其作用和工作原理均基于上述图腾柱PFC电路,因此本实施例的线路板具有与上述图腾柱PFC电路相同的效果,为节省篇幅,在此不再重复说明。The circuit board of this embodiment carries the totem-pole PFC circuit according to the first aspect of the present invention, and its function and working principle are based on the above-mentioned totem-pole PFC circuit. Therefore, the circuit board of this embodiment has the same characteristics as the above-mentioned totem-pole PFC circuit. The effect, in order to save space, will not be repeated here.
根据本发明第四方面实施例的空调器,包括根据本发明第三方面实施例的线路板;或者,The air conditioner according to the embodiment of the fourth aspect of the present invention includes the circuit board according to the embodiment of the third aspect of the present invention; or,
包括至少一个处理器和用于与至少一个处理器通信连接的存储器;存储器存储有能够被至少一个处理器执行的指令,指令被至少一个处理器执行,以使至少一个处理器能够执行根据本发明第二方面实施例的图腾柱PFC电路控制方法。comprising at least one processor and a memory for communicative connection with the at least one processor; the memory stores instructions executable by the at least one processor, the instructions being executed by the at least one processor to enable the at least one processor to perform operations according to the present invention The totem pole PFC circuit control method of the embodiment of the second aspect.
本实施例的空调器包括有本发明第三方面实施例的线路板,其作用和工作原理均基于上述线路板,因此本实施例的空调器具有与上述线路板相同的效果,为节省篇幅,在此不再重复说明。The air conditioner of this embodiment includes the circuit board of the third aspect of the present invention, and its function and working principle are based on the above circuit board. Therefore, the air conditioner of this embodiment has the same effect as the above circuit board. In order to save space, The description will not be repeated here.
根据本发明第五方面实施例的一种计算机可读存储介质,其特征在于,计算机可读存储介质存储有计算机可执行指令,计算机可执行指令用于使计算机执行根据本发明第二方面实施例的图腾柱PFC电路控制方法。A computer-readable storage medium according to an embodiment of the fifth aspect of the present invention is characterized in that the computer-readable storage medium stores computer-executable instructions, and the computer-executable instructions are used to cause a computer to execute the embodiment according to the second aspect of the present invention. The totem pole PFC circuit control method.
本实施例的计算机存储介质执行本发明第二方面实施例的图腾柱PFC电路控制方法,因此本实施例的计算机存储介质具有与上述图腾柱PFC电路控制方法相同的作用,为节省 篇幅,在此不再重复说明。The computer storage medium of this embodiment executes the totem-pole PFC circuit control method of the second aspect of the present invention. Therefore, the computer storage medium of this embodiment has the same function as the totem-pole PFC circuit control method described above. To save space, here The description will not be repeated.
本领域普通技术人员可以理解,上文中所公开方法中的全部或某些步骤、系统可以被实施为软件、固件、硬件及其适当的组合。某些物理组件或所有物理组件可以被实施为由处理器,如中央处理器、数字信号处理器或微处理器执行的软件,或者被实施为硬件,或者被实施为集成电路,如专用集成电路。这样的软件可以分布在计算机可读介质上,计算机可读介质可以包括计算机存储介质(或非暂时性介质)和通信介质(或暂时性介质)。如本领域普通技术人员公知的,术语计算机存储介质包括在用于存储信息(诸如计算机可读指令、数据结构、程序模块或其他数据)的任何方法或技术中实施的易失性和非易失性、可移除和不可移除介质。计算机存储介质包括但不限于RAM、ROM、EEPROM、闪存或其他存储器技术、CD-ROM、数字多功能盘(DVD)或其他光盘存储、磁盒、磁带、磁盘存储或其他磁存储装置、或者可以用于存储期望的信息并且可以被计算机访问的任何其他的介质。此外,本领域普通技术人员公知的是,通信介质通常包含计算机可读指令、数据结构、程序模块或者诸如载波或其他传输机制之类的调制数据信号中的其他数据,并且可包括任何信息递送介质。Those of ordinary skill in the art can understand that all or some of the steps and systems in the methods disclosed above can be implemented as software, firmware, hardware, and appropriate combinations thereof. Some or all physical components may be implemented as software executed by a processor, such as a central processing unit, digital signal processor or microprocessor, or as hardware, or as an integrated circuit, such as an application specific integrated circuit . Such software may be distributed on computer-readable media, which may include computer storage media (or non-transitory media) and communication media (or transitory media). As known to those of ordinary skill in the art, the term computer storage media includes both volatile and nonvolatile implemented in any method or technology for storage of information, such as computer readable instructions, data structures, program modules or other data flexible, removable and non-removable media. Computer storage media include, but are not limited to, RAM, ROM, EEPROM, flash memory or other memory technology, CD-ROM, digital versatile disk (DVD) or other optical disk storage, magnetic cartridges, magnetic tape, magnetic disk storage or other magnetic storage devices, or may Any other medium used to store desired information and which can be accessed by a computer. In addition, communication media typically embodies computer readable instructions, data structures, program modules, or other data in a modulated data signal such as a carrier wave or other transport mechanism, and can include any information delivery media, as is well known to those of ordinary skill in the art .
上面结合附图对本发明实施例作了详细说明,但是本发明不限于上述实施例,在所述技术领域普通技术人员所具备的知识范围内,还可以在不脱离本发明宗旨的前提下作出各种变化。The embodiments of the present invention have been described in detail above in conjunction with the accompanying drawings, but the present invention is not limited to the above-mentioned embodiments. Within the scope of knowledge possessed by those of ordinary skill in the technical field, various modifications can be made without departing from the purpose of the present invention. kind of change.
| Application Number | Priority Date | Filing Date | Title | 
|---|---|---|---|
| CN202010711000.8 | 2020-07-22 | ||
| CN202010711000.8ACN113972823B (en) | 2020-07-22 | 2020-07-22 | Totem pole PFC circuit, control method, circuit board and air conditioner | 
| Publication Number | Publication Date | 
|---|---|
| WO2022017323A1true WO2022017323A1 (en) | 2022-01-27 | 
| Application Number | Title | Priority Date | Filing Date | 
|---|---|---|---|
| PCT/CN2021/107106CeasedWO2022017323A1 (en) | 2020-07-22 | 2021-07-19 | Totem pole pfc circuit, control method, circuit board and air conditioner | 
| Country | Link | 
|---|---|
| CN (1) | CN113972823B (en) | 
| WO (1) | WO2022017323A1 (en) | 
| Publication number | Priority date | Publication date | Assignee | Title | 
|---|---|---|---|---|
| WO2024250678A1 (en)* | 2023-06-05 | 2024-12-12 | 华为数字能源技术有限公司 | Power module and charging device | 
| Publication number | Priority date | Publication date | Assignee | Title | 
|---|---|---|---|---|
| CN115085530A (en)* | 2022-07-05 | 2022-09-20 | 华为数字能源技术有限公司 | Noise suppression method, device and electronic device for totem pole PFC circuit | 
| CN119582633A (en)* | 2023-08-31 | 2025-03-07 | 芜湖美智空调设备有限公司 | Conversion circuit, refrigeration equipment and control method of PFC circuit thereof | 
| Publication number | Priority date | Publication date | Assignee | Title | 
|---|---|---|---|---|
| US20120020132A1 (en)* | 2010-07-23 | 2012-01-26 | Lien Chang Electronic Enterprise Co., Ltd. | Power conversion system with zero-voltage start-up mechanism, and zero-voltage start-up device | 
| CN103795281A (en)* | 2014-02-26 | 2014-05-14 | 宿州中矿三杰科技有限公司 | Wide voltage input type high-power intrinsic safety power source | 
| CN106849698A (en)* | 2017-04-05 | 2017-06-13 | 贵州电网有限责任公司电力科学研究院 | A kind of voltage doubling rectifing circuit and method with automatic regulation function | 
| CN207010546U (en)* | 2017-06-30 | 2018-02-13 | 广东美的制冷设备有限公司 | PFC circuit and transducer air conditioning | 
| CN111355416A (en)* | 2020-04-16 | 2020-06-30 | 广东美的制冷设备有限公司 | Motor drive control circuit, drive method, circuit board and air conditioner | 
| Publication number | Priority date | Publication date | Assignee | Title | 
|---|---|---|---|---|
| CN106653283B (en)* | 2016-11-08 | 2018-06-05 | 株洲悍威磁电科技有限公司 | A kind of control device and system of portable electric permanent magnet | 
| US11750087B2 (en)* | 2018-05-24 | 2023-09-05 | Astec International Limited | Totem pole bridgeless PFC power converters | 
| CN109617387A (en)* | 2018-12-10 | 2019-04-12 | 福州大学 | The voltage over zero current distortion control method and control device of totem PFC | 
| CN110034670B (en)* | 2019-04-18 | 2020-05-19 | 浙江大学 | Adaptive power decoupling control method applied to totem-pole bridgeless PFC topology multiplexing | 
| Publication number | Priority date | Publication date | Assignee | Title | 
|---|---|---|---|---|
| US20120020132A1 (en)* | 2010-07-23 | 2012-01-26 | Lien Chang Electronic Enterprise Co., Ltd. | Power conversion system with zero-voltage start-up mechanism, and zero-voltage start-up device | 
| CN103795281A (en)* | 2014-02-26 | 2014-05-14 | 宿州中矿三杰科技有限公司 | Wide voltage input type high-power intrinsic safety power source | 
| CN106849698A (en)* | 2017-04-05 | 2017-06-13 | 贵州电网有限责任公司电力科学研究院 | A kind of voltage doubling rectifing circuit and method with automatic regulation function | 
| CN207010546U (en)* | 2017-06-30 | 2018-02-13 | 广东美的制冷设备有限公司 | PFC circuit and transducer air conditioning | 
| CN111355416A (en)* | 2020-04-16 | 2020-06-30 | 广东美的制冷设备有限公司 | Motor drive control circuit, drive method, circuit board and air conditioner | 
| Publication number | Priority date | Publication date | Assignee | Title | 
|---|---|---|---|---|
| WO2024250678A1 (en)* | 2023-06-05 | 2024-12-12 | 华为数字能源技术有限公司 | Power module and charging device | 
| Publication number | Publication date | 
|---|---|
| CN113972823A (en) | 2022-01-25 | 
| CN113972823B (en) | 2024-01-26 | 
| Publication | Publication Date | Title | 
|---|---|---|
| WO2022017323A1 (en) | Totem pole pfc circuit, control method, circuit board and air conditioner | |
| CN105763078B (en) | Switching Power Supply and bus capacitor voltage control method for Switching Power Supply | |
| WO2020125235A1 (en) | Boost power conversion circuit, method, inverter, apparatus and system | |
| CN104158243B (en) | Uninterrupted power supply circuit and control method thereof | |
| CN107104589B (en) | PFC circuit and variable frequency air conditioner | |
| WO2017024642A1 (en) | Three-phase rectifier boost circuit and control method therefor, and uninterruptible power supply | |
| WO2022068565A1 (en) | Three-phase power supply conversion circuit, circuit control method, circuit board, and air conditioner | |
| CN105490551B (en) | A kind of circuit of uninterruptible power supply | |
| CN102611295B (en) | Power factor corrector | |
| CN113972830A (en) | Totem pole power factor correction circuit, control method, device and equipment | |
| WO2022017322A1 (en) | Totem pole pfc circuit, control method, circuit board, and air conditioner | |
| WO2022017391A1 (en) | Totem pole pfc circuit and control method therefor, circuit board, air conditioner, and storage medium | |
| CN212367151U (en) | Inverter circuit | |
| CN208369467U (en) | totem PFC circuit and air conditioner | |
| CN106533218A (en) | Three-phase rectification circuit and drive control method | |
| JP7478264B2 (en) | Totem pole PFC circuit and control method thereof, wiring board, air conditioner, and storage medium | |
| CN114337330B (en) | Control circuit, control method, circuit board, air conditioner and storage medium | |
| CN103501120A (en) | Capacitor type rectifying and step-down voltage regulator circuit | |
| JP2015012645A (en) | Dc-dc converter and ac-dc converter | |
| CN114696668A (en) | Drive control circuit, drive control method, circuit board and air conditioner | |
| CN118793647B (en) | Air conditioner fan driving circuit, method, air conditioner system and equipment | |
| US12334813B2 (en) | Rectification control system, charger and control method for charger | |
| EP4539317A1 (en) | Power factor correction and dc-dc multiplexing converter | |
| CN104410289B (en) | Driving power source circuit of twin-stage matrix converter | |
| CN218243070U (en) | Bus capacitor pre-charging circuit | 
| Date | Code | Title | Description | 
|---|---|---|---|
| 121 | Ep: the epo has been informed by wipo that ep was designated in this application | Ref document number:21845415 Country of ref document:EP Kind code of ref document:A1 | |
| NENP | Non-entry into the national phase | Ref country code:DE | |
| 32PN | Ep: public notification in the ep bulletin as address of the adressee cannot be established | Free format text:NOTING OF LOSS OF RIGHTS PURSUANT TO RULE 112(1) EPC (EPO FORM 1205A DATED 26.06.2023) | |
| 122 | Ep: pct application non-entry in european phase | Ref document number:21845415 Country of ref document:EP Kind code of ref document:A1 |