








本発明は、非接触給電装置および非接触給電システムに関する。The present invention relates to a contactless power supply device and a contactless power supply system.
従来、電磁誘導を利用して負荷に非接触で電力を供給する非接触給電装置が提案されており、たとえば特許文献1に開示されている。特許文献1に記載の非接触給電装置は、磁界を発生させることで電力を供給する給電コイル(一次側コイル)を備えており、電気自動車などの移動体への給電に用いられる。非接触受電装置は、受電コイル(二次側コイル)および蓄電池を備えており、非接触給電装置の給電コイルから受電コイルに供給された電力を蓄電池に蓄積する。Conventionally, a non-contact power feeding device that uses electromagnetic induction to supply power to a load in a non-contact manner has been proposed, and is disclosed in
ところで、上述したような非接触給電装置では、一次側コイルと二次側コイルとの相対的な位置関係によって、一次側コイルと二次側コイルとの間の結合係数が変化する。このため、一次側コイルと二次側コイルとの相対的な位置関係が変化した場合、非接触給電装置から出力される出力電力が減少し、必要な電力が不足する可能性がある。By the way, in the non-contact power feeding device as described above, the coupling coefficient between the primary side coil and the secondary side coil changes depending on the relative positional relationship between the primary side coil and the secondary side coil. For this reason, when the relative positional relationship of a primary side coil and a secondary side coil changes, the output electric power output from a non-contact electric power feeding device may reduce, and required electric power may be insufficient.
そこで、非接触給電装置では、必要な電力を確保するために出力電力の大きさを補正するとともに、補正に伴って生じ得る伝導ノイズを低減する対策が望まれている。Therefore, in the non-contact power feeding device, a measure for correcting the magnitude of the output power in order to secure the necessary power and reducing the conduction noise that may be caused by the correction is desired.
本発明は、上記の点に鑑みてなされており、伝導ノイズを低減することを目的とする。The present invention has been made in view of the above points, and aims to reduce conduction noise.
本発明の一態様に係る非接触給電装置は、給電ユニットと、コイルユニットとを備える。前記給電ユニットは、入力される直流電圧を交流電圧に変換して、変換した前記交流電圧を出力するインバータ回路を有する。前記コイルユニットは、一対の電線間に電気的に接続される一次側コイルを有する。前記一次側コイルは、前記一対の電線を介して前記交流電圧が印加されることにより二次側コイルに非接触で出力電力を供給するように構成される。前記コイルユニットと前記給電ユニットとは、互いに隔てて設けられている。前記給電ユニットは、前記インバータ回路を制御する第1制御回路をさらに備える。前記コイルユニットは、前記交流電圧の大きさを調整することで前記出力電力の大きさを補正する電力補正回路と、前記電力補正回路を制御する第2制御回路とをさらに備える。前記第2制御回路は、前記一次側コイルに印加される前記交流電圧に基づいて、前記電力補正回路を制御するタイミングを、前記第1制御回路が前記インバータ回路を制御するタイミングに同期させる。The contactless power supply device according to one embodiment of the present invention includes a power supply unit and a coil unit. The power supply unit includes an inverter circuit that converts an input DC voltage into an AC voltage and outputs the converted AC voltage. The coil unit includes a primary coil that is electrically connected between a pair of electric wires. The primary side coil is configured to supply output power to the secondary side coil in a non-contact manner when the AC voltage is applied via the pair of electric wires. The coil unit and the power supply unit are provided separately from each other. The power supply unit further includes a first control circuit that controls the inverter circuit. The coil unit further includes a power correction circuit that corrects the magnitude of the output power by adjusting the magnitude of the AC voltage, and a second control circuit that controls the power correction circuit. The second control circuit synchronizes the timing for controlling the power correction circuit with the timing for the first control circuit to control the inverter circuit based on the AC voltage applied to the primary coil.
また、本発明の一態様に係る非接触給電システムは、上記の非接触給電装置と、前記二次側コイルを有する非接触受電装置とを備える。前記非接触受電装置は、前記非接触給電装置から非接触で前記出力電力が供給されるように構成される。Further, a non-contact power feeding system according to one aspect of the present invention includes the above-described non-contact power feeding device and a non-contact power receiving device having the secondary coil. The contactless power receiving device is configured such that the output power is supplied in a contactless manner from the contactless power feeding device.
本実施形態は、非接触給電装置2および非接触給電システム1、より詳細には負荷に非接触で給電を行う非接触給電装置2および非接触給電システム1に関する。The present embodiment relates to a non-contact
本実施形態の非接触給電装置2は、図1、図2に示すように、インバータ回路22を有する給電ユニット6と、一次側コイルL1を有するコイルユニット7とを備えている。インバータ回路22は、入力される直流電圧を交流電圧に変換して出力する。一次側コイルL1は、一対の電線51,52間に電気的に接続されて一対の電線51,52を介して交流電圧が印加されることにより二次側コイルL2に非接触で出力電力を供給する。The contactless
給電ユニット6は、インバータ回路22を制御する第1制御回路241をさらに備えている。また、コイルユニット7は、交流電圧の大きさを調整することで出力電力の大きさを補正する電力補正回路23と、電力補正回路23を制御する第2制御回路242とをさらに備えている。The
そして、第2制御回路242は、一次側コイルL1に印加される交流電圧に基づいて、電力補正回路23を制御するタイミングを、第1制御回路241がインバータ回路22を制御するタイミングに同期させている。Then, the
また、本実施形態の非接触給電システム1は、図1、図2に示すように、非接触給電装置2と、二次側コイルL2を有する非接触受電装置3とを備えている。非接触受電装置3は、非接触給電装置2から非接触で出力電力が供給されるように構成されている。Moreover, the non-contact electric
以下、本実施形態の非接触給電装置2および非接触給電システム1について詳しく説明する。ただし、以下に説明する構成は、本発明の一例に過ぎず、本発明は、下記の実施形態に限定されることはなく、この実施形態以外であっても、本発明に係る技術的思想を逸脱しない範囲であれば、設計等に応じて種々の変更が可能である。Hereinafter, the non-contact
まず、本実施形態の非接触給電システム1の概要について図1を用いて説明する。非接触給電システム1は、一次側コイルL1を有する非接触給電装置2と、二次側コイルL2を有する非接触受電装置3とを備えている。非接触受電装置3は、非接触給電装置2から非接触で出力電力が供給されるように構成されている。ここで、出力電力とは、非接触給電装置2から出力される電力である。つまり、出力電力は、一次側コイルL1に交流電圧が印加されることにより、一次側コイルL1から二次側コイルL2に非接触で供給される電力である。First, an outline of the non-contact
本実施形態では、非接触受電装置3が電動車両に搭載されている場合を例に説明する。また、電動車両に搭載されている蓄電池4が負荷である場合を例にして説明する。ここで、電動車両とは、蓄電池4に蓄積された電気エネルギーを用いて走行する車両である。そして、非接触受電装置3は、蓄電池4の充電装置として用いられる。なお、ここでは、電動機で生じる駆動力によって走行する電気自動車を電動車両の例として説明するが、電動車両は電気自動車に限らず、たとえば二輪車(電動バイク)、電動自転車などであってもよい。In the present embodiment, a case where the non-contact
非接触給電装置2は、商用電源(系統電源)や、太陽光発電設備などの発電設備から供給される電力を、非接触受電装置3に非接触で供給することで、蓄電池4を充電する。非接触給電装置2に供給される電力は、交流電力と直流電力とのいずれであってもよい。本実施形態では、非接触給電装置2に商用電源AC1から交流電力が供給される場合を例に説明する。このため、非接触給電装置2は、商用電源AC1から供給される交流電力を直流電力に変換するAC/DCコンバータ回路21を備えている。なお、非接触給電装置2に直流電源から直流電力が供給されてもよい。この場合、非接触給電装置2は、AC/DCコンバータ回路21を備える必要はない。The non-contact
非接触給電装置2は、たとえば商業施設や公共施設、あるいは集合住宅などの駐車場に設置される。非接触給電装置2のうち少なくとも一次側コイルL1は、床あるいは地面に設置される。そして、非接触給電装置2は、一次側コイルL1の上に駐車された電動車両が備える非接触受電装置3に対して非接触で出力電力を供給する。このとき、非接触受電装置3の二次側コイルL2は、一次側コイルL1の上方に位置することで、一次側コイルL1と電磁界結合(電界結合と磁界結合との少なくとも一方)されている。なお、一次側コイルL1は、床あるいは地面から露出するように設置される構成に限らず、床あるいは地面に埋め込まれるように設置されていてもよい。The contactless
非接触受電装置3は、図1、図2に示すように、二次側コイルL2と、一対の二次側コンデンサC21,C22と、整流回路31と、平滑コンデンサC2とを有している。整流回路31は、一対の交流入力点と、一対の直流出力点とを有するダイオードブリッジで構成されている。二次側コイルL2の一端は、二次側コンデンサC21を介して整流回路31の一方の交流入力点に電気的に接続され、二次側コイルL2の他端は、二次側コンデンサC22を介して整流回路31の他方の交流入力点に電気的に接続されている。平滑コンデンサC2は、整流回路31の一対の直流出力点間に電気的に接続されている。さらに、平滑コンデンサC2の両端は、それぞれ一対の出力端子T21,T22に電気的に接続されている。一対の出力端子T21,T22には、蓄電池4が電気的に接続されている。1 and 2, the non-contact
非接触受電装置3は、非接触給電装置2の一次側コイルL1からの出力電力を二次側コイルL2で受ける。そして、非接触受電装置3は、二次側コイルL2の両端間に発生する交流電圧を整流回路31にて整流し、さらに平滑コンデンサC2により平滑することで得られる直流電圧を、一対の出力端子T21,T22から蓄電池4に出力(印加)する。The non-contact
本実施形態では、非接触給電装置2は、一次側コイルL1とともに共振回路(以下、「一次側共振回路」という)を構成する一対の一次側コンデンサC11,C12を備えている。また、非接触受電装置3では、二次側コイルL2は、一対の二次側コンデンサC21,C22とともに共振回路(以下、「二次側共振回路」という)を構成している。In the present embodiment, the non-contact
そして、本実施形態の非接触給電システム1は、一次側共振回路と二次側共振回路とを共鳴させることにより電力の伝送を行う磁界共鳴方式(磁気共鳴方式)を採用している。このため、本実施形態の非接触給電システム1は、一次側コイルL1と二次側コイルL2が比較的離れた状態でも、非接触給電装置2の出力電力を非接触受電装置3に対して高効率で伝送可能である。And the non-contact electric
次に、本実施形態の非接触給電装置2について図1、図2を用いて説明する。本実施形態の非接触給電装置2は、一対の入力端子T11,T12と、AC/DCコンバータ回路21と、インバータ回路22と、電力補正回路23と、制御回路24と、電圧センサ25とを備えている。また、本実施形態の非接触給電装置2は、既に述べたように、一次側共振回路を構成する一次側コイルL1および一対の一次側コンデンサC11,C12を備えている。一対の入力端子T11,T12には、商用電源AC1が電気的に接続されている。Next, the non-contact
また、本実施形態の非接触給電装置2は、交流電圧を出力する給電ユニット6と、一次側コイルL1を有するコイルユニット7と、一対の電線51,52とで構成されている。給電ユニット6は、たとえば筐体に、AC/DCコンバータ回路21と、インバータ回路22と、制御回路24とを収納して構成されている。コイルユニット7は、たとえば給電ユニット6の筐体とは異なる筐体に、電力補正回路23と、電圧センサ25と、一次側コンデンサC11,C12と、一次側コイルL1とを収納して構成されている。Further, the non-contact
一対の電線51,52は、給電ユニット6とコイルユニット7との間に配置され、かつ、給電ユニット6とコイルユニット7とを電気的に接続するように構成されている。そして、一次側コイルL1は、一対の電線51,52間に電気的に接続されている。本実施形態では、一対の電線51,52は、絶縁性を有する材料で形成された被膜に覆われて1本のケーブルとして構成されている。もちろん、第1電線51と第2電線52とは、それぞれ別々のケーブルとして構成されていてもよいし、被膜に覆われていなくてもよい。The pair of
AC/DCコンバータ回路21は、一対の入力点211,212と、一対の出力点213,214とを有している。一対の入力点211,212は、一対の入力端子T11,T12を介して商用電源AC1に電気的に接続されている。また、一対の出力点213,214は、インバータ回路22の一対の入力点221,222に電気的に接続されている。The AC /
本実施形態では、AC/DCコンバータ回路21は、スイッチ素子を有するスイッチング電源で構成されている。そして、AC/DCコンバータ回路21は、スイッチ素子を制御回路24に制御されることにより、一対の入力点211,212に印加される商用電源AC1からの交流電圧を直流電圧に変換して、変換した直流電圧を一対の出力点213,214から出力する。また、本実施形態では、AC/DCコンバータ回路21は、PFC(Power Factor Correction)回路としても機能する。In the present embodiment, the AC /
インバータ回路22は、4つのスイッチ素子Q1~Q4がフルブリッジ接続されたフルブリッジインバータ回路である。本実施形態では、スイッチ素子Q1~Q4は、それぞれnチャネルのデプレッション型MOSFET(Metal-Oxide-Semiconductor Field-Effect Transistor)である。インバータ回路22は、スイッチ素子Q1,Q2の直列回路と、スイッチ素子Q3,Q4の直列回路とを一対の入力点221,222間に並列に電気的に接続して構成されている。スイッチ素子Q1,Q2の接続点およびスイッチ素子Q3,Q4の接続点は、一対の出力点223,224となる。The
一対の入力点221,222のうち、第1入力点221には、スイッチ素子Q1,Q3のドレインが電気的に接続されている。また、第2入力点222には、スイッチ素子Q2,Q4のソースが電気的に接続されている。そして、スイッチ素子Q1のソースとスイッチ素子Q2のドレインとの接続点が、第1出力点223となる。また、スイッチ素子Q3のソースとスイッチ素子Q4のドレインとの接続点が、第2出力点224となる。Among the pair of input points 221, 222, the drains of the switch elements Q1, Q3 are electrically connected to the
スイッチ素子Q1~Q4のドレイン-ソース間には、それぞれダイオードD1~D4が電気的に接続されている。ダイオードD1~D4は、スイッチ素子Q1~Q4のドレイン側をカソードとする向きで接続されている。ここでは、ダイオードD1~D4は、スイッチ素子Q1~Q4の寄生ダイオードである。Diodes D1 to D4 are electrically connected between the drains and sources of the switch elements Q1 to Q4, respectively. The diodes D1 to D4 are connected in such a direction that the drain side of the switching elements Q1 to Q4 is a cathode. Here, the diodes D1 to D4 are parasitic diodes of the switch elements Q1 to Q4.
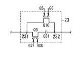
電力補正回路23は、コンデンサC31と、4つのスイッチ素子Q5~Q8とを有している。本実施形態では、スイッチ素子Q5~Q8は、それぞれnチャネルのデプレッション型MOSFETである。電力補正回路23の入力点231は、インバータ回路22の第1出力点223に電気的に接続されている。また、電力補正回路23の出力点232は、一次側コンデンサC11を介して一次側コイルL1の第1端に電気的に接続されている。電力補正回路23は、インバータ回路22の第1出力点223と一次側コンデンサC11との間に、スイッチ素子Q5,Q7の直列回路と、スイッチ素子Q6,Q8の直列回路とを並列に電気的に接続して構成されている。The
スイッチ素子Q5,Q7の接続点と、スイッチ素子Q6,Q8の接続点との間には、コンデンサC31が電気的に接続されている。インバータ回路22の第1出力点223には、スイッチ素子Q5のソースおよびスイッチ素子Q6のドレインが電気的に接続されている。また、一次側コイルL1の第1端には、一次側コンデンサC11を介してスイッチ素子Q7のソースおよびスイッチ素子Q8のドレインが電気的に接続されている。A capacitor C31 is electrically connected between the connection point of the switch elements Q5 and Q7 and the connection point of the switch elements Q6 and Q8. The
スイッチ素子Q5~Q8のドレイン-ソース間には、それぞれダイオードD5~D8が電気的に接続されている。ダイオードD5~D8は、スイッチ素子Q5~Q8のドレイン側をカソードとする向きで接続されている。ここでは、ダイオードD5~D8は、スイッチ素子Q5~Q8の寄生ダイオードである。Diodes D5 to D8 are electrically connected between the drains and sources of the switch elements Q5 to Q8, respectively. The diodes D5 to D8 are connected in such a direction that the drain side of the switching elements Q5 to Q8 is a cathode. Here, the diodes D5 to D8 are parasitic diodes of the switch elements Q5 to Q8.
制御回路24は、給電ユニット6に含まれる第1制御回路241と、コイルユニット7に含まれる第2制御回路242とで構成されている。第1制御回路241と第2制御回路242とは、一対の電線51,52とは異なる信号線53により電気的に接続されている。The
第1制御回路241および第2制御回路242は、たとえばマイコン(マイクロコンピュータ)を主構成として備えている。マイコンは、そのメモリに記録されているプログラムをCPU(Central Processing Unit)で実行することにより、制御回路24としての機能を実現する。プログラムは、予めマイコンのメモリに記録されていてもよいし、メモリカードのような記録媒体に記録されて提供されたり、電気通信回線を通して提供されたりしてもよい。The
第1制御回路241は、AC/DCコンバータ回路21のスイッチ素子のオン/オフを切り替えるための駆動信号を出力する。また、第1制御回路241は、インバータ回路22のスイッチ素子Q1~Q4のオン/オフを切り替えるための駆動信号G1~G4を出力する。駆動信号G1~G4は、スイッチ素子Q1~Q4に一対一に対応する。制御回路24は、駆動信号G1~G4を、それぞれ対応するスイッチ素子Q1~Q4のゲートに出力することで、スイッチ素子Q1~Q4の制御を行っている。The
第2制御回路242は、電力補正回路23のスイッチ素子Q5~Q8のオン/オフを切り替えるための駆動信号G5~G8を出力する。駆動信号G5~G8は、スイッチ素子Q5~Q8に一対一に対応する。制御回路24は、駆動信号G5~G8を、それぞれ対応するスイッチ素子Q5~Q8のゲートに出力することで、スイッチ素子Q5~Q8の制御を行っている。The
なお、本実施形態では、制御回路24が、スイッチ素子Q1~Q8のゲートに対して駆動信号G1~G8を直接出力しているが、この構成に限らない。たとえば、非接触給電装置2は、スイッチ素子Q1~Q8の駆動回路をさらに備えていてもよい。そして、駆動回路は、制御回路24からの駆動信号G1~G8を受けて、スイッチ素子Q1~Q8を駆動してもよい。In the present embodiment, the
電圧センサ25は、図3に示すように、たとえば抵抗251と、フォトカプラ252と、ダイオード253とを備えて構成されている。フォトカプラ252の発光ダイオード252Aと抵抗251との直列回路は、インバータ回路22の一対の出力点223,224間に電気的に接続されている。フォトカプラ252のフォトトランジスタ252Bは、第2制御回路242に電気的に接続されている。ダイオード253は、アノードを発光ダイオード252Aのカソード、カソードを発光ダイオード252Aのアノードに接続するようにして、発光ダイオード252Aに並列に電気的に接続されている。第2制御回路242は、電圧センサ25の出力(検知電圧VD1)を受けて、インバータ回路22から出力される交流電圧の大きさを計測値として計測する。なお、検知電圧VD1は、大地(グランド)GND(図5参照)を基準電位点とする対地間電圧を表している。As shown in FIG. 3, the
本実施形態の非接触給電装置2は、計測部26をさらに備えている。一次側コイルL1と一次側コンデンサC12との間には、たとえば変流器からなる電流センサ27が設けられている。計測部26は、電流センサ27の出力を受けて、一次側コイルL1に流れる電流の大きさを計測値として計測する。また、計測部26は、計測値を第2制御回路242に出力するように構成されている。第2制御回路242は、計測部26で計測された計測値を用いて、一次側コイルL1から出力される出力電力の大きさを監視する。The contactless
以下、本実施形態の非接触給電装置2の動作について図1~図4を用いて説明する。なお、図4における「オン」、「オフ」は、対応するスイッチ素子のオン、オフを表している。Hereinafter, the operation of the non-contact
インバータ回路22の一対の入力点221,222には、第1制御回路241がAC/DCコンバータ回路21を制御することにより、AC/DCコンバータ回路21の出力する直流電圧が印加される。第1制御回路241は、図4に示すように、スイッチ素子Q1,Q4に対応する駆動信号G1,G4と、スイッチ素子Q2,Q3に対応する駆動信号G2,G3として、互いに逆位相(位相差が180度)の信号を発生する。このため、インバータ回路22では、スイッチ素子Q1,Q4のペアと、スイッチ素子Q2,Q3のペアとが交互にオンするように制御される。なお、スイッチ素子Q1~Q4が全てオンするのを防止するために、スイッチ素子Q1,Q4のペアのオン期間と、スイッチ素子Q2,Q3のペアのオン期間との間には、デッドタイムが設けられている。The DC voltage output from the AC /
その結果、インバータ回路22の一対の出力点223,224間には、周期的に極性(正・負)が反転する電圧(交流電圧)が発生する。つまり、インバータ回路22は、スイッチ素子Q1~Q4のスイッチングにより、一対の入力点221,222に印加される直流電圧を交流電圧に変換して、変換した交流電圧を一対の出力点223,224から出力する。以下では、インバータ回路22の出力電圧について、第1出力点223の電位が高電位となる極性を「正極性」、第2出力点224の電位が高電位となる極性を「負極性」という。つまり、インバータ回路22の出力電圧は、スイッチ素子Q1,Q4がオンの状態で正極性となり、スイッチ素子Q2,Q3がオンの状態で負極性となる。As a result, a voltage (AC voltage) whose polarity (positive / negative) is periodically inverted is generated between the pair of
本実施形態の非接触給電装置2では、一次側コイルL1は、一対の一次側コンデンサC11,C12とともに一次側共振回路を構成している。このため、一次側コイルL1から出力される出力電力(出力電圧)の大きさは、インバータ回路22の動作周波数(つまり、駆動信号G1~G4の周波数)に応じて変化する。そして、一次側コイルL1から出力される出力電力の大きさは、インバータ回路22の動作周波数が一次側共振回路の共振周波数と一致するときにピークに達する。In the non-contact
ここで、一次側コイルL1と二次側コイルL2との相対的な位置関係が変化し、一次側コイルL1と二次側コイルL2との結合係数が変化すると、非接触給電装置2の出力電力の周波数特性(以下、「共振特性」という)が変化する。非接触給電装置2の共振特性が変化すると、たとえば政府等から使用が許可されている周波数の範囲内でインバータ回路22の動作周波数を調整しても、非接触給電装置2の出力電力が目標となる電力に達しない可能性がある。Here, when the relative positional relationship between the primary side coil L1 and the secondary side coil L2 changes and the coupling coefficient between the primary side coil L1 and the secondary side coil L2 changes, the output power of the non-contact
そこで、本実施形態では、電力補正回路23によりインバータ回路22の出力する交流電圧を調整することで、一次側コイルL1から出力される出力電力の大きさを補正している。以下、電力補正回路23の動作について説明する。Therefore, in this embodiment, the magnitude of the output power output from the primary coil L1 is corrected by adjusting the AC voltage output from the
第2制御回路242は、図4に示すように、スイッチ素子Q5,Q8に対応する駆動信号G5,G8と、スイッチ素子Q6,Q7に対応する駆動信号G6,G7として、互いに逆位相(位相差が180度)の信号を発生する。このため、電力補正回路23では、スイッチ素子Q5,Q8のペアと、スイッチ素子Q6,Q7のペアとが交互にオンするように制御される。なお、スイッチ素子Q5~Q8が全てオンするのを防止するために、スイッチ素子Q5,Q8のペアのオン期間と、スイッチ素子Q6,Q7のペアのオン期間との間には、デッドタイムが設けられている。As shown in FIG. 4, the
その結果、電力補正回路23は、インバータ回路22の第1出力点223と一次側コイルL1との間に、コンデンサC31が電気的に接続される状態と、コンデンサC31が電気的に接続されない状態とを切り替える。そして、電力補正回路23は、インバータ回路22の出力する電圧に、さらにコンデンサC31の充電電圧を一次側コイルL1に加減することで、出力電力の大きさを補正する。つまり、電力補正回路23は、複数のスイッチ素子Q5~Q8が制御されることにより、コンデンサC31の充電電圧を一次側コイルL1に加減するように構成されている。言い換えれば、電力補正回路23は、インバータ回路22の第1出力点223と一次側コイルL1との間における一次側共振回路の容量成分の大きさを調整することにより、出力電力の大きさを補正するように構成されている。As a result, the
なお、出力電力の大きさを補正する必要がない場合、第2制御回路242は、スイッチ素子Q5,Q7のペア(またはスイッチ素子Q6,Q8のペア)をオンに制御する。これにより、電力補正回路23では、インバータ回路22の第1出力点223と一次側コイルL1との間にコンデンサC31が電気的に接続されない状態となるので、出力電力の大きさが補正されない。If there is no need to correct the magnitude of the output power, the
本実施形態では、電力補正回路23は、駆動信号G1~G4と駆動信号G5~G8との位相差を第2制御回路242が制御することにより、一次側コイルL1に加減するコンデンサC31の充電電圧を調整している。ここで、位相差とは、駆動信号G1,G4に対する駆動信号G6,G7の位相の遅れ、あるいは駆動信号G2,G3に対する駆動信号G5,G8の位相の遅れである。In this embodiment, the
上述のように、本実施形態の非接触給電装置2は、その出力電力が目標となる電力に対して不足する場合に、電力補正回路23により、一次側コイルL1に印加する交流電圧の大きさを調整することができる。したがって、本実施形態の非接触給電装置2は、目標となる電力を満たすように出力電力の大きさを補正することが可能である。As described above, in the contactless
以下、本実施形態の非接触給電装置2の比較例として、非接触給電装置200について説明する。比較例の非接触給電装置200は、図5に示すように、第1制御回路241および第2制御回路242を備えておらず、給電ユニット6に電力補正回路23および制御回路28が含まれる点で、本実施形態の非接触給電装置2と相違する。Hereinafter, a non-contact
制御回路28は、第1制御回路241および第2制御回路242と等価に機能する。つまり、制御回路28は、AC/DCコンバータ回路21に対する駆動信号と、インバータ回路22に対する駆動信号G1~G4と、電力補正回路23に対する駆動信号G5~G8とを出力する。The control circuit 28 functions equivalently to the
比較例の非接触給電装置200は、電力補正回路23により、一次側コイルL1に印加する交流電圧の大きさを調整することで、本実施形態の非接触給電装置2と同様に出力電力の大きさを補正することが可能である。しかしながら、比較例の非接触給電装置200では、出力電力の大きさの補正に伴ってコモンモードノイズが生じ得る。以下、この点について説明する。なお、以下の説明において、図1、図5~図6Bに示す電圧V1,V2,V3、およびコモンモード電圧VC1は、いずれも大地(グランド)GND(図5参照)を基準電位点とする対地間電圧を表している。また、以下で説明する図6A、図6Bは、比較例の非接触給電装置200のシミュレーションを行った結果を表している。このシミュレーションは、電力補正回路23が動作しており、電力補正回路23により比較例の非接触給電装置200の出力電力の大きさが補正されているという条件の下、行われた。The non-contact
既に述べたように、インバータ回路22は、正極性の電圧と負極性の電圧とを交互に出力しており、その出力する電圧の振幅は同じである。したがって、図6Aに示すように、インバータ回路22の第1出力点223での電圧V1と、第2出力点224での電圧V2とは、振幅が殆ど同じである。As already described, the
一方、電力補正回路23の出力点232での電圧V3と、インバータ回路22の第2出力点224での電圧V2とは、振幅が互いに異なる。図6Aに示すように、電圧V3は、電圧V1にコンデンサC31の充電電圧を加減した電圧となるためである。このため、図6Bに示すように、コモンモード電圧VC1が変動する。ここで、コモンモード電圧VC1は、一対の電線51,52間の電圧を、浮遊容量CP1,CP2で分圧した電圧である。浮遊容量CP1,CP2は、それぞれ一対の電線51,52と大地GNDとの間に存在する。On the other hand, the voltage V3 at the
コモンモード電圧VC1が変動すると、一対の電線51,52と大地との間の浮遊容量CP1,CP2を介して漏洩電流が流れる可能性がある。また、漏洩電流が伝導ノイズとして外部に流出してしまう可能性がある。When the common mode voltage VC1 fluctuates, a leakage current may flow through the stray capacitances CP1 and CP2 between the pair of
伝導ノイズへの対策としては、伝導ノイズを低減すべく、一次側コンデンサC11,C12や一次側コイルL1の他に、さらにコンデンサやコイルを追加することが考えられる。しかしながら、この場合、一次側共振回路の共振周波数の調整が難しくなるという問題がある。また、漏洩電流への対策としては、浮遊容量CP1,CP2を低減すべく、一対の電線51,52として電磁シールドを施したケーブルを採用することが考えられる。しかしながら、この場合、専用のケーブルを用意する必要があるため、コストが増大するという問題がある。As a countermeasure against conduction noise, it is conceivable to add a capacitor or a coil in addition to the primary side capacitors C11 and C12 and the primary side coil L1 in order to reduce the conduction noise. However, in this case, there is a problem that it is difficult to adjust the resonance frequency of the primary side resonance circuit. As a countermeasure against the leakage current, it is conceivable to employ a cable with electromagnetic shielding as the pair of
そこで、本実施形態の非接触給電装置2では、比較例の非接触給電装置200とは異なり、給電ユニット6とコイルユニット7とは互いに隔てて設けられており、コイルユニット7に電力補正回路23が含まれている。このため、第1電線51に印加される電圧は、比較例の非接触給電装置2では電力補正回路23の出力点232での電圧V3であったのに対して、本実施形態の非接触給電装置2では、インバータ回路22の第1出力点223での電圧V1となる。したがって、コモンモード電圧VC1は、一対の電線51,52間の電圧(つまり、電圧V1と電圧V2との差電圧)を、浮遊容量CP1,CP2で分圧した電圧となる。そして、既に述べたように、電圧V1と電圧V2とは振幅が殆ど同じであるため、コモンモード電圧VC1は、殆ど変動しなくなる。Therefore, in the contactless
また、本実施形態の非接触給電装置2では、電力補正回路23を制御する第2制御回路242がコイルユニット7に含まれている。このため、本実施形態の非接触給電装置2では、伝導ノイズに対する耐性を高めることができる。つまり、図5に示すように、制御回路28が給電ユニット6に含まれる構成であれば、駆動信号G5~G8の各々に対応する複数の信号線により、制御回路28とコイルユニット7の電力補正回路23とを電気的に接続する必要がある。このため、複数の信号線が伝導ノイズの影響を受け易くなる可能性がある。In the contactless
一方、本実施形態の非接触給電装置2では、駆動信号G5~G8の各々に対応する複数の信号線が不要となるので、伝導ノイズの影響を受け難い。また、この構成では、複数の信号線が不要となることから、信号線の本数が少なくて済む。On the other hand, in the contactless
ここで、第1制御回路241および第2制御回路242は、それぞれ給電ユニット6とコイルユニット7とに分かれて設けられている。このため、第1制御回路241によるインバータ回路22の制御と、第2制御回路242による電力補正回路23の制御とで同期を取る必要がある。Here, the
同期を取るには、たとえば、第1制御回路241と第2制御回路242とを信号線により電気的に接続し、第1制御回路241から信号線を介して第2制御回路242に同期信号を送信することが考えられる。しかしながら、この手段では、信号線が伝導ノイズの影響を受け易くなり、伝導ノイズによる誤動作を招く可能性がある。その他、たとえばCAN(Controller Area Network)などの伝導ノイズに対する耐性の高い通信手段を用いて、第1制御回路241と第2制御回路242との間で同期を取ることも考えられる。しかしながら、この手段では、第2制御回路242をリアルタイムで制御することが困難である。In order to achieve synchronization, for example, the
そこで、本実施形態の非接触給電装置2では、第2制御回路242は、インバータ回路22の出力する交流電圧に基づいて、電力補正回路23を制御するタイミングを、第1制御回路241がインバータ回路22を制御するタイミングに同期させている。言い換えれば、第2制御回路242は、一次側コイルL1に印加される交流電圧に基づいて、電力補正回路23を制御するタイミングを、第1制御回路241がインバータ回路22を制御するタイミングに同期させている。具体的には、第2制御回路242は、電圧センサ25の出力(検知電圧VD1)を受けて、インバータ回路22の出力する交流電圧の大きさの変化を監視する。そして、第2制御回路242は、たとえばインバータ回路22の出力する交流電圧のゼロクロスを検知することで、インバータ回路22のスイッチ素子Q1~Q4のオン/オフするタイミングを検知する。このため、第2制御回路242は、検知したタイミングに基づいて、電力補正回路23のスイッチ素子Q5~Q8のオン/オフするタイミングを、インバータ回路22のスイッチ素子Q1~Q4のオン/オフするタイミングに同期させることができる。Therefore, in the contactless
本実施形態の非接触給電装置2では、たとえば図7に示すように、駆動信号G2,G3がハイレベルの期間において、インバータ回路22の第1出力点223での電圧V1が高電位となる。また、駆動信号G2,G3がローレベルの期間において、インバータ回路22の第1出力点223での電圧V1が低電位となる。そして、検知電圧VD1の極性が切り替わるタイミングは、電圧V1の極性が切り替わるタイミングと殆ど一致する。In the non-contact
したがって、第2制御回路242は、検知電圧VD1のゼロクロスを検知することで、駆動信号G2,G3がハイレベル/ローレベルを切り替えるタイミングを検知することができる。つまり、第2制御回路242は、インバータ回路22のスイッチ素子Q2,Q3のオン/オフするタイミングを検知することができる。また、第2制御回路242は、スイッチ素子Q2,Q3のオン/オフするタイミングを検知できれば、デッドタイムを考慮して、スイッチ素子Q1,Q4のオン/オフするタイミングも検知することができる。Therefore, the
上述のように、本実施形態の非接触給電装置2は、コイルユニット7に電力補正回路23が含まれているので、コモンモード電圧VC1の変動を抑制することができる。このため、本実施形態の非接触給電装置2では、一対の電線51,52と大地との間の浮遊容量CP1,CP2を介して流れる漏洩電流を低減でき、コモンモードノイズを低減することができる。したがって、本実施形態の非接触給電装置2では、コンデンサやコイルを追加する必要がないため、一次側共振回路の共振周波数の調整が容易である。また、本実施形態の非接触給電装置2では、専用のケーブルを用意する必要がなく、比較的安価な汎用ケーブルを一対の電線51,52として採用することができるので、コストの増大を抑制することができる。As described above, since the non-contact
さらに、本実施形態の非接触給電装置2では、一対の電線51,52に電力補正回路23で調整された交流電圧が印加されない。このため、本実施形態の非接触給電装置2では、一対の電線51,52にインバータ回路22の出力電圧よりも高い電圧が印加されるのを防止することができる。Furthermore, in the non-contact
また、本実施形態の非接触給電装置2では、電力補正回路23を制御する第2制御回路242がコイルユニット7に含まれている。このため、本実施形態の非接触給電装置2では、スイッチングの際のリンギング電圧や電流によるノイズに対する耐性を高めることができる。さらに、本実施形態の非接触給電装置2では、インバータ回路22の出力する交流電圧に基づいて、電力補正回路23の制御をインバータ回路22の制御に同期させている。このため、本実施形態の非接触給電装置2では、同期信号用の信号線を設ける必要が無いので、信号線がスイッチングの際のリンギング電圧や電流によるノイズの影響を受けることもなく、当該ノイズによる誤動作を防止することができる。In the contactless
また、本実施形態の非接触給電装置2では、電力補正回路23は、コンデンサC31および複数のスイッチ素子Q5~Q8を有している。そして、電力補正回路23は、複数のスイッチ素子Q5~Q8が制御されることで、コンデンサC31の充電電圧を一次側コイルL1に加減するように構成されている。この構成では、スイッチ素子Q5~Q8に与える駆動信号G5~G8の周波数や位相を制御することで、一次側コイルL1からの出力電力の大きさを容易に補正することができる。なお、当該構成を採用するか否かは任意である。In the contactless
ここで、第2制御回路242は、インバータ回路22の出力する交流電圧を検知しても、インバータ回路22のスイッチ素子Q1~Q4の動作周波数やデッドタイムを検知することは難しい。このため、本実施形態の非接触給電装置2では、実際に非接触受電装置3に対して給電を行う定常動作時よりも前に、定常動作時の直流電圧よりも低い直流電圧をAC/DCコンバータ回路21に印加することで、試験を行ってもよい。そして、試験において、インバータ回路22のスイッチ素子Q1~Q4のオン/オフするタイミングと、電力補正回路23のスイッチ素子Q5~Q8のオン/オフするタイミングとを調整してもよい。このとき、インバータ回路22のスイッチ素子Q1~Q4の動作周波数やデッドタイムが決定されるので、これらの情報を第2制御回路242に記憶させればよい。Here, even if the
本実施形態の非接触給電装置2では、図1に示すように、第1制御回路241と第2制御回路242とは、一対の電線51,52とは異なる信号線53により電気的に接続されている。この構成では、上述のインバータ回路22のスイッチ素子Q1~Q4の動作周波数やデッドタイムといった情報を、信号線53を介して第1制御回路241から第2制御回路242に任意のタイミングで送信することができる。したがって、この構成では、たとえばインバータ回路22の動作周波数が変更された場合に、動作周波数の情報を即座に第2制御回路242に送信することができる。その他、この構成では、インバータ回路22の動作の開始や停止、位相制御量といった情報を、第1制御回路241から第2制御回路242に送信することができる。なお、当該構成を採用するか否かは任意である。また、第1制御回路241と第2制御回路242との間の通信は、無線通信であってもよい。In the non-contact
ここで、第2制御回路242は、たとえば一次側コイルL1の過熱保護用の回路と兼用することが好ましい。言い換えれば、第2制御回路242は、一次側コイルL1の過熱を検知する機能を有することが好ましい。この回路は、たとえば温度センサにより一次側コイルL1の周囲温度を検知し、検知した温度が予め設定された閾値を上回れば、一次側コイルL1が過熱状態にあると判定する。この構成では、一次側コイルL1の過熱保護用の回路を設けるために新たにマイコン(マイクロコンピュータ)などを用意する必要がなく、部品点数の増大を抑えることができ、また、コイルユニット7の小型化を図ることができる。Here, the
ところで、電力補正回路23は、本実施形態のように4つのスイッチ素子Q5~Q8を用いた構成に限らず、たとえば図8に示すように、2つのスイッチ素子Q9,Q10を用いて構成されていてもよい。図8に示す電力補正回路23において、スイッチ素子Q9,Q10は、ゲートを2つ有するダブルゲート構造の半導体スイッチ素子である。また、スイッチ素子Q9は、コンデンサC31と直列に電気的に接続されている。スイッチ素子Q10は、スイッチ素子Q9およびコンデンサC31の直列回路に対して、並列に電気的に接続されている。スイッチ素子Q9の2つのゲートには、それぞれ駆動信号G7,G8が入力される。また、スイッチ素子Q10の2つのゲートには、それぞれ駆動信号G5,G6が入力される。Incidentally, the
図8に示す電力補正回路23は、駆動信号G5~G8によって2つのスイッチ素子Q9,Q10が制御され、図1、図2に示す電力補正回路23と等価に機能する。8 has two switch elements Q9 and Q10 controlled by drive signals G5 to G8, and functions equivalently to the
また、電圧センサ25は、インバータ回路22の第1出力点223での電圧V1を検知しているが、インバータ回路22の第2出力点224での電圧V2を検知してもよい。また、第2制御回路242は、インバータ回路22の出力する交流電圧に基づいて、電力補正回路23の制御をインバータ回路22の制御に同期させているが、他の構成であってもよい。たとえば、第2制御回路242は、インバータ回路22の出力する交流電流に基づいて、電力補正回路23の制御をインバータ回路22の制御に同期させてもよい。Further, although the
また、非接触給電装置2から非接触で出力電力が供給される(つまり給電される)負荷は、電動車両の蓄電池4に限らず、たとえば携帯電話機やスマートフォンなどの蓄電池を備えた電気機器、あるいは蓄電池を備えない照明器具などの電気機器であってもよい。In addition, the load to which output power is supplied (that is, supplied with power) in a non-contact manner from the non-contact
また、非接触給電装置2から非接触受電装置3への出力電力の伝送方式は、上述した磁界共鳴方式に限らず、たとえば電磁誘導方式、マイクロ波伝送方式などであってもよい。Further, the transmission method of the output power from the non-contact
また、インバータ回路22のスイッチ素子Q1~Q4や、電力補正回路23のスイッチ素子Q5~Q8は、それぞれバイポーラトランジスタやIGBT(Insulated Gate Bipolar Transistor)等の他の半導体スイッチング素子で構成されていてもよい。In addition, the switching elements Q1 to Q4 of the
また、インバータ回路22のダイオードD1~D4は、それぞれスイッチ素子Q1~Q4の寄生ダイオードに限らず、スイッチ素子Q1~Q4に外付けされていてもよい。同様に、電力補正回路23のダイオードD5~D8は、それぞれスイッチ素子Q5~Q8の寄生ダイオードに限らず、スイッチ素子Q5~Q8に外付けされていてもよい。The diodes D1 to D4 of the
また、計測部26は、制御回路24と別に設けられる構成に限らず、制御回路24と一体に設けられていてもよい。さらに、計測部26は一次側コイルL1に流れる電流の大きさを計測できればよいので、電流センサ27は、一次側コイルL1と一次側コンデンサC12との間に限らず、一次側コイルL1に流れる電流の経路上にあればよい。Further, the
また、一次側コンデンサC11,C12は、図1に示すように、一次側コイルL1に直接に電気的に接続される構成に限られない。たとえば、一次側コンデンサC11は、インバータ回路22の第1出力点223と、電力補正回路23の入力点231との間に設けられてもよい。Further, as shown in FIG. 1, the primary side capacitors C11 and C12 are not limited to a configuration in which the primary side capacitors C11 and C12 are directly electrically connected to the primary side coil L1. For example, the primary side capacitor C <b> 11 may be provided between the
ところで、本実施形態における一次側コイルL1および二次側コイルL2は、コアに対して導線が螺旋状に巻き付けられたソレノイド型のコイルであってもよいが、平面上において導線が渦巻き状に巻かれたスパイラル型のコイルであることが好ましい。スパイラル型のコイルは、ソレノイド型のコイルに比べて、不要輻射ノイズが生じにくいという利点がある。また、スパイラル型のコイルが用いられることで、不要輻射ノイズが低減される結果、インバータ回路22において使用可能な動作周波数の範囲が拡大されるという利点もある。以下、この点について詳細に説明する。By the way, although the primary side coil L1 and the secondary side coil L2 in this embodiment may be a solenoid type coil in which the conducting wire is wound spirally around the core, the conducting wire is wound spirally on a plane. Preferably, it is a spiral coil. Spiral type coils have the advantage that unnecessary radiation noise is less likely to occur than solenoid type coils. Further, the use of the spiral type coil has the advantage that the range of operating frequencies that can be used in the
非接触給電システム1における共振特性は、上述したように一次側コイルL1と二次側コイルL2との結合係数に応じて変化し、ある条件下では、図9に示すように出力に2つの極大値が生じる、いわゆる双峰特性を示す。この共振特性(双峰特性)では、図9に示すように、第1周波数fr1と第3周波数fr3とのそれぞれで出力が極大となる2つの“山”が生じる。これら2つの“山”の間には、第2周波数fr2で出力が極小となる“谷”が生じる。ここで、第1周波数fr1と第2周波数fr2と第3周波数fr3とは、fr1<fr2<fr3の関係にある。以下では、第2周波数fr2を基準に、第2周波数fr2よりも低い周波数領域を「低周波領域」といい、第2周波数fr2よりも高い周波数領域を「高周波領域」という。The resonance characteristics in the non-contact
このような共振特性にあっては、低周波領域の“山”(第1周波数fr1で極大となる山)と、高周波領域の“山”(第3周波数fr3で極大となる山)とのそれぞれに、インバータ回路22が遅相モードで動作する領域(以下、「遅相領域」という)が生じる。このため、インバータ回路22は、その動作周波数f1が2つの“山”のいずれにある場合でも、遅相モードで動作可能である。In such a resonance characteristic, each of a “mountain” in the low-frequency region (a mountain that becomes maximum at the first frequency fr1) and a “mountain” in the high-frequency region (a mountain that becomes maximum at the third frequency fr3). In addition, a region where the
ここで、遅相モードとは、インバータ回路22の出力電流(一次側コイルL1を流れる電流)の位相が、インバータ回路22の出力電圧の位相よりも遅れた状態で、インバータ回路22が動作するモードである。遅相モードでは、インバータ回路22のスイッチング動作がソフトスイッチングになる。このため、遅相モードでは、スイッチ素子Q1~Q4のスイッチング損失を低減でき、また、スイッチ素子にストレスが加わり難い。なお、図9に示す進相モードとは、インバータ回路22の出力電流(一次側コイルL1を流れる電流)の位相が、インバータ回路22の出力電圧の位相よりも進んだ状態で、インバータ回路22が動作するモードである。Here, the slow phase mode is a mode in which the
インバータ回路22の動作周波数f1が低周波領域の“山”にある場合と、高周波領域の“山”にある場合とを比較すると、低周波領域の“山”にある場合の方が、不要輻射ノイズは小さくなる。つまり、高周波領域の“山”では、一次側コイルL1を流れる電流と、二次側コイルL2を流れる電流とは同位相になる。これに対して、低周波領域の“山”では、一次側コイルL1を流れる電流と、二次側コイルL2を流れる電流とが逆位相になる。このため、低周波領域の“山”では、一次側コイルL1で生じる不要輻射ノイズと、二次側コイルL2で生じる不要輻射ノイズとが、互いに相殺されることになり、非接触給電システム1全体でみれば不要輻射ノイズが低減される。Comparing the case where the operating frequency f1 of the
したがって、ソレノイド型のコイルが採用される場合でも、インバータ回路22の動作周波数f1が低周波領域の“山”の遅相領域(fr1~fr2)にあれば、インバータ回路22が遅相モードで動作し、かつ不要輻射ノイズも低減されることになる。しかし、低周波領域の“山”の遅相領域は、一次側コイルL1と二次側コイルL2との結合係数に応じて変化するため、このような不確定な遅相領域にインバータ回路22の動作周波数f1を収める制御が必要になる。Therefore, even when a solenoid type coil is employed, if the operating frequency f1 of the
これに対して、スパイラル型のコイルであれば、たとえインバータ回路22の動作周波数f1が高周波領域の“山”の遅相領域(fr3より高周波側)にあっても、ソレノイド型のコイルに比べれば不要輻射ノイズは大幅に低減される。つまり、スパイラル型のコイルが用いられることで、インバータ回路22の動作周波数f1は低周波領域の“山”の遅相領域に制限されず、インバータ回路22において使用可能な動作周波数f1の範囲が拡大されることになる。なお、高周波領域の“山”の遅相領域も不確定な領域ではあるが、インバータ回路22の動作周波数f1を十分に高い周波数から低周波側にスイープさせれば、動作周波数f1は高周波領域の“山”の遅相領域を通るので、複雑な制御は不要である。On the other hand, in the case of the spiral type coil, even if the operating frequency f1 of the
以上述べた実施形態から明らかなように、本発明の第1の態様に係る非接触給電装置(2)は、給電ユニット(6)と、コイルユニット(7)とを備える。給電ユニット(6)は、入力される直流電圧を交流電圧に変換して、変換した交流電圧を出力するインバータ回路(22)を有する。コイルユニット(7)は、一対の電線(51,52)間に電気的に接続される一次側コイル(L1)を有する。一次側コイル(L1)は、一対の電線(51,52)を介して交流電圧が印加されることにより二次側コイル(L2)に非接触で出力電力を供給するように構成される。コイルユニット(7)と給電ユニット(6)とは、互いに隔てて設けられている。給電ユニット(6)は、インバータ回路(22)を制御する第1制御回路(241)をさらに備える。コイルユニット(7)は、交流電圧の大きさを調整することで出力電力の大きさを補正する電力補正回路(23)と、電力補正回路(23)を制御する第2制御回路(242)とをさらに備える。第2制御回路(242)は、一次側コイル(L1)に印加される交流電圧に基づいて、前記電力補正回路を制御するタイミングを、前記第1制御回路が前記インバータ回路を制御するタイミングに同期させる。As is clear from the embodiment described above, the non-contact power feeding device (2) according to the first aspect of the present invention includes a power feeding unit (6) and a coil unit (7). The power supply unit (6) includes an inverter circuit (22) that converts an input DC voltage into an AC voltage and outputs the converted AC voltage. The coil unit (7) has a primary coil (L1) electrically connected between the pair of electric wires (51, 52). The primary coil (L1) is configured to supply output power to the secondary coil (L2) in a non-contact manner when an AC voltage is applied via the pair of electric wires (51, 52). The coil unit (7) and the power supply unit (6) are provided apart from each other. The power supply unit (6) further includes a first control circuit (241) that controls the inverter circuit (22). The coil unit (7) includes a power correction circuit (23) that corrects the magnitude of the output power by adjusting the magnitude of the AC voltage, and a second control circuit (242) that controls the power correction circuit (23). Is further provided. The second control circuit (242) synchronizes the timing for controlling the power correction circuit based on the AC voltage applied to the primary coil (L1) with the timing for the first control circuit to control the inverter circuit. Let
また、本発明の第2の態様に係る非接触給電装置(2)は、第1の態様において、インバータ回路(22)の出力する交流電圧を検知する電圧センサ(25)をさらに備える。第2制御回路(242)は、電圧センサ(25)の出力を受けて、インバータ回路(22)の出力する交流電圧のゼロクロスを検知する。これにより、第2制御回路(242)は、電力補正回路(23)を制御するタイミングを、第1制御回路(241)がインバータ回路(22)を制御するタイミングに同期させる。Moreover, the non-contact electric power feeder (2) which concerns on the 2nd aspect of this invention is further provided with the voltage sensor (25) which detects the alternating voltage which an inverter circuit (22) outputs in a 1st aspect. The second control circuit (242) receives the output of the voltage sensor (25) and detects the zero crossing of the AC voltage output from the inverter circuit (22). Thus, the second control circuit (242) synchronizes the timing for controlling the power correction circuit (23) with the timing for the first control circuit (241) to control the inverter circuit (22).
また、本発明の第3の態様に係る非接触給電装置(2)では、第1または第2の態様において、電力補正回路(23)は、コンデンサ(C31)および複数のスイッチ素子(Q5~Q8)を有する。電力補正回路(23)は、複数のスイッチ素子(Q5~Q8)が制御されることで、コンデンサ(C31)の充電電圧を一次側コイル(L1)に加減するように構成される。In the non-contact power feeding device (2) according to the third aspect of the present invention, in the first or second aspect, the power correction circuit (23) includes a capacitor (C31) and a plurality of switch elements (Q5 to Q8). ). The power correction circuit (23) is configured to adjust the charging voltage of the capacitor (C31) to the primary coil (L1) by controlling the plurality of switch elements (Q5 to Q8).
また、本発明の第4の態様に係る非接触給電装置(2)では、第1~第3のいずれかの態様において、第1制御回路(241)と第2制御回路(242)とは、一対の電線(51,52)とは異なる信号線(53)により電気的に接続される。In the non-contact power feeding device (2) according to the fourth aspect of the present invention, in any of the first to third aspects, the first control circuit (241) and the second control circuit (242) are: The pair of electric wires (51, 52) is electrically connected by a different signal line (53).
また、本発明の第5の態様に係る非接触給電装置(2)では、第1~第4のいずれかの態様において、第2制御回路(242)は、一次側コイル(L1)の過熱を検知する機能を有する。In the non-contact power feeding device (2) according to the fifth aspect of the present invention, in any of the first to fourth aspects, the second control circuit (242) causes the primary coil (L1) to overheat. It has a function to detect.
また、本発明の第6の態様に係る非接触給電システム(1)は、第1~第5のいずれかの態様の非接触給電装置(2)と、二次側コイル(L2)を有する非接触受電装置(3)とを備える。非接触受電装置(3)は、非接触給電装置(2)から非接触で出力電力が供給されるように構成される。A non-contact power feeding system (1) according to a sixth aspect of the present invention includes a non-contact power feeding device (2) according to any one of the first to fifth aspects, and a non-contact power feeding system (1) having a secondary coil (L2). And a contact power receiving device (3). The non-contact power receiving device (3) is configured such that output power is supplied in a non-contact manner from the non-contact power feeding device (2).
非接触給電装置(2)および非接触給電システム(1)は、伝導ノイズを低減することができる。The contactless power supply device (2) and the contactless power supply system (1) can reduce conduction noise.
1 非接触給電システム
2 非接触給電装置
22 インバータ回路
23 電力補正回路
241 第1制御回路
242 第2制御回路
25 電圧センサ
3 非接触受電装置
51,52 一対の電線
53 信号線
6 給電ユニット
7 コイルユニット
C31 コンデンサ
L1 一次側コイル
L2 二次側コイル
Q5~Q8 スイッチ素子DESCRIPTION OF
| Application Number | Priority Date | Filing Date | Title |
|---|---|---|---|
| JP2017544180AJP6425183B2 (en) | 2015-10-08 | 2016-09-30 | Non-contact power feeding device and non-contact power feeding system |
| Application Number | Priority Date | Filing Date | Title |
|---|---|---|---|
| JP2015-200507 | 2015-10-08 | ||
| JP2015200507 | 2015-10-08 |
| Publication Number | Publication Date |
|---|---|
| WO2017061093A1true WO2017061093A1 (en) | 2017-04-13 |
| Application Number | Title | Priority Date | Filing Date |
|---|---|---|---|
| PCT/JP2016/004411CeasedWO2017061093A1 (en) | 2015-10-08 | 2016-09-30 | Non-contact power supply device and non-contact power supply system |
| Country | Link |
|---|---|
| JP (1) | JP6425183B2 (en) |
| WO (1) | WO2017061093A1 (en) |
| Publication number | Priority date | Publication date | Assignee | Title |
|---|---|---|---|---|
| WO2022092692A1 (en)* | 2020-10-26 | 2022-05-05 | 삼성전자 주식회사 | Method for switching operating mode of wireless charging system |
| Publication number | Priority date | Publication date | Assignee | Title |
|---|---|---|---|---|
| KR102863897B1 (en) | 2020-09-29 | 2025-09-25 | 삼성전자 주식회사 | New pwm method for wireless charging system |
| Publication number | Priority date | Publication date | Assignee | Title |
|---|---|---|---|---|
| JP2011508578A (en)* | 2007-11-16 | 2011-03-10 | クゥアルコム・インコーポレイテッド | Wireless power bridge |
| WO2014141661A1 (en)* | 2013-03-11 | 2014-09-18 | パナソニック株式会社 | Power supply device for non-contact charging device, power supply method, and non-contact charging device |
| Publication number | Priority date | Publication date | Assignee | Title |
|---|---|---|---|---|
| JP2011508578A (en)* | 2007-11-16 | 2011-03-10 | クゥアルコム・インコーポレイテッド | Wireless power bridge |
| WO2014141661A1 (en)* | 2013-03-11 | 2014-09-18 | パナソニック株式会社 | Power supply device for non-contact charging device, power supply method, and non-contact charging device |
| Publication number | Priority date | Publication date | Assignee | Title |
|---|---|---|---|---|
| WO2022092692A1 (en)* | 2020-10-26 | 2022-05-05 | 삼성전자 주식회사 | Method for switching operating mode of wireless charging system |
| Publication number | Publication date |
|---|---|
| JP6425183B2 (en) | 2018-11-21 |
| JPWO2017061093A1 (en) | 2018-06-21 |
| Publication | Publication Date | Title |
|---|---|---|
| KR102209812B1 (en) | Wireless power transfer system | |
| US20140333150A1 (en) | Power transmitting apparatus and power transmitting method | |
| US10148128B2 (en) | Power-supplying device, and wireless power-supplying system | |
| WO2014045874A1 (en) | Power receiving device and contactless power transmission device | |
| JP6395096B2 (en) | Non-contact power supply apparatus, program, control method for non-contact power supply apparatus, and non-contact power transmission system | |
| US20130051083A1 (en) | Magnetic coupling and contactless power transmission apparatus | |
| US9024613B2 (en) | Switching power supply apparatus and semiconductor device | |
| WO2015126946A1 (en) | Resonant inverter topology, wireless charger, and control method | |
| CN112448484B (en) | Contactless power supply device | |
| JP6440080B2 (en) | Non-contact power supply apparatus, program, control method for non-contact power supply apparatus, and non-contact power transmission system | |
| KR102155896B1 (en) | Apparatus and Method for Wireless Battery Charging | |
| JP6425183B2 (en) | Non-contact power feeding device and non-contact power feeding system | |
| JP6675094B2 (en) | Non-contact power supply device, program, non-contact power supply device control method, and non-contact power transmission system | |
| US11652368B2 (en) | Non-contact power supply device and power transmission device | |
| JP6501193B2 (en) | Non-contact power feeding device and non-contact power feeding system | |
| JP6569987B2 (en) | Non-contact power supply device and non-contact power supply system | |
| JP6369792B2 (en) | Non-contact power supply device and non-contact power supply system | |
| CN112448482B (en) | Non-contact power supply device and power transmission device | |
| JP2017216784A (en) | Non-contact power supply apparatus, non-contact power transmission system, program, and control method for non-contact power supply apparatus | |
| JP6685015B2 (en) | NON-CONTACT POWER FEEDER, NON-CONTACT POWER TRANSMISSION SYSTEM, PROGRAM, AND METHOD FOR CONTROLLING NON-CONTACT POWER FEED DEVICE | |
| JP2017005841A (en) | Power transmission apparatus | |
| JP6685016B2 (en) | Non-contact power feeding device, program, control method of non-contact power feeding device, and non-contact power transmission system | |
| JP6090084B2 (en) | Power converter | |
| TW201737592A (en) | Wireless charging system | |
| KR20170084870A (en) | Magnetic inductive pick-up apparatus |
| Date | Code | Title | Description |
|---|---|---|---|
| 121 | Ep: the epo has been informed by wipo that ep was designated in this application | Ref document number:16853250 Country of ref document:EP Kind code of ref document:A1 | |
| ENP | Entry into the national phase | Ref document number:2017544180 Country of ref document:JP Kind code of ref document:A | |
| NENP | Non-entry into the national phase | Ref country code:DE | |
| 122 | Ep: pct application non-entry in european phase | Ref document number:16853250 Country of ref document:EP Kind code of ref document:A1 |