Movatterモバイル変換


[0]ホーム

URL:


WO2012121335A1 - Liquid crystal display device - Google Patents

Liquid crystal display device
Download PDF

Info

Publication number
WO2012121335A1
WO2012121335A1PCT/JP2012/055979JP2012055979WWO2012121335A1WO 2012121335 A1WO2012121335 A1WO 2012121335A1JP 2012055979 WJP2012055979 WJP 2012055979WWO 2012121335 A1WO2012121335 A1WO 2012121335A1
Authority
WO
WIPO (PCT)
Prior art keywords
image data
liquid crystal
eye image
pixel
gradation level
Prior art date
Application number
PCT/JP2012/055979
Other languages
French (fr)
Japanese (ja)
Inventor
慎司 松本
下敷領 文一
雅江 北山
Original Assignee
シャープ株式会社
Priority date (The priority date is an assumption and is not a legal conclusion. Google has not performed a legal analysis and makes no representation as to the accuracy of the date listed.)
Filing date
Publication date
Application filed by シャープ株式会社filedCriticalシャープ株式会社
Publication of WO2012121335A1publicationCriticalpatent/WO2012121335A1/en

Links

Images

Classifications

Definitions

Landscapes

Abstract

A liquid crystal display device (100) of an embodiment of the present invention receives an input video signal including left eye image data and right eye image data and writes voltage corresponding to the left eye image data and voltage corresponding to right eye image data alternately into a pixel every two consecutive vertical scanning periods. The liquid crystal display device is configured such that when a transition between the left eye image data and the right eye image data in the input video signal is a transition from a first gradation level to a second gradation level higher than the first gradation level, and the two consecutive vertical scanning periods are defined as a first vertical scanning period and a second vertical scanning period following the first vertical scanning period, voltage corresponding to a gradation level lower than the second gradation level is written into the pixel in the second vertical scanning period in which the second gradation level should be displayed of the two consecutive vertical scanning periods.

Description

液晶表示装置Liquid crystal display
 本発明は、液晶表示装置およびその駆動方法に関する。The present invention relates to a liquid crystal display device and a driving method thereof.
 液晶表示装置は、軽量、薄型および低消費電力等の利点を有しており、携帯電話の表示部等の小型の表示装置としてだけでなく大型テレビジョンとしても利用されている。一般的な液晶表示装置は平面的な表示を行うが、近年、液晶表示装置を用いて、より臨場感のある立体的な表示を行うことが提案されている(特許文献1参照)。The liquid crystal display device has advantages such as light weight, thinness, and low power consumption, and is used not only as a small display device such as a display unit of a mobile phone but also as a large television. A general liquid crystal display device performs planar display, but in recent years, it has been proposed to use a liquid crystal display device to perform more realistic three-dimensional display (see Patent Document 1).
 特許文献1には、左眼用フレームおよび右眼用フレームを交互に表示する液晶表示装置と、シャッター眼鏡とを備える立体映像表示装置(立体表示システム)が開示されている。観察者は、シャッター眼鏡を装着して液晶表装置の表示画面を観察する。Patent Document 1 discloses a stereoscopic video display device (stereoscopic display system) including a liquid crystal display device that alternately displays a left-eye frame and a right-eye frame and shutter glasses. An observer wears shutter glasses and observes the display screen of the liquid crystal surface device.
 特許文献1の立体映像表示装置では、液晶表示装置は同じ映像の第1、第2左眼用フレームを連続して表示し、その後に同じ映像の第1、第2右眼用フレームを連続して表示する。このとき、シャッター眼鏡の左眼シャッターは、液晶表示装置に第1左眼用フレームが書き込まれた後の垂直ブランキング期間から次の第2左眼用フレームの期間まで開いており、シャッター眼鏡の右眼シャッターは、液晶表示装置に第1右眼用フレームが書き込まれた後の垂直ブランキング期間から次の第2右眼用フレームの期間まで開いている。このように、特許文献1の立体映像表示装置では、観察者が左眼用フレームおよび右眼用フレームを同時に視認するクロストークを防ぐとともに、観察者が左眼用フレームおよび右眼用フレームを視認できる期間を長くしており、これにより、輝度の増加を図っている。In the stereoscopic video display device ofPatent Document 1, the liquid crystal display device continuously displays the first and second left-eye frames of the same video, and subsequently the first and second right-eye frames of the same video. To display. At this time, the left eye shutter of the shutter glasses is open from the vertical blanking period after the first left eye frame is written to the liquid crystal display device to the next second left eye frame period. The right eye shutter is open from the vertical blanking period after the first right eye frame is written to the liquid crystal display device to the next second right eye frame period. As described above, in the stereoscopic image display apparatus disclosed inPatent Document 1, the observer visually recognizes the left-eye frame and the right-eye frame at the same time, and the observer visually recognizes the left-eye frame and the right-eye frame. The period during which the image can be generated is lengthened, thereby increasing the luminance.
特開2009-232249号公報JP 2009-232249 A
 上述したように、特許文献1の立体表示システムでは、1つの左眼用フレーム(左眼画像)のために液晶表示装置は2フレームの表示を行い、1つの右眼用フレーム(右眼画像)のために液晶表示装置は2フレームの表示を行っており、観察者が1つの立体画像を視認するために液晶表示装置は4つのフレームの表示を行う。この場合、観察者が動画表示可能な立体画像を視認するためには、液晶表示装置を高い垂直走査周波数で駆動することが必要となる。しかしながら、液晶表示装置を高い垂直走査周波数で駆動する場合、各画素が選択される期間が短くなるため、信号遅延の影響が大きくなり、画素の輝度が所定の値に変化せず、結果として、表示ムラが発生することがある。As described above, in the stereoscopic display system ofPatent Document 1, the liquid crystal display device displays two frames for one left eye frame (left eye image), and one right eye frame (right eye image). For this reason, the liquid crystal display device displays two frames, and the liquid crystal display device displays four frames so that the viewer can view one stereoscopic image. In this case, in order for the observer to visually recognize a stereoscopic image that can be displayed as a moving image, the liquid crystal display device needs to be driven at a high vertical scanning frequency. However, when the liquid crystal display device is driven at a high vertical scanning frequency, since the period in which each pixel is selected is shortened, the influence of signal delay is increased, and the luminance of the pixel does not change to a predetermined value. Display unevenness may occur.
 また、液晶表示装置に入力される入力映像信号自体が常に立体表示モードに適合しているとは限らず、また、観察者がシャッター眼鏡を装着して立体表示を視認することを望まないこともある。このため、液晶表示装置は、立体表示だけでなく通常の表示(平面表示)も可能であることが要求されることがある。しかしながら、立体表示だけでなく平面表示も可能な液晶表示装置の消費電力は一般的な液晶表示装置と比べて増大してしまう。In addition, the input video signal itself input to the liquid crystal display device does not always conform to the stereoscopic display mode, and the observer does not want to see the stereoscopic display by wearing shutter glasses. is there. For this reason, the liquid crystal display device may be required to be capable of normal display (planar display) as well as stereoscopic display. However, the power consumption of a liquid crystal display device capable of not only stereoscopic display but also flat display is increased as compared with a general liquid crystal display device.
 さらに、立体表示は、右眼用の画像と左眼用の画像とを切り換えて表示を行うので、液晶の応答が遅いと、例えば右眼用の画像を表示しているときに左眼用の画像の影響が残り、立体表示の品位を低下させるという問題がある。本発明者の検討によると、前フレームの画像が現フレームの画像に影響を与えるという問題(「フレーム間クロストーク」と呼ぶことにする)は、立体表示のときに顕著であるが、平面表示のときにも起こり得る問題で、特に高い垂直走査周波数で駆動するときに問題となる(「第1のフレーム間クロストーク」という。)。また、本発明者は、連続する2つのフレーム更新期間において同じ画像データが書き込まれることに起因する、立体表示に特有のフレーム間クロストーク(「第2のフレーム間クロストーク」という。)を見出した。Further, since the stereoscopic display is performed by switching between the right-eye image and the left-eye image, if the response of the liquid crystal is slow, for example, when the right-eye image is displayed, the left-eye image is displayed. There is a problem that the effect of the image remains and the quality of the stereoscopic display is lowered. According to the study of the present inventor, the problem that the image of the previous frame affects the image of the current frame (referred to as “inter-frame crosstalk”) is conspicuous in stereoscopic display, but is flat display. This problem may also occur in the case of driving at a high vertical scanning frequency (referred to as “first inter-frame crosstalk”). Further, the present inventor finds inter-frame crosstalk (referred to as “second inter-frame crosstalk”) peculiar to stereoscopic display caused by the same image data being written in two consecutive frame update periods. It was.
 本発明は、上記課題に鑑みてなされたものであり、その目的は、表示ムラの抑制された立体表示を行うことができる液晶表示装置および立体表示システムを提供することにある。また、本発明の別の目的は、立体表示モードおよび平面表示モードの切り換え可能な低消費電力の液晶表示装置および立体表示システムを提供することにある。The present invention has been made in view of the above problems, and an object of the present invention is to provide a liquid crystal display device and a stereoscopic display system capable of performing stereoscopic display with suppressed display unevenness. Another object of the present invention is to provide a low power consumption liquid crystal display device and a stereoscopic display system that can be switched between a stereoscopic display mode and a flat display mode.
 さらに、本発明は、立体表示で特に顕著となる、あるいは、立体表示に特有のフレーム間クロストークの発生を抑制することができる液晶表示装置を提供することを目的とする。Furthermore, an object of the present invention is to provide a liquid crystal display device that is particularly noticeable in stereoscopic display, or that can suppress the occurrence of inter-frame crosstalk that is peculiar to stereoscopic display.
 本発明による実施形態の液晶表示装置は、左眼画像データと右眼画像データとを含む入力映像信号を受け取って、連続する2つの垂直走査期間ごとに、前記左眼画像データに対応する電圧および前記右眼画像データに対応する電圧を交互に画素に書き込む、液晶表示装置であって、前記入力映像信号における前記左眼画像データと前記右眼画像データとの間の遷移が、第1階調レベルから、前記第1階調レベルよりも高い第2階調レベルへの遷移であるとき、前記連続する2つの垂直走査期間を第1垂直走査期間と、前記第1垂直走査期間に続く第2垂直走査期間とすると、前記第2階調レベルを表示すべき前記連続する2つの垂直走査期間の内の前記第2垂直走査期間において、前記第2階調レベルよりも低い階調レベルに対応する電圧を画素に書き込むように構成されている。ここで、前記左眼画像データと前記右眼画像データとの間の遷移とは、前記左眼画像データから前記右眼画像データへの遷移および前記右眼画像データから前記左眼画像データへの遷移の両方を含む。A liquid crystal display device according to an embodiment of the present invention receives an input video signal including left eye image data and right eye image data, and outputs a voltage corresponding to the left eye image data for each of two consecutive vertical scanning periods. A liquid crystal display device that alternately writes a voltage corresponding to the right eye image data to a pixel, wherein a transition between the left eye image data and the right eye image data in the input video signal is a first gradation. When the transition is from a level to a second gradation level higher than the first gradation level, the two consecutive vertical scanning periods are a first vertical scanning period and a second following the first vertical scanning period. The vertical scanning period corresponds to a gradation level lower than the second gradation level in the second vertical scanning period of the two consecutive vertical scanning periods in which the second gradation level is to be displayed. Voltage It is configured to write to the pixels. Here, the transition between the left eye image data and the right eye image data includes a transition from the left eye image data to the right eye image data and a transition from the right eye image data to the left eye image data. Includes both transitions.
 ある実施形態において、前記液晶表示装置は、前記第1階調レベルから、前記第2階調レベルへの遷移を、前記第1階調レベルから、前記第2階調レベルよりも低い第3階調レベルへの遷移に変換し、前記第2階調レベルを表示すべき前記連続する2つの垂直走査期間の内の前記第2垂直走査期間において、前記第3階調レベルに対応する電圧を画素に書き込むように構成されている。In one embodiment, the liquid crystal display device performs a transition from the first gradation level to the second gradation level on a third floor lower than the second gradation level from the first gradation level. In the second vertical scanning period of the two consecutive vertical scanning periods in which the second gradation level is to be displayed, the voltage corresponding to the third gradation level is converted into a pixel level transition. Is configured to write to.
 ある実施形態において、前記液晶表示装置は、前記第2階調レベルを表示すべき前記連続する2つの垂直走査期間の内の前記第1垂直走査期間に画素に書き込む電圧と前記第2垂直走査期間に画素に書き込む電圧とを互いに異なる関係に基づいて決定する。In one embodiment, the liquid crystal display device includes a voltage to be written to a pixel in the first vertical scanning period of the two consecutive vertical scanning periods in which the second gradation level is to be displayed, and the second vertical scanning period. The voltage to be written to the pixel is determined based on a mutually different relationship.
 ある実施形態において、前記液晶表示装置は、前記第2階調レベルを表示すべき前記連続する2つの垂直走査期間の内の前記第1垂直走査期間に画素に書き込む電圧と前記第2垂直走査期間に画素に書き込む電圧とを互いに異なるルックアップテーブルに基づいて決定する。In one embodiment, the liquid crystal display device includes a voltage to be written to a pixel in the first vertical scanning period of the two consecutive vertical scanning periods in which the second gradation level is to be displayed, and the second vertical scanning period. The voltages to be written to the pixels are determined based on different look-up tables.
 ある実施形態において、前記第1階調レベルは、中央階調レベルよりも低い階調レベルの少なくとも1つであり、前記第2階調レベルは、中央階調レベルよりも高い階調レベルの少なくとも1つである。In one embodiment, the first gradation level is at least one of gradation levels lower than the central gradation level, and the second gradation level is at least one of gradation levels higher than the central gradation level. One.
 ある実施形態において、最低階調レベルを0階調レベル、最高階調レベルを255階調レベルとするとき、前記第1階調レベルは、0階調レベルから16階調レベルの少なくとも1つであり、前記第2階調レベルは、200階調レベルから255階調レベルの少なくとも1つである。In one embodiment, when the lowest gradation level is 0 gradation level and the highest gradation level is 255 gradation level, the first gradation level is at least one of 0 gradation level to 16 gradation levels. The second gradation level is at least one of a 200 gradation level to a 255 gradation level.
 ある実施形態において、前記第1階調レベルは、最低階調レベルを含み、前記第2階調レベルは最高階調レベルを含む。もちろん、前記第1階調レベルは0階調レベルから16階調レベルの任意の1つであり、前記第2階調レベルは200階調レベルから255階調レベルの任意の1つであってもよい。In one embodiment, the first gradation level includes a lowest gradation level, and the second gradation level includes a maximum gradation level. Of course, the first gradation level is an arbitrary one from the 0th gradation level to the 16th gradation level, and the second gradation level is an arbitrary one from the 200th gradation level to the 255th gradation level. Also good.
 ある実施形態において、前記液晶表示装置は、前記第2階調レベルが最高階調レベルと異なる階調レベルのとき、前記第2階調レベルを表示すべき前記連続する2つの垂直走査期間の内の前記第1垂直走査期間において、前記第2階調レベルよりも高い階調レベルを表示させる電圧を画素に書き込むように構成されている。In one embodiment, the liquid crystal display device may include, when the second gradation level is a gradation level different from the highest gradation level, out of the two consecutive vertical scanning periods in which the second gradation level is to be displayed. In the first vertical scanning period, a voltage for displaying a gradation level higher than the second gradation level is written to the pixel.
 本発明の上記の実施形態の液晶表示装置は、以下の他の実施形態の液晶表示装置と適宜組み合わせることができる。例えば、前記連続する2つの垂直走査期間において各画素に書き込まれる電圧の極性は等しくてもよい。The liquid crystal display device of the above-described embodiment of the present invention can be appropriately combined with the liquid crystal display devices of other embodiments described below. For example, the polarity of the voltage written to each pixel in the two consecutive vertical scanning periods may be equal.
 本発明のある実施形態の液晶表示装置は、画素に供給される表示信号の極性が正の垂直走査期間と、画素に供給される表示信号の極性が負の垂直走査期間とを有する液晶表示装置であって、連続する2つの垂直走査期間の対を第1垂直走査期間および第2垂直走査期間とし、前記第1垂直走査期間に表示すべき目標階調レベルを第1目標階調レベルGL1、前記第1垂直走査期間の直後の第2垂直走査期間に表示すべき目標階調レベルを第2目標階調レベルGL2とし、GL1およびGL2は階調レベルを表す0以上の整数とすると、前記第2目標階調レベルGL2が前記第1目標階調レベルGL1と異なるとき、|GL2OD-GL1|が|GL2-GL1|よりも大きく、且つ、(GL2OD-GL1)の符号が(GL2-GL1)の符号と同じであるGL2ODで表される階調レベルに対応する表示電圧を前記第2垂直走査期間において画素に供給することができる回路を備え、前記第1垂直走査期間における前記極性が正で、前記第2垂直走査期間における前記極性が負である連続する2つの垂直走査期間の対と、前記第1垂直走査期間における前記極性が負で、前記第2垂直走査期間における前記極性が正である連続する2つの垂直走査期間の対とを有し、前記第1垂直走査期間における前記極性が正で、前記第2垂直走査期間における前記極性が負のときのGL2ODの値と、前記第1垂直走査期間における前記極性が負で、前記第2垂直走査期間における前記極性が正のときのGL2ODの値の大きさが異なる。A liquid crystal display device according to an embodiment of the present invention includes a vertical scanning period in which a polarity of a display signal supplied to a pixel is positive and a vertical scanning period in which a polarity of a display signal supplied to the pixel is negative. A pair of two consecutive vertical scanning periods is defined as a first vertical scanning period and a second vertical scanning period, and a target gradation level to be displayed in the first vertical scanning period is a first target gradation level GL1, If the target gradation level to be displayed in the second vertical scanning period immediately after the first vertical scanning period is the second target gradation level GL2, and GL1 and GL2 are integers greater than or equal to 0 representing the gradation level, When the second target gradation level GL2 is different from the first target gradation level GL1, | GL2OD -GL1 | is larger than | GL2-GL1 | and the sign of (GL2OD -GL1) is (GL2-GL1) ) Sign Includes a circuit that can be supplied to the pixel in the second vertical scanning period display voltages corresponding to the gradation level represented by the same GL2OD, the polarity is positive in the first vertical scanning period, the A pair of two consecutive vertical scanning periods in which the polarity in the second vertical scanning period is negative, and a series in which the polarity in the first vertical scanning period is negative and the polarity in the second vertical scanning period is positive. A value of GL2OD when the polarity in the first vertical scanning period is positive and the polarity in the second vertical scanning period is negative, and the first vertical scanning period The value of GL2OD differs when the polarity in the scanning period is negative and the polarity in the second vertical scanning period is positive.
 ある実施形態において、前記液晶表示装置は、前記第1垂直走査期間における前記極性が正で、前記第2垂直走査期間における前記極性が正である連続する2つの垂直走査期間の対をさらに有し、前記第1垂直走査期間における前記極性が正で、前記第2垂直走査期間における前記極性が負のときのGL2ODの値と、前記第1垂直走査期間における前記極性が正で、前記第2垂直走査期間における前記極性が正のときのGL2ODの値の大きさが異なる。In one embodiment, the liquid crystal display device further includes a pair of two consecutive vertical scanning periods in which the polarity in the first vertical scanning period is positive and the polarity in the second vertical scanning period is positive. GL2OD when the polarity in the first vertical scanning period is positive and the polarity in the second vertical scanning period is negative, and the polarity in the first vertical scanning period is positive and the second The magnitude of the value of GL2OD when the polarity is positive in the vertical scanning period is different.
 ある実施形態において、前記液晶表示装置は、前記第1垂直走査期間における前記極性が正で、前記第2垂直走査期間における前記極性が正である連続する2つの垂直走査期間の対をさらに有し、前記第1垂直走査期間における前記極性が正で、前記第2垂直走査期間における前記極性が負のときのGL2ODの値と、前記第1垂直走査期間における前記極性が負で、前記第2垂直走査期間における前記極性が負のときのGL2ODの値の大きさが異なる。In one embodiment, the liquid crystal display device further includes a pair of two consecutive vertical scanning periods in which the polarity in the first vertical scanning period is positive and the polarity in the second vertical scanning period is positive. GL2OD when the polarity in the first vertical scanning period is positive and the polarity in the second vertical scanning period is negative, and the polarity in the first vertical scanning period is negative, and the second The magnitude of the value of GL2OD when the polarity is negative in the vertical scanning period is different.
 ある実施形態において、前記液晶表示装置は、前記第1垂直走査期間における前記極性が正で、前記第2垂直走査期間における前記極性が正である連続する2つの垂直走査期間の対と、前記第1垂直走査期間における前記極性が負で、前記第2垂直走査期間における前記極性が負である連続する2つの垂直走査期間の対とをさらに有し、前記第1垂直走査期間における前記極性が正で、前記第2垂直走査期間における前記極性が正のときのGL2ODの値と、前記第1垂直走査期間における前記極性が負で、前記第2垂直走査期間における前記極性が負のときのGL2ODの値の大きさが異なる。In one embodiment, the liquid crystal display device includes a pair of two consecutive vertical scanning periods in which the polarity in the first vertical scanning period is positive and the polarity in the second vertical scanning period is positive; A pair of two consecutive vertical scanning periods in which the polarity in one vertical scanning period is negative and the polarity in the second vertical scanning period is negative, and the polarity in the first vertical scanning period is positive. The GL2OD value when the polarity in the second vertical scanning period is positive, and the GL2OD when the polarity in the first vertical scanning period is negative and the polarity in the second vertical scanning period is negative. The size of theOD value is different.
 ある実施形態において、前記画素に供給される表示信号の極性は2つの垂直走査期間ごとに反転する。In one embodiment, the polarity of the display signal supplied to the pixel is inverted every two vertical scanning periods.
 ある実施形態において、前記画素に供給される表示信号の極性は4垂直走査期間ごとに反転する。In one embodiment, the polarity of the display signal supplied to the pixel is inverted every four vertical scanning periods.
 ある実施形態において、前記GL1と前記GL2とのある組み合わせに対して、前記GL2ODの値の大きさが互いに異なる複数種類のルックアップテーブルを有する。In one embodiment, for a certain combination of the GL1 and the GL2, a plurality of types of lookup tables having different GL2OD values are provided.
 ある実施形態の液晶表示装置は、立体表示モードと平面表示モードとを切り換えて表示を行うことができる。A liquid crystal display device according to an embodiment can perform display by switching between a stereoscopic display mode and a flat display mode.
 ある実施形態において、前記平面表示モードにおいては、GL2ODの値の大きさは、前記第1垂直走査期間における前記極性および前記第2つの垂直走査期間における前記極性に依存しない。In one embodiment, in the flat display mode, the magnitude of the value of GL2OD does not depend on the polarity in the first vertical scanning period and the polarity in the second vertical scanning period.
 本発明の他のある実施形態の液晶表示装置は、立体表示モードと平面表示モードとを切り換えて表示を行うことができる液晶表示装置であって、画素に供給される表示信号の極性が正の垂直走査期間と、画素に供給される表示信号の極性が負の垂直走査期間とを有し、連続する2つの垂直走査期間の対を第1垂直走査期間および第2つの垂直走査期間とし、第1垂直走査期間に表示すべき目標階調レベルを第1目標階調レベルGL1、前記第1垂直走査期間の直後の第2垂直走査期間に表示すべき目標階調レベルを第2目標階調レベルGL2とし、GL1およびGL2は階調レベルを表す0以上の整数とすると、前記第2目標階調レベルGL2が前記第1目標階調レベルGL1と異なるとき、|GL2OD-GL1|が|GL2-GL1|よりも大きく、且つ、(GL2OD-GL1)の符号が(GL2-GL1)の符号と同じであるGL2ODで表される階調レベルに対応する表示電圧を前記第2垂直走査期間において画素に供給することができる回路を備え、前記立体表示モードのときのGL2ODの値と前記平面表示モードのときのGL2ODの値の大きさが異なる。A liquid crystal display device according to another embodiment of the present invention is a liquid crystal display device that can perform display by switching between a stereoscopic display mode and a flat display mode, and the polarity of a display signal supplied to a pixel is positive. A vertical scanning period and a vertical scanning period in which the polarity of a display signal supplied to the pixel is negative, and a pair of two consecutive vertical scanning periods is defined as a first vertical scanning period and a second vertical scanning period; The target gradation level to be displayed in one vertical scanning period is the first target gradation level GL1, and the target gradation level to be displayed in the second vertical scanning period immediately after the first vertical scanning period is the second target gradation level. When GL2 is assumed, and GL1 and GL2 are integers of 0 or more representing gradation levels, when the second target gradation level GL2 is different from the first target gradation level GL1, | GL2OD −GL1 | From GL1 | And the display voltage corresponding to the gradation level represented by GL2OD in which the sign of (GL2OD -GL1) is the same as the sign of (GL2-GL1) is supplied to the pixel in the second vertical scanning period The GL2OD value in the stereoscopic display mode is different from the GL2OD value in the planar display mode.
 ある実施形態において、前記平面表示モードにおける垂直走査周波数は、前記立体表示モードにおける垂直走査周波数より小さい。例えば、立体表示モードにおける垂直走査周波数は240Hzで、平面表示モードにおける垂直走査周波数は120Hzである。In one embodiment, the vertical scanning frequency in the planar display mode is smaller than the vertical scanning frequency in the stereoscopic display mode. For example, the vertical scanning frequency in the stereoscopic display mode is 240 Hz, and the vertical scanning frequency in the flat display mode is 120 Hz.
 ある実施形態において、前記立体表示モードのときのGL2ODの値は前記平面表示モードのときのGL2ODの値よりも大きい。In one embodiment, the value of GL2OD in the stereoscopic display mode is larger than the value of GL2OD in the planar display mode.
 本発明によるさらに他の実施形態の液晶表示装置は、立体表示モードで表示を行う、複数の画素が設けられた液晶表示装置であって、前記複数の画素のそれぞれには、連続する2つの垂直走査期間ごとに左眼画像データおよび右眼画像データが交互に書き込まれ、前記複数の画素のそれぞれは、前記左眼画像データの書き込まれる前記2つの垂直走査期間にわたって等しい極性を示し、前記右眼画像データの書き込まれる前記2つの垂直走査期間にわたって等しい極性を示す。A liquid crystal display device according to still another embodiment of the present invention is a liquid crystal display device provided with a plurality of pixels that performs display in a stereoscopic display mode, and each of the plurality of pixels has two continuous vertical lines. Left eye image data and right eye image data are alternately written for each scanning period, and each of the plurality of pixels has the same polarity over the two vertical scanning periods in which the left eye image data is written, and the right eye It shows the same polarity over the two vertical scanning periods in which image data is written.
 ある実施形態において、前記複数の画素のそれぞれの極性は2以上の偶数の垂直走査期間ごとに反転する。In one embodiment, the polarity of each of the plurality of pixels is inverted every two or more even vertical scanning periods.
 ある実施形態において、前記複数の画素のそれぞれの極性は2つの垂直走査期間ごとに反転する。In one embodiment, the polarity of each of the plurality of pixels is inverted every two vertical scanning periods.
 ある実施形態において、前記複数の画素のそれぞれの極性は4垂直走査期間ごとに反転する。In one embodiment, the polarity of each of the plurality of pixels is inverted every four vertical scanning periods.
 ある実施形態において、前記複数の画素は、複数の行および複数の列のマトリクス状に配列されており、前記複数の画素の全体に前記左眼画像データおよび前記右眼画像データの一方が書き込まれたときに前記複数の画素のうちの列方向に隣接する画素の極性は互いに等しい。In one embodiment, the plurality of pixels are arranged in a matrix of a plurality of rows and a plurality of columns, and one of the left eye image data and the right eye image data is written to the whole of the plurality of pixels. Of the plurality of pixels are adjacent to each other in the column direction.
 ある実施形態において、前記複数の画素は、複数の行および複数の列のマトリクス状に配列されており、前記複数の画素の全体に前記左眼画像データおよび前記右眼画像データの一方が書き込まれたときに前記複数の画素のうちの行方向および列方向に隣接する画素の極性は互いに異なる。In one embodiment, the plurality of pixels are arranged in a matrix of a plurality of rows and a plurality of columns, and one of the left eye image data and the right eye image data is written to the whole of the plurality of pixels. Then, the polarities of the pixels adjacent to each other in the row direction and the column direction among the plurality of pixels are different from each other.
 ある実施形態において、前記複数の画素は、前記複数の行のうちの2以上の行に対応する1以上のブロックに分かれており、前記左眼画像データまたは前記右眼画像データの書き込みは、前記ブロック内の奇数行および偶数行のうちの一方の画素に対して行われた後に、他方の画素に対して行われる。In one embodiment, the plurality of pixels are divided into one or more blocks corresponding to two or more rows of the plurality of rows, and the writing of the left eye image data or the right eye image data is performed by After being performed on one pixel of the odd and even rows in the block, it is performed on the other pixel.
 ある実施形態において、前記液晶表示装置は、前面基板、背面基板、および、前記前面基板と前記背面基板との間に設けられた液晶層を有する液晶パネルと、前記液晶パネルに光を照射するバックライトユニットと、入力映像信号に基づいて前記入力映像信号のフレームレートよりも高いフレームレートの映像信号を生成するフレームレート制御回路と、前記映像信号に基づいて表示信号を生成するタイミングコントローラと、前記書き込みの行われる画素を選択する走査信号を供給する走査信号駆動回路と、前記選択された画素に前記表示信号を供給する表示信号駆動回路と、前記複数の画素の書き込み状態を示す書込状態信号を送信する書込状態信号送信回路と、前記バックライトユニットの点灯および消灯を制御するバックライト駆動回路とを備える。In one embodiment, the liquid crystal display device includes a front substrate, a rear substrate, a liquid crystal panel having a liquid crystal layer provided between the front substrate and the rear substrate, and a back for irradiating the liquid crystal panel with light. A light unit; a frame rate control circuit that generates a video signal having a frame rate higher than a frame rate of the input video signal based on the input video signal; a timing controller that generates a display signal based on the video signal; A scanning signal driving circuit for supplying a scanning signal for selecting a pixel to be written; a display signal driving circuit for supplying the display signal to the selected pixel; and a writing state signal indicating a writing state of the plurality of pixels A write state signal transmission circuit for transmitting a backlight and a backlight drive for controlling the turning on and off of the backlight unit And a circuit.
 ある実施形態において、前記バックライトユニットは、前記左眼画像データおよび前記右眼画像データのそれぞれ書き込まれる前記2つの垂直走査期間のうちの後の垂直走査期間の少なくとも一部の期間、点灯する。In one embodiment, the backlight unit is lit during at least a part of a subsequent vertical scanning period of the two vertical scanning periods in which the left eye image data and the right eye image data are respectively written.
 ある実施形態では、前記液晶表示装置は、前記複数の画素のそれぞれにおいて、1以上の前の垂直走査期間に書き込まれた前記左眼画像データおよび前記右眼画像データに基づいてオーバードライブ駆動を行う。In one embodiment, the liquid crystal display device performs overdrive driving in each of the plurality of pixels based on the left eye image data and the right eye image data written in one or more previous vertical scanning periods. .
 ある実施形態において、前記立体表示モードおよび平面表示モードを切り換えて表示を行う液晶表示装置であって、前記平面表示モードでは、前記立体表示モードよりも低い垂直走査周波数で駆動を行う。In one embodiment, the liquid crystal display device performs display by switching between the stereoscopic display mode and the planar display mode, and the planar display mode is driven at a lower vertical scanning frequency than the stereoscopic display mode.
 ある実施形態において、前記複数の画素のそれぞれは、第1副画素および第2副画素を有している。In one embodiment, each of the plurality of pixels has a first subpixel and a second subpixel.
 ある実施形態において、前記平面表示モードにおいてマルチ画素駆動が行われ、前記立体表示モードにおいてマルチ画素駆動が行われない。In one embodiment, multi-pixel driving is performed in the planar display mode, and multi-pixel driving is not performed in the stereoscopic display mode.
 本発明によるある実施形態の液晶表示装置は、立体表示モード、および、前記立体表示モードよりも低い垂直走査周波数で駆動の行われる平面表示モードを切り換えて表示を行う。The liquid crystal display device according to an embodiment of the present invention performs display by switching between a stereoscopic display mode and a planar display mode that is driven at a vertical scanning frequency lower than that of the stereoscopic display mode.
 ある実施形態において、前記平面表示モードの駆動は、前記立体表示モードの駆動の半分の垂直走査周波数で行われる。In one embodiment, the driving in the flat display mode is performed at a vertical scanning frequency that is half of the driving in the stereoscopic display mode.
 ある実施形態において、前記液晶表示装置は、複数の画素が設けられた液晶パネルと、入力映像信号に基づいて前記入力映像信号のフレームレートよりも高いフレームレートの映像信号を生成するフレームレート制御回路と、前記映像信号に基づいて表示信号を生成するタイミングコントローラと、書き込みの行われる画素を選択する走査信号を供給する走査信号駆動回路と、前記選択された画素に前記表示信号を供給する表示信号駆動回路とを備え、前記タイミングコントローラは、前記立体表示モードおよび前記平面表示モードに応じて前記表示信号のフレームレートを異ならせる。In one embodiment, the liquid crystal display device includes a liquid crystal panel provided with a plurality of pixels, and a frame rate control circuit that generates a video signal having a frame rate higher than the frame rate of the input video signal based on the input video signal. A timing controller that generates a display signal based on the video signal, a scanning signal drive circuit that supplies a scanning signal for selecting a pixel to be written, and a display signal that supplies the display signal to the selected pixel The timing controller varies a frame rate of the display signal according to the stereoscopic display mode and the flat display mode.
 ある実施形態において、前記液晶表示装置は、前記液晶パネルに光を照射するバックライトユニットと、前記バックライトユニットの点灯および消灯を制御するバックライト駆動回路とをさらに備える。In one embodiment, the liquid crystal display device further includes a backlight unit that irradiates light to the liquid crystal panel, and a backlight drive circuit that controls turning on and off of the backlight unit.
 ある実施形態において、前記バックライトユニットによる光の照射は、前記立体表示モードおよび前記平面表示モードに応じて変更される。In one embodiment, the light irradiation by the backlight unit is changed according to the stereoscopic display mode and the flat display mode.
 ある実施形態において、前記バックライトユニットは、それぞれが点灯および消灯を独立に制御可能な複数の照射領域を有している。In one embodiment, the backlight unit has a plurality of irradiation areas that can be independently controlled to be turned on and off.
 ある実施形態において、前記複数の画素は、複数の行および複数の列のマトリクス状に配列されており、前記複数の照射領域のそれぞれは、前記複数の行のうちの少なくとも1つの行の画素に対応して設けられている。In one embodiment, the plurality of pixels are arranged in a matrix of a plurality of rows and a plurality of columns, and each of the plurality of irradiation regions corresponds to a pixel in at least one row of the plurality of rows. Correspondingly provided.
 ある実施形態において、前記立体表示モードで表示を行う場合、前記複数の照射領域が順番に点灯する。In one embodiment, when the display is performed in the stereoscopic display mode, the plurality of irradiation areas are lit in order.
 ある実施形態において、前記液晶パネルは、対向電極を有する前面基板と、走査配線、ソース配線および画素電極を有する背面基板と、前記前面基板と前記背面基板との間に設けられた液晶層とを有している。In one embodiment, the liquid crystal panel includes a front substrate having a counter electrode, a rear substrate having a scanning wiring, a source wiring, and a pixel electrode, and a liquid crystal layer provided between the front substrate and the rear substrate. Have.
 ある実施形態において、前記平面表示モードで表示を行う場合、前記走査信号駆動回路および前記表示信号駆動回路は、前記立体表示モードで表示を行う場合の半分の垂直走査周波数で前記液晶パネルを駆動する。In one embodiment, when performing display in the flat display mode, the scanning signal drive circuit and the display signal drive circuit drive the liquid crystal panel at a vertical scanning frequency that is half that when performing display in the stereoscopic display mode. .
 ある実施形態において、前記フレームレート制御回路は、前記映像信号のフレームレートを前記入力映像信号のフレームレートの2倍に設定する。In one embodiment, the frame rate control circuit sets the frame rate of the video signal to twice the frame rate of the input video signal.
 ある実施形態において、前記立体表示モードで表示を行う場合、前記入力映像信号には、左眼画像データおよび右眼画像データが交互に配列されており、前記フレームレート制御回路は、前記映像信号に、前記入力映像信号のうちの前記左眼画像データおよび前記右眼画像データの1セットを2セット繰り返して配列する。In one embodiment, when performing display in the stereoscopic display mode, left-eye image data and right-eye image data are alternately arranged in the input video signal, and the frame rate control circuit outputs the video signal to the video signal. , One set of the left eye image data and the right eye image data in the input video signal is repeatedly arranged in two sets.
 ある実施形態において、前記タイミングコントローラは、前記表示信号に、前記映像信号の前記左眼画像データおよび前記右眼画像データをそれぞれ2つずつ連続して配列する。In one embodiment, the timing controller sequentially arranges the left eye image data and the right eye image data of the video signal two by two on the display signal.
 ある実施形態において、前記立体表示モードで表示を行う場合、前記タイミングコントローラは前記表示信号のフレームレートを前記映像信号のフレームレートの2倍に設定し、前記平面表示モードで表示を行う場合、前記タイミングコントローラは前記表示信号のフレームレートを前記映像信号のフレームレートと等しく設定する。In one embodiment, when performing display in the stereoscopic display mode, the timing controller sets the frame rate of the display signal to twice the frame rate of the video signal, and when performing display in the planar display mode, The timing controller sets the frame rate of the display signal equal to the frame rate of the video signal.
 ある実施形態において、前記フレームレート制御回路は、前記映像信号のフレームレートを前記入力映像信号のフレームレートの4倍に設定する。In one embodiment, the frame rate control circuit sets the frame rate of the video signal to four times the frame rate of the input video signal.
 ある実施形態において、前記立体表示モードで表示を行う場合、前記入力映像信号には、左眼画像データおよび右眼画像データが交互に配列されており、前記フレームレート制御回路は、前記映像信号に、前記入力映像信号のうちの前記左眼画像データおよび前記右眼画像データを2つずつ連続して配列した1セットを2セット繰り返して配列する。In one embodiment, when performing display in the stereoscopic display mode, left-eye image data and right-eye image data are alternately arranged in the input video signal, and the frame rate control circuit outputs the video signal to the video signal. In the input video signal, two sets of one set in which the left eye image data and the right eye image data are continuously arranged two by two are repeatedly arranged.
 ある実施形態において、前記タイミングコントローラは、前記表示信号に、前記映像信号の前記左眼画像データおよび前記右眼画像データを配列する。In one embodiment, the timing controller arranges the left eye image data and the right eye image data of the video signal in the display signal.
 ある実施形態において、前記立体表示モードで表示を行う場合、前記タイミングコントローラは前記表示信号のフレームレートを前記映像信号のフレームレートと等しく設定し、前記平面表示モードで表示を行う場合、前記タイミングコントローラは前記表示信号のフレームレートを前記映像信号のフレームレートの半分に設定する。In one embodiment, when performing display in the stereoscopic display mode, the timing controller sets a frame rate of the display signal equal to a frame rate of the video signal, and when performing display in the planar display mode, the timing controller Sets the frame rate of the display signal to half the frame rate of the video signal.
 ある実施形態において、前記液晶表示装置は、前記複数の画素の書き込み状態を示す書込状態信号を送信する書込状態信号送信回路をさらに備える。In one embodiment, the liquid crystal display device further includes a write state signal transmission circuit that transmits a write state signal indicating a write state of the plurality of pixels.
 ある実施形態では、前記複数の画素のそれぞれにおいて、1以上の前の垂直走査期間に書き込まれた前記左眼画像データおよび前記右眼画像データに基づいてオーバードライブ駆動を行う。In one embodiment, overdrive driving is performed on each of the plurality of pixels based on the left eye image data and the right eye image data written in one or more previous vertical scanning periods.
 本発明によるある実施形態の立体表示システムは、上記に記載の液晶表示装置と、前記液晶表示装置が左眼画像を表示している期間に開く左眼シャッター、および、前記液晶表示装置が右眼画像を表示している期間に開く右眼シャッターを有するシャッター眼鏡とを備える。A stereoscopic display system according to an embodiment of the present invention includes the liquid crystal display device described above, a left-eye shutter that opens during a period in which the liquid crystal display device displays a left-eye image, and the liquid crystal display device is a right eye. And shutter glasses having a right-eye shutter that opens during a period during which an image is displayed.
 本発明による実施形態の液晶表示装置および立体表示システムは、表示ムラの抑制された立体表示を行うことができる。また、本発明によれば、立体表示モードおよび平面表示モードを切り換え可能な低消費電力の液晶表示装置および立体表示システムを提供することができる。The liquid crystal display device and the stereoscopic display system according to the embodiment of the present invention can perform a stereoscopic display in which display unevenness is suppressed. Further, according to the present invention, it is possible to provide a low power consumption liquid crystal display device and a stereoscopic display system capable of switching between the stereoscopic display mode and the flat display mode.
本発明による実施形態の液晶表示装置および立体表示システムの第1実施形態の模式図であり、(a)は立体表示モードで左眼画像を表示する立体表示システムの模式図であり、(b)は立体表示モードで右眼画像を表示する立体表示システムの模式図であり、(c)は平面表示モードで表示を行う液晶表示装置の模式図である。It is a schematic diagram of 1st Embodiment of the liquid crystal display device and stereoscopic display system of embodiment by this invention, (a) is a schematic diagram of the stereoscopic display system which displays a left-eye image in a stereoscopic display mode, (b). Is a schematic diagram of a stereoscopic display system that displays a right eye image in a stereoscopic display mode, and (c) is a schematic diagram of a liquid crystal display device that performs display in a planar display mode.図1に示した立体表示システムの模式図である。It is a schematic diagram of the three-dimensional display system shown in FIG.(a)は図2に示した立体表示システムの立体表示モードの模式図であり、(b)は平面表示モードの模式図である。(A) is a schematic diagram of the stereoscopic display mode of the stereoscopic display system shown in FIG. 2, and (b) is a schematic diagram of the flat display mode.図2に示した立体表示システムにおける書込状態信号送信回路およびシャッター眼鏡の開閉を示す模式図である。FIG. 3 is a schematic diagram showing opening / closing of a writing state signal transmission circuit and shutter glasses in the stereoscopic display system shown in FIG. 2.(a)は立体表示モードにおいて図2に示した液晶表示装置に入力される入力映像信号に含まれる画像データの模式図であり、(b)は映像信号に含まれる画像データの模式図であり、(c)は表示信号に含まれる画像データの模式図である。(A) is a schematic diagram of image data included in the input video signal input to the liquid crystal display device shown in FIG. 2 in the stereoscopic display mode, and (b) is a schematic diagram of image data included in the video signal. (C) is a schematic diagram of the image data contained in a display signal.(a)は平面表示モードにおいて図2に示した液晶表示装置に入力される入力映像信号に含まれる画像データの模式図であり、(b)は映像信号に含まれる画像データの模式図であり、(c)は表示信号に含まれる画像データの模式図である。(A) is a schematic diagram of image data included in the input video signal input to the liquid crystal display device shown in FIG. 2 in the flat display mode, and (b) is a schematic diagram of image data included in the video signal. (C) is a schematic diagram of the image data contained in a display signal.(a)は比較例1の液晶表示装置および立体表示システムの立体表示モードの模式図であり、(b)は平面表示モードの模式図である。(A) is a schematic diagram of the stereoscopic display mode of the liquid crystal display device and the stereoscopic display system of Comparative Example 1, and (b) is a schematic diagram of the flat display mode.(a)は立体表示モードにおいて図7に示した液晶表示装置に入力される入力映像信号に含まれる画像データの模式図であり、(b)は映像信号に含まれる画像データの模式図であり、(c)は表示信号に含まれる画像データの模式図である。(A) is a schematic diagram of image data included in the input video signal input to the liquid crystal display device shown in FIG. 7 in the stereoscopic display mode, and (b) is a schematic diagram of image data included in the video signal. (C) is a schematic diagram of the image data contained in a display signal.(a)は平面表示モードにおいて図7に示した液晶表示装置に入力される入力映像信号に含まれる画像データの模式図であり、(b)は映像信号に含まれる画像データの模式図であり、(c)は表示信号に含まれる画像データの模式図である。(A) is a schematic diagram of image data included in the input video signal input to the liquid crystal display device shown in FIG. 7 in the flat display mode, and (b) is a schematic diagram of image data included in the video signal. (C) is a schematic diagram of the image data contained in a display signal.(a)は図2に示した立体表示システムにおけるバックライトユニットの点灯の時間変化を示す模式図であり、(b)はバックライトユニットの点灯、各画素への書き込み、および、シャッター眼鏡のタイミングを示す模式図である。(A) is a schematic diagram which shows the time change of lighting of the backlight unit in the three-dimensional display system shown in FIG. 2, (b) is lighting of a backlight unit, writing to each pixel, and timing of shutter glasses. It is a schematic diagram which shows.図2に示した立体表示システムの駆動を説明するための図であり、(a)は複数の走査配線に供給される走査信号電圧の波形図であり、(b)はバックライトユニットの点灯・非点灯を示す模式図であり、(c)はシャッター眼鏡の開閉を示す模式図である。FIG. 3 is a diagram for explaining driving of the stereoscopic display system shown in FIG. 2, (a) is a waveform diagram of a scanning signal voltage supplied to a plurality of scanning wirings, and (b) is a lighting / lighting of a backlight unit. It is a schematic diagram which shows non-lighting, (c) is a schematic diagram which shows opening and closing of shutter spectacles.(a)は図2に示した立体表示システムにおけるバックライトユニットの点灯の時間変化を示す模式図であり、(b)はバックライトユニットの点灯、各画素への書き込み、および、シャッター眼鏡のタイミングを示す模式図である。(A) is a schematic diagram which shows the time change of lighting of the backlight unit in the three-dimensional display system shown in FIG. 2, (b) is lighting of a backlight unit, writing to each pixel, and timing of shutter glasses. It is a schematic diagram which shows.(a)は図2に示した立体表示システムにおけるバックライトユニットの点灯の時間変化を示す模式図であり、(b)はバックライトユニットの点灯、各画素への書き込み、および、シャッター眼鏡のタイミングを示す模式図である。(A) is a schematic diagram which shows the time change of lighting of the backlight unit in the three-dimensional display system shown in FIG. 2, (b) is lighting of a backlight unit, writing to each pixel, and timing of shutter glasses. It is a schematic diagram which shows.図2に示した液晶表示装置における液晶パネルの模式図である。It is a schematic diagram of the liquid crystal panel in the liquid crystal display device shown in FIG.図2に示した立体表示システムの駆動を説明するための図であり、(a)は対向電極の電位を基準としたソース配線の電位の波形図であり、(b)は走査信号電圧の波形図であり、(c)は対向電極の電位を基準とした画素電極の電位の波形図であり、(d)はバックライトユニットの点灯・非点灯を示す模式図であり、(e)はシャッター眼鏡の開閉を示す模式図である。3A and 3B are diagrams for explaining driving of the stereoscopic display system illustrated in FIG. 2, in which FIG. 3A is a waveform diagram of the potential of the source wiring with reference to the potential of the counter electrode, and FIG. (C) is a waveform diagram of the potential of the pixel electrode with reference to the potential of the counter electrode, (d) is a schematic diagram showing lighting / non-lighting of the backlight unit, and (e) is a shutter. It is a schematic diagram which shows opening and closing of spectacles.図2に示した立体表示システムの駆動を説明するための図であり、(a)は表示信号電圧の波形図であり、(b)は走査信号電圧の波形図であり、(c)は対向電極の電位を基準とした画素電極の電位の変化を示す波形図であり、(d)はバックライトユニットの点灯・非点灯を示す模式図であり、(e)はシャッター眼鏡の開閉を示す模式図である。FIG. 3 is a diagram for explaining driving of the stereoscopic display system shown in FIG. 2, (a) is a waveform diagram of a display signal voltage, (b) is a waveform diagram of a scanning signal voltage, and (c) is a facing diagram. It is a wave form diagram which shows the change of the electric potential of the pixel electrode on the basis of the electric potential of an electrode, (d) is a schematic diagram which shows lighting / non-lighting of a backlight unit, (e) is a schematic diagram which shows opening and closing of shutter glasses. FIG.図2に示した立体表示システムの駆動を説明するための図であり、(a)は書き込まれた画素の極性および書き込みの順番を示す模式図であり、(b)は1フレーム更新期間における対向電極の電位を基準とした特定のソース配線の電位の波形図である。FIG. 3 is a diagram for explaining driving of the stereoscopic display system shown in FIG. 2, (a) is a schematic diagram showing the polarity of written pixels and the order of writing, and (b) is an opposing view in one frame update period. It is a waveform diagram of the potential of a specific source wiring with reference to the potential of the electrode.図2に示した立体表示システムの駆動を説明するための図であり、(a)は対向電極の電位を基準としたソース配線の電位の波形図であり、(b)は走査信号電圧の波形図であり、(c)は対向電極の電位を基準とした画素電極の電位の波形図であり、(d)はバックライトユニットの点灯・非点灯を示す模式図であり、(e)はシャッター眼鏡の開閉を示す模式図である。3A and 3B are diagrams for explaining driving of the stereoscopic display system illustrated in FIG. 2, in which FIG. 3A is a waveform diagram of the potential of the source wiring with reference to the potential of the counter electrode, and FIG. (C) is a waveform diagram of the potential of the pixel electrode with reference to the potential of the counter electrode, (d) is a schematic diagram showing lighting / non-lighting of the backlight unit, and (e) is a shutter. It is a schematic diagram which shows opening and closing of spectacles.図2に示した立体表示システムの駆動を説明するための図であり、(a)は表示信号電圧の波形図であり、(b)は走査信号電圧の波形図であり、(c)は対向電極の電位を基準とした画素電極の電位の変化を示す波形図であり、(d)はバックライトユニットの点灯・非点灯を示す模式図であり、(e)はシャッター眼鏡の開閉を示す模式図である。FIG. 3 is a diagram for explaining driving of the stereoscopic display system shown in FIG. 2, (a) is a waveform diagram of a display signal voltage, (b) is a waveform diagram of a scanning signal voltage, and (c) is a facing diagram. It is a wave form diagram which shows the change of the electric potential of the pixel electrode on the basis of the electric potential of an electrode, (d) is a schematic diagram which shows lighting / non-lighting of a backlight unit, (e) is a schematic diagram which shows opening and closing of shutter glasses. FIG.オーバードライブ処理の行われる図2に示した立体表示システムにおける画像データの変化を示した模式図である。It is the schematic diagram which showed the change of the image data in the stereoscopic display system shown in FIG. 2 in which an overdrive process is performed.図14に示した液晶パネルにおける画素を示す模式図である。It is a schematic diagram which shows the pixel in the liquid crystal panel shown in FIG.図14に示した液晶パネルにおける画素を示す模式図である。It is a schematic diagram which shows the pixel in the liquid crystal panel shown in FIG.図22に示した液晶パネルの等価回路図である。FIG. 23 is an equivalent circuit diagram of the liquid crystal panel shown in FIG. 22.(a)は本発明による実施形態の液晶表示装置および立体表示システムの第2実施形態の立体表示モードの模式図であり、(b)は平面表示モードの模式図である。(A) is a schematic diagram of the stereoscopic display mode of 2nd Embodiment of the liquid crystal display device and stereoscopic display system of embodiment by this invention, (b) is a schematic diagram of planar display mode.(a)は立体表示モードにおいて図24に示した液晶表示装置に入力される入力映像信号に含まれる画像データの模式図であり、(b)は映像信号に含まれる画像データの模式図であり、(c)は表示信号に含まれる画像データの模式図である。(A) is a schematic diagram of image data included in an input video signal input to the liquid crystal display device shown in FIG. 24 in the stereoscopic display mode, and (b) is a schematic diagram of image data included in the video signal. (C) is a schematic diagram of the image data contained in a display signal.(a)は平面表示モードにおいて図24に示した液晶表示装置に入力される入力映像信号に含まれる画像データの模式図であり、(b)は映像信号に含まれる画像データの模式図であり、(c)は表示信号に含まれる画像データの模式図である。(A) is a schematic diagram of image data included in an input video signal input to the liquid crystal display device shown in FIG. 24 in the flat display mode, and (b) is a schematic diagram of image data included in the video signal. (C) is a schematic diagram of the image data contained in a display signal.(a)は比較例2の液晶表示装置および立体表示システムの立体表示モードの模式図であり、(b)は平面表示モードの模式図である。(A) is a schematic diagram of the stereoscopic display mode of the liquid crystal display device and stereoscopic display system of Comparative Example 2, and (b) is a schematic diagram of the flat display mode.オーバードライブ処理の行われる図24に示した立体表示システムにおける画像データの変化を示した模式図である。FIG. 25 is a schematic diagram illustrating changes in image data in the stereoscopic display system illustrated in FIG. 24 in which overdrive processing is performed.(a)から(d)は、本発明による実施形態の液晶表示装置および立体表示システムの第3実施形態において表示される画像を示す模式図である。(A)-(d) is a schematic diagram which shows the image displayed in 3rd Embodiment of the liquid crystal display device and stereoscopic display system of embodiment by this invention.(a)は図29に示した立体表示システムの模式図であり、(b)は(a)に示した液晶表示装置における液晶パネルの模式図である。(A) is a schematic diagram of the stereoscopic display system shown in FIG. 29, and (b) is a schematic diagram of a liquid crystal panel in the liquid crystal display device shown in (a).図29に示した立体表示システムの駆動を説明するための図であり、(a)は表示信号電圧の波形図であり、(b)は走査信号電圧の波形図であり、(c)は対向電極の電位を基準とした画素電極の電位の変化を示す波形図であり、(d)はバックライトユニットの点灯・非点灯を示す模式図であり、(e)はシャッター眼鏡の開閉を示す模式図である。It is a figure for demonstrating the drive of the three-dimensional display system shown in FIG. 29, (a) is a waveform diagram of a display signal voltage, (b) is a waveform diagram of a scanning signal voltage, (c) is opposing. It is a wave form diagram which shows the change of the electric potential of the pixel electrode on the basis of the electric potential of an electrode, (d) is a schematic diagram which shows lighting / non-lighting of a backlight unit, (e) is a schematic diagram which shows opening and closing of shutter glasses. FIG.(a)は比較例3の液晶表示装置および立体表示システムの模式図であり、(b)は(a)に示した液晶表示装置における液晶パネルの模式図である。(A) is a schematic diagram of the liquid crystal display device of the comparative example 3, and a three-dimensional display system, (b) is a schematic diagram of the liquid crystal panel in the liquid crystal display device shown to (a).比較例3の立体表示システムの駆動を説明するための図であり、(a)は対向電極の電位を基準としたソース配線の電位の波形図であり、(b)は走査信号電圧の波形図であり、(c)は対向電極の電位を基準とした画素電極の電位の波形図であり、(d)はバックライトユニットの点灯・非点灯を示す模式図であり、(e)はシャッター眼鏡の開閉を示す模式図である。It is a figure for demonstrating the drive of the three-dimensional display system of the comparative example 3, (a) is a wave form diagram of the potential of the source wiring on the basis of the electric potential of a counter electrode, (b) is a wave form diagram of a scanning signal voltage. (C) is a waveform diagram of the potential of the pixel electrode with reference to the potential of the counter electrode, (d) is a schematic diagram showing lighting / non-lighting of the backlight unit, and (e) is shutter glasses. It is a schematic diagram which shows opening and closing of.図29に示した立体表示システムの駆動を説明するための図であり、(a)は複数の走査配線に供給される走査信号電圧の波形図であり、(b)はバックライトユニットの点灯・非点灯を示す模式図であり、(c)はシャッター眼鏡の開閉を示す模式図である。FIG. 30 is a diagram for explaining driving of the stereoscopic display system shown in FIG. 29, (a) is a waveform diagram of a scanning signal voltage supplied to a plurality of scanning wirings, and (b) is a lighting / lighting of a backlight unit; It is a schematic diagram which shows non-lighting, (c) is a schematic diagram which shows opening and closing of shutter spectacles.図29に示した立体表示システムの駆動を説明するための図であり、(a)は対向電極の電位を基準としたソース配線の電位の波形図であり、(b)は走査信号電圧の波形図であり、(c)は対向電極の電位を基準とした画素電極の電位の波形図であり、(d)はバックライトユニットの点灯・非点灯を示す模式図であり、(e)はシャッター眼鏡の開閉を示す模式図である。29A and 29B are diagrams for explaining the driving of the stereoscopic display system shown in FIG. 29, in which FIG. 29A is a waveform diagram of the potential of the source wiring with reference to the potential of the counter electrode, and FIG. (C) is a waveform diagram of the potential of the pixel electrode with reference to the potential of the counter electrode, (d) is a schematic diagram showing lighting / non-lighting of the backlight unit, and (e) is a shutter. It is a schematic diagram which shows opening and closing of spectacles.図29に示した立体表示システムの駆動を説明するための図であり、(a)は書き込まれた画素の極性および書き込みの順番を示す模式図であり、(b)は1フレーム更新期間における対向電極の電位を基準とした特定のソース配線の電位の波形図である。FIG. 30 is a diagram for describing driving of the stereoscopic display system illustrated in FIG. 29, in which (a) is a schematic diagram illustrating the polarity of written pixels and the order of writing, and (b) is a diagram illustrating the opposite in one frame update period. It is a waveform diagram of the potential of a specific source wiring with reference to the potential of the electrode.図29に示した立体表示システムの駆動を説明するための図であり、(a)は対向電極の電位を基準としたソース配線の電位の波形図であり、(b)は走査信号電圧の波形図であり、(c)は対向電極の電位を基準とした画素電極の電位の波形図であり、(d)はバックライトユニットの点灯・非点灯を示す模式図であり、(e)はシャッター眼鏡の開閉を示す模式図である。29A and 29B are diagrams for explaining the driving of the stereoscopic display system shown in FIG. 29, in which FIG. 29A is a waveform diagram of the potential of the source wiring with reference to the potential of the counter electrode, and FIG. (C) is a waveform diagram of the potential of the pixel electrode with reference to the potential of the counter electrode, (d) is a schematic diagram showing lighting / non-lighting of the backlight unit, and (e) is a shutter. It is a schematic diagram which shows opening and closing of spectacles.図29に示した立体表示システムの駆動を説明するための図であり、(a)は表示信号電圧の波形図であり、(b)は走査信号電圧の波形図であり、(c)は対向電極の電位を基準とした画素電極の電位の変化を示す波形図であり、(d)はバックライトユニットの点灯・非点灯を示す模式図であり、(e)はシャッター眼鏡の開閉を示す模式図である。It is a figure for demonstrating the drive of the three-dimensional display system shown in FIG. 29, (a) is a waveform diagram of a display signal voltage, (b) is a waveform diagram of a scanning signal voltage, (c) is opposing. It is a wave form diagram which shows the change of the electric potential of the pixel electrode on the basis of the electric potential of an electrode, (d) is a schematic diagram which shows lighting / non-lighting of a backlight unit, (e) is a schematic diagram which shows opening and closing of shutter glasses. FIG.図29に示した立体表示システムの一例を示す模式図である。It is a schematic diagram which shows an example of the three-dimensional display system shown in FIG.右眼画像から左眼画像に切り替り、それに伴い画素の輝度が高(明)から低(暗)へ変化する場合におけるフレーム間クロストークの問題を説明するための図であり、表示信号の電位VLs、液晶容量CLCおよび画素電圧|Vpe|の変化を示す図である。It is a figure for demonstrating the problem of the crosstalk between flame | frames when switching from a right eye image to a left eye image, and the brightness | luminance of a pixel changes from high (bright) to low (dark) in connection with it, is a diagram showing changes in | VLs, a liquid crystal capacitor CLC andthe pixel voltage | Vpe.TFT型液晶表示装置における引込み電圧ΔVdを説明するための図であり、走査信号電圧(ゲート電圧)VLgおよび画素電極電位Vpeを示す図である。It is a figure for demonstrating drawing voltage (DELTA) Vd in a TFT type liquid crystal display device, and is a figure which shows scanning signal voltage (gate voltage) VLg and pixel electrode electric potential Vpe.立体表示におけるフレーム間クロストークの問題を説明するための図であり、右眼用の画像を表示しているときに左眼の画像が残像のように見える様子を示す図である。It is a figure for demonstrating the problem of the crosstalk between frames in a three-dimensional display, and is a figure which shows a mode that the image of a left eye looks like an afterimage when the image for right eyes is displayed.本発明による実施形態の液晶表示装置における画素電圧|Vpe|の変化を示す図である。It is a figure which shows the change of pixel voltage | Vpe | in the liquid crystal display device of embodiment by this invention.本発明による実施形態の液晶表示装置によって表示されるフレーム間クロストークの無い画像を示す図である。It is a figure which shows the image without the crosstalk between frames displayed by the liquid crystal display device of embodiment by this invention.255階調レベルの左眼画像データと0階調レベルの右眼画像データとが連続している場合に発生する、0階調レベルを表示すべき右眼画像に左眼画像データが重なって表示されるというフレーム間クロストークを説明するための図である。The left eye image data is displayed so as to overlap the right eye image to be displayed with the 0 gradation level, which occurs when the left eye image data with the 255 gradation level and the right eye image data with the 0 gradation level are continuous. It is a figure for demonstrating the crosstalk between frames being performed.本発明によるさらに他の実施形態の液晶表示装置による立体表示モードにおいて、0階調レベルの右眼画像と、255階調レベル(最高階調レベル)の左眼画像とを交互に表示する場合の輝度の変化を示す図である。In a stereoscopic display mode by a liquid crystal display device according to still another embodiment of the present invention, a right-eye image of 0 gradation level and a left-eye image of 255 gradation level (maximum gradation level) are displayed alternately. It is a figure which shows the change of a brightness | luminance.本発明によるさらに他の実施形態の液晶表示装置の構成を模式的に示す図であり、特に、タイミングコントローラ120Aおよびオーバードライブ駆動部124Aの具体的な構成を示す図である。It is a figure which shows typically the structure of the liquid crystal display device of further another embodiment by this invention, and is a figure which shows the specific structure of thetiming controller 120A and the overdrive drivepart 124A especially.(a)はオーバードライブ用のルックアップテーブル126tに格納されている関係を示す図であり、(b)は予測用のルックアップテーブル128tに格納されている関係を示す図であり、(c)はオーバードライブ用のルックアップテーブル126tに格納されている関係を示す図である。(A) is a figure which shows the relationship stored in the lookup table 126t for overdrive, (b) is a figure which shows the relationship stored in the lookup table 128t for prediction, (c) FIG. 4 is a diagram showing a relationship stored in an overdrive lookup table 126t.本発明によるさらに他の実施形態の液晶表示装置であって、目標階調変換回路105Aと変換用のルックアップテーブル105tAとを有する液晶表示装置の構成を模式的に示す図である。FIG. 10 is a diagram schematically illustrating a configuration of a liquid crystal display device according to still another embodiment of the present invention, which includes a targetgradation conversion circuit 105A and a conversion lookup table 105tA.(a)は変換用のルックアップテーブル105tAに格納されている関係を示す図であり、(b)および(c)は予測用のルックアップテーブル128tに格納されている関係を示す図である。(A) is a figure which shows the relationship stored in the lookup table 105tA for conversion, (b) and (c) is a figure which shows the relationship stored in the lookup table 128t for prediction.画素の透過率変化のシミュレーション結果を示す図であり、実施例1および比較例の結果を示す。It is a figure which shows the simulation result of the transmittance | permeability change of a pixel, and shows the result of Example 1 and a comparative example.本発明によるさらに他の実施形態の液晶表示装置であって、目標階調変換回路105Bと変換用のルックアップテーブル105tBとを有する液晶表示装置の構成を模式的に示す図である。FIG. 15 is a diagram schematically showing a configuration of a liquid crystal display device according to still another embodiment of the present invention, which includes a targetgradation conversion circuit 105B and a conversion lookup table 105tB.変換用のルックアップテーブル105tBに格納されている関係を示す図である。It is a figure which shows the relationship stored in the lookup table 105tB for conversion.本発明によるさらに他の実施形態の液晶表示装置の構成を模式的に示す図であり、特に、タイミングコントローラ120Bおよびオーバードライブ駆動部124Bの具体的な構成を示す図である。It is a figure which shows typically the structure of the liquid crystal display device of further another embodiment by this invention, and is a figure which shows the specific structure of thetiming controller 120B and theoverdrive drive part 124B especially.(a)はオーバードライブ用のルックアップテーブル126t1に格納されている関係を示す図であり、(b)は予測用のルックアップテーブル128tに格納されている関係を示す図であり、(c)はオーバードライブ用のルックアップテーブル126t2に格納されている関係を示す図である(実施例2)。(A) is a figure which shows the relationship stored in the lookup table 126t1 for overdrive, (b) is a figure which shows the relationship stored in the lookup table 128t for prediction, (c) FIG. 10 is a diagram illustrating a relationship stored in an overdrive lookup table 126t2 (Example 2).画素の透過率変化のシミュレーション結果を示す図であり、実施例2および比較例の結果を示す。It is a figure which shows the simulation result of the transmittance | permeability change of a pixel, and shows the result of Example 2 and a comparative example.(a)はオーバードライブ用のルックアップテーブル126t1に格納されている他の関係を示す図であり、(b)は予測用のルックアップテーブル128tに格納されている他の関係を示す図である(実施例3)。(A) is a figure which shows the other relationship stored in the lookup table 126t1 for overdrive, (b) is a figure which shows the other relationship stored in the lookup table 128t for prediction. (Example 3).(a)はオーバードライブ用のルックアップテーブル126t2に格納されている他の関係を示す図であり、(b)は予測用のルックアップテーブル128tに格納されている他の関係を示す図である(実施例3)。(A) is a figure which shows the other relationship stored in the lookup table 126t2 for overdrive, (b) is a figure which shows the other relationship stored in the lookup table 128t for prediction. (Example 3).画素の透過率変化のシミュレーション結果を示す図であり、実施例3および比較例の結果を示す。It is a figure which shows the simulation result of the transmittance | permeability change of a pixel, and shows the result of Example 3 and a comparative example.(a)はオーバードライブ用のルックアップテーブル126t1に格納されている他の関係を示す図であり、(b)は予測用のルックアップテーブル128tに格納されている他の関係を示す図である(実施例4)。(A) is a figure which shows the other relationship stored in the lookup table 126t1 for overdrive, (b) is a figure which shows the other relationship stored in the lookup table 128t for prediction. (Example 4).(a)はオーバードライブ用のルックアップテーブル126t2に格納されている他の関係を示す図であり、(b)は予測用のルックアップテーブル128tに格納されている他の関係を示す図である(実施例4)。(A) is a figure which shows the other relationship stored in the lookup table 126t2 for overdrive, (b) is a figure which shows the other relationship stored in the lookup table 128t for prediction. (Example 4).画素の透過率変化のシミュレーション結果を示す図であり、実施例4および比較例の結果を示す。It is a figure which shows the simulation result of the transmittance | permeability change of a pixel, and shows the result of Example 4 and a comparative example.
 以下、図面を参照して、本発明による液晶表示装置および立体表示システムの実施形態を説明する。ただし、本発明は、以下の実施形態に限定されるものではない。Hereinafter, embodiments of a liquid crystal display device and a stereoscopic display system according to the present invention will be described with reference to the drawings. However, the present invention is not limited to the following embodiments.
 (実施形態1)
 以下、本発明による液晶表示装置および立体表示システムの第1実施形態を説明する。まず、図1を参照して、本実施形態の液晶表示装置100および立体表示システム300を説明する。立体表示システム300は、液晶表示装置100およびシャッター眼鏡280を備えている。液晶表示装置100には複数の画素が設けられている。
(Embodiment 1)
Hereinafter, a liquid crystal display device and a stereoscopic display system according to a first embodiment of the present invention will be described. First, the liquidcrystal display device 100 and thestereoscopic display system 300 of this embodiment will be described with reference to FIG. Thestereoscopic display system 300 includes a liquidcrystal display device 100 and shutterglasses 280. The liquidcrystal display device 100 is provided with a plurality of pixels.
 液晶表示装置100は、少なくとも立体表示モードで表示を行う。立体表示モードにおいて、液晶表示装置100は、ある期間において左眼画像を表示し、別の期間において右眼画像を表示する。このように、立体表示モードで表示を行う液晶表示装置100は異なる期間に左眼画像および右眼画像を表示する。The liquidcrystal display device 100 performs display at least in the stereoscopic display mode. In the stereoscopic display mode, the liquidcrystal display device 100 displays a left eye image in a certain period and displays a right eye image in another period. Thus, the liquidcrystal display device 100 that performs display in the stereoscopic display mode displays the left eye image and the right eye image in different periods.
 立体表示モードにおいて液晶表示装置100は、シャッター眼鏡280とともに用いられる。シャッター眼鏡280は左眼シャッター282および右眼シャッター284を有している。観察者が装着可能なようにシャッター眼鏡280は設計されている。In the stereoscopic display mode, the liquidcrystal display device 100 is used together with theshutter glasses 280. Theshutter glasses 280 have aleft eye shutter 282 and aright eye shutter 284. Theshutter glasses 280 are designed to be worn by an observer.
 シャッター眼鏡280は液晶表示装置100から出力される信号に基づいて制御される。液晶表示装置100が左眼画像を表示する場合に左眼シャッター282が開き、液晶表示装置100が右眼画像を表示する場合に右眼シャッター284が開く。このため、シャッター眼鏡280を装着した観察者の左眼はシャッター眼鏡280の左眼シャッター282を介して液晶表示装置100の左眼画像を視認し、観察者の右眼はシャッター眼鏡280の右眼シャッター284を介して液晶表示装置100の右眼画像を視認する。シャッター眼鏡280はアクティブメガネとも呼ばれる。Theshutter glasses 280 are controlled based on a signal output from the liquidcrystal display device 100. Theleft eye shutter 282 is opened when the liquidcrystal display device 100 displays a left eye image, and theright eye shutter 284 is opened when the liquidcrystal display device 100 displays a right eye image. Therefore, the left eye of the observer wearing theshutter glasses 280 visually recognizes the left eye image of the liquidcrystal display device 100 via theleft eye shutter 282 of theshutter glasses 280, and the right eye of the observer is the right eye of theshutter glasses 280. The right eye image of the liquidcrystal display device 100 is visually recognized via theshutter 284. Theshutter glasses 280 are also called active glasses.
 図1(a)に示すように、液晶表示装置100が立体表示モードで左眼画像を表示する場合、シャッター眼鏡280の左眼シャッター282は開いており、右眼シャッター284は閉じている。As shown in FIG. 1A, when the liquidcrystal display device 100 displays a left eye image in the stereoscopic display mode, theleft eye shutter 282 of theshutter glasses 280 is open and theright eye shutter 284 is closed.
 例えば、シャッター眼鏡280は、近視、遠視、乱視等を矯正する、いわゆるメガネと同様に観察者の頭部に装着され、観察者は、シャッター眼鏡280を介して液晶表示装置100を視認する。シャッター眼鏡280は、近視、遠視、乱視等を矯正する、いわゆるメガネと同時に装着可能なように設計されている。For example, theshutter glasses 280 are mounted on the observer's head in the same manner as so-called glasses that correct myopia, hyperopia, astigmatism, etc., and the observer visually recognizes the liquidcrystal display device 100 via theshutter glasses 280. Theshutter glasses 280 are designed to be worn simultaneously with so-called glasses for correcting myopia, hyperopia, astigmatism and the like.
 例えば、左眼シャッター282および右眼シャッター284はそれぞれ液晶を用いて作製される。具体的には、左眼シャッター282および右眼シャッター284はTN(Twisted Nematic)液晶を用いて作製してもよく、あるいは、OCB(Optically Compensated Bend)液晶を用いて作製してもよい。For example, theleft eye shutter 282 and theright eye shutter 284 are each made of liquid crystal. Specifically, the left-eye shutter 282 and the right-eye shutter 284 may be manufactured using TN (Twisted Nematic) liquid crystal, or may be manufactured using OCB (Optically Compensated Bend) liquid crystal.
 図1(b)に示すように、液晶表示装置100が立体表示モードで右眼画像を表示する場合、シャッター眼鏡280の右眼シャッター284は開いており、左眼シャッター282は閉じている。立体表示モードの液晶表示装置100において表示される左眼画像および右眼画像は高速に切り換わり、これに応じて左眼、右眼シャッター282、284の開閉も高速に切り換わる。このようにして、観察者は、液晶表示装置100に表示される画像を立体的に視認することができる。As shown in FIG. 1B, when the liquidcrystal display device 100 displays a right eye image in the stereoscopic display mode, theright eye shutter 284 of theshutter glasses 280 is open and theleft eye shutter 282 is closed. The left eye image and the right eye image displayed on the liquidcrystal display device 100 in the stereoscopic display mode are switched at high speed, and the opening and closing of the left eye andright eye shutters 282 and 284 are switched at high speed accordingly. In this way, the observer can visually recognize the image displayed on the liquidcrystal display device 100 in a three-dimensional manner.
 なお、ここでは、液晶表示装置100は、立体表示モードだけでなく平面表示モードで表示を行うことができる。液晶表示装置100は、立体表示モードおよび平面表示モードを切り換えて表示を行う。なお、一般に、立体表示モードは3D表示と呼ばれることがあり、平面表示モードは2D表示と呼ばれることがある。Note that here, the liquidcrystal display device 100 can display not only in the stereoscopic display mode but also in the flat display mode. The liquidcrystal display device 100 performs display by switching between the stereoscopic display mode and the flat display mode. In general, the stereoscopic display mode may be referred to as 3D display, and the flat display mode may be referred to as 2D display.
 図1(c)に、平面表示モードで表示を行う液晶表示装置100の模式図を示す。液晶表示装置100が平面表示モードで表示を行う場合、観察者はシャッター眼鏡280を用いることなく通常の表示を視認することができる。FIG. 1C is a schematic diagram of the liquidcrystal display device 100 that performs display in the flat display mode. When the liquidcrystal display device 100 performs display in the flat display mode, the observer can visually recognize a normal display without using theshutter glasses 280.
 例えば、入力映像信号が、入力映像信号に含まれる画像データが立体表示モードおよび平面表示モードのいずれのデータであるかを示す情報を含む場合、立体表示モードおよび平面表示モードの切り換えは入力映像信号に基づいて行われる。あるいは、立体表示モードおよび平面表示モードの切り換えは観察者等からの命令に基づいて行われてもよい。For example, when the input video signal includes information indicating whether the image data included in the input video signal is the stereoscopic display mode or the flat display mode, the switching between the stereoscopic display mode and the flat display mode is performed. Based on. Alternatively, switching between the stereoscopic display mode and the flat display mode may be performed based on a command from an observer or the like.
 なお、本明細書の以下の説明において、特に言及しない場合、「垂直走査期間」または「フレーム期間」とは、ある画素が選択され、次にその画素が選択されるまでの期間を意味し、典型的には、書き込む画素を選択する、ある走査配線が選択され、次にその走査配線が選択されるまでの期間を意味する。倍速駆動を行わない一般的な液晶パネルにおける1垂直走査期間は、入力映像信号がノンインターレース駆動用の信号である場合には、入力映像信号の1フレーム期間に対応し、入力映像信号がインターレース駆動用の信号である場合には、入力映像信号の1フィールド期間に対応する。例えば、入力映像信号がNTSC信号の場合、液晶表示装置の1垂直走査期間は、NTSC信号のフィールド周波数(60Hz)の逆数である16.7msである。液晶表示装置では、入力映像信号の奇数フィールドおよび偶数フィールドのいずれにおいても全ての画素に書き込みを行うため、NTSC信号のフィールド周波数の逆数が垂直走査期間となる。なお、各垂直走査期間内において、ある走査配線を選択する時刻と、その次の走査配線を選択する時刻との差(期間)を1水平走査期間(1H)という。In the following description of the present specification, unless otherwise specified, the term “vertical scanning period” or “frame period” means a period until a pixel is selected and then the pixel is selected, Typically, this means a period from when a scanning line for selecting a pixel to be written is selected until the next scanning line is selected. One vertical scanning period in a general liquid crystal panel that does not perform double speed driving corresponds to one frame period of the input video signal when the input video signal is a signal for non-interlace driving, and the input video signal is interlaced. In the case of the signal for use, it corresponds to one field period of the input video signal. For example, when the input video signal is an NTSC signal, one vertical scanning period of the liquid crystal display device is 16.7 ms which is the reciprocal of the field frequency (60 Hz) of the NTSC signal. In the liquid crystal display device, all pixels are written in both the odd field and the even field of the input video signal. Therefore, the reciprocal of the field frequency of the NTSC signal is the vertical scanning period. In each vertical scanning period, the difference (period) between the time when a certain scanning wiring is selected and the time when the next scanning wiring is selected is referred to as one horizontal scanning period (1H).
 また、本明細書の以下の説明において、「フレーム更新期間」とは、あるフレームの書き込みを開始してから次のフレームの書き込みを開始するまでの期間に対応する。言い換えると、「フレーム更新期間」は、あるフレームに対応して最初に走査配線(典型的には液晶表示装置の上端に位置する走査配線)が選択されてから、次のフレームに対応して最初に走査配線(典型的には液晶表示装置の上端に位置する走査配線)が選択されるまでの期間に対応する。上述した「垂直走査期間」は液晶表示装置の画素ごとまたは画素の行ごとに規定されるのに対して、「フレーム更新期間」は液晶表示装置に対して規定される。典型的には、「垂直走査期間」および「フレーム更新期間」のそれぞれの長さは等しいが、着目する画素に応じてその始点が同一でないことがあり得る。In the following description of the present specification, the “frame update period” corresponds to a period from the start of writing of a certain frame to the start of writing of the next frame. In other words, the “frame update period” corresponds to the first frame corresponding to a certain frame and the first corresponding to the next frame after the scan line (typically the scan line positioned at the upper end of the liquid crystal display device) is selected. Corresponds to a period until a scanning wiring (typically, a scanning wiring located at the upper end of the liquid crystal display device) is selected. The “vertical scanning period” described above is defined for each pixel or row of pixels of the liquid crystal display device, whereas the “frame update period” is defined for the liquid crystal display device. Typically, the lengths of the “vertical scanning period” and the “frame update period” are equal, but the starting points may not be the same depending on the pixel of interest.
 また、本明細書の以下の説明において、単に「垂直走査期間」または「フレーム期間」という場合、「垂直走査期間」、「フレーム期間」は「液晶表示装置または液晶パネルの垂直走査期間」、「液晶表示装置または液晶パネルのフレーム期間」を意味しており、「垂直走査期間」、「フレーム期間」(すなわち「液晶表示装置または液晶パネルの垂直走査期間」、「液晶表示装置または液晶パネルのフレーム期間」)は、「入力映像信号の垂直走査期間」、「入力映像信号のフレーム期間」とは別の意味で用いている。「入力映像信号の垂直走査期間」は入力映像信号の1フレームまたは1フィールドの期間である。In the following description of the present specification, when simply referred to as “vertical scanning period” or “frame period”, “vertical scanning period” and “frame period” are “vertical scanning period of a liquid crystal display device or a liquid crystal panel”, “ “Frame period of liquid crystal display device or liquid crystal panel” means “vertical scanning period”, “frame period” (ie, “vertical scanning period of liquid crystal display device or liquid crystal panel”, “frame of liquid crystal display device or liquid crystal panel” "Period") is used in a different meaning from "vertical scanning period of input video signal" and "frame period of input video signal". The “vertical scanning period of the input video signal” is a period of one frame or one field of the input video signal.
 上述したように、立体表示モードにおいて液晶表示装置は左眼画像および右眼画像を表示するが、左眼画像および右眼画像をそれぞれ表示し続ける期間が長いと、観察者は、左眼画像および右眼画像自体を視認してしまい、立体的な画像を視認できない。このため、左眼画像および右眼画像の表示を続ける期間は短いことが好ましい。As described above, in the stereoscopic display mode, the liquid crystal display device displays the left eye image and the right eye image. However, if the period during which the left eye image and the right eye image are continuously displayed is long, the observer The right eye image itself is visually recognized, and a stereoscopic image cannot be visually recognized. For this reason, it is preferable that the period during which the display of the left eye image and the right eye image is continued is short.
 なお、液晶表示装置100では、フレーム更新期間内に複数の走査配線が選択され、選択された走査配線に対応する画素に書き込みが行われる。典型的には、液晶表示装置100のフレーム更新期間において、液晶表示装置の上端の走査配線に対応する行の画素から液晶表示装置の下端の走査配線に対応する行の画素まで各行の画素ごとに順番に書き込みが行われる。例えば、左眼画像の書き込みを行うフレーム更新期間において、液晶表示装置100の上端の走査配線に対応する行の画素から液晶表示装置100の下端の走査配線に対応する行の画素まで各行の画素ごとに左眼画像データの書き込みが行われる。また、右眼画像の書き込みを行うフレーム更新期間において、液晶表示装置100の上端の走査配線に対応する行の画素から液晶表示装置100の下端の走査配線に対応する行の画素まで各行の画素ごとに右眼画像データの書き込みが行われる。なお、複数の画素は、2以上の行に対応する1以上のブロックにそれぞれ分かれており、ブロック内の奇数行および偶数行のうちの一方の画素に等しい極性で順番に書き込みを行った後に、ブロック内の他方の画素に、上記一方の画素とは異なる極性で順番に書き込みを行ってもよい。In the liquidcrystal display device 100, a plurality of scanning lines are selected within the frame update period, and writing is performed on the pixels corresponding to the selected scanning lines. Typically, in the frame update period of the liquidcrystal display device 100, for each pixel in each row from the pixel in the row corresponding to the scanning wiring at the upper end of the liquid crystal display device to the pixel in the row corresponding to the scanning wiring at the lower end of the liquid crystal display device. Writing is performed in order. For example, in the frame update period in which the left-eye image is written, each pixel in each row from the pixel in the row corresponding to the scanning wiring at the upper end of the liquidcrystal display device 100 to the pixel in the row corresponding to the scanning wiring at the lower end of the liquidcrystal display device 100 The left eye image data is written in Further, in the frame update period in which the right-eye image is written, each pixel in each row from the pixel in the row corresponding to the scanning wiring at the upper end of the liquidcrystal display device 100 to the pixel in the row corresponding to the scanning wiring at the lower end of the liquidcrystal display device 100. The right eye image data is written in The plurality of pixels are each divided into one or more blocks corresponding to two or more rows, and after writing sequentially in the same polarity as one pixel of the odd and even rows in the block, Writing may be sequentially performed on the other pixel in the block with a polarity different from that of the one pixel.
 書き込まれる画像データが右眼画像データから左眼画像データに変化したフレーム更新期間では、液晶表示装置100の一部(例えば、上側部分)には左眼画像データの書き込みが完了しているにもかかわらず、液晶表示装置100の別の部分(例えば、下側部分)において左眼画像データの書き込みが完了しておらず右眼画像データが書き込まれたままの期間が存在する。同様に、書き込まれる画像データが左眼画像データから右眼画像データに変化したフレーム更新期間では、液晶表示装置100の一部(例えば、上側部分)には右眼画像データの書き込みが完了しているにもかかわらず、液晶表示装置100の別の部分(例えば、下側部分)において右眼画像データの書き込みが完了しておらず左眼画像データが書き込まれたままの期間が存在する。このような期間では、液晶表示装置100全体でみると、左眼画像データおよび右眼画像データの両方が書き込まれている。仮に、観察者がこの表示を視認すると、左眼画像および右眼画像の両方が観察されてしまう。このような現象はクロストークとも呼ばれる。In the frame update period in which the image data to be written is changed from the right eye image data to the left eye image data, the writing of the left eye image data is completed in a part of the liquid crystal display device 100 (for example, the upper part). Regardless, there is a period in which the writing of the left eye image data is not completed in another part (for example, the lower part) of the liquidcrystal display device 100 and the right eye image data is still written. Similarly, in the frame update period in which the image data to be written is changed from the left eye image data to the right eye image data, the writing of the right eye image data is completed in a part of the liquid crystal display device 100 (for example, the upper part). Nevertheless, there is a period in which the writing of the right eye image data is not completed in another part (for example, the lower part) of the liquidcrystal display device 100 and the left eye image data is still written. In such a period, both the left eye image data and the right eye image data are written in the entire liquidcrystal display device 100. If the viewer visually recognizes this display, both the left eye image and the right eye image are observed. Such a phenomenon is also called crosstalk.
 液晶表示装置100では、立体表示モードにおいて、左眼画像データおよび右眼画像データを連続した2フレーム更新期間ずつ交互に書き込み、液晶表示装置100が左眼画像および右眼画像の両方を表示している期間、バックライトユニット250を消灯する、および/または、シャッター眼鏡280の左眼シャッター282および右眼シャッター284の両方を閉じる。これにより、クロストークを抑制することができる。In the liquidcrystal display device 100, in the stereoscopic display mode, the left eye image data and the right eye image data are alternately written every two consecutive frame update periods, and the liquidcrystal display device 100 displays both the left eye image and the right eye image. During this period, thebacklight unit 250 is turned off and / or both theleft eye shutter 282 and theright eye shutter 284 of theshutter glasses 280 are closed. Thereby, crosstalk can be suppressed.
 また、液晶表示装置100では、左眼画像データを連続して書き込んだ2フレーム更新期間のうちの後半のフレーム更新期間に、バックライトユニット250を点灯し、かつ、シャッター眼鏡280の左眼シャッター282を開くことにより、観察者は左眼画像を視認する。同様に、右眼画像データを連続して書き込んだ2フレーム更新期間のうちの後半のフレーム更新期間に、バックライトユニット250を点灯し、かつ、シャッター眼鏡280の右眼シャッター284を開くことにより、観察者は右眼画像を視認する。Further, in the liquidcrystal display device 100, thebacklight unit 250 is turned on and theleft eye shutter 282 of theshutter glasses 280 is turned on in the second frame update period of the two frame update periods in which the left eye image data is continuously written. By opening, the observer visually recognizes the left eye image. Similarly, by turning on thebacklight unit 250 and opening theright eye shutter 284 of theshutter glasses 280 in the second frame update period of the two frame update periods in which the right eye image data is continuously written, The observer visually recognizes the right eye image.
 なお、従来の液晶表示装置は垂直走査周波数60Hzで駆動されていたが、近年、高速駆動を実現するために、垂直走査周波数120Hzで駆動する液晶表示装置が作製されている。この液晶表示装置の駆動は倍速駆動とも呼ばれる。このような倍速駆動の液晶表示装置を垂直走査周波数120Hzで駆動して動画性能を低下させることなく立体表示を行うとすると、左眼画像および右眼画像をフレーム更新期間ごとに切り換えることが必要となる。この場合、例えば、全ての画素に右眼画像データを書き込んでから、次に左眼画像データの書き込みが開始するまでのブランキング時間は1msec以下しかない。液晶表示装置の下端の画素に右眼画像データを書き込んでから液晶分子が応答するまでの時間は数msec必要であるため液晶表示装置の下方の液晶分子が応答してから右眼シャッターを開いたとすると、液晶表示装置の上方の画素にはすでに左眼画像データが書き込まれているので、観察者には、右眼画像だけでなく左眼画像が視認されてしまい、クロストークが発生してしまう。これに対して、垂直走査周波数240Hzで駆動する液晶表示装置を用いた場合、垂直走査周波数120Hzの液晶表示装置で左眼画像および右眼画像をそれぞれ1回書き込む期間に、左眼画像および右眼画像をそれぞれ2回書き込むことができるため、例えば、2回目のフレーム更新期間の4.2msec以上の間、シャッター眼鏡を開いていても、左眼画像および右眼画像の両方が視認されなくなり、クロストークの発生を抑制できる。ここで、1つの左眼画像および1つの右眼画像によって1つの立体画像が視認されるとすると、液晶表示装置を垂直走査周波数240Hzで駆動することにより、60Hzの立体画像が視認されるといえる。Although the conventional liquid crystal display device is driven at a vertical scanning frequency of 60 Hz, in recent years, a liquid crystal display device driven at a vertical scanning frequency of 120 Hz has been produced in order to realize high-speed driving. This driving of the liquid crystal display device is also called double speed driving. When such a liquid crystal display device of double speed driving is driven at a vertical scanning frequency of 120 Hz and stereoscopic display is performed without deteriorating moving image performance, it is necessary to switch the left eye image and the right eye image for each frame update period. Become. In this case, for example, the blanking time from writing the right eye image data to all the pixels until the next writing of the left eye image data starts is only 1 msec or less. Since it takes several milliseconds for the liquid crystal molecules to respond after writing the right eye image data to the bottom pixel of the liquid crystal display device, the right eye shutter is opened after the liquid crystal molecules below the liquid crystal display device responds. Then, since the left eye image data has already been written in the upper pixel of the liquid crystal display device, the observer sees not only the right eye image but also the left eye image, and crosstalk occurs. . On the other hand, when a liquid crystal display device that is driven at a vertical scanning frequency of 240 Hz is used, the left eye image and the right eye image are written in the liquid crystal display device that has a vertical scanning frequency of 120 Hz once during the writing of each of the left eye image and the right eye image. Since each image can be written twice, for example, even if the shutter glasses are opened during the second frame update period of 4.2 msec or more, both the left eye image and the right eye image are not visually recognized, and the cross The occurrence of talk can be suppressed. Here, if one stereoscopic image is visually recognized by one left eye image and one right eye image, it can be said that a 60 Hz stereoscopic image is visually recognized by driving the liquid crystal display device at a vertical scanning frequency of 240 Hz. .
 このように、液晶表示装置は立体表示モードにおいて比較的高い垂直走査周波数で駆動されることが好ましい。しかしながら、平面表示モードにおいても液晶表示装置を同様の高い垂直走査周波数で駆動する場合、液晶表示装置の信号遅延の影響が大きくなり、適切な表示を行うことができないことがある。また、配線幅を拡大して信号遅延の影響を抑制した液晶表示装置を作製すると、配線幅の拡大に起因して開口率が低下してしまう。Thus, the liquid crystal display device is preferably driven at a relatively high vertical scanning frequency in the stereoscopic display mode. However, when the liquid crystal display device is driven at the same high vertical scanning frequency even in the flat display mode, the influence of the signal delay of the liquid crystal display device becomes large and appropriate display may not be performed. In addition, when a liquid crystal display device in which the influence of signal delay is suppressed by increasing the wiring width, the aperture ratio is reduced due to the expansion of the wiring width.
 本実施形態の液晶表示装置100は平面表示モードにおいて立体表示モードよりも低い垂直走査周波数で駆動される。これにより、開口率を低下させることなく平面表示モードにおける消費電力を低減させることができる。例えば、液晶表示装置100は立体表示モードにおいて垂直走査周波数240Hzで駆動され、平面表示モードにおいて垂直走査周波数120Hzで駆動される。この場合、入力映像信号がNTSC信号とすると、入力映像信号の垂直走査期間は16.7ms(=1/60)であり、液晶表示装置100における立体表示モードの垂直走査期間は4.2ms(=1/240)であり、平面表示モードの垂直走査期間は8.4ms(=1/120)である。The liquidcrystal display device 100 of the present embodiment is driven at a lower vertical scanning frequency in the flat display mode than in the stereoscopic display mode. Thereby, power consumption in the flat display mode can be reduced without reducing the aperture ratio. For example, the liquidcrystal display device 100 is driven at a vertical scanning frequency of 240 Hz in the stereoscopic display mode, and is driven at a vertical scanning frequency of 120 Hz in the flat display mode. In this case, if the input video signal is an NTSC signal, the vertical scanning period of the input video signal is 16.7 ms (= 1/60), and the vertical scanning period of the stereoscopic display mode in the liquidcrystal display device 100 is 4.2 ms (= 1/240), and the vertical scanning period in the flat display mode is 8.4 ms (= 1/120).
 以下、図2を参照して、液晶表示装置100および立体表示システム300を説明する。図2に、液晶表示装置100および立体表示システム300の模式図を示す。液晶表示装置100は、フレームレート制御回路110と、タイミングコントローラ120と、書込状態信号送信回路130と、走査信号駆動回路140と、表示信号駆動回路150と、バックライト駆動回路160と、液晶パネル200と、バックライトユニット250とを備えている。走査信号駆動回路140はゲートドライバとも呼ばれ、表示信号駆動回路150はソースドライバとも呼ばれる。Hereinafter, the liquidcrystal display device 100 and thestereoscopic display system 300 will be described with reference to FIG. In FIG. 2, the schematic diagram of the liquidcrystal display device 100 and the three-dimensional display system 300 is shown. The liquidcrystal display device 100 includes a framerate control circuit 110, atiming controller 120, a writing statesignal transmission circuit 130, a scanningsignal driving circuit 140, a displaysignal driving circuit 150, abacklight driving circuit 160, and a liquid crystal panel. 200 and abacklight unit 250. The scanningsignal driving circuit 140 is also called a gate driver, and the displaysignal driving circuit 150 is also called a source driver.
 液晶パネル200は、複数の行および複数の列のマトリクス状に配列された複数の画素を有している。典型的には、画素として赤画素、緑画素および青画素が設けられており、赤画素、緑画素および青画素から構成されたカラー表示画素が任意の色の表示単位として機能する。なお、カラー表示画素は、赤、緑および青画素以外に別の画素(例えば、黄画素)をさらに有してもよい。ここでは図示しないが、液晶パネル200は、前面基板、背面基板、および、それらに挟まれた液晶層を備えている。Theliquid crystal panel 200 has a plurality of pixels arranged in a matrix of a plurality of rows and a plurality of columns. Typically, a red pixel, a green pixel, and a blue pixel are provided as pixels, and a color display pixel composed of a red pixel, a green pixel, and a blue pixel functions as a display unit of an arbitrary color. In addition, the color display pixel may further include another pixel (for example, a yellow pixel) in addition to the red, green, and blue pixels. Although not shown here, theliquid crystal panel 200 includes a front substrate, a rear substrate, and a liquid crystal layer sandwiched between them.
 ここでは、フレームレート60fpsの入力映像信号がフレームレート制御回路110に入力される。例えば、入力映像信号はNTSC信号である。フレームレート制御回路110は入力映像信号に基づいて入力映像信号のフレームレートよりも高いフレームレートの映像信号を生成する。フレームレート制御回路110によって生成される映像信号のフレームレートは所定値となるため、この処理はFRC(Frame Rate Control)とも呼ばれる。一般的なテレビジョン装置で表示される入力映像信号に含まれる1秒あたりのフィールド数は60であり、この入力映像信号のフレームレートは60fps(frames per second)と表記される。Here, an input video signal having a frame rate of 60 fps is input to the framerate control circuit 110. For example, the input video signal is an NTSC signal. The framerate control circuit 110 generates a video signal having a frame rate higher than the frame rate of the input video signal based on the input video signal. Since the frame rate of the video signal generated by the framerate control circuit 110 is a predetermined value, this processing is also called FRC (Frame Rate Control). The number of fields per second included in an input video signal displayed on a general television apparatus is 60, and the frame rate of the input video signal is expressed as 60 fps (frames per second).
 例えば、フレームレート制御回路110は、フレームレート60fpsの入力映像信号に基づいてフレームレート120fpsの映像信号を生成する。立体表示モードの場合、映像信号には立体表示モードで表示されるべき画像データが含まれる。また、平面表示モードの場合、映像信号には平面表示モードで表示されるべき画像データが含まれる。また、映像信号がBD規格等で24pと表される場合、フレームレート制御回路110に入力される前に、例えば、2-3プルダウン変換が行われ、フレームレート制御回路110にはフレームレート60fpsの入力映像信号が入力される。For example, the framerate control circuit 110 generates a video signal with a frame rate of 120 fps based on an input video signal with a frame rate of 60 fps. In the stereoscopic display mode, the video signal includes image data to be displayed in the stereoscopic display mode. In the case of the flat display mode, the video signal includes image data to be displayed in the flat display mode. Further, when the video signal is expressed as 24p in the BD standard or the like, for example, 2-3 pull-down conversion is performed before being input to the framerate control circuit 110, and the framerate control circuit 110 has a frame rate of 60 fps. Input video signal is input.
 タイミングコントローラ120は、書込状態信号送信回路130、走査信号駆動回路140、表示信号駆動回路150およびバックライト駆動回路160を制御する。タイミングコントローラ120は、映像信号に基づいて表示信号を生成し、表示信号を表示信号駆動回路150に出力する。映像信号が立体表示モードで表示されるべき画像データを含む場合、タイミングコントローラ120は表示信号のフレームレートを240fpsに設定する。また、映像信号が平面表示モードで表示されるべき画像データを含む場合、タイミングコントローラ120は表示信号のフレームレートを120fpsに設定する。このように、タイミングコントローラ120は表示モードに応じて表示信号のフレームレートを異ならせる。走査信号駆動回路140は液晶パネル200の書き込みを行う画素を選択する走査信号を供給する。表示信号駆動回路150は液晶パネル200の選択された画素に表示信号を供給する。走査信号駆動回路140および表示信号駆動回路150は表示信号のフレームレートに応じた垂直走査周波数で液晶パネル200を駆動する。このように、タイミングコントローラ120が表示モードに応じて表示信号のフレームレートを異ならせることにより、液晶パネル200の垂直走査周波数を表示モードに応じて異ならせることができる。Thetiming controller 120 controls the writing statesignal transmission circuit 130, the scanningsignal driving circuit 140, the displaysignal driving circuit 150, and thebacklight driving circuit 160. Thetiming controller 120 generates a display signal based on the video signal and outputs the display signal to the displaysignal driving circuit 150. When the video signal includes image data to be displayed in the stereoscopic display mode, thetiming controller 120 sets the frame rate of the display signal to 240 fps. When the video signal includes image data to be displayed in the flat display mode, thetiming controller 120 sets the frame rate of the display signal to 120 fps. As described above, thetiming controller 120 varies the frame rate of the display signal according to the display mode. The scanningsignal driving circuit 140 supplies a scanning signal for selecting a pixel to be written on theliquid crystal panel 200. The displaysignal driving circuit 150 supplies a display signal to the selected pixel of theliquid crystal panel 200. The scanningsignal driving circuit 140 and the displaysignal driving circuit 150 drive theliquid crystal panel 200 at a vertical scanning frequency corresponding to the frame rate of the display signal. As described above, thetiming controller 120 varies the frame rate of the display signal according to the display mode, whereby the vertical scanning frequency of theliquid crystal panel 200 can be varied according to the display mode.
 書込状態信号送信回路130は、立体表示モードにおける複数の画素の書込状態を示す書込状態信号を送信する。シャッター眼鏡280は、書込状態信号に基づいて左眼シャッター282および右眼シャッター284を開閉する。また、バックライト駆動回路160は、バックライトユニット250を駆動する。The writing statesignal transmission circuit 130 transmits a writing state signal indicating a writing state of a plurality of pixels in the stereoscopic display mode. Theshutter glasses 280 open and close theleft eye shutter 282 and theright eye shutter 284 based on the writing state signal. Thebacklight drive circuit 160 drives thebacklight unit 250.
 以下に、図3~図6を参照して、本実施形態の液晶表示装置100の立体表示モードおよび平面表示モードを説明する。Hereinafter, the stereoscopic display mode and the flat display mode of the liquidcrystal display device 100 of the present embodiment will be described with reference to FIGS.
 まず、図3(a)、図4および図5を参照して、液晶表示装置100および立体表示システム300の立体表示モードを説明する。図3(a)は、立体表示モードで表示を行う液晶表示装置100の模式図であり、図4は、書込状態信号送信回路130およびシャッター眼鏡280の開閉を示す模式図である。なお、図3(a)に示した画像データを図5に拡大して示している。図5(a)は入力映像信号に含まれる画像データの模式図であり、図5(b)は映像信号に含まれる画像データの模式図であり、図5(c)は表示信号に含まれる画像データの模式図である。First, the stereoscopic display mode of the liquidcrystal display device 100 and thestereoscopic display system 300 will be described with reference to FIGS. 3 (a), 4 and 5. FIG. FIG. 3A is a schematic diagram of the liquidcrystal display device 100 that performs display in the stereoscopic display mode, and FIG. The image data shown in FIG. 3A is enlarged and shown in FIG. FIG. 5A is a schematic diagram of image data included in the input video signal, FIG. 5B is a schematic diagram of image data included in the video signal, and FIG. 5C is included in the display signal. It is a schematic diagram of image data.
 ここでは、フレームレート60fpsの入力映像信号がフレームレート制御回路110に入力され、この入力映像信号は、立体表示モードで表示されるべき画像データを含んでいる。入力映像信号には左眼画像データおよび右眼画像データがそれぞれ交互に示されており、入力映像信号のフレームレート60fpsのうち、左眼画像データは30fpsに対応し、右眼画像データは30fpsに対応する。ここでは、入力映像信号には、左眼画像データL1、右眼画像データR1、左眼画像データL2、および、右眼画像データR2・・・の順番に配列されている(図5(a)も参照)。なお、以下の説明において、冗長な説明を避けるために、左眼画像データL1、L2・・・を単に画像データL1、L2・・・と示し、右眼画像データR1、R2・・・を単に画像データR1、R2・・・と示すことがある。なお、ここでは図示していないが、左眼画像データL1の前には、右眼画像データR0、左眼画像データL0が配列されている。Here, an input video signal having a frame rate of 60 fps is input to the framerate control circuit 110, and this input video signal includes image data to be displayed in the stereoscopic display mode. In the input video signal, left-eye image data and right-eye image data are alternately shown. Of the input video signal frame rate of 60 fps, the left-eye image data corresponds to 30 fps, and the right-eye image data corresponds to 30 fps. Correspond. Here, in the input video signal, the left eye image data L1, the right eye image data R1, the left eye image data L2, the right eye image data R2,... Are arranged in this order (FIG. 5A). See also). In the following description, in order to avoid redundant description, the left eye image data L1, L2,... Are simply referred to as image data L1, L2,..., And the right eye image data R1, R2,. It may be indicated as image data R1, R2,. Although not shown here, right eye image data R0 and left eye image data L0 are arranged in front of left eye image data L1.
 フレームレート制御回路110は、入力映像信号に基づいて入力映像信号のフレームレート60fpsよりも高いフレームレートの映像信号を生成する。例えば、映像信号のフレームレートは120fpsに設定される。フレームレート制御回路110は、入力映像信号の左眼画像データおよび右眼画像データの1セットを複製し、映像信号に、このセットを2セット繰り返して配列する。ここでは、映像信号には、画像データがR0、L1、R1、L1、R1、L2、R2・・・の順番に配列される(図5(b)も参照)。上述したように、映像信号のフレームレートは120fpsに設定されており、このうち、左眼画像データは60fpsに対応し、右眼画像データは60fpsに対応する。このように、映像信号のフレームレート(120fps)は入力映像信号のフレームレート(60fps)の2倍に設定される。なお、液晶パネル200がフルハイビジョン規格(1920×1080)の場合でも、フレームレート制御回路110は、汎用性の比較的高い1つの特定用途集積回路(Application Specific Integrated Circuit:ASIC)を用いて作製することができる。The framerate control circuit 110 generates a video signal having a frame rate higher than the frame rate of 60 fps of the input video signal based on the input video signal. For example, the frame rate of the video signal is set to 120 fps. The framerate control circuit 110 duplicates one set of left-eye image data and right-eye image data of the input video signal, and repeatedly arranges this set in the video signal. Here, the image data is arranged in the order of R0, L1, R1, L1, R1, L2, R2,... In the video signal (see also FIG. 5B). As described above, the frame rate of the video signal is set to 120 fps. Among these, the left eye image data corresponds to 60 fps, and the right eye image data corresponds to 60 fps. As described above, the frame rate (120 fps) of the video signal is set to twice the frame rate (60 fps) of the input video signal. Note that, even when theliquid crystal panel 200 is a full high-definition standard (1920 × 1080), the framerate control circuit 110 is manufactured using one application specific integrated circuit (ASIC) that has relatively high versatility. be able to.
 フレームレート制御回路110から出力される映像信号に基づいて、タイミングコントローラ120は、書込状態信号送信回路130、走査信号駆動回路140、表示信号駆動回路150およびバックライト駆動回路160を制御する。なお、タイミングコントローラ120は、フレームレート120fpsの映像信号に基づいてフレームレート240fpsの表示信号を生成する。タイミングコントローラ120は、映像信号の左眼画像データおよび右眼画像データをそれぞれ複製し、表示信号に、左眼画像データおよび右眼画像データをそれぞれ2つずつ連続して配列する。ここでは、表示信号には、画像データがR0、R0、L1、L1、R1、R1、L1、L1、R1、R1、L2、L2・・・の順番に配列されており(図5(c)も参照)、表示信号のフレームレート(240fps)は映像信号のフレームレート(120fps)の2倍に設定される。Based on the video signal output from the framerate control circuit 110, thetiming controller 120 controls the writing statesignal transmission circuit 130, the scanningsignal driving circuit 140, the displaysignal driving circuit 150, and thebacklight driving circuit 160. Thetiming controller 120 generates a display signal having a frame rate of 240 fps based on the video signal having a frame rate of 120 fps. Thetiming controller 120 duplicates the left eye image data and the right eye image data of the video signal, respectively, and sequentially arranges the left eye image data and the right eye image data two by two on the display signal. Here, in the display signal, the image data is arranged in the order of R0, R0, L1, L1, R1, R1, L1, L1, R1, R1, L2, L2,... (FIG. 5C). The frame rate (240 fps) of the display signal is set to twice the frame rate (120 fps) of the video signal.
 タイミングコントローラ120は表示信号駆動回路150に表示信号を出力する。タイミングコントローラ120の制御に基づいて走査信号駆動回路140および表示信号駆動回路150は液晶パネル200を垂直走査周波数240Hzで駆動する。このとき、左眼画像データは120fpsに対応し、右眼画像データは120fpsに対応する。また、タイミングコントローラ120からの制御に基づいて、書込状態信号送信回路130はシャッター眼鏡280に書込状態信号を送信する。Timing controller 120 outputs a display signal to displaysignal drive circuit 150. Based on the control of thetiming controller 120, the scanningsignal driving circuit 140 and the displaysignal driving circuit 150 drive theliquid crystal panel 200 at a vertical scanning frequency of 240 Hz. At this time, the left eye image data corresponds to 120 fps, and the right eye image data corresponds to 120 fps. Further, based on the control from thetiming controller 120, the writing statesignal transmission circuit 130 transmits a writing state signal to theshutter glasses 280.
 ここで、図4を参照して、書込状態信号送信回路130に基づくシャッター眼鏡280の動作を説明する。Here, the operation of theshutter glasses 280 based on the writing statesignal transmission circuit 130 will be described with reference to FIG.
 書込状態信号送信回路130はシャッター眼鏡280に書込状態信号を出力し、これにより、液晶パネル200が左眼画像を表示する場合、シャッター眼鏡280の左眼シャッター282を開き、液晶パネル200が右眼画像を表示する場合、シャッター眼鏡280の右眼シャッター284を開く。例えば、右眼画像に対応するHigh(ハイ)および左眼画像に対応するLow(ロー)の2値化信号がタイミングコントローラ120から書込状態信号送信回路130に出力され、書込状態信号送信回路130は、この2値化信号に基づいてシャッター眼鏡280に書込状態信号としてHigh(ハイ)およびLow(ロー)の2値化信号を出力する。例えば、書込状態信号がLowであり、液晶パネル200は左眼画像を表示する場合、左眼シャッター282が開くとともに右眼シャッター284が閉じる。また、書込状態信号がHighであり、液晶パネル200が右眼画像を表示する場合、右眼シャッター284が開くとともに左眼シャッター282が閉じる。なお、書込状態信号は、赤外線信号であってもよいし、Bluetooth(登録商標)の規格に準拠した信号であってもよいし、電波信号であってもよい。このように、書込状態信号は無線で伝達されることが好ましい。The writing statesignal transmission circuit 130 outputs a writing state signal to theshutter glasses 280, whereby when theliquid crystal panel 200 displays a left eye image, theleft eye shutter 282 of theshutter glasses 280 is opened, and theliquid crystal panel 200 When displaying the right eye image, theright eye shutter 284 of theshutter glasses 280 is opened. For example, High (high) corresponding to the right eye image and Low (low) corresponding to the left eye image are output from thetiming controller 120 to the write statesignal transmission circuit 130, and the write statesignal transmission circuit 130 outputs high (low) and low (low) binarization signals to theshutter glasses 280 based on the binarization signals as write state signals. For example, when the writing state signal is Low and theliquid crystal panel 200 displays a left eye image, theleft eye shutter 282 is opened and theright eye shutter 284 is closed. When the writing state signal is High and theliquid crystal panel 200 displays a right eye image, theright eye shutter 284 is opened and theleft eye shutter 282 is closed. Note that the writing state signal may be an infrared signal, a signal conforming to the Bluetooth (registered trademark) standard, or a radio wave signal. Thus, the write status signal is preferably transmitted wirelessly.
 ここで、再び図3(a)を参照する。上述したように、表示信号には左眼画像データおよび右眼画像データが2つずつ連続して配列されている。バックライト駆動回路160がバックライトユニット250を制御することにより、バックライトユニット250は、2つ連続して配列された左眼画像データおよび右眼画像データのそれぞれのうちの前の画像データに対応して消灯し、後の画像データに対応して点灯する。このように、バックライトユニット250の点灯・消灯を制御しているため、液晶パネル200はホールド駆動を行っていても、観察者にはインパルス表示を行っているように見える。Here, referring again to FIG. As described above, the left eye image data and the right eye image data are arranged in succession in the display signal. When thebacklight driving circuit 160 controls thebacklight unit 250, thebacklight unit 250 corresponds to the previous image data of each of the left eye image data and the right eye image data arranged in succession. The light is turned off and turned on corresponding to the subsequent image data. In this way, since thebacklight unit 250 is controlled to be turned on / off, theliquid crystal panel 200 seems to be performing impulse display even if theliquid crystal panel 200 is hold-driven.
 次に、図3(b)および図6を参照して、液晶表示装置100の平面表示モードを説明する。図3(b)は、平面表示モードで表示を行う液晶表示装置100の模式図である。なお、図3(b)に示した信号に含まれる画像データを図6に拡大して示している。図6(a)は入力映像信号に含まれる画像データの模式図であり、図6(b)は映像信号に含まれる画像データの模式図であり、図6(c)は表示信号に含まれる画像データの模式図である。Next, the flat display mode of the liquidcrystal display device 100 will be described with reference to FIGS. FIG. 3B is a schematic diagram of the liquidcrystal display device 100 that performs display in the flat display mode. Note that the image data included in the signal shown in FIG. 3B is enlarged and shown in FIG. 6A is a schematic diagram of image data included in the input video signal, FIG. 6B is a schematic diagram of image data included in the video signal, and FIG. 6C is included in the display signal. It is a schematic diagram of image data.
 フレームレート60fpsの入力映像信号がフレームレート制御回路110に入力され、この入力映像信号は平面表示モードで表示されるべき画像データを含んでいる。ここでは、入力映像信号には、画像データがN1、N2、N3、N4・・・の順番に配列されている(図6(a)も参照)。なお、ここでは図示していないが、画像データN1の前には、画像データN0が配列されている。An input video signal having a frame rate of 60 fps is input to the framerate control circuit 110, and this input video signal includes image data to be displayed in the flat display mode. Here, the image data is arranged in the order of N1, N2, N3, N4... In the input video signal (see also FIG. 6A). Although not shown here, the image data N0 is arranged before the image data N1.
 フレームレート制御回路110は、入力映像信号に基づいて入力映像信号のフレームレート60fpsよりも高いフレームレートの映像信号を生成する。ここでは、映像信号のフレームレートは120fpsに設定される。例えば、フレームレート制御回路110は、入力映像信号の連続する2つの画像データに基づいて1つの補間画像データを生成し、映像信号に、上記連続する2つの画像データを配列するとともに補間画像データを上記連続する2つの画像データの間に配列する。具体的には、フレームレート制御回路110は、画像データN0およびN1に基づいて補間画像データC0を生成し、映像信号に、入力映像信号の画像データN0、N1を配列するとともに画像データN0と画像データN1との間に補間画像データC0を配列する。同様に、フレームレート制御回路110は、画像データN1およびN2に基づいて補間画像データC1を生成し、映像信号に、入力映像信号の画像データN1の後に、補間画像データC1および画像データN2を配列する。このように、連続する2つの画像データに基づいて生成した補間画像データを用いることにより、動画表示性能を改善することができる。ここでは、映像信号には、画像データがC0、N1、C1、N2、C2、N3、C3、N4・・・の順番に配列されている(図6(b)も参照)。このように、映像信号には、入力映像信号に含まれる画像データおよび補間によって生成された補間画像データが交互に配列されており、映像信号のフレームレート(120fps)は入力映像信号のフレームレート(60fps)の2倍に設定される。The framerate control circuit 110 generates a video signal having a frame rate higher than the frame rate of 60 fps of the input video signal based on the input video signal. Here, the frame rate of the video signal is set to 120 fps. For example, the framerate control circuit 110 generates one piece of interpolated image data based on two continuous image data of the input video signal, arranges the two continuous image data in the video signal, and outputs the interpolated image data. They are arranged between the two consecutive image data. Specifically, the framerate control circuit 110 generates the interpolated image data C0 based on the image data N0 and N1, arranges the image data N0 and N1 of the input video signal in the video signal, and the image data N0 and the image Interpolated image data C0 is arranged between the data N1. Similarly, the framerate control circuit 110 generates interpolated image data C1 based on the image data N1 and N2, and arranges the interpolated image data C1 and the image data N2 after the image data N1 of the input video signal in the video signal. To do. As described above, the moving image display performance can be improved by using the interpolated image data generated based on the two continuous image data. Here, image data is arranged in the order of C0, N1, C1, N2, C2, N3, C3, N4... In the video signal (see also FIG. 6B). Thus, the video signal includes the image data included in the input video signal and the interpolated image data generated by the interpolation alternately, and the frame rate (120 fps) of the video signal is the frame rate (120 fps) of the input video signal. 60 fps).
 フレームレート制御回路110から出力される映像信号に基づいて、タイミングコントローラ120は、走査信号駆動回路140、表示信号駆動回路150およびバックライト駆動回路160を制御する。タイミングコントローラ120は映像信号に基づいて表示信号を生成し、表示信号を表示信号駆動回路150に出力する。表示信号のフレームレートは映像信号のフレームレートと同様に120fpsに設定される。映像信号と同様に、表示信号には、画像データがC0、N1、C1、N2、C2、N3、C3、N4・・・の順番に配列されており(図6(c)も参照)、表示信号のフレームレート(120fps)は映像信号のフレームレート(120fps)と等しく設定される。Based on the video signal output from the framerate control circuit 110, thetiming controller 120 controls the scanningsignal driving circuit 140, the displaysignal driving circuit 150, and thebacklight driving circuit 160. Thetiming controller 120 generates a display signal based on the video signal and outputs the display signal to the displaysignal driving circuit 150. The frame rate of the display signal is set to 120 fps similarly to the frame rate of the video signal. Similar to the video signal, the display signal includes image data arranged in the order of C0, N1, C1, N2, C2, N3, C3, N4... (See also FIG. 6C). The frame rate (120 fps) of the signal is set equal to the frame rate (120 fps) of the video signal.
 走査信号駆動回路140および表示信号駆動回路150は垂直走査周波数120Hzで液晶パネル200を駆動する。平面表示モードでは、バックライト駆動回路160は、バックライトユニット250が全ての期間において点灯するようにバックライトユニット250を制御する。なお、バックライトユニット250が、それぞれ液晶パネル200の表示画面のエリアごとに個別に点灯および消灯の制御可能な複数の照射領域を有している場合、バックライト駆動回路160は表示画面のエリア内の画素の階調レベルに応じてバックライトユニット250の照射領域の点灯・消灯を制御してもよい。The scanningsignal driving circuit 140 and the displaysignal driving circuit 150 drive theliquid crystal panel 200 at a vertical scanning frequency of 120 Hz. In the flat display mode, thebacklight drive circuit 160 controls thebacklight unit 250 so that thebacklight unit 250 is lit in all periods. When thebacklight unit 250 has a plurality of irradiation regions that can be individually turned on and off for each area of the display screen of theliquid crystal panel 200, thebacklight driving circuit 160 is within the display screen area. The illumination area of thebacklight unit 250 may be controlled to be turned on / off according to the gradation level of the pixel.
 以上のように、液晶表示装置100では、タイミングコントローラ120の制御により、表示モードに応じて液晶パネル200の垂直走査周波数が変化する。具体的には、液晶パネル200は立体表示モードでは垂直走査周波数240Hzで駆動される一方、平面表示モードでは垂直走査周波数120Hzで駆動される。このため、平面表示モードにおける消費電力の増大を抑制することができる。As described above, in the liquidcrystal display device 100, the vertical scanning frequency of theliquid crystal panel 200 changes according to the display mode under the control of thetiming controller 120. Specifically, theliquid crystal panel 200 is driven at a vertical scanning frequency of 240 Hz in the stereoscopic display mode, and is driven at a vertical scanning frequency of 120 Hz in the flat display mode. For this reason, an increase in power consumption in the flat display mode can be suppressed.
 なお、図5および図6の比較から理解されるように、フレームレート制御回路110は、平面表示モードにおいて入力映像信号の連続する画像データに基づいて補間画像データを生成することによってフレームレートを増加させているのに対して、立体表示モードにおいて入力映像信号の画像データの複製を行うことによってフレームレートを増加させている。このように、立体表示モードにおいて、補間画像データの生成ではなく画像データの複製を行うことにより、フレームレートの増加を簡便に行うことができる。また、フレームレート制御回路110は、立体表示モードにおいても入力映像信号に含まれる連続する左眼画像データに基づいて補間左眼画像データを生成し、同様に、入力映像信号に含まれる右眼画像データに基づいて補間右眼画像データを生成し、これにより、立体表示モードにおける動画表示性能をさらに改善してもよい。As understood from the comparison between FIG. 5 and FIG. 6, the framerate control circuit 110 increases the frame rate by generating interpolated image data based on continuous image data of the input video signal in the flat display mode. In contrast, the frame rate is increased by duplicating the image data of the input video signal in the stereoscopic display mode. Thus, in the stereoscopic display mode, the frame rate can be easily increased by duplicating the image data instead of generating the interpolated image data. The framerate control circuit 110 also generates interpolated left eye image data based on continuous left eye image data included in the input video signal even in the stereoscopic display mode, and similarly, the right eye image included in the input video signal. Interpolated right eye image data may be generated based on the data, thereby further improving the moving image display performance in the stereoscopic display mode.
 以下、比較例1の液晶表示装置700、立体表示システム900と比較して本実施形態の液晶表示装置100、立体表示システム300の利点を説明する。まず、図7を参照して比較例1の液晶表示装置700および立体表示システム900を説明する。立体表示システム900は、液晶表示装置700およびシャッター眼鏡880を備えている。液晶表示装置700は、フレームレート制御回路710と、タイミングコントローラ720と、書込状態信号送信回路730と、走査信号駆動回路740と、表示信号駆動回路750と、バックライト駆動回路760と、液晶パネル800と、バックライトユニット850とを備えている。フレームレート制御回路710によって生成される映像信号のフレームレートは240fpsに設定されており、液晶パネル800は立体表示モードおよび平面表示モードのいずれにおいても垂直走査周波数240Hzで駆動される点で液晶表示装置700および立体表示システム900は液晶表示装置100および立体表示システム300とは異なる。Hereinafter, advantages of the liquidcrystal display device 100 and thestereoscopic display system 300 of the present embodiment will be described in comparison with the liquidcrystal display device 700 and thestereoscopic display system 900 of Comparative Example 1. First, the liquidcrystal display device 700 and thestereoscopic display system 900 of Comparative Example 1 will be described with reference to FIG. Thestereoscopic display system 900 includes a liquidcrystal display device 700 and shutterglasses 880. The liquidcrystal display device 700 includes a framerate control circuit 710, atiming controller 720, a writing statesignal transmission circuit 730, a scanningsignal driving circuit 740, a displaysignal driving circuit 750, abacklight driving circuit 760, and a liquid crystal panel. 800 and abacklight unit 850. The frame rate of the video signal generated by the framerate control circuit 710 is set to 240 fps, and theliquid crystal panel 800 is driven at a vertical scanning frequency of 240 Hz in both the stereoscopic display mode and the flat display mode. 700 and thestereoscopic display system 900 are different from the liquidcrystal display device 100 and thestereoscopic display system 300.
 図7(a)および図8を参照して、液晶表示装置700および立体表示システム900の立体表示モードを説明する。図7(a)は、立体表示モードで表示を行う液晶表示装置700の模式図である。なお、図7(a)に示した画像データを図8に拡大して示している。図8(a)は入力映像信号に含まれる画像データの模式図であり、図8(b)は映像信号に含まれる画像データの模式図であり、図8(c)は表示信号に含まれる画像データの模式図である。With reference to FIG. 7A and FIG. 8, the stereoscopic display mode of the liquidcrystal display device 700 and thestereoscopic display system 900 will be described. FIG. 7A is a schematic diagram of a liquidcrystal display device 700 that performs display in the stereoscopic display mode. The image data shown in FIG. 7A is enlarged and shown in FIG. FIG. 8A is a schematic diagram of image data included in the input video signal, FIG. 8B is a schematic diagram of image data included in the video signal, and FIG. 8C is included in the display signal. It is a schematic diagram of image data.
 フレームレート60fpsの入力映像信号がフレームレート制御回路710に入力される。入力映像信号には、画像データがL1、R1、L2、R2・・・の順番に配列されている(図8(a)も参照)。なお、ここでは図示していないが、左眼画像データL1の前には、右眼画像データR0、左眼画像データL0が配列されている。このように、入力映像信号に左眼画像データおよび右眼画像データが交互に配列されている場合、立体表示モードで表示が行われる。An input video signal with a frame rate of 60 fps is input to the framerate control circuit 710. In the input video signal, image data is arranged in the order of L1, R1, L2, R2,... (See also FIG. 8A). Although not shown here, right eye image data R0 and left eye image data L0 are arranged in front of left eye image data L1. As described above, when the left eye image data and the right eye image data are alternately arranged in the input video signal, the display is performed in the stereoscopic display mode.
 フレームレート制御回路710は、入力映像信号に基づいて入力映像信号のフレームレート60fpsよりも高いフレームレートの映像信号を生成する。ここでは、映像信号のフレームレートは240fpsに設定される。フレームレート制御回路710は、入力映像信号の左眼画像データおよび右眼画像データをそれぞれ複製して、この左眼画像データおよび右眼画像データを2つずつ連続して配列された1セットを2セット繰り返して配列する。このため、フレームレート制御回路710から出力される映像信号には、画像データがR0、R0、L1、L1、R1、R1、L1、L1、R1、R1、L2、L2・・・の順番に配列されている(図8(b)も参照)。以上のように、映像信号には、左眼画像データおよび右眼画像データが2つずつ交互に配列されている。The framerate control circuit 710 generates a video signal having a frame rate higher than the frame rate of 60 fps of the input video signal based on the input video signal. Here, the frame rate of the video signal is set to 240 fps. The framerate control circuit 710 duplicates the left-eye image data and the right-eye image data of the input video signal, respectively, and sets two sets of the left-eye image data and the right-eye image data that are continuously arranged two by two. Repeat the set. Therefore, in the video signal output from the framerate control circuit 710, the image data is arranged in the order of R0, R0, L1, L1, R1, R1, L1, L1, R1, R1, L2, L2. (See also FIG. 8 (b)). As described above, the left-eye image data and the right-eye image data are alternately arranged in the video signal by two.
 なお、液晶パネル800がフルハイビジョン規格(1920×1080)の場合、フレームレート240fpsの映像信号を生成するフレームレート制御回路710は、汎用性の比較的高い2つの特定用途集積回路712a、712bを用いて作製される。特定用途集積回路712aは液晶パネル800の左側半分の駆動に利用され、特定用途集積回路712bは液晶パネル800の右側半分の駆動に利用される。Note that when theliquid crystal panel 800 is a full high-definition standard (1920 × 1080), the framerate control circuit 710 that generates a video signal with a frame rate of 240 fps uses two specific application integratedcircuits 712a and 712b having relatively high versatility. Produced. The special purpose integratedcircuit 712a is used for driving the left half of theliquid crystal panel 800, and the special purpose integratedcircuit 712b is used for driving the right half of theliquid crystal panel 800.
 フレームレート制御回路710から出力される映像信号に基づいて、タイミングコントローラ720は、書込状態信号送信回路730、走査信号駆動回路740、表示信号駆動回路750およびバックライト駆動回路760を制御する。タイミングコントローラ720は映像信号に基づいて表示信号を生成し、表示信号を表示信号駆動回路750に出力する。表示信号のフレームレートは映像信号のフレームレートと等しく240fpsに設定され、表示信号には、画像データがR0、R0、L1、L1、R1、R1、L1、L1、R1、R1、L2、L2・・・の順番に配列されている(図8(c)も参照)。このため、走査信号駆動回路740および表示信号駆動回路750は垂直走査周波数240Hzで液晶パネル800を駆動する。Based on the video signal output from the framerate control circuit 710, thetiming controller 720 controls the writing statesignal transmission circuit 730, the scanningsignal driving circuit 740, the displaysignal driving circuit 750, and thebacklight driving circuit 760. Thetiming controller 720 generates a display signal based on the video signal and outputs the display signal to the displaysignal driving circuit 750. The frame rate of the display signal is set to 240 fps, which is equal to the frame rate of the video signal, and the display signal includes image data R0, R0, L1, L1, R1, R1, L1, L1, R1, R1, L2, L2,. .. are arranged in the order (see also FIG. 8C). For this reason, the scanningsignal driving circuit 740 and the displaysignal driving circuit 750 drive theliquid crystal panel 800 at a vertical scanning frequency of 240 Hz.
 バックライト駆動回路760がバックライトユニット850を制御することにより、バックライトユニット850は、連続して配列された左眼画像データおよび右眼画像データのそれぞれのうちの前の画像データに対応して消灯し、後の画像データに対応して点灯する。書込状態信号送信回路730からの書込状態信号に基づいて、シャッター眼鏡880は液晶パネル800が左眼画像を表示する期間に左眼シャッター882を開き、液晶パネル800が右眼画像を表示する期間に右眼シャッター884を開く。Thebacklight driving circuit 760 controls thebacklight unit 850, so that thebacklight unit 850 corresponds to the previous image data of the left eye image data and the right eye image data arranged in succession. Turns off and lights up corresponding to later image data. Based on the writing state signal from the writing statesignal transmission circuit 730, theshutter glasses 880 opens theleft eye shutter 882 during the period in which theliquid crystal panel 800 displays the left eye image, and theliquid crystal panel 800 displays the right eye image. Open theright eye shutter 884 during the period.
 次に、図7(b)および図9を参照して、液晶表示装置700の平面表示モードを説明する。図7(b)は、平面表示モードで表示を行う液晶表示装置700の模式図である。なお、図7(b)に示した信号に含まれる画像データを図9に拡大して示している。図9(a)は入力映像信号に含まれる画像データの模式図であり、図9(b)は映像信号に含まれる画像データの模式図であり、図9(c)は表示信号に含まれる画像データの模式図である。Next, the planar display mode of the liquidcrystal display device 700 will be described with reference to FIGS. FIG. 7B is a schematic diagram of a liquidcrystal display device 700 that performs display in the flat display mode. Note that the image data included in the signal shown in FIG. 7B is enlarged and shown in FIG. FIG. 9A is a schematic diagram of image data included in the input video signal, FIG. 9B is a schematic diagram of image data included in the video signal, and FIG. 9C is included in the display signal. It is a schematic diagram of image data.
 フレームレート60fpsの入力映像信号がフレームレート制御回路710に入力される。入力映像信号には、画像データがN1、N2、N3、N4・・・の順番に配列されている(図9(a)も参照)。なお、ここでは図示していないが、画像データN1の前には、画像データN0が配列されている。An input video signal with a frame rate of 60 fps is input to the framerate control circuit 710. In the input video signal, image data is arranged in the order of N1, N2, N3, N4... (See also FIG. 9A). Although not shown here, the image data N0 is arranged before the image data N1.
 フレームレート制御回路710は、入力映像信号に基づいてフレームレート240fpsの映像信号を生成する。例えば、フレームレート制御回路710は、入力映像信号の画像データN0およびN1に基づいて補間画像データC0a、C0b、C0cを生成し、映像信号に、画像データN0、N1を配列するとともに画像データN0と画像データN1との間に補間画像データC0a、C0b、C0cを配列する。同様に、フレームレート制御回路710は、入力映像信号の画像データN1およびN2に基づいて補間画像データC1a、C1b、C1cを生成し、映像信号に、画像データN1の後に、補間画像データC1a、C1b、C1cおよび画像データN2を配列する。このように、フレームレート制御回路710は、入力映像信号に含まれた2つの連続する画像データに基づいて3つの補間画像データを生成し、映像信号に、上記連続する2つの画像データとともに上記連続する2つの画像データの間に3つの補間画像データを配列する。例えば、映像信号には、画像データはN0、C0a、C0b、C0c、N1、C1a、C1b、C1c、N2、C2a、C2b、C2c、N3、C3a、C3b、C3c、N4・・・の順番に配列されている(図9(b)も参照)。このように、フレームレート制御回路710から出力される映像信号のフレームレート(240fps)は入力映像信号のフレームレート(60fps)の4倍になる。The framerate control circuit 710 generates a video signal with a frame rate of 240 fps based on the input video signal. For example, the framerate control circuit 710 generates interpolated image data C0a, C0b, C0c based on the image data N0 and N1 of the input video signal, arranges the image data N0, N1 in the video signal, and sets the image data N0. Interpolated image data C0a, C0b, and C0c are arranged between the image data N1. Similarly, the framerate control circuit 710 generates interpolated image data C1a, C1b, C1c based on the image data N1 and N2 of the input video signal, and the interpolated image data C1a, C1b is generated after the image data N1 in the video signal. , C1c and image data N2 are arranged. As described above, the framerate control circuit 710 generates three interpolated image data based on two consecutive image data included in the input video signal, and the continuous two image data together with the continuous two image data are generated in the video signal. Three interpolated image data are arranged between the two image data. For example, in the video signal, the image data is arranged in the order of N0, C0a, C0b, C0c, N1, C1a, C1b, C1c, N2, C2a, C2b, C2c, N3, C3a, C3b, C3c, N4. (See also FIG. 9B). Thus, the frame rate (240 fps) of the video signal output from the framerate control circuit 710 is four times the frame rate (60 fps) of the input video signal.
 フレームレート制御回路710から出力される映像信号に基づいて、タイミングコントローラ720は、走査信号駆動回路740、表示信号駆動回路750およびバックライト駆動回路760を制御する。なお、タイミングコントローラ720は映像信号に基づいて表示信号を生成し、表示信号を表示信号駆動回路750に出力する。表示信号のフレームレートは映像信号のフレームレートと等しく240fpsに設定され、表示信号には、画像データがN0、C0a、C0b、C0c、N1、C1a、C1b、C1c、N2、C2a、C2b、C2c、N3、C3a、C3b、C3c、N4・・・の順番に配列されている(図9(c)も参照)。このため、走査信号駆動回路740および表示信号駆動回路750は垂直走査周波数240Hzで液晶パネル800を駆動する。なお、平面表示モードでは、バックライト駆動回路760は、バックライトユニット850が全ての期間において点灯するようにバックライトユニット850を制御する。Based on the video signal output from the framerate control circuit 710, thetiming controller 720 controls the scanningsignal driving circuit 740, the displaysignal driving circuit 750, and thebacklight driving circuit 760. Note that thetiming controller 720 generates a display signal based on the video signal and outputs the display signal to the displaysignal driving circuit 750. The frame rate of the display signal is set to 240 fps, which is equal to the frame rate of the video signal, and the display signal includes image data N0, C0a, C0b, C0c, N1, C1a, C1b, C1c, N2, C2a, C2b, C2c, N3, C3a, C3b, C3c, N4... Are arranged in this order (see also FIG. 9C). For this reason, the scanningsignal driving circuit 740 and the displaysignal driving circuit 750 drive theliquid crystal panel 800 at a vertical scanning frequency of 240 Hz. Note that in the flat display mode, thebacklight drive circuit 760 controls thebacklight unit 850 so that thebacklight unit 850 is lit in all periods.
 以上のように、比較例1の液晶表示装置700において、液晶パネル800は立体表示モードおよび平面表示モードにかかわらず垂直走査周波数240Hzで駆動される。このため、消費電力が増大することになる。これに対して、本実施形態の液晶表示装置100では、平面表示モードにおいて液晶パネル200は立体表示モードの半分の垂直走査周波数120Hzで駆動されるため、消費電力の増大を抑制することができる。例えば、液晶パネル200、800が60インチのフルハイジョンである場合、平面表示モードにおいて、液晶表示装置700の消費電力は24Wであり、液晶表示装置100の消費電力は15Wである。As described above, in the liquidcrystal display device 700 of Comparative Example 1, theliquid crystal panel 800 is driven at a vertical scanning frequency of 240 Hz regardless of the stereoscopic display mode and the flat display mode. For this reason, power consumption increases. On the other hand, in the liquidcrystal display device 100 of the present embodiment, theliquid crystal panel 200 is driven at a vertical scanning frequency of 120 Hz, which is half that of the stereoscopic display mode, in the flat display mode, so that an increase in power consumption can be suppressed. For example, when theliquid crystal panels 200 and 800 are 60 inches full high-jon, in the flat display mode, the power consumption of the liquidcrystal display device 700 is 24 W, and the power consumption of the liquidcrystal display device 100 is 15 W.
 また、上述したように、フルハイビジョン規格の液晶パネル800に適合するフレームレート制御回路710を汎用性の比較的高い特定用途集積回路を用いて作製する場合、2つの特定用途集積回路712a、712bを用いる必要がある。特定用途集積回路712aが液晶パネル800の表示画面の左半分の画素を制御するように駆動し、特定用途集積回路712bが液晶パネル800の表示画面の右半分の画素を制御するように駆動する。これに対して、フレームレート制御回路110は、汎用性の比較的高い1つの特定用途集積回路を用いて作製することができる。また、立体表示モードにおいては液晶パネル200を垂直走査周波数240Hzで駆動するため、タイミングコントローラ120はフレームレート240fpsの表示信号を生成する必要があるが、立体表示モードでは画像データの複製を行えばよいため、コストおよび回路規模を抑制することができる。In addition, as described above, when the framerate control circuit 710 conforming to the full high-definitionliquid crystal panel 800 is manufactured using a general-purpose integrated circuit with relatively high versatility, the two special-purposeintegrated circuits 712a and 712b are formed. It is necessary to use it. The special purpose integratedcircuit 712a is driven to control the left half pixel of the display screen of theliquid crystal panel 800, and the special purpose integratedcircuit 712b is driven to control the right half pixel of the display screen of theliquid crystal panel 800. On the other hand, the framerate control circuit 110 can be manufactured using one application specific integrated circuit having relatively high versatility. In the stereoscopic display mode, since theliquid crystal panel 200 is driven at a vertical scanning frequency of 240 Hz, thetiming controller 120 needs to generate a display signal with a frame rate of 240 fps. However, in the stereoscopic display mode, image data may be duplicated. Therefore, cost and circuit scale can be suppressed.
 なお、上述した説明では、液晶表示装置100に入力される入力映像信号のフレームレートは60fpsであったが、本発明はこれに限定されない。入力映像信号のフレームレートは別の値であってもよい。例えば、入力映像信号はPAL信号であり、入力映像信号のフレームレートは50fpsであってもよい。この場合、映像信号のフレームレートは100fpsに設定され、表示信号のフレームレートは立体表示モードにおいて200fpsに設定され、平面表示モードにおいて100fpsに設定される。In the above description, the frame rate of the input video signal input to the liquidcrystal display device 100 is 60 fps, but the present invention is not limited to this. The frame rate of the input video signal may be another value. For example, the input video signal may be a PAL signal, and the frame rate of the input video signal may be 50 fps. In this case, the frame rate of the video signal is set to 100 fps, the frame rate of the display signal is set to 200 fps in the stereoscopic display mode, and is set to 100 fps in the flat display mode.
 以下に、図10(a)を参照して、本実施形態の液晶表示装置100におけるバックライトユニット250を説明する。ここでは、バックライトユニット250は、点灯および消灯を個別に制御可能な8つの照射領域252を有している。照射領域252は、それぞれ、液晶パネル200の少なくとも1つの行の画素を照射するように配置されており、液晶パネル200に設けられた画素は複数の照射領域252のいずれかによって照射される。Hereinafter, thebacklight unit 250 in the liquidcrystal display device 100 of the present embodiment will be described with reference to FIG. Here, thebacklight unit 250 has eightirradiation areas 252 that can be individually controlled to be turned on and off. Each of theirradiation regions 252 is arranged so as to irradiate at least one row of pixels of theliquid crystal panel 200, and the pixels provided in theliquid crystal panel 200 are irradiated by one of the plurality ofirradiation regions 252.
 例えば、照射領域252に対応して光源(図示せず)が設けられており、この光源は、液晶パネル200に設けられた画素の複数の行に沿って設けられている。例えば、光源は、LED(Laser Emitting Diode)であってもよく、あるいは、冷陰極管(Cold Cathode Fluorescent Lamp:CCFL)であってもよい。また、バックライトユニット250は、分割された導光板を有していてもよく、あるいは、スリット構造を有する導光板を有していてもよい。For example, a light source (not shown) is provided corresponding to theirradiation region 252, and the light source is provided along a plurality of rows of pixels provided in theliquid crystal panel 200. For example, the light source may be an LED (Laser Emitting Diode), or a cold cathode tube (Cold Cathode Fluorescent Lamp: CCFL). Further, thebacklight unit 250 may have a divided light guide plate, or may have a light guide plate having a slit structure.
 立体表示モードにおいて複数の照射領域252は順番に点灯を開始し、所定の期間経過したのち消灯する。なお、図10(a)では、ある期間において1つの照射領域252のみが点灯し、他の照射領域252は消灯しているが、ある期間において2以上の照射領域252が点灯してもよい。In the stereoscopic display mode, the plurality ofirradiation areas 252 start to turn on in order, and turn off after a predetermined period. In FIG. 10A, only oneirradiation region 252 is turned on in a certain period and theother irradiation regions 252 are turned off. However, two ormore irradiation regions 252 may be turned on in a certain period.
 図10(b)に、立体表示モードにおける液晶パネル200への左眼画像データおよび右眼画像データの書き込み、および、シャッター眼鏡280の開閉のタイミングを示す。ここで、垂直走査期間は1/240(=4.2m)秒であり、垂直走査周波数は240Hzである。FIG. 10B shows the timing of writing the left eye image data and right eye image data to theliquid crystal panel 200 in the stereoscopic display mode, and opening / closing theshutter glasses 280. Here, the vertical scanning period is 1/240 (= 4.2 m) seconds, and the vertical scanning frequency is 240 Hz.
 まず、液晶パネル200における左眼画像データの書き込みを説明する。上述したように、左眼画像の書き込みは2フレーム更新期間連続して行われる。液晶パネル200に2回目の左眼画像データが書き込まれた後にバックライトユニット250の対応する照射領域252の点灯を開始する。なお、この液晶パネル200では、液晶分子の配向方向は1回目の左眼画像データが書き込まれてから1垂直走査期間以上経過してもその前の右眼画像データに依存している。例えば、左眼画像データの階調レベルが等しくても、その前に書き込まれた右眼画像データの階調レベルが異なっていた場合、1回目の左眼画像データが書き込まれてから1垂直走査期間経過直後の液晶分子の配向方向は等しくはならない。このため、2回目の左眼画像データが書き込まれてから所定の期間経過後に対応する照射領域252の点灯を開始している。First, the writing of the left eye image data in theliquid crystal panel 200 will be described. As described above, the writing of the left eye image is performed continuously for two frame update periods. After the second left-eye image data is written to theliquid crystal panel 200, lighting of thecorresponding irradiation region 252 of thebacklight unit 250 is started. In theliquid crystal panel 200, the alignment direction of the liquid crystal molecules depends on the previous right eye image data even after one vertical scanning period has elapsed since the first left eye image data was written. For example, even if the gradation levels of the left eye image data are equal, if the gradation levels of the right eye image data written before that are different, one vertical scan is performed after the first left eye image data is written. The alignment directions of the liquid crystal molecules immediately after the lapse of time are not equal. For this reason, lighting of thecorresponding irradiation region 252 is started after a predetermined period has elapsed since the second writing of the left eye image data.
 また、ここでは、右眼画像データを書き込む直前、または、右眼画像データを書き込んでから所定の時間経過後、対応する照射領域252の消灯を行う。なお、液晶分子が短時間で応答するのであれば、原理的には、右眼画像データを書き込む前に照射領域252の消灯を行うべきであるが、実際には、液晶分子の応答にはある程度時間を要するため、右眼画像データを書き込んだ後であってもしばらくの間、液晶分子の配向方向は右眼画像データではなくその前に書き込んだ左眼画像データに依存することになる。したがって、この期間に照射領域252が点灯していても実質的には問題とならない。Also, here, the correspondingirradiation region 252 is turned off immediately before the right eye image data is written or after a predetermined time has elapsed since the right eye image data was written. If the liquid crystal molecules respond in a short time, in principle, theirradiation region 252 should be turned off before the right-eye image data is written. Since time is required, even after the right-eye image data is written, the orientation direction of the liquid crystal molecules depends on the left-eye image data written before it, not the right-eye image data for a while. Therefore, even if theirradiation region 252 is lit during this period, there is substantially no problem.
 ここでは、左眼画像の2回目の書き込みを行うフレーム更新期間の開始時に、左眼シャッター282を開く動作を開始する。左眼シャッター282は、このフレーム更新期間内で照射領域252が最初に点灯する前に開く。Here, the operation of opening theleft eye shutter 282 is started at the start of a frame update period in which the second writing of the left eye image is performed. The left-eye shutter 282 is opened before theirradiation area 252 is first turned on within this frame update period.
 なお、ここでは、照射領域252のそれぞれが点灯する期間は左眼シャッター282が開いている期間内である。照射領域252の点灯している期間には左眼シャッター282が開いているため、照射領域252の点灯している期間が画素の輝度に対応する。なお、上述したように、右眼画像データを書き込んだ後にも対応する照射領域252の点灯を続けることにより、左眼画像の輝度を増加させることができる。また、液晶表示装置100では異なる期間に左眼画像および右眼画像を表示するため、立体表示の行われる画像に含まれるある物体のエッジ部分における輝度が適切に表示されないと、立体表示を適切に行うことができない。このため、観察者には、直前の右眼(または左眼)画像データに依存する左眼(または右眼)画像データに対応する表示を視認させないように制御することが好ましい。Note that here, the period during which each of theirradiation areas 252 is lit is within the period during which the left-eye shutter 282 is open. Since the left-eye shutter 282 is open during the period in which theirradiation area 252 is lit, the period during which theirradiation area 252 is lit corresponds to the luminance of the pixel. As described above, the luminance of the left eye image can be increased by continuing lighting of thecorresponding irradiation region 252 even after the right eye image data is written. Further, since the liquidcrystal display device 100 displays the left eye image and the right eye image in different periods, if the luminance at the edge portion of a certain object included in the image on which the stereoscopic display is performed is not properly displayed, the stereoscopic display is appropriately performed. I can't do it. For this reason, it is preferable to perform control so that the observer does not visually recognize the display corresponding to the left eye (or right eye) image data that depends on the immediately preceding right eye (or left eye) image data.
 照射領域252の点灯および消灯は順番に液晶パネル200の上端部分から下端部分に対応する順番に行われる。左眼シャッター282は、このフレーム更新期間内で照射領域252が最後に消灯した後に閉まる動作を開始する。Theillumination region 252 is turned on and off in order corresponding to the lower end portion from the upper end portion of theliquid crystal panel 200. The left-eye shutter 282 starts an operation of closing after theirradiation area 252 is finally turned off within the frame update period.
 次に、右眼画像データの書き込みを説明する。右眼画像の書き込みは2フレーム更新期間連続して行われる。上述したのと同様の理由で、液晶パネル200に2回目の右眼画像データが書き込まれてから所定の期間経過した後にバックライトユニット250の対応する照射領域252の点灯を開始する。なお、この照射領域252は、次の左眼画像データを書き込む直前、または、次の左眼画像データを書き込んでから所定の期間経過した後に、消灯する。Next, the writing of the right eye image data will be described. The right eye image is written continuously for two frame update periods. For the same reason as described above, lighting of thecorresponding irradiation region 252 of thebacklight unit 250 is started after a predetermined period has elapsed since the second right-eye image data was written to theliquid crystal panel 200. Theirradiation region 252 is turned off immediately before the next left eye image data is written or after a predetermined period has elapsed since the next left eye image data was written.
 なお、ここでは、照射領域252のそれぞれが点灯する期間は右眼シャッター284が開いている期間内である。照射領域252の点灯している期間には右眼シャッター284が開いているため、照射領域252の点灯している期間が画素の輝度に対応する。なお、上述したように、左眼画像データを書き込んだ後にも対応する照射領域252の点灯を続けることにより、右眼画像の輝度を増加させることができる。In addition, here, the period during which eachirradiation region 252 is lit is within the period during which theright eye shutter 284 is open. Since the right-eye shutter 284 is open during the period in which theirradiation area 252 is lit, the period during which theirradiation area 252 is lit corresponds to the luminance of the pixel. As described above, the luminance of the right eye image can be increased by continuing lighting of thecorresponding irradiation region 252 after the left eye image data is written.
 上述したように、左眼シャッター282は、立体表示モードで表示を行う液晶表示装置100が左眼画像を表示している期間の少なくとも一部の期間において開いており、他の期間は閉じている。このように、液晶表示装置100が左眼画像を表示している期間は、左眼画像の書き込みが行われるフレーム期間とは一致しなくてよい。同様に、右眼シャッター284は、立体表示モードで表示を行う液晶表示装置100が右眼画像を表示している期間の少なくとも一部の期間において開いており、他の期間は閉じている。As described above, the left-eye shutter 282 is open during at least a part of the period during which the liquidcrystal display device 100 that performs display in the stereoscopic display mode displays the left-eye image, and is closed during the other periods. . Thus, the period during which the liquidcrystal display device 100 displays the left eye image does not have to coincide with the frame period during which the left eye image is written. Similarly, theright eye shutter 284 is open during at least a part of the period during which the liquidcrystal display device 100 that performs display in the stereoscopic display mode displays the right eye image, and is closed during the other periods.
 なお、液晶パネル200には、1/60(=16.7m)秒の間に、左眼画像データが2回書き込まれ、右眼画像データが2回書き込まれる。なお、立体表示モードにおいて液晶パネル200の表示期間に対して左眼画像および右眼画像が視認される期間はそれぞれ約1/8程度である。Note that the left-eye image data is written twice and the right-eye image data is written twice in 1/60 (= 16.7 m) seconds on theliquid crystal panel 200. In the stereoscopic display mode, the period during which the left eye image and the right eye image are viewed with respect to the display period of theliquid crystal panel 200 is about 1/8.
 なお、図10(b)を参照して上述した説明では、左眼画像データおよび右眼画像データのそれぞれの1回目の書き込みが行われたフレーム更新期間の終了時においてシャッター眼鏡280の左眼シャッター282および右眼シャッター284の両方とも閉じていたが、本発明はこれに限定されない。In the above description with reference to FIG. 10B, the left eye shutter of theshutter glasses 280 at the end of the frame update period in which the first writing of each of the left eye image data and the right eye image data is performed. Although both 282 and theright eye shutter 284 are closed, the present invention is not limited to this.
 また、図10(a)では、バックライトユニット250には8個の照射領域252が設けられていたが、バックライトユニット250に設けられる照射領域の数は任意の数であってもよい。In FIG. 10A, thebacklight unit 250 is provided with eightirradiation areas 252. However, the number of irradiation areas provided in thebacklight unit 250 may be any number.
 図11(a)は、複数の走査配線に供給される走査信号電圧の波形図であり、図11(b)はバックライトユニット250の点灯・非点灯を示す模式図であり、図11(c)はシャッター眼鏡280の開閉を示す模式図である。ここでは、第1フレーム更新期間(1F)および第2フレーム更新期間(2F)において右眼画像データの書き込みが行われ、第3フレーム更新期間(3F)および第4フレーム更新期間(4F)において左眼画像データの書き込みが行われる。FIG. 11A is a waveform diagram of scanning signal voltages supplied to a plurality of scanning wirings, and FIG. 11B is a schematic diagram showing lighting / non-lighting of thebacklight unit 250. FIG. ) Is a schematic diagram showing opening and closing of theshutter glasses 280. Here, the right-eye image data is written in the first frame update period (1F) and the second frame update period (2F), and left in the third frame update period (3F) and the fourth frame update period (4F). The eye image data is written.
 第1フレーム更新期間(1F)において複数の走査配線が順番に選択される。第1フレーム更新期間にわたって、シャッター眼鏡280の左眼シャッター282は開いたままである。第1フレーム更新期間の開始時点ではバックライトユニット250に設けられた複数の照射領域252はすべて点灯しており、このため、第1フレーム更新期間の開始時点では観察者の左眼には左眼画像が視認される。第1フレーム更新期間において走査配線が選択されるのに応じて対応する照射領域252は順番に消灯し、観察者は左眼画像を視認しなくなる。In the first frame update period (1F), a plurality of scan wirings are selected in order. Over the first frame update period, theleft eye shutter 282 of theshutter glasses 280 remains open. At the start time of the first frame update period, all of the plurality ofirradiation areas 252 provided in thebacklight unit 250 are lit. Therefore, at the start time of the first frame update period, the left eye of the observer The image is visible. As the scanning wiring is selected in the first frame update period, the correspondingirradiation areas 252 are turned off in turn, and the observer does not visually recognize the left eye image.
 第2フレーム更新期間(2F)において複数の走査配線が順番に選択される。第2フレーム更新期間にわたって、シャッター眼鏡280の左眼シャッター282は閉じたままであり、右眼シャッター284は開いたままである。また、第2フレーム更新期間の開始時点ではバックライトユニット250に設けられた複数の照射領域252はすべて消灯しており、この時点において観察者は左眼画像を視認しない。第2フレーム更新期間において走査配線が選択されるのに応じて対応する照射領域252は順番に点灯し、それに伴い、観察者は右眼画像を視認する。In the second frame update period (2F), a plurality of scan wirings are selected in order. Over the second frame update period, theleft eye shutter 282 of theshutter glasses 280 remains closed and theright eye shutter 284 remains open. Further, at the start of the second frame update period, all of the plurality ofirradiation regions 252 provided in thebacklight unit 250 are turned off, and the observer does not visually recognize the left eye image at this time. As the scanning wiring is selected in the second frame update period, the correspondingirradiation areas 252 are sequentially turned on, and accordingly, the observer visually recognizes the right eye image.
 第3フレーム更新期間(3F)において複数の走査配線が順番に選択される。第3フレーム更新期間にわたって、シャッター眼鏡280の右眼シャッター284は開いたままである。また、第3フレーム更新期間の開始時点ではバックライトユニット250に設けられた複数の照射領域252はすべて点灯しており、この時点において観察者は右眼画像を視認する。第3フレーム更新期間において走査配線が選択されるのに応じて対応する照射領域252は順番に消灯し、観察者は右眼画像を視認しなくなる。In the third frame update period (3F), a plurality of scanning wirings are selected in order. Over the third frame update period, theright eye shutter 284 of theshutter glasses 280 remains open. Further, at the start of the third frame update period, all of the plurality ofirradiation areas 252 provided in thebacklight unit 250 are lit, and at this point, the observer visually recognizes the right eye image. As the scanning wiring is selected in the third frame update period, the correspondingirradiation regions 252 are turned off in order, and the observer does not visually recognize the right eye image.
 第4フレーム更新期間(4F)において複数の走査配線が順番に選択される。第4フレーム更新期間にわたって、シャッター眼鏡280の右眼シャッター284は閉じたままであり、左眼シャッター282は開いたままである。第4フレーム更新期間の開始時点ではバックライトユニット250に設けられた複数の照射領域252はすべて消灯しており、この時点において観察者は左眼画像を視認しない。第4フレーム更新期間において走査配線が選択されるのに応じて対応する照射領域252は順番に点灯し、これに伴い、観察者は左眼画像を視認する。以上のように、液晶パネル200が立体表示モードで表示を行う場合、シャッター眼鏡280の左眼シャッター282および右眼シャッター284のいずれかが開いており、観察者の視認はバックライトユニット250の点灯・消灯に応じて変化してもよい。In the fourth frame update period (4F), a plurality of scan wirings are selected in order. Over the fourth frame update period, theright eye shutter 284 of theshutter glasses 280 remains closed and theleft eye shutter 282 remains open. At the start of the fourth frame update period, the plurality ofirradiation areas 252 provided in thebacklight unit 250 are all turned off, and at this time, the observer does not visually recognize the left eye image. As the scanning wiring is selected in the fourth frame update period, the correspondingirradiation areas 252 are sequentially turned on, and accordingly, the observer visually recognizes the left eye image. As described above, when theliquid crystal panel 200 performs display in the stereoscopic display mode, one of theleft eye shutter 282 and theright eye shutter 284 of theshutter glasses 280 is open, and the viewer visually recognizes that thebacklight unit 250 is turned on. -It may change according to the lights off.
 なお、上述した説明では、立体表示モードでは、バックライトユニット250の照射領域252ごとに点灯および消灯は制御されたが、立体表示モードにおいてバックライトユニット250の照射領域252のすべての点灯および消灯を一括して制御してもよい。ただし、バックライトユニット250の照射領域252の点灯および消灯を個別に行うことにより、表示画面全体の表示ムラの抑制を簡便に行うことができる。In the above description, in the stereoscopic display mode, lighting and extinguishing are controlled for eachirradiation region 252 of thebacklight unit 250, but in the stereoscopic display mode, all lighting and extinguishing of theirradiation region 252 of thebacklight unit 250 are performed. You may control collectively. However, the display unevenness of the entire display screen can be easily suppressed by individually turning on and off theirradiation region 252 of thebacklight unit 250.
 あるいは、バックライトユニット250において点灯および消灯の制御可能な照射領域は1つであってもよく、照射領域からの光が液晶パネル200全体に照射されてもよい。Alternatively, thebacklight unit 250 may have one irradiation region that can be turned on and off, and the entireliquid crystal panel 200 may be irradiated with light from the irradiation region.
 図12(a)に示すように、バックライトユニット250は、ある期間点灯して液晶パネル200全体に光を照射し、別の期間消灯する。As shown in FIG. 12A, thebacklight unit 250 is turned on for a certain period, irradiates the entireliquid crystal panel 200 with light, and is turned off for another period.
 図12(b)に、立体表示モードにおける液晶パネル200への左眼画像データおよび右眼画像データの書き込み、および、シャッター眼鏡280の開閉のタイミングを示す。ここでも、垂直走査期間は1/240(=4.2m)秒であり、垂直走査周波数は240Hzである。FIG. 12B shows the timing of writing the left eye image data and right eye image data to theliquid crystal panel 200 in the stereoscopic display mode and opening / closing theshutter glasses 280. Again, the vertical scanning period is 1/240 (= 4.2 m) seconds and the vertical scanning frequency is 240 Hz.
 左眼画像の2回目の書き込みを行うフレーム更新期間の終了直前にバックライトユニット250の点灯を開始し、右眼画像データを書き込むフレーム更新期間が開始してから所定の期間経過した後に消灯する。この期間は、右眼画像データを書き込むフレーム更新期間において右眼画像データの書き込みが最初に行われる液晶パネル200の上端の液晶分子の配向方向が先に書き込まれた左眼画像データに依存しなくなる期間である。The lighting of thebacklight unit 250 is started immediately before the end of the frame update period for performing the second writing of the left eye image, and thebacklight unit 250 is turned off after a predetermined period has elapsed since the start of the frame update period for writing the right eye image data. During this period, the orientation direction of the liquid crystal molecules at the upper end of theliquid crystal panel 200 in which the right eye image data is first written in the frame update period in which the right eye image data is written does not depend on the left eye image data written first. It is a period.
 また、バックライトユニット250は2つの照射領域を有していてもよい。Further, thebacklight unit 250 may have two irradiation areas.
 図13(a)に示すように、バックライトユニット250は、液晶パネル200の上半分を照射する照射領域252aおよび液晶パネル200の下半分を照射する照射領域252bを有している。As shown in FIG. 13A, thebacklight unit 250 has anirradiation area 252a that irradiates the upper half of theliquid crystal panel 200 and anirradiation area 252b that irradiates the lower half of theliquid crystal panel 200.
 図13(b)に、立体表示モードにおける液晶パネル200への左眼画像データおよび右眼画像データの書き込み、および、シャッター眼鏡280の開閉のタイミングを示す。ここでも、垂直走査期間は1/240(=4.2m)秒であり、垂直走査周波数は240Hzである。FIG. 13B shows the timing of writing the left eye image data and right eye image data to theliquid crystal panel 200 in the stereoscopic display mode and opening / closing theshutter glasses 280. Again, the vertical scanning period is 1/240 (= 4.2 m) seconds and the vertical scanning frequency is 240 Hz.
 左眼画像データを書き込む場合、照射領域252aは、液晶パネル200の中央付近の画素の行に対して左眼画像データの2回目の書き込みが完了する直後に点灯を開始し、右眼画像データの書き込むフレーム更新期間の開始直前に消灯する。照射領域252aの点灯する期間は、照射領域252aに対応する画素のうち2回目の左眼画像データの書き込みが最後に行われてから、照射領域252aに対応する画素のうち右眼画像データの書き込みが最初に行われるまでの期間である。When writing the left eye image data, theirradiation area 252a starts to light immediately after the second writing of the left eye image data is completed for the row of pixels near the center of theliquid crystal panel 200, and the right eye image data Turns off immediately before start of frame update period for writing. During the lighting period of theirradiation region 252a, writing of the right eye image data among the pixels corresponding to theirradiation region 252a is performed after the second writing of the left eye image data among the pixels corresponding to theirradiation region 252a is performed last. Is the period until the first time.
 また、照射領域252bは、左眼画像の2回目の書き込みが行われるフレーム更新期間の終了直前に点灯を開始し、液晶パネル200の中央付近の画素の行に対して右眼画像データの書き込みが開始される直前に消灯する。照射領域252bの点灯する期間は、照射領域252bに対応する画素のうち2回目の左眼画像データの書き込みが最後に行われてから、照射領域252bに対応する画素のうち右眼画像データの書き込みが最初に行われるまでの期間である。なお、照射領域252a、252bの点灯は左眼シャッター282が開いている期間内に行われる。右眼画像データの書き込みも同様に行われる。Theillumination area 252b starts to light up immediately before the end of the frame update period in which the second writing of the left eye image is performed, and the right eye image data is written to the row of pixels near the center of theliquid crystal panel 200. Turns off just before starting. During the lighting period of theirradiation region 252b, the writing of the right eye image data among the pixels corresponding to theirradiation region 252b is performed after the second writing of the left eye image data among the pixels corresponding to theirradiation region 252b is performed last. Is the period until the first time. Note that theillumination areas 252a and 252b are turned on during the period in which the left-eye shutter 282 is open. The right-eye image data is written in the same manner.
 なお、平面表示モードにおいてバックライトユニット250からの光の強度の制御を液晶パネル200のエリアごとに行うためには、バックライトユニット250の照射領域は、複数の行ごとに分離されているのだけでなく、複数の列ごとに分離されていることが好ましい。In order to control the intensity of light from thebacklight unit 250 for each area of theliquid crystal panel 200 in the flat display mode, the irradiation area of thebacklight unit 250 is only separated for each of a plurality of rows. Instead, it is preferable that the plurality of columns are separated.
 また、上述した説明では、立体表示モードでは、バックライトユニット250の点灯および消灯は制御されていたが、立体表示モードにおいてバックライトユニット250を常時点灯し、シャッター眼鏡280の開閉のみによって観察者に視認される画像の切り換えを行ってもよい。ただし、バックライトユニット250の点灯および消灯を行うことにより、高いコントラスト比を実現することができる。In the above description, thebacklight unit 250 is controlled to be turned on and off in the stereoscopic display mode. However, in the stereoscopic display mode, thebacklight unit 250 is always turned on, and only theshutter glasses 280 are opened and closed. You may switch the image visually recognized. However, a high contrast ratio can be realized by turning on and off thebacklight unit 250.
 また、上述したように、バックライトユニット250が複数の照射領域252を有している場合、平面表示モードにおいても、高コントラスト比を実現するために、照射領域252に対応する画素の階調レベルに応じて照射領域252の点灯および消灯を制御してもよい。Further, as described above, when thebacklight unit 250 has a plurality ofirradiation regions 252, the gray level of the pixel corresponding to theirradiation region 252 is also obtained in the flat display mode in order to achieve a high contrast ratio. Thelighting area 252 may be turned on and off in accordance with the above.
 図14に、液晶パネル200の模式図を示す。液晶パネル200は、前面基板210、背面基板220、および、前面基板210と背面基板220との間に設けられた液晶層230を有している。前面基板210は、透明絶縁基板212および対向電極214を有しており、背面基板220は、透明絶縁基板222および画素電極224を有している。画素電極224によって画素は規定される。液晶パネル200を主面の法線方向から観察した場合の画素の形状は矩形状であってもよく、直交する2つの方向に延びた形状であってもよい。前面基板210および背面基板220はそれぞれ対向基板およびアクティブマトリクス基板とも呼ばれる。FIG. 14 shows a schematic diagram of theliquid crystal panel 200. Theliquid crystal panel 200 includes afront substrate 210, arear substrate 220, and aliquid crystal layer 230 provided between thefront substrate 210 and therear substrate 220. Thefront substrate 210 has a transparent insulatingsubstrate 212 and acounter electrode 214, and theback substrate 220 has a transparent insulatingsubstrate 222 and apixel electrode 224. A pixel is defined by thepixel electrode 224. When theliquid crystal panel 200 is observed from the normal direction of the main surface, the shape of the pixel may be a rectangular shape or a shape extending in two orthogonal directions. Thefront substrate 210 and theback substrate 220 are also called a counter substrate and an active matrix substrate, respectively.
 液晶層230は負の誘電異方性を有するネマチック液晶材料を含んでおり、クロスニコル配置された偏光板と組み合わせて、ノーマリーブラックモードで表示が行われる。なお、図14には図示していないが、典型的には、前面基板210にはカラーフィルタ層、配向膜等がさらに設けられており、背面基板220には、走査配線、絶縁層、ソース配線、薄膜トランジスタ(Thin Film Transistor:TFT)および配向膜等がさらに設けられている。また、前面基板210および背面基板220の外側には偏光板が設けられている。例えば、図2に示した液晶表示装置100のうちのフレームレート制御回路110、タイミングコントローラ120、書込状態信号送信回路130、走査信号駆動回路140、表示信号駆動回路150、および、バックライト駆動回路160のいずれかは背面基板220の額縁領域に実装されてもよい。Theliquid crystal layer 230 includes a nematic liquid crystal material having negative dielectric anisotropy, and is displayed in a normally black mode in combination with a polarizing plate arranged in a crossed Nicol arrangement. Although not shown in FIG. 14, typically, thefront substrate 210 is further provided with a color filter layer, an alignment film, and the like, and therear substrate 220 has a scanning wiring, an insulating layer, and a source wiring. Further, a thin film transistor (TFT), an alignment film, and the like are further provided. A polarizing plate is provided outside thefront substrate 210 and theback substrate 220. For example, the framerate control circuit 110, thetiming controller 120, the writing statesignal transmission circuit 130, the scanningsignal driving circuit 140, the displaysignal driving circuit 150, and the backlight driving circuit in the liquidcrystal display device 100 shown in FIG. Any one of 160 may be mounted on the frame area of theback substrate 220.
 表示信号駆動回路150は、ソース配線に表示信号(ソース信号)を供給する。液晶パネル200において、対向電極214と各画素電極224との間の液晶層230に電圧を印加する場合、上述したタイミングコントローラ120は、対向電極214に供給される対向信号(さらに必要に応じて補助容量配線に供給される補助容量信号)を考慮してソース配線に供給される表示信号を生成する。The displaysignal driving circuit 150 supplies a display signal (source signal) to the source wiring. In theliquid crystal panel 200, when a voltage is applied to theliquid crystal layer 230 between thecounter electrode 214 and eachpixel electrode 224, thetiming controller 120 described above receives the counter signal (and, if necessary, the auxiliary signal supplied to the counter electrode 214). A display signal supplied to the source wiring is generated in consideration of the auxiliary capacitance signal supplied to the capacitor wiring.
 一般に、液晶パネルでは、対向電極と画素電極との間の液晶層に印加する電圧を制御することによって液晶層の透過率(すなわち、画素の輝度)を変化させる。このとき、対向電極の電位と画素電極の電位の関係が変化しないと、焼き付きが発生して信頼性が低下するため、典型的な液晶パネルでは、液晶層に印加される電圧が交流電圧となるように設定される。具体的には、画素電極と対向電極との電位の大小関係が一定時間毎に反転し、液晶層に印加される電界の向き(電気力線の向き)が一定時間毎に反転するように設定される。なお、本明細書において、電位および電圧の極性は、特に断らない限り、対向電極の電圧を基準にする。すなわち、画素電極の電位が対向電極の電位よりも高くなることをプラス極性(+)と示し、画素電極の電位が対向電極の電位よりも低くなることをマイナス極性(-)と示す。極性は、液晶層に印加される電界の向きを表している。プラス極性(+)の書き込みを行う場合、ソース配線には、対向電極よりも電位の高い表示信号が供給される。また、マイナス極性(-)の書き込みを行う場合、ソース配線には、対向電極よりも電位の低い表示信号が供給される。Generally, in a liquid crystal panel, the transmittance of the liquid crystal layer (that is, the luminance of the pixel) is changed by controlling the voltage applied to the liquid crystal layer between the counter electrode and the pixel electrode. At this time, if the relationship between the potential of the counter electrode and the potential of the pixel electrode does not change, image sticking occurs and reliability decreases. Therefore, in a typical liquid crystal panel, the voltage applied to the liquid crystal layer is an AC voltage. It is set as follows. Specifically, the potential relationship between the pixel electrode and the counter electrode is reversed at regular intervals, and the direction of the electric field applied to the liquid crystal layer (direction of the lines of electric force) is reversed at regular intervals. Is done. Note that in this specification, the potential and the polarity of the voltage are based on the voltage of the counter electrode unless otherwise specified. That is, a positive polarity (+) indicates that the potential of the pixel electrode is higher than the potential of the counter electrode, and a negative polarity (−) indicates that the potential of the pixel electrode is lower than the potential of the counter electrode. The polarity represents the direction of the electric field applied to the liquid crystal layer. In the case of writing with positive polarity (+), a display signal having a higher potential than the counter electrode is supplied to the source wiring. In addition, when writing with negative polarity (−) is performed, a display signal having a lower potential than the counter electrode is supplied to the source wiring.
 なお、上述したように、液晶表示装置100では、立体表示モードにおいて、左眼画像データの書き込みが連続する2フレーム更新期間にわたって行われ、各画素は2つの垂直走査期間にわたって左眼画像データに対応する輝度を呈する。また、右眼画像データの書き込みが別の連続する2フレーム更新期間にわたって行われ、各画素は2つの垂直走査期間にわたって右眼画像データに対応する輝度を呈する。このとき、右眼画像データおよび左眼画像データの書き込まれる2つの垂直走査期間に画素の極性が反転すると、画素が所定の輝度を呈さないことがある。特に、垂直走査周波数240Hzで駆動される液晶パネル200では、走査配線が選択されて画素電極224に電圧が供給される時間(すなわち、液晶層230の充電が行われる時間)が短いため、信号遅延等の影響により、画素電極224の電位が所定の電位に到達せず、結果として、画素が所定の輝度を呈さない。例えば、画素電極224の電位が垂直走査期間ごとに大きく変化する場合、画素電極224の電位は階調レベルに対応する輝度まで到達せず、画素は所定の輝度を呈さない。As described above, in the liquidcrystal display device 100, in the stereoscopic display mode, the writing of the left eye image data is performed over two consecutive frame update periods, and each pixel corresponds to the left eye image data over two vertical scanning periods. It exhibits the brightness. Further, the right-eye image data is written over another continuous two-frame update period, and each pixel exhibits luminance corresponding to the right-eye image data over two vertical scanning periods. At this time, if the polarity of the pixel is inverted during two vertical scanning periods in which the right eye image data and the left eye image data are written, the pixel may not exhibit a predetermined luminance. In particular, in theliquid crystal panel 200 that is driven at a vertical scanning frequency of 240 Hz, a signal delay is caused because a time for selecting a scanning wiring and supplying a voltage to the pixel electrode 224 (that is, a time for charging the liquid crystal layer 230) is short. For example, the potential of thepixel electrode 224 does not reach a predetermined potential, and as a result, the pixel does not exhibit a predetermined luminance. For example, when the potential of thepixel electrode 224 changes greatly every vertical scanning period, the potential of thepixel electrode 224 does not reach the luminance corresponding to the gradation level, and the pixel does not exhibit a predetermined luminance.
 また、例えば、右眼画像データをマイナス極性で書き込んだ後に、左眼画像データをプラス極性で書き込み、さらに左眼画像データをマイナス極性で書き込む場合、その前に書き込まれる右眼画像データの階調レベルが異なると、等しい階調レベルで左眼画像データの書き込まれた複数の画素の輝度が互いに異なることがある。このように、画素の極性を垂直走査期間ごとに反転させることにより、対象となる右眼画像または左眼画像の表示は、その直前の左眼画像または右眼画像の影響を受けてしまい、これは表示ムラとして視認される。Also, for example, when the right eye image data is written with a negative polarity, the left eye image data is written with a positive polarity, and the left eye image data is written with a negative polarity, the gradation of the right eye image data written before that is written. If the levels are different, the luminance of a plurality of pixels in which the left eye image data is written at the same gradation level may be different from each other. In this way, by reversing the pixel polarity for each vertical scanning period, the display of the target right-eye image or left-eye image is affected by the immediately preceding left-eye image or right-eye image. Is visually recognized as display unevenness.
 このため、液晶パネル200では、左眼画像データおよび右眼画像データの書き込みが連続して行われる2つの垂直走査期間において画素の極性が反転する場合、配線幅の増大によって配線抵抗を低下させて信号遅延の影響を抑制することが好ましく、これにより、表示ムラを抑制することができる。ただし、このように、配線幅を増大させると、液晶パネル200の開口率が低下してしまうことがある。For this reason, in theliquid crystal panel 200, when the polarity of the pixel is reversed in two vertical scanning periods in which the writing of the left eye image data and the right eye image data is continuously performed, the wiring resistance is reduced by increasing the wiring width. It is preferable to suppress the influence of the signal delay, and thereby display unevenness can be suppressed. However, when the wiring width is increased as described above, the aperture ratio of theliquid crystal panel 200 may be lowered.
 したがって、液晶パネル200では、右眼画像データおよび左眼画像データのそれぞれの書き込みが連続して行われる2つの垂直走査期間にわたったそれぞれの画素の極性を等しくすることが好ましい。これより、表示ムラとともに開口率の低下を抑制することができる。Therefore, in theliquid crystal panel 200, it is preferable that the polarities of the respective pixels are made equal over two vertical scanning periods in which the writing of the right eye image data and the left eye image data is continuously performed. Accordingly, it is possible to suppress a decrease in the aperture ratio as well as display unevenness.
 以下、図15を参照して、立体表示システム300における信号電圧の変化、バックライトユニット250およびシャッター眼鏡280の開閉を説明する。Hereinafter, with reference to FIG. 15, changes in signal voltage and opening / closing of thebacklight unit 250 and theshutter glasses 280 in thestereoscopic display system 300 will be described.
 図15(a)に、立体表示モードの液晶パネル200における対向電極214の電位Vcomを基準とした表示信号の電位VLsの変化を示し、図15(b)に、走査信号電圧VLgの波形を示し、図15(c)に、対向電極214の電位Vcomを基準とした画素電極224の電位Vpeの変化を示し、図15(d)に、バックライトユニット250の特定の照射領域252の点灯・非点灯を示し、図15(e)に、シャッター眼鏡280の開閉を示す。FIG. 15A shows a change in the potential VLs of the display signal based on the potential Vcom of thecounter electrode 214 in theliquid crystal panel 200 in the stereoscopic display mode, and FIG. 15B shows a waveform of the scanning signal voltage VLg. FIG. 15C shows a change in the potential Vpe of thepixel electrode 224 with reference to the potential Vcom of thecounter electrode 214, and FIG. 15D shows whether aspecific irradiation region 252 of thebacklight unit 250 is turned on / off. Illumination is shown, and the opening and closing of theshutter glasses 280 is shown in FIG.
 上述したように、立体表示モードでは液晶パネル200は垂直走査周波数240Hzで駆動されるため、1垂直走査期間(フレーム更新期間)は約4.2msである。また、ここでは、液晶パネル200はハイビジョン規格に準拠しており、1つの走査配線が選択される期間は約3.4μsである。この期間は水平走査期間に対応している。なお、いわゆる倍速駆動(垂直走査周波数120Hz)の液晶パネルでは、垂直走査期間は8.4msであり、1つの走査配線が選択される期間は6.8μsである。As described above, since theliquid crystal panel 200 is driven at the vertical scanning frequency of 240 Hz in the stereoscopic display mode, one vertical scanning period (frame update period) is about 4.2 ms. Further, here, theliquid crystal panel 200 complies with the high vision standard, and the period during which one scanning line is selected is about 3.4 μs. This period corresponds to the horizontal scanning period. In a so-called double speed drive (vertical scanning frequency 120 Hz) liquid crystal panel, the vertical scanning period is 8.4 ms, and the period during which one scanning wiring is selected is 6.8 μs.
 図15(a)から理解されるように、各ソース配線に供給される表示信号の電位および対向電極の電位の関係はフレーム更新期間にわたって変化せず、フレーム更新期間の終了時に列方向に隣接する画素の極性は互いに等しい。このため、フレーム更新期間内の表示信号の電位の変化を小さくすることができ、消費電力を低減させることができる。なお、図15(a)では、第1フレーム更新期間においてソース配線にプラス極性の表示信号電圧が供給されているが、第1フレーム更新期間においてこのソース配線に隣接するソース配線にはマイナス極性の表示信号電圧が供給されている。As understood from FIG. 15A, the relationship between the potential of the display signal supplied to each source line and the potential of the counter electrode does not change over the frame update period, and is adjacent in the column direction at the end of the frame update period. The polarities of the pixels are equal to each other. Therefore, the change in potential of the display signal within the frame update period can be reduced, and power consumption can be reduced. In FIG. 15A, a positive polarity display signal voltage is supplied to the source wiring in the first frame update period. However, a negative polarity is applied to the source wiring adjacent to the source wiring in the first frame update period. A display signal voltage is supplied.
 また、ここでは、図15(c)において特定の画素の画素電極224の電位Vpeの変化に着目する。例えば、対向電極214の電位Vcomを基準とした画素電極224の電位Vpeの最大値および最小値はそれぞれ+7V、-7Vであり、対向電極214の電位Vcomを基準とした画素電極224の電位Vpeはこの範囲内で変化する。また、この画素の階調レベルは第1フレーム更新期間(1F)から第4フレーム更新期間(4F)にわたって変化せず、左眼画像データのこの画素の階調レベルは右眼画像データの階調レベルとほぼ等しい。例えば、この画素は、立体表示の行われる画像に含まれる物体の中央部分に対応している。Further, here, attention is paid to a change in the potential Vpe of thepixel electrode 224 of a specific pixel in FIG. For example, the maximum value and the minimum value of the potential Vpe of thepixel electrode 224 with respect to the potential Vcom of thecounter electrode 214 are +7 V and −7 V, respectively, and the potential Vpe of thepixel electrode 224 with reference to the potential Vcom of thecounter electrode 214 is It varies within this range. Further, the gradation level of this pixel does not change from the first frame update period (1F) to the fourth frame update period (4F), and the gradation level of this pixel of the left eye image data is the gradation of the right eye image data. It is almost equal to the level. For example, this pixel corresponds to the central portion of an object included in an image on which stereoscopic display is performed.
 第1フレーム更新期間(1F)においてソース配線には対向電極214よりも高い電位を示す表示信号が供給される。ここでは、ある画素を選択する走査信号電圧がオン電圧になると、当該画素の画素電極224に表示信号電圧が供給されてプラス極性の書き込みが行われる。このとき、ソース配線に供給される表示信号電圧は画素電極224の電位を目標電位とするよう設定されており、この目標電位は対向電極214と画素電極224との電位差が階調レベルに対応するように設定されている。このように画素電極224に表示信号電圧を供給することによって液晶層230の充電が進行する。しかしながら、液晶パネル200は垂直走査周波数240Hzで駆動されており、走査配線が選択されて画素電極224に表示信号電圧が供給される期間が比較的短いため、画素電極224の電位は目標電位まで到達しないことがある。例えば、液晶パネル200としていわゆる倍速駆動(垂直走査周波数120Hz)の液晶パネルを用いる場合、画素電極224の電位が目標電位まで到達する前に、走査信号電圧はオフ電圧に戻ってしまう。なお、バックライトユニット250の照射領域252は少なくとも第1フレーム更新期間の途中から消灯しており、第1フレーム更新期間に書き込まれた右眼画像は観察者には視認されない。また、第1フレーム更新期間の後半に、右眼シャッター284が開く。In the first frame update period (1F), a display signal indicating a higher potential than thecounter electrode 214 is supplied to the source wiring. Here, when a scanning signal voltage for selecting a certain pixel becomes an on-voltage, a display signal voltage is supplied to thepixel electrode 224 of the pixel and writing with a positive polarity is performed. At this time, the display signal voltage supplied to the source wiring is set so that the potential of thepixel electrode 224 is set as a target potential, and the target potential corresponds to the gray level of the potential difference between thecounter electrode 214 and thepixel electrode 224. Is set to In this way, charging of theliquid crystal layer 230 proceeds by supplying the display signal voltage to thepixel electrode 224. However, theliquid crystal panel 200 is driven at a vertical scanning frequency of 240 Hz, and since the period during which the scanning wiring is selected and the display signal voltage is supplied to thepixel electrode 224 is relatively short, the potential of thepixel electrode 224 reaches the target potential. There are things that do not. For example, when a so-called double speed drive (vertical scanning frequency 120 Hz) liquid crystal panel is used as theliquid crystal panel 200, the scanning signal voltage returns to the off voltage before the potential of thepixel electrode 224 reaches the target potential. Note that theirradiation area 252 of thebacklight unit 250 is turned off at least during the first frame update period, and the right-eye image written in the first frame update period is not visually recognized by the observer. Further, theright eye shutter 284 opens in the second half of the first frame update period.
 第2フレーム更新期間(2F)においてもソース配線には対向電極214よりも高い電位を示す表示信号が供給される。なお、上述したように、右眼画像の書き込みは2フレーム更新期間連続して行われる。当該画素を選択する走査信号電圧がオン電圧になると、当該画素の画素電極224に表示信号電圧が供給されてプラス極性の書き込みが行われる。第2フレーム更新期間において書き込まれる極性は第1フレーム更新期間と等しく、ソース配線に供給される表示信号電圧は画素電極224の電位を第1フレーム更新期間の目標電位と等しい極性の目標電位とするように設定されている。このため、画素電極224の電位は目標電位まで到達する。なお、ここでは、第2フレーム更新期間の目標電位は第1フレーム更新期間の目標電位と等しいが、後述するように、オーバードライブ駆動等に起因して第2フレーム更新期間の目標電位は第1フレーム更新期間の目標電位と異なっていてもよい。その後、走査信号電圧はオフ電圧に戻る。バックライトユニット250の照射領域252は第2フレーム更新期間において当該画素の書き込みが行われてから1垂直走査期間にわたって点灯する。右眼シャッター284は第2フレーム更新期間にわたって開いたままである。このため、第2フレーム更新期間に書き込まれた右眼画像は観察者に視認される。In the second frame update period (2F), a display signal indicating a higher potential than thecounter electrode 214 is supplied to the source wiring. As described above, writing of the right eye image is performed continuously for two frame update periods. When the scanning signal voltage for selecting the pixel becomes the ON voltage, the display signal voltage is supplied to thepixel electrode 224 of the pixel, and writing with a positive polarity is performed. The polarity written in the second frame update period is equal to that in the first frame update period, and the display signal voltage supplied to the source wiring uses the potential of thepixel electrode 224 as the target potential having the same polarity as the target potential in the first frame update period. Is set to For this reason, the potential of thepixel electrode 224 reaches the target potential. Here, the target potential in the second frame update period is equal to the target potential in the first frame update period. However, as described later, the target potential in the second frame update period is first due to overdrive driving or the like. It may be different from the target potential in the frame update period. Thereafter, the scanning signal voltage returns to the off voltage. Theirradiation region 252 of thebacklight unit 250 is lit for one vertical scanning period after the pixel is written in the second frame update period. Theright eye shutter 284 remains open for the second frame update period. For this reason, the right eye image written in the second frame update period is visually recognized by the observer.
 次に、第3フレーム更新期間(3F)には左眼画像データが書き込まれる。ここでは、第3フレーム更新期間においてソース配線には対向電極214よりも低い電位を示す表示信号が供給される。当該画素を選択する走査信号電圧がオン電圧になると、当該画素の画素電極224に表示信号電圧が供給されてマイナス極性の書き込みが行われる。ここでも、ソース配線に供給される表示信号電圧は画素電極224の電位を目標電位とするよう設定されているが、第3フレーム更新期間の目標電位は第2フレーム更新期間とは異なる極性に設定されており、画素電極224の電位が目標電位まで到達する前に、走査信号電圧はオフ電圧に戻ってしまう。なお、このとき、バックライトユニット250は、第3フレーム更新期間の開始時点で点灯したままであるが、第3フレーム更新期間において左眼画像データの書き込みが行われる前に消灯し、第3フレーム更新期間に書き込まれた左眼画像は観察者には視認されない。また、第3フレーム更新期間の後半に、左眼シャッター282が開く。Next, the left eye image data is written in the third frame update period (3F). Here, a display signal having a lower potential than thecounter electrode 214 is supplied to the source wiring in the third frame update period. When the scanning signal voltage for selecting the pixel becomes the on voltage, the display signal voltage is supplied to thepixel electrode 224 of the pixel, and writing with a negative polarity is performed. Here again, the display signal voltage supplied to the source wiring is set so that the potential of thepixel electrode 224 is set as the target potential, but the target potential in the third frame update period is set to a polarity different from that in the second frame update period. Thus, the scanning signal voltage returns to the off voltage before the potential of thepixel electrode 224 reaches the target potential. At this time, thebacklight unit 250 remains turned on at the start of the third frame update period, but is turned off before the left-eye image data is written in the third frame update period, and the third frame is updated. The left eye image written during the update period is not visually recognized by the observer. In addition, the left-eye shutter 282 opens in the second half of the third frame update period.
 第4フレーム更新期間(4F)においてもソース配線には対向電極214よりも低い電位を示す表示信号が供給される。なお、上述したように、左眼画像の書き込みは2フレーム更新期間連続して行われる。当該画素を選択する走査信号電圧がオン電圧になると、当該画素の画素電極224に表示信号電圧が供給されてマイナス極性の書き込みが行われる。第4フレーム更新期間において書き込まれる極性は第3フレーム更新期間と等しく、ソース配線に供給される表示信号電圧は画素電極224の電位を第3フレーム更新期間の目標電位と等しい極性の目標電位とするように設定されている。このため、画素電極224の電位は目標電位まで到達する。その後、走査信号電圧はオフ電圧に戻る。バックライトユニット250の照射領域252は第4フレーム更新期間において当該画素の書き込みが行われてから1垂直走査期間にわたって点灯する。左眼シャッター282は第4フレーム更新期間にわたって開いたままである。このため、第4フレーム更新期間に書き込まれた左眼画像は観察者に視認される。In the fourth frame update period (4F), a display signal indicating a lower potential than thecounter electrode 214 is supplied to the source wiring. As described above, writing of the left eye image is performed continuously for two frame update periods. When the scanning signal voltage for selecting the pixel becomes the on voltage, the display signal voltage is supplied to thepixel electrode 224 of the pixel, and writing with a negative polarity is performed. The polarity written in the fourth frame update period is equal to that in the third frame update period, and the display signal voltage supplied to the source wiring uses the potential of thepixel electrode 224 as the target potential having the same polarity as the target potential in the third frame update period. Is set to For this reason, the potential of thepixel electrode 224 reaches the target potential. Thereafter, the scanning signal voltage returns to the off voltage. Theirradiation region 252 of thebacklight unit 250 is lit for one vertical scanning period after the pixel is written in the fourth frame update period. Theleft eye shutter 282 remains open for the fourth frame update period. For this reason, the left eye image written in the fourth frame update period is visually recognized by the observer.
 このように、液晶パネル200では、左眼画像データが2つの垂直走査期間連続して等しい極性で書き込まれ、右眼画像データが2つの垂直走査期間連続して等しい極性で書き込まれるため、開口率の低下および表示ムラを抑制することができる。また、液晶パネル200として、いわゆる倍速駆動の液晶パネルを利用することができる。また、このように画素の極性を2つの垂直走査期間ごとに反転させることにより、フリッカの発生を抑制することができる。Thus, in theliquid crystal panel 200, the left eye image data is written with the same polarity for two consecutive vertical scanning periods, and the right eye image data is written with the same polarity for two consecutive vertical scanning periods. Reduction and display unevenness can be suppressed. As theliquid crystal panel 200, a so-called double speed drive liquid crystal panel can be used. In addition, the occurrence of flicker can be suppressed by reversing the polarity of the pixel every two vertical scanning periods.
 ただし、図15に示した4つのフレーム更新期間の書き込みを繰り返して行う場合、右眼画像データはプラス極性で書き込まれ、左眼画像データはマイナス極性で書き込まれることになる。この場合、仮に、ある画素の右眼画像データおよび左眼画像データの階調レベルが互いに等しかったとしても、右眼画像データの書き込まれた画素の輝度は左眼画像データの書き込まれた画素の輝度とは異なり、適切な表示が行われないことがある。このため、右眼画像データが期間に応じてプラス極性およびマイナス極性で書き込まれ、同様に、左眼画像データも期間に応じてプラス極性およびマイナス極性で書き込まれることが好ましい。However, when writing in the four frame update periods shown in FIG. 15 is repeated, the right eye image data is written with a positive polarity and the left eye image data is written with a negative polarity. In this case, even if the right-eye image data and the left-eye image data of a certain pixel have the same gradation level, the luminance of the pixel to which the right-eye image data is written is the same as that of the pixel to which the left-eye image data is written. Unlike brightness, proper display may not be performed. For this reason, it is preferable that the right eye image data is written with a plus polarity and a minus polarity according to the period, and similarly, the left eye image data is also written with a plus polarity and a minus polarity according to the period.
 以下、図16を参照して立体表示システム300における信号電圧の変化、バックライトユニット250およびシャッター眼鏡280の開閉を説明する。Hereinafter, with reference to FIG. 16, changes in signal voltage and opening / closing of thebacklight unit 250 and theshutter glasses 280 in thestereoscopic display system 300 will be described.
 図16(a)に、対向電極214の電位Vcomを基準としたソース配線の電位VLsの変化を示し、図16(b)に、走査信号電圧VLgの波形を示し、図16(c)に、対向電極214の電位Vcomを基準とした画素電極224の電位Vpeの変化を示し、図16(d)に、バックライトユニット250の点灯・非点灯を示し、図16(e)に、シャッター眼鏡280の開閉を示す。FIG. 16A shows a change in the potential VLs of the source wiring with reference to the potential Vcom of thecounter electrode 214, FIG. 16B shows a waveform of the scanning signal voltage VLg, and FIG. A change in the potential Vpe of thepixel electrode 224 with respect to the potential Vcom of thecounter electrode 214 is shown. FIG. 16D shows lighting / non-lighting of thebacklight unit 250, and FIG. Shows opening and closing.
 図16(a)から理解されるように、各ソース配線に供給される表示信号の電位と対向電極の電位との関係はフレーム更新期間内において変化しない。このため、フレーム更新期間内の表示信号の電位の変化を小さくすることができ、消費電力が低減される。As understood from FIG. 16A, the relationship between the potential of the display signal supplied to each source wiring and the potential of the counter electrode does not change within the frame update period. For this reason, the change in potential of the display signal within the frame update period can be reduced, and power consumption is reduced.
 また、ここでは、図16(c)において特定の画素の画素電極の電位Vpeの変化に着目する。なお、この画素の階調レベルは第1フレーム更新期間(1F)から第8フレーム更新期間(8F)にわたって変化せず、左眼画像データのこの画素の階調レベルは右眼画像データの階調レベルとほぼ等しい。例えば、この画素は、立体表示の行われる画像に含まれる物体の中央部分に対応している。Further, here, attention is paid to the change in the potential Vpe of the pixel electrode of a specific pixel in FIG. The gradation level of this pixel does not change from the first frame update period (1F) to the eighth frame update period (8F), and the gradation level of this pixel of the left eye image data is the gradation of the right eye image data. It is almost equal to the level. For example, this pixel corresponds to the central portion of an object included in an image on which stereoscopic display is performed.
 第1フレーム更新期間(1F)においてソース配線には対向電極214よりも高い電位を示す表示信号が供給される。ここでは、ある画素を選択する走査信号電圧がオン電圧になると、当該画素の画素電極224に表示信号電圧が供給されてプラス極性の書き込みが行われる。このとき、ソース配線に供給される表示信号電圧は画素電極224の電位を目標電位とするよう設定されており、この目標電位は対向電極214と画素電極224との電位差が階調レベルに対応するように設定されている。このように画素電極224に表示信号電圧を供給することによって液晶層230の充電が進行する。しかしながら、液晶パネル200は垂直走査周波数240Hzで駆動されており、走査配線が選択されて画素電極224に表示信号電圧が供給される期間が比較的短いため、画素電極224の電位が目標電位まで到達する前に、走査信号電圧はオフ電圧に戻ってしまう。なお、バックライトユニット250の照射領域252は少なくとも第1フレーム更新期間の途中から消灯しており、第1フレーム更新期間に書き込まれた右眼画像は観察者には視認されない。また、第1フレーム更新期間の後半に、右眼シャッター284が開く。In the first frame update period (1F), a display signal indicating a higher potential than thecounter electrode 214 is supplied to the source wiring. Here, when a scanning signal voltage for selecting a certain pixel becomes an on-voltage, a display signal voltage is supplied to thepixel electrode 224 of the pixel and writing with a positive polarity is performed. At this time, the display signal voltage supplied to the source wiring is set so that the potential of thepixel electrode 224 is set as a target potential, and the target potential corresponds to the gray level of the potential difference between thecounter electrode 214 and thepixel electrode 224. Is set to In this way, charging of theliquid crystal layer 230 proceeds by supplying the display signal voltage to thepixel electrode 224. However, since theliquid crystal panel 200 is driven at a vertical scanning frequency of 240 Hz and the period during which the scanning wiring is selected and the display signal voltage is supplied to thepixel electrode 224 is relatively short, the potential of thepixel electrode 224 reaches the target potential. Before the scanning signal voltage is returned to the off voltage. Note that theirradiation area 252 of thebacklight unit 250 is turned off at least during the first frame update period, and the right-eye image written in the first frame update period is not visually recognized by the observer. Further, theright eye shutter 284 opens in the second half of the first frame update period.
 第2フレーム更新期間(2F)においてもソース配線には対向電極214よりも高い電位を示す表示信号が供給される。なお、上述したように、右眼画像の書き込みは2フレーム更新期間連続して行われる。当該画素を選択する走査信号電圧がオン電圧になると、当該画素の画素電極224に表示信号電圧が供給されてプラス極性の書き込みが行われる。第2フレーム更新期間において書き込まれる極性は第1フレーム更新期間と等しく、ソース配線に供給される表示信号電圧は画素電極224の電位を第1フレーム更新期間の目標電位と等しい極性の目標電位とするように設定されている。このため、画素電極224の電位は目標電位まで到達する。その後、走査信号電圧はオフ電圧に戻る。バックライトユニット250の照射領域252は第2フレーム更新期間において当該画素の書き込みが行われてから1垂直走査期間にわたって点灯する。右眼シャッター284は第2フレーム更新期間にわたって開いたままである。このため、第2フレーム更新期間に書き込まれた右眼画像は観察者に視認される。In the second frame update period (2F), a display signal indicating a higher potential than thecounter electrode 214 is supplied to the source wiring. As described above, writing of the right eye image is performed continuously for two frame update periods. When the scanning signal voltage for selecting the pixel becomes the ON voltage, the display signal voltage is supplied to thepixel electrode 224 of the pixel, and writing with a positive polarity is performed. The polarity written in the second frame update period is equal to that in the first frame update period, and the display signal voltage supplied to the source wiring uses the potential of thepixel electrode 224 as the target potential having the same polarity as the target potential in the first frame update period. Is set to For this reason, the potential of thepixel electrode 224 reaches the target potential. Thereafter, the scanning signal voltage returns to the off voltage. Theirradiation region 252 of thebacklight unit 250 is lit for one vertical scanning period after the pixel is written in the second frame update period. Theright eye shutter 284 remains open for the second frame update period. For this reason, the right eye image written in the second frame update period is visually recognized by the observer.
 次に、第3フレーム更新期間(3F)には左眼画像データが書き込まれる。ここでは、第3フレーム更新期間においてソース配線には対向電極214よりも高い電位を示す表示信号が供給される。当該画素を選択する走査信号電圧がオン電圧になると、当該画素の画素電極224に表示信号電圧が供給されてプラス極性の書き込みが行われる。ここでも、ソース配線に供給される表示信号電圧は画素電極224の電位を第2フレーム更新期間と等しい極性の目標電位とするように設定されている。このため、画素電極224の電位は目標電位まで到達する。なお、バックライトユニット250は、第3フレーム更新期間の開始時点で点灯したままであるが、第3フレーム更新期間において左眼画像データの書き込みが行われる前に消灯し、第3フレーム更新期間に書き込まれた左眼画像は観察者には視認されない。また、第3フレーム更新期間の後半に、左眼シャッター282が開く。Next, the left eye image data is written in the third frame update period (3F). Here, a display signal having a higher potential than thecounter electrode 214 is supplied to the source wiring in the third frame update period. When the scanning signal voltage for selecting the pixel becomes the ON voltage, the display signal voltage is supplied to thepixel electrode 224 of the pixel, and writing with a positive polarity is performed. Here again, the display signal voltage supplied to the source wiring is set so that the potential of thepixel electrode 224 is set to a target potential having the same polarity as the second frame update period. For this reason, the potential of thepixel electrode 224 reaches the target potential. Note that thebacklight unit 250 remains lit at the start of the third frame update period, but is turned off before the left-eye image data is written in the third frame update period, and in the third frame update period. The written left eye image is not visually recognized by the observer. In addition, the left-eye shutter 282 opens in the second half of the third frame update period.
 第4フレーム更新期間(4F)においてもソース配線には対向電極214よりも高い電位を示す表示信号が供給される。なお、上述したように、左眼画像の書き込みは2フレーム更新期間連続して行われる。当該画素を選択する走査信号電圧がオン電圧になると、当該画素の画素電極224に表示信号電圧が供給されてプラス極性の書き込みが行われる。第4フレーム更新期間において書き込まれる極性は第3フレーム更新期間と等しく、画素電極224の電位が第3フレーム更新期間の目標電位と等しい極性になるように表示信号電圧は設定されており、画素電極224の電位は目標電位まで到達する。その後、走査信号電圧はオフ電圧に戻る。バックライトユニット250の照射領域252は第4フレーム更新期間において当該画素の書き込みが行われてから1垂直走査期間にわたって点灯する。左眼シャッター282は第4フレーム更新期間にわたって開いたままである。このため、第4フレーム更新期間に書き込まれた左眼画像は観察者に視認される。In the fourth frame update period (4F), a display signal indicating a higher potential than thecounter electrode 214 is supplied to the source wiring. As described above, writing of the left eye image is performed continuously for two frame update periods. When the scanning signal voltage for selecting the pixel becomes the ON voltage, the display signal voltage is supplied to thepixel electrode 224 of the pixel, and writing with a positive polarity is performed. The display signal voltage is set so that the polarity written in the fourth frame update period is equal to that in the third frame update period, and the potential of thepixel electrode 224 is equal to the target potential in the third frame update period. The potential of 224 reaches the target potential. Thereafter, the scanning signal voltage returns to the off voltage. Theirradiation region 252 of thebacklight unit 250 is lit for one vertical scanning period after the pixel is written in the fourth frame update period. Theleft eye shutter 282 remains open for the fourth frame update period. For this reason, the left eye image written in the fourth frame update period is visually recognized by the observer.
 第5フレーム更新期間(5F)においてソース配線には対向電極214よりも低い電位を示す表示信号が供給される。ここでは、ある画素を選択する走査信号電圧がオン電圧になると、当該画素の画素電極224に表示信号電圧が供給されてマイナス極性の書き込みが行われる。ここでも、ソース配線に供給される表示信号電圧は画素電極224の電位を目標電位とするよう設定されているが、第5フレーム更新期間の目標電位は第4フレーム更新期間とは異なる極性に設定されており、画素電極224の電位が目標電位まで到達する前に、走査信号電圧はオフ電圧に戻ってしまう。なお、バックライトユニット250の照射領域252は少なくとも第5フレーム更新期間の途中から消灯しており、第5フレーム更新期間に書き込まれた右眼画像は観察者には視認されない。また、第5フレーム更新期間の後半に、右眼シャッター284が開く。In the fifth frame update period (5F), a display signal indicating a lower potential than thecounter electrode 214 is supplied to the source wiring. Here, when a scanning signal voltage for selecting a certain pixel becomes an on-voltage, a display signal voltage is supplied to thepixel electrode 224 of the pixel and writing with a negative polarity is performed. Here again, the display signal voltage supplied to the source wiring is set so that the potential of thepixel electrode 224 is the target potential, but the target potential in the fifth frame update period is set to a polarity different from that in the fourth frame update period. Thus, the scanning signal voltage returns to the off voltage before the potential of thepixel electrode 224 reaches the target potential. Note that theirradiation region 252 of thebacklight unit 250 is turned off at least during the fifth frame update period, and the right-eye image written during the fifth frame update period is not visually recognized by the observer. Also, theright eye shutter 284 opens in the second half of the fifth frame update period.
 第6フレーム更新期間(6F)から第8フレーム更新期間(8F)は、表示信号電圧の極性、および、画素電極224の極性が異なる点を除いて第2フレーム更新期間(2F)から第4フレーム更新期間(4F)と同様であり、冗長を避けるために重複する説明を省略する。このように、液晶パネル200において画素の極性の反転は4垂直走査期間ごとに行ってもよい。From the sixth frame update period (6F) to the eighth frame update period (8F), except that the polarity of the display signal voltage and the polarity of thepixel electrode 224 are different, the second frame update period (2F) to the fourth frame. This is the same as the update period (4F), and redundant description is omitted to avoid redundancy. Thus, in theliquid crystal panel 200, the pixel polarity may be inverted every four vertical scanning periods.
 以上のように、右眼画像データおよび左眼画像データを2つの垂直走査期間ずつ等しい極性で書き込むことにより、開口率の低下および表示ムラを抑制することができる。また、画素の極性の反転を4垂直走査期間ごとに行うことにより、垂直走査期間に応じて、右眼画像データをプラス極性およびマイナス極性で書き込むとともに左眼画像データをプラス極性およびマイナス極性で書き込むことができ、結果として、極性に起因する輝度ずれを抑制することができる。As described above, by writing the right eye image data and the left eye image data with the same polarity for each of the two vertical scanning periods, it is possible to suppress a decrease in aperture ratio and display unevenness. Further, by reversing the polarity of the pixels every four vertical scanning periods, the right eye image data is written with positive polarity and negative polarity and the left eye image data is written with positive polarity and negative polarity according to the vertical scanning period. As a result, luminance deviation due to polarity can be suppressed.
 なお、上述した説明では、隣接するソース配線に異なる極性の表示信号電圧が供給されたが、本発明はこれに限定されない。あるフレーム更新期間においてすべてのソース配線に同一極性の表示信号電圧が供給されてもよい。あるいは、あるフレーム更新期間において、各ソース配線に供給される表示信号電圧の極性は水平走査期間ごとに反転してもよい。例えば、液晶パネル200はドット反転で駆動されてもよい。すなわち、あるフレーム更新期間の終了時において行方向および列方向に隣接する画素の極性は反転していてもよい。In the above description, display signal voltages having different polarities are supplied to adjacent source lines, but the present invention is not limited to this. The display signal voltage having the same polarity may be supplied to all the source wirings in a certain frame update period. Alternatively, in a certain frame update period, the polarity of the display signal voltage supplied to each source line may be inverted every horizontal scanning period. For example, theliquid crystal panel 200 may be driven by dot inversion. That is, the polarity of the pixels adjacent in the row direction and the column direction may be reversed at the end of a certain frame update period.
 また、上述した説明では、マトリクス状に配列された画素は、液晶パネルの上端から下端に向かって順番に選択されたが、本発明はこれに限定されない。例えば、複数の画素は、2以上の行に対応する1以上のブロックにそれぞれ分かれており、ブロック内の奇数行および偶数行のうちの一方の画素に等しい極性で順番に書き込みを行った後に、ブロック内の他方の画素に、上記一方の画素とは異なる極性で順番に書き込みを行ってもよい。In the above description, the pixels arranged in a matrix are selected in order from the upper end to the lower end of the liquid crystal panel, but the present invention is not limited to this. For example, the plurality of pixels are each divided into one or more blocks corresponding to two or more rows, and after writing sequentially in the same polarity as one pixel of the odd and even rows in the block, Writing may be sequentially performed on the other pixel in the block with a polarity different from that of the one pixel.
 液晶パネル200において画素が1つのブロックに対応する場合、フレーム更新期間内において、奇数行および偶数行の一方の画素に順番に書き込みを行った後に、他方の画素に順番に書き込みを行う。このような駆動はソースライン反転駆動とも呼ばれる。In the case where a pixel corresponds to one block in theliquid crystal panel 200, writing is sequentially performed on one pixel of an odd-numbered row and an even-numbered row within a frame update period, and then writing is performed sequentially on the other pixel. Such driving is also called source line inversion driving.
 また、液晶パネル200において画素が複数のブロックに対応する場合、フレーム更新期間内において、ブロック内の奇数行および偶数行のうちの一方の画素に等しい極性で順番に書き込みを行った後に、ブロック内の他方の画素に、上記一方の画素とは異なる極性で順番に書き込みを行う。例えば、あるブロック内の奇数行および偶数行の一方の画素に順番に書き込みを行った後に、他方の画素に順番に書き込みを行い、次のブロック内の奇数行および偶数行の一方の画素に順番に書き込みを行った後に、他方の画素に順番に書き込みを行う。このような駆動はブロック反転駆動とも呼ばれる。典型的には、複数のブロックを設ける場合、各ブロックに含まれる画素の行の数(すなわち、走査配線の数)は互いに等しい。ただし、各ブロックに含まれる画素の行の数(すなわち、走査配線の数)は異なってもよい。このようなソースライン反転駆動およびブロック反転は、国際公開第2008/139693号に記載されており、本明細書において、国際公開第2008/139693号の記載を参考のために援用する。Further, in the case where pixels correspond to a plurality of blocks in theliquid crystal panel 200, after writing in order with the same polarity as one pixel of the odd and even rows in the block within the frame update period, The other pixels are sequentially written with a polarity different from that of the one pixel. For example, after writing in order to one pixel in an odd row and even row in a block, write in order to the other pixel, and in turn to one pixel in an odd row and even row in the next block. After writing to the pixel, writing is sequentially performed on the other pixel. Such driving is also called block inversion driving. Typically, when a plurality of blocks are provided, the number of rows of pixels (that is, the number of scanning wirings) included in each block is equal to each other. However, the number of rows of pixels included in each block (that is, the number of scanning lines) may be different. Such source line inversion driving and block inversion are described in International Publication No. 2008/139963, and the description of International Publication No. 2008/139963 is incorporated herein by reference.
 図17(a)に、ブロック内において書き込まれた画素の極性および書き込みの行われる順番を示す。例えば、ある水平走査期間において、ある行の行方向に隣接する画素には異なる極性の書き込みが行われた後、次の水平走査期間において、直前の水平走査期間に書き込みが行われた画素の行に隣接する行を飛び越して、直前の水平走査期間に書き込みの行われた画素の行から2行離れた行の画素に直前の水平走査期間の極性と等しい極性で書き込みを行い、以後、ブロック内で同様に1行おきに等しい極性で順番に書き込みを行う。その後、ブロック内で先の書き込みで飛越された画素の行に先の書き込みとは異なる極性で順番に書き込みを行う。この書き込みも1行おきに等しい極性で行われる。これにより、例えば、ある列のブロック内の画素について、偶数行の画素にはプラス極性の書き込みが行われ、奇数行の画素にはマイナス極性の書き込みが行われる。FIG. 17A shows the polarity of pixels written in the block and the order in which writing is performed. For example, in a certain horizontal scanning period, writing of different polarities is performed on pixels adjacent in a row direction of a certain row, and then, in a next horizontal scanning period, a row of pixels in which writing is performed in the immediately preceding horizontal scanning period. The pixel adjacent to is skipped and writing is performed with the same polarity as the polarity of the immediately preceding horizontal scanning period to the pixels in the row that is two rows away from the row of pixels that were written during the immediately preceding horizontal scanning period. Similarly, writing is performed in order with the same polarity every other row. After that, writing is sequentially performed on the pixel rows skipped by the previous writing in the block with a polarity different from the previous writing. This writing is also performed with the same polarity every other row. Thereby, for example, with respect to the pixels in the block of a certain column, the writing of the positive polarity is performed on the pixels of the even-numbered rows, and the writing of the negative polarity is performed on the pixels of the odd-numbered rows.
 図17(b)に、対向電極214の電位Vcomを基準としたソース配線の電位VLsの変化を示す。ここでは、2ブロックに分けられた液晶パネル200における特定のソース配線の1フレーム更新期間内の電位VLsの変化に着目している。このソース配線では、1フレーム更新期間内において、例えば、第1ブロック内の奇数行の画素にプラス極性の書き込みが行われ、次に偶数行の画素にマイナス極性の書き込みが行われ、次に、第2ブロック内の奇数行の画素にプラス極性の書き込みが行われ、次に偶数行の画素にマイナス極性の書き込みが行われる。なお、上記ソース配線に隣接するソース配線には同じフレーム更新期間内において、第1ブロック内の奇数行の画素にマイナス極性の書き込みが行われ、次に偶数行の画素にプラス極性の書き込みが行われ、次に第2ブロック内の奇数行の画素にマイナス極性の書き込みが行われ、次に偶数行の画素にプラス極性の書き込みが行われる。FIG. 17B shows a change in the potential VLs of the source wiring with the potential Vcom of thecounter electrode 214 as a reference. Here, attention is paid to a change in the potential VLs within one frame update period of a specific source wiring in theliquid crystal panel 200 divided into two blocks. In this source wiring, within one frame update period, for example, a positive polarity write is performed on odd-numbered rows of pixels in the first block, then a negative polarity write is performed on even-numbered rows of pixels, and then The positive polarity writing is performed on the odd-numbered pixels in the second block, and the negative polarity writing is performed on the even-numbered pixels. In addition, in the same frame update period, negative polarity writing is performed on the odd-numbered pixels in the first block and then positive polarity writing is performed on the even-numbered pixels in the source wiring adjacent to the source wiring. Next, negative polarity writing is performed on the odd-numbered pixels in the second block, and then positive polarity writing is performed on the even-numbered pixels.
 以下、図18を参照して、立体表示システム300における信号電圧の変化、バックライトユニット250およびシャッター眼鏡280の開閉を説明する。Hereinafter, with reference to FIG. 18, changes in signal voltage and opening / closing of thebacklight unit 250 and theshutter glasses 280 in thestereoscopic display system 300 will be described.
 図18(a)に、立体表示モードの液晶パネル200における対向電極214の電位Vcomを基準とした表示信号の電位VLsの変化を示し、図18(b)に、走査信号電圧VLgの波形を示し、図18(c)に、対向電極214の電位Vcomを基準とした画素電極224の電位Vpeの変化を示し、図18(d)に、バックライトユニット250の特定の照射領域252の点灯・非点灯を示し、図18(e)に、シャッター眼鏡280の開閉を示す。なお、図18は、図18(a)に示した表示信号の電位VLsの変化が異なる点を除いて上述した図15と同様であり、冗長を避けるために重複する説明を省略する。FIG. 18A shows a change in the potential VLs of the display signal based on the potential Vcom of thecounter electrode 214 in theliquid crystal panel 200 in the stereoscopic display mode, and FIG. 18B shows a waveform of the scanning signal voltage VLg. FIG. 18C shows a change in the potential Vpe of thepixel electrode 224 with reference to the potential Vcom of thecounter electrode 214, and FIG. 18D shows whether thespecific irradiation region 252 of thebacklight unit 250 is turned on / off. Illumination is shown, and FIG. 18 (e) shows opening and closing of theshutter glasses 280. 18 is the same as FIG. 15 described above except that the change in the potential VLs of the display signal shown in FIG. 18A is different, and redundant description is omitted to avoid redundancy.
 図18(a)から理解されるように、ソース配線に供給される表示信号の電位および対向電極の電位の関係はフレーム更新期間の約1/4にわたって変化しないため、消費電力を低減させることができる。例えば、第1ブロック内の奇数行の画素がプラス極性で書き込まれた後、偶数行の画素はマイナス極性で書き込まれ、次に、第2ブロック内の奇数行の画素がプラス極性で書き込まれ、最後に、偶数行の画素がマイナス極性で書き込まれる。これにより、フレーム更新期間の終了時において列方向に隣接する画素の極性は互いに異なる。なお、図18(a)では、第1フレーム更新期間において表示信号電圧の極性がプラス、マイナス、プラスおよびマイナス極性と変化するソース配線に着目しているが、第1フレーム更新期間においてこのソース配線に隣接するソース配線に供給される表示信号電圧の極性はマイナス、プラス、マイナスおよびプラス極性と変化する。なお、図18(b)において、走査信号電圧VLgがオン電圧となる期間は3.4μsである。また、図18(c)では、フレーム更新期間内において当該ソース配線からプラス極性の表示信号が供給される場合に選択される特定の画素の画素電極224の電位Vpeの変化に着目している。As understood from FIG. 18A, the relationship between the potential of the display signal supplied to the source wiring and the potential of the counter electrode does not change over about ¼ of the frame update period, so that power consumption can be reduced. it can. For example, after odd-numbered rows of pixels in the first block are written with positive polarity, even-numbered rows of pixels are written with negative polarity, then odd-numbered rows of pixels in the second block are written with positive polarity, Finally, even rows of pixels are written with negative polarity. Thereby, the polarities of pixels adjacent in the column direction are different from each other at the end of the frame update period. In FIG. 18A, attention is paid to the source wiring in which the polarity of the display signal voltage changes to plus, minus, plus, and minus polarity in the first frame update period. The polarity of the display signal voltage supplied to the source wiring adjacent to the gate line changes to minus, plus, minus and plus polarity. In FIG. 18B, the period during which the scanning signal voltage VLg is an on-voltage is 3.4 μs. In FIG. 18C, attention is paid to a change in the potential Vpe of thepixel electrode 224 of a specific pixel selected when a positive polarity display signal is supplied from the source wiring in the frame update period.
 第1フレーム更新期間(1F)において、このソース配線に供給される表示信号の極性はプラス、マイナス、プラスおよびマイナス極性と変化する。この場合、当該画素を選択する走査信号電圧がオン電圧になると、当該画素の画素電極224に表示信号電圧が供給されてプラス極性の書き込みが行われる。このとき、走査配線が選択されて画素電極224に表示信号電圧が供給される期間が比較的短いため、画素電極224の電位は目標電位まで到達しないことがある。In the first frame update period (1F), the polarity of the display signal supplied to the source wiring changes to plus, minus, plus and minus polarity. In this case, when the scanning signal voltage for selecting the pixel becomes the ON voltage, the display signal voltage is supplied to thepixel electrode 224 of the pixel and writing with a positive polarity is performed. At this time, since the period during which the scanning wiring is selected and the display signal voltage is supplied to thepixel electrode 224 is relatively short, the potential of thepixel electrode 224 may not reach the target potential.
 第2フレーム更新期間(2F)においてこのソース配線に供給される表示信号の極性はプラス、マイナス、プラスおよびマイナス極性と変化する。なお、上述したように、右眼画像の書き込みは2フレーム更新期間連続して行われる。当該画素を選択する走査信号電圧がオン電圧になると、当該画素の画素電極224に表示信号電圧が供給されて第1フレーム更新期間の極性と等しいプラス極性の書き込みが行われ、画素電極224の電位は目標電位まで到達する。なお、ここでは、第2フレーム更新期間の目標電位は第1フレーム更新期間の目標電位と等しいが、後述するように、オーバードライブ駆動等に起因して第2フレーム更新期間の目標電位は第1フレーム更新期間の目標電位と異なっていてもよい。その後、走査信号電圧はオフ電圧に戻る。バックライトユニット250の照射領域252は第2フレーム更新期間において当該画素の書き込みが行われてから1垂直走査期間にわたって点灯する。右眼シャッター284は第2フレーム更新期間にわたって開いたままである。このため、第2フレーム更新期間に書き込まれた右眼画像は観察者に視認される。In the second frame update period (2F), the polarity of the display signal supplied to the source wiring changes to plus, minus, plus and minus polarity. As described above, writing of the right eye image is performed continuously for two frame update periods. When the scanning signal voltage for selecting the pixel becomes the on voltage, the display signal voltage is supplied to thepixel electrode 224 of the pixel, and writing with a positive polarity equal to the polarity in the first frame update period is performed. Reaches the target potential. Here, the target potential in the second frame update period is equal to the target potential in the first frame update period. However, as described later, the target potential in the second frame update period is first due to overdrive driving or the like. It may be different from the target potential in the frame update period. Thereafter, the scanning signal voltage returns to the off voltage. Theirradiation region 252 of thebacklight unit 250 is lit for one vertical scanning period after the pixel is written in the second frame update period. Theright eye shutter 284 remains open for the second frame update period. For this reason, the right eye image written in the second frame update period is visually recognized by the observer.
 次に、第3フレーム更新期間(3F)には左眼画像データが書き込まれる。ここでは、第3フレーム更新期間においてこのソース配線に供給される表示信号の極性はマイナス、プラス、マイナスおよびプラス極性と変化する。当該画素を選択する走査信号電圧がオン電圧になると、当該画素の画素電極224に表示信号電圧が供給されてマイナス極性の書き込みが行われる。ここでも、ソース配線に供給される表示信号電圧は画素電極224の電位を目標電位とするよう設定されているが、第3フレーム更新期間の目標電位は第2フレーム更新期間とは異なる極性に設定されており、画素電極224の電位が目標電位まで到達する前に、走査信号電圧はオフ電圧に戻ってしまう。Next, the left eye image data is written in the third frame update period (3F). Here, in the third frame update period, the polarity of the display signal supplied to the source line changes to minus, plus, minus, and plus polarity. When the scanning signal voltage for selecting the pixel becomes the on voltage, the display signal voltage is supplied to thepixel electrode 224 of the pixel, and writing with a negative polarity is performed. Here again, the display signal voltage supplied to the source wiring is set so that the potential of thepixel electrode 224 is set as the target potential, but the target potential in the third frame update period is set to a polarity different from that in the second frame update period. Thus, the scanning signal voltage returns to the off voltage before the potential of thepixel electrode 224 reaches the target potential.
 第4フレーム更新期間(4F)においてこのソース配線に供給される表示信号の極性はマイナス、プラス、マイナスおよびプラス極性と変化する。当該画素を選択する走査信号電圧がオン電圧になると、当該画素の画素電極224に表示信号電圧が供給されて、第3フレーム更新期間と等しいマイナス極性の書き込みが行われる。このため、画素電極224の電位は目標電位まで到達する。その後、走査信号電圧はオフ電圧に戻る。バックライトユニット250の照射領域252は第4フレーム更新期間において当該画素の書き込みが行われてから1垂直走査期間にわたって点灯する。左眼シャッター282は第4フレーム更新期間にわたって開いたままである。このため、第4フレーム更新期間に書き込まれた左眼画像は観察者に視認される。In the fourth frame update period (4F), the polarity of the display signal supplied to the source wiring changes to minus, plus, minus and plus polarity. When the scanning signal voltage for selecting the pixel becomes the ON voltage, the display signal voltage is supplied to thepixel electrode 224 of the pixel, and writing with a negative polarity equal to the third frame update period is performed. For this reason, the potential of thepixel electrode 224 reaches the target potential. Thereafter, the scanning signal voltage returns to the off voltage. Theirradiation region 252 of thebacklight unit 250 is lit for one vertical scanning period after the pixel is written in the fourth frame update period. Theleft eye shutter 282 remains open for the fourth frame update period. For this reason, the left eye image written in the fourth frame update period is visually recognized by the observer.
 このように、液晶パネル200では、各画素に対して左眼画像データが2つの垂直走査期間連続して等しい極性で書き込まれ、また、各画素に対して右眼画像データが2つの垂直走査期間連続して等しい極性で書き込まれる。このため、開口率の低下および表示ムラを抑制することができるとともに、液晶パネル200として、いわゆる倍速駆動の液晶パネルを利用することができる。また、このように画素の極性を2つの垂直走査期間ごとに反転させることにより、フリッカの発生を抑制することができる。As described above, in theliquid crystal panel 200, the left-eye image data is written with the same polarity in two vertical scanning periods continuously for each pixel, and the right-eye image data is written in two vertical scanning periods for each pixel. Written continuously with the same polarity. Therefore, a decrease in aperture ratio and display unevenness can be suppressed, and a so-called double speed driving liquid crystal panel can be used as theliquid crystal panel 200. In addition, the occurrence of flicker can be suppressed by reversing the polarity of the pixel every two vertical scanning periods.
 ただし、図18に示した4フレーム更新期間の書き込みが繰り返し行われる場合、当該画素に右眼画像データはプラス極性で書き込まれ、左眼画像データはマイナス極性で書き込まれることになる。このように、同一画素に書き込まれる右眼画像データおよび左眼画像データのそれぞれの極性が一定となる場合、仮に、ある画素の右眼画像データおよび左眼画像データの階調レベルが互いに等しかったとしても、右眼画像データの書き込まれた画素の輝度は左眼画像データの書き込まれた画素の輝度とは異なり、適切な表示が行われないことがある。このため、各画素について、右眼画像データが期間に応じてプラス極性およびマイナス極性で書き込まれ、同様に、左眼画像データも期間に応じてプラス極性およびマイナス極性で書き込まれることが好ましい。However, when the writing in the four-frame update period shown in FIG. 18 is repeatedly performed, the right eye image data is written with positive polarity and the left eye image data is written with negative polarity in the pixel. As described above, when the polarities of the right eye image data and the left eye image data written to the same pixel are constant, the gradation levels of the right eye image data and the left eye image data of a certain pixel are equal to each other. However, the luminance of the pixel in which the right eye image data is written is different from the luminance of the pixel in which the left eye image data is written, and appropriate display may not be performed. For this reason, for each pixel, it is preferable that the right eye image data is written with a positive polarity and a negative polarity according to the period, and similarly, the left eye image data is also written with a positive polarity and a negative polarity according to the period.
 以下、図19を参照して立体表示システム300における信号電圧の変化、バックライトユニット250およびシャッター眼鏡280の開閉を説明する。Hereinafter, with reference to FIG. 19, changes in signal voltage and opening / closing of thebacklight unit 250 and theshutter glasses 280 in thestereoscopic display system 300 will be described.
 図19(a)に、対向電極214の電位Vcomを基準としたソース配線の電位VLsの変化を示し、図19(b)に、走査信号電圧VLgの波形を示し、図19(c)に、対向電極214の電位Vcomを基準とした画素電極224の電位Vpeの変化を示し、図19(d)に、バックライトユニット250の点灯・非点灯を示し、図19(e)に、シャッター眼鏡280の開閉を示す。FIG. 19A shows a change in the potential VLs of the source wiring with reference to the potential Vcom of thecounter electrode 214, FIG. 19B shows a waveform of the scanning signal voltage VLg, and FIG. A change in the potential Vpe of thepixel electrode 224 with respect to the potential Vcom of thecounter electrode 214 is shown. FIG. 19D shows lighting / non-lighting of thebacklight unit 250, and FIG. 19E showsshutter glasses 280. Shows opening and closing.
 図19(a)から理解されるように、ソース配線に供給される表示信号の電位および対向電極の電位の関係はフレーム更新期間の約1/4にわたって変化しないため、消費電力を低減させることができる。図19(a)では、第1フレーム更新期間において表示信号の極性がプラス、マイナス、プラスおよびマイナス極性と変化するソース配線に着目しているが、第1フレーム更新期間においてこのソース配線に隣接するソース配線に供給される表示信号の極性は、マイナス、プラス、マイナスおよびプラス極性と変化する。また、図19(c)では、フレーム更新期間内の当該ソース配線にプラス極性の表示信号が供給されるときに選択される特定の画素の画素電極224の電位Vpeの変化に着目している。なお、図19は、図19(a)に示した表示信号の電位VLsの変化が異なる点を除いて、上述した図18と同様であり、冗長を避けるために重複する説明を省略する。As understood from FIG. 19A, the relationship between the potential of the display signal supplied to the source wiring and the potential of the counter electrode does not change over about ¼ of the frame update period, so that power consumption can be reduced. it can. In FIG. 19A, attention is paid to the source wiring in which the polarity of the display signal changes to plus, minus, plus, and minus polarity in the first frame update period, but it is adjacent to the source line in the first frame update period. The polarity of the display signal supplied to the source wiring changes to minus, plus, minus and plus polarity. In FIG. 19C, attention is paid to a change in the potential Vpe of thepixel electrode 224 of a specific pixel selected when a positive polarity display signal is supplied to the source wiring in the frame update period. Note that FIG. 19 is the same as FIG. 18 described above except that the change in the potential VLs of the display signal shown in FIG. 19A is different, and redundant description is omitted to avoid redundancy.
 第1フレーム更新期間(1F)においてこのソース配線に供給される表示信号の極性はプラス、マイナス、プラスおよびマイナス極性と変化する。ここでは、当該画素を選択する走査信号電圧がオン電圧になると、当該画素の画素電極224に表示信号電圧が供給されてプラス極性の書き込みが行われる。このとき、ソース配線に供給される表示信号電圧は画素電極224の電位を目標電位とするよう設定されている。しかしながら、このとき、走査配線が選択されて画素電極224に表示信号電圧が供給される期間が比較的短いため、画素電極224の電位が目標電位まで到達する前に、走査信号電圧はオフ電圧に戻ってしまうことがある。In the first frame update period (1F), the polarity of the display signal supplied to the source wiring changes to plus, minus, plus and minus polarity. Here, when the scanning signal voltage for selecting the pixel becomes the ON voltage, the display signal voltage is supplied to thepixel electrode 224 of the pixel, and writing with a positive polarity is performed. At this time, the display signal voltage supplied to the source wiring is set so that the potential of thepixel electrode 224 is the target potential. However, at this time, since the period during which the scan wiring is selected and the display signal voltage is supplied to thepixel electrode 224 is relatively short, the scan signal voltage is set to the off voltage before the potential of thepixel electrode 224 reaches the target potential. May return.
 第2フレーム更新期間(2F)においてこのソース配線に供給される表示信号の極性はプラス、マイナス、プラスおよびマイナス極性と変化する。なお、上述したように、右眼画像の書き込みは2フレーム更新期間連続して行われる。当該画素を選択する走査信号電圧がオン電圧になると、当該画素の画素電極224に表示信号電圧が供給されてプラス極性の書き込みが行われる。第2フレーム更新期間において書き込まれる極性は第1フレーム更新期間と等しく、画素電極224の電位は目標電位まで到達する。その後、走査信号電圧はオフ電圧に戻る。バックライトユニット250の照射領域252は第2フレーム更新期間において当該画素の書き込みが行われてから1垂直走査期間にわたって点灯する。右眼シャッター284は第2フレーム更新期間にわたって開いたままである。このため、第2フレーム更新期間に書き込まれた右眼画像は観察者に視認される。In the second frame update period (2F), the polarity of the display signal supplied to the source wiring changes to plus, minus, plus and minus polarity. As described above, writing of the right eye image is performed continuously for two frame update periods. When the scanning signal voltage for selecting the pixel becomes the ON voltage, the display signal voltage is supplied to thepixel electrode 224 of the pixel, and writing with a positive polarity is performed. The polarity written in the second frame update period is equal to that in the first frame update period, and the potential of thepixel electrode 224 reaches the target potential. Thereafter, the scanning signal voltage returns to the off voltage. Theirradiation region 252 of thebacklight unit 250 is lit for one vertical scanning period after the pixel is written in the second frame update period. Theright eye shutter 284 remains open for the second frame update period. For this reason, the right eye image written in the second frame update period is visually recognized by the observer.
 次に、第3フレーム更新期間(3F)には左眼画像データが書き込まれる。第3フレーム更新期間においてこのソース配線に供給される表示信号の極性はプラス、マイナス、プラスおよびマイナス極性と変化する。当該画素を選択する走査信号電圧がオン電圧になると、当該画素の画素電極224に表示信号電圧が供給されて第2フレーム更新期間と等しいプラス極性の書き込みが行われる。このため、画素電極224の電位は目標電位まで到達する。Next, the left eye image data is written in the third frame update period (3F). In the third frame update period, the polarity of the display signal supplied to the source line changes to plus, minus, plus and minus polarity. When the scanning signal voltage for selecting the pixel becomes the ON voltage, the display signal voltage is supplied to thepixel electrode 224 of the pixel, and writing with a positive polarity equal to the second frame update period is performed. For this reason, the potential of thepixel electrode 224 reaches the target potential.
 第4フレーム更新期間(4F)においてこのソース配線に供給される表示信号の極性はプラス、マイナス、プラスおよびマイナス極性と変化する。なお、上述したように、左眼画像の書き込みは2フレーム更新期間連続して行われる。当該画素を選択する走査信号電圧がオン電圧になると、当該画素の画素電極224に表示信号電圧が供給されて第3フレーム更新期間と等しいプラス極性の書き込みが行われ、画素電極224の電位は目標電位まで到達する。その後、走査信号電圧はオフ電圧に戻る。バックライトユニット250の照射領域252は第4フレーム更新期間において当該画素の書き込みが行われてから1垂直走査期間にわたって点灯する。左眼シャッター282は第4フレーム更新期間にわたって開いたままである。このため、第4フレーム更新期間に書き込まれた左眼画像は観察者に視認される。In the fourth frame update period (4F), the polarity of the display signal supplied to the source wiring changes to plus, minus, plus and minus polarity. As described above, writing of the left eye image is performed continuously for two frame update periods. When the scanning signal voltage for selecting the pixel becomes an on-voltage, the display signal voltage is supplied to thepixel electrode 224 of the pixel, and writing with a positive polarity equal to the third frame update period is performed, and the potential of thepixel electrode 224 becomes the target Reach potential. Thereafter, the scanning signal voltage returns to the off voltage. Theirradiation region 252 of thebacklight unit 250 is lit for one vertical scanning period after the pixel is written in the fourth frame update period. Theleft eye shutter 282 remains open for the fourth frame update period. For this reason, the left eye image written in the fourth frame update period is visually recognized by the observer.
 第5フレーム更新期間(5F)においてこのソース配線に供給される表示信号の極性はマイナス、プラス、マイナスおよびプラス極性と変化する。ここでは、当該画素を選択する走査信号電圧がオン電圧になると、当該画素の画素電極224に表示信号電圧が供給されてマイナス極性の書き込みが行われる。ここでも、ソース配線に供給される表示信号電圧は画素電極224の電位を目標電位とするよう設定されているが、第5フレーム更新期間の目標電位は第4フレーム更新期間とは異なる極性に設定されており、画素電極224の電位が目標電位まで到達する前に、走査信号電圧はオフ電圧に戻ってしまう。In the fifth frame update period (5F), the polarity of the display signal supplied to the source wiring changes to minus, plus, minus and plus polarity. Here, when the scanning signal voltage for selecting the pixel becomes the ON voltage, the display signal voltage is supplied to thepixel electrode 224 of the pixel, and writing with negative polarity is performed. Here again, the display signal voltage supplied to the source wiring is set so that the potential of thepixel electrode 224 is the target potential, but the target potential in the fifth frame update period is set to a polarity different from that in the fourth frame update period. Thus, the scanning signal voltage returns to the off voltage before the potential of thepixel electrode 224 reaches the target potential.
 第6フレーム更新期間(6F)から第8フレーム更新期間(8F)は、表示信号電圧の極性の反転する時期、および、画素電極224の極性が異なる点を除いて第2フレーム更新期間(2F)から第4フレーム更新期間(4F)と同様であり、冗長を避けるために重複する説明を省略する。このように、液晶パネル200において各画素の極性の反転は4垂直走査期間ごとに行ってもよい。The sixth frame update period (6F) to the eighth frame update period (8F) are the second frame update period (2F) except that the polarity of the display signal voltage is reversed and the polarity of thepixel electrode 224 is different. To the fourth frame update period (4F), and redundant description is omitted to avoid redundancy. Thus, in theliquid crystal panel 200, the polarity of each pixel may be inverted every four vertical scanning periods.
 なお、図17~図19を参照して上述した説明では、液晶パネル200の全画素は2つのブロックに分かれていたが、本発明はこれに限定されない。画素は3以上のブロックに分かれていてもよい。また、ブロックの数は、例えば、バックライトユニット250の照射領域252に応じて設定されてもよい。3以上の照射領域に対応して3以上のブロックを設けることにより、あるフレーム走査期間内においてブロック内の画素に書き込みを終了してから次のフレーム走査期間内においてブロック内の画素に書き込みを開始するまでの期間を長くすることができるため、クロストークの発生を抑制した高輝度の液晶表示装置を簡便に実現することができる。In the above description with reference to FIGS. 17 to 19, all the pixels of theliquid crystal panel 200 are divided into two blocks, but the present invention is not limited to this. The pixel may be divided into three or more blocks. Further, the number of blocks may be set according to theirradiation region 252 of thebacklight unit 250, for example. By providing three or more blocks corresponding to three or more irradiation regions, writing to pixels in the block is completed within a certain frame scanning period, and then writing to pixels within the block is started within the next frame scanning period. Since the period until this can be extended, a high-brightness liquid crystal display device in which the occurrence of crosstalk is suppressed can be easily realized.
 また、図17~図19を参照して上述した説明では、連続するブロック内の奇数行の書き込み、および、偶数行の書き込みは交互に行われたが、本発明はこれに限定されない。連続するブロックにわたる奇数行および偶数行の一方の書き込みは連続して行われてもよい。例えば、第1ブロックの奇数行の画素にプラス極性の書き込みを行い、第1ブロックの偶数行の画素にマイナス極性の書き込みを行った後に、第2ブロックの偶数行の画素にマイナス極性の書き込みを行い、その後に、第2ブロックの奇数行の画素にプラス極性の書き込みを行ってもよい。また、さらに、第3ブロックの奇数行の画素にプラス極性の書き込みを行い、第3ブロックの偶数行の画素にマイナス極性の書き込みを行ってもよい。In the above description with reference to FIG. 17 to FIG. 19, odd-numbered lines and even-numbered lines in a continuous block are written alternately. However, the present invention is not limited to this. Writing one of the odd and even rows across successive blocks may be performed sequentially. For example, after writing a positive polarity to the odd-numbered pixels in the first block, writing a negative polarity to the even-numbered pixels in the first block, and then writing a negative polarity to the even-numbered pixels in the second block After that, positive polarity writing may be performed on the pixels in the odd-numbered rows of the second block. In addition, plus polarity writing may be performed on pixels in odd rows in the third block, and minus polarity writing may be performed on pixels in even rows in the third block.
 なお、上述した説明では、立体表示モードにおいて、左眼画像データおよび右眼画像データはそれぞれ2つの垂直走査期間ずつ書き込まれ、また、各画素の極性は2または4垂直走査期間ごとに反転したが、本発明はこれに限定されない。各画素の極性は2以上の偶数の垂直走査期間ごとに反転してもよく、例えば、各画素の極性は6または8以上の垂直走査期間ごとに反転してもよい。In the above description, in the stereoscopic display mode, the left-eye image data and the right-eye image data are written in every two vertical scanning periods, and the polarity of each pixel is inverted every two or four vertical scanning periods. However, the present invention is not limited to this. The polarity of each pixel may be inverted every two or more even vertical scanning periods. For example, the polarity of each pixel may be inverted every six or eight or more vertical scanning periods.
 また、上述した説明では、立体表示モードにおいて、2回目に書き込まれる右眼画像データおよび左眼画像データは、1回目に書き込まれた右眼画像データおよび左眼画像データとそれぞれ等しく、各画素に等しい階調レベルの書き込みが2回行われたが、本発明はこれに限定されない。In the above description, in the stereoscopic display mode, the right eye image data and the left eye image data written for the second time are equal to the right eye image data and the left eye image data written for the first time, respectively. Although writing at the same gradation level is performed twice, the present invention is not limited to this.
 複数の画素のそれぞれについて、ある画像データの階調レベルおよび上記画像データの1つ前の画像データの階調レベルに基づいて上記画像データの階調レベルを設定してもよい。連続する画像データにわたって階調レベルが変化する場合、階調レベルの変化量がもともとの変化量よりも大きくなるように階調レベルが設定される。For each of the plurality of pixels, the gradation level of the image data may be set based on the gradation level of certain image data and the gradation level of the image data immediately before the image data. When the gradation level changes over continuous image data, the gradation level is set so that the change amount of the gradation level is larger than the original change amount.
 例えば、連続する画像データにおいて低実効電圧に対応する階調レベルが高実効電圧に対応する階調レベルに変化する場合、階調レベルは、さらに高い実効電圧に対応するように設定する。これにより、応答速度の比較的遅い液晶分子でも比較的短時間で高実効電圧に対応する配向状態に変化する。あるいは、連続する画像データにおいて高実効電圧に対応する階調レベルが低実効電圧に対応する階調レベルに変化する場合、階調レベルは、さらに低い実効電圧に対応するように設定する。これにより、液晶分子は比較的短時間で低実効電圧に対応する配向状態に変化する。このような駆動はオーバードライブ駆動とも呼ばれる。For example, when the gradation level corresponding to the low effective voltage changes to the gradation level corresponding to the high effective voltage in the continuous image data, the gradation level is set to correspond to a higher effective voltage. Thereby, even a liquid crystal molecule having a relatively slow response speed changes to an alignment state corresponding to a high effective voltage in a relatively short time. Alternatively, when the gradation level corresponding to the high effective voltage changes to the gradation level corresponding to the low effective voltage in the continuous image data, the gradation level is set to correspond to a lower effective voltage. As a result, the liquid crystal molecules change to an alignment state corresponding to a low effective voltage in a relatively short time. Such driving is also called overdrive driving.
 図20に、オーバードライブ駆動を行う立体表示システム300の模式図を示す。タイミングコントローラ120は、信号複製部122およびオーバードライブ駆動部124を有している。FIG. 20 shows a schematic diagram of astereoscopic display system 300 that performs overdrive driving. Thetiming controller 120 includes asignal duplicating unit 122 and anoverdrive driving unit 124.
 図3(a)および図5を参照して上述したように、フレームレート制御回路110は入力映像信号に基づいて入力映像信号のフレームレート60fpsよりも高いフレームレートの映像信号を生成する。映像信号には、画像データがR0、L1、R1、L1、R1、L2、R2、L2・・・の順番に配列されている。As described above with reference to FIGS. 3A and 5, the framerate control circuit 110 generates a video signal having a frame rate higher than the frame rate of 60 fps of the input video signal based on the input video signal. In the video signal, image data is arranged in the order of R0, L1, R1, L1, R1, L2, R2, L2,.
 信号複製部122は、フレームレート120fpsの映像信号に基づいてフレームレート240fpsの表示信号を生成する。具体的には、信号複製部122は、映像信号の左眼画像データおよび右眼画像データをそれぞれ複製して、表示信号に、左眼画像データおよび右眼画像データをそれぞれ2つずつ連続して配列する。ここでは、表示信号には、画像データがR0、R0、L1、L1、R1、R1、L1、L1、R1、R1、L2、L2、R2、R2、L2、L2・・・の順番に配列される。Thesignal duplicating unit 122 generates a display signal with a frame rate of 240 fps based on a video signal with a frame rate of 120 fps. Specifically, thesignal duplicating unit 122 duplicates the left eye image data and the right eye image data of the video signal, respectively, and the left eye image data and the right eye image data are continuously added to the display signal by two each. Arrange. Here, in the display signal, the image data is arranged in the order of R0, R0, L1, L1, R1, R1, L1, L1, R1, R1, L2, L2, R2, R2, L2, L2,. The
 オーバードライブ駆動部124は、対象となる画像データとその1つ前の画像データに基づいて新たな画像データを作成する。具体的には、複数の画素のそれぞれについて、対象となる画像データの階調レベル、および、その1つ前の画像データの階調レベルに基づいて新たな階調レベルを設定する。Theoverdrive drive unit 124 creates new image data based on the target image data and the previous image data. Specifically, a new gradation level is set for each of the plurality of pixels based on the gradation level of the target image data and the gradation level of the previous image data.
 ここでは、説明が過度に複雑になることを避けるために1つの画素に着目し、画像データがR0、R0、L1、L1と変化する場合のオーバードライブ駆動を説明する。Here, in order to avoid an excessively complicated description, attention will be paid to one pixel, and overdrive driving when image data changes to R0, R0, L1, and L1 will be described.
 信号複製部122から出力される表示信号の画像データが変化しない場合、オーバードライブ駆動は行われない。この場合、オーバードライブ駆動部124から出力される表示信号の画像データはR0(=OS(R0→R0))である。ここで、関数OS(X→Y)は信号複製部122から出力される表示信号の画像データがXからYに変化するときにオーバードライブ駆動部124から出力される表示信号の画像データを示している。When the image data of the display signal output from thesignal duplication unit 122 does not change, overdrive driving is not performed. In this case, the image data of the display signal output from theoverdrive drive unit 124 is R0 (= OS (R0 → R0)). Here, the function OS (X → Y) indicates the image data of the display signal output from theoverdrive drive unit 124 when the image data of the display signal output from thesignal duplication unit 122 changes from X to Y. Yes.
 次に、信号複製部122から出力される表示信号の画像データがR0からR0とは異なるL1に変化する場合、オーバードライブ駆動が行われる。まず、画像データR0のある画素の階調レベルが低電圧に対応し、画像データL1の当該画素の階調レベルが高電圧に対応するとする。ここで、低電圧は液晶パネル200の液晶層230の印加電圧の絶対値が小さいことを示しており、高電圧は液晶パネル200の液晶層230の印加電圧の絶対値が大きいことを示している。上述したように、液晶パネル200はノーマリーブラックモードであり、低電圧に対応する輝度は高電圧に対応する輝度よりも低い。Next, when the image data of the display signal output from thesignal duplicating unit 122 changes from R0 to L1 different from R0, overdrive driving is performed. First, it is assumed that the gradation level of a pixel in the image data R0 corresponds to a low voltage, and the gradation level of the pixel in the image data L1 corresponds to a high voltage. Here, the low voltage indicates that the absolute value of the applied voltage of theliquid crystal layer 230 of theliquid crystal panel 200 is small, and the high voltage indicates that the absolute value of the applied voltage of theliquid crystal layer 230 of theliquid crystal panel 200 is large. . As described above, theliquid crystal panel 200 is in the normally black mode, and the luminance corresponding to the low voltage is lower than the luminance corresponding to the high voltage.
 この場合、オーバードライブ駆動部124によるオーバードライブ駆動により、画像データR0の階調レベルから画像データL1の階調レベルに変化する際に画像データL1に代えて画像データL1’(=OS(R0→L1))が設定される。この場合、液晶層230には、画像データL1の階調レベルに対応する電圧VL1よりもさらに高い電圧VL1’が印加される。なお、その後、信号複製部122から出力される表示信号の画像データがL1からL1に変化する場合(2回目のL1が供給される場合)、オーバードライブ駆動は行われず、液晶層230には、画像データL1の階調レベルに対応する電圧VL1が印加される。このように、階調レベルが低電圧から高電圧に対応して変化する際に、オーバードライブ駆動部124は、信号複製部122によって得られた階調レベルよりもさらに高い階調レベルを設定する。このような駆動はオーバーシュート駆動とも呼ばれる。In this case, when the gradation level of the image data R0 is changed to the gradation level of the image data L1 by overdrive driving by theoverdrive driving unit 124, the image data L1 ′ (= OS (R0 → L1)) is set. In this case, a voltage VL1 'that is higher than the voltage VL1 corresponding to the gradation level of the image data L1 is applied to theliquid crystal layer 230. After that, when the image data of the display signal output from thesignal duplicating unit 122 changes from L1 to L1 (when the second L1 is supplied), overdrive driving is not performed, and theliquid crystal layer 230 includes A voltage VL1 corresponding to the gradation level of the image data L1 is applied. As described above, when the gradation level changes corresponding to the high voltage from the low voltage, theoverdrive driving unit 124 sets a gradation level higher than the gradation level obtained by thesignal duplicating unit 122. . Such driving is also called overshoot driving.
 次に、画像データR0の階調レベルが高電圧に対応し、画像データL1の階調レベルが低電圧に対応するとする。この場合、オーバードライブ駆動部124によるオーバードライブ駆動により、画像データL1に代えて画像データL1’(=OS(R0→L1))が設定される。この場合、液晶層230には、画像データL1の階調レベルに対応する電圧VL1よりもさらに低い電圧VL1’が印加される。なお、その後、信号複製部122から出力される画像データがL1からL1に変化する場合(2回目のL1が供給される場合)、オーバードライブ駆動は行われず、液晶層230には、画像データL1の階調レベルに対応する電圧VL1が印加される。このように、画像データの階調レベルが高電圧から低電圧に対応して変化する際に、オーバードライブ駆動部124は、信号複製部122によって得られた階調レベルよりもさらに低い電圧に対応する階調レベルを設定する。このような駆動はアンダーシュート駆動とも呼ばれる。Next, it is assumed that the gradation level of the image data R0 corresponds to a high voltage and the gradation level of the image data L1 corresponds to a low voltage. In this case, image data L1 ′ (= OS (R0 → L1)) is set instead of the image data L1 by overdrive driving by theoverdrive driving unit 124. In this case, a voltage VL1 'that is lower than the voltage VL1 corresponding to the gradation level of the image data L1 is applied to theliquid crystal layer 230. After that, when the image data output from thesignal duplication unit 122 changes from L1 to L1 (when the second L1 is supplied), overdrive driving is not performed, and theliquid crystal layer 230 has the image data L1. A voltage VL1 corresponding to the gradation level is applied. As described above, when the gradation level of the image data changes corresponding to the low voltage from the high voltage, theoverdrive driving unit 124 corresponds to a voltage lower than the gradation level obtained by thesignal duplicating unit 122. Set the gradation level to be used. Such driving is also called undershoot driving.
 本明細書では、上記のオーバーシュート駆動とアンダーシュート駆動とを併せてオーバードライブ駆動と呼ぶ。なお、本明細書におけるオーバードライブ駆動と同じ意味でオーバーシュート駆動という用語を用いることがある。さらにその場合に、アンダーシュート駆動という用語が、目標階調よりも低い階調に対応する電圧を印加する駆動を指すことがある。In this specification, the above overshoot drive and undershoot drive are collectively referred to as overdrive drive. The term overshoot drive may be used in the same meaning as overdrive drive in this specification. Further, in that case, the term undershoot driving may refer to driving that applies a voltage corresponding to a gradation lower than the target gradation.
 オーバードライブ駆動部124から出力される表示信号には、画像データがR0、R0、L1’、L1、R1’、R1、L1’、L1、R1’、R1、L2’、L2、R2’、R2、L2’、L2・・・の順番に配列されている。このため、右眼画像データおよび左眼画像データの切り換わった垂直走査期間においても画素電極224の電位を目標電位にすることができる。The display signal output from theoverdrive drive unit 124 includes image data R0, R0, L1 ′, L1, R1 ′, R1, L1 ′, L1, R1 ′, R1, L2 ′, L2, R2 ′, R2. , L2 ′, L2... Therefore, the potential of thepixel electrode 224 can be set to the target potential even in the vertical scanning period in which the right eye image data and the left eye image data are switched.
 なお、ここでも、バックライトユニット250は、2つの垂直走査期間連続して書き込まれる右眼画像データおよび左眼画像データのうちの後半の垂直走査期間に対応して点灯する。具体的には、バックライトユニット250は、オーバードライブ駆動の行われた画像データが書き込まれた期間は消灯しており、その次の画像データが書き込まれた期間に点灯している。In this case as well, thebacklight unit 250 lights up corresponding to the second half vertical scanning period of the right eye image data and the left eye image data written continuously in two vertical scanning periods. Specifically, thebacklight unit 250 is turned off during the period in which the image data subjected to overdrive driving is written, and is turned on in the period in which the next image data is written.
 また、シャッター眼鏡280の左眼シャッター282は、液晶パネル200が左眼画像を表示し、かつ、バックライトユニット250が点灯している期間に開き、他の期間は閉じている。また、シャッター眼鏡280の右眼シャッター284は、液晶パネル200が右眼画像を表示し、かつ、バックライトユニット250が点灯している期間に開き、他の期間は閉じている。Further, theleft eye shutter 282 of theshutter glasses 280 is opened during a period in which theliquid crystal panel 200 displays a left eye image and thebacklight unit 250 is lit, and is closed during other periods. Further, theright eye shutter 284 of theshutter glasses 280 is opened during a period in which theliquid crystal panel 200 displays a right eye image and thebacklight unit 250 is lit, and is closed during other periods.
 上述したようなオーバードライブ駆動を行うことにより、画素電極224の電位は目標電位に早く到達するため、バックライトユニット250の照射領域252の点灯およびシャッター眼鏡280の開放を早く行い、輝度増大を図ってもよい。例えば、シャッター眼鏡280が開放している場合、2回目の左眼画像データおよび右眼画像データの書き込みが終わったらすぐに、バックライトユニット250の照射領域252を点灯してもよい。By performing the overdrive driving as described above, the potential of thepixel electrode 224 quickly reaches the target potential. Therefore, theillumination region 252 of thebacklight unit 250 is turned on and theshutter glasses 280 are opened quickly to increase the luminance. May be. For example, when theshutter glasses 280 are opened, theirradiation region 252 of thebacklight unit 250 may be turned on as soon as the second writing of the left eye image data and the right eye image data is completed.
 なお、オーバードライブ駆動はルックアップテーブルを参照して行われてもよいし、演算処理によって行われてもよい。あるいは、オーバードライブ駆動は両者を組み合わせて行われてもよい。Note that overdrive driving may be performed with reference to a lookup table, or may be performed by arithmetic processing. Alternatively, the overdrive drive may be performed by combining both.
 また、上述した説明では、対象となる画像データの階調レベルとその1つ前の画像データの階調レベルに基づいてオーバードライブ駆動が行われたが、本発明はこれに限定されない。オーバードライブ駆動は、対象となる画像データの階調レベル、および、上記画像データよりも前の2つの画像データの階調レベルに基づいて行われてもよい。このように、オーバードライブ駆動は、対象となる画像データの階調レベル、および、上記画像データよりも前の少なくとも1つの画像データの階調レベルに基づいて行われてもよい。In the above description, overdrive driving is performed based on the gradation level of the target image data and the gradation level of the previous image data, but the present invention is not limited to this. The overdrive drive may be performed based on the gradation level of the target image data and the gradation levels of the two image data before the image data. As described above, the overdrive driving may be performed based on the gradation level of the target image data and the gradation level of at least one image data before the image data.
 なお、映像信号が立体表示モードで表示されるべき画像データを含む場合、信号複製部122は上述したように画像データの複製を行うが、映像信号が平面表示モードで表示されるべき画像データを含む場合、信号複製部122は画像データの複製を行わない。When the video signal includes image data to be displayed in the stereoscopic display mode, thesignal duplicating unit 122 duplicates the image data as described above, but the image signal is to be displayed in the flat display mode. If included, thesignal duplicating unit 122 does not duplicate the image data.
 なお、液晶パネル200はマルチ画素構造を有していてもよい。各画素が互いに輝度の異なり得る複数の副画素を有することにより、γ特性の視野角依存性を改善することができる。Note that theliquid crystal panel 200 may have a multi-pixel structure. By having a plurality of sub-pixels in which each pixel can have a different luminance, the viewing angle dependency of the γ characteristic can be improved.
 図21に、液晶パネル200における1画素の模式図を示す。液晶パネル200では、画素Pは副画素Spaおよび副画素Spbを有している。副画素Spaは副画素電極224aによって規定され、副画素Spbは副画素電極224bによって規定される。FIG. 21 shows a schematic diagram of one pixel in theliquid crystal panel 200. In theliquid crystal panel 200, the pixel P has a sub-pixel Spa and a sub-pixel Spb. The subpixel Spa is defined by thesubpixel electrode 224a, and the subpixel Spb is defined by thesubpixel electrode 224b.
 ここでは、1列の画素Pに対して2本のソース配線Lsa、Lsbが設けられている。副画素電極224a、224bは異なるTFT226a、226bを介して異なるソース配線Lsa、Lsbに接続されており、少なくともある中間階調において、2つの副画素電極224a、224bの電位が異なるように駆動される。このように副画素電極224a、224bの電位が異なることにより、副画素Spa、Spbの液晶層の印加電圧が異なるため、副画素Spa、Spbの輝度が互いに異なり、これにより、白浮きの改善が図られる。Here, two source lines Lsa and Lsb are provided for the pixels P in one column. Thesub-pixel electrodes 224a and 224b are connected to different source lines Lsa and Lsb viadifferent TFTs 226a and 226b, and are driven so that the potentials of the twosub-pixel electrodes 224a and 224b are different at least in a certain intermediate gray level. . Since the voltages applied to the liquid crystal layers of the sub-pixels Spa and Spb are different due to the different potentials of thesub-pixel electrodes 224a and 224b in this way, the luminance of the sub-pixels Spa and Spb is different from each other. Figured.
 図22に、別の液晶パネル200における1画素の模式図を示す。この液晶パネル200では、画素Pは副画素Spaおよび副画素Spbを有している。副画素Spaは副画素電極224aによって規定され、副画素Spbは副画素電極224bによって規定される。FIG. 22 shows a schematic diagram of one pixel in anotherliquid crystal panel 200. In theliquid crystal panel 200, the pixel P has a sub-pixel Spa and a sub-pixel Spb. The subpixel Spa is defined by thesubpixel electrode 224a, and the subpixel Spb is defined by thesubpixel electrode 224b.
 副画素Spaは、液晶容量および補助容量CCaを有しており、この液晶容量は、対向電極214と、副画素電極224aと、これらの間に設けられた液晶層230とによって構成されている。補助容量CCaは、副画素電極224aと電気的に接続された補助容量電極と、補助容量配線Lcsaと電気的に接続された補助容量対向電極EOaと、これらの間に設けられた絶縁層とによって構成されている。The sub-pixel Spa has a liquid crystal capacitor and an auxiliary capacitor CCa, and the liquid crystal capacitor is constituted by thecounter electrode 214, thesub-pixel electrode 224a, and theliquid crystal layer 230 provided therebetween. The auxiliary capacitance CCa is composed of an auxiliary capacitance electrode electrically connected to thesub-pixel electrode 224a, an auxiliary capacitance counter electrode EOa electrically connected to the auxiliary capacitance line Lcsa, and an insulating layer provided therebetween. It is configured.
 また、副画素Spbは、液晶容量および補助容量CCbを有している。この液晶容量は、対向電極214と、副画素電極224bと、これらの間に設けられた液晶層230とによって構成されている。また、補助容量CCbは、副画素電極224bと電気的に接続された補助容量電極と、補助容量配線Lcsbと電気的に接続された補助容量対向電極と、これらの間に設けられた絶縁層とによって構成されている。The subpixel Spb has a liquid crystal capacitor and an auxiliary capacitor CCb. This liquid crystal capacitance is constituted by acounter electrode 214, asub-pixel electrode 224b, and aliquid crystal layer 230 provided therebetween. The auxiliary capacitor CCb includes an auxiliary capacitor electrode electrically connected to thesub-pixel electrode 224b, an auxiliary capacitor counter electrode electrically connected to the auxiliary capacitor line Lcsb, and an insulating layer provided therebetween. It is constituted by.
 副画素電極224a、224bは異なるTFT226a、226bを介して同一のソース配線Lsに接続されている。少なくともある中間階調において、補助容量配線Lcsa、Lcsbに供給される補助容量信号に応じて2つの副画素電極224a、224bの平均電位が異なるように駆動される。例えば、2つの副画素電極224a、224bの一方の平均電位がソース配線Lsに供給された表示信号電圧に対応する電位から増加する場合、他方の平均電位がソース配線Lsに供給された表示信号電圧に対応する電位から低下する。このように副画素電極224a、224bの平均電位が異なることにより、副画素の液晶層の印加電圧が異なるため、副画素Spa、Spbの輝度が互いに異なり、これにより、白浮きの改善が図られる。図22に示した液晶パネル200では、1列の画素に対して1本のソース配線が設けられており、開口率の低下および消費電力の増大が抑制される。Thesubpixel electrodes 224a and 224b are connected to the same source line Ls viadifferent TFTs 226a and 226b. At least in a certain intermediate gray scale level, the twosubpixel electrodes 224a and 224b are driven so that the average potentials differ according to the auxiliary capacitance signal supplied to the auxiliary capacitance lines Lcsa and Lcsb. For example, when the average potential of one of the twosubpixel electrodes 224a and 224b increases from the potential corresponding to the display signal voltage supplied to the source line Ls, the display signal voltage of the other average potential supplied to the source line Ls. Decreases from the potential corresponding to. Since thesub-pixel electrodes 224a and 224b have different average potentials, the voltages applied to the liquid crystal layers of the sub-pixels are different, so that the luminances of the sub-pixels Spa and Spb are different from each other, thereby improving whitening. . In theliquid crystal panel 200 shown in FIG. 22, one source wiring is provided for one column of pixels, so that a decrease in aperture ratio and an increase in power consumption are suppressed.
 図23に、図22に示した液晶パネル200の等価回路を示す。補助容量配線Lcsa、Lcsbにはそれぞれ補助容量幹線Ltcsa、Ltcsbからそれぞれ補助容量信号が供給される。FIG. 23 shows an equivalent circuit of theliquid crystal panel 200 shown in FIG. The storage capacitor lines Lcsa and Lcsb are respectively supplied with storage capacitor signals from the storage capacitor trunk lines Ltcsa and Ltcsb.
 ここで、液晶パネル200における画素Pへの書き込みを説明する。走査配線Lgに供給される走査信号電圧がオフ電圧からオン電圧に変化し、これにより、TFT226a、226bがオン状態になる。このようにして走査配線Lgが画素を選択するとき、ソース配線Lsに供給された表示信号電圧が副画素電極224a、224bに印加される。その後、走査配線Lgに供給される走査信号電圧がオン電圧からオフ電圧に変化し、これにより、TFT226a、226bがオフ状態に変化する。TFT226a、226bがオフ状態に変化した後、補助容量配線Lcsa、Lcsbに供給される補助容量信号電圧は異なる方向に変化し、これにより、副画素電極224aの電位は変化する。Here, writing to the pixel P in theliquid crystal panel 200 will be described. The scanning signal voltage supplied to the scanning wiring Lg changes from the off voltage to the on voltage, and thereby theTFTs 226a and 226b are turned on. Thus, when the scanning line Lg selects a pixel, the display signal voltage supplied to the source line Ls is applied to thesub-pixel electrodes 224a and 224b. Thereafter, the scanning signal voltage supplied to the scanning wiring Lg changes from the on voltage to the off voltage, and thereby theTFTs 226a and 226b change to the off state. After theTFTs 226a and 226b change to the off state, the auxiliary capacitance signal voltage supplied to the auxiliary capacitance lines Lcsa and Lcsb changes in different directions, whereby the potential of thesub-pixel electrode 224a changes.
 例えば、プラス極性の書き込みが行われた画素Pに対してTFT226a、226bがオフ状態に変化した後における補助容量配線Lcsaに供給される補助容量信号の最初の変化が増加であり、補助容量配線Lcsbに供給される補助容量信号の最初の変化が減少であると、副画素Spaの輝度は副画素Spbよりも高くなる。あるいは、マイナス極性の書き込みが行われた画素Pに対してTFT226a、226bがオフ状態に変化した後における補助容量配線Lcsaに供給される補助容量信号の最初の変化が増加であり、補助容量配線Lcsbに供給される補助容量信号の最初の変化が減少であると、副画素Spaの輝度は副画素Spbよりも低くなる。For example, the first change of the auxiliary capacitance signal supplied to the auxiliary capacitance line Lcsa after theTFTs 226a and 226b are changed to the off state with respect to the pixel P on which the positive polarity is written is an increase, and the auxiliary capacitance line Lcsb When the initial change of the auxiliary capacitance signal supplied to is reduced, the luminance of the sub-pixel Spa is higher than that of the sub-pixel Spb. Alternatively, the first change of the auxiliary capacitance signal supplied to the auxiliary capacitance line Lcsa after theTFTs 226a and 226b change to the off state with respect to the pixel P on which the negative polarity is written is an increase, and the auxiliary capacitance line Lcsb is increased. If the initial change in the auxiliary capacitance signal supplied to is reduced, the luminance of the subpixel Spa is lower than that of the subpixel Spb.
 このように、TFT226a、226bがオン状態のときに副画素電極224a、224bの電位は略等しいが、TFT226a、226bがオフ状態に変化した後に補助容量配線Lcsa、Lcsbに供給される補助容量信号電圧の変化が異なるため、副画素電極224a、224bの実効電位を異ならせることができ、これにより、副画素Spa、Spbの輝度を異ならせてγ特性の視野角依存性を改善することができる。As described above, thesub-pixel electrodes 224a and 224b have substantially the same potential when theTFTs 226a and 226b are on, but the auxiliary capacitance signal voltage supplied to the auxiliary capacitance lines Lcsa and Lcsb after theTFTs 226a and 226b change to the off state. Therefore, the effective potentials of thesubpixel electrodes 224a and 224b can be made different, whereby the luminance of the subpixels Spa and Spb can be made different to improve the viewing angle dependency of the γ characteristic.
 なお、上述したように、本実施形態の液晶表示装置100では、液晶パネル200は平面表示モードにおいて垂直走査周波数120Hzで駆動し、立体表示モードにおいて垂直走査周波数240Hzで駆動する。このように、垂直走査周波数240Hzで駆動を行う場合、補助容量配線に供給される補助容量信号の信号遅延等により、実効電圧を適切に変化させることができないことがある。この場合、立体表示モードでは、異なる補助容量配線に同一の補助容量信号を供給してもよい。このように、液晶パネル200がマルチ画素構造を有している場合に、平面表示モードにおいて補助容量配線Lcsa、Lcsbに異なる補助容量信号を供給することによってマルチ画素駆動を実現するとともに、立体表示モードにおいて補助容量配線Lcsa、Lcsbに同一の補助容量信号を供給することによってマルチ画素駆動を実現しなくてもよい。As described above, in the liquidcrystal display device 100 of the present embodiment, theliquid crystal panel 200 is driven at a vertical scanning frequency of 120 Hz in the flat display mode and is driven at a vertical scanning frequency of 240 Hz in the stereoscopic display mode. As described above, when driving at a vertical scanning frequency of 240 Hz, the effective voltage may not be appropriately changed due to a signal delay of the auxiliary capacitance signal supplied to the auxiliary capacitance wiring. In this case, in the stereoscopic display mode, the same auxiliary capacitance signal may be supplied to different auxiliary capacitance lines. As described above, when theliquid crystal panel 200 has a multi-pixel structure, multi-pixel driving is realized by supplying different auxiliary capacitance signals to the auxiliary capacitance lines Lcsa and Lcsb in the flat display mode, and the stereoscopic display mode. In FIG. 5, multi-pixel driving may not be realized by supplying the same auxiliary capacitance signal to the auxiliary capacitance lines Lcsa and Lcsb.
 なお、図21~図23に示したようなマルチ画素構造を有する液晶パネル200において、液晶パネル200が平面表示モードで表示を行う場合にはマルチ画素駆動を行い、液晶パネル200が立体表示モードで表示を行う場合にはマルチ画素駆動を行わなくてもよい。液晶パネル200が立体表示モードで表示を行う場合、観察者はある程度限られた範囲から液晶パネル200を観察することが想定される。このため、平面表示モードでは、マルチ画素駆動を行うことによって、少なくともある中間階調において副画素Spaの輝度を副画素Spbの輝度と異ならせて視野角特性の改善を行う一方で、立体表示モードでは、マルチ画素駆動を行わずに、任意の階調において副画素Spaの輝度を副画素Spbの輝度と等しくしてもよい。このように、より高い垂直走査周波数で駆動を行う立体表示モードにおいてマルチ画素駆動を行わないことにより、ソースドライバの演算量の増加、および/または、信号遅延の影響を抑制することができ、コスト低減を図ることができる。Note that in theliquid crystal panel 200 having the multi-pixel structure as shown in FIGS. 21 to 23, when theliquid crystal panel 200 performs display in the flat display mode, multi-pixel driving is performed, and theliquid crystal panel 200 is in the stereoscopic display mode. When performing display, multi-pixel driving may not be performed. When theliquid crystal panel 200 performs display in the stereoscopic display mode, it is assumed that the observer observes theliquid crystal panel 200 from a limited range. For this reason, in the flat display mode, by performing multi-pixel driving, the luminance of the sub-pixel Spa is made different from the luminance of the sub-pixel Spb at least in a certain intermediate gradation, while the viewing angle characteristics are improved. Then, the luminance of the sub-pixel Spa may be made equal to the luminance of the sub-pixel Spb at an arbitrary gradation without performing multi-pixel driving. In this way, by not performing multi-pixel driving in the stereoscopic display mode in which driving is performed at a higher vertical scanning frequency, it is possible to suppress an increase in the amount of computation of the source driver and / or the influence of signal delay, and cost. Reduction can be achieved.
 (実施形態2)
 上述した説明では、フレームレート制御回路はフレームレート120fpsの映像信号を生成したが、本発明はこれに限定されない。フレームレート制御回路はフレームレート240fpsの映像信号を生成してもよい。
(Embodiment 2)
In the above description, the frame rate control circuit generates a video signal with a frame rate of 120 fps, but the present invention is not limited to this. The frame rate control circuit may generate a video signal having a frame rate of 240 fps.
 以下、図24(a)および図24(b)を参照して本発明による液晶表示装置および立体表示システムの第2実施形態を説明する。図24(a)および図24(b)に、本実施形態の液晶表示装置100Aおよび立体表示システム300Aの模式図を示す。立体表示システム300Aは、液晶表示装置100Aと、シャッター眼鏡280とを備えている。液晶表示装置100Aは、フレームレート制御回路110と、タイミングコントローラ120と、書込状態信号送信回路130と、走査信号駆動回路140と、表示信号駆動回路150と、バックライト駆動回路160と、液晶パネル200と、バックライトユニット250とを備えている。液晶表示装置100A、立体表示システム300Aは、フレームレート制御回路110がフレームレート240fpsの映像信号を生成する点を除いて上述した液晶表示装置100、立体表示システム300と同様の構成を有しており、冗長を避けるために重複する説明を省略する。Hereinafter, a liquid crystal display device and a stereoscopic display system according to a second embodiment of the present invention will be described with reference to FIGS. 24 (a) and 24 (b). 24A and 24B are schematic diagrams of the liquidcrystal display device 100A and thestereoscopic display system 300A according to the present embodiment. Thestereoscopic display system 300A includes a liquidcrystal display device 100A and shutterglasses 280. The liquidcrystal display device 100A includes a framerate control circuit 110, atiming controller 120, a writing statesignal transmission circuit 130, a scanningsignal driving circuit 140, a displaysignal driving circuit 150, abacklight driving circuit 160, and a liquid crystal panel. 200 and abacklight unit 250. The liquidcrystal display device 100A and thestereoscopic display system 300A have the same configuration as the liquidcrystal display device 100 and thestereoscopic display system 300 described above except that the framerate control circuit 110 generates a video signal having a frame rate of 240 fps. In order to avoid redundancy, redundant description is omitted.
 以下、図24(a)および図25を参照して、液晶表示装置100Aおよび立体表示システム300Aの立体表示モードを説明する。なお、図24(a)に示した画像データを図25に拡大して示している。図25(a)は入力映像信号に含まれる画像データの模式図であり、図25(b)は映像信号に含まれる画像データの模式図であり、図25(c)は表示信号に含まれる画像データの模式図である。Hereinafter, the stereoscopic display mode of the liquidcrystal display device 100A and thestereoscopic display system 300A will be described with reference to FIG. The image data shown in FIG. 24A is enlarged and shown in FIG. FIG. 25A is a schematic diagram of image data included in the input video signal, FIG. 25B is a schematic diagram of image data included in the video signal, and FIG. 25C is included in the display signal. It is a schematic diagram of image data.
 ここでは、フレームレート60fpsの入力映像信号がフレームレート制御回路110に入力される。例えば、入力映像信号はNTSC信号である。この入力映像信号には、立体表示モードで表示されるべき画像データが含まれている。入力映像信号には左眼画像データおよび右眼画像データがそれぞれ交互に示されており、ここでは、映像信号には、画像データL1、R1、L2、R2・・・の順番に配列されている(図25(a)も参照)。なお、ここでは図示していないが、左眼画像データL1の前には、右眼画像データR0、左眼画像データL0が配列されている。Here, an input video signal having a frame rate of 60 fps is input to the framerate control circuit 110. For example, the input video signal is an NTSC signal. This input video signal includes image data to be displayed in the stereoscopic display mode. Left-eye image data and right-eye image data are alternately shown in the input video signal. Here, the video signal is arranged in the order of image data L1, R1, L2, R2,. (See also FIG. 25 (a)). Although not shown here, right eye image data R0 and left eye image data L0 are arranged in front of left eye image data L1.
 フレームレート制御回路110は、フレームレート60fpsの入力映像信号に基づいて入力映像信号のフレームレートよりも高い映像信号を生成する。ここで、映像信号のフレームレートは240fpsに設定される。フレームレート制御回路110は、入力映像信号の左眼画像データおよび右眼画像データをそれぞれ複製して、映像信号に、左眼画像データおよび右眼画像データを2つずつ連続して配列した1セットを2セット繰り返して配列する。これにより、映像信号には、左眼画像データおよび右眼画像データが交互に2つずつ配列されている。ここでは、映像信号には、画像データがR0、R0、L1、L1、R1、R1、L1、L1、R1、R1、L2、L2・・・の順番に配列されており(図25(b)も参照)、映像信号のフレームレート(240fps)は入力映像信号のフレームレート(60fps)の4倍に設定される。The framerate control circuit 110 generates a video signal higher than the frame rate of the input video signal based on the input video signal having a frame rate of 60 fps. Here, the frame rate of the video signal is set to 240 fps. The framerate control circuit 110 duplicates the left eye image data and the right eye image data of the input video signal, respectively, and one set in which the left eye image data and the right eye image data are successively arranged in the video signal. Repeat two sets. Thereby, two left eye image data and two right eye image data are alternately arranged in the video signal. Here, in the video signal, image data is arranged in the order of R0, R0, L1, L1, R1, R1, L1, L1, R1, R1, L2, L2,... (FIG. 25B). The frame rate (240 fps) of the video signal is set to four times the frame rate (60 fps) of the input video signal.
 上述したように、映像信号のフレームレートは240fpsに設定されており、このうち、左眼画像データは120fpsに対応し、右眼画像データは120fpsに対応する。なお、液晶パネル200がフルハイビジョン規格(1920×1080)の場合、フレームレート240fpsの映像信号を生成するフレームレート制御回路110は、汎用性の比較的高い2つの特定用途集積回路112a、112bを用いて作製される。特定用途集積回路112aは液晶パネル200の左側半分の駆動に利用され、特定用途集積回路112bは液晶パネル200の右側半分の駆動に利用される。As described above, the frame rate of the video signal is set to 240 fps, among which the left eye image data corresponds to 120 fps and the right eye image data corresponds to 120 fps. When theliquid crystal panel 200 is a full high-definition standard (1920 × 1080), the framerate control circuit 110 that generates a video signal with a frame rate of 240 fps uses two special-purposeintegrated circuits 112a and 112b having relatively high versatility. Produced. The special purpose integratedcircuit 112 a is used for driving the left half of theliquid crystal panel 200, and the special purpose integratedcircuit 112 b is used for driving the right half of theliquid crystal panel 200.
 フレームレート制御回路110から出力される映像信号に基づいて、タイミングコントローラ120は、書込状態信号送信回路130、走査信号駆動回路140、表示信号駆動回路150およびバックライト駆動回路160を制御する。なお、タイミングコントローラ120は映像信号に基づいて表示信号を生成し、表示信号を表示信号駆動回路150に出力する。表示信号のフレームレートは映像信号のフレームレートと等しく240fpsに設定され、表示信号には、画像データがR0、R0、L1、L1、R1、R1、L1、L1、R1、R1、L2、L2・・・の順番に配列されており(図25(c)も参照)、表示信号のフレームレート(240fps)は映像信号のフレームレート(240fps)と等しく設定される。走査信号駆動回路140および表示信号駆動回路150は垂直走査周波数240Hzで液晶パネル200を駆動する。このとき、左眼画像データは120fpsに対応し、右眼画像データは120fpsに対応する。Based on the video signal output from the framerate control circuit 110, thetiming controller 120 controls the writing statesignal transmission circuit 130, the scanningsignal driving circuit 140, the displaysignal driving circuit 150, and thebacklight driving circuit 160. Note that thetiming controller 120 generates a display signal based on the video signal and outputs the display signal to the displaysignal driving circuit 150. The frame rate of the display signal is set to 240 fps, which is equal to the frame rate of the video signal. The display signal includes image data R0, R0, L1, L1, R1, R1, L1, L1, R1, R1, L2, L2,. The display signal frame rate (240 fps) is set equal to the video signal frame rate (240 fps). The scanningsignal driving circuit 140 and the displaysignal driving circuit 150 drive theliquid crystal panel 200 at a vertical scanning frequency of 240 Hz. At this time, the left eye image data corresponds to 120 fps, and the right eye image data corresponds to 120 fps.
 また、タイミングコントローラ120からの信号に基づいて、書込状態信号送信回路130は、立体表示モードにおける複数の画素の書込状態を示す書込状態信号を送信する。シャッター眼鏡280は、書込状態信号に基づいて左眼シャッター282および右眼シャッター284を開閉する。Further, based on a signal from thetiming controller 120, the writing statesignal transmission circuit 130 transmits a writing state signal indicating a writing state of a plurality of pixels in the stereoscopic display mode. Theshutter glasses 280 open and close theleft eye shutter 282 and theright eye shutter 284 based on the writing state signal.
 次に、図24(b)を参照して、液晶表示装置100Aの平面表示モードを説明する。図24(b)は、平面表示モードで表示を行う液晶表示装置100Aの模式図である。なお、図24(b)に示した信号に含まれる画像データを図26に拡大して示している。図26(a)は入力映像信号に含まれる画像データの模式図であり、図26(b)は映像信号に含まれる画像データの模式図であり、図26(c)はタイミングコントローラ120から出力される映像信号に含まれる画像データの模式図である。Next, the flat display mode of the liquidcrystal display device 100A will be described with reference to FIG. FIG. 24B is a schematic diagram of a liquidcrystal display device 100A that performs display in the flat display mode. Note that the image data included in the signal shown in FIG. 24B is enlarged and shown in FIG. 26A is a schematic diagram of image data included in the input video signal, FIG. 26B is a schematic diagram of image data included in the video signal, and FIG. It is a schematic diagram of the image data contained in the video signal to be performed.
 フレームレート60fpsの入力映像信号がフレームレート制御回路110に入力される。入力映像信号には、画像データがN1、N2、N3、N4の順番に配列されている(図26(a)も参照)。なお、ここでは図示していないが、画像データN1の前には、画像データN0が配列されている。An input video signal with a frame rate of 60 fps is input to the framerate control circuit 110. In the input video signal, image data is arranged in the order of N1, N2, N3, and N4 (see also FIG. 26A). Although not shown here, the image data N0 is arranged before the image data N1.
 フレームレート制御回路110は、入力映像信号に基づいて入力映像信号のフレームレート60fpsよりも高いフレームレート240fpsの映像信号を生成する。例えば、フレームレート制御回路110は、入力映像信号に含まれた2つの連続する画像データに基づいて3つの補間画像データを生成し、映像信号に、上記2つの画像データとともに、上記2つの画像データの間に3つの補間画像データを配列する。具体的には、フレームレート制御回路110は、入力映像信号の画像データN0およびN1に基づいて補間画像データC0a、C0b、C0cを生成し、映像信号に、画像データN0、N1を配列するとともに、画像データN0と画像データN1との間に補間画像データC0a、C0b、C0cを配列する。ここでは、映像信号には、画像データはN0、C0a、C0b、C0c、N1、C1a、C1b、C1c、N2、C2a、C2b、C2c、N3、C3a、C3b、C3c、N4・・・の順番に配列されている(図26(b)も参照)。このように、映像信号には、入力映像信号に含まれる画像データおよび補間によって生成された補間画像データが配列されており、映像信号のフレームレート(240fps)は入力映像信号のフレームレート(60fps)の4倍に設定される。The framerate control circuit 110 generates a video signal having a frame rate of 240 fps, which is higher than the frame rate of 60 fps of the input video signal, based on the input video signal. For example, the framerate control circuit 110 generates three interpolated image data based on two consecutive image data included in the input video signal, and the two image data together with the two image data in the video signal. Three pieces of interpolated image data are arranged in between. Specifically, the framerate control circuit 110 generates interpolation image data C0a, C0b, C0c based on the image data N0 and N1 of the input video signal, arranges the image data N0, N1 in the video signal, Interpolated image data C0a, C0b, and C0c are arranged between the image data N0 and the image data N1. Here, in the video signal, the image data is N0, C0a, C0b, C0c, N1, C1a, C1b, C1c, N2, C2a, C2b, C2c, N3, C3a, C3b, C3c, N4. They are arranged (see also FIG. 26 (b)). As described above, the video signal includes the image data included in the input video signal and the interpolated image data generated by the interpolation, and the frame rate (240 fps) of the video signal is the frame rate (60 fps) of the input video signal. Is set to 4 times.
 フレームレート制御回路110から出力される映像信号に基づいて、タイミングコントローラ120は、走査信号駆動回路140、表示信号駆動回路150およびバックライト駆動回路160を制御する。タイミングコントローラ120は、映像信号のフレームレート240fpsよりも低いフレームレート120fpsの表示信号を生成する。具体的には、タイミングコントローラ120は、映像信号の画像データの一部を間引くことによって表示信号を生成する。上述したように、映像信号には、画像データはN0、C0a、C0b、C0c、N1、C1a、C1b、C1c、N2、C2a、C2b、C2c、N3、C3a、C3b、C3c、N4・・・の順番に配列されているが、タイミングコントローラ120は画像データC0a、C0c、C1a、C1c、C2a、C2c、C3a、C3c・・・を間引く。このように、タイミングコントローラ120が映像信号に含まれる画像データを1つおきに間引くことにより、表示信号のフレームレートは映像信号の半分となる。ここでは、表示信号には、画像データはN0、C0b、N1、C1b、N2、C2b、N3、C3b、N4・・・の順番に配列されており(図26(c)も参照)、表示信号のフレームレート(120fps)は映像信号のフレームレート(240fps)の半分に設定される。走査信号駆動回路140および表示信号駆動回路150は垂直走査周波数120Hzで液晶パネル200を駆動する。なお、平面表示モードでは、バックライト駆動回路160は、バックライトユニット250が全ての期間において点灯するようにバックライトユニット250を制御する。Based on the video signal output from the framerate control circuit 110, thetiming controller 120 controls the scanningsignal driving circuit 140, the displaysignal driving circuit 150, and thebacklight driving circuit 160. Thetiming controller 120 generates a display signal having a frame rate of 120 fps, which is lower than the frame rate of 240 fps of the video signal. Specifically, thetiming controller 120 generates a display signal by thinning out part of the image data of the video signal. As described above, the image data includes N0, C0a, C0b, C0c, N1, C1a, C1b, C1c, N2, C2a, C2b, C2c, N3, C3a, C3b, C3c, N4. Although arranged in order, thetiming controller 120 thins out the image data C0a, C0c, C1a, C1c, C2a, C2c, C3a, C3c. As described above, thetiming controller 120 thins out every other image data included in the video signal, so that the frame rate of the display signal becomes half that of the video signal. Here, the display signal includes image data arranged in the order of N0, C0b, N1, C1b, N2, C2b, N3, C3b, N4... (See also FIG. 26C). The frame rate (120 fps) is set to half the frame rate (240 fps) of the video signal. The scanningsignal driving circuit 140 and the displaysignal driving circuit 150 drive theliquid crystal panel 200 at a vertical scanning frequency of 120 Hz. In the flat display mode, thebacklight drive circuit 160 controls thebacklight unit 250 so that thebacklight unit 250 is lit in all periods.
 このように、液晶表示装置100Aでは、タイミングコントローラ120の制御により、表示モードに応じて、表示信号駆動回路150およびバックライト駆動回路160が駆動する液晶パネル200の垂直走査周波数が変化する。具体的には、液晶パネル200は立体表示モードでは垂直走査周波数240Hzで駆動される一方、平面表示モードでは垂直走査周波数120Hzで駆動される。このため、平面表示モードにおける消費電力の増大を抑制することができる。As described above, in the liquidcrystal display device 100A, the vertical scanning frequency of theliquid crystal panel 200 driven by the displaysignal driving circuit 150 and thebacklight driving circuit 160 changes according to the display mode under the control of thetiming controller 120. Specifically, theliquid crystal panel 200 is driven at a vertical scanning frequency of 240 Hz in the stereoscopic display mode, and is driven at a vertical scanning frequency of 120 Hz in the flat display mode. For this reason, an increase in power consumption in the flat display mode can be suppressed.
 なお、図25および図26の比較から理解されるように、フレームレート制御回路110は、平面表示モードにおいて入力映像信号の連続する画像データに基づいて補間画像データを生成することによってフレームレートを増加させているのに対して、立体表示モードにおいて入力映像信号の画像データを複製することによってフレームレートを増加させている。このように、立体表示モードにおいて、補間画像データの生成ではなく画像データの複製を行うことにより、フレームレートの増加を簡便に行うことができる。なお、フレームレート制御回路110は、立体表示モードにおいても入力映像信号に含まれる連続する左眼画像データに基づいて補間左眼画像データを生成し、同様に、入力映像信号に含まれる右眼画像データに基づいて補間右眼画像データを生成してもよい。As understood from the comparison between FIG. 25 and FIG. 26, the framerate control circuit 110 increases the frame rate by generating interpolated image data based on continuous image data of the input video signal in the flat display mode. In contrast, the frame rate is increased by duplicating the image data of the input video signal in the stereoscopic display mode. Thus, in the stereoscopic display mode, the frame rate can be easily increased by duplicating the image data instead of generating the interpolated image data. Note that the framerate control circuit 110 generates interpolated left eye image data based on continuous left eye image data included in the input video signal even in the stereoscopic display mode, and similarly, the right eye image included in the input video signal. Interpolated right eye image data may be generated based on the data.
 以下、比較例2の液晶表示装置700A、立体表示システム900Aと比較して本実施形態の液晶表示装置100A、立体表示システム300Aの利点を説明する。まず、図27を参照して比較例2の液晶表示装置700Aおよび立体表示システム900Aを説明する。立体表示システム900Aは、液晶表示装置700Aおよびシャッター眼鏡880を備えている。液晶表示装置700Aは、フレームレート制御回路710と、タイミングコントローラ720と、書込状態信号送信回路730と、走査信号駆動回路740と、表示信号駆動回路750と、バックライト駆動回路760と、液晶パネル800と、バックライトユニット850とを備えている。フレームレート制御回路710がフレームレート60fpsの入力映像信号に基づいてフレームレート240fpsの映像信号を生成し、液晶パネル800が立体表示モードおよび平面表示モードのいずれにおいても垂直走査周波数240Hzで駆動される点で液晶表示装置700A、立体表示システム900Aは液晶表示装置100A、立体表示システム300Aとは異なる。Hereinafter, advantages of the liquidcrystal display device 100A and thestereoscopic display system 300A of the present embodiment will be described in comparison with the liquidcrystal display device 700A and thestereoscopic display system 900A of Comparative Example 2. First, a liquidcrystal display device 700A and astereoscopic display system 900A of Comparative Example 2 will be described with reference to FIG. Thestereoscopic display system 900A includes a liquidcrystal display device 700A and shutterglasses 880. The liquidcrystal display device 700A includes a framerate control circuit 710, atiming controller 720, a writing statesignal transmission circuit 730, a scanningsignal driving circuit 740, a displaysignal driving circuit 750, abacklight driving circuit 760, and a liquid crystal panel. 800 and abacklight unit 850. The framerate control circuit 710 generates a video signal having a frame rate of 240 fps based on the input video signal having a frame rate of 60 fps, and theliquid crystal panel 800 is driven at a vertical scanning frequency of 240 Hz in both the stereoscopic display mode and the flat display mode. Thus, the liquidcrystal display device 700A and thestereoscopic display system 900A are different from the liquidcrystal display device 100A and thestereoscopic display system 300A.
 図27(a)を参照して、液晶表示装置700Aおよび立体表示システム900Aの立体表示モードを説明する。フレームレート60fpsの入力映像信号がフレームレート制御回路710に入力される。入力映像信号には、画像データがL1、R1、L2、R2・・・の順番に配列されている。なお、ここでは図示していないが、左眼画像データL1の前には、右眼画像データR0、左眼画像データL0が配列されている。With reference to FIG. 27A, the stereoscopic display mode of the liquidcrystal display device 700A and thestereoscopic display system 900A will be described. An input video signal having a frame rate of 60 fps is input to the framerate control circuit 710. In the input video signal, image data is arranged in the order of L1, R1, L2, R2,. Although not shown here, right eye image data R0 and left eye image data L0 are arranged in front of left eye image data L1.
 フレームレート制御回路710は、フレームレート60fpsの入力映像信号に基づいてフレームレート240fpsの表示信号を生成する。フレームレート制御回路710は、入力映像信号の左眼画像データおよび右眼画像データをそれぞれ複製して、映像信号に、この左眼画像データおよび右眼画像データを2つずつ連続して配列された1セットを2セット繰り返して配列する。これにより、映像信号には、左眼画像データおよび右眼画像データが交互に2つずつ配列されている。ここでは、映像信号には、画像データがR0、R0、L1、L1、R1、R1、L1、L1、R1、R1、L2、L2・・・の順番に配列されている。フレームレート制御回路710は、特定用途集積回路712a、712bを有している。The framerate control circuit 710 generates a display signal with a frame rate of 240 fps based on an input video signal with a frame rate of 60 fps. The framerate control circuit 710 duplicates the left-eye image data and the right-eye image data of the input video signal, respectively, and the left-eye image data and the right-eye image data are successively arranged in the video signal two by two. 1 set is repeated 2 sets. Thereby, two left eye image data and two right eye image data are alternately arranged in the video signal. Here, the image data is arranged in the order of R0, R0, L1, L1, R1, R1, L1, L1, R1, R1, L2, L2,. The framerate control circuit 710 includes application specificintegrated circuits 712a and 712b.
 フレームレート制御回路710から出力される映像信号に基づいて、タイミングコントローラ720は、書込状態信号送信回路730、走査信号駆動回路740、表示信号駆動回路750およびバックライト駆動回路760を制御する。タイミングコントローラ720は映像信号に基づいて表示信号を生成し、表示信号を表示信号駆動回路750に出力する。表示信号のフレームレートは映像信号のフレームレートと等しく240fpsに設定され、表示信号には、画像データがR0、R0、L1、L1、R1、R1、L1、L1、R1、R1、L2、L2・・・の順番に配列されている。走査信号駆動回路740および表示信号駆動回路750は垂直走査周波数240Hzで液晶パネル800を駆動する。Based on the video signal output from the framerate control circuit 710, thetiming controller 720 controls the writing statesignal transmission circuit 730, the scanningsignal driving circuit 740, the displaysignal driving circuit 750, and thebacklight driving circuit 760. Thetiming controller 720 generates a display signal based on the video signal and outputs the display signal to the displaysignal driving circuit 750. The frame rate of the display signal is set to 240 fps, which is equal to the frame rate of the video signal. The display signal includes image data R0, R0, L1, L1, R1, R1, L1, L1, R1, R1, L2, L2,. · · · Arranged in the order. The scanningsignal driving circuit 740 and the displaysignal driving circuit 750 drive theliquid crystal panel 800 at a vertical scanning frequency of 240 Hz.
 バックライト駆動回路760はバックライトユニット850が連続して配列された左眼画像データおよび右眼画像データのそれぞれのうちの後の画像データに対応して点灯するようにバックライトユニット850を制御する。書込状態信号送信回路730からの書込状態信号に基づいて、シャッター眼鏡880は液晶パネル800が左眼画像を表示する期間に左眼シャッター882を開き、液晶パネル800が右眼画像を表示する期間に右眼シャッター884を開く。Thebacklight driving circuit 760 controls thebacklight unit 850 so that thebacklight unit 850 is turned on corresponding to the subsequent image data of the left eye image data and the right eye image data in which thebacklight units 850 are continuously arranged. . Based on the writing state signal from the writing statesignal transmission circuit 730, theshutter glasses 880 opens theleft eye shutter 882 during the period in which theliquid crystal panel 800 displays the left eye image, and theliquid crystal panel 800 displays the right eye image. Open theright eye shutter 884 during the period.
 次に、図27(b)を参照して、液晶表示装置700Aの平面表示モードを説明する。フレームレート60fpsの入力映像信号がフレームレート制御回路710に入力される。入力映像信号には、画像データがN1、N2、N3、N4・・・の順番に配列されている。なお、ここでは図示していないが、画像データN1の前には、画像データN0が配列されている。Next, the planar display mode of the liquidcrystal display device 700A will be described with reference to FIG. An input video signal having a frame rate of 60 fps is input to the framerate control circuit 710. In the input video signal, image data are arranged in the order of N1, N2, N3, N4. Although not shown here, the image data N0 is arranged before the image data N1.
 フレームレート制御回路710は、フレームレート60fpsの入力映像信号に基づいてフレームレート240fpsの映像信号を生成する。フレームレート制御回路710は、入力映像信号に含まれた2つの連続する画像データに基づいて3つの補間画像データを生成し、映像信号に、上記2つの画像データを配列するとともに上記2つの画像データの間に3つの補間画像データを配列する。例えば、映像信号には、画像データはN0、C0a、C0b、C0c、N1、C1a、C1b、C1c、N2、C2a、C2b、C2c、N3、C3a、C3b、C3c、N4・・・の順番に配列されている。The framerate control circuit 710 generates a video signal having a frame rate of 240 fps based on an input video signal having a frame rate of 60 fps. The framerate control circuit 710 generates three interpolated image data based on two consecutive image data included in the input video signal, arranges the two image data in the video signal, and also outputs the two image data. Three pieces of interpolated image data are arranged in between. For example, in the video signal, the image data is arranged in the order of N0, C0a, C0b, C0c, N1, C1a, C1b, C1c, N2, C2a, C2b, C2c, N3, C3a, C3b, C3c, N4. Has been.
 フレームレート制御回路710から出力される映像信号に基づいて、タイミングコントローラ720は、走査信号駆動回路740、表示信号駆動回路750およびバックライト駆動回路760を制御する。タイミングコントローラ720は、映像信号のフレームレート240fpsと等しいフレームレート240fpsの表示信号を生成する。表示信号には、画像データはN0、C0a、C0b、C0c、N1、C1a、C1b、C1c、N2、C2a、C2b、C2c、N3、C3a、C3b、C3c、N4・・・の順番に配列されている。走査信号駆動回路740および表示信号駆動回路750は垂直走査周波数240Hzで液晶パネル800を駆動する。なお、平面表示モードでは、バックライト駆動回路760は、バックライトユニット850が全ての期間において点灯するようにバックライトユニット850を制御する。Based on the video signal output from the framerate control circuit 710, thetiming controller 720 controls the scanningsignal driving circuit 740, the displaysignal driving circuit 750, and thebacklight driving circuit 760. Thetiming controller 720 generates a display signal having a frame rate of 240 fps which is equal to the frame rate of 240 fps of the video signal. In the display signal, the image data is arranged in the order of N0, C0a, C0b, C0c, N1, C1a, C1b, C1c, N2, C2a, C2b, C2c, N3, C3a, C3b, C3c, N4. Yes. The scanningsignal driving circuit 740 and the displaysignal driving circuit 750 drive theliquid crystal panel 800 at a vertical scanning frequency of 240 Hz. Note that in the flat display mode, thebacklight drive circuit 760 controls thebacklight unit 850 so that thebacklight unit 850 is lit in all periods.
 このように、比較例2の液晶表示装置700Aでは、立体表示モードおよび平面表示モードにかかわらず、液晶パネル800は垂直走査周波数240Hzで駆動される。このため、消費電力が増大することになる。これに対して、本実施形態の液晶表示装置100Aでは、平面表示モードにおいて液晶パネル200は立体表示モードの半分の垂直走査周波数120Hzで駆動されるため、消費電力の増大を抑制することができる。Thus, in the liquidcrystal display device 700A of the comparative example 2, theliquid crystal panel 800 is driven at a vertical scanning frequency of 240 Hz regardless of the stereoscopic display mode and the flat display mode. For this reason, power consumption increases. On the other hand, in the liquidcrystal display device 100A of the present embodiment, in the flat display mode, theliquid crystal panel 200 is driven at a vertical scanning frequency of 120 Hz, which is half that of the stereoscopic display mode, so that an increase in power consumption can be suppressed.
 なお、上述した説明では、液晶表示装置100Aに入力される入力映像信号のフレームレートは60fpsであったが、本発明はこれに限定されない。入力映像信号のフレームレートは別の値であってもよい。例えば、入力映像信号はPAL信号であり、入力映像信号のフレームレートは50fpsであってもよい。この場合、映像信号のフレームレートは200fpsに設定され、表示信号のフレームレートは立体表示モードにおいて200fpsに設定され、平面表示モードにおいて100fpsに設定される。In the above description, the frame rate of the input video signal input to the liquidcrystal display device 100A is 60 fps, but the present invention is not limited to this. The frame rate of the input video signal may be another value. For example, the input video signal may be a PAL signal, and the frame rate of the input video signal may be 50 fps. In this case, the frame rate of the video signal is set to 200 fps, the frame rate of the display signal is set to 200 fps in the stereoscopic display mode, and is set to 100 fps in the flat display mode.
 なお、本実施形態の液晶表示装置100Aでも、隣接するソース配線に異なる極性の表示信号電圧が供給されてもよく、または、あるフレーム更新期間においてすべてのソース配線に同一極性の表示信号電圧が供給されてもよい。この場合、あるフレーム更新期間の終了時において列方向に隣接する画素の極性は等しい。In the liquidcrystal display device 100A of this embodiment, display signal voltages having different polarities may be supplied to adjacent source lines, or display signal voltages having the same polarity may be supplied to all source lines in a certain frame update period. May be. In this case, the polarities of adjacent pixels in the column direction are equal at the end of a certain frame update period.
 あるいは、あるフレーム更新期間の終了時において行方向および列方向に隣接する画素の極性は反転していてもよい。例えば、あるフレーム更新期間において、各ソース配線に供給される表示信号電圧の極性は水平走査期間ごとに反転してもよい。例えば、液晶パネル200はドット反転で駆動されてもよい。Alternatively, the polarity of pixels adjacent in the row direction and the column direction may be reversed at the end of a certain frame update period. For example, in a certain frame update period, the polarity of the display signal voltage supplied to each source line may be inverted every horizontal scanning period. For example, theliquid crystal panel 200 may be driven by dot inversion.
 また、本実施形態の液晶表示装置100Aでも、液晶パネルの上端から下端に向かって順番に選択されてもよく、または、マトリクス状に配列された画素はブロック内の奇数行および偶数行の画素ごとに書き込まれてもよい。例えば、各画素への書き込みは、図17から図19を参照して上述したように行われてもよい。Also in the liquidcrystal display device 100A of the present embodiment, the pixels may be selected in order from the upper end to the lower end of the liquid crystal panel, or the pixels arranged in a matrix form are the pixels in the odd and even rows in the block. May be written. For example, writing to each pixel may be performed as described above with reference to FIGS.
 また、上述したように、立体表示モードにおいて、液晶パネル200には、左眼画像データが2つの垂直走査期間連続して書き込まれ、右眼画像データが2つの垂直走査期間連続して書き込まれる。また、液晶表示装置100Aでも、図15および図16を参照して上述したように、左眼画像データまたは右眼画像データは連続した2つの垂直走査期間に等しい極性で書き込まれることが好ましい。この場合、画素の選択される時間が短いため、左眼画像データまたは右眼画像データの1回目の書き込みによって画素電極224への表示信号電圧の供給が充分に行われなくても、左眼画像データまたは右眼画像データの2回目の書き込みによって画素電極224への表示信号電圧の供給を充分に行うことができる。また、液晶表示装置100Aおよび立体表示システム300Aにおいてもオーバードライブ駆動を行ってもよい。As described above, in the stereoscopic display mode, the left-eye image data is written on theliquid crystal panel 200 continuously for two vertical scanning periods, and the right-eye image data is written on two vertical scanning periods continuously. Also in the liquidcrystal display device 100A, as described above with reference to FIGS. 15 and 16, it is preferable that the left-eye image data or the right-eye image data is written with a polarity equal to two consecutive vertical scanning periods. In this case, since the time for selecting a pixel is short, the left eye image is output even if the display signal voltage is not sufficiently supplied to thepixel electrode 224 by the first writing of the left eye image data or the right eye image data. The display signal voltage can be sufficiently supplied to thepixel electrode 224 by the second writing of data or right-eye image data. Further, overdrive driving may also be performed in the liquidcrystal display device 100A and thestereoscopic display system 300A.
 図28に、オーバードライブ駆動を行う立体表示システム300Aの模式図を示す。立体表示システム300Aは、タイミングコントローラ120が信号複製部122を有しない点を除いて、図20を参照して上述した立体表示システム300と同様の構成を有しているため、冗長を避けるために重複する説明を省略する。FIG. 28 shows a schematic diagram of astereoscopic display system 300A that performs overdrive driving. Thestereoscopic display system 300A has the same configuration as that of thestereoscopic display system 300 described above with reference to FIG. 20 except that thetiming controller 120 does not include thesignal duplicating unit 122, so that redundancy is avoided. A duplicate description is omitted.
 図24を参照して上述したように、フレームレート制御回路110は、入力映像信号に基づいて入力映像信号のフレームレート60fpsよりも高いフレームレート240fpsの映像信号を生成する。映像信号には、画像データがR0、R0、L1、L1、R1、R1、L1、L1、R1、R1、L2、L2、R2、R2、L2、L2・・・の順番に配列されている。As described above with reference to FIG. 24, the framerate control circuit 110 generates a video signal having a frame rate of 240 fps, which is higher than the frame rate of 60 fps of the input video signal, based on the input video signal. In the video signal, image data is arranged in the order of R0, R0, L1, L1, R1, R1, L1, L1, R1, R1, L2, L2, R2, R2, L2, L2,.
 オーバードライブ駆動部124は、対象となる画像データとその1つ前の画像データに基づいて新たな画像データを作成する。具体的には、複数の画素のそれぞれについて、対象となる画像データの階調レベル、および、その1つ前の画像データの階調レベルに基づいて新たな階調レベルを設定する。Theoverdrive drive unit 124 creates new image data based on the target image data and the previous image data. Specifically, a new gradation level is set for each of the plurality of pixels based on the gradation level of the target image data and the gradation level of the previous image data.
 ここでは、説明が過度に複雑になることを避けるために1つの画素に着目し、画像データがR0、R0、L1、L1と変化する場合のオーバードライブ駆動を説明する。Here, in order to avoid an excessively complicated description, attention will be paid to one pixel, and overdrive driving when image data changes to R0, R0, L1, and L1 will be described.
 映像信号の画像データが変化しない場合、オーバードライブ駆動は行われない。この場合、オーバードライブ駆動部124から出力される表示信号の画像データはR0(=OS(R0→R0))である。If the image data of the video signal does not change, overdrive drive is not performed. In this case, the image data of the display signal output from theoverdrive drive unit 124 is R0 (= OS (R0 → R0)).
 次に、映像信号の画像データがR0からR0とは異なるL1に変化する場合、オーバードライブ駆動が行われる。まず、画像データR0の階調レベルが低電圧に対応し、画像データL1の階調レベルが高電圧に対応するとする。この場合、オーバードライブ駆動部124によるオーバードライブ駆動により、画像データR0から画像データL1に変化する際に画像データL1に代えて画像データL1’(=OS(R0→L1))が設定される。この場合、液晶層230には、画像データL1の階調レベルに対応する電圧VL1よりもさらに高い電圧VL1’が印加される。なお、その後、映像信号の画像データがL1からL1に変化する場合(2回目のL1が供給される場合)、オーバードライブ駆動は行われず、液晶層230には、画像データL1の階調レベルに対応する電圧VL1が印加される。このように、階調レベルが低電圧から高電圧に対応して変化する際に、オーバードライブ駆動部124は、映像信号の画像データの階調レベルよりもさらに高い階調レベルを設定する。Next, when the image data of the video signal changes from R0 to L1, which is different from R0, overdrive driving is performed. First, it is assumed that the gradation level of the image data R0 corresponds to a low voltage and the gradation level of the image data L1 corresponds to a high voltage. In this case, the image data L1 '(= OS (R0 → L1)) is set instead of the image data L1 when the image data R0 changes to the image data L1 by overdrive driving by theoverdrive driving unit 124. In this case, a voltage VL1 'that is higher than the voltage VL1 corresponding to the gradation level of the image data L1 is applied to theliquid crystal layer 230. After that, when the image data of the video signal changes from L1 to L1 (when the second L1 is supplied), overdrive driving is not performed, and theliquid crystal layer 230 has the gradation level of the image data L1. A corresponding voltage VL1 is applied. Thus, when the gradation level changes corresponding to the high voltage from the low voltage, theoverdrive drive unit 124 sets a gradation level that is higher than the gradation level of the image data of the video signal.
 次に、画像データR0の階調レベルが高電圧に対応し、画像データL1の階調レベルが低電圧に対応するとする。この場合、オーバードライブ駆動部124によるオーバードライブ駆動により、画像データL1に代えて画像データL1’(=OS(R0→L1))が設定される。この場合、液晶層230には、画像データL1の階調レベルに対応する電圧VL1よりもさらに低い電圧VL1’が印加される。なお、その後、映像信号の画像データがL1からL1に変化する場合(2回目のL1が供給される場合)、オーバードライブ駆動は行われず、液晶層230には、画像データL1の階調レベルに対応する電圧VL1が印加される。このように、階調レベルが高電圧から低電圧に対応して変化する際に、オーバードライブ駆動部124は、映像信号の画像データの階調レベルよりもさらに低い電圧に対応する階調レベルを設定する。Next, it is assumed that the gradation level of the image data R0 corresponds to a high voltage and the gradation level of the image data L1 corresponds to a low voltage. In this case, image data L1 ′ (= OS (R0 → L1)) is set instead of the image data L1 by overdrive driving by theoverdrive driving unit 124. In this case, a voltage VL1 'that is lower than the voltage VL1 corresponding to the gradation level of the image data L1 is applied to theliquid crystal layer 230. After that, when the image data of the video signal changes from L1 to L1 (when the second L1 is supplied), overdrive driving is not performed, and theliquid crystal layer 230 has the gradation level of the image data L1. A corresponding voltage VL1 is applied. In this way, when the gradation level changes corresponding to the low voltage from the high voltage, theoverdrive driving unit 124 changes the gradation level corresponding to a voltage lower than the gradation level of the image data of the video signal. Set.
 オーバードライブ駆動部124から出力される表示信号には、画像データがR0、R0、L1’、L1、R1’、R1、L1’、L1、R1’、R1、L2’、L2、R2’、R2、L2’、L2・・・の順番に配列される。このため、右眼画像データおよび左眼画像データの切り換わった垂直走査期間においても画素電極224の電位を目標電位にすることができる。The display signal output from theoverdrive drive unit 124 includes image data R0, R0, L1 ′, L1, R1 ′, R1, L1 ′, L1, R1 ′, R1, L2 ′, L2, R2 ′, R2. , L2 ′, L2... Therefore, the potential of thepixel electrode 224 can be set to the target potential even in the vertical scanning period in which the right eye image data and the left eye image data are switched.
 なお、ここでは、バックライトユニット250は、2つの垂直走査期間連続して書き込まれる右眼画像データおよび左眼画像データのうちの後半の垂直走査期間に対応して点灯する。具体的には、バックライトユニット250は、オーバードライブ駆動の行われた画像データが書き込まれた期間は消灯しており、その次の画像データが書き込まれた期間に点灯している。In addition, here, thebacklight unit 250 lights up corresponding to the second half vertical scanning period of the right eye image data and the left eye image data written continuously in two vertical scanning periods. Specifically, thebacklight unit 250 is turned off during the period in which the image data subjected to overdrive driving is written, and is turned on in the period in which the next image data is written.
 また、シャッター眼鏡280の左眼シャッター282は、液晶パネル200が左眼画像を表示し、かつ、バックライトユニット250が点灯している期間に開き、他の期間は閉じている。また、シャッター眼鏡280の右眼シャッター284は、液晶パネル200が右眼画像を表示し、かつ、バックライトユニット250が点灯している期間に開き、他の期間は閉じている。Further, theleft eye shutter 282 of theshutter glasses 280 is opened during a period in which theliquid crystal panel 200 displays a left eye image and thebacklight unit 250 is lit, and is closed during other periods. Further, theright eye shutter 284 of theshutter glasses 280 is opened during a period in which theliquid crystal panel 200 displays a right eye image and thebacklight unit 250 is lit, and is closed during other periods.
 なお、オーバードライブ駆動はルックアップテーブルを参照して行われてもよいし、演算処理によって行われてもよい。あるいは、オーバードライブ駆動は両者を組み合わせて行われてもよい。Note that overdrive driving may be performed with reference to a lookup table, or may be performed by arithmetic processing. Alternatively, the overdrive drive may be performed by combining both.
 また、上述した説明では、対象となる画像データの階調レベルとその1つ前の画像データの階調レベルに基づいてオーバードライブ駆動が行われたが、本発明はこれに限定されない。対象となる画像データの階調レベルとその前の2以上の画像データの階調レベルに基づいてオーバードライブ駆動が行われてもよい。このように、オーバードライブ駆動は、対象となる画像データの階調レベル、および、上記画像データよりも前の少なくとも1つの画像データの階調レベルに基づいて行われてもよい。In the above description, overdrive driving is performed based on the gradation level of the target image data and the gradation level of the previous image data, but the present invention is not limited to this. Overdrive drive may be performed based on the gradation level of the target image data and the gradation levels of two or more previous image data. As described above, the overdrive driving may be performed based on the gradation level of the target image data and the gradation level of at least one image data before the image data.
 (実施形態3)
 なお、上述した液晶表示装置は、立体表示モードおよび平面表示モードを切り換え可能であったが、本発明はこれに限定されない。液晶表示装置は、立体表示モードでのみ表示を行い、表示モードの切り換えを行わないものであってもよい。
(Embodiment 3)
Note that the liquid crystal display device described above can switch between the stereoscopic display mode and the flat display mode, but the present invention is not limited to this. The liquid crystal display device may display only in the stereoscopic display mode and may not switch the display mode.
 以下、本発明による液晶表示装置および立体表示システムの第3実施形態を説明する。図29に、本実施形態の液晶表示装置100Bおよび立体表示システム300Bを示す。本実施形態の液晶表示装置100Bは平面表示モードで表示を行わず立体表示モードでのみ表示を行う。本実施形態の立体表示システム300Bは、液晶表示装置100Bおよびシャッター眼鏡280を備えている。液晶表示装置100Bは例えば垂直走査周波数240Hzで駆動される。Hereinafter, a third embodiment of the liquid crystal display device and the stereoscopic display system according to the present invention will be described. FIG. 29 shows a liquidcrystal display device 100B and astereoscopic display system 300B of this embodiment. The liquidcrystal display device 100B of the present embodiment performs display only in the stereoscopic display mode without performing display in the flat display mode. Thestereoscopic display system 300B of this embodiment includes a liquidcrystal display device 100B and shutterglasses 280. The liquidcrystal display device 100B is driven at a vertical scanning frequency of 240 Hz, for example.
 図29(a)~図29(d)は、連続するフレーム更新期間の立体表示システム300Bの模式図を示す。なお、図29(a)~図29(d)は、例えば、それぞれのフレーム更新期間の終了時における立体表示システム300Bを示している。FIGS. 29 (a) to 29 (d) are schematic diagrams of thestereoscopic display system 300B in successive frame update periods. FIGS. 29A to 29D show, for example, thestereoscopic display system 300B at the end of each frame update period.
 図29(a)に示すように、あるフレーム更新期間において、液晶表示装置100Bは右眼画像を表示する。シャッター眼鏡280の左眼シャッター282および右眼シャッター284は両方とも閉じている。As shown in FIG. 29A, in a certain frame update period, the liquidcrystal display device 100B displays a right eye image. Both theleft eye shutter 282 and theright eye shutter 284 of theshutter glasses 280 are closed.
 このとき、液晶表示装置100Bの各画素の極性は、例えば、列方向に隣接する画素の極性は等しく、行方向に隣接する画素の極性が反転している。または、全ての画素の極性がプラス極性またはマイナス極性であってもよい。あるいは、行方向および列方向に隣接する画素の極性は互いに反転していてもよい。At this time, the polarities of the pixels of the liquidcrystal display device 100B are, for example, the polarities of the pixels adjacent in the column direction are equal, and the polarities of the pixels adjacent in the row direction are inverted. Alternatively, the polarity of all the pixels may be positive polarity or negative polarity. Alternatively, the polarities of the pixels adjacent in the row direction and the column direction may be reversed from each other.
 図29(b)に示すように、次のフレーム更新期間においても、液晶表示装置100Bは右眼画像を表示する。液晶表示装置100Bでも右眼画像の書き込みは連続する2フレーム更新期間にわたって行われる。このとき、シャッター眼鏡280の右眼シャッター284が開いており、観察者は右眼画像を視認することができる。なお、液晶表示装置100Bでは、右眼画像データの書き込みは連続する2つの垂直走査期間にわたって等しい極性で行われるため、各画素の極性は前のフレーム更新期間の極性と等しい。As shown in FIG. 29B, the liquidcrystal display device 100B displays the right eye image even in the next frame update period. Also in the liquidcrystal display device 100B, the right eye image is written over a continuous two-frame update period. At this time, theright eye shutter 284 of theshutter glasses 280 is open, and the observer can visually recognize the right eye image. In the liquidcrystal display device 100B, since the right eye image data is written with the same polarity over two consecutive vertical scanning periods, the polarity of each pixel is equal to the polarity of the previous frame update period.
 図29(c)に示すように、さらに次のフレーム更新期間において、液晶表示装置100Bは左眼画像を表示する。このとき、シャッター眼鏡280の左眼シャッター282および右眼シャッター284は両方とも閉じている。なお、各画素の極性は前のフレーム更新期間の極性と反転している。As shown in FIG. 29 (c), in the next frame update period, the liquidcrystal display device 100B displays the left eye image. At this time, both theleft eye shutter 282 and theright eye shutter 284 of theshutter glasses 280 are closed. Note that the polarity of each pixel is reversed from the polarity of the previous frame update period.
 図29(d)に示すように、次のフレーム更新期間においても、液晶表示装置100Bは左眼画像を表示する。液晶表示装置100Bでも左眼画像の書き込みは連続する2フレーム更新期間にわたって行われる。このとき、シャッター眼鏡280の左眼シャッター282が開いており、観察者は左眼画像を視認することができる。なお、液晶表示装置100Bでは、左眼画像データの書き込みは連続する2つの垂直走査期間にわたって等しい極性で行われるため、各画素の極性は前のフレーム更新期間の極性と等しい。As shown in FIG. 29 (d), the liquidcrystal display device 100B displays the left eye image even in the next frame update period. Also in the liquidcrystal display device 100B, the writing of the left eye image is performed over two consecutive frame update periods. At this time, theleft eye shutter 282 of theshutter glasses 280 is open, and the observer can visually recognize the left eye image. In the liquidcrystal display device 100B, the writing of the left eye image data is performed with the same polarity over two consecutive vertical scanning periods, and therefore the polarity of each pixel is the same as the polarity of the previous frame update period.
 このように、本実施形態の液晶表示装置100Bでは、左眼画像データの書き込みは連続する2つの垂直走査期間にわたって等しい極性で行われ、右眼画像データの書き込みは連続する2つの垂直走査期間にわたって等しい極性で行われる。このように、左眼画像データおよび右眼画像データの書き込みを等しい極性で行うことにより、視認される期間の各画素の輝度を所定の輝度に変化させることができ、表示ムラを抑制することができる。As described above, in the liquidcrystal display device 100B of the present embodiment, the writing of the left eye image data is performed with the same polarity over two consecutive vertical scanning periods, and the writing of the right eye image data is performed over two consecutive vertical scanning periods. Done with equal polarity. Thus, by performing writing of the left eye image data and the right eye image data with the same polarity, the luminance of each pixel in the visually recognized period can be changed to a predetermined luminance, and display unevenness can be suppressed. it can.
 以下、図30および図31を参照して液晶表示装置100Bおよび立体表示システム300Bの具体例を説明する。Hereinafter, specific examples of the liquidcrystal display device 100B and thestereoscopic display system 300B will be described with reference to FIG. 30 and FIG.
 図30(a)に、立体表示システム300Bの模式図を示す。液晶表示装置100Bは、液晶パネル200および液晶パネル200に光を照射するバックライトユニット250を有している。例えば、液晶パネル200は垂直走査周波数240Hzで駆動される。ここでは図示していないが、バックライトユニット250はそれぞれが個別に点灯・消灯可能な複数の照射領域を有している。FIG. 30A shows a schematic diagram of astereoscopic display system 300B. The liquidcrystal display device 100B includes aliquid crystal panel 200 and abacklight unit 250 that irradiates theliquid crystal panel 200 with light. For example, theliquid crystal panel 200 is driven at a vertical scanning frequency of 240 Hz. Although not shown here, thebacklight unit 250 has a plurality of irradiation areas that can be individually turned on / off.
 図30(b)に、液晶パネル200の模式図を示す。液晶パネル200は、前面基板210、背面基板220、および、前面基板210と背面基板220との間に設けられた液晶層230とを有している。前面基板210は、透明絶縁基板212および対向電極214を有しており、背面基板220は、透明絶縁基板222および画素電極224を有している。液晶パネル200は、図14を参照して上述した液晶パネルと同様の構成を有しており、冗長を避けるために重複する説明を省略する。FIG. 30B shows a schematic diagram of theliquid crystal panel 200. Theliquid crystal panel 200 includes afront substrate 210, arear substrate 220, and aliquid crystal layer 230 provided between thefront substrate 210 and therear substrate 220. Thefront substrate 210 has a transparent insulatingsubstrate 212 and acounter electrode 214, and theback substrate 220 has a transparent insulatingsubstrate 222 and apixel electrode 224. Theliquid crystal panel 200 has the same configuration as the liquid crystal panel described above with reference to FIG. 14, and redundant description is omitted to avoid redundancy.
 以下、図31を参照して立体表示システム300Bにおける信号電圧の変化、バックライトユニット250およびシャッター眼鏡280の開閉を説明する。Hereinafter, with reference to FIG. 31, changes in signal voltage and opening / closing of thebacklight unit 250 and theshutter glasses 280 in thestereoscopic display system 300 </ b> B will be described.
 図31(a)に、対向電極214の電位Vcomを基準としたソース配線の電位VLsの変化を示し、図31(b)に、走査信号電圧VLgの波形を示し、図31(c)に、対向電極214の電位Vcomを基準とした画素電極224の電位Vpeの変化を示し、図31(d)に、バックライトユニット250の特定の照射領域の点灯・非点灯を示し、図31(e)に、シャッター眼鏡280の開閉を示す。FIG. 31A shows a change in the potential VLs of the source wiring with reference to the potential Vcom of thecounter electrode 214, FIG. 31B shows a waveform of the scanning signal voltage VLg, and FIG. A change in the potential Vpe of thepixel electrode 224 with respect to the potential Vcom of thecounter electrode 214 is shown. FIG. 31D shows lighting / non-lighting of a specific irradiation region of thebacklight unit 250. FIG. Fig. 6 shows opening and closing of theshutter glasses 280.
 上述したように、液晶パネル200は垂直走査周波数240Hzで駆動されるため、1垂直走査期間(フレーム更新期間)は約4.2msである。また、ここでは、液晶パネル200はハイビジョン規格に準拠しており、1つの走査配線が選択される期間は約3.4μsである。As described above, since theliquid crystal panel 200 is driven at a vertical scanning frequency of 240 Hz, one vertical scanning period (frame update period) is about 4.2 ms. Further, here, theliquid crystal panel 200 complies with the high vision standard, and the period during which one scanning line is selected is about 3.4 μs.
 図31(a)から理解されるように、各ソース配線に供給される表示信号の電位および対向電極の電位の関係はフレーム更新期間にわたって変化せず、フレーム更新期間の終了時に列方向に隣接する画素の極性は互いに等しい。このため、フレーム更新期間内の表示信号の電位の変化を小さくすることができ、消費電力を低減させることができる。また、図31(a)では、第1フレーム更新期間においてソース配線にプラス極性の表示信号電圧が供給されているが、第1フレーム更新期間においてこのソース配線に隣接するソース配線にはマイナス極性の表示信号電圧が供給されている。As understood from FIG. 31A, the relationship between the potential of the display signal supplied to each source line and the potential of the counter electrode does not change over the frame update period, and is adjacent in the column direction at the end of the frame update period. The polarities of the pixels are equal to each other. Therefore, the change in potential of the display signal within the frame update period can be reduced, and power consumption can be reduced. Further, in FIG. 31A, a positive polarity display signal voltage is supplied to the source wiring in the first frame update period. However, in the first frame update period, a negative polarity is applied to the source wiring adjacent to the source wiring. A display signal voltage is supplied.
 第1フレーム更新期間(1F)においてソース配線には対向電極214よりも高い電位を示す表示信号が供給される。ここでは、ある画素を選択する走査信号電圧がオン電圧になると、当該画素の画素電極224に表示信号電圧が供給されてプラス極性の書き込みが行われる。このとき、ソース配線に供給される表示信号電圧は画素電極224の電位を目標電位とするよう設定されており、この目標電位は対向電極214と画素電極224との電位差が階調レベルに対応するように設定されている。このように画素電極224に表示信号電圧を供給することによって液晶層230の充電が進行する。しかしながら、液晶パネル200は垂直走査周波数240Hzで駆動されており、走査配線が選択されて画素電極224に表示信号電圧が供給される期間が比較的短いため、画素電極224の電位が目標電位まで到達する前に、走査信号電圧はオフ電圧に戻ってしまう。なお、バックライトユニット250の照射領域は少なくとも第1フレーム更新期間の途中から消灯しており、第1フレーム更新期間に書き込まれた右眼画像は観察者には視認されない。また、第1フレーム更新期間の後半に、右眼シャッター284が開く。In the first frame update period (1F), a display signal indicating a higher potential than thecounter electrode 214 is supplied to the source wiring. Here, when a scanning signal voltage for selecting a certain pixel becomes an on-voltage, a display signal voltage is supplied to thepixel electrode 224 of the pixel and writing with a positive polarity is performed. At this time, the display signal voltage supplied to the source wiring is set so that the potential of thepixel electrode 224 is set as a target potential, and the target potential corresponds to the gray level of the potential difference between thecounter electrode 214 and thepixel electrode 224. Is set to In this way, charging of theliquid crystal layer 230 proceeds by supplying the display signal voltage to thepixel electrode 224. However, since theliquid crystal panel 200 is driven at a vertical scanning frequency of 240 Hz and the period during which the scanning wiring is selected and the display signal voltage is supplied to thepixel electrode 224 is relatively short, the potential of thepixel electrode 224 reaches the target potential. Before the scanning signal voltage is returned to the off voltage. Note that the irradiation area of thebacklight unit 250 is extinguished at least during the first frame update period, and the right eye image written in the first frame update period is not visually recognized by the observer. Further, theright eye shutter 284 opens in the second half of the first frame update period.
 第2フレーム更新期間(2F)においてソース配線には対向電極214よりも高い電位を示す表示信号が供給される。なお、上述したように、右眼画像の書き込みは2フレーム更新期間連続して行われる。当該画素を選択する走査信号電圧がオン電圧になると、当該画素の画素電極224に表示信号電圧が供給されてプラス極性の書き込みが行われる。液晶表示装置100Bでは、第2フレーム更新期間において書き込まれる極性は第1フレーム更新期間と等しく、ソース配線に供給される表示信号電圧は画素電極224の電位を第1フレーム更新期間の目標電位と等しい極性の目標電位とするように設定されている。このため、画素電極224の電位は目標電位まで到達する。なお、ここでは、第2フレーム更新期間の目標電位自体は第1フレーム更新期間の目標電位と等しいが、上述したオーバードライブ駆動等により、第2フレーム更新期間の目標電位は第1フレーム更新期間の目標電位と異なっていてもよい。その後、走査信号電圧はオフ電圧に戻る。バックライトユニット250の照射領域は第2フレーム更新期間において当該画素の書き込みが行われてから1垂直走査期間にわたって点灯する。右眼シャッター284は第2フレーム更新期間にわたって開いたままである。このため、第2フレーム更新期間に書き込まれた右眼画像は観察者に視認される。上述したように、画素電極224の電位は目標電位まで到達しており、この画素は階調レベルに対応する輝度を呈している。In the second frame update period (2F), a display signal indicating a higher potential than thecounter electrode 214 is supplied to the source wiring. As described above, writing of the right eye image is performed continuously for two frame update periods. When the scanning signal voltage for selecting the pixel becomes the ON voltage, the display signal voltage is supplied to thepixel electrode 224 of the pixel, and writing with a positive polarity is performed. In the liquidcrystal display device 100B, the polarity written in the second frame update period is equal to that in the first frame update period, and the display signal voltage supplied to the source line is equal to the target potential in the first frame update period. It is set to be a target potential of polarity. For this reason, the potential of thepixel electrode 224 reaches the target potential. Here, the target potential itself in the second frame update period is equal to the target potential in the first frame update period. It may be different from the target potential. Thereafter, the scanning signal voltage returns to the off voltage. The irradiation area of thebacklight unit 250 is lit for one vertical scanning period after the pixel is written in the second frame update period. Theright eye shutter 284 remains open for the second frame update period. For this reason, the right eye image written in the second frame update period is visually recognized by the observer. As described above, the potential of thepixel electrode 224 has reached the target potential, and this pixel has luminance corresponding to the gradation level.
 次に、第3フレーム更新期間(3F)には左眼画像データが書き込まれる。ここでは、第3フレーム更新期間においてソース配線には対向電極214よりも低い電位を示す表示信号が供給される。当該画素を選択する走査信号電圧がオン電圧になると、当該画素の画素電極224に表示信号電圧が供給されてマイナス極性の書き込みが行われる。ここでも、ソース配線に供給される表示信号電圧は画素電極224の電位を目標電位とするよう設定されている。第3フレーム更新期間の目標電位は第2フレーム更新期間とは異なる極性に設定されており、画素電極224の電位が目標電位まで到達する前に、走査信号電圧はオフ電圧に戻ってしまう。なお、このとき、バックライトユニット250の照射領域は、第3フレーム更新期間の開始時点では点灯したままであるが、第3フレーム更新期間において左眼画像データの書き込みが行われる前に消灯し、第3フレーム更新期間に書き込まれた左眼画像は観察者には視認されない。また、第3フレーム更新期間の後半に、左眼シャッター282が開く。Next, the left eye image data is written in the third frame update period (3F). Here, a display signal having a lower potential than thecounter electrode 214 is supplied to the source wiring in the third frame update period. When the scanning signal voltage for selecting the pixel becomes the on voltage, the display signal voltage is supplied to thepixel electrode 224 of the pixel, and writing with a negative polarity is performed. Again, the display signal voltage supplied to the source line is set so that the potential of thepixel electrode 224 is the target potential. The target potential in the third frame update period is set to a polarity different from that in the second frame update period, and the scanning signal voltage returns to the off voltage before the potential of thepixel electrode 224 reaches the target potential. At this time, the irradiation area of thebacklight unit 250 remains turned on at the start of the third frame update period, but is turned off before the left-eye image data is written in the third frame update period. The left eye image written in the third frame update period is not visually recognized by the observer. In addition, the left-eye shutter 282 opens in the second half of the third frame update period.
 第4フレーム更新期間(4F)においてもソース配線には対向電極214よりも低い電位を示す表示信号が供給される。なお、上述したように、左眼画像の書き込みは2フレーム更新期間連続して行われる。当該画素を選択する走査信号電圧がオン電圧になると、当該画素の画素電極224に表示信号電圧が供給されてマイナス極性の書き込みが行われる。液晶表示装置100Bでは、第4フレーム更新期間において書き込まれる極性は第3フレーム更新期間と等しく、ソース配線に供給される表示信号電圧は画素電極224の電位を第3フレーム更新期間の目標電位と等しい極性の目標電位とするように設定されている。このため、画素電極224の電位は目標電位まで到達する。その後、走査信号電圧はオフ電圧に戻る。バックライトユニット250の照射領域は第4フレーム更新期間において当該画素の書き込みが行われてから1垂直走査期間にわたって点灯する。左眼シャッター282は第4フレーム更新期間にわたって開いたままである。このため、第4フレーム更新期間に書き込まれた左眼画像は観察者に視認される。上述したように、画素電極224の電位は目標電位まで到達しており、この画素は階調レベルに対応する輝度を呈している。In the fourth frame update period (4F), a display signal indicating a lower potential than thecounter electrode 214 is supplied to the source wiring. As described above, writing of the left eye image is performed continuously for two frame update periods. When the scanning signal voltage for selecting the pixel becomes the on voltage, the display signal voltage is supplied to thepixel electrode 224 of the pixel, and writing with a negative polarity is performed. In the liquidcrystal display device 100B, the polarity written in the fourth frame update period is equal to that in the third frame update period, and the display signal voltage supplied to the source line has the potential of thepixel electrode 224 equal to the target potential in the third frame update period. It is set to be a target potential of polarity. For this reason, the potential of thepixel electrode 224 reaches the target potential. Thereafter, the scanning signal voltage returns to the off voltage. The irradiation area of thebacklight unit 250 is lit for one vertical scanning period after the pixel is written in the fourth frame update period. Theleft eye shutter 282 remains open for the fourth frame update period. For this reason, the left eye image written in the fourth frame update period is visually recognized by the observer. As described above, the potential of thepixel electrode 224 has reached the target potential, and this pixel has luminance corresponding to the gradation level.
 このように、液晶パネル200には、左眼画像データが2つの垂直走査期間連続して等しい極性で書き込まれ、右眼画像データが2つの垂直走査期間連続して等しい極性で書き込まれる。このため、開口率の低下および表示ムラを抑制することができる。As described above, the left-eye image data is written in theliquid crystal panel 200 with the same polarity for two vertical scanning periods, and the right-eye image data is written with the same polarity for two vertical scanning periods. For this reason, a decrease in aperture ratio and display unevenness can be suppressed.
 以下、比較例3の液晶表示装置および立体表示システムと比較して本実施形態の液晶表示装置100Bおよび立体表示システム300Bの利点を説明する。まず、図32を参照して比較例3の液晶表示装置700Bおよび立体表示システム900Bを説明する。図32(a)に、立体表示システム900Bの模式図を示す。立体表示システム900Bは、液晶表示装置700Bおよびシャッター眼鏡880を備えている。液晶表示装置700Bは、液晶パネル800およびバックライトユニット850を有している。なお、ここでは図示していないが、バックライトユニット850はそれぞれが個別に点灯・消灯可能な複数の照射領域を有している。液晶パネル800は垂直走査周波数240Hzで駆動される。なお、比較例3の液晶表示装置700Bでも表示モードの切り換えは行われず、液晶表示装置700Bは立体表示モードでのみ表示を行う。Hereinafter, advantages of the liquidcrystal display device 100B and thestereoscopic display system 300B of this embodiment will be described in comparison with the liquid crystal display device and the stereoscopic display system of Comparative Example 3. First, a liquidcrystal display device 700B and astereoscopic display system 900B of Comparative Example 3 will be described with reference to FIG. FIG. 32A shows a schematic diagram of astereoscopic display system 900B. Thestereoscopic display system 900B includes a liquidcrystal display device 700B and shutterglasses 880. The liquidcrystal display device 700B includes aliquid crystal panel 800 and abacklight unit 850. Although not shown here, thebacklight unit 850 has a plurality of irradiation areas that can be individually turned on / off. Theliquid crystal panel 800 is driven at a vertical scanning frequency of 240 Hz. Note that the display mode is not switched in the liquidcrystal display device 700B of Comparative Example 3, and the liquidcrystal display device 700B performs display only in the stereoscopic display mode.
 図32(b)に、液晶パネル800の模式図を示す。液晶パネル800は、前面基板810、背面基板820、および、前面基板810と背面基板820との間に設けられた液晶層830を有している。前面基板810は、透明絶縁基板812および対向電極814を有しており、背面基板820は、透明絶縁基板822および画素電極824を有している。FIG. 32B shows a schematic diagram of theliquid crystal panel 800. Theliquid crystal panel 800 includes afront substrate 810, arear substrate 820, and a liquid crystal layer 830 provided between thefront substrate 810 and therear substrate 820. Thefront substrate 810 has a transparent insulatingsubstrate 812 and acounter electrode 814, and theback substrate 820 has a transparent insulatingsubstrate 822 and apixel electrode 824.
 以下、図33を参照して立体表示システム900Bにおける信号電圧の変化、バックライトユニット850およびシャッター眼鏡880の開閉を説明する。Hereinafter, with reference to FIG. 33, changes in signal voltage and opening / closing of thebacklight unit 850 and theshutter glasses 880 in thestereoscopic display system 900B will be described.
 図33(a)に、対向電極814の電位を基準としたソース配線の電位VLsの変化を示し、図33(b)に、走査信号電圧VLgの波形を示し、図33(c)に、対向電極814の電位を基準とした画素電極824の電位Vpeの変化を示し、図33(d)に、バックライトユニット850の特定の照射領域の点灯・非点灯を示し、図33(e)に、シャッター眼鏡880の開閉を示す。FIG. 33A shows the change in the potential VLs of the source wiring with reference to the potential of thecounter electrode 814, FIG. 33B shows the waveform of the scanning signal voltage VLg, and FIG. A change in the potential Vpe of thepixel electrode 824 with respect to the potential of theelectrode 814 is shown. FIG. 33D shows lighting / non-lighting of a specific irradiation region of thebacklight unit 850, and FIG. The opening and closing of theshutter glasses 880 is shown.
 第1フレーム更新期間(1F)においてソース配線には対向電極814よりも高い電位を示す表示信号が供給される。ここでは、ある画素を選択する走査信号電圧がオン電圧になると、当該画素の画素電極824に表示信号電圧が供給されてプラス極性の書き込みが行われる。このとき、ソース配線に供給される表示信号電圧は画素電極824の電位を目標電位とするように設定されており、この目標電位は対向電極814と画素電極824との電位差が階調レベルに対応するように設定されている。このように画素電極824に表示信号電圧を供給することによって液晶層830の充電が進行する。しかしながら、液晶パネル800は垂直走査周波数240Hzで駆動されており、走査配線が選択されて画素電極824に表示信号電圧が供給される期間が比較的短いため、画素電極824の電位が目標電位まで到達する前に、走査信号電圧はオフ電圧に戻ってしまう。なお、バックライトユニット850の照射領域は少なくとも第1フレーム更新期間の途中から消灯しており、第1フレーム更新期間に書き込まれた右眼画像は観察者には視認されない。また、第1フレーム更新期間の後半に、右眼シャッター884が開く。In the first frame update period (1F), a display signal indicating a higher potential than thecounter electrode 814 is supplied to the source wiring. Here, when a scanning signal voltage for selecting a certain pixel becomes an on-voltage, a display signal voltage is supplied to thepixel electrode 824 of the pixel and writing with a positive polarity is performed. At this time, the display signal voltage supplied to the source wiring is set so that the potential of thepixel electrode 824 is set as a target potential, and the target potential corresponds to the gray level of the potential difference between thecounter electrode 814 and thepixel electrode 824. It is set to be. In this manner, charging of the liquid crystal layer 830 proceeds by supplying the display signal voltage to thepixel electrode 824. However, theliquid crystal panel 800 is driven at a vertical scanning frequency of 240 Hz, and since the period during which the scanning wiring is selected and the display signal voltage is supplied to thepixel electrode 824 is relatively short, the potential of thepixel electrode 824 reaches the target potential. Before the scanning signal voltage is returned to the off voltage. Note that the irradiation area of thebacklight unit 850 is extinguished at least during the first frame update period, and the right-eye image written in the first frame update period is not visually recognized by the observer. Further, theright eye shutter 884 is opened in the second half of the first frame update period.
 第2フレーム更新期間(2F)においてソース配線には対向電極814よりも低い電位を示す表示信号が供給される。右眼画像の書き込みは2フレーム更新期間連続して行われる。当該画素を選択する走査信号電圧がオン電圧になると、当該画素の画素電極824に表示信号電圧が供給されてマイナス極性の書き込みが行われる。比較例3の液晶表示装置700Bでは、第2フレーム更新期間において書き込まれる極性は第1フレーム更新期間とは異なる。このとき、ソース配線に供給される表示信号電圧は画素電極824の電位を目標電位とするように設定されており、この目標電位は対向電極814と画素電極824との電位差が階調レベルに対応するように設定されている。しかしながら、液晶パネル800は垂直走査周波数240Hzで駆動されており、走査配線が選択されて画素電極824に表示信号電圧が供給される期間が比較的短いため、画素電極824の電位が目標電位まで到達する前に、走査信号電圧はオフ電圧に戻ってしまう。バックライトユニット850の照射領域は第2フレーム更新期間において当該画素の書き込みが行われてから1垂直走査期間にわたって点灯する。右眼シャッター884は第2フレーム更新期間にわたって開いたままである。このため、第2フレーム更新期間に書き込まれた右眼画像は観察者に視認される。ただし、上述したように、画素電極824の電位は目標電位まで到達しておらず、この画素は階調レベルに対応する輝度を呈してない。In the second frame update period (2F), a display signal indicating a lower potential than thecounter electrode 814 is supplied to the source wiring. The right eye image is written continuously for two frame update periods. When the scanning signal voltage for selecting the pixel becomes an on voltage, a display signal voltage is supplied to thepixel electrode 824 of the pixel and writing with a negative polarity is performed. In the liquidcrystal display device 700B of Comparative Example 3, the polarity written in the second frame update period is different from that in the first frame update period. At this time, the display signal voltage supplied to the source wiring is set so that the potential of thepixel electrode 824 is set as a target potential, and the target potential corresponds to the gray level of the potential difference between thecounter electrode 814 and thepixel electrode 824. It is set to be. However, theliquid crystal panel 800 is driven at a vertical scanning frequency of 240 Hz, and since the period during which the scanning wiring is selected and the display signal voltage is supplied to thepixel electrode 824 is relatively short, the potential of thepixel electrode 824 reaches the target potential. Before the scanning signal voltage is returned to the off voltage. The irradiation area of thebacklight unit 850 is lit for one vertical scanning period after the pixel is written in the second frame update period. Theright eye shutter 884 remains open for the second frame update period. For this reason, the right eye image written in the second frame update period is visually recognized by the observer. However, as described above, the potential of thepixel electrode 824 does not reach the target potential, and the pixel does not exhibit luminance corresponding to the gradation level.
 次に、第3フレーム更新期間(3F)には左眼画像データが書き込まれる。ここでは、第3フレーム更新期間においてソース配線には対向電極814よりも高い電位を示す表示信号が供給される。当該画素を選択する走査信号電圧がオン電圧になると、当該画素の画素電極824に表示信号電圧が供給され、画素電極824の電位が対向電極814の電位よりも高くなる。このように、第3フレーム更新期間においてプラス極性の書き込みが行われる。しかしながら、第3フレーム更新期間において書き込まれる極性は第2フレーム更新期間とは異なるため、画素電極824の電位は目標電位まで到達する前に、走査信号電圧はオフ電圧に戻ってしまう。なお、このとき、バックライトユニット850の照射領域は、第3フレーム更新期間の開始時点では点灯したままであるが、第3フレーム更新期間において左眼画像データの書き込みが行われる前に消灯し、第3フレーム更新期間に書き込まれた左眼画像は観察者に視認されない。また、第3フレーム更新期間の後半に、右眼シャッター884が開く。Next, the left eye image data is written in the third frame update period (3F). Here, a display signal having a higher potential than thecounter electrode 814 is supplied to the source wiring in the third frame update period. When the scanning signal voltage for selecting the pixel is turned on, the display signal voltage is supplied to thepixel electrode 824 of the pixel, and the potential of thepixel electrode 824 becomes higher than the potential of thecounter electrode 814. In this way, positive polarity writing is performed in the third frame update period. However, since the polarity written in the third frame update period is different from that in the second frame update period, the scanning signal voltage returns to the off voltage before the potential of thepixel electrode 824 reaches the target potential. At this time, the irradiation area of thebacklight unit 850 remains turned on at the start of the third frame update period, but is turned off before the left-eye image data is written in the third frame update period. The left eye image written in the third frame update period is not visually recognized by the observer. Further, theright eye shutter 884 is opened in the second half of the third frame update period.
 第4フレーム更新期間(4F)においてもソース配線には対向電極814よりも低い電位を示す表示信号が供給される。なお、上述したように、左眼画像の書き込みは2フレーム更新期間連続して行われる。当該画素を選択する走査信号電圧がオン電圧になると、当該画素の画素電極824に表示信号電圧が供給されてマイナス極性の書き込みが行われる。比較例3の液晶表示装置700Bでは、第4フレーム更新期間において書き込まれる極性は第3フレーム更新期間とは異なる。このため、画素電極824の電位が目標電位まで到達する前に、走査信号電圧はオフ電圧に戻ってしまう。なお、バックライトユニット850の照射領域は第4フレーム更新期間において当該画素の書き込みが行われてから1垂直走査期間にわたって点灯する。左眼シャッター882は第4フレーム更新期間にわたって開いたままである。このため、第4フレーム更新期間に書き込まれた左眼画像は観察者に視認される。ただし、上述したように、画素電極824の電位は目標電位まで到達しておらず、この画素は階調レベルに対応する輝度を呈してない。In the fourth frame update period (4F), a display signal indicating a lower potential than thecounter electrode 814 is supplied to the source wiring. As described above, writing of the left eye image is performed continuously for two frame update periods. When the scanning signal voltage for selecting the pixel becomes an on voltage, a display signal voltage is supplied to thepixel electrode 824 of the pixel and writing with a negative polarity is performed. In the liquidcrystal display device 700B of Comparative Example 3, the polarity written in the fourth frame update period is different from that in the third frame update period. For this reason, the scanning signal voltage returns to the off voltage before the potential of thepixel electrode 824 reaches the target potential. Note that the irradiation region of thebacklight unit 850 is turned on for one vertical scanning period after the pixel is written in the fourth frame update period. Theleft eye shutter 882 remains open for the fourth frame update period. For this reason, the left eye image written in the fourth frame update period is visually recognized by the observer. However, as described above, the potential of thepixel electrode 824 does not reach the target potential, and the pixel does not exhibit luminance corresponding to the gradation level.
 このように、右眼画像データおよび左眼画像データのそれぞれ書き込まれる2つの垂直走査期間の画素の極性が異なることにより、画素電極824の電位はいずれの期間においても目標電位に到達しないことがある。特に、対向電極814の電位から大きく離れた目標電位が設定される場合、例えば、ノーマリーブラックモードにおける高輝度に対応する場合、画素電極824の電位は目標電位まで到達しないことがある。As described above, since the polarities of the pixels in the two vertical scanning periods in which the right eye image data and the left eye image data are respectively written are different, the potential of thepixel electrode 824 may not reach the target potential in any period. . In particular, when a target potential that is far away from the potential of thecounter electrode 814 is set, for example, when dealing with high luminance in the normally black mode, the potential of thepixel electrode 824 may not reach the target potential.
 また、上述した説明では、過度に複雑になることを防ぐために1つの画素に着目していたが、異なる2つの画素に着目すると、例えば、第4フレーム更新期間において左眼画像データの書き込まれる2つの画素の階調レベルが互いに等しくても、その直前の右眼画像データの書き込まれた階調レベルが異なる場合には、左眼画像データの書き込まれた2つの画素の輝度が異なることがある。具体的には、第2フレーム更新期間において一方の画素の画素電極824の電位が対向電極814の電位と等しい(この画素の階調レベルが低い)場合、第3フレーム更新期間においてこの画素電極824の電位が目標電位に到達するが、第4フレーム更新期間においてこの画素電極824の電位が目標電位に到達しないことがある。これに対して、第2フレーム更新期間において他方の画素の画素電極824の電位が対向電極814の電位と大きく異なる(この画素の階調レベルが高い)場合、第3フレーム更新期間においてこの画素電極824の電位は目標電位に到達せず、第4フレーム更新期間においてこの画素電極824の電位が目標電位に到達することがある。このように、右眼画像データおよび左眼画像データのそれぞれ書き込まれる2つの垂直走査期間の画素の極性が異なることにより、対象となる右眼画像または左眼画像の表示は、その直前の左眼画像または右眼画像の影響を受けることがあり、これが表示ムラとして視認される。In the above description, attention is paid to one pixel in order to prevent overcomplexity. However, if attention is paid to two different pixels, for example, left-eye image data is written in the fourthframe update period 2. Even if the gradation levels of two pixels are equal to each other, the brightness of the two pixels written with the left-eye image data may be different if the gradation level written with the right-eye image data immediately before is different. . Specifically, when the potential of thepixel electrode 824 of one pixel is equal to the potential of thecounter electrode 814 in the second frame update period (the gray level of this pixel is low), thepixel electrode 824 in the third frame update period. The potential of thepixel electrode 824 may not reach the target potential in the fourth frame update period. On the other hand, when the potential of thepixel electrode 824 of the other pixel is significantly different from the potential of thecounter electrode 814 in the second frame update period (the gray level of this pixel is high), this pixel electrode in the third frame update period. The potential of 824 does not reach the target potential, and the potential of thepixel electrode 824 may reach the target potential in the fourth frame update period. As described above, since the polarities of the pixels in the two vertical scanning periods in which the right eye image data and the left eye image data are respectively written are different, the target right eye image or left eye image is displayed immediately before the left eye. The image or the right eye image may be affected, and this is visually recognized as display unevenness.
 また、信号遅延等を抑制するために、液晶パネル800内の配線幅を増大させれば、表示ムラ自体を抑制することは不可能ではないが、この場合、液晶パネル800の開口率が低下してしまう。Further, if the wiring width in theliquid crystal panel 800 is increased in order to suppress signal delay or the like, it is not impossible to suppress display unevenness itself, but in this case, the aperture ratio of theliquid crystal panel 800 is reduced. End up.
 これに対して、本実施形態の液晶表示装置100Bでは左眼画像データおよび右眼画像データが連続する2つの垂直走査期間にわたって等しい極性で書き込まれるため、開口率を低下させることなく表示ムラを抑制することができる。このため、垂直走査周波数240Hzで駆動される液晶パネル200として、いわゆる倍速駆動の液晶パネルを好適に用いることができる。また、このように画素の極性を2つの垂直走査期間ごとに反転させることにより、フリッカの発生を抑制することができる。On the other hand, in the liquidcrystal display device 100B of this embodiment, the left eye image data and the right eye image data are written with the same polarity over two consecutive vertical scanning periods, so that display unevenness is suppressed without reducing the aperture ratio. can do. For this reason, a so-called double speed driving liquid crystal panel can be suitably used as theliquid crystal panel 200 driven at a vertical scanning frequency of 240 Hz. In addition, the occurrence of flicker can be suppressed by reversing the polarity of the pixel every two vertical scanning periods.
 以下、図34を参照して立体表示システム300Bを説明する。図34(a)は、複数の走査配線に供給される走査信号電圧の波形図であり、図34(b)はバックライトユニットの点灯・非点灯を示す模式図であり、図34(c)はシャッター眼鏡の開閉を示す模式図である。Hereinafter, thestereoscopic display system 300B will be described with reference to FIG. FIG. 34A is a waveform diagram of scanning signal voltages supplied to a plurality of scanning wirings, and FIG. 34B is a schematic diagram showing lighting / non-lighting of the backlight unit, and FIG. FIG. 4 is a schematic diagram showing opening and closing of shutter glasses.
 第1フレーム更新期間(1F)において複数の走査配線が順番に選択される。第1フレーム更新期間にわたって、シャッター眼鏡280の左眼シャッター282は開いたままである。第1フレーム更新期間の開始時点ではバックライトユニット250に設けられた複数の照射領域252はすべて点灯しており、このため、第1フレーム更新期間の開始時点では観察者の左眼には左眼画像が視認される。第1フレーム更新期間において走査配線が選択されるのに応じて対応する照射領域252は順番に消灯し、観察者は左眼画像を視認しなくなる。In the first frame update period (1F), a plurality of scan wirings are selected in order. Over the first frame update period, theleft eye shutter 282 of theshutter glasses 280 remains open. At the start time of the first frame update period, all of the plurality ofirradiation areas 252 provided in thebacklight unit 250 are lit. Therefore, at the start time of the first frame update period, the left eye of the observer The image is visible. As the scanning wiring is selected in the first frame update period, the correspondingirradiation areas 252 are turned off in turn, and the observer does not visually recognize the left eye image.
 第2フレーム更新期間(2F)において複数の走査配線が順番に選択される。第2フレーム更新期間にわたって、シャッター眼鏡280の左眼シャッター282は閉じたままであり、右眼シャッター284は開いたままである。また、第2フレーム更新期間の開始時点ではバックライトユニット250に設けられた複数の照射領域252はすべて消灯しており、このため、この期間において観察者は左眼画像を視認しない。第2フレーム更新期間において走査配線が選択されるのに応じて対応する照射領域252は順番に点灯し、これに伴い、観察者は右眼画像を視認する。In the second frame update period (2F), a plurality of scan wirings are selected in order. Over the second frame update period, theleft eye shutter 282 of theshutter glasses 280 remains closed and theright eye shutter 284 remains open. Further, at the start of the second frame update period, all of the plurality ofirradiation regions 252 provided in thebacklight unit 250 are turned off, and thus the observer does not visually recognize the left eye image during this period. As the scanning wiring is selected in the second frame update period, the correspondingirradiation areas 252 are sequentially turned on, and accordingly, the observer visually recognizes the right eye image.
 第3フレーム更新期間(3F)において複数の走査配線が順番に選択される。第3フレーム更新期間にわたって、シャッター眼鏡280の右眼シャッター284は開いたままである。また、第3フレーム更新期間の開始時点ではバックライトユニット250に設けられた複数の照射領域252はすべて点灯している。このため、この期間において観察者は右眼画像を視認する。第3フレーム更新期間において走査配線が選択されるのに応じて対応する照射領域252は順番に消灯し、観察者は右眼画像を視認しなくなる。In the third frame update period (3F), a plurality of scanning wirings are selected in order. Over the third frame update period, theright eye shutter 284 of theshutter glasses 280 remains open. Further, at the start of the third frame update period, all of the plurality ofirradiation areas 252 provided in thebacklight unit 250 are lit. For this reason, the observer visually recognizes the right eye image during this period. As the scanning wiring is selected in the third frame update period, the correspondingirradiation regions 252 are turned off in order, and the observer does not visually recognize the right eye image.
 第4フレーム更新期間(4F)において複数の走査配線が順番に選択される。第4フレーム更新期間にわたって、シャッター眼鏡280の右眼シャッター284は閉じたままであり、左眼シャッター282は開いたままである。第4フレーム更新期間の開始時点ではバックライトユニット250に設けられた複数の照射領域252はすべて消灯している。このため、この期間において観察者は左眼画像を視認しない。第4フレーム更新期間において走査配線が選択されるのに応じて対応する照射領域252は順番に点灯し、これに伴い、観察者は左眼画像を視認する。このように、シャッター眼鏡280の左眼シャッター282および右眼シャッター284のいずれかが開いており、観察者の視認はバックライトユニット250の点灯・消灯に応じて変化してもよい。In the fourth frame update period (4F), a plurality of scan wirings are selected in order. Over the fourth frame update period, theright eye shutter 284 of theshutter glasses 280 remains closed and theleft eye shutter 282 remains open. At the start of the fourth frame update period, all of the plurality ofirradiation areas 252 provided in thebacklight unit 250 are turned off. For this reason, the observer does not visually recognize the left eye image during this period. As the scanning wiring is selected in the fourth frame update period, the correspondingirradiation areas 252 are sequentially turned on, and accordingly, the observer visually recognizes the left eye image. Thus, either theleft eye shutter 282 or theright eye shutter 284 of theshutter glasses 280 is open, and the viewer's visual recognition may change according to whether thebacklight unit 250 is turned on or off.
 ただし、図31に示した4つのフレーム更新期間の書き込みが繰り返して行われる場合、この画素には、右眼画像データはプラス極性で書き込まれ、左眼画像データはマイナス極性で書き込まれることになる。この場合、仮に、この画素の右眼画像データおよび左眼画像データの階調レベルが互いに等しかったとしても、右眼画像データの書き込まれた画素の輝度は左眼画像データの書き込まれた画素の輝度とは異なり、適切な表示が行われないことがある。このため、右眼画像データが期間に応じてプラス極性またはマイナス極性で書き込まれ、同様に、左眼画像データも期間に応じてプラス極性またはマイナス極性で書き込まれることが好ましい。However, when the writing in the four frame update periods shown in FIG. 31 is repeatedly performed, the right eye image data is written with positive polarity and the left eye image data is written with negative polarity in this pixel. . In this case, even if the gradation levels of the right eye image data and the left eye image data of this pixel are equal to each other, the luminance of the pixel to which the right eye image data is written is that of the pixel to which the left eye image data is written. Unlike brightness, proper display may not be performed. For this reason, it is preferable that the right eye image data is written with a positive polarity or a negative polarity depending on the period, and similarly, the left eye image data is also written with a positive polarity or a negative polarity depending on the period.
 図35(a)に、対向電極214の電位Vcomを基準としたソース配線の電位VLsの変化を示し、図35(b)に、走査信号電圧VLgの波形を示し、図35(c)に、対向電極214の電位Vcomを基準とした画素電極224の電位Vpeの変化を示し、図35(d)に、バックライトユニット250の点灯・非点灯を示し、図35(e)に、シャッター眼鏡280の開閉を示す。FIG. 35A shows a change in the potential VLs of the source wiring with reference to the potential Vcom of thecounter electrode 214, FIG. 35B shows a waveform of the scanning signal voltage VLg, and FIG. A change in the potential Vpe of thepixel electrode 224 with respect to the potential Vcom of thecounter electrode 214 is shown. FIG. 35D shows lighting / non-lighting of thebacklight unit 250, and FIG. 35E showsshutter glasses 280. Shows opening and closing.
 図35(a)から理解されるように、各ソース配線に供給される表示信号の電位と対向電極の電位との関係はフレーム更新期間内において変化しない。このため、フレーム更新期間内の表示信号の電位の変化を小さくすることができ、消費電力が低減される。As understood from FIG. 35A, the relationship between the potential of the display signal supplied to each source wiring and the potential of the counter electrode does not change within the frame update period. For this reason, the change in potential of the display signal within the frame update period can be reduced, and power consumption is reduced.
 また、ここでは、図35(c)において特定の画素の画素電極の電位Vpeの変化に着目する。なお、この画素の階調レベルは第1フレーム更新期間(1F)から第8フレーム更新期間(8F)にわたって変化せず、左眼画像データのこの画素の階調レベルは右眼画像データの階調レベルとほぼ等しい。例えば、この画素は、立体表示の行われる画像に含まれる物体の中央部分に対応している。Here, attention is paid to the change in the potential Vpe of the pixel electrode of a specific pixel in FIG. The gradation level of this pixel does not change from the first frame update period (1F) to the eighth frame update period (8F), and the gradation level of this pixel of the left eye image data is the gradation of the right eye image data. It is almost equal to the level. For example, this pixel corresponds to the central portion of an object included in an image on which stereoscopic display is performed.
 第1フレーム更新期間(1F)においてソース配線には対向電極214よりも高い電位を示す表示信号が供給される。ここでは、ある画素を選択する走査信号電圧がオン電圧になると、当該画素の画素電極224に表示信号電圧が供給されてプラス極性の書き込みが行われる。このとき、ソース配線に供給される表示信号電圧は画素電極224の電位を目標電位とするよう設定されており、この目標電位は対向電極214と画素電極224との電位差が階調レベルに対応するように設定されている。このように画素電極224に表示信号電圧を供給することによって液晶層230の充電が進行する。しかしながら、液晶パネル200は垂直走査周波数240Hzで駆動されており、走査配線が選択されて画素電極224に表示信号電圧が供給される期間が比較的短いため、画素電極224の電位が目標電位まで到達する前に、走査信号電圧はオフ電圧に戻ってしまう。なお、バックライトユニット250の照射領域252は少なくとも第1フレーム更新期間の途中から消灯しており、第1フレーム更新期間に書き込まれた右眼画像は観察者には視認されない。また、第1フレーム更新期間の後半に、右眼シャッター284が開く。In the first frame update period (1F), a display signal indicating a higher potential than thecounter electrode 214 is supplied to the source wiring. Here, when a scanning signal voltage for selecting a certain pixel becomes an on-voltage, a display signal voltage is supplied to thepixel electrode 224 of the pixel and writing with a positive polarity is performed. At this time, the display signal voltage supplied to the source wiring is set so that the potential of thepixel electrode 224 is set as a target potential, and the target potential corresponds to the gray level of the potential difference between thecounter electrode 214 and thepixel electrode 224. Is set to In this way, charging of theliquid crystal layer 230 proceeds by supplying the display signal voltage to thepixel electrode 224. However, since theliquid crystal panel 200 is driven at a vertical scanning frequency of 240 Hz and the period during which the scanning wiring is selected and the display signal voltage is supplied to thepixel electrode 224 is relatively short, the potential of thepixel electrode 224 reaches the target potential. Before the scanning signal voltage is returned to the off voltage. Note that theirradiation area 252 of thebacklight unit 250 is turned off at least during the first frame update period, and the right-eye image written in the first frame update period is not visually recognized by the observer. Further, theright eye shutter 284 opens in the second half of the first frame update period.
 第2フレーム更新期間(2F)においてもソース配線には対向電極214よりも高い電位を示す表示信号が供給される。なお、上述したように、右眼画像の書き込みは2フレーム更新期間連続して行われる。当該画素を選択する走査信号電圧がオン電圧になると、当該画素の画素電極224に表示信号電圧が供給されてプラス極性の書き込みが行われる。第2フレーム更新期間において書き込まれる極性は第1フレーム更新期間と等しく、ソース配線に供給される表示信号電圧は画素電極224の電位を第1フレーム更新期間の目標電位と等しい極性の目標電位とするように設定されている。このため、画素電極224の電位は目標電位まで到達する。その後、走査信号電圧はオフ電圧に戻る。バックライトユニット250の照射領域252は第2フレーム更新期間において当該画素の書き込みが行われてから1垂直走査期間にわたって点灯する。右眼シャッター284は第2フレーム更新期間にわたって開いたままである。このため、第2フレーム更新期間に書き込まれた右眼画像は観察者に視認される。In the second frame update period (2F), a display signal indicating a higher potential than thecounter electrode 214 is supplied to the source wiring. As described above, writing of the right eye image is performed continuously for two frame update periods. When the scanning signal voltage for selecting the pixel becomes the ON voltage, the display signal voltage is supplied to thepixel electrode 224 of the pixel, and writing with a positive polarity is performed. The polarity written in the second frame update period is equal to that in the first frame update period, and the display signal voltage supplied to the source wiring uses the potential of thepixel electrode 224 as the target potential having the same polarity as the target potential in the first frame update period. Is set to For this reason, the potential of thepixel electrode 224 reaches the target potential. Thereafter, the scanning signal voltage returns to the off voltage. Theirradiation region 252 of thebacklight unit 250 is lit for one vertical scanning period after the pixel is written in the second frame update period. Theright eye shutter 284 remains open for the second frame update period. For this reason, the right eye image written in the second frame update period is visually recognized by the observer.
 次に、第3フレーム更新期間(3F)には左眼画像データが書き込まれる。ここでは、第3フレーム更新期間においてソース配線には対向電極214よりも高い電位を示す表示信号が供給される。当該画素を選択する走査信号電圧がオン電圧になると、当該画素の画素電極224に表示信号電圧が供給されてプラス極性の書き込みが行われる。ここでも、ソース配線に供給される表示信号電圧は画素電極224の電位を第2フレーム更新期間と等しい極性の目標電位とするように設定されている。このため、画素電極224の電位は目標電位まで到達する。なお、バックライトユニット250は、第3フレーム更新期間の開始時点で点灯したままであるが、第3フレーム更新期間において左眼画像データの書き込みが行われる前に消灯し、第3フレーム更新期間に書き込まれた左眼画像は観察者には視認されない。また、第3フレーム更新期間の後半に、左眼シャッター282が開く。Next, the left eye image data is written in the third frame update period (3F). Here, a display signal having a higher potential than thecounter electrode 214 is supplied to the source wiring in the third frame update period. When the scanning signal voltage for selecting the pixel becomes the ON voltage, the display signal voltage is supplied to thepixel electrode 224 of the pixel, and writing with a positive polarity is performed. Here again, the display signal voltage supplied to the source wiring is set so that the potential of thepixel electrode 224 is set to a target potential having the same polarity as the second frame update period. For this reason, the potential of thepixel electrode 224 reaches the target potential. Note that thebacklight unit 250 remains lit at the start of the third frame update period, but is turned off before the left-eye image data is written in the third frame update period, and in the third frame update period. The written left eye image is not visually recognized by the observer. In addition, the left-eye shutter 282 opens in the second half of the third frame update period.
 第4フレーム更新期間(4F)においてもソース配線には対向電極214よりも高い電位を示す表示信号が供給される。なお、上述したように、左眼画像の書き込みは2フレーム更新期間連続して行われる。当該画素を選択する走査信号電圧がオン電圧になると、当該画素の画素電極224に表示信号電圧が供給されてプラス極性の書き込みが行われる。第4フレーム更新期間において書き込まれる極性は第3フレーム更新期間と等しく、画素電極224の電位が第3フレーム更新期間の目標電位と等しい極性になるように表示信号電圧は設定されており、画素電極224の電位は目標電位まで到達する。その後、走査信号電圧はオフ電圧に戻る。バックライトユニット250の照射領域252は第4フレーム更新期間において当該画素の書き込みが行われてから1垂直走査期間にわたって点灯する。左眼シャッター282は第4フレーム更新期間にわたって開いたままである。このため、第4フレーム更新期間に書き込まれた左眼画像は観察者に視認される。In the fourth frame update period (4F), a display signal indicating a higher potential than thecounter electrode 214 is supplied to the source wiring. As described above, writing of the left eye image is performed continuously for two frame update periods. When the scanning signal voltage for selecting the pixel becomes the ON voltage, the display signal voltage is supplied to thepixel electrode 224 of the pixel, and writing with a positive polarity is performed. The display signal voltage is set so that the polarity written in the fourth frame update period is equal to that in the third frame update period, and the potential of thepixel electrode 224 is equal to the target potential in the third frame update period. The potential of 224 reaches the target potential. Thereafter, the scanning signal voltage returns to the off voltage. Theirradiation region 252 of thebacklight unit 250 is lit for one vertical scanning period after the pixel is written in the fourth frame update period. Theleft eye shutter 282 remains open for the fourth frame update period. For this reason, the left eye image written in the fourth frame update period is visually recognized by the observer.
 第5フレーム更新期間(5F)においてソース配線には対向電極214よりも低い電位を示す表示信号が供給される。ここでは、ある画素を選択する走査信号電圧がオン電圧になると、当該画素の画素電極224に表示信号電圧が供給されてマイナス極性の書き込みが行われる。ここでも、ソース配線に供給される表示信号電圧は画素電極224の電位を目標電位とするよう設定されているが、第5フレーム更新期間の目標電位は第4フレーム更新期間とは異なる極性に設定されており、画素電極224の電位が目標電位まで到達する前に、走査信号電圧はオフ電圧に戻ってしまう。なお、バックライトユニット250の照射領域252は少なくとも第5フレーム更新期間の途中から消灯しており、第5フレーム更新期間に書き込まれた右眼画像は観察者には視認されない。また、第5フレーム更新期間の後半に、右眼シャッター284が開く。In the fifth frame update period (5F), a display signal indicating a lower potential than thecounter electrode 214 is supplied to the source wiring. Here, when a scanning signal voltage for selecting a certain pixel becomes an on-voltage, a display signal voltage is supplied to thepixel electrode 224 of the pixel and writing with a negative polarity is performed. Here again, the display signal voltage supplied to the source wiring is set so that the potential of thepixel electrode 224 is the target potential, but the target potential in the fifth frame update period is set to a polarity different from that in the fourth frame update period. Thus, the scanning signal voltage returns to the off voltage before the potential of thepixel electrode 224 reaches the target potential. Note that theirradiation region 252 of thebacklight unit 250 is turned off at least during the fifth frame update period, and the right-eye image written during the fifth frame update period is not visually recognized by the observer. Also, theright eye shutter 284 opens in the second half of the fifth frame update period.
 第6フレーム更新期間(6F)から第8フレーム更新期間(8F)は、表示信号電圧の極性、および、画素電極224の極性が異なる点を除いて第2フレーム更新期間(2F)から第4フレーム更新期間(4F)と同様であり、冗長を避けるために重複する説明を省略する。このように、液晶パネル200において画素の極性の反転は4垂直走査期間ごとに行ってもよい。From the sixth frame update period (6F) to the eighth frame update period (8F), except that the polarity of the display signal voltage and the polarity of thepixel electrode 224 are different, the second frame update period (2F) to the fourth frame. This is the same as the update period (4F), and redundant description is omitted to avoid redundancy. Thus, in theliquid crystal panel 200, the pixel polarity may be inverted every four vertical scanning periods.
 以上のように、右眼画像データおよび左眼画像データを2つの垂直走査期間ずつ等しい極性で書き込むことにより、開口率の低下および表示ムラを抑制することができる。また、画素の極性の反転を4垂直走査期間ごとに行うことにより、垂直走査期間に応じて、右眼画像データをプラス極性およびマイナス極性で書き込むとともに左眼画像データをプラス極性およびマイナス極性で書き込むことができ、結果として、極性に起因する輝度ずれを抑制することができる。As described above, by writing the right eye image data and the left eye image data with the same polarity for each of the two vertical scanning periods, it is possible to suppress a decrease in aperture ratio and display unevenness. Further, by reversing the polarity of the pixels every four vertical scanning periods, the right eye image data is written with positive polarity and negative polarity and the left eye image data is written with positive polarity and negative polarity according to the vertical scanning period. As a result, luminance deviation due to polarity can be suppressed.
 なお、上述した説明では、隣接するソース配線に異なる極性の表示信号電圧が供給されたが、本発明はこれに限定されない。あるフレーム更新期間においてすべてのソース配線に同一極性の表示信号電圧が供給されてもよい。この場合、フレーム更新期間の終了時において列方向に隣接する画素の極性は等しい。In the above description, display signal voltages having different polarities are supplied to adjacent source lines, but the present invention is not limited to this. The display signal voltage having the same polarity may be supplied to all the source wirings in a certain frame update period. In this case, the polarities of the pixels adjacent in the column direction are equal at the end of the frame update period.
 あるいは、フレーム更新期間の終了時において行方向および列方向に隣接する画素の極性は反転していてもよい。例えば、あるフレーム更新期間において、各ソース配線に供給される表示信号電圧の極性は水平走査期間ごとに反転してもよく、液晶パネル200はドット反転で駆動されてもよい。または、マトリクス状に配列された画素は、奇数行および偶数行の一方の画素に書き込みが行われた後に他方の画素に書き込みが行われる1以上のブロックに分かれていてもよい。Alternatively, the polarities of adjacent pixels in the row direction and the column direction may be reversed at the end of the frame update period. For example, in a certain frame update period, the polarity of the display signal voltage supplied to each source line may be inverted every horizontal scanning period, and theliquid crystal panel 200 may be driven by dot inversion. Alternatively, the pixels arranged in a matrix may be divided into one or more blocks in which writing is performed on one pixel in an odd row and an even row and then writing is performed on the other pixel.
 図36(a)に、ブロック内において書き込まれた画素の極性および書き込みの行われる順番を示す。例えば、ある水平走査期間において、ある行の行方向に隣接する画素には異なる極性の書き込みが行われた後、次の水平走査期間において、直前の水平走査期間に書き込みが行われた画素の行に隣接する行を飛び越して、直前の水平走査期間に書き込みの行われた画素の行から2行離れた行の画素に直前の水平走査期間の極性と等しい極性で書き込みを行い、以後、ブロック内で同様に1行おきに等しい極性で順番に書き込みを行う。その後、ブロック内で先の書き込みで飛越された画素の行に先の書き込みとは異なる極性で順番に書き込みを行う。この書き込みも1行おきに等しい極性で行われる。これにより、例えば、ある列のブロック内の画素について、偶数行の画素にはプラス極性の書き込みが行われ、奇数行の画素にはマイナス極性の書き込みが行われる。FIG. 36 (a) shows the polarities of the pixels written in the block and the order of writing. For example, in a certain horizontal scanning period, writing of different polarities is performed on pixels adjacent in a row direction of a certain row, and then, in a next horizontal scanning period, a row of pixels in which writing is performed in the immediately preceding horizontal scanning period. The pixel adjacent to is skipped and writing is performed with the same polarity as the polarity of the immediately preceding horizontal scanning period to the pixels in the row that is two rows away from the row of pixels that were written during the immediately preceding horizontal scanning period. Similarly, writing is performed in order with the same polarity every other row. After that, writing is sequentially performed on the pixel rows skipped by the previous writing in the block with a polarity different from the previous writing. This writing is also performed with the same polarity every other row. Thereby, for example, with respect to the pixels in the block of a certain column, the writing of the positive polarity is performed on the pixels of the even-numbered rows, and the writing of the negative polarity is performed on the pixels of the odd-numbered rows.
 図36(b)に、対向電極214の電位Vcomを基準としたソース配線の電位VLsの変化を示す。ここでは、2ブロックに分けられた液晶パネル200における特定のソース配線の1フレーム更新期間内の電位VLsの変化に着目している。このソース配線では、1フレーム更新期間内において、例えば、第1ブロック内の奇数行の画素にプラス極性の書き込みが行われ、次に偶数行の画素にマイナス極性の書き込みが行われ、次に、第2ブロック内の奇数行の画素にプラス極性の書き込みが行われ、次に偶数行の画素にマイナス極性の書き込みが行われる。なお、上記ソース配線に隣接するソース配線には同じフレーム更新期間内において、第1ブロック内の奇数行の画素にマイナス極性の書き込みが行われ、次に偶数行の画素にプラス極性の書き込みが行われ、次に第2ブロック内の奇数行の画素にマイナス極性の書き込みが行われ、次に偶数行の画素にプラス極性の書き込みが行われる。FIG. 36B shows a change in the potential VLs of the source wiring with the potential Vcom of thecounter electrode 214 as a reference. Here, attention is paid to a change in the potential VLs within one frame update period of a specific source wiring in theliquid crystal panel 200 divided into two blocks. In this source wiring, within one frame update period, for example, a positive polarity write is performed on odd-numbered rows of pixels in the first block, then a negative polarity write is performed on even-numbered rows of pixels, and then The positive polarity writing is performed on the odd-numbered pixels in the second block, and the negative polarity writing is performed on the even-numbered pixels. In addition, in the same frame update period, negative polarity writing is performed on the odd-numbered pixels in the first block and then positive polarity writing is performed on the even-numbered pixels in the source wiring adjacent to the source wiring. Next, negative polarity writing is performed on the odd-numbered pixels in the second block, and then positive polarity writing is performed on the even-numbered pixels.
 以下、図37を参照して、立体表示システム300Bにおける信号電圧の変化、バックライトユニット250およびシャッター眼鏡280の開閉を説明する。Hereinafter, with reference to FIG. 37, changes in signal voltage and opening / closing of thebacklight unit 250 and theshutter glasses 280 in thestereoscopic display system 300B will be described.
 図37(a)に、液晶パネル200における対向電極214の電位Vcomを基準とした表示信号の電位VLsの変化を示し、図37(b)に、走査信号電圧VLgの波形を示し、図37(c)に、対向電極214の電位Vcomを基準とした画素電極224の電位Vpeの変化を示し、図37(d)に、バックライトユニット250の特定の照射領域252の点灯・非点灯を示し、図37(e)に、シャッター眼鏡280の開閉を示す。なお、図37は、図37(a)に示した表示信号の電位VLsの変化が異なる点を除いて上述した図33と同様であり、冗長を避けるために重複する説明を省略する。FIG. 37A shows a change in the potential VLs of the display signal based on the potential Vcom of thecounter electrode 214 in theliquid crystal panel 200, FIG. 37B shows a waveform of the scanning signal voltage VLg, and FIG. FIG. 37C shows a change in the potential Vpe of thepixel electrode 224 with reference to the potential Vcom of thecounter electrode 214. FIG. 37D shows lighting / non-lighting of aspecific irradiation region 252 of thebacklight unit 250. FIG. 37 (e) shows the opening and closing of theshutter glasses 280. FIG. Note that FIG. 37 is the same as FIG. 33 described above except that the change in the potential VLs of the display signal shown in FIG. 37A is different, and redundant description is omitted to avoid redundancy.
 図37(a)から理解されるように、ソース配線に供給される表示信号の電位および対向電極の電位の関係はフレーム更新期間の約1/4にわたって変化しないため、消費電力を低減させることができる。例えば、第1ブロック内の奇数行の画素がプラス極性で書き込まれた後、偶数行の画素はマイナス極性で書き込まれ、次に、第2ブロック内の奇数行の画素がプラス極性で書き込まれ、最後に、偶数行の画素がマイナス極性で書き込まれる。これにより、フレーム更新期間の終了時において列方向に隣接する画素の極性は互いに異なる。なお、図37(a)では、第1フレーム更新期間において表示信号電圧の極性がプラス、マイナス、プラスおよびマイナス極性と変化するソース配線に着目しているが、第1フレーム更新期間においてこのソース配線に隣接するソース配線に供給される表示信号電圧の極性はマイナス、プラス、マイナスおよびプラス極性と変化する。なお、図37(b)において走査信号電圧VLgがオン電圧となる期間は3.4μsである。また、図37(c)では、フレーム更新期間内において当該ソース配線からプラス極性の表示信号が供給される場合に選択される特定の画素の画素電極224の電位Vpeの変化に着目している。As can be understood from FIG. 37A, the relationship between the potential of the display signal supplied to the source wiring and the potential of the counter electrode does not change over about ¼ of the frame update period, so that power consumption can be reduced. it can. For example, after odd-numbered rows of pixels in the first block are written with positive polarity, even-numbered rows of pixels are written with negative polarity, then odd-numbered rows of pixels in the second block are written with positive polarity, Finally, even rows of pixels are written with negative polarity. Thereby, the polarities of pixels adjacent in the column direction are different from each other at the end of the frame update period. In FIG. 37A, attention is paid to the source wiring in which the polarity of the display signal voltage changes to plus, minus, plus, and minus polarity in the first frame update period. The polarity of the display signal voltage supplied to the source line adjacent to the gate line changes to minus, plus, minus, and plus polarity. In FIG. 37B, the period during which the scanning signal voltage VLg is on is 3.4 μs. In FIG. 37C, attention is paid to a change in the potential Vpe of thepixel electrode 224 of a specific pixel selected when a positive polarity display signal is supplied from the source wiring in the frame update period.
 第1フレーム更新期間(1F)において、このソース配線に供給される表示信号の極性はプラス、マイナス、プラスおよびマイナス極性と変化する。この場合、当該画素を選択する走査信号電圧がオン電圧になると、当該画素の画素電極224に表示信号電圧が供給されてプラス極性の書き込みが行われる。このとき、走査配線が選択されて画素電極224に表示信号電圧が供給される期間が比較的短いため、画素電極224の電位は目標電位まで到達しないことがある。In the first frame update period (1F), the polarity of the display signal supplied to the source wiring changes to plus, minus, plus and minus polarity. In this case, when the scanning signal voltage for selecting the pixel becomes the ON voltage, the display signal voltage is supplied to thepixel electrode 224 of the pixel and writing with a positive polarity is performed. At this time, since the period during which the scanning wiring is selected and the display signal voltage is supplied to thepixel electrode 224 is relatively short, the potential of thepixel electrode 224 may not reach the target potential.
 第2フレーム更新期間(2F)においてこのソース配線に供給される表示信号の極性はプラス、マイナス、プラスおよびマイナス極性と変化する。なお、上述したように、右眼画像の書き込みは2フレーム更新期間連続して行われる。当該画素を選択する走査信号電圧がオン電圧になると、当該画素の画素電極224に表示信号電圧が供給されて第1フレーム更新期間の極性と等しいプラス極性の書き込みが行われ、画素電極224の電位は目標電位まで到達する。なお、ここでは、第2フレーム更新期間の目標電位は第1フレーム更新期間の目標電位と等しいが、後述するように、オーバードライブ駆動等に起因して第2フレーム更新期間の目標電位は第1フレーム更新期間の目標電位と異なっていてもよい。その後、走査信号電圧はオフ電圧に戻る。バックライトユニット250の照射領域252は第2フレーム更新期間において当該画素の書き込みが行われてから1垂直走査期間にわたって点灯する。右眼シャッター284は第2フレーム更新期間にわたって開いたままである。このため、第2フレーム更新期間に書き込まれた右眼画像は観察者に視認される。In the second frame update period (2F), the polarity of the display signal supplied to the source wiring changes to plus, minus, plus and minus polarity. As described above, writing of the right eye image is performed continuously for two frame update periods. When the scanning signal voltage for selecting the pixel becomes the on voltage, the display signal voltage is supplied to thepixel electrode 224 of the pixel, and writing with a positive polarity equal to the polarity in the first frame update period is performed. Reaches the target potential. Here, the target potential in the second frame update period is equal to the target potential in the first frame update period. However, as described later, the target potential in the second frame update period is first due to overdrive driving or the like. It may be different from the target potential in the frame update period. Thereafter, the scanning signal voltage returns to the off voltage. Theirradiation region 252 of thebacklight unit 250 is lit for one vertical scanning period after the pixel is written in the second frame update period. Theright eye shutter 284 remains open for the second frame update period. For this reason, the right eye image written in the second frame update period is visually recognized by the observer.
 次に、第3フレーム更新期間(3F)には左眼画像データが書き込まれる。ここでは、第3フレーム更新期間においてこのソース配線に供給される表示信号の極性はマイナス、プラス、マイナスおよびプラス極性と変化する。当該画素を選択する走査信号電圧がオン電圧になると、当該画素の画素電極224に表示信号電圧が供給されてマイナス極性の書き込みが行われる。ここでも、ソース配線に供給される表示信号電圧は画素電極224の電位を目標電位とするよう設定されているが、第3フレーム更新期間の目標電位は第2フレーム更新期間とは異なる極性に設定されており、画素電極224の電位が目標電位まで到達する前に、走査信号電圧はオフ電圧に戻ってしまう。Next, the left eye image data is written in the third frame update period (3F). Here, in the third frame update period, the polarity of the display signal supplied to the source line changes to minus, plus, minus, and plus polarity. When the scanning signal voltage for selecting the pixel becomes the on voltage, the display signal voltage is supplied to thepixel electrode 224 of the pixel, and writing with a negative polarity is performed. Here again, the display signal voltage supplied to the source wiring is set so that the potential of thepixel electrode 224 is set as the target potential, but the target potential in the third frame update period is set to a polarity different from that in the second frame update period. Thus, the scanning signal voltage returns to the off voltage before the potential of thepixel electrode 224 reaches the target potential.
 第4フレーム更新期間(4F)においてこのソース配線に供給される表示信号の極性はマイナス、プラス、マイナスおよびプラス極性と変化する。当該画素を選択する走査信号電圧がオン電圧になると、当該画素の画素電極224に表示信号電圧が供給されて、第3フレーム更新期間と等しいマイナス極性の書き込みが行われる。このため、画素電極224の電位は目標電位まで到達する。その後、走査信号電圧はオフ電圧に戻る。バックライトユニット250の照射領域252は第4フレーム更新期間において当該画素の書き込みが行われてから1垂直走査期間にわたって点灯する。左眼シャッター282は第4フレーム更新期間にわたって開いたままである。このため、第4フレーム更新期間に書き込まれた左眼画像は観察者に視認される。In the fourth frame update period (4F), the polarity of the display signal supplied to the source wiring changes to minus, plus, minus and plus polarity. When the scanning signal voltage for selecting the pixel becomes the ON voltage, the display signal voltage is supplied to thepixel electrode 224 of the pixel, and writing with a negative polarity equal to the third frame update period is performed. For this reason, the potential of thepixel electrode 224 reaches the target potential. Thereafter, the scanning signal voltage returns to the off voltage. Theirradiation region 252 of thebacklight unit 250 is lit for one vertical scanning period after the pixel is written in the fourth frame update period. Theleft eye shutter 282 remains open for the fourth frame update period. For this reason, the left eye image written in the fourth frame update period is visually recognized by the observer.
 このように、液晶パネル200では、各画素に対して左眼画像データが2つの垂直走査期間連続して等しい極性で書き込まれ、また、各画素に対して右眼画像データが2つの垂直走査期間連続して等しい極性で書き込まれる。このため、開口率の低下および表示ムラを抑制することができるとともに、液晶パネル200として、いわゆる倍速駆動の液晶パネルを利用することができる。また、このように画素の極性を2つの垂直走査期間ごとに反転させることにより、フリッカの発生を抑制することができる。As described above, in theliquid crystal panel 200, the left-eye image data is written with the same polarity in two vertical scanning periods continuously for each pixel, and the right-eye image data is written in two vertical scanning periods for each pixel. Written continuously with the same polarity. Therefore, a decrease in aperture ratio and display unevenness can be suppressed, and a so-called double speed driving liquid crystal panel can be used as theliquid crystal panel 200. In addition, the occurrence of flicker can be suppressed by reversing the polarity of the pixel every two vertical scanning periods.
 ただし、図37に示した4フレーム更新期間の書き込みが繰り返して行われる場合、当該画素に右眼画像データはプラス極性で書き込まれ、左眼画像データはマイナス極性で書き込まれることになる。このように、同一画素に書き込まれる右眼画像データおよび左眼画像データのそれぞれの極性が一定となる場合、仮に、ある画素の右眼画像データおよび左眼画像データの階調レベルが互いに等しかったとしても、右眼画像データの書き込まれた画素の輝度は左眼画像データの書き込まれた画素の輝度とは異なり、適切な表示が行われないことがある。このため、各画素について、右眼画像データが期間に応じてプラス極性およびマイナス極性で書き込まれ、同様に、左眼画像データも期間に応じてプラス極性およびマイナス極性で書き込まれることが好ましい。However, when the writing in the four-frame update period shown in FIG. 37 is repeatedly performed, the right eye image data is written with positive polarity and the left eye image data is written with negative polarity in the pixel. As described above, when the polarities of the right eye image data and the left eye image data written to the same pixel are constant, the gradation levels of the right eye image data and the left eye image data of a certain pixel are equal to each other. However, the luminance of the pixel in which the right eye image data is written is different from the luminance of the pixel in which the left eye image data is written, and appropriate display may not be performed. For this reason, for each pixel, it is preferable that the right eye image data is written with a positive polarity and a negative polarity according to the period, and similarly, the left eye image data is also written with a positive polarity and a negative polarity according to the period.
 以下、図38を参照して立体表示システム300Bにおける信号電圧の変化、バックライトユニット250およびシャッター眼鏡280の開閉を説明する。Hereinafter, with reference to FIG. 38, changes in signal voltage and opening / closing of thebacklight unit 250 and theshutter glasses 280 in thestereoscopic display system 300B will be described.
 図38(a)に、対向電極214の電位を基準としたソース配線の電位VLsの変化を示し、図38(b)に、走査信号電圧VLgの波形を示し、図38(c)に、対向電極214の電位Vcomを基準とした画素電極224の電位Vpeの変化を示し、図38(d)に、バックライトユニット250の点灯・非点灯を示し、図38(e)に、シャッター眼鏡280の開閉を示す。FIG. 38A shows a change in the potential VLs of the source wiring with reference to the potential of thecounter electrode 214, FIG. 38B shows a waveform of the scanning signal voltage VLg, and FIG. The change of the potential Vpe of thepixel electrode 224 with respect to the potential Vcom of theelectrode 214 is shown. FIG. 38D shows the lighting / non-lighting of thebacklight unit 250, and FIG. 38E shows theshutter glasses 280. Indicates opening and closing.
 図38(a)から理解されるように、ソース配線に供給される表示信号の電位および対向電極の電位の関係はフレーム更新期間の約1/4にわたって変化しないため、消費電力を低減させることができる。図38(a)では、第1フレーム更新期間において表示信号の極性がプラス、マイナス、プラスおよびマイナス極性と変化するソース配線に着目しているが、第1フレーム更新期間においてこのソース配線に隣接するソース配線に供給される表示信号の極性は、マイナス、プラス、マイナスおよびプラス極性と変化する。また、図38(c)では、フレーム更新期間内の当該ソース配線にプラス極性の表示信号が供給されるときに選択される特定の画素の画素電極224の電位Vpeの変化に着目している。なお、図38は、図38(a)に示した表示信号の電位VLsの変化が異なる点を除いて、上述した図37と同様であり、冗長を避けるために重複する説明を省略する。As understood from FIG. 38A, the relationship between the potential of the display signal supplied to the source wiring and the potential of the counter electrode does not change over about ¼ of the frame update period, so that power consumption can be reduced. it can. In FIG. 38A, attention is paid to the source wiring in which the polarity of the display signal changes to plus, minus, plus, and minus polarity in the first frame update period, but it is adjacent to the source line in the first frame update period. The polarity of the display signal supplied to the source wiring changes to minus, plus, minus and plus polarity. In FIG. 38C, attention is paid to a change in the potential Vpe of thepixel electrode 224 of a specific pixel selected when a positive polarity display signal is supplied to the source wiring in the frame update period. Note that FIG. 38 is the same as FIG. 37 described above except that the change in the potential VLs of the display signal shown in FIG. 38A is different, and redundant description is omitted to avoid redundancy.
 第1フレーム更新期間(1F)においてこのソース配線に供給される表示信号の極性はプラス、マイナス、プラスおよびマイナス極性と変化する。ここでは、当該画素を選択する走査信号電圧がオン電圧になると、当該画素の画素電極224に表示信号電圧が供給されてプラス極性の書き込みが行われる。このとき、ソース配線に供給される表示信号電圧は画素電極224の電位を目標電位とするよう設定されている。しかしながら、このとき、走査配線が選択されて画素電極224に表示信号電圧が供給される期間が比較的短いため、画素電極224の電位が目標電位まで到達する前に、走査信号電圧はオフ電圧に戻ってしまうことがある。In the first frame update period (1F), the polarity of the display signal supplied to the source wiring changes to plus, minus, plus and minus polarity. Here, when the scanning signal voltage for selecting the pixel becomes the ON voltage, the display signal voltage is supplied to thepixel electrode 224 of the pixel, and writing with a positive polarity is performed. At this time, the display signal voltage supplied to the source wiring is set so that the potential of thepixel electrode 224 is the target potential. However, at this time, since the period during which the scan wiring is selected and the display signal voltage is supplied to thepixel electrode 224 is relatively short, the scan signal voltage is set to the off voltage before the potential of thepixel electrode 224 reaches the target potential. May return.
 第2フレーム更新期間(2F)においてこのソース配線に供給される表示信号の極性はプラス、マイナス、プラスおよびマイナス極性と変化する。なお、上述したように、右眼画像の書き込みは2フレーム更新期間連続して行われる。当該画素を選択する走査信号電圧がオン電圧になると、当該画素の画素電極224に表示信号電圧が供給されてプラス極性の書き込みが行われる。第2フレーム更新期間において書き込まれる極性は第1フレーム更新期間と等しく、画素電極224の電位は目標電位まで到達する。その後、走査信号電圧はオフ電圧に戻る。バックライトユニット250の照射領域252は第2フレーム更新期間において当該画素の書き込みが行われてから1垂直走査期間にわたって点灯する。右眼シャッター284は第2フレーム更新期間にわたって開いたままである。このため、第2フレーム更新期間に書き込まれた右眼画像は観察者に視認される。In the second frame update period (2F), the polarity of the display signal supplied to the source wiring changes to plus, minus, plus and minus polarity. As described above, writing of the right eye image is performed continuously for two frame update periods. When the scanning signal voltage for selecting the pixel becomes the ON voltage, the display signal voltage is supplied to thepixel electrode 224 of the pixel, and writing with a positive polarity is performed. The polarity written in the second frame update period is equal to that in the first frame update period, and the potential of thepixel electrode 224 reaches the target potential. Thereafter, the scanning signal voltage returns to the off voltage. Theirradiation region 252 of thebacklight unit 250 is lit for one vertical scanning period after the pixel is written in the second frame update period. Theright eye shutter 284 remains open for the second frame update period. For this reason, the right eye image written in the second frame update period is visually recognized by the observer.
 次に、第3フレーム更新期間(3F)には左眼画像データが書き込まれる。第3フレーム更新期間においてこのソース配線に供給される表示信号の極性はプラス、マイナス、プラスおよびマイナス極性と変化する。当該画素を選択する走査信号電圧がオン電圧になると、当該画素の画素電極224に表示信号電圧が供給されて第2フレーム更新期間と等しいプラス極性の書き込みが行われる。このため、画素電極224の電位は目標電位まで到達する。Next, the left eye image data is written in the third frame update period (3F). In the third frame update period, the polarity of the display signal supplied to the source line changes to plus, minus, plus and minus polarity. When the scanning signal voltage for selecting the pixel becomes the ON voltage, the display signal voltage is supplied to thepixel electrode 224 of the pixel, and writing with a positive polarity equal to the second frame update period is performed. For this reason, the potential of thepixel electrode 224 reaches the target potential.
 第4フレーム更新期間(4F)においてこのソース配線に供給される表示信号の極性はプラス、マイナス、プラスおよびマイナス極性と変化する。なお、上述したように、左眼画像の書き込みは2フレーム更新期間連続して行われる。当該画素を選択する走査信号電圧がオン電圧になると、当該画素の画素電極224に表示信号電圧が供給されて第3フレーム更新期間と等しいプラス極性の書き込みが行われ、画素電極224の電位は目標電位まで到達する。その後、走査信号電圧はオフ電圧に戻る。バックライトユニット250の照射領域252は第4フレーム更新期間において当該画素の書き込みが行われてから1垂直走査期間にわたって点灯する。左眼シャッター282は第4フレーム更新期間にわたって開いたままである。このため、第4フレーム更新期間に書き込まれた左眼画像は観察者に視認される。In the fourth frame update period (4F), the polarity of the display signal supplied to the source wiring changes to plus, minus, plus and minus polarity. As described above, writing of the left eye image is performed continuously for two frame update periods. When the scanning signal voltage for selecting the pixel becomes an on-voltage, the display signal voltage is supplied to thepixel electrode 224 of the pixel, and writing with a positive polarity equal to the third frame update period is performed, and the potential of thepixel electrode 224 becomes the target Reach potential. Thereafter, the scanning signal voltage returns to the off voltage. Theirradiation region 252 of thebacklight unit 250 is lit for one vertical scanning period after the pixel is written in the fourth frame update period. Theleft eye shutter 282 remains open for the fourth frame update period. For this reason, the left eye image written in the fourth frame update period is visually recognized by the observer.
 第5フレーム更新期間(5F)においてこのソース配線に供給される表示信号の極性はマイナス、プラス、マイナスおよびプラス極性と変化する。ここでは、当該画素を選択する走査信号電圧がオン電圧になると、当該画素の画素電極224に表示信号電圧が供給されてマイナス極性の書き込みが行われる。ここでも、ソース配線に供給される表示信号電圧は画素電極224の電位を目標電位とするよう設定されているが、第5フレーム更新期間の目標電位は第4フレーム更新期間とは異なる極性に設定されており、画素電極224の電位が目標電位まで到達する前に、走査信号電圧はオフ電圧に戻ってしまう。In the fifth frame update period (5F), the polarity of the display signal supplied to the source wiring changes to minus, plus, minus and plus polarity. Here, when the scanning signal voltage for selecting the pixel becomes the ON voltage, the display signal voltage is supplied to thepixel electrode 224 of the pixel, and writing with negative polarity is performed. Here again, the display signal voltage supplied to the source wiring is set so that the potential of thepixel electrode 224 is the target potential, but the target potential in the fifth frame update period is set to a polarity different from that in the fourth frame update period. Thus, the scanning signal voltage returns to the off voltage before the potential of thepixel electrode 224 reaches the target potential.
 第6フレーム更新期間(6F)から第8フレーム更新期間(8F)は、表示信号電圧の極性の反転する時期、および、画素電極224の極性が異なる点を除いて第2フレーム更新期間(2F)から第4フレーム更新期間(4F)と同様であり、冗長を避けるために重複する説明を省略する。このように、液晶パネル200において各画素の極性の反転は4垂直走査期間ごとに行ってもよい。The sixth frame update period (6F) to the eighth frame update period (8F) are the second frame update period (2F) except that the polarity of the display signal voltage is reversed and the polarity of thepixel electrode 224 is different. To the fourth frame update period (4F), and redundant description is omitted to avoid redundancy. Thus, in theliquid crystal panel 200, the polarity of each pixel may be inverted every four vertical scanning periods.
 なお、図36~図38を参照して上述した説明では、液晶パネル200の全画素は2つのブロックに分けられていたが、本発明はこれに限定されない。画素は3以上のブロックに分けられてもよい。また、ブロックの数は、例えば、バックライトユニット250の照射領域252に応じて設定されてもよい。3以上の照射領域に対応して3以上のブロックを設けることにより、あるフレーム走査期間内においてブロック内の画素に書き込みを終了してから次のフレーム走査期間内においてブロック内の画素に書き込みを開始するまでの期間を長くすることができるため、クロストークの発生を抑制した高輝度の液晶表示装置を簡便に実現することができる。In the above description with reference to FIGS. 36 to 38, all the pixels of theliquid crystal panel 200 are divided into two blocks, but the present invention is not limited to this. The pixel may be divided into three or more blocks. Further, the number of blocks may be set according to theirradiation region 252 of thebacklight unit 250, for example. By providing three or more blocks corresponding to three or more irradiation regions, writing to pixels in the block is completed within a certain frame scanning period, and then writing to pixels within the block is started within the next frame scanning period. Since the period until this can be extended, a high-brightness liquid crystal display device in which the occurrence of crosstalk is suppressed can be easily realized.
 また、図36~図38を参照して上述した説明では、連続するブロック内の奇数行の書き込み、および、偶数行の書き込みは交互に行われたが、本発明はこれに限定されない。連続するブロックにわたる奇数行および偶数行の一方の書き込みは連続して行われてもよい。例えば、第1ブロックの奇数行の画素にプラス極性の書き込みを行い、第1ブロックの偶数行の画素にマイナス極性の書き込みを行った後に、第2ブロックの偶数行の画素にマイナス極性の書き込みを行い、その後に、第2ブロックの奇数行の画素にプラス極性の書き込みを行ってもよい。また、さらに、第3ブロックの奇数行の画素にプラス極性の書き込みを行い、第3ブロックの偶数行の画素にマイナス極性の書き込みを行ってもよい。Further, in the above description with reference to FIGS. 36 to 38, odd-numbered lines and even-numbered lines in a continuous block are alternately written, but the present invention is not limited to this. Writing one of the odd and even rows across successive blocks may be performed sequentially. For example, after writing a positive polarity to the odd-numbered pixels in the first block, writing a negative polarity to the even-numbered pixels in the first block, and then writing a negative polarity to the even-numbered pixels in the second block After that, positive polarity writing may be performed on the pixels in the odd-numbered rows of the second block. In addition, plus polarity writing may be performed on pixels in odd rows in the third block, and minus polarity writing may be performed on pixels in even rows in the third block.
 また、上述した説明では、左眼画像データおよび右眼画像データはそれぞれ2つの垂直走査期間ずつ書き込まれ、また、各画素の極性は2または4垂直走査期間ごとに反転したが、本発明はこれに限定されない。各画素の極性は2以上の偶数の垂直走査期間ごとに反転してもよく、例えば、各画素の極性は6または8以上の垂直走査期間ごとに反転してもよい。In the above description, the left eye image data and the right eye image data are written in two vertical scanning periods, respectively, and the polarity of each pixel is inverted every two or four vertical scanning periods. It is not limited to. The polarity of each pixel may be inverted every two or more even vertical scanning periods. For example, the polarity of each pixel may be inverted every six or eight or more vertical scanning periods.
 ここで、図39を参照して、液晶表示装置100Bおよび立体表示システム300Bの一例を説明する。Here, an example of the liquidcrystal display device 100B and thestereoscopic display system 300B will be described with reference to FIG.
 図39に、液晶表示装置100Bおよび立体表示システム300Bの模式図を示す。立体表示システム300Bは液晶表示装置100Bおよびシャッター眼鏡280を備えている。液晶表示装置100Bは、フレームレート制御回路110と、タイミングコントローラ120と、書込状態信号送信回路130と、走査信号駆動回路140と、表示信号駆動回路150と、バックライト駆動回路160と、液晶パネル200と、バックライトユニット250とを備えている。FIG. 39 shows a schematic diagram of the liquidcrystal display device 100B and thestereoscopic display system 300B. Thestereoscopic display system 300B includes a liquidcrystal display device 100B and shutterglasses 280. The liquidcrystal display device 100B includes a framerate control circuit 110, atiming controller 120, a writing statesignal transmission circuit 130, a scanningsignal driving circuit 140, a displaysignal driving circuit 150, abacklight driving circuit 160, and a liquid crystal panel. 200 and abacklight unit 250.
 ここでは、フレームレート制御回路110にはフレームレート60fpsの入力映像信号が入力される。例えば、入力映像信号はNTSC信号である。フレームレート制御回路110は、入力映像信号に基づいて入力映像信号のフレームレート60fpsよりも高いフレームレート120fpsの映像信号を生成する。Here, an input video signal having a frame rate of 60 fps is input to the framerate control circuit 110. For example, the input video signal is an NTSC signal. The framerate control circuit 110 generates a video signal having a frame rate of 120 fps, which is higher than the frame rate of 60 fps of the input video signal, based on the input video signal.
 フレームレート制御回路110から出力される映像信号に基づいて、タイミングコントローラ120は、書込状態信号送信回路130、走査信号駆動回路140、表示信号駆動回路150およびバックライト駆動回路160を制御する。なお、タイミングコントローラ120は、フレームレート120fpsの映像信号に基づいてフレームレート240fpsの表示信号を生成し、表示信号駆動回路150に表示信号を出力する。タイミングコントローラ120の制御に基づいて走査信号駆動回路140および表示信号駆動回路150は液晶パネル200を垂直走査周波数240Hzで駆動する。このとき、左眼画像データは120fpsに対応し、右眼画像データは120fpsに対応する。Based on the video signal output from the framerate control circuit 110, thetiming controller 120 controls the writing statesignal transmission circuit 130, the scanningsignal driving circuit 140, the displaysignal driving circuit 150, and thebacklight driving circuit 160. Note that thetiming controller 120 generates a display signal having a frame rate of 240 fps based on the video signal having a frame rate of 120 fps, and outputs the display signal to the displaysignal driving circuit 150. Based on the control of thetiming controller 120, the scanningsignal driving circuit 140 and the displaysignal driving circuit 150 drive theliquid crystal panel 200 at a vertical scanning frequency of 240 Hz. At this time, the left eye image data corresponds to 120 fps, and the right eye image data corresponds to 120 fps.
 また、タイミングコントローラ120からの信号に基づいて、書込状態信号送信回路130は、複数の画素の書込状態を示す書込状態信号を送信する。シャッター眼鏡280は、書込状態信号に基づいて左眼シャッター282および右眼シャッター284を開閉する。Further, based on a signal from thetiming controller 120, the writing statesignal transmission circuit 130 transmits a writing state signal indicating the writing state of a plurality of pixels. Theshutter glasses 280 open and close theleft eye shutter 282 and theright eye shutter 284 based on the writing state signal.
 なお、ここでは、フレームレート制御回路110は、入力映像信号に基づいて入力映像信号のフレームレート60fpsよりも高いフレームレート120fpsの映像信号を生成し、タイミングコントローラ120は、この映像信号に基づいてフレームレート240fpsの表示信号を生成したが、本発明はこれに限定されない。フレームレート制御回路110は、入力映像信号に基づいて入力映像信号のフレームレート60fpsよりも高いフレームレート240fpsの映像信号を生成し、タイミングコントローラ120は、この映像信号に基づいてフレームレート240fpsの表示信号を生成してもよい。Here, the framerate control circuit 110 generates a video signal having a frame rate of 120 fps higher than the frame rate of 60 fps of the input video signal based on the input video signal, and thetiming controller 120 generates a frame based on the video signal. Although a display signal having a rate of 240 fps is generated, the present invention is not limited to this. The framerate control circuit 110 generates a video signal having a frame rate of 240 fps higher than the frame rate of 60 fps of the input video signal based on the input video signal, and thetiming controller 120 displays a display signal having a frame rate of 240 fps based on the video signal. May be generated.
 また、入力映像信号はPAL信号であり、そのフレームレートは50fpsであってもよい。この場合、映像信号のフレームレートは100fpsまたは200fpsに設定され、表示信号のフレームレートは200fpsに設定される。Further, the input video signal may be a PAL signal, and the frame rate thereof may be 50 fps. In this case, the frame rate of the video signal is set to 100 fps or 200 fps, and the frame rate of the display signal is set to 200 fps.
 なお、上述した説明では、2回目に書き込まれる右眼画像データおよび左眼画像データは、1回目に書き込まれた右眼画像データおよび左眼画像データとそれぞれ等しく、各画素に等しい階調レベルの書き込みが2回行われたが、本発明はこれに限定されない。2回目に書き込まれる右眼画像データおよび左眼画像データにオーバードライブドライブ駆動を行ってもよい。オーバードライブ駆動は、例えば図20および図28を参照して上述したのと同様に行われる。In the above description, the right eye image data and the left eye image data written for the second time are equal to the right eye image data and the left eye image data written for the first time, respectively, and have the same gradation level as each pixel. Although writing was performed twice, the present invention is not limited to this. Overdrive drive may be performed on the right eye image data and the left eye image data written for the second time. The overdrive drive is performed in the same manner as described above with reference to FIGS. 20 and 28, for example.
 また、本実施形態の液晶表示装置100Bにおける液晶パネル200でも各画素は複数の副画素を有していてもよい。例えば、液晶パネル200の各画素は、図21~図23を参照して上述したのと同様の構成を有していてもよい。Further, in theliquid crystal panel 200 in the liquidcrystal display device 100B of this embodiment, each pixel may have a plurality of subpixels. For example, each pixel of theliquid crystal panel 200 may have a configuration similar to that described above with reference to FIGS.
 また、液晶表示装置100、100A、100Bの液晶パネル200において、前面基板210および背面基板220の少なくとも一方は配向膜を有していてもよい。ここでは、配向膜は、垂直配向膜の表面に対して、液晶分子のプレチルト角が90°未満となるように処理されたものである。プレチルト角は、配向膜および配向膜の主面と、プレチルト方向に規定された液晶分子の長軸とのなす角度である。配向膜および配向により、それぞれ、液晶分子のプレチルト方向が規定されている。Further, in theliquid crystal panel 200 of the liquidcrystal display devices 100, 100A, 100B, at least one of thefront substrate 210 and therear substrate 220 may have an alignment film. Here, the alignment film is processed so that the pretilt angle of the liquid crystal molecules is less than 90 ° with respect to the surface of the vertical alignment film. The pretilt angle is an angle formed between the alignment film and the main surface of the alignment film and the major axis of the liquid crystal molecules defined in the pretilt direction. The pretilt direction of the liquid crystal molecules is defined by the alignment film and the alignment, respectively.
 このような配向膜を形成する方法としては、ラビング処理を行う方法、光配向処理を行う方法、配向膜の下地に微細な構造を予め形成しておきその微細構造を配向膜の表面に反映させる方法、あるいは、SiOなどの無機物質を斜め蒸着することによって表面に微細な構造を有する配向膜を形成する方法などが知られている。ただし、量産性の観点からは、ラビング処理または光配向処理が好ましい。特に、光配向処理は、非接触で配向処理を行うので、ラビング処理のように摩擦による静電気の発生が無く、歩留まりを向上させることができる。さらに、国際公開第2006/121220号に記載されているように、感光性基を含む光配向膜を用いることによって、プレチルト角のばらつきを1°以下に制御することができる。感光性基としては、4-カルコン基、4’-カルコン基、クマリン基、及び、シンナモイル基からなる群より選ばれる少なくとも一つの感光性基を含むことが好ましい。As a method of forming such an alignment film, a rubbing process, a photo-alignment process, a fine structure is formed in advance on the base of the alignment film, and the fine structure is reflected on the surface of the alignment film. A method or a method of forming an alignment film having a fine structure on the surface by obliquely depositing an inorganic substance such as SiO is known. However, from the viewpoint of mass productivity, rubbing treatment or photo-alignment treatment is preferable. In particular, since the photo-alignment process is performed without contact, there is no generation of static electricity due to friction as in the rubbing process, and the yield can be improved. Furthermore, as described in International Publication No. 2006/121220, the variation in the pretilt angle can be controlled to 1 ° or less by using a photo-alignment film containing a photosensitive group. The photosensitive group preferably contains at least one photosensitive group selected from the group consisting of a 4-chalcone group, a 4'-chalcone group, a coumarin group, and a cinnamoyl group.
 また、液晶パネル200はいわゆるMVA(Multi-domain Vertical Alignment)モードであってもよい。MVAモードの液晶パネル200は、電極に形成された直線状のスリットや電極の液晶層側に形成された直線状の誘電体突起(リブ)を、液晶層を介して対向する一対の基板に、基板の法線方向から見たときに、平行且つ交互になるように配置することによって、電圧印加時に形成される液晶ドメインのディレクタの方位を規制する。液晶ドメインの方位は、直線状のスリット又は誘電体突起(これらを総称して「直線状構造体」ということにする。)の延びる方位に直交する方向になる。なお、MVAモードにおいて、走査配線Lga、Lgbは、異なる液晶ドメインの境界と重なるように配置されてもよい。Further, theliquid crystal panel 200 may be in a so-called MVA (Multi-domain Vertical Alignment) mode. The MVA modeliquid crystal panel 200 has linear slits formed on the electrodes and linear dielectric protrusions (ribs) formed on the liquid crystal layer side of the electrodes on a pair of substrates opposed via the liquid crystal layer. When viewed from the normal direction of the substrate, the directors of the liquid crystal domain formed at the time of voltage application are regulated by arranging them in parallel and alternately. The direction of the liquid crystal domain is a direction orthogonal to the direction in which the linear slits or dielectric protrusions (collectively referred to as “linear structures”) extend. In the MVA mode, the scanning wirings Lga and Lgb may be arranged so as to overlap with the boundary of different liquid crystal domains.
 また、液晶パネル200はPSAモードであってもよい。Polymer Sustained Alignment Technology(以下、「PSA技術」という)は、例えば、特開2002-357830号公報、特開2003-177418号公報、特開2006-78968号公報、K. Hanaoka et al. 「A New MVA-LCD by Polymer Sustained Alignment Technology」、SID 04 DIGEST 1200-1203(2004)に開示されている。これら4つの文献の開示内容の全てを参考のために本明細書に援用する。Theliquid crystal panel 200 may be in the PSA mode. Polymer Sustained Alignment Technology (hereinafter referred to as “PSA technology”) is disclosed in, for example, JP 2002-357830 A, JP 2003-177418 A, JP 2006-78968 A, K.A. Hanaoka et al. "A New MVA-LCD by Polymer Sustained Alignment Technology", SID 04 DIGEST 1200-1203 (2004). The entire disclosure of these four documents is hereby incorporated by reference.
 PSA技術は、液晶材料中に少量の重合性化合物(例えば光重合性モノマまたはオリゴマ)を混入しておき、液晶パネルを組み立てた後、液晶層に所定の電圧を印加した状態で重合性化合物に活性エネルギー線(例えば紫外線)を照射して重合体を生成することによって、液晶分子のプレチルト方向を制御する技術である。重合体が生成されるときの液晶分子の配向状態が、電圧を取り去った後(電圧を印加しない状態)においても維持(記憶)される。ここでは、重合体で形成された層を配向維持層ということにする。配向維持層は、配向膜の表面(液晶層側)に形成されるが、必ずしも配向膜の表面を覆う形状でなくてもよく、離散的に存在する重合体粒子であってもよい。In the PSA technology, a small amount of a polymerizable compound (for example, a photopolymerizable monomer or oligomer) is mixed in a liquid crystal material, and after assembling a liquid crystal panel, a predetermined voltage is applied to the liquid crystal layer. This is a technique for controlling the pretilt direction of liquid crystal molecules by irradiating active energy rays (for example, ultraviolet rays) to form a polymer. The alignment state of the liquid crystal molecules when the polymer is generated is maintained (stored) even after the voltage is removed (a state where no voltage is applied). Here, a layer formed of a polymer is referred to as an orientation maintaining layer. The alignment maintaining layer is formed on the surface of the alignment film (on the liquid crystal layer side), but does not necessarily have a shape covering the surface of the alignment film, and may be discrete polymer particles.
 PSAモードの液晶パネル200は、例えば、上述のPSA技術を適用することによって得られる。ここでは図示しないが、画素電極224は、それぞれ、一対の偏光板の偏光軸と重なるように配置された十字形状の幹部と、十字形状の幹部から略45°方向に延びる複数の枝部とを有している。具体的には、枝部は幹部から45°、135°、225°、315°方位に延びており、垂直配向型の液晶層の液晶分子(誘電異方性が負)は、幹部および枝部からの斜め電界により、それぞれの枝部が延びる方位に傾斜する。これは、互いに平行に延びる枝部からの斜め電界は枝部が延びる方向と垂直な方位に液晶分子を傾斜させるように作用し、幹部からの斜め電界はそれぞれの枝部の延びる方位に液晶分子を傾斜させるように作用するからである。PSA技術を用いると、液晶層に電圧を印加した際に形成される、液晶分子の上記の配向を安定化させることができる。なお、PSAモードにおいても、走査配線は、異なる液晶ドメインの境界と重なるように配置されてもよい。The PSA modeliquid crystal panel 200 can be obtained by applying the above-described PSA technology, for example. Although not shown here, each of thepixel electrodes 224 includes a cross-shaped trunk portion that is disposed so as to overlap the polarization axes of the pair of polarizing plates, and a plurality of branch portions that extend in a direction of approximately 45 ° from the cross-shaped trunk portion. Have. Specifically, the branch portion extends from the trunk portion in 45 °, 135 °, 225 °, and 315 ° orientations, and the liquid crystal molecules (negative dielectric anisotropy) of the vertically aligned liquid crystal layer are separated from the trunk portion and the branch portion. Is inclined in the direction in which each branch extends. This is because the oblique electric field from the branches extending in parallel to each other acts to tilt the liquid crystal molecules in the direction perpendicular to the direction in which the branches extend, and the oblique electric field from the trunk portion causes the liquid crystal molecules in the direction in which each branch extends. This is because it acts so as to be inclined. When the PSA technique is used, the above-described alignment of liquid crystal molecules formed when a voltage is applied to the liquid crystal layer can be stabilized. Even in the PSA mode, the scanning wiring may be arranged so as to overlap with a boundary between different liquid crystal domains.
 あるいは、液晶パネル200はCPAモードであってもよい。例えば、画素電極224が対称性の高い形状を有しており、液晶層230への電圧印加により、各液晶ドメインの液晶分子を軸対称傾斜配向にしてもよい。Alternatively, theliquid crystal panel 200 may be in the CPA mode. For example, thepixel electrode 224 may have a highly symmetric shape, and the liquid crystal molecules of each liquid crystal domain may be in an axially symmetric tilted orientation by applying a voltage to theliquid crystal layer 230.
 なお、上述した液晶パネル200では、前面基板および背面基板のそれぞれに設けられた電極によって液晶層に電圧が印加されたが、本発明はこれに限定されない。液晶パネルは、液晶層面内に平行な横方向に電圧を印加するものであってもよい。例えば、液晶パネルは、IPS(In Plane Switching)モードであってもよい。In theliquid crystal panel 200 described above, a voltage is applied to the liquid crystal layer by the electrodes provided on the front substrate and the rear substrate, but the present invention is not limited to this. The liquid crystal panel may apply a voltage in a lateral direction parallel to the surface of the liquid crystal layer. For example, the liquid crystal panel may be in an IPS (In Plane Switching) mode.
 [フレーム間クロストークの発生を抑制する実施形態]
 以下に、フレーム間クロストークの発生を抑制する実施形態を説明する。以下で説明する実施形態は、上述の立体表示が可能な液晶表示装置および立体表示システムの実施形態と組み合わせることができる他、平面表示だけを行う液晶表示装置にも適用することができる。
[Embodiment for suppressing occurrence of crosstalk between frames]
In the following, an embodiment for suppressing the occurrence of inter-frame crosstalk will be described. The embodiments described below can be combined with the above-described embodiments of a liquid crystal display device and a stereoscopic display system capable of stereoscopic display, and can also be applied to a liquid crystal display device that performs only flat display.
 まず、立体表示で特に顕著となるフレーム間クロストークの問題を図40~図42を参照して、説明する。First, the problem of inter-frame crosstalk that becomes particularly noticeable in stereoscopic display will be described with reference to FIGS.
 立体表示は、例えば図11を参照して説明したように、点灯/消灯可能なバックライトと、シャッター眼鏡を用いて、以下のように行うことが好ましい。液晶表示装置で右眼画像と左眼画像とをそれぞれ2フレームの間にわたって連続して書き込み、1フレーム目ではバックライトを消灯しておき、2フレーム目でバックライトを点灯し、右眼画像を右眼で、左眼画像を左眼でそれぞれ見えるようにシャッター眼鏡を制御する。ここで、1つの左眼画像および1つの右眼画像によって1つの立体画像が視認されるので、液晶表示装置を垂直走査周波数240Hzで駆動することにより、60Hzで立体画像が認識される。240Hzで駆動すると、垂直走査期間が4.2msと短いので、液晶の応答が遅いと、例えば右眼用の画像を表示しているときに左眼の画像の影響が残り、立体表示の品位を低下させるという問題がある。For example, as described with reference to FIG. 11, stereoscopic display is preferably performed as follows using a backlight that can be turned on / off and shutter glasses. The right-eye image and the left-eye image are continuously written over two frames on the liquid crystal display device, the backlight is turned off in the first frame, the backlight is turned on in the second frame, and the right-eye image is displayed. The shutter glasses are controlled so that the left eye can see the left eye image with the right eye. Here, since one stereoscopic image is visually recognized by one left eye image and one right eye image, the stereoscopic image is recognized at 60 Hz by driving the liquid crystal display device at a vertical scanning frequency of 240 Hz. When driven at 240 Hz, the vertical scanning period is as short as 4.2 ms, so if the response of the liquid crystal is slow, for example, when the right eye image is displayed, the effect of the left eye image remains, and the quality of the stereoscopic display is reduced. There is a problem of lowering.
 例えば、右眼画像から左眼画像に切り替り、それに伴い、画素の輝度が高から低へ変化する場合を考える。ここでも、ノーマリーブラックモード(例えばVAモード)の液晶表示装置を例にとる。従って、画素の輝度が高から低へ変化するということは、画素電圧(液晶層に印加される電圧、画素電極電位Vpeの絶対値)が高から低へ変化することに対応する。For example, consider a case where the right-eye image is switched to the left-eye image and the luminance of the pixel is changed from high to low accordingly. Again, a normally black mode (for example, VA mode) liquid crystal display device is taken as an example. Therefore, the change in luminance of the pixel from high to low corresponds to the change in pixel voltage (the voltage applied to the liquid crystal layer, the absolute value of the pixel electrode potential Vpe) from high to low.
 図40は、右眼画像から左眼画像に切り替り、それに伴い、画素の輝度が高(明)から低(暗)へ変化する場合における、表示信号の電位VLs、液晶容量CLCおよび画素電圧|Vpe|の変化を示している。また、右眼画像の書き込みが正(+)極性で行われた後、負(-)極性で行われる場合(図40中の左側)と、右眼画像の書き込みが負(-)極性で行われた後、正(+)極性で行われる場合(図40中の右側)とを併せて示している。Figure 40 is switched from the right-eye image to a left eye image, accordingly, in the case of changing the brightness of the pixel is high from (bright) to low (dark), the potential of the display signal VLs, a liquid crystal capacitor CLC andthe pixel voltage The change in | Vpe | is shown. Further, when the right eye image is written with a positive (+) polarity and then with a negative (−) polarity (left side in FIG. 40), the right eye image is written with a negative (−) polarity. After being broken, the case where it is performed with positive (+) polarity (right side in FIG. 40) is also shown.
 図40の左側に着目し、1F(第1フレーム更新期間)でVLsが書き込まれるときを考える。このとき、VLsは低(-)から高(+)に切り替わる。Focusing on the left side of FIG. 40, consider the case where VLs are written in 1F (first frame update period). At this time, VLs switches from low (−) to high (+).
 現在広く用いられているTFT型液晶表示装置においては、図41に示すように、画素に表示信号が書き込まれる(すなわち、液晶容量CLCが充電される)とき、走査信号電圧(ゲート電圧)VLgの立下りに応じて引込み電圧(ΔVd)が生じる。また、引込み電圧ΔVdによる画素電極電位Vpeの変化の方向は、画素電極電位Vpeの極性に依存しないので、対向電極の電位Vcomに対して非対称となる。従って、駆動回路は、液晶層に直流電圧が印加されないように、引込み電圧を考慮して設計されている。しかしながら、設計で考慮する引込み電圧は液晶容量CLCが一定した状態で測定した引込み電圧の値に基づいているのに対し、実際の駆動においては、液晶容量CLCは一定していない。In TFT type liquid crystal display device which is currently widely used, as shown in FIG. 41, the display signal is written to the pixel (i.e., the liquid crystal capacitance CLC is charged) when the scanning signal voltage (gate voltage) VLg A pull-in voltage (ΔVd) is generated in response to the fall of. In addition, the direction of change of the pixel electrode potential Vpe due to the pull-in voltage ΔVd does not depend on the polarity of the pixel electrode potential Vpe, and thus is asymmetric with respect to the potential Vcom of the counter electrode. Therefore, the drive circuit is designed in consideration of the pull-in voltage so that a DC voltage is not applied to the liquid crystal layer. However, the pull-in voltage considered in the design is based on the value of the pull-in voltage measured in a state where the liquid crystal capacitance CLC is constant, whereas the liquid crystal capacitance CLC is not constant in actual driving.
 例えば、図40の左側に示した、1FでVLsが低(-)から高(+)に切り替わるときに液晶容量CLCは増大する。その結果、1FでVLsが低(-)から高(+)に切り替わるときに生じる引込み電圧は、設計で考慮した値よりも大きくなり、画素電極電位Vpeは本来の電位よりも低くなってしまう。すなわち、液晶層に印加される画素電圧|Vpe|は本来の電圧よりも低くなってしまう。For example, it is shown on the left side of FIG. 40, VLs in 1F low (-) when switched to high (+) from the liquid crystal capacitance CLC increases. As a result, the pull-in voltage generated when VLs switches from low (−) to high (+) at 1F becomes larger than the value considered in the design, and the pixel electrode potential Vpe becomes lower than the original potential. That is, the pixel voltage | Vpe | applied to the liquid crystal layer is lower than the original voltage.
 次に、図40の左側における、3FでVLsが書き込まれるときを考える。VLsは高(+)から低(-)に切り替わる。このとき、液晶容量CLCは減少するので、引込み電圧は、設計で考慮した値よりも小さく、画素電極電位Vpeは本来の電位よりも高くなってしまう。ここで、3Fは負極性での書き込みなので、液晶層に印加される画素電圧|Vpe|は本来の電圧よりも低くなってしまう。Next, consider the case where VLs is written in 3F on the left side of FIG. VLs switches from high (+) to low (-). At this time, since the liquid crystal capacitance CLC decreasing retraction voltage is smaller than the value considered in the design, the pixel electrode potential Vpe becomes higher than the original potential. Here, since 3F is writing with negative polarity, the pixel voltage | Vpe | applied to the liquid crystal layer is lower than the original voltage.
 同様に、図40の右側に着目し、1FでVLsが書き込まれるときを考える。VLsは低(+)から高(-)に切り替わる。このとき、液晶容量CLCは増大するので、引込み電圧は、設計で考慮した値よりも大きくなり、画素電極電位Vpeは本来の電位よりも低くなってしまう。ここで、1Fは負極性での書き込みなので、液晶層に印加される画素電圧|Vpe|は本来の電圧よりも高くなってしまう。Similarly, paying attention to the right side of FIG. 40, consider the case where VLs is written in 1F. VLs switches from low (+) to high (-). At this time, since the liquid crystal capacitance CLC increases, the pull-in voltage becomes larger than the value considered in the design, and the pixel electrode potential Vpe becomes lower than the original potential. Here, since 1F is negative writing, the pixel voltage | Vpe | applied to the liquid crystal layer is higher than the original voltage.
 次に、図40の右側における、3FでVLsが書き込まれるときを考える。VLsは高(-)から低(+)に切り替わる。このとき、液晶容量CLCは減少するので、引込み電圧は、設計で考慮した値よりも小さく、画素電極電位Vpeは本来の電位よりも高くなってしまう。すなわち、液晶層に印加される画素電圧|Vpe|は本来の電圧よりも高くなってしまう。Next, consider the case where VLs is written in 3F on the right side of FIG. VLs switches from high (-) to low (+). At this time, since the liquid crystal capacitance CLC decreasing retraction voltage is smaller than the value considered in the design, the pixel electrode potential Vpe becomes higher than the original potential. That is, the pixel voltage | Vpe | applied to the liquid crystal layer is higher than the original voltage.
 このように、画素への書き込み極性が正(+)から負(-)に変化する場合と、負(-)から正(+)に変化する場合とで、画素電極電位Vpeに対する引込み電圧の影響が異なるので、実際に液晶層に印加される画素電圧|Vpe|が異なる。従って、図42に示すように、右眼用の画像を表示しているときに左眼の画像が残像のように見える。すなわち、フレーム間クロストークが起こり、表示品位を低下させる。As described above, the influence of the pull-in voltage on the pixel electrode potential Vpe when the writing polarity to the pixel changes from positive (+) to negative (−) and when the writing polarity changes from negative (−) to positive (+). Therefore, the pixel voltage | Vpe | actually applied to the liquid crystal layer is different. Therefore, as shown in FIG. 42, the left-eye image looks like an afterimage when the right-eye image is displayed. That is, crosstalk between frames occurs, and the display quality is lowered.
 図20および図28を参照して上述したように、オーバードライブ駆動を行うことによって、液晶の応答速度を高める(応答時間を短くする)ことができる。しかしながら、従来のオーバードライブ駆動は、前フレーム(ここでは例えば右眼画像を表示するフレーム)で表示する階調レベルおよび現フレーム(例えば左眼画像を表示するフレーム)で表示する階調レベル(またはこれらの差)に基づいて、オーバードライブ量(目標階調レベルとオーバードライブによって与えようとする階調レベルとの差)が設定されており、書き込み極性については全く考慮されていない。すなわち、例えばオーバードライブ量をルックアップテーブルを参照して決定する駆動方法においては、ルックアップテーブルは1つだけ用意されていた。なお、オーバードライブによって与えようとする階調レベルをOD階調レベルまたは単にOS値ということがある。)As described above with reference to FIGS. 20 and 28, the response speed of the liquid crystal can be increased (the response time is shortened) by performing overdrive driving. However, in the conventional overdrive driving, the gradation level displayed in the previous frame (here, for example, the frame displaying the right eye image) and the gradation level displayed in the current frame (for example, the frame displaying the left eye image) (or Based on these differences, the overdrive amount (difference between the target gradation level and the gradation level to be given by overdrive) is set, and the writing polarity is not considered at all. That is, for example, in a driving method in which the overdrive amount is determined with reference to a lookup table, only one lookup table is prepared. Note that a gradation level to be given by overdrive may be referred to as an OD gradation level or simply an OS value. )
 図40を参照した上記の説明から理解されるように、オーバードライブ量を高く設定し、液晶の応答速度を高めても、書き込み極性に拘わらず、1つのオーバードライブ量を用いる限り、フレーム間クロストークの問題は起こる。As can be understood from the above description with reference to FIG. 40, even if the overdrive amount is set high and the response speed of the liquid crystal is increased, as long as one overdrive amount is used regardless of the write polarity, the interframe cross The talk problem happens.
 本発明による実施形態の液晶表示装置は、書き込み極性の変化に応じて、オーバードライブ量が調整されている。すなわち、例えば、従来は1つだけであったルックアップテーブルを、書き込み極性の変化に対応させて複数種類用意する。このとき、少なくとも、極性変化の影響が最も大きい、正から負に変化する場合と、負から正に変化する場合とに対応する2種類のルックアップテーブルを用意することが好ましい。なお、一般に液晶表示装置は、上述したように、信頼性の観点から、液晶層に印加される電圧が交流電圧となるように設定される。従って、一般的な液晶表示装置において、連続する2つのフレームに着目すると、液晶層に印加される電圧の極性が正から負へ変化するパターンと、負から正へ変化するパターンとが必ず存在することになる。In the liquid crystal display device according to the embodiment of the present invention, the overdrive amount is adjusted in accordance with the change in the writing polarity. That is, for example, a plurality of types of look-up tables that have been conventionally one are prepared in correspondence with changes in the write polarity. At this time, it is preferable to prepare at least two types of look-up tables corresponding to a case where the influence of polarity change is greatest, ie, a change from positive to negative and a case where change from negative to positive. In general, as described above, the liquid crystal display device is set such that the voltage applied to the liquid crystal layer is an AC voltage from the viewpoint of reliability. Therefore, in a general liquid crystal display device, when attention is paid to two consecutive frames, there always exist a pattern in which the polarity of the voltage applied to the liquid crystal layer changes from positive to negative and a pattern in which the polarity changes from negative to positive. It will be.
 また、立体表示が可能な上述の実施形態の液晶表示装置のように、各画素に、連続する2つの垂直走査期間ごとに左眼画像データおよび右眼画像データが交互に書き込まれ、左眼画像データの書き込まれる2つの垂直走査期間にわたって等しい極性を示し、右眼画像データの書き込まれる2つの垂直走査期間にわたって等しい極性を示すようにすると、液晶層に印加される電圧の極性が正→正と続くパターンと、負→負と続くパターンがさらに存在する。従って、正→正、負→負の場合についても、それぞれに適切なオーバードライブ量を用意することが好ましいが、表示品位とコストとの関係で、省略してもよい。Further, as in the liquid crystal display device of the above-described embodiment capable of stereoscopic display, left eye image data and right eye image data are alternately written in each pixel every two consecutive vertical scanning periods, and the left eye image When the same polarity is shown over two vertical scanning periods in which data is written and the same polarity is shown over two vertical scanning periods in which right-eye image data is written, the polarity of the voltage applied to the liquid crystal layer changes from positive to positive. There are more patterns that follow and patterns that go from negative to negative. Therefore, it is preferable to prepare an appropriate overdrive amount for each of positive → positive and negative → negative, but it may be omitted because of the relationship between display quality and cost.
 また、平面表示モードと立体表示モードとを切り換えられる液晶表示装置の場合、立体表示モードについてのみ、上記のように極性変化に応じたルックアップテーブルを用意してもよい。立体表示モードでは、図42から理解されるように、右眼画像と左眼画像とが切替わる際に、画素の輝度が極端に変化することがある。これに対し、一般的な平面表示モードでは、隣接画素間の輝度の相関は高く、また、画素の輝度の時間変化も連続的なことが多い。従って、フレーム間クロストークの問題は、立体表示モードにおいて顕著である。但し、平面表示モードであっても、表示するコンテンツによっては、フレーム間クロストークの問題が顕在化することもあるので、必要に応じて、本発明の実施形態を適用すればよい。In the case of a liquid crystal display device capable of switching between the flat display mode and the stereoscopic display mode, a lookup table corresponding to the change in polarity may be prepared for the stereoscopic display mode only as described above. In the stereoscopic display mode, as understood from FIG. 42, when the right eye image and the left eye image are switched, the luminance of the pixel may change extremely. On the other hand, in a general flat display mode, the correlation of luminance between adjacent pixels is high, and the temporal change in luminance of the pixel is often continuous. Therefore, the problem of inter-frame crosstalk is significant in the stereoscopic display mode. However, even in the flat display mode, the problem of inter-frame crosstalk may become apparent depending on the content to be displayed. Therefore, the embodiment of the present invention may be applied as necessary.
 本発明の実施形態によると、立体表示モードにおいては、フレーム間クロストークの問題を解決できるとともに、輝度を増大させることができる。これは、適切なオーバードライブ量を設定することによって、右眼画像から左眼画像に切り換えた後、フレーム間クロストークの無い左眼画像が書き込まれた状態に早く到達するので、バックライトを点灯するタイミングを早めることができ、点灯時間を長くすることができるからである。また、平面表示モードにおいてはフレーム間クロストークの発生が抑制され、表示品位が向上させられる。According to the embodiment of the present invention, in the stereoscopic display mode, the problem of inter-frame crosstalk can be solved and the luminance can be increased. This is because the right-eye image is switched from the right-eye image to the left-eye image by setting an appropriate overdrive amount, and the left-eye image without inter-frame crosstalk is quickly reached, so the backlight is turned on. This is because it is possible to advance the timing of the operation and to increase the lighting time. Further, in the flat display mode, the occurrence of crosstalk between frames is suppressed, and the display quality is improved.
 本発明による実施形態の液晶表示装置は、連続する2つの垂直走査期間の対を第1垂直走査期間および第2垂直走査期間とし、第1垂直走査期間に表示すべき第1目標階調レベルGL1と、第1垂直走査期間の直後の第2垂直走査期間に表示すべき第2目標階調レベルGL2とが異なるとき、|GL2OD-GL1|が|GL2-GL1|よりも大きく、且つ、(GL2OD-GL1)の符号が(GL2-GL1)の符号と同じであるGL2ODで表される階調レベルに対応する表示電圧を第2垂直走査期間において画素に供給することができる回路を備える。すなわち、オーバーシュートまたはアンダーシュート駆動を行うことができる回路を有している。この回路は、公知のオーバードライブ駆動用の回路を用いて構成することができる。オーバードライブ駆動はルックアップテーブルを参照して行われてもよいし、演算処理によって行われてもよい。あるいは、オーバードライブ駆動は両者を組み合わせて行われてもよい。また、目標電圧に対する差分だけを求めるようにしてもよい。また、全ての階調変化に対してオーバードライブ駆動を行う必要はなく、オーバードライブ駆動を行うべき階調変化を適宜選択すればよい。The liquid crystal display device according to the embodiment of the present invention uses a pair of two consecutive vertical scanning periods as a first vertical scanning period and a second vertical scanning period, and a first target gradation level GL1 to be displayed in the first vertical scanning period. Is different from the second target gradation level GL2 to be displayed in the second vertical scanning period immediately after the first vertical scanning period, and | GL2OD -GL1 | is larger than | GL2-GL1 | A circuit capable of supplying a display voltage corresponding to a gradation level represented by GL2OD having the same sign of (GL2OD -GL1) as that of (GL2-GL1) to the pixel in the second vertical scanning period . That is, it has a circuit that can perform overshoot or undershoot drive. This circuit can be configured using a known overdrive driving circuit. Overdrive driving may be performed with reference to a lookup table, or may be performed by arithmetic processing. Alternatively, the overdrive drive may be performed by combining both. Further, only the difference with respect to the target voltage may be obtained. Further, it is not necessary to perform overdrive driving for all gradation changes, and the gradation change to be overdriven may be selected as appropriate.
 本発明による実施形態の液晶表示装置では、第1垂直走査期間における極性が正で、第2垂直走査期間における極性が負のときのGL2ODの値と、第1垂直走査期間における極性が負で、第2垂直走査期間における極性が正のときのGL2ODの値の大きさが異なる。例えば、下記の表1のように設定される。なお、一般に液晶表示装置は、上述したように、信頼性の観点から、液晶層に印加される電圧が交流電圧となるように設定される。従って、液晶層に印加される電圧の極性が正から負へ変化する連続する2つの垂直走査期間の対、および負から正へ変化する連続する2つの垂直走査期間の対は、立体表示モードに限らず、一般的な平面表示モードにおいても存在する。In the liquid crystal display device according to the embodiment of the present invention, the GL2OD value when the polarity in the first vertical scanning period is positive and the polarity in the second vertical scanning period is negative, and the polarity in the first vertical scanning period are negative. The value of GL2OD differs when the polarity in the second vertical scanning period is positive. For example, it is set as shown in Table 1 below. In general, as described above, the liquid crystal display device is set such that the voltage applied to the liquid crystal layer is an AC voltage from the viewpoint of reliability. Accordingly, a pair of two consecutive vertical scanning periods in which the polarity of the voltage applied to the liquid crystal layer changes from positive to negative and a pair of two consecutive vertical scanning periods in which the polarity changes from negative to positive are in the stereoscopic display mode. The present invention is not limited to this and exists in a general flat display mode.
Figure JPOXMLDOC01-appb-T000001
Figure JPOXMLDOC01-appb-T000001
 表1に示すように、0階調(GL1)から4階調(GL2)に変化するとき、書き込み極性が正から負に変化するときは、8階調(GL2OD)に対応する電圧を供給するように設定され、書き込み極性が負から正に変化するときは、10階調(GL2OD)に対応する電圧を供給するように設定される。また、0階調(GL1)から16階調(GL2)に変化するとき、書き込み極性が正から負に変化するときは、110階調(GL2OD)に対応する電圧を供給するように設定され、書き込み極性が負から正に変化するときは、136階調(GL2OD)に対応する電圧を供給するように設定される。As shown in Table 1, when the gradation changes from 0 gradation (GL1) to 4 gradations (GL2), and the writing polarity changes from positive to negative, a voltage corresponding to 8 gradations (GL2OD ) is supplied. When the writing polarity changes from negative to positive, it is set to supply a voltage corresponding to 10 gradations (GL2OD ). Further, when the gradation changes from 0 gradation (GL1) to 16 gradations (GL2), and when the writing polarity changes from positive to negative, it is set to supply a voltage corresponding to 110 gradations (GL2OD ). When the writing polarity changes from negative to positive, the voltage corresponding to 136 gradations (GL2OD ) is set to be supplied.
 このように、極性変化に応じて、最適なオーバードライブ量が決定されると、図43に示すように、何れの極性変化に対しても、最適な応答特性が得られ、図44に示すように、フレーム間クロストークのない表示が得られる。Thus, when the optimum overdrive amount is determined according to the polarity change, the optimum response characteristic is obtained for any polarity change as shown in FIG. 43, as shown in FIG. In addition, a display without crosstalk between frames can be obtained.
 ここでは、正→負および負→正の場合を例示したが、正→正および負→負の場合についても独立に最適なオーバードライブ量を決めてもよい。Here, the case of positive → negative and negative → positive is illustrated, but the optimum overdrive amount may be determined independently also in the case of positive → positive and negative → negative.
 立体表示が可能な上述の実施形態の液晶表示装置のように、各画素に、連続する2つの垂直走査期間ごとに左眼画像データおよび右眼画像データが交互に書き込まれ、左眼画像データの書き込まれる2つの垂直走査期間にわたって等しい極性を示し、右眼画像データの書き込まれる2つの垂直走査期間にわたって等しい極性を示すようにすると、第1垂直走査期間における極性が正で、第2垂直走査期間における極性が正である連続する2つの垂直走査期間の対と、第1垂直走査期間における極性が負で、第2垂直走査期間における極性が負である連続する2つの垂直走査期間の対とをさらに有する。従って、極性が正→正の場合、負→負の場合についても、それぞれに最適なオーバードライブ量を用意することが好ましい。このとき、画素に供給される表示信号の極性は、図15に示したように、2つの垂直走査期間ごとに反転するようにしてもよいし、図16に示したように、4垂直走査期間ごとに反転するようにしてもよい。Like the liquid crystal display device of the above-described embodiment capable of stereoscopic display, left eye image data and right eye image data are alternately written in each pixel every two consecutive vertical scanning periods, and left eye image data When the same polarity is shown over the two vertical scanning periods to be written and the same polarity is shown over the two vertical scanning periods in which the right-eye image data is written, the polarity in the first vertical scanning period is positive and the second vertical scanning period A pair of two consecutive vertical scanning periods having a positive polarity in FIG. 5 and a pair of two consecutive vertical scanning periods having a negative polarity in the first vertical scanning period and a negative polarity in the second vertical scanning period. Also have. Therefore, it is preferable to prepare an optimal overdrive amount for each of the cases where the polarity is positive → positive and negative → negative. At this time, the polarity of the display signal supplied to the pixel may be inverted every two vertical scanning periods as shown in FIG. 15, or four vertical scanning periods as shown in FIG. It may be reversed every time.
 本実施形態の他の液晶表示装置は、立体表示モードと平面表示モードとを切り換えて表示を行うことができる。ここで、立体表示モードのときだけ上記の表1を用い、平面表示モードのときは、極性変化に拘わらず、例えば下記の表2を用いればよい。Other liquid crystal display devices of this embodiment can perform display by switching between the stereoscopic display mode and the flat display mode. Here, the above Table 1 is used only in the stereoscopic display mode, and the following Table 2 may be used in the flat display mode regardless of the polarity change.
Figure JPOXMLDOC01-appb-T000002
Figure JPOXMLDOC01-appb-T000002
 表2に示すように、0階調(GL1)から4階調(GL2)に変化するときには、5階調(GL2OD)に対応する電圧を供給するように設定され、0階調(GL1)から16階調(GL2)に変化するときには、48階調(GL2OD)に対応する電圧を供給するように設定される。As shown in Table 2, when changing from 0 gradation (GL1) to 4 gradations (GL2), a voltage corresponding to 5 gradations (GL2OD ) is set to be supplied, and 0 gradation (GL1) is set. When changing from 1 to 16 gradations (GL2), the voltage corresponding to 48 gradations (GL2OD ) is set to be supplied.
 表1と表2とを比較すると明らかなように、立体表示モードにおけるオーバードライブ量は、平面表示モードにおけるオーバードライブ量よりも大きい。このことからも、立体表示モードにおいては、従来のオーバードライブ量で最適な表示ができないことがわかる。これは、単に極性の変化だけでなく、右眼画像と左眼画像とを切り換えることに起因している。従って、立体表示モードと平面表示モードとを切り換えられる液晶表示装置においては、それぞれに対応するオーバードライブ量を用意することが好ましい。ここで、立体表示モードにおいては、表示品位の観点から、極性変化に応じて複数のオーバードライブ量(複数種類のルックアップテーブル)を用いることが好ましいが、極性の変化に拘わらず、単一のオーバードライブ量を用意してもよい。例えば、立体表示モードにおいては表1を用いることが好ましいが、極性の変化に拘わらず、表1における2つのGL2ODの平均((8+10)/2、(110+136)/2)を用いてもよい。これらの値は、表2に示した平面表示モードにおけるGL2ODの値と大きく異なることから、立体表示モードにおいて、極性の変化に拘わらず単一のオーバードライブ量を用いても、立体表示モード用に最適化したオーバードライブ量を用意すれば、従来のように平面表示モード用のオーバードライブ量(表2)を用いる場合よりも、立体表示の表示品位が向上させられることが分かる。一般に、立体表示モードのときのオーバードライブ量は、平面表示モードのときのオーバードライブ量よりもかなり大きい。As is clear from comparison between Table 1 and Table 2, the overdrive amount in the stereoscopic display mode is larger than the overdrive amount in the flat display mode. This also shows that in the stereoscopic display mode, the optimum display cannot be performed with the conventional overdrive amount. This is caused not only by the change in polarity but also by switching between the right eye image and the left eye image. Accordingly, in a liquid crystal display device capable of switching between the stereoscopic display mode and the flat display mode, it is preferable to prepare an overdrive amount corresponding to each. Here, in the stereoscopic display mode, from the viewpoint of display quality, it is preferable to use a plurality of overdrive amounts (plural types of lookup tables) according to the polarity change. An overdrive amount may be prepared. For example, although it is preferable to use Table 1 in the stereoscopic display mode, the average ((8 + 10) / 2, (110 + 136) / 2) of the two GL2ODs in Table 1 may be used regardless of the change in polarity. . Since these values are significantly different from the GL2OD values in the flat display mode shown in Table 2, even if a single overdrive amount is used in the stereoscopic display mode regardless of the change in polarity, it is for the stereoscopic display mode. It can be seen that the display quality of the stereoscopic display can be improved by using an overdrive amount optimized for the case of using the overdrive amount for the flat display mode (Table 2) as in the prior art. In general, the overdrive amount in the stereoscopic display mode is considerably larger than the overdrive amount in the flat display mode.
 なお、上記の説明は、立体表示モードにおける垂直走査周波数が240Hzで、平面表示モードにおける垂直走査周波数が120Hzの場合についてであるが、これよりも垂直走査周波数が高くなると、本発明による実施形態の効果がさらに顕著になる。The above description is for the case where the vertical scanning frequency in the stereoscopic display mode is 240 Hz and the vertical scanning frequency in the flat display mode is 120 Hz. However, if the vertical scanning frequency becomes higher than this, the embodiment of the present invention will be described. The effect becomes even more pronounced.
 さらに、本発明者は、立体表示モードで特に顕著になる上記のフレーム間クロストークと異なるタイプのフレーム間クロストークの問題があることを見出した。上述のフレーム間クロストークを第1のフレーム間クロストークと呼び、以下に説明するフレーム間クロストークを第2のフレーム間クロストークと呼ぶことがある。Furthermore, the present inventor has found that there is a problem of a type of inter-frame crosstalk different from the above-described inter-frame cross talk that becomes particularly remarkable in the stereoscopic display mode. The interframe crosstalk described above may be referred to as a first interframe crosstalk, and the interframe crosstalk described below may be referred to as a second interframe crosstalk.
 上述したように、立体表示モードでは、連続する2つのフレーム更新期間ごとに右眼画像データと左眼画像データとが交互に書き込まれる。すなわち、立体表示モードでは、連続する2つのフレーム更新期間において同じ画像データが書き込まれる。なお、動画表示特性を改善するための2倍速駆動や4倍速駆動では、動きに対応した補完画像を挿入するので、連続する2つのフレーム更新期間において同じ画像データが書き込まれることはない。連続する2つのフレーム更新期間において同じ画像データが書き込まれるシークエンスは、立体表示モードに特有である。As described above, in the stereoscopic display mode, the right eye image data and the left eye image data are alternately written every two consecutive frame update periods. That is, in the stereoscopic display mode, the same image data is written in two consecutive frame update periods. In addition, in the double speed drive or the quadruple speed drive for improving the moving image display characteristics, the same image data is not written in two consecutive frame update periods because the complementary image corresponding to the motion is inserted. The sequence in which the same image data is written in two consecutive frame update periods is specific to the stereoscopic display mode.
 立体表示モードにおいて、例えば、入力映像信号において、255階調レベルの左眼画像データと0階調レベルの右眼画像データとが連続している場合、0階調レベルを表示すべき右眼画像に左眼画像データが重なって表示されるという、フレーム間クロストーク(第2のフレーム間クロストーク)が発生することがある。図45を参照してこの問題を説明する。ここでもノーマリーブラックモード(例えばVAモード)の液晶表示装置を例示する。In the stereoscopic display mode, for example, when the left-eye image data of 255 gradation level and the right-eye image data of 0 gradation level are continuous in the input video signal, the right eye image that should display the 0 gradation level. Inter-frame crosstalk (second inter-frame crosstalk) may occur in which the left-eye image data is displayed in a superimposed manner. This problem will be described with reference to FIG. Here, a normally black mode (for example, VA mode) liquid crystal display device is also exemplified.
 図45は、従来の液晶表示装置による立体表示モードにおいて、0階調レベルの右眼画像と、255階調レベル(最高階調レベル)の左眼画像とを交互に表示する場合の輝度(階調レベルで表したもの)の変化を示している。すなわち、目標階調レベルが、0階調レベルから255階調レベルへ変化し、続いて、255階調レベルから0階調レベルへと変化する場合における実際の輝度の変化をあらわしている。FIG. 45 shows luminance (floor) in a case where a right-eye image of 0 gradation level and a left-eye image of 255 gradation level (maximum gradation level) are alternately displayed in a stereoscopic display mode by a conventional liquid crystal display device. Change in the key level). That is, it shows the actual luminance change when the target gradation level changes from the 0 gradation level to the 255 gradation level and then changes from the 255 gradation level to the 0 gradation level.
 図45において、第1フレーム更新期間(1F)、第2フレーム更新期間(2F)、第3フレーム更新期間(3F)、第4フレーム更新期間(4F)に注目する。1Fおよび2Fで左眼画像データが書き込まれ、3Fおよび4Fで右眼画像データが書き込まれる。1Fでは、直前のフレーム更新期間で目標階調レベルである0階調レベルに対応する輝度を表示していた状態から、1Fの目標階調レベルである255階調レベルに対応する輝度を表示する状態へと変化するために、255階調レベルに対応する電圧が書き込まれる。しかしながら、液晶の応答が遅いので、輝度は1Fの期間内に255階調レベルまで到達しない。続く2Fでは再び255階調レベルに対応する電圧が書き込まれ、2Fの期間内に輝度は目標階調レベルである255階調レベルに到達する。45, attention is focused on the first frame update period (1F), the second frame update period (2F), the third frame update period (3F), and the fourth frame update period (4F). Left eye image data is written in 1F and 2F, and right eye image data is written in 3F and 4F. In 1F, the luminance corresponding to the 255th gradation level, which is the target gradation level of 1F, is displayed from the state where the luminance corresponding to the 0th gradation level, which is the target gradation level, was displayed in the previous frame update period. In order to change to a state, a voltage corresponding to 255 gradation levels is written. However, since the response of the liquid crystal is slow, the luminance does not reach the 255 gradation level within the period of 1F. In the subsequent 2F, the voltage corresponding to the 255 gradation level is written again, and the luminance reaches the 255 gradation level which is the target gradation level within the period of 2F.
 第3フレーム更新期間(3F)および第4フレーム更新期間(4F)では、目標階調レベルである0階調レベルに到達するように電圧が印加される。0階調レベルは最低階調レベルなので、上述のアンダーシュート駆動を行うことはできず、3Fにおいても0階調レベルに対応する電圧が書き込まれる。4Fでは目標階調電圧である0階調レベルに対応する電圧が書き込まれる。In the third frame update period (3F) and the fourth frame update period (4F), a voltage is applied so as to reach thetarget gradation level 0 gradation level. Since the 0 gradation level is the lowest gradation level, the above-described undershoot drive cannot be performed, and a voltage corresponding to the 0 gradation level is written even in 3F. In 4F, a voltage corresponding to the 0 gradation level which is the target gradation voltage is written.
 ここで、輝度は、2Fの期間内に目標階調レベルである255階調レベルに到達しているのに対し、4Fの期間の終点において目標階調レベルである0階調レベルに到達していない。すなわち、直前に表示していた左眼画像(白)の影響を受けて、右眼画像で黒を表示すべき画素の輝度が上昇している。従って、右眼画像で黒を表示すべき領域のうち、直前の左眼画像において白を表示していた領域は、右眼画像の黒い領域内で少し明るい領域として表示されることになる。これが、観察者には、右眼画像と左眼画像との間のフレーム間クロストークとして認識される。この第2のフレーム間クロストークは、高階調表示から低階調表示、特に黒表示へと切り替わる場合に発生し、書き込む電圧の極性の変化の有無に関らず発生する。具体的にどのような階調レベル間の遷移のときに、第2のクロストークが発生する(あるいは、観察者に認識される)かは、液晶の応答速度および駆動速度(垂直走査周波数)に依存する。Here, the luminance has reached the target gradation level of 255 gradation level within the period of 2F, whereas the luminance has reached the target gradation level of 0 gradation level at the end of the period of 4F. Absent. That is, the luminance of the pixel that should display black in the right eye image is increased by the influence of the left eye image (white) displayed immediately before. Therefore, among the regions that should display black in the right eye image, the region that displayed white in the immediately preceding left eye image is displayed as a slightly brighter region in the black region of the right eye image. This is recognized by the observer as inter-frame crosstalk between the right eye image and the left eye image. This second inter-frame crosstalk occurs when switching from high gradation display to low gradation display, particularly black display, and occurs regardless of the change in polarity of the voltage to be written. Specifically, at which transition between gradation levels the second crosstalk occurs (or is recognized by the observer) depends on the response speed and driving speed (vertical scanning frequency) of the liquid crystal. Dependent.
 以下に説明する本発明による実施形態の液晶表示装置は、左眼画像データと右眼画像データとを含む入力映像信号を受け取って、連続する2つの垂直走査期間ごとに、左眼画像データに対応する電圧および右眼画像データに対応する電圧を交互に画素に書き込む液晶表示装置であって、入力映像信号における左眼画像データと右眼画像データとの間の遷移が、第1階調レベルから、第1階調レベルよりも高い第2階調レベルへの遷移であるとき、連続する2つの垂直走査期間を第1垂直走査期間と、第1垂直走査期間に続く第2垂直走査期間とすると、第2階調レベルを表示すべき連続する2つの垂直走査期間の内の第2垂直走査期間において、第2階調レベルよりも低い階調レベルに対応する電圧を画素に書き込むように構成されている。ここで、左眼画像データと右眼画像データとの間の遷移とは、左眼画像データから右眼画像データへの遷移および右眼画像データから左眼画像データへの遷移の両方を含む。A liquid crystal display device according to an embodiment of the present invention described below receives an input video signal including left eye image data and right eye image data, and supports left eye image data for every two consecutive vertical scanning periods. And a voltage corresponding to the right eye image data are alternately written to the pixels, and the transition between the left eye image data and the right eye image data in the input video signal is changed from the first gradation level. When the transition to the second gradation level higher than the first gradation level is made, the two consecutive vertical scanning periods are the first vertical scanning period and the second vertical scanning period following the first vertical scanning period. The voltage corresponding to the gradation level lower than the second gradation level is written to the pixel in the second vertical scanning period of the two consecutive vertical scanning periods in which the second gradation level is to be displayed. ingHere, the transition between the left eye image data and the right eye image data includes both a transition from the left eye image data to the right eye image data and a transition from the right eye image data to the left eye image data.
 本実施形態によると、第2階調レベルを表示した後に、第2階調レベルよりも暗い階調レベルを表示する場合に、第2のフレーム間クロストークの発生を抑制できる。もちろん、第2のフレーム間クロストークは、上述したように、白表示(最高階調レベル)から黒表示(最低階調レベル)に切替わる際に顕著であり、第2階調レベルは最高階調レベルを含むことが好ましく、最低階調レベルを0階調レベル、最高階調レベルを255階調レベルとするとき、第2階調レベルは、200階調レベルから255階調レベルの任意の1つであることが好ましい。しかしながら、原理的には、第2階調レベルが200階調レベルから255階調レベルの少なくとも1つであれば効果を得ることは可能であり、さらには、第2階調レベルが中央階調レベルよりも高い階調レベル(単に、高階調レベルということがある。)の少なくとも1つであればよい。According to the present embodiment, it is possible to suppress the occurrence of second inter-frame crosstalk when displaying a gradation level darker than the second gradation level after displaying the second gradation level. Of course, as described above, the second inter-frame crosstalk is conspicuous when switching from white display (maximum gradation level) to black display (minimum gradation level). Preferably, the second gradation level is an arbitrary value from 200 gradation levels to 255 gradation levels when the lowest gradation level is 0 gradation level and the highest gradation level is 255 gradation level. One is preferred. However, in principle, it is possible to obtain an effect if the second gradation level is at least one of the 200 gradation level to the 255 gradation level, and further, the second gradation level is the central gradation. It may be at least one of gradation levels higher than the level (simply referred to as high gradation level).
 一方、第2階調レベルを表示するフレーム更新期間の直前のフレーム更新期間の表示が暗いほど(すなわち第1階調レベルが低いほど)、第2階調レベルを表示すべき連続する2つの垂直走査期間の内の第1垂直走査期間において画素に書き込まれる電圧の絶対値は大きくなる(オーバーシュート駆動)。従って、第2階調レベルを表示すべきフレーム更新期間の直前のフレーム更新期間の表示が暗いほど(すなわち第1階調レベルが低いほど)、第2のフレーム間クロストークが顕著になる。そこで、第2のフレーム間クロストークを効果的に抑制するためには、第1階調レベルは最低階調レベルを含むことが好ましく、最低階調レベルを0階調レベル、最高階調レベルを255階調レベルとするとき、第1階調レベルは、0階調レベルから16階調レベルの任意の1つであることが好ましい。しかしながら、原理的には、第1階調レベルが0階調レベルから16階調レベルの少なくとも1つであれば効果を得ることは可能であり、さらには、第1階調レベルが中央階調レベルよりも低い階調レベル(単に、低階調レベルということがある。)の少なくとも1つであればよい。On the other hand, the darker the display in the frame update period immediately before the frame update period for displaying the second gradation level (that is, the lower the first gradation level), the more two vertical lines that should display the second gradation level. The absolute value of the voltage written to the pixel in the first vertical scanning period in the scanning period becomes large (overshoot driving). Accordingly, the darker the display in the frame update period immediately before the frame update period in which the second gradation level is to be displayed (that is, the lower the first gradation level), the more significant the second inter-frame crosstalk. Therefore, in order to effectively suppress the second inter-frame crosstalk, the first gradation level preferably includes the lowest gradation level, the lowest gradation level is 0 gradation level, and the highest gradation level is set. When the 255 gradation level is set, the first gradation level is preferably any one of the 0 gradation level to the 16 gradation level. However, in principle, it is possible to obtain an effect if the first gradation level is at least one of the 0th gradation level to the 16th gradation level, and further, the first gradation level is the central gradation level. It may be at least one of gradation levels lower than the level (simply referred to simply as a low gradation level).
 本実施形態の液晶表示装置は、高階調レベルの表示から低階調レベルの表示へと切り替わる際のフレーム間クロストークの発生を抑制することができる。すなわち、本実施形態の液晶表示装置は、立体表示モードにおいて、例えば、低階調レベル(右)→高階調レベル(左)→低階調レベル(右)の遷移が起こっても、低階調レベルの表示をより正確に行うことにより、第2のフレーム間クロストークを抑制することができる。もちろん、左右が逆の場合も同じである。また、本実施形態の液晶表示装置は、平面表示動作モードでも動作し得るし、上述の何れの実施形態と組み合わせることができる。もちろん、第1のフレーム間クロストークを抑制する実施形態と組み合わせることが好ましい。The liquid crystal display device of the present embodiment can suppress the occurrence of inter-frame crosstalk when switching from high gradation level display to low gradation level display. In other words, the liquid crystal display device according to the present embodiment has a low gray scale level even in the stereoscopic display mode even if, for example, a transition from a low gray level (right) to a high gray level (left) → a low gray level (right) occurs. By performing the level display more accurately, the second inter-frame crosstalk can be suppressed. Of course, the same applies when the left and right sides are reversed. Further, the liquid crystal display device of this embodiment can operate in the flat display operation mode, and can be combined with any of the above-described embodiments. Of course, it is preferable to combine with the embodiment that suppresses the first inter-frame crosstalk.
 図46を参照する。図46は、本実施形態の液晶表示装置による立体表示モードにおいて、0階調レベルの右眼画像と、255階調レベル(最高階調レベル)の左眼画像とを交互に表示する場合の輝度(階調レベルで表したもの)の変化を示している。図46に示すように、1Fおよび2Fにおいて255階調レベルの左眼画像を表示した後、3Fおよび4Fで0階調レベルの右眼画像を表示すべき場合に、4Fにおいて輝度が0階調レベルに到達するように、2Fにおいて到達する輝度を目標階調レベルである255階調レベルよりも低くする。誘電異方性が負の液晶材料を用いたノーマリーブラックモードの液晶表示装置において、高階調レベルを表示している画素の液晶分子の配向方向は、印加されている電圧の大きさ(絶対値)に応じて、電界に垂直に近づいている。一方、低階調レベルを表示している画素の液晶分子の配向方向は、配向膜等によって規制されているプレチルト方向に近い。低階調レベルの表示状態(=低電圧印加状態)から高階調レベルの表示状態(=高電圧印加状態)への遷移の速度(立ち上がり応答速度)は、印加する電圧を大きくすれば増大する。これに対し、高階調レベルの表示状態から低階調レベルの表示状態への遷移の速度(立下り応答速度)は、液晶分子の配向状態が初期配向状態(電圧無印加状態)へと戻ろうとする、液晶材料が有する弾性的性質に基づく復元力によって決まる。従って、上述のアンダーシュート駆動を行っても、高階調レベルの表示状態から低階調レベルの表示状態へ、特に0階調レベルの表示状態へと遷移する時間は、ある時間よりも短くすることができない。本実施形態の液晶表示装置では、高階調レベルの表示を行う連続する2つの垂直走査期間の内の後ろの垂直走査期間の少なくとも終点における輝度を目標階調レベルよりも低くすることによって、その直後の低階調レベルの表示をより正確に行うことができる。なお、高階調レベルの表示を行う連続する2つの垂直走査期間の後ろの垂直走査期間の全体、あるいは、その垂直走査期間の内で、バックライトが点灯し且つ対応する眼鏡がオープンになっている期間における輝度を、目標階調レベルに到達しないようにしてもよい。ここでは、分かり易さのために、第1階調レベルを最低階調レベル(0階調レベル)とし、第2階調レベルを最高階調レベルとしたが、これに限られないのは、上述の通りである。Refer to FIG. FIG. 46 shows the luminance in the case where the right-eye image at the 0 gradation level and the left-eye image at the 255 gradation level (maximum gradation level) are alternately displayed in the stereoscopic display mode by the liquid crystal display device of the present embodiment. (Changed in gradation level). As shown in FIG. 46, when a left eye image at 255 gradation level is displayed at 1F and 2F and a right eye image at 0 gradation level is to be displayed at 3F and 4F, the brightness is 0 gradation at 4F. In order to reach the level, the luminance reached in 2F is made lower than thetarget gradation level 255 gradation level. In a normally black mode liquid crystal display device using a liquid crystal material having a negative dielectric anisotropy, the orientation direction of the liquid crystal molecules of a pixel displaying a high gradation level is the magnitude of an applied voltage (absolute value). ) Approaching perpendicular to the electric field. On the other hand, the alignment direction of the liquid crystal molecules of the pixel displaying the low gradation level is close to the pretilt direction regulated by the alignment film or the like. The transition speed (rise response speed) from the low gradation level display state (= low voltage application state) to the high gradation level display state (= high voltage application state) increases as the applied voltage is increased. On the other hand, the transition speed (falling response speed) from the high gray level display state to the low gray level display state is such that the alignment state of the liquid crystal molecules returns to the initial alignment state (no voltage application state). It depends on the restoring force based on the elastic properties of the liquid crystal material. Therefore, even when the above-described undershoot drive is performed, the time for transition from the high gradation level display state to the low gradation level display state, particularly to the 0 gradation level display state, should be shorter than a certain time. I can't. In the liquid crystal display device according to the present embodiment, the luminance at least at the end point of the subsequent vertical scanning period out of two consecutive vertical scanning periods for performing display at a high gradation level is made lower than the target gradation level immediately thereafter. It is possible to display the low gradation level more accurately. It should be noted that the backlight is turned on and the corresponding glasses are open within the entire vertical scanning period after two consecutive vertical scanning periods for displaying a high gradation level, or within the vertical scanning period. The luminance in the period may not reach the target gradation level. Here, for the sake of simplicity, the first gradation level is set to the lowest gradation level (0 gradation level) and the second gradation level is set to the highest gradation level. However, the present invention is not limited to this. As described above.
 まず、第2のフレーム間クロストークの発生を抑制することができる本実施形態の液晶表示装置の駆動方法との比較のために、図47を参照して、上述の立体表示システム(例えば、図20に示した立体表示システム300)の液晶表示装置に用いら得るオーバードライブ駆動部の構成と駆動方法とを説明する。図47において、図20と共通する構成要素は同じ参照符号で示し、説明を省略する。First, for comparison with the driving method of the liquid crystal display device of the present embodiment capable of suppressing the occurrence of the second inter-frame crosstalk, referring to FIG. 47, the above-described stereoscopic display system (for example, FIG. The configuration and driving method of the overdrive driving unit that can be used in the liquid crystal display device of the stereoscopic display system 300) shown in FIG. In FIG. 47, components common to those in FIG. 20 are denoted by the same reference numerals, and description thereof is omitted.
 図47に示す立体表示システムは、図20に示した立体表示システム300と実質的に同じ構成を有しており、図47には、タイミングコントローラ120Aおよびオーバードライブ駆動部124Aの具体的な構成を示している。なお、立体表示システムから、シャッター眼鏡280を除いた部分が、液晶表示装置である。The stereoscopic display system shown in FIG. 47 has substantially the same configuration as thestereoscopic display system 300 shown in FIG. 20, and FIG. 47 shows specific configurations of thetiming controller 120A and theoverdrive drive unit 124A. Show. A portion excluding theshutter glasses 280 from the stereoscopic display system is a liquid crystal display device.
 タイミングコントローラ120Aは、信号複製部122を有している。信号複製部122は、上述したように、フレームレート120fpsの映像信号に基づいてフレームレート240fpsの表示信号を生成する。具体的には、信号複製部122は、映像信号の左眼画像データおよび右眼画像データをそれぞれ複製して、表示信号に、左眼画像データおよび右眼画像データをそれぞれ2つずつ連続して配列する。信号複製部122で生成された表示信号は、オーバードライブ駆動部124Aに入力され、駆動データに変換される。オーバードライブ駆動部124Aは、表示信号駆動回路150に駆動データを出力する。表示信号駆動回路150は、駆動データに基づいて、表示信号(ソース信号)を生成し、液晶パネル200のソース配線に供給する。ソース信号は、駆動データに対応する振幅を有し、所定の極性を有する。Thetiming controller 120A has asignal duplication unit 122. As described above, thesignal duplicating unit 122 generates a display signal having a frame rate of 240 fps based on the video signal having a frame rate of 120 fps. Specifically, thesignal duplicating unit 122 duplicates the left eye image data and the right eye image data of the video signal, respectively, and the left eye image data and the right eye image data are continuously added to the display signal by two each. Arrange. The display signal generated by thesignal duplication unit 122 is input to theoverdrive drive unit 124A and converted into drive data. Theoverdrive drive unit 124A outputs drive data to the displaysignal drive circuit 150. The displaysignal drive circuit 150 generates a display signal (source signal) based on the drive data and supplies it to the source wiring of theliquid crystal panel 200. The source signal has an amplitude corresponding to the drive data and has a predetermined polarity.
 オーバードライブ駆動部124Aは、第1処理部126Aと、第2処理部128と、フレームメモリ125と駆動データ生成部127とを有している。Theoverdrive driving unit 124A includes afirst processing unit 126A, asecond processing unit 128, aframe memory 125, and a drivingdata generation unit 127.
 第1処理部126Aは、オーバードライブ演算部126cとオーバードライブ用のルックアップテーブル126tとを有している。オーバードライブ演算部126cは、信号複製部122で生成された現フレームの画像データ(右眼画像データまたは左眼画像データ)と、フレームメモリ125から出力される予測データ(前フレームデータ)とを受け取り、オーバードライブ用のルックアップテーブル126tを参照して、所望の階調レベルのデータに変換する。すなわち、オーバードライブ演算部126cによって変換されたデータは、所望のオーバードライブ量を有している。オーバードライブ演算部126cによって変換されたデータは、駆動データ生成部127に入力され、駆動データに変換される。Thefirst processing unit 126A includes anoverdrive computing unit 126c and an overdrive lookup table 126t. Theoverdrive computing unit 126c receives the current frame image data (right-eye image data or left-eye image data) generated by thesignal duplication unit 122 and the prediction data (previous frame data) output from theframe memory 125. Then, the data is converted into data of a desired gradation level with reference to the overdrive lookup table 126t. That is, the data converted by theoverdrive computing unit 126c has a desired overdrive amount. The data converted by theoverdrive computing unit 126c is input to the drivedata generating unit 127 and converted into drive data.
 第2処理部128は、信号複製部122で生成された現フレームの画像データと、フレームメモリ125から出力される予測データ(前フレームデータ)とを受け取り、予測用のルックアップテーブル128tを参照して、予測データを求め、得られた予測データをフレームメモリ125に格納する。Thesecond processing unit 128 receives the image data of the current frame generated by thesignal duplicating unit 122 and the prediction data (previous frame data) output from theframe memory 125, and refers to the prediction lookup table 128t. Thus, the prediction data is obtained, and the obtained prediction data is stored in theframe memory 125.
 上述のオーバードライブ駆動は、例えば、このようにして行われる。The above-described overdrive driving is performed in this way, for example.
 ここで、図47に示した立体表示システムにおいて、高階調レベルの表示の直後の低階調レベルの表示をより正確に行うために、高階調レベルの表示の輝度を犠牲にすることを考える。Here, in the stereoscopic display system shown in FIG. 47, it is considered to sacrifice the luminance of the display of the high gradation level in order to perform the display of the low gradation level immediately after the display of the high gradation level.
 例えば、オーバードライブ駆動部124Aに入力される画像データが、図45に示したように、右眼画像データ(0階調レベル)から左眼画像データ(255階調レベル)へ遷移する場合を考える。ここで、左眼画像データで表示する階調レベルを、本来表示すべき255階調レベルから、例えば200階調レベルに下げる。For example, consider a case where the image data input to theoverdrive drive unit 124A transitions from the right eye image data (0 gradation level) to the left eye image data (255 gradation level) as shown in FIG. . Here, the gradation level displayed with the left eye image data is lowered from the 255 gradation level to be originally displayed to, for example, the 200 gradation level.
 上記のオーバードライブ駆動方法において、左眼画像を表示する連続する2つの垂直走査期間(第1垂直走査期間と第2垂直走査期間)の内の第1垂直走査期間(以下、第1フレームということがある。)で表示すべき階調レベルを200にするために、図48(a)に示す関係を格納したオーバードライブ用のルックアップテーブル126tを参照して、前フレームの階調レベルが0で、現フレームの階調レベルが255である遷移に対して、第1フレームのOS値を251階調レベルに設定する。なお、ここでは、設定される階調レベルがオーバーシュートしないような値であっても、便宜的にOS値と呼ぶ。In the overdrive driving method described above, a first vertical scanning period (hereinafter referred to as a first frame) out of two consecutive vertical scanning periods (a first vertical scanning period and a second vertical scanning period) for displaying a left eye image. In order to set the gradation level to be displayed in step 200) to 200, the gradation level of the previous frame is 0 with reference to the overdrive lookup table 126t storing the relationship shown in FIG. Thus, the OS value of the first frame is set to the 251 gradation level for the transition where the gradation level of the current frame is 255. Here, even if the set gradation level is a value that does not overshoot, it is called an OS value for convenience.
 そうすると、図48(b)に示すように、前フレームの階調レベルが0で、現フレームで255階調を表示する場合に、第1フレームのOS値を251階調とすると、第1フレームの終りにおいて、画素が表示する輝度は、200階調レベルとなる。図48(b)に示す関係は、図47の予測用のルックアップテーブル128tに格納されている。Then, as shown in FIG. 48B, when the gradation level of the previous frame is 0 and 255 gradations are displayed in the current frame, if the OS value of the first frame is 251 gradations, the first frame At the end, the luminance displayed by the pixel is 200 gradation levels. The relationship shown in FIG. 48B is stored in the prediction lookup table 128t of FIG.
 第2フレームのOS値は、図48(c)に示す、オーバードライブ用のルックアップテーブル126tに格納されている関係に基づいて、前フレームの階調レベルが200で、現フレームの階調レベルが255の場合になるので、255となる。そうすると、第2フレームでは255階調レベルに到達してしまう。なお、図48(a)および図48(c)は、いずれもオーバードライブ用のルックアップテーブル126tに格納されている関係を示しており、同じ関係である。The OS value of the second frame is based on the relationship stored in the overdrive lookup table 126t shown in FIG. Is 255, so 255. As a result, the 255th gradation level is reached in the second frame. 48A and 48C show the relationship stored in the overdrive lookup table 126t, which is the same relationship.
 このように、図47に示した立体表示システムの液晶表示装置において、0階調レベルから255階調レベルへの遷移に対するOS値を小さい値に設定しても、最終的に表示される輝度(第2フレームにおける輝度)を低下させることはできない。なお、オーバードライブ用のルックアップテーブル126tに格納する関係(図48(a)および(c))を、第2フレームのOS値が200となるように設定すると、階調遷移が0→255の場合だけでなく、階調遷移が200→255の場合にも、200階調レベルの表示をすることになる。例えば、本来の階調遷移が200→255→200の場合に、200→200→200の表示を行うことになる。従って、このような設定は採用し得ない。In this manner, in the liquid crystal display device of the stereoscopic display system shown in FIG. 47, even when the OS value for the transition from the 0 gradation level to the 255 gradation level is set to a small value, the brightness (final display) The luminance in the second frame cannot be reduced. Note that if the relationship stored in the overdrive lookup table 126t (FIGS. 48A and 48C) is set so that the OS value of the second frame is 200, the gradation transition is 0 → 255. Not only the case, but also when the gradation transition is 200 → 255, the display of the 200 gradation level is performed. For example, when the original gradation transition is 200 → 255 → 200, 200 → 200 → 200 is displayed. Therefore, such a setting cannot be adopted.
 以下に、上述した第2のフレーム間クロストークの発生を抑制することができる本実施形態の液晶表示装置の具体的な例を説明する。Hereinafter, a specific example of the liquid crystal display device of the present embodiment capable of suppressing the occurrence of the above-described second inter-frame crosstalk will be described.
 図49に示す本実施形態の液晶表示装置は、図47に示した液晶表示装置のフレームレート制御回路110の前に、目標階調変換回路105Aと変換用のルックアップテーブル105tAとを有している。目標階調変換回路105Aは、入力映像信号を受け取り、変換用のルックアップテーブル105tAを参照して、入力映像信号に含まれる所定の階調遷移を、他の階調遷移に変換する。すなわち、入力映像信号に含まれる、第1階調レベルから第2階調レベルへの遷移を、第1階調レベルから、第2階調レベルよりも低い第3階調レベルへの遷移に変換する。ここで、第1階調レベルは、上述したように、中央階調レベルよりも低い階調レベルの少なくとも1つであり、典型的には最低階調レベルを含み、第2階調レベルは、中央階調レベルよりも高い階調レベルの少なくとも1つであり、典型的には最高階調レベルを含む。目標階調変換回路105Aによって変換された入力映像信号は、フレームレート制御回路110に出力される。その後、図47を参照して説明したように、第2階調レベルを表示すべき連続する2つの垂直走査期間の内の第2垂直走査期間(第2フレーム)において、第3階調レベルに対応する電圧が画素に書き込まれる。The liquid crystal display device of this embodiment shown in FIG. 49 has a targetgradation conversion circuit 105A and a conversion lookup table 105tA before the framerate control circuit 110 of the liquid crystal display device shown in FIG. Yes. The targetgradation conversion circuit 105A receives the input video signal, refers to the conversion lookup table 105tA, and converts a predetermined gradation transition included in the input video signal into another gradation transition. That is, the transition from the first gradation level to the second gradation level included in the input video signal is converted to the transition from the first gradation level to the third gradation level lower than the second gradation level. To do. Here, as described above, the first gradation level is at least one of gradation levels lower than the central gradation level, typically including the lowest gradation level, and the second gradation level is At least one of the gradation levels higher than the central gradation level, and typically includes the highest gradation level. The input video signal converted by the targetgradation conversion circuit 105A is output to the framerate control circuit 110. Thereafter, as described with reference to FIG. 47, in the second vertical scanning period (second frame) of the two consecutive vertical scanning periods in which the second gradation level is to be displayed, the third gradation level is reached. A corresponding voltage is written to the pixel.
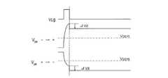
 図50(a)~(c)を参照して、目標階調変換回路105Aを有する液晶表示装置の動作を説明する。ここでは、第1階調レベルが0階調から16階調の全てに対応し、第2階調レベルが224階調から255階調の全てに対応し、第3階調レベルが200階調である場合を説明する。これを実施例1とする。The operation of the liquid crystal display device having the targetgradation conversion circuit 105A will be described with reference to FIGS. Here, the first gradation level corresponds to all of the 0th to 16th gradations, the second gradation level corresponds to all of the 224th to 255th gradations, and the third gradation level of the 200th gradation. The case where it is is demonstrated. This is Example 1.
 目標階調変換回路105Aは、図50(a)に示す関係が格納された変換用のルックアップテーブル105tAを参照して、入力映像信号(60Hz)の前フレーム階調レベルが0~16のいずれかであり、入力映像信号の現フレーム階調レベルが224~255のいずれかである場合、目標階調レベル(=現フレーム階調レベル)を200に設定する。The targetgradation conversion circuit 105A refers to the conversion look-up table 105tA in which the relationship shown in FIG. 50A is stored, and any of the previous frame gradation levels of the input video signal (60 Hz) is 0 to 16. If the current frame gradation level of the input video signal is any one of 224 to 255, the target gradation level (= current frame gradation level) is set to 200.
 その後、変換された入力映像信号は、図49に示したように、フレームレート制御回路110で120Hzの映像信号に変化され、タイミングコントローラ120Aに送られる。タイミングコントローラ120Aのオーバードライブ駆動部124A(図47参照)は、図50(b)に示す関係が格納されている予測用のルックアップテーブル128tを参照して、第1フレームのOS値を251に設定する。すなわち、予測用のルックアップテーブル128tは、図50(b)に示すように、第1フレームの到達階調レベルの予測値として200を有している。従って、第2フレームのOS値としては、図50(c)に示す関係が格納された変換用のルックアップテーブル105tAを参照して、200階調から200階調への遷移に対応する値として、200が与えられる。従って、第2フレームの到達輝度は200階調となる。なお、図50(b)および図50(c)は、いずれもオーバードライブ用のルックアップテーブル126tに格納されている関係を示しており、同じ関係である。Thereafter, the converted input video signal is changed to a 120 Hz video signal by the framerate control circuit 110 and sent to thetiming controller 120A as shown in FIG. Theoverdrive driving unit 124A (see FIG. 47) of thetiming controller 120A sets the OS value of the first frame to 251 with reference to the prediction lookup table 128t in which the relationship shown in FIG. 50B is stored. Set. That is, as shown in FIG. 50B, the prediction lookup table 128t has 200 as the predicted value of the reached gradation level of the first frame. Therefore, the OS value of the second frame is a value corresponding to the transition from the 200th gradation to the 200th gradation by referring to the conversion lookup table 105tA in which the relationship shown in FIG. 50C is stored. , 200 is given. Therefore, the reached luminance of the second frame is 200 gradations. 50B and 50C show the relationship stored in the overdrive lookup table 126t, and are the same relationship.
 図51は、実施例1の駆動を行った場合の画素の輝度の時間変化を示している。図51は、比較例として、通常のオーバードライブ駆動を行った場合の画素の輝度の時間変化を併せて示している。また、図51には、バックライト(BL)の点灯期間を併せて示している。FIG. 51 shows temporal changes in luminance of the pixels when the driving of Example 1 is performed. FIG. 51 shows, as a comparative example, temporal changes in pixel luminance when normal overdrive driving is performed. FIG. 51 also shows the lighting period of the backlight (BL).
 図51から分かるように、比較例では、255階調レベルを表示すべき連続する2つのフレームの内の第2フレームにおいて、ほぼ255階調に到達している反面、その後の0階調を表示すべき連続する2つのフレームの第2フレームにおいて、0階調に到達していない。その結果、上述した第2のフレーム間クロストークが起こる。これに対し、実施例1では、255階調レベルを表示すべき連続する2つのフレームの内の第2フレームでは200階調にまでしか到達していない(輝度を犠牲にしている)が、その後の0階調を表示すべき連続する2つのフレームの第2フレームにおいて、0階調に到達している。従って、実施例1の液晶表示装置によると、第2のフレーム間クロストークが抑制される。As can be seen from FIG. 51, in the comparative example, in the second frame of the two consecutive frames in which the 255 gradation level is to be displayed, approximately 255 gradations are reached, but the subsequent 0 gradation is displayed. In the second frame of the two consecutive frames to be reached, 0 gradation has not been reached. As a result, the above-described second inter-frame crosstalk occurs. On the other hand, in the first embodiment, only the 200th gradation is reached (at the expense of luminance) in the second frame of the two consecutive frames that should display the 255 gradation level, but after that, In the second frame of the two consecutive frames to be displayed, the 0 gradation is reached. Therefore, according to the liquid crystal display device ofEmbodiment 1, the second inter-frame crosstalk is suppressed.
 また、実施例1の液晶表示装置は、図49に示したように、先の実施形態の液晶表示装置(例えば図47)に、目標階調変換回路105Aを追加するだけで得られるという利点がある。Further, as shown in FIG. 49, the liquid crystal display device according to the first embodiment has an advantage that it can be obtained only by adding the targetgradation conversion circuit 105A to the liquid crystal display device according to the previous embodiment (for example, FIG. 47). is there.
 なお、図52に示す液晶表示装置のように、目標階調変換回路105Bおよび変換用のルックアップテーブル105tBを、フレームレート制御回路110とタイミングコントローラ120Aとの間に設けてもよい。すなわち、フレームレート制御回路110によって60Hzの入力映像信号を120Hzの映像信号に変換した後に、目標階調レベルを上述したのと同様に変換するように構成してもよい。Note that the targetgradation conversion circuit 105B and the conversion lookup table 105tB may be provided between the framerate control circuit 110 and thetiming controller 120A as in the liquid crystal display device shown in FIG. That is, the target gradation level may be converted in the same manner as described above after the 60 Hz input video signal is converted into the 120 Hz video signal by the framerate control circuit 110.
 また、変換用のルックアップテーブル105tBには、図50に示す関係に代えて、図53に示す関係を格納してもよい。もちろん、上記変換用のルックアップテーブル105tAについても、図50に示す関係に代えて、図53に示す関係を格納してもよい。Further, the conversion lookup table 105tB may store the relationship shown in FIG. 53 instead of the relationship shown in FIG. Of course, the conversion lookup table 105tA may store the relationship shown in FIG. 53 instead of the relationship shown in FIG.
 図50(a)に示す関係は、0~16階調レベルから224~255階調レベルへの遷移の全てを、0~16階調レベルから200階調レベルへの遷移に変化するものであった。従って、上記遷移に該当する場合、224階調レベル以上の階調レベルの差は表示されない。これに対し、図53に示す関係を適用すると、224階調レベル以上の階調レベルの差を表現することができる。The relationship shown in FIG. 50A changes all transitions from the 0-16 gradation level to the 224-255 gradation level to a transition from the 0-16 gradation level to the 200 gradation level. It was. Therefore, in the case of the above transition, a difference in gradation level of 224 gradation levels or higher is not displayed. On the other hand, when the relationship shown in FIG. 53 is applied, a difference in gradation level of 224 gradation levels or more can be expressed.
 図53に示した関係によると、例えば、前フレーム階調レベルが0で、現フレーム階調レベルが224のとき、OS値は180(224との差は44)に設定され、前フレーム階調レベルが0で、現フレーム階調レベルが255のとき、OS値は210(255との差は45)に設定される。このように、現フレーム階調レベル(目標階調レベル)に応じて、ほぼ同じ階調レベル分(約45階調レベル)だけ低い階調レベルにOS値を設定することによって、224階調レベル以上の階調レベルの差を表現することができる。According to the relationship shown in FIG. 53, for example, when the previous frame gradation level is 0 and the current frame gradation level is 224, the OS value is set to 180 (the difference from 224 is 44). When the level is 0 and the current frame gradation level is 255, the OS value is set to 210 (the difference from 255 is 45). Thus, by setting the OS value to a gradation level that is lower by substantially the same gradation level (about 45 gradation levels) in accordance with the current frame gradation level (target gradation level), the 224 gradation levels are set. The above difference in gradation level can be expressed.
 次に、図54~図62を参照して、第2のフレーム間クロストークを抑制することができる他の実施形態の液晶表示装置の構成および動作を説明する。Next, the configuration and operation of a liquid crystal display device according to another embodiment capable of suppressing the second inter-frame crosstalk will be described with reference to FIGS.
 以下に説明する実施形態の液晶表示装置は、図47に示した液晶表示装置が有するタイミングコントローラ120Aに代えて、図54に示すタイミングコントローラ120Bを有し、目標階調変換回路105Aまたは105Bを有しない。The liquid crystal display device of the embodiment described below has atiming controller 120B shown in FIG. 54 instead of thetiming controller 120A included in the liquid crystal display device shown in FIG. 47, and has a targetgradation conversion circuit 105A or 105B. do not do.
 先の実施形態の液晶表示装置のタイミングコントローラ120Aが有するオーバードライブ駆動部124Aは、ある階調レベルを表示すべき連続する2つの垂直走査期間(第1フレームおよび第2フレーム)のOS値を、OS用のルックアップテーブル126tに格納された1つの(共通)の関係(例えば、図50(b)と図50(c)参照)に基づいて決定していた。これに対し、本実施形態の液晶表示装置が有するタイミングコントローラ120Bは、ある階調レベルを表示すべき連続する2つの垂直走査期間(第1フレームおよび第2フレーム)のOS値を、互いに異なる関係に基づいて決定する。従って、本実施形態の液晶表示装置は、目標階調変換回路を有する先の実施形態の液晶表示装置に比べて、OS値の設定の自由度が高く、必要に応じて、輝度を種々に調整できるという利点を有している。Theoverdrive drive unit 124A included in thetiming controller 120A of the liquid crystal display device of the previous embodiment has the OS values of two consecutive vertical scanning periods (first frame and second frame) in which a certain gradation level is to be displayed. It is determined based on one (common) relationship (see, for example, FIG. 50B and FIG. 50C) stored in the OS lookup table 126t. On the other hand, thetiming controller 120B included in the liquid crystal display device according to the present embodiment has different relations between the OS values of two consecutive vertical scanning periods (first frame and second frame) in which a certain gradation level should be displayed. Determine based on. Therefore, the liquid crystal display device of this embodiment has a higher degree of freedom in setting the OS value than the liquid crystal display device of the previous embodiment having the target gradation conversion circuit, and the brightness can be adjusted variously as necessary. It has the advantage of being able to.
 ここで例示するタイミングコントローラ120Bのオーバードライブ駆動部124Bは、図54に示すように、互いに異なる関係を格納した2つのルックアップテーブル126t1および126t2を有している。ルックアップテーブル126t1には第1フレーム用のOS値が格納されており、ルックアップテーブル126t2には第2フレーム用のOS値が格納されている。As shown in FIG. 54, theoverdrive drive unit 124B of thetiming controller 120B exemplified here has two look-up tables 126t1 and 126t2 that store different relationships from each other. The lookup table 126t1 stores the OS value for the first frame, and the lookup table 126t2 stores the OS value for the second frame.
 まず、右眼画像データ(0階調レベル)から左眼画像データ(255階調レベル)へ遷移する場合を考える。第1階調レベルが0階調であり、第2階調レベルが255階調であり、第3階調レベルが200階調である場合を説明する。これを実施例2とする。First, consider a case where a transition is made from right eye image data (0 gradation level) to left eye image data (255 gradation level). A case will be described in which the first gradation level is 0 gradation, the second gradation level is 255 gradation, and the third gradation level is 200 gradation. This is Example 2.
 図55(a)に示すように、ルックアップテーブル126t1には、第1フレーム用のOS値として、0階調から255階調への遷移に対して、255が格納されている。このとき、図55(b)に示すように、予測用のルックアップテーブル128tには、第1フレームの到達輝度の予測値として251が格納されている。As shown in FIG. 55A, the lookuptable 126t1 stores 255 as the OS value for the first frame for the transition from the 0th gradation to the 255th gradation. At this time, as shown in FIG. 55B, the prediction lookuptable 128t stores 251 as the predicted value of the arrival luminance of the first frame.
 ルックアップテーブル126t2には、図55(c)に示すように、第2フレーム用のOS値として、200階調から255階調への遷移に対して、200が格納されている。すなわち、第2フレーム用のOS値で、第2フレームの輝度を犠牲にするように設定している。In the lookup table 126t2, 200 is stored for the transition from the 200th gradation to the 255th gradation as the OS value for the second frame, as shown in FIG. 55 (c). That is, the OS value for the second frame is set so as to sacrifice the luminance of the second frame.
 図56に、実施例2の駆動を行った場合の画素の輝度の時間変化を示す。図56は、比較例として、通常のオーバードライブ駆動を行った場合の画素の輝度の時間変化を併せて示している。また、図56には、バックライト(BL)の点灯期間を併せ示している。FIG. 56 shows the time change of the luminance of the pixel when the driving of Example 2 is performed. FIG. 56 shows, as a comparative example, temporal changes in pixel luminance when normal overdrive driving is performed. FIG. 56 also shows the lighting period of the backlight (BL).
 図56から分かるように、比較例では、255階調レベルを表示すべき連続する2つのフレームの内の第2フレームにおいて、ほぼ255階調に到達している反面、その後の0階調を表示すべき連続する2つのフレームの第2フレームにおいて、0階調に到達していない。その結果、上述した第2のフレーム間クロストークが起こる。これに対し、実施例2では、255階調レベルを表示すべき連続する2つのフレームの内の第2フレームでは200階調にまでしか到達していない(輝度を犠牲にしている)が、その後の0階調を表示すべき連続する2つのフレームの第2フレームにおいて、0階調に到達している。従って、実施例2の液晶表示装置によると、実施例1の液晶表示装置と同様に(図51参照)、第2のフレーム間クロストークが抑制される。実施例1と実施例2とは、コストなどを考慮して適宜選択され得る。As can be seen from FIG. 56, in the comparative example, in the second frame of the two consecutive frames in which the 255 gradation level is to be displayed, approximately 255 gradations are reached, but the subsequent 0 gradation is displayed. In the second frame of the two consecutive frames to be reached, 0 gradation has not been reached. As a result, the above-described second inter-frame crosstalk occurs. On the other hand, in the second embodiment, only the 200th gray level is reached in the second frame of the two consecutive frames that should display the 255 grayscale level (at the expense of luminance). In the second frame of the two consecutive frames to be displayed, the 0 gradation is reached. Therefore, according to the liquid crystal display device of the second embodiment, the second inter-frame crosstalk is suppressed as in the liquid crystal display device of the first embodiment (see FIG. 51). The first and second embodiments can be appropriately selected in consideration of cost and the like.
 次に、右眼画像データ(16階調レベル)から左眼画像データ(224階調レベル)へ遷移する場合を考える。第1階調レベルが16階調であり、第2階調レベルが224階調である。Next, consider a case where a transition is made from right-eye image data (16 gradation levels) to left-eye image data (224 gradation levels). The first gradation level is 16 gradations, and the second gradation level is 224 gradations.
 実施例3として、第2階調レベルを表示すべき連続する2つの垂直走査期間の内の第1垂直走査期間(第1フレーム)において、第2階調レベルよりも高い階調レベルを表示させる電圧を画素に書き込む例を示す。なお、第3階調レベルは190階調とする。As Example 3, a gradation level higher than the second gradation level is displayed in the first vertical scanning period (first frame) of two consecutive vertical scanning periods in which the second gradation level is to be displayed. An example of writing a voltage to a pixel is shown. The third gradation level is 190 gradations.
 図57(a)に示すように、ルックアップテーブル126t1には、第1フレーム用のOS値として、16階調から224階調への遷移に対して、255が格納されている。255のOS値に対する予測値は、図57(b)に示すように、240階調レベルである。すなわち、第1フレーム用のOS値は、第2階調レベルである224階調よりも高い階調レベルを表示させる値に設定されている。As shown in FIG. 57A, the lookuptable 126t1 stores 255 as the OS value for the first frame for the transition from the 16th gradation to the 224th gradation. The predicted value for the OS value of 255 is 240 gradation levels as shown in FIG. That is, the OS value for the first frame is set to a value that displays a gradation level higher than the 224 gradation that is the second gradation level.
 ルックアップテーブル126t2には、図58(a)に示すように、第2フレーム用のOS値として、240階調から224階調への遷移に対して、190が格納されている。このときの予測値は、図58(b)に示すように、190であり、第2フレームの終点における輝度は190となる。このように、第2フレーム用のOS値で、第2フレームの終点における輝度を目標階調レベルよりも低くしている。In the lookup table 126t2, 190 is stored for the transition from the 240th gradation to the 224th gradation as the OS value for the second frame, as shown in FIG. 58 (a). The predicted value at this time is 190 as shown in FIG. 58B, and the luminance at the end point of the second frame is 190. In this way, with the OS value for the second frame, the luminance at the end point of the second frame is made lower than the target gradation level.
 図59に、実施例3の駆動を行った場合の画素の輝度の時間変化を示す。図59は、比較例として、通常のオーバードライブ駆動を行った場合の画素の輝度の時間変化を併せて示している。また、図59には、バックライト(BL)の点灯期間を併せ示している。FIG. 59 shows a change in luminance of the pixel over time when the driving of Example 3 is performed. FIG. 59 shows, as a comparative example, temporal changes in the luminance of the pixels when normal overdrive driving is performed. FIG. 59 also shows the lighting period of the backlight (BL).
 図59から分かるように、比較例では、224階調レベルを表示すべき連続する2つのフレームの内の第2フレームにおいて、ほぼ224階調に到達している反面、その後の16階調を表示すべき連続する2つのフレームの第2フレームにおいて、16階調に到達していない。その結果、上述した第2のフレーム間クロストークが起こる。これに対し、実施例3では、224階調レベルを表示すべき連続する2つのフレームの内の第2フレームの終点の輝度は190階調であり、その後の16階調を表示すべき連続する2つのフレームの第2フレームにおいて、16階調に到達している。従って、実施例3の液晶表示装置によると、第2のフレーム間クロストークが抑制される。さらに、実施例3では、224階調レベルを表示すべき連続する2つのフレームの内の第1フレームの終点において、目標階調レベル(第2階調レベル)よりも高い240階調まで輝度が上昇している。従って、第2フレームのバックライトが点灯している期間(且つ、左眼シャッターが開放されている期間)の輝度の積分値は、比較例と遜色ない。As can be seen from FIG. 59, in the comparative example, the second frame of the two consecutive frames in which the 224 gradation level is to be displayed has reached approximately 224 gradations, but the subsequent 16 gradations are displayed. In the second frame of the two consecutive frames to be reached, 16 gradations have not been reached. As a result, the above-described second inter-frame crosstalk occurs. On the other hand, in the third embodiment, the luminance of the end point of the second frame of the two consecutive frames that should display the 224 gradation level is 190 gradations, and the subsequent 16 gradations should be displayed continuously. In the second frame of the two frames, 16 gradations are reached. Therefore, according to the liquid crystal display device of Embodiment 3, the second inter-frame crosstalk is suppressed. Furthermore, in the third embodiment, at the end point of the first frame of two consecutive frames in which the 224 gradation levels are to be displayed, the luminance is increased to 240 gradations higher than the target gradation level (second gradation level). It is rising. Therefore, the integral value of the luminance during the period when the backlight of the second frame is lit (and the period when the left-eye shutter is opened) is comparable to the comparative example.
 従って、実施例3の液晶表示装置によると、実施例1および2の液晶表示装置と同様に第2のフレーム間クロストークが抑制される。さらに、実施例3の液晶表示装置によると、高階調表示における輝度を犠牲にしない、あるいは、犠牲にする程度を小さくすることができる。Therefore, according to the liquid crystal display device of the third embodiment, the second inter-frame crosstalk is suppressed as in the liquid crystal display devices of the first and second embodiments. Furthermore, according to the liquid crystal display device of Example 3, the brightness in high gradation display is not sacrificed, or the degree of sacrifice can be reduced.
 また、実施例4として、第1フレームに対するOS値を図60(a)、(b)に示すように実施例3と同じにし、第2フレームに対するOS値を0とすることによって(図61(a)参照)、第2フレームの終点の輝度を目標階調レベル(224階調)よりも大幅に低い40とし(図61(b))てもよい。実施例4の液晶表示装置は、高階調表示における輝度を積極的に犠牲にすることによって、図62に示すように第2のフレーム間クロストークをより確実に抑制することができる。In the fourth embodiment, the OS value for the first frame is the same as that in the third embodiment as shown in FIGS. 60A and 60B, and the OS value for the second frame is set to 0 (FIG. 61 ( a), the luminance at the end point of the second frame may be set to 40, which is significantly lower than the target gradation level (224 gradations) (FIG. 61B). The liquid crystal display device of Example 4 can more reliably suppress the second inter-frame crosstalk as shown in FIG. 62 by positively sacrificing the luminance in high gradation display.
 実施例2~4を例示して説明したように、本実施形態の液晶表示装置は、目標階調変換回路を有する先の実施形態(例えば実施例1)の液晶表示装置に比べて、OS値の設定の自由度が高いので、必要に応じて、輝度を種々に調整できるという利点を有している。As described in Examples 2 to 4, the liquid crystal display device of this embodiment has an OS value that is higher than that of the liquid crystal display device of the previous embodiment (for example, Example 1) having the target gradation conversion circuit. Since there is a high degree of freedom in setting, there is an advantage that the luminance can be adjusted variously as required.
 なお、上記の例では、例えば低階調レベル(左)→高階調レベル(右)への遷移が起こる場合に、高階調レベルの表示の少なくとも第2フレームの終点の輝度を低下させることによって、高階調レベル(右)の後に続く低階調レベル(左)における第2のフレーム間クロストークの発生を抑制している。従って、低階調レベル(左)→高階調レベル(右)→高階調レベル(左)のように、第2のフレーム間クロストークが発生しにくい場合においても、高階調レベルの表示の輝度が犠牲になることがある。これを防止するために、低階調レベル(左)→高階調レベル(右)→低階調レベル(左)と続く場合においてのみ、高階調レベルの表示の輝度を犠牲にするようにしてもよい。但し、このようにすると3つの連続するフレームの画像データを取得し、処理の要否を判断した後に表示を行うことになるので、メモリや演算回路をさらに必要とする、および、表示までに要する時間が長くなるという欠点がある。どちらを採用するかは、液晶表示装置の用途に応じて選択すればよい。In the above example, when the transition from the low gradation level (left) to the high gradation level (right) occurs, for example, by reducing the luminance at the end point of at least the second frame of the high gradation level display, Occurrence of the second inter-frame crosstalk at the low gradation level (left) following the high gradation level (right) is suppressed. Therefore, even when the second inter-frame crosstalk is unlikely to occur such as low gradation level (left) → high gradation level (right) → high gradation level (left), the display brightness of the high gradation level is high. May be sacrificed. In order to prevent this, the luminance of the display of the high gradation level may be sacrificed only when the low gradation level (left) → the high gradation level (right) → the low gradation level (left) continues. Good. However, in this case, since image data of three consecutive frames is acquired and display is performed after determining whether or not processing is necessary, more memory and arithmetic circuits are required and required for display. There is a disadvantage that the time becomes longer. Which one is adopted may be selected according to the use of the liquid crystal display device.
 本発明の実施形態によれば、立体表示を可能な液晶表示装置および立体表示システムの表示ムラを抑制することができる。また、本発明によれば、立体表示モードおよび平面表示モードを切り換え可能な低消費電力の液晶表示装置および立体表示システムを提供することができる。さらに、本発明によれば、立体表示で特に顕著となる第1および第2のフレーム間クロストークの発生を抑制することができる液晶表示装置が提供される。According to the embodiment of the present invention, display unevenness of a liquid crystal display device and a stereoscopic display system capable of stereoscopic display can be suppressed. Further, according to the present invention, it is possible to provide a low power consumption liquid crystal display device and a stereoscopic display system capable of switching between the stereoscopic display mode and the flat display mode. Furthermore, according to the present invention, there is provided a liquid crystal display device capable of suppressing the occurrence of first and second inter-frame crosstalk, which is particularly noticeable in stereoscopic display.
 100  液晶表示装置
 200  液晶パネル
 250  バックライトユニット
 280  シャッター眼鏡
100 LiquidCrystal Display Device 200Liquid Crystal Panel 250Backlight Unit 280 Shutter Glasses

Claims (8)

  1.  左眼画像データと右眼画像データとを含む入力映像信号を受け取って、連続する2つの垂直走査期間ごとに、前記左眼画像データに対応する電圧および前記右眼画像データに対応する電圧を交互に画素に書き込む、液晶表示装置であって、
     前記入力映像信号における前記左眼画像データと前記右眼画像データとの間の遷移が、第1階調レベルから、前記第1階調レベルよりも高い第2階調レベルへの遷移であるとき、前記連続する2つの垂直走査期間を第1垂直走査期間と、前記第1垂直走査期間に続く第2垂直走査期間とすると、前記第2階調レベルを表示すべき前記連続する2つの垂直走査期間の内の前記第2垂直走査期間において、前記第2階調レベルよりも低い階調レベルに対応する電圧を画素に書き込むように構成されている、液晶表示装置。
    An input video signal including left-eye image data and right-eye image data is received, and a voltage corresponding to the left-eye image data and a voltage corresponding to the right-eye image data are alternated every two consecutive vertical scanning periods. A liquid crystal display device for writing to pixels,
    When the transition between the left eye image data and the right eye image data in the input video signal is a transition from a first gradation level to a second gradation level higher than the first gradation level. , If the two consecutive vertical scanning periods are a first vertical scanning period and a second vertical scanning period following the first vertical scanning period, the two consecutive vertical scannings to display the second gradation level A liquid crystal display device configured to write a voltage corresponding to a gradation level lower than the second gradation level to the pixel in the second vertical scanning period of the period.
  2.  前記第1階調レベルから、前記第2階調レベルへの遷移を、前記第1階調レベルから、前記第2階調レベルよりも低い第3階調レベルへの遷移に変換し、
     前記第2階調レベルを表示すべき前記連続する2つの垂直走査期間の内の前記第2垂直走査期間において、前記第3階調レベルに対応する電圧を画素に書き込むように構成されている、請求項1に記載の液晶表示装置。
    Converting the transition from the first gradation level to the second gradation level into a transition from the first gradation level to a third gradation level lower than the second gradation level;
    A voltage corresponding to the third gradation level is written to the pixel in the second vertical scanning period of the two consecutive vertical scanning periods in which the second gradation level is to be displayed; The liquid crystal display device according to claim 1.
  3.  前記第2階調レベルを表示すべき前記連続する2つの垂直走査期間の内の前記第1垂直走査期間に画素に書き込む電圧と前記第2垂直走査期間に画素に書き込む電圧とを互いに異なる関係に基づいて決定する、請求項1に記載の液晶表示装置。The voltage written to the pixel in the first vertical scanning period and the voltage written to the pixel in the second vertical scanning period out of the two consecutive vertical scanning periods for displaying the second gradation level are different from each other. The liquid crystal display device according to claim 1, which is determined based on the determination.
  4.  前記第2階調レベルを表示すべき前記連続する2つの垂直走査期間の内の前記第1垂直走査期間に画素に書き込む電圧と前記第2垂直走査期間に画素に書き込む電圧とを互いに異なるルックアップテーブルに基づいて決定する、請求項3に記載の液晶表示装置。The voltage written to the pixel in the first vertical scanning period and the voltage written to the pixel in the second vertical scanning period out of the two consecutive vertical scanning periods for displaying the second gray level are different from each other. The liquid crystal display device according to claim 3, wherein the liquid crystal display device is determined based on a table.
  5.  前記第1階調レベルは、中央階調レベルよりも低い階調レベルの少なくとも1つであり、前記第2階調レベルは、中央階調レベルよりも高い階調レベルの少なくとも1つである、請求項1から4のいずれかに記載の液晶表示装置。The first gradation level is at least one of gradation levels lower than the central gradation level, and the second gradation level is at least one of gradation levels higher than the central gradation level. The liquid crystal display device according to claim 1.
  6.  最低階調レベルを0階調レベル、最高階調レベルを255階調レベルとするとき、
     前記第1階調レベルは、0階調レベルから16階調レベルの少なくとも1つであり、前記第2階調レベルは、200階調レベルから255階調レベルの少なくとも1つである、請求項1から5のいずれかに記載の液晶表示装置。
    When the lowest gradation level is 0 gradation level and the highest gradation level is 255 gradation level,
    The first gradation level is at least one of a 0th gradation level to a 16th gradation level, and the second gradation level is at least one of a 200th gradation level to a 255th gradation level. The liquid crystal display device according to any one of 1 to 5.
  7.  前記第1階調レベルは、最低階調レベルを含み、前記第2階調レベルは最高階調レベルを含む、請求項1から6のいずれかに記載の液晶表示装置。7. The liquid crystal display device according to claim 1, wherein the first gradation level includes a lowest gradation level, and the second gradation level includes a maximum gradation level.
  8.  前記第2階調レベルが最高階調レベルと異なる階調レベルのとき、
     前記第2階調レベルを表示すべき前記連続する2つの垂直走査期間の内の前記第1垂直走査期間において、前記第2階調レベルよりも高い階調レベルを表示させる電圧を画素に書き込むように構成されている、請求項3または4に記載の液晶表示装置。
    When the second gradation level is a gradation level different from the maximum gradation level,
    A voltage for displaying a gradation level higher than the second gradation level is written to the pixel in the first vertical scanning period of the two consecutive vertical scanning periods in which the second gradation level is to be displayed. The liquid crystal display device according to claim 3, which is configured as follows.
PCT/JP2012/0559792011-03-102012-03-08Liquid crystal display deviceWO2012121335A1 (en)

Applications Claiming Priority (2)

Application NumberPriority DateFiling DateTitle
JP2011-0533052011-03-10
JP20110533052011-03-10

Publications (1)

Publication NumberPublication Date
WO2012121335A1true WO2012121335A1 (en)2012-09-13

Family

ID=46798290

Family Applications (1)

Application NumberTitlePriority DateFiling Date
PCT/JP2012/055979WO2012121335A1 (en)2011-03-102012-03-08Liquid crystal display device

Country Status (1)

CountryLink
WO (1)WO2012121335A1 (en)

Cited By (1)

* Cited by examiner, † Cited by third party
Publication numberPriority datePublication dateAssigneeTitle
WO2015096241A1 (en)*2013-12-252015-07-02深圳市华星光电技术有限公司Data signal polarity-reversal driving method and liquid crystal display panel image display method

Citations (4)

* Cited by examiner, † Cited by third party
Publication numberPriority datePublication dateAssigneeTitle
JP2003207762A (en)*2001-11-092003-07-25Sharp Corp Liquid crystal display
JP2004199070A (en)*2002-12-172004-07-15Samsung Electronics Co Ltd Liquid crystal display device having a plurality of gradation voltages, driving device and method therefor
JP2004310113A (en)*2003-04-072004-11-04Samsung Electronics Co Ltd Display device, drive device and drive method
JP2010282089A (en)*2009-06-052010-12-16Sony CorpVideo processing device, display device, and display system

Patent Citations (4)

* Cited by examiner, † Cited by third party
Publication numberPriority datePublication dateAssigneeTitle
JP2003207762A (en)*2001-11-092003-07-25Sharp Corp Liquid crystal display
JP2004199070A (en)*2002-12-172004-07-15Samsung Electronics Co Ltd Liquid crystal display device having a plurality of gradation voltages, driving device and method therefor
JP2004310113A (en)*2003-04-072004-11-04Samsung Electronics Co Ltd Display device, drive device and drive method
JP2010282089A (en)*2009-06-052010-12-16Sony CorpVideo processing device, display device, and display system

Cited By (1)

* Cited by examiner, † Cited by third party
Publication numberPriority datePublication dateAssigneeTitle
WO2015096241A1 (en)*2013-12-252015-07-02深圳市华星光电技术有限公司Data signal polarity-reversal driving method and liquid crystal display panel image display method

Similar Documents

PublicationPublication DateTitle
JP5675795B2 (en) Liquid crystal display
WO2011126090A1 (en)Liquid-crystal display device and three-dimensional display system
JP5284535B2 (en) Liquid crystal display
US7884890B2 (en)Liquid crystal display device
US7948463B2 (en)Liquid crystal display device
US9190001B2 (en)Liquid crystal display device, display apparatus, and gate signal line driving method
US8208081B2 (en)Liquid crystal display having pixel including multiple subpixels
US7791577B2 (en)Liquid crystal display device and method for driving the same
JP5505308B2 (en) Image display system, image display device, and optical shutter
US20130235006A1 (en)Method of driving a display panel and display apparatus for performing the same
JP2013250545A (en)Display device and driving method thereof
JP2014010446A (en)Driving method of display device
US10102811B2 (en)Method of displaying three-dimensional image and display apparatus using the same
WO2012039345A1 (en)Liquid crystal display device, and display apparatus
US20120188475A1 (en)Display device, barrier device, and method of driving display device
KR101974217B1 (en)Display unit, barrier device, and method of driving display unit
US20130147863A1 (en)Method of displaying three-dimensional stereoscopic image and display apparatus for performing the same
US8830152B2 (en)Liquid crystal display device
WO2012121335A1 (en)Liquid crystal display device
TW201411594A (en)Driving method of pixel of display panel
US20120307170A1 (en)Display device, barrier device, barrier driving circuit, and barrier device driving method
WO2012056945A1 (en)Three-dimensional display system
JP2014074749A (en)Mounting tool for stereoscopic view, liquid crystal cell, and method for driving mounting tool for stereoscopic view

Legal Events

DateCodeTitleDescription
121Ep: the epo has been informed by wipo that ep was designated in this application

Ref document number:12755131

Country of ref document:EP

Kind code of ref document:A1

NENPNon-entry into the national phase

Ref country code:DE

122Ep: pct application non-entry in european phase

Ref document number:12755131

Country of ref document:EP

Kind code of ref document:A1

NENPNon-entry into the national phase

Ref country code:JP


[8]ページ先頭

©2009-2025 Movatter.jp