Movatterモバイル変換


[0]ホーム

URL:


WO2011013187A1 - Self-excited reactive power compensation device - Google Patents

Self-excited reactive power compensation device
Download PDF

Info

Publication number
WO2011013187A1
WO2011013187A1PCT/JP2009/063325JP2009063325WWO2011013187A1WO 2011013187 A1WO2011013187 A1WO 2011013187A1JP 2009063325 WJP2009063325 WJP 2009063325WWO 2011013187 A1WO2011013187 A1WO 2011013187A1
Authority
WO
WIPO (PCT)
Prior art keywords
self
voltage
excited
reactive power
control unit
Prior art date
Application number
PCT/JP2009/063325
Other languages
French (fr)
Japanese (ja)
Inventor
泰久 堀田
眞男 船橋
Original Assignee
東芝三菱電機産業システム株式会社
Priority date (The priority date is an assumption and is not a legal conclusion. Google has not performed a legal analysis and makes no representation as to the accuracy of the date listed.)
Filing date
Publication date
Application filed by 東芝三菱電機産業システム株式会社filedCritical東芝三菱電機産業システム株式会社
Priority to PCT/JP2009/063325priorityCriticalpatent/WO2011013187A1/en
Priority to JP2011524550Aprioritypatent/JP5490801B2/en
Publication of WO2011013187A1publicationCriticalpatent/WO2011013187A1/en

Links

Images

Classifications

Definitions

Landscapes

Abstract

A self-excited reactive power compensation device is provided with a capacitor (C) for smoothing alternating-current voltage, a self-excited converter (1) that is coupled to a power system (3) having multiple phases and includes a switching element in order to output reactive power to the power system (3) on the basis of electric power smoothed by the capacitor (C), and a control unit (10) for controlling the reactive power outputted from the self-excited converter (1) to the power system (3) by switching the switching element on the basis of the voltage of the power system (3) detected by a first voltage detector (4) and an electric current flowing between the power system (3) and the self-excited converter (1), which is detected by a current detector (5).  The control unit (10) controls a charger (51) to thereby perform charge control for charging the capacitor (C) in such a manner that the voltage between both ends of the capacitor (C) detected by a second voltage detector (9) is a first predetermined value or more.

Description

自励式無効電力補償装置Self-excited reactive power compensator
 本発明は、自励式無効電力補償装置に関し、特に、電力系統に用いられる自励式無効電力補償装置に関する。The present invention relates to a self-excited reactive power compensator, and more particularly to a self-excited reactive power compensator used in a power system.
 STATCOM(Static Synchronous Compensator)、SVG(Static Var Generator)あるいは自励式SVC(Static Var Compensator)などと呼ばれる自励式無効電力補償装置は、系統無効電力を制御することによって系統の安定度を向上させるために導入されることが多い。自励式無効電力補償装置は、定常運転時の系統の安定度を向上させる場合のみならず、系統事故中および事故除去後といった系統の過渡的な安定度の向上にも有効である。Self-excited reactive power compensators, such as STATCOM (Static Synchronous Compensator), SVG (Static Var Generator) or self-excited SVC (Static Var Compensator), are designed to improve system stability by controlling system reactive power. Often introduced. The self-excited reactive power compensator is effective not only for improving the stability of the system during steady operation, but also for improving the transient stability of the system during and after a system fault.
 上記目的を達成するため、自励式無効電力補償装置の制御部は一般に以下のように構成されている。すなわち制御部は、系統電圧が所望の系統電圧指令に追従するように無効電流指令を出力する電圧制御ループ(主ループ)と、電力変換器の出力電流がこの無効電流指令に追従するように電力変換器の出力電圧を制御する電流制御ループ(従ループ)とを有している。In order to achieve the above object, the control unit of the self-excited reactive power compensator is generally configured as follows. That is, the control unit outputs a reactive current command so that the system voltage follows the desired system voltage command (main loop), and power so that the output current of the power converter follows this reactive current command. A current control loop (secondary loop) for controlling the output voltage of the converter.
 たとえば特開平6-233544号公報(特許文献1)は、設定交流電流に追従して出力交流電流を高速に制御可能な半導体電力変換装置を開示する。この電力変換装置は、設定交流電流の位相と振幅とから半導体電力変換器の出力電圧指令を生成するフィードフォワード電力制御回路を備える。フィードフォワード電力制御回路からの出力電圧指令は、設定交流電流と系統電流との偏差に基づいて補正される。さらに系統電圧と補正された出力電圧指令との和に基づいて、電力変換器が制御される。For example, Japanese Patent Laid-Open No. 6-233544 (Patent Document 1) discloses a semiconductor power conversion device that can control an output AC current at high speed following a set AC current. This power converter includes a feedforward power control circuit that generates an output voltage command of a semiconductor power converter from the phase and amplitude of a set alternating current. The output voltage command from the feedforward power control circuit is corrected based on the deviation between the set AC current and the system current. Further, the power converter is controlled based on the sum of the system voltage and the corrected output voltage command.
 また、長谷川 他、「8MVA GTO-SVGの開発試験」、電気学会全国大会、平成元年、8-305~306(非特許文献1)および長谷川 他、「系統安定化用100MVA級GTO-SVGの検討」、電気学会全国大会、平成元年、8-307(非特許文献2)には、自励式無効電力補償装置において、事故発生を検出すると連系状態のままインバータを停止し、電圧が正常に復帰した後にインバータの停止を解除し、再起動する構成が開示されている。Also, Hasegawa et al., “8MVA GTO-SVG Development Test”, IEEJ National Convention, 1989, 8-305-306 (Non-Patent Document 1), Hasegawa et al., “100MVA class GTO-SVG for system stabilization Study ”, IEEJ National Convention, 1989, 8-307 (Non-patent Document 2), in the self-excited reactive power compensator, when the occurrence of an accident was detected, the inverter was stopped and the voltage was normal. A configuration is disclosed in which the stop of the inverter is released and the inverter is restarted after returning to step (1).
特開平6-233544号公報JP-A-6-233544
 通常、STATCOMは、交流電圧を平滑化するための平滑用コンデンサと、この平滑用コンデンサによって平滑化された電圧を用いて電力系統へ無効電力を出力する自励式変換器(インバータ)とを備える。STATCOMを運転する際には、平滑用コンデンサを充電しておく必要がある。Usually, STATCOM includes a smoothing capacitor for smoothing an AC voltage, and a self-excited converter (inverter) that outputs reactive power to the power system using the voltage smoothed by the smoothing capacitor. When operating STATCOM, it is necessary to charge the smoothing capacitor.
 従来のSTATCOMでは、電力系統において瞬時的に電圧が低下した場合、自励式変換器におけるスイッチング素子のスイッチングを停止する一方で、平滑用コンデンサの放電は行なわない。そして、電力系統の電圧が復帰した後すぐに再運転する、すなわち自励式変換器におけるスイッチング素子のスイッチングを再開する。In the conventional STATCOM, when the voltage instantaneously drops in the power system, the switching of the switching element in the self-excited converter is stopped while the smoothing capacitor is not discharged. And it restarts immediately after the voltage of an electric power grid | system returns, ie, switching of the switching element in a self-excited converter is restarted.
 一方、数秒間の電圧低下が検出されて電力系統が完全に停電してしまった場合には、STATCOMは、重故障であるとして緊急停止する。より詳細には、STATCOMは、電力系統が停電し、STATCOMを停止させるための停止指令を上位装置から受けると、自励式変換器におけるスイッチング素子のスイッチングを停止し、その後、装置のメンテナンスのために、STATCOMと電力系統との間に設けられた遮断器を開放し、平滑用コンデンサを放電する。このため、停止指令が解除されてSTATCOMを再起動するときには、まず平滑用コンデンサを充電する必要がある。しかしながら、この充電には通常1~2分を要し、平滑用コンデンサを充電した後、自励式変換器におけるスイッチング素子のスイッチングが再開される。このため、電力系統が停電から復帰し、上位装置からの停止指令が解除されてSTATCOMが運転を再開するまでに数分の時間を費やしてしまう。On the other hand, if a voltage drop for a few seconds is detected and the power system has completely failed, STATCOM will urgently stop as a serious failure. More specifically, STATCOM stops switching of the switching element in the self-excited converter when the power system is interrupted and a stop command for stopping STATCOM is received from the host device, and then for maintenance of the device. The circuit breaker provided between the STATCOM and the power system is opened, and the smoothing capacitor is discharged. Therefore, when the stop command is released and STATCOM is restarted, it is necessary to charge the smoothing capacitor first. However, this charging usually takes 1 to 2 minutes, and after charging the smoothing capacitor, switching of the switching element in the self-excited converter is resumed. For this reason, it takes several minutes until the power system recovers from the power failure, the stop command from the host device is canceled, and STATCOM resumes operation.
 この発明は、上述の課題を解決するためになされたもので、その目的は、停止指令を受けて運転を停止している状態において、停止指令が解除されると早期に運転を再開することが可能な自励式無効電力補償装置を提供することである。This invention was made in order to solve the above-mentioned subject, and the purpose is to resume operation at an early stage when the stop command is canceled in a state where the operation is stopped in response to the stop command. It is to provide a possible self-excited reactive power compensator.
 この発明のある局面に係わる自励式無効電力補償装置は、交流電圧を平滑化するためのコンデンサと、複数の相を有する電力系統に結合され、スイッチング素子を含み、上記コンデンサによって平滑化された電力に基づいて上記電力系統へ無効電力を出力するための自励式変換器と、上記電力系統の電圧を検出するための第1の電圧検出器と、上記コンデンサの両端電圧を検出するための第2の電圧検出器と、上記電力系統と上記自励式変換器との間に流れる電流を検出するための電流検出器と、上記第1の電圧検出器によって検出された電圧および上記電流検出器によって検出された電流に基づいて上記スイッチング素子をスイッチングさせることにより、上記自励式変換器から上記電力系統へ出力される上記無効電力を制御するための制御部と、上記コンデンサを充電するための充電器とを備え、上記制御部は、上記充電器を制御することにより、上記第2の電圧検出器によって検出される電圧が第1の所定値以上になるように上記コンデンサを充電する充電制御を行なう。A self-excited reactive power compensator according to an aspect of the present invention includes a capacitor for smoothing an alternating voltage, and a power that is coupled to a power system having a plurality of phases, includes a switching element, and is smoothed by the capacitor. A self-excited converter for outputting reactive power to the power system, a first voltage detector for detecting the voltage of the power system, and a second for detecting the voltage across the capacitor. A voltage detector, a current detector for detecting a current flowing between the power system and the self-excited converter, a voltage detected by the first voltage detector, and a detection by the current detector The reactive power output from the self-excited converter to the power system is controlled by switching the switching element based on the generated current. A control unit and a charger for charging the capacitor, and the control unit controls the charger so that a voltage detected by the second voltage detector is equal to or higher than a first predetermined value. The charging control is performed so as to charge the capacitor.
 本発明によれば、停止指令を受けて運転を停止している状態において、停止指令が解除されると早期に運転を再開することができる。According to the present invention, when the operation is stopped in response to the stop command, the operation can be resumed early when the stop command is canceled.
本発明の第1の実施の形態に係る自励式無効電力補償装置の構成図である。1 is a configuration diagram of a self-excited reactive power compensator according to a first embodiment of the present invention.自励式変換器1の回路図である。1 is a circuit diagram of a self-excited converter 1. FIG.本発明の第1の実施の形態に係る自励式無効電力補償装置の動作を示す波形図である。It is a wave form diagram which shows operation | movement of the self-excitation reactive power compensator which concerns on the 1st Embodiment of this invention.本発明の第1の実施の形態に係る自励式無効電力補償装置の停止シーケンスおよび再起動シーケンスを示す図である。It is a figure which shows the stop sequence and restart sequence of the self-excited reactive power compensation apparatus which concern on the 1st Embodiment of this invention.本発明の第2の実施の形態に係る自励式無効電力補償装置の構成図である。It is a block diagram of the self-excitation reactive power compensation apparatus which concerns on the 2nd Embodiment of this invention.本発明の第2の実施の形態に係る自励式無効電力補償装置の動作を示す波形図である。It is a wave form diagram which shows the operation | movement of the self-excitation reactive power compensator which concerns on the 2nd Embodiment of this invention.本発明の第2の実施の形態に係る自励式無効電力補償装置の停止シーケンスおよび再起動シーケンスを示す図である。It is a figure which shows the stop sequence and restart sequence of the self-excitation reactive power compensator which concern on the 2nd Embodiment of this invention.
 以下、本発明の実施の形態について図面を用いて説明する。なお、図中同一または相当部分には同一符号を付してその説明は繰り返さない。Hereinafter, embodiments of the present invention will be described with reference to the drawings. In the drawings, the same or corresponding parts are denoted by the same reference numerals and description thereof will not be repeated.
 <第1の実施の形態>
 [構成および基本動作]
 図1は、本発明の第1の実施の形態に係る自励式無効電力補償装置の構成図である。
<First Embodiment>
[Configuration and basic operation]
FIG. 1 is a configuration diagram of a self-excited reactive power compensator according to a first embodiment of the present invention.
 図1を参照して、自励式無効電力補償装置101は、自励式変換器1と、変換器用変圧器2と、電圧検出器4と、電流検出器5と、充電器51と、放電器52と、放電器53と、電圧検出器9と、制御部10と、平滑用コンデンサCとを備える。充電器51は、変圧器7と、整流器8と、抵抗R1と、スイッチSWAとを含む。放電器52は、抵抗R2と、スイッチSWCとを含む。放電器53は、抵抗R3と、スイッチSWBとを含む。Referring to FIG. 1, self-excitedreactive power compensator 101 includes self-excited converter 1,converter transformer 2, voltage detector 4, current detector 5,charger 51, anddischarger 52. And adischarger 53, a voltage detector 9, acontrol unit 10, and a smoothing capacitor C. Thecharger 51 includes atransformer 7, arectifier 8, a resistor R1, and a switch SWA. Discharger 52 includes a resistor R2 and a switch SWC. Discharger 53 includes a resistor R3 and a switch SWB.
 充電器51は、コンデンサCを充電するために設けられている。より詳細には、変圧器7は、スイッチSWAおよび抵抗R1を介して交流電源6から受けた交流電圧を変圧し、整流器8へ出力する。Thecharger 51 is provided to charge the capacitor C. More specifically, thetransformer 7 transforms the AC voltage received from the AC power supply 6 via the switch SWA and the resistor R1 and outputs it to therectifier 8.
 整流器8は、たとえばダイオード整流器であり、変圧器7から受けた交流電圧を整流して平滑用コンデンサCへ出力する。Therectifier 8 is a diode rectifier, for example, and rectifies the AC voltage received from thetransformer 7 and outputs it to the smoothing capacitor C.
 平滑用コンデンサCは、整流器8によって整流された電圧を平滑化する。電圧検出器9は、コンデンサCの両端電圧を検出する。The smoothing capacitor C smoothes the voltage rectified by therectifier 8. The voltage detector 9 detects the voltage across the capacitor C.
 自励式変換器1は、u相、v相、w相を有する電力系統3に結合され、自己消弧型のスイッチング素子を含み、コンデンサCによって平滑化された電圧に基づいて電力系統3へ無効電力を出力する。変換器用変圧器2は、自励式変換器1から出力された電圧を変圧して電力系統3へ出力する。Self-excited converter 1 is coupled to power system 3 having u-phase, v-phase, and w-phase, includes a self-extinguishing type switching element, and is disabled to power system 3 based on the voltage smoothed by capacitor C Output power. Theconverter transformer 2 transforms the voltage output from the self-excited converter 1 and outputs it to the power system 3.
 放電器53は、平滑用コンデンサCの通常放電を行なうために設けられている。放電器52は、平滑用コンデンサCの急速放電を行なうために設けられている。放電器53は、放電器52より大きい放電時定数を有する。すなわち、放電器52における抵抗R2の抵抗値は放電器53における抵抗R3の抵抗値よりも小さい。また、放電器53におけるスイッチSWBはたとえば機械スイッチであり、放電器52におけるスイッチSWCはたとえば半導体スイッチである。Thedischarger 53 is provided for normal discharge of the smoothing capacitor C. Thedischarger 52 is provided for rapid discharge of the smoothing capacitor C. Thedischarger 53 has a discharge time constant larger than that of thedischarger 52. That is, the resistance value of the resistor R2 in thedischarger 52 is smaller than the resistance value of the resistor R3 in thedischarger 53. Further, the switch SWB in thedischarger 53 is, for example, a mechanical switch, and the switch SWC in thedischarger 52 is, for example, a semiconductor switch.
 放電器52とは別に、半導体スイッチと比べて信頼性の高い機械スイッチを用いた放電器53を備える構成により、自励式無効電力補償装置101の信頼性を向上させることができる。また、放電器52は、後述するように平滑用コンデンサCの両端電圧を所定レベルまで瞬時に低下させるために設けられている。すなわち、放電器52とは別に放電器53を備える構成により、放電器52は、平滑用コンデンサCの電荷の一部を放電すればよくなるため、放電器52の抵抗R3として定格容量の大きい抵抗を使用する必要がなくなり、コストを低減することができる。The reliability of the self-excitedreactive power compensator 101 can be improved by the configuration including thedischarger 53 using a mechanical switch that is more reliable than the semiconductor switch, apart from thedischarger 52. Thedischarger 52 is provided to instantaneously reduce the voltage across the smoothing capacitor C to a predetermined level as will be described later. That is, since thedischarger 52 only needs to discharge a part of the electric charge of the smoothing capacitor C by the configuration including thedischarger 53 separately from thedischarger 52, a resistor having a large rated capacity is used as the resistor R3 of thedischarger 52. There is no need to use it, and the cost can be reduced.
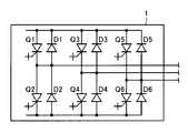
 図2は、自励式変換器1の回路図である。
 図2を参照して、自励式変換器1は、スイッチング素子Q1~Q6と、ダイオードD1~D6とを含む。スイッチング素子Q1~Q6はたとえばGTO(Gate Turn Off thyristor)であるが、自己消弧型のスイッチング素子であればこれに限定されるものではない。ダイオードD1~D6はスイッチング素子Q1~Q6にそれぞれ逆並列接続される。スイッチング素子Q1~Q6の各々には制御部10から駆動信号(ゲートパルス信号)が供給される。スイッチング素子Q1~Q6は駆動信号に応じてスイッチング動作を行ない、平滑用コンデンサCによって平滑化された電圧すなわち直流電圧を交流電圧に変換して電力系統3に供給する。
FIG. 2 is a circuit diagram of the self-excited converter 1.
Referring to FIG. 2, self-excited converter 1 includes switching elements Q1-Q6 and diodes D1-D6. The switching elements Q1 to Q6 are, for example, GTO (Gate Turn Off thyristor), but are not limited to this as long as they are self-extinguishing type switching elements. Diodes D1-D6 are connected in antiparallel to switching elements Q1-Q6, respectively. A driving signal (gate pulse signal) is supplied from thecontrol unit 10 to each of the switching elements Q1 to Q6. The switching elements Q1 to Q6 perform a switching operation in accordance with the drive signal, convert the voltage smoothed by the smoothing capacitor C, that is, a DC voltage into an AC voltage, and supply it to the power system 3.
 再び図1を参照して、電圧検出器4は、電力系統3の電圧(系統電圧)を検出する。電圧検出器4によって検出された電圧はフィードバック電圧として制御部10に与えられる。電流検出器5は、自励式変換器1の出力電流すなわち電力系統3と自励式変換器1との間に流れる電流を検出する。電流検出器5によって検出された電流は、フィードバック電流として制御部10に与えられる。Referring to FIG. 1 again, the voltage detector 4 detects the voltage (system voltage) of the power system 3. The voltage detected by the voltage detector 4 is given to thecontrol unit 10 as a feedback voltage. The current detector 5 detects the output current of the self-excited converter 1, that is, the current flowing between the power system 3 and the self-excited converter 1. The current detected by the current detector 5 is given to thecontrol unit 10 as a feedback current.
 次に、制御部10の構成について説明する。制御部10は、振幅検出部11と、無効電流検出部12と、電圧指令生成部13と、減算器14,16と、電圧制御部15と、無効電流制御部17と、ゲートパルス発生部21とを含む。Next, the configuration of thecontrol unit 10 will be described. Thecontrol unit 10 includes anamplitude detection unit 11, a reactivecurrent detection unit 12, a voltagecommand generation unit 13, subtracters 14 and 16, avoltage control unit 15, a reactivecurrent control unit 17, and a gatepulse generation unit 21. Including.
 制御部10は、電圧検出器4によって検出された電圧および電流検出器5によって検出された電流に基づいてスイッチング素子を制御することにより、自励式変換器1から電力系統3へ出力される無効電力を制御する。Thecontrol unit 10 controls the switching element based on the voltage detected by the voltage detector 4 and the current detected by the current detector 5, thereby reactive power output from the self-excited converter 1 to the power system 3. To control.
 より詳細には、振幅検出部11は、電圧検出器4によって検出された系統電圧の振幅値Vsを算出することによって振幅値Vsを検出し、その算出した(検出した)振幅値Vsを減算器14に与える。電力系統3はu相、v相、w相からなる。u相、v相、w相の電圧をそれぞれVu,Vv,Vwとすると、振幅検出部11は以下の式に基づいて振幅値Vsを算出する。More specifically, theamplitude detector 11 detects the amplitude value Vs by calculating the amplitude value Vs of the system voltage detected by the voltage detector 4, and subtracts the calculated (detected) amplitude value Vs. 14 The electric power system 3 includes a u phase, a v phase, and a w phase. When the u-phase, v-phase, and w-phase voltages are Vu, Vv, and Vw, respectively, theamplitude detector 11 calculates an amplitude value Vs based on the following equation.
 Vs=(Vu2+Vv2+Vw21/2
 電圧指令生成部13は、振幅値Vsの基準値を示す電圧指令Vrefを生成して出力する。電圧指令Vrefが示す振幅値Vsの基準値は一定である。
Vs = (Vu2 + Vv2 + Vw2 )1/2
Thevoltage command generator 13 generates and outputs a voltage command Vref indicating the reference value of the amplitude value Vs. The reference value of the amplitude value Vs indicated by the voltage command Vref is constant.
 減算器14は、電圧指令Vrefから振幅値Vsを減算することにより偏差ΔVを算出して、その偏差ΔVを電圧制御部15に与える。Thesubtractor 14 calculates the deviation ΔV by subtracting the amplitude value Vs from the voltage command Vref, and gives the deviation ΔV to thevoltage control unit 15.
 電圧制御部15はPI(Proportional Integral)制御を行なう演算器として構成される。電圧制御部15は、入力された偏差ΔVを小さくするための電流基準Irefを演算して、その電流基準Irefを出力する。電流基準Irefは、自励式変換器1から出力される無効電流Iqの基準値に対応する。Thevoltage control unit 15 is configured as an arithmetic unit that performs PI (Proportional Integral) control. Thevoltage control unit 15 calculates a current reference Iref for reducing the input deviation ΔV, and outputs the current reference Iref. The current reference Iref corresponds to the reference value of the reactive current Iq output from the self-excited converter 1.
 無効電流検出部12は、電流検出器5によって検出された自励式変換器1の出力電流に基づいて、自励式変換器1から出力される無効電流Iqを検出する。具体的には、無効電流検出部12は、電流検出器5により検出されたu相電流、v相電流およびw相電流を3相/2相変換することによって無効電流Iqを検出する。The reactivecurrent detector 12 detects the reactive current Iq output from the self-excited converter 1 based on the output current of the self-excited converter 1 detected by the current detector 5. Specifically, the reactivecurrent detector 12 detects the reactive current Iq by performing three-phase / two-phase conversion on the u-phase current, the v-phase current, and the w-phase current detected by the current detector 5.
 減算器16は電流基準Irefから無効電流Iqを減算することにより偏差ΔIを算出して、その偏差ΔIを無効電流制御部17に与える。無効電流制御部17は、PI制御を行なう演算器として構成される。無効電流制御部17は入力された偏差ΔIを小さくするための電圧基準Viを演算して、その電圧基準Viをゲートパルス発生部21に与える。Thesubtractor 16 calculates the deviation ΔI by subtracting the reactive current Iq from the current reference Iref, and gives the deviation ΔI to the reactivecurrent control unit 17. The reactivecurrent control unit 17 is configured as an arithmetic unit that performs PI control. The reactivecurrent control unit 17 calculates a voltage reference Vi for reducing the input deviation ΔI, and gives the voltage reference Vi to the gatepulse generation unit 21.
 ゲートパルス発生部21は、たとえばPWM(Pulse Width Modulation)制御に従って、自励式変換器1が電圧基準Viに相当する電圧を出力するためのゲートパルス信号を自励式変換器1におけるスイッチング素子Q1~Q6に供給する。Thegate pulse generator 21 generates switching signals Q1 to Q6 in the self-excited converter 1, for example, according to PWM (Pulse Width Modulation) control, for the self-excited converter 1 to output a voltage corresponding to the voltage reference Vi. To supply.
 電圧基準Viは、電圧制御部15を制御器とする電圧フィードバック制御系に無効電流制御部17を制御器とする電流マイナーループ制御を加えた制御系の出力として得られる。この制御系により、電圧基準Viを系統電圧の変化に追従して変化させることができる。The voltage reference Vi is obtained as an output of a control system obtained by adding a current minor loop control using the reactivecurrent control unit 17 as a controller to a voltage feedback control system using thevoltage control unit 15 as a controller. With this control system, the voltage reference Vi can be changed following the change in the system voltage.
 [動作]
 次に、本発明の第1の実施の形態に係る自励式無効電力補償装置の動作について説明する。
[Operation]
Next, the operation of the self-excited reactive power compensator according to the first embodiment of the present invention will be described.
 図3は、本発明の第1の実施の形態に係る自励式無効電力補償装置の動作を示す波形図である。図3において、VCは平滑用コンデンサCの両端電圧である。図4は、本発明の第1の実施の形態に係る自励式無効電力補償装置の停止シーケンスおよび再起動シーケンスを示す図である。FIG. 3 is a waveform diagram showing the operation of the self-excited reactive power compensator according to the first embodiment of the present invention. In FIG. 3, VC is a voltage across the smoothing capacitor C. FIG. 4 is a diagram showing a stop sequence and a restart sequence of the self-excited reactive power compensator according to the first embodiment of the present invention.
 図3および図4を参照して、自励式無効電力補償装置101における制御部10は、時刻t0すなわち上位装置から起動指令を受ける前の状態において、スイッチSWAをオフし、スイッチSWBをオンし、スイッチSWCをオフする。スイッチSWBをオンすることにより、放電器53によって平滑用コンデンサCが確実に放電され、装置のメンテナンス性を向上させることができる。Referring to FIG. 3 and FIG. 4,control unit 10 in self-excitedreactive power compensator 101 turns off switch SWA and turns on switch SWB at time t0, that is, before the start command is received from the host device. Switch SWC is turned off. By turning on the switch SWB, the smoothing capacitor C is reliably discharged by thedischarger 53, and the maintainability of the apparatus can be improved.
 時刻t1において、制御部10は、上位装置から起動指令を受けて、スイッチSWAをオンし、スイッチSWBをオフする。これにより、充電器51によって平滑用コンデンサCが充電される、すなわち交流電源6から供給される交流電圧によって平滑用コンデンサCの両端電圧VCが上昇する。At time t1, thecontrol unit 10 receives a start command from the host device, turns on the switch SWA, and turns off the switch SWB. As a result, the smoothing capacitor C is charged by thecharger 51, that is, the voltage VC across the smoothing capacitor C is increased by the AC voltage supplied from the AC power supply 6.
 時刻t2において、電圧VCが所定値V1より大きい所定値V2に達すると、制御部10はスイッチSWAをオフする。これにより、充電器51による平滑用コンデンサCの充電が停止する。そして、制御部10は、スイッチング素子Q1~Q6へ駆動信号を出力し、スイッチング素子Q1~Q6のスイッチングを再開させる。なお、スイッチSWAがオフされた後も、スイッチング素子Q1~Q6のスイッチングによってコンデンサCは充電されるため、電圧VCは所定値V2以上を維持する。When the voltage VC reaches a predetermined value V2 larger than the predetermined value V1 at time t2, thecontrol unit 10 turns off the switch SWA. Thereby, the charging of the smoothing capacitor C by thecharger 51 is stopped. Then, controlunit 10 outputs a drive signal to switching elements Q1 to Q6, and restarts switching of switching elements Q1 to Q6. Even after the switch SWA is turned off, the capacitor C is charged by the switching of the switching elements Q1 to Q6, so that the voltage VC is maintained at a predetermined value V2 or more.
 時刻t3において、電力系統3が停電等して上位装置から停止指令が自励式無効電力補償装置101へ出力される(ステップS1)。このとき、電力系統3からの電力によって電圧VCは大きく上昇する。制御部10は、上位装置からこの停止指令を受けて、スイッチング素子Q1~Q6への駆動信号の出力を停止することにより、スイッチング素子Q1~Q6のスイッチングを停止させる、すなわち自励式変換器1を停止させる。これにより、自励式無効電力補償装置101から電力系統3への無効電力の出力が停止する(ステップS2)。At time t3, the power system 3 is blacked out, and a stop command is output from the host device to the self-excited reactive power compensator 101 (step S1). At this time, the voltage VC greatly increases due to the power from the power system 3. Thecontrol unit 10 receives this stop command from the host device and stops the output of the drive signals to the switching elements Q1 to Q6, thereby stopping the switching of the switching elements Q1 to Q6, that is, the self-excited converter 1 Stop. Thereby, the output of the reactive power from the self-excitedreactive power compensator 101 to the power system 3 is stopped (step S2).
 時刻t4において、電圧VCが所定値V2より大きい所定値V3に達すると、制御部10はスイッチSWCをオンする。これにより、放電器52によって平滑用コンデンサCが急速放電される。At time t4, when the voltage VC reaches a predetermined value V3 larger than the predetermined value V2, thecontrol unit 10 turns on the switch SWC. As a result, the smoothing capacitor C is rapidly discharged by thedischarger 52.
 時刻t5において、電圧VCが所定値V2に達すると、制御部10はスイッチSWCをオフする。これにより、放電器52による平滑用コンデンサCの急速放電が停止する。スイッチSWCがオフされた後も、電圧VCは低下している。When the voltage VC reaches the predetermined value V2 at time t5, thecontrol unit 10 turns off the switch SWC. Thereby, the rapid discharge of the smoothing capacitor C by thedischarger 52 is stopped. Even after the switch SWC is turned off, the voltage VC decreases.
 時刻t6において、電圧VCが所定値V2より小さい所定値V1未満になると、制御部10は、電圧VCが所定値V2に達するまでスイッチSWAをオンする。これにより、充電器51によって平滑用コンデンサCが充電される。When the voltage VC becomes less than the predetermined value V1 smaller than the predetermined value V2 at time t6, thecontrol unit 10 turns on the switch SWA until the voltage VC reaches the predetermined value V2. As a result, the smoothing capacitor C is charged by thecharger 51.
 時刻t7において、電力系統3が停電から復帰して上位装置からの停止指令が解除される(ステップS3)。制御部10は、上位装置からの停止指令が解除されると、自励式変換器1の停止を解除する、すなわちスイッチング素子Q1~Q6へ駆動信号を出力し、スイッチング素子Q1~Q6のスイッチングを再開させる(ステップS4)。これにより、自励式無効電力補償装置101から電力系統3への無効電力の出力が再開される(ステップS5)。At time t7, the power system 3 recovers from the power failure and the stop command from the host device is released (step S3). When the stop command from the host device is released, thecontrol unit 10 releases the stop of the self-excited converter 1, that is, outputs a drive signal to the switching elements Q1 to Q6, and resumes switching of the switching elements Q1 to Q6. (Step S4). Thereby, the output of the reactive power from the self-excitedreactive power compensator 101 to the power system 3 is resumed (step S5).
 以上のように、本発明の第1の実施の形態に係る自励式無効電力補償装置では、制御部10は、充電器51を制御することにより、コンデンサCの両端電圧が所定値V1以上になるようにコンデンサCを充電する充電制御を行なう。より詳細には、制御部10は、電圧検出器9によって検出された電圧が所定値V1未満になると充電制御を行ない、電圧検出器9によって検出された電圧が所定値V1より大きく所定値V3より小さい所定値V2になると充電制御を停止する。As described above, in the self-excited reactive power compensator according to the first embodiment of the present invention, thecontrol unit 10 controls thecharger 51 so that the voltage across the capacitor C becomes equal to or higher than the predetermined value V1. Thus, charging control for charging the capacitor C is performed. More specifically, thecontrol unit 10 performs charge control when the voltage detected by the voltage detector 9 is less than the predetermined value V1, and the voltage detected by the voltage detector 9 is greater than the predetermined value V1 and higher than the predetermined value V3. When the small predetermined value V2 is reached, the charging control is stopped.
 このような構成により、停止指令を受けて自励式変換器1におけるスイッチング素子Q1~Q6のスイッチングを停止しても、平滑用コンデンサCの両端電圧を一定レベルに維持することができるため、停止指令が解除された後に平滑用コンデンサCを再充電する必要がなくなり、自励式変換器1におけるスイッチング素子Q1~Q6のスイッチングを早期に再開することができる。したがって、本発明の第1の実施の形態に係る自励式無効電力補償装置では、停止指令を受けて運転を停止している状態において、停止指令が解除されると早期に運転を再開することができる。With such a configuration, even if the switching of the switching elements Q1 to Q6 in the self-excited converter 1 is stopped upon receiving a stop command, the voltage across the smoothing capacitor C can be maintained at a constant level. It is no longer necessary to recharge the smoothing capacitor C after the release of, and switching of the switching elements Q1 to Q6 in the self-excited converter 1 can be resumed early. Therefore, in the self-excited reactive power compensator according to the first embodiment of the present invention, in the state where the operation is stopped in response to the stop command, the operation can be resumed early when the stop command is canceled. it can.
 また、本発明の第1の実施の形態に係る自励式無効電力補償装置では、コンデンサCを放電するための放電器52を備える。そして、制御部10は、電圧検出器9によって検出された電圧が所定値V1より大きい所定値V3以上になると、放電器52を制御してコンデンサCを放電する。このような構成により、後述する本発明の第2の実施の形態に係る自励式無効電力補償装置と比べて、電力系統3からの電力による平滑用コンデンサCの過充電を防ぐための遮断器CBを開放する操作が不要になるという利点がある。Further, the self-excited reactive power compensator according to the first embodiment of the present invention includes adischarger 52 for discharging the capacitor C. Then, when the voltage detected by the voltage detector 9 becomes equal to or higher than a predetermined value V3 larger than the predetermined value V1, thecontrol unit 10 controls thedischarger 52 to discharge the capacitor C. With such a configuration, a circuit breaker CB for preventing overcharging of the smoothing capacitor C due to power from the power system 3 as compared with a self-excited reactive power compensator according to a second embodiment of the present invention to be described later. There is an advantage that the operation of opening the screen becomes unnecessary.
 なお、本発明の第1の実施の形態に係る自励式無効電力補償装置では、制御部10は、電圧VCが所定値V1未満になるとスイッチSWAをオンして充電器51の充電動作を開始する構成であるとしたが、これに限定するものではない。上位装置から停止指令を受けてすぐにスイッチSWAをオンし、充電器51の充電動作を開始する構成であってもよい。In the self-excited reactive power compensator according to the first embodiment of the present invention, thecontrol unit 10 turns on the switch SWA and starts the charging operation of thecharger 51 when the voltage VC becomes less than the predetermined value V1. Although it is the configuration, it is not limited to this. The switch SWA may be turned on immediately after receiving a stop command from the host device, and the charging operation of thecharger 51 may be started.
 次に、本発明の他の実施の形態について図面を用いて説明する。なお、図中同一または相当部分には同一符号を付してその説明は繰り返さない。Next, another embodiment of the present invention will be described with reference to the drawings. In the drawings, the same or corresponding parts are denoted by the same reference numerals and description thereof will not be repeated.
 <第2の実施の形態>
 本実施の形態は、第1の実施の形態に係る自励式無効電力補償装置と比べて停止シーケンスおよび再起動シーケンスを変更した自励式無効電力補償装置に関する。以下で説明する内容以外は第1の実施の形態に係る自励式無効電力補償装置と同様である。
<Second Embodiment>
The present embodiment relates to a self-excited reactive power compensator in which the stop sequence and the restart sequence are changed as compared with the self-excited reactive power compensator according to the first embodiment. The contents other than those described below are the same as those of the self-excited reactive power compensator according to the first embodiment.
 図5は、本発明の第2の実施の形態に係る自励式無効電力補償装置の構成図である。
 図5を参照して、自励式無効電力補償装置102は、本発明の第1の実施の形態に係る自励式無効電力補償装置と比べて、さらに遮断器CBを備え、放電器52を備えない。遮断器CBは、電力系統3と自励式変換器1との電気的接続を遮断するために設けられる。
FIG. 5 is a configuration diagram of a self-excited reactive power compensator according to the second embodiment of the present invention.
Referring to FIG. 5, self-excitedreactive power compensator 102 is further provided with a circuit breaker CB and not adischarger 52 as compared with the self-excited reactive power compensator according to the first embodiment of the present invention. . The circuit breaker CB is provided to interrupt the electrical connection between the power system 3 and the self-excited converter 1.
 図6は、本発明の第2の実施の形態に係る自励式無効電力補償装置の動作を示す波形図である。図6において、VCは平滑用コンデンサCの両端電圧である。図7は、本発明の第2の実施の形態に係る自励式無効電力補償装置の停止シーケンスおよび再起動シーケンスを示す図である。FIG. 6 is a waveform diagram showing the operation of the self-excited reactive power compensator according to the second embodiment of the present invention. In FIG. 6, VC is the voltage across the smoothing capacitor C. FIG. 7 is a diagram illustrating a stop sequence and a restart sequence of the self-excited reactive power compensator according to the second embodiment of the present invention.
 図6および図7を参照して、自励式無効電力補償装置102における制御部10は、時刻t0すなわち上位装置から起動指令を受ける前の状態において、スイッチSWAをオフし、スイッチSWBをオンし、遮断器CBを開放する。スイッチSWBをオンすることにより、放電器53によって平滑用コンデンサCが確実に放電され、装置のメンテナンス性を向上させることができる。また、遮断器CBを開放することにより、電力系統3からの電力によって平滑用コンデンサCが充電されることを防ぐことができる。Referring to FIGS. 6 and 7,control unit 10 in self-excitedreactive power compensator 102 turns off switch SWA and turns on switch SWB at time t0, that is, before the start command is received from the host device. Open the circuit breaker CB. By turning on the switch SWB, the smoothing capacitor C is reliably discharged by thedischarger 53, and the maintainability of the apparatus can be improved. Further, by opening the circuit breaker CB, it is possible to prevent the smoothing capacitor C from being charged by the power from the power system 3.
 時刻t1において、制御部10は、上位装置から起動指令を受けて、スイッチSWAをオンし、スイッチSWBをオフし、遮断器CBを投入する。これにより、電力系統3と自励式変換器1とが電気的に接続される。また、充電器51によって平滑用コンデンサCが充電される、すなわち交流電源6から供給される交流電圧によって平滑用コンデンサCの両端電圧VCが上昇する。At time t1, thecontrol unit 10 receives a start command from the host device, turns on the switch SWA, turns off the switch SWB, and turns on the circuit breaker CB. Thereby, the electric power system 3 and the self-excited converter 1 are electrically connected. Further, the smoothing capacitor C is charged by thecharger 51, that is, the voltage VC across the smoothing capacitor C is increased by the AC voltage supplied from the AC power supply 6.
 時刻t2において、電圧VCが所定値V1より大きい所定値V2に達すると、制御部10はスイッチSWAをオフする。これにより、充電器51による平滑用コンデンサCの充電が停止する。そして、制御部10は、スイッチング素子Q1~Q6へ駆動信号を出力し、スイッチング素子Q1~Q6のスイッチングを再開させる。なお、スイッチSWAがオフされた後も、スイッチング素子Q1~Q6のスイッチングによってコンデンサCは充電されるため、電圧VCは所定値V2以上を維持する。When the voltage VC reaches a predetermined value V2 larger than the predetermined value V1 at time t2, thecontrol unit 10 turns off the switch SWA. Thereby, the charging of the smoothing capacitor C by thecharger 51 is stopped. Then, controlunit 10 outputs a drive signal to switching elements Q1 to Q6, and restarts switching of switching elements Q1 to Q6. Even after the switch SWA is turned off, the capacitor C is charged by the switching of the switching elements Q1 to Q6, so that the voltage VC is maintained at a predetermined value V2 or more.
 時刻t3において、電力系統3が停電等して上位装置から停止指令が自励式無効電力補償装置102へ出力される(ステップS11)。このとき、電圧VCは大きく低下する。制御部10は、上位装置からこの停止指令を受けて、スイッチング素子Q1~Q6への駆動信号の出力を停止することにより、スイッチング素子Q1~Q6のスイッチングを停止させる、すなわち自励式変換器1を停止させる。これにより、自励式無効電力補償装置102から電力系統3への無効電力の出力が停止する(ステップS12)。At time t3, the power system 3 is blacked out, and a stop command is output from the host device to the self-excited reactive power compensator 102 (step S11). At this time, the voltage VC greatly decreases. Thecontrol unit 10 receives this stop command from the host device and stops the output of the drive signals to the switching elements Q1 to Q6, thereby stopping the switching of the switching elements Q1 to Q6, that is, the self-excited converter 1 Stop. Thereby, the output of the reactive power from the self-excitedreactive power compensator 102 to the power system 3 is stopped (step S12).
 そして、制御部10は、遮断器CBを開放することにより、電力系統3と自励式変換器1との電気的接続を遮断する(ステップS13)。なお、ステップS12およびステップS13の実行順序は逆であってもよい。And thecontrol part 10 interrupts | blocks the electrical connection of the electric power grid | system 3 and the self-excited converter 1 by open | releasing the circuit breaker CB (step S13). Note that the execution order of step S12 and step S13 may be reversed.
 時刻t4において、電圧VCが所定値V2より小さい所定値V1未満となると、制御部10はスイッチSWAをオンする。これにより、充電器51によって平滑用コンデンサCが充電される。At time t4, when the voltage VC becomes less than the predetermined value V1 smaller than the predetermined value V2, thecontrol unit 10 turns on the switch SWA. As a result, the smoothing capacitor C is charged by thecharger 51.
 時刻t5において、電圧VCが所定値V2に達すると、制御部10はスイッチSWAをオフする。これにより、充電器51による平滑用コンデンサCの充電が停止する。At time t5, when the voltage VC reaches the predetermined value V2, thecontrol unit 10 turns off the switch SWA. Thereby, the charging of the smoothing capacitor C by thecharger 51 is stopped.
 時刻t6において、電力系統3が停電から復帰して上位装置からの停止指令が解除される(ステップS14)。制御部10は、上位装置からの停止指令が解除されると、自励式変換器1の停止を解除する、すなわちスイッチング素子Q1~Q6へ駆動信号を出力し、スイッチング素子Q1~Q6のスイッチングを再開させる(ステップS15)。At time t6, the power system 3 returns from the power failure and the stop command from the host device is released (step S14). When the stop command from the host device is released, thecontrol unit 10 releases the stop of the self-excited converter 1, that is, outputs a drive signal to the switching elements Q1 to Q6, and resumes switching of the switching elements Q1 to Q6. (Step S15).
 そして、制御部10は、遮断器CBを投入することにより、電力系統3と自励式変換器1とを電気的に接続する(ステップS16)。なお、ステップS15およびステップS16の実行順序は逆であってもよい。And thecontrol part 10 electrically connects the electric power grid | system 3 and the self-excited converter 1 by throwing in the circuit breaker CB (step S16). Note that the execution order of step S15 and step S16 may be reversed.
 ステップS15およびステップS16により、自励式無効電力補償装置102から電力系統3への無効電力の出力が再開される(ステップS17)。The output of the reactive power from the self-excitedreactive power compensator 102 to the power system 3 is restarted through steps S15 and S16 (step S17).
 その他の構成および動作は第1の実施の形態に係る自励式無効電力補償装置と同様であるため、ここでは詳細な説明を繰り返さない。Other configurations and operations are the same as those of the self-excited reactive power compensator according to the first embodiment, and thus detailed description thereof will not be repeated here.
 以上のように、本発明の第2の実施の形態に係る自励式無効電力補償装置では、制御部10は、自励式無効電力補償装置102を停止するための停止指令を受けてスイッチング素子Q1~Q6のスイッチングを停止し、かつ遮断器CBを制御して電力系統3と自励式変換器1との電気的接続を遮断する。そして、制御部10は、停止指令が解除されるとスイッチング素子Q1~Q6のスイッチングを再開し、かつ遮断器CBを制御して電力系統3と自励式変換器1とを電気的に接続する。As described above, in the self-excited reactive power compensator according to the second embodiment of the present invention, thecontrol unit 10 receives the stop command for stopping the self-excitedreactive power compensator 102 and switches the switching elements Q1˜ The switching of Q6 is stopped, and the circuit breaker CB is controlled to cut off the electrical connection between the power system 3 and the self-excited converter 1. Then, when the stop command is released,control unit 10 resumes switching of switching elements Q1 to Q6, and controls breaker CB to electrically connect power system 3 and self-excited converter 1.
 このような構成により、第1の実施の形態に係る自励式無効電力補償装置と同様に、停止指令を受けて運転を停止している状態において、停止指令が解除されると早期に運転を再開することができる。また、停止指令を受けてからその停止指令が解除されるまで、電力系統3からの電力によって平滑用コンデンサCが過充電されることを防ぐことができるため、第1の実施の形態に係る自励式無効電力補償装置と比べて、放電器52が不要となる。With such a configuration, as with the self-excited reactive power compensator according to the first embodiment, in the state where the operation is stopped in response to the stop command, the operation is resumed as soon as the stop command is released. can do. In addition, since the smoothing capacitor C can be prevented from being overcharged by the electric power from the power system 3 until the stop command is canceled after the stop command is received, the self-according to the first embodiment. Compared with the excited reactive power compensator, thedischarger 52 becomes unnecessary.
 今回開示された実施の形態はすべての点で例示であって制限的なものではないと考えられるべきである。本発明の範囲は上記した説明ではなくて請求の範囲によって示され、請求の範囲と均等の意味および範囲内でのすべての変更が含まれることが意図される。The embodiment disclosed this time should be considered as illustrative in all points and not restrictive. The scope of the present invention is defined by the terms of the claims, rather than the description above, and is intended to include any modifications within the scope and meaning equivalent to the terms of the claims.
 1 自励式変換器、2 変換器用変圧器、4 電圧検出器、5 電流検出器、7 変圧器、8 整流器、9 電圧検出器、10 制御部、11 振幅検出部、12 無効電流検出部、13 電圧指令生成部、14,16 減算器、15 電圧制御部、17 無効電流制御部、21 ゲートパルス発生部、51 充電器、52 放電器、53 放電器、101,102 自励式無効電力補償装置、C 平滑用コンデンサ、R1,R2,R3 抵抗、SWA,SWB,SWC スイッチ、Q1~Q6 スイッチング素子、D1~D6 ダイオード、CB 遮断器。1 self-excited converter, 2 transformer, 4 voltage detector, 5 current detector, 7 transformer, 8 rectifier, 9 voltage detector, 10 control unit, 11 amplitude detection unit, 12 reactive current detection unit, 13 Voltage command generator, 14, 16 subtractor, 15 voltage controller, 17 reactive current controller, 21 gate pulse generator, 51 charger, 52 discharger, 53 discharger, 101, 102 self-excited reactive power compensator, C smoothing capacitor, R1, R2, R3 resistance, SWA, SWB, SWC switch, Q1-Q6 switching element, D1-D6 diode, CB breaker.

Claims (7)

  1.  交流電圧を平滑化するためのコンデンサ(C)と、
     複数の相を有する電力系統(3)に結合され、スイッチング素子を含み、前記コンデンサ(C)によって平滑化された電力に基づいて前記電力系統(3)へ無効電力を出力するための自励式変換器(1)と、
     前記電力系統(3)の電圧を検出するための第1の電圧検出器(4)と、
     前記コンデンサ(C)の両端電圧を検出するための第2の電圧検出器(9)と、
     前記電力系統(3)と前記自励式変換器(1)との間に流れる電流を検出するための電流検出器(5)と、
     前記第1の電圧検出器(4)によって検出された電圧および前記電流検出器(5)によって検出された電流に基づいて前記スイッチング素子をスイッチングさせることにより、前記自励式変換器(1)から前記電力系統(3)へ出力される前記無効電力を制御するための制御部(10)と、
     前記コンデンサ(C)を充電するための充電器(51)とを備え、
     前記制御部(10)は、前記充電器(51)を制御することにより、前記第2の電圧検出器(9)によって検出される電圧が第1の所定値以上になるように前記コンデンサ(C)を充電する充電制御を行なう自励式無効電力補償装置。
    A capacitor (C) for smoothing the AC voltage;
    Self-excited conversion for outputting reactive power to the power system (3) based on power coupled to a power system (3) having a plurality of phases, including switching elements, and smoothed by the capacitor (C) Vessel (1),
    A first voltage detector (4) for detecting the voltage of the power system (3);
    A second voltage detector (9) for detecting the voltage across the capacitor (C);
    A current detector (5) for detecting a current flowing between the power system (3) and the self-excited converter (1);
    From the self-excited converter (1) by switching the switching element based on the voltage detected by the first voltage detector (4) and the current detected by the current detector (5). A control unit (10) for controlling the reactive power output to the power system (3);
    A charger (51) for charging the capacitor (C),
    The controller (10) controls the charger (51) so that the voltage detected by the second voltage detector (9) is equal to or higher than a first predetermined value. A self-excited reactive power compensator that performs charge control for charging.
  2.  前記自励式無効電力補償装置は、さらに、
     前記コンデンサ(C)を放電するための第1の放電器(52)を備え、
     前記制御部(10)は、前記第2の電圧検出器(9)によって検出された電圧が前記第1の所定値より大きい第2の所定値以上になると、前記第1の放電器(52)を制御して前記コンデンサ(C)を放電する請求の範囲第1項に記載の自励式無効電力補償装置。
    The self-excited reactive power compensator further includes:
    A first discharger (52) for discharging the capacitor (C);
    When the voltage detected by the second voltage detector (9) becomes equal to or higher than a second predetermined value that is greater than the first predetermined value, the control unit (10) is configured to output the first discharger (52). The self-excited reactive power compensator according to claim 1, wherein the capacitor (C) is discharged by controlling the power.
  3.  前記制御部(10)は、前記第2の電圧検出器(9)によって検出された電圧が前記第1の所定値未満になると前記充電制御を行ない、
     前記制御部(10)は、前記第2の電圧検出器(9)によって検出された電圧が前記第1の所定値より大きく前記第2の所定値より小さい第3の所定値になると前記充電制御を停止する請求の範囲第2項に記載の自励式無効電力補償装置。
    The controller (10) performs the charging control when the voltage detected by the second voltage detector (9) is less than the first predetermined value,
    When the voltage detected by the second voltage detector (9) becomes a third predetermined value that is greater than the first predetermined value and smaller than the second predetermined value, the control unit (10) performs the charge control. The self-excited reactive power compensator according to claim 2, which stops the operation.
  4.  前記自励式無効電力補償装置は、さらに、
     前記電力系統(3)と前記自励式変換器(1)との電気的接続を遮断するための遮断器(CB)を備え、
     前記制御部(10)は、前記自励式無効電力補償装置を停止するための停止指令を受けて前記スイッチング素子のスイッチングを停止し、かつ前記遮断器(CB)を制御して前記電力系統(3)と前記自励式変換器(1)との電気的接続を遮断し、
     前記制御部(10)は、前記停止指令が解除されると前記スイッチング素子のスイッチングを再開し、かつ前記遮断器(CB)を制御して前記電力系統(3)と前記自励式変換器(1)とを電気的に接続する請求の範囲第1項に記載の自励式無効電力補償装置。
    The self-excited reactive power compensator further includes:
    A circuit breaker (CB) for interrupting an electrical connection between the power system (3) and the self-excited converter (1);
    The controller (10) receives a stop command for stopping the self-excited reactive power compensator, stops the switching of the switching element, and controls the breaker (CB) to control the power system (3 ) And the self-excited converter (1) are disconnected,
    When the stop command is released, the control unit (10) resumes switching of the switching element and controls the circuit breaker (CB) to control the power system (3) and the self-excited converter (1). And the self-excited reactive power compensator according to claim 1.
PCT/JP2009/0633252009-07-272009-07-27Self-excited reactive power compensation deviceWO2011013187A1 (en)

Priority Applications (2)

Application NumberPriority DateFiling DateTitle
PCT/JP2009/063325WO2011013187A1 (en)2009-07-272009-07-27Self-excited reactive power compensation device
JP2011524550AJP5490801B2 (en)2009-07-272009-07-27 Self-excited reactive power compensator

Applications Claiming Priority (1)

Application NumberPriority DateFiling DateTitle
PCT/JP2009/063325WO2011013187A1 (en)2009-07-272009-07-27Self-excited reactive power compensation device

Publications (1)

Publication NumberPublication Date
WO2011013187A1true WO2011013187A1 (en)2011-02-03

Family

ID=43528865

Family Applications (1)

Application NumberTitlePriority DateFiling Date
PCT/JP2009/063325WO2011013187A1 (en)2009-07-272009-07-27Self-excited reactive power compensation device

Country Status (2)

CountryLink
JP (1)JP5490801B2 (en)
WO (1)WO2011013187A1 (en)

Cited By (3)

* Cited by examiner, † Cited by third party
Publication numberPriority datePublication dateAssigneeTitle
JP2014203356A (en)*2013-04-082014-10-27株式会社東芝Reactive power compensation device
JP6261842B1 (en)*2017-05-182018-01-17三菱電機株式会社 Reactive power compensator and control method thereof
WO2019164425A1 (en)*2018-02-212019-08-29Telefonaktiebolaget Lm Ericsson (Publ)Reactive power control in power systems

Citations (2)

* Cited by examiner, † Cited by third party
Publication numberPriority datePublication dateAssigneeTitle
JPH0956072A (en)*1995-08-181997-02-25Nissin Electric Co LtdMethod for operating self-excited var compensator
JP2002247760A (en)*2001-02-152002-08-30Toshiba Corp Starting method of series compensator

Patent Citations (2)

* Cited by examiner, † Cited by third party
Publication numberPriority datePublication dateAssigneeTitle
JPH0956072A (en)*1995-08-181997-02-25Nissin Electric Co LtdMethod for operating self-excited var compensator
JP2002247760A (en)*2001-02-152002-08-30Toshiba Corp Starting method of series compensator

Cited By (6)

* Cited by examiner, † Cited by third party
Publication numberPriority datePublication dateAssigneeTitle
JP2014203356A (en)*2013-04-082014-10-27株式会社東芝Reactive power compensation device
JP6261842B1 (en)*2017-05-182018-01-17三菱電機株式会社 Reactive power compensator and control method thereof
WO2018211658A1 (en)*2017-05-182018-11-22三菱電機株式会社Reactive power compensation device and method for controlling same
US11101656B2 (en)2017-05-182021-08-24Mitsubishi Electric CorporationReactive power compensation device and method for controlling the same
WO2019164425A1 (en)*2018-02-212019-08-29Telefonaktiebolaget Lm Ericsson (Publ)Reactive power control in power systems
US10985562B2 (en)2018-02-212021-04-20Telefonaktiebolaget Lm Ericsson (Publ)Reactive power control in power systems

Also Published As

Publication numberPublication date
JP5490801B2 (en)2014-05-14
JPWO2011013187A1 (en)2013-01-07

Similar Documents

PublicationPublication DateTitle
EP3118982B1 (en)Fault ride through in a marine power distribution system
US11239664B2 (en)Power conversion system
JP2009232537A (en)Motor controller
US12113395B2 (en)Power converter
CN100382409C (en)Non-power cutting power supply system
JP5645209B2 (en) Power converter
KR101801780B1 (en)High efficiency power conversion system
CN113826319A (en) Secondary excitation generator electric device
JP4859932B2 (en) Control device and control method for power conversion system having instantaneous voltage drop / power failure countermeasure function
JP5490801B2 (en) Self-excited reactive power compensator
JP2001047894A (en) AC feeding device and control method of AC feeding device
JP2010119239A (en)Smes apparatus, interface device for smes, and driving method therefor
JP5490263B2 (en) Power converter
WO2021205700A1 (en)Power conversion device
JP2013243934A (en)Self-excited reactive power compensation device
JP2019115179A (en)Instantaneous voltage drop compensation device and instantaneous voltage drop compensation system
JP6258806B2 (en) Power converter for grid connection
JP2004208345A (en)Three-phase unbalanced voltage restraining apparatus
WO2018020666A1 (en)Power conversion device and control method therefor
JP2006254659A (en) Distributed power supply
JP2005020805A (en)Wind power generator
JP6437683B2 (en) Delta-less harmonic cancellation device
EP3780311A1 (en)Power conversion system
JP5376860B2 (en) Power supply system
JP7542181B2 (en) Power supply system using mobile devices

Legal Events

DateCodeTitleDescription
121Ep: the epo has been informed by wipo that ep was designated in this application

Ref document number:09847779

Country of ref document:EP

Kind code of ref document:A1

ENPEntry into the national phase

Ref document number:2011524550

Country of ref document:JP

Kind code of ref document:A

NENPNon-entry into the national phase

Ref country code:DE

122Ep: pct application non-entry in european phase

Ref document number:09847779

Country of ref document:EP

Kind code of ref document:A1


[8]ページ先頭

©2009-2025 Movatter.jp