Movatterモバイル変換


[0]ホーム

URL:


USRE50208E1 - Buffer circuit, semiconductor integrated circuit device, oscillator, electronic apparatus, and base station - Google Patents

Buffer circuit, semiconductor integrated circuit device, oscillator, electronic apparatus, and base station
Download PDF

Info

Publication number
USRE50208E1
USRE50208E1US17/470,755US202117470755AUSRE50208EUS RE50208 E1USRE50208 E1US RE50208E1US 202117470755 AUS202117470755 AUS 202117470755AUS RE50208 EUSRE50208 EUS RE50208E
Authority
US
United States
Prior art keywords
mosfet
gate electrode
switch
buffer circuit
interconnection
Prior art date
Legal status (The legal status is an assumption and is not a legal conclusion. Google has not performed a legal analysis and makes no representation as to the accuracy of the status listed.)
Active, expires
Application number
US17/470,755
Inventor
Kenji Hayashi
Current Assignee (The listed assignees may be inaccurate. Google has not performed a legal analysis and makes no representation or warranty as to the accuracy of the list.)
Seiko Epson Corp
Original Assignee
Seiko Epson Corp
Priority date (The priority date is an assumption and is not a legal conclusion. Google has not performed a legal analysis and makes no representation as to the accuracy of the date listed.)
Filing date
Publication date
Application filed by Seiko Epson CorpfiledCriticalSeiko Epson Corp
Priority to US17/470,755priorityCriticalpatent/USRE50208E1/en
Application grantedgrantedCritical
Publication of USRE50208E1publicationCriticalpatent/USRE50208E1/en
Activelegal-statusCriticalCurrent
Adjusted expirationlegal-statusCritical

Links

Images

Classifications

Definitions

Landscapes

Abstract

A buffer circuit includes a first MOSFET including a first source electrode, a first gate electrode, and a first drain electrode, and a second MOSFET, which includes a second source electrode, a second gate electrode, and a second drain electrode, and is same in polarity as the first MOSFET, and the first gate electrode and the second gate electrode are electrically connected to each other.

Description

CROSS-REFERENCE TO RELATED APPLICATIONS
This is an application for reissue of U.S. patent application Ser. No. 15/332,778. This application claims priority to Japanese Patent Application No. 2015-214461, filed Oct. 30, 2015, the entirety of which is hereby incorporated by reference.
BACKGROUND
1. Technical Field
The present invention relates to a buffer circuit, a semiconductor integrated circuit device, an oscillator, an electronic apparatus, and a base station.
2. Related Art
There has been known an oscillation circuit provided with a constant voltage generation circuit, an oscillation output generation circuit, an output circuit having a plurality of MOSFET circuits supplied with a constant voltage generated by the constant voltage generation circuit as a power supply voltage arranged in parallel to each other so that the respective output points of the MOSFET circuits are connected to each other, and a drive circuit for driving the MOSFET circuits, which have been selected from the plurality of MOSFET circuits in accordance with a selection input, in accordance with an oscillation output, and capable of changing the drive capability by setting the outputs of the MOSFET circuits, which have not been selected in accordance with the selection input, to a high impedance (see, e.g., JP-A-2012-257183).
In the oscillation circuit described in JP-A-2012-257183 described above, when changing the drive capability, since the number of the MOSFET circuits through which a current flows is changed, the width of a current path also changes. Here, an electromigration (EM) resistance is proportional to the width of the current path. Therefore, in the case in which the width of the current path decreases due to the change, there has been a problem that the electromigration resistance also decreases.
SUMMARY
An advantage of some aspects of the invention is to provide a buffer circuit, a semiconductor integrated circuit device, an oscillator, an electronic apparatus, and a base station in which the width of the current path does not largely change even if the drive capability is changed.
The invention can be implemented as the following aspects or application examples.
APPLICATION EXAMPLE 1
A buffer circuit according to this application example of the invention includes a first MOSFET including a first source electrode, a first gate electrode, and a first drain electrode, a second MOSFET including a second source electrode, a second gate electrode, and a second drain electrode, and a third MOSFET including a third source electrode, a third gate electrode, and the first drain electrode, the first MOSFET and the second MOSFET are the same in polarity as each other, and the first gate electrode and the second gate electrode are electrically connected to each other.
According to the buffer circuit related to this application example, even if the selection of the plurality of MOSFETs is changed, it is hard for the total width of the interconnections of the current paths to significantly change. In other words, according to the buffer circuit related to the present application example, even if the drive capability is changed, it is hard for the width of the current path to decrease, and thus, the electromigration resistance can be maintained in good condition. Thus, it is possible for the buffer circuit according to the present application example to operate with high reliability even if the drive capability is changed.
APPLICATION EXAMPLE 2
The buffer circuit according to the application example described above may further include a fourth MOSFET including a fourth source electrode, a fourth gate electrode, and the second drain electrode, and the third MOSFET and the fourth MOSFET may be the same in polarity as each other.
According to the buffer circuit related to this application example, even if the drive capability is changed, it is hard for the width of the current path to decrease, and thus, the electromigration resistance can be maintained in good condition. Thus, it is possible for the buffer circuit according to the present application example to operate with high reliability even if the drive capability is changed. Further, by sharing the first drain electrode by the first MOSFET and the third MOSFET, and sharing the second drain electrode by the second MOSFET and the fourth MOSFET, the layout area of the buffer circuit can further be reduced.
APPLICATION EXAMPLE 3
The buffer circuit according to the application example described above may further include a first switch connected to the third gate electrode.
According to the buffer circuit related to this application example, it is possible to easily change the drive capability.
APPLICATION EXAMPLE 4
A buffer circuit according to this application example of the invention includes a first MOSFET including a first source electrode, a first gate electrode, and a first drain electrode, a second MOSFET including a second source electrode, a second gate electrode, and a second drain electrode, and an interconnection extending in a direction crossing a direction in which the first source electrode, the first gate electrode, and the first drain electrode are arranged, the first MOSFET and the second MOSFET are the same in polarity as each other, and the first drain electrode and the second drain electrode are electrically connected to each other with the interconnection.
According to the buffer circuit related to this application example, even if the selection of the plurality of MOSFETs is changed, it is hard for the total width of the interconnections of the current paths to significantly change. In other words, according to the buffer circuit related to the present application example, even if the drive capability is changed, it is hard for the width of the current path to decrease, and thus, the electromigration resistance can be maintained in good condition. Thus, it is possible for the buffer circuit according to the present application example to operate with high reliability even if the drive capability is changed.
APPLICATION EXAMPLE 5
The buffer circuit according to the application example described above may further include a first switch connected to the second gate electrode.
According to the buffer circuit related to this application example, it is possible to easily change the drive capability.
APPLICATION EXAMPLE 6
A buffer circuit according to this application example of the invention includes a first MOSFET including a first source electrode, a first gate electrode, and a first drain electrode, a second MOSFET including a second source electrode, a second gate electrode, and a second drain electrode, and a third MOSFET including a third source electrode, a third gate electrode, and the first drain electrode, and a fourth MOSFET including a fourth source electrode, a fourth gate electrode, and the second drain electrode, the first MOSFET, the second MOSFET, the third MOSFET, and the fourth MOSFET are the same in polarity as each other, the first gate electrode and the third gate electrode are electrically connected to each other, the second gate electrode and the fourth gate electrode are electrically connected to each other, and the first drain electrode and the second drain electrode are electrically connected to each other with a common interconnection.
According to the buffer circuit related to this application example, even if the selection of the plurality of MOSFETs is changed, it is hard for the total width of the interconnections of the current paths to significantly change. In other words, according to the buffer circuit related to the present application example, even if the drive capability is changed, it is hard for the width of the current path to decrease, and thus, the electromigration resistance can be maintained in good condition. Thus, it is possible for the buffer circuit according to the present application example to operate with high reliability even if the drive capability is changed.
APPLICATION EXAMPLE 7
The buffer circuit according to the application example described above may further include a first switch connected to the second gate electrode and the fourth gate electrode.
According to the buffer circuit related to this application example, it is possible to easily change the drive capability.
APPLICATION EXAMPLE 8
A buffer circuit according to this application example of the invention includes at least two MOSFETs including a first MOSFET and a second MOSFET, an interconnection through which a signal from the MOSFET is transmitted, and an adjuster adapted to select at least one MOSFET from at least two MOSFETs, the adjuster is capable of switching between a first state in which the first MOSFET is selected and the second MOSFET is not selected, and a second state in which both of the first MOSFET and the second MOSFET are selected, and a ratio of a sum of widths of parts to be current paths out of interconnections in the second state to a sum of widths of parts to be current paths out of interconnections in the first state is lower than a ratio of a sum of channel widths of the MOSFETs selected in the second state to a sum of channel widths of the MOSFETs selected in the first state.
According to the buffer circuit related to this application example, even if the selection of the plurality of MOSFETs is changed, it is hard for the total width of the interconnections of the current paths to significantly change. In other words, according to the buffer circuit related to the present application example, even if the drive capability is changed, it is hard for the width of the current path to decrease, and thus, the electromigration resistance can be maintained in good condition. Thus, it is possible for the buffer circuit according to the present application example to operate with high reliability even if the drive capability is changed.
APPLICATION EXAMPLE 9
In the buffer circuit according to the application example described above, the sum of the widths of the parts to be the current paths out of the interconnections may be kept constant between the first state and the second state.
According to the buffer circuit related to this application example, the electromigration resistance can be maintained in good condition. Thus, it is possible for the buffer circuit according to the present application example to operate with high reliability even if the drive capability is changed.
APPLICATION EXAMPLE 10
The buffer circuit according to the application example described above may further include a frequency divider, which is disposed in an anterior stage of the plurality of MOSFETs, and division ratio of which can be selected.
According to the buffer circuit related to this application example, by selecting the division ratio of the frequency divider, it is possible to output a signal having either one of a plurality of types of frequency. Further, since the frequency divider is disposed on the anterior stage instead of the posterior stage of the plurality of MOSFETs, the possibility that the electromigration resistance is deteriorated by the frequency divider is extremely small. Therefore, according to the present application example, it is possible to realize the versatile buffer circuit, which can operate with high reliability even if the drive capability is changed, and which can select the output frequency.
APPLICATION EXAMPLE 11
A semiconductor integrated circuit device according to this application example of the invention includes the buffer circuit according to any one of the application examples described above.
According to this application example, it is possible to realize the integrated circuit device in which it is hard for the total width of the interconnections of the current paths to significantly change even if the selection of the plurality of MOSFETs is changed. In other words, according to the integrated circuit device related to the present application example, even if the drive capability is changed, it is hard for the width of the current path to decrease, and thus, the electromigration resistance can be maintained in good condition. Thus, it is possible to operate with high reliability even if the drive capability is changed.
APPLICATION EXAMPLE 12
An oscillator according to this application example of the invention includes an oscillation element, an oscillation circuit adapted to oscillate the oscillation element, and the buffer circuit according to any one of the application examples described above.
According to this application example, it is possible to realize the oscillator in which it is hard for the total width of the interconnections of the current paths to significantly change even if the selection of the plurality of MOSFETs is changed. In other words, according to the oscillator related to the present application example, even if the drive capability is changed, it is hard for the width of the current path to decrease, and thus, the electromigration resistance can be maintained in good condition. Thus, it is possible to operate with high reliability even if the drive capability is changed.
APPLICATION EXAMPLE 13
An electronic apparatus according to this application example of the invention includes one of the buffer circuit and the oscillator according to any one of the application examples described above.
APPLICATION EXAMPLE 14
Abase station according to this application example of the invention includes one of the buffer circuit and the oscillator according to any one of the application examples described above.
According to these application examples, since the buffer circuit high in reliability is included, it is possible to realize the electronic apparatus and the base station operating with high reliability.
BRIEF DESCRIPTION OF THE DRAWINGS
The embodiments of the invention will be described with reference to the accompanying drawings, wherein like numbers reference like elements.
FIG.1 is a diagram showing an example of a structure of an oscillator according to an embodiment of the invention.
FIG.2 is a functional block diagram of the oscillator according to the embodiment.
FIG.3 is a circuit diagram showing the oscillator according to the embodiment.
FIG.4 is a circuit diagram showing a switch used for the oscillator according to the embodiment.
FIG.5 is a schematic planar view of a semiconductor integrated circuit according to the embodiment.
FIG.6 is a schematic planar view of a semiconductor integrated circuit according to a modified embodiment of the invention.
FIG.7 is a schematic planar view of a semiconductor integrated circuit according to a modified embodiment of the invention.
FIG.8 is a schematic planar view of a semiconductor integrated circuit according to a modified embodiment of the invention.
FIG.9 is a schematic planar view of a semiconductor integrated circuit according to a modified embodiment of the invention.
FIG.10 is a functional block diagram showing an example of a configuration of an electronic apparatus according to an embodiment of the invention.
FIG.11 is a diagram showing an example of a schematic configuration of a base station according to an embodiment of the invention.
FIG.12 is a schematic planar view of a semiconductor integrated circuit according to a related art example.
DESCRIPTION OF EXEMPLARY EMBODIMENTS
Hereinafter, some embodiments of the invention will be explained. The embodiments described hereinafter are each for explaining an example of the invention. The invention is not at all limited to the embodiments described below, and includes a variety of types of modified configurations to be put into practice within the scope or the spirit of the invention. It should be noted that all of the constituents explained hereinafter are not necessarily essential elements of the invention.
1. Buffer Circuit
An aspect of the buffer circuit according to the present embodiment is provided with a first MOSFET including a first source electrode, a first gate electrode, and a first drain electrode, a second MOSFET including a second source electrode, a second gate electrode, and a second drain electrode, a third MOSFET including a third source electrode, a third gate electrode, and the first drain electrode, a fourth MOSFET including a fourth source electrode, a fourth gate electrode, and the second drain electrode, wherein the first MOSFET and the second MOSFET are the same in polarity, and the first gate electrode and the second gate electrode are electrically connected to each other.
Hereinafter, as an example in which the buffer circuit according to an embodiment of the invention is incorporated in apart of an output circuit, an oscillator will be explained, and then the buffer circuit, a semiconductor integrated circuit device, and so on will be described.
1.1. Oscillator
FIG.1 is a diagram showing an example of a structure of an oscillator according to an embodiment of the invention, and is a cross-sectional view of the oscillator. As shown inFIG.1, theoscillator1 according to the present embodiment is configured including an integrated circuit (IC)2, a resonator3 (a resonator element), apackage4, external terminals (external electrodes)6, aheater element7, and atemperature sensor8.
Thepackage4 is constituted by a case4a and a base4b bonded to each other. In the internal space of thepackage4, there is disposed a component mounting board4c so as to be opposed to the base4b, and anoven9 is mounted on the upper surface of the component mounting board4c. Further, on a lower surface of the component mounting board4c, there is mounted the integrated circuit (IC)2 as the semiconductor integrated circuit device. Theresonator3 and thetemperature sensor8 are mounted on an upper surface of a component mounting board9a, and theheater element7 is mounted at the position opposed to theresonator3 on the lower surface of the component mounting board9a to thereby be housed in the internal space of theoven9.
Terminals of theresonator3, theheater element7, and thetemperature sensor8 are electrically connected respectively to the specified terminals of the integrated circuit (IC)2 with a wiring pattern not shown. Further, some of the terminals of the integrated circuit (IC)2 are electrically connected to the external terminals6 disposed on a surface of thepackage4 with a wiring pattern not shown.
Theresonator3 is formed of a resonator element not shown encapsulated in a package having high airtightness. The resonator element has metal excitation electrodes respectively disposed on the obverse surface and the reverse surface of the resonator element, and theresonator3 oscillates with a specified frequency corresponding to the thickness of the resonator element including the excitation electrodes.
As theresonator3, there can be used, for example, a quartz crystal resonator, a surface acoustic wave (SAW) resonator, other piezoelectric resonators, or an MEMS (Micro Electro Mechanical Systems) resonator. As a substrate material of theresonator3, there can be used a piezoelectric material such as a piezoelectric single crystal such as a quartz crystal, lithium tantalate, or lithium niobate, or piezoelectric ceramics such as lead zirconate titanate, a silicon semiconductor material, or the like. As an excitation device of theresonator3, there can be used a device using a piezoelectric effect, or electrostatic drive using a coulomb force.
Theheater element7 is, for example, an element for generating heat in response to a current flowing therethrough, and can be a resistor, a power transistor, a Peltier element, or the like.
Thetemperature sensor8 outputs a signal (e.g., a voltage corresponding to the temperature) corresponding to the ambient temperature of thetemperature sensor8. Thetemperature sensor8 can also be, for example, a thermistor, a platinum resistance, or a temperature detection circuit using the bandgap of a semiconductor.
FIG.2 is a functional block diagram of theoscillator1 according to the present embodiment. As shown inFIG.2, theoscillator1 according to the present embodiment includes theresonator3, theheater element7, and thetemperature sensor8 housed in theoven9, and the integrated circuit (IC)2 for oscillating theresonator3, and the integrated circuit (IC)2, theresonator3, theheater element7, and thetemperature sensor8 are housed in thepackage4.
In the present embodiment, the integrated circuit (IC)2 is configured including an oscillation circuit110, anoutput circuit120, a heating control circuit130, a storage160, and an interface circuit170. It should be noted that the integrated circuit (IC)2 can have a configuration obtained by eliminating or modifying some of these constituents, or adding other constituents. Further, in the present embodiment, the oscillation circuit110, theoutput circuit120, the heating control circuit130, the storage160, and the interface circuit170 are configured as a single integrated circuit (IC), but can also be constituted by two or more integrated circuits (IC). Further, at least a part of the oscillation circuit110, theoutput circuit120, the heating control circuit130, the storage160, and the interface circuit170 is not required to be integrated, and can discretely be configured using, for example, a plurality of electronic components.
The storage160 has a nonvolatile memory162 and a register164, and is configured so that reading from and writing to the nonvolatile memory162 or the register164 can be performed from the external terminals6 via the interface circuit170. The interface circuit170 can be an interface circuit compatible with a variety of types of serial bus such as SPI (Serial Peripheral Interface) or I2C (Inter-Integrated Circuit), or can also be an interface circuit compatible with a parallel bus. It should be noted that in order to reduce the number of the external terminals of theoscillator1 to miniaturize thepackage4, it is desirable to configure the interface circuit170 as an interface circuit compatible with the serial bus.
The nonvolatile memory162 is a storage for storing a variety of types of control data, and is configured as a programmable ROM (PROM) to which data can be written. The nonvolatile memory162 can be a variety of types of rewritable memory such as an EEPROM, or can also be a variety of types of non-rewritable (write once) memory such as a one-time PROM.
The nonvolatile memory162 stores temperature control data for controlling the heating control circuit130. The temperature control data is, for example, the data for setting the internal temperature (the temperature of the resonator3) of theoven9, and can also be the data of a threshold voltage to be compared with the output voltage of thetemperature sensor8 in order to control the heat generation of theheater element7. If theresonator3 is an SC-cut quartz crystal resonator, the frequency-temperature characteristic exhibits a quadratic curve, and the frequency variation per unit temperature is the smallest in the vicinity of the peak of the quadratic curve. Therefore, for example, the temperature control data can also be the data for setting the internal temperature of theoven9 so that the temperature of theresonator3 becomes the temperature in the vicinity of the peak. It should be noted that the nonvolatile memory162 can also store control data for the oscillation circuit110 and theoutput circuit120.
Each of the data stored in the nonvolatile memory162 is transferred from the nonvolatile memory162 to the register164 when powering on (when the voltage between the power terminals rises from 0 V to a specified voltage) the integrated circuit (IC)2, and is then held in the register164. Thus, the temperature control data held in the register164 is input to the heating control circuit130.
In the case in which the nonvolatile memory162 is non-rewritable (write once), in the manufacturing process (an inspection process) of theoscillator1, each of the data is directly written into the register164 from the external terminals6 via the interface circuit170 to be adjusted/selected so that theoscillator1 fulfills the specified characteristic, and then each of the data thus adjusted/selected is finally written into the nonvolatile memory162. In the case in which the nonvolatile memory162 is rewritable, it is also possible to arrange that each of the data is written into the nonvolatile memory162 from the external terminals6 via the interface circuit170 in the manufacturing process (the inspection process) of theoscillator1. It should be noted that since writing to the nonvolatile memory162 generally takes time, in order to shorten the inspection time of theoscillator1, it is also possible to arrange that each of the data is directly written into the register164 from the external terminals6 via the interface circuit170, and each of the data adjusted/selected is finally written into the nonvolatile memory162.
The oscillation circuit110 amplifies the output signal of theresonator3 to feed back the result to theresonator3 to thereby oscillate theresonator3, and then outputs a frequency signal (an oscillation signal) based on the oscillation of theresonator3.
As the oscillation circuit110, there can be adopted a circuit having a known variety of types of configurations, and the circuit constituted by the oscillation circuit110 and theresonator3 can also be a variety of types of circuit such as a pierce oscillator circuit, an inverter type oscillation circuit, a Colpitts oscillator circuit, or a Hartley oscillator circuit. For example, the oscillation stage current of the oscillation circuit110 can be controlled by the control data held in the register164.
The frequency signal (the oscillation signal) output by the oscillation circuit110 is input to theoutput circuit120, and theoutput circuit120 generates a frequency signal (an oscillation signal) for an external output, and then outputs the frequency signal to the outside via the external terminals6. Theoutput circuit120 can be, for example, a buffer circuit. Further, it is also possible for theoutput circuit120 to include a constituent for dividing the frequency of the frequency signal (the oscillation signal) output by the oscillation circuit110, and then outputting the oscillation signal thus divided. For example, the division ratio of the frequency signal (the oscillation signal) in theoutput circuit120 can be controlled by the control data held in the register164.
An output signal from thetemperature sensor8 is input to the heating control circuit130, and the heating control circuit130 generates a heating control signal. The heating control signal is a signal for controlling the heat generation of theheater element7, and the heating control circuit130 controls the heat generation of theheater element7 so that the output signal of thetemperature sensor8 is kept at the specified voltage value corresponding to the temperature control data held in the register164. Thus, the internal temperature (the temperature of the resonator3) of theoven9 is controlled so as to be roughly constant irrespective of the ambient temperature of theoscillator1.
Theheater element7 is controlled in the heat generation value based on the heating control signal output by the heating control circuit130, and heats theresonator3. It is also possible to arrange that, for example, theheater element7 varies in heat generation value in accordance with the amount of the electric current, and the amount of the current flowing through theheater element7 is controlled based on the heating control signal.
Theoscillator1 according to the present embodiment configured as described above functions as an oven controlled oscillator (oven controlled crystal oscillator (OCXO) if theresonator3 is a quartz crystal resonator) for outputting the frequency signal (the oscillation signal) with a frequency extremely stable irrespective of the temperature in the specified temperature range in which the operation of theoscillator1 is guaranteed. In particular, by using the SC-cut quartz crystal resonator as theresonator3, and setting the temperature control data so that the temperature of theresonator3 becomes the temperature in the vicinity of the peak, it is possible to realize the oven controlled oscillator extremely high in frequency stability.
1.2. Buffer Circuit
The buffer circuit according to the embodiment of the invention can be realized as, for example, at least a part of the semiconductor integrated circuit device, and can be incorporated in a variety of types of electronic apparatus or the like. For example, the buffer circuit according to the embodiment of the invention can be incorporated in the oscillator described above as an example. Hereinafter, an example of adopting thebuffer circuit200 according to the present embodiment in theoutput circuit120 of theoscillator1 described above.
1.2.1. Operation of Buffer Circuit
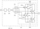
FIG.3 is a circuit diagram showing thebuffer circuit200 according to the present embodiment. As shown inFIG.3, theoutput circuit120 is constituted by thebuffer circuit200. Further, in the present embodiment, thebuffer circuit200 is configured including afirst switch201, asecond switch202, four P-channel type MOSFETs (P-channel type metal oxide semiconductor field effect transistors; hereinafter also referred to as P-MOSFETs)203a,203b,203c, and203d, four N-channel type MOSFETs (N-channel type metal oxide semiconductor field effect transistors; hereinafter also referred to as N-MOSFETs)204a,204b,204c, and204d, aninverter circuit205, and a frequency divider circuit206 (an example of a frequency divider). It should be noted that thebuffer circuit200 can have a configuration obtained by eliminating or modifying some of these constituents, or adding other constituents.
The frequency divider circuit206 (an example of the frequency divider) is disposed in an anterior stage of the four P-MOSFETs203a,203b,203c, and203d (an example of a plurality of MOSFET) or the four N-MOSFETs204a,204b,204c, and204d (an example of the plurality of MOSFET), and is capable of selecting the division ratio. Specifically, thefrequency divider circuit206 generates an oscillation signal obtained by dividing an oscillation signal, which is output by the oscillation circuit110 and is then input to the output circuit120 (the buffer circuit200), at the division ratio corresponding to the control data stored in the storage160, and then outputs the results. By setting the division ratio of thefrequency divider circuit206 to the storage160, it becomes possible to select the output frequency of theoscillator1 out of a plurality of frequencies in accordance with the intended use.
The oscillation signal output by thefrequency divider circuit206 is input to theinverter circuit205, and theinverter circuit205 outputs the oscillation signal reversed in the polarity (a high level or a low level) (the logic level).
The oscillation signal output by theinverter circuit205 is input commonly to the respective gate electrodes of the P-MOSFET203a, the P-MOSFET203b, the N-MOSFET204a, and the N-MOSFET204b via thefirst switch201.
Further, the oscillation signal output by theinverter circuit205 is input commonly to the respective gate electrodes of the P-MOSFET203c, the P-MOSFET203d, the N-MOSFET204c, and the N-MOSFET204d via thesecond switch202.
The ON state or the OFF state of thefirst switch201 and the ON state or the OFF state of thesecond switch202 are selected independently of each other in accordance with the control data stored in the storage160. Therefore, either one of the four states, namely the state in which thefirst switch201 and thesecond switch202 are both in the OFF state, the state in which only thefirst switch201 is in the ON state, the state in which only thesecond switch202 is in the ON state, and the state in which thefirst switch201 and thesecond switch202 are both in the ON state, can be selected.
Here, the ON state and the OFF state of thefirst switch201 will be described.FIG.4 shows an example of a circuit diagram of thefirst switch201. Thefirst switch201 has at least an interconnection201a, an interconnection201b, and an interconnection201c. The interconnection201a is connected to an output of the inverter circuit205 (seeFIG.3). The interconnection201b is connected to the gate electrode of the P-MOSFET203a and the gate electrode of the P-MOSFET203b (seeFIG.3). Further, the interconnection201c is connected to the gate electrode of the N-MOSFET204a and the gate electrode of the N-MOSFET204b. It should be noted that it is sufficient for thefirst switch201 to be connected to the gate electrode of at least one of the MOSFET as long as thebuffer circuit200 fulfills the function of the embodiment.
In the state in which thefirst switch201 is in the ON state the interconnection201a, the interconnection201b, and the interconnection201c are connected to each other. Therefore, in the ON state, the interconnection201b and the interconnection201c are set to the output potential of theinverter circuit205.
In contrast, in the state in which thefirst switch201 is in the OFF state, the interconnection201a, the interconnection201b, and the interconnection201c are separated from each other, the interconnection201b is connected to a power supply having a high-level voltage, and the interconnection201c is connected to a power supply having a low-level voltage.
It should be noted that in the case in which the interconnection201a, interconnection201b, and the interconnection201c are not connected respectively to the high-level power supply and the low-level power supply in the separated state, the interconnection201b and the interconnection201c are each set to a floating potential. If each of the MOSFETs thus connected can perform a predetermined operation even in this state, the high-level power supply and the low-level power supply are not necessarily required.
Although the illustration and the description are omitted, thesecond switch202 can be configured similarly to thefirst switch201.
In the case in which only thefirst switch201 is in the ON state (thesecond switch202 is in the OFF state), when the output signal of theinverter circuit205 is in the low level, the source electrode (S) and the drain electrode (D) of the P-MOSFET203a are electrically connected to each other, and an electric current flows from the power supply toward the output terminal of theoutput circuit120 via the source electrode (S) and the drain electrode (D). Similarly, the source electrode (S) and the drain electrode (D) of the P-MOSFET203b are electrically connected to each other, and an electric current flows from the power supply toward the output terminal of theoutput circuit120 via the source electrode (S) and the drain electrode (D). Further, when the output signal of theinverter circuit205 is in the high level, the source electrode (S) and the drain electrode (D) of the N-MOSFET204a are electrically connected to each other, and an electric current flows from the output terminal of theoutput circuit120 to the ground via the drain electrode (D) and the source electrode (S). Similarly, the source electrode (S) and the drain electrode (D) of the N-MOSFET204b are electrically connected to each other, and an electric current flows from the output terminal of theoutput circuit120 to the ground via the drain electrode (D) and the source electrode (S).
It should be noted that when thesecond switch202 is in the OFF state, since the gate electrode of the P-MOSFET203c and the gate electrode of the P-MOSFET203d are set to the high level due to a pull-up resistor not shown, the source electrode (S) and the drain electrode (D) of the P-MOSFET203c are not electrically connected to each other, and the source electrode (S) and the drain electrode (D) of the P-MOSFET203d are not electrically connected to each other. Similarly, when thesecond switch202 is in the OFF state, since the gate electrode of the N-MOSFET204c and the gate electrode of the N-MOSFET204d are set to the low level due to a pull-down resistor not shown, the source electrode (S) and the drain electrode (D) of the N-MOSFET204c are not electrically connected to each other, and the source electrode (S) and the drain electrode (D) of the N-MOSFET204d are not electrically connected to each other.
Further, in the case in which only thesecond switch202 is in the ON state (thefirst switch201 is in the OFF state), when the output signal of theinverter circuit205 is in the low level, the source electrode (S) and the drain electrode (D) of the P-MOSFET203c are electrically connected to each other, and an electric current flows from the power supply toward the output terminal of theoutput circuit120 via the source electrode (S) and the drain electrode (D). Similarly, the source electrode (S) and the drain electrode (D) of the P-MOSFET203d are electrically connected to each other, and an electric current flows from the power supply toward the output terminal of theoutput circuit120 via the source electrode (S) and the drain electrode (D). Further, when the output signal of theinverter circuit205 is in the high level, the source electrode (S) and the drain electrode (D) of the N-MOSFET204c are electrically connected to each other, and an electric current flows from the output terminal of theoutput circuit120 to the ground via the drain electrode (D) and the source electrode (S). Similarly, the source electrode (S) and the drain electrode (D) of the N-MOSFET204d are electrically connected to each other, and an electric current flows from the output terminal of theoutput circuit120 to the ground via the drain electrode (D) and the source electrode (S).
It should be noted that when thefirst switch201 is in the OFF state, since the gate electrode of the P-MOSFET203a and the gate electrode of the P-MOSFET203b are set to the high level due to a pull-up resistor not shown, the source electrode (S) and the drain electrode (D) of the P-MOSFET203a are not electrically connected to each other, and the source electrode (S) and the drain electrode (D) of the P-MOSFET203b are not electrically connected to each other. Similarly, when thefirst switch201 is in the OFF state, since the gate electrode of the N-MOSFET204a and the gate electrode of the N-MOSFET204b are set to the low level due to a pull-down resistor not shown, the source electrode (S) and the drain electrode (D) of the N-MOSFET204a are not electrically connected to each other, and the source electrode (S) and the drain electrode (D) of the N-MOSFET204b are not electrically connected to each other.
Further, in the case in which both of thefirst switch201 and thesecond switch202 are in the ON state, when the output signal of theinverter circuit205 is in the low level, all of the source electrodes (S) and the drain electrodes (D) of the four P-MOSFETs203a,203b,203c, and203d are electrically connected to each other, and an electric current flows from the power supply toward the output terminal of theoutput circuit120 via all of the source electrodes (S) and the drain electrodes (D). Further, when the output signal of theinverter circuit205 is in the high level, all of the source electrodes (S) and the drain electrodes (D) of the four N-MOSFETs204a,204b,204c, and204d are electrically connected to each other, and an electric current flows from the output terminal of theoutput circuit120 to the ground via all of the drain electrodes (D) and the source electrodes (S).
Further, in the case in which both of thefirst switch201 and thesecond switch202 are in the OFF state, since the source electrode (S) and the drain electrode (D) of each of the four P-MOSFETs203a,203b,203c, and203d are not electrically connected to each other, and the source electrode (S) and the drain electrode (D) of each of the four N-MOSFETs204a,204b,204c, and204d are not electrically connected to each other, the electric current does not flow.
As described above, in the case in which at least one of thefirst switch201 and thesecond switch202 is in the ON state, the four P-MOSFETs203a,203b,203c, and203d and the four N-MOSFETs204a,204b,204c, and204d constitute an inverter circuit207. The inverter circuit207 outputs the oscillation signal obtained by reversing the polarity (the high level or the low level) of the oscillation signal output by theinverter205.
Here, it is assumed that in the case in which at least either one of thefirst switch201 and thesecond switch202 is in the ON state, the sum of the currents flowing through the respective four P-MOSFETs203a,203b,203c, and203d is a value I1 roughly constant corresponding to the load connected to the output terminal of theoutput circuit120, and the four P-MOSFETs203a,203b,203c, and203d are all equal in WG/LG (described later) of the gate electrode to each other. Therefore, in the case in which only thefirst switch201 is in the ON state, the current of I1/2 flows through each of the two P-MOSFETs203a,203b. Further, in the case in which only thesecond switch202 is in the ON state, the current of I1/2 flows through each of the two P-MOSFETs203c,203d.
Further, in the case in which both of thefirst switch201 and thesecond switch202 are in the ON state, the current of I1/4 flows through each of the four P-MOSFETs203a,203b,203c, and203d. Therefore, in the case in which only thefirst switch201 is in the ON state, it results that the electric current, which is twice as high as that in the case in which both of thefirst switch201 and thesecond switch202 are in the ON state, flows through the two P-MOSFETs203a,203b. Similarly, in the case in which only thesecond switch202 is in the ON state, it results that the electric current, which is twice as high as that in the case in which both of thefirst switch201 and thesecond switch202 are in the ON state, flows through the two P-MOSFETs203c,203d.
Although the detailed explanation is omitted, in the case in which only thefirst switch201 is in the ON state, it results that the electric current, which is twice as high as that in the case in which both of thefirst switch201 and thesecond switch202 are in the ON state, also flows through the two N-MOSFETs204a,204b. Similarly, in the case in which only thesecond switch202 is in the ON state, it results that the electric current, which is twice as high as that in the case in which both of thefirst switch201 and thesecond switch202 are in the ON state, also flows through the two N-MOSFETs204c,204d.
Therefore, if a common drain electrode is shared by the drain electrode of the P-MOSFET203a and the drain electrode of the P-MOSFET203b, and a common drain electrode is shared by the drain electrode of the P-MOSFET203c and the drain electrode of the P-MOSFET203d in order to reduce the layout area, in the case in which only either one of thefirst switch201 and thesecond switch202 is in the ON state, it results that an electric current, which is twice as high as that in the case in which both of thefirst switch201 and thesecond switch202 are in the ON state, flows into each of these common drain electrodes. Therefore, in the case in which only either one of thefirst switch201 and thesecond switch202 is in the ON state, it results that metal interconnections connected to these common drain electrodes are relatively easily broken due to electromigration. Similarly, if a common drain electrode is shared by the drain electrode of the N-MOSFET204a and the drain electrode of the N-MOSFET204b, and a common drain electrode is shared by the drain electrode of the N-MOSFET204c and the drain electrode of the N-MOSFET204d, in the case in which only either one of thefirst switch201 and thesecond switch202 is in the ON state, it results that metal interconnections connected to these common drain electrodes are relatively easily broken due to electromigration.
In contrast, in thebuffer circuit200 according to the present embodiment, by devising the selection of the drain electrodes sharing the common electrodes, namely by devising the arrangement (layout) of the MOSFETs, such a circumstance as described above is avoided while reducing the layout area to make the metal interconnections connected to the common drain electrodes hard to be broken due to electromigration. Hereinafter, a specific layout of thebuffer circuit200 in the semiconductor integrated circuit device will be described.
It should be noted that in the present specification, the “electromigration resistance” denotes the maximum value of the amount of the current not causing the electromigration, and is a value roughly proportional to the interconnection width WI (interconnection cross-sectional area S1).
1.2.2. Layout of Buffer Circuit
A specific example of disposing thebuffer circuit200 according to the embodiment on a semiconductor substrate (e.g., a silicon substrate or a GaAs substrate) will be described.
FIG.5 is a schematic planar view of a semiconductor integratedcircuit device1000 as an example of the layout of the semiconductor integrated circuit having the four P-MOSFETs203a,203b,203c, and203d of thebuffer circuit200 according to the present embodiment arranged in a part on asubstrate301.
The semiconductor integratedcircuit device1000 has P-MOSFETs303a,303b,303c, and303d corresponding respectively to the four P-MOSFETs203a,203b,203c, and203d described above. Further, the semiconductor integratedcircuit device1000 has aninterconnection308 electrically connected to a drain (D13) shared by the two P-MOSFETs303a,303c and a drain (D24) shared by the two P-MOSFETs303b,303d. Theinterconnection308 is an electrically-conducting path extracted from each of the drain electrode D13 and the drain electrode D24, and is formed of anextraction interconnection308a and anextraction interconnection308b joined with each other.
Theextraction interconnection308a and theextraction interconnection308b have the same interconnection width WI in the present embodiment. Theextraction interconnection308a and theextraction interconnection308b form current paths through which the drain currents of the respective MOSFETs flow.
Further, the semiconductor integratedcircuit device1000 hasgate electrodes309a,309b,309c, and309d of the respective four P-MOSFETs303a,303b,303c, and303d. Further, the semiconductor integratedcircuit device1000 has aninterconnection310A commonly connected to thegate electrode309a and thegate electrode309b out of the fourgate electrodes309a,309b,309c, and309d, and aninterconnection310B commonly connected to thegate electrode309c and the gate electrode309d.
Further, theinterconnection310A is connected to a switch A (corresponding to thefirst switch201 described above) not shown, and theinterconnection310B is connected to a switch B (corresponding to thesecond switch202 described above) not shown. It should be noted that interconnections not shown are connected to the source electrodes (specifically an impurity diffused layers) of the respective MOSFETs.
It should be noted that in the present embodiment, as shown inFIG.5, theextraction interconnections308a,308b electrically connected respectively to the drain (D) shared by the two P-MOSFETs303a,303c and the drain (D) shared by the two P-MOSFETs303b,303d are formed to have the same width, and the width is defined as the interconnection width WI. Further, the width in the longitudinal direction of thegate electrodes309a,309b,309c, and309d is defined as a channel width WG, and the width in the short-side direction of the gate electrodes is defined as a gate length LG.
In other words, it can be said that the semiconductor integratedcircuit device1000 is provided with afirst MOSFET303a including a first source electrode S1, afirst gate electrode309a, and a first drain electrode D13, a second MOSFET303b including a second source electrode S2, asecond gate electrode309b, and a second drain electrode D24, athird MOSFET303c including a third source electrode S3, athird gate electrode309c, and the first drain electrode D13 shared with thefirst MOSFET303a, and a fourth MOSFET303d including a fourth source electrode S4, a fourth gate electrode309d, and the second drain electrode D24 shared with the second MOSFET303b. Further, thefirst MOSFET303a and the second MOSFET303b are the same in polarity (the P-channel type), thefirst gate electrode309a and thesecond gate electrode309b are electrically connected to each other, and thethird gate electrode309c and the fourth gate electrode309d are electrically connected to each other.
Comparison with Related-Art Example
Hereinafter, the layout of the semiconductor integratedcircuit device1000 according to the present embodiment will be described while being compared with the layout of the related-art example.
FIG.12 is a schematic planar view showing the layout on thesubstrate301 of the four P-MOSFETs203a,203b,203c, and203d of the buffer circuit formed in the semiconductor integrated circuit device of the related-art example. InFIG.12, there are drawn the P-MOSFETs303a,303b,303c, and303d corresponding respectively to the four P-MOSFETs203a,203b,203c, and203d of thebuffer circuit200 described above.
For the sake of comparison, in the related-art layout shown inFIG.12, substantially the same reference symbols as in the layout of the present embodiment described above are attached. Specifically, the semiconductor integrated circuit device has theinterconnection308 electrically connected to a drain (D) shared by the two P-MOSFETs303a,303c and a drain (D) shared by the two P-MOSFETs303b,303d. Further, in the related-art example shown inFIG.12, the semiconductor integrated circuit device also hasgate electrodes309a,309b,309c, and309d of the respective four P-MOSFETs203a,203b,203c, and203d.
However, in the related-art example, the semiconductor integrated circuit device has theinterconnection310A commonly connected to thegate electrode309a and thegate electrode309c out of the fourgate electrodes309a,309b,309c, and309d, and theinterconnection310B commonly connected to thegate electrode309b and the gate electrode309d. Further, theinterconnection310A is connected to the switch A (corresponding to thefirst switch201 described above) not shown, and theinterconnection310B is connected to the switch B (corresponding to thesecond switch202 described above) not shown.
Here, there is considered the case in which only either one of the switch A and the switch B is in the ON state. As already described, the sum of the currents flowing through the four P-MOSFETs303a,303b,303c, and303d is the value I1 roughly constant corresponding to the load connected to the output terminal of theoutput circuit120. It should be noted that it is also assumed here that the four P-MOSFETs303a,303b,303c, and303d are all equal in WG/LG of the gate electrode to each other.
In the semiconductor integratedcircuit device1000 according to the present embodiment, in the case in which only the switch A (the first switch201) is in the ON state, a voltage is applied to theinterconnection310A, and theMOSFET303a and the MOSFET303b operate to electrically connect the source S1 and the drain D13 to each other, and electrically connect the source S2 and the drain D24 to each other. On this occasion, the value of the current flowing through theinterconnection308 becomes I1, and the current flows through the two current paths, namely the twoextraction interconnections308a,308b. Therefore, the total width of the current paths on this occasion becomes 2×WI.
In contrast, in the semiconductor integrated circuit device (FIG.12) of the related-art example, in the case in which only the switch A (the first switch201) is in the ON state, a voltage is applied to theinterconnection310A, and theMOSFET303a and theMOSFET303c operate to electrically connect the source S1 and the drain D13 to each other, and electrically connect the source S3 and the drain D13 to each other. On this occasion, the value of the current flowing through theinterconnection308 becomes I1, and the current flows through the single current path, namely thesingle extraction interconnection308a. Therefore, the total width of the current paths becomes WI.
In the case in which only the switch A (the first switch201) is in the ON state, focusing attention on theextraction interconnection308a, the current with the current value I1 flows in the semiconductor integrated circuit device of the related-art example on the one hand, only the current with the current value I1/2 flows in the semiconductor integratedcircuit device1000 according to the present embodiment on the other hand. In other words, it results that in the semiconductor integratedcircuit device1000 according to the present embodiment, there flows only the current half as high as that in the semiconductor integrated circuit device of the related-art example. Such a relationship of the magnitude of the current also applies to theextraction interconnection308b in the case in which only the switch B (the second switch202) is in the ON state.
Therefore, in the case in which only either one of the switch A and the switch B is in the ON state, it results that the extraction interconnections connected to these common drain electrodes are relatively hard to be broken due to the electromigration in the semiconductor integratedcircuit device1000 according to the present embodiment.
Further, in the case in which both of the switch A and the switch B are in the ON state, since all of theMOSFETs303a,303b,303c, and303d operate in either of the semiconductor integratedcircuit device1000 according to the present embodiment and the semiconductor integrated circuit device of the related-art example (FIG.12), the current with the current value I1 flowing through theinterconnection308 flows through the two current paths, namely the twoextraction interconnections308a,308b. Therefore, the total width of the current paths on this occasion becomes 2×WI, and the current with the current value I1 flows through either of theextraction interconnections308a,308b.
Therefore, in the semiconductor integratedcircuit device1000 according to the present embodiment, since the value of the current flowing through each of theextraction electrodes308a,308b hardly varies between the case in which either one of the switch A and the switch B is in the ON state and the case in which both are in the ON state, it results that the breakage due to the electromigration is hard to occur irrespective of the selection of the switch A and the switch B.
A similar effect will be described focusing attention on the electromigration resistance (EM resistance). Here, the EM resistance of one extraction interconnection (interconnection width WI) is defined as 12. In the semiconductor integrated circuit device (FIG.12) of the related-art example, in the case in which only either one of the switch A and the switch B is in the ON state, since only either one of theextraction interconnections308a,308b becomes the current path, the value I1 of the current flowing through theextraction interconnection308a or theextraction interconnection308b is required to be equal to or lower than 12. In contrast, in the semiconductor integratedcircuit device1000 according to the present embodiment, since both of theextraction interconnections308a,308b become the current paths in either of the case in which only either one of the switch A and the switch B is in the ON state, and the case in which both are in the ON state, it is sufficient for the value I1/2 of the current flowing through theextraction interconnection308a or theextraction interconnection308b to be equal to or lower than 12. In other words, the upper limit of the acceptable amount of the current I1 flowing through theinterconnection308 becomes equal to or lower than 2×I2 in either of the case in which either one of the switch A and the switch B is in the ON state and the case in which both are in the ON state.
Therefore, in view of the EM resistance, in the semiconductor integratedcircuit device1000 according to the present embodiment, even in the case in which only either one of the switch A and the switch B is in the ON state, it is possible to make the same current as in the case in which both of the switch A and the switch B are in the ON state, namely a higher current than in the semiconductor integrated circuit device (FIG.12) in the related-art example, flow through theinterconnection308.
It should be noted that although the P-MOSFET part of thebuffer circuit200 is described hereinabove, the same as above applies to the N-MOSFET part.
1.2.2. Modified Examples of Layout of Buffer Circuit
1.2.2.1. Example with Single Pair of MOSFETs Sharing Common Drain
In the embodiment described above, an example in which both of the two pairs of P-MOSFETs form the common drains is shown for the sake of convenience of explanation. However, it will be understood that substantially the same advantage can be obtained in the case in which there exists a single pair of MOSFETs sharing the common drain.
FIG.6 is a schematic planar view showing an example of the layout of a semiconductor integratedcircuit device1001 according to a modified embodiment having the three P-MOSFETs203a,203b, and203c, out of the four P-MOSFETs203a,203b,203c, and203d of thebuffer circuit200 arranged in a part on thesubstrate301. It should be noted that in the present modified embodiment, any three of the four P-MOSFETs203a,203b,203c, and203d of thebuffer circuit200 can be selected.
The semiconductor integratedcircuit device1001 has the P-MOSFETs303a,303b, and303c corresponding respectively to the three P-MOSFETs203a,203b, and203c.
InFIG.6, the members exerting substantially the same actions and functions as those of the semiconductor integratedcircuit device1000 described above will be denoted by the same reference symbols, and the explanation thereof will be omitted.
The semiconductor integratedcircuit device1001 has theinterconnection308 electrically connected to the drain D13 shared by the two P-MOSFETs303a,303c and a drain D2 shared of the P-MOSFET303b. Theinterconnection308 is an electrically-conducting path extracted while connecting both of the drain electrode D13 and the drain electrode D2 to each other, and is formed of theextraction interconnection308a and theextraction interconnection308b joined with each other. Further, in the semiconductor integratedcircuit device1001, from a viewpoint of the drain electrode, theextraction interconnection308a and theextraction interconnection308b constitute two electrically-conducting paths.
Theextraction interconnection308a and theextraction interconnection308b have the same interconnection width WI. Theextraction interconnection308a and theextraction interconnection308b form current paths through which the drain currents of the respective MOSFETs flow.
Further, the semiconductor integratedcircuit device1001 has thegate electrodes309a,309b, and309c of the respective three P-MOSFETs303a,303b, and303c. Further, the semiconductor integratedcircuit device1001 has theinterconnection310A commonly connected to thegate electrode309a and thegate electrode309b out of the threegate electrodes309a,309b, and309c, and theinterconnection310B connected to thegate electrode309c.
Further, theinterconnection310A is connected to the switch A (thefirst switch201 described above) not shown, and theinterconnection310B is connected to the switch B (thesecond switch202 described above) not shown. It should be noted that interconnections not shown are connected to the source electrodes (S) of the respective MOSFETs.
In other words, the semiconductor integratedcircuit device1001 is provided with thefirst MOSFET303a including the first source electrode S1, thefirst gate electrode309a, and the first drain electrode D13, the second MOSFET303b including the second source electrode S2, thesecond gate electrode309b, and the second drain electrode D2, and thethird MOSFET303c including the third source electrode S3, thethird gate electrode309c, and the first drain electrode D13, and thefirst MOSFET303a and the second MOSFET303b are the same in polarity. Further, thefirst gate electrode309a and thesecond gate electrode309b are electrically connected to each other.
Similarly to the embodiment described above, there is considered the case in which only either one of the switch A and the switch B is in the ON state. As already described, the sum of the currents flowing through the three P-MOSFETs303a,303b, and303c is the value I1 roughly constant corresponding to the load connected to the output terminal of theoutput circuit120. It should be noted that it is also assumed here that the three P-MOSFETs303a,303b, and303c are all equal in WG/LG of the gate electrode to each other.
In the semiconductor integratedcircuit device1001 according to the present modified embodiment, in the case in which only the switch A (the first switch201) is in the ON state, a voltage is applied to theinterconnection310A, and theMOSFET303a and the MOSFET303b operate to electrically connect the source S1 and the drain D13 to each other, and electrically connect the source S2 and the drain D2 to each other. On this occasion, the value of the current flowing through theinterconnection308 becomes I1, and the current flows through the two current paths, namely the twoextraction interconnections308a,308b. Therefore, the total width of the current paths on this occasion becomes 2×WI.
In contrast, in the semiconductor integrated circuit device (FIG.12) of the related-art example, in the case in which only the switch A (the first switch201) is in the ON state, a voltage is applied to theinterconnection310A, and theMOSFET303a and theMOSFET303c operate to electrically connect the source S1 and the drain D13 to each other, and electrically connect the source S3 and the drain D13 to each other. On this occasion, the value of the current flowing through theinterconnection308 becomes I1, and the current flows through the single current path, namely thesingle extraction interconnection308a. Therefore, the total width of the current paths becomes WI.
In the case in which only the switch A (the first switch201) is in the ON state, when focusing attention on theextraction interconnection308a, only the current with the current value I1/2 flows in the semiconductor integratedcircuit device1001. In other words, it results that in the semiconductor integratedcircuit device1001, there flows only the current half as high as that in the semiconductor integrated circuit device of the related-art example. Such a relationship of the magnitude of the current is not true in the case in which only the switch B (the second switch202) is in the ON state, but is true in at least the case in which the switch A is in the ON state.
Therefore, in the case in which only the switch A is in the ON state, it results that the extraction interconnection connected to the common drain electrode is relatively hard to be broken due to the electromigration in the semiconductor integratedcircuit device1001.
Further, in the case in which both of the switch A and the switch B are in the ON state, since all of theMOSFETs303a,303b, and303c operate in the semiconductor integratedcircuit device1001, the current with the current value I1 flowing through theinterconnection308 flows through the two current paths, namely the twoextraction interconnections308a,308b. Therefore, the total width of the current paths on this occasion becomes 2×WI, and the current with the current value I1 flows through either of theextraction interconnections308a,308b.
Therefore, in the semiconductor integratedcircuit device1001, since the value of the current flowing through each of theextraction electrodes308a,308b hardly varies between the case in which only the switch A is in the ON state and the case in which both are in the ON state, it results that the breakage due to the electromigration is hard to occur except the case in which only the switch B is in the ON state, namely irrespective of the selection of the case in which only the switch A is in the ON state and the case in which both of the switch A and the switch B are in the ON state.
A similar effect will be described focusing attention on the electromigration resistance (EM resistance). Here, the EM resistance of one extraction interconnection (interconnection width WI) is defined as 12. In the semiconductor integratedcircuit device1001, since both of theextraction interconnections308a,308b become the current paths in either of the case in which only the switch A is in the ON state, and the case in which both are in the ON state, it is sufficient for the value I1/2 of the current flowing through theextraction interconnection308a or theextraction interconnection308b to be equal to or lower than 12. In other words, the upper limit of the acceptable amount of the current I1 flowing through theinterconnection308 becomes equal to or lower than 2×I2 in either of the case in which only the switch A is in the ON state and the case in which both are in the ON state.
Therefore, in view of the EM resistance, also in the semiconductor integratedcircuit device1001 according to the modified example, even in the case in which only either one of the switch A and the switch B is in the ON state, it is possible to make the same current as in the case in which only the switch A is in the ON state, namely a higher current than in the semiconductor integrated circuit device (FIG.12) in the related-art example, flow through theinterconnection308.
It should be noted that although the P-MOSFET part of thebuffer circuit200 is described hereinabove, the same as above applies to the N-MOSFET part.
1.2.2.2. Example of Providing Drain Electrode with Plurality of Current Paths
FIG.7 is a schematic planar view showing an example of the layout of a semiconductor integratedcircuit device1002 according to a modified embodiment having the four P-MOSFETs203a,203b,203c, and203d of thebuffer circuit200 arranged in a part on thesubstrate301.
Similarly to the semiconductor integratedcircuit device1000 described above, the semiconductor integratedcircuit device1002 has the P-MOSFETs303a,303b,303c, and303d corresponding respectively to the four P-MOSFETs203a,203b,203c, and203d.
InFIG.7, the members exerting substantially the same actions and functions as those of the semiconductor integratedcircuit device1000 described above will be denoted by the same reference symbols, and the explanation thereof will be omitted.
The semiconductor integratedcircuit device1002 has theinterconnection308 electrically connected to the drain D13 shared by the two P-MOSFETs303a,303c and the drain D24 shared by the two P-MOSFETs303b,303d. Theinterconnection308 is an electrically-conducting path extracted while connecting both of the drain electrode D13 and the drain electrode D24 to each other, and is formed of theextraction interconnection308a and theextraction interconnection308b joined with each other. Further, in the semiconductor integratedcircuit device1002, from a viewpoint of the drain electrode, theextraction interconnection308a and theextraction interconnection308b constitute two electrically-conducting paths.
Theextraction interconnection308a and theextraction interconnection308b have the same interconnection width WI in the present embodiment. Theextraction interconnection308a and theextraction interconnection308b form the current paths through which the drain currents of the respective MOSFETs flow. Further, the semiconductor integratedcircuit device1002 hasgate electrodes309a,309b,309c, and309d of the respective four P-MOSFETs303a,303b,303c, and303d. Further, the semiconductor integratedcircuit device1002 has theinterconnection310A commonly connected to thegate electrode309a and thegate electrode309c out of the fourgate electrodes309a,309b,309c, and309d, and theinterconnection310B commonly connected to thegate electrode309b and the gate electrode309d.
Further, theinterconnection310A is connected to the switch A (thefirst switch201 described above) not shown, and theinterconnection310B is connected to the switch B (thesecond switch202 described above) not shown. It should be noted that interconnections not shown are connected to the source electrodes (S) of the respective MOSFETs.
In other words, the semiconductor integratedcircuit device1002 is provided with thefirst MOSFET303a including the first source electrode S1, thefirst gate electrode309a, and the first drain electrode D13, the second MOSFET303b including the second source electrode S2, thesecond gate electrode309b, and the second drain electrode D24, and the interconnection (theextraction interconnection308a) extending in a direction crossing a direction in which the first source electrode S1, thefirst gate electrode309a, and the first drain electrode D13 are arranged, wherein thefirst MOSFET303a and the second MOSFET303b are the same in polarity, and the first drain electrode D13 and the second drain electrode D24 are electrically connected to each other with the interconnection (theextraction interconnection308a). Further, the interconnection (theextraction interconnection308b) extending in a direction crossing a direction in which the first source electrode S1, thefirst gate electrode309a, and the first drain electrode D13 are arranged is disposed, and the first drain electrode D13 and the second drain electrode D24 are electrically connected to each other with the interconnection (theextraction interconnection308b). Therefore, the two extraction interconnections are connected to the single drain electrode.
Similarly to the embodiment described above, there is considered the case in which only either one of the switch A and the switch B is in the ON state. As already described, the sum of the currents flowing through the four P-MOSFETs303a,303b,303c, and303d is the value I1 roughly constant corresponding to the load connected to the output terminal of theoutput circuit120. It should be noted that it is also assumed here that the four P-MOSFETs303a,303b,303c, and303d are all equal in WG/LG of the gate electrode to each other.
In the semiconductor integratedcircuit device1002 according to the modified embodiment, in the case in which only the switch A (the first switch201) is in the ON state, a voltage is applied to theinterconnection310A, and theMOSFET303a and theMOSFET303c operate to electrically connect the source S1 and the drain D13 to each other, and electrically connect the source S3 and the drain D13 to each other. On this occasion, the value of the current flowing through theinterconnection308 becomes I1, and the current flows through the two current paths, namely the twoextraction interconnections308a,308b. Therefore, the total width of the current paths on this occasion becomes 2×WI.
Therefore, in the case in which only either one of the switch A and the switch B is in the ON state, it results that the extraction interconnections connected to these common drain electrodes are relatively hard to be broken due to the electromigration also in the semiconductor integratedcircuit device1002 according to the modified embodiment.
A similar effect will be described focusing attention on the electromigration resistance (EM resistance). Here, the EM resistance of one extraction interconnection (interconnection width WI) is defined as 12. Therefore, in the semiconductor integratedcircuit device1002 according to the modified embodiment, in the case in which only either one of the switch A and the switch B is in the ON state, since both of theextraction interconnections308a,308b become the current paths, the value I1 of the current flowing through theextraction interconnection308a or theextraction interconnection308b is required to be equal to or lower than 12. Therefore, in view of the EM resistance, in the semiconductor integratedcircuit device1002 according to the modified embodiment, since both of theextraction interconnections308a,308b become the current paths in either of the case in which only either one of the switch A and the switch B is in the ON state, and the case in which both are in the ON state, it is sufficient for the value I1/2 of the current flowing through theextraction interconnection308a or theextraction interconnection308b to be equal to or lower than 12. In other words, the upper limit of the acceptable amount of the current I1 flowing through theinterconnection308 becomes equal to or lower than 2×I2 in either of the case in which either one of the switch A and the switch B is in the ON state and the case in which both are in the ON state.
It should be noted that although the P-MOSFET part is described hereinabove, the same as above applies to the N-MOSFET part.
1.2.2.3. Example of Providing Extraction Interconnection with Plurality of Current Paths
FIG.8 is a schematic planar view showing an example of the layout of a semiconductor integrated circuit device1003 according to a modified embodiment having the four P-MOSFETs203a,203b,203c, and203d of thebuffer circuit200 arranged in a part on thesubstrate301.
Similarly to the semiconductor integratedcircuit device1000 described above, the semiconductor integrated circuit device1003 has the P-MOSFETs303a,303b,303c, and303d corresponding respectively to the four P-MOSFETs203a,203b,203c, and203d.
InFIG.8, the members exerting substantially the same actions and functions as those of the semiconductor integratedcircuit device1000 described above will be denoted by the same reference symbols, and the explanation thereof will be omitted.
The semiconductor integrated circuit device1003 has theinterconnections308 electrically connected to the drain D13 shared by the two P-MOSFETs303a,303c and the drain D24 shared by the two P-MOSFETs303b,303d. Theinterconnections308 are each an electrically-conducting path extracted while connecting both of the drain electrode D13 and the drain electrode D24 to each other, and are each formed of theextraction interconnection308a and theextraction interconnection308b joined with each other. Further, theextraction interconnection308a and theextraction interconnection308b are each connected to theinterconnections308 at two places. Therefore, also in the semiconductor integrated circuit device1003, from a viewpoint of the drain electrode, the two electrically-conducting paths are formed at both ends of each of theextraction interconnection308a and theextraction interconnection308b.
Theextraction interconnection308a and theextraction interconnection308b have the same interconnection width WI in the present embodiment. Theextraction interconnection308a and theextraction interconnection308b form the current paths through which the drain currents of the respective MOSFETs flow.
Further, the semiconductor integrated circuit device1003 has thegate electrodes309a,309b,309c, and309d of the respective four P-MOSFETs303a,303b,303c, and303d. Further, the semiconductor integrated circuit device1003 has theinterconnection310A commonly connected to thegate electrode309a and thegate electrode309c out of the fourgate electrodes309a,309b,309c, and309d, and theinterconnection310B commonly connected to thegate electrode309b and the gate electrode309d. Further, theinterconnection310A is connected to the switch A (thefirst switch201 described above) not shown, and theinterconnection310B is connected to the switch B (thesecond switch202 described above) not shown. It should be noted that interconnections not shown are connected to the source electrodes (S) of the respective MOSFETs.
In other words, the semiconductor integrated circuit device1003 is provided with thefirst MOSFET303a including the first source electrode S1, thefirst gate electrode309a, and the first drain electrode D13, the second MOSFET303b including the second source electrode S2, thesecond gate electrode309b, and the second drain electrode D24, thethird MOSFET303c including the third source electrode S3, thethird gate electrode309c, and the first drain electrode D13, and the fourth MOSFET303d including the fourth source electrode S4, the fourth gate electrode309d, and the second drain electrode D24, wherein thefirst MOSFET303a, the second MOSFET303b,third MOSFET303c and the fourth MOSFET303d are the same in polarity, thefirst gate electrode309a and thethird gate electrode309c are electrically connected to each other, thesecond gate electrode309b and the fourth gate electrode309d are electrically connected to each other, and the first drain electrode D13 and the second drain electrode D24 are electrically connected to each other with thecommon interconnections308. Further, theinterconnections308 for connecting the first drain electrode D13 and the second drain electrode D24 to each other are connected to the both ends of each of theextraction interconnection308a and theextraction interconnection308b, respectively. Therefore, the two current paths via the extraction interconnections exist for each of the drain electrodes.
Similarly to the embodiment described above, there is considered the case in which only either one of the switch A and the switch B is in the ON state. As already described, the sum of the currents flowing through the four P-MOSFETs303a,303b,303c, and303d is the constant value I1 corresponding to the load connected to the output terminal of theoutput circuit120. It should be noted that it is also assumed here that the four P-MOSFETs303a,303b,303c, and303d are all equal in WG/LG of the gate electrode to each other.
In the semiconductor integrated circuit device1003 according to the modified embodiment, in the case in which only the switch A (the first switch201) is in the ON state, a voltage is applied to theinterconnection310A, and theMOSFET303a and theMOSFET303c operate to electrically connect the source S1 and the drain D13 to each other, and electrically connect the source S3 and the drain D13 to each other. On this occasion, the value of the current flowing through theinterconnections308 becomes I1, and it results that the two current paths exist at the both ends of theextraction interconnection308a. Therefore, the total width of the current paths on this occasion becomes 2×WI.
Therefore, in the case in which only either one of the switch A and the switch B is in the ON state, it results that the extraction interconnections connected to these common drain electrodes are relatively hard to be broken due to the electromigration also in the semiconductor integrated circuit device1003 according to the modified embodiment.
A similar effect will be described focusing attention on the electromigration resistance (EM resistance). Here, the EM resistance of one extraction interconnection (interconnection width WI) is defined as I2. Therefore, in the semiconductor integrated circuit device1003 according to the modified embodiment, since both of theextraction interconnections308a,308b become the current paths in either of the case in which only either one of the switch A and the switch B is in the ON state, and the case in which both are in the ON state, it is sufficient for the value I1/2 of the current flowing through theextraction interconnection308a or theextraction interconnection308b to be equal to or lower than I2. In other words, the upper limit of the acceptable amount of the current I1 flowing through theinterconnection308 becomes equal to or lower than 2×I2 in either of the case in which either one of the switch A and the switch B is in the ON state and the case in which both are in the ON state. Therefore, in view of the EM resistance, in the semiconductor integrated circuit device1003 according to the modified embodiment, even in the case in which only either one of the switch A and the switch B is in the ON state, the same current as in the case in which both of the switch A and the switch B are in the ON state can be made to flow.
It should be noted that although the P-MOSFET part is described hereinabove, the same as above applies to the N-MOSFET part.
1.2.2.4. Example of Providing A Number of MOSFETs
FIG.9 is a schematic planar view of a semiconductor integrated circuit device1004 as an example of the layout of the semiconductor integrated circuit having eight P-MOSFETs203a,203b,203c,203d,203e,203f,203g, and203h arranged in a part on thesubstrate301.
The semiconductor integrated circuit device1004 has eight P-MOSFETs303a,303b,303c,303d,303e,303f,303g, and303h. Further, the semiconductor integrated circuit device1004 has theinterconnection308 electrically connected to the drain (D13) shared by the four P-MOSFETs303a,303c,303e, and303g, and the drain (D24) shared by the four P-MOSFETs303b,303d,303f, and303h. Theinterconnection308 is an electrically-conducting path extracted from each of the drain electrode D13 and the drain electrode D24, and is formed of anextraction interconnection308a and anextraction interconnection308b joined with each other.
Theextraction interconnection308a and theextraction interconnection308b have the same interconnection width WI in the present modified embodiment. Theextraction interconnection308a and theextraction interconnection308b form the current paths through which the drain currents of the respective MOSFETs flow.
Further, the semiconductor integrated circuit device1004 has thegate electrodes309a,309b,309c,309d,309e,309f,309g, and309h of the respective eight P-MOSFETs303a,303b,303c,303d,303e,303f,303g, and303h. Further, the semiconductor integrated circuit device1004 has theinterconnection310A commonly connected to thegate electrode309a, the gate electrode309e, thegate electrode309b, and the gate electrode309f out of the eight gate electrodes, and theinterconnection310B commonly connected to thegate electrode309c, the gate electrode309g, the gate electrode309d, and the gate electrode309h.
Further, theinterconnection310A is connected to the switch A (corresponding to thefirst switch201 described above) not shown, and theinterconnection310B is connected to the switch B (corresponding to thesecond switch202 described above) not shown. It should be noted that interconnections not shown are connected to the source electrodes (specifically an impurity diffused layers) of the respective MOSFETs.
In other words, it can be said that the semiconductor integrated circuit device1004 is provided with thefirst MOSFET303a including the first source electrode S1, thefirst gate electrode309a, and the first drain electrode D13, the second MOSFET303b including the second source electrode S2, thesecond gate electrode309b, and the second drain electrode D24, thethird MOSFET303e including the third source electrode S3, the third gate electrode309e, and the first drain electrode D13 shared with thefirst MOSFET303a, and the fourth MOSFET303f including the fourth source electrode S4, the fourth gate electrode309f, and the second drain electrode D24 shared with the second MOSFET303b.
Further, the semiconductor integrated circuit device1004 is provided with similar patterns to thefirst MOSFET303a, the second MOSFET303b, thethird MOSFET303e, and the fourth MOSFET303f along a direction (or a direction crossing a direction in which the first source electrode S1, thefirst gate electrode309a, and the first drain electrode D13 are arranged) in which the first drain electrode D13 extends.
Specifically, the semiconductor integrated circuit device1004 is provided with afifth MOSFET303c including a fifth source electrode S21, afifth gate electrode309c, and the first drain electrode D13, a sixth MOSFET303d including a sixth source electrode S22, a sixth gate electrode309d, and the second drain electrode D24, a seventh MOSFET303g including a seventh source electrode S23, a seventh gate electrode309g, and the first drain electrode D13, and aneighth MOSFET303h including an eighth source electrode S24, an eighth gate electrode309h, and the second drain electrode D24. Further, thefirst MOSFET303a through theeighth MOSFET303h are the same in polarity (the P-channel type), thefirst gate electrode309a through the fourth gate electrode309f are electrically connected to each other, and thefifth gate electrode309c through the eighth gate electrode309h are electrically connected to each other.
Similarly to the embodiment described above, there is considered the case in which only either one of the switch A and the switch B is in the ON state. As already described, the sum of the currents flowing through the eight P-MOSFETs303a,303b,303c,303d,303e,303f,303g, and303h is the constant value I1 corresponding to the load connected to the output terminal of theoutput circuit120. It should be noted that it is also assumed here that the eight P-MOSFETs303a,303b,303c,303d,303e,303f,303g, and303h are all equal in WG/LG of the gate electrode to each other.
In the semiconductor integrated circuit device1004 according to the modified embodiment, in the case in which only the switch A (the first switch201) is in the ON state, a voltage is applied to theinterconnection310A, and theMOSFET303a, the MOSFET303b, theMOSFET303e, and the MOSFET303f operate to electrically connect the source S1, the source S3, and the drain D13 to each other, and electrically connect the source S2, the source S4, and the drain D24 to each other. On this occasion, the value of the current flowing through theinterconnection308 becomes I1, and the current flows through the two current paths, namely the twoextraction interconnections308a,308b. Therefore, the total width of the current paths on this occasion becomes 2×WI.
Therefore, in the case in which only either one of the switch A and the switch B is in the ON state, it results that the extraction interconnections connected to these common drain electrodes are relatively hard to be broken due to the electromigration also in the semiconductor integrated circuit device1004 according to the modified embodiment.
A similar effect will be described focusing attention on the electromigration resistance (EM resistance). Here, the EM resistance of one extraction interconnection (interconnection width WI) is defined as I2. Therefore, in the semiconductor integrated circuit device1004 according to the modified embodiment, since both of theextraction interconnections308a,308b become the current paths in either of the case in which only either one of the switch A and the switch B is in the ON state, and the case in which both are in the ON state, it is sufficient for the value I1/2 of the current flowing through theextraction interconnection308a or theextraction interconnection308b to be equal to or lower than I2. In other words, the upper limit of the acceptable amount of the current I1 flowing through theinterconnection308 becomes equal to or lower than 2×I2 in either of the case in which either one of the switch A and the switch B is in the ON state and the case in which both are in the ON state. Therefore, in view of the EM resistance, in the semiconductor integrated circuit device1004 according to the modified embodiment, even in the case in which only either one of the switch A and the switch B is in the ON state, the same current as in the case in which both of the switch A and the switch B are in the ON state can be made to flow.
It should be noted that although the P-MOSFET part is described hereinabove, the same as above applies to the N-MOSFET part.
1.2.3. Relationship Between Channel Width and Interconnection Width
It is also possible for the semiconductor integrated circuit device according to any one of the embodiment and the modified embodiments described above to be provided with an adjuster. The adjuster selects at least one MOSFET from at least two MOSFETs provided to the semiconductor circuit device. The adjuster is capable of switching between a first state in which the first MOSFET is selected and the second MOSFET is not selected, and a second state in which both of the first MOSFET and the second MOSFET are selected.
Further, in the semiconductor integrated circuit device according to any one of the embodiment and the modified embodiments described above, a ratio of the sum of the widths of the parts to be the current paths out of the interconnections in the second state to the sum of the widths of the parts to be the current paths out of the interconnections in the first state is lower than a ratio of the sum of the channel widths of the MOSFETs selected in the second state to the sum of the channel widths of the MOSFETs selected in the first state.
A specific explanation will be presented using the semiconductor integratedcircuit device1000 shown inFIG.5. The first state corresponds to the case in which only either one of the switch A and the switch B is in the ON state described above. Further, the second state corresponds to the case in which both of the switch A and the switch B are in the ON state.
The sum of the widths of the parts to be the current paths out of the interconnections in the first state is twice as large as the width (WI) of theextraction interconnection308a and theextraction interconnection308b. Further, the sum of the widths of the parts to be the current paths out of the interconnections in the second state is twice as large as the width (WI) of theextraction interconnection308a and theextraction interconnection308b. Therefore, the ratio of the sum of the widths of the parts to be the current paths out of the interconnections in the second state to the sum of the widths of the parts to be the current paths out of the interconnections in the first state becomes 1.
On the other hand, the sum of the channel widths of the MOSFETs selected in the first state is twice as large as the width (the channel width WG) of the gate electrode. Further, the sum of the channel widths of the MOSFETs selected in the second state is four times as large as the width (the channel width WG) of the gate electrode. Therefore, the ratio of the sum of the channel widths of the MOSFETs selected in the second state to the sum of the channel widths of the MOSFETs selected in the first state becomes 2.
Therefore, in the semiconductor integratedcircuit device1000 according to the embodiment, the ratio of the sum of the widths of the parts to be the current paths out of the interconnections in the second state to the sum of the widths of the parts to be the current paths out of the interconnections in the first state is lower than the ratio of the sum of the channel widths of the MOSFETs selected in the second state to the sum of the channel widths of the MOSFETs selected in the first state.
Further, it can be said that in the semiconductor integratedcircuit device1000 according to the embodiment, the sum of the widths of the parts to be the current paths out of the interconnections does not vary between the first state and the second state. In other words, as described above, in either of the first state and the second state, the interconnection width is 2×WI.
Such a relationship between the channel width and the interconnection width is substantially the same in the semiconductor integratedcircuit devices1001,1002,1003, and1004 according to the modified embodiments.
It should be noted that although the detailed description will be omitted, in the semiconductor integrated circuit device according to the related-art example shown inFIG.12, the ratio of the sum of the widths of the parts to be the current paths out of the interconnections in the second state to the sum of the widths of the parts to be the current paths out of the interconnections in the first state is equal to the ratio of the sum of the channel widths of the MOSFETs selected in the second state to the sum of the channel widths of the MOSFETs selected in the first state.
1.2.4. Functions and Advantages
As described above, thebuffer circuit200 according to the present embodiment is capable of switching the drive capability without significantly degrading the electromigration resistance.
According to the buffer circuit (the semiconductor integrated circuit device) related to each of the embodiments described above, even if the selection of the plurality of MOSFETs is changed, it is hard for the total width of the interconnections of the current paths to significantly change. In other words, according to the buffer circuit related to the embodiment described above, even if the drive capability is changed, it is hard for the width of the current path to decrease, and thus, the electromigration resistance can be maintained in good condition. Thus, it is possible for the buffer circuit to operate with high reliability even if the drive capability is changed.
2. Electronic Apparatus
FIG.10 is a functional block diagram showing an example of a configuration of an electronic apparatus according to the embodiment. The electronic apparatus500 according to the present embodiment is configured including an oscillator510, a central processing unit (CPU)520, a multiplier circuit530, a read only memory (ROM)540, a random access memory (RAM)550, and a communicator560. It should be noted that the electronic apparatus according to the present embodiment can be provided with a configuration obtained by eliminating or modifying some of the constituents (sections) shown inFIG.10, or adding other constituents thereto.
The oscillator510 is for outputting an oscillation signal with a specified frequency based on a signal from an oscillation source using a buffer circuit512.
The multiplier circuit530 is a circuit for multiplying the frequency of the oscillation signal output by the oscillator510 (the buffer circuit512) into a specified frequency, and then outputting the result. The oscillation signal output by the multiplier circuit530 can be used as a clock signal of theCPU520, or can be used for theCPU520 to generate a carrier wave for the communication.
The CPU520 (a processor) performs, for example, a variety of types of arithmetic processing and control processing based on the oscillation signal output by the oscillator510 or the oscillation signal output by the multiplier circuit530 in accordance with the program stored in the ROM540 and so on.
The ROM540 stores the programs, data, and so on for theCPU520 to perform the variety of types of arithmetic processing and control processing.
The RAM550 is used as a working area of theCPU520, and temporarily stores the program and data retrieved from the ROM540, the calculation result obtained by theCPU520 performing operations in accordance with the variety of programs, and so on.
The communication section560 performs a variety of types of control for achieving the data communication between theCPU520 and the external devices.
For example, by applying thebuffer circuit200 in the embodiment or each of the modified examples described above as the buffer circuit512, or by applying the oscillator1 (equipped with the buffer circuit200) of the embodiment or each of the modified examples described above as the oscillator510, cost reduction of the electronic apparatus500 can be realized.
As such an electronic apparatus500, a variety of electronic apparatuses can be adopted, and there can be cited, for example, a GPS (global positioning system) module, a network apparatus, a broadcast apparatus, a communication apparatus used in an artificial satellite or a base station, a personal computer (e.g., a mobile type personal computer, a laptop personal computer, and a tablet personal computer), a mobile terminal such as a smartphone or a cellular phone, a digital camera, an inkjet ejection device (e.g., an inkjet printer), a storage area network apparatus such as a router or a switch, a local area network apparatus, a base station apparatus for a mobile terminal, a television set, a video camera, a video cassette recorder, a car navigation system, a real-time clock device, a pager, a personal digital assistance (including one having a communication function), an electronic dictionary, an electronic calculator, an electronic game machine, a gaming controller, a word processor, a workstation, a picture phone, a security television monitor, an electronic binoculars, a POS (point of sale) terminal, a medical instrument (e.g., an electronic thermometer, a blood pressure monitor, a blood glucose monitor, an electrocardiograph, ultrasonic diagnostic equipment, and an electronic endoscope), a fish finder, a variety of measuring instruments, gauges (e.g., gauges for cars, aircrafts, and boats and ships), a flight simulator, a head-mount display, a motion tracer, a motion tracker, a motion controller, and a pedestrian dead reckoning (PDR) system.
As an example of the electronic apparatus500 according to the present embodiment, there can be cited a transmission device using the oscillator510 equipped with the buffer circuit512 as a reference signal source, and functioning as, for example, a terminal base station device for performing communication with terminals wirelessly or with wire. For example, by applying thebuffer circuit200 in the embodiment or each of the modified examples described above as the buffer circuit512, or by applying the oscillator1 (equipped with the buffer circuit200) of the embodiment or each of the modified examples described above as the oscillator510, the electronic apparatus500, which can be used for, for example, the communication base station, which is higher in frequency accuracy than ever before, and to which high performance and high reliability are required, can also be realized at lower cost.
Further, as another example of the electronic apparatus500 according to the present embodiment, it is possible to adopt a communication device in which the communicator560 receives an external clock signal, and the CPU520 (the processor) includes a frequency controller for controlling the frequency of the oscillator510 based on the external clock signal and one of the output signal of the oscillator510 and the output signal (an internal clock signal) of the multiplier circuit530. The communication device can be a communication apparatus used for, for example, a backbone network apparatus such as stratum, or a femtocell.
3. Base Station
FIG.11 is a diagram showing an example of a schematic configuration of a base station according to the embodiment of the invention. Thebase station400 according to the present embodiment is configured including areceiver410, atransmitter420, and acontroller430. It should be noted that the electronic apparatus according to the present embodiment can be provided with a configuration obtained by eliminating or modifying some of the constituents (sections) shown inFIG.11, or adding other constituents thereto.
Thereceiver410 is configured including a receivingantenna412, a receiver414, aprocessor416, and anoscillator418.
Theoscillator418 is for outputting an oscillation signal with a specified frequency based on a signal from an oscillation source using abuffer circuit419.
The receivingantenna412 receives a radio wave with a variety of types of information superimposed from a mobile station (not shown) such as a mobile phone or a GPS satellite.
The receiver414 demodulates the signal received by the receivingantenna412 into a signal in a specified intermediate frequency (IF) band using the oscillation signal output by the oscillator418 (the buffer circuit419).
Theprocessor416 converts the signal in the intermediate frequency band demodulated by the receiver414 into a baseband signal using the oscillation signal output by theoscillator418, and then detects the information included in the baseband signal.
Thecontroller430 receives the information detected by the receiver410 (the processor416) to perform a variety of processes corresponding to the information. Then, thecontroller430 generates information to be transmitted to the mobile station, and then transmits the information to the transmitter420 (a processor426).
Thetransmitter420 is configured including a transmitting antenna422, atransmitter424, the processor426, and anoscillator428.
Theoscillator428 is for outputting an oscillation signal with a specified frequency based on a signal from an oscillation source using abuffer circuit429.
The processor426 generates a baseband signal using the information received from thecontroller430, and then converts the baseband signal into a signal in the intermediate frequency band using the oscillation signal output by the oscillator428 (the buffer circuit429).
Thetransmitter424 modulates the signal in the intermediate frequency band from the processor426 and then superimposes the result on the carrier wave using the oscillation signal output by theoscillator428.
The transmitting antenna422 transmits the carrier wave from thetransmitter424 to the mobile station such as a mobile phone or a GPS satellite as a radio wave.
By applying thebuffer circuit200 in the embodiment or each of the modified examples described above as thebuffer circuit419 provided to thereceiver410 or thebuffer circuit429 provided to thetransmitter420, or by applying the oscillator1 (equipped with the buffer circuit200) of the embodiment or each of the modified examples described above as theoscillator418 provided to thereceiver410 or theoscillator428 provided to thetransmitter420, the base station superior in communication performance and high in reliability can be realized at lower cost.
The invention is not limited to the embodiments, but can be implemented with a variety of modifications within the scope or the spirit of the invention.
For example, although the oscillator of the embodiment described above is the oven controlled oscillator, the invention is not limited to the oven controlled oscillator, but can also be applied to, for example, a temperature compensated oscillator (e.g., a temperature compensated crystal oscillator (TCXO)) having the temperature compensation function, a voltage controlled oscillator (e.g., voltage controlled crystal oscillator (VCXO)) having a frequency control function, or an oscillator (e.g., a voltage controlled temperature compensated crystal oscillator (VC-TCXO)) having the temperature compensation function and the frequency control function.
The embodiments and the modified examples described above are illustrative only, and the invention is not limited to the embodiments and the modified examples. For example, it is also possible to arbitrarily combine the embodiment and the modified examples described above.
The invention is not limited to the embodiment described above, but can further be variously modified. For example, the invention includes configurations (e.g., configurations having the same function, the same way, and the same result, or configurations having the same object and the same advantage) substantially the same as the configuration described as the embodiment. Further, the invention includes configurations obtained by replacing a non-essential part of the configuration explained in the above description of the embodiments. Further, the invention includes configurations providing the same functions and the same advantage, or configurations capable of achieving the same object, as the configuration explained in the description of the embodiments. Further, the invention includes configurations obtained by adding a known technology to the configuration explained in the description of the embodiments.

Claims (21)

What is claimed is:
1. A buffer circuit comprising:
a first MOSFET comprising a first source electrode, a first gate electrode, and a first shared drain electrode;
a second MOSFET, which comprises a second source electrode, a second gate electrode, and a second drain electrode, and is same in polarity as the first MOSFET, the second gate electrode being electrically connected to the first gate electrode;
a third MOSFET comprising a third source electrode, a third gate electrode, and the first shared drain electrode; and
a first switch connected to the third first gate electrode and the first second gate electrode; and
a second switch connected to the third gate electrode,
wherein the first MOSFET and the third MOSFET are same in polarity as each other.
2. The buffer circuit according toclaim 1, wherein
the first shared drain electrode and the second drain electrode are electrically connected to each other with a common interconnection.
3. The buffer circuit according toclaim 1, wherein
the first MOSFET and the third MOSFET are same in polarity as each other.
4. The buffer circuit according toclaim 1, further comprising:
a second switch connected to the second gate electrode.
5. A buffer circuit comprising:
at least two MOSFETs comprising a first MOSFET and a second MOSFET; and
an interconnection through which a signal from the MOSFET is transmitted,
wherein a ratio of a sum of widths of parts to be current paths out of the interconnections, in a second state in which the first MOSFET and the second MOSFET are selected, to a sum of widths of parts to be current paths out of the interconnections in a first state, in which the first MOSFET is selected and the second MOSFET is unselected, is lower than a ratio of a sum of a channel width of the first MOSFET and a channel width of the second MOSFET in the second state to a sum of channel widths of the first MOSFET in the first state.
6. The buffer circuit according toclaim 5, wherein
the sum of the widths of the parts to be the current paths out of the interconnections is kept substantially constant between the first state and the second state.
7. A buffer circuit comprising:
a first MOSFET comprising a first source electrode, a first gate electrode, and a first drain electrode;
a second MOSFET, which comprises a second source electrode, a second gate electrode, and a second drain electrode, and is same in polarity as the first MOSFET, the second gate electrode being electrically connected to the first gate electrode; and
a frequency divider, which is disposed in an anterior stage of the first and second MOSFETs, and division ratio of which can be selected.
8. A semiconductor integrated circuit device comprising:
the buffer circuit according toclaim 1.
9. An oscillator comprising:
an oscillation element that oscillates;
an oscillation circuit configured to oscillate the oscillation element and process a signal output by the oscillation element; and
the buffer circuit according toclaim 1 that is connected to an output of the oscillation circuit.
10. An electronic apparatus comprising:
the buffer circuit according toclaim 1.
11. A base station comprising:
the buffer circuit according toclaim 1.
12. A buffer circuit comprising:
a first MOSFET comprising a first source electrode, a first gate electrode, and a first shared drain electrode;
a second MOSFET, which comprises a second source electrode, a second gate electrode, and a second shared drain electrode, and is same in polarity as the first MOSFET, the second gate electrode being electrically connected to the first gate electrode;
a third MOSFET comprising a third source electrode, a third gate electrode, and the first shared drain electrode; and
a fourth MOSFET comprising a fourth source electrode, a fourth gate electrode, and the second shared drain electrode,
wherein the third MOSFET and the fourth MOSFET are same in polarity as each other,
the first MOSFET and the third MOSFET are same in polarity as each other, and
the third gate electrode and the fourth gate electrode are electrically connected to each other.
13. The buffer circuit according toclaim 12, wherein
the first MOSFET and the third MOSFET are same in polarity as each other.
14. The buffer circuit according toclaim 12, wherein
the third gate electrode and the fourth gate electrode are electrically connected to each other.
15. The buffer circuit according toclaim 12, further comprising:
a switch connected to the second gate electrode.
16. The buffer circuit according toclaim 15, wherein
the second gate electrode is connected to the fourth gate electrode.
17. The buffer circuit according toclaim 12, wherein
the first shared drain electrode and the second shared drain electrode are electrically connected to each other with a common interconnection.
18. A semiconductor integrated circuit device comprising:
the buffer circuit according toclaim 12.
19. An oscillator comprising:
an oscillation element that oscillates;
an oscillation circuit configured to oscillate the oscillation element and process a signal output by the oscillation element; and
the buffer circuit according toclaim 12 that is connected to an output of the oscillation circuit.
20. An electronic apparatus comprising:
the buffer circuit according toclaim 12.
21. The buffer circuit according toclaim 1, further comprising:
a frequency divider having a division ratio that can be selected, the frequency divider outputting a signal,
wherein the first MOSFET is configured to receive the signal output by the frequency divider, and
the second MOSFET is configured to receive the signal output by the frequency divider.
US17/470,7552015-10-302021-09-09Buffer circuit, semiconductor integrated circuit device, oscillator, electronic apparatus, and base stationActive2037-02-18USRE50208E1 (en)

Priority Applications (1)

Application NumberPriority DateFiling DateTitle
US17/470,755USRE50208E1 (en)2015-10-302021-09-09Buffer circuit, semiconductor integrated circuit device, oscillator, electronic apparatus, and base station

Applications Claiming Priority (4)

Application NumberPriority DateFiling DateTitle
JP2015-2144612015-10-30
JP2015214461AJP6648489B2 (en)2015-10-302015-10-30 Buffer circuit, semiconductor integrated circuit device, oscillator, electronic device, and base station
US15/332,778US10476493B2 (en)2015-10-302016-10-24Buffer circuit, semiconductor integrated circuit device, oscillator, electronic apparatus, and base station
US17/470,755USRE50208E1 (en)2015-10-302021-09-09Buffer circuit, semiconductor integrated circuit device, oscillator, electronic apparatus, and base station

Related Parent Applications (1)

Application NumberTitlePriority DateFiling Date
US15/332,778ReissueUS10476493B2 (en)2015-10-302016-10-24Buffer circuit, semiconductor integrated circuit device, oscillator, electronic apparatus, and base station

Publications (1)

Publication NumberPublication Date
USRE50208E1true USRE50208E1 (en)2024-11-12

Family

ID=58635637

Family Applications (2)

Application NumberTitlePriority DateFiling Date
US15/332,778CeasedUS10476493B2 (en)2015-10-302016-10-24Buffer circuit, semiconductor integrated circuit device, oscillator, electronic apparatus, and base station
US17/470,755Active2037-02-18USRE50208E1 (en)2015-10-302021-09-09Buffer circuit, semiconductor integrated circuit device, oscillator, electronic apparatus, and base station

Family Applications Before (1)

Application NumberTitlePriority DateFiling Date
US15/332,778CeasedUS10476493B2 (en)2015-10-302016-10-24Buffer circuit, semiconductor integrated circuit device, oscillator, electronic apparatus, and base station

Country Status (3)

CountryLink
US (2)US10476493B2 (en)
JP (1)JP6648489B2 (en)
CN (1)CN107017840B (en)

Families Citing this family (4)

* Cited by examiner, † Cited by third party
Publication numberPriority datePublication dateAssigneeTitle
US10134658B2 (en)*2016-08-102018-11-20Macom Technology Solutions Holdings, Inc.High power transistors
CN113097177B (en)2018-01-152023-07-18联华电子股份有限公司 semiconductor element
JP7031369B2 (en)*2018-02-282022-03-08セイコーエプソン株式会社 Output circuits, oscillators and electronic devices
WO2021055721A1 (en)*2019-09-192021-03-25Butterfly Network, Inc.Symmetric receiver switch for ultrasound devices

Citations (15)

* Cited by examiner, † Cited by third party
Publication numberPriority datePublication dateAssigneeTitle
US5051625A (en)*1988-10-281991-09-24Nissan Motor Co., Ltd.Output buffer circuits for reducing noise
US6320470B1 (en)*1999-04-062001-11-20Oki Electric Industry Co., Ltd.Phase lock loop circuit with loop filter having resistance and capacitance adjustment
US6362609B1 (en)*1999-09-102002-03-26Stmicroelectronics S.A.Voltage regulator
US20020070760A1 (en)*1995-12-042002-06-13Michiaki NakayamaSemiconductor integrated circuit and its fabrication method
US20030098749A1 (en)2001-11-022003-05-29Katsuyoshi TerasawaOscillator and electronic device using the same
US20060076938A1 (en)*2004-10-132006-04-13Hon Hai Precision Industry Co., Ltd.Linearly regulated power supply
US20070103005A1 (en)*2005-11-082007-05-10Toshio NagasawaSwitching power supply device, semiconductor integrated circuit device and power supply device
JP2007259052A (en)2006-03-232007-10-04Matsushita Electric Ind Co Ltd Crystal oscillator
US20120313718A1 (en)2011-06-102012-12-13Mitsumi Electric Co., Ltd.Oscillation circuit
US8901661B2 (en)*2011-05-272014-12-02Infineon Technologies Austria AgSemiconductor device with first and second field-effect structures and an integrated circuit including the semiconductor device
US20150180410A1 (en)*2013-12-252015-06-25Seiko Epson CorporationOscillation circuit, oscillator, electronic device, moving object, and manufacturing method of oscillator
US9281804B2 (en)*2012-09-122016-03-08Renesas Electronics CorporationSemiconductor device with amplification circuit and output buffer circuit coupled to terminal
US20160118890A1 (en)*2014-10-282016-04-28Seiko Epson CorporationCircuit apparatus and electronic appliance
US9509284B2 (en)*2014-03-042016-11-29Infineon Technologies Austria AgElectronic circuit and method for operating a transistor arrangement
US9720054B2 (en)*2014-10-312017-08-01Allegro Microsystems, LlcMagnetic field sensor and electronic circuit that pass amplifier current through a magnetoresistance element

Family Cites Families (6)

* Cited by examiner, † Cited by third party
Publication numberPriority datePublication dateAssigneeTitle
JP3197601B2 (en)*1992-03-192001-08-13富士通株式会社 Oscillation circuits for semiconductor integrated circuits
JP2885617B2 (en)*1993-08-051999-04-26日本電気アイシーマイコンシステム株式会社 Semiconductor integrated circuit device
JP4626653B2 (en)*2006-03-162011-02-09株式会社村田製作所 High frequency oscillator and electronic equipment
JP4524326B2 (en)*2008-05-132010-08-18日本電波工業株式会社 Crystal oscillator
US9252782B2 (en)*2011-02-142016-02-02Qualcomm IncorporatedWireless chipset with a non-temperature compensated crystal reference
JP5772109B2 (en)*2011-03-182015-09-02セイコーエプソン株式会社 Circuit device and electronic device

Patent Citations (20)

* Cited by examiner, † Cited by third party
Publication numberPriority datePublication dateAssigneeTitle
US5051625A (en)*1988-10-281991-09-24Nissan Motor Co., Ltd.Output buffer circuits for reducing noise
US5051625B1 (en)*1988-10-281993-11-16Nissan Motor Co.,Ltd.Output buffer circuits for reducing noise
US20020070760A1 (en)*1995-12-042002-06-13Michiaki NakayamaSemiconductor integrated circuit and its fabrication method
US6320470B1 (en)*1999-04-062001-11-20Oki Electric Industry Co., Ltd.Phase lock loop circuit with loop filter having resistance and capacitance adjustment
US6362609B1 (en)*1999-09-102002-03-26Stmicroelectronics S.A.Voltage regulator
US20030098749A1 (en)2001-11-022003-05-29Katsuyoshi TerasawaOscillator and electronic device using the same
JP2003338710A (en)2001-11-022003-11-28Seiko Epson Corp Oscillator and electronic device using the same
US20060076938A1 (en)*2004-10-132006-04-13Hon Hai Precision Industry Co., Ltd.Linearly regulated power supply
US20070103005A1 (en)*2005-11-082007-05-10Toshio NagasawaSwitching power supply device, semiconductor integrated circuit device and power supply device
US20070236302A1 (en)2006-03-232007-10-11Motoki SakaiOutput circuit for oscillator
JP2007259052A (en)2006-03-232007-10-04Matsushita Electric Ind Co Ltd Crystal oscillator
US7579917B2 (en)*2006-03-232009-08-25Panasonic CorporationOutput circuit for oscillator
US8901661B2 (en)*2011-05-272014-12-02Infineon Technologies Austria AgSemiconductor device with first and second field-effect structures and an integrated circuit including the semiconductor device
US20120313718A1 (en)2011-06-102012-12-13Mitsumi Electric Co., Ltd.Oscillation circuit
JP2012257183A (en)2011-06-102012-12-27Mitsumi Electric Co LtdOscillation circuit
US9281804B2 (en)*2012-09-122016-03-08Renesas Electronics CorporationSemiconductor device with amplification circuit and output buffer circuit coupled to terminal
US20150180410A1 (en)*2013-12-252015-06-25Seiko Epson CorporationOscillation circuit, oscillator, electronic device, moving object, and manufacturing method of oscillator
US9509284B2 (en)*2014-03-042016-11-29Infineon Technologies Austria AgElectronic circuit and method for operating a transistor arrangement
US20160118890A1 (en)*2014-10-282016-04-28Seiko Epson CorporationCircuit apparatus and electronic appliance
US9720054B2 (en)*2014-10-312017-08-01Allegro Microsystems, LlcMagnetic field sensor and electronic circuit that pass amplifier current through a magnetoresistance element

Also Published As

Publication numberPublication date
CN107017840B (en)2022-04-01
US20170126221A1 (en)2017-05-04
CN107017840A (en)2017-08-04
US10476493B2 (en)2019-11-12
JP6648489B2 (en)2020-02-14
JP2017085478A (en)2017-05-18

Similar Documents

PublicationPublication DateTitle
USRE50208E1 (en)Buffer circuit, semiconductor integrated circuit device, oscillator, electronic apparatus, and base station
JP6536780B2 (en) Semiconductor circuit device, oscillator, electronic device and moving body
JP6350793B2 (en) OSCILLATOR CIRCUIT, OSCILLATOR, ELECTRONIC DEVICE, MOBILE BODY, AND OSCILLATOR MANUFACTURING METHOD
JP6540943B2 (en) Semiconductor circuit device, oscillator, electronic device and moving body
USRE50256E1 (en)Oscillation circuit, oscillator, electronic apparatus and moving object
US9112512B2 (en)Circuit device, oscillation device, and electronic apparatus
US10566979B2 (en)Oscillator, electronic apparatus, and base station
US10673382B2 (en)Oscillator, electronic apparatus, vehicle, and method of manufacturing oscillator
US10027331B2 (en)Oscillator, electronic apparatus, and moving object
US10897227B2 (en)Oscillation circuit, oscillator, electronic device, and vehicle
US20150145611A1 (en)Oscillator circuit, oscillator, electronic apparatus, and moving object
CN104639040A (en)Oscillation circuit, electronic device, mobile object, oscillator, and oscillator manufacturing method
CN104601111B (en) Oscillating circuit, oscillator, oscillator manufacturing method, electronic device, and moving body
US9628022B2 (en)Oscillation circuit, oscillator, method of manufacturing oscillator, electronic device, and moving object
JP6672708B2 (en) Signal processing circuit, semiconductor integrated circuit device, oscillator, electronic device, base station, and method of manufacturing signal processing circuit
CN113783560B (en)Circuit device, oscillator, electronic apparatus, and moving object
JP6891929B2 (en) Temperature-compensated crystal oscillators, electronics and mobiles
JP6031789B2 (en) Circuit device, oscillation device, and electronic device
JP2016152540A (en)Adjustment method of oscillation circuit, oscillation circuit, electronic apparatus and mobile

Legal Events

DateCodeTitleDescription
FEPPFee payment procedure

Free format text:ENTITY STATUS SET TO UNDISCOUNTED (ORIGINAL EVENT CODE: BIG.); ENTITY STATUS OF PATENT OWNER: LARGE ENTITY


[8]ページ先頭

©2009-2025 Movatter.jp