Movatterモバイル変換


[0]ホーム

URL:


US9046560B2 - System and method for high resistance ground fault detection and protection in power distribution systems - Google Patents

System and method for high resistance ground fault detection and protection in power distribution systems
Download PDF

Info

Publication number
US9046560B2
US9046560B2US13/487,322US201213487322AUS9046560B2US 9046560 B2US9046560 B2US 9046560B2US 201213487322 AUS201213487322 AUS 201213487322AUS 9046560 B2US9046560 B2US 9046560B2
Authority
US
United States
Prior art keywords
phase
component
cos
fundamental
harmonic component
Prior art date
Legal status (The legal status is an assumption and is not a legal conclusion. Google has not performed a legal analysis and makes no representation as to the accuracy of the status listed.)
Active, expires
Application number
US13/487,322
Other versions
US20130322133A1 (en
Inventor
Huaqiang Li
Current Assignee (The listed assignees may be inaccurate. Google has not performed a legal analysis and makes no representation or warranty as to the accuracy of the list.)
Eaton Intelligent Power Ltd
Original Assignee
Eaton Corp
Priority date (The priority date is an assumption and is not a legal conclusion. Google has not performed a legal analysis and makes no representation as to the accuracy of the date listed.)
Filing date
Publication date
Application filed by Eaton CorpfiledCriticalEaton Corp
Assigned to EATON CORPORATIONreassignmentEATON CORPORATIONASSIGNMENT OF ASSIGNORS INTEREST (SEE DOCUMENT FOR DETAILS).Assignors: LI, HUAQIANG
Priority to US13/487,322priorityCriticalpatent/US9046560B2/en
Priority to CN201380029214.5Aprioritypatent/CN104364989B/en
Priority to EP13725879.4Aprioritypatent/EP2856591B1/en
Priority to PCT/US2013/041753prioritypatent/WO2013184332A1/en
Priority to BR112014029699Aprioritypatent/BR112014029699A2/en
Priority to KR20147034092Aprioritypatent/KR20150023346A/en
Priority to CA2871134Aprioritypatent/CA2871134A1/en
Priority to AU2013272157Aprioritypatent/AU2013272157A1/en
Publication of US20130322133A1publicationCriticalpatent/US20130322133A1/en
Priority to IN9017DEN2014prioritypatent/IN2014DN09017A/en
Publication of US9046560B2publicationCriticalpatent/US9046560B2/en
Application grantedgrantedCritical
Assigned to EATON INTELLIGENT POWER LIMITEDreassignmentEATON INTELLIGENT POWER LIMITEDASSIGNMENT OF ASSIGNORS INTEREST (SEE DOCUMENT FOR DETAILS).Assignors: EATON CORPORATION
Activelegal-statusCriticalCurrent
Adjusted expirationlegal-statusCritical

Links

Images

Classifications

Definitions

Landscapes

Abstract

A system and method for detecting high resistance ground faults in a power distribution system is disclosed. A fault detection and protection system is provided that includes a plurality of current sensors to measure current on the three phase output of the converter-inverter arrangement of the power distribution system and a controller configured to measure the three phase current on the three phase output, extract a fundamental current component for each phase of the three phase output, extract a third harmonic component for each phase of the three phase output, compare the fundamental current component and the third harmonic component extracted from each phase to a first threshold and a second threshold, respectively, and detect a ground fault on a phase of the three phase output based on the comparisons of the fundamental current component and the third harmonic component to the first and second thresholds.

Description

BACKGROUND OF THE INVENTION
The present invention relates generally to power distribution systems and, more particularly, to a system and method for detecting high resistance ground faults in a power distribution system and protecting the power distribution system from such ground faults upon detection thereof.
A typical power distribution system includes a converter, an inverter and a mechanical load such as a motor. The converter is typically linked to a three phase source that provides three phase AC power and converts the three phase power to DC power across positive and negative DC buses. The DC buses feed the inverter which generates three phase AC power on output lines that are provided to the load. The inverter controls the three phase AC voltages and currents to the load so that the load can be driven in a desired fashion. Cables connect the power source to the converter and also connect the inverter to the load.
One common type of three-phase power distribution system is an adjustable speed drive (ASD). ASDs are frequently used in industrial applications to condition power and otherwise control electric driven motors such as those found with pumps, fans, compressors, cranes, paper mills, steel mills, rolling mills, elevators, machine tools, and the like. ASDs typically provide a volts-per-hertz or vector controls and are adept at providing variable speed and/or variable torque control to an electric driven motor, such that ASDs have greatly improved the efficiency and productivity of electric driven motors and applications.
Power distribution systems such as ASDs require protection from inadvertent cable and load (e.g., motor) failures which can lead to undesirable ground faults. The root cause of cable failures is often cable insulation breakdown and therefore most ground faults occur in the cables between the power source and the converter or between the inverter and the load. When a ground fault occurs, the results can be extremely costly. For instance, ground faults often result in power interruptions, equipment failure and damage, uncoordinated system decisions with potential for overall plant interruptions, degraded or lost production and overall customer frustration.
Resistance grounding systems are used in industrial electrical power distribution facilities to limit phase-to-ground fault currents. Generally speaking, there are two types of resistors used to tie a power distribution system's neutral to ground: low resistance and high resistance. High Resistance Ground (HRG) systems limit the fault current when one phase of the system shorts or arcs to ground, but at lower levels than low resistance systems. In the event that a ground fault condition exists, the HRG typically limits the current to 5-10A, though most resistor manufacturers label any resistor that limits the current to 25A or less as high resistance.
HRG systems are commonly seen in industrial applications where continued operation is important to the process, such as in power distribution systems where any power source downtime has a dramatic economic cost. HRG systems have gained popularity in such applications due to their ability to continue operation in lieu of a single line-ground fault and improved ability to limit escalation of the single line-ground fault into a multi-phase event. Additionally, HRG systems function to suppress transient line to ground over voltages during a ground fault, eliminate arc flash hazards with phase to ground faults, and reduce equipment damage at the point of ground fault.
Since ground fault conditions in HRG systems do not draw enough current to reliably trigger fault current sensors in an associated motor drive, ground fault detections systems must be employed to detect HRG faults. Various such ground fault detection systems and methods have previously been implemented to locate ground faults. For example, in US Publication No. 2009/0296289, detection of a ground fault in the HRG system is accomplished by injecting a common mode voltage into the three phase system and measuring the system response, with the sensed output voltages then being filtered to determine the HRG fault occurrence. In another example, and as set forth in US Publication No. 2009/0080127, detection of a ground fault in the HRG system is accomplished by measuring the DC bus voltage in the HRG system. However, while such systems function to detect a ground fault in the HRG system, the methods employed in those systems are either computationally cumbersome or intrusive to the system. Additionally, existing ground fault detection systems and methods fail to locate the ground fault in the HRG system (i.e., identify where and which phase the fault occurs on). As such, challenges remain in HRG systems with respect to identifying HRG faults in a cost effective manner and locating the HRG fault in the system.
It would therefore be desirable to provide a system and method that provides a computationally efficient approach to detect an HRG fault in a three-phase power distribution system and identify the HRG fault location in a particular phase.
BRIEF DESCRIPTION OF THE INVENTION
Embodiments of the present invention provide a system and method for detecting HRG faults in a power distribution system and identifying the location of such ground faults.
In accordance with one aspect of the invention, a power distribution system includes a converter-inverter arrangement having an input connectable to a three phase AC power source and a three phase output connectable to an input terminal of a load, the converter-inverter arrangement configured to control current flow and terminal voltages in the load. The power distribution system also includes a fault detection and protection system connected to the converter-inverter arrangement, with the fault detection and protection system including a plurality of current sensors configured to measure a current on the three phase output of the converter-inverter arrangement and a controller configured to measure the three phase current on the three phase output of the converter-inverter arrangement, extract a fundamental current component for each phase of the three phase output of the converter-inverter arrangement, extract a third harmonic component for each phase of the three phase output of the converter-inverter arrangement, compare the fundamental current component and the third harmonic component extracted from each phase to a first threshold and a second threshold, respectively, and detect a ground fault on a phase of the three phase output based on the comparisons of the fundamental current component and the third harmonic component to the first and second thresholds.
In accordance with another aspect of the invention, a method is provided for detecting a high resistance ground fault in a power distribution system that includes an AC motor drive in series between an AC power source and an AC motor, with the AC motor drive configured to condition a three phase output to the AC motor. The method includes measuring current on each of a first phase, a second phase, and a third phase of the three phase output to the AC motor, extracting a fundamental current component for each of the first phase, second phase, and third phase, and extracting a third harmonic component for each of the first phase, second phase, and third phase. The method also includes comparing the fundamental current component and the third harmonic component extracted from each of the first phase, second phase, and third phase to a fundamental component threshold and a third harmonic threshold, respectively and detecting a ground fault on any of the first phase, second phase, and third phase based on the comparisons of the fundamental current component and the third harmonic component on each phase to the fundamental and third harmonic thresholds. If a ground fault is detected, the method further includes identifying on which of the first phase, second phase, or third phase the ground fault is present.
In accordance with yet another aspect of the invention, a system for detecting a ground fault in a high resistance ground (HRG) power distribution system includes a plurality of current sensors to measure current on a three phase output of an inverter in the HRG power distribution system and a controller configured to measure the three phase current on the three phase output of the inverter, extract a fundamental current component for each phase of the three phase output, extract a third harmonic component for each phase of the three phase output, compare the fundamental current component and the third harmonic component extracted from each phase to a fundamental component threshold and a third harmonic component threshold, respectively, and detect a ground fault on a phase of the three phase output based on the comparisons of the fundamental current component and the third harmonic component on each phase to the fundamental component and third harmonic component thresholds.
Various other features and advantages of the present invention will be made apparent from the following detailed description and the drawings.
BRIEF DESCRIPTION OF THE DRAWINGS
The drawings illustrate preferred embodiments presently contemplated for carrying out the invention.
In the drawings:
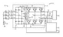
FIG. 1 a schematic of an adjustable speed motor drive (ASD) in a high resistance ground (HRG) configuration, according to an embodiment of the invention.
FIG. 2 is a flowchart illustrating a technique for detection of a HRG ground fault in the ASD ofFIG. 1, according to an embodiment of the invention.
FIG. 3 is a graph illustrating HRG fault characteristics in the ASD ofFIG. 1 before and after occurrence of a fault.
FIG. 4 is a graph illustrating HRG fault harmonics characteristics in the ASD ofFIG. 1.
DETAILED DESCRIPTION OF THE PREFERRED EMBODIMENT
The embodiments of the invention set forth herein relate to a system and method for detecting HRG faults in a power distribution system and protecting the power distribution system from such ground faults upon detection thereof.
Embodiments of the invention are directed to power distribution systems encompassing a plurality of structures and control schemes. According to an exemplary embodiment of the invention, and as shown inFIG. 1, apower distribution system10 is provided that may be implanted with embodiments of the invention. In the embodiment ofFIG. 1,power distribution system10 includes anAC motor drive11 in the form of an adjustable speed drive (ASD) is shown inFIG. 1. The ASD11 may be designed to receive a three AC power input, rectify the AC input, and perform a DC/AC conversion of the rectified segment into a three-phase alternating voltage of variable frequency and amplitude that is supplied to a load. In a preferred embodiment, the ASD11 operates according to an exemplary volts-per-hertz or vector control characteristics. In this regard, the motor drive provides voltage regulation in steady state, and fast dynamic step load response over a full load range.
In an exemplary embodiment, apower source12 generates a three-phase AC input12a-12cis fed topower distribution system10. According to embodiments of the invention, thepower source12 that generates the three-phase AC input12a-12cmay be in the form of a delta or wye source transformer, although other arrangements and power source configurations are also recognized as being able to provide three-phase AC input12a-12c. The three-phase AC input12a-12cis provided to a three-phase rectifier bridge14. The input line impedances are equal in all three phases. Therectifier bridge14 converts the AC power input to a DC power such that a DC link voltage is present between therectifier bridge14 and aswitch array16. The link voltage is smoothed by a DClink capacitor bank18. Theswitch array16 is comprised of a series of insulated gate bipolar transistor switches20 (IGBTs) andanti-parallel diodes22 that collectively form a PWM (pulse width modulated)inverter24. ThePWM inverter24 synthesizes AC voltage waveforms with a fixed or a variable frequency and amplitude for delivery to a load, such as aninduction motor26. DC link chokes L1, L2 (indicated inFIG. 1 as28) are also provided inAC motor drive11 and are positioned on the positive and negative rails of theDC link30. TheDC link chokes28 provide energy storage and filtering on the DC link during operation ofAC motor drive11 andmotor26.
Control ofAC motor drive11 and operation of theinverter24 is via acontroller32, which may further be comprised of a plurality of controllers that perform high speed operations such as volts-per-hertz or vector control algorithms, space-vector modulation, DC link voltage decoupling, and protection, for example. Thecontroller32 interfaces to thePWM inverter24 via gate drive signals and sensing of the DC link voltage and pole currents (by way of avoltage sensor34 for example) such that changes in DC link voltage can be sensed. These voltage changes can be interpreted as transient load conditions and are used to control switching of theswitch array16 ofPWM inverter24 such that near steady-state load conditions are maintained. Additionally,controller32 functions to identify ground current related faults inpower distribution system10 and protect the power distribution system from such faults, including protecting thepower source transformer12 such as by preventing transformer winding insulation degradation. In performing such a fault detection and protection, control system receives three-phase output current as input, while outputting fault identification and protection signals responsive to the inputs, as will be explained in greater detail below.
According to an exemplary embodiment of the invention, and as shown inFIG. 1,power distribution system10 is configured as a High Resistance Ground (HRG) system that limits phase-to-ground fault currents. That is, the HRG system provides protection from inadvertent cable and load (e.g., motor) failures that can lead to undesirable ground faults by limiting the fault current when one phase of the system shorts or arcs to ground. In order to configurepower distribution system10 as an HRG system, a resistor36 (Rn) is placed between the three-phase neutral point of thepower source12 andground38. In a wye connected system, theresistor36 is placed between the three-phase neutral point of thepower source12 andground38, while in a delta connected system, an artificial neutral is created by using a zig-zag transformer and then theresistor36 is placed between the artificial neutral andground38. Theresistor36 is configured to limit the current to 5-10 amps, for example, in the event that a ground fault condition exists.
Also shown inFIG. 1 is the resistance value in the faulted location inASD11, identified as a resistor40 (Rf), with such a fault occurring in the form of a short through a wire/cable, breaker, or commutator, for example. The resistance value of Rfcan vary based on the particular fault that occurs and can range from zero to a larger value that is typically less than the resistance ofresistor36. The resistance value in the faulted location inASD11 therefore contributes to the overall fault current inpower distribution system10.
As shown inFIG. 1,control system32 receives three-phase output current as inputs, such as by way ofcurrent sensors42,44,46 positioned on the three-phase output ofASD11. Based on an analysis of the three-phase current,control system32 functions to identify HRG faults inpower distribution system10 and protect the power distribution system from such faults, including protecting against transformer winding insulation degradation.
Referring now toFIG. 2, and with continued reference toFIG. 1, an exemplary embodiment of atechnique50 for detection of a HRG fault in a power distribution system, as well as for locating such an HRG fault in the system, is shown according to an embodiment of the invention. Thetechnique50 may be implemented by way of a controller associated with an ASD, such ascontroller32 connected toASD11. As shown inFIG. 2,technique50 begins atSTEP52 with a measuring of the phase current from each of the three phases of the ASD output, such as by way ofcurrent sensors42,44,46. Upon a measurement of the phase currents of the three-phase output,technique50 continues atSTEP54, where a filtering of the three-phase current is performed in order to account for/filter out a high frequency current ripple that is present due to IGBT switching inPWM inverter24. For example, if a switching frequency of 5 kHz is used in the PWM inverter, then a low pass filtering can be performed to remove the 5 kHz and higher frequency current ripple components.
The measured phase current for each phase is therefore defined as:
i=I1*cos θ+I3*cos 3 θ  [Eqn. 1],
where I1is the amplitude of the fundamental current component, I3is the amplitude of the third harmonic component (if it exists), and 0 is the speed at which the load is commanded to run. According to one embodiment of the invention, the fundamental component/fundamental frequency is 60 Hz and the third harmonic component is 180 Hz, as is standard in North America, although it is recognized that the fundamental component and the third harmonic component could be 50 Hz and 150 Hz, respectively, as is standard in Europe.
According to an exemplary embodiment, the three-phase output current of theASD11 is measured periodically over a set period of time, with a plurality of current measurements for each phase being stored incontroller32 and a current value for each phase being calculated based on the stored plurality of current measurements for each phase. In a next step oftechnique50, the phase current is then analyzed in order to extract a fundamental current component for each phase of the three-phase output, as indicated atSTEP56. The fundamental current component for each phase of the three-phase output is extracted according to:
12π02π(I1cosθ+I3cos3θ)*cosθ*θ=I12[Eqn.2]12π02π(I1cosθ+I3cos3θ)*sinθ*θ=0,[Eqn.3]
where I1is the amplitude of the fundamental current component, I3is the amplitude of the third harmonic component, and 0 is the speed at which the load is commanded to run. In extracting the fundamental current component for each phase of the three-phase output, both [Eqn. 2] and [Eqn. 3] are performed in order to run a self-check, with the output of [Eqn. 3] being zero when the calculations are performed properly. It is noted that in extracting the fundamental current component for each phase of the three-phase output by way of [Eqn. 2] and [Eqn. 3], no total Fast Fourier Transform (FFT) is employed in the calculations, such that the computational burden imposed oncontroller32 is minimized.
In addition to analyzing the three-phase current in order to extract the fundamental current component,technique50 also analyzes the three-phase current in order to extract the third harmonic component for each phase of the three-phase output, as indicated atSTEP58. The third harmonic component for each phase of the three-phase output is extracted according to:
12π02π(I1cosθ+I3cos3θ)*cos3θ*θ=I32[Eqn.4]12π02π(I1cosθ+I3cos3θ)*sin3θ*θ=0,[Eqn.5]
where I1is the amplitude of the fundamental current component, I3is the amplitude of the third harmonic component, and θ is the speed at which the load is commanded to run. In extracting the third harmonic component for each phase of the three-phase output, both [Eqn. 4] and [Eqn. 5] are performed in order to run a self-check, with the output of [Eqn. 5] being zero when the calculations are performed properly. Again, the third harmonic component is calculated without using a total FFT so as to minimize the computational burden imposed oncontroller32.
Upon extraction of the fundamental and third harmonic components,technique50 then continues atSTEP60, where a determination is made as to whether the fundamental component and/or third harmonic component extracted from each phase of the three-phase output exceeds a pre-determined threshold that is set for the fundamental and third harmonic components. The pre-determined thresholds for the fundamental component and the third harmonic component will vary depending on the normal fundamental component and third harmonic component levels (i.e., fundamental and third harmonic can be 60/180 Hz, 50/150 Hz, etc.).
If it is determined atSTEP60 that the extracted fundamental component and third harmonic component of any phase of the three-phase current output exceed the pre-determined thresholds, indicated at62, then technique continues atSTEP64 where a HRG fault is declared as being present inpower distribution system10 and an alarm is activated, such as some sort of audible or visual alarm. In declaring that an HRG fault is present inpower distribution system10, the location of the fault on a particular phase is also identified. That is, by determining on which phase of the three-phase current output the extracted fundamental component and third harmonic component exceed the current thresholds, the location of the fault on a particular phase is easily achieved. Appropriate steps can then be implemented to protect components inpower distribution system10 from damage, such as damage that might occur to the transformer windings insulation.
Conversely, if it is determined atSTEP60 that the extracted fundamental component and third harmonic component of any phase of the three-phase current output do not exceed the pre-determined thresholds, indicated at66, then technique loops back toSTEP52, where additional measuring and analyzing of the phase current from each of the three phases of the ASD output is performed in order to continue monitoring for an HRG fault.
Referring now toFIGS. 3 and 4, HRG fault characteristics and fault harmonics characteristics in power distribution system10 (FIG. 1) are illustrated, before and after an HRG fault occurs. In the example, shown inFIGS. 3 and 4, the power distribution system is shown as operating normally until a time t=1.4 seconds, at which time a ground fault occurs in one phase (e.g., Phase C).
With respect toFIG. 3, theupper window70 therein is illustrative of themotor speed72 andDC link voltage74, while themiddle window76 is illustrative of the ASD three-phase output currents78,80,82 and thelower window84 is illustrative of the ground current86. As can be seen inFIG. 3, themotor speed72 remains in a steady state before and after occurrence of theground fault86 and theDC link voltage74 remains almost undisturbed.FIG. 3 also shows that the output current on the faulted phase, such as phase current78, changes in amplitude after occurrence of theground fault86. While this change in amplitude of phase current78 can be tolerated in the system, the current contributes to the overall fault condition in the power distribution system.
With respect toFIG. 4, theupper window88 therein is illustrative of the current components for each phase of the three-phase current output, while thelower window90 is illustrative of the ground fault current. As can be seen inupper window88 ofFIG. 4, the amplitude of the fundamental component on the faulted phase, identified as92, is greater than the amplitude of the fundamental component on the non-faulted phases (e.g., 130 amps versus 110 amps). Additionally, the amplitude of the third harmonic component on the faulted phase, identified as94, is greater than the amplitude of the third harmonic component on the non-faulted phases. More specifically, the amplitude of the third harmonic component on the non-faulted phases will be zero, while the amplitude of the thirdharmonic component94 on the faulted phase may be 10 amps, for example. As shown in thelower window90, theground fault current96.
Thus, as illustrated inFIG. 4, not only can the presence of an HRG fault in the power distribution system be detected based on an analysis of the fundamental and third harmonic components of each phase of the three-phase current output, but the phase and location on/at which the HRG fault occurs can be readily identified.
Beneficially, embodiments of the invention thus provide a system and method of ground fault detection and protection in power distribution systems, including those incorporating an ASD and having an HRG system configuration. The detection methods implement already available three-phase output current measurements and analyze those current measurements in a computationally efficient manner to identify and locate HRG faults in the system. Embodiments of the invention not only identify a ground fault condition in a power distribution system, but also determine exactly which phase out of three motor outputs that a ground fault occurs on.
A technical contribution for the disclosed method and apparatus is that it provides for a computer implemented technique for detecting ground faults in a power distribution system, including systems having an ASD with a HRG configuration. The technique extracts fundamental and third harmonic current components from each phase of a measured three-phase current to detect HRG faults in an ASD, with the technique enabling identification of which phase the ground fault is present on.
According to one embodiment of the present invention, a power distribution system includes a converter-inverter arrangement having an input connectable to a three phase AC power source and a three phase output connectable to an input terminal of a load, the converter-inverter arrangement configured to control current flow and terminal voltages in the load. The power distribution system also includes a fault detection and protection system connected to the converter-inverter arrangement, with the fault detection and protection system including a plurality of current sensors configured to measure a current on the three phase output of the converter-inverter arrangement and a controller configured to measure the three phase current on the three phase output of the converter-inverter arrangement, extract a fundamental current component for each phase of the three phase output of the converter-inverter arrangement, extract a third harmonic component for each phase of the three phase output of the converter-inverter arrangement, compare the fundamental current component and the third harmonic component extracted from each phase to a first threshold and a second threshold, respectively, and detect a ground fault on a phase of the three phase output based on the comparisons of the fundamental current component and the third harmonic component to the first and second thresholds.
According to another embodiment of the present invention, a method is provided for detecting a high resistance ground fault in a power distribution system that includes an AC motor drive in series between an AC power source and an AC motor, with the AC motor drive configured to condition a three phase output to the AC motor. The method includes measuring current on each of a first phase, a second phase, and a third phase of the three phase output to the AC motor, extracting a fundamental current component for each of the first phase, second phase, and third phase, and extracting a third harmonic component for each of the first phase, second phase, and third phase. The method also includes comparing the fundamental current component and the third harmonic component extracted from each of the first phase, second phase, and third phase to a fundamental component threshold and a third harmonic threshold, respectively and detecting a ground fault on any of the first phase, second phase, and third phase based on the comparisons of the fundamental current component and the third harmonic component on each phase to the fundamental and third harmonic thresholds. If a ground fault is detected, the method further includes identifying on which of the first phase, second phase, or third phase the ground fault is present.
According to yet another embodiment of the present invention, a system for detecting a ground fault in a high resistance ground (HRG) power distribution system includes a plurality of current sensors to measure current on a three phase output of an inverter in the HRG power distribution system and a controller configured to measure the three phase current on the three phase output of the inverter, extract a fundamental current component for each phase of the three phase output, extract a third harmonic component for each phase of the three phase output, compare the fundamental current component and the third harmonic component extracted from each phase to a fundamental component threshold and a third harmonic component threshold, respectively, and detect a ground fault on a phase of the three phase output based on the comparisons of the fundamental current component and the third harmonic component on each phase to the fundamental component and third harmonic component thresholds.
The present invention has been described in terms of the preferred embodiment, and it is recognized that equivalents, alternatives, and modifications, aside from those expressly stated, are possible and within the scope of the appending claims.

Claims (17)

What is claimed is:
1. A power distribution system comprising:
a converter-inverter arrangement having an input connectable to a three phase AC power source and a three phase output connectable to an input terminal of a load, the converter-inverter arrangement configured to control current flow and terminal voltages in the load; and
a fault detection and protection system connected to the converter-inverter arrangement, the fault detection and protection system comprising:
a plurality of current sensors configured to measure a current on the three phase output of the converter-inverter arrangement; and
a controller configured to:
measure the three phase current on the three phase output of the converter-inverter arrangement;
extract a fundamental current component for each phase of the three phase output of the converter-inverter arrangement;
extract a third harmonic component for each phase of the three phase output of the converter-inverter arrangement;
compare the fundamental current component and the third harmonic component extracted from each phase to a first threshold and a second threshold, respectively;
detect a ground fault on a phase of the three phase output based on the comparisons of the fundamental current component and the third harmonic component to the first and second thresholds; and
declare a ground fault when one phase of the three phase output has a fundamental current component that exceeds the first threshold and a third harmonic component that exceeds the second threshold.
2. The power distribution system ofclaim 1 wherein the controller is configured to identify which phase of the three phase output the ground fault is present on.
3. The power distribution system ofclaim 1 wherein the controller is configured to generate an alarm when a ground fault is declared.
4. The power distribution system ofclaim 3 wherein the controller is configured to define the phase current on each phase of the three phase output as:

i=I1*cos θ+I3*cos 3θ,
where I1is the amplitude of the fundamental current component, I3is the amplitude of the third harmonic component, and θ is the speed at which the load is commanded to run.
5. The power distribution system ofclaim 4 wherein the controller is configured to extract the fundamental current component without using a total fast fourier transform (FFT), the fundamental current component being extracted according to:
12π02π(I1cosθ+I3cos3θ)*cosθ*θ=I1212π02π(I1cosθ+I3cos3θ)*sinθ*θ=0,
where I1is the amplitude of the fundamental current component, I3is the amplitude of the third harmonic component, and θ is the speed at which the load is commanded to run.
6. The power distribution system ofclaim 4 wherein the wherein the controller is configured to extract the third harmonic component according to:
12π02π(I1cosθ+I3cos3θ)*cos3θ*θ=I3212π02π(I1cosθ+I3cos3θ)*sin3θ*θ=0,
where I1is the amplitude of the fundamental current component, I3is the amplitude of the third harmonic component, and θ is the speed at which the load is commanded to run.
7. The power distribution system ofclaim 1 wherein the third harmonic component is zero on phases where there is no ground fault.
8. The power distribution system ofclaim 1 further comprising a resistor positioned between a neutral point of the three phase AC power source and earth ground, such that the power distribution system comprises a high resistance ground (HRG) system.
9. The power distribution system ofclaim 8 wherein the converter-inverter arrangement comprises an adjustable speed drive (ASD), and wherein the controller is further configured to filter out switching frequency components from the measured three phase current generated by switching of a plurality of switches in the ASD.
10. A method for detecting a high resistance ground fault in a power distribution system that includes an AC motor drive in series between an AC power source and an AC motor, with the AC motor drive configured to condition a three phase output to the AC motor, wherein the method comprises:
measuring current on each of a first phase, a second phase, and a third phase of the three phase output to the AC motor;
extracting a fundamental current component for each of the first phase, second phase, and third phase;
extracting a third harmonic component for each of the first phase, second phase, and third phase;
comparing the fundamental current component and the third harmonic component extracted from each of the first phase, second phase, and third phase to a fundamental component threshold and a third harmonic threshold, respectively;
detecting a ground fault on any of the first phase, second phase, and third phase based on the comparisons of the fundamental current component and the third harmonic component on each phase to the fundamental and third harmonic thresholds; and
if a ground fault is detected:
identifying on which of the first phase, second phase, or third phase the ground fault is present; and
declaring a ground fault when a phase of the three phase output has a fundamental current component that exceeds the fundamental component threshold and a third harmonic component that exceeds the third harmonic threshold.
11. The method ofclaim 10 further comprising defining the phase current on each of the first phase, second phase, and third phase as:

i=I1*cos θ+I3*cos 3θ,
where I1is the amplitude of the fundamental current component, I3is the amplitude of the third harmonic component, and θ is the speed at which the load is commanded to run.
12. The method ofclaim 10 wherein extracting the fundamental current component comprises extracting the fundamental current component according to:
12π02π(I1cosθ+I3cos3θ)*cosθ*θ=I1212π02π(I1cosθ+I3cos3θ)*sinθ*dθ=0,
where I1is the amplitude of the fundamental current component, I3is the amplitude of the third harmonic component, and θ is the speed at which the load is commanded to run.
13. The method ofclaim 10 wherein extracting the third harmonic component comprises extracting the third harmonic component according to:
12π02π(I1cosθ+I3cos3θ)*cos3θ*θ=I3212π02π(I1cosθ+I3cos3θ)*sin3θ*θ=0,
where I1is the amplitude of the fundamental current component, I3is the amplitude of the third harmonic component, and θ is the speed at which the load is commanded to run.
14. The method ofclaim 10 further comprising filtering out switching frequency components from the current measured on each of the first phase, second phase, and third phase, so as to further isolate the fundamental current component and the third harmonic component.
15. A system for detecting a ground fault in a high resistance ground (HRG) power distribution system, the system comprising:
a plurality of current sensors to measure current on a three phase output of an inverter in the HRG power distribution system; and
a controller configured to:
measure the three phase current on the three phase output of the inverter;
extract a fundamental current component for each phase of the three phase output;
extract a third harmonic component for each phase of the three phase output;
compare the fundamental current component and the third harmonic component extracted from each phase to a fundamental component threshold and a third harmonic component threshold, respectively;
detect a ground fault on a phase of the three phase output based on the comparisons of the fundamental current component and the third harmonic component on each phase to the fundamental component and third harmonic component thresholds; and
declare a ground fault when one phase of the three phase output has a fundamental current component that exceeds the fundamental component threshold and a third harmonic component that exceeds the third harmonic component threshold.
16. The system ofclaim 15 wherein the controller is configured to identify which phase of the three phase output the ground fault is present on based on the extraction of the fundamental current component and the third harmonic component extracted from each phase.
17. The system ofclaim 15 wherein the third harmonic component is zero on phases where there is no ground fault.
US13/487,3222012-06-042012-06-04System and method for high resistance ground fault detection and protection in power distribution systemsActive2033-04-04US9046560B2 (en)

Priority Applications (9)

Application NumberPriority DateFiling DateTitle
US13/487,322US9046560B2 (en)2012-06-042012-06-04System and method for high resistance ground fault detection and protection in power distribution systems
KR20147034092AKR20150023346A (en)2012-06-042013-05-20System and method for high resistance ground fault detection and protection in power distribution systems
AU2013272157AAU2013272157A1 (en)2012-06-042013-05-20System and method for high resistance ground fault detection and protection in power distribution systems
EP13725879.4AEP2856591B1 (en)2012-06-042013-05-20System and method for high resistance ground fault detection and protection in power distribution systems
PCT/US2013/041753WO2013184332A1 (en)2012-06-042013-05-20System and method for high resistance ground fault detection and protection in power distribution systems
BR112014029699ABR112014029699A2 (en)2012-06-042013-05-20 power distribution system, method for detecting a high resistance earth fault and system for detecting a earth fault
CN201380029214.5ACN104364989B (en)2012-06-042013-05-20System and method for high resistance grounding fault detect in a power distribution system and protection
CA2871134ACA2871134A1 (en)2012-06-042013-05-20System and method for high resistance ground fault detection and protection in power distribution systems
IN9017DEN2014IN2014DN09017A (en)2012-06-042014-10-28

Applications Claiming Priority (1)

Application NumberPriority DateFiling DateTitle
US13/487,322US9046560B2 (en)2012-06-042012-06-04System and method for high resistance ground fault detection and protection in power distribution systems

Publications (2)

Publication NumberPublication Date
US20130322133A1 US20130322133A1 (en)2013-12-05
US9046560B2true US9046560B2 (en)2015-06-02

Family

ID=48537022

Family Applications (1)

Application NumberTitlePriority DateFiling Date
US13/487,322Active2033-04-04US9046560B2 (en)2012-06-042012-06-04System and method for high resistance ground fault detection and protection in power distribution systems

Country Status (9)

CountryLink
US (1)US9046560B2 (en)
EP (1)EP2856591B1 (en)
KR (1)KR20150023346A (en)
CN (1)CN104364989B (en)
AU (1)AU2013272157A1 (en)
BR (1)BR112014029699A2 (en)
CA (1)CA2871134A1 (en)
IN (1)IN2014DN09017A (en)
WO (1)WO2013184332A1 (en)

Cited By (9)

* Cited by examiner, † Cited by third party
Publication numberPriority datePublication dateAssigneeTitle
US20160211669A1 (en)*2013-08-212016-07-21General Electric Technology GmbhElectric protection on ac side of hvdc
US9884742B2 (en)*2012-11-052018-02-06Kone CorporationElevator safety arrangement having earth fault detection
US10223906B2 (en)2017-01-232019-03-05Florida Power & Light CompanyOpen neutral detection
US20200021103A1 (en)*2018-07-132020-01-16Kohler Co.Ground fault minimization
US10848053B2 (en)2018-07-132020-11-24Kohler Co.Robust inverter topology
US11502507B2 (en)2018-04-042022-11-15Delta Electronics, Inc.Power converter with ground fault detection function and fault detection method
US11808820B1 (en)2022-08-022023-11-07Apple Inc.Fault detection for redundant connections
US12123905B2 (en)2022-06-092024-10-22Hamilton Sundstrand CorporationCommon mode current feed fault protection
US12352825B2 (en)2022-06-092025-07-08Hamilton Sundstrand CorporationCommon mode voltage feed fault protection

Families Citing this family (36)

* Cited by examiner, † Cited by third party
Publication numberPriority datePublication dateAssigneeTitle
US11329589B2 (en)*2012-03-282022-05-10Joy Global Underground Mining LlcGround fault detection methods on variable frequency drive systems
KR20150036263A (en)*2012-07-312015-04-07가부시키가이샤 야스카와덴키Matrix converter
EP2897280B1 (en)*2014-01-162018-11-14ABB Schweiz AGMethod and device for estimating power and/or current of inverter
US20150346266A1 (en)*2014-05-302015-12-03Eaton CorporationSystem and method for pulsed ground fault detection and localization
CN105675998B (en)*2014-11-182019-05-17台达电子工业股份有限公司Ground impedance measuring device and method of operating the same
TWI553318B (en)*2014-11-182016-10-11台達電子工業股份有限公司Grounding resistance measurement apparatus and method of operating the same
US10084405B2 (en)*2015-02-162018-09-25Hitachi, Ltd.Control device for power conversion device, power conversion device, electric motor drive system using said devices, compressor drive system, and gas turbine power generation system
US9915687B2 (en)*2015-03-272018-03-13Liebert CorporationReal current meter
CN104914352B (en)*2015-05-072017-09-29国家电网公司A kind of NUGS method for locating single-phase ground fault differentiated based on harmonic wave difference
EP3118982B1 (en)*2015-07-162020-09-02GE Energy Power Conversion Technology LtdFault ride through in a marine power distribution system
US10598715B2 (en)*2015-08-252020-03-24Eaton Intelligent Power LimitedSystem and method for automatic high resistance ground pulse activation and detection
US20190137557A1 (en)*2015-09-092019-05-09Beijing Inhand Networks Technology Co., Ltd.Method and system for detecting and locating single-phase ground fault on low current grounded power-distribution network
WO2017061981A1 (en)2015-10-052017-04-13General Electric CompanyMethod and system for locating ground faults in a network of drives
DE102016100671A1 (en)*2016-01-152017-07-20Phoenix Contact Gmbh & Co. Kg Method and device for short-circuit monitoring of a three-phase load
US11355912B2 (en)2016-06-012022-06-07Universidad Pontificia BolivarianaMethod and device for detecting faults in transmission and distribution systems
CN105911434B (en)*2016-07-012018-10-19清华大学Power distribution network high resistance earthing fault detection method under Multi-harmonic Sources interference
CN106249108B (en)*2016-08-262019-01-22北京丹华昊博电力科技有限公司A kind of Fault Locating Method and positioning device of the AC in the DC system
CN106338675B (en)*2016-08-262019-01-22北京丹华昊博电力科技有限公司 DC fault location method and device based on multi-branch current amplitude and phase comparison
CN106152980B (en)*2016-09-072019-02-12广东电网有限责任公司电力科学研究院 Transformer winding deformation detection method and system
US10186855B2 (en)*2016-10-042019-01-22Abb Schweiz AgDifferential fault detection system
CN110754034B (en)*2017-07-182021-07-16东芝三菱电机产业系统株式会社Ground fault detector and power conditioner
CN108037402B (en)*2017-11-202019-04-09华南理工大学 A single-phase high-resistance grounding fault detection method for a small-resistance grounding system
KR101956571B1 (en)*2017-12-012019-03-11엘에스산전 주식회사Earth leakage circuit breaker
JP2020153743A (en)*2019-03-192020-09-24株式会社戸上電機製作所Ground fault factor estimation device, data generation device, ground fault factor estimation method, data generation method, and ground fault relay
KR102722106B1 (en)2019-04-102024-10-28엘에스일렉트릭(주)Power device monitoring system and and method for monitoring thereof
CN110488136B (en)*2019-08-122021-11-30河海大学Rotor one-point grounding fault detection method of phase modulator excitation system
CN110350500B (en)*2019-08-132021-08-27南京南瑞继保电气有限公司Method, device, system, equipment and medium for protecting pseudo bipolar direct current distribution network
ES2798348B2 (en)*2020-06-152021-08-05Univ Madrid Politecnica EARTH FAULT DETECTION METHOD AND SYSTEM IN ELECTRICAL INSTALLATIONS WITH CONVERSION BETWEEN DIRECT CURRENT AND ALTERNATING CURRENT
EP3961836A1 (en)*2020-09-012022-03-02Hitachi Energy Switzerland AGDetermining of a power line fault
DE102020211728A1 (en)2020-09-182022-03-24Robert Bosch Gesellschaft mit beschränkter Haftung Method for short-circuit detection when operating an electrical machine
CN112803478B (en)*2021-01-052021-10-29湖南大学Active injection type single-end protection method for micro-grid based on phase polarity characteristics
DE102021209428B4 (en)*2021-08-272023-03-09Lenze Swiss Ag frequency converter
CN113777526B (en)*2021-08-302022-05-31华中科技大学 Method and system for stator ground fault location based on third harmonic potential distribution
US20230408601A1 (en)*2022-06-172023-12-21Honeywell LimitedFault detection in a power distribution system providing high voltage direct current through multiple channels with a floating ground
EP4548448A1 (en)*2022-09-232025-05-07Hitachi Energy LtdMethod for detecting earth faults and frequency converter system with earth fault detection
CN118151045A (en)*2023-11-302024-06-07华为数字能源技术有限公司Power system and method for detecting impedance to ground

Citations (11)

* Cited by examiner, † Cited by third party
Publication numberPriority datePublication dateAssigneeTitle
US4297738A (en)1979-10-291981-10-27Electric Power Research Institute, Inc.Apparatus for and method of detecting high impedance faults on distribution circuits with delta connected loads
US5245498A (en)*1990-12-281993-09-14Togami Electric Mfg. Co., Ltd.Downed conductor automatic detecting device
US5508620A (en)1993-09-011996-04-16Abb Management AgMethod and device for determining ground faults on the conductors of an electrical machine
US5945802A (en)1996-09-271999-08-31General Electric CompanyGround fault detection and protection method for a variable speed ac electric motor
WO2003044545A1 (en)2001-11-192003-05-30Alstom Technology LtdMethod for the detection of an earth connection occurring in the vicinity of a neutral point in an electrical device, device for carrying out and application of said method
US20090080127A1 (en)2007-09-202009-03-26Rockwell Automation Technologies, Inc.Technique for high-impedance ground fault detection at the common dc bus of multi-axis drives
US20090296289A1 (en)2008-06-022009-12-03Carlos Rodriguez ValdezHigh Resistance Ground Protection Employing AC Drive Characteristics
EP2178185A2 (en)2008-10-152010-04-21Hamilton Sundstrand CorporationMotor drive ground fault detection
US8013612B2 (en)2007-10-102011-09-06International Rectifier CorporationGround fault detection circuit for use in high voltage motor drive applications
WO2012056287A2 (en)2010-10-282012-05-03Abb Technology LtdA protection relay for sensitive earth fault prtection
US20130027077A1 (en)*2011-07-282013-01-31Eaton CorporationSystems and apparatus for fault detection in dc power sources using ac residual current detection

Family Cites Families (1)

* Cited by examiner, † Cited by third party
Publication numberPriority datePublication dateAssigneeTitle
CN101187687B (en)*2007-12-212010-09-08清华大学 High resistance ground fault detection method based on transient traveling wave

Patent Citations (11)

* Cited by examiner, † Cited by third party
Publication numberPriority datePublication dateAssigneeTitle
US4297738A (en)1979-10-291981-10-27Electric Power Research Institute, Inc.Apparatus for and method of detecting high impedance faults on distribution circuits with delta connected loads
US5245498A (en)*1990-12-281993-09-14Togami Electric Mfg. Co., Ltd.Downed conductor automatic detecting device
US5508620A (en)1993-09-011996-04-16Abb Management AgMethod and device for determining ground faults on the conductors of an electrical machine
US5945802A (en)1996-09-271999-08-31General Electric CompanyGround fault detection and protection method for a variable speed ac electric motor
WO2003044545A1 (en)2001-11-192003-05-30Alstom Technology LtdMethod for the detection of an earth connection occurring in the vicinity of a neutral point in an electrical device, device for carrying out and application of said method
US20090080127A1 (en)2007-09-202009-03-26Rockwell Automation Technologies, Inc.Technique for high-impedance ground fault detection at the common dc bus of multi-axis drives
US8013612B2 (en)2007-10-102011-09-06International Rectifier CorporationGround fault detection circuit for use in high voltage motor drive applications
US20090296289A1 (en)2008-06-022009-12-03Carlos Rodriguez ValdezHigh Resistance Ground Protection Employing AC Drive Characteristics
EP2178185A2 (en)2008-10-152010-04-21Hamilton Sundstrand CorporationMotor drive ground fault detection
WO2012056287A2 (en)2010-10-282012-05-03Abb Technology LtdA protection relay for sensitive earth fault prtection
US20130027077A1 (en)*2011-07-282013-01-31Eaton CorporationSystems and apparatus for fault detection in dc power sources using ac residual current detection

Non-Patent Citations (3)

* Cited by examiner, † Cited by third party
Title
George et al., "PGR-5701 Ground Fault Monitor With Variable Frequency Drive," Littlefuse Startco Test Report, Canada, pp. 1-26.
Rodriguez-Valdez et al., "Method for line-ground fault detection in Variable Frequency Drives," IEEE, 2011, pp. 1-7.
Skibinski et al., "Part I: Application Guidelines for High Resistance Grounding of Low Voltage Common AC Bus & Common DC Bus PWM Drive Systems," IEEE Pulp and Paper Industry Technical Conference, Jun. 22-27, 2008, pp. 1-8.

Cited By (14)

* Cited by examiner, † Cited by third party
Publication numberPriority datePublication dateAssigneeTitle
US9884742B2 (en)*2012-11-052018-02-06Kone CorporationElevator safety arrangement having earth fault detection
US10934133B2 (en)2012-11-052021-03-02Kone CorporationElevator safety arrangement having earth fault detection
US20160211669A1 (en)*2013-08-212016-07-21General Electric Technology GmbhElectric protection on ac side of hvdc
US10439400B2 (en)*2013-08-212019-10-08General Electric Technology GmbhElectric protection on AC side of HVDC
US10223906B2 (en)2017-01-232019-03-05Florida Power & Light CompanyOpen neutral detection
US11502507B2 (en)2018-04-042022-11-15Delta Electronics, Inc.Power converter with ground fault detection function and fault detection method
US10848053B2 (en)2018-07-132020-11-24Kohler Co.Robust inverter topology
US10756532B2 (en)*2018-07-132020-08-25Kohler Co.Ground fault minimization
US20200021103A1 (en)*2018-07-132020-01-16Kohler Co.Ground fault minimization
US11600988B2 (en)2018-07-132023-03-07Kohler Co.Ground fault minimization
US12155198B2 (en)2018-07-132024-11-26Discovery Energy, LlcGround fault minimization
US12123905B2 (en)2022-06-092024-10-22Hamilton Sundstrand CorporationCommon mode current feed fault protection
US12352825B2 (en)2022-06-092025-07-08Hamilton Sundstrand CorporationCommon mode voltage feed fault protection
US11808820B1 (en)2022-08-022023-11-07Apple Inc.Fault detection for redundant connections

Also Published As

Publication numberPublication date
CN104364989B (en)2017-11-21
CA2871134A1 (en)2013-12-12
BR112014029699A2 (en)2017-06-27
EP2856591A1 (en)2015-04-08
CN104364989A (en)2015-02-18
US20130322133A1 (en)2013-12-05
EP2856591B1 (en)2017-04-19
WO2013184332A1 (en)2013-12-12
KR20150023346A (en)2015-03-05
AU2013272157A1 (en)2014-11-06
IN2014DN09017A (en)2015-05-22

Similar Documents

PublicationPublication DateTitle
US9046560B2 (en)System and method for high resistance ground fault detection and protection in power distribution systems
EP2845282B1 (en)System and method for ground fault detection and protection in adjustable speed drives
US8355226B2 (en)Ground fault sensing device
EP2769462B1 (en)Method and system for detecting a failed rectifier in an ac/dc converter
CA2814326C (en)Power converter resonance detection apparatus and method
EP3232215B1 (en)Electric motor diagnosis device
US9054589B2 (en)Method and apparatus for detecting power converter capacitor degradation using negative sequence currents
EP2381573B1 (en)Apparatus for protecting power supply circuit of three-phase inverter
US9294024B2 (en)Motor drive device having function of detecting abnormality of DC link unit
US20180294751A1 (en)Apparatus, system and method of fault diagnosis for permanent magnet motor
EP2077613B1 (en)Shorted rotating diode detection and protection
EP3611836B1 (en)Induction motor long start protection
Wei et al.Identifying ground fault location in high resistance grounded systems for adjustable speed drive at low speed
JPH06335154A (en)Open-phase detecting device
US9488698B2 (en)System and method for detecting diode failures
CN113678010A (en) Inverter system capable of detecting output grounding and output grounding detection method using the same
KR20250146908A (en)Control device, electrical machine, and control method of electrical machine
JP2025156840A (en) Control device, electrical device, and control method for electrical device
Liu et al.Stator Inter-Turn Fault Detection in Closed-loop Controlled Drive Based on Switching Sideband Harmonics in Common-mode Voltage

Legal Events

DateCodeTitleDescription
ASAssignment

Owner name:EATON CORPORATION, OHIO

Free format text:ASSIGNMENT OF ASSIGNORS INTEREST;ASSIGNOR:LI, HUAQIANG;REEL/FRAME:028309/0132

Effective date:20120521

FEPPFee payment procedure

Free format text:PAYOR NUMBER ASSIGNED (ORIGINAL EVENT CODE: ASPN); ENTITY STATUS OF PATENT OWNER: LARGE ENTITY

STCFInformation on status: patent grant

Free format text:PATENTED CASE

CCCertificate of correction
MAFPMaintenance fee payment

Free format text:PAYMENT OF MAINTENANCE FEE, 4TH YEAR, LARGE ENTITY (ORIGINAL EVENT CODE: M1551); ENTITY STATUS OF PATENT OWNER: LARGE ENTITY

Year of fee payment:4

ASAssignment

Owner name:EATON INTELLIGENT POWER LIMITED, IRELAND

Free format text:ASSIGNMENT OF ASSIGNORS INTEREST;ASSIGNOR:EATON CORPORATION;REEL/FRAME:048855/0626

Effective date:20171231

MAFPMaintenance fee payment

Free format text:PAYMENT OF MAINTENANCE FEE, 8TH YEAR, LARGE ENTITY (ORIGINAL EVENT CODE: M1552); ENTITY STATUS OF PATENT OWNER: LARGE ENTITY

Year of fee payment:8


[8]ページ先頭

©2009-2025 Movatter.jp