





Изобретение относится к области геофизики, а именно к устройствам, предназначенным для определения местоположения и параметров подземных трубопроводов, с использованием электромагнитных волн, и может быть использовано, например, для поиска как металлических так и неметаллических, в том числе, пластиковых, в частности, полиэтиленовых газо- и нефтепроводов, а также оптоволоконных кабелей, в том числе, не содержащих металлических компонентов. The invention relates to the field of geophysics, and in particular to devices designed to determine the location and parameters of underground pipelines using electromagnetic waves, and can be used, for example, to search for both metallic and non-metallic, including plastic, in particular polyethylene gas and oil pipelines, as well as fiber optic cables, including those not containing metal components.
Известно устройство - система позиционирования подземного трубопровода, состоящая из датчика напряженности магнитного поля с усилителем, системы обработки информации и устройства ориентации, немагнитной штанги, приемника спутниковой навигационной системы, бортового компьютера с аналого-цифровым преобразователем и системой индикации, а также содержащая восемь датчиков напряженности магнитного поля, в совокупности выполненных в виде трех трехкомпонентных магнитометров, укрепленных на жесткой немагнитнои штанге, соединенной с корпусом, причем магнитометры разнесены вдоль ее оси так, что три триэдра измерительных осей параллельны соответственно друг другу и измерительным осям датчиков устройства ориентации, в качестве которого применена бесплатформенная инерциальная система, состоящая из трехкомпонентного блока измерителей кажущихся ускорений и трехкомпонентного блока гироскопических датчиков угловых скоростей, жестко установленных на корпусе, в качестве системы обработки информации использован бортовой компьютер с аналого-цифровым преобразователем и системой индикации, выходы трехкомпонентных магнитометров, а также выходы трехкомпонентного блока измерителей кажущегося ускорения и трехкомпонентного блока гироскопических датчиков угловых скоростей соединены со входами аналого-цифрового преобразователя, выходы которого соединены со входами бортового компьютера, к выходу которого присоединена система индикации, к порту бортового компьютера присоединен выход приемника спутниковой навигационной системы, элементы системы позиционирования прикреплены к общему корпусу, который имеет лямки для закрепления на человеке-операторе [1]. A device is known - an underground pipeline positioning system consisting of a magnetic field strength sensor with an amplifier, an information processing system and an orientation device, a non-magnetic rod, a satellite navigation receiver, an on-board computer with an analog-to-digital converter and an indication system, and also containing eight magnetic intensity sensors field, in the aggregate made in the form of three three-component magnetometers, mounted on a rigid non-magnetic rod connected to the body ohm, and the magnetometers are spaced along its axis so that the three trihedra of the measuring axes are parallel to each other and the measuring axes of the sensors of the orientation device, which is used as a strapdown inertial system consisting of a three-component block of apparent acceleration meters and a three-component block of gyroscopic angular velocity sensors, rigidly installed on the case, an on-board computer with an analog-to-digital converter and a system was used as an information processing system of my indications, the outputs of the three-component magnetometers, as well as the outputs of the three-component block of apparent acceleration meters and the three-component block of gyroscopic angular velocity sensors are connected to the inputs of the analog-to-digital converter, the outputs of which are connected to the inputs of the on-board computer, the output of which is connected to the display system, and is connected to the on-board computer port the receiver output of the satellite navigation system, elements of the positioning system are attached to a common housing, which has a ki for attaching to a human operator. [1]
Известное устройство при относительно небольших габаритах позволяет обеспечить с достаточно высокой степенью точности определение положения подземного ферромагнитного трубопровода относительно человека-оператора, пользующегося данным устройством. Устройство также является многофункциональным, позволяющим определять глубину залегания трубопровода, дальность оператора до него, магнитные курсы оператора и трубы, а также географические координаты оператора и трассы трубопровода. The known device with a relatively small size allows you to provide with a fairly high degree of accuracy the determination of the position of the underground ferromagnetic pipe relative to the human operator using this device. The device is also multifunctional, allowing you to determine the depth of the pipeline, the range of the operator to him, the magnetic courses of the operator and the pipe, as well as the geographical coordinates of the operator and the pipeline route.
К недостаткам известного устройства относятся низкие функциональные возможности по причине работы лишь с ферромагнитными трубопроводами и невозможность обнаружения и определения параметров скрытых пластиковых трубопроводов и кабелей, не содержащих металлических компонентов, например оптоволоконных. Недостатками также являются низкие эксплуатационные возможности известного устройства по причине низкой автономности из-за необходимости использования спутниковой навигационной системы, а следовательно, зависимости от нее, что обусловливает низкую надежность всей системы, в том числе, по причине зависимости от погодных условий и условий прохождения радиоволн. The disadvantages of the known device include low functionality due to work only with ferromagnetic pipelines and the inability to detect and determine the parameters of hidden plastic pipelines and cables that do not contain metal components, such as fiber optic. The disadvantages are the low operational capabilities of the known device due to the low autonomy due to the need to use a satellite navigation system, and therefore its dependence, which leads to low reliability of the entire system, including due to weather and radio wave conditions.
Известно устройство для пассивной геофизической разведки, основанное на обнаружении неоднородностей, связанных с низкочастотными электромагнитными полями, содержащее антенну, усилитель, вход которого соединен с антенной, первый фильтр, вход которого соединен с выходом усилителя, модулятор, первый вход которого соединен с выходом первого фильтра, первый генератор, выход которого соединен со вторым входом модулятора, второй фильтр, вход которого соединен с выходом модулятора, детектор-умножитель и второй генератор, первый вход детектора соединен с выходом второго фильтра, а второй вход - с выходом второго генератора, компьютер и самописец, входы которых соединены и подключены к выходу детектора [2]. A device for passive geophysical exploration, based on the detection of heterogeneities associated with low-frequency electromagnetic fields, comprising an antenna, an amplifier, the input of which is connected to the antenna, a first filter, the input of which is connected to the output of the amplifier, a modulator, the first input of which is connected to the output of the first filter, the first generator, the output of which is connected to the second input of the modulator, the second filter, the input of which is connected to the output of the modulator, the detector-multiplier and the second generator, the first input of the detector connected to the output of the second filter and the second input - with the output of the second generator, a computer and a recorder whose inputs are coupled and connected to the output of the detector [2].
Известное устройство обладает преимуществами пассивного метода, а именно достаточно хорошими эксплуатационными характеристиками, в частности низкими весогабаритными показателями, ввиду возможности его компактного выполнения, низким энергопотреблением ввиду отсутствия блоков, излучающих электромагнитную энергию. The known device has the advantages of a passive method, namely, rather good operational characteristics, in particular low weight and dimensions, due to the possibility of its compact design, low power consumption due to the absence of blocks emitting electromagnetic energy.
Однако недостатками известного устройства являются низкие функциональные возможности по причине того, что устройство, ввиду его низкой разрешающей способности, обнаруживает лишь достаточно крупные геологические аномалии и не имеет возможности поиска и определения параметров более мелких предметов, в частности скрытых в почве подземных трубопроводов. По причине применения амплитудных измерений известное устройство обладает также низкой помехозащищенностью, что не позволяет повысить его чувствительность, что также не дает возможности обнаружения мелких скрытых предметов. However, the disadvantages of the known device are low functionality due to the fact that the device, due to its low resolution, detects only sufficiently large geological anomalies and does not have the ability to search and determine the parameters of smaller objects, in particular underground pipelines hidden in the soil. Due to the use of amplitude measurements, the known device also has low noise immunity, which does not allow to increase its sensitivity, which also makes it impossible to detect small hidden objects.
Наиболее близким к предлагаемому является известное устройство для геоэлектромагнитной разведки, содержащее антенну, выполненную ненаправленной и широкополосной и имеющую размеры, пренебрежимо малые по сравнению с длинами принимаемых волн; последовательно соединенные предварительный усилитель, импульсный фильтр, усилитель переменного тока, фазовый детектор, причем вход предварительного усилителя соединен с выходом антенны; перестраиваемый генератор опорного сигнала, выход которого соединен со вторым входом импульсного фильтра и вторым входом фазового детектора; интегратор, блок коррекции, усилитель постоянного тока, индикаторный элемент и кнопку сброса интегратора. Кроме того, устройство содержит фильтр нижних частот, вход которого соединен с выходом фазового детектора, а выход соединен со входом усилителя постоянного тока, второй вход которого соединен с выходом блока коррекции, выход усилителя постоянного тока соединен со входом интегратора, выход которого соединен со входом индикаторного элемента, а второй вход интегратора соединен с выходом кнопки сброса интегратора. Кроме того, фазовый детектор, фильтр нижних частот, усилитель постоянного тока, интегратор, блок коррекции, индикаторный элемент и кнопка сброса интегратора образуют анализатор, входами которого являются первый и второй входы фазового детектора [3]. Closest to the proposed is a known device for geoelectromagnetic exploration, comprising an antenna made omnidirectional and broadband and having dimensions that are negligible in comparison with the lengths of the received waves; pre-amplifier, pulse filter, AC amplifier, phase detector connected in series, the input of the pre-amplifier connected to the output of the antenna; a tunable reference signal generator, the output of which is connected to the second input of the pulse filter and the second input of the phase detector; integrator, correction unit, DC amplifier, indicator element and integrator reset button. In addition, the device contains a low-pass filter, the input of which is connected to the output of the phase detector, and the output is connected to the input of the DC amplifier, the second input of which is connected to the output of the correction unit, the output of the DC amplifier is connected to the input of the integrator, the output of which is connected to the input of the indicator element, and the second input of the integrator is connected to the output of the reset button of the integrator. In addition, a phase detector, a low-pass filter, a DC amplifier, an integrator, a correction unit, an indicator element and an integrator reset button form an analyzer, the inputs of which are the first and second inputs of the phase detector [3].
Известное устройство обладает высокой чувствительностью и позволяет достаточно точно определять местоположение и конфигурацию аномалий, например тектонических разломов, локализацию подземных вод, мест утечек жидкостей из трубопроводов и т.д. за счет применения фазовых измерений. The known device has high sensitivity and allows you to accurately determine the location and configuration of anomalies, such as tectonic faults, localization of groundwater, places of leakage of liquids from pipelines, etc. due to the use of phase measurements.
Однако недостатками его являются низкие функциональные возможности, не позволяющие дифференцировать сигналы от самих трубопроводов и определять, вследствие этого, их местоположение и параметры, такие как глубина залегания, направление прокладки, диаметр трубопровода и т.д. Сказанное относится как к металлическим, так и неметаллическим трубопроводам, в том числе пластиковым, например полиэтиленовым и неметаллическим шлангам и кабелям, например, оптоволоконным. However, its disadvantages are low functionality that does not allow to differentiate the signals from the pipelines themselves and determine, as a result, their location and parameters, such as the depth, direction of laying, diameter of the pipeline, etc. The foregoing applies to both metallic and non-metallic pipelines, including plastic, for example polyethylene and non-metallic hoses and cables, for example, fiber optic.
Целью изобретения является расширение функциональных возможностей за счет осуществления возможности поиска скрытых подземных трубопроводов, кабелей и других протяженных тел, в том числе полиэтиленовых, либо выполненных из других немагнитных не проводящих электрический ток материалов; повышение разрешающей способности устройства с возможностью определения параметров скрытых трубопроводов за счет повышения стабильности его работы и повышения степени "интеллектуализации", а также улучшение эксплуатационных характеристик и упрощение устройства за счет осуществления возможности поиска трубопроводов пассивным путем, что позволяет выполнить устройство компактным, легким и простым в обращении. The aim of the invention is the expansion of functionality by making it possible to search for hidden underground pipelines, cables and other extended bodies, including polyethylene, or made of other non-magnetic non-conductive materials; increasing the resolution of the device with the ability to determine the parameters of hidden pipelines by increasing the stability of its operation and increasing the degree of "intellectualization", as well as improving operational characteristics and simplifying the device by making it possible to search for pipelines in a passive way, which allows the device to be compact, lightweight and easy to outstanding.
Для реализации поставленной цели в известное устройство для геоэлектромагнитной разведки, содержащее антенну, выполненную ненаправленной и широкополосной и имеющую размеры, пренебрежимо малые по сравнению с длинами принимаемых волн; последовательно соединенные предварительный усилитель, импульсный фильтр, усилитель переменного тока, фазовый детектор, причем вход предварительного усилителя соединен с выходом антенны; перестраиваемый генератор опорного сигнала, выход которого соединен со вторым входом импульсного фильтра и вторым входом фазового детектора; интегратор, блок коррекции, усилитель постоянного тока, индикаторный элемент и кнопку сброса интегратора, дополнительно введены компаратор, элемент НЕ, блок интегрирующей емкости, вычислитель, блок установки времени паузы, блок задания коэффициента обратной связи, три индикаторных светодиода зеленого цвета и один красного и элемент ИЛИ, а в предварительный усилитель введены второй и третий инвертирующий входы, причем второй вход интегратора соединен с выходом блока коррекции, а выход интегратора соединен со входами усилителя постоянного тока и блока задания коэффициента обратной связи, выход которого соединен со вторым инвертирующим входом предварительного усилителя, третий инвертирующий вход которого соединен через блок интегрирующей емкости с выходом усилителя постоянного тока, который соединен также со входом индикаторного элемента и входом компаратора, выход которого соединен с первым входом вычислителя и через элемент НЕ со вторым входом вычислителя, третий вход которого соединен с выходом блока установки временной паузы, а каждый выход вычислителя соединен со входом соответствующего светодиода, управляющий выход вычислителя соединен с первым входом элемента ИЛИ, второй вход которого соединен с выходом кнопки сброса интегратора, а выход элемента ИЛИ соединен со входом сброса блока интегрирующей емкости. Кроме того, входной каскад предварительного усилителя выполнен как входной каскад усилителя заряда. Кроме того, генератор опорных сигналов выполнен с фиксированными настройками и переключателем настроек, интегратор и блок интегрирующей емкости содержат переключатель и набор коммутируемых конденсаторов различных емкостей, соединенных с переключателем, причем переключатели генератора, интегратора и блока интегрирующей емкости имеют одинаковое число положений и совмещены механически друг с другом. Кроме того, устройство дополнительно содержит закрытый корпус, выполненный из электропроводного материала, соединенный с общим проводом, внутри которого смонтирована электронная часть устройства, кроме антенны и источника питания, и рукоятку, выполненную из диэлектрического материала, внутри которого расположен источник питания. Кроме того, антенна выполнена в виде плоского диска из материала с низким удельным сопротивлением и расположена снаружи корпуса. Кроме того, вычислитель выполнен в виде однокристального микропроцессора, причем первым входом вычислителя является вход аппаратного прерывания единицы микропроцессора, а вторым входом вычислителя является вход аппаратного прерывания нуля; блок установки временной паузы выполнен в виде клавиатуры, выходы которой соединены с выводами первого параллельного порта микропроцессора, а входы клавиатуры соединены с выводами его второго параллельного порта, выходами вычислителя являются выводы третьего параллельного порта микропроцессора. To achieve this goal in a known device for geoelectromagnetic exploration, containing an antenna made omnidirectional and broadband and having dimensions that are negligible compared to the lengths of the received waves; pre-amplifier, pulse filter, AC amplifier, phase detector connected in series, the input of the pre-amplifier connected to the output of the antenna; a tunable reference signal generator, the output of which is connected to the second input of the pulse filter and the second input of the phase detector; integrator, correction unit, DC amplifier, indicator element and integrator reset button, additionally introduced a comparator, element NOT, integrating capacity block, calculator, pause time setting unit, feedback coefficient setting unit, three green and one red LEDs and one OR, and the second and third inverting inputs are introduced into the preamplifier, the second input of the integrator connected to the output of the correction unit, and the output of the integrator connected to the inputs of the amplifier of the current and the feedback coefficient setting unit, the output of which is connected to the second inverting input of the pre-amplifier, the third inverting input of which is connected through the integrating capacitance block to the output of the DC amplifier, which is also connected to the input of the indicator element and the input of the comparator, the output of which is connected to the first the input of the calculator and through the element NOT with the second input of the calculator, the third input of which is connected to the output of the time-pause setting unit, and each output of the calculator is connected with the input of the corresponding LED, the control output of the calculator is connected to the first input of the OR element, the second input of which is connected to the output of the reset button of the integrator, and the output of the OR element is connected to the reset input of the unit of the integrating capacity. In addition, the input stage of the pre-amplifier is made as the input stage of the charge amplifier. In addition, the reference signal generator is made with fixed settings and the settings switch, the integrator and the integrating capacitor block comprise a switch and a set of switched capacitors of various capacities connected to the switch, the switches of the generator, integrator and integrating capacitor block having the same number of positions and are mechanically aligned with friend. In addition, the device further comprises a closed housing made of electrically conductive material connected to a common wire inside which the electronic part of the device is mounted, except for the antenna and the power source, and a handle made of dielectric material, inside which the power source is located. In addition, the antenna is made in the form of a flat disk of material with low resistivity and is located outside the housing. In addition, the computer is designed as a single-chip microprocessor, the first input of the computer being the input of the hardware interrupt of a microprocessor unit, and the second input of the computer is the input of the hardware zero interrupt; the time-pause setting unit is made in the form of a keyboard, the outputs of which are connected to the terminals of the first parallel port of the microprocessor, and the inputs of the keyboard are connected to the terminals of its second parallel port, the outputs of the computer are the conclusions of the third parallel port of the microprocessor.
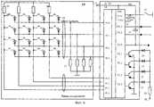
На фиг.1 изображена функциональная схема устройства для поиска подземных трубопроводов. Figure 1 shows a functional diagram of a device for searching for underground pipelines.
На фиг.2 схематически изображены принимаемые устройством сигналы изменений сдвига фаз от металлического и пластикового трубопроводов. Figure 2 schematically shows the signals received by the device of changes in phase shift from metal and plastic pipelines.
На фиг.3 изображена диаграмма работы устройства в случае обнаружения сигнала от неоднородности грунта, не являющегося трубопроводом. Figure 3 shows a diagram of the operation of the device in case of detection of a signal from heterogeneity of the soil, which is not a pipeline.
На фиг.4 изображена диаграмма работы устройства в случае обнаружения сигнала от неоднородности грунта, являющегося трубопроводом. Figure 4 shows a diagram of the operation of the device in case of detection of a signal from the heterogeneity of the soil, which is a pipeline.
На фиг.5 изображена функциональная схема блока интегрирующей емкости. Figure 5 shows the functional diagram of the block integrating capacity.
На фиг.6 изображена схема примера реализации вычислителя. Figure 6 shows a diagram of an example implementation of the calculator.
На фиг.7 изображена блок-схема работы алгоритма, в случае реализации вычислителя в виде микропроцессора. Figure 7 shows a block diagram of the algorithm, in the case of implementation of the computer in the form of a microprocessor.
 Устройство для поиска подземных трубопроводов (фиг. 1) содержит приемную антенну 1, являющуюся ненаправленной и широкополосной, выполненную в виде тонкого проводящего диска и имеющую пренебрежимо малые размеры по сравнению с длинами принимаемых волн; внешний интегратор 2, содержащий предварительный усилитель 3, вход которого является входом внешнего интегратора 2, соединенный с выходом предварительного усилителя 3 первый вход импульсного фильтра 4, генератор 5 опорного сигнала; последовательно соединенные усилитель 6 переменного тока, фазовый детектор 7, интегратор 8, усилитель 11 постоянного тока (УПТ), выход которого является выходом внешнего интегратора 1, вход усилителя 6 переменного тока соединен с выходом импульсного фильтра 4, выход генератора 5 соединен со вторыми входами импульсного фильтра 4 и фазового детектора 7; блок 9 коррекции, выход которого соединен со вторым входом интегратора 8; блок 10 задания коэффициента обратной связи, вход которого соединен с выходом интегратора 8, а выход - с первым инвертирующим входом предварительного усилителя 3; блок 12 интегрирующей емкости, вход которого соединен с выходом УПТ 11, а выход соединен со вторым инвертирующим входом предварительного усилителя 3, управляющий вход блока 12 является управляющим входом внешнего интегратора 2; устройство также содержит элемент ИЛИ 13, кнопку 14 сброса интегратора 8, вычислитель 15, индикаторный элемент 16, компаратор 17, элемент НЕ 18, блок 19 установки временной паузы, четыре светодиода: зеленые 20, 22, 23 и красный 21; первый вход вычислителя 15 соединен с выходом компаратора 17, вход которого подключен к выходу внешнего интегратора 2, управляющий выход вычислителя соединен с первым входом элемента ИЛИ 13, второй вход которого соединен с выходом кнопки 14 сброса интегратора 8, выход элемента ИЛИ 13 соединен с управляющим входом внешнего интегратора 2; второй вход вычислителя 15 соединен с выходом элемента НЕ 18, вход которого соединен с выходом компаратора 17; выходы блока 19 установки временной паузы соединены с третьими входами вычислителя 15, выходы которого соединены со светодиодами 20-23. A device for searching for underground pipelines (Fig. 1) comprises a
 Вычислитель 15 (фиг.6) выполнен в виде однокристального микропроцессора 27, первым входом вычислителя 15 является вход аппаратного прерывания единицы параллельного порта Р3 микропроцессора 27, а вторым входом вычислителя - вход аппаратного прерывания нуля порта Р3, блок 19 установки временной паузы выполнен в виде клавиатуры 28, входы сканирования которой соединены с выводами параллельного порта Р1 микропроцессора 27, а выходы клавиатуры 28 соединены с выводами его параллельного порта Р0; управляющим выходом вычислителя 15 является первый вывод параллельного порта Р2 микропроцессора 27, соединенный через конденсатор 34 с входом сброса RST микропроцессора 27, а выходами вычислителя 15, соединенными со светодиодами 20-23, являются открытые коллекторы транзисторов 35, эмиттеры которых соединены с общим проводом, а базы подключены к другим выводам порта Р2. The calculator 15 (Fig.6) is made in the form of a single-chip microprocessor 27, the first input of the
Устройство (фиг.1) для поиска подземных трубопроводов работает следующим образом. The device (figure 1) for the search for underground pipelines works as follows.
 В исходном положении устройство располагают так, чтобы плоскость антенны 1 была расположена параллельно поверхности земли на расстоянии порядка 1 м. При этом антенна 1 образует с землей электроемкость. Частотная характеристика антенны 1 является широкополосной, поскольку длины волн рабочего диапазона устройства (сверхдлинные радиоволны 1-10 кГц) несравнимы с размерами антенны 1, т.е. прием осуществляется в диапазоне далеком от ее резонансной частоты. В связи с этим не происходит избирательное выделение сигнала какой-либо фиксированной частоты, а осуществляется прием шума с равномерным спектром, вызванного сигналами наводок от различных радиостанций, грозового электричества, собственных электрических токов почвы и т.д. Заряд емкости, образованной антенной 1 и землей, не зависит от расстояния антенны 1 до земли и определяется лишь свойствами электрической составляющей электромагнитного поля в данном месте, поэтому флуктуация заряда этой емкости пропорциональна шумовому сигналу электрической компоненты электромагнитного поля в данном месте. Электрический сигнал с приемной антенны 1, пропорциональный текущим флуктуациям заряда, поступает на вход внешнего интегратора 2, работающего, в результате емкостного характера антенны, как интегратор входного тока, т.е. как усилитель заряда антенной емкости [4]. Это позволяет оптимальным образом согласовать вход приемного тракта с антенной 1 и, поскольку, таким образом, осуществляется усиление заряда, исключить зависимость напряжения на выходе предварительного усилителя 3 от расстояния антенны 1 до земли. In the initial position, the device is positioned so that the plane of the
 Предварительный усилитель 3 преобразует заряд антенной емкости в выходное напряжение. Усиленный таким образом сигнал, пропорциональный шуму на антенне 1, проходит через узкополосный импульсный фильтр 4 с минимально возможной шириной полосы пропускания на частоте импульсного фильтра 4, задаваемой с выхода генератора опорного сигнала 5, имеющего возможность перестройки. Сигнал с выхода фильтра 4 усиливается в усилителе 6 переменного напряжения, коэффициент усиления которого подбирается таким образом, что напряжение на его выходе имеет вид импульсов, частота следования которых равна частоте напряжения с выхода генератора 5. Поступая на входы фазового детектора 7, оба эти напряжения сравниваются по фазе (при этом фаза напряжения с выхода генератора 5 является опорной и постоянна), а напряжение, пропорциональное разности фаз, с выхода фазового детектора 7 поступает на вход интегратора 8, из которого вычитается поступающий на второй вход интегратора 8 с выхода блока 9 коррекции сигнал коррекции. Разностный сигнал интегрируется в интеграторе 8 и, ослабляясь в блоке 10 задания коэффициента обратной связи, являющимся делителем напряжения, поступает на первый инвертирующий вход предварительного усилителя 3, где вычитается из входного напряжения шумов. За счет охвата интегратора 8 петлей обратной связи весь тракт от входа предварительного усилителя 3 до выхода интегратора 8 работает одновременно как сглаживающий фильтр нижних частот, что необходимо для сглаживания пульсаций на выходе фазового детектора 7 и повышения точности преобразования величины фазового сдвига в постоянное напряжение. Величиной коэффициента передачи блока 10 также регулируется коэффициент усиления указанного тракта. Сглаженное напряжение, пропорциональное разности фаз, дополнительно усиливается усилителем 11 постоянного тока и через блок интегрирующей емкости 12, являющийся емкостной обратной связью и (поскольку он находится в обратной связи) образующий внешний интегратор 2 и реагирующий на изменение этого напряжения, поступает на второй инвертирующий вход предварительного усилителя 3, где также вычитается из напряжения шумов. Обнуление напряжения на емкости обратной связи блока 12 осуществляется путем ее закорачивания электронным ключом блока 12, управляющий сигнал на который подается через элемент ИЛИ 13 с кнопки 14 сброса внешнего интегратора, либо с управляющего выхода вычислителя 15, который также поступает через элемент ИЛИ 13. Сигнал с выхода внешнего интегратора 2, которым является усилитель 11 постоянного тока, пропорциональный разности фаз, поступает на вход стрелочного индикатора 16 и вход компаратора 17. Если он равен нулю или меньше порога срабатывания компаратора 17, то сигнал на выходе последнего равен нулю. При превышении величиной сигнала с выхода внешнего интегратора 2 величины порога компаратора 17 последний переключается до напряжения насыщения в состояние логической единицы и поступает в прямом и инвертированном через элемент НЕ 18 виде на первый и второй входы вычислителя 15, на входы которого подается также код времени паузы между полезными сигналами с выхода блока 19 установки времени паузы. Управляющие сигналы в виде уровней постоянного напряжения (логической единицы) с четырех выходов вычислителя 15 поступают на четыре светодиода 20-23, управляя их свечением. The pre-amplifier 3 converts the charge of the antenna capacitance into the output voltage. The signal thus amplified, proportional to the noise at the
 После рабочего расположения антенны 1 неподвижно параллельно земной поверхности непосредственно перед началом поиска фазы колебаний генератора 5 и выделенной из шумового импульсным фильтром 4 гармонической составляющей, равной по частоте колебаниям генератора 5, как правило, не равны, в результате чего на выходе фазового детектора 7 наблюдается напряжение, усреднение которого интегратором 8 с первой петлей обратной связи через блок 10 дает напряжение, уровень которого пропорционален величине фазового сдвига. Этот фазовый сдвиг принимается за фоновый и компенсируется подстройкой величины постоянного напряжения, поступающего с выхода блока 9 коррекции на второй инвертирующий вход интегратора 8. Его регулируют до величины полной компенсации, чтобы на выходе интегратора 8 напряжение было равно нулю. После этого производят сброс внешнего интегратора 2 кнопкой 14, посылающей управляющий сигнал через элемент ИЛИ 13 на управляющий вход блока 12 интегрирующей емкости, которым является вход электронного ключа, разряжающего при этом конденсатор блока 12. After the working location of the
 В результате этого напряжение на выходе УПТ 11 равно нулю, индикатор 16 показывает нуль, а светодиоды 20-23 не горят. As a result of this, the voltage at the output of the
 После этого начинают рабочее перемещение антенны 1 параллельно поверхности земли в направлении поиска. Трубопровод, проложенный в почве под поверхностью земли создает искажения характеристик фонового электромагнитного поля. Наиболее существенными эти искажения проявляются как непосредственно над местом залегания трубопровода, так и параллельно по обе стороны от него, причем максимумы этих искажений располагаются на расстоянии, равном глубине залегания трубопровода по обе стороны от проекции его на земную поверхность (фиг.2). При этом, измерив расстояние от бокового максимума до среднего, можно определить глубину залегания трубопровода. Установлено также, что в характере соотношения величин максимумов искажений фазовых характеристик поля отражается материал трубопроводов: для металлических трубопроводов искажения поля заметно больше непосредственно над ним, чем на боковых полосах. Если же трубопровод пластиковый, например полиэтиленовый, то интенсивность искажений над ним значительно меньше, чем на боковых полосах (фиг.2). After that, the working movement of the
 Если при движении антенна 1 устройства пересекает боковую полосу искажений фонового ЭМП, вносимого пролегающим под землей трубопроводом, то происходит появление приращение разности фаз относительно значения, принятого за фоновый уровень и скомпенсированного напряжением с выхода блока 9 коррекции. В результате этого происходит разбаланс интегратора 8 и появление на его выходе напряжения, пропорционального данному приращению разности фаз, причем величина этого приращения отражает величину интенсивности искажения ЭМП, вносимого трубопроводом в данном месте над поверхностью земли. При появлении напряжения разности фаз на выходе интегратора 8 внешний интегратор 2 начинает его интегрировать с помощью емкости блока 12 и на выходе УПТ 11 появляется напряжение, линейно нарастающее до напряжения насыщения УПТ 11, что отображается индикатором 16. Таким образом, достаточно сколь угодно малой величины разности фаз, превышающей пренебрежимо малую зону нечувствительности применяемых для реализации предварительного усилителя 3, интегратора 8 и УПТ 11 операционных усилителей, чтобы вызвать поворот стрелки индикатора 16 до предела. При этом скорость нарастания (и скорость перемещения стрелки индикатора 16) пропорциональна величины разности фаз, т.е. интенсивности искажений ЭМП, вносимых трубопроводом (фиг.3, 4). При появлении напряжения на выходе УПТ 11 и превышении им зоны нечувствительности компаратора 17, он переключается в состояние логической единицы и находится в нем до тех пор, пока напряжение на выходе УПТ 11 не достигнет напряжения насыщения (напряжения порога срабатывания компаратора 17). В момент их равенства компаратор 17 (фиг. 3, 4) переключается в состояние нуля и, таким образом, на выходе его формируется прямоугольный импульс длительностью, равной времени интегрирования внешнего интегратора 2 и обратно пропорциональной величине разности фаз. Этот импульс, инвертируясь в элементе НЕ 18, поступает с его выхода на вход вычислителя 15 и отрицательным фронтом зажигает первый зеленый светодиод 20 и запускает таймер вычислителя 15, который формирует цифровой код, соответствующий длительности этого импульса t, (т.е. величине разности фаз). После окончания импульса, что соответствует проходу над боковой полосой при перемещении устройства, код длительности запоминается вычислителем 15, а его таймер под действием отрицательного фронта импульса с выхода компаратора 17 начинает подсчитывать время паузы t1 o и сравнивает текущее его значение с установленной величиной паузы tmax o с блока 19. Если время паузы t1 o до следующего искажения поля меньше tmax o, светодиод 20 продолжает гореть. Если же за это время при перемещении устройства нового искажения поля не обнаружено (не трубопровод), при t1 o>tmax o, вычислитель 15 гасит светодиод 20 (фиг.3) и выдает сигнал единицы на сброс интегрирующей емкости интегратора 2, поступающий через элемент 13 на блок 12, и устройство автоматически возвращается в исходное состояние и готово к новому поиску (фиг.3). В случае, если в пределах установленного времени паузы t1 o<tmax o встретилось еще одно искажение поля (фиг.4), на выходе компаратора 17 появляется второй импульс, длительность которого t2 сравнивается с длительностью первого t1 и если t1>t2, то вычислитель 15 включает красный светодиод 21, что соответствует предварительному "подозрению" на металлический трубопровод, а если t1<t2 - то второй зеленый светодиод 22, что обозначает предположение на пластиковый трубопровод.If during movement the
 После окончания второго импульса (который предположительно может соответствовать центральному искажению поля над проекцией трубопровода на поверхность земли), таймер вычислителя 15 также начинает подсчитывать время паузы t2 o и сравнивать его текущее значение с установленным с блока 19 tmax o. Если t2≤tmax o, вычислитель 15 готов к приему третьего импульса и поддерживает горение двух светодиодов 20 и 21 или 20 и 22 (зеленого и красного или двух зеленых). При истечении времени паузы при t2>tmax o и непоступлении третьего импульса с выхода компаратора 17 вычислитель 15 гасит все светодиоды и выдает на вход элемента 13 импульсы сброса интегратора 2 как и после первого импульса. Это означает, что подозрение на трубопровод не подтвердилось. Если же имеет место трубопровод, то через время паузы t2 o, близкое к t1 o с выхода компаратора 17 на вход вычислителя 15 поступает третий импульс (и его инвертированный образ с выхода элемента НЕ 18), длительность которого (обратно пропорциональная интенсивности разности фаз), сравнивается с длительностью первых двух импульсов. Для этого вычислитель 15 производит вычисление следующих разностей:
 Δt1 = |t1-t2|,
 Δt2 = |t2-t3|,
 Δt3 = |t1-t3|.
 Если одновременно
 Δt1>Δt3 и Δt2>Δt3,
 что соответствует изображенному на фиг.2, то вычислитель 15 формирует сигнал, зажигающий третий зеленый светодиод 23, что соответствует подтверждению обнаружения трубопровода.After the end of the second impulse (which presumably can correspond to the central distortion of the field above the projection of the pipeline onto the earth's surface), the timer of the
 Δt1 = | t1 -t2 |,
 Δt2 = | t2 -t3 |,
 Δt3 = | t1 -t3 |.
 If at the same time
 Δt1 > Δt3 and Δt2 > Δt3 ,
 which corresponds to that shown in figure 2, the
При фиксации на поверхности земли начала отклонения стрелки индикатора 16 и загорания каждого из трех светодиодов (20, 21, 23 или 20, 22, 23), можно измерить глубину залегания трубопровода путем измерения расстояний между метками. When fixing on the surface of the earth the beginning of the deflection of the arrow of the indicator 16 and the ignition of each of the three LEDs (20, 21, 23 or 20, 22, 23), you can measure the depth of the pipeline by measuring the distances between the marks.
Таким образом, устройство позволяет зарегистрировать, оценить и проанализировать даже мельчайшие отклонения фазового сдвига в различных пространственных точках и распознать фазовые отклонения, соответствующие скрытым трубопроводам различных типов и размеров. Thus, the device allows you to register, evaluate and analyze even the smallest deviations of the phase shift at various spatial points and recognize phase deviations corresponding to hidden pipelines of various types and sizes.
 Выполнение усилителя внешнего интегратора 2 в виде функционального преобразователя напряжение - фаза, включающего прямой тракт от предварительного усилителя 3 до УПТ 11, позволяет развязать вход и выход интегратора 2 и реализовать в связи с этим большой коэффициент усиления, что обусловливает более высокую чувствительность устройства в сравнении с известными. The implementation of the amplifier of the external integrator 2 in the form of a functional voltage-phase converter, including a direct path from the
 При выполнении дальнейших измерений производят обнуление интегрирующей емкости блока 12 путем замыкания ее обкладок с помощью электронного ключа сигналом с выхода кнопки сброса 14 через элемент ИЛИ 13. Выбор величины интегрирующей емкости блока 12 производят из условий компромисса между значением общего коэффициента усиления (чем меньше емкость, тем больше коэффициент усиления) и достаточно большим временем интегрирования с целью удобства регистрации (чем больше емкость, тем больше время интегрирования). Величина емкости блока 12 также подбирается в согласовании с частотой генератора 5 опорного сигнала и для каждой фиксированной частоты эта емкость представлена отдельным конденсатором, коммутируемым переключателем, совмещенным механически с переключателем частот фиксированных настроек генератора 5, который также совмещен с переключателем интегрирующих конденсаторов различных емкостей интегратора 8. When performing further measurements, the integrating capacity of
 Блок 12 может быть выполнен (фиг.5) в виде набора конденсаторов 24, соединенных между собой одной обкладкой, являющейся выходом блока 12, количество конденсаторов 24 равно количеству фиксированных настроек генератора 5, каждая свободная обкладка конденсаторов 24 соединена с соответствующим неподвижным контактом переключателя 25, подвижный контакт которого является входом блока 12; блок 12 также содержит электронный ключ 26, выполненный в виде транзистора, эмиттер которого соединен с объединенными обкладками конденсаторов ТА, коллектор соединен со входом блока 12, а база является управляющим входом блока 12. 
 Вычислитель 15 может быть выполнен в виде стандартной однокристальной микро-ЭВМ (микропроцессора 27), например, типа 87С51 фирмы Intel или отечественного аналога КМ1830ВЕ751, выполненных по КМОП технологии (с низким током потребления для переносного прибора). The
 Блок 19 установки временной паузы, представляющий собой клавиатуру, может быть выполнен в виде матрицы кнопок 28 (например, 4х4, см. фиг.6), соединенных с первыми выводами диодов 29 диодной матрицы одними выводами кнопок 28, другие выводы которых соединены по столбцам матрицы между собой, а вывод каждого столбца соединен через балластные резисторы 30 с шиной питания, другие выводы диодов 29 соединены по строкам между собой, а общий их вывод каждой строки соединен с соответствующим входом первого параллельного порта (Р0) микропроцессора 27, являющимися линиями возврата, а выводы каждого столбца кнопочной матрицы соединены с соответствующим выходом второго параллельного порта (Р1) микропроцессора 27, образующие линии сканирования; к каждому входу первого параллельного порта Р0 подключен резистор 31, другие выводы резисторов 31 соединены между собой и с общим проводом ("землей"). Ввод максимального значения времени паузы tmax o осуществляется с клавиатуры 28 блока 19 и осуществляется только при изменении установки этого значения. При отключении устройства микропроцессор 27, переводится в режим микропотребления (например, замыканием переключателя 32, соединяющего общий провод питания с выводом XTAL1 микропроцессора 27) и введенное значение t0 max сохраняется при отключенном питании от остальной части устройства.The time-
 К частотозадающим входам микропроцессора 27 подключен кварцевый резонатор 33 на 12 МГц (для указанных типов микропроцессоров), вход общего сброса (RST) микропроцессора 27 подключен через конденсатор 34 к шине питания, первым входом вычислителя 15 является вход Р3.3 микропроцессора 27, организованного как вход аппаратного прерывания единицы отрицательным фронтом входного сигнала, а вторым входом вычислителя 15 - вход Р3.2 микропроцессора 27 - вход аппаратного прерывания нуля отрицательным фронтом входного сигнала, выходами вычислителя 15 являются открытые коллекторы буферных транзисторов 35, базы которых соединены с выходами третьего параллельного порта Р2 микропроцессора 27, эмиттеры которых соединены с общим проводом, а светодиоды 20-23 соединены одноименными выводами с коллекторами транзисторов 35, а другие выводы их соединены между собой и подключены через резистор 36 к шине питания. A 12-
Работа микропроцессора 27 осуществляется в соответствии с алгоритмом (фиг.7.). The operation of the microprocessor 27 is carried out in accordance with the algorithm (Fig.7.).
 Где ti - длительность i-го импульса компаратора 17;
 ni - код длительности i-го импульса компаратора 17;
 mi - код длительности i-й паузы между ti и ti+1 импульсами компаратора 17.Where ti - the duration of the i-th pulse of the
 ni is the duration code of the i-th pulse of the
 mi - code of the duration of the i-th pause between ti and ti + 1 pulses of the
 Сброс в нулевое (исходное состояние) микропроцессора 27 производится при включении питания устройства перепадом напряжения через конденсатор 34 или через конденсатор 37 управляющим импульсом сброса устройства, вырабатываемого микропроцессором 27 с первого вывода порта Р2 (Р2.0). The reset to the zero (initial state) of the microprocessor 27 is performed when the device is powered up by a voltage drop through the
 Устройство для поиска подземных трубопроводов по сравнению с известными аналогами и прототипом обладает следующими преимуществами:
 большими функциональными возможностями за счет того, что благодаря дополнительно введенным элементам, соединенным предложенным образом, осуществляется возможность поиска, локализации и определения параметров (диаметр, глубина залегания) не только металлических, но и немагнитных и диэлектрических, например полиэтиленовых, асбестоцементных, керамических и др. трубопроводов, без каких-либо излучающих блоков, т.е. пассивным образом;
 высокой чувствительностью и помехозащищенностью, позволяющей отдифференцировать трубопроводы из различных материалов, находящихся как вблизи от поверхности земли, так и на значительной глубине. Устройство позволяет осуществлять поиск трубопроводов практически на всех промышленно используемых глубинах их залегания. Это достигается использованием шумового электромагнитного фона в качестве полезного сигнала в сочетании с высокоинтеллектуальной автоматической логикой анализа получаемых данных, что значительно улучшает точность устройства, наглядность представления данных и позволяет также значительно упростить работу с устройством;
 малыми весогабаритными показателями и низким энергопотреблением, а также высокой степенью экологичности, поскольку устройство работает исключительно на прием в пассивном режиме и не содержит каких-либо излучающих элементов, что обусловливает также низкую зависимость его работы от внешних погодных условий (температура, влажность, давление, вид и состояние почвы и т.д.).The device for searching for underground pipelines in comparison with the known analogues and prototype has the following advantages:
 great functionality due to the fact that thanks to the additionally introduced elements connected in the proposed manner, it is possible to search, localize and determine parameters (diameter, depth) of not only metal, but also non-magnetic and dielectric, for example, polyethylene, asbestos-cement, ceramic, etc. pipelines, without any radiating blocks, i.e. in a passive way;
 high sensitivity and noise immunity, which allows to differentiate pipelines from various materials located both close to the earth’s surface and at a considerable depth. The device allows you to search for pipelines at almost all industrially used depths. This is achieved by using a noise electromagnetic background as a useful signal in combination with highly intelligent automatic analysis logic of the received data, which significantly improves the accuracy of the device, the visibility of the data presentation and also allows to significantly simplify the work with the device;
 small overall dimensions and low power consumption, as well as a high degree of environmental friendliness, since the device operates exclusively for passive reception and does not contain any radiating elements, which also leads to a low dependence of its operation on external weather conditions (temperature, humidity, pressure, type and soil condition, etc.).
 Источники информации
 1. Патент RU 2152059 C1, МПК7 G 01 V 3/11, 2000.Sources of information
 1. Patent RU 2152059 C1, IPC7 G 01
 2. Заявка WO 98/09183, МПК7 G 01 V 3/12, 1998.2. Application WO 98/09183, IPC7 G 01
 3. Патент RU 2119680, МПК7 G 01 V 3/08, 3/11, 1998.3. Patent RU 2119680, IPC7 G 01
4. Гутников В. С. Интегральная электроника в измерительных устройствах. М.: Энергия, 1980, с. 61. 4. Gutnikov V. S. Integrated electronics in measuring devices. M .: Energy, 1980, p. 61.
| Application Number | Priority Date | Filing Date | Title | 
|---|---|---|---|
| RU2002107120ARU2202812C1 (en) | 2002-03-19 | 2002-03-19 | Facility to search for underground pipe-lines | 
| Application Number | Priority Date | Filing Date | Title | 
|---|---|---|---|
| RU2002107120ARU2202812C1 (en) | 2002-03-19 | 2002-03-19 | Facility to search for underground pipe-lines | 
| Publication Number | Publication Date | 
|---|---|
| RU2202812C1true RU2202812C1 (en) | 2003-04-20 | 
| Application Number | Title | Priority Date | Filing Date | 
|---|---|---|---|
| RU2002107120ARU2202812C1 (en) | 2002-03-19 | 2002-03-19 | Facility to search for underground pipe-lines | 
| Country | Link | 
|---|---|
| RU (1) | RU2202812C1 (en) | 
| Publication number | Priority date | Publication date | Assignee | Title | 
|---|---|---|---|---|
| RU2256941C1 (en)* | 2004-06-16 | 2005-07-20 | Закрытое акционерное общество Научно-исследовательский институт интроскопии Московского научно-производственного объединения "Спектр" | Mobile georadar for remote search for location of subterranean main communications and determining of their cross-section size and depth under the soil | 
| RU2328020C2 (en)* | 2005-10-13 | 2008-06-27 | ООО "Комприбор-ТТК" | Integrated process of non-metal pipe and pipe flaw detection | 
| RU2418309C2 (en)* | 2008-12-01 | 2011-05-10 | Общество с ограниченной ответственностью "ТЕХНО-АС" | Device for excitation of oscillations in underground utilities | 
| CN115827528A (en)* | 2022-11-25 | 2023-03-21 | 广州大铁锐威科技有限公司 | Human-computer interface and interaction method for pipeline inertia measuring instrument | 
| RU2831073C1 (en)* | 2024-08-12 | 2024-11-29 | Федеральное государственное бюджетное образовательное учреждение высшего образования "Кубанский государственный технологический университет" (ФГБОУ ВО "КубГТУ") | Laser device for determining depth of cable | 
| Publication number | Priority date | Publication date | Assignee | Title | 
|---|---|---|---|---|
| RU2046378C1 (en)* | 1992-08-10 | 1995-10-20 | Краснодарское краевое производственное электроэнергетическое объединение арендных предприятий горэлектросетей "Краснодаркрайэлектро" | Device to determine line of route and depth of power electric cables laying and underground metal utility systems | 
| RU2119680C1 (en)* | 1994-04-19 | 1998-09-27 | Кравченко Юрий Павлович | Method of geoelectromagnetic prospecting and gear for its implementation | 
| US6087883A (en)* | 1998-12-15 | 2000-07-11 | Analog Devices, Inc. | Multi-tanh doublets using emitter resistors | 
| WO2001038902A2 (en)* | 1999-11-24 | 2001-05-31 | Technische Universiteit Delft | Ground penetrating radar system and method for detecting an object on or below a ground surface | 
| Publication number | Priority date | Publication date | Assignee | Title | 
|---|---|---|---|---|
| RU2046378C1 (en)* | 1992-08-10 | 1995-10-20 | Краснодарское краевое производственное электроэнергетическое объединение арендных предприятий горэлектросетей "Краснодаркрайэлектро" | Device to determine line of route and depth of power electric cables laying and underground metal utility systems | 
| RU2119680C1 (en)* | 1994-04-19 | 1998-09-27 | Кравченко Юрий Павлович | Method of geoelectromagnetic prospecting and gear for its implementation | 
| US6087883A (en)* | 1998-12-15 | 2000-07-11 | Analog Devices, Inc. | Multi-tanh doublets using emitter resistors | 
| WO2001038902A2 (en)* | 1999-11-24 | 2001-05-31 | Technische Universiteit Delft | Ground penetrating radar system and method for detecting an object on or below a ground surface | 
| Publication number | Priority date | Publication date | Assignee | Title | 
|---|---|---|---|---|
| RU2256941C1 (en)* | 2004-06-16 | 2005-07-20 | Закрытое акционерное общество Научно-исследовательский институт интроскопии Московского научно-производственного объединения "Спектр" | Mobile georadar for remote search for location of subterranean main communications and determining of their cross-section size and depth under the soil | 
| RU2328020C2 (en)* | 2005-10-13 | 2008-06-27 | ООО "Комприбор-ТТК" | Integrated process of non-metal pipe and pipe flaw detection | 
| RU2418309C2 (en)* | 2008-12-01 | 2011-05-10 | Общество с ограниченной ответственностью "ТЕХНО-АС" | Device for excitation of oscillations in underground utilities | 
| CN115827528A (en)* | 2022-11-25 | 2023-03-21 | 广州大铁锐威科技有限公司 | Human-computer interface and interaction method for pipeline inertia measuring instrument | 
| RU2831073C1 (en)* | 2024-08-12 | 2024-11-29 | Федеральное государственное бюджетное образовательное учреждение высшего образования "Кубанский государственный технологический университет" (ФГБОУ ВО "КубГТУ") | Laser device for determining depth of cable | 
| RU2831071C1 (en)* | 2024-08-12 | 2024-11-29 | Федеральное государственное бюджетное образовательное учреждение высшего образования "Кубанский государственный технологический университет" (ФГБОУ ВО "КубГТУ") | Laser device for determining depth of cable | 
| Publication | Publication Date | Title | 
|---|---|---|
| US6140819A (en) | Continuous-depth-indicating underground pipe and cable locator | |
| CN101365966B (en) | A method of and apparatus for detecting a current carrying conductor | |
| US7141968B2 (en) | Integrated sensor system for measuring electric and/or magnetic field vector components | |
| US4258321A (en) | Radio geophysical surveying method and apparatus | |
| US5617031A (en) | Buried pipe locator utilizing a change in ground capacitance | |
| US10788599B2 (en) | Underground utility surveying | |
| US8791701B2 (en) | Electromagnetic proximity detection method and unit | |
| EP3002614B1 (en) | Buried service detection | |
| US6724192B1 (en) | Method and apparatus for exploration using GMR sensors | |
| US10209385B2 (en) | Buried service detection | |
| US20020163346A1 (en) | Detector apparatus and method | |
| EP1377850A1 (en) | Apparatus and method for locating subsurface objects in conductive soils by induction measurements | |
| RU2202812C1 (en) | Facility to search for underground pipe-lines | |
| Austin et al. | A Compact, Low‐Cost Circuit for Reading Four‐Electrode Salinity Sensors | |
| RU28258U1 (en) | UNDERGROUND PIPELINE SEARCH DEVICE | |
| GB2089992A (en) | Target Depth Reading Metal Detector | |
| RU2448U1 (en) | ELECTROMAGNETIC EXPLORATION DEVICE | |
| RU2158940C2 (en) | Device for geoelectric reconnaissance | |
| RU2629705C1 (en) | Method of high-precise electromagnetic sensings and device for its implementation | |
| RU2059269C1 (en) | Method for electrical exploration | |
| RU26852U1 (en) | DEVICE FOR SEARCH AND IDENTIFICATION OF PLASTIC MINS | |
| KR910002925B1 (en) | Floor position sensing apparatus | |
| EP2780741B1 (en) | Multi-frequency locating systems and methods | |
| RU16315U1 (en) | EQUIPMENT FOR CONTINUOUS ELECTRIC PROFILING | |
| RU41377U1 (en) | COMPLEX OF HIGH-FREQUENCY DIPOLE ELECTRIC EXPLORATION EQUIPMENT | 
| Date | Code | Title | Description | 
|---|---|---|---|
| MM4A | The patent is invalid due to non-payment of fees | Effective date:20140320 |