













본 발명은 모바일 단말기를 이용한 자판기 제어 시스템 및 그 방법에 관한 것이다. 더 상세하게는 오프라인 상에 설치된 다양한 자판기에서 스마트폰 등의 모바일 단말기를 이용하여 제품을 구매하는 발명으로서, 자판기 내에 자판기 제어기와 유선 통신하고, 상기 모바일 단말기와 무선통신을 통하여 상호 통신을 수행하는 온라인-오프라인 연계 단말기를 장착시키고, 상기 모바일 단말기에 탑재된 어플리케이션 프로그램을 이용하여 제품 결제 및 제품 구매를 하기 위한 모바일 단말기를 이용한 자판기 제어 시스템 및 그 방법에 관한 것이다.The present invention relates to a vending machine control system using a mobile terminal and a method thereof. The present invention relates to an apparatus for purchasing a product using a mobile terminal such as a smart phone in various vending machines installed on an off-line, and more particularly to an apparatus for purchasing products using a mobile terminal such as a smart phone, The present invention relates to a vending machine control system using a mobile terminal and a method thereof, in which an offline link terminal is installed and a product is settled and an article is purchased using an application program installed in the mobile terminal.
오프라인상에 설치된 자판기에서 제품을 구매하는 것은 자판기에 장착된 현금 투입수단 또는 신용카드 리더수단을 이용하여 결제를 하고, 제품을 인출하는 것이 일반적이다.In order to purchase a product from a vending machine installed on the off-line, it is common to make a settlement using a cash input means or a credit card reader means mounted on a vending machine, and take out the product.
이와 같은 자판기의 제품을 현금으로 구매하는 경우, 현금투입수단의 고장으로 인하여 불편한 문제점이 있고, 현금 도난의 문제점 등이 있다. 또한, 신용카드 리더수단에 신용카드를 이용하는 방법은 자판기 내에 모뎀 통신 수단 등으로 신용카드사 등과 통신 연결하여 결제를 수행하여야 하므로, 모뎀 및 통신 장치 등을 설치하여야 할 비용 부담과, 모뎀 또는 통신상의 오류 등으로 인하여 결제 오류가 발생되는 문제점 등이 있다.When a product of such a vending machine is purchased by cash, there is a problem that it is inconvenient due to failure of the cash input means, and there is a problem of a cash theft. In addition, since a method of using a credit card in a credit card reader means requires communication with a credit card company or the like through a modem communication means or the like in a vending machine, it is necessary to carry out settlement so that a burden of installing a modem and a communication device, And the like.
상기와 같은 종래기술의 문제점을 해결하기 위한 발명으로서, 대한민국 공개특허번호 제10-2015-0065988호(공개일 2015년06월16일)의 자판기 단말, 자판기 결제시스템, 및 자판기 결제시스템의 운용 방법의 발명이 공개되어 있다.As an invention for solving the above problems of the prior art, there are a vending machine terminal, a vending machine payment system, and a vending machine payment system operating method of Korean Patent Laid-Open Publication No. 10-2015-0065988 (publication date June 16, 2015) Is disclosed.
상기 공개 발명은, 자판기 단말로부터의 결제 요청에 따라, 상기 결제 요청에서 단말 정보를 추출하는 추출부; 상기 추출한 단말 정보에 의해 식별되는 모바일 단말로 결제 수단 선택 요청 신호를 전송하는 전송부; 상기 결제 수단 선택 요청 신호를 전송받은 모바일 단말에 의해 선택되는 결제 수단을 이용하여, 상기 결제 요청과 연관된 결제 금액에 대해 결제 처리하는 결제부; 및 상기 결제 처리가 완료되면, 상품의 제공을 위한 분출 명령을 상기 자판기 단말에 전송하는 제어부를 포함하고,The disclosed invention provides an information processing apparatus including an extracting unit for extracting terminal information in the payment request according to a payment request from a vending machine terminal; A transmitting unit for transmitting a payment means selection request signal to the mobile terminal identified by the extracted terminal information; A settlement unit configured to settle a settlement amount associated with the settlement request using a settlement unit selected by the mobile terminal that has received the settlement unit selection request signal; And a control unit for transmitting an ejection command for providing a product to the vending machine terminal when the settlement processing is completed,
상기 결제 요청은, 상기 자판기 단말에서 구동되는 NFC 인식 모듈의 커버리지 이내로, 상기 모바일 단말이 위치함에 따라, 상기 자판기 단말에서 발생되고,The settlement request is generated in the vending machine terminal as the mobile terminal is positioned within the coverage of the NFC recognition module driven by the vending machine terminal,
상기 추출부는, 상기 NFC 인식 모듈에서 인식되는 상기 모바일 단말의 전화번호, 단말 소유자 정보 및 이메일 주소 중 적어도 하나를 포함하는 단말 정보를 추출하고,Wherein the extracting unit extracts terminal information including at least one of a telephone number, terminal owner information, and e-mail address of the mobile terminal recognized by the NFC recognition module,
상기 결제부는, 상기 모바일 단말에 대응하여 결제 수단이 등록되는 것으로 확인되는 경우, 상기 등록된 결제 수단을 이용하여, 상기 결제 요청과 연관된 결제 금액에 대해 결제 처리하고,Wherein the settlement unit performs settlement processing for the settlement amount associated with the settlement request using the registered settlement unit when it is confirmed that the settlement means is registered in correspondence with the mobile terminal,
상기 전송부는, 복수의 결제 수단을 배열하는 결제 수단 리스트, 상기 상품의 명칭, 및 상기 결제 금액 중 적어도 하나를 포함하는, 상기 결제 수단 선택 요청 신호를 생성하는 것을 특징으로 하는 발명이다.The transfer unit generates the payment means selection request signal including at least one of a payment means list in which a plurality of payment means are arranged, a name of the goods, and the payment amount.
상기 공개 발명은, 자판기에 외부 결제 시스템과의 통신 수단, 모바일 단말과의 통신수단(NFC)을 구비하고, NFC 통신수단을 구비한 모바일 단말이 자판기의 NFC 인식 영역에 위치하면, 자판기에서 모바일 단말의 단말정보를 추출하여 상기 모바일 단말에 결제수단선택 요청을 하고, 모바일 단말이 결제수단을 선택하면, 이 정보를 자판기가 수신하여 상기 외부 결제수단과 통신 연결하여 결제를 수행하여, 결제가 완료되면 자판기 제품의 분출 명령을 수행하는 구성의 발명이다.In the disclosed invention, a vending machine is provided with communication means with an external settlement system and communication means (NFC) with a mobile terminal. When a mobile terminal having NFC communication means is located in an NFC recognition area of a vending machine, The mobile terminal extracts the terminal information of the mobile terminal and requests the mobile terminal to select a payment means. When the mobile terminal selects the payment means, the vending machine receives the information, communicates with the external payment means to perform payment, And executing an ejection command of the vending machine product.
따라서, 상술한 종래의 신용카드 결제수단을 구비한 자판기와 같은, 자판기 자체에 모뎀 등의 외부 통신 수단을 구비하여야 하므로, 비용이 많이 소요되고 모뎀 등의 기기 또는 통신 등의 고장 오류로 인하여 결제 오류 발생이 빈번한 문제점과, 모바일 단말로부터 개인 정보 및 결제수단 정보 등을 추출해 결제를 처리하므로 모바일 단말 사용자의 정보유출의 문제점 등이 있다.Therefore, since the vending machine itself, such as a vending machine having the above-mentioned conventional credit card payment means, must have an external communication means such as a modem, it is expensive and requires a payment error due to a failure of a device such as a modem or communication, There is a problem of frequent occurrence and a problem of information leakage of the mobile terminal user because the personal information and the payment means information are extracted from the mobile terminal and the payment is processed.
또한, 자판기를 사용하고자 하는 사용자는 모바일 단말을 자판기의 NFC 인식 영역까기 상기 자판기에 접근해야 하는 불편함이 있고, 결제 등의 거래 행위를 자판기가 주도적으로 하므로 사용자의 불안감을 해소시킬 수 없는 문제점이 있다.Also, there is a problem that a user who intends to use a vending machine has an inconvenience that the mobile terminal must approach the vending machine through the NFC recognition area of the vending machine, and since the vending machine takes the lead in the transaction such as settlement, have.
또한, 결제, 자판기의 제품의 재고, 자판기 상태 정보 등에 따라 자판기 또는 사용자에게 에러가 발생했을 때, 사용자는 사용을 포기하거나 자판기에 부착되어 있는 전화번호로 전화하여 자판기 사업자와의 통화를 통해 불만을 토로할 수밖에 없는 문제점이 있다.In addition, when an error occurs to a vending machine or a user depending on payment, inventory of vending machine products, vending machine status information, or the like, the user abandons the use or calls a telephone number attached to the vending machine, There is a problem that can not be avoided.
따라서, 비용이 많이 소요되고 고장 또는 통신 에러시 사용이 불가한 점을 감안하여 자체 결제 수단 및 외부 결제시스템과의 통신수단을 구비하지 않는 자판기, 모바일 단말 사용자의 결제 정보 및 개인 정보 등의 유출 위험이 없는 자판기, 다수의 자판기가 설치된 장소에서 특정 자판기에 근접하지 않고 원하는 자판기를 선택하여 거래할 수 있는 자판기, 사용자의 모바일 단말이 결제 및 거래를 주도하게 함으로써 오류 및 불안감을 해소할 수 있는 자판기, 자판기의 상태 정보 등을 상기 모바일 단말을 통하여 원격으로 모니터링할 수 있는 자판기, 및 자판기 사용에 대한 민원을 상기 모바일 단말을 통해 즉시 해결할 수 있는 모바일 단말기를 이용한 자판기 제어시스템 및 그 방법에 관한 발명이 요망된다.In view of the fact that it takes a lot of cost and can not be used in the event of a failure or a communication error, a vending machine that does not have a communication means with its own payment means and an external payment system, a risk of leakage of payment information and personal information of a mobile terminal user A vending machine capable of selecting and trading a desired vending machine without being close to a specific vending machine in a place where a plurality of vending machines are installed, a vending machine capable of eliminating errors and anxiety by causing a user's mobile terminal to lead settlement and transactions, A vending machine capable of remotely monitoring status information of a vending machine through the mobile terminal, and a vending machine control system using the mobile terminal capable of immediately solving a complaint about the use of the vending machine through the mobile terminal, and a method thereof do.
본 발명은 상기 종래기술의 문제점을 해결하기 위한 것으로서, 본 발명의 목적은 비용이 많이 소요되고 고장 또는 통신 에러시 사용이 불가한 점을 감안하여 자판기 자체가 결제 수단 및 외부 결제시스템과의 통신수단을 구비하지 않으므로 저렴하고 오류가 없는 결제를 수행할 수 있는 모바일 단말기를 이용한 자판기 제어시스템 및 그 방법을 제공함에 있다.SUMMARY OF THE INVENTION The present invention has been made in order to solve the problems of the prior art described above, and it is an object of the present invention to provide a billing apparatus and a billing system, And it is an object of the present invention to provide a vending machine control system and a method thereof using a mobile terminal capable of performing inexpensive and error-free settlement.
본 발명의 다른 목적은, 모바일 단말 사용자의 결제 정보 및 개인 정보 등의 유출 위험이 없는 모바일 단말기를 이용한 자판기 제어시스템 및 그 방법을 제공함에 있다.It is another object of the present invention to provide a vending machine control system and a method thereof using a mobile terminal without risk of leakage of settlement information and personal information of a mobile terminal user.
본 발명의 또 다른 목적은, 다수의 자판기가 설치된 장소에서 특정 자판기에 근접하지 않고 원하는 자판기를 선택하여 오류 없이 거래할 수 있는 모바일 단말기를 이용한 자판기 제어시스템 및 그 방법을 제공함에 있다.It is another object of the present invention to provide a vending machine control system and a method thereof using a mobile terminal capable of performing an error-free transaction by selecting a desired vending machine without being close to a specific vending machine in a place where a plurality of vending machines are installed.
본 발명의 또 다른 목적은, 사용자의 모바일 단말이 결제 및 거래를 주도하게 함으로써 오류 및 불안감을 해소할 수 있는 모바일 단말기를 이용한 자판기 제어시스템 및 그 방법을 제공함에 있다.It is another object of the present invention to provide a vending machine control system and a method thereof using a mobile terminal capable of eliminating errors and anxiety by causing a user's mobile terminal to lead settlement and transaction.
본 발명의 또 다른 목적은, 자판기의 상태 정보 등을 상기 모바일 단말을 통하여 원격으로 모니터링할 수 있는 모바일 단말기를 이용한 자판기 제어시스템 및 그 방법을 제공함에 있다.It is still another object of the present invention to provide a vending machine control system and a method thereof using a mobile terminal capable of remotely monitoring status information of a vending machine through the mobile terminal.
본 발명의 또 다른 목적은, 자판기 사용에 대한 민원을 상기 모바일 단말을 통해 즉시 해결할 수 있고, 자판기 사업자가 자판기 운영 현황을 용이하게 확인할 수 있는 모바일 단말기를 이용한 자판기 제어시스템 및 그 방법을 제공함에 있다.It is another object of the present invention to provide a vending machine control system and a method thereof, which can immediately resolve a complaint about the use of a vending machine through the mobile terminal and can easily confirm the operation status of the vending machine by using a mobile terminal .
상기 본 발명의 목적을 달성하기 위한 기술적 해결 수단으로서, 본 발명의 제1 관점으로, 모바일 단말기인 사용자단말기에 탑재되어 상기 사용자단말기의 하드웨어 자원을 활용하여 구동되는 결제수단 및 자판기 제어수단을 구비하고 있는 어플리케이션을 포함하는 사용자단말기와, 상기 자판기에 설치되어 자판기에 제어 명령의 생성을 전송하고 상기 사용자단말기와 근거리무선통신수단을 이용하여 통신하여 상기 어플리케이션와의 데이터 송수신을 하고 상기 사용자단말기로부터 결제정보를 수신하기 위한 O2O단말기와; 상기 자판기에 설치되어 상기 자판기의 각종 구동을 제어하고 상기 O2O단말기와 시리얼통신을 통해 제어 명령의 생성 지시를 수신하고 상기 자판기상태정보를 송신하기 위한 자판기 제어기와; 상기 자판기의 소정 위치에 자판기의 고유번호를 표시하기 위한 자판기번호표시부를 포함하는 자판기와, 상기 사용자단말기와 통신수단을 이용해 통신 접속되고 상기 사용자단말기의 어플리케이션에 각종 자판기 정보를 제공하고 상기 사용자단말기로부터 자판기상태정보 및 자판기 이용정보 등을 수신하기 위한 운영컴퓨터와, 상기 사용자단말기와 통신접속되어 자판기 상품에 관한 구매 결제를 전자적으로 제공하기 위한 전자결제컴퓨터와, 상기 사용자단말기의 어플리케이션을 통해 자판기 관련 각종 민원 해결을 위한 정보를 제공하기 위한 민원센터컴퓨터와, 상기 운영컴퓨터와 통신접속되어 상기 운영컴퓨터에 각종 자판기 정보를 제공하고 상기 운영컴퓨터로부터 자판기상태정보 및 자판기 이용정보 등을 수신하기 위한 웹프로그램 또는 어플리케이션을 실행시키는 사업자단말기를 포함하는 모바일단말기를 이용한 자판기제어시스템이 제시된다.As a technical solution for achieving the object of the present invention, as a first aspect of the present invention, there is provided a billing apparatus and vending machine control means mounted on a user terminal, which is a mobile terminal, and driven by utilizing hardware resources of the user terminal And transmitting the generated control command to the vending machine and communicating with the user terminal via the short-range wireless communication means to transmit and receive data to and from the application and to transmit the payment information from the user terminal to the vending machine An O2O terminal for receiving; A vending machine controller installed in the vending machine for controlling various operations of the vending machine, receiving an instruction for generating a control command through serial communication with the O2O terminal, and transmitting the vending machine state information; A vending machine including a vending machine number display unit for displaying a unique number of the vending machine at a predetermined position of the vending machine; and a vending machine number display unit for communicating with the user terminal via communication means and providing various vending machine information to the application of the user terminal, An operating computer for receiving vending machine status information and vending machine use information, an electronic payment computer connected to the user terminal for electronic purchase control of a vending machine product, A civil program center for providing information for solving complaints, a web program for accessing the operating computer to provide various vending machine information and receiving vending machine status information and vending machine use information from the operating computer, uh The vending machine control system using a mobile terminal including a terminal operator to run the application are presented.
또한, 본 발명의 제2 관점으로, 사용자단말기가 주변의 적어도 하나의 자판기에 설치된 O2O단말기로부터 주변의 BLE 비콘 정보를 수신하는 단계와; 상기 사용자단말기가 운영컴퓨터로 상기 O2O단말기의 비콘 정보를 전송하여 해당 자판기의 행사정보를 요청하는 단계와; 상기 운영컴퓨터가 상기 사용자단말기로 상기 비콘 정보에 해당하는 적어도 하나의 자판기의 행사정보를 전송하는 단계와; 상기 사용자단말기가 표시된 상기 운영컴퓨터로부터 전송되어 온 자판기 목록 및 행사정보를 기초로 자판기를 선택하는 단계와; 상기 사용자단말기가 금액을 입력하고 카드결제를 진행하여 전자결제컴퓨터로 카드 결제승인을 요청하는 단계와; 상기 사용자단말기가 상기 전자결제컴퓨터로부터 카드 결제 승인 정보를 수신하는 단계와; 상기 사용자단말기가 선택한 상기 자판기의 O2O단말기에 BLE 통신으로 접속하는 단계와; 상기 사용자단말기가 통신 접속된 상기 O2O단말기로 결제 승인된 금액 정보를 전송하는 단계와; 상기 O2O단말기가 상기 사용자단말기로부터 전송되어 온 금액정보를 상기 자판기의 자판기제어기로 전송하는 단계와; 상기 자판기제어기가 상기 O2O단말기로부터 전송되어 온 금액에 포함되는 자판기의 상품 인출버튼에 활성화 표시를 하는 단계와; 상기 자판기제어기가 상기 자판기로부터 상품이 인출된 것을 인지한 후 상기 O2O단말기로 거래완료 및 환불 잔액 데이터를 상기 O2O단말기로 전송하는 단계와; 상기 O2O단말기가 상기 사용자단말기로 거래종료 및 환불잔액 데이터를 전송하고 접속을 해지시키는 단계와; 상기 사용자단말기가 상기 O2O단말기로부터 전송되어 온 환불잔액 데이터의 금액이 0인 경우 상기 운영컴퓨터로 거래내역을 전송시키고, 상기 사용자단말기가 상기 O2O단말기로부터 전송되어 온 환불잔액 데이터의 금액이 0가 아닌 경우 상기 전자결제컴퓨터로 결제 부분취소 요청을 전송하는 단계와; 상기 사용자단말기가 상기 전자결제컴퓨터로부터 결제 부분 취소 승인 데이터를 수신하는 단계와; 상기 사용자단말기가 상기 운영컴퓨터로 거래내역을 전송시키는 단계를 포함하는 모바일단말기를 이용한 자판기 제어 방법이 제시된다.According to a second aspect of the present invention, there is provided a method of controlling a wireless terminal, comprising: receiving a surrounding BLE beacon information from an O2O terminal installed in at least one vending machine in the vicinity; Transmitting the beacon information of the O2O terminal to the operating computer to request event information of the corresponding vending machine; The operating computer transmitting event information of at least one vending machine corresponding to the beacon information to the user terminal; Selecting a vending machine based on the vending machine list and event information transmitted from the operating computer displayed by the user terminal; A step in which the user terminal inputs an amount of money and proceeds with payment of a card, thereby requesting an electronic settlement computer to approve payment of the card; Receiving the card settlement approval information from the electronic settlement computer; Accessing the O2O terminal of the vending machine selected by the user terminal by BLE communication; Transmitting the settlement-approved amount information to the O2O terminal to which the user terminal is connected for communication; The O2O terminal transmitting the amount information transmitted from the user terminal to the vending machine controller of the vending machine; Causing the vending machine controller to display an activation indication on a goods retrieval button of a vending machine included in an amount transferred from the O2O terminal; After the vending machine controller recognizes that the merchandise is withdrawn from the vending machine, transmitting the transaction completion and refund balance data to the O2O terminal to the O2O terminal; The O2O terminal transmits transaction end and refund balance data to the user terminal and terminates the connection; The user terminal transmits a transaction record to the operating computer when the amount of the refund balance data transmitted from the O2O terminal is 0, and if the amount of the refund balance data transmitted from the O2O terminal is not 0 Transmitting a settlement part cancellation request to the electronic settlement computer; Receiving the settlement part cancellation approval data from the electronic settlement computer; And transmitting the transaction details to the operating computer by the user terminal.
또한, 본 발명의 제3 관점으로, 사용자단말기가 어플리케이션을 실행시켜 운영컴퓨터에 통신 접속되면 상기 운영컴퓨터로 사용자 인증 요청하는 단계와; 상기 운영컴퓨터가 사용자 인증이 된 경우 상기 사용자단말기로 사용자의 포인트 정보를 전송하는 단계와; 상기 사용자단말기가 어플리케이션에 입력되는 자판기 고유번호를 수신하는 단계와; 상기 사용자단말기가 상기 자판기 고유번호에 해당하는 자판기에 설치된 O2O단말기와 BLE 통신으로 접속되는 단계와; 상기 사용자단말기가 상기 어플리케이션에 입력된 상품 금액 정보를 상기 O2O단말기로 전송하는 단계와; 상기 O2O단말기가 상기 사용자단말기로부터 전송되어 온 금액정보를 상기 자판기의 자판기제어기로 전송하는 단계와; 상기 자판기제어기가 상기 O2O단말기로부터 전송되어 온 금액에 포함되는 자판기의 상품 인출버튼에 활성화 표시를 하는 단계와; 상기 자판기제어기가 상기 자판기로부터 상품이 인출된 것을 인지한 후 상기 O2O단말기로 거래완료 및 환불 잔액 데이터를 상기 O2O단말기로 전송하는 단계와; 상기 O2O단말기가 상기 사용자단말기로 거래종료 및 환불잔액 데이터를 전송하고 접속을 해지시키는 단계와; 상기 사용자단말기가 상기 O2O단말기로부터 전송되어 온 환불잔액 데이터의 금액이 0인 경우 상기 운영컴퓨터로 거래내역을 전송시키고, 상기 사용자단말기가 상기 O2O단말기로부터 전송되어 온 환불잔액 데이터의 금액이 0가 아닌 경우 거래내역과 함께 상기 환불잔액 데이터를 상기 운영컴퓨터로 전송시키는 단계와; 상기 운영컴퓨터가 상기 사용자의 포인트 정보에서 거래내역에 포함된 금액에 해당하는 포인트를 삭감시키는 단계를 포함하는 모바일단말기를 이용한 자판기 제어 방법이 제시된다.According to a third aspect of the present invention, there is provided a method of operating a computer system, the method comprising: requesting a user authentication to the operating computer when the user terminal is connected to the operating computer by executing an application; Transmitting the point information of the user to the user terminal when the operation computer is authenticated by the user; Receiving the vending machine unique number input by the user terminal into the application; Wherein the user terminal is connected to an O2O terminal installed in a vending machine corresponding to the vending machine unique number by BLE communication; Transmitting, by the user terminal, the goods amount information input to the application to the O2O terminal; The O2O terminal transmitting the amount information transmitted from the user terminal to the vending machine controller of the vending machine; Causing the vending machine controller to display an activation indication on a goods retrieval button of a vending machine included in an amount transferred from the O2O terminal; After the vending machine controller recognizes that the merchandise is withdrawn from the vending machine, transmitting the transaction completion and refund balance data to the O2O terminal to the O2O terminal; The O2O terminal transmits transaction end and refund balance data to the user terminal and terminates the connection; The user terminal transmits a transaction record to the operating computer when the amount of the refund balance data transmitted from the O2O terminal is 0, and if the amount of the refund balance data transmitted from the O2O terminal is not 0 Transferring the refund balance data to the operating computer together with transaction details; And reducing the point corresponding to the amount included in the transaction history in the point information of the user by using the mobile terminal.
또한, 본 발명의 제4 관점으로, 사용자단말기가 자판기 행사 정보를 포함하는 푸시메시지를 수신하는 단계와; 상기 사용자단말기가 어플리케이션을 실행시켜 운영컴퓨터에 통신 접속되면 상기 운영컴퓨터로 사용자 인증 요청하는 단계와; 상기 운영컴퓨터가 사용자 인증이 완료된 경우 상기 사용자단말기로 사용자의 포인트 정보를 전송하는 단계와; 상기 사용자단말기가 표시된 상기 운영컴퓨터로부터 전송되어 온 자판기 목록 및 행사정보를 기초로 자판기를 선택하는 단계와; 상기 사용자단말기가 선택된 상기 자판기에 설치된 O2O단말기와 BLE 통신으로 접속하는 단계와; 상기 사용자단말기가 상기 어플리케이션에 입력된 상품 금액 정보를 상기 O2O단말기로 전송하는 단계와; 상기 O2O단말기가 상기 사용자단말기로부터 전송되어 온 금액정보를 상기 자판기의 자판기제어기로 전송하는 단계와; 상기 자판기제어기가 상기 O2O단말기로부터 전송되어 온 금액에 포함되는 자판기의 상품 인출버튼에 활성화 표시를 하는 단계와; 상기 자판기제어기가 상기 자판기로부터 상품이 인출된 것을 인지한 후 상기 O2O단말기로 거래완료 및 환불 잔액 데이터를 상기 O2O단말기로 전송하는 단계와; 상기 O2O단말기가 상기 사용자단말기로 거래종료 및 환불잔액 데이터를 전송하고 접속을 해지시키는 단계와; 상기 사용자단말기가 상기 O2O단말기로부터 전송되어 온 환불잔액 데이터의 금액이 0인 경우 상기 운영컴퓨터로 거래내역을 전송시키고, 상기 사용자단말기가 상기 O2O단말기로부터 전송되어 온 환불잔액 데이터의 금액이 0가 아닌 경우 거래내역과 함께 상기 환불잔액 데이터를 상기 운영컴퓨터로 전송시키는 단계와; 상기 운영컴퓨터가 상기 사용자의 포인트 정보에서 거래내역에 포함된 금액에 해당하는 포인트를 삭감시키는 단계를 포함하는 모바일단말기를 이용한 자판기 제어 방법이 제시된다.According to a fourth aspect of the present invention, there is provided a method of operating a portable terminal, comprising: receiving a push message including a vending machine event information; Requesting user authentication to the operating computer when the user terminal is connected to the operating computer by executing the application; Transmitting the point information of the user to the user terminal when the operation computer has completed user authentication; Selecting a vending machine based on the vending machine list and event information transmitted from the operating computer displayed by the user terminal; Accessing the user terminal by BLE communication with an O2O terminal installed in the selected vending machine; Transmitting, by the user terminal, the goods amount information input to the application to the O2O terminal; The O2O terminal transmitting the amount information transmitted from the user terminal to the vending machine controller of the vending machine; Causing the vending machine controller to display an activation indication on a goods retrieval button of a vending machine included in an amount transferred from the O2O terminal; After the vending machine controller recognizes that the merchandise is withdrawn from the vending machine, transmitting the transaction completion and refund balance data to the O2O terminal to the O2O terminal; The O2O terminal transmits transaction end and refund balance data to the user terminal and terminates the connection; The user terminal transmits a transaction record to the operating computer when the amount of the refund balance data transmitted from the O2O terminal is 0, and if the amount of the refund balance data transmitted from the O2O terminal is not 0 Transferring the refund balance data to the operating computer together with transaction details; And reducing the point corresponding to the amount included in the transaction history in the point information of the user by using the mobile terminal.
또한, 본 발명의 제5 관점으로, 사용자단말기가 어플리케이션을 실행시켜 운영컴퓨터에 통신 접속되면 상기 운영컴퓨터로 사용자 인증 요청하는 단계와; 상기 운영컴퓨터가 사용자 인증이 된 경우 상기 사용자단말기로 사용자의 포인트 정보를 전송하는 단계와; 상기 사용자단말기가 어플리케이션에 입력되는 자판기 고유번호를 수신하는 단계와; 상기 사용자단말기가 상기 자판기 고유번호에 해당하는 자판기에 설치된 O2O단말기와 BLE 통신으로 접속되는 단계와; 상기 O2O단말기가 자판기 제어기에 상기 사용자단말기가 자판기 상품을 구입하기 위해 점유할 수 있도록 자판기의 활성화 요청을 전송하는 단계와; 상기 자판기제어기가 상기 자판기의 상품 인출버튼에 활성화 표시를 하는 단계와; 상기 자판기제어기가 상기 자판기로부터 특정 상품 인출버튼이 선택되는 신호를 수신하는 단계와; 상기 자판기제어기가 상기 O2O단말기로 선택된 상품 및 해당 금액 정보를 전송하여 거래승인요청을 하는 단계와; 상기 O2O단말기가 상기 사용자단말기로 보유 포인트의 차감을 통한 상품 금액에 해당하는 포인트 승인 요청을 전송하는 단계와: 상기 사용자단말기가 상기 O2O단말기로 포인트 차감을 통한 거래 승인을 전송하는 단계와; 상기 O2O단말기가 상기 자판기제어기에 포인트 차감을 통한 거래 승인을 전송하는 단계와; 상기 자판기에서 상품이 인출된 후 상기 사용자단말기가 상기 O2O단말기와 BLE 통신을 해지시켜 거래종료를 시키는 단계와; 상기 사용자단말기가 상기 운영컴퓨터로 사용 포인트 정보를 포함한 상품 거래내역을 전송하는 단계와; 상기 운영컴퓨터가 상기 사용자의 포인트 정보에서 거래내역에 포함된 금액에 해당하는 포인트를 삭감시키는 단계를 포함하는 모바일단말기를 이용한 자판기 제어 방법이 제시된다.In addition, according to a fifth aspect of the present invention, there is provided a computer readable recording medium storing a program for causing a computer to execute the steps of: Transmitting the point information of the user to the user terminal when the operation computer is authenticated by the user; Receiving the vending machine unique number input by the user terminal into the application; Wherein the user terminal is connected to an O2O terminal installed in a vending machine corresponding to the vending machine unique number by BLE communication; The O2O terminal transmits to the vending machine controller an activation request for the vending machine so that the user terminal can occupy the vending machine product to be purchased; A step of causing the vending machine controller to display an activation indication on a goods taking-out button of the vending machine; The vending machine controller receiving a signal from the vending machine to select a specific goods retrieval button; The Vending Machine Controller sends a transaction approval request by transmitting the selected goods and the corresponding amount information to the O2O terminal; The O2O terminal transmitting a point approval request corresponding to an amount of goods through subtraction of a holding point to the user terminal; transmitting the transaction approval through the point deduction to the O2O terminal; The O2O terminal transmitting transaction approval through point deduction to the vending machine controller; Causing the user terminal to terminate the transaction by terminating the BLE communication with the O2O terminal after the product is drawn from the vending machine; Transmitting the merchandise transaction details including usage point information to the operating computer; And reducing the point corresponding to the amount included in the transaction history in the point information of the user by using the mobile terminal.
본 발명에 의하면, 자판기 자체가 결제 수단 및 외부 결제시스템과의 통신수단을 구비하지 않으므로 저렴하고 오류가 없는 결제를 수행할 수 있고, 모바일 단말 사용자의 결제 정보 및 개인 정보 등의 유출 위험이 없고, 다수의 자판기가 설치된 장소에서 특정 자판기에 근접하지 않고 원하는 자판기를 선택하여 오류 없이 거래할 수 있고, 사용자의 모바일 단말이 결제 및 거래를 주도하게 함으로써 오류 및 불안감을 해소할 수 있고, 자판기의 상태 정보 등을 상기 모바일 단말을 통하여 원격으로 모니터링할 수 있으며, 자판기 사용에 대한 민원을 상기 모바일 단말을 통해 즉시 해결할 수 있고, 자판기 사업자가 자판기 운영 현황을 용이하게 확인할 수 있는 효과가 있다.According to the present invention, since the vending machine itself does not have means for communication with the settlement means and the external settlement system, it is possible to perform inexpensive and error-free settlement, and there is no risk of leakage of payment information and personal information of the mobile terminal user, It is possible to deal with errors without selecting a desired vending machine without being close to a specific vending machine in a place where a large number of vending machines are installed and error and anxiety can be solved by causing the user's mobile terminal to lead settlement and transaction, Etc. can be remotely monitored through the mobile terminal, complaints about the use of the vending machine can be immediately solved through the mobile terminal, and vending machine operators can easily check the operation status of the vending machine.
도 1은 본 발명의 모바일단말기를 이용한 자판기 제어시스템의 실시예에 관한 개략적인 구성도이다.
도 2는 본 발명의 실시예의 주요부인 사용자단말기에서 실행되는 어플리케이션의 실시예에 관한 개략적인 구성도이다.
도 3은 본 발명의 실시예의 주요부인 자판기에 설치된 O2O단말기의 실시예에 관한 개략적인 구성도이다.
도 4는 본 발명의 실시예의 주요부인 사업자자단말기에서 실행되는 어플리케이션의 실시예에 관한 개략적인 구성도이다.
도 5는 본 발명의 실시예의 주요부인 운영컴퓨터의 실시예에 관한 개략적인 구성도이다.
도 6은 본 발명의 실시예의 주요부인 운영컴퓨터의 실시예 중 주요부인 자판기관리모듈의 실시예에 관한 개략적인 구성도이다.
도 7은 본 발명의 실시예의 주요부인 운영컴퓨터의 실시예 중 주요부인 시스템관리모듈의 실시예에 관한 개략적인 구성도이다.
도 8은 본 발명의 실시예의 주요부인 운영컴퓨터의 실시예 중 주요부인 앱관리모듈의 실시예에 관한 개략적인 구성도이다.
도 9는 본 발명의 실시예의 주요부인 운영컴퓨터의 실시예 중 주요부인 통계관리모듈의 실시예에 관한 개략적인 구성도이다.
도 10은 본 발명의 실시예의 주요부인 민원센터컴퓨터의 실시예에 관한 개략적인 구성도이다.
도 11은 본 발명의 모바일단말기를 이용한 자판기 제어방법의 실시예를 설명하기 위한 흐름도이다.
도 12는 본 발명의 모바일단말기를 이용한 자판기 제어방법의 다른 실시예를 설명하기 위한 흐름도이다.
도 13은 본 발명의 모바일단말기를 이용한 자판기 제어방법의 또 다른 실시예를 설명하기 위한 흐름도이다.
도 14는 본 발명의 모바일단말기를 이용한 자판기 제어방법의 또 다른 실시예를 설명하기 위한 흐름도이다.1 is a schematic block diagram of an embodiment of a vending machine control system using a mobile terminal according to the present invention.
2 is a schematic configuration diagram of an embodiment of an application executed in a user terminal, which is a main part of an embodiment of the present invention.
3 is a schematic block diagram of an embodiment of an O2O terminal installed in a vending machine which is a main part of an embodiment of the present invention.
4 is a schematic configuration diagram of an embodiment of an application executed in a business entity terminal, which is a main part of an embodiment of the present invention.
5 is a schematic block diagram of an embodiment of an operating computer which is a principal part of an embodiment of the present invention.
6 is a schematic block diagram of an embodiment of a vending machine management module that is a main part of an embodiment of an operating computer which is a major part of an embodiment of the present invention.
FIG. 7 is a schematic block diagram of an embodiment of a system management module, which is a main part of an embodiment of an operating computer, which is a main part of an embodiment of the present invention.
FIG. 8 is a schematic configuration diagram of an embodiment of an application management module, which is a main part of an embodiment of an operating computer which is a main part of an embodiment of the present invention.
FIG. 9 is a schematic block diagram of an embodiment of a statistical management module, which is a principal part of an embodiment of an operating computer which is a main part of an embodiment of the present invention.
FIG. 10 is a schematic configuration diagram of an embodiment of a complaint center computer which is a main part of an embodiment of the present invention.
11 is a flowchart for explaining an embodiment of a vending machine control method using the mobile terminal of the present invention.
12 is a flowchart for explaining another embodiment of the vending machine control method using the mobile terminal of the present invention.
13 is a flowchart for explaining another embodiment of the vending machine control method using the mobile terminal of the present invention.
14 is a flowchart for explaining another embodiment of the vending machine control method using the mobile terminal of the present invention.
이하에서, 본 발명의 실시예를 첨부한 도면을 참조하면서 상세히 설명하기로 한다. 이하에서 본 발명의 주요 구성에 대한 용어에 있어서, 사용자단말기, 사업자단말기, O2O단말기 및 운영컴퓨터 등의 구성은 하드웨어 자체 또는 그 하드웨어를 활용하는 어플리케이션 프로그램 또는 웹프로그램을 혼용하여 사용할 수 있다.Hereinafter, embodiments of the present invention will be described in detail with reference to the accompanying drawings. In the following description of the main configuration of the present invention, the configuration of a user terminal, a business terminal, an O2O terminal, and an operating computer can be used in combination of hardware itself or an application program or a web program utilizing the hardware.
또한, 본 발명에서, 오프라인상에 설치되어 판매원을 상주시키지 않는 다양한 상품 및 서비스를 판매 또는 예약 등을 수행하는 무인 키오스크 및 자판기를 포함하는 용어로서, 이들을 모두 포함하는 것을 자판기라는 용어로 사용한다.In the present invention, terms including an unmanned kiosk and a vending machine installed on an off-line to perform sales or reservation of various goods and services that do not reside the salespersons, and the like are used as a vending machine.
도 1은 본 발명의 모바일단말기를 이용한 자판기 제어시스템의 실시예에 관한 개략적인 구성도이다. 도 1에 도시한 바와 같이 본 발명의 모바일단말기를 이용한 자판기 제어시스템은, 모바일 단말기인 사용자단말기(100)에 탑재되어 상기 사용자단말기(100)의 하드웨어 자원을 활용하여 구동되는 결제수단 및 자판기 제어수단을 구비하고 있는 어플리케이션(이하 '앱'이라 함)을 포함하는 사용자단말기(100)와, 상기 자판기(1000)에 설치되어 자판기(1000)에 제어 명령의 생성을 전송하고 상기 사용자단말기(100)와 근거리무선통신수단을 이용하여 통신하여 상기 앱과의 데이터 송수신을 하고 상기 사용자단말기(100)로부터 결제정보를 수신하기 위한 온라인 또는 모바일에서 대금 결제를 수행한 후 오프라인에서 물품을 수금하는 서비스인 온라인 투 오프라인 서비스(Online to Offline service: 이하 'O2O'라 함)를 수행하기 위한 O2O단말기(200)와; 상기 자판기(1000)에 설치되어 상기 자판기(1000)의 각종 구동을 제어하고 상기 O2O단말기(200)와 시리얼통신을 통해 제어 명령의 생성 지시를 수신하고 상기 자판기상태정보를 송신하기 위한 자판기 제어기(1100)와; 상기 자판기(1000)의 소정 위치에 자판기의 고유번호를 표시하기 위한 자판기번호표시부(1200)를 포함하는 자판기(1000)와, 상기 사용자단말기(100)와 통신수단을 이용해 통신 접속되고 상기 사용자단말기(100)의 앱에 각종 자판기 정보를 제공하고 상기 사용자단말기(100)로부터 자판기상태정보 및 자판기 이용정보 등을 수신하기 위한 운영컴퓨터(300)와, 상기 사용자단말기와 통신접속되어 자판기 상품에 관한 구매 결제를 전자적으로 제공하기 위한 전자결제컴퓨터(400)와, 상기 사용자단말기(100)의 앱을 통해 자판기 관련 각종 민원 해결을 위한 정보를 제공하기 위한 민원센터컴퓨터(500)와, 상기 운영컴퓨터(300)와 통신접속되어 상기 운영컴퓨터(300)에 각종 자판기 정보를 제공하고 상기 운영컴퓨터(300)로부터 자판기상태정보 및 자판기 이용정보 등을 수신하기 위한 웹프로그램 또는 앱을 실행시키는 사업자단말기(600)를 포함하는 구성이다.1 is a schematic block diagram of an embodiment of a vending machine control system using a mobile terminal according to the present invention. As shown in FIG. 1, the vending machine control system using the mobile terminal of the present invention includes a payment means and a vending machine control means, which are mounted on the
상기 사용자단말기(100)는 사용자가 휴대하고 다닐 수 있고, ㅇ어플리케이션앱을 탑재하여 실행시킬 수 있거나 웹프로그램을 실행시킬 수 있고, 이동통신수단, 무선인터넷통신수단, 블루투스(BLE) 근거리무선통신수단 및 엔에프시(NFC) 근거리무선통신수단을 구비하고 있는 스마트폰, 태블릿컴퓨터, 노트북 등의 휴대단말기로 구성될 수 있다.The
또한, 상기 사용자단말기(100)가 앱을 실행시키기 위해서는 상기 앱을 다운로드 받을 수 있는 다운로드 서버 등에서 다운로드 받아 설치될 수 있다. 또한, 웹프로그램을 실행시키는 것은 웹서버에서 제공하는 웹프로그램을 상기 사용자단말기(100)에 탑재된 브라우저가 실행되면서 구동될 수 있다.In order for the
상기 O2O단말기(200)는 상기 자판기(1000)의 내부에 설치되어 상기 자판기제어기(1100)와 예를 들어 시리얼통신을 통해 통신접속되어 있고, 사용자단말기와 예를 들면 블루투스 통신의 근거리무선통신을 통해 접속되어 상기 사용자단말기의 모바일 핀테크 등을 통해 수행된 결제정보를 수신하여 상기 자판기제어기(1100)로 제어 명령을 수행하고, 상기 자판기제어기(1100)로부터 거래완료 또는 자판기상태정보 등을 수신하여 상기 사용자단말기(100)에 전송하기 위한 단말장치의 구성이다. 기존의 자판기에 상기 O2O단말기(200)만을 설치하여 상기 자판기제어기(1100)와 통신 연결시킴으로써 본 발명의 목적을 구현할 수 있다.The
상기 O2O단말기(200)는, CPU, 플래시 및 램 메모리, LCD 디스플레이, 기능키, 블루투스(BLE: Bluetooth 4.0/Beacon) 통신수단, 시리얼통신수단(RS-232, USB), 안내음 송출을 위한 부저 및 입출력수단(DI 4CH, DO 4CH)의 하드웨어로 구성될 수 있다.The
상기 메모리에는 O2O단말기(200)의 고유정보와 설치된 자판기의 고유 번호 정보가 저장되도록 구성될 수 있다. 상기 사용자단말기(100)로부터 수신되는 자판기 고유번호와 저장되어 있는 자판기 고유번호 및 O2O단말기(200) 고우번호의 매칭을 통한 외부 자판기 정보 유입을 차단할 수 있도록 구성될 수 있다.The unique information of the
본 발명의 실시예에서는 자판기 자체가 외부의 운영컴퓨터, 전자결제컴퓨터 및 사업자단말기 등과 통신할 수 있는 수단을 구비하고 있지 않다, 상기 자판기(1000)와 상기 운영시스템(300), 전자결제컴퓨터(400) 및 사업자단말기(500) 간의 통신을 상기 O2O단말기(200)와 사용자단말기(100)를 통해서 수행된다.In the embodiment of the present invention, the vending machine itself does not have means for communicating with an external operating computer, an electronic payment computer and a business terminal. The
또한, 상기 O2O단말기(200)의 BLE Beacon을 통한 상기 사용자단말기(100)에의 자판기 홍보, 쿠폰지급 등의 팝업 기능을 구현할 수 있고, 사용자단말기(200)를 자동으로 활성화시킬 수 있으며, 자판기 고유번호와 O2O단말기(200)의 고유정보의 매칭을 통한 오류 방지를 구현할 수 있다.Also, it is possible to implement a pop-up function such as promoting a vending machine to the
본 발명의 실시예에서 자판기 상품 거래를 위한 결제는 소위 역결제 방식으로서, 상기 사용자단말기(100)와 상기 O2O단말기(200) 간의 사용자 결제정보가 존재하지 않고, 사용자단말기(100)에서 결제된 금액정보만을 상기 O2O단말기(200)로 전달하는 구성이므로 정보유출의 염려가 없이 안심하고 거래를 할 수 있도록 구성되어 있다.In the embodiment of the present invention, payment for vending machine merchandise transaction is a so-called reverse payment method in which user payment information between the
또한, 상기 본 발명의 실시예에서 사용자단말기(100)와 O2O단말기(200) 간의 근거리무선통신수단으로서 BLE 통신을 설명했으나, 이에 한정되지 않고 예를 들면 NFC 통신으로 구성될 수도 있다.In addition, although the BLE communication is described as the short distance wireless communication means between the
또한, 상기 사업자단말기(500)는, 사업자용 앱과 웹프로그램을 통해 상기 운영컴퓨터(300)에 통신 접속되고, 상기 운영컴퓨터(300)로부터 자판기 상태정보, 자판기 이용 정보 및 각종 통계정보를 수신하여 관리할 수 있고, 자판기 상품의 종류 및 가격 정보, 행사 정보 등을 상기 운영컴퓨터(300)에 업데이트시킬 수 있도록 구성될 수 있다.In addition, the
도 2는 본 발명의 실시예의 주요부인 사용자단말기에서 실행되는 어플리케이션의 실시예에 관한 개략적인 구성도이다. 도 2에 도시한 바와 같이 본 발명의 사용자단말기에서 실행되는 앱은, 사용자단말기(100)의 GPS 위치기반의 현재 위치를 표시해주고 위치정보를 관리하기 위한 위치정보관리모듈(110)과; GIS기반의 지도상의 자판기 정보를 표시해주고, 주변 자판기 검색 및 연관 서비스를 관하기 위한 자판기정보관리모듈(120)과; 전자결제컴퓨터와 연동을 통한 신용카드 등의 실시간 결제와 선불로 충전 가능한 포인트를 이용한 결제 등을 관리하기 위한 결제정보관리모듈(130)과; 자판기 이용 방법 및 쿠폰/포인트 등의 이용방법 등을 안내해주기 위한 매뉴얼정보관리모듈(140)과; 메신저 전문기관과 연계를 통해 메신저를 통한 홍보 및 광고 등을 수행하고, 메신저를 통한 자판기 상품의 선물하기 등을 관리하기 위한 메신저정보관리모듈(150)과; 앱을 통해 회원 가입 및 사용자 인증을 수행하기 위한 회원정보관리모듈(160)과; 자판기 이용에 관한 포인트 적립 및 사용, 타사 포인트를 자판기에 현금처럼 사용할 수 있는 시스템 연계를 위한 포인트관리모듈(l70)과; 본 발명과 관련된 서비스의 각종 민원신청 및 메시지 또는 전자메일을 통한 문의 및 답변 등을 관리하기 위한 민원센터연계모듈(180)과; 상기 O2O단말기(200)와의 통신 접속, 상기 운영컴퓨터(300)와의 통신 접속, 상기 전자결제컴퓨터(400)와의 통신접속을 위한 데이터통신모듈(190)을 포함하는 구성이다.2 is a schematic configuration diagram of an embodiment of an application executed in a user terminal, which is a main part of an embodiment of the present invention. As shown in FIG. 2, the app executed by the user terminal of the present invention includes a location information management module 110 for displaying the current location of the GPS location of the user terminal 100 and managing location information; A vending machine information management module 120 for displaying vending machine information on a map based on the GIS and managing the surrounding vending machine searching and related services; A settlement information management module 130 for managing real-time settlement of a credit card or the like through interlocking with an electronic settlement computer and settlement using prepaid chargeable points; A manual information management module 140 for guiding how to use the vending machine and how to use coupons / points and the like; A messenger information management module 150 for carrying out publicity and advertisement through a messenger in cooperation with a messenger agency and managing the gift of a vending machine product via a messenger; A member information management module 160 for performing registration and user authentication through an application; A point management module (l70) for linking and accumulating points with respect to the use of vending machines, and a system capable of using points of other companies as cash in vending machines; A complaint center linkage module 180 for managing various complaints of services related to the present invention and inquiries and responses through messages or e-mails; A data communication module 190 for communication connection with the O2O terminal 200, communication connection with the operating computer 300, and communication connection with the electronic settlement computer 400.
도 3은 본 발명의 실시예의 주요부인 자판기에 설치된 O2O단말기의 실시예에 관한 개략적인 구성도이다. 도 3에 도시한 바와 같이 본 발명의 O2O단말기(200)는, 사용자단말기(100)로부터 전송되어 온 자판기 고유번호를 수신하여 저장된 자판기 고유번호와 매칭되는 지를 확인하여 상기 사용자단말기(100)의 통신 접속을 인증하기 위한 인증관리모듈(210)과; 상기 O2O단말기(200)의 단말기 자가진단을 위한 단말상태관리모듈(220)과; 상기 사용자단말기(100)와의 근거리무선통신 상태 및 상기 자판기 제어기(1100)와의 시리얼통신 상태 진단을 위한 통신상태관리모듈(230)과; 상기 O2O단말기(200)의 고유정보(ID)를 상기 사용자단말기(100)에 전송하고, 자판기 고유번호 정보의 매칭 관리를 위한 단말ID관리모듈(240)과; 상기 O2O단말기(200)의 위치정보를 이동통신망을 통하여 제공하기 위한 위치(GIS)관리모듈(250)과; 데이터의 입출력 정보를 관리하기 위한 DI/DO모듈(260)과; 상기 자판기 제어기(1100)와의 통신 접속을 위한 시리얼통신모듈(270)과; 상기 사용자단말기(100)와의 BLE 또는 NFC 통신 접속을 위한 근거리무선통신모듈(280)과; 상기 O2O단말기(200)의 상태 정보 등을 표시하기 위한 표시모듈(290)을 포함하는 구성이다.3 is a schematic block diagram of an embodiment of an O2O terminal installed in a vending machine which is a main part of an embodiment of the present invention. 3, the
도 4는 본 발명의 실시예의 주요부인 운영컴퓨터의 실시예에 관한 개략적인 구성도이다. 도 4에 도시한 바와 같이 본 발명의 운영컴퓨터는, 자판기 사업자 및 자판기 운영관리 및 상기 O2O단말기(200) 등을 관리하기 위한 자판기관리모듈(310)과; 서비스 운영 및 결제 관리 등을 위한 시스템관리모듈(320)과; 사용자단말기의 앱 및 사업자단말기의 앱을 관리하기 위한 앱(App)관리모듈(330)과; 자판기 이용 현황 등의 각종 통계를 관리하기 위한 통계관리모듈(340)과; 사업자단말기(600)로부터 전송되어 온 자판기 행사 정보 및 사용자단말기 사용자의 포인트 정보 등을 관리하기 위한 포인트정보관리모듈(350)과; 상기 사용자단말기(100) 및 사업자단말기(600)와의 통신 접속되어 데이터를 송수신하기 위한 데이터통신관리모듈(360)과; 상기 사업자단말기(600)에 제공되는 관리 웹프로그램 등의 관리를 위한 웹(Web)관리모듈(370)과; 결제 관련 정산센터 등과의 연계를 위한 연계관리모듈(380)을 포함하는 구성이다.4 is a schematic block diagram of an embodiment of an operating computer which is a principal part of an embodiment of the present invention. As shown in FIG. 4, the operating computer of the present invention includes a vending
도 5는 본 발명의 실시예의 주요부인 사업자자단말기에서 실행되는 어플리케이션의 실시예에 관한 개략적인 구성도이다. 도 5에 도시한 바와 같이 본 발명의 사용자단말기(100)에 탑재되어 실행되는 앱은, 사업자단말기(600)의 GPS 위치기반의 현재 위치 정보를 제공해주고, 지도상에 사업자 관리 자판기의 위치 정보를 제공해주기 위한 위치정보관리모듈(610)과; 자판기의 상품 재고 관리, 사용자단말기(100)를 통해 상기 운영컴퓨터로 수신된 자판기 상태 정보를 수신하여 관리하기 위한 자판기정보관리모듈(620)과; 자판기의 실시간 소득 정보 수신 및 관리, 자판기별, 기간별, 소득 정보를 관리하거나 조회하기 위한 통계관리모듈(630)과; 자판기 사업자의 본 발명의 서비스 이용 방법 등을 제공하기 위한 매뉴얼정보관리모듈(640)과; 자판기에서 사용 가능한 포인트 정보 및 각종 행사 정보를 상기 운영컴퓨터로 제공하기 위한 포인트정보관리모듈(650)과; 자판기 사업자의 본 발명의 서비스를 위한 회원 가입 및 사업자 승인을 위한 회원정보관리모듈(660)과; 민원센터컴퓨터(500)에 접속하여 각종 민원을 처리하기 위한 민원센터연계모듈(670)과; 상기 운영컴퓨터(300)와 통신 접속되어 데이터를 송수신하기 위한 데이터통신모듈(680)을 포함하는 구성이다.5 is a schematic configuration diagram of an embodiment of an application executed in a business entity terminal, which is a main part of an embodiment of the present invention. As shown in FIG. 5, the app installed and executed in the
도 6은 본 발명의 실시예의 주요부인 운영컴퓨터의 실시예 중 주요부인 자판기관리모듈의 실시예에 관한 개략적인 구성도이다. 도 6에 도시한 바와 같이 본 발명의 운영컴퓨터(300)의 자판기관리모듈은, 자판기의 상태 정보 등을 상기 사용자단말기(100)를 통하여 수신하고, 사업자단말기(600)로부터 자판기 설치 및 운영 정보 등을 수신하여 관리하기 위한 자판기운영관리모듈(311)과; 자판기에 설치된 O2O단말기(200)의 고유정보 및 상태 정보 등을 관리하기 위한 O2O단말관리모듈(312)과; 상기 O2O단말기(200)의 GIS 위치 정보를 수신하여 상기 사용자단말기(100) 및 사업자단말기(600)에 제공하기 위한 위치(GIS)관리모듈(313)과; 자판기 사업자 정보를 관리하기 위한 사업자관리모듈(314)과; 사업자단말기(600)로부터 전송되어 온 자판기행사정보를 저장하고 사용자단말기(100)에 제공하기 위한 자판기행사정보관리모듈(315)를 포함하는 구성이다.6 is a schematic block diagram of an embodiment of a vending machine management module that is a main part of an embodiment of an operating computer which is a major part of an embodiment of the present invention. 6, the vending machine management module of the operating
도 7은 본 발명의 실시예의 주요부인 운영컴퓨터의 실시예 중 주요부인 시스템관리모듈의 실시예에 관한 개략적인 구성도이다. 도 7에 도시한 바와 같이 본 발명의 시스템관리모듈은, 본 발명의 실시예에 관한 서비스 업무를 관하기 위한 서비스업무관리모듈(321)과; 사용자단말기(100)로부터 전송되어 온 결제 정보를 저장하고 통계처리를 수행하기 위한 결제정보관리모듈(322)과; 본 발명의 실시예의 서비스 운영에 관련된 사항을 관리하기 위한 서비스운영관리모듈(323)과; 운영컴퓨터(300) 또는 이와 연계된 각종 플랫폼을 관리하기 위한 플랫폼관리모듈(324)을 포함하는 구성이다.FIG. 7 is a schematic block diagram of an embodiment of a system management module, which is a main part of an embodiment of an operating computer, which is a main part of an embodiment of the present invention. As shown in FIG. 7, the system management module of the present invention includes a service task management module 321 for managing a service task according to an embodiment of the present invention; A payment information management module 322 for storing payment information transmitted from the
도 8은 본 발명의 실시예의 주요부인 운영컴퓨터의 실시예 중 주요부인 앱관리모듈의 실시예에 관한 개략적인 구성도이다. 도 8에 도시한 바와 같이 본 발명의 앱관리모듈은, 사용자 및 사용자 앱의 상태 정보 및 업데이트 상황을 관리하기 위한 사용자앱괸리모듈(331) 및 사업자앱관리모듈(332)과; 상기 사용자 및 사업자 앱의 버전을 관리하기 위한 앱버전관리모듈(333)과; 상기 사용자 및 사업자 앱 사용 회원의 정보를 관리하기 위한 회원정보관리모듈(334)를 포함하는 구성이다.FIG. 8 is a schematic configuration diagram of an embodiment of an application management module, which is a main part of an embodiment of an operating computer which is a main part of an embodiment of the present invention. 8, the application management module of the present invention includes a user application module 331 and a provider application management module 332 for managing status information and update status of user and user applications; An application version management module 333 for managing versions of the user and business application; And a member information management module 334 for managing the information of the user and business user application using member.
도 9는 본 발명의 실시예의 주요부인 운영컴퓨터의 실시예 중 주요부인 통계관리모듈의 실시예에 관한 개략적인 구성도이다. 도 9에 도시한 바와 같이 본 발명의 통계관리모듈은, 자판기 이용 현황의 전체 통계를 관리하기 위한 이용현황통계관리모듈(341)과; 자판기의 이용수익/건수 등의 통계를 처리하고 관리하기 위한 이용수익/건수통계관리모듈(342)과; 자판기의 기간별 이용 현황에 관한 통계를 처리하고 관리하기 위한 기간별이용통계관리모듈(343)과; 자판기의 기종별 이용 현황에 관한 통계를 처리하고 관리하기 위한 기종별이용통계관리모듈(344)과; 민원센터컴퓨터(500)로부터 수집된 각종 민원의 통계처리 및 관리하기 위한 민원통계관리모듈(345)과; 사용자단말기(100)의 앱 회원 및 사업자단말기의 앱 또는 웹 회원 현황의 통계를 처리하고 관리하기 위한 회원통계관리모듈(346)을 포함하는 구성이다.FIG. 9 is a schematic block diagram of an embodiment of a statistical management module, which is a principal part of an embodiment of an operating computer which is a main part of an embodiment of the present invention. 9, the statistical management module of the present invention includes a usage statistic management module 341 for managing overall statistics of vending machine use status; A usage profit / number statistics management module 342 for processing and managing statistics such as the utilization income / number of vending machines; A utilization statistics management module 343 for processing and managing statistics on the usage status of the vending machines by period; A utilization statistics management module 344 for each type of machine for processing and managing statistics on the usage status of each machine type of vending machine; A civil affairs statistics management module 345 for statistical processing and management of various complaints collected from the
도 10은 본 발명의 실시예의 주요부인 민원센터컴퓨터의 실시예에 관한 개략적인 구성도이다. 도 10에 도시한 바와 같이 본 발명의 민원센터컴퓨터는, 본 발명의 실시예 관련 민원에 관한 질의 및 응답 정보를 관리하기 위한 민원Q&A관리모듈(511)과; 자판기 상태와 관련하여 유고 상황 등을 접수하여 관리하기 위한 자판기상태관리모듈(512)과; 특정 자판기의 O2O단말기의 이상 유무 등에 관련된 민원을 접수하여 관리하기 위한 O2O단말상태관리모듈(513)과; 사용자 앱 또는 사업자 앱 관련 민원을 접수하여 관리하기 위한 앱상태관리모듈(514)을 포함하고, 이들 민원에 관련된 사항에 대해서 VOC 서비스로 대응하기 위한 민원(VOC)관리부(510)와,FIG. 10 is a schematic configuration diagram of an embodiment of a complaint center computer which is a main part of an embodiment of the present invention. As shown in FIG. 10, the complaint center computer of the present invention includes a complaint Q & A management module 511 for managing inquiry and response information about a complaint related to an embodiment of the present invention; A vending machine condition management module 512 for receiving and managing a vending machine condition in relation to the vending machine condition; An O2O terminal state management module 513 for receiving and managing a complaint related to an abnormality of the O2O terminal of a specific vending machine, and the like; (VOC) management unit 510 for responding to the complaints related to these complaints with a VOC service, and an application status management module 514 for receiving and managing complaints related to the user application or the business application.
사용자 또는 사업자의 질의 및 응답에 관한 상담을 관리하기 위한 고객Q&A관리모듈(521)과; 사용자 또는 사업자의 본 발명의 실시예에 관한 회원가입 관련 문의를 관리하기 위한 회원가입문의관리모듈(522)과; 각종 상담관련 데이터를 관리하기 위한 데이터관리모듈(523) 및 상담 접수 및 처리 상황을 관리하기 위한 상담접수관리모듈(524)를 포함하는 상담관리부(520)를 포함하는 구성이다.A customer Q & A management module 521 for managing consultation regarding inquiries and responses of users or business operators; A membership inquiry management module 522 for managing a membership inquiry related to an embodiment of the present invention of a user or a provider; A consultation management unit 520 including a data management module 523 for managing various counseling related data and a counseling acceptance management module 524 for managing counseling acceptance and processing status.
이하에서 도 1 내지 도 10을 참조하여 본 발명의 실시예를 더 상세히 설명하기로 한다.Hereinafter, embodiments of the present invention will be described in more detail with reference to FIGS. 1 to 10. FIG.
우선 기존의 자판기 사업자는 운영하고 있는 자판기에 본 발명의 실시예 서비스를 수용하는데 동의하고, 기존의 자판기에 O2O단말기(200)를 설치한다. 각각의 자판기에는 자판기 고유번호가 외부에 노출되도록 상기 자판기번호표시부(1200)에 고유번호를 부착 또는 표시시킨다. 상기 자판기에 설치되는 상기 O2O단말기(200)는 각각 고유정보를 포함하고 있고, 상기 자판기 고유번호와 상기 O2O단말기의 고유정보가 매칭되어 저장되어 있다.First, the existing vending machine operator agrees to accept the embodiment service of the present invention in the vending machine operating and installs the
자판기의 상품을 거래하고자 하는 사용자는 사용자단말기(100)로 앱 다운로드 컴퓨터에 접속하여 사용자용 자판기 앱을 다운로드 받아 설치한다. 또한, 자판기 사업자는 사업자단말기(600)로 앱 다운로드 컴퓨터에 접속하여 사업자용 자판기 앱을 다운로드 받아 설치한다. 사업자단말기(600)는 상기 사업자용 자판기 앱을 다운로드 받지 않더라도 상기 운영컴퓨터(300)에서 제공하는 웹프로그램을 이용할 수도 있다. 여기서는 사업자단말기에서 앱을 사용하는 경우를 중심으로 설명하기로 한다.A user who wishes to trade a product of the vending machine accesses the application downloading computer by the
사용자는 적어도 하나의 자판기가 설치된 장소의 BLE 비콘 인식 영역 내에 위치하면, 사용자용 자판기 앱이 설치된 사용자단말기의 소지자가 자판기를 사용하기 위해서 상기 사용자단말기에서 앱을 실행시킨다. 또는 상기 자판기에 설치된 BLE 비콘 인식 영역에 위치하면 상기 사용자단말기의 앱이 자동으로 실행될 수 있다. 상기 사용자단말기의 앱이 실행되면 상기 적어도 하나의 자판기의 각각의 O2O단말기가 상기 사용자단말기에 BLE 비콘 정보를 송신하여 상기 사용자단말기의 앱에 표시시킨다. 또한, 상기 사용자단말기의 앱이 실행되면 상기 운영컴퓨터와 상기 사용자단말기는 통신접속된다.When the user is located within the BLE beacon recognition area of the place where at least one vending machine is installed, the owner of the user terminal installed with the user vending machine application executes the application at the user terminal in order to use the vending machine. Or the BLE beacon recognition area installed in the vending machine, the app of the user terminal can be automatically executed. When the application of the user terminal is executed, each O2O terminal of the at least one vending machine transmits BLE beacon information to the user terminal and displays it on the app of the user terminal. When the application of the user terminal is executed, the operating computer and the user terminal are communicatively connected.
상기 사용자단말기에서 앱을 실행시키면 상기 운영컴퓨터와 통신 접속되고, 사용자 인증을 수행한 후에 사용자의 앱에의 입력에 의해서 상기 운영컴퓨터로 자판기 행사정보를 요청하거나 상기 운영컴퓨터가 전송한 푸시메시지에 포함된 자판기 행사정보를 상기 사용자단말기에 표시시킬 수 있다.When the user executes the application in the user terminal, the user is communicatively connected to the operating computer. After performing the user authentication, the vending machine event information is requested to the operating computer by inputting to the user's app or included in the push message transmitted by the operating computer And display the vending machine event information on the user terminal.
또한, 상기 사용자단말기의 앱이 실행되면 상기 운영컴퓨터에서 상기 앱의 위치정보를 기초로 주변의 자판기 정보를 전송하여 예를 들면 지도 데이터와 함께 상기 앱에 표시시킬 수 있다.In addition, when the application of the user terminal is executed, the operating computer can transmit peripheral vending machine information based on the location information of the application, for example, to display the application together with the map data.
상기 사용자단말기에 표시된 자판기 행사정보 및 자판기 정보 등을 확인한 후, 상기 사용자단말기는 특정 자판기를 선택하는 신호와 입력되는 자판기 고유번호를 수신하여 상기 BLE 통신을 통하여 전송시킨다. 상기 적어도 하나의 자판기의 O2O단말기는 상기 사용자단말기로부터 전송되어 온 자판기 고유번호를 수신하여 저장된 자판기 고유번호와 대비하여 동일하지 않으면 상기 사용자단말기와 BLE 통신을 해지시키고, 동일한 자판기 고유번호를 갖고 있는 O2O단말기와 상기 사용자단말기가 BLE 통신 접속이 유지된다. 이 상태에서 사용자단말기에서의 카드결제를 통한 금액정보 또는 포인트 결제를 통한 금액정보를 상기 O2O단말기로 전송하여 사용자단말기와 자판기간의 상품거래를 수행하게 된다.After confirming the vending machine event information and the vending machine information displayed on the user terminal, the user terminal receives a signal for selecting a specific vending machine and an input vending machine unique number, and transmits the signal through the BLE communication. Wherein the O2O terminal of the at least one vending machine receives the vending machine unique number transmitted from the user terminal and discontinues the BLE communication with the user terminal if the vending machine unique number is not identical to the stored vending machine unique number, A BLE communication connection is maintained between the terminal and the user terminal. In this state, the money information through the card settlement in the user terminal or the money information through the point settlement is transmitted to the O2O terminal to perform the commodity transaction between the user terminal and the vending machine.
상기 사용자단말기에 입력되는 자판기 고유번호는 상기 사용자단말기 앱에 입력되는 것을 수신하거나, 상기 운영컴퓨터에서 전송해준 자판기 정보에 포함하여 표시시킬 수 있다.The vending machine unique number input to the user terminal may be received by the user terminal application or may be included in the vending machine information transmitted from the operation computer.
이와 같이, 자판기에 외부통신 수단을 두지 않고, O2O단말기와 사용자단말기간의 통신을 통해서 자판기를 제어할 수 있고, 결제 및 거래가 진행될 수 있다. 또한, 결제 정보를 상기 사용자단말기가 상기 O2O단말기로 전송하지 않고 금액정보만을 전송함으로써, 사용자단말기의 결제 정보의 유출 위험이 없다. 또한, 다수의 자판기가 설치된 장소에서 자판기에 부여된 고유번호를 이용하여 거래할 자판기를 특정하고, 해당 자판기의 O2O단말기와 만의 통신이 접속되어 유지되므로, 자판기 서비스의 혼란을 방지할 수 있다.In this manner, the vending machine can be controlled through communication between the O2O terminal and the user terminal without putting external communication means in the vending machine, and settlement and transaction can proceed. Also, there is no risk of leakage of payment information of the user terminal by transmitting only the amount information without transmitting the payment information to the O2O terminal. In addition, since a vending machine to be traded is specified using a unique number assigned to a vending machine in a place where a plurality of vending machines are installed, communication with only the O2O terminal of the vending machine is connected and held, thereby preventing confusion of the vending machine service.
또한, 상기 O2O자판기(200)의 BLE 비콘을 통한 사용자단말기(100)에의 자판기 홍보 데이터를 전송할 수 있고, 설정된 쿠폰 정보 등을 전송할 수 있도록 구성될 수 있다. 또한, 상기 사용자단말기(100)가 상기 BLE 비콘 인식 영역에 위치하면 상기 사용자단말기(100)의 자판기 앱을 자동으로 활성화시킬 수 있도록 구성될 수 있다.Also, it is possible to transmit the vending machine promotion data to the
또한, 사용자단말기(100)의 결제 방법에 있어서, 카드간편결제 방법(이하 '앱카드 결제"라 한다)은 사용자단말기에 등록되어 있는 앱카드를 통한 결제 후 상품 구매 방법으로 이 방법은 상품 구매시마다 결제 승인을 필요로 한다. 또한, 선불포인트 구매 방법으로서, 사용자단말기에 등록되어 있는 간편결제 앱카드, 계좌송금(월렛), 타사 포인트를 통한 포인트 확보 후 구매방식으로 이 방법은 한번의 결제로 포인트 소진시까지 계속 이용할 수 있고, 포인트 정보를 사용자단말기의 자판기 앱에 보관할 수 있다.In addition, in the payment method of the
도 11은 본 발명의 모바일단말기를 이용한 자판기 제어방법의 실시예를 설명하기 위한 흐름도이다, 도 11에 도시한 바와 같이 본 발명의 실시예는 사용자가 카드결제를 통한 거래 방법을 설명하기 위한 흐름도이다.11 is a flowchart for explaining an embodiment of a vending machine control method using a mobile terminal according to the present invention. As shown in FIG. 11, an embodiment of the present invention is a flowchart for explaining a transaction method through a card settlement by a user .
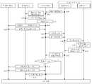
사용자단말기가 주변의 적어도 하나의 자판기에 설치된 O2O단말기로부터 주변의 BLE 비콘 정보를 수신하는 단계(S100)와; 상기 사용자단말기가 운영컴퓨터로 상기 O2O단말기의 비콘 정보를 전송하여 해당 자판기의 행사정보를 요청하는 단계(S101)와; 상기 운영컴퓨터가 상기 사용자단말기로 상기 BLE 비콘 정보에 해당하는 적어도 하나의 자판기의 행사정보를 전송하는 단계(S102)와; 상기 사용자단말기가 표시된 상기 운영컴퓨터로부터 전송되어 온 자판기 목록 및 행사정보를 기초로 자판기를 선택하는 단계(S103)와; 상기 사용자단말기가 금액을 입력하고 카드결제를 진행하여 전자결제컴퓨터로 카드 결제승인을 요청하는 단계(S104)와; 상기 사용자단말기가 상기 전자결제컴퓨터로부터 카드 결제 승인 정보를 수신하는 단계(S105)와; 상기 사용자단말기가 선택한 상기 자판기의 O2O단말기에 BLE 통신으로 접속하는 단계(S106)와; 상기 사용자단말기가 통신 접속된 상기 O2O단말기로 결제 승인된 금액 정보를 전송하는 단계(S107)와; 상기 O2O단말기가 상기 사용자단말기로부터 전송되어 온 금액정보를 상기 자판기의 자판기제어기로 전송하는 단계(S108)와; 상기 자판기제어기가 상기 O2O단말기로부터 전송되어 온 금액에 포함되는 자판기의 상품 인출버튼에 활성화 표시를 하는 단계(S109)와; 상기 자판기제어기가 상기 자판기로부터 상품이 인출된 것을 인지한 후 상기 O2O단말기로 거래완료 및 환불 잔액 데이터를 상기 O2O단말기로 전송하는 단계(S110)와; 상기 O2O단말기가 상기 사용자단말기로 거래종료 및 환불잔액 데이터를 전송하고 접속을 해지시키는 단계(S111)와; 상기 사용자단말기가 상기 O2O단말기로부터 전송되어 온 환불잔액 데이터의 금액이 0인 경우 상기 운영컴퓨터로 거래내역을 전송시키고, 상기 사용자단말기가 상기 O2O단말기로부터 전송되어 온 환불잔액 데이터의 금액이 0가 아닌 경우 상기 전자결제컴퓨터로 결제 부분취소 요청을 전송하는 단계(S112)와; 상기 사용자단말기가 상기 전자결제컴퓨터로부터 결제 부분 취소 승인 데이터를 수신하는 단계(S113)와; 상기 사용자단말기가 상기 운영컴퓨터로 거래내역을 전송시키는 단계(S114)를 포함하는 구성이다.(S100) of receiving peripheral BLE beacon information from an O2O terminal installed in at least one vending machine in the vicinity of the user terminal; (S101) of transmitting the beacon information of the O2O terminal to the operating computer and requesting the event information of the corresponding vending machine by the user terminal; The operation computer transmitting event information of at least one vending machine corresponding to the BLE beacon information to the user terminal (S102); Selecting (S103) a vending machine based on the vending machine list and the event information transmitted from the operating computer displayed by the user terminal; (S104) the user terminal requests a credit card payment approval to the electronic payment computer by inputting a money amount and proceeding with a credit card settlement; (S105) the user terminal receiving the card settlement approval information from the electronic settlement computer; (S106) connecting to the O2O terminal of the vending machine selected by the user terminal by BLE communication; (S107) of transmitting the settlement-approved amount information to the O2O terminal to which the user terminal is communicatively connected; (S108) the O2O terminal transmits the amount information transmitted from the user terminal to the vending machine controller of the vending machine; (S109) of causing the vending machine controller to display an activation indication on a goods retrieval button of a vending machine included in an amount transferred from the O2O terminal; (S110), after the vending machine controller recognizes that the merchandise is withdrawn from the vending machine, transmits the transaction completion and refund balance data to the O2O terminal to the O2O terminal (S110); (S111) the O2O terminal transmits transaction end and refund balance data to the user terminal and terminates the connection; The user terminal transmits a transaction record to the operating computer when the amount of the refund balance data transmitted from the O2O terminal is 0, and if the amount of the refund balance data transmitted from the O2O terminal is not 0 A step (S112) of transmitting a settlement part cancellation request to the electronic settlement computer; (S113) of receiving the settlement part cancellation approval data from the electronic settlement computer; And transmitting the transaction details to the operating computer (S114).
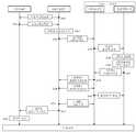
도 12는 본 발명의 모바일단말기를 이용한 자판기 제어방법의 다른 실시예를 설명하기 위한 흐름도이다. 도 12의 본 발명의 실시예는 사용자의 포인트 정보를 이용한 자판기 거래 방법을 나타내고 있다. 도 12에 도시한 바와 같이 본 발명의 모바일단말기를 이용한 자판기 제어방법은, 사용자단말기가 자판기 앱을 실행시켜 운영컴퓨터에 통신 접속되면 상기 운영컴퓨터로 사용자 인증 요청하는 단계(S200)와; 상기 운영컴퓨터가 상기 사용자단말기의 사용자 인증이 완료된 경우 상기 사용자단말기로 사용자의 포인트 정보를 전송하는 단계(S201)와; 상기 사용자단말기가 자판기 앱에 입력되는 자판기 고유번호를 수신하는 단계(S202)와; 상기 사용자단말기가 상기 자판기 고유번호에 해당하는 자판기에 설치된 O2O단말기와 BLE 통신으로 접속되는 단계(S203)와; 상기 사용자단말기가 상기 자판기 앱에 입력된 상품 금액 정보를 상기 O2O단말기로 전송하는 단계(S204)와; 상기 O2O단말기가 상기 사용자단말기로부터 전송되어 온 금액정보를 상기 자판기의 자판기제어기로 전송하는 단계(S205)와; 상기 자판기제어기가 상기 O2O단말기로부터 전송되어 온 금액에 포함되는 자판기의 상품 인출버튼에 활성화 표시를 하는 단계(S206)와; 상기 자판기제어기가 상기 자판기로부터 상품이 인출된 것을 인지한 후 상기 O2O단말기로 거래완료 및 환불 잔액 데이터를 상기 O2O단말기로 전송하는 단계(S207)와; 상기 O2O단말기가 상기 사용자단말기로 거래완료 및 환불잔액 데이터를 전송하고 접속을 해지시키는 단계(S208)와; 상기 사용자단말기가 상기 O2O단말기로부터 전송되어 온 환불잔액 데이터의 금액이 0인 경우 상기 운영컴퓨터로 거래내역을 전송시키고, 상기 사용자단말기가 상기 O2O단말기로부터 전송되어 온 환불잔액 데이터의 금액이 0가 아닌 경우 거래내역과 함께 상기 환불잔액 데이터를 상기 운영컴퓨터로 전송시키는 단계(S109)와; 상기 운영컴퓨터가 상기 사용자의 포인트 정보에서 거래내역에 포함된 금액에 해당하는 포인트를 삭감시키는 단계(S210)를 포함하는 구성이다.12 is a flowchart for explaining another embodiment of the vending machine control method using the mobile terminal of the present invention. The embodiment of the present invention shown in FIG. 12 shows a vending machine transaction method using point information of a user. As shown in FIG. 12, a method of controlling a vending machine using a mobile terminal according to the present invention includes: a step (S200) of requesting a user authentication to the operating computer when a user terminal is connected to an operating computer by executing a vending machine app; (S201) of transmitting the point information of the user to the user terminal when the operation computer has completed user authentication of the user terminal; (S202) of receiving the vending machine unique number input by the user terminal into the vending machine app; (S203) in which the user terminal is connected to an O2O terminal installed in a vending machine corresponding to the vending machine unique number by BLE communication; (S204) of transmitting the goods amount information inputted to the vending machine app to the O2O terminal by the user terminal; The O2O terminal transmits the amount information transmitted from the user terminal to the vending machine controller of the vending machine (S205); (S206) of causing the vending machine controller to display an activation indication on a goods retrieval button of a vending machine that is included in an amount transferred from the O2O terminal; (S207) after the vending machine controller recognizes that the goods are withdrawn from the vending machine, and transmits transaction completion and refund balance data to the O2O terminal to the O2O terminal (S207); The O2O terminal transmits transaction completion and refund balance data to the user terminal and releases connection (S208); The user terminal transmits a transaction record to the operating computer when the amount of the refund balance data transmitted from the O2O terminal is 0, and if the amount of the refund balance data transmitted from the O2O terminal is not 0 (S109) of sending the refund balance data to the operating computer together with transaction details; And reducing the point corresponding to the amount of money included in the transaction history in the point information of the user (S210).
도 13은 본 발명의 모바일단말기를 이용한 자판기 제어방법의 또 다른 실시예를 설명하기 위한 흐름도이다. 도 13의 본 발명의 실시예는 사용자단말기가 자판기 행사 푸시메시지를 수신하여 자판기와 거래를 하는 실시예를 나타내고 있다. 도 13에 도시한 바와 같이 본 발명의 모바일단말기를 이용한 자판기 제어방법은, 사용자단말기가 운영컴퓨터가 전송한 자판기 행사 정보를 포함하는 푸시메시지를 수신하는 단계(S300)와; 상기 사용자단말기가 상기 운영컴퓨터로 사용자 인증 요청하는 단계(S301)와; 상기 운영컴퓨터가 사용자 인증이 완료된 경우 상기 사용자단말기로 사용자의 포인트 정보를 전송하는 단계(S302)와; 상기 사용자단말기가 표시된 상기 운영컴퓨터로부터 전송되어 온 자판기 목록 및 행사정보를 기초로 자판기를 선택하는 단계(S303)와; 상기 사용자단말기가 선택된 상기 자판기에 설치된 O2O단말기와 BLE 통신으로 접속하는 단계(S304)와; 상기 사용자단말기가 자판기 앱에 입력된 상품 금액 정보를 상기 O2O단말기로 전송하는 단계(S305)와; 상기 O2O단말기가 상기 사용자단말기로부터 전송되어 온 금액정보를 상기 자판기의 자판기제어기로 전송하는 단계(S306)와; 상기 자판기제어기가 상기 O2O단말기로부터 전송되어 온 금액에 포함되는 자판기의 상품 인출버튼에 활성화 표시를 하는 단계(S307)와; 상기 자판기제어기가 상기 자판기로부터 상품이 인출된 것을 인지한 후 상기 O2O단말기로 거래완료 및 환불 잔액 데이터를 상기 O2O단말기로 전송하는 단계(S308)와; 상기 O2O단말기가 상기 사용자단말기로 거래종료 및 환불잔액 데이터를 전송하고 접속을 해지시키는 단계(S309)와; 상기 사용자단말기가 상기 O2O단말기로부터 전송되어 온 환불잔액 데이터의 금액이 0인 경우 상기 운영컴퓨터로 거래내역을 전송시키고, 상기 사용자단말기가 상기 O2O단말기로부터 전송되어 온 환불잔액 데이터의 금액이 0가 아닌 경우 거래내역과 함께 상기 환불잔액 데이터를 상기 운영컴퓨터로 전송시키는 단계(S310)와; 상기 운영컴퓨터가 상기 사용자의 포인트 정보에서 거래내역에 포함된 금액에 해당하는 포인트를 삭감시키는 단계(S311)를 포함하는 모바일단말기를 이용한 자판기 제어 방법이 제시된다.13 is a flowchart for explaining another embodiment of the vending machine control method using the mobile terminal of the present invention. 13 shows an embodiment in which a user terminal receives a vending machine event push message and performs transactions with a vending machine. As shown in FIG. 13, a method of controlling a vending machine using a mobile terminal according to the present invention includes: receiving (S300) a push message including a vending machine event transmitted by an operating computer; A step (S301) of the user terminal requesting a user authentication to the operating computer; Transmitting the point information of the user to the user terminal when the operating computer has completed user authentication (S302); (S303) selecting a vending machine based on the vending machine list and the event information transmitted from the operating computer displayed by the user terminal; (S304) connecting the user terminal to the O2O terminal installed in the selected vending machine by BLE communication; (S305) of transmitting the commodity amount information input to the vending machine app to the O2O terminal by the user terminal; The O2O terminal transmits the amount information transmitted from the user terminal to the vending machine controller of the vending machine (S306); (S307) of causing the vending machine controller to display an activation indication on a goods retrieval button of a vending machine included in an amount transferred from the O2O terminal; (S308) after the vending machine controller recognizes that the merchandise is withdrawn from the vending machine, and transmits the transaction completion and refund balance data to the O2O terminal to the O2O terminal; The O2O terminal transmits transaction end and refund balance data to the user terminal and terminates the connection (S309); The user terminal transmits a transaction record to the operating computer when the amount of the refund balance data transmitted from the O2O terminal is 0, and if the amount of the refund balance data transmitted from the O2O terminal is not 0 (S310) of transferring the refund balance data to the operating computer together with transaction details; And a step S311 of reducing the point corresponding to the amount included in the transaction details in the point information of the user by the operating computer (S311).
도 14는 본 발명의 모바일단말기를 이용한 자판기 제어방법의 또 다른 실시예를 설명하기 위한 흐름도이다. 도 14는 사용자단말기의 자판기 앱 주도의 자판기 거래 방법을 나타내고 있다. 도 14에 도시한 바와 같이 본 발명의 모바일단말기를 이용한 자판기 제어방법은, 사용자단말기가 자판기 앱을 실행시켜 운영컴퓨터에 통신 접속되면 상기 운영컴퓨터로 사용자 인증 요청하는 단계(S400)와; 상기 운영컴퓨터가 사용자 인증이 완료된 경우 상기 사용자단말기로 사용자의 포인트 정보를 전송하는 단계(S401)와; 상기 사용자단말기가 자판기 앱에 입력되는 자판기 고유번호를 수신하는 단계(S402)와; 상기 사용자단말기가 상기 자판기 고유번호에 해당하는 자판기에 설치된 O2O단말기와 자판기 고유번호 매칭을 통해 BLE 통신으로 접속되는 단계(S403)와; 상기 O2O단말기가 자판기 제어기에 상기 사용자단말기가 자판기 상품을 구입하기 위해 점유할 수 있도록 자판기의 활성화 요청을 전송하는 단계(S404)와; 상기 자판기제어기가 상기 자판기의 상품 인출버튼에 활성화 표시를 하는 단계(S405)와; 상기 자판기제어기가 상기 자판기로부터 특정 상품 인출버튼이 선택되는 신호를 수신하는 단계(S406)와; 상기 자판기제어기가 상기 O2O단말기로 선택된 상품 및 해당 금액 정보를 전송하여 거래승인요청을 하는 단계(S407)와; 상기 O2O단말기가 상기 사용자단말기로 보유 포인트의 차감을 통한 상품 금액에 해당하는 포인트 승인 요청을 전송하는 단계(S408)와: 상기 사용자단말기가 상기 O2O단말기로 포인트 차감을 통한 거래 승인을 전송하는 단계(S409)와; 상기 O2O단말기가 상기 자판기제어기에 포인트 차감을 통한 거래 승인을 전송하는 단계(S410)와; 상기 자판기로부터 상품인출 후 상기 사용자단말기가 상기 O2O단말기와 BLE 통신을 해지시켜 거래종료를 시키는 단계(S411)와; 상기 사용자단말기가 상기 운영컴퓨터로 사용 포인트 정보를 포함한 상품 거래내역을 전송하는 단계(S412)와; 상기 운영컴퓨터가 상기 사용자의 포인트 정보에서 거래내역에 포함된 금액에 해당하는 포인트를 삭감시키는 단계(S413)를 포함하는 구성이다.14 is a flowchart for explaining another embodiment of the vending machine control method using the mobile terminal of the present invention. FIG. 14 shows a vending machine transaction method led by a vending machine app of a user terminal. As shown in FIG. 14, a method for controlling a vending machine using a mobile terminal according to the present invention includes: (S400) when a user terminal executes a vending machine application and requests a user authentication to the operating computer when the user accesses the operating computer through communication; (S401) of transmitting the point information of the user to the user terminal when the operation computer has completed user authentication; Receiving the vending machine unique number input by the user terminal in the vending machine app (S402); The user terminal is connected to the O2O terminal installed in the vending machine corresponding to the vending machine unique number through the BLE communication through Vending machine unique number matching (S403); The O2O terminal transmits an activation request for the vending machine to the vending machine controller so that the user terminal can occupy the vending machine product for purchase (S404); (S405) of causing the vending machine controller to display an activation indication on the goods taking-out button of the vending machine; A step (S406) of the vending machine controller receiving a signal for selecting a specific commodity extracting button from the vending machine; The Vending Machine Controller sends a transaction approval request by transmitting the goods selected by the O2O terminal and the corresponding amount information (S407); The O2O terminal transmits a point approval request corresponding to the amount of commodity through subtraction of the holding point to the user terminal (S408); and transmitting the transaction approval through the point deduction to the O2O terminal S409); The O2O terminal transmitting transaction approval through point deduction to the vending machine controller (S410); A step S411 of terminating the transaction by releasing the BLE communication with the O2O terminal after the user terminal withdraws the goods from the vending machine; (S412) the user terminal transmitting a commodity transaction history including usage point information to the operating computer; And reducing the point corresponding to the amount included in the transaction history in the point information of the user (S413).
이상에서 설명한 본 발명의 실시예는 본 발명의 다양한 실시예 중 일부에 불과하다. 본 발명의 자판기가 자판기 고유번호를 구비하고, 자판기 제어기와 시리얼통신접속되는 블루투스 근거리무선통신수단을 구비한 O2O단말기와, 상기 O2O단말기와 통신하기 위한 사용자단말기에 실행되는 자판기앱을 포함하는 다양한 실시예가 본 발명의 보호범위에 포함되는 것은 당연하다.The embodiments of the present invention described above are only a few of various embodiments of the present invention. The vending machine of the present invention includes an O2O terminal having a vending machine unique number and a Bluetooth short-range wireless communication means connected to the vending machine controller in serial communication, and a vending machine app executed in a user terminal for communicating with the O2O terminal. It goes without saying that examples are included in the scope of protection of the present invention.
1000: 자판기
1100: 자판기제어기
1200: 자판기번호표시부
100: 사용자단말기
200: O2o단말기
300: 운영컴퓨터
400: 전자결제컴퓨터
500: 민원센터컴퓨터
600: 사업자단말기1000: Vending machine
1100: Vending machine controller
1200: Vending machine number indicator
100: User terminal
200: O2o terminal
300: Operating computer
400: Electronic payment computer
500: Complaint Center Computer
600: Operator terminal
| Application Number | Priority Date | Filing Date | Title |
|---|---|---|---|
| KR1020150159652AKR20170056238A (en) | 2015-11-13 | 2015-11-13 | Vending machine control system using a mobile terminal and method thereof |
| KR1020170097049AKR101837676B1 (en) | 2015-11-13 | 2017-07-31 | Vending machine control system using a mobile terminal and method thereof |
| Application Number | Priority Date | Filing Date | Title |
|---|---|---|---|
| KR1020150159652AKR20170056238A (en) | 2015-11-13 | 2015-11-13 | Vending machine control system using a mobile terminal and method thereof |
| Application Number | Title | Priority Date | Filing Date |
|---|---|---|---|
| KR1020170097049ADivisionKR101837676B1 (en) | 2015-11-13 | 2017-07-31 | Vending machine control system using a mobile terminal and method thereof |
| Publication Number | Publication Date |
|---|---|
| KR20170056238Atrue KR20170056238A (en) | 2017-05-23 |
| Application Number | Title | Priority Date | Filing Date |
|---|---|---|---|
| KR1020150159652ACeasedKR20170056238A (en) | 2015-11-13 | 2015-11-13 | Vending machine control system using a mobile terminal and method thereof |
| Country | Link |
|---|---|
| KR (1) | KR20170056238A (en) |
| Publication number | Priority date | Publication date | Assignee | Title |
|---|---|---|---|---|
| WO2020080564A1 (en)* | 2018-10-17 | 2020-04-23 | 주식회사 페이오티 | User terminal, vending machine, payment server for smart payment, and vending machine payment method using same |
| KR20200142661A (en)* | 2019-06-13 | 2020-12-23 | 손영민 | Purchase system of good in vending machine using smart application |
| KR20230007081A (en)* | 2021-07-05 | 2023-01-12 | (주)한우리아이티 | Method for authorizing user based on user information obtained from user termainal |
| KR102763698B1 (en)* | 2024-04-29 | 2025-02-07 | 주식회사 베모 | Location-based vending machine control system |
| KR102763690B1 (en)* | 2024-04-26 | 2025-02-10 | 주식회사 베모 | Vending machine control system |
| Publication number | Priority date | Publication date | Assignee | Title |
|---|---|---|---|---|
| WO2020080564A1 (en)* | 2018-10-17 | 2020-04-23 | 주식회사 페이오티 | User terminal, vending machine, payment server for smart payment, and vending machine payment method using same |
| KR20200142661A (en)* | 2019-06-13 | 2020-12-23 | 손영민 | Purchase system of good in vending machine using smart application |
| KR20230007081A (en)* | 2021-07-05 | 2023-01-12 | (주)한우리아이티 | Method for authorizing user based on user information obtained from user termainal |
| KR102763690B1 (en)* | 2024-04-26 | 2025-02-10 | 주식회사 베모 | Vending machine control system |
| KR102763698B1 (en)* | 2024-04-29 | 2025-02-07 | 주식회사 베모 | Location-based vending machine control system |
| Publication | Publication Date | Title |
|---|---|---|
| KR101837676B1 (en) | Vending machine control system using a mobile terminal and method thereof | |
| US10546286B2 (en) | Information processing server, information processing method, information processing program product, recording medium on which information processing program product is recorded, portable terminal, information processing method executed by handheld computer, program product for portable terminal, and recording medium on which program product for portable terminal is recorded | |
| RU2259587C2 (en) | Method for controlling purchases, payments and credits | |
| JP5396001B2 (en) | Information processing apparatus, information processing apparatus control method, and information processing apparatus control program | |
| KR20170056238A (en) | Vending machine control system using a mobile terminal and method thereof | |
| EP2800040A1 (en) | Information processing server, information processing method, information processing program, and recording medium containing information processing program | |
| KR20110098435A (en) | Wireless payment device | |
| JP2015185089A (en) | Shop settlement terminal, mobile terminal, and shop settlement system | |
| KR20200017735A (en) | Easy payment method and system for supporting payment of a plurality of payment companies using only one QR code | |
| KR20150142532A (en) | Method for Providing A Digital Wallet Service Using User Confirmation | |
| KR102679272B1 (en) | System and method for NFC payment service for Call system | |
| KR20110062359A (en) | Payment system and method using a portable terminal | |
| US7832634B1 (en) | Customer care intelligent routing | |
| JP2008097329A (en) | Communication relay apparatus, and communication relay method | |
| JP2006072475A (en) | Device and program for information processing, and for information providing | |
| KR101624289B1 (en) | Method for providing payment history list and payment server | |
| JP7582714B2 (en) | System and method for transmitting receipt information using a mobile terminal | |
| JP4552807B2 (en) | Electronic commerce system, POS agency service system, electronic commerce method and program | |
| KR101685113B1 (en) | delivery and management system for card slip | |
| KR20140115862A (en) | Payment method and system enable to line with mobile terminal | |
| KR20150018289A (en) | Automatic passing payment information for portable card payment | |
| JP5588487B2 (en) | Information processing apparatus, information processing apparatus control method, and information processing apparatus control program | |
| KR20200000907U (en) | Smart Phone WEB, APP Software automatic payment system communicating 1:1 to a small wireless mobile server | |
| KR102337273B1 (en) | Calculator for seller and payment system using thereof | |
| KR20250146669A (en) | System and method for NFC payment service for Call system |
| Date | Code | Title | Description |
|---|---|---|---|
| A201 | Request for examination | ||
| PA0109 | Patent application | Patent event code:PA01091R01D Comment text:Patent Application Patent event date:20151113 | |
| PA0201 | Request for examination | ||
| E902 | Notification of reason for refusal | ||
| PE0902 | Notice of grounds for rejection | Comment text:Notification of reason for refusal Patent event date:20161206 Patent event code:PE09021S01D | |
| PG1501 | Laying open of application | ||
| E601 | Decision to refuse application | ||
| PE0601 | Decision on rejection of patent | Patent event date:20170629 Comment text:Decision to Refuse Application Patent event code:PE06012S01D Patent event date:20161206 Comment text:Notification of reason for refusal Patent event code:PE06011S01I | |
| PA0107 | Divisional application | Comment text:Divisional Application of Patent Patent event date:20170731 Patent event code:PA01071R01D |