





















본 발명은 다양한 디스플레이 디바이스에 적용 가능한 기술에 관한 것으로서, 보다 상세하게는 방송 시간 정보, 네트워크 시간 정보, 매뉴얼(Manual) 시간 정보 등 다양한 타임 소스 데이터가 있을 경우, 특정 어플리케이션의 시간 세팅 시 어떠한 타임 소스 데이터를 이용할지에 대한 알고리즘(Algorithm)을 결정하기 위한 디스플레이 디바이스 및 그 제어 방법에 대한 것이다.BACKGROUND OF THE
디스플레이 디바이스는 적어도 하나 이상의 튜너(Tuner)를 포함하는 방송 서비스 모듈(Broadcast Service Module)을 통해 방송 신호를 수신할 수 있다. 그리고, 디스플레이 디바이스는 사용자 인터페이스(User Interface)를 통해 다양한 데이터를 사용자로부터 입력 받을 수 있다. 그리고, 디스플레이 디바이스는 다양한 유/무선 통신 모듈을 이용하여 외부 서버와 데이터 통신을 수행할 수 있다. 또한, 디스플레이 디바이스는 휘발성 메모리 및 비휘발성 메모리를 포함할 수 있다. 상기 디스플레이 디바이스는, 예를 들어 휴대폰, 스마트폰, 컴퓨터(Computer), 태블릿 PC, 노트북, 넷북, TV(Television), 기타 방송 수신 디바이스 등에 해당한다.The display device may receive a broadcast signal through a broadcast service module including at least one tuner. The display device can receive various data from a user through a user interface. The display device can perform data communication with an external server using various wired / wireless communication modules. The display device may also include volatile memory and non-volatile memory. The display device corresponds to, for example, a mobile phone, a smart phone, a computer, a tablet PC, a notebook, a netbook, a television, and other broadcast receiving devices.
본 발명의 일실시예가 이루고자 하는 기술적 과제는, 복수 개의 타임 소스(Time Source) 데이터가 존재할 경우, 특정 어플리케이션의 시간 세팅 시 어떠한 타임 소스 데이터를 이용하여 시간을 세팅할지를 결정하는 것이다.According to an embodiment of the present invention, when there are a plurality of time source data, it is determined which time source data is used to set a time when setting a time of a specific application.
또한, 본 발명의 다른 일실시예가 이루고자 하는 기술적 과제는, 사용자로부터 입력 받은 매뉴얼 오프셋(Manual Offset) 정보를 이용하여, 외부에서 수신되는 타임 소스 데이터를 보정하는 방법을 설계하도록 하는 것이다.According to another aspect of the present invention, there is provided a method of correcting time source data received from outside using manual offset information input from a user.
그리고, 본 발명의 또 다른 일실시예가 이루고자 하는 기술적 과제는, 디스플레이 디바이스의 시스템 내에 적절한 타임 소스 데이터가 존재하지 않을 경우, 기 설정된 공장 출고 기본 설정 시간 데이터를 이용하여 특정 어플리케이션의 시간을 세팅하도록 함으로써, 사용자 편의성을 증대시키도록 하는 해결 방안 내지는 솔루션을 구체적으로 정의하는 것이다.According to another embodiment of the present invention, there is provided a method of setting a time of a specific application by using preset factory default setting time data when proper time source data does not exist in a system of a display device , And to define a solution or solution that will enhance user convenience.
본 발명의 일실시예에 의한 복수의 타임 소스(Time Source) 데이터를 관리하는 디스플레이 디바이스에 있어서, 사용자로부터 제1 타임 소스 데이터를 입력 받는 사용자 인터페이스(User Interface)부, 방송 신호를 수신하는 방송 서비스 모듈(Broadcast Service Module), NTP(Network Time Protocol) 서버와 데이터 통신을 수행하는 커뮤니케이션 모듈, 상기 복수의 타임 소스 데이터를 저장하는 메모리 및 상기 디스플레이 디바이스의 작동을 제어하는 컨트롤러를 포함하고, 상기 컨트롤러는 상기 사용자 인터페이스부와 연결된 세팅 어플리케이션(Setting Application)으로부터 추출되는 제1 타임 소스 데이터, 방송 서비스 모듈(Broadcast Service Module)로부터 추출되는 제2 타임 소스 데이터, NTP(Network Time Protocol) 서버로부터 수신하는 제3 타임 소스 데이터 중 적어도 하나 이상의 타임 소스 데이터를 추출하고, 추출된 타임 소스 데이터 및 어플리케이션의 타입에 기초하여, 기 설정된 우선 순위에 따라 어플리케이션의 시간을 세팅하는 디스플레이 디바이스를 설계한다.A display device for managing a plurality of time source data according to an embodiment of the present invention includes a user interface unit for receiving first time source data from a user, A communication module for performing data communication with a network time protocol (NTP) server, a memory for storing the plurality of time source data, and a controller for controlling operation of the display device, A first time source data extracted from a setting application connected to the user interface unit, a second time source data extracted from a broadcast service module, a third time source data extracted from a network time protocol (NTP) At least one of the time source data Extracts the data, and designs a display device that sets the time of the application according to the predetermined priority based on the extracted time source data and the type of the application.
그리고, 본 발명의 일실시예에 의한 복수의 타임 소스 데이터를 관리하는 디스플레이 디바이스의 제어 방법에 있어서, 세팅 어플리케이션으로부터 추출되는 제1 타임 소스 데이터, 방송 서비스 모듈로부터 추출되는 제2 타임 소스 데이터, NTP 서버로부터 수신하는 제3 타임 소스 데이터 중 적어도 하나 이상의 타임 소스 데이터를 추출하는 단계 및 추출된 타임 소스 데이터 및 어플리케이션의 타입에 기초하여, 기 설정된 우선 순위에 따라 어플리케이션의 시간을 세팅하는 단계를 포함하도록 설계한다.The first time source data extracted from the setting application, the second time source data extracted from the broadcast service module, the NTP Extracting at least one time source data among the third time source data received from the server and setting the time of the application according to the predetermined priority based on the extracted time source data and the type of the application Design.
본 발명의 일실시예에 의하면, 복수 개의 타임 소스 데이터가 존재할 경우, 특정 어플리케이션의 시간 세팅 시 어떠한 타임 소스 데이터를 이용하여 시간을 세팅할지를 결정하는 기술적 효과가 있다.According to an embodiment of the present invention, when there are a plurality of time source data, there is a technical effect of determining which time source data is used to set a time when setting a time of a specific application.
또한, 본 발명의 다른 일실시예에 의하면, 사용자로부터 입력 받은 매뉴얼 오프셋(Manual Offset) 정보를 이용하여, 외부에서 수신되는 타임 소스 데이터를 보정하는 방법을 설계하도록 하는 장점이 있다.According to another embodiment of the present invention, there is an advantage of designing a method of correcting time source data received from the outside by using manual offset information input from a user.
그리고, 디스플레이 디바이스의 시스템 내에 적절한 타임 소스 데이터가 존재하지 않을 경우, 기 설정된 공장 출고 기본 설정 시간 데이터를 이용하여 특정 어플리케이션의 시간을 세팅하도록 함으로써, 사용자 편의성을 증대시키도록 하는 해결 방안 내지는 솔루션을 구체적으로 정의하는 장점이 있다.When there is no appropriate time source data in the system of the display device, a solution or solution for increasing the convenience of the user by setting the time of the specific application by using the preset factory default setting time data is concretely described As shown in Fig.
도 1은 본 발명의 일 실시 예에 따른 디스플레이 디바이스를 포함한 서비스 시스템(Service system)을 개략적으로 설명하기 위해 도시한 도면이다.
도 2는 본 발명의 일 실시 예에 따른 디스플레이 디바이스를 설명하기 위해 도시한 구성 블록도이다.
도 3은 본 발명의 다른 실시 예에 따른 디스플레이 디바이스를 설명하기 위해 도시한 구성 블록도이다.
도 4는 본 발명의 또 다른 실시 예에 따른 디스플레이 디바이스를 설명하기 위해 도시한 구성 블록도이다.
도 5는 본 발명의 일 실시 예에 따라 도 2 내지 4의 제어부의 상세 구성을 설명하기 위해 도시한 구성 블록도이다.
도 6은 본 발명의 일 실시 예에 따른 도 2 내지 4의 디스플레이 디바이스와 연결된 입력 수단을 도시한 도면이다.
도 7은 본 발명의 일 실시 예에 따른 Web OS 아키텍처를 설명하기 위해 도시한 도면이다.
도 8은 본 발명의 일 실시 예에 따른 Web OS 디바이스의 아키텍처를 설명하기 위해 도시한 도면이다.
도 9는 본 발명의 일실시예에 따른 Web OS 디바이스에서 그래픽 컴포지션 플로우(graphic composition flow)를 설명하기 위해 도시한 도면이다.
도 10은 본 발명의 일 실시 예에 따른 미디어 서버를 설명하기 위해 도시한 도면이고, 도 11은 본 발명의 일 실시 예에 따른 미디어 서버의 구성 블록도를 설명하기 위해 도시한 도면이고, 도 12는 본 발명의 일 실시 예에 따른 미디어 서버와 TV 서비스의 관계를 설명하기 위해 도시한 도면이다.
도 13은 본 발명의 다른 일 실시예에 의한 디스플레이 디바이스의 구성 모듈을 상세히 도시한 블록도이다.
도 14는 본 발명의 일 실시예에 의한 디스플레이 디바이스가 복수의 타임 소스 데이터를 관리하는 일 예를 설명하기 위한 도면이다.
도 15는 본 발명의 일 실시예에 의한 디스플레이 디바이스에서 복수의 타임 소스 데이터를 이용하여 어플리케이션의 시간을 설정하기 위한 우선 순위 결정 방식을 설명하기 위한 도면이다.
도 16은 본 발명의 일 실시예에 의한 디스플레이 디바이스에서 복수의 타임 소스 데이터를 이용하여 어플리케이션의 시간을 설정하기 위한 우선 순위 결정 방식을 설명하기 위한 다른 도면이다.
도 17은 본 발명의 일 실시예에 의한 디스플레이 디바이스에서 DRM 컨텐츠의 시간을 관리하는 일 예를 설명하기 위한 도면이다.
도 18은 본 발명의 일 실시예에 의한 디스플레이 디바이스가 복수의 타임 소스 데이터를 이용하여 어플리케이션의 시간을 세팅하는 알고리즘을 설명하기 위한 플로우 차트이다.
도 19는 본 발명의 일 실시예에 의한 디스플레이 디바이스에서 방송 신호로부터 방송 시간 정보를 추출하는 일 예를 설명하기 위한 도면이다.
도 20 내지 도 21은 본 발명의 일 실시예에 의한 디스플레이 디바이스의 세팅 어플리케이션을 통해 사용자가 시간 정보 및 매뉴얼 오프셋을 입력하는 일 예를 설명하기 위한 도면이다.
도 22는 본 발명의 일실시예에 의한 디스플레이 디바이스의 제어 방법을 도시한 플로우 차트이다.FIG. 1 is a view for schematically explaining a service system including a display device according to an embodiment of the present invention. Referring to FIG.
2 is a block diagram illustrating a display device according to an exemplary embodiment of the present invention.
3 is a block diagram illustrating a display device according to another embodiment of the present invention.
4 is a block diagram illustrating a display device according to another embodiment of the present invention.
FIG. 5 is a block diagram illustrating a detailed configuration of the control unit of FIGS. 2 to 4 according to an embodiment of the present invention. Referring to FIG.
Figure 6 is a diagram illustrating input means coupled to the display device of Figures 2 through 4 in accordance with one embodiment of the present invention.
FIG. 7 is a diagram illustrating a Web OS architecture according to an embodiment of the present invention. Referring to FIG.
8 is a diagram illustrating an architecture of a Web OS device according to an embodiment of the present invention.
FIG. 9 is a diagram illustrating a graphic composition flow in a Web OS device according to an embodiment of the present invention. Referring to FIG.
FIG. 10 is a view for explaining a media server according to an embodiment of the present invention, FIG. 11 is a view for explaining a configuration block diagram of a media server according to an embodiment of the present invention, and FIG. 12 Is a diagram illustrating a relationship between a media server and a TV service according to an embodiment of the present invention.
13 is a detailed block diagram of a configuration module of a display device according to another embodiment of the present invention.
14 is a diagram for explaining an example in which a display device manages a plurality of time source data according to an embodiment of the present invention.
15 is a diagram for explaining a priority determination method for setting an application time using a plurality of time source data in a display device according to an embodiment of the present invention.
16 is another diagram for explaining a priority determination method for setting an application time using a plurality of time source data in a display device according to an embodiment of the present invention.
17 is a view for explaining an example of managing time of DRM contents in a display device according to an embodiment of the present invention.
18 is a flowchart for explaining an algorithm for setting a time of an application using a plurality of time source data by a display device according to an embodiment of the present invention.
19 is a diagram for explaining an example of extracting broadcast time information from a broadcast signal in a display device according to an embodiment of the present invention.
20 to 21 are views for explaining an example in which a user inputs time information and a manual offset through a setting application of a display device according to an embodiment of the present invention.
22 is a flowchart illustrating a method of controlling a display device according to an embodiment of the present invention.
이하에서는 도면을 참조하여 본 발명을 더욱 상세하게 설명한다.Hereinafter, the present invention will be described in more detail with reference to the drawings.
이하의 설명에서 사용되는 구성요소에 대한 접미사 "모듈" 및 "부"는 단순히 본 명세서 작성의 용이함을 고려하여 부여되는 것으로서, 상기 "모듈" 및 "부"는 서로 혼용되어 사용될 수도 있다.The suffix "module" and " part "for components used in the following description are given merely for ease of description, and the" module "and" part "
나아가, 이하 첨부 도면들 및 첨부 도면들에 기재된 내용들을 참조하여 본 발명의 실시예를 상세하게 설명하지만, 본 발명이 실시예들에 의해 제한되거나 한정되는 것은 아니다.BRIEF DESCRIPTION OF THE DRAWINGS The above and other features and advantages of the present invention will be more apparent from the following detailed description taken in conjunction with the accompanying drawings, in which: FIG.
본 명세서에서 사용되는 용어는 본 발명에서의 기능을 고려하면서 가능한 현재 널리 사용되는 일반적인 용어를 선택하였으나, 이는 당 분야에 종사하는 기술자의 의도 또는 관례 또는 새로운 기술의 출현 등에 따라 달라질 수 있다. 또한, 특정한 경우는 출원인이 임의로 선정한 용어도 있으며, 이 경우 해당되는 발명의 설명 부분에서 그 의미를 기재할 것이다. 따라서 본 명세서에서 사용되는 용어는, 단순한 용어의 명칭이 아닌 그 용어가 가지는 실질적인 의미와 본 명세서의 전반에 걸친 내용을 토대로 해석되어야 함을 밝혀두고자 한다.As used herein, terms used in the present invention are selected from general terms that are widely used in the present invention while taking into account the functions of the present invention, but these may vary depending on the intention or custom of a person skilled in the art or the emergence of new technologies. In addition, in certain cases, there may be a term arbitrarily selected by the applicant, in which case the meaning thereof will be described in the description of the corresponding invention. Therefore, it is intended that the terminology used herein should be interpreted based on the meaning of the term rather than on the name of the term, and on the entire contents of the specification.
이하 본 명세서에서 기술되는 “디스플레이 디바이스(Display Device)”라 함은 예를 들어, 데이터(Data), 컨텐트(Content), 서비스(Service), 애플리케이션(Application) 등을 송신, 수신, 처리 및 출력 중 적어도 하나 이상을 수행하는 모든 디바이스를 포함한다. 상기 디스플레이 디바이스는, 유/무선 네트워크(Wire/wireless network)를 통하여 다른 디스플레이 디바이스, 외부 서버(External server) 등과 페어링 또는 연결(Pairing or connecting)(이하 '페어링') 가능하며, 그를 통해 소정 데이터를 송/수신할 수 있다. 이때, 필요에 따라, 상기 데이터는 그 송/수신 전에 적절히 변환(Converting)될 수 있다. 상기 디스플레이 디바이스에는 예를 들어, 네트워크 TV(Network TV), HBBTV(Hybrid Broadcast Broadband TV), 스마트 TV(Smart TV), IPTV(Internet Protocol TV), PC(Personal Computer) 등과 같은 고정형 디바이스(standing device)와, PDA(Personal Digital Assistant), 스마트 폰(Smart Phone), 태블릿 PC(Tablet PC), 노트북(Notebook) 등과 같은 모바일 디바이스(mobile device or handheld device)가 모두 포함될 수 있다. 본 명세서에서는 본 발명의 이해를 돕고 출원인의 설명의 편의상 후술하는 도 2에서는 디지털 TV(Digital TV)를 그리고, 도 3에서는 모바일 디바이스를 디스플레이 디바이스의 일 실시 예로 도시하고 설명한다. 또한, 본 명세서에서 기술되는 디스플레이 디바이스는, 패널(panel)만을 가진 구성일 수도 있고, 셋톱박스(STB: Set-Top Box) 등과 같은 구성, 디바이스, 시스템 등과 하나의 세트(SET) 구성일 수도 있다.Hereinafter, the term " display device " as used in this specification refers to, for example, transmission of data, content, service, And includes all devices that perform at least one or more. The display device can be paired or connected (hereinafter referred to as "pairing") with another display device, an external server, or the like through a wire / wireless network, Can be transmitted / received. At this time, if necessary, the data may be appropriately converted before the transmission / reception. Examples of the display device include a standing device such as a network TV, a Hybrid Broadcast Broadband TV, a Smart TV, an Internet Protocol TV (IPTV), a Personal Computer (PC) And a mobile device or handheld device such as a PDA (Personal Digital Assistant), a smart phone, a tablet PC, a notebook, and the like. In order to facilitate the understanding of the present invention and to facilitate the description of the present invention, a digital TV will be described with reference to FIG. 2, and a mobile device will be described with reference to FIG. Further, the display device described herein may be a configuration having only a panel, a configuration such as a set-top box (STB), a device, a system, etc., and a set configuration .
한편, 본 명세서에서 기술되는 “유/무선 네트워크”라 함은, 디스플레이 디바이스들 또는 디스플레이 디바이스와 외부 서버 사이에서 페어링 또는/및 데이터 송수신을 위해 다양한 통신 규격 내지 프로토콜을 지원하는 통신 네트워크를 통칭한다. 이러한 유/무선 네트워크는, 규격에 의해 현재 또는 향후 지원될 통신 네트워크를 모두 포함하며, 그를 위한 하나 또는 그 이상의 통신 프로토콜들을 모두 지원 가능하다. 이러한 유/무선 네트워크에는 예컨대, USB(Universal Serial Bus), CVBS(Composite Video Banking Sync), 컴포넌트(Component), S-비디오(아날로그), DVI(Digital Visual Interface), HDMI(High Definition Multimedia Interface), RGB, D-SUB와 같은 유선 연결을 위한 네트워크와 그를 위한 통신 규격 내지 프로토콜과, 블루투스(Bluetooth), RFID(Radio Frequency Identification), 적외선 통신(IrDA, infrared Data Association), UWB(Ultra Wideband), 지그비(ZigBee), DLNA(Digital Living Network Alliance), WLAN(Wireless LAN)(Wi-Fi), Wibro(Wireless broadband), Wimax(World Interoperability for Microwave Access), HSDPA(High Speed Downlink Packet Access), LTE/LTE-A(Long Term Evolution(LTE)/LTE-Advanced), Wi-Fi 다이렉트(direct)와 같은 무선 연결을 위한 네트워크와 그를 위한 통신 규격 내지 프로토콜에 의하여 형성될 수 있다.The term " wired / wireless network " as used herein collectively refers to a communication network that supports various communication standards or protocols for pairing and / or data transmission / reception between display devices or a display device and an external server. Such a wired / wireless network includes all of the communication networks to be supported by the standard now or in the future, and is capable of supporting one or more communication protocols therefor. Such a wired / wireless network includes, for example, a USB (Universal Serial Bus), a Composite Video Banking Sync (CVBS), a Component, an S-Video (Analog), a DVI (Digital Visual Interface) A communication standard or protocol for a wired connection such as an RGB or a D-SUB, a Bluetooth standard, a radio frequency identification (RFID), an infrared data association (IrDA), an ultra wideband (UWB) (ZigBee), DLNA (Digital Living Network Alliance), WLAN (Wi-Fi), Wibro (Wireless broadband), Wimax (World Interoperability for Microwave Access), HSDPA (High Speed Downlink Packet Access) -A (Long Term Evolution (LTE) / LTE-Advanced), Wi-Fi Direct, and a communication standard or protocol for the network.
그 밖에, 본 명세서에서 단지 디스플레이 디바이스로 명명하는 경우, 그 의미는 문맥에 따라 고정형 디바이스 또는 모바일 디바이스를 의미할 수도 있고 특별히 언급하지 않는다면 양자를 모두 포함하는 의미로 사용될 수 있다.In addition, if the term is simply referred to herein as a display device, its meaning may refer to a fixed device or a mobile device depending on the context, and may be used to mean both, unless specifically stated otherwise.
한편, 디스플레이 디바이스는 예컨대, 방송 수신 기능, 컴퓨터 기능 내지 지원, 적어도 하나의 외부 입력 등을 지원하는 지능형 디바이스로서, 상술한 유/무선 네트워크를 통해 이메일(E-mail), 웹 브라우징(Web browsing), 뱅킹(Banking), 게임(Game), 애플리케이션 등을 지원할 수 있다. 더불어, 상기 디스플레이 디바이스는, 수기 방식의 입력 디바이스, 터치-스크린(Touch-screen), 공간 리모콘 등 적어도 하나의 입력 또는 제어 수단(이하 ‘입력 수단’)을 지원하기 위한 인터페이스(Interface)를 구비할 수 있다.On the other hand, the display device is an intelligent device that supports, for example, a broadcast receiving function, a computer function or a support, at least one external input, and the like. The display device includes an e-mail, a web browsing, , Banking, games, applications, and the like. In addition, the display device may include an interface for supporting at least one input or control means (hereinafter referred to as 'input means') such as a handwriting input device, a touch-screen, .
그 밖에, 디스플레이 디바이스는, 표준화된 범용 OS를 이용할 수 있으나 특히, 본 명세에서 기술되는 디스플레이 디바이스는, Web OS를 이용하는 것을 일 실시 예로 한다. 따라서, 디스플레이 디바이스는 범용의 OS 커널(OS kernel) 또는 리눅스 커널(Linux kernel) 상에 다양한 서비스나 애플리케이션을 추가(Adding), 삭제(Deleting), 수정(Amending), 업데이트(Updating) 등을 처리가 가능하며, 그를 통해 더욱 사용자 친화적인(User-friendly) 환경을 구성하여 제공할 수 있다.In addition, the display device can use a standardized general-purpose OS, but in particular, the display device described in this specification uses the Web OS as an embodiment. Accordingly, the display device processes adding, deleting, amending, and updating various services or applications on a general-purpose OS kernel or a Linux kernel. And through which a more user-friendly environment can be constructed and provided.
한편, 상술한 디스플레이 디바이스는 외부 입력을 수신하여 처리할 수 있는데, 이때 상기 외부 입력은, 외부 입력 디바이스 즉, 상술한 디스플레이 디바이스와 유/무선 네트워크를 통해 연결되어 데이터를 송/수신하여 처리 가능한 모든 입력 수단 내지 디스플레이 디바이스를 포함한다. 예를 들어, 상기 외부 입력으로 HDMI(High-Definition Multimedia Interface), 플레이스테이션(Playstation)이나 엑스-박스(X-Box) 등과 같은 게임 디바이스(Game device), 스마트 폰, 태블릿 PC, 포켓포토(Pocket photo) 등과 같은 프린터기(Printing device), 스마트 TV, 블루-레이 디바이스(Blu-ray device) 등과 같은 디스플레이 디바이스들을 모두 포함한다.Meanwhile, the above-described display device can receive and process an external input, wherein the external input is connected to an external input device, that is, the above-described display device through a wired / wireless network, Input means or a display device. For example, the external input may be a game device such as a High-Definition Multimedia Interface (HDMI), a Playstation or an X-Box, a smart phone, a tablet PC, a Pocket photo devices such as a photo printer, a smart TV, a Blu-ray device, and the like.
그 밖에, 본 명세서에서 기술되는 “서버”라 함은, 상술한 디스플레이 디바이스 즉, 클라이언트(Client)로 데이터를 공급 또는 그로부터 데이터를 수신하는 디스플레이 디바이스 혹은 시스템을 의미하며, 프로세서(Processor)로 불리기도 한다. 상기 서버로 예컨대, 웹 페이지(Web page), 웹 컨텐트 또는 웹 서비스(Web content or Web service)를 제공하는 포털 서버(Portal server), 광고 데이터(Advertising data)를 제공하는 광고 서버(Advertising server), 컨텐트를 제공하는 컨텐트 서버(Content server), SNS(Social Network Service)를 제공하는 SNS 서버, 제조업체(Manufacturer)에서 제공하는 서비스 서버(Service server), 유료 서비스(Pay service)를 제공하는 유료 서비스 서버 등이 포함될 수 있다.In addition, the term "server" as used herein refers to a display device or system that supplies data to or receives data from the above-described display device, that is, a client, and may be referred to as a processor do. The server may include a portal server for providing a Web page, a web content or a web service, an advertisement server for providing advertisement data, A content server providing content, an SNS server providing a social network service (SNS), a service server provided by a manufacturer, a paid service server providing a pay service, and the like May be included.
이하 첨부된 도면을 참조하면 본 발명을 더욱 상세하게 설명하면, 다음과 같다.DETAILED DESCRIPTION OF THE PREFERRED EMBODIMENTS Hereinafter, the present invention will be described in detail with reference to the accompanying drawings.
도 1은 본 발명의 일 실시 예에 따른 디스플레이 디바이스를 포함한 서비스 시스템(Service system)을 개략적으로 설명하기 위해 도시한 도면이다.FIG. 1 is a view for schematically explaining a service system including a display device according to an embodiment of the present invention. Referring to FIG.
도 1을 참조하면, 서비스 시스템은, 컨텐트 제공자(CP: content provider)(10), 서비스 제공자(SP: service provider)(20), 네트워크 제공자(NP: network provider)(30) 및 HNED(Home Network End User)(Customer)(40)를 포함한다. 여기서, HNED(40)는 예를 들어, 클라이언트(100) 즉, 본 발명에 따른 디스플레이 디바이스를 포함한다.1, a service system includes a content provider (CP) 10, a service provider (SP) 20, a network provider (NP) 30, and a home network End User (Customer) 40. Here, the
컨텐트 제공자(10)는, 각종 컨텐트를 제작하여 제공한다. 도 1에 도시된 바와 같이, 이러한 컨텐트 제공자(10)로 지상파 방송 송출자, 케이블 방송 사업자(cable SO (System Operator)) 또는 MSO(Multiple SO), 위성 방송 송출자, 다양한 인터넷 방송 송출자, 개인 컨텐트 제공자들 등을 예시할 수 있다. 한편, 컨텐트 제공자(10)는, 방송 컨텐트 외에도 다양한 서비스나 애플리케이션 등을 제작하여 제공할 수 있다.The
서비스 제공자(20)는, 컨텐트 제공자(10)에 의해 제작된 컨텐트를 서비스 패키지화(service packetizing)하여 HNED(40)로 제공한다. 예컨대, 서비스 제공자(20)는, 제1 지상파 방송, 제2 지상파 방송, 케이블 MSO, 위성 방송, 다양한 인터넷 방송, 애플리케이션 등에 의해 제작된 컨텐트들 중 적어도 하나 이상을 서비스를 위해 패키지화하고, 이를 HNED(40)에게 제공한다.The
서비스 제공자(20)는, 유니-캐스트(uni-cast) 또는 멀티-캐스트(multi-cast) 방식으로 클라이언트(100)에 서비스를 제공한다. 한편, 서비스 제공자(20)는 데이터를 미리 등록된 다수의 클라이언트(100)로 한꺼번에 전송할 수 있는데, 이를 위해 IGMP(Internet Group Management Protocol) 프로토콜 등을 이용할 수 있다.The
상술한 컨텐트 제공자(10)와 서비스 제공자(20)는, 동일한 개체(entity)일 수 있다. 예를 들어, 컨텐트 제공자(10)가 제작한 컨텐트를 서비스 패키지화하여 HNED(40)로 제공함으로써 서비스 제공자(20)의 기능도 함께 수행하거나 그 반대일 수도 있다.The above-described
네트워크 제공자(30)는, 컨텐트 제공자(10) 또는/및 서비스 제공자(20)와 클라이언트(100) 사이의 데이터 교환을 위한 네트워크 망을 제공한다.The
클라이언트(100)는, HNED(40)에 속한 소비자(consumer)로서, 네트워크 제공자(30)를 통해 예컨대, 홈 네트워크(home network)를 구축하여 데이터를 수신하며, VoD(Video on Demand) 등 다양한 서비스나 애플리케이션 등에 관한 데이터를 송/수신할 수도 있다.The
한편, 서비스 시스템 내 컨텐트 제공자(10) 또는/및 서비스 제공자(20)는 전송되는 컨텐트의 보호를 위해 제한 수신(conditional access) 또는 컨텐트 보호(content protection) 수단을 이용할 수 있다. 따라서, 클라이언트(100)는 상기 제한 수신이나 컨텐트 보호에 대응하여 케이블카드(CableCARD)(또는 POD: Point of Deployment), DCAS(Downloadable CAS) 등과 같은 처리 수단을 이용할 수 있다.On the other hand, the
그 밖에, 클라이언트(100)도 네트워크 망을 통해, 양방향 서비스를 이용할 수 있다. 이러한 경우, 클라이언트(100)가 오히려 컨텐트 제공자의 역할 내지 기능을 수행할 수도 있으며, 서비스 제공자(20)는 이를 수신하여 다시 다른 클라이언트 등으로 전송할 수도 있다.In addition, the
도 1에서 컨텐트 제공자(10) 또는/및 서비스 제공자(20)는 본 명세서에서 후술하는 서비스를 제공하는 서버일 수 있다. 이 경우, 상기 서버는 필요에 따라 네트워크 제공자(30)도 소유 내지 포함하는 의미일 수 있다. 이하 특별히 언급하지 않더라도 서비스 또는 서비스 데이터는, 전술한 외부로부터 수신되는 서비스 내지 애플리케이션뿐만 아니라 내부 서비스 내지 애플리케이션을 포함하며, 이러한 서비스 내지 애플리케이션은 Web OS 기반의 클라이언(100)를 위한 서비스 내지 애플리케이션 데이터를 의미할 수 있다.In FIG. 1, the
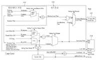
도 2는 본 발명의 일 실시 예에 따른 디스플레이 디바이스를 설명하기 위해 도시한 구성 블록도이다.2 is a block diagram illustrating a display device according to an exemplary embodiment of the present invention.
이하 본 명세서에서 기술되는 디스플레이 디바이스는 전술한 도 1의 클라이언트(100)에 해당한다.Hereinafter, the display device described herein corresponds to the
일 실시 예로, 본 발명에 따른 디스플레이 디바이스는, 디스플레이 디바이스(200)는, 네트워크 인터페이스부(Network Interface)(201), TCP/IP 매니저(TCP/IP manager)(202), 서비스 전달 매니저(Service Delivery Manager)(203), SI 디코더(204), 역다중화부(Demux or demultiplexer)(205), 오디오 디코더(Audio Decoder)(206), 비디오 디코더(Video Decoder)(207), 디스플레이부(Display A/V and OSD module)(208), 서비스 제어 매니저(Service Control Manager)(209), 서비스 디스커버리 매니저(Service Discovery Manager)(210), SI&메타데이터 데이터베이스(SI&Metadata DB)(211), 메타데이터 매니저(Metadata Manager)(212), 서비스 매니저(213), UI 매니저(214) 등을 포함하여 구성된다.In one embodiment, the
네트워크 인터페이스부(201)는, 액세스하는 네트워크 망을 통하여 IP 패킷(들)(Internet Protocol (IP) packet(s)) 또는 IP 데이터그램(들)(IP datagram(s))(이하 IP 패킷(들)이라 한다)을 송/수신한다. 일 예로, 네트워크 인터페이스부(201)는 네트워크 망을 통해 도 1의 서비스 제공자(20)로부터 서비스, 애플리케이션, 컨텐트 등을 수신할 수 있다.The
TCP/IP 매니저(202)는, 디스플레이 디바이스(200)로 수신되는 IP 패킷들과 디스플레이 디바이스(200)가 전송하는 IP 패킷들에 대하여 즉, 소스(Source)와 목적지(Destination) 사이의 패킷 전달(Packet Delivery)에 관여한다. 상기 TCP/IP 매니저(202)는 수신된 패킷(들)을 적절한 프로토콜에 대응하도록 분류하고, 서비스 전달 매니저(205), 서비스 디스커버리 매니저(210), 서비스 제어 매니저(209), 메타데이터 매니저(212) 등으로 상기 분류된 패킷(들)을 출력한다.The TCP /
서비스 전달 매니저(203)는, 수신되는 서비스 데이터의 제어를 담당한다. 예를 들어, 서비스 전달 매니저(203)는 실시간 스트리밍(real-time streaming) 데이터를 제어하는 경우에는 RTP/RTCP를 사용할 수 있다. 상기 실시간 스트리밍 데이터를 RTP를 사용하여 전송하는 경우, 서비스 전달 매니저(203)는 상기 수신된 데이터 패킷을 RTP에 따라 파싱(parsing)하여 역다중화부(205)로 전송하거나 서비스 매니저(213)의 제어에 따라 SI&메타데이터 데이터베이스(211)에 저장한다. 그리고, 서비스 전달 매니저(203)는 RTCP를 이용하여 상기 네트워크 수신 정보를 서비스를 제공하는 서버 측에 피드백(feedback)한다.The
역다중화부(205)는, 수신된 패킷을 오디오, 비디오, SI(System Information) 데이터 등으로 역다중화하여 각각 오디오/비디오 디코더(206/207), SI 디코더(204)에 전송한다.The
SI 디코더(204)는, 역다중화된 SI 데이터 즉, PSI(Program Specific Information), PSIP(Program and System Information Protocol), DVB-SI(Digital Video Broadcasting-Service Information), DTMB/CMMB(Digital Television Terrestrial Multimedia Broadcasting/Coding Mobile Multimedia Broadcasting) 등의 서비스 정보를 디코딩한다. 또한, SI 디코더(204)는, 디코딩된 서비스 정보들을 SI&메타데이터 데이터베이스(211)에 저장할 수 있다. 저장된 서비스 정보는 예를 들어, 사용자의 요청 등에 의해 해당 구성에 의해 독출되어 이용될 수 있다.The
오디오/비디오 디코더(206/207)는, 역다중화된 각 오디오 데이터와 비디오 데이터를 디코딩한다. 이렇게 디코딩된 오디오 데이터 및 비디오 데이터는 디스플레이부(208)를 통하여 사용자에게 제공된다.The audio /
애플리케이션 매니저는 예를 들어, UI 매니저(214)와 서비스 매니저(213)를 포함하며 디스플레이 디바이스(200)의 제어부 기능을 수행할 수 있다. 다시 말해, 애플리케이션 매니저는, 디스플레이 디바이스(200)의 전반적인 상태를 관리하고 사용자 인터페이스(user interface)를 제공하며, 다른 매니저를 관리할 수 있다.The application manager includes, for example, a
UI 매니저(214)는, 사용자를 위한 GUI(Graphic User Interface)/UI를 OSD(On Screen Display) 등을 이용하여 제공하며, 사용자로부터 키 입력을 받아 상기 입력에 따른 디바이스 동작을 수행한다. 예를 들어, UI 매니저(214)는 사용자로부터 채널 선택에 관한 키 입력을 받으면 상기 키 입력 신호를 서비스 매니저(213)에 전송한다.The
서비스 매니저(213)는, 서비스 전달 매니저(203), 서비스 디스커버리 매니저(210), 서비스 제어 매니저(209), 메타데이터 매니저(212) 등 서비스와 연관된 매니저를 제어한다.The
또한, 서비스 매니저(213)는, 채널 맵(channel map)을 생성하고 UI 매니저(214)로부터 수신한 키 입력에 따라 상기 생성된 채널 맵을 이용하여 채널을 선택 등을 제어한다. 상기 서비스 매니저(213)는 SI 디코더(204)로부터 서비스 정보를 전송 받아 선택된 채널의 오디오/비디오 PID(Packet Identifier)를 역다중화부(205)에 설정한다. 이렇게 설정되는 PID는 상술한 역다중화 과정에 이용될 수 있다. 따라서, 역다중화부(205)는 상기 PID를 이용하여 오디오 데이터, 비디오 데이터 및 SI 데이터를 필터링(PID or section filtering) 한다.In addition, the
서비스 디스커버리 매니저(210)는, 서비스를 제공하는 서비스 제공자를 선택하는데 필요한 정보를 제공한다. 상기 서비스 매니저(213)로부터 채널 선택에 관한 신호를 수신하면, 서비스 디스커버리 매니저(210)는 상기 정보를 이용하여 서비스를 찾는다.The
서비스 제어 매니저(209)는, 서비스의 선택과 제어를 담당한다. 예를 들어, 서비스 제어 매니저(209)는 사용자가 기존의 방송 방식과 같은 생방송(live broadcasting) 서비스를 선택하는 경우 IGMP 또는 RTSP 등을 사용하고, VOD(Video on Demand)와 같은 서비스를 선택하는 경우에는 RTSP를 사용하여 서비스의 선택, 제어를 수행한다. 상기 RTSP 프로토콜은 실시간 스트리밍에 대해 트릭 모드(trick mode)를 제공할 수 있다. 또한, 서비스 제어 매니저(209)는 IMS(IP Multimedia Subsystem), SIP(Session Initiation Protocol)를 이용하여 IMS 게이트웨이(250)를 통하는 세션을 초기화하고 관리할 수 있다. 상기 프로토콜들은 일 실시 예이며, 구현 예에 따라 다른 프로토콜을 사용할 수도 있다.The
메타데이터 매니저(212)는, 서비스와 연관된 메타데이터를 관리하고 상기 메타데이터를 SI&메타데이터 데이터베이스(211)에 저장한다.The
SI&메타데이터 데이터베이스(211)는, SI 디코더(204)가 디코딩한 서비스 정보, 메타데이터 매니저(212)가 관리하는 메타데이터 및 서비스 디스커버리 매니저(210)가 제공하는 서비스 제공자를 선택하는데 필요한 정보를 저장한다. 또한, SI&메타데이터 데이터베이스(211)는 시스템에 대한 세트-업 데이터 등을 저장할 수 있다.The SI &
SI&메타데이터 데이터베이스(211)는, 비휘발성 메모리(Non-Volatile RAM: NVRAM) 또는 플래시 메모리(flash memory) 등을 사용하여 구현될 수도 있다.The SI &
한편, IMS 게이트웨이(250)는, IMS 기반의 IPTV 서비스에 접근하기 위해 필요한 기능들을 모아 놓은 게이트웨이이다.Meanwhile, the
도 3은 본 발명의 다른 실시 예에 따른 디스플레이 디바이스를 설명하기 위해 도시한 구성 블록도이다.3 is a block diagram illustrating a display device according to another embodiment of the present invention.
전술한 도 2가 고정 디바이스를 디스플레이 디바이스의 일 실시 예로 하여 설명하였다면, 도 3은 모바일 디바이스를 디스플레이 디바이스의 다른 실시 예로 한다.If the above-described Fig. 2 described the fixing device as one embodiment of the display device, Fig. 3 shows the mobile device as another embodiment of the display device.
도 3을 참조하면, 모바일 디바이스(300)는, 무선 통신부(310), A/V(Audio/Video) 입력부(320), 사용자 입력부(330), 센싱부(340), 출력부(350), 메모리(360), 인터페이스부(370), 제어부(380) 및 전원 공급부(390) 등을 포함할 수 있다.3, the
이하 각 구성요소에 대해 상세히 설명하면, 다음과 같다.Hereinafter, each component will be described in detail.
무선 통신부(310)는, 모바일 디바이스(300)와 무선 통신 시스템 사이 또는 모바일 디바이스와, 모바일 디바이스가 위치한 네트워크 사이의 무선 통신을 가능하게 하는 하나 또는 그 이상의 모듈을 포함할 수 있다. 예를 들어, 무선 통신부(310)는 방송 수신 모듈(311), 이동통신 모듈(312), 무선 인터넷 모듈(313), 근거리 통신 모듈(314) 및 위치정보 모듈(315) 등을 포함할 수 있다.The
방송 수신 모듈(311)은, 방송 채널을 통하여 외부의 방송 관리 서버로부터 방송 신호 및/또는 방송 관련된 정보를 수신한다. 여기서, 방송 채널은 위성 채널, 지상파 채널을 포함할 수 있다. 상기 방송 관리 서버는, 방송 신호 및/또는 방송 관련 정보를 생성하여 송신하는 서버 또는 기 생성된 방송 신호 및/또는 방송 관련 정보를 제공받아 단말기에 송신하는 서버를 의미할 수 있다. 상기 방송 신호는, TV 방송 신호, 라디오 방송 신호, 데이터 방송 신호를 포함할 뿐만 아니라, TV 방송 신호 또는 라디오 방송 신호에 데이터 방송 신호가 결합한 형태의 방송 신호도 포함할 수 있다.The
방송 관련 정보는, 방송 채널, 방송 프로그램 또는 방송 서비스 제공자에 관련한 정보를 의미할 수 있다. 상기 방송 관련 정보는, 이동통신망을 통하여도 제공될 수 있다. 이러한 경우에는 상기 이동통신 모듈(312)에 의해 수신될 수 있다.The broadcast-related information may mean information related to a broadcast channel, a broadcast program, or a broadcast service provider. The broadcast-related information may also be provided through a mobile communication network. In this case, it may be received by the
방송 관련 정보는 다양한 형태 예를 들어, EPG(Electronic Program Guide) 또는 ESG(Electronic Service Guide) 등의 형태로 존재할 수 있다.The broadcast-related information may exist in various forms, for example, in the form of an EPG (Electronic Program Guide) or an ESG (Electronic Service Guide).
방송수신 모듈(311)은 예를 들어, ATSC, DVB-T(Digital Video Broadcasting-Terrestrial), DVB-S(Satellite), MediaFLO(Media Forward Link Only), DVB-H(Handheld), ISDB-T(Integrated Services Digital Broadcast-Terrestrial) 등 디지털 방송 시스템을 이용하여 디지털 방송 신호를 수신할 수 있다. 물론, 방송수신모듈(311)은, 상술한 디지털 방송 시스템뿐만 아니라 다른 방송 시스템에 적합하도록 구성될 수도 있다.The
방송수신 모듈(311)을 통해 수신된 방송 신호 및/또는 방송 관련 정보는, 메모리(360)에 저장될 수 있다.The broadcast signal and / or broadcast related information received through the
이동통신 모듈(312)은, 이동 통신망 상에서 기지국, 외부 단말, 서버 중 적어도 하나와 무선 신호를 송수신한다. 무선 신호는, 음성 신호, 화상 통화 신호 또는 문자/멀티미디어 메시지 송수신에 따른 다양한 형태의 데이터를 포함할 수 있다.The
무선인터넷 모듈(313)은, 무선 인터넷 접속을 위한 모듈을 포함하여, 모바일 디바이스(300)에 내장되거나 외장될 수 있다. 무선 인터넷 기술로는 WLAN(Wireless LAN)(Wi-Fi), Wibro(Wireless broadband), Wimax(World Interoperability for Microwave Access), HSDPA(High Speed Downlink Packet Access) 등이 이용될 수 있다.The wireless Internet module 313 may be embedded or external to the
근거리통신 모듈(314)은, 근거리 통신을 위한 모듈을 말한다. 근거리 통신(short range communication) 기술로 블루투스(Bluetooth), RFID(Radio Frequency Identification), 적외선 통신(IrDA, infrared Data Association), UWB(Ultra Wideband), ZigBee, RS-232, RS-485 등이 이용될 수 있다.The short-
위치정보 모듈(315)은, 모바일 디바이스(300)의 위치 정보 획득을 위한 모듈로서, GPS(Global Position System) 모듈을 예로 할 수 있다.The
A/V 입력부(320)는, 오디오 또는/및 비디오 신호 입력을 위한 것으로, 이에는 카메라(321)와 마이크(322) 등이 포함될 수 있다. 카메라(321)는, 화상통화 모드 또는 촬영 모드에서 이미지 센서에 의해 얻어지는 정지영상 또는 동영상 등의 화상 프레임을 처리한다. 처리된 화상 프레임은 디스플레이부(351)에 표시될 수 있다.The A /
카메라(321)에서 처리된 화상 프레임은, 메모리(360)에 저장되거나 무선 통신부(310)를 통하여 외부로 전송될 수 있다. 카메라(321)는, 사용 환경에 따라 2개 이상이 구비될 수도 있다.The image frame processed by the
마이크(322)는, 통화 모드 또는 녹음 모드, 음성인식 모드 등에서 마이크로폰(Microphone)에 의해 외부의 음향 신호를 입력 받아 전기적인 음성 데이터로 처리한다. 처리된 음성 데이터는, 통화 모드인 경우 이동통신 모듈(312)을 통하여 이동통신 기지국으로 송신 가능한 형태로 변환되어 출력될 수 있다. 마이크(322)에는 외부의 음향 신호를 입력 받는 과정에서 발생하는 잡음(noise)을 제거하기 위한 다양한 잡음 제거 알고리즘이 구현될 수 있다.The
사용자 입력부(330)는, 사용자가 단말기의 동작 제어를 위한 입력 데이터를 발생시킨다. 사용자 입력부(330)는, 키 패드(key pad), 돔 스위치 (dome switch), 터치 패드(정압/정전), 조그 휠(jog wheel), 조그 스위치(jog switch) 등으로 구성될 수 있다.The
센싱부(340)는, 모바일 디바이스(300)의 개폐 상태, 모바일 디바이스(300)의 위치, 사용자 접촉 유무, 모바일 디바이스의 방위, 모바일 디바이스의 가속/감속 등과 같이 모바일 디바이스(300)의 현재 상태를 감지하여 모바일 디바이스(300)의 동작 제어를 위한 센싱 신호를 발생시킨다. 예를 들어, 모바일 디바이스(300)가 이동되거나 기울어진 경우 모바일 디바이스의 위치 내지 기울기 등을 센싱할 수 있다. 또한, 전원 공급부(390)의 전원 공급 여부, 인터페이스부(370)의 외부 디바이스 결합 여부 등도 센싱할 수도 있다. 한편, 센싱부(240)는, NFC(Near Field Communication) 등을 포함한 근접 센서(341)를 포함할 수 있다.The
출력부(350)는, 시각, 청각 또는 촉각 등과 관련된 출력을 발생시키기 위한 것으로, 디스플레이부(351), 음향 출력 모듈(352), 알람부(353), 및 햅틱 모듈(354) 등이 포함될 수 있다.The
디스플레이부(351)는, 모바일 디바이스(300)에서 처리되는 정보를 표시(출력)한다. 예를 들어, 모바일 디바이스가 통화 모드인 경우 통화와 관련된 UI 또는 GUI를 표시한다. 모바일 디바이스(300)가 화상 통화 모드 또는 촬영 모드인 경우에는, 촬영 또는/및 수신된 영상 또는 UI, GUI를 표시한다.The
디스플레이부(351)는, 액정 디스플레이(liquid crystal display, LCD), 박막 트랜지스터 액정 디스플레이(thin film transistor-liquid crystal display, TFT LCD), 유기 발광 다이오드(organic light-emitting diode, OLED), 플렉시블 디스플레이(flexible display), 3차원 디스플레이 중에서 적어도 하나를 포함할 수 있다.The
이들 중 일부 디스플레이는 그를 통해 외부를 볼 수 있도록 투명형 또는 광투과형으로 구성될 수 있다. 이는 투명 디스플레이라 호칭될 수 있는데, 상기 투명 디스플레이의 대표적인 예로는 TOLED(Transparant OLED) 등이 있다. 디스플레이부(351)의 후방 구조 또한 광 투과형 구조로 구성될 수 있다. 이러한 구조에 의하여, 사용자는 단말기 바디의 디스플레이부(351)가 차지하는 영역을 통해 단말기 바디(body)의 후방에 위치한 사물을 볼 수 있다.Some of these displays may be transparent or light transmissive so that they can be seen through. This can be referred to as a transparent display, and a typical example of the transparent display is TOLED (Transparent OLED) and the like. The rear structure of the
모바일 디바이스(300)의 구현 형태에 따라 디스플레이부(351)가 2개 이상 존재할 수 있다. 예를 들어, 모바일 디바이스(300)에는 복수의 디스플레이부들이 하나의 면에 이격되거나 일체로 배치될 수 있고, 또한 서로 다른 면에 각각 배치될 수도 있다.There may be two or
디스플레이부(351)와 터치 동작을 감지하는 센서(이하 '터치 센서'라 함)가 상호 레이어 구조를 이루는 경우(이하, '터치 스크린'이라 함)에, 디스플레이부(351)는 출력 디바이스 이외에 입력 디바이스로도 사용될 수 있다. 터치 센서는, 예를 들어, 터치 필름, 터치 시트, 터치 패드 등의 형태를 가질 수 있다.(Hereinafter, referred to as a 'touch screen') in which a
터치 센서는 디스플레이부(351)의 특정 부위에 가해진 압력 또는 디스플레이부(351)의 특정 부위에 발생하는 정전 용량 등의 변화를 전기적인 입력신호로 변환하도록 구성될 수 있다. 터치 센서는 터치 되는 위치 및 면적뿐만 아니라, 터치 시의 압력까지도 검출할 수 있도록 구성될 수 있다.The touch sensor may be configured to convert a change in a pressure applied to a specific portion of the
터치 센서에 대한 터치 입력이 있는 경우, 그에 대응하는 신호(들)는 터치 제어기로 보내진다. 터치 제어기는 그 신호(들)를 처리한 다음 대응하는 데이터를 제어부(380)로 전송한다. 이로써, 제어부(380)는 디스플레이부(351)의 어느 영역이 터치 되었는지 여부 등을 알 수 있게 된다.If there is a touch input to the touch sensor, the corresponding signal (s) is sent to the touch controller. The touch controller processes the signal (s) and transmits corresponding data to the
터치스크린에 의해 감싸지는 모바일 디바이스의 내부 영역 또는 상기 터치 스크린의 근처에 근접 센서(341)가 배치될 수 있다. 상기 근접 센서는 소정의 검출면에 접근하는 물체, 혹은 근방에 존재하는 물체의 유무를 전자계의 힘 또는 적외선을 이용하여 기계적 접촉이 없이 검출하는 센서를 말한다. 근접 센서는 접촉식 센서보다는 그 수명이 길며 그 활용도 또한 높다.A
상기 근접 센서의 예로는 투과형 광전 센서, 직접 반사형 광전 센서, 미러 반사형 광전 센서, 고주파 발진형 근접 센서, 정전용량형 근접 센서, 자기형 근접 센서, 적외선 근접 센서 등이 있다. 상기 터치스크린이 정전식인 경우에는 상기 포인터의 근접에 따른 전계의 변화로 상기 포인터의 근접을 검출하도록 구성된다. 이 경우 상기 터치 스크린(터치 센서)은 근접 센서로 분류될 수도 있다.Examples of the proximity sensor include a transmission type photoelectric sensor, a direct reflection type photoelectric sensor, a mirror reflection type photoelectric sensor, a high frequency oscillation type proximity sensor, a capacitive proximity sensor, a magnetic proximity sensor, and an infrared proximity sensor. And to detect the proximity of the pointer by the change of the electric field along the proximity of the pointer when the touch screen is electrostatic. In this case, the touch screen (touch sensor) may be classified as a proximity sensor.
이하에서는 설명의 편의를 위해, 상기 터치스크린 상에 포인터가 접촉되지 않으면서 근접되어 상기 포인터가 상기 터치스크린 상에 위치함이 인식되도록 하는 행위를 "근접 터치(proximity touch)"라고 칭하고, 상기 터치스크린 상에 포인터가 실제로 접촉되는 행위를 "접촉 터치(contact touch)"라고 칭한다. 상기 터치스크린 상에서 포인터로 근접 터치가 되는 위치라 함은, 상기 포인터가 근접 터치될 때 상기 포인터가 상기 터치스크린에 대해 수직으로 대응되는 위치를 의미한다.Hereinafter, for convenience of explanation, the act of recognizing that the pointer is positioned on the touch screen while the pointer is not in contact with the touch screen is referred to as "proximity touch" The act of actually touching the pointer on the screen is called "contact touch. &Quot; The position where the pointer is proximately touched on the touch screen means a position where the pointer is vertically corresponding to the touch screen when the pointer is touched.
상기 근접 센서는, 근접 터치와, 근접 터치 패턴(예를 들어, 근접 터치 거리, 근접 터치 방향, 근접 터치 속도, 근접 터치 시간, 근접 터치 위치, 근접 터치 이동 상태 등)을 감지한다. 상기 감지된 근접 터치 동작 및 근접 터치 패턴에 상응하는 정보는 터치 스크린상에 출력될 수 있다.The proximity sensor detects a proximity touch and a proximity touch pattern (e.g., a proximity touch distance, a proximity touch direction, a proximity touch speed, a proximity touch time, a proximity touch position, a proximity touch movement state, and the like). Information corresponding to the detected proximity touch operation and the proximity touch pattern may be output on the touch screen.
음향출력모듈(352)은, 호신호 수신, 통화 모드 또는 녹음 모드, 음성인식 모드, 방송수신 모드 등에서 무선 통신부(310)로부터 수신되거나 메모리(360)에 저장된 오디오 데이터를 출력할 수 있다. 음향 출력 모듈(352)은 모바일 디바이스(300)에서 수행되는 기능(예를 들어, 호신호 수신음, 메시지 수신음 등)과 관련된 음향 신호를 출력하기도 한다. 이러한 음향 출력 모듈(352)에는 리시버(receiver), 스피커(speaker), 버저(buzzer) 등이 포함될 수 있다.The
알람부(353)는, 모바일 디바이스(300)의 이벤트 발생을 알리기 위한 신호를 출력한다. 모바일 디바이스에서 발생 되는 이벤트의 예로는 호 신호 수신, 메시지 수신, 키 신호 입력, 터치 입력 등이 있다. 알람부(353)는, 비디오 신호나 오디오 신호 이외에 다른 형태, 예를 들어 진동으로 이벤트 발생을 알리기 위한 신호를 출력할 수도 있다. 상기 비디오 신호나 오디오 신호는 디스플레이부(351)나 음성 출력 모듈(352)을 통해서도 출력될 수 있어서, 그들(351,352)은 알람부(353)의 일부로 분류될 수도 있다.The
햅틱 모듈(haptic module)(354)은, 사용자가 느낄 수 있는 다양한 촉각 효과를 발생시킨다. 햅틱 모듈(354)이 발생시키는 촉각 효과의 대표적인 예로는 진동이 있다. 햅택 모듈(354)이 발생하는 진동의 세기와 패턴 등은 제어 가능하다. 예를 들어, 서로 다른 진동을 합성하여 출력하거나 순차적으로 출력할 수도 있다. 햅틱 모듈(354)은, 진동 외에도, 접촉 피부면에 대해 수직 운동하는 핀 배열, 분사구나 흡입구를 통한 공기의 분사력이나 흡입력, 피부 표면에 대한 스침, 전극(eletrode)의 접촉, 정전기력 등의 자극에 의한 효과와, 흡열이나 발열 가능한 소자를 이용한 냉온감 재현에 의한 효과 등 다양한 촉각 효과를 발생시킬 수 있다. 햅틱 모듈(354)은, 직접적인 접촉을 통해 촉각 효과의 전달할 수 있을 뿐만 아니라, 사용자가 손가락이나 팔 등의 근 감각을 통해 촉각 효과를 느낄 수 있도록 구현할 수도 있다. 햅틱 모듈(354)은, 모바일 디바이스(300)의 구성 태양에 따라 2개 이상이 구비될 수 있다.The
메모리(360)는, 제어부(380)의 동작을 위한 프로그램을 저장할 수 있고, 입/출력되는 데이터들(예를 들어, 폰 북, 메시지, 정지영상, 동영상 등)을 임시 저장할 수도 있다. 상기 메모리(360)는 상기 터치스크린 상의 터치 입력 시 출력되는 다양한 패턴의 진동 및 음향에 관한 데이터를 저장할 수 있다.The
메모리(360)는, 플래시 메모리 타입(flash memory type), 하드디스크 타입(hard disk type), 멀티미디어 카드 마이크로 타입(multimedia card micro type), 카드 타입의 메모리(예를 들어 SD 또는 XD 메모리 등), 램(Random Access Memory, RAM), SRAM(Static Random Access Memory), 롬(Read-Only Memory, ROM), EEPROM(Electrically Erasable Programmable Read-Only Memory), PROM(Programmable Read-Only Memory), 자기 메모리, 자기 디스크, 광디스크 중 적어도 하나의 타입의 저장매체를 포함할 수 있다. 모바일 디바이스(300)는 인터넷(internet)상에서 상기 메모리(360)의 저장 기능을 수행하는 웹 스토리지(web storage)와 관련되어 동작할 수도 있다.The
인터페이스부(370)는, 모바일 디바이스(300)에 연결되는 모든 외부 디바이스와의 통로 역할을 한다. 인터페이스부(370)는 외부 디바이스로부터 데이터를 전송 받거나, 전원을 공급받아 모바일 디바이스(300) 내부의 각 구성 요소에 전달하거나, 모바일 디바이스(300) 내부의 데이터가 외부 디바이스로 전송되도록 한다. 예를 들어, 유/무선 헤드셋 포트, 외부 충전기 포트, 유/무선 데이터 포트, 메모리 카드(memory card) 포트, 식별 모듈이 구비된 디바이스를 연결하는 포트, 오디오 I/O(Input/Output) 포트, 비디오 I/O 포트, 이어폰 포트 등이 인터페이스부(370)에 포함될 수 있다.The
식별 모듈은 모바일 디바이스(300)의 사용 권한을 인증하기 위한 각종 정보를 저장한 칩으로서, 사용자 인증 모듈(User Identify Module, UIM), 가입자 인증 모듈(Subscriber Identify Module, SIM), 범용 사용자 인증 모듈(Universal Subscriber Identity Module, USIM) 등을 포함할 수 있다. 식별 모듈이 구비된 디바이스(이하 '식별 디바이스')는, 스마트 카드(smart card) 형식으로 제작될 수 있다. 따라서 식별 디바이스는 포트를 통하여 단말기(200)와 연결될 수 있다.The identification module is a chip for storing various information for authenticating the usage right of the
인터페이스부(370)는, 모바일 디바이스(300)가 외부 크래들(cradle)과 연결될 때, 상기 크래들로부터의 전원이 상기 모바일 디바이스(300)에 공급되는 통로가 되거나, 사용자에 의해 상기 크래들에서 입력되는 각종 명령 신호가 상기 모바일 디바이스로 전달되는 통로가 될 수 있다. 크래들로부터 입력되는 각종 명령 신호 또는 상기 전원은, 모바일 디바이스가 상기 크래들에 정확히 장착되었음을 인지하기 위한 신호로 동작될 수도 있다.The
제어부(380)는, 통상적으로 모바일 디바이스(300)의 전반적인 동작을 제어한다. 제어부(380)는 예를 들어, 음성 통화, 데이터 통신, 화상 통화 등을 위한 관련된 제어 및 처리를 수행한다. 제어부(380)는, 멀티미디어 재생을 위한 멀티미디어 모듈(381)을 구비할 수도 있다. 멀티미디어 모듈(381)은, 제어부(380) 내에 구현될 수도 있고, 제어부(380)와 별도로 구현될 수도 있다. 제어부(380)는, 터치-스크린 상에서 행해지는 필기 입력 또는 그림 그리기 입력을 각각 문자 및 이미지로 인식할 수 있는 패턴 인식(pattern recognition) 처리를 행할 수 있다.The
전원 공급부(390)는, 제어부(380)의 제어에 의해 외부의 전원, 내부의 전원을 인가 받아 각 구성요소들의 동작에 필요한 전원을 공급한다.The
여기에 설명되는 다양한 실시예는 예를 들어, 소프트웨어, 하드웨어 또는 이들의 조합된 것을 이용하여 컴퓨터 또는 이와 유사한 디바이스로 읽을 수 있는 기록매체 내에서 구현될 수 있다.The various embodiments described herein may be implemented in a recording medium readable by a computer or similar device using, for example, software, hardware, or a combination thereof.
하드웨어적인 구현에 의하면, 여기에 설명되는 실시예는 ASICs(application specific integrated circuits), DSPs(digital signal processors), DSPDs(digital signal processing devices), PLDs(programmable logic devices), FPGAs(field programmable gate arrays, 프로세서, 제어기, 마이크로 컨트롤러(micro-controllers), 마이크로 프로세서(microprocessors), 기타 기능 수행을 위한 전기적인 유닛(unit) 중 적어도 하나를 이용하여 구현될 수 있다. 일부의 경우에 본 명세서에서 설명되는 실시 예들이 제어부(380) 자체로 구현될 수 있다.According to a hardware implementation, the embodiments described herein may be implemented as application specific integrated circuits (ASICs), digital signal processors (DSPs), digital signal processing devices (DSPDs), programmable logic devices (PLDs), field programmable gate arrays May be implemented using at least one of a processor, a controller, micro-controllers, microprocessors, and an electrical unit for performing other functions. In some cases, the implementation described herein Examples may be implemented by the
소프트웨어적인 구현에 의하면, 본 명세서에서 설명되는 절차 및 기능과 같은 실시 예들은 별도의 소프트웨어 모듈들로 구현될 수 있다. 소프트웨어 모듈들 각각은 본 명세서에서 설명되는 하나 이상의 기능 및 작동을 수행할 수 있다. 적절한 프로그램 언어로 쓰여진 소프트웨어 애플리케이션으로 소프트웨어 코드(software code)가 구현될 수 있다. 여기서, 소프트웨어 코드는, 메모리(360)에 저장되고, 제어부(380)에 의해 실행될 수 있다.According to a software implementation, embodiments such as the procedures and functions described herein may be implemented with separate software modules. Each of the software modules may perform one or more of the functions and operations described herein. Software code may be implemented in a software application written in a suitable programming language. Here, the software code is stored in the
도 4는 본 발명의 또 다른 실시 예에 따른 디스플레이 디바이스를 설명하기 위해 도시한 구성 블록도이다.4 is a block diagram illustrating a display device according to another embodiment of the present invention.
디스플레이 디바이스(400)의 다른 예는, 방송 수신부(405), 외부 디바이스 인터페이스부(435), 저장부(440), 사용자입력 인터페이스부(450), 제어부(470), 디스플레이부(480), 오디오 출력부(485), 전원 공급부(490) 및 촬영부(미도시)를 포함할 수 있다. 여기서, 상기 방송 수신부(405)는, 적어도 하나의 튜너(410), 복조부(420) 및 네트워크 인터페이스부(430)를 포함할 수 있다. 다만, 경우에 따라, 상기 방송 수신부(405)는 튜너(410)와 복조부(420)는 구비하나 네트워크 인터페이스부(430)는 포함하지 않을 수 있으며 그 반대의 경우일 수도 있다. 또한, 상기 방송 수신부(405)는 도시되진 않았으나, 다중화부(multiplexer)를 구비하여 상기 튜너(410)를 거쳐 복조부(420)에서 복조된 신호와 상기 네트워크 인터페이스부(430)를 거쳐 수신된 신호를 다중화할 수도 있다. 그 밖에 상기 방송 수신부(425)는 역시 도시되진 않았으나, 역다중화부(demultiplexer)를 구비하여 상기 다중화된 신호를 역다중화하거나 상기 복조된 신호 또는 상기 네트워크 인터페이스부(430)를 거친 신호를 역다중화할 수 있다.Another example of the
튜너(410)는, 안테나를 통해 수신되는 RF(Radio Frequency) 방송 신호 중 사용자에 의해 선택된 채널 또는 기 저장된 모든 채널을 튜닝하여 RF 방송 신호를 수신한다. 또한, 튜너(410)는, 수신된 RF 방송 신호를 중간 주파수(Intermediate Frequency; IF) 신호 혹은 베이스밴드(baseband) 신호로 변환한다.The
예를 들어, 수신된 RF 방송 신호가 디지털 방송 신호이면 디지털 IF 신호(DIF)로 변환하고, 아날로그 방송 신호이면 아날로그 베이스밴드 영상 또는 음성 신호(CVBS/SIF)로 변환한다. 즉, 튜너(410)는 디지털 방송 신호 또는 아날로그 방송 신호를 모두 처리할 수 있다. 튜너(410)에서 출력되는 아날로그 베이스 밴드 영상 또는 음성 신호(CVBS/SIF)는 제어부(470)로 직접 입력될 수 있다.For example, if the received RF broadcast signal is a digital broadcast signal, the signal is converted into a digital IF signal (DIF). If the received RF broadcast signal is an analog broadcast signal, the signal is converted into an analog baseband image or a voice signal (CVBS / SIF). That is, the
또한, 튜너(410)는, 싱글 캐리어(single carrier) 또는 멀티플 캐리어(multiple carrier)의 RF 방송 신호를 수신할 수 있다. 한편, 튜너(410)는, 안테나를 통해 수신되는 RF 방송 신호 중 채널 기억 기능을 통하여 저장된 모든 방송 채널의 RF 방송 신호를 순차로 튜닝 및 수신하여 이를 중간 주파수 신호 혹은 베이스 밴드 신호(DIF: Digital Intermediate Frequency or baseband signal)로 변환할 수 있다.In addition, the
복조부(420)는, 튜너(410)에서 변환된 디지털 IF 신호(DIF)를 수신하여 복조하고, 채널 복호화 등을 수행할 수도 있다. 이를 위해 복조부(420)는 트렐리스 디코더(Trellis Decoder), 디인터리버(De-interleaver), 리드 솔로먼 디코더(Reed-Solomon Decoder) 등을 구비하거나 컨벌루션 디코더(convolution decoder), 디인터리버 및 리드-솔로먼 디코더 등을 구비할 수 있다.The
복조부(420)는, 복조 및 채널 복호화를 수행한 후 스트림 신호(TS)를 출력할 수 있다. 이때, 스트림 신호는 영상 신호, 음성 신호 또는 데이터 신호가 다중화된 신호일 수 있다. 일 예로, 스트림 신호는 MPEG-2 규격의 영상 신호, 돌비(Dolby) AC-3 규격의 음성 신호 등이 다중화된 MPEG-2 TS(Transport Stream)일 수 있다.The
복조부(420)에서 출력한 스트림 신호는 제어부(470)로 입력될 수 있다. 제어부(470)는 역다중화, 영상/음성 신호 처리 등을 제어하고, 디스플레이부(480)를 통해 영상을, 오디오 출력부(485)를 통해 음성의 출력을 제어할 수 있다.The stream signal output from the
외부 디바이스 인터페이스부(435)는 디스플레이 디바이스(300)와 다양한 외부 디바이스 사이의 인터페이싱 환경을 제공한다. 이를 위해, 외부 디바이스 인터페이스부(335)는, A/V 입/출력부(미도시) 또는 무선 통신부(미도시)를 포함할 수 있다.The external
외부 디바이스 인터페이스부(435)는, DVD(Digital Versatile Disk), 블루-레이(Blu-ray), 게임 디바이스, 카메라, 캠코더(Camcorder), 컴퓨터(노트북), 태블릿 PC, 스마트 폰, 블루투스 디바이스(Bluetooth device), 클라우드(Cloud) 등과 같은 외부 디바이스 등과 유/무선으로 접속될 수 있다. 외부 디바이스 인터페이스부(435)는 연결된 외부 디바이스를 통하여 입력되는 이미지, 영상, 음성 등 데이터를 포함한 신호를 디스플레이 디바이스의 제어부(470)로 전달한다. 제어부(470)는 처리된 이미지, 영상, 음성 등을 데이터 신호를 연결된 외부 디바이스로 출력되도록 제어할 수 있다. 이를 위해, 외부 디바이스 인터페이스부(435)는, A/V 입/출력부(미도시) 또는 무선 통신부(미도시)를 더 포함할 수 있다.The external
A/V 입/출력부는, 외부 디바이스의 영상 및 음성 신호를 디스플레이 디바이스(400)로 입력할 수 있도록, USB 단자, CVBS(Composite Video Banking Sync) 단자, 컴포넌트 단자, S-비디오 단자(아날로그), DVI(Digital Visual Interface) 단자, HDMI(High Definition Multimedia Interface) 단자, RGB 단자, D-SUB 단자 등을 포함할 수 있다.The A / V input / output unit includes a USB terminal, a CVBS (Composite Video Banking Sync) terminal, a component terminal, an S-video terminal (analog) terminal, A DVI (Digital Visual Interface) terminal, an HDMI (High Definition Multimedia Interface) terminal, an RGB terminal, a D-SUB terminal, and the like.
무선 통신부는, 다른 디스플레이 디바이스와 근거리 무선 통신을 수행할 수 있다. 디스플레이 디바이스(400)는 예를 들어, 블루투스(Bluetooth), RFID(Radio Frequency Identification), 적외선 통신(IrDA, infrared Data Association), UWB(Ultra Wideband), 지그비(ZigBee), DLNA(Digital Living Network Alliance) 등의 통신 프로토콜에 따라 다른 디스플레이 디바이스와 네트워크 연결될 수 있다.The wireless communication unit can perform short-range wireless communication with another display device. The
또한, 외부 디바이스 인터페이스부(435)는, 셋톱-박스(STB)와 상술한 각종 단자 중 적어도 하나를 통해 접속되어, 셋톱-박스(STB)와 입력/출력 동작을 수행할 수도 있다.Also, the external
한편, 외부 디바이스 인터페이스부(435)는, 인접하는 외부 디바이스 내의 애플리케이션 또는 애플리케이션 목록(application list)을 수신하여, 제어부(470) 또는 저장부(440)로 전달할 수 있다.Meanwhile, the external
네트워크 인터페이스부(430)는, 디스플레이 디바이스(400)를 인터넷 망을 포함하는 유/무선 네트워크와 연결하기 위한 인터페이스를 제공한다. 네트워크 인터페이스부(430)는, 유선 네트워크와의 접속을 위해 예를 들어, 이더넷(Ethernet) 단자 등을 구비할 수 있으며, 무선 네트워크와의 접속을 위해 예를 들어, WLAN(Wireless LAN)(Wi-Fi), Wibro(Wireless broadband), Wimax(World Interoperability for Microwave Access), HSDPA(High Speed Downlink Packet Access) 통신 규격 등을 이용할 수 있다.The
네트워크 인터페이스부(430)는, 접속된 네트워크 또는 접속된 네트워크에 링크된 다른 네트워크를 통해, 다른 사용자 또는 다른 디스플레이 디바이스와 데이터를 송신 또는 수신할 수 있다. 특히, 디스플레이 디바이스(400)에 미리 등록된 다른 사용자 또는 다른 디스플레이 디바이스 중 선택된 사용자 또는 선택된 디스플레이 디바이스에, 상기 디스플레이 디바이스(400)에 저장된 일부의 컨텐트 데이터를 송신할 수 있다.The
한편, 네트워크 인터페이스부(430)는, 접속된 네트워크 또는 접속된 네트워크에 링크된 다른 네트워크를 통해, 소정 웹 페이지에 접속할 수 있다. 즉, 네트워크를 통해 소정 웹 페이지에 접속하여, 해당 서버와 데이터를 송신 또는 수신할 수 있다. 그 외, 컨텐트 제공자 또는 네트워크 운영자가 제공하는 컨텐트 또는 데이터들을 수신할 수 있다. 즉, 네트워크를 통하여 컨텐트 제공자 또는 네트워크 제공자로부터 제공되는 영화, 광고, 게임, VOD, 방송 신호 등의 컨텐트 및 그와 관련된 정보를 수신할 수 있다. 또한, 네트워크 운영자가 제공하는 펌웨어(firmware)의 업데이트 정보 및 업데이트 파일을 수신할 수 있다. 또한, 인터넷 또는 컨텐트 제공자 또는 네트워크 운영자에게 데이터들을 송신할 수 있다.Meanwhile, the
또한, 네트워크 인터페이스부(430)는, 네트워크를 통해 공개(open)된 애플리케이션들 중 원하는 애플리케이션을 선택하여 수신할 수 있다.In addition, the
저장부(440)는, 제어부(470) 내의 각 신호 처리 및 제어를 위한 프로그램을 저장할 수도 있고, 신호 처리된 영상, 음성 또는 데이터 신호를 저장할 수도 있다.The
또한, 저장부(440)는 외부 디바이스 인터페이스부(435) 또는 네트워크 인터페이스부(430)로부터 입력되는 영상, 음성, 또는 데이터 신호의 임시 저장을 위한 기능을 수행할 수도 있다. 저장부(440)는, 채널 기억 기능을 통하여 소정 방송 채널에 관한 정보를 저장할 수 있다.The
저장부(440)는, 외부 디바이스 인터페이스부(435) 또는 네트워크 인터페이스부(330)로부터 입력되는 애플리케이션 또는 애플리케이션 목록을 저장할 수 있다.The
또한, 저장부(440)는, 후술하여 설명하는 다양한 플랫폼(platform)을 저장할 수도 있다.In addition, the
저장부(440)는, 예를 들어 플래시 메모리 타입(flash memory type), 하드디스크 타입(hard disk type), 멀티미디어 카드 마이크로 타입(multimedia card micro type), 카드 타입의 메모리(예를 들어 SD 또는 XD 메모리 등), 램(RAM), 롬(EEPROM 등) 중 적어도 하나의 타입의 저장매체를 포함할 수 있다. 디스플레이 디바이스(400)는, 저장부(440) 내에 저장되어 있는 컨텐트 파일(동영상 파일, 정지영상 파일, 음악 파일, 문서 파일, 애플리케이션 파일 등)을 재생하여 사용자에게 제공할 수 있다.The
도 4는 저장부(440)가 제어부(470)와 별도로 구비된 실시 예를 도시하고 있으나, 본 발명은 이에 한정되지 않는다. 다시 말해, 저장부(440)는 제어부(470) 내에 포함될 수도 있다.4 illustrates an embodiment in which the
사용자 입력 인터페이스부(450)는, 사용자가 입력한 신호를 제어부(470)로 전달하거나 제어부(470)의 신호를 사용자에게 전달한다.The user
예를 들어, 사용자 입력 인터페이스부(450)는, RF 통신 방식, 적외선(IR) 통신 방식 등 다양한 통신 방식에 따라, 원격제어디바이스(500)로부터 전원 온/오프, 채널 선택, 화면 설정 등의 제어 신호를 수신하여 처리하거나, 제어부(470)의 제어 신호를 원격제어디바이스(500)로 송신하도록 처리할 수 있다.For example, the user
또한, 사용자 입력 인터페이스부(450)는, 전원 키, 채널 키, 볼륨 키, 설정치 등의 로컬 키(미도시)에서 입력되는 제어 신호를 제어부(470)에 전달할 수 있다.In addition, the user
사용자 입력 인터페이스부(450)는, 사용자의 제스처(gesture)를 센싱(sensing)하는 센싱부(미도시)로부터 입력되는 제어 신호를 제어부(470)에 전달하거나, 제어부(470)의 신호를 센싱부(미도시)로 송신할 수 있다. 여기서, 센싱부(미도시)는, 터치 센서, 음성 센서, 위치 센서, 동작 센서 등을 포함할 수 있다.The user
제어부(470)는, 튜너(410), 복조부(420) 또는 외부 디바이스 인터페이스부(435)를 통하여 입력되는 스트림을 역다중화하거나 역다중화된 신호들을 처리하여, 영상 또는 음성 출력을 위한 신호를 생성 및 출력할 수 있다.The
제어부(470)에서 처리된 영상 신호는, 디스플레이부(480)로 입력되어 해당 영상 신호에 대응하는 영상으로 표시될 수 있다. 또한, 제어부(470)에서 영상 처리된 영상 신호는 외부 디바이스 인터페이스부(435)를 통하여 외부 출력디바이스로 입력될 수 있다.The video signal processed by the
제어부(470)에서 처리된 음성 신호는 오디오 출력부(485)로 오디오 출력될 수 있다. 또한, 제어부(470)에서 처리된 음성 신호는 외부 디바이스 인터페이스부(435)를 통하여 외부 출력 디바이스로 입력될 수 있다.The audio signal processed by the
도 4에서는 도시되어 있지 않으나, 제어부(470)는 역다중화부, 영상 처리부 등을 포함할 수 있다.Although not shown in FIG. 4, the
제어부(470)는, 디스플레이 디바이스(400)의 전반적인 동작을 제어할 수 있다. 예를 들어, 제어부(470)는, 튜너(410)를 제어하여, 사용자가 선택한 채널 또는 기 저장된 채널에 해당하는 RF 방송을 튜닝(tuning)하도록 제어할 수 있다.The
제어부(470)는, 사용자 입력 인터페이스부(450)를 통하여 입력된 사용자 명령 또는 내부 프로그램에 의하여 디스플레이 디바이스(400)를 제어할 수 있다. 특히, 네트워크에 접속하여 사용자가 원하는 애플리케이션 또는 애플리케이션 목록을 디스플레이 디바이스(400) 내로 다운로드 받을 수 있도록 할 수 있다.The
예를 들어, 제어부(470)는, 사용자 입력 인터페이스부(450)를 통하여 수신한 소정 채널 선택 명령에 따라 선택한 채널의 신호가 입력되도록 튜너(410)를 제어한다. 그리고 선택한 채널의 영상, 음성 또는 데이터 신호를 처리한다. 제어부(470)는, 사용자가 선택한 채널 정보 등이 처리한 영상 또는 음성신호와 함께 디스플레이부(480) 또는 오디오 출력부(485)를 통하여 출력될 수 있도록 한다.For example, the
다른 예로, 제어부(470)는, 사용자 입력 인터페이스부(450)를 통하여 수신한 외부 디바이스 영상 재생 명령에 따라, 외부디바이스 인터페이스부(435)를 통하여 입력되는 외부 디바이스, 예를 들어, 카메라 또는 캠코더로부터의, 영상 신호 또는 음성 신호가 디스플레이부(480) 또는 오디오 출력부(485)를 통해 출력될 수 있도록 한다.The
한편, 제어부(470)는, 영상을 표시하도록 디스플레이부(480)를 제어할 수 있다. 예를 들어, 튜너(410)를 통해 입력되는 방송 영상, 또는 외부 디바이스 인터페이스부(435)를 통해 입력되는 외부 입력 영상, 또는 네트워크 인터페이스부를 통해 입력되는 영상, 또는 저장부(440)에 저장된 영상을, 디스플레이부(480)에 표시하도록 제어할 수 있다. 이때, 디스플레이부(480)에 표시되는 영상은, 정지영상 또는 동영상일 수 있으며, 2D 영상 또는 3D 영상일 수 있다.On the other hand, the
또한, 제어부(470)는, 컨텐트를 재생하도록 제어할 수 있다. 이때의 컨텐트는, 디스플레이 디바이스(400) 내에 저장된 컨텐트, 또는 수신된 방송 컨텐트, 외부로부터 입력되는 외부 입력 컨텐트일 수 있다. 컨텐트는, 방송 영상, 외부 입력 영상, 오디오 파일, 정지 영상, 접속된 웹 화면, 및 문서 파일 중 적어도 하나일 수 있다.In addition, the
한편, 제어부(470)는, 애플리케이션 보기 항목에 진입하는 경우, 디스플레이 디바이스(300) 내 또는 외부 네트워크로부터 다운로드 가능한 애플리케이션 또는 애플리케이션 목록을 표시하도록 제어할 수 있다.On the other hand, when entering the application viewing item, the
제어부(470)는, 다양한 사용자 인터페이스와 더불어, 외부 네트워크로부터 다운로드 되는 애플리케이션을 설치 및 구동하도록 제어할 수 있다. 또한, 사용자의 선택에 의해, 실행되는 애플리케이션에 관련된 영상이 디스플레이부(480)에 표시 되도록 제어할 수 있다.The
한편, 도면에 도시하지 않았지만, 채널 신호 또는 외부 입력 신호에 대응하는 썸네일 이미지를 생성하는 채널 브라우징 처리부가 더 구비되는 것도 가능하다.Although not shown in the drawing, a channel browsing processing unit for generating a channel signal or a thumbnail image corresponding to an external input signal may be further provided.
채널 브라우징 처리부는, 복조부(320)에서 출력한 스트림 신호(TS) 또는 외부 디바이스 인터페이스부(335)에서 출력한 스트림 신호 등을 입력받아, 입력되는 스트림 신호로부터 영상을 추출하여 썸네일 영상을 생성할 수 있다. 생성된 썸네일 영상은 그대로 또는 부호화되어 제어부(470)로 입력될 수 있다. 또한, 생성된 썸네일 영상은 스트림 형태로 부호화되어 제어부(470)로 입력되는 것도 가능하다. 제어부(470)는 입력된 썸네일 영상을 이용하여 복수의 썸네일 영상을 구비하는 썸네일 리스트를 디스플레이부(480)에 표시할 수 있다. 한편, 이러한 썸네일 리스트 내의 썸네일 영상들은 차례로 또는 동시에 업데이트 될 수 있다. 이에 따라 사용자는 복수의 방송 채널의 내용을 간편하게 파악할 수 있게 된다.The channel browsing processing unit receives a stream signal TS output from the
디스플레이부(480)는, 제어부(470)에서 처리된 영상 신호, 데이터 신호, OSD 신호 또는 외부 디바이스 인터페이스부(435)에서 수신되는 영상 신호, 데이터 신호 등을 각각 R, G, B 신호로 변환하여 구동 신호를 생성한다.The
디스플레이부(480)는 PDP, LCD, OLED, 플렉시블 디스플레이(flexible display), 3차원 디스플레이(3D display) 등이 가능할 수 있다.The
한편, 디스플레이부(480)는, 터치 스크린으로 구성되어 출력 디바이스 이외에 입력 디바이스로 사용되는 것도 가능하다.Meanwhile, the
오디오 출력부(485)는, 제어부(470)에서 음성 처리된 신호, 예를 들어, 스테레오 신호, 3.1 채널 신호 또는 5.1 채널 신호를 입력 받아 음성으로 출력한다. 음성 출력부(485)는 다양한 형태의 스피커로 구현될 수 있다.The
한편, 사용자의 제스처를 감지하기 위해, 상술한 바와 같이, 터치 센서, 음성 센서, 위치 센서, 동작 센서 중 적어도 하나를 구비하는 센싱부(미도시)가 디스플레이 디바이스(400)에 더 구비될 수 있다. 센싱부(미도시)에서 감지된 신호는 사용자입력 인터페이스부(450)를 통해 제어부(3470)로 전달될 수 있다.Meanwhile, in order to detect the user's gesture, a sensing unit (not shown) having at least one of a touch sensor, an audio sensor, a position sensor, and an operation sensor may be further included in the
한편, 사용자를 촬영하는 촬영부(미도시)가 더 구비될 수 있다. 촬영부(미도시)에서 촬영된 영상 정보는 제어부(470)에 입력될 수 있다.On the other hand, a photographing unit (not shown) for photographing a user may be further provided. The image information photographed by the photographing unit (not shown) may be input to the
제어부(470)는, 촬영부(미도시)로부터 촬영된 영상, 또는 센싱부(미도시)로부터의 감지된 신호를 각각 또는 조합하여 사용자의 제스처를 감지할 수도 있다.The
전원 공급부(490)는, 디스플레이 디바이스(400) 전반에 걸쳐 해당 전원을 공급한다.The
특히, 시스템 온 칩(System on Chip; SoC)의 형태로 구현될 수 있는 제어부(470)와, 영상 표시를 위한 디스플레이부(480), 및 오디오 출력을 위한 오디오 출력부(485)에 전원을 공급할 수 있다.Particularly, it is possible to supply power to a
이를 위해, 전원 공급부(490)는, 교류 전원을 직류 전원으로 변환하는 컨버터(미도시)를 구비할 수 있다. 한편, 예를 들어, 디스플레이부(480)가 다수의 백라이트 램프(backlight lamp)를 구비하는 액정 패널로서 구현되는 경우, 휘도 가변 또는 디밍(dimming) 구동을 위해, PWM(Pulse Width Modulation) 동작 가능한 인버터(inverter)(미도시)를 더 구비할 수도 있다.To this end, the
원격제어디바이스(500)는, 사용자 입력을 사용자입력 인터페이스부(450)로 송신한다. 이를 위해, 원격제어디바이스(500)는, 블루투스(Bluetooth), RF(Radio Frequency) 통신, 적외선(IR) 통신, UWB(Ultra Wideband), 지그비(ZigBee) 방식 등을 사용할 수 있다.The
또한, 원격제어디바이스(500)는, 사용자입력 인터페이스부(450)에서 출력한 영상, 음성 또는 데이터 신호 등을 수신하여, 이를 원격제어디바이스(500)에서 표시하거나 음성 또는 진동을 출력할 수 있다.Also, the
상술한 디스플레이 디바이스(400)는, 고정형 또는 이동형의 ATSC 방식 또는 DVB 방식의 디지털 방송 신호의 처리가 가능한 디지털 방송 수신기일 수 있다.The
그 밖에 본 발명에 따른 디스플레이 디바이스는 도시된 구성 중 필요에 따라 일부 구성을 생략하거나 반대로 도시되진 않은 구성을 더 포함할 수도 있다. 한편, 디스플레이 디바이스는 상술한 바와 달리, 튜너와 복조부를 구비하지 않고, 네트워크 인터페이스부 또는 외부디바이스 인터페이스부를 통해서 컨텐트를 수신하여 재생할 수도 있다.In addition, the display device according to the present invention may further include a configuration that omits some of the configuration shown in FIG. On the other hand, the display device may not receive the tuner and the demodulator, and may receive and reproduce the content through the network interface unit or the external device interface unit.
도 5는 본 발명의 일 실시 예에 따라 도 2 내지 4의 제어부의 상세 구성을 설명하기 위해 도시한 구성 블록도이다.FIG. 5 is a block diagram illustrating a detailed configuration of the control unit of FIGS. 2 to 4 according to an embodiment of the present invention. Referring to FIG.
제어부의 일 예는, 역다중화부(510), 영상 처리부(5520), OSD 생성부(540), 믹서(mixer)(550), 프레임 레이트 변환부(FRC: Frame Rate Converter)(555), 및 포맷터(formatter)(560)를 포함할 수 있다. 그 외 상기 제어부는 도시되진 않았으나 음성 처리부와 데이터 처리부를 더 포함할 수 있다.An example of the control unit includes a
역다중화부(510)는, 입력되는 스트림을 역다중화한다. 예를 들어, 역다중화부(510)는 입력되는 MPEG-2 TS 영상, 음성 및 데이터 신호로 역다중화할 수 있다. 여기서, 역다중화부(510)에 입력되는 스트림 신호는, 튜너 또는 복조부 또는 외부디바이스 인터페이스부에서 출력되는 스트림 신호일 수 있다.The
영상 처리부(420)는, 역다중화된 영상 신호의 영상 처리를 수행한다. 이를 위해, 영상 처리부(420)는, 영상 디코더(425) 및 스케일러(435)를 구비할 수 있다.The
영상 디코더(425)는 역다중화된 영상 신호를 복호하며, 스케일러(435)는 복호된 영상 신호의 해상도를 디스플레이부에서 출력 가능하도록 스케일링(scaling)한다.The video decoder 425 decodes the demultiplexed video signal, and the
영상 디코더(525)는 다양한 규격을 지원할 수 있다. 예를 들어, 영상 디코더(525)는 영상 신호가 MPEG-2 규격으로 부호화된 경우에는 MPEG-2 디코더의 기능을 수행하고, 영상 신호가 DMB(Digital Multimedia Broadcasting) 방식 또는 H.264 규격으로 부호화된 경우에는 H.264 디코더의 기능을 수행할 수 있다.The
한편, 영상 처리부(520)에서 복호된 영상 신호는, 믹서(450)로 입력된다.On the other hand, the video signal decoded by the
OSD 생성부(540)는, 사용자 입력에 따라 또는 자체적으로 OSD 데이터를 생성한다. 예를 들어, OSD 생성부(440)는 사용자입력 인터페이스부의 제어 신호에 기초하여 디스플레이부(380)의 화면에 각종 데이터를 그래픽(Graphic)이나 텍스트(Text) 형태로 표시하기 위한 데이터를 생성한다. 생성되는 OSD 데이터는, 디스플레이 디바이스의 사용자 인터페이스 화면, 다양한 메뉴 화면, 위젯(widget), 아이콘(icon), 시청률 정보(viewing rate information) 등의 다양한 데이터를 포함한다. OSD 생성부(540)는, 방송 영상의 자막 또는 EPG에 기반한 방송 정보를 표시하기 위한 데이터를 생성할 수도 있다.The
믹서(550)는, OSD 생성부(540)에서 생성된 OSD 데이터와 영상 처리부에서 영상 처리된 영상 신호를 믹싱(mixing)하여 포맷터(560)로 제공한다. 복호된 영상 신호와 OSD 데이터가 믹싱됨으로 인하여, 방송 영상 또는 외부 입력 영상 상에 OSD가 오버레이(overlay) 되어 표시된다.The
프레임 레이트 변환부(FRC)(555)는, 입력되는 영상의 프레임 레이트(frame rate)를 변환한다. 예를 들어, 프레임 레이트 변환부(555)는 입력되는 60Hz 영상의 프레임 레이트를 디스플레이부의 출력 주파수에 따라 예를 들어, 120Hz 또는 240Hz의 프레임 레이트를 가지도록 변환할 수 있다. 상기와 같이, 프레임 레이트를 변환하는 방법에는 다양한 방법이 존재할 수 있다. 일 예로, 프레임 레이트 변환부(555)는 프레임 레이트를 60Hz에서 120Hz로 변환하는 경우, 제1 프레임과 제2 프레임 사이에 동일한 제1 프레임을 삽입하거나, 제1 프레임과 제2 프레임으로부터 예측된 제3 프레임을 삽입함으로써 변환할 수 있다. 다른 예로, 프레임 레이트 변환부(555)는 프레임 레이트를 60Hz에서 240Hz로 변환하는 경우, 기존 프레임 사이에 동일한 프레임 또는 예측된 프레임을 3개 더 삽입하여 변환할 수 있다. 한편, 별도의 프레임 변환을 수행하지 않는 경우에는 프레임 레이트 변환부(555)를 바이패스(bypass) 할 수도 있다.A frame rate conversion unit (FRC) 555 converts a frame rate of an input image. For example, the frame
포맷터(560)는, 입력되는 프레임 레이트 변환부(555)의 출력을 디스플레이부의 출력 포맷에 맞게 변경한다. 예를 들어, 포맷터(560)는 R, G, B 데이터 신호를 출력할 수 있으며, 이러한 R, G, B 데이터 신호는, 낮은 전압 차분 신호(LVDS: Low voltage differential signal) 또는 mini-LVDS로 출력될 수 있다. 또한, 포맷터(560)는 입력되는 프레임 레이트 변환부(555)의 출력이 3D 영상 신호인 경우에는 디스플레이부의 출력 포맷에 맞게 3D 형태로 구성하여 출력함으로써, 상기 디스플레이부를 통해 3D 서비스를 지원할 수도 있다.The
한편, 제어부 내 음성 처리부(미도시)는, 역다중화된 음성 신호의 음성 처리를 수행할 수 있다. 이러한 음성 처리부(미도시)는 다양한 오디오 포맷을 처리하도록 지원할 수 있다. 일 예로, 음성 신호가 MPEG-2, MPEG-4, AAC, HE-AAC, AC-3, BSAC 등의 포맷으로 부호화된 경우에도 이에 대응되는 디코더를 구비하여 처리할 수 있다.On the other hand, the voice processing unit (not shown) in the control unit can perform the voice processing of the demultiplexed voice signal. Such a voice processing unit (not shown) may support processing various audio formats. For example, even when a voice signal is coded in a format such as MPEG-2, MPEG-4, AAC, HE-AAC, AC-3, or BSAC, a corresponding decoder can be provided.
또한, 제어부 내 음성 처리부(미도시)는, 베이스(Base), 트레블(Treble), 음량 조절 등을 처리할 수 있다.In addition, the voice processing unit (not shown) in the control unit can process the base, the treble, the volume control, and the like.
제어부 내 데이터 처리부(미도시)는, 역다중화된 데이터 신호의 데이터 처리를 수행할 수 있다. 예를 들어, 데이터 처리부는 역다중화된 데이터 신호가 부호화된 경우에도 이를 복호할 수 있다. 여기서, 부호화된 데이터 신호로는, 각 채널에서 방영되는 방송 프로그램의 시작시각, 종료시각 등의 방송 정보가 포함된 EPG 정보일 수 있다.A data processing unit (not shown) in the control unit can perform data processing of the demultiplexed data signal. For example, the data processing unit can decode the demultiplexed data signal even when it is coded. Here, the encoded data signal may be EPG information including broadcast information such as a start time and an end time of a broadcast program broadcasted on each channel.
한편, 상술한 디스플레이 디바이스는 본 발명에 따른 예시로서, 각 구성요소는 실제 구현되는 디스플레이 디바이스의 사양에 따라 통합, 추가, 또는 생략될 수 있다. 즉, 필요에 따라, 2 이상의 구성요소가 하나의 구성요소로 합쳐지거나 하나의 구성요소가 2 이상의 구성요소로 세분화될 수 있다. 또한, 각 블록에서 수행하는 기능은 본 발명의 실시 예를 설명하기 위한 것이며, 그 구체적인 동작이나 디바이스는 본 발명의 권리범위를 제한하지 아니한다.On the other hand, the above-described display device is an example according to the present invention, and each component can be integrated, added, or omitted according to specifications of a display device actually implemented. That is, if necessary, two or more components may be combined into one component, or one component may be divided into two or more components. In addition, the functions performed in each block are intended to illustrate the embodiments of the present invention, and the specific operations and devices thereof do not limit the scope of rights of the present invention.
한편, 디스플레이 디바이스는, 디바이스 내에 저장된 영상 또는 입력되는 영상의 신호 처리를 수행하는 영상신호 처리디바이스일 수 있다. 영상신호 처리디바이스의 다른 예로는, 도 4에서 도시된 디스플레이부(480)와 오디오 출력부(485)가 제외된 셋톱-박스(STB), 상술한 DVD 플레이어, 블루-레이 플레이어, 게임 디바이스, 컴퓨터 등이 더 예시될 수 있다.Meanwhile, the display device may be a video signal processing device that performs signal processing of an image stored in the device or an input image. Other examples of the video signal processing device include a set-top box (STB), a DVD player, a Blu-ray player, a game device, a computer Etc. can be further exemplified.
도 6은 본 발명의 일 실시 예에 따른 도 2 내지 4의 디스플레이 디바이스와 연결된 입력 수단을 도시한 도면이다.Figure 6 is a diagram illustrating input means coupled to the display device of Figures 2 through 4 in accordance with one embodiment of the present invention.
디스플레이 디바이스(600)를 제어하기 위해 상기 디스플레이 디바이스(600) 상에 구비된 프론트 패널(front panel)(미도시)이나 제어 수단(입력 수단)이 이용된다.A front panel (not shown) or a control means (input means) provided on the
한편, 제어 수단은 유, 무선 통신 가능한 사용자 인터페이스 디바이스(UID; User Interface Device)로써, 주로 디스플레이 디바이스(600)의 제어 목적으로 구현된 리모컨(610), 키보드(630), 포인팅 디바이스(620), 터치패드(touch-pad) 등이 포함되나, 상기 디스플레이 디바이스(600)에 연결된 외부 입력 전용의 제어 수단 역시 포함될 수 있다. 그 밖에, 디스플레이 디바이스(600) 제어 목적이 아니나 모드 전환 등을 통해 상기 디스플레이 디바이스(600)를 제어하는 스마트 폰, 태블릿 PC 등 모바일 디바이스 등도 제어 수단에 포함된다. 다만, 본 명세서에서는 편의상 포인팅 디바이스(pointing device)를 일 실시 예로 하여 설명하나, 이에 한정되는 것은 아니다.The control means includes a
입력 수단은, 블루투스(Bluetooth), RFID(Radio Frequency Identification), 적외선 통신(IrDA, infrared Data Association), UWB(Ultra Wideband), 지그비(ZigBee), DLNA(Digital Living Network Alliance), RS 등의 통신 프로토콜을 필요에 따라 적어도 하나 이상 채용하여 디스플레이 디바이스와 통신 가능하다.The input means may be a communication protocol such as Bluetooth, Radio Frequency Identification (RFID), Infrared Data Association (UDA), Ultra Wideband (UWB), ZigBee, Digital Living Network Alliance (DLNA) At least one can be employed as needed to communicate with the display device.
리모컨(610)은, 디스플레이 디바이스(600) 제어를 위해 필요한 다양한 키 버튼들이 구비된 통상의 입력 수단을 말한다.The
포인팅 디바이스(620)는, 자이로 센서(Gyro Sensor) 등을 탑재하여 사용자의 움직임, 압력, 회전 등에 기초하여 디스플레이 디바이스(600)의 화면상에 대응되는 포인터(pointer)를 구현하여 상기 디스플레이 디바이스(600)에 소정 제어 명령을 전달한다. 이러한 포인팅 디바이스(620)는, 매직 리모컨, 매직 컨트롤러 등 다양한 이름으로 명명될 수 있다.The
키보드(630)는, 디스플레이 디바이스(600)가 종래 방송만을 제공하던 것을 넘어 지능형 통합 디스플레이 디바이스로서 웹 브라우저, 애플리케이션, SNS(Social Network Service) 등 다양한 서비스를 제공함에 따라 종래 리모컨(610)만으로는 제어가 쉽지 않아 이를 보완하여 PC의 키보드와 유사하게 구현하여 텍스트 등의 입력 편의를 도모하기 위해 구현되었다.Since the
한편, 리모컨(610), 포인팅 디바이스(620), 키보드(630) 등 제어수단은, 필요에 따라 터치패드를 구비함으로써 텍스트 입력, 포인터 이동, 사진 내지 동영상의 확대/축소 등 더욱 편리하고 다양한 제어 목적에 이용할 수 있다.The control means such as the
본 명세서에서 설명하는 디스플레이 디바이스는, OS 및/또는 플랫폼(platform)으로 Web OS를 이용한다. 이하 Web OS 기반의 구성 내지 알고리즘 등 처리 과정은, 전술한 디스플레이 디바이스의 제어부 등에서 수행될 수 있다. 여기서, 상기 제어부는 전술한 도 2 내지 5에서의 제어부를 포함하여 광의의 개념으로 사용한다. 따라서, 이하에서는 디스플레이 디바이스 내 Web OS 기반의 또는 그와 관련된 서비스, 애플리케이션, 컨텐트 등의 처리를 위해 구성은 관련 소프트웨어(software), 펌웨어(firmware) 등을 포함한 하드웨어 내지 구성요소는 제어부(controller)로 명명하여 설명한다.The display device described in this specification uses the Web OS as an OS and / or platform. Hereinafter, a process such as a configuration or an algorithm based on the Web OS can be performed in the control unit of the above-described display device or the like. Here, the control unit includes the control unit in FIGS. 2 to 5 described above and uses it as a broad concept. Accordingly, in order to process a service, an application, a content, and the like related to the Web OS in the display device, the hardware and components including related software, firmware, and the like are controlled by a controller Named and explained.
이러한 Web OS 기반 플랫폼은 예컨대, 루나-서비스 버스(Luna-service Bus)에 기반하여 서비스와 애플리케이션 등을 통합함으로써, 개발 독립성과 기능 확장성을 제고하기 위한 것으로, Web 응용 프레임워크에 기반하여 응용 개발 생산성도 높일 수 있다. 또한, Web OS 프로세스와 자원 관리(resource management)를 통해 시스템 자원(system resource)을 효율적으로 활용하여 멀티-태스킹도 지원할 수 있다.Such a Web OS-based platform is intended to enhance development independence and function scalability by integrating services and applications based on, for example, a luna-service bus, Productivity can be increased. Also, multi-tasking can be supported by efficiently utilizing system resources through Web OS process and resource management.
한편, 상기 Web OS는 PC, TV, 셋톱박스(STB)와 같은 고정 디바이스뿐만 아니라 휴대폰, 스마트 폰, 태블릿 pc, 노트북 등과 같은 모바일 디바이스에서도 이용 가능하다.Meanwhile, the Web OS can be used not only as a fixed device such as a PC, a TV, and a set-top box (STB) but also as a mobile device such as a mobile phone, a smart phone, a tablet PC,
디스플레이 디바이스를 위한 소프트웨어의 구조는, 종래에는 문제 해결과 시장에 의존적인 모놀리틱 구조(monolithic structure)로 멀티쓰레딩 기술(multi-threading)에 기반한 단일 프로세스(single process)와 클로우즈드 제품(closed product)으로 외부 응용에 어려움이 있었고, 그 이후 글로벌 대응 플랫폼 기반 개발을 지향하고 칩-셋(chip-set) 교체를 통한 비용 혁신과 UI 응용 및 외부 응용 개발 효율화를 추구하여 레이어링 및 콤포넌티제이션(layering & componentization)이 이루어져 3-레이어드 구조와 애드-온(add-on), 싱글 소스(single source) 제품, 오픈 애플리케이션(open application)을 위한 애드-온 구조를 가졌었다. 최근에는 더 나아가 소프트웨어 구조가 기능 단위의 모듈화 아키텍처(modulating architecture), 에코-시스템(echo-system)을 위한 Web 오픈 API(Web Open API (Application Programming Interface)) 제공, 게임 엔진(game engine)을 위한 네이티브 오픈 API(Native Open API) 등을 위한 모듈화 디자인이 이루어지고 있으며, 이에 따라 서비스 구조 기반의 멀티-프로세스 구조(multi-process structure)로 생성되고 있다.The structure of the software for a display device has traditionally been a single process and a closed product based on multi-threading in a monolithic structure that is problem-solving and market-dependent. ), And has since been struggling with external applications. Since then, it has been pursuing global-based platform development, pursuing cost innovation through chip-set replacement and streamlining of UI application and external application development, layering and composing and componentization were done to have a three-layered structure and an add-on structure for add-ons, single source products, and open applications. More recently, the software architecture has provided a modular architecture for functional units, a Web Open API (Application Programming Interface) for the echo-system, and a game engine And a native open API (Native Open API), and thus, a multi-process structure based on a service structure is being created.
도 7은 본 발명의 일 실시 예에 따른 Web OS 아키텍처를 설명하기 위해 도시한 도면이다.FIG. 7 is a diagram illustrating a Web OS architecture according to an embodiment of the present invention. Referring to FIG.
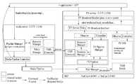
도 7을 참조하여, Web OS 플랫폼의 아키텍처에 대해 설명하면, 다음과 같다.Referring to FIG. 7, the architecture of the Web OS platform will be described below.
상기 플랫폼은 크게 커널, 시스템 라이브러리 기반의 Web OS 코어 플랫폼, 애플리케이션, 서비스 등으로 구분할 수 있다.The platform can be largely classified into a kernel, a system library-based Web OS core platform, an application, and a service.
Web OS 플랫폼의 아키텍처는, 레이어드 구조(layered structure)로 최하위의 레이어에는 OS, 다음 레이어에는 시스템 라이브러리(들)(system libraries) 그리고 최상위에는 서비스들(services)이 존재한다.The architecture of the Web OS platform is layered structure, with OS at the lowest layer, system libraries at the next layer, and services at the top.
먼저, 최하위 레이어는, OS레이어로 리눅스 커널(Linux Kernel)이 포함되어 상기 디스플레이 디바이스의 OS로 리눅스를 포함할 수 있다.First, the lowest layer includes a Linux kernel as an OS layer, and can include Linux as an OS of the display device.
상기 OS 레이어 상위에는, BSP(Board Support Package)/HAL(Hardware Abstraction Layer) 레이어, Web OS 코어 모듈 레이어(Web OS core modules layer), 서비스 레이어(service layer), 루나-서비스 버스 레이어(Luna-Service Bus layer), 엔요 프레임워크/NDK(Native Developer’s Kit)/QT 레이어(Enyo framework/NDK/QT layer) 그리고 최상위 레이어에는 애플리케이션 레이어(Application layer)가 순차로 존재한다.The OS layer is provided with a BOS (Board Support Package) / HAL (Hardware Abstraction Layer) layer, a Web OS core modules layer, a service layer, a Luna-Service layer Bus layer, Native Developer's Kit (NDK) / QT layer (Enyo framework / NDK / QT layer), and Application layer in the uppermost layer.
한편, 상술한 Web OS 레이어 구조 중 일부 레이어는 생략될 수도 있고, 복수의 레이어가 하나의 레이어화 되거나 반대로 하나의 레이어가 복수의 레이어 구조를 가질 수도 있다.Meanwhile, some layers of the above-described Web OS layer structure may be omitted, or a plurality of layers may be one layer, or one layer may have a plurality of layer structures.
상기 Web OS 코어 모듈 레이어는, 서피스 윈도우(surface window) 등을 관리하는 LSM(Luna Surface Manager), 애플리케이션의 실행과 수행 상태 등을 관리하는 SAM(System & Application Manage), 웹키트(WebKit)에 기반하여 웹 애플리케이션 등을 관리하는 WAM(Web Application Manager) 등이 포함될 수 있다.The Web OS core module layer is based on LSM (Luna Surface Manager) for managing surface windows and the like, SAM (System & Application Management) for managing application execution and execution status, and Web kit And a WAM (Web Application Manager) for managing a web application and the like.
상기 LSM은, 화면에 보이는 애플리케이션 윈도우(application window)를 관리한다. 상기 LSM은, 디스플레이 하드웨어(Display HW)를 관장하며, 애플리케이션들에게 필요한 내용을 렌더링(rendering)할 수 있는 버퍼(buffer)를 제공하며, 복수의 애플리케이션들이 렌더링한 결과를 합성(Composition)하여 화면에 출력할 수 있다.The LSM manages an application window displayed on the screen. The LSM manages display hardware (Display HW) and provides a buffer for rendering contents necessary for applications. The LSM composes the results of rendering by a plurality of applications, Can be output.
상기 SAM은, 시스템과 애플리케이션의 여러 조건 별 수행 폴리시(policy)를 관리한다.The SAM manages various conditional execution policies of the system and the application.
한편, WAM은, web OS는 웹 애플리케이션(Web App)을 기본 애플리케이션으로 볼 수 있는바, 엔요 프레임워크(Enyo Framework)에 기반한 애플리케이션 개발을 권장한다.WAM, on the other hand, recommends application development based on the Enyo Framework because webOS can be regarded as a basic application.
애플리케이션의 서비스 사용은, 루나-서비스 버스(Luna-service Bus)를 통해 이루어지며, 신규로 서비스를 버스에 등록할 수 있고, 애플리케이션은 자신이 필요로 하는 서비스를 찾아서 사용할 수도 있다.The use of an application's service is done via a luna-service bus, a new service can be registered on the bus, and an application can find and use the service it needs.
상기 서비스 레이어는, TV 서비스, Web OS 서비스 등 다양한 서비스 레벨(service level)의 서비스들이 포함될 수 있다. 한편, 상기 Web OS 서비스에는, 미디어 서버, Node.JS 등이 포함될 수 있다. 여기서, Node.JS 서비스는 예컨대, 자바스크립트(javascript)를 지원한다.The service layer may include various service level services such as TV service and Web OS service. The Web OS service may include a media server, a Node.JS, and the like. Here, the Node.JS service supports, for example, javascript.
Web OS 서비스는, 기능 로직(function logic)을 구현한 리눅스 프로세스(Linux process)로 버스를 통해 커뮤니케이션 할 수 있다. 이는 크게 네 파트로 구분될 수 있으며, TV 프로세스와 기존 넷캐스트(NetCast)로부터 Web OS에 미티그레이션(Migration)되거나 제조사 차별화 서비스인 서비스들, Web OS 공통 서비스와 자바스크립트로 개발되고 Node.js를 통해 사용되는 Node.js 서비스로 구성된다.Web OS services can communicate over the bus to a Linux process that implements function logic. It can be divided into four parts. It is developed by TV process and existing netcast (NetCast) to be migrated to Web OS, services that are differentiated by manufacturer, Web OS common service and JavaScript, and Node.js And a Node.js service that is used over the Internet.
상기 애플리케이션 레이어는, TV 애플리케이션, 쇼케이스(showcase) 애플리케이션, 네이티브 애플리케이션(native application), Web 애플리케이션 등 디스플레이 디바이스에서 지원 가능한 모든 애플리케이션들을 포함할 수 있다.The application layer may include all applications that can be supported on a display device, such as a TV application, a showcase application, a native application, a Web application, and the like.
Web OS 상의 애플리케이션은, 구현 방법에 따라 웹 애플리케이션(Web Application), PDK(Palm Development Kit) 애플리케이션, QML(Qt Markup Language) 애플리케이션 등으로 구분될 수 있다.An application on the Web OS can be classified into a Web application, a PDK (Palm Development Kit) application, a Qt (Qt Markup Language) application, and the like depending on the implementation method.
상기 웹 애플리케이션은, 웹키트 엔진(WebKit engine) 에 기반하고, WAM 런타임(Runtime) 상에서 수행된다. 이러한 웹 애플리케이션은 엔요 프레임워크에 기반하거나, 일반 HTML5, CSS, 자바스크립트 기반으로 개발되어 수행될 수 있다.The web application is based on a WebKit engine and is executed on a WAM runtime. These web applications can be based on the ENI framework or developed on the basis of regular HTML5, CSS, and JavaScript.
상기 PDK 애플리케이션은, 써드-파티(3rd-Party) 또는 외부 개발자를 위해 제공된 PDK에 기반하여 C/C++로 개발되는 네이티브 애플리케이션 등을 포함한다. 상기 PDK는, 게임 등 써드 파티가 네이티브 애플리케이션(C/C++)을 개발할 수 있도록 제공된 개발 라이브러리 및 도구 집합을 말한다. 예를 들어, PDK 애플리케이션은, 그 성능이 중요한 애플리케이션의 개발에 이용될 수 있다.The PDK application includes a native application developed in C / C ++ based on a PDK provided for third-party or external developers. The PDK refers to a development library and a tool set provided for a third party such as a game to develop a native application (C / C ++). For example, PDK applications can be used to develop applications where performance is critical.
상기 QML 애플리케이션은, Qt 기반의 네이티브 애플리케이션으로, 카드 뷰(card view), 홈 대시보드(Home dashboard), 가상 키보드(virtual keyboard) 등 Web OS 플랫폼과 함께 제공되는 기본 애플리케이션 등을 포함한다. 여기서, QML은, C++ 대신 스크립트 형태의 마크-업 언어(mark-up language)로 애플리케이션을 개발할 수 있어 개발 생산성을 높일 수 있다.The QML application is a native application based on Qt, and includes a basic application provided with the Web OS platform such as a card view, a home dashboard, and a virtual keyboard. Here, QML can develop an application in a mark-up language as a script instead of C ++, thereby improving development productivity.
한편, 상기에서, 네이티브(Native)의 의미는, C/C++로 개발되고 컴파일(compile)되어 바이너리(binary) 형태로 수행되는 애플리케이션을 말하는 것으로, 이러한 네이티브 애플리케이션은 그 수행 속도가 빠른 장점이 있다.Native means an application that is developed and compiled in C / C ++ and executed in a binary form. The native application has a high speed of execution.
도 8은 본 발명의 일 실시 예에 따른 Web OS 디바이스의 아키텍처를 설명하기 위해 도시한 도면이다.8 is a diagram illustrating an architecture of a Web OS device according to an embodiment of the present invention.
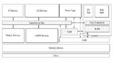
도 8은 Web OS 디바이스의 런타임(Runtime)에 기반한 블록도로서, 이는 도 7의 레이어드 구조를 참조하여 이해할 수 있다.8 is a block diagram based on the runtime of the Web OS device, which can be understood with reference to the layered structure of FIG.
이하 도 7과 8을 참조하여 설명하면, 다음과 같다.7 and 8, the following will be described.
도 8을 참조하면, 시스템 OS(Linux)와 시스템 라이브러리들 상에 서비스들과 애플리케이션들 그리고 Web OS 코어 모듈들이 포함되고 그들 사이의 커뮤니케이션은 루나-서비스 버스를 통해 이루어질 수 있다.Referring to FIG. 8, services and applications and WebOS core modules are included on the system OS (Linux) and system libraries, and communication between them can be done via the Luna-Service bus.
이메일(e-mail), 연락처(contact), 캘린더(calendar) 등 HTML5, CSS, 자바스크립트(java script)에 기초한 Node.js 서비스들, 로깅(Logging), 백업(backup), 파일 노티파이(file notify), 데이터베이스(DB), 액티비티 매니저(activity manager), 시스템 폴리시(system policy), 오디오 데몬(AudioD: Audio Daemon), 업데이트(update), 미디어 서버(media server) 등과 같이 Web OS 서비스들, EPG(Electronic Program Guide), PVR(Personal Video Recorder), 데이터 방송(data broadcasting) 등과 같은 TV 서비스들, 음성 인식(voice recognition), 나우 온(Now on), 노티피케이션(Notification), 검색(search), ACR(Auto Content Recognition), CBOX(Contents List Broswer), wfdd, DMR, 리모트 애플리케이션(Remote Application), 다운로드, SDPIF() 등과 같은 CP 서비스들, PDK 애플리케이션들, 브라우저(browser), QML 애플리케이션 등과 같은 네이티브 애플리케이션들 그리고, 엔요 프레임워크 기반의 UI 관련 TV 애플리케이션들과 Web 애플리케이션들은, 루나-서비스 버스를 통하여 전술한 SAM, WAM, LSM과 같은 Web OS 코어 모듈을 통해 처리가 이루어진다. 한편, 상기에서, TV 애플리케이션들과 Web 애플리케이션들은 반드시 엔요 프레임워크 기반 또는 UI 관련이 아닐 수도 있다.E-mail, contact, calendar, etc. Node.js services based on HTML5, CSS, java script, logging, backup, file notify Web OS services such as notify, database (DB), activity manager, system policy, audio daemon (AudioD), update, media server, TV services such as Electronic Program Guide (PVD), Personal Video Recorder (PVR), data broadcasting, voice recognition, Now on, Notification, search, Such as CP services such as Auto Content Recognition (ACR), Contents List Broker (CBOX), wfdd, DMR, Remote Application, Download, SDPIF, PDK applications, Native applications, and the ENI framework Based UI-related TV applications and Web applications are processed through the Luna-Service bus through the Web OS core modules such as SAM, WAM, and LSM described above. Meanwhile, in the above, TV applications and Web applications may not necessarily be UI-based or UI-related.
CBOX와 연결성(connectivity)는 TV에 연결된 USB, DLNA, 클라우드와 같은 외부 디바이스의 컨텐트에 대한 목록과 메타데이터 등을 관리할 수 있다. 한편, CBOX는 USB, DMS, DVR, 클라우드 등과 같은 다양한 컨텐트 컨테이너들의 컨텐트 리스팅을 통합된 뷰(View)로 출력할 수 있다. 또한, CBOX는 픽쳐, 음악, 비디오 등 다양한 타입들의 컨텐트 리스팅을 보여주고, 그 메타데이터 정보를 관리할 수 있다. 그 밖에, CBOX는, 어태치된 저장장치(attached storage)의 컨텐츠를 리얼-타임으로 출력할 수 있다. 예컨대, CBOX는, USB 등의 저장 디바이스가 플러그-인되면, 해당 저장 디바이스의 컨텐츠 목록을 즉시 출력할 수 있어야 한다. 이때, 상기 컨텐트 리스팅 처리를 위한 표준화된 방식을 정의할 수도 있다. 또한, CBOX는 다양한 연결 프로토콜을 수용할 수 있다.CBOX and connectivity can manage the list and metadata of external device content such as USB, DLNA, and cloud connected to TV. Meanwhile, the CBOX can output a content listing of various content containers such as a USB, a DMS, a DVR, and a cloud to an integrated view. In addition, the CBOX can display various types of content listings such as pictures, music, video, and manage the metadata information. In addition, the CBOX can output the contents of the attached storage in real-time. For example, when a storage device such as a USB is plugged in, the CBOX must be able to immediately output the content list of the storage device. At this time, a standardized method for processing the content listing may be defined. In addition, CBOX can accommodate various connection protocols.
SAM은, 모듈 복잡도의 개선 및 확장성을 제고하기 위한 것이다. 이는 예컨대, 기존 시스템 매니저(System Manager)는 시스템 UI, 윈도우 관리, 웹 응용 런타임, UX 상의 제약 조건 처리 등의 여러 기능을 하나의 프로세스에서 처리하여 구현 복잡도가 커 이를 해소하고자 주요 기능을 분리하고 기능 간 인터페이스를 명확히 함으로써 구현 복잡도를 낮춘다.The SAM is intended to improve module complexity and scalability. For example, the existing system manager (System Manager) processes various functions such as system UI, window management, web application runtime, and UX constraint processing in one process to separate the main functions Clarify the implementation interface by clarifying the interface.
LSM은, 카드 뷰, 런처(launcher) 등 시스템 UX 구현이 독립적으로 개발 통합될 수 있도록 지원하고, 제품 요구사항 변경 등에 쉽게 대응할 수 있도록 지원한다. 한편, LSM은, 다중 응용 화면 합성시 하드웨어 리소스(HW resource)를 최대한 활용하여 멀티-태스킹이 가능하도록 하는데, 멀티-윈도우와 21:9 등을 위한 윈도우 매니지먼트 메커니즘(window management mechanism)을 제공할 수 있다.LSM supports independent development and integration of system UX implementations such as card view, launcher, etc., and supports easy modification of product requirements. On the other hand, LSM can provide a window management mechanism for multi-window and 21: 9 etc. by allowing multi-tasking by maximizing hardware resource (HW resource) have.
LSM은, QML에 기반하여 시스템 UI의 디폴트 구현을 지원하며, 시스템 UI의 개발 생산성을 제고한다. QML UX는 MVC에 기반하여, 화면 레이아웃(Layout) 및 UI 컴포넌트를 쉽게 뷰를 구성할 수 있고, 사용자 입력을 처리하기 위한 코드를 쉽게 개발할 수도 있다. 한편, QML과 Web OS 컴포넌트 간의 인터페이스는 QML 확장 플러그-인을 통해 이루어지며, 애플리케이션의 그래픽 오퍼레이션은 웨이랜드 프로토콜(wayland protocol)과 루나 서비스 호출(luna-service call)에 기반할 수 있다.LSM supports the default implementation of system UI based on QML and improves development productivity of system UI. Based on MVC, QML UX can easily construct views for layouts and UI components, and can easily develop code for handling user input. On the other hand, the interface between the QML and the Web OS component is via the QML extension plug-in, and the graphics operation of the application can be based on the wayland protocol and the luna-service call.
LSM은 전술한 바와 같이, Luna Surface Manager의 약어로서, 애플리케이션 윈도우 컴포지터(Application Window Compositor)의 기능을 한다.LSM is an abbreviation of Luna Surface Manager, as described above, which functions as an Application Window Compositor.
LSM은 독립적으로 개발된 애플리케이션, UI 컴포넌트를 화면에 함께 합성하여 출력하도록 한다. 관련하여, 리센츠(Recents) 애플리케이션, 쇼케이스 애플리케이션, 런처 애플리케이션 등과 같은 컴포넌트(component)들이 각자 자신의 내용을 렌더링(rendering)하면, LSM은 컴포지터로서 출력 영역과 연동 방법에 대해 정의를 한다. 다시 말해, 컴포지터인 LSM은 그래픽 합성, 포커스 관리, 입력 이벤트를 처리한다. 이때, LSM은 입력 매니저로부터 이벤트, 포커스 등을 수신하는데 상기 입력 매니저에는 IR 리모트 컨트롤러, 매직 리모트 컨트롤러, 마우스 & 키보드와 같은 HID, 조이스틱, 게임 패드, 애플리케이션 리모트, 펜 터치 등이 포함될 수 있다.LSM synthesizes independently generated application and UI components together on the screen. In relation to this, when components such as Recents application, Showcase application, Launcher application etc render their own contents, LSM defines the output area and interworking method as a compositor. In other words, the compositor LSM handles graphics synthesis, focus management, and input events. At this time, the LSM receives an event, a focus, and the like from the input manager. The input manager may include an HID such as an IR remote controller, a magic remote controller, a mouse & keyboard, a joystick, a game pad, an application remote, and a pen touch.
이와 같이, LSM은 멀티플 윈도우 모델을 지원하는데 시스템 UI 성격으로 모든 응용에서 동시에 수행 가능하다. 관련하여, 런쳐, recents, 세팅, 노티피케이션, 시스템 키보드, 볼륨 UI, 검색, 핑거 제스쳐, 음성인식(STT, NLP), 패턴 제스쳐(카메라, MRCU), 라이브 메뉴, ACR 등을 LSM이 지원할 수 있다.As such, LSM supports multiple window models, which can be executed simultaneously in all applications due to the nature of the system UI. LSM can support launcher, recents, settings, notifications, system keyboard, volume UI, search, finger gesture, voice recognition (STT, NLP), pattern gesture (camera, MRCU) have.
도 9는 본 발명의 일실시예에 따른 Web OS 디바이스에서 그래픽 컴포지션 플로우(Graphic Composition Flow)를 설명하기 위해 도시한 도면이다.FIG. 9 is a diagram illustrating a graphic composition flow in a Web OS device according to an embodiment of the present invention. Referring to FIG.
도 9를 참조하면, 그래픽 컴포지션 처리는, UI 프로세스를 담당하는 Web 애플리케이션 매니저(910), 웹 프로세스를 담당하는 웹키트(Webkit)(920), LSM(930) 그리고 그래픽 매니저(940)를 통해 이루어질 수 있다.9, the graphic composition processing is performed through a
Web 애플리케이션 매니저(910)에서 UI 프로세스로서 web 애플리케이션 기반의 그래픽 데이터(또는 애플리케이션)가 생성이 되면, 생성된 그래픽 데이터가 풀-스크린 애플리케이션이 아니면 LSM(940)으로 전달한다. 한편, Web 애플리케이션 매니저(910)는 UI 프로세스와 Web 프로세스 사이에 그래픽 매니징을 위한 GPU 메모리 공유를 위하여 Webkit(920)에서 생성된 애플리케이션을 수신하여 이를 상기와 같이 풀-스크린 애플리케이션이 아닌 경우에는 LSM(930)으로 전달한다. 상기에서 풀-스크린 애플리케이션인 경우에는, LSM(930)을 바이패스(bypass)할 수 있으며, 이 경우 직접 그래픽 매니저(940)로 전달될 수 있다.When the web application-based graphic data (or application) is generated as a UI process in the
LSM(930)은 수신되는 UI 애플리케이션을 웨이랜드 서피스를 거쳐 웨이랜드 컴포지터(Wayland Compositor)로 전송하고, 웨이랜드 컴포지터에서 이를 적절히 처리하여 그래픽 매니저로 전달한다. 이렇게 LSM(930)에서 전달되는 그래픽 데이터는 예컨대, 그래픽 매니저(940)의 LSM GM 서피스를 거쳐 그래픽 매니저 컴포지터를 전달된다.The
한편, 풀-스크린 애플리케이션은 전술한 바와 같이, LSM(930)을 거치지 않고 바로 그래픽 매니저(940)로 전달이 되는데 이러한 애플리케이션은 WAM GM 서피스로 거쳐 그래픽 매니저 컴포지터에서 처리된다.On the other hand, the full-screen application is passed directly to the
그래픽 매니저는 Web OS 디바이스 내의 모든 그래픽 데이터를 처리하는데, 전술한 LSM GM 서피스를 거친 데이터, WAM GM 서피스를 거친 데이터뿐 아니라 데이터 방송 애플리케이션, 캡션 애플리케이션과 같이 GM 서피스를 거친 그래픽 데이터를 모두 수신하여 화면상에 적절히 출력되도록 처리한다. 여기서, GM 컴포지터의 기능은 전술한 컴포지터와 동일 또는 유사한 기능이다.The graphic manager processes all graphic data in the Web OS device. It receives all of the graphic data passed through the GM surface, such as data broadcasting application, caption application, as well as data via the LSM GM surface described above and the WAM GM surface, So as to properly output the image data. Here, the functions of the GM compositor are the same or similar to those of the compositor described above.
도 10은 본 발명의 일 실시 예에 따른 미디어 서버를 설명하기 위해 도시한 도면이고, 도 11은 본 발명의 일 실시 예에 따른 미디어 서버의 구성 블록도를 설명하기 위해 도시한 도면이고, 도 12는 본 발명의 일 실시 예에 따른 미디어 서버와 TV 서비스의 관계를 설명하기 위해 도시한 도면이다.FIG. 10 is a view for explaining a media server according to an embodiment of the present invention, FIG. 11 is a view for explaining a configuration block diagram of a media server according to an embodiment of the present invention, and FIG. 12 Is a diagram illustrating a relationship between a media server and a TV service according to an embodiment of the present invention.
미디어 서버는 디스플레이 디바이스 내 다양한 멀티미디어의 실행을 지원 및 필요 자원을 관리한다. 관련하여, 미디어 서버는, 미디어 플레이에 필요한 하드웨어 자원을 효율적으로 사용할 수 있다. 예컨대, 미디어 서버는, 멀티미디어의 실행을 위해서는 오디오/비디오 하드웨어 자원이 필요하며, 자원 사용 현황을 관리하여 효율적으로 활용할 수 있다. 관련하여, 모바일 디바이스와 다르게 대형 화면을 가진 고정 디바이스에서는, 멀티미디어 실행 시 하드웨어 자원이 요구된다. 또한, 데이터 양이 많기 때문에 인코딩/디코딩 및 그래픽 데이터 전달 속도도 빨라야 한다. 한편, 미디어 서버는, 스트리밍(Streaming), 파일 기반 재생 이외에, 브로드캐스팅(Broadcasting), 레코딩(Recording) 및 튜닝(Tuning) 태스크, 시청과 동시에 녹화를 한다거나, 영상 통화 시 송신자와 수신자 화면을 동시에 보여준다거나 하는 태스크 등을 처리할 수 있어야 한다. 다만, 미디어 서버는, 인코더, 디코더, 튜너, 디스플레이 엔진 등 하드웨어 자원이 칩-셋별 개수 제한이 있어, 동시에 여러 태스크 실행이 어려워, 사용자 사용 시나리오를 제약하거나 사용자 선택을 입력 받아 처리한다.The media server supports the execution of various multimedia in the display device and manages necessary resources. In this regard, the media server can efficiently use hardware resources required for media play. For example, the media server needs audio / video hardware resources for multimedia execution, and can manage the resource usage status and utilize it effectively. In this regard, in a fixed device having a large screen differently from a mobile device, hardware resources are required in multimedia execution. Also, because of the large amount of data, encoding / decoding and transmission of graphic data must be fast. Meanwhile, the media server simultaneously performs recording, broadcasting, recording and tuning tasks in addition to streaming and file-based playback, or simultaneous display of the sender and recipient screens during a video call And the like. However, the media server limits the number of hardware resources such as encoders, decoders, tuners, display engines, and the like to each chip-set.
미디어 서버는, 시스템 안정성을 강화(robustness)할 수 있다. 예컨대, 미디어 서버는, 미디어 재생 중 에러(error)가 발생한 재생 파이프라인을 파이프라인 별로 제거 가능하고 재 기동함으로써, 에러 발생 시 다른 미디어 플레이에 영향을 주지 않을 수 있다. 이러한 파이프라인은, 미디어 재생 요청 시, 디코딩, 분석, 출력 등 각 단위 기능들을 연결한 체인(chain)으로, 미디어 타입(media type)에 따라, 필요 단위 기능들이 달라질 수 있다.The media server can robust the system stability. For example, the media server may remove and re-start the playback pipeline in which an error occurs during media playback, on a per-pipeline basis, and may not affect other media plays in the event of an error. Such a pipeline is a chain connecting unit functions such as decoding, analysis, and output upon request for media reproduction, and the necessary unit functions may be changed according to a media type.
미디어 서버는, 확장성(extensibility)를 가져야 한다. 미디어 서버는, 새로운 타입의 파이프라인을 기존 구현에 영향을 주지 않고 추가할 수 있다. 예를 들어, 카메라, 화상 회의(Skype) 및 써드-파티 파이프라인 등을 수용할 수 있어야 한다.The media server must have extensibility. The media server can add a new type of pipeline without affecting existing implementations. For example, it should be able to accommodate cameras, video conferencing (Skype), and third-party pipelines.
미디어 서버는, 일반 미디어 재생과 TV 태스크 실행을 별개의 서비스로 처리할 수 있다. 이는 TV 서비스의 인터페이스가 미디어 Playback인 경우와는 다르기 때문이다. TV 서비스의 경우, ‘setchannel’, ‘channelup’, ‘channeldown’, ‘channeltuning’, ‘recordstart’ 등의 오퍼레이션을 가지며, 일반 미디어 재생 시에는 ‘play’, ‘pause’, ‘stop’ 등의 오퍼레이션으로 양자는 서로 다른 오퍼레이션을 가지고, 별개의 서비스로 처리하는 것이 바람직하다.The media server can process general media playback and TV task execution as separate services. This is because the interface of the TV service is different from the case of the media playback. In the case of TV service, it has operations such as 'setchannel', 'channelup', 'channeldown', 'channeltuning', and 'recordstart'. In general media playback, operations such as 'play', 'pause' and 'stop' It is preferable that both have different operations and are processed as separate services.
미디어 서버는 자원 관리 기능을 통제 또는 통합 관리할 수 있다. 미디어 서버는, 하드웨어 자원 할당과 회수는 미디어 서버에서 통합적으로 이루어지며, TV 서비스 프로세스는 실행 중인 태스크와 자원 할당 현황을 미디어 서버로 전달한다. 각 미디어 실행마다 자원을 확보하고 파이프라인이 실행되며, 각 파이프라인이 점유한 자원 현황에 기반하여, 미디어 서버는 미디어 실행 요청 시 우선 순위에 의한 실행 허용 및 다른 파이프라인의 자원 회수 등을 수행한다. 이를 위해, 미리 정의된 실행 우선 순위와 특정 요청에 대한 필요 자원 정보가 폴리시 매니저(policy manager)에 의해 관리된다.The media server can control or integrally manage the resource management function. In the media server, hardware resource allocation and retrieval are integrated in the media server, and the TV service process delivers the task and the resource allocation status to the media server. For each media execution, the resources are acquired and the pipeline is executed. Based on the resource status occupied by each pipeline, the media server permits execution by priority in the media execution request and recovers resources of other pipelines . To this end, a predefined execution priority and the required resource information for a particular request are managed by the policy manager.
미디어 서버는 재생 관련 모든 오퍼레이션에 관한 식별 인자를 보유할 수 있다. 예컨대, 미디어 서버는 식별자에 근거하여 특정 파이프라인을 지시하여 명령을 내릴 수 있다. 미디어 서버는, 둘 이상의 미디어 재생을 위하여, 파이프라인들에 둘을 구분하여 명령을 내릴 수 있다.The media server may have an identification factor associated with all playback related operations. For example, the media server may issue a command to indicate a particular pipeline based on the identifier. The media server may separate the two into pipelines for playback of more than one media.
미디어 서버는 HTML 5 표준 미디어의 재생을 담당할 수 있다.The media server may be responsible for playback of the
그 밖에, 미디어 서버는 TV 파이프라인의 별도 서비스 프로세스화는 TV 재구조화 범위에 따를 수 있다. 미디어 서버는, TV 재구조화 범위와 무관하게 설계 구현될 수 있는데, TV가 별도 서비스 프로세스화가 되지 않으면, 특정 태스크에 문제가 생길 때 TV 전체를 재실행해야 할 수도 있다.In addition, the media server may follow the TV restructuring scope of the TV pipeline as a separate service process. The media server can be designed regardless of the TV restructuring scope. If the TV is not a separate service process, it may be necessary to re-execute the entire TV when there is a problem with a specific task.
미디어 서버는, uMS 즉, 마이크로 미디어 서버(Micro media server)라고도 한다. 여기서, 미디어 플레이어(media player)가 미디어 클라이언트(media client)인데, 이는 함은 예컨대, HTML5 비디오 태그(video tag), 카메라(Camera), TV, 스카이프(Skype), 세컨드 스크린(2nd Screen) 등을 위한 웹키트(Webkit)을 의미할 수 있다.The media server is also referred to as uMS, that is, a micro media server. Here, the media player is a media client, for example, an HTML5 video tag, a camera, a TV, a Skype, a second screen, Can be referred to as a webkit (Webkit).
미디어 서버는, 리소스 매니저(resource manager), 폴리시 매니저(policy manager)와 같은 마이크로 리소스(micro resource)의 관리가 핵심 기능이다. 관련하여, 미디어 서버는, 웹 표준 미디어 컨텐트에 대한 재생(playback) 제어 역할도 제어한다. 이와 관련하여, 미디어 서버는 파이프라인 컨트롤러 리소스(pipeline controller resource)도 관리할 수 있다.In the media server, management of micro resources such as a resource manager and a policy manager is a core function. In this regard, the media server also controls the playback control role for the web standard media content. In this regard, the media server may also manage pipeline controller resources.
이러한 미디어 서버는 예컨대, 확장성(extensibility), 신뢰성(reliability), 리소스의 효율적 사용(efficient resource usage) 등을 지원한다.Such a media server supports, for example, extensibility, reliability, efficient resource usage, and the like.
다시 말해, uMS 즉, 미디어 서버는, 클라우드 게임(cloud game), MVPD(pay service 등), 카메라 프리뷰, 세컨드 스크린(2nd screen, second screen), 스카이프 등과 같은 리소스와 TV 리소스 등의 Web OS 디바이스 내에서 적절한 처리를 위한 리소스 사용을 전반적으로 관리하고 제어하여 효율적인 사용이 가능하도록 관리 제어하는 기능을 한다. 한편, 각 리소스는 그 이용 시에 예컨대, 파이프라인을 이용하는데 미디어 서버는 리소스 관리를 위한 파이프라인의 생성, 삭제, 이용 등을 전반적으로 관리 제어할 수 있다.In other words, the uMS, or media server, can be used in a Web OS device such as a cloud game, a MVPD (pay service), a camera preview, a second screen, a second screen, a Skype, And controls the use of resources for appropriate processing in a general manner to control and control the resources so that they can be efficiently used. On the other hand, each resource uses, for example, a pipeline in its use, and the media server can manage and control the generation, deletion, and use of a pipeline for resource management as a whole.
여기서, 파이프라인이라 함은 예컨대, 태스크(task)와 관련된 미디어가 요청(request), 디코딩 스트림(decoding stream), 비디오 출력(video output) 등의 파싱(parsing)과 같은 작업의 연속을 시작하면 생성될 수 있다. 예컨대, TV 서비스 내지 애플리케이션과 관련하여, 시청(watching), 녹화(recording), 채널 튜닝(channel tuning) 등은 각각 개별적으로 그 요청에 따라 생성된 파이프라인을 통하여 리소스 이용 등에 대해 제어를 받아 처리된다.Here, the pipeline refers to, for example, when a media associated with a task starts a series of operations, such as parsing of a request, a decoding stream, and a video output, . For example, with respect to a TV service or an application, watching, recording, channel tuning, and the like are each individually handled under the control of resource utilization through a pipeline generated according to the request .
도 10을 참조하여, 미디어 서버의 처리 구조 등에 대해 더욱 상세하게 설명하면, 다음과 같다.The processing structure and the like of the media server will be described in more detail with reference to FIG.
도 10에서는, 애플리케이션 또는 서비스는 미디어 서버(1020)와 루나-서비스 버스(1010)를 통해 연결되고, 상기 미디어 서버(1020)는 상기 루나-서비스 버스(1010)를 통해 다시 생성된 파이프라인들(1030, 1040, 1050 등)과 연결되고 관리한다.10, an application or service is connected via a luna-service bus 1010 to a
애플리케이션 또는 서비스는 그 특성에 따라 다양한 클라이언트(client)를 구비하고 그를 통해 미디어 서버(1020) 또는 파이프라인(1040)과 데이터를 주고 받을 수 있다.The application or service can have various clients depending on its characteristics and can exchange data with the
상기 클라이언트에는 예컨대, 미디어 서버(1020)와 연결을 위한 uMedia 클라이언트(웹키트)와 RM(resource manager) 클라이언트(C/C++) 등이 포함된다.The client includes, for example, a uMedia client (web kit) and a RM (resource manager) client (C / C ++) for connection with the
상기 uMedia 클라이언트를 포함한 애플리케이션은, 전술한 바와 같이, 미디어 서버(1020)와 연결된다. 더욱 상세하게는, uMedia 클라이언트는 예컨대, 후술할 비디오 오브젝트와 대응되고, 이러한 클라이언트는 요청 등에 의해 비디오의 동작을 위하여 미디어 서버(1020)를 이용한다.The application including the uMedia client is connected to the
여기서, 상기 비디오 동작은 비디오 상태에 관한 것으로, 로딩(loading), 언로딩(unloading), 재생(play, playback, or reproduce), 포즈(pause), 중단(stop) 등은 비디오 동작과 관련된 모든 상태 데이터를 포함할 수 있다. 이러한 비디오의 각 동작 내지 상태는 개별 파이프라인 생성을 통해 처리될 수 있다. 따라서, uMedia 클라이언트는 상기 비디오 동작과 관련된 상태 데이터를 미디어 서버 내 파이프라인 매니저(1022)로 전송한다.Here, the video operation relates to the video state, and the loading, unloading, play, playback, or reproduce, pause, stop, Data may be included. Each operation or state of such video can be processed through individual pipeline generation. Accordingly, the uMedia client sends the state data associated with the video operation to the
파이프라인 매니저(1022)는, 리소스 매니저(1024)와 데이터 커뮤니케이션을 통해 현재 디바이스의 리소스에 대한 정보를 획득하고, 상기 uMedia 클라이언트의 상태 데이터에 대응되는 리소스의 할당을 요청한다. 이때, 파이프라인 매니저(1022) 또는 리소스 매니저(1024)는 상기 리소스 할당 등과 관련하여, 필요한 경우에 폴리시 매니저(1026)과 데이터 커뮤니케이션을 통해 리소스 할당에 대한 제어를 한다. 예컨대, 리소스 매니저(1024)에서 파이프라인 매니저(1022)의 요청에 따라 할당할 리소스가 없거나 부족한 경우에, 폴리시 매니저(1026)의 우선순위 비교 등에 따라 상기 요청에 따라 적절한 리소스 할당 등이 이루어지도록 할 수 있다.The
한편, 파이프라인 매니저(1022)는, 상기 리소스 매니저(1024)의 리소스 할당에 따라 할당된 리소스에 대하여 상기 uMedia 클라이언트의 요청에 따른 동작을 위한 파이프라인 생성을 미디어 파이프라인 컨트롤러(1028)에 요청한다.On the other hand, the
미디어 파이프라인 컨트롤러(1028)는 상기 파이프라인 매니저(1022)의 제어에 따라 필요한 파이프라인을 생성한다. 이렇게 생성된 파이프라인에는 도시된 바와 같이, 미디어 파이프라인(1030), 카메라 파이프라인뿐만 아니라, 재생, 포즈, 중단 등과 관련된 파이프라인이 생성될 수 있다. 한편, 상기 파이프라인에는 HTML5, Web CP, 스마트쉐어(smartshare) 재생, 썸네일 추출, NDK, 시네마, MHEG 등에 대한 파이프라인 등이 포함될 수 있다.The
그 밖에, 파이프라인에는 예를 들어, 서비스 기반의 파이프라인(자체 파이프라인)(1040)과 URI 기반의 파이프라인(미디어 파이프라인)(1050)이 있을 수 있다.In addition, the pipeline may include, for example, a service-based pipeline (its own pipeline) 1040 and a URI-based pipeline (media pipeline) 1050.
도 10을 참조하면, RM 클라이언트를 포함한 애플리케이션 또는 서비스는 직접적으로 미디어 서버(1020)와 연결되지 않을 수 있다. 이는 애플리케이션 또는 서비스가 직접 미디어를 처리할 수도 있기 때문이다. 다시 말해, 애플리케이션 또는 서비스가 직접 미디어 처리하는 경우에는 미디어 서버를 통하지 않을 수 있다. 다만, 이때, 파이프라인 생성 및 그 이용을 위해 리소스 관리가 필요한바, 이를 위해, 서비스 기반 파이프라인(1040) 내 uMS 커넥터(1032)가 기능한다. 한편, 상기 uMS 커넥터(1032)는 상기 애플리케이션 또는 서비스의 직접적인 미디어 처리를 위한 리소스 관리 요청이 수신되면, 리소스 매니저(1024)를 포함한 미디어 서버(1020) 통신한다. 이를 위하여 미디어 서버(1020) 역시 uMS 커넥터(1029)가 구비되어야 한다.Referring to FIG. 10, an application or service including an RM client may not be directly connected to the
따라서, uMS 커넥터(1029, 1032)를 통해 리소스 매니저의 리소스 관리를 받아 애플리케이션 또는 서비스는 RM 클라이언트의 요청에 대응할 수 있다. 이러한 RM 클라이언트는 네이티브 CP, TV 서비스, 세컨드 스크린(2nd Screen), 플래시 플레이어, 유투브 MSE(Medai Source Extensions), 클라우드 게임, 스카이프 등의 서비스를 처리할 수 있다. 이 경우, 전술한 바와 같이, 리소스 매니저(1024)는 리소스 관리에 필요한 경우에 폴리시 매니저(1026)와 적절하게 데이터 커뮤니케이션을 통해 리소스를 관리할 수 있다.Accordingly, the application or the service can respond to the request of the RM client by receiving the resource management of the resource manager through the
한편, URI 기반의 파이프라인은 전술한 RM 클라이언트와 같이 미디어를 직접 처리하는 경우가 아니라, 미디어 서버(1020)를 통해 이루어진다. 이러한 URI 기반 파이프라인에는, 플레이어 팩토리, G스트리머, 스트리밍 플러그-인, DRM 플러그인 파이프라인이 포함될 수 있다.On the other hand, the URI-based pipeline is performed through the
한편, 애플리케이션과 미디어 서비스들 사이에 인터페이스 방법은 다음과 같을 수 있다.On the other hand, the interface method between application and media services may be as follows.
하나는, 웹 애플리케이션에서 서비스를 이용하여 인터페이스하는 방법이다. 이는 PSB(Palm Service Bridge)를 이용하여 루나 콜(Luna Call)하는 방법, 코르도바(Cordova)를 이용하는 방법인데 이는 디스플레이를 비디오 태그로 확장하는 것이다. 그 밖에, 비디오 태그나 미디어 엘리먼트에 관한 HTML5 표준을 이용하는 방법도 있을 수 있다.One is a way to interface with a service in a web application. This is a way of using Luna Call using the Palm Service Bridge (PSB), or using Cordova, which extends the display to video tags. In addition, there may be a method of using the HTML5 standard for video tags or media elements.
다른 하나는, PDK에서 서비스를 이용하여 인터페이스하는 방법이다.The other is a method of interfacing with the PDK using a service.
또 다른 하나는, 기존 CP에서 서비스를 이용하는 방법이다. 이는 호환성(backward compatibility)를 위해 기존 플랫폼의 플러그-인을 루나 기반으로 확장하여 이용할 수 있다.Another is the way to use services from existing CPs. It can be used to extend existing platform plug-ins based on Luna for backward compatibility.
마지막으로, non-Web OS인 경우에 인터페이스하는 방법이다. 이 경우에는 직접 루나 버스를 호출하여 인터페이스할 수 있다.Finally, it is a way to interface in the case of non-Web OS. In this case, you can interface directly by calling the Luna bus.
TVWIN은 web OS 부팅 전, web OS 없이 TV를 화면에 보여주기 위한 프로세스이다. 이는 web OS의 부팅 시간이 늦기 때문에 사용자에게 Power On 시 빠른 응답을 위해 TV 서비스의 기본 기능을 제공할 목적으로 정의된다. TV 서비스 프로세스의 일부이며, 빠른 부팅과 기본 TV기능, 공장 모드 지원 기능에 한정된 개발 영역이다. Non-web OS 모드에서 web OS 모드로 전환도 담당한다.TVWIN is a process for displaying TV on the screen without web OS before web OS boot. This is defined as the purpose of providing the basic function of TV service for quick response in case of power on since the web OS boot time is late. It is part of the TV service process and is a development area limited to fast boot, basic TV functions, and factory mode support functions. It is also responsible for switching from non-web OS mode to web OS mode.
도 11을 참조하면, 미디어 서버의 처리 구조를 도시하고 있다.Referring to FIG. 11, a processing structure of a media server is shown.
이때, 도 11에서, 실선 박스는 프로세스 처리 구성을 나타내고, 점선 박스는 프로세스 중 내부 처리 모듈을 나타낼 수 있다. 또한, 실선 화살표는 인터-프로세스 콜 즉, 루나 서비스 콜을 나타내고, 점선 화살표는 등록/알림(register/notify)와 같은 노티피케이션이나 데이터 플로우(data flow)를 나타낼 수 있다.11, the solid line box represents the process processing configuration, and the dashed box represents the internal processing module during the process. In addition, the solid line arrows represent inter-process calls, that is, Luna service calls, and the dotted arrows may represent notifications or data flows such as register / notify.
서비스 또는 Web 애플리케이션 또는 PDK 애플리케이션(이하 ‘애플리케이션’)은, 루나-서비스 버스를 통하여 각종 서비스 처리 구성들과 연결되고, 그를 통해 애플리케이션이 동작하거나 동작 제어된다.A service or a web application or a PDK application (hereinafter 'application') is connected to various service processing configurations via a luna-service bus, through which an application is operated or controlled.
애플리케이션의 타입에 따라 그 데이터 처리 경로는 달라진다. 예컨대, 애플리케이션이 카메라 센서와 관련된 이미지 데이터인 경우에는 카메라 처리부(1140)로 전송이 되어 처리된다. 이때, 카메라 처리부(1140)는 제스처(gesture), 안면인식(face detection) 모듈 등을 포함하여 수신되는 애플리케이션의 이미지 데이터를 처리한다. 여기서, 카메라 처리부(1140)는 예컨대, 사용자의 선택이나 자동으로 파이프라인 등의 이용이 요구되는 데이터인 경우에는 미디어 서버 처리부(1110)를 통하여 파이프라인을 생성하여 해당 데이터를 처리할 수 있다.The data processing path depends on the type of application. For example, if the application is image data related to the camera sensor, the image data is transmitted to the camera processing unit 1140 and processed. At this time, the camera processing unit 1140 processes image data of the received application including a gesture, a face detection module, and the like. Here, the camera processor 1140 may generate a pipeline through the media server processing unit 1110 and process the data if the data is data that is requested by the user or automatically used by the pipeline, for example.
또는, 애플리케이션이 오디오 데이터를 포함한 경우에는 오디오 처리부(AudioD)(1150)과 오디오 모듈(PulseAudio)(1160)을 통하여 해당 오디오를 처리할 수 있다. 예컨대, 오디오 처리부(1150)은 애플리케이션으로부터 수신되는 오디오 데이터를 처리하여 오디오 모듈(1160)로 전송한다. 이때, 오디오 처리부(1150)은 오디오 폴리시 매니저(audio policy manager)를 포함하여 오디오 데이터의 처리를 결정할 수 있다. 이렇게 처리된 오디오 데이터는 오디오 모듈(1160)에서 가공 처리된다. 한편, 상기 애플리케이션은, 오디오 데이터 처리와 관련된 데이터를 오디오 모듈(1160)으로 노티피케이션할 수 있고, 이는 관련 파이프라인에서도 상기 오디오 모듈(1160)으로 노피티케이션할 수 있다.Alternatively, when the application includes audio data, the audio processing unit (AudioD) 1150 and the audio module (PulseAudio) 1160 can process the audio. For example, the
또는, 애플리케이션이 DRM이 걸려있는 컨텐트를 포함한 경우에는, 해당 컨텐트 데이터를 DRM 서비스 처리부(1170)으로 전송하고, 상기 DRM 서비스 처리부(1170)는 DRM 인스턴스를 생성하여 DRM이 걸려 있는 컨텐트 데이터를 처리한다. 한편, DRM 서비스 처리부(1170)는 상기 DRM이 걸려 있는 컨텐트 데이터의 처리를 위하여, 미디어 파이프라인 내 DRM 파이프라인과 루나-서비스 버스를 통해 연결되어 처리할 수 있다.Alternatively, when the application includes the DRM-attached content, the DRM service processing unit 1170 transmits the content data to the DRM service processing unit 1170, and the DRM service processing unit 1170 generates the DRM instance and processes the DRM- . Meanwhile, the DRM service processing unit 1170 may process the DRM pipeline in the media pipeline through the Luna-Service bus to process the DRM-enabled content data.
이하에서는, 애플리케이션이 미디어 데이터이거나 TV 서비스 데이터(방송 데이터)인 경우의 처리에 관해 설명한다.Hereinafter, processing in the case where the application is media data or TV service data (broadcast data) will be described.
도 12는, 전술한 도 11에서 미디어 서버 처리부와 TV 서비스 처리부만을 더욱 상세하게 설명하기 위해 도시한 것이다.FIG. 12 shows only the media server processing unit and the TV service processing unit in FIG. 11 described above in more detail.
따라서, 이하에서는, 도 11과 12를 함께 참고하여 설명한다.Therefore, the following description will be made with reference to FIGS. 11 and 12. FIG.
먼저, 애플리케이션이 TV 서비스 데이터를 포함한 경우에는 TV 서비스 처리부(1120/1220)에서 처리된다.First, when the application includes TV service data, it is processed in the TV service processing unit 1120/1220.
여기서, TV 서비스 처리부(1120)는 예컨대, DVR/채널 매니저, 방송 모듈, TV 파이프라인 매니저, TV 리소스 매니저, 데이터 방송 모듈, 오디오 설정 모듈, 경로 매니저 등 중 적어도 하나 이상을 포함한다. 또는, 도 12에서 TV 서비스 처리부(1220)는, TV 방송 핸들러(TV broadcast handler), TV 방송 인터페이스부(TV Broadcast Interface), 서비스 처리부, TV 미들웨어(TV MW(middleware)), 경로 매니저, BSP를 포함할 수 있다. 여기서, 상기 서비스 처리부는 예를 들어, TV 파이프라인 매니저, TV 리소스 매니저, TV 폴리시 매니저, USM 커넥터 등을 포함한 모듈을 의미할 수 있다.The TV service processing unit 1120 includes at least one of a DVR / channel manager, a broadcasting module, a TV pipeline manager, a TV resource manager, a data broadcasting module, an audio setting module, and a path manager. 12, the TV service processing unit 1220 includes a TV broadcast handler, a TV broadcast interface, a service processing unit, a TV middleware (TV MW (middleware)), a path manager, a BSP . Here, the service processing unit may be a module including, for example, a TV pipeline manager, a TV resource manager, a TV policy manager, a USM connector, and the like.
본 명세서에서, TV 서비스 처리부는, 도 11 또는 12와 같은 구성을 가지거나 양자의 조합으로 구현될 수 있으며, 상기에서 일부 구성은 생략되거나 도시되지 않은 일부 구성이 추가될 수도 있다.In this specification, the TV service processing unit may have a configuration as shown in Fig. 11 or 12, or may be implemented by a combination of both, in which some configurations are omitted or some configurations not shown may be added.
TV 서비스 처리부(1120/1220)는 애플리케이션으로부터 수신된 TV 서비스 데이터의 속성 내지 타입에 기초하여, DVR이나 채널 관련 데이터인 경우에는 DVR/채널 매니저로 전송 하고, 다시 TV 파이프라인 매니저로 전송하여 TV 파이프라인을 생성하여 처리한다. 한편, 상기 TV 서비스 데이터의 속성 내지 타입이 방송 컨텐트 데이터인 경우에는, TV 서비스 처리부(1120)는 방송 모듈을 거쳐 해당 데이터의 처리를 위하여 TV 파이프라인 매니저를 거쳐 TV 파이프라인을 생성하여 처리한다.The TV service processing unit 1120/1220 transmits the DVR or channel related data to the DVR / channel manager based on the attribute or type of the TV service data received from the application, Create and process lines. On the other hand, when the attribute or type of the TV service data is broadcast content data, the TV service processing unit 1120 generates and processes the TV pipeline through the TV pipeline manager for processing the corresponding data via the broadcasting module.
또는, json(Javascript standard object notation) 파일이나 c로 작성된 파일은 TV 방송 핸들러에서 처리되어 TV 방송 인터페이스부를 거쳐 TV 파이프라인 매니저로 전송하여 TV 파이프라인을 생성하여 처리한다. 이 경우, TV 방송 인터페이스부는 TV 방송 핸들러를 거친 데이터 또는 파일을 TV 서비스 폴리시에 기초하여 TV 파이프라인 매니저로 전송하여 파이프라인 생성시 참고할 수 있다.Alternatively, a json (JavaScript standard object notation) file or a file created in c is processed by a TV broadcast handler and transmitted to a TV pipeline manager through a TV broadcast interface to generate and process a TV pipeline. In this case, the TV broadcast interface unit can transmit data or files that have passed through the TV broadcast handler to the TV pipeline manager based on the TV service policy, and can refer to the generated pipeline.
한편, TV 파이프라인 매니저는, TV 서비스 내 처리 모듈 내지 매니저 등으로부터 TV 파이프라인 생성 요청에 따라 하나 또는 그 이상의 파이프라인 생성함에 있어서, TV 리소스 매니저의 제어를 받을 수 있다. 한편, TV 리소스 매니저는, TV 파이프라인 매니저의 TV 파이프라인 생성 요청에 따라 TV 서비스를 위해 할당된 리소스의 상태와 할당을 요청하기 위해, TV 폴리시 매니저의 제어를 받을 수 있으며, 미디어 서버 처리부(1110/1210)와 uMS 커넥터를 통해 데이터 커뮤니케이션을 한다. 미디어 서버 처리부(1110/1210) 내 리소스 매니저는 상기 TV 리소스 매니저의 요청에 따라 현재 TV 서비스를 위한 리소스의 상태와 할당 가부 등에 대해 전달한다. 예컨대, 미디어 서버 처리부(1110/1210) 내 리소스 매니저의 확인 결과 만약 TV 서비스를 위한 리소스가 이미 모두 할당된 경우에는, TV 리소스 매니저로 현재 모든 리소스가 할당 완료되었음을 노티파이할 수 있다. 이때, 미디어 서버 처리부 내 리소스 매니저는 상기 노티파이와 함께, TV 서비스를 위해 기할당된 TV 파이프라인들 중 우선순위나 소정 기준에 따라 소정 TV 파이프라인을 제거하고 요청된 TV 서비스를 위한 TV 파이프라인 생성을 요청 내지 할당할 수도 있다. 또는, TV 리소스 매니저에서 상기 미디어 서버 처리부(1110/1210) 내 리소스 매니저의 상태 보고에 따라 TV 리소스 매니저에서 적절히 TV 파이프라인을 제거, 추가, 신설 등 제어를 할 수 있다.On the other hand, the TV pipeline manager can be controlled by the TV resource manager in generating one or more pipelines according to a TV pipeline creation request from a processing module in a TV service, a manager, or the like. Meanwhile, the TV resource manager can be controlled by the TV policy manager to request the status and allocation of resources allocated for the TV service according to the TV pipeline creation request of the TV pipeline manager, and the media server processing unit 1110 / 1210) and uMS connectors. The resource manager in the media server processing unit 1110/1210 transmits the status of the current TV service, the allocation permission, etc. according to the request of the TV resource manager. For example, if a resource manager in the media server processing unit 1110/1210 confirms that all the resources for the TV service have already been allocated, the TV resource manager can notify that all the resources are currently allocated. At this time, the resource manager in the media server processing unit, together with the notify, removes a predetermined TV pipeline according to a priority or a predetermined criterion among the TV pipelines preliminarily allocated for the TV service, And may request or assign generation. Alternatively, the TV resource manager can appropriately remove, add, or control the TV pipeline in the TV resource manager according to the status report of the resource manager in the media server processing unit 1110/1210.
한편, BSP는 예컨대, 기존 디스플레이 디바이스와의 호환성(backward compatibility)를 지원한다.Meanwhile, the BSP supports backward compatibility with existing display devices, for example.
이렇게 생성된 TV 파이프라인들은 그 처리 과정에서 경로 매니저의 제어에 따라 적절히 동작될 수 있다. 경로 매니저는 상기 처리 과정에서 TV 파이프라인만이 아니라 미디어 서버 처리부(1110/1210)에 의해 생성된 파이프라인의 동작까지 고려하여 파이프라인들의 처리 경로 내지 과정을 결정 내지 제어할 수 있다.The TV pipelines thus generated can be appropriately operated according to the control of the path manager in the process. The path manager can determine and control the processing path or process of the pipelines by considering not only the TV pipeline but also the operation of the pipeline generated by the media server processing unit 1110/1210.
다음으로, 애플리케이션이 TV 서비스 데이터가 아니라 미디어 데이터를 포함한 경우에는, 미디어 서버 처리부(1110/1210)에서 처리된다. 여기서, 미디어 서버 처리부(1110/1210)는, 리소스 매니저, 폴리시 매니저, 미디어 파이프라인 매니저, 미디어 파이프라인 컨트롤러 등을 포함한다. 한편, 미디어 파이프라인 매니저와 미디어 파이프라인 컨트롤러의 제어에 따라 생성되는 파이프라인에는 카메라 프리뷰 파이프라인, 클라우드 게임 파이프라인, 미디어 파이프라인 등 다양하게 생성 가능하다. 한편, 미디어 파이프라인에는 스트리밍 프로토콜, 오토/스테이틱 gstreamer, DRM 등이 포함될 수 있는데, 이는 경로 매니저의 제어에 따라 그 처리 플로우가 결정될 수 있다. 상기 미디어 서버 처리부(1110/1210) 내 구체적인 처리 과정은 전술한 도 10의 설명을 원용하고, 여기서 중복 설명하지 않는다.Next, when the application includes media data, rather than TV service data, it is processed by the media server processing unit 1110/1210. Here, the media server processing units 1110 and 1210 include a resource manager, a policy manager, a media pipeline manager, a media pipeline controller, and the like. On the other hand, the pipeline generated according to the control of the media pipeline manager and the media pipeline controller can be variously generated such as a camera preview pipeline, a cloud game pipeline, and a media pipeline. On the other hand, the media pipeline may include a streaming protocol, an auto / static gstreamer, and a DRM, which can be determined according to the control of the path manager. The specific processing in the media server processing units 1110 and / or 1210 cites the description of FIG. 10 described above, and will not be repeated here.
도 13은 본 발명의 다른 일 실시예에 의한 디스플레이 디바이스의 구성 모듈을 상세히 도시한 블록도이다. 전술한 도 1 내지 도 12를 참조하여, 도 13의 디스플레이 디바이스의 모듈을 일부 추가하거나 변경 가능하며, 본 발명의 권리범위는 도 1 내지 도 13 등에 기재된 요소들로 결정되는 것이 아니라, 원칙적으로 특허청구범위에 기재된 사항에 따라 해석되어야 한다. 도 13에 도시된 바와 같이, 본 발명의 다른 일 실시예에 의한 디스플레이 디바이스(1300)는 사용자 인터페이스부(1310), 방송 서비스 모듈(1320), 커뮤니케이션 모듈(1330), 메모리(1340) 및 컨트롤러(1350) 등을 포함하여 이루어 진다.13 is a detailed block diagram of a configuration module of a display device according to another embodiment of the present invention. 13 to 13, and the scope of right of the present invention is not determined by the elements described in Figs. 1 to 13 and the like, but in principle, by the patent But should be construed in accordance with what is stated in the claims. 13, a
사용자 인터페이스부(1310)는 사용자로부터 특정 신호를 입력 받을 수 있다. 상기 사용자 인터페이스부(1310)는 사용자와 상기 디스플레이 디바이스(1300)에 포함된 세팅 어플리케이션 사이에서 데이터 송/수신 역할을 수행할 수 있다. 상기 사용자 인터페이스부(1310)는 상기 디스플레이 디바이스(1300)의 디스플레이 모듈(미도시)과 연결된 터치 패널을 통해 특정 신호를 입력 받을 수 있고, 센서 모듈(미도시)로부터 수신되는 IR(Infrared Ray) 신호를 이용하여 특정 신호를 입력 받을 수 있다.The
방송 서비스 모듈(1320)은 방송국 또는 CP(Content Provider) 등으로부터 방송 프로그램 데이터를 포함하는 방송 신호를 수신하고, 수신된 방송 신호를 처리할 수 있다. 상기 방송 서비스 모듈(1320)은 튜너(Tuner), 역다중화부, 영상디코더, 스케일러, 믹서, 프레임 레이트 변환부(Frame Rate Converter), 포맷터(Formatter) 등을 포함할 수 있다. 상기 방송 서비스 모듈(1320)은 방송 신호를 수신하고, 상기 수신한 방송 신호를 디코딩(Decoding)하여 방송 신호에 포함된 방송 시간 정보를 상기 컨트롤러(1350)에게 전송할 수 있다.The
커뮤니케이션 모듈(1330)은 다양한 유/무선 통신 프로토콜을 이용하여 외부 디바이스(External Device) 또는 외부 서버(External Server)와 데이터 통신을 수행할 수 있다. 상기 외부 디바이스는 바이오 디바이스(Bio Device) 및 모바일 디바이스(Mobile Device)를 포함할 수 있다. 또한, 상기 외부 서버는 NTP(Network Time Protocol) 서버를 포함할 수 있다. 상기 NTP 서버에 대해서는 이하 도 14 및 도 16에서 자세히 서술하겠다.The
메모리(1340)는 본 발명의 일 실시예에 의한 디스플레이 디바이스가 수신하는 복수의 타임 소스 데이터를 저장할 수 있다. 상기 복수의 타임 소스 데이터는 사용자로부터 입력 받는 시간 정보를 포함하는 제1 타임 소스 데이터, 방송 신호 정보에 포함되는 방송 시간 정보를 포함하는 제2 타임 소스 데이터, NTP 서버로부터 수신하는 네트워크 시간 정보를 포함하는 제3 타임 소스 데이터를 포함할 수 있다. 또한, 상기 메모리(1340)는 상기 제1 타임 소스 데이터, 제2 타임 소스 데이터 및 제3 타임 소스 데이터를 DB(Data Base)에 저장하여 관리할 수 있고, 기 설정된 주기에 따라 상기 제1 타임 소스 데이터, 제2 타임 소스 데이터 및 제3 타임 소스 데이터를 디텍트(Detect)하여 DB를 업데이트 할 수 있다.The
컨트롤러(1350)는 상기 사용자 인터페이스부(1310), 방송 서비스 모듈(1320), 커뮤니케이션 모듈(1330) 및 메모리(1340) 등 도 13에 도시된 적어도 하나 이상의 모듈들의 기능을 전반적으로 관리하는 기능을 수행한다. 이와 관련하여, 이하 도 14 내지 도 22를 참조하여 보다 상세히 후술하도록 하겠다.The
도 14는 본 발명의 일 실시예에 의한 디스플레이 디바이스가 복수의 타임 소스 데이터를 관리하는 일 예를 설명하기 위한 도면이다.14 is a diagram for explaining an example in which a display device manages a plurality of time source data according to an embodiment of the present invention.
본 발명의 일 실시예에 의한 디스플레이 디바이스(1400)는 컨트롤러 (1410), 세팅 어플리케이션(Setting Application)(1420), 세팅 서비스(Settings Service)(1430) 및 방송 서비스 모듈(1440)을 포함할 수 있다.The
본 발명의 일 실시예에 의한 디스플레이 디바이스(1400)의 컨트롤러(1410)는 사용자 인터페이스부와 연결된 세팅 어플리케이션(1420)으로부터 추출되는 제1 타임 소스 데이터, 방송 서비스 모듈로부터 추출되는 제2 타임 소스 데이터, NTP 서버로부터 수신하는 제3 타임 소스 데이터 중 적어도 하나 이상의 타임 소스 데이터를 추출하고, 추출된 타임 소스 데이터 및 어플리케이션의 타입에 기초하여, 기 설정된 우선 순위에 따라 어플리케이션의 시간을 세팅할 수 있다.The
상기 제1 타임 소스 데이터는 사용자가 입력한 시간 정보 및 매뉴얼 오프셋(Manual Offset) 중 적어도 하나를 포함할 수 있다.The first time source data may include at least one of time information input by a user and a manual offset.
상기 제2 타임 소스 데이터는 방송 신호에 포함된 방송 시간 정보를 포함할 수 있다.The second time source data may include broadcast time information included in the broadcast signal.
상기 제3 타임 소스 데이터는 상기 NTP 서버에 저장된 네트워크 시간 정보를 포함할 수 있다.The third time source data may include network time information stored in the NTP server.
상기 네트워크 시간 정보는 기 설정된 주기로 상기 NTP 서버로부터 수신하여 업데이트 될 수 있다.The network time information may be updated by receiving from the NTP server at a predetermined period.
상기 어플리케이션의 타입은 웹 어플리케이션(Web Application)을 포함하는 제1 타입 어플리케이션 및 방송 어플리케이션을 포함하는 제2 타입 어플리케이션을 포함할 수 있다.The type of the application may include a first type application including a web application and a second type application including a broadcast application.
상기 매뉴얼 오프셋은 타임 존(Time Zone) 정보 및 일광 절약 시간(Daylight Saving Time) 정보를 포함할 수 있다.The manual offset may include time zone information and daylight saving time information.
상기 디스플레이 디바이스는 Web OS(Web Operating System)를 포함하고, 상기 웹 어플리케이션은 상기 Web OS에 기반하여 생성되는 어플리케이션이고, 상기 방송 어플리케이션은 상기 방송 서비스 모듈과 연결되어 방송 신호를 이용하는 어플리케이션일 수 있다.The display device may include a Web OS (Web Operating System), the web application may be an application generated based on the Web OS, and the broadcast application may be an application connected to the broadcast service module and using a broadcast signal.
본 발명의 일 실시예에 의한 디스플레이 디바이스(1400)의 컨트롤러는, 세팅 어플리케이션(1420)을 통해 사용자로부터 매뉴얼 시간 정보 및 매뉴얼 오프셋 중 적어도 하나를 입력 받을 수 있다. 상기 세팅 어플리케이션(1420)은 디스플레이 디바이스(1400)에 임베디드(Embeded)된 어플리케이션일 수 있다. 상기 세팅 어플리케이션(1420)은 디스플레이 디바이스(1400)의 사용자 인터페이스부와 연결될 수 있다. 상기 매뉴얼 시간 정보는 사용자가 직접 입력한 시간 정보를 의미하고, 상기 매뉴얼 오프셋은 타임 존(Time Zone) 정보 및 일광 절약 시간(Daylight Saving Time) 정보를 의미할 수 있다. 사용자는 상기 세팅 어플리케이션(1420)을 통해 특정 어플리케이션의 시간 세팅을 디스플레이 디바이스를 통해 자동으로 세팅하도록 하는 자동 설정 및 사용자가 직접 입력한 시간으로 시간 세팅을 수행하는 수동 설정을 선택할 수 있다. 그리고, 상기 세팅 어플리케이션(1420)은 사용자로부터 매뉴얼 시간 정보 및 매뉴얼 오프셋 중 적어도 하나를 입력 받은 경우, 입력 받은 정보를 세팅 서비스(1430) 및 컨트롤러(1410)에 전송할 수 있다. 상기 세팅 서비스(1430)는 상기 세팅 어플리케이션(1420)으로부터 수신한 데이터를 DB에 저장할 수 있다. 그리고, 상기 세팅 서비스(1430)는 상기 세팅 어플리케이션(1420)으로부터 수신한 정보를 방송 서비스 모듈(1440)에 전송할 수 있다. 상기 방송 서비스 모듈(1440)은 튜너 등을 포함하고, 방송국 등으로부터 방송 신호를 수신하면, 상기 수신한 방송 신호를 파싱(Parsing)하여 방송 시간 정보를 추출할 수 있다. 그리고, 방송 서비스 모듈(1440)은 상기 추출한 방송 시간 정보를 컨트롤러(1410)에 전송할 수 있다. 상기 방송 서비스 모듈(1440)이 컨트롤러에 전송하는 방송 시간 정보는 UTC(Universal Time Coordinated) 시간에 기초한 방송 시간 정보 및 세팅 서비스(1430)로부터 수신한 매뉴얼 오프셋 정보에 기초한 방송 시간 정보를 모두 포함할 수 있다. 상기 매뉴얼 오프셋 정보에 기초한 방송 시간 정보는 상기 UTC 시간에 기초한 방송 시간 정보에 매뉴얼 오프셋 정보를 이용한 보정 값을 반영한 시간 정보를 의미할 수 있다. 그리고, 세팅 어플리케이션(1420)은 사용자가 매뉴얼 시간 정보를 입력하고자 하는 경우, 컨트롤러(1410)에 방송 서비스 모듈(1440)에서 전송 받은 방송 시간 정보를 요청하고, 컨트롤러(1410)는 상기 요청에 따라 최근에 업데이트 된 방송 시간 정보를 세팅 어플리케이션(1420)에 전송할 수 있다. 그리고, 세팅 어플리케이션(1420)은 컨트롤러(1410)로부터 전송 받은 방송 시간 정보를 사용자에게 디스플레이 함으로써, 사용자가 방송 시간 정보에 기초하여 매뉴얼 시간 정보를 입력하도록 할 수 있다. 그리고, 본 발명의 일 실시예에 의한 디스플레이 디바이스(1400)의 컨트롤러(1410)는, 복수의 타임 소스 데이터를 관리할 수 있다. 상기 복수의 타임 소스 데이터는 사용자 인터페이스부와 연결된 세팅 어플리케이션(1420)으로부터 추출되는 제1 타임 소스 데이터, 방송 서비스 모듈(1440)로부터 추출되는 제2 타임 소스 데이터, NTP 서버로부터 수신하는 제3 타임 소스 데이터를 포함할 수 있다. 그리고, 본 발명의 일 실시예에 의한 디스플레이 디바이스(1400)의 컨트롤러(1410)는, 복수의 타임 소스 데이터 중 적어도 하나를 추출하고, 추출된 타임 소스 데이터 및 어플리케이션의 타입에 기초하여, 기 설정된 우선 순위에 따라 어플리케이션의 시간을 세팅할 수 있다. 상기 어플리케이션의 타입은 웹 어플리케이션을 포함하는 제1 타입 어플리케이션(1450) 및 방송 어플리케이션을 포함하는 제2 타입 어플리케이션(1460)을 포함할 수 있다. 상기 디스플레이 디바이스(1400)는 Web OS를 포함할 수 있고, 상기 상기 웹 어플리케이션을 포함하는 제1 타입 어플리케이션(1450)은 상기 Web OS에 기반하여 생성되는 어플리케이션일 수 있다. 본 발명의 일 실시예에 의한 디스플레이 디바이스(1400)의 컨트롤러(1400)는 추출된 복수의 타임 소스 데이터를 이용하여, 상기 제1 타입 어플리케이션(1450) 및 제2 타입 어플리케이션(1460)의 시간을 세팅할 수 있다. 예를 들어, 세팅 어플리케이션(1420)을 통해 사용자가 매뉴얼 시간 정보를 입력하지 않고, 방송 시간 정보를 포함하는 제2 타임 소스 데이터 및 네트워크 시간 정보를 포함하는 제3 타임 소스 데이터가 모두 존재하는 경우, 컨트롤러(1410)는 상기 제1 타입 어플리케이션(1450)의 시간은 제3 타임 소스 데이터에 포함된 네트워크 시간 정보와 동일하게 세팅할 수 있고, 상기 제2 타입 어플리케이션(1460)의 시간은 제2 타임 소스 데이터에 포함된 방송 시간 정보와 동일하게 세팅할 수 있다. 이와 관련해서는 이하 도 15에서 자세히 설명하도록 하겠다. 도 14와 같이 설계함으로써, 복수의 타임 소스 데이터가 존재하고, 어플리케이션의 타입이 서로 다른 경우, 적절한 타임 소스 데이터를 이용하여 최적의 시간을 세팅할 수 있는 장점이 있다.The controller of the
도 15는 본 발명의 일 실시예에 의한 디스플레이 디바이스에서 복수의 타임 소스 데이터를 이용하여 어플리케이션의 시간을 설정하기 위한 우선 순위 결정 방식을 설명하기 위한 도면이다.15 is a diagram for explaining a priority determination method for setting an application time using a plurality of time source data in a display device according to an embodiment of the present invention.
도 15에 도시된 바와 같이 본 발명의 일 실시예에 의한 디스플레이 디바이스는 제1 타임 소스 데이터(1501), 제2 타임 소스 데이터(1502) 및 제3 타임 소스 데이터(1503)를 관리할 수 있다. 상기 제1 타임 소스 데이터(1501)는 사용자가 입력한 시간 정보 및 매뉴얼 오프셋(Manual Offset) 중 적어도 하나를 포함할 수 있고, 상기 제2 타임 소스 데이터(1502)는 방송 신호에 포함된 방송 시간 정보를 포함할 수 있고, 상기 제3 타임 소스 데이터(1503)는 NTP 서버에 저장된 네트워크 시간 정보를 포함할 수 있다.As shown in FIG. 15, the display device according to an embodiment of the present invention can manage first
본 발명의 일 실시예에 의한 디스플레이 디바이스는 상기 제1 타임 소스 데이터(1501), 제2 타임 소스 데이터(1502) 및 제3 타임 소스 데이터(1503)의 추출 유무에 따라 기본적으로 8가지 시간 세팅 타입이 존재할 수 있다.The display device according to an exemplary embodiment of the present invention basically has eight
제1 시간 세팅 타입(1510)은 제1 타임 소스 데이터(1501) 내 사용자가 입력한 시간 정보가 포함되고, 제2 타임 소스 데이터(1502)가 추출되고, 제3 타임 소스 데이터(1503)가 추출되는 경우일 수 있다.The first
제2 시간 세팅 타입(1520)은 제1 타임 소스 데이터(1501) 내 사용자가 입력한 시간 정보가 포함되고, 제2 타임 소스 데이터(1502)가 추출되지 않고, 제3 타임 소스 데이터(1503)가 추출되는 경우일 수 있다.The second
제3 시간 세팅 타입(1530)은 제1 타임 소스 데이터(1501) 내 사용자가 입력한 시간 정보가 포함되고, 제2 타임 소스 데이터(1502)가 추출되고, 제3 타임 소스 데이터(1503)가 추출되지 않는 경우일 수 있다.The third
제4 시간 세팅 타입(1540)은 제1 타임 소스 데이터(1501) 내 사용자가 입력한 시간 정보가 포함되고, 제2 타임 소스 데이터(1502)가 추출되지 않고, 제3 타임 소스 데이터(1503)가 추출되지 않는 경우일 수 있다.The fourth
도 15에 도시된 바와 같이, 제1 시간 세팅 타입(1510), 제2 시간 세팅 타입(1520), 제3 시간 세팅 타입(1530) 및 제4 시간 세팅 타입의 경우, 본 발명의 일 실시예에 의한 디스플레이 디바이스의 컨트롤러는, 제1 타입 어플리케이션(1505) 및 제2 타입 어플리케이션(1506)의 시간을 상기 제1 타임 소스 데이터(1501)에 포함된 사용자가 입력한 시간 정보와 동일하게 세팅할 수 있다.As shown in FIG. 15, in the case of the first
제5 시간 세팅 타입(1550)은 제1 타임 소스 데이터(1501) 내 사용자가 입력한 시간 정보가 포함되지 않고 매뉴얼 오프셋만 포함되고, 제2 타임 소스 데이터(1502)가 추출되고, 제3 타임 소스 데이터(1503)가 추출되는 경우일 수 있다. 제5 시간 세팅 타입(1550)의 경우, 본 발명의 일 실시예에 의한 디스플레이 디바이스의 컨트롤러는, 상기 제1 타입 어플리케이션(1505)의 시간은 상기 제3 타임 소스 데이터(1503)에 포함된 네트워크 시간 정보와 동일하게 세팅하고, 상기 제2 타입 어플리케이션(1506)의 시간은 상기 제2 타임 소스 데이터(1502)에 포함된 방송 시간 정보와 동일하게 세팅할 수 있다.The fifth
제6 시간 세팅 타입(1560)은 제1 타임 소스 데이터(1501) 내 사용자가 입력한 시간 정보가 포함되지 않고 매뉴얼 오프셋만 포함되고, 제2 타임 소스 데이터(1502)가 추출되지 않고, 제3 타임 소스 데이터(1503)가 추출되는 경우일 수 있다. 제6 시간 세팅 타입(1560)의 경우, 본 발명의 일 실시예에 의한 디스플레이 디바이스의 컨트롤러는, 상기 제1 타입 어플리케이션(1505) 및 제2 타입 어플리케이션(1506)의 시간을 상기 제3 타임 소스 데이터(1503)에 포함된 네트워크 시간 정보와 동일하게 세팅할 수 있다.The sixth
제7 시간 세팅 타입(1570)은 제1 타임 소스 데이터(1501) 내 사용자가 입력한 시간 정보가 포함되지 않고 매뉴얼 오프셋만 포함되고, 제2 타임 소스 데이터(1502)가 추출되고, 제3 타임 소스 데이터(1503)가 추출되지 않는 경우일 수 있다. 제7 시간 세팅 타입(1570)의 경우, 본 발명의 일 실시예에 의한 디스플레이 디바이스의 컨트롤러는, 상기 제1 타입 어플리케이션(1505) 및 제2 타입 어플리케이션(1506)의 시간을 상기 제2 타임 소스 데이터(1502)에 포함된 방송 시간 정보와 동일하게 세팅할 할 수 있다.The seventh
제8 시간 세팅 타입(1580)은 제1 타임 소스 데이터(1501) 내 사용자가 입력한 시간 정보가 포함되지 않고 매뉴얼 오프셋만 포함되고, 제2 타임 소스 데이터(1502)가 추출되지 않고, 제3 타임 소스 데이터(1503)도 추출되지 않는 경우일 수 있다. 제8 시간 세팅 타입(1580)의 경우, 본 발명의 일 실시예에 의한 디스플레이 디바이스의 컨트롤러는, 상기 제1 타입 어플리케이션(1505) 및 제2 타입 어플리케이션(1506)의 시간을 메모리에 저장된 공장 출고 기본 시간(Factory Default Time) 정보와 동일하게 세팅할 할 수 있다. 상기 공장 출고 기본 시간은 디스플레이 디바이스 생산 시 디폴트 값으로 정해지는 시간일 수 있다. 상기 공장 출고 기본 시간은 2014년 1월 1일 0시 0분 0초 일 수 있다. 상기 제1 시간 세팅 타입(1510) 내지 제8 시간 세팅 타입(1380)에 대해서 이하 도 16에서 추가적으로 설명하도록 하겠다.The eighth
그리고, 예외적인 경우로서, DRM(Digital Rights Management) 컨텐츠(1504)의 경우, 디스플레이 디바이스에서 추출하는 복수의 타임 소스 데이터와 관계 없이, 상기 DRM 컨텐츠(1504) 자체 시간 정보를 포함하기 때문에, 디스플레이 디바이스에서 따로 세팅하는 경우가 발생하지 않을 수 있다. DRM 컨텐츠(1504) 관련해서는 이하 도 17에서 좀 더 자세히 설명하겠다.As an exceptional case, in the case of the DRM (Digital Rights Management)
도 16은 본 발명의 일 실시예에 의한 디스플레이 디바이스에서 복수의 타임 소스 데이터를 이용하여 어플리케이션의 시간을 설정하기 위한 우선 순위 결정 방식을 설명하기 위한 다른 도면이다.16 is another diagram for explaining a priority determination method for setting an application time using a plurality of time source data in a display device according to an embodiment of the present invention.
도 16에 도시된 바와 같이, 본 발명의 일 실시예에 의한 디스플레이 디바이스에 포함된 방송 서비스 모듈(1610)은 방송국 등으로부터 방송 신호를 수신할 수 있고, 상기 수신한 방송 신호를 파싱하여 스타트 타임(Start time), 엔드 타임(End Time) 및 듀레이션(Duration) 정보를 포함하는 UTC 방송 시간 정보를 추출할 수 있다. 그리고 방송 신호에 포함된 방송 오프셋 및 사용자가 입력한 매뉴얼 오프셋 정보를 추출한 후, 디스플레이 디바이스를 사용하는 사용자의 현재 위치에 대응하는 타임 존 및 일광 시간 절약 정보를 반영하여 사용자 지역 방송 시간 정보를 결정할 수 있다.16, a
그리고, 도 16에 도시된 바와 같이, 본 발명의 일 실시예에 의한 디스플레이 디바이의 컨트롤러는, NTP 서버로부터 네트워크 시간 정보를 수신할 수 있고, 사용자로부터 매뉴얼 시간 정보를 입력 받을 수 있다. 그리고, 도 15에서 설명한 바와 같이, 사용자가 직접 입력한 매뉴얼 시간 정보가 있는 경우, 제1 어플리케이션(1632) 및 제2 어플리케이션(1634)의 시간을 세팅하는 경우, 상기 사용자가 직접 입력한 매뉴얼 시간 정보와 동일하게 세팅할 수 있다. 그리고, 사용자가 직접 입력한 매뉴얼 시간 정보가 없는 경우, 제1 어플리케이션(1632) 및 제2 어플리케이션(1634)의 시간 세팅은 방송 시간 정보를 포함하는 제2 타임 소스 데이터 및 네트워크 시간 정보를 포함하는 제3 타임 소스 데이터의 유무에 의해 결정된다. 이러한 시간 세팅 결정 과정은 상기 도 15에서 설명한 바와 같으므로, 중복 설명은 배제하도록 하겠다.As shown in FIG. 16, the controller of the display device according to an embodiment of the present invention can receive network time information from an NTP server and receive manual time information from a user. 15, when setting the time of the
도 17는 본 발명의 일 실시예에 의한 디스플레이 디바이스에서 DRM 컨텐츠의 시간을 관리하는 일 예를 설명하기 위한 도면이다.17 is a diagram for explaining an example of managing time of DRM contents in a display device according to an embodiment of the present invention.
DRM 기능은 컨텐츠 제공자의 권리와 이익을 안전하게 보호하며, 불법복제를 막고 사용료 부과와 결제대행 등 컨텐츠의 생성에서 유통, 관리까지 일괄적으로 지원하는 기능이다. 그러므로, DRM 기능은 컨텐츠 마다 보안 인증 시스템을 장착하여 일정한 사용료를 지불하지 않으면 해당 컨텐츠를 이용하지 못하게 할 수 있다. DRM 기능은 사용자가 파일 교환 프로그램들의 광범위한 사용으로 급격히 증가된 상용 제품의 온라인 프라이버시 보호 수단으로 개발 되고 있다. 비록 온라인 컨텐츠가 저작권법에 의해 보호받고는 있다고 하지만, 불법적인 웹 사용을 단속하고 범법 행위자를 잡는 것은 현실적으로 매우 어려운 실적이다.The DRM function protects the rights and interests of the content provider safely, and it is a function to support illegal copying, collectively charge the fee from the generation of content to the distribution and management such as charging and settlement. Therefore, the DRM function can prevent the corresponding contents from being used unless a certain fee is charged for each content by installing a security authentication system. DRM functionality is being developed as a means of online privacy protection for commercial products that have increased dramatically with the widespread use of file exchange programs by users. Although online content is protected by copyright laws, it is very difficult to crack down on illegal use of the web and catch criminals.
따라서, DRM 컨텐츠는 시간 관리가 굉장히 중요하다. DRM 컨텐츠의 시간 정보가 임의로 조작되거나, 외부 서버의 시간을 수신하여 변경가능 하도록 설정하면, DRM 컨텐츠 제공자에게 큰 손해가 발생할 수 있다.Therefore, time management is very important for DRM contents. If the time information of the DRM contents is arbitrarily manipulated or the time of the external server is received and set to be changeable, a large damage may occur to the DRM contents provider.
따라서, 도 17에 도시된 바와 같이, 본 발명의 일 실시예에 의한 디스플레이 디바이스는 DRM 모듈을 별도로 구비하여, DRM 컨텐츠 제공자로부터 수신한 DRM 컨텐츠 시간을 별도로 관리하고, 제1 타임 소스 데이터, 제2 타임 소스 데이터 및 제3 타임 소스 데이터를 이용하여 변경하도록 하지 못함으로써, DRM 컨텐츠 제공자의 권리를 보호할 수 있는 장점이 있다.Therefore, as shown in FIG. 17, the display device according to an embodiment of the present invention separately includes a DRM module, and separately manages the DRM content time received from the DRM content provider, and stores the first time source data, The time source data, and the third time source data, thereby protecting the rights of the DRM contents provider.
도 15 내지 도 17과 같이 설계함으로써, Web OS를 구비하는 디스플레이 디바이스에서 복수의 타임 소스 데이터를 이용하여 어플리케이션 또는 컨텐츠의 타입에 따라 최적의 시간을 세팅하도록 하는 알고리즘을 결정할 수 있는 장점이 있다.15 to 17, there is an advantage that an algorithm for setting an optimal time according to the type of an application or a content can be determined using a plurality of time source data in a display device having a Web OS.
도 18은 본 발명의 일 실시예에 의한 디스플레이 디바이스가 복수의 타임 소스 데이터를 이용하여 어플리케이션의 시간을 세팅하는 알고리즘을 설명하기 위한 플로우 차트이다.18 is a flowchart for explaining an algorithm for setting a time of an application using a plurality of time source data by a display device according to an embodiment of the present invention.
도 18에 도시된 바와 같이, 본 발명의 일 실시예에 의한 디스플레이 디바이스의 컨트롤러는, 우선 세팅 어플리케이션으로부터 제1 타임 소스 데이터를 추출하고(S1810), 상기 제1 타임 소스 데이터에 사용자가 입력한 시간 정보가 포함되었는지 판단할 수 있다(S1820). 본 발명의 일 실시예에 의한 디스플레이 디바이스의 컨트롤러는, 상기 판단 결과, 제1 타임 소스 데이터에 사용자가 입력한 시간 정보가 포함된 경우, 제1 타입 어플리케이션 및 제2 타입 어플리케이션의 시간을 상기 사용자가 입력한 시간 정보와 동일하게 세팅할 수 있다(S1822). 그리고, 본 발명의 일 실시예에 의한 디스플레이 디바이스의 컨트롤러는, 상기 판단 결과, 제1 타임 소스 데이터에 사용자가 입력한 시간 정보가 포함되지 않은 경우, 제2 타임 소스 데이터 및 제3 타임 소스 데이터가 추출되는지 판단할 수 있다(S1830, S1840, S1850). 본 발명의 일 실시예에 의한 디스플레이 디바이스의 컨트롤러는, 상기 판단 결과, 제2 타임 소스 데이터 및 제3 타임 소스 데이터가 추출되면,상기 제1 타입 어플리케이션의 시간은 상기 제3 타임 소스 데이터에 포함된 네트워크 시간 정보와 동일하게 세팅하고, 상기 제2 타입 어플리케이션의 시간은 상기 제2 타임 소스 데이터에 포함된 방송 시간 정보와 동일하게 세팅할 수 있다(S1842). 그리고, 본 발명의 일 실시예에 의한 디스플레이 디바이스의 컨트롤러는, 상기 판단 결과, 제2 타임 소스 데이터가 추출되고 제3 타임 소스 데이터가 추출되지 않으면, 제1 타입 어플리케이션 및 제2 타입 어플리케이션의 시간을 상기 제2 타임 소스 데이터에 포함된 방송 시간 정보와 동일하게 세팅할 수 있다(S1844). 그리고, 본 발명의 일 실시예에 의한 디스플레이 디바이스의 컨트롤러는, 상기 판단 결과, 제2 타임 소스 데이터가 추출되지 않고 제3 타임 소스 데이터가 추출되면, 제1 타입 어플리케이션 및 제2 타입 어플리케이션의 시간을 상기 제3 타임 소스 데이터에 포함된 네트워크 시간 정보와 동일하게 세팅할 수 있다(S1852). 마지막으로, 본 발명의 일 실시예에 의한 디스플레이 디바이스의 컨트롤러는, 상기 판단 결과, 제2 타임 소스 데이터 및 제3 타임 소스 데이터가 모두 추출되지 않으면, 제1 타입 어플리케이션 및 제2 타입 어플리케이션의 시간을 공장 출고 기본 시간 정보와 동일하게 세팅할 수 있다(S1854).18, the controller of the display device according to an embodiment of the present invention first extracts first time source data from the setting application (S1810), and stores the time It may be determined whether information is included (S1820). The controller of the display device according to an embodiment of the present invention may further include a controller for controlling the time of the first type application and the second type application when the user includes the time information input by the first time source data, It may be set the same as the inputted time information (S1822). If the time information input by the user is not included in the first time source data as a result of the determination, the controller of the display device according to the embodiment of the present invention may further include a second time source data and a third time source data, (S1830, S1840, S1850). The controller of the display device according to an embodiment of the present invention, when the second time source data and the third time source data are extracted as a result of the determination,The time of the first type application is set to be equal to the network time information included in the third time source data, and the time of the second type application is set to be the same as the broadcast time information included in the second time source data (S1842). If the second time source data is extracted and the third time source data is not extracted as a result of the determination, the controller of the display device according to an embodiment of the present invention determines the time of the first type application and the second type application And may be set to be the same as the broadcast time information included in the second time source data (S 1844). If the second time source data is not extracted and the third time source data is extracted as a result of the determination, the controller of the display device according to an embodiment of the present invention determines the time of the first type application and the second type application May be set to be the same as the network time information included in the third time source data (S1852). Finally, if the second time source data and the third time source data are not extracted as a result of the determination, the controller of the display device according to an embodiment of the present invention determines the time of the first type application and the second type application It can be set the same as factory default basic time information (S1854).
도 19는 본 발명의 일 실시예에 의한 디스플레이 디바이스에서 방송 신호로부터 방송 시간 정보를 추출하는 일 예를 설명하기 위한 도면이다.19 is a diagram for explaining an example of extracting broadcast time information from a broadcast signal in a display device according to an embodiment of the present invention.
본 발명의 일 실시예에 의한 디스플레이 디바이스에 포함된 방송 서비스 모듈은 방송 신호를 수신 및 파싱하여 방송 시간 정보를 추출하여 컨트롤러에 전송할 수 있다. 이 과정을 설명하기 위한 예로서, 디지털 방송의 표준인 Advanced Television System Committee(ATSC)에서 채널 정보와 프로그램 정보를 전송하기 위해 제정한 Program and System Information Protocol(PSIP)을 일 예로 설명하도록 하겠다. 또한, 이는 설명을 위한 예시일 뿐이면, 유럽의 표준인 Digital Video Broadcasting(DVB) 등에 대해서도 동일하게 적용할 수 있다.The broadcast service module included in the display device according to an exemplary embodiment of the present invention receives and parses a broadcast signal, extracts broadcast time information, and transmits the broadcast time information to the controller. As an example to explain this process, the program and system information protocol (PSIP) established for transmitting channel information and program information in the Advanced Television System Committee (ATSC), a standard of digital broadcasting, will be described as an example. In addition, the present invention is equally applicable to Digital Video Broadcasting (DVB), which is a European standard, for illustration purposes only.
도 19는 System Time Table(STT) 포맷(Format)의 일 예이다. STT는 현재 날짜와 시간의 정보를 제공하는 테이블이다. 또한 시간 동기화를 필요로 하는 어플리케이션에 대한 시간 정보를 제공할 수 있다. 디지털 방송의 경우, 방송 신호에 이러한 STT가 포함되어 함께 전송될 수 있다. STT는 1980년 1월 6일 00:00:00을 기준으로 현재 시간까지 경과된 GPS 시간 정보를 포함할 수 있다. 또한 STT는 UTC 시간(그리니치 표준시)정보, 일광 절약 시간 정보도 포함할 수 있다. 또한, 도 19에 도시하진 않았으나, 방송 신호는 Event Information Tables(EIT)도 포함할 수 있다. 상기 EIT는 방송 프로그램의 방송 일정과 방송 내용에 대한 설명을 포함할 수 있다. 따라서, 본 발명의 일 실시예에 의한 디스플레이 디바이스에 포함된 방송 서비스 모듈은 방송 신호를 수신 및 파싱하여, 상기 STT 및 EIT 정보를 추출함으로써 방송 시간 정보를 컨트롤러에 전송할 수 있고, 컨트롤러는 상기 방송 시간 정보를 세팅 어플리케이션을 통해 사용자에게 제공할 수도 있고, 상기 방송 시간 정보에 기초하여 방송 어플리케이션의 시간을 세팅 할 수도 있다.19 is an example of a System Time Table (STT) format. STT is a table that provides information on the current date and time. It can also provide time information for applications that need time synchronization. In the case of digital broadcasting, these STTs may be included in a broadcast signal and transmitted together. The STT may include GPS time information that has elapsed up to the current time based on 00:00:00 on January 6, 1980. The STT may also include UTC time (Greenwich Mean Time) information and daylight saving time information. Also, although not shown in FIG. 19, the broadcast signal may also include Event Information Tables (EIT). The EIT may include a broadcast schedule of the broadcast program and a description of the broadcast content. Therefore, the broadcast service module included in the display device according to the embodiment of the present invention can receive the broadcast signal, extract the STT and EIT information, and transmit the broadcast time information to the controller. Information may be provided to the user through the setting application, or the time of the broadcast application may be set based on the broadcast time information.
도 20 내지 도 21은 본 발명의 일 실시예에 의한 디스플레이 디바이스의 세팅 어플리케이션을 통해 사용자가 시간 정보 및 매뉴얼 오프셋을 입력하는 일 예를 설명하기 위한 도면이다.20 to 21 are views for explaining an example in which a user inputs time information and a manual offset through a setting application of a display device according to an embodiment of the present invention.
도 20에 도시된 바와 같이, 본 발명의 일 실시예에 의한 디스플레이 디바이스는, 사용자 인터페이스(2000)를 출력함으로써, 사용자로부터 시간 세팅을 위한 다양한 정보를 입력 받을 수 있다. 상기 사용자 인터페이스(2000)는 자동 세팅 아이콘(2010), 매뉴얼 시간 입력 영역(2020), 날짜 입력 영역(2030), 타임 존 입력 영역(2040) 및 타임 오프셋(Time Offset) 입력 영역(2050)을 포함할 수 있다. 사용자는 상기 사용자 인터페이스(2000)를 통해 원하는 시간 정보를 입력할 수 있다. 예를 들어, 사용자가 자동 세팅 아이콘(2010)을 선택하여 시간 자동 세팅 기능을 활성화시키면, 본 발명의 일 실시예에 의한 디스플레이 디바이스의 컨트롤러는, 제2 타임 소스 데이터 및 제3 타임 소스 데이터를 이용하여 기 설정된 알고리즘에 따라 시간을 세팅할 수 있다.As shown in FIG. 20, the display device according to an embodiment of the present invention can receive various information for setting the time from the user by outputting the
또한, 도 21에 도시된 바와 같이, 사용자는 매뉴얼 시간 입력 영역(2020)을 통해 사용자가 직접 시간을 세팅할 수 있다. 이 때, 디스플레이 디바이스의 컨트롤러는, 제2 타임 소스 데이터에 포함된 방송 시간 정보를 사용자에게 디스플레이함으로써, 사용자가 방송 시간 정보를 참고하여 시간을 설정할 수 있도록 하는 기능을 제공할 수 있다. 사용자가 상기 방송 시간 정보를 참고함으로써, 예약 녹화 기능을 사용함에 있어서 오차를 줄일 수 있는 효과가 있다.Also, as shown in FIG. 21, the user can directly set the time through the manual
또한, 사용자는 상기 사용자 인터페이스부(2000)를 통해 현재 날짜 및 사용자의 위치에 대응하는 타임 존 정보를 입력할 수 있다. 또한, 사용자는 직접 타임 오프셋을 입력할 수 있다. 예를 들어, 한국에 위치한 사용자의 경우, 상기 타임 오프셋 입력 영역(2050)을 통해 GMT +9:00로 타임 오프셋을 입력할 수 있다.Also, the user can input the time zone information corresponding to the current date and the user's location through the
이와 같이, 사용자 인터페이스를 통해 사용자가 직접 시간 정보를 세팅할 수 있도록 함으로써, 다양한 지역에서 디스플레이 디바이스를 사용하는 경우에도 정확한 시간 정보에 기초하여 예약 녹화 기능 등을 적은 오차 범위로 사용할 수 있도록 하는 기술적 효과가 있다.By allowing the user to set the time information directly through the user interface, even when the display device is used in various areas, the technical effect that the reserved recording function can be used in a small error range based on accurate time information .
도 22는 본 발명의 일실시예에 의한 디스플레이 디바이스의 제어 방법을 도시한 플로우 차트이다.22 is a flowchart illustrating a method of controlling a display device according to an embodiment of the present invention.
도 22에 도시된 바와 같이, 본 발명의 일 실시예 의한 디스플레이 디바이스의 제어 방법은, 세팅 어플리케이션으로부터 추출되는 제1 타임 소스 데이터, 방송 서비스 모듈로부터 추출되는 제2 타임 소스 데이터, NTP 서버로부터 수신하는 제3 타임 소스 데이터 중 적어도 하나 이상의 타임 소스 데이터를 추출하는 단계(S2210) 및 추출된 타임 소스 데이터 및 어플리케이션의 타입에 기초하여, 기 설정된 우선 순위에 따라 어플리케이션의 시간을 세팅하는 단계 (S2220)를 포함하여 구현될 수 있다. 상기 각 단계에 대한 자세한 설명은 전술한 바와 같으므로, 반복 설명은 생략한다.As shown in FIG. 22, a method of controlling a display device according to an embodiment of the present invention includes first time source data extracted from a setting application, second time source data extracted from a broadcast service module, (S2210) extracting at least one time source data among the third time source data, and setting an application time according to a predetermined priority based on the extracted time source data and the type of application (S2220) May be implemented. Since the detailed description of each step is as described above, the repeated description will be omitted.
나아가, 설명의 편의를 위하여 각 도면을 나누어 설명하였으나, 각 도면에 서술되어 있는 실시 예들을 병합하여 새로운 실시예를 구현하도록 설계하는 것도 가능하다. 그리고 일실시예에 따른 디스플레이 디바이스 및 그 제어 방법은 상술한 바와 같이 설명된 실시예들의 구성과 방법이 한정되게 적용될 수 있는 것이 아니다. 즉 상술한 실시예들은 다양한 변형이 이루어질 수 있도록 각 실시예들의 전부 또는 일부가 등록적으로 조합되어 구성될 수 있다.Furthermore, although the drawings are shown for convenience of explanation, it is also possible to design a new embodiment to be implemented by merging the embodiments described in each drawing. And the display device and the control method thereof according to the embodiment are not limited to the configuration and the method of the embodiments described above as described above. That is, the embodiments described above may be configured such that all or some of the embodiments are registered and combined so that various modifications can be made.
또한, 이상에서는 본 발명의 바람직한 실시예에 대하여 도시하고 설명하였지만, 본 발명은 상술한 특정의 실시예에 한정되지 아니하며, 청구범위에서 청구하는 본 발명의 요지를 벗어남이 없이 당해 발명이 속하는 기술분야에서 통상의 지식을 가진 자에 의해 다양한 변형실시가 가능한 것은 물론이고, 이러한 변형실시들은 본 발명의 기술적 사상이나 전망으로부터 개별적으로 이해되어서는 안 될 것이다.While the present invention has been particularly shown and described with reference to exemplary embodiments thereof, it is to be understood that the invention is not limited to the disclosed exemplary embodiments, but, on the contrary, It will be understood by those skilled in the art that various changes and modifications may be made without departing from the spirit and scope of the present invention.
그리고, 당해 명세서에서는 물건 발명과 방법 발명이 모두 설명되고 있으며, 필요에 따라 양 발명의 설명은 보충적으로 적용될 수 있다.In this specification, both the article invention and the method invention are explained, and the description of both inventions can be supplementarily applied as necessary.
1100 : 디스플레이 디바이스
1110 : 사용자 인터페이스부
1120 : 방송 서비스 모듈
1130 : 커뮤니케이션 모듈
1140 : 메모리
1150 : 컨트롤러1100: Display device
1110:
1120: Broadcasting service module
1130: Communication module
1140: Memory
1150: Controller
| Application Number | Priority Date | Filing Date | Title |
|---|---|---|---|
| EP15000077.6AEP2922303A1 (en) | 2014-03-04 | 2015-01-14 | Display device for managing a plurality of time source data and method for controlling the same |
| US14/597,318US9736522B2 (en) | 2014-03-04 | 2015-01-15 | Display device for managing a plurality of time source data and method for controlling the same |
| CN201510096783.2ACN104902290B (en) | 2014-03-04 | 2015-03-04 | Manage the display device and its control method of multiple time source datas |
| Application Number | Priority Date | Filing Date | Title |
|---|---|---|---|
| US201461947434P | 2014-03-04 | 2014-03-04 | |
| US61/947,434 | 2014-03-04 |
| Publication Number | Publication Date |
|---|---|
| KR20150104007Atrue KR20150104007A (en) | 2015-09-14 |
| KR102171449B1 KR102171449B1 (en) | 2020-10-29 |
| Application Number | Title | Priority Date | Filing Date |
|---|---|---|---|
| KR1020140075856AActiveKR102171449B1 (en) | 2014-03-04 | 2014-06-20 | Display device for managing a plurality of time source data and method for controlling the same |
| Country | Link |
|---|---|
| KR (1) | KR102171449B1 (en) |
| Publication number | Priority date | Publication date | Assignee | Title |
|---|---|---|---|---|
| US20040029536A1 (en)* | 2002-06-17 | 2004-02-12 | Makoto Hamatsu | Communication terminal for restricting the use of content |
| US20060064716A1 (en)* | 2000-07-24 | 2006-03-23 | Vivcom, Inc. | Techniques for navigating multiple video streams |
| Publication number | Priority date | Publication date | Assignee | Title |
|---|---|---|---|---|
| US20060064716A1 (en)* | 2000-07-24 | 2006-03-23 | Vivcom, Inc. | Techniques for navigating multiple video streams |
| US20040029536A1 (en)* | 2002-06-17 | 2004-02-12 | Makoto Hamatsu | Communication terminal for restricting the use of content |
| Publication number | Publication date |
|---|---|
| KR102171449B1 (en) | 2020-10-29 |
| Publication | Publication Date | Title |
|---|---|---|
| KR101567832B1 (en) | Digital device and method for controlling the same | |
| KR102288087B1 (en) | Multimedia device and method for controlling the same | |
| KR102355624B1 (en) | Mobile terminal and method for controlling the same | |
| KR101632221B1 (en) | Digital device and method for processing service thereof | |
| KR102413328B1 (en) | Main speaker, sub speaker and system comprising main speaker and sub speaker | |
| KR20160023089A (en) | Digital device and method for controlling the same | |
| KR20160066268A (en) | Multimedia device and method for controlling the same | |
| KR102381141B1 (en) | Display device and method for controlling the same | |
| KR20160065504A (en) | Multimedia device and method for controlling the same | |
| KR20170090102A (en) | Digital device and method for controlling the same | |
| KR20170087307A (en) | Display device and method for controlling the same | |
| KR102268751B1 (en) | Digital device and method for controlling the same | |
| KR102396035B1 (en) | Digital device and method for processing stt thereof | |
| KR20170092408A (en) | Digital device and method for controlling the same | |
| KR20160048430A (en) | Digital device and method of processing data thereof | |
| KR102356780B1 (en) | Display device and method for controlling the same | |
| KR20170138788A (en) | Digital device and controlling method thereof | |
| KR20170059094A (en) | Digital device and method for controlling the same | |
| KR102294600B1 (en) | Digital device and method for controlling the same | |
| KR102158698B1 (en) | Digital device and method for controlling the same | |
| KR102171449B1 (en) | Display device for managing a plurality of time source data and method for controlling the same | |
| KR20170075486A (en) | Digital device and method for controlling the same | |
| KR20170086227A (en) | Connected device system and method for processing application data the same | |
| KR20160127438A (en) | Display device and method for controlling the same | |
| KR20160080041A (en) | Flexible digital device and method of processing data the same |
| Date | Code | Title | Description |
|---|---|---|---|
| PA0109 | Patent application | St.27 status event code:A-0-1-A10-A12-nap-PA0109 | |
| R17-X000 | Change to representative recorded | St.27 status event code:A-3-3-R10-R17-oth-X000 | |
| PN2301 | Change of applicant | St.27 status event code:A-3-3-R10-R13-asn-PN2301 St.27 status event code:A-3-3-R10-R11-asn-PN2301 | |
| PG1501 | Laying open of application | St.27 status event code:A-1-1-Q10-Q12-nap-PG1501 | |
| P22-X000 | Classification modified | St.27 status event code:A-2-2-P10-P22-nap-X000 | |
| P22-X000 | Classification modified | St.27 status event code:A-2-2-P10-P22-nap-X000 | |
| A201 | Request for examination | ||
| PA0201 | Request for examination | St.27 status event code:A-1-2-D10-D11-exm-PA0201 | |
| E902 | Notification of reason for refusal | ||
| PE0902 | Notice of grounds for rejection | St.27 status event code:A-1-2-D10-D21-exm-PE0902 | |
| PN2301 | Change of applicant | St.27 status event code:A-3-3-R10-R13-asn-PN2301 St.27 status event code:A-3-3-R10-R11-asn-PN2301 | |
| E13-X000 | Pre-grant limitation requested | St.27 status event code:A-2-3-E10-E13-lim-X000 | |
| P11-X000 | Amendment of application requested | St.27 status event code:A-2-2-P10-P11-nap-X000 | |
| P13-X000 | Application amended | St.27 status event code:A-2-2-P10-P13-nap-X000 | |
| R17-X000 | Change to representative recorded | St.27 status event code:A-3-3-R10-R17-oth-X000 | |
| E701 | Decision to grant or registration of patent right | ||
| PE0701 | Decision of registration | St.27 status event code:A-1-2-D10-D22-exm-PE0701 | |
| PR0701 | Registration of establishment | St.27 status event code:A-2-4-F10-F11-exm-PR0701 | |
| PR1002 | Payment of registration fee | St.27 status event code:A-2-2-U10-U11-oth-PR1002 Fee payment year number:1 | |
| PG1601 | Publication of registration | St.27 status event code:A-4-4-Q10-Q13-nap-PG1601 | |
| P22-X000 | Classification modified | St.27 status event code:A-4-4-P10-P22-nap-X000 | |
| PR1001 | Payment of annual fee | St.27 status event code:A-4-4-U10-U11-oth-PR1001 Fee payment year number:4 | |
| PR1001 | Payment of annual fee | St.27 status event code:A-4-4-U10-U11-oth-PR1001 Fee payment year number:5 | |
| PR1001 | Payment of annual fee | St.27 status event code:A-4-4-U10-U11-oth-PR1001 Fee payment year number:6 |