






도 1은 본 발명의 실시예에 따른 RFID리더 네트워크 측정시스템의 구성 요소를 개략적으로 도시한 블록도.1 is a block diagram schematically showing the components of an RFID reader network measurement system according to an embodiment of the present invention;
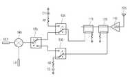
도 2는 본 발명의 실시예에 따른 RFID리더 네트워크 측정 시스템의 안테나로부터 믹서부까지 회로로 구현된 형태를 도시한 도면.FIG. 2 is a diagram illustrating a form implemented as a circuit from an antenna to a mixer of an RFID reader network measuring system according to an exemplary embodiment of the present invention.
도 3은 본 발명의 실시예에 따른 RFID리더 네트워크 측정 시스템의 감지부에서 처리되는 신호를 측정한 그래프.3 is a graph measuring a signal processed by a sensor of the RFID reader network measurement system according to an embodiment of the present invention.
도 4는 본 발명의 실시예에 따른 RFID리더 네트워크 측정 시스템의 GUI처리부에서 처리된 화면을 예시한 도면.4 is a diagram illustrating a screen processed by the GUI processing unit of the RFID reader network measurement system according to an embodiment of the present invention.
도 5는 본 발명의 실시예에 따른 RFID리더 네트워크 측정 시스템과 연동가능한 외부 단말기를 예시한 도면.5 is a diagram illustrating an external terminal interoperable with an RFID reader network measurement system according to an embodiment of the present invention.
도 6은 본 발명의 실시예에 따른 RFID리더 네트워크 측정 시스템과 연동가능한 외부 단말기가 제공하는 사용자인터페이스 화면을 예시한 도면.6 is a diagram illustrating a user interface screen provided by an external terminal interoperable with an RFID reader network measurement system according to an exemplary embodiment of the present invention.
도 7은 본 발명의 실시예에 따른 RFID리더 네트워크 측정 시스템과 연동되는 측정용 RF송신 시스템의 구성 요소를 개략적으로 도시한 블록도.7 is a block diagram schematically illustrating the components of a measurement RF transmission system interworking with an RFID reader network measurement system according to an embodiment of the present invention.
〈도면의 주요 부분에 대한 부호의 설명〉<Explanation of symbols for main parts of drawing>
100: RFID리더 네트워크 측정시스템105: 안테나100: RFID reader network measurement system 105: antenna
110: LNA115: 제1커플링부110: LNA 115: first coupling part
120: 제2커플링부125: 제1스위치부120: second coupling portion 125: first switch portion
130: 제2스위치부135: 제3스위치부130: second switch unit 135: third switch unit
140: 위상동기회로부145: 믹서부140: phase synchronization circuit section 145: mixer section
160: 감지부165: 제어부160: detection unit 165: control unit
170: GUI처리부175: 접속부170: GUI processing unit 175: connection unit
본 발명은 다수개의 리더가 네트워크를 구성하는 경우 리더 사이의 전파 환경을 측정하는 시스템에 관한 것이다.The present invention relates to a system for measuring a propagation environment between readers when a plurality of readers constitute a network.
현재, 유비쿼터스(ubiquitous) 네트워크 기술이 많은 이들의 주목을 받고 있는데, 유비쿼터스 네트워크 기술이란 시간과 장소에 구애됨이 없이 다양한 네트워크에 자연스럽게 접속할 수 있도록 하는 기술을 의미한다.Currently, ubiquitous network technology has attracted the attention of many people, ubiquitous network technology means a technology that allows to naturally connect to various networks regardless of time and place.
이러한 유비쿼터스 네트워크 기술의 예로서 RFID 기술을 들 수 있는데, 일반적으로, RFID 시스템은 물품에 부착되어 세부정보가 내장된 태그, 태그 정보를 RF통신을 이용하여 읽는 리더로 이루어지며, 태그는 리더가 위치되는 지역을 통과하며 RF통신을 이용하여 정보를 전달하게 되므로 상품의 유통, 조립, 가격 변동, 판매 등의 물류/유통 관리가 효율적으로 처리될 수 있는 기반을 제공한다.An example of such a ubiquitous network technology is RFID technology. In general, an RFID system includes a tag attached to an item and embedded with details, a reader that reads tag information by using RF communication, and the tag is located in the reader. As the information is transmitted through RF communication through RF communication, it provides a foundation for efficient logistics / distribution management such as product distribution, assembly, price change, and sales.
이렇게 이동되는 태그를 통신대상으로 하므로, 리더는 여러가지 요인에 의한 불안정한 수신환경에 처하는데, 첫째, 포락선 검파를 통한 ASK(Amplitude Shift keying) 변조(modulation) 방식을 이용하여 구현되는 경우, 인식률이 저하되는 점, 둘째, 변조 방식의 종류에 따라 태그(Tag)로의 에너지 공급 구조가 다양하게 변화될 수 있는 점, 셋째, 태그가 고속으로 이동되므로 위상 천이가 발생되거나 수신각의 변화되는 점, 넷째, 송수신 시 동일한 주파수 대역을 사용하며 변조시 I/Q 신호의 분리 및 합성 방식에 따라 위상 반전과 같은 신호 왜곡, 인식 거리, 에러율 등이 차별적으로 일어날 수 있는 점 등을 그 예로 들 수 있다.Since the tag is moved as a communication target, the reader is in an unstable reception environment due to various factors. First, when implemented using ASK (Amplitude Shift Keying) modulation through envelope detection, the recognition rate is lowered. Second, the energy supply structure to the tag (Tag) can be variously changed according to the type of modulation method, third, the phase shift occurs or the reception angle is changed because the tag is moved at high speed, fourth, For example, the same frequency band may be used for transmission and reception, and signal distortion such as phase inversion, recognition distance, and error rate may be differentially generated according to the separation and synthesis of I / Q signals during modulation.
보통, 빌딩이나 창고에 리더가 설치되는 경우 수십 개에서 수백 개의 리더가 설치되어 네트워크를 형성하게 되며, 이러한 경우 간섭신호의 영향에 의하여 수신환경은 더욱 열악해진다.Usually, when readers are installed in buildings or warehouses, dozens or hundreds of readers are installed to form a network, and in this case, the reception environment becomes worse due to the influence of interference signals.
따라서, 다수개의 리더를 설치하여 네트워크를 구성하기 위해서는, 설치 전에 리더의 전파 환경을 측정하여 송수신 상태를 파악해야 할 필요성이 있으며, 구축된 리더 네트워크라 하더라도 주기적으로 전파 환경을 관리해야할 필요성이 있다.Therefore, in order to configure a network by installing a plurality of readers, it is necessary to measure the radio wave environment of the reader before installation and to grasp the transmission and reception state, and even the deployed leader network needs to periodically manage the radio wave environment.
종래에는 고주파 통신 시스템에 통용될 수 있는 일반 측정 장비를 이용하였으나, RFID 시스템과 같은 특정 통신 시스템을 위한 장비가 아니므로 사용이 번거롭고 측정할 수 있는 항목에 한계가 있었다.Conventionally, general measurement equipment that can be commonly used in high-frequency communication systems is used, but because it is not a device for a specific communication system such as an RFID system, there is a limit on items that are cumbersome to use and can be measured.
따라서, 정확한 전파 측정 및 해석이 불가능하였으므로 RFID 시스템을 효율적으로 배치하고 운용하는데 어려움이 많았다.Therefore, since accurate radio wave measurement and analysis were impossible, it was difficult to efficiently deploy and operate the RFID system.
본 발명은 RFID 통신에 할당된 대역 특성, 채널 분할에 따른 인접 대역간 특성, RFID 변복조 특성, 간섭신호가 발생되기 쉬운 특성 등을 고려하여 다양한 항목을 용이하게 측정할 수 있는 RFID리더 네트워크 측정시스템을 제공한다.The present invention provides an RFID reader network measurement system that can easily measure a variety of items in consideration of band characteristics allocated to RFID communication, interband characteristics according to channel division, RFID modulation and demodulation characteristics, and characteristics in which interference signals are easily generated. to provide.
본 발명은 RFID 통신의 다양한 환경 요인을 신속하게 측정하고, 외부의 네트워크 관리 시스템(NMS; Network Management System)과 연동되어 측정 데이터를 효율적으로 관리할 수 있는 RFID리더 네트워크 측정시스템을 제공한다.The present invention provides an RFID reader network measurement system capable of quickly measuring various environmental factors of RFID communication and efficiently managing measurement data in connection with an external network management system (NMS).
본 발명에 의한 RFID리더 네트워크 측정시스템은 RFID 주파수 범위 내에서 소정 간격으로 분할된 다수개의 발진주파수신호를 생성하는 위상동기회로부; 안테나를 통하여 수신된 신호를 상기 발진주파수신호와 순차적으로 합성하여 다수개의 중간주파수신호로 변환하는 믹서부; 상기 중간주파수신호의 전력 레벨에 따라 차별화된 디지털신호를 생성하는 감지부; 및 상기 디지털신호를 해석하여 RFID 통신환경의 분석 수치를 생성하는 제어부를 포함한다.The RFID reader network measuring system according to the present invention comprises: a phase synchronization circuit unit for generating a plurality of oscillation frequency signals divided at predetermined intervals within an RFID frequency range; A mixer unit which sequentially synthesizes the signal received through the antenna with the oscillation frequency signal and converts the signal into a plurality of intermediate frequency signals; A detector configured to generate a digital signal differentiated according to the power level of the intermediate frequency signal; And a controller configured to interpret the digital signal to generate an analysis value of an RFID communication environment.
이하에서 첨부된 도면을 참조하여 본 발명에 의한 RFID리더 네트워크 측정 시스템에 대하여 상세히 설명하는데, 상기 네트워크 측정 시스템이 측정 대상으로 하는 RFID리더는 UHF 대역의 신호를 이용하는 리더인 것으로 한다.Hereinafter, an RFID reader network measurement system according to the present invention will be described in detail with reference to the accompanying drawings. The RFID reader that is measured by the network measurement system is a reader using a signal of a UHF band.
도 1은 본 발명의 실시예에 따른 RFID리더 네트워크 측정시스템(100)의 구성 요소를 개략적으로 도시한 블록도이고, 도 2는 본 발명의 실시예에 따른 RFID리더 네트워크 측정 시스템(100)의 안테나(105)로부터 믹서부(145)까지 회로로 구현된 형태를 도시한 도면이다.1 is a block diagram schematically illustrating the components of an RFID reader
도 1에 의하면, 본 발명의 실시예에 따른 RFID리더 네트워크 측정 시스템(100)은 안테나(105), LNA(Low Noise Amplifier)(110), 제1커플링부(115), 제2커플링부(120), 제1스위치부(125), 제2스위치부(130), 제3스위치부(135), 위상동기회로부(140), 믹서부(145), 필터(150), 제1PA(155), 감지부(160), 제어부(165), GUI(Graphic User Interface)처리부(170) 및 접속부(175)를 포함하여 이루어진다.Referring to FIG. 1, the RFID reader
상기 안테나(105)는 800 MHz 내지 1GHz 대역의 신호를 수신하는데, 수신된 신호는 RFID 네트워크를 구성한 리더, 태그 혹은 전파 측정용 신호를 공급하는 전용 방사 장치(본 발명의 실시예에서는 도 7을 참조하여, "측정용 RF송신 시스템(50)"으로 설명됨)로부터 수신될 수 있는 신호이다.The
상기 LNA(110)는 안테나(105)를 통하여 수신되는 과정에서 낮아진 신호의 전력을 증폭시키는데, 이때 잡음 성분을 최대한 억제하여 증폭시킨다.The LNA 110 amplifies the power of the signal lowered in the process of being received through the
이하, 안테나(105) 단으로부터 믹서부(145)까지의 구성부에 대하여, 도 1과 도 2를 함께 참조하여 설명한다.Hereinafter, the structural part from the
도 2를 참조하면, 상기 안테나(105) 및 LNA(110)와 연결된 라인의 끝은 단선된 상태로서, 안테나(105)를 통하여 수신된 신호 또는 안테나(105)로부터 반사되어 다시 라인으로 회귀된 피드백 신호가 존재할 수 있다.Referring to FIG. 2, the ends of the lines connected to the
상기 제1커플링부(115)는 LNA(110)로부터 라인 끝쪽으로 전달되는 신호를 커플링시키고, 제2커플링부(120)는 라인 끝쪽으로부터 LNA(110) 측으로 전달되는 신호를 커플링시키므로, 제1커플링부(115)는 수신신호를 커플링시키고 제2커플링 부(120)는 피드백 신호를 커플링시키게 된다.The
상기 제1커플링부(115)와 제2커플링부(120)는 다양한 결합회로를 이용하여 구현될 수 있으나, 본 발명의 실시예에서는 신호의 분리/전달 특성이 우수한 브랜치 라인 결합기로 구현되는 것으로 한다.The
또한, 본 발명의 실시예에서, 상기 제1스위치부(125), 제2스위치부(130), 제3스위치부(135)는, SPDT(Single Pole Double Throw)와 같은 반도체 스위칭 소자로 구비될 수 있는데, 이는 상기 제어부(165)에 의한 제어가 용이하기 때문이다.In addition, in the exemplary embodiment of the present invention, the
즉, 상기 제어부(165)는 스위칭 제어신호를 상기 스위치부들(125, 130, 135)로 전달하여 자신이 해석하고자 하는 신호의 종류 - 수신신호 또는 피드백 신호를 선택할 수 있다.That is, the
상기 제1스위치부(125)는 제1커플링부(115)에서 커플링된 수신신호를 2개의 출력단으로 스위칭시키는데, 2개의 출력단 중 하나는 제3스위치부(135)와 연결되고, 다른 하나는 접지단과 연결된다.The
상기 제2스위치부(130)는 제2커플링부(120)에서 커플링된 피드백 신호를 2개의 출력단으로 스위칭시키는데, 2개의 출력단 중 하나는 제3스위치부(135)와 연결되고, 다른 하나는 접지단과 연결된다.The
상기 제1스위치부(125) 및 제2스위치부(130)가 신호 경로를 접지단 측으로 연결시키는 경우 해당 신호는 접지단으로 격리되므로, 해당 신호의 측정 기능이 오프되는 것으로 볼 수 있다.When the
상기 접지단으로 흐른 신호는 저항(R1, R2)에 의하여 열성분으로 전환되며, 커패시터(C1, C2)는 격리된 신호의 일부가 스위치부(125, 130) 측으로 회귀되는 것을 차단한다.The signal flowing to the ground terminal is converted into a thermal component by the resistors R1 and R2, and the capacitors C1 and C2 block a part of the isolated signal from being returned to the
상기 제1스위치부(125) 및 상기 제2스위치부(130)는 교대로 신호 경로를 제3스위치부(135)로 연결시키며, 제3스위치부(135)는 제1스위치부(125) 및 제2스위치부(130)의 신호 경로에 상응하여 자신의 신호 경로를 선택하므로 수신신호가 믹서부(145)로 전달되는 경우 피드백 신호는 격리되고 피드백 신호가 믹서부(145)로 전달되는 경우 수신신호는 차단된다.The
이렇게 세 개의 스위치부(125, 130, 135)가 함께 동기화되어 동작됨으로써 신호의 분리 특성이 향상되고 잡음성분이 섞이는 현상이 최소화되며 삽입 손실이 줄어드는 등의 장점이 있다.Since the three
상기 믹서부(145)는 제3스위치부(135)로부터 전달된 수신신호 또는 피드백 신호를 위상동기회로부(140)로부터 전달된 발진주파수신호와 합성하여 중간주파수신호로 생성한다.The
도 1을 참조하여 계속 설명하면, 상기 위상동기회로부(140)는 제어부(165)로부터 분주 제어신호를 전달받고, 제어신호에 따라 RFID 주파수 범위 내에서 소정 간격으로 분할(분주)된 다수개의 발진주파수신호를 생성한다.Referring to FIG. 1, the phase
본 발명에 의한 RFID리더 네트워크 측정시스템(100)은 다양한 측정 항목을 한번에 처리해야 하므로, 상기 발진주파수신호는 촘촘한 대역으로 분할될수록 유리한데, 예를 들어, 상기 발진주파수신호는, 주파수 호핑 시 기준이 되는 채널 사이의 도약 간격으로 분할될 수 있을 것이다.Since the RFID reader
이러한 경우, 상기 위상동기회로부(140)는 약 900MHz 대역으로부터 약 1GHz 대역까지 200KHz의 간격을 가지는 발진주파수신호를 생성할 수 있다.In this case, the
상기 믹서부(145)는 전달된 수신신호 또는 피드백 신호를 다수개의 발진주파수신호("LO"단으로부터 입력됨)와 합성하여 중간주파수신호로 생성하고 생성된 중간주파수신호를 순차적으로 전달한다("DET"단을 통하여 필터(150)로 전달됨).The
상기 필터(150)는 합성 시 중간주파수신호에 섞인 잡음 성분의 신호를 차단하고, 제1PA(155)는 감지부(160)의 처리 규격에 맞도록 필터링된 신호를 증폭시킨다.The
상기 감지부(160)는 증폭된 중간주파수신호의 전력 레벨에 따라 차별화된 디지털 신호를 생성하는데, 가령 로그 앰프를 포함하여 구성될 수 있다.The
로그 앰프는 아날로그 상태인 중간주파수신호를 직류전압신호로 출력하여 레벨을 감지하는 기능을 수행하는데, 중간주파수신호를 직접 데시벨값에 비례한(선형적 특성을 가지는) 직류전압신호로 출력시킴으로써 수신 가능한 전력 레벨의 신호 감도 범위를 확장시킬 수 있게 된다.The log amplifier detects the level by outputting the intermediate frequency signal in analog state as a DC voltage signal, which can be received by directly outputting the intermediate frequency signal as a DC voltage signal proportional to the decibel value. The signal sensitivity range of the power level can be extended.
도 3은 본 발명의 실시예에 따른 RFID리더 네트워크 측정 시스템(100)의 감지부(160)에서 처리되는 신호를 측정한 그래프이다.3 is a graph measuring a signal processed by the
도 3을 참조하면, (발진주파수신호의 종류에 따른) 주파수 대역에 따라 상기 감지부(160)에서 생성된 디지털 신호가 측정된 형태를 볼 수 있는데, 상기 주파수 대역 사이의 간격(A)은 약 20MHz 단위로 측정되었으며 중간주파수신호가 다양한 전압 레벨의 디지털 신호로 생성되었음을 알 수 있다.Referring to FIG. 3, a form in which the digital signal generated by the
따라서, 상기 제어부(165)는 보다 다양한 측정 항목을 반영하여 상기 디지털 신호를 해석할 수 있게 된다.Accordingly, the
상기 제어부(165)는 감지부(160)로부터 순차적으로 전달되는 디지털 신호를 해석하여 RFID 통신환경의 분석 수치를 생성하는데, 상기 분석 수치정보로는, 첫째, 주파수 채널 사이에서 간섭 현상이 발생되는지의 여부, 둘째, 검사 대상으로서 분할된 주파수 대역 사이에 미세 발진신호가 존재하는지의 여부, 셋째, 피드백 신호의 존재 여부, 넷째, 수신신호 및 피드백 신호의 전력 수치, 다섯째, 주파수 호핑, 즉 채널 도약이 잘 이루어지고 있는지의 여부, 여섯째, 반사 계수, VSWR(Voltage Standing Wave Ratio) 수치, 변조 수치, 잡음 수치, 왜곡 수치, 전력 수치 등이 있다.The
가령, VSWR은 수학식1에 의하여 계산될 수 있다.For example, VSWR may be calculated by Equation 1.
상기 제어부(165)는 상기 분석 수치정보를 생성하기 위하여, 감지부(160)로부터 전달된 디지털 신호를 해석하기 위한 분석 테이블을 구비하고 있으며, 상기 디지털 신호의 코드를 분석하기 위하여 신호 포맷을 변환하고 필요한 정보를 추출하기 위하여 필터링 연산을 처리한다.The
이와 같은 상기 제어부(165)는 FPGA(Field Programmable Gate Array)회로나 DSP(Digital Signal Processing)회로를 이용하여 구현가능하다.The
상기 GUI(Graphic User Interface)처리부(170)는 분석 수치정보를 해석하기 위한 프로그램 모듈을 탑재하고 있으며, 상기 분석 수치정보를 사용자 인터페이스 화면으로 제공한다.The graphical user interface (GUI)
상기 제어부(165)가 디지털 신호를 해석하여 분석 수치정보를 생성하는 기능은 프로그래밍된 회로를 포함하여 가능한데, 프로그래밍된 회로는 일부 상기 GUI처리부(170) 측에 구비될 수도 있다.The function of the
도 4는 본 발명의 실시예에 따른 RFID리더 네트워크 측정 시스템(100)의 GUI처리부(170)에서 처리된 화면을 예시한 도면이다.4 is a diagram illustrating a screen processed by the
도 4를 참조하면, 상기 GUI처리부(170)가 주파수 대역별로 측정된 수신신호를 그래픽으로 제공한 화면을 볼 수 있는데, 표시된 신호 곡선 상에서 점으로 표시된 꼭지점들(B)은 전력 수치를 의미하는 것으로서, 전력수치만을 분석하더라도 수신신호의 전력 수치, 간섭신호의 혼재 여부, 정상적인 주파수 도약의 처리 여부 등을 판단할 수 있다.Referring to FIG. 4, the
본 발명에 의한 RFID리더 네트워크 측정시스템(100)은, 제어부(165)에서 생성된 상기 분석수치정보를 처리하여 사용자 인터페이스로 제공하는 프로그램을 탑재한 외부 단말기, 가령 중앙 센터에 설치된 네트워크 관리 시스템과 같은 외부 단말기와 연동가능하며, 외부 단말기와 연결되기 위하여 접속부(175)를 구비한다.RFID reader
즉, GUI처리부(170)의 기능이 외부 단말기에 구현되고 상기 제어부(165)는 접속부(175)를 통하여 외부 단말기로 분석 수치정보를 전달함으로써, 측정자는 외 부 단말기 상에서 측정 결과를 확인하고 데이터베이스로 관리할 수 있게 된다.That is, the function of the
상기 접속부(175)는 유/무선 네트워크를 통하여 외부 단말기와 연결되는데, 가령 무선랜 접속 장치로 구현될 수 있다.The
상기 무선랜 접속 장치는 외부 단말기에 설치된 무선 접속 장치와 식별/인증/암호화 과정을 통하여 무선통신 채널을 설정하고, 제어부(165)로부터 상기 분석 수치정보를 전달받아 외부 단말기로 전달한다.The wireless LAN access device establishes a wireless communication channel through the identification / authentication / encryption process with the wireless access device installed in the external terminal, receives the analysis numerical information from the
상기 무선랜 접속 장치는 랜카드, AP(Access Point) 등의 형태로 구현될 수 있는데, AP는 라이센스가 필요없는 2.4GHz 주파수대의 ISM(Indutrial, Scientific and Medical) 밴드 영역을 사용하여 수 Mbps 내지 십수 Mbps 속도의 네트워크를 구성할 수 있는 무선통신 장비이다.The wireless LAN access device may be implemented in the form of a LAN card, an access point (AP), or the like, and the AP may be several Mbps to several dozen Mbps using an ISM (Indutrial, Scientific and Medical) band region of a 2.4 GHz frequency band without a license. It is a wireless communication device that can form a network of speed.
이러한 AP는 DSSS(Direct Sequence Spread Spectrum)방식의 고속 802.11표준을 따르고 있는데, 그 이유는 2Mbps 속도를 지원하는 기존의 AP 및 11Mbps 속도를 지원하는 최신의 AP가 상호 공존하면서 쉽게 고속의 11Mbps 환경으로 이전할 수 있고, 여러 제품간의 상호 호환성이 있기 때문이다.These APs follow the high-speed 802.11 standard of DSSS (Direct Sequence Spread Spectrum) method, because the existing AP supporting 2Mbps speed and the latest AP supporting 11Mbps speed coexist and move to high speed 11Mbps environment easily. This is because there is compatibility between different products.
도 5는 본 발명의 실시예에 따른 RFID리더 네트워크 측정 시스템(100)과 연동가능한 외부 단말기(10)를 예시한 도면이고, 도 6은 본 발명의 실시예에 따른 RFID리더 네트워크 측정 시스템과 연동가능한 외부 단말기(10)가 제공하는 사용자인터페이스 화면(C)을 예시한 도면이다.5 is a diagram illustrating an
도 5에 의하면, 외부 단말기(10)로 노트북이 사용되었고, 노트북(10)은 상기 접속부(175)와 통신을 수행하기 위하여 무선랜 접속 기능을 갖춘 핸드폰(20)과 연 결된다.Referring to FIG. 5, a notebook is used as an
상기 노트북(10)은 GUI처리부(170)의 기능이 프로그래밍되어 있고, 분석 수치정보를 관리하기 위한 데이터베이스 시스템을 탑재한 컴퓨터이다.The
도 6을 참조하면, 상기 노트북(10)이 제공하는 데이터베이스 관리 화면(C)이 예시되어 있는데, 측정자는 이와 같은 관리 화면(C)을 통하여 리더의 전파 환경을 쉽고 신속하게 파악할 수 있으며 리더를 가장 효율적으로 배치할 수 있게 된다.Referring to FIG. 6, a database management screen C provided by the
본 발명에 의한 RFID리더 네트워크 측정시스템(100)은 리더의 설치 위치를 사전에 파악하기 위하여 측정용 RF신호를 송신하는 시스템과 연동될 수 있는데, 도 7은 본 발명의 실시예에 따른 RFID리더 네트워크 측정 시스템과 연동되는 측정용 RF송신 시스템(50)의 구성 요소를 개략적으로 도시한 블록도이다.The RFID reader
도 7에 의하면, 측정용 RF송신 시스템(50)은 제어부(51), 발진주파수회로(52), LPF(Low Pass Filter)(53), 제2PA(54), 감쇄기(55) 및 안테나(56)를 포함하여 이루어진다.According to FIG. 7, the measurement
상기 발진주파수회로(52)는 오실레이터, 위상동기회로 등을 구비하여 RFID 통신 대역의 측정신호를 생성하고, LPF(53)는 측정신호가 생성되는 과정에서 혼재된 고주파 성분의 잡음신호를 제거한다.The
상기 제2PA(54)는 필터링된 측정신호를 송신가능한 크기로 증폭시키고, 상기 감쇄기(55)는 측정신호의 전력 레벨을 순차적으로 조정하여 다양한 전력 수치를 가지는 신호로 변환한다.The
이때, 상기 제어부(51)는 발진주파수회로(52)가 안정된(주파수 흔들림이 없 는) 측정신호를 생성하도록 제어하고, 상기 감쇄기(55)로 제어신호를 전달하여 감쇄기(55)가 전력 레벨을 다양하게 조정할 수 있도록 한다.At this time, the
예를 들어, 상기 감쇄기(55)는 100dB, 90dB, 80dB…, 즉 10dB의 간격으로 전력 레벨이 차별화된 측정신호를 생성할 수 있으며, 이렇게 송신된 측정신호는 본 발명에 의한 RFID리더 네트워크 측정시스템(100)에 의하여 수신되고, 전술한 설명과 동일하게 신호처리될 수 있다.For example, the
상기 제어부(51)는 디지털 신호로 처리된 측정신호에 의하여 분석수치 정보를 생성하는데, 측정신호는 정확한 측정을 위하여 사전에 전력 레벨이 조정된 상태이므로 정확한 분석수치를 얻을 수 있으며, 신호 사이의 격리도(Isolation), 수신 감도, 인식률 등 앞서 설명한 분석 수치정보의 항목들을 계산할 수 있다.The
예를 들어, 측정신호를 분석한 결과 60dB 이하의 수신 감도가 측정되었다면, 상기 측정용 RF송신 시스템(50)이 위치된 지역은 리더가 설치되기에는 부적합한 곳으로 판단될 수 있을 것이다.For example, if a reception sensitivity of 60 dB or less is measured as a result of analyzing the measurement signal, the area where the measurement
이상에서 본 발명에 대하여 실시예를 중심으로 설명하였으나 이는 단지 예시일 뿐 본 발명을 한정하는 것이 아니며, 본 발명이 속하는 분야의 통상의 지식을 가진 자라면 본 발명의 본질적인 특성을 벗어나지 않는 범위에서 이상에 예시되지 않은 여러 가지의 변형과 응용이 가능함을 알 수 있을 것이다. 예를 들어, 본 발명의 실시예에 구체적으로 나타난 각 구성 요소는 변형하여 실시할 수 있는 것이다. 그리고 이러한 변형과 응용에 관계된 차이점들은 첨부된 청구 범위에서 규정하는 본 발명의 범위에 포함되는 것으로 해석되어야 할 것이다.Although the present invention has been described above with reference to the embodiments, these are only examples and are not intended to limit the present invention, and those skilled in the art to which the present invention pertains may have an abnormality within the scope not departing from the essential characteristics of the present invention. It will be appreciated that various modifications and applications are not illustrated. For example, each component specifically shown in the embodiment of the present invention can be modified. And differences relating to such modifications and applications will have to be construed as being included in the scope of the invention defined in the appended claims.
본 발명에 의한 RFID리더 네트워크 측정시스템에 의하면, RFID 신호를 주파수 대역별로 정밀하게 검출하고 해석할 수 있으므로, 변조 수치, 왜곡 수치, 잡음 수치, 전력 수치, VSWR 수치 등의 해석 결과에 기초하여 RFID 네트워크를 효율적으로 구축하고 운용할 수 있는 효과가 있다.According to the RFID reader network measurement system according to the present invention, since an RFID signal can be accurately detected and analyzed for each frequency band, the RFID network is based on analysis results such as modulation value, distortion value, noise value, power value, and VSWR value. It is effective to build and operate the system efficiently.
또한, 본 발명에 의하면, RFID 신호 대역에 따른 특성, 회로적 특성, 변복조 규격에 따른 특성 등을 고려하여 다양한 항목을 쉽고 빠르게 측정할 수 있으며, 외부 시스템과 연동하여 데이터베이스로 관리할 수 있으므로 측정 비용, 장비에 대한 숙련도, 노력, 시간 등을 절감할 수 있는 효과가 있다.In addition, according to the present invention, various items can be easily and quickly measured in consideration of the characteristics according to the RFID signal band, the circuit characteristics, the characteristics of the modulation and demodulation standard, etc., and can be managed in a database in conjunction with an external system so that the measurement cost can be measured. In addition, there is an effect that can reduce the skill, effort, time, etc. for the equipment.
| Application Number | Priority Date | Filing Date | Title |
|---|---|---|---|
| KR1020060132271AKR101219902B1 (en) | 2006-12-22 | 2006-12-22 | Network measurement system of Radio Frequency IDentification reader |
| Application Number | Priority Date | Filing Date | Title |
|---|---|---|---|
| KR1020060132271AKR101219902B1 (en) | 2006-12-22 | 2006-12-22 | Network measurement system of Radio Frequency IDentification reader |
| Publication Number | Publication Date |
|---|---|
| KR20080058524Atrue KR20080058524A (en) | 2008-06-26 |
| KR101219902B1 KR101219902B1 (en) | 2013-01-18 |
| Application Number | Title | Priority Date | Filing Date |
|---|---|---|---|
| KR1020060132271AExpired - Fee RelatedKR101219902B1 (en) | 2006-12-22 | 2006-12-22 | Network measurement system of Radio Frequency IDentification reader |
| Country | Link |
|---|---|
| KR (1) | KR101219902B1 (en) |
| Publication number | Priority date | Publication date | Assignee | Title |
|---|---|---|---|---|
| WO2010101417A3 (en)* | 2009-03-03 | 2010-11-25 | Lg Innotek Co., Ltd. | Rfid transmitting and receiving device, radio frequency communication system and method of controlling the same |
| KR101055127B1 (en)* | 2009-03-09 | 2011-08-08 | 엘지이노텍 주식회사 | Wireless communication system and control method |
| KR101405887B1 (en)* | 2008-08-06 | 2014-06-13 | 에스케이 텔레콤주식회사 | Frequency down converter for RFID receiver |
| Publication number | Priority date | Publication date | Assignee | Title |
|---|---|---|---|---|
| KR100765014B1 (en)* | 2006-03-30 | 2007-10-09 | 엘지이노텍 주식회사 | RF reception radio measuring device and RF transmission radio measuring device |
| KR100872677B1 (en)* | 2007-07-20 | 2008-12-10 | 엘지이노텍 주식회사 | Communication device capable of RFID network measurement |
| Publication number | Priority date | Publication date | Assignee | Title |
|---|---|---|---|---|
| KR101405887B1 (en)* | 2008-08-06 | 2014-06-13 | 에스케이 텔레콤주식회사 | Frequency down converter for RFID receiver |
| WO2010101417A3 (en)* | 2009-03-03 | 2010-11-25 | Lg Innotek Co., Ltd. | Rfid transmitting and receiving device, radio frequency communication system and method of controlling the same |
| KR101055127B1 (en)* | 2009-03-09 | 2011-08-08 | 엘지이노텍 주식회사 | Wireless communication system and control method |
| Publication number | Publication date |
|---|---|
| KR101219902B1 (en) | 2013-01-18 |
| Publication | Publication Date | Title |
|---|---|---|
| EP2052352B1 (en) | Rf sensor system and method for operating the same | |
| KR100933168B1 (en) | Signal detection method and apparatus in wireless identification system | |
| US20090227213A1 (en) | Compensation circuit for an rfid-reader unit and rfid reader device | |
| FI119453B (en) | Radio frequency system device and method | |
| WO2008048549A2 (en) | Long range rfid transmitter power tracking loop | |
| US8461994B2 (en) | RF receiver and RFID/USN system having the same | |
| KR101219902B1 (en) | Network measurement system of Radio Frequency IDentification reader | |
| CN100521557C (en) | Interference detection in a wireless communication system | |
| CN113014333A (en) | Antenna measuring system and antenna measuring method | |
| KR100765014B1 (en) | RF reception radio measuring device and RF transmission radio measuring device | |
| KR101998360B1 (en) | Sensor module | |
| CN115943573A (en) | Method and system for identifying external PIM sources | |
| KR100872677B1 (en) | Communication device capable of RFID network measurement | |
| KR100918693B1 (en) | Optical repeater gain automatic setting and unwanted wave detection method and device | |
| JP5776495B2 (en) | Gain measuring circuit, gain measuring method and communication apparatus | |
| KR100999710B1 (en) | RF device and its control method | |
| KR101283175B1 (en) | Multi-reader hopping check system | |
| KR101416991B1 (en) | RFID Transmission and Reception System | |
| KR101055127B1 (en) | Wireless communication system and control method | |
| KR101189325B1 (en) | Radio Frequency IDentification Tranceiver system of Listen Before Talk type | |
| KR20070093684A (en) | RFID Radio Measurement System | |
| Fouda et al. | Practical implementation of real-time cognitive radio energy detector using frequency reconfigurable filtenna | |
| KR101283300B1 (en) | Wireless communication system of near field | |
| KR100737133B1 (en) | RFID Transceiver | |
| KR101417035B1 (en) | Radio Frequency tranceiver device |
| Date | Code | Title | Description |
|---|---|---|---|
| PA0109 | Patent application | St.27 status event code:A-0-1-A10-A12-nap-PA0109 | |
| PG1501 | Laying open of application | St.27 status event code:A-1-1-Q10-Q12-nap-PG1501 | |
| R17-X000 | Change to representative recorded | St.27 status event code:A-3-3-R10-R17-oth-X000 | |
| PN2301 | Change of applicant | St.27 status event code:A-3-3-R10-R13-asn-PN2301 St.27 status event code:A-3-3-R10-R11-asn-PN2301 | |
| R18-X000 | Changes to party contact information recorded | St.27 status event code:A-3-3-R10-R18-oth-X000 | |
| A201 | Request for examination | ||
| PA0201 | Request for examination | St.27 status event code:A-1-2-D10-D11-exm-PA0201 | |
| D13-X000 | Search requested | St.27 status event code:A-1-2-D10-D13-srh-X000 | |
| D14-X000 | Search report completed | St.27 status event code:A-1-2-D10-D14-srh-X000 | |
| PE0902 | Notice of grounds for rejection | St.27 status event code:A-1-2-D10-D21-exm-PE0902 | |
| P11-X000 | Amendment of application requested | St.27 status event code:A-2-2-P10-P11-nap-X000 | |
| P13-X000 | Application amended | St.27 status event code:A-2-2-P10-P13-nap-X000 | |
| E701 | Decision to grant or registration of patent right | ||
| PE0701 | Decision of registration | St.27 status event code:A-1-2-D10-D22-exm-PE0701 | |
| GRNT | Written decision to grant | ||
| PR0701 | Registration of establishment | St.27 status event code:A-2-4-F10-F11-exm-PR0701 | |
| PR1002 | Payment of registration fee | St.27 status event code:A-2-2-U10-U11-oth-PR1002 Fee payment year number:1 | |
| PG1601 | Publication of registration | St.27 status event code:A-4-4-Q10-Q13-nap-PG1601 | |
| PN2301 | Change of applicant | St.27 status event code:A-5-5-R10-R13-asn-PN2301 St.27 status event code:A-5-5-R10-R11-asn-PN2301 | |
| FPAY | Annual fee payment | Payment date:20151204 Year of fee payment:4 | |
| PR1001 | Payment of annual fee | St.27 status event code:A-4-4-U10-U11-oth-PR1001 Fee payment year number:4 | |
| FPAY | Annual fee payment | Payment date:20161207 Year of fee payment:5 | |
| PR1001 | Payment of annual fee | St.27 status event code:A-4-4-U10-U11-oth-PR1001 Fee payment year number:5 | |
| R18-X000 | Changes to party contact information recorded | St.27 status event code:A-5-5-R10-R18-oth-X000 | |
| P22-X000 | Classification modified | St.27 status event code:A-4-4-P10-P22-nap-X000 | |
| FPAY | Annual fee payment | Payment date:20171205 Year of fee payment:6 | |
| PR1001 | Payment of annual fee | St.27 status event code:A-4-4-U10-U11-oth-PR1001 Fee payment year number:6 | |
| R18-X000 | Changes to party contact information recorded | St.27 status event code:A-5-5-R10-R18-oth-X000 | |
| FPAY | Annual fee payment | Payment date:20181210 Year of fee payment:7 | |
| PR1001 | Payment of annual fee | St.27 status event code:A-4-4-U10-U11-oth-PR1001 Fee payment year number:7 | |
| P22-X000 | Classification modified | St.27 status event code:A-4-4-P10-P22-nap-X000 | |
| FPAY | Annual fee payment | Payment date:20200102 Year of fee payment:8 | |
| PR1001 | Payment of annual fee | St.27 status event code:A-4-4-U10-U11-oth-PR1001 Fee payment year number:8 | |
| R18-X000 | Changes to party contact information recorded | St.27 status event code:A-5-5-R10-R18-oth-X000 | |
| PN2301 | Change of applicant | St.27 status event code:A-5-5-R10-R11-asn-PN2301 | |
| PN2301 | Change of applicant | St.27 status event code:A-5-5-R10-R14-asn-PN2301 | |
| PR1001 | Payment of annual fee | St.27 status event code:A-4-4-U10-U11-oth-PR1001 Fee payment year number:9 | |
| PN2301 | Change of applicant | St.27 status event code:A-5-5-R10-R13-asn-PN2301 St.27 status event code:A-5-5-R10-R11-asn-PN2301 | |
| PN2301 | Change of applicant | St.27 status event code:A-5-5-R10-R11-asn-PN2301 | |
| PN2301 | Change of applicant | St.27 status event code:A-5-5-R10-R14-asn-PN2301 | |
| PC1903 | Unpaid annual fee | St.27 status event code:A-4-4-U10-U13-oth-PC1903 Not in force date:20220103 Payment event data comment text:Termination Category : DEFAULT_OF_REGISTRATION_FEE | |
| P22-X000 | Classification modified | St.27 status event code:A-4-4-P10-P22-nap-X000 | |
| PC1903 | Unpaid annual fee | St.27 status event code:N-4-6-H10-H13-oth-PC1903 Ip right cessation event data comment text:Termination Category : DEFAULT_OF_REGISTRATION_FEE Not in force date:20220103 | |
| P22-X000 | Classification modified | St.27 status event code:A-4-4-P10-P22-nap-X000 |