




도 1 은 종래의 이어마이크로폰을 연결한 무선통신 단말기의 일예시도,1 is an exemplary view of a wireless communication terminal connecting a conventional ear microphone,
도 2 는 본 발명에 따른 다기능 이어키 인식 기능을 가지는 무선통신 단말기의 일실시예 구성도,2 is a block diagram of an embodiment of a wireless communication terminal having a multi-function ear key recognition function according to the present invention;
도 3 은 상기 도 2의 무선통신 단말기 중 제어부와 이어잭부의 일실시예 상세 구성도,3 is a detailed block diagram of an embodiment of a control unit and an ear jack of the wireless communication terminal of FIG. 2;
도 4 는 본 발명에 따른 전압 분배를 이용한 다기능 이어키 장치를 구비한 이어마이크로폰의 일실시예 구성도,4 is a configuration diagram of an embodiment of an ear microphone having a multifunctional ear key device using voltage distribution according to the present invention;
도 5 는 본 발명에 따른 전압 분배를 이용한 다기능 이어키 장치의 일실시예 구성도이다.
5 is a block diagram of an embodiment of a multi-function ear key device using voltage distribution according to the present invention.
* 도면의 주요 부분에 대한 부호의 설명* Explanation of symbols for the main parts of the drawings
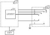
210 : 무선송수신부 220 : 저장부210: wireless transmission and reception unit 220: storage unit
230 : 코덱(CODEC) 240 : 제어부230: codec 240: control unit
241 : 신호변환부 250 : 음성입력부(마이크)241: signal conversion unit 250: voice input unit (microphone)
260 : 음성출력부(스피커) 270 : 이어잭부260: audio output unit (speaker) 270: ear jack
280 : 표시부(LCD) 290 : 입력부(키패드)280: display unit (LCD) 290: input unit (keypad)
410 : 플러그부 420 : 마이크부410: plug portion 420: microphone portion
430 : 스피커부 440 : 이어키 장치430: speaker unit 440: ear key device
441 : 전압입력부 442 : 전압분배부441: voltage input unit 442: voltage distribution unit
443 : 전압출력부
443: voltage output unit
본 발명은 전압 분배를 이용한 다기능 이어키 장치 및 그를 이용한 무선통신 단말기에 관한 것으로, 더욱 상세하게는 이어폰(이어마이크로폰을 포함함)에 구비된 이어키 장치가 전압 분배를 이용하여 각 이어키의 입력에 따른 소정의 전압 레벨 신호를 생성하고, 상기 이어폰과 연결된 무선통신 단말기가 하나의 이어잭 감지단자를 통하여 상기 전압 레벨 신호를 전달받아 그에 맵핑되는 소정 기능이 수행될 수 있도록 함으로써, 이어폰을 이용하여 그와 연결된 무선통신 단말기의 각종 기능들을 원격 제어할 수 있도록 하는, 전압 분배를 이용한 다기능 이어키 장치 및 그를 이용한 무선통신 단말기에 관한 것이다.The present invention relates to a multi-function ear key device using a voltage distribution and a wireless communication terminal using the same, and more particularly, the ear key device provided in the earphone (including the ear microphone) is input of each ear key using the voltage distribution. Generates a predetermined voltage level signal, and the wireless communication terminal connected to the earphone receives the voltage level signal through one ear jack sensing terminal to perform a predetermined function mapped thereto, thereby using the earphone The present invention relates to a multi-function ear key device using voltage distribution and a wireless communication terminal using the same, enabling remote control of various functions of the wireless communication terminal connected thereto.
우선, 본 발명에서 사용되는 용어를 살펴보기로 한다.First, the terms used in the present invention will be described.
본 발명에서 무선통신 단말기란 이동통신 단말기, 개인휴대통신 단말기(PCS), 개인용디지털 단말기(PDA), 스마트폰, 차세대이동통신 단말기(IMT-2000), 무선랜 단말기 등과 같이 개인이 휴대하면서 무선통신이 가능한 단말기를 말한다.In the present invention, a wireless communication terminal is a mobile communication terminal, a personal mobile communication terminal (PCS), a personal digital terminal (PDA), a smart phone, a next generation mobile communication terminal (IMT-2000), a wireless communication while being carried by an individual such as a wireless LAN terminal. Say this is possible terminal.
또한, 본 발명에서 이어폰이란 순수 이어폰 뿐만 아니라 이어마이크로폰(ear-micro phone) 등과 같이 상기 무선통신 단말기와의 유선통신이 가능한 장치를 포괄하여 말한다.In the present invention, the earphone encompasses not only pure earphone but also an apparatus capable of wired communication with the wireless communication terminal such as an ear-microphone.
또한, 본 발명에서 다기능 이어키 리모콘 기능이란 상기 무선통신 단말기에서 제공하는 각종 기능들(예 : MP3플레이어, TV)을 이어폰(이어마이크로폰을 포함함)에 구비된 이어키의 조작을 통하여 사용자가 원격 제어할 수 있도록 하는 기능을 말한다.In addition, in the present invention, the multi-function ear key remote control function means that the user remotely controls the various functions (eg, MP3 player, TV) provided by the wireless terminal through the operation of the ear key provided in the earphone (including the ear microphone). Refers to the function that enables control.
최근들어 MP3폰, 카메라폰, 캠코더폰, TV폰, VOD폰 등등 종래에는 볼 수 없었던 다양한 종류의 기능을 탑재한 무선통신 단말기가 꾸준히 출시되고 있다.Recently, wireless communication terminals equipped with various kinds of functions, such as MP3 phones, camera phones, camcorder phones, TV phones, VOD phones, etc., which have not been seen in the past, have been steadily released.
상기와 같은 무선통신 단말기의 사용자는 상기 단말기를 직접 조작하거나 또는 상기 단말기를 소정의 유/무선장치(예 : 이어폰)와 연결시킨 후 이를 조작하여(즉, 단말기를 간접 조작하여) 상기 무선통신 단말기에서 제공하는 각종 기능들을 자유롭게 사용(제어)할 수 있다.The user of the wireless communication terminal as described above directly manipulates the terminal or connects the terminal to a predetermined wired / wireless device (for example, an earphone) and then manipulates it (ie, indirectly operates the terminal). You can freely use (control) various functions provided by.
예를 들면, MP3폰의 사용자는 상기 MP3폰에 유선장치인 이어폰을 연결시킨 후 상기 이어폰에 구비된 재생키, 반복키, 정지키 등과 같은 이어키(ear key)를 조작함으로써 상기 MP3폰에 저장된 음악을 재생하거나 정지시킬 수 있다.For example, the user of the MP3 phone is connected to the earphone of the wired device to the MP3 phone and stored in the MP3 phone by operating the ear key (ear key) such as the playback key, repeat key, stop key provided in the earphone You can play or stop music.
한편, 요즘엔 상기 이어폰의 뒤를 이어 핸즈프리(handfree) 기능을 가지는 마이크겸용 이어폰, 즉 이어마이크로폰(ear-micro phone)이 각광을 받고 있다. 상기 이어마이크로폰의 경우 개인의 사생활 보호 및 타인 피해 방지를 위해 또는 운전 중의 차사고 위험을 줄임과 동시에 편리성을 도모하기 위해 폭넓게 사용되고 있으며, 젊은이들의 패션 아이템으로도 사랑받고 있다. 후술되는 도 1을 참조하여 상기 이어마이크로폰 및 그와 연결된 무선통신 단말기에 대하여 보다 상세히 살펴보기로 한다.On the other hand, these days, after the earphone, a microphone-type earphone having a handsfree function, that is, an ear-microphone, has been in the spotlight. In the case of the ear microphone, it is widely used to protect personal privacy and prevent others from being damaged or to reduce the risk of a car accident while driving, and to promote convenience, and is also loved as a fashion item for young people. With reference to Figure 1 to be described later will be described in more detail with respect to the ear microphone and a wireless communication terminal connected thereto.
도 1 은 종래의 이어마이크로폰을 연결한 무선통신 단말기의 일예시도이다.1 is an exemplary view of a wireless communication terminal connecting a conventional ear microphone.
도 1에 도시된 바와 같이, 무선통신 단말기(10)는 이어마이크로폰(50)에 구비되어 있는 플러그(도시되지 않음)와 전기적으로 연결되어 각종 신호를 주고받을 수 있도록 하는 이어잭을 포함한다. 상기 이어잭은 접속하는 플러그에 따라 극수 및 모양이 매우 다양하다.As shown in FIG. 1, the
한편, 상기 이어마이크로폰(50)은 상기 무선통신 단말기(10)의 이어잭에 삽입되어 상기 무선통신 단말기와 각종 신호를 주고받을 수 있도록 하는 플러그, 사용자의 음성을 입력받아 상기 무선통신 단말기(10)로 전달하기 위한 마이크(30), 상기 무선통신 단말기(10)로부터 전달받은 음성을 사용자가 청취할 수 있도록 출력하기 위한 스피커(20), 상기 무선통신 단말기(10)의 각종 기능(예 : MP3파일 재생)을 사용자가 원격 제어할 수 있도록 하는 다수의 이어키(예 : 재생키, 종료키)(도시되지 않음)를 포함한다.On the other hand, the
한편, 최근에는 3극 또는 4극 이어마이크로폰이 폭넓게 사용되고 있다. 3극 이어마이크로폰의 플러그는 접지단자, 마이크단자 외에 1개의 음향단자를 가지므로 좌/우 스피커를 통하여 동일한 음향(모노 음향)을 출력하는 것에 비하여, 4극 이어마이크로폰은 접지단자, 마이크단자 외에 2개의 음향단자를 가지므로(즉, 1개의 단자를 더 가지므로) 좌/우 스피커를 통하여 서로 다른 음향(스테레오 음향)을 출력할 수 있다. 다시 말하면, 이어마이크로폰의 극수가 증가함에 따라 사용자에게 제공할 수 있는 기능의 폭이 더욱 넓어진다.On the other hand, in recent years, three-pole or four-pole ear microphones have been widely used. The plug of the 3-pole ear microphone has one audio terminal in addition to the ground terminal and the microphone terminal. Therefore, the 4-pole ear microphone has two terminals in addition to the ground terminal and the microphone terminal. Since there are two audio terminals (ie, one more terminal), different sounds (stereo sounds) can be output through the left and right speakers. In other words, as the number of ear microphones increases, the range of functions that can be provided to the user becomes wider.
한편, 무선통신 단말기에서 제공하는 기능이 점차로 증가하고 있는 상황에 발맞추어 폭넓게 사용되고 있는 이어마이크로폰을 이용하여 상기 무선통신 단말기의 각종 기능들을 원격 제어할 수 있도록 하는 기술, 즉 다기능 이어키 리모콘 기술에 대한 개발이 활발히 진행되고 있다.On the other hand, in accordance with the situation that the function provided by the wireless communication terminal is gradually increasing, the technology for enabling the remote control of various functions of the wireless communication terminal using a widely used ear microphone, that is, a multi-function ear key remote control technology Development is underway.
그런데, 상기 다기능 이어키 리모콘을 구현하기 위하여 이어마이크로폰의 극수를 증가시키는 경우, 상기 극수가 증가함에 따라 이어마이크로폰은 물론 그와 연결되는 무선통신 단말기의 제조 비용이 급속히 증가하는 문제점이 있었다. 즉, 이어마이크로폰의 극수가 증가함에 따라 상기 이어마이크로폰의 플러그가 커져야 하고 와이어(전선)도 두꺼워져야할 뿐만 아니라 무선통신 단말기의 이어잭(ear jack) 및 인쇄 회로 기판(PCB : Printed Circuit Board)의 크기가 커져야 하는 등 전체적인 제조 비용이 증가하는 문제점이 있었다.However, when increasing the number of poles of the ear microphone to implement the multi-function ear key remote control, there is a problem that the manufacturing cost of the ear microphone as well as the wireless communication terminal connected thereto increases rapidly as the number of poles increases. That is, as the number of ear microphones increases, the plugs of the ear microphones must be larger and the wires (wires) must be thicker, as well as the ear jacks and printed circuit boards (PCB) of the wireless communication terminal. There has been a problem that the overall manufacturing cost, such as the size should be increased.
또한, 극수를 증가시키는 경우 종래 장치들(무선통신 단말기 및 이어마이크로폰)과는 서로 호환성이 없는 문제점이 있었다. 예를 들면, 3극 또는 4극 이어잭을 구비한 무선통신 단말기의 경우 상기 이어잭이 원형인 것에 비하여 10극 이어잭을 구비한 무선통신 단말기의 경우 공간 활용을 효율적으로 하기 위하여 상기 이어 잭이 직사각형인 경우가 있다. 그러므로, 직사각형의 이어잭을 구비한 무선통신 단말기의 경우에는 기존의 원형의 이어잭과 접속될 수 있는 이어마이크로폰과 연결될 수 없는 문제점이 있었다.In addition, when the number of poles is increased, there is a problem that the conventional devices (wireless communication terminal and ear microphone) are not compatible with each other. For example, in the case of a wireless communication terminal having a three-pole or a four-pole ear jack, the ear jack is provided in order to efficiently use space in the case of a wireless communication terminal having a ten-pole ear jack, compared to a circular one. It may be rectangular. Therefore, in the case of a wireless communication terminal having a rectangular ear jack, there is a problem that can not be connected to the ear microphone that can be connected to the existing circular ear jack.
즉, 사용자가 보다 많은 무선통신 단말기의 기능을 이어폰(이어마이크로폰을 포함함)을 이용하여 원격 제어할 수 있도록 하기 위하여 이어폰의 극수를 증가시키는 경우, 상기 이어폰 및 그와 연결되는 무선통신 단말기의 제조 비용이 증가함은 물론 종래 기술에 따른 무선통신 단말기 및 이어폰과는 서로 호환되지 않는 문제점이 있었다.
That is, when the number of poles of the earphone is increased in order to allow the user to remotely control more functions of the wireless communication terminal using the earphone (including the ear microphone), the manufacture of the earphone and the wireless communication terminal connected thereto As well as the increase in cost, there was a problem that is incompatible with the wireless communication terminal and earphone according to the prior art.
본 발명은 상기 문제점을 해결하기 위하여 제안된 것으로, 하나의 이어잭 감지단자를 통하여 다양한 전압 레벨 신호를 수신하여 그에 맵핑되는 소정 기능이 수행될 수 있도록 함으로써, 이어폰의 이어키 조작으로 무선통신 단말기의 각종 기능들을 원격 제어할 수 있도록 하기 위한, 다기능 이어키 인식 기능을 가지는 무선통신 단말기를 제공하는데 그 목적이 있다.The present invention has been proposed to solve the above problems, by receiving a variety of voltage level signals through a single ear jack detection terminal to be able to perform a predetermined function mapped thereto, by operating the ear key of the earphone of the wireless communication terminal It is an object of the present invention to provide a wireless communication terminal having a multi-function ear key recognition function to enable remote control of various functions.
또한, 본 발명은 각 이어키를 입력받음에 따라 전압 분배를 이용하여 소정의 전압 레벨 신호를 생성한 후 무선통신 단말기로 전달함으로써, 상기 생성한 전압 레벨 신호에 맵핑되는 소정 기능이 수행될 수 있도록 하기 위한, 전압 분배를 이용한 다기능 이어키 장치를 제공하는데 다른 목적이 있다.In addition, the present invention generates a predetermined voltage level signal by using the voltage distribution according to the input of each ear key and transmits it to the wireless communication terminal, so that a predetermined function mapped to the generated voltage level signal can be performed. Another object is to provide a multifunctional earkey device using voltage distribution.
본 발명의 또다른 목적 및 장점들은 하기의 설명에 의해서 이해될 수 있으 며, 본 발명의 실시예에 의해 보다 분명하게 알게 될 것이다. 또한, 본 발명의 목적 및 장점들은 특허 청구 범위에 나타낸 수단 및 그 조합에 의해 실현될 수 있음을 쉽게 알 수 있을 것이다.
Other objects and advantages of the present invention can be understood by the following description, and will be more clearly understood by the embodiments of the present invention. Also, it will be readily appreciated that the objects and advantages of the present invention may be realized by the means and combinations thereof indicated in the claims.
상기 목적을 달성하기 위한 본 발명의 장치는, 다기능 이어키 인식 기능을 가지는 무선통신 단말기에 있어서, 각 디지털 제어신호와 상기 무선통신 단말기에서 수행되는 소정 기능이 서로 상응하여 맵핑되어 있는 제어신호 맵핑 테이블을 저장하고 있는 저장수단; 외부의 다기능 이어키 장치로부터 다양한 전압 레벨을 가지는 전압 레벨 신호를 하나의 이어잭 감지단자를 통하여 전달받기 위한 이어잭; 상기 이어잭으로부터 전압 레벨 신호를 전달받음에 따라 디지털 제어신호로 변환하기 위한 신호변환수단; 및 상기 신호변환수단으로부터 디지털 제어신호를 전달받음에 따라 상기 저장수단에 저장되어 있는 제어신호 맵핑 테이블로부터 상기 디지털 제어신호에 맵핑되는 소정 기능을 검색하여 수행하기 위한 제어수단을 포함한다.An apparatus of the present invention for achieving the above object is, in a wireless communication terminal having a multi-function ear key recognition function, a control signal mapping table in which each digital control signal and a predetermined function performed in the wireless communication terminal are mapped corresponding to each other; Storage means for storing; An ear jack for receiving a voltage level signal having various voltage levels from an external multifunction ear key device through one ear jack detection terminal; Signal converting means for converting the voltage level signal from the ear jack into a digital control signal; And control means for searching for and performing a predetermined function mapped to the digital control signal from the control signal mapping table stored in the storage means in response to receiving the digital control signal from the signal conversion means.
상기 다른 목적을 달성하기 위한 본 발명의 장치는, 전압 분배를 이용한 다기능 이어키 장치에 있어서, 외부의 단말기로부터 전압을 입력받기 위한 전압입력수단; 전압을 출력하기 위한 전압출력수단; 및 상기 단말기의 소정 기능을 수행하기 위한 이어키를 입력받음에 따라 상기 전압입력수단으로부터 감지한 전압을 상기 입력받은 이어키에 해당하는 레벨의 전압으로 변환하여 상기 전압출력수단으로 출력하여 상기 단말기로 전달되도록 하기 위한 전압분배수단을 포함한다.According to another aspect of the present invention, there is provided a multifunctional ear key device using voltage distribution, comprising: voltage input means for receiving a voltage from an external terminal; Voltage output means for outputting a voltage; And converting a voltage sensed from the voltage input means into a voltage having a level corresponding to the received ear key and outputting the ear key for performing a predetermined function of the terminal to the voltage output means. And voltage distribution means for delivery.
상술한 목적, 특징 및 장점은 첨부된 도면과 관련한 다음의 상세한 설명을 통하여 보다 분명해 질 것이며, 그에 따라 본 발명이 속하는 기술분야에서 통상의 지식을 가진 자가 본 발명의 기술적 사상을 용이하게 실시할 수 있을 것이다. 또한, 본 발명을 설명함에 있어서 본 발명과 관련된 공지 기술에 대한 구체적인 설명이 본 발명의 요지를 불필요하게 흐릴 수 있다고 판단되는 경우에 그 상세한 설명을 생략하기로 한다. 이하, 첨부된 도면을 참조하여 본 발명에 따른 바람직한 일실시예를 상세히 설명하기로 한다.The above objects, features and advantages will become more apparent from the following detailed description taken in conjunction with the accompanying drawings, whereby those skilled in the art may easily implement the technical idea of the present invention. There will be. In addition, in describing the present invention, when it is determined that the detailed description of the known technology related to the present invention may unnecessarily obscure the gist of the present invention, the detailed description thereof will be omitted. Hereinafter, exemplary embodiments of the present invention will be described in detail with reference to the accompanying drawings.
먼저, 본 발명에 대한 상세한 설명에 앞서 이하의 일실시예에서는 최근 가장 대중적으로 사용되고 있는 이어마이크로폰을 예로 들어 설명하기로 한다.First, prior to the detailed description of the present invention in the following embodiments will be described taking as an example the ear microphone which is most recently used in recent years.
도 2 는 본 발명에 따른 다기능 이어키 인식 기능을 가지는 무선통신 단말기의 일실시예 구성도이다.2 is a block diagram of an embodiment of a wireless communication terminal having a multi-function ear key recognition function according to the present invention.
도 2에 도시된 바와 같이, 본 발명에 따른 다기능 이어키 인식 기능을 가지는 무선통신 단말기는, 외부 기기와 무선통신망을 통하여 무선신호를 송수신하기 위한 무선송수신부(210), 상기 무선통신 단말기를 구동시키기 위한 프로그램과 파일 시스템(이미지, 캐릭터, 아이콘), 이어마이크로폰으로부터 수신되는 아날로그 신호에 상응하는 디지털 제어신호와 상기 무선통신 단말기에서 제공하는 소정 기능(예 : MP3파일 재생)이 맵핑된 제어신호 맵핑 테이블 등을 저장하기 위한 저장부(220), 제어부(240)의 제어에 의하여 상기 무선송수신부(210)로부터 전달받은 신호를 음성으로 변환하여 음성출력부(스피커)(260)로 출력하고 음성입력부(마이크)(250)로부터 입력받은 음성을 신호로 변환하여 상기 제어부(240)로 전달하여 상기 무선송수신부(210)를 통하여 송출되도록 하기 위한 코덱(CODEC)(230), 상기 무선통신 단말기를 구동시키고, 이어잭부(270)로부터 다양한 전압 레벨을 가지는 아날로그 신호를 하나의 특정 이어잭 감지단자를 통하여 전달받음에 따라 디지털 제어신호로 변환하며, 상기 저장부(220)에 저장된 제어신호 맵핑 테이블을 검색하여 상기 디지털 제어신호에 맵핑되는 소정 기능을 찾아낸 후 상기 소정 기능을 수행하도록 각 구성요소를 제어하기 위한 제어부(240), 음성을 입력받아 상기 코덱(CODEC)(230)으로 전달하기 위한 음성입력부(마이크)(250), 상기 코덱(CODEC)(230)으로부터 전달받은 음성을 출력하기 위한 음성출력부(스피커)(260), 상기 이어마이크로폰으로부터 다양한 전압 레벨을 가지는 아날로그 신호를 하나의 특정 이어잭 감지단자를 통하여 수신하여 상기 제어부(240)로 전달하기 위한 이어잭부(270), 상기 제어부(240)의 제어에 의한 화면을 출력하기 위한 표시부(LCD)(280), 버튼을 통해 메뉴 선택 정보 등과 같은 각종 정보를 입력받기 위한 입력부(키패드)(290)를 포함한다.As shown in Figure 2, the wireless communication terminal having a multi-function ear key recognition function according to the present invention, the wireless transmission and
즉, 본 발명에서 제어부(240)는 단말기의 전반적인 동작을 제어함과 동시에, 본 발명에 따른 다기능 이어키 인식 기능을 수행한다. 다시 말하면, 사용자가 이어마이크로폰에 구비된 이어키의 조작으로 무선통신 단말기의 각종 기능들을 원격 제어할 수 있도록 한다. 이를 위하여, 상기 제어부(240)는 하나의 특정 이어잭 감지단자를 통하여 수신한 다양한 전압 레벨을 가지는 아날로그 신호(이하, 전압 레벨 신호라 함)를 디지털 제어신호로 변환하고, 상기 디지털 제어신호에 맵핑되는 소정 기능을 상기 저장부(220)에 저장되어 있는 제어신호 맵핑 테이블을 검색하여 찾아 낸 후 수행한다. 여기서, 상기 소정 기능이란 상기 무선통신 단말기에서 제공하는 각종 부가기능(예 : MP3플레이어, TV)의 사용과 관련된 재생, 반복, 녹음, 중지 등의 기능을 말한다.That is, in the present invention, the
또한, 저장부(220)에는 제어부(240)의 동작 프로그램, 시스템 프로그램이 저장되며, 동작 프로그램이나 시스템 프로그램은 통상의 롬(ROM) 영역에 저장되고 필요에 의해 소거가 가능하다. 그리고, 저장부(220)는 여러 동작 프로그램 수행중에 발생하는 데이터를 일시 저장하는 램(RAM)을 포함한다.In addition, the
특히, 저장부(220)에는 본 발명에 따른 제어신호 맵핑 테이블이 저장된다. 상기 제어신호 맵핑 테이블은 이어마이크로폰으로부터 수신하는 각종 전압 레벨 신호에 상응하는 디지털 제어신호와 무선통신 단말기에서 제공하는 소정 기능이 맵핑된 테이블로서, 후술되는 도 3을 참조하여 보다 상세히 살펴보도록 한다.In particular, the
또한, 이어잭부(270)는 상기 무선통신 단말기와 이어마이크로폰을 유선으로 연결시켜 신호를 송수신할 수 있도록 한다. 특히, 사용자의 이어키 입력에 따른 전압 레벨 신호를 이어마이크로폰으로부터 수신하여 제어부(240)로 전달함으로써 무선통신 단말기에서 제공하는 각종 기능 중에서 상기 전압 레벨 신호와 맵핑되는(정확하게는, 상기 전압 레벨 신호가 변환된 결과로 생성된 디지털 제어신호와 맵핑되는) 소정 기능이 수행될 수 있도록 한다.In addition, the
도 3 은 상기 도 2의 무선통신 단말기 중 제어부와 이어잭부의 일실시예 상세 구성도이다. 여기서는 5극 이어잭을 구비한 무선통신 단말기를 예로 들어 설명하기로 한다.3 is a detailed block diagram of an embodiment of a control unit and an ear jack of the wireless communication terminal of FIG. 2. Herein, a wireless communication terminal having a 5-pole ear jack will be described as an example.
도 3에 도시된 바와 같이, 이어잭부(270)는 5개의 접속단자, 즉 접지단자, 마이크단자, 좌/우 음향단자 및 본 발명에 따른 이어잭 감지단자를 구비한다. 그리고, 제어부(240)는 상기 이어잭부(270)의 감지단자를 통하여 수신한 아날로그 신호(전압 레벨 신호)를 디지털 신호(디지털 제어신호)로 변환하기 위한 신호변환부(241)를 포함한다.As shown in FIG. 3, the
이를 보다 상세히 살펴보면, 이어잭부(270)는 이어마이크로폰으로부터 수신한 음성을 제어부(240)로 전달하기 위한 마이크단자(1번 단자), 서로 다른 음향(스테레오 음향)을 상기 이어마이크로폰으로 송신하기 위한 좌/우 음향단자(2번 및 3번 단자), 접지단자(5번 단자) 및 본 발명에 따른 이어잭 감지단자(4번 단자)를 구비한다.Looking at this in more detail, the
특히, 상기 이어잭 감지단자(4번 단자)는 상기 이어마이크로폰으로부터 수신한 각종 전압 레벨 신호를 제어부(240)로 전달함으로써 상기 각 전압 레벨 신호에 맵핑되는 무선통신 단말기의 소정 기능이 수행될 수 있도록 한다. 즉, 상기 이어잭 감지단자는 이어마이크로폰으로부터 서로 다른 전압 레벨 신호를 감지함에 따라 상기 전압 레벨 신호를 제어부(240)로 전달하여 상기 전압 레벨 신호 각각에 맵핑되는 무선통신 단말기의 특정 기능, 예를 들면 MP3파일 재생 기능이 수행될 수 있도록 한다.In particular, the ear jack detecting terminal (terminal 4) transmits various voltage level signals received from the ear microphone to the
또한, 상기 제어부(240)의 신호변환부(241)는 이어잭부(270)의 감지단자로부터 특정 전압값의 전압 레벨 신호를 전달받음에 따라 상기 전달받은 전압 레벨 신호를 이에 상응하는 디지털 제어신호로 변환한다.In addition, the
여기서, 상기 신호변환부(241)는 아날로그-디지털 컨버터(ADC : Analog-to-Digital Converter)를 이용하여 구현될 수 있다. 예를 들면, 상기 신호변환부(241)가 8bit 아날로그-디지털 컨버터를 이용하여 구현되는 경우에, 상기 신호변환부(241)는 서로 다른 256가지의 아날로그 신호(전압 레벨 신호)를 각각 그에 상응하는 디지털 신호(디지털 제어신호)로 변환할 수 있다. 물론, 아날로그-디지털 컨버터의 분해능(resolution)이 높을수록 더욱 많은 수의 전압 레벨 신호를 입력받아 디지털 제어신호로 변환할 수 있고, 그에 따라 보다 다양한 무선통신 단말기의 각종 기능을 이어마이크로폰에 구비된 이어키 조작으로 제어하도록 할 수 있다. 또한, 상기 아날로그-디지털 컨버터는 이어잭부(270)의 감지단자를 통하여 전달되는 각종 전압 레벨 신호를 하나의 핀(pin)으로 입력받을 수 있다.The
그리고, 상기 제어부(240)는 저장부(220)에 저장되어 있는 제어신호 맵핑 테이블을 검색하여 상기 신호변환부(241)가 생성한 디지털 제어신호와 맵핑되는 무선통신 단말기의 소정 기능을 찾아낸 후 이를 수행한다. 여기서, 상기 제어신호 맵핑 테이블은 디지털 제어신호 및 각종 무선통신 단말기의 기능들이 서로 맵핑된 테이블을 말한다. 예를 들면, 이어마이크로폰으로부터 수신한 전압 레벨 신호를 변환시킨 결과로 "FF"란 디지털 제어신호를 생성하였고, 상기 제어신호 맵핑 테이블 검색결과 "FF"에 맵핑되는 소정 기능이 "MP3파일 재생"일 경우 상기 제어부(240)는 MP3파일 재생 기능이 수행될 수 있도록 상기 무선통신 단말기의 각 구성요소를 제어한다.The
도 4 는 본 발명에 따른 전압 분배를 이용한 다기능 이어키 장치를 구비한 이어마이크로폰의 일실시예 구성도이다. 여기서는 5극 이어마이크로폰을 예로 들어 설명하기로 한다.4 is a diagram illustrating an embodiment of an ear microphone having a multifunctional ear key device using voltage distribution according to the present invention. Here, a 5-pole ear microphone will be described as an example.
도 4에 도시된 바와 같이, 본 발명에 따른 전압 분배를 이용한 다기능 이어키 장치를 구비한 이어마이크로폰은, 무선통신 단말기의 이어잭부(270)에 삽입되어 상기 무선통신 단말기와 전기적인 신호를 송수신할 수 있도록 하기 위한 플러그부(410), 사용자로부터 음성을 입력받아 상기 무선통신 단말기로 송신하기 위한 마이크부(420), 상기 무선통신 단말기로부터 음향을 수신하여 사용자가 청취할 수 있도록 출력하기 위한 스피커부(430), 사용자로부터 특정 이어키를 입력받음에 따라 소정의 전압 레벨 신호를 생성하여 상기 플러그부(410)로 출력하여 상기 무선통신 단말기로 전달되도록 하기 위한 이어키 장치(440)를 포함한다.As shown in FIG. 4, an ear microphone having a multifunction ear key device using voltage distribution according to the present invention is inserted into an
즉, 플러그부(410)는 마이크부(420)로부터 사용자의 음성을 전달받음에 따라 이어잭부(270)의 마이크단자로 출력하고, 상기 이어잭부(270)의 좌/우 음향단자로부터 좌/우 음향을 전달받음에 따라 사용자가 청취할 수 있도록 스피커부(430)로 전달하며, 이어키 장치(440)로부터 소정의 전압 레벨 신호를 전달받음에 따라 상기 이어잭부(270)의 감지단자로 출력하여 상기 전압 레벨 신호에 맵핑되는 무선통신 단말기의 소정 기능이 수행될 수 있도록 한다.That is, the
또한, 상기 이어키 장치(440)는 다수의 이어키를 구비하여 사용자가 무선통신 단말기의 각종 기능을 원격 제어할 수 있도록 한다. 여기서, 상기 이어키는 각종 메뉴키, 기능키 등을 포함하여 이루어질 수 있다. 상기 이어키 장치(440)는 상기 무선통신 단말기의 소정 기능을 수행하기 위한 특정 이어키를 입력받음에 따라 그에 해당하는 전압 레벨 신호를 전압 분배를 이용하여 생성하는데 이에 대한 보다 상세한 설명은 후술되는 도 5를 참조하여 살펴보기로 한다.In addition, the ear
도 5 는 본 발명에 따른 전압 분배를 이용한 다기능 이어키 장치의 일실시예 구성도이다.5 is a block diagram of an embodiment of a multi-function ear key device using voltage distribution according to the present invention.
도 5에 도시된 바와 같이, 본 발명에 따른 전압 분배를 이용한 다기능 이어키 장치는 무선통신 단말기로부터의 바이어스전압을 공급하기 위한 전압입력부(441), 사용자로부터 무선통신 단말기의 소정 기능을 수행하도록 하기 위한 이어키를 입력받음에 따라 그에 상응하는 전압 레벨을 가지는 전압 레벨 신호를 생성하기 위한 전압분배부(442), 상기 전압분배부(442)로부터 전압 레벨 신호를 전달받아 플러그부(410)로 출력하여 이어잭부(270)의 감지단자로 전달되도록 하기 위한 전압출력부(443)를 포함한다.As shown in FIG. 5, the multi-function ear key device using the voltage distribution according to the present invention includes a
상기 전압분배부(442)를 보다 상세히 살펴보면, 상기 전압분배부(442)는 사용자로부터 입력받은 이어키에 따라 제1 저항(R0)이 서로 다른 제2 저항(R1, R2, R3 등)과 연결될 수 있도록 스위칭(switching)함으로써 상기 제1 저항에 걸린 바이어스전압이 특정 전압으로 변환될 수 있도록 한다.Looking at the
즉, 상기 전압분배부(442)는 무선통신 단말기의 각종 기능들 중 소정 기능(예 : MP3파일 재생)의 수행을 지시하기 위한 특정 이어키를 사용자로부터 입력받음에 따라, 제1 저항이 상기 입력받은 이어키에 해당하는 소정의 제2 저항과 연결되도록 하여 상기 제1 저항에 걸린 바이어스전압이 상기 제2 저항과의 연결에 의해 특정 레벨의 전압으로 변환될 수 있도록 한다(즉, 소정의 전압 레벨 신호를 생성한 다).That is, the
예를 들면, 사용자로부터 MP3파일 재생 이어키를 입력받았고 상기 이어키에 해당하는 제2 저항이 R4인 경우에, 상기 이어키가 눌려짐에 따라 제1 저항인 R0와 R4사이에 위치한 스위치가 평상시의 오프(OFF) 상태에서 온(ON) 상태로 전환되고, 그에 따라 R0와 R4가 연결되어 상기 R0에 걸린 바이어스전압이 특정 레벨의 전압으로 변환될 수 있다.For example, if a user inputs an MP3 file playback ear key and the second resistor corresponding to the ear key is R4, the switch located between the first resistors R0 and R4 is normally operated as the ear key is pressed. Is switched from the OFF state to the ON state, so that R0 and R4 are connected so that the bias voltage applied to R0 can be converted into a voltage of a specific level.
여기서, 상기 전압분배부(442)는 전압분배기(voltage divider)를 이용하여 구현될 수 있다. 그리고, 상기 바이어스전압의 경우 전압입력부(441)가 무선통신 단말기에 구비된 이어잭부(270)의 마이크단자와 연결되는 1번 플러그(도4에 도시됨)를 통하여 상기 바이어스전압을 전달받은 후에 상기 전압분배부(442)로 공급하도록 구현할 수 있다.The
이후, 생성된 소정의 전압 레벨 신호는 플러그부(410)를 통하여 무선통신 단말기의 이어잭 감지단자로 전달됨으로써 무선통신 단말기의 소정 기능이 수행될 수 있도록 한다. 여기서, 상기 생성된 소정의 전압 레벨 신호는 전압출력부(443)를 거쳐 무선통신 단말기의 이어잭 감지단자와 연결되는 4번 플러그(도4에 도시됨)로 전달되도록 구현할 수 있다.Thereafter, the generated predetermined voltage level signal is transmitted to the ear jack detecting terminal of the wireless communication terminal through the
상기와 같은 본 발명은, 사용자가 이어마이크로폰에 구비된 이어키의 조작으로 무선통신 단말기에서 제공하는 각종 기능들을 원격 제어할 수 있도록 하는 효과가 있다. 즉, 이어폰에서는 전압 분배를 이용하여 각 이어키에 해당하는 다양한 전압 레벨 신호를 생성하고, 상기 이어폰과 연결된 무선통신 단말기에서는 하나의 이 어잭 감지단자를 통하여 여러 전압 레벨 신호를 수신하여 그에 맵핑되는 소정 기능을 수행함으로써, 사용자에게 다기능 이어키 리모콘 기능을 제공할 수 있는 효과가 있다.As described above, the present invention has an effect of allowing a user to remotely control various functions provided by a wireless communication terminal by manipulating an ear key provided in the ear microphone. That is, the earphone generates various voltage level signals corresponding to each ear key using voltage distribution, and the wireless communication terminal connected to the earphone receives a plurality of voltage level signals through a single jack detection terminal and maps them to a predetermined voltage level signal. By performing the function, there is an effect that can provide a multi-function ear key remote control function to the user.
또한, 본 발명에 따른 무선통신 단말기 및 이어폰은 종래 기술에 따른 장치들과 서로 호환될 수 있는 효과가 있다. 즉, 일실시예에서 살펴본 것과 같이 5극 이어잭의 경우 4극 스테레오 이어잭 기능 및 본 발명에 따른 감지단자 기능을 수행하도록 구현할 수 있다. 다른 예로, 4극 이어잭의 경우 4극 모노 이어잭 기능 및 본 발명에 따른 감지단자 기능을 수행하도록 구현할 수 있다. 다시 말하면, 본 발명에 따른 다기능 이어잭 리모콘 기능은 이어잭의 극수를 새로이 증가시키지 않고도 기존의 이어잭 중 어느 하나의 접속단자를 감지단자로 활용하여 구현될 수 있다. 그러므로, 본 발명에 따른 무선통신 단말기의 경우 종래 이어폰과도 호환될 수 있는 효과가 있다. 물론, 그 반대로 본 발명에 따른 이어폰이 종래 무선통신 단말기와 호환될 수 있음은 자명하다.In addition, the wireless communication terminal and earphone according to the present invention has the effect of being compatible with the devices according to the prior art. That is, as described in the embodiment, the 5-pole ear jack may be implemented to perform the 4-pole stereo ear jack function and the sensing terminal function according to the present invention. As another example, the 4-pole ear jack may be implemented to perform a 4-pole mono ear jack function and a sensing terminal function according to the present invention. In other words, the multi-function ear jack remote control function according to the present invention can be implemented by utilizing any connection terminal of the existing ear jack as a sensing terminal without newly increasing the number of poles of the ear jack. Therefore, the wireless communication terminal according to the present invention has the effect of being compatible with the conventional earphone. Of course, on the contrary, it is apparent that the earphone according to the present invention can be compatible with a conventional wireless communication terminal.
이상에서 설명한 본 발명은, 본 발명이 속하는 기술분야에서 통상의 지식을 가진 자에게 있어 본 발명의 기술적 사상을 벗어나지 않는 범위 내에서 여러 가지 치환, 변형 및 변경이 가능하므로 전술한 실시예 및 첨부된 도면에 의해 한정되는 것이 아니다.
The present invention described above is capable of various substitutions, modifications, and changes without departing from the technical spirit of the present invention for those skilled in the art to which the present invention pertains. It is not limited by the drawings.
상기와 같은 본 발명은, 이어폰이 각 이어키를 입력받음에 따라 전압 분배를 이용하여 서로 다른 전압 레벨 신호를 생성하고 무선통신 단말기가 상기 전압 레벨 신호를 수신하여 그에 맵핑되는 소정 기능을 수행함으로써, 사용자에게 다기능 이어키 리모콘 기능을 제공할 수 있는 효과가 있다. 즉, 이어폰에 구비된 이어키의 조작으로 무선통신 단말기의 각종 기능을 편리하게 사용할 수 있도록 하는 효과가 있다.The present invention as described above, by generating a different voltage level signal using the voltage distribution as the earphone receives each ear key, and the wireless communication terminal receives the voltage level signal and performs a predetermined function mapped thereto, This has the effect of providing the user with a multi-function earkey remote control. That is, there is an effect to conveniently use the various functions of the wireless communication terminal by the operation of the ear key provided in the earphone.
또한, 본 발명은 무선통신 단말기에서 서로 다른 전압 레벨 신호를 하나의 이어잭 감지단자를 통하여 입력받음으로써, 이어잭 및 이어폰의 극수를 증가시키지 않고도 사용자에게 다기능 이어키 리모콘 기능을 제공할 수 있는 효과가 있다. 구체적으로는, 이어잭 및 이어폰의 극수를 증가시킴으로 인한 무선통신 단말기 및 이어폰의 제조비용을 줄일 수 있다.In addition, the present invention by receiving a different voltage level signal through a single ear jack detection terminal in the wireless communication terminal, it is possible to provide a multi-function ear key remote control function to the user without increasing the number of poles of the ear jack and earphone There is. Specifically, the manufacturing cost of the wireless communication terminal and the earphone can be reduced by increasing the number of poles of the ear jack and the earphone.
또한, 본 발명은 종래 무선통신 단말기 및 이어폰과 서로 호환될 수 있는 효과가 있다. 즉, 본 발명에 따른 무선통신 단말기는 본 발명에 따른 이어폰 뿐만 아니라 종래 기술에 따른 이어폰과도 연결되어 사용될 수 있는 효과가 있고, 그 반대의 경우 역시 가능하다.In addition, the present invention has the effect of being compatible with the conventional wireless communication terminal and earphone. That is, the wireless communication terminal according to the present invention has the effect that can be used in connection with the earphone according to the prior art as well as the earphone according to the present invention, and vice versa.
| Application Number | Priority Date | Filing Date | Title |
|---|---|---|---|
| KR1020040060515AKR20060011603A (en) | 2004-07-30 | 2004-07-30 | Multi-function ear key device using voltage distribution and wireless communication terminal using same |
| Application Number | Priority Date | Filing Date | Title |
|---|---|---|---|
| KR1020040060515AKR20060011603A (en) | 2004-07-30 | 2004-07-30 | Multi-function ear key device using voltage distribution and wireless communication terminal using same |
| Publication Number | Publication Date |
|---|---|
| KR20060011603Atrue KR20060011603A (en) | 2006-02-03 |
| Application Number | Title | Priority Date | Filing Date |
|---|---|---|---|
| KR1020040060515AWithdrawnKR20060011603A (en) | 2004-07-30 | 2004-07-30 | Multi-function ear key device using voltage distribution and wireless communication terminal using same |
| Country | Link |
|---|---|
| KR (1) | KR20060011603A (en) |
| Publication number | Priority date | Publication date | Assignee | Title |
|---|---|---|---|---|
| KR101110539B1 (en)* | 2009-01-30 | 2012-01-31 | 애플 인크. | Audio user interface for electronic devices without displays |
| US9262612B2 (en) | 2011-03-21 | 2016-02-16 | Apple Inc. | Device access using voice authentication |
| US9318108B2 (en) | 2010-01-18 | 2016-04-19 | Apple Inc. | Intelligent automated assistant |
| US9330720B2 (en) | 2008-01-03 | 2016-05-03 | Apple Inc. | Methods and apparatus for altering audio output signals |
| US9338493B2 (en) | 2014-06-30 | 2016-05-10 | Apple Inc. | Intelligent automated assistant for TV user interactions |
| US9483461B2 (en) | 2012-03-06 | 2016-11-01 | Apple Inc. | Handling speech synthesis of content for multiple languages |
| US9495129B2 (en) | 2012-06-29 | 2016-11-15 | Apple Inc. | Device, method, and user interface for voice-activated navigation and browsing of a document |
| US9535906B2 (en) | 2008-07-31 | 2017-01-03 | Apple Inc. | Mobile device having human language translation capability with positional feedback |
| US9582608B2 (en) | 2013-06-07 | 2017-02-28 | Apple Inc. | Unified ranking with entropy-weighted information for phrase-based semantic auto-completion |
| US9620104B2 (en) | 2013-06-07 | 2017-04-11 | Apple Inc. | System and method for user-specified pronunciation of words for speech synthesis and recognition |
| US9626955B2 (en) | 2008-04-05 | 2017-04-18 | Apple Inc. | Intelligent text-to-speech conversion |
| US9633660B2 (en) | 2010-02-25 | 2017-04-25 | Apple Inc. | User profiling for voice input processing |
| US9633674B2 (en) | 2013-06-07 | 2017-04-25 | Apple Inc. | System and method for detecting errors in interactions with a voice-based digital assistant |
| US9646609B2 (en) | 2014-09-30 | 2017-05-09 | Apple Inc. | Caching apparatus for serving phonetic pronunciations |
| US9646614B2 (en) | 2000-03-16 | 2017-05-09 | Apple Inc. | Fast, language-independent method for user authentication by voice |
| US9668121B2 (en) | 2014-09-30 | 2017-05-30 | Apple Inc. | Social reminders |
| US9697820B2 (en) | 2015-09-24 | 2017-07-04 | Apple Inc. | Unit-selection text-to-speech synthesis using concatenation-sensitive neural networks |
| US9715875B2 (en) | 2014-05-30 | 2017-07-25 | Apple Inc. | Reducing the need for manual start/end-pointing and trigger phrases |
| US9721566B2 (en) | 2015-03-08 | 2017-08-01 | Apple Inc. | Competing devices responding to voice triggers |
| US9760559B2 (en) | 2014-05-30 | 2017-09-12 | Apple Inc. | Predictive text input |
| US9785630B2 (en) | 2014-05-30 | 2017-10-10 | Apple Inc. | Text prediction using combined word N-gram and unigram language models |
| US9798393B2 (en) | 2011-08-29 | 2017-10-24 | Apple Inc. | Text correction processing |
| US9818400B2 (en) | 2014-09-11 | 2017-11-14 | Apple Inc. | Method and apparatus for discovering trending terms in speech requests |
| US9842101B2 (en) | 2014-05-30 | 2017-12-12 | Apple Inc. | Predictive conversion of language input |
| US9842105B2 (en) | 2015-04-16 | 2017-12-12 | Apple Inc. | Parsimonious continuous-space phrase representations for natural language processing |
| US9858925B2 (en) | 2009-06-05 | 2018-01-02 | Apple Inc. | Using context information to facilitate processing of commands in a virtual assistant |
| US9865280B2 (en) | 2015-03-06 | 2018-01-09 | Apple Inc. | Structured dictation using intelligent automated assistants |
| US9886432B2 (en) | 2014-09-30 | 2018-02-06 | Apple Inc. | Parsimonious handling of word inflection via categorical stem + suffix N-gram language models |
| US9886953B2 (en) | 2015-03-08 | 2018-02-06 | Apple Inc. | Virtual assistant activation |
| US9899019B2 (en) | 2015-03-18 | 2018-02-20 | Apple Inc. | Systems and methods for structured stem and suffix language models |
| US9934775B2 (en) | 2016-05-26 | 2018-04-03 | Apple Inc. | Unit-selection text-to-speech synthesis based on predicted concatenation parameters |
| US9953088B2 (en) | 2012-05-14 | 2018-04-24 | Apple Inc. | Crowd sourcing information to fulfill user requests |
| US9966065B2 (en) | 2014-05-30 | 2018-05-08 | Apple Inc. | Multi-command single utterance input method |
| US9966068B2 (en) | 2013-06-08 | 2018-05-08 | Apple Inc. | Interpreting and acting upon commands that involve sharing information with remote devices |
| US9971774B2 (en) | 2012-09-19 | 2018-05-15 | Apple Inc. | Voice-based media searching |
| US9972304B2 (en) | 2016-06-03 | 2018-05-15 | Apple Inc. | Privacy preserving distributed evaluation framework for embedded personalized systems |
| US10043516B2 (en) | 2016-09-23 | 2018-08-07 | Apple Inc. | Intelligent automated assistant |
| US10049668B2 (en) | 2015-12-02 | 2018-08-14 | Apple Inc. | Applying neural network language models to weighted finite state transducers for automatic speech recognition |
| US10049663B2 (en) | 2016-06-08 | 2018-08-14 | Apple, Inc. | Intelligent automated assistant for media exploration |
| US10057736B2 (en) | 2011-06-03 | 2018-08-21 | Apple Inc. | Active transport based notifications |
| US10067938B2 (en) | 2016-06-10 | 2018-09-04 | Apple Inc. | Multilingual word prediction |
| US10074360B2 (en) | 2014-09-30 | 2018-09-11 | Apple Inc. | Providing an indication of the suitability of speech recognition |
| US10078631B2 (en) | 2014-05-30 | 2018-09-18 | Apple Inc. | Entropy-guided text prediction using combined word and character n-gram language models |
| US10079014B2 (en) | 2012-06-08 | 2018-09-18 | Apple Inc. | Name recognition system |
| US10083688B2 (en) | 2015-05-27 | 2018-09-25 | Apple Inc. | Device voice control for selecting a displayed affordance |
| US10089072B2 (en) | 2016-06-11 | 2018-10-02 | Apple Inc. | Intelligent device arbitration and control |
| US10101822B2 (en) | 2015-06-05 | 2018-10-16 | Apple Inc. | Language input correction |
| US10127220B2 (en) | 2015-06-04 | 2018-11-13 | Apple Inc. | Language identification from short strings |
| US10127911B2 (en) | 2014-09-30 | 2018-11-13 | Apple Inc. | Speaker identification and unsupervised speaker adaptation techniques |
| US10169329B2 (en) | 2014-05-30 | 2019-01-01 | Apple Inc. | Exemplar-based natural language processing |
| US10176167B2 (en) | 2013-06-09 | 2019-01-08 | Apple Inc. | System and method for inferring user intent from speech inputs |
| US10186254B2 (en) | 2015-06-07 | 2019-01-22 | Apple Inc. | Context-based endpoint detection |
| US10185542B2 (en) | 2013-06-09 | 2019-01-22 | Apple Inc. | Device, method, and graphical user interface for enabling conversation persistence across two or more instances of a digital assistant |
| US10192552B2 (en) | 2016-06-10 | 2019-01-29 | Apple Inc. | Digital assistant providing whispered speech |
| US10223066B2 (en) | 2015-12-23 | 2019-03-05 | Apple Inc. | Proactive assistance based on dialog communication between devices |
| US10241644B2 (en) | 2011-06-03 | 2019-03-26 | Apple Inc. | Actionable reminder entries |
| US10241752B2 (en) | 2011-09-30 | 2019-03-26 | Apple Inc. | Interface for a virtual digital assistant |
| US10249300B2 (en) | 2016-06-06 | 2019-04-02 | Apple Inc. | Intelligent list reading |
| US10255907B2 (en) | 2015-06-07 | 2019-04-09 | Apple Inc. | Automatic accent detection using acoustic models |
| US10269345B2 (en) | 2016-06-11 | 2019-04-23 | Apple Inc. | Intelligent task discovery |
| US10276170B2 (en) | 2010-01-18 | 2019-04-30 | Apple Inc. | Intelligent automated assistant |
| US10283110B2 (en) | 2009-07-02 | 2019-05-07 | Apple Inc. | Methods and apparatuses for automatic speech recognition |
| US10297253B2 (en) | 2016-06-11 | 2019-05-21 | Apple Inc. | Application integration with a digital assistant |
| US10318871B2 (en) | 2005-09-08 | 2019-06-11 | Apple Inc. | Method and apparatus for building an intelligent automated assistant |
| US10356243B2 (en) | 2015-06-05 | 2019-07-16 | Apple Inc. | Virtual assistant aided communication with 3rd party service in a communication session |
| US10354011B2 (en) | 2016-06-09 | 2019-07-16 | Apple Inc. | Intelligent automated assistant in a home environment |
| US10366158B2 (en) | 2015-09-29 | 2019-07-30 | Apple Inc. | Efficient word encoding for recurrent neural network language models |
| US10410637B2 (en) | 2017-05-12 | 2019-09-10 | Apple Inc. | User-specific acoustic models |
| US10446141B2 (en) | 2014-08-28 | 2019-10-15 | Apple Inc. | Automatic speech recognition based on user feedback |
| US10446143B2 (en) | 2016-03-14 | 2019-10-15 | Apple Inc. | Identification of voice inputs providing credentials |
| US10482874B2 (en) | 2017-05-15 | 2019-11-19 | Apple Inc. | Hierarchical belief states for digital assistants |
| US10490187B2 (en) | 2016-06-10 | 2019-11-26 | Apple Inc. | Digital assistant providing automated status report |
| US10496753B2 (en) | 2010-01-18 | 2019-12-03 | Apple Inc. | Automatically adapting user interfaces for hands-free interaction |
| US10509862B2 (en) | 2016-06-10 | 2019-12-17 | Apple Inc. | Dynamic phrase expansion of language input |
| US10521466B2 (en) | 2016-06-11 | 2019-12-31 | Apple Inc. | Data driven natural language event detection and classification |
| US10552013B2 (en) | 2014-12-02 | 2020-02-04 | Apple Inc. | Data detection |
| US10553209B2 (en) | 2010-01-18 | 2020-02-04 | Apple Inc. | Systems and methods for hands-free notification summaries |
| US10568032B2 (en) | 2007-04-03 | 2020-02-18 | Apple Inc. | Method and system for operating a multi-function portable electronic device using voice-activation |
| US10567477B2 (en) | 2015-03-08 | 2020-02-18 | Apple Inc. | Virtual assistant continuity |
| US10593346B2 (en) | 2016-12-22 | 2020-03-17 | Apple Inc. | Rank-reduced token representation for automatic speech recognition |
| US10607141B2 (en) | 2010-01-25 | 2020-03-31 | Newvaluexchange Ltd. | Apparatuses, methods and systems for a digital conversation management platform |
| US10659851B2 (en) | 2014-06-30 | 2020-05-19 | Apple Inc. | Real-time digital assistant knowledge updates |
| US10671428B2 (en) | 2015-09-08 | 2020-06-02 | Apple Inc. | Distributed personal assistant |
| US10679605B2 (en) | 2010-01-18 | 2020-06-09 | Apple Inc. | Hands-free list-reading by intelligent automated assistant |
| US10691473B2 (en) | 2015-11-06 | 2020-06-23 | Apple Inc. | Intelligent automated assistant in a messaging environment |
| US10706373B2 (en) | 2011-06-03 | 2020-07-07 | Apple Inc. | Performing actions associated with task items that represent tasks to perform |
| US10705794B2 (en) | 2010-01-18 | 2020-07-07 | Apple Inc. | Automatically adapting user interfaces for hands-free interaction |
| US10733993B2 (en) | 2016-06-10 | 2020-08-04 | Apple Inc. | Intelligent digital assistant in a multi-tasking environment |
| US10747498B2 (en) | 2015-09-08 | 2020-08-18 | Apple Inc. | Zero latency digital assistant |
| US10755703B2 (en) | 2017-05-11 | 2020-08-25 | Apple Inc. | Offline personal assistant |
| US10789041B2 (en) | 2014-09-12 | 2020-09-29 | Apple Inc. | Dynamic thresholds for always listening speech trigger |
| US10791176B2 (en) | 2017-05-12 | 2020-09-29 | Apple Inc. | Synchronization and task delegation of a digital assistant |
| US10810274B2 (en) | 2017-05-15 | 2020-10-20 | Apple Inc. | Optimizing dialogue policy decisions for digital assistants using implicit feedback |
| US11010550B2 (en) | 2015-09-29 | 2021-05-18 | Apple Inc. | Unified language modeling framework for word prediction, auto-completion and auto-correction |
| US11025565B2 (en) | 2015-06-07 | 2021-06-01 | Apple Inc. | Personalized prediction of responses for instant messaging |
| US11217255B2 (en) | 2017-05-16 | 2022-01-04 | Apple Inc. | Far-field extension for digital assistant services |
| US11587559B2 (en) | 2015-09-30 | 2023-02-21 | Apple Inc. | Intelligent device identification |
| Publication number | Priority date | Publication date | Assignee | Title |
|---|---|---|---|---|
| US9646614B2 (en) | 2000-03-16 | 2017-05-09 | Apple Inc. | Fast, language-independent method for user authentication by voice |
| US10318871B2 (en) | 2005-09-08 | 2019-06-11 | Apple Inc. | Method and apparatus for building an intelligent automated assistant |
| US10568032B2 (en) | 2007-04-03 | 2020-02-18 | Apple Inc. | Method and system for operating a multi-function portable electronic device using voice-activation |
| US10381016B2 (en) | 2008-01-03 | 2019-08-13 | Apple Inc. | Methods and apparatus for altering audio output signals |
| US9330720B2 (en) | 2008-01-03 | 2016-05-03 | Apple Inc. | Methods and apparatus for altering audio output signals |
| US9626955B2 (en) | 2008-04-05 | 2017-04-18 | Apple Inc. | Intelligent text-to-speech conversion |
| US9865248B2 (en) | 2008-04-05 | 2018-01-09 | Apple Inc. | Intelligent text-to-speech conversion |
| US9535906B2 (en) | 2008-07-31 | 2017-01-03 | Apple Inc. | Mobile device having human language translation capability with positional feedback |
| US10108612B2 (en) | 2008-07-31 | 2018-10-23 | Apple Inc. | Mobile device having human language translation capability with positional feedback |
| KR101110539B1 (en)* | 2009-01-30 | 2012-01-31 | 애플 인크. | Audio user interface for electronic devices without displays |
| US8862252B2 (en) | 2009-01-30 | 2014-10-14 | Apple Inc. | Audio user interface for displayless electronic device |
| US9858925B2 (en) | 2009-06-05 | 2018-01-02 | Apple Inc. | Using context information to facilitate processing of commands in a virtual assistant |
| US10475446B2 (en) | 2009-06-05 | 2019-11-12 | Apple Inc. | Using context information to facilitate processing of commands in a virtual assistant |
| US11080012B2 (en) | 2009-06-05 | 2021-08-03 | Apple Inc. | Interface for a virtual digital assistant |
| US10795541B2 (en) | 2009-06-05 | 2020-10-06 | Apple Inc. | Intelligent organization of tasks items |
| US10283110B2 (en) | 2009-07-02 | 2019-05-07 | Apple Inc. | Methods and apparatuses for automatic speech recognition |
| US9548050B2 (en) | 2010-01-18 | 2017-01-17 | Apple Inc. | Intelligent automated assistant |
| US11423886B2 (en) | 2010-01-18 | 2022-08-23 | Apple Inc. | Task flow identification based on user intent |
| US9318108B2 (en) | 2010-01-18 | 2016-04-19 | Apple Inc. | Intelligent automated assistant |
| US10496753B2 (en) | 2010-01-18 | 2019-12-03 | Apple Inc. | Automatically adapting user interfaces for hands-free interaction |
| US10276170B2 (en) | 2010-01-18 | 2019-04-30 | Apple Inc. | Intelligent automated assistant |
| US10679605B2 (en) | 2010-01-18 | 2020-06-09 | Apple Inc. | Hands-free list-reading by intelligent automated assistant |
| US10705794B2 (en) | 2010-01-18 | 2020-07-07 | Apple Inc. | Automatically adapting user interfaces for hands-free interaction |
| US10706841B2 (en) | 2010-01-18 | 2020-07-07 | Apple Inc. | Task flow identification based on user intent |
| US10553209B2 (en) | 2010-01-18 | 2020-02-04 | Apple Inc. | Systems and methods for hands-free notification summaries |
| US12087308B2 (en) | 2010-01-18 | 2024-09-10 | Apple Inc. | Intelligent automated assistant |
| US10984326B2 (en) | 2010-01-25 | 2021-04-20 | Newvaluexchange Ltd. | Apparatuses, methods and systems for a digital conversation management platform |
| US10607140B2 (en) | 2010-01-25 | 2020-03-31 | Newvaluexchange Ltd. | Apparatuses, methods and systems for a digital conversation management platform |
| US12307383B2 (en) | 2010-01-25 | 2025-05-20 | Newvaluexchange Global Ai Llp | Apparatuses, methods and systems for a digital conversation management platform |
| US10984327B2 (en) | 2010-01-25 | 2021-04-20 | New Valuexchange Ltd. | Apparatuses, methods and systems for a digital conversation management platform |
| US10607141B2 (en) | 2010-01-25 | 2020-03-31 | Newvaluexchange Ltd. | Apparatuses, methods and systems for a digital conversation management platform |
| US11410053B2 (en) | 2010-01-25 | 2022-08-09 | Newvaluexchange Ltd. | Apparatuses, methods and systems for a digital conversation management platform |
| US9633660B2 (en) | 2010-02-25 | 2017-04-25 | Apple Inc. | User profiling for voice input processing |
| US10049675B2 (en) | 2010-02-25 | 2018-08-14 | Apple Inc. | User profiling for voice input processing |
| US10102359B2 (en) | 2011-03-21 | 2018-10-16 | Apple Inc. | Device access using voice authentication |
| US9262612B2 (en) | 2011-03-21 | 2016-02-16 | Apple Inc. | Device access using voice authentication |
| US10241644B2 (en) | 2011-06-03 | 2019-03-26 | Apple Inc. | Actionable reminder entries |
| US11120372B2 (en) | 2011-06-03 | 2021-09-14 | Apple Inc. | Performing actions associated with task items that represent tasks to perform |
| US10706373B2 (en) | 2011-06-03 | 2020-07-07 | Apple Inc. | Performing actions associated with task items that represent tasks to perform |
| US10057736B2 (en) | 2011-06-03 | 2018-08-21 | Apple Inc. | Active transport based notifications |
| US9798393B2 (en) | 2011-08-29 | 2017-10-24 | Apple Inc. | Text correction processing |
| US10241752B2 (en) | 2011-09-30 | 2019-03-26 | Apple Inc. | Interface for a virtual digital assistant |
| US9483461B2 (en) | 2012-03-06 | 2016-11-01 | Apple Inc. | Handling speech synthesis of content for multiple languages |
| US9953088B2 (en) | 2012-05-14 | 2018-04-24 | Apple Inc. | Crowd sourcing information to fulfill user requests |
| US10079014B2 (en) | 2012-06-08 | 2018-09-18 | Apple Inc. | Name recognition system |
| US9495129B2 (en) | 2012-06-29 | 2016-11-15 | Apple Inc. | Device, method, and user interface for voice-activated navigation and browsing of a document |
| US9971774B2 (en) | 2012-09-19 | 2018-05-15 | Apple Inc. | Voice-based media searching |
| US9582608B2 (en) | 2013-06-07 | 2017-02-28 | Apple Inc. | Unified ranking with entropy-weighted information for phrase-based semantic auto-completion |
| US9620104B2 (en) | 2013-06-07 | 2017-04-11 | Apple Inc. | System and method for user-specified pronunciation of words for speech synthesis and recognition |
| US9633674B2 (en) | 2013-06-07 | 2017-04-25 | Apple Inc. | System and method for detecting errors in interactions with a voice-based digital assistant |
| US9966060B2 (en) | 2013-06-07 | 2018-05-08 | Apple Inc. | System and method for user-specified pronunciation of words for speech synthesis and recognition |
| US10657961B2 (en) | 2013-06-08 | 2020-05-19 | Apple Inc. | Interpreting and acting upon commands that involve sharing information with remote devices |
| US9966068B2 (en) | 2013-06-08 | 2018-05-08 | Apple Inc. | Interpreting and acting upon commands that involve sharing information with remote devices |
| US10176167B2 (en) | 2013-06-09 | 2019-01-08 | Apple Inc. | System and method for inferring user intent from speech inputs |
| US10185542B2 (en) | 2013-06-09 | 2019-01-22 | Apple Inc. | Device, method, and graphical user interface for enabling conversation persistence across two or more instances of a digital assistant |
| US10078631B2 (en) | 2014-05-30 | 2018-09-18 | Apple Inc. | Entropy-guided text prediction using combined word and character n-gram language models |
| US10497365B2 (en) | 2014-05-30 | 2019-12-03 | Apple Inc. | Multi-command single utterance input method |
| US9715875B2 (en) | 2014-05-30 | 2017-07-25 | Apple Inc. | Reducing the need for manual start/end-pointing and trigger phrases |
| US10169329B2 (en) | 2014-05-30 | 2019-01-01 | Apple Inc. | Exemplar-based natural language processing |
| US9966065B2 (en) | 2014-05-30 | 2018-05-08 | Apple Inc. | Multi-command single utterance input method |
| US9842101B2 (en) | 2014-05-30 | 2017-12-12 | Apple Inc. | Predictive conversion of language input |
| US11133008B2 (en) | 2014-05-30 | 2021-09-28 | Apple Inc. | Reducing the need for manual start/end-pointing and trigger phrases |
| US9760559B2 (en) | 2014-05-30 | 2017-09-12 | Apple Inc. | Predictive text input |
| US9785630B2 (en) | 2014-05-30 | 2017-10-10 | Apple Inc. | Text prediction using combined word N-gram and unigram language models |
| US9668024B2 (en) | 2014-06-30 | 2017-05-30 | Apple Inc. | Intelligent automated assistant for TV user interactions |
| US9338493B2 (en) | 2014-06-30 | 2016-05-10 | Apple Inc. | Intelligent automated assistant for TV user interactions |
| US10904611B2 (en) | 2014-06-30 | 2021-01-26 | Apple Inc. | Intelligent automated assistant for TV user interactions |
| US10659851B2 (en) | 2014-06-30 | 2020-05-19 | Apple Inc. | Real-time digital assistant knowledge updates |
| US10446141B2 (en) | 2014-08-28 | 2019-10-15 | Apple Inc. | Automatic speech recognition based on user feedback |
| US10431204B2 (en) | 2014-09-11 | 2019-10-01 | Apple Inc. | Method and apparatus for discovering trending terms in speech requests |
| US9818400B2 (en) | 2014-09-11 | 2017-11-14 | Apple Inc. | Method and apparatus for discovering trending terms in speech requests |
| US10789041B2 (en) | 2014-09-12 | 2020-09-29 | Apple Inc. | Dynamic thresholds for always listening speech trigger |
| US9668121B2 (en) | 2014-09-30 | 2017-05-30 | Apple Inc. | Social reminders |
| US9886432B2 (en) | 2014-09-30 | 2018-02-06 | Apple Inc. | Parsimonious handling of word inflection via categorical stem + suffix N-gram language models |
| US10127911B2 (en) | 2014-09-30 | 2018-11-13 | Apple Inc. | Speaker identification and unsupervised speaker adaptation techniques |
| US9646609B2 (en) | 2014-09-30 | 2017-05-09 | Apple Inc. | Caching apparatus for serving phonetic pronunciations |
| US10074360B2 (en) | 2014-09-30 | 2018-09-11 | Apple Inc. | Providing an indication of the suitability of speech recognition |
| US9986419B2 (en) | 2014-09-30 | 2018-05-29 | Apple Inc. | Social reminders |
| US11556230B2 (en) | 2014-12-02 | 2023-01-17 | Apple Inc. | Data detection |
| US10552013B2 (en) | 2014-12-02 | 2020-02-04 | Apple Inc. | Data detection |
| US9865280B2 (en) | 2015-03-06 | 2018-01-09 | Apple Inc. | Structured dictation using intelligent automated assistants |
| US9886953B2 (en) | 2015-03-08 | 2018-02-06 | Apple Inc. | Virtual assistant activation |
| US10567477B2 (en) | 2015-03-08 | 2020-02-18 | Apple Inc. | Virtual assistant continuity |
| US10311871B2 (en) | 2015-03-08 | 2019-06-04 | Apple Inc. | Competing devices responding to voice triggers |
| US11087759B2 (en) | 2015-03-08 | 2021-08-10 | Apple Inc. | Virtual assistant activation |
| US9721566B2 (en) | 2015-03-08 | 2017-08-01 | Apple Inc. | Competing devices responding to voice triggers |
| US9899019B2 (en) | 2015-03-18 | 2018-02-20 | Apple Inc. | Systems and methods for structured stem and suffix language models |
| US9842105B2 (en) | 2015-04-16 | 2017-12-12 | Apple Inc. | Parsimonious continuous-space phrase representations for natural language processing |
| US10083688B2 (en) | 2015-05-27 | 2018-09-25 | Apple Inc. | Device voice control for selecting a displayed affordance |
| US10127220B2 (en) | 2015-06-04 | 2018-11-13 | Apple Inc. | Language identification from short strings |
| US10356243B2 (en) | 2015-06-05 | 2019-07-16 | Apple Inc. | Virtual assistant aided communication with 3rd party service in a communication session |
| US10101822B2 (en) | 2015-06-05 | 2018-10-16 | Apple Inc. | Language input correction |
| US10255907B2 (en) | 2015-06-07 | 2019-04-09 | Apple Inc. | Automatic accent detection using acoustic models |
| US11025565B2 (en) | 2015-06-07 | 2021-06-01 | Apple Inc. | Personalized prediction of responses for instant messaging |
| US10186254B2 (en) | 2015-06-07 | 2019-01-22 | Apple Inc. | Context-based endpoint detection |
| US10747498B2 (en) | 2015-09-08 | 2020-08-18 | Apple Inc. | Zero latency digital assistant |
| US10671428B2 (en) | 2015-09-08 | 2020-06-02 | Apple Inc. | Distributed personal assistant |
| US11500672B2 (en) | 2015-09-08 | 2022-11-15 | Apple Inc. | Distributed personal assistant |
| US9697820B2 (en) | 2015-09-24 | 2017-07-04 | Apple Inc. | Unit-selection text-to-speech synthesis using concatenation-sensitive neural networks |
| US10366158B2 (en) | 2015-09-29 | 2019-07-30 | Apple Inc. | Efficient word encoding for recurrent neural network language models |
| US11010550B2 (en) | 2015-09-29 | 2021-05-18 | Apple Inc. | Unified language modeling framework for word prediction, auto-completion and auto-correction |
| US11587559B2 (en) | 2015-09-30 | 2023-02-21 | Apple Inc. | Intelligent device identification |
| US10691473B2 (en) | 2015-11-06 | 2020-06-23 | Apple Inc. | Intelligent automated assistant in a messaging environment |
| US11526368B2 (en) | 2015-11-06 | 2022-12-13 | Apple Inc. | Intelligent automated assistant in a messaging environment |
| US10049668B2 (en) | 2015-12-02 | 2018-08-14 | Apple Inc. | Applying neural network language models to weighted finite state transducers for automatic speech recognition |
| US10223066B2 (en) | 2015-12-23 | 2019-03-05 | Apple Inc. | Proactive assistance based on dialog communication between devices |
| US10446143B2 (en) | 2016-03-14 | 2019-10-15 | Apple Inc. | Identification of voice inputs providing credentials |
| US9934775B2 (en) | 2016-05-26 | 2018-04-03 | Apple Inc. | Unit-selection text-to-speech synthesis based on predicted concatenation parameters |
| US9972304B2 (en) | 2016-06-03 | 2018-05-15 | Apple Inc. | Privacy preserving distributed evaluation framework for embedded personalized systems |
| US10249300B2 (en) | 2016-06-06 | 2019-04-02 | Apple Inc. | Intelligent list reading |
| US10049663B2 (en) | 2016-06-08 | 2018-08-14 | Apple, Inc. | Intelligent automated assistant for media exploration |
| US11069347B2 (en) | 2016-06-08 | 2021-07-20 | Apple Inc. | Intelligent automated assistant for media exploration |
| US10354011B2 (en) | 2016-06-09 | 2019-07-16 | Apple Inc. | Intelligent automated assistant in a home environment |
| US10192552B2 (en) | 2016-06-10 | 2019-01-29 | Apple Inc. | Digital assistant providing whispered speech |
| US10733993B2 (en) | 2016-06-10 | 2020-08-04 | Apple Inc. | Intelligent digital assistant in a multi-tasking environment |
| US10509862B2 (en) | 2016-06-10 | 2019-12-17 | Apple Inc. | Dynamic phrase expansion of language input |
| US10067938B2 (en) | 2016-06-10 | 2018-09-04 | Apple Inc. | Multilingual word prediction |
| US10490187B2 (en) | 2016-06-10 | 2019-11-26 | Apple Inc. | Digital assistant providing automated status report |
| US11037565B2 (en) | 2016-06-10 | 2021-06-15 | Apple Inc. | Intelligent digital assistant in a multi-tasking environment |
| US10297253B2 (en) | 2016-06-11 | 2019-05-21 | Apple Inc. | Application integration with a digital assistant |
| US10089072B2 (en) | 2016-06-11 | 2018-10-02 | Apple Inc. | Intelligent device arbitration and control |
| US10521466B2 (en) | 2016-06-11 | 2019-12-31 | Apple Inc. | Data driven natural language event detection and classification |
| US10269345B2 (en) | 2016-06-11 | 2019-04-23 | Apple Inc. | Intelligent task discovery |
| US11152002B2 (en) | 2016-06-11 | 2021-10-19 | Apple Inc. | Application integration with a digital assistant |
| US10043516B2 (en) | 2016-09-23 | 2018-08-07 | Apple Inc. | Intelligent automated assistant |
| US10553215B2 (en) | 2016-09-23 | 2020-02-04 | Apple Inc. | Intelligent automated assistant |
| US10593346B2 (en) | 2016-12-22 | 2020-03-17 | Apple Inc. | Rank-reduced token representation for automatic speech recognition |
| US10755703B2 (en) | 2017-05-11 | 2020-08-25 | Apple Inc. | Offline personal assistant |
| US11405466B2 (en) | 2017-05-12 | 2022-08-02 | Apple Inc. | Synchronization and task delegation of a digital assistant |
| US10791176B2 (en) | 2017-05-12 | 2020-09-29 | Apple Inc. | Synchronization and task delegation of a digital assistant |
| US10410637B2 (en) | 2017-05-12 | 2019-09-10 | Apple Inc. | User-specific acoustic models |
| US10482874B2 (en) | 2017-05-15 | 2019-11-19 | Apple Inc. | Hierarchical belief states for digital assistants |
| US10810274B2 (en) | 2017-05-15 | 2020-10-20 | Apple Inc. | Optimizing dialogue policy decisions for digital assistants using implicit feedback |
| US11217255B2 (en) | 2017-05-16 | 2022-01-04 | Apple Inc. | Far-field extension for digital assistant services |
| Publication | Publication Date | Title |
|---|---|---|
| KR20060011603A (en) | Multi-function ear key device using voltage distribution and wireless communication terminal using same | |
| US7254415B2 (en) | Portable wireless terminal, method of outputting sound, and method of picking up sound | |
| US8600080B2 (en) | Methods for communicating with electronic device accessories | |
| US8019096B2 (en) | Electronic device and external equipment with configurable audio path circuitry | |
| US8437481B2 (en) | Adapter for connecting accessories to an electronic device | |
| US20070070183A1 (en) | Control apparatus and method | |
| US20070232233A1 (en) | Wireless handset with bluetooth remote control and dialing functionality on voip software application, and corresponding web phone | |
| CN101277323A (en) | Multi-button control headset for mobile communication device | |
| CN109195055B (en) | A wireless earphone, TWS earphone and Bluetooth connection method | |
| US20060094355A1 (en) | Bluetooth device for hands-free conversation and voice dialing on a bluetooth cellular phone | |
| JP2011040845A (en) | Portable telephone terminal | |
| KR20090041000A (en) | Method and device for detecting ear jack of mobile terminal | |
| KR100801061B1 (en) | Car Bluetooth Handsfree Kit and Bluetooth Handsfree System Including the Same | |
| WO2008064514A1 (en) | Information terminal and information communicating method by the same | |
| CN101022279A (en) | Frequency modulation/amplitude modulation transmitting mobile terminal, method and system for receiving frequency modulation transmission | |
| KR100486533B1 (en) | Plug of digital camera | |
| CN211089895U (en) | Audio equipment | |
| KR20090011326A (en) | Mobile terminal and its charging method | |
| TW201305845A (en) | Electronic accessory | |
| KR200180377Y1 (en) | Appratus having both handy audio ear-phone and cellular phone ear-phone | |
| KR200356181Y1 (en) | Compatible multi-functional earphone device for portable handheld radiotelephone and audio apparatus | |
| KR20080018021A (en) | Mobile communication terminal and its operation method | |
| KR200190071Y1 (en) | Headphone type telephone set | |
| JP3592240B2 (en) | Remote control method | |
| KR100626531B1 (en) | Wireless communication terminal having a plug-and-play external input / output mode automatic switching function and method thereof, and charging base having multimedia data input / output function |
| Date | Code | Title | Description |
|---|---|---|---|
| PA0109 | Patent application | Patent event code:PA01091R01D Comment text:Patent Application Patent event date:20040730 | |
| PG1501 | Laying open of application | ||
| PC1203 | Withdrawal of no request for examination | ||
| WITN | Application deemed withdrawn, e.g. because no request for examination was filed or no examination fee was paid |