






본 발명은 건축기계설비 공사의 리버스 리턴 방식용 절수형 수도장치에 관한 것으로, 보다 상세하게는 공동주택(아파트) 등에서 중앙 난방식 또는 지역 난방의 경우에 온수의 사용시 초기에 버려지는 수자원을 절약해서 사용할 수 있도록 개선된 건축기계설비 공사의 리버스 리턴 방식용 절수형 수도장치에 관한 것이다.The present invention relates to a water-saving water supply system for the reverse return method of construction machinery and equipment construction, and more particularly, in the case of central heating or district heating in an apartment house (apartment), etc. It relates to a water-saving water supply system for the reverse return method of the construction machinery facility construction improved so that it can be used.
일반적으로, 공동주택(아파트) 단지 등에서 사용되는 것으로, 현재 급탕(온수)은 일정지역을 일괄적으로 관리하는 시스템으로 많은 양의 물을 한꺼번에 가열시켜 세대(이하, 사용처)내로 공급시키고 있다.In general, it is used in apartment complexes, etc. Currently, hot water supply (hot water) is a system that manages a certain area collectively, and a large amount of water is heated at once and supplied to the household (hereinafter referred to as the place of use).
상기와 같이 공급되는 온수는 일정한 범위에서는 계속적으로 순환하도록 하고는 있으나, 주 메인관만을 순환시키므로 사용처의 욕조, 세면기, 씽크대, 세탁기, 수전 등에서의 수도꼭지(수전)를 열게 되면 온수는 온수 계량기에서 사용처까지의 실내에 설치되어 있는 배관을 경유하도록 되어, 배관내에 담겨져 있는 물이 수도꼭지를 오픈한 다음에 일정시간동안 배출된 뒤에야 온수를 사용할 수 있다.As described above, the supplied hot water is continuously circulated within a certain range, but only the main main pipe is circulated. The hot water can be used only after the water contained in the pipe is discharged for a certain period of time after opening the faucet.
이러한 문제는 현재에 사용되고 있는 시스템이 사용처에서 온수를 사용할 경우, 특히 아침시간 등, 온수를 사용후 일정시간 경과 후 재 사용할시에는 최대 급탕으로 수전을 개방해도 몇분씩 기다려야만 원하는 온도의 온수가 배출된다.This problem occurs when the currently used system uses hot water at the place of use, especially in the morning, when re-using hot water after a certain period of time has elapsed. do.
따라서, 사용처에서 사용자가 원하는 온도의 온수를 기다리는 동안 배출되어 방류되는 식혀진 물의 양은 아파트 단지내에 거주하고 있는 사용자에 해당되기 때문에 이를 보면 상당한 상태에 이르고 있다는 사실을 알 수 있다.Therefore, it can be seen that the amount of cooled water discharged and discharged while waiting for hot water at a desired temperature by the user at the place of use corresponds to the user residing in the apartment complex.
이는 사용처내로 분기된 배관이 온수 계량기를 통해 사용처까지의 상당한 길이를 형성하고 있기 때문에 순환되지 않는 공급 배관내의 관수에 의해 열손실이 발생할 뿐만 아니라, 사용처까지의 배관내 온도저하의 현상은 공동주택 등의 사용처의 평수가 큰 곳에서는 더욱 심하다.This is because the pipe branching into the place of use forms a considerable length through the hot water meter to the place of use, so not only heat loss occurs due to water in the supply pipe that is not circulated, but also the phenomenon of temperature drop in the pipe to the place of use is common in apartment houses, etc. It is even worse in the place where the square of the place of use is large.
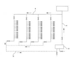
상기와 같은 종래 리턴방식의 시스템을 다시 살펴보면, 도 1에 도시된 바와 같이, 저장탱크로부터 가열기(8)를 거쳐 급탕된 물은 입상주관(4)을 통해 공급되고, 상기 입상주관(4)를 통해 횡주관(6)으로 이송된 후, 환탕관으로 순환되는 온수와, 가정으로 바로 공급되는 급탕관이 형성된다.Looking back at the conventional return system as described above, as shown in FIG. 1 , the water supplied from the storage tank through the
상기 환탕관으로 순환되는 온수는 환탕주관(12)을 통해 초기에 보내진 곳의 저장탱크로 순환되어 가열된 온수가 식혀지지 않도록 순환시키고 있다.The hot water circulated to the round hot water pipe is circulated to the storage tank where it was initially sent through the round
상기와 같이 구성된 종래의 급탕관의 초입부분에는 급탕되어 공급되는 온수의 양을 확인하기 위해 급탕 계량기(도시않음)를 설치하고 있다.A hot water meter (not shown) is installed at the beginning of the conventional hot water supply pipe configured as described above to check the amount of hot water supplied and hot water supplied.
따라서, 저장탱크로부터 가열기(8)를 거쳐  공급되어 순환되는 온수는 사용처까지 인입되지 않고, 급탕관의 초입부분에 설치된 급탕 계량기까지만 순환된다.Therefore, the hot water supplied and circulated from the storage tank through the
상기와 같은 리턴 방식에 의한 사용처에서 온수의 사용시에는 사용처 내부에 설치되어 있는 배관의 길이만큼 식어서 흘려버리는 물의 양은 상당히 많은 실정이며, 사용해보지도 않은 급탕요금을 계량한다는 문제점이 대두된다.When hot water is used at the place of use by the return method as described above, the amount of water that cools down as much as the length of the pipe installed inside the place of use is quite large, and the problem of measuring the hot water bill that has never been used arises.
본 발명은 상술한 바와 같은 종래 기술상의 제반 문제점들을 감안하여 이를 해결하고자 창출된 것으로, 공동주택(아파트) 등에서 중앙 난방식 또는 지역 난방의 경우에 온수의 사용시 초기에 버려지는 수자원을 절약해서 사용할 수 있도록 개선된 건축기계설비 공사의 리버스 리턴 방식용 절수형 수도장치를 제공함에 그 주된 목적이 있다.The present invention was created to solve the problems in the prior art as described above, and it is possible to save and use water resources that are initially discarded when using hot water in the case of central heating or district heating in apartment houses (apartments). Its main purpose is to provide a water-saving water supply device for the reverse return method of the construction machinery facility construction improved so as to be able to do so.
본 발명은 상기한 목적을 달성하기 위한 수단으로, 저장탱크로부터 가열기(8)를 거쳐 급탕된 물은 입상주관(4)을 통해 공급되고, 상기 입상주관(4)를 통해 횡주관(6)으로 이송된 후 계속 순환되도록 사용처로 공급되는 급탕관(16)으로 공급되고, 상기 환탕관(11)으로 순환되는 물은 환탕주관(12)을 통해 처음에 송출된 저장탱크로 회수되도록 이루어진 리버스 리턴 방식용 절수형 수도장치로서, 상기 급탕관(16)의 유입부에 유입되는 온수의 양을 계량하기 위해 형성된 온수유량측정기(28)와, 상기 온수유량측정기(28)를 통하거나 또는 우회배관(26)을 통하여 온수를 유입하며, 급탕관(16)을 통하여 유입되는 온수의 유로를 변동시키도록 형성된 유입 전환밸브(30)와, 유입 전환밸브(30)를 작동시키며, 수도꼭지의 개폐상태를 감지하는 스위칭수단과, 유입 전환밸브(30)를 통해 유입되는 온수의 양을 계량할 수 있도록 급탕관(16) 끝단부에 형성된 차단밸브(24)를 포함하는 건축기계설비공사의 리버스 리턴 방식용 절수형 수도장치에 있어서;The present invention is a means for achieving the above object, the hot water from the storage tank through the heater (8) is supplied through the rising main pipe (4), and transferred to the transverse main pipe (6) through the rising main pipe (4) It is supplied to the hot
상기 가열기(8)의 연소 배기가스를 배출하도록 옥상(TOP) 보다 높게 돌출된 연돌(STC); 상기 연돌(STC)이 설치된 옥상(TOP)에 회전가능하게 설치된 턴테이블(TAB); 상기 턴테이블(TAB) 상에 수직고정되어 90°회전가능하며, 'ㄱ' 형상의 절곡단부(TER)를 갖는 지지포스트(POS); 상기 절곡단부(TER)가 상기 연돌(STC)의 상부에서 그 직경방향으로 배열되었을 때 연돌(STC)의 원중심에 위치될 수 있도록 상기 절곡단부(TER)에 고정된 양축을 갖는 윈치(WIN); 상기 윈치(WIN)의 양축에 각각 고정되고 와이어(WIR)가 감겨 있는 드럼(DRM); 상기 와이어(WIR)의 단부가 고정되고, 상기 연돌(STC)에 삽입되며, 내부에는 정화용 볼이 채워져 있는 그물망 형태의 정화통(100);을 포함하는 것을 특징으로 하는 건축기계설비 공사의 리버스 리턴 방식용 절수형 수도장치를 제공한다.a stack (STC) protruding higher than the rooftop (TOP) to discharge the combustion exhaust gas of the heater (8); a turntable (TAB) rotatably installed on the roof (TOP) where the stack (STC) is installed; a support post (POS) vertically fixed on the turntable (TAB), rotatable by 90°, and having a bent end (TER) in the shape of an 'a'; A winch having both axes fixed to the bent end TER so that the bent end TER can be positioned at the circular center of the stack STC when it is arranged in the radial direction at the top of the stack STC. ; a drum (DRM) fixed to both shafts of the winch (WIN) and having a wire (WIR) wound thereon; The end of the wire (WIR) is fixed, it is inserted into the stack (STC), and the net-
본 발명에 따르면, 공동주택(아파트) 등에서 중앙 난방식 또는 지역 난방의 경우에 온수의 사용시 초기에 버려지는 수자원을 절약해서 사용할 수 있도록 개선된 효과를 얻을 수 있다.According to the present invention, in the case of central heating or district heating in a multi-family house (apartment), etc., it is possible to obtain an improved effect so that water resources that are initially discarded can be saved and used when hot water is used.
도 1은 종래 기술에 따른 리턴방식의 시스템을 보인 예시적인 계통도이다.
도 2는 본 발명에 따른 절수형 수도장치를 나타내는 도면이다.
도 3은 본 발명에 따른 절수형 수도장치의 사용상태를 나타내는 도면이다.
도 4는 본 발명에 따른 절수형 수도장치의 회로도를 나타내는 도면이다.
도 5는 본 발명에 따른 절수형 수도장치의에 수도꼭지 부분에 스위치가 작동됨을 나타내는 도면이다.
도 6은 본 발명에 따른 절수형 수도장치를 구성하는 정화통 설치예를 보인 예시도이다.
도 7은 본 발명에 따른 절수형 수도장치를 구성하는 정화통의 구조를 보인 예시도이다.1 is an exemplary schematic diagram showing a return type system according to the prior art.
 2 is a view showing a water-saving water supply device according to the present invention.
 3 is a view showing the state of use of the water saving type water supply device according to the present invention.
 4 is a diagram showing a circuit diagram of a water-saving water supply device according to the present invention.
 5 is a view showing that a switch is operated in the faucet part of the water saving type water supply device according to the present invention.
 6 is an exemplary view showing an example of installing a purification tank constituting a water-saving water supply device according to the present invention.
 7 is an exemplary view showing the structure of the purification tank constituting the water-saving water supply device according to the present invention.
이하에서는, 첨부도면을 참고하여 본 발명에 따른 바람직한 실시예를 보다 상세하게 설명하기로 한다.Hereinafter, a preferred embodiment according to the present invention will be described in more detail with reference to the accompanying drawings.
본 발명 설명에 앞서, 이하의 특정한 구조 내지 기능적 설명들은 단지 본 발명의 개념에 따른 실시예를 설명하기 위한 목적으로 예시된 것으로, 본 발명의 개념에 따른 실시예들은 다양한 형태로 실시될 수 있으며, 본 명세서에 설명된 실시예들에 한정되는 것으로 해석되어서는 아니된다.Prior to the description of the present invention, the following specific structural or functional descriptions are only exemplified for the purpose of describing embodiments according to the concept of the present invention, and embodiments according to the concept of the present invention may be implemented in various forms, It should not be construed as being limited to the embodiments described herein.
도 2 내지 도 5에 도시된 바와 같이, 본 발명은 수자원 및 에너지를 절감하기 위해 채택된 방식 중 아파트 단지 등에서 사용되는 중앙난방식 또는 지역난방식과 같이 공동 관리되는 것으로, 특히 아파트 단지(團地) 내에 사용처(세대)에 온수를 공급하기 위해 물을 가열시켜 공급해주기 위한 대형의 저장탱크/가열기(8)가 형성된다.2 to 5, the present invention is jointly managed with the central heating method or district heating method used in apartment complexes among the methods adopted to save water resources and energy, and in particular, ), a large storage tank/
상기 아파트 단지 등에서 사용처로 온수를 공급하기 위해 저장탱크로부터 가열기(8)를 거쳐 가열되어진 물을 입상주관(4)을 통해 이송시킨다.In order to supply hot water to the place of use in the apartment complex, etc., the heated water is transferred from the storage tank through the
상기 입상주관(4)을 통해 이송되는 온수는, 각 그룹별로 이루어진 단지내의 사용처로 공급시켜 주기 위한 급탕관(16)으로 온수를 이송시키기 위해 횡주관(6)으로 이송된다.The hot water transferred through the standing main pipe (4) is transferred to the horizontal main pipe (6) in order to transfer the hot water to the hot water supply pipe (16) for supplying it to the place of use in the complex made by each group.
상기 리버스 리턴 방식은 단지와 사용처와 거리를 두고 배관 설비되어 있기 때문에, 도시된 바와 같이 입상주관(4)과 횡주관(6) 등으로 분류되고 있다.Since the reverse return method is provided with piping at a distance from the complex and the place of use, it is classified into a standing main pipe (4) and a horizontal main pipe (6) as shown.
상기와 같이 배관 되어진 입상주관(4)과 횡주관(6)의 사이에는 온수에서 발생되는 기포 또는 외부에서 침입된 기포 등을 배출시키기 위한 자동공기배출밸브(2)가 형성되어 있어 주기적으로 발생된 기포를 제거한다.An automatic air discharge valve (2) is formed between the rising main pipe (4) and the transverse main pipe (6), which are piped as described above, for discharging air bubbles generated in hot water or air bubbles entering from the outside. to remove
상기의 횡주관(6)은, 각각의 그룹별로 이루어진 급탕관(16)으로 이송되고, 상기 급탕관(16)으로 이송된 온수는 사용처로 이송되어 사용처의 수도 꼭지까지 순환된다.The
본 발명의 수도꼭지(20)까지 순환되는 온수는 수도꼭지(20)의 토출구로 토출되지 않으면 계속해서 환탕관(11)으로 순환되어 배출되도록 배관되어 있다.The hot water circulated up to the
상기 환탕관(11)으로 순환되는 사용되지 않은 온수는 환탕주관(12)을 경유하여 다시 저장탱크로 이송된 후에 기존에 저장된 온수와 섞여 데워진 후 상기와 같은 방법으로 순환된다.Unused hot water circulated to the round-
상기와 같이 구성된 본 발명에 의해 사용처에서 사용자가 온수를 사용하기 위해 도 2 및 도 3에 도시된 바와 같이, 수도꼭지(20)를 오픈하게 되면, 상기의 수도꼭지(20)에 설치된 도 5 와 같이 스위치수단은 수도꼭지(20)의 상태가 온수를 배출시키기 위해 수도꼭지(20)의 위치변경을 감지하게되면 전류가 자동적으로 흐르게 되어 사용처의 온수 입구측에 설비되어 있는 유입 전환밸브(30)를 작동시킨다.According to the present invention configured as described above, when the user opens the
상기의 유입 전환밸브(30)는, 급탕관(16)에서 사용처로 유입되는 온수를 사용하기 전까지는 유입 전환밸브(30)가 리버스 리턴 방식으로 하나의 사용처에 배관되고, 급탕관(16)에 설비된 온수 유량측정기(28)의 바로 앞에 설비되어 있기 때문에, 상기 온수 유량측정기(28)를 경계로 우회 배관(26)이 형성되어 있어 사용처의 구석구석으로 순환되어 사용처를 빠져나와 환탕관(11)으로 순환된다.The
그러나, 도 3에 도시된 바와 같이 사용처의 내부를 일반적으로 분류해 봤을때에, 주방용 수도꼭지(40), 욕실 1의 수도꼭지(42) 및 욕실 2 의 수도꼭지(44) 중에 어느 한 수도꼭지(20)만 작동하더라고 수도꼭지에 설치되어 있는 스위치가 작동되기 때문에 유입 전환밸브(30)는 바로 우회배관(26)으로 흐르던 온수의 흐름을 온수 유량측정기(28)가 설치된 배관으로 전환시켜 흘려 보내고 우회배관(26)측은 폐쇄시킨다. 이때부터, 온수 유량측정기(28)는 작동되어 수도꼭지(20)를 통해 배출되는 온수의 양을 체크한다.However, when the interior of the place of use is generally classified as shown in FIG. 3 , only one faucet 20 among the
이와 같이 공급되는 온수는 사용처의 수도꼭지(20)까지 순환되도록 배관되어 있기 때문에, 본 발명의 수도꼭지(20)를 오픈함과 동시에 바로 사용자가 원하는 온도의 온수를 바로 얻을 수 있도록 배관된 특징이 있다.Since the supplied hot water is piped to be circulated to the
상기 본 발명의 수도꼭지(20)로 배출되는 온수의 수량만을 계량하기 위해서 본 발명에서는 사용처내를 경유해서 빠져나가는 온수 배관의 끝단부측에 온수의 흐름을 차단시켜 순환하지 못하도록 차단밸브(24)를 형성하고 있어 수도꼭지(20)의 작동시 유입 전환밸브(30)와 동시에 작동되어 유입되는 온수의 수량이 수도꼭지(20)로만 배출되도록 온수의 수량을 제어하기 때문에 사용처에서 사용되는 온수만을 계량하게 된다.In order to measure only the quantity of hot water discharged to the
또한, 상기의 동작과는 반대로 사용처에서 수도꼭지(20)를 폐쇄시키면 기울기 등을 감지하여 감지되는 수은 스위치 등과 같은 스위치수단에 의해 접점부위가 떨어짐과 동시에 온수 유량측정기(28)로 이송되도록 전환되어 있는 유입 전환밸브(30)의 상태를 우회 배관(26)측으로 바꿔주면 온수 유량측정기(28)의 작동이 멈추게 된다.In addition, when the
또한, 온수를 순환하지 못하도록 차단하고 있는 차단밸브(24)도 유입전환밸브(30)와 동시에 작동되어 차단되어 있던 온수를 순환하도록 열어주기 때문에 관내에 정체되어 있는 온수를 순환시키므로 사용처내에 설치된 배관내로 흐르는 온수는 식지 않고 적당한 온도를 유지한다.In addition, the shut-off
상기와 같은 본 발명의 장치에 의해 수도꼭지(20)에서 처음부터 사용자가 원하는 온도의 온수를 얻을 수 있기 때문에 시간적으로 온수가 배출되기를 기다릴 필요가 없을 뿐만 아니라, 종래의 방식과 같이 일정길이 만큼의 배관에서 식혀진 물을 배출시키기 위해, 수도꼭지로 배출시켜 버리는 물의 양이 거의 없이 온수를 바로 쓸 수 있도록 구성된 특징이 있다.Since hot water of the desired temperature can be obtained from the
상기와 같이 이루어진 본 발명의 건축기계설비공사의 리버스 리턴 방식용 절수형 수도장치를 도 4에 도시된 회로도를 보면서 보다 상세하게 설명하면 다음과 같다.The water-saving water-saving water supply device for the reverse return method of the construction machinery and equipment construction of the present invention made as described above will be described in more detail while looking at the circuit diagram shown in FIG. 4 .
본 발명의 수도꼭지(20)에 달려 있는 S/W1, S/W2, S/W3, S/W4, S/W5의 스위치 중 어느 하나가 작동되면 양측으로 흐르는 전류가 연결되어 릴레이(60)가 작동된다.When any one of the switches of S/W1, S/W2, S/W3, S/W4, and S/W5 attached to the
상기의 릴레이(60)가 작동되면 도면상에 도시되어 있는 R1(:|)은 접점이 붙고, R1(|:)의 접점 부분이 떨어지면서 타이머(70)는 정지되고, 릴레이(63)가 작동되며 상기의 릴레이는 R2의 접점 부분을 붙이므로 액츄에이터(66),(68)가 작동되어 유입 전환밸브(30) 및 차단밸브(24)를 동시에 작동시킨다.When the
상기와 같이 유입 전환밸브(30)는 온수유량측정기(28)로 유로를 전환시키고, 상기 차단밸브(24)가 폐쇄 작동되어 사용되는 온수를 계량하게 된다.As described above, the
또한, 각각의 수도꼭지에 설치된 스위치의 갯수는 더 증가시켜서 사용해도 무관할 뿐만 아니라, 어느 한 수도꼭지에 설치된 스위치만 동작하더라도 작동되기 때문에 별다른 문제점은 발생되지 않는다.In addition, it does not matter whether the number of switches installed in each faucet is increased and used, and since only the switch installed in one faucet is operated, there is no particular problem.
또한, 사용처로 유입되는 온수의 유로를 전환할시에는 상기의 동작과는 역순으로 수도꼭지(20)를 폐쇄시키면, 스위치의 접점 부분이 떨어져 흐르는 전류를 차단시키며, 상기와 같이 스위치의 작동으로 인해 차단되면 릴레이(60)는 차단 동작된다.In addition, when switching the flow path of hot water flowing into the place of use, if the
상기와 같이 동작되면 릴레이(63)가 설치된 R1 부분(:|)접점이 떨어지고, 반대로 타이머(70)부분에 설치된 R1 부분(|:)은 접점이 붙게 된다.When the operation is as described above, the R1 part (:|), where the
따라서, 동시에 타이머(70)가 작동되어 정해진 시간이 지난후에는 타이머릴레이(62)가 작동되어 회로를 차단시킨다.Therefore, the
그러므로, 릴레이(63)이 차단 동작되어 R2부분과 액츄에이터(66),(68)이 작동하여 유입 전환밸브(30)는 우회 배관(26)으로 유로를 바꾸며, 차단밸브(24)는 개방되도록 설치되어 온수는 순환을 계속하게 된다.Therefore, the
특히, 타이머(70)의 도입은 수도꼭지(20)의 개폐시 유입전환밸브(30) 및 차단밸브(24)의 빈번한 작동을 방지하는 특징이 있다.In particular, the introduction of the
한편, 가열기(8)는 일종의 보일러 설비로서, 대용량이기 때문에 LNG 혹은 LPG 원료를 태울 때 발생되는 유해가스 등을 배기하기 위해 연돌(STC)이 설치되며, 보통 연돌(STC)은 옥상(TOP)에 돌출되게 설치된다.On the other hand, the
본 발명은 이 연돌(STC) 옆의 옥상(TOP)에 회전가능하게 턴테이블(TAB)을 설치하고, 상기 턴테이블(TAB)에 의해 90°회전가능한 지지포스트(POS)를 포함한다.The present invention installs a turntable (TAB) rotatably on the rooftop (TOP) next to the stack (STC), and includes a support post (POS) rotatable by 90° by the turntable (TAB).
이때, 상기 지지포스트(POS)는 수직하게 절곡된 절곡단부(TER)를 갖는 'ㄱ' 형상의 고정구조물이다.In this case, the support post (POS) is a fixed structure in the shape of 'a' having a bent end portion (TER) bent vertically.
그리고, 상기 턴테이블(TAB)은 공지된 기어결합, 이를테면 베벨기어 조합에 의해 회전모터(MOT)에 의해 회전가능하게 구성된다. 다만, 이러한 조립은 산업분야에서 널리 사용되는 구조이므로 구체적인 도시 설명은 생략한다.And, the turntable (TAB) is configured to be rotatable by the rotary motor (MOT) by a known gear combination, for example, a bevel gear combination. However, since this assembly is a structure widely used in the industrial field, a detailed illustration of the structure will be omitted.
아울러, 상기 절곡단부(TER)에는 윈치(WIN)가 고정되는데, 상기 윈치(WIN)는 상기 절곡단부(TER)가 상기 연돌(STC)의 상부에서 그 직경방향으로 배열되었을 때 연돌(STC)의 원중심에 위치될 수 있도록 배치된다.In addition, a winch WIN is fixed to the bent end TER, and the winch WIN is a funnel STC when the bent end TER is arranged in the radial direction at the top of the stack STC. It is arranged so that it can be located at the center of the circle.
또한, 상기 윈치(WIN)는 양축 윈치로서 양단에 각각 드럼(DRM)이 고정되고, 상기 드럼(DRM)에는 와이어(WIR)가 권취되며, 상기 와이어(WIR)의 단부는 정화통(100)의 상부 양단에 결속된다.In addition, the winch (WIN) is a double-axis winch, and a drum (DRM) is fixed at both ends, respectively, a wire (WIR) is wound around the drum (DRM), and the end of the wire (WIR) is the upper part of the purification tank (100) bound at both ends.
따라서, 상기 윈치(WIN)를 가동함에 따라 상기 정화통(100)을 승강시킬 수 있게 되어 교체시에는 들어 올려 바꾸고 세팅시에는 하강시켜 안착하면 된다.Therefore, as the winch (WIN) is operated, the
여기에서, 상기 정화통(100)은 다수의 공지된 정화용 볼이 채워지는 일종의 하우징으로서, 그물망 형태로 구성되기 때문에 대기에 함유된 유해물질을 분해 흡수 등 정화처리 후 최종 배출하게 된다.Here, the
이때, 정화용 볼은 폴리우레탄수지 100중량부에 대해, 비닐옥시모실란 10중량부, 염화제2철(FeCl3) 10중량부, 벤조구아나민 3.5중량부, 목초농축액 5중량부, 레조시놀 5중량부, 글루타릴콘센트레이스 10중량부, 테르븀 5중량부를 혼합한 후 이를 액적형태로 떨어뜨리면서 냉각하여 볼 형상으로 만든 것을 사용하며, 이 정화용 볼은 정화통의 메쉬보다 커서 빠져나오지 않는 크기를 가져야 한다.At this time, the purification ball is based on 100 parts by weight of the polyurethane resin, 10 parts by weight of vinyloxymosilane, 10 parts by weight of ferric chloride (FeCl3 ), 3.5 parts by weight of benzoguanamine, 5 parts by weight of a grass concentrate, 5 parts by weight of resorcinol After mixing parts by weight, 10 parts by weight of glutaryl concentrate, and 5 parts by weight of terbium, it is cooled while dropping it in the form of droplets to form a ball. do.
이 경우 비닐옥시모실란(Vinyl Oximeino Silane)은 전이금속인 염화제2철의 결합력을 높이기 위해 첨가된다.In this case, vinyl oxymosilane (Vinyl Oximeino Silane) is added to increase the binding strength of the transition metal ferric chloride.
그리고, 염화제2철(FeCl3)은 3가의 철염으로서 산화력을 갖는 전이금속으로서 고열환경속에서 강력한 산화력을 가지고 있기 때문에 연돌내 고온의 배기가스와 반응하여 유해성분 분해력을 높이게 된다.In addition, ferric chloride (FeCl3 ) is a trivalent iron salt, which is a transition metal having oxidizing power. Since it has a strong oxidizing power in a high temperature environment, it reacts with the high temperature exhaust gas in the stack to increase the decomposition power of harmful components.
또한, 벤조구아나민은 정전 특성을 유지하면서 부착력 안정화를 유지하기 위해 첨가되고, 목초농축액은 목재를 건류할 때 만들어지는 암갈색의 건류액으로서 주로 고무, 섬유 특유의 냄새를 분해 제거하는데 탁월한 효과를 가지므로 이를 위해 첨가된다.In addition, benzoguanamine is added to maintain adhesion stabilization while maintaining electrostatic properties, and grass concentrate is a dark brown dry distillate made when carbonizing wood. Therefore, it is added for this purpose.
아울러, 레조시놀(Resorcinol)은 습윤 및 건조강도를 높이고, 고온 저항성이 커 가교강도를 유지하면서 탈취력을 높이기 위한 것이다.In addition, resorcinol is intended to increase the wet and dry strength, and to increase the deodorization power while maintaining the crosslinking strength due to high temperature resistance.
뿐만 아니라, 글루타릴콘센트레이스(Glutaral Concentrate)는 열에 의해 반응하면서 유해성분을 흡수 분해하게 된다.In addition, Glutaral Concentrate absorbs and decomposes harmful components while reacting with heat.
아울러, 테르븀은 란탄족에 속하는 희토류 금속으로서 전성과 연성이 큰 은백색 금속이며, 고열하에서 반응하여 유해금속 성분을 흡수 제거하게 된다.In addition, terbium is a rare earth metal belonging to the lanthanide group, a silvery-white metal with high malleability and ductility, and reacts under high heat to absorb and remove harmful metal components.
다른 한편, 상기 정화통(100)은 사각틀체로 형성되는데, 도 2의 예시와 같이, 한 쌍의 측프레임(110)과, 상기 측프레임(110)의 상단에 조립고정되는 상부프레임(120)과, 상기 측프레임(110)과 상부프레임(120)의 선단 및 후단에 각각 조립되는 전방프레임(130) 및 후방프레임(140)을 포함한다.On the other hand, the
이때, 상기 측프레임(110), 상부프레임(120), 전방프레임(130) 및 후방프레임(140)은 사각형상의 틀(F)에 내열성 철메쉬망(W)이 고정되어 배기가스가 원활하게 흘러갈 수 있도록 구성된다.At this time, the
이 경우, 상기 철메쉬망(W)은 상기 틀(F)에 용접 고정되는 방식으로 구성됨으로써 강한 강성과 고내열성을 가져 연돌(STC) 속에서도 충분히 견딜 수 있도록 구성된다.In this case, the iron mesh network (W) is configured to have strong rigidity and high heat resistance by being welded and fixed to the frame (F) so that it can sufficiently withstand in the stack (STC).
그리고, 상기 측프레임(110), 상부프레임(120), 전방프레임(130) 및 후방프레임(140)은 모두 단품으로 각각 제조되고, 이들이 설치될 연돌(STC)에 이르러 각 프레임이 서로 조립 고정되는 방식으로 설치되기 때문에 운송, 적재에 따른 효율성을 높이게 된다.In addition, the
또한, 해체하기도 쉽도록 구성되기 때문에 유지보수도 용이한 장점이 있다.In addition, since it is configured to be easily dismantled, there is an advantage of easy maintenance.
즉, 각 프레임(측프레임, 상부프레임, 전방프레임, 후방프레임)이 서로 맞대어진 상태에서 클램프(200)로 체결함으로써 아주 쉽고 빠르면서 견고한 정화통(100)을 조립 설치할 수 있게 된다.That is, by fastening each frame (side frame, upper frame, front frame, rear frame) with the
이와 같은 구조를 갖기 위해서는 상기 틀(F)이 사각파이프 형태이면 더욱 좋다.In order to have such a structure, it is better if the frame (F) is in the form of a square pipe.
그리고, 상기 클램프(200)는 누름노브(210)에 구비된 걸쇠(220)가 고정쇠(230)에 걸리는 방식으로 클램핑된다.And, the
이를 위해, 누름노브(210)의 몸체는 서로 접하는 프레임의 일측 틀(F) 고정되고, 고정쇠(230)는 타측 틀(F)에 고정되면 된다.To this end, the body of the
4: 입상주관
6: 횡주관
8: 가열기
26: 우회 배관
30: 유입 전환밸브4: Prize Winner
 6: cross-section
 8: burner
 26: bypass piping
 30: inlet switching valve
| Application Number | Priority Date | Filing Date | Title | 
|---|---|---|---|
| KR1020210004628AKR102334066B1 (en) | 2021-01-13 | 2021-01-13 | Water-saving water-saving device for reverse return method of construction machinery construction | 
| Application Number | Priority Date | Filing Date | Title | 
|---|---|---|---|
| KR1020210004628AKR102334066B1 (en) | 2021-01-13 | 2021-01-13 | Water-saving water-saving device for reverse return method of construction machinery construction | 
| Publication Number | Publication Date | 
|---|---|
| KR102334066B1true KR102334066B1 (en) | 2021-12-06 | 
| Application Number | Title | Priority Date | Filing Date | 
|---|---|---|---|
| KR1020210004628AActiveKR102334066B1 (en) | 2021-01-13 | 2021-01-13 | Water-saving water-saving device for reverse return method of construction machinery construction | 
| Country | Link | 
|---|---|
| KR (1) | KR102334066B1 (en) | 
| Publication number | Priority date | Publication date | Assignee | Title | 
|---|---|---|---|---|
| JP2001302182A (en)* | 2000-04-20 | 2001-10-31 | Hitachi Ltd | Cargo handling method, swing device of lifting machine, and hanging jig | 
| KR100328965B1 (en) | 2000-03-28 | 2002-03-20 | 이한용 | water-saving type water supplying apparatus using reverse-returning method in mechanical work of building | 
| KR20070108269A (en)* | 2005-03-29 | 2007-11-08 | 얀마 가부시키가이샤 | Exhaust gas purification device | 
| KR20100085554A (en)* | 2009-01-21 | 2010-07-29 | 김태한 | Rpf dioxin treatment boiler with fuel automatic supply | 
| KR20130065999A (en)* | 2011-12-12 | 2013-06-20 | 조종춘 | A magnetic filter for gathering oxidized steel dust at chimney | 
| Publication number | Priority date | Publication date | Assignee | Title | 
|---|---|---|---|---|
| KR100328965B1 (en) | 2000-03-28 | 2002-03-20 | 이한용 | water-saving type water supplying apparatus using reverse-returning method in mechanical work of building | 
| JP2001302182A (en)* | 2000-04-20 | 2001-10-31 | Hitachi Ltd | Cargo handling method, swing device of lifting machine, and hanging jig | 
| KR20070108269A (en)* | 2005-03-29 | 2007-11-08 | 얀마 가부시키가이샤 | Exhaust gas purification device | 
| KR20100085554A (en)* | 2009-01-21 | 2010-07-29 | 김태한 | Rpf dioxin treatment boiler with fuel automatic supply | 
| KR20130065999A (en)* | 2011-12-12 | 2013-06-20 | 조종춘 | A magnetic filter for gathering oxidized steel dust at chimney | 
| Publication | Publication Date | Title | 
|---|---|---|
| CA2611730A1 (en) | Pumpless combination instantaneous/storage water heater system | |
| TW200808250A (en) | Dishwasher/dryer | |
| KR102334066B1 (en) | Water-saving water-saving device for reverse return method of construction machinery construction | |
| JP2011149673A (en) | Solar heat hot water supply system | |
| CN203413833U (en) | Water outlet system of gas water heater | |
| CN104676703B (en) | The hybrid power hot-water heating system of gas heating pump | |
| JP4375095B2 (en) | Heat pump water heater | |
| KR200481635Y1 (en) | Pallets heater for camping | |
| JPS6364694B2 (en) | ||
| CN216953564U (en) | Zero-cold water module and gas appliance | |
| GB2473684A (en) | Control unit for a heating system | |
| JP3915799B2 (en) | Heat pump type water heater | |
| JP2011153718A (en) | Solar heat hot water supply device | |
| CN201903114U (en) | Group hot water supply system | |
| CN211290528U (en) | Gas heating water heater | |
| JP5656468B2 (en) | Bath equipment | |
| JP4867282B2 (en) | Water heater | |
| JP4072140B2 (en) | Hot water storage water heater | |
| JPH09273805A (en) | Bath equipment | |
| JP6138656B2 (en) | Heating system | |
| KR102751828B1 (en) | Portable heating system | |
| CN213778194U (en) | Anti-corrosion high-temperature direct thermal circulation type water heater shell | |
| KR101616782B1 (en) | Indoor heating system and tents heating system | |
| JP5462007B2 (en) | Solar water heater | |
| JP2006329539A (en) | Heat pump hot water supply apparatus | 
| Date | Code | Title | Description | 
|---|---|---|---|
| PA0109 | Patent application | Patent event code:PA01091R01D Comment text:Patent Application Patent event date:20210113 | |
| PA0201 | Request for examination | ||
| PA0302 | Request for accelerated examination | Patent event date:20210205 Patent event code:PA03022R01D Comment text:Request for Accelerated Examination Patent event date:20210113 Patent event code:PA03021R01I Comment text:Patent Application | |
| PE0902 | Notice of grounds for rejection | Comment text:Notification of reason for refusal Patent event date:20210803 Patent event code:PE09021S01D | |
| PE0701 | Decision of registration | Patent event code:PE07011S01D Comment text:Decision to Grant Registration Patent event date:20211124 | |
| GRNT | Written decision to grant | ||
| PR0701 | Registration of establishment | Comment text:Registration of Establishment Patent event date:20211129 Patent event code:PR07011E01D | |
| PR1002 | Payment of registration fee | Payment date:20211130 End annual number:3 Start annual number:1 | |
| PG1601 | Publication of registration | ||
| PR1001 | Payment of annual fee | Payment date:20240909 Start annual number:4 End annual number:4 |