


본 발명은 LED 구동장치에 관한 것으로, 보다 상세하게는 복수의 정전류원을 이용하여 LED 어레이에 안정적인 정전류를 제공할 수 있는 LED 구동장치에 관한 것이다.The present invention relates to an LED driving apparatus, and more particularly, to an LED driving apparatus capable of providing a stable constant current to an LED array using a plurality of constant current sources.
액정 표시 장치(Liquid Crystal Display: LCD)는 다른 표시 장치에 비해 두께가 얇고 무게가 가벼우며, 구동 전압 및 소비 전력이 낮아서 널리 사용되고 있다. 그러나 액정 표시 장치는 자체적으로 발광을 하지 못하는 비발광 소자이므로 액정 표시 패널에 광을 공급하기 위한 별도의 백라이트를 필요로 한다.Liquid crystal displays (LCDs) are widely used because they are thinner and lighter in weight than other display devices, have lower driving voltage and lower power consumption. However, since the liquid crystal display device is a non-light emitting device that can not emit light by itself, a separate backlight for supplying light to the liquid crystal display panel is required.
액정 표시 장치의 백라이트 광원으로는 냉음극형광램프(Cold Cathode Fluorescent Lamp: CCFL) 및 발광 다이오드(Light Emitting Diode: LED) 등이 많이 사용된다. 냉음극 형광램프는 수은을 사용하기 때문에 환경 오염을 유발할 수 있고, 응답속도가 느리며, 색 재현성이 낮을 뿐만 아니라 LCD 패널의 경박단소화에도 적절하지 못한 단점을 가졌다.Cold cathode fluorescent lamps (CCFLs) and light emitting diodes (LEDs) are widely used as backlight sources for liquid crystal displays. Since cold cathode fluorescent lamps use mercury, they can cause environmental pollution, have a slow response time, have low color reproducibility, and are not suitable for light and short life of LCD panels.
반면에, 발광 다이오드는 환경 유해 물질을 사용하지 않아 친환경적이며, 임펄스 구동이 가능한 이점이 있다. 그리고 색 재현성이 우수하며, 적색, 녹색, 청색 발광 다이오드의 광량을 조정하여 휘도, 색 온도 등을 임의로 변경할 수 있을 뿐만 아니라, LCD 패널의 경박단소화에 적합한 장점들을 가지므로, 최근 LCD 패널 등의 백라이트용 광원으로 많이 채용되고 있는 실정이다.On the other hand, the light emitting diode is environmentally friendly because it does not use environmentally harmful substances, and has an advantage that the impulse drive can be performed. In addition, it has excellent color reproducibility and is capable of arbitrarily changing the brightness and color temperature by adjusting the light quantity of red, green and blue light emitting diodes, and has merits suitable for thinning and shortening of LCD panel. And it is widely used as a backlight light source.
이와 같이, 발광 다이오드를 채용한 LCD 백라이트에서 발광 다이오드 여러 개를 직렬 연결하여 사용하는 경우(즉, LED 어레이를 이용하는 경우), 발광 다이오드에 전원을 조정하기 위한 DC-DC 컨버터가 필요하고, 발광 다이오드에 일정한 정전류를 제공할 수 있는 구동회로(구체적으로, 정전류원)가 필요하다.As described above, when a plurality of light emitting diodes are connected in series in an LCD backlight employing light emitting diodes (i.e., when an LED array is used), a DC-DC converter for adjusting the power supply to the light emitting diodes is required, A drive circuit (specifically, a constant current source) capable of providing a constant constant current is required.
구체적으로, 백라이트에서 균일한 밝기와 색을 유지하기 위해서는 각각의 LED에서의 전압에 관계없이 모든 LED를 동일한 전류로 구동해야 한다. 이러한 점에서, 종래에는 LED 어레이 하단에 하나의 정전류원을 구비하여 LED 어레이에 동일한 정전류가 제공되도록 하였다.Specifically, to maintain uniform brightness and color in the backlight, all LEDs must be driven with the same current, regardless of the voltage at each LED. In this regard, conventionally, one constant current source is provided at the lower end of the LED array so that the same constant current is provided to the LED array.
그러나, 최근에 LED 전류 요구량이 증대됨에 따라 높은 정전류를 제공하기 위하여, 정전류원 내의 트랜지스터를 크게 구현하는데, 정전류원 내의 트랜지스터를 크게 구현하는 경우, 트랜지스터 내부의 기생 커패시턴스 성분 또한 크게 되어, 정전류원의 안정도 및 정착시간에 불리한 점이 있었다. 구체적으로, 트랜지스터 내부의 기생 커패시턴스 성분을 보상하기 위해서(즉, 시스템의 안정도를 위하여), 큰 커패시터가 필요하게 되는데, 이 경우 정전류원의 정착시간이 느려지는 문제점이 존재하였다.However, recently, in order to provide a high constant current as the LED current requirement increases, a transistor in a constant current source is largely realized. In a case where a transistor in a constant current source is largely implemented, a parasitic capacitance component inside the transistor also becomes large, Stability and settling time. Specifically, in order to compensate for the parasitic capacitance component inside the transistor (that is, for the stability of the system), a large capacitor is required. In this case, there is a problem that the settling time of the constant current source is slow.
따라서, 본 발명의 목적은 복수의 정전류원을 이용하여 LED 어레이에 안정적인 정전류를 제공할 수 있는 LED 구동장치를 제공하는 데 있다.Accordingly, an object of the present invention is to provide an LED driving apparatus capable of providing a stable constant current to an LED array using a plurality of constant current sources.
이상과 같은 목적을 달성하기 위한 본 발명에 따른 LED 구동장치는, LED 어레이에 구동 전압을 제공하는 DC-DC 컨버터, 상기 LED 어레이의 구동을 위한 디밍 신호를 입력받는 입력부, 및 상기 디밍 신호에 따라 상기 LED 어레이를 구동하는 복수의 LED 구동부를 포함하고, 상기 LED 구동부 각각은, 상호 병렬 연결되어, 상기 LED 어레이에 정전류를 제공한다.According to an aspect of the present invention, there is provided an LED driving apparatus including a DC-DC converter for providing a driving voltage to an LED array, an input for receiving a dimming signal for driving the LED array, And a plurality of LED driving units driving the LED array, wherein each of the LED driving units is connected in parallel to each other to provide a constant current to the LED array.
이 경우, 상기 LED 구동부 각각은, 동일한 크기의 정전류를 상기 LED 어레이에 제공할 수 있다.In this case, each of the LED drivers may provide a constant current of the same magnitude to the LED array.
이 경우, 상기 LED 구동부 각각은, 서로 다른 크기의 정전류를 상기 LED 어레이에 제공할 수 있다.In this case, each of the LED drivers may provide a constant current of different magnitude to the LED array.
한편, 상기 LED 구동부 각각은, 일 단이 접지되는 저항, 상기 LED 어레이의 일 단과 상기 저항의 타 단을 선택적으로 연결하는 스위칭부, 상기 스위칭부와 상기 저항이 공통 접하는 공통 노드의 전압과 기설정된 기준 전압을 비교하여 상기 스위칭부를 제어하는 비교기를 포함할 수 있다.Each of the LED driving units may include a resistor connected to one end of the LED array, a switching unit selectively connecting one end of the LED array and the other end of the resistor, And a comparator for comparing the reference voltage and controlling the switching unit.
이 경우, 상기 스위칭소자는 드레인이 상기 LED 어레이의 일단과 연결되고, 소스가 상기 공통 노드에 연결되고, 게이트가 상기 비교기의 출력단과 연결되는 전계 효과 트랜지스터일 수 있다.In this case, the switching element may be a field effect transistor in which a drain is connected to one end of the LED array, a source is connected to the common node, and a gate is connected to the output terminal of the comparator.
이 경우, 상기 비교기는 양의 단자로 상기 기준 전압을 입력받고, 음의 단자로 상기 공통 노드의 전압을 입력받고, 그 차이를 상기 트랜지스터의 게이트에 출력하는 OP-AMP일 수 있다.In this case, the comparator may be an OP-AMP that receives the reference voltage as a positive terminal, receives the voltage of the common node as a negative terminal, and outputs the difference to the gate of the transistor.
한편, 상기 비교기는 상기 입력된 디밍 신호에 따라 동작될 수 있다.Meanwhile, the comparator may be operated according to the input dimming signal.
한편, 본 LED 구동 장치는, 상기 LED 어레이에 필요한 정전류의 크기에 따라 상기 복수의 LED 구동부 각각의 동작 여부를 제어하는 제어부를 더 포함할 수 있다.The LED driving apparatus may further include a controller for controlling operation of each of the plurality of LED driving units according to a magnitude of a constant current required for the LED array.
한편, 상기 LED 어레이는, 50㎃ 내지 150㎃ 크기의 전류로 구동될 수 있다.Meanwhile, the LED array may be driven with a current ranging from 50 mA to 150 mA.
이와 같이 본 실시 예에 다른 LED 구동장치는 복수의 LED 구동부를 이용한다는 점에서, 안정도를 확보함과 동시에 빠른 정착 시간을 확보할 수 있게 된다.As described above, in the LED driving apparatus according to the present embodiment, since a plurality of LED driving units are used, stability can be ensured and a fast fixing time can be ensured.
도 1은 본 발명의 일 실시 예에 따른 LED 구동장치의 블록도,
도 2는 본 실시 예에 따른 복수의 LED 구동부의 회로도, 그리고,
도 3은 다른 실시 예에 따른 복수의 LED 구동부의 회로도이다.1 is a block diagram of an LED driving apparatus according to an embodiment of the present invention;
 2 is a circuit diagram of a plurality of LED driving units according to the present embodiment,
 3 is a circuit diagram of a plurality of LED driving units according to another embodiment.
이하에서는 도면을 참조하여 본 발명을 보다 상세하게 설명한다.Hereinafter, the present invention will be described in detail with reference to the drawings.
도 1은 본 발명의 일 실시 예에 따른 LED 구동장치의 블록도이다.1 is a block diagram of an LED driving apparatus according to an embodiment of the present invention.
도 1을 참고하면, LED 구동장치(1000)는 입력부(100), PWM 신호 생성부(200), DC-DC 컨버터(300), 복수의 LED 구동부(400) 및 LED 어레이(500)를 포함한다.1, an
입력부(100)는 LED 어레이(500)의 구동을 위한 디밍 신호를 입력받는다. 구체적으로, LED에 대한 디지털 디밍 방법으로 다이렉트 모드(direct mode), 고정 위상 모드(fixed phase mode), 위상 이동 모드(phase shift mode)가 존재한다. 여기서, 다이렉트 모드는 PWM 주파수 및 온 듀티(On duty) 모두를 외부(PAD)에서 제어하는 방식이고, 고정 위상 모드 및 위상 이동 모드는 PWM 주파수는 IC 내부적으로 생성하고 온 듀티만 PAD에서 입력받아 제어하는 방식이다. 여기서 디밍 신호란, LED의 휘도와 색 온도 등을 조정하거나 온도 보상을 위한 신호이다. 한편, 본 실시 예에서는 디밍 신호를 외부로부터 입력받는 다이렉트 모드 방식에 대해서만 설명하였지만, 구현시에는 고정 위상 모드 및 위상 이동 모드와 같은 방식으로 구현될 수도 있다.The
PWM 신호 생성부(200)는 LED 어레이(500)의 전원을 조정하기 위한 PWM 신호를 생성한다. 구체적으로, PWM 신호 생성부(200)는 DC-DC 컨버터(300)의 구동 전압의 크기를 제어하기 위한 PWM 신호를 생성한다.The
DC-DC 컨버터(300)는 스위칭 동작을 수행하는 트랜지스터를 포함하고, 트랜지스터의 스위치 동작에 의하여 LED 어레이(500)에 구동 전압을 제공한다. 구체적으로, DC-DC 컨버터(300)는 PWM 신호 생성부(200)에서 생성된 PWM 신호에 기초하여 DC 전압을 컨버팅하고, 컨버팅된 DC 전압(즉, 구동 전압)을 LED 어레이(500)에 제공한다. 이때, DC-DC 컨버터(300)는 LED 어레이(500)가 포화 영역에서 동작하도록 LED 어레이(500)의 순방향 바이어스 전압에 대응하는 전압을 LED 어레이(500)에 제공할 수 있다.The DC-
복수의 LED 구동부(400)는 디밍 신호에 따라 LED 어레이(500)를 구동한다. 구체적으로, 복수의 LED 구동부(400)는 입력부(100)에서 입력된 디밍 신호를 이용하여 LED 어레이(500) 내에 구동 전류를 조정할 수 있다. 이때, 복수의 LED 구동부(400) 각각은 동일한 정전류를 LED 어레이(500)에 제공할 수 있으며, 서로 다른 정전류를 LED 어레이(500)에 제공할 수도 있다. 복수의 LED 구동부(400)의 구체적인 구성 및 동작은 도 2를 참고하여 후술한다.The plurality of
제어부(500)는 LED 어레이(500)에 필요한 정전류의 크기에 따라 복수의 LED 구동부 각각의 동작 여부를 제어한다. 구체적으로, 제어부(500)는 외부 제어 또는 내부의 계산에 따라 LED 어레이(500)에 필요한 정전류의 크기를 계산하고, 계산된 정전류의 크기에 맞은 LED 구동부만이 동작하도록 제어할 수 있다.The
예를 들어, 4개의 LED 구동부 각각이 최대 25mA의 정전류를 제공할 수 있고, 연결된 LED 어레이(500)에 필요한 최대 정전류의 크기가 100mA인 경우, 제어부(500)는 4개의 LED 구동부(400) 모두가 동작하도록 제어할 수 있다. 그리고 연결된 LED 어레이(500)에 필요한 정전류의 최대 크기가 50mA인 경우, 제어부(600)는 2개의 LED 구동부(400)만 동작하도록 할 수 있다.For example, if each of the four LED drivers is capable of providing a constant current of up to 25 mA, and the maximum constant current required for the connected
이상과 같이 본 실시 예에 따른 LED 구동장치(1000)는 복수의 LED 구동부를 이용하여 LED 어레이(500)에 정전류를 제공하는바, 안정도를 확보함과 동시에 빠른 정착 시간을 확보할 수 있게 된다.As described above, the
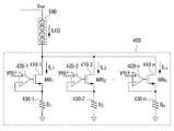
도 2는 본 실시 예에 따른 복수의 LED 구동부의 회로도이다.2 is a circuit diagram of a plurality of LED driving units according to the present embodiment.
도 2를 참고하면, 복수의 LED 구동부(400-1, 400-2,… 400-N) 각각은 상호 병렬 연결되며, LED 어레이(500)에 정전류를 제공한다. 이때, 복수의 LED 구동부 각각이 LED 어레이(500)에 제공하는 정전류의 크기는 동일할 수 있으며, 다를 수 있다. 그리고 복수의 LED 구동부(400-1, 400-2,… 400-N) 각각은 스위칭부(410-1, 410-2,… 410-N), 비교기(420-1, 420-2,… 420-N) 및 저항(430-1, 430-2,… 430-N)로 구성될 수 있다.Referring to FIG. 2, each of the plurality of LED driving units 400-1, 400-2,... 400-N is connected in parallel to each other to provide a constant current to the
스위칭부(410-1, 410-2,… 410-N) 각각은 비교기(420-1, 420-2,… 420-N)의 출력 신호에 따라 스위칭 동작을 수행한다. 구체적으로, 스위칭부(410-1, 410-2,… 410-N)는 전계 효과 트랜지스터로 구현될 수 있으며, 전계 효과 트랜지스터로 구현되는 경우, 드레인이 LED의 어레이(500)의 일 단과 연결되고, 소스 각각이 저항(430-1, 430-2,… 430-N)의 일 단과 연결되고, 게이트가 비교기(420-1, 420-2,… 420-N) 각각의 출력단과 연결된다.Each of the switching units 410-1, 410-2,... 410-N performs a switching operation in accordance with the output signals of the comparators 420-1, 420-2, ... 420-N. Specifically, the switching units 410-1, 410-2,... 410-N may be implemented as field effect transistors, and when implemented as field effect transistors, the drains are connected to one end of the array of
여기서 전계 효과 트랜지스터 각각은 동일한 크기를 가질 수 있으며, 다른 크기를 가질 수 있다. 구체적으로, 전계 효과 트랜지스터 각각은 동일한 허용 전류를 가질 수 있으며, 다른 허용 전류를 가질 수도 있다.Where each of the field effect transistors may have the same size and may have different sizes. Specifically, each of the field effect transistors may have the same allowable current and may have another allowable current.
비교기(420-1, 420-2,… 420-N) 각각은 스위칭부(410-1, 410-2,… 410-N)와 저항(430-1, 430-2,… 430-N)이 공통 접하는 공통 노드의 전압과 기설정된 기준 전압(VREF)을 비교하여 스위칭부(410-1, 410-2,… 410-N)를 제어한다. 구체적으로, 비교기(420)는 OP-AMP로 구현될 수 있으며, OP-AMP로 구현되는 경우, 양의 단자가 기준 전압과 연결되고, 음의 단자가 저항(430-1, 430-2,… 430-n) 각각과 스위칭부(410-1, 410-2,… 410-n) 각각이 공통으로 접하는 공통 노드에 연결되고, 출력단 각각이 전계 효과 트랜지스터의 게이트에 연결된다.Each of the comparators 420-1, 420-2, ... 420-N includes switching units 410-1, 410-2, ... 410-N and resistors 430-1, 430-2, ... 430- And controls the switching units 410-1, 410-2,... 410-N by comparing the voltage of the common node in common with the predetermined reference voltage VREF . Specifically, the
그리고 비교기(420-1, 420-2,… 420-N) 각각은 디밍 신호를 입력받는다. 구체적으로, 비교기(420-1, 420-2,… 420-n) 각각은 디밍 신호를 인에블(Enable) 신호로 입력받음으로써 디밍 신호가 온일 때, LED 어레이(500)에 정전류가 공급되도록 스위칭부(410-1, 410-2,… 410-n) 각각을 제어하고, 디밍 신호가 오프일 대, LED 어레이(500)에 정전류의 공급이 차단되도록 스위칭부(410-1, 410-2,… 410-n) 각각을 제어할 수 있다.Each of the comparators 420-1, 420-2,... 420-N receives a dimming signal. More specifically, each of the comparators 420-1, 420-2, ..., 420-n receives a dimming signal as an enable signal so that a constant current is supplied to the
저항(430-1, 430-2,… 430-n) 각각은 일 단이 스위칭부(410-1, 410-2,… 410-n)와 연결되고, 타 단이 접지된다. 여기서 저항(430-1, 430-2,… 430-n) 각각의 저항값은 동일할 수 있으며, 다를 수도 있다. 저항 각각의 저항값이 다른 경우, 각각의 LED 구동부(400-1, 400-2, …, 400-n)는 다른 크기의 정전류를 LED 어레이(500)에 제공할 수 있다.Each of the resistors 430-1, 430-2, ..., 430-n is connected to the switching units 410-1, 410-2, ... 410-n at one end and grounded at the other end. Here, the resistance values of the resistors 430-1, 430-2, ... 430-n may be the same or different. The respective LED drivers 400-1, 400-2, ..., and 400-n may provide constant currents of different magnitudes to the
이와 같은 회로 구성에 의하여 복수의 LED 구동부(400)는 LED 어레이에 ILED 크기의 정전류를 제공한다. 여기서 ILED는 LED 구동부(400) 각각의 정전류의 크기의 합산, 즉, ILED = IL1 + IL2 + … + ILn이다. 그리고 LED 구동부(400) 각각의 정전류는 VREF/R 크기를 갖는바, ILED = VREF/R1 + VREF/R2 + … + VREF/Rn이다.With such a circuit configuration, the plurality of
한편, LED 어레이(500)에 100mA의 정전류가 요구되는 경우, 하나의 정전류원을 이용하는 경우, 하나의 정전류원의 트랜지스터의 허용 전류는 100mA 이상이 되어야 한다. 따라서, 해당 트랜지스터의 기생 커패시턴스의 크기 또한 커진다.On the other hand, when a constant current of 100 mA is required for the
그러나 본원과 같이 LED 구동부를 복수개 이용하는 경우, 예를 들어, 4개의 LED 구동부를 이용하는 경우, 25mA 정도의 허용 전류를 갖는 복수의 트랜지스터를 이용하여 LED 어레이(500)를 구동할 수 있게 되는바, 트랜지스터 각각의 기생 커패시턴스는 줄어들게 된다. 이에 따라 기생 커패시턴스를 줄이기 위한 보상 커패시터의 크기를 크게 할 필요가 없게 되고, 그에 따라 빠른 정착 시간을 확보할 수 있게 된다.However, in the case where a plurality of LED driving units are used, for example, when four LED driving units are used, a plurality of transistors having an allowable current of about 25 mA can be used to drive the
도 2를 설명함에 있어서, LED 구동부(400)가 3개 이상으로 구현되는 것만을 설명하였으나, 구현시에는 두 개의 LED 구동부를 이용하여 LED 구동장치를 구현할 수도 있다. 그리고 도 2를 설명함에 있어서, 복수의 LED 구동부(400) 모두가 LED 어레이(500)에 정전류를 제공하는 것으로 설명하였으나, 복수의 LED 구동부(400) 중 일부만 구동하도록 구현할 수도 있다. 이에 대한 실시 예에 대래서는 도 3을 참고하여 이하에서 설명한다.In the description of FIG. 2, only the
도 3은 제2 실시 예에 따른 복수의 LED 구동부의 회로도이다.3 is a circuit diagram of a plurality of LED driving units according to the second embodiment.
도 3을 참고하면, 복수의 LED 구동부(400) 각각은 상호 병렬 연결되며, 스위칭부(410-1, 410-2), 비교기(420-1, 420-2) 및 저항(430-1, 430-2)을 포함한다.Referring to FIG. 3, each of the plurality of
스위칭부(410-1, 410-2) 각각은 비교기(420-1, 420-2)의 출력 신호에 따라 스위칭 동작을 수행한다. 구체적으로, 스위칭부(410-1, 410-2)는 전계 효과 트랜지스터로 구현될 수 있으며, 전계 효과 트랜지스터로 구현되는 경우, 드레인이 LED 어레이(500)의 일 단과 연결되고, 소스 각각이 저항(430-1, 430-2)의 일 단과 연결되고, 게이트가 비교기(420-1, 420-2) 각각의 출력단과 연결된다. 여기서 전계 효과 트랜지스터 각각은 동일한 크기를 가질 수 있으며, 다른 크기를 가질 수 있다.Each of the switching units 410-1 and 410-2 performs a switching operation in accordance with the output signals of the comparators 420-1 and 420-2. Specifically, the switching units 410-1 and 410-2 may be implemented as a field effect transistor. When implemented as a field-effect transistor, the drain is connected to one end of the
비교기(420-1, 420-2) 각각은 스위칭부(410-1, 410-2)와 저항(430-1, 430-2)이 공통 접하는 공통 노드의 전압과 기설정된 기준 전압(VREF)을 비교하여 스위칭부(410-1, 410-2)를 제어한다. 구체적으로, 비교기(420)는 OP-AMP로 구현될 수 있으며, OP-AMP로 구현되는 경우, 양의 단자가 기준 전압과 연결되고, 음의 단자가 저항(430-1, 430-2) 각각과 스위칭부(410-1, 410-2) 각각이 공통으로 접하는 공통 노드에 연결되고, 출력단 각각이 전계 효과 트랜지스터의 게이트에 연결된다.Each of the comparators 420-1 and 420-2 includes a comparator 420-1 and a comparator 420-2 that compares the voltage of the common node common to the switching units 410-1 and 410-2 and the resistors 430-1 and 430-2 and the predetermined reference voltage VREF , And controls the switching units 410-1 and 410-2. Specifically, the
그리고 비교기(420-1, 420-2) 각각은 제어 신호를 입력받는다. 구체적으로, 비교기(420-1, 420-2) 각각은 제어부(600)의 제어 신호를 입력받을 때 LED 어레이(500)에 정전류가 공급되도록 스위칭부(410-1, 410-2) 각각을 제어하고, 제어 신호가 오프일 대, LED 어레이(500)에 정전류의 공급이 차단되도록 스위칭부(410-1, 410-2) 각각을 제어할 수 있다.Each of the comparators 420-1 and 420-2 receives a control signal. More specifically, each of the comparators 420-1 and 420-2 controls the switching units 410-1 and 410-2 so that a constant current is supplied to the
저항(430-1, 430-2) 각각은 일 단이 스위칭부(410-1, 410-2)와 연결되고, 타 단이 접지된다. 여기서 저항(430-1, 430-2) 각각의 저항값은 동일할 수 있으며, 다를 수 있다. 저항 각각의 저항값이 다른 경우, 각각의 LED 구동부(400-1, 400-2)는 다른 크기의 정전류를 LED 어레이(500)에 제공할 수 있다.Each of the resistors 430-1 and 430-2 is connected to the switching units 410-1 and 410-2 at one end and grounded at the other end. Here, the resistance values of the resistors 430-1 and 430-2 may be the same and may be different. When the resistance values of the resistors are different from each other, each of the LED drivers 400-1 and 400-2 may provide a constant current of different magnitude to the
제어부(600)는 LED 어레이(500)에 필요한 정전류의 크기에 따라 복수의 LED 구동부(400-1, 400-2) 각각의 동작 여부를 제어한다. 구체적으로, 제어부(600)는 외부 제어 또는 내부의 계산에 따라 LED 어레이(500)에 필요한 정전류의 크기를 계산하고, 계산된 정전류의 크기에 맞은 LED 구동부만이 동작하도록 제어할 수 있다. 예를 들어, 2개의 LED 구동부 각각이 최대 25mA의 정전류를 제공할 수 있고, 연결된 LED 어레이(500)에 필요한 최대 정전류의 크기가 50mA인 경우, 제어부(600)는 2개의 LED 구동부(400) 모두가 동작하도록 제어할 수 있다. 그리고 연결된 LED 어레이(500)에 필요한 정전류의 최대 크기가 25mA인 경우, 제어부(600)는 1개의 LED 구동부(400-1)만 동작하도록 제어할 수 있다.The
그리고 제어부(600)는 디밍 신호를 입력받고, 디밍 신호에 따른 제어 신호를 생성하여 비교부(420-1, 420-2) 각각에 제공할 수 있다. 한편, 본 실시 예에서는 제어부(600)가 입력된 디밍 신호를 수신하고, 그에 따른 제어 신호를 비교기(420-1, 420-2) 각각에 제공하는 것만을 설명하였지만, 구현시에 별도의 AND 논리회로를 이용하여, 디밍 신호 및 제어 신호를 AND 논리회로에 입력하고, 그 출력을 비교기의 인에블 신호로 제공하는 형태로도 구현할 수도 있다.The
도 1 내지 도 3을 설명함에 있어서, 하나의 LED 어레이에 대해서만 정전류를 제공하는 것만을 설명하였으나, 구현시에 LED 구동장치는 복수의 LED 어레이 각각에 대한 복수의 LED 구동부를 이용하여 복수의 LED 어레이 각각에 복수의 정전류를 제공하는 형태로도 구현할 수 있다.1 to 3, only a constant current is provided to only one LED array. However, in an implementation, the LED driving device uses a plurality of LED drivers for each of the plurality of LED arrays, Or may be realized by providing a plurality of constant currents to each of them.
이상에서는 본 발명의 바람직한 실시 예에 대하여 도시하고 설명하였지만, 본 발명은 상술한 특정의 실시 예에 한정되지 아니하며, 청구범위에서 청구하는 본 발명의 요지를 벗어남이 없이 당해 발명이 속하는 기술분야에서 통상의 지식을 가진자에 의해 다양한 변형실시가 가능한 것은 물론이고, 이러한 변형 실시들은 본 발명의 기술적 사상이나 전망으로부터 개별적으로 이해되어 져서는 안 될 것이다.While the present invention has been particularly shown and described with reference to exemplary embodiments thereof, it is clearly understood that the same is by way of illustration and example only and is not to be construed as limiting the scope of the invention as defined by the appended claims. It will be understood by those skilled in the art that various changes in form and details may be made therein without departing from the spirit and scope of the present invention.
1000: LED 구동장치100: 입력부
200: PWM 신호 생성부300: DC-DC 컨버터
400: LED 구동부500: LED 어레이
600: 제어부1000: LED driving device 100: input part
 200: PWM signal generator 300: DC-DC converter
 400: LED driver 500: LED array
 600:
| Application Number | Priority Date | Filing Date | Title | 
|---|---|---|---|
| US13/586,296US9875697B2 (en) | 2011-08-30 | 2012-08-15 | Parallel constant current LED driving units for driving a LED string and method of performing the same | 
| TW101131248ATW201316824A (en) | 2011-08-30 | 2012-08-28 | LED driver apparatus | 
| CN201210315762.1ACN102970788B (en) | 2011-08-30 | 2012-08-30 | Led driver apparatus | 
| Application Number | Priority Date | Filing Date | Title | 
|---|---|---|---|
| KR1020110087460 | 2011-08-30 | ||
| KR20110087460 | 2011-08-30 | 
| Publication Number | Publication Date | 
|---|---|
| KR20130024732A KR20130024732A (en) | 2013-03-08 | 
| KR101977989B1true KR101977989B1 (en) | 2019-05-14 | 
| Application Number | Title | Priority Date | Filing Date | 
|---|---|---|---|
| KR1020120053859AActiveKR101977989B1 (en) | 2011-08-30 | 2012-05-21 | Led driver apparatus | 
| Country | Link | 
|---|---|
| KR (1) | KR101977989B1 (en) | 
| TW (1) | TW201316824A (en) | 
| Publication number | Priority date | Publication date | Assignee | Title | 
|---|---|---|---|---|
| CN106032883A (en)* | 2015-03-20 | 2016-10-19 | 苏州璨宇光学有限公司 | LED light source device and control method thereof | 
| KR101696656B1 (en)* | 2016-05-26 | 2017-01-16 | 석주한 | Lighting device with ac direct driver | 
| CN113223449B (en)* | 2021-05-08 | 2022-09-02 | 厦门寒烁微电子有限公司 | Driving circuit of LED display and capacitance compensation method | 
| Publication number | Priority date | Publication date | Assignee | Title | 
|---|---|---|---|---|
| TW200737070A (en)* | 2006-02-23 | 2007-10-01 | Powerdsine Ltd | Voltage controlled backlight driver | 
| KR20110051062A (en)* | 2009-11-09 | 2011-05-17 | 삼성전자주식회사 | LED driving circuit, LED driving method and LED system including same | 
| KR101341021B1 (en)* | 2009-12-11 | 2013-12-13 | 엘지디스플레이 주식회사 | Apparatus and method of driving light source | 
| KR101665306B1 (en)* | 2009-12-21 | 2016-10-12 | 엘지디스플레이 주식회사 | Apparatus and method for driving of light emitting diode, and liquid crystal display device using the same | 
| Publication number | Publication date | 
|---|---|
| KR20130024732A (en) | 2013-03-08 | 
| TW201316824A (en) | 2013-04-16 | 
| Publication | Publication Date | Title | 
|---|---|---|
| CN102970788B (en) | Led driver apparatus | |
| KR101941286B1 (en) | Led driver apparatus | |
| KR101955034B1 (en) | Detecting ciurcuit for short of led array and led driver apparatus having the same in | |
| KR101875220B1 (en) | Led driver circuit | |
| KR101985872B1 (en) | Light emitting diode driver apparatus, method for light emitting diode driving, and computer-readable recording medium | |
| US8120288B2 (en) | Light emitting diode (LED) driving circuit | |
| US8698849B2 (en) | Display device and driving method with feedback control | |
| US8106596B2 (en) | Light source driving circuit | |
| CN101841949B (en) | Backlight driving circuit and driving method | |
| US8749160B2 (en) | LED driver circuit and method of driving LED | |
| KR101974218B1 (en) | Led driver apparatus | |
| US20130147381A1 (en) | Driving circuit and driving method for light emitting diode and display apparatus using the same | |
| KR101674217B1 (en) | Vref generating circuit and led driver circuit having the same in | |
| US8890417B2 (en) | LED backlight driving circuit, backlight module, and LCD device | |
| KR101977989B1 (en) | Led driver apparatus | |
| US9532432B2 (en) | LED driver apparatus | |
| KR101818768B1 (en) | Lamp driving apparatus | |
| CN106255266A (en) | A kind of drive circuit | |
| US20130271500A1 (en) | LED Backlight Driving Circuit, Backlight Module, and LCD Device | |
| KR20180016463A (en) | Led driver circuit | |
| KR20120015220A (en) | LED driving device | 
| Date | Code | Title | Description | 
|---|---|---|---|
| PA0109 | Patent application | Patent event code:PA01091R01D Comment text:Patent Application Patent event date:20120521 | |
| PG1501 | Laying open of application | ||
| A201 | Request for examination | ||
| PA0201 | Request for examination | Patent event code:PA02012R01D Patent event date:20170329 Comment text:Request for Examination of Application Patent event code:PA02011R01I Patent event date:20120521 Comment text:Patent Application | |
| E902 | Notification of reason for refusal | ||
| PE0902 | Notice of grounds for rejection | Comment text:Notification of reason for refusal Patent event date:20180319 Patent event code:PE09021S01D | |
| AMND | Amendment | ||
| E601 | Decision to refuse application | ||
| PE0601 | Decision on rejection of patent | Patent event date:20181030 Comment text:Decision to Refuse Application Patent event code:PE06012S01D Patent event date:20180319 Comment text:Notification of reason for refusal Patent event code:PE06011S01I | |
| AMND | Amendment | ||
| PX0901 | Re-examination | Patent event code:PX09011S01I Patent event date:20181030 Comment text:Decision to Refuse Application Patent event code:PX09012R01I Patent event date:20180612 Comment text:Amendment to Specification, etc. | |
| E902 | Notification of reason for refusal | ||
| PE0902 | Notice of grounds for rejection | Comment text:Notification of reason for refusal Patent event date:20181225 Patent event code:PE09021S01D | |
| AMND | Amendment | ||
| PX0701 | Decision of registration after re-examination | Patent event date:20190501 Comment text:Decision to Grant Registration Patent event code:PX07013S01D Patent event date:20190225 Comment text:Amendment to Specification, etc. Patent event code:PX07012R01I Patent event date:20181127 Comment text:Amendment to Specification, etc. Patent event code:PX07012R01I Patent event date:20181030 Comment text:Decision to Refuse Application Patent event code:PX07011S01I Patent event date:20180612 Comment text:Amendment to Specification, etc. Patent event code:PX07012R01I | |
| X701 | Decision to grant (after re-examination) | ||
| GRNT | Written decision to grant | ||
| PR0701 | Registration of establishment | Comment text:Registration of Establishment Patent event date:20190507 Patent event code:PR07011E01D | |
| PR1002 | Payment of registration fee | Payment date:20190507 End annual number:3 Start annual number:1 | |
| PG1601 | Publication of registration | ||
| PR1001 | Payment of annual fee | Payment date:20220425 Start annual number:4 End annual number:4 | |
| PR1001 | Payment of annual fee | Payment date:20240425 Start annual number:6 End annual number:6 |