
























본 발명은 스위칭 전력증폭기와 함께 사용되는 다중 주파수대역을 지원하는 정합회로 및 이의 구동방법에 관한 것으로, 더욱 상세하게는 CMOS상에 구현 가능한 스위칭 전력증폭기와 함께 사용되는 다중 주파수대역을 지원하는 정합회로 및 이의 구동방법에 관한 것이다.
BACKGROUND OF THE
음성, 메시지, 사진, 비디오, 위치정보 및 다양한 데이터를 다루는 스마트 폰과 같은 개인용 모바일 통신 디바이스가 유래 없이 급증하고 있으며 뿐만 아니라 개인의 이동성 증가에 따라 다른 지역의 통신 규격도 하나의 모바일 디바이스에서 지원하는 것도 요구되고 있다. 이에 따라 무선 송수신은 작은 사이즈, 낮은 가격, 높은 효율을 가지기 위해 개발되고 있는데 다른 송신단 부품(component)과 집적화가 가능함으로써 작은 사이즈 낮은 가격 달성이 용이한 CMOS(complementary metal-oxide semiconductor) 송신단 연구가 활발하다. 그리고 궁극적으로 향후 송신단이 갖춰야 할 주요 특성으로 다중 대역/다중 통신모드를 지원 가능한 것이 필수적으로 손꼽히고 있다.Personal mobile communication devices such as smart phones that handle voice, messages, photos, video, location information and various data are rapidly increasing in popularity, as well as communication specifications of other regions are supported by one mobile device Is also required. As a result, wireless transmission and reception has been developed to have a small size, low price and high efficiency, and it is possible to integrate with other transmitting terminal components, so that complementary metal-oxide semiconductor (CMOS) Do. Ultimately, it is essential that the multi-band / multi-communication mode can be supported as a main characteristic to be provided by the transmitting terminal in the future.
그러나 기존의 아날로그 기반의 무선 송신단은 사용하는 주파수 그리고 통신 규격에 따라 유연하게 재구성하는 것에 어려움이 있고 CMOS(complementary metal-oxide semiconductor)공정이 스케일 다운(scale down) 되면서 여유전압(voltage headroom)이 줄어들어 선형적 회로를 만드는데 불리한 점이 있다.However, existing analog-based wireless transmitters have difficulty in flexibly reconfiguring according to the frequency and the communication standard used, and the complementary metal-oxide semiconductor (CMOS) process is scaled down and the voltage headroom is reduced There are disadvantages in making linear circuits.
그래서 최근 대두 되고 있는 것이 SDR(Soft Defined Radio)로, RF 송수신단을 소프트웨어(Software)로 제어하여 송수신단을 사용하는 주파수 대역/통신모드에 맞게 재구성이 가능한 구조이다. SDR(Soft Defined Radio)을 구현하기 위한 접근 방법으로 CMOS(complementary metal-oxide semiconductor)전력 증폭기 부분에서는 스위칭 증폭기를 이용하는 디지털폴라 송신단이 다중 모드를 성공적으로 보여주고 있고 성능향상을 위해 활발히 연구되고 있는 추세이다.So, what is emerging recently is SDR (Soft Defined Radio), which is a structure that can be reconfigured according to the frequency band / communication mode using the transmitting / receiving end by controlling the RF transmitting / receiving end with software. As an approach to implement SDR (Soft Defined Radio), a digital polar transmitter using a switching amplifier in a CMOS (complementary metal-oxide semiconductor) power amplifier has successfully demonstrated multi-mode and has been actively studied for performance improvement. to be.
하지만 다중 밴드를 지원하는데 적합한 재구성이 가능한 정합회로를 CMOS(complementary metal-oxide semiconductor)를 이용하여 만드는 데는 기생 캐패시터와 큰 on 저항을 가지는 스위치 문제, 그리고 칩 상의 패시브 소자의 낮은 Q(quality factor) 등에 의해 어려움이 있다. 그래서 지금까지 연구된 재구성이 가능한 정합회로를 보면 벌크 CMOS 이외 다른 소자상에서 Silicon-on Glass Varactor Diode 패시브 소자나 화합물 트렌지스터 스위치를 구성하여 만드는 것이 일반적이고 제작하는데 공정의 복잡함과 비용이 많이 따르는 MEMS(Micro Electro Mechanical Systems) 기술을 적용하는 것도 활발히 연구되고 있다. 하지만 이것 역시 송신단의 다른 CMOS(complementary metal-oxide semiconductor)로 만들어진 부품들과 집적화하는데 어려움이 있고 그만큼 비용이 증가하는 문제점이 있다.
However, a reconfigurable matching circuit using complementary metal-oxide semiconductor (CMOS) suitable for supporting multiple bands requires parasitic capacitors, a switch with a large on-resistance, and a low Q (quality factor) There is a difficulty by. Therefore, the reconfigurable matching circuit that has been studied so far is generally constructed by forming a Silicon-on Glass Varactor Diode passive device or a compound transistor switch on a device other than a bulk CMOS, and it is difficult to fabricate a complicated and costly MEMS Electro Mechanical Systems) technology has been actively studied. However, this is also difficult to integrate with components made of other complementary metal-oxide semiconductor (CMOS) of the transmitting end, and the cost is increased.
더욱 자세하게는, 스위칭 전력증폭기는 트랜지스터를 스위치로 이용하여 신호를 증폭하기 때문에 기본적으로 동작 주파수에 민감한 성능 변화를 보이지 않아 다중밴드를 지원하는데 있어서 선형 증폭기보다 유리하다. 또한 스위칭 전력 증폭기는 선형 증폭기와 달리 구동단(Driver stage) 와 전력 증폭단(Power stage)간에 주파수에 민감하고 복잡한 inter-stage 정합회로가 필요없는 구조를 가진다. 그렇기 때문에 스위칭 전력 증폭기의 전체 주파수 특성은 출력단의 정합회로에 의해 대부분 영향을 받는다고 할 수 있다. 그래서 다중 밴드를 지원하는 스위칭 전력 증폭기를 설계하기 위해서는 출력단의 정합회로를 넓은 주파수 특성을 갖거나 또는 원하는 주파수 대역을 선택적으로 재구성이 가능하도록 만드는 것이 필수적이다.
More specifically, a switching power amplifier amplifies a signal using a transistor as a switch, so that it does not exhibit a performance change sensitive to the operating frequency and is more advantageous than a linear amplifier in supporting multiple bands. Also, unlike a linear amplifier, a switching power amplifier has a structure that is frequency-sensitive between a driver stage and a power stage and does not require a complicated inter-stage matching circuit. Therefore, it can be said that the overall frequency characteristic of the switching power amplifier is mostly affected by the matching circuit at the output stage. Therefore, in order to design a switching power amplifier supporting multiple bands, it is necessary to make the matching circuit of the output stage have a wide frequency characteristic or to selectively reconfigure a desired frequency band.
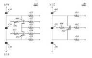
도 1(a) 내지 도 1(d)를 참조하면, 기존의 다중 밴드를 위한 정합회로는 도 1과 같은 구조로 원하는 주파수 대역에 따라 그에 맞는 임피던스(impedance) 변환이 가능한 정합회로를 만드는 것이 일반적이다. 원하는 다중밴드 대역이 넓어짐에 따라서 임피던스(impedance) 조정 범위가 커지고 그에 맞춰 변환해야 할 임피던스(impedance) 비율이 커지기 때문에 엘-타입(L-type)의 단순한 정합회로 보다는 도 1(a)와 같은 파이-타입(π-type) 이나, 도 1(b)와 같은 2 단(stage) 이상의 사다리형(Ladder type) 회로를 많이 사용한다. 도 1(c)와 같이 변압기와 양측에 병렬 연결된 캐패시턴스(capacitance) 조정을 이용한 정합회로는 구현하기 복잡하고 구조상 단순히 캐패시턴스(capacitance) 조정만으로는 조정범위에 제한이 있다. 그리고 원하는 캐패시턴스(capacitance) 또는 인덕턴스(inductance)를 조정하기 위해서 도 1(a) 내지 도 1(c)와 같이 바락터(varactor) 다이오드를 이용하는 것이 일반적이다.1 (a) to 1 (d), a matching circuit for a conventional multiband has a structure as shown in FIG. 1, and it is general to make a matching circuit capable of impedance conversion according to a desired frequency band to be. As the desired multiband band becomes wider, the impedance adjustment range becomes larger and the impedance ratio to be converted becomes larger. Therefore, the impedance of the pie (1-a) rather than the simple matching circuit of the L- Type or a ladder type circuit of two or more stages as shown in FIG. 1 (b) is often used. As shown in FIG. 1 (c), the matching circuit using the capacitance adjustment in parallel with the transformer and the two sides is complicated to implement, and the adjustment range is limited only by the capacitance adjustment. In order to adjust a desired capacitance or inductance, it is common to use a varactor diode as shown in Figs. 1 (a) to 1 (c).
그러나 CMOS(complementary metal-oxide semiconductor)상에서 구현되는 수동소자의 낮은 Q(quality factor) 특성과 요구되는 캐패시턴스(capacitance) 값이나 인턱턴스(inductance) 값이 커서 칩(chip) 상으로 구현하는데 어려움이 있으며 바락터(varactor)의 저항, 구현 가능한 조정 범위, 선형성, 브레이크다운 전압 등의 문제가 있고 또한 캐패시턴스를 스위치로 조절할 경우 스위치의 기생 캐패시터로 인해 넓은 조정범위를 가지고 손실이 적은 재구성이 가능한 정합회로를 만드는데 어려움이 있다.However, a low Q (quality factor) characteristic and a required capacitance value or inductance value of a passive element implemented on a CMOS (complementary metal-oxide semiconductor) are large and difficult to implement on a chip There are problems such as varactor resistance, adjustable range of adjustment, linearity, breakdown voltage, etc. Also, when the capacitance is controlled by a switch, a parasitic capacitor of the switch causes reconfigurable matching circuit with wide adjustment range and low loss. There is a difficulty in making.
그래서 현재까지 성공적으로 구현 및 연구되고 있는 다중 밴드를 지원하는 재구성이 가능한 정합회로는 도 1(a) 및 도 1(b)와 같은 정합회로 구성을 Bulk CMOS 가 아닌 Silicon on Insulator(SOI), Silicon on Glass, SiCSchottky 다이오드바락터 등 특별한 공정이 추가적으로 사용된 바락터(varactor)를 이용한다. 이는 전력 증폭기와 그 외에 다른 부품소자들과 함께 집적하여 전체 송신단의 비용을 낮추고 사이즈를 작게 만드는데 불리하게 작용된다.Therefore, a reconfigurable matching circuit that supports multi-bands that has been successfully implemented and studied up to now has a matching circuit structure as shown in FIGS. 1 (a) and 1 (b) as a silicon on insulator (SOI) on glass, SiCSchottky diode baractors, and other special process varactors. This compromises the integration of the power amplifier and other component parts to lower the cost of the entire transmitter and make it smaller in size.
그 밖에 손실이 작고 기생 캐패시터 성분이 작은 아주 좋은 스위치를 MEMS(micro electro mechanical systems) 공정을 사용하여 만들어 도 1(d)와 같은 정합회로를 구성하는 연구도 활발히 진행되고 있다. 그러나 역시 공정상의 비용이 올라가는 결점이 있다.In addition, studies have been actively made to construct a matching circuit such as 1 (d) even if a very good switch having a small loss and a small parasitic capacitor component is manufactured using a MEMS (micro electro mechanical systems) process. However, there is also a drawback that the cost of the process increases.
따라서 본 발명에서는 CMOS(complementary metal-oxide semiconductor) 상에서 낮은 주파수 대역(0.9GHz)과 높은 주파수 대역(1.9GHz)을 동시에 지원하는 변압기를 이용한 정합회로 구성방식을 제시하고자 한다.
Accordingly, the present invention proposes a matching circuit configuration method using a transformer that supports a low frequency band (0.9 GHz) and a high frequency band (1.9 GHz) simultaneously on a complementary metal-oxide semiconductor (CMOS).
본 발명이 이루고자 하는 기술적 과제는 CMOS 상에 구현하여 회로의 소형화가 가능한 다중 주파수대역을 지원하는 정합회로를 제공하는 데 목적이 있다.SUMMARY OF THE INVENTION It is an object of the present invention to provide a matching circuit that is implemented on a CMOS and supports multiple frequency bands that can be miniaturized.
본 발명이 이루고자 하는 다른 기술적 과제는 낮은 주파수 대역과 높은 주파수 대역을 함께 지원할 수 있는 다중 주파수대역을 지원하는 정합회로를 제공하는 데 목적이 있다.It is another object of the present invention to provide a matching circuit that supports multiple frequency bands that can support a low frequency band and a high frequency band together.
본 발명이 이루고자 하는 또 다른 기술적 과제는 다중 주파수 대역을 지원하는 정합회로가 낮은 주파수 대역에 정합하여 사용될 때 정합회로의 광대역 특성으로 전력 증폭기의 3차 하모닉 성분이 충분히 감쇠되지 않는 문제점을 해결하여 낮은 주파수 대역에서 동작할 때에도 3차 하모닉 성분의 크기가 높은 주파수 대역에서 동작할 때와 비슷한 크기를 유지 할 수 있도록 하는데 목적이 있다.
Another object of the present invention is to solve the problem that the third harmonic component of the power amplifier is not sufficiently attenuated due to the wide band characteristic of the matching circuit when the matching circuit supporting the multiple frequency bands is used in a low frequency band, It is an object of the present invention to maintain the size of the third harmonic component in a similar size to that in a high frequency band when operating in a frequency band.
적어도 둘 이상의 값으로 가변될 수 있는 커패시터를 포함하는 제 1회로 및 적어도 둘 이상의 값으로 가변될 수 있는 커패시터를 포함하는 제 2회로를 포함하며, 상기 제 1회로 및 제 2회로는 변압기로 연결되어, 상기 적어도 둘 이상의 값으로 가변될 수 있는 커패시터는 스위치의 동작에 의해 커패시턴스가 가변될 수 있다.And a second circuit comprising a first circuit comprising a capacitor that can be varied to at least two values and a capacitor capable of varying with at least two values, said first circuit and said second circuit being connected by a transformer , The capacitance that can be varied by at least two values can be varied by the operation of the switch.
상기 제 1회로는, 제 1 커패시터의 일단, 제 2 커패시터의 일단 및 제 1 스위치의 드레인이 연결되고, 제 2커패시터의 타단, 제 3 커패시터의 일단 및 제 2 스위치의 드레인이 연결되고, 제 1스위치의 소스 및 제 2스위치의 소스가 연결되며, 제 1스위치의 드레인과 제 1저항의 일단이 연결되고, 제 1스위치의 게이트와 제 2저항의 일단이 연결되고, 제 1스위치의 소스, 제 2 스위치의 소스 및 제 3저항의 일단이 연결되고, 제 2 스위치의 게이트와 제 4저항의 일단이 연결되고, 제 2 스위치의 드레인과 제 5저항의 일단이 연결되고, 제 1스위치의 바디에 제 6저항이 연결되고, 제 2스위치의 바디에 제 7저항이 연결될 수 있다.The first circuit is connected to one end of the first capacitor, one end of the second capacitor and the drain of the first switch, the other end of the second capacitor, one end of the third capacitor and the drain of the second switch, The source of the switch and the source of the second switch are connected, the drain of the first switch and one end of the first resistor are connected, the gate of the first switch and one end of the second resistor are connected, The source of the second switch and one end of the third resistor are connected, the gate of the second switch and one end of the fourth resistor are connected, the drain of the second switch and one end of the fifth resistor are connected, A sixth resistor may be connected, and a seventh resistor may be connected to the body of the second switch.
상기 제 2회로는, 제 4 커패시터의 일단, 제 5 커패시터의 일단 및 제 3 스위치의 드레인이 연결되고, 제 6 커패시터의 일단, 제 5 커패시터의 타단 및 제 3 스위치의 소스가 연결되며, 제 3 스위치의 드레인과 제 8 저항의 일단이 연결되고, 제 3 스위치의 게이트와 제 9 저항의 일단이 연결되고, 제 3 스위치의 소스와 제 10 저항의 일단이 연결되고, 제 3 스위치의 바디에 제 11 저항이 연결될 수 있다.One end of the fourth capacitor, one end of the fifth capacitor, and the drain of the third switch are connected, one end of the sixth capacitor, the other end of the fifth capacitor, and the source of the third switch are connected, The drain of the switch and one end of the eighth resistor are connected, the gate of the third switch and one end of the ninth resistor are connected, the source of the third switch and one end of the tenth resistor are connected, 11 resistors can be connected.
상기 제 2회로는, 엘씨(LC) 필터를 포함하며, 스위치의 동작에 따라 필터의 연결을 제어할 수 있다.The second circuit includes an LC filter, and can control the connection of the filter according to the operation of the switch.
상기 제 2회로는, 출력 커패시터의 일단이 제 1 출력 스위치의 드레인과 연결되고, 제 1 출력 스위치의 소스와 제 2 출력 스위치의 드레인과 연결되고, 제 2 출력 스위치의 소스와 필터 커패시터의 일단이 연결되고, 필터 커패시터의 타단과 필터 인덕터의 일단이 연결되어 필터 인덕터의 타단은 접지되며, 제 1 출력 스위치의 드레인은 제 1 출력저항과 연결되고, 제 1 출력 스위치의 게이트는 제 2 출력 저항과 연결되고, 제 1 출력 스위치 소스 및 제 2 출력 스위치의 드레인은 제 3 출력저항과 연결되고, 제 2 출력 스위치의 게이트는 제 4 출력저항과 연결되고, 제 2 출력 스위치의 소스는 제 5 출력저항과 연결되고, 제 1 출력 스위치의 바디는 제 6 출력저항과 연결되고, 제 2 출력 스위치의 바디는 제 7 출력저항과 연결될 수 있다.The second circuit is characterized in that one end of the output capacitor is connected to the drain of the first output switch and is connected to the source of the first output switch and the drain of the second output switch and the source of the second output switch and one end of the filter capacitor One end of the filter inductor is connected to the other end of the filter inductor so that the other end of the filter inductor is grounded, the drain of the first output switch is connected to the first output resistor, the gate of the first output switch is connected to the second output resistor The drain of the first output switch source and the drain of the second output switch are connected to the third output resistor, the gate of the second output switch is connected to the fourth output resistor, and the source of the second output switch is connected to the fifth output resistor The body of the first output switch is connected to the sixth output resistor, and the body of the second output switch is connected to the seventh output resistor.
상기 스위치는, 모스펫(MOSFET)일 수 있다.The switch may be a MOSFET.
다중 주파수 대역을 지원하는 정합회로에서, 낮은 대역의 주파수 대역을 위해 스위치의 게이트 단자에 구동전압(VDD)을 입력하여 스위치를 온(On)시키는 단계 및 높은 대역의 주파수 대역을 위해 스위치의 게이트 단자에 0V 의 전압을 입력하여 스위치를 오프(Off)시키는 단계를 포함할 수 있다.In a matching circuit that supports multiple frequency bands, inputting a driving voltage (VDD ) to a gate terminal of a switch for a low frequency band to turn on the switch, And inputting a voltage of 0 V to the terminal to turn off the switch.
상기 스위치를 오프(Off)시키는 단계는, 상기 스위치의 드레인 및 소스 단자에 전압을 인가하여 상기 스위치의 게이트 단자와 소스 단자 사이에 역바이어스가 형성되는 단계를 포함할 수 있다.
The step of turning off the switch may include applying a voltage to the drain and source terminals of the switch such that a reverse bias is formed between the gate terminal and the source terminal of the switch.
본 발명의 실시형태에 따른 다중 주파수대역을 지원하는 정합회로는, CMOS 상에 구현 가능하여 저비용으로 작은 크기를 가질 수 있다.The matching circuit that supports multiple frequency bands according to the embodiment of the present invention can be implemented in CMOS and can have a small size at low cost.
주파수 대역의 넓은 조정범위를 가지며, 전력손실이 적은 정합회로로 높은 효율을 가지고 성능이 뛰어난 다중 주파수대역을 지원하는 정합회로를 제공할 수 있다.It is possible to provide a matching circuit that has a wide adjustment range of the frequency band and has a high efficiency and a high performance with a multi-frequency band with a matching circuit with a small power loss.
스위칭 전력증폭기뿐만 아니라 선형 증폭기의 출력 정합회로로 활용 가능한 다중 주파수대역을 지원하는 정합회로를 제공할 수 있다.
It is possible to provide a matching circuit that supports multiple frequency bands that can be used as an output matching circuit of a linear amplifier as well as a switching power amplifier.
도 1(a) 내지 도 1(d)는 종래 방식의 다중 주파수대역을 지원하는 정합회로를 도시한 회로도이다.
도 2는 본 발명의 일 실시예에 따른 다중 주파수대역을 지원하는 정합회로의 고주파 차단(RF Choke) 인덕터에 의한 최적 임피던스 점의 변화를 나타내는 회로 및 임피던스의 변화를 도시한 도면이다.
도 3은 본 발명의 일 실시예에 따른 다중 주파수대역을 지원하는 정합회로를 간단하게 나타낸 회로도이다.
도 4는 본 발명의 일실시에에 따른 다중 주파수대역을 지원하는 정합회로의 제 1 가변커패시터 및 제 2 가변커패시터를 나타낸 회로도이다.
도 5(a)는 본 발명의 일 실시예에따른 다중 주파수대역을 지원하는 정합회로의 스위칭 동작에 따른 입력임피던스 변화를 나타내는 도면이다.
도 5(b)는 본 발명의 일 실시예에 따른 다중 주파수대역을 지원하는 정합회로의 스위칭 동작에 따른 S-파라미터를 나타내는 도면이다.
도 6(a) 본 발명의 일 실시예에 따른 다중 주파수대역을 지원하는 정합회로를 스위칭 전력증폭기에서 결합하여 검출된 출력전력을 나타내는 그래프이다.
도 6(b)는 본 발명의 일 실시예에 따른 다중 주파수대역을 지원하는 정합회로를 스위칭 전력증폭기에서 결합하여 검출된 전력 부가 효율(PAE) 성능을 나타내는 그래프이다.
도 7(a)는 본 발명의 일 실시예에 따른 다중 주파수대역을 지원하는 정합회로를 이용한 스위칭 전력 증폭기의 진폭왜곡을 검증하기 위한 그래프이다.
도 7(b)는 본 발명의 일 실시예에 따른 다중 주파수대역을 지원하는 정합회로를 이용한 스위칭 전력 증폭기의 위상왜곡을 검증하기 위한 그래프이다.
도 7(c)는 본 발명의 일 실시예에 따른 다중 주파수대역을 지원하는 정합회로를 이용한 스위칭 전력 증폭기의 출력전력에 따른 전력 부가 효율(PAE)을 나타내는 그래프이다.
도 8(a) 및 8(b)는 다중 주파수대역을 지원하는 정합회로의 스위칭 동작에 따른 S-파라미터를 나타내는 그래프이다.
도 9는 본 발명의 일 실시예에 따른 다중 주파수대역을 지원하는 정합회로와 결합된 스위칭 전력 증폭기의 특성을 나타내는 그래프로 기본 성분과 3차 하모닉에서 주파수에 따른 이득을 나타낸다.
도 10은 본 발명의 일 실시예에 따른 다중 주파수대역을 지원하는 정합회로를 간단하게 나타낸 회로도이다.
도 11은 본 발명의 일실시에에 따른 다중 주파수대역을 지원하는 정합회로의 제 3 가변커패시터 및 제 4 가변커패시터를 나타낸 회로도이다.
도 12(a)는 본 발명의 일 실시예에 따른 다중 주파수대역을 지원하는 정합회로의 스위칭 동작에 따른 입력임피던스 변화를 나타내는 도면이다.
도 12(b)는 본 발명의 일 실시예에따른 다중 주파수대역을 지원하는 정합회로의 스위칭 동작에 따른 S-파라미터를 나타내는 도면이다.
도 13은 본 발명의 일 실시예에 따른 다중 주파수대역을 지원하는 정합회로와 결합된 스위칭 전력 증폭기가 낮은 주파수 대역 모드로 동작할 때의 특성을 나타내는 그래프로 기본 성분과 3차 하모닉의 주파수에 따른 이득 비교를 나타낸다.
도 14(a)는 본 발명의 일 실시예에 따른 다중 주파수대역을 지원하는 정합회로를 스위칭 전력증폭기에서 결합하여 검출된 전력이득(dB)을 나타내는 그래프이다.
도 14(b)는 본 발명의 일 실시예에 따른 다중 주파수대역을 지원하는 정합회로를 스위칭 전력증폭기에서 결합하여 검출된 전력 부가 효율(PAE) 성능을 나타내는 그래프이다.1 (a) to 1 (d) are circuit diagrams showing a conventional matching circuit supporting multiple frequency bands.
 FIG. 2 is a diagram showing changes in impedance and impedance of a matching circuit that supports multiple frequency bands according to an exemplary embodiment of the present invention, showing changes in the optimum impedance point by a RF choke inductor. Referring to FIG.
 3 is a circuit diagram briefly showing a matching circuit for supporting multiple frequency bands according to an embodiment of the present invention.
 4 is a circuit diagram showing a first variable capacitor and a second variable capacitor of a matching circuit that supports multiple frequency bands according to an embodiment of the present invention.
 FIG. 5 (a) is a diagram illustrating a change in input impedance according to a switching operation of a matching circuit that supports multiple frequency bands according to an embodiment of the present invention. Referring to FIG.
 5 (b) is a diagram illustrating S-parameters according to a switching operation of a matching circuit supporting multiple frequency bands according to an embodiment of the present invention.
 6 (a) is a graph showing output power detected by combining a matching circuit supporting a multiple frequency band in a switching power amplifier according to an embodiment of the present invention.
 6B is a graph illustrating power added efficiency (PAE) performance detected by combining a matching circuit that supports multiple frequency bands in a switching power amplifier according to an exemplary embodiment of the present invention.
 7A is a graph illustrating amplitude distortion of a switching power amplifier using a matching circuit that supports multiple frequency bands according to an embodiment of the present invention.
 7 (b) is a graph for verifying phase distortion of a switching power amplifier using a matching circuit that supports multiple frequency bands according to an embodiment of the present invention.
 FIG. 7C is a graph illustrating power added efficiency (PAE) according to output power of a switching power amplifier using a matching circuit that supports multiple frequency bands according to an exemplary embodiment of the present invention.
 8 (a) and 8 (b) are graphs showing S-parameters according to the switching operation of a matching circuit supporting multiple frequency bands.
 9 is a graph illustrating characteristics of a switching power amplifier combined with a matching circuit that supports multiple frequency bands according to an exemplary embodiment of the present invention, and shows gains according to frequencies in a fundamental component and a third harmonic.
 10 is a circuit diagram briefly showing a matching circuit for supporting multiple frequency bands according to an embodiment of the present invention.
 11 is a circuit diagram showing a third variable capacitor and a fourth variable capacitor of a matching circuit that supports multiple frequency bands according to an embodiment of the present invention.
 12A is a diagram illustrating input impedance changes according to a switching operation of a matching circuit that supports multiple frequency bands according to an embodiment of the present invention.
 12 (b) is a diagram illustrating S-parameters according to a switching operation of a matching circuit supporting multiple frequency bands according to an embodiment of the present invention.
 FIG. 13 is a graph illustrating characteristics when a switching power amplifier combined with a matching circuit that supports multiple frequency bands according to an embodiment of the present invention operates in a low frequency band mode. Referring to FIG. 13, Gain comparison.
 FIG. 14A is a graph illustrating a power gain (dB) detected by combining a matching circuit that supports multiple frequency bands in a switching power amplifier according to an exemplary embodiment of the present invention. Referring to FIG.
 FIG. 14 (b) is a graph illustrating power added efficiency (PAE) performance detected by combining a matching circuit that supports multiple frequency bands in a switching power amplifier according to an embodiment of the present invention.
이하에서 첨부된 도면들을 참조하여 본 발명에 따른 다중 주파수대역을 지원하는 정합회로에 대해 상세하게 설명한다. 이때 도면에 도시되고 또 이것에 의해서 설명되는 본 발명의 구성과 작용은 적어도 하나의 실시예로서 설명되는 것이며, 이것에 의해서 본 발명의 기술적 사상과 그 핵심 구성 및 작용이 제한되지는 않는다.
Hereinafter, a matching circuit for supporting multiple frequency bands according to the present invention will be described in detail with reference to the accompanying drawings. The structure and operation of the present invention shown in the drawings and described by the drawings are described as at least one embodiment, and the technical ideas and the core structure and operation of the present invention are not limited thereby.
본 발명에서 사용되는 용어는 본 발명에서의 기능을 고려하면서 가능한 현재 널리 사용되는 일반적인 용어를 선택하였으나, 이는 당해 기술분야에 종사하는 기술자의 의도 또는 관례 또는 새로운 기술의 출현 등에 따라 달라질 수 있다. 또한, 특정한 경우는 출원인이 임의로 선정한 용어도 있으며, 이 경우 해당되는 발명의 설명 부분에서 상세히 그 의미를 기재할 것이다. 따라서 본 발명에서 사용되는 용어는 단순한 용어의 명칭이 아닌 그 용어가 가지는 의미와 본 발명의 전반에 걸친 내용을 토대로 정의되어야 함을 밝혀두고자 한다.
Although the terms used in the present invention have been selected in consideration of the functions of the present invention, it is possible to use general terms that are currently widely used, but this may vary depending on the intention or custom of a person skilled in the art or the emergence of new technology. Also, in certain cases, there may be a term selected arbitrarily by the applicant, in which case the meaning thereof will be described in detail in the description of the corresponding invention. Therefore, it is to be understood that the term used in the present invention should be defined based on the meaning of the term rather than the name of the term, and on the contents of the present invention throughout.
도 2는 본 발명의 일 실시예에 따른 다중 주파수대역을 지원하는 정합회로의 고주파 차단(RF Choke) 인덕터에 의한 전력 증폭기의 최적의 출력임피던스 점의 변화를 나타내는 회로 및 임피던스의 변화를 도시한 도면이다.FIG. 2 is a diagram showing a change in impedance and a circuit showing a change in an optimum output impedance point of a power amplifier by a RF choke inductor of a matching circuit that supports multiple frequency bands according to an embodiment of the present invention to be.
도 2(a) 및 도 2(b)를 참조하면, 스위칭 전력증폭기는 기본적으로 스위칭 동작에 의해 신호를 증폭하고 단 사이 중간(interstage) 정합회로가 없어 동작 주파수에 민감하지 않고 유연하다. 스미스차트(230) 및 스미스차트(250)의 주파수에 따른 임피던스 변화를 살펴보면, 상기 스위칭 전력증폭기의 드레인으로 DC 전류를 공급하는 RF Choke 인덕터의 용량이 약 20nH 이상이면 인덕터의 크기가 작을 때(예를 들어, 1~2nH)보다 낮은 주파수 대역 밴드와 높은 주파수 대역 밴드 대역 간의 최대 출력전력 및 최대 효율을 내는 최적의 출력 임피던스 점의 거의 변하지 않는다. RF Choke 인덕터 없이 교류적으로 가상 접지(virtual ground)인 정합회로망의 변압기 1차측 한가운데 지점을 통해 DC 전류를 공급하면 비슷한 효과를 낼 수 있다. 또한, 넓은 주파수 대역의 임피던스 정합을 위한 변압기 사이즈가 커지고, 따라서 그 가운데 지점에서부터 전력증폭기의 드레인까지의 길이가 길어지기 때문에 큰 출력 전력 손실(0.5dB 이상)과 효율의 손실을 유발한다. 기본적으로 재구성이 가능한 정합회로망을 만들기 위해 커패시턴스(capacitance)를 바꾸는 스위치가 양측에 구성되면 여기에 또 추가적인 전력손실이 발생하기 때문에 20nH 이상의 RF Choke 인덕터를 칩 외부에서 구현하여 직접적으로 전류를 드레인으로 공급하는 도 2(a)의 구조를 사용하여 전력손실을 줄일 수 있다.
2 (a) and 2 (b), a switching power amplifier basically amplifies a signal by a switching operation and is flexible without being sensitive to an operating frequency because there is no interstage matching circuit between stages. When the capacitance of the RF choke inductor, which supplies the DC current to the drain of the switching power amplifier, is about 20 nH or more, when the size of the inductor is small For example, 1 to 2nH), and the maximum output power between the low-frequency band and the high-frequency band band and the maximum efficiency. A similar effect can be achieved by supplying DC current through the center of the transformer primary side of the matching network, which is a virtual ground, alternatingly without RF choke inductors. In addition, the size of the transformer for impedance matching in a wide frequency band is increased, resulting in a large output power loss (more than 0.5 dB) and loss of efficiency because the length from the center to the drain of the power amplifier becomes longer. Basically, when a switch that changes the capacitance is formed on both sides to make a reconfigurable matching network, additional power loss occurs here. Therefore, the RF choke inductor of 20nH or more is implemented outside the chip, and the current is directly supplied to the drain The power loss can be reduced by using the structure of FIG. 2 (a).
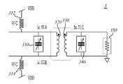
도 3은 본 발명의 일 실시예에 따른 다중 주파수대역을 지원하는 정합회로(1)를 간단하게 나타낸 회로도이다.3 is a circuit diagram briefly showing a
도 3을 참조하면, 입력단의 일단과 제 1 가변커패시터(310)의 일단이 연결되고, 입력단의 타단이 제 1 가변커패시터(310)의 타단과 연결되며, 상기 제 1 가변커패시터(310)의 일단과 제 1 인덕터(320)의 일단이 연결되고, 상기 제 1 가변커패시터(310)의 타단은 제 1 인덕터(320)의 타단과 연결된 제 1회로, 제 2 가변커패시터(340)의 일단, 부하(350)의 일단 및 제 2 인덕터(330)의 일단이 연결되고, 제 2 가변커패시터(340)의 타단, 부하(350)의 타단 및 제 2 인덕터(330)의 타단이 연결된 제 2회로를 포함하며, 제 1 가변커패시터(310) 및 제 2 가변커패시터(340)의커패시턴스 변화는 스위치의 동작에 의해 가변되며, RF Choke 인덕터(312, 314)를 통해 제 1 인덕터(320)의 일단과 타단에 연결될 차동 (differential) 증폭기(미도시)의 드레인단에 직접적으로 전류를 공급한다.3, one end of the input terminal is connected to one end of the first
제 1 가변커패시터(310) 및 제 2 가변커패시터(340)는 도 4를 참조하여 더욱 자세하게 설명한다.
The first
도 4는 본 발명의 일실시에에 따른 다중 주파수대역을 지원하는 정합회로(1)의 제 1 가변커패시터(310) 및 제 2 가변커패시터(340)를 나타낸 회로도이다.4 is a circuit diagram showing a first
도 4를 참조하면, 제 1 가변커패시터(310)는 제 1 커패시터(410)의 일단, 제 2 커패시터(420)의 일단 및 제 1 스위치(440)의 드레인이 연결되고, 제 2 커패시터(420)의 타단, 제 3 커패시터(430)의 일단 및 제 2 스위치(450)의 드레인이 연결되고, 제 1 스위치(440)의 소스 및 제 2 스위치(450)의 소스는 상호 연결되며, 제 1 스위치(440)의 드레인과 제 1 저항(451)의 일단이 연결되고, 제 1 스위치(440)의 게이트와 제 2 저항(452)의 일단이 연결되고, 제 1 스위치(440)의 소스, 제 2 스위치(450)의 소스 및 제 3 저항(453)의 일단이 연결되고, 제 2 스위치(450)의 게이트와 제 4저항(454)의 일단이 연결되고, 제 2 스위치(450)의 드레인과 제 5저항(455)의 일단이 연결되고, 제 1스위치(440)의 바디에 제 6저항(456)이 연결되고, 제 2스위치(450)의 바디에 제 7저항(457)이 연결된다.4, the first
제 2 가변커패시터(340)는 제 4 커패시터(460)의 일단, 제 5 커패시터(470)의 일단 및 제 3 스위치(490)의 드레인이 연결되고, 제 6 커패시터(480)의 일단, 제 5 커패시터(470)의 타단 및 제 3 스위치(490)의 소스가 연결되며, 제 3 스위치(490)의 드레인과 제 8 저항(491)의 일단이 연결되고, 제 3 스위치(490)의 게이트와 제 9 저항(492)의 일단이 연결되고, 제 3 스위치(490)의 소스와 제 10 저항(493)의 일단이 연결되고, 제 3 스위치(490)의 바디에 제 11 저항(494)이 연결된다.The second
제 1저항(451), 제 2저항(452), 제 3저항(453), 제 4저항(454), 제 5저항(455), 제 8 저항(491), 제 9 저항(492) 및 제 10 저항(493)은 타단이 교류 적으로 오픈에 가까운 값이 될 수 있도록 적어도 1 KΩ(옴) 이상의 비교적 큰 저항을 가질 수 있다. 제 1스위치(440), 제 2 스위치(450) 및 제 3 스위치(490)의 드레인, 게이트 및 소스는 RF Choke 인덕터(312, 314)를 통해 전류를 공급하고 제어할 수 있다.
The
제 1 가변커패시터(310) 및 제 2 가변커패시터(340)의 동작을 [표 1]을 참조하여 자세히 설명한다.The operations of the first
본 발명에 따른 다중 주파수대역을 지원하는 정합회로(1)가 높은 대역의 주파수에서 동작하기 위해 제 1 가변커패시터(310) 및 제 2 가변커패시터(340)의 커패시턴스는 낮은 값을 가져야 하는데, 이는 제 1 커패시터(410), 제 2 커패시터(420) 및 제 3 커패시터(430)가 직렬로 연결되고, 제 4 커패시터(460), 제 5 커패시터(470) 및 제 6 커패시터(480)가 직렬로 연결되어야 한다. 이를 위해 제 1 스위치(440), 제 2스위치(450) 및 제 3 스위치(490)가 오프(Off) 모드가 되어야 한다. 상기 오프(Off) 모드를 적용하기 위해 제 1 스위치(440), 제 2스위치(450) 및 제 3 스위치(490)의 게이트 단에 0V의 전압을 인가하여 제 1 스위치(440), 제 2스위치(450) 및 제 3 스위치(490)의 스위칭 동작이 일어나지 않도록 한다. 따라서 제 1 커패시터(410), 제 2 커패시터(420) 및 제 3 커패시터(430) 사이 및 제 4 커패시터(460), 제 5 커패시터(470) 및 제 6 커패시터(480) 사이가 직렬로 연결되고 낮은 커패시턴스를 가지게 된다. 그러나 이때 제 1 스위치(440), 제 2스위치(450) 및 제 3 스위치(490)의 게이트 단에 교류적 성분이 입력되어 완전한 오프(Off) 모드가 되지 않을 수 있다. 이를 방지하기 위해 제 1 스위치(440), 제 2스위치(450) 및 제 3 스위치(490)의 드레인 및 소스 단에 VDD전압을 인가하여 게이트 단과 소스단 사이에 역바이어스를 형성할 수 있다.
The capacitances of the first
본 발명에 따른 다중 주파수대역을 지원하는 정합회로(1)가 낮은 대역의 주파수에서 동작하기 위해 제 1 가변커패시터(310) 및 제 2 가변커패시터(340)의 커패시턴스는 높은 값을 가져야 하는데, 이를 위해 제 1 스위치(440), 제 2스위치(450) 및 제 3 스위치(490)를 온(On) 모드로 바꿔줄 수 있다. 제 1 스위치(440), 제 2스위치(450) 및 제 3 스위치(490)를 온(On) 모드로 변환하기 위해 제 1 스위치(440), 제 2스위치(450) 및 제 3 스위치(490)의 게이트 단에 VDD전압이 입력되어 제 1 스위치(440), 제 2스위치(450) 및 제 3 스위치(490)가 온(On) 상태가 되고, 이에 따라 제 2 커패시터(420) 및 제 5 커패시터(470)는 바이패스 되어 온(On) 모드의 제 1 가변커패시터(310) 및 제 2 가변커패시터(340)의 커패시턴스는 오프(Off) 모드의 제 1 가변커패시터(310) 및 제 2 가변커패시터(340)의 커패시턴스 보다 낮아지게 된다.The capacitances of the first
제 1 가변커패시터(310)에서 제 1 스위치(440), 제 2스위치(450)에 의해 스위칭 동작을 제어하는 이유는 스위치가 오프(Off) 모드 일 때, 출력 신호가 스윙할 경우 출력 전력의 왜곡이 생기는 것을 방지하여 안정적으로 스위치 오프(Off)상태를 만들고, 브래이크다운(Break-Down) 전압을 견딜 수 있게 하기 위함이다.
The reason for controlling the switching operation by the
도 5(a) 및 도 5(b)는 본 발명의 일 실시예에 따른 다중 주파수대역을 지원하는 정합회로(1)의 스위칭 동작에 따른 임피던스 변화와 S-파라미터를 나타내는 도면이다.5A and 5B are diagrams showing an impedance change and an S-parameter according to a switching operation of the
도 5(a)를 참조하면, 스미스차트(510)는 스위칭 동작이 온(On) 상태에서 0.9GHZ대역을 지원할 때의 주파수에 따른 입력임피던스 변화를 나타내고, 스미스차트(520)은 스위칭 동작이 오프(Off) 상태에서 높은 주파수 대역(1.9GHz)을 지원할 때의 주파수에 따른 입력임피던스 변화를 나타낸다.Referring to FIG. 5A, the Smith chart 510 shows the input impedance change according to the frequency when the switching operation supports the 0.9GHZ band in the On state, and the
스위칭 동작에 의해 변압기 양측 커패시터를 조정함으로써 낮은 밴드인 스미스차트(510)의 낮은 주파수 대역(0.9GHz)의 입력임피던스와 높은 밴드인 스미스차트(520)의 높은 주파수 대역(1.9GHz)의 입력임피던스의 변화가 거의 없음을 알 수 있다. 이는 비교적 용량이 큰 RF Choke 인덕터에 의해 최적화된 입력임피던스 값이 주파수에 따라 낮은 주파수 대역(0.9GHz)과 높은 주파수 대역(1.9GHz)에서 입력임피던스의 변화가 거의 일어나지 않는다는 점에서 임피던스 정합이 잘 이루어진 것을 알 수 있다.The input impedance of the low frequency band (0.9 GHz) of the low band Smith chart 510 and the input impedance of the high frequency band (1.9 GHz) of the high band Smith chart 520 are adjusted by adjusting the capacitors on both sides of the transformer by the switching operation It can be seen that there is almost no change. This is because the input impedance value optimized by the relatively large RF choke inductor has a good impedance matching in that the input impedance changes little in the low frequency band (0.9 GHz) and the high frequency band (1.9 GHz) depending on the frequency .
도 5(b)를 참조하면, 다중 주파수대역을 지원하는 정합회로(1)의 스위칭 동작에 따른 S-파라미터를 나타내는 그래프로, X축은 주파수, Y축은 S-파라미터의 dB값을 나타낸다.Referring to FIG. 5B, there is shown a graph showing an S-parameter according to a switching operation of the
그래프(550)는 스위칭 동작이 온(On) 상태에서 낮은 주파수 대역(0.9GHz)을 지원할 때의 주파수에 따른 S-파라미터로 그래프(551)는 S(1,1), 그래프(552)는 S(2,2), 그래프(553)는 S(2,1)을 나타낸다. 그래프(550)에서 낮은 주파수 대역(0.9GHz)에서 정합회로의 부하(350)로의 정합손실인 S(2,1)는 -1.89dB 인 것을 알 수 있다.The
그래프(560)는 스위칭 동작이 오프(Off) 상태에서 높은 주파수 대역(1.9GHz)을 지원할 때의 주파수에 따른 S-파라미터로 그래프(561)는 S(1,1), 그래프(562)는 S(2,2), 그래프(563)는 S(2,1)을 나타낸다. 그래프(560)에서 높은 주파수 대역(1.9GHz)에서 정합회로의 부하로의 정합손실인 S(2,1)는 -1.967dB 인 것을 알 수 있다. 상기 그래프(550) 및 그래프(560)을 통해 낮은 주파수 대역(0.9GHz) 및 높은 주파수 대역(1.9GHz)의 주파수 밴드에서 비슷한 성능을 가진다는 것을 알 수 있다.
The
도 6(a) 및 도 6(b)는 본 발명의 일 실시예에 따른 다중 주파수대역을 지원하는 정합회로를 스위칭 전력증폭기에서 결합하여 검출된 전력이득과 전력 부가 효율(PAE) 성능을 나타내는 그래프이다.6A and 6B are graphs showing power gain and power added efficiency (PAE) performance detected by combining a matching circuit that supports multiple frequency bands in a switching power amplifier according to an embodiment of the present invention. to be.
도 6(a)는 본 발명의 일 실시예에 따른 다중 주파수대역을 지원하는 정합회로를 스위칭 전력증폭기에서 결합하여 주파수 변화에 따른 전력이득(dB)를 나타내는 그래프이다. 그래프(611)는 스위칭 동작이 온(On)일 때, 그래프(612)는 스위칭 동작이 오프(Off)일 때를 나타내며, 상기 스위칭 동작이 온(On)일 때와 스위칭 동작이 오프(Off)일 때의 두 대역을 종합한 그래프(613)에서 전력이득은 스위칭 동작의 모드 변화로 인해 700MHz 내지 2.3GHz까지의 1.6GHz의 주파수 대역을 가지고, 상기 1.6GHz의 주파수 대역은 1.5dB 이내의 전력이득을 유지하는 것을 알 수 있다.6A is a graph illustrating a power gain (dB) according to a frequency change by combining a matching circuit that supports multiple frequency bands according to an embodiment of the present invention in a switching power amplifier. The
또한 도 (b)는 본 발명의 일 실시예에 따른 다중 주파수대역을 지원하는 정합회로를 스위칭 전력증폭기에서 결합하여 주파수 변화에 따른 전력 부가 전력 부가 효율(PAE)을 나타내는 그래프이다. 그래프(621)는 스위칭 동작이 온(On)일 때, 그래프(622)는 스위칭 동작이 오프(Off)일 때를 나타내며, 상기 스위칭 동작이 온(On)일 때와 스위칭 동작이 오프(Off)일 때의 두 대역을 종합한 그래프(623)에서 전력 부가 전력 부가 효율(PAE)은 스위칭 동작의 모드 변화로 인해 800MHz 내지 2.3GHz까지의 1.5GHz의 주파수 대역을 가지고, 약 10% 이내의 효율감소를 보여 효율이 비교적 높게 유지되는 것을 알 수 있다.
FIG. 5B is a graph illustrating power added power adding efficiency (PAE) according to a frequency change by combining a matching circuit that supports multiple frequency bands according to an exemplary embodiment of the present invention in a switching power amplifier. The
도 7(a)는 본 발명의 일실시예에 따른 다중 주파수대역을 지원하는 정합회로(1)를 이용한 스위칭 전력 증폭기의 진폭왜곡을 검증하기 위한 그래프이다.7A is a graph for verifying amplitude distortion of a switching power amplifier using a
도 7(b)는 본 발명의 일실시예에 따른 다중 주파수대역을 지원하는 정합회로(1)를 이용한 스위칭 전력 증폭기의 위상왜곡을 검증하기 위한 그래프이다.7 (b) is a graph for verifying the phase distortion of the switching power amplifier using the
도 7(c)는 본 발명의 일실시예에 따른 다중 주파수대역을 지원하는 정합회로(1)를 이용한 스위칭 전력 증폭기의 출력전력에 따른 전력 부가 효율(PAE)을 나타내는 그래프이다.FIG. 7C is a graph showing power added efficiency (PAE) according to output power of a switching power amplifier using a
도 7(a) 내지 도 7(c)를 참조하면, 낮은 주파수 대역(0.9GHz) 및 높은 주파수 대역(1.9GHz)의 범위에서 비슷한 성능을 나타내어 넓은 주파수 범위에서 스위칭 전력 증폭기가 작동될 수 있음을 알 수 있다.
Referring to Figs. 7 (a) to 7 (c), it can be seen that the switching power amplifier can be operated in a wide frequency range with similar performance in the low frequency band (0.9 GHz) and the high frequency band (1.9 GHz) Able to know.
본 발명에 따른 다중 주파수대역을 지원하는 정합회로(1)에서, 스위칭 전력 증폭기와 본 발명의 일 실시예에 따른 다중 주파수대역을 지원하는 정합회로(1)를 사용하면 낮은 주파수 대역(0.9GHz)과 높은 주파수 대역(1.9GHz)에서 비교적 일정한 이득이 출력된다는 것을 알 수 있다.In the
이로 인해 낮은 주파수 대역(0.9GHz)에서 동작할 때, 이득의 넓은 주파수 특성으로 인한 높은 주파수 부분의 적은 이득감소로 낮은 주파수 대역(0.9GHz)의 3차 하모닉(2.7GHz)이 높은 주파수 대역(1.9GHz)에서 동작할 때의 상기 높은 주파수 대역(1.9GHz)의 3차 하모닉(5.4GHz)에 비해 상대적으로 크게 생성된다.As a result, when operating in the low frequency band (0.9 GHz), the third harmonic (2.7 GHz) in the low frequency band (0.9 GHz) is reduced to the high frequency band (1.9 (5.4 GHz) of the high frequency band (1.9 GHz) when operating in a high frequency band (GHz).
이를 도 8(a), 도 8(b) 및 도 9를 통해 자세히 설명한다.
This will be described in detail with reference to FIGS. 8 (a), 8 (b) and 9.
도 8(a) 및 8(b)는 다중 주파수대역을 지원하는 정합회로(1)의 스위칭 동작에 따른 S-파라미터를 나타내는 그래프로, X축은 주파수, Y축은 S-파라미터의 dB값을 나타낸다.8A and 8B are graphs showing S-parameters according to the switching operation of the
도 8(a) 및 도 8(b)를 참조하면, 그래프(810)은 스위칭 동작이 온(On) 상태에서 낮은 주파수 대역(0.9GHZ)을 지원할 때의 주파수에 따른 S-파라미터로 그래프(811)는 S(1,1), 그래프(812)는 S(2,2), 그래프(813)는 S(2,1)을 나타낸다. 그래프(810)의 3차 하모닉(2.7GHz) 대역에서 정합회로의 손실인 S(2,1)는 -5.171dB 인 것을 알 수 있다.Referring to FIGS. 8A and 8B, the
그래프(820)는 스위칭 동작이 오프(Off) 상태에서 높은 주파수 대역(1.9GHz)을 지원할 때의 주파수에 따른 S-파라미터로 그래프(821)는 S(1,1), 그래프(822)는 S(2,2), 그래프(823)는 S(2,1)을 나타낸다. 그래프(820)의 3차 하모닉(5.4~6.0GHz) 대역에서 정합회로의 손실인 S(2,1)는 -7.52dB 인 것을 알 수 있다. 상기 그래프(810) 및 그래프(820)을 통해 낮은 주파수 대역(0.9GHZ) 및 높은 주파수 대역(1.9GHz)의 3차 하모닉 주파수 대역에서 서로 차이를 보인다는 것을 알 수 있다. 높은 주파수일수록 스위칭에 의한 증폭이 작아진다는 특징을 감안해 볼 때, 낮은 주파수 모드일 경우 추가적인 감쇠가 필요하다는 것을 알 수 있다.The
도 9는 본 발명의 일 실시예에 따른 다중 주파수대역을 지원하는 정합회로(1)와 결합된 스위칭 전력 증폭기의 특성을 나타내는 그래프로 기본 성분(Fundamental)과 3차 하모닉에서 주파수에 따른 이득(dB)를 나타낸다.FIG. 9 is a graph illustrating characteristics of a switching power amplifier coupled with a
도 9를 참조하면, 기본 성분(Fundamental)과 비교한 낮은 주파수 대역(0.9GHz)의 3차 하모닉과 높은 주파수 대역(1.9GHz)의 3차 하모닉은 각각 15 dBc와 25~26 dBc로 차이가 생긴다는 것을 알 수 있다. 이를 보정하기 위하여 상기 낮은 주파수 대역(0.9GHz)의 3차 하모닉이 추가적으로 감쇠되어야 한다는 점을 알 수 있다.
Referring to FIG. 9, the third harmonic of the low frequency band (0.9 GHz) and the third harmonic of the high frequency band (1.9 GHz) differ from the fundamental (15 dBc and 25 to 26 dBc) . It can be seen that the third harmonic of the low frequency band (0.9 GHz) must be additionally attenuated to compensate for this.
도 10은 본 발명의 일 실시예에 따른 다중 주파수대역을 지원하는 정합회로(2)를 간단하게 나타낸 회로도이다.10 is a circuit diagram briefly showing a
도 10을 참조하면, 입력단의 일단과 제 3 가변커패시터(1010)의 일단이 연결되고, 입력단의 타단이 제 3 가변커패시터(1010)의 타단과 연결되며, 상기 제 3 가변커패시터(1010)의 일단과 제 3 인덕터(1020)의 일단이 연결되고, 상기 제 3 가변커패시터(1010)의 타단은 제 3 인덕터(1020)의 타단과 연결된 제 3회로, 제 4 가변커패시터(1040)의 일단, 부하(1050)의 일단 및 제 4 인덕터(1030)의 일단이 연결되고, 제 4 가변커패시터(1040)의 타단, 부하(350)의 타단 및 제 4 인덕터(1030)의 타단이 연결된 제 4회로를 포함하며, 제 3 가변커패시터(1010) 및 제 4 가변커패시터(1040)의 커패시턴스 변화는 스위치의 동작에 의해 가변되며, RF Choke 인덕터(1012, 1014)를 통해 제 1 인덕터(1020)의 일단과 타단에 연결될 차동 (differential) 증폭기(미도시)의 드레인단에 직접적으로 전류를 공급한다.
10, one end of the input stage is connected to one end of the third
제 3 가변커패시터(1010) 및 제 4 가변커패시터(1040)는 도 11을 참조하여 더욱 자세하게 설명한다.
The third
도 11은 본 발명의 일실시에에 따른 다중 주파수대역을 지원하는 정합회로(2)의 제 3 가변커패시터(1010) 및 제 4 가변커패시터(1040)를 나타낸 회로도이다.11 is a circuit diagram showing a third
도 11을 참조하면, 제 3 가변커패시터(1010)는 제 1 가변커패시터(310)와 구성이 같다.Referring to FIG. 11, the third
제 4 가변커패시터(1040)는 출력 커패시터(1160)의 일단이 제 1 출력 스위치(1170)의 드레인과 연결되고, 제 1 출력 스위치(1170)의 소스와 제 2 출력 스위치(1180)의 드레인이 연결되고, 제 2 출력 스위치(1180)의 소스와 필터 커패시터(1191)의 일단이 연결되고, 필터 커패시터(1191)의 타단과 필터 인덕터(1192)의 일단이 연결되어 필터 인덕터(1192)의 타단은 접지되며, 제 1 출력 스위치(1170)의 드레인은 제 1 출력저항(1171)과 연결되고, 제 1 출력 스위치(1170)의 게이트는 제 2 출력저항(1172)과 연결되고, 제 1 출력 스위치(1170) 소스및 제 2 출력 스위치(1180)의 드레인은 제 3 출력저항(1173)과 연결되고, 제 2 출력 스위치(1180)의 게이트는 제 4 출력저항(1174)과 연결되고, 제 2 출력 스위치(1180)의 소스는 제 5 출력저항(1175)과 연결되고, 제 1 출력 스위치(1170)의 바디는 제 6 출력저항(1176)과 연결되고, 제 2 출력 스위치(1180)의 바디는 제 7 출력저항(1177)과 연결된다.The fourth
제 3 가변커패시터(1020)는 도 3 및 도 4 와 같이 구성되고 동작될 수 있으며, 제 1 출력저항(1171), 제 2 출력저항(1172), 제 3 출력저항(1173), 제 4 출력저항(1174) 및 제 5 출력저항(1175) 은 타단이 교류 적으로 오픈(Open)에 가까운 값이 될 수 있도록 적어도 1 KΩ(옴) 이상의 비교적 큰 저항을 가질 수 있다. 제 1 출력 스위치(1170) 및 제 2 출력 스위치(1180)의 드레인, 게이트 및 소스는 RF Choke 인덕터(1012, 1014)를 통해 전류를 공급하고 제어할 수 있다.
The third
제 3 가변커패시터(1010)의 구성 및 동작은 상기 도 3 및 도 4를 참조하여 상세하게 설명하였기에 하기의 설명은 제 4 가변커패시터(1040)의 동작을 [표 2]를 참조하여 자세히 설명한다.Since the configuration and operation of the third
필터 인덕터Filter capacitors,
 Filter inductor
소스전압(VS)The drain voltage (VD )
 The source voltage (VS )
제 4 가변커패시터(1040)는 스위치가 온(On) 모드 일 때, 필터 커패시터(1191) 및 필터 인덕터(1192)를 연결하여 상기 언급한 3차 하모닉에서의 추가적인 감쇠를 가능하게 한다. 스위치가 온(On)이 되기 위하여 제 1 출력 스위치(1170) 및 제 2 출력 스위치(1180)의 게이트 단에 VDD전압이 인가되어 출력 커패시터(1160) 과 필터 커패시터(1191) 및 필터 인덕터(1192)이 연결될 수 있다.The fourth
제 4 가변커패시터(1040)는 스위치가 오프(Off) 모드 일 때, 제 1 출력 스위치(1170) 및 제 2 출력 스위치(1180)의 게이트는 0V 의 전압이 인가되어 제 1 출력 스위치(1170) 및 제 2 출력 스위치(1180)가 동작하지 않게 된다. 그러나 제 1 출력 스위치(1170) 및 제 2 출력 스위치(1180)의 게이트에 예상하지 못한 교류성분이 입력되어 스위치가 완전히 오프(Off)되지 않을 수 있다. 이를 위해 제 1 출력 스위치(1170) 및 제 2 출력 스위치(1180)의 드레인과 소스에 VDD 전압을 인가하여 게이트 단과 소스 단 사이에 역바이어스를 형성할 수 있다.When the fourth
제 4 가변커패시터(1040)에서 제 1 출력 스위치(1170) 및 제 2 출력 스위치(1180)인 두개의 스위치로 스위칭 동작을 제어하는 이유는 스위치가 오프(Off) 모드 일 때, 출력 신호가 스윙할 경우 출력 전력의 왜곡이 생기는 것을 방지하여 안정적으로 스위치 오프(Off)상태를 만들고, 브래이크 다운(Break-Down) 전압을 견딜 수 있게 하기 위함이다.
The reason for controlling the switching operation from the fourth
도 12(a) 및 도 12(b)는 본 발명의 일 실시예에 따른 다중 주파수대역을 지원하는 정합회로(2)의 스위칭 동작에 따른 입력임피던스 변화와 S-파라미터를 나타내는 도면이다.12A and 12B are graphs showing input impedance changes and S-parameters according to a switching operation of the
도 12(a) 및 도 12(b)를 참조하면, 스미스차트(1210)은 스위칭 동작이 온(On) 상태에서 낮은 주파수 대역(0.9GHz)을 지원할 때의 주파수에 따른 입력임피던스 변화를 나타내고, 스미스차트(1220)는 스위칭 동작이 오프(Off) 상태에서 높은 주파수 대역(1.9GHz)을 지원할 때의 주파수에 따른 입력임피던스 변화를 나타낸다.Referring to FIGS. 12A and 12B, the
스위칭 동작에 의해 변압기 양측 커패시터를 조정함으로써 낮은 밴드인 스미스차트(1210)의 낮은 주파수 대역(0.9GHz)의 임피던스와 높은 밴드인 스미스차트(1220)의 높은 주파수 대역(1.9GHz)의 입력임피던스의 변화가 거의 없음을 알 수 있다.
(0.9 GHz) of the low-
도 12(b)를 참조하면, 다중 주파수대역을 지원하는 정합회로의 스위칭 동작에 따른 S-파라미터를 나타내는 그래프로, X축은 주파수, Y축은 S-파라미터의 이득(dB)값을 나타낸다. 그래프(1250)는 스위칭 동작이 온(On) 상태에서 낮은 주파수 대역(0.9GHz)을 지원할 때의 주파수에 따른 S-파라미터로 그래프(1251)는 S(1,1), 그래프(1252)는 S(2,2), 그래프(1253)는 S(2,1)을 나타낸다. 그래프(1250)의 낮은 주파수 대역(0.9GHz)에서 정합회로의 부하(1050)로의 정합손실인 S(2,1)는 -1.81dB 인 것을 알 수 있다.12B is a graph showing an S-parameter according to a switching operation of a matching circuit that supports multiple frequency bands, where the X axis represents the frequency and the Y axis represents the gain (dB) value of the S-parameter. The
그래프(1260)는 스위칭 동작이 오프(Off) 상태에서 높은 주파수 대역(1.9GHz)을 지원할 때의 주파수에 따른 S-파라미터로 그래프(1261)는 S(1,1), 그래프(1262)는 S(2,2), 그래프(1263)는 S(2,1)을 나타낸다. 그래프(1260)에서 높은 주파수 대역(1.9GHz)에서 정합회로의 손실인 S(2,1)는 -1.976dB 인 것을 알 수 있다. 상기 그래프(1250) 및 그래프(1260)을 통해 0.9GHZ 대역 및 1.9GHZ 대역의 주파수 밴드에서 비슷한 성능을 가진다는 것을 알 수 있다.
The
도 13은 본 발명의 일 실시예에 따른 다중 주파수대역을 지원하는 정합회로(2)와 결합된 스위칭 전력 증폭기의 특성을 나타내는 그래프로 낮은 주파수 대역 모드로 동작 할 때의 기본 성분(Fundamental)과 3차 하모닉의 주파수에 따른 이득(dB) 비교를 나타낸다.FIG. 13 is a graph illustrating characteristics of a switching power amplifier combined with a
도 13을 참조하면, 기본 성분(Fundamental)과 비교한 낮은 주파수 대역(0.9GHz)의 3차 하모닉과 높은 주파수 대역(1.9GHz)의 3차 하모닉은 각각 25.86 dBc와 28.79 dBc로 앞서 언급된 다중 주파수대역을 지원하는 정합회로(1)보다 약 10dB의 성능이 개선된 것을 알 수 있다.
Referring to FIG. 13, the third harmonic of the low frequency band (0.9 GHz) and the third harmonic of the high frequency band (1.9 GHz) compared with the fundamental are respectively 25.86 dBc and 28.79 dBc, It can be seen that the performance of about 10 dB is improved compared with the
도 14(a)는 본 발명의 일 실시예에 따른 다중 주파수대역을 지원하는 정합회로(2)를 스위칭 전력증폭기에서 결합하여 검출된 전력이득(dB)과 전력 부가 효율(PAE) 성능을 나타내는 그래프이다.14A is a graph showing a power gain (dB) and a power adding efficiency (PAE) performance detected by combining a
도 14(a)는 본 발명의 일실시예에 따른 다중 주파수대역을 지원하는 정합회로(2)를 스위칭 전력증폭기에서 결합하여 주파수 변화에 따른 전력이득(dB)을 나타내는 그래프이다. 그래프(1311)는 스위칭 동작이 온(On)일 때, 그래프(1312)는 스위칭 동작이 오프(Off)일 때를 나타내며, 상기 스위칭 동작이 온(On)일 때와 스위칭 동작이 오프(Off)일 때의 두 대역을 종합한 그래프(1313)에서 전력이득은 스위칭 동작의 모드 변화로 인해 700MHz 내지 2.3GHz까지 인 1.6GHz 범위의 주파수 대역을 가지고, 상기 1.6GHz 범위의 주파수 대역은 2dB 범위 이내의 전력이득을 유지하는 것을 알 수 있다.FIG. 14A is a graph illustrating a power gain (dB) according to a frequency change by combining a
또한, 도 14(b)는 본 발명의 일실시예에 따른 다중 주파수대역을 지원하는 정합회로를 스위칭 전력증폭기에서 결합하여 주파수 변화에 따른 전력 부가 효율(PAE)을 나타내는 그래프이다. 그래프(1321)는 스위칭 동작이 온(On)일 때, 그래프(1322)는 스위칭 동작이 오프(Off)일 때를 나타내며, 상기 스위칭 동작이 온(On)일 때와 스위칭 동작이 오프(Off)일 때의 두 대역을 종합한 그래프(1323) 전력 부가 효율(PAE)은 스위칭 동작의 모드 변화로 인해 800MHz 내지 2.3GHz 까지인 1.5GHz 범위의 주파수 대역을 가지고, 약 10% 이내의 효율감소를 보여 앞서 설명한 본 발명의 일 실시예에 따른 다중 주파수대역을 지원하는 정합회로(1)과 비교하여 성능의 저하없이 동일한 성능을 가지고 있음을 알 수 있다.
14 (b) is a graph showing power added efficiency (PAE) according to a frequency change by combining a matching circuit that supports multiple frequency bands according to an embodiment of the present invention in a switching power amplifier. The
이상에서 본 발명의 바람직한 실시예에 대해 도시하고 설명하였으나, 본 발명은 상술한 특정의 바람직한 실시예에 한정되지 아니하며, 청구범위에서 청구하는 본 발명의 요지를 벗어남이 없이 당해 발명이 속하는 기술분야에서 통상의 지식을 가진 자라면 누구든지 다양한 변형 실시가 가능한 것은 물론이고, 그와 같은 변경은 청구범위 기재의 범위 내에 있게 된다.
While the present invention has been particularly shown and described with reference to exemplary embodiments thereof, it is clearly understood that the same is by way of illustration and example only and is not to be taken by way of limitation in the embodiment in which said invention is directed. It will be understood by those skilled in the art that various changes in form and detail may be made therein without departing from the scope of the appended claims.
410: 제 1 커패시터
420: 제 2 커패시터
430: 제 3 커패시터
440: 제 1 스위치
450: 제 2 스위치
451: 제 1 저항
452: 제 2 저항
453: 제 3 저항
454: 제 4 저항
455: 제 5 저항
456: 제 6 저항
457: 제 7 저항
460: 제 4 커패시터
470: 제 5 커패시터
480: 제 6 커패시터
490: 제 3 스위치
491: 제 8 저항
492: 제 9 저항
493: 제 10 저항
494: 제 11 저항
1160: 출력 커패시터
1170: 제 1 출력 스위치
1171: 제 1 출력저항
1172: 제 2 출력저항
1173: 제 3 출력저항
1174: 제 4 출력저항
1175: 제 5 출력저항
1176: 제 6 출력저항
1177: 제 7 출력저항
1180: 제 2 출력 스위치410: first capacitor
 420: second capacitor
 430: third capacitor
 440: first switch
 450: second switch
 451: first resistance
 452: second resistance
 453: Third resistance
 454: fourth resistor
 455: fifth resistor
 456: the sixth resistor
 457: the seventh resistor
 460: fourth capacitor
 470: fifth capacitor
 480: sixth capacitor
 490: third switch
 491: 8th resistance
 492: the ninth resistor
 493: 10th resistor
 494: Eleventh resistance
 1160: Output capacitor
 1170: first output switch
 1171: First output resistance
 1172: Second output resistance
 1173: Third output resistance
 1174: fourth output resistance
 1175: fifth output resistance
 1176: sixth output resistance
 1177: seventh output resistance
 1180: Second output switch
| Application Number | Priority Date | Filing Date | Title | 
|---|---|---|---|
| KR1020130139720AKR101699375B1 (en) | 2013-11-18 | 2013-11-18 | To support multiple frequency bands matching circuit | 
| Application Number | Priority Date | Filing Date | Title | 
|---|---|---|---|
| KR1020130139720AKR101699375B1 (en) | 2013-11-18 | 2013-11-18 | To support multiple frequency bands matching circuit | 
| Publication Number | Publication Date | 
|---|---|
| KR20150056985A KR20150056985A (en) | 2015-05-28 | 
| KR101699375B1true KR101699375B1 (en) | 2017-01-24 | 
| Application Number | Title | Priority Date | Filing Date | 
|---|---|---|---|
| KR1020130139720AExpired - Fee RelatedKR101699375B1 (en) | 2013-11-18 | 2013-11-18 | To support multiple frequency bands matching circuit | 
| Country | Link | 
|---|---|
| KR (1) | KR101699375B1 (en) | 
| Publication number | Priority date | Publication date | Assignee | Title | 
|---|---|---|---|---|
| JP2018042100A (en)* | 2016-09-07 | 2018-03-15 | 株式会社村田製作所 | Transmission module and transmission/reception module | 
| CN114614771A (en)* | 2022-01-25 | 2022-06-10 | 电子科技大学 | Ultra-wideband radio frequency power amplifier based on frequency continuous adjustment | 
| Publication number | Priority date | Publication date | Assignee | Title | 
|---|---|---|---|---|
| JP2736112B2 (en)* | 1989-03-31 | 1998-04-02 | 日本無線株式会社 | Automatic alignment method | 
| US20120217822A1 (en)* | 2011-02-24 | 2012-08-30 | Fujitsu Semiconductor Limited | Variable capacitance circuit | 
| Publication number | Priority date | Publication date | Assignee | Title | 
|---|---|---|---|---|
| JPH06350472A (en)* | 1993-06-02 | 1994-12-22 | Toyo Commun Equip Co Ltd | Matching circuit | 
| JP2013197175A (en)* | 2012-03-16 | 2013-09-30 | Samsung Electro-Mechanics Co Ltd | Integrated circuit and radio communication device | 
| Publication number | Priority date | Publication date | Assignee | Title | 
|---|---|---|---|---|
| JP2736112B2 (en)* | 1989-03-31 | 1998-04-02 | 日本無線株式会社 | Automatic alignment method | 
| US20120217822A1 (en)* | 2011-02-24 | 2012-08-30 | Fujitsu Semiconductor Limited | Variable capacitance circuit | 
| Publication number | Publication date | 
|---|---|
| KR20150056985A (en) | 2015-05-28 | 
| Publication | Publication Date | Title | 
|---|---|---|
| JP4903834B2 (en) | Variable gain amplifier circuit and integrated circuit for wireless communication equipment using the same | |
| KR100914730B1 (en) | Variable gain low-noise amplifier for a wireless terminal | |
| US7808342B2 (en) | Harmonic phase tuning filter for RF switches | |
| US7839234B2 (en) | Switching module with harmonic phase tuning filter | |
| EP1729412A1 (en) | Variable matching circuit | |
| US9281802B2 (en) | System and method for a switchable capacitance | |
| CN112514248A (en) | Wideband Low Noise Amplifier (LNA) with reconfigurable bandwidth for millimeter wave 5G communications | |
| WO2000003478A1 (en) | High-frequency power amplifier module | |
| US10778211B2 (en) | Switching circuit and semiconductor module | |
| US20100079211A1 (en) | Matching circuit, and radio-frequency power amplifier and mobile phone including the same | |
| US20070115086A1 (en) | Multilayer circuit with variable inductor, and method of manufacturing it | |
| JP2010068261A (en) | Cascode circuit | |
| KR20010053413A (en) | Mobile telephone system | |
| CN103296988A (en) | Adjustable impedance matching network | |
| US7440729B2 (en) | Apparatus, methods and articles of manufacture for output impedance matching using multi-band signal processing | |
| US12424986B2 (en) | Extended impedance matching wideband LNA architectures | |
| CN107666292A (en) | Power amplifier module | |
| KR100789918B1 (en) | Input Matching Circuit of Wideband Low Noise Amplifier | |
| WO2014050721A2 (en) | Amplifying device, and wireless communication device equipped with amplifying device | |
| KR101699375B1 (en) | To support multiple frequency bands matching circuit | |
| US20090115525A1 (en) | Frequency tunable low noise amplifier | |
| US10756727B2 (en) | Switching circuit and high-frequency module | |
| Ko et al. | A 0.4-1.2 GHz Reconfigurable CMOS Power Amplifier for 802.11 ah/af Applications | |
| US20090131001A1 (en) | Switch architecture | |
| KR101473717B1 (en) | Wide-band module and communication device including the same | 
| Date | Code | Title | Description | 
|---|---|---|---|
| PA0109 | Patent application | St.27 status event code:A-0-1-A10-A12-nap-PA0109 | |
| PN2301 | Change of applicant | St.27 status event code:A-3-3-R10-R13-asn-PN2301 St.27 status event code:A-3-3-R10-R11-asn-PN2301 | |
| R18-X000 | Changes to party contact information recorded | St.27 status event code:A-3-3-R10-R18-oth-X000 | |
| PG1501 | Laying open of application | St.27 status event code:A-1-1-Q10-Q12-nap-PG1501 | |
| PA0201 | Request for examination | St.27 status event code:A-1-2-D10-D11-exm-PA0201 | |
| D13-X000 | Search requested | St.27 status event code:A-1-2-D10-D13-srh-X000 | |
| D14-X000 | Search report completed | St.27 status event code:A-1-2-D10-D14-srh-X000 | |
| E902 | Notification of reason for refusal | ||
| PE0902 | Notice of grounds for rejection | St.27 status event code:A-1-2-D10-D21-exm-PE0902 | |
| E13-X000 | Pre-grant limitation requested | St.27 status event code:A-2-3-E10-E13-lim-X000 | |
| P11-X000 | Amendment of application requested | St.27 status event code:A-2-2-P10-P11-nap-X000 | |
| P13-X000 | Application amended | St.27 status event code:A-2-2-P10-P13-nap-X000 | |
| E701 | Decision to grant or registration of patent right | ||
| PE0701 | Decision of registration | St.27 status event code:A-1-2-D10-D22-exm-PE0701 | |
| P22-X000 | Classification modified | St.27 status event code:A-2-2-P10-P22-nap-X000 | |
| GRNT | Written decision to grant | ||
| PR0701 | Registration of establishment | St.27 status event code:A-2-4-F10-F11-exm-PR0701 | |
| PR1002 | Payment of registration fee | St.27 status event code:A-2-2-U10-U11-oth-PR1002 Fee payment year number:1 | |
| PG1601 | Publication of registration | St.27 status event code:A-4-4-Q10-Q13-nap-PG1601 | |
| R18-X000 | Changes to party contact information recorded | St.27 status event code:A-5-5-R10-R18-oth-X000 | |
| FPAY | Annual fee payment | Payment date:20200106 Year of fee payment:4 | |
| PR1001 | Payment of annual fee | St.27 status event code:A-4-4-U10-U11-oth-PR1001 Fee payment year number:4 | |
| PN2301 | Change of applicant | St.27 status event code:A-5-5-R10-R13-asn-PN2301 St.27 status event code:A-5-5-R10-R11-asn-PN2301 | |
| R18-X000 | Changes to party contact information recorded | St.27 status event code:A-5-5-R10-R18-oth-X000 | |
| PR1001 | Payment of annual fee | St.27 status event code:A-4-4-U10-U11-oth-PR1001 Fee payment year number:5 | |
| PR1001 | Payment of annual fee | St.27 status event code:A-4-4-U10-U11-oth-PR1001 Fee payment year number:6 | |
| PC1903 | Unpaid annual fee | St.27 status event code:A-4-4-U10-U13-oth-PC1903 Not in force date:20230119 Payment event data comment text:Termination Category : DEFAULT_OF_REGISTRATION_FEE | |
| R18-X000 | Changes to party contact information recorded | St.27 status event code:A-5-5-R10-R18-oth-X000 | |
| R18-X000 | Changes to party contact information recorded | St.27 status event code:A-5-5-R10-R18-oth-X000 | |
| K11-X000 | Ip right revival requested | St.27 status event code:A-6-4-K10-K11-oth-X000 | |
| PC1903 | Unpaid annual fee | St.27 status event code:N-4-6-H10-H13-oth-PC1903 Ip right cessation event data comment text:Termination Category : DEFAULT_OF_REGISTRATION_FEE Not in force date:20230119 | |
| PR0401 | Registration of restoration | St.27 status event code:A-6-4-K10-K13-oth-PR0401 | |
| PR1001 | Payment of annual fee | St.27 status event code:A-4-4-U10-U11-oth-PR1001 Fee payment year number:7 | |
| PC1903 | Unpaid annual fee | St.27 status event code:A-4-4-U10-U13-oth-PC1903 Not in force date:20240119 Payment event data comment text:Termination Category : DEFAULT_OF_REGISTRATION_FEE | |
| PC1903 | Unpaid annual fee | St.27 status event code:N-4-6-H10-H13-oth-PC1903 Ip right cessation event data comment text:Termination Category : DEFAULT_OF_REGISTRATION_FEE Not in force date:20240119 |