








본 발명은 엘이디 조명기구용 전원공급장치에 관한 것으로서, 보다 상세하게는 Step-down(Buck type) 또는 Step up(Boost type) 컨버터를 이용한 엘이디 조명기구용 전원공급장치에서 전해 캐패시터를 사용하지 않고 DC/DC 컨버터로 구성하여 사용 수명을 극대화하는 한편, 입력 전압의 레벨을 피드백하여 디밍포트의 입력으로 사용함으로써 낮은 입력전압에서도 동작할 수 있도록 동작범위를 확장하여 전력효율을 향상시키는 엘이디 조명기구용 전원공급장치에 관한 것이다.
The present invention relates to a power supply device for an LED lighting device, and more particularly, to a power supply device for an LED lighting device using a step-down (Buck type) or step-up (Boost type) converter without using an electrolytic capacitor. Converter to maximize the service life and to feed the level of the input voltage back to the input of the dimming port to extend the operating range to operate at low input voltage to improve the power efficiency. .
LED 조명기구에 전원을 공급하기 위해서는 입력되는 AC 혹은 DC 전압을 일정한 전압 및 전류를 갖는 DC 전압으로 출력하는 전원공급장치가 필요하다. 이에, 할로겐 안정기(Halogen Ballast)의 출력 전원을 승압 혹은 강압하는 벅/부스트(buck/boost) 컨버터와 LED 드라이버 IC(Diver IC)를 이용하여 일정한 값의 DC 전압으로 출력하는 전원공급장치가 널리 사용되고 있다.In order to supply power to the LED lighting apparatus, a power supply unit for outputting an AC or DC voltage to be input to a DC voltage having a constant voltage and current is required. Therefore, a power supply device that outputs a DC voltage of a constant value by using a buck / boost converter and an LED driver IC (Diver IC) that boosts or downstages the output power of a halogen ballast is widely used have.
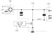
도 1은 종래기술에 따른 엘이디 조명기구용 전원공급장치의 개략적인 회로 구성도이다.1 is a schematic circuit configuration diagram of a power supply device for an LED illumination device according to the prior art.
도 1에 도시된 바와 같이 LED 조명기구용 전원공급장치는, 입력되는 AC 전원을 정류하여 DC 전원을 출력하는 정류부(100), 정류부(100)에서 정류된 전원을 평활하고 승압 또는 감압하여 일정 전압 및 전류를 갖는 직류전원을 엘이디 조명장치(120)로 공급하는 벅-부스트(buck-boost) 변환부(110), 벅-부스트(buck-boost) 변환부(110)의 스위치에 온(on) 또는 오프(off)를 신호를 출력하여 벅-부스트 변환부의 출력을 일정한 DC 전압과 전류로 제어하는 LED 구동 제어부(130)를 포함한다.As shown in FIG. 1, the power supply device for an LED illuminator includes a
정류부(100)는 교류 전원(AC)을 입력받아 직류로 정류하는 정류회로로서, 2 출력단자를 통해 정류된 전원을 벅-부스트 변환부(110)로 공급한다. 정류부(100)는 직렬 연결된 2개의 다이오드의 2세트가 병렬로 연결되는 브리지 다이오드로 구성될 수 있다.The rectifying
벅-부스트 변환부(110)는 인덕터와 커패시터 등을 포함하는 회로를 이용하여 정류부(100)에서 정류된 전원을 평활하고 승압 또는 감압하여 엘이디 구동에 적합한 직류 전원을 엘이디 조명장치(120)로 출력한다.The buck-
엘이디 조명장치(120)는 벅-부스트 변환부(110)로부터의 직류 전원을 공급받아 발광한다. 엘이디 조명장치(120)는 복수 LED(예를 들어, D1, D2…Dn)를 포함하며, 이러한 복수 LED가 직렬 혹은 병렬로 연결될 수 있다.The
LED 구동 제어부(130)는 벅-부스트 변환부(110)의 스위치에 온(on) 또는 오프(off)를 신호를 출력하여 벅-부스트 변환부(110)의 출력을 LED Vf에 맞는 일정한 DC전압과 FET와 직렬 연결된 센싱 저항을 통해 일정 전류로 제어한다.The LED
한편, 이러한 구성을 갖는 종래기술에 따른 LED 조명기구용 전원공급장치는 전류 리플을 최소화하기 위해 엘이디 조명장치(120)와 병렬로 연결된 전해 캐패시터(C)를 포함한다. 이러한 전해 캐패시터 소자는 LED에 비해 수명이 짧기 때문에, LED의 예상 수명이 다하기 훨씬 전인데도 불구하고 구동이 되지 않는 문제점이 자주 발생하였다.Meanwhile, the power supply for the LED illuminator according to the prior art having such a configuration includes an electrolytic capacitor C connected in parallel with the
또한, 종래기술에 따른 LED 조명기구용 전원공급장치는 입력전압이 소정 전압 이하로 떨어지는 경우(DCM(Discontinuous mode) 동작 구간) LED 구동 IC의 전원이 오프되어 제어가 불가능하여 입력전압에 따른 동작 범위가 협소(narrow input)하다는 문제점이 있다.
Also, in the power supply device for an LED illuminator according to the related art, if the input voltage drops below a predetermined voltage (DCM (Discontinuous mode) operation period), the LED driving IC is turned off and the control is impossible. There is a problem of narrow input.
본 발명은 상술한 문제점을 해결하기 위하여 안출된 것으로서, Step-down(Buck type) 또는 Step up(Boost type) 컨버터를 이용한 엘이디 조명기구용 전원공급장치에서 전해 캐패시터를 사용하지 않고 DC/DC 컨버터로 구성하여 사용 수명을 극대화하는 한편, 입력 전압의 레벨을 피드백하여 디밍포트의 입력으로 사용함으로써 낮은 입력전압에서도 동작할 수 있도록 동작범위를 확장하여 전력효율을 향상시키는 엘이디 조명기구용 전원공급장치를 제공하는데 그 기술적 과제가 있다.
SUMMARY OF THE INVENTION The present invention has been made in order to solve the above-mentioned problems, and it is an object of the present invention to provide a DC / DC converter without using an electrolytic capacitor in a power supply device for an LED lighting device using a step-down (buck type) To provide a power supply for an LED illuminator that maximizes the service life and improves power efficiency by extending the operating range to operate at a low input voltage by using the input voltage level as feedback and using the input as a dimming port. There is a technical challenge.
상술한 과제를 해결하기 위한 본 발명의 일 측면에 따르면, 입력되는 AC 전원을 정류하여 DC 전원을 출력하는 정류부; 상기 정류부에서 정류된 전원을 평활하고 승압 또는 감압하여 일정 전압 및 전류를 갖는 직류전원을 엘이디 조명장치로 공급하는 벅-부스트(buck-boost) 변환부; 상기 벅-부스트(buck-boost) 변환부의 스위치에 온(on) 또는 오프(off) 스위칭신호를 출력하여 상기 벅-부스트 변환부의 출력을 일정한 DC 전압과 전류로 제어하는 LED 구동 제어부; 상기 벅-부스트(buck-boost) 변환부로 입력되는 전압을 감지하는 전압 감지부; 및 상기 전압 감지부에서 감지된 전압의 레벨이 기 설정된 기준 레벨의 범위에 속하는 경우 해당 전압에 대응되는 디밍신호를 상기 LED 구동 제어부의 디밍포트로 피드백하는 디밍신호 입력부를 포함하고, 상기 LED 구동 제어부는 상기 디밍포트로 입력된 전원의 전압에 따라 상기 스위칭신호의 듀티 비를 제어하여 상기 벅-부스트 변환부의 출력을 선형적으로 제어는 엘이디 조명기구용 전원공급장치가 제공된다.According to an aspect of the present invention, there is provided a rectifying unit for rectifying input AC power and outputting DC power; A buck-boost converter for supplying a direct current power having a constant voltage and current to the LED lighting device by smoothing the power rectified by the rectifying part, boosting or reducing the voltage, An LED driving control unit for outputting an on or off switching signal to the switch of the buck-boost converting unit and controlling the output of the buck-boost converting unit to a constant DC voltage and current; A voltage sensing unit sensing a voltage input to the buck-boost converter; And a dimming signal input unit for feeding back a dimming signal corresponding to the voltage to the dimming port of the LED driving control unit when the level of the voltage sensed by the voltage sensing unit falls within a predetermined reference level range, And the output of the buck-boost converter is linearly controlled by controlling a duty ratio of the switching signal according to a voltage of a power source input to the dimming port.
여기서, 상기 디밍신호 입력부는, 상기 전압 감지부에서 감지된 전압의 레벨이 6 ~ 10Vac 구간에 속하는 경우 해당 전압에 대응되는 디밍신호를 상기 LED 구동 제어부의 디밍포트로 피드백할 수 있다.The dimming signal input unit may feed back a dimming signal corresponding to the voltage to the dimming port of the LED driving control unit when the level of the voltage sensed by the voltage sensing unit belongs to 6 to 10 V ac.
그리고, 상기 디밍신호 입력부는, 상기 전압 감지부를 통해 입력되는 전원의 전압을 감압하여 상기 디밍신호로 변환하기 위한 전압 디바이더를 포함할 수 있다.The dimming signal input unit may include a voltage divider for converting a voltage of a power source input through the voltage sensing unit to a dimming signal.
또한, 상기 디밍신호 입력부는, 상기 전압 감지부에서 감지된 전압의 레벨이 6 ~ 10Vac 구간에 속하는 경우 상기 전압 레벨을 0.7 ~ 1.4V로 변환하여 상기 LED 구동 제어부의 디밍포트로 피드백할 수 있다.The dimming signal input unit may convert the voltage level to 0.7 to 1.4 V and feed back the dimming signal to the dimming port of the LED driving control unit when the level of the voltage sensed by the voltage sensing unit falls within a range of 6 to 10 V ac.
상술한 과제를 해결하기 위한 본 발명의 다른 측면에 따르면, 입력되는 전원을 평활하고 승압 또는 감압하여 일정 전압 및 전류를 갖는 직류전원을 외부로부터의 스위칭 신호에 따라 엘이디 조명장치로 공급하는 벅-부스트(buck-boost) 변환부; 상기 입력되는 전원의 전압이 제1구간에 속하는 경우 상기 벅-부스트 변환부의 출력이 오프되고, 상기 입력되는 전원의 전압이 제2구간에 속하는 경우 상기 벅-부스트 변환부의 출력이 선형적으로 제어되도록 스위칭 신호를 출력하는 LED 구동 제어부; 상기 벅-부스트(buck-boost) 변환부로 입력되는 전압을 감지하는 전압 감지부; 및 상기 전압 감지부에서 감지된 전압의 레벨이 상기 제2구간에 속하는 경우 해당 전압에 대응되는 디밍신호를 상기 LED 구동 제어부의 디밍포트로 피드백하는 디밍신호 입력부를 포함하는 엘이디 조명기구용 전원공급장치가 제공된다.
According to another aspect of the present invention, there is provided a buck-boost circuit for supplying a DC power source having a constant voltage and current to an LED lighting device in accordance with a switching signal from outside, a buck-boost converter; The output of the buck-boost converter is turned off when the voltage of the input power source belongs to the first section, and the output of the buck-boost converter is controlled when the voltage of the input power source belongs to the second section An LED drive control unit for outputting a switching signal; A voltage sensing unit sensing a voltage input to the buck-boost converter; And a dimming signal input unit for feeding a dimming signal corresponding to the voltage to the dimming port of the LED driving control unit when the level of the voltage sensed by the voltage sensing unit belongs to the second section, / RTI >
본 발명의 엘이디 조명기구용 전원공급장치에 따르면 Step-down(Buck type) 또는 Step up(Boost type) 컨버터를 이용한 엘이디 조명기구용 전원공급장치에서 전해 캐패시터를 사용하지 않고 DC/DC 컨버터로 구성하여 사용 수명을 극대화할 수 있다.According to the power supply for the LED lighting device of the present invention, the power supply for the LED lighting device using a step-down (Buck type) or step-up (Boost type) converter is constituted by a DC / DC converter without an electrolytic capacitor, Can be maximized.
또한, 본 발명의 엘이디 조명기구용 전원공급장치에 따르면 Step-down(Buck type) 또는 Step up(Boost type) 컨버터를 이용한 엘이디 조명기구용 전원공급장치에서 입력 전압의 레벨을 피드백하여 디밍포트의 입력으로 사용함으로써 낮은 입력전압에서도 동작할 수 있도록 동작범위를 확장하여 전력효율을 향상시킬 수 있다.
In addition, according to the power supply for the LED lighting device of the present invention, the power supply for the LED lighting device using a step-down (Buck type) or step-up (Boost type) converter feeds back the level of the input voltage, The power efficiency can be improved by extending the operation range to operate even at a low input voltage.
도 1은 종래기술에 따른 엘이디 조명기구용 전원공급장치의 개략적인 회로 구성도,
도 2는 본 발명의 실시예에 따른 엘이디 조명기구용 전원공급장치의 제어 블럭도,
도 3은 도 2의 LED 구동 제어부와 벅/부스트 변환부의 결선 상태도,
도 4는 본 발명의 실시예에 따른 엘이디 조명기구용 전원공급장치의 개략적인 회로 구성도,
도 5는 도 3의 LED 구동 제어부 와 벅/부스트 변환부의 세부 회로 구성도,
도 6은 도 4의 LED 구동 제어부의 디밍 신호 입력단의 전원 입력 상태도,
도 7 내지 도 9는 본 발명의 실시예에 따른 엘이디 조명기구용 전원공급장치의 입력 전압에 따른 동작 구간을 표시한 그래프이다.1 is a schematic circuit configuration diagram of a power supply device for an LED illumination device according to the related art,
 2 is a control block diagram of a power supply device for an LED illumination device according to an embodiment of the present invention,
 3 is a connection state diagram of the LED drive control unit and the buck / boost converter of FIG. 2,
 4 is a schematic circuit configuration diagram of a power supply device for an LED illumination device according to an embodiment of the present invention,
 FIG. 5 is a detailed circuit diagram of the LED drive control unit and the buck / boost converter of FIG. 3,
 FIG. 6 is a power supply input state of the dimming signal input terminal of the LED drive control unit of FIG. 4,
 7 to 9 are graphs showing an operation period according to an input voltage of a power supply device for an LED illumination device according to an embodiment of the present invention.
이하, 첨부된 도면을 참조하여 본 발명의 바람직한 실시예를 보다 상세히 설명하기로 한다. 첨부 도면을 참조하여 설명함에 있어 동일하거나 대응하는 구성 요소는 동일한 도면번호를 부여하고 이에 대한 중복되는 설명은 생략하기로 한다.Hereinafter, preferred embodiments of the present invention will be described in detail with reference to the accompanying drawings. In the following description with reference to the accompanying drawings, the same or corresponding components will be denoted by the same reference numerals, and redundant description thereof will be omitted.
도 2는 본 발명의 실시예에 따른 엘이디 조명기구용 전원공급장치의 제어 블럭도이다.2 is a control block diagram of a power supply device for an LED illumination device according to an embodiment of the present invention.
도 2에 도시된 바와 같이, 본 발명에 따른 엘이디 조명기구용 전원공급장치는, 입력되는 AC 전원을 정류하여 DC 전원을 출력하는 정류부(100), 정류부(100)에서 정류된 전원을 평활하고 승압 또는 감압하여 일정 전압 및 전류를 갖는 직류전원을 엘이디 조명장치(120)로 공급하는 벅-부스트(buck-boost) 변환부(350), 벅-부스트(buck-boost) 변환부(350)의 스위치에 온(on) 또는 오프(off)를 신호를 출력하여 벅-부스트 변환부(350)의 출력을 일정한 DC 전압과 전류로 제어하는 LED 구동 제어부(300), 벅-부스트(buck-boost) 변환부(350)로 입력되는 전압을 감지하는 전압 감지부(400) 및 전압 감지부(400)에서 감지된 입력 전압의 레벨을 피드백하여 LED 구동 제어부(300)의 디밍포트로 피드백하는 디밍신호 입력부(500)를 포함한다.2, the power supply device for an LED lighting device according to the present invention includes a rectifying
정류부(100)는 교류 전원(AC)을 입력받아 직류로 정류하는 정류회로로서, 2 출력단자를 통해 정류된 전원을 벅-부스트 변환부(350)로 공급한다. 정류부(100)는 직렬 연결된 2개의 다이오드의 2세트가 병렬로 연결되는 브리지 다이오드로 구성될 수 있다.The rectifying
벅-부스트 변환부(350)는 인덕터와 커패시터 등을 포함하는 회로를 이용하여 정류부(100)에서 정류된 전원을 평활하고 승압 또는 감압하여 엘이디 구동에 적합한 직류 전원을 엘이디 조명장치(120)로 출력한다.The buck-
엘이디 조명장치(120)는 벅-부스트 변환부(350)로부터의 직류 전원을 공급받아 발광한다. 엘이디 조명장치(120)는 복수 LED(예를 들어, D1, D2,..,Dn)를 포함하며, 이러한 복수 LED가 직렬 혹은 병렬로 연결될 수 있다.The
LED 구동 제어부(300)는 벅-부스트 변환부(350)의 스위치에 온(on) 또는 오프(off)를 신호를 출력하여 벅-부스트 변환부(350)의 출력을 일정한 DC 전압과 전류로 제어한다.The LED
전압 감지부(400)는 벅-부스트(buck-boost) 변환부(350)로 입력되는 전압레벨을 감지한다.The
디밍신호 입력부(500)는 전압 감지부(400)에서 감지된 입력 전압의 레벨을 피드백하여 LED 구동 제어부(300)의 디밍포트로 입력한다.The dimming
이러한 구성에 따라, LED 구동 제어부(300)는 정류부(100)의 출력전압의 전압 레벨을 디밍포드로 입력받아 벅-부스트 변환부(350)의 출력을 제어할 수 있다. 이에 따라, LED 구동 제어부(300)에 통상적인 구동전압보다 낮은 전압이 입력되는 경우에도 엘이디 조명장치가 동작되도록 제어할 수 있다.According to this configuration, the LED
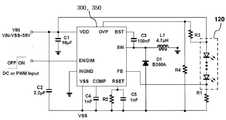
이러한 LED 구동 제어부(300)와 벅-부스트 변환부(350)의 결선 상태는 도 3에 도시된 바와 같다. 도 3은 LED 구동 제어부(300)와 벅-부스트 변환부(350)를 하나의 유닛으로 구성한 경우 회로 결선 상태를 예시하고 있다.The connection states of the LED
도 3에 도시된 바와 같이, LED 구동 제어부(300) 및 벅-부스트 변환부(350)유닛은 AC전원을 입력받아 LED 조명부(120)에 공급되는 구동전원을 제어한다.3, the LED
LED 조명부(120)의 전원은 센싱 저항인 R1을 통해 LED 구동 제어부(300) 및 벅-부스트 변환부(350)유닛의 FB포트로 입력된다.The power source of the
LED 구동 제어부(300) 및 벅-부스트 변환부(350)유닛은 R3 및 R4의 디바이더를 통해 LED 조명부(120)의 OVP 레벨을 설정하여 LED 조명부(120)의 전체의 Vf값 이상을 넘지 않도록 설정할 수 있다.The LED
LED 구동 제어부(300) 및 벅-부스트 변환부(350)유닛은 디밍 포트(EN/DIM)를 포함하고 있으며, 이에, 디밍 포트(EN/DIM)로 입력되는 입력 전원에 따라 LED 구동 제어부(300)는 LED 조명부(120)에 공급되는 구동전원을 제어할 수 있다.The LED
할로겐 안정기의 출력 AC전압은 일반적으로 12Vacㅁ20%의 범위를 가진다. 즉 10Vac~14Vac 전원이 LED 구동 제어부(300)의 입력으로 사용된다. 여기서, LED 구동 제어부(300)의 구동전압은 보통 4.5V에서 동작이 되지만 부스트(boost) 회로의 안정적인 동작을 위해서 최소 6Vac 이상에서 동작을 필요로 한다.The output AC voltage of a halogen ballast typically ranges from 12Vac to 20%. That is, a 10Vac to 14Vac power source is used as an input to the LED
예컨대, 동일한 인덕터 L1을 기준으로 출력을 5W를 가정했을 때 6Vac가 입력되면 Iac가 0.833A가 필요하며, 10Vac일 때는 0.5A가 필요하다(,). 따라서, Isat가 0.5A인 인덕터를 사용했을 때는 6~10Vac 입력 구간에서도 동작이 가능하다.For example, assuming that the output is 5W based on the same inductor L1, if 6Vac is input, 0.8A is needed for IAC and 0.5A is needed for 10Vac , ). Therefore, when using an inductor with Isat of 0.5A, it is possible to operate in the input range of 6 ~ 10Vac.
도 4는 본 발명의 실시예에 따른 엘이디 조명기구용 전원공급장치의 개략적인 회로 구성도이다.4 is a schematic circuit configuration diagram of a power supply device for an LED illumination device according to an embodiment of the present invention.
정류부(100)는 교류 전원(AC)을 입력받아 직류로 정류하는 정류회로로서, 2 출력단자를 통해 정류된 전원을 벅-부스트 변환부(350)로 공급한다. 정류부(100)는 직렬 연결된 2개의 다이오드의 2세트가 병렬로 연결되는 브리지 다이오드로 구성될 수 있다.The rectifying
전압 감지부(400)와 디밍신호 입력부(500)는 벅-부스트(buck-boost) 변환부(350)로 입력되는 전압을 감지하여, 입력 전압의 레벨을 LED 구동 제어부(300)의 디밍 포트(EN/DIM)로 피드백한다. 전압 감지부(400)와 디밍신호 입력부(500)를 통해 LED 구동 제어부(300)의 디밍 포트(EN/DIM)로 엘이디 조명장치(120)의 입력 전압이 피드백되므로, 6~10Vac 구간에서 출력이 조절되어 동작 구간이 확장될 수 있다.The
또한, LED 조명부(120)를 구동하기 위한 전류제어를 위하여 종래에는 센싱저항(R3)만을 피드백루프를 구성하는 반면, 본 발명에서는 R6/R7을 이용하여 저항 디바이더(355)를 구성함으로써 LED 구동전류를 손쉽게 설정하여 변경할 수 있다.Conventionally, only the sensing resistor R3 constitutes a feedback loop for current control for driving the
이와 같이, 전압 감지부(400)와 디밍신호 입력부(500)는 벅-부스트(buck-boost) 변환부(350)로 입력되는 전압을 감지하여 LED 구동 제어부(300)의 디밍 포트(EN/DIM)로 입력하며, 이에, LED 구동 제어부(300)는 입력된 전원에 따라 부스트 컨버터(boost converter)의 FET의 턴온/오프 타임을 조정하여 출력을 제어할 수 있다. 이러한 LED 구동 제어부(300)의 회로 구성은 도 5에 도시된 바와 같다.The
도 5는 도 4의 LED 구동 제어부(300) 및 벅-부스트 변환부(350)유닛의 세부 회로 구성도이고, 도 6은 LED 구동 제어부(300) 및 벅-부스트 변환부(350)유닛 의 디밍 신호 입력단의 전원 입력 상태도이다.5 is a detailed circuit configuration diagram of the LED
디밍 포트(EN/DIM)로 입력되는 할로겐 안정기의 출력 AC 전압이 6~10Vac인 경우, 디밍 포트(EN/DIM)로 입력되는 전원은 외부의 디바이더 저항을 통해 0.7~1.4V로 조정된다.When the output AC voltage of the halogen ballast input to the dimming port (EN / DIM) is 6 ~ 10Vac, the power input to the dimming port (EN / DIM) is adjusted to 0.7 ~ 1.4V through the external divider resistor.
도 6은 디밍 포트(EN/DIM)로 입력되는 전원이 외부 저항(R1, R2)에 의해 조정되는 상태를 예시한 것이다. 도 6에 도시된 바와 같이, 디밍 포트(EN/DIM)로 입력되는 전원은 외부의 저항 R1, R2와 LED 구동 제어부(300) 및 벅-부스트 변환부(350)유닛 내부의 저항(예컨대, 750(ohm))에 의해 분배되어 디밍 포트(EN/DIM)로 입력된다. 이에, 디밍 포트(EN/DIM)로 입력되는 전원의 전압은 일반적으로 저항 디바이더의 전압을 구하는 것과 동일한 방법으로 산출될 수 있다. 예컨대, 내부의 저항이 750 ohm인 경우 디밍 포트(EN/DIM)로 입력되는 전압 Vdim은 "Vdim= (R2+750)/(R1+R2+750)*Vin"으로 산출될 수 있다.6 illustrates a state in which the power input to the dimming port EN / DIM is adjusted by the external resistors R1 and R2. 6, a power source input to the dimming port EN / DIM is connected to external resistors R1 and R2 and a resistor (for example, 750) in the LED
한편, 디밍 포트(EN/DIM)로 입력된 0.7~1.4V로의 전원은 도 5에 도시된 바와 같이, LED 구동 제어부(300) 및 벅-부스트 변환부(350)유닛에 내장된 에러 앰프(EA)를 통해 PWM 발생기의 듀티가 조정되고 래치와 드라이버(DRIVER)를 통해 부스트 컨버터(boost converter)의 FET의 턴온/오프 타임을 조정하여 출력을 제어하게 된다.5, a power source of 0.7 to 1.4 V input to the dimming port EN / DIM is connected to an error amplifier EA (not shown) incorporated in the LED driving
도 7 내지 도 9는 본 발명의 실시예에 따른 엘이디 조명기구용 전원공급장치의 입력 전압에 따른 동작 구간을 표시한 그래프이다.7 to 9 are graphs showing an operation period according to an input voltage of a power supply device for an LED illumination device according to an embodiment of the present invention.
도 7 내지 도 9는 본 발명의 실시예에 따라 전압 감지부(400, 도 4 참조)와 디밍신호 입력부(500, 도 4 참조)를 구성하여 출력전압을 감지하여, 입력 전압의 레벨을 LED 구동 제어부(300)의 디밍 포트(EN/DIM)로 피드백하는 경우, 입력 전압의 레벨에 따른 동작 구간을 예시한 것이다.7 to 9 illustrate a voltage sensing unit 400 (see FIG. 4) and a dimming signal input unit 500 (see FIG. 4) according to an embodiment of the present invention to sense an output voltage, And an operation interval according to the level of the input voltage when feeding back to the dimming port EN / DIM of the
LED 구동 제어부(300)는 입력 전압이 0 ~ 6Vac인 경우 동작을 하지 않고(I), 6 ~ 10Vac 구간에서는 디밍 제어 방식으로 동작하며(II), 10 ~ 18Vac 구간에서는 정상 동작하도록(III) 설정될 수 있다. 이와 같이, 각 입력 전압별 LED 구동 구간이 설정된 경우 각 입력 구간에서의 동작 구간은 도 7 내지 도 9의 그래프로 표시할 수 있다.The LED
도 7은 입력 전압이 기 설정된 전압 이하(0~6Vac)인 경우 동작하지 않도록(I) 설정한 경우 엘이디 조명기구용 전원공급장치의 동작 구간을 예시한 것이다. 도 7에 도시된 바와 같이 입력되는 교류전압의 주기(Ts)에서 입력전압이 0~6Vac 인 경우 I 주기에서는 오프 상태를 유지한다.FIG. 7 illustrates an operation period of the power supply for the LED illuminator when the input voltage is set to (I) not to operate when the input voltage is below a predetermined voltage (0 to 6 Vac). As shown in FIG. 7, when the input voltage is 0 to 6 V ac in the period Ts of the input AC voltage, the off state is maintained in the I period.
도 8은 입력 전압이 6 ~ 10Vac인 경우 디밍 제어 방식으로 동작하도록(II) 설정한 경우 엘이디 조명기구용 전원공급장치의 동작 구간을 예시한 것이다. 도 8에 도시된 바와 같이 LED 구동 제어부(300)는 입력되는 교류전압의 주기(Ts)에서 입력전압이 6 ~ 10Vac 인 경우 II 주기에서는 디밍 방식으로 출력을 선형적으로 제어할 수 있다.FIG. 8 illustrates an operation period of the power supply for the LED illuminator when the input voltage is set to (II) to operate in the dimming control mode when the input voltage is 6 to 10 V ac. As shown in FIG. 8, the LED
도 9는 입력 전압이 10 ~ 18Vac인 경우 정상 동작하도록(III) 설정한 경우 엘이디 조명기구용 전원공급장치의 동작 구간을 예시한 것이다. 도 8에 도시된 바와 같이 LED 구동 제어부(300)는 입력되는 교류전압의 주기(Ts)에서 입력전압이 입력 전압이 10 ~ 18Vac인 경우 III주기 동안 벅/부스트 변환부(350)가 정상 동작하여 출력을 일정하게 제어할 수 있다.FIG. 9 illustrates an operation period of the power supply for the LED illuminator when the input voltage is set to (III) when the input voltage is 10 to 18 Vac. As shown in FIG. 8, when the input voltage is 10-18 V ac in the period Ts of the input AC voltage, the LED
도 7 내지 도 9에 도시된 바와 같이, 본 발명의 실시예는 6 ~ 10Vac 구간에서는 디밍 제어 방식으로 동작하도록 함으로써, 6 ~ 18Vac 전구간(II, III)에서 LED 구동 제어부(300)가 동작하도록 동작 구간을 확장할 수 있다.7 to 9, the embodiment of the present invention operates in a dimming control mode in a 6 to 10 V ac interval, so that the LED
이와 같이, 본 발명이 속하는 기술분야의 당업자는 본 발명이 그 기술적 사상이나 필수적 특징을 변경하지 않고서 다른 구체적인 형태로 실시될 수 있다는 것을 이해할 수 있을 것이다.  그러므로 이상에서 기술한 실시예들은 모든 면에서 예시적인 것이며 한정적인 것이 아닌 것으로서 이해해야만 한다.  본 발명의 범위는 상기 상세한 설명보다는 후술하는 특허청구범위에 의하여 나타내어지며, 특허청구범위의 의미 및 범위 그리고 그 등가 개념으로부터 도출되는 모든 변경 또는 변형된 형태가 본 발명의 범위에 포함되는 것으로 해석되어야 한다.
Thus, those skilled in the art will appreciate that the present invention may be embodied in other specific forms without departing from the spirit or essential characteristics thereof. It is therefore to be understood that the embodiments described above are to be considered in all respects only as illustrative and not restrictive. The scope of the present invention is defined by the appended claims rather than the detailed description and all changes or modifications derived from the meaning and scope of the claims and their equivalents are to be construed as being included within the scope of the present invention do.
본 발명은 Step-down(Buck type) 또는 Step up(Boost type) 컨버터를 이용한 엘이디 조명기구용 전원공급장치에서 전해 캐패시터를 사용하지 않고 DC/DC 컨버터로 구성하여 사용 수명을 극대화하는 한편, 입력 전압의 레벨을 피드백하여 디밍포트의 입력으로 사용함으로써 낮은 입력전압에서도 동작할 수 있도록 동작범위를 확장하여 전력효율을 향상시키는 엘이디 조명기구용 전원공급장치를 제공하는 데에 이용할 수 있다.
The present invention provides a power supply device for an LED lighting device using a step-down (Buck type) or step-up (Boost type) converter by using a DC / DC converter without an electrolytic capacitor to maximize service life, Can be used to provide a power supply for an LED illuminator that improves power efficiency by extending the operating range to operate at low input voltages by using the level feedback as input to the dimming port.
100 : 정류부120 : LED 조명부
300 : LED 구동 제어부350 : 벅/부스트 변환부
400 : 전압 감지부500 : 디밍신호 입력부100: rectification part 120: LED lighting part
 300: LED drive control unit 350: buck / boost converter
 400: voltage detection unit 500: dimming signal input unit
| Application Number | Priority Date | Filing Date | Title | 
|---|---|---|---|
| KR1020120148644AKR101472824B1 (en) | 2012-12-18 | 2012-12-18 | Power supply unit for led lighting fixtures | 
| Application Number | Priority Date | Filing Date | Title | 
|---|---|---|---|
| KR1020120148644AKR101472824B1 (en) | 2012-12-18 | 2012-12-18 | Power supply unit for led lighting fixtures | 
| Publication Number | Publication Date | 
|---|---|
| KR20140079071A KR20140079071A (en) | 2014-06-26 | 
| KR101472824B1true KR101472824B1 (en) | 2014-12-16 | 
| Application Number | Title | Priority Date | Filing Date | 
|---|---|---|---|
| KR1020120148644AExpired - Fee RelatedKR101472824B1 (en) | 2012-12-18 | 2012-12-18 | Power supply unit for led lighting fixtures | 
| Country | Link | 
|---|---|
| KR (1) | KR101472824B1 (en) | 
| Publication number | Priority date | Publication date | Assignee | Title | 
|---|---|---|---|---|
| DE102020133516A1 (en) | 2019-12-24 | 2021-06-24 | Silicon Works Co., Ltd. | DOWN-UP CONVERTER CIRCUIT | 
| KR102336603B1 (en)* | 2020-01-09 | 2021-12-08 | 송주강 | Dimming SMPS with Linear Function and Lighting Fixture Using the Same | 
| CN116704961B (en)* | 2022-10-18 | 2024-07-05 | 荣耀终端有限公司 | Backlight power consumption reduction hardware circuit and device | 
| Publication number | Priority date | Publication date | Assignee | Title | 
|---|---|---|---|---|
| KR101142106B1 (en) | 2011-12-16 | 2012-05-08 | 주식회사 피엠디네트웍스 | Group dimmable constant current led converter | 
| Publication number | Priority date | Publication date | Assignee | Title | 
|---|---|---|---|---|
| KR101142106B1 (en) | 2011-12-16 | 2012-05-08 | 주식회사 피엠디네트웍스 | Group dimmable constant current led converter | 
| Publication number | Publication date | 
|---|---|
| KR20140079071A (en) | 2014-06-26 | 
| Publication | Publication Date | Title | 
|---|---|---|
| US9215769B2 (en) | LED backlight driver system and associated method of operation | |
| US9730289B1 (en) | Solid state light fixtures having ultra-low dimming capabilities and related driver circuits and methods | |
| US8884548B2 (en) | Power factor correction converter with current regulated output | |
| US8183797B2 (en) | 90-260Vac dimmable MR16 LED lamp | |
| JP4680306B2 (en) | Power supply circuit and lighting device | |
| JP5263503B2 (en) | Light emitting diode lighting device | |
| CN102907174B (en) | LED-Lighting System Comprising An Operational Data Memory | |
| US10051704B2 (en) | LED dimmer circuit and method | |
| JP2010040878A (en) | Lighting device for light-emitting diode | |
| JP2007189004A (en) | DC power supply, light-emitting diode power supply, and lighting device | |
| JP4199201B2 (en) | Power supply device and lighting device | |
| CN103108433A (en) | Voltage adjusting circuit and light emitting diode (LED) drive device thereof | |
| JP2010055843A (en) | Illumination lighting device, lighting system and luminaire | |
| CN107787606A (en) | LED lighting | |
| US11457516B2 (en) | Driver arrangement for a LED lighting device, a lighting device using the same and a drive method | |
| US10271391B2 (en) | Light emitting diode driver | |
| EP3058794B1 (en) | Drive unit for a lighting element and operating method therefor | |
| KR101472824B1 (en) | Power supply unit for led lighting fixtures | |
| US8912732B2 (en) | Current sensing for LED drivers | |
| KR20090056025A (en) | LED light power supply | |
| KR101422035B1 (en) | Apparatus for lighting using light emitting diode | |
| JP6240105B2 (en) | Light source driving device and lighting apparatus | |
| KR101422036B1 (en) | Apparatus for lighting using light emitting diode | |
| JP2015216058A (en) | Power supply device and lighting device | |
| CN114097305A (en) | Method for controlling lighting device, lighting control circuit and lighting system | 
| Date | Code | Title | Description | 
|---|---|---|---|
| A201 | Request for examination | ||
| PA0109 | Patent application | St.27 status event code:A-0-1-A10-A12-nap-PA0109 | |
| PA0201 | Request for examination | St.27 status event code:A-1-2-D10-D11-exm-PA0201 | |
| D13-X000 | Search requested | St.27 status event code:A-1-2-D10-D13-srh-X000 | |
| R18-X000 | Changes to party contact information recorded | St.27 status event code:A-3-3-R10-R18-oth-X000 | |
| D14-X000 | Search report completed | St.27 status event code:A-1-2-D10-D14-srh-X000 | |
| E902 | Notification of reason for refusal | ||
| PE0902 | Notice of grounds for rejection | St.27 status event code:A-1-2-D10-D21-exm-PE0902 | |
| E13-X000 | Pre-grant limitation requested | St.27 status event code:A-2-3-E10-E13-lim-X000 | |
| P11-X000 | Amendment of application requested | St.27 status event code:A-2-2-P10-P11-nap-X000 | |
| P13-X000 | Application amended | St.27 status event code:A-2-2-P10-P13-nap-X000 | |
| PG1501 | Laying open of application | St.27 status event code:A-1-1-Q10-Q12-nap-PG1501 | |
| E701 | Decision to grant or registration of patent right | ||
| PE0701 | Decision of registration | St.27 status event code:A-1-2-D10-D22-exm-PE0701 | |
| GRNT | Written decision to grant | ||
| PR0701 | Registration of establishment | St.27 status event code:A-2-4-F10-F11-exm-PR0701 | |
| PR1002 | Payment of registration fee | St.27 status event code:A-2-2-U10-U11-oth-PR1002 Fee payment year number:1 | |
| PG1601 | Publication of registration | St.27 status event code:A-4-4-Q10-Q13-nap-PG1601 | |
| R18-X000 | Changes to party contact information recorded | St.27 status event code:A-5-5-R10-R18-oth-X000 | |
| PR1001 | Payment of annual fee | St.27 status event code:A-4-4-U10-U11-oth-PR1001 Fee payment year number:4 | |
| R18-X000 | Changes to party contact information recorded | St.27 status event code:A-5-5-R10-R18-oth-X000 | |
| P14-X000 | Amendment of ip right document requested | St.27 status event code:A-5-5-P10-P14-nap-X000 | |
| FPAY | Annual fee payment | Payment date:20181206 Year of fee payment:5 | |
| PR1001 | Payment of annual fee | St.27 status event code:A-4-4-U10-U11-oth-PR1001 Fee payment year number:5 | |
| FPAY | Annual fee payment | Payment date:20191127 Year of fee payment:6 | |
| PR1001 | Payment of annual fee | St.27 status event code:A-4-4-U10-U11-oth-PR1001 Fee payment year number:6 | |
| P22-X000 | Classification modified | St.27 status event code:A-4-4-P10-P22-nap-X000 | |
| P22-X000 | Classification modified | St.27 status event code:A-4-4-P10-P22-nap-X000 | |
| PN2301 | Change of applicant | St.27 status event code:A-5-5-R10-R11-asn-PN2301 | |
| PN2301 | Change of applicant | St.27 status event code:A-5-5-R10-R14-asn-PN2301 | |
| P14-X000 | Amendment of ip right document requested | St.27 status event code:A-5-5-P10-P14-nap-X000 | |
| R18-X000 | Changes to party contact information recorded | St.27 status event code:A-5-5-R10-R18-oth-X000 | |
| PR1001 | Payment of annual fee | St.27 status event code:A-4-4-U10-U11-oth-PR1001 Fee payment year number:7 | |
| PC1903 | Unpaid annual fee | St.27 status event code:A-4-4-U10-U13-oth-PC1903 Not in force date:20211210 Payment event data comment text:Termination Category : DEFAULT_OF_REGISTRATION_FEE | |
| PC1903 | Unpaid annual fee | St.27 status event code:N-4-6-H10-H13-oth-PC1903 Ip right cessation event data comment text:Termination Category : DEFAULT_OF_REGISTRATION_FEE Not in force date:20211210 |