



본 발명은 발광 장치에 관한 것으로, 발광 장치의 크기를 줄일 수 있는 발광 장치에 관한 것이다.The present invention relates to a light emitting device, and to a light emitting device capable of reducing the size of the light emitting device.
발광 다이오드(Light Emitting Diode; LED)는 화합물 반도체의 P-N 접합구조를 이용하여 주입된 소수캐리어(전자 또는 정공)를 만들어내고, 이들의 재결합에 의하여 소정의 빛을 발산하는 소자를 지칭한다. 이러한 발광 다이오드는 표시 소자 및 백라이트로 이용되고 있으며, 최근 일반 조명용도로 이를 적용하기 위해 활발한 연구가 진행중이다.A light emitting diode (LED) refers to a device that generates a small number of injected carriers (electrons or holes) using a P-N junction structure of a compound semiconductor and emits a predetermined light by recombination of the carriers. Such light emitting diodes are used as display devices and backlights, and active research is being conducted to apply them to general lighting applications.
이는 발광 다이오드를 이용한 발광 장치가 기존의 전구 또는 형광등에 비해 소모 전력이 작고 수명이 수 내지 수십배에 이르러, 소모 전력의 절감과 내구성 측면에서 월등하기 때문이다.This is because a light emitting device using a light emitting diode has a smaller power consumption and a lifetime of several to several tens of times compared to a conventional light bulb or a fluorescent lamp, which is superior in terms of power consumption reduction and durability.
일반적으로, 발광 다이오드를 이용한 발광 장치는 별도의 패키징 공정을 통해 발광 소자를 형성하고, 다수의 개별 발광 소자를 와이어 본딩을 통해 직렬 연결하여, 외부에서 교류/직류 변환기 등을 설치하여 램프의 형태로 제작되었다.In general, a light emitting device using a light emitting diode forms a light emitting device through a separate packaging process, connects a plurality of individual light emitting devices in series through wire bonding, and installs an AC / DC converter from the outside in the form of a lamp. Produced.
여기서, 교류/직류 변환기에 의해 변환된 직류 전압은 발광 소자의 구동에 필요한 전압으로 강하시켜야 한다. 즉, 발광 소자의 구동에 필요한 전압 이외의 전압을 소모 해야 하는데, 이를 위해 저항, 커패시터, 트랜지스터 등의 소자들을 이용하였다.Here, the DC voltage converted by the AC / DC converter should drop to the voltage required for driving the light emitting device. That is, a voltage other than the voltage required to drive the light emitting device must be consumed. For this, devices such as a resistor, a capacitor, and a transistor are used.
그러나, 저항, 커패시터, 트랜지스터 등의 소자들은 필요한 전압에 따라 많은 수가 필요하고, 발광 장치 내에서 많은 면적을 차지하기 때문에 상기 소자들의 사용에 따라 발광 장치의 크기가 커지며, 회로 응용이 복잡해지는 문제점이 있다.However, since the number of devices such as resistors, capacitors, transistors, and the like is large, and requires a large area in the light emitting device, the size of the light emitting device increases according to the use of the elements, and the circuit application becomes complicated. have.
상기와 같은 문제점을 해결하기 위한 본 발명의 목적은 발광 장치의 크기를 줄일 수 있는 발광 장치를 제공하는 것이다.An object of the present invention for solving the above problems is to provide a light emitting device that can reduce the size of the light emitting device.
본 발명의 다른 목적은 발광 장치의 발광 변동을 최소화할 수 있는 발광 장치를 제공하는 것이다.Another object of the present invention is to provide a light emitting device capable of minimizing light emission variation of the light emitting device.
상기 목적을 달성하기 위한 본 발명의 일 실시예에 따른 발광 장치에 따르면, 발광 장치는 입력 교류 전압을 미리 설정된 크기의 교류 전압으로 유지시키는 정전압부와, 상기 정전압부로부터 제공된 교류 전압을 직류 전압으로 변환하는 전원 변환부와, 상기 전원 변환부로부터 제공된 직류 전압에 상응하는 전류를 제공하고, 상기 직류 전압과 미리 설정된 기준 전압을 비교한 결과에 기초하여 상기 전류를 미리 설정된 크기로 유지시키는 정전류부 및 상기 정전류부로부터 제공 받은 전류에 상응하여 발광하는 발광부를 포함한다.According to a light emitting device according to an embodiment of the present invention for achieving the above object, the light emitting device includes a constant voltage unit for maintaining an input AC voltage of an AC voltage of a predetermined magnitude, and the AC voltage provided from the constant voltage unit as a DC voltage. A constant current unit configured to provide a power conversion unit for converting and a current corresponding to the DC voltage provided from the power conversion unit, and to maintain the current at a predetermined magnitude based on a result of comparing the DC voltage with a preset reference voltage; It includes a light emitting unit for emitting a light corresponding to the current provided from the constant current unit.
여기서, 상기 정전류부는, 상기 정전류부의 최대 허용 전압(Breakdown Voltage)의 40% 이내의 전압을 사용할 수 있다.Here, the constant current unit may use a voltage within 40% of the maximum allowable voltage (Breakdown Voltage) of the constant current unit.
여기서, 상기 정전류부는, 상기 발광부의 구동에 요구되는 전류의 1.45 배에 해당하는 전류를 상기 발광부에 제공할 수 있다.Here, the constant current unit may provide a current corresponding to 1.45 times the current required to drive the light emitting unit.
여기서, 상기 정전류부는, 상기 전원 변환부 및 상기 발광부 사이에 연결될 수 있다.Here, the constant current unit may be connected between the power conversion unit and the light emitting unit.
여기서, 상기 정전류부는, 상기 직류 전압과 미리 설정된 기준 전압을 비교한 결과에 기초하여 전류의 크기를 변화시키는 복수의 정전류 모듈을 포함하고, 상기 복수의 정전류 모듈은 직렬 또는 병렬로 연결될 수 있다.Here, the constant current unit may include a plurality of constant current modules that change the magnitude of the current based on a result of comparing the DC voltage with a preset reference voltage, and the plurality of constant current modules may be connected in series or in parallel.
여기서, 상기 정전압부는, TVS(Transient Voltage Suppression) 다이오드로 구성될 수 있다.Here, the constant voltage unit may be configured of a transient voltage suppression (TVS) diode.
상기와 같은 본 발명의 일 실시예에 따른 발광 장치에 따르면, 교류전원을 일정 교류 전압으로 컷오프 하고 일정 교류 전압을 직류 전압으로 변환한 후, 변환된 직류 전압을 조정하여 일정 크기의 전류로 발광 장치가 발광하도록 한다.According to the light emitting device according to the embodiment of the present invention as described above, after cutting off the AC power to a constant AC voltage and converting the constant AC voltage to a DC voltage, the light emitting device with a current having a predetermined magnitude by adjusting the converted DC voltage To emit light.
따라서, 전압 변동과 전류 변동을 정류할 수 있어 발광 장치의 발광 변동을 최소화 할 수 있다. 또한, 발광부에 전류를 일정하게 공급하는 정전류부를 단일 칩 형태로제공 함으로써 발광 장치의 크기를 줄일 수 있는 효과가 있다.Therefore, the voltage variation and the current variation can be rectified, thereby minimizing the emission variation of the light emitting device. In addition, it is possible to reduce the size of the light emitting device by providing a constant current unit for supplying a constant current to the light emitting unit in a single chip form.
도 1은 발광 장치의 구성을 나타내는 회로도이다.
도 2는 본 발명의 일 실시에에 따른 발광 장치의 구성을 나타내는 회로도이다.
도 3은 본 발명의 일 실시예에 따라 도 2의 발광 장치에 포함된 정전류부가 복수의 정전류부로 병렬 연결된 발광 장치의 구성을 나타낸다.
도 4는 본 발명의 일 실시예에 따른 발광 장치에 포함된 정전류부의 회로도를 나타낸다.1 is a circuit diagram showing the configuration of a light emitting device.
 2 is a circuit diagram showing a configuration of a light emitting device according to an embodiment of the present invention.
 3 illustrates a configuration of a light emitting device in which a constant current unit included in the light emitting device of FIG. 2 is connected in parallel to a plurality of constant current units according to an embodiment of the present invention.
 4 is a circuit diagram of a constant current unit included in a light emitting device according to an embodiment of the present invention.
본 발명은 다양한 변경을 가할 수 있고 여러 가지 실시예를 가질 수 있는 바, 특정 실시예들을 도면에 예시하고 상세하게 설명하고자 한다.While the invention is susceptible to various modifications and alternative forms, specific embodiments thereof are shown by way of example in the drawings and will herein be described in detail.
그러나, 이는 본 발명을 특정한 실시 형태에 대해 한정하려는 것이 아니며, 본 발명의 사상 및 기술 범위에 포함되는 모든 변경, 균등물 내지 대체물을 포함하는 것으로 이해되어야 한다.It should be understood, however, that the invention is not intended to be limited to the particular embodiments, but includes all modifications, equivalents, and alternatives falling within the spirit and scope of the invention.
제1, 제2 등의 용어는 다양한 구성요소들을 설명하는데 사용될 수 있지만, 상기 구성요소들은 상기 용어들에 의해 한정되어서는 안 된다. 상기 용어들은 하나의 구성요소를 다른 구성요소로부터 구별하는 목적으로만 사용된다. 예를 들어, 본 발명의 권리 범위를 벗어나지 않으면서 제1 구성요소는 제2 구성요소로 명명될 수 있고, 유사하게 제2 구성요소도 제1 구성요소로 명명될 수 있다. 및/또는 이라는 용어는 복수의 관련된 기재된 항목들의 조합 또는 복수의 관련된 기재된 항목들 중의 어느 항목을 포함한다.The terms first, second, etc. may be used to describe various components, but the components should not be limited by the terms. The terms are used only for the purpose of distinguishing one component from another. For example, without departing from the scope of the present invention, the first component may be referred to as a second component, and similarly, the second component may also be referred to as a first component. And / or < / RTI > includes any combination of a plurality of related listed items or any of a plurality of related listed items.
어떤 구성요소가 다른 구성요소에 "연결되어" 있다거나 "접속되어" 있다고 언급된 때에는, 그 다른 구성요소에 직접적으로 연결되어 있거나 또는 접속되어 있을 수도 있지만, 중간에 다른 구성요소가 존재할 수도 있다고 이해되어야 할 것이다. 반면에, 어떤 구성요소가 다른 구성요소에 "직접 연결되어" 있다거나 "직접 접속되어" 있다고 언급된 때에는, 중간에 다른 구성요소가 존재하지 않는 것으로 이해되어야 할 것이다.When a component is referred to as being "connected" or "connected" to another component, it may be directly connected to or connected to that other component, but it may be understood that other components may be present in between. Should be. On the other hand, when an element is referred to as being "directly connected" or "directly connected" to another element, it should be understood that there are no other elements in between.
본 출원에서 사용한 용어는 단지 특정한 실시예를 설명하기 위해 사용된 것으로, 본 발명을 한정하려는 의도가 아니다. 단수의 표현은 문맥상 명백하게 다르게 뜻하지 않는 한, 복수의 표현을 포함한다. 본 출원에서, "포함하다" 또는 "가지다" 등의 용어는 명세서상에 기재된 특징, 숫자, 단계, 동작, 구성요소, 부품 또는 이들을 조합한 것이 존재함을 지정하려는 것이지, 하나 또는 그 이상의 다른 특징들이나 숫자, 단계, 동작, 구성요소, 부품 또는 이들을 조합한 것들의 존재 또는 부가 가능성을 미리 배제하지 않는 것으로 이해되어야 한다.The terminology used in this application is used only to describe a specific embodiment and is not intended to limit the invention. Singular expressions include plural expressions unless the context clearly indicates otherwise. In this application, the terms "comprise" or "having" are intended to indicate that there is a feature, number, step, operation, component, part, or combination thereof described in the specification, and one or more other features. It is to be understood that the present invention does not exclude the possibility of the presence or the addition of numbers, steps, operations, components, components, or a combination thereof.
다르게 정의되지 않는 한, 기술적이거나 과학적인 용어를 포함해서 여기서 사용되는 모든 용어들은 본 발명이 속하는 기술 분야에서 통상의 지식을 가진 자에 의해 일반적으로 이해되는 것과 동일한 의미를 가지고 있다. 일반적으로 사용되는 사전에 정의되어 있는 것과 같은 용어들은 관련 기술의 문맥 상 가지는 의미와 일치하는 의미를 가진 것으로 해석되어야 하며, 본 출원에서 명백하게 정의하지 않는 한, 이상적이거나 과도하게 형식적인 의미로 해석되지 않는다.Unless defined otherwise, all terms used herein, including technical or scientific terms, have the same meaning as commonly understood by one of ordinary skill in the art to which this invention belongs. Terms such as those defined in commonly used dictionaries should be interpreted as having a meaning consistent with the meaning in the context of the relevant art and are to be interpreted in an ideal or overly formal sense unless explicitly defined in the present application Do not.
이하, 첨부한 도면들을 참조하여, 본 발명의 바람직한 실시예를 보다 상세하게 설명하고자 한다. 본 발명을 설명함에 있어 전체적인 이해를 용이하게 하기 위하여 도면상의 동일한 구성요소에 대해서는 동일한 참조부호를 사용하고 동일한 구성요소에 대해서 중복된 설명은 생략한다.
Hereinafter, preferred embodiments of the present invention will be described in detail with reference to the accompanying drawings. In order to facilitate the understanding of the present invention, the same reference numerals are used for the same constituent elements in the drawings and redundant explanations for the same constituent elements are omitted.
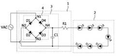
도 1은 발광 장치의 구성을 나타내는 회로도이다.1 is a circuit diagram showing the configuration of a light emitting device.
도 1을 참조하면, 교류용 발광 장치는, 교류 전원을 직류 전원으로 변환하는 전원 변환부(1)와, 다수의 LED(10-1 내지 10-n)가 직렬 연결된 발광부(2)를 포함할 수 있다.Referring to FIG. 1, an AC light emitting device includes a
먼저, 전원 변환부(1)는 AC 220V 또는 110V를 전파 정류하는 전파 정류 회로(3)와, 전파 정류된 전원을 전압 강하하는 저항(R1)을 포함한다.First, the
구체적으로, 전파 정류 회로(3)는 제1 내지 제4 노드(N1 내지 N4) 사이에 각기 접속된 제1 내지 제4 다이오드(D1 내지 D4)를 포함하고, 제1 및 제3 노드(N1, N3)가 교류 전원에 접속된 브리지부(4)와, 브리지부(4)의 제2 및 제4 노드에 접속된 커패시터(C1)를 포함한다.Specifically, the full-wave rectifying
또한, 전파 정류 회로(3)는 외부 전원과 제1 노드(N1) 사이에 접속된 전압 강하 커패시터를 더 포함한다.In addition, the full-wave rectifying
발광부(2)는 제1 내지 제n LED(10-1 내지 10-n)(여기서, n은 정수)가 와이어를 통해 저항(R1)과 제2 노드(N2) 사이에 직렬 접속되어 있다.In the
20여개의 LED를 직렬 연결하여 발광부(2)는 실질적으로 20 여개의 LED를 직렬 연결하여 구성될 수 있다. 발광부(2)가 20개의 LED가 직렬 연결되는 것으로 구성되는 경우, 20개의 LED를 발광시키기 위해서는 10~20mA 전류와 3.4 × 20 = 68V 의 전압이 요구된다.By connecting 20 LEDs in series, the
따라서, 외부에서 입력된 교류 전원은 전원 변환부(1)에 의해 직류 전원으로 변환되고, 그 접압 레벨이 소정 레벨로 변환되어 발광부(2)에 인가되어 발광부를 발광시킨다.Therefore, the AC power input from the outside is converted into the DC power by the
상기 발광 장치는 전원 변환부(1)가 제 1 인쇄 회로 기판에 구성된다. 발광부(2)의 각각의 LED도 제 2 인쇄 회로 기판에 실장된 후, 와이어를 통해 직렬 접속된다. 이후, 제 1 및 제 2 인쇄 회로 기판을 전기적으로 연결하여 발광 장치를 구현한다.In the light emitting device, a
상기 발광 장치에 따르면, 220V의 교류를 필요한 전압으로 강하시키기 위해 구비된 전원 변환부(1) 내의 커패시터(C1)는 수명이 LED 보다 더 짧아, 발광 장치의 전체적인 수명이 짧아지며, 상기 발광 장치는 저항, 커패시터 등의 회로 소자를 이용하기 때문에 크기가 커지는 문제가 있다.
According to the light emitting device, the capacitor C1 in the
도 2는 본 발명의 일 실시예에 따른 발광 장치의 구성을 나타내는 회로도이다.2 is a circuit diagram illustrating a configuration of a light emitting device according to an embodiment of the present invention.
도 2를 참조하면, 본 발명의 일 실시예에 따른 발광 장치(200)는 컷오프부(210), 전원 변환부(220), 정전류부(230) 및 발광부(240)를 포함할 수 있따.2, the
먼저, 컷오프부(210)는 TVS(Transient Voltage Suppression) 다이오드를 포함하고, TVS 다이오드를 이용하여 100V, 110V, 120V, 200V, 220V, 230V 교류 전압을 일정한 교류 전압으로 컷오프(Cut-Off)하여 전원 변환부(220)에 컷오프된 일정한 교류 전압을 제공한다.First, the
여기서, 상술한 바와 같이 컷오프부(210)는 교류 전압을 일정한 교류 전압으로 컷오프 함으로써 과전압을 방지하여 회로를 보호할 수 있다.Here, as described above, the
전원 변환부(220)는 컷오프부(210)와 정전류부(230) 사이에 접속되며, 컷오프부(210)로부터 제공 받은 일정한 교류 전압을 정류하여 직류 전압으로 변환하고, 변환된 직류 전압을 정전류부(230)에 제공한다.The
여기서, 전원 변환부(220)는 순방향으로 변환해주는 브리지 정류 회로이며, 교류 전압(60Hz)에서 반파 전압(120Hz)으로 변환하여 직류 전압으로 변환한다. 즉, 전원 변환부는 수학식 1(직류 변환 첨두(Peak) 전압 = VAC × 1.414)에 따라 컷오프부(210)로부터 제공받은 일정한 교류 전압(VAC)을 정류하여 직류 전압으로 변환할 수 있다.Here, the
전원 변환부(220)는 브리지 정류 회로, 직/교류 변환기, SMPS(Switched-Mode Power Supply) 등을 이용할 수 있으나, 이하 본 발명의 일 실시예에 따른 발광 장치(200)의 전원 변환부(220)는 브리지 정류 회로를 이용하는 것으로 설명하도록 한다.The
브리지 정류 회로는 제1 다이오드 내지 제4 다이오드(D1 내지 D4)가 브리지 연결되어 컷오프부(210)로부터 제공된 교류 전원을 반파 정류한다.In the bridge rectifier circuit, the first to fourth diodes D1 to D4 are bridged to half-wave rectify the AC power provided from the
구체적으로, 브리지 정류 회로는 제1 노드 내지 제4 노드(N1 내지 N4) 사이에 각각 접속된 제1 다이오드 내지 제4 다이오드(D1 내지 D4)를 포함한다. 즉, 제2 노드(N2)와 제1 노드(N1) 사이에 제1 다이오드(D1)가 순방향 접속되고, 제2 노드(N2)와 제3 노드(N3) 사이에 제2 다이오드(D2)가 순방향 접속된다.Specifically, the bridge rectifier circuit includes first to fourth diodes D1 to D4 connected between the first to fourth nodes N1 to N4, respectively. That is, the first diode D1 is forwardly connected between the second node N2 and the first node N1, and the second diode D2 is connected between the second node N2 and the third node N3. Forward connection.
또한, 제3 노드(N3)와 제4 노드(N4) 사이에 제3 다이오드(N3)가 순방향 접속되고, 제1 노드(N1)와 제3 노드(N3)가 교류 전원에 접속되며, 제1 노드(N1) 및 제3 노드(N3)가 컷오프부(210)에 접속된다.In addition, the third diode N3 is forwardly connected between the third node N3 and the fourth node N4, the first node N1 and the third node N3 are connected to an AC power source, The node N1 and the third node N3 are connected to the
정전류부(230)는 전원 변환부(220)와 발광부(240) 사이에 직렬 접속된다.The constant
여기서, 정전류부(230)는 전원 변환부(220)로부터 제공 받은 직류 전압의 전압을 강하시키고, 전류를 제어한다.Here, the constant
구체적으로, 정전류부(230)는 정전류부(230) 자체의 구동을 위해 소정의 전압이 필요하며, 발광부(240)의 구동에 필요한 전압 이외의 전압이 정전류부(230)의 구동을 위한 전압이 된다. 즉, 정전류부(230)에 의해 전원 변환부(220)로부터 제공된 직류 전압이 강하된다.Specifically, the constant
여기서, 정전류부(230)는 최소 3V 이상의 바이어스(Vias)로 동작하며, 정전류부(230)와 발광부(240)에 인가되는 직류 전압 즉, 최대 허용 전압(Breakdown Voltage)의 40% 이내의 전압이 정전류부(230)의 구동을 위한 전압(, Voltage Peak)이 된다.Here, the constant
예를 들어, 정전류부(230)와 발광부(240) 인가되는 총 직류 전압이 100V인 경우, 40V 이내의 전압이 정전류부(230)의 구동을 위한 전압이 된다.For example, when the total DC voltage applied to the constant
또한, 정전류부(230)는 발광부(240)에 흐르는 전류 실효값()을 구하기 위해 정전류부(230)의 전류를 1.45 배만큼 증가시킬 수 있다.In addition, the constant
여기서, 복수의 정전류부(230)를 병렬로 연결할 경우, 정전류부(230)에 흐르는 전류를 증가시킬 수 있고, 복수의 정전류부(230)를 직렬로 연결시 정전류부(230)에 허용되는 전압을 증가시킬 수 있다.Here, when the plurality of constant
발광부(240)는 복수의 발광 소자(240-1 내지 240-N)가 정전류부(230)와 전원 변환부(220)의 제2 노드(N2) 사이에 직렬 접속된다.In the
여기서, 발광부(240)는 실질적으로 20 여개의 발광 소자가 직렬 연결되어 구성될 수 있으며, 상기 20 여개의 발광 소자는 직렬 연결되는 것뿐만 아니라 병렬로 연결된 발광 소자들이 직렬로 연결되는 것과 같이 직병렬 연결되어 구성될 수도 있다.Here, the
또한, 발광부(240)에서 사용할 수 있는 전압은 전원 변환부(220)에 의해 결정되는데, 발광소자 1개의 순방향 동작 전압(VF, Voltage Forward) × 발광 소자 개수(n)가 실제 발광부(240)의 양단에 걸리는 전압이며, 나머지 전압이 정전류부(230)에 걸리는 전압이다.In addition, the voltage that can be used in the
본 발명의 일 실시예에서는 발광부(240)에 포함된 복수의 발광 소자(240-1 내지 240-N)가 직렬 접속되는 것으로 예를 들어 설명하였으나, 본 발명의 다른 실시예에서는 발광부(240)에 포함된 복수의 발광 소자(240-1 내지 240-N)가 병렬로 접속될 수도 있다.
In an embodiment of the present invention, for example, the plurality of light emitting elements 240-1 to 240 -N included in the
도 3은 본 발명의 일 실시예에 따라 도 2의 발광 장치에 포함된 정전류부가 복수의 정전류부로 병렬 연결된 발광 장치의 구성을 나타낸다.3 illustrates a configuration of a light emitting device in which a constant current unit included in the light emitting device of FIG. 2 is connected in parallel to a plurality of constant current units according to an embodiment of the present invention.
상기 정전류부(230) 이외의 다른 구성의 설명은 도 2에서 자세히 설명하였으므로 중복된 설명을 방지하기 위해 이하 생략하도록 한다.Since the description of the configuration other than the constant
도 3을 참조하면, 본 발명의 일 실시예에 따른 발광 장치는 전원 변환부(220)와 발광부(240) 사이에 정전류 모듈 3개가 병렬로 구성된 정전류부(230-1. 230-2. 230-3)가 연결된 것을 나타낸다.Referring to FIG. 3, the light emitting device according to the exemplary embodiment of the present invention includes a constant current unit 230-1 230-230 with three constant current modules arranged in parallel between the
상기 정전류부(230)는 3개의 정전류 모듈이 병렬로 구성되는 경우, 상기 정전류부(230)에 흐르는 전류를 3배 증가시킬 수 있다.
The constant
도 4는 본 발명의 일 실시예에 따른 발광 장치에 포함된 정전류부의 회로도를 나타낸다.4 is a circuit diagram of a constant current unit included in a light emitting device according to an embodiment of the present invention.
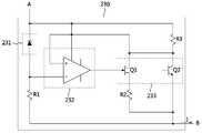
도 4를 참조하면, 본 발명의 일 실시예에 따른 발광 장치에 포함된 정전류부(230)는 역전류 방지를 위한 다이오드(231), 기준 전압과 제공된 전압의 크기를 비교하는 비교기(232) 및 제공된 전압을 일정 전압으로 감소시키고 전류를 제어하는 트랜지스터(Q1, Q2)(233)로 구성될 수 있다.Referring to FIG. 4, the constant
정전류부(230)는 비교기(232)를 통해 노드 A와 노드 B 양단에 인가되는 전압과 미리 설정된 기준 전압을 비교하고, 비교 결과에 따라 노드 A와 노드 B 양단에 인가되는 전압이 상이한 경우 트랜지스터(Q1, Q2)의 온/오프를 제어하여 전원 변환부(220)로부터 제공된 직류 전압을 조정하여 발광부(240)에 제공되는 전류를 미리 설정된 일정 크기의 전류로 유지시킨다.The constant
예를 들어, 정전류부(230)는 발광부(240)의 구동에 필요한 요구전류의 1.45배에 해당하는 일정 크기의 전류를 발광부(240)에 제공할 수 있다.For example, the constant
또한, 도 4에 도시한 정전류부(230)는 실제적으로 단일 칩(Chip)으로 구성될 수 있다.In addition, the constant
본 발명의 일 실시예에 따른 발광 장치에 포함된 정전류부(230)는 다이오드(231), 증폭기(232) 및 2개의 트랜지스터(Q1, Q2)로 구성되는 것으로 설명하였으나, 본 발명의 다른 실시예에서는 발광 장치에 포함된 정전류부(230)는 일반적으로 사용되는 정전류 모듈의 구성을 가질수도 있다.
Although the constant
이상 실시예를 참조하여 설명하였지만, 해당 기술 분야의 숙련된 당업자는 하기의 특허 청구의 범위에 기재된 본 발명의 사상 및 영역으로부터 벗어나지 않는 범위 내에서 본 발명을 다양하게 수정 및 변경시킬 수 있음을 이해할 수 있을 것이다.
It will be understood by those skilled in the art that various changes in form and details may be made therein without departing from the spirit and scope of the invention as defined in the appended claims. It will be possible.
1, 220: 전원 변환부2, 240: 발광부
3: 전파 정류 회로4: 브리지부
200: 발광 장치210: 컷오프부
230: 정전류부1, 220:
 3: full wave rectifier circuit 4: bridge portion
 200: light emitting device 210: cutoff portion
 230: constant current portion
| Application Number | Priority Date | Filing Date | Title | 
|---|---|---|---|
| KR1020120047325AKR101383143B1 (en) | 2012-05-04 | 2012-05-04 | Luminous device | 
| Application Number | Priority Date | Filing Date | Title | 
|---|---|---|---|
| KR1020120047325AKR101383143B1 (en) | 2012-05-04 | 2012-05-04 | Luminous device | 
| Publication Number | Publication Date | 
|---|---|
| KR20130123863A KR20130123863A (en) | 2013-11-13 | 
| KR101383143B1true KR101383143B1 (en) | 2014-04-11 | 
| Application Number | Title | Priority Date | Filing Date | 
|---|---|---|---|
| KR1020120047325AExpired - Fee RelatedKR101383143B1 (en) | 2012-05-04 | 2012-05-04 | Luminous device | 
| Country | Link | 
|---|---|
| KR (1) | KR101383143B1 (en) | 
| Publication number | Priority date | Publication date | Assignee | Title | 
|---|---|---|---|---|
| KR20100089281A (en)* | 2009-02-03 | 2010-08-12 | 엘지이노텍 주식회사 | Driving apparatus of lamp | 
| KR20110016773A (en)* | 2009-08-12 | 2011-02-18 | 롬태크 주식회사 | Lighting element and socket included therein | 
| Publication number | Priority date | Publication date | Assignee | Title | 
|---|---|---|---|---|
| KR20100089281A (en)* | 2009-02-03 | 2010-08-12 | 엘지이노텍 주식회사 | Driving apparatus of lamp | 
| KR20110016773A (en)* | 2009-08-12 | 2011-02-18 | 롬태크 주식회사 | Lighting element and socket included therein | 
| Publication number | Publication date | 
|---|---|
| KR20130123863A (en) | 2013-11-13 | 
| Publication | Publication Date | Title | 
|---|---|---|
| US8975825B2 (en) | Light emitting diode driver with isolated control circuits | |
| JP5720392B2 (en) | Light emitting diode drive device | |
| US8729809B2 (en) | Voltage regulating devices in LED lamps with multiple power sources | |
| US8519631B2 (en) | Constant current LED lamp | |
| JP2011522435A (en) | LED lamp driver and method of driving | |
| CN101207950A (en) | Driving method and system of light emitting diode and redundant circuit | |
| KR101092508B1 (en) | LED lighting device that changes the connection type according to the applied voltage level | |
| RU2713922C2 (en) | Light-emitting diode light source with improved reduction of residual glow | |
| KR101082150B1 (en) | LED drive circuit and LED lighting device | |
| KR101448655B1 (en) | Power factor correction circuit for lighting and driving method thereof | |
| KR102352631B1 (en) | Circuit and method to control led lighting apparatus | |
| TWI547201B (en) | Light-emitting diode lighting device with multi-stage driving stage | |
| KR101435854B1 (en) | Apparatus for driving light emitting diode | |
| KR101383143B1 (en) | Luminous device | |
| JP2007012808A (en) | Light-emitting device for AC power supply | |
| KR20100002474A (en) | Luminous device | |
| US20120119659A1 (en) | Constant current led lamp | |
| KR20110005559A (en) | Power supply for light emitting diode with flicker removal circuit | |
| KR20120054517A (en) | Method and device for driving light-emitting diode | |
| TWI437918B (en) | Light device and power control circuit thereof | |
| KR101448658B1 (en) | Apparatus for lighting using light emitting diode | |
| KR102119576B1 (en) | Voltage tracking circuit and buck converter with protecting function from over voltage | |
| KR101382708B1 (en) | Power supply circuit | |
| KR101326479B1 (en) | LED Lighting System having Common Current Source | |
| KR101336857B1 (en) | Light emitting circuit | 
| Date | Code | Title | Description | 
|---|---|---|---|
| A201 | Request for examination | ||
| PA0109 | Patent application | St.27 status event code:A-0-1-A10-A12-nap-PA0109 | |
| PA0201 | Request for examination | St.27 status event code:A-1-2-D10-D11-exm-PA0201 | |
| E902 | Notification of reason for refusal | ||
| PE0902 | Notice of grounds for rejection | St.27 status event code:A-1-2-D10-D21-exm-PE0902 | |
| E13-X000 | Pre-grant limitation requested | St.27 status event code:A-2-3-E10-E13-lim-X000 | |
| P11-X000 | Amendment of application requested | St.27 status event code:A-2-2-P10-P11-nap-X000 | |
| P13-X000 | Application amended | St.27 status event code:A-2-2-P10-P13-nap-X000 | |
| PG1501 | Laying open of application | St.27 status event code:A-1-1-Q10-Q12-nap-PG1501 | |
| E701 | Decision to grant or registration of patent right | ||
| PE0701 | Decision of registration | St.27 status event code:A-1-2-D10-D22-exm-PE0701 | |
| GRNT | Written decision to grant | ||
| PR0701 | Registration of establishment | St.27 status event code:A-2-4-F10-F11-exm-PR0701 | |
| PR1002 | Payment of registration fee | St.27 status event code:A-2-2-U10-U11-oth-PR1002 Fee payment year number:1 | |
| PG1601 | Publication of registration | St.27 status event code:A-4-4-Q10-Q13-nap-PG1601 | |
| PR1001 | Payment of annual fee | St.27 status event code:A-4-4-U10-U11-oth-PR1001 Fee payment year number:4 | |
| FPAY | Annual fee payment | Payment date:20180124 Year of fee payment:5 | |
| PR1001 | Payment of annual fee | St.27 status event code:A-4-4-U10-U11-oth-PR1001 Fee payment year number:5 | |
| P22-X000 | Classification modified | St.27 status event code:A-4-4-P10-P22-nap-X000 | |
| FPAY | Annual fee payment | Payment date:20190402 Year of fee payment:6 | |
| P14-X000 | Amendment of ip right document requested | St.27 status event code:A-5-5-P10-P14-nap-X000 | |
| PR1001 | Payment of annual fee | St.27 status event code:A-4-4-U10-U11-oth-PR1001 Fee payment year number:6 | |
| R18-X000 | Changes to party contact information recorded | St.27 status event code:A-5-5-R10-R18-oth-X000 | |
| P22-X000 | Classification modified | St.27 status event code:A-4-4-P10-P22-nap-X000 | |
| P22-X000 | Classification modified | St.27 status event code:A-4-4-P10-P22-nap-X000 | |
| P22-X000 | Classification modified | St.27 status event code:A-4-4-P10-P22-nap-X000 | |
| PR1001 | Payment of annual fee | St.27 status event code:A-4-4-U10-U11-oth-PR1001 Fee payment year number:7 | |
| P22-X000 | Classification modified | St.27 status event code:A-4-4-P10-P22-nap-X000 | |
| PC1903 | Unpaid annual fee | St.27 status event code:A-4-4-U10-U13-oth-PC1903 Not in force date:20210403 Payment event data comment text:Termination Category : DEFAULT_OF_REGISTRATION_FEE | |
| PC1903 | Unpaid annual fee | St.27 status event code:N-4-6-H10-H13-oth-PC1903 Ip right cessation event data comment text:Termination Category : DEFAULT_OF_REGISTRATION_FEE Not in force date:20210403 |