



본 발명은 용사를 이용하여 이중 혹은 다층구조의 층을 가지는 고속 금형 제조방법(Rapid Tooling)에 관한 것으로 보다 상세하게는 용사를 이용하여 그라파이트 패턴에 금속층을 형성하여 패턴을 분리한 후 금속층(베이스층)을 용사금형으로 사용하는 방법에 있어서 금형으로 사용할 표면에 고경도 등의 특성을 갖는 용사층을 베이스층 위에 형성되도록 하는 방법에 관한 것이다.The present invention relates to a high speed mold manufacturing method (Rapid Tooling) having a double or multi-layer structure using a thermal spraying, and more specifically, to form a metal layer on a graphite pattern using thermal spraying to separate a pattern and then a metal layer (base layer). ) Is a method of using a thermal spraying mold to form a thermal spraying layer having a property such as high hardness on a surface to be used as a mold on a base layer.
통상적으로 플라스틱 사출용 금형, 프레스 금형, 다이 캐스팅 금형 등은 공구강 등의 금속소재를 기계가공을 이용하여 제조하는 것이 일반적이다. 그런데, 금속소재를 기계가공에 의하여 금형을 제조하는 경우 시간이 많이 소요되는 것이 문제점이다. 또한 제작한 금형을 사용하여 시제품을 생산하여 치수가 맞지 않는다든지 하는 경우가 발생하면, 금형을 처음부터 다시 기계가공으로 제작을 하여야 하므로 많이 시간을 이중으로 소모하게 된다. 최근에는, 산업경쟁이 심해지면서 제품의 조기 출시를 중요하게 생각하는 금형 사용자의 입장에서는 가능한 한 빨리 금형을 공급받는 것이 점점 더 중요해지고 있다. 이러한 요구를 충족시키기 위하여, 금형 을 보다 빠르게 제작하는 기술(Rapid Tooling)이 여러 가지 종류가 개발되어 왔다.In general, a plastic injection mold, a press mold, a die casting mold, and the like are generally manufactured by machining a metal material such as tool steel. By the way, when manufacturing a metal material by the machining of the mold is a problem that takes a lot of time. In addition, when a prototype is produced using a manufactured mold and the size does not match, the mold must be manufactured by machining again from the beginning, which consumes a lot of time. In recent years, as industrial competition has intensified, it is becoming increasingly important for a mold user who regards the early release of a product to be supplied as soon as possible. In order to meet these demands, various kinds of rapid tooling techniques have been developed.
이러한 고속금형 제조방법의 일예로 금속 용사 툴링(spray metal tooling 혹은 spray formed rapid tool)을 들 수 있다. 상기 방법은 제작하고자 하는 금형의 반대 형상을 갖는 소재(이하, ‘용사패턴’이라 한다)에 용사코팅층을 형성하고, 그 후면을 에폭시 등의 소재로 채워줌으로써 용사코팅층을 금형으로 사용하는 기술이다. 종래에는, 손쉽게 가공이 가능한 나무, 플라스틱, 합성 실리콘 등과 같은 소재를 사용하여 용사패턴으로 사용하고 용사코팅을 위한 금속 소재로는 주로 아연 혹은 알루미늄과 같은 저융점의 금속이 많이 사용되었다. 그런데 이러한 방법은 고속으로 금형을 제조할 수는 있지만, 용사용 소재의 제약 때문에 제품의 대량생산에는 사용이 되지 못하고 주로 소량의 시제품을 생산하는 용도로 주로 사용되었다.An example of such a high speed mold manufacturing method is spray metal tooling or spray formed rapid tool. The method is a technique of using a thermal spray coating layer as a mold by forming a thermal spray coating layer on a material having a shape opposite to the mold to be manufactured (hereinafter referred to as 'spray pattern'), and filling the back surface with a material such as epoxy. Conventionally, materials such as wood, plastic, synthetic silicon, etc., which can be easily processed, are used as a thermal spray pattern, and a metal having a low melting point such as zinc or aluminum is mainly used as a metal material for thermal spray coating. However, this method can be used to produce molds at high speed, but due to the limitations of the raw materials, it is not used for mass production of products, and is mainly used for producing small quantities of prototypes.
또한 플라스틱 모델을 이용하여 반대 형상을 갖는 세라믹 용사패턴(Ceramic spray pattern)을 제조한 후, 그 위에 용사를 이용하여 강(Steel) 용사층을 형성함으로써 양산이 가능한 금속용사금형을 제조할 수 있는 미국특허 US 5,658,506호에 제시되고 있다. 상기 특허에서 세라믹 용사패턴을 사용하는 이유는, 강을 용사하여 금형을 만들 경우 용사과정에서 변형이 거의 없는 용사층을 얻기 위해서는 용사층의 온도가 적정한 범위의 고온에서 유지되어야 하는데, 종래에 사용하였던 나무, 플라스틱 등의 재료는 이러한 온도를 견딜 수 없기 때문이다. 따라서 상기 특허에서는 내열성이 있는 세라믹 용사패턴을 제조한 후, 그 위에 용사코팅층을 형성함으로써 강을 소재로 한 용사금형의 제조가 가능함을 제시하고 있다.In addition, by using a plastic model to produce a ceramic spray pattern (Ceramic spray pattern) having an opposite shape, and then to form a steel spray layer using a thermal spray on it to produce a metal spray mold that can be mass-produced Patent US 5,658,506. The reason for using the ceramic thermal spray pattern in the patent is that when forming a mold by spraying steel, the temperature of the thermal spray layer must be maintained at a high temperature in an appropriate range in order to obtain a thermal spray layer with little deformation during the thermal spraying process. This is because materials such as wood and plastic cannot withstand these temperatures. Therefore, the patent suggests that after the manufacture of a heat-resistant ceramic thermal spraying pattern, by forming a thermal spray coating layer thereon it is possible to manufacture a spray mold made of steel.
한편 상기 기술을 바탕으로 제품 사용시 열전달이 가능한 채널을 형성하는 기술(US 5,875,830), 용사층의 응력 감소 방법(US 5,947,179, US 5,952,056, US 6,179,039)도 제시되어 있다. 그 외에도 미국 특허에서는 US 5,967,218, US 6,074,737, US 6,257,309 등에서 이와 관련된 여러 가지 관련 기술 들이 공지되어 있다.On the other hand, a technique for forming a heat transferable channel (US 5,875,830) and a method of reducing the stress of the thermal spray layer (US 5,947,179, US 5,952,056, US 6,179,039) based on the above technology are also presented. In addition, various related technologies are known in the US patents in US 5,967,218, US 6,074,737, US 6,257,309 and the like.
그런데 상기 공지기술의 공통점은 최종적으로 제조하고자 하는 금형과 동일한 형상의 마스터 패턴(master pattern)을 가공이 쉬운 재료를 사용하여 준비하는 과정과 마스터 패턴으로부터 동결과정을 포함하는 슬러리 캐스팅 방법을 사용하여 최종적으로 원하는 형상의 반대 모양을 갖는 세라믹 재질의 용사패턴을 제조하는 과정을 포함하고 있다는데 있다. 이러한 세라믹 용사패턴은 알루미늄 산화물과 실리콘 산화물을 주성분으로 하는 세라믹 슬러리를 이용하여 프리즈 캐스팅(freeze casting)하는 방법으로 제조가 되는데, 이에 관한 보다 자세한 내용은 미국 특허 US 6,513,567호에 기술되어 있다.However, in common with the known technology, the final process using a slurry casting method including a process of preparing a master pattern having the same shape as a mold to be finally manufactured using an easy process and a freezing process from the master pattern It includes a process of manufacturing a thermal spray pattern of a ceramic material having an opposite shape of the desired shape. Such a ceramic thermal spraying pattern is manufactured by a freeze casting method using a ceramic slurry mainly composed of aluminum oxide and silicon oxide, which is described in more detail in US Pat. No. 6,513,567.
즉, 상기 미국특허 US 6,513,567호에는 용사금형 금형의 제조단계가 모두 12 단계에 걸쳐서 이루어지고 있는데, 그 공정을 간략하게 단계를 나누면 1) 마스터 패턴 제조단계, 2) 세라믹 용사패턴 제조단계, 3) 금속층을 형성하는 용사단계, 4) 용사층을 분리하여 충진함으로써 금형의 형상을 갖추는 마무리 단계의 4 단계로 크게 구분할 수 있다. 그런데 이러한 4 단계의 공정 중에서 세라믹 용사패턴의 단계가 가장 많은 시간이 소요된다. 왜냐하면 세라믹 용사패턴을 제조하는 과정에 있어서 동결과정과 세라믹 패턴의 건조 및 열처리에서는 냉각 속도와 가열속도를 느리게 해야만 처리과정 중에 세라믹이 붕괴 혹은 균열이 형성되지 않는 세라믹 용사패 턴를 얻을 수 있기 때문에 용사패턴의 제조에 장시간이 소요되는 문제점이 있다.That is, the US Patent No. 6,513,567, the manufacturing step of the thermal spray mold is made in all 12 stages, the process is briefly divided into 1) master pattern manufacturing step, 2) ceramic spray pattern manufacturing step, 3) The thermal spraying step of forming a metal layer, and 4) by separating and filling the thermal spraying layer can be largely divided into four stages of finishing the shape of the mold. However, the step of ceramic thermal spray pattern takes the most time among these four steps. Because in the process of manufacturing the ceramic spray pattern, the thermal spray pattern does not decay or crack during the treatment process because the freezing process and the drying and heat treatment of the ceramic pattern have to slow down the cooling rate and heating rate. There is a problem that takes a long time to manufacture.
또한, 세라믹 용사패턴을 제조하는 과정에서 건조 혹은 소결의 과정에서 일어나는 수축에 의한 치수변형을 완전히 방지하기는 곤란하다. 그런데 금형에서는 치수정밀도의 확보가 중요한데, 이러한 치수 오차는 최종적으로 제조할 금형의 정밀성을 떨어뜨리는 원인을 제공한다.In addition, it is difficult to completely prevent dimensional deformation due to shrinkage occurring during drying or sintering in the process of manufacturing the ceramic spray pattern. However, it is important to secure dimensional accuracy in the mold, and this dimensional error provides a cause of deteriorating the precision of the mold to be finally manufactured.
이와 같은 단점을 보완하고 상기 공지기술의 단점을 보완하기 위하여 본 발명자들은 세라믹 용사패턴 대신에 그라파이트를 용사패턴으로 사용함으로써 금형제조 공정단계를 줄일 수 있는 방법을 고안한 바 있다.(대한민국 특허등록 번호 0723126)In order to compensate for the above disadvantages and the above disadvantages of the known technology, the inventors have devised a method for reducing a mold manufacturing process step by using graphite as a thermal spray pattern instead of a ceramic thermal spray pattern. 0723126)
그런데, 기존의 주조 혹은 기계적 가공 방법을 사용하여 제조한 금형의 경우 금형의 수명을 향상시키고자 초경소재(일예로 텅스텐카바이드계의 소재) 등의 이종 재료를 용사를 이용하여 코팅층을 형성시켜 사용하는 방법이 사용되기도 한다. 그런데, 이러한 경우 코팅층의 두께가 통상 0.1 mm 정도인데, 코팅층의 두께 만큼 금형의 형상이 달라지는 문제가 생길 수 있다. 보다 더 큰 문제는 용사된 금형의 표면이 거칠어 이를 연마 한 후에 금형으로 사용하여야 하는데, 초경소재처럼 고경도인 경우 여러 단계의 과정을 거쳐서 이루어져야 하고 또한 수작업으로 이루어져야 하기 때문에 많이 시간이 요구되며, 연마가 잘못된 경우에는 코팅층 벗겨내거나 금형을 다시 수정, 보수해야 한다는 것이다.However, in the case of a mold manufactured by using a conventional casting or mechanical processing method, in order to improve the life of the mold, heterogeneous materials such as cemented carbide (eg, tungsten carbide-based material) are formed by using a thermal spray coating layer to form a coating layer. The method is also used. However, in this case, although the thickness of the coating layer is usually about 0.1 mm, the shape of the mold may be changed by the thickness of the coating layer. The bigger problem is that the surface of the sprayed mold is rough and must be used as a mold after polishing it. In the case of high hardness like a cemented carbide material, it takes a lot of time and requires a lot of time because of the manual process. If it is wrong, the coating layer should be peeled off or the mold will need to be repaired.
따라서 본 발명은 상술한 종래기술의 문제점을 해결하기 위하여 안출된 것으로서, 용사를 이용하여 고속으로 금형을 제조하는 과정에 고경도를 갖는 용사층을 포함하는 다층 구조의 용사층을 형성함으로써 제조과정에서 치수정밀도가 보다 우수하면서 표면연마가 용이한 금형을 제공할 수 있는 방법을 제공함을 목적으로 한다.Therefore, the present invention has been made to solve the above-mentioned problems of the prior art, in the manufacturing process by forming a sprayed layer of a multi-layer structure including a sprayed layer having a high hardness in the process of manufacturing a mold at a high speed using the sprayed It is an object of the present invention to provide a method capable of providing a mold having excellent dimensional accuracy and easy surface polishing.
상기 목적을 달성하기 위한 본 발명은,According to an aspect of the present invention,
그라파이트를 이용하여, 제조하고자 하는 금형 혹은 금속부품의 반대되는 형상으로 가공함으로써 용사층을 형성할 수 있는 용사패턴(1)을 제조하는 단계;Manufacturing a thermal spray pattern (1) capable of forming a thermal spraying layer by using graphite to process a mold or a metal part to be formed in an opposite shape;
상기 제조된 그라파이트 용사패턴의 표면에 도금층(2)을 형성하는 단계;Forming a plating layer (2) on the surface of the prepared graphite spray pattern;
상기 도금층(2)의 표면에 경도 향상 용사층(3)을 형성시키는 단계;Forming a hardness improving spray layer (3) on the surface of the plating layer (2);
상기의 도금층(2) 및 용사층(3)이 형성된 용사패턴상에, 다시 금속을 용사함으로써 베이스 금속용사층(4)을 형성하는 단계;Forming a base metal thermal spraying layer (4) by thermally spraying a metal on the thermal spray pattern on which the plating layer (2) and the thermal spraying layer (3) are formed;
상기 형성된 도금층을 포함하는 다층구조의 용사층을 상기 용사패턴으로부터 분리한 후, 그 상태대로 혹은 충진함으로써 용사금형 또는 부품을 형성하는 단계로 이루어지는 용사법을 이용한 다층 구조를 가지는 용사금형 또는 금속부품의 제조방법으로 이루어 진다.Manufacture of a sprayed mold or a metal part having a multilayered structure using a spraying method comprising separating a sprayed layer having a multilayered structure including the formed plating layer from the sprayed pattern, and then forming a sprayed mold or a component by forming or spraying a mold as it is or filling. Is done in a way.
본 발명에 의하면, 목적하는 형상과 반대의 형상을 갖는 그라파이트 재질의 용사패턴을 이용하여 그 표면에 도금층을 형성한 다음 고경도 등의 원하는 특성을 갖는 소재로 용사층을 형성한 후에 다시 베이스금속 용사층을 형성하는 과정을 통하여 다층 구조의 용사금형을 제조함으로써 종래의 방법 대비하여 제품의 치수안정성을 도모할 수 있을 뿐만 아니라 도금층의 연마가 용이해지고, 표면에 고경도 금속 용사층을 가지게 할 수 있어 고경도성을 가지며 평활한 금형 표면을 만들 수 있다.According to the present invention, by forming a plating layer on the surface using a thermal spraying pattern of graphite material having a shape opposite to the desired shape, and then forming a thermal spraying layer with a material having desired characteristics such as high hardness, the base metal thermal spraying again By forming a thermal spray mold having a multi-layer structure through the formation of a layer, not only can the dimensional stability of the product be prepared as compared to the conventional method, the polishing of the plating layer is facilitated, and the surface can have a high hardness metal thermal spray layer. It has high hardness and can make smooth mold surface.
또한, 이러한 다층 구조의 용사층이 금형의 일부에만 필요한 경우에는 그 부위에만 도금층과 경도 향상 용사층을 형성한 후에 그 뒷 공정을 행함으로써 국부적인 처리도 가능하다.In addition, when such a sprayed layer having a multilayered structure is required only for a part of the mold, a local treatment can also be performed by forming a plating layer and a hardness improving sprayed layer only at the site and then performing the subsequent step.
이하, 본 발명을 보다 상세히 설명한다.Hereinafter, the present invention will be described in more detail.
상술한 바와 같이, 종래에는 주조 및 기계가공방법으로 완성된 형상의 금형 위에 용사코팅층을 형성한 후에 연마하는 방법으로 금형코팅이 이루어진다. 이에 반하여, 도 1에 나타낸 바와 같이 상기 본원의 다층구조 용사금형의 제조단계는, 그라파이트 용사패턴(1) 제조단계, 도금층(2) 형성단계, 고경도의 용사층(3)을 형성하는 단계, 베이스금속 용사층(4)을 형성하는 단계, 용사층을 그라파이트 용사패턴으로부터 분리한 후, 충진하는 단계, 도금층을 연마하여 제거하는 단계의 공정으로 이루어지고 있다. 즉, 종래기술에는 완성된 금형에 고경도의 용사층을 형성한 후에 연마가 이루어짐에 반하여, 본 발명에서는 용사를 이용하여 금형을 제조하는  과정에서 여러 층을 갖는 도금 및 용사층을 형성한 후에 도금을 제거함으로써 원하는 고경도의 표면층을 갖는 하는 점이 기존의 금형용사 방법과는 다른 특징이 있다.As described above, the mold coating is conventionally performed by forming a spray coating layer on a mold having a shape completed by a casting and machining method and then polishing. On the contrary, as shown in FIG. 1, the manufacturing step of the multi-layered thermal spraying mold of the present application includes the steps of manufacturing a graphite
즉, 본 발명에서는 먼저, 그라파이트를 이용하여, 제조하고자 하는 금형 혹은 금속부품의 반대되는 형상으로 가공함으로써 용사층을 형성할 수 있는 용사패턴으로 제조한다. 본 발명은 상기 가공방법에 제한되는 것은 아니며, 다양한 기계적 등의 방법을 이용하여 소망하는 형상의 용사패턴을 제조할 수 있다.That is, in the present invention, first, a graphite is used to produce a thermal spray pattern capable of forming a thermal spraying layer by processing into a shape opposite to that of a mold or metal part to be manufactured. The present invention is not limited to the above processing method, and a thermal spray pattern having a desired shape can be manufactured using various mechanical methods.
본 발명은 이전의 본 발명자들의 종전 발명(대한민국 특허등록 번호 0723126)과 마찬가지로 그라파이트를 용사패턴의 소재로 사용하는 것을 특징으로 하며, 이를 용사패턴의 소재로 하는 이유는 전기전도도가 좋아서 전기도금이 가능할 뿐만 아니라 베이스금속 용사층을 형성하는 온도에서 안정된 내열성을 가지며 원하는 형상으로의 성형이 용이하기 때문이다.The present invention is characterized in that the graphite is used as a material of the thermal spray pattern, as in the previous inventions of the present inventors (Korean Patent Registration No. 0723126), and the reason for the material of the thermal spray pattern is that the electroplating is possible. In addition, it is because it has stable heat resistance at the temperature of forming the base metal thermal spraying layer and is easily formed into a desired shape.
이때, 본 발명에서는 상기 용사패턴을 제조함에 있어 그라파이트를 소재로 여러 개의 파트로 분리하여 제조한 후, 이를 다시 조립한 조립체를 용사패턴으로 사용하는 것이 가능하다. 이 과정에서 국부적으로 경도 향상 용사층(3)이 필요한 부분만 도금 및 경도 향상 용사층을 형성한 후 나머지 부분과 조립한 후에 다음 단계로 넘어가는 것도 가능하다.In this case, in the present invention, after manufacturing the thermal spray pattern by separating the graphite into a number of parts, it is possible to use the assembled assembly as a thermal spray pattern. In this process, it is also possible to form a plating and hardness improving sprayed layer only on the part where the hardness improving sprayed
  이어, 본 발명에서는 상기 제조된 그라파이트 용사패턴에 전기도금 혹은 무전해 도금방법을 이용하여 도금층을 형성한다. 목적으로 하는 경도 향상 용사층(3)을 형성하기 전에 도금층을 형성하는 것은 경도 향상 용사층을 형성하는 과정에서 고속, 고온의 용사기 화염과 용사입자의 운동에너지로 인하여 용사층이 적층되지 않고 그라파이트가 패어나가는 것을 방지하기 위해서이다. 도금 층의 재료로는 Zn, Cu, Ni, W, Cr, Fe 중 1 종 혹은 2 종 이상의 복합층 혹은 합금도금으로 하는 것이 가능하며, 도금층의 성분은 특별히 제약을 두지 않으나, 도금이 용이하고 적당한 강도를 가지는 Ni 도금이 보다 바람직하다. 도금층의 두께는 0.1 mm 이하인 것이 바람직한데, 그 이유는 도금층의 두께가 너무 두꺼워지면 최종 금형의 치수변형이 커지기 때문에 가능하면 경도 향상 용사층(3)이 형성가능한 범위내에서 도금층은 얇은 것이 바람직하다.Subsequently, in the present invention, a plating layer is formed on the graphite spray pattern by using an electroplating or electroless plating method. Forming the plating layer before forming the target hardness-improving sprayed
다음으로, 도금층이 형성된 용사패턴의 표면에 경도가 향상된 용사층(3), 즉 고경도 용사층을 형성한다. 본 발명의 설명시에 경도 향상 용사층이라고 표현을 하였지만 금형이 사용되는 환경에 따라서 저마찰이 필요한 경우에는 마찰계수가 작은 것을 특징으로 하는 저마찰 특성을 가지는 소재의 용사층, 내열성이 필요한 경우에는 내열성을 갖는 소재의 용사층, 내마모성이 요구되는 경우에는 텅스텐 탄화물계 소재 혹은 고경도의 금속 소재 등을 필요에 따라서 선정하여 용사코팅할 수 있다. 경도 향상 용사층(3)은 금속소재 뿐만 아니라 세라믹 소재, 세라믹과 금속의 복합재료도 사용이 가능하다. 이때 경도 향상 용사층의 두께는 특별히 한정할 필요는 없으나, 통상적으로 표면 특성의 개선을 위하여 사용되는 것이므로 0.02 mm 이상 0.2 mm 이하이면 충분하다. 0.02 mm 는 통상적으로 용사층을 형성하는 경우에 있어 제어가능한 최소한의 두께이며, 0.2 mm 일반적으로 내열, 내마모, 저마찰 등을 갖는 코팅층의 특성을 발현하기에 충분한 두께이기 때문이나, 필요에 따라서는 그 이상의 두께도 가능하다.Next, on the surface of the thermal spraying pattern on which the plating layer is formed, the
이 과정에서 필요에 따라서 성분 및 용사분말의 입도가 다른 소재를 사용하여 여러 층의 용사층을 형성할 수도 있다.In this process, a spray layer of several layers may be formed by using a material having different particle sizes of the components and the thermal spray powder, if necessary.
다음단계는 베이스금속 용사층(4)을 형성하는 단계이다. 베이스금속 용사층의 제조방법은 본 발명자들의 종전 발명(대한민국 특허등록 번호 0723126)과 동일한 방법에 따라서 이루어진다. 도금 및 코팅된 용사패턴을 150~500℃의 범위에서 예열한 후, 철강 등의 금속을 용사함으로써 소정 두께의 베이스금속 용사층을 형성한다. 상술하면, 본 발명에서는 상기 그라파이트 용사패턴을 예열한 후, 용사를 개시하여 목표한 용사온도에 도달하면 용사가 완료될 때까지 그 온도가 유지될 수 있도록 용사변수를 조절한다. 본 명세서에서 상기 용어, “용사온도”란 용사과정 중 열화상카메라(thermal image camera)를 이용하여 용사층이 형성되는 표면의 온도를 측정한 평균온도 혹은 용사하기 전 용사패턴의 표면에 설치한 열전대(thermo-couple)에 의하여 측정한 용사층과 그라파이트 용사패턴간의 계면의 온도를 의미한다.The next step is to form the base metal thermal sprayed layer (4). The method for producing the base metal thermal spraying layer is made according to the same method as the inventors' previous invention (Korean Patent Registration No. 0723126). After the plated and coated spray patterns are preheated in a range of 150 to 500 ° C., a metal spray such as steel is sprayed to form a base metal spray layer having a predetermined thickness. Specifically, in the present invention, after preheating the graphite thermal spray pattern, the thermal spraying variable is controlled so that the temperature is maintained until the thermal spraying is completed when the thermal spraying is started to reach the target thermal spraying temperature. As used herein, the term “spray temperature” refers to an average temperature at which the surface of the thermal spray layer is formed using a thermal image camera during the thermal spraying process or a thermocouple installed on the surface of the thermal spray pattern before thermal spraying. It means the temperature of the interface between the thermal sprayed layer and the graphite thermal sprayed pattern measured by (thermo-couple).
용사과정에서 가장 중요하게 고려되어야 할 인자는 용사과정에서 발생할 수 있는 용사층의 변형 문제이다. 일반적으로 용사층에서 변형을 일으키는 인자는 용사과정에서 용융된 금속이 용사패턴 혹은 이미 층을 이룬 용사층의 표면에 도달하여 고상으로 응고되면서 발생하는 인장응력과, 고상에서 발생하는 마르텐사이트 변태 및 베이나이트 변태 의하여 발생하는 압축응력의 두 가지이다. 이러한 인장응력과 압축응력이 서로 상쇄되어 잔류응력이 없어지거나 최소화되어야 정밀도를 갖는 용사금형을 제조할 수 있다.The most important factor to be considered in the thermal spraying process is the problem of deformation of the thermal spraying layer. In general, the factors causing deformation in the thermal spraying layer are tensile stresses caused by the molten metal reaching the surface of the thermal spray pattern or the already layered thermal spraying layer and solidifying into a solid phase, and the martensite transformation and bays generated in the solid phase. There are two types of compressive stress caused by knight transformation. The tensile stress and the compressive stress cancel each other to eliminate or minimize the residual stress can be produced a spray mold with precision.
본 발명에서는 이를 고려하여, 상기 용사온도를 300~550℃로 제어한다. 잔류응력이 없는 적정한 용사온도는 소재금속의 성분에 따라서 달라지며 그 범위는 300~550℃의 범위에 있기 때문이다.In the present invention, in consideration of this, the thermal spraying temperature is controlled to 300 ~ 550 ℃. This is because the proper spraying temperature without residual stress depends on the material of the material metal and its range is in the range of 300 ~ 550 ℃.
베이스 금속 용사에 이용되는 금속의 종류는 특정 강종의 금속으로 제한되는 것은 아니다. 예컨데, 후속하는 실시예에서는 0.8%탄소강을 용사하는 경우만을 예시하였지만, 본 발명은 이에 제한되는 것이 아니다. 즉, 본 발명은 저탄소강, 고탄소강을 비롯하여, C 이외에 Cr, Ni, Co, Mn, V, Nb, W, Ti, Cu, B, Al, Si 과 같은 합금 원소를 1 종 혹은 2종 이상 함유하고 있는 구조용강 혹은 공구강을 소재로 사용할 수도 있다. 또한 내식성이 필요한 경우에 스테인레스강을 사용할 수도 있으며, 내마모성 등의 향상을 목적으로 금속탄화물, 금속의 보론화합물 등의 성분을 포함할 수도 있다. 또는 금속선재에 제조시 이러한 성분을 분말 형태로 첨가하는 코아드 와이어(cored wire) 형태로 제조함으로써 가능하다.The kind of metal used for the base metal spraying is not limited to the metal of a specific steel grade. For example, the following examples illustrate only the case of thermal spraying 0.8% carbon steel, but the present invention is not limited thereto. That is, the present invention contains one or two or more alloy elements such as Cr, Ni, Co, Mn, V, Nb, W, Ti, Cu, B, Al, and Si, in addition to low carbon steel and high carbon steel. Structural steel or tool steel can be used as the material. In addition, stainless steel may be used when corrosion resistance is required, and may include components such as metal carbides and boron compounds of metals for the purpose of improving wear resistance. Alternatively, it is possible to produce the cored wire in the form of a cored (cored wire) to add these ingredients in the form of a powder to the metal wire.
이후, 본 발명에서는 상기 형성된 다층 구조를 가지는 금속층을 상기 용사패턴으로부터 분리한 후, 충진함으로써 용사금형 또는 부품을 형성한다. 상기 용사를 이용하여 형성된 용사층을 용사패턴으로부터 분리하면, 금형으로 사용할 면은 용사패턴에 접촉하였던 면이 된다. 이때, 형성된 용사층의 두께에 따라 불필요한 부분은 절단, 제거한 후, 용사면을 충진함으로써 편평한 형상을 만들어 사용함이 일반적이다. 그러나, 필요에 따라서는 충진하지 않고 그대로 금형이나 금속부품으로써 사용할 수도 있다.After that, in the present invention, the metal layer having the formed multilayer structure is separated from the thermal spray pattern and then filled to form a thermal spray mold or a component. When the thermal spraying layer formed using the thermal spraying is separated from the thermal spraying pattern, the surface to be used as a mold becomes a surface which is in contact with the thermal spraying pattern. At this time, according to the thickness of the formed thermal spray layer, unnecessary parts are generally cut and removed, and then used to make a flat shape by filling the thermal sprayed surface. However, if necessary, it can be used as a mold or a metal part without filling.
바람직하게는, 상기 용사면을 에폭시 수지, 에폭시 수지와 금속분말의 혼합 물, 및 저융점 금속재료 중 선택된 1종을 충진하는 것이다. 그리고 상기 저융점 금속재료로서는 비스무스, 주석, 아연, 알루미늄 등의 저융점 금속이나 합금등을 사용할 수 있다.Preferably, the sprayed surface is filled with one selected from an epoxy resin, a mixture of an epoxy resin and a metal powder, and a low melting point metal material. As the low melting point metal material, low melting point metals or alloys such as bismuth, tin, zinc and aluminum can be used.
최종 단계로 도금층을 제거한다. 필요에 따라서는 도금층을 제거하지 않고, 그대로 사용할 수도 있다. 도금층을 제거하는 경우, 도금층을 선택적으로 용해하는 용액을 적용하여 화학적으로 제거할 수 있으나, 여러 번의 경험상 연마지를 이용하여 손 쉽게 연마제거가 가능함을 경험적으로 확인하였다. 또한, 도금층(2)과 접하였던 경도 향상 용사층(3)의 면이 최종 금형면이 되는데, 도 3 및 도 4 에서 보는 바와 같이 아주 평활하기 때문에 용이하게 조도가 낮은 평활한 금형표면을 얻을 수 있다.The final step is to remove the plating layer. As needed, it can also be used as it is, without removing a plating layer. In the case of removing the plating layer, it can be chemically removed by applying a solution to selectively dissolve the plating layer, but empirically confirmed that it can be easily removed by polishing paper using a number of experience. In addition, the surface of the hardness-improving sprayed
이하, 본 발명을 예시적인 실시예들을 통하여 상세히 설명한다.Hereinafter, the present invention will be described in detail through exemplary embodiments.
(실시예 1)(Example 1)
경도 향상 용사층을 형성하기 위해서 필요한 그라파이트 용사패턴에의 도금종류 및 두께를 비교하기 위하여 50 mm 크기의 그라파이트 시편을 준비하여 표 1에 나타낸 바와 같이 여러 조건의 도금을 하고, 내마모 코팅소재로 WC-17%Co 성분의 용사분말을 선택하여 고속화염용사기의 일종인 다이아몬드 제트 장비를 이용하여 코팅실험한 결과를 비교하였다.In order to compare the type and thickness of graphite spray pattern required to form the hardness-sprayed spray layer, graphite specimens of 50 mm size were prepared and plated under various conditions as shown in Table 1, and WC was used as a wear-resistant coating material. The spraying powder of -17% Co component was selected and the results of coating experiments were compared using diamond jet equipment, which is a kind of high speed flame sprayer.
(실시예 2)(Example 2)
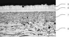
그라파이트 모재에 발명예 3의 경우와 같이 Ni 도금(6)의 두께를 약 0.04 mm 로 한 위에 WC-Co 코팅층(7)을 약 0.07 mm 형성한 후에 다시 0.8%의 탄소강 소재로 베이스금속 용사층(8)을 형성하였다. 제 3 도는 이때의 단면 광학현미경 사진을 나타낸 것이다. 도금층(6)과 WC-Co(7)과의 계면이 아주 평활하여 도금층을 제거하는 정도의 연마만으로 평활한 WC-Co 코팅면을 얻을 수 있음을 알 수 있다.As in the case of Inventive Example 3, the WC-Co coating layer 7 was formed about 0.07 mm on the graphite base material having the thickness of the Ni plating 6 about 0.04 mm, and then the base metal thermal sprayed layer was made of 0.8% carbon steel. 8) was formed. Figure 3 shows a cross-sectional optical microscope picture at this time. The interface between the plating layer 6 and the WC-Co (7) is very smooth, it can be seen that a smooth WC-Co coating surface can be obtained only by polishing to remove the plating layer.
(실시예 3)(Example 3)
그라파이트 모재에 발명예 4의 경우와 같이 Cu 도금(9) 0.02 mm, Ni 도금 0.015 mm Ni 도금(6)의 두께를 약 0.04 mm 로 한 위에 WC-Co 코팅층(7)을 약 0.08 형성한 후에 다시 0.8%의 탄소강 소재로 베이스금속 용사층(8)을 형성하였다. 제 4 도는 이때의 단면 광학현미경 사진을 나타낸 것이다.As in the case of Inventive Example 4, the graphite base material had a thickness of 0.02 mm for Cu plating (0.09 mm) and 0.015 mm Ni plating (0.05 mm), and then formed about 0.08 mm of WC-Co coating layer (7). A base metal thermal sprayed layer (8) was formed of 0.8% carbon steel. Figure 4 shows a cross-sectional optical micrograph at this time.
상술한 바와 같이, 본 발명은 바람직한 실시예를 통하여 상세히 설명되었지만, 본 발명은 이러한 실시예의 내용에 제한되는 것은 아니다. 본원이 속하는 기술분야에서 통상의 지식을 가진 자라면, 비록 실시예에 제시되지 않았지만 첨부된 청구항의 기재범위 내에서 다양한 본원발명에 대한 모조나 개량이 가능하며, 이들 모두 본원발명의 기술적 범위에 속함은 너무나 자명하다 할 것이다.As described above, the present invention has been described in detail through the preferred embodiments, but the present invention is not limited to the contents of these embodiments. Those skilled in the art to which the present application pertains, although not shown in the examples, can be imitated or improved for various inventions within the scope of the appended claims, all of which fall within the technical scope of the present invention. Would be too self-explanatory.
도 1은 본 발명의 방법에 따라서 다층 구조를 갖는 용사금형의 제조단계를 보여주는 공정도이다.1 is a process chart showing a step of manufacturing a thermal spray mold having a multilayer structure according to the method of the present invention.
도 2는 본 발명의 일실시예에 따라 도금층의 종류 및 두께에 따라서 경도 향상 용사층을 형성할 수 있는 도금 조건을 비교한 비교예 및 발명예의 시험편의 형상을 보여주는 사진이다.Figure 2 is a photograph showing the shape of the test piece of Comparative Examples and Comparative Examples comparing the plating conditions that can form a hardness-improving spray layer according to the type and thickness of the plating layer according to an embodiment of the present invention.
도 3은 본 발명의 일실시예에 따라 그라파이트 용사패턴에 Ni 도금, WC-Co 용사층 및 베이스 금속용사층의 단면을 보여주는 광학현미경 사진이다.3 is an optical micrograph showing a cross section of a Ni plating, a WC-Co sprayed layer, and a base metal sprayed layer on a graphite spray pattern according to an embodiment of the present invention.
도 4는 본 발명의 일실시예에 그라파이트 용사패턴에 Cu/Ni의 이중 도금, WC-Co 용사층 및 베이스 금속용사층의 단면을 보여주는 광학현미경 사진이다.4 is an optical micrograph showing a cross section of a double plating of Cu / Ni, a WC-Co sprayed layer, and a base metal sprayed layer in a graphite spray pattern according to an embodiment of the present invention.
* 도면부호의 설명 ;* Explanation of reference numerals;
1. 그라파이트 용사패턴, 2. 도금층, 3. 경도 향상 용사층,1. graphite thermal spray pattern, 2. plating layer, 3. hardness improving thermal spraying layer,
4. 베이스금속용사층, 5. 충진재, 6. Ni 도금층,4. base metal spray layer, 5. filler, 6. Ni plating layer,
7. WC-Co 용사코팅층, 8. 0.8% 탄소강의 용사층7. WC-Co spray coating layer, 8. Spray layer of 0.8% carbon steel
| Application Number | Priority Date | Filing Date | Title | 
|---|---|---|---|
| KR1020070115835AKR101149787B1 (en) | 2007-11-14 | 2007-11-14 | Manufacturing method of molds and dies which have multi-layers by thermal spraying | 
| Application Number | Priority Date | Filing Date | Title | 
|---|---|---|---|
| KR1020070115835AKR101149787B1 (en) | 2007-11-14 | 2007-11-14 | Manufacturing method of molds and dies which have multi-layers by thermal spraying | 
| Publication Number | Publication Date | 
|---|---|
| KR20090049658A KR20090049658A (en) | 2009-05-19 | 
| KR101149787B1true KR101149787B1 (en) | 2012-06-08 | 
| Application Number | Title | Priority Date | Filing Date | 
|---|---|---|---|
| KR1020070115835AExpired - Fee RelatedKR101149787B1 (en) | 2007-11-14 | 2007-11-14 | Manufacturing method of molds and dies which have multi-layers by thermal spraying | 
| Country | Link | 
|---|---|
| KR (1) | KR101149787B1 (en) | 
| Publication number | Priority date | Publication date | Assignee | Title | 
|---|---|---|---|---|
| CN104550959A (en)* | 2014-12-19 | 2015-04-29 | 机械科学研究总院先进制造技术研究中心 | Forming method of metal composite part | 
| KR101876494B1 (en)* | 2017-07-10 | 2018-07-13 | 크레아퓨처 주식회사 | Manufacturing method of surface enhanced stamper | 
| Publication number | Priority date | Publication date | Assignee | Title | 
|---|---|---|---|---|
| JPS63286564A (en)* | 1987-05-18 | 1988-11-24 | Brother Ind Ltd | Production of metal mold for molding | 
| KR100723126B1 (en)* | 2005-12-24 | 2007-05-30 | 주식회사 포스코 | High speed mold or part manufacturing method using thermal spraying | 
| Publication number | Priority date | Publication date | Assignee | Title | 
|---|---|---|---|---|
| JPS63286564A (en)* | 1987-05-18 | 1988-11-24 | Brother Ind Ltd | Production of metal mold for molding | 
| KR100723126B1 (en)* | 2005-12-24 | 2007-05-30 | 주식회사 포스코 | High speed mold or part manufacturing method using thermal spraying | 
| Publication number | Publication date | 
|---|---|
| KR20090049658A (en) | 2009-05-19 | 
| Publication | Publication Date | Title | 
|---|---|---|
| JP5809901B2 (en) | Laminate and method for producing laminate | |
| JP4083817B2 (en) | Surface wear-resistant sintered machine parts and manufacturing method thereof | |
| KR101851488B1 (en) | Method for producing laminate, and laminate | |
| JP7018603B2 (en) | Manufacturing method of clad layer | |
| SE447072B (en) | SINTRATE COMPOSITION MATERIAL FORM WITH METAL SHELLS, PROCEDURE FOR PREPARING THE FORMAL AND USING THE SAME | |
| US4851267A (en) | Method of forming wear-resistant material | |
| US10435325B2 (en) | Molds with coatings for high temperature use in shaping glass-based material | |
| US20210107060A1 (en) | Multi-material tooling and methods of making same | |
| CN114101678A (en) | Preparation method of high-performance metal-ceramic composite material | |
| US3204917A (en) | Layered mold | |
| KR101149787B1 (en) | Manufacturing method of molds and dies which have multi-layers by thermal spraying | |
| TWI458635B (en) | Optical element forming metal mold and method of manufacturing optical element forming metal mold | |
| JPH06504089A (en) | Mold and die manufacturing method | |
| WO2021240696A1 (en) | Continuous casting mold and method for manufacturing continuous casting mold | |
| JP2003293113A (en) | Molding die and manufacturing method therefor | |
| US20030106198A1 (en) | Methods of making wear resistant tooling systems to be used in high temperature casting and molding | |
| KR100723126B1 (en) | High speed mold or part manufacturing method using thermal spraying | |
| JPS5973153A (en) | Mold for continuous casting and its production | |
| KR101086319B1 (en) | Metallic manufacturing method using thermal spraying | |
| RU2525965C2 (en) | Cermet ball valve and method of its fabrication | |
| KR20100074978A (en) | Method for manufacturing molds and dies with double-layers by thermal spraying | |
| JPH065376Y2 (en) | Mold for molding glass products | |
| RU2845937C1 (en) | Method of producing titanium carbide composite material impregnated with heat-resistant alloy, by additive manufacturing methods | |
| Maravola et al. | Development of a low coefficient of thermal expansion composite tooling via 3D printing | |
| JP2005066656A (en) | Manufacturing method of member made of metal containing titanium | 
| Date | Code | Title | Description | 
|---|---|---|---|
| PA0109 | Patent application | St.27 status event code:A-0-1-A10-A12-nap-PA0109 | |
| PG1501 | Laying open of application | St.27 status event code:A-1-1-Q10-Q12-nap-PG1501 | |
| A201 | Request for examination | ||
| PA0201 | Request for examination | St.27 status event code:A-1-2-D10-D11-exm-PA0201 | |
| D13-X000 | Search requested | St.27 status event code:A-1-2-D10-D13-srh-X000 | |
| D14-X000 | Search report completed | St.27 status event code:A-1-2-D10-D14-srh-X000 | |
| E902 | Notification of reason for refusal | ||
| PE0902 | Notice of grounds for rejection | St.27 status event code:A-1-2-D10-D21-exm-PE0902 | |
| E13-X000 | Pre-grant limitation requested | St.27 status event code:A-2-3-E10-E13-lim-X000 | |
| P11-X000 | Amendment of application requested | St.27 status event code:A-2-2-P10-P11-nap-X000 | |
| P13-X000 | Application amended | St.27 status event code:A-2-2-P10-P13-nap-X000 | |
| E701 | Decision to grant or registration of patent right | ||
| PE0701 | Decision of registration | St.27 status event code:A-1-2-D10-D22-exm-PE0701 | |
| GRNT | Written decision to grant | ||
| PR0701 | Registration of establishment | St.27 status event code:A-2-4-F10-F11-exm-PR0701 | |
| PR1002 | Payment of registration fee | St.27 status event code:A-2-2-U10-U11-oth-PR1002 Fee payment year number:1 | |
| PG1601 | Publication of registration | St.27 status event code:A-4-4-Q10-Q13-nap-PG1601 | |
| PN2301 | Change of applicant | St.27 status event code:A-5-5-R10-R13-asn-PN2301 St.27 status event code:A-5-5-R10-R11-asn-PN2301 | |
| FPAY | Annual fee payment | Payment date:20150518 Year of fee payment:4 | |
| PR1001 | Payment of annual fee | St.27 status event code:A-4-4-U10-U11-oth-PR1001 Fee payment year number:4 | |
| LAPS | Lapse due to unpaid annual fee | ||
| PC1903 | Unpaid annual fee | St.27 status event code:A-4-4-U10-U13-oth-PC1903 Not in force date:20160519 Payment event data comment text:Termination Category : DEFAULT_OF_REGISTRATION_FEE | |
| P22-X000 | Classification modified | St.27 status event code:A-4-4-P10-P22-nap-X000 | |
| R18-X000 | Changes to party contact information recorded | St.27 status event code:A-5-5-R10-R18-oth-X000 | |
| PC1903 | Unpaid annual fee | St.27 status event code:N-4-6-H10-H13-oth-PC1903 Ip right cessation event data comment text:Termination Category : DEFAULT_OF_REGISTRATION_FEE Not in force date:20160519 | |
| R18-X000 | Changes to party contact information recorded | St.27 status event code:A-5-5-R10-R18-oth-X000 | |
| R18-X000 | Changes to party contact information recorded | St.27 status event code:A-5-5-R10-R18-oth-X000 | |
| R18-X000 | Changes to party contact information recorded | St.27 status event code:A-5-5-R10-R18-oth-X000 |