




본 발명은 각상(R, S, T, N)의 전류가 흐르는 차단기의 접촉자에서 사전에 결상을 예측하여, 결상사고가 발생하기 전에 미리 결상을 사전검출하는 장치에 관한 것이다. 보다 자세하게는, 각상의 전류가 흐르는 활선상태에서 차단기의 접촉자의 접촉저항값의 변화를 감지하면서 결상을 예측하고 사전에 예고함으로서 사고 확대를 방지하고 부하를 보호하는 장치에 관한 것이다.The present invention relates to a device for predicting an image in advance in a contactor of a circuit breaker through which current of each phase (R, S, T, N) flows, and pre-detecting the image before the image formation accident occurs. More specifically, the present invention relates to a device for preventing an expansion of an accident and protecting a load by predicting and predicting an image loss in advance by detecting a change in contact resistance value of a contactor of a circuit breaker in a live state in which current flows.
3상 전력계통에서 결상이 발생하게 되면, 불평형 전류가 흐르거나 단상전력이 공급되므로 연결된 부하기기에는 막대한 피해를 줄 수 있으므로 결상이 발생하기 전에 결상상태를 검출하여 부하를 보호하는 것이 필요하다.If a phase loss occurs in a three-phase power system, unbalanced current flows or single phase power is applied, which can cause enormous damage to the connected load equipment. Therefore, it is necessary to protect the load by detecting the phase condition before the phase loss occurs.
일례로서, 3상 전동기가 기동이 되지 않은 상태에서 결상이 되어 단상전압이 인가되어 있으면 전동기에 매우 큰 대전류가 흐르게 되면서 수분내에 소손이 될 수 있다. 또한, 운전중이던 3상 전동기에 큰 부하가 걸려있는 경우에 결상이 되면 토크가 약해져서 슬립이 증가하고 대전류가 흘러 또한 소손될 수 있다. 다시 말해, 운전도중에 결상이 되어 단상전원이 인가되면 전동기는 회전을 멈추지않고 대전류가 증가하면서 계속 회전하게 되어 소손될 수 있는 문제점을 갖게 된다.As an example, if a three-phase motor is open when the phase is not started and a single-phase voltage is applied to the motor, a very large large current flows to the motor, which may cause damage in a few minutes. In addition, when a large load is applied to the three-phase motor in operation, when the phase is lost, the torque may be weakened to increase the slip, and a large current may flow and burn out. In other words, if the single phase power is applied while the phase is lost during operation, the motor does not stop the rotation and continues to rotate while increasing the large current, thereby causing a problem of burnout.
보다 자세히 설명하면, 결상의 주요원인으로는 모터 내부 또는 외부 결선상의 문제가 대부분인데, 모터는 결상으로 인해 회전을 못하거나 계속 회전하게 되는 경우가 생기면서 모터의 회전자에 큰 전류가 흐르게 되고, 이러한 전류 증가는 권선의 온도를 상승시키고 코일의 절연을 파괴하며, 전자접촉기의 접점을 소손시켜 결과적으로 모터를 손상시키게 된다.In more detail, the main cause of the open phase is the problem of the internal or external wiring, the motor can not rotate or continue to rotate due to the open phase, a large current flows to the rotor of the motor, This increase in current raises the temperature of the windings, destroys the insulation of the coils, damages the contacts of the magnetic contactor and consequently damages the motor.
모터가 회전을 못하는 경우에는 큰 구속전류가 흐르기 때문에 과전류나 구속으로 동작하여 보호가 가능하나 모터가 회전을 계속하게 되는 경우에는 결상 보호기능이 반드시 필요해진다.If the motor is unable to rotate, a large restraint current flows, so it can be protected by overcurrent or restraint. However, if the motor continues to rotate, an imaging protection function is necessary.
상기의 문제점을 해결하기 위하여, 일반적으로 저압 배전반에는 결상 계전기 또는 결상보호회로가 내장되어 있으며, 일반적으로 소비전력이 큰 부하기기는 단상 전원에 비해 효율적인 삼상 전원을 공급받아 동작하도록 구성되며, 적절한 계전기 및 차단기를 부하기기 입력단에 구비하여 전원을 선택적으로 공급받아 이상 발생시 보호를 받게 된다. 즉, 부하기기 입력단에 구비되는 계전기 및 차단기는, 단락전류, 과전류, 역상 또는 결상 등과 같은 이상현상이 발생하면 부하기기에 공급되는 전원을 신속하게 차단하여 부하기기를 보호할 뿐만 아니라 사고가 전원공급원에 파급되는 현상도 방지한다.In order to solve the above problems, a low voltage switchgear generally includes a phase relay or phase protection circuit, and a load having a large power consumption is generally configured to operate with a three-phase power supply that is more efficient than a single phase power supply. And a breaker is provided at the input of the load device to receive power selectively to protect against abnormalities. That is, the relay and the breaker provided at the input of the load equipment, when abnormality such as short-circuit current, overcurrent, reverse phase or phase loss occur, not only protects the load by quickly shutting off the power supplied to the load, but also causes an accident It also prevents the phenomenon from spreading.
상기 이상 현상에 대한 보호 계전기 및 차단기는 종래의 다양한 기술로 구현되었으며, 특히 역상 또는 결상에 대한 보호 계전기는 삼상 전원에서 각 상간의 위상차 및 각 상별 전위 여부를 검출해야 하므로 기계식이 아닌 전자식 계전기로서 구현되었다.The protection relay and the breaker for the abnormal phenomenon has been implemented by a variety of conventional techniques, in particular, the protection relay for the reverse phase or phase image implemented as an electronic relay rather than a mechanical because it must detect the phase difference between each phase and the potential of each phase in a three-phase power supply It became.
종래 기술로서, 공개특허공보 제1998-0072117호 "다기능 디지털 계전기"는, 각 상을 반파 정류하여 획득된 각상의 전압파형을 마이크로 콘트롤러에서 분석하여 역상 또는 결상 여부를 감지하고, 그 결과에 따라 릴레이의 접점을 온 또는 오프 동작시켜 출력접점을 제어하고 하나의 발광 다이오드의 점멸 방법을 달리하여 표출하며, 상기 동작에 필요한 제어 및 조작 전원은 다이오드로 이루어지는 전파 정류회로로써 획득하여 이루어졌다.In the prior art, Korean Patent Laid-Open Publication No. 1998-0072117 "Multifunctional Digital Relay" analyzes the voltage waveform of each phase obtained by half-wave rectifying each phase with a microcontroller to detect whether there is a reverse phase or phase loss, and accordingly the relay The output contact is controlled by turning on or off the contact, and the flashing of one light emitting diode is expressed differently, and the control and operation power required for the operation are obtained by a full-wave rectifying circuit composed of diodes.
또한, 종래기술로서, 공개특허공보 제10-2007-0035187호 "수배전선로의 결상/역상 검출장치"에서는 위상전압발생용 마이크로 프로세서와 결상/역상 판정부로서 판정용 마이크로프로세서를 구성하여 각상의 위상신호를 감지하여 결상/역상을 검출하고 있다.Further, as a prior art, in Korean Patent Laid-Open Publication No. 10-2007-0035187, "Phase Distribution / Reverse Phase Detection Device", a phase voltage generation microprocessor and a determination microprocessor are formed as an phase / reverse phase determination unit to determine the phase of each phase. Detecting the phase / reverse phase by detecting the signal.
그러나 이러한 결상을 검출하는 장치를 보면, 이를 테면, 한상의 전압이 정격전압의 20~30% 이하(불평형율 60~70% 이상), 위상신호의 편차가 기준값 이상으로 발생되는 경우 등에 있어 차단기를 동작하게 하는 장치이며, 결국은 이미 결상이 진행되는 상태에서 부하를 보호하는 장치에 관한 것이다.However, a device that detects such an open phase, for example, the breaker voltage in the case that the voltage of the phase is less than 20-30% of the rated voltage (60-70% unbalance), the deviation of the phase signal occurs above the reference value, etc. It is a device to operate, and ultimately relates to a device for protecting the load in the state of already forming an image.
다시 말해, 종래의 결상검출장치는 부하가 접속되어 있고 운전부하에 전류가 인가된 상태에서 결상이 발생하여 결상이 이미 진행된 상태에서 전압 또는 전류의 불균형이나 위상신호를 검출하여 부하의 손상을 방지하기 위한 방법에 관한 것으로서, 결상이 진행되기 전에 미리 결상을 예측하는 장치에 대한 필요성이 대두되고 있는 실정이다.In other words, the conventional phase detection device detects an imbalance or a phase signal of voltage or current in a state where the phase is already formed and the phase is generated while the load is connected and the current is applied to the operating load, thereby preventing damage to the load. As the method for the present invention, there is a need for an apparatus for predicting the image formation in advance before the image formation proceeds.
상기의 문제점을 해결하기 위하여 본 발명은 활선상태에서 결상이 진행되기 전에 차단기의 접촉자의 접촉저항의 변화를 통해 미리 결상을 예측하여 인지하도록 구성된 결상 예측장치를 제공하는 것을 목적으로 한다.In order to solve the above problems, it is an object of the present invention to provide an imaging predictor configured to predict and recognize an image in advance through a change in contact resistance of a contactor of a circuit breaker before the image progresses in a live state.
또한, 차단기의 출하시점에서 접촉자의 기대수명이 기대치를 충족못하는 불완전 경우임에도 초기 결상상태를 검출하지 못한 채 출하되었을 경우에 결상이 발생하기 전에 사전에 이를 검출하기 위한 결상 예측장치를 제공하는 것을 목적으로 한다.It is also an object of the present invention to provide a phase predicting device for detecting a phase before a phase loss occurs when the breaker is shipped without detecting the initial phase loss state even though the life expectancy of the contactor is incomplete. It is done.
상기의 목적을 달성하기 위하여 본 발명은 활선상태의 각상의 전선라인의 결상여부를 감지하는 장치에 있어서, 상기 전선라인과 접촉자를 통해 연결되어 전류를 개폐하는 차단기; 테스트정전압신호를 발생시켜 상기 접촉자를 관통하도록 상기 테스트정전압신호를 입력하는 테스트정전압발생기; 상기 접촉자를 관통하기 전과 접촉자를 관통한 후의 테스트정전압신호를 입력받아 전압크기의 차를 증폭하여 신호로 출력하는 차동증폭기; 상기 차동증폭기를 통해 출력되는 신호를 디지털 신호로 변환시키는 A/D 변환기; 및 상기 A/D 변환기를 통해 변환된 디지털 신호를 입력받아 분석하여 상기 접촉자의 현재 접촉저항값을 연산하는 마이크로프로세서;를 포함하여 구성된 것을 특징으로 하는 활선상태에서 차단기 접점의 접촉저항의 변화를 이용한 결상 예측장치를 제공한다.In order to achieve the above object, the present invention provides a device for detecting the phase of the wire line of each phase in the live state, the circuit breaker is connected through the wire line and the contactor to open and close the current; A test constant voltage generator configured to generate a test constant voltage signal and input the test constant voltage signal to pass through the contactor; A differential amplifier receiving a test constant voltage signal before and after passing through the contactor, amplifying the difference in voltage magnitude and outputting the signal as a signal; An A / D converter for converting a signal output through the differential amplifier into a digital signal; And a microprocessor configured to calculate the current contact resistance of the contactor by receiving and analyzing the digital signal converted through the A / D converter. Provide an imaging prediction device.
상기 결상예측장치에는 상기 전선라인을 통해 인가되는 교류전압의 크기와 상기 테스트정전압발생기에서 입력되는 테스트정전압신호의 크기를 비교하여 테스트정전압의 크기가 교류전압의 크기보다 큰 교류전압의 위상각을 판별하여 상기 판별된 위상각 범위내의 특정시간동안만 상기 테스트정전압신호가 출력되도록 구성함으로써 정전압 펄스신호를 주기적으로 발생, 출력시키는 위상판별기;를 더 포함하여 구성될 수 있다.The phase predicting device compares the magnitude of the AC voltage applied through the wire line with the magnitude of the test constant voltage signal input from the test constant voltage generator to determine the phase angle of the AC voltage having a magnitude greater than the magnitude of the AC voltage. And a phase discriminator for periodically generating and outputting a constant voltage pulse signal by configuring the test constant voltage signal to be output only for a specific time within the determined phase angle range.
상기 위상판별기에는 전선라인의 교류전압의 크기가 40V 일 경우에 교류전압의 위상각이 6도에서 상기 특정시간이 설정되도록 제어하는 프로그램이 내장된 메모리가 더 포함되어 구성될 수 있다.The phase discriminator may further include a memory in which a program for controlling the predetermined time is set at a phase angle of 6 degrees when the AC voltage of the wire line is 40V.
또한, 상기 결상예측장치에는 상기 차단기 출하시에 검출된 접촉자의 초기 접촉저항값을 기준값으로 편차를 설정한 비교데이터가 저장된 메모리부;가 더 포함되어 구성될 수 있다.The imaging predictor may further include a memory unit configured to store comparison data in which a deviation is set based on an initial contact resistance value of the contactor detected when the circuit breaker is shipped.
상기 마이크로 프로세서는 상기 연산된 접촉저항값이 상기 편차 이상인 경우에 결상 예측을 알리는 비상신호를 발진시키며, 상기 비상신호를 통해 전압이 인가되어 구동되는 LED 램프를 포함하는 알람부;가 더 포함되어 구성될 수 있다.The microprocessor may further include an alarm unit configured to generate an emergency signal for notifying an imaging prediction when the calculated contact resistance is greater than or equal to the deviation, and including an LED lamp driven by a voltage applied through the emergency signal. Can be.
상기 접촉자를 관통하기 전과 접촉자를 관통한 후의 테스트정전압신호에서 각각 노이즈 성분을 제거하기 위한 필터;가 더 포함될 수 있다.And a filter for removing noise components from the test constant voltage signal before passing through the contactor and after passing through the contactor, respectively.
본 발명에 의한 활선상태에서 차단기 접점의 접촉저항의 변화를 이용한 결상 예측장치에 의해 다음과 같은 효과를 얻을 수 있다.According to the present invention, the following effects can be obtained by the image forming prediction apparatus using the change of the contact resistance of the circuit breaker contact.
첫 번째로, 본 발명의 결상 예측장치를 통해 활선상태에서 결상이 진행되기 전에 테스트정전압을 차단기의 접촉자에 인가하여 접촉자의 접촉저항의 변화를 통해 결상을 미리 예측하여 인지하도록 함으로써 결상에 의한 사고 확대를 방지하고 부하를 보호할 수 있게 된다.First, through the imaging prediction device of the present invention, before the imaging progresses in the live state, the test constant voltage is applied to the contactor of the circuit breaker to predict and recognize the imaging through the change of contact resistance of the contactor, thereby expanding the accident by the imaging. Can be prevented and the load protected.
두 번째로, 본 발명의 결상예측장치는 차단기 접촉자의 접촉저항의 저항의 미세한 변화를 접촉자에 테스트정전압을 인가하여 검출된 접촉자 양단의 전압차를 차동증폭기를 통해 증폭시키고, 증폭된 신호를 디지털 변환시켜 마이크로프로세서에 통해 접촉자의 접촉저항값을 연산해 냄으로써, 이를 통해 결상을 사전 예측할 수 있는 효과를 갖게 된다.Secondly, the imaging predictor of the present invention applies a test constant voltage to the contactor by applying a small change in resistance of the contact resistance of the breaker contactor to amplify the voltage difference across the detected contactor through a differential amplifier, and digitally convert the amplified signal. By calculating the contact resistance value of the contactor by the microprocessor, the effect can be predicted in advance.
세 번째로, 본 발명에 의해 연산된 접촉자의 접촉저항값을 사전 검출할 수 있어 차단기의 출하시점에서 접촉자의 기대수명이 기대치를 충족하지 못하는 불완전한 경우임에도 초기 결상상태를 검출하지 못한 채 출하된 차단기를 검출해내어 차단기가 동작하여 발생되는 피해를 미연에 방지할 수 있는 효과가 있다.Third, the breaker shipped without detecting the initial phase open state can be detected in advance the contact resistance value of the contact calculated by the present invention, even if the life expectancy of the contactor does not meet the expected value at the time of shipment of the breaker. By detecting the effect of the breaker is effective in preventing the damage caused.
네 번째로, 본 발명에 구성된 위상판별기를 통해 테스트정전압을 마이크로프로세서에서 검출이 가능한 정전압 펄스신호로 전선라인에 출력되도록 하여, 접촉자의 부담을 줄이면서 동시에 정전압 펄스신호의 검출 및 분석의 정밀도를 높일 수 있는 효과가 있다.Fourth, through the phase discriminator configured in the present invention, the test constant voltage is output to the wire line as a constant voltage pulse signal that can be detected by the microprocessor, thereby reducing the burden on the contactor and at the same time increasing the accuracy of detecting and analyzing the constant voltage pulse signal. It can be effective.
도 1은 전력계통의 각상 전선라인에 설비된 차단기의 접촉자의 접촉저항의 변화를 나타낸 상태도이다.
도 2는 본 발명에 의한 정전압 펄스신호를 이용한 결상 예측장치의 구성도이다.
도 3은 본 발명에 의한 정전압펄스신호를 발생하는 위상판별기의 작동원리에 대한 설명도이다.
도 4a는 본 발명에 의한 차단기 접촉자 양단의 정전압 펄스신호의 펄스크기의 차가 발생하는 이유를 도시한 설명도이며, 도 4b는 본 발명에 의한 접촉자 양단의 정전압 펄스신호의 펄스크기의 차의 증폭신호를 도시한 설명도이다.1 is a state diagram showing a change in contact resistance of a contactor of a circuit breaker installed in each phase wire line of the power system.
2 is a block diagram of an image forming prediction apparatus using a constant voltage pulse signal according to the present invention.
3 is an explanatory diagram of an operation principle of a phase discriminator for generating a constant voltage pulse signal according to the present invention.
Figure 4a is an explanatory view showing the reason why the difference in the pulse size of the constant voltage pulse signal across the breaker contact according to the present invention, Figure 4b is an amplified signal of the difference in the pulse size of the constant voltage pulse signal across the contact according to the present invention It is explanatory drawing which shows the.
이하 본 발명인 활선상태에서 차단기 접점의 접촉저항의 변화를 이용한 결상 예측장치에 대해 첨부된 도면을 참조하여 자세하게 설명한다.Hereinafter, an image predicting apparatus using a change in contact resistance of a circuit breaker contact in a live state will be described in detail with reference to the accompanying drawings.
본 발명의 실시예의 경우 차단기의 접촉자를 실시예로 설명하였으나, 본 발명의 기술적 사상은 이에 한정되지 않고 전기를 개폐하는 용도를 갖는 일반 개폐스위치에도 적용될 수 있음은 당업자의 입장에서 자명할 것이다.In the case of the embodiment of the present invention, the contactor of the circuit breaker has been described as an embodiment, but it will be apparent to those skilled in the art that the technical idea of the present invention is not limited thereto and may be applied to a general open / close switch having an application for opening and closing electricity.
도 1은 전력계통의 각상 전선라인에 설비된 차단기의 접촉자의 접촉저항의 변화를 나타낸 상태도이며, 도시된 바를 참조할 때 접촉자의 접촉저항은 접촉자의 외관이나 노후상태에 따라 증가됨을 알 수 있다.1 is a state diagram showing a change in contact resistance of a contactor of a circuit breaker installed in each phase wire line of the power system. Referring to the figure, it can be seen that the contact resistance of the contactor increases according to the appearance or deterioration of the contactor.
상기 차단기의 접점인 접촉자는 결상전에 아크가 생겨 타거나 형상이 불량해지며, 특히 접촉불량의 경우 상기에 도시된 바처럼 접촉저항값이 증가한다는 점이다.The contactor, which is the contact point of the circuit breaker, causes arcing or poor shape before imaging, and in particular, in case of poor contact, the contact resistance value increases as shown above.
따라서, 활선 전선라인의 접접인 차단기의 접촉자가 노후되어 접촉저항이 높은 경우 결상이 발생될 수 가능성이 매우 높으므로 접촉자의 외관검사 또는 접촉저항을 측정하여 접점이 결상이 될지에 대한 증후를 분석하여 예측할 수 있다.Therefore, if the contactor of the breaker which is the contact of live wire line is old and the contact resistance is high, there is a high possibility that an image formation may occur. Therefore, by analyzing the appearance of the contactor or measuring the contact resistance, the symptom of the contact may be formed. It can be predicted.
그러나, 접촉저항의 크기는 수십 ~ 수백μΩ 수준이므로 접촉저항을 검출하는 것이 쉽지 않으며, 더 어려운 것은 활선상태의 전선라인에서 접촉저항을 검출하는 것은 더 난해하다는 것이다.However, since the magnitude of the contact resistance is in the order of tens to hundreds of microns, it is not easy to detect the contact resistance, and more difficult is that it is more difficult to detect the contact resistance in the live wire line.
이에, 본 발명은 활선상태의 전원라인에서 테스트정전압을 발생시켜 이러한 차단기 접촉자의 접촉저항의 변화를 미리 감지하여 결상을 예측하는 것을 특징으로 하고 있다.
Accordingly, the present invention is characterized in that the test constant voltage is generated in the live power line to detect the change in the contact resistance of the breaker contactor in advance to predict the open phase.
도 2는 본 발명에 의한 테스트정전압신호를 이용한 결상 예측장치의 구성도이다. 도시된 바를 참조하면, 활선상태의 각상의 전선라인에 차단기가 장착되면서 상기 전선라인과 차단기의 접촉자(CB, 100)를 통해 접점연결되면서 전류를 개폐하게 된다.2 is a block diagram of an image forming prediction apparatus using a test constant voltage signal according to the present invention. Referring to the bar, the breaker is mounted on each wire line in the live state while the contact is connected through the contact line (CB, 100) of the wire line and the breaker to open and close the current.
상기 차단기의 접촉자(100)의 접촉저항을 검출하기 위해 도시된 테스트정전압발생기(200)에서 상기 차단기의 접촉자(100)를 관통하는 테스트 정전압신호를 발생시키게 된다.The test
상기 테스트정전압발생기(200)에서 발생되어 상기 전선라인에 인가된 테스트정전압신호는 접촉자(100)를 관통하기 전과 후에 각각 추출되어 차동증폭기(400)에 입력되면서 전압크기의 차이, 다시 말해 Peak to Peak 전압차이를 증폭시킨 신호를 출력하게 된다.The test constant voltage signal generated by the test
여기에, 상기 추출된 테스트정전압신호에서 전선라인이나 차단기 접점 라인에 내재된 각종 노이즈 성분을 제거하기 위한 필터(300)가 더 구성될 수 있다.Here, the
상기 필터(300)는 고주파 신호와 저주파 신호를 by-pass 시키고, 상기 테스트정전압 성분만을 통과시키도록 구성될 수 있다.The
상기 차동증폭기(400)를 통해 출력되는 신호는 버퍼(500)를 통해 완충되어 A/D 변환기(600)에 입력되며, 상기 A/D 변환기(600)를 통해 디지털 신호로 변환되어 마이크로프로세서(700)로 입력된다.The signal output through the
상기 마이크로프로세서(700)는 상기 A/D 변환기(700)를 통해 변환된 디지털 신호를 입력받아 분석하여 상기 접촉자(100)의 현재 접촉저항값을 연산하게 된다.The
즉, 본 발명은 차단기 접촉자의 접촉저항의 저항의 미세한 변화를 접촉자에 테스트정전압을 인가하여 검출된 접촉자 양단의 전압차를 차동증폭기를 통해 증폭시키고, 증폭된 신호를 디지털 변환시켜 마이크로프로세서에 통해 접촉자의 접촉저항값을 연산함으로써 접촉자의 결상 또는 전선라인의 결상을 사전 예측하도록 구성한 점에 특징이 있는 것이다.That is, the present invention applies a test constant voltage to the contactor by applying a small change in the resistance of the contact resistance of the breaker contactor to amplify the voltage difference across the detected contactors through the differential amplifier, and digitally convert the amplified signal to contact the contactor through the microprocessor. It is characterized by the fact that it is configured to predict the image formation of the contactor or the wire line in advance by calculating the contact resistance value of.
일반적으로 차단기의 접촉자(100)의 접촉저항값은 수십~수백 마이크로 Ω값이므로, 검출 및 분석의 정밀도를 높이기 위해서는 전류를 100A이상 접촉자(100)로 흐르게 해야 한다. 그러나, 이럴 경우 접촉자에 걸리는 부하가 100W~1KW 로 가중되는 부담을 안게 된다.In general, since the contact resistance of the
이를 위해서, 본 발명의 테스트정전압발생기(200)는 접촉자(100)에 걸리는 부하를 줄이도록 위상판별기(1000)에서 테스트정전압발생기(200)에서 발생된 테스트정전압의 출력타입을 펄스로 변환하여 전선라인을 따라 인가되도록 구성하였다.To this end, the test
다시 말해, 위상판별기(1000)를 통해 테스트정전압발생기(200)에서 발생된 테스트정전압신호는 일정주기를 갖는 정전압펄스신호로 변환시켜 출력되도록 구성된다.In other words, the test constant voltage signal generated by the test
이를 테면, 위상판별기(1000)를 통해 테스트정전압발생기(200)에서 발생된 테스트정전압신호를 1/1000주기로 1A의 정전압펄스신호로 변환시켜 상기 접촉자(100)로 흘려보내게 되면, 접촉자의 부하부담을 1W급으로 낮추면서도 마이크로프로세서(700)에 의한 분석의 정밀도를 높일 수 있는 효과를 갖게 된다.For example, when the test constant voltage signal generated by the test
또한, 상기 테스트정전압발생기(200)에서 발생된 테스트정전압신호를 위상판별기(1000)를 거치지 않고 곧바로 전선라인을 통해 인가되는 경우에는 전선라인 상의 교류전압신호에 가려져서 마이크로프로세서(700)에 의한 테스트정전압 신호의 검출 및 분석이 난해해지는 문제점이 있게 된다. 이에 대해서는 도 3을 참조하여 후술하기로 한다.In addition, when the test constant voltage signal generated by the test
또한, 상기 마이크로프로세서(700)의 분석, 연산과정에 정보를 제공하게 되는 메모리부(800)가 구성되며, 상기 메모리부(800)에는 상기 차단기 출하시에 검출된 접촉자(100)의 초기 접촉저항값을 기준값으로 편차를 설정한 비교데이터가 저장되며, 마이크로 프로세서(700)는 상기 연산된 접촉저항값이 상기 메모리부(800)에 설정된 편차 이상인 경우에 결상 예측을 알리는 비상신호를 발진시키도록 구성된다.In addition, the
이에 본 발명에는 상기 마이크로프로세서(700)에서 발진된 비상신호를 통해 전압이 인가되어 구동되는 LED 램프를 포함하는 알람부(900) 또는 통신부(1000)가 구성된다.
In the present invention, the
도 3은 본 발명에 의한 정전압펄스신호를 발생하는 위상판별기의 작동원리에 대한 설명도이다.3 is an explanatory diagram of an operation principle of a phase discriminator for generating a constant voltage pulse signal according to the present invention.
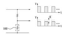
도시된 바를 참조하면, 만약 상기 테스트정전압발생기(200)에서 발생된 테스트 정전압신호의 직류전압이 교류전압이 인가되는 전선라인에 그대로 인가되게 되면, 테스트 정전압신호는 전선라인 상의 교류전압신호에 가려져서 마이크로프로세서(700)에 의한 테스트정전압 신호의 검출 및 분석이 난해해지는 문제점이 있게 된다. 다시 말해, 상기 직류전압인 테스트 정전압 신호는 교류전압신호보다 큰 상태에서만 마이크로 프로세서를 통해 검출이 될 수 있다.Referring to FIG. 5, if the DC voltage of the test constant voltage signal generated by the test
상기의 문제점을 해결하기 위해 상기 위상판별기(1100)는 상기 전선라인을 통해 인가되는 교류전압의 크기를 상기 테스트정전압발생기(200)에서 입력되는 테스트정전압신호의 크기와 비교하여 테스트정전압의 크기가 교류전압의 크기보다 큰 교류전압의 위상각을 판별하게 된다.In order to solve the above problem, the
다시 말해, 상기 위상판별기(1100)는 전선라인을 통해 흐르는 교류전압의 크기보다 상기 테스트정전압발생기(200)에서 입력되는 테스트정전압신호의 크기가 큰 상태의 경우에서만 출력이 되도록 구성함으로서, 결국 정전압 펄스신호가 발생되어 출력되도록 작용하게 된다.In other words, the
보다 자세하게는, 상기 위상판별기(1100)는 테스트정전압의 크기가 교류전압의 크기보다 큰 교류전압의 위상각을 판별하게 되고, 판별된 위상각 범위내의 특정시간(Δt)동안만 테스트정전압신호가 출력되도록 하여, 결국 주기적으로 정전압펄스신호를 발생시켜 출력하게 된다.More specifically, the
다만, 전선라인에 인가되는 교류전압의 크기가 매우 큰 경우라면 가파른 경사를 갖고 있어, 상기 특정시간(Δt)은 매우 짧아지게 되어, 위상판별기(1000)를 통해 발생되는 정전압 펄스신호의 폭은 매우 작아져서, 마이크로프로세서(700)에 의한 정전압 펄스 신호의 검출 및 분석이 난해해질 수 있다.However, if the magnitude of the AC voltage applied to the wire line is very large, it has a steep slope, and the specific time Δt becomes very short, and the width of the constant voltage pulse signal generated through the
따라서, 본 발명의 실험결과 교류전압 40V의 저전압에서 위상각 6도 정도에 해당하는 특정시간(Δt)이 가장 이상적으로 검출 및 분석이 적정한 것으로 판단되고 있어, 위상판별기(1000)에는 상기 전선라인의 교류전압의 크기가 40V 일 경우 정전압펄스신호를 발생시키는 위상각이 6도 범위이내로 기 설정되어 있는 메모리(미도시)가 포함되어 구성되도록 할 수 있다.Therefore, as a result of the experiment of the present invention, a specific time Δt corresponding to a phase angle of about 6 degrees at the low voltage of the AC voltage of 40 V is determined to be ideally suitable for detection and analysis. When the voltage of the AC voltage is 40V, the phase angle for generating the constant voltage pulse signal may be configured to include a memory (not shown) that is set within the range of 6 degrees.
다시 말해, 상기 위상판별기에는 전선라인의 교류전압의 크기가 40V 일 경우에 교류전압의 위상각이 6도에서 상기 특정시간이 설정되도록 제어하는 프로그램이 내장된 메모리(미도시)가 더 포함되어 구성될 수 있다.In other words, the phase discriminator further includes a memory (not shown) in which a program for controlling the predetermined time is set at a phase angle of 6 degrees when the AC voltage of the wire line is 40V. Can be configured.
결국, 상기 위상판별기(1100)를 통해 출력되는 정전압 펄스신호가 전선라인에 인가되더라도 교류전압신호에 가려지는 경우가 발생되지 않아, 접촉자의 부하부담을 줄이면서 동시에, 마이크로프로세서(700)에 의한 정전압 펄스신호의 검출 및 분석의 정밀도를 높이게 되는 효과가 있다.
As a result, even if the constant voltage pulse signal outputted through the
이하 본 발명인 활선상태에서 차단기 접촉자의 접촉저항의 변화를 이용한 결상 예측장치의 작동원리에 대해 첨부된 도면을 참조하여 설명한다.Hereinafter, the operation principle of the image forming prediction apparatus using the change of the contact resistance of the circuit breaker contact in the live state will be described with reference to the accompanying drawings.
도 4a는 본 발명에 의한 차단기 접촉자 양단의 정전압 펄스신호의 펄스크기의 차가 발생하는 이유를 도시한 설명도이며, 도 4b는 본 발명에 의한 접촉자 양단의 정전압 펄스신호의 펄스크기의 차의 증폭신호를 도시한 설명도이다.
Figure 4a is an explanatory view showing the reason why the difference in the pulse size of the constant voltage pulse signal across the breaker contact according to the present invention, Figure 4b is an amplified signal of the difference in the pulse size of the constant voltage pulse signal across the contact according to the present invention It is explanatory drawing which shows the.
상기 위상판별기(1100)를 발생된 정전압 펄스신호가 차단기의 접점인 접촉자(100)의 양단에 공급되면 차단기의 접촉자의 접촉저항만큼 손실된 정전압 펄스신호가 흐르게 된다.When the constant voltage pulse signal generated by the
도 4a를 참조하면, 접촉자의 접촉저항에 따라 상기 위상판별기(1000)에서 발생된 정전압 펄스신호의 크기가 변하는 원리에 대해 간략하게 도시하고 있다.Referring to FIG. 4A, the principle of changing the magnitude of the constant voltage pulse signal generated by the
상기 전선라인에서 추출된 접촉자(100) 양단의 각각의 펄스신호는 필터(300)를 통과하여 양질의 신호로 정제된 후 차동증폭기(400)에서 펄스크기의 차를 증폭하여 출력하게 되며, 출력신호는 A/D 변환기(600)를 통해 디지털 값으로 변환한 후 마이크로 프로세서(700)에 입력되어 저항값을 연산하며, 메모리부(800)에 저장된 초기정보인 출하시의 접촉자의 저항값과 비교하여 현재의 저항값에 대한 위험도를 판단하여 편차 이상이면 결상가능성이 높다고 판단하여 알림부를 통해 사용자에게 알림기능을 제공하게 된다.
Each pulse signal at both ends of the
이상 본 발명의 상세한 설명에서는 도시된 도면을 참조하여 설명하였으나, 본 발명의 기술적 구성은 본 발명의 범위에서 벗어나지 않는 한도내에서 여러가지 변형이 가능함은 당해 분야에서 통상의 지식을 가진 자에게 있어서 자명하다 할 것이다.Although the detailed description of the present invention has been described with reference to the drawings, it is obvious to those skilled in the art that various modifications may be made without departing from the scope of the present invention. something to do.
100: 접촉자 200: 테스트정전압발생기
300: 필터 400: 차동증폭기
500: 버퍼 600: A/D 변환기
700: 마이크로프로세서 800: 메모리부
900: 알람부 1000: 통신부
1100: 위상판별기100: contactor 200: test constant voltage generator
300: filter 400: differential amplifier
500: Buffer 600: A / D Converter
700: microprocessor 800: memory
900: alarm unit 1000: communication unit
1100: phase discriminator
| Application Number | Priority Date | Filing Date | Title |
|---|---|---|---|
| KR1020110037101AKR101037767B1 (en) | 2011-04-21 | 2011-04-21 | Image forming prediction device using change of contact resistance of breaker contact point in live state |
| Application Number | Priority Date | Filing Date | Title |
|---|---|---|---|
| KR1020110037101AKR101037767B1 (en) | 2011-04-21 | 2011-04-21 | Image forming prediction device using change of contact resistance of breaker contact point in live state |
| Publication Number | Publication Date |
|---|---|
| KR101037767B1true KR101037767B1 (en) | 2011-05-27 |
| Application Number | Title | Priority Date | Filing Date |
|---|---|---|---|
| KR1020110037101AExpired - Fee RelatedKR101037767B1 (en) | 2011-04-21 | 2011-04-21 | Image forming prediction device using change of contact resistance of breaker contact point in live state |
| Country | Link |
|---|---|
| KR (1) | KR101037767B1 (en) |
| Publication number | Priority date | Publication date | Assignee | Title |
|---|---|---|---|---|
| KR101362934B1 (en) | 2012-05-07 | 2014-02-13 | 주식회사 원방하이테크 | Apparatus and methof for diagnosing performance characteristics of a circuit breaker in a state of live wire |
| KR101449964B1 (en)* | 2012-05-10 | 2014-10-13 | 오미크론 일렉트로닉스 게엠바하 | Measurement of a resistance of a switching contact of an electrical circuit breaker |
| CN113295991A (en)* | 2021-04-08 | 2021-08-24 | 国网浙江省电力有限公司台州供电公司 | Fault analysis method and device based on high-voltage circuit breaker control loop impedance |
| Publication number | Priority date | Publication date | Assignee | Title |
|---|---|---|---|---|
| JPH05180885A (en)* | 1992-01-06 | 1993-07-23 | Toyo Commun Equip Co Ltd | Insulation resistance measuring method and apparatus for one wire earthed three-phase three-wire cable way |
| KR20040001899A (en)* | 2002-06-29 | 2004-01-07 | 주식회사 하이닉스반도체 | Method for fabricating capacitor in semiconductor device |
| KR200401899Y1 (en) | 2005-09-06 | 2005-11-22 | 김보경 | On-Line Low-Voltage Cable Fault Locating System |
| Publication number | Priority date | Publication date | Assignee | Title |
|---|---|---|---|---|
| JPH05180885A (en)* | 1992-01-06 | 1993-07-23 | Toyo Commun Equip Co Ltd | Insulation resistance measuring method and apparatus for one wire earthed three-phase three-wire cable way |
| KR20040001899A (en)* | 2002-06-29 | 2004-01-07 | 주식회사 하이닉스반도체 | Method for fabricating capacitor in semiconductor device |
| KR200401899Y1 (en) | 2005-09-06 | 2005-11-22 | 김보경 | On-Line Low-Voltage Cable Fault Locating System |
| Publication number | Priority date | Publication date | Assignee | Title |
|---|---|---|---|---|
| KR101362934B1 (en) | 2012-05-07 | 2014-02-13 | 주식회사 원방하이테크 | Apparatus and methof for diagnosing performance characteristics of a circuit breaker in a state of live wire |
| KR101449964B1 (en)* | 2012-05-10 | 2014-10-13 | 오미크론 일렉트로닉스 게엠바하 | Measurement of a resistance of a switching contact of an electrical circuit breaker |
| CN113295991A (en)* | 2021-04-08 | 2021-08-24 | 国网浙江省电力有限公司台州供电公司 | Fault analysis method and device based on high-voltage circuit breaker control loop impedance |
| Publication | Publication Date | Title |
|---|---|---|
| CN113474991B (en) | Motor control device for controlling power supply to electric motor | |
| JP4316005B1 (en) | AC motor drive control device | |
| KR101818916B1 (en) | Fault diagnosis apparatus, system and method of permanent magnet motor | |
| KR101037767B1 (en) | Image forming prediction device using change of contact resistance of breaker contact point in live state | |
| CN106154076B (en) | For detecting the method and device of fault of converter | |
| US7420343B2 (en) | Current limiting DC motor starter circuit | |
| CN108281331B (en) | Three-phase undervoltage tripping device and molded case circuit breaker with same | |
| US9473062B2 (en) | Method for controlling a controlled switch operating the power supply of an electric motor | |
| EP2439546B1 (en) | A method of detecting an overcurrent in a triac | |
| KR100567815B1 (en) | Fault discrimination device of DC line | |
| KR20100072455A (en) | Method for determining by detecting inpulse originated from arc | |
| JP4716412B2 (en) | DC power supply overcurrent protection circuit | |
| JP2001268992A (en) | Variable speed control device | |
| RU2449445C1 (en) | Driving controller for alternating current motor | |
| RU2256272C1 (en) | Method for control of generator (modifications) | |
| Hirapara et al. | Fault Detection Indication & Protection of Induction Motor by Several Modified Techniques | |
| RU2632658C1 (en) | Device for protecting synchronous generator | |
| JPH0686449A (en) | Motor control device | |
| RU2257664C1 (en) | Method for controlling a generator with excitation system | |
| JP3746552B2 (en) | Abnormality confirmation method of instantaneous voltage drop countermeasure device | |
| JP5517865B2 (en) | Power plant generator voltage control system | |
| WO2006123962A1 (en) | Method for protecting a user of a three-phase alternating-current network against operating emergency conditions and device for carrying out said mehtod |
| Date | Code | Title | Description |
|---|---|---|---|
| A201 | Request for examination | ||
| A302 | Request for accelerated examination | ||
| PA0109 | Patent application | St.27 status event code:A-0-1-A10-A12-nap-PA0109 | |
| PA0201 | Request for examination | St.27 status event code:A-1-2-D10-D11-exm-PA0201 | |
| PA0302 | Request for accelerated examination | St.27 status event code:A-1-2-D10-D17-exm-PA0302 St.27 status event code:A-1-2-D10-D16-exm-PA0302 | |
| E701 | Decision to grant or registration of patent right | ||
| PE0701 | Decision of registration | St.27 status event code:A-1-2-D10-D22-exm-PE0701 | |
| GRNT | Written decision to grant | ||
| PR0701 | Registration of establishment | St.27 status event code:A-2-4-F10-F11-exm-PR0701 | |
| PR1002 | Payment of registration fee | St.27 status event code:A-2-2-U10-U11-oth-PR1002 Fee payment year number:1 | |
| PG1601 | Publication of registration | St.27 status event code:A-4-4-Q10-Q13-nap-PG1601 | |
| R18-X000 | Changes to party contact information recorded | St.27 status event code:A-5-5-R10-R18-oth-X000 | |
| FPAY | Annual fee payment | Payment date:20140522 Year of fee payment:4 | |
| PR1001 | Payment of annual fee | St.27 status event code:A-4-4-U10-U11-oth-PR1001 Fee payment year number:4 | |
| FPAY | Annual fee payment | Payment date:20150526 Year of fee payment:5 | |
| PR1001 | Payment of annual fee | St.27 status event code:A-4-4-U10-U11-oth-PR1001 Fee payment year number:5 | |
| PN2301 | Change of applicant | St.27 status event code:A-5-5-R10-R13-asn-PN2301 St.27 status event code:A-5-5-R10-R11-asn-PN2301 | |
| FPAY | Annual fee payment | Payment date:20160623 Year of fee payment:6 | |
| PR1001 | Payment of annual fee | St.27 status event code:A-4-4-U10-U11-oth-PR1001 Fee payment year number:6 | |
| P22-X000 | Classification modified | St.27 status event code:A-4-4-P10-P22-nap-X000 | |
| FPAY | Annual fee payment | Payment date:20170720 Year of fee payment:7 | |
| PR1001 | Payment of annual fee | St.27 status event code:A-4-4-U10-U11-oth-PR1001 Fee payment year number:7 | |
| LAPS | Lapse due to unpaid annual fee | ||
| PC1903 | Unpaid annual fee | St.27 status event code:A-4-4-U10-U13-oth-PC1903 Not in force date:20180524 Payment event data comment text:Termination Category : DEFAULT_OF_REGISTRATION_FEE | |
| PC1903 | Unpaid annual fee | St.27 status event code:N-4-6-H10-H13-oth-PC1903 Ip right cessation event data comment text:Termination Category : DEFAULT_OF_REGISTRATION_FEE Not in force date:20180524 | |
| R18-X000 | Changes to party contact information recorded | St.27 status event code:A-5-5-R10-R18-oth-X000 | |
| P22-X000 | Classification modified | St.27 status event code:A-4-4-P10-P22-nap-X000 | |
| R18-X000 | Changes to party contact information recorded | St.27 status event code:A-5-5-R10-R18-oth-X000 |