






도 1은 본 발명이 적용될 수 있는 시스템의 전체 구성도.1 is an overall configuration diagram of a system to which the present invention can be applied.
도 2는 이중 다이 NAND 플래시 메모리의 구성을 나타내는 블록도.Fig. 2 is a block diagram showing the configuration of a dual die NAND flash memory.
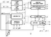
도 3은 4중 다이 NAND 플래시 메모리의 구성을 나타내는 블록도.Fig. 3 is a block diagram showing the configuration of a quad die NAND flash memory.
도 4는 본 발명이 적용된 플래시 메모리 카드의 구성을 나타내는 블록도.4 is a block diagram showing a configuration of a flash memory card to which the present invention is applied.
도 5는 본 발명에 사용되는 변환 회로의 일구현예를 보여주는 블록도.5 is a block diagram showing one embodiment of a conversion circuit used in the present invention.
도 6은 본 발명의 플래시 메모리 장치에서 제1 개별 메모리에 한도초과 오류 또는 치명적인 결함이 발생한 경우 도 5의 변환 회로의 동작을 나타내는 블록도.FIG. 6 is a block diagram illustrating an operation of the conversion circuit of FIG. 5 when a limit error or a fatal defect occurs in a first individual memory in the flash memory device of the present invention. FIG.
도 7은 본 발명의 플래시 메모리 장치에서 제2 개별 메모리에 한도초과 오류 또는 치명적인 결함이 발생한 경우 도 5의 변환 회로의 동작을 나타내는 블록도.FIG. 7 is a block diagram illustrating an operation of the conversion circuit of FIG. 5 when a limit error or a fatal defect occurs in a second individual memory in the flash memory device of the present invention. FIG.
본 발명은 플래시 메모리 장치에 관한 것으로서, 좀 더 구체적으로는 플래시 메모리를 구성하는 개별 플래시에 발생한 한도초과 오류를 극복할 수 있도록 플래 시 메모리를 재활용할 수 있는 플래시 메모리 장치에 관한 것이다.The present invention relates to a flash memory device, and more particularly, to a flash memory device capable of recycling the flash memory to overcome the limit exceeded error occurred in the individual flash constituting the flash memory.
다양한 휴대용 전자기기와 임베디드(embedded) 소자에서 요구하는 데이터 기억 용량이 증가하면서 플래시 메모리형 EEPROM (Electrically Erasable Programmable Read Only Memory)에 대한 수요가 늘고 있다. 플래시 메모리 특히 NAND형 플래시 메모리는 통신 기기(휴대폰이나 PDA), 디지털 카메라, 엠피3 플레이어, 전자책(e-Book) 등의 이동식 저장매체로 사용되는 CFC(Compact Flash Card), SMC(Smart Media Card), MMC(Multi Media Card), SDC(Security Digital Card), UFD(USB Flash Driver)의 핵심 부품이다. 또한, 플래시 메모리는 대용량 데이터 저장 장치 예컨대, 하드 디스크를 대체하는 역할도 하며, PCMCIA 플래시 카드나 MP3 플레이어, 디지털 음성 녹음기에 응용되거나 라우터에 사용되는 RISC CPU나 휴대폰에 사용되는 DSP와 같은 임베디드 프로세서(embedded processor)를 위한 프로그램 코드를 저장하는 기능을 하기도 한다.As the data storage capacity required by various portable electronics and embedded devices increases, the demand for flash memory type EEPROM (Electrically Erasable Programmable Read Only Memory) is increasing. Flash Memory In particular, NAND flash memory is a Compact Flash Card (CFC) or SMC (Smart Media Card) used as a mobile storage medium for communication devices (mobile phones or PDAs), digital cameras, MP3 players, and e-books. ), A core component of Multi Media Card (MMC), Security Digital Card (SDC), and USB Flash Driver (UFD). Flash memory also serves as a replacement for high-capacity data storage devices, such as hard disks, and embedded processors such as RISC CPUs used in PCMCIA flash cards, MP3 players, digital voice recorders, routers used in routers, or DSPs used in mobile phones. It also stores program code for embedded processors.
이처럼 여러 분야에 다양하게 사용되고 있는 핵심 전자부품의 하나인 플래시 메모리를 생산하는 기업들은 생산 공정에서 발생한 블록 오류 제품에 대해 전량 폐기하여 산업폐기물인 고철로 취급을 하고 있다. 뿐만 아니라 플래시 메모리를 이동식 저장매체로 생산하는 업체들도 생산 후 플래시의 오류 블록 문제로 발생한 불량 제품이나, 출하된 제품이 사용 중에 오류 블록이 발생한 제품을 모두 폐기 처분하는 것이 현실이다.The companies that produce flash memory, one of the key electronic components used in various fields, discard all the block error products generated in the production process and treat them as industrial waste scrap. In addition, companies that produce flash memory as a portable storage medium discard all defective products caused by flash error blocks or post-production products that have failed blocks.
한편 플래시 메모리는 MCU에 의해 동작이 제어되는데, 이러한 MCU를 제조하는 업체에서는 오류 블록 문제로 인한 불량 제품을 줄이기 위하여 ECC(Error Correcting Code)를 이용하여 비트 오류를 정정하거나 특수한 소프트웨어 기법을 이용하여 오류 블록을 최소화하고 있다. 플래시 메모리의 오류는 보통 하나의 페이지 또는 섹터에 한 두 개의 비트에 오류가 나타나는 비트 오류인데 그 이유는 메모리 셀의 플로팅 게이트(floating gate)를 둘러싸고 있는 산화막을 통해 셀의 전하가 누설(leakage)되기 때문이다. 비트 오류에는 2가지 유형이 있는데, 쓰기 오류(write failure)와 읽기 오류(read failure)가 그것이다. 쓰기 오류는 플래시 메모리의 메모리 블록에 있는 페이지 하나를 프로그램하거나 블록 하나를 소거한 후 그 결과가 잘못되는 것을 말하는데, 이것은 플래시 메모리의 기록 상태 비트를 확인함으로써 알아낼 수 있다. 읽기 오류는 쓰기 동작을 오류없이 수행한 후 기록된 데이터가 바뀌는 경우에 발생한다. 이러한 플래시 메모리의 비트 오류를 수정하기 위해 보통 해밍 코드(Hamming Code)를 사용하는데, 이것은 '2-비트 검출과 1-비트 수정'을 그 특징으로 한다. 즉, 종래 해밍 코드 ECC에서는 단일 비트 오류는 이것을 발견하고 수정까지 할 수 있으며, 2-비트 오류에 대해서는 이것을 검출만 할 수 있을 뿐 오류를 수정할 수는 없고, 2-비트 오류가 생긴 블록을 다른 블록으로 교체하는 것이 한계였다.On the other hand, flash memory is controlled by an MCU, and manufacturers of such MCUs correct bit errors using error correction codes (ECC) or use special software techniques to reduce defective products caused by error block problems. Minimizing blocks Flash memory errors are usually bit errors in which one or two bits appear on a page or sector because the charge on the cell leaks through the oxide film surrounding the floating gate of the memory cell. Because. There are two types of bit errors: write failures and read failures. A write error is a result of programming a page in a memory block of a flash memory or erasing a block and then the result is wrong, which can be determined by checking the write status bits of the flash memory. A read error occurs when the recorded data is changed after performing a write operation without error. To correct bit errors in such flash memory, Hamming Code is usually used, which is characterized by '2-bit detection and 1-bit correction'. That is, in the conventional Hamming code ECC, a single bit error can detect and even correct it. For a 2-bit error, it can only detect it, and cannot correct the error. It was the limit to replace.
이와 같이 종래 기술에서는 해결하지 못했던 한도초과 오류 블록이 발생한 플래시 메모리 제품은 오류를 수정할 방안이 없었기 때문에 모두 폐기 처분될 수 밖에 없었다. 이처럼 플래시 메모리를 구성하는 저장 단위 중 극히 일부분에서만 발생한 오류로 인하여 전체 플래시 메모리를 폐기하는 것은 엄청난 낭비일 뿐만 아니라, 플래시 메모리의 생산성을 떨어뜨리는 결과를 초래한다.As described above, all flash memory products that have exceeded the limit block that could not be solved in the prior art had to be discarded because there was no way to correct the error. As a result of errors occurring only in a small portion of the storage units constituting the flash memory, discarding the entire flash memory is not only a huge waste, but also results in a decrease in the productivity of the flash memory.
본 발명의 목적은 종래 한도초과 오류 블록이 발생한 플래시 메모리를 재활용하는 것이다.It is an object of the present invention to recycle a flash memory in which a prior limit error block has occurred.
본 발명의 다른 목적은 오류가 발생한 불량 플래시 메모리를 재활용함으로써 플래시 메모리의 생산성을 높이는 것이다.Another object of the present invention is to increase the productivity of the flash memory by recycling the failed bad flash memory.
본 발명에 따른 플래시 메모리 장치는 (A) 제1 개별 플래시와 제2 개별 플래시를 포함하는 플래시 메모리와, (B) 플래시 메모리의 동작을 제어하는 제어기와, (C) 플래시 메모리와 제어기 사이에 연결되어 플래시 메모리의 제1 개별 플래시와 제2 개별 플래시의 동작을 선택적으로 제어하는 변환 수단을 포함한다. 여기서, 변환 수단은 제어기에서 제1 개별 플래시로 공급되는 상태 신호 #R/B1과 칩 선택 신호 #CE1의 경로를 제어하며, 제어기에서 제2 개별 플래시로 공급되는 상태 신호 #R/B2와 칩 선택 신호 #CE2의 경로를 제어한다. 본 발명의 일실시예에 따르면, 변환 수단은, (a) 제어기에서 나온 #R/B1 입력 신호와 제1 개별 플래시와 연결되는 #R/B1 출력 신호 사이의 연결을 제어하는 제1 저항 소자와, (b) 제어기에서 나온 #CE1 입력 신호와 제1 개별 플래시와 연결되는 #CE1 출력 신호 사이의 연결을 제어하는 제5 저항 소자와, (c) #R/B1 입력 신호와 #R/B2 출력 신호 사이의 연결을 제어하는 제10 저항 소자와, (d) #CE1 입력 신호와 #CE2 출력 신호 사이의 연결을 제어하는 제7 저항 소자를 포함하며, 상기 #R/B1, #R/B2, #CE1, #CE2 출력 신호 각각과 Vcc 사이의 연결을 제어하는 제3, 4, 8, 9 저항 소자를 포함한다. 이 경우, 제 1 개별 플래시와 제2 개별 플래시가 모두 정상인 경우에는 제3, 4, 8, 9 저항 소자와 제10, 7 저항 소자는 오프 상태로 하고, 제1, 5 저항 소자는 온 상태로 하며, 제1 개별 플래시에는 한도초과 오류 블록이 발생하고 제2 개별 플래시는 정상인 경우에는, 상기 제4, 9 저항 소자와 제1, 5 저항 소자는 오프 상태로 하고, 제10, 7, 3, 8 저항 소자는 온 상태로 하고, 제1 개별 플래시는 정상이고 제2 개별 플래시에는 한도초과 오류 블록이 발생한 경우에는 제3, 8 저항 소자와 제10, 7 저항 소자는 오프 상태로 하고, 제4, 9, 1, 5 저항 소자는 온 상태로 한다.The flash memory device according to the present invention comprises (A) a flash memory including a first individual flash and a second individual flash, (B) a controller for controlling the operation of the flash memory, and (C) a connection between the flash memory and the controller. And converting means for selectively controlling the operation of the first individual flash and the second individual flash of the flash memory. Here, the conversion means controls the paths of the state signal # R / B1 and the chip select signal # CE1 supplied from the controller to the first individual flash, and the state signal # R / B2 and chip select supplied from the controller to the second individual flash. Controls the path of signal # CE2. According to one embodiment of the invention, the conversion means comprises: (a) a first resistor element for controlling the connection between the # R / B1 input signal from the controller and the # R / B1 output signal connected to the first individual flash; (b) a fifth resistor element controlling the connection between the # CE1 input signal from the controller and the # CE1 output signal connected to the first individual flash; and (c) the # R / B1 input signal and the # R / B2 output. A tenth resistive element controlling the connection between the signals, and (d) a seventh resistive element controlling the connection between the # CE1 input signal and the # CE2 output signal, wherein the # R / B1, # R / B2, And third, fourth, eighth and ninth resistive elements controlling the connection between # CE1 and # CE2 output signals and Vcc. In this case, when both the first and second individual flashes are normal, the third, fourth, eighth and ninth resistor elements and the tenth and seventh resistor elements are turned off, and the first and fifth resistor elements are turned on. When the limit error block occurs in the first individual flash and the second individual flash is normal, the fourth and ninth resistor elements and the first and fifth resistor elements are turned off, and the tenth, seventh, third, The eighth resistance element is turned on, and when the first individual flash is normal and the second individual flash has exceeded the limit error block, the third, eighth and tenth and seventh resistance elements are turned off, and the fourth , 9, 1, 5 resistance elements are turned on.
본 발명의 다른 실시예에 따른 플래시 메모리 장치에서 상기 변환 수단은 제어기에서 나온 #R/B2 입력 신호와 제2 개별 플래시와 연결되는 #R/B2 출력 신호 사이의 연결을 제어하는 제2 저항 소자와, 제어기에서 나온 #CE2 입력 신호와 제2 개별 플래시와 연결되는 #CE2 출력 신호 사이의 연결을 제어하는 제6 저항 소자를 더 포함한다. 이 실시예에서는 제1 개별 플래시와 제2 개별 플래시가 모두 정상인 경우에는 제3, 4, 8, 9 저항 소자와 제10, 7 저항 소자는 오프 상태로 하고, 제1, 5, 2, 6 저항 소자는 온 상태로 하며, 제1 개별 플래시에는 한도초과 오류 블록이 발생하고 제2 개별 플래시는 정상인 경우에는, 상기 제4, 9 저항 소자와 제1, 2, 5, 6 저항 소자는 오프 상태로 하고, 제10, 7, 3, 8 저항 소자는 온 상태로 하며, 제1 개별 플래시는 정상이고 제2 개별 플래시에는 한도초과 오류 블록이 발생한 경우에는 제3, 8 저항 소자와 제10, 2, 7, 6 저항 소자는 오프 상태로 하고, 제4, 9, 1, 5 저항 소자는 온 상태로 한다.In the flash memory device according to another embodiment of the present invention, the converting means comprises: a second resistor element for controlling the connection between the # R / B2 input signal from the controller and the # R / B2 output signal connected to the second individual flash; And a sixth resistive element controlling the connection between the # CE2 input signal from the controller and the # CE2 output signal connected to the second individual flash. In this embodiment, when both the first and second individual flashes are normal, the third, fourth, eighth and ninth resistor elements and the tenth and seventh resistor elements are turned off, and the first, fifth, second and sixth resistors are turned off. The device is in an on state, and when the over limit error block occurs in the first individual flash and the second individual flash is normal, the fourth and ninth resistor elements and the first, second, five, and sixth resistor elements are turned off. And the 10th, 7th, 3rd and 8th resistance elements are turned on, and when the first individual flash is normal and the second individual flash has exceeded the limit error block, the third, 8th resistance element and the 10, 2, The seventh and sixth resistance elements are turned off, and the fourth, ninth, first and fifth resistance elements are turned on.
이하 도면을 참조로 본 발명의 구현예에 대해 설명한다.Embodiments of the present invention will be described below with reference to the drawings.
구현예Embodiment
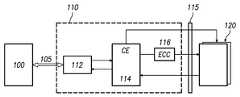
도 1은 본 발명이 적용될 수 있는 시스템의 전체 구성도이다.1 is an overall configuration diagram of a system to which the present invention can be applied.
플래시 메모리 동작 제어 장치(110)는 호스트 시스템(100)과 호스트 버스(105)를 통해 연결되고, 플래시 메모리(120)와 플래시 버스(115)를 통해 연결되어 데이터를 주고받는다.  제어 장치(110)는 제어기(112), 플래시 제어 블록(114), ECC 블록(116)을 포함한다.  제어기(112)는 SRAM (Static Random Access Memory), 데이터 버퍼, BiT/링크 버퍼, MMU (Memory Management Unit) 등을 포함한다.  본 발명에서 플래시 메모리(120)는 이중 다이 플래시(Dual Die Flash) 메모리 2개를 적층한 것으로 '4중 다이 플래시(Quad Die Flash)'라고 한다.  4중 다이 플래시 메모리는 이중 다이 플래시 메모리에서 전원과 일부 신호선을 공통을 묶고 칩 선택(CE) 신호와 상태 신호(R/B)를 각각의 이중 다이 플래시에서 하나씩 사용하도록 하며, 2개의 이중 다이 플래시를 하나의 반도체 패키지 소자로 만든 것이다.  이하에서는 4중 다이 플래시 메모리를 구성하는 이중 다이 플래시 메모리를 '개별 플래시'라고도 표현한다.The flash memory
플래시 제어 블록(114)은 플래시 메모리(120)에 칩 선택 신호(CE)와 제어 신호 및 I/O 신호를 공급하고, 플래시 메모리로부터 상태 신호(R/B; Ready/Busy)를 받는다.  I/O 신호로는 데이터, 어드레스, 명령 신호가 시차를 두고 플래시 메모리(120)에 공급될 수 있다.  한편, 본 명세서에서는 플래시 메모리 동작 제어 장치(110)와 플래시 메모리(120)를 합쳐 '플래시 메모리 장치'라고 표현한다.The
도 2는 이중 다이 NAND 플래시 메모리의 구성을 나타내는 블록도이다.2 is a block diagram showing the configuration of a dual die NAND flash memory.
이중 다이 NAND 플래시 메모리(12)는 플래시 어레이(20), 데이터 레지스터 및 S/A (Sense Amplifier) 블록(22), Y-게이팅 블록(24), X-버터/래치/디코더 블록(26), Y-버퍼/래치/디코더 블록(28), 명령 레지스터(30), 제어 로직 & H/V 발생기 블록(32), I/O 버터 & 래치 블록(34), 전역 버퍼(36, global buffer), 출력 드라이버(38)를 포함한다.  모든 어드레스 신호(A0-A11, A12-A30)와 명령 신호는 8개의 I/O 신호선(I/O 0 ··· I/O 7)을 통해 다중화(multiplex)된다.  I/O는 명령, 어드레스, 데이터를 디바이스에 보내고 읽기 동작에서 데이터를 받는 데에 사용된다.Dual die
도 2의 이중 다이 NAND 플래시 메모리(12)에서 제어 신호 #RE, #WE, #R/B1, #CE는 명령 레지스터(30)와 제어 논리 & H/V 발생기 블록(32)에 공통으로 입력된다.  제어 신호 중 #RE(Read Enable)는 I/O 라인에 대한 데이터 출력과 상태 신호 출력을 제어한다. 데이터 출력은 예컨대, #RE의 하강 모서리(falling edge)에서 시작된다.  #WE(Write Enable)는 쓰기 시퀀스 동안 I/O 라인 상의 데이터와 명령을 제어한다.  I/O 라인은 예컨대, #WE 신호의 상승 모서리(rising edge)에서 래치된다.  #R/B(Ready/Busy) 신호는 플래시 메모리에서 생성되며 플래시 메모리가 준비 상태(ready)인지 동작중(busy) 인지를 나타낸다.  #CE(Chip Enable) 입력은 장치의 액티브 상태 또는 대기 상태를 제어한다. 명령이 로딩되는 시퀀스와 어드레스가 로딩되는 시퀀스에서는 #CE가 #WE/의 하강 모서리 이전에 로(low) 레벨로 바뀌어야 한다.In the dual die
한편, 제어 신호 CLE, ALE, #WP는 제어 로직 & H/V 발생기 블록(32)에 입력된다.  CLE(Command Latch Enable)는 명령 레지스터(30)에 대한 쓰기를 제어한다.  CLE가 하이(high) 레벨인 경우, 명령은 #WE의 상승 모서리에서 로딩된다.  ALE(Address Latch Enable) 입력은 X-블록(26)과 Y-블록(28)에 있는 어드레스 레지스터에 대한 쓰기를 제어한다.  ALE가 하이 레벨일 때 해당 어드레스가 #WE의 상승 모서리에서 로딩된다.  ALE는 전체 어드레스 시퀀스 동안 하이 레벨을 유지하고 있어야 한다.   #WP(Write Protection)는 플래시 어레이(20)에 대한 프로그램 또는 소거 동작이 이루어지고 있는 동안의 보호를 제공한다.  #WP가 로 레벨일 때, 프로그램 동작이나 소거 동작은 방지된다.On the other hand, the control signals CLE, ALE, #WP are input to the control logic & H /
도 3은 본 발명이 적용되는 4중 다이 NAND 플래시 메모리(120)의 내부 구조를 나타내는 블록도이다.3 is a block diagram showing the internal structure of a quad-die
4중 다이 플래시 메모리(120)는 도 2를 참조로 설명한 개별 플래시(12) 2개(12a, 12b)가 병렬로 배치되어 있다.  2개의 개별 플래시(12a, 12b) 각각의 내부 회로 구성에 대해서는 도 2와 동일한 도면 부호를 사용하고 왼쪽에 배치된 제1 개별 플래시(12a)의 내부 회로에는 도면 부호 뒤에 'a'를 병기하고 오른쪽에 배치된 제2 개별 플래시(12b)의 내부 회로에는 도면 부호 뒤에 'b'를 병기하여 각각의 개별 플래시를 구분하였다.In the quad-
도 3을 참조하면, 4중 다이 NAND 플래시 메모리(120)는 2개의 개별 플래시 즉, 2개의 이중 다이 NAND 플래시 메모리(12a, 12b)에 대해 I/O와 전원 신호 및 일부 제어 신호(#WE, #RE, CLE, ALE, #WP)를 공유한다.  제어 신호 중 칩 선택 신 호(CE)와 대기/동작 구분 신호(R/B)는 제1 개별 플래시(12a)와 제2 개별 플래시(12b) 각각에 구분하여 공급한다.  본 발명의 일실시예에 따르면, 4중 다이 NAND 플래시 메모리(120)는 4개의 전원 핀과 8개의 데이터 I/O 핀 및 9개의 제어 신호 핀을 갖는 패키지로 구현되는데, 이 21개의 핀 중 4개의 전원 핀, 8개의 데이터 I/O 핀, 5개의 제어 신호 핀(#WE, #RE, CLE, ALE, #WP)은 2개의 개별 플래시(12a, 12b)에 공통으로 연결되고, 2개의 제어 신호 핀(#CE1, #R/B1)은 제1 개별 플래시(12a)에만 연결되고, 2개의 제어 신호 핀(#CE2, #R/B2)은 제2 개별 플래시(12b)에만 연결된다.  제어 신호 #CE1, #R/B1은 제1 개별 플래시(12a)의 플래시 어레이(20a)에 대한 읽기/프로그램 동작을 제어하고, 제어 신호 #CE2, #R/B2는 제2 개별 플래시(12b)의 플래시 어레이(20b)에 대한 읽기/프로그램 동작을 제어한다.Referring to FIG. 3, the quad die
이처럼 본 발명에서는 2개의 플래시 메모리 어레이에 대한 읽기/프로그램 동작을 별개로 제어할 수 있기 때문에, 만약 어느 하나의 플래시 메모리에서 한도초과 오류 블록이 발생한 경우 이를 다른 플래시 메모리의 블록으로 대체할 수 있다. 이를 도 4의 플래시 메모리 카드를 예로 들어 설명한다.As described above, since the read / program operations of the two flash memory arrays can be controlled separately, if an error limit block occurs in one flash memory, it can be replaced with a block of another flash memory. This will be described taking the flash memory card of FIG. 4 as an example.
도 4는 본 발명이 적용된 플래시 메모리 카드의 내부 구성을 나타내는 블록도이다.4 is a block diagram showing an internal configuration of a flash memory card to which the present invention is applied.
도 4를 참조하면, 플래시 메모리 카드(200)는 플래시 메모리(120), 변환 회로(150), 중앙제어기(160, MCU: Main Control Unit), 전원 조절기(170)를 포함한다.  플래시 메모리 카드(200)는 호스트(예컨대, 도 1의 '100')와 인터페이스를 통해 신호를 주고 받으며, 전력 신호(Vcc와 Vss)를 받아 전원 조절기(170)에서 예컨 대, 5V 전압을 3.3V로 전압으로 변환하고 변환된 전원 신호가 플래시 메모리(120)와 중앙제어기(160)에 공급된다.Referring to FIG. 4, the
플래시 메모리(120)는 보통 복수의 메모리 블록으로 구성되어 있고, 하나의 메모리 블록은 복수의 페이지로 구성되며, 하나의 페이지는 복수의 섹터로 구성되어 있다.  각각의 섹터는 사용자 데이터와 이에 각각 대응되는 ECC 데이터로 구성된다.  페이지와 섹터는 용량이 같을 수도 있으나, 플래시 메모리(120)의 용량이 1G 이상일 때에는 페이지가 섹터보다 더 크다.  중앙제어기(160)는 호스트 인터페이스를 통해 들어오는 호스트의 요청에 따라 플래시 메모리(120)에 대한 프로그램 또는 쓰기 동작과 소거 동작 및 읽기 동작을 제어하는데, 프로그램이나 쓰기 동작은 플래시 메모리(120)의 페이지 단위로 이루어지고, 소거 동작은 블록 단위로 이루어진다.  한편, 호스트(100)에서 플래시 메모리 카드(200)로 데이터를 가져오는 단위는 섹터(또는 페이지) 단위로 이루어진다.  즉, 호스트(100)는 중앙제어기(160)를 통해 플래시 메모리(120)와 섹터 단위의 데이터를 주고받는다.
앞에서 도 3을 참조로 설명한 것처럼, 플래시 메모리(120)는 2개의 개별 플래시(12a, 12b)를 포함하고 있으며, I/O 신호와 일부 제어 신호(#WE, #RE, #WP, CLE, ALE) 및 전원 신호는 개별 플래시(12a, 12b)에 공통으로 공급되고, #CE1, #CE2, #R/B1, #R/B2 신호는 개별 플래시(12a 또는 12b)에 각각 공급된다.  개별 플래시(12a, 12b)에 제어 신호 #CE1, #CE2, #R/B1, #R/B2를 각각 공급하기 위해서는, 첫째, 개별 플래시(12a, 12b)의 어느 메모리 블록에 한도초과 오류가 발생하였는지를 파악해야 하고, 둘째, 한도초과 오류가 발생한 메모리 블록을 대체할 대체 메모 리 블록을 통한 동작이 일어나도록 변환 회로(150)를 통해 제어 신호 #CE1, #CE2, #R/B1, #R/B2를 해당 개별 플래시(12a 또는 12b)에 공급해야 한다.As described above with reference to FIG. 3, the
2개의 개별 플래시(12a, 12b) 중 어느 메모리의 블록에 한도초과 오류가 발생하였는지를 판단하기 위해서는 일반적인 플래시 메모리 검사 장치를 이용하거나, 플래시 제어기 제조 기업에서 제공하는 펌웨어(firmware)를 이용할 수 있다.To determine which memory block of the two
도 4에서는 플래시 메모리 카드(200)를 예로 들어 본 발명을 설명하였지만, 본 발명이 이러한 플래시 메모리 카드에만 적용되는 것이 아니라, 앞에서 예로 든 CFC, SMC, MMC, SDC, UFD 및 플래시 메모리를 사용하는 통신기기 등에 모두 적용될 수 있다는 점은 본 발명이 속하는 기술 분야에서 통상의 지식을 가진 자라면 쉽게 이해할 것이다.In FIG. 4, the present invention has been described using the
도 5는 본 발명에 사용되는 변환 회로(도 4의 '150')의 일구현예를 보여주는 블록도이다.FIG. 5 is a block diagram showing an embodiment of a conversion circuit ('150' of FIG. 4) used in the present invention.
도 5에 나타낸 변환 회로(150a)는 모두 10개의 저항 소자(R1∼R10)을 포함한다.  제1 저항 소자(R1)는 한쪽이 #R/B1 입력 신호와 연결되어 있고 다른쪽은 #R/B1 출력 신호와 연결되어 있다.  도 4를 참조로 한 앞의 설명을 통해 알 수 있는 바와 같이, #R/B1 입력 신호는 중앙제어기(160)에서 출력되어 변환 회로(150)로 입력되는 신호를 말하고, #R/B2 출력 신호는 변환 회로(150)에서 출력되어 플래시 메모리(120)로 입력되는 신호를 말한다.  제2 저항 소자(R2)는 #R/B2의 입력과 출력 사이에 연결되어 있다.  제3 저항 소자(R3)는 Vcc 전원과 #R/B1 출력 사이에 연결되고, 제4 저항 소자(R4)는 Vcc 전원과 #R/B1 출력 사이에 연결되어 있다.  제5  저항 소자(R5)와 제6 저항 소자(R6)는 각각 #CE1, #CE2 각각의 입력과 출력 사이에 연결되어 있다.  제7 저항 소자(R7)는 #CE1 입력과 #CE2 출력 사이에 연결되고, 제8 저항 소자(R8)는 Vcc 전원과 #CE1 출력 사이에 연결되며, 제9 저항 소자(R9)는 Vcc 전원과 #CE2 출력 사이에 연결되고, 제10 저항 소자(R10)는 #R/B1 입력과 #R/B2 출력 사이에 연결되어 있다.The
도 5의 변환 회로(150a)에서 R3, R4, R8, R9는 풀업(pull-up) 저항 소자로서 이 소자의 한쪽과 연결된 노드에 항상 Vcc 신호를 공급하는 역할을 하고, R1, R2, R5, R6, R7은 스위칭 저항 소자로서 플래시 메모리(120)와 중앙 제어기(160) 사이의 신호를 연결하기도 하고 차단하기도 하여 신호 경로를 선택할 수 있도록 하는 소자이다.In the
도 5에 나타낸 저항 소자(R1∼R10)는 저항값이 '0' 또는 '무한대' 중 하나로 선택되는 일반적인 스위칭 소자로 구현될 수도 있고, DIP(Dual Inline Package) 스위치이거나 퓨즈(fuse)로 구현될 수도 있다.  한편, 저항 소자를 EEPROM 소자로 구현하여 입력 신호와 출력 신호의 연결을 임의로 프로그램할 수 있도록 하는 것도 가능하다.  그리고, 도 5에서는 모두 10개의 저항 소자를 이용하여 변환 회로(150)를 구성한 예를 나타내었지만, 도 5에서 #R/B2 입력과 #R/B2 출력 사이에 연결되어 있는 저항 소자 R2와 #CE2 입력과 #CE2 출력 사이에 연결되어 있는 저항 소자 R6은 생략할 수 있다.  이 경우, #R/B2 입력과 #R/B2 출력을 차단하고자 할 경우 저항 소자 R4를 통해 #R/B2 출력을 Vcc로 묶고, #R/B2 입력과 #R/B2 출력을 연결하고자 할 경우에는 저항 소자 R4를 오프(off) 상태로 만들면 된다.  마찬가지로, #CE2 입 력과 #CE2 출력을 차단할 필요가 있을 때에는 저항 소자 R9를 통해 #CE2 출력을 Vcc에 연결되도록 하고, #CE2 입력과 #CE2 출력을 연결하고자 할 때에는 저항 소자 R9를 오프 상태로 만들어 #CE2 입력이 #CE2 출력과 곧바로 연결되도록 한다.The resistive elements R1 to R10 shown in FIG. 5 may be implemented as a general switching element in which the resistance value is selected from '0' or 'infinity', and may be implemented as a dual inline package (DIP) switch or a fuse. It may be. On the other hand, it is also possible to implement a resistor device as an EEPROM device to arbitrarily program the connection of the input signal and the output signal. In addition, although FIG. 5 illustrates an example in which the
도 5의 변환 회로(150)는 저항 소자(R1∼R10)의 온/오프를 제어함으로써 플래시 메모리(120)에 포함되어 있는 2개의 개별 플래시(12a, 12b) 중 어느 하나에 한도초과 오류 블록이 발생하였을 경우에만 사용될 수 있는 것이 아니라, 2개의 개별 플래시(12a, 12b)가 모두 정상인 경우에도 플래시 메모리(120)가 제대로 작동할 수 있도록 한다.  즉, 도 5의 변환 회로(150)는 플래시 메모리(120)가 정상일 때와 일부 불량일 때 모두 적용가능하다.  플래시 메모리(120)에 포함되어 있는 2개의 개별 플래시(12a, 12b)가 모두 정상일 때에는 저항 소자 R3, R4, R7, R8, R9, R10을 오프 상태로 만들고, 저항 소자 R1, R2, R5, R6을 온 상태로 만든다.The
앞에서 예로 든 4중 다이 NAND 플래시 메모리(120)에 포함된 2개의 개별 플래시(12a, 12b) 중 어느 하나에 한도초과 오류 블록이 포함되어 있거나 치명적인 결함이 발생한 경우 도 5의 변환 회로(150a)를 통해 한도초과 오류 블록 또는 치명적 결함이 없는 다른 개별 메모리로 대체하는 경우는 2가지이다.If either of the two
먼저 도 6을 참조로 제1 개별 메모리(12a)에 한도초과 오류 또는 치명적 결함이 발생한 경우를 설명한다.First, a case in which an over limit error or a fatal defect occurs in the first
저항 소자 R1과 R5를 오프 상태로 만들어 #R/B1 입력과 #R/B1 출력 및 #CE1 입력과 #CE1 출력 사이의 연결을 차단한다. 이들 사이의 연결 차단을 확실하게 보장하기 위하여 저항 소자 R3을 온 상태로 만들어 #R/B1 출력을 Vcc에 연결하고, 저 항 소자 R8을 온 상태로 만들어 #CE1 출력을 Vcc에 연결한다. 그리고 저항 소자 R2를 오프 상태로 하여 #R/B2 입력과 #R/B2 출력 사이의 연결을 차단하고, 저항 소자 R6을 오프로 만들어 #CE2 입력과 #CE2 출력 사이의 연결도 차단한다.The resistors R1 and R5 are turned off, breaking the connections between the # R / B1 input and # R / B1 output and the # CE1 input and # CE1 output. To ensure a disconnect between them, turn resistor element R3 on to connect # R / B1 outputs to Vcc, and turn resistor element R8 on to connect # CE1 outputs to Vcc. The resistance element R2 is turned off to break the connection between the # R / B2 input and the # R / B2 output, and the resistance element R6 is turned off to also disconnect the connection between the # CE2 input and the # CE2 output.
저항 소자 R10을 온 상태로 만들어 #R/B1 입력과 #R/B2 출력이 연결되도록 하고 #R/B2 출력과 Vcc 사이에 연결된 저항 소자 R4는 오프 상태로 만든다. 그리고, 저항 소자 R7을 온 상태로 하여 #CE1 입력과 #CE2 출력이 연결되도록 하고, #CE2와 Vcc 사이에 연결되어 있는 저항 소자 R9는 오프 상태로 만든다.Turn on resistor R10 to make the # R / B1 input and # R / B2 output connected, and turn off resistor R4 connected between # R / B2 output and Vcc. The resistor R7 is turned on to connect the # CE1 input and the # CE2 output, and the resistor R9 connected between the # CE2 and the Vcc is turned off.
이렇게 하면, 제1 개별 플래시(12a)의 동작은 방지되고, 제2 개별 플래시(12b)는 #R/B1 입력, 저항 소자 R10을 통해 #R/B2에 필요한 신호를 공급받고, #CE1 입력, 저항 소자 R7을 통해 #CE2에 필요한 신호를 공급받아 동작을 한다.  도 6에서 #R/B2 출력 신호와 #CE2 출력 신호가 #R/B1 입력과 #CE1 입력에 연결되도록 한 이유는 플래시 메모리의 제어기는 첫 번째 플래시 메모리에 대한 R/B 신호와 CE 신호를 먼저 인식해야만 하기 때문이다.In this way, the operation of the first
다음으로 도 7을 참조로 제2 개별 플래시(12b)에 한도초과 오류 또는 치명적 결함이 발생한 경우를 설명한다.Next, with reference to FIG. 7, a case in which an over limit error or a fatal defect occurs in the second
풀업 소자 중 R3, R8 저항 소자를 오프(off)시키고, 스위치 소자 중 R2, R6, R7, R10 저항 소자를 오프시킨다.  한편, 저항 소자 R4, R9는 온 상태로 만든다.  그러면, #R/B2 출력은 풀업 소자 R4에 의해 Vcc에 연결되어 항상 하이 레벨의 신호가 공급되고, #CE2 출력은 풀업 소자 R9에 의해 Vcc에 연결되어 항상 하이 레벨의 신호가 공급된다.  그리고, #R/B1 입력과 #R/B2 출력 사이에 연결된 저항 소자 R10 과, #CE1 입력과 #CE2 출력 사이에 연결되어 있는 저항 소자 R7을 오프 상태로 만든다.  따라서, 제2 개별 플래시(12b)는 I/O 신호와 다른 제어 신호(#WE, #RE, #WP, CLE, ALE)를 공급받더라도 읽기 동작이나 프로그램/쓰기 동작, 소거 동작을 할 수 없다.The resistors R3 and R8 of the pull-up element are turned off and the resistors R2, R6, R7 and R10 of the switch element are turned off. On the other hand, the resistance elements R4 and R9 are turned on. The # R / B2 output is then connected to Vcc by a pullup element R4 so that a high level signal is always supplied, and the # CE2 output is connected to Vcc by a pullup element R9 so that a high level signal is always supplied. Then, the resistance element R10 connected between the # R / B1 input and the # R / B2 output and the resistance element R7 connected between the # CE1 input and the # CE2 output are turned off. Therefore, even if the second
위에서 열거한 것을 제외한 나머지 저항 소자 R1, R5를 온상태로 만들면, #R/B1 입력은 #R/B1 출력과 연결되고, #CE1 입력은 #CE1 출력과 연결되어 제1 개별 플래시(12a)가 동작한다.When the remaining resistor elements R1 and R5 except those listed above are turned on, the # R / B1 input is connected to the # R / B1 output and the # CE1 input is connected to the # CE1 output so that the first
지금까지 도면을 참조로 본 발명의 구체적인 실시예에 대해 설명하였는데, 이러한 설명은 본 발명이 속하는 기술 분야에서 통상의 지식을 가진 자가 본 발명을 쉽게 이해하고 재현할 수 있도록 하기 위한 것이며, 발명의 범위를 제한하려는 것이 아니다. 따라서, 도면에 나타낸 실시예는 본 발명의 범위를 벗어나지 않으면서도 얼마든지 수정하고 변형할 수 있으며, 이러한 수정과 변형들은 모두 특허청구범위에 기재된 사항에 의하여 정해지는 발명의 범위에 포함된다.Exemplary embodiments of the present invention have been described with reference to the drawings, which are provided to enable those skilled in the art to easily understand and reproduce the present invention. It is not intended to limit. Accordingly, the embodiments shown in the drawings may be modified and modified as many without departing from the scope of the invention, all such modifications and variations are included in the scope of the invention as defined by the claims.
본 발명에 따르면, 플래시 메모리를 구성하는 개별 플래시 중 어느 하나에 한도초과 오류가 발생하거나 치명적인 결함이 발생한 경우에도 플래시 메모리 전체를 폐기할 필요없이 불량이 발생하지 않은 개별 플래시를 통해 플래시 메모리를 재활용할 수 있고, 따라서 종래 플래시 메모리의 폐기 처분으로 인한 비용 낭비를 방지할 수 있으며 플래시 메모리의 생산성을 높일 수 있다.According to the present invention, even when a limit error or a fatal defect occurs in any of the individual flash units constituting the flash memory, the flash memory can be recycled through the individual flash units that do not fail without having to discard the entire flash memory. Therefore, it is possible to prevent cost waste due to the disposal of the conventional flash memory and to increase the productivity of the flash memory.
또한, 본 발명에 따르면, 하나의 변환 회로에서 저항 소자 또는 스위칭 소자의 조작만으로 개별 플래시에 불량이 발생하지 않은 경우는 물론 개별 플래시 중 어느 하나에 불량이 발생한 경우 모두에 대처할 수 있으므로, 불량 플래시를 재활용하는 데에 드는 비용과 수고를 줄일 수 있다.In addition, according to the present invention, since only one operation of a resistance element or a switching element in one conversion circuit can deal with not only a failure of an individual flash but also one of the individual flashes, a defective flash can be dealt with. It can reduce the cost and effort of recycling.
| Application Number | Priority Date | Filing Date | Title | 
|---|---|---|---|
| KR1020060077112AKR100801179B1 (en) | 2006-08-16 | 2006-08-16 | Flash memory device that can recycle bad flash memory | 
| Application Number | Priority Date | Filing Date | Title | 
|---|---|---|---|
| KR1020060077112AKR100801179B1 (en) | 2006-08-16 | 2006-08-16 | Flash memory device that can recycle bad flash memory | 
| Publication Number | Publication Date | 
|---|---|
| KR100801179B1true KR100801179B1 (en) | 2008-02-05 | 
| Application Number | Title | Priority Date | Filing Date | 
|---|---|---|---|
| KR1020060077112AActiveKR100801179B1 (en) | 2006-08-16 | 2006-08-16 | Flash memory device that can recycle bad flash memory | 
| Country | Link | 
|---|---|
| KR (1) | KR100801179B1 (en) | 
| Publication number | Priority date | Publication date | Assignee | Title | 
|---|---|---|---|---|
| KR101069654B1 (en)* | 2009-02-24 | 2011-10-04 | 주식회사 하이닉스반도체 | Solid State Storage System For Controlling Bad Chip and Method thereof | 
| Publication number | Priority date | Publication date | Assignee | Title | 
|---|---|---|---|---|
| JPH11176178A (en) | 1997-12-15 | 1999-07-02 | Sony Corp | Nonvolatile semiconductor memory device and IC memory card using the same | 
| KR20000026300A (en)* | 1998-10-20 | 2000-05-15 | 윤덕용 | Data storing device using flash memory | 
| JP2004213574A (en) | 2002-11-15 | 2004-07-29 | Sony Corp | Data storage | 
| Publication number | Priority date | Publication date | Assignee | Title | 
|---|---|---|---|---|
| JPH11176178A (en) | 1997-12-15 | 1999-07-02 | Sony Corp | Nonvolatile semiconductor memory device and IC memory card using the same | 
| KR20000026300A (en)* | 1998-10-20 | 2000-05-15 | 윤덕용 | Data storing device using flash memory | 
| JP2004213574A (en) | 2002-11-15 | 2004-07-29 | Sony Corp | Data storage | 
| Publication number | Priority date | Publication date | Assignee | Title | 
|---|---|---|---|---|
| KR101069654B1 (en)* | 2009-02-24 | 2011-10-04 | 주식회사 하이닉스반도체 | Solid State Storage System For Controlling Bad Chip and Method thereof | 
| Publication | Publication Date | Title | 
|---|---|---|
| JP3875621B2 (en) | Nonvolatile semiconductor memory device | |
| US6608784B2 (en) | Non-volatile semiconductor memory device | |
| US7296128B2 (en) | Nonvolatile memory with error correction for page copy operation and method thereof | |
| US7952958B2 (en) | Non-volatile semiconductor storage system | |
| KR101271912B1 (en) | Use of emerging non-volatile memory elements with flash memory | |
| US9570183B1 (en) | Method and controller for managing memory device | |
| US7486559B2 (en) | Non-volatile semiconductor memory device | |
| US20080266956A1 (en) | Flash memory device and method of controlling flash memory device | |
| US9141476B2 (en) | Method of storing system data, and memory controller and memory storage apparatus using the same | |
| CN103119569A (en) | Stripe-based non-volatile multilevel memory operation | |
| TW201415462A (en) | Semiconductor memory device | |
| CN104798136A (en) | Array of memory cells with reserved sectors for storing configuration information | |
| US11789813B2 (en) | Memory device crossed matrix parity | |
| JP2005056394A (en) | Storage device and memory card | |
| US7894262B2 (en) | Nonvolatile semiconductor storage device having guaranteed and backup blocks | |
| US9396804B1 (en) | Memory programming method, memory control circuit unit and memory storage apparatus | |
| US11868210B2 (en) | Memory device crossed matrix parity | |
| US9177672B2 (en) | Methods of operating memory involving identifiers indicating repair of a memory cell | |
| KR100801179B1 (en) | Flash memory device that can recycle bad flash memory | |
| US20220262440A1 (en) | Nonvolatile semiconductor memory device and operating method thereof | |
| JP4637526B2 (en) | Memory card and nonvolatile storage device | |
| US9142300B2 (en) | Memory system including nonvolatile memory | |
| US8924671B2 (en) | Semiconductor storage device and control method thereof | |
| JP2006024342A (en) | Nonvolatile semiconductor memory device, writing method of nonvolatile semiconductor memory device, memory card, and IC card | |
| KR19990065224A (en) | Flash memory device detects program pass / fail internally | 
| Date | Code | Title | Description | 
|---|---|---|---|
| A201 | Request for examination | ||
| PA0109 | Patent application | Patent event code:PA01091R01D Comment text:Patent Application Patent event date:20060816 | |
| PA0201 | Request for examination | ||
| E902 | Notification of reason for refusal | ||
| PE0902 | Notice of grounds for rejection | Comment text:Notification of reason for refusal Patent event date:20070725 Patent event code:PE09021S01D | |
| E701 | Decision to grant or registration of patent right | ||
| PE0701 | Decision of registration | Patent event code:PE07011S01D Comment text:Decision to Grant Registration Patent event date:20071231 | |
| GRNT | Written decision to grant | ||
| PR0701 | Registration of establishment | Comment text:Registration of Establishment Patent event date:20080129 Patent event code:PR07011E01D | |
| PR1002 | Payment of registration fee | Payment date:20080129 End annual number:3 Start annual number:1 | |
| PG1601 | Publication of registration | ||
| PR1001 | Payment of annual fee | Payment date:20101227 Start annual number:4 End annual number:4 | |
| PR1001 | Payment of annual fee | Payment date:20120119 Start annual number:5 End annual number:5 | |
| FPAY | Annual fee payment | Payment date:20130110 Year of fee payment:6 | |
| PR1001 | Payment of annual fee | Payment date:20130110 Start annual number:6 End annual number:6 | |
| FPAY | Annual fee payment | Payment date:20140102 Year of fee payment:7 | |
| PR1001 | Payment of annual fee | Payment date:20140102 Start annual number:7 End annual number:7 | |
| FPAY | Annual fee payment | Payment date:20141209 Year of fee payment:8 | |
| PR1001 | Payment of annual fee | Payment date:20141209 Start annual number:8 End annual number:8 | |
| FPAY | Annual fee payment | Payment date:20170113 Year of fee payment:10 | |
| PR1001 | Payment of annual fee | Payment date:20170113 Start annual number:10 End annual number:10 | |
| FPAY | Annual fee payment | Payment date:20180129 Year of fee payment:11 | |
| PR1001 | Payment of annual fee | Payment date:20180129 Start annual number:11 End annual number:11 | |
| FPAY | Annual fee payment | Payment date:20181212 Year of fee payment:12 | |
| PR1001 | Payment of annual fee | Payment date:20181212 Start annual number:12 End annual number:12 | |
| PR1001 | Payment of annual fee | Payment date:20210112 Start annual number:14 End annual number:14 | |
| PR1001 | Payment of annual fee | Payment date:20211227 Start annual number:15 End annual number:15 | |
| PR1001 | Payment of annual fee | Payment date:20230116 Start annual number:16 End annual number:16 | |
| PR1001 | Payment of annual fee | Payment date:20231227 Start annual number:17 End annual number:17 | |
| PR1001 | Payment of annual fee | Payment date:20250124 Start annual number:18 End annual number:18 |