














본 발명은 국립 보건원이 수상한 R43DK55958(허가/계약번호)에 의한 정부지원으로 이루어진 것이다. 정부는 본 발명에 일정 권리를 갖고 있다.The present invention consists of government support under R43DK55958 (permission / contract number) awarded by the National Institutes of Health. The government has certain rights in the invention.
본 발명은 용액내의 글루코스 분자농도를 측정하기 위한 바이오센서에 관한 것으로, 구체적으로는 고정된 글루코스 결합분자(GBM; glucose binding molecules), 고정된 하전 펜던트기 및 고정된 육당류를 갖는 글루코스 민감성 하이드로겔과 압력변환기를 이용하는 이식형 글루코스 모니터링 장치에 관한 것이고, 이 장치는 이식되었을 때 혈액 등의 생리용액의 혈당치 증가에 비례적으로 반응한다.The present invention relates to a biosensor for measuring glucose molecule concentration in a solution, and specifically, a glucose sensitive hydrogel having a fixed glucose binding molecule (GBM), a fixed charged pendant group, and a fixed hexasaccharide. The present invention relates to an implantable glucose monitoring device using an overpressure transducer, which proportionally responds to an increase in blood glucose levels of a physiological solution such as blood when implanted.
당뇨병은 미국에서 널리 퍼진 병중의 하나이다. 1995년에 당뇨병으로 고생하는 환자들은 미진단자들을 포함해 미국에서 약 1600만명에 이르렀다. 매년 650,000만명의 새로운 증세들이 발생된다고 추측된다. 미국 국립 보건통계센터에 의하면 1993년 미국에서의 사망률로 기록된 병들중 당뇨병이 7위를 차지했다. 당뇨병에는 크게 두가지 타입이 있는데, 타입Ⅰ 당뇨병은 미국에서 당뇨병의 10%를 차지하고, 타입Ⅱ는 90%를 차지한다. 타입Ⅰ당뇨병은 췌장 베타세포의 파괴로 인한 인슐린 부족에 기인하고 생명유지를 위해서는 매일매일의 인슐린 치료를 필요로 한다. 타입 Ⅱ 당뇨병은 내인성, 외인성 인슐린 모두에 대한 반응성 저하를 초래하는 표적장기 인슐린 저항성에 기인하고, 대개 다이어트나 운동으로 관리되지만, 인슐린이나 기타 투약에 의한 치료도 필요하다. 타입Ⅱ 당뇨병으로 진단된 대부분의 사람들은 40대 이상이다.Diabetes is one of the prevalent diseases in the United States. In 1995, about 16 million patients suffered from diabetes, including undiagnosed patients. It is estimated that 650,000 new symptoms occur every year. According to the National Center for Health Statistics, diabetes ranked seventh among illnesses recorded in 1993 in the United States. There are two main types of diabetes: Type I diabetes accounts for 10% of diabetes in the United States, and Type II diabetes in 90%. Type I diabetes is due to insulin deficiency due to the destruction of pancreatic beta cells and requires daily insulin treatment to maintain life. Type II diabetes is due to target long-term insulin resistance resulting in decreased reactivity to both endogenous and exogenous insulin and is usually administered by diet or exercise, but treatment with insulin or other medications is also required. Most people diagnosed with type II diabetes are over 40 years old.
당뇨병은 혈당치를 정밀하게 조절하는 신체의 기능을 저하시키는데, 혈당치는 신체의 가장 중요하고도 1차적인 연료이다. 인슐린은 많은 탄수화물을 소비했어도 정상인들의 극히 좁은 생리학적 한계내에서 글루코스 농도를 유지하는데 필요한 중요한 호르몬이다. 췌장의 베타세포에서 인슐린을 분비할 뿐 아니라, 혈당농도에 의해 인슐린의 농도가 신속히 조절된다. 인슐린으로 인해 글루코스가 표적세포에 보내지고, 표적세포에는 글루코스 섭취 수용체가 들어있다. 혈당치가 높은 고혈당을 갖는 당뇨병환자들은 인슐린 결핍증이나 인슐린에 대한 반응도 저하를 경험한다. 고혈당은 다른 생리학적 과정에도 약영향을 미친다. 예컨대, 고혈당으로 인해 수분부족과 탈수증을 겪는다. 수분부족이 심각하면 혈압이 떨어지고 이로인해 뇌손상을 가져올 수 있다. National Diabetes Data Group, National Institutes of Health, National Institute of Diabetes, Digestive and Kidney Diseases에서 "Diabetes In America" 2nd edition, NIH Publication No. pp.95-1468,(1995)을 통해 설명한 바와 같이, 당뇨병 환자들은 흔히 고혈당으로 인한 실명, 심장발작, 뇌졸증, 치주질환, 신경병, 신장질환, 죽상경화증을 야기하는 다른 생리학적 과정의 변화를 경험한다. 조직손상이 너무 심각하면 환자를 구하기 위해 조직을 절단해야 할 수도 있다. 또, 다이어트로 인한 저혈당 당뇨병의 위험이 항상 있는데, 이 경우 혈당치를 정상으로 되돌리려면 인슐린 주사가 필요하다. 당뇨환자는 그 위험을 경고받지도 못한채 저혈당 발작을 일으킬 수 있다. 저혈당을 방지하려면 인슐린 주사와 글루코스 소비 사이에 균형을 유지할 필요가 있다. 그러나, 적절한 치료를 하면 그 상태가 심각하지는 않다.Diabetes decreases the body's ability to precisely control blood sugar levels, which are the most important and primary fuel of the body. Insulin is an important hormone needed to maintain glucose levels within the extremely narrow physiological limits of normal people, even though they have consumed a lot of carbohydrates. In addition to secreting insulin from the beta cells of the pancreas, the concentration of insulin is rapidly regulated by blood glucose levels. Insulin causes glucose to be sent to target cells, which contain glucose uptake receptors. Diabetic patients with high blood sugar and high blood sugar experience insulin deficiency or decreased responsiveness to insulin. Hyperglycemia can also affect other physiological processes. For example, hyperglycemia causes lack of water and dehydration. Severe dehydration can cause blood pressure to drop, which can lead to brain damage. "Diabetes In America" 2nd edition, NIH Publication No., National Diabetes Data Group, National Institutes of Health, National Institute of Diabetes, Digestive and Kidney Diseases. As described in pp. 95-1468, (1995), diabetics often experience changes in other physiological processes that cause blindness, heart attacks, strokes, periodontal disease, neuropathy, kidney disease, and atherosclerosis due to hyperglycemia. do. If the tissue damage is too severe, it may be necessary to cut the tissue to save the patient. In addition, there is always a risk of low blood sugar diabetes due to diet, which requires insulin injections to return blood sugar levels to normal. Diabetics can develop hypoglycemia without being warned of the risk. To prevent hypoglycemia, there is a balance between insulin injections and glucose consumption. However, with proper treatment, the condition is not serious.
당뇨환자를 치료할 때, 혈당치를 정상적인 생리 범위(80-120 mg/dL) 내에서 정밀하게 조절하여 당뇨병의 악영향을 피할 수 있도록 하는 것이 목표이다. 혈액 방울을 이용한 건식 화학띠에 의한 혈당치의 자가감시는 당뇨병 관리에 있어 큰 이점이 있다고 여겨진다. 혈당치를 감시하는 이런 시험관 방법에는 두가지 단점이 있다. 첫째, 혈액 채취는 감염의 위험과, 신경과 조직의 손상 및 환자에게 불편함을 야기한다. 둘째, 24시간 주기에 걸쳐 정상범위에 가깝게 혈당치를 정밀하게 조절할만큼 혈액채취 빈도가 충분히 크지 않기 때문에 자가감시에는 실제 제한이 있다. 따라서, 당뇨병 치료에 대한 보조요법으로서, 생체내의 혈당치를 지속적으로 감시하는 것이 당뇨병에 대한 도전에 있어 미래의 주요한 목적으로 인식되어 왔다.When treating diabetic patients, the goal is to precisely control blood glucose levels within the normal physiological range (80-120 mg / dL) to avoid the adverse effects of diabetes. Self-monitoring of blood glucose levels by dry chemical bands using blood droplets is considered to be of great benefit in the management of diabetes. This in vitro method of monitoring blood glucose levels has two drawbacks. First, blood collection causes the risk of infection, nerve and tissue damage, and discomfort for the patient. Second, self-monitoring has practical limitations because the frequency of blood collection is not large enough to precisely control blood glucose levels over a 24-hour period. Thus, as an adjuvant therapy for the treatment of diabetes, continuous monitoring of blood glucose levels in vivo has been recognized as a major future goal in the challenge for diabetes.
과거 십년간, 당뇨병 치료에 대한 보조요법으로서 글루코스를 감시하는 바이오센서의 개발에 많은 노력이 집중되었다. 글루코스에 특정되고 생체내의 글루코스 값을 정확히 측정하기에 충분히 민감한 이식형 글루코스 바이오센서를 개발하면 당뇨병 치료에 획기적인 발전이 있을 것이다. 혈당치를 정밀하게 조절할 수 있으면, 당뇨병에 의한 합병증을 예방하는데 도움이 될 것이다. 이런 센서라면 혈당치 데이터 수집, 당혈증 연구 및 당뇨병 환자의 혈당치에 반응하는 인슐린 전달시스템의 개발을 크게 촉진할 수 있을 것이다.In the past decade, much effort has been focused on the development of biosensors that monitor glucose as an adjunct to diabetes treatment. Developing an implantable glucose biosensor that is specific to glucose and sensitive enough to accurately measure glucose values in vivo will be a breakthrough in the treatment of diabetes. Being able to precisely control your blood sugar levels will help prevent complications caused by diabetes. Such sensors could greatly facilitate the collection of blood glucose data, studies of blood glucose, and the development of insulin delivery systems that respond to blood glucose levels in diabetics.
글루코스 인식용 글루코스 산화효소(GOD; glucose oxidase)와 같은 효소를 이용해 그리고 전기화학적 원리에 기초한 임상실습에서 글루코스 분석을 위한 여러가지 새로운 이식기술이 개발되었다. 전기화학적 변환기를 기초로 한 이식형 글루코스 바이오센서가 가장 많이 개발되었고, 이런 종류의 센서는 다시 전위차계 센서, 전도도 측정센서 및 전류계 센서로 세분된다. GOD 반응에서 글루콘산 생성으로 인한 국지적 pH 변동은 pH-선택 전극이나 이온선택 필드효과 트랜지스터(ISFET)로 측정할 수 있고, 이들은 전위차계 방법의 기본이다. 마찬가지로, 전도도 측정법에서는, GOD 반응의 진행으로 인한 전기저항의 변화를 측정한다. 현재, 전위차계법이나 전도도 측정법 어떤 것도 생체내 글루코스 모니터링에는 적절하지 않아 보이는데, 그 이유는 ⒜ 생리학적 환경에서 글루코스 이외의 다른 종들에 의한 간섭과, ⒝ 글루코스 농도에 대한 낮은 민감도와 신호의 지수함수적 종속때문이다. 글루코스 농도에 대해서는 신호의 선형 종속이 아주 바람직한데, 이는 이식된 글루코스 센서의 시간에 따른 반복된 재교정의 필요성 때문이다. 그러나, 마이크로프로세서를 이용하면 비선형 교정곡선도 잘 다룰 수 있다.Several new transplantation techniques have been developed for the analysis of glucose using enzymes such as glucose oxidase (GOD) for glucose recognition, and in clinical practice based on electrochemical principles. Implantable glucose biosensors based on electrochemical transducers are the most developed, and these types of sensors are further subdivided into potentiometer sensors, conductivity sensors and ammeter sensors. Local pH fluctuations due to gluconic acid production in GOD reactions can be measured with pH-selective electrodes or ion-selective field effect transistors (ISFETs), which are the basis of potentiometer methods. Similarly, in the conductivity measurement method, the change in electrical resistance due to the progress of the GOD reaction is measured. Currently, neither potentiometer nor conductivity measurement seems appropriate for in vivo glucose monitoring, because of the interference by other species other than glucose in the physiological environment, the low sensitivity to the glucose concentration, and the exponential function of the signal. Because of dependency. For glucose concentrations, linear dependence of the signal is highly desirable because of the need for repeated recalibration over time of the implanted glucose sensor. However, microprocessors can also handle nonlinear calibration curves.
생체내 모니터링용으로 가장 발전된 글루코스 센서는 전류측정기술을 이용한 전기화학적 센서인데, 이들 센서는 선형 교정곡선을 제공할 가능성이 있기 때문이다. 전류측정법에서는, 전극표면에 대한 하이드로겐 퍼옥사이드(H2O2)의 확산이동에 비례하거나, 전극 표면에 대한 산소(O2)의 확산이동에 비례하는 전류를 생성하는 전극을 이용한다. 고정된 GOD를 함유한 격막으로 이 전극을 둘러싼다. GOD에 의해 촉 진되는 글루코스 반응으로 하이드로겐 퍼옥사이드가 생성되고 산소가 소비된다. 주변 글루코스 농도의 증가로 인해 격막으로 글루코스 확산이동이 증가하고 격막내의 반응량이 증가한다. 이어서, 반응량의 증가로 인해 국지적인 하이드로겐 퍼옥사이드 농도가 증가하고 격막내의 국지적인 산소 농도가 감소한다. 이로 인해, 하이드로겐 퍼옥사이드를 기초로 전극센서에 의해 검출된 전류가 증가하거나, 산소를 기초로 전극센서에 의해 검출된 전류가 감소한다. 산소이동 검출을 기초로한 후자의 방식 역시 GOD 효소 없이 하이드로겔내에 위치한 두번째 산소-기반 전극센서를 필요로 한다. 이 두번째 전극은 기준전극으로 사용된다.The most advanced glucose sensors for in vivo monitoring are electrochemical sensors using amperometric techniques, because they are likely to provide linear calibration curves. In the amperometric method, an electrode is used which generates a current which is proportional to the diffusion movement of hydrogen peroxide (H2 O2 ) to the electrode surface or in proportion to the diffusion movement of oxygen (O2 ) to the electrode surface. The electrode is surrounded by a septum containing a fixed GOD. GOD-promoted glucose reactions produce hydrogen peroxide and consume oxygen. Increasing the peripheral glucose concentration increases glucose diffusion into the septum and increases the amount of reaction in the septum. Increasing the amount of reaction then increases the local hydrogen peroxide concentration and decreases the local oxygen concentration in the diaphragm. This increases the current detected by the electrode sensor based on the hydrogen peroxide, or decreases the current detected by the electrode sensor based on oxygen. The latter approach, based on oxygen transport detection, also requires a second oxygen-based electrode sensor located in the hydrogel without the GOD enzyme. This second electrode is used as the reference electrode.
전류측정센서는 생체내 감시에 상업적으로 사용될 수 있기 전에 먼저 여러 장애를 극복해야만 한다. 전류 글루코스 센서 설계에 있어 이들 어려운 문제점들은 가까운 시일내에 해결될 것 같지 않다. 첫번째 장애는 전기화학적 간섭에서 생긴다. 이 물질(하이드로겐 퍼옥사이드 또는 산소)은 현재 전극에서 전류를 생성하는 유일한 종류임에 틀림없다. 따라서, 산소-기반 및 하이드로겐 퍼옥사이드-기반 글루코스 모두를 위해, 이 물질에는 투과성이면서 내인성 간섭물질에는 불투과성인 내부격막을 사용해야만 한다. 이것은 혈액의 심한 "오염" 특성으로 인해 달성하기 어려운 과제이다. 둘째, 하이드로겐 퍼옥사이드-기반 센서용으로, GOD를 함유하는 격막에 글루코스와 산소를 확산시키기 위한 질량전달계수는 흡착층 때문에 시간에 따라 변화되지 않아야 한다. 세째, 두가지 전류측정센서 모두를 위해, GOD는 시간이 지나도 비활성화되지 않아야 한다. 하이드로겐 퍼옥사이드계 센서의 임상연구에 의하면, 이식기간이 경과할수록 민감도 저하가 관찰되었고, 단백질에 의해 센서 표 면이 막히는 설명할 수 없는 현상이 관찰되었다. 민감도 저하에 대한 한가지 가능한 설명은 하이드로겐 퍼옥사이드에 의한 GOD의 비활성화이다. 산소계 센서에 대해서는, GOD와 같이 카탈라제를 공동으로 고정하여 이 문제를 피할 수 있는데, 이는 카탈라제가 하이드로겐 퍼옥사이드를 소비하기 때문이다. 네째, 글루코스에 대한 산소부족로 인해 글루코스 값을 측정하는 바이오센서의 성능에 제한이 올 수 있다. 이 문제를 "산소결핍"이라 한다.Amperometric sensors must overcome several obstacles before they can be used commercially for in vivo monitoring. These difficult problems in current glucose sensor design are unlikely to be solved in the near future. The first disorder arises from electrochemical interference. This material (hydrogen peroxide or oxygen) must be the only kind of current that produces current at the electrode. Thus, for both oxygen-based and hydrogen peroxide-based glucose, an internal septum must be used that is permeable to this material and impermeable to endogenous interferences. This is a difficult task to achieve due to the severe "pollution" nature of the blood. Second, for hydrogen peroxide-based sensors, the mass transfer coefficient for diffusing glucose and oxygen in the GOD-containing diaphragm should not change over time due to the adsorption layer. Third, for both current measuring sensors, the GOD should not be deactivated over time. In clinical studies of hydrogen peroxide-based sensors, sensitivity declines were observed as the implantation period elapsed, and an unexplained phenomenon was observed in which the surface of the sensor was blocked by protein. One possible explanation for the decrease in sensitivity is the inactivation of GOD by hydrogen peroxide. For oxygen-based sensors, this problem can be avoided by co-fixing catalase, such as GOD, because catalase consumes hydrogen peroxide. Fourth, the lack of oxygen to glucose may limit the ability of the biosensor to measure glucose values. This problem is called "oxygen deficiency."
이상 설명한 바이오센서 이외에도, 높은 혈당치에 반응하여 당뇨환자의 혈관에 직접 인슐린을 주입하기 위한 여러가지 글루코스 주사기구가 개발되었다. 한가지 방법은 생리용액 조건(pH2-pH10)에서 변하는 화학적으로 고정된 펜던트 기, 글루코스, 갈락토스 및 하이드로겔내의 만노스 같은 화학적으로 고정된 육당류, 및 글루코키나제, GOD, 자일로스 이소메라제, 붕산, 또는 하이드로겔내의 이소렉틴Ⅰ이나 콘카나발린 A(Con A)와 같은 고정된 글루코스 결합분자(GBM; glucose binding molecule)를 하이드로겔에 사용하는 것이다. 하이드로겔은 후술하는 바와 같이 글루코스 바이오센서에 이용되는 동일한 물리현상을 이용한 글루코스 농도 증가로 팽창한다. 인슐린 전달장치내에서의 팽창량은 하이드로겔 격막을 통한 인슐린 투과성을 조절하는데 이용되었다. 기본적으로 동일한 하이드로겔 팽창현상을 이용하여, 간단히 설명한 바와 같이, 제안된 바이오센서는 하이드로겔 가교결합밀도의 변화로부터 글루코스 농도변화를 유도하고, 팽창성과 캡슐에 가해지는 압력을 유발한다. 하이드로겔 가교결합밀도의 감소와 하이드로겔의 팽창성 증가는, 글루코스에 대해 친화력이 높은 폴리머 백본내의 고정된 GBM에 대한 자유글루코스와 고정된 육당류 사이의 경쟁적 결합의 결과로 글루코스 농도에 비례한다.In addition to the biosensors described above, various glucose syringes have been developed for injecting insulin directly into blood vessels of diabetic patients in response to high blood glucose levels. One method involves chemically immobilized pendant groups that vary in physiological solution conditions (pH2-pH10), chemically immobilized hexasaccharides such as mannose in glucose, galactose and hydrogels, and glucokinase, GOD, xylose isomerase, boric acid, Alternatively, a fixed glucose binding molecule (GBM) such as isolectin I or concanavalin A (Con A) in the hydrogel is used for the hydrogel. The hydrogel expands with increasing glucose concentration using the same physical phenomenon used in the glucose biosensor as described below. The amount of expansion in the insulin delivery device was used to control insulin permeability through the hydrogel diaphragm. Using briefly the same hydrogel expansion phenomena, as described briefly, the proposed biosensor induces glucose concentration changes from changes in hydrogel crosslink density, and induces expansion and pressure on the capsule. The decrease in hydrogel crosslink density and the increase in hydrogel expandability are proportional to the glucose concentration as a result of the competitive binding between free glucose and immobilized hexasaccharides to immobilized GBM in the polymer backbone with high affinity for glucose.
종래의 기술은 글루코스 농도측정법으로서 글루코스로 인한 하이드로겔 팽창을 이용하지 못했다. 종래기술은 특히 혈당치의 증가에 반응하여 하이드로겔 팽창을 측정하기 위해 압력변환기를 이용하거나, 전술한 종래기술의 전기화학적 방식에서 부딪치는 문제점을 해결하는 측정공구를 제공하는 압력변환기의 이용에 대해서는 제시하지 못했다. 본 발명은 종래의 바이오센서들의 문제점들, 예를 들면 간섭, 효소열화, 산소결핍 등의 문제를 피하고, 아래 설명되는 것과 같은 관련 장점을 더 제공한다.Prior art has not used hydrogel expansion due to glucose as a glucose concentration assay. The prior art specifically addresses the use of pressure transducers to measure hydrogel expansion in response to an increase in blood glucose levels, or the use of pressure transducers that provide a measuring tool that solves the problems encountered in the electrochemical methods of the prior art described above. I couldn't. The present invention avoids the problems of conventional biosensors, such as interference, enzyme degradation, oxygen deficiency, etc., and further provides related advantages as described below.
본 발명은 후술하는 여러 목적들을 달성하는 구조와 용도에 있어서 확실한 장점들을 제시한다.The present invention presents certain advantages in structure and use to achieve the various objects described below.
본 발명은 용액내의 글루코스 농도를 측정하기 위한 바이오센서를 제공한다. 바이오센서는 단단하고 생체적합한 캡슐내에 하이드로겔을 구비한다. 하이드로겔은 a-D-만노피라노사이드와 같은 고정된 육당류나 다당류 및 콘카나발린 A(Con A)와 같은 고정된 GBM을 포함하고, 이들은 모두 자유글루코스와 고정된 육당류(또는 펜던트 글루코스)에 대해 친화력이 아주 높다. GBM 및 육당류 또는 다당류는 물리적으로나 화학적으로 하이드로겔의 백본에 고정된다. 하이드로겔은 Con A와 고정된 글루코스나 육당류 또는 다당류 사이의 긴밀한 결합으로 인해 자유글루코스가 없을 때 수축된다. 그러나, 하이드로겔은 Con A와 같은 고정된 GBM에 대한 고정된 육당류 또는 다당류와 함께 자유글루코스의 경쟁적 결합으로 인한 자유글루코스의 농도에 비례하여 팽창한다. 자유글루코스가 GBM에 결합되면, 하이드로겔 가교결합밀도가 감소되어, 캡슐내의 팽창 하이드로겔로 인해 압력과 팽창성이 증가한다.
육당류는 글리시딜 아크릴레이트, 글리시딜 부틸 에테르, 글리시딜 신나메이트 또는 글리코실옥시에틸 메타크릴레이트와 같은 글리시딜 메타크릴레이트 등의 헥소스 부분들을 함유하는 모노머를 포함할 수 있다.다당류는 글리코겐, 전분, 셀룰로즈, 니제란 (nigeran), 파라밀론(paramylon).루테오제(luteose), 뮤신, 당단백질 등을 함유하는 거대분자일 수 있다.GBM은 GOD, 헥소키나제, 글루코시데이스, 자일로스 이소메라제, 글루코스포스포릴라제(글루코스키나제), 및 락트산 탈수소 효소와 같은 기타 글루코스 결합 단백질, 붕산, 또는 콘카나발린 A와 이소렉틴 I와 같은 렉틴 중의 하나일 수 있다.GBM 분자들은 유전변형 단백질을 포함하고, 이 단백질은 글루코스 부분에 대한 결합부만을 가지고 어떤 효소 활동도 갖지 않을 수 있다.상기 하이드로겔은 생리적 pH 조건하에서 하전되는 화학적으로 고정된 펜던트 기(pKa 3-11)를 추가로 포함할 수 있고, 하전된 펜던트 기의 밀도는 자유 글루코스 밀도 변화에 응답하여 하이드로겔의 팽창량을 최적화하도록 선택될 수 있다.The present invention provides a biosensor for measuring glucose concentration in solution. Biosensors include hydrogels in hard, biocompatible capsules. Hydrogels include immobilized saccharides such as aD-mannopyranosides or immobilized GBMs such as polysaccharides and concanavalin A (Con A), both of which are free glucose and immobilized saccharides (or pendant glucose). Affinity is very high. GBM and hexasaccharides or polysaccharides are physically or chemically immobilized to the backbone of the hydrogel. The hydrogel shrinks in the absence of free glucose due to the tight coupling between Con A and immobilized glucose, hexasaccharides or polysaccharides. However, the hydrogel expands in proportion to the concentration of free glucose due to competitive binding of free glucose with immobilized saccharides or polysaccharides to immobilized GBM such as Con A. When free glucose binds to GBM, the hydrogel crosslink density decreases, increasing pressure and expandability due to the expanded hydrogel in the capsule.
 Hexsaccharides may include monomers containing hexose moieties such as glycidyl acrylate, glycidyl butyl ether, glycidyl cinnamate or glycidyl methacrylate, such as glycosyloxyethyl methacrylate. Polysaccharides can be macromolecules containing glycogen, starch, cellulose, nigeran, paramylon, luteose, mucin, glycoproteins, etc. GBM is GOD, hexokinase, glucose Other glucose binding proteins, such as seadas, xylose isomerase, glucophosphorylase (glucokinase), and lactic acid dehydrogenase, boric acid, or lectins such as concanavalin A and isolectin I. GBM molecules contain genetically modified proteins, which may have only binding to the glucose moiety and no enzymatic activity. It may further comprise a chemically fixed pendant group (pKa 3-11) that is charged at dry, and the density of the charged pendant group may be selected to optimize the amount of expansion of the hydrogel in response to a change in free glucose density. .
측정수단, 바람직하게는 압력변환기로 압력변화를 측정하면, 종래의 바이오센서에서 발견되었던 간섭문제 없이 자유글루코스의 농도를 바이오센서가 정확히 측정할 수 있다. GBM에 대한 자유글루코스의 결합에 산소가 불필요하기 때문에, 제안된 바이오센서라면 종래의 산소결핍문제 없이 자유글루코스를 측정할 수 있다. 또, 제안된 바이오센서가 하이드로겐 퍼옥사이드를 생성하지 않기때문에, 종래의 바이오센서에서 생기는 하이드로겐 퍼옥사이드로 인한 효소열화 문제를 피할 수 있다. 글루코스의 농도를 알려주는 수단, 바람직하게는 배터리 작동식 원격측정기는 측정수단에 기능적으로 연결되고, 알람시스템과 함께 컴퓨터에 기능적으로 연결된 수신기에 무선 데이터신호를 전송한다.By measuring the pressure change with a measuring means, preferably a pressure transducer, the biosensor can accurately measure the concentration of free glucose without interference problems found in conventional biosensors. Since oxygen is not required for binding of free glucose to GBM, the proposed biosensor can measure free glucose without the problem of conventional oxygen deficiency. In addition, since the proposed biosensor does not produce hydrogen peroxide, the problem of enzymatic degradation due to the hydrogen peroxide generated in the conventional biosensor can be avoided. The means for indicating the concentration of glucose, preferably a battery operated telemeter, is functionally connected to the measuring means and transmits a wireless data signal to a receiver functionally connected to the computer together with the alarm system.
본 발명의 주목적은 종래에 없던 장점을 갖는 바이오센서를 제공하는데 있다.SUMMARY OF THE INVENTION The main object of the present invention is to provide a biosensor having advantages not available in the prior art.
다른 목적은 글루코스의 농도에 극히 민감하면서도 인간혈액과 같은 복잡한 매질에서 동작할 때에도 간섭이 없는 바이오센서를 제공하는데 있다.Another object is to provide a biosensor that is extremely sensitive to the concentration of glucose and is free of interference even when operating in complex media such as human blood.
또다른 목적은 전극으로 측정된 간접 파라미터들보다는, 자유글루코스의 변화를 직접 측정하는 바이오센서를 제공하는데 있다. 이것은 이식형 바이오센서에서 특히 중요한데, 이는 본 발명이 전위 간섭원에서 자유로움은 물론 기본적으로 GOD 반응에 필요한 산소의 필요성을 감소시켰기 때문이다.Another object is to provide a biosensor that directly measures the change in free glucose, rather than indirect parameters measured by the electrode. This is particularly important in implantable biosensors because the present invention frees potential sources of interference as well as essentially reducing the need for oxygen for the GOD reaction.
이하, 첨부 도면들을 참조하여 본 발명에 대해 자세히 설명하면 다음과 같 다.Hereinafter, the present invention will be described in detail with reference to the accompanying drawings.
도 1은 경쟁적 결합 및 팽창 메커니즘의 일례를 나타낸 도면;1 illustrates an example of a competitive coupling and expansion mechanism;
도 2는 글루코스-함유 공중합체의 일례를 나타낸 도면;2 shows an example of a glucose-containing copolymer;
도 3은 당뇨환자의 피하에 이식될 수 있는 바이오센서를 보여주는, 본 발명의 바람직한 실시예의 부분단면도;3 is a partial cross-sectional view of a preferred embodiment of the present invention, showing a biosensor that can be implanted subcutaneously in a diabetic patient;
도 4는 컴퓨터에 전기연결된 바이오센서를 보여주는, 다른 실시예의 부분단면도;4 is a partial cross-sectional view of another embodiment, showing a biosensor electrically connected to a computer;
도 5는 하이드로겔에 글루코스가 팽창하여 하이드로겔을 팽창시키고 압력변환기가 신호를 원격측정기를 통해 컴퓨터에 전달하는 것을 보여주는 바람직한 일실시예의 부분단면도;5 is a partial cross-sectional view of one preferred embodiment showing that glucose expands on the hydrogel to expand the hydrogel and the pressure transducer delivers the signal to the computer via a telemeter;
도 6은 압력변환기의 측단면도;6 is a side cross-sectional view of the pressure transducer;
도 7은 다이오드 쿼드 브리지회로의 일부인 소형 다이오드를 갖는 바람직한 회로기판을 포함한 압력변환기의 단면도;7 is a cross-sectional view of a pressure transducer including a preferred circuit board having a small diode that is part of a diode quad bridge circuit;
도 8은 바람직한 다이오드 쿼드 브리지회로를 보여주는 회로도;8 is a circuit diagram showing a preferred diode quad bridge circuit;
도 9는 다이얼링의 무선 작동과 연계되는 자동 알람시스템의 블록도;9 is a block diagram of an automatic alarm system associated with wireless operation of dialing;
도 10은 자동 알람시스템의 여러 부위에 대한 전원의 개략도;10 is a schematic diagram of a power source for various parts of an automatic alarm system;
도 11은 신호조절회로의 개략도;11 is a schematic diagram of a signal control circuit;
도 12는 비교회로의 개략도;12 is a schematic diagram of a comparison circuit;
도 13은 송신기와 수신기의 개략도;13 is a schematic diagram of a transmitter and a receiver;
도 14는 다이얼링 메커니즘의 개략도;14 is a schematic diagram of a dialing mechanism;
도 15는 알람시스템에 응답하여 주사하기 위한 주사장치와 결합되어 사용되는 자동 알람시스템의 블록도.15 is a block diagram of an automatic alarm system used in conjunction with an injection device for scanning in response to an alarm system.
본 발명의 각종 소자들에 참고번호를 부여하여 당업자라면 본 발명을 제조 및 이용할 수 있도록 한 도면들을 참고하여 본 발명에 대해 설명한다. 이하의 설명은 단지 본 발명의 원리를 예로 든 것일 뿐 첨부된 특허청구범위를 한정하는 것은 아님을 알아야 한다.Reference to the various elements of the present invention will be described with reference to the drawings that enable those skilled in the art to manufacture and use the present invention. It is to be understood that the following description is merely illustrative of the principles of the invention and is not intended to limit the appended claims.
본 발명을 예시한 도면에서, 용액내의 글루코스의 농도를 측정하기 위한 바이오센서(10)가 도시되어 있다. 이 바이오센서(10)는 자유글루코스의 농도에 비례하여 팽창하는 특별한 폴리머 하이드로겔(30)을 이용한다. Con A나 기타 GBM은 하이드로겔(30)내에서 고정되고, 자유글루코스는 글루코스와 같은 고정된 육당류를 Con A에 경쟁적으로 결합하여, 하이드로겔 가교결합을 축소시키고, 이로 인해 하이드로겔(30)이 팽창하여 캡슐내의 하이드로겔의 압력이 증가한다. 바이오센서(10)는 하이드로겔(30)의 압력측정수단(40), 및 하이드로겔(30)의 측정 압력에 따라 혈당치를 보고하는 수단(60)을 구비한다. 바람직한 실시예에서, 바이오센서(10)는 개방단부(22)를 덮는 반투과막(26), 반투과막(26)과 폐쇄단부(24) 사이의 유연막(28) 및 이들로 둘러싸인 폴리머 하이드로겔(30)을 구비한 단단한 생체적합 캡슐(20)을 포함하고, 하이드로겔(30)에 확산되는 자유글루코스에 비례하여 하이드로겔(30)을 팽창시키는 부분이 하이드로겔에 함유되어 있다.In the diagram illustrating the invention, a
캡슐(20)은 인체에 직접 이식되어 혈당치를 모니터하도록 고안되어 있다. 본 실시예에서, 바이오센서(10)는 하이드로겔(30)에 고정된 Con A를 이용한다. 하이드로겔(30)의 압력측정수단(40)은 유연막(28)에 기능적으로 연결된 압력변환기가 바람직하다. 혈당치 보고수단(60)은 배터리(64)로 작동하는 원격측정기가 바람직하고 컴퓨터(62)에 기능적으로 부착된 수신기로 무선 데이터신호를 전송한다. 다른 형태의 바이오센서(10)도 당업자라면 쉽게 적용할 수 있을 것이다. 바이오센서(10)는 GOD, 글루코키나아제, 자일로스 이소메라제, 붕산, 이소렉틴Ⅰ과 같은 글루코스에 대한 친화도가 특히 높은 적절한 GBM으로 Con A를 대체하여 자유글루코스를 측정할 수 있다. 원격측정기(60)를 사용하지 않고, 바이오센서(10)가 인체내에 최소한도로 이식되었을 때는 컴퓨터(62)에 직접 연결할 수도 있다.
압력변환기(40)가 하이드로겔(30)의 압력변화를 측정하는데 현재 가장 바람직한 도구이지만, 당업자라면 하이드로겔(30)의 압력변화를 측정 및 보고하는 다른 수단들을 고안할 수 있을 것이다. 다른 방법으로는 압력변환기(40) 대신에 압전저항 센서를 이용하는 방법이 있다.Although the
캡슐, 반투과막, 유연막Capsule, semi-permeable membrane, flexible membrane
도 3에 도시된 바와 같이, 바이오센서(10)는 캡슐(20), 바람직하게는 개방단부와 폐쇄단부를 갖는 원통형 캡슐(20)을 갖는다. 개방단부는 반투과막(26)으로 밀폐된다. 반투과막(26)과 폐쇄단부 사이에는 유연막(28)이 배치된다. 이하 설명되는 하이드로겔(30)은 반투과막(26)과 유연막(28) 사이에 밀봉된다. 캡슐(20)은 스테인리스 스틸처럼 단단하고 불투과성이며 생체적합 물질로 구성되는 것이 바람직하고,  혈액응고를 방지하도록 헤파린과 결합되며, 캡슐(20)에 대한 인체 면역반응을 낮추도록 폴리에틸렌 글리콜(PEG; polyethylene glycol)과 결합되는 것이 바람직하다. 캡슐(20)에 얇은 폴리머와 같은 생체적합물질을 코팅하는 것이 바람직하다. 캡슐(20)의 형상은 이식을 용이하게 하기 위해 길이 5-12㎜, 직경 0.1-3㎜의 원통형이 좋다. 캡슐(20)은 이식되지 않을 경우, 섬유, 플라스틱, 금속 등 단단하고 불투과성인 어떤 재료도 사용할 수 있다.As shown in FIG. 3, the
반투과막(26)은 글루코스와 글루콘산은 통과시키되, 혈액 응고물, 세포, 단백질, 렉틴, 하이드로겔(30)은 통과시키지 않는다.반투과막의 구멍 크기는 0.1-15mm가 바람직하다. 반투과막(26)은 팽창된 글루코스 민감 하이드로겔(30)의 압력을 버틸 정도의 재료로 구성되는 것이 좋다. 인체내에 바이오센서(10)를 이식할 경우, 반투과막(26)은 불활성이고 비독성 재료로 구성하는 것이 바람직하다. 셀룰로스 아세테이트, 메틸 셀룰로스, 폴리비닐 알코올, 폴리우레탄 등의 폴리머 군으로부터 적절한 반투과재료를 선택할 수 있지만, 반드시 이에 한정되는 것은 아니다. 반투과물질은 또한 헤파린이나 PEG와 결합되어 생체면역반응, 혈액응고, 표면의 세포접착을 줄이는 것이 바람직하다. 이런 캡슐과 반투과막의 예가, 헬러의 미국특허 5,593,852, 윌킨스의 미국특허 5,431,160, 호겐 에시의 미국특허 5,372,133, 지에르의 미국특허 4,919,141, 가우의 미국특허 4,703,756에 기재되어 있는바, 이들 모두 본 발명에 참고하였다. 또, 층간에서 떨어져 결합조직단백의 합성물질을 운반하는 생분해성 물질을 반투과막에 코팅할 수도 있다. 유연막(28)은 유연하면서도 압력변환기(40)와 함께 사용할 수 있는 도전물질인 것이 바람직하다. 바람직한 유연막(28)으로는 펜실배니아 랑캐스터시 소재 Hamilton Technology의 상표명 KOVARTM, INVR 36TM으로 판매되는 합금으로 만들어진 것을 사용한다. 이 유연막(28)의 두께는 최적의 점용접과 민감도를 얻을 수 있도록 약 12.5㎜가 바람직하다. 유연막(28)은 반투과막(26)과 캡슐(20)의 밀폐단부(24) 사이에서 캡슐(20)에 밀봉용접되는 것이 좋다. 반투과막(26)과 유연막(28) 사이의 캡슐(20)내 공간에 하이드로겔(30)을 채운다. 측정수단(40)과 보고수단(60)은, 후술하는 바와 같이, 유연막(28)과 캡슐(20)의 밀폐단부(24) 사이의 캡슐(20)내 공간에 위치한다.The
콘카나발린 AKoncanavalin A
섬머와 호웰은 먼저 작두콩에서 콘카나발린 A를 분리했다. 콘카나발린 A는 높은 친화도로 특정당류의 결합과 같은 중요한 생물학적 특성들을 갖는다고 알려졌다. 238개의 아미노산 잔기를 포함하고 분자량 27,000의 콘카나발린 A는 pH6 이하의 용액에서 이중체로 존재하고 생리적 pH에서 테트라머(tetramer)로 존재한다. Mn+2나 Ca+2와 같은 금속이온들은 특정 당류결합부위의 형성을 안정화하는데 중요한 역할을 한다. 특정당류에 대한 콘카나발린 A의 결합특성들은 이온강도, 온도, pH와 같은 각종 조건에 따라 변한다. 콘카나발린 A는 pH6-7에서 당류에 대해 최대 결합활동을 보인다. 콘카나발린 A는 pH9 이상의 높은 pH에서는 그 구성변화로 인해 결합활동이 변한다. 테트라머 형태는 특정 당류와 결합하는데 유리하다. 콘카나발린 A는 고온에서 테트라머를 형성한다. 예컨대, 온도가 4℃에서 37℃로 상승하면, 콘카나발린 A에 의한 덱스트란의 침전이 상당히 증가한다. 그러나, 콘카나발린 A는 50℃ 이상에서는 단백질처럼 변성된다. 콘카나발린 A는 낮은 이온강도에서 이중체 로 존재한다.Summer and Howell first isolated concanavalin A from soybeans. Concanavalin A is known to have important biological properties such as binding of specific sugars with high affinity. Concanavalin A, which contains 238 amino acid residues and has a molecular weight of 27,000, exists as a duplex in solutions up to pH 6 and as a tetramer at physiological pH. Metal ions, such as Mn + 2 and Ca + 2, play an important role in stabilizing the formation of certain sugar-linked sites. The binding properties of concanavalin A to specific sugars vary with various conditions such as ionic strength, temperature and pH. Concanavalin A shows maximum binding activity against sugars at pH 6-7. Concanavalin A changes its binding activity at high pH above pH9 due to its compositional change. Tetrameric forms are advantageous for binding certain sugars. Concanavalin A forms tetramers at high temperatures. For example, as the temperature rises from 4 ° C. to 37 ° C., precipitation of dextran by concanavalin A increases significantly. However, concanavalin A denatures like protein above 50 ° C. Concanavalin A exists as a duplex at low ionic strengths.
하이드로겔의 폴리머 백본에 대한 콘카나발린 A와 글루코스의 고정Fixation of Concanavalin A and Glucose to the Polymer Backbone of Hydrogels
육당류의 C-3, C-4, C-6 위치상의 변형되지 않은 하이드록실기와 같은 당류의 최소배치구조는 콘카나발린 A에 높은 친화력으로 결합하는데 필수적이다. 육당류의 결합 친화력은 C2 하이드록실기의 배치요소에 따라 변하는데, 이는 실제 위치가 C2 하이드록실기에 있는 만노스(mannose)의 결합친화력이 적도위치가 C2 하이드록실기에 있는 만노스보다 40배 이상 높기 때문이다.The minimal configuration of sugars, such as unmodified hydroxyl groups on the C-3, C-4, and C-6 positions of the hexasaccharides, is essential for binding to Concanavalin A with high affinity. The binding affinity of hexasaccharides depends on the arrangement factor of the C2 hydroxyl group, which means that the binding affinity of mannose in the C2 hydroxyl group is 40 times higher than the mannose in the C2 hydroxyl group. Because it is high.
콘카나발린 A와 글루코스(알릴 글루코스; AG)의 C1에 메타아크릴오일 클로라이드와의 콘카나발린 A의 구핵성 반응 및 알릴 알코올과의 글루코스의 에테르화 반응을 통해 비닐기가 연결되는 것이 바람직하다. AG의 C3, C4, C6 하이드록실기는 전술한 바와 같이 변성되지 않는 것이 바람직하다(Obaidat, AA., 및 Park, K. Pharmaceutical Research 13: 989-995, 1996 참조). 아크릴아미드와 하이드록실에틸 메타크릴레이트(HEMA; hydroxylethyl methacrylate)와 같은 모노머 및 가교결합제와 AG 및 변성된 콘카나발린 A의 공중합은 자유 라디칼 반응에 의해 일어나는 것이 좋다. 폴리머 체인은 펜던트기로서 글루코스와 콘카나발린 A를 함유하는 것이 바람직하다. 이렇게 형성된 하이드로겔은 바람직하게는 다공성이다. 다공도는 공중합반응에 분말염을 버블링하거나 과도하게 첨가하는 등의 여러 방법으로 제어되는 것이 바람직하다. 하이드로겔내의 고정된 콘카나발린 A와 고정된 글루코스를 갖는 자유 글루코스 사이의 경쟁적 결합으로 인해 하이드로겔내로 자유 글루코스가 유입될 때 하이드로겔이 팽창한다. 이런 팽창비는 용액내의 자유 글루코스 농도에 비례한다. AG와 변성된 콘카나발린 A, 모노머 및 가교결합제의 반응을 최적화하여 압력변환기가 측정할 수 있는 압력을 발생시키는 것이 바람직하고, 이 압력은 자유 글루코스 농도의 변화로 인한 하이드로겔의 팽창 및 수축에서 생긴다. 한편, p-니트로페닐-a-D-만노피라노사이드, p-니트로페닐-a-D-글루코피라노사이드를 글루코스 대신 폴리머상의 고정에 사용할 수 있다. 또, GOD, 글루코키나제, 자일로스 이소메라제, 붕산, 이소락틴 Ⅰ 등의 다른 GBM을 물리적으로나 화학적으로 콘카나발린 A 대신 폴리머에 고정할 수 있다.The vinyl group is preferably linked through the nucleophilic reaction of concanavalin A with methacryloyl chloride to C1 of concanavalin A and glucose (allyl glucose; AG) and etherification of glucose with allyl alcohol. Preferably, the C3, C4, C6 hydroxyl groups of AG are not denatured as described above (see Obaidat, AA., And Park, K. Pharmaceutical Research 13: 989-995, 1996). Copolymerization of monomers such as acrylamide and hydroxylethyl methacrylate (HEMA; hydroxylethyl methacrylate) with crosslinking agents and AG and modified concanavalin A preferably occurs by free radical reactions. It is preferable that a polymer chain contains glucose and concanavalin A as a pendant group. The hydrogel thus formed is preferably porous. Porosity is preferably controlled by several methods, such as bubbling or excessive addition of powder salts to the copolymerization reaction. The hydrogel expands when free glucose enters the hydrogel due to the competitive binding between immobilized concanavalin A in the hydrogel and free glucose with immobilized glucose. This expansion ratio is proportional to the free glucose concentration in the solution. It is desirable to optimize the reaction of AG with modified concanavalin A, monomers and crosslinkers to generate a pressure that the pressure transducer can measure, which is attributable to the expansion and contraction of the hydrogel due to the change in free glucose concentration. Occurs. On the other hand, p-nitrophenyl-a-D-mannopyranoside and p-nitrophenyl-a-D-glucopyranoside can be used for fixation on the polymer instead of glucose. In addition, other GBMs, such as GOD, glucokinase, xylose isomerase, boric acid, and isolactin I, may be physically or chemically fixed to the polymer instead of concanavalin A.
측정수단으로서의 압력변환기Pressure transducer as measuring means
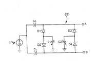
바이오센서에는 하이드로겔의 압력측정수단(40)이 있다. 이 요소는 중요하다. 종래의 바이오센서는 전극을 통한 GOD 촉매화학반응의 직접 측정에 의존했지만, 하이드로겔 압력증가와 자유 글루코스로 인한 팽창의 측정에는 전혀 사용되지 않았다. 자유 글루코스 농도 변화에 직접 의존하는 바이오센서(10)는 중요한 외부 간섭원을 피한다. 전극에 의해 측정된 간접 파라미터들이 아닌 자유글루코스 자체가 직접 측정된다.The biosensor has a pressure measuring means 40 of the hydrogel. This factor is important. Conventional biosensors have relied on the direct measurement of GOD catalytic chemistry through the electrodes, but have not been used at all to measure hydrogel pressure increase and expansion due to free glucose. The
도 6-7에 도시된 바와 같이, 측정수단은 압력변환기(40)가 바람직하다. 압력변환기는 당분야에 알려져 있고, 당업자라면 바이오센서(10)의 사양에 잘 맞는 변환기를 구성할 수 있을 것이다. 압력변환기의 예가 Harrison DR, Dimeff J. Rev. Sci. Instrum 44: 1468-1472(1973) 및 해리슨 일행의 미국특허 3,869,676의 "Diode-Quad Bridge Circuit Means"에 기재되어 있다.As shown in Figures 6-7, the measuring means is preferably a
도 7에 도시된 바와 같이, 바이오센서(10)는 소형 황동관(72)을 끼우기 위한 교정공(70), 납땜줄 동선(74), 편조실드(76), 절연체(78) 및 동축케이블(80)을 포 함한다.As shown in FIG. 7, the
가장 바람직한 실시예에서, 측정수단은 전술한 유연막(28)과 연관된 용량성 압력변환기(40)이다. 압력변환기(40)는 제1 전극(44)과 제2 전극(46)을 포함하고, 이들 제1, 제2 전극(44,46)은 절연체(48)에 의해 분리되어 있다. 이 경우, 제1, 제2 전극(44,46)은 물론 절연체(48)가 동축으로 정렬되어 있다. 유연막(28)은 제1 전극(44) 상단에 용접되어, 유연막(28)을 압력변환기(40)의 커패시터부의 전극들중 하나로 변환한다. 제1 전극(44)은 유연막(28)에 연결되고, 유연막(28)은 공기간극(50)에 의해 제2 전극(46)에서 분리된다.In the most preferred embodiment, the measuring means is a
유연막(28)이 하이드로겔(30)에 기계적으로 접촉하기 때문에, 유연막(28)은 하이드로겔(30)의 압력변화에 따라 휘어져, 제2 전극(46)과 유연막(28) 사이의 공기간극(50)의 크기가 변하고, 이에 따라 커패시턴스의 값도 변한다. 커패시턴스 변화율은 다이오드 쿼드 브리지회로(52)를 이용해 원격 검출된다. 이런 압력변환기(40)는 폴리머 액체에서 1㎩정도로 작은 압력변화를 측정하는데 사용되어 왔다.Since the
다른 압력변환기가 다카키의 미국특허 5,711,291, 파울러의 미국특허 5,752,918에 기재되어 있다. 압력변환기의 상세 내역에 대해서는 본 발명에서 참고로 하는 다음을 참고하여 찾을 수 있다: Baek SG. Ph.D. Thesis, university of Utah, (1991); Magda JJ, Baek SG, Larson RG, DeVries KL. Polymer 32:1794-1797,(1991); Magda JJ, Baek SG, Larson RG, DeVries KL. Macromolecules 24:4460-4468,(1991); Magda JJ, Lou J, Baek SG. Polymer 32:2000-2009,(1991);  Lee CS, Tripp B, Magda JJ. Rheologica Acta 31:306-308,(1992); Lee CS, Magda JJ, DeVries KL, Mays JW. Macromolecules 25:4744-4750,(1992); Magda JJ, Baek SG. Polymer 35:1187-1194,(1994); Fryer T. Biotelemetry Ⅲ, Academic Press, New York, pp.279-282,(1976); Tandske, D., Chapter 5 in Pressure Sensors Selection and Application, Marcel Dekker, New York, 1991; Updike SJ, Shults MC, Rhodes RK, Gilligan BJ, LueBow JO, von Heimburg D. ASAIO J. 40:157-163,(1994); 및 Foulds NC, Frew JE, Green MJ. Biosensors A Practical Approach(Cass AEG. eds.) IRL Press Oxford Universit, pp.116-121,(1990).Other pressure transducers are described in Takaki U.S. Patent 5,711,291, Fowler U.S. Patent 5,752,918. Details of the pressure transducer can be found with reference to the present invention: Baek SG. Ph.D. Thesis, university of Utah, (1991); Magda JJ, Baek SG, Larson RG, DeVries KL. Polymer 32: 1794-1797, (1991); Magda JJ, Baek SG, Larson RG, DeVries KL. Macromolecules 24: 4460-4468, (1991); Magda JJ, Lou J, Baek SG. Polymer 32: 2000-2009, (1991); Lee CS, Tripp B, Magda JJ. Rheologica Acta 31: 306-308, (1992); Lee CS, Magda JJ, DeVries KL, Mays JW. Macromolecules 25: 4744-4750, (1992); Magda JJ, Baek SG. Polymer 35: 1187-1194, (1994); Fryer T. Biotelemetry III, Academic Press, New York, pp. 279-282, (1976); Tandske, D.,
바람직한 압력변환기(40)에 대해 설명했지만, 당업자라면 다른 측정수단도 고안할 수 있을 것이다. 다른 실시예로는, 압전변환기나 압전센서 및 압전압력센서가 있다. 압력이나 부피 증가를 측정하는 다른 수단을 사용할 수도 있다. 이런 대체수단들 역시 본 발명에 속한다고 할 수 있다.Although the
응답수단으로서의 원격측정기Telemeter as a response means
끝으로, 바이오센서(10)는 유기분자의 농도를 측정한 뒤 그 농도를 보고하는 수단(60)을 포함한다. 이 요소는 바이오센서(10)의 용도는 물론 사용자의 필요성에 따라 크게 변한다. 가장 간단한 형태로는, 도 4에 도시된 바와 같이, 압력변환기(40)를 PC 등의 컴퓨터에 연결한다. 컴퓨터는 압력변환기(40)의 데이터를 교정곡선과 비교하여 보고수단을 통해 출력하에 유용한 데이터를 생성한다. 한편, 컴퓨터가 모니터와 같은 출력부에 데이터를 출력할 수도 있다. 다른 한편으로는, 컴퓨터가 피드백 루프를 제어하여 유기분자의 농도변화에 대응하는 프로세스를  변화시킬 수도 있다.Finally, the
바람직한 실시예인 도 3에 도시된 바와 같이, 바이오센서(10)는 인체에 이식될 수 있는 글루코스 바이오센서이다. 이 경우, 보고수단(60)은 컴퓨터에 기능적으로 연결된 수신기에 데이터신호를 전송하는 배터리 작동식 원격측정기가 바람직하다. 컴퓨터는 이 데이터신호를 교정곡선과 비교하여 보고수단을 통해 농도를 출력한다. 보고수단은 혈당치가 너무 높거나 너무 낮음을 당뇨환자에게 경고하는 가청 알람수단이 바람직하다. 가장 바람직한 실시예에서, 컴퓨터는 인슐린 펌프를 제어하여 당뇨환자의 혈당치를 교정한다. 이상적인 것은, 바이오센서(10)가 이식된 글루코스 펌프와 연계하여 사용되고 췌장 대신 혈당치를 조절하여, 당뇨환자들이 거의 정상적인 생할을 할 수 있도록 할 것이다.As shown in FIG. 3, which is a preferred embodiment, the
용액내의 글루코스 농도 측정에 바이오센서를 이용하는 방법How to use biosensor to measure glucose concentration in solution
본 발명은 또한 용액내의 글루코스 농도측정에 바이오센서(10)를 이용하는 방법을 포함한다. 이 방법은 다음과 같은 단계로 구성된다. 첫째, 전술한 바와 같이 바이오센서(10)를 준비한다. 바람직하게 화학적 결합을 이용해 하이드로겔(30)에 화학적으로나 물리적으로 콘카나발린 A를 고정한다. 먼저 완충액에 바이오센서(10)를 담그고 대조액에 집어넣는다. 다음, 발생된 데이터를 교정곡선과 비교하여 바이오센서(10)를 교정한다. 바이오센서(10)를 꺼내 다른 완충액으로 세척한 뒤, 바이오센서(10)를 대조액에 집어넣는다. 글루코스 분자들을 폴리머 하이드로겔(30)에 확산시켜 콘카나발린 A에 고정된 글루코스에 자유글루코스를 경쟁적으로 결합시킨다. 자유 글루코스와 콘카나발린 A에 고정된 글루코스 사이의 경쟁결 합으로 인해 하이드로겔 가교결합이 감소되고, 이때문에 하이드로겔(30)이 팽창되어 격막(28)에 압력을 가한다(도 5 참조). 이런 팽창은 측정수단(40)으로 측정된다. 측정수단(40)으로는 압력변환기가 바람직하다. 압력변환기(40)를 이용해 하이드로겔(30)의 압력을 측정하는데, 이 압력은 하이드로겔(30)내의 자유 글루코스 값의 농도에 비례한다. 다음, 이 측정과 관련된 압력변환기(40)의 데이터를 보고수단(60)으로 전송한다. 이식형 바이오센서(10)에서는 보고수단(60)으로서 배터리 작동식 원격측정기를 이용해 데이터를 컴퓨터로 전송한다. 다음, 이 상태가 컴퓨터 모니터, 가청 알람수단 또는 인슐린펌프나 글루캐곤 주입펌프 등의 피드백 시스템을 통해 사용자에게 보고된다. 사용중에, 혈액샘플을 채취하고 바이오센서(10)에 의해 보고된 글루코스값과 비교함으로서 피드백시스템을 재조정할 수 있다. 컴퓨터 작동식 교정수단을 조정하여 모든 에러를 교정할 수 있다.The invention also includes a method of using the
동작원리How it works
센서의 출력을 항상 모니터하여 설정치(또는 임계치)와 비교한다. 센서출력이 설정범위 밖에 있으면, 알람신호를 생성한다. 이 알람신호는 자동다이얼링과 같은 소정의 알람 프로토콜을 실시하는데, 그리고 검출된 상태에 대응하는 소정 메시지를 보내는데 이용할 수 있다.Always monitor the sensor output and compare it to a setpoint (or threshold). If the sensor output is out of the setting range, an alarm signal is generated. This alarm signal can be used to implement a predetermined alarm protocol, such as automatic dialing, and to send a predetermined message corresponding to the detected state.
도 9는 혈당치가 저혈당치까지 강하되었을 때 자동 다이얼링을 이용하여 그리고 소정 메시지를 전송하여 당뇨환자에게 경보를 보내고 보호자에게 신호를 보내는 동작모델의 블록도이다.9 is a block diagram of an operation model that alerts and alerts a diabetic patient by using autodialing and sending a predetermined message when the blood sugar level drops to a low blood sugar level.
알람시스템의 주요 요소Main elements of alarm system
자동 알람장치의 주요 요소로는 전원(100), 바이오센서(10)나 기타 생리학적 상태를 모니터하는 센서를 포함한 센서, 신호조절회로(104), 비교회로(108), 송수신기(112a,112b), 다이얼 액튜에이터(116) 및 제어회로가 있다.The main elements of an automatic alarm system include a
전원power
전원(100)은 전원을 필요로 하는 모든 요소에 에너지를 공급한다. 알람장치의 휴대성을 고려해, 전원으로는 건전지가 바람직하다. 그러나, 모든 요소의 전원조건(전압, 커패시티)을 만족시키기만 하면 어떤 형태도 사용할 수 있다. 현재 바람직한 것은, 대용량 9V 배터리가 바람직하다고 믿어진다.The
2개의 배터리를 이용한 쌍극 전원을 이용하면 회로설계가 훨씬 쉬워진다. 저전압 표시기는 필수적이다.Two-battery bipolar power supply makes circuit design much easier. Low voltage indicators are essential.
신호조절회로Signal control circuit
신호조절회로(104)의 필요성은 센서에서 나오는 신호의 질에 달려 있다. 센서신호가 주변 잡음이 많은데서 출력되면, 알람장치를 신뢰성 있게 작동시키는데 신호조절회로(104)가 필요하다(도 11 참조). 통상, 고입력-임피던스 차동증폭기는 어떤 종류의 센서에도 동작한다. 소위 "계측증폭기"라 불리우는 사전조립회로를 시중에서 구입할 수 있다. 그러나, 쿼드 앰프 IC(예; National Semiconductor의 LM384)도 4개의 증폭기를 제공하면 잘 기능할 것이다. 공통모드의 노이즈를 제거하는데는 차동 증폭기가 효과적이다. 차동증폭기의 이득을 조절하여 양호한 선형범위의 신호들을 생성할 수 있다. 차동증폭 이후 저역통과필터를 이용해 고주파 잡음을 더 낮춘다. 0.1-1초의 RC 시정수가 적절하다. 예컨대, 100㏀과 10mF을 이용해 1초 의 RC 시정수를 얻을 수 있다.The need for
비교 및 제어회로Comparison and Control Circuit
비교기는 모니터된 신호(여기서는 신호조절회로의 출력임)를 항상 설정값과 비교한다. 전위차계를 이용해 임계치를 조절한다. 모니터된 신호가 임계치 이상이면, 비교기의 출력은 그 상태를 "0"에서 "1"로 또는 "off"에서 "on"으로 바꾼다. 이런 상태변화는 다음과 같은 디지털회로를 작동시키는데 이용된다. 가장 간단한 회로를 구동하여 전기기계식 스위치를 "on" 위치로 작동시키고, 이에 의해 전송회로를 전원에 연결한다. 이 목적으로는 LM311형 비교기가 가장 적절하다.The comparator always compares the monitored signal (in this case, the output of the signal conditioning circuit) with the setpoint. Use the potentiometer to adjust the threshold. If the monitored signal is above the threshold, the output of the comparator changes its state from "0" to "1" or from "off" to "on". This state change is used to operate the following digital circuits. The simplest circuit is driven to operate the electromechanical switch in the "on" position, thereby connecting the transmission circuit to the power source. The LM311 type comparator is most suitable for this purpose.
비교회로(108)는 특별제어회로(130)를 구비하고 있어야 한다(도 12 참조). 이 특별제어는 알람을 잘못 냈거나 오작동되었을 경우 알람장치의 작동을 중단하고 리세팅하기 위한 것이다. 또, 사용자의 재량으로 어떤 경우에도 다이얼링을 할 수 있도록 여분의 스위치가 있어야 한다. 이런 모든 요소들은 디지털 D플립플롭 IC(C7474)를 이용해 이루어질 수 있다.The
필요하다면, 바이오센서(10)가 정상작동인지 알람작동인지를 판단하는데 비교회로(108)를 이용할 수 있다. 센서출력이 경고값을 포함한 예상 동작범위를 넘어서면, 비교회로(108)가 센서(10)의 오작동을 표시한다.If necessary, the
송신기/수신기Transmitter / receiver
장치-캐리어에서 떨어진 곳에서 전화기(114)를 작동시키려면 송신기/수신기(112a,112b)가 필요하다(도 13 참조). 통상의 FM 방식을 이용하면 전화기(114)를 무선작동시킬 수 있다. 통상, 송신기는 반송파 발생기(140), 신호발생 기(144), 신호를 반송파에 혼합하기 위한 변조기(148), 전력승압기(152) 및 방사기(156)로 구성된다. 반송파 주파수는 수십 내지 수백 ㎒ 범위에 있을 수 있다. 기타 전자장치의 주변잡음으로 인한 잘못된 다이얼링을 피하기 위해 신호는 수신기가 픽업할 수 있는 독특한 것이어야 한다. 수신기(112b)는 송신기(112a)와 반대로 동작한다. 송신기/수신기(112a,112b)를 궁극적으로는 맞춤디자인해야 하지만, 어린이용 원격제어 장난감으로 사용되는 최소로 변형된 송신기/수신기도 적절할 수 있다. 본 발명의 설명에 따라, 당업자라면 전자메일 같은 다른 형태의 원격통신을 이용할 수도 있다.Transmitter /
다이얼링Dialing
원격 알람신호의 다이얼링은 당업자에게 알려진 여러 방식으로 이루어질 수 있다. 이런 시스템이 도 14에 개략적으로 도시되어 있고, 원격 전화기에 친숙한 사람이라면 이를 구현하는 수많은 방식과 기타 구성에도 익숙할 것이다.Dialing of the remote alarm signal can be done in a variety of ways known to those skilled in the art. Such a system is shown schematically in FIG. 14 and will be familiar to the numerous ways of implementing it and other configurations if one is familiar with the remote telephone.
현재의 응답전화시스템을 다이얼링/메시징에 이용하려면 약간의 변형이 필요하다. 전반적으로, 전화기에는 바람직하게 모든것이 준비되어 있다. 수신기로부터의 알람신호에 의한 일종의 스위칭 기능이 필요할 뿐이다.Some modifications are required to use current answering phone systems for dialing / messaging. Overall, the telephone is preferably ready for everything. You only need some sort of switching function by the alarm signal from the receiver.
당업자라면, 자동 전화통지시스템과 바이오센서의 조합으로 건강관리를 개선하는데 상당한 이점을 제공함을 알 수 있을 것이다. 환자는 생리학적 손상을 일으킬 수 있는 상태를 경고받을 수 있음은 물론, 건강관리자들은 상황이 소정 임계치를 초과했음을 확인할 수 있다. 따라서, 예컨대, 당뇨환자가 저혈당 쇼크를 받을 경우, 간호사(또는 환자의 친척)가 이에 반응하여 적절한 치료를 할 수 있다. 이런 시스템은 혼자 사는 환자나 거동이 불편한 환자에게 특히 유리하다.Those skilled in the art will appreciate that the combination of an automated telephone notification system and a biosensor provides significant benefits in improving healthcare. Patients may be alerted to conditions that may cause physiological damage, as well as health care professionals, to confirm that the situation has exceeded a predetermined threshold. Thus, for example, if a diabetic suffers from hypoglycemic shock, the nurse (or relative of the patient) can respond appropriately and provide appropriate treatment. Such a system is particularly advantageous for patients who live alone or have a disability.
그 외에도, 알람시스템은 당뇨환자의 저혈당을 치료하는 시스템 기능을 할 수도 있다. 도 15에는 도 9에 도시된 것과 비슷한 알람시스템이 개략적으로 도시되어 있다. 그러나, 이 시스템은, 알람에 반응하여 환자의 혈관에 글루코스, 글리코겐, 다른 당 또는 약품을 주사하는 주사장치(150)을 더 포함한다. 당업자라면, 센서(10)가 검출한 생리적 상태에 반응하여 주사장치(150)가 소정 용량을 투여할 수 있거나 양을 변화시키면서 주사할 수 있음을 알 수 있을 것이다. 이 주사장치(150)는 시스템에 유선으로 연결될 수도 있고, 송신기(112a)에 의해 제어될 수도 있다.In addition, the alarm system may function as a system for treating hypoglycemia in diabetic patients. 15 schematically shows an alarm system similar to that shown in FIG. However, the system further includes an
주사시스템 외에, 알람시스템은 전화기(114)나 알람시스템의 다른 위치와 관련된 GPS(160; global positioning system)를 더 포함할 수도 있다. GPS(160)로 인해 치료가 필요한 사람을 신속히 찾을 수 있다. 이런 시스템은 당뇨병을 갖고 있으면서도 사이클링, 사냥, 낚시 등의 활동을 즐기는 사람들에게 특히 좋다.In addition to the scanning system, the alarm system may further include a global positioning system (GPS) 160 associated with the
이상 바람직한 실시예에 대해 본 발명을 설명하였지만, 당업자라면 알 수 있듯이 본 발명은 이상에 한정되지 않는다. 오히려, 본 발명의 범위는 첨부된 특허청구범위와 결합해서만 정해질 수 있을 것이다.Although the present invention has been described with reference to the preferred embodiments, the present invention is not limited to the above as will be appreciated by those skilled in the art. Rather, the scope of the invention may be defined only in conjunction with the appended claims.
| Application Number | Priority Date | Filing Date | Title | 
|---|---|---|---|
| US15103499P | 1999-08-27 | 1999-08-27 | |
| US60/151.034 | 1999-08-27 | 
| Publication Number | Publication Date | 
|---|---|
| KR20020035583A KR20020035583A (en) | 2002-05-11 | 
| KR100771711B1true KR100771711B1 (en) | 2007-10-30 | 
| Application Number | Title | Priority Date | Filing Date | 
|---|---|---|---|
| KR1020027002620AExpired - Fee RelatedKR100771711B1 (en) | 1999-08-27 | 2000-08-23 | Glucose biosensor | 
| Country | Link | 
|---|---|
| EP (1) | EP1212601A4 (en) | 
| JP (1) | JP2003517588A (en) | 
| KR (1) | KR100771711B1 (en) | 
| AU (1) | AU6931500A (en) | 
| WO (1) | WO2001016575A1 (en) | 
| Publication number | Priority date | Publication date | Assignee | Title | 
|---|---|---|---|---|
| WO2010107243A3 (en)* | 2009-03-17 | 2010-12-09 | 한양대학교 산학협력단 | Biosensor coated with electroactive polymer layer demonstrating bending behavior | 
| WO2013081363A1 (en)* | 2011-11-28 | 2013-06-06 | 에스디 바이오센서 주식회사 | Biosensor for measuring glycosylated haemoglobin using potentiometry | 
| Publication number | Priority date | Publication date | Assignee | Title | 
|---|---|---|---|---|
| JP2004507283A (en)* | 2000-04-22 | 2004-03-11 | エム−バイオテック インコーポレイテッド | Hydrogel biosensor and health alarm system based on biosensor (HYDROGELBIOSENSORANDBIOENSENSOR-BASEDHEALTHALARMSYSTEM) | 
| US6540675B2 (en) | 2000-06-27 | 2003-04-01 | Rosedale Medical, Inc. | Analyte monitor | 
| GB0116860D0 (en)* | 2001-07-10 | 2001-09-05 | Univ Montfort | Gel compositions | 
| AUPR808001A0 (en) | 2001-10-05 | 2001-10-25 | Ragless, Clive Lindsay | Method and apparatus for determining concentration of a chemical substance in a solution | 
| US20030153026A1 (en)* | 2002-01-04 | 2003-08-14 | Javier Alarcon | Entrapped binding protein as biosensors | 
| US7004928B2 (en) | 2002-02-08 | 2006-02-28 | Rosedale Medical, Inc. | Autonomous, ambulatory analyte monitor or drug delivery device | 
| US7052652B2 (en) | 2003-03-24 | 2006-05-30 | Rosedale Medical, Inc. | Analyte concentration detection devices and methods | 
| JP4799557B2 (en)* | 2004-06-09 | 2011-10-26 | ベクトン・ディキンソン・アンド・カンパニー | Multi-sample sensor | 
| GB2426333A (en)* | 2005-01-20 | 2006-11-22 | Mark Christopher Turpin | Sensor device for the measurement of concentration in liquid mixtures | 
| US20060281187A1 (en) | 2005-06-13 | 2006-12-14 | Rosedale Medical, Inc. | Analyte detection devices and methods with hematocrit/volume correction and feedback control | 
| EP1928302B1 (en) | 2005-09-30 | 2012-08-01 | Intuity Medical, Inc. | Fully integrated wearable or handheld monitor | 
| US8801631B2 (en) | 2005-09-30 | 2014-08-12 | Intuity Medical, Inc. | Devices and methods for facilitating fluid transport | 
| FR2909292B1 (en)* | 2006-12-04 | 2009-01-30 | Univ Grenoble 1 | METHOD AND DEVICE FOR VARYING THE pH OF A SOLUTION | 
| EP1977687A1 (en) | 2007-04-05 | 2008-10-08 | Koninklijke Philips Electronics N.V. | Hydrogel based device for detecting an environmental state | 
| US9833183B2 (en) | 2008-05-30 | 2017-12-05 | Intuity Medical, Inc. | Body fluid sampling device—sampling site interface | 
| EP3984454A1 (en) | 2008-06-06 | 2022-04-20 | Intuity Medical, Inc. | Medical diagnostic devices and methods | 
| WO2009148624A1 (en) | 2008-06-06 | 2009-12-10 | Intuity Medical, Inc. | Detection meter and mode of operation | 
| WO2010047799A1 (en)* | 2008-10-22 | 2010-04-29 | Surmodics, Inc. | Swellable biodegradable polymeric matrices and methods | 
| KR101135624B1 (en) | 2009-01-15 | 2012-04-17 | 한양대학교 산학협력단 | A biosensor coated with electroactive polymer layer for extension of biosensor life span | 
| EP2506768B1 (en) | 2009-11-30 | 2016-07-06 | Intuity Medical, Inc. | Calibration material delivery devices and methods | 
| EP2537034B1 (en)* | 2010-02-16 | 2019-01-02 | Lightship Medical Limited | Barrier layer for glucose sensor | 
| JP5696961B2 (en)* | 2010-05-26 | 2015-04-08 | 独立行政法人物質・材料研究機構 | Sugar-responsive gel and drug administration device | 
| CA2803797A1 (en) | 2010-06-25 | 2011-12-29 | Intuity Medical, Inc. | Analyte monitoring methods and systems | 
| SG191164A1 (en) | 2010-12-17 | 2013-07-31 | Eyesense Ag | Use of hydrogels for biosensors having elevated sensitivity | 
| BR112013022170B1 (en)* | 2011-03-02 | 2022-05-24 | Sensulin, Llc | gallbladder compositions | 
| US9782114B2 (en) | 2011-08-03 | 2017-10-10 | Intuity Medical, Inc. | Devices and methods for body fluid sampling and analysis | 
| CA2913334A1 (en) | 2013-05-23 | 2014-11-27 | Iphenotype Llc | Method and system for maintaining or improving wellness | 
| WO2014205412A1 (en) | 2013-06-21 | 2014-12-24 | Intuity Medical, Inc. | Analyte monitoring system with audible feedback | 
| DE102013212539B4 (en)* | 2013-06-27 | 2015-07-23 | Carl Von Ossietzky Universität Oldenburg | Method and apparatus for analysis | 
| KR101783695B1 (en)* | 2015-10-02 | 2017-10-11 | 주식회사 엔게인 | Polyhydroxyethylmethacrylate based hydrogel, method for preparing the same and glucose sensor comprising the same | 
| EP3724650A4 (en) | 2017-12-11 | 2021-09-08 | Microoptx Inc. | IMPLANTABLE EYEPIECE GLUCOSE SENSORS AND PROCEDURES | 
| KR102679692B1 (en) | 2022-04-18 | 2024-07-01 | 서울과학기술대학교 산학협력단 | Enzyme-based self-powered artificial glucose regulator and glucose level control method using the same | 
| WO2024252445A1 (en)* | 2023-06-05 | 2024-12-12 | 日本電信電話株式会社 | Sensor and measurement method | 
| WO2025021960A1 (en) | 2023-07-25 | 2025-01-30 | Glucoset As | Biosensors for measuring glucose concentration and glucose-sensing polymers | 
| Publication number | Priority date | Publication date | Assignee | Title | 
|---|---|---|---|---|
| WO1999017095A1 (en)* | 1997-09-30 | 1999-04-08 | M-Biotech, Inc. | Biosensor | 
| Publication number | Priority date | Publication date | Assignee | Title | 
|---|---|---|---|---|
| CA1327838C (en)* | 1988-06-13 | 1994-03-15 | Fred Zacouto | Implantable device to prevent blood clotting disorders | 
| GB9200638D0 (en)* | 1992-01-10 | 1992-03-11 | Leicester Polytechnic | Drug system | 
| US5544651A (en)* | 1992-09-08 | 1996-08-13 | Wilk; Peter J. | Medical system and associated method for automatic treatment | 
| US5995860A (en)* | 1995-07-06 | 1999-11-30 | Thomas Jefferson University | Implantable sensor and system for measurement and control of blood constituent levels | 
| US5771001A (en)* | 1996-11-18 | 1998-06-23 | Cobb; Marlon J. | Personal alarm system | 
| US6198394B1 (en)* | 1996-12-05 | 2001-03-06 | Stephen C. Jacobsen | System for remote monitoring of personnel | 
| US6030827A (en)* | 1998-01-23 | 2000-02-29 | I-Stat Corporation | Microfabricated aperture-based sensor | 
| Publication number | Priority date | Publication date | Assignee | Title | 
|---|---|---|---|---|
| WO1999017095A1 (en)* | 1997-09-30 | 1999-04-08 | M-Biotech, Inc. | Biosensor | 
| Title | 
|---|
| OBAIDAT A ET AL.,Biomaterials 18(1997),pp801-806 | 
| Publication number | Priority date | Publication date | Assignee | Title | 
|---|---|---|---|---|
| WO2010107243A3 (en)* | 2009-03-17 | 2010-12-09 | 한양대학교 산학협력단 | Biosensor coated with electroactive polymer layer demonstrating bending behavior | 
| KR101065748B1 (en) | 2009-03-17 | 2011-09-19 | 한양대학교 산학협력단 | Biosensor with Electrosensitive Polymer Layer showing Bending Behavior | 
| WO2013081363A1 (en)* | 2011-11-28 | 2013-06-06 | 에스디 바이오센서 주식회사 | Biosensor for measuring glycosylated haemoglobin using potentiometry | 
| Publication number | Publication date | 
|---|---|
| EP1212601A4 (en) | 2006-03-29 | 
| JP2003517588A (en) | 2003-05-27 | 
| EP1212601A1 (en) | 2002-06-12 | 
| AU6931500A (en) | 2001-03-26 | 
| KR20020035583A (en) | 2002-05-11 | 
| WO2001016575A1 (en) | 2001-03-08 | 
| Publication | Publication Date | Title | 
|---|---|---|
| KR100771711B1 (en) | Glucose biosensor | |
| US6475750B1 (en) | Glucose biosensor | |
| US6514689B2 (en) | Hydrogel biosensor | |
| US6268161B1 (en) | Biosensor | |
| JP4124827B2 (en) | Apparatus and method for measuring an analyte level | |
| US6558321B1 (en) | Systems and methods for remote monitoring and modulation of medical devices | |
| US6618603B2 (en) | Apparatus for measurement and control of the content of glucose, lactate or other metabolites in biological fluids | |
| JP6046115B2 (en) | Biosensor | |
| KR20030031895A (en) | Hydrogel biosensor and biosensor-based health alarm system | |
| Tathireddy et al. | Smart hydrogel based microsensing platform for continuous glucose monitoring | 
| Date | Code | Title | Description | 
|---|---|---|---|
| PA0105 | International application | St.27 status event code:A-0-1-A10-A15-nap-PA0105 | |
| P11-X000 | Amendment of application requested | St.27 status event code:A-2-2-P10-P11-nap-X000 | |
| P13-X000 | Application amended | St.27 status event code:A-2-2-P10-P13-nap-X000 | |
| T11-X000 | Administrative time limit extension requested | St.27 status event code:U-3-3-T10-T11-oth-X000 | |
| PG1501 | Laying open of application | St.27 status event code:A-1-1-Q10-Q12-nap-PG1501 | |
| T11-X000 | Administrative time limit extension requested | St.27 status event code:U-3-3-T10-T11-oth-X000 | |
| T13-X000 | Administrative time limit extension granted | St.27 status event code:U-3-3-T10-T13-oth-X000 | |
| R18-X000 | Changes to party contact information recorded | St.27 status event code:A-3-3-R10-R18-oth-X000 | |
| R17-X000 | Change to representative recorded | St.27 status event code:A-3-3-R10-R17-oth-X000 | |
| R17-X000 | Change to representative recorded | St.27 status event code:A-3-3-R10-R17-oth-X000 | |
| A201 | Request for examination | ||
| P11-X000 | Amendment of application requested | St.27 status event code:A-2-2-P10-P11-nap-X000 | |
| PA0201 | Request for examination | St.27 status event code:A-1-2-D10-D11-exm-PA0201 | |
| R17-X000 | Change to representative recorded | St.27 status event code:A-3-3-R10-R17-oth-X000 | |
| E801 | Decision on dismissal of amendment | ||
| PE0801 | Dismissal of amendment | St.27 status event code:A-2-2-P10-P12-nap-PE0801 | |
| E902 | Notification of reason for refusal | ||
| PE0902 | Notice of grounds for rejection | St.27 status event code:A-1-2-D10-D21-exm-PE0902 | |
| T11-X000 | Administrative time limit extension requested | St.27 status event code:U-3-3-T10-T11-oth-X000 | |
| P11-X000 | Amendment of application requested | St.27 status event code:A-2-2-P10-P11-nap-X000 | |
| P13-X000 | Application amended | St.27 status event code:A-2-2-P10-P13-nap-X000 | |
| T11-X000 | Administrative time limit extension requested | St.27 status event code:U-3-3-T10-T11-oth-X000 | |
| E13-X000 | Pre-grant limitation requested | St.27 status event code:A-2-3-E10-E13-lim-X000 | |
| P11-X000 | Amendment of application requested | St.27 status event code:A-2-2-P10-P11-nap-X000 | |
| P13-X000 | Application amended | St.27 status event code:A-2-2-P10-P13-nap-X000 | |
| E701 | Decision to grant or registration of patent right | ||
| PE0701 | Decision of registration | St.27 status event code:A-1-2-D10-D22-exm-PE0701 | |
| GRNT | Written decision to grant | ||
| PR0701 | Registration of establishment | St.27 status event code:A-2-4-F10-F11-exm-PR0701 | |
| PR1002 | Payment of registration fee | St.27 status event code:A-2-2-U10-U12-oth-PR1002 Fee payment year number:1 | |
| PG1601 | Publication of registration | St.27 status event code:A-4-4-Q10-Q13-nap-PG1601 | |
| G170 | Re-publication after modification of scope of protection [patent] | ||
| PG1701 | Publication of correction | St.27 status event code:A-5-5-P10-P19-oth-PG1701 Patent document republication publication date:20080416 Republication note text:Request for Correction Notice (Document Request) Gazette number:1007717110000 Gazette reference publication date:20071030 | |
| LAPS | Lapse due to unpaid annual fee | ||
| PC1903 | Unpaid annual fee | St.27 status event code:A-4-4-U10-U13-oth-PC1903 Not in force date:20101025 Payment event data comment text:Termination Category : DEFAULT_OF_REGISTRATION_FEE | |
| PC1903 | Unpaid annual fee | St.27 status event code:N-4-6-H10-H13-oth-PC1903 Ip right cessation event data comment text:Termination Category : DEFAULT_OF_REGISTRATION_FEE Not in force date:20101025 | |
| P22-X000 | Classification modified | St.27 status event code:A-4-4-P10-P22-nap-X000 |