













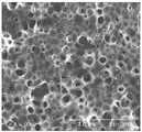
도 1은 본 발명의 실시예 3에서 제조된 3차원적 고분자 구조체의 SEM 사진이다.1 is a SEM photograph of the three-dimensional polymer structure prepared in Example 3 of the present invention.
도 2는 본 발명의 실시예 4에서 제조된 2차원적(필름 형태) 고분자-지질 구조체를 보여주는 SEM 사진이다. 상기 필름 형태의 구조체는 모노올레인과 PLLA를 부피를 기준으로 7:3의 비율로 포함하며 전체농도가 1 %인 본 발명의 조성물을 유리판에 캐스팅하여 제조하였다.Figure 2 is a SEM photograph showing a two-dimensional (film form) polymer-lipid structure prepared in Example 4 of the present invention. The film-type structure was prepared by casting a composition of the present invention containing monoolein and PLLA in a ratio of 7: 3 based on volume and having a total concentration of 1% on a glass plate.
도 3은 본 발명의 실시예 5에서 제조된 2차원적(필름 형태) 고분자 구조체의 SEM 사진이다.3 is a SEM photograph of a two-dimensional (film) polymer structure prepared in Example 5 of the present invention.
도 4는 본 발명의 실시예 7에서 제조된 2차원적(망상) 고분자 구조체의 SEM 사진이다. 상기 구조체는 모노올레인과 PLLA를 부피를 기준으로 7:3의 비율로 포함하고 전체농도가 1 %인 본 발명의 조성물을 물표면에서 캐스팅하여 제조하였다.Figure 4 is a SEM photograph of the two-dimensional (reticular) polymer structure prepared in Example 7 of the present invention. The structure was prepared by casting a composition of the present invention containing monoolein and PLLA in a ratio of 7: 3 by volume and having a total concentration of 1% at the water surface.
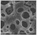
도 5는 본 발명의 실시예 10에서 제조된 2차원적(망상) 고분자 구조체의 SEM 사진이다. 상기 구조체는 모노올레인과 PLLA를 부피를 기준으로 7:3의 부피비로 포함하고 전체농도가 3 %인 본 발명의 조성물을 물표면에서 캐스팅하여 제조하였다.Figure 5 is a SEM photograph of the two-dimensional (reticular) polymer structure prepared in Example 10 of the present invention. The structure was prepared by casting a composition of the present invention containing monoolein and PLLA in a volume ratio of 7: 3 based on the volume and having a total concentration of 3% at the water surface.
도 6은 본 발명의 실시예 13에서 제조된 2차원적(망상) 고분자 구조체의 SEM 사진이다. 상기 구조체는 파이탄트리올과 PLLA를 부피를 기준으로1:1의 비율로 포함하고 전체농도가 3 %인 본 발명의 조성물을 물표면에서 캐스팅하여 제조하였다.Figure 6 is a SEM photograph of the two-dimensional (reticular) polymer structure prepared in Example 13 of the present invention. The structure was prepared by casting a composition of the present invention containing phytantriol and PLLA in a ratio of 1: 1 based on volume and having a total concentration of 3%.
도 7은 본 발명의 실시예 15에서 제조된 1차원적(섬유상) 고분자 구조체의 SEM 사진이다. 상기 구조체는 모노올레인과 PLLA를 부피를 기준으로 7:3의 비율로 포함하고 전체농도가 20 %인 본 발명의 조성물을 사용하여 제조하였다.7 is a SEM photograph of the one-dimensional (fibrous) polymer structure prepared in Example 15 of the present invention. The structure was prepared using the composition of the present invention containing monoolein and PLLA in a ratio of 7: 3 by volume and having a total concentration of 20%.
도 8은 본 발명의 실시예 17에서 제조된 0차원적(입자상) 고분자 구조체의 SEM 사진이다. 상기 구조체는 모노올레인과 PLLA를 부피를 기준으로 7:3의 비율로 포함하고 전체농도가 20 %인 본 발명의 조성물을 사용하여 제조하였다.FIG. 8 is a SEM photograph of a 0-dimensional (particulate) polymer structure prepared in Example 17 of the present invention. FIG. The structure was prepared using the composition of the present invention containing monoolein and PLLA in a ratio of 7: 3 by volume and having a total concentration of 20%.
도 9는 본 발명의 실시예 18에서 제조된 2차원적(망상) 고분자-지질구조체의 SEM 사진이다. 상기 구조체는 모노글리세라이드 큐빅상과 PLLA 용액을 혼합한 후 용매를 증발시켜 제조하였다.9 is a SEM photograph of the two-dimensional (reticular) polymer-lipid structure prepared in Example 18 of the present invention. The structure was prepared by mixing the monoglyceride cubic phase and the PLLA solution and then evaporating the solvent.
도 10은 본 발명의 실시예 19에서 제조된 2차원적 고분자 구조체의 SEM 사진이다. 상기 구조체는 모노글리세라이드 큐빅상 위에서 PLLA 용액을 캐스팅하여 제조하였다.10 is a SEM photograph of the two-dimensional polymer structure prepared in Example 19 of the present invention. The construct was prepared by casting a PLLA solution on a monoglyceride cubic phase.
도 11은 본 발명의 실시예 20에서 얻어진 2차원적 고분자 구조체의 SEM 사진이다. 상기 구조체는 소량의 모노글리세라이드 큐빅상 위에서 PLLA 용액을 캐스팅하여 제조하였다.11 is a SEM photograph of the two-dimensional polymer structure obtained in Example 20 of the present invention. The construct was prepared by casting a PLLA solution on a small amount of monoglyceride cubic phase.
도 12a 내지 12c는 본 발명의 실시예 23에서 제조된 2차원적 고분자 구조체의 SEM 사진이다. 상기 구조체는 클로로포름과 에틸 아세테이트이 부피를 기준으로 1:1의 비율로 혼합된 혼합 용매를 사용하여 모노글리세라이드와 PLLA의 혼합 조성 물을 물 위에서 캐스팅하여 제조하였다. 물 위에 캐스팅한 혼합 조성물 용액의 부피는 각각 20 μL(12a), 50 μL(12b), 및 100 μL(12c)이다.12a to 12c are SEM images of the two-dimensional polymer structure prepared in Example 23 of the present invention. The structure was prepared by casting a mixed composition of monoglyceride and PLLA on water using a mixed solvent in which chloroform and ethyl acetate were mixed at a ratio of 1: 1 by volume. The volumes of the mixed composition solution cast on water are 20 μL (12a), 50 μL (12b), and 100 μL (12c), respectively.
본 발명은 생체적합성 결정성 (crystalline) 고분자 및 지질이 유기용매에 균일하게 용해되어 있는 조성물 및 이들의 제조 방법에 관한 것이다. 본 발명은 또한 상기 조성물에서 유기용매를 제거한 후 형성되는 여러 가지 구조체 및 그들의 제조 방법에 관한 것이다.The present invention relates to compositions in which biocompatible crystalline polymers and lipids are uniformly dissolved in organic solvents and methods for their preparation. The present invention also relates to various structures formed after the removal of the organic solvent from the composition, and methods for their preparation.
생체적합성 고분자는 약물전달체계, 세포지지체, 상처 드레싱, 봉합사 등과 같이 다양한 용도로 사용되고 있다. 이 중에서, 물에는 녹지 않고 유기용매에만 녹는 결정성 고분자의 일종인 폴리락티드는 선형의 지방족 폴리에스테르로서, 생체적합하며 생분해되는 특성 때문에 약제학 분야에서 많은 관심을 가져왔다. 폴리락티드 및 폴리락티드와 폴리글리콜리드 (polyglycolic acid; PGA)의 공중합체(co-polymer)에 기초하여 다공성의 나노 크기의 스캐폴드(scaffold), 속이 빈 섬유, 캡슐들을 제조함으로써 연질-조직 세포 이식(soft-tissue cell transplantation) 및 약물 전달 시스템에 이용하고자 하는 노력들이 보고된 바가 있다 (Mikos AG., Bao Y, Cima LG., Ingber DE, Vacanti JP, Langer R.Biomater1993; 14; 323-30. Lee JH, Park TG, Park HS, Lee DS, Lee YK, Yoon SC, Nam JD.Biomater. 2003; 24; 2773-78.Ligins RT, Burt HMInt. J. Pharm. 2001; 222; 19-33.)Biocompatible polymers are used in various applications, such as drug delivery systems, cell supports, wound dressings, sutures, and the like. Among them, polylactide, which is a kind of crystalline polymer that is insoluble in water but only in an organic solvent, is a linear aliphatic polyester, and has attracted much attention in the pharmaceutical field because of its biocompatible and biodegradable properties. Soft-tissue by making porous nano-sized scaffolds, hollow fibers, capsules based on polylactide and co-polymers of polylactide and polyglycolic acid (PGA) Efforts have been reported for use in soft-tissue cell transplantation and drug delivery systems (Mikos AG., Bao Y, Cima LG., Ingber DE, Vacanti JP, Langer R.Biomater 1993; 14; 323 Lee JH, Park TG, Park HS, Lee DS, Lee YK, Yoon SC, Nam J D.Biomater . 2003; 24; 2773-78.Ligins RT, Burt HMInt. J. Pharm . 2001; 222; 19 -33.)
폴리락티드는 생체 내에서 가수분해될 때 pH가 낮아지기 때문에 pH에 민감한 약물을 포함하는 제형의 제조에 있어서 한계를 갖는다는 단점이 있다. 이러한 단점들을 극복하면서 약물의 방출 속도가 조절될 수 있도록 지질을 폴리락티드와 폴리글리콜리드 (polyglycolic acid; PGA)의 공중합체 (PLGA)의 마이크로스피어 (microsphere)에 도입하는 것이 제안된 바 있으나 (Schaefer MJ, Singh J.Biomater. 2002; 23; 3465-3471.), 이는 비결정성인 PLGA를 사용하고 지질로 트리글리세라이드를 사용한다는 점에서 본 발명의 결정성 고분자(PLLA)와 지질의 혼합 조성물과 구별된다.Polylactide has the disadvantage of having limitations in the preparation of formulations containing pH sensitive drugs since the pH is lowered when hydrolyzed in vivo. To overcome these drawbacks, it has been proposed to introduce lipids into the microspheres of a copolymer of polylactide and polyglycolic acid (PGA) (PLGA) so that the release rate of the drug can be controlled ( Schaefer MJ, Singh J.Biomater . 2002; 23; 3465-3471.), Which distinguishes it from the mixed composition of crystalline polymers (PLLA) and lipids in that it uses amorphous PLGA and uses triglycerides as lipids. do.
Johansson 등은 폴리락티드와 폴리글리콜리드 (PGA)의 공중합체 (PLGA)를 사용하여 고분자 또는 지질이 풍부한 잘 정의된 마이크로도메인을 갖는 고분자-지질 복합물을 만들기 위한 출발점으로 1) PLGA, 2) 모노올레인, 3) 1-메틸-2-피롤리디논 (NMP) 및 4) 물 구성계의 상 전이를 구축하고자 했으나, 이 역시 결정성 고분자와 지질의 혼합물이 아니므로 본 발명과는 구별된다 (Johansson AK, Linse P, Piculell L. Engstrom SJ. Phys. Chem. B 2001; 105; 12157-12164.).Johansson et al. (1) PLGA, 2) mono, as a starting point for making polymer-lipid composites with well-defined microdomains rich in polymers or lipids using copolymers of polylactide and polyglycolide (PGA). Olein, 3) 1-methyl-2-pyrrolidinone (NMP) and 4) attempted to establish a phase transition in the water constituent system, but this is also not distinguished from the present invention as it is not a mixture of crystalline polymers and lipids ( Johansson AK, Linse P, Piculell L. Engstrom SJ. Phys. Chem. B 2001; 105; 12157-12164.
또한, Mosqueira 등은 폴리락티드의 라세미 (racemic) 혼합물 (PDLA)을 아세톤에 녹인 용액을 소수성 계면 활성제와 마이글리올 (myglyol) 810과 에틸 올리에이트 (ethyl oleate)와 같은 기름을 포함하고 있는 아세톤 용액에 가한 후, 용매를 증발시키는 방법으로 PDLA의 나노캡슐을 얻었다. 그러나, 폴리락티드의 라세미 혼합물을 이용한 것과 용매가 증발되면서 계면에 형성되는 고분자 층이 마이크로미터 이하의 기름방울들의 역학적 (mechanical) 장애로 작용하여 계면의 물리화학적 성 질을 변화시켜 나노캡슐을 유도한 점에서 본 발명과는 구별된다 (Mosqueira VCF, Legrand P, Pinto-alphandary H. Puisieux F, Barratt G.J. Pharm Sci. 2000; 89; 614-626.).Mosqueira et al. Also found that a solution of a polylactide racemic mixture (PDLA) in acetone contains a hydrophobic surfactant and an oil such as myglyol 810 and ethyl oleate. After addition to the acetone solution, a nanocapsule of PDLA was obtained by evaporating the solvent. However, using a racemic mixture of polylactide and a polymer layer formed at the interface as the solvent evaporates acts as a mechanical obstacle to oil droplets of micrometer or less, changing the physicochemical properties of the interface. Induction is distinguished from the present invention (Mosqueira VCF, Legrand P, Pinto-alphandary H. Puisieux F, Barratt G.J. Pharm Sci . 2000; 89; 614-626.).
특히, 폴리락티드는 자연계에서 L-형으로 존재하며 L-형인 폴리-L-락티드(PLLA)는 라세미 혼합물에서는 나타나지 않는 결정성을 갖는다는 특징이 있다.In particular, polylactide exists in the L-type in nature and the L-type poly-L-lactide (PLLA) is characterized by having crystallinity that is not found in racemic mixtures.
파이탄트리올 또는 모노글리세라이드, 특히, 모노올레인 (Monoolein, glyceryl monooleate, MO)은 수화될 때 자발적으로 큐빅상(cubic phase)이라는 미세 구조를 만드는 성질이 있다 (Caffrey M, Briggs J, Chung H.J. Phys. II France. 1996; 6; 723, Barauskas J, Landh T. Langmuir. 2003; 19; 9562-9565). 이러한 큐빅상은 구조 내부에 물을 포함하는 채널 (channel)을 갖고 이 물 채널 안에 수용성 단백질, 약물을 포함하는 다양한 물질들을 함유할 수 있다.Phitantriol or monoglycerides, especially monooolein (Monoolein, glyceryl monooleate, MO), have a property of spontaneously creating a microstructure called the cubic phase (Caffrey M, Briggs J, Chung). H.J. Phys. II France . 1996; 6; 723, Barauskas J, Landh T. Langmuir. 2003; 19; 9562-9565). This cubic phase has a channel containing water inside the structure and may contain various substances including water-soluble proteins and drugs in the water channel.
본 발명에서는 생체적합성 결정성 고분자와 큐빅상을 만드는 중성지질을 이들을 동시에 녹일 수 있는 유기용매에 용해시켜 얻어진 조성물과, 상기 조성물에서 유기용매를 제거했을 때 형성되는 여러 가지 구조체를 제공한다. 구조체를 만드는 방법으로는 일반적인 증발법, 필름 캐스팅 방법 (Film casting method), 섬유제조법, 마이크로 스피어 제조법을 이용한다.The present invention provides a composition obtained by dissolving a biocompatible crystalline polymer and a neutral lipid forming a cubic phase in an organic solvent capable of dissolving them simultaneously, and various structures formed when the organic solvent is removed from the composition. As a method of making the structure, a general evaporation method, a film casting method, a fiber manufacturing method, and a microsphere manufacturing method are used.
필름캐스팅 방법이란 조성물을 평평한 표면 (flat surface)에 고르게 도포한 후 유기용매를 제거하는 방법이며, 평평한 표면으로서 고체 기판(solid support) 또는 물 등의 표면을 사용할 수 있다. 물 표면에서 필름 캐스팅 방법으로 고분자 또는 고분자 혼합물을 도포하여 벌집모양의 구조를 가진 필름을 제조하는 방법은 공지되어 있다 ((a) Yabu, H.; Tanaka, M.; Ijiro, K.; Shimomura, M. Langmuir, 2003; 19; 6297-6300. (b) Nishikawa, T.; Ookura, R.; Nishida, J.; Arai, K..; Hayashi, J.; Kurono, N.; Sawadaishi, T.; Hara, M.; Shimomura, M. Langmuir, 2002; 18; 5734-5740.). 그러나, 상기의 경우는 모두 물방울이 육방 밀집 (hexagonal close packing)하여 벌집구조가 만들어지는 것이며, 필름의 건조시 상기 물방울들이 증발해버리므로 고분자 필름만 남게 된다. 그러나, 본 발명의 고분자-지질 필름의 경우, 지질이 큐빅상 입자를 형성하고 그 주위를 고분자가 에워싸면서 벌집모양의 구조체가 형성되며, 지질의 큐빅상 입자가 벌집모양 구조체의 포어(pore)를 채우고 있어서, 이러한 큐빅상의 입자의 약물 등의 함유 특성에 의하여, 약물전달 등과 같이 여러 가지 유용한 용도로 사용될 수 있다. 지금까지, 이와 같은 큐빅상의 형성에 의하여 벌집모양의 구조체가 형성되는 것과 관련하여 보고된 바가 없다. 또한, 물에 녹지 않는 생체적합성 결정성 고분자와 큐빅상을 형성하는 지질을 유기용매에 함께 용해시킨 조성물에 대해서도 보고된 바가 없다.The film casting method is a method in which the organic solvent is removed after the composition is evenly applied to a flat surface, and a surface such as a solid support or water may be used as the flat surface. It is known to prepare a film having a honeycomb structure by applying a polymer or a mixture of polymers by the film casting method on the water surface ((a) Yabu, H .; Tanaka, M .; Ijiro, K .; Shimomura, M. Langmuir, 2003; 19; 6297-6300. (B) Nishikawa, T .; Ookura, R .; Nishida, J .; Arai, K ..; Hayashi, J .; Kurono, N .; Sawadaishi, T. Hara, M .; Shimomura, M. Langmuir, 2002; 18; 5734-5740.). However, in all of the above cases, the droplets are hexagonal close packing to form a honeycomb structure, and since the droplets evaporate when the film is dried, only the polymer film remains. However, in the polymer-lipid film of the present invention, as the lipid forms cubic particles and the polymer surrounds the honeycomb structure, the cubic particles of the lipid are pores of the honeycomb structure. By filling the, by the containing properties of the drug, such as the particles of the cubic phase, it can be used for various useful applications such as drug delivery. So far, there has been no report on the formation of honeycomb structures by the formation of such cubic phases. In addition, there is no report on a composition in which a biocompatible crystalline polymer insoluble in water and a lipid forming a cubic phase are dissolved together in an organic solvent.
본 발명은 유기용매에 용해된 고분자-지질 혼합 조성물을 제조하고, 이를 이용하여 생체적합하고, 약물전달체계로 사용할 수 있는 여러 가지 구조체를 제조하는 것을 목적으로 한다.An object of the present invention is to prepare a polymer-lipid mixed composition dissolved in an organic solvent, and to prepare various structures that can be biocompatible using the drug delivery system.
본 발명의 또 하나의 목적은 일정하게 배열된 다공성 벌집구조를 가진 고분자 구조체를 얻는 것이다.Another object of the present invention is to obtain a polymer structure having a uniformly arranged porous honeycomb structure.
본 발명은 생체적합성 결정성 (crystalline) 고분자 및 지질이 유기용매에 균일하게 용해되어 있는 고분자-지질 조성물, 상기 고분자-지질 조성물에서 유기용매 또는 유기용매와 지질을 제거한 후 형성되는 여러 가지 구조체 및 이들의 제조 방법에 관한 것이다.The present invention relates to a polymer-lipid composition in which biocompatible crystalline polymers and lipids are uniformly dissolved in an organic solvent, various structures formed after removing the organic solvent or organic solvent and lipids from the polymer-lipid composition, and these It relates to a method for producing.
보다 상세하게, 본 발명은 유기용매에 녹는 한 가지 이상의 생체적합성 결정성 고분자와 한 가지 이상의 중성지질이 유기용매에 균일하게 용해된 고분자-지질 조성물을 제공하며, 상기 조성물은 조성물 총 중량에 대하여, 0.05 내지 14 중량%의 생체적합성 결정성 고분자, 0.1 내지 14 중량%의 중성지질 및 나머지 분량의 유기용매를 포함한다.More specifically, the present invention provides a polymer-lipid composition in which at least one biocompatible crystalline polymer and at least one neutral lipid are uniformly dissolved in an organic solvent, wherein the composition is based on the total weight of the composition, 0.05-14% by weight of the biocompatible crystalline polymer, 0.1-14% by weight of neutral lipids and the remaining amount of the organic solvent.
상기 생체적합성 결정성 고분자는 폴리락티드 (polylactide) 또는 폴리글리콜리드 (polyglycolide) 계열, 폴리-p-디옥사논 (Poly-p-dioxanon) 계열, 폴리-베타-히드록시부티레이트 (poly-beta-hydroxybutyrate) 및 그의 공중합체, 폴리알킬렌 옥사메이트, 베타-히드록시-L-헥산올 기재 폴리알킬렌 옥사메이트 (Polyalkylene oxamate based onbeta-hydroxy-L-hexanol) 등으로 이루어진 군 중에서 한 가지 이상 선택될 수 있다.The biocompatible crystalline polymers are polylactides (polylactide) or poly-glycolide (polyglycolide) series, poly-dioxanone -p- (Poly-p -dioxanon) series, poly-beta-hydroxybutyrate (poly-beta - hydroxybutyrate) and their copolymers, poly-alkylene-oxa mate,beta-hydroxy-L-hexanol described polyalkylene oxa formate (select one or more of the group consisting of such aspolyalkylene oxamate based on beta -hydroxy- L -hexanol ) Can be.
이 때, 상기 폴리락티드 또는 폴리글리콜리드 계열은 폴리-L-락티드(Poly-L-lactide, PLLA), 폴리글리콜산(Polyglycolic acid, PGA), 10/90 L-락티드/글리콜리드 공중합체 (910 폴리글락틴), 글리콜리드/엡실론(epsilon)-카프로락톤 공중합체, 글리콜리드/1,5-디옥세판-2-온 공중합체, 글리콜리드/트리메틸렌 카보네이트 공중 합체, 글리콜리드/폴리에틸렌-p-페닐렌 디글리콜레이트(polyethylene-p-phenylene diglycolate) 공중합체 등을 포함한다.In this case, the polylactide or polyglycolide series is poly-L-lactide (PLLA), polyglycolic acid (PGA), 10/90 L-lactide / glycolide air copolymer (poly article 910 raktin), glycolide / epsilon(epsilon) - caprolactone copolymers, glycolide / 1,5-dioxide-2-one sepan copolymers, glycolide / trimethylene carbonate copolymers, glycolide / polyethylene -, and the like phenylene diglycolic rate (polyethylene-p -phenylene diglycolate) copolymer -p.
또한, 상기 폴리-p-다이옥사논 계열은 폴리-p-디옥사논(PDS), PDS/L-락티드 공중합체, PDS/글리콜리드 공중합체,p-디옥사논/모르폴린-2,5 디온 공중합체,p-디옥사논/폴리에틸렌-p-페닐렌 디글리콜레이트 공중합체, 폴리트리메틸렌 말로네이트/p-디옥사논 공중합체 등을 포함한다.In addition, the poly-p-dioxanone series may include poly-p -dioxanone (PDS), PDS / L-lactide copolymer, PDS / glycolide copolymer,p -dioxanone / morpholine-2, 5 dione copolymer,p -dioxanone / polyethylene-p -phenylene diglycolate copolymer, polytrimethylene malonate /p -dioxanone copolymer, and the like.
상기 중성지질은 물과 접촉시 큐빅상을 형성할 수 있는 모든 중성지질을 포함하며, 특히, 모노글리세라이드 및 파이탄트리올 (phytantriol)로 이루어진 군 중에서 한 가지 이상 선택될 수 있다.The neutral lipids include all neutral lipids capable of forming a cubic phase upon contact with water, and in particular, may be selected from one or more selected from the group consisting of monoglycerides and phytantriol.
이 때, 상기 모노글리세라이드계 화합물은 포화 또는 불포화된 C10-C22인 모노글리세라이드계 화합물을 포함하며, 바람직하게는, 모노올레인 (Monoolein), 모노팔미톨레인 (Monopalmitolein), 모노미리스톨레인 (Monomyristolein), 모노일레이딘 (Monoelaidin) 및 모노이루이신 (Monoeruicin) 등을 포함한다.At this time, the monoglyceride-based compound includes a monoglyceride-based compound which is saturated or unsaturated C10 -C22 , preferably, monooolein (Monoolein), monopalmitollein (Monopalmitolein), monomyri Stolein (Monomyristolein), Monoeilaidin and Monoiruicin (Monoeruicin) and the like.
본 발명의 지질은 부가적으로 다른 지질을 포함할 수 있다. 이러한 부가적으로 포함되는 지질에는 트리글리세라이드, 디글리세라이드, 인지질, 지방산, 양이온성 지질, 중성 지질, 음이온성 지질 등이 포함된다. 상기 부가적으로 포함되는 지질의 양은 지질의 혼합물이 과량의 물 존재 하에 큐빅상을 형성하는 것을 방해하지 않는 범위내로 한정된다. 부가적으로 포함되는 지질은 큐빅상의 물성을 다소 변화시켜며 용매와의 친화성, 약물의 봉입을 돕는 역할을 하며, 그 종류에 따라 총 조 성물에 대한 중량비가 다르나 대략적으로 0.001 내지 10 중량%가 적당하다. 이 때, 트리글리세라이드, 디글리세라이드의 경우에는 큐빅상의 구조를 안정화 시키고, 인지질, 양이온성 지질, 음이온성 지질은 분산을 도와 줄 수 있다.The lipids of the present invention may additionally include other lipids. Such additionally included lipids include triglycerides, diglycerides, phospholipids, fatty acids, cationic lipids, neutral lipids, anionic lipids and the like. The amount of lipids additionally included is defined within a range that does not prevent the mixture of lipids from forming a cubic phase in the presence of excess water. The additionally included lipids slightly change the physical properties of the cubic phase and serve to help affinity with solvents and encapsulation of drugs, and the weight ratio of the total composition varies depending on the type, but is approximately 0.001 to 10% by weight. It is suitable. In this case, triglycerides, diglycerides stabilize the structure of the cubic phase, phospholipids, cationic lipids, anionic lipids can help dispersion.
상기 유기용매는 아세톤, 벤젠, 브로모벤젠, 클로로폼,m-크레졸, 디클로로아세트산, 디클로로메탄, 다이옥산, 디메틸포름아미드, 에틸아세테이트, 이소아밀알콜, N-메틸 피롤리돈, 톨루엔, 테트라하이드로퓨란, 트리클로로메탄,p-자일렌 및 이들의 혼합용액으로 이루어진 군 중에서 선택될 수 있다. 또한, 상기 유기용매는 본 발명에서 사용되는 생체적합성 결정성 고분자와 중성지질의 공-용매(co-solvent)일 수 있다.The organic solvent is acetone, benzene, bromobenzene, chloroform,m -cresol, dichloroacetic acid, dichloromethane, dioxane, dimethylformamide, ethyl acetate, isoamyl alcohol, N-methyl pyrrolidone, toluene, tetrahydrofuran , Trichloromethane,p -xylene, and a mixed solution thereof. In addition, the organic solvent may be a co-solvent of a biocompatible crystalline polymer and neutral lipid used in the present invention.
또한, 본 발명의 고분자-지질 조성물의 제조방법을 제공한다. 보다 구체적으로, 본 발명의 제조방법은 한 가지 이상의 생체적합성 결정성 고분자를 및 한 가지 이상의 중성지질을 각각 동일하거나 상이한 유기용매에 각각 1.0 내지 24 중량% 및 0.2 내지 28 중량%의 농도로 용해시킨 후, 두 용액을 혼합하는 단계를 수행함으로써, 0.05 내지 14 중량%의 생체적합성 결정성 고분자, 0.1 내지 14 중량%의 중성지질 및 나머지 분량의 유기용매를 포함하는 조성물을 제조할 수 있다.The present invention also provides a method for preparing the polymer-lipid composition of the present invention. More specifically, the preparation method of the present invention is one or more biocompatible crystalline polymers and one or more neutral lipids are dissolved in the same or different organic solvents at concentrations of 1.0 to 24% by weight and 0.2 to 28% by weight, respectively. Then, by carrying out the step of mixing the two solutions, a composition comprising 0.05 to 14% by weight of the biocompatible crystalline polymer, 0.1 to 14% by weight of neutral lipids and the remaining amount of the organic solvent can be prepared.
또는, 본 발명의 제조방법은 상기 방법은 한 가지 이상의 생체적합성 결정성 고분자 0.05 내지 14 중량% 및 한 가지 이상의 중성지질 0.1 내지 14 중량%를 이들을 모두 용해시키는 유기용매에 용해시키는 단계를 포함할 수 있다.Alternatively, the production method of the present invention may comprise the step of dissolving 0.05-14% by weight of one or more biocompatible crystalline polymers and 0.1-14% by weight of one or more neutral lipids in an organic solvent in which all of them are dissolved. have.
이 때, 상기 생체적합성 결정성 고분자는 폴리락티드 (polylactide) 또는 폴리글리콜리드 (polyglycolide) 계열, 폴리-p-디옥사논 (Poly-p-dioxanon) 계열, 폴 리-베타-히드록시부티레이트 (poly-beta-hydroxybutyrate) 및 그의 공중합체, 폴리알킬렌 옥사메이트, 베타-히드록시-L-헥산올 기재 폴리알킬렌 옥사메이트 (Polyalkylene oxamate based onbeta-hydroxy-L-hexanol) 등으로 이루어진 군 중에서 한 가지 이상을 선택하여 사용할 수 있다.At this time, the bio-compatibility of polymers are polylactides (polylactide) or poly-glycolide (polyglycolide) series, poly-dioxanone -p- (Poly-p -dioxanon) series, poly-beta-hydroxybutyrate ( from the group consisting of hexanol, etc. described polyalkylene oxa mate(polyalkylene oxamate based on beta -hydroxy- L -hexanol) - poly- beta -hydroxybutyrate) and their copolymers, poly-alkylene-oxa mate,beta-hydroxy-L You can select more than one.
상기 폴리락티드 또는 폴리글리콜리드 계열은 폴리-L-락티드(Poly-L-lactide, PLLA), 폴리글리콜산(Polyglycolic acid, PGA), 10/90 L-락티드/글리콜리드 공중합체 (910 폴리글락틴), 글리콜리드/엡실론(epsilon)-카프로락톤 공중합체, 글리콜리드/1,5-디옥세판-2-온 공중합체, 글리콜리드/트리메틸렌 카보네이트 공중합체, 글리콜리드/폴리에틸렌-p-페닐렌 디글리콜레이트(polyethylene-p-phenylene diglycolate) 공중합체 등을 포함한다.The polylactide or polyglycolide series may be poly-L-lactide (PLLA), polyglycolic acid (PGA), 10/90 L-lactide / glycolide copolymer (910 poly article raktin), glycolide / epsilon(epsilon) - caprolactone copolymers, glycolide / 1,5-dioxide-2-one sepan copolymers, glycolide / trimethylene carbonate copolymers, glycolide / polyethylene -p - Phenylene diglycolate (polyethylene-p -phenylene diglycolate) copolymer and the like.
상기 폴리-p-다이옥사논 계열은 폴리-p-디옥사논(PDS), PDS/L-락티드 공중합체, PDS/글리콜리드 공중합체,p-디옥사논/모르폴린-2,5 디온 공중합체, Copolymers ofp-디옥사논/폴리에틸렌-p-페닐렌 디글리콜레이트 공중합체, 폴리트리메틸렌 말로네이트/p-디옥사논 공중합체 등을 포함한다.The poly-p-dioxanone series includes poly-p -dioxanone (PDS), PDS / L-lactide copolymer, PDS / glycolide copolymer,p -dioxanone / morpholine-2,5 dione Copolymers, Copolymers ofp -dioxanone / polyethylene-p -phenylene diglycolate copolymer, polytrimethylene malonate /p -dioxanone copolymer, and the like.
또한, 상기 중성지질은 물과 접촉시 큐빅상을 형성할 수 있는 모든 중성지질을 사용할 수 있으며, 특히, 모노글리세라이드, 파이탄트리올 및(phytantriol)로 이루어진 군 중에서 한 가지 이상을 선택하여 사용할 수 있다.In addition, the neutral lipid may use all neutral lipids capable of forming a cubic phase when contacted with water, and in particular, one or more selected from the group consisting of monoglycerides, phytantriol, and (phytantriol) may be used. Can be.
상기 모노글리세라이드계 화합물은 포화 또는 불포화된 C10-C22인 모노글리세라이드계 화합물을 포함하며, 바람직하게는, 모노올레인 (Monoolein), 모노팔미톨 레인 (Monopalmitolein), 모노미리스톨레인 (Monomyristolein), 모노일레이딘 (Monoelaidin) 및 모노이루이신 (Monoeruicin) 등을 포함한다.The monoglyceride-based compound includes a monoglyceride-based compound which is saturated or unsaturated C10 -C22 , and preferably, monooolein, Monopalmitollein, monomyristolein ( Monomyristolein, Monoeilaidin and Monoeruicin, and the like.
이 때, 본 발명의 제조방법은 다른 지질을 부가적을 첨가하는 단계를 추가적으로 포함할 수 있다. 이러한 부가적으로 포함되는 지질은 트리글리세라이드, 디글리세라이드, 인지질, 지방산, 양이온성 지질, 중성 지질 및 음이온성 지질로 이루어진 군 중에서 선택하여 사용한다. 상기 부가적으로 포함되는 지질의 양은 지질의 혼합물이 과량의 물 존재 하에 큐빅상을 형성하는 것을 방해하지 않는 범위내로 한정된다. 부가적으로 포함되는 지질은 큐빅상의 물성을 다소 변화시켜며 용매와의 친화성, 약물의 봉입을 돕는 역할을 하며, 그 종류에 따라 총 조성물에 대한 중량비가 다르나 0.001 ~ 10 %가 적당하다. 즉 트리글리세라이드, 디글리세라이드의 경우에는 큐빅상의 구조를 안정화 시키고, 인지질, 양이온성 지질, 음이온성 지질은 분산을 도와 줄 수 있다.At this time, the production method of the present invention may further comprise the step of adding additional lipids. Such additionally included lipids are selected from the group consisting of triglycerides, diglycerides, phospholipids, fatty acids, cationic lipids, neutral lipids and anionic lipids. The amount of lipids additionally included is defined within a range that does not prevent the mixture of lipids from forming a cubic phase in the presence of excess water. The additionally included lipids slightly change the physical properties of the cubic phase and serve to help the affinity with the solvent and the encapsulation of the drug. The weight ratio of the total composition varies depending on the type, but 0.001 to 10% is appropriate. In other words, triglycerides, diglycerides stabilize the structure of the cubic phase, phospholipids, cationic lipids, anionic lipids can help dispersing.
또한, 상기 유기용매는 아세톤, 벤젠, 브로모벤젠, 클로로폼,m-크레졸, 디클로로아세트산, 디클로로메탄, 다이옥산, 디메틸포름아미드, 에틸아세테이트, 이소아밀알콜, N-메틸 피롤리돈, 톨루엔, 테트라하이드로퓨란, 트리클로로메탄,p-자일렌 및 이들의 혼합용액으로 이루어진 군 중에서 선택될 수 있다.In addition, the organic solvent may be acetone, benzene, bromobenzene, chloroform,m -cresol, dichloroacetic acid, dichloromethane, dioxane, dimethylformamide, ethyl acetate, isoamyl alcohol, N-methyl pyrrolidone, toluene, tetra Hydrofuran, trichloromethane,p -xylene, and mixtures thereof.
또한, 본 발명은 상기 고분자-지질 조성물로부터 유기용매를 제거하여 얻어지는 3차원적 (덩어리), 이차원적 (필름), 일차원적 (섬유상) 또는 0차원적 (입자상) 고분자-지질 복합 구조체를 제공한다. 또한, 본 발명은 상기 고분자-지질 복합 구조체로부터 지질을 제거하여 얻어지는 3차원적 (덩어리), 이차원적 (다공성 필 름 또는 망상), 일차원적 (섬유상) 또는 0차원적 (입자상) 고분자 구조체를 제공한다.The present invention also provides a three-dimensional (lump), two-dimensional (film), one-dimensional (fibrous) or zero-dimensional (particulate) polymer-lipid composite structure obtained by removing the organic solvent from the polymer-lipid composition. . The present invention also provides a three-dimensional (lump), two-dimensional (porous film or reticulated), one-dimensional (fibrous) or zero-dimensional (particulate) polymer structure obtained by removing lipids from the polymer-lipid composite structure. do.
3차원적 고분자-지질 복합 구조체는 본 발명의 고분자-지질 조성물로부터 유기용매를 제거하여 얻어지며, 예컨대, 상기 조성물을 일정한 틀에 넣고 유기용매를 증발시키거나, 상기 조성물을 물 속에 넣고 저어주면서 서서히 유기용매를 증발시킴으로써 얻을 수 있다.The three-dimensional polymer-lipid composite structure is obtained by removing an organic solvent from the polymer-lipid composition of the present invention, for example, by putting the composition in a fixed mold and evaporating the organic solvent, or slowly stirring the composition into water and stirring it. It can be obtained by evaporating the organic solvent.
또한, 3차원적 (덩어리) 고분자 구조체는 상기에서 얻어진 고분자-지질 복합 구조체로부터 지질을 제거하여 얻어지며, 예컨대, 지질만을 선택적으로 용해시키는 용매를 사용하여 상기 고분지-지질 복합 구조체로부터 지질을 용출시킨 후 용매를 제거함으로써, 생체적합성 고분자로 구성된 3차원적 고분자-구조체를 얻을 수 있다. 이 때, 지질만 선택적으로 용해시키는 용매로는 알코올류, 디메틸설폭사이드 (DMSO) 등이 있다.In addition, a three-dimensional (lump) polymer structure is obtained by removing lipids from the polymer-lipid composite structure obtained above, for example, eluting lipids from the high branched-lipid composite structure using a solvent that selectively dissolves only lipids. After the removal of the solvent, a three-dimensional polymer-structure composed of a biocompatible polymer can be obtained. At this time, solvents for selectively dissolving only lipids include alcohols and dimethyl sulfoxide (DMSO).
2차원적 (면, 필름) 고분자-지질 구조체는 본 발명의 고분자-지질 조성물을 고체 기판(solid support) 또는 물 등의 표면에 필름 캐스팅하여 얻을 수 있다. 또는, 지질용액에 물을 가하여 큐빅상을 형성시키고, 이를 고체 기판에 균일하게 적용시킨 후, 여기에 고분자 용액을 가하고 용매를 제거하여 2차원적 고분자-지질 구조체를 얻을 수 있다. 또한, 지질만 녹일 수 있는 용매를 사용하여, 상기와 같이 얻어진 2차원적 고분자-지질 구조체로부터 지질을 제거시킴으로써, 생체적합성 고분자만으로 구성된 다공성 필름 또는 망상의 2차원적 고분자 구조체를 만들 수 있다. 이 때, 지질만 선택적으로 용해시키는 용매로는 알코올류, 디메틸설폭사이드 (DMSO) 등이 있다.The two-dimensional (cotton, film) polymer-lipid structure can be obtained by film casting the polymer-lipid composition of the present invention on a surface such as a solid support or water. Alternatively, water may be added to the lipid solution to form a cubic phase, which may be uniformly applied to a solid substrate, and then a polymer solution may be added thereto to remove the solvent, thereby obtaining a two-dimensional polymer-lipid structure. In addition, by removing the lipid from the two-dimensional polymer-lipid structure obtained as described above using a solvent capable of dissolving only the lipid, it is possible to make a porous film or a reticulated two-dimensional polymer structure composed only of biocompatible polymers. At this time, solvents for selectively dissolving only lipids include alcohols and dimethyl sulfoxide (DMSO).
1차원적 (선, 섬유상) 고분자-지질 구조체는 본 발명의 고분자-지질 조성물을 일렉트로스피닝 (electrospinning) 방식 등으로 섬유화하여 얻을 수 있다. 또한, 지질만 녹일 수 있는 용매를 사용하여 상기와 같은 1차원적 고분자-지질 구조체로부터 지질만을 제거함으로써, 생체적합성 고분자만 남아있는1차원적 고분자 구조체를 얻을 수 있다. 이 때, 지질만 선택적으로 용해시키는 용매로는 알코올류, 디메틸설폭사이드 (DMSO) 등이 있다.The one-dimensional (linear, fibrous) polymer-lipid structure can be obtained by fiberizing the polymer-lipid composition of the present invention by an electrospinning method or the like. In addition, by removing only the lipid from the one-dimensional polymer-lipid structure using a solvent that can dissolve only the lipid, it is possible to obtain a one-dimensional polymer structure in which only the biocompatible polymer remains. At this time, solvents for selectively dissolving only lipids include alcohols and dimethyl sulfoxide (DMSO).
0차원적 (점, 입자) 고분자-지질 구조체는 본 발명의 고분자-지질 조성물을 수용액에 넣은 후 균질화 (homogenization) 등의 여러 가지 입자 제조법에 의하여 마이크로화하여 얻을 수 있다. 또한 지질만 녹일 수 있는 용매를 사용하여 상기와 같은 0차원적 고분자-지질 구조체로부터 지질을 제거시킴으로써 생체적합성 고분자만 남아있는 0차원적 고분자 구조체를 만들 수 있다. 이 때, 지질만 선택적으로 용해시키는 용매로는 알코올류, 디메틸설폭사이드 (DMSO) 등이 있다.The zero-dimensional (dot, particle) polymer-lipid structure can be obtained by micronization by various particle preparation methods such as homogenization after the polymer-lipid composition of the present invention is put in an aqueous solution. In addition, by removing the lipid from the above-described zero-dimensional polymer-lipid structure using a solvent that can dissolve only lipids, it is possible to create a zero-dimensional polymer structure in which only the biocompatible polymer remains. At this time, solvents for selectively dissolving only lipids include alcohols and dimethyl sulfoxide (DMSO).
본 발명의 고분자-지질 조성물이 물과 접촉하는 조건하에서, 상기 조성물중의 지질이 큐빅상을 형성하고 고분자가 그 주위를 에워싸고, 상기 형성된 지질의 큐빅상이 상분리되어 독립된 영역(domain)을 구축하는 독특한 구조를 갖는 고분자-지질 구조체가 형성된다. 이 때, 고분자 또는 지질에 선택적으로 물질을 봉입할 수 있으며, 고분자 또는 지질의 종류 및 이들의 농도 및 비율에 의하여 봉입된 물질의 방출속도를 임의로 조절할 수 있다. 이러한 성질에 기초하여, 본 발명의 고분자-지질 구조체는 약물을 포함하는 생체활성물질의 전달체로서 유용하다.Under the condition that the polymer-lipid composition of the present invention is in contact with water, the lipid in the composition forms a cubic phase, the polymer surrounds it, and the cubic phase of the formed lipid is phase separated to form an independent domain. Polymer-lipid structures with unique structures are formed. In this case, the substance may be selectively encapsulated in the polymer or lipid, and the release rate of the encapsulated substance may be arbitrarily controlled by the kind of the polymer or the lipid and their concentration and ratio. Based on these properties, the polymer-lipid structures of the present invention are useful as carriers of bioactive materials, including drugs.
또한, 상기 고분자-지질 구조체로부터 지질을 제거하면, 상기 구조체에서 지질 큐빅상 영역이 차지하던 공간이 비고 생체적합성 고분자만 남게 되어, 다공성 구조의 고분자 구조체가 형성된다. 이러한 다공성 생체적합성 고분자 구조체는 필터, 세포배양용 스캐폴드, 상처 드레싱 등의 다양한 용도로 사용가능하다. 예컨대, 본 발명의 다공성 필름 구조체는 구멍의 크기가 2 내지 10 ㎛로 필터로 적합하다.In addition, when the lipid is removed from the polymer-lipid structure, the space occupied by the lipid cubic phase region in the structure becomes empty and only the biocompatible polymer remains, thereby forming a porous structure of the polymer structure. Such porous biocompatible polymer structures can be used for various applications such as filters, cell culture scaffolds, wound dressings, and the like. For example, the porous film structure of the present invention is suitable as a filter with a pore size of 2 to 10 μm.
본 발명의 고분자-지질 구조체 중에 형성된 큐빅상의 크기 또는 고분자 구조체의 구멍의 크기는 사용된 고분자-지질 조성물 중의 고분자와 지질의 비율을 조절함으로써 조절가능하다. 따라서, 고분자 구조체를 필터, 세포배양용 스캐폴드, 상처 드레싱 등의 용도에 적용할 때, 고분자-지질 조성물 내의 고분자와 지질의 함량비를 조절하여 원하는 구멍 크기를 형성할 수 있다 .The size of the cubic phase formed in the polymer-lipid structure of the present invention or the size of the pore of the polymer structure can be adjusted by controlling the ratio of the polymer and the lipid in the polymer-lipid composition used. Therefore, when the polymer structure is applied to a filter, a cell culture scaffold, a wound dressing, or the like, a desired pore size can be formed by adjusting the content ratio of the polymer and the lipid in the polymer-lipid composition.
이하 본 발명을 실시예에 의하여 상세히 설명할 것이나, 본 발명의 범위가 이들 실시예에 의하여 한정되는 것은 아니다.Hereinafter, the present invention will be described in detail with reference to Examples, but the scope of the present invention is not limited to these Examples.
실시예 1. 고분자-지질 조성물의 제조 1Example 1 Preparation of Polymer-lipid Compositions 1
모노올레인 (Myverol, Danisco, Denmark) 0.10 g을 클로로포름 (Junsei Chemical, Japan)에 녹여 10 mL 용액으로 만들었다 (1 % (w/v)). 잘 건조된 PLLA (Mn 100,000; PolyScience, USA) 0.10 g을 실온에서 약 30분간 자석젓개를 이용해서 교반하여 클로로포름에 녹여 10 mL 용액으로 만들었다 (1 % (w/v)). 이와 같이 얻어진 1% (w/v)의 모노올레인 용액과 PLLA 용액을 모노올레인이과 PLLA의 중량비가 각각 1:9, 2:8, 3:7, 4:6, 5:5, 6:4, 7:3, 8:2, 및 9:1이 되도록 혼합하여 고분자-지질 혼합 조성물을 제조하였다.0.10 g of monoolein (Myverol, Danisco, Denmark) was dissolved in chloroform (Junsei Chemical, Japan) to make a 10 mL solution (1% (w / v)). 0.10 g of well dried PLLA (Mn 100,000; PolyScience, USA) was stirred at room temperature for about 30 minutes using a magnetic paddle and dissolved in chloroform to give a 10 mL solution (1% (w / v)). The weight ratio of monoolein and PLLA in the 1% (w / v) monoolein solution and PLLA solution thus obtained was 1: 9, 2: 8, 3: 7, 4: 6, 5: 5, 6: 4, 7: 3, 8: 2, and 9: 1 to mix to prepare a polymer-lipid mixture composition.
실시예 2. 3차원적 고분자-지질 구조체의 제조 1Example 2. Preparation of three-dimensional polymer-lipid structure 1
실시예 1에서 제조된 혼합 조성물 중에서 모노올레인:PLLA의 중량비가 7:3인 조성물 5 ml를 비이커에 넣고 물 50 ml를 첨가한 후 교반하여 용매를 서서히 증발시켰다. 전체용액의 부피가 10 ml 미만이 될 때 얻어진 점성의 물질을 유리판위에 놓고 약 50 ℃에서 서서히 건조시켜 디스크 형태의 3차원적 고분자-지질 구조체를 제조하였다. 얻어진 구조체의 미세구조를 밝히기 위하여 실온에서 완전히 건조한 후, SEM (Scanning Electron Microscopy) 금속 스터브(metal stub) 위에 붙여 진공 하에서 용매를 완전히 제거한 다음, 이를 Pt/Au 스퍼터-코팅하고(Hitachi E1010 Ion sputter, Japan), SEM (Hitachi S-2460N, Japan)으로 필름의 표면 형태를 관찰하였다. 그 결과 특징이 없는 평평한 표면이 관찰되었다.In the mixed composition prepared in Example 1, 5 ml of a composition having a weight ratio of monoolefin: PLLA of 7: 3 was placed in a beaker, 50 ml of water was added thereto, followed by stirring to slowly evaporate the solvent. The viscous material obtained when the total solution volume was less than 10 ml was placed on a glass plate and slowly dried at about 50 ° C. to prepare a disk-shaped three-dimensional polymer-lipid structure. After drying completely at room temperature to reveal the microstructure of the obtained structure, it was attached on a scanning electron microscopy (SEM) metal stub to completely remove the solvent under vacuum, and then Pt / Au sputter-coated (Hitachi E1010 Ion sputter, Japan), SEM (Hitachi S-2460N, Japan) to observe the surface morphology of the film. As a result, an uneven flat surface was observed.
실시예 3. 3차원적 고분자 구조체의 제조 1Example 3 Preparation of Three-Dimensional Polymer Structure 1
실시예 2에서 제조된 고분자-지질 구조체를 과량의 에탄올에 여러 차례 세척함으로써 모노올레인을 제거하여 3차원적 고분자 구조체를 제조하였다. 얻어진 고분자 구조체를 실시예 2과 동일한 방법으로 SEM으로 관찰한 결과를 도 1에 나타내었다. 도 1에서 알 수 있는 바와 같이, 불규칙한 동공크기를 갖는 다공성 구조체가 관찰되었다.The polymer-lipid structure prepared in Example 2 was washed several times with excess ethanol to remove monoolein to prepare a three-dimensional polymer structure. The result of observing the obtained polymer structure by SEM in the same manner as in Example 2 is shown in FIG. As can be seen in Figure 1, a porous structure with an irregular pupil size was observed.
실시예 4. 2차원적 고분자-지질 구조체의 제조 1Example 4 Preparation of Two-Dimensional Polymer-Lipid Structure 1
실시예 1에서 제조된 혼합 조성물 중에서 모노올레인:PLLA의 중량비가 7:3인 조성물 약 0.5 ml를 유리판에 부은 후, 0.5 mm의 두께가 되도록 밀어내고, 상온에서 서서히 건조시켜 필름 형태의 2차원적 고분자-지질 구조체를 제조하였다. 투명 하고 전성이 좋은 필름이 얻어졌다. 얻어진 필름형태의 구조체를 실시예 2와 동일한 방법으로 SEM으로 관찰한 결과를 도 2에 나타내었다. 도 2에서 알 수 있는 바와 같이, 특징이 없는 평평한 표면이 관찰되었다.In the mixed composition prepared in Example 1, about 0.5 ml of a composition having a weight ratio of monoolefin: PLLA of 7: 3 was poured into a glass plate, pushed to a thickness of 0.5 mm, and slowly dried at room temperature to give a two-dimensional film form. Red polymer-lipid structures were prepared. A transparent and malleable film was obtained. The result of observing the obtained film structure by SEM in the same manner as in Example 2 is shown in FIG. As can be seen in FIG. 2, a flat surface without features was observed.
실시예 5. 2차원적 고분자 구조체의 제조 1Example 5 Preparation of Two-Dimensional Polymer Structure 1
실시예 4에서 제조된 고분자-지질 구조체를 과량의 에탄올에 여러 차례 세척함으로써 모노올레인을 제거하여 2차원적 고분자 구조체를 제조하였다. 얻어진 고분자 구조체를 실시예 2와 동일한 방법으로 SEM으로 관찰한 결과를 도 3에 나타내었다. 도 3에서 알 수 있는 바와 같이, 전체적으로 주름이 많은 표면이 관찰되었다.The polymer-lipid structure prepared in Example 4 was washed several times with excess ethanol to remove monoolein to prepare a two-dimensional polymer structure. The result of observing the obtained polymer structure by SEM in the same manner as in Example 2 is shown in FIG. 3. As can be seen in FIG. 3, an overall wrinkled surface was observed.
실시예 6. 2차원적 고분자-지질 구조체의 제조 2Example 6 Preparation of Two-Dimensional Polymer-Lipid Structure 2
실시예 1에서 제조된 여러 가지 조성비를 가진 각각의 모노올레인-PLLA 혼합 조성물 10 μL를 약 2 mL의 물 표면에 떨어뜨린 후, 실온에서 약 20 분 간 방치하여, 클로로포름을 증발시켰다. 물 표면의 혼합 조성물은 떨어뜨린 방울 모양대로 필름을 형성하는데, 필름은 처음에 무색이었다가 클로로포름이 증발됨에 따라 점차 흰색으로 변화되면서 크기가 감소됨을 관찰하였다. 필름의 크기에 더 이상의 변화가 없는 때, 물 표면에서 필름을 취해내었다. 각 필름을 충분히 건조 시킨 후 실시예 2 에서와 같이 SEM으로 관찰하였다. 그 결과 특징이 없는 평평한 표면이 관찰되었다.10 μL of each monoolein-PLLA mixed composition having various composition ratios prepared in Example 1 was dropped on the surface of about 2 mL of water and then left at room temperature for about 20 minutes to evaporate chloroform. The mixed composition on the surface of the water formed a film in the form of a drop that was dropped, which was observed to decrease in size as it was initially colorless and gradually turned white as the chloroform evaporated. When there was no further change in the size of the film, the film was removed from the water surface. Each film was sufficiently dried and observed by SEM as in Example 2. As a result, an uneven flat surface was observed.
실시예 7. 2차원적 고분자 구조체의 제조 2Example 7 Preparation of Two-Dimensional Polymer Structure 2
실시예 6에서 제조된 고분자-지질 구조체를 각각 과량의 에탄올에 여러 차례 세척함으로써 모노올레인을 제거하여 2차원적 고분자 구조체를 제조하였다. 얻어진 고분자 구조체를 실시예 2와 동일한 방법으로 SEM으로 관찰하여 그 결과를 도 4에 나타내었다. 도 4에서 알 수 있는 바와 같이, 사용된 모노올레인-PLLA 조성물 중에서 모노올레인과 PLLA의 총중량에 대한 모노올레인의 비율이 70 중량% 이상이고 PLLA의 비율이 30 중량% 이하일 때, 비교적 균일한 약 2 μm 크기의 동공을 갖는 육각형 벌집 모양 구조가 서로 잘 연결된 배열성이 좋은 구조를 만들었다. 모노글리세라이드 (모노올레인)의 함유량이 모노글리세라이드와 고분자의 총중량에 대하여 50 중량% 이하로 낮을 때에는 동공은 관찰되지만 네트웨크의 연결성(interconnectivity)이 다소 떨어지는 구조가 관찰되었다. 따라서, 모노글리세라이드와 고분자의 총중량에 대한 모노글리세라이드의 비율이 약 70 중량%일 때 가장 우수한 연결성과 배열성을 나타냄을 알 수 있다.The two-dimensional polymer structure was prepared by removing monoolein by washing the polymer-lipid structure prepared in Example 6 several times with each excess of ethanol. The obtained polymer structure was observed by SEM in the same manner as in Example 2, and the results are shown in FIG. 4. As can be seen in Figure 4, when the ratio of monoolein to the total weight of monoolein and PLLA in the monoolein-PLLA composition used is at least 70% by weight and the ratio of PLLA is at most 30% by weight, it is relatively uniform. Hexagonal honeycomb structures with a pupil of about 2 μm in size are well interconnected. When the content of monoglyceride (monoolein) was lower than 50% by weight relative to the total weight of the monoglyceride and the polymer, the pupil was observed, but the structure of the network was slightly decreased. Therefore, it can be seen that when the ratio of monoglycerides to the total weight of the monoglycerides and the polymer is about 70% by weight, it shows the best connectivity and arrangement.
비교예 1. PLLA 필름의 제조Comparative Example 1. Preparation of PLLA Film
모노글리세라이드를 포함시키지 않고 PLLA만을 클로로포름에 녹여 실시예 6과 같은 방법으로 필름을 제조하였다. 그 결과, 몇 개의 커다한 구멍이 있는 특징이 없는 평평한 표면 구조가 관찰되었다.The film was prepared in the same manner as in Example 6 by dissolving only PLLA in chloroform without including monoglycerides. As a result, a flat surface structure without characteristic with several large holes was observed.
비교예 2. 2차원적 고분자 구조체의 제조 1Comparative Example 2. Preparation of the two-dimensional polymer structure 1
PLLA 대신 비결정성 고분자인 폴리-dl-락타이드를 이용하여 실시예 1과 동일한 방법으로 고분자:지질의 중량비가 3:7인 고분자-지질 조성물을 제조하고 실시예 2 및 3과 동일한 방법으로 구조체를 제조하였다. 얻어진 고분자 구조체를 SEM으로 관찰한 결과 특징이 없는 평평한 표면구조가 관찰되었다.Using poly-dl-lactide, an amorphous polymer instead of PLLA, a polymer-lipid composition having a weight ratio of 3: 7 polymer to lipid was prepared in the same manner as in Example 1, and the structure was prepared in the same manner as in Examples 2 and 3. Prepared. SEM observation of the obtained polymer structure showed a flat surface structure having no characteristics.
비교예 3. 2차원적 고분자 구조체의 제조 2Comparative Example 3. Preparation of Two-Dimensional Polymer Structure 2
PLLA 대신 비결정성 고분자인 폴리락티드-코-글리콜리드 (poly lactide-co-glycolide)를 이용하여 실시예 1과 동일한 방법으로 고분자:지질의 무게비가 3:7인 고분자-지질 조성물을 제조하고, 실시예 2 및 3과 동일한 방법으로 구조체를 제조하였다. 얻어진 고분자 구조체를 SEM으로 관찰한 결과 비규칙적이고 큰 구멍이 있는 표면구조가 관찰되었다.A polymer-lipid composition having a weight ratio of polymer to lipid of 3: 7 was prepared in the same manner as in Example 1, using polylactide-co-glycolide, which is an amorphous polymer instead of PLLA, The structures were prepared in the same manner as in Examples 2 and 3. SEM observation of the obtained polymer structure showed an irregular and large surface structure.
실시예 8. 고분자-지질 조성물의 제조 2Example 8 Preparation of Polymer-lipid Compositions 2
모노올레인 0.30 g을 클로로포름에 녹여서 10 mL 용액으로 만들었다 (3 % (w/v)). 잘 건조된 PLLA (Mn 100,000) 0.30 g을 실온에서 약 30 분간 자석젓개를 이용해 교반하면서 클로로포름에 녹여 10 mL 용액으로 만들었다 (3 % (w/v)). 제조된 3% (w/v)의 모노올레인 용액과 PLLA 용액을 부피를 기준으로 7:3으로 섞어서 혼합 조성물을 제조하였다.0.30 g of monoolein was dissolved in chloroform to make a 10 mL solution (3% (w / v)). 0.30 g of well dried PLLA (Mn 100,000) was dissolved in chloroform with stirring with a magnetic stir at room temperature for about 30 minutes to give a 10 mL solution (3% (w / v)). A mixed composition was prepared by mixing the prepared 3% (w / v) monoolein solution and the PLLA solution at 7: 3 by volume.
실시예 9. 2차원적 고분자-지질 구조체의 제조 3Example 9 Preparation of Two-Dimensional Polymer-Lipid Structure 3
실시예 8에서 제조된 혼합 조성물을 이용하여 실시예 6과 같은 방법으로 고분자-지질 필름을 제조하였다. 각 필름을 충분히 건조 시킨 후 실시예 2 에서와 같이 SEM으로 관찰하였다. 그 결과 특징이 없는 평평한 표면이 관찰되었다.A polymer-lipid film was prepared in the same manner as in Example 6 using the mixed composition prepared in Example 8. Each film was sufficiently dried and observed by SEM as in Example 2. As a result, an uneven flat surface was observed.
실시예 10. 2차원적 고분자 구조체의 제조 3Example 10 Preparation of Two-Dimensional Polymer Structure 3
실시예 9에서 제조된 고분자-지질 구조체를 각각 과량의 에탄올에 여러 차례 세척함으로써 모노올레인을 제거하여, 2차원적 고분자 구조체를 제조하였다. 얻어진 고분자 구조체를 실시예 2과 동일한 방법으로 SEM으로 관찰하여 그 결과를 도 5 에 나타내었다.The polymer-lipid structure prepared in Example 9 was washed several times with each excess of ethanol to remove monoolein to prepare a two-dimensional polymer structure. The obtained polymer structure was observed by SEM in the same manner as in Example 2, and the results are shown in FIG.
실시예 11. 고분자-지질 조성물의 제조 4Example 11 Preparation of Polymer-Lipid Composition 4
지질로서 파이탄트리올을 사용한 것을 제외하고는 실시예 1과 같은 방법으로 고분자-지질 조성물을 제조하였다.A polymer-lipid composition was prepared in the same manner as in Example 1 except that phitantriol was used as the lipid.
실시예 12. 2차원적 고분자-지질 구조체의 제조 4Example 12. Preparation of Two-Dimensional Polymer-Lipid Structure 4
실시예 11에서 제조된 혼합 조성물을 실시예 6과 같은 방법으로 2차원적 고분자-지질 구조체를 제조하였다. 각 필름을 충분히 건조 시킨 후 실시예 2와 동일한 방법으로 SEM으로 관찰하였다. 그 결과 모두 평평한 표면이 관찰되었다.The mixed composition prepared in Example 11 was used to prepare a two-dimensional polymer-lipid structure in the same manner as in Example 6. Each film was sufficiently dried and observed with SEM in the same manner as in Example 2. As a result, all flat surfaces were observed.
실시예 13. 2차원적 고분자 구조체의 제조 4Example 13. Preparation of Two-Dimensional Polymer Structure 4
실시예 12에서 제조된 고분자-지질 구조체를 각각 과량의 에탄올로 여러 차례 세척하여 모노올레인을 제거하고, 2차원적 고분자 구조체를 제조하였다. 얻어진 고분자 구조체를 실시예 2와 동일한 방법으로 SEM으로 관찰하고, 파이탄트리올과 PLLA의 중량비가 1:1이고 전체 농도가 3 %인 조성물을 사용한 결과를 도 6에 나타내었다. 사용된 조성물 중에서 파이탄트리올과 PLLA의 총중량을 기준으로 파이탄트리올 함량이 70 중량% 이상이고 PLLA의 함량이 30 중량% 이하일 때, 특징적인 잘 배열된 육각형 모양의 표면 구조를 보였다. 그러나, 움푹 패인 구조가 배열되어 있고 구멍은 관찰되지 않았다.The polymer-lipid structures prepared in Example 12 were each washed with an excess of ethanol several times to remove monoolein to prepare a two-dimensional polymer structure. The obtained polymer structure was observed by SEM in the same manner as in Example 2, and the results of using the composition having a weight ratio of phitantriol and PLLA of 1: 1 and a total concentration of 3% were shown in FIG. 6. When the phytantriol content was 70% by weight or more and the PLLA content was 30% by weight or less based on the total weight of phytantriol and PLLA in the composition used, a characteristic well-arranged hexagonal surface structure was shown. However, recessed structures were arranged and no holes were observed.
실시예 14. 고분자-지질 조성물의 제조 5Example 14 Preparation of Polymer-Lipid Composition 5
모노올레인 2 g을 클로로포름에 녹여 10 mL 용액으로 만들었다 (20 % (w/v)). 잘 건조된 PLLA 2 g을 실온에서 약 3 시간 자석젓개를 이용하여 교반하면 서 클로로포름에 녹여 10 mL 용액으로 만들었다 (20 % (w/v)). 제조된 20 % 모노올레핀 용액과 PLLA 용액을 7:3의 부피비로 섞어서 고분자-지질 혼합 조성물을 제조하였다.2 g of monoolein was dissolved in chloroform to make a 10 mL solution (20% (w / v)). 2 g of well-dried PLLA was dissolved in chloroform with stirring by using a magnetic spoon at room temperature for about 3 hours (20% (w / v)). A 20% monoolefin solution and a PLLA solution were mixed at a volume ratio of 7: 3 to prepare a polymer-lipid mixture composition.
실시예 15. 1차원적 고분자 -지질 구조체의 제조Example 15. Preparation of one-dimensional polymer-lipid structures
주사기 바늘(24 게이지)을 방사구로 하여 실시예 14에서 제조한 혼합 조성물 용액을 실온에서 건식방사하였다. 용매가 증발되면서 투명한 실이 얻어졌으며 연신과정을 거쳤다. 이를 SEM으로 관찰한 결과를 도 7에 나타내었다. 도 7에서 알 수 있는 바와 같이, 약 20 μm의 지름을 가진 섬유가 관찰되었다.The mixed composition solution prepared in Example 14 with a syringe needle (24 gauge) as a spinneret was dry spun at room temperature. As the solvent evaporated, a clear yarn was obtained and stretched. The result of observing this by SEM is shown in FIG. As can be seen in FIG. 7, a fiber with a diameter of about 20 μm was observed.
실시예 16. 고분자-지질 조성물의 제조 6Example 16. Preparation of Polymer-lipid Compositions 6
모노올레인 1 g을 클로로포름에 녹여 10 mL 용액으로 만들었다 (10 % (w/v)). 잘 건조된 PLLA (Mn 100,000; PolyScience, USA) 1 g을 실온에서 약 3 시간 자석젓개를 이용하여 교반하면서 클로로포름에 녹여 10 mL 용액으로 만들엇다 (10 % (w/v)). 제조된 10 %의 모노글리세라이드와 PLLA 용액을 7:3의 부피비로 섞어서 혼합 조성물을 제조하였다.1 g of monoolein was dissolved in chloroform to make a 10 mL solution (10% (w / v)). 1 g of well-dried PLLA (Mn 100,000; PolyScience, USA) was dissolved in chloroform with stirring with a magnetic spoon at room temperature for about 3 hours (10% (w / v)). A mixed composition was prepared by mixing the prepared 10% monoglyceride and PLLA solution in a volume ratio of 7: 3.
실시예 17. 0차원적 고분자 구조체의 제조Example 17 Preparation of Zero Dimensional Polymer Structure
실시예 16에서 제조된 고분자-지질 조성물 약 5 mL를 물 100 mL에 잘 저어주며 섞은 후 균질화(homogenization)하였다. 용매가 증발되면서 약 6 시간 후 입자가 얻어졌으며, 이 입자를 에탄올로 세척하여 지질을 제거한 후, SEM으로 관찰한 결과를 도 8에 나타내었다. 도 8에서 알 수 있는 바와 같이, 얻어진 입자는 약 1 nm - 10 μm의 지름을 가지며, 입자 표면에 구멍은 보이지 않았다.About 5 mL of the polymer-lipid composition prepared in Example 16 was stirred well in 100 mL of water, followed by homogenization. The particles were obtained after about 6 hours while the solvent was evaporated, and the particles were washed with ethanol to remove lipids, and the results of the SEM observation are shown in FIG. 8. As can be seen in FIG. 8, the particles obtained had a diameter of about 1 nm-10 μm, and no pores were seen on the particle surface.
실시예 18. 2차원적 고분자-지질 구조체의 제조 5Example 18. Preparation of two-dimensional polymer-lipid structures 5
PLLA (Polyscience, MW 110,000) 1.2 g을 클로로포름에 녹여 6.0 % 용액을 제조한 후 에틸 아세테이트를 더해 클로로포름과 에틸 아세테이트의 부피 비율이 7:3이 되도록 하여 4.2 % PLLA 용액을 제조하였다. 모노올레인 0.1 g에 증류수 100 μL를 가하여 큐빅상을 형성시킨 다음, 여기에 앞서 제조한 4.2 % PLLA 용액 1.0 mL를 가하여 잘 섞었다. 이를 유리판에 잘 펴서 코팅하고 실온에서 용매를 증발시켰다. 용매가 모두 증발된 후 형성된 필름의 표면 사진을 SEM으로 관찰하여 그 결과를 도 9에 나타내었다 (도 9).After dissolving 1.2 g of PLLA (Polyscience, MW 110,000) in chloroform to prepare a 6.0% solution, ethyl acetate was added to make a volume ratio of chloroform and ethyl acetate 7: 3 to prepare a 4.2% PLLA solution. 100 g of distilled water was added to 0.1 g of monoolein to form a cubic phase, and then 1.0 mL of the 4.2% PLLA solution prepared above was added thereto and mixed well. It was spread well on a glass plate and the solvent was evaporated at room temperature. The surface photograph of the film formed after all the solvents were evaporated was observed by SEM, and the result is shown in FIG. 9 (FIG. 9).
비교예 4. PLLA 필름의 제조 2Comparative Example 4. Preparation of PLLA Film 2
모노글리세라이드를 포함시키지 않고 PLLA만을 클로로포름:에틸 아세테이트이 비율이 7:3 혼합용매에 녹여 실시예 18과 같은 방법으로 필름을 제조하였다. SEM으로 관찰한 결과 평평한 표면이 관찰되었다.Only PLLA without monoglyceride was dissolved in a chloroform: ethyl acetate ratio 7: 3 mixed solvent to prepare a film in the same manner as in Example 18. Observation by SEM revealed a flat surface.
실시예 19. 2차원적 고분자의 제조 5Example 19. Preparation of Two-Dimensional Polymers 5
모노올레인과 증류수를 60:40의 부피비로 혼합하고 실시예 18과 동일한 방법으로 모노올레인 큐빅상을 만든 후, 0.5 g의 큐빅상을 유리판에 잘 펴서 균일하게 입혔다. PLLA (Polyscience, MW 110,000) 1.2 g을 클로로포름에 녹여 6.0 % 용액을 제조한 후, 에틸 아세테이트를 더해 클로로포름과 에틸 아세테이트의 부피비가 7:3이 되도록 하여 4.2 % PLLA 용액을 제조하였다. 얻어진 4.2 % PLLA 용액 100 μL를 상기 큐빅상 위에 떨어뜨렸다. 실온에서 24 시간 방치하여 용매를 모두 증발시켰다. 용매가 증발된 후 형성된 필름을 에탄올로 세척한 후 필름의 표면을 SEM에 의 하여 관찰한 표면사진을 도10에 나타내었다.Monoolein and distilled water were mixed in a volume ratio of 60:40 and monoolein cubic phase was prepared in the same manner as in Example 18, and 0.5 g of cubic phase was spread well on a glass plate and uniformly coated. After dissolving 1.2 g of PLLA (Polyscience, MW 110,000) in chloroform to prepare a 6.0% solution, ethyl acetate was added to make a volume ratio of chloroform and ethyl acetate 7: 3 to prepare a 4.2% PLLA solution. 100 μL of the obtained 4.2% PLLA solution was dropped onto the cubic phase. The solvents were all evaporated by standing at room temperature for 24 hours. After washing the film formed after evaporation of the solvent with ethanol, the surface photograph of the surface of the film observed by SEM is shown in FIG.
비교예 5. PLLA 필름의 제조 3Comparative Example 5. Preparation of PLLA Film 3
모노글리세라이드를 포함시키지 않고 PLLA만을 클로로포름:에틸 아세테이트의 부피비가 7:3인 혼합용매에 녹인 후, 실시예 19와 같은 방법으로 필름을 제조하였다. 그 결과 특징적인 표면 구조가 관찰되지 않았다.Only PLLA without monoglyceride was dissolved in a mixed solvent having a volume ratio of chloroform: ethyl acetate of 7: 3, and then a film was prepared in the same manner as in Example 19. As a result, no characteristic surface structure was observed.
실시예 20. 2차원적 고분자의 제조 6Example 20 Preparation of Two-Dimensional Polymer 6
액상의 모노올레인 5.0 μL를 유리판에 잘 펴서 도포한 후 증류수를 적당량 가하여 큐빅상을 만들었다. PLLA (Polyscience, MW 110,000) 1.2 g을 클로로포름에 녹여 6.0 % 용액을 제조한 후 에틸 아세테이트를 더하여 클로로포름과 에틸 아세테이트의 부피비가 7:3이 되도록 하여, 4.2 % PLLA 용액을 제조하였다. 얻어진 4.2 % PLLA 용액 100 μL를 상기 큐빅상 위에 떨어뜨렸다. 실온에서 24 시간 방치해 용매를 모두 증발시켰다. 용매가 증발된 후 형성된 필름을 에탄올로 세척한 후 필름의 표면을 SEM으로 관찰한 표면 사진을 도 11에 나타내었다.5.0 μL of liquid monoolein was spread well on a glass plate, and then distilled water was added to make a cubic phase. After dissolving 1.2 g of PLLA (Polyscience, MW 110,000) in chloroform to prepare a 6.0% solution, ethyl acetate was added to obtain a volume ratio of chloroform and ethyl acetate of 7: 3 to prepare a 4.2% PLLA solution. 100 μL of the obtained 4.2% PLLA solution was dropped onto the cubic phase. It was left at room temperature for 24 hours to evaporate all solvents. After the solvent was evaporated, the formed film was washed with ethanol, and the surface photograph of the surface of the film observed by SEM is shown in FIG. 11.
실시예 21. 고분자-지질 조성물의 제조 7Example 21. Preparation of Polymer-lipid Compositions 7
모노올레인과 PLLA를 각각 클로로포름에 녹인 6 % 용액을 적당량 취하여 모노글리세라이드와 PLLA의 중량비가 2:1이 되도록 혼합하였다. 이 혼합 조성물 용액에 에틸 아세테이트를 가하여 클로로포름과 에틸 아세테이트 비율을 다양하게 제조하였다. 이 때 모노글리세라이드와 PLLA의 농도는 각각 2 %와 1 %로 일정하게 유지하였다.An appropriate amount of 6% solution of monoolein and PLLA dissolved in chloroform were respectively taken and mixed so that the weight ratio of monoglyceride and PLLA was 2: 1. Ethyl acetate was added to the mixed composition solution to prepare various ratios of chloroform and ethyl acetate. At this time, the concentrations of monoglyceride and PLLA were kept constant at 2% and 1%, respectively.
실시예 22. 2차원적 고분자-지질 구조체의 제조 6Example 22. Preparation of two-dimensional polymer-lipid structure 6
실시예 21에서 제조한 고분자-지질 조성물 500 μ실시예 6과 같은 방법으로 필름을 캐스팅하였다. 필름은 얇고 넓게 물 표면에 퍼졌으며, 클로로포름과 에틸 아세테이트가 동량일 경우, 캐스팅한 구조체는 가장 강도가 크고 두께가 얇았으며, 에틸 아세테이트의 비율이 혼합 용매의 총부피에 대하여 50 %보다 높으면 형성된 구조체가 쉽게 부스러졌다. 또한, 에틸 아세테이트의 비율이 혼합용매의 총 부피에 대하여 50 % 보다 낮으면 용액의 비중이 높아져 떨어뜨린 500 μL 중 물 아래로 가라앉는 분율이 커져서 넓은 필름을 얻기 어려웠다.500 μm polymer-lipid composition prepared in Example 21 The film was cast in the same manner as in Example 6. The film was thin and widely spread on the surface of water, and when the same amount of chloroform and ethyl acetate, the casted structure was the strongest and thinnest, and formed when the ratio of ethyl acetate was higher than 50% of the total volume of the mixed solvent. Crumbled easily. In addition, when the ratio of ethyl acetate was lower than 50% with respect to the total volume of the mixed solvent, the specific gravity of the solution was increased, so that the fraction of 500 µL dropped under the water increased, making it difficult to obtain a wide film.
실시예 23. 2차원적 고분자 구조체의 제조 7Example 23. Preparation of Two-Dimensional Polymer Structure 7
실시예 21에서 제조된 조성물 중 클로로포름과 에틸 아세테이트의 비율을 같게 하여 제조된 조성물을 20, 50, 및 100 μL씩을 각각 약 10 mL의 물 표면에 떨어뜨린 후 용매를 실온에서 하루 이상 증발시켜 필름을 얻었다. 형성된 필름을 취해내고, 에탄올로 세척하여 모노글리세라이드를 제거한 후, SEM으로 필름의 표면 구조를 관찰하여 도 12a 내지 12c에 나타내었다. 상기 조성물을 20 μL(도 12a), 50 μL(도 12b), 및 100 μL(도 12c) 씩을캐스팅한 세 경우 모두에 있어서 표면에 동공이 관찰되었으며, 100 μL를 캐스팅한 경우는 동공의 크기가 약 5 μm로 배열성이 매우 좋았다.In the composition prepared in Example 21, 20, 50, and 100 μL of the composition prepared by equalizing the ratio of chloroform and ethyl acetate were dropped onto the surface of about 10 mL of water, respectively, and the solvent was evaporated at room temperature for at least one day to form a film. Got it. The formed film was taken out, washed with ethanol to remove monoglycerides, and the surface structure of the film was observed by SEM and shown in FIGS. 12A to 12C. The composition was taken in 20 μL (FIG. 12A), 50 μL (FIG. 12B), and 100 μL (FIG. 12C). In all three casting cases, pupils were observed on the surface, and in the case of casting 100 μL, the pupil size was about 5 μm and the arrangement was very good.
본 발명의 고분자-지질 조성물로부터 형성된 다양한 구조의 고분자-지질 구조체는 지질에 의하여 형성된 큐빅상 및/또는 고분자에 생체활성물질을 담지하여 사용함으로써, 방출속도가 다양하게 조절되는 생체활성물질 전달체로서 적용가능하 다. 또한 본 발명의 고분자-지질 조성물로부터 형성된 다양한 구조의 고분자 구조체는 다공성 구조에 갖기 때문에 필터, 세포배양용 스캐폴드 또는 상처 드래싱으로서 유용하다.The polymer-lipid structure of various structures formed from the polymer-lipid composition of the present invention is applied as a bioactive substance carrier in which the release rate is variously controlled by using a bioactive substance supported on a cubic phase and / or a polymer formed by lipids. It is possible. The polymer structures of various structures formed from the polymer-lipid composition of the present invention are also useful as filters, cell culture scaffolds or wound dressings because they have a porous structure.
| Application Number | Priority Date | Filing Date | Title | 
|---|---|---|---|
| KR1020040009336AKR100663880B1 (en) | 2004-02-12 | 2004-02-12 | Polymer-lipid compositions, structures, and methods for their preparation | 
| Application Number | Priority Date | Filing Date | Title | 
|---|---|---|---|
| KR1020040009336AKR100663880B1 (en) | 2004-02-12 | 2004-02-12 | Polymer-lipid compositions, structures, and methods for their preparation | 
| Publication Number | Publication Date | 
|---|---|
| KR20050081091A KR20050081091A (en) | 2005-08-18 | 
| KR100663880B1true KR100663880B1 (en) | 2007-01-03 | 
| Application Number | Title | Priority Date | Filing Date | 
|---|---|---|---|
| KR1020040009336AExpired - Fee RelatedKR100663880B1 (en) | 2004-02-12 | 2004-02-12 | Polymer-lipid compositions, structures, and methods for their preparation | 
| Country | Link | 
|---|---|
| KR (1) | KR100663880B1 (en) | 
| Publication number | Priority date | Publication date | Assignee | Title | 
|---|---|---|---|---|
| KR100771058B1 (en)* | 2007-05-18 | 2007-10-30 | 이희영 | Body volume replacement or cell culture scaffold with lipid removed and method for producing same | 
| US9351924B2 (en) | 2011-03-11 | 2016-05-31 | Snu R&Db Foundation | Drug delivery system including laminated structure | 
| KR101314126B1 (en)* | 2011-03-11 | 2013-10-04 | 서울대학교산학협력단 | Polyhedral drug delivery system | 
| AU2012353058B2 (en)* | 2011-12-15 | 2015-05-21 | Bioneer Corporation | Novel oligonucleotide conjugates and use thereof | 
| Publication number | Priority date | Publication date | Assignee | Title | 
|---|---|---|---|---|
| US6277413B1 (en) | 1998-07-17 | 2001-08-21 | Skyepharma, Inc. | Biodegradable compositions for the controlled release of encapsulated substances | 
| Publication number | Priority date | Publication date | Assignee | Title | 
|---|---|---|---|---|
| US6277413B1 (en) | 1998-07-17 | 2001-08-21 | Skyepharma, Inc. | Biodegradable compositions for the controlled release of encapsulated substances | 
| Publication number | Publication date | 
|---|---|
| KR20050081091A (en) | 2005-08-18 | 
| Publication | Publication Date | Title | 
|---|---|---|
| Phaechamud et al. | Pore formation mechanism of porous poly (dl-lactic acid) matrix membrane | |
| US9139935B2 (en) | Electrostatic-assisted fiber spinning method and production of highly aligned and packed hollow fiber assembly and membrane | |
| US6146892A (en) | Fibrillar matrices | |
| You et al. | In vitro degradation behaviour of non-porous ultra-fine poly (glycolic acid)/poly (l-lactic acid) fibres and porous ultra-fine poly (glycolic acid) fibres | |
| AU2008315318B2 (en) | Biodegradable polymer scaffold and process for preparation thereof | |
| US9713521B2 (en) | Electrostatic-assisted fiber spinning method and production of highly aligned and packed hollow fiber assembly and membrane | |
| Liu et al. | Controllable structure, properties, and degradation of the electrospun PLGA/PLA‐blended nanofibrous scaffolds | |
| US20110311746A1 (en) | Scaffolds and methods of forming the same | |
| CN106149203B (en) | A kind of drug-loaded nanofiber membrane and its application | |
| KR101260208B1 (en) | A method of preparing nanofibrous-structured biopolymer using phase separaton | |
| KR100372751B1 (en) | Fabrication Method of Porous Biodegradable Polymer Scaffolds for Tissue Engineering | |
| Zhang et al. | Bionic electrospun ultrafine fibrous poly (L-lactic acid) scaffolds with a multi-scale structure | |
| CN111068110A (en) | A 3D printed degradable composite scaffold, its preparation method, and a loaded composite scaffold | |
| Ma et al. | Formation of nanofibrous matrices, three-dimensional scaffolds, and microspheres: from theory to practice | |
| KR100663880B1 (en) | Polymer-lipid compositions, structures, and methods for their preparation | |
| Gupta et al. | Nanofiber structures for medical biotextiles | |
| Shen et al. | Effects of the glycerophosphate-polylactic copolymer formation on electrospun fibers | |
| JP6860872B2 (en) | Composite fiber and its manufacturing method | |
| Hong et al. | Green electrospun silk fibroin nanofibers loaded with cationic ethosomes for transdermal drug delivery | |
| Bao et al. | Preparation and characterization of novel poly (ε‐caprolactone)/biphasic calcium phosphate hybrid composite microspheres | |
| US10232086B2 (en) | Three-dimensional porous biodegradable cell scaffold | |
| CN110665065B (en) | Deferoxamine-loaded artificial periosteum and preparation method thereof | |
| KR101254386B1 (en) | A method of preparing nanofibrous-structured biopolymer using phase separaton | |
| Pedersbæk et al. | Electrospinning of Core-Shell fibers for drug release systems | |
| Li et al. | Morphology and levonorgestrel release behavior of polycaprolactone/poly (ethylene oxide)/Polylactide tri‐component copolymeric microspheres | 
| Date | Code | Title | Description | 
|---|---|---|---|
| A201 | Request for examination | ||
| PA0109 | Patent application | St.27 status event code:A-0-1-A10-A12-nap-PA0109 | |
| PA0201 | Request for examination | St.27 status event code:A-1-2-D10-D11-exm-PA0201 | |
| PG1501 | Laying open of application | St.27 status event code:A-1-1-Q10-Q12-nap-PG1501 | |
| D13-X000 | Search requested | St.27 status event code:A-1-2-D10-D13-srh-X000 | |
| D14-X000 | Search report completed | St.27 status event code:A-1-2-D10-D14-srh-X000 | |
| E902 | Notification of reason for refusal | ||
| PE0902 | Notice of grounds for rejection | St.27 status event code:A-1-2-D10-D21-exm-PE0902 | |
| E13-X000 | Pre-grant limitation requested | St.27 status event code:A-2-3-E10-E13-lim-X000 | |
| P11-X000 | Amendment of application requested | St.27 status event code:A-2-2-P10-P11-nap-X000 | |
| P13-X000 | Application amended | St.27 status event code:A-2-2-P10-P13-nap-X000 | |
| E902 | Notification of reason for refusal | ||
| PE0902 | Notice of grounds for rejection | St.27 status event code:A-1-2-D10-D21-exm-PE0902 | |
| T11-X000 | Administrative time limit extension requested | St.27 status event code:U-3-3-T10-T11-oth-X000 | |
| T11-X000 | Administrative time limit extension requested | St.27 status event code:U-3-3-T10-T11-oth-X000 | |
| E701 | Decision to grant or registration of patent right | ||
| PE0701 | Decision of registration | St.27 status event code:A-1-2-D10-D22-exm-PE0701 | |
| GRNT | Written decision to grant | ||
| PR0701 | Registration of establishment | St.27 status event code:A-2-4-F10-F11-exm-PR0701 | |
| PR1002 | Payment of registration fee | St.27 status event code:A-2-2-U10-U11-oth-PR1002 Fee payment year number:1 | |
| PG1601 | Publication of registration | St.27 status event code:A-4-4-Q10-Q13-nap-PG1601 | |
| PR1001 | Payment of annual fee | St.27 status event code:A-4-4-U10-U11-oth-PR1001 Fee payment year number:4 | |
| R18-X000 | Changes to party contact information recorded | St.27 status event code:A-5-5-R10-R18-oth-X000 | |
| PR1001 | Payment of annual fee | St.27 status event code:A-4-4-U10-U11-oth-PR1001 Fee payment year number:5 | |
| FPAY | Annual fee payment | Payment date:20111201 Year of fee payment:6 | |
| PR1001 | Payment of annual fee | St.27 status event code:A-4-4-U10-U11-oth-PR1001 Fee payment year number:6 | |
| FPAY | Annual fee payment | Payment date:20121203 Year of fee payment:7 | |
| PR1001 | Payment of annual fee | St.27 status event code:A-4-4-U10-U11-oth-PR1001 Fee payment year number:7 | |
| LAPS | Lapse due to unpaid annual fee | ||
| PC1903 | Unpaid annual fee | St.27 status event code:A-4-4-U10-U13-oth-PC1903 Not in force date:20131227 Payment event data comment text:Termination Category : DEFAULT_OF_REGISTRATION_FEE | |
| PN2301 | Change of applicant | St.27 status event code:A-5-5-R10-R13-asn-PN2301 St.27 status event code:A-5-5-R10-R11-asn-PN2301 | |
| PC1903 | Unpaid annual fee | St.27 status event code:N-4-6-H10-H13-oth-PC1903 Ip right cessation event data comment text:Termination Category : DEFAULT_OF_REGISTRATION_FEE Not in force date:20131227 | |
| P22-X000 | Classification modified | St.27 status event code:A-4-4-P10-P22-nap-X000 | |
| P22-X000 | Classification modified | St.27 status event code:A-4-4-P10-P22-nap-X000 | |
| PN2301 | Change of applicant | St.27 status event code:A-5-5-R10-R13-asn-PN2301 St.27 status event code:A-5-5-R10-R11-asn-PN2301 |