

























本発明は、電動工具などの作業機を含む作業機システムに関する。The present invention relates to a work machine system including a work machine such as a power tool.
電動工具のような作業機の利便性を向上させるためには、作業機に対して外部から様々な情報を入力できるようにすることが有益であると考えられる。下記特許文献1には、携帯機器から無線通信によって電動工具の設定パラメータを変更可能にすることで、作業に最適な設定パラメータを選定できることが記載されている。In order to improve the convenience of working machines such as power tools, it is considered beneficial to allow various information to be input to the working machine from the outside. The following
一方、作業に最適な設定パラメータを選定しても、作業機が故障した場合には、ユーザは作業機の製造業者に作業機の修理を依頼することになる。故障した部品が設定パラメータを記憶するための部品であった場合、製造業者は、設定パラメータを記憶するための部品を新たな部品に交換することになる。このような場合に、ユーザがこれまで使用していた設定パラメータを新たな部品に復元できれば便利であると考えられる。また、ユーザが追加で新たな作業機を購入した場合にも、ユーザがこれまで使用していた設定パラメータを新たな作業機に復元できれば便利であると考えられる。さらに、熟練したあるユーザが使用している設定パラメータを、別のユーザが流用することができれば、便利であると考えられる。On the other hand, even if the optimal setting parameters for a task are selected, if the work machine breaks down, the user will have to request the work machine manufacturer to repair the work machine. If the broken part is a part for storing the setting parameters, the manufacturer will replace the part for storing the setting parameters with a new part. In such a case, it would be convenient if the user could restore the setting parameters that he or she had been using to the new part. Also, if the user purchases an additional new work machine, it would be convenient if the user could restore the setting parameters that he or she had been using to the new work machine. Furthermore, it would be convenient if setting parameters used by one experienced user could be reused by another user.
そこで本発明は、上記課題の少なくとも一つの解決を目的とする。すなわち本発明は、作業機の情報(例えば設定情報)を管理するための利便性の高い作業機システム、作業機の情報(例えば設定情報)を修理後に復元することができる作業機システム、作業機の情報(例えば設定情報)を別の作業機に引き継ぐことができる作業機システム、又は、別の作業者の設定情報を流用することができる作業機システムの提供を目的とする。Therefore, the present invention aims to solve at least one of the above problems. That is, the present invention aims to provide a work machine system that is highly convenient for managing work machine information (e.g., setting information), a work machine system that can restore work machine information (e.g., setting information) after repair, a work machine system that can transfer work machine information (e.g., setting information) to another work machine, or a work machine system that can reuse setting information of another worker.
  本発明のある態様は、作業機システムである。この作業機システムは、
  第1情報を記憶する第1記憶部を有する第1作業機と、
  前記第1作業機に有線又は無線で接続され、前記第1記憶部から前記第1情報を取得して記憶する第1端末装置と、
  前記第1端末装置に有線又は無線で接続され、前記第1端末装置から前記第1情報を取得して記憶するサーバ機器と、
  を有し、
  前記第1端末装置又は前記サーバ機器に記憶した前記第1情報の一部を、前記第1記憶部に替えて前記第1作業機に組み込まれる第2記憶部に記憶させる、
  ことを特徴とする。
  この態様によれば、作業機の記憶部に記憶された情報、例えば設定情報を、第1端末装置及びサーバ機器に記憶させることができる。また、作業機の記憶部に記憶された情報、例えば設定情報を、別の記憶部に記憶させることができる。また、作業機の修理に伴い記憶部を交換した場合に、新たに組み込まれた記憶部に元の情報、例えば設定情報を記憶させることができる。また、引き継ぎが不要な情報をリセットすることができる。  One aspect of the present invention is a work machine system.
 a first working machine having a first storage unit that stores first information;
 a first terminal device that is connected to the first work machine by wire or wirelessly and acquires and stores the first information from the first storage unit;
 a server device that is connected to the first terminal device by wire or wirelessly and acquires and stores the first information from the first terminal device;
 having
A part of the first information stored in the first terminal device or the server device is stored in a second storage unit incorporated in the first work machine instead of thefirst storage unit.
 It is characterized by:
 According to this aspect, information stored in the memory unit of the work machine, for example, setting information, can be stored in the first terminal device and the server device. Also, information stored in the memory unit of the work machine, for example, setting information, can be stored in another memory unit. Also, when the memory unit is replaced due to repair of the work machine, the original information, for example, setting information, can be stored in the newly installed memory unit.Also, information that does not need to be carried over can be reset.
前記第1情報を、前記第1端末装置又は前記サーバ機器を介して、前記第2記憶部に記憶させてもよい。The first information may be stored in the second storage unit via the first terminal device or the server device.
前記第1端末装置又は前記サーバ機器は第3記憶部を有し、前記第1情報は、前記第1記憶部から前記第3記憶部を介して前記第2記憶部に記憶されてもよい。これによれば、第3記憶部に記憶させることで、他の作業機の情報も一括管理することができる。第3記憶部に記憶されている複数の作業機の情報、例えば設定情報を見ることができる。The first terminal device or the server device may have a third storage unit, and the first information may be stored in the second storage unit from the first storage unit via the third storage unit. According to this, by storing the information in the third storage unit, information on other work machines can also be managed collectively. Information on multiple work machines, such as setting information, stored in the third storage unit can be viewed.
前記第1記憶部には、前記第1作業機の製造番号又は形名の少なくとも一方を含む固有情報が記憶されており、前記第3記憶部には、前記第1情報と前記固有情報とが紐づけされて記憶されていてもよい。これによれば、情報、例えば設定情報を容易に管理することができる。作業機と設定情報の関係を容易に把握することができる。The first storage unit stores unique information including at least one of the serial number or model name of the first work machine, and the third storage unit may store the first information and the unique information in a linked manner. This makes it possible to easily manage information, such as setting information. The relationship between the work machine and the setting information can be easily understood.
前記第1作業機及び前記サーバ機器に有線又は無線で接続され、前記第1情報を前記サーバ機器に送信する第2端末装置を備え、前記第2端末装置は、前記第1端末装置と独立して前記第1情報を前記サーバ機器に定期的又は任意のタイミングで自動的に送信してもよい。これによれば、第1作業機と第1端末装置とが接続できなくなった場合(例えば制御部が故障)でも、第1情報、例えば第1設定情報をサーバ機器に保存することができる。A second terminal device may be provided that is connected to the first work machine and the server device by wire or wirelessly and transmits the first information to the server device, and the second terminal device may automatically transmit the first information to the server device periodically or at any timing independent of the first terminal device. In this way, even if the first work machine and the first terminal device cannot be connected (e.g., the control unit breaks down), the first information, for example, the first setting information, can be stored in the server device.
  本発明の別の態様は、作業機システムである。この作業機システムは、
  第1情報を記憶する第1記憶部を有する第1作業機と、
  前記第1情報を記憶するサーバ機器と、
  前記第1作業機及び前記サーバ機器に有線又は無線で接続され、前記第1情報を前記サーバ機器に送信する第2端末装置と、
  を有し、
  前記第2端末装置は、前記第1情報を前記サーバ機器に定期的又は任意のタイミングで自動的にアップロードし、
  前記第1記憶部を新たな第2記憶部に交換する場合、前記サーバ機器にアップロードされた前記第1情報の一部を前記第2記憶部に書き込むよう構成される、
  ことを特徴とする。
  前記第1作業機及び前記サーバ機器に有線又は無線で接続され、前記第1記憶部から前記第1情報を取得して記憶する第1端末装置を備え、
  前記第1端末装置を介して前記第1情報を前記第2記憶部に書き込んでもよい。
  前記第1作業機は、第1作業機本体と、前記第1作業機本体に着脱可能に装着される電源装置と、を備え、
  前記第1記憶部は、前記第1作業機本体に内蔵された本体側第1記憶部を有し、
  前記電源装置は、前記第1端末装置に有線又は無線で接続される接続部を有し、
  前記本体側第1記憶部に記憶された前記第1情報は、前記接続部を介して前記第1端末装置に送信されてもよい。
  これによれば、通信機能がない作業機本体であっても電源装置を介して情報、例えば設定情報を端末装置に送信することができる。  Another aspect of the present invention is a work machine system.
 a first working machine having a first storage unit that stores first information;
 A server device that stores the first information;
 a second terminal device that is connected to the first work machine and the server device by wire or wirelessly and transmits the first information to the server device;
 having
 The second terminal device automatically uploads the first information to the server device periodically or at any time;
 When the first storage unit is replaced with a new second storage unit,a part of the first information uploaded to the server device is written to the second storage unit.
 It is characterized by:
 a first terminal device that is connected to the first work machine and the server device by wire or wirelessly and acquires and stores the first information from the first storage unit;
 The first information may be written to the second storage unit via the first terminal device.
 The first work machine includes a first work machine body and a power supply device detachably attached to the first work machine body,
 The first storage unit has a main body side first storage unit built into the first work machine main body,
 the power supply device has a connection part that is connected to the first terminal device by wire or wirelessly;
 The first information stored in the main body side first storage unit may be transmitted to the first terminal device via the connection unit.
 With this, even if the work machine body does not have a communication function, information, such as setting information, can be transmitted to the terminal device via the power supply device.
前記第1作業機は、自身の製造番号又は形名の少なくとも一方を含む固有情報を有し、前記第1情報は、前記第1作業機の履歴情報と、前記第1作業機の修理情報と、を含み、前記第1端末装置は、前記固有情報と、前記履歴情報及び前記修理情報の少なくとも一方との情報を表示可能な表示部を備えてもよい。これによれば、ユーザが容易に情報を確認することができる。The first work machine has unique information including at least one of its serial number or model name, the first information includes history information of the first work machine and repair information of the first work machine, and the first terminal device may have a display unit capable of displaying the unique information and at least one of the history information and the repair information. This allows the user to easily check the information.
前記第1端末装置は、前記第1作業機とは別の作業機の第2情報を読み込むための操作部を有し、前記第2情報は、前記別の作業機を動作させるための動作パラメータであり、前記第1作業機は前記第2情報に基づいて動作可能であってもよい。これによれば、他の作業者の設定値(動作パラメータ)が使用可能であるため作業性を向上することができる。The first terminal device may have an operation unit for reading second information of a work machine other than the first work machine, the second information being operation parameters for operating the other work machine, and the first work machine may be operable based on the second information. This allows the use of settings (operation parameters) of other workers, thereby improving workability.
前記第1端末装置は、前記第2情報に基づいて動作する前の状態、又は、初期状態の動作パラメータによって駆動するための操作部を有してもよい。これによれば、第2情報、例えば第2設定情報がユーザの作業に合わない場合に前の設定又は初期設定に簡単に戻すことができる。操作性を向上することができる。The first terminal device may have an operation unit for operating with operating parameters in a state before operating based on the second information or in an initial state. This allows the user to easily return to the previous settings or initial settings when the second information, for example, the second setting information, does not suit the user's work. This improves operability.
前記第1記憶部から取得した前記第1情報の一部を変更して、前記第1端末装置又は前記サーバ機器を介して、前記第1記憶部に記憶させてもよい。これによれば、引き継ぎが不要な情報(交換した新しい部位に関する情報)をリセットすることができる。A part of the first information acquired from the first storage unit may be changed and stored in the first storage unit via the first terminal device or the server device. This allows information that does not need to be carried over (information about the new part that has been replaced) to be reset.
前記第1作業機とは別の第2作業機を有し、前記第1記憶部には、前記第1作業機の製造番号又は形名の少なくとも一方を含む固有情報が記憶されており、前記第1記憶部は、前記第1端末装置又は前記サーバ機器を介して前記第2作業機の製造番号又は形名の少なくとも一方を含む固有情報を記憶させられた状態で、前記第1作業機に替えて前記第2作業機に組み込まれてもよい。これによれば、固有情報の変更がある場合にも好適に対応できる。A second work machine separate from the first work machine is provided, and unique information including at least one of the serial number or model name of the first work machine is stored in the first storage unit, and the first storage unit may be incorporated in the second work machine in place of the first work machine in a state in which unique information including at least one of the serial number or model name of the second work machine is stored in the first storage unit via the first terminal device or the server device. This allows for suitable response even when the unique information is changed.
なお、以上の構成要素の任意の組合せ、本発明の表現を方法などの間で変換したものもまた、本発明の態様として有効である。In addition, any combination of the above components, or conversions between expressions of the present invention as methods, etc., are also valid aspects of the present invention.
本発明によれば、作業機の情報、例えば設定情報を管理するための利便性の高い作業機システム、作業機の情報、例えば設定情報を修理後に復元することができる作業機システム、作業機の情報、例えば設定情報を別の作業機に引き継ぐことができる作業機システム、又は、別の作業者の設定情報を流用することができる作業機システムを提供できる。According to the present invention, it is possible to provide a work machine system that is highly convenient for managing work machine information, such as setting information, a work machine system that can restore work machine information, such as setting information, after repair, a work machine system that can transfer work machine information, such as setting information, to another work machine, or a work machine system that can reuse setting information of another worker.
以下において、各図面に示される同一または同等の構成要素、部材等には同一の符号を付し、適宜重複した説明は省略する。実施の形態は、発明を限定するものではなく例示である。実施の形態に記述されるすべての特徴やその組み合わせは、必ずしも発明の本質的なものであるとは限らない。In the following, identical or equivalent components, parts, etc. shown in each drawing are given the same symbols, and duplicate explanations are omitted as appropriate. The embodiments are illustrative and do not limit the invention. All features and combinations thereof described in the embodiments are not necessarily essential to the invention.
(実施の形態1)  図1~図5を参照し、本発明の実施の形態1を説明する。本実施の形態は、作業機システムに関する。この作業機システムは、第1作業機1と、第1端末装置(管理機器)80と、第2端末装置(通信機器)90と、サーバ機器100と、を備える。第1作業機1には、電源装置(電池パック)20が着脱可能に接続される。第1作業機1は、例えば、インパクトドライバやインパクトレンチ等の電動工具である。第1作業機1の外装(ハウジング)には、第1作業機1の固有情報すなわち自身の形名及び製造番号が記載されると共に、形名及び製造番号を表すコード、例えばQRコード(登録商標)等の二次元コードが付されている。第1作業機1は、自身の固有情報及び第1情報、例えば第1設定情報を記憶する第1記憶部としての記憶部46(図2)を有する。記憶部46は、不揮発性メモリを含む。(First embodiment) With reference to Figures 1 to 5, a first embodiment of the present invention will be described. This embodiment relates to a work machine system. This work machine system includes a
図5に示すように、記憶部46は、第1作業機1の固有情報(以下「第1固有情報」とも表記)、使用履歴情報、及び修理情報を記憶している。第1固有情報は、第1作業機1の形名と製造番号である。製造番号は、第1作業機1を一意に特定可能な番号である。使用履歴情報及び修理情報は、第1設定情報の一例である。使用履歴情報は、スイッチトリガ(トリガスイッチ)を引いた総回数、作業時間毎のスイッチトリガの引き回数、モータの総稼働時間、モータに流れる電流毎の稼働時間、使用した電源装置20の形名及び回数、並びにエラー履歴などである。修理情報は、修理した日時、修理で交換した部品のID(識別情報)、及び修理を行った工場のIDなどである。As shown in FIG. 5, the
第1固有情報及び第1設定情報は、製品管理や故障原因特定などの場面において非常に重要な役割を果たす。したがって、第1作業機1を修理した際、第1固有情報及び第1設定情報を引き継ぐことは非常に有益なものとなる。本実施の形態は、第1固有情報及び第1設定情報を引き継ぐ際に想定される様々な条件下においても、修理後の第1作業機1に情報を引き継ぐことができることを特徴とする。The first unique information and the first setting information play a very important role in situations such as product management and identifying the cause of a failure. Therefore, when the
図示は省略したが、第1設定情報は、第1作業機1の駆動に関する動作パラメータを含んでもよい。動作パラメータは、例えば、第1作業機1がインパクトドライバであれば、スイッチトリガの遊び、最低回転数、最高回転数、ソフトスタートにおける回転数上昇速度、及び低速領域の幅などであり、第1作業機1がインパクトレンチであれば、締付のパワー、及び打撃開始からモータ停止までの時間(オートストップ時間)などである。Although not shown in the figure, the first setting information may include operating parameters related to the drive of the
第1端末装置80は、例えばスマートフォンやタブレット端末、パーソナルコンピュータ等である。第1端末装置80は、例えば第1作業機1の販売店等にある。第1端末装置80には、第1作業機1を管理する管理アプリケーション(以下「管理アプリ」)がインストールされている。第1端末装置80は、第3記憶部の一例である記憶部83(図3)を有する。記憶部83は、不揮発性メモリを含む。第1端末装置80は、第1作業機1に有線又は無線で接続され、第1作業機1の記憶部46から第1固有情報及び第1設定情報を取得し、両者を紐づけて(関連づけて)記憶部83に記憶する。第1端末装置80は、第1固有情報及び第1設定情報の少なくとも一部を画面表示可能である。The first
第1端末装置80は、第1固有情報及び第1設定情報の少なくとも一部を書き換えることができる。例えば、修理により第1作業機1の外装が交換されることがある。この場合、第1端末装置80は、新しい外装に付されたコードを読み取り、新しい外装に記された製造番号を第1固有情報に含め(例えば元の外装に記された製造番号と紐づけ)、記憶部46に書き込むことができる。あるいは、修理により第1作業機1の一部の部品が交換されることがある。この場合、第1端末装置80は、交換した部品に係る使用履歴情報をリセットして記憶部46に書き込むことができる。例えばスイッチトリガ9が交換された場合、第1端末装置80は、使用履歴情報のうち、スイッチトリガ9を引いた回数をリセットして(0回にして)、記憶部46に書き込むことができる。The first
サーバ機器100は、第3記憶部の一例であるデータベース100aを有する。サーバ機器100は、第1端末装置80に有線又は無線で接続され、第1端末装置80から第1固有情報及び第1設定情報を取得し、両者を紐づけてデータベース100aに記憶する。サーバ機器100は、例えば第1作業機1のメーカーに属するものである。データベース100aには、第1作業機1と同種(同形名)あるいは異種の多数の作業機の各固有情報及び各設定情報を紐づけて記憶している。The
第2端末装置90は、例えば第1作業機1のユーザが保有するスマートフォンやタブレット端末等である。第2端末装置90には、ユーザが第1作業機1を管理するための専用アプリケーション(以下「専用アプリ」)がインストールされている。第2端末装置90は、第1作業機1及びサーバ機器100に有線又は無線で接続され、第1固有情報及び第1設定情報を自身の記憶部に記憶すると共にサーバ機器100に送信(アップロード)できる。第2端末装置90は、第1端末装置80とは独立して第1固有情報及び第1設定情報をサーバ機器100に定期的又は任意のタイミングで自動的に送信(アップロード)する。なお、専用アプリでは、第1作業機1以外の種々の作業機を管理でき、当該作業機の固有情報及び設定情報もサーバ機器100に同じタイミングでアップロードできる。The second
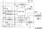
図2は、第1作業機1の回路ブロック図である。スイッチトリガ9は、ユーザがモータ3の駆動、停止を切り替えるための操作スイッチである。電流検出回路41は、モータ3の電流経路に設けられた抵抗R1の両端の電圧により、モータ3に流れる電流を検出し、制御部40に送信する。電圧検出回路42は、電源装置20の電池セル21からの入力電圧を検出し、制御部40に送信する。スイッチ操作検出回路43は、スイッチトリガ9の操作(オンオフ及び操作量)を検出し、制御部40に送信する。制御電源回路44は、電池セル21の電圧を、制御部40等の電源電圧に変換して出力する。Figure 2 is a circuit block diagram of the
モータ制御回路45は、例えばインバータ回路であり、制御部40の制御に従い、モータ3に駆動電流を供給する。制御部40は、マイクロコントローラ等を含み、スイッチトリガ9の操作に応じてモータ制御回路45を制御し、モータ3の駆動を制御する。なお、図2では制御部40と記憶部46を別ブロックとしているが、記憶部46は制御部40の一部であってもよい。温度検出回路47は、モータ3あるいはモータ制御回路45の近傍に設けられた温度センサ50の出力信号により、モータ3あるいはモータ制御回路45の温度を検出し、制御部40に送信する。The
有線通信回路48は、電源装置20又は第1端末装置80と有線通信するための回路である。第1端末装置80と有線通信する場合、第1作業機1には、電源装置20に替えて通信用のアダプタを装着する。アダプタは、電源装置20を模した外形を有する。アダプタは第1作業機1に電源を供給する電源装置としても機能する。アダプタと第1端末装置80とは、通信ケーブルで互いに接続される。有線通信回路48は、アダプタを介して第1端末装置80と有線通信するための回路である。照明LED駆動回路49は、照明用のLED等の発光素子D1の点灯回路である。制御部40は、照明LED駆動回路49の電流経路に設けられたスイッチング素子SW1のオンオフを制御する。The
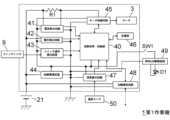
図3は、第1端末装置80の回路ブロック図である。近距離無線通信回路81は、制御部85の制御に従い、第1作業機1とBluetooth(登録商標)等の近距離無線通信を行うための回路である。近距離無線通信用アンテナ89aは、近距離無線通信回路81に接続される。遠距離無線通信回路82は、無線LAN等を介して又は直接インターネット等のネットワークに接続してサーバ機器100と通信するための回路である。遠距離無線通信用アンテナ89bは、遠距離無線通信回路82に接続される。有線通信回路84は、有線LAN等を介して又は直接インターネット等のネットワークに接続してサーバ機器100と通信するための回路である。Figure 3 is a circuit block diagram of the first
制御部85は、プロセッサユニット等を含み、第1端末装置80の全体の動作を制御する。なお、図3では制御部85と記憶部83を別ブロックとしているが、記憶部83は制御部85の一部であってもよい。その他に、第1端末装置80は、カメラ86、外部インターフェース87、及びディスプレイ88を有する。カメラ86は、第1作業機1の外装に設けられたコードの読み取り機能を有する。ディスプレイ(画面)88は、表示部として機能すると共に、タッチパネル(操作部)としても機能する。なお、第2端末装置90も、図3に示す第1端末装置80と同様のハードウェア構成を有する。The
図4は、電源装置20の回路ブロック図である。電池セル21は、リチウムイオン二次電池等の充電可能な任意の数の電池セルである。電流検出回路22は、電池セル21の出力電流の経路に設けられた抵抗R2の両端の電圧により、電池セル21の出力電流を検出し、制御部27に送信する。電圧検出回路23は、電池セル21の出力電圧を検出し、制御部27に送信する。制御電源回路24は、電池セル21の出力電圧を、制御部27等の電源電圧に変換して出力する。温度センサ25は、電池セル21の近傍に設けられる。Figure 4 is a circuit block diagram of the power supply device 20. The
無線通信回路26は、第1端末装置80又は第2端末装置90とBluetooth(登録商標)等の近距離無線通信を行うための回路である。近距離無線通信用アンテナ32は、無線通信回路26に接続される。制御部27は、マイクロコントローラ等を含み、電源装置20の全体の動作を制御する。図4では、制御部27と記憶部28を別ブロックとしているが、記憶部28は制御部27の一部であってもよい。温度検出回路29は、温度センサ25の出力信号により電池セル21の温度を検出し、制御部27に送信する。有線通信回路30は、第1作業機1と有線通信するための回路である。残量LED駆動回路31は、電池セル21の残量表示用のLED等の発光素子D2の点灯回路である。制御部27は、残量LED駆動回路31の電流経路に設けられたスイッチング素子SW2のオンオフを制御する。The
図6は、管理機器(第1端末装置80)が第1作業機1の情報を読み込む場合に管理機器(第1端末装置80)と第1作業機1との間で送受信されるデータの一例を示す。図7は、管理機器(第1端末装置80)が第1作業機1に情報を書き込む場合に管理機器(第1端末装置80)と第1作業機1との間で送受信されるデータの一例を示す。Figure 6 shows an example of data transmitted and received between the management device (first terminal device 80) and the
本実施の形態によれば、下記の効果を奏することができる。According to this embodiment, the following effects can be achieved.
(1) 第1作業機1の記憶部46に記憶された第1固有情報及び第1設定情報を、第1端末装置80、第2端末装置90、及びサーバ機器100に記憶させることができ、便利である。これにより、記憶部46に記憶した情報が失われた場合でも、失われた情報を復元できる。例えば、修理等により記憶部46を新たな別の記憶部(第2記憶部の一例)に交換する場合に、記憶部46に記憶されていた情報を、第1端末装置80の記憶部83から当該別の記憶部に書き込む(記憶させる)ことができる。あるいは、第1端末装置80は、記憶部46に記憶されていた情報を、サーバ機器100からダウンロードして、当該別の記憶部に書き込む(記憶させる)ことができる。更に、当該別の記憶部は、第1作業機1とは別の第2作業機に組み込まれるものであってもよい。第2作業機は、第1作業機1と同種(同形名)で製造番号が異なる作業機である。この場合、第1作業機1が故障して同種の第2作業機を使用するときに、第2作業機の記憶部に第1作業機1の記憶部46に記憶されていた動作パラメータを引き継ぐことができ、便利である。(1) The first unique information and the first setting information stored in the
(2) 第1端末装置80は、記憶部46から読み出して保存した第1固有情報及び第1設定情報の少なくとも一部を、修理に伴う第1作業機1の外装交換や内蔵部品の交換に対応して編集し、記憶部46に記憶させることができる。例えば、第1固有情報及び第1設定情報に対して、外装交換に伴う製造番号の変更ないし追加や、部品の交換に伴う当該部品の使用履歴情報のリセットをした上で、記憶部46に記憶させることが可能である。したがって、修理の前後で第1固有情報及び第1設定情報を好適に引き継ぐことができ、便利である。(2) The first
(3) 第2端末装置90は、第1端末装置80とは独立して第1固有情報及び第1設定情報をサーバ機器100に定期的又は任意のタイミングで自動的に送信(アップロード)するため、ユーザが第1作業機1の故障前に販売店等を訪れていなかった場合かつ記憶部46が故障した場合であっても、販売店等においては、第1端末装置80を用いて、サーバ機器100から第1固有情報及び第1設定情報を取得(ダウンロード)し、交換用の新たな記憶部(第2記憶部)に書き込むことができる。また、ユーザが保有する種々の作業機の固有情報及び設定情報をサーバ機器100で一括管理できて便利である。また、ユーザは第2端末装置90を使用して種々の作業機の固有情報及び設定情報を確認でき、便利である。また、第1作業機1と第1端末装置80とが接続できなくなった場合(例えば制御部が故障)でも、その時点で第2端末装置90に記憶されている第1設定情報をサーバ機器100に保存することができる。(3) The second
(4) 第1端末装置80、第2端末装置90、及びサーバ機器100は、第1固有情報及び第1設定情報を紐づけて記憶するため、第1設定情報を容易に管理できる。例えば、第1作業機1と第1設定情報との関係を容易に把握することができる。(4) The first
(5) 第1作業機1は、電源装置20を介して第1端末装置80に第1固有情報及び第1設定情報を送信するため、第1作業機1の本体に第1端末装置80と直接通信する機能が無くても第1端末装置80に第1固有情報及び第1設定情報を送信でき、便利である。(5) Since the
(6) 第1端末装置80は、第1固有情報及び第1設定情報を表示可能なため、販売店等のスタッフは第1固有情報及び第1設定情報を容易に確認できて便利である。(6) Since the first
(実施の形態2)  図8~図13を参照し、本発明の実施の形態2を説明する。本実施の形態は、作業機システムに関する。この作業機システムの基本構成は実施の形態1と同様である。ただし、図8においては、以下の説明に出てこない第2端末装置90の図示を省略している。本実施の形態では、第1作業機1に外装及び記憶部46の交換を伴わない修理を行う前後における処理の流れの具体例を示す。(Embodiment 2) With reference to Figures 8 to 13,
大きな流れとしては、まず、第1端末装置80が修理前の第1作業機1から第1固有情報及び第1設定情報を取得し、それらを紐づけて保存すると共に、サーバ機器100にアップロードする。サーバ機器100は、第1固有情報及び第1設定情報を紐づけてデータベース100aに保存する。修理を終えたら、第1端末装置80は、第1設定情報に今回の修理情報を追加する。その際、交換した部品などがあれば、当該部品の使用履歴情報をリセットする。第1端末装置80は、第1固有情報及び第1設定情報をサーバ機器100にアップロードする。サーバ機器100は、第1固有情報及び第1設定情報を紐づけて保存する。その後、修理を終えた第1作業機1Aに、第1固有情報及び第1設定情報を書き込む。The general flow is as follows: first, the first
図9~図12を参照し、より具体的な処理の流れを説明する。これらの図において、管理機器ユーザは、第1端末装置80を操作する例えば販売店のスタッフである。図9に示すように、管理機器ユーザは、修理前の第1作業機1に対して、接続準備の操作を行う(S1)。これは、例えば電源装置20の近距離無線通信機能を有効化する操作である。管理機器ユーザは、管理機器(第1端末装置80)に対して、第1作業機1の情報取得を要求する操作を行う(S2)。管理機器(第1端末装置80)は、第1作業機1に対して接続を要求する(S3)。第1作業機1は、接続許可の応答を管理機器(第1端末装置80)に送信する(S4)。管理機器(第1端末装置80)は、第1作業機1に情報(第1固有情報及び第1設定情報)を要求する(S5)。第1作業機1は、要求された情報を管理機器(第1端末装置80)に送信する(S6)。管理機器(第1端末装置80)は、受信した情報(第1固有情報及び第1設定情報)を処理する(S7)。S5~S7の処理は、必要な情報の数だけ繰り返される。管理機器(第1端末装置80)は、情報の取得完了を管理機器ユーザに通知する(S8)。管理機器(第1端末装置80)は、第1作業機1に対して接続の切断を要求する(S9)。第1作業機1は、切断処理を行う(S10)。その後、第1作業機1に修理が行われる。Referring to Figures 9 to 12, a more specific process flow will be described. In these figures, the management device user is, for example, a sales store staff member who operates the first
図10に示すように、管理機器ユーザは、管理機器(第1端末装置80)に対して、データベース100aへの情報の保存を要求する操作を行う(S11)。管理機器(第1端末装置80)は、管理機器ユーザに対して、故障情報(修理情報)等の入力を要求する(S12)。管理機器ユーザは、管理機器(第1端末装置80)に対して故障情報等を入力する(S13)。管理機器(第1端末装置80)は、入力された情報を基に第1設定情報の修理情報を編集する。管理機器(第1端末装置80)は、サーバ機器100にアクセスする(S14)。サーバ機器100は、管理機器(第1端末装置80)に対してレスポンスを返す(S15)。管理機器(第1端末装置80)は、サーバ機器100に第1固有情報を送信する(S16)。サーバ機器100は、データベース100aに対して、第1固有情報を照合する(S17)。データベース100aは、サーバ機器100に、第1固有情報が登録されている旨の確認応答を返す(S18)。サーバ機器100は、第1固有情報が登録されている旨を管理機器(第1端末装置80)に通知する(S19)。S17~S19の処理は、第1固有情報がデータベース100aに登録済の場合の処理である。第1固有情報がデータベース100aに登録済でない場合は、図11に示すS20~S29の処理が行われる。As shown in FIG. 10, the management device user performs an operation to request the management device (first terminal device 80) to save information in the
サーバ機器100は、データベース100aに対して、第1固有情報を照合する(S20)。データベース100aは、サーバ機器100に、照合エラーすなわち第1固有情報が登録されていない旨の応答を返す(S21)。サーバ機器100は、照合エラーを管理機器(第1端末装置80)に通知する(S22)。管理機器(第1端末装置80)は、管理機器ユーザに対して、照合エラーを通知すると共に、新規データベース構築の許否を確認する(S23)。管理機器ユーザは、管理機器(第1端末装置80)に対して、新規データベース構築の許可操作を行う(S24)。管理機器(第1端末装置80)は、サーバ機器100に対して、新規データベース構築を要求する(S25)。サーバ機器100は、データベース100aに、新規データベース構築を構築する(S26)。データベース100aは、サーバ機器100に対して、新規データベース構築の完了を通知する(S27)。サーバ機器100は、管理機器(第1端末装置80)に対して、新規データベース構築の完了を通知する(S28)。管理機器(第1端末装置80)は、管理機器ユーザに対して、新規データベース構築の完了を通知する(S29)。The
管理機器(第1端末装置80)は、サーバ機器100に、第1設定情報を送信する(S30)。このとき、確認用に第1固有情報を再度送信してもよい。サーバ機器100は、受信した情報をデータベース100aに保存する(S31)。データベース100aは、サーバ機器100に対して、保存完了を通知する(S32)。サーバ機器100は、管理機器(第1端末装置80)に対して、保存完了を通知する(S33)。S30~S33の処理は、保存する情報の数だけ繰り返される。管理機器(第1端末装置80)は、管理機器ユーザに、保存完了を通知する(S34)。The management device (first terminal device 80) sends the first setting information to the server device 100 (S30). At this time, the first unique information may be sent again for confirmation. The
図12に示すように、管理機器ユーザは、修理後の第1作業機1Aに対して、接続準備の操作を行う(S35)。管理機器ユーザは、管理機器(第1端末装置80)に対して、第1作業機1Aに対する情報書込を要求する操作を行う(S36)。管理機器(第1端末装置80)は、第1作業機1Aに対して接続を要求する(S37)。第1作業機1Aは、接続許可の応答を管理機器(第1端末装置80)に送信する(S38)。管理機器(第1端末装置80)は、管理機器ユーザに対して、第1作業機1Aに書き込む情報を表示する(S39)。管理機器ユーザは、必要に応じて情報を編集する(S40)。例えば、修理により交換した部品があれば、当該部品の使用履歴情報をリセットする。管理機器(第1端末装置80)は、第1作業機1Aに情報を送信する(S41)。第1作業機1Aは、受信した情報を記憶部46に保存する(S42)。第1作業機1Aは、管理機器(第1端末装置80)に対して、保存完了を通知する(S43)。S41~S43の処理は、第1作業機1Aに書き込む情報の数だけ繰り返される。管理機器(第1端末装置80)は、管理機器ユーザに対して、書込完了を通知する(S44)。管理機器(第1端末装置80)は、第1作業機1Aに対して接続の切断を要求する(S45)。第1作業機1Aは、切断処理を行う(S46)。As shown in FIG. 12, the management device user performs an operation to prepare the connection for the
図13は、図12、図19、図25の「引き継ぎ情報を任意に設定/選択」(S40)の具体的手順の一例を示すフローチャートである。管理機器(第1端末装置80)は、第1作業機1Aに書き込む情報を表示する(S401)。管理機器ユーザは、修理により固有情報の変更がある場合(S402のYes)、固有情報を変更する操作を行う(S403)。管理機器ユーザは、修理により部品交換があった場合(S404のYes)、交換部品に対応する使用履歴情報を編集(リセット)する操作を行う(S405)。管理機器ユーザは、修理情報等を入力する(S406)。Figure 13 is a flow chart showing an example of a specific procedure for "arbitrarily setting/selecting handover information" (S40) in Figures 12, 19, and 25. The management device (first terminal device 80) displays information to be written to the
第1作業機1の外装に固有情報が記載されているため、修理において外装を交換する場合、固有情報の変更が必要となる。図13のフローチャートでは、管理機器(第1端末装置80)で固有情報を編集可能としている。また、第1作業機1を修理する場合、一部の部品を交換することが多い。その際、交換する部品によっては部品寿命や故障原因特定の観点から使用履歴情報を編集するのが望ましい場合もある。例えば、スイッチトリガ9を交換した場合、他の部品、使用履歴はそのままに、スイッチトリガ9の押し回数カウントをリセットするなどが挙げられる。図13のフローチャートでは、各部品の使用履歴情報も管理機器(第1端末装置80)で編集可能としている。Since unique information is written on the exterior of the
本実施の形態によれば、外装及び記憶部46の交換を伴わない修理を行った場合に、修理前の第1作業機1の情報を、修理後の第1作業機1Aに好適に引き継ぐことができる。According to this embodiment, when repairs are performed that do not involve replacement of the exterior and
(実施の形態3)  図14~図19を参照し、本発明の実施の形態3を説明する。本実施の形態は、作業機システムに関する。この作業機システムの基本構成は実施の形態1と同様である。本実施の形態では、第1作業機1に記憶部46の交換を伴う修理を行う前後における処理の流れの具体例を示す。(Embodiment 3) With reference to Figures 14 to 19,
大きな流れとしては、故障前に、第2端末装置90が第1作業機1から第1固有情報及び第1設定情報を取得し、それらを紐づけて保存すると共にサーバ機器100にアップロードする。サーバ機器100は、第1固有情報及び第1設定情報を紐づけてデータベース100aに保存する。故障の発生後、第1端末装置80は、第1作業機1の外装に付されたコードから第1固有情報を取得し、取得した第1固有情報を基にサーバ機器100から第1設定情報をダウンロードし、修理後の第1作業機1Bの、交換された記憶部46に第1固有情報と共に書き込む。The general flow is that before a breakdown occurs, the second
図15~図19を参照し、より具体的な処理の流れを説明する。図15に示すように、故障前において、第1作業機1のユーザは、第1作業機1に対して、接続準備の操作を行う(S51)。これは、例えば電源装置20の近距離無線通信機能を有効化する操作である。第1作業機1のユーザは、通信機器(第2端末装置90)に対して、第1作業機1の情報取得を要求する操作を行う(S52)。通信機器(第2端末装置90)は、第1作業機1に対して接続を要求する(S53)。第1作業機1は、接続許可の応答を通信機器(第2端末装置90)に送信する(S54)。通信機器(第2端末装置90)は、第1作業機1に情報(第1固有情報及び第1設定情報)を要求する(S55)。第1作業機1は、要求された情報を通信機器(第2端末装置90)に送信する(S56)。通信機器(第2端末装置90)は、受信した情報(第1固有情報及び第1設定情報)を処理する(S57)。S55~S57の処理は、必要な情報の数だけ繰り返される。通信機器(第2端末装置90)は、情報の取得完了を第1作業機1のユーザに通知する(S58)。通信機器(第2端末装置90)は、第1作業機1に対して接続の切断を要求する(S59)。第1作業機1は、切断処理を行う(S60)。A more specific process flow will be described with reference to Figures 15 to 19. As shown in Figure 15, before a failure, the user of the
図16に示すように、通信機器(第2端末装置90)は、第1作業機1のユーザに対して、データベースへの情報の送信の許否を確認する(S61)。第1作業機1のユーザは、通信機器(第2端末装置90)に対して、データベースへの情報の送信を許可する操作を行う(S62)。通信機器(第2端末装置90)は、サーバ機器100にアクセスする(S63)。サーバ機器100は、通信機器(第2端末装置90)に対してレスポンスを返す(S64)。通信機器(第2端末装置90)は、サーバ機器100に第1固有情報及び第1設定情報を送信する(S65)。サーバ機器100は、データベース100aに対して、第1固有情報を照合する(S66)。データベース100aは、サーバ機器100に、第1固有情報が登録されている旨の確認応答を返す(S67)。S66~S67の処理は、第1固有情報がデータベース100aに登録済の場合の処理である。第1固有情報がデータベース100aに登録済でない場合は、S68~S73の処理が行われる。As shown in FIG. 16, the communication device (second terminal device 90) confirms with the user of the
サーバ機器100は、データベース100aに対して、第1固有情報を照合する(S68)。データベース100aは、サーバ機器100に、照合エラーすなわち第1固有情報が登録されていない旨の応答を返す(S69)。サーバ機器100は、照合エラーを通信機器(第2端末装置90)に通知する(S70)。通信機器(第2端末装置90)は、サーバ機器100に対して、新規データベース構築を要求する(S71)。サーバ機器100は、データベース100aに、新規データベース構築を構築する(S72)。データベース100aは、サーバ機器100に対して、新規データベース構築の完了を通知する(S73)。サーバ機器100は、第1設定情報をデータベース100aに保存する(S74)。データベース100aは、サーバ機器100に対して、保存完了を通知する(S75)。サーバ機器100は、通信機器(第2端末装置90)に対して、保存完了を通知する(S76)。通信機器(第2端末装置90)は、第1作業機1のユーザに、保存完了を通知する(S77)。The
以上は故障前の処理であり、ここから先は故障後の処理である。図17に示すように、管理機器ユーザは、管理機器(第1端末装置80)に対して、固有情報入力準備の操作を行う(S81)。管理機器(第1端末装置80)は、準備完了を管理機器ユーザに通知する(S82)。管理機器ユーザは、管理機器(第1端末装置80)に対して、コード読取り機能を起動する操作を行う(S83)。ここでは、第1作業機1の外装には二次元コードが記されていて、コード読取り機能は、二次元コード読取り機能であるものとする。管理機器(第1端末装置80)は、カメラ等の起動確認を表示する(S84)。管理機器ユーザは、管理機器(第1端末装置80)のカメラを第1作業機1の二次元コードにかざす(S85)。管理機器(第1端末装置80)は、二次元コードの情報すなわち第1固有情報を取得する(S86)。管理機器(第1端末装置80)は、管理機器ユーザに、第1固有情報の取得完了を通知する(S87)。その後、第1作業機1に修理が行われる(記憶部46が交換される)。The above is the process before the failure, and from here on is the process after the failure. As shown in FIG. 17, the management device user performs an operation to prepare for inputting unique information on the management device (first terminal device 80) (S81). The management device (first terminal device 80) notifies the management device user that preparation is complete (S82). The management device user performs an operation to activate the code reading function on the management device (first terminal device 80) (S83). Here, a two-dimensional code is written on the exterior of the
図18に示すように、管理機器ユーザは、修理後の第1作業機1Bに対して、接続準備の操作を行う(S88)。管理機器ユーザは、管理機器(第1端末装置80)に対して、第1作業機1Bに対する情報書込を要求する操作を行う(S89)。管理機器(第1端末装置80)は、第1作業機1Bに対して接続を要求する(S90)。第1作業機1Bは、接続許可の応答を管理機器(第1端末装置80)に送信する(S91)。管理機器(第1端末装置80)は、サーバ機器100にアクセスする(S92)。サーバ機器100は、管理機器(第1端末装置80)に対してレスポンスを返す(S93)。管理機器(第1端末装置80)は、サーバ機器100に対して、第1固有情報に基づいた情報の提供を要求する(S94)。サーバ機器100は、データベース100aに対して、第1固有情報を照合する(S95)。データベース100aは、サーバ機器100に、第1固有情報が登録されている旨の確認応答を返す(S96)。サーバ機器100は、データベース100aに対して、第1固有情報に紐づいた情報を要求する(S97)。データベース100aは、第1固有情報に紐づいた情報である第1設定情報をサーバ機器100に送信する(S98)。サーバ機器100は、管理機器(第1端末装置80)に、第1設定情報を送信する(S99)。As shown in FIG. 18, the management device user performs an operation to prepare the connection for the
図19に示すように、管理機器(第1端末装置80)は、管理機器ユーザに対して、第1作業機1Bに書き込む情報を表示する(S100)。管理機器ユーザは、必要に応じて情報を編集する(S40)。管理機器(第1端末装置80)は、第1作業機1Bに情報を送信する(S101)。第1作業機1Bは、受信した情報を記憶部46に保存する(S102)。第1作業機1Bは、管理機器(第1端末装置80)に対して、保存完了を通知する(S103)。S101~S103の処理は、第1作業機1Bに書き込む情報の数だけ繰り返される。管理機器(第1端末装置80)は、管理機器ユーザに対して、書込完了を通知する(S104)。管理機器(第1端末装置80)は、第1作業機1Bに対して接続の切断を要求する(S105)。第1作業機1Bは、切断処理を行う(S106)。なお、S88以降の処理に先だって、図10のS11~S19、S30~S34と同様の処理を行い、データベース100aの保存内容をアップデートしてもよい。As shown in FIG. 19, the management device (first terminal device 80) displays information to be written to the
第1作業機1は、酷な現場で使用されることが珍しくなく、記憶部46あるいはそれを含む制御部40が故障することもある。その場合、記憶部46又は制御部40の交換を行うが、第1固有情報及び第1設定情報などの内部情報はすべてリセットされた状態となっている。修理前の第1作業機1の情報を修理後の第1作業機1Bに書き込みたいが、故障した記憶部46又は制御部40から情報を抽出することは難しい。その場合でも本実施の形態によれば、故障前に第1作業機1のユーザが通信機器(第2端末装置90)により第1作業機1から情報を抽出し、サーバ機器100と連携しデータベース100aに保存しておくことで、修理後の第1作業機1Bに修理前の第1作業機1の情報を書き込むことが可能となる。The
(実施の形態4)  図20~図25を参照し、本発明の実施の形態4を説明する。本実施の形態は、作業機システムに関する。この作業機システムの基本構成は実施の形態1と同様である。ただし、図20においては、以下の説明に出てこない第2端末装置90の図示を省略している。本実施の形態では、第1作業機1に外装の交換を伴う修理を行う前後における処理の流れの具体例を示す。第1作業機1の外装を交換する場合、固有情報は外装に記載しているため、第1作業機1の記憶部46に保存されている固有情報と外装に記載している固有情報が異なってしまう。本実施の形態ではそうした問題を解決するものである。(Embodiment 4) With reference to Figures 20 to 25,
大きな流れとしては、まず、第1端末装置80が修理前の第1作業機1から第1固有情報及び第1設定情報を取得し、それらを紐づけて保存すると共に、サーバ機器100にアップロードする。サーバ機器100は、第1固有情報及び第1設定情報を紐づけてデータベース100aに保存する。第1端末装置80は、修理を終えた第1作業機1Cの外装に付されたコードを読み取り、新しい固有情報を取得し、第1固有情報を編集する。具体的には、修理前の第1作業機1の固有情報及び修理後の第1作業機1Cの固有情報のいずれからも、修理後の第1作業機1Cを特定できるような形で、新旧の固有情報を保存し、第1固有情報とする。第1端末装置80は、第1設定情報に今回の修理情報を追加する。その際、交換した部品などがあれば、当該部品の使用履歴情報をリセットする。第1端末装置80は、第1固有情報及び第1設定情報をサーバ機器100にアップロードする。サーバ機器100は、第1固有情報及び第1設定情報を紐づけてデータベース100aに保存する。その後、修理を終えた第1作業機1Cに、第1固有情報及び第1設定情報を書き込む。The general flow is as follows: first, the first
図21~図25を参照し、より具体的な処理の流れを説明する。図21に示すS111~S120の処理は、図9に示すS1~S10の処理と同様に行われる。その後、第1作業機1に修理が行われる。図22に示すように、管理機器ユーザは、管理機器(第1端末装置80)に対して、固有情報入力準備の操作を行う(S121)。管理機器(第1端末装置80)は、準備完了を管理機器ユーザに通知する(S122)。管理機器ユーザは、管理機器(第1端末装置80)に対して、コード読取り機能を起動する操作を行う(S123)。ここでは、修理後の第1作業機1Cの外装には二次元コードが記されていて、コード読取り機能は、二次元コード読取り機能であるものとする。管理機器(第1端末装置80)は、カメラ等の起動確認を表示する(S124)。管理機器ユーザは、管理機器(第1端末装置80)のカメラを第1作業機1Cの二次元コードにかざす(S125)。管理機器(第1端末装置80)は、二次元コードの情報すなわち新しい固有情報を取得する(S126)。管理機器(第1端末装置80)は、管理機器ユーザに、新しい固有情報の取得完了を通知する(S127)。A more specific process flow will be described with reference to Figures 21 to 25. The processes of S111 to S120 shown in Figure 21 are performed in the same manner as the processes of S1 to S10 shown in Figure 9. After that, repairs are performed on the
図23~図25に示すS128~S162までの処理は、図10~図12に示すS11~S46までの処理と同様に行われる。ただし、図23のS130では、図28(A)の画面から交換箇所を選択し、図36に示すように、故障情報として、第1作業機1の外装を交換したことを選択し、新旧の固有情報を含む形に変更された第1固有情報を入力する。本画面では、交換箇所を外装としており、その場合、「カメラを起動」をタップしてコード読取り機能を起動させ、新たな外装のコードを読み取り、新たな外装の固有情報を取得できる(図示省略)。本画面で「データベースに保存」をタップすれば、第1固有情報及び第1設定情報がデータベース100aに書き込まれる(図23のS133)。これにより、以降は、新旧の固有情報のいずれを入力しても同じ情報が取得できるようになる。本実施の形態によれば、外装の交換を伴う修理を行った場合に、修理前の第1作業機1の情報を、修理後の第1作業機1Cに好適に引き継ぐことができる。なお、外装が交換された第1作業機1Cは、第1作業機1とは別の作業機(第2作業機)とみなしてもよい。The processing from S128 to S162 shown in FIG. 23 to FIG. 25 is performed in the same manner as the processing from S11 to S46 shown in FIG. 10 to FIG. 12. However, in S130 in FIG. 23, the replacement part is selected from the screen in FIG. 28(A), and as shown in FIG. 36, the fact that the exterior of the
(管理アプリ及び専用アプリの動作例)  図26~図36を参照し、第1端末装置80の管理アプリ及び第2端末装置90の専用アプリの画面表示を示す。以下、第1作業機1を対象とする場合を例に説明する。図26(A)は、管理アプリ及び専用アプリのメニュー画面を示す。メニュー画面において「データの読み出し」をタップすると、図26(B)及び図27(A)の画面表示を経て図27(B)の画面表示に遷移する。この過程で、第1作業機1の固有情報が読み出される。(Example of operation of management app and dedicated app) Screen displays of the management app of the first
以下、まず管理アプリについて説明する。図27(B)において「データベースに保存」をタップすると、図28(A)の画面表示に遷移する。本画面では、修理情報、すなわち修理日時や交換箇所(交換部品)の入力ができる。本画面で「データベースに保存」をタップすると、図28(B)の画面表示を経て図29(A)の画面表示に遷移する。ここで、第1作業機1がデータベース100aに未登録の場合、図29(B)の画面表示となる。本画面で「続ける」をタップすると、図30(A)及び図30(B)の画面表示を経て、図31(A)の画面表示に遷移する。第1作業機1がデータベース100aに登録済の場合、図29(B)及び図30(A)の画面表示は飛ばされ、図29(A)から図30(B)の画面表示を経て図31(A)の画面表示に遷移する。この過程で、第1固有情報及び第1設定情報がデータベース100aに保存される。The management application will be described below. When "Save to database" is tapped in FIG. 27(B), the screen display of FIG. 28(A) is displayed. On this screen, repair information, i.e., repair date and time and replacement part (replacement part) can be input. When "Save to database" is tapped on this screen, the screen display of FIG. 29(A) is displayed via the screen display of FIG. 28(B). Here, if the
図31(A)の画面で「続ける」をタップすると、図31(B)の画面表示を経て図32(A)の画面表示に遷移する。本画面から必要に応じて固有情報、使用履歴情報、及び修理情報等の変更(編集)に進むことができる。本画面で「書き込み」をタップすると、図32(B)の画面表示を経て図33(A)の画面表示に遷移する。この過程で、第1固有情報及び第1設定情報が修理後の第1作業機1に書き込まれる。When "Continue" is tapped on the screen of Figure 31 (A), the screen display of Figure 31 (B) will be followed by the screen display of Figure 32 (A). From this screen, it is possible to proceed to change (edit) the unique information, usage history information, repair information, etc. as necessary. When "Write" is tapped on this screen, the screen display of Figure 32 (B) will be followed by the screen display of Figure 33 (A). During this process, the first unique information and first setting information are written to the
図26(A)のメニュー画面で「データの書き込み」をタップすると、図34(A)の画面表示に遷移する。本画面で「本体外装から取得する」をタップすると、第1端末装置80のコード読取り機能が起動する(図示省略)。「直接入力する」をタップすると、入力画面に遷移する(図示省略)。第1固有情報が取得できると、図34(B)の画面表示に遷移する。本画面で「データベースから情報を取得」をタップすると、図35(A)、図35(B)の画面表示を経て、図32(A)の画面表示に遷移する。When "Write data" is tapped on the menu screen of Figure 26 (A), the screen display of Figure 34 (A) will be displayed. When "Get from main body exterior" is tapped on this screen, the code reading function of the first
次に専用アプリについて説明する。図27(B)において「データベースに保存」をタップすると、図28(B)の画面表示を経て図29(A)の画面表示に遷移する。ここで、第1作業機1がデータベース100aに未登録の場合、図30(A)及び図30(B)の画面表示を経て図33(B)の画面表示に遷移する。第1作業機1がデータベース100aに登録済の場合、図30(A)の画面表示は飛ばされ、図29(A)から図30(B)の画面表示を経て図33(B)の画面表示に遷移する。本画面で「OK」をタップすれば、データベース100aへの保存が完了する。Next, the dedicated app will be described. When "Save to database" is tapped in FIG. 27(B), the screen display transitions to that of FIG. 29(A) via the screen display of FIG. 28(B). Here, if the
(実施の形態5)  図37~図40を参照し、本発明の実施の形態5を説明する。本実施の形態は、作業機システムに関する。この作業機システムの基本構成は実施の形態1と同様である。第2端末装置90の専用アプリでは,第1作業機1の情報を抽出するほかに、第1作業機1の設定をカスタマイズする機能がある。例えば、インパクトドライバの回転数を変更したり、インパクトレンチのオートストップ機能を設定したりする機能である。ユーザが設定した動作パラメータはユーザ自身が第2端末装置90に保存できる。本実施の形態では、ユーザが、他の作業者が設定した動作パラメータ(第2情報、例えば第2設定情報)をWEB上から取得できるようにする。利用方法としては、例えばインフルエンサー(SNS等を通じて世間に大きな影響力を与えるユーザ)が使用している動作パラメータを特定のWEBページ経由で各ユーザが取得できるようにする。設定データをSNSなどでユーザ同士が互いに共有できるようにしてもよい。(Embodiment 5) With reference to Figures 37 to 40,
図37は、本発明の実施の形態5に係る作業機システムの動作を示すシーケンス図である。ユーザは、通信機器(第2端末装置90)に対して、他の作業者が設定した動作パラメータを載せたWEB頁を開く操作を行う(S201)。通信機器(第2端末装置90)は、サーバ機器100にアクセスする(S202)。サーバ機器100は、レスポンスを返す(S203)。通信機器(第2端末装置90)は、サーバ機器100に、WEBページのロードを要求する(S204)。サーバ機器100は、WEBページの画面データを通信機器(第2端末装置90)に送信する(S205)。通信機器(第2端末装置90)は、WEBページを表示する(S206)。ユーザは、通信機器(第2端末装置90)に対して、他の作業者が設定した動作パラメータの取得を要求する操作を行う(S207)。通信機器(第2端末装置90)は、サーバ機器100に対して、動作パラメータの取得を要求する(S208)。サーバ機器100は、動作パラメータを通信機器(第2端末装置90)に送信する(S209)。通信機器(第2端末装置90)は、受信した動作パラメータを処理、保存する(S210)。通信機器(第2端末装置90)は、保存完了をユーザに通知する(S211)。Figure 37 is a sequence diagram showing the operation of the work machine system according to the fifth embodiment of the present invention. The user operates the communication device (second terminal device 90) to open a web page containing operation parameters set by other workers (S201). The communication device (second terminal device 90) accesses the server device 100 (S202). The
図38(A)、(B)は、第2端末装置90の専用アプリの画面表示であって、インパクトドライバ用の画面表示を示す。図38(A)の画面では、動作パラメータとして、インパクトドライバのスイッチの遊び、最低回転数、最高回転数、ソフトスタートの速さ、及び低速域の幅を、それぞれスライダで変更可能であり、それらの組合せである動作パラメータを設定リストに保存できる。図38(B)に示すように、設定リストには、複数種類の動作パラメータを保存できる。設定リストは個別に削除可能である。Figures 38 (A) and (B) show screen displays of a dedicated app for the second
図39(A)、(B)は、第2端末装置90の専用アプリの画面表示であって、インパクトレンチ用の画面表示を示す。図39(A)の画面では、動作パラメータとして、締付のパワーを四段階から選択でき、また打撃開始からモータ停止までの時間(オートストップ時間)をスライダ又は+、-のボタンで変更可能であり、パワーとオートストップ時間の組合せである動作パラメータを設定リストに保存できる。図39(B)に示すように、設定リストには、複数種類の動作パラメータを保存できる。設定リストは個別に削除可能である。Figures 39 (A) and (B) show screen displays of a dedicated app for the second
図40(A)は、第2端末装置90に表示された、設定情報をダウンロード可能なウェブサイトの表示例である。図40(A)の「設定データのダウンロード」をタップすると、専用アプリが起動し、図40(B)の画面が表示される。ここで「保存」をタップすれば、他の作業者の動作パラメータが設定リストに保存される。図40(A)では、必要に応じて作業風景の動画を再生できるようにしている。Figure 40 (A) is an example of a website displayed on the second
本実施の形態によれば、他の作業者の動作パラメータ(第2設定情報)が使用可能となるため、作業性を向上する。第2設定情報がユーザの作業に合わない場合には、例えば第2設定情報を設定リスト削除すれば前の設定に戻すことができ、また設定リストから初期設定(デフォルト)等の他の設定を選択すれば簡単に初期設定や他の設定に戻すことができ、操作性が良い。According to this embodiment, the operating parameters (second setting information) of other workers can be used, improving workability. If the second setting information does not suit the user's work, the previous settings can be restored by, for example, deleting the second setting information from the setting list, and the initial settings or other settings can be easily restored by selecting other settings such as the initial settings (default) from the setting list, resulting in good operability.
以上、実施の形態を例に本発明を説明したが、実施の形態の各構成要素や各処理プロセスには請求項に記載の範囲で種々の変形が可能であることは当業者に理解されるところである。The present invention has been described above using an embodiment as an example, but it will be understood by those skilled in the art that various modifications are possible to each component and each processing process of the embodiment within the scope of the claims.
1,1A~1C…第1作業機、20…電源装置(電池パック)、80…第1端末装置(管理機器)、90…第2端末装置(通信機器)、100…サーバ機器、100a…データベース。1, 1A-1C...first work machine, 20...power supply device (battery pack), 80...first terminal device (management device), 90...second terminal device (communication device), 100...server equipment, 100a...database.
| Application Number | Priority Date | Filing Date | Title | 
|---|---|---|---|
| JP2020164606 | 2020-09-30 | ||
| JP2020164606 | 2020-09-30 | ||
| PCT/JP2021/032421WO2022070762A1 (en) | 2020-09-30 | 2021-09-03 | Work machine system | 
| Publication Number | Publication Date | 
|---|---|
| JPWO2022070762A1 JPWO2022070762A1 (en) | 2022-04-07 | 
| JPWO2022070762A5 JPWO2022070762A5 (en) | 2023-05-10 | 
| JP7517445B2true JP7517445B2 (en) | 2024-07-17 | 
| Application Number | Title | Priority Date | Filing Date | 
|---|---|---|---|
| JP2022553708AActiveJP7517445B2 (en) | 2020-09-30 | 2021-09-03 | Work Machine System | 
| Country | Link | 
|---|---|
| JP (1) | JP7517445B2 (en) | 
| WO (1) | WO2022070762A1 (en) | 
| Publication number | Priority date | Publication date | Assignee | Title | 
|---|---|---|---|---|
| JP2013101642A (en) | 2012-12-21 | 2013-05-23 | Max Co Ltd | Management system | 
| JP2014529320A (en) | 2011-07-24 | 2014-11-06 | 株式会社マキタ | Power tool adapter, power tool system and method of operating the same | 
| JP2015087852A (en) | 2013-10-29 | 2015-05-07 | 株式会社安川電機 | Industrial equipment management system, industrial equipment management apparatus, industrial equipment management method, program, and information storage medium | 
| US20160364687A1 (en) | 2015-06-15 | 2016-12-15 | Milwaukee Electric Tool Corporation | Power tool communication system | 
| US20170149569A1 (en) | 2015-11-19 | 2017-05-25 | Robert Bosch Tool Corporation | Secure Access Control to an Embedded Device Through a Networked Computer | 
| WO2017170648A1 (en) | 2016-03-29 | 2017-10-05 | 日東工器株式会社 | Control circuit for electric tool having setting data transmission function, electric tool, control device, and electric tool system | 
| JP2019506303A (en) | 2016-01-05 | 2019-03-07 | ミルウォーキー エレクトリック ツール コーポレーションMilwaukee Electric Tool Corporation | Vibration reduction system and method for power tools | 
| WO2019207859A1 (en) | 2018-04-27 | 2019-10-31 | オムロン株式会社 | Setting management system and setting management method | 
| JP2020023008A (en) | 2018-08-06 | 2020-02-13 | パナソニックIpマネジメント株式会社 | Electric tool | 
| JP2020040128A (en) | 2017-08-10 | 2020-03-19 | 白光株式会社 | Cartridge, soldering iron controller | 
| Publication number | Priority date | Publication date | Assignee | Title | 
|---|---|---|---|---|
| JP2014529320A (en) | 2011-07-24 | 2014-11-06 | 株式会社マキタ | Power tool adapter, power tool system and method of operating the same | 
| JP2013101642A (en) | 2012-12-21 | 2013-05-23 | Max Co Ltd | Management system | 
| JP2015087852A (en) | 2013-10-29 | 2015-05-07 | 株式会社安川電機 | Industrial equipment management system, industrial equipment management apparatus, industrial equipment management method, program, and information storage medium | 
| US20160364687A1 (en) | 2015-06-15 | 2016-12-15 | Milwaukee Electric Tool Corporation | Power tool communication system | 
| US20170149569A1 (en) | 2015-11-19 | 2017-05-25 | Robert Bosch Tool Corporation | Secure Access Control to an Embedded Device Through a Networked Computer | 
| JP2019506303A (en) | 2016-01-05 | 2019-03-07 | ミルウォーキー エレクトリック ツール コーポレーションMilwaukee Electric Tool Corporation | Vibration reduction system and method for power tools | 
| WO2017170648A1 (en) | 2016-03-29 | 2017-10-05 | 日東工器株式会社 | Control circuit for electric tool having setting data transmission function, electric tool, control device, and electric tool system | 
| JP2020040128A (en) | 2017-08-10 | 2020-03-19 | 白光株式会社 | Cartridge, soldering iron controller | 
| WO2019207859A1 (en) | 2018-04-27 | 2019-10-31 | オムロン株式会社 | Setting management system and setting management method | 
| JP2020023008A (en) | 2018-08-06 | 2020-02-13 | パナソニックIpマネジメント株式会社 | Electric tool | 
| Publication number | Publication date | 
|---|---|
| JPWO2022070762A1 (en) | 2022-04-07 | 
| WO2022070762A1 (en) | 2022-04-07 | 
| Publication | Publication Date | Title | 
|---|---|---|
| CN102662697B (en) | Software upgrading method and device | |
| CN116170311A (en) | Electric tool system and upgrading method for same | |
| EP1351108A1 (en) | Method and apparatus for programming | |
| JP2011198240A (en) | Engineering tool | |
| CN101206564A (en) | File version control interface device and method | |
| JP2006127252A (en) | Switch, switching method and program | |
| CN102005194A (en) | Monochrome liquid crystal module universal driver | |
| US20180231950A1 (en) | Monitoring method, monitoring module, and mobile terminal for monitoring programmable logic controller | |
| CN105487473B (en) | Plc data journal module with backup functionality | |
| JP7517445B2 (en) | Work Machine System | |
| JP5838626B2 (en) | Controller development support device and controller development support program | |
| CN104575601B (en) | Device for copying operating parameters recorded in a memory of an industrial tool | |
| CN104659901B (en) | Electric equipment with unbroken power supply unit | |
| EP2533932A1 (en) | Welding -type systems with usb host and/or a non volatile removable memory; methods of storing data using such welding systems and method of updating code in such welding systems | |
| CN110727239A (en) | Portable electric tool control program update device and update method | |
| CN104394466A (en) | Production method of high-safety set-top box | |
| JP4919091B2 (en) | PLC system | |
| JP2006253010A (en) | Relay lifetime control server | |
| JP4737096B2 (en) | Information processing system | |
| JP2004062371A (en) | Data management method and device for programmable controller | |
| WO2021203237A1 (en) | Removable power battery, electric tool, communication terminal, data transfer method, and readable storage medium | |
| WO2022040985A1 (en) | Charging base, electric tool, control method for charging base, communication terminal, data transmission method, and readable storage medium | |
| WO2020026738A1 (en) | Support device and support program | |
| KR101373807B1 (en) | Integrated Control System of Uninterruptible Power Supply and Method thereof | |
| US20250247905A1 (en) | Configurable electronic device, configuration method thereof, and system having the electronic device | 
| Date | Code | Title | Description | 
|---|---|---|---|
| A521 | Request for written amendment filed | Free format text:JAPANESE INTERMEDIATE CODE: A523 Effective date:20230223 | |
| A621 | Written request for application examination | Free format text:JAPANESE INTERMEDIATE CODE: A621 Effective date:20230223 | |
| A131 | Notification of reasons for refusal | Free format text:JAPANESE INTERMEDIATE CODE: A131 Effective date:20240305 | |
| A521 | Request for written amendment filed | Free format text:JAPANESE INTERMEDIATE CODE: A523 Effective date:20240426 | |
| TRDD | Decision of grant or rejection written | ||
| A01 | Written decision to grant a patent or to grant a registration (utility model) | Free format text:JAPANESE INTERMEDIATE CODE: A01 Effective date:20240604 | |
| A61 | First payment of annual fees (during grant procedure) | Free format text:JAPANESE INTERMEDIATE CODE: A61 Effective date:20240617 | |
| R150 | Certificate of patent or registration of utility model | Ref document number:7517445 Country of ref document:JP Free format text:JAPANESE INTERMEDIATE CODE: R150 |