



















































































  本発明は、物、方法、または物を生産する方法に関する。特に、表示装置または半導体
装置に関するものである。さらに、その表示装置を表示部に有する電子機器に関する。The present invention relates to an article, method or method of producing an article. In particular, it relates to display devices or semiconductor devices. Furthermore, the present invention relates to an electronic device having the display device as a display portion.
  液晶表示装置は、携帯電話機、テレビ受像器等の多くの電気製品に用いられており、さ
らなる高品質化に向けて多くの研究がなされている。Liquid crystal display devices are used in many electronic products such as mobile phones and television receivers, and much research is being conducted to further improve the quality.
液晶表示装置は、CRT(ブラウン管)に比べ小型かつ軽量であり、消費電力が小さいと
いった利点を有する一方で、視野角が狭いといった問題を有する。近年では、視野角特性
を改善するためにマルチドメイン方式、即ち配向分割法の研究が多くなされている。例え
ば、VA方式(Vertical  Alignment;垂直配向方式)にマルチドメイ
ン方式を組み合わせたMVA方式(Multi-domain  Vertical  Al
ignment;マルチドメイン型垂直配向方式)やPVA方式(Patterned
Vertical  Alignment;パターン型垂直配向方式)等がある。A liquid crystal display device has the advantages of being smaller and lighter than a CRT (cathode-ray tube) and consuming less power, but has the problem of a narrow viewing angle. In recent years, many studies have been made on a multi-domain method, that is, an orientation division method, in order to improve viewing angle characteristics. For example, the MVA method (Multi-domain Vertical Al
 multi-domain type vertical alignment system) and PVA system (Patterned
 Vertical Alignment; pattern type vertical alignment system) and the like.
また、一つの画素を複数のサブ画素に分割し、各サブ画素における液晶の配向状態を異な
らせることで視野角の向上を図るといった研究も行われている(特許文献1)。Research is also being conducted to improve the viewing angle by dividing one pixel into a plurality of sub-pixels and varying the alignment state of the liquid crystal in each sub-pixel (Patent Document 1).
しかしながら、その視野角特性は十分なものと言えず、表示装置としてさらなる改善が求
められる。そこで、本発明では、視野角特性に優れたさらに高品質な表示装置を提供する
ことを課題とする。However, its viewing angle characteristics are not sufficient, and further improvement is required as a display device. Accordingly, it is an object of the present invention to provide a higher quality display device with excellent viewing angle characteristics.
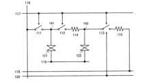
特許文献1に記載された液晶表示装置の一画素における等価回路図を図84に示す。図8
4に示す画素は、TFT30、液晶容量L1、液晶容量L2、保持容量C1及び保持容量
C2を有し、走査線3a及びデータ線(信号線)6aに接続されている。FIG. 84 shows an equivalent circuit diagram of one pixel of the liquid crystal display device described in
 4 has a
液晶は電圧保持特性は示すもののその保持率は100%ではなく、液晶に電荷が流れるこ
とによるリークの存在が懸念される。図84に示す画素では、リークが生じた場合、ノー
ド11において保持容量C1、保持容量C2、及び液晶容量L2で閉ざされた部分におけ
る電荷保存則により一定の電位に保たれていた状態は失われ、ノード11の電位はリーク
が生じる前の初期状態の電位からかけ離れてくる。そのため、液晶容量L2の透過率は、
データ線6aに書き込む画像信号、即ち階調に応じた電位によって決定される透過率より
変化してしまう。その結果、所望の階調を得ることができなくなったり、画質が低下して
まう。このようにして、時間の経過に伴い、徐々に表示品位が低下する。よって、製品の
寿命が短くなってしまう。特に、ノーマリーブラックモードの表示装置では黒を表示する
ことができず、コントラストの低下を招く。Although the liquid crystal exhibits voltage retention characteristics, the retention rate is not 100%, and there is concern about the existence of leakage due to the flow of charges in the liquid crystal. In the pixel shown in FIG. 84, when leakage occurs, the state in which a constant potential is maintained by the law of conservation of electric charge in the portion closed by the storage capacitor C1, the storage capacitor C2, and the liquid crystal capacitor L2 at the
 The transmittance changes from that determined by the image signal written to the
  上記問題を鑑み、本発明では広視野角表示を実現することを課題とする。または、コン
トラストに優れた表示装置を提供することを課題とする。または、表示品位に優れた表示
装置を提供することを課題とする。または、ノイズの影響を受けにくく、綺麗な表示を行
うことが可能な表示装置を提供することを課題とする。または、表示の劣化が生じにくい
表示装置を提供することを課題とする。または、製品寿命に優れた表示装置を提供するこ
とを課題とする。In view of the above problems, an object of the present invention is to realize a wide viewing angle display. Another object is to provide a display device with excellent contrast. Another object is to provide a display device with excellent display quality. Alternatively, another object is to provide a display device that is less susceptible to noise and can display clear images. Alternatively, an object is to provide a display device in which display deterioration is less likely to occur. Alternatively, an object is to provide a display device with excellent product life.
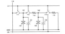
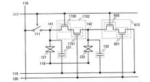
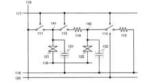
本発明の一は、第1の走査線により制御される第1のスイッチ及び第2のスイッチと、前
記第1の走査線及び第2の走査線により制御される第3のスイッチと、第1の抵抗と、第
2の抵抗と、第1の液晶素子と、第2の液晶素子とを含む画素を有し、前記第1の液晶素
子及び第2の液晶素子の各々は、少なくとも画素電極と、共通電極と、前記画素電極及び
前記共通電極に制御される液晶とから構成され、前記第1の液晶素子の画素電極は、前記
第1のスイッチを介して第1の配線に電気的に接続され、前記第1の液晶素子の画素電極
は、前記第2のスイッチ及び前記第1の抵抗を介して前記第2の液晶素子の画素電極に電
気的に接続され、前記第2の液晶素子の画素電極は、前記第3のスイッチ及び前記第2の
抵抗を介して第2の配線と電気的に接続され、前記第1の液晶素子の共通電極は、前記第
2の液晶素子の共通電極と電気的に接続されることを特徴とする液晶表示装置である。One aspect of the present invention is a first switch and a second switch controlled by a first scanning line, a third switch controlled by the first scanning line and the second scanning line, and a first switch. resistor, a second resistor, a first liquid crystal element, and a second liquid crystal element, wherein each of the first liquid crystal element and the second liquid crystal element is at least a pixel electrode and , a common electrode, and a liquid crystal controlled by the pixel electrode and the common electrode, and the pixel electrode of the first liquid crystal element is electrically connected to the first wiring via the first switch. The pixel electrode of the first liquid crystal element is electrically connected to the pixel electrode of the second liquid crystal element through the second switch and the first resistor, and the pixel electrode of the second liquid crystal element is electrically connected to the pixel electrode of the second liquid crystal element. The pixel electrode is electrically connected to a second wiring via the third switch and the second resistor, and the common electrode of the first liquid crystal element is the common electrode of the second liquid crystal element. A liquid crystal display device characterized by being electrically connected.
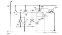
本発明の一は、第1の走査線により制御される第1のスイッチ及び第2のスイッチと、前
記第1の走査線及び第2の走査線により制御される第3のスイッチと、第1の抵抗と、第
2の抵抗と、第1の液晶素子と、第2の液晶素子と、第1の保持容量と、第2の保持容量
とを含む画素を有し、前記第1の液晶素子及び第2の液晶素子の各々は、少なくとも画素
電極と、共通電極と、前記画素電極及び前記共通電極に制御される液晶とから構成され、
前記第1の液晶素子の画素電極は、前記第1のスイッチを介して第1の配線に電気的に接
続され、前記第1の液晶素子の画素電極は、前記第2のスイッチ及び前記第1の抵抗を介
して前記第2の液晶素子の画素電極に電気的に接続され、前記第2の液晶素子の画素電極
は、前記第3のスイッチ及び前記第2の抵抗を介して第2の配線と電気的に接続され、前
記第1の液晶素子の画素電極は、前記第1の保持容量を介して前記第2の配線と電気的に
接続され、前記第2の液晶素子の画素電極は、前記第2の保持容量を介して前記第2の配
線と電気的に接続され、前記第1の液晶素子の共通電極は、前記第2の液晶素子の共通電
極と電気的に接続されることを特徴とする液晶表示装置である。One aspect of the present invention is a first switch and a second switch controlled by a first scanning line, a third switch controlled by the first scanning line and the second scanning line, and a first switch. a resistor, a second resistor, a first liquid crystal element, a second liquid crystal element, a first storage capacitor, and a second storage capacitor, wherein the first liquid crystal element and each of the second liquid crystal element is composed of at least a pixel electrode, a common electrode, and a liquid crystal controlled by the pixel electrode and the common electrode,
 A pixel electrode of the first liquid crystal element is electrically connected to a first wiring through the first switch, and a pixel electrode of the first liquid crystal element is connected to the second switch and the first wiring. The pixel electrode of the second liquid crystal element is electrically connected to the pixel electrode of the second liquid crystal element through the resistor of the third switch and the second wiring through the second resistor. and the pixel electrode of the first liquid crystal element is electrically connected to the second wiring via the first storage capacitor, and the pixel electrode of the second liquid crystal element is: electrically connected to the second wiring via the second storage capacitor, and the common electrode of the first liquid crystal element is electrically connected to the common electrode of the second liquid crystal element; It is characterized by a liquid crystal display device.
本発明の一は、第3の走査線により制御される第1のスイッチと、第1の走査線により制
御される第2のスイッチと、前記第1の走査線及び第2の走査線により制御される第3の
スイッチと、第1の抵抗と、第2の抵抗と、第1の液晶素子と、第2の液晶素子とを含む
画素を有し、前記第1の液晶素子及び第2の液晶素子の各々は、少なくとも画素電極と、
共通電極と、前記画素電極及び前記共通電極に制御される液晶とから構成され、前記第1
の液晶素子の画素電極は、前記第1のスイッチを介して第1の配線に電気的に接続され、
前記第1の液晶素子の画素電極は、前記第2のスイッチ及び前記第1の抵抗を介して前記
第2の液晶素子の画素電極に電気的に接続され、前記第2の液晶素子の画素電極は、前記
第3のスイッチ及び前記第2の抵抗を介して第2の配線と電気的に接続され、前記第1の
液晶素子の共通電極は、前記第2の液晶素子の共通電極と電気的に接続されることを特徴
とする液晶表示装置である。One aspect of the present invention is a first switch controlled by a third scanning line, a second switch controlled by the first scanning line, and a switch controlled by the first scanning line and the second scanning line. a pixel including a third switch, a first resistor, a second resistor, a first liquid crystal element, and a second liquid crystal element; each of the liquid crystal elements includes at least a pixel electrode;
 a common electrode and a liquid crystal controlled by the pixel electrode and the common electrode;
 the pixel electrode of the liquid crystal element of is electrically connected to the first wiring through the first switch,
 The pixel electrode of the first liquid crystal element is electrically connected to the pixel electrode of the second liquid crystal element through the second switch and the first resistor, and the pixel electrode of the second liquid crystal element is electrically connected to the pixel electrode of the second liquid crystal element. is electrically connected to a second wiring via the third switch and the second resistor, and the common electrode of the first liquid crystal element is electrically connected to the common electrode of the second liquid crystal element. The liquid crystal display device is characterized in that it is connected to .
本発明の一は、第3の走査線により制御される第1のスイッチと、第1の走査線により制
御される第2のスイッチと、前記第1の走査線及び第2の走査線により制御される第3の
スイッチと、第1の抵抗と、第2の抵抗と、第1の液晶素子と、第2の液晶素子とを含む
画素を有し、前記第1の液晶素子及び第2の液晶素子の各々は、少なくとも画素電極と、
共通電極と、前記画素電極及び前記共通電極に制御される液晶とから構成され、前記第1
の液晶素子の画素電極は、前記第1のスイッチを介して第1の配線に電気的に接続され、
前記第1の液晶素子の画素電極は、前記第2のスイッチ及び前記第1の抵抗を介して前記
第2の液晶素子の画素電極に電気的に接続され、前記第2の液晶素子の画素電極は、前記
第3のスイッチ及び前記第2の抵抗を介して第2の配線と電気的に接続され、前記第1の
液晶素子の画素電極は、前記第1の保持容量を介して前記第2の配線と電気的に接続され
、前記第2の液晶素子の画素電極は、前記第2の保持容量を介して前記第2の配線と電気
的に接続され、前記第1の液晶素子の共通電極は、前記第2の液晶素子の共通電極と電気
的に接続されることを特徴とする液晶表示装置である。One aspect of the present invention is a first switch controlled by a third scanning line, a second switch controlled by the first scanning line, and a switch controlled by the first scanning line and the second scanning line. a pixel including a third switch, a first resistor, a second resistor, a first liquid crystal element, and a second liquid crystal element; each of the liquid crystal elements includes at least a pixel electrode;
 a common electrode and a liquid crystal controlled by the pixel electrode and the common electrode;
 the pixel electrode of the liquid crystal element of is electrically connected to the first wiring through the first switch,
 The pixel electrode of the first liquid crystal element is electrically connected to the pixel electrode of the second liquid crystal element through the second switch and the first resistor, and the pixel electrode of the second liquid crystal element is electrically connected to the pixel electrode of the second liquid crystal element. is electrically connected to the second wiring via the third switch and the second resistor, and the pixel electrode of the first liquid crystal element is connected to the second wiring via the first storage capacitor. The pixel electrode of the second liquid crystal element is electrically connected to the second wiring through the second storage capacitor, and the common electrode of the first liquid crystal element is a liquid crystal display device electrically connected to a common electrode of the second liquid crystal element.
  本発明の一は、上記構成において、前記第2の抵抗の抵抗値は、前記第1の抵抗の抵抗
値より大きいことを特徴とする液晶表示装置である。One aspect of the present invention is the liquid crystal display device having the above structure, wherein the resistance value of the second resistor is higher than the resistance value of the first resistor.
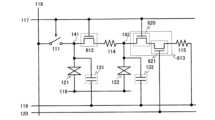
  本発明の一は、第1の走査線により制御されるスイッチと、第1のトランジスタと、第
2のトランジスタと、第1の液晶素子と、第2の液晶素子と、第1の保持容量と、第2の
保持容量とを含む画素を有し、前記第1のトランジスタのゲート電極は、前記第1の走査
線に電気的に接続され、前記第2のトランジスタは、ゲート電極が前記第1の走査線に電
気的に接続されたトランジスタと、当該トランジスタと直列に設けられ、なおかつゲート
電極が第2の走査線に電気的に接続されたトランジスタとを有するトランジスタであり、
前記第1の液晶素子及び第2の液晶素子の各々は、少なくとも画素電極と、共通電極と、
前記画素電極及び前記共通電極に制御される液晶とから構成され、前記第1の液晶素子の
画素電極は、前記スイッチを介して第1の配線に電気的に接続され、前記第1の液晶素子
の画素電極は、前記第1のトランジスタを介して前記第2の液晶素子の画素電極に電気的
に接続され、前記第2の液晶素子の画素電極は、前記第2のトランジスタを介して第2の
配線と電気的に接続され、前記第1の液晶素子の画素電極は、前記第1の保持容量を介し
て前記第2の配線と電気的に接続され、前記第2の液晶素子の画素電極は、前記第2の保
持容量を介して前記第2の配線と電気的に接続され、前記第1の液晶素子の共通電極は、
前記第2の液晶素子の共通電極と電気的に接続されることを特徴とする液晶表示装置であ
る。One aspect of the present invention is a switch controlled by a first scanning line, a first transistor, a second transistor, a first liquid crystal element, a second liquid crystal element, and a first storage capacitor. , and a second storage capacitor, the gate electrode of the first transistor is electrically connected to the first scanning line, and the gate electrode of the second transistor is the first storage capacitor. and a transistor provided in series with the transistor and having a gate electrode electrically connected to a second scanning line,
 Each of the first liquid crystal element and the second liquid crystal element includes at least a pixel electrode, a common electrode,
 The pixel electrode and the liquid crystal controlled by the common electrode, the pixel electrode of the first liquid crystal element is electrically connected to the first wiring through the switch, and the first liquid crystal element is electrically connected to the pixel electrode of the second liquid crystal element through the first transistor, and the pixel electrode of the second liquid crystal element is electrically connected to the pixel electrode of the second liquid crystal element through the second transistor. The pixel electrode of the first liquid crystal element is electrically connected to the second wiring through the first storage capacitor, and the pixel electrode of the second liquid crystal element is electrically connected to is electrically connected to the second wiring through the second storage capacitor, and the common electrode of the first liquid crystal element is
 The liquid crystal display device is electrically connected to a common electrode of the second liquid crystal element.
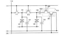
  本発明の一は、第1のトランジスタと、第2のトランジスタと、第3のトランジスタと
、第1の液晶素子と、第2の液晶素子と、第1の保持容量と、第2の保持容量とを含む画
素を有し、前記第1のトランジスタ及び前記第3のトランジスタのゲート電極は、前記第
1の走査線に電気的に接続され、前記第2のトランジスタは、ゲート電極が前記第1の走
査線に電気的に接続されたトランジスタと、当該トランジスタと直列に設けられ、なおか
つゲート電極が第2の走査線に電気的に接続されたトランジスタとを有するトランジスタ
であり、前記第1の液晶素子及び第2の液晶素子の各々は、少なくとも画素電極と、共通
電極と、前記画素電極及び前記共通電極に制御される液晶とから構成され、前記第1の液
晶素子の画素電極は、前記第3のトランジスタを介して第1の配線に電気的に接続され、
前記第1の液晶素子の画素電極は、前記第1のトランジスタを介して前記第2の液晶素子
の画素電極に電気的に接続され、前記第2の液晶素子の画素電極は、前記第2のトランジ
スタを介して第2の配線と電気的に接続され、前記第1の液晶素子の画素電極は、前記第
1の保持容量を介して前記第2の配線と電気的に接続され、前記第2の液晶素子の画素電
極は、前記第2の保持容量を介して前記第2の配線と電気的に接続され、前記第1の液晶
素子の共通電極は、前記第2の液晶素子の共通電極と電気的に接続されることを特徴とす
る液晶表示装置である。One aspect of the present invention is a first transistor, a second transistor, a third transistor, a first liquid crystal element, a second liquid crystal element, a first storage capacitor, and a second storage capacitor. and the gate electrodes of the first transistor and the third transistor are electrically connected to the first scanning line, and the gate electrode of the second transistor is the first transistor. and a transistor provided in series with the transistor and having a gate electrode electrically connected to the second scanning line, wherein the first liquid crystal Each of the element and the second liquid crystal element is composed of at least a pixel electrode, a common electrode, and liquid crystal controlled by the pixel electrode and the common electrode, and the pixel electrode of the first liquid crystal element electrically connected to the first wiring via 3 transistors;
 The pixel electrode of the first liquid crystal element is electrically connected to the pixel electrode of the second liquid crystal element through the first transistor, and the pixel electrode of the second liquid crystal element is connected to the pixel electrode of the second liquid crystal element. The pixel electrode of the first liquid crystal element is electrically connected to the second wiring via the first storage capacitor, and the second wiring is electrically connected to the second wiring via the transistor. The pixel electrode of the liquid crystal element is electrically connected to the second wiring through the second storage capacitor, and the common electrode of the first liquid crystal element is connected to the common electrode of the second liquid crystal element. A liquid crystal display device characterized by being electrically connected.
  本発明の一は、上記構成においてトランジスタのチャネル幅をW、チャネル長をLとす
ると、前記第3のトランジスタのW/Lは、前記第1のトランジスタまたは前記第2のト
ランジスタのW/Lより小さいことを特徴とする液晶表示装置である。One aspect of the present invention is that, in the above structure, where W is the channel width of the transistor and L is the channel length, W/L of the third transistor is higher than W/L of the first transistor or the second transistor. The liquid crystal display device is characterized by being small.
また、本発明の一は上記構成においてトランジスタのチャネル幅をW、チャネル長をLと
すると、前記第2のトランジスタのW/Lは前記第1のトランジスタのW/Lより大きい
ことを特徴とする液晶表示装置である。Another feature of the present invention is that, in the above structure, W/L of the second transistor is larger than W/L of the first transistor, where W is the channel width of the transistor and L is the channel length of the transistor. It is a liquid crystal display.
なお本発明の表示装置は、例えば液晶表示装置、有機発光素子(OLED)に代表される
発光素子を各画素に備えた発光装置、DMD(Digital  Micromirror
  Device)、PDP(Plasma  Display  Panel)、FED(F
ield  Emission  Display)等、アクティブマトリクス型の表示装置
がその範疇に含まれる。またパッシブマトリクス型の表示装置も含まれる。The display device of the present invention includes, for example, a liquid crystal display device, a light-emitting device having a light-emitting element typified by an organic light-emitting device (OLED) in each pixel, and a DMD (Digital Micromirror).
 Device), PDP (Plasma Display Panel), FED (F
 Active matrix display devices such as field emission displays are included in this category. It also includes a passive matrix display device.
なお、スイッチは、様々な形態のものを用いることができる。例としては、電気的スイッ
チや機械的なスイッチなどがある。つまり、電流の流れを制御できるものであればよく、
特定のものに限定されない。例えば、スイッチとして、トランジスタ(例えば、バイポー
ラトランジスタ、MOSトランジスタなど)、ダイオード(例えば、PNダイオード、P
INダイオード、ショットキーダイオード、MIM(Metal  Insulator
Metal)ダイオード、MIS(Metal  Insulator  Semicond
uctor)ダイオード、ダイオード接続のトランジスタなど)、サイリスタなどを用い
ることが出来る。または、これらを組み合わせた論理回路をスイッチとして用いることが
出来る。Various types of switches can be used. Examples include electrical switches and mechanical switches. In other words, any device that can control the flow of current will suffice.
 It is not limited to a specific one. For example, as a switch, a transistor (eg, bipolar transistor, MOS transistor, etc.), a diode (eg, PN diode, P
 IN diode, Schottky diode, MIM (Metal Insulator
 Metal) diode, MIS (Metal Insulator Semiconductor
 uctor) diodes, diode-connected transistors, etc.), thyristors, and the like can be used. Alternatively, a logic circuit in which these are combined can be used as a switch.
機械的なスイッチの例としては、デジタルマイクロミラーデバイス(DMD)のように、
MEMS(マイクロ・エレクトロ・メカニカル・システム)技術を用いたスイッチがある
。そのスイッチは、機械的に動かすことが出来る電極を有し、その電極が動くことによっ
て、接続と非接続とを制御して動作する。Examples of mechanical switches include digital micromirror devices (DMD),
 There are switches using MEMS (micro-electro-mechanical system) technology. The switch has an electrode that can be moved mechanically, and operates by controlling connection and disconnection by moving the electrode.
スイッチとしてトランジスタを用いる場合、そのトランジスタは、単なるスイッチとして
動作するため、トランジスタの極性(導電型)は特に限定されない。ただし、オフ電流を
抑えたい場合、オフ電流が少ない方の極性のトランジスタを用いることが望ましい。オフ
電流が少ないトランジスタとしては、LDD領域を有するトランジスタやマルチゲート構
造を有するトランジスタ等がある。または、スイッチとして動作させるトランジスタのソ
ース端子の電位が、低電位側電源(Vss、GND、0Vなど)の電位に近い状態で動作
する場合はNチャネル型トランジスタを用いることが望ましい。反対に、ソース端子の電
位が、高電位側電源(Vddなど)の電位に近い状態で動作する場合はPチャネル型トラ
ンジスタを用いることが望ましい。なぜなら、Nチャネル型トランジスタではソース端子
が低電位側電源の電位に近い状態で動作するとき、Pチャネル型トランジスタではソース
端子が高電位側電源の電位に近い状態で動作するとき、ゲートとソースの間の電圧の絶対
値を大きくできるため、スイッチとして動作しやすいからである。また、ソースフォロワ
動作をしてしまうことが少ないため、出力電圧の大きさが小さくなってしまうことが少な
いからである。When a transistor is used as a switch, the transistor simply operates as a switch; therefore, the polarity (conductivity type) of the transistor is not particularly limited. However, when it is desired to suppress off-state current, it is preferable to use a transistor having a polarity with a smaller off-state current. As a transistor with low off-state current, there are a transistor having an LDD region, a transistor having a multi-gate structure, and the like. Alternatively, in the case where the potential of the source terminal of the transistor operated as a switch operates in a state close to the potential of the low-potential power supply (Vss, GND, 0 V, etc.), it is desirable to use an N-channel transistor. On the contrary, it is desirable to use a P-channel transistor when operating in a state where the potential of the source terminal is close to the potential of the high-potential power supply (eg, Vdd). This is because, in an N-channel transistor, when the source terminal operates in a state close to the potential of the power supply on the low potential side, and in a P-channel transistor, when the source terminal operates in a state close to the potential of the power supply on the high potential side, the gate and source This is because the absolute value of the voltage between them can be increased, so that they can easily operate as a switch. Also, since the source follower operation is less likely to occur, the magnitude of the output voltage is less likely to decrease.
なお、Nチャネル型トランジスタとPチャネル型トランジスタの両方を用いて、CMOS
型のスイッチをスイッチとして用いてもよい。CMOS型のスイッチにすると、Pチャネ
ル型トランジスタまたはNチャネル型トランジスタのどちらか一方のトランジスタが導通
すれば電流が流れるため、スイッチとして機能しやすくなる。例えば、スイッチへの入力
信号の電圧が高い場合でも、低い場合でも、適切に電圧を出力させることが出来る。さら
に、スイッチをオン、オフさせるための信号の電圧振幅値を小さくすることが出来るので
、消費電力を小さくすることも出来る。Note that CMOS
 A switch of the type may be used as the switch. When a CMOS type switch is used, current flows when either one of the P-channel type transistor and the N-channel type transistor is turned on, so that the CMOS type switch easily functions as a switch. For example, the voltage can be output appropriately regardless of whether the voltage of the input signal to the switch is high or low. Furthermore, since the voltage amplitude value of the signal for turning on and off the switch can be reduced, power consumption can also be reduced.
なお、スイッチとしてトランジスタを用いる場合、スイッチは、入力端子(ソース端子ま
たはドレイン端子の一方)と、出力端子(ソース端子またはドレイン端子の他方)と、導
通を制御する端子(ゲート端子)とを有している。一方、スイッチとしてダイオードを用
いる場合、スイッチは、導通を制御する端子を有していない場合がある。そのため、トラ
ンジスタよりもダイオードをスイッチとして用いた方が、端子を制御するための配線を少
なくすることが出来る。Note that when a transistor is used as a switch, the switch has an input terminal (one of the source terminal and the drain terminal), an output terminal (the other of the source terminal and the drain terminal), and a terminal for controlling conduction (gate terminal). are doing. On the other hand, when a diode is used as a switch, the switch may not have a terminal for controlling conduction. Therefore, using a diode as a switch rather than a transistor can reduce wiring for controlling terminals.
なお、AとBとが接続されている、と明示的に記載する場合は、AとBとが電気的に接続
されている場合と、AとBとが機能的に接続されている場合と、AとBとが直接接続され
ている場合とを含むものとする。ここで、A、Bは、対象物(例えば、装置、素子、回路
、配線、電極、端子、導電膜、層、など)であるとする。したがって、所定の接続関係、
例えば、図または文章に示された接続関係に限定されず、図または文章に示された接続関
係以外のものも含むものとする。Note that when explicitly describing that A and B are connected, the case where A and B are electrically connected and the case where A and B are functionally connected , where A and B are directly connected. Here, A and B are objects (for example, devices, elements, circuits, wiring, electrodes, terminals, conductive films, layers, etc.). Therefore, given connection relations,
 For example, it is not limited to the connection relationships shown in the diagrams or text, and includes connections other than those shown in the diagrams or text.
例えば、AとBとが電気的に接続されている場合として、AとBとの電気的な接続を可能
とする素子(例えば、スイッチ、トランジスタ、容量素子、インダクタ、抵抗素子、ダイ
オードなど)が、AとBとの間に1個以上配置されていてもよい。あるいは、AとBとが
機能的に接続されている場合として、AとBとの機能的な接続を可能とする回路(例えば
、論理回路(インバータ、NAND回路、NOR回路など)、信号変換回路(DA変換回
路、AD変換回路、ガンマ補正回路など)、電位レベル変換回路(電源回路(昇圧回路、
降圧回路など)、信号の電位レベルを変えるレベルシフタ回路など)、電圧源、電流源、
切り替え回路、増幅回路(信号振幅または電流量などを大きく出来る回路、オペアンプ、
差動増幅回路、ソースフォロワ回路、バッファ回路など)、信号生成回路、記憶回路、制
御回路など)が、AとBとの間に1個以上配置されていてもよい。あるいは、AとBとが
直接接続されている場合として、AとBとの間に他の素子や他の回路を挟まずに、AとB
とが直接接続されていてもよい。For example, when A and B are electrically connected, an element (for example, switch, transistor, capacitive element, inductor, resistive element, diode, etc.) that enables electrical connection between A and B is , A and B. Alternatively, when A and B are functionally connected, a circuit that enables functional connection between A and B (for example, a logic circuit (inverter, NAND circuit, NOR circuit, etc.), a signal conversion circuit (DA conversion circuit, AD conversion circuit, gamma correction circuit, etc.), potential level conversion circuit (power supply circuit (booster circuit,
 step-down circuits, etc.), level shifter circuits that change the potential level of signals, etc.), voltage sources, current sources,
 Switching circuit, amplifier circuit (circuit that can increase signal amplitude or current amount, operational amplifier,
 A differential amplifier circuit, a source follower circuit, a buffer circuit, etc.), a signal generation circuit, a memory circuit, a control circuit, etc.) may be arranged between A and B. Alternatively, assuming that A and B are directly connected, A and B
 may be directly connected.
なお、AとBとが直接接続されている、と明示的に記載する場合は、AとBとが直接接続
されている場合(つまり、AとBとの間に他の素子や他の回路を間に介さずに接続されて
いる場合)と、AとBとが電気的に接続されている場合(つまり、AとBとの間に別の素
子や別の回路を挟んで接続されている場合)とを含むものとする。When it is explicitly stated that A and B are directly connected, it means that A and B are directly connected (that is, another element or other circuit is connected between A and B). A and B are electrically connected (that is, A and B are connected with another element or circuit interposed between them). (if any).
なお、AとBとが電気的に接続されている、と明示的に記載する場合は、AとBとが電気
的に接続されている場合(つまり、AとBとの間に別の素子や別の回路を挟んで接続され
ている場合)と、AとBとが機能的に接続されている場合(つまり、AとBとの間に別の
回路を挟んで機能的に接続されている場合)と、AとBとが直接接続されている場合(つ
まり、AとBとの間に別の素子や別の回路を挟まずに接続されている場合)とを含むもの
とする。つまり、電気的に接続されている、と明示的に記載する場合は、単に、接続され
ている、とのみ明示的に記載されている場合と同じであるとする。It should be noted that when it is explicitly stated that A and B are electrically connected, it means that A and B are electrically connected (that is, another element between A and B or another circuit) and A and B are functionally connected (that is, functionally connected with another circuit between A and B). and A and B are directly connected (that is, A and B are connected without another element or another circuit between them). In other words, the explicit description of "electrically connected" is the same as the explicit description of "connected".
なお、表示素子、表示素子を有する装置である表示装置、発光素子、発光素子を有する装
置である発光装置は、様々な形態を用い、また様々な素子を有することが出来る。例えば
、表示素子、表示装置、発光素子または発光装置としては、EL素子(有機物及び無機物
を含むEL素子、有機EL素子、無機EL素子)、電子放出素子、液晶素子、電子インク
、電気泳動素子、グレーティングライトバルブ(GLV)、プラズマディスプレイ(PD
P)、デジタルマイクロミラーデバイス(DMD)、圧電セラミックディスプレイ、カー
ボンナノチューブ、など、電気磁気的作用により、コントラスト、輝度、反射率、透過率
などが変化する表示媒体を用いることができる。なお、EL素子を用いた表示装置として
はELディスプレイ、電子放出素子を用いた表示装置としてはフィールドエミッションデ
ィスプレイ(FED)やSED方式平面型ディスプレイ(SED:Surface-co
nduction  Electron-emitter  Disply)など、液晶素子
を用いた表示装置としては液晶ディスプレイ(透過型液晶ディスプレイ、半透過型液晶デ
ィスプレイ、反射型液晶ディスプレイ、直視型液晶ディスプレイ、投射型液晶ディスプレ
イ)、電子インクや電気泳動素子を用いた表示装置としては電子ペーパーがある。Note that a display element, a display device having a display element, a light-emitting element, and a light-emitting device having a light-emitting element can have various modes and various elements. Examples of display elements, display devices, light-emitting elements, or light-emitting devices include EL elements (EL elements containing organic and inorganic substances, organic EL elements, and inorganic EL elements), electron-emitting elements, liquid crystal elements, electronic inks, electrophoretic elements, Grating Light Bulb (GLV), Plasma Display (PD)
 P), a digital micromirror device (DMD), a piezoelectric ceramic display, a carbon nanotube, and the like can be used as a display medium whose contrast, brightness, reflectance, transmittance, etc. are changed by an electromagnetic effect. Examples of display devices using EL elements include EL displays, and examples of display devices using electron-emitting devices include field emission displays (FED) and SED flat panel displays (SED: Surface-co
 Liquid crystal displays (transmissive liquid crystal displays, semi-transmissive liquid crystal displays, reflective liquid crystal displays, direct view liquid crystal displays, projection liquid crystal displays), electronic inks, etc. Electronic paper is a display device using an electrophoretic element.
なお、EL素子とは、陽極と、陰極と、陽極と陰極との間に挟まれたEL層とを有する素
子である。なお、EL層としては、1重項励起子からの発光(蛍光)を利用するもの、3
重項励起子からの発光(燐光)を利用するもの、1重項励起子からの発光(蛍光)を利用
するものと3重項励起子からの発光(燐光)を利用するものとを含むもの、有機物によっ
て形成されたもの、無機物によって形成されたもの、有機物によって形成されたものと無
機物によって形成されたものとを含むもの、高分子の材料、低分子の材料、高分子の材料
と低分子の材料とを含むものなどを用いることができる。ただし、これに限定されず、E
L素子として様々なものを用いることができる。Note that an EL element is an element having an anode, a cathode, and an EL layer sandwiched between the anode and the cathode. Note that the EL layer utilizes light emission (fluorescence) from singlet excitons;
 Those utilizing light emission from doublet excitons (phosphorescence), those utilizing light emission from singlet excitons (fluorescence), and those utilizing light emission from triplet excitons (phosphorescence) , those formed by organic substances, those formed by inorganic substances, those formed by organic substances and those formed by inorganic substances, macromolecular materials, low-molecular-weight materials, high-molecular-weight materials and low-molecular-weight materials and the like can be used. However, it is not limited to this, E
 Various things can be used as an L element.
なお、電子放出素子とは、先鋭な陰極に高電界を集中して電子を引き出す素子である。例
えば、電子放出素子として、スピント型、カーボンナノチューブ(CNT)型、金属―絶
縁体―金属を積層したMIM(Metal-Insulator-Metal)型、金属
―絶縁体―半導体を積層したMIS(Metal-Insulator-Semicon
ductor)型、MOS型、シリコン型、薄膜ダイオード型、ダイヤモンド型、表面伝
導エミッタSCD型、オード型、ダイヤモンド型、表面伝導エミッタSCD型、金属―絶
縁体―半導体-金属型等の薄膜型、HEED型、EL型、ポーラスシリコン型、表面伝導
(SED)型などを用いることができる。ただし、これに限定されず、電子放出素子とし
て様々なものを用いることができる。The electron-emitting device is a device that extracts electrons by concentrating a high electric field on a sharp cathode. For example, as an electron-emitting device, a Spindt type, a carbon nanotube (CNT) type, a metal-insulator-metal stacked MIM (Metal-Insulator-Metal) type, a metal-insulator-semiconductor stacked MIS (Metal-Insulator -Semicon
 thin film type such as inductor type, MOS type, silicon type, thin film diode type, diamond type, surface conduction emitter SCD type, diode type, diamond type, surface conduction emitter SCD type, metal-insulator-semiconductor-metal type, HEED type, EL type, porous silicon type, surface conduction (SED) type, and the like can be used. However, the electron-emitting device is not limited to this, and various devices can be used as the electron-emitting device.
なお、液晶素子とは、液晶の光学的変調作用によって光の透過または非透過を制御する素
子であり、一対の電極、及び液晶により構成される。なお、液晶の光学的変調作用は、液
晶にかかる電界(横方向の電界、縦方向の電界又は斜め方向の電界を含む)によって制御
される。なお、液晶素子としては、ネマチック液晶、コレステリック液晶、スメクチック
液晶、ディスコチック液晶、サーモトロピック液晶、ライオトロピック液晶、リオトロピ
ック液晶、低分子液晶、高分子液晶、強誘電液晶、反強誘電液晶、主鎖型液晶、側鎖型高
分子液晶、プラズマアドレス液晶(PDLC)、バナナ型液晶、TN(Twisted
Nematic)モード、STN(Super  Twisted  Nematic)モー
ド、IPS(In-Plane-Switching)モード、FFS(Fringe
Field  Switching)モード、MVA(Multi-domain  Ver
tical  Alignment)モード、PVA(Patterned  Vertic
al  Alignment)、ASV(Advanced  Super  View)モー
ド、ASM(Axially  Symmetric  aligned  Micro-ce
ll)モード、OCB(Optical  Compensated  Birefring
ence)モード、ECB(Electrically  Controlled  Bir
efringence)モード、FLC(Ferroelectric  Liquid
Crystal)モード、AFLC(AntiFerroelectric  Liqui
d  Crystal)モード、PDLC(Polymer  Dispersed  Liq
uid  Crystal)モード、ゲストホストモードなどを用いることができる。ただ
し、これに限定されず、液晶素子として様々なものを用いることができる。Note that a liquid crystal element is an element that controls transmission or non-transmission of light by an optical modulation action of liquid crystal, and is composed of a pair of electrodes and liquid crystal. Note that the optical modulation action of the liquid crystal is controlled by an electric field applied to the liquid crystal (including a horizontal electric field, a vertical electric field, or an oblique electric field). Liquid crystal elements include nematic liquid crystals, cholesteric liquid crystals, smectic liquid crystals, discotic liquid crystals, thermotropic liquid crystals, lyotropic liquid crystals, lyotropic liquid crystals, low molecular liquid crystals, polymer liquid crystals, ferroelectric liquid crystals, antiferroelectric liquid crystals, and main chains. type liquid crystal, side chain type polymer liquid crystal, plasma addressed liquid crystal (PDLC), banana type liquid crystal, TN (Twisted
 Nematic) mode, STN (Super Twisted Nematic) mode, IPS (In-Plane-Switching) mode, FFS (Fringe
 Field Switching) mode, MVA (Multi-domain Ver.)
 alignment) mode, PVA (Patterned Vertic
 Alignment), ASV (Advanced Super View) mode, ASM (Axially Symmetrically aligned Micro-ce
 ll) mode, OCB (Optical Compensated Birefring)
 ence) mode, ECB (Electrically Controlled Bir
 efringence) mode, FLC (Ferroelectric Liquid
 Crystal) mode, AFLC (Anti-Ferroelectric Liqui
 d Crystal) mode, PDLC (Polymer Dispersed Liq
 uid Crystal) mode, guest host mode, etc. can be used. However, the liquid crystal element is not limited to this, and various liquid crystal elements can be used.
なお、電子ペーパーとしては、光学異方性と染料分子配向のような分子により表示される
もの、電気泳動、粒子移動、粒子回転、相変化のような粒子により表示されるもの、フィ
ルムの一端が移動することにより表示されるもの、分子の発色/相変化により表示される
もの、分子の光吸収により表示されるもの、電子とホールが結合して自発光により表示さ
れるものなどのことをいう。例えば、電子ペーパーとして、マイクロカプセル型電気泳動
、水平移動型電気泳動、垂直移動型電気泳動、球状ツイストボール、磁気ツイストボール
、円柱ツイストボール方式、帯電トナー、電子粉流体、磁気泳動型、磁気感熱式、エレク
トロウェッテイング、光散乱(透明白濁)、コレステリック液晶/光導電層、コレステリ
ック液晶、双安定性ネマチック液晶、強誘電性液晶、2色性色素・液晶分散型、可動フィ
ルム、ロイコ染料発消色、フォトクロミック、エレクトロクロミック、エレクトロデポジ
ション、フレキシブル有機ELなどを用いることができる。ただし、これに限定されず、
電子ペーパーとして様々なものを用いることができる。ここで、マイクロカプセル型電気
泳動を用いることによって、電気泳動方式の欠点である泳動粒子の凝集、沈殿を解決する
ことができる。電子粉流体は、高速応答性、高反射率、広視野角、低消費電力、メモリ性
などのメリットを有する。The electronic paper includes those displayed by molecules such as optical anisotropy and dye molecule orientation, those displayed by particles such as electrophoresis, particle movement, particle rotation, and phase change, and those in which one end of a film is Display by movement, display by color development/phase change of molecules, display by light absorption by molecules, display by self-emission due to combination of electrons and holes, etc. . For example, as electronic paper, microcapsule type electrophoresis, horizontal movement type electrophoresis, vertical movement type electrophoresis, spherical twist ball, magnetic twist ball, cylindrical twist ball system, charged toner, electronic liquid powder, magnetophoresis type, magnetic thermosensitive formula, electrowetting, light scattering (transparent cloudiness), cholesteric liquid crystal/photoconductive layer, cholesteric liquid crystal, bistable nematic liquid crystal, ferroelectric liquid crystal, dichroic dye/liquid crystal dispersion type, movable film, leuco dye disappearance Color, photochromic, electrochromic, electrodeposition, flexible organic EL, etc. can be used. However, it is not limited to
 Various electronic papers can be used. Here, by using microcapsule-type electrophoresis, it is possible to solve the problem of aggregation and sedimentation of electrophoretic particles, which is a drawback of electrophoresis. Electronic liquid powder has advantages such as high-speed response, high reflectance, wide viewing angle, low power consumption, and good memory.
なお、プラズマディスプレイは、電極を表面に形成した基板と、電極及び微小な溝を表面
に形成し且つ溝内に蛍光体層を形成した基板とを狭い間隔で対向させて、希ガスを封入し
た構造を有する。なお、電極間に電圧をかけることによって紫外線を発生させ、蛍光体を
光らせることで、表示を行うことができる。なお、プラズマディスプレイとしては、DC
型PDP、AC型PDPでもよい。ここで、プラズマディスプレイパネルとしては、AS
W(Address  While  Sustain)駆動、サブフレームをリセット期間
、アドレス期間、維持期間に分割するADS(Address  Display  Sep
arated)駆動、CLEAR(Low  Energy  Address  and  R
eduction  of  False  Contour  Sequence)駆動、AL
IS(Alternate  Lighting  of  Surfaces)方式、TER
ES(Techbology  of  Reciprocal  Susfainer)駆動
などを用いることができる。ただし、これに限定されず、プラズマディスプレイとして様
々なものを用いることができる。In the plasma display, a substrate having electrodes formed on its surface and a substrate having electrodes and fine grooves formed on its surface and a phosphor layer formed in the grooves are opposed to each other at a narrow interval, and a rare gas is enclosed. have a structure. In addition, display can be performed by generating ultraviolet rays by applying a voltage between the electrodes and causing the phosphor to glow. As a plasma display, DC
 A type PDP or an AC type PDP may be used. Here, as a plasma display panel, AS
 W (Address While Sustain) drive, ADS (Address Display Sep) dividing a subframe into a reset period, an address period, and a sustain period
 arated) drive, CLEAR (Low Energy Address and R
 Eduction of False Contour Sequence) drive, AL
 IS (Alternate Lighting of Surfaces) method, TER
 ES (Technology of Reciprocal Sustainer) drive or the like can be used. However, it is not limited to this, and various plasma displays can be used.
なお、光源を必要とする表示装置、例えば、液晶ディスプレイ(透過型液晶ディスプレイ
、半透過型液晶ディスプレイ、反射型液晶ディスプレイ、直視型液晶ディスプレイ、投射
型液晶ディスプレイ)、グレーティングライトバルブ(GLV)を用いた表示装置、デジ
タルマイクロミラーデバイス(DMD)を用いた表示装置などの光源としては、エレクト
ロルミネッセンス、冷陰極管、熱陰極管、LED、レーザー光源、水銀ランプなどを用い
ることができる。ただし、これに限定されず、光源して様々なものを用いることができる
。In addition, a display device that requires a light source, such as a liquid crystal display (transmissive liquid crystal display, transflective liquid crystal display, reflective liquid crystal display, direct view liquid crystal display, projection liquid crystal display), grating light valve (GLV) is used. Electroluminescence, cold-cathode tubes, hot-cathode tubes, LEDs, laser light sources, mercury lamps, and the like can be used as light sources for such display devices and display devices using a digital micromirror device (DMD). However, it is not limited to this, and various light sources can be used.
なお、トランジスタとして、様々な形態のトランジスタを用いることが出来る。よって、
用いるトランジスタの種類に限定はない。例えば、非晶質シリコン、多結晶シリコン、微
結晶(マイクロクリスタル、セミアモルファスとも言う)シリコンなどに代表される非単
結晶半導体膜を有する薄膜トランジスタ(TFT)などを用いることが出来る。TFTを
用いる場合、様々なメリットがある。例えば、単結晶シリコンの場合よりも低い温度で製
造できるため、製造コストの削減、又は製造装置の大型化を図ることができる。製造装置
を大きくできるため、大型基板上に製造できる。そのため、同時に多くの個数の表示装置
を製造できるため、低コストで製造できる。さらに、製造温度が低いため、耐熱性の弱い
基板を用いることができる。そのため、透明基板上にトランジスタを製造できる。そして
、透明な基板上のトランジスタを用いて表示素子での光の透過を制御することが出来る。
あるいは、トランジスタの膜厚が薄いため、トランジスタを構成する膜の一部は、光を透
過させることが出来る。そのため、開口率が向上させることができる。Note that various types of transistors can be used as the transistor. Therefore,
 There is no limitation on the type of transistor to be used. For example, a thin film transistor (TFT) including a non-single-crystal semiconductor film typified by amorphous silicon, polycrystalline silicon, microcrystalline (also called microcrystalline or semi-amorphous) silicon, or the like can be used. The use of TFTs has various advantages. For example, since it can be manufactured at a lower temperature than in the case of single crystal silicon, it is possible to reduce the manufacturing cost or increase the size of the manufacturing apparatus. Since the manufacturing equipment can be made large, it can be manufactured on a large substrate. Therefore, since a large number of display devices can be manufactured at the same time, they can be manufactured at low cost. Furthermore, since the manufacturing temperature is low, a substrate with low heat resistance can be used. Therefore, a transistor can be manufactured on a transparent substrate. Transistors on a transparent substrate can then be used to control the transmission of light through the display element.
 Alternatively, since the film thickness of the transistor is thin, part of the film forming the transistor can transmit light. Therefore, the aperture ratio can be improved.
なお、多結晶シリコンを製造するときに、触媒(ニッケルなど)を用いることにより、結
晶性をさらに向上させ、電気特性のよいトランジスタを製造することが可能となる。その
結果、ゲートドライバ回路(走査線駆動回路)やソースドライバ回路(信号線駆動回路)
、信号処理回路(信号生成回路、ガンマ補正回路、DA変換回路など)を基板上に一体形
成することが出来る。By using a catalyst (such as nickel) when manufacturing polycrystalline silicon, crystallinity can be further improved, and a transistor with good electrical characteristics can be manufactured. As a result, gate driver circuits (scanning line driving circuits) and source driver circuits (signal line driving circuits)
 , a signal processing circuit (a signal generation circuit, a gamma correction circuit, a DA conversion circuit, etc.) can be integrally formed on the substrate.
なお、微結晶シリコンを製造するときに、触媒(ニッケルなど)を用いることにより、結
晶性をさらに向上させ、電気特性のよいトランジスタを製造することが可能となる。この
とき、レーザー光の照射を行うことなく、熱処理を加えるだけで、結晶性を向上させるこ
とができる。その結果、ゲートドライバ回路(走査線駆動回路)やソースドライバ回路の
一部(アナログスイッチなど)を基板上に一体形成することが出来る。さらに、結晶化の
ためにレーザー光の照射を行わない場合は、シリコンの結晶性のムラを抑えることができ
る。そのため、綺麗な画像を表示することが出来る。Note that crystallinity can be further improved by using a catalyst (such as nickel) when microcrystalline silicon is manufactured, so that a transistor with excellent electrical characteristics can be manufactured. At this time, the crystallinity can be improved only by heat treatment without laser light irradiation. As a result, the gate driver circuit (scanning line driving circuit) and part of the source driver circuit (analog switch, etc.) can be integrally formed on the substrate. Furthermore, when laser light irradiation is not performed for crystallization, uneven crystallinity of silicon can be suppressed. Therefore, a clear image can be displayed.
ただし、触媒(ニッケルなど)を用いずに、多結晶シリコンや微結晶シリコンを製造する
ことは可能である。However, it is possible to produce polycrystalline silicon and microcrystalline silicon without using a catalyst (such as nickel).
なお、シリコンの結晶性を、多結晶または微結晶などへと向上させることは、パネル全体
で行うことが望ましいが、それに限定されない。パネルの一部の領域のみにおいて、シリ
コンの結晶性を向上させてもよい。選択的に結晶性を向上させることは、レーザー光を選
択的に照射することなどにより可能である。例えば、画素以外の領域である周辺回路領域
にのみ、レーザー光を照射してもよい。または、ゲートドライバ回路、ソースドライバ回
路等の領域にのみ、レーザー光を照射してもよい。あるいは、ソースドライバ回路の一部
(例えば、アナログスイッチ)の領域にのみ、レーザー光を照射してもよい。その結果、
回路を高速に動作させる必要がある領域にのみ、シリコンの結晶化を向上させることがで
きる。画素領域は、高速に動作させる必要性が低いため、結晶性が向上されなくても、問
題なく画素回路を動作させることが出来る。結晶性を向上させる領域が少なくて済むため
、製造工程も短くすることが出来、スループットが向上し、製造コストを低減させること
が出来る。また、必要とされる製造装置の数も少なくて製造できるため、製造コストを低
減させることが出来る。Note that it is desirable to improve the crystallinity of silicon to polycrystalline or microcrystalline for the entire panel, but the present invention is not limited to this. Crystallinity of silicon may be improved only in a partial region of the panel. It is possible to selectively improve the crystallinity by selectively irradiating laser light. For example, only the peripheral circuit region, which is a region other than pixels, may be irradiated with laser light. Alternatively, laser light may be applied only to regions such as the gate driver circuit and the source driver circuit. Alternatively, only a part of the source driver circuit (for example, analog switch) may be irradiated with laser light. resulting in,
 Silicon crystallization can be improved only in areas where the circuit needs to operate at high speed. Since there is little need to operate the pixel region at high speed, the pixel circuit can be operated without problems even if the crystallinity is not improved. Since the region for improving the crystallinity can be reduced, the manufacturing process can be shortened, the throughput can be improved, and the manufacturing cost can be reduced. In addition, manufacturing can be performed with a small number of required manufacturing apparatuses, so manufacturing costs can be reduced.
または、半導体基板やSOI基板などを用いてトランジスタを形成することが出来る。こ
れらにより、特性やサイズや形状などのバラツキが少なく、電流供給能力が高く、サイズ
の小さいトランジスタを製造することができる。これらのトランジスタを用いると、回路
の低消費電力化、又は回路の高集積化を図ることができる。Alternatively, a transistor can be formed using a semiconductor substrate, an SOI substrate, or the like. As a result, it is possible to manufacture small-sized transistors with little variation in characteristics, size, shape, etc., high current supply capability, and the like. By using these transistors, the power consumption of the circuit can be reduced or the circuit can be highly integrated.
または、ZnO、a-InGaZnO、SiGe、GaAs、IZO、ITO、SnOな
どの化合物半導体または酸化物半導体を有するトランジスタや、さらに、これらの化合物
半導体または酸化物半導体を薄膜化した薄膜トランジスタなどを用いることが出来る。こ
れらにより、製造温度を低くでき、例えば、室温でトランジスタを製造することが可能と
なる。その結果、耐熱性の低い基板、例えばプラスチック基板やフィルム基板に直接トラ
ンジスタを形成することが出来る。なお、これらの化合物半導体または酸化物半導体を、
トランジスタのチャネル部分に用いるだけでなく、それ以外の用途で用いることも出来る
。例えば、これらの化合物半導体または酸化物半導体を抵抗素子、画素電極、透明電極と
して用いることができる。さらに、それらをトランジスタと同時に成膜又は形成できるた
め、コストを低減できる。Alternatively, a transistor including a compound semiconductor or oxide semiconductor such as ZnO, a-InGaZnO, SiGe, GaAs, IZO, ITO, or SnO, or a thin film transistor obtained by thinning any of these compound semiconductors or oxide semiconductors can be used. I can. As a result, the manufacturing temperature can be lowered, and for example, the transistor can be manufactured at room temperature. As a result, a transistor can be directly formed on a substrate having low heat resistance, such as a plastic substrate or a film substrate. Note that these compound semiconductors or oxide semiconductors are
 It can be used not only for the channel portion of a transistor, but also for other purposes. For example, these compound semiconductors or oxide semiconductors can be used as resistance elements, pixel electrodes, and transparent electrodes. Furthermore, since they can be deposited or formed at the same time as the transistors, costs can be reduced.
または、インクジェットや印刷法を用いて形成したトランジスタなどを用いることが出来
る。これらにより、室温で製造、低真空度で製造、又は大型基板上に製造することができ
る。また、マスク(レチクル)を用いなくても製造することが可能となるため、トランジ
スタのレイアウトを容易に変更することが出来る。さらに、レジストを用いる必要がない
ので、材料費が安くなり、工程数を削減できる。さらに、必要な部分にのみ膜を付けるた
め、全面に成膜した後でエッチングする、という製法よりも、材料が無駄にならず、低コ
ストにできる。Alternatively, a transistor or the like formed by an inkjet method or a printing method can be used. These allow fabrication at room temperature, in low vacuum, or on large substrates. In addition, since manufacturing can be performed without using a mask (reticle), the layout of transistors can be easily changed. Furthermore, since it is not necessary to use a resist, the material cost can be reduced and the number of steps can be reduced. Furthermore, since the film is applied only to the necessary portions, the material is not wasted and the cost can be reduced as compared with the manufacturing method in which the film is formed on the entire surface and then etched.
または、有機半導体やカーボンナノチューブを有するトランジスタ等を用いることができ
る。これらにより、曲げることが可能な基板上にトランジスタを形成することが出来る。
そのため、衝撃に強くできる。Alternatively, a transistor including an organic semiconductor, a carbon nanotube, or the like can be used. These allow a transistor to be formed on a bendable substrate.
 Therefore, it can be strongly impact-resistant.
さらに、様々な構造のトランジスタを用いることができる。例えば、MOS型トランジス
タ、接合型トランジスタ、バイポーラトランジスタなどをトランジスタとして用いること
が出来る。MOS型トランジスタを用いることにより、トランジスタのサイズを小さくす
ることが出来る。よって、多数のトランジスタを搭載することができる。バイポーラトラ
ンジスタを用いることにより、大きな電流を流すことが出来る。よって、高速に回路を動
作させることができる。Furthermore, transistors with various structures can be used. For example, a MOS transistor, a junction transistor, a bipolar transistor, or the like can be used as the transistor. By using a MOS transistor, the size of the transistor can be reduced. Therefore, many transistors can be mounted. A large current can flow by using a bipolar transistor. Therefore, the circuit can be operated at high speed.
なお、MOS型トランジスタ、バイポーラトランジスタなどを1つの基板に混在させて形
成してもよい。これにより、低消費電力、小型化、高速動作などを実現することが出来る
。Note that a MOS transistor, a bipolar transistor, and the like may be mixed and formed on one substrate. As a result, low power consumption, miniaturization, high-speed operation, and the like can be achieved.
その他、様々なトランジスタを用いることができる。In addition, various transistors can be used.
なお、トランジスタは、様々な基板を用いて形成することができる。基板の種類は、特定
のものに限定されることはない。トランジスタが形成される基板としては、例えば、単結
晶基板、SOI基板、ガラス基板、石英基板、プラスチック基板、紙基板、セロファン基
板、石材基板、木材基板、布基板(天然繊維(絹、綿、麻)、合成繊維(ナイロン、ポリ
ウレタン、ポリエステル)若しくは再生繊維(アセテート、キュプラ、レーヨン、再生ポ
リエステル)などを含む)、皮革基板、ゴム基板、ステンレス・スチル基板、ステンレス
・スチル・ホイルを有する基板などを用いることが出来る。あるいは、人などの動物の皮
膚(皮表、真皮)又は皮下組織を基板として用いてもよい。または、ある基板を用いてト
ランジスタを形成し、その後、別の基板にトランジスタを転置し、別の基板上にトランジ
スタを配置してもよい。トランジスタが転置される基板としては、単結晶基板、SOI基
板、ガラス基板、石英基板、プラスチック基板、紙基板、セロファン基板、石材基板、木
材基板、布基板(天然繊維(絹、綿、麻)、合成繊維(ナイロン、ポリウレタン、ポリエ
ステル)若しくは再生繊維(アセテート、キュプラ、レーヨン、再生ポリエステル)など
を含む)、皮革基板、ゴム基板、ステンレス・スチル基板、ステンレス・スチル・ホイル
を有する基板などを用いることができる。あるいは、人などの動物の皮膚(皮表、真皮)
又は皮下組織を基板として用いてもよい。または、ある基板を用いてトランジスタを形成
し、その基板を研磨して薄くしてもよい。研磨される基板としては、単結晶基板、SOI
基板、ガラス基板、石英基板、プラスチック基板、紙基板、セロファン基板、石材基板、
木材基板、布基板(天然繊維(絹、綿、麻)、合成繊維(ナイロン、ポリウレタン、ポリ
エステル)若しくは再生繊維(アセテート、キュプラ、レーヨン、再生ポリエステル)な
どを含む)、皮革基板、ゴム基板、ステンレス・スチル基板、ステンレス・スチル・ホイ
ルを有する基板などを用いることができる。あるいは、人などの動物の皮膚(皮表、真皮
)又は皮下組織を基板として用いてもよい。これらの基板を用いることにより、特性のよ
いトランジスタの形成、消費電力の小さいトランジスタの形成、壊れにくい装置の製造、
耐熱性の付与、軽量化、又は薄型化を図ることができる。Note that the transistor can be formed using various substrates. The type of substrate is not limited to a specific one. Substrates on which transistors are formed include, for example, single crystal substrates, SOI substrates, glass substrates, quartz substrates, plastic substrates, paper substrates, cellophane substrates, stone substrates, wood substrates, cloth substrates (natural fibers (silk, cotton, hemp), ), synthetic fibers (nylon, polyurethane, polyester) or recycled fibers (acetate, cupra, rayon, recycled polyester), etc.), leather substrates, rubber substrates, stainless steel substrates, substrates with stainless steel foil, etc. can be used. Alternatively, the skin (epidermis, dermis) or subcutaneous tissue of animals such as humans may be used as the substrate. Alternatively, a transistor may be formed using one substrate, and then the transistor may be transferred to another substrate and placed over the other substrate. Substrates on which transistors are transferred include single crystal substrates, SOI substrates, glass substrates, quartz substrates, plastic substrates, paper substrates, cellophane substrates, stone substrates, wood substrates, cloth substrates (natural fibers (silk, cotton, linen), Synthetic fibers (nylon, polyurethane, polyester) or recycled fibers (acetate, cupra, rayon, recycled polyester, etc.), leather substrates, rubber substrates, stainless steel substrates, substrates with stainless steel foil, etc. can be done. Or the skin of animals such as humans (epidermis, dermis)
 Alternatively, subcutaneous tissue may be used as the substrate. Alternatively, a substrate may be used to form a transistor, and the substrate may be polished to be thin. Substrates to be polished include single crystal substrates and SOI substrates.
 substrates, glass substrates, quartz substrates, plastic substrates, paper substrates, cellophane substrates, stone substrates,
 Wood substrates, cloth substrates (including natural fibers (silk, cotton, hemp), synthetic fibers (nylon, polyurethane, polyester) or recycled fibers (acetate, cupra, rayon, recycled polyester), etc.), leather substrates, rubber substrates, stainless steel・Still substrates, substrates with stainless steel foil, etc. can be used. Alternatively, the skin (epidermis, dermis) or subcutaneous tissue of animals such as humans may be used as the substrate. By using these substrates, it is possible to form transistors with good characteristics, transistors with low power consumption, and devices that are hard to break.
 Heat resistance can be imparted, weight reduction, or thickness reduction can be achieved.
なお、トランジスタの構成は、様々な形態をとることができる。特定の構成に限定されな
い。例えば、ゲート電極が2個以上のマルチゲート構造を用いてもよい。マルチゲート構
造にすると、チャネル領域が直列に接続されるため、複数のトランジスタが直列に接続さ
れた構成となる。マルチゲート構造により、オフ電流の低減、トランジスタの耐圧向上に
よる信頼性の向上を図ることができる。あるいは、マルチゲート構造により、飽和領域で
動作する時に、ドレイン・ソース間電圧が変化しても、ドレイン・ソース間電流があまり
変化せず、電圧・電流特性の傾きがフラットな特性にすることができる。電圧・電流特性
の傾きがフラットである特性を利用すると、理想的な電流源回路や、非常に高い抵抗値を
もつ能動負荷を実現することが出来る。その結果、特性のよい差動回路やカレントミラー
回路を実現することが出来る。また、チャネルの上下にゲート電極が配置されている構造
でもよい。チャネルの上下にゲート電極が配置されている構造にすることにより、チャネ
ル領域が増えるため、電流値の増加、又は空乏層ができやすくなることによるS値の低減
を図ることができる。チャネルの上下にゲート電極が配置されると、複数のトランジスタ
が並列に接続されたような構成となる。Note that the transistor can have various structures. Not limited to any particular configuration. For example, a multi-gate structure with two or more gate electrodes may be used. When the multi-gate structure is used, the channel regions are connected in series, resulting in a structure in which a plurality of transistors are connected in series. The multi-gate structure can reduce off-state current and improve reliability by increasing the withstand voltage of the transistor. Alternatively, due to the multi-gate structure, even if the voltage between the drain and source changes, the current between the drain and source does not change much when operating in the saturation region, and the slope of the voltage-current characteristics can be made flat. can. By utilizing the flat slope of the voltage/current characteristics, it is possible to realize an ideal current source circuit and an active load with a very high resistance value. As a result, a differential circuit or current mirror circuit with good characteristics can be realized. Alternatively, a structure in which gate electrodes are arranged above and below the channel may be used. The structure in which the gate electrodes are arranged above and below the channel increases the channel region, so that the current value can be increased or the S value can be reduced by facilitating the formation of a depletion layer. When the gate electrodes are arranged above and below the channel, the configuration is such that a plurality of transistors are connected in parallel.
あるいは、チャネル領域の上にゲート電極が配置されている構造でもよいし、チャネル領
域の下にゲート電極が配置されている構造でもよい。あるいは、正スタガ構造または逆ス
タガ構造でもよいし、チャネル領域が複数の領域に分かれていてもよいし、チャネル領域
が並列に接続されていてもよいし、チャネル領域が直列に接続されていてもよい。また、
チャネル領域(もしくはその一部)にソース電極やドレイン電極が重なっていてもよい。
チャネル領域(もしくはその一部)にソース電極やドレイン電極が重なる構造にすること
により、チャネル領域の一部に電荷がたまって、動作が不安定になることを防ぐことがで
きる。また、LDD領域を設けても良い。LDD領域を設けることにより、オフ電流の低
減、又はトランジスタの耐圧向上による信頼性の向上を図ることができる。あるいは、L
DD領域を設けることにより、飽和領域で動作する時に、ドレイン・ソース間電圧が変化
しても、ドレイン・ソース間電流があまり変化せず、電圧・電流特性の傾きがフラットな
特性にすることができる。Alternatively, a structure in which the gate electrode is arranged above the channel region or a structure in which the gate electrode is arranged below the channel region may be used. Alternatively, a staggered structure or an inverted staggered structure may be used, the channel region may be divided into a plurality of regions, the channel regions may be connected in parallel, or the channel regions may be connected in series. good. again,
 A source electrode or a drain electrode may overlap the channel region (or part thereof).
 By forming a structure in which the source electrode and the drain electrode overlap with the channel region (or part thereof), it is possible to prevent the operation from becoming unstable due to accumulation of charge in part of the channel region. Also, an LDD region may be provided. By providing the LDD region, off-state current can be reduced, or the breakdown voltage of the transistor can be improved, thereby improving reliability. Alternatively, L
 By providing the DD region, even if the voltage between the drain and the source changes when operating in the saturation region, the current between the drain and the source does not change much, and the slope of the voltage-current characteristics can be made flat. can.
なお、トランジスタは、様々なタイプを用いることができ、様々な基板を用いて形成させ
ることができる。したがって、所定の機能を実現させるために必要な回路の全てが、同一
の基板に形成されていてもよい。例えば、所定の機能を実現させるために必要な回路の全
てが、ガラス基板、プラスチック基板、単結晶基板、またはSOI基板を用いて形成され
ていてもよく、さまざまな基板を用いて形成されていてもよい。所定の機能を実現させる
ために必要な回路の全てが同じ基板を用いて形成されていることにより、部品点数の削減
によるコストの低減、又は回路部品との接続点数の低減による信頼性の向上を図ることが
できる。あるいは、所定の機能を実現させるために必要な回路の一部が、ある基板に形成
されており、所定の機能を実現させるために必要な回路の別の一部が、別の基板に形成さ
れていてもよい。つまり、所定の機能を実現させるために必要な回路の全てが同じ基板を
用いて形成されていなくてもよい。例えば、所定の機能を実現させるために必要な回路の
一部は、ガラス基板上にトランジスタを用いて形成され、所定の機能を実現させるために
必要な回路の別の一部は、単結晶基板上に形成され、単結晶基板上のトランジスタで構成
されたICチップをCOG(Chip  On  Glass)でガラス基板に接続して、ガ
ラス基板上にそのICチップを配置してもよい。あるいは、そのICチップをTAB(T
ape  Automated  Bonding)やプリント基板を用いてガラス基板と接
続してもよい。このように、回路の一部が同じ基板に形成されていることにより、部品点
数の削減によるコストの低減、又は回路部品との接続点数の低減による信頼性の向上を図
ることができる。また、駆動電圧が高い部分や駆動周波数が高い部分の回路は、消費電力
が大きくなってしまうので、そのような部分の回路は同じ基板に形成せず、そのかわりに
、例えば、単結晶基板上にその部分の回路を形成して、その回路で構成されたICチップ
を用いるようにすれば、消費電力の増加を防ぐことができる。Note that various types of transistors can be used and can be formed using various substrates. Therefore, all the circuits necessary for realizing a given function may be formed on the same substrate. For example, all circuits necessary for realizing a predetermined function may be formed using a glass substrate, a plastic substrate, a single crystal substrate, or an SOI substrate, and may be formed using various substrates. good too. All of the circuits required to achieve a given function are formed using the same substrate, which reduces costs by reducing the number of parts, or improves reliability by reducing the number of connections with circuit parts. can be planned. Alternatively, part of a circuit necessary for realizing a predetermined function is formed on one substrate, and another part of the circuit necessary for realizing a predetermined function is formed on another substrate. may be In other words, not all the circuits required for realizing a given function need to be formed using the same substrate. For example, part of the circuit required to achieve a given function is formed using transistors on a glass substrate, and another part of the circuit required to achieve a given function is formed on a single crystal substrate. An IC chip formed on the monocrystalline substrate and configured with transistors may be connected to the glass substrate by COG (Chip On Glass), and the IC chip may be arranged on the glass substrate. Alternatively, the IC chip is TAB (T
 Ape Automated Bonding) or a printed circuit board may be used to connect to the glass substrate. Since part of the circuit is formed on the same substrate in this way, the cost can be reduced by reducing the number of parts, or the reliability can be improved by reducing the number of connections with circuit parts. In addition, circuits in areas where the drive voltage is high and in areas where the drive frequency is high consume a lot of power. An increase in power consumption can be prevented by forming a circuit for that portion in advance and using an IC chip configured with that circuit.
なお、一画素とは、明るさを制御できる要素一つ分を示すものとする。よって、一例とし
ては、一画素とは、一つの色要素を示すものとし、その色要素一つで明るさを表現する。
従って、そのときは、R(赤)G(緑)B(青)の色要素からなるカラー表示装置の場合
には、画像の最小単位は、Rの画素とGの画素とBの画素との三画素から構成されるもの
とする。なお、色要素は、三色に限定されず、三色以上を用いても良いし、RGB以外の
色を用いても良い。例えば、白色を加えて、RGBW(Wは白)としてもよい。また、R
GBに、例えば、イエロー、シアン、マゼンタ、エメラルドグリーン、朱色などを一色以
上追加してもよい。また、例えば、RGBの中の少なくとも一色に類似した色を、RGB
に追加してもよい。例えば、R、G、B1、B2としてもよい。B1とB2とは、どちら
も青色であるが、少し周波数が異なっている。同様に、R1、R2、G、Bとしてもよい
。このような色要素を用いることにより、より実物に近い表示を行うことができる。ある
いは、このような色要素を用いることにより、消費電力を低減することが出来る。また、
別の例としては、1つの色要素について、複数の領域を用いて明るさを制御する場合は、
その領域一つ分を一画素としてもよい。よって、一例として、面積階調を行う場合または
副画素(サブ画素)を有している場合、一つの色要素につき、明るさを制御する領域が複
数あり、その全体で階調を表現するわけであるが、明るさを制御する領域の一つ分を一画
素としてもよい。よって、その場合は、一つの色要素は、複数の画素で構成されることと
なる。あるいは、明るさを制御する領域が1つの色要素の中に複数あっても、それらをま
とめて、1つの色要素を1画素としてもよい。よって、その場合は、一つの色要素は、一
つの画素で構成されることとなる。また、1つの色要素について、複数の領域を用いて明
るさを制御する場合、画素によって、表示に寄与する領域の大きさが異なっている場合が
ある。また、一つの色要素につき複数ある、明るさを制御する領域において、各々に供給
する信号を僅かに異ならせるようにして、視野角を広げるようにしてもよい。つまり、1
つの色要素について、複数個ある領域が各々有する画素電極の電位が、各々異なっていて
もよい。その結果、液晶分子に加わる電圧が各画素電極によって各々異なる。よって、視
野角を広くすることが出来る。Note that one pixel indicates one element whose brightness can be controlled. Therefore, as an example, one pixel indicates one color element, and the single color element expresses brightness.
 Therefore, at that time, in the case of a color display device consisting of R (red), G (green) and B (blue) color elements, the minimum unit of an image is an R pixel, a G pixel and a B pixel. It shall consist of three pixels. Note that the color elements are not limited to three colors, three or more colors may be used, and colors other than RGB may be used. For example, it may be RGBW (where W is white) by adding white. Also, R
 One or more colors such as yellow, cyan, magenta, emerald green, and vermilion may be added to GB. Also, for example, a color similar to at least one color in RGB is defined as RGB
 may be added to For example, it may be R, G, B1, and B2. Both B1 and B2 are blue, but have slightly different frequencies. Similarly, R1, R2, G, and B may be used. By using such color elements, a more realistic display can be achieved. Alternatively, power consumption can be reduced by using such color elements. again,
 As another example, when controlling brightness using multiple regions for one color element,
 One pixel may correspond to one area. Therefore, as an example, when performing area gradation or having sub-pixels (sub-pixels), there are a plurality of areas for controlling brightness for each color element, and gradation is expressed by the entire area. However, one pixel may correspond to one region whose brightness is controlled. Therefore, in that case, one color element is composed of a plurality of pixels. Alternatively, even if one color element has a plurality of areas whose brightness is to be controlled, they may be grouped together and one color element may be defined as one pixel. Therefore, in that case, one color element is composed of one pixel. Further, when the brightness of one color element is controlled using a plurality of regions, the size of the region contributing to display may differ depending on the pixel. In addition, the viewing angle may be widened by slightly different signals supplied to each of the plurality of brightness control regions for each color element. i.e. 1
 For one color element, the potentials of pixel electrodes in a plurality of regions may be different. As a result, the voltage applied to the liquid crystal molecules is different for each pixel electrode. Therefore, the viewing angle can be widened.
なお、一画素(三色分)と明示的に記載する場合は、RとGとBの三画素分を一画素と考
える場合であるとする。一画素(一色分)と明示的に記載する場合は、一つの色要素につ
き、複数の領域がある場合、それらをまとめて一画素と考える場合であるとする。Note that when one pixel (for three colors) is explicitly described, it is assumed that three pixels of R, G, and B are considered to be one pixel. When one pixel (for one color) is explicitly described, it is assumed that when there are a plurality of areas for one color element, they are collectively considered as one pixel.
なお、本書類(明細書、特許請求の範囲又は図面など)において、画素は、マトリクス状
に配置(配列)されている場合がある。ここで、画素がマトリクスに配置(配列)されて
いるとは、縦方向もしくは横方向において、画素が直線上に並んで配置されている場合や
、ギザギザな線上に配置されている場合を含む。よって、例えば三色の色要素(例えばR
GB)でフルカラー表示を行う場合に、ストライプ配置されている場合や、三つの色要素
のドットがデルタ配置されている場合も含む。さらに、ベイヤー配置されている場合も含
む。なお、色要素は、三色に限定されず、それ以上でもよく、例えば、RGBW(Wは白
)や、RGBに、イエロー、シアン、マゼンタなどを一色以上追加したものなどがある。
また、色要素のドット毎にその表示領域の大きさが異なっていてもよい。これにより、低
消費電力化、又は表示素子の長寿命化を図ることができる。Note that in this document (specification, claims, drawings, etc.), pixels may be arranged (arranged) in a matrix. Here, the arrangement (arrangement) of the pixels in a matrix includes the case where the pixels are arranged in a straight line in the vertical direction or the horizontal direction, and the case where the pixels are arranged in a jagged line. Thus, for example, three color elements (eg, R
 GB) for full-color display, including a stripe arrangement and a delta arrangement of dots of three color elements. Furthermore, the case of Bayer arrangement is also included. The color elements are not limited to three colors, and may be more than three colors. For example, there are RGBW (W is white), and one or more colors such as yellow, cyan, and magenta are added to RGB.
 Also, the size of the display area may be different for each dot of the color element. As a result, power consumption can be reduced or the life of the display element can be extended.
なお、画素に能動素子を有するアクティブマトリクス方式、または、画素に能動素子を有
しないパッシブマトリクス方式を用いることが出来る。Note that an active matrix system in which pixels have active elements or a passive matrix system in which pixels do not have active elements can be used.
アクティブマトリクス方式では、能動素子(アクティブ素子、非線形素子)として、トラ
ンジスタだけでなく、さまざまな能動素子(アクティブ素子、非線形素子)を用いること
が出来る。例えば、MIM(Metal  Insulator  Metal)やTFD(
Thin  Film  Diode)などを用いることも可能である。これらの素子は、製
造工程が少ないため、製造コストの低減、又は歩留まりの向上を図ることができる。さら
に、素子のサイズが小さいため、開口率を向上させることができ、低消費電力化や高輝度
化をはかることが出来る。In the active matrix system, not only transistors but also various active elements (active elements, nonlinear elements) can be used as active elements (active elements, nonlinear elements). For example, MIM (Metal Insulator Metal) and TFD (
 Thin Film Diode) or the like can also be used. Since these elements require fewer manufacturing steps, the manufacturing cost can be reduced or the yield can be improved. Furthermore, since the size of the element is small, the aperture ratio can be improved, and low power consumption and high luminance can be achieved.
なお、アクティブマトリクス方式以外のものとして、能動素子(アクティブ素子、非線形
素子)を用いないパッシブマトリクス型を用いることも可能である。能動素子(アクティ
ブ素子、非線形素子)を用いないため、製造工程が少なく、製造コストの低減、又は歩留
まりの向上を図ることができる。また、能動素子(アクティブ素子、非線形素子)を用い
ないため、開口率を向上させることができ、低消費電力化や高輝度化をはかることが出来
る。As a method other than the active matrix method, it is also possible to use a passive matrix method that does not use active elements (active elements, non-linear elements). Since active elements (active elements, non-linear elements) are not used, the number of manufacturing steps is small, and the manufacturing cost can be reduced or the yield can be improved. Also, since no active element (active element, non-linear element) is used, the aperture ratio can be improved, and low power consumption and high brightness can be achieved.
なお、トランジスタとは、ゲートと、ドレインと、ソースとを含む少なくとも三つの端子
を有する素子であり、ドレイン領域とソース領域の間にチャネル領域を有しており、ドレ
イン領域とチャネル領域とソース領域とを介して電流を流すことが出来る。ここで、ソー
スとドレインとは、トランジスタの構造や動作条件等によって変わるため、いずれがソー
スまたはドレインであるかを限定することが困難である。そこで、本書類(明細書、特許
請求の範囲又は図面など)においては、ソース及びドレインとして機能する領域を、ソー
スもしくはドレインと呼ばない場合がある。その場合、一例としては、それぞれを第1端
子、第2端子と表記する場合がある。あるいは、それぞれを第1の電極、第2の電極と表
記する場合がある。あるいは、ソース領域、ドレイン領域と表記する場合がある。Note that a transistor is an element having at least three terminals including a gate, a drain, and a source, and has a channel region between the drain region and the source region. A current can flow through the Here, since the source and the drain vary depending on the structure of the transistor, operating conditions, etc., it is difficult to define which is the source or the drain. Therefore, in this document (specification, claims, drawings, etc.), regions that function as sources and drains may not be referred to as sources or drains. In that case, as an example, they may be referred to as a first terminal and a second terminal, respectively. Alternatively, they may be referred to as a first electrode and a second electrode, respectively. Alternatively, they may be referred to as a source region and a drain region.
なお、トランジスタは、ベースとエミッタとコレクタとを含む少なくとも三つの端子を有
する素子であってもよい。この場合も同様に、エミッタとコレクタとを、第1端子、第2
端子と表記する場合がある。A transistor may be a device having at least three terminals including a base, an emitter and a collector. In this case also, the emitter and collector are connected to the first terminal and the second terminal.
 Sometimes referred to as a terminal.
なお、ゲートとは、ゲート電極とゲート配線(ゲート線、ゲート信号線、走査線、走査信
号線等とも言う)とを含んだ全体、もしくは、それらの一部のことを言う。ゲート電極と
は、チャネル領域を形成する半導体と、ゲート絶縁膜を介してオーバーラップしている部
分の導電膜のことを言う。なお、ゲート電極の一部は、LDD(Lightly  Dop
ed  Drain)領域又はソース領域(又はドレイン領域)と、ゲート絶縁膜を介して
オーバーラップしている場合もある。ゲート配線とは、各トランジスタのゲート電極の間
を接続するための配線、各画素の有するゲート電極の間を接続するための配線、又はゲー
ト電極と別の配線とを接続するための配線のことを言う。Note that a gate means the whole including a gate electrode and a gate wiring (also referred to as a gate line, a gate signal line, a scanning line, a scanning signal line, etc.) or a part of them. A gate electrode refers to a portion of a conductive film that overlaps a semiconductor forming a channel region with a gate insulating film interposed therebetween. Note that part of the gate electrode is LDD (Lightly Dopped
 ed Drain) region or the source region (or drain region) in some cases through the gate insulating film. A gate wiring is a wiring for connecting gate electrodes of transistors, a wiring for connecting gate electrodes of pixels, or a wiring for connecting a gate electrode and another wiring. say.
ただし、ゲート電極としても機能し、ゲート配線としても機能するような部分(領域、導
電膜、配線など)も存在する。そのような部分(領域、導電膜、配線など)は、ゲート電
極と呼んでも良いし、ゲート配線と呼んでも良い。つまり、ゲート電極とゲート配線とが
、明確に区別できないような領域も存在する。例えば、延伸して配置されているゲート配
線の一部とチャネル領域がオーバーラップしている場合、その部分(領域、導電膜、配線
など)はゲート配線として機能しているが、ゲート電極としても機能していることになる
。よって、そのような部分(領域、導電膜、配線など)は、ゲート電極と呼んでも良いし
、ゲート配線と呼んでも良い。However, there are portions (regions, conductive films, wirings, etc.) that function both as gate electrodes and as gate wirings. Such a portion (region, conductive film, wiring, etc.) may be called a gate electrode or a gate wiring. In other words, there is also a region where the gate electrode and the gate wiring cannot be clearly distinguished. For example, when a portion of a gate wiring that is extended and arranged overlaps a channel region, that portion (region, conductive film, wiring, etc.) functions as a gate wiring, but it also functions as a gate electrode. It is working. Therefore, such a portion (region, conductive film, wiring, etc.) may be called a gate electrode or a gate wiring.
なお、ゲート電極と同じ材料で形成され、ゲート電極と同じ島(アイランド)を形成して
つながっている部分(領域、導電膜、配線など)も、ゲート電極と呼んでも良い。同様に
、ゲート配線と同じ材料で形成され、ゲート配線と同じ島(アイランド)を形成してつな
がっている部分(領域、導電膜、配線など)も、ゲート配線と呼んでも良い。このような
部分(領域、導電膜、配線など)は、厳密な意味では、チャネル領域とオーバーラップし
ていない場合、又は別のゲート電極と接続させる機能を有していない場合がある。しかし
、製造時の仕様等の関係でゲート電極またはゲート配線と同じ材料で形成され、ゲート電
極またはゲート配線と同じ島(アイランド)を形成してつながっている部分(領域、導電
膜、配線など)がある。よって、そのような部分(領域、導電膜、配線など)もゲート電
極またはゲート配線と呼んでも良い。A portion (region, conductive film, wiring, etc.) made of the same material as the gate electrode and connected to form the same island as the gate electrode may also be called the gate electrode. Similarly, a portion (region, conductive film, wiring, etc.) formed of the same material as the gate wiring and connected to form the same island as the gate wiring may also be referred to as the gate wiring. Strictly speaking, such portions (regions, conductive films, wirings, etc.) may not overlap with the channel region or have the function of connecting to another gate electrode. However, due to manufacturing specifications, etc., a portion (region, conductive film, wiring, etc.) that is formed of the same material as the gate electrode or gate wiring and forms the same island as the gate electrode or gate wiring. There is Therefore, such portions (regions, conductive films, wirings, etc.) may also be called gate electrodes or gate wirings.
なお、例えば、マルチゲートのトランジスタにおいて、1つのゲート電極と、別のゲート
電極とは、ゲート電極と同じ材料で形成された導電膜で接続される場合が多い。そのよう
な部分(領域、導電膜、配線など)は、ゲート電極とゲート電極とを接続させるための部
分(領域、導電膜、配線など)であるため、ゲート配線と呼んでも良いが、マルチゲート
のトランジスタを1つのトランジスタと見なすことも出来るため、ゲート電極と呼んでも
良い。つまり、ゲート電極またはゲート配線と同じ材料で形成され、ゲート電極またはゲ
ート配線と同じ島(アイランド)を形成してつながっている部分(領域、導電膜、配線な
ど)は、ゲート電極やゲート配線と呼んでも良い。さらに、例えば、ゲート電極とゲート
配線とを接続させている部分の導電膜であって、ゲート電極またはゲート配線とは異なる
材料で形成された導電膜も、ゲート電極と呼んでも良いし、ゲート配線と呼んでも良い。Note that, for example, in a multi-gate transistor, one gate electrode and another gate electrode are often connected by a conductive film formed using the same material as the gate electrode. Such portions (regions, conductive films, wirings, etc.) are portions (regions, conductive films, wirings, etc.) for connecting gate electrodes, so they may be called gate wirings. can be regarded as one transistor, it may be called a gate electrode. In other words, a portion (region, conductive film, wiring, etc.) that is formed of the same material as the gate electrode or the gate wiring and forms the same island as the gate electrode or the gate wiring is connected to the gate electrode or the gate wiring. You can call me Furthermore, for example, a conductive film in a portion that connects a gate electrode and a gate wiring and is formed of a material different from that of the gate electrode or the gate wiring may be called a gate electrode or a gate wiring. You can call it
なお、ゲート端子とは、ゲート電極の部分(領域、導電膜、配線など)または、ゲート電
極と電気的に接続されている部分(領域、導電膜、配線など)について、その一部分のこ
とを言う。Note that the gate terminal refers to a portion of the gate electrode (region, conductive film, wiring, etc.) or a portion of a portion electrically connected to the gate electrode (region, conductive film, wiring, etc.). .
なお、ゲート配線、ゲート線、ゲート信号線、走査線、走査信号線などと呼ぶ場合、配線
にトランジスタのゲートが接続されていない場合もある。この場合、ゲート配線、ゲート
線、ゲート信号線、走査線、走査信号線は、トランジスタのゲートと同じ層で形成された
配線、トランジスタのゲートと同じ材料で形成された配線またはトランジスタのゲートと
同時に成膜された配線を意味している場合がある。例としては、保持容量用配線、電源線
、基準電位供給配線などがある。Note that when a gate wiring, a gate line, a gate signal line, a scanning line, a scanning signal line, or the like is used, the gate of the transistor may not be connected to the wiring. In this case, the gate wiring, the gate line, the gate signal line, the scanning line, and the scanning signal line are wirings formed of the same layer as the transistor gates, wirings formed of the same material as the transistor gates, or the gates of the transistors. In some cases, it means a film-formed wiring. Examples include storage capacitor wiring, power supply wiring, and reference potential supply wiring.
なお、ソースとは、ソース領域とソース電極とソース配線(ソース線、ソース信号線、デ
ータ線、データ信号線等とも言う)とを含んだ全体、もしくは、それらの一部のことを言
う。ソース領域とは、P型不純物(ボロンやガリウムなど)やN型不純物(リンやヒ素な
ど)が多く含まれる半導体領域のことを言う。従って、少しだけP型不純物やN型不純物
が含まれる領域、いわゆる、LDD(Lightly  Doped  Drain)領域は
、ソース領域には含まれない。ソース電極とは、ソース領域とは別の材料で形成され、ソ
ース領域と電気的に接続されて配置されている部分の導電層のことを言う。ただし、ソー
ス電極は、ソース領域も含んでソース電極と呼ぶこともある。ソース配線とは、各トラン
ジスタのソース電極の間を接続するための配線、各画素の有するソース電極の間を接続す
るための配線、又はソース電極と別の配線とを接続するための配線のことを言う。Note that the source means the whole including the source region, the source electrode, and the source wiring (also referred to as a source line, a source signal line, a data line, a data signal line, etc.) or a part of them. A source region is a semiconductor region containing a large amount of P-type impurities (boron, gallium, etc.) or N-type impurities (phosphorus, arsenic, etc.). Therefore, a region containing a small amount of P-type impurity or N-type impurity, that is, a so-called LDD (Lightly Doped Drain) region is not included in the source region. A source electrode is a portion of a conductive layer formed of a material different from that of a source region and electrically connected to the source region. However, the source electrode may also be called a source electrode including the source region. A source wiring is a wiring for connecting source electrodes of transistors, a wiring for connecting source electrodes of pixels, or a wiring for connecting a source electrode and another wiring. say.
しかしながら、ソース電極としても機能し、ソース配線としても機能するような部分(領
域、導電膜、配線など)も存在する。そのような部分(領域、導電膜、配線など)は、ソ
ース電極と呼んでも良いし、ソース配線と呼んでも良い。つまり、ソース電極とソース配
線とが、明確に区別できないような領域も存在する。例えば、延伸して配置されているソ
ース配線の一部とソース領域とがオーバーラップしている場合、その部分(領域、導電膜
、配線など)はソース配線として機能しているが、ソース電極としても機能していること
になる。よって、そのような部分(領域、導電膜、配線など)は、ソース電極と呼んでも
良いし、ソース配線と呼んでも良い。However, there are portions (regions, conductive films, wirings, etc.) that function both as source electrodes and as source wirings. Such a portion (region, conductive film, wiring, etc.) may be called a source electrode or a source wiring. In other words, there are regions where the source electrode and the source wiring cannot be clearly distinguished. For example, when a portion of a source wiring that is extended and arranged overlaps with a source region, that portion (region, conductive film, wiring, etc.) functions as a source wiring, but does not function as a source electrode. is also functioning. Therefore, such a portion (region, conductive film, wiring, etc.) may be called a source electrode or a source wiring.
なお、ソース電極と同じ材料で形成され、ソース電極と同じ島(アイランド)を形成して
つながっている部分(領域、導電膜、配線など)や、ソース電極とソース電極とを接続す
る部分(領域、導電膜、配線など)も、ソース電極と呼んでも良い。さらに、ソース領域
とオーバーラップしている部分も、ソース電極と呼んでも良い。同様に、ソース配線と同
じ材料で形成され、ソース配線と同じ島(アイランド)を形成してつながっている領域も
、ソース配線と呼んでも良い。このような部分(領域、導電膜、配線など)は、厳密な意
味では、別のソース電極と接続させる機能を有していない場合がある。しかし、製造時の
仕様等の関係でソース電極またはソース配線と同じ材料で形成され、ソース電極またはソ
ース配線とつながっている部分(領域、導電膜、配線など)がある。よって、そのような
部分(領域、導電膜、配線など)もソース電極またはソース配線と呼んでも良い。Note that a portion (a region, a conductive film, a wiring, etc.) that is formed of the same material as the source electrode and is connected by forming the same island as the source electrode, or a portion that connects the source electrode and another source electrode (region). , a conductive film, a wiring, etc.) may also be called a source electrode. Furthermore, the portion overlapping with the source region may also be called a source electrode. Similarly, a region formed of the same material as the source wiring and connected by forming the same island as the source wiring may also be called a source wiring. Strictly speaking, such portions (regions, conductive films, wirings, etc.) may not have the function of connecting to another source electrode. However, there are portions (regions, conductive films, wirings, etc.) formed of the same material as the source electrode or the source wiring and connected to the source electrode or the source wiring due to manufacturing specifications and the like. Therefore, such portions (regions, conductive films, wirings, etc.) may also be called source electrodes or source wirings.
なお、例えば、ソース電極とソース配線とを接続させている部分の導電膜であって、ソー
ス電極またはソース配線とは異なる材料で形成された導電膜も、ソース電極と呼んでも良
いし、ソース配線と呼んでも良い。Note that, for example, a conductive film in a portion connecting a source electrode and a source wiring and formed of a material different from that of the source electrode or the source wiring may also be called a source electrode or a source wiring. You can call it
なお、ソース端子とは、ソース領域の領域や、ソース電極や、ソース電極と電気的に接続
されている部分(領域、導電膜、配線など)について、その一部分のことを言う。Note that the source terminal refers to a portion of a source region, a source electrode, or a portion electrically connected to the source electrode (region, conductive film, wiring, or the like).
なお、ソース配線、ソース線、ソース信号線、データ線、データ信号線などと呼ぶ場合、
配線にトランジスタのソース(ドレイン)が接続されていない場合もある。この場合、ソ
ース配線、ソース線、ソース信号線、データ線、データ信号線は、トランジスタのソース
(ドレイン)と同じ層で形成された配線、トランジスタのソース(ドレイン)と同じ材料
で形成された配線またはトランジスタのソース(ドレイン)と同時に成膜された配線を意
味している場合がある。例としては、保持容量用配線、電源線、基準電位供給配線などが
ある。When referring to source wiring, source line, source signal line, data line, data signal line, etc.,
 In some cases, the source (drain) of the transistor is not connected to the wiring. In this case, the source wiring, the source line, the source signal line, the data line, and the data signal line are wiring formed of the same layer as the source (drain) of the transistor, and wiring formed of the same material as the source (drain) of the transistor. Alternatively, it may mean a wiring formed at the same time as the source (drain) of a transistor. Examples include storage capacitor wiring, power supply wiring, and reference potential supply wiring.
なお、ドレインについては、ソースと同様である。Note that the drain is the same as the source.
なお、半導体装置とは半導体素子(トランジスタ、ダイオード、サイリスタなど)を含む
回路を有する装置のことをいう。さらに、半導体特性を利用することで機能しうる装置全
般を半導体装置と呼んでもよい。または、半導体材料を有する装置のことを半導体装置と
言う。Note that a semiconductor device is a device having a circuit including a semiconductor element (transistor, diode, thyristor, or the like). Furthermore, all devices that can function by utilizing semiconductor characteristics may be called semiconductor devices. Alternatively, a device having a semiconductor material is referred to as a semiconductor device.
なお、表示素子とは、光学変調素子、液晶素子、発光素子、EL素子(有機EL素子、無
機EL素子又は有機物及び無機物を含むEL素子)、電子放出素子、電気泳動素子、放電
素子、光反射素子、光回折素子、デジタルマイクロミラーデバイス(DMD)、などのこ
とを言う。ただし、これに限定されない。The display elements include optical modulation elements, liquid crystal elements, light-emitting elements, EL elements (organic EL elements, inorganic EL elements, or EL elements containing organic and inorganic materials), electron-emitting elements, electrophoretic elements, discharge elements, and light reflection elements. device, optical diffractive device, digital micromirror device (DMD), and the like. However, it is not limited to this.
なお、表示装置とは、表示素子を有する装置のことを言う。なお、表示装置は、表示素子
を含む複数の画素を含んでいても良い。なお、表示装置は、複数の画素を駆動させる周辺
駆動回路を含んでいても良い。なお、複数の画素を駆動させる周辺駆動回路は、複数の画
素と同一基板上に形成されてもよい。なお、表示装置は、ワイヤボンディングやバンプな
どによって基板上に配置された周辺駆動回路、いわゆる、チップオングラス(COG)で
接続されたICチップ、または、TABなどで接続されたICチップを含んでいても良い
。なお、表示装置は、ICチップ、抵抗素子、容量素子、インダクタ、トランジスタなど
が取り付けられたフレキシブルプリントサーキット(FPC)を含んでもよい。なお、表
示装置は、フレキシブルプリントサーキット(FPC)などを介して接続され、ICチッ
プ、抵抗素子、容量素子、インダクタ、トランジスタなどが取り付けられたプリント配線
基盤(PWB)を含んでいても良い。なお、表示装置は、偏光板または位相差板などの光
学シートを含んでいても良い。なお、表示装置は、照明装置、筐体、音声入出力装置、光
センサなどを含んでいても良い。ここで、バックライトユニットのような照明装置は、導
光板、プリズムシート、拡散シート、反射シート、光源(LED、冷陰極管など)、冷却
装置(水冷式、空冷式)などを含んでいても良い。Note that a display device means a device having a display element. Note that the display device may include a plurality of pixels including display elements. Note that the display device may include a peripheral driving circuit that drives a plurality of pixels. Note that a peripheral driver circuit for driving a plurality of pixels may be formed on the same substrate as the plurality of pixels. The display device includes peripheral driving circuits arranged on a substrate by wire bonding, bumps, or the like, so-called chip-on-glass (COG)-connected IC chips, or TAB-connected IC chips. You can stay. The display device may include a flexible printed circuit (FPC) to which IC chips, resistive elements, capacitive elements, inductors, transistors, and the like are attached. The display device may include a printed wiring board (PWB) that is connected via a flexible printed circuit (FPC) or the like and on which an IC chip, a resistive element, a capacitive element, an inductor, a transistor, and the like are attached. Note that the display device may include an optical sheet such as a polarizing plate or a retardation plate. Note that the display device may include a lighting device, a housing, an audio input/output device, an optical sensor, and the like. Here, the lighting device such as the backlight unit may include a light guide plate, a prism sheet, a diffusion sheet, a reflection sheet, a light source (LED, cold cathode tube, etc.), a cooling device (water cooling type, air cooling type), etc. good.
なお、照明装置は、バックライトユニット、導光板、プリズムシート、拡散シート、反射
シート、光源(LED、冷陰極管、熱陰極管など)、冷却装置などを有している装置のこ
とをいう。The lighting device is a device having a backlight unit, a light guide plate, a prism sheet, a diffusion sheet, a reflection sheet, a light source (LED, cold cathode tube, hot cathode tube, etc.), a cooling device, and the like.
なお、発光装置とは、発光素子などを有している装置のことをいう。表示素子として発光
素子を有している場合は、発光装置は、表示装置の具体例の一つである。Note that a light-emitting device is a device having a light-emitting element or the like. In the case where a light-emitting element is used as a display element, the light-emitting device is one specific example of the display device.
なお、反射装置とは、光反射素子、光回折素子、光反射電極などを有している装置のこと
をいう。The reflecting device means a device having a light reflecting element, a light diffraction element, a light reflecting electrode, or the like.
なお、液晶表示装置とは、液晶素子を有している表示装置をいう。液晶表示装置には、直
視型、投写型、透過型、反射型、半透過型などがある。Note that a liquid crystal display device refers to a display device having a liquid crystal element. Liquid crystal display devices include a direct-view type, a projection type, a transmission type, a reflection type, a transflective type, and the like.
なお、駆動装置とは、半導体素子、電気回路、電子回路を有する装置のことを言う。例え
ば、ソース信号線から画素内への信号の入力を制御するトランジスタ(選択用トランジス
タ、スイッチング用トランジスタなどと呼ぶことがある)、画素電極に電圧または電流を
供給するトランジスタ、発光素子に電圧または電流を供給するトランジスタなどは、駆動
装置の一例である。さらに、ゲート信号線に信号を供給する回路(ゲートドライバ、ゲー
ト線駆動回路などと呼ぶことがある)、ソース信号線に信号を供給する回路(ソースドラ
イバ、ソース線駆動回路などと呼ぶことがある)などは、駆動装置の一例である。Note that a driving device means a device having a semiconductor element, an electric circuit, or an electronic circuit. For example, a transistor that controls the input of a signal from a source signal line into a pixel (sometimes called a selection transistor or switching transistor), a transistor that supplies voltage or current to a pixel electrode, and a voltage or current to a light-emitting element is an example of a driving device. Furthermore, a circuit that supplies a signal to a gate signal line (sometimes called a gate driver, gate line driver circuit, etc.), a circuit that supplies a signal to a source signal line (sometimes called a source driver, a source line driver circuit, etc.) ) is an example of a drive device.
なお、表示装置、半導体装置、照明装置、冷却装置、発光装置、反射装置、駆動装置など
は、互いに重複して有している場合がある。例えば、表示装置が、半導体装置および発光
装置を有している場合がある。あるいは、半導体装置が、表示装置および駆動装置を有し
ている場合がある。Note that the display device, the semiconductor device, the lighting device, the cooling device, the light-emitting device, the reflecting device, the driving device, and the like may overlap each other. For example, a display device may have a semiconductor device and a light emitting device. Alternatively, a semiconductor device may have a display and a driver.
なお、Aの上にBが形成されている、あるいは、A上にBが形成されている、と明示的に
記載する場合は、Aの上にBが直接接して形成されていることに限定されない。直接接し
てはいない場合、つまり、AとBと間に別の対象物が介在する場合も含むものとする。こ
こで、A、Bは、対象物(例えば、装置、素子、回路、配線、電極、端子、導電膜、層、
など)であるとする。When it is explicitly described that B is formed on A or B is formed on A, it is limited to B being formed on A in direct contact. not. A case where they are not in direct contact, that is, a case where another object intervenes between A and B shall be included. Here, A and B are objects (for example, devices, elements, circuits, wiring, electrodes, terminals, conductive films, layers,
 etc.).
従って例えば、層Aの上に(もしくは層A上に)、層Bが形成されている、と明示的に記
載されている場合は、層Aの上に直接接して層Bが形成されている場合と、層Aの上に直
接接して別の層(例えば層Cや層Dなど)が形成されていて、その上に直接接して層Bが
形成されている場合とを含むものとする。なお、別の層(例えば層Cや層Dなど)は、単
層でもよいし、複層でもよい。Therefore, for example, when it is explicitly stated that layer B is formed on layer A (or on layer A), layer B is formed on layer A and in direct contact therewith. and a case where another layer (for example, layer C or layer D) is formed in direct contact with layer A, and layer B is formed in direct contact thereon. In addition, another layer (for example, layer C, layer D, etc.) may be a single layer or multiple layers.
さらに、Aの上方にBが形成されている、と明示的に記載されている場合についても同様
であり、Aの上にBが直接接していることに限定されず、AとBとの間に別の対象物が介
在する場合も含むものとする。従って例えば、層Aの上方に、層Bが形成されている、と
いう場合は、層Aの上に直接接して層Bが形成されている場合と、層Aの上に直接接して
別の層(例えば層Cや層Dなど)が形成されていて、その上に直接接して層Bが形成され
ている場合とを含むものとする。なお、別の層(例えば層Cや層Dなど)は、単層でもよ
いし、複層でもよい。Furthermore, the same applies to the case where it is explicitly described that B is formed above A, and is not limited to B being in direct contact with A. It shall include the case where another object intervenes. Therefore, for example, when the layer B is formed above the layer A, the case where the layer B is formed directly on the layer A and the case where the layer B is formed directly on the layer A and another layer (For example, layer C, layer D, etc.) are formed, and layer B is formed in direct contact thereon. In addition, another layer (for example, layer C, layer D, etc.) may be a single layer or multiple layers.
なお、Aの上にBが直接接して形成されている、と明示的に記載する場合は、Aの上に直
接接してBが形成されている場合を含み、AとBと間に別の対象物が介在する場合は含ま
ないものとする。It should be noted that when it is explicitly stated that B is formed directly on A, it includes the case where B is formed directly on A, and there is another If there is an object intervening, it shall not be included.
なお、Aの下にBが、あるいは、Aの下方にBが、の場合についても、同様である。It should be noted that the same applies to the case where B is under A or B is under A.
なお、明示的に単数として記載されているものについては、単数であることが望ましい。
ただし、これに限定されず、複数であることも可能である。同様に、明示的に複数として
記載されているものについては、複数であることが望ましい。ただし、これに限定されず
、単数であることも可能である。In addition, it is preferable to use the singular number for items explicitly described as the singular number.
 However, it is not limited to this, and may be plural. Similarly, for those explicitly described as plural, the plural is preferred. However, it is not limited to this, and may be singular.
  本発明により、広視野角表示を実現することができる。また、コントラストに優れた表
示装置を得ることができる。また、表示品位に優れた表示装置を提供することをできる。
また、ノイズの影響を受けにくく、綺麗な表示を行うことが可能な表示装置を提供するこ
とができる。または、表示の劣化が生じにくい表示装置を提供することができる。または
、製品寿命に優れた表示装置を提供することができる。A wide viewing angle display can be realized by the present invention. In addition, a display device with excellent contrast can be obtained. Further, a display device with excellent display quality can be provided.
 In addition, a display device which is not easily affected by noise and can perform clear display can be provided. Alternatively, it is possible to provide a display device whose display is less likely to deteriorate. Alternatively, a display device with excellent product life can be provided.
  以下、本発明の一態様について説明する。但し、本発明は多くの異なる態様で実施する
ことが可能であり、本発明の趣旨及びその範囲から逸脱することなくその形態及び詳細を
様々に変更し得ることは当業者であれば容易に理解される。従って、本形態の記載内容に
限定して解釈されるものではない。なお、以下に説明する本発明の構成において、同じも
のを指す符号は異なる図面間においても共通して用い、その説明は省略する。One embodiment of the present invention is described below. Those skilled in the art will readily appreciate, however, that the present invention may be embodied in many different forms and that various changes in form and detail may be made therein without departing from the spirit and scope of the invention. be done. Therefore, it should not be construed as being limited to the contents described in this embodiment. In addition, in the configuration of the present invention described below, the same reference numerals are used in different drawings, and the description thereof is omitted.
(実施の形態1)
  本発明の画素の基本構成について、図1を用いて説明する。図1に示す画素は、第1の
スイッチ111、第2のスイッチ112、第3のスイッチ113、第1の抵抗114、第
2の抵抗115、第1の液晶素子121、第2の液晶素子122、第1の保持容量131
及び第2の保持容量132を有する。また、画素は、信号線116、第1の走査線117
、第2の走査線120及びCs線119に接続されている。なお、第1の液晶素子121
及び第2の液晶素子122の各々は、少なくとも画素電極と、共通電極118と、画素電
極及び共通電極118によって制御される液晶とを有する。(Embodiment 1)
 A basic configuration of a pixel of the present invention will be described with reference to FIG. A pixel shown in FIG. , the
 and a
 , to the
 and the second
  図1において、第1の液晶素子121の画素電極は第1のスイッチ111を介して信号
線116に接続されている。また、第1の液晶素子121の画素電極は第2のスイッチ1
12及び第1の抵抗114を介して第2の液晶素子122の画素電極とも接続されている
。第1の抵抗114と第2の液晶素子122の画素電極との接続箇所をノード142とす
ると、ノード142は第3のスイッチ113及び第2の抵抗115を介してCs線119
と接続されている。また、第2のスイッチ112と、第1の液晶素子121の画素電極と
第1のスイッチ111とが接続されている配線との接続箇所をノード141とする。In FIG. 1, the pixel electrode of the first
 12 and the pixel electrode of the second
 is connected with A
  なお、第1のスイッチ111及び第2のスイッチ112のオンオフは第1の走査線11
7に入力される信号により、第3のスイッチ113のオンオフは第1の走査線117及び
第2の走査線120に入力される双方の信号により制御される。ここでは、各々のスイッ
チを走査線を用いて制御した場合について述べるが、スイッチの制御方法はこれに限定さ
れない。Note that ON/OFF of the
 7, ON/OFF of the
  信号線116には、ビデオ信号に相当する画像信号、即ち画素の階調に応じた電位が入
力される。An image signal corresponding to a video signal, that is, a potential corresponding to the gradation of a pixel is input to the
  なお、液晶素子は電圧保持特性を示すがその保持率は100%ではないため、保持され
た電圧を維持するために図1に示す画素では第1の液晶素子121及び第2の液晶素子1
22のそれぞれに対応して第1の保持容量131、第2の保持容量132が設けられてい
る。具体的には、第1の液晶素子121の画素電極は第1の保持容量131を介してCs
線119に接続され、第2の液晶素子122の画素電極は第2の保持容量132を介して
Cs線119に接続されている。なお、液晶素子における電圧保持特性は液晶材料、それ
に混入された不純物や画素の大きさ等にもよるため、液晶素子の電圧保持率が高い場合に
は図77に示すように保持容量を特に設けなくても良い。また、例えば第1の液晶素子1
21より第2の液晶素子122の方が表示への寄与が少ない場合には、表示寄与に少ない
第2の液晶素子122に対して設けられた第2の保持容量132を省略しても良い。Although the liquid crystal element exhibits a voltage retention characteristic, the retention rate is not 100%. Therefore, in the pixel shown in FIG.
 22, a
 119 , and the pixel electrode of the second
 When the second
  また、図1において、ノード141は第2のスイッチ112、第1の抵抗114を順に
介してノード142に接続されているが、第1の抵抗114、第2のスイッチ112の順
に接続されていても良い。また、ノード142は第2の抵抗115、第3のスイッチの1
13を順に介してCs線119に接続されていても良い。もちろん、図78に示すように
第2のスイッチ112と第1の抵抗114、第3のスイッチ113と第2の抵抗115に
おいてスイッチと抵抗の接続関係がそれぞれ逆になっていても良い。Also, in FIG. 1, the
 13 in order to the
  また、第1の液晶素子121、第2の液晶素子122の各々は、複数の液晶素子から構
成されていても良い。同様にして第1の保持容量131、第2の保持容量132の各々に
おいても、複数の保持容量から構成されていても良い。例えば、第1の液晶素子121、
第2の液晶素子122の各々が2つの液晶素子から、第1の保持容量131、第2の保持
容量132の各々が2つの保持容量から構成されている場合について図79に示す。Further, each of the first
 FIG. 79 shows a case where each of the second
  図1の画素の動作について説明する。上述したように、第1のスイッチ111及び第2
のスイッチ112のオンオフは第1の走査線117に信号を入力することにより制御され
、ここでは第1の走査線117にHighレベル(以下、Hレベルと記す)を入力するこ
とにより第1のスイッチ111及び第2のスイッチ112がオンする場合について述べる
。また、第1の走査線117及び第2の走査線120に入力される双方の信号によって制
御される第3のスイッチ113は、第1の走査線117及び第2の走査線120の両方に
Hレベルが入力された際のみにオンする場合について述べる。よって、この場合、第1の
走査線117にLowレベル(以下、Lレベルと記す)が入力された際にはこれらスイッ
チはオフし、第3のスイッチ113に関してはさらに第1の走査線117にHレベル、第
2の走査線120にLレベルが入力された場合であってもオフするものとする。The operation of the pixel in FIG. 1 will be described. As described above, the
 On/off of the
  このような第1のスイッチ111、第2のスイッチ112及び第3のスイッチ113を
用いて、画素へ当該画素の階調に応じた電位を入力する期間、即ち書き込み期間を、前半
と後半に分割する。前半部分では、第3のスイッチ113を除く第1のスイッチ111及
び第2のスイッチ112をオンとし、後半部分では第1のスイッチ111、第2のスイッ
チ112に加え、第3のスイッチ113をオンとする。このように、前半部分では信号線
116とCs線119とを電気的に切断し、後半部分ではこれらを電気的に接続すること
により、素早く画素にビデオ信号を書き込むことが可能となる。By using the
  まず、書き込み期間の前半部分では第1の走査線117にHレベルを、第2の走査線1
20にLレベルを入力し、第1のスイッチ111及び第2のスイッチ112をオンさせる
。信号線116より入力された画素の階調に応じた電位は、第1のスイッチ111を介し
て第1の液晶素子121の画素電極及び第1の保持容量131の第1の電極に供給される
。さらに、この電位は第2のスイッチ112及び第1の抵抗114を介して第2の液晶素
子122の画素電極及び第2の保持容量132の第1の電極に供給される。この際、第3
のスイッチ113をオフとしていることで、第1の液晶素子121及び第2の液晶素子1
22のそれぞれの画素電極にはやく電位を供給することが可能となる。First, in the first half of the writing period, the H level is applied to the
 20 to turn on the
 By turning off the
 It becomes possible to quickly supply a potential to each of the 22 pixel electrodes.
  その後、書き込み期間の後半部分では第2の走査線120にもHレベルを入力すること
で、第1のスイッチ111及び第2のスイッチ112に加え、第3のスイッチ113をオ
ンとさせる。このようにして、信号線116とCs線119とを電気的に接続させる。こ
れにより、書き込み期間の前半部分に第1の液晶素子121及び第2の液晶素子122の
画素電極の各々に供給された電位を、画素の階調に応じた最適な電位に調整することがで
きる。After that, in the latter half of the writing period, the
  なお、第2の液晶素子122の画素電極及び第2の保持容量132の第1の電極に供給
される電位はノード142における電位と同じであり、その電位はノード141とCs線
119との電位差並びに第1の抵抗114及び第2の抵抗115における抵抗値によって
決定される。即ち、第2の液晶素子122の画素電極には、信号線116より入力された
画素の階調に応じた電位が第1の抵抗114と第2の抵抗115とによって抵抗分割され
た電位が供給されていることになる。なお、信号線116より入力される画素の階調に応
じた電位をVsig、第1の抵抗114の抵抗値をR1、第2の抵抗115の抵抗値をR
2、Cs線119に供給される電位をVcsとすると、ノード141の電位はVsigと
なることから、書き込み期間の後半部分におけるノード142の電位はVcs+(Vsi
g-Vcs)×R2/(R1+R2)となる。Note that the potential supplied to the pixel electrode of the second
 2. Assuming that the potential supplied to the
 g−Vcs)×R2/(R1+R2).
  なお、第1の保持容量131には信号線116より入力された階調に応じた電位とCs
線119の電位との電位差が、第2の保持容量132には抵抗分割された電位とCs線1
19の電位との電位差が保持される。Note that the
 The potential difference between the potential of the
 The potential difference with the potential of 19 is held.
  次に、第1の走査線117にLレベルを入力する。すると、第1のスイッチ111、第
2のスイッチ112及び第3のスイッチ113がオフし、信号線116、第1の液晶素子
121及び第2の液晶素子122は互いに電気的に遮断される。しかしながら、第1の保
持容量131には信号線116より入力された階調に応じた電位とCs線119の電位と
の電位差が保持され、第2の保持容量132には抵抗分割された電位とCs線119の電
位との電位差が保持されている。そのため、第1の液晶素子121の画素電極は信号線1
16より入力された画素の階調に応じた電位を維持することができ、第2の液晶素子12
2の画素電極においても抵抗分割された電位を維持することができる。なお、第1の走査
線117に限らず、第1の走査線117と共に第2の走査線120にもLレベルを供給し
ても良い。いずれにせよ、第1のスイッチ111、第2のスイッチ112及び第3のスイ
ッチ113がオフとなれば良い。Next, the L level is input to the
 16, the potential corresponding to the gradation of the pixel input from the second
 It is possible to maintain the potential divided by the resistance even in the two pixel electrodes. Note that the L level may be supplied not only to the
  このようにして、第1の液晶素子121及び第2の液晶素子122に保持された電位差
、即ち電圧を用いて画素の階調を表現する。第1の液晶素子121と第2の液晶素子12
2とでは異なる電圧が印加されているため、各々の液晶素子が有する液晶は異なる配向を
示す。よって、視野角特性を向上することが可能となる。Thus, the gradation of a pixel is expressed using the potential difference, that is, the voltage held between the first
 2, different voltages are applied, so the liquid crystals of the respective liquid crystal elements exhibit different orientations. Therefore, it is possible to improve the viewing angle characteristics.
  なお、画素によって表現する階調は、当該画素における第1の液晶素子121と第2の
液晶素子122の各々が有する液晶の配向により決定されるため、信号線116より供給
する画素の階調に応じた電位はこれらを考慮して決定する必要がある。Note that since the gradation expressed by a pixel is determined by the alignment of the liquid crystal of each of the first
  また、書き込み期間の前半部分では信号線116とCs線119とを電気的に切断し、
後半部分ではこれらを電気的に接続することにより、第1の液晶素子121及び第2の液
晶素子122の画素電極の各々を画素の階調に応じた電位により早くすることができる。
よって、素早く画素にビデオ信号を書き込むことが可能となる。In addition, the
 By electrically connecting these in the latter half, the potential of each of the pixel electrodes of the first
 Therefore, it becomes possible to quickly write a video signal to a pixel.
  また、図2に示すように第1のスイッチ111と、第2のスイッチ112及び第3のス
イッチ113とを異なる走査線を用いて制御しても良い。図2では、第1のスイッチ11
1は第3の走査線201を、第2のスイッチ112は第1の走査線117を、第3のスイ
ッチ113は第1の走査線117及び第2の走査線120を用いて制御した場合について
記載している。なお、図2に示した画素においても図1の画素と同様に動作させることが
可能である。Further, as shown in FIG. 2, the
 1 controls the third scanning line 201, the
  ところで、上述のような画素構成とした場合、第2の液晶素子122は第1の液晶素子
121に比べて印加される電圧が小さくなる。そのため、第2の抵抗115を第1の抵抗
114より小さくしすぎると第2の液晶素子122に印加される電圧が液晶のしきい値電
圧より小さくなり、第2の液晶素子122が有する液晶が駆動しない場合がある。よって
、第2の抵抗115の抵抗値R2は第1の抵抗114の抵抗値R1より大きい方(R2>
R1)が好ましい。もちろん、抵抗値の関係はこれに限定されることはなく、第1の液晶
素子121及び第2の液晶素子122の液晶が駆動し、両者の液晶を用いて階調を表現で
きれば良い。なお、液晶のしきい値電圧とは、液晶が駆動するために必要となる電圧の臨
界値を指す。By the way, in the pixel configuration as described above, the voltage applied to the second
 R1) is preferred. Of course, the relationship between the resistance values is not limited to this, and it is sufficient if the liquid crystals of the first
  また、図1において第1の抵抗114と第2の抵抗115の抵抗値が大きく、第2のス
イッチ112及び第3のスイッチ113がなくてもノード141、ノード142の各々に
おいて第1のスイッチ111をオフした後も信号線116より入力された際の電位を維持
することができれば、これらスイッチは特に設けなくても良い。例えば、第1の抵抗11
4の抵抗値が大きければノード141とノード142の間に設けられた第2のスイッチ1
12を省略しても良いし、第2の抵抗115の抵抗値が大きければノード142とCs線
119の間に設けられた第3のスイッチ113を省略しても良い。もちろん、両者ともに
大きい場合には、第2のスイッチ112及び第3のスイッチ113を省略することも可能
である。In addition, in FIG. 1, the resistance values of the
 4 is large, the
 12 may be omitted, and the
続いて、上述した図1に示す画素を有する表示装置について図3を用いて説明する。 Next, a display device having the pixels shown in FIG. 1 will be described with reference to FIGS.
  表示装置は、信号線駆動回路311、走査線駆動回路312及び画素部313を有し、
画素部313には、信号線駆動回路311から列方向に伸張して配置された複数の信号線
S1~Sm、走査線駆動回路312から行方向に伸張して配置された第1の走査線G1_
1~G1_n、第2の走査線G2_1~G2_n及びCs線Cs_1~Cs_n、並びに
信号線S1~Smに対応してマトリクス状に配置された複数の画素314を有する。そし
て、各画素314は、信号線Sj(信号線S1~Smのうちのいずれか一)、第1の走査
線G1_i(走査線G1~Gnのうちのいずれか一)、第2の走査線G2_i、Cs線C
s_iと接続されている。The display device includes a signal
 In the
 1 to G1_n, second scanning lines G2_1 to G2_n, Cs lines Cs_1 to Cs_n, and a plurality of
 s_i.
  なお、信号線Sj、第1の走査線G1_i、第2の走査線G2_i、Cs線Cs_iは
、それぞれ図1の信号線116、第1の走査線117、第2の走査線120、Cs線11
9に相当する。図1における共通電極118は、複数の画素314間で共通もしくは電気
的に接続されており、同じ電位が供給されている。なお、Cs線119と共通電極118
とを同電位とする場合には、画素部313の外部で導電性微粒子や配線等を用いてこれら
を電気的に接続すればよい。Note that the signal line Sj, the first scanning line G1_i, the second scanning line G2_i, and the Cs line Cs_i are the
 9. The
 are made to have the same potential, these may be electrically connected using conductive fine particles, wiring, or the like outside the
  走査線駆動回路312から第1の走査線G1_iに入力される信号により動作させる画
素の行を順次選択し、選択された行に属する画素の各々に信号線駆動回路311から信号
線S1~Smを介して各画素の階調に応じた電位を供給する。Rows of pixels to be operated by a signal input from the scanning
  図17に示すように、例えばi行目を選択し書き込み期間を終えると、i+1行目に属
する画素へ信号の書き込みを行う。なお、図17には、各行における書き込み期間を表す
ためにこれを忠実に表すことができる図1に示した第1のスイッチ111の動作を抜粋し
記載している。そして、i行目において書き込み期間を終えた画素は、前記期間において
第1の液晶素子及び第2の液晶素子に保持された電圧によって階調を表現する。As shown in FIG. 17, for example, when the i-th row is selected and the writing period ends, signals are written to the pixels belonging to the (i+1)-th row. Note that FIG. 17 extracts and describes the operation of the
  なお、書き込み期間の前半部分には第1の走査線G1_iのみにHレベルの信号を入力
し、後半部分では第2の走査線G2_iにもHレベルの信号を入力する。よって、画素は
書き込み期間に信号線Sjより供給された電位により上述のようにして階調を表現するこ
とができる。Note that an H level signal is input only to the first scanning line G1_i in the first half of the writing period, and an H level signal is also input to the second scanning line G2_i in the second half. Therefore, the pixel can express the gradation as described above by the potential supplied from the signal line Sj during the writing period.
  なお、液晶材料の劣化やちらつき(フリッカ)などの表示ムラを抑制するために、一定
期間毎に液晶素子における共通電極の電位(コモン電位)に対して画素電極に印加される
電圧の極性を反転させて駆動させる反転駆動を用いることが好ましい。本明細書において
、共通電極より画素電極の電位の方が高い場合には正極性の電圧が、画素電極より共通電
極の電位の方が高い場合には負極性の電圧が液晶素子に印加されたと表記する。また、液
晶素子に正極性の電圧が印加される際に信号線より入力されるビデオ信号を正極性の信号
とし、負極性の電圧が印加される際に信号線より入力されるビデオ信号を負極性の信号と
して表記する。なお、反転駆動の例としては、フレーム反転駆動をはじめ、ソースライン
反転駆動、ゲートライン反転駆動、ドット反転駆動などが挙げられる。In order to suppress deterioration of the liquid crystal material and display unevenness such as flicker, the polarity of the voltage applied to the pixel electrode is inverted with respect to the potential of the common electrode (common potential) in the liquid crystal element at regular intervals. It is preferable to use an inversion drive in which the voltage is shifted and driven. In this specification, it is said that a positive voltage is applied to the liquid crystal element when the potential of the pixel electrode is higher than that of the common electrode, and a negative voltage is applied to the liquid crystal element when the potential of the common electrode is higher than that of the pixel electrode. write. When a positive voltage is applied to the liquid crystal element, the video signal input from the signal line is a positive signal, and when a negative voltage is applied, the video signal input from the signal line is a negative signal. Notation as a sex signal. Examples of inversion drive include frame inversion drive, source line inversion drive, gate line inversion drive, dot inversion drive, and the like.
  フレーム反転駆動とは、1フレーム期間毎に液晶素子に印加される電圧の極性を反転さ
せる駆動方法である。なお、1フレーム期間とは、1画素分の画像を表示する期間に相当
し、その期間には特に限定はないが、画像をみる人がちらつき(フリッカ)を感じないよ
うに少なくとも1/60秒以下とすることが好ましい。Frame inversion driving is a driving method in which the polarity of the voltage applied to the liquid crystal element is inverted every frame period. Note that one frame period corresponds to a period in which an image of one pixel is displayed, and the period is not particularly limited. It is preferable to:
  さらに周期を短くし、周波数を高くして、動画での画像のぶれを低減することが望まし
い。望ましくは、周期を1/120秒以下(周波数が120Hz以上)であることが望ま
しい。より望ましくは、周期を1/180秒以下(周波数が180Hz以上)であること
が望ましい。このようにフレーム周波数を向上させる場合、元の画像のデータのフレーム
周波数と一致しないときには、画像データを補間する必要がある。この場合は、動きベク
トルを用いて、画像データを補間することにより、高いフレーム周波数で表示させること
が出来る。以上のようにして、画像の動きが滑らかに表示され、残像の少ない表示を行う
事が出来る。Furthermore, it is desirable to shorten the cycle and increase the frequency to reduce image blurring in moving images. Desirably, the period is 1/120 sec or less (frequency is 120 Hz or more). More preferably, the cycle is 1/180 sec or less (frequency is 180 Hz or more). When increasing the frame frequency in this way, it is necessary to interpolate the image data when it does not match the frame frequency of the original image data. In this case, the image data can be displayed at a high frame frequency by interpolating the image data using motion vectors. As described above, the motion of the image is displayed smoothly, and display with little afterimage can be performed.
  また、ソースライン反転駆動とは、同一の信号線に接続された画素に属する液晶素子に
印加される電圧の極性を、隣接する信号線に接続された画素に属する液晶素子に対し反転
させ、さらに各画素に対しフレーム反転を行う駆動方法である。一方、ゲートライン反転
駆動とは、同一の走査線に接続された画素に属する液晶素子に印加される電圧の極性を、
隣接する走査線に接続された画素に属する液晶素子に対し反転させ、さらに各画素に対し
フレーム反転を行う駆動方法である。また、ドット反転駆動とは、隣接する画素間で液晶
素子に印加される電圧の極性を反転させる駆動方法であり、ソースライン反転駆動とゲー
トライン反転駆動を組み合わせた駆動方法である。The source line inversion driving means that the polarity of the voltage applied to the liquid crystal elements belonging to the pixels connected to the same signal line is inverted with respect to the liquid crystal elements belonging to the pixels connected to the adjacent signal line. This driving method performs frame inversion for each pixel. On the other hand, in gate line inversion driving, the polarity of the voltage applied to the liquid crystal elements belonging to the pixels connected to the same scanning line is
 In this driving method, the liquid crystal elements belonging to pixels connected to adjacent scanning lines are inverted, and each pixel is subjected to frame inversion. Dot inversion driving is a driving method for inverting the polarity of a voltage applied to a liquid crystal element between adjacent pixels, and is a driving method combining source line inversion driving and gate line inversion driving.
  ところで、上記のフレーム反転駆動、ソースライン反転駆動、ゲートライン反転駆動、
ドット反転駆動などを採用した場合、信号線に書き込まれるビデオ信号に必要となる電位
の幅は、反転駆動を行わない場合に比べて2倍となる。そのため、これを解消するために
フレーム反転駆動やゲートライン反転駆動の場合、さらに共通電極の電位を反転させるコ
モン反転駆動を採用することもある。By the way, the above frame inversion drive, source line inversion drive, gate line inversion drive,
 When dot inversion driving or the like is employed, the width of the potential required for the video signal written to the signal line is doubled compared to when inversion driving is not performed. Therefore, in order to solve this problem, in the case of frame inversion driving or gate line inversion driving, common inversion driving for inverting the potential of the common electrode may be adopted.
  コモン反転駆動とは液晶素子に印加される極性の反転と同期して共通電極の電位を変化
させる駆動方法であり、コモン反転駆動を行うことによって信号線に書き込まれるビデオ
信号に必要となる電位の幅を低減させることができる。この場合、共通電極118とCs
線119(図3においては、Cs線Cs_1~Cs_n)とは電気的に接続されているこ
とが好ましい。共通電極118及びCs線119に同じ信号が入力されることになり、よ
り適切に表示させることができる。Common inversion driving is a driving method that changes the potential of the common electrode in synchronization with the inversion of the polarity applied to the liquid crystal element. width can be reduced. In this case,
 It is preferably electrically connected to the line 119 (the Cs lines Cs_1 to Cs_n in FIG. 3). Since the same signal is input to the
  例えば、ソースライン反転駆動を行う場合、共通電極の電位を中心として正と負のビデ
オ信号、即ち正極性と負極性のビデオ信号が1フレーム期間毎に信号線を介して交互に供
給される。なお、このような場合、ビデオ信号はCs線に供給される電位に対しても正も
しくは負となる信号である。For example, when source line inversion driving is performed, positive and negative video signals, that is, positive and negative video signals are alternately supplied through signal lines every frame period around the potential of the common electrode. In such a case, the video signal is a signal that is positive or negative with respect to the potential supplied to the Cs line.
  次に、ドット反転駆動が実現可能な画素の一構成例を図4に示す。図4では、4つの画
素を取り出して記載しており、その各々の画素は図1に示す構成をとっている。図中にお
いて、信号線116_1、116_2は図1における信号線116に、第1の走査線11
7_1、117_2は第1の走査線117に、第2の走査線120_1、120_2は第
2の走査線120に、Cs線119_1、119_2、419_1、419_2はCs線
119に相当する。信号線116_1、116_2には異なる極性の信号を入力する。そ
の極性に併せて、同一行に属する画素であっても隣接する画素と異なるCs線、即ちCs
線119_1、419_2もしくは119_1、419_2を用いて隣接画素とは異なる
電位を図80に示すように供給する。図80に示すように駆動させることで、ドット反転
駆動を行えば良い。Next, FIG. 4 shows a configuration example of a pixel that can implement dot inversion driving. In FIG. 4, four pixels are extracted and described, and each pixel has the configuration shown in FIG. In the figure, signal lines 116_1 and 116_2 are the same as the
 7_1 and 117_2 correspond to the
 Lines 119_1, 419_2 or 119_1, 419_2 are used to supply potentials different from adjacent pixels as shown in FIG. Dot inversion driving may be performed by driving as shown in FIG.
  なお、ノーマリーブラックのときには黒を表示させる際の信号、ノーマリーホワイトの
ときには白を表示させる際の信号を|Vsig(0)|とし、共通電極の電位をVcom
とすると、画素に信号線より正極性の信号が供給される場合にはVcom以上Vsig(
0)+Vcom以下の電位がCs線に供給されていれば良い。一方、画素に負極性の信号
が供給される場合には-Vsig(0)+Vcom以上Vcom以下の電位がCs線に供
給されていれば良い。The signal for displaying black in the case of normally black, the signal for displaying white in the case of normally white is |Vsig(0)|, and the potential of the common electrode is Vcom.
 Then, when a positive signal is supplied to the pixel from the signal line, Vsig (
 0) It suffices if a potential of +Vcom or less is supplied to the Cs line. On the other hand, when a negative signal is supplied to the pixel, a potential of -Vsig(0)+Vcom or more and Vcom or less may be supplied to the Cs line.
  なお、正極性の信号が画素に供給される場合にはVcom+α以上Vsig(0)+V
com以下の電位が、負極性の信号が画素に供給される場合には-Vsig(0)+Vc
om以上Vcom-α以下の電位がCs線に供給されることが好ましい。ここで、αはV
sig/2である。さらに、より好ましくは正極性の信号が画素に供給される場合にはV
sig(0)+Vcomの電位が、負極性の信号が画素に供給される場合には-Vsig
(0)+Vcomの電位が供給されると良い。Note that when a positive signal is supplied to the pixel, Vcom+α or more Vsig(0)+V
 com, or -Vsig(0)+Vc when a negative signal is supplied to the pixel.
 A potential of om or more and Vcom-α or less is preferably supplied to the Cs line. where α is V
 sig/2. Furthermore, more preferably, when a signal of positive polarity is supplied to the pixel, V
 The potential of sig(0)+Vcom is -Vsig when a negative signal is supplied to the pixel.
 A potential of (0)+Vcom is preferably supplied.
  このように、Cs線の電位を、正極性の信号が画素に供給される場合にはVsig(0
)+Vcomと、負極性の信号が供給される場合には-Vsig(0)+Vcomとする
ことで、第2の液晶素子122に印加される電圧を増大させることが可能となり、より第
2の液晶素子122の制御を容易なものとすることができる。Thus, the potential of the Cs line is changed to Vsig (0
 )+Vcom and −Vsig(0)+Vcom when a negative signal is supplied, the voltage applied to the second
  なお、正極性の信号が画素に供給される場合にCs線の電位をVsig(0)+Vco
mより高い電位とすると液晶には常にVsig(0)より高い電圧が印加されてしまい、
ノーマリーブラックのときには黒を、ノーマリーホワイトのときには白を表示させること
ができなくなる。また、負極性の信号が画素に供給される場合には、-Vsig(0)+
Vcomより低い電位がCs線に供給されると、正極性の信号の際と同様、ノーマリーブ
ラックのときには黒を、ノーマリーホワイトのときには白を表示させることができなくな
る。Note that the potential of the Cs line is set to Vsig(0)+Vco when a positive signal is supplied to the pixel.
 If the potential is higher than m, a voltage higher than Vsig(0) is always applied to the liquid crystal.
 Black cannot be displayed when normally black, and white cannot be displayed when normally white. When a negative signal is supplied to the pixel, -Vsig(0)+
 When a potential lower than Vcom is supplied to the Cs line, it becomes impossible to display black when normally black and white when normally white, as in the case of a positive polarity signal.
  なお、図80ではVcomの電位を0V、画素に正極性の信号が供給される場合のCs
線の電位をVsig(0)、画素に負極性の信号が供給される場合のCs線の電位を-V
sig(0)とした場合について記載している。Note that in FIG. 80, the potential of Vcom is 0 V, and Cs when a positive signal is supplied to the pixel.
 The potential of the line is Vsig(0), and the potential of the Cs line is -V when a negative signal is supplied to the pixel.
 A case of sig(0) is described.
なお、反転駆動の方法は上記に限られるものではない。 Note that the inversion driving method is not limited to the above.
  また、各画素に接続された配線を画素間で共有して用いることにより配線数を減らすこ
とが可能である。この場合、正常に動作をするのであれば様々な配線を画素間で共有する
ことができる。例えば、次行の画素と配線を共有することが可能であり、その一例につい
て述べる。In addition, the number of wirings can be reduced by sharing the wirings connected to each pixel among the pixels. In this case, various wirings can be shared between pixels as long as they operate normally. For example, it is possible to share the wiring with pixels in the next row, and one example will be described.
  図5に示す画素500は、図1と同様、第1のスイッチ111、第2のスイッチ112
、第3のスイッチ113、第1の抵抗114、第2の抵抗115、第1の液晶素子121
、第2の液晶素子122、第1の保持容量131及び第2の保持容量132を有する。な
お、画素500は、信号線116、第1の走査線517、Cs線119及び次行の第1の
走査線517に接続されている。A
 ,
 , a second
  図1に示した画素では、第3のスイッチ113を制御する一方の走査線として、第2の
走査線117を用いていたのに対し、図5では次行の第1の走査線517を用いる。この
ように次行と配線を共有することで配線数を減らすことが可能となり、開口率を向上させ
ることができる。In the pixel shown in FIG. 1, the
ただし、図5に示す画素では第3のスイッチ113をオンとすることで、書き込みが終わ
る前に次行の画素における第1のスイッチ111及び第2のスイッチ112がオンとなっ
てしまう。即ち、図18に示すように画素500における書き込み期間の後半部分に次行
の画素が選択されてしまう。なお、図18はi-1行、i行、i+1行目における書き込
み期間を表し、図17と同様これを忠実に表すことができる第1のスイッチ111の動作
を抜粋し記載している。However, by turning on the
  このように、書き込み期間の後半部分に次行の画素が選択されてしまうことで、次行の
画素が有する第1の液晶素子121及び第2の液晶素子122に印加されいた電圧が当該
画素の階調に応じた電圧から変化してしまう。しかしながら、次行の画素は画素500の
次にビデオ信号が書き込まれるため、第3のスイッチ113をオンする期間、即ち書き込
み期間の後半部分を表示に影響がない程度に設定することで特に問題となることはない。
もちろん、図2の画素構成、即ち第1のスイッチ111を制御する走査線を第1の走査線
517とは別に設ける場合には、このようなことは生じない。In this way, the pixels in the next row are selected in the second half of the writing period, so that the voltage applied to the first
 Of course, this does not occur in the pixel configuration of FIG. 2, ie, in the case where the scanning line for controlling the
  なお、上述において第1のスイッチ111、第2のスイッチ112及び第3のスイッチ
113には様々な形態のものを用いることが可能であり、電気的なスイッチや機械的なス
イッチなどを適用することができる。つまり、電流の流れを制御できるものであればよく
、特定のものに限定されない。例えば、トランジスタやダイオードでもよいし、これらを
組み合わせた論理回路でも良い。Note that various forms can be used for the
  図6に示すように、図1における第2のスイッチ112及び第3のスイッチ113のそ
れぞれに第2のトランジスタ612、第3のトランジスタ613を用い、さらにこれらの
トランジスタのオン抵抗を用いて図1における第1の抵抗114及び第2の抵抗115を
実現し、これら抵抗を省略した構成としても良い。ただし、第3のトランジスタ613は
、第1の走査線117及び第2の走査線120に入力される双方の信号によって制御され
る必要があるため、ゲート電極が第1の走査線117及び第2の走査線120にそれぞれ
接続された2つのトランジスタ620、621から構成される。As shown in FIG. 6, a
  なお、上述したように図1において第2の抵抗115の抵抗値R2は第1の抵抗114
の抵抗値R1より大きい方(R2>R1)が好ましいため、図6における構成においても
第2のトランジスタ612のオン抵抗に比べ第3のトランジスタ613のオン抵抗が大き
い方が好ましい。よって、第2のトランジスタ612のチャネル幅をW2、チャネル長を
L2、第3のトランジスタ613のチャネル幅をW3、チャネル長をL3とした場合、W
2/L2>W3/L3となるようなトランジスタを各々に用いることが好ましい。ここで
、第3のトランジスタ613のチャネル長Lは、直列に接続されたトランジスタ620、
621のチャネル幅Wが等しい場合、各トランジスタのチャネル長の合計に相当する値を
言う。ただし、この関係に限定されるわけではない。もちろん、画素の構成においてもこ
れに限定されるわけではなく、例えば図81に示すように、図1における第2のスイッチ
112及び第3のスイッチ113のそれぞれに第2のトランジスタ612、第3のトラン
ジスタ613を用いて、抵抗を省略しなくても良い。As described above, the resistance value R2 of the
 (R2>R1), it is preferable that the on-resistance of the
 It is preferable to use transistors satisfying 2/L2>W3/L3 for each. Here, the channel length L of the
 If the channel widths W of 621 are equal, it means a value corresponding to the total channel length of each transistor. However, it is not limited to this relationship. Of course, the pixel configuration is not limited to this. For example, as shown in FIG. 81, the
  また、図1における第1のスイッチ111にトランジスタ(ここでは、第1のトランジ
スタという)を用いた場合には、第1のトランジスタのオン抵抗はより低い方が好ましく
、第1のトランジスタのチャネル幅をW1、チャネル長をL1とするとW1/L1はより
大きい方が好ましい。図83に図6に示す構成において、第1のスイッチ111に第1の
トランジスタ8411を用いた場合について示す。なお、第1のトランジスタ8411を
第2のトランジスタ612及び第3のトランジスタ613と比較した場合には、W1/L
1>W2/L2>W3/L3となるようなトランジスタを用いることが好ましい。ただし
、これに限定されるわけではない。Further, when a transistor (here, referred to as a first transistor) is used for the
 It is preferable to use transistors satisfying 1>W2/L2>W3/L3. However, it is not limited to this.
  また、第3のトランジスタ613を構成するトランジスタ620、621の接続関係は
、図6に示すようにノード142がトランジスタ620とトランジスタ621とを順に介
してCs線119に接続されるように設けられていても良いし、図7に示すようにノード
142がトランジスタ621とトランジスタ620とを順に介してCs線119に接続さ
れるように設けられていても良い。図7に示す画素構成では、第3のトランジスタ613
を構成するトランジスタのうちノード142と接続されているトランジスタがオフしてい
ることによりそのトランジスタのゲート容量をオンしている場合より小さくすることがで
きるため、図6に比べさらに書き込み期間の前半部分においてよりはやく第1の液晶素子
121及び第2の液晶素子122のそれぞれの画素電極に電位を供給することが可能とな
る。The connection relationship between the
 is turned off, the gate capacitance of the transistor can be made smaller than when the transistor is turned on. , the potential can be supplied to the pixel electrodes of the first
  また、第3のトランジスタ613のオン抵抗をより大きなものとするために、図8に示
すように図6において第3のトランジスタ613を構成するトランジスタ621に、トラ
ンジスタを2つ直列に接続したマルチゲート型トランジスタ821を用いても良い。なお
、図8では2つのトランジスタを直列に接続した場合について示しているが、直列に接続
されるトランジスタの数は特に限定されない。In order to increase the on-resistance of the
  なお、トランジスタ821のチャネル長Lは、直列に接続された2つのトランジスタの
チャネル幅Wが等しい場合、各トランジスタのチャネル長の合計として作用する。そのた
め、W/Lはより小さくなりやすく、オン抵抗を大きくすることができる。よって、トラ
ンジスタ821のオン抵抗は、マルチゲート型トランジスタを用いることで容易に大きく
することができる。よって、第3のトランジスタ613のオン抵抗を第2のトランジスタ
212のオン抵抗に比べ容易に大きくすることが可能となる。Note that the channel length L of the
  また、トランジスタ621に限らず図9に示すように図6のトランジスタ620にマル
チゲート型のトランジスタ920を用いても良い。In addition to the
  また、例えば第2のトランジスタ612に比べ第3のトランジスタ613のオン抵抗が
非常に小さい場合など、第2の液晶素子122に印加される電圧が第2の液晶素子122
が有する液晶のしきい値電圧以下となる場合には、図10に示すように抵抗としてダイオ
ード接続されたトランジスタ1014を第3のトランジスタ613に対し直列に設けた構
成としても良い。In addition, for example, when the on-resistance of the
 10, a diode-connected
  ダイオード接続されたトランジスタ1014により、第2の保持容量132には少なく
ともトランジスタ1014のしきい値電圧以上の電圧を保持させることができる。よって
、ダイオード接続されたトランジスタ1014を用いることにより第2の液晶素子122
に印加される電圧を増大させることが可能となり、より確実に第2の液晶素子122が有
する液晶を駆動させることができる。ダイオードは非線形性を有しており、電圧が小さい
領域では抵抗値がより大きくなるため、このような場合に特に効果的である。もちろん、
抵抗を用いることも可能である。なお、ここでは信号線116より入力される階調に応じ
た電位は正であるものとして図示しており、トランジスタ1014にはNチャネル型のト
ランジスタを用い、そのドレイン電極が第3のトランジスタ613に接続されている例に
ついて示している。もちろん、トランジスタ1014にはPチャネル型のトランジスタを
用いることも可能である。ただし、この場合第3のトランジスタ613にはソース電極が
接続される。The diode-connected
 can be increased, and the liquid crystal included in the second
 It is also possible to use resistors. Note that the illustration here assumes that the potential corresponding to the grayscale input from the
  なお、上述したようにソースライン反転やドット反転駆動等を行う場合には、共通電極
の電位を中心として正と負の画像信号、即ち正極性と負極性の画像信号が1フレーム期間
毎に信号線を介して交互に供給される。このような場合、画像信号はCs線に供給される
電位に対しても正と負となる信号である。そのため、Cs線119を、正極性の画像信号
が入力されるときと、負極性の画像信号が入力されるときとで、電位を変化させればよい
。つまり、正極性の信号が入力されるときよりも、負極性の信号が入力されるときの方が
、Cs線119の電位が低くなるようにすればよい。これにより、各画素電極に適切に電
圧を供給することが出来る。なお、図10に示す画素は正と負の両方の画像信号に対応で
きるように図11のような構成とすれば良い。図11に示す画素は、図10におけるダイ
オード接続されたトランジスタ1014と並列にダイオード接続されたトランジスタ11
14をさらに設けた構成である。なお、これらトランジスタが同一の導電型のトランジス
タである場合には、ドレイン電極が互いに異なるようにトランジスタ1014、トランジ
スタ1114を接続する。このような構成とすることで、Cs線119の電位と信号線1
16から供給される電位の関係が逆転しても、第2の保持容量132には少なくともトラ
ンジスタ1014もしくはトランジスタ1414のしきい値電圧以上の電圧を保持させる
ことができる。よって、第2の液晶素子122に印加される電圧を増大させることが可能
となり、より確実に第2の液晶素子122が有する液晶を駆動させることができる。なお
、このような駆動方法を行わない場合においても、図11に示す画素構成を用いても良い
。As described above, when source line inversion driving, dot inversion driving, or the like is performed, positive and negative image signals centering on the potential of the common electrode, that is, positive and negative image signals are generated every frame period. alternately supplied via the line. In such a case, the image signal is a signal that is positive and negative with respect to the potential supplied to the Cs line. Therefore, the potential of the
 14 is further provided. Note that when these transistors have the same conductivity type, the
 16 is reversed, the
  また、本明細書において共通電極118とCs線119では異なる電位が供給されてい
ても良いし、同じ電位が供給されていても良い。また、図82に示すように、共通電極1
18とCs線119とが共有されていても良い。なお、図82では図1における共通電極
118とCs線119とが配線8300を用いて共有化されている場合について示してい
る。In this specification, the
 18 and the
  上述の図1乃至図11では一画素に液晶素子が2つ設けられた場合について示している
が、画素に含まれる液晶素子の数は特に限定されない。図12に、一画素に液晶素子が3
つ含まれる場合について示す。図12に示す画素は、図6に示す画素の構成に加え、トラ
ンジスタ1214、液晶素子1223及び保持容量1233を有する。図12において、
液晶素子1223の画素電極は、第2のトランジスタ612及び第1のスイッチ111を
介して信号線116に接続されている。また、液晶素子1223の画素電極と第2のトラ
ンジスタ612との接続箇所をノード1200とすると、ノード1200はトランジスタ
1214を介してノード142と接続されている。なお、トランジスタ1214のゲート
電極は、第2のトランジスタ612、第3のトランジスタ613と同様、第1の走査線1
17に接続されている。また、ノード1200は保持容量1233を介してCs線119
と接続されている。このように、図12ではトランジスタ1214と、液晶素子1223
と、保持容量1233とを有するユニット1201が第2のトランジスタ612とノード
142との間に設けられた構成となっている。なお、画素に含まれる液晶素子の数を増加
させる場合、例えばユニット1201の数を増加させれば良い。もちろん、これに限定さ
れるものではない。Although the above FIGS. 1 to 11 show the case where two liquid crystal elements are provided in one pixel, the number of liquid crystal elements included in the pixel is not particularly limited. In FIG. 12, one pixel has three liquid crystal elements.
 The case where one is included is shown. A pixel illustrated in FIG. 12 includes a
 A pixel electrode of the
 17 is connected. Also, the
 is connected with Thus, in FIG. 12, the
 , and a holding
  また、一画素に上述した画素構成を複数有していても良い。このような画素の一構成例
を図13に示す。図13に示す画素は、2つのサブ画素1300a、1300bを有し、
これらサブ画素を用いて一つの画素の階調を表現している。図13において、サブ画素の
各々には図6に示す画素構成を記載している。ただし、サブ画素1300a、1300b
に接続されている信号線116、第1の走査線117及び第2の走査線120はサブ画素
間で共有して用いられている。なお、サブ画素1300a、1300bに接続されるCs
線119の各々に異なる電位を供給することで、それぞれのサブ画素に属する液晶素子に
異なる電圧を印加することもできる。このようにして、それぞれのサブ画素における液晶
の配向の違いを利用して、さらに視野角を向上させることも可能となる。Further, one pixel may have a plurality of pixel configurations described above. A configuration example of such a pixel is shown in FIG. The pixel shown in FIG. 13 has two sub-pixels 1300a, 1300b,
 These sub-pixels are used to express the gradation of one pixel. In FIG. 13, each sub-pixel has the pixel configuration shown in FIG. However, sub-pixels 1300a and 1300b
 The
 By supplying different potentials to each of the
  また、図13のようにサブ画素間において信号線116、第1の走査線117及び第2
の走査線120を共通配線として利用した場合について示したが、図14に示すように第
1の走査線117及び第2の走査線120の走査線のみをサブ画素1400a、1400
b間で共有しても良い。また、図15に示すように信号線116のみをサブ画素1500
a、1500b間で共有し、これらのサブ画素を用いて一つの画素の階調を表現しても良
い。なお、サブ画素間で共有して用いる配線は上記に限定されず、Cs線119であって
も良いし、図13や図14に示したように2以上の配線を共有しても良い。Further, as shown in FIG. 13,
 14, only the
 It may be shared between b. Also, as shown in FIG. 15, only the
 a and 1500b, and these sub-pixels may be used to express the gradation of one pixel. Note that the wiring that is shared between sub-pixels is not limited to the above, and may be the
  共有する配線はサブ画素間において同様の働きをする配線である必要はない。例えば、
図16に示すように一方のサブ画素1600aが有する第3のスイッチ113を制御する
走査線のうち第1の走査線117とは異なる走査線に、次段に位置する他方のサブ画素1
600bが有する第1の走査線117を用いることも可能である。The shared wiring need not be wiring that performs the same function between sub-pixels. for example,
 As shown in FIG. 16, among the scanning lines for controlling the
 It is also possible to use the
  なお、図16に示す画素は、サブ画素1600a及びサブ画素1600bを有する画素
に対し書き込みが終わる前に次行の画素における第1のスイッチ111及び第2のスイッ
チ112がオンとなってしまう。そのため、次行が有する第1の液晶素子121及び第2
の液晶素子122に印加されていた電圧が当該画素の階調の階調に応じた電圧から変化し
てしまう。しかしながら、図6の画素構成の際と同様、次行の画素はサブ画素1600a
及びサブ画素1600bを有する画素の次にビデオ信号が書き込まれるため、第3のスイ
ッチ113をオンする期間、即ち書き込み期間の後半部分を表示に影響がない程度に設定
することで特に問題となることはない。Note that in the pixel shown in FIG. 16, the
 The voltage applied to the
 And since a video signal is written next to the pixel having the sub-pixel 1600b, a particular problem arises if the period during which the
  また、図13乃至図16では、同一の構成のサブ画素より一画素を構成した場合につい
て示したが、サブ画素間で構成は異なっていても良い。また、上述では主に第1のスイッ
チ111、第2のスイッチ112及び第3のスイッチ113を同一の走査線を用いて制御
している場合について説明しているが、図2に示すように異なる走査線を用いて制御して
も良い。13 to 16 show the case where one pixel is composed of sub-pixels having the same configuration, but the sub-pixels may have different configurations. In the above description, the case where the
  以上のように、本発明を用いて視野角特性を向上させることができる。さらに、コント
ラストの低下を招くことなく駆動させることが可能な構成であるため、より表示品位の高
い液晶表示装置を提供することが可能となる。As described above, the viewing angle characteristics can be improved using the present invention. Furthermore, since the configuration enables driving without causing a decrease in contrast, it is possible to provide a liquid crystal display device with higher display quality.
なお、本実施の形態において、様々な図を用いて述べてきたが、各々の図で述べた内容(
一部でもよい)は、別の図で述べた内容(一部でもよい)に対して、適用、組み合わせ、
又は置き換えなどを自由に行うことが出来る。さらに、これまでに述べた図において、各
々の部分に関して、別の部分を組み合わせることにより、さらに多くの図を構成させるこ
とが出来る。In the present embodiment, descriptions have been made using various diagrams, but the contents described in each diagram (
 may be part of it) shall apply, combine, or
 Alternatively, replacement can be freely performed. Furthermore, in the figures described so far, more figures can be configured by combining each part with another part.
同様に、本実施の形態の各々の図で述べた内容(一部でもよい)は、別の実施の形態の図
で述べた内容(一部でもよい)に対して、適用、組み合わせ、又は置き換えなどを自由に
行うことが出来る。さらに、本実施の形態の図において、各々の部分に関して、別の実施
の形態の部分を組み合わせることにより、さらに多くの図を構成させることが出来る。Similarly, the content (may be part of) described in each drawing of this embodiment may be applied, combined or replaced with the content (may be part of) described in the drawing of another embodiment. etc. can be done freely. Furthermore, in the drawings of this embodiment, more drawings can be configured by combining each part with another embodiment.
なお、本実施の形態は、他の実施の形態で述べた内容(一部でもよい)を、具現化した場
合の一例、少し変形した場合の一例、一部を変更した場合の一例、改良した場合の一例、
詳細に述べた場合の一例、応用した場合の一例、関連がある部分についての一例などを示
している。したがって、他の実施の形態で述べた内容は、本実施の形態への適用、組み合
わせ、又は置き換えを自由に行うことができる。In addition, the present embodiment is an example of a case where the content (or part of it) described in another embodiment is embodied, an example of a slightly modified case, an example of a partially changed case, and an improved case. An example of the case,
 An example of detailed description, an example of application, and an example of related parts are shown. Therefore, the contents described in other embodiments can be freely applied, combined, or replaced with this embodiment.
  (実施の形態2)
  本実施形態では、実施の形態1と異なる画素構成の一例について述べる。図19に示す
画素は、第1のスイッチ111、第2のスイッチ1712、第3のスイッチ113、第1
の抵抗114、第2の抵抗115、第1の液晶素子121、第2の液晶素子122、第1
の保持容量131及び第2の保持容量132を有する。また、画素は、信号線116、第
1の走査線117、第2の走査線120及びCs線119に接続されている。(Embodiment 2)
 In this embodiment, an example of a pixel configuration different from that in
 holding
  なお、第1のスイッチ111のオンオフは第1の走査線117に入力される信号により
、第2のスイッチ1712及び第3のスイッチ113のオンオフは第1の走査線117及
び第2の走査線120に入力される双方の信号により制御される。このように図19に示
す画素では、第2のスイッチ1712が第1の走査線117及び第2の走査線120の双
方の信号により制御されている点で図1に示す画素構成と異なる。もちろん、同じものを
指す符号は図面間において共通して用い、その説明は省略する。Note that the
  図19に示す画素においても、図1で示した画素と同様のように第1のスイッチ111
、第2のスイッチ1712及び第3のスイッチ113を用いて書き込み期間を、前半と後
半に分割する。In the pixel shown in FIG. 19 as well, the
 , the
  なお、第1の走査線117にHレベルが入力されることにより第1のスイッチ111が
オンし、第1の走査線117及び第2の走査線120の両方にHレベルが入力される場合
のみに第2のスイッチ1712及び第3のスイッチ113がオンする場合について述べる
。Only when the
  まず、書き込み期間の前半部分では第1の走査線117にHレベルを、第2の走査線1
20にLレベルを入力し、第1のスイッチ111をオンさせる。この際、第2のスイッチ
1712及び第3のスイッチ113をオフとしていることで、第1の液晶素子121の画
素電極にはやく電位を供給することが可能となる。First, in the first half of the writing period, the H level is applied to the
 20 to turn on the
  その後、書き込み期間の後半部分では第2の走査線120にもHレベルを入力すること
で、第1のスイッチ111に加え、第2のスイッチ1712及び第3のスイッチ113を
オンとさせる。このようにして、電気的に切断されていた信号線116とCs線119と
を電気的に接続させる。これにより、書き込み期間の前半部分に第1の液晶素子121の
画素電極に供給された電位を画素の階調に応じた最適な電位にはやく調整することができ
る。また、第2の液晶素子122の画素電極にも画素の階調に応じた電位が供給される。After that, in the latter half of the writing period, the
  このようにして、第1の液晶素子121及び第2の液晶素子122に保持された電位差
、即ち電圧を用いて画素の階調を表現する。第1の液晶素子121と第2の液晶素子12
2とでは異なる電圧が印加されているため、各々の液晶素子が有する液晶は異なる配向を
示す。よって、視野角特性を向上することができる。また、素早く画素にビデオ信号を書
き込むことが可能となる。In this manner, the gradation of a pixel is expressed using the potential difference, that is, the voltage held between the first
 2, different voltages are applied, so the liquid crystals of the respective liquid crystal elements exhibit different orientations. Therefore, viewing angle characteristics can be improved. Also, it becomes possible to quickly write a video signal to a pixel.
  なお、画素によって表現する階調は、当該画素における第1の液晶素子121と第2の
液晶素子122の各々が有する液晶の配向により決定されるため、信号線116より供給
する画素の階調に応じた電位はこれらを考慮して決定する必要がある。Note that since the gradation expressed by a pixel is determined by the alignment of the liquid crystal of each of the first
  また、図19においても第1のスイッチ111、第2のスイッチ1712及び第3のス
イッチ113には様々な形態のものを用いることが可能であり、電気的なスイッチや機械
的なスイッチなどを適用することができる。つまり、電流の流れを制御できるものであれ
ばよく、特定のものに限定されない。例えば、トランジスタやダイオードでもよいし、こ
れらを組み合わせた論理回路でも良い。Also in FIG. 19, various forms can be used for the
  そのため、図6と同様、図20に示すように図19における第2のスイッチ1712及
び第3のスイッチ113のそれぞれに第2のトランジスタ1722、第3のトランジスタ
613を用い、さらにこれらのトランジスタのオン抵抗を用いて図19における第1の抵
抗114及び第2の抵抗115を実現し、これら抵抗を省略した構成としても良い。ただ
し、第2のトランジスタ1722及び第3のトランジスタ613は、第1の走査線117
及び第2の走査線120に入力される双方の信号によって制御される必要がある。そのた
め、第2のトランジスタ1722及び第3のトランジスタ613の各々は、ゲート電極が
第1の走査線117及び第2の走査線にそれぞれ接続された2つのトランジスタから構成
される。Therefore, as in FIG. 6, a
 and the signals input to the
  また、書き込み期間の前半部分において信号線116とCs線119とを電気的に切断
するために実施の形態1における図1では第3のスイッチ113のみを、図19では第2
のスイッチ1712及び第3のスイッチ113を用いたが、これに限定されるものではな
い。例えば、図21に示すように第2のスイッチ1712のみであっても良い。この場合
、第1のスイッチ111及び第3のスイッチ1733のオンオフは第1の走査線117に
入力される信号により、第2のスイッチ1712のオンオフは第1の走査線117及び第
2の走査線120に入力される双方の信号により制御される。In order to electrically disconnect the
 Although the
  また、図22に示すように図21における第2のスイッチ1712及び第3のスイッチ
1733のそれぞれに第2のトランジスタ1722、第3のトランジスタ1743を用い
、さらにこれらのトランジスタのオン抵抗を用いて図21における第1の抵抗114及び
第2の抵抗115を実現し、これら抵抗を省略した構成としても良い。Also, as shown in FIG. 22, a
  また、実施の形態1で示したように一画素に含まれる液晶素子の数は特に限定されない
。例えば、図23に示すように図20におけるノード141とトランジスタ1722との
間に、トランジスタ1750、液晶素子1751、保持容量1752とを有するユニット
がさらに設けられていても良い。なお、書き込み期間の前半部分において信号線116と
Cs線119とを電気的に切断するために用いるスイッチは、トランジスタ1722やト
ランジスタ613に限定されず、ユニットが有するトランジスタを用いて信号線116と
Cs線119とを電気的に切断しても良い。In addition, as shown in
  以上のように、本発明を用いて視野角特性を向上させることができる。さらに、コント
ラストの低下を招くことなく駆動させることが可能な構成であるため、より表示品位の高
い液晶表示装置を提供することが可能となる。
なお、本実施の形態において、様々な図を用いて述べてきたが、各々の図で述べた内容(
一部でもよい)は、別の図で述べた内容(一部でもよい)に対して、適用、組み合わせ、
又は置き換えなどを自由に行うことが出来る。さらに、これまでに述べた図において、各
々の部分に関して、別の部分を組み合わせることにより、さらに多くの図を構成させるこ
とが出来る。As described above, the viewing angle characteristics can be improved using the present invention. Furthermore, since the configuration enables driving without causing a decrease in contrast, it is possible to provide a liquid crystal display device with higher display quality.
 In the present embodiment, descriptions have been made using various diagrams, but the contents described in each diagram (
 may be part of it) shall apply, combine, or
 Alternatively, replacement can be freely performed. Furthermore, in the figures described so far, more figures can be configured by combining each part with another part.
同様に、本実施の形態の各々の図で述べた内容(一部でもよい)は、別の実施の形態の図
で述べた内容(一部でもよい)に対して、適用、組み合わせ、又は置き換えなどを自由に
行うことが出来る。さらに、本実施の形態の図において、各々の部分に関して、別の実施
の形態の部分を組み合わせることにより、さらに多くの図を構成させることが出来る。Similarly, the content (may be part of) described in each drawing of this embodiment may be applied, combined or replaced with the content (may be part of) described in the drawing of another embodiment. etc. can be done freely. Furthermore, in the drawings of this embodiment, more drawings can be configured by combining each part with another embodiment.
なお、本実施の形態は、他の実施の形態で述べた内容(一部でもよい)を、具現化した場
合の一例、少し変形した場合の一例、一部を変更した場合の一例、改良した場合の一例、
詳細に述べた場合の一例、応用した場合の一例、関連がある部分についての一例などを示
している。したがって、他の実施の形態で述べた内容は、本実施の形態への適用、組み合
わせ、又は置き換えを自由に行うことができる。In addition, the present embodiment is an example of a case where the content (or part of it) described in another embodiment is embodied, an example of a slightly modified case, an example of a partially changed case, and an improved case. An example of the case,
 An example of detailed description, an example of application, and an example of related parts are shown. Therefore, the contents described in other embodiments can be freely applied, combined, or replaced with this embodiment.
(実施の形態3)
  本実施形態では、実施の形態1と異なる画素構成の一例について述べる。図24に示す
画素は、スイッチ111、トランジスタ612、トランジスタ613、第1の液晶素子1
21、第2の液晶素子122、第1の保持容量131、第2の保持容量132及び第3の
保持容量1601を有する。なお、図24に示す画素は、信号線116、第1の走査線1
17、第2の走査線120及びCs線119に接続されており、実施の形態1で示した図
6の画素におけるトランジスタ613を構成する一トランジスタであるトランジスタ62
0の一方の電極とノード142との間に、第3の保持容量1901が設けられた構成とな
っている。なお、同じものを指す符号は図面間において共通して用い、その説明は省略す
る。(Embodiment 3)
 In this embodiment, an example of a pixel configuration different from that in
 21 , a second
 17, a transistor 62 which is connected to the
 0 and the
  図24に示す画素においても、図6で示した画素と同様に動作させることができる。な
お、第3の保持容量1901を設けることで、第2の液晶素子122の画素電極に供給さ
れるべき階調に応じた電位に達するまでに時間を要する。そのため、第1の液晶素子12
1より印加される電圧が低い第2の液晶素子122が有する液晶の応答速度をあえて遅く
することで、より視野角を向上させることができる。この場合においても、画素が表現す
る階調は当該画素における第1の液晶素子121と第2の液晶素子122の各々が有する
液晶の配向により決定されるため、信号線116より供給する電位はこれらを考慮して決
定する。The pixel shown in FIG. 24 can also be operated in the same manner as the pixel shown in FIG. Note that by providing the
 By deliberately slowing the response speed of the liquid crystal of the second
  また、図25に示すように第3の保持容量1911はトランジスタ612とノード14
2との間に設けられていても良い。図25においても、図6で示した画素と同様に動作さ
せることができる。なお、図24に示した画素と同様、第2の液晶素子122の画素電極
が供給されるべき階調に応じた電位に達するまでに時間を要する。これを利用して、より
視野角を向上させることができる。この場合、第2の液晶素子122に印加される電圧は
第3の保持容量1911との容量分割によって決定されることを考慮にいれたうえで、信
号線116より供給する電位を決定する必要がある。Also, as shown in FIG.
 2 may be provided. Also in FIG. 25, the pixel can be operated in the same manner as the pixel shown in FIG. As in the case of the pixel shown in FIG. 24, it takes time until the pixel electrode of the second
  以上のような画素構成においても、実施の形態1と同様、画素が表現する階調は当該画
素における第1の液晶素子121と第2の液晶素子122の各々が有する液晶の配向によ
り決定されるため、視野角を向上させることができる。さらに、コントラストの低下を招
くことなく駆動させることが可能な構成であるため、より表示品位の高い液晶表示装置を
提供することが可能となる。In the pixel configuration as described above, as in
なお、本実施の形態において、様々な図を用いて述べてきたが、各々の図で述べた内容(
一部でもよい)は、別の図で述べた内容(一部でもよい)に対して、適用、組み合わせ、
又は置き換えなどを自由に行うことが出来る。さらに、これまでに述べた図において、各
々の部分に関して、別の部分を組み合わせることにより、さらに多くの図を構成させるこ
とが出来る。In the present embodiment, descriptions have been made using various diagrams, but the contents described in each diagram (
 may be part of it) shall apply, combine, or
 Alternatively, replacement can be freely performed. Furthermore, in the figures described so far, more figures can be configured by combining each part with another part.
同様に、本実施の形態の各々の図で述べた内容(一部でもよい)は、別の実施の形態の図
で述べた内容(一部でもよい)に対して、適用、組み合わせ、又は置き換えなどを自由に
行うことが出来る。さらに、本実施の形態の図において、各々の部分に関して、別の実施
の形態の部分を組み合わせることにより、さらに多くの図を構成させることが出来る。Similarly, the content (may be part of) described in each drawing of this embodiment may be applied, combined or replaced with the content (may be part of) described in the drawing of another embodiment. etc. can be done freely. Furthermore, in the drawings of this embodiment, more drawings can be configured by combining each part with another embodiment.
なお、本実施の形態は、他の実施の形態で述べた内容(一部でもよい)を、具現化した場
合の一例、少し変形した場合の一例、一部を変更した場合の一例、改良した場合の一例、
詳細に述べた場合の一例、応用した場合の一例、関連がある部分についての一例などを示
している。したがって、他の実施の形態で述べた内容は、本実施の形態への適用、組み合
わせ、又は置き換えを自由に行うことができる。In addition, the present embodiment is an example of a case where the content (or part of it) described in another embodiment is embodied, an example of a slightly modified case, an example of a partially changed case, and an improved case. An example of the case,
 An example of detailed description, an example of application, and an example of related parts are shown. Therefore, the contents described in other embodiments can be freely applied, combined, or replaced with this embodiment.
(実施の形態4)
  本実施形態では、実施の形態1乃至3とは異なる画素構成の一例について述べる。図2
6に示す画素は、スイッチ111、トランジスタ612、トランジスタ613、トランジ
スタ1924、第1の液晶素子121、第2の液晶素子122、第1の保持容量131、
第2の保持容量132及び第3の保持容量1921を有する。なお、図26に示す画素は
、信号線116、第1の走査線117、第2の走査線120及びCs線119に接続され
ており、実施の形態1で示した図6の画素においてさらにトランジスタ1924及び第3
の保持容量1921が設けられた構成となっている。図6と同じものを指す符号は図面間
において共通して用い、その説明は省略する。(Embodiment 4)
 In this embodiment mode, an example of a pixel configuration that is different from those in
 6 includes a
 It has a
 is provided with a holding
  第3の保持容量1921は、ノード142と、第2の保持容量132の第1の電極と第
2の液晶素子122の画素電極とが接続されている配線との接続箇所をノード1922と
すると、ノード1922と第2の液晶素子122の画素電極との間に設けられている。ま
た、トランジスタ1924は、第3の保持容量1921と第2の液晶素子122の画素電
極との接続箇所をノード1923とすると、ノード1923と信号線116との間に設け
られている。即ち、ノード1923はトランジスタ1924を介して信号線116と接続
されている。このトランジスタ1924は、スイッチ111、トランジスタ612やトラ
ンジスタ620と同様、第1の走査線117に入力される信号によってオンオフが制御さ
れる。In the
  図26に示す画素においても、図6で示した画素と同様に動作させることができる。な
お、図26に示す画素では、第1の液晶素子121及び第2の液晶素子122の画素電極
に、それぞれスイッチ111、トランジスタ1924を介して信号線116より同時に電
位が供給される。そのため、それぞれの液晶素子の画素電極の電位を画素の階調に応じた
最適な電位によりはやく調整することができる。よって、高速動作等の際に効果的である
。また、図26に示す画素においても画素が表現する階調は当該画素における第1の液晶
素子121と第2の液晶素子122の各々が有する液晶の配向により決定されるため、視
野角を向上させることができる。なお、トランジスタ1924のオン抵抗は、スイッチ1
11のオン抵抗より大きい方が好ましい。The pixel shown in FIG. 26 can also be operated in the same manner as the pixel shown in FIG. Note that in the pixel shown in FIG. 26, potentials are simultaneously supplied from the
 11 on-resistance is preferable.
  以上のようにして、本発明により視野角特性を向上させることができる。さらに、コン
トラストの低下を招くことなく駆動させることが可能な構成であるため、より表示品位の
高い液晶表示装置を提供することが可能となる。As described above, the viewing angle characteristic can be improved by the present invention. Furthermore, since the configuration enables driving without causing a decrease in contrast, it is possible to provide a liquid crystal display device with higher display quality.
なお、本実施の形態において、様々な図を用いて述べてきたが、各々の図で述べた内容(
一部でもよい)は、別の図で述べた内容(一部でもよい)に対して、適用、組み合わせ、
又は置き換えなどを自由に行うことが出来る。さらに、これまでに述べた図において、各
々の部分に関して、別の部分を組み合わせることにより、さらに多くの図を構成させるこ
とが出来る。In the present embodiment, descriptions have been made using various diagrams, but the contents described in each diagram (
 may be part of it) shall apply, combine, or
 Alternatively, replacement can be freely performed. Furthermore, in the figures described so far, more figures can be configured by combining each part with another part.
同様に、本実施の形態の各々の図で述べた内容(一部でもよい)は、別の実施の形態の図
で述べた内容(一部でもよい)に対して、適用、組み合わせ、又は置き換えなどを自由に
行うことが出来る。さらに、本実施の形態の図において、各々の部分に関して、別の実施
の形態の部分を組み合わせることにより、さらに多くの図を構成させることが出来る。Similarly, the content (may be part of) described in each drawing of this embodiment may be applied, combined or replaced with the content (may be part of) described in the drawing of another embodiment. etc. can be done freely. Furthermore, in the drawings of this embodiment, more drawings can be configured by combining each part with another embodiment.
なお、本実施の形態は、他の実施の形態で述べた内容(一部でもよい)を、具現化した場
合の一例、少し変形した場合の一例、一部を変更した場合の一例、改良した場合の一例、
詳細に述べた場合の一例、応用した場合の一例、関連がある部分についての一例などを示
している。したがって、他の実施の形態で述べた内容は、本実施の形態への適用、組み合
わせ、又は置き換えを自由に行うことができる。In addition, the present embodiment is an example of a case where the content (or part of it) described in another embodiment is embodied, an example of a slightly modified case, an example of a partially changed case, and an improved case. An example of the case,
 An example of detailed description, an example of application, and an example of related parts are shown. Therefore, the contents described in other embodiments can be freely applied, combined, or replaced with this embodiment.
(実施の形態5)
本実施形態では、実施の形態1乃至4とは異なる画素構成の一例について述べる。図27
に示す画素は、スイッチ111、トランジスタ612、トランジスタ613、第1の液晶
素子121、第2の液晶素子122、第1の保持容量131、第2の保持容量132及び
第3の保持容量1931を有する。なお、図27に示す画素は、信号線116、第1の走
査線117、第2の走査線120及びCs線119に接続されており、実施の形態1で示
した図6の画素においてさらに第3の保持容量1931が設けられた構成となっている。
図2と同じものを指す符号は図面間において共通して用い、その説明は省略する。(Embodiment 5)
 In this embodiment mode, an example of a pixel configuration that is different from those in
 1 includes a
 Reference numerals indicating the same elements as those in FIG. 2 are commonly used in the drawings, and descriptions thereof are omitted.
  第3の保持容量1931は、ノード142と、第2の保持容量132の第1の電極と第
2の液晶素子122の画素電極とが接続されている配線との接続箇所をノード1932と
すると、ノード1932と第2の液晶素子122の画素電極との間に設けられている。In the
  図27に示す画素においても、図6で示した画素と同様に動作させることができる。な
お、第3の保持容量1931を設けることで、第2の液晶素子122の画素電極に供給さ
れるべき階調に応じた電位に達するまでに時間を要する。これを利用して、より視野角を
向上させることができる。また、第2の液晶素子122に印加される電圧は、第3の保持
容量1931との容量分割により決定されるため、第2の液晶素子122に小さな電圧を
印加したい場合などに有効である。The pixel shown in FIG. 27 can also be operated in the same manner as the pixel shown in FIG. Note that by providing the
  本実施形態に係る画素においても、画素が表現する階調は当該画素における第1の液晶
素子121と第2の液晶素子122の各々が有する液晶の配向により決定されるため、視
野角を向上させることができる。In the pixel according to the present embodiment as well, since the gradation expressed by the pixel is determined by the orientation of the liquid crystal of each of the first
なお、本実施の形態において、様々な図を用いて述べてきたが、各々の図で述べた内容(
一部でもよい)は、別の図で述べた内容(一部でもよい)に対して、適用、組み合わせ、
又は置き換えなどを自由に行うことが出来る。さらに、これまでに述べた図において、各
々の部分に関して、別の部分を組み合わせることにより、さらに多くの図を構成させるこ
とが出来る。In the present embodiment, descriptions have been made using various diagrams, but the contents described in each diagram (
 may be part of it) shall apply, combine, or
 Alternatively, replacement can be freely performed. Furthermore, in the figures described so far, more figures can be configured by combining each part with another part.
同様に、本実施の形態の各々の図で述べた内容(一部でもよい)は、別の実施の形態の図
で述べた内容(一部でもよい)に対して、適用、組み合わせ、又は置き換えなどを自由に
行うことが出来る。さらに、本実施の形態の図において、各々の部分に関して、別の実施
の形態の部分を組み合わせることにより、さらに多くの図を構成させることが出来る。Similarly, the content (may be part of) described in each drawing of this embodiment may be applied, combined or replaced with the content (may be part of) described in the drawing of another embodiment. etc. can be done freely. Furthermore, in the drawings of this embodiment, more drawings can be configured by combining each part with another embodiment.
なお、本実施の形態は、他の実施の形態で述べた内容(一部でもよい)を、具現化した場
合の一例、少し変形した場合の一例、一部を変更した場合の一例、改良した場合の一例、
詳細に述べた場合の一例、応用した場合の一例、関連がある部分についての一例などを示
している。したがって、他の実施の形態で述べた内容は、本実施の形態への適用、組み合
わせ、又は置き換えを自由に行うことができる。In addition, the present embodiment is an example of a case where the content (or part of it) described in another embodiment is embodied, an example of a slightly modified case, an example of a partially changed case, and an improved case. An example of the case,
 An example of detailed description, an example of application, and an example of related parts are shown. Therefore, the contents described in other embodiments can be freely applied, combined, or replaced with this embodiment.
(実施の形態6)
本実施の形態においては、表示装置の画素構造について説明する。特に、液晶表示装置の
画素構造について説明する。(Embodiment 6)
 In this embodiment mode, a pixel structure of a display device will be described. In particular, the pixel structure of the liquid crystal display device will be described.
各液晶モードとトランジスタとを組み合わせた場合の画素構造について、画素の断面図を
参照して説明する。A pixel structure in which each liquid crystal mode and a transistor are combined will be described with reference to cross-sectional views of pixels.
なお、トランジスタとしては、非晶質シリコン、多結晶シリコン、微結晶(マイクロクリ
スタル、セミアモルファスとも言う)シリコンなどに代表される非単結晶半導体層を有す
る薄膜トランジスタ(TFT)などを用いることが出来る。また、トランジスタの構造と
しては、トップゲート型又はボトムゲート型などを用いることができる。なお、ボトムゲ
ート型のトランジスタとしては、チャネルエッチ型又はチャネル保護型などを用いること
ができる。Note that as the transistor, a thin film transistor (TFT) including a non-single-crystal semiconductor layer typified by amorphous silicon, polycrystalline silicon, microcrystalline (also referred to as microcrystalline or semi-amorphous) silicon, or the like can be used. As a structure of the transistor, a top-gate type, a bottom-gate type, or the like can be used. Note that a channel-etched transistor, a channel-protected transistor, or the like can be used as the bottom-gate transistor.
図28は、TN方式とトランジスタとを組み合わせた場合の画素の断面図の一例である。
図28に示す画素構造の特徴について説明する。FIG. 28 is an example of a cross-sectional view of a pixel in which the TN method and a transistor are combined.
 Features of the pixel structure shown in FIG. 28 will be described.
図28に示した液晶分子2018は、長軸と短軸を持った細長い分子である。ここでは、
液晶分子2018の向きを図中に記す液晶分子の長さによって表現している。すなわち、
長く表現された液晶分子2018は、その長軸の向きが紙面(図28に示す断面方向)に
対し平行であり、短く表現された液晶分子2018ほどその長軸の向きが紙面に対し法線
方向に近くなっているとする。図28に示した液晶分子2018は、第1の基板2001
に近いものと、第2の基板2016に近いものとでは液晶分子の長軸の向きが90度異な
っており、これら基板の中間に位置する液晶分子2018の長軸の向きは、これらを滑ら
かにつなぐような向きとなっている。つまり、図28に示した液晶分子2018は、第1
の基板2001と第2の基板2016の間で、90度ねじれているような配向状態となっ
ている。The liquid crystal molecules 2018 shown in FIG. 28 are elongated molecules with long and short axes. here,
 The orientation of the liquid crystal molecules 2018 is represented by the length of the liquid crystal molecules shown in the figure. i.e.
 The longer liquid crystal molecules 2018 have their major axes parallel to the plane of the paper (the cross-sectional direction shown in FIG. 28), and the shorter the liquid crystal molecules 2018 have their major axes oriented normal to the plane of the paper. is close to Liquid crystal molecules 2018 shown in FIG.
 , and the second substrate 2016, the orientation of the long axis of the liquid crystal molecules is different by 90 degrees, and the orientation of the long axis of the liquid crystal molecules 2018 located between these substrates smooths them. It is oriented to connect. That is, the liquid crystal molecules 2018 shown in FIG.
 Between the substrate 2001 and the second substrate 2016, the orientation is such that it is twisted by 90 degrees.
なお、トランジスタとして、非晶質半導体を用いたボトムゲート型のトランジスタを用い
た場合について説明する。非晶質半導体を用いたトランジスタを用いた場合、大面積の基
板を用いて、安価に液晶表示装置を製造することができる。Note that the case where a bottom-gate transistor including an amorphous semiconductor is used as the transistor is described. When a transistor including an amorphous semiconductor is used, a liquid crystal display device can be manufactured at low cost using a large substrate.
液晶表示装置は、液晶パネルと呼ばれる画像を表示する基幹部分を有する。液晶パネルは
、加工を施した2枚の基板を、数マイクロメートルのギャップを持たせて貼り合わせ、2
枚の基板間に液晶材料を注入することで作製される。即ち、液晶は、第1の基板及び第2
の基板の2枚の基板によって挟持された構成となっている。図28において、液晶201
1は、第1の基板2001及び第2の基板2016に挟持されている。第1の基板200
1には、トランジスタ及び画素電極が形成され、第2の基板2016には、遮光膜201
4、カラーフィルタ2015、第4の導電層2013、スペーサ2017、及び第2の配
向膜2012が形成される。A liquid crystal display device has a main part called a liquid crystal panel that displays an image. The liquid crystal panel is made by bonding two processed substrates together with a gap of several micrometers.
 It is produced by injecting a liquid crystal material between two substrates. That is, the liquid crystal is formed between the first substrate and the second substrate.
 It is sandwiched between two substrates. In FIG. 28, liquid crystal 201
 1 is sandwiched between a first substrate 2001 and a second substrate 2016 . First substrate 200
 A transistor and a pixel electrode are formed on the first substrate 2016, and a light shielding film 201 is formed on the second substrate 2016.
 4. A color filter 2015, a fourth
遮光膜2014を設けることにより、黒を表示する際に光漏れの少ない表示装置を得るこ
とができる。なお、第2の基板2016に遮光膜2014は特に形成されていなくてもよ
い。遮光膜2014を形成しない場合は、工程数を少なくすることが可能となるため、製
造コストの低減及び歩留まりの向上を図ることができる。By providing the light shielding film 2014, a display device with little light leakage when displaying black can be obtained. Note that the light shielding film 2014 may not be particularly formed on the second substrate 2016 . When the light shielding film 2014 is not formed, the number of steps can be reduced, so that the manufacturing cost can be reduced and the yield can be improved.
また、第2の基板2016にカラーフィルタ2015が形成されていなくてもよい。カラ
ーフィルタ2015を形成しない場合においても、遮光膜と同様、工程数が減少すること
が可能となるため、製造コストを低減し、歩留まりの向上を図ることができる。ただし、
カラーフィルタ2015を形成しない場合であって、フィールドシーケンシャル駆動によ
ってカラー表示ができる表示装置を得ることができる。Further, the color filter 2015 may not be formed over the second substrate 2016 . Even if the color filter 2015 is not formed, the number of steps can be reduced as in the case of the light shielding film, so that the manufacturing cost can be reduced and the yield can be improved. however,
 Even if the color filter 2015 is not formed, a display device capable of color display can be obtained by field sequential driving.
また、スペーサ2017の代わりに球状のスペーサを散布してもよい。球状のスペーサを
散布する場合は、工程数が減少するため、製造コストを低減することができる。また、歩
留まりの向上を図ることができる。一方、スペーサ2017を形成する場合にはスペーサ
の位置がばらつかないため、2枚の基板間の距離をより容易に一定にすることができ、表
示ムラの少ない表示装置を得ることができる。Also, instead of the
次に、第1の基板2001に施す加工について説明する。Next, processing applied to the first substrate 2001 will be described.
まず、第1の基板2001上に第1の絶縁膜2002がスパッタ法、印刷法又は塗布法な
どによって成膜される。第1の絶縁膜2002は、基板からの不純物が半導体層に影響を
及ぼし、トランジスタの性質が変化してしまうのを防ぐ機能を有する。ただし、なお、基
板2001として石英を用いるような場合には第1の絶縁膜2002は成膜されていなく
てもよい。First, a first
次に、第1の絶縁膜2002上に、第1の導電層2003がフォトリソグラフィ法、レー
ザー直描法又はインクジェット法等を利用して形成される。Next, a first
次に、第2の絶縁膜2004がスパッタ法、印刷法又は塗布法などによって全面に成膜さ
れている。第2の絶縁膜2004は、基板からの不純物が半導体層に影響を及ぼし、トラ
ンジスタの性質が変化してしまうのを防ぐ機能を有する。Next, a second
次に、第1の半導体層2005及び第2の半導体層2006が形成される。なお、第1の
半導体層2005及び第2の半導体層2006は連続して成膜され、これらの形状は同時
に加工される。Next, a
次に、第2の導電層2007がフォトリソグラフィ法、レーザー直描法又はインクジェッ
ト法などによって形成される。なお、第2の導電層2007の形状が加工されるときに行
われるエッチング方法としては、ドライエッチングを用いることが好適である。なお、第
2の導電層2007としては、透明性を有する材料を用いてもよいし、反射性を有する材
料を用いてもよい。Next, a second
次に、トランジスタのチャネル領域を形成する。その工程の一例を説明する。第2の半導
体層2006は、第2の導電層2007をマスクとして用いてエッチングされる。また、
マスクには第2の導電層2007の形状を加工するためのマスクを用いてエッチングして
も良い。そして、第2の半導体層2006が除去された部分の第1の半導体層2005が
トランジスタのチャネル領域となる。このようにチャネル領域を形成することで、マスク
枚数を減らすことが可能となり、製造コストを低減することができる。Next, a channel region of the transistor is formed. An example of the process will be described. The
 A mask for processing the shape of the second
次に、第3の絶縁膜2008が形成され、第3の絶縁膜2008には選択的にコンタクト
ホールが形成されている。なお、第3の絶縁膜2008にコンタクトホールを形成すると
同時に、第2の絶縁膜2004にもコンタクトホールを形成してもよい。なお、第3の絶
縁膜2008の表面は、できるだけ平坦であることが好ましい。液晶が接する面、即ち第
3の絶縁膜2008の表面の凹凸は液晶分子の配向に影響を与えてしまうからである。Next, a third
次に、第3の導電層2009がフォトリソグラフィ法、レーザー直描法又はインクジェッ
ト法などによって形成される。Next, a third
次に、第1の配向膜2010が形成される。なお、第1の配向膜2010を形成後、液晶
分子の配向を制御するためにラビング処理を行なってもよい。Next, a
以上のように作製した第1の基板2001と、遮光膜2014、カラーフィルタ2015
、第4の導電層2013、スペーサ2017及び第2の配向膜2012が形成された第2
の基板2016とが数マイクロメートルのギャップを持たせてシール材によって貼り合わ
せられる。そして、2枚の基板間に液晶材料が注入される。なお、TN方式では、第4の
導電層2013は、第2の基板2016の全面に形成される。A first substrate 2001 manufactured as described above, a light shielding film 2014, and a color filter 2015
 , a fourth
 and the substrate 2016 are bonded with a sealing material with a gap of several micrometers. A liquid crystal material is then injected between the two substrates. Note that the fourth
図29(A)は、MVA(Multi-domain  Vertical  Alignm
ent)方式とトランジスタとを組み合わせた場合の画素の断面図の一例である。図29
(A)に示す画素構造を本発明の液晶表示装置に適用することによって、さらに視野角が
大きくすることができる。FIG. 29(A) shows MVA (Multi-domain Vertical Alignment
 ent) is an example of a cross-sectional view of a pixel when the method and a transistor are combined. Figure 29
 By applying the pixel structure shown in (A) to the liquid crystal display device of the present invention, the viewing angle can be further increased.
図29(A)に示す画素構造を用いて、MVA方式の液晶パネルの画素構造の特徴につい
て説明する。図29(A)に示した液晶分子2118は、図28に示した液晶分子201
8と同様、長軸と短軸を持った細長い分子である。そのため、図29(A)においても液
晶分子2118の向きを図中に記す液晶分子の長さによって表現している。つまり、図2
9(A)に示した液晶分子2118は、その長軸の向きが配向膜に対し法線方向を向くよ
うに配向している。また、配向制御用突起2119のある部分の液晶分子2118は、配
向制御用突起2119を中心として放射状に配向する。この状態となることによって、視
野角の大きい液晶表示装置を得ることができる。Using the pixel structure shown in FIG. 29A, the characteristics of the pixel structure of the MVA liquid crystal panel will be described. The liquid crystal molecules 2118 shown in FIG. 29A correspond to the liquid crystal molecules 201 shown in FIG.
 Like 8, it is an elongated molecule with a long axis and a short axis. Therefore, in FIG. 29A as well, the orientation of the liquid crystal molecules 2118 is represented by the length of the liquid crystal molecules shown in the drawing. In other words, Figure 2
 The liquid crystal molecules 2118 shown in 9A are oriented so that their long axes are directed in the normal direction to the orientation film. Also, the liquid crystal molecules 2118 in the portion where the alignment control protrusion 2119 is located are radially aligned with the alignment control protrusion 2119 as the center. With this state, a liquid crystal display device with a wide viewing angle can be obtained.
なお、トランジスタとして、非晶質半導体を用いたボトムゲート型のトランジスタを用い
た場合について説明する。非晶質半導体を用いたトランジスタを用いた場合、大面積の基
板を用いて、安価に液晶表示装置を製造することができる。Note that the case where a bottom-gate transistor including an amorphous semiconductor is used as the transistor is described. When a transistor including an amorphous semiconductor is used, a liquid crystal display device can be manufactured at low cost using a large substrate.
図29(A)において、液晶2111を挟持する2枚の基板は、第1の基板2101及び
第2の基板2116に相当する。なお、第1の基板2101には、トランジスタ及び画素
電極が形成され、第2の基板2116には、遮光膜2114、カラーフィルタ2115、
第4の導電層2113、スペーサ2117、第2の配向膜2112、及び配向制御用突起
2119が形成されている。In FIG. 29A, two substrates sandwiching the
 A fourth
遮光膜2114を設けることにより、黒を表示する際に光漏れの少ない表示装置を得るこ
とができる。なお、第2の基板2116に遮光膜2114は特に形成されていなくてもよ
い。遮光膜2114を形成しない場合は、工程数を少なくすることが可能となるため、製
造コストの低減及び歩留まりの向上を図ることができる。By providing the light shielding film 2114, a display device with little light leakage when displaying black can be obtained. Note that the light shielding film 2114 may not be particularly formed on the second substrate 2116 . When the light shielding film 2114 is not formed, the number of steps can be reduced, so that the manufacturing cost can be reduced and the yield can be improved.
また、第2の基板2116にカラーフィルタ2115が形成されていなくてもよい。カラ
ーフィルタ2115を形成しない場合においても、遮光膜と同様、工程数が減少すること
が可能となるため、製造コストを低減し、歩留まりの向上を図ることができる。ただし、
カラーフィルタ2115を形成しない場合であって、フィールドシーケンシャル駆動によ
ってカラー表示ができる表示装置を得ることができる。In addition, the color filter 2115 may not be formed over the second substrate 2116 . Even if the color filter 2115 is not formed, the number of steps can be reduced as in the case of the light shielding film, so that the manufacturing cost can be reduced and the yield can be improved. however,
 Even if the color filter 2115 is not formed, a display device capable of color display can be obtained by field sequential driving.
また、スペーサ2117の代わりに球状のスペーサを散布してもよい。球状のスペーサを
散布する場合は、工程数が減少するため、製造コストを低減することができる。また、歩
留まりの向上を図ることができる。一方、スペーサ2117を形成する場合にはスペーサ
の位置がばらつかないため、2枚の基板間の距離をより容易に一定にすることができ、表
示ムラの少ない表示装置を得ることができる。Also, instead of the
第1の基板2101に施す加工について説明する。Processing performed on the first substrate 2101 will be described.
まず、第1の基板2101上に第1の絶縁膜2102がスパッタ法、印刷法又は塗布法な
どによって成膜される。第1の絶縁膜2102は、基板からの不純物が半導体層に影響を
及ぼし、トランジスタの性質が変化してしまうのを防ぐ機能を有する。ただし、なお、基
板2101として石英を用いるような場合には第1の絶縁膜2102は成膜されていなく
てもよい。First, a first
次に、第1の絶縁膜2102上に、第1の導電層2103がフォトリソグラフィ法、レー
ザー直描法又はインクジェット法等を利用して形成される。Next, a first
次に、第2の絶縁膜2104がスパッタ法、印刷法又は塗布法などによって全面に成膜さ
れている。第2の絶縁膜2104は、基板からの不純物が半導体層に影響を及ぼし、トラ
ンジスタの性質が変化してしまうのを防ぐ機能を有する。Next, a second
次に、第1の半導体層2105及び第2の半導体層2106が形成される。なお、第1の
半導体層2105及び第2の半導体層2106は連続して成膜され、これらの形状は同時
に加工される。Next, a
次に、第2の導電層2107がフォトリソグラフィ法、レーザー直描法又はインクジェッ
ト法などによって形成される。なお、第2の導電層2107の形状が加工されるときに行
われるエッチング方法としては、ドライエッチングを用いることが好適である。なお、第
2の導電層2107としては、透明性を有する材料を用いてもよいし、反射性を有する材
料を用いてもよい。Next, a second
次に、トランジスタのチャネル領域を形成する。その工程の一例を説明する。第2の半導
体層225は、第2の導電層2107をマスクとして用いてエッチングされる。また、マ
スクには第2の導電層2107の形状を加工するためのマスクを用いてエッチングしても
良い。そして、第2の半導体層2106が除去された部分の第1の半導体層2105がト
ランジスタのチャネル領域となる。このようにチャネル領域を形成することで、マスク枚
数を減らすことが可能となり、製造コストを低減することができる。Next, a channel region of the transistor is formed. An example of the process will be described. The second semiconductor layer 225 is etched using the second
次に、第3の絶縁膜2108が形成され、第3の絶縁膜2108には選択的にコンタクト
ホールが形成されている。なお、第3の絶縁膜2108にコンタクトホールを形成すると
同時に、第2の絶縁膜2104にもコンタクトホールを形成してもよい。Next, a third
次に、第3の導電層2109がフォトリソグラフィ法、レーザー直描法又はインクジェッ
ト法などによって形成される。Next, a third
次に、第1の配向膜2110が形成される。なお、第1の配向膜2110を形成後、液晶
分子の配向を制御するために、ラビング処理を行なってもよい。Next, a
以上のように作製した第1の基板2101と、遮光膜2114、カラーフィルタ2115
、第4の導電層2113、スペーサ2117、及び第2の配向膜2112を作製した第2
の基板2116とが数マイクロメートルのギャップを持たせてシール材によって貼り合わ
せられる。そして、2枚の基板間に液晶材料が注入される。A first substrate 2101 manufactured as described above, a light shielding film 2114, and a color filter 2115
 , a fourth
 and the substrate 2116 of , are bonded with a sealing material with a gap of several micrometers. A liquid crystal material is then injected between the two substrates.
なお、MVA方式では、第4の導電層2113は、第2の基板2116の全面に形成され
ている。また、第4の導電層2113に接して、配向制御用突起2119が形成されてい
る。配向制御用突起2119の形状は、滑らかな曲面を持った形状であることが好ましい
。こうすることで、配向制御用突起2119による液晶分子2118の配向不良を低減す
る。また、配向制御用突起2119上に形成される配向膜の段切れを防止することができ
るため、この段切れによる配向膜の不良も低減することができる。Note that the fourth
図29(B)は、PVA(Paterned  Vertical  Alignment)
方式とトランジスタとを組み合わせた場合の画素の断面図の一例である。図29(B)に
示す画素構造を本発明の液晶表示装置に適用することによって、さらに視野角が大きくす
ることができる。FIG. 29B shows PVA (Patterned Vertical Alignment)
 FIG. 10 is an example of a cross-sectional view of a pixel in which a method and a transistor are combined; By applying the pixel structure shown in FIG. 29B to the liquid crystal display device of the present invention, the viewing angle can be further increased.
図29(B)に示す画素構造の特徴について説明する。図29(B)に示した液晶分子2
148も、図28に示した液晶分子2018と同様、図29(B)においても液晶分子2
148の向きを図中に記す液晶分子の長さによって表現している。そのため、図29(B
)に示した液晶分子2148は、その長軸の向きが配向膜に対し法線方向を向くように配
向している。また、第4の導電層2143が設けられていない電極切り欠き部2149の
周囲に存在する液晶分子2148は、電極切り欠き部2149と第4の導電層2143の
境界を中心として放射状に配向する。この状態となることによって、視野角の大きい液晶
表示装置を得ることができる。Features of the pixel structure shown in FIG. 29B will be described.
 148 is similar to the liquid crystal molecule 2018 shown in FIG.
 The orientation of 148 is represented by the length of the liquid crystal molecules shown in the figure. Therefore, FIG.
 ) are oriented so that their long axes are oriented in the normal direction to the orientation film.
なお、トランジスタとして、非晶質半導体を用いたボトムゲート型のトランジスタを用い
た場合について説明する。非晶質半導体を用いたトランジスタを用いた場合、大面積の基
板を用いて、安価に液晶表示装置を製造することができる。Note that the case where a bottom-gate transistor including an amorphous semiconductor is used as the transistor is described. When a transistor including an amorphous semiconductor is used, a liquid crystal display device can be manufactured at low cost using a large substrate.
図29(B)において、液晶2141を挟持する2枚の基板は、第1の基板2131及び
第2の基板2146に相当する。なお、第1の基板2131には、トランジスタ及び画素
電極が形成され、第2の基板2146には、遮光膜2144、カラーフィルタ2145、
第4の導電層2143、スペーサ2147、及び第2の配向膜2142が形成されている
。In FIG. 29B, the two substrates sandwiching the
 A fourth
遮光膜2144を設けることにより、黒を表示する際に光漏れの少ない表示装置を得るこ
とができる。なお、第2の基板2146に遮光膜2144は特に形成されていなくてもよ
い。遮光膜2144を形成しない場合は、工程数を少なくすることが可能となるため、製
造コストの低減及び歩留まりの向上を図ることができる。By providing the light shielding film 2144, a display device with little light leakage when displaying black can be obtained. Note that the light shielding film 2144 may not be particularly formed on the
また、第2の基板2146にカラーフィルタ2145が形成されていなくてもよい。カラ
ーフィルタ2145を形成しない場合においても、遮光膜と同様、工程数が減少すること
が可能となるため、製造コストを低減し、歩留まりの向上を図ることができる。ただし、
カラーフィルタ2145を形成しない場合であって、フィールドシーケンシャル駆動によ
ってカラー表示ができる表示装置を得ることができる。In addition, the color filter 2145 may not be formed over the
 Even if the color filter 2145 is not formed, a display device capable of color display can be obtained by field sequential driving.
また、スペーサ2147の代わりに球状のスペーサを散布してもよい。球状のスペーサを
散布する場合は、工程数が減少するため、製造コストを低減することができる。また、歩
留まりの向上を図ることができる。一方、スペーサ2147を形成する場合にはスペーサ
の位置がばらつかないため、2枚の基板間の距離をより容易に一定にすることができ、表
示ムラの少ない表示装置を得ることができる。Also, instead of the
第1の基板2131に施す加工について説明する。Processing performed on the first substrate 2131 will be described.
まず、第1の基板2131上に、第1の絶縁膜2132がスパッタ法、印刷法又は塗布法
などによって成膜される。第1の絶縁膜2132は、基板からの不純物が半導体層に影響
を及ぼし、トランジスタの性質が変化してしまうのを防ぐ機能を有する。ただし、なお、
基板2131として石英を用いるような場合には第1の絶縁膜2132は成膜されていな
くてもよい。First, a first
 When quartz is used as the substrate 2131, the first insulating
次に、第1の絶縁膜2132上に、第1の導電層2133がフォトリソグラフィ法、レー
ザー直描法又はインクジェット法等を利用して形成される。Next, a first
次に、第2の絶縁膜2134がスパッタ法、印刷法又は塗布法などによって全面に成膜さ
れている。第2の絶縁膜2134は、基板からの不純物が半導体層に影響を及ぼし、トラ
ンジスタの性質が変化してしまうのを防ぐ機能を有する。Next, a second
次に、第1の半導体層2135及び第2の半導体層2136が形成される。なお、第1の
半導体層2135及び第2の半導体層2136は連続して成膜され、これらの形状は同時
に加工される。Next, a
次に、第2の導電層2137がフォトリソグラフィ法、レーザー直描法又はインクジェッ
ト法などによって形成される。なお、第2の導電層2137の形状が加工されるときに行
われるエッチング方法としては、ドライエッチングを用いることが好適である。なお、第
2の導電層2137としては、透明性を有する材料を用いてもよいし、反射性を有する材
料を用いてもよい。Next, a second
次に、トランジスタのチャネル領域を形成する。その工程の一例を説明する。第2の半導
体層2136は、第2の導電層2137をマスクとして用いてエッチングされる。また、
マスクには第2の導電層2137の形状を加工するためのマスクを用いてエッチングして
も良い。そして、第2の半導体層2136が除去された部分の第1の半導体層2135が
トランジスタのチャネル領域となる。このようにチャネル領域を形成することで、マスク
枚数を減らすことが可能となり、製造コストを低減することができる。Next, a channel region of the transistor is formed. An example of the process will be described. The
 A mask for processing the shape of the second
次に、第3の絶縁膜2138が形成され、第3の絶縁膜2138には選択的にコンタクト
ホールが形成されている。なお、第3の絶縁膜2138にコンタクトホールを形成すると
同時に、第2の絶縁膜2134にもコンタクトホールを形成してもよい。Next, a third
次に、第3の導電層2139がフォトリソグラフィ法、レーザー直描法又はインクジェッ
ト法などによって形成される。Next, a third
次に、第1の配向膜2140が形成される。なお、第1の配向膜2140を形成後、液晶
分子の配向を制御するために、ラビング処理を行なってもよい。Next, a
以上のように作製した第1の基板2131と、遮光膜2144、カラーフィルタ2145
、第4の導電層2143、スペーサ2147及び第2の配向膜2142を作製した第2の
基板2146とが数マイクロメートルのギャップを持たせてシール材によって貼り合わせ
られる。そして、2枚の基板間に液晶材料が注入される。A first substrate 2131 manufactured as described above, a light shielding film 2144, and a color filter 2145
 , the fourth
なお、PVA方式では、第4の導電層2143にパターン加工が施され、電極切り欠き部
2149が形成される。なお、電極切り欠き部2149の形状に特に限定はないが、異な
る向きを持った複数の矩形を組み合わせた形状であるのが好適である。こうすることで、
配向の異なる複数の領域が形成できるので、視野角の大きな液晶表示装置を得ることがで
きる。なお、電極切り欠き部2149と第4の導電層2143の境界における第4の導電
層2143の形状は、その底辺に対し滑らかな斜面を有することが好適である。こうする
ことで、当該斜面に近接する液晶分子2148の配向不良を低減する。また、第4の導電
層2143上に形成される配向膜の段切れを防止することができるため、この段切れによ
る配向膜の不良も低減することができる。In the PVA method, the fourth
 Since a plurality of regions with different orientations can be formed, a liquid crystal display device with a wide viewing angle can be obtained. The shape of the fourth
図30(A)は、IPS(In-Plane-Switching)方式とトランジスタ
とを組み合わせた場合の画素の断面図の一例である。図30(A)に示す画素構造を本発
明の液晶表示装置に適用することによって、さらに視野角が大きくすることができる。FIG. 30A is an example of a cross-sectional view of a pixel in which an IPS (In-Plane-Switching) method and a transistor are combined. By applying the pixel structure shown in FIG. 30A to the liquid crystal display device of the present invention, the viewing angle can be further increased.
図30(A)に示す画素構造の特徴について説明する。図30(A)に示した液晶分子2
248は、図28に示した液晶分子2018と同様、長軸と短軸を持った細長い分子であ
る。そのため、図30(A)においても液晶分子2218の向きをの向きを図中に記す液
晶分子の長さによって表現している。つまり、図30(A)に示した液晶分子2218は
、その長軸の向きが常に基板に対し水平の方向を向くように配向している。図30(A)
においては、液晶2211が存在する領域に電界が生じていない状態における液晶分子2
218配向を表しているが、液晶分子2218に電界が印加されたときは、その長軸の向
きが常に基板に対し水平の方向を維持したまま、水平面内において回転する。この状態と
なることによって、視野角の大きい液晶表示装置を得ることができる。Features of the pixel structure shown in FIG. 30A will be described.
 248 is an elongated molecule having a long axis and a short axis like the liquid crystal molecule 2018 shown in FIG. Therefore, in FIG. 30A as well, the orientation of the
 , the
 218 orientation, when an electric field is applied to the
なお、トランジスタとして、非晶質半導体を用いたボトムゲート型のトランジスタを用い
た場合について説明する。非晶質半導体を用いたトランジスタを用いた場合、大面積の基
板を用いて、安価に液晶表示装置を製造することができる。Note that the case where a bottom-gate transistor including an amorphous semiconductor is used as the transistor is described. When a transistor including an amorphous semiconductor is used, a liquid crystal display device can be manufactured at low cost using a large substrate.
図30(A)において、液晶2211を挟持する2枚の基板は、第1の基板2201、及
び第2の基板2216に相当する。なお、第1の基板2201には、トランジスタ及び画
素電極が形成され、第2の基板2216には、遮光膜2214、カラーフィルタ2215
、スペーサ2217、及び第2の配向膜2212が形成されている。In FIG. 30A, the two substrates sandwiching the
 , a
遮光膜2214を設けることにより、黒を表示する際に光漏れの少ない表示装置を得るこ
とができる。なお、第2の基板2216に遮光膜2214は特に形成されていなくてもよ
い。遮光膜2214を形成しない場合は、工程数を少なくすることが可能となるため、製
造コストの低減及び歩留まりの向上を図ることができる。By providing the light shielding film 2214, a display device with little light leakage when displaying black can be obtained. Note that the light shielding film 2214 may not be particularly formed on the second substrate 2216 . When the light shielding film 2214 is not formed, the number of steps can be reduced, so that the manufacturing cost can be reduced and the yield can be improved.
また、第2の基板2216にカラーフィルタ2215が形成されていなくてもよい。カラ
ーフィルタ2215を形成しない場合においても、遮光膜と同様、工程数が減少すること
が可能となるため、製造コストを低減し、歩留まりの向上を図ることができる。ただし、
カラーフィルタ2215を形成しない場合であって、フィールドシーケンシャル駆動によ
ってカラー表示ができる表示装置を得ることができる。In addition, the color filter 2215 may not be formed over the second substrate 2216 . Even if the color filter 2215 is not formed, the number of steps can be reduced as in the case of the light shielding film, so that the manufacturing cost can be reduced and the yield can be improved. however,
 Even if the color filter 2215 is not formed, a display device capable of color display can be obtained by field sequential driving.
また、スペーサ2217の代わりに球状のスペーサを散布してもよい。球状のスペーサを
散布する場合は、工程数が減少するため、製造コストを低減することができる。また、歩
留まりの向上を図ることができる。一方、スペーサ2217を形成する場合にはスペーサ
の位置がばらつかないため、2枚の基板間の距離をより容易に一定にすることができ、表
示ムラの少ない表示装置を得ることができる。Also, instead of the
第1の基板2201に施す加工について説明する。Processing performed on the first substrate 2201 will be described.
まず、第1の基板2201上に第1の絶縁膜2202がスパッタ法、印刷法又は塗布法な
どによって成膜される。第1の絶縁膜2202は、基板からの不純物が半導体層に影響を
及ぼし、トランジスタの性質が変化してしまうのを防ぐ機能を有する。ただし、なお、基
板2201として石英を用いるような場合には第1の絶縁膜2202は成膜されていなく
てもよい。First, a first
次に、第1の絶縁膜2202上に、第1の導電層2203がフォトリソグラフィ法、レー
ザー直描法又はインクジェット法等を利用して形成される。Next, a first
次に、第2の絶縁膜2204がスパッタ法、印刷法又は塗布法などによって全面に成膜さ
れている。第2の絶縁膜2204は、基板からの不純物が半導体層に影響を及ぼし、トラ
ンジスタの性質が変化してしまうのを防ぐ機能を有する。Next, a second
次に、第1の半導体層2205及び第2の半導体層2206が形成される。なお、第1の
半導体層2205及び第2の半導体層2206は連続して成膜され、これらの形状は同時
に加工される。Next, a
次に、第2の導電層2207がフォトリソグラフィ法、レーザー直描法又はインクジェッ
ト法などによって形成される。なお、第2の導電層2207の形状が加工されるときに行
われるエッチング方法としては、ドライエッチングを用いることが好適である。なお、第
2の導電層2207としては、透明性を有する材料を用いてもよいし、反射性を有する材
料を用いてもよい。Next, a second
次に、トランジスタのチャネル領域を形成する。その工程の一例を説明する。第2の半導
体層2206は、第2の導電層2207をマスクとして用いてエッチングされる。また、
マスクには第2の導電層2207の形状を加工するためのマスクを用いてエッチングして
も良い。そして、第2の半導体層2206が除去された部分の第1の半導体層2205が
トランジスタのチャネル領域となる。このようにチャネル領域を形成することで、マスク
枚数を減らすことが可能となり、製造コストを低減することができる。Next, a channel region of the transistor is formed. An example of the process will be described. The
 A mask for processing the shape of the second
次に、第3の絶縁膜2208が形成され、第3の絶縁膜2208には選択的にコンタクト
ホールが形成されている。なお、第3の絶縁膜2208にコンタクトホールを形成すると
同時に、第2の絶縁膜2204にもコンタクトホールを形成してもよい。Next, a third
次に、第3の導電層2209がフォトリソグラフィ法、レーザー直描法又はインクジェッ
ト法などによって形成される。ここで、第3の導電層2209の形状は、互いにかみ合っ
た2つの櫛歯状とする。一方の櫛歯状の電極がトランジスタのソース電極及びドレイン電
極の一方と電気的に接続され、他方の櫛歯状の電極が共通電極と電気的に接続される。こ
うすることで、液晶分子2218に効果的に横方向の電界をかけることができる。Next, a third
次に、第1の配向膜2210が形成される。なお、第1の配向膜2210を形成後、液晶
分子の配向を制御するために、ラビング処理を行なってもよい。Next, a
以上のように作製した第1の基板2201と、遮光膜2214、カラーフィルタ2215
、スペーサ2217、及び第2の配向膜2212を作製した第2の基板2216とが数マ
イクロメートルのギャップを持たせてシール材によって貼り合わせられる。そして、2枚
の基板間に液晶材料が注入される。A first substrate 2201 manufactured as described above, a light shielding film 2214, and a color filter 2215
 , a
図30(B)は、FFS(Fringe  Field  Switching)方式ととト
ランジスタとを組み合わせた場合の画素の断面図の一例である。図30(B)に示す画素
構造を本発明の液晶表示装置に適用することによって、さらに視野角が大きくすることが
できる。FIG. 30B is an example of a cross-sectional view of a pixel in which a fringe field switching (FFS) method and a transistor are combined. By applying the pixel structure shown in FIG. 30B to the liquid crystal display device of the present invention, the viewing angle can be further increased.
図30(B)に示す画素構造の特徴について説明する。図30(B)に示した液晶分子2
248、図28に示した液晶分子2018と同様、図30(B)においても液晶分子21
48の向きを図中に記す液晶分子の長さによって表現している。そのため、図30(B)
に示した液晶分子2248は、その長軸の向きが常に基板に対し水平の方向を向くように
配向している。図30(B)においては、液晶2241が存在する領域に電電界が生じて
いない状態における液晶分子2248配向を表しているが、液晶分子2248に電界が印
加されたときは、その長軸の向きが常に基板に対し水平の方向を維持したまま、水平面内
において回転する。この状態となることによって、視野角の大きい液晶表示装置を得るこ
とができる。Features of the pixel structure shown in FIG. 30B will be described.
 248, similar to the liquid crystal molecules 2018 shown in FIG. 28, the liquid crystal molecules 21
 The orientation of 48 is represented by the length of the liquid crystal molecules shown in the figure. Therefore, FIG. 30(B)
なお、トランジスタとして、非晶質半導体を用いたボトムゲート型のトランジスタを用い
た場合について説明する。非晶質半導体を用いたトランジスタを用いた場合、大面積の基
板を用いて、安価に液晶表示装置を製造することができる。Note that the case where a bottom-gate transistor including an amorphous semiconductor is used as the transistor is described. When a transistor including an amorphous semiconductor is used, a liquid crystal display device can be manufactured at low cost using a large substrate.
図30(B)において、液晶2241を挟持する2枚の基板は、第1の基板2231及び
第2の基板2246に相当する。なお、第1の基板2241には、トランジスタ及び画素
電極が形成され、第2の基板2246には、遮光膜2244、カラーフィルタ2245、
スペーサ2247、及び第2の配向膜2242が形成されている。In FIG. 30B, the two substrates sandwiching the
 A
遮光膜2244を設けることにより、黒を表示する際に光漏れの少ない表示装置を得るこ
とができる。なお、第2の基板2246に遮光膜2244は特に形成されていなくてもよ
い。遮光膜2244を形成しない場合は、工程数を少なくすることが可能となるため、製
造コストの低減及び歩留まりの向上を図ることができる。By providing the light shielding film 2244, a display device with less light leakage when displaying black can be obtained. Note that the light shielding film 2244 may not be particularly formed on the second substrate 2246 . When the light shielding film 2244 is not formed, the number of steps can be reduced, so that the manufacturing cost can be reduced and the yield can be improved.
また、第2の基板2246にカラーフィルタ2245が形成されていなくてもよい。カラ
ーフィルタ2245を形成しない場合においても、遮光膜と同様、工程数が減少すること
が可能となるため、製造コストを低減し、歩留まりの向上を図ることができる。ただし、
カラーフィルタ2245を形成しない場合であって、フィールドシーケンシャル駆動によ
ってカラー表示ができる表示装置を得ることができる。Further, the color filter 2245 may not be formed over the second substrate 2246 . Even if the color filter 2245 is not formed, the number of steps can be reduced as in the case of the light shielding film, so that the manufacturing cost can be reduced and the yield can be improved. however,
 Even if the color filter 2245 is not formed, a display device capable of color display can be obtained by field sequential driving.
また、スペーサ2247の代わりに球状のスペーサを散布してもよい。球状のスペーサを
散布する場合は、工程数が減少するため、製造コストを低減することができる。また、歩
留まりの向上を図ることができる。一方、スペーサ2247を形成する場合にはスペーサ
の位置がばらつかないため、2枚の基板間の距離をより容易に一定にすることができ、表
示ムラの少ない表示装置を得ることができる。Also, instead of the
第1の基板2231に施す加工について説明する。Processing performed on the first substrate 2231 will be described.
まず、第1の基板2231上に、第1の絶縁膜2232がスパッタ法、印刷法又は塗布法
などによって成膜される。第1の絶縁膜2232は、基板からの不純物が半導体層に影響
を及ぼし、トランジスタの性質が変化してしまうのを防ぐ機能を有する。ただし、なお、
基板2231として石英を用いるような場合には第1の絶縁膜2232は成膜されていな
くてもよい。First, a first
 When quartz is used as the substrate 2231, the first insulating
次に、第1の絶縁膜2232上に、第1の導電層2233がフォトリソグラフィ法、レー
ザー直描法又はインクジェット法等を利用して形成される。Next, a first
次に、第2の絶縁膜2234がスパッタ法、印刷法又は塗布法などによって全面に成膜さ
れている。第2の絶縁膜2234は、基板からの不純物が半導体層に影響を及ぼし、トラ
ンジスタの性質が変化してしまうのを防ぐ機能を有する。Next, a second
次に、第1の半導体層2235及び第2の半導体層2236が形成される。なお、第1の
半導体層2235及び第2の半導体層2236は連続して成膜され、これらの形状は同時
に加工される。Next, a
次に、第2の導電層2237がフォトリソグラフィ法、レーザー直描法又はインクジェッ
ト法などによって形成される。なお、第2の導電層2237の形状が加工されるときに行
われるエッチング方法としては、ドライエッチングを用いることが好適である。なお、第
2の導電層2237としては、透明性を有する材料を用いてもよいし、反射性を有する材
料を用いてもよい。Next, a second
次に、トランジスタのチャネル領域を形成する。その工程の一例を説明する。第2の半導
体層2236は、第2の導電層2237をマスクとして用いてエッチングされる。また、
マスクには第2の導電層2237の形状を加工するためのマスクを用いてエッチングして
も良い。そして、第2の半導体層2236が除去された部分の第1の半導体層2235が
トランジスタのチャネル領域となる。このようにチャネル領域を形成することで、マスク
枚数を減らすことが可能となり、製造コストを低減することができる。Next, a channel region of the transistor is formed. An example of the process will be described. The
 A mask for processing the shape of the second
次に、第3の絶縁膜2238が形成され、第3の絶縁膜2238には選択的にコンタクト
ホールが形成されている。Next, a third
次に、第3の導電層2239がフォトリソグラフィ法、レーザー直描法又はインクジェッ
ト法などによって形成されている。Next, a third
次に、第4の絶縁膜2249が形成され、第4の絶縁膜2249には選択的にコンタクト
ホールが形成されている。Next, a fourth
次に、第4の導電層2243がフォトリソグラフィ法、レーザー直描法又はインクジェッ
ト法などによって形成される。ここで、第4の導電層2243の形状は、櫛歯状とする。Next, a fourth
次に、第1の配向膜2240が形成される。なお、第1の配向膜2240を形成後、液晶
分子の配向を制御するために、ラビング処理を行なってもよい。Next, a
以上のように作製した第1の基板2231と、遮光膜2244、カラーフィルタ2245
、スペーサ2247、及び第2の配向膜2242を作製した第2の基板2246とがシー
ル材によって数マイクロメートルのギャップを持たせて貼り合わせ、2枚の基板間に液晶
材料を注入することで、液晶パネルが作製できる。A first substrate 2231 manufactured as described above, a light shielding film 2244, and a color filter 2245
 , a
ここで、各導電層又は各絶縁膜に用いることができる材料について説明する。Here, materials that can be used for each conductive layer or each insulating film are described.
図28の第1の絶縁膜2002、図29(A)の第1の絶縁膜2102、図29(B)の
第1の絶縁膜2132、図30(A)の第1の絶縁膜2202、図30(B)の第1の絶
縁膜2232としては、酸化シリコン膜、窒化シリコン膜又は酸化窒化シリコン膜(Si
OxNy)等の絶縁膜を用いることができる。また、これら絶縁膜は、酸化シリコン膜、
窒化シリコン膜又は酸化窒化シリコン膜(SiOxNy)等のうちの2つ以上の膜を組み
合わせた積層構造の絶縁膜を用いることができる。The first
 OxNy) or other insulating films can be used. Further, these insulating films are silicon oxide films,
 An insulating film having a laminated structure in which two or more films such as a silicon nitride film or a silicon oxynitride film (SiOxNy) are combined can be used.
図28の第1の導電層2003、図29(A)の第1の導電層2103、図29(B)の
第1の導電層2133、図30(A)の第1の導電層2203、図30(B)の第1の導
電層2233としては、Mo、Ti、Al、Nd、Crなどの導電性材料を用いることが
できる。また、これら導電層は、Mo、Ti、Al、Nd、Crなどの導電性材料うち、
2つ以上を組み合わせた積層構造を用いることもできる。The first
 A laminate structure in which two or more are combined can also be used.
図28の第2の絶縁膜2004、図29(A)の第2の絶縁膜2104、図29(B)の
第2の絶縁膜2134、図30(A)の第2の絶縁膜2204、図30(B)の第2の絶
縁膜2234としては、熱酸化膜、酸化シリコン膜、窒化シリコン膜又は酸化窒化シリコ
ン膜などを用いることができる。また、熱酸化膜、酸化シリコン膜、窒化シリコン膜又は
酸化窒化シリコン膜などのうち2以上を組み合わせた積層構造などを用いることができる
。なお、半導体層と接する部分では、酸化シリコン膜であることが好ましい。酸化シリコ
ン膜にすることにより、半導体層との界面におけるトラップ準位が少なくなるからである
。なお、Moと接する部分では、窒化シリコン膜であることが好ましい。窒化シリコン膜
はMoを酸化させないからである。The second
図28の第1の半導体層2005、図29(A)の第1の半導体層2105、図29(B
)の第1の半導体層2135、図30(A)の第1の半導体層2205、図30(B)の
第1の半導体層2235としては、シリコン又はシリコンゲルマニウム(SiGe)など
を用いることができる。The
 ), the
図28の第2の半導体層2006、図29(A)の第2の半導体層2106、図29(B
)の第2の半導体層2136、図30(A)の第2の半導体層2206、図30(B)の
第2の半導体層2236としては、リン等を含んだシリコン等を用いることができる。The
 ), the
図28の第2の導電層2007及び第3の導電層2009、図29(A)の第2の導電層
2107及び第3の導電層2109、図29(B)の第2の導電層2137及び第2の導
電層2139、図30(A)の第2の導電層2207及び第2の導電層2209、もしく
は図30(B)の第2の導電層2237、第3の導電層2239及び第4の導電層224
3の透明性を有する材料としては、酸化インジウムに酸化スズを混ぜたインジウムスズ酸
化物(ITO)膜、インジウムスズ酸化物(ITO)に酸化珪素を混ぜたインジウムスズ
珪素酸化物(ITSO)膜、酸化インジウムに酸化亜鉛を混ぜたインジウム亜鉛酸化物(
IZO)膜、酸化亜鉛膜又は酸化スズ膜などを用いることができる。なお、IZOは、I
TOに2~20wt%の酸化亜鉛(ZnO)を混合させたターゲットを用いてスパッタリ
ングにより形成することができる。The second
 Materials having transparency of 3 include an indium tin oxide (ITO) film in which tin oxide is mixed with indium oxide, an indium tin silicon oxide (ITSO) film in which silicon oxide is mixed with indium tin oxide (ITO), Indium zinc oxide (indium zinc oxide mixed with indium oxide)
 IZO) film, zinc oxide film, tin oxide film, or the like can be used. Note that IZO is
 It can be formed by sputtering using a target in which 2 to 20 wt % of zinc oxide (ZnO) is mixed with TO.
また、図28の第2の導電層2007及び第3の導電層2009、図29(A)の第2の
導電層2107及び第3の導電層2109、図29(B)の第2の導電層2137及び第
2の導電層2139、図30(A)の第2の導電層2207及び第2の導電層2209、
もしくは図30(B)の第2の導電層2237、第2の導電層2239及び第4の導電層
2243の反射性を有する材料としては、Ti、Mo、Ta、Cr、W、Alなどを用い
ることができる。あるいは、Ti、Mo、Ta、Cr、WとAlを積層させた2層構造、
AlをTi、Mo、Ta、Cr、Wなどの金属で挟んだ3層積層構造としてもよい。28, the second
 Alternatively, Ti, Mo, Ta, Cr, W, Al, or the like is used as a reflective material for the second
 A three-layer laminated structure in which Al is sandwiched between metals such as Ti, Mo, Ta, Cr, and W may be employed.
図28の第3の絶縁膜2008、図29(A)の第3の絶縁膜2108、図29(B)の
第3の絶縁膜2138、図29(B)の第3の導電層2139、図30(A)の第3の絶
縁膜2208、図30(B)の第3の絶縁膜2238及び第4の絶縁膜2249としては
、無機材料(酸化シリコン、窒化シリコン、酸化窒化シリコンなど)あるいは低誘電率の
有機化合物材料(感光性又は非感光性の有機樹脂材料)などを用いることができる。また
、シロキサンを含む材料を用いることもできる。なお、シロキサンは、シリコン(Si)
と酸素(O)との結合で骨格構造が構成される材料である。置換基として、少なくとも水
素を含む有機基(例えばアルキル基、アリール基)が用いられる。あるいは、置換基とし
てフルオロ基を用いてもよい。あるいは、置換基として、少なくとも水素を含む有機基と
、フルオロ基とを用いてもよい。The third
 and oxygen (O) to form a skeletal structure. As a substituent, an organic group containing at least hydrogen (for example, an alkyl group or an aryl group) is used. Alternatively, a fluoro group may be used as a substituent. Alternatively, an organic group containing at least hydrogen and a fluoro group may be used as substituents.
図28の第1の配向膜2010、図29(A)の第1の配向膜2110、図29(B)の
第1の配向膜2140、図29(B)の第1の配向膜2210、図30(B)の第1の配
向膜2240としては、ポリイミドなどの高分子膜を用いることができる。The
次に、各液晶モードとトランジスタとを組み合わせた場合の画素構造について、画素の上
面図(レイアウト図)を参照して説明する。Next, a pixel structure when each liquid crystal mode and a transistor are combined will be described with reference to a top view (layout diagram) of a pixel.
なお、液晶モードとしては、TN(Twisted  Nematic)モード、IPS(
In-Plane-Switching)モード、FFS(Fringe  Field
Switching)モード、MVA(Multi-domain  Vertical
Alignment)モード、PVA(Patterned  Vertical  Ali
gnment)、ASM(Axially  Symmetric  aligned  Mi
cro-cell)モード、OCB(Optical  Compensated  Bir
efringence)モード、FLC(Ferroelectric  Liquid
Crystal)モード、AFLC(AntiFerroelectric  Liqui
d  Crystal)などを用いることができる。Liquid crystal modes include TN (Twisted Nematic) mode, IPS (
 In-Plane-Switching) mode, FFS (Fringe Field)
 Switching) mode, MVA (Multi-domain Vertical)
 alignment) mode, PVA (Patterned Vertical Ali
 gnment), ASM (Axially Symmetrically aligned Mi
 cro-cell) mode, OCB (Optical Compensated Bir
 efringence) mode, FLC (Ferroelectric Liquid
 Crystal) mode, AFLC (Anti-Ferroelectric Liqui
 d Crystal) and the like can be used.
なお、トランジスタとしては、非晶質シリコン、多結晶シリコン、微結晶(マイクロクリ
スタル、セミアモルファスとも言う)シリコンなどに代表される非単結晶半導体層を有す
る薄膜トランジスタ(TFT)などを用いることが出来る。Note that as the transistor, a thin film transistor (TFT) including a non-single-crystal semiconductor layer typified by amorphous silicon, polycrystalline silicon, microcrystalline (also referred to as microcrystalline or semi-amorphous) silicon, or the like can be used.
なお、トランジスタの構造としては、トップゲート型又はボトムゲート型などを用いるこ
とができる。ボトムゲート型のトランジスタとしては、チャネルエッチ型又はチャネル保
護型などを用いることができる。Note that as a structure of the transistor, a top-gate type, a bottom-gate type, or the like can be used. As a bottom-gate transistor, a channel-etched transistor, a channel-protected transistor, or the like can be used.
図31にTN方式とトランジスタとを組み合わせた場合の画素の上面図の一例を示す。FIG. 31 shows an example of a top view of a pixel in which the TN system and transistors are combined.
図31に示す画素は、第1のトランジスタ2304、第2のトランジスタ2305、トラ
ンジスタ2320及びトランジスタ2321から構成される第3のトランジスタ、第1の
液晶容量、第2の液晶容量、第1の保持容量及び第2の保持容量とを有し、第1の走査線
2300と、第2の走査線2301と、信号線2302と、Cs線2311に接続されて
いる。なお、図31に示す画素構成の等価回路図は、図83と同様であるため詳細な説明
は省略する。The pixel shown in FIG. 31 includes a
図31において、第1の液晶容量を構成する画素電極は画素電極2307に、第2の液晶
容量を構成する画素電極は画素電極2308に相当する。また、第1の保持容量は、画素
部の外部でCs線2311と接続された容量線2312と、画素電極2307に接続され
た半導体層2309と、これらの間に設けられた絶縁膜より構成されている。第2の保持
容量においても、第1の保持容量と同様に、容量線2312と、画素電極2308に接続
された半導体層2310と、これらの間に設けられた絶縁膜より構成されている。なお、
第1の保持容量及び第2の保持容量を構成する容量線2312は、トランジスタ2304
、2305、2320を構成するゲート電極を含む第1の走査線2300、トランジスタ
2321を構成するゲート電極を含む第2の走査線2301やCs線2301と、半導体
層2309、2310はトランジスタ2304、2305、2320、2321を構成す
るソース領域、ドレイン領域やチャネル形成領域を含む半導体層と同一工程にて作製され
ている。また、第1の保持容量及び第2の保持容量を構成する絶縁膜においても、トラン
ジスタ2304、2305、2320、2321を構成するゲート絶縁膜と同一工程にて
作製された膜を利用することができる。In FIG. 31, the pixel electrode forming the first liquid crystal capacitor corresponds to the
 A
 , 2305 and 2320 including gate electrodes, a
図31に示すように配向状態の異なる2つの液晶容量を利用して、視野角特性に優れた液
晶表示装置を得ることができる。なお、図31に示す上面図は一例であり、これに限定さ
れるものではない。As shown in FIG. 31, two liquid crystal capacitors with different alignment states can be used to obtain a liquid crystal display device with excellent viewing angle characteristics. Note that the top view shown in FIG. 31 is an example, and the present invention is not limited to this.
なお、各々のトランジスタにおいて、ソース電極及びドレイン電極の一方が他方の電極を
包み囲むような構造とすることで、チャネル幅をかせぐことができる。このような構造は
、画素を構成するトランジスタの半導体層に結晶性半導体層より移動度の低い非晶質半導
体層を用いた際には特に有効である。Note that when each transistor has a structure in which one of a source electrode and a drain electrode surrounds the other electrode, a channel width can be increased. Such a structure is particularly effective when an amorphous semiconductor layer having a lower mobility than a crystalline semiconductor layer is used as a semiconductor layer of a transistor forming a pixel.
なお、本実施の形態において、様々な図を用いて述べてきたが、各々の図で述べた内容(
一部でもよい)は、別の図で述べた内容(一部でもよい)に対して、適用、組み合わせ、
又は置き換えなどを自由に行うことが出来る。さらに、これまでに述べた図において、各
々の部分に関して、別の部分を組み合わせることにより、さらに多くの図を構成させるこ
とが出来る。In the present embodiment, descriptions have been made using various diagrams, but the contents described in each diagram (
 may be part of it) shall apply, combine, or
 Alternatively, replacement can be freely performed. Furthermore, in the figures described so far, more figures can be configured by combining each part with another part.
同様に、本実施の形態の各々の図で述べた内容(一部でもよい)は、別の実施の形態およ
び実施例の図で述べた内容(一部でもよい)に対して、適用、組み合わせ、又は置き換え
などを自由に行うことが出来る。さらに、本実施の形態の図において、各々の部分に関し
て、別の実施の形態および実施例の部分を組み合わせることにより、さらに多くの図を構
成させることが出来る。Similarly, the content (may be part of) described in each figure of this embodiment is applied or combined with the content (may be part of) described in the figures of other embodiments and examples. , or can be freely replaced. Furthermore, in the drawings of this embodiment, more drawings can be formed by combining parts of other embodiments and examples with respect to each part.
なお、本実施の形態は、他の実施の形態および実施例で述べた内容(一部でもよい)を、
具現化した場合の一例、少し変形した場合の一例、一部を変更した場合の一例、改良した
場合の一例、詳細に述べた場合の一例、応用した場合の一例、関連がある部分についての
一例などを示している。したがって、他の実施の形態および実施例で述べた内容は、本実
施の形態への適用、組み合わせ、又は置き換えを自由に行うことができる。It should be noted that, in this embodiment, the contents (or part of them) described in other embodiments and examples are
 Example of implementation, example of slight modification, example of partial change, example of improvement, example of detailed description, example of application, example of related parts etc. Therefore, the contents described in other embodiments and examples can be freely applied to, combined with, or replaced with this embodiment.
(実施の形態7)
本実施の形態においては、各種液晶モードについて断面図を用いて説明する。(Embodiment 7)
 In this embodiment mode, various liquid crystal modes will be described with reference to cross-sectional views.
図32(A)、(B)は、TNモードの断面の模式図を示す。32A and 32B show schematic diagrams of cross sections in TN mode.
互いに対向するように配置された第1の基板3301及び第2の基板3302に、液晶層
3300が挟持されている。第1の基板3301の上面には、第1の電極3305が形成
されている。第2の基板3302の上面には、第2の電極3306が形成されている。第
1の基板3301の液晶層と反対側には、第1の偏光板3303が配置されている。第2
の基板3302の液晶層と反対側には、第2の偏光板3304が配置されている。なお、
第1の偏光板3303と第2の偏光板3304とは、クロスニコルになるように配置され
ている。A
 A second
 The first
第1の偏光板3303は、第1の基板3301の上面に配置されてもよい。第2の偏光板
3304は、第2の基板3302の上面に配置されてもよい。The first
第1の電極3305及び第2の電極3306のうち、少なくとも一方(又は両方)の電極
が透光性を有していればよい(透過型又は反射型)。あるいは、両方の電極が透光性を有
し、かつ一方の電極の一部が反射性を有していてもよい(半透過型)。At least one (or both) of the
図32(A)は、第1の電極3305及び第2の電極3306に電圧が印加(縦電界方式
と呼ぶ)された場合の断面の模式図である。液晶分子が縦に並んだ状態となるため、バッ
クライトからの光は液晶分子の複屈折の影響を受けない。そして、第1の偏光板3303
と第2の偏光板3304とがクロスニコルになるように配置されているため、バックライ
トからの光は基板を通過できない。したがって、黒色表示が行われる。FIG. 32A is a schematic cross-sectional view when a voltage is applied to the
 and the second
図32(B)は、第1の電極3305及び第2の電極3306に電圧が印加されていない
場合の断面の模式図である。液晶分子が横に並び、第1の電極3305から第2の電極3
306にかけて回転している状態となるため、バックライトからの光は液晶分子の複屈折
の影響を受ける。そして、第1の偏光板3303と第2の偏光板3304とがクロスニコ
ルになるように配置されているため、バックライトからの光は基板を通過する。したがっ
て、白色表示が行われる。いわゆるノーマリーホワイトモードである。FIG. 32B is a schematic cross-sectional view when no voltage is applied to the
 Since it is in a state of rotation toward 306, the light from the backlight is affected by the birefringence of the liquid crystal molecules. Since the first
第1の電極3305及び第2の電極3306に印加する電圧を制御することで、液晶分子
の状態、即ち配向を制御することが可能である。したがって、バックライトからの光を液
晶分子によって制御することができるため、所定の映像表示を行うことが可能である。By controlling the voltage applied to the
図32(A)、(B)に示した構成を有する液晶表示装置は、カラーフィルタを設けるこ
とで、フルカラー表示を行うことができる。カラーフィルタは、第1の基板3301側又
は第2の基板3302側に設けることができる。The liquid crystal display device having the structure shown in FIGS. 32A and 32B can perform full-color display by providing a color filter. A color filter can be provided on the
TNモードに使用される液晶材料は、公知のものを使用すればよい。A known liquid crystal material may be used for the TN mode.
図33(A)、(B)は、VAモードの断面の模式図を示す。VAモードは、無電界の時
に液晶分子が基板に垂直となるように配向されているモードである。FIGS. 33A and 33B show schematic diagrams of cross sections in VA mode. The VA mode is a mode in which the liquid crystal molecules are oriented perpendicular to the substrate when no electric field is applied.
互いに対向するように配置された第1の基板3401及び第2の基板3402に、液晶層
3400が挟持されている。第1の基板3401の上面には、第1の電極3405が形成
されている。第2の基板3402の上面には、第2の電極3406が形成されている。第
1の基板3401の液晶層と反対側には、第1の偏光板3403が配置されている。第2
の基板3402の液晶層と反対側には、第2の偏光板3404が配置されている。なお、
第1の偏光板3403と第2の偏光板3404とは、クロスニコルになるように配置され
ている。A
 A second
 The first
第1の偏光板3403は、第1の基板3401の上面に配置されてもよい。第2の偏光板
3404は、第2の基板3402の上面に配置されてもよい。The first
第1の電極3405及び第2の電極3406のうち、少なくとも一方(又は両方)の電極
が透光性を有していればよい(透過型又は反射型)。あるいは、両方の電極が透光性を有
し、かつ一方の電極の一部が反射性を有していてもよい(半透過型)。At least one (or both) of the
図33(A)は、第1の電極3405及び第2の電極3406に電圧が印加(縦電界方式
と呼ぶ)された場合の断面の模式図である。液晶分子が横に並んだ状態となるため、バッ
クライトからの光は液晶分子の複屈折の影響を受ける。そして、第1の偏光板3403と
第2の偏光板3404とがクロスニコルになるように配置されているため、バックライト
からの光は基板を通過する。したがって、白色表示が行われる。FIG. 33A is a schematic cross-sectional view when a voltage is applied to the
図33(B)は、第1の電極3405及び第2の電極3406に電圧が印加されていない
場合の断面の模式図である。液晶分子が縦に並んだ状態となるため、バックライトからの
光は液晶分子の複屈折の影響を受けない。そして、第1の偏光板3403と第2の偏光板
3404とがクロスニコルになるように配置されているため、バックライトからの光は基
板を通過しない。したがって、黒色表示が行われる。いわゆるノーマリーブラックモード
である。FIG. 33B is a schematic cross-sectional view when no voltage is applied to the
第1の電極3405及び第2の電極3406に印加する電圧を制御することで、液晶分子
の状態、即ち配向を制御することが可能である。したがって、バックライトからの光を液
晶分子によって制御することができるため、所定の映像表示を行うことが可能である。By controlling the voltage applied to the
図34(A)、(B)に示した構成を有する液晶表示装置は、カラーフィルタを設けるこ
とで、フルカラー表示を行うことができる。カラーフィルタは、第1の基板3401側又
は第2の基板3402側に設けることができる。The liquid crystal display device having the structure shown in FIGS. 34A and 34B can perform full-color display by providing a color filter. A color filter can be provided on the
VAモードに使用される液晶材料は、公知のものを使用すればよい。A known liquid crystal material may be used for the VA mode.
図33(C)、(D)は、MVAモードの断面の模式図を示す。MVAモードは、それぞ
れの部分の視野角依存性を互いに補償する方法である。FIGS. 33C and 33D show schematic diagrams of cross sections in the MVA mode. The MVA mode is a method of mutually compensating the viewing angle dependence of each part.
互いに対向するように配置された第1の基板3411及び第2の基板3412に、液晶層
3410が挟持されている。第1の基板3411の上面には、第1の電極3415が形成
されている。第2の基板3412の上面には、第2の電極3416が形成されている。第
1の電極3415上には、配向制御用に第1の突起物3417が形成されている。第2の
電極3416上には、配向制御用に第2の突起物3418が形成されている。第1の基板
3411の液晶層と反対側には、第1の偏光板3413が配置されている。第2の基板3
412の液晶層と反対側には、第2の偏光板3414が配置されている。なお、第1の偏
光板3413と第2の偏光板3414とは、クロスニコルになるように配置されている。A
 A second
第1の偏光板3413は、第1の基板3411の上面に配置されてもよい。第2の偏光板
3414は、第2の基板3412の上面に配置されてもよい。The first
第1の電極3415及び第2の電極3416のうち、少なくとも一方(又は両方)の電極
が透光性を有していればよい(透過型又は反射型)。あるいは、両方の電極が透光性を有
し、かつ一方の電極の一部が反射性を有していてもよい(半透過型)。At least one (or both) of the
図33(C)は、第1の電極3415及び第2の電極3416に電圧が印加(縦電界方式
と呼ぶ)された場合の断面の模式図である。バックライトからの光は液晶分子の複屈折の
影響を受ける。そして、第1の偏光板3413と第2の偏光板3414とがクロスニコル
になるように配置されているため、バックライトからの光は基板を通過する。したがって
、白色表示が行われる。また、液晶分子が第1の突起物3417及び第2の突起物341
8に影響を受け、第1の突起物3417及び第2の突起物3418に対して倒れて並んだ
状態となる。よって、視野角をさらに向上させることが可能である。FIG. 33C is a schematic cross-sectional view when a voltage is applied to the
 8, and falls side by side with respect to the
図33(D)は、第1の電極3415及び第2の電極3416に電圧が印加されていない
場合の断面の模式図である。液晶分子が縦に並んだ状態となるため、バックライトからの
光は液晶分子の複屈折の影響を受けない。そして、第1の偏光板3413と第2の偏光板
3414とがクロスニコルになるように配置されているため、バックライトからの光は基
板を通過しない。したがって、黒色表示が行われる。いわゆるノーマリーブラックモード
である。FIG. 33D is a schematic cross-sectional view when no voltage is applied to the
なお、第1の電極3415及び第2の電極3416に印加する電圧を制御することで、液
晶分子の状態即ち配向を制御することが可能である。したがって、バックライトからの光
を液晶分子によって制御することができるため、所定の映像表示を行うことが可能である
。By controlling the voltage applied to the
図36(C)、(D)に示した構成を有する液晶表示装置は、カラーフィルタを設けるこ
とで、フルカラー表示を行うことができる。カラーフィルタは、第1の基板3411側又
は第2の基板3412側に設けることができる。A liquid crystal display device having the structure shown in FIGS. 36C and 36D can perform full-color display by providing a color filter. A color filter can be provided on the
MVAモードに使用される液晶材料は、公知のものを使用すればよい。A known liquid crystal material may be used for the MVA mode.
図34(A)、(B)は、OCBモードの断面の模式図を示す。OCBモードは、液晶層
内で液晶分子の配列が光学的に補償状態を形成しているため、視野角依存性が少ない。こ
の液晶分子の状態は、ベンド配向と呼ばれる。FIGS. 34A and 34B show schematic diagrams of cross sections in the OCB mode. In the OCB mode, the alignment of liquid crystal molecules in the liquid crystal layer forms an optically compensated state, so viewing angle dependency is small. This state of liquid crystal molecules is called bend alignment.
互いに対向するように配置された第1の基板3501及び第2の基板3502に、液晶層
3500が挟持されている。第1の基板3501の上面には、第1の電極3505が形成
されている。第2の基板3502の上面には、第2の電極3506が形成されている。第
1の基板3501の液晶層と反対側には、第1の偏光板3503が配置されている。第2
の基板3502の液晶層と反対側には、第2の偏光板336が配置されている。なお、第
1の偏光板3503と第2の偏光板336とは、クロスニコルになるように配置されてい
る。A
 A second polarizing plate 336 is arranged on the side of the
第1の偏光板3503は、第1の基板3501の上面に配置されてもよい。第2の偏光板
336は、第2の基板3502の上面に配置されてもよい。The first
第1の電極3505及び第2の電極3506のうち、少なくとも一方(又は両方)の電極
が透光性を有していればよい(透過型又は反射型)。あるいは、両方の電極が透光性を有
し、かつ一方の電極の一部が反射性を有していてもよい(半透過型)。At least one (or both) of the
図34(A)は、第1の電極3505及び第2の電極3506に電圧が印加(縦電界方式
と呼ぶ)された場合の断面の模式図である。液晶分子が縦に並んだ状態となるため、バッ
クライトからの光は液晶分子の複屈折の影響を受けない。そして、第1の偏光板3503
と第2の偏光板336とがクロスニコルになるように配置されているため、バックライト
からの光は基板を通過しない。したがって、黒色表示が行われる。FIG. 34A is a schematic cross-sectional view when a voltage is applied to the
 and the second polarizing plate 336 are arranged in crossed Nicols, light from the backlight does not pass through the substrate. Therefore, black display is performed.
図34(B)は、第1の電極3505及び第2の電極3506に電圧が印加されていない
場合の断面の模式図である。液晶分子がベンド配向の状態となるため、バックライトから
の光は液晶分子の複屈折の影響を受ける。そして、第1の偏光板3503と第2の偏光板
336とがクロスニコルになるように配置されているため、バックライトからの光は基板
を通過する。したがって、白色表示が行われる。いわゆるノーマリーホワイトモードであ
る。FIG. 34B is a schematic cross-sectional view when no voltage is applied to the
なお、第1の電極3505及び第2の電極3506に印加する電圧を制御することで、液
晶分子の状態、即ち配向を制御することが可能である。したがって、バックライトからの
光を液晶分子によって制御することができるため、所定の映像表示を行うことが可能であ
る。By controlling the voltage applied to the
図34(A)、(B)に示した構成を有する液晶表示装置は、カラーフィルタを設けるこ
とで、フルカラー表示を行うことができる。カラーフィルタは、第1の基板3501側又
は第2の基板3502側に設けることができる。The liquid crystal display device having the structure shown in FIGS. 34A and 34B can perform full-color display by providing a color filter. A color filter can be provided on the
OCBモードに使用される液晶材料は、公知のものを使用すればよい。A known liquid crystal material may be used for the OCB mode.
図34(C)、(D)は、FLCモード又はAFLCモードの断面の模式図を示す。FIGS. 34C and 34D show schematic cross-sectional views of FLC mode or AFLC mode.
互いに対向するように配置された第1の基板3511及び第2の基板3512に、液晶層
3510が挟持されている。第1の基板3511の上面には、第1の電極3515が形成
されている。第2の基板3512の上面には、第2の電極3516が形成されている。第
1の基板3511の液晶層と反対側には、第1の偏光板3513が配置されている。第2
の基板3512の液晶層と反対側には、第2の偏光板3514が配置されている。なお、
第1の偏光板3513と第2の偏光板3514とは、クロスニコルになるように配置され
ている。A
 A second
 The first
第1の偏光板3513は、第1の基板3511の上面に配置されてもよい。第2の偏光板
3514は、第2の基板3512の上面に配置されてもよい。The first
第1の電極3515及び第2の電極3516のうち、少なくとも一方(又は両方)の電極
が透光性を有していればよい(透過型又は反射型)。あるいは、両方の電極が透光性を有
し、かつ一方の電極の一部が反射性を有していてもよい(半透過型)。At least one (or both) of the
図34(C)は、第1の電極3515及び第2の電極3516に電圧が印加(縦電界方式
と呼ぶ)された場合の断面の模式図である。液晶分子がラビング方向からずれた方向で横
に並んでいる状態となるため、バックライトからの光は液晶分子の複屈折の影響を受ける
。そして、第1の偏光板3513と第2の偏光板3514とがクロスニコルになるように
配置されているため、バックライトからの光は基板を通過する。したがって、白色表示が
行われる。FIG. 34C is a schematic cross-sectional view when a voltage is applied to the
図34(D)は、第1の電極3515及び第2の電極3516に電圧が印加されていない
場合の断面の模式図である。液晶分子がラビング方向に沿って横に並んだ状態となるため
、バックライトからの光は液晶分子の複屈折の影響を受けない。そして、第1の偏光板3
513と第2の偏光板3514とがクロスニコルになるように配置されているため、バッ
クライトからの光は基板を通過しない。したがって、黒色表示が行われる。いわゆるノー
マリーブラックモードである。FIG. 34D is a schematic cross-sectional view when no voltage is applied to the
 Since 513 and second
なお、第1の電極3515及び第2の電極3516に印加する電圧を制御することで、液
晶分子の状態、即ち配向を制御することが可能である。したがって、バックライトからの
光を液晶分子によって制御することができるため、所定の映像表示を行うことが可能であ
る。Note that by controlling the voltage applied to the
図34(C)、(D)に示した構成を有する液晶表示装置は、カラーフィルタを設けるこ
とで、フルカラー表示を行うことができる。カラーフィルタは、第1の基板3511側又
は第2の基板3512側に設けることができる。A liquid crystal display device having the structure shown in FIGS. 34C and 34D can perform full-color display by providing a color filter. A color filter can be provided on the
FLCモード又はAFLCモードに使用される液晶材料は、公知のものを使用すればよい
。A known liquid crystal material may be used for the FLC mode or AFLC mode.
図35(A)、(B)は、IPSモードの断面の模式図を示す。IPSモードは、液晶分
子を基板に対して常に平面内で回転させるモードであり、電極は一方の基板側のみに設け
た横電界方式をとる。35A and 35B show schematic diagrams of cross sections in the IPS mode. The IPS mode is a mode in which the liquid crystal molecules are always rotated within a plane with respect to the substrate, and employs a lateral electric field method in which electrodes are provided only on one substrate side.
互いに対向するように配置された第1の基板3601及び第2の基板3602に、液晶層
3600が挟持されている。第1の基板3601の上面には、第1の電極3605及び第
2の電極3606が形成されている。第1の基板3601の液晶層と反対側には、第1の
偏光板3603が配置されている。第2の基板3602の液晶層と反対側には、第2の偏
光板3604が配置されている。なお、第1の偏光板3603と第2の偏光板3604と
は、クロスニコルになるように配置されている。A
第1の偏光板3603は、第1の基板3601の上面に配置されてもよい。第2の偏光板
3604は、第2の基板3602の上面に配置されてもよい。The first
第1の電極3605及び第2の電極3606のうち、少なくとも一方(又は両方)の電極
が透光性を有していればよい(透過型又は反射型)。あるいは、両方の電極が透光性を有
し、かつ一方の電極の一部が反射性を有していてもよい(半透過型)。At least one (or both) of the
図35(A)は、第1の電極3605及び第2の電極3606に電圧が印加された場合の
断面の模式図である。液晶分子がラビング方向からずれた電気力線に沿って配向した状態
となるため、バックライトからの光は液晶分子の複屈折の影響を受ける。そして、第1の
偏光板3603と第2の偏光板3604とがクロスニコルになるように配置されているた
め、バックライトからの光は基板を通過する。したがって、白色表示が行われる。FIG. 35A is a schematic cross-sectional view when a voltage is applied to the
図35(B)は、第1の電極3605及び第2の電極3606に電圧が印加されていない
場合の断面の模式図である。液晶分子がラビング方向に沿って横に並んだ状態となるため
、バックライトからの光は液晶分子の複屈折の影響を受けない。そして、第1の偏光板3
603と第2の偏光板3604とがクロスニコルになるように配置されているため、バッ
クライトからの光は基板を通過しない。したがって、黒色表示が行われる。いわゆるノー
マリーブラックモードである。FIG. 35B is a schematic cross-sectional view when no voltage is applied to the
 Since 603 and second
第1の電極3605及び第2の電極3606に印加する電圧を制御することで、液晶分子
の状態、即ち配向を制御することが可能である。したがって、バックライトからの光を液
晶分子によって制御することができるため、所定の映像表示を行うことが可能である。By controlling the voltage applied to the
図35(A)、(B)に示した構成を有する液晶表示装置は、カラーフィルタを設けるこ
とで、フルカラー表示を行うことができる。カラーフィルタは、第1の基板3601側又
は第2の基板3602側に設けることができる。The liquid crystal display device having the structure shown in FIGS. 35A and 35B can perform full-color display by providing a color filter. A color filter can be provided on the
IPSモードに使用される液晶材料は、公知のものを使用すればよい。A known liquid crystal material may be used for the IPS mode.
図35(C)、(D)は、FFSモードの断面の模式図を示す。FFSモードにおいても
、液晶分子を基板に対して常に平面内で回転させるモードであり、電極は一方の基板側の
みに設けた横電界方式をとる。FIGS. 35C and 35D show schematic diagrams of cross sections in the FFS mode. The FFS mode is also a mode in which the liquid crystal molecules are always rotated within a plane with respect to the substrate, and adopts a lateral electric field method in which electrodes are provided only on one substrate side.
互いに対向するように配置された第1の基板3611及び第2の基板3612に、液晶層
3610が挟持されている。第1の基板3611の上面には、第2の電極3616が形成
されている。第2の電極3616の上面には、絶縁膜3617が形成されている。絶縁膜
3617上には、第2の電極3616が形成されている。第1の基板3611の液晶層と
反対側には、第1の偏光板3613が配置されている。第2の基板3612の液晶層と反
対側には、第2の偏光板3614が配置されている。なお、第1の偏光板3613と第2
の偏光板3614とは、クロスニコルになるように配置されている。A
 and the
第1の偏光板3613は、第1の基板3611の上面に配置されてもよい。第2の偏光板
3614は、第2の基板3612の上面に配置されてもよい。The first
第1の電極3615及び第2の電極3616のうち、少なくとも一方(又は両方)の電極
が透光性を有していればよい(透過型又は反射型)。あるいは、両方の電極が透光性を有
し、かつ一方の電極の一部が反射性を有していてもよい(半透過型)。At least one (or both) of the
図35(C)は、第1の電極3615及び第2の電極3616に電圧が印加された場合の
断面の模式図である。液晶分子がラビング方向からずれた電気力線に沿って配向した状態
となるため、バックライトからの光は液晶分子の複屈折の影響を受ける。そして、第1の
偏光板3613と第2の偏光板3614とがクロスニコルになるように配置されているた
め、バックライトからの光は基板を通過する。したがって、白色表示が行われる。FIG. 35C is a schematic cross-sectional view when voltage is applied to the
図35(D)は、第1の電極3615及び第2の電極3616に電圧が印加されていない
場合の断面の模式図である。液晶分子がラビング方向に沿って横に並んだ状態となるため
、バックライトからの光は液晶分子の複屈折の影響を受けない。そして、第1の偏光板3
613と第2の偏光板3614とがクロスニコルになるように配置されているため、バッ
クライトからの光は基板を通過しない。したがって、黒色表示が行われる。いわゆるノー
マリーブラックモードである。FIG. 35D is a schematic cross-sectional view when no voltage is applied to the
 Since 613 and second
なお、第1の電極3615及び第2の電極3616に印加する電圧を制御することで、液
晶分子の状態、即ち配向を制御することが可能である。したがって、バックライトからの
光を液晶分子によって制御することができるため、所定の映像表示を行うことが可能であ
る。Note that by controlling the voltage applied to the
図35(C)、(D)に示した構成を有する液晶表示装置は、カラーフィルタを設けるこ
とで、フルカラー表示を行うことができる。カラーフィルタは、第1の基板3611側又
は第2の基板3612側に設けることができる。A liquid crystal display device having the structure shown in FIGS. 35C and 35D can perform full-color display by providing a color filter. A color filter can be provided on the
FFSモードに使用される液晶材料は、公知のものを使用すればよい。A known liquid crystal material may be used for the FFS mode.
次に、上面図を用いて各種液晶モードを説明する。Next, various liquid crystal modes will be described with reference to top views.
図36に、MVAモードを適用した画素が有する複数の液晶容量のうちの一つの上面図を
示す。FIG. 36 shows a top view of one of a plurality of liquid crystal capacitors of a pixel to which the MVA mode is applied.
図36は、第1の電極3701、第2の電極(3702a、3702b、3702c)、
及び突起物3703を示している。第1の電極3701は、対向基板の全面に形成されて
いる。形状がくの字型となるように、第2の電極(3702a、3702b、3702c
)が形成されている。形状が第2の電極(3702a、3702b、3702c)と対応
するように、第1の電極3701上に第2の電極(3702a、3702b、3702c
)が形成されている。FIG. 36 shows a
 and
 ) is formed. Second electrodes (3702a, 3702b, 3702c) are formed on the
 ) is formed.
第2の電極(3702a、3702b、3702c)の開口部は、突起物のように機能す
る。The openings in the second electrodes (3702a, 3702b, 3702c) act like protrusions.
第1の電極3701及び第2の電極(3702a、3702b、3702c)に電圧が印
加(縦電界方式と呼ぶ)された場合、液晶分子が第2の電極(3702a、3702b、
3702c)の開口部及び突起物3703に対して倒れて並んだ状態となる。よって、視
野角を向上させることが可能である。なお、一対の偏光板がクロスニコルとなるように配
置されているときには、バックライトからの光が基板を通過するため、白色表示が行われ
る。When a voltage is applied to the
 3702c) and the
第1の電極3701及び第2の電極(3702a、3702b、3702c)に電圧が印
加されていない場合、液晶分子が縦に並んだ状態となる。一対の偏光板がクロスニコルと
なるように配置されているときには、バックライトからの光がパネルを通過しないため、
黒色表示が行われる。いわゆる、ノーマリーブラックモードである。When no voltage is applied to the
 A black display is performed. This is the so-called normally black mode.
なお、第1の電極3701及び第2の電極(3702a、3702b、3702c)に印
加する電圧を制御することで、液晶分子の状態、即ち配向を制御することが可能である。
したがって、バックライトからの光を液晶分子によって制御することができるため、所定
の映像表示を行うことが可能である。By controlling the voltage applied to the
 Therefore, since the light from the backlight can be controlled by the liquid crystal molecules, it is possible to display a predetermined image.
MVAモードに使用される液晶材料は、公知のものを使用すればよい。A known liquid crystal material may be used for the MVA mode.
図37(A)、(B)、(C)、(D)は、IPSモードを適用した一液晶容量の上面図
を示す。IPSモードは、液晶分子を基板に対して常に平面内で回転させるモードであり
、電極は一方の基板側のみに設けた横電界方式をとる。FIGS. 37A, 37B, 37C, and 37D show top views of one liquid crystal capacitor to which the IPS mode is applied. The IPS mode is a mode in which the liquid crystal molecules are always rotated within a plane with respect to the substrate, and employs a lateral electric field method in which electrodes are provided only on one substrate side.
IPSモードでは、一対の電極が異なる形状となるように形成される。In the IPS mode, a pair of electrodes are formed to have different shapes.
図37(A)は、第1の電極3801及び第2の電極3802を示している。第1の電極
3801及び第2の電極3802は、波状形状である。FIG. 37A shows a
図37(B)は、第1の電極3811及び第2の電極3812を示している。第1の電極
3811及び第2の電極3812は、同心円状の開口部を有する形状である。FIG. 37B shows a
図37(C)は、第1の電極3831及び第2の電極3832を示している。第1の電極
3831及び第2の電極3832は、櫛場状であり一部重なっている形状である。FIG. 37C shows a
図37(D)は、第1の電極3841及び第2の電極3842を示している。第1の電極
3841及び第2の電極3842は、櫛場状であり電極同士がかみ合うような形状である
。FIG. 37D shows a first electrode 3841 and a second electrode 3842. FIG. The first electrode 3841 and the second electrode 3842 are in the form of a comb field and are shaped so that the electrodes are engaged with each other.
第1の電極(3801、3811、3821、3831)及び第2の電極(3802、3
812、3822、3832)に電圧が印加された場合、液晶分子がラビング方向からず
れた電気力線に沿って配向した状態となる。一対の偏光板がクロスニコルとなるように配
置されているときには、バックライトからの光が基板を通過するため、白色表示が行われ
る。First electrodes (3801, 3811, 3821, 3831) and second electrodes (3802, 3
 812, 3822, 3832), the liquid crystal molecules are oriented along the electric lines of force deviated from the rubbing direction. When the pair of polarizing plates are arranged in crossed Nicols, the light from the backlight passes through the substrate, so white display is performed.
第1の電極(3801、3811、3821、3831)及び第2の電極(3802、3
812、3822、3832)に電圧が印加されていない場合、液晶分子がラビング方向
に沿って横に並んだ状態となる。一対の偏光板がクロスニコルとなるように配置されてい
るときには、バックライトからの光が基板を通過しないため、黒色表示が行われる。いわ
いるノーマリーブラックモードである。First electrodes (3801, 3811, 3821, 3831) and second electrodes (3802, 3
 812, 3822, 3832), the liquid crystal molecules are aligned horizontally along the rubbing direction. When a pair of polarizing plates are arranged in crossed Nicols, light from the backlight does not pass through the substrate, resulting in black display. This is the so-called normally black mode.
なお、第1の電極及び第2の電極に印加する電圧を制御することで、液晶分子の状態、即
ち配向を制御することが可能である。したがって、バックライトからの光を液晶分子によ
って制御することができるため、所定の映像表示を行うことが可能である。By controlling the voltage applied to the first electrode and the second electrode, it is possible to control the state of the liquid crystal molecules, that is, the orientation. Therefore, since the light from the backlight can be controlled by the liquid crystal molecules, it is possible to display a predetermined image.
IPSモードに使用される液晶材料は、公知のものを使用すればよい。A known liquid crystal material may be used for the IPS mode.
図38(A)、(B)、(C)、(D)は、FFSモードを適用した一液晶容量の上面図
を示す。FFSモードは、液晶分子を基板に対して常に平面内で回転させるモードであり
、電極は一方の基板側のみに設けた横電界方式をとる。FIGS. 38A, 38B, 38C, and 38D show top views of one liquid crystal capacitor to which the FFS mode is applied. The FFS mode is a mode in which the liquid crystal molecules are always rotated within a plane with respect to the substrate, and employs a lateral electric field method in which electrodes are provided only on one substrate side.
FFSモードでは、第2の電極の上面に、第1の電極が様々な形状となるように形成され
る。In the FFS mode, the first electrodes are formed in various shapes on top of the second electrodes.
図38(A)は、第1の電極3901及び第2の電極3902を示している。第1の電極
3901は、屈曲したくの字形状である。第2の電極3902は、パターン形成されてい
なくてもよい。FIG. 38A shows a
図38(B)は、第1の電極3911及び第2の電極3912を示している。第1の電極
3911は、同心円状の形状である。第2の電極3912は、パターン形成されていなく
てもよい。FIG. 38B shows a
図38(C)は、第1の電極3931及び第2の電極3932を示している。第1の電極
3931は、櫛場状で電極同士がかみ合うような形状である。第2の電極3932は、パ
ターン形成されていなくてもよい。FIG. 38C shows a
図38(D)は、第1の電極3941及び第2の電極3942を示している。第1の電極
3941は、櫛場状の形状である。第2の電極3942は、パターン形成されていなくて
もよい。FIG. 38D shows a first electrode 3941 and a second electrode 3942. FIG. The first electrode 3941 has a comb field shape. The second electrode 3942 may be unpatterned.
第1の電極(3901、3911、3921、3931)及び第2の電極(3902、3
912、3922、3932)に電圧が印加された場合、液晶分子がラビング方向からず
れた電気力線に沿って配向した状態となる。一対の偏光板がクロスニコルとなるように配
置されているときには、バックライトからの光が基板を通過するため、白色表示が行われ
る。First electrodes (3901, 3911, 3921, 3931) and second electrodes (3902, 3
 912, 3922, 3932), the liquid crystal molecules are oriented along the electric lines of force deviated from the rubbing direction. When the pair of polarizing plates are arranged in crossed Nicols, the light from the backlight passes through the substrate, so white display is performed.
第1の電極(3901、3911、3921、3931)及び第2の電極(3902、3
912、3922、3932)に電圧が印加されていない場合、液晶分子がラビング方向
に沿って横に並んだ状態となる。一対の偏光板がクロスニコルとなるように配置されてい
るときには、バックライトからの光が基板を通過しないため、黒色表示が行われる。いわ
いるノーマリーブラックモードである。First electrodes (3901, 3911, 3921, 3931) and second electrodes (3902, 3
 912, 3922, 3932), the liquid crystal molecules are aligned horizontally along the rubbing direction. When a pair of polarizing plates are arranged in crossed Nicols, light from the backlight does not pass through the substrate, resulting in black display. This is the so-called normally black mode.
なお、第1の電極及び第2の電極に印加する電圧を制御することで、液晶分子の状態、即
ち配向を制御することが可能である。したがって、バックライトからの光を液晶分子によ
って制御することができるため、所定の映像表示を行うことが可能である。By controlling the voltage applied to the first electrode and the second electrode, it is possible to control the state of the liquid crystal molecules, that is, the orientation. Therefore, since the light from the backlight can be controlled by the liquid crystal molecules, it is possible to display a predetermined image.
IPSモードに使用される液晶材料は、公知のものを使用すればよい。A known liquid crystal material may be used for the IPS mode.
なお、本実施の形態において、様々な図を用いて述べてきたが、各々の図で述べた内容(
一部でもよい)は、別の図で述べた内容(一部でもよい)に対して、適用、組み合わせ、
又は置き換えなどを自由に行うことが出来る。さらに、これまでに述べた図において、各
々の部分に関して、別の部分を組み合わせることにより、さらに多くの図を構成させるこ
とが出来る。In the present embodiment, descriptions have been made using various diagrams, but the contents described in each diagram (
 may be part of it) shall apply, combine, or
 Alternatively, replacement can be freely performed. Furthermore, in the figures described so far, more figures can be configured by combining each part with another part.
同様に、本実施の形態の各々の図で述べた内容(一部でもよい)は、別の実施の形態およ
び実施例の図で述べた内容(一部でもよい)に対して、適用、組み合わせ、又は置き換え
などを自由に行うことが出来る。さらに、本実施の形態の図において、各々の部分に関し
て、別の実施の形態および実施例の部分を組み合わせることにより、さらに多くの図を構
成させることが出来る。Similarly, the content (may be part of) described in each figure of this embodiment is applied or combined with the content (may be part of) described in the figures of other embodiments and examples. , or can be freely replaced. Furthermore, in the drawings of this embodiment, more drawings can be formed by combining parts of other embodiments and examples with respect to each part.
なお、本実施の形態は、他の実施の形態および実施例で述べた内容(一部でもよい)を、
具現化した場合の一例、少し変形した場合の一例、一部を変更した場合の一例、改良した
場合の一例、詳細に述べた場合の一例、応用した場合の一例、関連がある部分についての
一例などを示している。したがって、他の実施の形態および実施例で述べた内容は、本実
施の形態への適用、組み合わせ、又は置き換えを自由に行うことができる。It should be noted that, in this embodiment, the contents (or part of them) described in other embodiments and examples are
 Example of implementation, example of slight modification, example of partial change, example of improvement, example of detailed description, example of application, example of related parts etc. Therefore, the contents described in other embodiments and examples can be freely applied to, combined with, or replaced with this embodiment.
(実施の形態8)
本実施の形態においては、液晶パネルの周辺部について説明する。(Embodiment 8)
 In this embodiment, the peripheral portion of the liquid crystal panel will be described.
図39は、エッジライト式と呼ばれるバックライトユニット2601と、液晶パネル26
07とを有している液晶表示装置の一例を示す。エッジライト式とは、バックライトユニ
ットの端部に光源を配置し、その光源の発光を発光面全体から放射する方式である。エッ
ジライト式のバックライトユニットは、薄型で省電力化を図ることができる。FIG. 39 shows a
 07 shows an example of a liquid crystal display device. The edge-light type is a type in which a light source is arranged at the end of a backlight unit and light emitted from the light source is emitted from the entire light-emitting surface. The edge-light backlight unit is thin and can save power.
バックライトユニット2601は、拡散板2602、導光板2603、反射板2604、
ランプリフレクタ2605及び光源2606によって構成される。The
 It is composed of a
光源2606は必要に応じて発光する機能を有している。例えば、光源2606としては
冷陰極管、熱陰極管、発光ダイオード、無機EL又は有機ELなどが用いられる。ランプ
リフレクタ2605は、光源2606からの発光を効率よく導光板2603に導く機能を
有する。導光板2603は、光源2603からの光を全反射させて、全面に光を導く機能
を有する。拡散板2602は、明度のムラを低減する機能を有する。反射板2604は、
導光板2603から液晶パネル2603より反対方向に漏れた光を反射させて再利用する
機能を有する。The
 It has a function of reflecting light leaking from the
なお、バックライトユニット2601には、光源2606の輝度を調整するための制御回
路が接続されている。この制御回路によって、光源2606の輝度を調整することができ
る。A control circuit for adjusting the brightness of the
図40(A)、(B)、(C)及び(D)は、エッジライト式のバックライトユニットの
詳細な構成を示す図である。なお、拡散板、導光板及び反射板などはその説明を省略する
。FIGS. 40A, 40B, 40C, and 40D are diagrams showing detailed configurations of edge-light type backlight units. Descriptions of the diffusion plate, the light guide plate, the reflection plate, and the like are omitted.
図40(A)に示すバックライトユニット2701は、光源として冷陰極管2703を用
いた構成である。そして、冷陰極管2703からの光を効率よく反射させるため、ランプ
リフレクタ2702が設けられている。このような構成は、大型表示装置に用いることが
多い。A
図40(B)に示すバックライトユニット2711は、光源として発光ダイオード(LE
D)2713を用いた構成である。例えば、白色に発する発光ダイオード(W)2713
は所定の間隔に配置される。そして、発光ダイオード2713からの光を効率よく反射さ
せるため、ランプリフレクタ2712が設けられている。A
 D) A configuration using 2713. For example, a light-emitting diode (W) 2713 that emits white light
 are arranged at predetermined intervals. A
発光ダイオードの発光強度が強いので、発光ダイオードを用いた構成は大型表示装置に適
する。また、発光ダイオードは色再現性に優れているので、入力される画像情報に対して
忠実な画像を表示することができる。また、発光ダイオードは小さいため、配置面積を小
さくすることができる。したがって、表示装置の狭額縁化を図ることができる。Since the emission intensity of the light emitting diode is high, the structure using the light emitting diode is suitable for a large display device. In addition, since the light-emitting diode has excellent color reproducibility, it is possible to display an image that is faithful to the input image information. Moreover, since the light-emitting diode is small, the layout area can be reduced. Therefore, the frame of the display device can be narrowed.
なお、発光ダイオードが大型の表示装置に搭載される場合、発光ダイオードを該基板の背
面に配置することができる。発光ダイオードは、所定の間隔を維持し、各色の発光ダイオ
ードが順に配置される。In addition, when the light-emitting diode is mounted on a large-sized display device, the light-emitting diode can be arranged on the back surface of the substrate. The light-emitting diodes maintain a predetermined interval, and the light-emitting diodes of each color are arranged in order.
図40(C)に示すバックライトユニット2721は、光源としてRGB各色の発光ダイ
オード(LED)2723、発光ダイオード(LED)2724、発光ダイオード(LE
D)2725を用いた構成である。RGB各色の発光ダイオード2723(LED)、発
光ダイオード(LED)2724、発光ダイオード(LED)2725は、それぞれ所定
の間隔ごとに配置される。RGB各色の発光ダイオード(LED)2723、発光ダイオ
ード(LED)2724、発光ダイオード(LED)2725を用いることによって、色
再現性を高くすることができる。また、発光ダイオードからの光を効率よく反射させるた
め、ランプリフレクタ2722が設けられている。A
 D) A configuration using 2725. Light-emitting diodes 2723 (LED), light-emitting diodes (LED) 2724, and light-emitting diodes (LED) 2725 of RGB colors are arranged at predetermined intervals. Color reproducibility can be improved by using light emitting diodes (LED) 2723, light emitting diodes (LED) 2724, and light emitting diodes (LED) 2725 of RGB colors. Also, a
発光ダイオードの輝度は高いので、光源としてRGB各色の発光ダイオードを用いた構成
は大型表示装置に適する。また、発光ダイオードは色再現性に優れているので、入力され
る画像情報に対して忠実な画像を表示することができる。また、発光ダイオードは小さい
ため、配置面積を小さくすることができる。したがって、表示装置の狭額縁化を図ること
ができる。Since the luminance of the light-emitting diodes is high, a configuration using light-emitting diodes of RGB colors as a light source is suitable for a large-sized display device. In addition, since the light-emitting diode has excellent color reproducibility, it is possible to display an image that is faithful to the input image information. Moreover, since the light-emitting diode is small, the layout area can be reduced. Therefore, the frame of the display device can be narrowed.
なお、時間に応じてRGBの発光ダイオードを順次点灯させることによって、カラー表示
を行うことができる。いわいるフィールドシーケンシャルモードで表示することができる
。Color display can be performed by sequentially lighting the RGB light-emitting diodes according to time. It can be displayed in a so-called field sequential mode.
なお、白色を発する発光ダイオードと、RGB各色の発光ダイオード(LED)2723
、発光ダイオード(LED)2724、発光ダイオード(LED)2725とを組み合わ
せることができる。Note that a light emitting diode emitting white light and a light emitting diode (LED) 2723 of each color of RGB
 , light emitting diodes (LEDs) 2724 and light emitting diodes (LEDs) 2725 can be combined.
なお、発光ダイオードが大型の表示装置に搭載される場合、発光ダイオードを該基板の背
面に配置することができる。また、発光ダイオードの各々は所定の間隔を維持し、各色の
発光ダイオードが順に配置される。このような配置によって、色再現性を高めることがで
きる。In addition, when the light-emitting diode is mounted on a large-sized display device, the light-emitting diode can be arranged on the back surface of the substrate. Also, each of the light emitting diodes maintains a predetermined interval, and the light emitting diodes of each color are arranged in order. Such an arrangement can improve color reproducibility.
図40(D)に示すバックライトユニット2731は、光源としてRGB各色の発光ダイ
オード(LED)2733、発光ダイオード(LED)2734、発光ダイオード(LE
D)2735を用いた構成である。例えば、RGB各色の発光ダイオード(LED)27
33、発光ダイオード(LED)2734、発光ダイオード(LED)2735のうち発
光強度の低い色(例えば緑)の発光ダイオード、図40(D)においては発光ダイオード
(LED)2734は複数配置されている。このような構成とするによって、さらに色再
現性を高くすることができる。また、発光ダイオードからの光を効率よく反射させるため
、ランプリフレクタ2732が設けられている。A
 D) A configuration using 2735. For example, light-emitting diodes (LEDs) 27 of RGB colors
 33, light-emitting diodes (LEDs) 2734 and light-emitting diodes (LEDs) 2735, a plurality of light-emitting diodes (LEDs) 2734 in FIG. With such a configuration, the color reproducibility can be further improved. Also, a
発光ダイオードの発光強度は高いので、光源としてRGB各色の発光ダイオードを用いた
構成は大型表示装置に適する。また、発光ダイオードは色再現性に優れているので、入力
される画像情報に対して忠実な画像を表示することができる。また、発光ダイオードは小
さいため、配置面積を小さくすることができる。したがって、表示装置の狭額縁化を図る
ことができる。Since light emitting diodes have a high emission intensity, a configuration using light emitting diodes of each color of RGB as a light source is suitable for a large display device. In addition, since the light-emitting diode has excellent color reproducibility, it is possible to display an image that is faithful to the input image information. Moreover, since the light-emitting diode is small, the layout area can be reduced. Therefore, the frame of the display device can be narrowed.
なお、時間に応じてRGBの発光ダイオードを順次点灯させることによって、カラー表示
を行うことができる。Color display can be performed by sequentially lighting the RGB light-emitting diodes according to time.
なお、白色を発する発光ダイオードと、RGB各色の発光ダイオード(LED)2733
、発光ダイオード(LED)2734、発光ダイオード(LED)2735とを組み合わ
せることができる。Note that a light emitting diode emitting white light and a light emitting diode (LED) 2733 of each color of RGB
 , light emitting diodes (LEDs) 2734 and light emitting diodes (LEDs) 2735 can be combined.
なお、発光ダイオードが大型の表示装置に搭載される場合、発光ダイオードを該基板の背
面に配置することができる。発光ダイオードの各々は所定の間隔を維持し、各色の発光ダ
イオードが順に配置される。このような配置によって、色再現性を高めることができる。In addition, when the light-emitting diode is mounted on a large-sized display device, the light-emitting diode can be arranged on the back surface of the substrate. Each of the light emitting diodes maintains a predetermined distance, and the light emitting diodes of each color are arranged in order. Such an arrangement can improve color reproducibility.
図41(A)は、直下型と呼ばれるバックライトユニット2800と、液晶パネル280
5とを有する液晶表示装置の一例を示す。直下式とは、発光面の直下に光源を配置するこ
とで、その光源の発光を発光面全体から放射する方式である。直下式のバックライトユニ
ットは、発光光量を効率よく利用することができる。FIG. 41A shows a
 5 shows an example of a liquid crystal display device having . The direct type is a method in which a light source is arranged directly below a light emitting surface so that light emitted from the light source is emitted from the entire light emitting surface. The direct type backlight unit can efficiently use the amount of emitted light.
バックライトユニット2800は、拡散板2801、遮光板2802、ランプリフレクタ
2803及び光源2804によって構成される。A
光源2804は、必要に応じて発光する機能を有している。例えば、光源2805として
は、冷陰極管、熱陰極管、発光ダイオード、無機EL又は有機ELなどが用いられる。ラ
ンプリフレクタ2803は、光源2804の発光を効率よく拡散板2801及び遮光板2
802に導く機能を有する。遮光板2802は、光源2804の配置に合わせて光が強い
ところほど遮光を多くすることで、明度のムラを低減する機能を有する。拡散板2801
は、さらに明度のムラを低減する機能を有する。The
 It has the function of leading to 802. The
 has the function of further reducing brightness unevenness.
なお、バックライトユニット2800には、光源2804の輝度を調整するための制御回
路が接続されている。この制御回路によって、光源2804の輝度を調整することができ
る。A control circuit for adjusting the brightness of the
図41(B)は、直下型と呼ばれるバックライトユニット3015と、液晶パネル301
0とを有する液晶表示装置の一例を示す。FIG. 41B shows a backlight unit 3015 called a direct type and a liquid crystal panel 301.
 0 shows an example of a liquid crystal display device.
バックライトユニット2810は、拡散板2811、遮光板2812、ランプリフレクタ
2813、RGB各色の光源(R)2814a、光源(G)2814b及び光源(B)2
814cによって構成される。The
 814c.
RGB各色の光源2814a(R)、光源2814b(G)及び光源2814c(B)は
、必要に応じて発光する機能を有する。例えば、光源2814a(R)、光源2814b
(G)及び光源2814c(B)としては、冷陰極管、熱陰極管、発光ダイオード、無機
EL又は有機ELなどが用いられる。ランプリフレクタ2813は、光源2814の発光
を効率よく拡散板2811及び遮光板2812に導く機能を有する。遮光板2812は、
光源2814の配置に合わせて光が強いところほど遮光を多くすることで、明度のムラを
低減する機能を有する。拡散板2811は、さらに明度のムラを低減する機能を有する。The
 As (G) and the
 It has a function of reducing unevenness in lightness by increasing light shielding in areas where the light is stronger in accordance with the arrangement of the light sources 2814 .
なお、バックライトユニット2810には、RGB各色の光源2814a(R)、光源2
814b(G)及び光源2814c(B)の輝度を調整するための制御回路が接続されて
いる。この制御回路によって、RGB各色の光源2814a(R)、光源2814b(G
)及び光源2814c(B)の輝度を調整することができる。The
 A control circuit is connected to adjust the brightness of 814b (G) and
 ) and
図42は、偏光板(偏光フィルムともいう)の構成の一例を示す図である。FIG. 42 is a diagram showing an example of the configuration of a polarizing plate (also referred to as a polarizing film).
偏光フィルム2900は、保護フィルム2901、基板フィルム2902、PVA偏光フ
ィルム2903、基板フィルム2904、粘着剤層2905及び離型フィルム2906を
有する。The
PVA偏光フィルム2903は、光をある振動方向のみの光(直線偏光)にする機能を有
する。具体的には、PVA偏光フィルム2903は、電子の密度が縦と横で大きく異なる
分子(偏光子)を含んでいる。この電子の密度が縦と横で大きく異なる分子の方向が揃っ
たPVA偏光フィルム2903により、直線偏光とすることが可能となる。The PVA
一例として、PVA偏光フィルム2903は、ポリビニルアルコール(Poly  Vin
yl  Alcohol)の高分子フィルムにヨウ素化合物をドープし、PVAフィルムを
ある方向に引っ張ることで、一定方向にヨウ素分子の並んだフィルムを得ることができる
。そして、ヨウ素分子の長軸と平行な光は、ヨウ素分子に吸収される。なお、高耐久用途
及び高耐熱用途として、ヨウ素の代わりに2色性の染料が用いてもよい。なお、染料は、
車載用LCD又はプロジェクタ用LCDなどの耐久性、耐熱性が求められる液晶表示装置
に適している。As an example, the PVA
 yl Alcohol) polymer film is doped with an iodine compound and the PVA film is pulled in a certain direction to obtain a film in which iodine molecules are aligned in a certain direction. Light parallel to the long axis of the iodine molecule is absorbed by the iodine molecule. For high durability applications and high heat resistance applications, a dichroic dye may be used instead of iodine. In addition, the dye
 It is suitable for liquid crystal display devices such as in-vehicle LCDs and projector LCDs that require durability and heat resistance.
また、PVA偏光フィルム2903は、両側を基材となるフィルム(基板フィルム290
2及び基板フィルム2904)で挟むことで、信頼性を増すことができる。また、PVA
偏光フィルム2903は、高透明性、高耐久性を有するトリアセチルロース(TAC)フ
ィルムによって挟まれていてもよい。このような基板フィルム及びTACフィルムは、P
VA偏光フィルム2903が有する偏光子の保護層として機能する。In addition, the PVA
 2 and substrate film 2904), the reliability can be increased. In addition, PVA
 The
 It functions as a protective layer for the polarizer that the
基板フィルム(基板フィルム2904)には、液晶パネルのガラス基板に貼るための粘着
剤層2905が貼られている。なお、粘着剤層2905は、粘着剤を片側の基板フィルム
(基板フィルム2904)に塗布することで形成される。粘着剤層2905には、離型フ
ィルム2906(セパレートフィルム)が備えられている。A substrate film (substrate film 2904) is attached with an
他方の基板フィルム(基板フィルム2902)には、保護フィルム2901が備えられて
いる。A
なお、偏光フィルム2900表面に、ハードコート散乱層(アンチグレア層)が備えられ
ていてもよい。ハードコート散乱層は、AG処理によって表面に微細な凹凸が形成されて
おり、外光を散乱させる防眩機能を有するため、液晶パネルへの外光の映り込みを防ぐこ
とができる。よって、表面反射を防ぐことができる。A hard coat scattering layer (antiglare layer) may be provided on the surface of the
また、偏光フィルム2900表面に、複数の屈折率の異なる光学薄膜層を多層化(アンチ
リフレクション処理、若しくはAR処理ともいう)してもよい。多層化された複数の屈折
率のことなる光学薄膜層は、光の干渉効果によって表面の反射率を低減することができる
。In addition, a plurality of optical thin film layers having different refractive indices may be multilayered (also referred to as antireflection treatment or AR treatment) on the surface of the
図43は、液晶表示装置のシステムブロックの一例を示す図である。FIG. 43 is a diagram showing an example of system blocks of a liquid crystal display device.
図43(A)に示すように画素部3005には、信号線3012が信号線駆動回路300
3から延伸して配置されている。また、走査線3010が走査線駆動回路3004から延
伸して配置されている。そして、信号線3012と走査線3010との交差領域に、複数
の画素がマトリクス状に配置されている。なお、複数の画素の各々はスイッチング素子を
有し、画素部3005の詳細については上述の実施形態で述べたため、ここでは省略する
。As shown in FIG. 43A, in the pixel portion 3005, a signal line 3012 is connected to the signal line driver circuit 300.
 3 and is arranged to extend. Further, scanning lines 3010 are arranged extending from the scanning
図43(A)において、駆動回路部3008は、制御回路3002、信号線駆動回路30
03及び走査線駆動回路3004を有する。制御回路3002には映像信号3001が入
力されている。制御回路3002は、この制御信号3001に応じて信号線駆動回路30
03及び走査線駆動回路3004を制御する。そのため、制御回路3002は信号線駆動
回路3003及び走査線駆動回路3004にそれぞれの制御信号を入力する。そして、こ
の制御信号に応じて、信号線駆動回路3003はビデオ信号を信号線3012に入力し、
走査線駆動回路3004は走査信号を走査線3010に入力する。そして、画素が有する
スイッチング素子が走査信号に応じて選択され、画素の画素電極にビデオ信号が入力され
る。In FIG. 43A, a driver circuit portion 3008 includes a
 03 and a scanning
 03 and the scanning
 The scanning
なお、制御回路3002は、制御信号3001に応じて電源3007も制御している。な
お、電源3007は照明手段3006へ電力を供給する手段を有している。照明手段30
06としては、エッジライト式のバックライトユニット又は直下型のバックライトユニッ
トを用いることができる。また、照明手段3006にフロントライトを用いてもよい。フ
ロントライトとは、画素部の前面側に取りつけ、全体を照らす発光体及び導光体で構成さ
れた板状のライトユニットである。このような照明手段により、低消費電力で、均等に画
素部を照らすことができる。Note that the
 06 can be an edge light type backlight unit or a direct type backlight unit. Also, a front light may be used as the lighting means 3006 . A front light is a plate-like light unit that is attached to the front side of the pixel portion and that is composed of a light emitter and a light guide that illuminate the entire area. Such a lighting means can evenly illuminate the pixel portion with low power consumption.
走査線駆動回路3004は、例えば図43(B)に示すようにシフトレジスタ3041、
レベルシフタ3042、バッファ3043として機能する回路を有する。なお、シフトレ
ジスタ3041にはゲートスタートパルス(GSP)、ゲートクロック信号(GCK)等
の信号が制御回路2902より入力される。The scanning
 It has a circuit functioning as a level shifter 3042 and a buffer 3043 . Signals such as a gate start pulse (GSP) and a gate clock signal (GCK) are input from the
図43(C)に示すように信号線駆動回路3003は、シフトレジスタ3031、第1の
ラッチ3032、第2のラッチ3033、レベルシフタ3034、バッファ3035とし
て機能する回路を有する。バッファ3035として機能する回路とは、弱い信号を増幅さ
せる機能を有する回路であり、オペアンプ等を有する。レベルシフタ3034には、スタ
ートパルス(SSP)、ソースクロック信号(SCK)等の信号が、第1のラッチ303
2にはビデオ信号等のデータ(DATA)が入力される。第2のラッチ3033にはラッ
チ(LAT)信号を一時保持することができ、一斉に画素部3005へ入力させる。これ
を線順次駆動と呼ぶ。そのため、線順次駆動ではなく、点順次駆動を行う画素であれば、
第2のラッチは不要とすることができる。As shown in FIG. 43C, the signal
 2 is input with data (DATA) such as a video signal. A latch (LAT) signal can be temporarily held in the second latch 3033 and input to the pixel portion 3005 all at once. This is called line sequential driving. Therefore, if the pixels are dot-sequentially driven instead of line-sequentially driven,
 A second latch may not be required.
なお、本実施の形態において、液晶パネルは、公知のものを用いることができる。例えば
、液晶パネルとして、2つの基板の間に液晶層が封止された構成を用いることができる。
一方の基板上には、トランジスタ、容量素子、画素電極又は配向膜などが形成されている
。なお、前記基板の上面と反対側には、偏光板、位相差板又はプリズムシートが配置され
ていてもよい。他方の基板上には、カラーフィルタ、ブラックマトリクス、対向電極又は
配向膜などが形成されている。なお、他方の基板の上面と反対側には、偏光板又は位相差
板が配置されていてもよい。なお、カラーフィルタ及びブラックマトリクスは、一方の基
板の上面に形成されてもよい。なお、一方の基板の上面側又はその反対側にスリット(格
子)を配置することで、3次元表示を行うことができる。In this embodiment, a known liquid crystal panel can be used. For example, a structure in which a liquid crystal layer is sealed between two substrates can be used as a liquid crystal panel.
 A transistor, a capacitor, a pixel electrode, an alignment film, or the like is formed over one substrate. A polarizing plate, a retardation plate, or a prism sheet may be arranged on the side opposite to the upper surface of the substrate. A color filter, a black matrix, a counter electrode, an alignment film, and the like are formed on the other substrate. A polarizing plate or a retardation plate may be arranged on the side opposite to the upper surface of the other substrate. Note that the color filters and the black matrix may be formed on the top surface of one of the substrates. Note that three-dimensional display can be performed by arranging a slit (lattice) on the upper surface side of one of the substrates or on the opposite side thereof.
なお、偏光板、位相差板及びプリズムシートを、それぞれ2つの基板の間に配置すること
が可能である。あるいは、2つの基板のうちのいずれかと一体とすることが可能である。A polarizing plate, a retardation plate, and a prism sheet can each be placed between two substrates. Alternatively, it can be integral with either of the two substrates.
なお、本実施の形態において、様々な図を用いて述べてきたが、各々の図で述べた内容(
一部でもよい)は、別の図で述べた内容(一部でもよい)に対して、適用、組み合わせ、
又は置き換えなどを自由に行うことが出来る。さらに、これまでに述べた図において、各
々の部分に関して、別の部分を組み合わせることにより、さらに多くの図を構成させるこ
とが出来る。In the present embodiment, descriptions have been made using various diagrams, but the contents described in each diagram (
 may be part of it) shall apply, combine, or
 Alternatively, replacement can be freely performed. Furthermore, in the figures described so far, more figures can be configured by combining each part with another part.
同様に、本実施の形態の各々の図で述べた内容(一部でもよい)は、別の実施の形態およ
び実施例の図で述べた内容(一部でもよい)に対して、適用、組み合わせ、又は置き換え
などを自由に行うことが出来る。さらに、本実施の形態の図において、各々の部分に関し
て、別の実施の形態および実施例の部分を組み合わせることにより、さらに多くの図を構
成させることが出来る。Similarly, the content (may be part of) described in each figure of this embodiment is applied or combined with the content (may be part of) described in the figures of other embodiments and examples. , or can be freely replaced. Furthermore, in the drawings of this embodiment, more drawings can be formed by combining parts of other embodiments and examples with respect to each part.
なお、本実施の形態は、他の実施の形態および実施例で述べた内容(一部でもよい)を、
具現化した場合の一例、少し変形した場合の一例、一部を変更した場合の一例、改良した
場合の一例、詳細に述べた場合の一例、応用した場合の一例、関連がある部分についての
一例などを示している。したがって、他の実施の形態および実施例で述べた内容は、本実
施の形態への適用、組み合わせ、又は置き換えを自由に行うことができる。It should be noted that, in this embodiment, the contents (or part of them) described in other embodiments and examples are
 Example of implementation, example of slight modification, example of partial change, example of improvement, example of detailed description, example of application, example of related parts etc. Therefore, the contents described in other embodiments and examples can be freely applied to, combined with, or replaced with this embodiment.
(実施の形態9)
本実施形態においては、表示装置の駆動方法について説明する。特に、液晶表示装置の駆
動方法について説明する。(Embodiment 9)
 In this embodiment, a method for driving a display device will be described. In particular, a method for driving a liquid crystal display device will be described.
本実施形態において説明する液晶表示装置に用いることのできる液晶パネルは、液晶材料
を2枚の基板によって挟んだ構造であるとする。2枚の基板は、それぞれ、液晶材料に印
加する電界を制御するための電極を備えている。液晶材料は、外部から印加される電界に
よって、光学的および電気的な性質が変化する材料である。したがって、液晶パネルは、
基板が有する電極を用いて液晶材料に印加する電圧を制御することによって、所望の光学
的および電気的な性質を得ることができるデバイスである。そして、多数の電極を平面的
に並置することでそれぞれを画素とし、画素に印加する電圧を個別に制御することにより
、精細な画像を表示できる液晶パネルとすることができる。A liquid crystal panel that can be used in the liquid crystal display device described in this embodiment has a structure in which a liquid crystal material is sandwiched between two substrates. The two substrates each have electrodes for controlling the electric field applied to the liquid crystal material. A liquid crystal material is a material whose optical and electrical properties are changed by an externally applied electric field. Therefore, the liquid crystal panel
 It is a device in which desired optical and electrical properties can be obtained by controlling the voltage applied to the liquid crystal material using the electrodes of the substrate. By arranging a large number of electrodes two-dimensionally to form pixels and individually controlling voltages applied to the pixels, a liquid crystal panel capable of displaying a fine image can be obtained.
ここで、電界の変化に対する液晶材料の応答時間は、2枚の基板の間隔(セルギャップ)
および液晶材料の種類等に依存するが、一般的に数ミリ秒から数十ミリ秒である。さらに
、電界の変化量が小さい場合は、液晶材料の応答時間はさらに長くなる。この性質は、液
晶パネルによって動きのある画像を表示する場合に、残像、尾引き、コントラストの低下
といった画像表示上の障害を引き起こし、特に中間調から別の中間調へ変化する場合(電
界の変化が小さい)場合に、前述の障害の程度が著しくなる。Here, the response time of the liquid crystal material to changes in the electric field is the distance between the two substrates (cell gap)
 And, depending on the type of liquid crystal material, etc., it is generally several milliseconds to several tens of milliseconds. Furthermore, the response time of the liquid crystal material is even longer when the change in electric field is small. This property causes image display problems such as afterimages, trailing, and contrast reduction when displaying moving images on the liquid crystal panel. is small), the degree of the aforementioned disturbance becomes significant.
一方、アクティブマトリクスを用いた液晶パネルに特有の問題として、定電荷駆動による
書き込み電圧の変化がある。以下に、本実施形態における定電荷駆動について説明する。On the other hand, a problem specific to liquid crystal panels using an active matrix is a change in write voltage due to constant charge driving. The constant charge drive in this embodiment will be described below.
アクティブマトリクスにおける画素回路は、書き込みを制御するスイッチと、電荷を保持
する容量素子を含む。アクティブマトリクスにおける画素回路の駆動方法は、スイッチを
オン状態として所定の電圧を画素回路に書き込んだ後、直ちにスイッチをオフ状態として
画素回路内の電荷を保持する(ホールド状態)というものである。ホールド状態時、画素
回路の内部と外部には電荷のやり取りが行なわれない(定電荷)。通常、スイッチがオン
状態となっている期間に比べて、オフ状態となっている期間は数百(走査線本数)倍程度
長い。そのため、画素回路のスイッチは、ほとんどオフ状態となっていると考えてよい。
以上より、本実施形態における定電荷駆動とは、液晶パネルの駆動時、画素回路はほとん
どの期間においてホールド状態である駆動方法であるとする。A pixel circuit in an active matrix includes a switch that controls writing and a capacitive element that holds charges. A method of driving a pixel circuit in an active matrix is to turn on a switch to write a predetermined voltage into the pixel circuit, and then immediately turn off the switch to hold the charge in the pixel circuit (hold state). In the hold state, no charge is exchanged between the inside and the outside of the pixel circuit (constant charge). Normally, the period in which the switch is in the off state is about several hundred (the number of scanning lines) times longer than the period in which the switch is in the on state. Therefore, it can be considered that most of the switches in the pixel circuit are in an off state.
 As described above, constant charge driving in the present embodiment is a driving method in which the pixel circuit is in the hold state for most of the period when the liquid crystal panel is driven.
次に、液晶材料の電気的特性について説明する。液晶材料は、外部から印加される電界が
変化すると、光学的性質が変化するのと同時に、誘電率も変化する。すなわち、液晶パネ
ルの各画素を2枚の電極に挟まれた容量素子(液晶素子)として考えたとき、当該容量素
子は、印加される電圧によって静電容量が変化する容量素子である。この現象を、ダイナ
ミックキャパシタンスと呼ぶこととする。Next, the electrical properties of the liquid crystal material will be described. When the electric field applied from the outside changes, the liquid crystal material changes not only in optical properties but also in dielectric constant. That is, when each pixel of the liquid crystal panel is considered as a capacitive element (liquid crystal element) sandwiched between two electrodes, the capacitive element is a capacitive element whose capacitance changes depending on the applied voltage. This phenomenon is called dynamic capacitance.
このように、印加される電圧によって静電容量が変化する容量素子を、上述した定電荷駆
動によって駆動する場合、次のような問題が生じる。すなわち、電荷の移動が行なわれな
いホールド状態において、液晶素子の静電容量が変化すると、印加される電圧も変化して
しまうという問題である。これは、(電荷量)=(静電容量)×(印加電圧)という関係
式において、電荷量が一定であるということから理解できる。When the capacitive element whose capacitance changes with the applied voltage is driven by the constant charge driving described above, the following problems arise. That is, there is a problem that when the electrostatic capacitance of the liquid crystal element changes in the hold state in which charge is not transferred, the applied voltage also changes. This can be understood from the fact that the charge amount is constant in the relational expression of (charge amount)=(capacitance)×(applied voltage).
以上の理由により、アクティブマトリクスを用いた液晶パネルでは、定電荷駆動であるこ
とによって、ホールド状態時における電圧が、書き込み時における電圧から変化してしま
う。その結果、液晶素子の透過率は、ホールド状態を取らない駆動法における変化とは異
なったものとなる。この様子を示したのが、図44である。図44(A)は、横軸に時間
、縦軸に電圧の絶対値をとり、画素回路に書き込む電圧の制御例を表したものである。図
44(B)は、横軸に時間、縦軸に電圧をとった場合の、画素回路に書き込む電圧の制御
例を表したものである。図44(C)は、横軸に時間、縦軸に液晶素子の透過率をとり、
図44(A)または図44(B)によって表した電圧を画素回路に書き込んだ場合の、液
晶素子の透過率の時間変化を表したものである。図44(A)乃至(C)において、期間
Fは電圧の書き換え周期を表し、電圧を書き換える時刻をt1、t2、t3、t4、・・
・として説明する。For the above reasons, in the liquid crystal panel using the active matrix, the voltage in the hold state changes from the voltage in writing due to constant charge driving. As a result, the transmittance of the liquid crystal element is different from the change in the drive method without the hold state. FIG. 44 shows this situation. FIG. 44A shows an example of controlling the voltage written to the pixel circuit, with the horizontal axis representing time and the vertical axis representing the absolute value of the voltage. FIG. 44B shows an example of control of the voltage written to the pixel circuit when the horizontal axis represents time and the vertical axis represents voltage. In FIG. 44(C), the horizontal axis represents time and the vertical axis represents the transmittance of the liquid crystal element.
 44A and 44B show changes over time in the transmittance of the liquid crystal element when the voltage shown in FIG. 44A or 44B is written to the pixel circuit. In FIGS. 44A to 44C, a period F represents a voltage rewriting cycle, and voltage rewriting times are t1 , t2 , t3 , t4 , .
・Explain as
ここで、液晶表示装置に入力される画像データに対応する書き込み電圧は、時刻0におけ
る書き換えでは|V1|、時刻t1、t2、t3、t4、・・・における書き換えでは|
V2|であるとする。(図44(A)参照)Here,the write voltage corresponding tothe image data input to the liquid crystal displaydevice is |V1 | for rewriting at time0 , and |
 Let V2 | (See FIG. 44(A))
なお、液晶表示装置に入力される画像データに対応する書き込み電圧は、その極性を周期
的に入れ替えてもよい。(反転駆動:図44(B)参照)この方法によって、液晶に直流
電圧をできるだけ印加しないようにすることができるので、液晶素子の劣化による焼きつ
き等を防ぐことができる。なお、極性を入れ替える周期(反転周期)は、電圧の書き換え
周期と同じでもよい。この場合は、反転周期が短いので、反転駆動によるフリッカの発生
を低減することができる。さらに、反転周期は、電圧の書き換え周期の整数倍の周期であ
ってもよい。この場合は、反転周期が長く、極性を変えて電圧を書き込む頻度を減少させ
ることができるため、消費電力を低減することができる。The polarity of the write voltage corresponding to the image data input to the liquid crystal display device may be changed periodically. (Reversal drive: see FIG. 44B) By this method, it is possible to avoid applying a DC voltage to the liquid crystal as much as possible, so that burn-in or the like due to deterioration of the liquid crystal element can be prevented. It should be noted that the cycle of switching the polarity (reversal cycle) may be the same as the voltage rewriting cycle. In this case, since the inversion cycle is short, it is possible to reduce the occurrence of flicker due to inversion driving. Furthermore, the inversion period may be an integral multiple of the voltage rewriting period. In this case, the inversion period is long, and the frequency of writing the voltage by changing the polarity can be reduced, so that power consumption can be reduced.
そして、図44(A)または図44(B)に示したような電圧を液晶素子に印加したとき
の液晶素子の透過率の時間変化を、図44(C)に示す。ここで、液晶素子に電圧|V1
|が印加され、十分時間が経過した後の液晶素子の透過率をTR1とする。同様に、液晶
素子に電圧|V2|が印加され、十分時間が経過した後の液晶素子の透過率をTR2とす
る。時刻t1において、液晶素子に印加される電圧が|V1|から|V2|に変化すると
、液晶素子の透過率は、破線30401に示したように、すぐにTR2とはならず、ゆっ
くりと変化する。たとえば、電圧の書き換え周期が、60Hzの画像信号のフレーム周期
(16.7ミリ秒)と同じであるとき、透過率がTR2に変化するまでは、数フレーム程
度の時間が必要となる。FIG. 44C shows changes in the transmittance of the liquid crystal element with time when the voltage shown in FIG. 44A or 44B is applied to the liquid crystal element. Here, a voltage |V1 is applied to the liquid crystal element
 | is applied and the transmittance of the liquid crystal element after a sufficient time has passed isTR1 . Similarly, a voltage |V2 | is applied to the liquid crystal element, and the transmittance of the liquid crystal element after a sufficient amount of time has passed is TR2 . At timet1 , when the voltage applied to the liquid crystal element changes from |V1 | to |V2 |, the transmittance of the liquid crystal element does not immediately becomeTR2 as indicated by the dashed
ただし、破線30401に示したような、滑らかな透過率の時間変化は、液晶素子に正確
に電圧|V2|が印加されたときのものである。実際の液晶パネル、たとえば、アクティ
ブマトリクスを用いた液晶パネルでは、定電荷駆動であることによって、ホールド状態時
における電圧が、書き込み時における電圧から変化してしまうため、液晶素子の透過率は
破線30401に示したような時間変化とはならず、かわりに、実線30402に示した
ような、段階的な時間変化となる。これは、定電荷駆動であることによって電圧が変化し
てしまうため、1回の書き込みでは目的の電圧に到達することができないためである。そ
の結果、液晶素子の透過率の応答時間は、本来の応答時間(破線30401)よりも、見
かけ上、さらに長くなってしまい、残像、尾引き、コントラストの低下といった画像表示
上の障害を顕著に引き起こしてしまうということになる。However, the smooth temporal change in transmittance as indicated by the dashed
オーバードライブ駆動を用いることによって、液晶素子の本来の応答時間の長さと、ダイ
ナミックキャパシタンスおよび定電荷駆動による書き込み不足に起因する見かけ上の応答
時間がさらに長くなる現象を、同時に解決することができる。この様子を示したのが、図
45である。図45(A)は、横軸に時間、縦軸に電圧の絶対値をとり、画素回路に書き
込む電圧の制御例を表したものである。図45(B)は、横軸に時間、縦軸に電圧をとっ
た場合の、画素回路に書き込む電圧の制御例を表したものである。図45(C)は、横軸
に時間、縦軸に液晶素子の透過率をとり、図45(A)または図45(B)によって表し
た電圧を画素回路に書き込んだ場合の、液晶素子の透過率の時間変化を表したものである
。図45(A)乃至(C)において、期間Fは電圧の書き換え周期を表し、電圧を書き換
える時刻をt1、t2、t3、t4、・・・として説明する。By using overdrive driving, it is possible to simultaneously solve the problem of the inherently long response time of the liquid crystal element and the phenomenon that the apparent response time is further lengthened due to insufficient writing due to dynamic capacitance and constant charge driving. FIG. 45 shows this situation. FIG. 45A shows an example of controlling the voltage written to the pixel circuit, with the horizontal axis representing time and the vertical axis representing the absolute value of the voltage. FIG. 45B shows an example of control of the voltage written to the pixel circuit when the horizontal axis represents time and the vertical axis represents voltage. In FIG. 45C, the horizontal axis represents time and the vertical axis represents the transmittance of the liquid crystal element. FIG. It represents the time change of the transmittance. In FIGS. 45A to 45C, a period F represents a voltage rewriting cycle, and voltage rewriting times are t1 , t2 , t3 , t4 , . . . .
ここで、液晶表示装置に入力される画像データに対応する書き込み電圧は、時刻0におけ
る書き換えでは|V1|、時刻t1における書き換えでは|V3|、時刻t2、t3、t
4、・・・における書き換えでは|V2|であるとする。(図45(A)参照)Here, the write voltage corresponding to the image data input to the liquid crystal display device is |V1 | for rewriting at
4 , . . . is |V2 |. (See FIG. 45(A))
なお、液晶表示装置に入力される画像データに対応する書き込み電圧は、その極性を周期
的に入れ替えてもよい。(反転駆動:図45(B)参照)この方法によって、液晶に直流
電圧をできるだけ印加しないようにすることができるので、液晶素子の劣化による焼きつ
き等を防ぐことができる。なお、極性を入れ替える周期(反転周期)は、電圧の書き換え
周期と同じでもよい。この場合は、反転周期が短いので、反転駆動によるフリッカの発生
を低減することができる。さらに、反転周期は、電圧の書き換え周期の整数倍の周期であ
ってもよい。この場合は、反転周期が長く、極性を変えて電圧を書き込む頻度を減少させ
ることができるため、消費電力を低減することができる。The polarity of the write voltage corresponding to the image data input to the liquid crystal display device may be changed periodically. (Reversal drive: see FIG. 45B) By this method, it is possible to avoid applying a DC voltage to the liquid crystal as much as possible, so that burn-in or the like due to deterioration of the liquid crystal element can be prevented. It should be noted that the cycle of switching the polarity (reversal cycle) may be the same as the voltage rewriting cycle. In this case, since the inversion cycle is short, it is possible to reduce the occurrence of flicker due to inversion driving. Furthermore, the inversion period may be an integral multiple of the voltage rewriting period. In this case, the inversion period is long, and the frequency of writing the voltage by changing the polarity can be reduced, so that power consumption can be reduced.
そして、図45(A)または図45(B)に示したような電圧を液晶素子に印加したとき
の液晶素子の透過率の時間変化を、図45(C)に示す。ここで、液晶素子に電圧|V1
|が印加され、十分時間が経過した後の液晶素子の透過率をTR1とする。同様に、液晶
素子に電圧|V2|が印加され、十分時間が経過した後の液晶素子の透過率をTR2とす
る。同様に、液晶素子に電圧|V3|が印加され、十分時間が経過した後の液晶素子の透
過率をTR3とする。時刻t1において、液晶素子に印加される電圧が|V1|から|V
3|に変化すると、液晶素子の透過率は、破線30501に示したように、数フレームを
かけて透過率をTR3まで変化しようとする。しかし、電圧|V3|の印加は時刻t2で
終わり、時刻t2より後は、電圧|V2|が印加される。そのため、液晶素子の透過率は
破線30501に示したようにはならず、実線30502に示したようになる。ここで、
時刻t2の時点において、透過率が概ねTR2となっているように、電圧|V3|の値を
設定するのが好ましい。ここで、電圧|V3|を、オーバードライブ電圧とも呼ぶことと
する。FIG. 45C shows changes in the transmittance of the liquid crystal element with time when the voltage shown in FIG. 45A or 45B is applied to the liquid crystal element. Here, a voltage |V1 is applied to the liquid crystal element
 | is applied and the transmittance of the liquid crystal element after a sufficient time has passed isTR1 . Similarly, a voltage |V2 | is applied to the liquid crystal element, and the transmittance of the liquid crystal element after a sufficient amount of time has passed is TR2 . Similarly, a voltage |V3 | is applied to the liquid crystal element, and the transmittance of the liquid crystal element after a sufficient amount of time has passed is TR3 . At time t1 , the voltage applied to the liquid crystal element changes from |V1 | to |V
3 |, the transmittance of the liquid crystal element tries to change to TR3 over several frames, as indicated by the dashed
 It is preferable to set the value of the voltage |V3 | so that the transmittance is approximately TR2 at time t2 . Here, the voltage |V3 | is also called an overdrive voltage.
つまり、オーバードライブ電圧である|V3|を変化させれば、液晶素子の応答時間をあ
る程度制御することができる。なぜならば、液晶の応答時間は、電界の強さによって変化
するからである。具体的には、電界が強いほど、液晶素子の応答時間は短くなり、電界が
弱いほど、液晶素子の応答時間は長くなる。That is, the response time of the liquid crystal element can be controlled to some extent by changing the overdrive voltage |V3 |. This is because the response time of the liquid crystal changes depending on the strength of the electric field. Specifically, the stronger the electric field, the shorter the response time of the liquid crystal element, and the weaker the electric field, the longer the response time of the liquid crystal element.
なお、オーバードライブ電圧である|V3|は、電圧の変化量、すなわち、目的とする透
過率TR1およびTR2を与える電圧|V1|および|V2|、にしたがって変化させる
のが好ましい。なぜならば、液晶素子の応答時間が電圧の変化量によって変わってしまっ
ても、オーバードライブ電圧である|V3|をそれに合わせて変化させれば、常に最適な
応答時間を得ることができるからである。The overdrive voltage |V3 | is preferably changed according to the amount of voltage change, that is, the voltages |V1 | and |V2 | that give the desired transmittances TR1 and TR2 . . This is because even if the response time of the liquid crystal element changes depending on the amount of voltage change, the optimum response time can always be obtained by changing the overdrive voltage |V3 | accordingly. be.
なお、オーバードライブ電圧である|V3|は、TN、VA、IPS、OCB等の液晶の
モードによって変化させるのが好ましい。なぜならば、液晶の応答速度が液晶のモードに
よって異なってしまっても、オーバードライブ電圧である|V3|をそれに合わせて変化
させれば、常に最適な応答時間を得ることができるからである。The overdrive voltage |V3 | is preferably changed according to the liquid crystal mode such as TN, VA, IPS, and OCB. This is because even if the response speed of the liquid crystal varies depending on the mode of the liquid crystal, the optimum response time can always be obtained by changing the overdrive voltage |V3 | accordingly.
なお、電圧書き換え周期Fは、入力信号のフレーム周期と同じでもよい。この場合は、液
晶表示装置の周辺駆動回路を簡単にできるため、製造コストの低い液晶表示装置を得るこ
とができる。Note that the voltage rewrite cycle F may be the same as the frame cycle of the input signal. In this case, since the peripheral drive circuit of the liquid crystal display device can be simplified, the liquid crystal display device can be manufactured at low cost.
なお、電圧書き換え周期Fは、入力信号のフレーム周期よりも短くてもよい。たとえば、
電圧書き換え周期Fは入力信号のフレーム周期の1/2倍でもよいし、1/3倍でもよい
し、それ以下でもよい。この方法は、黒挿入駆動、バックライト点滅、バックライトスキ
ャン、動き補償による中間画像挿入駆動等、液晶表示装置のホールド駆動に起因する動画
品質の低下の対策法と合わせて用いるのが効果的である。すなわち、液晶表示装置のホー
ルド駆動に起因する動画品質の低下の対策法は、要求される液晶素子の応答時間が短いた
め、本実施形態で説明したオーバードライブ駆動法を用いることで、比較的容易に液晶素
子の応答時間を短くすることができる。液晶素子の応答時間は、セルギャップ、液晶材料
および液晶モード等によって本質的に短くすることは可能ではあるが、技術的に困難であ
る。そのため、オーバードライブのような、駆動方法から液晶素子の応答時間を短くする
方法を用いることは、非常に重要である。Note that the voltage rewriting period F may be shorter than the frame period of the input signal. for example,
 The voltage rewriting period F may be 1/2 times the frame period of the input signal, 1/3 times, or less. It is effective to use this method in combination with measures against deterioration of moving image quality caused by hold driving of the liquid crystal display device, such as black insertion driving, backlight blinking, backlight scanning, and intermediate image insertion driving by motion compensation. be. That is, since the required response time of the liquid crystal element is short, measures against deterioration in moving image quality caused by the hold driving of the liquid crystal display device can be made relatively easily by using the overdrive driving method described in this embodiment. can shorten the response time of the liquid crystal element. Although it is possible to substantially shorten the response time of a liquid crystal element by adjusting the cell gap, liquid crystal material, liquid crystal mode, etc., it is technically difficult. Therefore, it is very important to use a driving method such as overdrive that shortens the response time of the liquid crystal element.
なお、電圧書き換え周期Fは、入力信号のフレーム周期よりも長くてもよい。たとえば、
電圧書き換え周期Fは入力信号のフレーム周期の2倍でもよいし、3倍でもよいし、それ
以上でもよい。この方法は、長期間電圧の書き換えが行なわれないか否かを判断する手段
(回路)と合わせて用いるのが効果的である。すなわち、長期間電圧の書き換えが行なわ
れない場合は、電圧の書き換え動作自体を行わないことによって、回路の動作をその期間
中は停止させることができるので、消費電力の低い液晶表示装置を得ることができる。Note that the voltage rewriting period F may be longer than the frame period of the input signal. for example,
 The voltage rewriting period F may be twice the frame period of the input signal, may be three times, or may be longer than that. It is effective to use this method together with means (circuit) for determining whether or not the voltage is not rewritten for a long period of time. That is, when the voltage is not rewritten for a long period of time, the operation of the circuit can be stopped during that period by not performing the voltage rewriting operation itself, so that a liquid crystal display device with low power consumption can be obtained. can be done.
次に、オーバードライブ電圧|V3|を、目的とする透過率TR1およびTR2を与える
電圧|V1|および|V2|、にしたがって変化させるための具体的な方法について説明
する。Next, a specific method for changing the overdrive voltage |V3 | according to the voltages |V1 | and |V2 | that give the desired transmittances TR1 and TR2 will be described.
オーバードライブ回路は、目的とする透過率TR1およびTR2を与える電圧|V1|お
よび|V2|にしたがって、オーバードライブ電圧|V3|を適切に制御するための回路
であるため、オーバードライブ回路に入力される信号は、透過率TR1を与える電圧|V
1|に関係する信号と、透過率TR2を与える電圧|V2|に関係する信号であり、オー
バードライブ回路から出力される信号は、オーバードライブ電圧|V3|に関係する信号
となる。ここで、これらの信号としては、液晶素子に印加する電圧(|V1|、|V2|
、|V3|)のようなアナログの電圧値であってもよいし、液晶素子に印加する電圧を与
えるためのデジタル信号であってもよい。ここでは、オーバードライブ回路に関係する信
号はデジタル信号であるとして説明する。The overdrive circuit is a circuit for appropriately controlling the overdrive voltage |V3 | according to the voltages |V1 | and |V2 | that give the desired transmittances TR1 and TR2 . The signal input to the drive circuit is thevoltage |V
1 | and a signal related to the voltage |V2 | that gives the transmittance TR2 , and the signal output from the overdrive circuit is a signal related to the overdrive voltage |V3 |. Here, these signals include the voltages (|V1 |, |V2 |
 , |V3 |), or a digital signal for applying a voltage to the liquid crystal element. Here, it is assumed that the signal related to the overdrive circuit is a digital signal.
まず、図46の(A)を参照して、オーバードライブ回路の全体的な構成について説明す
る。ここでは、オーバードライブ電圧を制御するための信号として、入力画像信号310
1aおよび3101bを用いる。これらの信号を処理した結果、オーバードライブ電圧を
与える信号として、出力画像信号3104が出力されるとする。First, referring to FIG. 46A, the overall configuration of the overdrive circuit will be described. Here, the input image signal 310 is used as a signal for controlling the overdrive voltage.
 1a and 3101b are used. Assume that as a result of processing these signals, an
ここで、目的とする透過率TR1およびTR2を与える電圧|V1|および|V2|は、
互いに隣り合ったフレームにおける画像信号であるため、入力画像信号3101aおよび
3101bも、同様に互いに隣り合ったフレームにおける画像信号であることが好ましい
。このような信号を得るためには、入力画像信号3101aを、図46の(A)における
遅延回路3102に入力し、その結果出力される信号を、入力画像信号3101bとする
ことができる。遅延回路3102としては、たとえば、メモリが挙げられる。すなわち、
入力画像信号3101aを1フレーム分遅延させるために、メモリに当該入力画像信号3
101aを記憶させておき、同時に、1つ前のフレームにおいて記憶させておいた信号を
、入力画像信号3101bとしてメモリから取り出し、入力画像信号3101aと、入力
画像信号3101bを、同時に補正回路3103に入力することで、互いに隣り合ったフ
レームにおける画像信号を扱えるようにすることができる。そして、互いに隣り合ったフ
レームにおける画像信号を、補正回路3103に入力することで、出力画像信号3104
を得ることができる。なお、遅延回路3102としてメモリを用いたときは、1フレーム
分遅延させるために、1フレーム分の画像信号を記憶できる容量を持ったメモリ(すなわ
ち、フレームメモリ)とすることができる。こうすることで、メモリ容量の過不足なく、
遅延回路としての機能を有することができる。Here, the voltages |V1 | and |V2 | that give the desired transmittances TR1 and TR2 are
 Since the input image signals 3101a and 3101b are image signals in frames adjacent to each other, it is preferable that the input image signals 3101a and 3101b are also image signals in frames adjacent to each other. In order to obtain such a signal, the
 In order to delay the
 101a is stored, and at the same time, the signal stored in the previous frame is taken out from the memory as the
 can be obtained. When a memory is used as the
 It can have a function as a delay circuit.
次に、メモリの容量を削減することを主な目的として構成された遅延回路3102につい
て説明する。遅延回路3102としてこのような回路を用いることで、メモリの容量を削
減することができるため、製造コストを低減することができる。Next, the
このような特徴を持つ遅延回路3102として、具体的には、図46の(B)に示すよう
なものを用いることができる。図46の(B)に示す遅延回路3102は、エンコーダ3
105と、メモリ3106と、デコーダ3107を有する。As the
 105, a
図46の(B)に示す遅延回路3102の動作としては、次のようなものとなる。まず、
入力画像信号3101aをメモリ3106に記憶させる前に、エンコーダ3105によっ
て、圧縮処理を行なう。これによって、メモリ3106に記憶させるべきデータのサイズ
を減らすことができる。その結果、メモリの容量を削減することができるため、製造コス
トを低減することができる。そして、圧縮処理を施された画像信号は、デコーダ3107
に送られ、ここで伸張処理を行なう。これによって、エンコーダ3105によって圧縮処
理された前の信号を復元することができる。ここで、エンコーダ3105およびデコーダ
3107によって行なわれる圧縮伸張処理は、可逆的な処理であってもよい。こうするこ
とで、圧縮伸張処理を行なった後でも画像信号の劣化がないため、最終的に装置に表示さ
れる画像の品質を落とすことなく、メモリの容量を削減することができる。さらに、エン
コーダ3105およびデコーダ3107によって行なわれる圧縮伸張処理は、非可逆的な
処理であってもよい。こうすることで、圧縮後の画像信号のデータのサイズを非常に小さ
くすることができるため、メモリの容量を大幅に削減することができる。The operation of the
 Before the
 , where it is decompressed. Thereby, the signal before being compressed by the
なお、メモリの容量を削減するための方法としては、上に挙げたもの以外にも、様々な方
法を用いることができる。エンコーダによって画像圧縮するのではなく、画像信号が有す
る色情報を削減する(たとえば、26万色から6万5千色に減色する)、またはデータ数
を削減する(解像度を小さくする)、などの方法を用いることができる。As a method for reducing the memory capacity, various methods can be used other than those listed above. Instead of compressing the image with an encoder, the color information contained in the image signal is reduced (for example, from 260,000 colors to 65,000 colors), or the number of data is reduced (reduced resolution). method can be used.
次に、補正回路3103の具体例について、図46の(C)乃至(E)を参照して説明す
る。補正回路3103は、2つの入力画像信号から、ある値の出力画像信号を出力するた
めの回路である。ここで、2つの入力画像信号と出力画像信号の関係が非線形であり、簡
単な演算で求めることが難しい場合には、補正回路3103として、ルックアップテーブ
ル(LUT)を用いてもよい。LUTには、2つの入力画像信号と出力画像信号の関係が
、測定によってあらかじめ求められているため、2つの入力画像信号に対応する出力画像
信号を、LUTを参照するだけで求めることができる。(図46の(C)参照)補正回路
3103としてLUT3108を用いることで、複雑な回路設計等を行なうことなく、補
正回路3103を実現することができる。Next, a specific example of the
ここで、LUTはメモリの1つであるため、メモリ容量をできるだけ削減することが、製
造コストを低減する上で、好ましい。それを実現するための補正回路3103の例として
、図46の(D)に示す回路が考えられる。図46の(D)に示す補正回路3103は、
LUT3109と、加算器3110を有する。LUT3109には、入力画像信号310
1aと、出力するべき出力画像信号3104の差分データが格納されている。つまり、入
力画像信号3101aおよび入力画像信号3101bから、対応する差分データをLUT
3109から取り出し、取り出した差分データと入力画像信号3101aを、加算器31
10によって加算することで、出力画像信号3104を得ることができる。なお、LUT
3109に格納するデータを差分データとすることで、LUTのメモリ容量の削減が実現
できる。なぜならば、そのままの出力画像信号3104よりも、差分データの方がデータ
サイズが小さいため、LUT3109に必要なメモリ容量を小さくできるからである。Here, since the LUT is one type of memory, it is preferable to reduce the memory capacity as much as possible in order to reduce manufacturing costs. As an example of the
 It has a
 1a and the difference data between the
 3109, and the extracted difference data and the
 By adding by 10, an
 By using difference data as the data stored in the 3109, the memory capacity of the LUT can be reduced. This is because the difference data has a smaller data size than the
さらに、出力画像信号が、2つの入力画像信号の四則演算等の簡単な演算によって求めら
れるならば、加算器、減算器、乗算器等の簡単な回路の組み合わせによって実現できる。
その結果、LUTを用いる必要が無くなり、製造コストを大幅に低減することができる。
このような回路としては、図46の(E)に示す回路を挙げることができる。図46の(
E)に示す補正回路3103は、減算器3111と、乗算器3112と、加算器3113
、を有する。まず、入力画像信号3101aと、入力画像信号3101bの差分を、減算
器3111によって求める。その後、乗算器3112によって、適切な係数を差分値に乗
ずる。そして、入力画像信号3101aに、適切な係数を乗じた差分値を、加算器311
3によって加算することで、出力画像信号3104を得ることができる。このような回路
を用いることによって、LUTを用いる必要が無くなり、製造コストを大幅に低減するこ
とができる。Furthermore, if the output image signal can be obtained by a simple arithmetic operation such as four arithmetic operations on two input image signals, it can be realized by a combination of simple circuits such as an adder, a subtractor, and a multiplier.
 As a result, there is no need to use LUTs, and manufacturing costs can be greatly reduced.
 As such a circuit, the circuit shown in (E) of FIG. 46 can be mentioned. (
 The
 , has First, the
 By adding by 3, an
なお、ある条件の下で、図46の(E)に示す補正回路3103を用いることによって、
不適切な出力画像信号3104を出力することを防止することができる。その条件とは、
オーバードライブ電圧を与える出力画像信号3104と、入力画像信号3101aおよび
入力画像信号3101bの差分値に、線形性があることである。そして、この線形性の傾
きを、乗算器3112によって乗ずる係数とする。すなわち、このような性質を持つ液晶
素子に、図46の(E)に示す補正回路3103を用いることが好ましい。このような性
質を持つ液晶素子としては、応答速度の階調依存性の小さい、IPSモードの液晶素子が
挙げられる。このように、たとえば、IPSモードの液晶素子に図46の(E)に示す補
正回路3103を用いることによって、製造コストを大幅に低減でき、かつ、不適切な出
力画像信号3104を出力することを防止することができるオーバードライブ回路を得る
ことができる。By using the
 It is possible to prevent the inappropriate
 The difference between the
なお、図46の(A)乃至(E)に示した回路と同等の働きを、ソフトウェア処理によっ
て実現してもよい。遅延回路に用いるメモリについては、液晶表示装置が有する他のメモ
リ、液晶表示装置に表示する画像を送り出す側の装置(たとえば、パーソナルコンピュー
タやそれに準じた装置が有するビデオカード等)が有するメモリ等を流用することができ
る。こうすることで、製造コストを低減できるだけでなく、オーバードライブの強さや利
用する状況などを、ユーザが好みに応じて選択できるようにすることができる。Note that functions equivalent to those of the circuits shown in FIGS. 46A to 46E may be realized by software processing. For the memory used in the delay circuit, other memories in the liquid crystal display device, memory in the device that sends the image displayed on the liquid crystal display device (for example, a video card in a personal computer or similar device), etc. can be reused. By doing so, it is possible not only to reduce the manufacturing cost, but also to allow the user to select the intensity of overdrive, the situation in which it is used, etc. according to his/her preference.
次に、コモン線の電位を操作する駆動について、図47を参照して説明する。図47の(
A)は、液晶素子のような容量的な性質を持つ表示素子を用いた表示装置において、走査
線一本に対し、コモン線が一本配置されているときの、複数の画素回路を表した図である
。図47の(A)に示す画素回路は、トランジスタ3201、補助容量3202、表示素
子3203、映像信号線3204、走査線3205、コモン線3206、を備えている。Next, the drive for manipulating the potential of the common line will be described with reference to FIG. (
 A) shows a plurality of pixel circuits when one common line is arranged for one scanning line in a display device using a display element having capacitive properties such as a liquid crystal element. It is a diagram. The pixel circuit shown in FIG. 47A includes a
トランジスタ3201のゲート電極は、走査線3205に電気的に接続され、トランジス
タ3201のソース電極及びドレイン電極の一方は、映像信号線3204に電気的に接続
され、トランジスタ3201のソース電極及びドレイン電極の他方は、補助容量3202
の一方の電極、及び表示素子3203の一方の電極に電気的に接続されている。
また、補助容量3202の他方の電極は、コモン線3206に電気的に接続されている。A gate electrode of the
 and one electrode of the
 Also, the other electrode of the
まず、走査線3205によって選択された画素は、トランジスタ3201がオンとなるた
め、それぞれ、映像信号線3204を介して、表示素子3203及び補助容量3202に
映像信号に対応した電圧がかかる。このとき、その映像信号が、コモン線3206に接続
された全ての画素に対して最低階調を表示させるものだった場合、あるいは、コモン線3
206に接続された全ての画素に対して最高階調を表示させるものだった場合は、画素に
それぞれ映像信号線3204を介して映像信号を書き込む必要はない。映像信号線320
4を介して映像信号を書き込む代わりに、コモン線3206の電位を動かすことで、表示
素子3203にかかる電圧を変えることができる。First, since the
 If all the pixels connected to 206 are to display the highest gradation, there is no need to write the video signal to each pixel via the
 4, the voltage applied to the
次に、図47の(B)は、液晶素子のような容量的な性質を持つ表示素子を用いた表示装
置において、走査線一本に対し、コモン線が2本配置されているときの、複数の画素回路
を表した図である。図47の(B)に示す画素回路は、トランジスタ3211、補助容量
3212、表示素子3213、映像信号線3214、走査線3215、第1のコモン線3
216、第2のコモン線3217、を備えている。Next, FIG. 47B shows a display device using a display element having a capacitive property such as a liquid crystal element, in which two common lines are arranged for one scanning line. FIG. 4 is a diagram showing a plurality of pixel circuits; A pixel circuit shown in FIG.
 216 and a second
トランジスタ3211のゲート電極は、走査線3215に電気的に接続され、トランジス
タ3211のソース電極及びドレイン電極の一方は、映像信号線3214に電気的に接続
され、トランジスタ3211のソース電極及びドレイン電極の他方は、補助容量3212
の一方の電極、及び表示素子3213の一方の電極に電気的に接続されている。
また、補助容量3212の他方の電極は、第1のコモン線3216に電気的に接続されて
いる。
また、当該画素と隣接する画素においては、補助容量3212の他方の電極は、第2のコ
モン線3217に電気的に接続されている。A gate electrode of the
 and one electrode of the
 Also, the other electrode of the
 In addition, the other electrode of the
図47の(B)に示す画素回路は、コモン線一本に対し電気的に接続されている画素が少
ないため、映像信号線3214を介して映像信号を書き込む代わりに、第1のコモン線3
216又は第2のコモン線3217の電位を動かすことで、表示素子3213にかかる電
圧を変えることができる頻度が、顕著に大きくなる。また、ソース反転駆動又はドット反
転駆動が可能になる。ソース反転駆動又はドット反転駆動により、素子の信頼性を向上さ
せつつ、フリッカを抑えることができる。The pixel circuit shown in FIG. 47B has a small number of pixels electrically connected to one common line.
 By moving the potential of 216 or the second
次に、走査型バックライトについて、図66を参照して説明する。図66の(A)は、冷
陰極管を並置した走査型バックライトを示す図である。図66の(A)に示す走査型バッ
クライトは、拡散板6601と、N個の冷陰極管6602―1から6602―Nと、を備
える。N個の冷陰極管6602―1から6602―Nを、拡散板6601の後ろに並置す
ることで、N個の冷陰極管6602―1から6602―Nは、その輝度を変化させて走査
することができる。Next, a scanning backlight will be described with reference to FIG. FIG. 66A is a diagram showing a scanning backlight in which cold cathode tubes are juxtaposed. The scanning backlight shown in FIG. 66A includes a
走査するときの各冷陰極管の輝度の変化を、図66の(C)を用いて説明する。まず、冷
陰極管6602―1の輝度を、一定時間変化させる。そして、その後に、冷陰極管660
2―1の隣に配置された冷陰極管6602―2の輝度を、同じ時間だけ変化させる。この
ように、冷陰極管6602―1から6602―Nまで、輝度を順に変化させる。なお、図
66の(C)においては、一定時間変化させる輝度は、元の輝度より小さいものとしたが
、元の輝度より大きくてもよい。また、冷陰極管6602―1から6602―Nまで走査
するとしたが、逆方向に冷陰極管6602―Nから6602―1まで走査してもよい。A change in brightness of each cold cathode tube during scanning will be described with reference to FIG. 66(C). First, the brightness of the cold cathode tube 6602-1 is changed for a certain period of time. Then, after that, the cold cathode tube 660
 The brightness of the cold cathode tube 6602-2 arranged next to 2-1 is changed for the same amount of time. In this way, the cold cathode tubes 6602-1 to 6602-N are sequentially changed in brightness. In addition, in FIG. 66C, the luminance to be changed for a certain period of time is lower than the original luminance, but it may be higher than the original luminance. Also, although the cold cathode tubes 6602-1 to 6602-N are scanned, scanning may be performed in the opposite direction from the cold cathode tubes 6602-N to 6602-1.
図66のように駆動することで、バックライトの平均輝度を小さくすることができる。し
たがって、液晶表示装置の消費電力の大部分を占める、バックライトの消費電力を低減す
ることができる。By driving as shown in FIG. 66, the average brightness of the backlight can be reduced. Therefore, the power consumption of the backlight, which accounts for most of the power consumption of the liquid crystal display device, can be reduced.
なお、走査型バックライトの光源として、LEDを用いてもよい。その場合の走査型バッ
クライトは、図66の(B)のようになる。図66の(B)に示す走査型バックライトは
、拡散板6611と、LEDを並置した光源6612―1から6612―Nと、を備える
。走査型バックライトの光源として、LEDを用いた場合、バックライトを薄く、軽くで
きる利点がある。また、色再現範囲を広げることができるという利点がある。さらに、L
EDを並置した光源6612―1から6612―Nのそれぞれに並置したLEDも、同様
に走査することができるので、点走査型のバックライトとすることもできる。点走査型と
すれば、動画像の画質をさらに向上させることができる。Note that an LED may be used as the light source of the scanning backlight. The scanning backlight in that case is as shown in FIG. 66(B). The scanning backlight shown in FIG. 66B includes a
 Since the LEDs arranged side by side with the light sources 6612-1 to 6612-N with the EDs arranged side by side can also be scanned in the same manner, a point scanning type backlight can also be used. If it is of the point scanning type, the image quality of moving images can be further improved.
なお、バックライトの光源としてLEDを用いた場合も、図66の(C)に示すように輝
度を変化させて駆動することができる。Even when LEDs are used as the light source of the backlight, they can be driven by changing the luminance as shown in FIG. 66(C).
なお、本実施の形態において、様々な図を用いて述べてきたが、各々の図で述べた内容(
一部でもよい)は、別の図で述べた内容(一部でもよい)に対して、適用、組み合わせ、
又は置き換えなどを自由に行うことが出来る。さらに、これまでに述べた図において、各
々の部分に関して、別の部分を組み合わせることにより、さらに多くの図を構成させるこ
とが出来る。In the present embodiment, descriptions have been made using various diagrams, but the contents described in each diagram (
 may be part of it) shall apply, combine, or
 Alternatively, replacement can be freely performed. Furthermore, in the figures described so far, more figures can be configured by combining each part with another part.
同様に、本実施の形態の各々の図で述べた内容(一部でもよい)は、別の実施の形態の図
で述べた内容(一部でもよい)対して、適用、組み合わせ、又は置き換えなどを自由に行
うことが出来る。さらに、本実施の形態の図において、各々の部分に関して、別の実施の
形態の部分を組み合わせることにより、さらに多くの図を構成させることが出来る。Similarly, the content (may be part of) described in each drawing of this embodiment may be applied, combined, or replaced with the content (may be part of) described in the drawing of another embodiment. can be done freely. Furthermore, in the drawings of this embodiment, more drawings can be configured by combining each part with another embodiment.
なお、本実施の形態は、他の実施の形態で述べた内容(一部でもよい)を、具現化した場
合の一例、少し変形した場合の一例、一部を変更した場合の一例、改良した場合の一例、
詳細に述べた場合の一例、応用した場合の一例、関連がある部分についての一例などを示
している。したがって、他の実施の形態で述べた内容は、本実施の形態への適用、組み合
わせ、又は置き換えを自由に行うことができる。In addition, the present embodiment is an example of a case where the content (or part of it) described in another embodiment is embodied, an example of a slightly modified case, an example of a partially changed case, and an improved case. An example of the case,
 An example of detailed description, an example of application, and an example of related parts are shown. Therefore, the contents described in other embodiments can be freely applied, combined, or replaced with this embodiment.
(実施の形態10)
本実施の形態においては、表示装置の動作について説明する。(Embodiment 10)
 In this embodiment mode, the operation of the display device will be described.
図67は、表示装置の構成例を示す図である。FIG. 67 is a diagram illustrating a configuration example of a display device.
表示装置6700は、画素部6701、信号線駆動回路6703及び走査線駆動回路67
04を有する。画素部6701には、複数の信号線S1乃至Smが信号線駆動回路670
3から列方向に延伸して配置されている。画素部6701には、複数の走査線G1乃至G
nが走査線駆動回路6704から行方向に延伸して配置されている。そして、複数の信号
線S1乃至Smと複数の走査線G1乃至Gnとがそれぞれ交差するところで、画素670
2がマトリクス状に配置されている。The display device 6700 includes a
 04. In the
 3 are arranged extending in the column direction. A plurality of scanning lines G1 to G are provided in the
 n are arranged extending from the scanning
 2 are arranged in a matrix.
なお、信号線駆動回路6703は、信号線S1乃至Snそれぞれに信号を出力する機能を
有する。この信号をビデオ信号と呼んでもよい。なお、走査線駆動回路6704は、走査
線G1乃至Gmそれぞれに信号を出力する機能を有する。この信号を走査信号と呼んでも
よい。Note that the signal
なお、画素6702は、少なくとも信号線と接続されたスイッチング素子を有している。
このスイッチング素子は、走査線の電位(走査信)によってオン、オフが制御される。そ
して、スイッチング素子がオンしている場合に画素6702は選択され、オフしている場
合に画素6702は選択されない。Note that the
 This switching element is controlled to be on or off by the potential of the scanning line (scanning signal). The
画素6702が選択されている場合(選択状態)は、信号線から画素6702にビデオ信
号が入力される。そして、画素6702の状態(例えば、輝度、透過率、保持容量の電圧
など)は、この入力されたビデオ信号に応じて変化する。When the
画素6702が選択されていない場合(非選択状態)は、ビデオ信号が画素6702に入
力されない。ただし、画素6702は選択時に入力されたビデオ信号に応じた電位を保持
しているため、画素6702はビデオ信号に応じた(例えば、輝度、透過率、保持容量の
電圧など)を維持する。When the
なお、表示装置の構成は、図67に限定されない。例えば、画素6702の構成に応じて
、新たに配線(走査線、信号線、電源線、容量線又はコモン線など)を追加してもよい。
別の例として、様々な機能を有する回路を追加してもよい。Note that the configuration of the display device is not limited to that shown in FIG. For example, new wirings (scanning lines, signal lines, power supply lines, capacitor lines, common lines, or the like) may be added depending on the structure of the
 As another example, circuits with various functions may be added.
図68は、表示装置の動作を説明するためのタイミングチャートの一例を示す。FIG. 68 shows an example of a timing chart for explaining the operation of the display device.
図68のタイミングチャートは、1画面分の画像を表示する期間に相当する1フレーム期
間を示す。1フレーム期間は特に限定はしないが、画像を見る人がちらつき(フリッカ)
を感じないように少なくとも1/60秒以下とすることが好ましい。The timing chart in FIG. 68 shows one frame period corresponding to the period for displaying an image for one screen. One frame period is not particularly limited, but the person who sees the image flickers (flicker)
 is preferably at least 1/60 second or less so as not to feel
図68のタイミングチャートは、1行目の走査線G1、i行目の走査線Gi(走査線G1
乃至Gmのうちいずれか一)、i+1行目の走査線Gi+1及びm行目の走査線Gmがそ
れぞれ選択されるタイミングを示している。The timing chart of FIG. 68 shows the scanning line G1 of the first row, the scanning line Gi of the i-th row (scanning line G1
 to Gm), the i+1-th scanning line Gi+1, and the m-th scanning line Gm.
なお、走査線が選択されると同時に、当該走査線に接続されている画素6702も選択さ
れる。例えば、i行目の走査線Giが選択されていると、i行目の走査線Giに接続され
ている画素6702も選択される。Note that the
走査線G1乃至Gmの走査線それぞれは、1行目の走査線G1からm行目の走査線Gmま
で順に選択される(以下、走査するともいう)。例えば、i行目の走査線Giが選択され
ている期間は、i行目の走査線Gi以外の走査線(G1乃至Gi-1、Gi+1乃至Gm
)は選択されない。そして、次の期間に、i+1行目の走査線Gi+1が選択される。な
お、1つの走査線が選択されている期間を1ゲート選択期間と呼ぶ。また、当該走査線に
選択された行における書き込み期間とも言う。Each of the scanning lines G1 to Gm is selected in order from the first scanning line G1 to the m-th scanning line Gm (hereinafter also referred to as scanning). For example, during the period when the i-th scanning line Gi is selected, the scanning lines other than the i-th scanning line Gi (G1 to Gi−1, Gi+1 to Gm
 ) is not selected. Then, in the next period, the i+1-th scanning line Gi+1 is selected. Note that a period in which one scanning line is selected is called one gate selection period. It is also called a writing period in a row selected for the scanning line.
したがって、ある行の走査線が選択されると、当該走査線に接続された複数の画素670
2に、信号線G1乃至信号線Gmそれぞれからビデオ信号が入力される。例えば、i行目
の走査線Giが選択されている間、i行目の走査線Giに接続されている複数の画素67
02は、各々の信号線S1乃至Snから任意のビデオ信号をそれぞれ入力する。こうして
、個々の複数の画素6702を走査信号及びビデオ信号によって、独立して制御すること
ができる。Therefore, when a row of scan lines is selected, the pixels 670 connected to that scan line
 2, video signals are input from the signal lines G1 to Gm, respectively. For example, while the i-th scanning line Gi is selected, the plurality of pixels 67 connected to the i-th scanning line Gi
 02 inputs arbitrary video signals from the respective signal lines S1 to Sn. Thus,
次に、1ゲート選択期間を複数のサブゲート選択期間に分割した場合について説明する。
図69は、1ゲート選択期間を2つのサブゲート選択期間(第1のサブゲート選択期間及
び第2のサブゲート選択期間)に分割した場合のタイミングチャートを示す。Next, a case where one gate selection period is divided into a plurality of sub-gate selection periods will be described.
 FIG. 69 shows a timing chart when one gate selection period is divided into two sub-gate selection periods (first sub-gate selection period and second sub-gate selection period).
なお、1ゲート選択期間を3つ以上のサブゲート選択期間に分割することもできる。Note that one gate selection period can be divided into three or more sub-gate selection periods.
図69のタイミングチャートは、1画面分の画像を表示する期間に相当する1フレーム期
間を示す。1フレーム期間は特に限定はしないが、画像を見る人がちらつき(フリッカ)
を感じないように少なくとも1/60秒以下とすることが好ましい。The timing chart in FIG. 69 shows one frame period corresponding to the period for displaying an image for one screen. One frame period is not particularly limited, but the person who sees the image flickers (flicker)
 is preferably at least 1/60 second or less so as not to feel
なお、1フレームは2つのサブフレーム(第1のサブフレーム及び第2のサブフレーム)
に分割されている。Note that one frame consists of two subframes (first subframe and second subframe)
 is divided into
図69のタイミングチャートは、i行目の走査線Gi、i+1行目の走査線Gi+1、j
行目の走査線Gj(走査線Gi+1乃至Gmのうちいずれか一)、j+1行目の走査線及
びGj+1行目の走査線Gj+1がそれぞれ選択されるタイミングを示している。In the timing chart of FIG. 69, the i-th scanning line Gi, the i+1-th scanning line Gi+1, j
 It shows the timing at which the row scanning line Gj (any one of the scanning lines Gi+1 to Gm), the j+1 row scanning line, and the Gj+1 row scanning line Gj+1 are selected.
なお、走査線が選択されると同時に、当該走査線に接続されている画素6702も選択さ
れる。例えば、i行目の走査線Giが選択されていると、i行目の走査線Giに接続され
ている画素6702も選択される。Note that the
なお、走査線G1乃至Gmの走査線それぞれは、各サブゲート選択期間内で順に走査され
る。例えば、ある1ゲート選択期間において、第1のサブゲート選択期間ではi行目の走
査線Giが選択され、第2のサブゲート選択期間ではj行目の走査線Gjが選択される。
すると、1ゲート選択期間において、あたかも同時に2行分の走査信号を選択したかのよ
うに動作させることが可能となる。このとき、第1のサブゲート選択期間と第2のサブゲ
ート選択期間とで、別々のビデオ信号が信号線S1乃至Snに入力される。したがって、
i行目に接続されている複数の画素6702とj行目に接続されている複数の画素670
2とには、別々のビデオ信号を入力することができる。Each of the scanning lines G1 to Gm is sequentially scanned within each sub-gate selection period. For example, in one gate selection period, the i-th scanning line Gi is selected during the first sub-gate selection period, and the j-th scanning line Gj is selected during the second sub-gate selection period.
 Then, in one gate selection period, it is possible to operate as if scanning signals for two rows were selected at the same time. At this time, different video signals are input to the signal lines S1 to Sn during the first sub-gate selection period and the second sub-gate selection period. therefore,
 A plurality of
 2 can receive separate video signals.
次に、入力される画像データのフレームレート(入力フレームレートとも記す)と、表示
のフレームレート(表示フレームレートとも記す)を変換する駆動方法について説明する
。なお、フレームレートとは、1秒間あたりのフレームの数であり、単位はHzである。Next, a drive method for converting the frame rate of input image data (also referred to as input frame rate) and the frame rate of display (also referred to as display frame rate) will be described. Note that the frame rate is the number of frames per second, and the unit is Hz.
本実施の形態では、入力フレームレートは、表示のフレームレートと、必ずしも一致して
いなくてもよい。入力フレームレートと表示フレームレートが異なる場合は、画像データ
のフレームレートを変換する回路(フレームレート変換回路)によって、フレームレート
を変換することができる。こうすることによって、入力フレームレートと表示フレームレ
ートが異なっている場合でも、様々な表示フレームレートで表示を行なうことができる。In this embodiment, the input frame rate does not necessarily have to match the display frame rate. When the input frame rate and the display frame rate are different, the frame rate can be converted by a circuit (frame rate conversion circuit) for converting the frame rate of image data. By doing so, even when the input frame rate and the display frame rate are different, display can be performed at various display frame rates.
入力フレームレートが表示フレームレートよりも大きい場合、入力される画像データの一
部を破棄することで、様々な表示フレームレートに変換して表示を行なうことができる。
この場合は、表示フレームレートを小さくできるため、表示するための駆動回路の動作周
波数を小さくすることができ、消費電力を低減できる。一方、入力フレームレートが表示
フレームレートよりも小さい場合、入力される画像データの全部または一部を複数回表示
させる、入力される画像データから別の画像を生成する、入力される画像データとは関係
のない画像を生成する、等の手段を用いることで、様々な表示フレームレートに変換して
表示を行なうことができる。この場合は、表示フレームレートを大きくすることによって
、動画の品質を向上することができる。When the input frame rate is higher than the display frame rate, part of the input image data can be discarded to convert to various display frame rates for display.
 In this case, since the display frame rate can be reduced, the operating frequency of the driving circuit for display can be reduced, and power consumption can be reduced. On the other hand, when the input frame rate is lower than the display frame rate, all or part of the input image data is displayed multiple times, another image is generated from the input image data, and the input image data is By using means such as generating irrelevant images, it is possible to convert and display at various display frame rates. In this case, the quality of moving images can be improved by increasing the display frame rate.
本実施の形態においては、入力フレームレートが表示フレームレートよりも小さい場合の
フレームレート変換方法について詳細に説明する。なお、入力フレームレートが表示フレ
ームレートよりも大きい場合のフレームレート変換方法については、入力フレームレート
が表示フレームレートよりも小さい場合のフレームレート変換方法の逆の手順を実行する
ことによって実現することができる。In this embodiment, a frame rate conversion method when the input frame rate is lower than the display frame rate will be described in detail. Note that the frame rate conversion method when the input frame rate is higher than the display frame rate can be realized by performing the reverse procedure of the frame rate conversion method when the input frame rate is lower than the display frame rate. can.
本実施の形態においては、入力フレームレートと同じフレームレートで表示される画像の
ことを基本画像と呼ぶこととする。一方、基本画像とは異なるフレームレートで表示され
る画像であって、入力フレームレートと表示フレームレートの整合を取るために表示され
る画像のことを、補間画像と呼ぶこととする。基本画像には、入力される画像データと同
じ画像を用いることができる。補間画像には、基本画像と同じ画像を用いることができる
。さらに、基本画像とは異なる画像を作成し、作成した画像を補間画像とすることもでき
る。In this embodiment, an image displayed at the same frame rate as the input frame rate is called a basic image. On the other hand, an image that is displayed at a frame rate different from that of the base image and that is displayed to match the input frame rate and the display frame rate is called an interpolated image. The same image as the input image data can be used as the basic image. The same image as the basic image can be used for the interpolated image. Furthermore, an image different from the basic image can be created, and the created image can be used as the interpolated image.
補間画像を作成する場合は、入力される画像データの時間的変化(画像の動き)を検出し
、これらの中間状態の画像を補間画像とする方法、基本画像の輝度にある係数をかけた画
像を補間画像とする方法、入力された画像データから、異なる複数の画像を作成し、当該
複数の画像を時間的に連続して提示する(当該複数の画像のうちの1つを基本画像とし、
残りを補間画像とする)ことで、入力された画像データに対応する画像が表示されたよう
に観察者に知覚させる方法、等がある。入力された画像データから異なる複数の画像を作
成する方法としては、入力された画像データのガンマ値を変換する方法、入力された画像
データに含まれる階調値を分割する方法、等がある。When creating an interpolated image, the temporal change (movement of the image) in the input image data is detected, and an intermediate state image is used as the interpolated image. as an interpolated image, a method in which a plurality of different images are created from the input image data, and the plurality of images are presented continuously in time (one of the plurality of images is used as a basic image,
 The remainder is used as an interpolated image), so that the observer perceives as if an image corresponding to the input image data was displayed. Methods of creating a plurality of different images from input image data include a method of converting the gamma value of the input image data, a method of dividing the gradation values included in the input image data, and the like.
なお、中間状態の画像(中間画像)とは、入力された画像データの時間的変化(画像の動
き)を検出し、検出された動きを内挿して求められた画像である。このような方法によっ
て中間画像を求めることを、動き補償と呼ぶこととする。An image in an intermediate state (intermediate image) is an image obtained by detecting a temporal change (movement of an image) in input image data and interpolating the detected movement. Obtaining an intermediate image by such a method is called motion compensation.
次に、フレームレート変換方法の具体例について説明する。この方法によれば、任意の有
理数(n/m)倍のフレームレート変換を実現することができる。ここで、nおよびmは
1以上の整数とする。本実施の形態におけるフレームレート変換方法は、第1のステップ
と、第2のステップに分けて取り扱うことができる。ここで、第1のステップは、任意の
有理数(n/m)倍にフレームレート変換するステップである。ここでは、補間画像とし
て基本画像を用いてもよいし、動き補償によって求めた中間画像を補間画像として用いて
もよい。第2のステップは、入力された画像データまたは第1のステップにおいてフレー
ムレート変換された各々の画像から、異なる複数の画像(サブ画像)を作成し、当該複数
のサブ画像を時間的に連続して表示する方法を行なうためのステップである。第2のステ
ップによる方法を用いることによって、実際は複数の異なる画像を表示しているのにもか
かわらず、見た目上、元の画像が表示されたように人間の目に知覚させることもできる。Next, a specific example of the frame rate conversion method will be described. According to this method, any rational number (n/m) times frame rate conversion can be realized. Here, n and m are integers of 1 or more. The frame rate conversion method in this embodiment can be divided into a first step and a second step. Here, the first step is to convert the frame rate to an arbitrary rational number (n/m) times. Here, a basic image may be used as the interpolated image, or an intermediate image obtained by motion compensation may be used as the interpolated image. The second step is to create a plurality of different images (sub-images) from the input image data or each image subjected to the frame rate conversion in the first step, and temporally contiguous the plurality of sub-images. It is a step for performing a method of displaying by By using the method according to the second step, it is possible to visually perceive to the human eye that the original image is displayed even though a plurality of different images are actually displayed.
なお、本実施の形態におけるフレームレート変換方法は、第1のステップおよび第2のス
テップを両方用いてもよいし、第1のステップを省略して第2のステップのみ用いてもよ
いし、第2のステップを省略して第1のステップのみを用いてもよい。Note that the frame rate conversion method according to the present embodiment may use both the first step and the second step, may omit the first step and use only the second step, or may use only the second step.
まず、第1のステップとして、任意の有理数(n/m)倍のフレームレート変換について
説明する。(図70参照)図70は、横軸は時間であり、縦軸は様々なnおよびmについ
て場合分けを行なって示したものである。図70内の図形は、表示される画像の模式図を
表しており、その横位置によって表示されるタイミングを表している。さらに、図形内に
表示した点によって、画像の動きを模式的に表しているものとする。ただし、これは説明
のための例であり、表示される画像はこれに限定されない。この方法は、様々な画像に対
して適用することができる。First, as the first step, arbitrary rational (n/m) times frame rate conversion will be described. (See FIG. 70) In FIG. 70, the horizontal axis is time, and the vertical axis is divided into cases for various n and m. Figures in FIG. 70 represent schematic diagrams of images to be displayed, and display timings are represented by their horizontal positions. Furthermore, it is assumed that the motion of the image is schematically represented by the points displayed in the figure. However, this is an example for explanation, and the displayed image is not limited to this. This method can be applied to various images.
期間Tinは、入力画像データの周期を表している。入力画像データの周期は、入力フレ
ームレートに対応している。たとえば、入力フレームレートが60Hzの場合は、入力画
像データの周期は1/60秒である。同様に、入力フレームレートが50Hzであれば、
入力画像データの周期は1/50秒である。このように、入力画像データの周期(単位:
秒)は入力フレームレート(単位:Hz)の逆数となる。なお、入力フレームレートは様
々なものを用いることができる。たとえば、24Hz、50Hz、60Hz、70Hz、
48Hz、100Hz、120Hz、140Hz、等を挙げることができる。ここで、2
4Hzはフィルム映画等に用いられるフレームレートである。50Hzは、PAL規格の
映像信号等に用いられるフレームレートである。60Hzは、NTSC規格の映像信号等
に用いられるフレームレートである。70Hzは、パーソナルコンピュータのディスプレ
イ入力信号等に用いられるフレームレートである。48Hz、100Hz、120Hz、
140Hz、は、これらの2倍のフレームレートである。なお、2倍に限らず、様々な倍
数のフレームレートであってもよい。このように、本実施の形態に示す方法によれば、様
々な規格の入力信号に対してフレームレートの変換を実現することができる。A period Tin represents the cycle of the input image data. The cycle of input image data corresponds to the input frame rate. For example, when the input frame rate is 60 Hz, the period of input image data is 1/60 second. Similarly, if the input frame rate is 50Hz,
 The period of the input image data is 1/50 second. Thus, the period of the input image data (unit:
 seconds) is the reciprocal of the input frame rate (unit: Hz). Various input frame rates can be used. For example, 24Hz, 50Hz, 60Hz, 70Hz,
 48 Hz, 100 Hz, 120 Hz, 140 Hz, etc. can be mentioned. where 2
 4 Hz is a frame rate used for film movies and the like. 50 Hz is a frame rate used for PAL standard video signals and the like. 60 Hz is a frame rate used for NTSC standard video signals and the like. 70 Hz is a frame rate used for display input signals of personal computers and the like. 48Hz, 100Hz, 120Hz,
 140 Hz, is a frame rate double these. Note that the frame rate is not limited to double, and various multiples of the frame rate may be used. Thus, according to the method shown in this embodiment, it is possible to realize frame rate conversion for input signals of various standards.
第1のステップにおける任意の有理数(n/m)倍のフレームレート変換の手順は、以下
のとおりである。
手順1として、第1の基本画像に対する第kの補間画像(kは1以上の整数;初期値は1
)の表示タイミングを決定する。第kの補間画像の表示タイミングは、第1の基本画像が
表示されてから、入力画像データの周期をk(m/n)倍した期間が経過した時点である
とする。
手順2として、第kの補間画像の表示タイミングの決定に用いた係数k(m/n)が、整
数であるかどうかを判別する。整数であった場合は、第kの補間画像の表示タイミングに
おいて第(k(m/n)+1)の基本画像を表示し、第1のステップを終了する。整数で
なかった場合は、手順3に進む。
手順3として、第kの補間画像として用いる画像を決定する。具体的には、第kの補間画
像の表示タイミングの決定に用いた係数k(m/n)を、x+y/nの形に変換する。こ
こで、xおよびyは整数であり、yはnよりも小さい数であるとする。そして、第kの補
間画像を動き補償によって求めた中間画像とする場合は、第kの補間画像は、第(x+1
)の基本画像から第(x+2)の基本画像までの画像の動きを(y/n)倍した動きに相
当する画像として求めた中間画像とする。第kの補間画像を基本画像と同じ画像とする場
合は、第(x+1)の基本画像を用いることができる。なお、画像の動きを(y/n)倍
した動きに相当する画像として中間画像を求める方法については、別の部分で詳細に述べ
る。
手順4として、対象とする補間画像を次の補間画像に移す。具体的には、kの値を1増加
させ、手順1に戻る。The procedure for arbitrary rational (n/m) times frame rate conversion in the first step is as follows.
 As
 ) is displayed. It is assumed that the display timing of the k-th interpolated image is the point in time when a period obtained by multiplying the cycle of the input image data by k (m/n) has passed since the first basic image was displayed.
 As
 As
 ) to the (x+2)-th basic image multiplied by (y/n). If the k-th interpolated image is the same image as the basic image, the (x+1)-th basic image can be used. A method of obtaining an intermediate image as an image corresponding to a motion obtained by multiplying the motion of the image by (y/n) will be described in detail in another section.
 As
次に、第1のステップにおける手順において、nおよびmの値を具体的に示して詳細に説
明する。Next, in the procedure in the first step, the values of n and m will be specifically shown and explained in detail.
なお、第1のステップにおける手順を実行する仕組みは、装置に実装されたものであって
もよいし、装置の設計段階であらかじめ決められたものであってもよい。第1のステップ
における手順を実行する仕組みが装置に実装されていれば、状況に応じた最適な動作が行
われるように、駆動方法を切り替えることが可能となる。なお、ここでいう状況とは、画
像データの内容、装置内外の環境(温度、湿度、気圧、光、音、磁界、電界、放射線量、
高度、加速度、移動速度、等)、ユーザ設定、ソフトウエアバージョン、等を含む。一方
、第1のステップにおける手順を実行する仕組みが装置の設計段階であらかじめ決められ
たものであれば、それぞれの駆動方法に最適な駆動回路を用いることができ、さらに、仕
組みが決められていることによって、量産効果による製造コストの低減が期待できる。Note that the mechanism for executing the procedure in the first step may be implemented in the device, or may be determined in advance at the design stage of the device. If the apparatus is equipped with a mechanism for executing the procedure in the first step, it becomes possible to switch the driving method so that the optimum operation according to the situation is performed. The conditions here refer to the content of the image data, the environment inside and outside the device (temperature, humidity, air pressure, light, sound, magnetic field, electric field, radiation dose,
 altitude, acceleration, movement speed, etc.), user settings, software version, etc. On the other hand, if the mechanism for executing the procedure in the first step is determined in advance at the design stage of the device, the optimum driving circuit can be used for each driving method, and the mechanism is already determined. As a result, a reduction in manufacturing costs can be expected due to the effect of mass production.
n=1,m=1、すなわち変換比(n/m)が1(図70のn=1,m=1の箇所)の場
合は、第1のステップにおける動作は次のようになる。まず、k=1のとき、手順1では
、第1の基本画像に対する第1の補間画像の表示タイミングを決定する。第1の補間画像
の表示タイミングは、第1の基本画像が表示されてから、入力画像データの周期をk(m
/n)倍すなわち1倍した期間が経過した時点である。When n=1, m=1, that is, when the conversion ratio (n/m) is 1 (n=1, m=1 in FIG. 70), the operation in the first step is as follows. First, when k=1, in
 /n) times, i.e., when a period of time multiplied by 1 has elapsed.
次に、手順2では、第1の補間画像の表示タイミングの決定に用いた係数k(m/n)が
、整数であるかどうかを判別する。ここで、係数k(m/n)は1であるので、整数であ
る。したがって、第1の補間画像の表示タイミングにおいては第(k(m/n)+1)す
なわち第2の基本画像を表示し、第1のステップを終了する。Next, in
すなわち、変換比が1である場合は、第kの画像は基本画像であり、第k+1の画像は基
本画像であり、画像表示周期は、入力画像データの周期の1倍であることを特徴とする。That is, when the conversion ratio is 1, the k-th image is the basic image, the k+1-th image is the basic image, and the image display cycle is one time the cycle of the input image data. do.
具体的な表現としては、変換比が1(n/m=1)である場合は、
第i(iは正の整数)の画像データと、
第i+1の画像データと、が、入力画像データとして一定の周期で順次入力され、
第k(kは正の整数)の画像と、
第k+1の画像と、を、入力画像データの周期と等倍の間隔で順次表示する表示装置の駆
動方法であって、
前記第kの画像は、前記第iの画像データにしたがって表示され、
前記第k+1の画像は、前記第i+1の画像データにしたがって表示される
ことを特徴とする。As a concrete expression, when the conversion ratio is 1 (n/m=1),
 i-th (i is a positive integer) image data;
 is sequentially input as input image data at a constant cycle, and
 a k-th image (k is a positive integer);
 A display device driving method for sequentially displaying a k+1-th image and an interval equal to the cycle of input image data,
 the k-th image is displayed according to the i-th image data;
 The k+1-th image is displayed according to the i+1-th image data.
ここで、変換比が1である場合は、フレームレート変換回路を省略することができるため
、製造コストを低減できるという利点を有する。さらに、変換比が1である場合は、変換
比が1より小さい場合よりも動画の品質を向上できるという利点を有する。さらに、変換
比が1である場合は、変換比が1より大きい場合よりも消費電力および製造コストを低減
できるという利点を有する。Here, when the conversion ratio is 1, the frame rate conversion circuit can be omitted, so there is an advantage that the manufacturing cost can be reduced. Furthermore, a conversion ratio of 1 has the advantage that the quality of moving images can be improved over a conversion ratio of less than 1. Furthermore, when the conversion ratio is 1, there is the advantage that power consumption and manufacturing costs can be reduced compared to when the conversion ratio is greater than 1.
n=2,m=1、すなわち変換比(n/m)が2(図70のn=2,m=1の箇所)の場
合は、第1のステップにおける動作は次のようになる。まず、k=1のとき、手順1では
、第1の基本画像に対する第1の補間画像の表示タイミングを決定する。第1の補間画像
の表示タイミングは、第1の基本画像が表示されてから、入力画像データの周期をk(m
/n)倍すなわち1/2倍した期間が経過した時点である。When n=2 and m=1, that is, when the conversion ratio (n/m) is 2 (where n=2 and m=1 in FIG. 70), the operation in the first step is as follows. First, when k=1, in
 /n) times, i.e., when a period of 1/2 times has elapsed.
次に、手順2では、第1の補間画像の表示タイミングの決定に用いた係数k(m/n)が
、整数であるかどうかを判別する。ここで、係数k(m/n)は1/2であるので、整数
ではない。したがって、手順3に進む。Next, in
手順3では、第1の補間画像として用いる画像を決定する。そのために、係数1/2をx
+y/nの形に変換する。係数1/2の場合は、x=0,y=1である。そして、第1の
補間画像を動き補償によって求めた中間画像とする場合は、第1の補間画像は、第(x+
1)すなわち第1の基本画像から第(x+2)すなわち第2の基本画像までの画像の動き
をy/n倍すなわち1/2倍した動きに相当する画像として求めた中間画像とする。第1
の補間画像を基本画像と同じ画像とする場合は、第(x+1)すなわち第1の基本画像を
用いることができる。In
 + Convert to the form y/n. For a factor of 1/2, x=0 and y=1. When the first interpolated image is an intermediate image obtained by motion compensation, the first interpolated image is the (x+
 1) An intermediate image obtained as an image corresponding to a motion obtained by multiplying the motion of the image from the first basic image to the (x+2)th, i.e., the second basic image, by y/n, that is, by 1/2. first
 If the interpolated image is the same image as the basic image, the (x+1)th, ie, the first basic image can be used.
ここまでの手順により、第1の補間画像の表示タイミングと、第1の補間画像として表示
する画像を決定することができた。次に、手順4では、対象とする補間画像を、第1の補
間画像から第2の補間画像へ移す。すなわち、kを1から2に変更し、手順1に戻る。By the procedure so far, the display timing of the first interpolated image and the image to be displayed as the first interpolated image can be determined. Next, in
k=2のとき、手順1では、第1の基本画像に対する第2の補間画像の表示タイミングを
決定する。第2の補間画像の表示タイミングは、第1の基本画像が表示されてから、入力
画像データの周期をk(m/n)倍すなわち1倍した期間が経過した時点である。When k=2, in
次に、手順2では、第2の補間画像の表示タイミングの決定に用いた係数k(m/n)が
、整数であるかどうかを判別する。ここで、係数k(m/n)は1であるので、整数であ
る。したがって、第2の補間画像の表示タイミングにおいては第(k(m/n)+1)す
なわち第2の基本画像を表示し、第1のステップを終了する。Next, in
すなわち、変換比が2(n/m=2)である場合は、
第kの画像は基本画像であり、
第k+1の画像は補間画像であり、
第k+2の画像は基本画像であり、画像表示周期は、入力画像データの周期の1/2倍で
あることを特徴とする。That is, if the conversion ratio is 2 (n/m=2),
 The kth image is the base image,
 The k+1th image is an interpolated image,
 The k+2-th image is a basic image, and the image display cycle is 1/2 times the cycle of the input image data.
具体的な表現としては、変換比が2(n/m=2)である場合は、
第i(iは正の整数)の画像データと、
第i+1の画像データと、が、入力画像データとして一定の周期で順次入力され、
第k(kは正の整数)の画像と、
第k+1の画像と、
第k+2の画像と、を、入力画像データの周期の1/2倍の間隔で順次表示する表示装置
の駆動方法であって、
前記第kの画像は、前記第iの画像データにしたがって表示され、
前記第k+1の画像は、前記第iの画像データから前記第i+1の画像データまでの動き
を1/2倍した動きに相当する画像データにしたがって表示され、
前記第k+2の画像は、前記第i+1の画像データにしたがって表示される
ことを特徴とする。As a concrete expression, when the conversion ratio is 2 (n/m=2),
 i-th (i is a positive integer) image data;
 is sequentially input as input image data at a constant cycle, and
 a k-th image (k is a positive integer);
 a k+1-th image;
 A display device driving method for sequentially displaying a k+2-th image and an image at an interval of 1/2 times the cycle of input image data,
 the k-th image is displayed according to the i-th image data;
 the k+1-th image is displayed according to image data corresponding to a motion obtained by multiplying the motion from the i-th image data to the i+1-th image data by 1/2;
 The k+2-th image is displayed according to the i+1-th image data.
さらに別の具体的な表現としては、変換比が2(n/m=2)である場合は、
第i(iは正の整数)の画像データと、
第i+1の画像データと、が、入力画像データとして一定の周期で順次入力され、
第k(kは正の整数)の画像と、
第k+1の画像と、
第k+2の画像と、を、入力画像データの周期の1/2倍の間隔で順次表示する表示装置
の駆動方法であって、
前記第kの画像は、前記第iの画像データにしたがって表示され、
前記第k+1の画像は、前記第iの画像データにしたがって表示され、
前記第k+2の画像は、前記第i+1の画像データにしたがって表示される
ことを特徴とする。As another specific expression, if the conversion ratio is 2 (n/m=2),
 i-th (i is a positive integer) image data;
 is sequentially input as input image data at a constant cycle, and
 a k-th (k is a positive integer) image;
 a k+1-th image;
 A display device driving method for sequentially displaying a k+2-th image and an image at an interval of 1/2 times the cycle of input image data,
 the k-th image is displayed according to the i-th image data;
 the k+1-th image is displayed according to the i-th image data;
 The k+2-th image is displayed according to the i+1-th image data.
具体的には、変換比が2である場合は、2倍速駆動、または単に倍速駆動とも呼ばれる。
たとえば、入力フレームレートが60Hzであれば、表示フレームレートは120Hz(
120Hz駆動)である。そして、ひとつの入力画像に対し、画像を2回連続して表示す
ることになる。このとき、補間画像が動き補償によって求められた中間画像である場合は
、動画の動きを滑らかにすることができるため、動画の品質を顕著に向上させることが可
能である。さらに、表示装置がアクティブマトリクス方式の液晶表示装置である場合は、
特に顕著な画質改善効果をもたらす。これは、液晶素子の静電容量が印加電圧によって変
動してしまう、いわゆるダイナミックキャパシタンスによる書き込み電圧不足の問題に関
係する。すなわち、表示フレームレートを入力フレームレートよりも大きくすることによ
って、画像データの書き込み動作の頻度を大きくできるので、ダイナミックキャパシタン
スによる書き込み電圧不足に起因する、動画の尾引き、残像等の障害を低減することがで
きる。さらに、液晶表示装置の交流駆動と120Hz駆動を組み合わせるのも効果的であ
る。すなわち、液晶表示装置の駆動周波数を120Hzとしつつ、交流駆動の周波数をそ
の整数倍または整数分の一(たとえば、30Hz、60Hz、120Hz、240Hz等
)とすることによって、交流駆動によって現れるフリッカを、人間の目に知覚されない程
度に低減することができる。Specifically, when the conversion ratio is 2, it is also called double-speed driving or simply double-speed driving.
 For example, if the input frame rate is 60 Hz, the display frame rate is 120 Hz (
 120 Hz drive). Then, one input image is displayed twice in succession. At this time, if the interpolated image is an intermediate image obtained by motion compensation, the motion of the moving image can be smoothed, so that the quality of the moving image can be significantly improved. Furthermore, when the display device is an active matrix liquid crystal display device,
 A particularly remarkable image quality improvement effect is brought about. This is related to the problem of insufficient writing voltage due to so-called dynamic capacitance, in which the electrostatic capacitance of the liquid crystal element fluctuates depending on the applied voltage. That is, by making the display frame rate higher than the input frame rate, the frequency of the image data write operation can be increased, thereby reducing obstacles such as moving image tailing and afterimages caused by insufficient write voltage due to dynamic capacitance. be able to. Furthermore, it is also effective to combine AC driving and 120 Hz driving of the liquid crystal display device. That is, while setting the drive frequency of the liquid crystal display device to 120 Hz, by setting the frequency of the AC drive to an integer multiple or a fraction of that (for example, 30 Hz, 60 Hz, 120 Hz, 240 Hz, etc.), the flicker caused by the AC drive is It can be reduced to the extent that it is imperceptible to the human eye.
n=3,m=1、すなわち変換比(n/m)が3(図70のn=3,m=1の箇所)の場
合は、第1のステップにおける動作は次のようになる。まず、k=1のとき、手順1では
、第1の基本画像に対する第1の補間画像の表示タイミングを決定する。第1の補間画像
の表示タイミングは、第1の基本画像が表示されてから、入力画像データの周期をk(m
/n)倍すなわち1/3倍した期間が経過した時点である。When n=3 and m=1, that is, when the conversion ratio (n/m) is 3 (where n=3 and m=1 in FIG. 70), the operation in the first step is as follows. First, when k=1, in
 /n) times, that is, when a period of 1/3 times has elapsed.
次に、手順2では、第1の補間画像の表示タイミングの決定に用いた係数k(m/n)が
、整数であるかどうかを判別する。ここで、係数k(m/n)は1/3であるので、整数
ではない。したがって、手順3に進む。Next, in
手順3では、第1の補間画像として用いる画像を決定する。そのために、係数1/3をx
+y/nの形に変換する。係数1/3の場合は、x=0,y=1である。そして、第1の
補間画像を動き補償によって求めた中間画像とする場合は、第1の補間画像は、第(x+
1)すなわち第1の基本画像から第(x+2)すなわち第2の基本画像までの画像の動き
をy/n倍すなわち1/3倍した動きに相当する画像として求めた中間画像とする。第1
の補間画像を基本画像と同じ画像とする場合は、第(x+1)すなわち第1の基本画像を
用いることができる。In
 + Convert to the form y/n. For a factor of 1/3, x=0 and y=1. When the first interpolated image is an intermediate image obtained by motion compensation, the first interpolated image is the (x+
 1) An intermediate image obtained as an image corresponding to a motion obtained by multiplying the motion of the image from the first basic image to the (x+2)th, i.e., the second basic image, by y/n, ie, ⅓ times. first
 If the interpolated image is the same image as the basic image, the (x+1)th, ie, the first basic image can be used.
ここまでの手順により、第1の補間画像の表示タイミングと、第1の補間画像として表示
する画像を決定することができた。次に、手順4では、対象とする補間画像を、第1の補
間画像から第2の補間画像へ移す。すなわち、kを1から2に変更し、手順1に戻る。By the procedure so far, the display timing of the first interpolated image and the image to be displayed as the first interpolated image can be determined. Next, in
k=2のとき、手順1では、第1の基本画像に対する第2の補間画像の表示タイミングを
決定する。第2の補間画像の表示タイミングは、第1の基本画像が表示されてから、入力
画像データの周期をk(m/n)倍すなわち2/3倍した期間が経過した時点である。When k=2, in
次に、手順2では、第2の補間画像の表示タイミングの決定に用いた係数k(m/n)が
、整数であるかどうかを判別する。ここで、係数k(m/n)は2/3であるので、整数
ではない。したがって、手順3に進む。Next, in
手順3では、第2の補間画像として用いる画像を決定する。そのために、係数2/3をx
+y/nの形に変換する。係数2/3の場合は、x=0,y=2である。そして、第2の
補間画像を動き補償によって求めた中間画像とする場合は、第2の補間画像は、第(x+
1)すなわち第1の基本画像から第(x+2)すなわち第2の基本画像までの画像の動き
をy/n倍すなわち2/3倍した動きに相当する画像として求めた中間画像とする。第2
の補間画像を基本画像と同じ画像とする場合は、第(x+1)すなわち第1の基本画像を
用いることができる。In
 + Convert to the form y/n. For a factor of 2/3, x=0 and y=2. When the second interpolated image is an intermediate image obtained by motion compensation, the second interpolated image is the (x+
 1) An intermediate image obtained as an image corresponding to a motion obtained by multiplying the motion of the image from the first basic image to the (x+2)th, i.e. the second basic image, by y/n, ie, 2/3 times. second
 If the interpolated image is the same image as the basic image, the (x+1)th, ie, the first basic image can be used.
ここまでの手順により、第2の補間画像の表示タイミングと、第2の補間画像として表示
する画像を決定することができた。次に、手順4では、対象とする補間画像を、第2の補
間画像から第3の補間画像へ移す。すなわち、kを2から3に変更し、手順1に戻る。By the procedure so far, the display timing of the second interpolated image and the image to be displayed as the second interpolated image can be determined. Next, in
k=3のとき、手順1では、第1の基本画像に対する第3の補間画像の表示タイミングを
決定する。第3の補間画像の表示タイミングは、第1の基本画像が表示されてから、入力
画像データの周期をk(m/n)倍すなわち1倍した期間が経過した時点である。When k=3, in
次に、手順2では、第3の補間画像の表示タイミングの決定に用いた係数k(m/n)が
、整数であるかどうかを判別する。ここで、係数k(m/n)は1であるので、整数であ
る。したがって、第3の補間画像の表示タイミングにおいては第(k(m/n)+1)す
なわち第2の基本画像を表示し、第1のステップを終了する。Next, in
すなわち、変換比が3(n/m=3)である場合は、
第kの画像は基本画像であり、
第k+1の画像は補間画像であり、
第k+2の画像は補間画像であり、
第k+3の画像は基本画像であり、画像表示周期は、入力画像データの周期の1/3倍で
あることを特徴とする。That is, if the conversion ratio is 3 (n/m=3),
 The kth image is the base image,
 The k+1th image is an interpolated image,
 The k+2th image is an interpolated image,
 The k+3-th image is a basic image, and the image display period is ⅓ times the period of the input image data.
具体的な表現としては、変換比が3(n/m=3)である場合は、
第i(iは正の整数)の画像データと、
第i+1の画像データと、が、入力画像データとして一定の周期で順次入力され、
第k(kは正の整数)の画像と、
第k+1の画像と、
第k+2の画像と、
第k+3の画像と、を、入力画像データの周期の1/3倍の間隔で順次表示する表示装置
の駆動方法であって、
前記第kの画像は、前記第iの画像データにしたがって表示され、
前記第k+1の画像は、前記第iの画像データから前記第i+1の画像データまでの動き
を1/3倍した動きに相当する画像データにしたがって表示され、
前記第k+2の画像は、前記第iの画像から前記第i+1の画像までの動きを2/3倍し
た動きに相当する画像データにしたがって表示され、
前記第k+3の画像は、前記第i+1の画像データにしたがって表示される
ことを特徴とする。As a concrete expression, when the conversion ratio is 3 (n/m=3),
 i-th (i is a positive integer) image data;
 is sequentially input as input image data at a constant cycle, and
 a k-th image (k is a positive integer);
 a k+1-th image;
 a k+2th image;
 A display device driving method for sequentially displaying a k+3-th image and an image at intervals of ⅓ times the cycle of input image data,
 the k-th image is displayed according to the i-th image data;
 the k+1-th image is displayed according to image data corresponding to a motion obtained by multiplying the motion from the i-th image data to the i+1-th image data by ⅓;
 the k+2-th image is displayed according to image data corresponding to a motion obtained by multiplying the motion from the i-th image to the i+1-th image by 2/3;
 The k+3th image is characterized by being displayed according to the i+1th image data.
さらに別の具体的な表現としては、変換比が3(n/m=3)である場合は、
第i(iは正の整数)の画像データと、
第i+1の画像データと、が、入力画像データとして一定の周期で順次入力され、
第k(kは正の整数)の画像と、
第k+1の画像と、
第k+2の画像と、
第k+3の画像と、を、入力画像データの周期の1/3倍の間隔で順次表示する表示装置
の駆動方法であって、
前記第kの画像は、前記第iの画像データにしたがって表示され、
前記第k+1の画像は、前記第iの画像データにしたがって表示され、
前記第k+2の画像は、前記第iの画像データにしたがって表示され、
前記第k+3の画像は、前記第i+1の画像データにしたがって表示される
ことを特徴とする。As another specific expression, if the conversion ratio is 3 (n/m=3),
 i-th (i is a positive integer) image data;
 is sequentially input as input image data at a constant cycle, and
 a k-th (k is a positive integer) image;
 a k+1-th image;
 a k+2th image;
 A display device driving method for sequentially displaying a k+3-th image and an image at intervals of ⅓ times the cycle of input image data,
 the k-th image is displayed according to the i-th image data;
 the k+1-th image is displayed according to the i-th image data;
 the k+2 th image is displayed according to the i th image data;
 The k+3th image is characterized by being displayed according to the i+1th image data.
ここで、変換比が3である場合は、変換比が3より小さい場合よりも動画の品質を向上で
きるという利点を有する。さらに、変換比が3である場合は、変換比が3より大きい場合
よりも消費電力および製造コストを低減できるという利点を有する。Here, when the conversion ratio is 3, there is an advantage that the quality of moving images can be improved more than when the conversion ratio is smaller than 3. Furthermore, when the conversion ratio is 3, there is an advantage that power consumption and manufacturing cost can be reduced compared to when the conversion ratio is greater than 3.
具体的には、変換比が3である場合は、3倍速駆動とも呼ばれる。たとえば、入力フレー
ムレートが60Hzであれば、表示フレームレートは180Hz(180Hz駆動)であ
る。そして、ひとつの入力画像に対し、画像を3回連続して表示することになる。このと
き、補間画像が動き補償によって求められた中間画像である場合は、動画の動きを滑らか
にすることができるため、動画の品質を顕著に向上させることが可能である。さらに、表
示装置がアクティブマトリクス方式の液晶表示装置である場合は、ダイナミックキャパシ
タンスによる書き込み電圧不足の問題が回避できるため、動画の尾引き、残像等の障害に
対し特に顕著な画質改善効果をもたらす。さらに、液晶表示装置の交流駆動と180Hz
駆動を組み合わせるのも効果的である。すなわち、液晶表示装置の駆動周波数を180H
zとしつつ、交流駆動の周波数をその整数倍または整数分の一(たとえば、45Hz、9
0Hz、180Hz、360Hz等)とすることによって、交流駆動によって現れるフリ
ッカを、人間の目に知覚されない程度に低減することができる。Specifically, when the conversion ratio is 3, it is also called triple-speed driving. For example, if the input frame rate is 60 Hz, the display frame rate is 180 Hz (180 Hz drive). Then, one input image is displayed three times in succession. At this time, if the interpolated image is an intermediate image obtained by motion compensation, the motion of the moving image can be smoothed, so that the quality of the moving image can be significantly improved. Furthermore, when the display device is an active matrix type liquid crystal display device, the problem of insufficient write voltage due to dynamic capacitance can be avoided, so that a particularly remarkable improvement in image quality can be achieved with respect to obstacles such as trailing of moving images and afterimages. Furthermore, the AC drive of the liquid crystal display and the 180 Hz
 It is also effective to combine driving. That is, the driving frequency of the liquid crystal display device is set to 180H.
 z, and the frequency of the AC drive is set to an integer multiple or an integral fraction thereof (for example, 45 Hz, 9
 0 Hz, 180 Hz, 360 Hz, etc.), it is possible to reduce flicker that appears due to AC drive to a level that is not perceived by the human eye.
n=3,m=2、すなわち変換比(n/m)が3/2(図70のn=3,m=2の箇所)
の場合は、第1のステップにおける動作は次のようになる。まず、k=1のとき、手順1
では、第1の基本画像に対する第1の補間画像の表示タイミングを決定する。第1の補間
画像の表示タイミングは、第1の基本画像が表示されてから、入力画像データの周期をk
(m/n)倍すなわち2/3倍した期間が経過した時点である。n=3, m=2, that is, the conversion ratio (n/m) is 3/2 (n=3, m=2 in FIG. 70)
 , the operation in the first step is as follows. First, when k=1,
 Now, the display timing of the first interpolated image with respect to the first basic image is determined. The display timing of the first interpolated image is set so that the cycle of the input image data is k after the first basic image is displayed.
 (m/n) times, that is, when a period of time multiplied by 2/3 has elapsed.
次に、手順2では、第1の補間画像の表示タイミングの決定に用いた係数k(m/n)が
、整数であるかどうかを判別する。ここで、係数k(m/n)は2/3であるので、整数
ではない。したがって、手順3に進む。Next, in
手順3では、第1の補間画像として用いる画像を決定する。そのために、係数2/3をx
+y/nの形に変換する。係数2/3の場合は、x=0,y=2である。そして、第1の
補間画像を動き補償によって求めた中間画像とする場合は、第1の補間画像は、第(x+
1)すなわち第1の基本画像から第(x+2)すなわち第2の基本画像までの画像の動き
をy/n倍すなわち2/3倍した動きに相当する画像として求めた中間画像とする。第1
の補間画像を基本画像と同じ画像とする場合は、第(x+1)すなわち第1の基本画像を
用いることができる。In
 + Convert to the form y/n. For a factor of 2/3, x=0 and y=2. When the first interpolated image is an intermediate image obtained by motion compensation, the first interpolated image is the (x+
 1) An intermediate image obtained as an image corresponding to a motion obtained by multiplying the motion of the image from the first basic image to the (x+2)th, i.e. the second basic image, by y/n, ie, 2/3 times. first
 If the interpolated image is the same image as the basic image, the (x+1)th, ie, the first basic image can be used.
ここまでの手順により、第1の補間画像の表示タイミングと、第1の補間画像として表示
する画像を決定することができた。次に、手順4では、対象とする補間画像を、第1の補
間画像から第2の補間画像へ移す。すなわち、kを1から2に変更し、手順1に戻る。By the procedure so far, the display timing of the first interpolated image and the image to be displayed as the first interpolated image can be determined. Next, in
k=2のとき、手順1では、第1の基本画像に対する第2の補間画像の表示タイミングを
決定する。第2の補間画像の表示タイミングは、第1の基本画像が表示されてから、入力
画像データの周期をk(m/n)倍すなわち4/3倍した期間が経過した時点である。When k=2, in
次に、手順2では、第2の補間画像の表示タイミングの決定に用いた係数k(m/n)が
、整数であるかどうかを判別する。ここで、係数k(m/n)は4/3であるので、整数
ではない。したがって、手順3に進む。Next, in
手順3では、第2の補間画像として用いる画像を決定する。そのために、係数4/3をx
+y/nの形に変換する。係数4/3の場合は、x=1,y=1である。そして、第2の
補間画像を動き補償によって求めた中間画像とする場合は、第2の補間画像は、第(x+
1)すなわち第2の基本画像から第(x+2)すなわち第3の基本画像までの画像の動き
をy/n倍すなわち1/3倍した動きに相当する画像として求めた中間画像とする。第2
の補間画像を基本画像と同じ画像とする場合は、第(x+1)すなわち第2の基本画像を
用いることができる。In
 + Convert to the form y/n. For a factor of 4/3, x=1 and y=1. When the second interpolated image is an intermediate image obtained by motion compensation, the second interpolated image is the (x+
 1) An intermediate image obtained as an image corresponding to a motion obtained by multiplying the motion of the image from the second basic image to the (x+2)th, i.e., the third basic image, by y/n, ie, ⅓ times. second
 If the interpolated image is the same image as the basic image, the (x+1)th, ie, the second basic image can be used.
ここまでの手順により、第2の補間画像の表示タイミングと、第2の補間画像として表示
する画像を決定することができた。次に、手順4では、対象とする補間画像を、第2の補
間画像から第3の補間画像へ移す。すなわち、kを2から3に変更し、手順1に戻る。By the procedure so far, the display timing of the second interpolated image and the image to be displayed as the second interpolated image can be determined. Next, in
k=3のとき、手順1では、第1の基本画像に対する第3の補間画像の表示タイミングを
決定する。第3の補間画像の表示タイミングは、第1の基本画像が表示されてから、入力
画像データの周期をk(m/n)倍すなわち2倍した期間が経過した時点である。When k=3, in
次に、手順2では、第3の補間画像の表示タイミングの決定に用いた係数k(m/n)が
、整数であるかどうかを判別する。ここで、係数k(m/n)は2であるので、整数であ
る。したがって、第3の補間画像の表示タイミングにおいては第(k(m/n)+1)す
なわち第3の基本画像を表示し、第1のステップを終了する。Next, in
すなわち、変換比が3/2(n/m=3/2)である場合は、
第kの画像は基本画像であり、
第k+1の画像は補間画像であり、
第k+2の画像は補間画像であり、
第k+3の画像は基本画像であり、画像表示周期は、入力画像データの周期の2/3倍で
あることを特徴とする。That is, if the conversion ratio is 3/2 (n/m=3/2),
 The kth image is the base image,
 The k+1th image is an interpolated image,
 The k+2th image is an interpolated image,
 The k+3-th image is a basic image, and the image display period is ⅔ times the period of the input image data.
具体的な表現としては、変換比が3/2(n/m=3/2)である場合は、
第i(iは正の整数)の画像データと、
第i+1の画像データと、
第i+2の画像データと、が、入力画像データとして一定の周期で順次入力され、
第k(kは正の整数)の画像と、
第k+1の画像と、
第k+2の画像と、
第k+3の画像と、を、入力画像データの周期の2/3倍の間隔で順次表示する表示装置
の駆動方法であって、
前記第kの画像は、前記第iの画像データにしたがって表示され、
前記第k+1の画像は、前記第iの画像データから前記第i+1の画像データまでの動き
を2/3倍した動きに相当する画像データにしたがって表示され、
前記第k+2の画像は、前記第i+1の画像から前記第i+2の画像までの動きを1/3
倍した動きに相当する画像データにしたがって表示され、
前記第k+3の画像は、前記第i+2の画像データにしたがって表示される
ことを特徴とする。As a concrete expression, when the conversion ratio is 3/2 (n/m=3/2),
 i-th (i is a positive integer) image data;
 i+1-th image data;
 is sequentially input as input image data at a constant cycle, and
 a k-th image (k is a positive integer);
 a k+1-th image;
 a k+2th image;
 A display device driving method for sequentially displaying a k+3-th image and an image at an interval of ⅔ times the cycle of input image data,
 the k-th image is displayed according to the i-th image data;
 the k+1-th image is displayed according to image data corresponding to a motion obtained by multiplying the motion from the i-th image data to the i+1-th image data by 2/3;
 The k+2 th image is ⅓ the motion from the i+1 th image to the i+2 th image.
 displayed according to the image data corresponding to the multiplied movement,
 The k+3-th image is displayed according to the i+2-th image data.
さらに別の具体的な表現としては、変換比が3/2(n/m=3/2)である場合は、
第i(iは正の整数)の画像データと、
第i+1の画像データと、
第i+2の画像データと、が、入力画像データとして一定の周期で順次入力され、
第k(kは正の整数)の画像と、
第k+1の画像と、
第k+2の画像と、
第k+3の画像と、を、入力画像データの周期の2/3倍の間隔で順次表示する表示装置
の駆動方法であって、
前記第kの画像は、前記第iの画像データにしたがって表示され、
前記第k+1の画像は、前記第iの画像データにしたがって表示され、
前記第k+2の画像は、前記第i+1の画像データにしたがって表示され、
前記第k+3の画像は、前記第i+2の画像データにしたがって表示される
ことを特徴とする。As another concrete expression, if the conversion ratio is 3/2 (n/m=3/2),
 i-th (i is a positive integer) image data;
 i+1-th image data;
 is sequentially input as input image data at a constant cycle, and
 a k-th image (k is a positive integer);
 a k+1-th image;
 a k+2th image;
 A display device driving method for sequentially displaying a k+3-th image and an image at an interval of ⅔ times the cycle of input image data,
 the k-th image is displayed according to the i-th image data;
 the k+1-th image is displayed according to the i-th image data;
 the k+2-th image is displayed according to the i+1-th image data;
 The k+3-th image is displayed according to the i+2-th image data.
ここで、変換比が3/2である場合は、変換比が3/2より小さい場合よりも動画の品質
を向上できるという利点を有する。さらに、変換比が3/2である場合は、変換比が3/
2より大きい場合よりも消費電力および製造コストを低減できるという利点を有する。Here, when the conversion ratio is 3/2, there is an advantage that the quality of moving images can be improved more than when the conversion ratio is smaller than 3/2. Further, if the conversion ratio is 3/2, then the conversion ratio is 3/
 It has the advantage of being able to reduce power consumption and manufacturing costs compared to the case of greater than two.
具体的には、変換比が3/2である場合は、3/2倍速駆動または1.5倍速駆動とも呼
ばれる。たとえば、入力フレームレートが60Hzであれば、表示フレームレートは90
Hz(90Hz駆動)である。そして、2つの入力画像に対し、画像を3回連続して表示
することになる。このとき、補間画像が動き補償によって求められた中間画像である場合
は、動画の動きを滑らかにすることができるため、動画の品質を顕著に向上させることが
可能である。特に、120Hz駆動(倍速駆動)、180Hz駆動(3倍速駆動)等の駆
動周波数の大きな駆動方法と比較すると、動き補償によって中間画像を求める回路の動作
周波数を低減できるため、安価な回路が使用でき、製造コストおよび消費電力を低減でき
る。さらに、表示装置がアクティブマトリクス方式の液晶表示装置である場合は、ダイナ
ミックキャパシタンスによる書き込み電圧不足の問題が回避できるため、動画の尾引き、
残像等の障害に対し特に顕著な画質改善効果をもたらす。さらに、液晶表示装置の交流駆
動と90Hz駆動を組み合わせるのも効果的である。すなわち、液晶表示装置の駆動周波
数を90Hzとしつつ、交流駆動の周波数をその整数倍または整数分の一(たとえば、3
0Hz、45Hz、90Hz、180Hz等)とすることによって、交流駆動によって現
れるフリッカを、人間の目に知覚されない程度に低減することができる。Specifically, when the conversion ratio is 3/2, it is also called 3/2 speed driving or 1.5 speed driving. For example, if the input frame rate is 60 Hz, the display frame rate is 90
 Hz (90 Hz drive). Then, the images are displayed three times consecutively for the two input images. At this time, if the interpolated image is an intermediate image obtained by motion compensation, the motion of the moving image can be smoothed, so that the quality of the moving image can be significantly improved. In particular, compared to driving methods with high driving frequencies such as 120 Hz driving (double speed driving) and 180 Hz driving (triple speed driving), motion compensation can reduce the operating frequency of the circuit that obtains the intermediate image, so that an inexpensive circuit can be used. , manufacturing costs and power consumption can be reduced. Furthermore, when the display device is an active matrix type liquid crystal display device, the problem of insufficient write voltage due to dynamic capacitance can be avoided.
 This provides a particularly remarkable image quality improvement effect for obstacles such as afterimages. Furthermore, it is also effective to combine AC driving and 90 Hz driving of the liquid crystal display device. That is, while setting the drive frequency of the liquid crystal display device to 90 Hz, the frequency of the AC drive is set to an integer multiple or an integer fraction (for example, 3
 0 Hz, 45 Hz, 90 Hz, 180 Hz, etc.), it is possible to reduce flicker that appears due to AC drive to a level that is not perceived by the human eye.
上記以外の正の整数nおよびmについては手順の詳細は省略するが、第1のステップにお
けるフレームレート変換の手順にしたがうことで、変換比は任意の有理数(n/m)とし
て設定することができる。なお、正の整数nおよびmの組み合わせのうち、変換比(n/
m)が約分できる組み合わせについては、約分した後の変換比と同様に取り扱うことがで
きる。Although the details of the procedure for positive integers n and m other than the above are omitted, the conversion ratio can be set as an arbitrary rational number (n/m) by following the procedure of frame rate conversion in the first step. can. Among the combinations of positive integers n and m, the conversion ratio (n/
 Combinations in which m) can be canceled can be handled in the same manner as conversion ratios after cancellation.
たとえば、n=4,m=1、すなわち変換比(n/m)が4(図70のn=4,m=1の
箇所)の場合は、
第kの画像は基本画像であり、
第k+1の画像は補間画像であり、
第k+2の画像は補間画像であり、
第k+3の画像は補間画像であり、
第k+4の画像は基本画像であり、画像表示周期は、入力画像データの周期の1/4倍で
あることを特徴とする。For example, when n=4, m=1, that is, the conversion ratio (n/m) is 4 (n=4, m=1 in FIG. 70),
 The kth image is the base image,
 The k+1th image is an interpolated image,
 The k+2th image is an interpolated image,
 The k+3th image is an interpolated image,
 The k+4th image is a basic image, and the image display cycle is 1/4 times the cycle of the input image data.
さらに具体的な表現としては、変換比が4(n/m=4)である場合は、
第i(iは正の整数)の画像データと、
第i+1の画像データと、が、入力画像データとして一定の周期で順次入力され、
第k(kは正の整数)の画像と、
第k+1の画像と、
第k+2の画像と、
第k+3の画像と、
第k+4の画像と、を、入力画像データの周期の1/4倍の間隔で順次表示する表示装置
の駆動方法であって、
前記第kの画像は、前記第iの画像データにしたがって表示され、
前記第k+1の画像は、前記第iの画像データから前記第i+1の画像データまでの動き
を1/4倍した動きに相当する画像データにしたがって表示され、
前記第k+2の画像は、前記第iの画像データから前記第i+1の画像データまでの動き
を1/2倍した動きに相当する画像データにしたがって表示され、
前記第k+3の画像は、前記第iの画像データから前記第i+1の画像データまでの動き
を3/4倍した動きに相当する画像データにしたがって表示され、
前記第k+4の画像は、前記第i+1の画像データにしたがって表示される
ことを特徴とする。More specifically, when the conversion ratio is 4 (n/m=4),
 i-th (i is a positive integer) image data;
 is sequentially input as input image data at a constant cycle, and
 a k-th (k is a positive integer) image;
 a k+1-th image;
 a k+2th image;
 a k+3th image;
 A display device driving method for sequentially displaying a k+4-th image and an image at an interval of 1/4 times the cycle of input image data,
 the k-th image is displayed according to the i-th image data;
 the k+1-th image is displayed according to image data corresponding to a motion obtained by multiplying the motion from the i-th image data to the i+1-th image data by 1/4;
 the k+2-th image is displayed according to image data corresponding to a motion obtained by multiplying the motion from the i-th image data to the i+1-th image data by 1/2;
 the k+3-th image is displayed according to image data corresponding to a motion obtained by multiplying the motion from the i-th image data to the i+1-th image data by 3/4;
 The k+4-th image is displayed according to the i+1-th image data.
さらに別の具体的な表現としては、変換比が4(n/m=4)である場合は、
第i(iは正の整数)の画像データと、
第i+1の画像データと、が、入力画像データとして一定の周期で順次入力され、
第k(kは正の整数)の画像と、
第k+1の画像と、
第k+2の画像と、
第k+3の画像と、
第k+4の画像と、を、入力画像データの周期の1/4倍の間隔で順次表示する表示装置
の駆動方法であって、
前記第kの画像は、前記第iの画像データにしたがって表示され、
前記第k+1の画像は、前記第iの画像データにしたがって表示され、
前記第k+2の画像は、前記第iの画像データにしたがって表示され、
前記第k+3の画像は、前記第iの画像データにしたがって表示され、
前記第k+4の画像は、前記第i+1の画像データにしたがって表示される
ことを特徴とする。As another concrete expression, if the conversion ratio is 4 (n/m=4),
 i-th (i is a positive integer) image data;
 is sequentially input as input image data at a constant cycle, and
 a k-th (k is a positive integer) image;
 a k+1-th image;
 a k+2th image;
 a k+3th image;
 A display device driving method for sequentially displaying a k+4-th image and an image at an interval of 1/4 times the cycle of input image data,
 the k-th image is displayed according to the i-th image data;
 the k+1-th image is displayed according to the i-th image data;
 the k+2 th image is displayed according to the i th image data;
 the k+3 th image is displayed according to the i th image data;
 The k+4-th image is displayed according to the i+1-th image data.
ここで、変換比が4である場合は、変換比が4より小さい場合よりも動画の品質を向上で
きるという利点を有する。さらに、変換比が4である場合は、変換比が4より大きい場合
よりも消費電力および製造コストを低減できるという利点を有する。Here, when the conversion ratio is 4, there is an advantage that the quality of moving images can be improved more than when the conversion ratio is smaller than 4. Furthermore, when the conversion ratio is 4, there is an advantage that the power consumption and manufacturing cost can be reduced compared to when the conversion ratio is greater than 4.
具体的には、変換比が4である場合は、4倍速駆動とも呼ばれる。たとえば、入力フレー
ムレートが60Hzであれば、表示フレームレートは240Hz(240Hz駆動)であ
る。そして、1つの入力画像に対し、画像を4回連続して表示することになる。このとき
、補間画像が動き補償によって求められた中間画像である場合は、動画の動きを滑らかに
することができるため、動画の品質を顕著に向上させることが可能である。特に、120
Hz駆動(倍速駆動)、180Hz駆動(3倍速駆動)等の駆動周波数の小さな駆動方法
と比較すると、さらに精度の高い動き補償によって求めた中間画像を補間画像として用い
ることができるため、さらに動画の動きを滑らかにすることができ、動画の品質を顕著に
向上させることが可能である。さらに、表示装置がアクティブマトリクス方式の液晶表示
装置である場合は、ダイナミックキャパシタンスによる書き込み電圧不足の問題が回避で
きるため、動画の尾引き、残像等の障害に対し特に顕著な画質改善効果をもたらす。さら
に、液晶表示装置の交流駆動と240Hz駆動を組み合わせるのも効果的である。すなわ
ち、液晶表示装置の駆動周波数を240Hzとしつつ、交流駆動の周波数をその整数倍ま
たは整数分の一(たとえば、30Hz、40Hz、60Hz、120Hz等)とすること
によって、交流駆動によって現れるフリッカを、人間の目に知覚されない程度に低減する
ことができる。Specifically, when the conversion ratio is 4, it is also called quadruple speed driving. For example, if the input frame rate is 60 Hz, the display frame rate is 240 Hz (240 Hz drive). Then, one input image is displayed four times in succession. At this time, if the interpolated image is an intermediate image obtained by motion compensation, the motion of the moving image can be smoothed, so that the quality of the moving image can be significantly improved. In particular, 120
 Compared to drive methods with low drive frequencies such as Hz drive (double speed drive) and 180 Hz drive (triple speed drive), intermediate images obtained by motion compensation with higher accuracy can be used as interpolated images. Motion can be smoothed out, and the quality of moving images can be significantly improved. Furthermore, when the display device is an active matrix type liquid crystal display device, the problem of insufficient write voltage due to dynamic capacitance can be avoided, so that a particularly remarkable image quality improvement effect can be obtained against obstacles such as trailing of moving images and afterimages. Furthermore, it is effective to combine the AC drive and the 240 Hz drive of the liquid crystal display device. That is, while setting the drive frequency of the liquid crystal display device to 240 Hz, by setting the frequency of the AC drive to an integral multiple or a fraction of that (for example, 30 Hz, 40 Hz, 60 Hz, 120 Hz, etc.), the flicker caused by the AC drive is It can be reduced to the extent that it is imperceptible to the human eye.
さらに、たとえば、n=4,m=3、すなわち変換比(n/m)が4/3(図70のn=
4,m=3の箇所)の場合は、
第kの画像は基本画像であり、
第k+1の画像は補間画像であり、
第k+2の画像は補間画像であり、
第k+3の画像は補間画像であり、
第k+4の画像は基本画像であり、画像表示周期は、入力画像データの周期の3/4倍で
あることを特徴とする。Further, for example, n=4, m=3, that is, the conversion ratio (n/m) is 4/3 (n=
 4, where m = 3),
 The kth image is the base image,
 The k+1th image is an interpolated image,
 The k+2th image is an interpolated image,
 The k+3th image is an interpolated image,
 The k+4th image is a basic image, and the image display cycle is 3/4 times the cycle of the input image data.
さらに具体的な表現としては、変換比が4/3(n/m=4/3)である場合は、
第i(iは正の整数)の画像データと、
第i+1の画像データと、
第i+2の画像データと、
第i+3の画像データと、が、入力画像データとして一定の周期で順次入力され、
第k(kは正の整数)の画像と、
第k+1の画像と、
第k+2の画像と、
第k+3の画像と、
第k+4の画像と、を、入力画像データの周期の3/4倍の間隔で順次表示する表示装置
の駆動方法であって、
前記第kの画像は、前記第iの画像データにしたがって表示され、
前記第k+1の画像は、前記第iの画像データから前記第i+1の画像データまでの動き
を3/4倍した動きに相当する画像データにしたがって表示され、
前記第k+2の画像は、前記第i+1の画像から前記第i+2の画像までの動きを1/2
倍した動きに相当する画像データにしたがって表示され、
前記第k+3の画像は、前記第i+2の画像から前記第i+3の画像までの動きを1/4
倍した動きに相当する画像データにしたがって表示され、
前記第k+4の画像は、前記第i+3の画像データにしたがって表示される
ことを特徴とする。More specifically, when the conversion ratio is 4/3 (n/m=4/3),
 i-th (i is a positive integer) image data;
 i+1-th image data;
 i+2th image data;
 is sequentially input as input image data at a constant cycle, and
 a k-th (k is a positive integer) image;
 a k+1-th image;
 a k+2th image;
 a k+3th image;
 A display device driving method for sequentially displaying a k+4-th image and an image at intervals of 3/4 times the cycle of input image data,
 the k-th image is displayed according to the i-th image data;
 the k+1-th image is displayed according to image data corresponding to a motion obtained by multiplying the motion from the i-th image data to the i+1-th image data by 3/4;
 The k+2-th image has half the motion from the i+1-th image to the i+2-th image.
 displayed according to the image data corresponding to the multiplied movement,
 The k+3 th image is ¼ the motion from the i+2 th image to the i+3 th image.
 displayed according to the image data corresponding to the multiplied movement,
 The k+4th image is characterized by being displayed according to the i+3th image data.
さらに別の具体的な表現としては、変換比が4/3(n/m=4/3)である場合は、
第i(iは正の整数)の画像データと、
第i+1の画像データと、
第i+2の画像データと、
第i+3の画像データと、が、入力画像データとして一定の周期で順次入力され、
第k(kは正の整数)の画像と、
第k+1の画像と、
第k+2の画像と、
第k+3の画像と、
第k+4の画像と、を、入力画像データの周期の3/4倍の間隔で順次表示する表示装置
の駆動方法であって、
前記第kの画像は、前記第iの画像データにしたがって表示され、
前記第k+1の画像は、前記第iの画像データにしたがって表示され、
前記第k+2の画像は、前記第i+1の画像データにしたがって表示され、
前記第k+3の画像は、前記第i+2の画像データにしたがって表示され、
前記第k+4の画像は、前記第i+3の画像データにしたがって表示される
ことを特徴とする。As another concrete expression, if the conversion ratio is 4/3 (n/m=4/3),
 i-th (i is a positive integer) image data;
 i+1-th image data;
 i+2th image data;
 is sequentially input as input image data at a constant cycle, and
 a k-th (k is a positive integer) image;
 a k+1-th image;
 a k+2th image;
 a k+3th image;
 A display device driving method for sequentially displaying a k+4-th image and an image at intervals of 3/4 times the cycle of input image data,
 the k-th image is displayed according to the i-th image data;
 the k+1-th image is displayed according to the i-th image data;
 the k+2-th image is displayed according to the i+1-th image data;
 the k+3th image is displayed according to the i+2th image data;
 The k+4th image is characterized by being displayed according to the i+3th image data.
ここで、変換比が4/3である場合は、変換比が4/3より小さい場合よりも動画の品質
を向上できるという利点を有する。さらに、変換比が4/3である場合は、変換比が4/
3より大きい場合よりも消費電力および製造コストを低減できるという利点を有する。Here, when the conversion ratio is 4/3, there is an advantage that the quality of moving images can be improved more than when the conversion ratio is smaller than 4/3. Furthermore, if the conversion ratio is 4/3, then the conversion ratio is 4/
 It has the advantage of being able to reduce power consumption and manufacturing costs compared to the case of greater than 3.
具体的には、変換比が4/3である場合は、4/3倍速駆動または1.25倍速駆動とも
呼ばれる。たとえば、入力フレームレートが60Hzであれば、表示フレームレートは8
0Hz(80Hz駆動)である。そして、3つの入力画像に対し、画像を4回連続して表
示することになる。このとき、補間画像が動き補償によって求められた中間画像である場
合は、動画の動きを滑らかにすることができるため、動画の品質を顕著に向上させること
が可能である。特に、120Hz駆動(倍速駆動)、180Hz駆動(3倍速駆動)等の
駆動周波数の大きな駆動方法と比較すると、動き補償によって中間画像を求める回路の動
作周波数を低減できるため、安価な回路が使用でき、製造コストおよび消費電力を低減で
きる。さらに、表示装置がアクティブマトリクス方式の液晶表示装置である場合は、ダイ
ナミックキャパシタンスによる書き込み電圧不足の問題が回避できるため、動画の尾引き
、残像等の障害に対し特に顕著な画質改善効果をもたらす。さらに、液晶表示装置の交流
駆動と80Hz駆動を組み合わせるのも効果的である。すなわち、液晶表示装置の駆動周
波数を80Hzとしつつ、交流駆動の周波数をその整数倍または整数分の一(たとえば、
40Hz、80Hz、160Hz、240Hz等)とすることによって、交流駆動によっ
て現れるフリッカを、人間の目に知覚されない程度に低減することができる。Specifically, when the conversion ratio is 4/3, it is also called 4/3 speed driving or 1.25 speed driving. For example, if the input frame rate is 60 Hz, the display frame rate is 8
 0 Hz (80 Hz drive). Then, the images are displayed four times in succession with respect to the three input images. At this time, if the interpolated image is an intermediate image obtained by motion compensation, the motion of the moving image can be smoothed, so that the quality of the moving image can be significantly improved. In particular, compared to driving methods with high drive frequencies such as 120 Hz drive (double speed drive) and 180 Hz drive (triple speed drive), motion compensation can reduce the operating frequency of the circuit that obtains the intermediate image, so that an inexpensive circuit can be used. , manufacturing costs and power consumption can be reduced. Furthermore, when the display device is an active matrix type liquid crystal display device, the problem of insufficient write voltage due to dynamic capacitance can be avoided, so that a particularly remarkable improvement in image quality can be achieved with respect to obstacles such as trailing of moving images and afterimages. Furthermore, it is effective to combine the AC driving and the 80 Hz driving of the liquid crystal display device. That is, while setting the drive frequency of the liquid crystal display device to 80 Hz, the frequency of the AC drive is set to an integer multiple or an integer fraction thereof (for example,
 40 Hz, 80 Hz, 160 Hz, 240 Hz, etc.), it is possible to reduce flicker that appears due to AC drive to a level that is not perceived by the human eye.
さらに、たとえば、n=5,m=1、すなわち変換比(n/m)が5(図70のn=5,
m=1の箇所)の場合は、
第kの画像は基本画像であり、
第k+1の画像は補間画像であり、
第k+2の画像は補間画像であり、
第k+3の画像は補間画像であり、
第k+4の画像は補間画像であり、
第k+5の画像は基本画像であり、画像表示周期は、入力画像データの周期の1/5倍で
あることを特徴とする。Further, for example, n=5, m=1, that is, the conversion ratio (n/m) is 5 (n=5, m in FIG.
 m = 1),
 The kth image is the base image,
 The k+1th image is an interpolated image,
 The k+2th image is an interpolated image,
 The k+3th image is an interpolated image,
 The k+4th image is an interpolated image,
 The k+5th image is a basic image, and the image display cycle is 1/5 times the cycle of the input image data.
さらに具体的な表現としては、変換比が5(n/m=5)である場合は、
第i(iは正の整数)の画像データと、
第i+1の画像データと、が、入力画像データとして一定の周期で順次入力され、
第k(kは正の整数)の画像と、
第k+1の画像と、
第k+2の画像と、
第k+3の画像と、
第k+4の画像と、
第k+5の画像と、を、入力画像データの周期の1/5倍の間隔で順次表示する表示装置
の駆動方法であって、
前記第kの画像は、前記第iの画像データにしたがって表示され、
前記第k+1の画像は、前記第iの画像データから前記第i+1の画像データまでの動き
を1/5倍した動きに相当する画像データにしたがって表示され、
前記第k+2の画像は、前記第iの画像データから前記第i+1の画像データまでの動き
を2/5倍した動きに相当する画像データにしたがって表示され、
前記第k+3の画像は、前記第iの画像データから前記第i+1の画像データまでの動き
を3/5倍した動きに相当する画像データにしたがって表示され、
前記第k+4の画像は、前記第iの画像データから前記第i+1の画像データまでの動き
を4/5倍した動きに相当する画像データにしたがって表示され、
前記第k+5の画像は、前記第i+1の画像データにしたがって表示される
ことを特徴とする。More specifically, when the conversion ratio is 5 (n/m=5),
 i-th (i is a positive integer) image data;
 is sequentially input as input image data at a constant cycle, and
 a k-th (k is a positive integer) image;
 a k+1-th image;
 a k+2th image;
 a k+3th image;
 the k+4th image;
 A driving method for a display device for sequentially displaying a k+5th image and an image at intervals of ⅕ times the cycle of input image data,
 the k-th image is displayed according to the i-th image data;
 the k+1-th image is displayed according to image data corresponding to a motion obtained by multiplying the motion from the i-th image data to the i+1-th image data by ⅕;
 the k+2-th image is displayed according to image data corresponding to a motion obtained by multiplying the motion from the i-th image data to the i+1-th image data by 2/5;
 the k+3-th image is displayed according to image data corresponding to a motion obtained by multiplying the motion from the i-th image data to the i+1-th image data by 3/5;
 the k+4-th image is displayed according to image data corresponding to a motion obtained by multiplying the motion from the i-th image data to the i+1-th image data by 4/5;
 The k+5-th image is displayed according to the i+1-th image data.
さらに別の具体的な表現としては、変換比が5(n/m=5)である場合は、
第i(iは正の整数)の画像データと、
第i+1の画像データと、が、入力画像データとして一定の周期で順次入力され、
第k(kは正の整数)の画像と、
第k+1の画像と、
第k+2の画像と、
第k+3の画像と、
第k+4の画像と、
第k+5の画像と、を、入力画像データの周期の1/5倍の間隔で順次表示する表示装置
の駆動方法であって、
前記第kの画像は、前記第iの画像データにしたがって表示され、
前記第k+1の画像は、前記第iの画像データにしたがって表示され、
前記第k+2の画像は、前記第iの画像データにしたがって表示され、
前記第k+3の画像は、前記第iの画像データにしたがって表示され、
前記第k+4の画像は、前記第iの画像データにしたがって表示され、
前記第k+5の画像は、前記第i+1の画像データにしたがって表示される
ことを特徴とする。As another specific expression, if the conversion ratio is 5 (n/m=5),
 i-th (i is a positive integer) image data;
 is sequentially input as input image data at a constant cycle, and
 a k-th (k is a positive integer) image;
 a k+1-th image;
 a k+2th image;
 a k+3th image;
 the k+4th image;
 A method of driving a display device for sequentially displaying a k+5th image and an image at intervals of ⅕ times the cycle of input image data,
 the k-th image is displayed according to the i-th image data;
 the k+1-th image is displayed according to the i-th image data;
 the k+2 th image is displayed according to the i th image data;
 the k+3 th image is displayed according to the i th image data;
 the k+4th image is displayed according to the i-th image data;
 The k+5-th image is displayed according to the i+1-th image data.
ここで、変換比が5である場合は、変換比が5より小さい場合よりも動画の品質を向上で
きるという利点を有する。さらに、変換比が5である場合は、変換比が5より大きい場合
よりも消費電力および製造コストを低減できるという利点を有する。Here, when the conversion ratio is 5, there is an advantage that the quality of moving images can be improved more than when the conversion ratio is less than 5. Furthermore, when the conversion ratio is 5, there is an advantage that the power consumption and the manufacturing cost can be reduced compared to when the conversion ratio is greater than 5.
具体的には、変換比が5である場合は、5倍速駆動とも呼ばれる。たとえば、入力フレー
ムレートが60Hzであれば、表示フレームレートは300Hz(300Hz駆動)であ
る。そして、1つの入力画像に対し、画像を5回連続して表示することになる。このとき
、補間画像が動き補償によって求められた中間画像である場合は、動画の動きを滑らかに
することができるため、動画の品質を顕著に向上させることが可能である。特に、120
Hz駆動(倍速駆動)、180Hz駆動(3倍速駆動)等の駆動周波数の小さな駆動方法
と比較すると、さらに精度の高い動き補償によって求めた中間画像を補間画像として用い
ることができるため、さらに動画の動きを滑らかにすることができ、動画の品質を顕著に
向上させることが可能である。さらに、表示装置がアクティブマトリクス方式の液晶表示
装置である場合は、ダイナミックキャパシタンスによる書き込み電圧不足の問題が回避で
きるため、動画の尾引き、残像等の障害に対し特に顕著な画質改善効果をもたらす。さら
に、液晶表示装置の交流駆動と300Hz駆動を組み合わせるのも効果的である。すなわ
ち、液晶表示装置の駆動周波数を300Hzとしつつ、交流駆動の周波数をその整数倍ま
たは整数分の一(たとえば、30Hz、50Hz、60Hz、100Hz等)とすること
によって、交流駆動によって現れるフリッカを、人間の目に知覚されない程度に低減する
ことができる。Specifically, when the conversion ratio is 5, it is also called quintuple speed driving. For example, if the input frame rate is 60 Hz, the display frame rate is 300 Hz (300 Hz drive). Then, one input image is displayed five times in succession. At this time, if the interpolated image is an intermediate image obtained by motion compensation, the motion of the moving image can be smoothed, so that the quality of the moving image can be significantly improved. In particular, 120
 Compared to drive methods with low drive frequencies such as Hz drive (double speed drive) and 180 Hz drive (triple speed drive), intermediate images obtained by motion compensation with higher accuracy can be used as interpolated images. The motion can be smoothed and the quality of moving images can be significantly improved. Furthermore, when the display device is an active matrix type liquid crystal display device, the problem of insufficient write voltage due to dynamic capacitance can be avoided, so that a particularly remarkable image quality improvement effect can be obtained against obstacles such as trailing of moving images and afterimages. Furthermore, it is also effective to combine AC driving and 300 Hz driving of the liquid crystal display device. That is, while setting the drive frequency of the liquid crystal display device to 300 Hz, the frequency of the AC drive is set to an integral multiple or a fraction of that (for example, 30 Hz, 50 Hz, 60 Hz, 100 Hz, etc.). It can be reduced to the extent that it is imperceptible to the human eye.
さらに、たとえば、n=5,m=2、すなわち変換比(n/m)が5/2(図70のn=
5,m=2の箇所)の場合は、
第kの画像は基本画像であり、
第k+1の画像は補間画像であり、
第k+2の画像は補間画像であり、
第k+3の画像は補間画像であり、
第k+4の画像は補間画像であり、
第k+5の画像は基本画像であり、画像表示周期は、入力画像データの周期の1/5倍で
あることを特徴とする。Further, for example, n=5, m=2, that is, the conversion ratio (n/m) is 5/2 (n=
 5, where m = 2),
 The kth image is the base image,
 The k+1th image is an interpolated image,
 The k+2th image is an interpolated image,
 The k+3th image is an interpolated image,
 The k+4th image is an interpolated image,
 The k+5th image is a basic image, and the image display cycle is 1/5 times the cycle of the input image data.
さらに具体的な表現としては、変換比が5/2(n/m=5/2)である場合は、
第i(iは正の整数)の画像データと、
第i+1の画像データと、
第i+2の画像データと、が、入力画像データとして一定の周期で順次入力され、
第k(kは正の整数)の画像と、
第k+1の画像と、
第k+2の画像と、
第k+3の画像と、
第k+4の画像と、
第k+5の画像と、を、入力画像データの周期の1/5倍の間隔で順次表示する表示装置
の駆動方法であって、
前記第kの画像は、前記第iの画像データにしたがって表示され、
前記第k+1の画像は、前記第iの画像データから前記第i+1の画像データまでの動き
を2/5倍した動きに相当する画像データにしたがって表示され、
前記第k+2の画像は、前記第iの画像データから前記第i+1の画像データまでの動き
を4/5倍した動きに相当する画像データにしたがって表示され、
前記第k+3の画像は、前記第i+1の画像データから前記第i+2の画像データまでの
動きを1/5倍した動きに相当する画像データにしたがって表示され、
前記第k+4の画像は、前記第i+1の画像データから前記第i+2の画像データまでの
動きを3/5倍した動きに相当する画像データにしたがって表示され、
前記第k+5の画像は、前記第i+2の画像データにしたがって表示される
ことを特徴とする。More specifically, when the conversion ratio is 5/2 (n/m=5/2),
 i-th (i is a positive integer) image data;
 i+1-th image data;
 is sequentially input as input image data at a constant cycle, and
 a k-th (k is a positive integer) image;
 a k+1-th image;
 a k+2th image;
 a k+3th image;
 the k+4th image;
 A method of driving a display device for sequentially displaying a k+5th image and an image at intervals of ⅕ times the cycle of input image data,
 the k-th image is displayed according to the i-th image data;
 the k+1-th image is displayed according to image data corresponding to a motion obtained by multiplying the motion from the i-th image data to the i+1-th image data by 2/5;
 the k+2-th image is displayed according to image data corresponding to a motion obtained by multiplying the motion from the i-th image data to the i+1-th image data by 4/5;
 the k+3-th image is displayed according to image data corresponding to a motion obtained by multiplying the motion from the i+1-th image data to the i+2-th image data by ⅕;
 the k+4-th image is displayed according to image data corresponding to a motion obtained by multiplying the motion from the i+1-th image data to the i+2-th image data by 3/5;
 The k+5th image is characterized by being displayed according to the i+2th image data.
さらに別の具体的な表現としては、変換比が5/2(n/m=5/2)である場合は、
第i(iは正の整数)の画像データと、
第i+1の画像データと、
第i+2の画像データと、が、入力画像データとして一定の周期で順次入力され、
第k(kは正の整数)の画像と、
第k+1の画像と、
第k+2の画像と、
第k+3の画像と、
第k+4の画像と、
第k+5の画像と、を、入力画像データの周期の1/5倍の間隔で順次表示する表示装置
の駆動方法であって、
前記第kの画像は、前記第iの画像データにしたがって表示され、
前記第k+1の画像は、前記第iの画像データにしたがって表示され、
前記第k+2の画像は、前記第iの画像データにしたがって表示され、
前記第k+3の画像は、前記第i+1の画像データにしたがって表示され、
前記第k+4の画像は、前記第i+1の画像データにしたがって表示され、
前記第k+5の画像は、前記第i+2の画像データにしたがって表示される
ことを特徴とする。As another concrete expression, if the conversion ratio is 5/2 (n/m=5/2),
 i-th (i is a positive integer) image data;
 i+1-th image data;
 is sequentially input as input image data at a constant cycle, and
 a k-th (k is a positive integer) image;
 a k+1-th image;
 a k+2th image;
 a k+3th image;
 the k+4th image;
 A driving method for a display device for sequentially displaying a k+5th image and an image at intervals of ⅕ times the cycle of input image data,
 the k-th image is displayed according to the i-th image data;
 the k+1-th image is displayed according to the i-th image data;
 the k+2 th image is displayed according to the i th image data;
 the k+3th image is displayed according to the i+1th image data;
 the k+4th image is displayed according to the i+1th image data;
 The k+5th image is characterized by being displayed according to the i+2th image data.
ここで、変換比が5/2である場合は、変換比が5/2より小さい場合よりも動画の品質
を向上できるという利点を有する。さらに、変換比が5/2である場合は、変換比が5よ
り大きい場合よりも消費電力および製造コストを低減できるという利点を有する。Here, when the conversion ratio is 5/2, there is an advantage that the quality of moving images can be improved more than when the conversion ratio is smaller than 5/2. Furthermore, a conversion ratio of 5/2 has the advantage of being able to reduce power consumption and manufacturing costs compared to conversion ratios greater than 5.
具体的には、変換比が5である場合は、5/2倍速駆動または2.5倍速駆動とも呼ばれ
る。たとえば、入力フレームレートが60Hzであれば、表示フレームレートは150H
z(150Hz駆動)である。そして、2つの入力画像に対し、画像を5回連続して表示
することになる。このとき、補間画像が動き補償によって求められた中間画像である場合
は、動画の動きを滑らかにすることができるため、動画の品質を顕著に向上させることが
可能である。特に、120Hz駆動(倍速駆動)等の駆動周波数の小さな駆動方法と比較
すると、さらに精度の高い動き補償によって求めた中間画像を補間画像として用いること
ができるため、さらに動画の動きを滑らかにすることができ、動画の品質を顕著に向上さ
せることが可能である。さらに、180Hz駆動(3倍速駆動)等の駆動周波数の大きな
駆動方法と比較すると、動き補償によって中間画像を求める回路の動作周波数を低減でき
るため、安価な回路が使用でき、製造コストおよび消費電力を低減できる。さらに、表示
装置がアクティブマトリクス方式の液晶表示装置である場合は、ダイナミックキャパシタ
ンスによる書き込み電圧不足の問題が回避できるため、動画の尾引き、残像等の障害に対
し特に顕著な画質改善効果をもたらす。さらに、液晶表示装置の交流駆動と150Hz駆
動を組み合わせるのも効果的である。すなわち、液晶表示装置の駆動周波数を150Hz
としつつ、交流駆動の周波数をその整数倍または整数分の一(たとえば、30Hz、50
Hz、75Hz、150Hz等)とすることによって、交流駆動によって現れるフリッカ
を、人間の目に知覚されない程度に低減することができる。Specifically, when the conversion ratio is 5, it is also called 5/2 speed driving or 2.5 speed driving. For example, if the input frame rate is 60Hz, the display frame rate is 150H.
 z (150 Hz drive). Then, the images are displayed five times consecutively for the two input images. At this time, if the interpolated image is an intermediate image obtained by motion compensation, the motion of the moving image can be smoothed, so that the quality of the moving image can be significantly improved. In particular, compared to a drive method with a low drive frequency such as 120 Hz drive (double speed drive), intermediate images obtained by motion compensation with higher accuracy can be used as interpolated images, so that the motion of moving images can be smoothed further. can significantly improve the quality of moving images. Furthermore, compared to driving methods with a high driving frequency such as 180 Hz driving (triple speed driving), motion compensation can reduce the operating frequency of the circuit that obtains the intermediate image. can be reduced. Furthermore, when the display device is an active matrix type liquid crystal display device, the problem of insufficient write voltage due to dynamic capacitance can be avoided, so that a particularly remarkable image quality improvement effect can be obtained against obstacles such as trailing of moving images and afterimages. Furthermore, it is effective to combine the AC drive and the 150 Hz drive of the liquid crystal display device. That is, the driving frequency of the liquid crystal display device is set to 150 Hz.
 while changing the frequency of the AC drive to an integer multiple or an integer fraction (for example, 30 Hz, 50 Hz,
 Hz, 75 Hz, 150 Hz, etc.), it is possible to reduce flicker that appears due to AC drive to a level that is not perceived by the human eye.
このように、正の整数nおよびmを様々に設定することによって、変換比は任意の有理数
(n/m)として設定することができる。詳細な説明は省略するが、nが10以下の範囲
では、
n=1,m=1、すなわち変換比(n/m)=1(1倍速駆動、60Hz)、
n=2,m=1、すなわち変換比(n/m)=2(2倍速駆動、120Hz)、
n=3,m=1、すなわち変換比(n/m)=3(3倍速駆動、180Hz)、
n=3,m=2、すなわち変換比(n/m)=3/2(3/2倍速駆動、90Hz)、
n=4,m=1、すなわち変換比(n/m)=4(4倍速駆動、240Hz)、
n=4,m=3、すなわち変換比(n/m)=4/3(4/3倍速駆動、80Hz)、
n=5,m=1、すなわち変換比(n/m)=5/1(5倍速駆動、300Hz)、
n=5,m=2、すなわち変換比(n/m)=5/2(5/2倍速駆動、150Hz)、
n=5,m=3、すなわち変換比(n/m)=5/3(5/3倍速駆動、100Hz)、
n=5,m=4、すなわち変換比(n/m)=5/4(5/4倍速駆動、75Hz)、
n=6,m=1、すなわち変換比(n/m)=6(6倍速駆動、360Hz)、
n=6,m=5、すなわち変換比(n/m)=6/5(6/5倍速駆動、72Hz)、
n=7,m=1、すなわち変換比(n/m)=7(7倍速駆動、420Hz)、
n=7,m=2、すなわち変換比(n/m)=7/2(7/2倍速駆動、210Hz)、
n=7,m=3、すなわち変換比(n/m)=7/3(7/3倍速駆動、140Hz)、
n=7,m=4、すなわち変換比(n/m)=7/4(7/4倍速駆動、105Hz)、
n=7,m=5、すなわち変換比(n/m)=7/5(7/5倍速駆動、84Hz)、
n=7,m=6、すなわち変換比(n/m)=7/6(7/6倍速駆動、70Hz)、
n=8,m=1、すなわち変換比(n/m)=8(8倍速駆動、480Hz)、
n=8,m=3、すなわち変換比(n/m)=8/3(8/3倍速駆動、160Hz)、
n=8,m=5、すなわち変換比(n/m)=8/5(8/5倍速駆動、96Hz)、
n=8,m=7、すなわち変換比(n/m)=8/7(8/7倍速駆動、68.6Hz)
、
n=9,m=1、すなわち変換比(n/m)=9(9倍速駆動、540Hz)、
n=9,m=2、すなわち変換比(n/m)=9/2(9/2倍速駆動、270Hz)、
n=9,m=4、すなわち変換比(n/m)=9/4(9/4倍速駆動、135Hz)、
n=9,m=5、すなわち変換比(n/m)=9/5(9/5倍速駆動、108Hz)、
n=9,m=7、すなわち変換比(n/m)=9/7(9/7倍速駆動、77.1Hz)
、
n=9,m=8、すなわち変換比(n/m)=9/8(9/8倍速駆動、67.5Hz)
、
n=10,m=1、すなわち変換比(n/m)=10(10倍速駆動、600Hz)、
n=10,m=3、すなわち変換比(n/m)=10/3(10/3倍速駆動、200H
z)、
n=10,m=7、すなわち変換比(n/m)=10/7(10/7倍速駆動、85.7
Hz)、
n=10,m=9、すなわち変換比(n/m)=10/9(10/9倍速駆動、66.7
Hz)、
以上の組み合わせが考えられる。なお、周波数の表記は入力フレームレートが60Hzで
あるときの例であり、その他の入力フレームレートに対しては、それぞれの変換比を入力
フレームレートと積算した値が駆動周波数となる。Thus, by setting positive integers n and m differently, the conversion ratio can be set as any rational number (n/m). Although detailed explanation is omitted, in the range where n is 10 or less,
 n=1, m=1, that is, the conversion ratio (n/m)=1 (single-speed drive, 60 Hz),
 n=2, m=1, that is, the conversion ratio (n/m)=2 (double speed drive, 120 Hz),
 n = 3, m = 1, that is, conversion ratio (n/m) = 3 (triple speed drive, 180 Hz),
 n = 3, m = 2, that is, conversion ratio (n/m) = 3/2 (3/2 double speed drive, 90 Hz),
 n = 4, m = 1, that is, conversion ratio (n/m) = 4 (4x speed drive, 240 Hz),
 n = 4, m = 3, that is, conversion ratio (n/m) = 4/3 (4/3 double speed drive, 80 Hz),
 n=5, m=1, that is, the conversion ratio (n/m)=5/1 (5-fold speed drive, 300 Hz),
 n = 5, m = 2, that is, conversion ratio (n/m) = 5/2 (5/2 double speed drive, 150 Hz),
 n = 5, m = 3, that is, conversion ratio (n/m) = 5/3 (5/3 double speed drive, 100 Hz),
 n = 5, m = 4, that is, conversion ratio (n/m) = 5/4 (5/4 double speed drive, 75 Hz),
 n = 6, m = 1, that is, conversion ratio (n/m) = 6 (six times speed drive, 360 Hz),
 n = 6, m = 5, that is, conversion ratio (n/m) = 6/5 (6/5 double speed drive, 72 Hz),
 n=7, m=1, that is, conversion ratio (n/m)=7 (seven times speed drive, 420 Hz),
 n = 7, m = 2, that is, conversion ratio (n/m) = 7/2 (7/2 double speed drive, 210 Hz),
 n = 7, m = 3, that is, conversion ratio (n/m) = 7/3 (7/3 double speed drive, 140 Hz),
 n = 7, m = 4, that is, conversion ratio (n/m) = 7/4 (7/4 double speed drive, 105 Hz),
 n = 7, m = 5, that is, conversion ratio (n/m) = 7/5 (7/5 double speed drive, 84 Hz),
 n=7, m=6, that is, conversion ratio (n/m)=7/6 (7/6 double speed drive, 70 Hz),
 n = 8, m = 1, that is, the conversion ratio (n/m) = 8 (8-fold speed drive, 480 Hz),
 n = 8, m = 3, that is, conversion ratio (n/m) = 8/3 (8/3 double speed drive, 160 Hz),
 n = 8, m = 5, that is, conversion ratio (n/m) = 8/5 (8/5 double speed drive, 96 Hz),
 n=8, m=7, that is, conversion ratio (n/m)=8/7 (8/7 double speed drive, 68.6 Hz)
 ,
 n = 9, m = 1, that is, conversion ratio (n/m) = 9 (9x speed drive, 540 Hz),
 n = 9, m = 2, that is, conversion ratio (n/m) = 9/2 (9/2 double speed drive, 270 Hz),
 n = 9, m = 4, that is, conversion ratio (n/m) = 9/4 (9/4 double speed drive, 135 Hz),
 n = 9, m = 5, that is, conversion ratio (n/m) = 9/5 (9/5 double speed drive, 108 Hz),
 n=9, m=7, that is, conversion ratio (n/m)=9/7 (9/7 double speed drive, 77.1 Hz)
 ,
 n=9, m=8, ie conversion ratio (n/m)=9/8 (9/8 double speed drive, 67.5 Hz)
 ,
 n = 10, m = 1, that is, conversion ratio (n/m) = 10 (10x speed drive, 600 Hz),
 n=10, m=3, that is, conversion ratio (n/m)=10/3 (10/3 double speed drive, 200H
 z),
 n=10, m=7, ie conversion ratio (n/m)=10/7 (10/7 double speed drive, 85.7
 Hz),
 n=10, m=9, that is, the conversion ratio (n/m)=10/9 (10/9 double speed drive, 66.7
 Hz),
 Combinations of the above are conceivable. Note that the notation of frequency is an example when the input frame rate is 60 Hz, and for other input frame rates, the drive frequency is the value obtained by multiplying the input frame rate by the respective conversion ratio.
なお、nが10より大きい整数である場合については、具体的なnおよびmの数字は挙げ
ないが、様々なnおよびmに対し、この、第1のステップにおけるフレームレート変換の
手順が適用できることは明らかである。Note that when n is an integer greater than 10, specific numbers for n and m are not given, but the procedure for frame rate conversion in the first step can be applied to various n and m. is clear.
なお、表示される画像のうち、入力される画像データに動き補償を行なうことなく表示で
きる画像がどの程度含まれているかによって、変換比を決定することができる。具体的に
は、mが小さいほど、入力される画像データに動き補償を行なうことなく表示できる画像
の割合は大きくなる。動き補償を行なう頻度が小さいと、動き補償を行なう回路の動作頻
度を減少させることができるため、消費電力を小さくでき、さらに、動き補償によってエ
ラーが含まれる画像(画像の動きを正確に反映していない中間画像)が作成されてしまう
可能性を低くすることができるため、画像の品質を向上させることができる。このような
変換比としては、nが10以下の範囲においては、たとえば、1,2,3,3/2,4,
5,5/2,6,7,7/2,8,9,9/2,10が挙げられる。このような変換比を
用いると、特に補間画像として動き補償によって求められた中間画像を用いる場合におい
て、画像の品質を高くすることができ、かつ、消費電力を低減することができる。なぜな
らば、mが2である場合は、入力される画像データに動き補償を行なうことなく表示でき
る画像の数が比較的多く(入力される画像データの総数に対して1/2だけ存在する)、
動き補償を行う頻度が減少するためである。さらに、mが1である場合は、入力される画
像データに動き補償を行なうことなく表示できる画像の数が多く(入力される画像データ
の総数に等しい)、動き補償を行うことがないためである。一方、mは大きいほど、精度
の高い動き補償によって作成された中間画像を用いることができるので、画像の動きをよ
り滑らかにできるという利点を有する。It should be noted that the conversion ratio can be determined depending on how much of the image to be displayed includes an image that can be displayed without performing motion compensation in the input image data. Specifically, the smaller m is, the greater the percentage of images that can be displayed without applying motion compensation to the input image data. If the frequency of motion compensation is low, the frequency of operation of the circuit that performs motion compensation can be reduced, so power consumption can be reduced. Since it is possible to reduce the possibility of creating an intermediate image that does not have an image, the quality of the image can be improved. As such conversion ratios, in the range where n is 10 or less, for example, 1, 2, 3, 3/2, 4,
 5, 5/2, 6, 7, 7/2, 8, 9, 9/2, 10. Using such a conversion ratio makes it possible to improve image quality and reduce power consumption, particularly when intermediate images obtained by motion compensation are used as interpolated images. This is because when m is 2, the number of images that can be displayed without performing motion compensation on the input image data is relatively large (there are only 1/2 of the total number of input image data). ,
 This is because the frequency of performing motion compensation decreases. Furthermore, when m is 1, the number of images that can be displayed without performing motion compensation on the input image data is large (equal to the total number of input image data), and motion compensation is not performed. be. On the other hand, the larger m is, the more the intermediate images created by highly accurate motion compensation can be used, so there is an advantage that the motion of the images can be made smoother.
なお、表示装置が液晶表示装置である場合は、液晶素子の応答時間にしたがって変換比を
決定することができる。ここでは、液晶素子の応答時間とは、液晶素子に印加する電圧を
変化させてから液晶素子が応答するまでの時間である。液晶素子の応答時間が、液晶素子
に印加する電圧の変化量によって異なる場合は、複数の代表的な電圧変化における応答時
間の平均値とすることができる。または、液晶素子の応答時間は、MPRT(Movin
g  Picture  Response  Time)で定義されるものであってもよい。
そして、フレームレート変換によって、画像表示周期が液晶素子の応答時間に近くなるよ
うに、変換比を決定できる。具体的には、液晶素子の応答時間は、入力画像データの周期
と変換比の逆数を積算した値から、この値の半分程度の値までの時間であることが好まし
い。こうすることで、液晶素子の応答時間に合った画像表示周期とすることができるので
、画質を向上することができる。たとえば、液晶素子の応答時間が4ミリ秒以上8ミリ秒
以下の場合に、倍速駆動(120Hz駆動)とすることができる。これは、120Hz駆
動の画像表示周期が約8ミリ秒であり、120Hz駆動の画像表示周期の半分が約4ミリ
秒であることによる。同様に、たとえば、液晶素子の応答時間が3ミリ秒以上6ミリ秒以
下の場合に、3倍速駆動(180Hz駆動)とすることができ、液晶素子の応答時間が5
ミリ秒以上11ミリ秒以下の場合に、1.5倍速駆動(90Hz駆動)とすることができ
、液晶素子の応答時間が2ミリ秒以上4ミリ秒以下の場合に、4倍速駆動(240Hz駆
動)とすることができ、液晶素子の応答時間が6ミリ秒以上12ミリ秒以下の場合に、1
.25倍速駆動(80Hz駆動)とすることができる。なお、他の駆動周波数についても
同様である。If the display device is a liquid crystal display device, the conversion ratio can be determined according to the response time of the liquid crystal element. Here, the response time of the liquid crystal element is the time from when the voltage applied to the liquid crystal element is changed until the liquid crystal element responds. When the response time of the liquid crystal element varies depending on the amount of change in the voltage applied to the liquid crystal element, the average value of the response times in a plurality of typical voltage changes can be used. Alternatively, the response time of the liquid crystal element is MPRT (Movin
 g Picture Response Time).
 Then, the frame rate conversion can determine the conversion ratio so that the image display period becomes close to the response time of the liquid crystal element. Specifically, it is preferable that the response time of the liquid crystal element is the time from the sum of the cycle of the input image data and the reciprocal of the conversion ratio to about half of this value. By doing so, it is possible to set the image display cycle to match the response time of the liquid crystal element, so that the image quality can be improved. For example, when the response time of the liquid crystal element is 4 milliseconds or more and 8 milliseconds or less, double-speed driving (120 Hz driving) can be used. This is because the image display period of 120 Hz drive is approximately 8 milliseconds, and half of the image display period of 120 Hz drive is approximately 4 milliseconds. Similarly, for example, when the response time of the liquid crystal element is 3 milliseconds or more and 6 milliseconds or less, triple speed driving (180 Hz driving) can be performed, and the response time of the liquid crystal element is 5 milliseconds.
 When the response time of the liquid crystal element is 2 milliseconds or more and 4 milliseconds or less, 4 times speed driving (240 Hz driving) can be used when the response time of the liquid crystal element is 2 milliseconds or more and 4 milliseconds or less. ), and when the response time of the liquid crystal element is 6 milliseconds or more and 12 milliseconds or less, 1
 . A 25-fold speed drive (80 Hz drive) can be used. The same applies to other drive frequencies.
なお、変換比は、動画の品質と、消費電力および製造コストのトレードオフによっても決
定することができる。つまり、変換比を大きくすることによって動画の品質を上げること
ができる一方で、変換比を小さくすることによって消費電力および製造コストを低減でき
る。すなわち、nが10以下の範囲における各々の変換比は、以下のような利点を有する
。Note that the conversion ratio can also be determined by a trade-off between the quality of moving images, power consumption, and manufacturing costs. That is, by increasing the conversion ratio, the quality of moving images can be improved, while by decreasing the conversion ratio, power consumption and manufacturing costs can be reduced. That is, each conversion ratio in the range where n is 10 or less has the following advantages.
変換比が1である場合は、変換比が1より小さい場合よりも動画の品質を向上でき、変換
比が1より大きい場合よりも消費電力および製造コストを低減できる。さらに、mが小さ
いので、高い画質を得られる一方で消費電力を低減できる。さらに、液晶素子の応答時間
が入力画像データの周期の1倍程度である液晶表示装置に適用することで、画質を向上す
ることができる。When the conversion ratio is 1, the quality of moving images can be improved more than when the conversion ratio is less than 1, and power consumption and manufacturing cost can be reduced more than when the conversion ratio is greater than 1. Furthermore, since m is small, power consumption can be reduced while obtaining high image quality. Furthermore, the image quality can be improved by applying to a liquid crystal display device in which the response time of the liquid crystal element is approximately one time the cycle of the input image data.
変換比が2である場合は、変換比が2より小さい場合よりも動画の品質を向上でき、変換
比が2より大きい場合よりも消費電力および製造コストを低減できる。さらに、mが小さ
いので、高い画質を得られる一方で消費電力を低減できる。さらに、液晶素子の応答時間
が入力画像データの周期の1/2倍程度である液晶表示装置に適用することで、画質を向
上することができる。When the conversion ratio is 2, the quality of moving images can be improved more than when the conversion ratio is less than 2, and power consumption and manufacturing cost can be reduced more than when the conversion ratio is greater than 2. Furthermore, since m is small, power consumption can be reduced while obtaining high image quality. Furthermore, the image quality can be improved by applying it to a liquid crystal display device in which the response time of the liquid crystal element is about half the period of the input image data.
変換比が3である場合は、変換比が3より小さい場合よりも動画の品質を向上でき、変換
比が3より大きい場合よりも消費電力および製造コストを低減できる。さらに、mが小さ
いので、高い画質を得られる一方で消費電力を低減できる。さらに、液晶素子の応答時間
が入力画像データの周期の1/3倍程度である液晶表示装置に適用することで、画質を向
上することができる。When the conversion ratio is 3, the quality of moving images can be improved more than when the conversion ratio is less than 3, and power consumption and manufacturing cost can be reduced more than when the conversion ratio is greater than 3. Furthermore, since m is small, power consumption can be reduced while obtaining high image quality. Furthermore, the image quality can be improved by applying it to a liquid crystal display device in which the response time of the liquid crystal element is about ⅓ times the period of the input image data.
変換比が3/2である場合は、変換比が3/2より小さい場合よりも動画の品質を向上で
き、変換比が3/2より大きい場合よりも消費電力および製造コストを低減できる。さら
に、mが小さいので、高い画質を得られる一方で消費電力を低減できる。さらに、液晶素
子の応答時間が入力画像データの周期の2/3倍程度である液晶表示装置に適用すること
で、画質を向上することができる。When the conversion ratio is 3/2, the moving image quality can be improved more than when the conversion ratio is less than 3/2, and the power consumption and manufacturing cost can be reduced more than when the conversion ratio is more than 3/2. Furthermore, since m is small, power consumption can be reduced while obtaining high image quality. Furthermore, the image quality can be improved by applying to a liquid crystal display device in which the response time of the liquid crystal element is about ⅔ times the period of the input image data.
変換比が4である場合は、変換比が4より小さい場合よりも動画の品質を向上でき、変換
比が4より大きい場合よりも消費電力および製造コストを低減できる。さらに、mが小さ
いので、高い画質を得られる一方で消費電力を低減できる。さらに、液晶素子の応答時間
が入力画像データの周期の1/4倍程度である液晶表示装置に適用することで、画質を向
上することができる。When the conversion ratio is 4, the quality of moving images can be improved more than when the conversion ratio is less than 4, and power consumption and manufacturing cost can be reduced more than when the conversion ratio is greater than 4. Furthermore, since m is small, power consumption can be reduced while obtaining high image quality. Furthermore, the image quality can be improved by applying to a liquid crystal display device in which the response time of the liquid crystal element is about 1/4 times the period of the input image data.
変換比が4/3である場合は、変換比が4/3より小さい場合よりも動画の品質を向上で
き、変換比が4/3より大きい場合よりも消費電力および製造コストを低減できる。さら
に、mが大きいので、画像の動きをより滑らかにできる。さらに、液晶素子の応答時間が
入力画像データの周期の3/4倍程度である液晶表示装置に適用することで、画質を向上
することができる。When the conversion ratio is 4/3, the moving image quality can be improved more than when the conversion ratio is less than 4/3, and the power consumption and manufacturing cost can be reduced more than when the conversion ratio is more than 4/3. Furthermore, since m is large, the motion of the image can be made smoother. Furthermore, the image quality can be improved by applying it to a liquid crystal display device in which the response time of the liquid crystal element is about 3/4 times the cycle of the input image data.
変換比が5である場合は、変換比が5より小さい場合よりも動画の品質を向上でき、変換
比が5より大きい場合よりも消費電力および製造コストを低減できる。さらに、mが小さ
いので、高い画質を得られる一方で消費電力を低減できる。さらに、液晶素子の応答時間
が入力画像データの周期の1/5倍程度である液晶表示装置に適用することで、画質を向
上することができる。When the conversion ratio is 5, the quality of moving images can be improved more than when the conversion ratio is less than 5, and power consumption and manufacturing cost can be reduced more than when the conversion ratio is greater than 5. Furthermore, since m is small, power consumption can be reduced while obtaining high image quality. Furthermore, the image quality can be improved by applying it to a liquid crystal display device in which the response time of the liquid crystal element is about ⅕ times the cycle of the input image data.
変換比が5/2である場合は、変換比が5/2より小さい場合よりも動画の品質を向上で
き、変換比が5/2より大きい場合よりも消費電力および製造コストを低減できる。さら
に、mが小さいので、高い画質を得られる一方で消費電力を低減できる。さらに、液晶素
子の応答時間が入力画像データの周期の2/5倍程度である液晶表示装置に適用すること
で、画質を向上することができる。When the conversion ratio is 5/2, the moving image quality can be improved more than when the conversion ratio is less than 5/2, and the power consumption and manufacturing cost can be reduced more than when the conversion ratio is more than 5/2. Furthermore, since m is small, power consumption can be reduced while obtaining high image quality. Furthermore, the image quality can be improved by applying it to a liquid crystal display device in which the response time of the liquid crystal element is about 2/5 times the period of the input image data.
変換比が5/3である場合は、変換比が5/3より小さい場合よりも動画の品質を向上で
き、変換比が5/3より大きい場合よりも消費電力および製造コストを低減できる。さら
に、mが大きいので、画像の動きをより滑らかにできる。さらに、液晶素子の応答時間が
入力画像データの周期の3/5倍程度である液晶表示装置に適用することで、画質を向上
することができる。When the conversion ratio is 5/3, the moving image quality can be improved more than when the conversion ratio is less than 5/3, and the power consumption and manufacturing cost can be reduced more than when the conversion ratio is more than 5/3. Furthermore, since m is large, the motion of the image can be made smoother. Furthermore, the image quality can be improved by applying it to a liquid crystal display device in which the response time of the liquid crystal element is about 3/5 times the cycle of the input image data.
変換比が5/4である場合は、変換比が5/4より小さい場合よりも動画の品質を向上で
き、変換比が5/4より大きい場合よりも消費電力および製造コストを低減できる。さら
に、mが大きいので、画像の動きをより滑らかにできる。さらに、液晶素子の応答時間が
入力画像データの周期の4/5倍程度である液晶表示装置に適用することで、画質を向上
することができる。When the conversion ratio is 5/4, the moving image quality can be improved more than when the conversion ratio is less than 5/4, and the power consumption and manufacturing cost can be reduced more than when the conversion ratio is more than 5/4. Furthermore, since m is large, the motion of the image can be made smoother. Furthermore, the image quality can be improved by applying to a liquid crystal display device in which the response time of the liquid crystal element is about 4/5 times the period of the input image data.
変換比が6である場合は、変換比が6より小さい場合よりも動画の品質を向上でき、変換
比が6より大きい場合よりも消費電力および製造コストを低減できる。さらに、mが小さ
いので、高い画質を得られる一方で消費電力を低減できる。さらに、液晶素子の応答時間
が入力画像データの周期の1/6倍程度である液晶表示装置に適用することで、画質を向
上することができる。When the conversion ratio is 6, the moving image quality can be improved more than when the conversion ratio is less than 6, and power consumption and manufacturing cost can be reduced more than when the conversion ratio is more than 6. Furthermore, since m is small, power consumption can be reduced while obtaining high image quality. Furthermore, the image quality can be improved by applying to a liquid crystal display device in which the response time of the liquid crystal element is about 1/6 times the period of the input image data.
変換比が6/5である場合は、変換比が6/5より小さい場合よりも動画の品質を向上で
き、変換比が6/5より大きい場合よりも消費電力および製造コストを低減できる。さら
に、mが大きいので、画像の動きをより滑らかにできる。さらに、液晶素子の応答時間が
入力画像データの周期の5/6倍程度である液晶表示装置に適用することで、画質を向上
することができる。When the conversion ratio is 6/5, the quality of moving images can be improved more than when the conversion ratio is less than 6/5, and the power consumption and manufacturing cost can be reduced more than when the conversion ratio is more than 6/5. Furthermore, since m is large, the motion of the image can be made smoother. Furthermore, the image quality can be improved by applying it to a liquid crystal display device in which the response time of the liquid crystal element is about 5/6 times the cycle of the input image data.
変換比が7である場合は、変換比が7より小さい場合よりも動画の品質を向上でき、変換
比が7より大きい場合よりも消費電力および製造コストを低減できる。さらに、mが小さ
いので、高い画質を得られる一方で消費電力を低減できる。さらに、液晶素子の応答時間
が入力画像データの周期の1/7倍程度である液晶表示装置に適用することで、画質を向
上することができる。When the conversion ratio is 7, the moving image quality can be improved more than when the conversion ratio is less than 7, and power consumption and manufacturing cost can be reduced more than when the conversion ratio is more than 7. Furthermore, since m is small, power consumption can be reduced while obtaining high image quality. Furthermore, the image quality can be improved by applying it to a liquid crystal display device in which the response time of the liquid crystal element is about 1/7 times the cycle of the input image data.
変換比が7/2である場合は、変換比が7/2より小さい場合よりも動画の品質を向上で
き、変換比が7/2より大きい場合よりも消費電力および製造コストを低減できる。さら
に、mが小さいので、高い画質を得られる一方で消費電力を低減できる。さらに、液晶素
子の応答時間が入力画像データの周期の2/7倍程度である液晶表示装置に適用すること
で、画質を向上することができる。When the conversion ratio is 7/2, the moving image quality can be improved more than when the conversion ratio is less than 7/2, and the power consumption and manufacturing cost can be reduced more than when the conversion ratio is more than 7/2. Furthermore, since m is small, power consumption can be reduced while obtaining high image quality. Furthermore, the image quality can be improved by applying it to a liquid crystal display device in which the response time of the liquid crystal element is about 2/7 times the period of the input image data.
変換比が7/3である場合は、変換比が7/3より小さい場合よりも動画の品質を向上で
き、変換比が7/3より大きい場合よりも消費電力および製造コストを低減できる。さら
に、mが大きいので、画像の動きをより滑らかにできる。さらに、液晶素子の応答時間が
入力画像データの周期の3/7倍程度である液晶表示装置に適用することで、画質を向上
することができる。When the conversion ratio is 7/3, the moving image quality can be improved more than when the conversion ratio is less than 7/3, and the power consumption and manufacturing cost can be reduced more than when the conversion ratio is more than 7/3. Furthermore, since m is large, the motion of the image can be made smoother. Furthermore, the image quality can be improved by applying it to a liquid crystal display device in which the response time of the liquid crystal element is about 3/7 times the cycle of the input image data.
変換比が7/4である場合は、変換比が7/4より小さい場合よりも動画の品質を向上で
き、変換比が7/4より大きい場合よりも消費電力および製造コストを低減できる。さら
に、mが大きいので、画像の動きをより滑らかにできる。さらに、液晶素子の応答時間が
入力画像データの周期の4/7倍程度である液晶表示装置に適用することで、画質を向上
することができる。When the conversion ratio is 7/4, the moving image quality can be improved more than when the conversion ratio is less than 7/4, and the power consumption and manufacturing cost can be reduced more than when the conversion ratio is more than 7/4. Furthermore, since m is large, the motion of the image can be made smoother. Furthermore, the image quality can be improved by applying it to a liquid crystal display device in which the response time of the liquid crystal element is about 4/7 times the period of the input image data.
変換比が7/5である場合は、変換比が7/5より小さい場合よりも動画の品質を向上で
き、変換比が7/5より大きい場合よりも消費電力および製造コストを低減できる。さら
に、mが大きいので、画像の動きをより滑らかにできる。さらに、液晶素子の応答時間が
入力画像データの周期の5/7倍程度である液晶表示装置に適用することで、画質を向上
することができる。When the conversion ratio is 7/5, the moving image quality can be improved more than when the conversion ratio is less than 7/5, and the power consumption and manufacturing cost can be reduced more than when the conversion ratio is more than 7/5. Furthermore, since m is large, the motion of the image can be made smoother. Furthermore, the image quality can be improved by applying it to a liquid crystal display device in which the response time of the liquid crystal element is about 5/7 times the cycle of the input image data.
変換比が7/6である場合は、変換比が7/6より小さい場合よりも動画の品質を向上で
き、変換比が7/6より大きい場合よりも消費電力および製造コストを低減できる。さら
に、mが大きいので、画像の動きをより滑らかにできる。さらに、液晶素子の応答時間が
入力画像データの周期の6/7倍程度である液晶表示装置に適用することで、画質を向上
することができる。When the conversion ratio is 7/6, the moving image quality can be improved more than when the conversion ratio is less than 7/6, and the power consumption and manufacturing cost can be reduced more than when the conversion ratio is more than 7/6. Furthermore, since m is large, the motion of the image can be made smoother. Furthermore, the image quality can be improved by applying it to a liquid crystal display device in which the response time of the liquid crystal element is about 6/7 times the period of the input image data.
変換比が8である場合は、変換比が8より小さい場合よりも動画の品質を向上でき、変換
比が8より大きい場合よりも消費電力および製造コストを低減できる。さらに、mが小さ
いので、高い画質を得られる一方で消費電力を低減できる。さらに、液晶素子の応答時間
が入力画像データの周期の1/8倍程度である液晶表示装置に適用することで、画質を向
上することができる。When the conversion ratio is 8, the quality of moving images can be improved more than when the conversion ratio is less than 8, and power consumption and manufacturing cost can be reduced more than when the conversion ratio is more than 8. Furthermore, since m is small, power consumption can be reduced while obtaining high image quality. Furthermore, the image quality can be improved by applying it to a liquid crystal display device in which the response time of the liquid crystal element is about ⅛ times the cycle of the input image data.
変換比が8/3である場合は、変換比が8/3より小さい場合よりも動画の品質を向上で
き、変換比が8/3より大きい場合よりも消費電力および製造コストを低減できる。さら
に、mが大きいので、画像の動きをより滑らかにできる。さらに、液晶素子の応答時間が
入力画像データの周期の3/8倍程度である液晶表示装置に適用することで、画質を向上
することができる。When the conversion ratio is 8/3, the moving image quality can be improved more than when the conversion ratio is less than 8/3, and the power consumption and manufacturing cost can be reduced more than when the conversion ratio is more than 8/3. Furthermore, since m is large, the motion of the image can be made smoother. Furthermore, the image quality can be improved by applying it to a liquid crystal display device in which the response time of the liquid crystal element is about 3/8 times the cycle of the input image data.
変換比が8/5である場合は、変換比が8/5より小さい場合よりも動画の品質を向上で
き、変換比が8/5より大きい場合よりも消費電力および製造コストを低減できる。さら
に、mが大きいので、画像の動きをより滑らかにできる。さらに、液晶素子の応答時間が
入力画像データの周期の5/8倍程度である液晶表示装置に適用することで、画質を向上
することができる。When the conversion ratio is 8/5, the moving image quality can be improved more than when the conversion ratio is less than 8/5, and the power consumption and manufacturing cost can be reduced more than when the conversion ratio is more than 8/5. Furthermore, since m is large, the motion of the image can be made smoother. Furthermore, the image quality can be improved by applying it to a liquid crystal display device in which the response time of the liquid crystal element is about 5/8 times the cycle of the input image data.
変換比が8/7である場合は、変換比が8/7より小さい場合よりも動画の品質を向上で
き、変換比が8/7より大きい場合よりも消費電力および製造コストを低減できる。さら
に、mが大きいので、画像の動きをより滑らかにできる。さらに、液晶素子の応答時間が
入力画像データの周期の7/8倍程度である液晶表示装置に適用することで、画質を向上
することができる。When the conversion ratio is 8/7, the moving image quality can be improved more than when the conversion ratio is less than 8/7, and the power consumption and manufacturing cost can be reduced more than when the conversion ratio is more than 8/7. Furthermore, since m is large, the motion of the image can be made smoother. Furthermore, the image quality can be improved by applying it to a liquid crystal display device in which the response time of the liquid crystal element is about 7/8 times the period of the input image data.
変換比が9である場合は、変換比が9より小さい場合よりも動画の品質を向上でき、変換
比が9より大きい場合よりも消費電力および製造コストを低減できる。さらに、mが小さ
いので、高い画質を得られる一方で消費電力を低減できる。さらに、液晶素子の応答時間
が入力画像データの周期の1/9倍程度である液晶表示装置に適用することで、画質を向
上することができる。When the conversion ratio is 9, the quality of moving images can be improved more than when the conversion ratio is less than 9, and power consumption and manufacturing cost can be reduced more than when the conversion ratio is more than 9. Furthermore, since m is small, power consumption can be reduced while obtaining high image quality. Furthermore, the image quality can be improved by applying it to a liquid crystal display device in which the response time of the liquid crystal element is about 1/9 times the cycle of the input image data.
変換比が9/2である場合は、変換比が9/2より小さい場合よりも動画の品質を向上で
き、変換比が9/2より大きい場合よりも消費電力および製造コストを低減できる。さら
に、mが小さいので、高い画質を得られる一方で消費電力を低減できる。さらに、液晶素
子の応答時間が入力画像データの周期の2/9倍程度である液晶表示装置に適用すること
で、画質を向上することができる。When the conversion ratio is 9/2, the moving image quality can be improved more than when the conversion ratio is less than 9/2, and the power consumption and manufacturing cost can be reduced more than when the conversion ratio is more than 9/2. Furthermore, since m is small, power consumption can be reduced while obtaining high image quality. Furthermore, the image quality can be improved by applying it to a liquid crystal display device in which the response time of the liquid crystal element is about 2/9 times the cycle of the input image data.
変換比が9/4である場合は、変換比が9/4より小さい場合よりも動画の品質を向上で
き、変換比が9/4より大きい場合よりも消費電力および製造コストを低減できる。さら
に、mが大きいので、画像の動きをより滑らかにできる。さらに、液晶素子の応答時間が
入力画像データの周期の4/9倍程度である液晶表示装置に適用することで、画質を向上
することができる。When the conversion ratio is 9/4, the moving image quality can be improved more than when the conversion ratio is less than 9/4, and the power consumption and manufacturing cost can be reduced more than when the conversion ratio is more than 9/4. Furthermore, since m is large, the motion of the image can be made smoother. Furthermore, the image quality can be improved by applying it to a liquid crystal display device in which the response time of the liquid crystal element is about 4/9 times the cycle of the input image data.
変換比が9/5である場合は、変換比が9/5より小さい場合よりも動画の品質を向上で
き、変換比が9/5より大きい場合よりも消費電力および製造コストを低減できる。さら
に、mが大きいので、画像の動きをより滑らかにできる。さらに、液晶素子の応答時間が
入力画像データの周期の5/9倍程度である液晶表示装置に適用することで、画質を向上
することができる。When the conversion ratio is 9/5, the moving image quality can be improved more than when the conversion ratio is less than 9/5, and the power consumption and manufacturing cost can be reduced more than when the conversion ratio is more than 9/5. Furthermore, since m is large, the motion of the image can be made smoother. Furthermore, the image quality can be improved by applying it to a liquid crystal display device in which the response time of the liquid crystal element is about 5/9 times the cycle of the input image data.
変換比が9/7である場合は、変換比が9/7より小さい場合よりも動画の品質を向上で
き、変換比が9/7より大きい場合よりも消費電力および製造コストを低減できる。さら
に、mが大きいので、画像の動きをより滑らかにできる。さらに、液晶素子の応答時間が
入力画像データの周期の7/9倍程度である液晶表示装置に適用することで、画質を向上
することができる。When the conversion ratio is 9/7, the moving image quality can be improved more than when the conversion ratio is less than 9/7, and the power consumption and manufacturing cost can be reduced more than when the conversion ratio is more than 9/7. Furthermore, since m is large, the motion of the image can be made smoother. Furthermore, the image quality can be improved by applying it to a liquid crystal display device in which the response time of the liquid crystal element is about 7/9 times the cycle of the input image data.
変換比が9/8である場合は、変換比が9/8より小さい場合よりも動画の品質を向上で
き、変換比が9/8より大きい場合よりも消費電力および製造コストを低減できる。さら
に、mが大きいので、画像の動きをより滑らかにできる。さらに、液晶素子の応答時間が
入力画像データの周期の8/9倍程度である液晶表示装置に適用することで、画質を向上
することができる。When the conversion ratio is 9/8, the moving image quality can be improved more than when the conversion ratio is less than 9/8, and the power consumption and manufacturing cost can be reduced more than when the conversion ratio is more than 9/8. Furthermore, since m is large, the motion of the image can be made smoother. Furthermore, the image quality can be improved by applying it to a liquid crystal display device in which the response time of the liquid crystal element is about 8/9 times the cycle of the input image data.
変換比が10である場合は、変換比が10より小さい場合よりも動画の品質を向上でき、
変換比が10より大きい場合よりも消費電力および製造コストを低減できる。さらに、m
が小さいので、高い画質を得られる一方で消費電力を低減できる。さらに、液晶素子の応
答時間が入力画像データの周期の1/10倍程度である液晶表示装置に適用することで、
画質を向上することができる。When the conversion ratio is 10, the video quality can be improved more than when the conversion ratio is less than 10,
 Power consumption and manufacturing costs can be reduced compared to when the conversion ratio is greater than 10. Furthermore, m
 is small, so power consumption can be reduced while obtaining high image quality. Furthermore, by applying the present invention to a liquid crystal display device in which the response time of the liquid crystal element is about 1/10 times the cycle of the input image data,
 Image quality can be improved.
変換比が10/3である場合は、変換比が10/3より小さい場合よりも動画の品質を向
上でき、変換比が10/3より大きい場合よりも消費電力および製造コストを低減できる
。さらに、mが大きいので、画像の動きをより滑らかにできる。さらに、液晶素子の応答
時間が入力画像データの周期の3/10倍程度である液晶表示装置に適用することで、画
質を向上することができる。When the conversion ratio is 10/3, the quality of moving images can be improved more than when the conversion ratio is less than 10/3, and the power consumption and manufacturing cost can be reduced more than when the conversion ratio is more than 10/3. Furthermore, since m is large, the motion of the image can be made smoother. Furthermore, the image quality can be improved by applying it to a liquid crystal display device in which the response time of the liquid crystal element is about 3/10 times the cycle of the input image data.
変換比が10/7である場合は、変換比が10/7より小さい場合よりも動画の品質を向
上でき、変換比が10/7より大きい場合よりも消費電力および製造コストを低減できる
。さらに、mが大きいので、画像の動きをより滑らかにできる。さらに、液晶素子の応答
時間が入力画像データの周期の7/10倍程度である液晶表示装置に適用することで、画
質を向上することができる。When the conversion ratio is 10/7, the quality of moving images can be improved more than when the conversion ratio is less than 10/7, and the power consumption and manufacturing cost can be reduced more than when the conversion ratio is more than 10/7. Furthermore, since m is large, the motion of the image can be made smoother. Furthermore, the image quality can be improved by applying it to a liquid crystal display device in which the response time of the liquid crystal element is about 7/10 times the cycle of the input image data.
変換比が10/9である場合は、変換比が10/9より小さい場合よりも動画の品質を向
上でき、変換比が10/9より大きい場合よりも消費電力および製造コストを低減できる
。さらに、mが大きいので、画像の動きをより滑らかにできる。さらに、液晶素子の応答
時間が入力画像データの周期の9/10倍程度である液晶表示装置に適用することで、画
質を向上することができる。When the conversion ratio is 10/9, the moving image quality can be improved more than when the conversion ratio is less than 10/9, and the power consumption and manufacturing cost can be reduced more than when the conversion ratio is more than 10/9. Furthermore, since m is large, the motion of the image can be made smoother. Furthermore, the image quality can be improved by applying it to a liquid crystal display device in which the response time of the liquid crystal element is about 9/10 times the cycle of the input image data.
なお、nが10より大きい範囲における各々の変換比においても、同様な利点を有するの
は明らかである。It is clear that each conversion ratio in the range where n is greater than 10 also has similar advantages.
次に、第2のステップとして、入力された画像データにしたがった画像または第1のステ
ップにおいて任意の有理数(n/m)倍にフレームレート変換された各々の画像(元画像
と呼ぶこととする)から、異なる複数の画像(サブ画像)を作成し、当該複数のサブ画像
を時間的に連続して提示する方法について説明する。こうすることによって、実際は複数
の画像を提示しているのにもかかわらず、見た目上、1つの元画像が表示されたように人
間の目に知覚させることもできる。Next, as a second step, an image according to the input image data or each image whose frame rate has been converted to an arbitrary rational number (n/m) times in the first step (referred to as an original image) ), a method of creating a plurality of different images (sub-images) and presenting the plurality of sub-images continuously in time will be described. By doing so, it is possible to make the human eye perceive that one original image is displayed, even though a plurality of images are actually presented.
なお、ここでは、1つの元画像から作成されたサブ画像のうち、先に表示されるサブ画像
を、第1のサブ画像と呼ぶこととする。ここで、第1のサブ画像を表示するタイミングは
、第1のステップで決められた元画像を表示するタイミングと同じであるとする。一方、
その後に表示されるサブ画像を、第2のサブ画像と呼ぶこととする。第2のサブ画像を表
示するタイミングは、第1のステップで決められた元画像を表示するタイミングに関わら
ず、任意に決めることができる。なお、実際に表示させる画像は、第2のステップにおけ
る方法により元画像から作成された画像である。なお、サブ画像を作成するための元画像
も、様々な画像を用いることができる。なお、サブ画像の数は2つに限定されず、2つよ
り大きくてもよい。第2のステップにおいては、サブ画像の数をJ個(Jは2以上の整数
)と表記する。このとき、第1のステップで決められた元画像を表示するタイミングと同
じタイミングで表示されるサブ画像を、第1のサブ画像と呼び、それ以降に続いて表示さ
れるサブ画像を、表示される順番にしたがって第2のサブ画像、第3のサブ画像、・・・
、第Jのサブ画像、と呼ぶこととする。Here, among the sub-images created from one original image, the sub-image displayed first is called the first sub-image. Here, it is assumed that the timing for displaying the first sub-image is the same as the timing for displaying the original image determined in the first step. on the other hand,
 A sub-image displayed after that is called a second sub-image. The timing of displaying the second sub-image can be determined arbitrarily regardless of the timing of displaying the original image determined in the first step. Note that the image to be actually displayed is the image created from the original image by the method in the second step. Various images can be used as the original image for creating the sub-image. Note that the number of sub-images is not limited to two, and may be greater than two. In the second step, the number of sub-images is denoted as J (J is an integer equal to or greater than 2). At this time, the sub-image displayed at the same timing as the timing for displaying the original image determined in the first step is called the first sub-image, and the sub-images displayed after that are called the displayed sub-images. The second sub-image, the third sub-image, . . .
 , J-th sub-image.
1つの元画像から複数のサブ画像を作成する方法としては、様々なものがあるが、主なも
のとしては次のような方法を挙げることができる。1つは、元画像をそのままサブ画像と
して用いる方法である。1つは、元画像の明るさを複数のサブ画像に分配する方法である
。1つは、動き補償によって求めた中間画像をサブ画像として用いる方法である。There are various methods for creating a plurality of sub-images from one original image, but the main methods are as follows. One method is to use the original image as it is as a sub-image. One is a method of distributing the brightness of the original image to a plurality of sub-images. One method is to use an intermediate image obtained by motion compensation as a sub-image.
ここで、元画像の明るさを複数のサブ画像に分配する方法は、さらに複数の方法に分ける
ことができる。主なものとしては次のような方法を挙げることができる。1つは、少なく
とも1つのサブ画像を黒画像とする方法(黒挿入法と呼ぶこととする)である。1つは、
元画像の明るさを複数の範囲に分割し、当該範囲における明るさを制御するときは、全て
のサブ画像のうち唯1つのサブ画像によって行なう方法(時分割階調制御法と呼ぶことと
する)である。1つは、一方のサブ画像を、元画像のガンマ値を変更した明るい画像とし
、他方のサブ画像を、元画像のガンマ値を変更した暗い画像とする方法(ガンマ補完法と
呼ぶこととする)である。Here, the method of distributing the brightness of the original image to a plurality of sub-images can be further divided into a plurality of methods. Main methods include the following methods. One is a method of making at least one sub-image a black image (referred to as a black insertion method). One is
 When the brightness of the original image is divided into a plurality of ranges and the brightness in each range is controlled, only one sub-image out of all the sub-images is used (referred to as the time division gradation control method) ). One sub-image is a bright image obtained by changing the gamma value of the original image, and the other sub-image is a dark image obtained by changing the gamma value of the original image (referred to as a gamma interpolation method). ).
上に挙げたいくつかの方法を、それぞれ簡単に説明する。元画像をそのままサブ画像とし
て用いる方法は、第1のサブ画像として、元画像をそのまま用いる。さらに、第2のサブ
画像として、元画像をそのまま用いる。この方法を用いると、サブ画像を新たに作成する
回路を動作させることがない、または当該回路そのものを用いる必要がなくなるため、消
費電力および製造コストを低減することができる。特に、液晶表示装置においては、第1
のステップにおいて、動き補償によって求めた中間画像を補間画像としたフレームレート
変換を行なった後にこの方法を用いることが好ましい。なぜならば、動き補償によって求
めた中間画像を補間画像とすることで、動画の動きを滑らかにしつつ、同じ画像を繰り返
し表示することで、液晶素子のダイナミックキャパシタンスによる書き込み電圧不足に起
因する、動画の尾引き、残像等の障害を低減することができるからである。A brief description of each of the above methods is provided. In the method of using the original image as it is as the sub-image, the original image is used as it is as the first sub-image. Furthermore, the original image is used as it is as the second sub-image. By using this method, it is possible to reduce power consumption and manufacturing costs because there is no need to operate a circuit for creating a new sub-image or to use the circuit itself. In particular, in the liquid crystal display device, the first
 It is preferable to use this method after performing frame rate conversion using the intermediate image obtained by motion compensation as an interpolated image in step 2). This is because, by using intermediate images obtained by motion compensation as interpolated images, the movement of the moving image is smoothed and the same image is repeatedly displayed, thereby reducing the amount of time required for the moving image due to insufficient writing voltage due to the dynamic capacitance of the liquid crystal element. This is because obstacles such as trailing and afterimages can be reduced.
次に、元画像の明るさを複数のサブ画像に分配する方法における、画像の明るさおよびサ
ブ画像が表示される期間の長さの設定方法について詳細に説明する。なお、Jはサブ画像
の数を表し、2以上の整数であるとする。小文字のjは大文字のJとは区別される。jは
1以上J以下の整数であるとする。
通常のホールド駆動における画素の明るさをL、元画像データの周期をT、
第jのサブ画像における画素の明るさをLj、第jのサブ画像が表示される期間の長さを
Tj、とすると、LjとTjについて積をとり、これのj=1からj=Jまでの総和(L
1T1+L2T2+・・・+LJTJ)が、LとTの積(LT)と等しくなっていること
(明るさが不変であること)が好ましい。さらに、Tjの、j=1からj=Jまでの総和
(T1+T2+・・・+TJ)が、Tと等しくなっていること(元画像の表示周期が維持
されること)が好ましい。ここで、明るさが不変であり、かつ、元画像の表示周期が維持
されることを、サブ画像分配条件と呼ぶこととする。Next, a method for setting the brightness of the image and the length of the period during which the sub-images are displayed in the method of distributing the brightness of the original image to a plurality of sub-images will be described in detail. Note that J represents the number of sub-images and is an integer of 2 or more. A lowercase j is distinguished from an uppercase J. Assume that j is an integer of 1 or more and J or less.
 L is the pixel brightness in normal hold driving, T is the period of the original image data,
 Let Lj be the brightness of the pixel in the j-th sub-image, and Tj be the length of the period during which the j-th sub-image is displayed. sum up to j = J (L
1T1 +L2T2 +...+LJTJ ) is preferably equal tothe product of L and T (LT) (the brightnessremains unchanged). Furthermore, the sum of Tj from j=1 to j=J (T1 +T2 + . . . +TJ ) is equal to T (the display cycle of the original image is maintained). preferable. Here, the fact that the brightness is unchanged and that the display cycle of the original image is maintained is called a sub-image distribution condition.
元画像の明るさを複数のサブ画像に分配する方法のうち、黒挿入法は、少なくとも1つの
サブ画像を黒画像とする方法である。こうすることによって、表示方法を擬似的にインパ
ルス型とすることができるため、表示方法がホールド型であることに起因する動画の品質
の低下を防ぐことができる。ここで、黒画像の挿入に伴う、表示画像の明るさの低下を防
ぐために、サブ画像分配条件に従うことが好ましい。しかし、表示画像の明るさの低下が
許容できるような状況(周囲が暗い等)である場合、ユーザによって表示画像の明るさの
低下が許容する設定になっている場合などであれば、サブ画像分配条件に従わなくてもよ
い。たとえば、1つのサブ画像は元画像と同じものとし、他のサブ画像を黒画像としても
よい。この場合は、サブ画像分配条件にしたがったときと比べて、消費電力を低減できる
。さらに、液晶表示装置においては、一方のサブ画像を、明るさの最大値に制限をつけず
に元画像の全体的な明るさを大きくしたものとするとき、バックライトの明るさを大きく
することで、サブ画像分配条件を実現してもよい。この場合は、画素に書き込む電圧値を
制御することなく、サブ画像分配条件を満足することができるため、画像処理回路の動作
を省略でき、消費電力を低減できる。Among the methods of distributing the brightness of the original image to a plurality of sub-images, the black insertion method is a method of making at least one sub-image a black image. By doing so, the display method can be a pseudo-impulse type, so that it is possible to prevent the quality of moving images from deteriorating due to the display method being of the hold type. Here, it is preferable to comply with the sub-image distribution condition in order to prevent the brightness of the displayed image from decreasing due to the insertion of the black image. However, if the situation is such that a decrease in the brightness of the displayed image is acceptable (dark surroundings, etc.), or if the user has set the brightness of the displayed image to be acceptable, the sub-image Not subject to distribution conditions. For example, one sub-image may be the same as the original image, and the other sub-image may be a black image. In this case, power consumption can be reduced compared to when sub-image distribution conditions are followed. Furthermore, in the liquid crystal display device, when one of the sub-images is made by increasing the overall brightness of the original image without limiting the maximum brightness, the brightness of the backlight can be increased. , the sub-image distribution condition may be realized. In this case, the sub-image distribution condition can be satisfied without controlling the voltage value written to the pixels, so the operation of the image processing circuit can be omitted, and power consumption can be reduced.
なお、黒挿入法は、いずれか1つのサブ画像において、全ての画素のLjを0とすること
を特徴とする。こうすることにより、表示方法を擬似的にインパルス型とすることができ
るため、表示方法がホールド型であることに起因する動画の品質の低下を防ぐことができ
る。The black insertion method is characterized by settingLj of all pixels to 0 in any one sub-image. By doing so, the display method can be a pseudo-impulse type, so that it is possible to prevent the quality of moving images from deteriorating due to the display method being of the hold type.
元画像の明るさを複数のサブ画像に分配する方法のうち、時分割階調制御法は、元画像の
明るさを複数の範囲に分割し、当該範囲における明るさを制御するときは、全てのサブ画
像のうち唯1つのサブ画像によって行なう方法である。こうすることによって、明るさを
低下させることなく、表示方法を擬似的にインパルス型とすることができるため、表示方
法がホールド型であることに起因する動画の品質の低下を防ぐことができる。Among the methods of distributing the brightness of the original image to a plurality of sub-images, the time-division gradation control method divides the brightness of the original image into a plurality of ranges, and when controlling the brightness in each range, all This is a method using only one sub-image among the sub-images of . By doing so, the display method can be pseudo-impulse type without lowering the brightness, so that it is possible to prevent the quality of moving images from deteriorating due to the hold type display method.
元画像の明るさを複数の範囲に分割する方法としては、明るさの最大値(Lmax)を、
サブ画像の数だけ分割する方法がある。これは、たとえば、0からLmaxまでの明るさ
が256段階(階調0から階調255)で調節できる表示装置において、サブ画像の数を
2としたとき、階調0から階調127までを表示するときは、一方のサブ画像の明るさを
階調0から階調255の範囲で調節する一方で、他方のサブ画像の明るさを階調0とし、
階調128から階調255までを表示するときは、一方のサブ画像の明るさを階調255
とする一方で、他方のサブ画像の明るさを階調0から階調255の範囲で調節する方法で
ある。こうすることによって、元画像が表示されたように人間の目に知覚させることがで
き、かつ、擬似的にインパルス型とすることができるので、ホールド型であることに起因
する動画の品質の低下を防ぐことができる。なお、サブ画像の数は2より大きくてもよい
。たとえば、サブ画像の数を3としたときは、元画像の明るさの段階(階調0から階調2
55)を、3つに分割する。なお、元画像の明るさの段階の数とサブ画像の数によっては
、明るさの段階の数がサブ画像の数で割り切れない場合もあるが、分割後のそれぞれの明
るさの範囲に含まれる明るさの段階の数は、ちょうど同じでなくても、適宜振り分ければ
よい。As a method of dividing the brightness of the original image into a plurality of ranges, the maximum value of brightness (Lmax ) is
 There is a method of dividing by the number of sub-images. For example, in a display device that can adjust brightness from 0 to Lmax in 256 steps (
 When displaying gradation 128 to gradation 255, the brightness of one sub-image is set to gradation 255.
 On the other hand, this method adjusts the brightness of the other sub-image within the range of 0 to 255 gradations. By doing this, the human eye can perceive the image as if the original image was displayed, and the image can be simulated to be of the impulse type. can be prevented. Note that the number of sub-images may be greater than two. For example, if the number of sub-images is 3, the brightness level of the original image (
 55) is divided into three. Depending on the number of brightness levels in the original image and the number of sub-images, the number of brightness levels may not be divisible by the number of sub-images. Even if the number of brightness levels is not exactly the same, it may be distributed as appropriate.
なお、時分割階調制御法においても、サブ画像分配条件を満たすことによって、明るさの
低下などがおこらず、元画像と同様な画像を表示することができるため、好ましい。It should be noted that the time-division gradation control method is also preferable because an image similar to the original image can be displayed without a decrease in brightness by satisfying the sub-image distribution condition.
元画像の明るさを複数のサブ画像に分配する方法のうち、ガンマ補完法は、一方のサブ画
像を、元画像のガンマ特性を変更した明るい画像とし、他方のサブ画像を、元画像のガン
マ特性を変更した暗い画像とする方法である。こうすることによって、明るさを低下させ
ることなく、表示方法を擬似的にインパルス型とすることができるため、表示方法がホー
ルド型であることに起因する動画の品質の低下を防ぐことができる。ここで、ガンマ特性
とは、明るさの段階(階調)に対する明るさの程度のことである。通常、ガンマ特性は線
形に近くなるように調整される。これは、明るさの段階である階調に対する明るさの変化
が比例するようにすれば、滑らかな階調を得ることができるからである。ガンマ補完法で
は、一方のサブ画像のガンマ特性を線形からずらして、中間の明るさ(中間調)の領域に
おいて、線形よりも明るくなるように調整する(中間調が本来よりも明るい画像となる)
。そして、他方のサブ画像のガンマ特性も線形からずらして、同じく中間調の領域におい
て、線形よりも暗くなるように調整する(中間調が本来よりも暗い画像となる)。ここで
、一方のサブ画像を線形より明るくした量と、他方のサブ画像を線形より暗くした量を、
全ての階調において概等しくすることが好ましい。こうすることで、元画像が表示された
ように人間の目に知覚させることができ、かつ、ホールド型であることに起因する動画の
品質の低下を防ぐことができる。なお、サブ画像の数は2より大きくてもよい。たとえば
、サブ画像の数を3としたときは、3つのサブ画像について、それぞれガンマ特性を調整
し、線形から明るくした量の合計と、線形から暗くした量の合計が概等しくなるようにす
ればよい。Among the methods of distributing the brightness of the original image to multiple sub-images, the gamma interpolation method makes one sub-image a bright image obtained by changing the gamma characteristics of the original image, and converts the other sub-image to the gamma of the original image. This is a method of making a dark image with changed characteristics. By doing so, the display method can be pseudo-impulse type without lowering the brightness, so that it is possible to prevent the quality of moving images from deteriorating due to the hold type display method. Here, the gamma characteristic is the degree of brightness with respect to the level of brightness (gradation). Normally, the gamma characteristic is adjusted so as to be close to linear. This is because a smooth gradation can be obtained by making the change in brightness proportional to the gradation, which is the level of brightness. In the gamma interpolation method, the gamma characteristic of one of the sub-images is deviated from linear and adjusted so that it becomes brighter than linear in the intermediate brightness (half-tone) area (an image in which the half-tone is brighter than it should be). )
 . Then, the gamma characteristic of the other sub-image is also deviated from linear, and similarly adjusted so that it becomes darker than linear in the halftone region (the halftone of the image becomes darker than it should be). where the amount by which one sub-image is made brighter than linear and the amount by which the other sub-image is made darker than linear is
 It is preferable to make all gradations substantially equal. By doing so, it is possible to perceive to the human eye as if the original image was displayed, and it is possible to prevent the quality of the moving image from deteriorating due to the hold type. Note that the number of sub-images may be greater than two. For example, if the number of sub-images is 3, adjust the gamma characteristics of each of the 3 sub-images so that the sum of the amount of lightening from linear and the sum of the amount of darkening from linear are approximately equal. good.
なお、ガンマ補完法においても、サブ画像分配条件を満たすことによって、明るさの低下
などがおこらず、元画像と同様な画像を表示することができるため、好ましい。さらに、
ガンマ補完法においては、階調に対するそれぞれのサブ画像の明るさLjの変化がガンマ
曲線にしたがっているため、それぞれのサブ画像がそれ自体で階調を滑らかに表示でき、
最終的に人間の目で知覚される画像の品質も向上するという利点を有する。It should be noted that the gamma interpolation method is also preferable because an image similar to the original image can be displayed without a decrease in brightness by satisfying the sub-image distribution condition. moreover,
 In the gamma interpolation method, since the change in the brightnessLj of each sub-image with respect to the gradation follows the gamma curve, each sub-image by itself can display the gradation smoothly.
 This has the advantage that the final image quality perceived by the human eye is also improved.
動き補償によって求めた中間画像をサブ画像として用いる方法は、一方のサブ画像を、前
後の画像から動き補償によって求めた中間画像とする方法である。こうすることで、画像
の動きを滑らかにすることができるので、動画の品質を向上できる。A method of using an intermediate image obtained by motion compensation as a sub-image is a method in which one of the sub-images is an intermediate image obtained by motion compensation from the previous and subsequent images. By doing so, the movement of the image can be smoothed, so the quality of the moving image can be improved.
次に、サブ画像を表示するタイミングと、サブ画像を作成する方法との関係について説明
する。第1のサブ画像を表示するタイミングは、第1のステップで決められた元画像を表
示するタイミングと同じであり、第2のサブ画像を表示するタイミングは、第1のステッ
プで決められた元画像を表示するタイミングに関わらず、任意に決めることができるとし
たが、第2のサブ画像を表示するタイミングにしたがって、サブ画像自体を変化させても
よい。こうすることで、第2のサブ画像を表示するタイミングを様々に変化させたとして
も、元画像が表示されたように人間の目に知覚させることができる。具体的には、第2の
サブ画像を表示するタイミングを早くした場合は、第1のサブ画像はより明るくし、第2
のサブ画像はより暗くすることができる。さらに、第2のサブ画像を表示するタイミング
を遅くした場合は、第1のサブ画像はより暗くし、第2のサブ画像はより明るくすること
ができる。これは、人間の目が知覚する明るさは、画像を表示する期間の長さによって変
わるためである。より詳細には、人間の目が知覚する明るさは、画像を表示する期間が長
いほど明るくなり、画像を表示する期間が短いほど暗くなる。すなわち、第2のサブ画像
を表示するタイミングを早くすることによって、第1のサブ画像を表示する期間の長さが
短くなり、第2のサブ画像を表示する期間の長さが長くなるため、そのままでは第1のサ
ブ画像は暗く、第2のサブ画像は明るく、人間の目に知覚されてしまう。その結果、元画
像とは異なる画像が人間の目に知覚されてしまうことになるが、これを防ぐために、第1
のサブ画像はより明るくし、第2のサブ画像はより暗くすることができる。同様に、第2
のサブ画像を表示するタイミングを遅くすることによって、第1のサブ画像を表示する期
間の長さが長くなり、第2のサブ画像を表示する期間の長さが短くなる場合は、第1のサ
ブ画像はより暗くし、第2のサブ画像はより明るくすることができる。Next, the relationship between the timing of displaying the sub-image and the method of creating the sub-image will be described. The timing of displaying the first sub-image is the same as the timing of displaying the original image determined in the first step, and the timing of displaying the second sub-image is the same as the timing of displaying the original image determined in the first step. Although it is possible to arbitrarily determine the timing of displaying the image, the sub-image itself may be changed according to the timing of displaying the second sub-image. By doing so, even if the timing of displaying the second sub-image is changed in various ways, it is possible for the human eye to perceive the original image as if it had been displayed. Specifically, when the timing for displaying the second sub-image is advanced, the first sub-image is made brighter and the second sub-image is made brighter.
 can be made darker. Furthermore, if the timing of displaying the second sub-image is delayed, the first sub-image can be made darker and the second sub-image can be made brighter. This is because the brightness perceived by the human eye varies depending on the length of the image display period. More specifically, the brightness perceived by the human eye becomes brighter as the image display period becomes longer, and becomes darker as the image display period becomes shorter. That is, by advancing the timing of displaying the second sub-image, the length of the period of displaying the first sub-image is shortened and the length of the period of displaying the second sub-image is lengthened. As they are, the first sub-image is dark and the second sub-image is bright, which are perceived by the human eye. As a result, an image different from the original image will be perceived by the human eye.
 can be made lighter and the second sub-image darker. Similarly, the second
 By delaying the timing of displaying the sub-image of , the length of the period of displaying the first sub-image becomes longer, and the length of the period of displaying the second sub-image becomes shorter. A sub-image can be darker and a second sub-image can be lighter.
上記の説明に基づいて、第2のステップにおける処理手順を、以下に示す。
手順1として、1つの元画像から複数のサブ画像を作成する方法を決定する。より詳細に
は、複数のサブ画像を作成する方法は、元画像をそのままサブ画像として用いる方法、元
画像の明るさを複数のサブ画像に分配する方法、動き補償によって求めた中間画像をサブ
画像として用いる方法、から選択することができる。
手順2として、サブ画像の数Jを決定する。なお、Jは2以上の整数である。
手順3として、第jのサブ画像における画素の明るさLj、第jのサブ画像が表示される
期間の長さTjを、手順1で選択した方法にしたがって決定する。手順3により、それぞ
れのサブ画像が表示される期間の長さと、それぞれのサブ画像に含まれる個々の画素の明
るさが具体的に決められる。
手順4として、手順1乃至手順3のそれぞれで決定された事項にしたがって、元画像を処
理し、実際に表示する。
手順5として、対象とする元画像を次の元画像に移す。そして、手順1に戻る。Based on the above description, the processing procedure in the second step is shown below.
 As
 As
 As
 As
 In
なお、第2のステップにおける手順を実行する仕組みは、装置に実装されたものであって
もよいし、装置の設計段階であらかじめ決められたものであってもよい。第2のステップ
における手順を実行する仕組みが装置に実装されていれば、状況に応じた最適な動作が行
われるように、駆動方法を切り替えることが可能となる。なお、ここでいう状況とは、画
像データの内容、装置内外の環境(温度、湿度、気圧、光、音、磁界、電界、放射線量、
高度、加速度、移動速度、等)、ユーザ設定、ソフトウエアバージョン、等を含む。一方
、第2のステップにおける手順を実行する仕組みが装置の設計段階であらかじめ決められ
たものであれば、それぞれの駆動方法に最適な駆動回路を用いることができ、さらに、仕
組みが決められていることによって、量産効果による製造コストの低減が期待できる。Note that the mechanism for executing the procedure in the second step may be implemented in the device, or may be determined in advance at the design stage of the device. If the device is equipped with a mechanism for executing the procedure in the second step, it becomes possible to switch the driving method so that the optimum operation according to the situation is performed. The conditions here refer to the content of the image data, the environment inside and outside the device (temperature, humidity, air pressure, light, sound, magnetic field, electric field, radiation dose,
 altitude, acceleration, movement speed, etc.), user settings, software version, etc. On the other hand, if the mechanism for executing the procedure in the second step is determined in advance at the design stage of the device, the optimum driving circuit can be used for each driving method, and the mechanism is already determined. As a result, a reduction in manufacturing costs can be expected due to the effect of mass production.
次に、第2のステップにおける手順によって決められる様々な駆動方法を、それぞれ、第
1のステップにおけるnおよびmの値を具体的に示して詳細に説明する。Next, various driving methods determined by the procedure in the second step will be described in detail by specifically showing the values of n and m in the first step, respectively.
第2のステップにおける手順1において、元画像をそのままサブ画像として用いる方法が
選択された場合、駆動方法は次のようになる。When the method of using the original image as the sub-image as it is is selected in
第i(iは正の整数)の画像データと、
第i+1の画像データと、が、一定の周期Tで順次用意され、
前記周期Tは、J(Jは2以上の整数)個のサブ画像表示期間に分割され、
前記第iの画像データは、複数の画素にそれぞれ固有の明るさLを持たせることができる
データであり、
第j(jは1以上J以下の整数)のサブ画像は、それぞれ固有の明るさLjを持つ画素が
複数並置されることによって構成され、第jのサブ画像表示期間Tjだけ表示される画像
であり、
前記L、前記T、前記Lj、前記Tj、を、サブ画像分配条件を満たす表示装置の駆動方
法であって、
全てのjにおいて、第jのサブ画像に含まれるそれぞれの画素の明るさLjが、それぞれ
の画素に対しLj=Lであることを特徴とする。
ここで、一定の周期Tで順次用意される画像データとしては、第1のステップにおいて作
成された元画像データを用いることができる。すなわち、第1のステップの説明で挙げた
全ての表示パターンを、上記駆動方法と組み合わせることができる。i-th (i is a positive integer) image data;
 and the i+1th image data are sequentially prepared at a constant cycle T,
 The period T is divided into J (J is an integer equal to or greater than 2) sub-image display periods,
 The i-th image data is data that allows each of a plurality of pixels to have a unique brightness L,
 The j-th sub-image (j is an integer of 1 or more and J or less) is constructed by juxtaposing a plurality of pixels each having a unique brightnessLj , and is displayed for the j-th sub-image display periodTj . is an image,
 A method of driving a display device that satisfies sub-image distribution conditions for the L, the T, the Lj , and the Tj , comprising:
 For all j, the brightness Lj of each pixel contained in the j th sub-image is characterized by Lj =L for each pixel.
 Here, the original image data created in the first step can be used as the image data sequentially prepared at the constant cycle T. FIG. That is, all the display patterns mentioned in the explanation of the first step can be combined with the above driving method.
そして、第2のステップにおける手順2において、サブ画像の数Jが2と決定され、手順
3において、T1=T2=T/2と決定された場合、上記駆動方法は、図71に示すよう
なものとなる。
図71において、横軸は時間であり、縦軸は第1のステップにおいて用いた様々なnおよ
びmについて場合分けを行なって示したものである。Then, when the number of sub-images J is determined to be 2 in
 In FIG. 71, the horizontal axis represents time, and the vertical axis represents different cases of n and m used in the first step.
たとえば、第1のステップにおいて、n=1,m=1、すなわち変換比(n/m)が1で
あるときは、図71のn=1,m=1の箇所に示すような駆動方法となる。このとき、表
示フレームレートは入力される画像データのフレームレートの2倍(2倍速駆動)となる
。具体的には、たとえば、入力フレームレートが60Hzであれば、表示フレームレート
は120Hz(120Hz駆動)である。そして、ひとつの入力される画像データに対し
、画像を2回連続して表示することになる。ここで、2倍速駆動である場合は、フレーム
レートが2倍速より小さい場合よりも動画の品質を向上でき、2倍速より大きい場合より
も消費電力および製造コストを低減できる。さらに、第2のステップの手順1において、
元画像をそのままサブ画像として用いる方法が選択されることによって、動き補償によっ
て中間画像を作成する回路の動作を停止または当該回路自体を装置から省略することがで
きるため、消費電力および装置の製造コストを低減することができる。さらに、表示装置
がアクティブマトリクス方式の液晶表示装置である場合は、ダイナミックキャパシタンス
による書き込み電圧不足の問題が回避できるため、動画の尾引き、残像等の障害に対し特
に顕著な画質改善効果をもたらす。さらに、液晶表示装置の交流駆動と120Hz駆動を
組み合わせるのも効果的である。すなわち、液晶表示装置の駆動周波数を120Hzとし
つつ、交流駆動の周波数をその整数倍または整数分の一(たとえば、30Hz、60Hz
、120Hz、240Hz等)とすることによって、交流駆動によって現れるフリッカを
、人間の目に知覚されない程度に低減することができる。さらに、液晶素子の応答時間が
入力画像データの周期の1/2倍程度である液晶表示装置に適用することで、画質を向上
することができる。For example, in the first step, when n=1, m=1, that is, when the conversion ratio (n/m) is 1, the driving method shown at n=1, m=1 in FIG. Become. At this time, the display frame rate is twice the frame rate of the input image data (double speed drive). Specifically, for example, if the input frame rate is 60 Hz, the display frame rate is 120 Hz (120 Hz drive). Then, an image is displayed twice in succession for one piece of input image data. Here, in the case of double-speed drive, the quality of moving images can be improved more than when the frame rate is less than double speed, and power consumption and manufacturing cost can be reduced more than when the frame rate is greater than double speed. Furthermore, in
 By selecting the method of using the original image as a sub-image as it is, the operation of the circuit that creates the intermediate image by motion compensation can be stopped or the circuit itself can be omitted from the device, so the power consumption and the manufacturing cost of the device can be reduced. Furthermore, when the display device is an active matrix type liquid crystal display device, the problem of insufficient write voltage due to dynamic capacitance can be avoided, so that a particularly remarkable image quality improvement effect can be obtained against obstacles such as trailing of moving images and afterimages. Furthermore, it is also effective to combine AC driving and 120 Hz driving of the liquid crystal display device. That is, while setting the drive frequency of the liquid crystal display device to 120 Hz, the frequency of the AC drive is set to an integer multiple or an integer fraction (for example, 30 Hz, 60 Hz).
 , 120 Hz, 240 Hz, etc.), it is possible to reduce flicker that appears due to AC driving to a level that is not perceived by the human eye. Furthermore, the image quality can be improved by applying it to a liquid crystal display device in which the response time of the liquid crystal element is about half the period of the input image data.
さらに、たとえば、第1のステップにおいて、n=2,m=1、すなわち変換比(n/m
)が2であるときは、図71のn=2,m=1の箇所に示すような駆動方法となる。この
とき、表示フレームレートは入力される画像データのフレームレートの4倍(4倍速駆動
)となる。具体的には、たとえば、入力フレームレートが60Hzであれば、表示フレー
ムレートは240Hz(240Hz駆動)である。そして、ひとつの入力される画像デー
タに対し、画像を4回連続して表示することになる。このとき、第1のステップにおける
補間画像が動き補償によって求められた中間画像である場合は、動画の動きを滑らかにす
ることができるため、動画の品質を顕著に向上させることが可能である。ここで、4倍速
駆動である場合は、フレームレートが4倍速より小さい場合よりも動画の品質を向上でき
、4倍速より大きい場合よりも消費電力および製造コストを低減できる。さらに、第2の
ステップの手順1において、元画像をそのままサブ画像として用いる方法が選択されるこ
とによって、動き補償によって中間画像を作成する回路の動作を停止または当該回路自体
を装置から省略することができるため、消費電力および装置の製造コストを低減すること
ができる。さらに、表示装置がアクティブマトリクス方式の液晶表示装置である場合は、
ダイナミックキャパシタンスによる書き込み電圧不足の問題が回避できるため、動画の尾
引き、残像等の障害に対し特に顕著な画質改善効果をもたらす。さらに、液晶表示装置の
交流駆動と240Hz駆動を組み合わせるのも効果的である。すなわち、液晶表示装置の
駆動周波数を240Hzとしつつ、交流駆動の周波数をその整数倍または整数分の一(た
とえば、30Hz、60Hz、120Hz、240Hz等)とすることによって、交流駆
動によって現れるフリッカを、人間の目に知覚されない程度に低減することができる。さ
らに、液晶素子の応答時間が入力画像データの周期の1/4倍程度である液晶表示装置に
適用することで、画質を向上することができる。Further, for example, in the first step n=2, m=1, i.e. the conversion ratio (n/m
 ) is 2, the drive method shown at n=2, m=1 in FIG. 71 is used. At this time, the display frame rate is four times the frame rate of the input image data (quadruple speed driving). Specifically, for example, if the input frame rate is 60 Hz, the display frame rate is 240 Hz (240 Hz drive). Then, an image is displayed four times in succession for one input image data. At this time, if the interpolated image in the first step is an intermediate image obtained by motion compensation, the motion of the moving image can be smoothed, so the quality of the moving image can be significantly improved. Here, in the case of quadruple-speed drive, the quality of moving images can be improved more than when the frame rate is less than quadruple speed, and the power consumption and manufacturing cost can be reduced more than when the frame rate is greater than quadruple speed. Furthermore, in the
 Since the problem of lack of write voltage due to dynamic capacitance can be avoided, a remarkable image quality improvement effect can be brought about, especially against obstacles such as trailing of moving images and afterimages. Furthermore, it is effective to combine the AC drive and the 240 Hz drive of the liquid crystal display device. That is, while setting the drive frequency of the liquid crystal display device to 240 Hz, the frequency of the AC drive is set to an integral multiple or a fraction of that (for example, 30 Hz, 60 Hz, 120 Hz, 240 Hz, etc.). It can be reduced to the extent that it is imperceptible to the human eye. Furthermore, the image quality can be improved by applying it to a liquid crystal display device in which the response time of the liquid crystal element is about 1/4 times the period of the input image data.
さらに、たとえば、第1のステップにおいて、n=3,m=1、すなわち変換比(n/m
)が3であるときは、図71のn=3,m=1の箇所に示すような駆動方法となる。この
とき、表示フレームレートは入力される画像データのフレームレートの6倍(6倍速駆動
)となる。具体的には、たとえば、入力フレームレートが60Hzであれば、表示フレー
ムレートは360Hz(360Hz駆動)である。そして、ひとつの入力される画像デー
タに対し、画像を6回連続して表示することになる。このとき、第1のステップにおける
補間画像が動き補償によって求められた中間画像である場合は、動画の動きを滑らかにす
ることができるため、動画の品質を顕著に向上させることが可能である。ここで、6倍速
駆動である場合は、フレームレートが6倍速より小さい場合よりも動画の品質を向上でき
、6倍速より大きい場合よりも消費電力および製造コストを低減できる。さらに、第2の
ステップの手順1において、元画像をそのままサブ画像として用いる方法が選択されるこ
とによって、動き補償によって中間画像を作成する回路の動作を停止または当該回路自体
を装置から省略することができるため、消費電力および装置の製造コストを低減すること
ができる。さらに、表示装置がアクティブマトリクス方式の液晶表示装置である場合は、
ダイナミックキャパシタンスによる書き込み電圧不足の問題が回避できるため、動画の尾
引き、残像等の障害に対し特に顕著な画質改善効果をもたらす。さらに、液晶表示装置の
交流駆動と360Hz駆動を組み合わせるのも効果的である。すなわち、液晶表示装置の
駆動周波数を360Hzとしつつ、交流駆動の周波数をその整数倍または整数分の一(た
とえば、30Hz、60Hz、120Hz、180Hz等)とすることによって、交流駆
動によって現れるフリッカを、人間の目に知覚されない程度に低減することができる。さ
らに、液晶素子の応答時間が入力画像データの周期の1/6倍程度である液晶表示装置に
適用することで、画質を向上することができる。Further, for example, in the first step n=3, m=1, i.e. the conversion ratio (n/m
 ) is 3, the drive method shown at n=3, m=1 in FIG. 71 is used. At this time, the display frame rate is six times the frame rate of the input image data (sixfold speed drive). Specifically, for example, if the input frame rate is 60 Hz, the display frame rate is 360 Hz (360 Hz drive). Then, an image is displayed continuously six times for one input image data. At this time, if the interpolated image in the first step is an intermediate image obtained by motion compensation, the motion of the moving image can be smoothed, so the quality of the moving image can be significantly improved. Here, in the case of 6× speed driving, the quality of moving images can be improved more than when the frame rate is lower than 6× speed, and power consumption and manufacturing cost can be reduced more than when the frame rate is higher than 6× speed. Furthermore, in the
 Since the problem of lack of write voltage due to dynamic capacitance can be avoided, a remarkable image quality improvement effect can be brought about, especially against obstacles such as trailing of moving images and afterimages. Furthermore, it is effective to combine the AC driving and the 360 Hz driving of the liquid crystal display device. That is, by setting the drive frequency of the liquid crystal display device to 360 Hz and setting the frequency of the AC drive to an integer multiple or a fraction of that (for example, 30 Hz, 60 Hz, 120 Hz, 180 Hz, etc.), the flicker caused by the AC drive is It can be reduced to the extent that it is imperceptible to the human eye. Furthermore, the image quality can be improved by applying to a liquid crystal display device in which the response time of the liquid crystal element is about 1/6 times the period of the input image data.
さらに、たとえば、第1のステップにおいて、n=3,m=2、すなわち変換比(n/m
)が3/2であるときは、図71のn=3,m=2の箇所に示すような駆動方法となる。
このとき、表示フレームレートは入力される画像データのフレームレートの3倍(3倍速
駆動)となる。具体的には、たとえば、入力フレームレートが60Hzであれば、表示フ
レームレートは180Hz(180Hz駆動)である。そして、ひとつの入力される画像
データに対し、画像を3回連続して表示することになる。このとき、第1のステップにお
ける補間画像が動き補償によって求められた中間画像である場合は、動画の動きを滑らか
にすることができるため、動画の品質を顕著に向上させることが可能である。ここで、3
倍速駆動である場合は、フレームレートが3倍速より小さい場合よりも動画の品質を向上
でき、3倍速より大きい場合よりも消費電力および製造コストを低減できる。さらに、第
2のステップの手順1において、元画像をそのままサブ画像として用いる方法が選択され
ることによって、動き補償によって中間画像を作成する回路の動作を停止または当該回路
自体を装置から省略することができるため、消費電力および装置の製造コストを低減する
ことができる。さらに、表示装置がアクティブマトリクス方式の液晶表示装置である場合
は、ダイナミックキャパシタンスによる書き込み電圧不足の問題が回避できるため、動画
の尾引き、残像等の障害に対し特に顕著な画質改善効果をもたらす。さらに、液晶表示装
置の交流駆動と180Hz駆動を組み合わせるのも効果的である。すなわち、液晶表示装
置の駆動周波数を180Hzとしつつ、交流駆動の周波数をその整数倍または整数分の一
(たとえば、30Hz、60Hz、120Hz、180Hz等)とすることによって、交
流駆動によって現れるフリッカを、人間の目に知覚されない程度に低減することができる
。さらに、液晶素子の応答時間が入力画像データの周期の1/3倍程度である液晶表示装
置に適用することで、画質を向上することができる。Further, for example, in the first step n=3, m=2, i.e. the conversion ratio (n/m
 ) is 3/2, the drive method shown at n=3, m=2 in FIG. 71 is used.
 At this time, the display frame rate is three times the frame rate of the input image data (triple speed drive). Specifically, for example, if the input frame rate is 60 Hz, the display frame rate is 180 Hz (180 Hz drive). Then, an image is displayed three times in succession for one piece of input image data. At this time, if the interpolated image in the first step is an intermediate image obtained by motion compensation, the motion of the moving image can be smoothed, so the quality of the moving image can be significantly improved. where 3
 In the case of double-speed drive, the quality of moving images can be improved more than when the frame rate is less than triple speed, and power consumption and manufacturing cost can be reduced more than when the frame rate is more than triple speed. Furthermore, in the
さらに、たとえば、第1のステップにおいて、n=4,m=1、すなわち変換比(n/m
)が4であるときは、図71のn=4,m=1の箇所に示すような駆動方法となる。この
とき、表示フレームレートは入力される画像データのフレームレートの8倍(8倍速駆動
)となる。具体的には、たとえば、入力フレームレートが60Hzであれば、表示フレー
ムレートは480Hz(480Hz駆動)である。そして、ひとつの入力される画像デー
タに対し、画像を8回連続して表示することになる。このとき、第1のステップにおける
補間画像が動き補償によって求められた中間画像である場合は、動画の動きを滑らかにす
ることができるため、動画の品質を顕著に向上させることが可能である。ここで、8倍速
駆動である場合は、フレームレートが8倍速より小さい場合よりも動画の品質を向上でき
、8倍速より大きい場合よりも消費電力および製造コストを低減できる。さらに、第2の
ステップの手順1において、元画像をそのままサブ画像として用いる方法が選択されるこ
とによって、動き補償によって中間画像を作成する回路の動作を停止または当該回路自体
を装置から省略することができるため、消費電力および装置の製造コストを低減すること
ができる。さらに、表示装置がアクティブマトリクス方式の液晶表示装置である場合は、
ダイナミックキャパシタンスによる書き込み電圧不足の問題が回避できるため、動画の尾
引き、残像等の障害に対し特に顕著な画質改善効果をもたらす。さらに、液晶表示装置の
交流駆動と480Hz駆動を組み合わせるのも効果的である。すなわち、液晶表示装置の
駆動周波数を480Hzとしつつ、交流駆動の周波数をその整数倍または整数分の一(た
とえば、30Hz、60Hz、120Hz、240Hz等)とすることによって、交流駆
動によって現れるフリッカを、人間の目に知覚されない程度に低減することができる。さ
らに、液晶素子の応答時間が入力画像データの周期の1/8倍程度である液晶表示装置に
適用することで、画質を向上することができる。Further, for example, in the first step n=4, m=1, i.e. the conversion ratio (n/m
 ) is 4, the drive method shown at n=4, m=1 in FIG. 71 is used. At this time, the display frame rate is eight times the frame rate of the input image data (8-fold speed drive). Specifically, for example, if the input frame rate is 60 Hz, the display frame rate is 480 Hz (480 Hz drive). Then, an image is displayed eight times consecutively for one input image data. At this time, if the interpolated image in the first step is an intermediate image obtained by motion compensation, the motion of the moving image can be smoothed, so the quality of the moving image can be significantly improved. Here, in the case of 8× speed driving, the quality of moving images can be improved more than when the frame rate is less than 8× speed, and power consumption and manufacturing cost can be reduced more than when the frame rate is more than 8× speed. Furthermore, in the
 Since the problem of lack of write voltage due to dynamic capacitance can be avoided, a remarkable image quality improvement effect can be brought about, especially against obstacles such as trailing of moving images and afterimages. Furthermore, it is effective to combine the AC drive and the 480 Hz drive of the liquid crystal display device. That is, while setting the drive frequency of the liquid crystal display device to 480 Hz, by setting the frequency of the AC drive to an integer multiple or a fraction of that (for example, 30 Hz, 60 Hz, 120 Hz, 240 Hz, etc.), the flicker caused by the AC drive is It can be reduced to the extent that it is imperceptible to the human eye. Furthermore, the image quality can be improved by applying it to a liquid crystal display device in which the response time of the liquid crystal element is about ⅛ times the cycle of the input image data.
さらに、たとえば、第1のステップにおいて、n=4,m=3、すなわち変換比(n/m
)が4/3であるときは、図71のn=4,m=3の箇所に示すような駆動方法となる。
このとき、表示フレームレートは入力される画像データのフレームレートの8/3倍(8
/3倍速駆動)となる。具体的には、たとえば、入力フレームレートが60Hzであれば
、表示フレームレートは160Hz(160Hz駆動)である。そして、3つの入力され
る画像データに対し、画像を8回連続して表示することになる。このとき、第1のステッ
プにおける補間画像が動き補償によって求められた中間画像である場合は、動画の動きを
滑らかにすることができるため、動画の品質を顕著に向上させることが可能である。ここ
で、8/3倍速駆動である場合は、フレームレートが8/3倍速より小さい場合よりも動
画の品質を向上でき、8/3倍速より大きい場合よりも消費電力および製造コストを低減
できる。さらに、第2のステップの手順1において、元画像をそのままサブ画像として用
いる方法が選択されることによって、動き補償によって中間画像を作成する回路の動作を
停止または当該回路自体を装置から省略することができるため、消費電力および装置の製
造コストを低減することができる。さらに、表示装置がアクティブマトリクス方式の液晶
表示装置である場合は、ダイナミックキャパシタンスによる書き込み電圧不足の問題が回
避できるため、動画の尾引き、残像等の障害に対し特に顕著な画質改善効果をもたらす。
さらに、液晶表示装置の交流駆動と160Hz駆動を組み合わせるのも効果的である。す
なわち、液晶表示装置の駆動周波数を160Hzとしつつ、交流駆動の周波数をその整数
倍または整数分の一(たとえば、40Hz、80Hz、160Hz、320Hz等)とす
ることによって、交流駆動によって現れるフリッカを、人間の目に知覚されない程度に低
減することができる。さらに、液晶素子の応答時間が入力画像データの周期の3/8倍程
度である液晶表示装置に適用することで、画質を向上することができる。Further, for example, in the first step n=4, m=3, i.e. the transformation ratio (n/m
 ) is 4/3, the drive method shown at n=4 and m=3 in FIG. 71 is used.
 At this time, the display frame rate is 8/3 times (8
 /3 times speed drive). Specifically, for example, if the input frame rate is 60 Hz, the display frame rate is 160 Hz (160 Hz drive). Then, the image is displayed eight times in succession for the three input image data. At this time, if the interpolated image in the first step is an intermediate image obtained by motion compensation, the motion of the moving image can be smoothed, so the quality of the moving image can be significantly improved. Here, in the case of 8/3 times speed driving, the quality of moving images can be improved more than when the frame rate is less than 8/3 times speed, and power consumption and manufacturing cost can be reduced more than when the frame rate is more than 8/3 times speed. Furthermore, in the
 Furthermore, it is also effective to combine AC driving and 160 Hz driving of the liquid crystal display device. In other words, while setting the drive frequency of the liquid crystal display device to 160 Hz, the frequency of the AC drive is set to an integral multiple or a fraction of that (for example, 40 Hz, 80 Hz, 160 Hz, 320 Hz, etc.). It can be reduced to the extent that it is imperceptible to the human eye. Furthermore, the image quality can be improved by applying it to a liquid crystal display device in which the response time of the liquid crystal element is about 3/8 times the cycle of the input image data.
さらに、たとえば、第1のステップにおいて、n=5,m=1、すなわち変換比(n/m
)が5であるときは、図71のn=5,m=1の箇所に示すような駆動方法となる。この
とき、表示フレームレートは入力される画像データのフレームレートの10倍(10倍速
駆動)となる。具体的には、たとえば、入力フレームレートが60Hzであれば、表示フ
レームレートは600Hz(600Hz駆動)である。そして、ひとつの入力される画像
データに対し、画像を10回連続して表示することになる。このとき、第1のステップに
おける補間画像が動き補償によって求められた中間画像である場合は、動画の動きを滑ら
かにすることができるため、動画の品質を顕著に向上させることが可能である。ここで、
10倍速駆動である場合は、フレームレートが10倍速より小さい場合よりも動画の品質
を向上でき、10倍速より大きい場合よりも消費電力および製造コストを低減できる。さ
らに、第2のステップの手順1において、元画像をそのままサブ画像として用いる方法が
選択されることによって、動き補償によって中間画像を作成する回路の動作を停止または
当該回路自体を装置から省略することができるため、消費電力および装置の製造コストを
低減することができる。さらに、表示装置がアクティブマトリクス方式の液晶表示装置で
ある場合は、ダイナミックキャパシタンスによる書き込み電圧不足の問題が回避できるた
め、動画の尾引き、残像等の障害に対し特に顕著な画質改善効果をもたらす。さらに、液
晶表示装置の交流駆動と600Hz駆動を組み合わせるのも効果的である。すなわち、液
晶表示装置の駆動周波数を600Hzとしつつ、交流駆動の周波数をその整数倍または整
数分の一(たとえば、30Hz、60Hz、100Hz、120Hz等)とすることによ
って、交流駆動によって現れるフリッカを、人間の目に知覚されない程度に低減すること
ができる。さらに、液晶素子の応答時間が入力画像データの周期の1/10倍程度である
液晶表示装置に適用することで、画質を向上することができる。Further, for example, in the first step n=5, m=1, i.e. the transformation ratio (n/m
 ) is 5, the drive method shown at n=5, m=1 in FIG. 71 is used. At this time, the display frame rate is 10 times the frame rate of the input image data (10-fold speed drive). Specifically, for example, if the input frame rate is 60 Hz, the display frame rate is 600 Hz (600 Hz drive). Then, an image is displayed ten times in succession for one input image data. At this time, if the interpolated image in the first step is an intermediate image obtained by motion compensation, the motion of the moving image can be smoothed, so the quality of the moving image can be significantly improved. here,
 In the case of 10x speed drive, the quality of moving images can be improved more than when the frame rate is less than 10x speed, and power consumption and manufacturing cost can be reduced more than when the frame rate is more than 10x speed. Furthermore, in the
さらに、たとえば、第1のステップにおいて、n=5,m=2、すなわち変換比(n/m
)が5/2であるときは、図71のn=5,m=2の箇所に示すような駆動方法となる。
このとき、表示フレームレートは入力される画像データのフレームレートの5倍(5倍速
駆動)となる。具体的には、たとえば、入力フレームレートが60Hzであれば、表示フ
レームレートは300Hz(300Hz駆動)である。そして、1つの入力される画像デ
ータに対し、画像を5回連続して表示することになる。このとき、第1のステップにおけ
る補間画像が動き補償によって求められた中間画像である場合は、動画の動きを滑らかに
することができるため、動画の品質を顕著に向上させることが可能である。ここで、5倍
速駆動である場合は、フレームレートが5倍速より小さい場合よりも動画の品質を向上で
き、5倍速より大きい場合よりも消費電力および製造コストを低減できる。さらに、第2
のステップの手順1において、元画像をそのままサブ画像として用いる方法が選択される
ことによって、動き補償によって中間画像を作成する回路の動作を停止または当該回路自
体を装置から省略することができるため、消費電力および装置の製造コストを低減するこ
とができる。さらに、表示装置がアクティブマトリクス方式の液晶表示装置である場合は
、ダイナミックキャパシタンスによる書き込み電圧不足の問題が回避できるため、動画の
尾引き、残像等の障害に対し特に顕著な画質改善効果をもたらす。さらに、液晶表示装置
の交流駆動と300Hz駆動を組み合わせるのも効果的である。すなわち、液晶表示装置
の駆動周波数を300Hzとしつつ、交流駆動の周波数をその整数倍または整数分の一(
たとえば、30Hz、50Hz、60Hz、100Hz等)とすることによって、交流駆
動によって現れるフリッカを、人間の目に知覚されない程度に低減することができる。さ
らに、液晶素子の応答時間が入力画像データの周期の1/5倍程度である液晶表示装置に
適用することで、画質を向上することができる。Further, for example, in the first step n=5, m=2, i.e. the transformation ratio (n/m
 ) is 5/2, the drive method shown at n=5 and m=2 in FIG. 71 is used.
 At this time, the display frame rate is five times the frame rate of the input image data (five times speed driving). Specifically, for example, if the input frame rate is 60 Hz, the display frame rate is 300 Hz (300 Hz drive). Then, an image is displayed five times in succession for one input image data. At this time, if the interpolated image in the first step is an intermediate image obtained by motion compensation, the motion of the moving image can be smoothed, so the quality of the moving image can be significantly improved. Here, in the case of quintuple-speed drive, the quality of moving images can be improved more than when the frame rate is less than quintuple speed, and power consumption and manufacturing cost can be reduced more than when the frame rate is more than quintuple speed. Furthermore, the second
 By selecting the method of using the original image as a sub-image as it is in
 For example, by setting it to 30 Hz, 50 Hz, 60 Hz, 100 Hz, etc.), it is possible to reduce flicker that appears due to AC driving to a level that is not perceived by human eyes. Furthermore, the image quality can be improved by applying it to a liquid crystal display device in which the response time of the liquid crystal element is about ⅕ times the cycle of the input image data.
このように、第2のステップにおける手順1において、元画像をそのままサブ画像として
用いる方法が選択され、
第2のステップにおける手順2において、サブ画像の数が2と決定され、
第2のステップにおける手順3において、T1=T2=T/2と決定された場合は、第1
のステップにおけるnおよびmの値によって決められる変換比のフレームレート変換に対
し、表示フレームレートをさらに2倍のフレームレートとすることができるため、動画の
品質をさらに向上させることが可能となる。さらに、当該表示フレームレートより小さい
表示フレームレートである場合よりも動画の品質を向上でき、当該表示フレームレートよ
り大きい表示フレームレートである場合よりも消費電力および製造コストを低減できる。
さらに、第2のステップの手順1において、元画像をそのままサブ画像として用いる方法
が選択されることによって、動き補償によって中間画像を作成する回路の動作を停止また
は当該回路自体を装置から省略することができるため、消費電力および装置の製造コスト
を低減することができる。さらに、表示装置がアクティブマトリクス方式の液晶表示装置
である場合は、ダイナミックキャパシタンスによる書き込み電圧不足の問題が回避できる
ため、動画の尾引き、残像等の障害に対し特に顕著な画質改善効果をもたらす。さらに、
液晶表示装置の駆動周波数を大きくしつつ、交流駆動の周波数をその整数倍または整数分
の一とすることによって、交流駆動によって現れるフリッカを、人間の目に知覚されない
程度に低減することができる。さらに、液晶素子の応答時間が入力画像データの周期の(
1/(変換比の2倍))倍程度である液晶表示装置に適用することで、画質を向上するこ
とができる。Thus, in
 In
 In
 Since the display frame rate can be further doubled with respect to the frame rate conversion at the conversion ratio determined by the values of n and m in
 Furthermore, in the
 By increasing the drive frequency of the liquid crystal display device and setting the frequency of the AC drive to an integer multiple or a fraction of that, the flicker that appears due to the AC drive can be reduced to a level that is not perceptible to the human eye. Furthermore, the response time of the liquid crystal element (
 Image quality can be improved by applying it to a liquid crystal display device having a conversion ratio of about 1/(twice the conversion ratio).
なお、詳細な説明が省略したが、上に上げた変換比以外の場合においても、同様な利点を
有するのは明らかである。たとえば、nが10以下の範囲においては、上に挙げたものの
ほかに、
n=5,m=3、すなわち変換比(n/m)=5/3(10/3倍速駆動、200Hz)
、
n=5,m=4、すなわち変換比(n/m)=5/4(5/2倍速駆動、150Hz)、
n=6,m=1、すなわち変換比(n/m)=6(12倍速駆動、720Hz)、
n=6,m=5、すなわち変換比(n/m)=6/5(12/5倍速駆動、144Hz)
、
n=7,m=1、すなわち変換比(n/m)=7(14倍速駆動、840Hz)、
n=7,m=2、すなわち変換比(n/m)=7/2(7倍速駆動、420Hz)、
n=7,m=3、すなわち変換比(n/m)=7/3(14/3倍速駆動、280Hz)
、
n=7,m=4、すなわち変換比(n/m)=7/4(7/2倍速駆動、210Hz)、
n=7,m=5、すなわち変換比(n/m)=7/5(14/5倍速駆動、168Hz)
、
n=7,m=6、すなわち変換比(n/m)=7/6(7/3倍速駆動、140Hz)、
n=8,m=1、すなわち変換比(n/m)=8(16倍速駆動、960Hz)、
n=8,m=3、すなわち変換比(n/m)=8/3(16/3倍速駆動、320Hz)
、
n=8,m=5、すなわち変換比(n/m)=8/5(16/5倍速駆動、192Hz)
、
n=8,m=7、すなわち変換比(n/m)=8/7(16/7倍速駆動、137Hz)
、
n=9,m=1、すなわち変換比(n/m)=9(18倍速駆動、1080Hz)、
n=9,m=2、すなわち変換比(n/m)=9/2(9倍速駆動、540Hz)、
n=9,m=4、すなわち変換比(n/m)=9/4(9/2倍速駆動、270Hz)、
n=9,m=5、すなわち変換比(n/m)=9/5(18/5倍速駆動、216Hz)
、
n=9,m=7、すなわち変換比(n/m)=9/7(18/7倍速駆動、154Hz)
、
n=9,m=8、すなわち変換比(n/m)=9/8(9/4倍速駆動、135Hz)、
n=10,m=1、すなわち変換比(n/m)=10(20倍速駆動、1200Hz)、
n=10,m=3、すなわち変換比(n/m)=10/3(20/3倍速駆動、400H
z)、
n=10,m=7、すなわち変換比(n/m)=10/7(20/7倍速駆動、171H
z)、
n=10,m=9、すなわち変換比(n/m)=10/9(20/9倍速駆動、133H
z)、
以上の組み合わせが考えられる。なお、周波数の表記は入力フレームレートが60Hzで
あるときの例であり、その他の入力フレームレートに対しては、それぞれの変換比の2倍
を入力フレームレートと積算した値が駆動周波数となる。Although detailed explanation is omitted, it is clear that similar advantages are obtained even in cases other than the conversion ratios mentioned above. For example, in the range where n is 10 or less, in addition to the above,
 n=5, m=3, that is, conversion ratio (n/m)=5/3 (10/3 double speed drive, 200 Hz)
 ,
 n = 5, m = 4, that is, conversion ratio (n/m) = 5/4 (5/2 double speed drive, 150 Hz),
 n = 6, m = 1, that is, conversion ratio (n/m) = 6 (12x speed drive, 720 Hz),
 n=6, m=5, that is, conversion ratio (n/m)=6/5 (12/5 double speed drive, 144 Hz)
 ,
 n=7, m=1, that is, conversion ratio (n/m)=7 (14x speed drive, 840 Hz),
 n = 7, m = 2, that is, conversion ratio (n/m) = 7/2 (seven times speed drive, 420 Hz),
 n=7, m=3, that is, conversion ratio (n/m)=7/3 (14/3 double speed drive, 280 Hz)
 ,
 n=7, m=4, that is, conversion ratio (n/m)=7/4 (7/2 double speed drive, 210 Hz),
 n=7, m=5, that is, conversion ratio (n/m)=7/5 (14/5 double speed drive, 168 Hz)
 ,
 n=7, m=6, that is, conversion ratio (n/m)=7/6 (7/3 double speed drive, 140 Hz),
 n = 8, m = 1, that is, conversion ratio (n/m) = 8 (16x speed drive, 960 Hz),
 n=8, m=3, that is, conversion ratio (n/m)=8/3 (16/3 double speed drive, 320 Hz)
 ,
 n=8, m=5, that is, conversion ratio (n/m)=8/5 (16/5 double speed drive, 192 Hz)
 ,
 n=8, m=7, that is, conversion ratio (n/m)=8/7 (16/7 double speed drive, 137 Hz)
 ,
 n = 9, m = 1, that is, conversion ratio (n/m) = 9 (18x speed drive, 1080 Hz),
 n=9, m=2, that is, the conversion ratio (n/m)=9/2 (9-fold speed drive, 540 Hz),
 n = 9, m = 4, that is, conversion ratio (n/m) = 9/4 (9/2 double speed drive, 270 Hz),
 n=9, m=5, that is, conversion ratio (n/m)=9/5 (18/5 double speed drive, 216 Hz)
 ,
 n=9, m=7, that is, conversion ratio (n/m)=9/7 (18/7 double speed drive, 154 Hz)
 ,
 n = 9, m = 8, that is, conversion ratio (n/m) = 9/8 (9/4 double speed drive, 135 Hz),
 n=10, m=1, that is, conversion ratio (n/m)=10 (20x speed drive, 1200 Hz),
 n=10, m=3, that is, conversion ratio (n/m)=10/3 (20/3 double speed drive, 400H
 z),
 n=10, m=7, that is, conversion ratio (n/m)=10/7 (20/7 double speed drive, 171H
 z),
 n=10, m=9, that is, conversion ratio (n/m)=10/9 (20/9 double speed drive, 133H
 z),
 Combinations of the above are conceivable. Note that the notation of frequency is an example when the input frame rate is 60 Hz, and for other input frame rates, the value obtained by multiplying the input frame rate by twice the respective conversion ratio becomes the drive frequency.
なお、nが10より大きい整数である場合については、具体的なnおよびmの数字は挙げ
ないが、様々なnおよびmに対し、この、第2のステップにおける手順が適用できること
は明らかである。It should be noted that when n is an integer greater than 10, specific numbers of n and m are not listed, but it is clear that the procedure in the second step can be applied to various n and m. .
なお、J=2とする場合、第1のステップにおける変換比が2より大きいと、特に効果的
である。なぜならば、第2のステップにおいて、サブ画像の数をJ=2のように比較的小
さくすれば、その分、第1のステップにおける変換比を大きくすることができるからであ
る。このような変換比は、nが10以下の範囲においては、3、4、5、5/2、6、7
、7/2、7/3、8、8/3、9、9/2、9/4、10、10/3、が挙げられる。
第1のステップ後の表示フレームレートがこのような値の場合、J=3以上とすることに
よって、第2のステップにおけるサブ画像の数が小さいことによる利点(消費電力および
製造コストの低減等)と、最終的な表示フレームレートが大きいことによる利点(動画の
品質向上、フリッカの低減等)を、両立させることが可能となる。If J=2, it is particularly effective if the conversion ratio in the first step is greater than 2. This is because if the number of sub-images is relatively small, such as J=2, in the second step, the conversion ratio in the first step can be increased accordingly. Such conversion ratios are 3, 4, 5, 5/2, 6, 7
 , 7/2, 7/3, 8, 8/3, 9, 9/2, 9/4, 10, 10/3.
 When the display frame rate after the first step is such a value, by setting J=3 or more, there are advantages due to the small number of sub-images in the second step (reduction of power consumption and manufacturing cost, etc.). , and the advantages (improvement in moving image quality, reduction in flicker, etc.) due to a large final display frame rate can be achieved at the same time.
なお、ここでは、手順2においてサブ画像の数Jが2と決定され、手順3においてT1=
T2=T/2と決定された場合について説明したが、これに限定されないのは明らかであ
る。Here, the number J of sub-images is determined to be 2 in
 Although the case where it is determined that T2 =T/2 has been described, it is clearly not limited to this.
たとえば、第2のステップにおける手順3において、T1<T2と決定された場合は、第
1のサブ画像をより明るく、第2のサブ画像をより暗くすることができる。さらに、第2
のステップにおける手順3において、T1>T2と決定された場合は、第1のサブ画像を
より暗く、第2のサブ画像をより明るくすることができる。こうすることで、元画像をき
ちんと人間の目に知覚させることができると同時に、表示を擬似的にインパルス駆動にす
ることもできるため、動画の品質を向上できる。ただし、上記の駆動方法のように、手順
1において、元画像をそのままサブ画像として用いる方法が選択された場合は、サブ画像
の明るさを変化させずに、そのまま表示してもよい。なぜならば、この場合はサブ画像と
して用いる画像が同じであるため、サブ画像の表示タイミングに関わらず、元画像をきち
んと表示することができるからである。For example, if in
 In
さらに、手順2において、サブ画像の数Jが2ではなく、それ以外の値に決定されてもよ
いことは明らかである。この場合、第1のステップにおけるnおよびmの値によって決め
られる変換比のフレームレート変換に対し、表示フレームレートをさらにJ倍のフレーム
レートとすることができるため、動画の品質をさらに向上させることが可能となる。さら
に、当該表示フレームレートより小さい表示フレームレートである場合よりも動画の品質
を向上でき、当該表示フレームレートより大きい表示フレームレートである場合よりも消
費電力および製造コストを低減できる。さらに、第2のステップの手順1において、元画
像をそのままサブ画像として用いる方法が選択されることによって、動き補償によって中
間画像を作成する回路の動作を停止または当該回路自体を装置から省略することができる
ため、消費電力および装置の製造コストを低減することができる。さらに、表示装置がア
クティブマトリクス方式の液晶表示装置である場合は、ダイナミックキャパシタンスによ
る書き込み電圧不足の問題が回避できるため、動画の尾引き、残像等の障害に対し特に顕
著な画質改善効果をもたらす。さらに、液晶表示装置の駆動周波数を大きくしつつ、交流
駆動の周波数をその整数倍または整数分の一とすることによって、交流駆動によって現れ
るフリッカを、人間の目に知覚されない程度に低減することができる。さらに、液晶素子
の応答時間が入力画像データの周期の(1/(変換比のJ倍))倍程度である液晶表示装
置に適用することで、画質を向上することができる。Furthermore, it is clear that in
たとえば、J=3である場合は、特に、サブ画像の数が3より小さい場合よりも動画の品
質を向上でき、サブ画像の数が3より大きい場合よりも消費電力および製造コストを低減
できるという利点を有する。さらに、液晶素子の応答時間が入力画像データの周期の(1
/(変換比の3倍))倍程度である液晶表示装置に適用することで、画質を向上すること
ができる。For example, when J=3, in particular, the video quality can be improved more than when the number of sub-images is less than 3, and the power consumption and manufacturing cost can be reduced more than when the number of sub-images is more than 3. have advantages. Furthermore, the response time of the liquid crystal element is (1
 The image quality can be improved by applying it to a liquid crystal display device having a conversion ratio of about /(three times the conversion ratio)).
さらに、たとえば、J=4である場合は、特に、サブ画像の数が4より小さい場合よりも
動画の品質を向上でき、サブ画像の数が4より大きい場合よりも消費電力および製造コス
トを低減できるという利点を有する。さらに、液晶素子の応答時間が入力画像データの周
期の(1/(変換比の4倍))倍程度である液晶表示装置に適用することで、画質を向上
することができる。In addition, for example, J=4, in particular, can improve the quality of the video than if the number of sub-images is less than 4, and lower power consumption and manufacturing costs than if the number of sub-images is greater than 4. have the advantage of being able to Furthermore, the image quality can be improved by applying it to a liquid crystal display device in which the response time of the liquid crystal element is approximately (1/(4 times the conversion ratio)) times the cycle of the input image data.
さらに、たとえば、J=5である場合は、特に、サブ画像の数が5より小さい場合よりも
動画の品質を向上でき、サブ画像の数が5より大きい場合よりも消費電力および製造コス
トを低減できるという利点を有する。さらに、液晶素子の応答時間が入力画像データの周
期の(1/(変換比の5倍))倍程度である液晶表示装置に適用することで、画質を向上
することができる。In addition, for example, J=5, in particular, can improve the quality of the video than if the number of sub-images is less than 5, and lower power consumption and manufacturing costs than if the number of sub-images is greater than 5. have the advantage of being able to Furthermore, the image quality can be improved by applying to a liquid crystal display device in which the response time of the liquid crystal element is about (1/(five times the conversion ratio)) times the cycle of the input image data.
さらに、Jが上に挙げたもの以外であっても、同様な利点を有する。Moreover, J other than those listed above have similar advantages.
なお、J=3以上とする場合、第1のステップにおける変換比は様々な値をとることがで
きるが、特に、第1のステップにおける変換比が比較的小さい場合(2以下)に、J=3
以上とするのが効果的である。なぜならば、第1のステップ後の表示フレームレートが比
較的小さければ、その分、第2のステップにおいて、Jを大きくすることができるからで
ある。このような変換比は、nが10以下の範囲においては、1、2、3/2、4/3、
5/3、5/4、6/5、7/4、7/5、7/6、8/7、9/5、9/7、9/8、
10/7、10/9、が挙げられる。このうち、変換比が1、2、3/2、4/3、5/
3、5/4の場合については、図72に図示する。このように、第1のステップ後の表示
フレームレートが比較的小さな値の場合、J=3以上とすることによって、第1のステッ
プにおける表示フレームレートが小さいことによる利点(消費電力および製造コストの低
減等)と、最終的な表示フレームレートが大きいことによる利点(動画の品質向上、フリ
ッカの低減等)を、両立させることが可能となる。When J=3 or more, the conversion ratio in the first step can take various values. Especially when the conversion ratio in the first step is relatively small (2 or less), J= 3
 The above is effective. This is because if the display frame rate after the first step is relatively low, J can be increased accordingly in the second step. Such conversion ratios are 1, 2, 3/2, 4/3,
 5/3, 5/4, 6/5, 7/4, 7/5, 7/6, 8/7, 9/5, 9/7, 9/8,
 10/7 and 10/9. Among them, the conversion ratios are 1, 2, 3/2, 4/3, 5/
 The case of 3,5/4 is illustrated in FIG. Thus, when the display frame rate after the first step is a relatively small value, by setting J=3 or more, the advantage of the small display frame rate in the first step (reduction of power consumption and manufacturing cost) is achieved. reduction, etc.) and the advantages of a large final display frame rate (improvement in moving image quality, reduction in flicker, etc.) can be made compatible.
次に、第2のステップにおける手順によって決められる駆動方法の別の例について説明す
る。Next, another example of the driving method determined by the procedure in the second step will be described.
第2のステップにおける手順1において、元画像の明るさを複数のサブ画像に分配する方
法のうち、黒挿入法が選択された場合、駆動方法は次のようになる。In
第i(iは正の整数)の画像データと、
第i+1の画像データと、が、一定の周期Tで順次用意され、
前記周期Tは、J(Jは2以上の整数)個のサブ画像表示期間に分割され、
前記第iの画像データは、複数の画素にそれぞれ固有の明るさLを持たせることができる
データであり、
第j(jは1以上J以下の整数)のサブ画像は、それぞれ固有の明るさLjを持つ画素が
複数並置されることによって構成され、第jのサブ画像表示期間Tjだけ表示される画像
であり、
前記L、前記T、前記Lj、前記Tj、を、サブ画像分配条件を満たす表示装置の駆動方
法であって、
少なくとも1つのjにおいて、第jのサブ画像に含まれる全て画素の明るさLjが、Lj
=0である
ことを特徴とする。
ここで、一定の周期Tで順次用意される画像データとしては、第1のステップにおいて作
成された元画像データを用いることができる。すなわち、第1のステップの説明で挙げた
全ての表示パターンを、上記駆動方法と組み合わせることができる。i-th (i is a positive integer) image data;
 and the i+1th image data are sequentially prepared at a constant cycle T,
 The period T is divided into J (J is an integer equal to or greater than 2) sub-image display periods,
 The i-th image data is data that allows each of a plurality of pixels to have a unique brightness L,
 The j-th (j is an integer of 1 or more and J or less) sub-image is formed by juxtaposing a plurality of pixels each having a unique brightnessLj , and is displayed forthe j-th sub-image display period Tj. is an image,
 A method of driving a display device that satisfies sub-image distribution conditions for the L, the T, the Lj , and the Tj , comprising:
 In at least one j, the brightness Lj of all pixels contained in the j-th sub-image is Lj
 =0.
 Here, the original image data created in the first step can be used as the image data that is sequentially prepared at the constant cycle T. FIG. That is, all the display patterns mentioned in the explanation of the first step can be combined with the driving method described above.
なお、上記の駆動方法は、第1のステップにおいて用いた様々なnおよびmについて、そ
れぞれ組み合わせて実施できることは明らかである。It is obvious that the driving method described above can be implemented in combination with various n and m used in the first step.
そして、第2のステップにおける手順2において、サブ画像の数Jが2と決定され、手順
3において、T1=T2=T/2と決定された場合、上記駆動方法は、図71に示すよう
なものとなる。
図71に示す駆動方法(様々なnおよびmにおける表示タイミング)の特徴および利点は
既に述べたので、ここでは詳細な説明は省略するが、第2のステップにおける手順1にお
いて、元画像の明るさを複数のサブ画像に分配する方法のうち、黒挿入法が選択された場
合においても同様な利点を有するのは明らかである。たとえば、第1のステップにおける
補間画像が動き補償によって求められた中間画像である場合は、動画の動きを滑らかにす
ることができるため、動画の品質を顕著に向上させることが可能である。さらに、表示フ
レームレートが大きい場合は、動画の品質を向上でき、表示フレームレートが小さい場合
は、消費電力および製造コストを低減できる。さらに、表示装置がアクティブマトリクス
方式の液晶表示装置である場合は、ダイナミックキャパシタンスによる書き込み電圧不足
の問題が回避できるため、動画の尾引き、残像等の障害に対し特に顕著な画質改善効果を
もたらす。さらに、交流駆動によって現れるフリッカを、人間の目に知覚されない程度に
低減することができるThen, when the number of sub-images J is determined to be 2 in
 Since the features and advantages of the driving method shown in FIG. 71 (display timing for various n and m) have already been described, detailed description is omitted here. Of the methods for distributing the .sub.s into a plurality of sub-images, it is clear that the black insertion method has similar advantages. For example, if the interpolated image in the first step is an intermediate image obtained by motion compensation, the motion of the moving image can be smoothed, so the quality of the moving image can be significantly improved. Furthermore, when the display frame rate is high, the quality of moving images can be improved, and when the display frame rate is low, power consumption and manufacturing costs can be reduced. Furthermore, when the display device is an active matrix type liquid crystal display device, the problem of insufficient write voltage due to dynamic capacitance can be avoided, so that a particularly remarkable image quality improvement effect can be obtained against obstacles such as trailing of moving images and afterimages. Furthermore, flicker that appears due to AC driving can be reduced to a level that is not perceived by the human eye.
第2のステップの手順1において、元画像の明るさを複数のサブ画像に分配する方法のう
ち、黒挿入法が選択されることによる特徴的な利点としては、動き補償によって中間画像
を作成する回路の動作を停止または当該回路自体を装置から省略することができるため、
消費電力および装置の製造コストを低減することができることである。さらに、画像デー
タに含まれる階調値によらずに擬似的にインパルス型の表示方法とすることができるため
、動画の品質を向上できる。Among the methods for distributing the brightness of the original image to a plurality of sub-images in
 It is possible to reduce the power consumption and the manufacturing cost of the device. Furthermore, since a pseudo-impulse-type display method can be used regardless of the gradation values included in the image data, the quality of moving images can be improved.
なお、ここでは、手順2においてサブ画像の数Jが2と決定され、手順3においてT1=
T2=T/2と決定された場合について説明したが、これに限定されないのは明らかであ
る。Here, the number J of sub-images is determined to be 2 in
 Although the case where it is determined that T2 =T/2 has been described, it is clearly not limited to this.
たとえば、第2のステップにおける手順3において、T1<T2と決定された場合は、第
1のサブ画像をより明るく、第2のサブ画像をより暗くすることができる。さらに、第2
のステップにおける手順3において、T1>T2と決定された場合は、第1のサブ画像を
より暗く、第2のサブ画像をより明るくすることができる。こうすることで、元画像をき
ちんと人間の目に知覚させることができると同時に、表示を擬似的にインパルス駆動にす
ることもできるため、動画の品質を向上できる。ただし、上記の駆動方法のように、手順
1において、元画像の明るさを複数のサブ画像に分配する方法のうち、黒挿入法が選択さ
れた場合は、サブ画像の明るさを変化させずに、そのまま表示してもよい。なぜならば、
この場合はサブ画像の明るさを変えない場合は、元画像の全体の明るさが暗くなって表示
されるだけであるからである。すなわち、この方法を表示装置の明るさの制御に積極的に
用いることで、動画の品質を向上させつつ、明るさの制御も可能となる。For example, if in
 In
 This is because, in this case, if the brightness of the sub-image is not changed, the overall brightness of the original image will be darkened and displayed. That is, by positively using this method for controlling the brightness of the display device, it becomes possible to control the brightness while improving the quality of moving images.
さらに、手順2において、サブ画像の数Jが2ではなく、それ以外の値に決定されてもよ
いことは明らかである。その場合の利点は既に述べたので、ここでは詳細な説明は省略す
るが、第2のステップにおける手順1において、元画像の明るさを複数のサブ画像に分配
する方法のうち、黒挿入法が選択された場合においても同様な利点を有するのは明らかで
ある。たとえば、液晶素子の応答時間が入力画像データの周期の(1/(変換比のJ倍)
)倍程度である液晶表示装置に適用することで、画質を向上することができる。Furthermore, it is clear that in
 ), the image quality can be improved by applying it to a liquid crystal display device which is about twice as large.
次に、第2のステップにおける手順によって決められる駆動方法の別の例について説明す
る。Next, another example of the driving method determined by the procedure in the second step will be described.
第2のステップにおける手順1において、元画像の明るさを複数のサブ画像に分配する方
法のうち、時分割階調制御法が選択された場合、駆動方法は次のようになる。In
第i(iは正の整数)の画像データと、
第i+1の画像データと、が、一定の周期Tで順次用意され、
前記周期Tは、J(Jは2以上の整数)個のサブ画像表示期間に分割され、
前記第iの画像データは、複数の画素にそれぞれ固有の明るさLを持たせることができる
データであり、
前記固有の明るさLは、最大値がLmaxであり、
第j(jは1以上J以下の整数)のサブ画像は、それぞれ固有の明るさLjを持つ画素が
複数並置されることによって構成され、第jのサブ画像表示期間Tjだけ表示される画像
であり、
前記L、前記T、前記Lj、前記Tj、を、サブ画像分配条件を満たす表示装置の駆動方
法であって、
前記固有の明るさLを表示するにあたって、(j-1)×Lmax/JからJ×Lmax
/Jの明るさの範囲における明るさの調節は、前記J個のサブ画像表示期間のうち唯1つ
のサブ画像表示期間における明るさの調節によって行なう
ことを特徴とする。
ここで、一定の周期Tで順次用意される画像データとしては、第1のステップにおいて作
成された元画像データを用いることができる。すなわち、第1のステップの説明で挙げた
全ての表示パターンを、上記駆動方法と組み合わせることができる。i-th (i is a positive integer) image data;
 and the i+1th image data are sequentially prepared at a constant cycle T,
 The period T is divided into J (J is an integer equal to or greater than 2) sub-image display periods,
 The i-th image data is data that allows each of a plurality of pixels to have a unique brightness L,
 The intrinsic brightness L has a maximum value of Lmax ,
 The j-th (j is an integer of 1 or more and J or less) sub-image is formed by juxtaposing a plurality of pixels each having a unique brightnessLj , and is displayed forthe j-th sub-image display period Tj. is an image,
 A method of driving a display device that satisfies sub-image distribution conditions for the L, the T, the Lj , and the Tj , comprising:
 In displaying the inherent brightness L, (j−1)×Lmax /J to J×Lmax
 The brightness adjustment in the brightness range of /J is performed by adjusting the brightness in only one sub-image display period among the J sub-image display periods.
 Here, the original image data created in the first step can be used as the image data that is sequentially prepared at the constant cycle T. FIG. That is, all the display patterns mentioned in the explanation of the first step can be combined with the driving method described above.
なお、上記の駆動方法は、第1のステップにおいて用いた様々なnおよびmについて、そ
れぞれ組み合わせて実施できることは明らかである。It is obvious that the driving method described above can be implemented in combination with various n and m used in the first step.
そして、第2のステップにおける手順2において、サブ画像の数Jが2と決定され、手順
3において、T1=T2=T/2と決定された場合、上記駆動方法は、図71に示すよう
なものとなる。
図71に示す駆動方法(様々なnおよびmにおける表示タイミング)の特徴および利点は
既に述べたので、ここでは詳細な説明は省略するが、第2のステップにおける手順1にお
いて、元画像の明るさを複数のサブ画像に分配する方法のうち、時分割階調制御法が選択
された場合においても同様な利点を有するのは明らかである。たとえば、第1のステップ
における補間画像が動き補償によって求められた中間画像である場合は、動画の動きを滑
らかにすることができるため、動画の品質を顕著に向上させることが可能である。さらに
、表示フレームレートが大きい場合は、動画の品質を向上でき、表示フレームレートが小
さい場合は、消費電力および製造コストを低減できる。さらに、表示装置がアクティブマ
トリクス方式の液晶表示装置である場合は、ダイナミックキャパシタンスによる書き込み
電圧不足の問題が回避できるため、動画の尾引き、残像等の障害に対し特に顕著な画質改
善効果をもたらす。さらに、交流駆動によって現れるフリッカを、人間の目に知覚されな
い程度に低減することができるThen, when the number of sub-images J is determined to be 2 in
 Since the features and advantages of the driving method shown in FIG. 71 (display timing for various n and m) have already been described, detailed description is omitted here. It is clear that the same advantages are obtained when the time-division gradation control method is selected among the methods of distributing the .times..times..times..times. For example, if the interpolated image in the first step is an intermediate image obtained by motion compensation, the motion of the moving image can be smoothed, so the quality of the moving image can be significantly improved. Furthermore, when the display frame rate is high, the quality of moving images can be improved, and when the display frame rate is low, power consumption and manufacturing costs can be reduced. Furthermore, when the display device is an active matrix type liquid crystal display device, the problem of insufficient write voltage due to dynamic capacitance can be avoided, so that a particularly remarkable image quality improvement effect can be obtained against obstacles such as trailing of moving images and afterimages. Furthermore, flicker that appears due to AC driving can be reduced to a level that is not perceived by the human eye.
第2のステップの手順1において、元画像の明るさを複数のサブ画像に分配する方法のう
ち、時分割階調制御法が選択されることによる特徴的な利点としては、動き補償によって
中間画像を作成する回路の動作を停止または当該回路自体を装置から省略することができ
るため、消費電力および装置の製造コストを低減することができることである。さらに、
擬似的にインパルス型の表示方法とすることができるため、動画の品質が向上でき、かつ
、表示装置の明るさが小さくなってしまうことがないため、さらに消費電力を低減できる
。In
 Since a pseudo-impulse-type display method can be used, the quality of moving images can be improved, and the brightness of the display device does not decrease, so that power consumption can be further reduced.
なお、ここでは、手順2においてサブ画像の数Jが2と決定され、手順3においてT1=
T2=T/2と決定された場合について説明したが、これに限定されないのは明らかであ
る。Here, the number J of sub-images is determined to be 2 in
 Although the case where it is determined that T2 =T/2 has been described, it is clearly not limited to this.
たとえば、第2のステップにおける手順3において、T1<T2と決定された場合は、第
1のサブ画像をより明るく、第2のサブ画像をより暗くすることができる。さらに、第2
のステップにおける手順3において、T1>T2と決定された場合は、第1のサブ画像を
より暗く、第2のサブ画像をより明るくすることができる。こうすることで、元画像をき
ちんと人間の目に知覚させることができると同時に、表示を擬似的にインパルス駆動にす
ることもできるため、動画の品質を向上できる。こうすることで、元画像をきちんと人間
の目に知覚させることができると同時に、表示を擬似的にインパルス駆動にすることもで
きるため、動画の品質を向上できる。For example, if in
 In
さらに、手順2において、サブ画像の数Jが2ではなく、それ以外の値に決定されてもよ
いことは明らかである。その場合の利点は既に述べたので、ここでは詳細な説明は省略す
るが、第2のステップにおける手順1において、元画像の明るさを複数のサブ画像に分配
する方法のうち、時分割階調制御法が選択された場合においても同様な利点を有するのは
明らかである。たとえば、液晶素子の応答時間が入力画像データの周期の(1/(変換比
のJ倍))倍程度である液晶表示装置に適用することで、画質を向上することができる。Furthermore, it is clear that in
次に、第2のステップにおける手順によって決められる駆動方法の別の例について説明す
る。Next, another example of the driving method determined by the procedure in the second step will be described.
第2のステップにおける手順1において、元画像の明るさを複数のサブ画像に分配する方
法のうち、ガンマ補完法が選択された場合、駆動方法は次のようになる。In
第i(iは正の整数)の画像データと、
第i+1の画像データと、が、一定の周期Tで順次用意され、
前記周期Tは、J(Jは2以上の整数)個のサブ画像表示期間に分割され、
前記第iの画像データは、複数の画素にそれぞれ固有の明るさLを持たせることができる
データであり、
第j(jは1以上J以下の整数)のサブ画像は、それぞれ固有の明るさLjを持つ画素が
複数並置されることによって構成され、第jのサブ画像表示期間Tjだけ表示される画像
であり、
前記L、前記T、前記Lj、前記Tj、を、サブ画像分配条件を満たす表示装置の駆動方
法であって、
それぞれのサブ画像において、階調に対する明るさの変化の特性を、線形からずらし、線
形から明るい方へずらした明るさの量の合計と、線形から暗い方へずらした明るさの量の
合計が、全ての階調において概等しい
ことを特徴とする。
ここで、一定の周期Tで順次用意される画像データとしては、第1のステップにおいて作
成された元画像データを用いることができる。すなわち、第1のステップの説明で挙げた
全ての表示パターンを、上記駆動方法と組み合わせることができる。i-th (i is a positive integer) image data;
 and the i+1th image data are sequentially prepared at a constant cycle T,
 The period T is divided into J (J is an integer equal to or greater than 2) sub-image display periods,
 The i-th image data is data that allows each of a plurality of pixels to have a unique brightness L,
 The j-th (j is an integer of 1 or more and J or less) sub-image is formed by juxtaposing a plurality of pixels each having a unique brightnessLj , and is displayed forthe j-th sub-image display period Tj. is an image,
 A method of driving a display device that satisfies sub-image distribution conditions for the L, the T, the Lj , and the Tj , comprising:
 In each sub-image, the characteristics of the change in brightness with respect to gradation are calculated by shifting from linear to the sum of the amount of brightness shifted from linear to brighter and the sum of the amount of brightness shifted from linear to darker. , are approximately the same for all gradations.
 Here, the original image data created in the first step can be used as the image data that is sequentially prepared at the constant cycle T. FIG. That is, all the display patterns mentioned in the explanation of the first step can be combined with the driving method described above.
なお、上記の駆動方法は、第1のステップにおいて用いた様々なnおよびmについて、そ
れぞれ組み合わせて実施できることは明らかである。It is obvious that the driving method described above can be implemented in combination with various n and m used in the first step.
そして、第2のステップにおける手順2において、サブ画像の数Jが2と決定され、手順
3において、T1=T2=T/2と決定された場合、上記駆動方法は、図71に示すよう
なものとなる。
図71に示す駆動方法(様々なnおよびmにおける表示タイミング)の特徴および利点は
既に述べたので、ここでは詳細な説明は省略するが、第2のステップにおける手順1にお
いて、元画像の明るさを複数のサブ画像に分配する方法のうち、ガンマ補完法が選択され
た場合においても同様な利点を有するのは明らかである。たとえば、第1のステップにお
ける補間画像が動き補償によって求められた中間画像である場合は、動画の動きを滑らか
にすることができるため、動画の品質を顕著に向上させることが可能である。さらに、表
示フレームレートが大きい場合は、動画の品質を向上でき、表示フレームレートが小さい
場合は、消費電力および製造コストを低減できる。さらに、表示装置がアクティブマトリ
クス方式の液晶表示装置である場合は、ダイナミックキャパシタンスによる書き込み電圧
不足の問題が回避できるため、動画の尾引き、残像等の障害に対し特に顕著な画質改善効
果をもたらす。さらに、交流駆動によって現れるフリッカを、人間の目に知覚されない程
度に低減することができるThen, when the number of sub-images J is determined to be 2 in
 Since the features and advantages of the driving method shown in FIG. 71 (display timing for various n and m) have already been described, detailed description is omitted here. It is clear that the gamma interpolation method has similar advantages when the method of distributing the .times..times..times..times..times..times..times..times..times..times..times..times. For example, if the interpolated image in the first step is an intermediate image obtained by motion compensation, the motion of the moving image can be smoothed, so the quality of the moving image can be significantly improved. Furthermore, when the display frame rate is high, the quality of moving images can be improved, and when the display frame rate is low, power consumption and manufacturing costs can be reduced. Furthermore, when the display device is an active matrix type liquid crystal display device, the problem of insufficient write voltage due to dynamic capacitance can be avoided, so that a particularly remarkable image quality improvement effect can be obtained against obstacles such as trailing of moving images and afterimages. Furthermore, flicker that appears due to AC driving can be reduced to a level that is not perceived by the human eye.
第2のステップの手順1において、元画像の明るさを複数のサブ画像に分配する方法のう
ち、ガンマ補完法が選択されることによる特徴的な利点としては、動き補償によって中間
画像を作成する回路の動作を停止または当該回路自体を装置から省略することができるた
め、消費電力および装置の製造コストを低減することができることである。さらに、画像
データに含まれる階調値によらずに擬似的にインパルス型の表示方法とすることができる
ため、動画の品質を向上できる。さらに、画像データを直接ガンマ変換することによって
サブ画像を求めてもよい。この場合は、動画の動きの大きさなどによって、様々にガンマ
値を制御できる利点を有する。さらに、画像データは直接ガンマ変換せず、デジタルアナ
ログ変換回路(DAC)の参照電圧を変えることによって、ガンマ値を変化させたサブ画
像を求める構成であってもよい。この場合は、画像データを直接ガンマ変換することがな
いので、ガンマ変換を行なう回路を停止または当該回路自体を装置から省略することがで
きるため、消費電力および装置の製造コストを低減することができる。さらに、ガンマ補
完法においては、階調に対するそれぞれのサブ画像の明るさLjの変化がガンマ曲線にし
たがっているため、それぞれのサブ画像がそれ自体で階調を滑らかに表示でき、最終的に
人間の目で知覚される画像の品質も向上するという利点を有する。In
なお、ここでは、手順2においてサブ画像の数Jが2と決定され、手順3においてT1=
T2=T/2と決定された場合について説明したが、これに限定されないのは明らかであ
る。Here, the number J of sub-images is determined to be 2 in
 Although the case where it is determined that T2 =T/2 has been described, it is clearly not limited to this.
たとえば、第2のステップにおける手順3において、T1<T2と決定された場合は、第
1のサブ画像をより明るく、第2のサブ画像をより暗くすることができる。さらに、第2
のステップにおける手順3において、T1>T2と決定された場合は、第1のサブ画像を
より暗く、第2のサブ画像をより明るくすることができる。こうすることで、元画像をき
ちんと人間の目に知覚させることができると同時に、表示を擬似的にインパルス駆動にす
ることもできるため、動画の品質を向上できる。なお、上記の駆動方法のように、手順1
において、元画像の明るさを複数のサブ画像に分配する方法のうち、ガンマ法が選択され
た場合は、サブ画像の明るさを変化させる場合に、ガンマ値を変化させてもよい。すなわ
ち、第2のサブ画像の表示タイミングにしたがって、ガンマ値を決めてもよい。こうする
ことで、画像全体の明るさを変化させる回路を停止または当該回路自体を装置から省略す
ることができるため、消費電力および装置の製造コストを低減することができる。For example, if in
 In
 3, when the gamma method is selected among the methods of distributing the brightness of the original image to a plurality of sub-images, the gamma value may be changed when changing the brightness of the sub-images. That is, the gamma value may be determined according to the display timing of the second sub-image. By doing so, the circuit that changes the brightness of the entire image can be stopped or the circuit itself can be omitted from the device, so that the power consumption and the manufacturing cost of the device can be reduced.
さらに、手順2において、サブ画像の数Jが2ではなく、それ以外の値に決定されてもよ
いことは明らかである。その場合の利点は既に述べたので、ここでは詳細な説明は省略す
るが、第2のステップにおける手順1において、元画像の明るさを複数のサブ画像に分配
する方法のうち、時分割階調制御法が選択された場合においても同様な利点を有するのは
明らかである。たとえば、液晶素子の応答時間が入力画像データの周期の(1/(変換比
のJ倍))倍程度である液晶表示装置に適用することで、画質を向上することができる。Furthermore, it is clear that in
次に、第2のステップにおける手順によって決められる駆動方法の別の例について、詳細
に説明する。Next, another example of the driving method determined by the procedure in the second step will be described in detail.
第2のステップにおける手順1において、動き補償によって求めた中間画像をサブ画像と
して用いる方法が選択され、
第2のステップにおける手順2において、サブ画像の数が2と決定され、
第2のステップにおける手順3において、T1=T2=T/2と決定された場合は、第2
のステップにおける手順によって決められる駆動方法は、次のようになる。In
 In
 In
 The driving method determined by the procedure in
第i(iは正の整数)の画像データと、
第i+1の画像データと、が、一定の周期Tで順次用意され、
第k(kは正の整数)の画像と、
第k+1の画像と、
第k+2の画像と、を、元画像データの周期の1/2倍の間隔で順次表示する表示装置の
駆動方法であって、
前記第kの画像は、前記第iの画像データにしたがって表示され、
前記第k+1の画像は、前記第iの画像データから前記第i+1の画像データまでの動き
を1/2倍した動きに相当する画像データにしたがって表示され、
前記第k+2の画像は、前記第i+1の画像データにしたがって表示される
ことを特徴とする。
ここで、一定の周期Tで順次用意される画像データとしては、第1のステップにおいて作
成された元画像データを用いることができる。すなわち、第1のステップの説明で挙げた
全ての表示パターンを、上記駆動方法と組み合わせることができる。i-th (i is a positive integer) image data;
 and the i+1th image data are sequentially prepared at a constant cycle T,
 a k-th (k is a positive integer) image;
 a k+1-th image;
 A driving method for a display device for sequentially displaying a k+2-th image and an image at an interval of 1/2 times the period of the original image data,
 the k-th image is displayed according to the i-th image data;
 the k+1-th image is displayed according to image data corresponding to a motion obtained by multiplying the motion from the i-th image data to the i+1-th image data by 1/2;
 The k+2-th image is displayed according to the i+1-th image data.
 Here, the original image data created in the first step can be used as the image data that is sequentially prepared at the constant cycle T. FIG. That is, all the display patterns mentioned in the explanation of the first step can be combined with the driving method described above.
なお、上記の駆動方法は、第1のステップにおいて用いた様々なnおよびmについて、そ
れぞれ組み合わせて実施できることは明らかである。It is obvious that the driving method described above can be implemented in combination with various n and m used in the first step.
第2のステップにおける手順1において、動き補償によって求めた中間画像をサブ画像と
して用いる方法が選択されることによる特徴的な利点は、第1のステップにおける手順に
おいて、動き補償によって求めた中間画像を補間画像とする場合に、第1のステップにお
いて用いた中間画像を求める方法が、第2のステップでもそのままの方法で用いることが
できる点である。すなわち、動き補償によって中間画像を求める回路を、第1のステップ
だけではなく、第2のステップでも利用することができるので、回路を有効に利用できる
ようになり、処理効率を向上できる。また、画像の動きをさらに滑らかにすることができ
るため、動画の品質をさらに向上させることができる。A characteristic advantage of selecting the method of using the intermediate image obtained by motion compensation as a sub-image in
なお、ここでは、手順2においてサブ画像の数Jが2と決定され、手順3においてT1=
T2=T/2と決定された場合について説明したが、これに限定されないのは明らかであ
る。Here, the number J of sub-images is determined to be 2 in
 Although the case where it is determined that T2 =T/2 has been described, it is clearly not limited to this.
たとえば、第2のステップにおける手順3において、T1<T2と決定された場合は、第
1のサブ画像をより明るく、第2のサブ画像をより暗くすることができる。さらに、第2
のステップにおける手順3において、T1>T2と決定された場合は、第1のサブ画像を
より暗く、第2のサブ画像をより明るくすることができる。こうすることで、元画像をき
ちんと人間の目に知覚させることができると同時に、表示を擬似的にインパルス駆動にす
ることもできるため、動画の品質を向上できる。こうすることで、元画像をきちんと人間
の目に知覚させることができると同時に、表示を擬似的にインパルス駆動にすることもで
きるため、動画の品質を向上できる。なお、上記の駆動方法のように、手順2において、
動き補償によって求めた中間画像をサブ画像として用いる方法が選択された場合は、サブ
画像の明るさを変化させなくてもよい。なぜならば、中間状態の画像はそれ自体で画像と
して完結しているため、第2のサブ画像の表示タイミングが変化しても、人間の目に知覚
される画像としては変化しないためである。この場合は、画像全体の明るさを変化させる
回路を停止または当該回路自体を装置から省略することができるため、消費電力および装
置の製造コストを低減することができる。For example, if in
 In
 If the method of using an intermediate image obtained by motion compensation as a sub-image is selected, it is not necessary to change the brightness of the sub-image. This is because the image in the intermediate state is complete as an image by itself, so even if the display timing of the second sub-image changes, the image perceived by the human eye does not change. In this case, the circuit that changes the brightness of the entire image can be stopped or the circuit itself can be omitted from the device, so power consumption and manufacturing cost of the device can be reduced.
さらに、手順2において、サブ画像の数Jが2ではなく、それ以外の値に決定されてもよ
いことは明らかである。その場合の利点は既に述べたので、ここでは詳細な説明は省略す
るが、第2のステップにおける手順1において、動き補償によって求めた中間画像をサブ
画像として用いる方法が選択された場合においても同様な利点を有するのは明らかである
。たとえば、液晶素子の応答時間が入力画像データの周期の(1/(変換比のJ倍))倍
程度である液晶表示装置に適用することで、画質を向上することができる。Furthermore, it is clear that in
次に、図73を参照して、入力フレームレートと表示フレームレートが異なる場合の、フ
レームレート変換方法の具体例について説明する。図73(A)乃至(C)に示す方法に
おいては、画像上の円形の領域がフレームによって位置が変化する領域であり、画像上の
三角形の領域がフレームによって位置がほぼ変化しない領域であるとしている。ただし、
これは説明のための例であり、表示される画像はこれに限定されない。図73(A)乃至
(C)の方法は、様々な画像に対して適用することができる。Next, a specific example of a frame rate conversion method when the input frame rate and the display frame rate are different will be described with reference to FIG. In the method shown in FIGS. 73A to 73C, it is assumed that the circular area on the image is an area whose position changes depending on the frame, and the triangular area on the image is an area whose position hardly changes depending on the frame. there is however,
 This is an example for explanation, and the displayed image is not limited to this. The methods of FIGS. 73A to 73C can be applied to various images.
図73(A)は、表示フレームレートが入力フレームレートの2倍(変換比が2)である
場合を表している。変換比が2である場合は、変換比が2より小さい場合よりも動画の品
質を向上できるという利点を有する。さらに、変換比が2である場合は、変換比が2より
大きい場合よりも消費電力および製造コストを低減できるという利点を有する。図73(
A)は、横軸を時間として、表示される画像の時間的な変化の様子を、模式的に表したも
のである。ここで、注目している画像のことを、第pの画像(pは正の整数)と表記する
こととする。そして、注目している画像の次に表示される画像を、第(p+1)の画像、
注目している画像の前に表示される画像を、第(p―1)の画像、というように、注目し
ている画像からどれだけ離れて表示されるかということを、便宜的に表記することとする
。そして、画像7301は第pの画像、画像7302は第(p+1)の画像、画像730
3は第(p+2)の画像、画像7304は第(p+3)の画像、画像7305は第(p+
4)の画像であるとする。期間Tinは、入力画像データの周期を表している。なお、図
73(A)は変換比が2である場合を表しているため、期間Tinは、第pの画像が表示
されてから第(p+1)の画像が表示されるまで期間の2倍の長さとなる。FIG. 73A shows a case where the display frame rate is twice the input frame rate (the conversion ratio is 2). A conversion ratio of 2 has the advantage that the quality of moving images can be improved over a conversion ratio of less than 2. Furthermore, when the conversion ratio is 2, there is an advantage that power consumption and manufacturing cost can be reduced as compared with the case where the conversion ratio is greater than 2. Figure 73 (
 A) schematically shows how the displayed image changes over time, with the horizontal axis representing time. Here, the image of interest is referred to as the p-th image (p is a positive integer). Then, the image displayed next to the focused image is the (p+1)th image,
 An image displayed in front of the focused image is referred to as the (p-1)th image, and for the sake of convenience, how far it is displayed from the focused image is indicated. It is assumed that An
 3 is the (p+2)th image,
 4) image. A period Tin represents the cycle of the input image data. Since FIG. 73A shows a case where the conversion ratio is 2, the period Tin is double the period from the display of the p-th image to the display of the (p+1)-th image. be the length.
ここで、第(p+1)の画像7302は、第pの画像7301から第(p+2)の画像7
303までの画像の変化量を検出することで、第pの画像7301および第(p+2)の
画像7303の中間状態となるように作成された画像であってもよい。図73(A)では
、フレームによって位置が変化する領域(円形の領域)と、フレームによって位置がほぼ
変化しない領域(三角形の領域)と、によって、中間状態の画像の様子を表している。す
なわち、第(p+1)の画像7302における円形の領域の位置は、第pの画像7301
における位置と、第(p+2)の画像7303における位置の中間の位置としている。つ
まり、第(p+1)の画像7302は、動き補償を行なって画像データを補間したもので
ある。このように、画像上で動きのある物体に対して動き補償を行い、画像データを補間
することによって、なめらかな表示を行なうことができる。Here, the (p+1)
 By detecting the amount of change in the images up to 303, the image may be created so as to have an intermediate state between the p-
 and the position in the (p+2)
さらに、第(p+1)の画像7302は、第pの画像7301および第(p+2)の画像
7303の中間状態となるように作成された上で、画像の輝度を一定の規則で制御した画
像であってもよい。一定の規則とは、たとえば、図73(A)のように、第pの画像73
01の代表的な輝度をL、第(p+1)の画像7302の代表的な輝度をLcとしたとき
、LとLcで、L>Lcという関係があってもよい。望ましくは、0.1L<Lc<0.
8Lという関係があってもよい。さらに望ましくは、0.2L<Lc<0.5Lという関
係があってもよい。または、逆にLとLcで、L<Lcという関係があってもよい。望ま
しくは、0.1Lc<L<0.8Lcという関係があってもよい。さらに望ましくは、0
.2Lc<L<0.5Lcという関係があってもよい。このようにすることで、表示を擬
似的にインパルス型とすることができるため、目の残像を抑えることができる。Furthermore, the (p+1)-
 01 is L, and the (p+1)-
 There may be a relationship of 8L. More preferably, there may be a relationship of 0.2L<Lc<0.5L. Alternatively, conversely, L and Lc may have a relationship of L<Lc. Desirably, there may be a relationship of 0.1Lc<L<0.8Lc. More preferably, 0
 . There may be a relationship of 2Lc<L<0.5Lc. By doing so, the display can be pseudo-impulse type, so that the afterimage of the eyes can be suppressed.
なお、画像の代表的な輝度については、後に図74を参照して詳しく述べる。Note that typical luminance of an image will be described later in detail with reference to FIG.
このように、動画ボケに対する2つの異なる原因(画像の動きがなめらかではないこと、
および目の残像)を同時に解決することによって、動画ボケを大幅に低減することができ
る。Thus, there are two different causes for motion blur (image motion is not smooth,
 and eye persistence), motion blur can be significantly reduced.
さらに、第(p+3)の画像7304についても、第(p+2)の画像7303および第
(p+4)の画像7305から同様な方法を用いて作成されてもよい。すなわち、第(p
+3)の画像7304は、第(p+2)の画像7303から第(p+4)の画像7305
までの画像の変化量を検出することで、第(p+2)の画像7303および第(p+4)
の画像7305の中間状態となるように作成された画像であって、さらに、画像の輝度を
一定の規則で制御した画像であってもよい。Furthermore, the (p+3)
 +3)
 By detecting the amount of change in the image up to the (p+2)
 It may be an image created so as to have an intermediate state of the
図73(B)は、表示フレームレートが、入力フレームレートの3倍(変換比が3)であ
る場合を表している。図73(B)は、横軸を時間として、表示される画像の時間的な変
化の様子を、模式的に表したものである。画像7311は第pの画像、画像7312は第
(p+1)の画像、画像7313は第(p+2)の画像、画像7314は第(p+3)の
画像、画像7315は第(p+4)の画像、画像7316は第(p+5)の画像、画像7
317は第(p+6)の画像であるとする。期間Tinは、入力画像データの周期を表し
ている。なお、図73(B)は変換比が3である場合を表しているため、期間Tinは、
第pの画像が表示されてから第(p+1)の画像が表示されるまで期間の3倍の長さとな
る。FIG. 73B shows a case where the display frame rate is three times the input frame rate (the conversion ratio is 3). FIG. 73B schematically shows how the displayed image changes over time, with the horizontal axis representing time.
 Assume that 317 is the (p+6)th image. A period Tin represents the cycle of the input image data. Note that since FIG. 73B shows the case where the conversion ratio is 3, the period Tin is
 The period from when the p-th image is displayed to when the (p+1)-th image is displayed is three times as long as the period.
ここで、第(p+1)の画像7312および第(p+2)の画像7313は、第pの画像
7311から第(p+3)の画像7314までの画像の変化量を検出することで、第pの
画像7311および第(p+3)の画像7314の中間状態となるように作成された画像
であってもよい。図73(B)では、フレームによって位置が変化する領域(円形の領域
)と、フレームによって位置がほぼ変化しない領域(三角形の領域)と、によって、中間
状態の画像の様子を表している。すなわち、第(p+1)の画像7312および第(p+
2)の画像7313における円形の領域の位置は、第pの画像7311における位置と、
第(p+3)の画像7314における位置の中間の位置としている。具体的には、第pの
画像7311および第(p+3)の画像7314から検出した、円形の領域が移動する量
をXとしたとき、第(p+1)の画像7312における円形の領域の位置は、第pの画像
7311における位置から、(1/3)X程度変位した位置であっても良い。さらに、第
(p+2)の画像7313における円形の領域の位置は、第pの画像7311における位
置から、(2/3)X程度変位した位置であっても良い。つまり、第(p+1)の画像7
312および第(p+2)の画像7313は、動き補償を行なって画像データを補間した
ものである。このように、画像上で動きのある物体に対して動き補償を行い、画像データ
を補間することにより、なめらかな表示を行なうことができる。Here, the (p+1)
 2) The position of the circular area in the
 It is the middle position between the positions in the (p+3)
 312 and the (p+2)
さらに、第(p+1)の画像7312および第(p+2)の画像7313は、第pの画像
7311および第(p+3)の画像7314の中間状態となるように作成された上で、画
像の輝度を一定の規則で制御した画像であってもよい。一定の規則とは、たとえば、図7
3(B)のように、第pの画像7311の代表的な輝度をL、第(p+1)の画像731
2の代表的な輝度をLc1、第(p+2)の画像7313の代表的な輝度をLc2とした
とき、L、Lc1、Lc2において、L>Lc1またはL>Lc2またはLc1=Lc2
という関係があってもよい。望ましくは、0.1L<Lc1=Lc2<0.8Lという関
係があってもよい。さらに望ましくは、0.2L<Lc=Lc2<0.5Lという関係が
あってもよい。または、逆にL、Lc1、Lc2において、L<Lc1またはL<Lc2
またはLc1=Lc2という関係があってもよい。望ましくは、0.1Lc1=0.1L
c2<L<0.8Lc1=0.8Lc2という関係があってもよい。さらに望ましくは、
0.2Lc1=0.2Lc2<L<0.5Lc1=0.5Lc2という関係があってもよ
い。このようにすることで、表示を擬似的にインパルス型とすることができるため、目の
残像を抑えることができる。または、輝度を変化させる画像が交互に現れるようにしても
よい。こうすることで、輝度が変化する周期を短くすることができるので、フリッカを低
減することができる。Furthermore, the (p+1)
 3(B), the representative luminance of the p-
 2 is Lc1, and the typical luminance of the (p+2)
 There may be a relationship that Desirably, there may be a relationship of 0.1L<Lc1=Lc2<0.8L. More desirably, there may be a relationship of 0.2L<Lc=Lc2<0.5L. Or conversely, in L, Lc1, Lc2, L<Lc1 or L<Lc2
 Alternatively, there may be a relationship of Lc1=Lc2. Desirably, 0.1Lc1=0.1L
 There may be a relationship of c2<L<0.8Lc1=0.8Lc2. More preferably
 There may be a relationship of 0.2Lc1=0.2Lc2<L<0.5Lc1=0.5Lc2. By doing so, the display can be pseudo-impulse type, so that the afterimage of the eyes can be suppressed. Alternatively, images with varying brightness may alternately appear. By doing so, the period in which the luminance changes can be shortened, so that flicker can be reduced.
このように、動画ボケに対する2つの異なる原因(画像の動きがなめらかではないこと、
および目の残像)を同時に解決することによって、動画ボケを大幅に低減することができ
る。Thus, there are two different causes for motion blur (image motion is not smooth,
 and eye persistence), motion blur can be significantly reduced.
さらに、第(p+4)の画像7315および第(p+5)の画像7316についても、第
(p+3)の画像7314および第(p+6)の画像7317から同様な方法を用いて作
成されてもよい。すなわち、第(p+4)の画像7315および第(p+5)の画像73
16は、第(p+3)の画像7314から第(p+6)の画像7317までの画像の変化
量を検出することで、第(p+3)の画像7314および第(p+6)の画像7317の
中間状態となるように作成された画像であって、さらに、画像の輝度を一定の規則で制御
した画像であってもよい。Further, the (p+4)
 16 detects the amount of change in the image from the (p+3)
なお、図73(B)の方法を用いると、表示フレームレートが大きいので、画像の動きが
目の動きによく追従できるようになり、画像の動きをなめらかに表示することができるた
め、動画ボケを大幅に低減することができる。When the method of FIG. 73B is used, the display frame rate is high, so the movement of the image can follow the movement of the eyes well, and the movement of the image can be displayed smoothly. can be greatly reduced.
図73(C)は、表示フレームレートが、入力フレームレートの1.5倍(変換比1.5
)である場合を表している。図73(C)は、横軸を時間として、表示される画像の時間
的な変化の様子を、模式的に表したものである。画像7321は第pの画像、画像732
2は第(p+1)の画像、画像7323は第(p+2)の画像、画像7324は第(p+
3)の画像であるとする。なお、実際には表示されなくてもよいが、画像7325は入力
画像データであり、第(p+1)の画像7322および第(p+2)の画像7323が作
成されるために用いられていてもよい。期間Tinは、入力画像データの周期を表してい
る。なお、図73(C)は変換比が1.5である場合を表しているため、期間Tinは、
第pの画像が表示されてから第(p+1)の画像が表示されるまで期間の1.5倍の長さ
となる。In FIG. 73(C), the display frame rate is 1.5 times the input frame rate (conversion ratio 1.5).
 ). FIG. 73C schematically shows how the displayed image changes over time, with the horizontal axis representing time.
 2 is the (p+1)th image,
 3) is the image. Note that the
 The period from the display of the p-th image to the display of the (p+1)-th image is 1.5 times longer than the period.
ここで、第(p+1)の画像7322および第(p+2)の画像7323は、第pの画像
7321から画像7325を経由して第(p+3)の画像7324までの画像の変化量を
検出することで、第pの画像7321および第(p+3)の画像7324の中間状態とな
るように作成された画像であってもよい。図73(C)では、フレームによって位置が変
化する領域(円形の領域)と、フレームによって位置がほぼ変化しない領域(三角形の領
域)と、によって、中間状態の画像の様子を表している。すなわち、第(p+1)の画像
7322および第(p+2)の画像7323における円形の領域の位置は、第pの画像7
321における位置と、第(p+3)の画像7324における位置の中間の位置としてい
る。つまり、第(p+1)の画像7322および第(p+2)の画像7323は、動き補
償を行なって画像データを補間したものである。このように、画像上で動きのある物体に
対して動き補償を行い、画像データを補間することにより、なめらかな表示を行なうこと
ができる。Here, the (p+1)
 321 and the position in the (p+3)
さらに、第(p+1)の画像7322および第(p+2)の画像7323は、第pの画像
7321および第(p+3)の画像7324の中間状態となるように作成された上で、画
像の輝度を一定の規則で制御した画像であってもよい。一定の規則とは、たとえば、図7
3(C)のように、第pの画像7321の代表的な輝度をL、第(p+1)の画像732
2の代表的な輝度をLc1、第(p+2)の画像7323の代表的な輝度をLc2とした
とき、L、Lc1、Lc2において、L>Lc1またはL>Lc2またはLc1=Lc2
という関係があってもよい。望ましくは、0.1L<Lc1=Lc2<0.8Lという関
係があってもよい。さらに望ましくは、0.2L<Lc=Lc2<0.5Lという関係が
あってもよい。または、逆にL、Lc1、Lc2において、L<Lc1またはL<Lc2
またはLc1=Lc2という関係があってもよい。望ましくは、0.1Lc1=0.1L
c2<L<0.8Lc1=0.8Lc2という関係があってもよい。さらに望ましくは、
0.2Lc1=0.2Lc2<L<0.5Lc1=0.5Lc2という関係があってもよ
い。このようにすることで、表示を擬似的にインパルス型とすることができるため、目の
残像を抑えることができる。または、輝度を変化させる画像が交互に現れるようにしても
よい。こうすることで、輝度が変化する周期を短くすることができるので、フリッカを低
減することができる。Furthermore, the (p+1)-
 3(C), the representative luminance of the p-
 2 is Lc1, and the typical luminance of the (p+2)
 There may be a relationship that Desirably, there may be a relationship of 0.1L<Lc1=Lc2<0.8L. More desirably, there may be a relationship of 0.2L<Lc=Lc2<0.5L. Or conversely, in L, Lc1, Lc2, L<Lc1 or L<Lc2
 Alternatively, there may be a relationship of Lc1=Lc2. Desirably, 0.1Lc1=0.1L
 There may be a relationship of c2<L<0.8Lc1=0.8Lc2. More preferably
 There may be a relationship of 0.2Lc1=0.2Lc2<L<0.5Lc1=0.5Lc2. By doing so, the display can be pseudo-impulse type, so that the afterimage of the eyes can be suppressed. Alternatively, images with varying brightness may alternately appear. By doing so, the period in which the luminance changes can be shortened, so that flicker can be reduced.
このように、動画ボケに対する2つの異なる原因(画像の動きがなめらかではないこと、
および目の残像)を同時に解決することによって、動画ボケを大幅に低減することができ
る。Thus, there are two different causes for motion blur (image motion is not smooth,
 and eye persistence), motion blur can be significantly reduced.
なお、図73(C)の方法を用いると、表示フレームレートが小さいので、表示装置に信
号を書き込む時間を長くすることができる。そのため、表示装置のクロック周波数を小さ
くできるので、消費電力を低減することができる。また、動き補償を行なう処理速度を遅
くできるので、消費電力を低減することができる。Note that when the method in FIG. 73C is used, the display frame rate is low, so the time for writing signals to the display device can be lengthened. Therefore, since the clock frequency of the display device can be reduced, power consumption can be reduced. Moreover, since the processing speed of motion compensation can be slowed down, power consumption can be reduced.
次に、図74を参照して、画像の代表的な輝度について説明する。図74(A)乃至(D
)に示す図は、横軸を時間として、表示される画像の時間的な変化の様子を、模式的に表
したものである。図74(E)は、ある領域内の画像の輝度を測定する方法の一例である
。Next, with reference to FIG. 74, typical luminance of an image will be described. 74(A) to (D)
 ) schematically shows how the displayed image changes over time, with the horizontal axis representing time. FIG. 74(E) is an example of a method for measuring the luminance of an image within a certain area.
画像の輝度を測定する方法としては、画像を構成するそれぞれの画素に対し、個別に輝度
を測定する方法がある。この方法を用いると、画像の細部まで厳密に輝度を測定すること
ができる。As a method of measuring the luminance of an image, there is a method of individually measuring the luminance of each pixel constituting the image. Using this method, it is possible to measure the brightness of the image details precisely.
ただし、画像を構成するそれぞれの画素に対し、個別に輝度を測定する方法は、非常に労
力を要するため、別の方法を用いてもよい。画像の輝度を測定する別の方法としては、画
像内のある領域に注目し、その領域の平均的な輝度を測定する方法がある。この方法によ
って、簡易に画像の輝度を測定することができる。本実施の形態においては、画像内のあ
る領域の平均的な輝度を測定する方法によって求めた輝度を、便宜的に、画像の代表的な
輝度と呼ぶこととする。However, since the method of individually measuring the luminance of each pixel constituting an image requires a great deal of labor, another method may be used. Another method of measuring the luminance of an image is to focus on a region within the image and measure the average luminance of that region. This method makes it possible to easily measure the luminance of an image. In the present embodiment, the brightness obtained by the method of measuring the average brightness of a certain area in the image is called the representative brightness of the image for convenience.
そして、画像の代表的な輝度を求めるために、画像内のどの領域に注目するかという点に
ついて、以下で説明する。Then, in order to obtain the representative brightness of the image, which area in the image should be focused on will be described below.
図74(A)は、画像の変化に対し、位置がほぼ変化しない領域(三角形の領域)の輝度
を、画像の代表的な輝度とする方法の例を表している。期間Tinは入力画像データの周
期、画像7401は第pの画像、画像7402は第(p+1)の画像、画像7403は第
(p+2)の画像、第1の領域7404は第pの画像7401における輝度測定領域、第
2の領域7405は第(p+1)の画像7402における輝度測定領域、第3の領域74
06は第(p+2)の画像7403における輝度測定領域を、それぞれ表している。ここ
で、第1乃至第3の領域は、装置内の空間的な位置としては、概同じであるとしてよい。
つまり、第1乃至第3の領域で画像の代表的な輝度を測定することによって、画像の代表
的な輝度の時間変化を求めることができる。FIG. 74A shows an example of a method of using the luminance of an area (triangular area) whose position is almost unchanged with respect to image changes as the representative luminance of the image. The period Tin is the cycle of the input image data, the
 06 represents the luminance measurement area in the (p+2)
 That is, by measuring the representative luminance of the image in the first to third regions, it is possible to obtain the temporal change in the representative luminance of the image.
画像の代表的な輝度を測定することで、表示が擬似的にインパルス型となっているかどう
かを判断することができる。たとえば、第1の領域7404で測定される輝度をL、第2
の領域7405で測定される輝度をLcとしたとき、Lc<Lであれば、表示は擬似的に
インパルス型であるといえる。このようなときに、動画の品質は向上しているといえる。By measuring the representative brightness of the image, it is possible to determine whether the display is pseudo-impulsive. For example, let the luminance measured in the
 When Lc is the luminance measured in the
なお、輝度測定領域において、時間の変化に対する画像の代表的な輝度の変化量(相対輝
度)が、次のような範囲であると、画質を向上することができる。相対輝度としては、た
とえば、第1の領域7404と第2の領域7405、第2の領域7405と第3の領域7
406、第1の領域7404と第3の領域7406のそれぞれに対し、大きい方の輝度に
対する小さい方の輝度の割合とすることができる。つまり、時間の変化に対する画像の代
表的な輝度の変化量が0であるとき、相対輝度は100%となる。そして、相対輝度が8
0%以下であれば、動画の品質を向上できる。特に、相対輝度が50%以下であれば、動
画の品質を顕著に向上できる。さらに、相対輝度が10%以上であれば、消費電力を低減
し、かつフリッカを抑えることができる。特に、相対輝度が20%以上であれば、消費電
力およびフリッカを顕著に低減することができる。すなわち、相対輝度が10%以上80
%以下であれば、動画の品質を向上させ、かつ、消費電力およびフリッカを低減すること
ができる。さらに、相対輝度が20%以上50%以下であれば、動画の品質を顕著に向上
させ、かつ、消費電力およびフリッカを顕著に低減することができる。In the luminance measurement area, the image quality can be improved if the representative luminance change amount (relative luminance) of the image with respect to time changes is within the following range. As the relative luminance, for example, the
 406, for each of the
 If it is 0% or less, the quality of moving images can be improved. In particular, when the relative luminance is 50% or less, the quality of moving images can be significantly improved. Furthermore, if the relative brightness is 10% or more, power consumption can be reduced and flicker can be suppressed. In particular, when the relative luminance is 20% or more, power consumption and flicker can be significantly reduced. That is, if the relative luminance is 10% or more and 80
 % or less, it is possible to improve the quality of moving images and reduce power consumption and flicker. Furthermore, when the relative luminance is 20% or more and 50% or less, the quality of moving images can be significantly improved, and power consumption and flicker can be significantly reduced.
図74(B)は、タイル状に分割された領域の輝度を測定し、その平均値を画像の代表的
な輝度とする方法の例を表している。期間Tinは入力画像データの周期、画像7411
は第pの画像、画像7412は第(p+1)の画像、画像7413は第(p+2)の画像
、第1の領域7414は第pの画像7411における輝度測定領域、第2の領域7415
は第(p+1)の画像7412における輝度測定領域、第3の領域7416は第(p+2
)の画像7413における輝度測定領域を、それぞれ表している。ここで、第1乃至第3
の領域は、装置内の空間的な位置としては、概同じであるとしてよい。つまり、第1乃至
第3の領域で画像の代表的な輝度を測定することによって、画像の代表的な輝度の時間変
化を求めることができる。FIG. 74B shows an example of a method of measuring the brightness of the regions divided into tiles and using the average value as the representative brightness of the image. The period Tin is the cycle of the input image data, and the
 is the pth image, the
 is the luminance measurement area in the (p+1)
 ) in the
 may be assumed to be substantially the same in terms of spatial position within the device. That is, by measuring the representative luminance of the image in the first to third regions, it is possible to obtain the temporal change in the representative luminance of the image.
画像の代表的な輝度を測定することで、表示が擬似的にインパルス型となっているかどう
かを判断することができる。たとえば、第1の領域7414で測定される輝度の全ての領
域における平均値をL、第2の領域7415で測定される輝度の全ての領域における平均
値をLcとしたとき、Lc<Lであれば、表示は擬似的にインパルス型であるといえる。
このようなときに、動画の品質は向上しているといえる。By measuring the representative brightness of the image, it is possible to determine whether the display is pseudo-impulsive. For example, if L is the average value of luminance in all regions measured in the
 In such a case, it can be said that the quality of the moving image is improved.
なお、輝度測定領域において、時間の変化に対する画像の代表的な輝度の変化量(相対輝
度)が、次のような範囲であると、画質を向上することができる。相対輝度としては、た
とえば、第1の領域7414と第2の領域7415、第2の領域7415と第3の領域7
416、第1の領域7414と第3の領域7416のそれぞれに対し、大きい方の輝度に
対する小さい方の輝度の割合とすることができる。つまり、時間の変化に対する画像の代
表的な輝度の変化量が0であるとき、相対輝度は100%となる。そして、相対輝度が8
0%以下であれば、動画の品質を向上できる。特に、相対輝度が50%以下であれば、動
画の品質を顕著に向上できる。さらに、相対輝度が10%以上であれば、消費電力を低減
し、かつフリッカを抑えることができる。特に、相対輝度が20%以上であれば、消費電
力およびフリッカを顕著に低減することができる。すなわち、相対輝度が10%以上80
%以下であれば、動画の品質を向上させ、かつ、消費電力およびフリッカを低減すること
ができる。さらに、相対輝度が20%以上50%以下であれば、動画の品質を顕著に向上
させ、かつ、消費電力およびフリッカを顕著に低減することができる。In the luminance measurement area, the image quality can be improved if the representative luminance change amount (relative luminance) of the image with respect to time changes is within the following range. As the relative brightness, for example, the
 416, for each of the
 If it is 0% or less, the quality of moving images can be improved. In particular, when the relative luminance is 50% or less, the quality of moving images can be significantly improved. Furthermore, if the relative brightness is 10% or more, power consumption can be reduced and flicker can be suppressed. In particular, when the relative luminance is 20% or more, power consumption and flicker can be significantly reduced. That is, if the relative luminance is 10% or more and 80
 % or less, it is possible to improve the quality of moving images and reduce power consumption and flicker. Furthermore, when the relative luminance is 20% or more and 50% or less, the quality of moving images can be significantly improved, and power consumption and flicker can be significantly reduced.
図74(C)は、画像の中央の領域の輝度を測定し、その平均値を画像の代表的な輝度と
する方法の例を表している。期間Tinは入力画像データの周期、画像7421は第pの
画像、画像7422は第(p+1)の画像、画像7423は第(p+2)の画像、第1の
領域7424は第pの画像7421における輝度測定領域、第2の領域7425は第(p
+1)の画像7422における輝度測定領域、第3の領域7426は第(p+2)の画像
7423における輝度測定領域を、それぞれ表している。FIG. 74C shows an example of a method of measuring the luminance in the central area of the image and using the average value as the representative luminance of the image. The period Tin is the period of the input image data, the
 +1)
画像の代表的な輝度を測定することで、表示が擬似的にインパルス型となっているかどう
かを判断することができる。たとえば、第1の領域7424で測定される輝度をL、第2
の領域7425で測定される輝度をLcとしたとき、Lc<Lであれば、表示は擬似的に
インパルス型であるといえる。このようなときに、動画の品質は向上しているといえる。By measuring the representative brightness of the image, it is possible to determine whether the display is pseudo-impulsive. For example, let the luminance measured in the first region 7424 be L, the second
 When Lc is the luminance measured in the
なお、輝度測定領域において、時間の変化に対する画像の代表的な輝度の変化量(相対輝
度)が、次のような範囲であると、画質を向上することができる。相対輝度としては、た
とえば、第1の領域7424と第2の領域7425、第2の領域7425と第3の領域7
426、第1の領域7424と第3の領域7426のそれぞれに対し、大きい方の輝度に
対する小さい方の輝度の割合とすることができる。つまり、時間の変化に対する画像の代
表的な輝度の変化量が0であるとき、相対輝度は100%となる。そして、相対輝度が8
0%以下であれば、動画の品質を向上できる。特に、相対輝度が50%以下であれば、動
画の品質を顕著に向上できる。さらに、相対輝度が10%以上であれば、消費電力を低減
し、かつフリッカを抑えることができる。特に、相対輝度が20%以上であれば、消費電
力およびフリッカを顕著に低減することができる。すなわち、相対輝度が10%以上80
%以下であれば、動画の品質を向上させ、かつ、消費電力およびフリッカを低減すること
ができる。さらに、相対輝度が20%以上50%以下であれば、動画の品質を顕著に向上
させ、かつ、消費電力およびフリッカを顕著に低減することができる。In the luminance measurement area, the image quality can be improved if the representative luminance change amount (relative luminance) of the image with respect to time changes is within the following range. As the relative luminance, for example, the first region 7424 and the
 426, for each of the first region 7424 and the
 If it is 0% or less, the quality of moving images can be improved. In particular, when the relative luminance is 50% or less, the quality of moving images can be significantly improved. Furthermore, if the relative brightness is 10% or more, power consumption can be reduced and flicker can be suppressed. In particular, when the relative luminance is 20% or more, power consumption and flicker can be significantly reduced. That is, if the relative luminance is 10% or more and 80
 % or less, it is possible to improve the quality of moving images and reduce power consumption and flicker. Furthermore, when the relative luminance is 20% or more and 50% or less, the quality of moving images can be significantly improved, and power consumption and flicker can be significantly reduced.
図74(D)は、画像全体からサンプリングした複数の点の輝度を測定し、その平均値を
画像の代表的な輝度とする方法の例を表している。期間Tinは入力画像データの周期、
画像7431は第pの画像、画像7432は第(p+1)の画像、画像7433は第(p
+2)の画像、第1の領域7434は第pの画像7431における輝度測定領域、第2の
領域7435は第(p+1)の画像7432における輝度測定領域、第3の領域7436
は第(p+2)の画像7433における輝度測定領域を、それぞれ表している。FIG. 74D shows an example of a method of measuring the brightness of a plurality of points sampled from the entire image and using the average value as the representative brightness of the image. the period Tin is the cycle of the input image data;
 +2), the
 represent the luminance measurement regions in the (p+2)
画像の代表的な輝度を測定することで、表示が擬似的にインパルス型となっているかどう
かを判断することができる。たとえば、第1の領域7434で測定される輝度の全ての領
域における平均値をL、第2の領域7435で測定される輝度の全ての領域における平均
値をLcとしたとき、Lc<Lであれば、表示は擬似的にインパルス型であるといえる。
このようなときに、動画の品質は向上しているといえる。By measuring the representative brightness of the image, it is possible to determine whether the display is pseudo-impulsive. For example, if L is the average value of luminance in all regions measured in the
 In such a case, it can be said that the quality of the moving image is improved.
なお、輝度測定領域において、時間の変化に対する画像の代表的な輝度の変化量(相対輝
度)が、次のような範囲であると、画質を向上することができる。相対輝度としては、た
とえば、第1の領域7434と第2の領域7435、第2の領域7435と第3の領域7
436、第1の領域7434と第3の領域7436のそれぞれに対し、大きい方の輝度に
対する小さい方の輝度の割合とすることができる。つまり、時間の変化に対する画像の代
表的な輝度の変化量が0であるとき、相対輝度は100%となる。そして、相対輝度が8
0%以下であれば、動画の品質を向上できる。特に、相対輝度が50%以下であれば、動
画の品質を顕著に向上できる。さらに、相対輝度が10%以上であれば、消費電力を低減
し、かつフリッカを抑えることができる。特に、相対輝度が20%以上であれば、消費電
力およびフリッカを顕著に低減することができる。すなわち、相対輝度が10%以上80
%以下であれば、動画の品質を向上させ、かつ、消費電力およびフリッカを低減すること
ができる。さらに、相対輝度が20%以上50%以下であれば、動画の品質を顕著に向上
させ、かつ、消費電力およびフリッカを顕著に低減することができる。In the luminance measurement area, the image quality can be improved if the representative luminance change amount (relative luminance) of the image with respect to time changes is within the following range. As the relative brightness, for example, the
 436, for each of the
 If it is 0% or less, the quality of moving images can be improved. In particular, when the relative luminance is 50% or less, the quality of moving images can be significantly improved. Furthermore, if the relative brightness is 10% or more, power consumption can be reduced and flicker can be suppressed. In particular, when the relative luminance is 20% or more, power consumption and flicker can be significantly reduced. That is, if the relative luminance is 10% or more and 80
 % or less, it is possible to improve the quality of moving images and reduce power consumption and flicker. Furthermore, when the relative luminance is 20% or more and 50% or less, the quality of moving images can be significantly improved, and power consumption and flicker can be significantly reduced.
図74(E)は、図74(A)乃至(D)に示す図における、輝度測定領域内の測定方法
を示した図である。領域7441は注目している輝度測定領域、点7442は輝度測定領
域7441内の輝度測定点である。時間分解能の高い輝度計測機器は、その測定対象範囲
が小さい場合があるため、領域7441が大きい場合は、領域全てを測定するのではなく
、図74(E)のように、領域7441内を点状で偏り無く、複数の点で測定し、その平
均値をもって領域7441の輝度であるとしてもよい。FIG. 74(E) is a diagram showing a method of measuring the luminance measurement area in the diagrams shown in FIGS. 74(A) to (D). A
なお、画像がR、G、Bの3原色の組み合わせを持つ場合は、測定される輝度は、R、G
、Bを合わせた輝度であってもよいし、RおよびGを合わせた輝度、GおよびBを合わせ
た輝度、BおよびRを合わせた輝度であってもよいし、R、G、Bそれぞれの輝度であっ
てもよい。Note that if the image has a combination of the three primary colors R, G, and B, the measured luminance is
 , B may be combined, R and G may be combined, G and B may be combined, B and R may be combined, or R, G, and B may be combined. It may be luminance.
次に、入力画像データに含まれる画像の動きを検出し、中間状態の画像を作成する方法、
および入力画像データに含まれる画像の動き等に従って駆動方法を制御する方法について
説明する。Next, a method of detecting motion of an image included in input image data and creating an image in an intermediate state,
 and a method of controlling the driving method according to the motion of the image included in the input image data.
図75を参照して、入力画像データに含まれる画像の動きを検出し、中間状態の画像を作
成する方法の例について説明する。図75(A)は、表示フレームレートが、入力フレー
ムレートの2倍(変換比が2)である場合を表したものである。図75(A)は、横軸を
時間として、画像の動きを検出する方法を、模式的に表したものである。期間Tinは入
力画像データの周期、画像7501は第pの画像、画像7502は第(p+1)の画像、
画像7503は第(p+2)の画像を、それぞれ表している。また、画像中に、時間に依
存しない領域として、第1の領域7504、第2の領域7505および第3の領域750
6を設ける。An example of a method of detecting motion of an image included in input image data and creating an image in an intermediate state will be described with reference to FIG. FIG. 75A shows a case where the display frame rate is twice the input frame rate (the conversion ratio is 2). FIG. 75A schematically shows a method of detecting motion of an image, with the horizontal axis representing time. The period Tin is the period of the input image data, the
 6 is provided.
まず、第(p+2)の画像7503においては、画像をタイル状の複数の領域に分割し、
そのうちの1つの領域である第3の領域7506内の画像データに着目する。First, in the (p+2)
 Focus on the image data in the
次に、第pの画像7501において、第3の領域7506を中心とした第3の領域750
6よりも大きな範囲に着目する。ここで、第3の領域7506を中心とした第3の領域7
506よりも大きな範囲は、データ検索範囲である。データ検索範囲は、水平方向(X方
向)の範囲を7507、垂直方向(Y方向)の範囲を7508とする。なお、データ検索
範囲の水平方向の範囲7507および垂直方向の範囲7508は、第3の領域7506の
水平方向の範囲および垂直方向の範囲を、それぞれ15画素分程度拡大した範囲であって
もよい。Next, in the p-
 Focus on the range larger than 6. Here, the
 Ranges greater than 506 are data search ranges. The data search range is 7507 in the horizontal direction (X direction) and 7508 in the vertical direction (Y direction). The
そして、データ検索範囲内において、前記第3の領域7506内の画像データと最も類似
した画像データを持つ領域を検索する。検索方法は、最小二乗法などを用いることができ
る。検索の結果、最も類似した画像データを持つ領域として、第1の領域7504が導出
されたとする。Then, within the data search range, an area having image data most similar to the image data in the
次に、導出された第1の領域7504と、第3の領域7506との位置の違いを表す量と
して、ベクトル7509を導出する。なお、ベクトル7509を、動きベクトルと呼ぶこ
とにする。Next, a
そして、第(p+1)の画像7502においては、動きベクトル7509から求めたベク
トル7510と、第(p+2)の画像7503における第3の領域7506内の画像デー
タと、第pの画像7501における第1の領域7504内の画像データと、によって、第
2の領域7505を形成する。In the (p+1)
ここで、動きベクトル7509から求めたベクトル7510を変位ベクトルと呼ぶことに
する。変位ベクトル7510は、第2の領域7505を形成する位置を決める役割を持つ
。第2の領域7505は、第3の領域7506から変位ベクトル7510だけ離れた位置
に形成される。なお、変位ベクトル7510は、動きベクトル7509に係数(1/2)
をかけた量であってもよい。A
 It may be the amount multiplied by
第(p+1)の画像7502における第2の領域7505内の画像データは、第(p+2
)の画像7503における第3の領域7506内の画像データと、第pの画像7501に
おける第1の領域7504内の画像データによって決められるとしてもよい。たとえば、
第(p+1)の画像7502における第2の領域7505内の画像データは、第(p+2
)の画像7503における第3の領域7506内の画像データと、第pの画像7501に
おける第1の領域7504内の画像データの平均値であってもよい。The image data in the
 ) and the image data in the
 The image data in the
 ) and the image data in the
このようにして、第(p+2)の画像7503における第3の領域7506に対応する、
第(p+1)の画像7502における第2の領域7505を形成することができる。なお
、以上の処理を、第(p+2)の画像7503における他の領域にも行なうことで、第(
p+2)の画像7503と第pの画像7501の中間状態となる、第(p+1)の画像7
502を形成することができる。Thus, corresponding to the
 A
 The (p+1)-
 502 can be formed.
図75(B)は、表示フレームレートが、入力フレームレートの3倍(変換比が3)であ
る場合を表したものである。図75(B)は、横軸を時間として、画像の動きを検出する
方法を、模式的に表したものである。期間Tinは入力画像データの周期、画像7511
は第pの画像、画像7512は第(p+1)の画像、画像7513は第(p+2)の画像
、画像7514は第(p+3)の画像を、それぞれ表している。また、画像中に、時間に
依存しない領域として、第1の領域7515、第2の領域7516、第3の領域7517
および第4の領域7518を設ける。FIG. 75B shows a case where the display frame rate is three times the input frame rate (the conversion ratio is 3). FIG. 75B schematically shows a method of detecting motion of an image, with the horizontal axis representing time. The period Tin is the period of the input image data, and the
 represents the pth image, the
 and a
まず、第(p+3)の画像7514においては、画像をタイル状の複数の領域に分割し、
そのうちの1つの領域である第4の領域7518内の画像データに着目する。First, in the (p+3)
 Focus on the image data in the
次に、第pの画像7511において、第4の領域7518を中心とした第4の領域751
8よりも大きな範囲に着目する。ここで、第4の領域7518を中心とした第4の領域7
518よりも大きな範囲は、データ検索範囲である。データ検索範囲は、水平方向(X方
向)の範囲を7519、垂直方向(Y方向)の範囲を7520とする。なお、データ検索
範囲の水平方向の範囲7519および垂直方向の範囲7520は、第4の領域7518の
水平方向の範囲および垂直方向の範囲を、それぞれ15画素分程度拡大した範囲であって
もよい。Next, in the p-
 Focus on the range larger than 8. Here, the
 Ranges greater than 518 are data search ranges. The data search range is 7519 in the horizontal direction (X direction) and 7520 in the vertical direction (Y direction). The
そして、データ検索範囲内において、前記第4の領域7518内の画像データと最も類似
した画像データを持つ領域を検索する。検索方法は、最小二乗法などを用いることができ
る。検索の結果、最も類似した画像データを持つ領域として、第1の領域7515が導出
されたとする。Then, within the data search range, an area having image data most similar to the image data in the
次に、導出された第1の領域7515と、第4の領域7518との位置の違いを表す量と
して、ベクトル7521を導出する。なお、ベクトル7521を、動きベクトルと呼ぶこ
とにする。Next, a
そして、第(p+1)の画像7512および、第(p+2)の画像7513においては、
動きベクトル7521から求めたベクトル7522および7523と、第(p+3)の画
像7515における第4の領域7518内の画像データと、第pの画像7511における
第1の領域7515内の画像データと、によって、第2の領域7516および第3の領域
7517を形成する。Then, in the (p+1)
 With the
ここで、動きベクトル7521から求めたベクトル7522を第1の変位ベクトルと呼ぶ
ことにする。また、ベクトル7523を第2の変位ベクトルと呼ぶことにする。第1の変
位ベクトル7522は、第2の領域7516を形成する位置を決める役割を持つ。第2の
領域7516は、第4の領域7518から第1の変位ベクトル7522だけ離れた位置に
形成される。なお、変位ベクトル7522は、動きベクトル7521に(1/3)をかけ
た量であってもよい。また、第2の変位ベクトル7523は、第3の領域7517を形成
する位置を決める役割を持つ。第3の領域7517は、第4の領域7518から第2の変
位ベクトル7523だけ離れた位置に形成される。なお、変位ベクトル7523は、動き
ベクトル7521に(2/3)をかけた量であってもよい。Here, the
第(p+1)の画像7512における第2の領域7516内の画像データは、第(p+3
)の画像7514における第4の領域7518内の画像データと、第pの画像7511に
おける第1の領域7515内の画像データによって決められるとしてもよい。たとえば、
第(p+1)の画像7512における第2の領域7516内の画像データは、第(p+3
)の画像7514における第4の領域7518内の画像データと、第pの画像7511に
おける第1の領域7515内の画像データの平均値であってもよい。The image data in the
 ) in the
 The image data in the
 ) and the image data in the
第(p+2)の画像7513における第3の領域7517内の画像データは、第(p+3
)の画像7514における第4の領域7518内の画像データと、第pの画像7511に
おける第1の領域7515内の画像データによって決められるとしてもよい。たとえば、
第(p+2)の画像7513における第3の領域7517内の画像データは、第(p+3
)の画像7514における第4の領域7518内の画像データと、第pの画像7511に
おける第1の領域7515内の画像データの平均値であってもよい。The image data in the
 ) in the
 The image data in the
 ) and the image data in the
このようにして、第(p+3)の画像7514における第4の領域7518に対応する、
第(p+1)の画像7502における第2の領域7516、および第(p+2)の画像7
513における第3の領域7517を形成することができる。なお、以上の処理を、第(
p+3)の画像7514における他の領域にも行なうことで、第(p+3)の画像751
4と第pの画像7511の中間状態となる、第(p+1)の画像7512および第(p+
2)の画像7513を形成することができる。Thus, corresponding to the
 The
 A
 (p+3)th image 751
 The (p+1)
 2)
次に、図76を参照して、入力画像データに含まれる画像の動きを検出し、中間状態の画
像を作成する回路の例について説明する。図76(A)は、表示領域に画像を表示するた
めのソースドライバ、ゲートドライバを含む周辺駆動回路と、周辺駆動回路を制御する制
御回路の接続関係を表した図である。図76(B)は、前記制御回路の詳細な回路構成の
一例を表した図である。図76(C)は、前記制御回路に含まれる画像処理回路の詳細な
回路構成の一例を表した図である。図76(D)は、前記制御回路に含まれる画像処理回
路の詳細な回路構成の別の例を表した図である。Next, with reference to FIG. 76, an example of a circuit for detecting motion of an image included in input image data and creating an image in an intermediate state will be described. FIG. 76A is a diagram showing the connection relationship between a peripheral driver circuit including a source driver and a gate driver for displaying an image in a display area and a control circuit for controlling the peripheral driver circuit. FIG. 76B is a diagram showing an example of the detailed circuit configuration of the control circuit. FIG. 76C is a diagram showing an example of a detailed circuit configuration of an image processing circuit included in the control circuit. FIG. 76D is a diagram showing another example of the detailed circuit configuration of the image processing circuit included in the control circuit.
図76(A)のように、本実施の形態における装置は、制御回路7611と、ソースドラ
イバ7612と、ゲートドライバ7613と、表示領域7614と、を含んでいてもよい
。As shown in FIG. 76A, the device in this embodiment mode may include a
なお、制御回路7611、ソースドライバ7612およびゲートドライバ7613は、表
示領域7614が形成されている基板と同一の基板上に形成されていてもよい。Note that the
なお、制御回路7611、ソースドライバ7612およびゲートドライバ7613は、こ
れらのうち一部が、表示領域7614が形成されている基板と同一の基板上に形成され、
その他の回路は、表示領域7614が形成されている基板とは異なる基板上に形成されて
いてもよい。たとえば、ソースドライバ7612およびゲートドライバ7613が、表示
領域7614が形成されている基板と同一の基板上に形成され、制御回路7611は異な
る基板上に外付けICとして形成されていてもよい。同様に、ゲートドライバ7613が
、表示領域7614が形成されている基板と同一の基板上に形成され、その他の回路は異
なる基板上に外付けICとして形成されていてもよい。同様に、ソースドライバ7612
、ゲートドライバ7613および制御回路7611の一部が、表示領域7614が形成さ
れている基板と同一の基板上に形成され、その他の回路は異なる基板上に外付けICとし
て形成されていてもよい。Note that part of the
 Other circuits may be formed over a substrate different from the substrate over which the
 , the
制御回路7611は、外部画像信号7600と、水平同期信号7601と、垂直同期信号
7602と、が入力され、画像信号7603と、ソーススタートパルス7604と、ソー
スクロック7605と、ゲートスタートパルス7606と、ゲートクロック7607と、
が出力される構成であってもよい。A
 may be output.
ソースドライバ7612は、画像信号7603と、ソーススタートパルス7604と、ソ
ースクロック7605と、が入力され、画像信号7603に従った電圧または電流を表示
領域7614に出力する構成であってもよい。The
ゲートドライバ7613は、ゲートスタートパルス7606と、ゲートクロック7607
と、が入力され、ソースドライバ7612から出力される信号を表示領域7614に書き
込むタイミングを指定する信号が出力される構成であってもよい。A
 , and a signal designating the timing of writing the signal output from the
外部画像信号7600の周波数と、画像信号7603の周波数が異なっている場合、ソー
スドライバ7612およびゲートドライバ7613を駆動するタイミングを制御する信号
も、入力される水平同期信号7601および垂直同期信号7602とは異なる周波数を持
つことになる。そのため、画像信号7603の処理に加えて、ソースドライバ7612お
よびゲートドライバ7613を駆動するタイミングを制御する信号も処理する必要がある
。制御回路7611は、そのための機能を持った回路であってもよい。たとえば、外部画
像信号7600の周波数に対して画像信号7603の周波数が倍であった場合、制御回路
7611は、外部画像信号7600に含まれる画像信号を補間して倍の周波数の画像信号
7603を生成し、かつ、タイミングを制御する信号も倍の周波数になるように制御する
。When the frequency of the
また、制御回路7611は、図76(B)のように、画像処理回路7615と、タイミン
グ発生回路7616と、を含んでいてもよい。Further, the
画像処理回路7615は、外部画像信号7600と、周波数制御信号7608と、が入力
され、画像信号7603が出力される構成であってもよい。The
タイミング発生回路7616は、水平同期信号7601と、垂直同期信号7602と、が
入力され、ソーススタートパルス7604と、ソースクロック7605と、ゲートスター
トパルス7606と、ゲートクロック7607と、周波数制御信号7608と、が出力さ
れる構成であってもよい。なお、タイミング発生回路7616は、周波数制御信号760
8の状態を指定するためのデータを保持するメモリまたはレジスタ等を含んでいてもよい
。また、タイミング発生回路7616は、外部から周波数制御信号7608の状態を指定
する信号が入力される構成であってもよい。A
 A memory, register, or the like for holding data for designating the state of 8 may be included. Also, the
画像処理回路7615は、図76(C)のように、動き検出回路7620と、第1のメモ
リ7621と、第2のメモリ7622と、第3のメモリ7623と、輝度制御回路762
3と、高速処理回路7625と、を含んでいてもよい。The
 3 and a high
動き検出回路7620は、複数の画像データが入力され、画像の動きが検出され、前記複
数の画像データの中間状態である画像データが出力される構成であってもよい。The
第1のメモリ7621は、外部映像信号7600が入力され、前記外部映像信号7600
を一定期間保持しつつ、動き検出回路7620と第2のメモリ7622に前記外部映像信
号7600を出力する構成であってもよい。The
 may be output to the
第2のメモリ7622は、第1のメモリ7621から出力された画像データが入力され、
前記画像データを一定期間保持しつつ、動き検出回路7620と高速処理回路7625に
前記画像データを出力する構成であってもよい。The image data output from the
 The image data may be output to the
第3のメモリ7623は、動き検出回路7620から出力された画像データが入力され、
前記画像データを一定期間保持しつつ、輝度制御回路7624に前記画像データを出力す
る構成であってもよい。The
 The image data may be output to the
高速処理回路7625は、第2のメモリ7622から出力された画像データと、輝度制御
回路7624から出力された画像データと、周波数制御信号7608と、が入力され、前
記画像データを、画像信号7603として出力する構成であってもよい。The high-
外部画像信号7600の周波数と、画像信号7603の周波数が異なっている場合、画像
処理回路7615によって、外部画像信号7600に含まれる画像信号を補間して画像信
号7603を生成してもよい。入力された外部画像信号7600は、一旦第1のメモリ7
621に保持される。そのとき、第2のメモリ7622には、1つ前のフレームで入力さ
れた画像データが保持されている。動き検出回路7620は、第1のメモリ7621およ
び第2のメモリ7622に保持された画像データを適宜読み込み、両者の画像データの違
いから動きベクトルを検出し、さらに、中間状態の画像データを生成してもよい。生成さ
れた中間状態の画像データは、第3のメモリ7623によって保持される。When the frequency of the
 621. At that time, the
動き検出回路7620が中間状態の画像データを生成しているとき、高速処理回路762
5は、第2のメモリ7622に保持されている画像データを、画像信号7603として出
力する。その後、第3のメモリ7623に保持された画像データを輝度制御回路7624
を通じて画像信号7603として出力する。このとき、第2のメモリ7622および第3
のメモリ7623が更新される周波数は外部画像信号7600の周波数と同じだが、高速
処理回路7625を通じて出力される画像信号7603の周波数は、外部画像信号760
0の周波数と異なっていてもよい。具体的には、たとえば、画像信号7603の周波数は
外部画像信号7600の周波数の1.5倍、2倍、3倍が挙げられる。しかし、これに限
定されるものではなく、様々な周波数とすることができる。なお、画像信号7603の周
波数は、周波数制御信号7608によって指定されてもよい。When
 5 outputs the image data held in the
 is output as an
 The frequency with which the
 It may be different from 0 frequency. Specifically, for example, the frequency of the
図76(D)に示した画像処理回路7615の構成は、図76(C)に示した画像処理回
路7615の構成に、第4のメモリ7626を加えたものである。このように、第1のメ
モリ7621から出力された画像データと、第2のメモリ7622から出力された画像デ
ータに加えて、第4のメモリ7626から出力された画像データも動き検出回路7620
に出力することで、正確に画像の動きを検出することが可能になる。The configuration of the
 By outputting to , it becomes possible to accurately detect the motion of the image.
なお、入力される画像データが、データ圧縮等のために、すでに動きベクトルを含んでい
るような場合、たとえばMPEG(Moving  Picture  Expert  Gr
oup)の規格に基づく画像データである場合は、これを用いて中間状態の画像を補間画
像として生成すればよい。このとき、動き検出回路7620に含まれる、動きベクトルを
生成する部分は不要となる。また、画像信号7623に係るエンコードおよびデコード処
理も簡単なものとなるため、消費電力を低減できる。If the input image data already contains motion vectors due to data compression or the like, for example, MPEG (Moving Picture Expert Gr.
 oup) standard, an image in an intermediate state may be generated as an interpolated image using this. At this time, the motion vector generation part included in the
なお、本実施の形態において、様々な図を用いて述べてきたが、各々の図で述べた内容(
一部でもよい)は、別の図で述べた内容(一部でもよい)に対して、適用、組み合わせ、
又は置き換えなどを自由に行うことが出来る。さらに、これまでに述べた図において、各
々の部分に関して、別の部分を組み合わせることにより、さらに多くの図を構成させるこ
とが出来る。In the present embodiment, descriptions have been made using various diagrams, but the contents described in each diagram (
 may be part of it) shall apply, combine, or
 Alternatively, replacement can be freely performed. Furthermore, in the figures described so far, more figures can be configured by combining each part with another part.
同様に、本実施の形態の各々の図で述べた内容(一部でもよい)は、別の実施の形態の図
で述べた内容(一部でもよい)対して、適用、組み合わせ、又は置き換えなどを自由に行
うことが出来る。さらに、本実施の形態の図において、各々の部分に関して、別の実施の
形態の部分を組み合わせることにより、さらに多くの図を構成させることが出来る。Similarly, the content (may be part of) described in each drawing of this embodiment may be applied, combined, or replaced with the content (may be part of) described in the drawing of another embodiment. can be done freely. Furthermore, in the drawings of this embodiment, more drawings can be configured by combining each part with another embodiment.
なお、本実施の形態は、他の実施の形態で述べた内容(一部でもよい)を、具現化した場
合の一例、少し変形した場合の一例、一部を変更した場合の一例、改良した場合の一例、
詳細に述べた場合の一例、応用した場合の一例、関連がある部分についての一例などを示
している。したがって、他の実施の形態で述べた内容は、本実施の形態への適用、組み合
わせ、又は置き換えを自由に行うことができる。In addition, the present embodiment is an example of a case where the content (or part of it) described in another embodiment is embodied, an example of a slightly modified case, an example of a partially changed case, and an improved case. An example of the case,
 An example of detailed description, an example of application, and an example of related parts are shown. Therefore, the contents described in other embodiments can be freely applied, combined, or replaced with this embodiment.
(実施の形態11)
本実施の形態においては、トランジスタの構造及び作製方法について説明する。(Embodiment 11)
 In this embodiment, a structure and a manufacturing method of a transistor will be described.
図48は、本発明に係る表示装置が有するトランジスタの構造の一例及びその作製方を示
す図である。図48(A)は、本発明に係る表示装置が有するトランジスタの構造の一例
を示す図である。また、図48(B)乃至(G)は、本発明に係る表示装置が有するトラ
ンジスタの作製方法の例を示す図である。48A and 48B are diagrams showing an example of a structure of a transistor included in a display device according to the present invention and a manufacturing method thereof. FIG. 48A is a diagram showing an example of the structure of a transistor included in a display device according to the invention. 48B to 48G are diagrams showing an example of a method for manufacturing a transistor included in a display device according to the invention.
なお、本発明に係る表示装置が有するトランジスタの構造及び作製方法は、図48に示す
ものに限定されず、様々な構造及び作製方法を用いることができる。Note that the structure and manufacturing method of the transistor included in the display device according to the present invention are not limited to those shown in FIGS. 48A and 48B, and various structures and manufacturing methods can be used.
まず、図48(A)を参照し、本発明に係る表示装置が有するトランジスタの構造の例に
ついて説明する。図48(A)は複数の異なる構造を有するトランジスタの断面図である
。ここで、図48(A)においては、複数の異なる構造を有するトランジスタを並置して
示しているが、これは本発明に係る表示装置が有するトランジスタの構造を説明するため
のものであり、実際に図48(A)のように並置されている必要はなく、必要に応じてつ
くり分けることができる。First, an example of a structure of a transistor included in a display device according to the invention is described with reference to FIG. FIG. 48A is a cross-sectional view of transistors having a plurality of different structures. Here, in FIG. 48A, a plurality of transistors having different structures are shown side by side; 48(A), and can be made separately according to need.
次に、本発明に係る表示装置が有するトランジスタを構成する各層について説明する。Next, each layer forming a transistor included in the display device according to the present invention will be described.
基板4011は、バリウムホウケイ酸ガラス、アルミノホウケイ酸ガラスなどのガラス基
板、石英基板、セラミック基板又はステンレスを含む金属基板等を用いることができる。
他にも、ポリエチレンテレフタレ-ト(PET)、ポリエチレンナフタレ-ト(PEN)
、ポリエ-テルサルフォン(PES)に代表されるプラスチック又はアクリル等の可撓性
を有する合成樹脂からなる基板を用いることも可能である。可撓性を有する基板を用いる
ことによって、折り曲げることが可能である表示装置を作製することが可能となる。As the
 In addition, polyethylene terephthalate (PET), polyethylene naphthalate (PEN)
 , polyethersulfone (PES), or flexible synthetic resin such as acrylic. A flexible display device can be manufactured by using a flexible substrate.
絶縁膜4012は、下地膜として機能する。この下地膜は、基板4011からNaなどの
アルカリ金属又はアルカリ土類金属が半導体素子の特性に悪影響を及ぼすのを防ぐために
設ける。絶縁膜4012としては、酸化珪素(SiOx)、窒化珪素(SiNx)、酸化
窒化珪素(SiOxNy)(x>y)、窒化酸化珪素(SiNxOy)(x>y)等の酸
素又は窒素を有する絶縁膜の単層構造若しくはこれらの積層構造で設けることができる。
例えば、絶縁膜4012を2層構造で設ける場合、1層目の絶縁膜として窒化酸化珪素膜
を設け、2層目の絶縁膜として酸化窒化珪素膜を設けるとよい。また、絶縁膜4012を
3層構造で設ける場合、1層目の絶縁膜として酸化窒化珪素膜を設け、2層目の絶縁膜と
して窒化酸化珪素膜を設け、3層目の絶縁膜として酸化窒化珪素膜を設けるとよい。The insulating
 For example, when the insulating
半導体層4013、4014、4015は、非晶質(アモルファス)半導体又はセミアモ
ルファス半導体(SAS)で形成することができる。あるいは、多結晶半導体層を用いて
も良い。SASは、非晶質と結晶構造(単結晶、多結晶を含む)の中間的な構造を有し、
自由エネルギー的に安定な第3の状態を有する半導体であって、短距離秩序を持ち格子歪
みを有する結晶質な領域を含んでいる。少なくとも膜中の一部の領域には、0.5~20
nmの結晶領域を観測することができ、珪素を主成分とする場合にはラマンスペクトルが
520cm-1よりも低波数側にシフトしている。X線回折では珪素結晶格子に由来する
とされる(111)、(220)の回折ピ-クが観測される。未結合手(ダングリングボ
ンド)の補償するものとして水素又はハロゲンを少なくとも1原子%又はそれ以上含ませ
ている。SASは、材料ガスをグロ-放電分解(プラズマCVD)して形成する。材料ガ
スとしては、SiH4、その他にもSi2H6、SiH2Cl2、SiHCl3、SiC
l4、SiF4などを用いることが可能である。あるいは、GeF4を混合させても良い
。この材料ガスをH2、あるいは、H2とHe、Ar、Kr、Neから選ばれた一種又は
複数種の希ガス元素で希釈してもよい。希釈率は2~1000倍の範囲。圧力は概略0.
1Pa~133Paの範囲、電源周波数は1MHz~120MHz、好ましくは13MH
z~60MHz。基板加熱温度は300℃以下でよい。膜中の不純物元素として、酸素、
窒素、炭素などの大気成分の不純物は1×1020cm-1以下とすることが望ましく、
特に、酸素濃度は5×1019/cm3以下、好ましくは1×1019/cm3以下とす
る。ここでは、公知の手段(スパッタ法、LPCVD法、プラズマCVD法等)を用いて
シリコン(Si)を主成分とする材料(例えばSixGe1-x等)で非晶質半導体層を
形成し、当該非晶質半導体層をレ-ザ結晶化法、RTA又はファーネスアニール炉を用い
る熱結晶化法、結晶化を助長する金属元素を用いる熱結晶化法などの公知の結晶化法によ
り結晶化させる。The semiconductor layers 4013, 4014, and 4015 can be made of an amorphous semiconductor or a semi-amorphous semiconductor (SAS). Alternatively, a polycrystalline semiconductor layer may be used. SAS has an intermediate structure between amorphous and crystalline structures (including single crystals and polycrystals),
 A semiconductor with a free-energy stable third state, containing crystalline regions with short-range order and lattice strain. 0.5 to 20 in at least some regions in the film
 nm crystal regions can be observed, and when silicon is the main component, the Raman spectrum is shifted to the lower wavenumber side than 520 cm−1 . In X-ray diffraction, diffraction peaks of (111) and (220) are observed, which are believed to be derived from the silicon crystal lattice. At least 1 atomic % or more of hydrogen or halogen is contained as compensation for dangling bonds. SAS is formed by glow-discharge decomposition (plasma CVD) of a material gas. SiH4 as material gas, Si2 H6 , SiH2 Cl2 , SiHCl3 , SiC
 l4 , SiF4 and the like can be used. Alternatively,GeF4 may be mixed. This material gas may be diluted with H2 , or H2 and one or more rare gas elements selected from He, Ar, Kr, and Ne. The dilution rate ranges from 2 to 1000 times. The pressure is approximately 0.00.
 Range of 1 Pa to 133 Pa, power supply frequency of 1 MHz to 120 MHz, preferably 13 MHz
 z~60MHz. The substrate heating temperature may be 300° C. or lower. As impurity elements in the film, oxygen,
 Impurities of atmospheric components such as nitrogen and carbon are desirably 1×1020 cm−1 or less,
 In particular, the oxygen concentration is 5×1019 /cm3 or less, preferably 1×1019 /cm3 or less. Here, an amorphous semiconductor layer is formed using a material (for example, SixGe1-x, etc.) containing silicon (Si) as a main component by using known means (sputtering method, LPCVD method, plasma CVD method, etc.), and the amorphous semiconductor layer is formed. The crystalline semiconductor layer is crystallized by a known crystallization method such as a laser crystallization method, a thermal crystallization method using RTA or a furnace annealing furnace, or a thermal crystallization method using a metal element that promotes crystallization.
絶縁膜4016は、酸化珪素(SiOx)、窒化珪素(SiNx)、酸化窒化珪素(Si
OxNy)(x>y)、窒化酸化珪素(SiNxOy)(x>y)等の酸素又は窒素を有
する絶縁膜の単層構造、若しくはこれらの積層構造で設けることができる。The insulating
 OxNy) (x>y), silicon nitride oxide (SiNxOy) (x>y), or a single-layer structure of an insulating film containing oxygen or nitrogen, or a stacked-layer structure thereof.
ゲート電極4017は、単層の導電膜、又は二層もしくは三層の導電膜の積層構造とする
ことができる。ゲート電極4017の材料としては、公知の導電膜を用いることができる
。たとえば、タンタル(Ta)、チタン(Ti)、モリブデン(Mo)、タングステン(
W)、クロム(Cr)、シリコン(Si)などの元素の単体膜、あるいは、前記元素の窒
化膜(代表的には窒化タンタル膜、窒化タングステン膜、窒化チタン膜)、あるいは、前
記元素を組み合わせた合金膜(代表的にはMo-W合金、Mo-Ta合金)、あるいは、
前記元素のシリサイド膜(代表的にはタングステンシリサイド膜、チタンシリサイド膜)
などを用いることができる。なお、上述した単体膜、窒化膜、合金膜、シリサイド膜など
は、単層で用いてもよいし、積層して用いてもよい。The
 W), chromium (Cr), silicon (Si), etc., or a nitride film of said element (typically, a tantalum nitride film, a tungsten nitride film, a titanium nitride film), or a combination of said elements. alloy film (typically Mo-W alloy, Mo-Ta alloy), or
 A silicide film of the element (typically, a tungsten silicide film or a titanium silicide film)
 etc. can be used. Note that the above-described single film, nitride film, alloy film, silicide film, and the like may be used as a single layer, or may be used as a laminate.
絶縁膜4018は、公知の手段(スパッタ法又はプラズマCVD法等)によって、酸化珪
素(SiOx)、窒化珪素(SiNx)、酸化窒化珪素(SiOxNy)(x>y)、窒
化酸化珪素(SiNxOy)(x>y)等の酸素又は窒素を有する絶縁膜やDLC(ダイ
ヤモンドライクカ-ボン)等の炭素を含む膜の単層構造、若しくはこれらの積層構造で設
けることができる。The insulating
絶縁膜4019は、シロキサン樹脂、あるいは、酸化珪素(SiOx)、窒化珪素(Si
Nx)、酸化窒化珪素(SiOxNy)(x>y)、窒化酸化珪素(SiNxOy)(x
>y)等の酸素又は窒素を有する絶縁膜やDLC(ダイヤモンドライクカ-ボン)等の炭
素を含む膜、あるいは、エポキシ、ポリイミド、ポリアミド、ポリビニルフェノ-ル、ベ
ンゾシクロブテン、アクリル等の有機材料、からなる単層若しくは積層構造で設けること
ができる。なお、シロキサン樹脂とは、Si-O-Si結合を含む樹脂に相当する。シロ
キサンは、シリコン(Si)と酸素(O)との結合で骨格構造が構成される。置換基とし
て、少なくとも水素を含む有機基(例えばアルキル基、アリール基)が用いられる。置換
基として、フルオロ基を用いることもできる。あるいは、置換基として、少なくとも水素
を含む有機基と、フルオロ基とを用いてもよい。なお、本発明に適応できる表示装置にお
いて、絶縁膜4018を設けずにゲート電極4017を覆うように直接絶縁膜4019を
設けることも可能である。The insulating
 Nx), silicon oxynitride (SiOxNy) (x>y), silicon oxynitride (SiNxOy) (x
 >y) and other insulating films containing oxygen or nitrogen, films containing carbon such as DLC (diamond-like carbon), or organic materials such as epoxy, polyimide, polyamide, polyvinylphenol, benzocyclobutene, and acrylic. , can be provided in a single layer or a laminated structure. Note that the siloxane resin corresponds to a resin containing a Si—O—Si bond. Siloxane has a skeletal structure composed of bonds of silicon (Si) and oxygen (O). As a substituent, an organic group containing at least hydrogen (for example, an alkyl group or an aryl group) is used. A fluoro group can also be used as a substituent. Alternatively, an organic group containing at least hydrogen and a fluoro group may be used as substituents. Note that in the display device to which the present invention can be applied, the insulating
導電膜4023は、Al、Ni、W、Mo、Ti、Pt、Cu、Ta、Au、Mnなどの
元素の単体膜、あるいは、前記元素の窒化膜、あるいは、前記元素を組み合わせた合金膜
、あるいは、前記元素のシリサイド膜などを用いることができる。例えば、前記元素を複
数含む合金として、C及びTiを含有したAl合金、Niを含有したAl合金、C及びN
iを含有したAl合金、C及びMnを含有したAl合金等を用いることができる。また、
積層構造で設ける場合、AlをMo又はTiなどで挟み込んだ構造とすることができる。
こうすることで、Alの熱や化学反応に対する耐性を向上することができる。The
 An Al alloy containing i, an Al alloy containing C and Mn, or the like can be used. again,
 In the case of providing a laminated structure, a structure in which Al is sandwiched between Mo, Ti, or the like can be employed.
 By doing so, the resistance of Al to heat and chemical reaction can be improved.
次に、図48(A)に示した、複数の異なる構造を有するトランジスタの断面図を参照し
て、各々の構造の特徴について説明する。Next, features of each structure are described with reference to cross-sectional views of transistors having a plurality of different structures shown in FIG.
トランジスタ4001は、シングルドレイントランジスタであり、簡便な方法で製造でき
るため、製造コストが低く、歩留まりを高く製造できる利点がある。ここで、半導体層4
013、4015は、それぞれ不純物の濃度が異なり、半導体層4013はチャネル領域
、半導体層4015はソース領域及びドレイン領域として機能する。このように、不純物
の量を制御することで、半導体層の抵抗率を制御することができる。また、半導体層と導
電膜4023との電気的な接続状態を、オ-ミック接続に近づけることができる。なお、
不純物の量の異なる半導体層を作り分ける方法としては、ゲート電極4017をマスクと
して半導体層に不純物をド-ピングする方法を用いることができる。Since the
 013 and 4015 have different impurity concentrations, the
 As a method of separately forming semiconductor layers with different amounts of impurities, a method of doping the semiconductor layers with impurities using the
トランジスタ4002は、ゲート電極4017に一定以上のテーパー角を有するトランジ
スタであり、簡便な方法で製造できるため、製造コストが低く、歩留まりを高く製造でき
る利点がある。半導体層4013、4014、4015は、それぞれ不純物濃度が異なり
、半導体層4013はチャネル領域、半導体層4014は低濃度ドレイン(Lightl
y  Doped  Drain:LDD)領域、半導体層4015はソース領域及びドレイ
ン領域として用いる。このように、不純物の量を制御することで、半導体層の抵抗率を制
御できる。また、半導体層と導電膜4023との電気的な接続状態を、オ-ミック接続に
近づけることができる。また、LDD領域を有するため、トランジスタ内部に高電界がか
かりにくく、ホットキャリアによる素子の劣化を抑制することができる。なお、不純物の
量の異なる半導体層を作り分ける方法としては、ゲート電極4017をマスクとして半導
体層に不純物をド-ピングする方法を用いることができる。トランジスタ4002は、ゲ
ート電極4017がテーパー角を有しているため、ゲート電極4017を通過して半導体
層にド-ピングされる不純物の濃度に勾配を持たせることができ、簡便にLDD領域を形
成することができる。The
 y Doped Drain (LDD) region, and the
トランジスタ4003は、ゲート電極が少なくとも2層で構成され、下層のゲート電極4
017aが上層のゲート電極4017bよりも長い形状を有するトランジスタである。本
明細書中においては、上層のゲート電極及び下層のゲート電極の形状を、帽子型と呼ぶ。
ゲート電極の形状が帽子型であることによってフォトマスクを追加することなく、LDD
領域を形成することができる。なお、トランジスタ4003のように、LDD領域がゲー
ト電極と重なっている構造を、特にGOLD構造(Gate  Overlapped  L
DD)と呼ぶ。なお、ゲート電極の形状を帽子型とする方法としては、次のような方法を
用いてもよい。The
 017a is a transistor having a shape longer than the
 Since the shape of the gate electrode is hat-shaped, LDD can be realized without adding a photomask.
 Regions can be formed. Note that the structure in which the LDD region overlaps with the gate electrode as in the
 DD). As a method for making the shape of the gate electrode hat-shaped, the following method may be used.
まず、ゲート電極をパタ-ニングする際に、ドライエッチングにより、下層のゲート電極
及び上層のゲート電極をエッチングして側面に傾斜(テーパー)のある形状にする。続い
て、異方性エッチングにより上層のゲート電極の傾斜を垂直に近くなるように加工する。
これにより、断面形状が帽子型のゲート電極が形成される。その後、2回、不純物元素を
ド-ピングすることによって、チャネル領域として用いる半導体層4013、LDD領域
として用いる半導体層4014、ソ-ス電極及びドレイン電極として用いる半導体層40
15が形成される。First, when patterning the gate electrode, the lower layer gate electrode and the upper layer gate electrode are etched by dry etching to form a tapered shape on the side surface. Subsequently, anisotropic etching is performed so that the inclination of the upper gate electrode is almost vertical.
 As a result, a gate electrode having a hat-shaped cross section is formed. After that, by doping an impurity element twice, a
 15 is formed.
なお、ゲート電極と重なっているLDD領域をLov領域、ゲート電極と重なっていない
LDD領域をLoff領域と呼ぶことにする。ここで、Loff領域はオフ電流値を抑え
る効果は高いが、ドレイン近傍の電界を緩和してホットキャリアによるオン電流値の劣化
を防ぐ効果は低い。一方、Lov領域はドレイン近傍の電界を緩和し、オン電流値の劣化
の防止には有効であるが、オフ電流値を抑える効果は低い。よって、種々の回路毎に、求
められる特性に応じた構造のトランジスタを作製することが好ましい。たとえば、本発明
に適応できる表示装置を表示装置として用いる場合、画素トランジスタは、オフ電流値を
抑えるために、Loff領域を有するトランジスタを用いることが好適である。一方、周
辺回路におけるトランジスタは、ドレイン近傍の電界を緩和し、オン電流値の劣化を防止
するために、Lov領域を有するトランジスタを用いることが好適である。An LDD region that overlaps with the gate electrode is called a Lov region, and an LDD region that does not overlap with the gate electrode is called an Loff region. Here, although the Loff region has a high effect of suppressing the off-current value, it has a low effect of alleviating the electric field near the drain and preventing deterioration of the on-current value due to hot carriers. On the other hand, the Lov region relaxes the electric field in the vicinity of the drain and is effective in preventing deterioration of the on-current value, but is less effective in suppressing the off-current value. Therefore, it is preferable to manufacture a transistor having a structure corresponding to required characteristics for each of various circuits. For example, when a display device to which the present invention can be applied is used as a display device, it is preferable to use a transistor having an Loff region as a pixel transistor in order to suppress an off current value. On the other hand, the transistor in the peripheral circuit preferably has an Lov region in order to relax the electric field in the vicinity of the drain and prevent deterioration of the on-current value.
トランジスタ4004は、ゲート電極4017の側面に接して、サイドウォ-ル4021
を有するトランジスタである。サイドウォ-ル4021を有することによって、サイドウ
ォ-ル4021と重なる領域をLDD領域とすることができる。The
 is a transistor having By having the
トランジスタ4005は、半導体層にマスクを用いてド-ピングすることにより、LDD
(Loff)領域を形成したトランジスタである。こうすることにより、確実にLDD領
域を形成することができ、トランジスタのオフ電流値を低減することができる。
 This is a transistor in which a (Loff) region is formed. By doing so, the LDD region can be reliably formed, and the off current value of the transistor can be reduced.
トランジスタ4006は、半導体層にマスクを用いてド-ピングすることにより、LDD
(Lov)領域を形成したトランジスタである。こうすることにより、確実にLDD領域
を形成することができ、トランジスタのドレイン近傍の電界を緩和し、オン電流値の劣化
を低減することができる。
 (Lov) is a transistor in which a region is formed. By doing so, the LDD region can be reliably formed, the electric field in the vicinity of the drain of the transistor can be relaxed, and deterioration of the on-current value can be reduced.
次に、図48(B)乃至(G)を参照して、本発明に係る表示装置が有するトランジスタ
の作製方法の例を説明する。Next, an example of a method for manufacturing a transistor included in a display device according to the present invention is described with reference to FIGS.
なお、本発明に係る表示装置が有するトランジスタの構造及び作製方法は、図48に示す
ものに限定されず、様々な構造及び作製方法を用いることができる。Note that the structure and manufacturing method of the transistor included in the display device according to the present invention are not limited to those shown in FIGS. 48A and 48B, and various structures and manufacturing methods can be used.
本実施の形態においては、基板4011、絶縁膜4012、半導体層4013、4014
、4015、絶縁膜4016、絶縁膜4018や絶縁膜4019の表面に、プラズマ処理
を用いて酸化又は窒化処理を行うことにより、その表面を酸化又は窒化することができる
。このように、プラズマ処理を用いて半導体層又は絶縁膜を酸化又は窒化することによっ
て、当該半導体層又は当該絶縁膜の表面を改質し、CVD法やスパッタ法により形成した
絶縁膜と比較してより緻密な絶縁膜を形成することができ。よって、ピンホール等の欠陥
を抑制し表示装置の特性等を向上させることが可能となる。In this embodiment mode, a
 , 4015, the insulating
まず、基板4011の表面をフッ酸(HF)、アルカリ又は純水を用いて洗浄する。基板
4011は、バリウムホウケイ酸ガラス、アルミノホウケイ酸ガラスなどのガラス基板、
石英基板、セラミック基板又はステンレスを含む金属基板等を用いることができる。他に
も、ポリエチレンテレフタレ-ト(PET)、ポリエチレンナフタレ-ト(PEN)、ポ
リエ-テルサルフォン(PES)に代表されるプラスチックや、アクリル等の可撓性を有
する合成樹脂からなる基板を用いることも可能である。なお、ここでは基板4011とし
てガラス基板を用いる場合を示す。First, the surface of the
 A quartz substrate, a ceramic substrate, a metal substrate including stainless steel, or the like can be used. In addition, substrates made of plastics such as polyethylene terephthalate (PET), polyethylene naphthalate (PEN), polyethersulfone (PES), and flexible synthetic resins such as acrylic are also available. It is also possible to use Note that the case where a glass substrate is used as the
ここで、基板4011の表面にプラズマ処理を行うことで酸化又は窒化し、基板4011
の表面に酸化膜又は窒化膜を形成してもよい(図48(B))。表面にプラズマ処理を行
うことで形成された酸化膜又は窒化膜などの絶縁膜を、以下ではプラズマ処理絶縁膜とも
記す。なお、図48(B)においては、絶縁膜4031がプラズマ処理絶縁膜である。一
般的に、ガラス又はプラスチック等の基板上に薄膜トランジスタ等の半導体素子を設けた
場合、ガラス又はプラスチック等に含まれる、Naなどのアルカリ金属又はアルカリ土類
金属等の不純物元素が半導体素子に混入することによって、半導体素子の特性に影響を及
ぼす恐れがある。しかし、ガラス又はプラスチック等からなる基板の表面を窒化すること
により、基板に含まれるNaなどの、アルカリ金属又はアルカリ土類金属等の不純物元素
が半導体素子に混入するのを防止することができる。Here, the surface of the
 An oxide film or nitride film may be formed on the surface of (FIG. 48(B)). An insulating film such as an oxide film or a nitride film formed by performing plasma treatment on the surface is hereinafter also referred to as a plasma-treated insulating film. Note that in FIG. 48B, the insulating
なお、プラズマ処理により表面を酸化する場合には、酸素雰囲気下(例えば、酸素(O2
)と希ガス(He、Ne、Ar、Kr、Xeの少なくとも一つを含む)雰囲気下、あるい
は、酸素と水素(H2)と希ガス雰囲気下、あるいは、一酸化二窒素と希ガス雰囲気下)
でプラズマ処理を行う。一方、プラズマ処理により半導体層を窒化する場合には、窒素雰
囲気下(例えば、窒素(N2)と希ガス(He、Ne、Ar、Kr、Xeの少なくとも一
つを含む)雰囲気下、あるいは、窒素と水素と希ガス雰囲気下、あるいは、NH3と希ガ
ス雰囲気下)でプラズマ処理を行う。希ガスとしては、例えばArやArとKrを混合し
たガス等を用いることができる。そのため、プラズマ処理絶縁膜は、プラズマ処理に用い
た希ガス(He、Ne、Ar、Kr、Xeの少なくとも一つを含む)を含んでいる。たと
えば、Arを用いた場合にはプラズマ処理絶縁膜にArが含まれている。When the surface is oxidized by plasma treatment, it should be performed in an oxygen atmosphere (for example, oxygen (O2
 ) and a rare gas (including at least one of He, Ne, Ar, Kr, and Xe), or an atmosphere of oxygen and hydrogen (H2 ) and a rare gas, or an atmosphere of dinitrogen monoxide and a rare gas )
 plasma treatment. On the other hand, when the semiconductor layer is nitrided by plasma treatment, the nitrogen atmosphere (for example, nitrogen (N2 ) and rare gas (including at least one of He, Ne, Ar, Kr, and Xe) atmosphere, or Plasma treatment is performed in a nitrogen-hydrogen-rare gas atmosphere, orNH3 and a rare-gas atmosphere). As the rare gas, for example, Ar or a mixed gas of Ar and Kr can be used. Therefore, the plasma-treated insulating film contains a rare gas (including at least one of He, Ne, Ar, Kr, and Xe) used for plasma treatment. For example, when Ar is used, the plasma-treated insulating film contains Ar.
また、プラズマ処理は、上記ガスの雰囲気中において、電子密度が1×1011cm-3
以上1×1013cm-3以下であり、プラズマの電子温度が0.5ev以上1.5eV
以下で処理することが好適である。プラズマの電子密度が高密度であり、被処理物付近で
の電子温度が低いため、被処理物に対するプラズマによる損傷を防止することができるか
らである。また、プラズマの電子密度が1×1011cm-3以上と高密度であるため、
プラズマ処理を用いて、被照射物を酸化又は窒化することよって形成される酸化物又は窒
化膜は、CVD法やスパッタ法等により形成された膜と比較して膜厚等の均一性に優れ、
且つ緻密な膜を形成することができる。あるいは、プラズマの電子温度が1eV以下と低
いため、従来のプラズマ処理や熱酸化法と比較して低温度で酸化又は窒化処理を行うこと
ができる。たとえば、ガラス基板の歪点温度よりも100度以上低い温度でプラズマ処理
を行っても十分に酸化又は窒化処理を行うことができる。なお、プラズマを形成するため
の周波数としては、マイクロ波(2.45GHz)等の高周波を用いることができる。な
お、以下に特に断らない場合は、プラズマ処理として上記条件を用いて行うものとする。Further, the plasma treatment has an electron density of 1×1011 cm−3 in the above gas atmosphere.
 1×1013 cm−3 or more, and the plasma electron temperature is 0.5 eV or more and 1.5 eV
 It is preferred to work with: This is because the electron density of the plasma is high and the electron temperature in the vicinity of the object to be processed is low, so that the object to be processed can be prevented from being damaged by the plasma. In addition, since the electron density of the plasma is as high as 1×1011 cm−3 or more,
 An oxide or nitride film formed by oxidizing or nitriding an object to be irradiated using plasma processing has superior uniformity in film thickness, etc., compared to films formed by CVD, sputtering, or the like.
 Moreover, a dense film can be formed. Alternatively, since the plasma electron temperature is as low as 1 eV or less, the oxidation or nitridation treatment can be performed at a lower temperature than in the conventional plasma treatment or thermal oxidation method. For example, even if the plasma treatment is performed at a temperature lower than the strain point temperature of the glass substrate by 100 degrees or more, the oxidation or nitridation treatment can be sufficiently performed. Note that a high frequency such as a microwave (2.45 GHz) can be used as a frequency for forming plasma. Unless otherwise specified, the plasma treatment is performed under the above conditions.
なお、図48(B)においては、基板4011の表面をプラズマ処理することによってプ
ラズマ処理絶縁膜を形成する場合を示しているが、本実施の形態は、基板4011の表面
にプラズマ処理絶縁膜を形成しない場合も含む。Note that FIG. 48B shows the case where the plasma-treated insulating film is formed by plasma-treating the surface of the
なお、図48(C)乃至(G)においては、被処理物の表面をプラズマ処理することによ
って形成されるプラズマ処理絶縁膜を図示しないが、本実施の形態においては、基板40
11、絶縁膜4012、半導体層4013、4014、4015、絶縁膜4016、絶縁
膜4018、又は絶縁膜4019の表面に、プラズマ処理を行なうことによって形成され
るプラズマ処理絶縁膜が存在する場合も含む。Although FIGS. 48C to 48G do not show the plasma-treated insulating film formed by plasma-treating the surface of the object to be processed, in this embodiment, the substrate 40
 11. The case where the insulating
次に、基板4011上に公知の手段(スパッタ法、LPCVD法、プラズマCVD法等)
を用いて絶縁膜4012を形成する(図48(C))。絶縁膜4012としては、酸化珪
素(SiOx)又は酸化窒化珪素(SiOxNy)(x>y)を用いることができる。Next, a well-known means (sputtering method, LPCVD method, plasma CVD method, etc.) is formed on the
 is used to form an insulating film 4012 (FIG. 48(C)). As the insulating
ここで、絶縁膜4012の表面にプラズマ処理を行い、絶縁膜4012を酸化又は窒化す
ることによって、絶縁膜4012の表面にプラズマ処理絶縁膜を形成してもよい。絶縁膜
4012の表面を酸化することによって、絶縁膜4012の表面を改質しピンホール等の
欠陥の少ない緻密な膜を得ることができる。また、絶縁膜4012の表面を酸化すること
によって、N原子の含有率が低いプラズマ処理絶縁膜を形成することができるため、プラ
ズマ処理絶縁膜に半導体層を設けた場合にプラズマ処理絶縁膜と半導体層界面特性が向上
する。また、プラズマ処理絶縁膜は、プラズマ処理に用いた希ガス(He、Ne、Ar、
Kr、Xeの少なくとも一つを含む)を含んでいる。なお、プラズマ処理は上述した条件
下で同様に行うことができる。Here, a plasma-treated insulating film may be formed on the surface of the insulating
 including at least one of Kr and Xe). Note that the plasma treatment can be similarly performed under the conditions described above.
次に、絶縁膜4012上に島状の半導体層4013、4014を形成する(図48(D)
)。島状の半導体層4013、4014は、絶縁膜4012上に公知の手段(スパッタ法
、LPCVD法、プラズマCVD法等)を用いてシリコン(Si)を主成分とする材料(
例えばSixGe1-x等)等を用いて非晶質半導体層を形成し、当該非晶質半導体層を
結晶化させ、半導体層を選択的にエッチングすることにより設けることができる。なお、
非晶質半導体層の結晶化は、レ-ザ結晶化法、RTA又はファーネスアニール炉を用いる
熱結晶化法、結晶化を助長する金属元素を用いる熱結晶化法又はこれら方法を組み合わせ
た方法等の公知の結晶化法により行うことができる。なお、ここでは、島状の半導体層の
端部を直角に近い形状(θ=85~100°)で設ける。あるいは、低濃度ドレイン領域
となる半導体層4014は、マスクを用いて不純物をド-ピングすることによって形成さ
れてもよい。Next, island-shaped
 ). The island-shaped
 It can be provided by forming an amorphous semiconductor layer using, for example, SixGe1-x, etc., crystallizing the amorphous semiconductor layer, and selectively etching the semiconductor layer. note that,
 Crystallization of the amorphous semiconductor layer may be performed by laser crystallization, thermal crystallization using RTA or furnace annealing, thermal crystallization using a metal element that promotes crystallization, or a combination of these methods. can be carried out by the known crystallization method of Here, the end portions of the island-shaped semiconductor layers are provided in a shape close to a right angle (θ=85 to 100°). Alternatively, the
ここで、半導体層4013、4014の表面にプラズマ処理を行い、半導体層4013、
4014の表面を酸化又は窒化することによって、半導体層4013、4014の表面に
プラズマ処理絶縁膜を形成してもよい。例えば、半導体層4013、4014としてSi
を用いた場合、プラズマ処理絶縁膜として、酸化珪素(SiOx)又は窒化珪素(SiN
x)が形成される。あるいは、プラズマ処理により半導体層4013、4014を酸化さ
せた後に、再度プラズマ処理を行うことによって窒化させてもよい。この場合、半導体層
4013、4014に接して酸化珪素(SiOx)が形成され、当該酸化珪素の表面に窒
化酸化珪素(SiNxOy)(x>y)が形成される。なお、プラズマ処理により半導体
層を酸化する場合には、酸素雰囲気下(例えば、酸素(O2)と希ガス(He、Ne、A
r、Kr、Xeの少なくとも一つを含む)雰囲気下、あるいは、酸素と水素(H2)と希
ガス雰囲気下又は一酸化二窒素と希ガス雰囲気下)、でプラズマ処理を行う。一方、プラ
ズマ処理により半導体層を窒化する場合には、窒素雰囲気下(例えば、窒素(N2)と希
ガス(He、Ne、Ar、Kr、Xeの少なくとも一つを含む)雰囲気下、あるいは、窒
素と水素と希ガス雰囲気下又はNH3と希ガス雰囲気下)、でプラズマ処理を行う。希ガ
スとしては、例えばArを用いることができる。また、ArとKrを混合したガスを用い
てもよい。そのため、プラズマ処理絶縁膜は、プラズマ処理に用いた希ガス(He、Ne
、Ar、Kr、Xeの少なくとも一つを含む)を含んでいる。たとえば、Arを用いた場
合にはプラズマ処理絶縁膜にArが含まれている。Here, the surfaces of the
 A plasma-treated insulating film may be formed on the surfaces of the
 is used, silicon oxide (SiOx) or silicon nitride (SiN
 x) is formed. Alternatively, after the
 The plasma treatment is performed in an atmosphere containing at least one of r, Kr, and Xe), an atmosphere of oxygen and hydrogen (H2 ) and a rare gas, or an atmosphere of dinitrogen monoxide and a rare gas). On the other hand, when the semiconductor layer is nitrided by plasma treatment, the nitrogen atmosphere (for example, nitrogen (N2 ) and rare gas (including at least one of He, Ne, Ar, Kr, and Xe) atmosphere, or Plasma treatment is performed in a nitrogen, hydrogen, and rare gas atmosphere or NH3 and a rare gas atmosphere). For example, Ar can be used as the rare gas. Alternatively, a mixed gas of Ar and Kr may be used. Therefore, the plasma-treated insulating film is made of the rare gas (He, Ne,
 , including at least one of Ar, Kr, and Xe). For example, when Ar is used, the plasma-treated insulating film contains Ar.
次に、絶縁膜4016を形成する(図48(E))。絶縁膜4016は、公知の手段(ス
パッタ法、LPCVD法、プラズマCVD法等)を用いて、酸化珪素(SiOx)、窒化
珪素(SiNx)、酸化窒化珪素(SiOxNy)(x>y)、窒化酸化珪素(SiNx
Oy)(x>y)等の酸素又は窒素を有する絶縁膜の単層構造、又はこれらの積層構造で
設けることができる。なお、半導体層4013、4014の表面をプラズマ処理すること
により、半導体層4013、4014の表面にプラズマ処理絶縁膜を形成した場合には、
プラズマ処理絶縁膜を絶縁膜4016として用いることも可能である。Next, an insulating
 It can be provided with a single-layer structure of an insulating film containing oxygen or nitrogen, such as Oy) (x>y), or a stacked-layer structure thereof. Note that when the surfaces of the
 A plasma-treated insulating film can also be used as the insulating
ここで、絶縁膜4016の表面にプラズマ処理を行い、絶縁膜4016の表面を酸化又は
窒化することによって、絶縁膜4016の表面にプラズマ処理絶縁膜を形成してもよい。
なお、プラズマ処理絶縁膜は、プラズマ処理に用いた希ガス(He、Ne、Ar、Kr、
Xeの少なくとも一つを含む)を含んでいる。また、プラズマ処理は上述した条件下で同
様に行うことができる。Here, a plasma-treated insulating film may be formed on the surface of the insulating
 Note that the plasma-treated insulating film is made of the rare gases (He, Ne, Ar, Kr,
 including at least one of Xe). Also, the plasma treatment can be similarly performed under the conditions described above.
あるいは、一旦酸素雰囲気下でプラズマ処理を行うことにより絶縁膜4016を酸化させ
た後に、再度窒素雰囲気下でプラズマ処理を行うことにより窒化させてもよい。このよう
に、絶縁膜4016にプラズマ処理を行い、絶縁膜4016の表面を酸化又は窒化するこ
とによって、絶縁膜4016の表面を改質し緻密な膜を形成することができる。プラズマ
処理を行うことによって得られた絶縁膜は、CVD法やスパッタ法で形成された絶縁膜と
比較して緻密でピンホール等の欠陥も少ないため、薄膜トランジスタの特性を向上させる
ことができる。Alternatively, the insulating
次に、ゲート電極4017を形成する(図48(F))。ゲート電極4017は、公知の
手段(スパッタ法、LPCVD法、プラズマCVD法等)を用いて形成することができる
。Next, a
トランジスタ4001においては、ゲート電極4017を形成した後に不純物ド-ピング
を行なうことで、ソース領域及びドレイン領域として用いる半導体層4015を形成する
ことができる。In the
トランジスタ4002においては、ゲート電極4017を形成した後に不純物ド-ピング
を行なうことで、LDD領域として用いる4014と、半導体層4013、ソース領域及
びドレイン領域として用いる半導体層4015を形成することができる。In the
トランジスタ4003においては、ゲート電極4017a、4017bを形成した後に不
純物ド-ピングを行なうことで、LDD領域として用いる4014と、半導体層4013
、ソース領域及びドレイン領域として用いる半導体層4015を形成することができる。In the
 , a
トランジスタ4004においては、ゲート電極4017の側面にサイドウォ-ル4021
を形成した後、不純物ド-ピングを行なうことで、LDD領域として用いる4014と、
半導体層4013、ソース領域及びドレイン領域として用いる半導体層4015を形成す
ることができる。In the
 4014 used as an LDD region by performing impurity doping after forming 4014;
 A
なお、サイドウォ-ル4021は、酸化珪素(SiOx)又は窒化珪素(SiNx)を用
いることができる。サイドウォ-ル4021をゲート電極4017の側面に形成する方法
としては、たとえば、ゲート電極4017を形成した後に、酸化珪素(SiOx)又は窒
化珪素(SiNx)を公知の方法で成膜した後に、異方性エッチングによって酸化珪素(
SiOx)又は窒化珪素(SiNx)膜をエッチングする方法を用いることができる。こ
うすることで、ゲート電極4017の側面にのみ酸化珪素(SiOx)又は窒化珪素(S
iNx)膜を残すことができるので、ゲート電極4017の側面にサイドウォ-ル402
1を形成することができる。The
 SiOx) or a method of etching a silicon nitride (SiNx) film can be used. By doing so, only the side surfaces of the
 iNx) film can be left, the sidewall 402 is formed on the side surface of the
 1 can be formed.
トランジスタ4005においては、ゲート電極4017を覆うようにマスク4022を形
成した後、不純物ド-ピングを行なうことで、LDD(Loff)領域として用いる40
14と、半導体層4013、ソース領域及びドレイン領域として用いる半導体層4015
を形成することができる。In the
 14, a
 can be formed.
トランジスタ4006においては、ゲート電極4017を形成した後に不純物ド-ピング
を行なうことで、LDD(Lov)領域として用いる4014と、半導体層4013、ソ
ース領域及びドレイン領域として用いる半導体層4015を形成することができる。In the
次に、絶縁膜4018を形成する(図48(G))。絶縁膜4018は、公知の手段(ス
パッタ法やプラズマCVD法等)により、酸化珪素(SiOx)、窒化珪素(SiNx)
、酸化窒化珪素(SiOxNy)(x>y)、窒化酸化珪素(SiNxOy)(x>y)
等の酸素又は窒素を有する絶縁膜やDLC(ダイヤモンドライクカ-ボン)等の炭素を含
む膜の単層構造、又はこれらの積層構造で設けることができる。Next, an insulating
 , Silicon oxynitride (SiOxNy) (x>y), Silicon oxynitride (SiNxOy) (x>y)
 A single-layer structure of an insulating film containing oxygen or nitrogen such as DLC (diamond-like carbon) or a film containing carbon such as DLC (diamond-like carbon), or a laminated structure of these can be provided.
ここで、絶縁膜4018の表面にプラズマ処理を行い、絶縁膜4018の表面を酸化又は
窒化することによって、絶縁膜4018の表面にプラズマ処理絶縁膜を形成してもよい。
なお、プラズマ処理絶縁膜は、プラズマ処理に用いた希ガス(He、Ne、Ar、Kr、
Xeの少なくとも一つを含む)を含んでいる。また、プラズマ処理は上述した条件下で同
様に行うことができる。Here, a plasma-treated insulating film may be formed on the surface of the insulating
 Note that the plasma-treated insulating film is made of the rare gases (He, Ne, Ar, Kr,
 including at least one of Xe). Also, the plasma treatment can be similarly performed under the conditions described above.
次に、絶縁膜4019を形成する(図48(A))。絶縁膜4019は、公知の手段(ス
パッタ法やプラズマCVD法等)により、酸化珪素(SiOx)、窒化珪素(SiNx)
、酸化窒化珪素(SiOxNy)(x>y)、窒化酸化珪素(SiNxOy)(x>y)
等の酸素又は窒素を有する絶縁膜やDLC(ダイヤモンドライクカ-ボン)等の炭素を含
む膜を用いることができる他に、エポキシ、ポリイミド、ポリアミド、ポリビニルフェノ
-ル、ベンゾシクロブテン、アクリル等の有機材料やシロキサン樹脂の単層構造、又はこ
れらの積層構造で設けることができる。なお、シロキサン樹脂とは、Si-O-Si結合
を含む樹脂に相当する。シロキサンは、シリコン(Si)と酸素(O)との結合で骨格構
造が構成される。置換基として、少なくとも水素を含む有機基(例えばアルキル基、アリ
ール基)が用いられる。置換基として、フルオロ基を用いることもできる。あるいは、置
換基として、少なくとも水素を含む有機基と、フルオロ基とを用いてもよい。また、プラ
ズマ処理絶縁膜には、プラズマ処理に用いた希ガス(He、Ne、Ar、Kr、Xeの少
なくとも一つを含む)が含まれており、例えばArを用いた場合にはプラズマ処理絶縁膜
中にArが含まれている。Next, an insulating
 , Silicon oxynitride (SiOxNy) (x>y), Silicon oxynitride (SiNxOy) (x>y)
 In addition to insulating films containing oxygen or nitrogen such as DLC (diamond-like carbon) and films containing carbon such as DLC, epoxy, polyimide, polyamide, polyvinylphenol, benzocyclobutene, acrylic, etc. A single-layer structure of an organic material or a siloxane resin, or a laminated structure of these can be provided. Note that the siloxane resin corresponds to a resin containing a Si—O—Si bond. Siloxane has a skeletal structure composed of bonds of silicon (Si) and oxygen (O). As a substituent, an organic group containing at least hydrogen (for example, an alkyl group or an aryl group) is used. A fluoro group can also be used as a substituent. Alternatively, an organic group containing at least hydrogen and a fluoro group may be used as substituents. In addition, the plasma processing insulating film contains a rare gas (including at least one of He, Ne, Ar, Kr, and Xe) used for plasma processing. Ar is contained in the film.
絶縁膜4019としてポリイミド、ポリアミド、ポリビニルフェノ-ル、ベンゾシクロブ
テン、アクリル等の有機材料やシロキサン樹脂等を用いた場合、絶縁膜4019の表面を
プラズマ処理により酸化又は窒化することにより、当該絶縁膜の表面を改質することがで
きる。表面を改質することによって、絶縁膜4019の強度が向上し開口部形成時等にお
けるクラックの発生やエッチング時の膜減り等の物理的ダメ-ジを低減することが可能と
なる。また、絶縁膜4019の表面が改質されることによって、絶縁膜4019上に導電
膜4023を形成する場合に導電膜との密着性が向上する。例えば、絶縁膜4019とし
てシロキサン樹脂を用いてプラズマ処理を用いて窒化を行った場合、シロキサン樹脂の表
面が窒化されることにより窒素又は希ガスを含むプラズマ処理絶縁膜が形成され、物理的
強度が向上する。When an organic material such as polyimide, polyamide, polyvinylphenol, benzocyclobutene, acrylic, or the like, or a siloxane resin is used as the insulating
次に、半導体層4015と電気的に接続された導電膜4023を形成するため、絶縁膜4
019、絶縁膜4018、絶縁膜4016にコンタクトホールを形成する。なお、コンタ
クトホールの形状はテーパー状であってもよく、このような形状とすることで、導電膜4
023のカバレッジを向上させることができる。Next, an insulating
 019 , contact holes are formed in the insulating
 023 coverage can be improved.
図49は、ボトムゲート型のトランジスタの断面構造及び容量素子の断面構造を示す。FIG. 49 shows a cross-sectional structure of a bottom-gate transistor and a cross-sectional structure of a capacitor.
基板4101上に第1の絶縁膜(絶縁膜4102)が全面に形成されている。第1の絶縁
膜は、基板側からの不純物が半導体層に影響を及ぼし、トランジスタの特性が変化してし
まうことを防ぐ機能を有する。つまり、第1の絶縁膜は下地膜としての機能を有する。し
たがって、信頼性の高いトランジスタを作製することができる。なお、第1の絶縁膜とし
ては、酸化シリコン膜、窒化シリコン膜又は酸化窒化シリコン膜(SiOxNy)などの
単層、又はこれらの積層を用いることができる。A first insulating film (insulating film 4102 ) is formed over the entire surface of the
第1の絶縁膜上に、第1の導電層(導電層4103及び導電層4104)が形成されてい
る。導電層4103は、トランジスタ4120のゲート電極として機能する部分を含む。
導電層4104は、容量素子4121の第1の電極として機能する部分を含む。なお、第
1の導電層としては、Ti、Mo、Ta、Cr、W、Al、Nd、Cu、Ag、Au、P
t、Si、Zn、Fe、Ba、Geなど、又はこれらの合金を用いることができる。ある
いは、これらの元素(合金も含む)の積層を用いることができる。A first conductive layer (a
 The
 t, Si, Zn, Fe, Ba, Ge, etc., or alloys thereof can be used. Alternatively, lamination of these elements (including alloys) can be used.
少なくとも第1の導電層を覆うように、第2の絶縁膜(絶縁膜4122)が形成されてい
る。第2の絶縁膜は、ゲート絶縁膜としての機能を有する。なお、第2の絶縁膜としては
、酸化シリコン膜、窒化シリコン膜又は酸化窒化シリコン膜(SiOxNy)などの単層
、又はこれらの積層を用いることができる。A second insulating film (insulating film 4122) is formed to cover at least the first conductive layer. The second insulating film functions as a gate insulating film. Note that as the second insulating film, a single layer such as a silicon oxide film, a silicon nitride film, or a silicon oxynitride film (SiOxNy), or a lamination thereof can be used.
なお、半導体層に接する部分の第2の絶縁膜としては、酸化シリコン膜を用いることが望
ましい。なぜなら、半導体層と第2の絶縁膜とが接する界面におけるトラップ準位が少な
くなるからである。Note that it is desirable to use a silicon oxide film as the second insulating film in a portion in contact with the semiconductor layer. This is because the trap level at the interface between the semiconductor layer and the second insulating film is reduced.
また、第2の絶縁膜がMoと接する場合、Moと接する部分の第2の絶縁膜としては酸化
シリコン膜を用いることが望ましい。なぜなら、酸化シリコン膜はMoを酸化させないか
らである。Further, when the second insulating film is in contact with Mo, it is desirable to use a silicon oxide film as the portion of the second insulating film in contact with Mo. This is because the silicon oxide film does not oxidize Mo.
第2の絶縁膜上のうち第1の導電層と重なって形成されている部分の一部に、フォトリソ
グラフィ法、インクジェット法又は印刷法などによって、半導体層が形成されている。そ
して、半導体層の一部は、第2の絶縁膜上のうち第1の導電層と重なって形成されていな
い部分まで延長されている。半導体層は、チャネル形成領域(チャネル形成領域4110
)、LDD領域(LDD領域4108、LDD領域4109)、不純物領域(不純物領域
4105、不純物領域4106、不純物領域4107)を有している。なお、チャネル形
成領域4110は、トランジスタ4120のチャネル形成領域として機能する。LDD領
域4108及びLDD領域4109は、トランジスタ4120のLDD領域として機能す
る。なお、LDD領域4108及びLDD領域4109は必ずしも必要ではない。不純物
領域4105は、トランジスタ4120のソース領域及びドレイン領域の一方として機能
する部分を含む。不純物領域4106は、トランジスタ4120のソース領域及びドレイ
ン領域の他方として機能する部分を含む。不純物領域4107は、容量素子4121の第
2の電極として機能する部分を含む。A semiconductor layer is formed on part of a portion of the second insulating film which overlaps with the first conductive layer by a photolithography method, an inkjet method, a printing method, or the like. A portion of the semiconductor layer extends to a portion of the second insulating film which is not formed to overlap with the first conductive layer. The semiconductor layer has a channel formation region (
 ), LDD regions (
全面に、第3の絶縁膜(絶縁膜4111)が形成されている。第3の絶縁膜の一部には、
選択的にコンタクトホールが形成されている。絶縁膜4111は、層間膜としての機能を
有する。第3の絶縁膜としては、無機材料(酸化シリコン、窒化シリコン、酸化窒化シリ
コンなど)あるいは、低誘電率の有機化合物材料(感光性又は非感光性の有機樹脂材料)
などを用いることができる。あるいは、シロキサンを含む材料を用いることもできる。な
お、シロキサンは、シリコン(Si)と酸素(O)との結合で骨格構造が構成される材料
である。置換基として、少なくとも水素を含む有機基(例えばアルキル基、アリール基)
が用いられる。あるいは、置換基としてフルオロ基を用いてもよい。あるいは、置換基と
して、少なくとも水素を含む有機基と、フルオロ基とを用いてもよい。A third insulating film (insulating film 4111) is formed on the entire surface. A part of the third insulating film has
 Contact holes are selectively formed. The insulating
 etc. can be used. Alternatively, materials containing siloxane can be used. Note that siloxane is a material having a skeletal structure composed of a bond between silicon (Si) and oxygen (O). As a substituent, an organic group containing at least hydrogen (e.g. alkyl group, aryl group)
 is used. Alternatively, a fluoro group may be used as a substituent. Alternatively, an organic group containing at least hydrogen and a fluoro group may be used as substituents.
第3の絶縁膜上に、第2の導電層(導電層4112)が形成されている。導電層4112
は、第3の絶縁膜に形成されたコンタクトホールを介してトランジスタ4120のソース
領域及びドレイン領域の他方と接続されている。したがって、導電層4112は、トラン
ジスタ4120のソース電極及びドレイン電極の他方として機能する部分を含む。なお、
第2の導電層としては、Ti、Mo、Ta、Cr、W、Al、Nd、Cu、Ag、Au、
Pt、Si、Zn、Fe、Ba、Geなど、又はこれらの合金を用いることができる。あ
るいは、これらの元素(合金も含む)の積層を用いることができる。A second conductive layer (a conductive layer 4112) is formed over the third insulating film.
 is connected to the other of the source region and the drain region of the
 Ti, Mo, Ta, Cr, W, Al, Nd, Cu, Ag, Au,
 Pt, Si, Zn, Fe, Ba, Ge, etc., or alloys thereof can be used. Alternatively, lamination of these elements (including alloys) can be used.
なお、第2の導電層が形成された後の工程として、様々な絶縁膜、又は様々な導電膜が形
成されていてもよい。Note that various insulating films or various conductive films may be formed in a step after the formation of the second conductive layer.
次に、トランジスタの半導体層にアモルファスシリコン(a-Si:H)膜を用いた場合
のトランジスタ及び容量素子の構造について説明する。Next, structures of a transistor and a capacitor in the case of using an amorphous silicon (a-Si:H) film for a semiconductor layer of the transistor will be described.
図50は、トップゲート型のトランジスタの断面構造及び容量素子の断面構造を示す。FIG. 50 shows a cross-sectional structure of a top-gate transistor and a cross-sectional structure of a capacitor.
基板4201上に第1の絶縁膜(絶縁膜4202)が全面に形成されている。第1の絶縁
膜は、基板側からの不純物が半導体層に影響を及ぼし、トランジスタの性質が変化してし
まうことを防ぐ機能を有する。つまり、第1の絶縁膜は下地膜としての機能を有する。し
たがって、信頼性の高いトランジスタを作製することができる。なお、第1の絶縁膜とし
ては、酸化シリコン膜、窒化シリコン膜又は酸化窒化シリコン膜(SiOxNy)などの
単層、又はこれらの積層を用いることができる。A first insulating film (insulating film 4202 ) is formed over the entire surface of the
なお、第1の絶縁膜を必ずしも形成する必要はない。この場合は、工程数の削減を図るこ
とができる。製造コストの削減を図ることができる。構造を簡単にできるので、歩留まり
の向上を図ることができる。Note that it is not always necessary to form the first insulating film. In this case, the number of steps can be reduced. It is possible to reduce manufacturing costs. Since the structure can be simplified, the yield can be improved.
第1の絶縁膜上に、第1の導電層(導電層4203、導電層4204及び導電層4205
)が形成されている。導電層4203は、トランジスタ4220のソ-ス電極及びドレイ
ン電極の一方の電極として機能する部分を含む。導電層4204は、トランジスタ422
0のソ-ス電極及びドレイン電極の他方の電極として機能する部分を含む。導電層420
5は、容量素子4221の第1の電極として機能する部分を含む。なお、第1の導電層と
しては、Ti、Mo、Ta、Cr、W、Al、Nd、Cu、Ag、Au、Pt、Si、Z
n、Fe、Ba、Geなど、又はこれらの合金を用いることができる。あるいは、これら
の元素(合金も含む)の積層を用いることができる。A first conductive layer (a
 ) is formed. The
 It includes a portion that functions as the other electrode of the zero source and drain electrodes. Conductive layer 420
 5 includes a portion functioning as the first electrode of the
 n, Fe, Ba, Ge, etc., or alloys thereof can be used. Alternatively, lamination of these elements (including alloys) can be used.
導電層4203及び導電層4204の上部に、第1の半導体層(半導体層4206及び半
導体層4207)が形成されている。半導体層4206は、ソ-ス領域とドレイン領域の
一方の電極として機能する部分を含む。半導体層4207は、ソ-ス領域とドレイン領域
の他方の電極として機能する部分を含む。なお、第1の半導体層としては、リン等を含ん
だシリコン等を用いることができる。First semiconductor layers (
導電層4203と導電層4204との間であって、かつ第1の絶縁膜上に、第2の半導体
層(半導体層4208)が形成されている。そして、半導体層4208の一部は、導電層
4203上及び導電層4204上まで延長されている。半導体層4208は、トランジス
タ4220のチャネル領域として機能する部分を含む。なお、第2の半導体層としては、
アモルファスシリコン(a-Si:H)等の非結晶性を有する半導体層、又は微結晶半導
体(μ-Si:H)等の半導体層などを用いることができる。A second semiconductor layer (semiconductor layer 4208) is formed between the
 A non-crystalline semiconductor layer such as amorphous silicon (a-Si:H), a semiconductor layer such as microcrystalline semiconductor (μ-Si:H), or the like can be used.
少なくとも半導体層4208及び導電層4205を覆うように、第2の絶縁膜(絶縁膜4
209及び絶縁膜4210)が形成されている。第2の絶縁膜は、ゲート絶縁膜としての
機能を有する。なお、第2の絶縁膜としては、酸化シリコン膜、窒化シリコン膜又は酸化
窒化シリコン膜(SiOxNy)などの単層、又はこれらの積層を用いることができる。A second insulating film (insulating film 4) is formed to cover at least the
 209 and an insulating film 4210) are formed. The second insulating film functions as a gate insulating film. Note that as the second insulating film, a single layer such as a silicon oxide film, a silicon nitride film, or a silicon oxynitride film (SiOxNy), or a lamination thereof can be used.
なお、第2の半導体層に接する部分の第2の絶縁膜としては、酸化シリコン膜を用いるこ
とが望ましい。なぜなら、第2の半導体層と第2の絶縁膜とが接する界面におけるトラッ
プ準位が少なくなるからである。Note that it is desirable to use a silicon oxide film as the second insulating film in contact with the second semiconductor layer. This is because the trap level at the interface between the second semiconductor layer and the second insulating film is reduced.
また、第2の絶縁膜がMoと接する場合、Moと接する部分の第2の絶縁膜としては酸化
シリコン膜を用いることが望ましい。なぜなら、酸化シリコン膜はMoを酸化させないか
らである。Further, when the second insulating film is in contact with Mo, it is desirable to use a silicon oxide film as the portion of the second insulating film in contact with Mo. This is because the silicon oxide film does not oxidize Mo.
第2の絶縁膜上に、第2の導電層(導電層4211及び導電層4212)が形成されてい
る。導電層4211は、トランジスタ4220のゲート電極として機能する部分を含む。
導電層4212は、容量素子4221の第2の電極、又は配線としての機能を有する。な
お、第2の導電層としては、Ti、Mo、Ta、Cr、W、Al、Nd、Cu、Ag、A
u、Pt、Si、Zn、Fe、Ba、Geなど、又はこれらの合金を用いることができる
。あるいは、これらの元素(合金も含む)の積層を用いることができる。A second conductive layer (a
 The
 u, Pt, Si, Zn, Fe, Ba, Ge, etc., or alloys thereof can be used. Alternatively, lamination of these elements (including alloys) can be used.
なお、第2の導電層が形成された後の工程として、様々な絶縁膜、又は様々な導電膜が形
成されていてもよい。Note that various insulating films or various conductive films may be formed in a step after the formation of the second conductive layer.
図51は、逆スタガ型(ボトムゲート型)のトランジスタの断面構造及び容量素子の断面
構造を示す。特に、図51に示すトランジスタは、チャネルエッチ型と呼ばれる構造であ
る。FIG. 51 shows a cross-sectional structure of an inverted staggered (bottom-gate) transistor and a cross-sectional structure of a capacitor. In particular, the transistor shown in FIG. 51 has a structure called a channel-etch type.
基板4301上に第1の絶縁膜(絶縁膜4302)が全面に形成されている。第1の絶縁
膜は、基板側からの不純物が半導体層に影響を及ぼし、トランジスタの性質が変化してし
まうことを防ぐ機能を有する。つまり、第1の絶縁膜は下地膜としての機能を有する。し
たがって、信頼性の高いトランジスタを作製することができる。なお、第1の絶縁膜とし
ては、酸化シリコン膜、窒化シリコン膜又は酸化窒化シリコン膜(SiOxNy)などの
単層、又はこれらの積層を用いることができる。A first insulating film (insulating film 4302 ) is formed over the entire surface of the
なお、第1の絶縁膜を必ずしも形成する必要はない。この場合は、工程数の削減を図るこ
とができる。製造コストの削減を図ることができる。構造を簡単にできるので、歩留まり
の向上を図ることができる。Note that it is not always necessary to form the first insulating film. In this case, the number of steps can be reduced. It is possible to reduce manufacturing costs. Since the structure can be simplified, the yield can be improved.
第1の絶縁膜上に、第1の導電層(導電層4303及び導電層4304)が形成されてい
る。導電層4303は、トランジスタ4320のゲート電極として機能する部分を含む。
導電層4304は、容量素子4321の第1の電極として機能する部分を含む。なお、第
1の導電層としては、Ti、Mo、TB、Cr、W、Bl、Nd、Cu、Bg、Bu、P
t、NA-Si、Zn、Fe、Ba、Geなど、又はこれらの合金を用いることができる
。あるいは、これらの元素(合金も含む)の積層を用いることができる。A first conductive layer (a
 The
 t, NA—Si, Zn, Fe, Ba, Ge, etc., or alloys thereof can be used. Alternatively, lamination of these elements (including alloys) can be used.
少なくとも第1の導電層を覆うように、第2の絶縁膜(絶縁膜4302)が形成されてい
る。第2の絶縁膜は、ゲート絶縁膜としての機能を有する。なお、第2の絶縁膜としては
、酸化シリコン膜、窒化シリコン膜又は酸化窒化シリコン膜(SiOxNy)などの単層
、又はこれらの積層を用いることができる。A second insulating film (insulating film 4302) is formed to cover at least the first conductive layer. The second insulating film functions as a gate insulating film. Note that as the second insulating film, a single layer such as a silicon oxide film, a silicon nitride film, or a silicon oxynitride film (SiOxNy), or a lamination thereof can be used.
なお、半導体層に接する部分の第2の絶縁膜としては、酸化シリコン膜を用いることが望
ましい。なぜなら、半導体層と第2の絶縁膜とが接する界面におけるトラップ準位が少な
くなるからである。Note that it is desirable to use a silicon oxide film as the second insulating film in a portion in contact with the semiconductor layer. This is because the trap level at the interface between the semiconductor layer and the second insulating film is reduced.
また、第2の絶縁膜がMoと接する場合、Moと接する部分の第2の絶縁膜としては酸化
シリコン膜を用いることが望ましい。なぜなら、酸化シリコン膜はMoを酸化させないか
らである。Further, when the second insulating film is in contact with Mo, it is desirable to use a silicon oxide film as the portion of the second insulating film in contact with Mo. This is because the silicon oxide film does not oxidize Mo.
第2の絶縁膜上のうち第1の導電層と重なって形成されている部分の一部に、フォトリソ
グラフィ法、インクジェット法又は印刷法などによって、第1の半導体層(半導体層43
06)が形成されている。そして、半導体層4306の一部は、第2の絶縁膜上のうち第
1の導電層と重なって形成されていない部分まで延長されている。半導体層4306は、
トランジスタ4320のチャネル領域として機能する部分を含む。なお、半導体層430
6としては、アモルファスシリコン(A-Si:H)等の非結晶性を有する半導体層、又
は微結晶半導体(μ-Si:H)等の半導体層などを用いることができる。A first semiconductor layer (semiconductor layer 43) is formed on a portion of the second insulating film overlapping with the first conductive layer by a photolithography method, an inkjet method, a printing method, or the like.
 06) are formed. A portion of the
 A portion that functions as a channel region of the
 As 6, an amorphous semiconductor layer such as amorphous silicon (A-Si:H) or a semiconductor layer such as microcrystalline semiconductor (μ-Si:H) can be used.
第1の半導体層上の一部に、第2の半導体層(半導体層4307及び半導体層4308)
が形成されている。半導体層4307は、ソ-ス領域とドレイン領域の一方の電極として
機能する部分を含む。半導体層4308は、ソ-ス領域とドレイン領域の他方の電極とし
て機能する部分を含む。なお、第2の導体層としては、リン等を含んだシリコン等を用い
ることができる。A second semiconductor layer (a
 is formed. The
第2の半導体層上及び第2の絶縁膜上に、第2の導電層(導電層4309、導電層431
0及び導電層4311)が形成されている。導電層4309は、トランジスタ4320の
ソ-ス電極とドレイン電極の一方として機能する部分を含む。導電層4310は、トラン
ジスタ4320のソ-スとドレイン電極の他方として機能する部分を含む。導電層431
2は、容量素子4321の第2の電極として機能する部分を含む。なお、第2の導電層と
しては、Ti、Mo、Ta、Cr、W、Al、Nd、Cu、Ag、Au、Pt、Si、Z
n、Fe、Ba、Geなど、又はこれらの合金を用いることができる。あるいは、これら
の元素(合金も含む)の積層を用いることができる。A second conductive layer (a
 0 and a conductive layer 4311) are formed.
 2 includes a portion functioning as the second electrode of the
 n, Fe, Ba, Ge, etc., or alloys thereof can be used. Alternatively, lamination of these elements (including alloys) can be used.
なお、第2の導電層が形成された後の工程として、様々な絶縁膜、又は様々な導電膜が形
成されていてもよい。Note that various insulating films or various conductive films may be formed in a step after the formation of the second conductive layer.
ここで、チャネルエッチ型のトランジスタが特徴とする工程の一例を説明する。同じマス
クを用いて、第1の半導体層及び第2の半導体層を形成することができる。具体的には、
第1の半導体層と第2の半導体層とは連続して成膜される。そして、第1の半導体層及び
第2の半導体層は、同じマスクを用いて形成される。Here, an example of a process characterized by a channel-etched transistor is described. The same mask can be used to form the first semiconductor layer and the second semiconductor layer. in particular,
 The first semiconductor layer and the second semiconductor layer are deposited continuously. Then, the first semiconductor layer and the second semiconductor layer are formed using the same mask.
チャネルエッチ型のトランジスタが特徴とする工程の別の一例を説明する。新たなマスク
を用いることなく、トランジスタのチャネル領域を形成することができる。具体的には、
第2の導電層が形成された後で、第2の導電層をマスクとして用いて第2の半導体層の一
部を除去する。あるいは、第2の導電層と同じマスクを用いて第2の半導体層の一部を除
去する。そして、除去された第2の半導体層の下部に形成されている第1の半導体層がト
ランジスタのチャネル領域となる。Another example of a process characterized by a channel-etched transistor will be described. A channel region of a transistor can be formed without using a new mask. in particular,
 After the second conductive layer is formed, portions of the second semiconductor layer are removed using the second conductive layer as a mask. Alternatively, part of the second semiconductor layer is removed using the same mask as the second conductive layer. Then, the first semiconductor layer formed under the removed second semiconductor layer becomes the channel region of the transistor.
図52は、逆スタガ型(ボトムゲート型)のトランジスタの断面構造及び容量素子の断面
構造を示す。特に、図52に示すトランジスタは、チャネル保護型(チャネルストップ型
)と呼ばれる構造である。FIG. 52 shows a cross-sectional structure of an inverted staggered (bottom-gate) transistor and a cross-sectional structure of a capacitor. In particular, the transistor shown in FIG. 52 has a structure called a channel protection type (channel stop type).
基板4401上に第1の絶縁膜(絶縁膜4402)が全面に形成されている。第1の絶縁
膜は、基板側からの不純物が半導体層に影響を及ぼし、トランジスタの性質が変化してし
まうことを防ぐ機能を有する。つまり、第1の絶縁膜は下地膜としての機能を有する。し
たがって、信頼性の高いトランジスタを作製することができる。なお、第1の絶縁膜とし
ては、酸化シリコン膜、窒化シリコン膜又は酸化窒化シリコン膜(SiOxNy)などの
単層、又はこれらの積層を用いることができる。A first insulating film (insulating film 4402 ) is formed over the entire surface of the
なお、第1の絶縁膜を必ずしも形成する必要はない。この場合は、工程数の削減を図るこ
とができる。製造コストの削減を図ることができる。構造を簡単にできるので、歩留まり
の向上を図ることができる。Note that it is not always necessary to form the first insulating film. In this case, the number of steps can be reduced. It is possible to reduce manufacturing costs. Since the structure can be simplified, the yield can be improved.
第1の絶縁膜上に、第1の導電層(導電層4403及び導電層4404)が形成されてい
る。導電層4403は、トランジスタ4420のゲート電極として機能する部分を含む。
導電層4404は、容量素子4421の第1の電極として機能する部分を含む。なお、第
1の導電層としては、Ti、Mo、Ta、Cr、W、Al、Nd、Cu、Ag、Au、P
t、Si、Zn、Fe、Ba、Geなど、又はこれらの合金を用いることができる。ある
いは、これらの元素(合金も含む)の積層を用いることができる。A first conductive layer (a
 The
 t, Si, Zn, Fe, Ba, Ge, etc., or alloys thereof can be used. Alternatively, lamination of these elements (including alloys) can be used.
少なくとも第1の導電層を覆うように、第2の絶縁膜(絶縁膜4402)が形成されてい
る。第2の絶縁膜は、ゲート絶縁膜としての機能を有する。なお、第2の絶縁膜としては
、酸化シリコン膜、窒化シリコン膜又は酸化窒化シリコン膜(SiOxNy)などの単層
、又はこれらの積層を用いることができる。A second insulating film (insulating film 4402) is formed to cover at least the first conductive layer. The second insulating film functions as a gate insulating film. Note that as the second insulating film, a single layer such as a silicon oxide film, a silicon nitride film, or a silicon oxynitride film (SiOxNy), or a lamination thereof can be used.
なお、半導体層に接する部分の第2の絶縁膜としては、酸化シリコン膜を用いることが望
ましい。なぜなら、半導体層と第2の絶縁膜とが接する界面におけるトラップ準位が少な
くなるからである。Note that it is desirable to use a silicon oxide film as the second insulating film in a portion in contact with the semiconductor layer. This is because the trap level at the interface between the semiconductor layer and the second insulating film is reduced.
また、第2の絶縁膜がMoと接する場合、Moと接する部分の第2の絶縁膜としては酸化
シリコン膜を用いることが望ましい。なぜなら、酸化シリコン膜はMoを酸化させないか
らである。Further, when the second insulating film is in contact with Mo, it is desirable to use a silicon oxide film as the portion of the second insulating film in contact with Mo. This is because the silicon oxide film does not oxidize Mo.
第2の絶縁膜上のうち第1の導電層と重なって形成されている部分の一部に、フォトリソ
グラフィ法、インクジェット法又は印刷法などによって、第1の半導体層(半導体層44
06)が形成されている。そして、半導体層4406の一部は、第2の絶縁膜上のうち第
1の導電層と重なって形成されていない部分まで延長されている。半導体層4406は、
トランジスタ4420のチャネル領域として機能する部分を含む。なお、半導体層440
6としては、アモルファスシリコン(C-Si:H)等の非結晶性を有する半導体層、又
は微結晶半導体(μ-Si:H)等の半導体層などを用いることができる。A first semiconductor layer (semiconductor layer 44) is formed on a portion of the second insulating film overlapping the first conductive layer by a photolithography method, an inkjet method, a printing method, or the like.
 06) are formed. A portion of the
 A portion that functions as a channel region of
 As 6, an amorphous semiconductor layer such as amorphous silicon (C—Si:H) or a semiconductor layer such as microcrystalline semiconductor (μ-Si:H) can be used.
第1の半導体層上の一部に、第3の絶縁膜(絶縁膜4412)が形成されている。絶縁膜
4412は、トランジスタ4420のチャネル領域がエッチングによって除去されること
を防止する機能を有する。つまり、絶縁膜4412は、チャネル保護膜(チャネルストッ
プ膜)として機能する。なお、第3の絶縁膜としては、酸化シリコン膜、窒化シリコン膜
又は酸化窒化シリコン膜(SiOxNy)などの単層、又はこれらの積層を用いることが
できる。A third insulating film (insulating film 4412) is formed over part of the first semiconductor layer. The insulating
第1の半導体層上の一部及び第3の絶縁膜上の一部に、第2の半導体層(半導体層440
7及び半導体層4408)が形成されている。半導体層4407は、ソ-ス領域とドレイ
ン領域の一方の電極として機能する部分を含む。半導体層4408は、ソ-ス領域とドレ
イン領域の他方の電極として機能する部分を含む。なお、第2の導体層としては、リン等
を含んだシリコン等を用いることができる。A second semiconductor layer (semiconductor layer 440
 7 and a semiconductor layer 4408) are formed. The
第2の半導体層上に、第2の導電層(導電層4409、導電層4410及び導電層441
1)が形成されている。導電層4409は、トランジスタ4420のソ-ス電極とドレイ
ン電極の一方として機能する部分を含む。導電層4410は、トランジスタ4420のソ
-スとドレイン電極の他方として機能する部分を含む。導電層4411は、容量素子44
21の第2の電極として機能する部分を含む。なお、第2の導電層としては、Ti、Mo
、Ta、Cr、W、Al、Nd、Cu、Ag、Au、Pt、Si、Zn、Fe、Ba、G
eなど、又はこれらの合金を用いることができる。あるいは、これらの元素(合金も含む
)の積層を用いることができる。A second conductive layer (a
 1) is formed.
 21 includes a portion that functions as a second electrode. As the second conductive layer, Ti, Mo
 , Ta, Cr, W, Al, Nd, Cu, Ag, Au, Pt, Si, Zn, Fe, Ba, G
 e, etc., or alloys thereof can be used. Alternatively, lamination of these elements (including alloys) can be used.
なお、第2の導電層が形成された後の工程として、様々な絶縁膜、又は様々な導電膜が形
成されていてもよい。Note that various insulating films or various conductive films may be formed in a step after the formation of the second conductive layer.
ここで、チャネル保護型のトランジスタが特徴とする工程の一例を説明する。同じマスク
を用いて、第1の半導体層、第2の半導体層及び第2の導電層を形成することができる。
同時に、チャネル領域を形成することができる。具体的には、第1の半導体層を成膜し、
次に第3の絶縁膜(チャネル保護膜、チャネルストップ膜)を、マスクを用いて形成し、
次に第2の半導体層と第2の導電層とを連続して成膜する。そして、第2の導電層が成膜
された後で、第1の半導体層、第2の半導体層及び第2の導電層が同じマスクを用いて形
成される。ただし、第3の絶縁膜の下部の第1の半導体層は、第3の絶縁膜によって保護
されるのでエッチングによって除去されない。この部分(第1の半導体層のうち上部に第
3の絶縁膜が形成された部分)がチャネル領域となる。Here, an example of a process characterized by a channel-protective transistor is described. The same mask can be used to form the first semiconductor layer, the second semiconductor layer, and the second conductive layer.
 At the same time, a channel region can be formed. Specifically, a first semiconductor layer is formed,
 Next, a third insulating film (channel protection film, channel stop film) is formed using a mask,
 Next, a second semiconductor layer and a second conductive layer are continuously formed. Then, after the second conductive layer is deposited, the first semiconductor layer, the second semiconductor layer and the second conductive layer are formed using the same mask. However, since the first semiconductor layer under the third insulating film is protected by the third insulating film, it is not removed by etching. This portion (the portion of the first semiconductor layer over which the third insulating film is formed) becomes the channel region.
なお、本実施の形態において、様々な図を用いて述べてきたが、各々の図で述べた内容(
一部でもよい)は、別の図で述べた内容(一部でもよい)に対して、適用、組み合わせ、
又は置き換えなどを自由に行うことが出来る。さらに、これまでに述べた図において、各
々の部分に関して、別の部分を組み合わせることにより、さらに多くの図を構成させるこ
とが出来る。In the present embodiment, descriptions have been made using various diagrams, but the contents described in each diagram (
 may be part of it) shall apply, combine, or
 Alternatively, replacement can be freely performed. Furthermore, in the figures described so far, more figures can be configured by combining each part with another part.
同様に、本実施の形態の各々の図で述べた内容(一部でもよい)は、別の実施の形態およ
び実施例の図で述べた内容(一部でもよい)に対して、適用、組み合わせ、又は置き換え
などを自由に行うことが出来る。さらに、本実施の形態の図において、各々の部分に関し
て、別の実施の形態および実施例の部分を組み合わせることにより、さらに多くの図を構
成させることが出来る。Similarly, the content (may be part of) described in each figure of this embodiment is applied or combined with the content (may be part of) described in the figures of other embodiments and examples. , or can be freely replaced. Furthermore, in the drawings of this embodiment, more drawings can be formed by combining parts of other embodiments and examples with respect to each part.
なお、本実施の形態は、他の実施の形態および実施例で述べた内容(一部でもよい)を、
具現化した場合の一例、少し変形した場合の一例、一部を変更した場合の一例、改良した
場合の一例、詳細に述べた場合の一例、応用した場合の一例、関連がある部分についての
一例などを示している。したがって、他の実施の形態および実施例で述べた内容は、本実
施の形態への適用、組み合わせ、又は置き換えを自由に行うことができる。It should be noted that, in this embodiment, the contents (or part of them) described in other embodiments and examples are
 Example of implementation, example of slight modification, example of partial change, example of improvement, example of detailed description, example of application, example of related parts etc. Therefore, the contents described in other embodiments and examples can be freely applied to, combined with, or replaced with this embodiment.
(実施の形態12)
本実施形態においては、本発明に係る電子機器の例について説明する。(Embodiment 12)
 In this embodiment, an example of an electronic device according to the present invention will be described.
  図53は表示パネル4501と、回路基板4502を組み合わせた表示パネルモジュー
ルの一形態を示している。FIG. 53 shows one form of a display panel module in which a
  図53に示すように、表示パネル4501は画素部4503、走査線駆動回路4504
及び信号線駆動回路4505を有している。回路基板4502には、例えば、コントロー
ル回路4506や信号分割回路4507などが形成されている。なお、表示パネル450
1と回路基板4502は接続配線4508によって接続されている。接続配線4508に
はFPC等を用いることができる。As shown in FIG. 53, a
 and a signal
 1 and the circuit board 4502 are connected by a
  表示パネル4501は、画素部と一部の周辺駆動回路(複数の駆動回路のうち動作周波
数の低い駆動回路)をトランジスタを用いて基板上に一体形成し、他の周辺駆動回路(複
数の駆動回路のうち動作周波数の高い駆動回路)をICチップ上に形成し、そのICチッ
プをCOG(Chip  On  Glass)で表示パネル3410に実装しても良い。あ
るいは、そのICチップをTAB(Tape  Auto  Bonding)やプリント基
板を用いてガラス基板と接続してもよい。また、全ての周辺駆動回路をICチップ上に形
成し、そのICチップをCOGなどで表示パネルに実装しても良い。In the
  なお、画素部には、上述の実施の形態に記載した画素を用いる。本発明により、視野角
を向上させることができる。また、画素部を構成するトランジスタに同一導電型のトラン
ジスタやトランジスタの半導体層に非晶質半導体を用いることで低コスト化を図ることも
できる。Note that the pixel described in the above embodiment mode is used for the pixel portion. The present invention can improve the viewing angle. In addition, cost reduction can be achieved by using a transistor of the same conductivity type as a transistor constituting a pixel portion or using an amorphous semiconductor for a semiconductor layer of the transistor.
  このような表示モジュールによりテレビ受像機を完成させることができる。図54は、
テレビ受像機の主要な構成を示すブロック図である。チューナ4601は映像信号と音声
信号を受信する。映像信号は、映像信号増幅回路4602と、そこから出力される信号を
赤、緑、青の各色に対応した色信号に変換する映像信号処理回路4603と、その映像信
号を駆動回路の入力仕様に変換するためのコントロール回路4506により処理される。
コントロール回路4506は、走査線側と信号線側にそれぞれ信号を出力する。デジタル
駆動する場合には、信号線側に信号分割回路4507を設け、入力デジタル信号をm個(
mは正の整数)に分割して供給する構成としても良い。Such a display module can complete a television receiver. Figure 54 shows
 1 is a block diagram showing the main configuration of a television receiver; FIG. A
 The
 (m is a positive integer) may be divided and supplied.
  チューナ4601で受信した信号のうち、音声信号は音声信号増幅回路4604に送ら
れ、その出力は音声信号処理回路4605を経てスピーカー4606に供給される。制御
回路4607は受信局(受信周波数)や音量の制御情報を入力部4608から受け、チュ
ーナ4601や音声信号処理回路4605に信号を送出する。Among the signals received by the
図54とは別の形態の表示パネルモジュールを組み込んだテレビ受像器について図55(
A)に示す。図55(A)において、筐体4701内に収められた表示画面4702は、
表示パネルモジュールで形成される。なお、スピーカー4703、操作スイッチ4704
などが適宜備えられていてもよい。FIG. 55 (see FIG. 55 (
 A). In FIG. 55(A), a
 It is formed by a display panel module. Note that a
 etc. may be provided as appropriate.
図55(B)に、ワイヤレスでディスプレイのみを持ち運び可能なテレビ受像器を示す。
筐体4712にはバッテリー及び信号受信器が内蔵されており、そのバッテリーで表示部
4713又はスピーカー部4717を駆動させる。バッテリーは充電器4710で繰り返
し充電が可能となっている。充電器4710は映像信号を送受信することが可能で、その
映像信号をディスプレイの信号受信器に送信することができる。筐体4712は操作キー
4716によって制御する。あるいは、図55(B)に示す装置は、操作キー4716を
操作することによって、筐体4712から充電器4710に信号を送ることが可能である
、映像音声双方向通信装置であってもよい。あるいは、操作キー4716を操作すること
によって、筐体4712から充電器4710に信号を送り、さらに充電器4710が送信
できる信号を他の電子機器に受信させることによって、他の電子機器の通信制御も可能で
ある、汎用遠隔制御装置であってもよい。本発明を表示部4713に適用することができ
る。FIG. 55(B) shows a television receiver in which only the display can be carried wirelessly.
 A battery and a signal receiver are incorporated in the
図56(A)は、表示パネル4801とプリント配線基板4802を組み合わせたモジュ
ールを示している。表示パネル4801は、複数の画素が設けられた画素部4803と、
第1の走査線駆動回路4804、第2の走査線駆動回路4805と、選択された画素にビ
デオ信号を供給する信号線駆動回路4806とを有する。FIG. 56A shows a module in which a display panel 4801 and a printed
 It has a first scanning line driver circuit 4804, a second scanning
プリント配線基板4802には、コントローラ4807、中央処理装置(CPU)480
8、メモリ4809、電源回路4810、音声処理回路4811及び送受信回路4812
などが備えられている。プリント配線基板4802と表示パネル4801は、フレキシブ
ル配線基板(FPC)4813により接続されている。フレキシブル配線基板(FPC)
4813には、保持容量、バッファ回路などを設け、電源電圧又は信号にノイズの発生、
及び信号の立ち上がり時間の増大を防ぐ構成としても良い。なお、コントローラ4807
、音声処理回路4811、メモリ4809、中央処理装置(CPU)4808、電源回路
4810などは、COG(Chip  On  Glass)方式を用いて表示パネル480
1に実装することもできる。COG方式により、プリント配線基板4802の規模を縮小
することができる。A
 8, memory 4809,
 etc. is provided. The printed
 The 4813 is provided with a holding capacitor, a buffer circuit, etc. to prevent the generation of noise in the power supply voltage or signal,
 Also, it may be configured to prevent an increase in signal rise time. Note that the
 , an
 1 can also be implemented. The COG method allows the scale of the printed
プリント配線基板4802に備えられたインターフェース(I/F)部4814を介して
、各種制御信号の入出力が行われる。そして、アンテナとの間の信号の送受信を行うため
のアンテナ用ポート4815が、プリント配線基板4802に設けられている。Various control signals are input/output via an interface (I/F)
図56(B)は、図56(A)に示したモジュールのブロック図を示す。このモジュール
は、メモリ4809としてVRAM4816、DRAM4817、フラッシュメモリ48
18などが含まれている。VRAM4816にはパネルに表示する画像のデータが、DR
AM4817には画像データ又は音声データが、フラッシュメモリには各種プログラムが
記憶されている。FIG. 56(B) shows a block diagram of the module shown in FIG. 56(A). This module includes
 18 are included. Image data to be displayed on the panel is stored in the
 Image data or audio data is stored in the AM4817, and various programs are stored in the flash memory.
電源回路4810は、表示パネル4801、コントローラ4807、中央処理装置(CP
U)4808、音声処理回路4811、メモリ4809、送受信回路4812を動作させ
る電力を供給する。ただし、パネルの仕様によっては、電源回路4810に電流源が備え
られている場合もある。A
 U) supplies power to operate 4808,
中央処理装置(CPU)4808は、制御信号生成回路4820、デコーダ4821、レ
ジスタ4822、演算回路4823、RAM4824、中央処理装置(CPU)4808
用のインターフェース(I/F)部4819などを有している。インターフェース(I/
F)部4819を介して中央処理装置(CPU)4808に入力された各種信号は、一旦
レジスタ4822に保持された後、演算回路4823、デコーダ4821などに入力され
る。演算回路4823では、入力された信号に基づき演算を行い、各種命令を送る場所を
指定する。一方デコーダ4821に入力された信号はデコードされ、制御信号生成回路4
820に入力される。制御信号生成回路4820は入力された信号に基づき、各種命令を
含む信号を生成し、演算回路4823において指定された場所、具体的にはメモリ480
9、送受信回路4812、音声処理回路4811、コントローラ4807などに送る。A central processing unit (CPU) 4808 includes a control
 has an interface (I/F)
 F) Various signals input to the central processing unit (CPU) 4808 via the
 820. Based on the input signal, the control
 9. Send to transmission/
メモリ4809、送受信回路4812、音声処理回路4811、コントローラ4807は
、それぞれ受けた命令に従って動作する。以下その動作について簡単に説明する。The memory 4809, transmission/
入力手段4825から入力された信号は、インターフェース(I/F)部4814を介し
てプリント配線基板4802に実装された中央処理装置(CPU)4808に送られる。
制御信号生成回路4820は、ポインティングデバイス又はキーボードなどの入力手段4
825から送られてきた信号に従い、VRAM4816に格納してある画像データを所定
のフォーマットに変換し、コントローラ4807に送付する。A signal input from the input means 4825 is sent to a central processing unit (CPU) 4808 mounted on the printed
 The control
 825, the image data stored in the
コントローラ4807は、パネルの仕様に合わせて中央処理装置(CPU)4808から
送られてきた画像データを含む信号にデータ処理を施し、表示パネル4801に供給する
。コントローラ4807は、電源回路4810から入力された電源電圧、又は中央処理装
置(CPU)4808から入力された各種信号をもとに、Hsync信号、Vsync信
号、クロック信号CLK、交流電圧(AC  Cont)、切り替え信号L/Rを生成し、
表示パネル4801に供給する。The
 It is supplied to the display panel 4801 .
送受信回路4812では、アンテナ4828において電波として送受信される信号が処理
されており、具体的にはアイソレータ、バンドパスフィルタ、VCO(Voltage
Controlled  Oscillator)、LPF(Low  Pass  Filt
er)、カプラ、バランなどの高周波回路を含んでいてもよい。送受信回路4812にお
いて送受信される信号のうち音声情報を含む信号が、中央処理装置(CPU)4808か
らの命令に従って、音声処理回路4811に送られる。In the transmitting/
 Controlled Oscillator), LPF (Low Pass Filt
 er), couplers, and baluns. Of the signals transmitted and received by the transmitting/
中央処理装置(CPU)4808の命令に従って送られてきた音声情報を含む信号は、音
声処理回路4811において音声信号に復調され、スピーカー4827に送られる。マイ
ク4826から送られてきた音声信号は、音声処理回路4811において変調され、中央
処理装置(CPU)4808からの命令に従って、送受信回路4812に送られる。A signal containing audio information sent according to an instruction from the central processing unit (CPU) 4808 is demodulated into an audio signal in an
コントローラ4807、中央処理装置(CPU)4808、電源回路4810、音声処理
回路4811、メモリ4809を、本実施形態のパッケージとして実装することができる
。The
勿論、本実施の形態はテレビ受像機に限定されず、パーソナルコンピュータのモニタをは
じめ、鉄道の駅又は空港などにおける情報表示盤、街頭における広告表示盤など特に大面
積の表示媒体として様々な用途に適用することができる。Of course, the present embodiment is not limited to television receivers, and can be used for a variety of applications, particularly as large-area display media such as monitors for personal computers, information display boards at railway stations and airports, and advertising display boards on the street. can be applied.
次に、図57を参照して、本発明に係る携帯電話の構成例について説明する。Next, a configuration example of the mobile phone according to the present invention will be described with reference to FIG.
表示パネル4901はハウジング4930に脱着自在に組み込まれる。ハウジング493
0は表示パネル4901のサイズに合わせて、形状又は寸法を適宜変更することができる
。表示パネル4901を固定したハウジング4930はプリント基板4931に嵌入され
モジュールとして組み立てられる。A display panel 4901 is detachably incorporated in a housing 4930 . housing 493
 0 can be changed in shape or size as appropriate according to the size of the display panel 4901 . A housing 4930 to which a display panel 4901 is fixed is fitted into a printed circuit board 4931 to be assembled as a module.
表示パネル4901はFPC4913を介してプリント基板4931に接続される。プリ
ント基板4931には、スピーカー4932、マイクロフォン4933、送受信回路49
34、CPU及びコントローラなどを含む信号処理回路4935が形成されている。この
ようなモジュールと、入力手段4936、バッテリー4937を組み合わせ、筐体493
9に収納する。表示パネル4901の画素部は筐体4939に形成された開口窓から視認
できように配置する。The display panel 4901 is connected to the printed circuit board 4931 via the
 34, a signal processing circuit 4935 including a CPU and a controller are formed. Combining such a module with the input means 4936 and the battery 4937, the housing 493
 Store in 9. A pixel portion of the display panel 4901 is arranged so as to be visible through an opening window formed in a housing 4939 .
表示パネル4901は、画素部と一部の周辺駆動回路(複数の駆動回路のうち動作周波数
の低い駆動回路)を基板上にトランジスタを用いて一体形成し、一部の周辺駆動回路(複
数の駆動回路のうち動作周波数の高い駆動回路)をICチップ上に形成し、そのICチッ
プをCOG(Chip  On  Glass)で表示パネル4901に実装しても良い。あ
るいは、そのICチップをTAB(Tape  Auto  Bonding)又はプリント
基板を用いてガラス基板と接続してもよい。このような構成とすることで、表示装置の低
消費電力化を図り、携帯電話機の一回の充電による使用時間を長くすることができる。携
帯電話機の低コスト化を図ることができる。In the display panel 4901, a pixel portion and some peripheral driver circuits (driver circuits with low operating frequencies among the plurality of driver circuits) are integrally formed on a substrate using transistors. A driver circuit having a high operating frequency among circuits) may be formed over an IC chip, and the IC chip may be mounted on the display panel 4901 by COG (Chip On Glass). Alternatively, the IC chip may be connected to the glass substrate using TAB (Tape Auto Bonding) or a printed circuit board. By adopting such a structure, the power consumption of the display device can be reduced, and the operating time of the mobile phone can be extended with one charge. It is possible to reduce the cost of the mobile phone.
図57に示した携帯電話は、様々な情報(静止画、動画、テキスト画像など)を表示する
機能を有する。カレンダー、日付又は時刻などを表示部に表示する機能を有する。表示部
に表示した情報を操作又は編集する機能を有する。様々なソフトウェア(プログラム)に
よって処理を制御する機能を有する。無線通信機能を有する。無線通信機能を用いて他の
携帯電話、固定電話又は音声通信機器と通話する機能を有する。無線通信機能を用いて様
々なコンピュータネットワークに接続する機能を有する。無線通信機能を用いて様々なデ
ータの送信又は受信を行う機能を有する。着信、データの受信、又はアラームに応じてバ
イブレータが動作する機能を有する。着信、データの受信、又はアラームに応じて音が発
生する機能を有する。なお、図57に示した携帯電話が有する機能はこれに限定されず、
様々な機能を有することができる。The mobile phone shown in FIG. 57 has a function of displaying various information (still images, moving images, text images, etc.). It has a function of displaying a calendar, date or time on the display unit. It has a function of operating or editing information displayed on the display unit. It has a function to control processing by various software (programs). It has a wireless communication function. It has the function of communicating with other mobile phones, fixed-line phones, or voice communication devices using wireless communication functions. It has a function to connect to various computer networks using a wireless communication function. It has a function of transmitting or receiving various data using a wireless communication function. It has a function to activate the vibrator in response to incoming calls, data reception, or alarms. It has the function of generating sound in response to incoming calls, data reception, or alarms. Note that the functions of the mobile phone shown in FIG. 57 are not limited to this,
 It can have various functions.
図58で示す携帯電話機は、操作スイッチ類5004、マイクロフォン5005などが備
えられた本体(A)5001と、表示パネル(A)5008、表示パネル(B)5009
、スピーカー5006などが備えられた本体(B)5002とが、蝶番5010で開閉可
能に連結されている。表示パネル(A)5008と表示パネル(B)5009は、回路基
板5007と共に本体(B)5002の筐体5003の中に収納される。表示パネル(A
)5008及び表示パネル(B)5009の画素部は筐体5003に形成された開口窓か
ら視認できるように配置される。The mobile phone shown in FIG. 58 includes a main body (A) 5001 equipped with
 , and a main body (B) 5002 provided with a
 ) 5008 and the pixel portion of the display panel (B) 5009 are arranged so as to be visible through an opening window formed in the
表示パネル(A)5008と表示パネル(B)5009は、その携帯電話機5000の機
能に応じて画素数などの仕様を適宜設定することができる。例えば、表示パネル(A)5
008を主画面とし、表示パネル(B)5009を副画面として組み合わせることができ
る。Specifications such as the number of pixels of the display panel (A) 5008 and the display panel (B) 5009 can be appropriately set according to the functions of the
 008 as the main screen and the display panel (B) 5009 as the sub-screen.
本実施形態に係る携帯電話機は、その機能又は用途に応じてさまざまな態様に変容し得る
。例えば、蝶番5010の部位に撮像素子を組み込んで、カメラ付きの携帯電話機として
も良い。操作スイッチ類5004、表示パネル(A)5008、表示パネル(B)500
9を一つの筐体内に納めた構成としても、上記した作用効果を奏することができる。表示
部を複数個そなえた情報表示端末に本実施形態の構成を適用しても、同様な効果を得るこ
とができる。The mobile phone according to this embodiment can be transformed into various aspects according to its functions or uses. For example, an imaging device may be incorporated in the
 9 can be housed in one housing, the above effects can be obtained. Similar effects can be obtained by applying the configuration of this embodiment to an information display terminal having a plurality of display units.
図58に示した携帯電話は、様々な情報(静止画、動画、テキスト画像など)を表示する
機能を有する。カレンダー、日付又は時刻などを表示部に表示する機能を有する。表示部
に表示した情報を操作又は編集する機能を有する。様々なソフトウェア(プログラム)に
よって処理を制御する機能を有する。無線通信機能を有する。無線通信機能を用いて他の
携帯電話、固定電話又は音声通信機器と通話する機能を有する。無線通信機能を用いて様
々なコンピュータネットワークに接続する機能を有する。無線通信機能を用いて様々なデ
ータの送信又は受信を行う機能を有する。着信、データの受信、又はアラームに応じてバ
イブレータが動作する機能を有する。着信、データの受信、又はアラームに応じて音が発
生する機能を有する。なお、図58に示した携帯電話が有する機能はこれに限定されず、
様々な機能を有することができる。The mobile phone shown in FIG. 58 has a function of displaying various information (still images, moving images, text images, etc.). It has a function of displaying a calendar, date or time on the display unit. It has a function of operating or editing information displayed on the display unit. It has a function to control processing by various software (programs). It has a wireless communication function. It has the function of communicating with other mobile phones, fixed-line phones, or voice communication devices using wireless communication functions. It has a function to connect to various computer networks using a wireless communication function. It has a function of transmitting or receiving various data using a wireless communication function. It has a function to activate the vibrator in response to incoming calls, data reception, or alarms. It has the function of generating sound in response to incoming calls, data reception, or alarms. Note that the functions of the mobile phone shown in FIG. 58 are not limited to this,
 It can have various functions.
本発明を様々な電子機器に適用することができる。具体的には、電子機器の表示部に適用
することができる。そのような電子機器として、ビデオカメラ、デジタルカメラ、ゴーグ
ル型ディスプレイ、ナビゲーションシステム、音響再生装置(カーオーディオ、オーディ
オコンポ等)、コンピュータ、ゲーム機器、携帯情報端末(モバイルコンピュータ、携帯
電話、携帯型ゲーム機又は電子書籍等)、記録媒体を備えた画像再生装置(具体的にはD
igital  Versatile  Disc(DVD)等の記録媒体を再生し、その画
像を表示しうるディスプレイを備えた装置)などが挙げられる。The present invention can be applied to various electronic devices. Specifically, it can be applied to a display portion of an electronic device. Examples of such electronic devices include video cameras, digital cameras, goggle-type displays, navigation systems, sound reproduction devices (car audio, audio components, etc.), computers, game devices, personal digital assistants (mobile computers, mobile phones, portable games, etc.). machine or e-book), image playback device equipped with a recording medium (specifically D
 and a device equipped with a display capable of reproducing recording media such as digital versatile discs (DVDs) and displaying images thereof.
図59(A)はディスプレイであり、筐体5111、支持台5112、表示部5113等
を含む。図59(A)に示すディスプレイは、様々な情報(静止画、動画、テキスト画像
など)を表示部に表示する機能を有する。なお、図59(A)に示すディスプレイが有す
る機能はこれに限定されず、様々な機能を有することができる。FIG. 59A shows a display including a
図59(B)はカメラであり、本体5121、表示部5122、受像部5123、操作キ
ー5124、外部接続ポート5125、シャッターボタン5126等を含む。図59(B
)に示すカメラは、静止画を撮影する機能を有する。動画を撮影する機能を有する。撮影
した画像(静止画、動画)を自動で補正する機能を有する。撮影した画像を記録媒体(外
部又はデジタルカメラに内臓)に保存する機能を有する。撮影した画像を表示部に表示す
る機能を有する。なお、図59(B)に示すカメラが有する機能はこれに限定されず、様
々な機能を有することができる。FIG. 59B shows a camera including a
 ) has a function of taking a still image. It has a function to shoot movies. It has a function to automatically correct captured images (still images and movies). It has a function to save captured images in a recording medium (external or internal to a digital camera). It has a function to display the captured image on the display unit. Note that the functions of the camera shown in FIG. 59B are not limited to this, and can have various functions.
図59(C)はコンピュータであり、本体5131、筐体5132、表示部5133、キ
ーボード5134、外部接続ポート5135、ポインティングデバイス5136等を含む
。図59(C)に示すコンピュータは、様々な情報(静止画、動画、テキスト画像など)
を表示部に表示する機能を有する。様々なソフトウェア(プログラム)によって処理を制
御する機能を有する。無線通信又は有線通信などの通信機能を有する。通信機能を用いて
様々なコンピュータネットワークに接続する機能を有する。通信機能を用いて様々なデー
タの送信又は受信を行う機能を有する。なお、図59(C)に示すコンピュータが有する
機能はこれに限定されず、様々な機能を有することができる。FIG. 59C shows a computer including a
 is displayed on the display unit. It has a function to control processing by various software (programs). It has a communication function such as wireless communication or wired communication. It has the ability to connect to various computer networks using communication functions. It has a function of transmitting or receiving various data using a communication function. Note that the functions of the computer shown in FIG. 59C are not limited to this, and can have various functions.
図59(D)はモバイルコンピュータであり、本体5141、表示部5142、スイッチ
5143、操作キー5144、赤外線ポート5145等を含む。図59(D)に示すモバ
イルコンピュータは、様々な情報(静止画、動画、テキスト画像など)を表示部に表示す
る機能を有する。表示部にタッチパネルの機能を有する。カレンダー、日付又は時刻など
を表示する機能を表示部に有する。様々なソフトウェア(プログラム)によって処理を制
御する機能を有する。無線通信機能を有する。無線通信機能を用いて様々なコンピュータ
ネットワークに接続する機能を有する。無線通信機能を用いて様々なデータの送信又は受
信を行う機能を有する。なお、図59(D)に示すモバイルコンピュータが有する機能は
これに限定されず、様々な機能を有することができる。FIG. 59D shows a mobile computer including a
図59(E)は記録媒体を備えた携帯型の画像再生装置(たとえば、DVD再生装置)で
あり、本体5151、筐体5152、表示部A5153、表示部B5154、記録媒体(
DVD等)読み込み部5155、操作キー5156、スピーカー部5157等を含む。表
示部A5153は主として画像情報を表示し、表示部B5154は主として文字情報を表
示することができる。FIG. 59(E) shows a portable image reproducing apparatus (for example, a DVD reproducing apparatus) equipped with a recording medium.
 DVD, etc.)
図59(F)はゴーグル型ディスプレイであり、本体5161、表示部5162、イヤホ
ン5163、支持部5164を含む。図59(F)に示すゴーグル型ディスプレイは、外
部から取得した画像(静止画、動画、テキスト画像など)を表示部に表示する機能を有す
る。なお、図59(F)に示すゴーグル型ディスプレイが有する機能はこれに限定されず
、様々な機能を有することができる。FIG. 59F shows a goggle-type display including a
図59(G)は携帯型遊技機であり、筐体5171、表示部5172、スピーカー部51
73、操作キー5174、記憶媒体挿入部5175等を含む。本発明の表示装置を表示部
5172に用いた携帯型遊技機は、鮮やかな色彩を表現することができる。図59(G)
に示す携帯型遊技機は、記録媒体に記録されているプログラム又はデータを読み出して表
示部に表示する機能を有する。他の携帯型遊技機と無線通信を行って情報を共有する機能
を有する。なお、図59(G)に示す携帯型遊技機が有する機能はこれに限定されず、様
々な機能を有することができる。FIG. 59G shows a portable game machine including a housing 5171, a
 73,
 2 has a function of reading a program or data recorded in a recording medium and displaying it on a display unit. It has a function to perform wireless communication with other portable game machines and share information. Note that the functions of the portable game machine shown in FIG. 59(G) are not limited to this, and can have various functions.
図59(H)はテレビ受像機能付きデジタルカメラであり、本体5181、表示部518
2、操作キー5183、スピーカー5184、シャッターボタン5185、受像部518
6、アンテナ5187等を含む。図59(H)に示すテレビ受像機付きデジタルカメラは
、静止画を撮影する機能を有する。動画を撮影する機能を有する。撮影した画像を自動で
補正する機能を有する。アンテナから様々な情報を取得する機能を有する。撮影した画像
、又はアンテナから取得した情報を保存する機能を有する。撮影した画像、又はアンテナ
から取得した情報を表示部に表示する機能を有する。なお、図59(H)に示すテレビ受
像機付きデジタルカメラが有する機能はこれに限定されず、様々な機能を有することがで
きる。FIG. 59H shows a digital camera with a television receiving function, which includes a
 2.
 6, including
図59(A)乃至(E)に示したように、本発明に係る電子機器は、何らかの情報を表示
するための表示部を有することを特徴とする。本発明に係る電子機器は、データが重複し
ている場合に該データをメモリに格納することで回路の動作頻度を減少させることができ
るので、消費電力が小さく、長時間の電池駆動が可能である。
  次に、本発明に係る表示装置の応用例について説明する。As shown in FIGS. 59A to 59E, the electronic equipment according to the present invention is characterized by having a display section for displaying some information. The electronic device according to the present invention can reduce the frequency of circuit operation by storing duplicated data in the memory, so that power consumption is small and battery operation can be performed for a long time. be.
 Next, application examples of the display device according to the present invention will be described.
  図60に、本発明に係る表示装置を建造物と一体にして設けた例について示す。図60
は、筐体5200、表示パネル5201、スピーカー部5202等を含む建造物を示して
いる。なお、5203は、表示パネル5201を操作するためのリモコン装置である。FIG. 60 shows an example in which the display device according to the present invention is integrated with a building. Figure 60
 shows a building including a
  表示パネル5201には上記実施の形態に記載した画素が用いられている。本発明によ
り視野角特性に優れた表示品位の高い表示パネルを得ることができる。なお、また、画素
部を構成するトランジスタに同一導電型のトランジスタやトランジスタの半導体層に非晶
質半導体を用いることで低コスト化を図ることもできる。The pixel described in the above embodiment mode is used for the
  図60に示す表示装置は、構造物と一体にして設けられているため、スペースを広く必
要とすることなく設置することができる。Since the display device shown in FIG. 60 is provided integrally with the structure, it can be installed without requiring a large space.
  図61に、本発明に係る表示装置を建造物と一体にして設けた他の例について示す。表
示パネル5301は、ユニットバス5302と一体にして取り付けられており、入浴者は
入浴しながら表示パネル5301の視聴が可能となる。表示パネル5301には入浴者が
操作することで情報を表示することができる。そのため、広告や娯楽手段として利用でき
る機能を有する。FIG. 61 shows another example in which the display device according to the present invention is integrated with a building. The
  表示パネル5301には上記実施の形態に記載した画素が用いられている。本発明によ
り視野角特性に優れた表示品位の高い表示パネルを得ることができる。なお、また、画素
部を構成するトランジスタに同一導電型のトランジスタやトランジスタの半導体層に非晶
質半導体を用いることで低コスト化を図ることもできる。The pixel described in the above embodiment mode is used for the
  なお、本発明に係る表示装置は、図61で示したユニットバス5302の側壁だけでは
なく、様々な場所と一体に設けることができる。たとえば、鏡面の一部や浴槽自体と一体
に設けられていても良い。また、表示装置の形状は、鏡面や浴槽の形状に合わせたものと
なっていてもよい。It should be noted that the display device according to the present invention can be integrally provided not only on the side wall of the
  図62に、本発明に係る表示装置を、建造物と一体にして設けた他の例について示す。
図62において、表示パネル5402は柱状体5401の曲面に合わせて湾曲されている
。ここでは、柱状体5401を電柱として説明する。FIG. 62 shows another example in which the display device according to the present invention is integrated with a building.
 In FIG. 62, the
  図62に示す表示パネル5402は、人間の視点より高い位置に設けられている。電柱
のように屋外で繰り返し林立している建造物に表示パネル5402を設置することで、不
特定多数の視認者に対し表示パネル5402を介して情報を提供することができる。その
ため、表示パネルを広告として利用することが適している。また、表示パネル5402は
、外部からの制御により同じ画像を表示させること、また瞬時に画像を切替えることが容
易であるため、極めて効率的な情報表示及び広告効果が期待できる。また、表示パネル5
402に自発光型の表示素子を設けることで、夜間であっても視認性の高い表示媒体とし
て有用であるといえる。また、表示パネル5402を電柱に設置することで表示パネル5
402の電力供給手段の確保が容易である。また、災害発生時などの非常事態の際には、
被災者に素早く正確な情報を伝達する手段ともなり得る。A
 It can be said that providing a self-luminous display element in 402 is useful as a display medium with high visibility even at night. In addition, by installing the
 It is easy to secure the power supply means 402 . In the event of an emergency such as a disaster,
 It can also serve as a means of quickly transmitting accurate information to disaster victims.
  表示パネル5402には上記実施の形態に記載した画素が用いられている。本発明によ
り視野角特性に優れた表示品位の高い表示パネルを得ることができる。なお、また、画素
部を構成するトランジスタに同一導電型のトランジスタやトランジスタの半導体層に非晶
質半導体を用いることで低コスト化を図ることもできる。また、フィルム状の基板に設け
られた有機トランジスタを用いても良い。The pixel described in the above embodiment mode is used for the
  なお、本実施形態では本発明の表示装置と一体にした建造物として壁、ユニットバス、
柱状体を例示したが、他の様々な建造物にも設けることが可能である。In this embodiment, a wall, a unit bath, and a building integrated with the display device of the present invention
 Although a columnar body is illustrated, it can be provided in various other buildings.
次に、本発明に係る表示装置を、移動物と一体にして設けた例について示す。 Next, an example in which the display device according to the present invention is integrated with a moving object will be described.
  図63は、本発明に係る表示装置を自動車と一体にして設けた例について示した図であ
る。表示パネル5502は、自動車の車体5501と一体にして設けられており、車体の
動作や車体内外から入力される情報をオンデマンドに表示することができる。また、表示
パネル5502はナビゲーション機能を有していてもよい。FIG. 63 is a diagram showing an example in which a display device according to the present invention is integrated with an automobile. The
  表示パネル5502には上記実施の形態に記載した画素が用いられている。本発明によ
り視野角特性に優れた表示品位の高い表示パネルを得ることができる。なお、また、画素
部を構成するトランジスタに同一導電型のトランジスタやトランジスタの半導体層に非晶
質半導体を用いることで低コスト化を図ることもできる。The pixel described in the above embodiment mode is used for the
  なお、本発明に係る表示装置は、図63で示した車体5501だけではなく、様々な場
所に設けることができる。たとえば、ガラス窓、ドア、ハンドル、シフトレバー、座席シ
ート、ルームミラー等と一体にして設けてもよい。このとき、表示パネル5502の形状
は、設置するものの形状に合わせたものとなっていてよい。It should be noted that the display device according to the present invention can be provided not only in the
  図64は、本発明に係る表示装置を列車車両と一体にして設けた例について示した図で
ある。FIG. 64 is a diagram showing an example in which a display device according to the present invention is integrated with a train car.
  図64(a)は、列車車両のドア5601のガラスに表示パネル5602を設けた例に
ついて示した図である。従来の紙による広告に比べて、広告切替えの際に必要となる人件
費がかからないという利点がある。また、表示パネル5602は、外部からの信号により
表示部で表示される画像の切り替えを瞬時に行なうことが可能であるため、たとえば電車
の乗降客の客層が入れ替わる時間帯ごとに表示パネルの画像を切り替えることができる。
このように画像の切り替えを瞬時に行うことで、より効果的な広告効果が期待できる。FIG. 64(a) is a diagram showing an example in which a
 By instantaneously switching images in this way, a more effective advertising effect can be expected.
  図64(b)は、列車車両のドア5601のガラスの他に、ガラス窓5603及び天井
5604に表示パネル5602を設けた例について示した図である。このように、本発明
に係る表示装置は、従来では設置が困難であった場所に容易に設けることが可能であるた
め、効果的な広告効果を得ることができる。また、本発明に係る表示装置は、外部からの
信号により表示部で表示される画像の切り替えを瞬時に行なうことが可能であるため、広
告切替え時に生じていたコストや時間を削減でき、より柔軟な広告の運用および情報伝達
が可能となる。FIG. 64(b) is a diagram showing an example in which a
  なお、図64に示す表示パネル5602には上記実施の形態に記載した画素が用いられ
ている。本発明により視野角特性に優れた表示品位の高い表示パネルを得ることができる
。なお、また、画素部を構成するトランジスタに同一導電型のトランジスタやトランジス
タの半導体層に非晶質半導体を用いることで低コスト化を図ることもできる。Note that the pixels described in the above embodiment modes are used for the
  また、本発明に係る表示装置は、上記に限らず、様々な場所に設けることができる。た
とえば、つり革、座席シート、てすり、床等と本発明に係る表示装置を一体にして設けて
もよい。このとき、表示パネル5602の形状は、設置するものの形状に合わせたものと
なっていてもよい。Moreover, the display device according to the present invention is not limited to the above, and can be provided in various places. For example, a strap, a seat, a handrail, a floor, etc., and the display device according to the present invention may be provided integrally. At this time, the shape of the
  図65は、本発明に係る表示装置を、旅客用飛行機と一体にして設けた例について示し
た図である。FIG. 65 is a diagram showing an example in which the display device according to the present invention is integrated with a passenger airplane.
  図65(a)は、旅客用飛行機の座席上部の天井5701に表示パネル5702を設け
たときの使用時の形状について示した図である。表示パネル5702は、ヒンジ部570
3を介して天井5701と一体にして設けられており、ヒンジ部5703の伸縮により乗
客は所望の位置での表示パネル5702の視聴が可能となる。表示パネル5702は乗客
が操作することで情報を表示することができる。そのため、広告や娯楽手段として利用で
きる機能を有する。また、図65(b)に示すように、ヒンジ部を折り曲げて天井570
1に格納することにより、離着陸時の安全に配慮することができる。なお、緊急時に表示
パネル5702の表示素子を点灯させることで、情報伝達手段および誘導灯としても利用
可能である。FIG. 65(a) is a diagram showing the shape during use when a
 The
 By storing it in 1, it is possible to consider safety during takeoff and landing. Note that by lighting the display element of the
  なお、図65に示す表示パネル5702には上記実施の形態に記載した画素が用いられ
ている。本発明により視野角特性に優れた表示品位の高い表示パネルを得ることができる
。なお、また、画素部を構成するトランジスタに同一導電型のトランジスタやトランジス
タの半導体層に非晶質半導体を用いることで低コスト化を図ることもできる。Note that the pixel described in the above embodiment mode is used for the
  なお、本発明に係る表示装置は、図65で示した天井5701だけではなく、様々な場
所と一体に設けることができる。たとえば、座席シート、座席テーブル、肘掛、窓等と一
体にして設けてもよい。また、多数の人が同時に視聴できる大型の表示パネルを、機体の
壁に設置してもよい。このとき、表示パネル5702の形状は、設置するものの形状に合
わせたものとなっていてよい。It should be noted that the display device according to the present invention can be integrally provided not only with the
  なお、本実施形態において、移動体として電車車両本体、自動車車体、飛行機車体につ
いて例示したがこれらに限定されず、自動二輪車、自動四輪車(自動車、バス等を含む)
、電車(モノレール、鉄道等を含む)、船舶等の様々なものを適用することができる。本
発明に係る表示装置は、外部からの信号により、移動体内における表示パネルの表示を瞬
時に切り替えることが可能であるため、移動体に本発明に係る表示装置を設置することに
より移動体を不特定多数の顧客を対象とした広告表示板、災害発生時の情報表示板等の用
途に用いることが可能となる。In the present embodiment, a train car body, a car body, and an airplane body are exemplified as moving bodies.
 , trains (including monorails, railroads, etc.), ships, and the like. Since the display device according to the present invention can instantaneously switch the display of the display panel in the moving object by a signal from the outside, the display device according to the present invention can be installed in the moving object to make the moving object invisible. It can be used for applications such as an advertisement display board for a specific number of customers and an information display board in the event of a disaster.
なお、本実施の形態において、様々な図を用いて述べてきたが、各々の図で述べた内容(
一部でもよい)は、別の図で述べた内容(一部でもよい)に対して、適用、組み合わせ、
又は置き換えなどを自由に行うことが出来る。さらに、これまでに述べた図において、各
々の部分に関して、別の部分を組み合わせることにより、さらに多くの図を構成させるこ
とが出来る。In the present embodiment, descriptions have been made using various diagrams, but the contents described in each diagram (
 may be part of it) shall apply, combine, or
 Alternatively, replacement can be freely performed. Furthermore, in the figures described so far, more figures can be configured by combining each part with another part.
同様に、本実施の形態の各々の図で述べた内容(一部でもよい)は、別の実施の形態およ
び実施例の図で述べた内容(一部でもよい)に対して、適用、組み合わせ、又は置き換え
などを自由に行うことが出来る。さらに、本実施の形態の図において、各々の部分に関し
て、別の実施の形態および実施例の部分を組み合わせることにより、さらに多くの図を構
成させることが出来る。Similarly, the content (may be part of) described in each figure of this embodiment is applied or combined with the content (may be part of) described in the figures of other embodiments and examples. , or can be freely replaced. Furthermore, in the drawings of this embodiment, more drawings can be formed by combining parts of other embodiments and examples with respect to each part.
なお、本実施の形態は、他の実施の形態および実施例で述べた内容(一部でもよい)を、
具現化した場合の一例、少し変形した場合の一例、一部を変更した場合の一例、改良した
場合の一例、詳細に述べた場合の一例、応用した場合の一例、関連がある部分についての
一例などを示している。したがって、他の実施の形態および実施例で述べた内容は、本実
施の形態への適用、組み合わせ、又は置き換えを自由に行うことができる。It should be noted that, in this embodiment, the contents (or part of them) described in other embodiments and examples are
 Example of implementation, example of slight modification, example of partial change, example of improvement, example of detailed description, example of application, example of related parts etc. Therefore, the contents described in other embodiments and examples can be freely applied to, combined with, or replaced with this embodiment.
11    ノード
30    TFT
3a    走査線
63    スイッチ
6a    データ線(信号線)
111    第1のスイッチ
112    第2のスイッチ
113    第3のスイッチ
114    第1の抵抗
115    第2の抵抗
116    信号線
117    第1の走査線
118    共通電極
119    Cs線
120    第2の走査線
121    第1の液晶素子
122    第2の液晶素子
131    第1の保持容量
132    第2の保持容量
141    ノード
142    ノード
201    第3の走査線
212    第2のトランジスタ
311    信号線駆動回路
312    走査線駆動回路
313    画素部
314    画素
500    画素
517    第1の走査線
612    第2のトランジスタ
613    第3のトランジスタ
620    トランジスタ
621    トランジスタ
821    トランジスタ
920    トランジスタ
1014    トランジスタ
1114    トランジスタ
1200    ノード
1201    ユニット
1214    トランジスタ
1223    液晶素子
1233    保持容量
1414    トランジスタ
1601    第3の保持容量
1712    第2のスイッチ
1722    第2のトランジスタ
1733    第3のスイッチ
1743    第3のトランジスタ
1750    トランジスタ
1751    液晶素子
1752    保持容量
1901    第3の保持容量
1911    第3の保持容量
1921    第3の保持容量
1922    ノード
1923    ノード
1924    トランジスタ
1931    第3の保持容量
1932    ノード
8300    配線
8411    第1のトランジスタ
1300a    サブ画素
1300b    サブ画素
1400a    サブ画素
1400b    サブ画素
1500a    サブ画素
1500b    サブ画素
1600a    サブ画素
1600b    サブ画素11
 3a scanning line 63
 111
| Application Number | Priority Date | Filing Date | Title | 
|---|---|---|---|
| JP2022142673AJP7308341B2 (en) | 2021-12-03 | 2022-09-08 | Transmissive liquid crystal display | 
| JP2023109044AJP7411845B2 (en) | 2021-12-03 | 2023-07-03 | Transmissive liquid crystal display device | 
| JP2023217542AJP7557040B2 (en) | 2021-12-03 | 2023-12-25 | Transmissive Liquid Crystal Display | 
| JP2024158419AJP2025000685A (en) | 2021-12-03 | 2024-09-12 | Liquid crystal display device | 
| Application Number | Priority Date | Filing Date | Title | 
|---|---|---|---|
| JP2021196838AJP7185747B2 (en) | 2020-02-27 | 2021-12-03 | Transmissive liquid crystal display | 
| JP2022142673AJP7308341B2 (en) | 2021-12-03 | 2022-09-08 | Transmissive liquid crystal display | 
| Application Number | Title | Priority Date | Filing Date | 
|---|---|---|---|
| JP2021196838ADivisionJP7185747B2 (en) | 2020-02-27 | 2021-12-03 | Transmissive liquid crystal display | 
| Application Number | Title | Priority Date | Filing Date | 
|---|---|---|---|
| JP2023109044ADivisionJP7411845B2 (en) | 2021-12-03 | 2023-07-03 | Transmissive liquid crystal display device | 
| Publication Number | Publication Date | 
|---|---|
| JP2022172330A JP2022172330A (en) | 2022-11-15 | 
| JP7308341B2true JP7308341B2 (en) | 2023-07-13 | 
| Application Number | Title | Priority Date | Filing Date | 
|---|---|---|---|
| JP2022142673AActiveJP7308341B2 (en) | 2021-12-03 | 2022-09-08 | Transmissive liquid crystal display | 
| JP2023109044AActiveJP7411845B2 (en) | 2021-12-03 | 2023-07-03 | Transmissive liquid crystal display device | 
| JP2023217542AActiveJP7557040B2 (en) | 2021-12-03 | 2023-12-25 | Transmissive Liquid Crystal Display | 
| JP2024158419APendingJP2025000685A (en) | 2021-12-03 | 2024-09-12 | Liquid crystal display device | 
| Application Number | Title | Priority Date | Filing Date | 
|---|---|---|---|
| JP2023109044AActiveJP7411845B2 (en) | 2021-12-03 | 2023-07-03 | Transmissive liquid crystal display device | 
| JP2023217542AActiveJP7557040B2 (en) | 2021-12-03 | 2023-12-25 | Transmissive Liquid Crystal Display | 
| JP2024158419APendingJP2025000685A (en) | 2021-12-03 | 2024-09-12 | Liquid crystal display device | 
| Country | Link | 
|---|---|
| JP (4) | JP7308341B2 (en) | 
| Publication number | Priority date | Publication date | Assignee | Title | 
|---|---|---|---|---|
| US20060060849A1 (en) | 2002-12-21 | 2006-03-23 | Samsung Electronics Co., Ltd. | Array substrate, liquid crystal display apparatus having the same and method for driving liquid crystal display apparatus | 
| CN1866087A (en) | 2005-11-30 | 2006-11-22 | 友达光电股份有限公司 | Single-gap transflective liquid crystal display panel and method for improving its optical characteristics | 
| JP2006343733A (en) | 2005-06-07 | 2006-12-21 | Au Optronics Corp | Transflective liquid crystal display and method for improving display image quality of the transflective liquid crystal display panel | 
| Publication number | Priority date | Publication date | Assignee | Title | 
|---|---|---|---|---|
| JPH0646345B2 (en)* | 1985-04-20 | 1994-06-15 | 松下電器産業株式会社 | Active matrix substrate | 
| JPH03242625A (en)* | 1990-02-21 | 1991-10-29 | Toshiba Corp | Active matrix type liquid crystal display device | 
| JP2669956B2 (en)* | 1991-05-15 | 1997-10-29 | シャープ株式会社 | Active matrix substrate | 
| JP4014955B2 (en)* | 2002-07-10 | 2007-11-28 | 三菱電機株式会社 | Liquid crystal display | 
| KR20040105934A (en)* | 2003-06-10 | 2004-12-17 | 삼성전자주식회사 | Liquid crystal display having multi domain and panel for the same | 
| US7206048B2 (en)* | 2003-08-13 | 2007-04-17 | Samsung Electronics Co., Ltd. | Liquid crystal display and panel therefor | 
| JP4571845B2 (en)* | 2004-11-08 | 2010-10-27 | シャープ株式会社 | Substrate for liquid crystal display device, liquid crystal display device including the same, and driving method thereof | 
| KR101197044B1 (en)* | 2004-12-02 | 2012-11-06 | 삼성디스플레이 주식회사 | Liquid crystal display | 
| JP4731206B2 (en)* | 2005-05-30 | 2011-07-20 | シャープ株式会社 | Liquid crystal display | 
| Publication number | Priority date | Publication date | Assignee | Title | 
|---|---|---|---|---|
| US20060060849A1 (en) | 2002-12-21 | 2006-03-23 | Samsung Electronics Co., Ltd. | Array substrate, liquid crystal display apparatus having the same and method for driving liquid crystal display apparatus | 
| JP2006343733A (en) | 2005-06-07 | 2006-12-21 | Au Optronics Corp | Transflective liquid crystal display and method for improving display image quality of the transflective liquid crystal display panel | 
| CN1866087A (en) | 2005-11-30 | 2006-11-22 | 友达光电股份有限公司 | Single-gap transflective liquid crystal display panel and method for improving its optical characteristics | 
| Publication number | Publication date | 
|---|---|
| JP2024029091A (en) | 2024-03-05 | 
| JP7557040B2 (en) | 2024-09-26 | 
| JP2022172330A (en) | 2022-11-15 | 
| JP2025000685A (en) | 2025-01-07 | 
| JP2023123778A (en) | 2023-09-05 | 
| JP7411845B2 (en) | 2024-01-11 | 
| Publication | Publication Date | Title | 
|---|---|---|
| JP5542297B2 (en) | Liquid crystal display device, display module, and electronic device | |
| JP5542296B2 (en) | Liquid crystal display device, display module, and electronic device | |
| JP6242991B2 (en) | Liquid crystal display | |
| JP2020112803A (en) | Transmissive liquid crystal display device | |
| JP6523532B2 (en) | Display device | |
| JP6563991B2 (en) | Transmission type liquid crystal display device | |
| JP6563987B2 (en) | Transmission type liquid crystal display device | |
| JP7308341B2 (en) | Transmissive liquid crystal display | |
| JP7185747B2 (en) | Transmissive liquid crystal display | |
| JP7237439B1 (en) | Transmissive liquid crystal display device, electronic equipment | |
| JP7155452B2 (en) | Transmissive liquid crystal display device, electronic equipment | |
| JP5986660B2 (en) | Liquid crystal display devices, modules, electronic devices | |
| JP7508657B2 (en) | Transmissive Liquid Crystal Display | |
| JP6831491B2 (en) | Transmissive liquid crystal display device | |
| JP6669919B2 (en) | Display device | |
| JP6842527B2 (en) | Liquid crystal display device | |
| JP2023123683A (en) | Liquid crystal display device | |
| JP6359732B2 (en) | Liquid crystal display | |
| JP6563990B2 (en) | Transmission type liquid crystal display device | |
| JP6298116B2 (en) | Semiconductor device | |
| JP6251312B2 (en) | Liquid crystal display devices, modules, electronic devices | |
| JP2014197202A (en) | Liquid crystal display device | |
| JP2015146034A (en) | Liquid crystal display device, module and electronic apparatus | |
| JP2014197201A (en) | Liquid crystal display device | 
| Date | Code | Title | Description | 
|---|---|---|---|
| A621 | Written request for application examination | Free format text:JAPANESE INTERMEDIATE CODE: A621 Effective date:20220908 | |
| A977 | Report on retrieval | Free format text:JAPANESE INTERMEDIATE CODE: A971007 Effective date:20230303 | |
| A131 | Notification of reasons for refusal | Free format text:JAPANESE INTERMEDIATE CODE: A131 Effective date:20230314 | |
| A521 | Request for written amendment filed | Free format text:JAPANESE INTERMEDIATE CODE: A523 Effective date:20230428 | |
| TRDD | Decision of grant or rejection written | ||
| A01 | Written decision to grant a patent or to grant a registration (utility model) | Free format text:JAPANESE INTERMEDIATE CODE: A01 Effective date:20230620 | |
| A61 | First payment of annual fees (during grant procedure) | Free format text:JAPANESE INTERMEDIATE CODE: A61 Effective date:20230703 | |
| R150 | Certificate of patent or registration of utility model | Ref document number:7308341 Country of ref document:JP Free format text:JAPANESE INTERMEDIATE CODE: R150 |