







































































































本発明は、外科用器具に関し、そして、様々な実施形態において、外科用ステープル留め器具及び切断器具、並びにそれらと共に使用するためのステープルカートリッジに関する。 The present invention relates to surgical instruments and, in various embodiments, surgical staple fastening and cutting instruments, and staple cartridges for use with them.
ステープル留め器具は、一対の協働する細長い顎部材を含むことができ、各顎部材が患者体内に挿入され、ステープル留め及び切開される組織に対して位置付けられるように適合させることができる。様々な実施形態において、顎部材のうちの一方は、少なくとも2列の横方向に間隔をおいたステープルを中に収容するステープルカートリッジを支持することができ、他方の顎部材は、ステープルカートリッジ内のステープル列と整列されたステープル形成ポケットを有するアンビルを支持することができる。概して、ステープル留め器具は更に、顎部材に対して摺動自在な押し込みバー及びナイフブレードを含んで、押し込みバー上のカム面及び/又は押し込みバーによって押し込まれるウェッジスレッド上のカム面を介して、ステープルカートリッジからステープルを連続的に放出することができる。少なくとも1つの実施形態において、カム面を、カートリッジによって保持されかつステープルに付随した複数のステープル駆動要素を作動させて、ステープルをアンビルに対して押し込み、顎部材の間に把持された組織内に、横方向に間隔をおいた変形したステープルの列を形成するように構成することができる。少なくとも1つの実施形態において、ナイフブレードはカム面に追従して、ステープル列間の線に沿って組織を切断することができる。かかるステープル留め器具の例は、「SURGICAL STAPLES HAVING COMPRESSIBLE OR CRUSHABLE MEMBERS FOR SECURING TISSUE THEREIN AND STAPLING INSTRUMENTS FOR DEPLOYING THE SAME」と題された米国特許第7,794,475号に開示されており、その全体の開示は、参照のために本明細書に組み込まれる。 Staple fasteners can include a pair of cooperating elongated jaw members, each jaw member being inserted into the patient's body and adapted to be positioned with respect to the tissue to be stapled and incised. In various embodiments, one of the jaw members can support a staple cartridge containing at least two rows of laterally spaced staples therein, and the other jaw member is within the staple cartridge. Anvils with staple forming pockets aligned with staple rows can be supported. In general, staple fasteners further include a push bar and knife blade that are slidable with respect to the jaw member, via a cam surface on the push bar and / or a cam surface on the wedge thread that is pushed by the push bar. Staples can be continuously ejected from the staple cartridge. In at least one embodiment, the cam surface is held by a cartridge and activates a plurality of staple driving elements attached to the staples to push the staples against the anvil and into the tissue gripped between the jaw members. It can be configured to form a row of deformed staples spaced laterally apart. In at least one embodiment, the knife blade can follow the cam surface and cut tissue along the lines between the staple rows. An example of such a stapler is "SURGICAL STAPLES HAVING COMPRESSIBLE OR CRUSHABLE MEMBERS FOR SECURING TISSUE THEREIN AND STAPLING INSTRUMENTS FOR DEPLOYING", US Pat. No. 4, US Pat. The disclosure is incorporated herein by reference.
上述の議論は、当時の本発明の分野における関連技術の様々な態様を説明することのみを意図したものであり、特許請求の範囲を否定するものとみなされるべきではない。 The above discussion is intended only to explain various aspects of the art in the field of the invention at the time and should not be regarded as denying the claims.
本明細書で説明する実施形態の様々な特徴は、その利点と併せて、以下の添付図面と併せて以下の説明により理解することができる。
対応する参照符合は、複数の図を通じて対応する部材を示す。本明細書に記載される例示は、本発明の様々な実施形態を1つの形態で例示するものであり、かかる例示は、いかなる方法によっても本発明の範囲を限定するものとして解釈されるべきではない。 Corresponding reference signs indicate corresponding members through multiple figures. The illustrations described herein illustrate various embodiments of the invention in one form, and such illustrations should be construed as limiting the scope of the invention in any way. Absent.
本願の出願人は、本願と同日に出願された以下の特許出願を所有し、これらはそれぞれの全体が参照することによって本明細書に組み込まれる:
−米国特許出願第___________号、名称「SURGICAL APPARATUS CONFIGURED TO TRACK AN END−OF−LIFE PARAMETER」、代理人整理番号END7539USNP/140464;
−米国特許出願第___________号、名称「SURGICAL APPARATUS CONFIGURED TO ASSESS WHETHER A PERFORMANCE PARAMETER OF THE SURGICAL APPARATUS IS WITHIN AN ACCEPTABLE PERFORMANCE BAND」、代理人整理番号END7547USNP/140472;
−米国特許出願第___________号、名称「SURGICAL CHARGING SYSTEM THAT CHARGES AND/OR CONDITIONS ONE OR MORE BATTERIES」、代理人整理番号END7545USNP/140470;
−米国特許出願第___________号、名称「CHARGING SYSTEM THAT ENABLES EMERGENCY RESOLUTIONS FOR CHARGING A BATTERY」、代理人整理番号END7543USNP/140468;
−米国特許出願第___________号、名称「SYSTEM FOR MONITORING WHETHER A SURGICAL INSTRUMENT NEEDS TO BE SERVICED」、代理人整理番号END7558USNP/140483;
−米国特許出願第___________号、名称「REINFORCED BATTERY FOR A SURGICAL INSTRUMENT」、代理人整理番号END7551USNP/140476;
−米国特許出願第___________号、名称「POWER ADAPTER FOR A SURGICAL INSTRUMENT」、代理人整理番号END7553USNP/140478;
−米国特許出願第___________号、名称「ADAPTABLE SURGICAL INSTRUMENT HANDLE」、代理人整理番号END7541USNP/140466;及び
−米国特許出願第___________号、名称「MODULAR STAPLING ASSEMBLY」、代理人整理番号END7544USNP/140469。The applicant of the present application owns the following patent applications filed on the same date as the present application, which are incorporated herein by reference in their entirety:
-US Patent Application No. ___________, name "SURGICAL APPARATUS CONFIGURED TO TRACK AN END-OF-LIFE PARAMETER", agent reference number END7539USNP / 140464;
-US Patent Application No. ___________, name "SURGICAL APPARATUS CONFIGURED TO ASSESS WHERETER A PERFORMANCE PARAMETER OF THE SURGICAL APPAREMENTER OF THE SURGICAL APPAREP ENTUS 47
-US Patent Application No. ___________, name "SURGICAL CHARGING SYSTEM THAT CHARGES AND / OR CONDITIONS ONE OR MORE BATTERIES", agent reference number END7545USNP / 140470;
-US Patent Application No. ___________, name "CHARGING SYSTEM THAT ENABLES EMERGENCY RESOLUTIONS FOR CHARGING A BATTERY", agent reference number END7543USNP / 140468;
-US Patent Application No. ___________, name "SYSTEM FOR MONITORING WHETHERA A SURGICAL INSTRUMENT NEEDS TO BE SERVICED", agent reference number END7558USNP / 140483;
-US Patent Application No. ___________, name "REINFORCED BATTERY FOR A SURGICAL INSTRUMENT", agent reference number END7551USNP / 140476;
-US Patent Application No. ___________, name "POWER ADAPTER FOR A SURGICAL INSTRUMENT", agent reference number END7553USNP / 140478;
-US Patent Application No. ______________, name "ADAPTABLE SURGICAL INSTRUMENT HANDLE", agent reference number END7541USNP / 140466; and-US Patent Application No. ______________, name "MODULAR STAPLIN Entity" 140SUS
本願の出願人は、2014年12月18日に出願された以下の特許出願を所有し、これらはそれぞれの全体が参照することによって本明細書に組み込まれる:
−米国特許出願第14/574,478号、名称「SURGICAL INSTRUMENT SYSTEMS COMPRISING AN ARTICULATABLE END EFFECTOR AND MEANS FOR ADJUSTING THE FIRING STROKE OF A FIRING」;
−米国特許出願第14/574,483号、名称「SURGICAL INSTRUMENT ASSEMBLY COMPRISING LOCKABLE SYSTEMS」;
−米国特許出願第14/575,139号、名称「DRIVE ARRANGEMENTS FOR ARTICULATABLE SURGICAL INSTRUMENTS」;
−米国特許出願第14/575,148号、名称「LOCKING ARRANGEMENTS FOR DETACHABLE SHAFT ASSEMBLIES WITH ARTICULATABLE SURGICAL END EFFECTORS」;
−米国特許出願第14/575,130号、名称「SURGICAL INSTRUMENT WITH AN ANVIL THAT IS SELECTIVELY MOVABLE ABOUT A DISCRETE NON−MOVABLE AXIS RELATIVE TO A STAPLE CARTRIDGE」;
−米国特許出願第14/575,143号、名称「SURGICAL INSTRUMENTS WITH IMPROVED CLOSURE ARRANGEMENTS」;
−米国特許出願第14/575,117号、名称「SURGICAL INSTRUMENTS WITH ARTICULATABLE END EFFECTORS AND MOVABLE FIRING BEAM SUPPORT ARRANGEMENTS」;
−米国特許出願第14/575,154号、名称「SURGICAL INSTRUMENTS WITH ARTICULATABLE END EFFECTORS AND IMPROVED FIRING BEAM SUPPORT ARRANGEMENTS」;
−米国特許出願第14/574,493号、名称「SURGICAL INSTRUMENT ASSEMBLY COMPRISING A FLEXIBLE ARTICULATION SYSTEM」;及び
−米国特許出願第14/574,500号、名称「SURGICAL INSTRUMENT ASSEMBLY COMPRISING A LOCKABLE ARTICULATION SYSTEM」。The applicant of the present application owns the following patent applications filed on December 18, 2014, which are incorporated herein by reference in their entirety:
-US Patent Application No. 14 / 574,478, named "SURGICAL INSTRUMENT SYSTEMS COMPRISING AN ARTICULATABLE END EFFECTOR AND MEANS FOR ADJUSTING THE FIRING STROKE OF"
-US Patent Application No. 14 / 574,483, named "SURGICAL INSTRUMENT ASSEMBLY COMPRISING LOCKABLE SYSTEMS";
-US Patent Application No. 14 / 575,139, named "DRIVE ARRANGEMENTS FOR ARTICULATABLE SURGICAL INSTRUMENTS";
-US Patent Application No. 14 / 575,148, named "LOCKING ARRANGEMENTS FOR DETACHABLE SHAFT ASSEMBLES WITH ARTICULATABLE SURGICAL END EFFECTORS";
-US Patent Application No. 14 / 575,130, name "SURGICAL INSTRUMENT WITH AN ANVIL THAT IS SELECTIVELY MOVABLE ABOUT A DISCRETE NON-MOVABLE AXIS RELATIVE TO ASTAPLE"
-US Patent Application No. 14 / 575,143, name "SURGICAL INSTRUMENTS WITH IMPROVED CLOSE ARRANGEMENTS";
-US Patent Application No. 14 / 575,117, named "SURGICAL INSTRUMENTS WITH ARTICULATABLE END EFFECTORS AND MOVABLE FIRING BEAM SUPPORT ARRANGEMENTS";
-US Patent Application No. 14 / 575,154, named "SURGICAL INSTRUMENTS WITH ARTICULATABLE END EFFECTORS AND IMPROVED FIRING BEAM SUPPORT ARRANGEMENTS";
-US Patent Application No. 14 / 574,493, name "SURGICAL INSTRUMENT ASSEMBLY COMPRISING A FLEXIBLE ARTICULATION SYSTEM"; and-US Patent Application No. 14 / 574,500, name "SURGICAL INSTRUMENT ASSEMBLY COMPRISING A FLEXIBLE ARTICULATION SYSTEM";
本願の出願人は、2013年3月1日に出願された以下の特許出願を所有し、これらはそれぞれの全体が参照することによって本明細書に組み込まれる:
−米国特許出願第13/782,295号、名称「ARTICULATABLE SURGICAL INSTRUMENTS WITH CONDUCTIVE PATHWAYS FOR SIGNAL COMMUNICATION」(現在の米国特許出願公開第2014/0246471号);
−米国特許出願第13/782,323号、名称「ROTARY POWERED ARTICULATION JOINTS FOR SURGICAL INSTRUMENTS」(現在の米国特許出願公開第2014/0246472号);
−米国特許出願第13/782,338号、名称「THUMBWHEEL SWITCH ARRANGEMENTS FOR SURGICAL INSTRUMENTS」(現在の米国特許出願公開第2014/0249557号);
−米国特許出願第13/782,499号、名称「ELECTROMECHANICAL SURGICAL DEVICE WITH SIGNAL RELAY ARRANGEMENT」(現在の米国特許出願公開第2014/0246474号);
−米国特許出願第13/782,460名、名称「MULTIPLE PROCESSOR MOTOR CONTROL FOR MODULAR SURGICAL INSTRUMENTS」(現在の米国特許出願公開第2014/0246478号);
−米国特許出願第13/782,358号、名称「JOYSTICK SWITCH ASSEMBLIES FOR SURGICAL INSTRUMENTS」(現在の米国特許出願公開第2014/0246477号);
−米国特許出願第13/782,481号、名称「SENSOR STRAIGHTENED END EFFECTOR DURING REMOVAL THROUGH TROCAR」(現在の米国特許出願公開第2014/0246479号);
−米国特許出願第13/782,518号、名称「CONTROL METHODS FOR SURGICAL INSTRUMENTS WITH REMOVABLE IMPLEMENT PORTIONS」(現在の米国特許出願公開第2014/0246475号);
−米国特許出願第13/782,375号、名称「ROTARY POWERED SURGICAL INSTRUMENTS WITH MULTIPLE DEGREES OF FREEDOM」(現在の米国特許出願公開第2014/0246473号);及び
−米国特許出願第13/782,536号、名称「SURGICAL INSTRUMENT SOFT STOP」(現在の米国特許出願公開第2014/0246476号)。The applicant of the present application owns the following patent applications filed on March 1, 2013, which are incorporated herein by reference in their entirety:
-US Patent Application No. 13 / 782,295, named "ARTICULATABLE SURGICAL INSTRUMENTS WITH CONDUCIVE PATHWAYS FOR SIGNAL COMMUNICATION" (current US Patent Application Publication No. 2014/0246471);
-US Patent Application No. 13 / 782,323, named "ROTARY POWERED ARTICULATION JOINTS FOR SURGICAL INSTRUMENTS" (current US Patent Application Publication No. 2014/0246472);
-US Patent Application No. 13 / 782,338, named "THUMBWHEEL SWITCH ARRANGEMENTS FOR SURGICAL INSTRUMENTS" (current US Patent Application Publication No. 2014/0249557);
-US Patent Application No. 13 / 782,499, named "ELECTROMECHANICAL SURGICAL DEVICE WITH SIGNAL RELAY ARRANGEMENT" (current US Patent Application Publication No. 2014/0246474);
-US Patent Application No. 13 / 782,460, named "MULTIPLE PROCESSOR MOTOR CONTROL FOR MODEDULAR SURGICAL INSTRUMENTS" (current US Patent Application Publication No. 2014/0246478);
-US Patent Application No. 13 / 782,358, named "JOYSTICK SWITCH ASSEMBLES FOR SURGICAL INSTRUMENTS" (current US Patent Application Publication No. 2014/0246477);
-US Patent Application No. 13 / 782,481, named "SENSOR STRAIGHTENEED END EFFECTOR DURING REMOVAL THROUGH TROCAR" (current US Patent Application Publication No. 2014/0246479);
-US Patent Application No. 13 / 782,518, named "CONTROL METHODS FOR SURGICAL INSTRUMENTS WITH REMOVABLE IMPLEMEMENT PORTIONS" (current US Patent Application Publication No. 2014/0246475);
-US Patent Application No. 13 / 782,375, named "ROTARY POWERED SURGICAL INSTRUMENTS WITH MULTIPLE DEGRES OF FREEDOM" (current US Patent Application Publication No. 2014/0246473); and-US Patent Application No. 13 / 782,536. , Named "SURGICAL INSTRUMENT SOFT STOP" (current US Patent Application Publication No. 2014/0246476).
本願の出願人はまた、2013年3月14日に出願された以下の特許出願を所有し、これらはそれぞれの全体が参照することによって本明細書に組み込まれる:
−米国特許出願第13/803,097号、名称「ARTICULATABLE SURGICAL INSTRUMENT COMPRISING A FIRING DRIVE」(現在の米国特許出願公開第2014/0263542号);
−米国特許出願第13/803,193号、名称「CONTROL ARRANGEMENTS FOR A DRIVE MEMBER OF A SURGICAL INSTRUMENT」(現在の米国特許出願公開第2014/0263537号);
−米国特許出願第13/803,053号、名称「INTERCHANGEABLE SHAFT ASSEMBLIES FOR USE WITH A SURGICAL INSTRUMENT」(現在の米国特許出願公開第2014/0263564号);
−米国特許出願第13/803,086号、名称「ARTICULATABLE SURGICAL INSTRUMENT COMPRISING AN ARTICULATION LOCK」(現在の米国特許出願公開第2014/0263541号);
−米国特許出願第13/803,210号、名称「SENSOR ARRANGEMENTS FOR ABSOLUTE POSITIONING SYSTEM FOR SURGICAL INSTRUMENTS」(現在の米国特許出願公開第2014/0263538号);
−米国特許出願第13/803,148号、名称「MULTI−FUNCTION MOTOR FOR A SURGICAL INSTRUMENT」(現在の米国特許出願公開第2014/0263554号);
−米国特許出願第13/803,066号、名称「DRIVE SYSTEM LOCKOUT ARRANGEMENTS FOR MODULAR SURGICAL INSTRUMENTS」(現在の米国特許出願公開第2014/0263565号);
−米国特許出願第13/803,117号、名称「ARTICULATION CONTROL SYSTEM FOR ARTICULATABLE SURGICAL INSTRUMENTS」(現在の米国特許出願公開第2014/0263553号);
−米国特許出願第13/803,130号、名称「DRIVE TRAIN CONTROL ARRANGEMENTS FOR MODULAR SURGICAL INSTRUMENTS」(現在の米国特許出願公開第2014/0263543号);及び
−米国特許出願第13/803,159号、名称「METHOD AND SYSTEM FOR OPERATING A SURGICAL INSTRUMENT」(現在の米国特許出願公開第2014/0277017号)。The applicant of the present application also owns the following patent applications filed on March 14, 2013, which are incorporated herein by reference in their entirety:
-US Patent Application No. 13 / 803,097, named "ARTICULATABLE SURGICAL INSTRUMENT COMPRISING A FIRING DRIVE" (current US Patent Application Publication No. 2014/0263542);
-US Patent Application No. 13 / 803,193, named "CONTROL ARRANGEMENTS FOR A DRIVE MEMBER OF A SURGICAL INSTRUMENT" (current US Patent Application Publication No. 2014/0263537);
-US Patent Application No. 13 / 803,053, named "INTERCHANGE SHAFT ASSEMBLES FOR USE WITH A SURGICAL INSTRUMENT" (current US Patent Application Publication No. 2014/0263564);
-US Patent Application No. 13 / 803,086, named "ARTICULATABLE SURGICAL INSTRUMENT COMPRISING AN ARTICULATION LOCK" (current US Patent Application Publication No. 2014/0263541);
-US Patent Application No. 13 / 803,210, named "SENSOR ARRANGEMENTS FOR ABSOLUTE POSITIONING SYSTEM FOR SURGICAL INSTRUMENTS" (current US Patent Application Publication No. 2014/0263538);
-US Patent Application No. 13 / 803,148, named "MULTI-function MOTOR FOR A SURGICAL INSTRUMENT" (current US Patent Application Publication No. 2014/0263554);
-US Patent Application No. 13 / 803,066, named "DRIVE SYSTEM LOCKOUT ARRANGEMENTS FOR MODELAR SURGICAL INSTRUMENTS" (current US Patent Application Publication No. 2014/0263565);
-US Patent Application No. 13 / 803,117, named "ARTICULATION CONTORL SYSTEM FOR ARTICULATABLE SURGICAL INSTRUMENTS" (current US Patent Application Publication No. 2014/0263553);
-US Patent Application No. 13 / 803,130, named "DRIVE TRAIN CONTOROL ARRANGEMENTS FOR MODELAR SURGICAL INSTRUMENTS" (current US Patent Application Publication No. 2014/0263543); and-US Patent Application No. 13 / 803,159, The name "METHOD AND SYSTEM FOR OPERATING A SURGICAL INSTRUMENT" (current US Patent Application Publication No. 2014/0277017).
本願の出願人はまた、2014年3月7日に出願された以下の特許出願を所有し、その全体が参照することによって本明細書に組み込まれる:
−米国特許出願第14/200,111号、名称「CONTROL SYSTEMS FOR SURGICAL INSTRUMENTS」(現在の米国特許出願公開第2014/0263539号)。The applicant of the present application also owns the following patent application filed on March 7, 2014, which is incorporated herein by reference in its entirety:
-US Patent Application No. 14 / 200,111, named "CONTROLL SYSTEMS FOR SURGICAL INSTRUMENTS" (current US Patent Application Publication No. 2014/0263539).
本出願の出願人はまた、2014年3月26日に出願された以下の特許出願を所有し、これらはそれぞれの全体が参照することによって本明細書に組み込まれる:
−米国特許出願第14/226,106号、名称「POWER MANAGEMENT CONTROL SYSTEMS FOR SURGICAL INSTRUMENTS」;
−米国特許出願第14/226,099号、名称「STERILIZATION VERIFICATION CIRCUIT」;
−米国特許出願第14/226,094号、名称「VERIFICATION OF NUMBER OF BATTERY EXCHANGES/PROCEDURE COUNT」;
−米国特許出願第14/226,117号、名称「POWER MANAGEMENT THROUGH SLEEP OPTIONS OF SEGMENTED CIRCUIT AND WAKE UP CONTROL」;
−米国特許出願第14/226,075号、名称「MODULAR POWERED SURGICAL INSTRUMENT WITH DETACHABLE SHAFT ASSEMBLIES」;
−米国特許出願第14/226,093号、名称「FEEDBACK ALGORITHMS FOR MANUAL BAILOUT SYSTEMS FOR SURGICAL INSTRUMENTS」;
−米国特許出願第14/226,116号、名称「SURGICAL INSTRUMENT UTILIZING SENSOR ADAPTATION」;
−米国特許出願第14/226,071号、名称「SURGICAL INSTRUMENT CONTROL CIRCUIT HAVING A SAFETY PROCESSOR」;
−米国特許出願第14/226,097号、名称「SURGICAL INSTRUMENT COMPRISING INTERACTIVE SYSTEMS」;
−米国特許出願第14/226,126号、名称「INTERFACE SYSTEMS FOR USE WITH SURGICAL INSTRUMENTS」;
−米国特許出願第14/226,133号、名称「MODULAR SURGICAL INSTRUMENT SYSTEM」;
−米国特許出願第14/226,081号、名称「SYSTEMS AND METHODS FOR CONTROLLING A SEGMENTED CIRCUIT」;
−米国特許出願第14/226,076号、名称「POWER MANAGEMENT THROUGH SEGMENTED CIRCUIT AND VARIABLE VOLTAGE PROTECTION」;
−米国特許出願第14/226,111号、名称「SURGICAL STAPLING INSTRUMENT SYSTEM」;及び
−米国特許出願第14/226,125号、名称「SURGICAL INSTRUMENT COMPRISING A ROTATABLE SHAFT」。The applicant of this application also owns the following patent applications filed on March 26, 2014, which are incorporated herein by reference in their entirety:
-US Patent Application No. 14 / 226,106, named "POWER MANAGEMENT CONTOROL SYSTEMS FOR SURGICAL INSTRUMENTS";
-US Patent Application No. 14 / 226,099, named "STERILIZATION VERIFICATION CIRCUIT";
-US Patent Application No. 14 / 226,094, named "VERIFICATION OF NUMBER OF BATTERY EXCHANGE COUNT";
-US Patent Application No. 14 / 226,117, named "POWER MANAGEMENT THROUGH SLEEP OPTIONS OF SEGMENTED CIRCUIT AND WAKE UP CONTROL";
-US Patent Application No. 14 / 226,075, named "MODULAR POWERED SURGICAL INSTRUMENT WITH DETACHABLE SHAFT ASSEMBLES";
-US Patent Application No. 14 / 226,093, named "FEEDBACK ALGORITHMS FOR MANUAL BAILOUT SYSTEMS FOR SURGICAL INSTRUMENTS";
-US Patent Application No. 14 / 226,116, named "SURGICAL INSTRUMENT UTILIZING SENSOR ADAPTATION";
-US Patent Application No. 14 / 226,071, named "SURGICAL INSTRUMENT CONTROL CIRCUIT HAVIING A SAFETY PROCESSOR";
-US Patent Application No. 14 / 226,097, named "SURGICAL INSTRUMENT COMPRISING INTERACTIVE SYSTEMS";
-US Patent Application No. 14 / 226,126, named "INTERFACE SYSTEMS FOR USE WITH SURGICAL INSTRUMENTS";
-US Patent Application No. 14 / 226,133, name "MODULAR SURGICAL INSTRUMENT SYSTEM";
-US Patent Application No. 14 / 226,081, named "SYSTEMS AND METHODS FOR CONTROLLING A SEGMENTED CIRCUIT";
-US Patent Application No. 14 / 226,076, named "POWER MANAGEMENT THROUGH SEGMENTED CIRCUIT AND VARIABLE VOLTAGE PROTECTION";
-US Patent Application No. 14 / 226,111, name "SURGICAL STAPLING INSTRUMENT SYSTEM"; and-US Patent Application No. 14 / 226,125, name "SURGICAL INSTRUMENT COMPRISING A ROTATABLE SHAFT".
本願の出願人はまた、2014年9月5日に出願された以下の特許出願を所有し、これらはそれぞれの全体が参照することによって本明細書に組み込まれる:
−米国特許出願第14/479,103号、名称「CIRCUITRY AND SENSORS FOR POWERED MEDICAL DEVICE」;
−米国特許出願第14/479,119号、名称「ADJUNCT WITH INTEGRATED SENSORS TO QUANTIFY TISSUE COMPRESSION」;
−米国特許出願第14/478,908号、名称「MONITORING DEVICE DEGRADATION BASED ON COMPONENT EVALUATION」;
−米国特許出願第14/478,895号、名称「MULTIPLE SENSORS WITH ONE SENSOR AFFECTING A SECOND SENSOR’S OUTPUT OR INTERPRETATION」;
−米国特許出願第14/479,110号、名称「USE OF POLARITY OF HALL MAGNET DETECTION TO DETECT MISLOADED CARTRIDGE」;
−米国特許出願第14/479,098号、名称「SMART CARTRIDGE WAKE UP OPERATION AND DATA RETENTION」:
−米国特許出願第14/479,115号、名称「MULTIPLE MOTOR CONTROL FOR POWERED MEDICAL DEVICE」;及び
−米国特許出願第14/479,108号、名称「LOCAL DISPLAY OF TISSUE PARAMETER STABILIZATION」。The applicant of the present application also owns the following patent applications filed on September 5, 2014, which are incorporated herein by reference in their entirety:
-US Patent Application No. 14 / 479,103, named "CIRCUITRY AND SENSORS FOR POWERED MEDICAL DEVICE";
-US Patent Application No. 14 / 479,119, named "ADJUNCT WITH INTEGRATED SENSORS TO QUANTIFY TISSUE COMPRESSION";
-US Patent Application No. 14 / 478,908, named "MONITORING DEVICE DEGRADATION BASED ON COMPONENT EVALUATION";
-US Patent Application No. 14 / 478,895, name "MULTIPLE SENSORS WITH ONE SENSOR AFFECTING A SECOND SENSOR'S OUTPUT OR INTERPRETATION";
-US Patent Application No. 14 / 479,110, named "USE OF POLARITY OF HALL MAGNET DETECTION TO DETECT MISLOADED CARTRIDGE";
-US Patent Application No. 14 / 479,098, named "SMART CARTRIDGE WAKE UP OPERATION AND DATA RETENTION":
-US Patent Application No. 14 / 479,115, name "MULTIPLE MOTOR CONTROL FOR POWERED MEDICAL DEVICE"; and-US Patent Application No. 14 / 479,108, name "LOCAL DISPLAY OF TISSUE PARAMETER STABILIZE."
本願の出願人はまた、2014年4月9日に出願された以下の特許出願を所有し、これらはそれぞれの全体が参照することによって本明細書に組み込まれる:
−米国特許出願第14/248,590号、名称「MOTOR DRIVEN SURGICAL INSTRUMENTS WITH LOCKABLE DUAL DRIVE SHAFTS」(現在の米国特許出願公開第2014/0305987号);
−米国特許出願第14/248,581号、名称「SURGICAL INSTRUMENT COMPRISING A CLOSING DRIVE AND A FIRING DRIVE OPERATED FROM THE SAME ROTATABLE OUTPUT」(現在の米国特許出願公開第2014/0305989号);
−米国特許出願第14/248,595号、名称「SURGICAL INSTRUMENT SHAFT INCLUDING SWITCHES FOR CONTROLLING THE OPERATION OF THE SURGICAL INSTRUMENT」(現在の米国特許出願公開第2014/0305988号);
−米国特許出願第14/248,588号、名称「POWERED LINEAR SURGICAL STAPLER」(現在の米国特許出願公開第2014/0309666号);
−米国特許出願第14/248,591号、名称「TRANSMISSION ARRANGEMENT FOR A SURGICAL INSTRUMENT」(現在の米国特許出願公開第2014/0305991号);
−米国特許出願第14/248,584号、名称「MODULAR MOTOR DRIVEN SURGICAL INSTRUMENTS WITH ALIGNMENT FEATURES FOR ALIGNING ROTARY DRIVE SHAFTS WITH SURGICAL END EFFECTOR SHAFTS」(現在の米国特許出願公開第2014/0305994号);
−米国特許出願第14/248,587号、名称「POWERED SURGICAL STAPLER」(現在の米国特許出願公開第2014/0309665号);
−米国特許出願第14/248,586号、名称「DRIVE SYSTEM DECOUPLING ARRANGEMENT FOR A SURGICAL INSTRUMENT」(現在の米国特許出願公開第2014/0305990号);及び
−米国特許出願第14/248,607号、名称「MODULAR MOTOR DRIVEN SURGICAL INSTRUMENTS WITH STATUS INDICATION ARRANGEMENTS」(現在の米国特許出願公開第2014/0305992号)。The applicant of the present application also owns the following patent applications filed on 9 April 2014, which are incorporated herein by reference in their entirety:
-US Patent Application No. 14 / 248,590, named "MOTOR DRIVEN SURGICAL INSTRUMENTS WITH LOCKABLE DUAL DRIVE SHAFTS" (current US Patent Application Publication No. 2014/03059887);
-US Patent Application No. 14 / 248,581, named "SURGICAL INSTRUMENT COMPRISING A CLOSEING DRIVE AND A FIRING DRIVE OPERATED FROM THE SAME ROTATABLE OUTPUT" (current U.S. Patent Application Publication No. 5894;
-US Patent Application No. 14 / 248,595, named "SURGICAL INSTRUMENT SHAFT INCLUDING SWITCHES FOR CONTROLLING THE OPERATION OF THE SURGICAL INSTRUMENT" (current U.S. Patent Application No. 30/59)
-US Patent Application No. 14 / 248,588, named "POWERED LINEAR SURGICAL STAPLER" (current US Patent Application Publication No. 2014/0309666);
-US Patent Application No. 14 / 248,591, named "TRANSMISSION ARRANGEMENT FOR A SURGICAL INSTRUMENT" (current US Patent Application Publication No. 2014/030591);
-US Patent Application No. 14 / 248,584, named "MODULAR MOTOR DRIVEN SURGICAL INSTRUMENTS WITH ALIGNMENT FEATURES FOR ALIGNING ROTARY DRIVE SHAFTS WITH SURGENTS 305 US Pat.
-US Patent Application No. 14 / 248,587, named "POWERED SURGICAL STAPLER" (current US Patent Application Publication No. 2014/0309665);
-US Patent Application No. 14 / 248,586, named "DRIVE SYSTEM DECOUPLING ARRANGEMENT FOR A SURGICAL INSTRUMENT" (current US Patent Application Publication No. 2014/03059090); and-US Patent Application No. 14 / 248,607, The name is "MODULAR MOTOR DRIVEN SURGICAL INSTRUMENTS WITH STARTUS INDICATION ARRANGEMENTS" (current US Patent Application Publication No. 2014/0305992).
本願の出願人はまた、2013年4月16日に出願された以下の特許出願を所有し、これらはそれぞれの全体が参照することによって本明細書に組み込まれる:
−米国仮特許出願第61/812,365号、名称「SURGICAL INSTRUMENT WITH MULTIPLE FUNCTIONS PERFORMED BY A SINGLE MOTOR」;
−米国仮特許出願第61/812,376号、名称「LINEAR CUTTER WITH POWER」;
−米国仮特許出願第61/812,382号、名称「LINEAR CUTTER WITH MOTOR AND PISTOL GRIP」;
−米国仮特許出願第61/812,385号、名称「SURGICAL INSTRUMENT HANDLE WITH MULTIPLE ACTUATION MOTORS AND MOTOR CONTROL」;及び
−米国仮特許出願第61/812,372号、名称「SURGICAL INSTRUMENT WITH MULTIPLE FUNCTIONS PERFORMED BY A SINGLE MOTOR」。The applicant of the present application also owns the following patent applications filed on April 16, 2013, which are incorporated herein by reference in their entirety:
-US Provisional Patent Application No. 61 / 812,365, named "SURGICAL INSTRUMENT WITH MULTIPLE FUNCTIONS PERFORMED BY A SINGLE MOTOR";
-US Provisional Patent Application No. 61 / 812,376, named "LINEAR CUTTER WITH POWER";
-US Provisional Patent Application No. 61 / 812,382, named "LINEAR CUTTER WITH MOTOR AND PISTOL GRIP";
-US Provisional Patent Application No. 61 / 812,385, name "SURGICAL INSTRUMENT HANDLE WITH MULTIPLE ACTION MOTORS AND MOTOR CONTROLL"; and-US Provisional Patent Application No. 61 / 812,372, name "SURGICAL INSTRUMENT HANDLE ITION MOTORS AND MOTOR CONTROL"; A SINGLE MOTOR ".
明細書に記載され添付の図面に示される実施形態の全体的な構造、機能、製造、及び使用の完全な理解をもたらすように、多くの具体的詳細が示される。周知の動作、構成要素、及び要素は、本明細書に記載された実施形態を不明瞭にしないようにするために、詳細には記載されていない。本明細書に記載され、示された実施形態は、非限定的な例であることが読者には理解され、したがって、本明細書で開示された特定の構造上及び機能上の詳細は、代表的及び例示的であり得ることを理解されたい。これらに対する変形及び変更は、特許請求の範囲から逸脱することなく行われ得る。 Many specific details are provided to provide a complete understanding of the overall structure, function, manufacture, and use of embodiments described herein and shown in the accompanying drawings. Well-known behaviors, components, and elements are not described in detail so as not to obscure the embodiments described herein. It is understood by the reader that the embodiments described and shown herein are non-limiting examples, and therefore the particular structural and functional details disclosed herein are representative. It should be understood that it can be both objective and exemplary. Modifications and changes to these can be made without departing from the claims.
用語「備える(comprise)」(「comprises」及び「comprising」など、compriseの任意の語形)、「有する(have)」(「has」及び「having」など、haveの任意の語形)、「含む(include)」(「includes」及び「including」など、includeの任意の語形)」、「含有する(contain)」(「contains」及び「containing」など、containの任意の語形)は、開放型の連結動詞である。結果として、1つ若しくは2つ以上の要素を「備える」か、「有する」か、「含む」か、若しくは「含有する」外科用システム、デバイス、又は装置は、それら1つ又は2つ以上の要素を有しているが、それら1つ又は2つ以上の要素のみを有することに限定されない。同様に、1つ若しくは2つ以上の特徴を「備える」か、「有する」か、「含む」か、若しくは「含有する」、システム、デバイス、又は装置の要素は、それら1つ又は2つ以上の特徴を有しているが、それら1つ又は2つ以上の特徴のみを有することに限定されない。 The terms "comprise" (any form of complement such as "comprises" and "comprising"), "have" (any form of have such as "has" and "having"), "include ( "Include" (any word form of include such as "includes" and "including") "and" contain "(any word form of contain such as" contains "and" containing ") are open concatenations. It is a verb. As a result, a surgical system, device, or device that "includes," "has," "includes," or "contains" one or more elements is one or more of them. It has elements, but is not limited to having only one or more of them. Similarly, one or more elements of a system, device, or device that "equips", "has", "contains", or "contains" one or more features. However, it is not limited to having only one or more of these characteristics.
本明細書において「近位」及び「遠位」なる用語は、外科用器具のハンドル部分を操作する臨床医を基準として用いられる。「近位」なる用語は臨床医に最も近い部分を指し、「遠位」なる用語は臨床医から遠くに位置する部分を指す。便宜上及び明確性のために、「垂直」、「水平」、「上」、及び「下」などの空間的用語が、本明細書において図面に対して使用され得ることが更に理解されるであろう。しかしながら、外科用器具は多くの向き及び位置で使用されるものであり、これらの用語は限定的及び/又は絶対的であることを意図したものではない。 The terms "proximal" and "distal" are used herein with reference to the clinician operating the handle portion of the surgical instrument. The term "proximal" refers to the part closest to the clinician, and the term "distal" refers to the part located far from the clinician. For convenience and clarity, it will be further understood that spatial terms such as "vertical", "horizontal", "top", and "bottom" may be used for drawings herein. Let's go. However, surgical instruments are used in many orientations and positions, and these terms are not intended to be limited and / or absolute.
腹腔鏡下及び低侵襲性の外科的処置を行うための、様々な代表的なデバイス及び方法が提供される。しかし、本明細書で開示される様々な方法及びデバイス装置が、例えば、開放型の外科的処置に関連するものを含む、多数の外科的処置及び用途において使用され得ることが読者には容易に理解されるであろう。本明細書の「発明を実施するための形態」を読み進めることで、読者は、本明細書に開示される様々な器具が、例えば、天然の開口部を通じて、組織に形成された切開又は穿刺穴を通じてなど、任意の方法で体内に挿入され得ることを更に認識するであろう。これらの器具の作用部分すなわちエンドエフェクタ部分は、患者の体内に直接挿入することもでき、又は、外科用器具のエンドエフェクタ及び細長いシャフトを進めることが可能な作用通路を有するトロカールのようなアクセス装置を通じて挿入することもできる。 A variety of representative devices and methods are provided for performing laparoscopic and minimally invasive surgical procedures. However, it is readily available to the reader that the various methods and devices disclosed herein can be used in a number of surgical procedures and applications, including those associated with open surgical procedures, for example. Will be understood. By reading "Forms for Carrying Out the Invention" herein, the reader can read that the various instruments disclosed herein are incised or punctured into tissue, eg, through a natural opening. You will further recognize that it can be inserted into the body in any way, such as through a hole. The action portion or end effector portion of these instruments can also be inserted directly into the patient's body, or an access device such as a trocar with a passage of action capable of advancing the end effector and elongated shaft of the surgical instrument. It can also be inserted through.
外科用ステープル留めシステムは、シャフトと、シャフトから延在するエンドエフェクタと、を備え得る。エンドエフェクタは、第1の顎部と、第2の顎部と、を備える。第1の顎部は、ステープルカートリッジを備える。ステープルカートリッジは、第1の顎部の中に挿入可能であり、それから取り外し可能であるが、ステープルカートリッジが第1の顎部から取り外し可能ではないか、又は少なくとも容易には取り替え可能ではない他の実施例も想定される。第2の顎部は、ステープルカートリッジから放出されたステープルを変形させるように構成されているアンビルを備える。第2の顎部は、閉鎖軸の周りを第1の顎部に対して枢動可能であるが、第1の顎部が第2の顎部に対して枢動可能である他の実施形態も想定される。外科用ステープル留めシステムは、エンドエフェクタがシャフトに対して回転又は関節接合することを可能にするように構成されている関節運動継手を更に備える。エンドエフェクタは、関節運動継手を貫いて延在する関節運動軸を中心に回転可能である。関節運動継手を含まない他の実施形態も想定される。 A surgical staple system may include a shaft and an end effector extending from the shaft. The end effector includes a first jaw portion and a second jaw portion. The first jaw comprises a staple cartridge. The staple cartridge is removable from the first jaw and is removable from the first jaw, but the staple cartridge is not removable from the first jaw, or at least not easily replaceable. Examples are also envisioned. The second jaw comprises an anvil configured to deform the staples released from the staple cartridge. Another embodiment in which the second jaw is pivotable around the closure axis with respect to the first jaw, while the first jaw is pivotable with respect to the second jaw. Is also assumed. Surgical staple fastening systems further include articulation joints that are configured to allow the end effector to rotate or articulate with respect to the shaft. The end effector is rotatable about a joint motion axis that extends through the joint motion joint. Other embodiments that do not include articulation joints are also envisioned.
ステープルカートリッジは、カートリッジ本体を備える。カートリッジ本体は、近位端部、遠位端部、及び近位端部と遠位端部との間に延在するデッキを含む。使用中、ステープルカートリッジは、ステープル留めされる組織の第1の側面に位置付けられ、アンビルは、組織の第2の側面に位置付けられる。アンビルは、ステープルカートリッジに向かって移動させられて、デッキに対して組織を圧縮及びクランプする。続いて、カートリッジ本体内に取り外し可能に格納されているステープルが、組織内に展開され得る。カートリッジ本体はその中に画定されたステープルキャビティを含み、ステープルはステープルキャビティ内に取り外し可能に格納される。ステープルキャビティは、6つの長手方向列に配置される。3つの列のステープルキャビティが、長手方向スロットの第1の側面に位置付けられ、3つの列のステープルキャビティが、長手方向スロットの第2の側面に位置付けられる。ステープルキャビティ及びステープルの他の配置も可能であり得る。 The staple cartridge includes a cartridge body. The cartridge body includes a proximal end, a distal end, and a deck that extends between the proximal and distal ends. In use, the staple cartridge is positioned on the first side of the tissue to be stapled and the anvil is located on the second side of the tissue. The anvil is moved towards the staple cartridge to compress and clamp the tissue against the deck. Subsequently, staples that are detachably stored in the cartridge body can be deployed within the tissue. The cartridge body contains a staple cavity defined therein, and the staples are detachably stored in the staple cavity. The staple cavities are arranged in six longitudinal rows. The three rows of staple cavities are located on the first side of the longitudinal slot and the three rows of staple cavities are located on the second side of the longitudinal slot. Other arrangements of staple cavities and staples are also possible.
ステープルは、カートリッジ本体内のステープル駆動要素によって支持される。駆動要素は、第1の、即ち未発射位置と、ステープルをステープルキャビティから放出する、第2の、即ち発射位置と、の間で移動可能である。駆動要素は、カートリッジ本体の底部周辺に延在する保持要素によってカートリッジ本体内に保持され、また、カートリッジ本体を把持して、保持要素をカートリッジ本体に対して保持するように構成されている弾性部材を含む。駆動要素は、スレッドによってその未発射位置とその発射位置との間で移動可能である。スレッドは、近位端部に隣接する近位位置と遠位端部に隣接する遠位位置との間で移動可能である。スレッドは、駆動要素の下を摺動して、駆動要素を持ち上げるように構成されている複数の傾斜面と、その上に支持され、アンビルに向かうステープルと、を備える。 The staples are supported by staple drive elements within the cartridge body. The driving element is movable between a first, i.e., unlaunched position and a second, i.e., launched position, which ejects the staples from the staple cavity. The driving element is held in the cartridge body by a holding element extending around the bottom of the cartridge body, and an elastic member configured to grip the cartridge body and hold the holding element against the cartridge body. including. The driving element can be moved between its unfired position and its fired position by a thread. The thread can move between the proximal position adjacent to the proximal end and the distal position adjacent to the distal end. The thread comprises a plurality of sloping surfaces configured to slide under the drive element to lift the drive element, with staples supported upon it towards the anvil.
上記に加えて、スレッドは、発射部材によって遠位方向に移動される。発射部材は、スレッドに接触して、スレッドを遠位端部に向かって押し出すように構成されている。カートリッジ本体内に画定された長手方向スロットは、発射部材を受容するように構成されている。アンビルも、発射部材を受容するように構成されているスロットを含む。発射部材は、第1の顎部に係合する第1のカムと、第2の顎部に係合する第2のカムと、を更に備える。発射部材を遠位方向に前進させると、第1のカム及び第2のカムは、ステープルカートリッジのデッキとアンビルとの間の距離、即ち組織間隙を制御することができる。発射部材はまた、ステープルカートリッジとアンビルとの中間に捕捉された組織を切開するように構成されているナイフも備える。ステープルがナイフよりも前方に放出されるように、ナイフが傾斜面に対して少なくとも部分的に近位に位置付けられることが望ましい。 In addition to the above, the thread is moved distally by the launching member. The launching member is configured to contact the thread and push the thread towards the distal end. Longitudinal slots defined within the cartridge body are configured to receive firing members. The anvil also includes a slot that is configured to receive the launching member. The launching member further comprises a first cam that engages the first jaw and a second cam that engages the second jaw. When the launching member is advanced distally, the first cam and the second cam can control the distance between the deck of the staple cartridge and the anvil, i.e. the tissue gap. The launcher also comprises a knife that is configured to make an incision in the tissue trapped between the staple cartridge and the anvil. It is desirable that the knife be positioned at least partially proximal to the slope so that the staples are released forward of the knife.
エンドエフェクタは、外科用器具のハンドル及び/又はシャフトに対して関節運動するように構成することができる。例えば、エンドエフェクタは外科用器具のシャフトに枢動可能及び/又は回転可能に連結することができ、これによりエンドエフェクタは、シャフト及びハンドルに対して枢動するように構成されている。様々な例において、エンドエフェクタは、エンドエフェクタとシャフトとの中間に位置する関節運動継手において関節運動するように構成することができる。他の例において、シャフトは、近位部分と、遠位部分と、関節運動継手とを含み得、この関節運動継手は例えば、シャフトの近位部分と遠位部分との中間に位置し得る。 The end effector can be configured to articulate with respect to the handle and / or shaft of the surgical instrument. For example, the end effector can be pivotally and / or rotatably connected to the shaft of the surgical instrument, whereby the end effector is configured to pivot with respect to the shaft and handle. In various examples, the end effector can be configured to perform joint movement in a joint movement joint located between the end effector and the shaft. In another example, the shaft may include a proximal portion, a distal portion, and a joint motor joint, which joint may be located, for example, between the proximal and distal portions of the shaft.
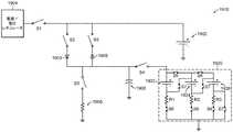
図1〜5は、一形態において、1つの、又は様々な異なる着脱可能な(かつ、通常は再利用可能な)シャフトモジュール(DSM)に関連して使用され、再利用されてよい、モータ駆動の再利用可能なハンドルモジュール10を含む、モジュール式外科用切断及び締結器具の態様を示す。以下で更に詳述するように、ハンドルモジュール10は、様々な制御動作を生じさせ、結合される特定のDSMの対応する駆動シャフト部分にこれらの制御動作を加える、1つ又は2つ以上の電動回転駆動システムを備えるハウジング12を含んでよい。図1及び5のハンドルモジュール10に、2つのかかる回転駆動システム20、40を示す。第1の回転駆動システム20は、例えば、DSM内で動作可能に支持される対応する閉鎖駆動シャフトアセンブリに「閉鎖」運動を加えるために用いられてよく、第2の回転駆動システム40は、例えば、結合されているDSM内の対応する発射駆動シャフトアセンブリに「発射」運動を加えるために用いられてよい。様々なDSMは、解放可能かつ互換的にハウジング12に接続されてよい。図1に、様々な構成でハンドルモジュール10に接続され得る、3つの例示的なDSMを示す。示した例示的なDSMは、オープンリニアステープラDSM1、湾曲カッターステープラDSM2、及び外科用円形ステープラDSM3を含む。本願と同日に出願され、その全体が参照によって本明細書に組み込まれる、米国特許出願第________号、名称「MODULAR STAPLING ASSEMBLY」、代理人整理番号END7544USNP/140469で更に詳細に説明される、エンドカッターDSMなどハンドルモジュール10の駆動システム20、40に適する他の種類のDSMも使用できる。例示的な2重駆動式外科用切断及び締結器具に関する更なる詳細は、その全体が参照によって本明細書に組み込まれる、2014年4月9日出願の米国特許出願第14/248,590号、名称「MOTOR DRIVEN SURGICAL INSTRUMENTS WITH LOCKABLE DUAL DRIVE SHAFTS」(以下、「‘590出願」)で提供される。 FIGS. 1-5 are motor drives that are used and may be reused in connection with one or a variety of different removable (and usually reusable) shaft modules (DSMs) in one form. Demonstrates an aspect of a modular surgical cutting and fastening device, including a
図1〜5に示すように、ハウジング12は、臨床医が把持し、操作し、作動させるように構成されているハンドル14を備える。ハンドル14は、ねじ、スナップ機構、接着剤などで相互連結され得る一対のハンドルハウジングセグメント16及び18を備えてよい。図示した構成において、ハンドルハウジングセグメント16、18は協働して、臨床医が握持し、操作し得るピストルグリップ部分19を形成する。ハンドル14は、2つの回転駆動システム20、40を動作可能に支持する。 As shown in FIGS. 1-5, the
第1の回転駆動システム20及び第2の回転駆動システム40は、2つのパワートレーンの間で動力/運動を事実上シフトさせる「シフト式」変速機アセンブリ60を通じて、モータ80によって電力供給されてよい。第1の回転駆動システム20は第1の回転駆動シャフト22を含み、第1の回転駆動シャフト22は、ハンドル14のハウジング12内で回転可能に支持され、第1の駆動シャフト軸「FDA−FDA」を画定する。第1の駆動ギヤ24は、第1の駆動シャフト軸FDA−FDAを中心として第1の回転駆動シャフト22と共に回転するように、第1の回転駆動シャフト22にキー結合されるか、あるいは別様に回転不能に固定される。同様に、第2の回転駆動システム40は第2の回転駆動シャフト42を含み、第2の回転駆動シャフト42は、ハンドル14のハウジング12内で回転可能に支持され、第2の駆動シャフト軸「SDA−SDA」を画定する。少なくとも1つの装置構成において、第2の駆動シャフト軸SDA−SDAは、第1の駆動シャフト軸FDA−FDAから偏位しており、かつ第1の駆動シャフト軸FDA−FDAに対して平行であるか、あるいは実質的に平行である。この状況で用いるとき、「偏位」という用語は、第1の駆動シャフト軸と第2の駆動シャフト軸とが同軸でないことを意味する。第2の回転駆動シャフト42は第2の駆動ギヤ44を有し、第2の駆動ギヤ44は、第2の駆動シャフト軸SDA−SDAを中心として第2の回転駆動シャフト42と共に回転するように、第2の回転駆動シャフト42にキー結合されるか、あるいは別様に回転不能に固定される。それに加えて、第2の駆動シャフト42は中間駆動ギヤ46を有し、中間駆動ギヤ46は第2の回転駆動シャフト42上で回転可能に支承されており、そのため、中間駆動ギヤ46は、第2の駆動シャフト軸SDA−SDAを中心として第2の回転駆動シャフト42上で自在に回転可能となっている。 The first
一形態において、モータ80はモータ出力シャフトを有し、モータ出力シャフトは、モータ出力シャフトに取り付けられたモータ駆動ギヤ82を有する。モータ駆動ギヤ82は、噛合する「動作可能な」係合を伝動アセンブリ60となすように構成されている。少なくとも1つの形態において、伝動アセンブリ60は伝動キャリッジ62を含み、伝動キャリッジ62は、駆動ギヤ82と第2の回転駆動シャフト42上のギヤ44及び46との間で軸方向に移動するように支持されている。例えば、伝動キャリッジ62は、支持シャフト63上にスライド可能に支承されてもよく、支持シャフト63は、伝動キャリッジの作用線が回転駆動システムのギヤトレーンに対して垂直となるように、ハウジング12内でシャフトマウント61上に装着される。シャフトマウント61は、ハンドルモジュール10内のスロット又は他の機構内に強固に支持されるように構成されている。伝動キャリッジ62はキャリッジギヤ64を有し、キャリッジギヤ64は支持シャフト63上に回転可能に支持されるものであり、駆動ギヤ82とは駆動係合をなす一方でギヤ44及び46とは選択的に噛合係合をなすように構成されている。図1〜5に示す装置構成において、伝動キャリッジ62は、シフタ、つまり「シフトさせるための手段」70に動作可能に取り付けられており、このシフトさせるための手段70は、「第1の駆動位置」と「第2の駆動位置」との間で伝動キャリッジ62を軸方向にシフトさせるように構成されている。一形態において、例えば、シフトさせるための手段70は、ハンドル14のハウジング12内に支持されるシフタソレノイド71を有する。シフタソレノイド71は、双安定ソレノイドを含んでもよく、あるいは例えば、二段配置ばね荷重式ソレノイドを含んでもよい。図示した装置構成は、伝動キャリッジ62を第1の駆動位置へと遠位方向「DD」に付勢するばね72を含んでおり、キャリッジギヤ64は、中間駆動ギヤ46と噛合係合をなす一方で、駆動ギヤ82とも噛合係合をなす。第1の駆動位置にあるとき、モータ80が作動することにより、結果として、ギヤ82、46、及び24が回転することになり、これによって最終的に、第1の駆動シャフト22が回転することになる。 In one embodiment, the
シフタソレノイド71は発射トリガ90によって作動されてもよく、発射トリガ90は、図1〜5に示すように、ハンドル14のハウジング12上に旋回式で支持されている。図示の実施形態において、発射トリガ90は、ハンドル14内に装着された発射トリガシャフト92上に旋回式で支持されている。発射トリガ90は通常、図3に示すように、非作動位置において発射トリガばね94によって付勢されている。発射トリガ90は、発射スイッチ96を動作可能に作動させるように装着されており、発射スイッチ96は、ハンドルモジュール10のハウジング12内に収容されている制御回路基板アセンブリ100上に動作可能に支持されている。図示の装置構成において、発射トリガ90が作動することにより、結果としてシフタソレノイド71が作動する。発射トリガ90が作動する結果として、シフタソレノイド71が伝動キャリッジ62を近位方向「PD」に引っ張り、それによってキャリッジギヤ64を移動させて第2の駆動ギヤ44と噛合係合させることになる。キャリッジギヤ64が駆動ギヤ82及び第2の駆動ギヤ44と噛合係合をなしているときにモータ80が作動することにより、結果として、第2の駆動シャフト42が第2の駆動シャフト軸「SDA」を中心として回転することになる。シフト式伝動アセンブリ60はまた表示システム74を含んでもよく、表示システム74は、制御基板100並びに伝動表示灯77に動作可能に結合された一対のスイッチ75及び76を含む。スイッチ75、76は伝動キャリッジ62の位置を検出するように機能し、その結果、制御システムは、伝動キャリッジ62の位置に応じて表示灯77を作動させることになる。例えば、表示灯77は、伝動キャリッジ62が第1の駆動位置にあるときに通電されてもよい。これにより、モータ80が作動する結果として第1の駆動システム20が作動する指示が、臨床医にもたらされる。 The
モータ80は、例えば約25,000RPMの最大回転数を有するブラシ付きDC駆動モータであってよい。他の構成において、モータには、ブラシレスモータ、コードレスモータ、同期モータ、ステッパモータ、又は加圧滅菌可能なモータなど任意の他の好適な電気モータを挙げることができる。モータ80は電源84によって電力供給されてもよく、電源84は一形態において、ハンドル14のピストルグリップ部分19内に取り外し可能に格納されるパワーパック86を備えてよい。パワーパック86にアクセスするには、臨床医が、ピストルグリップ部分19の底部に取り付けられている取り外し可能なキャップ17を取り外す。パワーパック86は、その中に複数の電池セル(図示なし)を動作可能に支持してもよい。電池セルはそれぞれ、例えば、リチウムイオン(「LI」)又は他の好適な電池タイプを含んでよい。パワーパック86は、ハンドルモジュール10の制御回路基板アセンブリ100に取り外し可能かつ動作可能に取り付けられるように構成されており、制御回路基板アセンブリ100もまたモータ80に動作可能に結合され、ハンドル14内に装着される。パワーパック86は、外科用器具の電源として機能してよい、直列に接続されている多数の電池セルを含んでよい。それに加えて、電源84は、交換式及び/又は再充電式であってよく、また少なくとも1つの例において、例えばCR123電池を含み得る。 The
モータ80は「ロッカートリガ」110によって作動されてもよく、ロッカートリガ110は、ハンドル14のピストルグリップ部分19に旋回式で装着されている。ロッカートリガ110は、制御基板100に動作可能に結合された第1のモータスイッチ112を作動させるように構成されている。第1のモータスイッチ112は、ロッカートリガ110を旋回させて接触させることによって作動する圧力スイッチを含んでよい。第1のモータスイッチ112が作動することにより、結果として、駆動ギヤ82が第1の回転方向に回転するようにモータ80が作動することになる。また第2のモータスイッチ114が回路基板100に取り付けられており、ロッカートリガ110によって選択的に接触されるように装着されている。第2のモータスイッチ114が作動することにより、結果として、駆動ギヤ82が第2の回転方向に回転するようにモータ80が作動することになる。例えば、使用の際、電源84によって提供される電圧極性によって電気モータ80を時計方向に動作させることができるが、電池によって電気モータに印加される電圧極性は、電気モータ80を反時計方向に動作させるために反転させることができる。ハンドル14はまた、駆動システムが移動されている方向を検出するように構成されているセンサを有し得る。 The
ハウジング12はまた、ハウジング12に装着された外科用器具接点基板30を備えてよい。それに応じて、様々なDSM(例えば、DSM1、2、3)は、噛合DSM接点基板を含んでよい(‘590出願の図34〜60を参照)。DSM接点基板は、DSMがハンドルモジュール10に動作可能に結合されているときに、エンドエフェクタ接点基板がハンドルモジュール10内に装着されたハンドルモジュール接点基板30に電気的に結合されるように、DSM内に位置付けられてよい。このようにして、データ及び/又は電力は、噛合接点基板を介してハンドルモジュール10と、DSMとの間でやり取りされ得る。 The
図6は、ハンドルモジュール10内の2つの駆動システム20、40をDSM内の対応する「被動」シャフトに同時に取り外し可能かつ動作可能に結合するのを容易にするために用いられ得る機械的結合システム50の一形態を示す。結合システム50は、ハンドルモジュール10内の駆動シャフトに取り付けられ得る雄型カプラと、外科用DSM内の被動シャフトに取り付けられる、対応の雌型ソケットカプラと、を備えてよい。雄型カプラ51のそれぞれは、対応する雌型ソケットカプラ57内に駆動式で受容されるように構成されており、雌型ソケットカプラ57もまたDSM内の被動シャフトに取り付けられてよい。 FIG. 6 is a mechanical coupling system that can be used to facilitate simultaneous removable and operable coupling of two
‘590出願には、ハンドルモジュール10は多数のモータを含んでよいなど、駆動システム20、40を駆動させるための構成が開示されている。 The '590 application discloses a configuration for driving the
図7は、ハンドルモジュール2102と、DSM2104と、を備えるモジュール式電動外科用器具2100のブロック図である。ハンドル及びDSM2102、2104は、通信電力インタフェース2110によって電気的に結合された電気サブシステム2106、2108をそれぞれ備える。ハンドル部分2102の電気サブシステム2106の構成要素は、前述した制御基板100によって支持され、そこに接続され得る。通信電力インタフェース2110は、電気信号及び/又は電力がハンドル部分2102とシャフト部分2104との間で容易に交換され得るように構成されている。 FIG. 7 is a block diagram of a modular electrosurgical instrument 2100 comprising a
図示した例において、ハンドル部分2102の電気サブシステム2106は、様々な電気要素2112及びディスプレイ2114に電気的に結合されている。一例において、ディスプレイ2114は有機発光ダイオード(OLED)ディスプレイであるが、ディスプレイ2114はこの状況に限定されるべきではなく、他のディスプレイ技術も使用され得る。DSM2104の電気サブシステム2108は、DSMの様々な電気要素2116に電気的に結合されている。 In the illustrated example, the
一態様において、ハンドルモジュール2102の電気サブシステム2106は、ソレノイドドライバ2118と、加速度計システム2120と、モータコントローラ/ドライバ2122と、ハンドルプロセッサ2124と、電圧レギュレータ2126と、を備え、DSM及び/又はハンドル内のいずれかに位置してよい複数のセンサスイッチ2128からの入力を受けるように構成されている。ハンドルプロセッサ2124は、医療及び外科用器具の用途に好適な汎用マイクロコントローラであってよい。一例において、ハンドルプロセッサ2124は、32ビットのARM(登録商標)Cortex(商標)−M4 80−MHzプロセッサ、並びに256KB Flash、32KB SRAM、Cシリーズソフトウェア向け内蔵ROM、及び2KB EEPROMなどオンチップメモリを備えるTexas InstrumentsからのTM4C123BH6ZRBマイクロコントローラであってよい。電気サブシステム2106はまた、データバスを介してハンドルプロセッサ2124に接続された1つ又は2つ以上の別個の外部メモリチップ/回路(図示なし)を備えてよい。本明細書で使用するとき、ハンドルプロセッサ2124など「プロセッサ」又は「プロセッサ回路」は、関連するメモリに格納された、ファームウェア、及び/又はソフトウェアなどプログラムコードを実行して、プログラムコードによりプログラミングされた様々な機能を実行するマイクロコントローラ、マイクロプロセッサ、フィールドプログラマブルゲートアレイ(FPGA)、又は特定用途向け集積回路(ASIC)として実装されてよい。 In one aspect, the
一態様において、ハンドルモジュール2102の電気サブシステム2106は、ソレノイド2132、クランプ位置スイッチ2134、発射位置スイッチ2136、モータ2138、電池パック2140、OLEDインタフェースボード2142(ディスプレイ2114を駆動する)、及び開放スイッチ2144(閉鎖トリガが開放かどうかを示す)、閉鎖スイッチ2146(閉鎖トリガが閉鎖かどうかを示す)、発射スイッチ2148(発射スイッチが作動しているかどうかを示す)など様々なスイッチを含む様々な電子部品2112から信号を受信する。図2〜5では、モータ2138がモータ80を示してよい。 In one aspect, the
一態様において、DSM2104の電気サブシステム2108は、シャフトプロセッサ2130を備えてよい。DSMの電気サブシステム2108は、DAMに位置する様々なスイッチ及びセンサ2116から信号を受信するように構成されており、それらの信号は、DSMのクランプ顎部及び切断要素のステータスを示すものである。具体的には、DSMの電気サブシステム2108は、様々なスイッチがクランプ及び切断要素の状態を示すように、クランプ開放ステータススイッチ2150(エンドエフェクタクランプが開放しているかどうかを示す)、クランプ閉鎖ステータススイッチ2152(エンドエフェクタクランプが閉鎖しているかどうかを示す)、発射開始ステータススイッチ2154(エンドエフェクタが発射を開始したかどうかを示す)、及び発射終了ステータススイッチ2156(エンドエフェクタが発射を終了したかどうかを示す)から信号を受信してよい。 In one aspect, the
加速度計システム2120は、STMicroelectronicsからのLIS331DLM加速度計など、ハンドルモジュール10の3軸運動を感知するMEMS運動センサを含んでよい。モータコントローラ/ドライバ2122には、例えば、Allegroによって提供されているA3930モータコントローラ/ドライバなど、3相ブラシレスDC(BLDC)コントローラ及びMOSFETドライバを挙げることができる。一態様において、モジュール式電動外科用器具2100は、電子整流モータ(ECM、ECモータ)としても知られるブラシレスDC電気モータ2138(BLDCモータ、BLモータ)を装備している。そのような1つのモータが、Portescapによって提供されているBLDC Motor B0610H4314である。センサスイッチ2128は、1つ又は2つ以上のユニポーラ積算回路型ホール効果センサを含んでよい。電圧レギュレータ2126は、電源(例えば、電池2140)からハンドルモジュール2102及びDSM2104の様々な電子部品に供給される電力を調節する。図1〜5の電池パック86を示し得る電池2140は、例えば、リチウムイオンポリマー(LiPo)電池、ポリマーリチウムイオン電池、及び/又はリチウムポリマー電池であってよく、例えば、これらは(略してLi−poly、Li−Pol、LiPo、LIP、PLi、又はLiP)再充電式電池(二次電池)である。LIPO電池2140は、並列接続した複数の(例えば、4個又は6個の)同一の二次電池(「パック」)を含んでよい。OLEDインタフェース2142は、有機発光ダイオードを備えるOLEDディスプレイ2114に対するインタフェースである。 The accelerometer system 2120 may include a MEMS motion sensor that senses the triaxial motion of the
一態様において、DSM2104の電気サブシステム2108のDSMプロセッサ2130は、Texas Instrumentsから提供されているMSP430FR5738 Ultra−low Power MCUなど、超低電力の16ビット混合信号MCUとして実装されてよい。これは、とりわけ、内部RAM不揮発性メモリと、CPUと、A/Dコンバータと、16チャネルコンパレータと、I2C、SPI、又はUARTプロトコルに対応できる3つの拡張シリアルチャネルと、を備えてよい。サブシステム2108はまた、データバスを介してDSMプロセッサ2130に接続された1つ又は2つ以上の別個の外部メモリチップ/回路を備え得る。 In one aspect, the
ハンドル及びDSM2102、2104向けの例示的な電気サブシステムに関する更なる詳細は、‘590出願に見出すことができる。動作の際、ハンドルモジュール2102の電気サブシステム2106は、ハンドルモジュール部分2102のハウジング(例えば、ハウジング12)上に支持された開放スイッチ2144、閉鎖スイッチ2146、及び発射スイッチ2148から信号を受容する。信号が閉鎖スイッチ2146から受信されると、ハンドルプロセッサ2124はモータ2138を動作させて、クランプアームの閉鎖を開始する。クランプが閉鎖されると、エンドエフェクタ内のクランプ閉鎖ステータススイッチ2152がシャフトプロセッサ2130に信号を送信し、シャフトプロセッサ2130は、通信電力インタフェース2110を通じてハンドルプロセッサ2124にクランプアームのステータスを通信する。 Further details regarding the handles and exemplary electrical subsystems for the DSM2102, 2104 can be found in the '590 application. During operation, the
標的組織がクランプされると、発射スイッチ2148が作動されて、ハンドルプロセッサ2124によって受信される信号を発生させ得る。それに反応して、ハンドルプロセッサ2124は伝動キャリッジを第2の駆動位置へと作動させ、そのため、モータ2138が作動することにより、結果として第2の駆動シャフトが回転することになる。切断部材が位置決めされると、エンドエフェクタ内に位置する発射開始ステータススイッチ2154は、切断部材の位置を示す信号をDSMプロセッサ2130に送信し、DSMプロセッサ7030は、通信電力インタフェース2110を通じて再びハンドルプロセッサ2124に位置を通信する。 Once the target tissue is clamped, the launch switch 2148 can be activated to generate the signal received by the
第1のスイッチ2148をもう一度、作動させることにより、信号がハンドルプロセッサ2138に送信され、ハンドルプロセッサ2138はそれに反応して、DSM内の第2の駆動システム及び発射システムを作動させ、組織切断部材及びウェッジスレッドアセンブリを、外科用ステープルカートリッジを通じて遠位側に駆動する。組織切断部材とウェッジスレッドアセンブリが外科用ステープルカートリッジ内で最遠位位置に駆動されると、発射終了スイッチ2156はDSMプロセッサ2130に信号を送信し、DSMプロセッサ2130は、インタフェース2110を通じて再びハンドルプロセッサ2124に位置を通信する。これで発射スイッチ2148は作動されて信号をハンドルプロセッサ2124に送信し得るようになり、ハンドルプロセッサ2124は、モータ2138を逆回転で動作させて発射システムを開始位置に復帰させる。 By activating the first switch 2148 again, a signal is transmitted to the handle processor 2138, which in response activates the second drive system and launch system in the DSM, the tissue cutting member and The wedge thread assembly is driven distally through a surgical staple cartridge. When the tissue cutting member and wedge thread assembly are driven to the most distal position within the surgical staple cartridge, the firing
開放スイッチ2144をもう一度、作動させることにより、信号がハンドルプロセッサ2124に送信され、ハンドルプロセッサ2124はモータ2138を動作させてクランプを開放する。開放されると、エンドエフェクタ内に位置するクランプ開放ステータススイッチ2150は信号をシャフトプロセッサ2130に送信し、シャフトプロセッサ2130は、クランプの位置をハンドルプロセッサ2124に通信する。クランプ位置スイッチ2134及び発射位置スイッチ2136は、クランプアーム及び切断部材のそれぞれの位置を示す信号をハンドルプロセッサ2124に与える。 By activating the release switch 2144 again, a signal is transmitted to the
図8は、プロセッサの内部メモリ及び/又はハンドルプロセッサ2124に接続された外部メモリチップ/回路に格納された、ハンドルプロセッサ2124に関するソフトウェア及び/又はファームウェア命令を実行することによって、様々な例においてハンドルプロセッサ2124によって実行され得るプロセスフローの図である。工程202において、ハンドルプロセッサ2124は、いわゆる「ライフイベント」について器具2100のセンサからの入力信号をモニタする。ライフイベントとは、ハンドルモジュール2102、及び/又はDSM2104を必要とするイベント又は動作であり、ライフイベントの閾値回数に達したら、ハンドルモジュール2102を引退させるべきである(すなわち、これ以上使用しない)。ライフイベントは、エンドエフェクタのクランプ、エンドエフェクタの発射、これらのイベントの組み合わせ、並びに/又は器具2100によって感知され得る、若しくはこれによって感知される、ハンドルモジュール2102及び/若しくはDSM2104を必要とする他のイベント若しくは動作であり得る。例えば、ハンドルモジュール2102の開放スイッチ2144、閉鎖スイッチ2146、及び発射スイッチ2148は、ハンドルプロセッサ2124に結合されてよい。上記に加えて、又はその代わりに、DSM2104内のクランプ開放ステータススイッチ2150、クランプ閉鎖ステータススイッチ2152、発射開始ステータススイッチ2154、及び発射終了ステータススイッチ2156は、(インタフェース2110を介して)ハンドルプロセッサ2124に結合されてよい。ライフイベントは、ハンドルモジュール2102及び器具2100の設計及び用途に応じて、これらのそれぞれのスイッチの一部又はすべてが作動したとき、及び/又はハンドルプロセッサ2124によって検出される特定の順序で作動したときに発生してよく、カウントされてよい。例えば、様々な実現形態において、検出されたクランプの各閉鎖及び検出された各発射は、ライフイベントとしてカウントされてよい。換言すると、検出されたクランプの閉鎖は第1のライフイベントを含み得、検出された発射は、第2の、つまり別のライフイベントを含み得る。他の実現形態において、一連のクランプの閉鎖及びそれに続く発射は、1つのライフイベントとしてカウントされてよい。また、上記のように、ハンドルプロセッサ2124は、ハンドルセンサ2144、2146、2148、及び/又はDSMセンサ2150、2152、2154、2156からの入力を使用して、例えば、ライフイベントを検出できる。 FIG. 8 shows the handle processor in various examples by executing software and / or firmware instructions relating to the
ハンドルプロセッサ2124は、ライフイベントの回数を保持する。ライフイベントが検出されると、ハンドルプロセッサ2124は、工程204において、その内部メモリ又は外部メモリのいずれかにあるライフイベントカウンタの現在値をインクリメントする。カウンタは、ライフイベントが発生すると、事前設定された閾値を満たすまで、1カウントずつ増加する(+1ずつインクリメントする)加算カウンタであってよい、あるいは、カウンタは、ライフイベントが発生すると、終了カウントとは異なる、事前設定された閾値である値から開始して特定の終了カウント(例えば、ゼロ)に達するまで、1カウントずつ減少する(−1ずつインクリメントする)減算カウンタであってよい。事前設定されたライフイベントカウント閾値は、ハンドルモジュール2102の製造業者が、ライフイベントとしてカウントする特定のセンサイベントを考慮して、所望した任意の値に設定され得る。 The
工程206においてライフイベントカウンタが事前設定されたライフイベント閾値に達すると、ハンドルプロセッサ2124は、工程208において、ハンドルモジュール2102のディスプレイ2114、又は例えば、ハンドルプロセッサ2124と通信している他の何らかのディスプレイ(例えば、ユーザーが確認できる機械的カウンタ)に、ハンドルモジュール2102は使用済み(寿命末期)であり、引退させるべきであることを示させるなど、1つ又は2つ以上の寿命末期動作を開始してよい。任意の好適な視覚、触覚、及び/又は可聴表示が使用されてよい。例えば、ディスプレイ2114は、ハンドルモジュールの寿命末期に達したことを示すアイコン及び/又はテキストを含んでよい。ディスプレイ2114はまた、ハンドルモジュールがライフサイクルの末期に近づいているかどうかをユーザーがモニタできるように、例えば、数値表示又はボリュームインジケータ(満杯、空に近いなど)になどよって継続的にライフイベントカウントを示すことができる。ライフイベントカウントの恒常的な表示に加えて、又はその代わりに、ディスプレイ2114は、ハンドルモジュールがその寿命末期に近づいていることを示すアイコンを有してよい、及び/又はテキストを使用してよい(例えば、「使用残N回」)。ハンドルプロセッサ2124はまた、以下で詳述するように、寿命末期カウントに達すると、ハンドルモジュール2102の更なる使用を阻止する状態を開始してよい。寿命末期カウントに達していない場合、ハンドルプロセッサ2124は、寿命末期閾値に達するまで、ライフイベントカウントについてスイッチ及びセンサをモニタする。 When the life event counter reaches a preset life event threshold in
センサの様々な実現形態を使用して、特定のライフイベントを検出できる。例えば、使用されるDSM(例えば、DSM1、2、3)は、例えば、2つの駆動シャフト(閉鎖システムを駆動するためのシャフトと、発射システムを駆動するためのシャフトであり、(それぞれ駆動システム20、40のうちの1つによって駆動される))を含んでよい。かかる駆動シャフトのそれぞれは、それぞれクランプイベント又は発射イベント中にキャリッジを前方に駆動させてよい。したがって、閉鎖システム及び/又は発射システムは、場合によって閉鎖キャリッジ又は発射キャリッジが接触するとトリガされるスイッチを含んでよい。スイッチは、ハンドルプロセッサ2124に結合されてよく、ハンドルプロセッサ2124は、トリガされたスイッチから信号を受信すると、ライフイベントカウントを記録してよい。スイッチは、駆動シャフトによって駆動されたキャリッジにより接触される(トリガされる)たびにリセットされる、自動復帰型プッシュボタンスイッチであってよい。 Various implementations of the sensor can be used to detect specific life events. For example, the DSMs used (eg, DSM1, 2, 3) are, for example, two drive shafts (a shaft for driving a closure system and a shaft for driving a launch system (respectively drive system 20). , Driven by one of 40)). Each of such drive shafts may drive the carriage forward during a clamp event or launch event, respectively. Thus, the closure system and / or launch system may optionally include a switch that is triggered when the closure carriage or launch carriage comes into contact. The switch may be coupled to a
上記に加えて、’590出願は、DSM1〜3が、様々な異なる種類のDSMの閉鎖システム及び発射システムを駆動するための一対の主ねじを含み得ることについて説明する。かかる主ねじ対の例は、‘590出願の図34〜37(オープンリニアステープラ)、‘590出願の図38〜41(湾曲カッターステープラ)、及び‘590出願の図42〜45(外科用円形ステープラ)において‘590出願に示されている。例えば、エンドカッター及び/又は直角ステープラなどハンドルモジュールに適している他のDSMタイプも使用できる。ハンドルモジュールでは異なるDSMを使用できるため、ハンドルモジュール(例えば、ハンドルプロセッサ2124)は、様々な種類のDSMの使用回数及び発射回数に基づいて、ハンドルモジュールの使用法及び残存寿命を追跡するためにより精緻なアルゴリズムを使用できる。例えば、ある例示において、ハンドルプロセッサ2124は、異なるDSMによる使用を異なる方法で(例えば、ハンドルモジュールにかかる応力に応じて)加重する、漸進的累積ライフイベントスコアを計算し、スコアを所定の閾値と比較できる。ハンドルモジュールのスコアが閾値に達すると、ハンドルモジュールは引退させられる(例えば、1つ又は2つ以上の寿命末期動作が行われる)。例えば、ハンドルプロセッサ2124は、以下の関係に基づいてライフイベントスコアを計算してよい。 In addition to the above, the '590 application describes that DSMs 1-3 may include a pair of main screws for driving a variety of different types of DSM closure and launch systems. Examples of such master screw pairs are FIGS. 34-37 (open linear stapler) of '590 application, FIGS. 38-41 (curved cutter stapler) of '590 application, and FIGS. 42-45 (surgical circular stapler) of '590 application. ) In the '590 application. Other DSM types suitable for handle modules, such as end cutters and / or right angle staplers, can also be used. Because different DSMs can be used in the handle module, the handle module (eg, handle processor 2124) is more elaborate to track the usage and remaining life of the handle module based on the number of uses and firings of different types of DSMs. Algorithm can be used. For example, in one example, the
図9は、ハンドルプロセッサ2124が実行して、ライフイベントスコアを計算し得る、及び/又はライフイベントスコアを閾値スコアと比較し得る例示的なプロセスフローを示す。かかる例において、ハンドルプロセッサ2124は、例えば、内部及び/又外部メモリに格納されたファームウェア及び/又はソフトウェアを実行できる。ハンドルモジュールの閾値スコアにまだ達していないと仮定すると、このプロセスは、ハンドルプロセッサ2124が次の処置に関する入力を受信するブロック250において開始する。少なくとも1つのかかる入力は、ハンドルモジュールに取り付けられているDSMタイプのIDを含み得、これは、DSMがハンドルモジュールに接続されたとき、並びに/又はハンドルプロセッサ2124及びDSMプロセッサ2130がこれらの間でデータ通信を確立したときに、ハンドルプロセッサがDSMプロセッサ2130から受信することができる。DSMを認識する、及び/又はDSMを認証するプロセスにおいて、DSMプロセッサ2130は、ハンドルモジュールに取り付けられているDSMのタイプ(例えば、エンドカッター、円形など)を識別するIDをハンドルプロセッサ2124に送信する。次に工程252において、ハンドルプロセッサ2124は、外科的処置中にハンドルモジュールの発射回数を追跡する。ハンドルプロセッサ2124は、発射トリガの作動回数を追跡することによって、及び/又は、例えば、エンドエフェクタカートリッジが交換されたという表示などDSMからのフィードバックを追跡することによって、ハンドルモジュールの発射回数を追跡してよい。 FIG. 9 shows an exemplary process flow that the
ここで工程254を参照すると、処置に続いて、及び/又は任意の他の好適な時点において、ハンドルプロセッサ2124は、完了したばかりの処置に関するスコアを以前のスコアに追加することによって、ハンドルプロセッサのライフイベントスコアを更新してよい。完了したばかりの処置に関するスコアは、処置で使用したDSMタイプの重みWi及び処置での発射回数Sを乗じることに基づいてよい。ハンドルプロセッサ2124は、工程250においてDSMから受信したタイプIDに基づいて(内部及び/又は外部メモリに格納された)ルックアップテーブルで重みを調べることによって、DSMタイプの重みWiを決定してよい。工程256において、ハンドルプロセッサは、ハンドルモジュールの更新されたライフイベントスコアを事前設定された閾値スコアと比較して、ハンドルモジュールがその寿命末期であるかどうかを判定する。閾値に達している場合、プロセスは工程258へと進み、ハンドルモジュールに関する1つ又は2つ以上の寿命末期動作、例えば、本明細書に記載の1つ又は2つ以上の寿命末期動作が行われる。一方、閾値にまだ達していない場合、プロセスは、ハンドルモジュールが、少なくとも1つ以上の処置で使用され得るように工程260に進み得、すぐに図9のプロセスが繰り返される。Seeing
器具が経験する負荷状態を使用してハンドルモジュール及びDSMの両方の使用法を追跡し、ハンドルモジュール及びDSMのうちの一方又は両方が引退するべきかどうかを評価できる。1つのかかる例示は、例えば、器具によって実際に加えられてエンドエフェクタの発射部材を駆動させる力と、器具が経験することが予期される力とを比較することを含む。同様に、発射部材を後退させるために実際に加えられた力を、器具が経験することが予期される力と比較して、ハンドルモジュール及び/又はDSMが引退するべきかどうかを評価できる。ハンドルモジュールは、ハンドルモジュールが経験することが予期される力レベルに基づいて、閾値発射回数に対して評価され得る。同様に、DSMは、DSMが経験することが予期される力レベルに基づいて、閾値発射回数に対して評価され得る。ハンドルモジュール閾値回数及びDSM閾値回数は、同一であっても、又は異なっていてもよい。ハンドルモジュール及び/又はDSMが経験する実際の力が、予期される力レベルを有意に超える場合、ハンドルプロセッサ及び/又はDSMプロセッサは、場合によって、ハンドルモジュール及び/又はDSMが、その予期される発射回数に達する前に引退するべきかどうかを判定し得る。 The load conditions experienced by the instrument can be used to track the usage of both the handle module and the DSM and assess whether one or both of the handle module and the DSM should be retired. One such example comprises comparing, for example, the force actually applied by the instrument to drive the launching member of the end effector with the force expected to be experienced by the instrument. Similarly, the force actually applied to retract the launcher can be compared to the force expected to be experienced by the instrument to assess whether the handle module and / or DSM should retire. The handle module can be evaluated against a threshold number of shots based on the force level expected to be experienced by the handle module. Similarly, the DSM can be evaluated against a threshold number of shots based on the force level that the DSM is expected to experience. The number of handle module thresholds and the number of DSM thresholds may be the same or different. If the actual force experienced by the steering wheel module and / or DSM significantly exceeds the expected force level, then the steering wheel processor and / or DSM processor may optionally have the steering wheel module and / or DSM fire its expected launch. You can determine if you should retire before the number of times is reached.
いくつかの例において、上記に加えて、ハンドルモジュール及び/又はDSMによって加えられる力は、発射部材の発射ストローク全体にわたって一定であってよいが、ハンドルモジュール及び/又はDSMによって加えられる力は、発射ストロークの間中変化することが極めて一般的である。いずれにしても、ハンドルモジュールによって加えられる力、及び/又はハンドルモジュールによって加えられることが予期される力は、発射部材の位置に応じ得る。同様に、DSMによって加えられる力、及び/又はDSMによって加えられることが予期される力は、発射部材の位置に応じ得る。特定のDSMタイプは、その全長、すなわち、発射部材の初期開始位置とそのストローク終了位置との間の距離にわたって、DSMの発射ストロークと相関がある、予期される発射力を有し得る。DSMはまた、その全長、すなわち、発射部材のストローク終了位置とその開始位置との間の距離にわたって、DSMの後退ストロークと相関がある、予期される後退力を有し得る。図10Aは、あるDSMタイプの予期される力の例を示す。上の曲線270は、発射部材がその開始位置からそのストローク終了位置までエンドエフェクタを横断させるときの予期される発射力を示し、下の曲線272は、発射部材をその開始位置まで後退させて戻すときの予期される後退力を示す。この特定の例では、予期される発射力は、予期される後退力よりも大きい。 In some examples, in addition to the above, the force applied by the handle module and / or DSM may be constant over the firing stroke of the launching member, while the force applied by the handle module and / or DSM is firing. It is quite common for it to change throughout the stroke. In any case, the force applied by the handle module and / or the force expected to be applied by the handle module may depend on the position of the launching member. Similarly, the force applied by the DSM and / or the force expected to be applied by the DSM may depend on the position of the launching member. A particular DSM type may have an expected firing force that correlates with the DSM firing stroke over its entire length, i.e., the distance between the initial start position of the launching member and its stroke ending position. The DSM may also have an expected retreat force that correlates with the retreat stroke of the DSM over its entire length, i.e., the distance between the stroke end and start positions of the launching member. FIG. 10A shows an example of the expected force of a DSM type. The
各発射については、上記に加えて、ハンドルモジュール及び/又はDSMプロセッサが、ストローク長の単位距離インクリメント(例えば、1ミリメートル)あたりに加えられた力を追跡できる。更に、ハンドルモジュール及び/又はDSMプロセッサは、ストローク長の各距離インクリメントについて加えられた力を追跡し、次いで、実際の力を予期される力と比較して、実際の加えられた力が予期される力を越えたかどうかを確認できる。発射及び後退中に器具によって加えられる力を測定する1つの方法は、発射及び後退ストローク中のモータのトルク出力を測定することである。少なくとも1つの例において、モータのトルク出力は、モータによって引き出される電流及びモータ速度に基づいて測定され得る。少なくとも1つのかかる例において、モータに加えられる電圧は一定である。例えば、電流は電流センサで測定され得、モータ速度はエンコーダで測定され得る。図10Aは、予期される発射ストローク力及び予期される後退ストローク力からの逸脱として例示的な力測定値を示す。この図において、説明を簡略化するために、すべての測定された力は、予期される力を超え、測定された力と予期される力との差異のみを、発射ストロークについては線分274で示し、後退ストロークについては点線分276で示す。読者には、1つ又は2つ以上の測定された力が、それぞれの予期される力未満であり得ることを理解されたい。 For each launch, in addition to the above, the handle module and / or DSM processor can track the force applied per unit distance increment (eg, 1 millimeter) of stroke length. In addition, the handle module and / or DSM processor tracks the force applied for each distance increment of stroke length and then compares the actual force with the expected force to anticipate the actual applied force. You can check if you have exceeded your power. One way to measure the force applied by the instrument during launch and retreat is to measure the torque output of the motor during the launch and retreat strokes. In at least one example, the torque output of the motor can be measured based on the current drawn by the motor and the motor speed. In at least one such example, the voltage applied to the motor is constant. For example, the current can be measured by a current sensor and the motor speed can be measured by an encoder. FIG. 10A shows exemplary force measurements as deviations from the expected firing stroke force and the expected receding stroke force. In this figure, for the sake of brevity, all measured forces exceed the expected force, only the difference between the measured force and the expected force, at
図10Bは、場合によって、ハンドルモジュール及び/又はDSMのメモリに格納されたファームウェア及び/又はソフトウェアを実行することによりハンドルモジュールプロセッサ及び/又はDSMプロセッサによって実行される例示的なプロセスフローの図である。ここで工程280を参照すると、プロセッサは、器具の発射ストローク及び/又は後退ストロークに沿って各単位長インクリメントにおいて測定された力と予期される力との力差(以下のΔLで示す)を合計できる、すなわち累積できる。例えば、発射ストローク及び以降の後退ストロークの累積力差は、以下の関係に基づいて計算できる。 FIG. 10B is an exemplary process flow diagram performed by the handle module processor and / or DSM processor by executing firmware and / or software stored in the memory of the handle module and / or DSM, as the case may be. .. Referring here to step 280, the processor sums the force difference (indicated by ΔL below) between the force measured and the expected force at each unit length increment along the firing and / or retreat stroke of the appliance. Can, that is, can be accumulated. For example, the cumulative force difference between the firing stroke and the subsequent backward stroke can be calculated based on the following relationship.
ある特定の実施形態に関しては、上記に加えて、プロセッサが、リアルタイムで累積力差を計算できる。少なくとも1つの例において、プロセッサは、各発射及び後退サイクル後に力差を計算できる。特定の例において、プロセッサは、2つ以上の発射サイクル及び後退サイクルを含んでよい各外科的処置後に力差を計算できる。例えば、特定の処置において7回の発射が存在した場合、プロセッサは、7回の発射それぞれについて工程280の結果を合計するであろう。次に、工程284において、ハンドルは、最近計算した処置の累積力差を、最近計算した処置よりも前の合計(又は、モジュールの最初の処置の場合はゼロ)に加算することによって、場合によって、ハンドルモジュール及び/又はDSMの全累積力差を更新できる。工程286において、次いでプロセッサは、更新した全累積力差を閾値と比較できる。閾値に達したか、それ以外の方法で閾値を満たした場合、プロセスは、場合によって、ハンドルモジュール又はDSMの寿命末期動作が行われる工程288に進む。反対に、工程286において、閾値にまだ達していないとプロセッサが判定すると、場合によって、ハンドルモジュール及び/又はDSMは、もう一度使用され得る。 For certain embodiments, in addition to the above, the processor can calculate the cumulative force difference in real time. In at least one example, the processor can calculate the force difference after each launch and retreat cycle. In certain examples, the processor can calculate the force difference after each surgical procedure, which may include two or more firing and retreating cycles. For example, if there were 7 launches in a particular procedure, the processor would sum the results of
たとえ累積力差閾値にまだ達していなくても、場合によって、ハンドルモジュール及び/又はDSMは、別の閾値に準じて寿命終了に達していることがある。例えば、図10Bのプロセスは、工程286後にプロセッサが、場合によって、ハンドルモジュール及び/又はDSMを必要とする処置の総数を処置カウント閾値と比較する工程289に進むことができる。少なくとも1つの例において、ハンドルモジュールは、20処置という処置カウント閾値を有し得、DSMは、10処置という処置カウント閾値を有し得る。他の例も可能である。少なくとも1つの他の例では、ハンドルモジュール及びDSMは、同一の処置カウント閾値を有し得る。処置カウント閾値に達すると、工程288において、場合によって、ハンドルモジュール及び/又はDSMの寿命末期動作が開始される。反対に、処置カウント閾値にまだ達していない場合、プロセスは、ハンドルモジュール及び/又はDSMが別の処置のために準備される工程290に進む。処置カウントを追跡するための本明細書に記載したいずれの技術も、処置終了の検出に使用されてよい。 In some cases, the handle module and / or DSM may reach the end of its life according to another threshold, even if the cumulative force difference threshold has not yet been reached. For example, the process of FIG. 10B can proceed to step 289 after
様々な実施形態において、ハンドルプロセッサは、ハンドルモジュール及びDSMの両方の計算を実行でき、次いで、DSMプロセッサが、必要に応じて寿命末期動作を開始できるように、DSMの結果をDSMプロセッサに通信する。同様に、DSMプロセッサは、ハンドルモジュール及びDSMの両方の計算を実行でき、次いで、ハンドルプロセッサが、必要に応じて寿命末期動作を開始できるように、ハンドルモジュールの結果をハンドルプロセッサに通信する。別の構成において、処置に関して測定されたすべての力は、処置後に、例えば、検査ステーション内のプロセッサなどリモートプロセッサ、又は処置後処理用の処置に続いてハンドルモジュールに接続される、別のリモートコンピュータ若しくはプロセッサベースのシステムにダウンロードされ得る。かかる検査ステーションは、例えば、図12A〜Bに関連して開示及び記載される。 In various embodiments, the handle processor can perform calculations for both the handle module and the DSM, and then communicate the DSM results to the DSM processor so that the DSM processor can initiate end-of-life operation as needed. .. Similarly, the DSM processor can perform both handle module and DSM calculations, and then communicate the results of the handle module to the handle processor so that the handle processor can initiate end-of-life operation as needed. In another configuration, all the force measured for the procedure is connected to a remote processor after the procedure, for example a processor in an inspection station, or to a handle module following the procedure for post-treatment. Or it can be downloaded to a processor-based system. Such inspection stations are disclosed and described, for example, in connection with FIGS. 12A-B.
図10Cは、図10D及び10Eに関連して、ハンドルプロセッサを用いて、例えば、ハンドルモジュールがその寿命末期に達したかどうかをモニタできる、別の例示的なプロセスフローを示す。図10Cに示すプロセスは、ハンドルモジュールが、その寿命中にハンドルモジュールによって使用されたエネルギーに基づいてその寿命末期に達したかどうかを判定する(その例示的なグラフを図10Dに示す)。図10Dは、ハンドルモジュールの使用、又は発射に応じた、ハンドルモジュールによる合計、つまり累積エネルギー消費量を示す。上記に加えて、又はその代わりに、図10Cに示すプロセスは、ハンドルモジュールが、ハンドルモジュールの各発射中に使用した電力に基づいてその寿命末期に達したかどうかを判定し得る(その例示的なグラフを図10Eに示す)。図10Eは、ハンドルモジュールの個々の発射について消費された電力を示す。少なくとも1つの特定の実施形態において、プロセッサは、図10Cの例示的なプロセスを実施する際に、ハンドルモジュールによって消費されたエネルギーが累積で、様々な閾値を超えたかどうか(図10Dを参照)、そして同時に、ハンドルモジュールが、閾値電力レベルを超える、特定の発射回数を有したかどうか(図10Eを参照)をモニタする。これら両方の条件が満たされたとき、少なくとも1つの例において、ハンドルプロセッサは、ハンドルモジュールがその寿命末期にあるという結論を下すことができる。特定の例において、ハンドルプロセッサは、任意の回数の(各試験に閾値を設定した)多因子試験を用いて、ハンドルモジュールがその寿命末期にあるかどうかを判定できる。少なくとも1つの例において、ハンドルプロセッサは、いずれかの試験の閾値を満たすか、これを超えると、その寿命末期に達したと判定できる。 FIG. 10C shows another exemplary process flow in connection with FIGS. 10D and 10E, where the handle processor can be used, for example, to monitor whether the handle module has reached the end of its life. The process shown in FIG. 10C determines whether the handle module has reached the end of its life based on the energy used by the handle module during its life (an exemplary graph is shown in FIG. 10D). FIG. 10D shows the total, or cumulative energy consumption, by the handle module in response to the use or launch of the handle module. In addition to or instead of the above, the process shown in FIG. 10C may determine whether the handle module has reached its end of life based on the power used during each launch of the handle module (exemplary thereof). The graph is shown in FIG. 10E). FIG. 10E shows the power consumed for each launch of the handle module. In at least one particular embodiment, whether the processor has cumulatively exceeded various thresholds in performing the exemplary process of FIG. 10C (see FIG. 10D). At the same time, it monitors whether the handle module has a certain number of firings above the threshold power level (see FIG. 10E). When both of these conditions are met, in at least one example, the handle processor can conclude that the handle module is at the end of its life. In a particular example, the handle processor can use any number of multifactorial tests (thresholds set for each test) to determine if the handle module is at the end of its life. In at least one example, the handle processor can determine that it has reached its end of life if it meets or exceeds any of the test thresholds.
処置に続いて、ハンドルプロセッサは内部及び/又は外部メモリに格納されたファームウェア及び/又はソフトウェアを実行することによって図10Cのプロセスを実行して、ハンドルモジュールがその寿命末期にあるかどうかを判定できる。工程290において、ハンドルプロセッサは、ハンドルモジュールの寿命中の累積エネルギーを第1の閾値エネルギーレベル、すなわち、図10Dのエネルギーレベル1と比較できる。エネルギーレベル1は、例えば、40kJであり得る。ハンドルモジュールは、モータのエネルギー及び電力出力を判定できるように、ハンドルモジュールのモータに接続されたマイクロワット又は電力計を含んで、モータの電気的パラメータを測定し、記録してよい。第1の閾値エネルギーレベル、すなわち、エネルギーレベル1に達したか、又はこれを超えた場合、ハンドルプロセッサは、工程291において、ハンドルモジュールがその寿命末期にあると判定し、例えば、本明細書に記載の1つ又は2つ以上の寿命末期動作など寿命末期動作を開始できる。 Following the action, the handle processor can perform the process of FIG. 10C by running firmware and / or software stored in internal and / or external memory to determine if the handle module is at the end of its life. .. In
工程290において、第1の閾値エネルギーレベル、すなわち、エネルギーレベル1に達していないとハンドルプロセッサが判定すると、プロセスは、ハンドルモジュールが、第2の(例えば、より低い)エネルギー閾値、すなわち、図10Dのエネルギーレベル2を満たしたかどうかを判定する、工程292に進む。エネルギーレベル2は、例えば、30kJであり得る。(第1の閾値エネルギーレベルに達したり、これを超えたりせずに)第2の閾値エネルギーレベルに達したか、又はこれを超えた場合、プロセスは、ハンドルモジュールが、第1の電力レベル閾値を超える特定の発射回数、例えば、55ワットを超える2回の発射(図10Eを参照)をその寿命中に経たかどうかをハンドルプロセッサが判定する工程293に進む。第2のエネルギーレベル閾値を満たしたか又は、これを超え、かつ電力レベル閾値を満たしたか、又はこれを所定の回数超えた場合、ハンドルプロセッサは、ハンドルモジュールがその寿命末期にあると判定できる。しかし、電力レベル閾値が所定の回数満たされていないか、又は超えていない場合、ハンドルプロセッサは、第2のエネルギーレベル閾値を満たしたか、又はこれを超えていても、ハンドルモジュールがまだ寿命末期に達していないと判定できる。工程292及び293という2重因子は、ハンドルモジュールの寿命に関する別の試験であり得、ハンドルモジュールが両方の試験に失敗した(すなわち、両方の閾値又は条件が満たされている)場合、ハンドルモジュールは、その寿命末期にあると判定できる。 When the handle processor determines in
ハンドルプロセッサは、任意の数のかかる2重因子試験を実行できる。図10Cの例は、1つの更なるかかる2重因子試験を示す。工程292及び293という2重因子がどちらも満たされない場合、プロセスは、ハンドルモジュールが第3の(例えば、更により低い)エネルギー閾値、すなわち、エネルギーレベル3が満たされたかどうかを判定する、工程294に進むことができる。エネルギーレベル3は、例えば、25kJであり得る。(第3の閾値エネルギーレベルに達したり、又はこれを超えたりせずに)第3の閾値エネルギーレベルに達したか、又はこれを超えた場合、プロセスは、ハンドルプロセッサが、ハンドルモジュールは、特定回数の第2の電力レベル閾値(工程293における電力レベル閾値と同一であっても又は異なっていてもよい)を超える発射(好ましくは、工程293について確認されたかかる発射回数よりも多い)、例えば、55ワットを超える4回の発射をその寿命中に経たかどうかを判定する工程295に進む。工程294及び295という2重因子は、ハンドルモジュールの寿命に関する別の試験であり得、ハンドルモジュールが両方の試験に失敗した(すなわち、閾値又は条件が満たされている)場合、ハンドルモジュールは、その寿命末期にあると判定できる。さもなければ、ハンドルプロセッサは、ハンドルモジュールがその寿命末期にないと判定でき、以降の処置で使用できる。 The handle processor can perform any number of such double factor tests. The example of FIG. 10C shows one additional such dual factor test. If neither of the dual factors steps 292 and 293 is met, the process determines if the handle module meets a third (eg, even lower) energy threshold,
図10Cの工程は、同一の結果を達成しつつも、様々な順序で実行され得ることは明らかである。例えば、工程294及び295は、工程290の前に実行できるなどである。 It is clear that the steps of FIG. 10C can be performed in various orders while achieving the same results. For example, steps 294 and 295 can be performed before
現在のベストプラクティスによると、ハンドルモジュールを使用して外科的処置を実行する前に、これを滅菌する必要がある。様々な例において、ハンドルモジュールは、次いで滅菌室に配置される滅菌トレーに配置される。ハンドルモジュールの寿命末期を追跡するための上記の方法に加えて、又はその代わりに、ハンドルモジュールが滅菌のために滅菌トレーに配置される回数を使用して、ハンドルモジュールの寿命末期を追跡できる。換言すると、ハンドルモジュールの滅菌回数は、ハンドルモジュールの使用回数の代わりとして機能する。少なくとも1つの例示的な実施形態において、各ハンドルモジュールは、特定のハンドルモジュールの滅菌回数を保持する、独自の滅菌トレーを有する。かかる構成において、滅菌トレーは、関連するハンドルモジュールがトレーに配置されるたびにインクリメントするカウンタを含んでよい。カウンタは、加算カウンタが使用される場合にハンドルモジュールの滅菌済み回数、又は減算カウンタが使用される場合には残存滅菌回数、つまり許可される滅菌回数を示すことができる、視覚的な読み出しディスプレイを有し得る。このようにして、ユーザーは、滅菌の上限に達した時期を知ることができ、その結果、ユーザーは、ハンドルモジュールを引退させることができる、及び/又は他の適した寿命末期対策を実行することができる。ハンドルモジュールの滅菌回数の代わりとして、したがって、ハンドルモジュールの使用回数の代わりとして滅菌トレーにハンドルモジュールを配置することを使用するために、ハンドルモジュールは、1つの、そして1つの滅菌トレーだけで滅菌される必要がある。このようにして、カウンタは、他のハンドルモジュールのトレーへの配置をカウントしない。したがって、ハンドルモジュール及び滅菌トレーは、例えば、キットとして一緒に提供され得、一緒に使用されることを示すID(例えば、数字又はアイコン)を含んでよい。ハンドルモジュール及びDSMは、例えば、別個に、又は一緒に滅菌され得る。 According to current best practices, it should be sterilized before performing a surgical procedure using the handle module. In various examples, the handle module is then placed in a sterilization tray that is placed in the sterilization chamber. In addition to or instead of the above methods for tracking the end of life of a handle module, the end of life of a handle module can be tracked using the number of times the handle module is placed in a sterile tray for sterilization. In other words, the number of times the handle module is sterilized acts as a substitute for the number of times the handle module has been used. In at least one exemplary embodiment, each handle module has its own sterilization tray that holds the number of sterilizations for a particular handle module. In such a configuration, the sterilization tray may include a counter that increments each time the associated handle module is placed on the tray. The counter provides a visual readout display that can indicate the number of times the handle module has been sterilized when the addition counter is used, or the number of times the remaining sterilization is allowed when the subtraction counter is used. Can have. In this way, the user can know when the upper limit of sterilization has been reached, so that the user can retire the handle module and / or take other suitable end-of-life measures. Can be done. The handle module is sterilized in one and only one sterilization tray to use the placement of the handle module in the sterilization tray as an alternative to the number of sterilization of the handle module and therefore the number of uses of the handle module. Need to be. In this way, the counter does not count the placement of other handle modules on the tray. Thus, the handle module and sterilization tray may include, for example, an ID (eg, number or icon) indicating that they can be provided together as a kit and used together. The handle module and DSM can be sterilized separately or together, for example.
図11Aは、例示的な滅菌トレー300、及び滅菌トレー300内に位置付けることができるハンドルモジュール302を示す。滅菌トレー300は、開口部、つまり凹部304を画定し、その形状は、中に配置されるハンドルモジュール302の形状と一致する。凹部304は、ハンドルモジュール302を緊密に受容するように構成されており、したがって、これらの間での相対運動は、できたとしてもごくわずかである。滅菌トレー300は、開口部304の中に延入するレバーアーム308を有するストロークカウンタ306を含む。ストロークカウンタ306は、カウンタの視覚的読み出し装置310を更に含む。ユーザーがハンドルモジュール302を開口部304に配置すると、レバーアーム端308が押し下げられる、切り替えられる、又はストロークされる。これにより、カウントとして記録され、したがって、加算カウンタの場合は、1ずつ(又は、減算カウンタの場合は−1ずつ)読み出し装置310に表示されるストロークカウンタ(stoke counter)306をインクリメントする。レバーアーム306の誤切り替え又はストロークを低減するために、様々な構成において、レバーアーム端308は、ハンドルモジュール302に画定された対応する開口部314に適合するように構成されている突出部312を含んでよい。図11Bは、滅菌トレー300に配置された後のハンドルモジュール302を示す。図11Bでは、ハンドルモジュール302の下にあるため、レバーアーム端308は見えない。カウンタ読み出し装置310は、ハンドルモジュール302が開口部304内に位置付けられても、引き続きユーザーから見える。 FIG. 11A shows an
図11C及び11Dは、ハンドルモジュール302をDSM312と共に滅菌トレー300に配置できる変更例を示す。ハンドルモジュール302は、多くの点でハンドルモジュール10と類似しており、DSM312は例示的なDSMを示す。かかる構成において、滅菌トレー300は、ハンドルモジュール302を受容するためのハンドルモジュール開口部318と、ハンドルモジュールレバーカウンタ314と、ハンドルモジュールカウンタ読み出し装置316と、を含む。トレー300はまた、DSM312を受容するためのDSM開口部324と、DSMレバーカウンタ320と、DSMカウンタ読み出し装置322と、を含む。かかる構成において、ハンドルモジュール302及びDSM312は、それぞれの滅菌を正確に追跡できるように、特定の滅菌トレー300のみで滅菌されるべきである。ハンドルモジュールカウンタ312は、滅菌トレー300におけるハンドルモジュール302の滅菌済み回数、及び/又は残存滅菌回数を示す。DSMカウンタ324は、滅菌トレー300におけるDSM312の滅菌済み回数、及び/又は残存滅菌回数を示す。ハンドルモジュール302はDSM312なしで滅菌でき、逆もまた同様である。この場合、それぞれのカウントは等しくないことがある。 11C and 11D show modified examples in which the
図11E〜11Iは、滅菌トレー300を使用してハンドルモジュールの使用を追跡するための他の構成を示す。図11Eにおいて、滅菌トレー300は、滅菌トレーの開口部304の底から上向きに延出する突出部340を含む。突出部340は、ハンドルモジュール302が開口部304に固定されたときに、ハンドルモジュール302に画定された対応する開口部342に延入するように位置付けられる。図11Fに示すように、ハンドルモジュール302は、スイッチ344が第1の位置にあるときに、ハンドル302によって画定された開口部342に延出する部分を有する、機械的な2位置トグルスイッチ344を備えてよい。ハンドルモジュール302が滅菌トレー300に配置されると、開口部342は、図11Gに示すように、突出部340がスイッチ344を第2の位置へと押すように、突出部340と揃えられる。スイッチ344はハンドルプロセッサと通信していてよく、スイッチ344が第1の位置(図11F)から第2の位置(図11G)へ移動すると、ハンドルプロセッサは、(ハンドルモジュールの内部及び/又は外部プロセッサメモリに格納された)内部滅菌カウントを更新してよい。かかる実施形態において、ハンドルモジュール302は、本明細書に記載のように電源を備えて、ハンドルプロセッサに電力供給し、滅菌中に滅菌カウントを更新してよい。かかる電源は、一次電池がハンドルモジュール302から取り出されたとしても、ハンドルモジュールから取り出されない、二次電池を備え得る。ハンドルプロセッサは、滅菌カウントを所定の閾値(例えば、20回の滅菌)と比較してよく、滅菌カウントが所定の閾値に達すると、ハンドルプロセッサは、例えば、本明細書に記載の1つ又は2つ以上の様々な寿命末期動作を行ってよい。スイッチ344は、例えば、滅菌プロセス後など後になってリセットされるまで「トリガ」、つまり「作動」状態のままであってよい(図36を参照)。スイッチ344は、ハンドルモジュール302がトレー300から取り外されて、突出部340が開口部342から取り除かれると、例えば、ばねによって付勢されて、その開放位置に戻り得る。ハンドルモジュールプロセッサはまた、内部フラグを設定して、ハンドルモジュール302が滅菌トレー300に配置されたことを示し、このフラグは、滅菌プロセス後に後でリセットできる(図37を参照)。図11H及び11Iは、接触スイッチ348を備える、類似の実施形態を示す。ハンドルモジュール302が滅菌トレー300に配置されると、開口部342は、図11Gに示すように、ハンドルモジュール302が開口部304に固定されたときに、突出部340が接触スイッチ348を閉鎖するように、突出部340と揃えられる。接触スイッチ348はハンドルプロセッサと通信しており、ハンドルモジュールの滅菌カウントを更新する。接触スイッチ348は、ハンドル302がトレー300から取り外されて、挿入された突出部340によって接触スイッチ348に加えられていた圧力が取り除かれると、例えば、ばねによって付勢されて、その開放位置に戻り得る(図11H)。 11E-11I show another configuration for tracking the use of the handle module with the
ハンドルモジュールの寿命末期を追跡するための上記の方法に加えて、又はその代わりに、ハンドルモジュールが接続され得る検査ステーションを使用することによって、ハンドルモジュールの寿命末期を追跡できる。検査ステーションは、任意の好適な時期に使用して、ハンドルモジュールが、外科的処置及び/又は外科的処置の以降の工程を実行するために使用できるかどうかを評価できる。例えば、検査ステーションは、ハンドルモジュールの滅菌プロセスの前、間、及び/若しくは後、並びに/又は再利用するためのハンドルモジュールの準備中に使用できる。ハンドルモジュールは、例えば、(i)処置に続いてのハンドルモジュールの再利用可能構成要素の術後清浄(通常、構成要素若しくは器具の手動拭き取りを含む)、(ii)構成要素若しくは器具の汚染除去(例えば、自動洗浄機による)、並びに/又は(iii)構成要素若しくは器具の清浄及び/若しくは部屋乾燥の後に検査ステーションに接続できる。ハンドルモジュールを検査ステーションに配置することは、ハンドルモジュールの使用回数、滅菌回数、及び/又は他の方法での再利用のための処理回数の代わりになり得る。検査ステーション(又は他の場所)にあるディスプレイは、例えば引退させるなどハンドルモジュールに関して適切な動作をユーザーが実行できる時点である、ハンドルモジュールの検査ステーションへの配置回数閾値に達したか、又は達しそうなときにユーザーに示してよい。また、検査ステーションは、ハンドルモジュールが終了寿命に達したらハンドルモジュールの更なる使用を阻止する(例えば、ハンドルモジュールを無効にする)ハンドルプロセッサにデータをアップロードできる。 In addition to or instead of the above methods for tracking the end of life of the handle module, the end of life of the handle module can be tracked by using an inspection station to which the handle module can be connected. The inspection station can be used at any suitable time to assess whether the handle module can be used to perform the surgical procedure and / or the subsequent steps of the surgical procedure. For example, the inspection station can be used before, during, and / or after the handle module sterilization process, and / or during the preparation of the handle module for reuse. The handle module may include, for example, (i) postoperative cleaning of the reusable component of the handle module following treatment (usually including manual wiping of the component or instrument), (ii) decontamination of the component or instrument. It can be connected to the inspection station (eg, by an automatic washer) and / or after cleaning (iii) components or utensils and / or room drying. Placing the handle module at the inspection station can replace the number of times the handle module has been used, sterilized, and / or processed for reuse in other ways. The display at the inspection station (or elsewhere) has reached or is likely to reach the handle module placement threshold at the inspection station at a time when the user can perform appropriate actions with respect to the handle module, such as retiring. You may show it to the user at any time. The inspection station can also upload data to the handle processor, which prevents further use of the handle module (eg, disables the handle module) when the handle module has reached the end of its useful life.
上記に加えて、図12A及び12Bは、例示的な検査ステーション400及びハンドルモジュール402を示す。ハンドルモジュール402は、多くの点でハンドルモジュール10と類似している。図12Aは、検査ステーション400に配置される前のハンドルモジュール402を示し、図12Bは、検査ステーション400の所定の位置に配置した後のハンドルモジュール402を示す。本明細書に開示した他の実施形態と同様に、ハンドルモジュール402は、電池パックを受容するように構成されている、その中に画定された電池キャビティ403を備える。例えば、図2〜5の電池パック86を参照されたい。本明細書の他の場所でも開示するように、電池パックは電池キャビティ403の中に容易に挿入可能であり、かつその電池キャビティ403から取り外し可能である。図12Aはまた、電池パックがハンドルモジュール402から取り外されており、したがって、ハンドルモジュール402が検査システム400に配置される前は、電池キャビティ403が露出していることを示す。検査ステーション400は、ハンドルモジュール402の電池キャビティ403内に適合する寸法であり、かつそのように構成されている、検査ステーション400から延在する挿入部材、つまりデータ/電源アダプタ404を備える。以下で更に詳述するように、データ/電源アダプタ404は、電池パックの電源端子を係合するように構成されている電力接点によって、及び/又は電池キャビティ403内に位置付けられた1つ又は2つ以上の信号接点によって、ハンドルモジュールのプロセッサと通信するように配置される。ハンドルモジュール402は、データ/電源アダプタ404の上方で開口部403を摺動させることによって検査ステーション400に位置付けられてよい。 In addition to the above, FIGS. 12A and 12B show
図12Cは、検査ステーション400及びハンドルモジュール402の特定の構成要素を示すブロック図である。データ/電源アダプタ404は、電池パックが開口部403内に位置付けられているときに電池パックが電圧レギュレータ432に電圧を提供するのと同一、又は類似の方法でハンドルモジュール402の電圧レギュレータ432に電圧を提供する電源端子430を含む。例えば、電池パックが電圧レギュレータ432に6V DCを供給するように構成されている場合、挿入部材404は、例えば、電圧レギュレータ432に6V DCを供給するように構成され得る。電圧レギュレータ432は、ハンドルモジュール402の制御基板100(図1〜6を参照)に電力を供給して、例えば、ハンドルプロセッサ434、並びに関連する内部及び/又は外部メモリ436などを含む制御基板100の構成要素に電力供給する。検査ステーション400自体は、適切なAC−DCコンバータを用いて電源コード437を通じて、AC電源によって電力供給されてよい。検査ステーション400は、ハンドルプロセッサ434が検査ステーションプロセッサ442と通信できるように、ハンドルモジュール402が検査ステーション400と係合すると、ハンドルモジュールの402データポート440と接触する、データポート438を含む。読者には理解されるように、検査ステーション400は、検査ステーションプロセッサ442に関連する内部及び/又は外部メモリ444を更に含み得る。 FIG. 12C is a block diagram showing specific components of the
図12Dは、ハンドルメモリ436及び/又は検査ステーションメモリ444内のソフトウェア及び/又はファームウェアの実行時に、ハンドルプロセッサ434及び/又は検査ステーションプロセッサ442によって実行されて、ハンドルモジュール402が検査ステーション400に配置された回数を追跡し、かつそれに応答し得るプロセスフローの図である。様々な構成において、ハンドルモジュール402が検査装置400に設置されるときはいつでも、挿入部材404がハンドルモジュール402の制御基板100に対してデータ及び/又は電力接続を行うように、ハンドルプロセッサ434は、検査カウンタをインクリメントしてよい。検査カウンタは、ゼロから事前設定された閾値検査回数までの加算カウンタであってよいか、又は事前設定された閾値検査回数からゼロまでの減算カウンタであってよい。少なくとも1つの例において、ハンドルモジュール402は、データ/電源アダプタ404が完全かつ適切に開口部403に挿入されるとトリガされる、検査ステーション挿入スイッチ446(図12C)を含む。このスイッチ446は、制御基板100を介してハンドルプロセッサ434と通信していてよく、図12Dの工程420においてスイッチ446がトリガされると、工程422において、ハンドルプロセッサ434は、検査カウンタをインクリメントしてよい(場合によって、カウンタタイプに応じて+1又は−1ずつ)。工程424において、ハンドルプロセッサ434は、検査カウントを所定の閾値と比較してよい。閾値にまだ達していない場合、次いで、工程426において、ハンドルプロセッサ434は、挿入部材404を介した検査ステーション400との通信中に、検査ステーションプロセッサ442に対して検査カウンタの値を出力してよい。 FIG. 12D shows that when the software and / or firmware in the
図12Eを参照すると、検査ステーション400は、例えば、ハンドルモジュール402が検査ステーション400に配置された回数、及び/又はハンドルモジュール402がその寿命末期に達する前に、ハンドルモジュール402が検査のために検査ステーション400に配置されるべき残存回数(又は概数)など検査カウンタに関連する視覚情報を表示する視覚的ディスプレイ448を含んでよい。しかしながら、検査カウント閾値に達した場合、プロセスは、適切な寿命末期動作を行ってよい工程428に進み得る。1つのかかる寿命末期動作は、検査ステーション400のディスプレイ448が、ハンドルモジュール402をこれ以上使用するべきではないことをユーザーに対して視覚的に表示することである。視覚的表示に加えて、又はその代わりに用いることができる別の寿命末期動作は、検査ステーションプロセッサ442が、ハンドルプロセッサ434にハンドルモジュール402の更なる使用を無効化させる命令列をハンドルプロセッサ434に送信することである。例えば、命令列は、ハンドルプロセッサ434に、その後はハンドルモジュール402のモータを決して作動させないこと、又は他の無効化動作を命じることができる。例えば、命令列は、設定されると、ハンドルプロセッサ434がモータを作動できなくなるフラグを設定するようにハンドルプロセッサに命じてよい。 Referring to FIG. 12E, the
様々な実施形態において、検査ステーション挿入スイッチ446は、データ/電源アダプタ404が開口部403に完全に挿入されると作動し、データ/電源アダプタ404が開口部403から取り出されるか、又は少なくとも部分的に取り出されるとリセットする圧力スイッチであってよい。様々な態様において、スイッチ446が、少なくとも閾値時間(例えば、30秒など)の間作動している場合のみ検査ステーションカウンタがインクリメントされる(図12Dの工程422)ように、検査ステーション挿入スイッチ446に関連するタイマーが存在し得る。かかるタイマーは、誤検出(すなわち、ハンドルモジュール402の処置後検査又は滅菌に関連する可能性の低い、ハンドルモジュール402の検査ステーション400への短期間の配置)の数を低減できる。 In various embodiments, the inspection
別の変更例において、検査ステーション400は、読み出し装置がユーザーに表示されるカウンタを備える圧力スイッチを含む。検査ステーション圧力スイッチは、検査ステーション400にハンドルモジュール402を配置することによって作動する。例えば、検査ステーション圧力スイッチは、ハンドルモジュール402が摺動して完全に挿入部材404上に配置されると、検査ステーション圧力スイッチが作動するように、検査ステーション400の挿入部材404の基部にあってよい。ハンドルモジュール402が検査システム400に設置された回数を読み出し装置が示すように、検査ステーション圧力スイッチが作動するたびに、カウンタは更新され得る(例えば、1ずつインクリメントされる)。かかるカウンタは、例えば、機械的カウンタ及び/又は電子カウンタであり得る。上限、つまり閾値が検査ステーション400に表示される、ハンドルモジュール402に表示される、及び/又は他の方法でユーザーに知らされる場合、ユーザーは、上限に達したか、又はそれに近づいているかを知ることができる。少なくとも1つの例において、上限は、例えば、検査ステーション400及び/又はハンドルモジュール402に表示され得る。 In another modification, the
検査ステーション400のディスプレイ448はまた、検査ステーション400によって取得された、及び/又はハンドルモジュール402から検査ステーション400にこれらの間のデータ接続を介して伝達された他の情報を表示できる。例えば、ハンドルプロセッサメモリは、ハンドルモジュールの装置タイプID(例えば、シリアル番号)を格納してよく、この装置タイプIDは、ディスプレイ448で表示するために検査ステーションプロセッサ442にダウンロードされてよい。上記に加えて、又はその代わりに、ディスプレイ448は、ハンドルプロセッサ434から受信したステータスデータに基づいて、例えば、ハンドルモジュールがその寿命末期に近づいている程度、及び/又はハンドルモジュールがロックアウトされたかどうかなどのハンドルモジュールの状態を示してよい。本明細書に記載のように、ディスプレイ448は、ハンドルモジュールの残存使用回数(例えば、処置数)、及び/又はハンドルモジュールが使用された処置数を示し得る。本明細書に開示するように、検査ステーション400を使用してハンドルモジュール402の処置後試験を実行し、以降の処置でハンドルモジュール402を確実に使用できるようにすることもできる。この試験には、例えば、含水量試験、密閉保全性試験、及び/又は模擬負荷試験が挙げられ得る。ディスプレイは、これらの試験の結果(例えば、合格、不合格、進行中)を示すことができる。 The
上記に加えて、又はその代わりに、検査ステーション400のディスプレイ448は、検査ステーション自体のステータス、例えば、検査ステーションが、(i)ハンドルモジュールからデータをダウンロード中かどうか、(ii)データ及び/若しくはソフトウェアアップグレードをハンドルモジュールにアップロード中かどうか、(iii)データを処理中かどうか、並びに/又は(iv)試験を実行中かどうかなどを示してよい。ディスプレイ448は、例えば、ハンドルモジュールを別の処置で使用する準備が整っているかどうか、ハンドルモジュールに修理が必要かどうか、ハンドルモジュールがその閾値使用回数に達したため、ハンドルモジュールの保証が失効したかどうかなどの試験及びデータ処理の結果、並びに/又は他の警告を示してよい。検査ステーション400のディスプレイ448は、例えば、検査ステーションプロセッサ442によって制御される、LEDバックライトLCDディスプレイであってよい。検査ステーション400はまた、図12Eに示すように、制御ボタン410を含んでよく、ユーザーは、検査ステーションプロセッサ442によって格納され、使用されるデータ及び/又は設定を入力できる。ディスプレイ448はまた、タッチスクリーンであってよく、ユーザーは、タッチスクリーンを介して、例えば、データ及び/又は設定を入力できる。検査ステーション400は、例えば、検査ステーション400に対してデータをアップロード又はダウンロードできるように、データケーブル414に接続するためのUSB、micro USB又はmini USBなど外部データポート412を含んでよい。例えば、ハンドルモジュール402からの処置データは、検査ステーション400にダウンロードされ、次いで、データポート412を介してリモートコンピュータ装置にダウンロードされ得る。ソフトウェア及び/又はファームウェアアップグレードは、例えば、データポート412を介してリモートコンピュータ装置から検査ステーション400にダウンロードされ、次いでハンドルモジュール402にアップロードされ得る。 In addition to or instead of the above, the
図13A及び13Bは、ハンドルモジュールにおけるパワーパックの取り付けを追跡することによりハンドルモジュールの使用を追跡するための構成を示す。図13Aは、ハンドルモジュール500のブロック図である。ハンドルモジュール500は、多くの点でハンドルモジュール10と類似している。ハンドルモジュール500は、例えば、電池など取り外し可能なパワーパック502と、ハンドルプロセッサ504と、を含む。図13Bは、ハンドルプロセッサ504によって実行されてよいプロセスフローを示す。このプロセスは、プロセッサ504に関連付けられているメモリ506内のファームウェア及び/又はソフトウェアから実行され得る。図13Aに示すように、パワーパック502は、ハンドルモジュール500内の、例えば、RFIDリーダなどのID受信機510と通信できる、例えば、RFIDタグなどのIDエミッタ508を含んでよい。IDエミッタ508は、例えば、無線信号エミッタであるが、任意の好適なIDエミッタを使用できる。ID受信機510は、例えば、ハンドルプロセッサ504と通信している無線信号受信機であるが、任意の好適なID受信機を使用できる。IDエミッタ508は、パワーパック502の一意のIDを伝送し、このIDは、ID受信機510によって受信され得る。IDエミッタ508によって発信される信号の強度は、パワーパック502がID受信機510に極めて近接しているときに(例えば、10cm内)、ID受信機510が、IDエミッタ508から発信された信号のみを検出できるように制御され得る、又は制限され得る。少なくとも1つの例において、ID受信機510は、パワーパック502がハンドルモジュール500に挿入されているときに、ID受信機510がIDエミッタ508のみを検出できるように、制御基板100に搭載できる(図2〜4)。様々な例において、ID受信機510がハンドルモジュール500に取り付けられていないパワーパック502を誤検出する可能性が低いように、短距離RFIDタグ及びリーダが使用され得る。 13A and 13B show configurations for tracking the use of the handle module by tracking the installation of the power pack in the handle module. FIG. 13A is a block diagram of the
図13Bに示すプロセスフローを参照すると、IDリーダ510は、工程520においてIDエミッタを検出する。工程522において、ハンドルプロセッサ504は、パワーパック502が新しいパワーパックであるかどうかをID受信機510によって受信されたそのIDに基づいて判定する。この状況における用語「新しい」は、特定のパワーパック502が特定のハンドルモジュール500で使用されていないことを意味する。ハンドルプロセッサ504は、新たに検出されたパワーパック502のIDを、格納されていた、ID受信機510で検出済みのパワーパックIDのリストと比較することによって、この工程を実行してよい。かかる使用済みのパワーパックIDのリストは、例えば、ハンドルモジュール500の不揮発性メモリに格納される。パワーパック502が新しくない、すなわち、そのIDが、格納されていた、使用済みパワーパックのリストに掲載されている場合、プロセスは、適切な事前設定された動作を行う工程524に進む。例えば、ハンドルプロセッサ504は、新しい、すなわち、これまでに認識されていないパワーパックがハンドルモジュール500に取り付けられるまで、ハンドルモジュール500を使用不能にできる。少なくとも1つのかかる例において、ハンドルモジュール500は、モータ80を無効化できる。上記に加えて、又はその代わりに、ハンドルモジュール500のディスプレイは、パワーパックが新しくないことをユーザーに表示し、別のパワーパックの取り付けを要求することができる(プロセスを工程520に戻す)。 With reference to the process flow shown in FIG. 13B, the
プロセッサ504によってパワーパック502が新しいと判定される、すなわち、パワーパック502のIDが、格納されていた、使用済みパワーパックのリストに掲載されていない場合、プロセスは、ハンドルプロセッサ504がハンドルモジュール500の使用カウントをインクリメントする工程526に進む。前述のように、加算カウンタ及び/又は減算カウンタを使用できる。工程528において、ハンドルプロセッサ504は、使用カウントを、異なる、一意のパワーパックでハンドルモジュール500を使用するべき回数を示す事前設定された閾値と比較する。かかる使用カウントは、患者の処置におけるハンドルモジュール500の使用回数の代わりとして機能できる。工程528において使用カウント閾値に達する場合、工程529において、事前設定された寿命末期動作が行われ得る。例えば、ハンドルプロセッサ504は、モータを無効化してよい、ハンドルモジュールディスプレイは、ハンドルモジュール500に残存使用回数がないことをユーザーに表示してよい、及び/又は、例えば、残存使用回数がないことをユーザーに警告する警告を作動させてよい。使用カウント閾値に達していない場合、ハンドルプロセッサ504は、工程530において、現在の使用後に新しいパワーパック502を使用できないように、格納されていた、使用済みパワーパックのリストに新しいパワーパック502のIDを追加する。他の変更例において、図13Bに示す工程は、異なる順序で実行され得る。例えば、新しいパワーパックIDは、使用カウントをインクリメントする前に、格納されていたリストに追加され得る。ハンドルモジュールでのパワーパックの取り付けを追跡するための他の技術は、図14E及び15A〜Bに関連して以下で説明する。 If the
図13A及び13Bに関連して上述した実施形態は、再充電式電池パック及び/又は非再充電式電池パックで使用できる。とは言うものの、ハンドルモジュール500で使用され、再充電され、次いで同一のハンドルモジュール500で再使用された電池パックは、ハンドルモジュール500をロックアウトモードにさせることがある。この特定の実施形態に関しては、再充電された電池パックは、別のハンドルモジュールで再使用される必要がある。この線に沿うと、再充電された電池パックが同一のハンドルモジュール500で再使用可能であるハンドルモジュール500の実施形態が想定される。 The embodiments described above in connection with FIGS. 13A and 13B can be used with rechargeable battery packs and / or non-rechargeable battery packs. That said, a battery pack used in the
少なくとも1つの例において、プロセッサ504は、電池パック502が、同一の使用に対して2回又は3回以上カウントされないようにする論理を用いることができる。少なくとも1つの例において、プロセッサ504は、ハンドルモジュール500から係合解除され、これと再係合されなければ、電池パック502を2回目にカウントしなくてよい。その場合にも、プロセッサ504は、以降の係合を2回目の使用としてカウントする前に、1回目の係合と、以降の係合との間に経過時間を要求してよい。かかる経過時間は、例えば、電池パックを再充電するのに要する時間であり得る。 In at least one example,
上記に加えて、又はその代わりに、ハンドルモジュールは、ハンドルモジュールの使用済み回数の代わりとして、DSMがハンドルモジュールに接続される、及び/又はハンドルモジュールから接続解除される回数を追跡できる。ハンドルモジュールは、更新されたハンドルモジュールの残存使用回数、例えば、残存寿命の比率を示すボリュームインジケータなどを使用して、予測されたハンドルモジュールの残存使用回数、及び/又はハンドルモジュールの使用済み回数を表示できる。使用閾値の上限に達すると、ハンドルモジュールは、ハンドルプロセッサを介して、例えば、ハンドルモジュールが使用済みであることを示す、モータを無効化することによってハンドルモジュールの更なる使用を無効化する、及び/又は、例えば、警報音を鳴らすなどの1つ又は2つ以上の寿命末期動作を行うことができる。図14A〜Gは、以下で更に詳細に議論するように、ハンドルモジュールに対するDSMの接続又は接続解除を追跡するための異なる構成を示す。 In addition to or instead of the above, the handle module can track the number of times the DSM is connected to and / or disconnected from the handle module in lieu of the number of times the handle module has been used. The handle module uses the updated number of remaining uses of the handle module, such as a volume indicator to indicate the percentage of remaining life, to determine the predicted number of remaining uses of the handle module and / or the number of times the handle module has been used. Can be displayed. Upon reaching the upper limit of the usage threshold, the handle module, through the handle processor, for example, indicates that the handle module has been used, disables further use of the handle module by disabling the motor, and / Or, for example, one or more end-of-life operations such as sounding an alarm can be performed. 14A-G show different configurations for tracking DSM connectivity or disconnection to the handle module, as discussed in more detail below.
ここで図14Aを参照すると、多くの点でハンドルモジュール10と類似しているハンドルモジュール600は、2つの回転駆動システム602、604を備える。上述の2つの駆動システムを有するDSMは、回転駆動システム602、604に動作可能に結合できる。DSMは、ハンドルモジュール600の上部の接続領域608に画定された舌部の両側縁部605A、605Bを受容し、その上を摺動するように構成されている溝を有し得る。かかる構成において、ハンドルモジュール600は、例えば、DSM634(図14B及び14C)などDSMがハンドルモジュール600に接続されると、押圧可能なスイッチ612が押圧されるように、図14Aに示すように、舌部上、及び/又は接続領域608の他の部分に押圧可能なスイッチ612を含んでよい。少なくとも1つの例において、DSMは、DSMがハンドルモジュール600に完全に固定されるまでは、スイッチ612を押圧しなくてよい。スイッチ612は、ハンドルプロセッサに接続されてよく、ハンドルプロセッサは、DSMのハンドルモジュール600への接続回数の代わりとして、及び/又はハンドルモジュール600の使用済み回数の代わりとして、押圧可能なスイッチ612の押圧回数をカウントしてよい。また、ハンドルプロセッサは、カウントをインクリメントする前に押圧可能なスイッチ612が少なくとも特定の期間(例えば、30秒)連続して押圧されることを要求して、誤検出の例を減少させることができる。事前設定された、スイッチ612の閾値使用回数又は閾値作動回数に達すると、本明細書に記載のように、寿命末期動作が行われてよい。 Referring here to FIG. 14A, the
図14B及び14Cは、電気機械的押圧可能なスイッチ612の1つの構成を示す。示すように、押圧可能なスイッチ612は、舌部及び/又はハンドルモジュール600の任意の他の好適なDSM噛合面に画定された開口部622の中に延入する頭部620を含む。頭部620は、頭部620の位置を上向きに開口部622内へと付勢するように構成されているばねアーム624の端部にあってよい。ばねアーム624はまた、開口部622内での頭部620の所望の位置への上方移動を制限する、ハンドルモジュール600内に画定された拡張部、つまり縁部628の後方に位置付けられた肩部626を含む。押圧可能なスイッチ612はまた、接点630を含む。図14Bに示すように、スイッチ612が非作動状態、つまり開放状態であるとき、ばねアーム624は、接点630と係合していない。図14Cに示すように、DSM634がハンドルモジュール600に取り付けられ、頭部620を押し下げているとき、ばねアーム624の肩部626は接点630に係合し、スイッチ612を閉じる。DSM634は、頭部620と接触するように構成されている、DSM634から延在する突起部632を含む。スイッチアーム624及び接点630は、上記のように、DSM634によって頭部620が下方に押圧されたときに、ハンドルプロセッサと通信している回路を完成させることができる導電性材料で構成され得る。 14B and 14C show one configuration of the electromechanical
ここで図14Dを参照すると、ハンドルモジュール700は、DSM706上の対応する電気的接点基板704とインタフェースをとる/噛合する、及びこれとの電気接続を行う、電気接点基板702を含んでよい。少なくとも1つの例において、ハンドルモジュール700のプロセッサは、例えば、DSM706などのDSMがハンドルモジュール700に組み付けられる回数をカウントしてよい。プロセッサは、DSM706の接点704がハンドルモジュール700の接点702を係合し、これらの間に作動するデータ接続を形成すると、DSM接続カウントを増加させることができる。接点基板702、704の噛合は、DSMのハンドルモジュール700への接続済み回数の代わりとして、及びハンドルモジュール700の使用済み回数の代わりとして機能できる。上記と同様に、ハンドルプロセッサは、カウントをインクリメントする前に接点基板702、704間のデータ接続が少なくとも特定の期間(例えば、30秒)連続して存在することを要求して、誤検出の例を減少させることができる。別の変更例では、ハンドルプロセッサ及びDSMプロセッサは、DSM706のハンドルモジュール700への接続時にデータを交換してよい。この交換において、ハンドルプロセッサは、ハンドルモジュール700に接続されているDSM706をハンドルプロセッサが識別できるように、DSM706のID情報(例えば、DSMのモデルタイプ)を受信できる。かかる構成において、ハンドルプロセッサは、ハンドルプロセッサが、取り付けられたDSMのID情報を受信するたびに、DSM接続カウントをインクリメントしてよい。これらの変更例のいずれかにおいて、ハンドルプロセッサは、DSM接続カウントを事前設定された閾値と比較し、閾値に達すると、ハンドルプロセッサは、寿命末期動作を行う。 With reference to FIG. 14D here, the
図14E〜14Gでは、DSMのハンドルモジュールへの接続を検出するための別の構成を示す。図示した構成は、ホール効果センサを使用して、DSM706のハンドルモジュール700への接続を検出する。図14Eに示すように、ハンドルモジュール700は、DSM706が取り付けられる、ハンドルモジュール700の上面712に対して位置付けられるホール効果センサ(Hall Effector sensor)710を含んでよい。これに応じて、DSM706は、図14Gに示すように、DSM706がハンドルモジュール700に完全かつ適切に接続されると、ホール効果センサ710と極めて近接する、例えば、永久磁石などの磁石714を含む。ホール効果センサ710は、例えば、リード線716を介してハンドルプロセッサと通信していてよい。ホール効果センサ710は、DSM706がハンドルモジュール700に取り付けられるときに、接近するDSM706の磁石714を感知できる。磁石714によって生じる磁場は一定であってよく、ハンドルプロセッサは、ホール効果センサ710の出力に基づいて、磁石714とホール効果センサ710との間の距離を測定できるように、磁場に関するデータにアクセスできる。磁石714とホール効果センサ710との間の距離が、ハンドルモジュール700に完全かつ適切に取り付けられたDSM706に対応する距離に安定すると、ハンドルプロセッサは、DSM706がハンドルモジュール700に完全かつ適切に取り付けられたと推察し、DSM接続カウントを更新できる。 14E-14G show another configuration for detecting the connection of the DSM to the handle module. The illustrated configuration uses a Hall effect sensor to detect the connection of the DSM706 to the
同様に、再び図14Eを参照すると、ハンドルモジュール700は、中に電池パック722を受容するように構成されている電池キャビティ72を含む。ハンドルモジュール700は、取り外し可能な電池パック722の電池キャビティ724への挿入を検出するように構成されているホール効果センサ720を更に含む。電池パックホール効果センサ720は、電池パック722向けのハンドルモジュール700内の電池キャビティ724の上部内面723に位置付けられ得る。読者には理解されるように、電池パック722は、電気端子726を介してハンドルモジュール700に電力を供給するように構成されており、端子726を通って流れる電流によって生成されるいずれの磁場も、電池パック722のハンドルモジュール700への挿入を正確に検出するホール効果センサ720の能力を実質的に妨げないように、できる限り電気端子726から離してホール効果センサ720を位置付けることが望ましいことがある。電池パック722は、電池パック722が電池キャビティ724に挿入されると、ホール効果センサ720が感知する、例えば、永久磁石などの磁石730を含む。DSMホール効果センサ710と類似して、電池パックホール効果センサ720は、例えば、リード線732を介してハンドルプロセッサと通信している。ホール効果センサ720は、電池パック722が電池キャビティ724内に取り付けられるときに、接近する電池パック磁石730を感知できる。磁石730によって生じる磁場は一定であってよく、ハンドルプロセッサは、ホール効果センサ720の出力に基づいて、磁石730とホール効果センサ720との間の距離を測定できるように、磁場に関するデータにアクセスできる。磁石730とホール効果センサ720との間の距離が、ハンドルモジュール700に完全かつ適切に取り付けられた電池パック722に対応する距離に安定すると、ハンドルプロセッサは、電池パック722がハンドルモジュール700に完全かつ適切に取り付けられたと推察し、電池パック接続カウントを更新できる。 Similarly, referring again to FIG. 14E, the
ハンドルモジュールは、ハンドルモジュールの使用済み回数の代わりとして、DSM及び/又は電池パックがハンドルモジュールに接続される、及び/又はハンドルモジュールから接続解除される回数を追跡できる。ハンドルモジュールは、更新されたハンドルモジュールの残存使用回数、例えば、残存寿命の比率を示すボリュームインジケータなどを使用して、予測されたハンドルモジュールの残存使用回数、及び/又はハンドルモジュールの使用済み回数を表示できる。使用閾値の上限に達すると、ハンドルモジュールは、ハンドルプロセッサを介して、例えば、ハンドルモジュールが使用済みであることを示す、モータを無効化することによってハンドルモジュールの更なる使用を無効化する、及び/又は、例えば、警報音を鳴らすなどの1つ又は2つ以上の寿命末期動作を行うことができる。 The handle module can track the number of times the DSM and / or battery pack is connected to and / or disconnected from the handle module in lieu of the number of times the handle module has been used. The handle module uses the updated number of remaining uses of the handle module, such as a volume indicator to indicate the percentage of remaining life, to determine the predicted number of remaining uses of the handle module and / or the number of times the handle module has been used. Can be displayed. Upon reaching the upper limit of the usage threshold, the handle module, through the handle processor, for example, indicates that the handle module has been used, disables further use of the handle module by disabling the motor, and / Or, for example, one or more end-of-life operations such as sounding an alarm can be performed.
ここで図15A及び15Bを参照すると、ハンドルモジュール800は、例えば、パワーパック806がハンドルモジュール800に完全かつ適切に取り付けられたときに押圧される圧力スイッチを使用して、パワーパックの取り付けを追跡できる。ハンドルモジュール800は、多くの点でハンドルモジュール10と類似している。ハンドル800は、ハンドルモジュール800の電子部品に電圧を供給するためにパワーパック806を接続する、導電性接触パッド802を含む。図示した構成において、圧力スイッチ804は、導電性接触パッド802に近接し、ハンドルプロセッサと通信している。図15Bを参照すると、パワーパック806がハンドルモジュール800に組み付けられるとき、パワーパック806のハウジングは圧力スイッチ804を押圧し、これを作動させる。圧力スイッチ804が作動するたびに、ハンドルプロセッサは、閾値に達し、この時点で寿命末期動作が行われ得るまで、パワーパック接続カウントをインクリメントできる。上記と同様に、ハンドルプロセッサは、パワーパック接続カウントをインクリメントする前に圧力スイッチ804がある期間(例えば、30秒)連続して作動することを要求して、誤検出の例を減少させてよい。他の構成において、例えば、電気機械的スイッチが使用され得る。 With reference to FIGS. 15A and 15B, the
様々な例において、ハンドルモジュールのプロセッサは、ハンドルプロセッサの電源が投入されるたびに使用カウントをインクリメントできる。特定の例において、電池パックがハンドルモジュールから係合解除されると、ハンドルモジュールのプロセッサは自動的に電源が切断され得る。同様に、プロセッサは、電池パックがハンドルモジュールと係合すると、自動的に電源が投入され得る。少なくとも1つのかかる実施形態において、電池パックは、ハンドルモジュールの唯一の電源であり、ハンドルモジュールから電池パックを切断すると、ただちにプロセッサの電源が切断されてよく、電池パックをハンドルモジュールに接続すると、ただちにプロセッサの電源が再投入されてよい。特定の実施形態において、ハンドルモジュールは、電池パックがハンドルモジュールと係合すると、電池パックからの電力を蓄電できる1つ又は2つ以上の容量素子を含み得る。電池パックがハンドルモジュールから取り外されると、容量素子は、所定の期間にわたってプロセッサに電力供給でき、その結果、プロセッサは、電池パックの交換中に電源が切断されないことがある。かかる例において、上記のように、電池の取り付けがセンサによって検出される場合でも、及び/又は電源切断後にプロセッサの電源が投入される場合でも、プロセッサは、ライフイベント又は使用イベントをカウントできる。 In various examples, the handle module processor can increment the usage count each time the handle processor is powered on. In certain examples, the handle module processor may be automatically powered off when the battery pack is disengaged from the handle module. Similarly, the processor may be powered on automatically when the battery pack engages the handle module. In at least one such embodiment, the battery pack is the sole power source for the handle module, the processor may be powered off immediately upon disconnecting the battery pack from the handle module, and immediately after connecting the battery pack to the handle module. The processor may be powered on again. In certain embodiments, the handle module may include one or more capacitive elements capable of storing power from the battery pack when the battery pack engages with the handle module. When the battery pack is removed from the handle module, the capacitive element can power the processor for a predetermined period of time, so that the processor may not be powered off during battery pack replacement. In such an example, as described above, the processor can count life events or usage events whether the battery installation is detected by the sensor and / or the processor is powered on after the power is turned off.
様々な例では、ハンドルモジュール800のハンドルプロセッサは、電池パワーパック806をハンドルモジュール800の内部電子部品に結合するために使用される導電性接触パッド802を介して電力を受け取る回数を追跡できる。例えば、ハンドルモジュール800は、導電性接触パッド802に接続された微小電圧及び/又は電流センサ(図示なし)を備えてよい。電圧及び/又は電流センサは、ハンドルプロセッサと通信していてよい。パワーパック806からの閾値入力電圧及び/又は電流が接触パッド802で検出されると、ハンドルプロセッサは、電池パック接続カウントをインクリメントできる。この構成は、ハンドルプロセッサが、時には、スーパーキャパシタ又は他の電源などのパワーパック以外の電源によって電力供給される場合に有用であってよい。 In various examples, the handle processor of the
ここで図16を参照すると、ハンドルモジュール900は、例えば、取り外し可能な電池パワーパック902及び二次電源904などの複数の電源を備える。取り外し可能な電池パワーパック902は、多くの点で本明細書に記載の取り外し可能な電池パワーパックと類似している。電池パワーパック902は、例えば、多数のLiイオン及び/又はLiPo電池セルを含む。二次電源904は、取り外し可能な電池パワーパック902が取り外されるか、他の方法でハンドルモジュール900から接続解除されたときでも、ハンドルモジュール900に電源を提供する。この実施形態に関しては、二次電源904は、取り外し可能な電池パワーパック902がハンドルモジュール900から取り外されたときに制御基板910上の電子部品に電力供給するなど、ハンドルモジュール900の低電力動作に使用され、例えば、ハンドルモジュール900のモータ905に電力供給するなど、高電力動作には使用されない。様々な構成において、二次電源904は、取り外し可能な電池パワーパック902が取り付けられているときに、これによって充電される、再充電式電池セル及び/又はスーパーキャパシタ(a/k/aウルトラキャパシタ)を備えてよい。二次電源904は、一次電源902の不在時に二次電源904が十分な充電を有する限り、制御基板910上の電子部品に電力供給できる。 Referring here to FIG. 16, the
二次電源904は、パワーパック902がハンドルモジュール900に取り付けられていない場合でも、ハンドルモジュール900が使用イベントを追跡すること、及び/又は寿命末期動作を行うことができるようにしてよい。図17Aは、例えば、ハンドルプロセッサ2124など制御基板910のプロセッサによって実行可能なプロセスのフローチャートである。このプロセスは、少なくとも1つの実施形態による、例えば、ハンドルモジュールのメモリに格納されたソフトウェア及び/又はファームウェアから実行できる。パワーパック902は、外科的処置を実行する前にハンドルモジュール900に取り付けられる。プロセスの工程920において、ハンドルプロセッサは、DSMがハンドルモジュール900に適切に接続された時点のタイムスタンプを記録してよい。外科的処置が開始されると、工程922において、ハンドルプロセッサは、外科的処置中に生じるハンドルモジュール900の発射ごとにタイムスタンプを記録してよい。加えて、ハンドルプロセッサは、発射間に経過した時間を追跡できる。少なくとも1つの例において、二次電源904は、取り外し可能なパワーパック902がハンドルモジュール900から取り外されたとしても、ハンドルプロセッサに電力を供給し続けて、発射イベント後の時間を追跡できる。工程924において、ハンドルプロセッサは、最後の発射からの経過時間が閾値期間よりも大きいかどうかを判定できる。少なくとも1つの例において、閾値期間は、例えば、処置に続いてハンドルモジュールを実質的に処理し、滅菌するのに必要な時間とほぼ同じであってよい。発射間の期間が閾値よりも大きくない場合、処置は現在進行中であり、プロセスは工程922に戻って、次の発射のタイムスタンプを記録してよいと推定され得る。一方、発射間の期間が閾値よりも大きい場合、処置は完了しており、この時点では、工程926において、ハンドルプロセッサは、ハンドルモジュール900の使用カウントをインクリメントできると推定され得る。工程928において、ハンドルプロセッサは、使用カウントを、ハンドルモジュール900の予めプログラミングされた閾値使用カウントと比較する。使用カウントが閾値未満である場合、ハンドルモジュール900を別の処置で使用することができ、プロセスは、工程920に戻って、次の処置のためにDSMの接続を待つことができる。一方、使用カウント閾値に達した場合、プロセスは、ハンドルモジュール900の寿命末期動作が開始され得る工程930に進む。上記のように、寿命末期動作は、以降の外科的処置でハンドルモジュールを使用できないように、ハンドルモジュールを無効化することを含み得る。少なくとも1つの例において、ハンドルモジュールのモータは、物理的に、及び/又は電気的に無効化され得る。特定の例において、寿命末期動作には、例えば、ハンドルモジュールのディスプレイでハンドルモジュールの寿命末期を視覚的に示すこと、及び/又は警報音を鳴らすことなどが挙げられる。 The
図17Bは、ハンドルプロセッサによって実行され、時には、二次電源904によって電力供給されて、ハンドルモジュールの使用を追跡し得る、別の例示的なプロセスのフローチャートである。工程950において、ハンドルプロセッサは、取り外し可能な電池パワーパック902のハンドルモジュール900への接続を検出できる。電池パワーパック902の挿入を検出するための様々な技術は、本明細書の他の場所に記載する。様々な例において、パワーパック902の挿入は、ハンドルモジュール900を必要とする外科的処置が開始間際であることをハンドルプロセッサに示す。結果として、ハンドルプロセッサは、ハンドルプロセッサが、パワーパック902のハンドルモジュール900への挿入を検出するときに、工程952においてプロセスフラグをオンに設定できる。工程954において、ハンドルプロセッサは、DSMが処置のためにハンドルモジュールに完全かつ適切に接続したことを検出できる。DSMの取り付けを検出するための様々な技術は、本明細書の他の場所に記載する。DSM及び電池パック902が適切に取り付けられると、外科用器具を使用して外科的処置を完了させることができる。電池パック902がハンドルモジュール900から取り外される場合には、ハンドルプロセッサは、工程956において電池パワーパック902の取り外しを検出できる。パワーパックの取り外しを検出するための様々な技術は、本明細書の他の場所に記載する。様々な例において、パワーパックの取り外しは、外科的処置の完了を示し、結果として、二次電源904によって現在電力供給されているハンドルプロセッサは、工程958においてハンドルモジュール900の使用カウントをインクリメントできる。パワーパックの取り外しが外科的処置の終了の構成要素とならない場合でも、新しい電池パックの挿入及び/又は再充電した電池パックの再挿入は、別の使用としてみなされ得る。ハンドルモジュール900のかかる再利用は、工程960において行われる試験で調整されて、ハンドルモジュール900がその有効寿命の末期に達したかどうかを評価してよい。ハンドルモジュールの寿命末期に達した場合、ハンドルプロセッサは、工程962において適切な寿命末期動作を開始できる。様々な寿命末期動作は、本明細書の他の場所で開示する。当然のことながら、本明細書に開示するいずれの実施形態に関しても、寿命末期動作は、ハンドルモジュールのユーザーによって無効にされ得る。かかる例は、通常、例えば、外科的処置の半ばで使用閾値カウントに達したときに生じ得る。 FIG. 17B is a flow chart of another exemplary process that can be performed by a handle processor and sometimes powered by a
図18A〜18Eは、例えば、取り外し可能な電池パワーパックを使用して、ハンドルモジュールの更なる使用を阻止するハンドルモジュールによって行われ得る寿命末期動作を示す。図18Aは、内部ばねが作動したロックアウト1002を含む、ハンドルモジュール1000を示す。ロックアウト1002は、ハンドルモジュール1000によって解放されると、電池パワーパック1004、及び/又は任意の他の好適な電池パックのハンドルモジュール1000への完全かつ適切な取り付けを阻止する。様々な例において、ロックアウト1002は、パワーパック1004がハンドルモジュール1000に入ることを完全に阻止するように構成され得る。他の例において、ロックアウト1002は、図18Aに示し、以下で更に詳述するように、電池接点がハンドル接点と電気的に接触する深さまでパワーパック1004が挿入されないようにできる。図18Aにも示すように、ロックアウト1002の作動により、パワーパック1004は、距離Dだけハンドルモジュール1000から突き出る。ロックアウト1002がなければ、電池パック1004は、電池パック1004のエンドキャップ1006がハンドルモジュール1000のハウジングと同一平面であるか、又は少なくとも実質的に同一平面である深さに固定され得る。 18A-18E show end-of-life operation that can be performed by the handle module, for example, using a removable battery power pack to prevent further use of the handle module. FIG. 18A shows a
上記のように、ロックアウト1002は、パワーパック1004がハンドルモジュール1000に電力供給することを選択的に阻止できる。図18Bに示すハンドルモジュール1000の非ロックアウト状態において、ハンドルモジュール1000の電気的接触パッド1016は、ハンドルモジュール1000の内部電子部品が電池パワーパック1004によって電力供給され得るように、電池パック1004の接触パッド1018と接触できる。図18Cに示すハンドルモジュール1000のロックアウト状態において、ロックアウト1002は、電池パック1004の接触パッド1018がハンドルモジュール1000の接触パッド1016と接触することを阻止する。ハンドルモジュール1000が二次電源及び/又は蓄電手段を含まない実施形態において、ハンドルモジュール1000は、このロックアウト状態では使用できない。ハンドルモジュール1000が二次電源及び/又は蓄電手段を含む実施形態において、ハンドルモジュール1000はこれらの他の電源からの電力を用いて、例えば、ハンドルモジュール1000のオペレーティングシステムを実行できるが、ハンドルモジュール1000の駆動システム及び/又は電気モータは実行できない。 As described above, the
図18Bは、電池パック1004をロックアウトしていない、通常の動作状態のロックアウト1002を示し、図18Cは、電池パック1004をロックアウトしている、ロックアウト状態のロックアウト1002を示す。ロックアウト1002は、ロックアウト1002に接続されているトーションねじ1010によって付勢されて、そのロック解除位置(図18B)からロックアウト位置(図18C)に回転する。トーションねじ1010は、ハンドルモジュール1000の内側面1013に対して付勢される第1の端部と、ロックアウト1002に装着される第2の端部と、を有する。ハンドルモジュール1000は、ロックアウト1002をそのロック解除位置に解放可能に保持するように構成されているラッチ1012を更に含む。ロックアウト1002は、ラッチ1012が伸長位置にあるときにラッチ1012と接し、したがって、ロックアウト1002をそのロック解除位置に保持するロック肩部1014を含む。図18Cに示すように、ラッチ1012が後退すると、ロックアウト1002の肩部1014は、ラッチ1012と係合しなくなり、トーションねじ1010は、ロックアウト1002をそのロックアウト位置に付勢できる。 FIG. 18B shows the
ハンドルモジュール1000の寿命末期状態にまだ達していないとき、ハンドルモジュール1000のラッチアクチュエータは、ラッチ1012を図18Bに示す位置に保持できる。しかしながら、寿命末期状態に達すると、ラッチアクチュエータは、矢印Aで示す方向にラッチ1012を移動させて、ロック肩部1014から離れる方向にラッチ1012を移動させてよく、したがって、ばね1010の付勢により、図18Cの矢印Bに示すように、ロックアウト1002を反時計回りに回転させることができる。ロックアウト状態では、上記のように、電池パック1004がハンドルモジュール1000に挿入されているときに、ハンドルモジュール1000の電気的接触パッド1016が電池パック1004の接触パッド1018に接触しないように、ロックアウト1002は、ハンドルモジュールの電池室へと突出する。ラッチアクチュエータは、例えば、ソレノイドなど任意のアクチュエータを備え得る。 When the end-of-life state of the
上記に加えて、又はその代わりに、図18D及び18Eは、ハンドルモジュールが寿命末期であると判定された時点で、ハンドルモジュール内に位置付けられた電池パックをハンドルモジュールから取り外せず、したがって、以降の手順のために新しい(又は再充電された)電池パックのハンドルモジュールへの挿入を阻止する実施形態を示す。図18Dは、処置に続いてハンドルモジュールから取り外すことができる通常の動作状態の電池パック1004を示し、図18Eは、電池パック1004をハンドルモジュールから取り外すことができないように、ハンドルモジュール内の電池パック1004をロックしているラッチ1040を示す。図18D及び18Eに示すように、電池パック1004は、ラッチ1040のラッチ頭部1044が挿入されて、電池パック1004を所定の位置にロックできる開口部1042を画定してよい。ラッチ1040は、ラッチ1040の上シャフト1048に装着された圧縮ばね1046によって下方に付勢される。ラッチ1040はまた、図18Dに示す、ハンドルモジュールの通常動作状態において、ばね1046を圧縮状態に保ち、ラッチ1040の下方移動を阻止するように位置付けられた第2のラッチ1052と接する、上肩部1050を含む。図18D及び18Eにも示すように、ラッチ頭部1044は、ラッチ1044が、図18Eに示すように作動位置にあるときに、電池パック1004によって画定された噛合肩部1056の後方でロックする肩部1054を含む。 In addition to or instead of the above, FIGS. 18D and 18E show that the battery pack located within the handle module is not removed from the handle module when the handle module is determined to be at the end of its life, and therefore thereafter. Embodiments of blocking the insertion of a new (or recharged) battery pack into the handle module for the procedure are shown. FIG. 18D shows the
動作中、ハンドルモジュールが(本明細書に記載の任意の手段によって)その寿命末期に達したとハンドルプロセッサが判定すると、ハンドルプロセッサは第2のラッチ1052を作動させて、ラッチ1044の通り道から第2のラッチ1052をどける。第2のラッチ1052は、例えば、ソレノイドなど任意の好適なアクチュエータによって作動されてよい。図示した実施形態において、第2のラッチ1052は、ラッチ1052が作動されると、矢印Aで示すようにラッチ1040の肩部1050から離れる方向に左から右へと移動する。第2のラッチ1052を肩部1050から取り外すと、ばね1046は圧力を低下させ、ラッチ1044を、ハンドルモジュールのハウジング1013に画定された開口部1060を通って、矢印Bで示すように下方に移動させることができる。ラッチ1040がばね1046によって下方に移動するため、ラッチ頭部1044は電池パック1004に画定された開口部1042の中に延入する。ラッチ頭部1044のラッチ肩部1054は、滑動して開口部1042を通り、電池パック1004の噛合肩部1056の後方でロックできる。ラッチ1040の上肩部1050がハンドルモジュールハウジング1013と接触するとき、ラッチ頭部1044の下方移動は、ハンドルモジュールハウジング1013によって制限される。結果として、ハンドルモジュールから電池パック1004を取り外すことはできず、したがって、以降の処置のために新しい(又は再充電された)電池パックのハンドルモジュールへの挿入を阻止する。 During operation, if the handle processor determines that the handle module has reached the end of its life (by any means described herein), the handle processor activates a
ここで図19A〜19Cを参照すると、ハンドルモジュール1100は、ハンドルモジュール1100が充電ステーション1106にドッキングされているときに再充電され得る再充電式電池パック1102(1つ又は2つ以上の再充電式電池セル1104を含む)を備える。ハンドルモジュール1100は、ハンドルモジュール1100に画定されたチャネル1110を概ね上下に、開放位置(図19C)と閉鎖位置(図19B)との間で摺動する、摺動可能なドア1108を更に含む。圧縮ばね1112は、摺動可能なドア1108を下方に付勢して閉鎖位置にするように構成されている、チャネル1110内に位置付けられる。ドア1108がその閉鎖位置にあるとき、ドア1108は、図19Bに示すように、例えば、損傷、及び/又は周囲環境にある導電面との偶発的な接触から電池充電端子1114を遮蔽できる。電池セル1104を再充電するには、ハンドルモジュール1100は、ハンドルモジュール1100が、図19Cに示すように受入領域1120に完全かつ適切に挿入されたときに、ハンドルモジュール1100の充電端子1114と噛合し、接触する充電端子1122を含む、充電ステーション1106によって画定された受入領域1120に配置される。ハンドルモジュール1100が受入領域1120に配置されると、摺動可能なドア1108は、充電ステーション1106の肩部1124に係合し、矢印Aで示すように摺動可能なドア1108を上方に移動させ、ばね1112を圧縮し、かつ電池パック充電端子1114の遮蔽を解除する(つまり、露出させる)。かかる位置において、充電端子1114は、受入ステーションの充電端子1122に接続し、接触して、したがって、電池パック1102の電池セル1104を再充電できる。 With reference to FIGS. 19A-19C, the
充電ステーション1106は、電源コード1130を介してAC電源によって電力供給されてよい。充電ステーション1106はまた、ハンドルモジュール1100に関する情報を表示する視覚的ディスプレイ1132を含んでよい。例えば、充電ステーション1106は、ハンドルモジュール1100が充電ステーション1106に取り付けられているときにハンドルプロセッサと通信するプロセッサ(図示なし)を含んでよい。例えば、充電端子1114、1122はまた、プロセッサ間にデータ経路を提供するデータ端子を含んでよい。充電ステーションプロセッサは、ディスプレイ1132に表示され得る情報/データをハンドルプロセッサから受信できる。表示された情報には、例えば、電池パック1102の充電ステータス(例えば、X%充電)、並びに/又は例えば、ハンドルモジュールの寿命カウント若しくは残存使用、及び/又は寿命発射回数などのハンドルプロセッサによって追跡される任意の情報が挙げられ得る。 The charging
図20A〜20Bは、滅菌プロセス中にハンドルモジュール1200と共に使用して、ハンドルモジュール1200の内部部品を保護できるカバー1201、1202、1203を示す。ハンドルモジュール1200は、DSMを取り付けるように構成されている取り付け部を含む。エンドエフェクタ接続領域カバー1201は、DSMがハンドルモジュール1200に接続する部分に接続し(例えば、スナップ嵌め)、その部分を被覆できる。ハンドルモジュール1200はまた、ハンドルモジュール1200の駆動システムを作動させるために使用される、取り外し可能なトリガアセンブリを含む。上記に加えて、又はその代わりに、トリガカバー1202は、発射トリガアセンブリがハンドルモジュール1200から取り外されたときに形成される開口部に接続し(例えば、スナップ嵌め)、その部分を被覆できる。ハンドルモジュール1200は、中に取り外し可能なパワーパックを受け入れるように構成されている電池キャビティを更に備える。また、上記に加えて、又はその代わりに、電池パックカバー1203は、電池パックがハンドルモジュール1200のピストルグリップ部分1206に挿入される部分に接続し、その部分を被覆できる。これらのカバー1201、1202、1203は、好ましくは、ハンドルモジュールの滅菌に使用される化学薬品に耐性を示す材料、例えば、プラスチックなどで作製される。更に、カバー1201、1202、1203は、例えば、エンドエフェクタ接点基板1210、駆動システム1212、及び/又は電池パックの内部接点(図示なし)など、ハンドルモジュール1200の電気接点を被覆できる。 20A-20B show covers 1201, 1202, 1203 that can be used with the
カバー1201、1202、及び/又は1203のハンドルモジュール1200への取り付けは、ハンドルモジュール1200の使用済み回数及び/又は滅菌済み回数を追跡するのに役立ち得る。同様に、カバー1201、1202、及び/又は1203のハンドルモジュール1200からの取り外しは、ハンドル1200の使用済み回数及び/又は滅菌済み回数を追跡するのに役立ち得る。カバー1201、1202、1203のうちの少なくとも1つは、カバーが取り付けられていることを示す、ハンドルモジュール1200上のスイッチをトリガする手段を含み得る。かかるスイッチがトリガされると、ハンドルプロセッサは、間もなく滅菌処置が行われると推測し、滅菌処置に耐えるように最適化された滅菌動作モードになることができる。ハンドルプロセッサが滅菌動作モードである場合、ハンドルプロセッサは、例えば、ハンドルモジュール1200のモータを動作しないようにできる、特定の接点及び/若しくはセンサの電源を切断できる、特定の接点及び/若しくはセンサの電源を投入できる、一時メモリに格納された任意のデータをメモリチップに記録できる、ハンドルモジュールのメモリをバックアップメモリにコピーできる、並びに/又はハンドルモジュールのオペレーティングシステムソフトウェアの現在のバージョンのコピーを作成できる。ハンドルプロセッサはまた、カバー1201、1202、1203のうちの1つ又は2つ以上がハンドルモジュール1200に取り付けられたか、又はこれから取り外されたときにハンドルモジュール1200の使用カウントを増加させることができる。図示した実施形態では、DSM接続領域カバー1201は、カバー1201がハンドルモジュール1200に配置されると、ハンドルモジュール1200上の対応するスイッチ1222(例えば、押圧可能なスイッチ、又は接触スイッチなど)と接触し、これを作動させる突出部1220を含む。スイッチ1222は、ハンドルプロセッサと通信していてよく、様々な例において、ハンドルプロセッサは、スイッチ1222の作動が検出されると、その滅菌カウントを更新してよい。他の構成において、トリガ1220は、他のカバー片1202、1203上にあり得る、及び/又はDSM接続領域カバー1201上の別の位置に配置され得る。いずれにしても、電池パックは、通常、滅菌中に取り外されるため、カバー1201、1202、1203は、好ましくは、本明細書に記載のように、電池パックが取り外されるときでも、ハンドルプロセッサに電力供給する二次電源と共にハンドルモジュールで使用される。本明細書の他の構成で記載するように、ハンドルプロセッサは、滅菌カウントが閾値レベルに達すると、本明細書に記載の寿命末期動作のうちの1つ又は2つ以上を実施してよい。 Attachment of
図20Cは、電池パックカバー1203の変更例を示し、図20Dは、図20Cの電池パックカバー1203と交換可能な電池パック1240を示す。電池パックカバー1203及び電池パック1240はいずれも、互いの代わりにハンドルモジュール1200のピストルグリップ部分1206にある電池パック開口部に適合するように設計されているため、図20Cの電池パックカバー1203は、図20Dの電池パック1240と非常に類似した形状及び構成を有する。例えば、電池パックカバー1203及び電池パック1240はいずれも、ハンドルモジュール1200にロックするためのクリップ1244を含む。また、電池パックカバー1203及び電池パック1240はいずれも、1つ又は2つ以上の管状容器1242をも含む。電池セル1246は、電池パック1240の容器1242内にあってよいが、カバー1203はそうではない。しかしながら、カバー1203はまた自身を電池パック1240から容易に区別する機構を含む。図示した構成において、カバー1203は、カバー1203の底部にある比較的薄く、長く、容易に把持できるタブ1248を含み、このタブは、図20Cに示すように、滅菌用であることを示す印を含み得る。 FIG. 20C shows a modified example of the
図20C及び20Dにも示すように、カバー1203及び電池パック1240のそれぞれは、異なる相対位置に位置する、それぞれのタブ1250、1252を含んでよい。図示した構成において、カバー1203のタブ1250は右側の容器1242の上にあり、電池パック1240のタブ1252は、その左側の容器1242の上にある。ハンドルモジュール1200に挿入されると、タブ1250、1252は、ハンドルモジュール1200内の対応する、それぞれのスイッチと接触し、これを作動させて、場合によって、カバー1203又は電池パック1240の挿入を識別してよい。スイッチ(図示なし)はハンドルプロセッサと通信していてよく、ハンドルプロセッサは、それぞれのスイッチの作動を使用して、場合によって、使用、滅菌、及び/又は電池パック接続カウントを更新し得る。例えば、滅菌スイッチが作動すると、ハンドルモジュール1200を滅菌動作モードにすることができ、電池スイッチが作動すると、ハンドルモジュールを外科手術モードにすることができる。タブ1250、1252は、ハンドルモジュール1200が2つの異なるスイッチ(電池パック1240によってのみ作動する電池スイッチ及び滅菌カバー1203によってのみ作動する滅菌スイッチ)を含み得るように、好ましくは2つの異なる位置にある。様々な構成において、タブ1250、1252は、例えば、容器1242上の鏡像対向位置(mirror opposite positions)に位置し得る。カバー1203及び電池パック1240の両方は、一方向のみに挿入されて、したがって電池パックタブ1252が滅菌カバースイッチを作動させないように、またその逆も同様であるように、機構を含む。図示した構成において、例えば、電池パックカバー1203及び電池パック1240の両方は、ハンドルモジュール1200の片側のみに画定された対応する溝に適合できる舌部1254をその片側のみに含む。 As also shown in FIGS. 20C and 20D,
図21A〜21Cは、ハンドルモジュール1300及び/又はDSM1302のステータスに関する視覚情報をユーザーに提供してよい、ハンドルモジュール1300及び/又はDSM1302の例示的なディスプレイを示す。図21Aに示すように、ディスプレイは、ハンドルモジュール1300のディスプレイ部分1304Aと、DSMのディスプレイ部分1304Bと、を含んでよい。ディスプレイポート部分1304A及び1304Bは、互いに近接し得るか、又は互いから分離し得る。特定の例において、ディスプレイ部分1304A及び1304Bを使用して、別個の、つまり重複しない情報一式を表示できる。様々な例において、ディスプレイ部分1304A及び1304Bを使用して、重複してよい、又は重複しないでよい、調整した情報を表示できる。特定の他の例では、ディスプレイ1304は、図21Bに示すように、完全にDSM1302上にあり得るか、あるいは、ディスプレイ1304は、図21Cに示すように、完全にハンドルモジュール1300上にあり得る。ディスプレイ1304は、例えば、LEDバックライトLCDフラットパネルディスプレイなどフラットパネルディスプレイ、及び/又は任意の他のフラットパネル、若しくは非フラットパネルディスプレイ方式を備えてよい。ディスプレイ1304は、ハンドルプロセッサ及び/又はDSMプロセッサによって制御されてよい。 21A-21C show exemplary displays of the
図21Dは、例示的なディスプレイ構成を示し、このディスプレイは、近接するハンドルと、エンドエフェクタ部分1304A、1304Bと、を備える。図21Dに示すように、ハンドル部分1304Aインジケータは、電池ステータスインジケータ1310、ハンドルモジュールに接続されているDSMが認識されていることを示すインジケータ1312、及び/又は一般的なハンドルモジュールエラーインジケータ1314などのハンドルモジュールに関連するインジケータを含んでよい。DSMディスプレイ1304Bは、例えば、エンドエフェクタ顎部が閉じているかどうかに関するインジケータ1320、エンドエフェクタ内のステープルがまだ発射されていないかどうかに関するインジケータ、ステープルが適切に発射されたかどうかに関するインジケータ1322、及び/又はステープル若しくはステープルカートリッジに関連するエラーが存在するかどうかに関するインジケータ1324などのDSMに関連するインジケータを含んでよい。当然のことながら、他の変更例において、より少ない、より多い、及び/又は異なるアイコンを使用して、ハンドルモジュール1300及び/又はDSM1302の様々な部品及び態様のステータスに関してユーザー/臨床医に警告できる。例えば、ディスプレイ1304は、例えば、電池パックの残存発射回数、及び/又はハンドルモジュールの残存使用回数を示してよい。ディスプレイは、ボタン、及び/又はタッチスクリーンインタフェースを含んでよく、ユーザー/臨床医は、ハンドルモジュール及び/又はDSMプロセッサ/メモリに情報を入力できる。 FIG. 21D shows an exemplary display configuration, the display comprising adjacent handles and end
様々な例において、取り外し可能な電池パックは、同一のハンドルモジュール及び/又は別のハンドルモジュールにおいて以降の処置で使用できるように、処置後に滅菌され、再充電されてよい。図22は、外科的処置における取り外し可能な電池パック1350の使用回数の代わりになり得る、電池パック1350の滅菌済み回数を追跡できる、取り外し可能な電池パック1350の図である。電池パック1350は、出力電圧端子1354を備える多数の電池セル1352を含んでよい。図22に示すように、電池パック1350はまた、電池パック回路基板1362に装着された電池パックプロセッサ1360を含んでよい。電池パックプロセッサ1360は、内部又は外部メモリ(回路基板1362に装着された外部メモリチップ1364など)を含んでよく、電池パックプロセッサ1360は、メモリに格納されたソフトウェア/ファームウェアを実行できる。したがって、電池パックプロセッサ(batter pack processor)1360は、再充電式電池を管理する電池管理システム(BMS)を実行できる。BMSは、例えば、電池が安全動作領域外で動作しないように保護すること、電池の状態をモニタすること、二次データを計算すること、そのデータを報告すること、その環境を制御すること、電池を認証すること、及び/又は電池のセルのバランスをとることを実行できる。 In various examples, the removable battery pack may be sterilized and recharged after the procedure for use in subsequent procedures in the same handle module and / or another handle module. FIG. 22 is a diagram of a
様々な構成において、電池パック1350はまた、例えば、電池パック1350が滅菌プロセスを受けるのにふさわしい湿潤環境にあるときを感知するためのマイクロ湿度センサ1366を含む。電池パックプロセッサ1360は、湿度センサ1366が、典型的な滅菌プロセスにふさわしい閾値期間にわたって閾値湿度レベルを検出するたびに、電池プロセッサ1360が、電池パック1350の使用済み回数の代わりとしてその滅菌カウントを更新してよいように、湿度センサ1366と通信していてよい。様々な例において、電池プロセッサ1360は、誤検出をもたらし得る異常なイベントをカウントしないように構成され得る。いずれにしても、閾値滅菌カウントに達すると、電池パックプロセッサ1360は電池パック1350を使用不能にしてよい。例えば、図22に示すように、電池パック1350は、ハンドルモジュールのハンドルプロセッサへの接続を提供できる、データ端子1368を含んでよい。電池パック1350が使用済みである場合(例えば、滅菌カウント閾値に達した場合)、電池パックプロセッサ1360は、ハンドルプロセッサに信号を送信して、電池パック1350を使用するべきでないことを伝えてよい。次いで、ハンドルプロセッサは、そのディスプレイを通じて、電池パック1350に問題があることを示してよい。 In various configurations, the
様々な例において、電池パックプロセッサ1360は、ハンドルモジュールへのデータ接続に基づいてその使用カウントを更新してよい。電池パックプロセッサ1360がハンドルモジュールへのデータ接続を検出するたびに、電池パックプロセッサは、その使用カウントを更新できる。 In various examples, the
電池パック1350は、電池セル1352が充電されるときに電池セル1352によって充電される、及び/又は外科的処置中にハンドルモジュールに電力供給する二次電源(図示なし)を含んでよい。かかる実施形態において、低電力電池パック電子部品は、電池パック1350がハンドルモジュールに取り付けられていないとしても、電源投入状態を保つことができる。また、図22に示すように、電池パック1350は、電池パック1350のハンドルモジュールへの接続を容易にするためにエンドキャップ1370及びラッチ1372を含んでよい。 The
図23A及び23Bは、ハンドルモジュールの別の可能な寿命末期動作を示す。図示した構成において、ハンドルモジュール1400は、後退位置と伸長位置との間で移動可能な突出部1402を含む。ハンドルモジュール1400の寿命末期より前は、突出部1402はその後退位置に保持される。かかる位置において、突出部1402は、ハンドルモジュール1400がその滅菌トレー1404の対応する開口部内に位置付けられることを妨げない。ハンドルモジュール1400が寿命末期に達したとハンドルプロセッサが判定すると、任意の好適なアルゴリズムに従って、突出部1402はその伸長位置に移動する。かかる位置において、突出部1402は、ハンドルモジュール1400がその滅菌トレー1404の対応する開口部に適切に配置されるのを妨げる。図示した構成において、突出部1402は、ハンドルモジュール1400の遠位端1406にあるが、便利であり、かつ突出したときに、滅菌トレー1404の対応する開口部へのハンドルモジュール1400の配置を妨げる任意の位置に配置できる。図11Aに関連して上述したように、滅菌トレーは、ハンドルモジュールを開口部に緊密に受容するように、形状がハンドルモジュールの形状に対応する開口部を含む。図23A及び23Bの構成では、ハンドルモジュール1400は、突起部1402が後退している(突出していない)ときに滅菌トレー1404の開口部に適合するが、図23A及び23Bに示すように、突出部1402がハンドルモジュール1400から外方に突出するときは、開口部に適合しない。突出部1402は、例えば、ソレノイド駆動であってよい。ハンドルモジュール1400の寿命末期に達したとハンドルプロセッサが判定したとき、ソレノイドのコイルは、例えば、ソレノイドアーマチュアが外方に延出し、したがって、突出部1402をハンドルモジュール1400から外方に延出させるように、電圧が印加される。ハンドルモジュール1400はまた、作動すると、ソレノイドアーマチュア及び突出部1402の後退を阻止する停止部、例えば、ばね荷重式戻り止めなどを含んでよい。 23A and 23B show another possible end-of-life operation of the handle module. In the illustrated configuration, the
図12A〜Eに関連して記載するように、ハンドルモジュールは、処置の前、間、及び/又はそれに続いて検査ステーションに接続できる。検査ステーションを使用してハンドルモジュールに関する試験を行い、ハンドルモジュールが別の外科的処置に好適な状態であるかどうか、又はハンドルモジュールは、別の外科的処置に好適である前に調整若しくは修理を受ける必要があるかどうかを判定できる。図24A及び24Bに示すように、検査ステーション1500は、拡張部1504が上記の実施形態と類似のハンドルモジュールと通信するように配置され得るように、ハンドルモジュールの空の電池キャビティに挿入されるように構成されている拡張部1504を含む。図24Bに示すハンドルモジュール1501は、例えば、ハンドルモジュールなどを備える。検査ステーションは、ハンドルモジュール1501の内部において対応する真空連結部1506に噛合できる、拡張部1504の上部にある真空連結部1502を含む。検査ステーション1500は、管1510によって検査ステーション1500の真空連結部1502に接続される、真空ポート1508を介して真空ポンプに接続されてよい。真空ポンプの電源が入ると、ハンドルモジュール1501の内部から空気を吸い込んで、ハンドルモジュール1501の内部を乾燥させてよい。検査ステーション1500は、管1510と連通し、ハンドルモジュール1501が真空圧を保持する程度を測定する圧力計及び/又は空気流センサを含んでよい。様々な例において、かかる真空試験は、例えば、回転駆動出力部1512、1514と係合する封止部、発射トリガ領域1516と係合する封止部、及び/又はDSMに接続する電気接点基板1518と係合する封止部など、様々な封止部の密閉性をハンドルモジュール1501全体にわたって評価できる。様々なハンドルモジュール封止部が十分ではなく、ハンドルモジュールが、真空センサによって検出される真空を十分に維持しない場合、検査ステーション1500は、そのディスプレイを通じて、ハンドルモジュール1501の修理が必要であることを示す警告を発することができる。 As described in connection with FIGS. 12A-E, the handle module can be connected to the inspection station before, during, and / or subsequently after the procedure. Test the handle module using an inspection station to see if the handle module is in a suitable condition for another surgical procedure, or to adjust or repair the handle module before it is suitable for another surgical procedure. You can determine if you need to receive it. As shown in FIGS. 24A and 24B, the
上記に加えて、又はその代わりに、検査ステーションは、以降の処置のためのハンドルモジュールの準備の一環として、外科的処置及び/又は滅菌処置に続いてハンドルモジュールを乾燥させるように構成され得る。図25Aは、例えば、ハンドルモジュール1602の乾燥に使用できる検査ステーション1600を示す。上記と同様に、検査ステーション1600は、基部1610と、それに加えて、検査ステーション1600と通信するようにハンドルモジュール1602を配置するために、ハンドルモジュール1602の空の電池キャビティ内に位置付けることができる、基部1610から延出する拡張部1606と、を含む。検査ステーション1600は、2つのファン、つまり、拡張部1606の上端部に位置する第1のファン1604と、基部1610の前方に位置する第2のファン1608と、を含む。ファン1604及び1608は、例えば、電源アダプタ1612を介したAC電源によって電力供給される。第1のファン1604は、電池パックキャビティの開口部を通じてハンドルモジュール1602の内部部品を対象とし得る。拡張部1606の上面は換気口を有してよく、第1のファン1604によって吹き出された空気は、ここを通ってハンドルモジュール1602を循環できる。第2のファン1608は、ハンドルモジュール1602のトリガ領域1614を対象とし得、トリガ領域1614、及びハンドルモジュール1602の周囲領域を乾燥させる。検査ステーション1600の基部1610の上前面は、第2のファン1608から吹き出された空気がトリガ領域1614を循環できるように、第2のファン1608のために換気口1616を含み得る。基部1610はまた、基部1610の空気取り入れ口1618など、ファン1604及び1608のための空気取り入れ口を含んでよい。検査ステーション1600はまた、拡張部1606の底部における両側排気口1620などの排気口を含んでよく、検査ステーション1600から排気を逃がすことができるようにする。検査ステーション1600は、必要とみなされる数のファン、空気取り入れ口、及び/又は排気口を含み得る。 In addition to or instead of the above, the inspection station may be configured to dry the handle module following surgical and / or sterilization procedures as part of the preparation of the handle module for subsequent procedures. FIG. 25A shows, for example, an
図25B、25C、及び25Dは、別の例示的な検査ステーション1600を示す。図25B、25C、及び25Dの基部1610は、図25Aの基部のように前後方向ではなく、図25B、25C、及び25Dの下前側ファン1608は、基部1610よりも高い位置にあり、トリガ領域1614に対して傾斜している。図25B、25C、及び25Dに示す構成はまた、検査1600の基部1610に取り付けられ、ハンドルモジュール1602を被覆し、包含するカバー(又は蓋)1630を含む。カバー1630は、硬質の半透明プラスチック、例えば、ポリカーボネートなどで作製されてよい。一態様において、ファン1608は、図25Cに示すように、検査ステーション1600用アダプタ1612によって電力供給されてよい。別の態様において、ファン1608は、図25Dに示すように、検査ステーション1600用電源アダプタ1612とは別に、独自の電源アダプタ1632を有してよい。カバー/蓋1630の上面は、1つ又は2つ以上の排気口1634を含んでよく、カバー/蓋1630はまた、ファン1608付近に空気取り入れ口1636を含んでよい。 25B, 25C, and 25D show another
図25Eは、真空流を使用してハンドルモジュール1602を乾燥させる検査ステーション1600の別の構成を示す。かかる構成において、カバー/蓋1630は、1つ又は2つ以上の空気取り入れ口1640(図25Eでは、そのうちの2つを示す)を画定してよく、真空ポンプと連通して配置されるように構成されている真空ポート1642を有する。ハンドルモジュール1602を乾燥させるためには、真空ポンプに電源を投入して、空気取り入れ口1640から真空ポート1642へと、ハンドルモジュール1602を横断して空気を吸い込む。好ましくは、真空ポート1642は、空気取り入れ口1640から離間していて、ハンドルモジュール1602を横断する空気流を増加させる。図25Eの例では、空気取り入れ口1640はカバー/蓋1630の底部にあり、真空ポート1642はカバー/蓋1630の上部にあるが、任意の好適な構成を使用することができる。 FIG. 25E shows another configuration of
例えば、ハンドルモジュール1602などハンドルモジュールは、模擬負荷アダプタによる試験も受け得る。様々な例において、図26A〜26Dの例に示すように、ハンドルモジュール1602が検査ステーション1600に接続されているとき、ハンドルモジュール1602は、負荷アダプタ1650による試験を受け得る。他の例において、模擬負荷アダプタは、検査ステーションを補完することなく、ハンドルモジュールを試験するように構成され得る。いずれにしても、模擬負荷アダプタ1650は、ハウジング1651と、ハウジング1651内に位置付けられた、対向する負荷モータ1652、1654と、を含んでよい。以下で更に詳述するように、第1の負荷モータ1652は、ハンドルモジュール1602の第1の駆動モータに第1の試験負荷を加えるように構成されており、第2の負荷モータ1654は、ハンドルモジュール1602の第2の駆動モータに第2の試験負荷を加えるように構成されている。第1の負荷モータ1652は、ハンドルモジュール1602の第1の駆動モータによって駆動させられるカプラ1656と動作可能に係合できる第1の噛合ナット1660を駆動させるように構成されている。第2の負荷モータ1654は、ハンドルモジュール1602の第2の駆動モータによって駆動させられるカプラ1658と動作可能に係合できる第2の噛合ナット1662を駆動させるように構成されている。 For example, a handle module such as the
模擬負荷アダプタ1650は、例えば、少なくとも、負荷モータ1652、1654を制御するためのプロセッサ、メモリ、及びモータコントローラを有するモータ制御回路を回路基板に備えてよい。モータ制御回路は、1つの集積回路(例えば、SOC)として、又は多数の別個の集積回路若しくは他の回路として統合されてよい。モータ制御回路は、モータ1652、1654を制御して、様々な負荷条件下で、ハンドルモジュール1602の回転駆動システムに相反する力を加えてよい。相反する力に対抗する、及び/又はこれを克服するためにハンドルモジュール1602の回転駆動システムによって引き出される電力は、検査ステーション1600によってモニタされて、ハンドルモジュールモータ及び回転駆動システムが適切に機能しているかどうかが判定され得る。様々な例において、模擬負荷アダプタ1650の第1のモータ1652は、ある方向に駆動され得、ハンドルモジュール1602の駆動モータは、第1のカプラ1656を反対方向に駆動させ得る。ハンドルモジュール1602の駆動モータが、模擬負荷アダプタ1650の第1のモータ1652によって加えられた模擬負荷に対抗できない、又はこれを克服できない場合、模擬負荷アダプタ1650は、ハンドルモジュール1602が要求された性能を発揮できないことをハンドルモジュール1602に伝えることができる。様々な例において、模擬負荷アダプタ1650の第2のモータ1654は、ある方向に駆動され得、ハンドルモジュール1602の駆動モータは、第2のカプラ1658を反対方向に駆動させ得る。ハンドルモジュール1602の駆動モータが、模擬負荷アダプタ1650の第2のモータ1654によって加えられた模擬負荷に対抗できない、又はこれを克服できない場合、模擬負荷アダプタ1650は、ハンドルモジュール1602が要求された性能を発揮できないことをハンドルモジュール1602に伝えることができる。かかる評価は、ハンドルモジュール1602が別の処置に好適であるかどうかに関する総合的な評価の一面を構成し得る。 The
様々な例において、上記に加えて、模擬負荷アダプタモータ制御回路は、外科的処置中にハンドルモジュール回転駆動システムが経験することが予期される負荷を模倣する方法で、ハンドルモジュール1600の回転駆動システム上の模擬負荷アダプタモータ1652、1654によって加えられる負荷を、(比較的)低負荷から(比較的)高負荷まで変化させることができる。少なくとも1つの例において、モータ制御回路は、次の処置で使用されるDSMタイプに基づいてモータ1652、1654の負荷プロファイルを変化させることができるようにプログラミングされ得る。例えば、ユーザーは、例えば、異なる使用可能なDSMに対応する、予めプログラミングされた模擬負荷状態を選択するなど、ユーザーインタフェース1672(例えば、ボタン1670及び/又はインタフェースのタッチスクリーン1672)を使用して、所望の模擬負荷を指定できる。模擬負荷アダプタ1650は、ハンドルモジュール1602のデータ接続端子と噛合する、データ接点端子1674を有してよい。このようにして、ユーザーの負荷プロファイルの選択内容は、検査ステーションプロセッサからハンドルモジュールプロセッサに、そして負荷シミュレータ1650のモータ制御回路にアップロードされ得る。リアルタイムで、及び/又はシミュレーション後に、モータ制御回路は、シミュレーション中に負荷シミュレータモータ1652、1654に供給された電力のタイムスタンプ付き電力読み取り値(例えば、ボルトアンペア)をハンドルモジュールプロセッサ及び/又は検査ステーションプロセッサにダウンロードできる。検査ステーションプロセッサ及び/又はハンドルモジュールプロセッサは、これらの読み取り値をハンドルモジュールモータによって引き出された電力のタイムスタンプ付き読み取り値と関連付けて、ハンドルモジュールモータ及び回転駆動システムの有効性を評価できる。 In various examples, in addition to the above, the simulated load adapter motor control circuit is a rotary drive system for the
模擬負荷アダプタ1650は、例えば、検査ステーション1600によって電力供給されてよい。図26Bの例に示すように、検査ステーション1600からの電力は、ハンドルモジュール1602及び電気接点基板1674を介して模擬負荷アダプタ1650に供給され得る。図26Cの例では、検査ステーション1600から模擬負荷アダプタ1650まで延在する別個の電源コード1680は、ハンドルモジュール1602を迂回して、負荷シミュレータアダプタ1650に直接電力を供給できる。別の構成において、負荷シミュレーションアダプタ1650は、AC電源への独自の接続及び/又は独自の電池電源を有し得る。様々な例において、コード1680はまた、検査ステーション1600と直接信号通信する負荷シミュレータ1650を配置し得る。 The
模擬負荷アダプタ1650を使用して、回転駆動システムの一部であるハンドルモジュールギヤにおけるバックラッシュをモニタすることもできる。模擬負荷アダプタ1650がバックラッシュ検出モードである場合、模擬負荷アダプタモータ制御回路は、模擬負荷モータ1652、1654の一方又は両方を回転させることができ、検査システム1600及び/又はハンドルモジュール1602のいずれかのプロセッサは、ハンドルモジュール1602の対応する回転駆動システムによる回転を追跡できる。模擬負荷アダプタモータ1652、1654とハンドルモジュール1602の回転駆動システムとの回転の差異は、ハンドルモジュールの寿命を短縮させ得る、ハンドルモジュール1602の対応の回転駆動システムにおけるバックラッシュを示すものである。換言すると、バックラッシュの増加は、ハンドルモジュール1602の残存使用回数を減少させ得る。したがって、ハンドルモジュール1602の各検査において、検査ステーション1600及び負荷シミュレータ1650は、ハンドルモジュールのバックラッシュを確認し、ハンドルモジュールのメモリに結果を書き込むことができる。ハンドルモジュールメモリは、バックラッシュ読み取り値を格納し、タイムスタンプすることができる。ハンドルプロセッサ及び/又は検査ステーションプロセッサは、残存回数に対するバックフラッシュの影響のモデルに基づいて、例えば、発射に関するハンドルモジュールの修正された寿命末期閾値を決定できる。図26Eにサンプルモデルを示す。破線1690は、ハンドルモジュールの発射回数に応じたバックラッシュの閾値上限を示す。線1691は、使用(例えば、発射)に応じたハンドルモジュールの予期されるバックラッシュに示す。この例では、バックラッシュ閾値には、約500回の発射で達する(線1690及び1691の交点)。バックラッシュ測定値は長期間にわたって(したがって、多数の発射回数にわたって)追跡できるため、ハンドルプロセッサ及び/又は検査プロセッサは、図26Eのひし形で示すバックラッシュ測定値を比較して、ハンドルモジュールのバックラッシュが500回未満の発射(この例では約370回の発射)で閾値に達する傾向を示すかどうかを判定できる。この修正され、更新された発射閾値を使用して、ハンドルモジュールの残存寿命を評価できる。例えば、ハンドルモジュールが220回発射済みの場合、バックラッシュのために修正された寿命末期は、370回の発射であり、プロセッサは、ハンドルモジュールには150回の発射が残存しているか、又は処置あたり7回発射すると仮定すれば、ハンドルモジュールには21処置分が残存していると判定できる。バックラッシュは、この方法でハンドルモジュールの各回転駆動システムに対して試験を受けることができ、残存寿命の最も少ないものが、ハンドルモジュールの全体的な残存寿命を決定できる。 A
そのように言ったものの、予期される数よりも少ないバックラッシュが測定された場合、ハンドルモジュールの寿命末期閾値に達するのに必要な発射は上方修正され得る、つまり増加し得る。実際、例えば、ハンドルモジュールが予期されるよりも少ない磨耗を経験していることをいずれかのパラメータ及び/又はパラメータの組み合わせが示す場合、ハンドルモジュールの寿命末期閾値は増加し得る。それに応じて、例えば、ハンドルモジュールが予期されるよりも多くの磨耗を経験していることをいずれかのパラメータ及び/又はパラメータの組み合わせが示す場合、ハンドルモジュールの寿命末期閾値は減少し得る。更に、本明細書に開示する様々なパラメータ閾値は修正可能であるか、又は適合可能である。閾値パラメータは、固有情報、及び/又は外部情報に基づいて適合できる。例えば、ハンドルモジュールの制御システムは、パラメータデータのパターン又は傾向を評価し、パターン又は傾向に対してパラメータ閾値を適合できる。少なくとも1つの例において、制御システムは、検出したパラメータデータから基準値を定め、この基準値に対してパラメータ閾値を定めることができる。いくつかの例において、ハンドルモジュールの制御システムは、第1のパラメータについて得たデータのパターン又は傾向を評価し、第1のパラメータデータの評価に基づいて第2のパラメータの閾値を調整できる。少なくとも1つの例において、制御システムは、第1のパラメータの検出データから基準値を定め、その基準値に対する第2のパラメータの閾値を定めることができる。更に、多くの閾値は、2つの範囲、すなわち、閾値を下回る第1の範囲及び閾値を上回る第2の範囲を含むものとして本明細書に記載される。閾値自体は、状況に応じて、第1の範囲又は第2の範囲の一部であってよい。とは言うものの、本明細書で使用するとき、閾値は、3つの範囲、すなわち、最小値を下回る第1の範囲、最大値を上回る第2の範囲、及び最小値と最大値との間の第3の範囲を含んでよい。パラメータの検出データが第1の範囲にあるとき、制御システムは第1の動作を行ってよく、パラメータの検出データが第2の範囲にあるとき、制御システムは第2の動作を行ってよく、第2の動作は、第1の動作と同じであっても、同じでなくてもよい。パラメータの検出データが第3の範囲にあるとき、制御システムは第3の動作を行ってよく、第3の動作は動作を全く含まなくてもよい。最小値は、状況に応じて、第1の範囲又は第3の範囲の一部であり得、最大値は、状況に応じて、第3の範囲又は第2の範囲の一部であり得る。例えば、少なくとも1つの実施形態において、データが第1の範囲で検出される場合、制御システムは閾値をある方向に適合させてよく、データが第2の範囲で検出される場合、制御システムは閾値を反対方向に適合させてよく、データが第3の範囲で検出される場合、制御システムは閾値を適合させなくてよい。 That said, if less than expected backlash is measured, the firing required to reach the end-of-life threshold of the handle module can be revised up, or increased. In fact, for example, if any parameter and / or combination of parameters indicates that the handle module is experiencing less wear than expected, the end-of-life threshold of the handle module can be increased. Accordingly, for example, if any parameter and / or combination of parameters indicates that the handle module is experiencing more wear than expected, the end-of-life threshold of the handle module can be reduced. In addition, the various parameter thresholds disclosed herein are modifiable or adaptable. Threshold parameters can be adapted based on unique information and / or external information. For example, the control system of the handle module can evaluate the pattern or tendency of the parameter data and adapt the parameter threshold to the pattern or tendency. In at least one example, the control system can set a reference value from the detected parameter data and set a parameter threshold value for the reference value. In some examples, the handle module control system can evaluate the patterns or trends of the data obtained for the first parameter and adjust the threshold of the second parameter based on the evaluation of the first parameter data. In at least one example, the control system can set a reference value from the detection data of the first parameter and set a threshold value of the second parameter with respect to the reference value. In addition, many thresholds are described herein as including two ranges, a first range below the threshold and a second range above the threshold. The threshold itself may be part of a first range or a second range, depending on the situation. That said, as used herein, the threshold is in three ranges: a first range below the minimum value, a second range above the maximum value, and between the minimum and maximum values. A third range may be included. When the parameter detection data is in the first range, the control system may perform the first operation, and when the parameter detection data is in the second range, the control system may perform the second operation. The second operation may or may not be the same as the first operation. When the detection data of the parameter is in the third range, the control system may perform a third operation, and the third operation may not include any operation. The minimum value can be part of the first range or the third range, depending on the situation, and the maximum value can be part of the third range or the second range, depending on the situation. For example, in at least one embodiment, if the data is detected in the first range, the control system may adapt the threshold in one direction, and if the data is detected in the second range, the control system is the threshold May be adapted in opposite directions and the control system does not have to adapt the threshold if the data is detected in the third range.
別の態様において、図27A及び27Bに示すように、検査ステーション1600は、例えば、ハンドルモジュール1602及び1つ又は2つ以上のDSM1680の両方を収容できる。図27Aは、かかる検査ステーション1600を単独で示し、図27Bは、ハンドルモジュール1602及びそこに接続されたDSM1680の両方を備える検査ステーション1600を示す。検査ステーションプロセッサは、データ及び情報のダウンロード及びアップロードを行うために、ハンドルモジュールプロセッサ及び/又はDSMプロセッサと通信していてよい。図27Aに示すように、DSMも支持する検査ステーション1600は、ハンドルモジュール1600の回転駆動部1656、1658のように構成されている回転駆動部1682、1684を含んでよい。検査ステーション1600は、検査ステーション回転駆動部1682、1684を作動させて、DSM1680の駆動システムを試験してよい。更に他の構成において、DSM1680は、例えば、様々な試験及び/又はデータ転送を行うために独自の検査ステーションを有してよい。 In another embodiment, as shown in FIGS. 27A and 27B, the
このことから、検査ステーション1600を使用して、例えば、次のようなハンドルモジュール及び/又はDSMのための多数の前処置及び/又は後処置用器具処理タスクを実行できる。
・装置ID(例えば、シリアル番号)及び/若しくはモデル、並びに装置の状態(例えば、寿命末期、ロックアウトなど)を判定し、表示する。
・発射回数/サイクル数、性能パラメータ、ハンドル及び/若しくはDSMソフトウェアバージョンなど、ハンドルモジュール1602のメモリからデータを読み取る/ダウンロードする。
・検査ステーションが装置IDに基づいてメモリから取得できる、ハンドルモジュール及び/若しくはDSMの動作命令及び基準を、装置IDに基づいて設定し、アップロードする。
・モジュール式接続保全性試験、メモリバージョン試験、システムの電子的チェック、転送速度(読み取り/書き込み)チェック、定期保守チェック、保証期限チェック、寿命末期チェック、システムロックアウトチェック、及び/若しくは内部電池寿命調整試験などの様々な電子的試験を実行する。
・モータ性能試験(上述の模擬負荷を使用する及び/若しくは使用しない)、封止保全性試験などの様々な物理的試験を実行する。
・処置からの実データ(ハンドルモジュール及び/若しくはDSMメモリからダウンロードした)を予期される処置データと比較するなどの試験を実行する。
・必要に応じてハンドルモジュールでのロックアウトをリセットする。
・装置を乾燥させる。
・装置(ハンドルモジュール及び/若しくはDSM)が連続使用に好適であるか、若しくは好適ではないことを(例えば、ディスプレイを介して)ユーザーに通知する。
・ハンドルモジュール及び/若しくはDSMのソフトウェアをアップグレードする。
・試験結果をハンドルモジュールメモリ及び/若しくはDSMメモリに書き込む。並びに/又は、
・ハンドル及び/又はDSM性能及び使用データをリモートコンピュータシステムに、例えば、USB又は無線(例えば、WiFi)接続を介して送信する。From this, the
• Determines and displays the device ID (eg, serial number) and / or model, and device status (eg, end of life, lockout, etc.).
-Read / download data from the memory of the
-The operation command and reference of the handle module and / or DSM that the inspection station can acquire from the memory based on the device ID are set and uploaded based on the device ID.
-Modular connection integrity test, memory version test, system electronic check, transfer speed (read / write) check, periodic maintenance check, warranty expiration check, end of life check, system lockout check, and / or internal battery life Perform various electronic tests such as adjustment tests.
-Perform various physical tests such as motor performance tests (using and / or not using the simulated load described above), sealability tests, etc.
-Perform tests such as comparing the actual data from the treatment (downloaded from the handle module and / or DSM memory) with the expected treatment data.
-Reset the lockout on the handle module if necessary.
-Dry the device.
• Notify the user (eg, via a display) that the device (handle module and / or DSM) is or is not suitable for continuous use.
-Upgrade the handle module and / or DSM software.
-Write the test result to the handle module memory and / or the DSM memory. And / or
The handle and / or DSM performance and usage data is transmitted to the remote computer system via, for example, a USB or wireless (eg, WiFi) connection.
検査ステーションメモリは、検査ステーションプロセッサが実行して様々な機能を実行するソフトウェア及び/又はファームウェアを格納してよい。 The inspection station memory may store software and / or firmware that the inspection station processor executes to perform various functions.
検査ステーション及び/又はハンドルモジュールのディスプレイはまた、ハンドルモジュールの様々な使用関連データに基づいて、保守勧告及び修理勧告を行ってよい。例えば、処置回数、滅菌回数、発射の回数及び/若しくは保全性、並びに/又はギヤのバックラッシュなどの使用データに基づいて、検査ステーション及び/若しくはハンドルモジュールプロセッサは、様々な保守若しくは修理タスクが行われるべきか、又はハンドルモジュール及び/若しくはDSMに対して勧告されるべきかを判定でき、検査ステーション及び/又はハンドルモジュールのいずれかのディスプレイを介してユーザーにこれらの勧告を伝達できる。保守勧告及び修理勧告は、処置の完了後に、処置中に、及び/又は処置の開始時に実行され、ユーザーに伝達され得る。 The inspection station and / or the display of the handle module may also make maintenance and repair recommendations based on various usage-related data of the handle module. For example, based on usage data such as treatment count, sterilization count, firing count and / or maintainability, and / or gear backlash, the inspection station and / or handle module processor is subject to various maintenance or repair tasks. It can be determined whether it should be made or recommended to the handle module and / or DSM, and these recommendations can be communicated to the user via the display of either the inspection station and / or the handle module. Maintenance and repair recommendations may be implemented and communicated to the user after the procedure is complete, during the procedure and / or at the beginning of the procedure.
図28A〜28Bは、プロセッサの関連メモリ内のファームウェア及び/又はソフトウェアを実行することによりハンドルモジュールプロセッサ及び/又は検査ステーションプロセッサによって実行され得る、保守勧告及び/又は修理勧告を行うための例示的なプロセスフローである。図28Aは、検査ステーションプロセッサ442の例示的なプロセスフローを示す。工程1800において、ある処置に続いて、ハンドルモジュールは検査ステーションに接続され(例えば、図19Aを参照)、すぐに、ハンドルモジュールメモリからの使用及び性能データが検査ステーションにダウンロードされる。このデータは、ハンドルモジュールの処置回数のカウントを含んでよく、本明細書には、処置回数の様々なカウント方法が記載されている。データにはまた、例えば、ハンドルモジュールによる発射回数、各発射の強度(例えば、力)、予期される発射力と実際の発射力との発射力の差異、ハンドルモジュールの寿命にわたってハンドルモジュールで消費された(累積)エネルギー、及び/又はギヤのバックラッシュが挙げられ得る。 28A-28B are exemplary for making maintenance and / or repair recommendations that may be performed by the handle module processor and / or inspection station processor by running the firmware and / or software in the processor's associated memory. It is a process flow. FIG. 28A shows an exemplary process flow of the
工程1802において、検査ステーションプロセッサは、ハンドルモジュールの修理が必要かどうかをデータに基づいて判定する。検査ステーションプロセッサは、プログラミングされたように多数の方法で使用及び性能データを解析して、修理が必要かどうかを判定してよく、修理が必要と判定される場合は、工程1804において、1つ又は複数の修理勧告を行ってよい。修理勧告は、例えば、ハンドルモジュールの再構築が必要であることを提案するような大がかりなもの、又は特定の部品に潤滑油を差すことのような些細なものであり得る。また、例えば、検査ステーションプロセッサが工程1802において実行してよい1つの修理チェックは、N1処置ごとに、並びに/又はS1発射ごとに、又は処置及び発射(例えば、N2処置及びS2発射)の何らかの組み合わせに対して、ハンドルモジュールを再構築するためのものである。かかる場合、検査ステーションプロセッサがこれらの閾値のいずれかが満たされたと判定する場合、工程1804において、検査ステーションプロセッサは、検査ステーションディスプレイを制御して、ハンドルモジュールの再構築が必要であることを表示してよい。検査ステーションプロセッサが工程1802において実行してよい別の修理チェックは、S3発射ごとに回転駆動システムのギヤに潤滑油を差す必要があるというものである。検査ステーションが実行でき、適切な場合に勧告できる他の修理チェックには、例えば、ハンドルモジュールの電気接点の電気的一体性チェック、通信システムの試験、ハンドルモジュールの電子機器の拡張診断(例えば、RAM及び/又はROMの一体性、プロセッサの動作、アイドル、及び動作電流引きこみ、選択した構成要素の動作温度など)、インジケータ、ディスプレイ、及びセンサの動作、並びに/又はサイクル、バランス、及び/若しくは試験などの電池の問題が挙げられる。修理チェックは、電池の状態を評価するために電池で実行し得る。例えば、検査ステーションは、例えば、再充電式の場合には電池がその寿命に近づいているかどうか、又は使い捨て電池について残存発射回数1回未満の閾値に近づいているかどうかを評価できる。他の修理チェックには、(診断モード又はDSM若しくはカートリッジを使用せずに発射できる他のモードで)装置を発射して、モータパラメータ(電圧又は電流など)の異常をモニタすることが挙げられる。損傷したギヤは、モニタ対象のモータパラメータを通じて検出可能なモータ負荷の変化を生じさせ得るが、これは、交換を必要とする内部的問題を示し得る。また、概ねより高いモータ負荷は、クリーニング、若しくは注油の必要性、又は装置内の損傷を示し得る。In
工程1806において、検査ステーションプロセッサは、ハンドルモジュールのいずれかの構成要素にチェックが必要かどうかを判定してよい。前述のように、検査ステーションプロセッサは、プログラミングされたように多数の方法で使用及び性能データを解析して、様々なハンドルモジュール構成要素のチェックが必要かどうかを判定してよく、構成要素のチェックが必要であると判定した場合は、工程1808において、1つ又は複数の構成要素チェック勧告を行ってよい。例えば、工程1806において、検査ステーションプロセッサが、ギヤのバックラッシュは、事前設定された閾値を超えていると判定する場合、工程1808において、検査ステーションプロセッサは、回転駆動システムのギヤのチェックを行うべきであることを示す提案を表示してよい。また、工程1806において、検査ステーションプロセッサが、ハンドルモジュールによって消費された累積エネルギーは、事前設定された閾値を超えていると判定する場合、工程1808において、検査ステーションプロセッサは、回転駆動システムのモータ及び/又はギヤのチェックを行うべきであることを示す提案を表示してよい。同様に、工程1806において、検査ステーションプロセッサが、(直近で完了した処置で及び/又はハンドルモジュールの寿命中に)閾値発射回数が事前設定された強度閾値(例えば、力又は電力)を超えていると判定する場合、工程1808において、検査ステーションプロセッサは、回転駆動システムのモータ及び/又はギヤのチェックを行うべきであることを示す提案を表示してよい。検査ステーションプロセッサは、ディスプレイを介して、様々な実施形態でDSMのチェックを行うべきであることを示す提案も表示してよい。例えば、工程1806において、検査ステーションプロセッサが、直近で完了した処置での閾値発射回数が事前設定された強度閾値を超えていると判定する場合、鈍らな切断器具は、切断ストロークの実行により大きな力を必要とすることがあるため、工程1808において、検査ステーションプロセッサは、エンドエフェクタ内の切断器具の鋭利さのチェックを行うべきであることを示す提案も表示してよい。 In
ハンドルモジュールプロセッサはまた、修理及び/又は構成要素チェックの判定及び勧告を行ってよい。図28Bは、ハンドルモジュールプロセッサ2124の例示的なプロセスフローを示す。図28Bのプロセスは、工程1802及び1806において、修理及び/又は構成要素チェックが必要かどうかを判定できるように、工程1801において、ハンドルモジュールプロセッサが、その処置及び処置後処理からの使用及び性能データを格納するという点を除いて、図28Aのプロセスと類似である。工程1804及び1808において表示される勧告及び提案は、ハンドルモジュールのディスプレイに関するものであってよく、及び/又はハンドルモジュールが検査ステーションに接続されており、これらの間にデータ接続が存在する場合、ハンドルモジュールプロセッサは、ハンドルモジュールディスプレイに勧告を表示する代わりに、又はそれに加えて、検査ステーションディスプレイが勧告を表示できるように、検査ステーションプロセッサに勧告を伝えてよい。 The handle module processor may also make judgments and recommendations for repairs and / or component checks. FIG. 28B shows an exemplary process flow of the
図27A及び27Bに示すように、DSM 1680はまた、検査ステーション1600に接続され得る。かかる構成において、DSMプロセッサ及び/又は検査ステーションプロセッサは、DSMメモリに格納された使用及び性能データに基づいて、修理及び構成要素チェックの判定及び勧告を行ってよい。 As shown in FIGS. 27A and 27B, the
この目的で、図35は、本明細書に記載の検査ステーションを使用して実行できる工程を示すフローチャートである。工程2200において、臨床医は、ハンドルモジュール及びDSMのうちの1つを備える外科用器具を使用して外科的処置を実行する。本明細書に記載のように、ハンドルモジュールメモリは、例えば、モータエネルギー及び電力レベル、モータトルク、並びに/又は様々なトリガの作動に対するタイムスタンプなど、あらゆる処置からの使用及び処置データを格納できる。処置に続いて、臨床医は、例えば、工程2204において、ハンドルモジュールを本明細書に示す検査ステーションに接続することによって以降の処置で使用するためにハンドルモジュールを準備できるように、工程2202において、ハンドルモジュールからDSMを接続解除し、取り外し可能な電池パックを取り外すことができる。工程2206において、検査ステーションは、ハンドルモジュールのメモリから処置及び使用データをダウンロード(又は読み出し)できる。検査ステーションはまた、ハンドルモジュールのIDデータをダウンロードでき、工程2208において、検査ステーションプロセッサはこのデータを使用して、検査ステーションがそのディスプレイに表示できるハンドルモジュールタイプ及び/又は構成を判定する。 For this purpose, FIG. 35 is a flow chart showing steps that can be performed using the inspection stations described herein. In
工程2210において、検査ステーションは、ハンドルモジュールのタイプ及び構成に基づいて、このハンドルモジュールの検査プログラム及び検査基準を設定できる。例えば、検査ステーションメモリは、ハンドルモジュールタイプ及び構成ごとに実行されるべき検査プログラム並びに検査基準を格納してよい。工程2208において検査ステーションが決定したハンドルモジュールタイプ及び構成IDに基づいて、検査ステーションは、ハンドルモジュールに使用するべき、適切な検査プログラム及び検査基準の呼び出し及び/又は設定を行うことができる。例えば、工程2212において、検査モジュールは、例えば、図25A〜25Eに関連して本明細書に記載するように、ハンドルモジュールの構成要素を乾燥させることができる。また、工程2214において、例えば、図24A〜24Bに関連して本明細書に記載するものなど、封止保全性試験が実行され得る。工程2216において、ハンドルモジュールの電気的一体性試験が実行され得る。これらの試験には、適切な構成要素間に電気的接続が存在すること、及びハンドルモジュールのデータ処理構成要素については、データ送信用のプロトコル及び接続が機能していることを試験することが挙げられ得る。工程2218において、ハンドルモジュールの機能的試験及び/又は物理的試験が実行され得る。例えば、モータ及び/又は回転駆動システムが、適切に機能することを確認する試験を受けて(例えば、駆動されて)よい。工程2220において、処置に続いてリセットが必要なハンドルモジュールのロックアウトがリセットされ得る。工程2222において、ハンドルモジュールに必要な更なる調整が実行され得る。この調整には、以降の外科的処置及び/又は検査ステーションによって識別された任意の修理勧告の性能に関してハンドルモジュールを準備するために必要な任意の他の調整が挙げられ得る。工程2224において、ハンドルモジュールは、検査ステーションから解放され得、すぐに以降の外科的処置で使用され得る(又は、以降の処置で使用する前に滅菌され得る)。検査ステーションは、例えば、検査ステーションのディスプレイにハンドルモジュールが取り外し可能であることを示すことにより、ハンドルモジュールを「解放」してよい。 In
図27A及び27Bに示すように、DSMはまた、DSMを検査するために、外科的処置での使用に続いて、かかる検査ステーションに接続され得る。図35に示すプロセスと類似のプロセスを検査ステーションに接続されたDSMに使用して、以降の処置のためにDSMを準備することができる。 As shown in FIGS. 27A and 27B, the DSM may also be connected to such an examination station following use in a surgical procedure to inspect the DSM. A process similar to the process shown in FIG. 35 can be used for the DSM connected to the inspection station to prepare the DSM for subsequent actions.
図35に示す様々な工程は、異なる順序で、又は同時に実行され得、図35に示す工程は、図35通りでもあり得るが、必ずしも図35に示す順序で実行されるものではない。例えば、電気的一体性試験(工程2216)は封止保全性試験(工程2214)の前に実行され得るなどである。 The various steps shown in FIG. 35 may be performed in different orders or simultaneously, and the steps shown in FIG. 35 may be as in FIG. 35, but are not necessarily performed in the order shown in FIG. For example, the electrical integrity test (step 2216) can be performed prior to the sealability test (step 2214).
図36及び37は、ハンドルモジュールの滅菌、及び使用/滅菌回数の追跡に含まれる例示的な工程を示す、フローチャートである。図36では、このプロセスは、ハンドルモジュール(及びDSM)が外科的処置で使用される工程2300にて開始する。処置後、工程2302において、例えば、手動でハンドルモジュールを拭くことを伴い得る、ハンドルモジュールの術後清浄が実行され得る。その後、工程2304において、ハンドルモジュールは、例えば、自動洗浄機などを使用して浄化され得る。工程2306において、ハンドルモジュールは、例えば、熱及び/又は空気を使用して、クリーンルームで乾燥され得る。工程2308において、ハンドルモジュールは、例えば、図12A〜12C、19A、25A〜25E、26A〜26C、及び/又は27A〜27Bに関連して本明細書に記載する検査ステーションなど、検査ステーションに接続され得る。 36 and 37 are flowcharts showing exemplary steps involved in sterilizing the handle module and tracking the number of uses / sterilizations. In FIG. 36, this process begins at
工程2310において、検査ステーションは、ハンドルモジュールに質問又は問い合わせを行って、滅菌スイッチ(例えば、スイッチ344、図11E〜11Iを参照)が作動されたか、又は別の方法で、上で図11E〜11Iに示すものなど、滅菌トレーに配置される前を示す状態であるかを判定する。滅菌トレースイッチがトリガされたか、又は作動状態にある場合、工程2311において、滅菌カウントが増加し、スイッチ状態がリセットされる。次いで、工程2312において、検査ステーションは、本明細書に記載するように、ハンドルモジュールの閾値滅菌カウントに達したかどうかを判定し得る。滅菌カウントに達した場合、工程2314において、本明細書に記載のいずれかの、ハンドルモジュールの寿命末期動作が行われてよい。 In
反対に、閾値にまだ達していない場合、プロセスは、対応する滅菌トレーにハンドルモジュールを配置する(例えば、図11E〜11Iを参照)、及び/又は滅菌カバーをハンドルモジュールの上に配置する(例えば、図20A〜20Dを参照)ことなどによって(いずれの場合も、工程2318において滅菌トリガを作動させ得る)、ハンドルモジュールが滅菌に備えて準備される工程2316に進み得る。ハンドルモジュールは工程2320において滅菌され得、すぐに、工程2322において、工程2300での以降の処置で使用するために格納され、続いて手術室に移動させられ得る。 Conversely, if the threshold has not yet been reached, the process places the handle module on the corresponding sterilization tray (see, eg, FIGS. 11E-11I) and / or places the sterilization cover over the handle module (eg, eg. , 20A-20D) and the like (in either case, the sterilization trigger can be activated in step 2318), allowing the handle module to proceed to step 2316, which is prepared for sterilization. The handle module can be sterilized in
工程2310戻り、滅菌トリガが作動していないか、又はそのステータスが変更されていない場合、ハンドルモジュールは、工程2324において物理的に検査を受ける必要があり得る。 If
図37の例示的なプロセスフローは、工程2300での処置に続いて、工程2310においてハンドルモジュールの電源が再投入されて、その滅菌状態フラグ(スイッチ344の作動時にハンドルモジュールプロセッサによって設定される、図11E〜11Iを参照)が設定されるかどうかを判定し得るという点を除いて、図36のプロセスフローと類似である。設定される場合、工程2311において、滅菌カウントは更新され、滅菌状態はリセットされ得る。 The exemplary process flow of FIG. 37 is such that following the procedure in
上記のように、ハンドルモジュール電池パックは、以降の処置で、典型的には再充電後に同一の、又は別の同様に構成されたハンドルモジュールで使用され得るように、外科的処置に続いてハンドルモジュールから取り外されてよい。図29A〜Dは、電池パック1702を再充電するための充電ステーション1700を示す。電池パック1702は、電池パック1702が挿入されると、対応の電源端子1706が、レセプタクル1704の側部にある対応する充電端子1708と接触して、対応の電池パック1702を充電するように、充電ステーション1700に画定されたレセプタクル1704(図29B及び29Cの側面図に示す)に挿入される。図示した充電ステーション1700は、2つの電池パックを同時に充電できる。ただし、他の構成において、充電ステーションは、これよりも多い、又は少ない電池パックを格納し、充電するためのレセプタクルを有し得る。 As mentioned above, the handle module battery pack follows the surgical procedure so that it can be used in subsequent procedures, typically with the same or another similarly configured handle module after recharging. It may be removed from the module. 29A-D show a charging
充電ステーション1700は、例えば、現在充電中又は充電済み/使用準備済みなどの充電プロセスに関して電池パック1702のステータスを表示するディスプレイ1709を含んでよい。現在充電中の電池パックの場合、ディスプレイは、充電プロセスの進捗状況、及び/又は未了の充電プロセスの程度を示してよい。テキスト及び/又は図形を使用して、量など充電ステータス、及び/又は電池パックの充電済みの程度を示す他の種類の分数インジケータ(例えば、40%充電済み、50%充電済みなど)を示してよい。 The charging
図29B及び29Cに示すように、レセプタクル1704は、レセプタクルに挿入される電池パック1702の端部が容易に適合する(例えば、ゼロ挿入力接続)寸法であってよい。充電ステーション1700は、電池パック1702がレセプタクルに挿入されたときに検出するための手段を含んでよい。例えば、図29Dのブロック図に示すように、充電ステーション1700は、電池パック1702が挿入されると作動するレセプタクル1704の底部に、充電ステーションプロセッサ1722と通信している圧力スイッチ1720を含んでよい。加えて、又はその代わりに、充電ステーションプロセッサ1722は、充電ステーションデータ端子1712が電池パックデータ端子1710とデータ接続を行ったときに、電池パック(battery back)1702の挿入を検出してよい。いずれにしても、電池パック1702が、充電のために充電ステーション1700のレセプタクル1704に挿入されると、充電ステーション1700は、電池パック1702を早まって(例えば、充電及び/又は充電の完了よりも前に)取り外すことができないように、電池パック1702を充電ステーション1700に一時的に固定してよい。図29B及び29Cに示すように、ある構成において、これは、ねじ1724を受容するための寸法であり、そのためにねじ付きである電池パック1702の底部の対応する開口部1726の中に自動的にねじ込む、充電ステーション1700のレセプタクル1704の底部にあるねじ1724によって達成される。 As shown in FIGS. 29B and 29C, the
図29Dは、様々な構成による、充電ステーション1700及び電池パック1702の簡略ブロック図である。充電ステーション1700がAC電源によって電力供給されると仮定すると、充電ステーション1700は、AC電圧をDC電圧に変換するAC/DCコンバータ1730と、電池パック1702の電池セル1734を充電するための所望の充電電圧及び/又は電流にDC電圧を変換する電圧レギュレータ1732と、を含んでよい。充電ステーション1700は、充電ステーション1700の検出回路1738によって検出できる電流、電圧、及び/又は温度など、充電動作の検出されたパラメータに基づいて電圧レギュレータ1732を制御するための充電制御回路1736を含んでよい。例えば、通常の充電条件下で電池パック1702を充電するとき、充電制御回路1736は、電圧レギュレータ1732を制御して、Liイオン又はLiPo電池セル1734が、セルあたりの指定電圧(Vpc)に達するまで定電流で充電してよい。次いで、充電制御回路1736は、充電電流が、充電プロセスを終了できる初回充電率のX%(例えば、10%)に低下するまでセルをそのVpcで保持できる。電池技術に適した他の充電レジメンを実行できる。 FIG. 29D is a simplified block diagram of the charging
圧力スイッチ1720は、充電ステーション1700のレセプタクル1704への電池パック1702の挿入を検出してよく、作動すると、充電ステーションプロセッサ1722に信号を送信する。充電ステーションプロセッサ1722は、それに反応して、ねじ1724を電池パックねじ開口部1726の中に押し込む、線形アクチュエータなどの接続アクチュエータ1740に制御信号を送信してよい。接続アクチュエータ1740は第2の電圧レギュレータ1742によって電力供給されてよく、第2の電圧レギュレータ1742は、接続アクチュエータ1740に加えて、充電ステーション1700の他の電子部品に電力供給できる。 The
上記に加えて、電池パック1702は、電池パック1702がレセプタクル1704に挿入されると、充電ステーション1700の対応するデータ端子1712と噛合するデータ端子1710を含んでよい。充電ステーションプロセッサ1722は、充電ステーションプロセッサ1722によって実行されるファームウェア及び/又はソフトウェアを格納する内部又は外部メモリ1744を有してよい。ファームウェア及び/又はソフトウェアを実行することにより、充電ステーションプロセッサ1722は、(i)ディスプレイ1709を制御できる、(ii)充電コントローラ1736と通信することにより、電池セル充電プロセスの態様を制御できる、及び/又は(iii)データ端子1710、1712を介して電池パックプロセッサ1750とデータを交換できる。本明細書に記載するように、電池パックの電子機器は、電池管理システム(BMS)などの電池パックプロセッサ1750によって実行されるファームウェア及び/又はソフトウェアを格納するメモリ1752も含んでよい。電池パック1702はまた、上述するように、例えば、湿度(moisture)及び/又は湿度(humidity)など、電池パック1702に関連する状態を検出するためのセンサ1754を備えてよい。充電ステーション1700のデータ端子1712は、電池パックプロセッサ1750に低レベルの電力も供給してよい。充電ステーション1700はまた、無線通信リンク(例えば、Wi−Fi、Bluetooth、LTEなど)を介してリモート装置と通信できるプロセッサ1722と通信している無線モジュール1755を含んでよい。したがって、充電ステーション1700は、リモートコンピューティングシステム(例えば、サーバ、デスクトップ、タブレットコンピュータ、ラップトップ、スマートフォンなど)に対して、充電ステータス、及び充電ステーション1700に取り付けられた電池パック1702に関する他のデータ(例えば、間近に迫った寿命末期、温度)を無線通信できる。充電ステーションはまた、充電ステーション1700から被接続装置に充電ステータス、及び電池パック1702に関する他のデータをダウンロードできるように、有線接続用ポート(例えば、USB型ポート)を含み得る。このようにして、手術スタッフ及び/又は電池パック供給業者は、かかる情報を受信できる。 In addition to the above, the
一態様において、電池の実行時間及び電池寿命を延長させるには、例えば、電池パック1702の寿命中に時々、電池パック1702を備える電池セルを再バランスしてよい。図29Eは、電池セルを再バランスさせるために(メモリ1744に格納されたファームウェア/ソフトウェアを実行することにより)充電ステーションプロセッサ1722によって実行され得るプロセスフローの図である。工程1760において、充電ステーションプロセッサ1722は、例えば、レセプタクル1704の圧力スイッチ1720からの信号、及び/又は何らかの他の好適な手段に基づいて、充電するための電池パック1702の検査ステーション1700への挿入を検出できる。工程1762において、充電ステーションプロセッサ1722は接続アクチュエータ1740を作動させて、充電(及び/又は放電)セッション中に電池パック1702を充電ステーション1700に一時的に固定できる。工程1764において、充電ステーションプロセッサ1722は、電池パックプロセッサ1750とデータを交換できる。とりわけ、電池パックプロセッサ1750は、電池パック1702の充電済み時間及びそのセルのバランス回数のログを交換できる。工程1765において、充電ステーション1700は、完全な充電サイクル又は放電サイクルを実行し得る前に電池パックが必要な場合、電池セルの充電を速やかに最高レベルにすることができる。工程1765における最高レベルの充電は、例えば、電池セルを単に定流で充電して、指定のVpcレベル、又はその分数にすることであり得る。工程1766において、充電ステーションプロセッサ1722は、電池セルを再度バランスさせるべきかどうかを判定できる。様々な態様において、セルは、N回充電されるたびにバランスされてよく、Nは、1以上の整数であり、好ましくは、1超である。セルを再バランスさせる時期ではない場合、プロセスは、電池セルが再充電される工程1768に進み、工程1770において、電池パック1702をレセプタクルから取り外すことができるように、接続アクチュエータ1740を停止させることなどによって、使用するために電池セルを解放する。一方、工程1766において、電池セルの再バランスが必要であると判定される場合、プロセスは、セルが工程1768で充電される前に、放電される工程1772に進み得る。工程1772において、セルは、好適な(低)電圧レベルまで放電されてよい。 In one aspect, to extend battery execution time and battery life, for example, the battery cell with
図29Aに示すように、充電ステーション1700は、各電池パック充電レセプタクルに緊急解放ボタン1780を含んでよい、又は現在最も充電されている(したがって、緊急時の使用に最も好適である)電池パック1702のみを解放する、緊急解放ボタン1780を1つのみ含んでよい。様々な態様において、充電ステーションプロセッサ1722は、特定の電池パック1702に対して緊急解放ボタン1780が押され、この電池パックの充電が進行中のとき、1つ又は多数の動作が開始されてよい。例えば、充電ステーションプロセッサ1722は、電池パック1702を取り外すことができるように、電池パック1702のねじを抜くように接続アクチュエータ1740に信号を送ってよい。また、電池パック1702のかかる機械的解放の前に、充電ステーションプロセッサ1722は、電池パック1702の急速充電を促進する行動を充電コントローラに指示できる。例えば、充電ステーションプロセッサ1722は、電池セル1734を短期間でより急速に充電する充電プロファイルを使用するように充電コントローラ1736に指示できるが、かかる短期間の充電によっても、その容量一杯まで電池セルを完全に充電しない、又は電池セルの長寿命を促進しないことがある。Liイオン電池セルを充電するための一般的な充電プロファイル段階には、(i)トリクル充電、(ii)定流充電、及び(iii)定圧充電が挙げられる。充電制御回路1736は、短期間でこれらのプロファイルのうちの1つ(例えば、定流充電)に切り換えて、短期間で可能な限り多量の追加充電を電池パック1702に提供できる。また、充電ステーションプロセッサ1722は、充電ステーション1700内の他のレセプタクル及び/又は蓄電装置(例えば、スーパーキャパシタ又は電池セル)などから、他の電源を充電に使用できるようにすることによって、電池セルの充電に使用可能な充電電圧を増加させるように調整できる。充電処置などに関するデータはまた、電池パックメモリに記録することができる。 As shown in FIG. 29A, the charging
図30Aは、図29Eに示すプロセスに加えて、又はその代わりに、充電ステーションプロセッサ1722が着手してよい別の例示的な充電/放電判定プロセスを示す。図30Aのプロセスは、外科用器具の電池パックの放電は、多くの場合、その長寿命に有益であるが、電池パックは、外科的処置で必要とされる前に放電するのに十分な時間がない場合、放電されるべきではないことを認める。図30Aのプロセスは、「第1」の再充電式電池パックが、充電ステーション1700の充電レセプタクル1704のうちの1つに挿入される工程1780において開始する。工程1782において、第1の電池パックからの電池パック使用データが、現在の残存電池容量を含んでよい、充電ステーションメモリにダウンロードされる。図30Aには図示していないが、第1の電池パックはまた、挿入時に充電ステーションに固定され得る(例えば、図29B〜29Cを参照)。工程1784において、充電ステーション1700は、現在進行中の処置、又は目前の処置で必要とされる場合、第1の電池パックをただちに充電してよい。工程1786において、工程1784での第1の電池パックの充電に関するデータは、第1の電池パックのメモリに書き込まれる。このデータには、例えば、充電工程の開始及び終了のタイムスタンプ、並びに開始時及び終了時の電池容量などが挙げられ得る。 FIG. 30A shows another exemplary charge / discharge determination process that the charging
工程1788において、充電ステーションプロセッサは、第1の電池パックの充電/放電を確認し、第1の電池パックが最後の処置以降に完全に放電された場合、プロセスは、第1の電池パックが処置で使用できる状態にある工程1790に進む。この工程において、充電ステーションディスプレイは、第1の電池パックが使用できる状態にあることを示してよい。一方、工程1788において第1の電池パックが最後の処置以降に完全に放電されていないと判定された場合、プロセスは、充電ステーションプロセッサが、充電レセプタクル内の少なくとも1つの他の完全に充電された電池パックが存在するかどうかを判定できる工程1792に進んでよい。そのような場合には、工程1794において、第1の電池パックは完全に放電されて、その寿命を延長し得る。これは、別の完全に充電された電池パックが必要に応じて使用できる状態にあるためである。第1の電池パックの放電が完了すると、工程1788において評価を実行できるように、工程1796において、放電データ(例えば、開始及び終了のタイムスタンプ、開始容量及び終了容量)が第1の電池パックメモリに書き込まれ得る。その後、プロセスは、第1の電池パックの電池セルが再充電され、プロセスが繰り返される工程1784に進み得る。工程1794において、最後の処置以降に第1の電池パックが放電される場合、電池セルの別の放電は必要ないために、プロセスは工程1788から工程1790へと進む。 In
図30Aのプロセスは修正可能である。例えば、最初の充電工程1784は、例えば、省略され得る、並びに/又は工程1788と工程1790との間、及び/若しくは工程1792と工程1790との間に移動され得る。 The process of FIG. 30A can be modified. For example, the
図30Bは、充電ステーションプロセッサ1722が着手してよい別の例示的な充電/放電判定プロセスを示す。図30Bのプロセスは、工程1782に続く工程1783において、充電ステーション1700が、電池パックの最高レベルの急速充電(例えば、完全充電未満の短時間充電)を実行し、電池パックメモリに最高レベルの充電に関するデータを記録し得るという点を除いて、図30Aのプロセスと類似である。次いで、工程1788において、図30Aのように、充電ステーションプロセッサは、電池パックが最後の処置以降に完全に放電されたかどうかを判定し得、そのような場合には、工程1789において、電池パックの完全な充電を実行し、電池パックは、この時点で使用できる状態である(ブロック1790)。一方、工程1788において、充電ステーションプロセッサが、電池パックが最後の処置以降に完全に放電されていないと判定する場合、プロセスは、充電ステーションが、レセプタクル1704のうちの1つに現在挿入されている別の電池パックが使用できる状態である(例えば、十分に、又は完全に充電されている)かを判定する、工程1792に進み得る。そうではない場合、第1の電池パックは、工程1789において完全に充電され得る。しかしながら、別の電池パックが十分に、又は完全に充電されており、使用できる状態にある場合、工程1794において、第1の電池パックは放電され得る(放電に関するデータは、電池パックメモリに格納される)。完全な放電後、プロセスは、次いで第1の電池パックが充電され得るように、工程1789に進み得る。 FIG. 30B shows another exemplary charge / discharge determination process that the charging
様々な実施形態において、充電ステーションプロセッサ1722は、充電ステーションが位置する病院又は手術室によって処置が実行される時間を示すものとして、様々な電池セルが挿入される時間をモニタし、格納できる。充電ステーションプロセッサ1722は、病院又は手術室が、かかる電池パックを使用する器具を必要とする処置を典型的に実行する時間及び実行しない時間を判定するようにプログラミングされ得る。具体的には、充電ステーションプロセッサ1722は、24時間にわたる、重複しない時間インクリメント、例えば、1時間のインクリメントについて、病院又は手術室がかかる電池パックを使用する器具を必要とする処置を実行する統計的傾向を判定し得る。したがって、(例えば、図30Bの工程1789における)電池パックの完全な充電については、充電ステーションは、特に、使用できる状態にある、完全に充電された別の電池パックが存在する場合、現在進行中の処置が存在する傾向が低い時間にかかる完全充電工程を開始し得る。つまり、例えば、図30Bにおいて、工程1792での放電に続く工程1789での完全な充電は、工程1792における放電の直後である必要はなく、その代わりに、充電ステーションプロセッサ1722によって判定され、予定されるように、現在進行中の処置が存在する傾向の低い時間に予定され得る。更に、病院又は手術室の担当者は、ユーザーインタフェース1709を介して充電ステーション1700に、例えば、処置の実行時間、及び/又は実行される処置の種類(又は処置に必要な充電量)に関するデータを入力し得る。このデータは、充電ステーションメモリ1744に格納され、充電ステーションプロセッサ1722によって使用されて、電池パックを充電する時点を判定できる。 In various embodiments, the charging
電池の充電及び放電を行うシステムでは、放電される電池セルの電荷は、通常、負荷抵抗を通じて排出されるため、著しい量のエネルギーが浪費され、保守中のセルからの電力は熱の形態で捨てられる。したがって、充電ステーションは、ファン及び/又はヒートシンクを含んで、放熱を促進してよい。他の態様において、充電ステーションは、放電されるセルの電荷を使用して、充電ステーション内の別のセルを充電してよい、又は別の蓄電装置に蓄えてよい。図31は、かかる方法で電池セルを放電するための回路1900の簡略図である。「第1」の電池セル1902を充電するとき、電源/電圧レギュレータ1904は、スイッチS1を閉じることによって第1の電池セル1902に接続される(他のすべてのスイッチ(S2、S3、S4、及びS5)は開いている)。レジスタ1906を介して第1の電池セル1902を放電するには、スイッチS2及びS3を閉じ、スイッチS1、S4、及びS5は開く。ダイオード1903は、電流が第1の電池セル1902から流れる方向を制御する。エネルギー貯蔵装置1908(例えば、スーパーキャパシタ、又は充電ステーションの内部にあり、通常は外科用器具で使用されない別の電池セル)に対して第1の電池セル1902を放電するには、スイッチS2を閉じ、残りのスイッチS1、S3、S4、及びS5は開く。ダイオード1903は、電流がエネルギー貯蔵装置1908へと流れる方向を制御する。エネルギー貯蔵装置1908の電荷を使用して第1の電池セル1902を充電するには、スイッチS5を閉じ、残りのスイッチS1、S2、S3、及びS4は開く。ダイオード1905は、電流が第1の電池セル1902へと流れる方向を制御する。第1の電池セル1902を使用して別の電池セル1910を充電するには、スイッチS2及びS4を閉じ、スイッチS1、S3、及びS5は開く。スイッチS1、S2、S3、S4、及びS5は、充電ステーションプロセッサ1722及び/又は充電コントローラ1736によって制御され得る。 In systems that charge and discharge batteries, the charge in the discharged battery cells is usually discharged through a load resistor, wasting a significant amount of energy and disposing of power from the cells under maintenance in the form of heat. Be done. Therefore, the charging station may include a fan and / or a heat sink to promote heat dissipation. In another embodiment, the charging station may use the charge of the discharged cell to charge another cell in the charging station or store it in another power storage device. FIG. 31 is a simplified diagram of the
図32は、図32の構成が、第1の電池セル1902の充電に使用できる電池セルセット1920を含む点を除いて図31と類似である、第1の電池パック1902の充電及び放電を行うための回路を示す。図示した構成において、電池セルセット1920は、3個の電池セル1922、1924、1926を含む。ただし、他の構成において、電池セルセット1920は、3個よりも多い、又は少ない電池セルを含んでよい。電池セルセット1920内の電池セル1922、1924、及び1926は、充電ステーションの内部電池セル、及び/又は充電ステーションに挿入された他の電池パックであってよい。電池セルセット1920内のセル1922、1924、1926は、例えば、交換用電池パックが現在進行中の処置で必要とされる状況など、第1の電池パック1902を急速充電するために使用されてよい。図示した構成において、電池セルセット1920内のセル1922、1924、1926は、直列又は並列で接続されて、増加した電圧(直列接続の場合)又は増加した電流(並列接続の場合)を提供してよい。セル1922、1924、1926を直列に接続するには、スイッチS7を閉じ、スイッチS6を開く。セル1922、1924、1926を並列に接続するには、スイッチS6を閉じ、スイッチS7を開く。各セルは、関連するレジスタ、例えば、それぞれR1、R2、R3を有して、並列接続時に電流源を提供してよい。 FIG. 32 charges and discharges the
一態様において、再び図29Aを参照すると、臨床医が処置の最中であり、処置を完了するためには新しい電池パックを必要とする場合、臨床医(又はその助手)は、完全に充電され、使用できる状態にある電池パックのうちの1つを選択し、これを充電ステーション1700から取り外す。この電池パックは、充電ステーション1700のディスプレイ1709に示されることがある。どの電池パック1702も使用できる状態にないと示される場合、臨床医は、例えば、部分的に充電された電池パックを現在処置で使用中のハンドルモジュールに挿入できるように、充電コントローラ1736、及び/又は充電ステーションプロセッサ1722によって判定された、現時点で最も電荷を有する、現在充電ステーション1700にある電池パック1702を解放し得る緊急解放ボタン1780を押すことができる。充電ステーション1700はまた、外科用器具に挿入するために、充電ステーションから取り外すべき電池パックを明確にするために、緊急時に解放される電池パック1702を示す視覚的インジケータを含んでよい。図29A〜29Cの構成におけるねじ1724など、充電中に電池パック1702を充電ステーション1700に固定するための手段を含む充電ステーション1700の場合、緊急解放ボタン1780を作動させると、本明細書に記載のように、接続手段に適切な電池パック1702の接続を解除(又は固定を解除)させ得る。ほぼ同時に、充電ステーション1722は、選択した電池パック1702を短期間で急速充電して、好ましくは、1回又は数回の発射を完了するために十分な充電をもたらす工程を行うことができる。本明細書に記載のように、充電ステーションプロセッサ1722は、充電制御回路1736と共に、充電プロファイル(例えば、定流又は定電圧充電)の変更、スーパーキャパシタ1908を使用した電池パックの充電、及び/又は1つ若しくは2つ以上の他の電池セルを備える電池パックの充電(本明細書に記載のように、直列接続又は並列接続であり得る)を行ってよい。様々な構成において、短時間充電により1回又は複数回の発射を完了するのに十分である閾値充電に等しい充電レベルまで電池パック1702が充電されるまで、電池パック1702は(例えば、ねじ1724の接続を解除することによって)解放されない。 In one aspect, referring again to FIG. 29A, if the clinician is in the process of a procedure and needs a new battery pack to complete the procedure, the clinician (or his assistant) is fully charged. , Select one of the ready-to-use battery packs and remove it from the charging
様々な態様において、充電ステーションはまた、充電するために電池パックを充電ステーションに適切に配置しやすくするように、及び/又は電池パックと充電ステーションの充電端子との電気接点間の係合を強化し、したがって、充電プロセスの効率を増加させるように構成されてよい。例えば、充電ステーション内のウェル(又はレセプタクル)は、電池パックをどのようにウェル/レセプタクルに挿入しても、電池パックの充電端子が充電ステーションの充電端子セットのうちの1つと接触するように、多数の端子セットを有することができる。図33A及び33Bは、それぞれ電池パック2000及び充電ステーション2002の上面図を示し、電池パック2000は、方形断面形状を有し、充電ステーション2002のウェル/レセプタクル2004は、かかる方形断面形状の電池パック2000を受容する寸法である。図示した充電ステーション2002は2個のウェル/レセプタクル2004を有するが、他の構成では、充電ステーション2002は、1個のウェル/レセプタクル又は3個以上のウェル/レセプタクルを有し得る。図33Aに示すように、電池パック2000は、電池パックを充電するために充電ステーション端子が接触する正端子2006と、負端子2008と、を有する。図示した構成において、端子2006、2008は、電池パック2000上部の中心にはない。かかる電池パック2000は、4種類の構成(それぞれ90度回転し、端子2006〜2008を備える電池パック2000の側面は常に下向きであると仮定する)のうちの1つの方形形状ウェル/レセプタクル2004のうちの1つに挿入され得るため、各ウェル/レセプタクルは、ウェル/レセプタクル2004に挿入されたときの電池パック2000の挿入方向にかかわらず、中心から外れた電池パック端子2006〜2008が充電ステーション端子対2010のうちの1つと接触するように、その各ウェル/レセプタクル内に位置付けられた4対の充電端子2010を有し得る。各充電ステーション端子対2010が充電ステーションの充電回路に接続されるが、充電電流が電池パック2000に流れることができるように、電池パック端子2006〜2008と接触する1つの充電ステーション端子対2010のみが完成した回路を有する。別の構成において、図34A及び34Bに示すように、電池パック端子のうちの1つは、電池パック2000の中心にあり得る。この図示する例では、負端子2008は中心にあり、正端子2006は片側にある。ただし、別の実施形態において、反対の構成が使用され得る。充電ステーションのウェル/レセプタクルは、それに応じて、電池パック2000の負端子2008と接触するための、中心にある1つの端子2014と、電池パック2000がどの方向でウェル/レセプタクルに挿入されても、正端子2006と接触するための、中心端子2014の各側にある4つの端子2016と、を有し得る。他の幾何学形状を有する電池パックの場合、ウェル/レセプタクルにより少数の、又は多数の端子対が必要となることがある(3角形の電池パックでは2対など)。 In various embodiments, the charging station also facilitates proper placement of the battery pack in the charging station for charging and / or enhances the engagement between the battery pack and the charging terminals of the charging station. And therefore may be configured to increase the efficiency of the charging process. For example, a well (or receptacle) in a charging station can be such that no matter how the battery pack is inserted into the well / receptacle, the charging terminals of the battery pack will contact one of the charging terminal sets of the charging station. It can have a large number of terminal sets. 33A and 33B show top views of the
上記のように、外科用器具は、外科用器具への取り付け、及び/又はこれからの取り外しが可能である電池アセンブリを含み得る。電池アセンブリのかかる取り扱いは、電池アセンブリを損傷する機会を増加させ得る。例えば、電池アセンブリは、電池アセンブリの外科用器具への組み付け中、及び/又は電池アセンブリの充電ステーションへの移送中に不注意で落とされることがある。以下で更に詳細に議論するように、電池アセンブリは、万一、電池アセンブリが不注意で落とされた場合にハウジング、電池セル、及び/又は電池アセンブリの電源回路を保護するように構成され得る。 As mentioned above, the surgical instrument may include a battery assembly that can be attached to and / or removed from the surgical instrument. Such handling of the battery assembly can increase the chances of damaging the battery assembly. For example, the battery assembly may be inadvertently dropped during assembly of the battery assembly into a surgical instrument and / or during transfer of the battery assembly to a charging station. As discussed in more detail below, the battery assembly may be configured to protect the housing, battery cell, and / or power circuit of the battery assembly in the unlikely event that the battery assembly is inadvertently dropped.
ここで図38を参照すると、例えば、電池アセンブリ5000など電池アセンブリは、電池ハウジング5010と、少なくとも1つの電池セル5031及び/又は電池ハウジング5010内に位置付けられる電源回路などの複数の内部部品5030と、を備え得る。少なくとも1つの電池セル5031は、例えば、リチウムイオン電池を備えてよい。電池アセンブリ5000はまた、少なくとも1つの電池セル5031によって提供される電気エネルギーを外科用器具に伝達するように構成されている、1つ又は2つ以上の電気接点5011を備える。電池アセンブリ5000は、ユーザーが電池アセンブリ5000を外科用器具に適切に組み付けるのに役立つように構成されている、1つ又は2つ以上の位置合わせ機構5012を更に備える。位置合わせ機構5012は、例えば、外科用器具から延出する突出部と位置合わせできるスロットを備える。位置合わせ機構5012は、電池ハウジング5010の外周部に対称的に配置される。図示していないが、位置合わせ機構5012が非対称構成を備えて、電池アセンブリ5000が一方向だけで外科用器具に取り付けられるようにする他の実施形態も想定される。電池アセンブリ5000は、使用中に電池アセンブリ5000を外科用器具に固定するように構成されている、ロック機構5040を更に備える。電池アセンブリ5000が外科用器具に取り付けられているとき、電池アセンブリ5000は、外科用器具の受電接点に電気エネルギーを伝達できる。 Referring here to FIG. 38, for example, a battery assembly such as
電池ハウジング5010は、内部部品5030を収容するように構成されている容器として作用できる、及び/又は様々な構成要素をその上で支持するように構成されている支持構造として作用できる。容器及び/又は支持構造として機能する電池ハウジング5010は、その中部に位置付けられる内部部品5030を支持するために剛性であってよい。電池ハウジング5010は、例えば、プラスチック材料で構成されてよい。特定の例において、内側ハウジング5010は、例えば、エラストマー材で構成される。再び図38を参照すると、電池ハウジング5010は、上面と、底面5016と、複数の側面5015と、複数の角部5014と、を備える。底面5016は、電気接点5011と関連付けられ得る。側面5015及び角部5014は、内部部品5030を囲むように構成されている。 The
本明細書に記載する様々な実施形態は、外科用器具と共に使用するための電池アセンブリの保護に関する。再び図38を参照すると、電池アセンブリ5000は、電池ハウジング5010、内部部品5030、及び/又は電気接点5011を保護するように構成されている径方向及び/又は縦方向補強材を備える。径方向及び/又は縦方向補強材は、例えば、衝撃吸収層を含んでよい。様々な例において、衝撃吸収層は、電池ハウジング5010の側面5015、底面5016、及び/又は角部5014に加えられる衝撃力を吸収するために、電池ハウジング5010を囲んでよい。上記に加えて、又はその代わりに、衝撃吸収層は、電池ハウジング5010内に収容されてよい。また、上記に加えて、又はその代わりに、電池アセンブリ5000は、更なる保護のために外側ハウジングを更に備えてよい。外側ハウジングは、電池ハウジング5010及び衝撃吸収層を収容するように構成され得る。 The various embodiments described herein relate to the protection of battery assemblies for use with surgical instruments. With reference to FIG. 38 again, the
電池アセンブリ5000を保護するための1つの手段を図38Aに詳述するが、これは、例えば、電池ハウジング、つまり内側ハウジング5010と、衝撃吸収層5020と、を備える。上記のように、ハウジング5010は、電池アセンブリ5000の内部部品5030を支持し得る剛性材料で構成されてよい。衝撃吸収層5020は、複数のセル5024を備える格子構造5022を含んでよい。セル5024は、衝撃吸収層5020の密度を低下させ得る。セル5024は、開放セル構造及び/又は閉鎖セル構造を有し得る。更に、格子構造5022は、1つ又は2つ以上の格子層を備え得る。例えば、格子構造5022は、第1の、つまり内側格子層と、第2の、つまり外側格子層と、を含み得る。 One means for protecting the
格子構造5022は、圧力下で偏向する、及び/又は屈曲するように設計されている複数の筋交い5025を更に備える。電池アセンブリ5000が落とされる場合、衝撃力は、セル5024の圧縮、並びに筋交い5025の屈曲及び/又は偏向によって吸収される。したがって、衝撃吸収層5020は、電池ハウジング5010に依存して、いくつかの環境で、電池アセンブリ5000の内部部品5030に損傷をもたらし得るエネルギーを吸収するのではなく、衝撃及び/又は振動エネルギーを吸収できる。様々な例において、衝撃吸収層5020は、例えば、泡状構造、及び/又はエラストマー材を含んでよい。 The
様々な例において、再び図38を参照すると、セル5024は、例えば何列かに配列され、内側列のセル5026と、中間列のセル5027と、外側列のセル5028と、を有する。内側列のセル5026の各セルは、平面壁5026aを備え得る。セル5026は、セル5026の平面壁5026aが電池ハウジング5010の側面5015と少なくとも実質的に平行であるように、方向付けられる。外側列のセル5028の各セルは、平面壁5028aを備え得る。セル5028は、セル5028の平面壁5028aが、衝撃吸収層5020の外側面5029と少なくとも実質的に平行であるように、方向付けられる。内側列5026及び外側列5028の各セルの平面壁5026a、5028aをこのような方法で方向付けると、耐衝撃性のより高い衝撃吸収層5020を形成することができる。衝撃吸収層5020は、電池ハウジング5010の角部5014に向けられた衝撃力を吸収できる、電池ハウジング5010の角部5014の付近に位置付けられた角部を備えてよい。角部5020は互いに連結されていないが、角部5020が互いに連結され得る実施形態も想定される。 In various examples, referring again to FIG. 38,
様々な例において、電池アセンブリ5000は、複数の衝撃吸収要素5020を備える。衝撃吸収要素5020は、電池アセンブリ5000の角部5014を保護するように位置付けられる。様々な例において、衝撃力は角部5014により集中し、このことは、電池ハウジング5010及び/又は内部部品5030を損傷する危険性を増加させ得る。衝撃吸収要素5020は、例えば、電気接点5011に対する損傷を阻止し、電池アセンブリ5000を更に保護するために、電池ハウジング5010の底面5016を超えて延在する端部5021を備える。底面5016が地面と少なくとも実質的に平行になるような方向で電池アセンブリ5000が落とされる場合、端部5021のうちの1つ又は2つ以上は、衝撃力を吸収し、衝撃エネルギーを消散させ得る。 In various examples, the
電池アセンブリは、電池アセンブリ5000が不注意で落とされた場合など、衝撃力を経験した後に使用可能であることが望ましいことがある。かかる例において、衝撃吸収要素5020は、電池アセンブリ5000が、外科用器具の電池受容部に適切に適合する能力を保持でき、電池アセンブリ5000が落とされたとしても、電気エネルギーをなお外科用器具の受電接点に伝達できるように構成される。衝撃吸収要素5020は、衝撃力が加えられたときに変形するように構成されているクランプルゾーンを備えてよい。少なくとも1つの例において、クランプルゾーンは、衝撃力がクランプル力閾値を下回った場合、永久的に変形しない、又は少なくとも実質的に永久的に変形しないことがある。かかる例において、クランプルゾーンは、衝撃力がクランプル力閾値を満たしたか、又はこれを超えた場合のみ永久的に変形してよい。クランプルゾーンは、電池アセンブリ5000の中心に向かう衝撃吸収要素5020の変形方向を制限してよい。この内側への変形は、電池アセンブリ5000に外科用器具の電池受容部に適合しない形状を取得させる外側への変形を阻止することにより、電池アセンブリ5000が外科用器具の電池受容部に適合する能力を維持できる。 It may be desirable for the battery assembly to be usable after experiencing an impact force, such as when the
様々な例において、衝撃吸収要素5020は、衝撃吸収要素5020の交換を必要とする過大な変形を経験することがある。衝撃吸収要素5020に交換が必要な場合には、電池アセンブリ5000は、外科用器具のユーザーが電池アセンブリ5000から損傷した衝撃吸収要素を取り外し、次いで使用可能な衝撃吸収要素をそこに取り付けることができるように構成され得る。以下で更に詳述するように、衝撃吸収要素5020は、適時に交換できることが好ましい場合がある。衝撃吸収要素5020の交換に必要な時間を最低限に抑えることは、外科手術で別のタスクを行うときに重要であり得る。 In various examples, the
衝撃吸収要素5020を電池アセンブリ5000に組み付けることは、衝撃吸収要素5020の交換が必要なときに必要であり得る。様々な例において、衝撃吸収要素5020は、電池ハウジング5010内の対応するスロット5013へと摺動する、及び/又はこれに差し込まれるように構成されている1つ又は2つ以上の突出部5023を備える。スロット5013は、衝撃吸収要素5020の交換が必要な場合に、新しい、及び/又は使用可能な衝撃吸収要素の突出部5023を受容するように構成されている。様々な例において、突出部5023及びスロット5013は、突出部5023が、ハウジング5010の角部に沿ってスロット5013内を摺動できるようにする圧入部をその間に備え得る。少なくとも1つの例において、突出部5023及びスロット5013は、その間に押し込み嵌め部を備え得る。様々な例において、衝撃吸収要素5020は、スナップ嵌め式で電池ハウジング5010に取り付けられてよい。少なくとも1つの例において、電池ハウジング5010は、スナップ嵌め式で突出部5023を受容するように構成されている開口部を備えてよい。特定の例において、突出部5023は、スナップ嵌め式で径方向にスロット5013の中に入ることができる。上記に加えて、又はその代わりに、衝撃吸収要素5020は、例えば、接着剤を使用してハウジング5010に取り付けられてよい。 Assembling the
様々な例において、電池アセンブリ5000は、衝撃吸収キャップ5050を更に備える。衝撃吸収キャップ5050は、電池アセンブリ5000の外端5002に位置付けられる。衝撃吸収キャップは、電池アセンブリ5000が外科用器具に完全に固定されたときに外科用器具と接触するように構成されている肩部5051を備える。肩部5051は、例えば、停止部として作用し得、電池アセンブリ5000の完全固定位置を画定し得る。様々な例において、肩部5051は、衝撃吸収要素5020と接するように構成されている。電池アセンブリ5000が外科用器具に取り付けられる場合、衝撃時に上面が地面と少なくとも実質的に平行になるような方向で外科用器具が落とされる場合、衝撃吸収キャップ5050は、電池アセンブリ5000及び/又は外科用器具を保護できる。一方、電池アセンブリ5000が外科用器具に取り付けられていない場合、上面が地面と少なくとも実質的に平行になるような方向で電池アセンブリ5000が落とされ場合、衝撃吸収キャップ5050はなお電池アセンブリ5000を保護する。 In various examples, the
電池アセンブリ5000の部分断面図を図39に示す。衝撃吸収キャップ5050は、格子構造又はセル構造を備えてよく、複数のセル5052を備える。衝撃吸収キャップ5050は、衝撃吸収層5020の材料と同様の材料で構成され得る。より集中した衝撃力を消散させ得る、電池アセンブリ5000の外縁部5054の付近では、より密度の高い格子構成5055が使用される。衝撃吸収キャップ5050は、中心部5053に加えられた衝撃力によって生じた衝撃エネルギーを吸収するように構成されている、柱状格子構成5056を備える中心部5053を備える。様々な例において、柱状格子構成5056は、広範囲に加えられた衝撃力を消散させるように構成されている。 A partial cross-sectional view of the
様々な例において、衝撃吸収キャップ5050は、衝撃力が加えられたときに変形するように構成されているクランプルゾーンを備えてよい。衝撃吸収キャップ5050は、電池アセンブリ5000が落とされたときに、クランプルゾーンを使用して、例えば、電池アセンブリ5000が床で跳ね返らないように設計され得る。 In various examples, the
衝撃吸収キャップ5050は、容易に交換可能であってよい。衝撃吸収キャップ5050が、衝撃吸収キャップ5050の交換を必要とする過大な変形を経験する場合、電池アセンブリ5000は、外科用器具のユーザーが電池アセンブリ5000から損傷した衝撃吸収キャップを取り外し、使用可能な衝撃吸収キャップを取り付けることができるように構成され得る。 The
様々な例において、衝撃吸収要素5020は、テザーで中間部に連結され得る。中間部は、電池ハウジング5010の側面5015及び/又は位置合わせ機構5012を保護するように構成され得る。当然のことながら、衝撃力が電池ハウジング5010の側面5015の表面積全体に加えられる場合、同じ衝撃力がより小さい表面積を有する電池ハウジング5010の角部5014に加えられるとしたら、衝撃力によって生じる応力はこれよりも小さくなるであろう。換言すると、衝撃力が分配される表面積が大きいほど、応力及び応力の集中度は低くなる。したがって、衝撃吸収要素5020間の中間部は、衝撃吸収要素5020ほどの構成を備える必要がない場合がある。少なくとも1つの例において、結果として、中間部は、衝撃吸収要素5020よりも薄い構成であってよいが、中間部が衝撃吸収要素5020と同一の構成、及び/又はこれよりも厚い構成である様々な実施形態も想定される。 In various examples, the
電池アセンブリ5000の衝撃吸収要素5020のそれぞれは、類似の構造を有するが、衝撃吸収要素5020のうちの1つ又は2つ以上が他と異なってよい他の実施形態も想定される。少なくとも1つのかかる例において、衝撃吸収要素5020のうちの少なくとも1つは、電池アセンブリ5000を特定の方向に落下させて着地させ得る、中に位置付けられた、例えば、金属製のおもりなど追加のおもりを備え得る。かかる効果は、例えば、1つ又は2つ以上のおもりを電池ハウジング5010に配置することによっても達成され得る。 Other embodiments are also envisioned in which each of the
多くの点で電池アセンブリ5000と類似する電池アセンブリ5100を図40に示す。電池アセンブリ5100は、衝撃及び/又は熱による損傷から電池アセンブリ5100の内部部品5030を保護するための手段を備え得る。衝撃から電池アセンブリ5100を保護するための様々な手段については、上記に記載する。図40AのQで示す熱は、電池ハウジング5110を通過し得、例えば、電池ハウジング5110に位置付けられた電池セル5031によって吸収され得る。 A battery assembly 5100, which is similar to the
当然のことながら、熱は、温度の高い環境から温度の低い環境へと流れる。典型的な滅菌条件下では、電池アセンブリ5100は高温に曝露される。その結果、熱は、滅菌室から電池アセンブリ5100へと流れ込む。しかしながら、いくつかの環境において、電池アセンブリ5100は不適切に滅菌されることがあり、過剰な温度に曝露されることがある。電池セル5031のうちの少なくとも1つが、損傷を与える量の熱Qを吸収する及び/又は保持する場合、電池セル5031は、熱暴走イベント及び故障を経験することがある。 Unsurprisingly, heat flows from a hot environment to a cold environment. Under typical sterilization conditions, the battery assembly 5100 is exposed to high temperatures. As a result, heat flows from the sterilization chamber into the battery assembly 5100. However, in some environments, the battery assembly 5100 may be improperly sterilized and exposed to excessive temperature. If at least one of the
ここで図40Aを参照すると、電池ハウジング5110は、熱反射シェル、又はシールド5111と、衝撃吸収層5112と、ヒートシンク層5113と、を備える。反射シェル5111は、例えば、不適切な滅菌によって生じた熱Qの移動を反射する、及び/又は遮断するように構成されている。様々な例において、反射シェル5111は、例えば、ポリマー及び/又はセラミック材料など熱伝導率の低い材料で構成されてよい。低熱伝導率を有する材料は、通常、低熱膨張率を有する。低熱伝導率を有する材料はまた、絶縁層として良好に機能する。いずれにしても、反射シェル5111は、熱を反射して電池アセンブリ5100から遠ざけ得る反射性外側面を備え得る。反射性外側面は、例えば、研磨されたアルミニウムなど研磨された金属で構成され得る。 Here, referring to FIG. 40A, the
上記に加えて、ヒートシンク層5113は、反射シェル5111を通過する熱を吸収するように構成されている。ヒートシンク層5113はまた、例えば、電池セル5031が再充電されるときに電池セル5031によって生じた熱を吸収するように構成され得る。いくつかの例において、電池セル5031は、その過充電及び/又は過剰使用により、非典型的な熱量を生じさせることがある。様々な例において、ヒートシンク層5113は、例えば、金属などの高熱伝導率を有する材料で構成され得る。高熱伝導率を有する任意の好適な材料を使用して、少なくとも1つの電池セル5031によって生じた熱を吸収できる。更に、高熱伝導率を有する材料は、通常、高熱膨張率を有する。 In addition to the above, the
上記に加えて、電池セル5031は、充電されるにつれて膨張し得る。膨張する電池セル5031は、ヒートシンク層5113を外向きに押し得る。更に、ヒートシンク層5113は、その高い熱膨張率により外向きに急速に膨張し得る。電池セル5031及びヒートシンク層5113のかかる外向きの動作は、反射シェル5111に向かって衝撃吸収層5112を押し、反射シェル5111に圧力を加え得る。かかる応力は、特に、反射シェル5111がヒートシンク層5113よりも低い熱膨張率を有する材料で構成されている実施形態において、反射シェル5111、ヒートシンク層5113、及び電池セル5031内で応力を生じさせ得る。かかる例において、ヒートシンク層5113は反射シェル5111よりも膨張し得、したがって、反射シェル5111、ヒートシンク層5113、及び電池セル5031内で更なる応力を生じさせる。 In addition to the above,
衝撃吸収層5112は電池ハウジング5110への損傷を阻止しつつ、電池セル5031が膨張できるように構成されている。衝撃吸収層5112は電池ハウジング5110の自由度として作用し、ヒートシンク層5113及び少なくとも1つの電池セル5031が、電池アセンブリ5100の支持能力を維持しつつ、熱の移動により膨張できる、及び/又は収縮できるようにすることにより、電池セル5031の膨張及び/又は収縮を管理するために、膨張してよい、及び/又は収縮してよい。様々な例において、衝撃吸収層5112の膨張及び収縮は、電池ハウジング5110への損傷を阻止し得る。衝撃吸収層5112は、熱衝撃及び衝撃を吸収できる。 The
ここで図41及び42を参照すると、外科用器具システム5300は、複数のシャフトアセンブリから選択されたシャフトアセンブリで使用可能なハンドル5310を含む。上記に加えて、かかるシャフトアセンブリのうちの1つ又は2つ以上は、例えば、ステープルカートリッジを含み得る。ハンドル5310は、ハウジング5312と、第1の回転可能駆動出力部5340と、第2の回転可能駆動出力部5350と、を備える。ハンドル5310は、第1の回転可能駆動出力部5340を作動させるための第1のアクチュエータ5314と、第2の回転可能駆動出力部5350を作動させるための第2のアクチュエータ5315と、を更に含む。ハンドルハウジング5312は、中に電池を受け入れるように構成されている電池キャビティ5311を備える。電池は、例えば、リチウムイオン電池など任意の好適な電池であり得る。様々な例において、電池は、電池キャビティ5311の中に挿入可能であり、かつそこから取り外し可能である。多くの例において、かかる電池は、例えば、追加電源、及び/又はテザーで連結された電源で補完することなく、外科用器具システム5300を動作させる電力をハンドル5310に供給できる。かかる設計は、多くの理由により有利であり得る。例えば、外科用器具システム5300が電源にテザーで連結されていない場合、外科用器具システム5300全体が、手術室の滅菌区画に存在し得る。しかしながら、かかる電池は、有限量の電力しか供給できない。多くの例において、電池が供給できる有限量の電力は、外科用器具システム5300が動作するのに十分である。一方、電池が外科用器具システム5300に必要な電力を供給できない場合があり得る。 With reference to FIGS. 41 and 42, the
再び図41を参照すると、ハンドル5310の電池キャビティ5311内に位置付けられた電池は取り外されて、例えば、電源アダプタ5360と交換され得る。電源アダプタ5360は、電池キャビティ5311内に位置付けられることができる遠位プラグ5361を備える。遠位プラグ5361は、ハンドル5310内の対応する電気接点5316と係合可能である複数の電気接点5366を備える。様々な例において、電池及び遠位プラグ5361は、電池キャビティ5311内に位置付けられた電気接点に応じて、同一の電気接点5316を係合できる。かかる例において、ハンドル5310は、電池又は電源アダプタ5360がハンドル5310と係合するかどうかにかかわらず、あるセットの電気接点5316から電力供給され得る。他の例において、電池は、第1のセットの電気接点5316に係合し、遠位プラグ5361は、異なるセットの電気接点5316を係合する。かかる例において、ハンドル5310のマイクロプロセッサは、電池又は電源アダプタ5360がハンドル5310と結合されているかどうかを識別するように構成され得る。 With reference to FIG. 41 again, the battery located in the
電源アダプタ5360の遠位プラグ5361は、遠位プラグ5361が電池キャビティ5311内に位置付けられ得る限り任意の好適な形状を備え得る。様々な例において、遠位プラグ5361は、例えば、電池と同一の幾何学形状を備え得る。特定の例において、遠位プラグ5361のハウジングは、電池のハウジングと相似である、又は十分に類似である。いずれにしても、遠位プラグ5361は、遠位プラグ5361が電池キャビティ5311に完全に固定されると、遠位プラグ5361と電池キャビティ5311との間での相対運動が、存在するにしてもほとんどないように構成され得る。少なくとも1つの例において、遠位プラグ5361は、ハンドルハウジング5312上に画定された停止基準5318と接触するように構成されている停止部5368を備える。停止プラグの停止部5368がハンドル停止基準5318と接触すると、プラグ5361は、電池キャビティ5311に完全に固定され得る。ハンドル5310及び/又はプラグ5361は、プラグ5361をその完全固定位置に保持するように構成されているロックを備え得る。例えば、プラグ5361は、ハウジング5312を解放可能に係合するように構成されている、少なくとも1つのロック5362を備える。 The
電源アダプタ5360は、プラグ5361から延出するコード5363を更に備える。コード5363は、例えば、電源5370などの電源とプラグ5361を電気的に結合する。電源5370は、例えば、110V、60Hzの電源及び/又は電池から受電する、信号発生装置などの任意の好適な電源を備え得る。コード5363は、任意の好適な数の導体及び絶縁体を備えて、電源5370からプラグ5361に電力を伝送する。少なくとも1つの例において、コード5363は、例えば、絶縁ジャケットによって互いから電気的に絶縁されている、供給導体と、帰路導体と、接地導体と、を備える。コード5363の各導体は、例えば、近位プラグ5369内に含まれる近位端子を備え得る。様々な例において、近位プラグ5369は、電源5370に解放可能に取り付けられ得る。特定の他の例において、近位プラグは、電源5370から容易に取り外されなくてよい。 The
様々な例において、電源5370は、例えば、直流(DC)電源を備え得る。かかる例において、電池及び電源アダプタ5360はいずれも、ハンドル5310に電気的に結合されているかに応じて、ハンドル5310にDC電力を供給できる。電源アダプタ5360及び電源5370は、電池がハンドル5310に供給できる電力と等しい、及び/又はそれを上回る電力をハンドル5310に連携して供給できる。少なくとも1つの例において、外科用器具システム5300の一部としてハンドル5310を使用する外科医は、ハンドル5310は動力不足であると判定し、ハンドル5310から電池を取り外し、電源アダプタ5360をハンドル5310に結合してよい。次いで電源5370は、電源アダプタ5360を介してハンドル5310に十分な電力を供給して、所望の方法で外科用器具システムを動作させるように動作することができる。様々な例において、電源5370は、例えば、ハンドル5310により大きい電圧を供給できる。 In various examples, the
特定の例において、電源5370は、交流(AC)電源を備え得る。少なくとも1つのかかる例において、電源アダプタ5360は、電源5370によって供給されたAC電力をDC電力に変換するように構成されている、交流−直流(AC/DC)電力コンバータを含み得る。かかる例において、電池及び電源アダプタ5360はいずれも、どちらがハンドル5310に電気的に結合されているかに応じて、ハンドル5310にDC電力を供給できる。AC/DC電力コンバータは、例えば、変圧器、全波ブリッジ整流器、及び/又はフィルタコンデンサを含み得るが、任意の好適なAC/DC電力コンバータを使用することができる。AC/DC電力コンバータは、プラグ5361内に位置付けられるが、AC/DC電力コンバータは、電源アダプタ5360内で、例えば、ケーブル5363など任意の好適な位置に位置付けられ得る。 In certain examples, the
様々な例において、ハンドル5310は、電源アダプタ5360のAC/DC電力コンバータに加えて、又はその代わりにAC/DC電力コンバータを含む。かかる実施形態は、上記の電池接点5316の2重セットを実施できる。少なくとも1つのかかる実施形態において、電池電源回路は、(1)電池によって係合される第1のセットの接点5316を含む第1の回路セグメントと、(2)電源アダプタ5360によって係合される第2のセットの接点5316を含み、第1の回路セグメントと平行である第2の回路セグメントと、を備え得る。第2の回路セグメントは、電源5370によって供給されたAC電力をDC電力に変換するように構成されているAC/DC電力コンバータを含み、第1の回路セグメントは、電池がDC電力を供給するように既に構成されているために、AC/DC電力コンバータを含まない。 In various examples, the
再び図41を参照すると、ハンドル5310は、滅菌手術区画5301内にあり得、電源5370は、非滅菌区画5302内にあり得る。かかる例において、電源アダプタ5360は、滅菌区画5301と非滅菌区画5302との間に延在し得る。滅菌区画5301と非滅菌区画は、境界5303によって区切られる。境界5303は、例えば、壁などの物理的境界、又は例えば、滅菌手術台と非滅菌背面テーブルの中間などの仮想境界であってよい。 With reference to FIG. 41 again, the
電源アダプタ5360を使用するためには、電池キャビティ5311内に位置付けられた電池は、電源アダプタ5360のプラグ5361を電池キャビティ5311内に取り付けるために取り外す必要がある。電源アダプタがハンドル5310と動作可能に結合されるときに、電池が電池キャビティ5311に留まることができる別の実施形態も想定される。ここで図42を参照すると、電池5461は、電池キャビティ5311内に位置付けることができる。ロック5362が無効になると、電池5461は、電池キャビティ5311から容易に取り外すことができるが、電池5461が電池キャビティ5311から容易に取り外すことができない実施形態も想定される。プラグ5361と同様に、電池5461が電池キャビティ5311に完全に固定されたときに、電池5461と電池キャビティ5311との間での相対運動を制限するために、電池5461は、電池キャビティ5311に緊密に受容される寸法であり、そのように構成され得る。また、プラグ5361と同様に、電池5461は、ハンドル5310の停止基準5318と接触するように構成されている端止め5468を備える。 In order to use the
電池5461は、例えば、その中に位置付けられた1つ又は2つ以上のリチウムイオン電池セルを備える。上記と同様に、電池5461は、ハンドル5310に十分な電力を供給して、様々な例において外科用器具システムを動作させることができる。外科用器具システムを動作させるために必要な電力が電池5461の電池セルで不足している場合は、電源アダプタ5460を電池5461に結合できる。電源アダプタ5460は、多くの点において電源アダプタ5360と類似している。上記と同様に、電源アダプタ5460は、例えば、電源5370などの電源に接続され得る近位端5369を含むコード5463を備える。電池5461は、その中に画定され、コード5463の遠位コネクタ5465を受容して、電源5370を電池5461に電気的に結合するように構成されている電気コネクタ5464を含む。 The
少なくとも1つの例において、上記に加えて、電源アダプタ5460は、アダプタコネクタ5465が電池コネクタ5464に挿入されるときに、電池5461のセルと直列で配置され得る。かかる例において、電池5461及び電源5370はいずれも、ハンドル5310に電力を供給できる。図43は、かかる実施形態を示す。図43に開示するように、電池5461’は、ハンドル5310にDC電力を供給するように構成されている、1つ又は2つ以上の電池セル5470’を含む電源回路を備える。電源アダプタ5460が電池5461’に電気的に結合されているとき、電源5370は、(1)再充電回路5471’を介して電池セル5470’を再充電できる、及び/又は(2)電池セル5470’がハンドル5310に供給している電力を補完できる。電源5370がAC電源を備える例において、電池5461’は、電力が充電回路5471’及び/又は電池セル5470’に供給される前に、電源5370によって供給されたAC電力をDC電力に変換するように構成されている、AC/DC変圧器5467’を備え得る。電池内の電源回路は、互いに直列である電池コネクタ5464、AC/DC変圧器5467’、充電回路5471’、電池セル5470’、及び電池端子5366を備えるが、電源回路に好適な任意の構成を使用できる。 In at least one example, in addition to the above, the
他の例において、アダプタコネクタ5465の電池コネクタ5464への挿入は、電源5370をハンドル5310と電気的に結合させ、同時に、電池5461の電池セルをハンドル5310から電気的に分離できる。図44は、かかる実施形態を示す。図44に開示するように、電池5461’’は、ハンドル5310にDC電力を供給するように構成されている、1つ又は2つ以上の電池セル5470’’を含む電源回路を備える。電池セル5470’’は、アダプタコネクタ5465が電池コネクタ5464内に位置付けられていないとき、第1の回路セグメント5472’’及び電池スイッチ5474’’を介して電池接点5366と電気的に連通する。かかる例において、電池スイッチ5474’’は第1のスイッチ状態である。アダプタコネクタ5465の電池コネクタ5464への挿入は、図44に示すように、スイッチ5474’’を第2のスイッチ状態にし、電池セル5470’’は、これ以上接点5366に電力を供給できない。加えて、電源アダプタ5460及び電池コネクタ5464は、電池スイッチ5474’’がその第2のスイッチ状態にあるとき、第2の回路セグメント5473’’及び電池スイッチ5474’’を介して電池接点5366と電気的に連通する。電源5370がAC電源を備える例において、電池5461’’の第2の回路セグメント5473’’は、電源5370によって供給されたAC電力をDC電力に変換するように構成されているAC/DC変圧器5467’’を備え得る。 In another example, insertion of the
上記のように、再び図44を参照すると、電池スイッチ5474’’は、スイッチ5474’’がその第の1スイッチ状態にあるときに、電池セル5470’’を含む第1の並列回路セグメント5472’’を選択的に電池接点5366と電気的に連通させる、あるいは、スイッチ5474’’がその第2のスイッチ状態にあるときに、電池コネクタ5464及びAC/DC変圧器5467’’を含む第2の並列回路セグメント5473’’を選択的に電池接点5366と電気的に連通させるように動作できる。電池スイッチ5474’’は、以下で更に詳述するように、機械的スイッチ、電気機械的スイッチ、及び/又は電子スイッチを備え得る。 As mentioned above, with reference to FIG. 44 again, the battery switch 5474'' contains a first parallel circuit segment 5472' including the battery cell 5470'' when the switch 5474'' is in its first switch state. A second that includes the
機械的電池スイッチ5474’’は、例えば、スイッチ5474’’の第1のスイッチ状態に関連する第1の位置と、スイッチ5474’’の第2のスイッチ状態に関連する第2の位置との間に押し込まれるスライド式母線を備え得る。スライド式母線の第1の位置では、母線は、第1の回路セグメント5472’’を電池接点5366と結合させるが、第2の回路セグメント5473’’を電池接点5366とは結合させない。スライド式母線の第2の位置では、母線は、第2の回路セグメント5473’’を電池接点5366と結合させるが、第1の回路セグメント5472’’を電池接点5366とは結合させない。電池5461は、例えば、ばねなどの付勢部材を更に備え得、この付勢部材は、母線をその第1の位置へと付勢し、したがって、電池スイッチ5474’’をその第1のスイッチ状態へと付勢するように構成されている。上記に加えて、アダプタコネクタ5465は、アダプタコネクタ5465が電池コネクタ5464に挿入され、母線をその第1の位置からその第2の位置へと押し込み、スイッチ5474’’をその第2のスイッチ状態にするとき、スイッチ5474’’の母線と接触し得る。アダプタコネクタ5465が電池コネクタ5464から取り外されると、付勢部材は母線をその第1の位置に戻し、電池セル5470’’を電池接点5366と電気的に再結合させることができる。特定の別の実施形態において、アダプタコネクタ5465の電池コネクタ5464への挿入は、電池接点5466から電池セル5470’’を永久的に分離してよい。少なくとも1つのかかる実施形態において、電池5461’’は、アダプタコネクタ5465によって母線がその第2の位置に押し込まれると、母線をその第2の位置に保持するように構成されているロックを備え得る。かかる実施形態は、電池5461’’を再利用して、電池セル5470’’から電力を供給できないように、永久的なロックアウトを提供できる。これは、ハンドル5310に十分な電力を供給できなかった電池を再利用する、及び/又は再充電することは、望ましくない、及び/又は信頼性に欠けることがあるためである。 The mechanical battery switch 5474'' is located, for example, between a first position associated with a first switch state of switch 5474'' and a second position associated with a second switch state of switch 5474''. It may have a sliding bus that is pushed into. At the first position of the sliding bus, the bus couples the
電気機械的スイッチ5474’’は、例えば、リレーを備え得る。リレーは、アダプタコネクタ5465が電池コネクタ5464内に位置付けられていないときに、第1のリレー状態へと付勢され得る。アダプタコネクタ5465が電池コネクタ5464に電気的に結合されると、リレーは、第2のリレー状態に切り換えられ得る。リレーは、ワイヤコイルと、アダプタコネクタ5465の接点が例えば、電池コネクタ5464とインタフェースをとるときに作動するアーマチュアと、を含み得る電磁石を備え得る。少なくとも1つの例において、電源アダプタ5460は、リレーのコイルに十分な電圧を供給して、リレーのアーマチュアをその第1のスイッチ状態とその第2のスイッチ状態との間で移動させることができる電源回路に加えて、リレー制御回路を備え得る。様々な例において、スイッチ5474’’は、例えば、ラッチリレーを備え得る。少なくとも1つの例において、スイッチ5474’’は、例えば、マイクロプロセッサ及び制御回路によって電子的に制御され得る、例えば、接触器を備え得る。 The
特定の電子スイッチは、例えば、ソリッドステートリレーなどの任意の移動部品を有してよい。ソリッドステートリレーは、例えば、サイリスタ、トライアック、及び/又は任意の他のソリッドステートスイッチング装置を使用し得る。ソリッドステートリレーは、例えば、電源5370からの制御信号で作動して、電池接点5366に供給される負荷を電池セル5470’’から電源5370に切り換え得る。少なくとも1つの例において、ソリッドステートリレーは、例えば、接触器式ソリッドステートリレーを含み得る。様々な例において、電子スイッチは、例えば、マイクロプロセッサと、電池コネクタ5464の接点に電力が供給されているかどうかを検出するマイクロプロセッサと信号連通するセンサと、を備える。少なくとも1つの例において、センサは、電池コネクタ5464の接点に電圧が加えられたときに生じる場を誘導検出するように構成され得る。特定の例において、マイクロプロセッサは、例えば、電源5370から受信した制御信号に応答し、第1のリレー状態と第2のリレー状態との間でリレーを切り換えて、第1の並列回路セグメント5472’’又は第2の並列回路セグメント5473’’がそれぞれ電池接点5366と電気的に連通しているかどうかを制御し得る。 The particular electronic switch may have any moving component, such as a solid state relay. Solid-state relays may use, for example, thyristors, triacs, and / or any other solid-state switching device. The solid state relay can, for example, operate on a control signal from the
上記に加えて、電源アダプタ5460は、AC/DC電力コンバータを含み得る。電源アダプタ5460は、コード5463にAC/DC電力変圧器5467を含むが、AC/DC電力変圧器は、電源アダプタ5460の任意の好適な位置に配置されてよい。 In addition to the above, the
様々な例において、電源アダプタ供給システムは、例えば、電池5361、5461、5461’、及び/又は5461’’などの電池と、例えば、電源アダプタ5360及び/又は5460などの電源アダプタと、を含み得る。 In various examples, the power adapter supply system may include, for example, batteries such as
ここで図45〜47を参照すると、外科用器具システムのハンドル5510は、把持部、つまりピストルグリップ5511と、ハウジング5512と、を備える。ハンドル5510は、例えば、電池セル5470など、把持部5511内に位置付けられた1つ又は2つ以上の電池を更に備える。多くの例において、電池セル5470は、ハンドル5510に十分な電力を供給して、外科用器具システムを動作させ得る。他の例において、電池セル5470は、ハンドル5510に十分な電力を供給できないことがある。かかる例において、以下で更に詳述するように、例えば、補助電池5560などの補助電池は、ハンドル5510に取り付けられてハンドル5510に電力を供給し得る。 With reference to FIGS. 45-47, the
上記に加えて、主として図47を参照すると、電池セル5470は、電池電源回路5513の一部として直列に配置される。電池電源回路5513は、ハウジング5512に画定された電気コネクタ5516と電気的に連通している。電気コネクタ5516は、任意の好適な数の電気接点を備え得る。少なくとも1つの例において、電気コネクタ5516は、例えば、2つの電気接点を備える。電気コネクタ5516は把持部5511の端部に位置付けられているが、電気コネクタ5516は、ハンドル5510の任意の好適な任意の好適な位置に位置付けられ得る。 In addition to the above, primarily with reference to FIG. 47, the
ハンドル5510は、コネクタカバー5517を更に備える。コネクタカバー5517は、電気コネクタ5516を被覆する第1の位置と電気コネクタ5516が露出する第2の位置との間で移動可能である。ハウジング5512は、コネクタカバー551を摺動自在に受容し、支持するように構成されている、その中に画定されたスロット5518を備える。ハンドル5510は、ハウジング5512とコネクタカバー5517との中間でスロット5518内に位置付けられる、例えば、ばね5519などの付勢部材を更に備える。ばね5519は、コネクタカバー5517を第1の位置へと付勢して、電気コネクタ5516を被覆するように構成されている。 The
上記のように、補助電池5560はハンドル5510に取り付けることができる。補助電池5560は、ハウジング5562と、その中に位置付けられた、例えば、電池セル5570など、1つ又は2つ以上の電池セルと、を備える。電池セル5570は、補助電池供給回路5563の一部として直列に配置される。補助電池供給回路5563は、電池ハウジング5562に画定された電気コネクタ5566と電気的に連通する。電気コネクタ5566は、電気コネクタ5516と同数の電気接点を備え、電気コネクタ5516の電気接点と噛合対を形成するように構成されている。 As described above, the
補助電池5560のハウジング5562は、その中に画定されたキャビティ、つまりレセプタクル5561を更に備え、このキャビティは、ハンドル5510の把持部5511を受容するように構成されている。キャビティ5561は、補助電池5560がそこに完全に組み付けられると、補助電池5560とハンドル5510との間での相対運動がほとんどない、又は全くないように、把持部5511を緊密に受容するように構成されている。補助電池5560はハンドル5510に組み付けられるため、ハウジング5562はコネクタカバー5517と接触し、コネクタカバー5517をその第2の位置に押し込んで、電気コネクタ5516を露出させる。電気コネクタ5516の接点が少なくとも部分的に露出すると、電気コネクタ5566の接点は、電気コネクタ5516の接点を係合できる。かかる時点において、補助電池供給回路5563は、電池電源回路5513と電気的に結合している。 The
電気コネクタ5516及び5566は、補助電池5560が把持部5511上で完全に固定されるまで互いに係合しないように、位置付けられ、配置され得る。他の実施形態において、電気コネクタ5516及び5566は、補助電池5560が把持部5511で完全に固定される前に互いに係合するように、位置付けられ、配置され得る。いずれにしても、ハンドル5510のハウジング5512及び/又は補助電池5560のハウジング5562は、補助電池5560をハウジング5510に保持するように構成されているロックを備え得る。ロックは、補助電池5560をハンドル5510から容易に取り外すことができるように解放可能であるが、ロックが補助電池5560をハンドル5510から容易に取り外せないようにする実施形態も想定される。 The
上記のように、補助電池5560がハンドル5510に組み付けられると、補助電池供給回路5563は、電池電源回路5513に電気的に結合される。様々な例において、補助電池セル5570はハンドル電池セル5470と直列に配置され、ハンドル5510が使用可能な電力を増加させ得る。かかる実施形態は、例えば、ハンドル電池セル5470が使用により消耗したときに有用であり得る。他の例において、補助電池5560の補助電池セル5570は、ハンドル5510の電池セル5470と並列に配置される。少なくとも1つのかかる例において、補助電池セル5570がハンドル5510と電気的に結合しているときに、ハンドル電池セル5470は、ハンドル5510から電気的に分離され得る。かかる実施形態は、ハンドル電池セル5470でショートが生じたときに有用であり得る。ハンドル5510の様々な実施形態は、ユーザーが補助電池セル5570をハンドル電池セル5470と直列又は並列に選択的に配置できるようにするスイッチを含み得る。 As described above, when the
実施例1−外科用装置であって、取り付け部を備えるハンドルモジュールを備え、着脱可能シャフトモジュールは、一括して外科的処置を実行するために取り付け部に取り付けることができ、ハンドルモジュールは、着脱可能シャフトモジュールを駆動させるための回転駆動システムと、回転駆動システムに電力供給するために回転駆動システムに結合された電気モータと、1つ又は2つ以上のセンサと、を備える、外科用装置。ハンドルモジュールは、1つ又は2つ以上のセンサ及び電気モータと通信しているハンドルモジュールプロセッサ回路を更に備え、ハンドルモジュールプロセッサ回路は、電気モータの制御、1つ又は2つ以上のセンサからの入力に基づいた、ハンドルモジュールの寿命末期パラメータの追跡、及び寿命末期パラメータのカウントの維持を行うようにプログラミングされている。 Example 1-A surgical device comprising a handle module with an attachment, a removable shaft module that can be attached to the attachment to perform a surgical procedure in bulk, and a handle module that is detachable. Possible A surgical device comprising a rotary drive system for driving a shaft module, an electric motor coupled to the rotary drive system to power the rotary drive system, and one or more sensors. The handle module further comprises one or more sensors and a handle module processor circuit communicating with the electric motor, which controls the electric motor and inputs from one or more sensors. It is programmed to track end-of-life parameters of handle modules and maintain end-of-life parameter counts based on.
実施例2−寿命末期パラメータのカウントが閾値に達したとハンドルモジュールプロセッサ回路が判定するときに寿命末期動作を行うための、ハンドルモジュールプロセッサ回路と通信する手段を更に備える、実施例1の外科用装置。 Example 2-Surgical Example 1 further comprising means of communicating with the handle module processor circuit to perform end-of-life operation when the handle module processor circuit determines that the end-of-life parameter count has reached a threshold. apparatus.
実施例3−寿命末期動作を行うための手段は、寿命末期パラメータが閾値に達していることを示す情報を外科用装置のユーザーに表示するディスプレイを備える、実施例2の外科用装置。 Example 3-The surgical device of Example 2, wherein the means for performing the end-of-life operation comprises a display that displays to the user of the surgical device information indicating that the end-of-life parameter has reached a threshold.
実施例4−ディスプレイがカウントを表示する、実施例3の外科用装置。 Example 4-The surgical device of Example 3, wherein the display shows the count.
実施例5−ディスプレイが、閾値に達する前に、ハンドルモジュールの残存使用回数を示すインジケータを表示する、実施例3又は4の外科用装置。 Example 5-The surgical apparatus of Example 3 or 4, wherein the display displays an indicator indicating the number of remaining uses of the handle module before the threshold is reached.
実施例6−寿命末期動作を行うための手段が、以降の外科的処置のためにハンドルモジュールを無効化するための手段を含む、実施例2、3、4、又は5の外科用装置。 Example 6-The surgical device of Example 2, 3, 4, or 5, wherein the means for performing end-of-life movements includes means for disabling the handle module for subsequent surgical procedures.
実施例7−ハンドルモジュールを無効化するための手段が、電気モータの動作を無効化するための手段を含む、実施例6の外科用装置。 Example 7-The surgical device of Example 6, wherein the means for disabling the handle module comprises means for disabling the operation of the electric motor.
実施例8−ハンドルモジュールを無効化するための手段が、ハンドルモジュールへの充電済み電池パックの取り付けを阻止するための手段を含む、実施例6又は7の外科用装置。 Example 8-The surgical apparatus of Example 6 or 7, wherein the means for disabling the handle module includes means for preventing attachment of a charged battery pack to the handle module.
実施例9−寿命末期パラメータが、ハンドルモジュールによる発射回数、ハンドルモジュールを必要とする外科的処置の回数、着脱可能シャフトモジュールのハンドルモジュールへの取り付け回数、ハンドルモジュールの滅菌回数、及び取り外し可能な電池パックのハンドルモジュールへの取り付け回数からなる群から選択され、取り外し可能な電池パックは、外科的処置中にハンドルモジュールに電力を供給するためのものである、実施例2、3、4、5、6、7、又は8の外科用装置。 Example 9-End of life parameters include the number of firings by the handle module, the number of surgical procedures requiring the handle module, the number of attachments of the removable shaft module to the handle module, the number of sterilization of the handle module, and the removable battery. Selected from the group consisting of the number of attachments of the pack to the handle module, the removable battery pack is for powering the handle module during the surgical procedure, Examples 2, 3, 4, 5,. 6, 7, or 8 surgical devices.
実施例10−寿命末期パラメータは、入力がハンドルモジュールの発射回数及びハンドルモジュールを必要とする外科的処置の回数を含む関数に従って計算されている、実施例2、3、4、5、6、7、8、又は9の外科用装置。 Example 10-End of life parameters are calculated according to a function whose inputs include the number of times the handle module is fired and the number of surgical procedures requiring the handle module, Examples 2, 3, 4, 5, 6, 7 , 8, or 9 surgical devices.
実施例11−関数が、異なる着脱可能シャフトモジュールに対して異なる重み係数を使用することによって寿命末期パラメータを計算する、実施例10の外科用装置。 Example 11-The surgical apparatus of Example 10 in which the function calculates end-of-life parameters by using different weighting factors for different removable shaft modules.
実施例12−着脱可能シャフトモジュールが、発射時にストローク長を横断する発射部材を有するエンドエフェクタを備え、寿命末期パラメータが、発射部材のストローク長にわたってハンドルモジュールによって加えられることが予期される力とハンドルモジュールによって実際に加えられた力との差異を示す、ハンドルモジュールの使用パラメータを含む、実施例2、3、4、5、6、7、8、9、10、又は11の外科用装置。 Example 12-The detachable shaft module comprises an end effector having a launch member that traverses the stroke length at launch, and end-of-life parameters are expected to be applied by the handle module over the stroke length of the launch member. The surgical device of Example 2, 3, 4, 5, 6, 7, 8, 9, 10, or 11 comprising the use parameters of the handle module, which show the difference from the force actually applied by the module.
実施例13−寿命末期パラメータがハンドルモジュールの滅菌済み回数を含む、実施例2、3、4、5、6、7、8、9、10、11、又は12の外科用装置。 Example 13-Surgical apparatus of Example 2, 3, 4, 5, 6, 7, 8, 9, 10, 11, or 12, wherein the end-of-life parameter includes the number of times the handle module has been sterilized.
実施例14−ハンドルモジュールは、保護滅菌カバーがハンドルモジュールに取り付けられているときに作動するハンドルモジュールプロセッサ回路と通信している滅菌センサを含む、実施例2、3、4、5、6、7、8、9、10、11、12、又は13の外科用装置。 Example 14-The handle module comprises a sterilization sensor communicating with a handle module processor circuit that operates when a protective sterilization cover is attached to the handle module, Examples 2, 3, 4, 5, 6, 7 , 8, 9, 10, 11, 12, or 13 surgical devices.
実施例15−滅菌センサは、保護滅菌カバーがハンドルモジュールに取り付けられているときに作動するスイッチを備える、実施例14の外科用装置。 Example 15-The surgical device of Example 14 wherein the sterilization sensor comprises a switch that operates when a protective sterilization cover is attached to the handle module.
実施例16−検査ステーションを更に備え、ハンドルモジュールが、外科的処置に続いてハンドルモジュールを検査するために検査ステーションに接続可能であり、検査ステーションは、ハンドルモジュールが検査ステーションに接続されているときに、データ接続を介してハンドルモジュールプロセッサ回路と、検査ステーションプロセッサ回路と通信している検査ステーションディスプレイであって、ハンドルモジュールが検査ステーションに接続されているときにハンドルモジュールに関する情報を表示する、検査ステーションディスプレイと、を備える、実施例2、3、4、5、6、7、8、9、10、11、12、13、14、又は15の外科用装置。 Example 16-The inspection station is further provided, the handle module can be connected to the inspection station to inspect the handle module following a surgical procedure, and the inspection station is when the handle module is connected to the inspection station. An inspection station display that communicates with the handle module processor circuit and the inspection station processor circuit via a data connection to display information about the handle module when the handle module is connected to the inspection station. The surgical device of Example 2, 3, 4, 5, 6, 7, 8, 9, 10, 11, 12, 13, 14, or 15 comprising a station display.
実施例17−外科用装置であって、一括して外科的処置を実行するために着脱可能シャフトモジュールに取り付けることができるハンドルモジュールであって、着脱可能シャフトモジュールを駆動させるために起動可能である回転駆動システムと、回転駆動システムに電力供給するために回転駆動システムに結合された電気モータと、回転駆動システムの起動回数に基づいてハンドルモジュールの寿命末期パラメータのカウントを追跡するための手段と、を備える、ハンドルモジュール、を備える、外科用装置。 Example 17-A surgical device, a handle module that can be attached to a removable shaft module to perform a surgical procedure in bulk, and that can be activated to drive a removable shaft module. A rotary drive system, an electric motor coupled to the rotary drive system to power the rotary drive system, and a means for tracking the count of end-of-life parameters of the handle module based on the number of startups of the rotary drive system. A surgical device, including a handle module.
実施例18−寿命末期パラメータのカウントを追跡するための手段が、プロセッサ回路と、メモリと、を備え、メモリは、プロセッサによって実行されて、ハンドルモジュールの寿命末期パラメータのカウントを追跡するプログラムコードを格納する、実施例17の外科用装置。 Example 18-Means for tracking the count of end-of-life parameters comprises a processor circuit, a memory, and the memory is executed by the processor to provide program code for tracking the count of end-of-life parameters of the handle module. The surgical device of Example 17 to be stored.
実施例19−ハンドルモジュールが、取り外し可能な電池パックによって電力供給され、ハンドルモジュールの寿命末期パラメータのカウントを追跡するための手段は、取り外し可能な電池パックのハンドルモジュールへの接続回数に更に基づいている、実施例17又は18の外科用装置。 Example 19-The handle module is powered by a removable battery pack, and the means for tracking the count of end-of-life parameters of the handle module is further based on the number of times the removable battery pack is connected to the handle module. The surgical device of Example 17 or 18.
実施例20−滅菌処置中にハンドルモジュールを保持するための滅菌トレーを更に備え、ハンドルモジュールの寿命末期パラメータのカウントを追跡するための手段は、ハンドルモジュールが滅菌トレーに配置されているときにカウントをインクリメントする、滅菌トレー上のカウンタを備える、実施例17、18、又は19の外科用装置。 Example 20-A means for tracking the count of end-of-life parameters of the handle module, further comprising a sterile tray for holding the handle module during the sterilization procedure, counts when the handle module is placed in the sterilization tray. The surgical device of Example 17, 18, or 19 comprising a counter on a sterile tray that increments.
実施例21−装置であって、一括して外科的処置を実行するために着脱可能シャフトモジュールに取り付けることができるハンドルモジュールを備え、ハンドルモジュールは、着脱可能シャフトモジュールを駆動させるための回転駆動システムと、回転駆動システムに電力供給するために回転駆動システムに結合された電気モータと、電気モータと通信しているハンドルモジュールプロセッサ回路と、を備える、装置。この装置は、ハンドルモジュールが外科的処置で使用されていないときにハンドルモジュールに接続するための検査ステーションを更に備え、検査ステーションは、ハンドルモジュールが検査ステーションに接続されているときに、データ接続を介してハンドルモジュールプロセッサ回路と通信する検査ステーションプロセッサ回路と、検査ステーションプロセッサ回路と通信している検査ステーションディスプレイと、を備え、検査ステーションディスプレイは、検査ステーションに接続されたハンドルモジュールに関する情報を表示する。 Example 21-A device comprising a handle module that can be attached to a removable shaft module to perform a collective surgical procedure, wherein the handle module is a rotary drive system for driving the removable shaft module. A device comprising an electric motor coupled to the rotary drive system to power the rotary drive system and a handle module processor circuit communicating with the electric motor. The device further comprises an inspection station for connecting to the handle module when the handle module is not in use in a surgical procedure, which makes a data connection when the handle module is connected to the inspection station. It comprises an inspection station processor circuit communicating with the handle module processor circuit via and an inspection station display communicating with the inspection station processor circuit, the inspection station display displaying information about the handle module connected to the inspection station. ..
実施例22−検査ステーションは、ハンドルモジュールが検査ステーションに接続されているときにハンドルモジュールに電力を供給するための電源を備える、実施例21の装置。 Example 22-The inspection station is the apparatus of Example 21 comprising a power source for powering the handle module when the handle module is connected to the inspection station.
実施例23−検査ステーションが、ハンドルモジュールに対して1つ又は2つ以上の試験を実行して、以降の外科的処置で使用するためにハンドルモジュールの適合性を判定するように構成されている、実施例21又は22の装置。 Example 23-The inspection station is configured to perform one or more tests on the handle module to determine the suitability of the handle module for use in subsequent surgical procedures. , The apparatus of Example 21 or 22.
実施例24−1つ又は2つ以上の試験が、ハンドルモジュールの封止保全性試験を含む、実施例23の装置。 Example 24-The device of Example 23, wherein one or more tests include a sealability test of the handle module.
実施例25−1つ又は2つ以上の試験が、ハンドルモジュールの回転駆動システムのギヤのバックラッシュ試験を含む、実施例23又は24の装置。 Example 25-1 The device of Example 23 or 24, wherein one or more tests include a backlash test of the gears of the rotary drive system of the steering wheel module.
実施例26−検査ステーションが、調整動作を行って、以降の外科的処置で使用するためにハンドルモジュールを調整するように構成されている、実施例21、22、23、24、又は25の装置。 Example 26-The device of Example 21, 22, 23, 24, or 25, wherein the examination station is configured to perform an adjustment operation to adjust the handle module for use in subsequent surgical procedures. ..
実施例27−調整動作が、ハンドルモジュールの構成要素を乾燥させること含む、実施例26の装置。 Example 27-The device of Example 26, wherein the adjustment operation comprises drying the components of the handle module.
実施例28−検査ステーションが、ハンドルモジュールの構成要素に空気を吹き込むための1つ又は2つ以上のファンを備える、実施例21、22、23、24、25、26、又は27の装置。 Example 28-The device of Example 21, 22, 23, 24, 25, 26, or 27, wherein the inspection station comprises one or more fans for blowing air into the components of the handle module.
実施例29−検査ステーションが、真空圧空気流でハンドルモジュールの構成要素を乾燥させるために真空ポートを備える、実施例21、22、23、24、25、26、27、又は28の装置。 Example 29-The device of Example 21, 22, 23, 24, 25, 26, 27, or 28, wherein the inspection station comprises a vacuum port for drying the components of the handle module with vacuum pressure airflow.
実施例30−検査ステーションが、ハンドルモジュールの回転駆動システムに接続可能な負荷シミュレーションアダプタを更に備える、実施例21、22、23、24、25、26、27、28、又は29の装置。 Example 30-The device of Example 21, 22, 23, 24, 25, 26, 27, 28, or 29, wherein the inspection station further comprises a load simulation adapter that can be connected to a rotary drive system of the handle module.
実施例31−負荷シミュレーションアダプタが、ハンドルモジュールの回転駆動システムに模擬負荷を供給するためのモータを備える、実施例30の装置。 Example 31-The device of Example 30, wherein the load simulation adapter comprises a motor for supplying a simulated load to the rotary drive system of the handle module.
実施例32−検査ステーションが、着脱可能シャフトモジュールに更に接続されている、実施例21、22、23、24、25、26、27、28、29、30、又は31の装置。 Example 32-The apparatus of Example 21, 22, 23, 24, 25, 26, 27, 28, 29, 30, or 31 in which the inspection station is further connected to a removable shaft module.
実施例33−外科的プロセスであって、臨床医が、着脱可能シャフトモジュールに接続されたハンドルモジュールを備える外科用器具を使用して患者に対する外科的処置を実行することであって、ハンドルモジュールは、ハンドルモジュール及び外科的処置に関するデータを格納するメモリを含む、実行することと、ハンドルモジュールが検査ステーションに接続されている間に、ハンドルモジュールのメモリに格納された外科的処置に関するデータを検査ステーションのメモリにダウンロードすることと、ハンドルモジュールが検査ステーションに接続されている間に、ハンドルモジュールに関する情報を検査ステーションのディスプレイに視覚的に表示することと、を含む、外科的プロセス。 Example 33-A surgical process in which a clinician performs a surgical procedure on a patient using a surgical instrument with a handle module connected to a removable shaft module, wherein the handle module is The inspection station displays data on the surgical procedure stored in the memory of the handle module while the handle module is connected to the inspection station, including the memory that stores the data on the handle module and the surgical procedure. A surgical process that includes downloading to the memory of the inspection station and visually displaying information about the handle module on the inspection station display while the handle module is connected to the inspection station.
実施例34−外科的処置に続いて、かつハンドルモジュールを検査ステーションに接続するよりも前に、ハンドルモジュールから取り外し可能な電池パックを取り外すことであって、取り外し可能な電池パックが外科的処置中にハンドルモジュールに電力供給していた、取り外すことと、ハンドルモジュールが検査ステーションに接続されている間に、検査ステーションからの電力でハンドルモジュールに電力供給することと、を更に含む、実施例33の外科的プロセス。 Example 34-Removing the removable battery pack from the handle module following the surgical procedure and prior to connecting the handle module to the inspection station, wherein the removable battery pack is undergoing the surgical procedure. The 33rd embodiment further comprises powering the handle module, removing it, and powering the handle module with power from the inspection station while the handle module is connected to the inspection station. Surgical process.
実施例35−ハンドルモジュールが検査ステーションに接続されている間に、ハンドルモジュールに対して1つ又は2つ以上の試験を実行して、以降の外科的処置で使用するためにハンドルモジュールの適合性を判定する、実施例33又は34の外科用プロセス。 Example 35-While the handle module is connected to the inspection station, one or more tests are performed on the handle module and the suitability of the handle module for use in subsequent surgical procedures. The surgical process of Example 33 or 34 to determine.
実施例36−1つ又は2つ以上の試験が、ハンドルモジュールの封止保全性試験を含む、実施例35の外科用プロセス。 Example 36-1 The surgical process of Example 35, wherein one or more tests include a sealability test of the handle module.
実施例37−1つ又は2つ以上の試験が、ギヤのバックラッシュ試験を含む、実施例35又は36の外科用プロセス。 Example 37-1 The surgical process of Example 35 or 36, wherein one or more tests include a gear backlash test.
実施例38−ハンドルモジュールが検査ステーションに接続されている間に、以降の外科的処置で使用するためにハンドルモジュールを調整する調整動作を行う、実施例34、35、36、又は37の外科用プロセス。 Example 38-Surgical operation of Example 34, 35, 36, or 37, in which an adjustment operation is performed to adjust the handle module for use in subsequent surgical procedures while the handle module is connected to the examination station. process.
実施例39−調整動作が、ハンドルモジュールの構成要素を乾燥させること含む、実施例38の外科的プロセス。 Example 39-The surgical process of Example 38, wherein the adjustment operation involves drying the components of the handle module.
実施例40−外科用装置であって、一括して外科的処置を実行するために着脱可能シャフトモジュールに取り付けることができるハンドルモジュールを備え、ハンドルモジュールは、着脱可能シャフトモジュールを駆動させるための回転駆動システムと、回転駆動システムに電力供給するために回転駆動システムに結合された電気モータと、電気モータに関するデータを検出するための1つ又は2つ以上のセンサと、1つ又は2つ以上のセンサと通信しているハンドルモジュールプロセッサ回路と、を備え、ハンドルモジュールプロセッサ回路は、1つ又は2つ以上のセンサからの入力に基づいてハンドルモジュールの性能パラメータをモニタするようにプログラミングされ、ハンドルモジュールプロセッサ回路は、性能パラメータが許容可能な性能帯外であるかどうかをモニタすることによって、ハンドルモジュールの性能パラメータをモニタする、外科用装置。 Example 40-A surgical device comprising a handle module that can be attached to a removable shaft module to collectively perform a surgical procedure, the handle module being rotated to drive the removable shaft module. A drive system, an electric motor coupled to the rotary drive system to power the rotary drive system, one or more sensors for detecting data about the electric motor, and one or more sensors. The handle module processor circuit comprises a handle module processor circuit communicating with the sensor, and the handle module processor circuit is programmed to monitor the performance parameters of the handle module based on the input from one or more sensors. A processor circuit is a surgical device that monitors the performance parameters of a handle module by monitoring whether the performance parameters are outside the acceptable performance range.
実施例41−プロセッサ回路は、性能パラメータが許容可能な性能帯を下回るか、又はこれを上回るかをモニタすることによって、ハンドルモジュールの性能パラメータをモニタする、実施例40の外科用装置。 Example 41-The surgical apparatus of Example 40, wherein the processor circuit monitors the performance parameters of the handle module by monitoring whether the performance parameters are below or above the acceptable performance band.
実施例42−ハンドルモジュールは、性能パラメータが許容可能な性能帯外であるとハンドルモジュールプロセッサ回路が判定するときに是正動作を行うための手段を更に備える、実施例40又は41の外科用装置。 Example 42-The surgical apparatus of Example 40 or 41, wherein the handle module further comprises means for performing a corrective action when the handle module processor circuit determines that the performance parameter is out of the acceptable performance range.
実施例43−性能パラメータが電気モータの性能パラメータを含む、実施例40、41、又は42の外科用装置。 Example 43-The surgical device of Example 40, 41, or 42, wherein the performance parameters include the performance parameters of an electric motor.
実施例44−電気モータの性能パラメータが、ハンドルモジュールの寿命にわたって電気モータによって消費されたエネルギーを含む、実施例43の外科用装置。 Example 44-The surgical device of Example 43, wherein the performance parameter of the electric motor comprises the energy consumed by the electric motor over the life of the handle module.
実施例45−電気モータの性能パラメータが、ハンドルモジュールの発射ごとに電気モータによって消費された電力を含む、実施例43又は44の外科用装置。 Example 45-The surgical device of Example 43 or 44, wherein the performance parameters of the electric motor include the power consumed by the electric motor with each launch of the handle module.
実施例46−電気モータの性能パラメータが、ハンドルモジュールの寿命にわたって電気モータによって消費されたエネルギーと、ハンドルモジュールの発射ごとに電気モータによって消費された電力と、を含む、実施例43、44、又は45の外科用装置。 Example 46-Examples 43, 44, or example, wherein the performance parameters of the electric motor include the energy consumed by the electric motor over the life of the handle module and the power consumed by the electric motor with each launch of the handle module. 45 surgical devices.
実施例47−ハンドルモジュールプロセッサ回路が、ハンドルモジュールの寿命にわたって電気モータによって消費されたエネルギーが第1のエネルギー閾値を超える、及びハンドルモジュールの寿命にわたって電気モータによって消費されたエネルギーが、第1のエネルギー閾値よりも低い第2のエネルギー閾値を超え、かつハンドルモジュールが、閾値電力レベルを超える閾値装置発射回数を有する、のうちの少なくとも1つの条件を満たすときに是正動作を行うべきであると判定するようにプログラミングされている、実施例46の外科用装置。 Example 47-In the handle module processor circuit, the energy consumed by the electric motor over the life of the handle module exceeds the first energy threshold, and the energy consumed by the electric motor over the life of the handle module is the first energy. It is determined that the corrective action should be taken when the second energy threshold, which is lower than the threshold, is exceeded, and the handle module satisfies at least one of the threshold device firing counts exceeding the threshold power level. The surgical device of Example 46, programmed to.
実施例48−性能パラメータが電気モータの出力トルクを含む、実施例43、44、45、46、又は47の外科用装置。 Example 48-The surgical device of Example 43, 44, 45, 46, or 47, wherein the performance parameter includes the output torque of the electric motor.
実施例49−性能パラメータが回転駆動システムの性能パラメータを含む、実施例40、41、42、43、44、45、46、47、又は48の外科用装置。 Example 49-The surgical apparatus of Example 40, 41, 42, 43, 44, 45, 46, 47, or 48, wherein the performance parameters include performance parameters of a rotary drive system.
実施例50−回転駆動システムの性能パラメータがギヤのバックラッシュを含む、実施例49の外科用装置。 Example 50-The surgical device of Example 49, wherein the performance parameters of the rotary drive system include gear backlash.
実施例51−是正動作を行うための手段が、ハンドルモジュールの状態を表示するためのディスプレイを含む、実施例42、43、44、45、46、47、48、49、又は50の外科用装置。 Example 51-Surgical apparatus of Example 42, 43, 44, 45, 46, 47, 48, 49, or 50, wherein the means for performing the corrective action includes a display for displaying the status of the handle module. ..
実施例52−是正動作を行うための手段が、ハンドルモジュールを無効化するための手段を含む、実施例42、43、44、45、46、47、48、49、50、又は51の外科用装置。 Example 52-Surgical of Examples 42, 43, 44, 45, 46, 47, 48, 49, 50, or 51, wherein the means for performing the corrective action includes means for disabling the handle module. apparatus.
実施例53−ハンドルモジュールを無効化するための手段が、充電済みの、取り外し可能な電池パックのハンドルモジュールへの挿入を阻止して、外科的処置中にハンドルモジュールに電力供給できないようにするための手段を含む、実施例52の外科用装置。 Example 53-To prevent the means for disabling the handle module from inserting a charged, removable battery pack into the handle module so that the handle module cannot be powered during the surgical procedure. 52. The surgical apparatus of Example 52.
実施例54−充電済みの、取り外し可能な電池パックの挿入を阻止するための手段が、ばね荷重式機械的ロックアウトを含む、実施例53の外科用装置。 Example 54-The surgical device of Example 53, wherein the means for preventing the insertion of a charged, removable battery pack comprises a spring loaded mechanical lockout.
実施例55−充電済みの、取り外し可能な電池パックの挿入を阻止するための手段が、作動時に、ハンドルモジュールからの放電済みの、取り外し可能な電池パックの取り外しを阻止するラッチを含む、実施例53又は54の外科用装置。 Example 55-Example: A means for preventing the insertion of a charged, removable battery pack comprises a latch that prevents removal of the discharged, removable battery pack from the handle module during operation. 53 or 54 surgical devices.
実施例56−外科用装置であって、着脱可能シャフトモジュールと、一括して外科的処置を実行するために着脱可能シャフトモジュールに接続されたハンドルモジュールと、を備え、ハンドルモジュールは、着脱可能シャフトモジュールを駆動させるための回転駆動システムと、回転駆動システムに電力供給するために回転駆動システムに結合された電気モータと、電気モータ及び回転駆動システムのうちの少なくとも一方の性能パラメータをモニタするための手段と、性能パラメータが許容可能な性能帯外であるとの判定時に是正動作を行うための手段と、を備える、外科用装置。 Example 56-A surgical device comprising a removable shaft module and a handle module connected to a removable shaft module to collectively perform a surgical procedure, wherein the handle module is a removable shaft. To monitor the performance parameters of at least one of a rotary drive system for driving a module, an electric motor coupled to the rotary drive system to power the rotary drive system, and an electric motor and a rotary drive system. A surgical device comprising means and means for performing a corrective action when it is determined that a performance parameter is outside the acceptable performance range.
実施例57−性能パラメータが、ハンドルモジュールの寿命にわたって電気モータによって消費されたエネルギーを含む、実施例56の外科用装置。 Example 57-The surgical device of Example 56, wherein the performance parameter comprises the energy consumed by the electric motor over the life of the handle module.
実施例58−性能パラメータが、ハンドルモジュールの発射ごとに電気モータによって消費された電力を含む、実施例56又は57の外科用装置。 Example 58-The surgical device of Example 56 or 57, wherein the performance parameters include the power consumed by the electric motor with each launch of the handle module.
実施例59−性能パラメータが電気モータの出力トルクを含む、実施例56、57、又は58の外科用装置。 Example 59-The surgical device of Example 56, 57, or 58, wherein the performance parameter includes the output torque of an electric motor.
実施例60−是正動作を行うための手段が、ハンドルモジュールを無効化するための手段を含む、実施例56、57、58、又は59の外科用装置。 Example 60-The surgical device of Example 56, 57, 58, or 59, wherein the means for performing the corrective action includes means for disabling the handle module.
実施例61−ハンドルモジュールを無効化するための手段が、電気モータを無効化するための手段を含む、実施例60の外科用装置。 Example 61-The surgical device of Example 60, wherein the means for disabling the handle module comprises means for disabling an electric motor.
実施例62−ハンドルモジュールを無効化するための手段が、充電済みの、取り外し可能な電池パックのハンドルモジュールへの挿入を阻止して、外科的処置中にハンドルモジュールに電力供給できないようにするための手段を含む、実施例60又は61の外科用装置。 Example 62-To prevent the means for disabling the handle module from inserting a charged, removable battery pack into the handle module so that the handle module cannot be powered during the surgical procedure. The surgical device of Example 60 or 61, comprising the means of.
実施例63−組み合わせであって、一括して外科的処置を実行するために着脱可能シャフトモジュールに取り付けることができるハンドルモジュールと、外科的処置中にハンドルモジュールに電力を供給するための、ハンドルモジュールに接続可能である、取り外し可能な、再充電式電池パックであって、電池パックの充電データ及び放電データを格納するためのメモリを備える、電池パックと、電池パックがハンドルモジュールから取り外され、充電ステーションに挿入されるときに電池パックの充電及び放電のうちの少なくとも一方を行うための充電ステーションであって、電池パックのメモリに格納された充電データ及び放電データに基づいて、電池パックの充電及び放電のうちの少なくとも一方を行うためのものである、充電ステーションと、を含む、組み合わせ。 Example 63-A handle module that is a combination that can be attached to a removable shaft module to perform a bulk surgical procedure and a handle module for powering the handle module during the surgical procedure. A removable, rechargeable battery pack that can be connected to and has a memory for storing the charge and discharge data of the battery pack, the battery pack and the battery pack are removed from the handle module and charged. A charging station for charging and discharging the battery pack when inserted into the station, charging and discharging the battery pack based on the charging and discharging data stored in the memory of the battery pack. A combination, including a charging station, which is intended to perform at least one of the discharges.
実施例64−電池パックが複数の電池セルを備え、充電ステーションが、電池パックメモリに格納された充電データ及び放電データに基づいて、並びに再バランス基準に基づいて電池セルを再バランスするべき時期を判定する充電ステーションプロセッサ回路を備え、充電ステーションプロセッサ回路が電池セルを再バランスするべきであると判定すると、充電ステーションが、電池パックの電池セルを再バランスする、実施例63の組み合わせ。 Example 64-When a battery pack comprises multiple battery cells and the charging station should rebalance the battery cells based on charge and discharge data stored in the battery pack memory and based on rebalancing criteria. The combination of Example 63, comprising a charging station processor circuit for determining, wherein the charging station rebalances the battery cells of the battery pack when the charging station processor circuit determines that the battery cells should be rebalanced.
実施例65−充電ステーションプロセッサ回路が、再バランスを行わずに電池パックをN回充電した後に、電池セルを再バランスするべきであると判定するようにプログラミングされ、Nは0よりも大きい整数である、実施例64の組み合わせ。 Example 65-Charging station The processor circuit is programmed to charge the battery pack N times without rebalancing and then determine that the battery cells should be rebalanced, where N is an integer greater than 0. There is a combination of Example 64.
実施例66−電池セルの再バランスよりも前に、充電ステーションが電池セルの充電を最高レベルにするように構成されている、実施例64又は65の組み合わせ。 Example 66-A combination of Example 64 or 65, wherein the charging station is configured to maximize battery cell charging prior to rebalancing the battery cells.
実施例67−充電ステーションが、電池パックメモリに格納された充電データ及び放電データに基づいて、並びに放電基準に基づいて電池パックを放電するべきかどうかを判定する充電ステーションプロセッサ回路を備え、充電ステーションプロセッサ回路が電池パックを放電するべきであると判定すると、充電ステーションが電池パックを放電する、実施例63、64、65、又は66の組み合わせ。 Example 67-The charging station comprises a charging station processor circuit that determines whether the battery pack should be discharged based on the charging and discharging data stored in the battery pack memory and based on the discharging criteria. The combination of Examples 63, 64, 65, or 66, wherein the charging station discharges the battery pack when the processor circuit determines that the battery pack should be discharged.
実施例68−放電基準は、充電ステーションに取り付けられた第2の電池パックが完全に充電され、ハンドルモジュールで使用できる状態にあるかどうかを含む、実施例67の組み合わせ。 Example 68-The discharge reference is a combination of Example 67, including whether the second battery pack attached to the charging station is fully charged and ready for use with the handle module.
実施例69−充電ステーションが、充電ステーションの組織ユーザー向けの外科的処置予定データに基づいた時間に電池パックを充電するようにプログラミングされ、外科的処置予定データは、充電ステーションのメモリに格納されている、実施例63、64、65、66、67、又は68の組み合わせ。 Example 69-The charging station is programmed to charge the battery pack at a time based on the surgical schedule data for tissue users of the charging station, and the surgical schedule data is stored in the memory of the charging station. Yes, a combination of Examples 63, 64, 65, 66, 67, or 68.
実施例70−外科的処置予定データは、組織ユーザーがその時刻にハンドルモジュールを使用して外科的処置を実行する統計的可能性を含む、実施例69の組み合わせ。 Example 70-Surgical procedure schedule data is a combination of Example 69, including the statistical possibility that the tissue user will perform a surgical procedure using the handle module at that time.
実施例71−充電ステーションは、電池パックが外科的処置のためにハンドルモジュールで使用できる状態にないときに、電池パックを充電ステーションに自動的に固定するための手段を備える、実施例63、64、65、66、67、68、69、又は70の組み合わせ。 Example 71-The charging station comprises means for automatically fixing the battery pack to the charging station when the battery pack is not ready for use with the handle module for surgical procedures, Examples 63, 64. , 65, 66, 67, 68, 69, or a combination of 70.
実施例72−電池パックを充電ステーションに自動的に固定するための手段が、電池パックの充電ステーションへの挿入によって作動されるときに電池パックの中にねじ込まれるねじを備える、実施例71の組み合わせ。 Example 72-A combination of Example 71, wherein the means for automatically fixing the battery pack to the charging station comprises a screw that is screwed into the battery pack when activated by inserting the battery pack into the charging station. ..
実施例73−電池パックを充電ステーションに自動的に固定するための手段が、ねじを作動させるための線形アクチュエータを更に備える、実施例71又は72の組み合わせ。 Example 73-A combination of Examples 71 or 72, wherein the means for automatically fixing the battery pack to the charging station further comprises a linear actuator for actuating the screws.
実施例74−充電ステーションが、電池パックに関する充電ステータス情報を表示するためのディスプレイを備える、実施例63、64、65、66、67、68、69、70、71、72、又は73の組み合わせ。 Example 74-A combination of Examples 63, 64, 65, 66, 67, 68, 69, 70, 71, 72, or 73, wherein the charging station comprises a display for displaying charging status information about the battery pack.
実施例75−充電ステーションは、電池パックに対する急速充電ユーザー入力が充電ステーションで受信されたときに、第1の電池パックを急速に充電するための手段を備える、実施例63、64、65、66、67、68、69、70、71、72、73、又は74の組み合わせ。 Example 75-The charging station comprises means for rapidly charging the first battery pack when a fast charging user input to the battery pack is received at the charging station, Examples 63, 64, 65, 66. , 67, 68, 69, 70, 71, 72, 73, or a combination of 74.
実施例76−充電ステーションは、電池パックが外科的処置のためにハンドルモジュールで使用できる状態にないときに、電池パックを充電ステーションに自動的に固定するための手段を備える、実施例75の組み合わせ。 Example 76-A combination of Example 75, wherein the charging station comprises means for automatically fixing the battery pack to the charging station when the battery pack is not ready for use with the handle module for surgical procedures. ..
実施例77−外科的プロセスであって、臨床医が、着脱可能シャフトモジュールに接続されたハンドルモジュールを備える外科用器具を使用して患者に対して外科的処置を実行する工程であって、取り外し可能な、再充電式電池パックによって外科的処置中にハンドルモジュールが電力供給され、電池パックが電池パックの充電データ及び放電データを格納するためのメモリを備える、工程と、外科的処置中での使用後にハンドルモジュールから電池パックを取り外す工程と、取り外し工程に続いて、電池パックを再充電するために電池パックを充電ステーションに配置する工程と、配置する工程に続いて、充電ステーションによって、電池パックのメモリから充電データ及び放電データをダウンロードする工程と、ダウンロードする工程に続いて、電池パックのメモリに格納された充電データ及び放電データに基づいて、充電ステーションによって電池パックの充電及び放電のうちの少なくとも一方を行う工程と、を含む、外科的プロセス。 Example 77-A surgical process in which a clinician performs a surgical procedure on a patient using a surgical instrument with a handle module connected to a removable shaft module, removal. Possible, rechargeable battery packs power the handle module during the surgical procedure, and the battery pack provides memory for storing the battery pack's charge and discharge data, during the process and during the surgical procedure. Following the steps of removing the battery pack from the handle module after use, the step of placing the battery pack in the charging station to recharge the battery pack, and the step of placing it, the battery pack by the charging station Following the process of downloading the charge data and discharge data from the memory of the battery pack and the process of downloading the battery pack, the charging station charges and discharges the battery pack based on the charge data and the discharge data stored in the memory of the battery pack. A surgical process that includes, with, at least one of the steps.
実施例78−電池パックが複数の電池セルを備え、プロセスが、ダウンロードする工程に続いて、電池パックメモリに格納された充電データ及び放電データに基づいて、並びに再バランス基準に基づいて電池セルを再バランスするべきかどうかを充電ステーションによって判定する工程と、電池パックの電池セルの再バランスを実行するべきとの判定時に、充電ステーションによって電池セルを再バランスする工程と、を更に含む、実施例77の外科的プロセス。 Example 78-The battery pack comprises a plurality of battery cells, and the process follows the process of downloading the battery cells based on the charge and discharge data stored in the battery pack memory, and based on the rebalancing criteria. An embodiment further comprising a step of determining whether or not to rebalance by the charging station and a step of rebalancing the battery cells by the charging station when determining that the battery cells of the battery pack should be rebalanced. 77 surgical processes.
実施例79−ダウンロードする工程に続いて、急速充電ユーザー入力の受信に反応して、電池パックを急速充電する、実施例77又は78の外科的プロセス。 Example 79-A surgical process of Example 77 or 78, wherein the battery pack is rapidly charged in response to receiving a quick charge user input following the step of downloading.
実施例80−配置する工程に続いて、電池パックが外科的処置のためにハンドルモジュールで使用できる状態にないときに、電池パックを充電ステーションに自動的に固定する、実施例77、78、又は79の外科的プロセス。 Example 80-Following the step of placing, the battery pack is automatically secured to the charging station when the battery pack is not ready for use with the handle module for surgical procedures, Examples 77, 78, or. 79 surgical processes.
実施例81−組み合わせであって、一括して外科的処置を実行するために着脱可能シャフトモジュールに取り付けることができるハンドルモジュールと、外科的処置中にハンドルモジュールに電力を供給するための、ハンドルモジュールに接続可能である、取り外し可能な、再充電式電池パックと、電池パックがハンドルモジュールから取り外され、充電ステーションに挿入されるときに電池パックを充電するための充電ステーションであって、電池パックに対する急速充電ユーザー入力が充電ステーションで受信されると、電池パックを急速に充電するための回路を備える、充電ステーションと、を含む、組み合わせ。 Example 81-A handle module that is a combination that can be attached to a removable shaft module to perform a surgical procedure in bulk, and a handle module for powering the handle module during the surgical procedure. A removable, rechargeable battery pack that can be connected to and a charging station for charging the battery pack when the battery pack is removed from the handle module and inserted into the charging station. Fast Charge A combination, including a charging station, which includes a circuit for rapidly charging the battery pack when user input is received at the charging station.
実施例82−充電ステーションが、電池パックの充電ステータスを表示するためのディスプレイを備える、実施例81の組み合わせ。 Example 82-A combination of Example 81, wherein the charging station comprises a display for displaying the charging status of the battery pack.
実施例83−充電ステーションは、ユーザーが充電ステーションに対して急速充電ユーザー入力を入力するユーザーインタフェースを備える、実施例81又は82の組み合わせ。 Example 83-The charging station is a combination of Examples 81 or 82 comprising a user interface in which the user inputs a quick charge user input to the charging station.
実施例84−ユーザーインタフェースが、充電ステーションに急速充電ユーザー入力を提供するために作動可能であるボタンを充電ステーションに備える、実施例83の組み合わせ。 Example 84-A combination of Example 83, wherein the charging station comprises a button on which the user interface is operable to provide a fast charging user input to the charging station.
実施例85−電池パックを急速に充電するための回路が、電池パックの充電プロファイルを変更するための回路を備える、実施例81、82、83、又は84の組み合わせ。 Example 85-A combination of Examples 81, 82, 83, or 84, wherein the circuit for rapidly charging the battery pack comprises a circuit for changing the charging profile of the battery pack.
実施例86−電池パックの充電プロファイルを変更するための回路が、電池パックに接続された電圧レギュレータと、電圧レギュレータに接続された充電制御回路と、を備える、実施例81、82、83、84又は85の組み合わせ。 Example 86-A circuit for changing the charging profile of a battery pack comprises a voltage regulator connected to the battery pack and a charging control circuit connected to the voltage regulator, Examples 81, 82, 83, 84. Or a combination of 85.
実施例87−電池パックを急速に充電するための回路が、充電ステーションの蓄電装置を備え、蓄電装置に蓄積された電荷が電池パックの充電に使用されている、実施例81、82、83、84、85、又は86の組み合わせ。 Example 87-The circuit for rapidly charging the battery pack comprises a charging station power storage device, and the charges stored in the power storage device are used to charge the battery pack, Examples 81, 82, 83, A combination of 84, 85, or 86.
実施例88−蓄電装置がスーパーキャパシタを備える、実施例87の組み合わせ。 Example 88-A combination of Example 87, wherein the power storage device comprises a supercapacitor.
実施例89−充電ステーションが、第1の電池パックをスーパーキャパシタに放電するための回路を更に含む、実施例88の組み合わせ。 Example 89-A combination of Example 88, wherein the charging station further comprises a circuit for discharging the first battery pack to a supercapacitor.
実施例90−蓄電装置が、充電ステーションの内部に1つ又は2つ以上の電池セルを備える、実施例87、88、又は89の組み合わせ。 Example 90-A combination of Examples 87, 88, or 89, wherein the power storage device comprises one or more battery cells inside a charging station.
実施例91−蓄電装置が、充電ステーションの内部に複数の電池セルを備え、電池パックを急速に充電するための回路が、複数の電池セルを使用して電池パックを充電するための回路を備える、実施例87、88、又は89の組み合わせ。 Example 91-A power storage device includes a plurality of battery cells inside a charging station, and a circuit for rapidly charging the battery pack includes a circuit for charging the battery pack using the plurality of battery cells. , A combination of Examples 87, 88, or 89.
実施例92−複数の電池セルが直列に接続されている、実施例91の組み合わせ。 Example 92-A combination of Example 91 in which a plurality of battery cells are connected in series.
実施例93−複数の電池セルが並列電流源として接続されている、実施例91又は92の組み合わせ。 Example 93-A combination of Example 91 or 92 in which multiple battery cells are connected as parallel current sources.
実施例94−充電ステーションが、第1の電池パックを内部の複数の電池セルに放電するための回路を更に備える、実施例81、82、83、84、85、86、87、88、89、90、91、92、又は93の組み合わせ。 Example 94-Examples 81, 82, 83, 84, 85, 86, 87, 88, 89, wherein the charging station further comprises a circuit for discharging the first battery pack into a plurality of internal battery cells. A combination of 90, 91, 92, or 93.
実施例95−電池パックが第1の電池パックを備え、充電ステーションが、第1の電池パックを受容して第1の電池パックを充電するための第1の充電レセプタクルと、第2の電池パックを受容して第2の電池パックを充電するための第2の充電レセプタクルと、を備え、第1の電池パックを急速に充電するための回路が、第2の電池パックに蓄積された電荷で第1の電池パックを充電するための回路を備える、実施例81、82、83、84、85、86、87、88、89、90、91、92、93、又は94の組み合わせ。 Example 95-A battery pack comprises a first battery pack, and a charging station receives the first battery pack and charges the first battery pack with a first charging receptacle and a second battery pack. A circuit for rapidly charging the first battery pack is provided with a second charging receptacle for receiving the battery and charging the second battery pack with the charge stored in the second battery pack. A combination of Examples 81, 82, 83, 84, 85, 86, 87, 88, 89, 90, 91, 92, 93, or 94, comprising a circuit for charging the first battery pack.
実施例96−充電ステーションが、第1の電池パックを第2の電池パックに放電するための回路を更に備える、実施例95の組み合わせ。 Example 96-A combination of Example 95, wherein the charging station further comprises a circuit for discharging the first battery pack to the second battery pack.
実施例97−充電ステーションが、第1の電池パック及び第2の電池パックの充電ステータスを表示するためのディスプレイを備える、実施例95又は96の組み合わせ。 Example 97-A combination of Example 95 or 96, wherein the charging station comprises a display for displaying the charging status of the first battery pack and the second battery pack.
実施例98−充電ステーションは、電池パックが外科的処置のためにハンドルモジュールで使用できる状態にないときに、電池パックを充電ステーションに自動的に固定するための手段を備える、実施例81、82、83、84、85、86、87、88、89、90、91、92、93、94、95、96、又は97の組み合わせ。 Example 98-The charging station comprises means for automatically fixing the battery pack to the charging station when the battery pack is not ready for use with the handle module for surgical procedures, Examples 81, 82. , 83, 84, 85, 86, 87, 88, 89, 90, 91, 92, 93, 94, 95, 96, or 97 combinations.
実施例99−外科用器具システムであって、外科的処置を実行するためのハンドルモジュールと、外科的処置中にハンドルモジュールに電力を供給するための、ハンドルモジュールに接続可能である、取り外し可能な、再充電式電池パックと、電池パックを充電するための充電ステーションであって、電池パックが一次電源から充電される第1の動作条件、及び電池パックが外科的処置で緊急に必要とされる場合に電池パックを急速に充電するために、電池パックが一次電源及び二次電源から充電される第2の動作条件、という2つの動作条件下でハンドルモジュールを充電するための回路を備える、充電ステーションと、を備える、外科用器具システム。 Example 99-A surgical instrument system that is removable and can be connected to a handle module for performing a surgical procedure and for powering the handle module during a surgical procedure. , A rechargeable battery pack and a charging station for charging the battery pack, the first operating condition in which the battery pack is charged from the primary power source, and the battery pack is urgently needed for surgical procedures. Charging, which comprises a circuit for charging the handle module under two operating conditions, a secondary operating condition in which the battery pack is charged from a primary power source and a secondary power source, in order to charge the battery pack rapidly in case. A surgical instrument system, including a station.
実施例100−二次電源が、ハンドルモジュールに接続可能な、第2の取り外し可能な、再充電式電池パックを備える、実施例99の外科用器具システム。 Example 100-The surgical instrument system of Example 99, wherein the secondary power supply comprises a second removable, rechargeable battery pack that can be connected to a handle module.
実施例101−装置であって、一括して外科的処置を実行するために着脱可能シャフトモジュールに取り付けることができるハンドルモジュールであって、ハンドルモジュールのハンドルモジュール使用データを格納するためのハンドルモジュールメモリ回路を備える、ハンドルモジュールと、ハンドルモジュールが外科的処置で使用されていないときにハンドルモジュールに接続するための検査ステーションであって、ハンドルモジュールのメモリに格納されたハンドルモジュール使用データに基づいて、及び修理勧告基準に基づいて、ハンドルモジュールに対する1つ又は2つ以上の修理勧告を判定するための検査ステーションプロセッサ回路を備える、検査ステーションと、を備える、装置。 Example 101-A device that is a handle module that can be attached to a removable shaft module to perform a surgical procedure in bulk, and a handle module memory for storing handle module usage data for the handle module. A handle module with circuits and an inspection station for connecting to the handle module when the handle module is not in use in a surgical procedure, based on the handle module usage data stored in the handle module's memory. And an inspection station comprising an inspection station processor circuit for determining one or more repair recommendations for a handle module based on a repair recommendation standard.
実施例102−検査ステーションが、検査ステーションプロセッサ回路と通信しているディスプレイを更に備え、ディスプレイは、1つ又は2つ以上の修理勧告に関する情報を表示するためのものである、実施例101の装置。 Example 102-The device of Example 101, wherein the inspection station further comprises a display communicating with the inspection station processor circuit, the display being for displaying information about one or more repair recommendations. ..
実施例103−修理勧告基準が検査ステーションの検査ステーションメモリに格納され、検査ステーションプロセッサ回路が検査ステーションメモリと通信している、実施例101又は102の装置。 Example 103-The device of Example 101 or 102, wherein the repair recommendation criteria are stored in the inspection station memory of the inspection station and the inspection station processor circuit is communicating with the inspection station memory.
実施例104−ハンドルモジュールが、ハンドルモジュールメモリ回路と通信しているハンドルモジュールプロセッサ回路を備え、ハンドルモジュールプロセッサ回路は、ハンドルモジュールメモリからの使用データを検査ステーションにダウンロードできるように、ハンドルモジュールが検査ステーションに接続されているときに検査ステーションプロセッサ回路と通信している、実施例101、102、又は103の装置。 Example 104-The handle module comprises a handle module processor circuit communicating with the handle module memory circuit, and the handle module processor circuit is inspected by the handle module so that usage data from the handle module memory can be downloaded to the inspection station. The device of Example 101, 102, or 103 that is communicating with the inspection station processor circuit when connected to a station.
実施例105−ハンドルモジュール使用データが、ハンドルモジュールを必要とする外科的処置の回数に関するデータ、ハンドルモジュールによる装置発射回数に関するデータ、ハンドルモジュールの装置発射中に消費された電力に関するデータ、ハンドルモジュールの装置発射中に経験した力に関するデータ、ハンドルモジュールの寿命にわたってハンドルモジュールの電気モータによって消費されたエネルギーに関するデータ、及びハンドルモジュールの回転駆動システムのギヤのバックラッシュに関するデータからなる群から選択されるデータ、を含む、実施例101、102、103、又は104の装置。 Example 105-Handle module usage data includes data on the number of surgical procedures requiring the handle module, data on the number of device launches by the handle module, data on the power consumed during device launch of the handle module, of the handle module. Data selected from the group consisting of data on the forces experienced during device launch, data on the energy consumed by the handle module's electric motor over the life of the handle module, and data on the gear backlash of the handle module's rotary drive system. , The apparatus of Example 101, 102, 103, or 104.
実施例106−1つ又は2つ以上の修理勧告が、ハンドルモジュールを再構築するべきであるという勧告を含む、実施例101、102、103、104、又は105の装置。 Example 106-1 The device of Example 101, 102, 103, 104, or 105, wherein one or more repair recommendations include a recommendation that the handle module should be rebuilt.
実施例107−1つ又は2つ以上の修理勧告が、ハンドルモジュールの1つ又は2つ以上の構成要素に潤滑油を差すべきであるという勧告を含む、実施例101、102、103、104、105、又は106の装置。 Example 107-1 One or more repair recommendations include a recommendation that one or more components of the handle module should be lubricated, Examples 101, 102, 103, 104, 105 or 106 device.
実施例108−1つ又は2つ以上の修理勧告が、ハンドルモジュールの1つ又は2つ以上の構成要素を検査するべきであるという勧告を含む、実施例101、102、103、104、105、106、又は107の装置。 Example 108-1. Examples 101, 102, 103, 104, 105, including a recommendation that one or more repair recommendations should inspect one or more components of the handle module. 106 or 107 device.
実施例109−装置であって、一括して外科的処置を実行するために着脱可能シャフトモジュールに取り付けることができるハンドルモジュールであって、ハンドルモジュールのハンドルモジュール使用データを格納するためのハンドルモジュールメモリ回路と、ハンドルモジュールのメモリに格納されたハンドルモジュール使用データに基づいて、及び修理勧告基準に基づいて、ハンドルモジュールに対する1つ又は2つ以上の修理勧告を判定するためのハンドルモジュールプロセッサ回路と、を備える、ハンドルモジュールを備える、装置。 Example 109-A device that is a handle module that can be attached to a removable shaft module to perform a surgical procedure in bulk, and a handle module memory for storing handle module usage data for the handle module. A handle module processor circuit for determining one or more repair recommendations for a handle module, based on the circuit and handle module usage data stored in the handle module's memory, and based on repair recommendation criteria. A device with a handle module.
実施例110−ハンドルモジュールが、ハンドルモジュールプロセッサ回路と通信しているディスプレイを更に備え、ディスプレイは、1つ又は2つ以上の修理勧告に関する情報を表示するためのものである、実施例109の装置。 Example 110-The device of Example 109, wherein the handle module further comprises a display communicating with a handle module processor circuit, the display being for displaying information about one or more repair recommendations. ..
実施例111−ハンドルモジュール使用データが、ハンドルモジュールを必要とする外科的処置の回数に関するデータ、ハンドルモジュールによる装置発射回数に関するデータ、ハンドルモジュールの装置発射中に消費された電力に関するデータ、ハンドルモジュールの装置発射中に経験した力に関するデータ、ハンドルモジュールの寿命にわたってハンドルモジュールの電気モータによって消費されたエネルギーに関するデータ、及びハンドルモジュールの回転駆動システムのギヤのバックラッシュに関するデータからなる群から選択されるデータ、を含む、実施例109又は110の装置。 Example 111-Handle module usage data includes data on the number of surgical procedures requiring the handle module, data on the number of device launches by the handle module, data on the power consumed during device launch of the handle module, of the handle module. Data selected from the group consisting of data on the forces experienced during device launch, data on the energy consumed by the handle module's electric motor over the life of the handle module, and data on the gear backlash of the handle module's rotary drive system. The device of Example 109 or 110, including.
実施例112−1つ又は2つ以上の修理勧告が、ハンドルモジュールを再構築するべきであるという勧告を含む、実施例109、110、又は111の装置。 Example 112-1 The device of Example 109, 110, or 111, wherein one or more repair recommendations include a recommendation that the handle module should be rebuilt.
実施例113−1つ又は2つ以上の修理勧告が、ハンドルモジュールを再構築するべきであるという勧告を含む、実施例109、110、111、又は112の装置。 Example 113-1 The device of Example 109, 110, 111, or 112, wherein one or more repair recommendations include a recommendation that the handle module should be rebuilt.
実施例114−1つ又は2つ以上の修理勧告が、ハンドルモジュールの1つ又は2つ以上の構成要素に潤滑油を差すべきであるという勧告を含む、実施例109、110、111、112、又は113の装置。 Example 114-1 One or more repair recommendations include a recommendation that one or more components of a handle module should be lubricated, Examples 109, 110, 111, 112, Or 113 devices.
実施例115−1つ又は2つ以上の修理勧告が、ハンドルモジュールの1つ又は2つ以上の構成要素を検査するべきであるという勧告を含む、実施例109、110、111、112、113、又は114の装置。 Example 115-1 One or more repair recommendations include a recommendation that one or more components of the handle module should be inspected, Examples 109, 110, 111, 112, 113, Or 114 devices.
実施例116−外科用器具システムであって、電池キャビティ及び直流電気モータを含むハンドルと、電池キャビティ内に取り外し可能に位置付けることができる電池であって、直流電気モータに直流電力を供給するように構成されている、電池と、電池の代わりに電池キャビティ内に取り外し可能に位置付けることができるプラグを含む電源アダプタと、プラグから延出するコードであって、電源からプラグに電力を伝送するように構成されている、コードと、を備える、外科用器具システム。この外科用器具システムは、電源から供給される交流電力を直流電力に変換するように構成されている、交流−直流電力コンバータを更に備える。 Example 116-A surgical instrument system, a handle including a battery cavity and a DC electric motor, and a battery that can be removably positioned within the battery cavity to supply DC power to the DC electric motor. A power adapter that includes a battery and a plug that can be detachably positioned in the battery cavity instead of the battery, and a cord that extends from the plug to transmit power from the power supply to the plug. A surgical instrument system that is configured, with a cord. The surgical instrument system further comprises an AC-DC power converter configured to convert AC power supplied from a power source into DC power.
実施例117−交流−直流電力コンバータがプラグ内に位置付けられている、実施例116の外科用器具システム。 The surgical instrument system of Example 116, wherein the AC-DC power converter is located within the plug.
実施例118−電池が電池ハウジングを備え、プラグがプラグを備え、電池ハウジングはプラグハウジングと相似である、実施例116又は117の外科用器具システム。 Example 118-The surgical instrument system of Example 116 or 117, wherein the battery comprises a battery housing, the plug comprises a plug, and the battery housing is similar to the plug housing.
実施例119−ハンドルが電池キャビティ内にハンドル電気接点セットを備え、電池は、電池が電池キャビティ内に位置付けられたときにハンドル電気接点を係合するように構成されている電池電気接点セットを備え、プラグは、プラグが電池キャビティ内に位置付けられたときにハンドル電気接点を係合するように構成されているプラグ電気接点セットを備える、実施例116、117、又は118の外科用器具システム。 Example 119-The handle comprises a handle electrical contact set in the battery cavity, and the battery comprises a battery electrical contact set that is configured to engage the handle electrical contacts when the battery is positioned in the battery cavity. , The surgical instrument system of Example 116, 117, or 118, wherein the plug comprises a plug electrical contact set that is configured to engage the handle electrical contacts when the plug is positioned within the battery cavity.
実施例120−ハンドルが、電池キャビティ内に第1のハンドル電気接点セットと、第2のハンドル電気接点セットとを備え、電池は、電池が電池キャビティ内に位置付けられたときに第1のハンドル電気接点セットを係合するように構成されている電池電気接点セットを備え、プラグは、プラグが電池キャビティ内に位置付けられたときに第2のハンドル電気接点セットを係合するように構成されているプラグ電気接点セットを備える、実施例116、117、118、又は119の外科用器具システム。 Example 120-The handle comprises a first handle electrical contact set and a second handle electrical contact set in the battery cavity, the battery being the first handle electrical when the battery is positioned in the battery cavity. It comprises a battery electrical contact set that is configured to engage the contact set, and the plug is configured to engage a second handle electrical contact set when the plug is positioned within the battery cavity. The surgical instrument system of Example 116, 117, 118, or 119, comprising a plug electrical contact set.
実施例121−交流−直流電力コンバータがハンドル内に位置付けられ、第2のハンドル電気接点セットと電気的に連通している、実施例116、117、118、119、又は120の外科用器具システム。 The surgical instrument system of Example 116, 117, 118, 119, or 120, wherein the AC-DC power converter is located within the handle and electrically communicates with a second handle electrical contact set.
実施例122−複数のシャフトアセンブリを更に備え、シャフトアセンブリのそれぞれは、ハンドルと選択的に係合可能である、実施例116、117、118、119、120、又は121の外科用器具システム。 Example 122-The surgical instrument system of Example 116, 117, 118, 119, 120, or 121, further comprising a plurality of shaft assemblies, each of which is selectively engageable with a handle.
実施例123−シャフトアセンブリのうちの少なくとも1つがステープルカートリッジを備える、実施例122の外科用器具システム。 Example 123-Surgical instrument system of Example 122, wherein at least one of the shaft assemblies comprises a staple cartridge.
実施例124−外科用器具システムであって、電池キャビティ及び直流電気モータを含むハンドルと、電池キャビティ内に位置付けられた電池であって、少なくとも1つの電池セルを備える、電池と、電気コネクタと、電気コネクタと係合可能なコードであって、電源からの電力を伝送するように構成されている、コードと、を備える、電源アダプタと、を備える、外科用器具システム。この外科用器具システムは、電源から供給された交流電力を直流電力に変換し、直流電力を直流電気モータに供給するように構成されている、交流−直流電力コンバータを更に備える。 Example 124-A battery, an electrical connector, and a surgical instrument system comprising a handle including a battery cavity and a DC electric motor, and a battery located within the battery cavity, comprising at least one battery cell. A surgical instrument system comprising a power adapter, comprising a cord that is engageable with an electrical connector and is configured to carry power from a power source. The surgical instrument system further comprises an AC-DC power converter configured to convert AC power supplied from a power source into DC power and supply DC power to a DC electric motor.
実施例125−電池回路を更に備え、コードが電気コネクタと係合しているときに少なくとも1つの電池セル及び電源が直流電気モータに電力を供給できるように、少なくとも1つの電池セル、交流−直流電力コンバータ、及び電気コネクタが、電池回路内に直列に配置されている、実施例124の外科用器具システム。 Example 125-At least one battery cell, AC-DC, further comprising a battery circuit so that at least one battery cell and power source can power a DC electric motor when the cord is engaged with an electrical connector. The surgical instrument system of Example 124, wherein the power converter and electrical connector are arranged in series in the battery circuit.
実施例126−第1の電池回路セグメンであって、少なくとも1つの電池セルを含む、第1の電池回路セグメントと、第2の電池回路セグメントであって、交流−直流電力コンバータを含む、第2の電池回路セグメントと、電池内に位置付けられたスイッチであって、少なくとも1つの電池セルが、直流電気モータに電力を供給でき、電源が直流電気モータに電力を供給できない、第1のスイッチ状態と、少なくとも1つの電池セルが、直流電気モータに電力を供給できず、電源が直流電気モータに電力を供給できる、第2のスイッチ状態と、の間で切り換え可能である、スイッチと、を更に備える、実施例124の外科用器具システム。 Example 126-A second battery circuit segment, the first battery circuit segment, comprising at least one battery cell, and a second battery circuit segment, comprising an AC-DC power converter. The battery circuit segment and the switch located in the battery, the first switch state in which at least one battery cell can supply power to the DC electric motor and the power supply cannot supply power to the DC electric motor. Further comprises a switch that is switchable between a second switch state, in which at least one battery cell is unable to power the DC electric motor and the power source can power the DC electric motor. , The surgical instrument system of Example 124.
実施例127−スイッチが第1のスイッチ状態へと付勢されている、実施例126の外科用器具システム。 Example 127-The surgical instrument system of Example 126, in which the switch is urged to the first switch state.
実施例128−コードの電池電気コネクタへの挿入が、スイッチを第1のスイッチ状態から第2のスイッチ状態へと切り換える、実施例126又は127の外科用器具システム。 The surgical instrument system of Example 126 or 127, wherein insertion of the cord into the battery electrical connector of Example 128-switches the switch from the first switch state to the second switch state.
実施例129−スイッチを第1のスイッチ状態に戻すように構成されている付勢部材を更に備える、実施例128の外科用器具システム。 Example 129-The surgical instrument system of Example 128 further comprising an urging member configured to return the switch to the first switch state.
実施例130−スイッチは、第2のスイッチ状態に配置された後に第1のスイッチ状態に戻すことができない、実施例126、127、又は128の外科用器具システム。 Example 130-The surgical instrument system of Example 126, 127, or 128, wherein the switch cannot be returned to the first switch state after being placed in the second switch state.
実施例131−複数のシャフトアセンブリを更に備え、シャフトアセンブリのそれぞれは、ハンドルと選択的に係合可能である、実施例124、125、126、127、128、129、又は130の外科用器具システム。 Example 131-Surgical instrument system of Example 124, 125, 126, 127, 128, 129, or 130, further comprising multiple shaft assemblies, each of which is selectively engageable with a handle. ..
実施例132−シャフトアセンブリのうちの少なくとも1つがステープルカートリッジを備える、実施例131の外科用器具システム。 Example 132-The surgical instrument system of Example 131, wherein at least one of the shaft assemblies comprises a staple cartridge.
実施例133−ハンドルハウジングと、ハンドルハウジング内に位置付けられたハンドル電池セルと、ハンドル電気回路であって、ハンドル電池セルは、ハンドル電気回路に電力を供給するように構成されている、ハンドル電気回路と、ハンドル電気回路と通信しているハンドル電気コネクタと、を含む、ハンドルを備える、外科用器具システム。この外科用器具システムは、ハンドルと選択的に係合可能な補助電池であって、ハンドルハウジングと係合可能な電池ハウジングと、電池電気回路と、電池ハウジング内に位置付けられた補助電池セルであって、電池電気回路に電力を供給するように構成されている、補助電池セルと、電池電気回路と通信している電池電気コネクタであって、補助電池がハンドルと係合して、電池電気回路をハンドル電気回路と通信させるときにハンドル電気コネクタと係合可能である、電池電気コネクタと、を備える、補助電池と、を更に備える。 Example 133-A handle housing, a handle battery cell located within the handle housing, and a handle electrical circuit, wherein the handle battery cell is configured to supply power to the handle electrical circuit. A surgical instrument system that includes a handle, including a handle electrical connector that communicates with a handle electrical circuit. This surgical instrument system is an auxiliary battery that is selectively engageable with the handle, a battery housing that can be engaged with the handle housing, a battery electrical circuit, and an auxiliary battery cell located within the battery housing. The auxiliary battery cell, which is configured to supply power to the battery electric circuit, and the battery electric connector communicating with the battery electric circuit, in which the auxiliary battery engages with the handle and the battery electric circuit Further comprises an auxiliary battery, comprising a battery electrical connector, which is engageable with the handle electrical connector when communicating with the handle electrical circuit.
実施例134−ハンドルハウジングが把持部を備え、電池ハウジングが、把持部を受容するように構成されているレセプタクルを備える、実施例133の外科用器具システム。 Example 134-The surgical instrument system of Example 133, wherein the handle housing comprises a grip and the battery housing comprises a receptacle configured to receive the grip.
実施例135−ハンドルがコネクタカバーを更に備え、そのコネクタカバーは、ハンドル電気コネクタとの偶発的な接触をコネクタカバーが阻止する第1の位置と、コネクタカバーが電池電気コネクタをハンドル電気コネクタと係合できるようにする第2の位置との間で移動可能である、実施例133又は134の外科用器具システム。 Example 135-The handle further comprises a connector cover, which is in a first position where the connector cover prevents accidental contact with the handle electrical connector, and the connector cover engages the battery electrical connector with the handle electrical connector. The surgical instrument system of Example 133 or 134, which is movable to and from a second position that allows it to fit.
実施例136−電池ハウジングは、補助電池がハンドルと係合しているときに、コネクタカバーを第1の位置と第2の位置との間で移動させるように構成されている、実施例135の外科用器具システム。 Example 136-The battery housing is configured to move the connector cover between a first position and a second position when the auxiliary battery is engaged with the handle, of Example 135. Surgical instrument system.
実施例137−複数のシャフトアセンブリを更に備え、シャフトアセンブリのそれぞれは、ハンドルと選択的に係合可能である、実施例133、134、135、又は136の外科用器具システム。 Example 137-The surgical instrument system of Example 133, 134, 135, or 136, further comprising multiple shaft assemblies, each of which is selectively engageable with a handle.
実施例138−シャフトアセンブリのうちの少なくとも1つがステープルカートリッジを備える、実施例137の外科用器具システム。 Example 138-The surgical instrument system of Example 137, wherein at least one of the shaft assemblies comprises a staple cartridge.
実施例139−外科用器具であって、ハウジングと、モータと、外科用器具のハウジングに取り付けることができる電池アセンブリであって、モータに電気エネルギーを供給するように構成されている電池セルと、電池ハウジングであって、電池セルを支持するように構成されている支持ハウジングと、衝撃力によってもたらされる衝撃を吸収するように構成されている衝撃吸収要素と、を備える、電池ハウジングと、を備える、電池アセンブリと、を備え、衝撃吸収要素は、衝撃力が衝撃吸収要素に加えられたときに、つぶれるように構成されている、外科用器具。 Example 139-A surgical instrument, a housing, a motor, and a battery assembly that is a battery assembly that can be attached to the housing of the surgical instrument and is configured to supply electrical energy to the motor. A battery housing comprising a support housing that is configured to support a battery cell and a shock absorbing element that is configured to absorb the impact caused by the impact force. A surgical instrument that features a battery assembly, and the shock absorbing element is configured to collapse when a shock force is applied to the shock absorbing element.
実施例140−衝撃吸収要素が交換可能である、実施例139の外科用器具。 Example 140-The surgical instrument of Example 139, in which the shock absorbing element is replaceable.
実施例141−衝撃吸収要素は、衝撃吸収要素がスナップ嵌め式で電池アセンブリに取り付けられ得るように構成されている取り付け手段を備える、実施例139又は140の外科用器具。 Example 141-The surgical instrument of Example 139 or 140, wherein the shock absorbing element comprises mounting means configured such that the shock absorbing element can be snap-fitted and attached to the battery assembly.
実施例142−取り付け手段が接着剤を含む、実施例141の外科用器具。 Example 142-The surgical instrument of Example 141, wherein the attachment means comprises an adhesive.
実施例143−電池ハウジングが開口部を更に備え、取り付け手段が、押し込み嵌め式で電池ハウジングの開口部に受容されるように構成されている突出部を備える、実施例141又は142の外科用器具。 Example 143-Surgical instrument of Example 141 or 142, wherein the battery housing further comprises an opening and the mounting means comprises a protrusion that is configured to be recessed and fitted into the opening of the battery housing. ..
実施例144−衝撃吸収要素が格子構造を備える、実施例139、140、141、142、又は143の外科用器具。 Example 144-The surgical instrument of Example 139, 140, 141, 142, or 143, wherein the shock absorbing element comprises a lattice structure.
実施例145−衝撃吸収要素がつぶれるときに、衝撃吸収要素が内側方向に変形するが、これでもなお、衝撃吸収要素への激突後に、電池アセンブリの外科用器具のハウジングへの取り付けを可能にする、実施例139、140、141、142、143、又は144の外科用器具。 Example 145-When the shock absorbing element collapses, the shock absorbing element deforms inward, which still allows the battery assembly to be attached to the housing of the surgical instrument after a collision with the shock absorbing element. , 139, 140, 141, 142, 143, or 144 surgical instruments of Example 139, 140, 141, 142, 143, or 144.
実施例146−衝撃力が閾値力よりも大きいときに、衝撃吸収要素がつぶれる、実施例139、140、141、142、143、144、又は145の外科用器具。 Example 146-The surgical instrument of Example 139, 140, 141, 142, 143, 144, or 145, wherein the impact absorbing element collapses when the impact force is greater than the threshold force.
実施例147−電池アセンブリが複数の角部を更に備え、電池ハウジングが複数の衝撃吸収要素を更に備え、複数の衝撃吸収要素は角部のそれぞれに位置付けられている、実施例139、140、141、142、143、144、145、又は146の外科用器具。 Example 147-The battery assembly further comprises a plurality of corners, the battery housing further comprises a plurality of shock absorbing elements, and the plurality of shock absorbing elements are located at each of the corners, Examples 139, 140, 141. , 142, 143, 144, 145, or 146 surgical instruments.
実施例148−電池ハウジングが、電池セルからの電気エネルギーをモータに伝達するように構成されている電気接点と、この電気接点に関連する底面と、を備え、衝撃吸収要素のそれぞれが、電池ハウジングの底面を超えて延出して電気接点を保護する端部を備える、実施例147の外科用器具。 Example 148-The battery housing comprises electrical contacts configured to transfer electrical energy from the battery cells to the motor and a bottom surface associated with the electrical contacts, each of which is a battery housing. The surgical instrument of Example 147, comprising an end extending beyond the bottom surface of the device to protect electrical contacts.
実施例149−衝撃吸収要素のそれぞれが、下端と、上端と、を備え、電池アセンブリが、衝撃吸収要素の上端に位置付けられた衝撃吸収キャップを更に備える、実施例148又は149の外科用器具。 Example 149-A surgical instrument of Example 148 or 149, wherein each of the shock absorbing elements comprises a lower end and an upper end, and the battery assembly further comprises a shock absorbing cap located at the upper end of the shock absorbing element.
実施例150−外科用器具と共に使用するための電池アセンブリであって、電池セルと、電池アセンブリが外科用器具に取り付けられたときに、電池セルによって供給される電気エネルギーを外科用器具に伝達するように構成されている電気接点と、電池セルを支持するように構成されている第1のハウジングと、第1のハウジングを収容するように構成されている第2のハウジングと、第1のハウジングと第2のハウジングとの間に位置付けられた衝撃吸収層と、を備え、衝撃吸収層は格子構造を備える、電池アセンブリ。 Example 150-A battery assembly for use with a surgical instrument that transfers the battery cell and the electrical energy supplied by the battery cell to the surgical instrument when the battery assembly is attached to the surgical instrument. A first housing configured to support the battery cell, a second housing configured to accommodate the first housing, and a first housing configured to accommodate the electrical contacts. A battery assembly comprising a shock absorbing layer located between the and a second housing, the shock absorbing layer comprising a lattice structure.
実施例151−衝撃吸収層が泡状材料で構成されている、実施例150の電池アセンブリ。 Example 151-Battery assembly of Example 150, wherein the shock absorbing layer is made of a foamy material.
実施例152−格子構造が複数のセルを含み、複数のセルは、内側平面壁を備える内側セルであって、内側平面壁は少なくとも実質的に第1のハウジングと平行に方向付けられている、内側セルと、外側平面壁を備える外側セルであって、外側平面壁は少なくとも実質的に第2のハウジングと平行に方向付けられている、外側セルと、を備える、実施例150又は151の電池アセンブリ。 Example 152-The lattice structure comprises a plurality of cells, wherein the plurality of cells are inner cells having an inner planar wall, the inner planar wall being oriented at least substantially parallel to the first housing. Battery of Example 150 or 151, comprising an inner cell and an outer cell comprising an outer planar wall, wherein the outer planar wall is oriented at least substantially parallel to a second housing. assembly.
実施例153−電池アセンブリが衝撃吸収キャップを更に備え、衝撃吸収キャップは、外側格子と、内側格子と、を備え、外側格子は内側格子よりも密度が高い、実施例150、151、又は152の電池アセンブリ。 Example 153-The battery assembly further comprises a shock absorbing cap, the shock absorbing cap comprises an outer grid and an inner grid, the outer grid being denser than the inner grid, of Examples 150, 151, or 152. Battery assembly.
実施例154−衝撃吸収層が複数の緩衝要素を備える、実施例150、151、152、又は153の電池アセンブリ。 Example 154-Battery assembly of Example 150, 151, 152, or 153, wherein the shock absorbing layer comprises a plurality of cushioning elements.
実施例155−外科用器具と共に使用するための電池アセンブリであって、外科用器具に電力を供給するように構成されている電池セルと、ハウジングであって、熱反射シェルと、ヒートシンク層と、ヒートシンク層と熱反射セルとの間に位置付けられた圧縮性層と、を備える、ハウジングと、を備え、圧縮性層は、電池セルの膨張に反応して屈曲するように構成されている、電池アセンブリ。 Example 155-A battery assembly for use with a surgical instrument, a battery cell configured to power the surgical instrument, a housing, a heat-reflecting shell, a heat sink layer, and the like. A battery comprising a housing, comprising a compressible layer located between a heat sink layer and a heat-reflecting cell, the compressible layer being configured to bend in response to expansion of the battery cell. assembly.
実施例156−圧縮性層が、熱反射シェルによって吸収された衝撃エネルギーを消散させるように更に構成されている、実施例155の電池アセンブリ。 Example 156-The battery assembly of Example 155, wherein the compressible layer is further configured to dissipate the impact energy absorbed by the heat reflective shell.
実施例157−圧縮性層が格子構造を備える、実施例155又は156の電池アセンブリ。 Example 157-The battery assembly of Example 155 or 156, wherein the compressible layer comprises a lattice structure.
実施例158−格子構造が、熱反射シェル及びヒートシンク層によって画定された閉格子構造である、実施例157の電池アセンブリ。 Example 158-The battery assembly of Example 157, wherein the lattice structure is a closed lattice structure defined by a heat-reflecting shell and a heat sink layer.
実施例159−熱反射シェルが、第1の熱膨張係数(fist thermal expansion coefficient)を備え、ヒートシンク層が第2の熱膨張係数を備え、第1の熱膨張係数が第2の熱膨張係数よりも小さい、実施例155、156、157、又は158の電池アセンブリ。 Example 159-The heat-reflecting shell has a first coefficient of thermal expansion (fist thermal expansion coefficient), the heat sink layer has a second coefficient of thermal expansion, and the first coefficient of thermal expansion is higher than the second coefficient of thermal expansion. Also small, the battery assembly of Examples 155, 156, 157, or 158.
下記の文書の開示全体は、これらのそれぞれの全体が参照によって本明細書に組み込まれる。
・1995年4月4日に発行された、米国特許第5,403,312号、名称「ELECTROSURGICAL HEMOSTATIC DEVICE」;
・2006年2月21日に発行された、米国特許第7,000,818号、名称「SURGICAL STAPLING INSTRUMENT HAVING SEPARATE DISTINCT CLOSING AND FIRING SYSTEMS」;
・2008年9月9日に発行された、米国特許第7,422,139号、名称「MOTOR−DRIVEN SURGICAL CUTTING AND FASTENING INSTRUMENT WITH TACTILE POSITION FEEDBACK」;
・2008年12月16日に発行された、米国特許第7,464,849号、名称「ELECTRO−MECHANICAL SURGICAL INSTRUMENT WITH CLOSURE SYSTEM AND ANVIL ALIGNMENT COMPONENTS」;
・2010年3月2日に発行された、米国特許第7,670,334号、名称「SURGICAL INSTRUMENT HAVING AN ARTICULATING END EFFECTOR」;
・2010年7月13日に発行された、米国特許第7,753,245号、名称「SURGICAL STAPLING INSTRUMENTS」;
・2013年3月12日に発行された、米国特許第8,393,514号、名称「SELECTIVELY ORIENTABLE IMPLANTABLE FASTENER CARTRIDGE」;
・米国特許出願第11/343,803号、名称「SURGICAL INSTRUMENT HAVING RECORDING CAPABILITIES」(現在の米国特許第7,845,537号)、
・2008年2月14日に出願された、米国特許出願第12/031,573号、名称「SURGICAL CUTTING AND FASTENING INSTRUMENT HAVING RF ELECTRODES」;
・2008年2月15日に出願された、米国特許出願第12/031,873号、名称「END EFFECTORS FOR A SURGICAL CUTTING AND STAPLING INSTRUMENT」(現在の米国特許第7,980,443号);
・米国特許出願第12/235,782号、名称「MOTOR−DRIVEN SURGICAL CUTTING INSTRUMENT」(現在の米国特許第8,210,411号);
・米国特許出願第12/249,117号、名称「POWERED SURGICAL CUTTING AND STAPLING APPARATUS WITH MANUALLY RETRACTABLE FIRING SYSTEM」(現在の米国特許第8,608,045号);
・2009年12月24日に出願された、米国特許出願第12/647,100号、名称「MOTOR−DRIVEN SURGICAL CUTTING INSTRUMENT WITH ELECTRIC ACTUATOR DIRECTIONAL CONTROL ASSEMBLY」(現在の米国特許第8,220,688号)、
・2012年9月29日に出願された、米国特許出願第12/893,461号、名称「STAPLE CARTRIDGE」(現在の米国特許第8,733,613号);
・2011年2月28日に出願された、米国特許出願第13/036,647号、名称「SURGICAL STAPLING INSTRUMENT」(現在の米国特許第8,561,870号);
・米国特許出願第13/118,241号、名称「SURGICAL STAPLING INSTRUMENTS WITH ROTATABLE STAPLE DEPLOYMENT ARRANGEMENTS」(現在の米国特許出願公開第2012/0298719号);
・2012年6月15日に出願された、米国特許出願第13/524,049号、名称「ARTICULATABLE SURGICAL INSTRUMENT COMPRISING A FIRING DRIVE」(現在の米国特許出願公開第2013/0334278号)、
・2013年3月13日に出願された、米国特許出願第13/800,025号、名称「STAPLE CARTRIDGE TISSUE THICKNESS SENSOR SYSTEM」;
・2013年3月13日に出願された、米国特許出願第13/800,067号、名称「STAPLE CARTRIDGE TISSUE THICKNESS SENSOR SYSTEM」;
・2006年1月31日に出願された、米国特許出願公開第2007/0175955号、名称「SURGICAL CUTTING AND FASTENING INSTRUMENT WITH CLOSURE TRIGGER LOCKING MECHANISM」、及び
・2010年4月22日に出願された、米国特許出願公開第2010/0264194号、名称「SURGICAL STAPLING INSTRUMENT WITH AN ARTICULATABLE END EFFECTOR」(現在の米国特許第8,308,040号)。The entire disclosures of the documents below are incorporated herein by reference in their entirety.
-US Pat. No. 5,403,312, named "ELECTROSURGICAL HEMOSTATIC DEVICE", issued April 4, 1995;
-US Pat. No. 7,000,818 issued on February 21, 2006, named "SURGICAL STAPLING INSTRUMENT HAVING SEPARATE DISTINCT CLOSING AND FIRING SYSTEMS";
-US Pat. No. 7,422,139 issued on September 9, 2008, named "MOTOR-DRIVEN SURGICAL CUTTING AND FASTENING INSTRUMENT WITH TACTILE POSITION FEEDBACK";
-US Pat. No. 7,464,849 issued on December 16, 2008, named "ELECTRO-MEMHANICAL SURGICAL INSTRUMENT WITH CLOSE CROSURE SYSTEM AND ANVIL ALIGNMENT COMPONENTS";
-US Pat. No. 7,670,334, named "SURGICAL INSTRUMENT HAVING AN ARTICULATING END EFFECTOR", issued March 2, 2010;
-US Pat. No. 7,753,245, named "SURGICAL STAPLING INSTRUMENTS", issued on July 13, 2010;
-US Pat. No. 8,393,514, named "SELECTIVELY ORIENTABLE IMPLANTABLE FASTENEER CARTRIDGE", issued on March 12, 2013;
U.S. Patent Application No. 11 / 343,803, named "SURGICAL INSTRUMENT HAVING RECORDING CAPABILITIES" (current U.S. Patent No. 7,845,537),
-US Patent Application No. 12 / 031,573, named "SURGICAL CUTTING AND FASTENING INSTRUMENT HAVING RF ELECTRODES", filed on February 14, 2008;
U.S. Patent Application No. 12 / 031,873, filed February 15, 2008, entitled "END EFFECTORS FOR A SURGICAL CUTTING AND STAPLING INSTRUMENT" (current U.S. Pat. No. 7,980,443);
U.S. Patent Application No. 12 / 235,782, named "MOTOR-DRIVEN SURGICAL CUTTING INSTRUMENT" (current U.S. Pat. No. 8,210,411);
-US Patent Application No. 12 / 249,117, named "POWERED SURGICAL CUTTING AND STAPLING APPARATUS WITH MANUALLY RETRACTABLE FIRING SYSTEM" (current US Patent No. 8,608,045);
-US Patent Application No. 12 / 647,100 filed on December 24, 2009, named "MOTOR-DRIVEN SURGICAL CUTTING INSTRUMENT WITH ELECTRIC ACTUATOR DIRECTIONAL CONTOROL ASSEMBLY" (current US Patent No. 8,220, 68). ),
U.S. Patent Application No. 12 / 893,461, named "STAPLE CARTRIDGE" (current U.S. Pat. No. 8,733,613), filed September 29, 2012;
U.S. Patent Application No. 13 / 036,647 filed on February 28, 2011, entitled "SURGICAL STAPLING INSTRUMENT" (current U.S. Patent No. 8,561,870);
-US Patent Application Nos. 13 / 118,241, named "SURGICAL STAPLING INSTRUMENTS WITH ROTATABLE STAPLE DEVLOYMENT ARRANGEMENTS" (current US Patent Application Publication No. 2012/02987719);
-US Patent Application No. 13 / 524,049 filed on June 15, 2012, named "ARTICULATABLE SURGICAL INSTRUMENT COMPRISING A FIRING DRIVE" (current US Patent Application Publication No. 2013/0334278),
-US Patent Application No. 13 / 800,025, named "STAPLE CARTRIDGE TISSUE THICKNESS SENSOR SYSTEM", filed on March 13, 2013;
-US Patent Application No. 13 / 800,067, named "STAPLE CARTRIDGE TISSUE THICKNESS SENSOR SYSTEM", filed on March 13, 2013;
U.S. Patent Application Publication No. 2007/017595, filed January 31, 2006, entitled "SURGICAL CUTTING AND FASTENING INSTRUMENT WITH CLOSE TRIGGER LOCKING MECHANISM," and, filed April 22, 2010, USA. Patent Application Publication No. 2010/0264194, named "SURGICAL STAPLING INSTRUMENT WITH AN ARTICULATABLE END EFFECTOR" (current US Pat. No. 8,308,040).
特定の開示された実施形態に関連して装置の様々な実施形態について本明細書で説明したが、それらの実施形態に対して多くの修正及び変更が実施可能である。また、材料が特定の構成要素に関して開示されているが、他の材料が使用されてもよい。更に、様々な実施形態により、所定の機能又は複数の機能を実行するために、単一の構成要素を複数の構成要素によって置き換えてもよく、また複数の構成要素を単一の構成要素によって置き換えてもよい。以上の説明及び以下の特許請求の範囲は、そのような修正及び変形をすべて包含することが意図される。 Although various embodiments of the device have been described herein in connection with the particular disclosed embodiments, many modifications and modifications can be made to those embodiments. Also, although the material is disclosed for a particular component, other materials may be used. Further, in various embodiments, a single component may be replaced by a plurality of components and a plurality of components may be replaced by a single component in order to perform a predetermined function or a plurality of functions. You may. The above description and the following claims are intended to include all such modifications and modifications.
本明細書に開示される装置は、1回の使用後に廃棄されるように設計されてもよいし、又は複数回使用されるように設計されてもよい。しかしながら、いずれの場合も、本装置は、少なくとも1回の使用後に再使用のために再調整することができる。再調整には、装置の分解工程、それに続く特定の部品の洗浄工程又は交換工程、及びその後の再組立工程の任意の組み合わせを含むことができる。特に、装置は分解可能であり、装置の任意の数の特定の部品又は部分を、任意の組み合わせで選択的に交換又は取り除くことができる。特定の部分を洗浄及び/又は交換したら、装置を後の使用のために、再調整施設で、又は外科処置の直前に外科チームによって再組み立てすることができる。当業者であれば、装置の再調整が、分解、洗浄/交換、及び再組立のための様々な技術を利用できることを理解するであろう。かかる技術の使用、及び結果として得られる再調整された装置は、全て本発明の範囲内にある。 The devices disclosed herein may be designed to be discarded after a single use, or may be designed to be used multiple times. However, in either case, the device can be readjusted for reuse after at least one use. The readjustment can include any combination of a disassembly step of the device, followed by a cleaning or replacement step of a particular part, and a subsequent reassembly step. In particular, the device is disassembleable and any number of specific parts or parts of the device can be selectively replaced or removed in any combination. After cleaning and / or replacing certain parts, the device can be reassembled by the surgical team at a readjustment facility or shortly before the surgical procedure for later use. Those skilled in the art will appreciate that readjustment of the equipment can utilize a variety of techniques for disassembly, cleaning / replacement, and reassembly. The use of such techniques and the resulting readjustment device are all within the scope of the present invention.
好ましくは、本明細書に記載される本発明は、手術前に処理されるであろう。最初に、新しい又は使用済みの器具を入手し、必要であれば洗浄する。次いで器具を滅菌することができる。1つの滅菌技術では、器具は、プラスチックバッグ又はTYVEKバッグなど、閉鎖され封止された容器に入れられる。次に、容器及び器具は、γ線、X線、及び高エネルギー電子など、容器を透過することができる放射線照射野に入れられる。放射線は、器具上又は容器内の細菌を死滅させる。次に、滅菌された器具を滅菌容器内に格納することができる。封止された容器は、医療設備において開封されるまで器具を滅菌状態に保つ。 Preferably, the invention described herein will be processed prior to surgery. First, get new or used equipment and clean it if necessary. The instrument can then be sterilized. In one sterilization technique, the instrument is placed in a closed and sealed container, such as a plastic bag or TYVEK bag. The container and equipment are then placed in a radiation field that can penetrate the container, such as gamma rays, X-rays, and high energy electrons. Radiation kills bacteria on instruments or in containers. The sterilized instrument can then be stored in a sterilized container. The sealed container keeps the instrument sterile until it is opened in a medical device.
代表的な設計を有するものとして本発明について記載してきたが、本発明は、本開示の趣旨及び範囲内で更に修正されてもよい。したがって、本出願は、その一般的原理を使用する本発明のあらゆる変形、使用、又は適合を包含するものとする。 Although the present invention has been described as having a representative design, the present invention may be further modified within the spirit and scope of the present disclosure. Accordingly, this application shall include any modification, use, or adaptation of the invention that uses its general principles.
全体又は部分的に、参照により本明細書に組み込まれるとされるいずれの特許、刊行物又は他の開示物も、援用される内容が現行の定義、記載、又は本開示に記載されている他の開示物と矛盾しない範囲でのみ本明細書に組み込まれるものとする。それ自体、また必要な範囲で、本明細書に明瞭に記載される開示内容は、参照により本明細書に組み込まれるあらゆる矛盾する記載に優先するものとする。参照により本明細書に組み込まれるものとするが、既存の定義、記載、又は本明細書に記載される他の開示文献と矛盾する任意の文献、又はそれらの部分は、援用文献と既存の開示内容との間に矛盾が生じない範囲においてのみ組み込まれるものとする。 Any patent, publication or other disclosure allegedly incorporated herein by reference, in whole or in part, has any incorporated content set forth in the current definition, description, or disclosure. It is incorporated herein only to the extent that it is consistent with the disclosure of. As such, and to the extent necessary, the disclosures expressly set forth herein shall supersede any contradictory statements incorporated herein by reference. Any document, or portion thereof, which is incorporated herein by reference but is inconsistent with existing definitions, descriptions, or other disclosed documents described herein, is incorporated into the reference and existing disclosures. It shall be incorporated only to the extent that there is no contradiction with the content.
〔実施の態様〕
(1) 装置であって、
一括して外科的処置を実行するために着脱可能シャフトモジュールに取り付けることができるハンドルモジュールであって、
前記着脱可能シャフトモジュールを駆動させるための回転駆動システムと、
前記回転駆動システムに電力供給するために前記回転駆動システムに結合された電気モータと、
前記電気モータと通信しているハンドルモジュールプロセッサ回路と、を備える、ハンドルモジュールと、
前記ハンドルモジュールが外科的処置で使用されていないときに前記ハンドルモジュールに接続するための検査ステーションであって、
前記ハンドルモジュールが前記検査ステーションに接続されているときに、データ接続を介して前記ハンドルモジュールプロセッサ回路と通信する検査ステーションプロセッサ回路と、
前記検査ステーションプロセッサ回路と通信している検査ステーションディスプレイであって、前記検査ステーションに接続されたハンドルモジュールに関する情報を表示する、検査ステーションディスプレイと、を備える、検査ステーションと、を備える、装置。
(2) 前記検査ステーションは、前記ハンドルモジュールが前記検査ステーションに接続されているときに前記ハンドルモジュールに電力を供給するための電源を備える、実施態様1に記載の装置。
(3) 前記検査ステーションが、前記ハンドルモジュールに対して1つ又は2つ以上の試験を実行して、以降の外科的処置で使用するために前記ハンドルモジュールの適合性を判定するように構成されている、実施態様1に記載の装置。
(4) 前記1つ又は2つ以上の試験が、前記ハンドルモジュールの封止保全性試験を含む、実施態様3に記載の装置。
(5) 前記1つ又は2つ以上の試験が、前記ハンドルモジュールの前記回転駆動システムのギヤのバックラッシュ試験を含む、実施態様3に記載の装置。[Implementation]
(1) It is a device
A handle module that can be attached to a removable shaft module to perform a bulk surgical procedure.
A rotary drive system for driving the removable shaft module,
With an electric motor coupled to the rotary drive system to power the rotary drive system,
A handle module comprising a handle module processor circuit communicating with the electric motor.
An inspection station for connecting to the handle module when the handle module is not used in a surgical procedure.
An inspection station processor circuit that communicates with the handle module processor circuit via a data connection when the handle module is connected to the inspection station.
An inspection station display communicating with the inspection station processor circuit, comprising an inspection station display that displays information about a handle module connected to the inspection station, comprising an inspection station.
(2) The apparatus according to the first embodiment, wherein the inspection station includes a power source for supplying electric power to the handle module when the handle module is connected to the inspection station.
(3) The inspection station is configured to perform one or more tests on the handle module to determine the suitability of the handle module for use in subsequent surgical procedures. The apparatus according to the first embodiment.
(4) The apparatus according to the third embodiment, wherein the one or more tests include a sealing maintainability test of the handle module.
(5) The apparatus according to
(6) 前記検査ステーションが、調整動作を行って、以降の外科的処置で使用するために前記ハンドルモジュールを調整するように構成されている、実施態様1に記載の装置。
(7) 前記調整動作が、前記ハンドルモジュールの構成要素を乾燥させること含む、実施態様6に記載の装置。
(8) 前記検査ステーションが、前記ハンドルモジュールの前記構成要素に空気を吹き込むための1つ又は2つ以上のファンを備える、実施態様7に記載の装置。
(9) 前記検査ステーションが、真空圧空気流で前記ハンドルモジュールの前記構成要素を乾燥させるために真空ポートを備える、実施態様7に記載の装置。
(10) 前記検査ステーションが、前記ハンドルモジュールの前記回転駆動システムに接続可能な負荷シミュレーションアダプタを更に備える、実施態様1に記載の装置。(6) The device according to
(7) The apparatus according to embodiment 6, wherein the adjusting operation includes drying the components of the handle module.
(8) The device according to embodiment 7, wherein the inspection station comprises one or more fans for blowing air into the components of the handle module.
(9) The device according to embodiment 7, wherein the inspection station comprises a vacuum port for drying the components of the handle module with a vacuum pressure air stream.
(10) The apparatus according to the first embodiment, wherein the inspection station further includes a load simulation adapter that can be connected to the rotation drive system of the handle module.
(11) 前記負荷シミュレーションアダプタが、前記ハンドルモジュールの前記回転駆動システムに模擬負荷を供給するためのモータを備える、実施態様10に記載の装置。
(12) 前記検査ステーションが、前記着脱可能シャフトモジュールに更に接続されている、実施態様1に記載の装置。
(13) 外科的プロセスであって、
臨床医が、着脱可能シャフトモジュールに接続されたハンドルモジュールを備える外科用器具を使用して患者に対する外科的処置を実行することであって、前記ハンドルモジュールは、前記ハンドルモジュール及び前記外科的処置に関するデータを格納するメモリを含む、実行することと、
前記ハンドルモジュールが前記検査ステーションに接続されている間に、前記ハンドルモジュールの前記メモリに格納された前記外科的処置に関するデータを前記検査ステーションのメモリにダウンロードすることと、
前記ハンドルモジュールが前記検査ステーションに接続されている間に、前記ハンドルモジュールに関する情報を前記検査ステーションのディスプレイに視覚的に表示することと、を含む、外科的プロセス。
(14) 前記外科的処置に続いて、かつ前記ハンドルモジュールを検査ステーションに接続するよりも前に、前記ハンドルモジュールから取り外し可能な電池パックを取り外すことであって、前記取り外し可能な電池パックが前記外科的処置中に前記ハンドルモジュールに電力供給していた、取り外すことと、
前記ハンドルモジュールが前記検査ステーションに接続されている間に、前記検査ステーションからの電力で前記ハンドルモジュールに電力供給することと、を更に含む、実施態様13に記載の外科的プロセス。
(15) 前記ハンドルモジュールが前記検査ステーションに接続されている間に、前記ハンドルモジュールに対して1つ又は2つ以上の試験を実行して、以降の外科的処置で使用するために前記ハンドルモジュールの適合性を判定する、実施態様14に記載の外科的プロセス。(11) The device according to
(12) The device according to
(13) It is a surgical process
A clinician performs a surgical procedure on a patient using a surgical instrument comprising a handle module connected to a removable shaft module, wherein the handle module relates to the handle module and the surgical procedure. To do, including memory to store data,
Downloading data about the surgical procedure stored in the memory of the handle module into the memory of the inspection station while the handle module is connected to the inspection station.
A surgical process comprising visually displaying information about the handle module on the display of the inspection station while the handle module is connected to the inspection station.
(14) The removable battery pack is removed from the handle module following the surgical procedure and prior to connecting the handle module to the inspection station, wherein the removable battery pack is said. Powering the handle module during the surgical procedure, removing and
13. The surgical process according to embodiment 13, further comprising powering the handle module with power from the inspection station while the handle module is connected to the inspection station.
(15) While the handle module is connected to the inspection station, the handle module is subjected to one or more tests on the handle module for use in subsequent surgical procedures. 14. The surgical process according to
(16) 前記1つ又は2つ以上の試験が、前記ハンドルモジュールの封止保全性試験を含む、実施態様15に記載の外科的プロセス。
(17) 前記1つ又は2つ以上の試験が、ギヤのバックラッシュ試験を含む、実施態様15に記載の外科的プロセス。
(18) 前記ハンドルモジュールが前記検査ステーションに接続されている間に、以降の外科的処置で使用するために前記ハンドルモジュールを調整する調整動作を行う、実施態様14に記載の外科用プロセッサ。
(19) 前記調整動作が、前記ハンドルモジュールの構成要素を乾燥させること含む、実施態様18に記載の外科用プロセッサ。(16) The surgical process according to
(17) The surgical process according to
(18) The surgical processor according to
(19) The surgical processor according to
| Application Number | Priority Date | Filing Date | Title |
|---|---|---|---|
| US14/633,576US10045779B2 (en) | 2015-02-27 | 2015-02-27 | Surgical instrument system comprising an inspection station |
| US14/633,576 | 2015-02-27 | ||
| PCT/US2016/018423WO2016137812A2 (en) | 2015-02-27 | 2016-02-18 | Surgical instrument system comprising an inspection station |
| Publication Number | Publication Date |
|---|---|
| JP2018509969A JP2018509969A (en) | 2018-04-12 |
| JP6762952B2true JP6762952B2 (en) | 2020-09-30 |
| Application Number | Title | Priority Date | Filing Date |
|---|---|---|---|
| JP2017545407AExpired - Fee RelatedJP6762952B2 (en) | 2015-02-27 | 2016-02-18 | Surgical instrument system with inspection station |
| Country | Link |
|---|---|
| JP (1) | JP6762952B2 (en) |
| CN (1) | CN107635483B (en) |
| BR (1) | BR112017018222A2 (en) |
| Publication number | Priority date | Publication date | Assignee | Title |
|---|---|---|---|---|
| US20070084897A1 (en) | 2003-05-20 | 2007-04-19 | Shelton Frederick E Iv | Articulating surgical stapling instrument incorporating a two-piece e-beam firing mechanism |
| US9060770B2 (en) | 2003-05-20 | 2015-06-23 | Ethicon Endo-Surgery, Inc. | Robotically-driven surgical instrument with E-beam driver |
| US9072535B2 (en) | 2011-05-27 | 2015-07-07 | Ethicon Endo-Surgery, Inc. | Surgical stapling instruments with rotatable staple deployment arrangements |
| US11998198B2 (en) | 2004-07-28 | 2024-06-04 | Cilag Gmbh International | Surgical stapling instrument incorporating a two-piece E-beam firing mechanism |
| US11896225B2 (en) | 2004-07-28 | 2024-02-13 | Cilag Gmbh International | Staple cartridge comprising a pan |
| US8215531B2 (en) | 2004-07-28 | 2012-07-10 | Ethicon Endo-Surgery, Inc. | Surgical stapling instrument having a medical substance dispenser |
| US9237891B2 (en) | 2005-08-31 | 2016-01-19 | Ethicon Endo-Surgery, Inc. | Robotically-controlled surgical stapling devices that produce formed staples having different lengths |
| US11484312B2 (en) | 2005-08-31 | 2022-11-01 | Cilag Gmbh International | Staple cartridge comprising a staple driver arrangement |
| US11246590B2 (en) | 2005-08-31 | 2022-02-15 | Cilag Gmbh International | Staple cartridge including staple drivers having different unfired heights |
| US7669746B2 (en) | 2005-08-31 | 2010-03-02 | Ethicon Endo-Surgery, Inc. | Staple cartridges for forming staples having differing formed staple heights |
| US10159482B2 (en) | 2005-08-31 | 2018-12-25 | Ethicon Llc | Fastener cartridge assembly comprising a fixed anvil and different staple heights |
| US7934630B2 (en) | 2005-08-31 | 2011-05-03 | Ethicon Endo-Surgery, Inc. | Staple cartridges for forming staples having differing formed staple heights |
| US20070106317A1 (en) | 2005-11-09 | 2007-05-10 | Shelton Frederick E Iv | Hydraulically and electrically actuated articulation joints for surgical instruments |
| US7845537B2 (en) | 2006-01-31 | 2010-12-07 | Ethicon Endo-Surgery, Inc. | Surgical instrument having recording capabilities |
| US20120292367A1 (en) | 2006-01-31 | 2012-11-22 | Ethicon Endo-Surgery, Inc. | Robotically-controlled end effector |
| US20110024477A1 (en) | 2009-02-06 | 2011-02-03 | Hall Steven G | Driven Surgical Stapler Improvements |
| US8820603B2 (en) | 2006-01-31 | 2014-09-02 | Ethicon Endo-Surgery, Inc. | Accessing data stored in a memory of a surgical instrument |
| US20110290856A1 (en) | 2006-01-31 | 2011-12-01 | Ethicon Endo-Surgery, Inc. | Robotically-controlled surgical instrument with force-feedback capabilities |
| US11793518B2 (en) | 2006-01-31 | 2023-10-24 | Cilag Gmbh International | Powered surgical instruments with firing system lockout arrangements |
| US11224427B2 (en) | 2006-01-31 | 2022-01-18 | Cilag Gmbh International | Surgical stapling system including a console and retraction assembly |
| US8708213B2 (en) | 2006-01-31 | 2014-04-29 | Ethicon Endo-Surgery, Inc. | Surgical instrument having a feedback system |
| US11278279B2 (en) | 2006-01-31 | 2022-03-22 | Cilag Gmbh International | Surgical instrument assembly |
| US7753904B2 (en) | 2006-01-31 | 2010-07-13 | Ethicon Endo-Surgery, Inc. | Endoscopic surgical instrument with a handle that can articulate with respect to the shaft |
| US8186555B2 (en) | 2006-01-31 | 2012-05-29 | Ethicon Endo-Surgery, Inc. | Motor-driven surgical cutting and fastening instrument with mechanical closure system |
| US8992422B2 (en) | 2006-03-23 | 2015-03-31 | Ethicon Endo-Surgery, Inc. | Robotically-controlled endoscopic accessory channel |
| US8322455B2 (en) | 2006-06-27 | 2012-12-04 | Ethicon Endo-Surgery, Inc. | Manually driven surgical cutting and fastening instrument |
| US10568652B2 (en) | 2006-09-29 | 2020-02-25 | Ethicon Llc | Surgical staples having attached drivers of different heights and stapling instruments for deploying the same |
| US11980366B2 (en) | 2006-10-03 | 2024-05-14 | Cilag Gmbh International | Surgical instrument |
| US8632535B2 (en) | 2007-01-10 | 2014-01-21 | Ethicon Endo-Surgery, Inc. | Interlock and surgical instrument including same |
| US8684253B2 (en) | 2007-01-10 | 2014-04-01 | Ethicon Endo-Surgery, Inc. | Surgical instrument with wireless communication between a control unit of a robotic system and remote sensor |
| US11291441B2 (en) | 2007-01-10 | 2022-04-05 | Cilag Gmbh International | Surgical instrument with wireless communication between control unit and remote sensor |
| US11039836B2 (en) | 2007-01-11 | 2021-06-22 | Cilag Gmbh International | Staple cartridge for use with a surgical stapling instrument |
| US20080169333A1 (en) | 2007-01-11 | 2008-07-17 | Shelton Frederick E | Surgical stapler end effector with tapered distal end |
| US7604151B2 (en) | 2007-03-15 | 2009-10-20 | Ethicon Endo-Surgery, Inc. | Surgical stapling systems and staple cartridges for deploying surgical staples with tissue compression features |
| US11564682B2 (en) | 2007-06-04 | 2023-01-31 | Cilag Gmbh International | Surgical stapler device |
| US8931682B2 (en) | 2007-06-04 | 2015-01-13 | Ethicon Endo-Surgery, Inc. | Robotically-controlled shaft based rotary drive systems for surgical instruments |
| US7753245B2 (en) | 2007-06-22 | 2010-07-13 | Ethicon Endo-Surgery, Inc. | Surgical stapling instruments |
| US11849941B2 (en) | 2007-06-29 | 2023-12-26 | Cilag Gmbh International | Staple cartridge having staple cavities extending at a transverse angle relative to a longitudinal cartridge axis |
| US8573465B2 (en) | 2008-02-14 | 2013-11-05 | Ethicon Endo-Surgery, Inc. | Robotically-controlled surgical end effector system with rotary actuated closure systems |
| US8636736B2 (en) | 2008-02-14 | 2014-01-28 | Ethicon Endo-Surgery, Inc. | Motorized surgical cutting and fastening instrument |
| US9179912B2 (en) | 2008-02-14 | 2015-11-10 | Ethicon Endo-Surgery, Inc. | Robotically-controlled motorized surgical cutting and fastening instrument |
| US7819298B2 (en) | 2008-02-14 | 2010-10-26 | Ethicon Endo-Surgery, Inc. | Surgical stapling apparatus with control features operable with one hand |
| BRPI0901282A2 (en) | 2008-02-14 | 2009-11-17 | Ethicon Endo Surgery Inc | surgical cutting and fixation instrument with rf electrodes |
| US11986183B2 (en) | 2008-02-14 | 2024-05-21 | Cilag Gmbh International | Surgical cutting and fastening instrument comprising a plurality of sensors to measure an electrical parameter |
| US7866527B2 (en) | 2008-02-14 | 2011-01-11 | Ethicon Endo-Surgery, Inc. | Surgical stapling apparatus with interlockable firing system |
| US9585657B2 (en) | 2008-02-15 | 2017-03-07 | Ethicon Endo-Surgery, Llc | Actuator for releasing a layer of material from a surgical end effector |
| US9386983B2 (en) | 2008-09-23 | 2016-07-12 | Ethicon Endo-Surgery, Llc | Robotically-controlled motorized surgical instrument |
| US8210411B2 (en) | 2008-09-23 | 2012-07-03 | Ethicon Endo-Surgery, Inc. | Motor-driven surgical cutting instrument |
| US9005230B2 (en) | 2008-09-23 | 2015-04-14 | Ethicon Endo-Surgery, Inc. | Motorized surgical instrument |
| US11648005B2 (en) | 2008-09-23 | 2023-05-16 | Cilag Gmbh International | Robotically-controlled motorized surgical instrument with an end effector |
| US8608045B2 (en) | 2008-10-10 | 2013-12-17 | Ethicon Endo-Sugery, Inc. | Powered surgical cutting and stapling apparatus with manually retractable firing system |
| US8517239B2 (en) | 2009-02-05 | 2013-08-27 | Ethicon Endo-Surgery, Inc. | Surgical stapling instrument comprising a magnetic element driver |
| JP2012517287A (en) | 2009-02-06 | 2012-08-02 | エシコン・エンド−サージェリィ・インコーポレイテッド | Improvement of driven surgical stapler |
| US8220688B2 (en) | 2009-12-24 | 2012-07-17 | Ethicon Endo-Surgery, Inc. | Motor-driven surgical cutting instrument with electric actuator directional control assembly |
| US8851354B2 (en) | 2009-12-24 | 2014-10-07 | Ethicon Endo-Surgery, Inc. | Surgical cutting instrument that analyzes tissue thickness |
| US8783543B2 (en) | 2010-07-30 | 2014-07-22 | Ethicon Endo-Surgery, Inc. | Tissue acquisition arrangements and methods for surgical stapling devices |
| US9839420B2 (en) | 2010-09-30 | 2017-12-12 | Ethicon Llc | Tissue thickness compensator comprising at least one medicament |
| US9629814B2 (en) | 2010-09-30 | 2017-04-25 | Ethicon Endo-Surgery, Llc | Tissue thickness compensator configured to redistribute compressive forces |
| US11812965B2 (en) | 2010-09-30 | 2023-11-14 | Cilag Gmbh International | Layer of material for a surgical end effector |
| US8740038B2 (en) | 2010-09-30 | 2014-06-03 | Ethicon Endo-Surgery, Inc. | Staple cartridge comprising a releasable portion |
| US11298125B2 (en) | 2010-09-30 | 2022-04-12 | Cilag Gmbh International | Tissue stapler having a thickness compensator |
| US9320523B2 (en) | 2012-03-28 | 2016-04-26 | Ethicon Endo-Surgery, Llc | Tissue thickness compensator comprising tissue ingrowth features |
| US11925354B2 (en) | 2010-09-30 | 2024-03-12 | Cilag Gmbh International | Staple cartridge comprising staples positioned within a compressible portion thereof |
| US12213666B2 (en) | 2010-09-30 | 2025-02-04 | Cilag Gmbh International | Tissue thickness compensator comprising layers |
| US10945731B2 (en) | 2010-09-30 | 2021-03-16 | Ethicon Llc | Tissue thickness compensator comprising controlled release and expansion |
| US9566061B2 (en) | 2010-09-30 | 2017-02-14 | Ethicon Endo-Surgery, Llc | Fastener cartridge comprising a releasably attached tissue thickness compensator |
| US8695866B2 (en) | 2010-10-01 | 2014-04-15 | Ethicon Endo-Surgery, Inc. | Surgical instrument having a power control circuit |
| RU2606493C2 (en) | 2011-04-29 | 2017-01-10 | Этикон Эндо-Серджери, Инк. | Staple cartridge, containing staples, located inside its compressible part |
| US11207064B2 (en) | 2011-05-27 | 2021-12-28 | Cilag Gmbh International | Automated end effector component reloading system for use with a robotic system |
| CN104321024B (en) | 2012-03-28 | 2017-05-24 | 伊西康内外科公司 | Tissue thickness compensator comprising a plurality of layers |
| BR112014024098B1 (en) | 2012-03-28 | 2021-05-25 | Ethicon Endo-Surgery, Inc. | staple cartridge |
| MX353040B (en) | 2012-03-28 | 2017-12-18 | Ethicon Endo Surgery Inc | Retainer assembly including a tissue thickness compensator. |
| US9101358B2 (en) | 2012-06-15 | 2015-08-11 | Ethicon Endo-Surgery, Inc. | Articulatable surgical instrument comprising a firing drive |
| JP6290201B2 (en) | 2012-06-28 | 2018-03-07 | エシコン・エンド−サージェリィ・インコーポレイテッドEthicon Endo−Surgery,Inc. | Lockout for empty clip cartridge |
| US9649111B2 (en) | 2012-06-28 | 2017-05-16 | Ethicon Endo-Surgery, Llc | Replaceable clip cartridge for a clip applier |
| US12383267B2 (en) | 2012-06-28 | 2025-08-12 | Cilag Gmbh International | Robotically powered surgical device with manually-actuatable reversing system |
| US11278284B2 (en) | 2012-06-28 | 2022-03-22 | Cilag Gmbh International | Rotary drive arrangements for surgical instruments |
| BR112014032776B1 (en) | 2012-06-28 | 2021-09-08 | Ethicon Endo-Surgery, Inc | SURGICAL INSTRUMENT SYSTEM AND SURGICAL KIT FOR USE WITH A SURGICAL INSTRUMENT SYSTEM |
| US20140001231A1 (en) | 2012-06-28 | 2014-01-02 | Ethicon Endo-Surgery, Inc. | Firing system lockout arrangements for surgical instruments |
| US9289256B2 (en) | 2012-06-28 | 2016-03-22 | Ethicon Endo-Surgery, Llc | Surgical end effectors having angled tissue-contacting surfaces |
| US9408606B2 (en) | 2012-06-28 | 2016-08-09 | Ethicon Endo-Surgery, Llc | Robotically powered surgical device with manually-actuatable reversing system |
| JP6382235B2 (en) | 2013-03-01 | 2018-08-29 | エシコン・エンド−サージェリィ・インコーポレイテッドEthicon Endo−Surgery,Inc. | Articulatable surgical instrument with a conductive path for signal communication |
| BR112015021082B1 (en) | 2013-03-01 | 2022-05-10 | Ethicon Endo-Surgery, Inc | surgical instrument |
| US9883860B2 (en) | 2013-03-14 | 2018-02-06 | Ethicon Llc | Interchangeable shaft assemblies for use with a surgical instrument |
| US9629629B2 (en) | 2013-03-14 | 2017-04-25 | Ethicon Endo-Surgey, LLC | Control systems for surgical instruments |
| BR112015026109B1 (en) | 2013-04-16 | 2022-02-22 | Ethicon Endo-Surgery, Inc | surgical instrument |
| US9801626B2 (en) | 2013-04-16 | 2017-10-31 | Ethicon Llc | Modular motor driven surgical instruments with alignment features for aligning rotary drive shafts with surgical end effector shafts |
| US9808249B2 (en) | 2013-08-23 | 2017-11-07 | Ethicon Llc | Attachment portions for surgical instrument assemblies |
| JP6416260B2 (en) | 2013-08-23 | 2018-10-31 | エシコン エルエルシー | Firing member retractor for a powered surgical instrument |
| US9962161B2 (en) | 2014-02-12 | 2018-05-08 | Ethicon Llc | Deliverable surgical instrument |
| BR112016021943B1 (en) | 2014-03-26 | 2022-06-14 | Ethicon Endo-Surgery, Llc | SURGICAL INSTRUMENT FOR USE BY AN OPERATOR IN A SURGICAL PROCEDURE |
| US10028761B2 (en) | 2014-03-26 | 2018-07-24 | Ethicon Llc | Feedback algorithms for manual bailout systems for surgical instruments |
| US12232723B2 (en) | 2014-03-26 | 2025-02-25 | Cilag Gmbh International | Systems and methods for controlling a segmented circuit |
| US9804618B2 (en) | 2014-03-26 | 2017-10-31 | Ethicon Llc | Systems and methods for controlling a segmented circuit |
| US20150272557A1 (en) | 2014-03-26 | 2015-10-01 | Ethicon Endo-Surgery, Inc. | Modular surgical instrument system |
| US20150297223A1 (en) | 2014-04-16 | 2015-10-22 | Ethicon Endo-Surgery, Inc. | Fastener cartridges including extensions having different configurations |
| US10327764B2 (en) | 2014-09-26 | 2019-06-25 | Ethicon Llc | Method for creating a flexible staple line |
| US10470768B2 (en) | 2014-04-16 | 2019-11-12 | Ethicon Llc | Fastener cartridge including a layer attached thereto |
| CN106456176B (en) | 2014-04-16 | 2019-06-28 | 伊西康内外科有限责任公司 | Fastener Cartridge Including Extensions With Different Configurations |
| BR112016023807B1 (en) | 2014-04-16 | 2022-07-12 | Ethicon Endo-Surgery, Llc | CARTRIDGE SET OF FASTENERS FOR USE WITH A SURGICAL INSTRUMENT |
| JP6612256B2 (en) | 2014-04-16 | 2019-11-27 | エシコン エルエルシー | Fastener cartridge with non-uniform fastener |
| US9788836B2 (en) | 2014-09-05 | 2017-10-17 | Ethicon Llc | Multiple motor control for powered medical device |
| BR112017004361B1 (en) | 2014-09-05 | 2023-04-11 | Ethicon Llc | ELECTRONIC SYSTEM FOR A SURGICAL INSTRUMENT |
| US11311294B2 (en) | 2014-09-05 | 2022-04-26 | Cilag Gmbh International | Powered medical device including measurement of closure state of jaws |
| US10105142B2 (en) | 2014-09-18 | 2018-10-23 | Ethicon Llc | Surgical stapler with plurality of cutting elements |
| US11523821B2 (en) | 2014-09-26 | 2022-12-13 | Cilag Gmbh International | Method for creating a flexible staple line |
| CN107427300B (en) | 2014-09-26 | 2020-12-04 | 伊西康有限责任公司 | Surgical suture buttresses and auxiliary materials |
| US9924944B2 (en) | 2014-10-16 | 2018-03-27 | Ethicon Llc | Staple cartridge comprising an adjunct material |
| US10517594B2 (en) | 2014-10-29 | 2019-12-31 | Ethicon Llc | Cartridge assemblies for surgical staplers |
| US11141153B2 (en) | 2014-10-29 | 2021-10-12 | Cilag Gmbh International | Staple cartridges comprising driver arrangements |
| US9844376B2 (en) | 2014-11-06 | 2017-12-19 | Ethicon Llc | Staple cartridge comprising a releasable adjunct material |
| US10736636B2 (en) | 2014-12-10 | 2020-08-11 | Ethicon Llc | Articulatable surgical instrument system |
| US9987000B2 (en) | 2014-12-18 | 2018-06-05 | Ethicon Llc | Surgical instrument assembly comprising a flexible articulation system |
| US10085748B2 (en) | 2014-12-18 | 2018-10-02 | Ethicon Llc | Locking arrangements for detachable shaft assemblies with articulatable surgical end effectors |
| MX389118B (en) | 2014-12-18 | 2025-03-20 | Ethicon Llc | SURGICAL INSTRUMENT WITH AN ANVIL THAT CAN BE SELECTIVELY MOVED ON A DISCRETE, NON-MOBILE AXIS RELATIVE TO A STAPLE CARTRIDGE. |
| US9844375B2 (en) | 2014-12-18 | 2017-12-19 | Ethicon Llc | Drive arrangements for articulatable surgical instruments |
| US9844374B2 (en) | 2014-12-18 | 2017-12-19 | Ethicon Llc | Surgical instrument systems comprising an articulatable end effector and means for adjusting the firing stroke of a firing member |
| US10004501B2 (en) | 2014-12-18 | 2018-06-26 | Ethicon Llc | Surgical instruments with improved closure arrangements |
| US11154301B2 (en) | 2015-02-27 | 2021-10-26 | Cilag Gmbh International | Modular stapling assembly |
| US10441279B2 (en) | 2015-03-06 | 2019-10-15 | Ethicon Llc | Multiple level thresholds to modify operation of powered surgical instruments |
| JP2020121162A (en) | 2015-03-06 | 2020-08-13 | エシコン エルエルシーEthicon LLC | Time dependent evaluation of sensor data to determine stability element, creep element and viscoelastic element of measurement |
| US10548504B2 (en) | 2015-03-06 | 2020-02-04 | Ethicon Llc | Overlaid multi sensor radio frequency (RF) electrode system to measure tissue compression |
| US9993248B2 (en) | 2015-03-06 | 2018-06-12 | Ethicon Endo-Surgery, Llc | Smart sensors with local signal processing |
| US10245033B2 (en)* | 2015-03-06 | 2019-04-02 | Ethicon Llc | Surgical instrument comprising a lockable battery housing |
| US10390825B2 (en) | 2015-03-31 | 2019-08-27 | Ethicon Llc | Surgical instrument with progressive rotary drive systems |
| US10617418B2 (en) | 2015-08-17 | 2020-04-14 | Ethicon Llc | Implantable layers for a surgical instrument |
| US10238386B2 (en) | 2015-09-23 | 2019-03-26 | Ethicon Llc | Surgical stapler having motor control based on an electrical parameter related to a motor current |
| US10105139B2 (en) | 2015-09-23 | 2018-10-23 | Ethicon Llc | Surgical stapler having downstream current-based motor control |
| US10299878B2 (en) | 2015-09-25 | 2019-05-28 | Ethicon Llc | Implantable adjunct systems for determining adjunct skew |
| US10327777B2 (en) | 2015-09-30 | 2019-06-25 | Ethicon Llc | Implantable layer comprising plastically deformed fibers |
| US10736633B2 (en) | 2015-09-30 | 2020-08-11 | Ethicon Llc | Compressible adjunct with looping members |
| US11890015B2 (en) | 2015-09-30 | 2024-02-06 | Cilag Gmbh International | Compressible adjunct with crossing spacer fibers |
| US10980539B2 (en) | 2015-09-30 | 2021-04-20 | Ethicon Llc | Implantable adjunct comprising bonded layers |
| US10368865B2 (en) | 2015-12-30 | 2019-08-06 | Ethicon Llc | Mechanisms for compensating for drivetrain failure in powered surgical instruments |
| US10292704B2 (en) | 2015-12-30 | 2019-05-21 | Ethicon Llc | Mechanisms for compensating for battery pack failure in powered surgical instruments |
| US10265068B2 (en) | 2015-12-30 | 2019-04-23 | Ethicon Llc | Surgical instruments with separable motors and motor control circuits |
| JP6911054B2 (en) | 2016-02-09 | 2021-07-28 | エシコン エルエルシーEthicon LLC | Surgical instruments with asymmetric joint composition |
| US11213293B2 (en) | 2016-02-09 | 2022-01-04 | Cilag Gmbh International | Articulatable surgical instruments with single articulation link arrangements |
| US10448948B2 (en) | 2016-02-12 | 2019-10-22 | Ethicon Llc | Mechanisms for compensating for drivetrain failure in powered surgical instruments |
| US11224426B2 (en) | 2016-02-12 | 2022-01-18 | Cilag Gmbh International | Mechanisms for compensating for drivetrain failure in powered surgical instruments |
| JP6995773B2 (en)* | 2016-04-01 | 2022-01-17 | エシコン エルエルシー | Modular surgical staple fastening system with display |
| US10828028B2 (en) | 2016-04-15 | 2020-11-10 | Ethicon Llc | Surgical instrument with multiple program responses during a firing motion |
| US10335145B2 (en) | 2016-04-15 | 2019-07-02 | Ethicon Llc | Modular surgical instrument with configurable operating mode |
| US10357247B2 (en) | 2016-04-15 | 2019-07-23 | Ethicon Llc | Surgical instrument with multiple program responses during a firing motion |
| US11179150B2 (en) | 2016-04-15 | 2021-11-23 | Cilag Gmbh International | Systems and methods for controlling a surgical stapling and cutting instrument |
| US10456137B2 (en) | 2016-04-15 | 2019-10-29 | Ethicon Llc | Staple formation detection mechanisms |
| US10426467B2 (en) | 2016-04-15 | 2019-10-01 | Ethicon Llc | Surgical instrument with detection sensors |
| US10492783B2 (en) | 2016-04-15 | 2019-12-03 | Ethicon, Llc | Surgical instrument with improved stop/start control during a firing motion |
| US11607239B2 (en) | 2016-04-15 | 2023-03-21 | Cilag Gmbh International | Systems and methods for controlling a surgical stapling and cutting instrument |
| US11317917B2 (en) | 2016-04-18 | 2022-05-03 | Cilag Gmbh International | Surgical stapling system comprising a lockable firing assembly |
| US10478181B2 (en) | 2016-04-18 | 2019-11-19 | Ethicon Llc | Cartridge lockout arrangements for rotary powered surgical cutting and stapling instruments |
| US20170296173A1 (en) | 2016-04-18 | 2017-10-19 | Ethicon Endo-Surgery, Llc | Method for operating a surgical instrument |
| US10548673B2 (en) | 2016-08-16 | 2020-02-04 | Ethicon Llc | Surgical tool with a display |
| US11419606B2 (en) | 2016-12-21 | 2022-08-23 | Cilag Gmbh International | Shaft assembly comprising a clutch configured to adapt the output of a rotary firing member to two different systems |
| US10835246B2 (en) | 2016-12-21 | 2020-11-17 | Ethicon Llc | Staple cartridges and arrangements of staples and staple cavities therein |
| US10835245B2 (en) | 2016-12-21 | 2020-11-17 | Ethicon Llc | Method for attaching a shaft assembly to a surgical instrument and, alternatively, to a surgical robot |
| CN110087565A (en) | 2016-12-21 | 2019-08-02 | 爱惜康有限责任公司 | Surgical stapling system |
| MX2019007295A (en) | 2016-12-21 | 2019-10-15 | Ethicon Llc | Surgical instrument system comprising an end effector lockout and a firing assembly lockout. |
| US10517595B2 (en) | 2016-12-21 | 2019-12-31 | Ethicon Llc | Jaw actuated lock arrangements for preventing advancement of a firing member in a surgical end effector unless an unfired cartridge is installed in the end effector |
| US20180168615A1 (en) | 2016-12-21 | 2018-06-21 | Ethicon Endo-Surgery, Llc | Method of deforming staples from two different types of staple cartridges with the same surgical stapling instrument |
| US10898186B2 (en) | 2016-12-21 | 2021-01-26 | Ethicon Llc | Staple forming pocket arrangements comprising primary sidewalls and pocket sidewalls |
| JP6983893B2 (en) | 2016-12-21 | 2021-12-17 | エシコン エルエルシーEthicon LLC | Lockout configuration for surgical end effectors and replaceable tool assemblies |
| US10568624B2 (en) | 2016-12-21 | 2020-02-25 | Ethicon Llc | Surgical instruments with jaws that are pivotable about a fixed axis and include separate and distinct closure and firing systems |
| CN110114003A (en) | 2016-12-21 | 2019-08-09 | 爱惜康有限责任公司 | Surgical stapling system |
| JP7010956B2 (en) | 2016-12-21 | 2022-01-26 | エシコン エルエルシー | How to staple tissue |
| US10758230B2 (en) | 2016-12-21 | 2020-09-01 | Ethicon Llc | Surgical instrument with primary and safety processors |
| US10675026B2 (en) | 2016-12-21 | 2020-06-09 | Ethicon Llc | Methods of stapling tissue |
| US11134942B2 (en) | 2016-12-21 | 2021-10-05 | Cilag Gmbh International | Surgical stapling instruments and staple-forming anvils |
| US10639034B2 (en) | 2016-12-21 | 2020-05-05 | Ethicon Llc | Surgical instruments with lockout arrangements for preventing firing system actuation unless an unspent staple cartridge is present |
| JP7010957B2 (en) | 2016-12-21 | 2022-01-26 | エシコン エルエルシー | Shaft assembly with lockout |
| US10588632B2 (en) | 2016-12-21 | 2020-03-17 | Ethicon Llc | Surgical end effectors and firing members thereof |
| US11517325B2 (en) | 2017-06-20 | 2022-12-06 | Cilag Gmbh International | Closed loop feedback control of motor velocity of a surgical stapling and cutting instrument based on measured displacement distance traveled over a specified time interval |
| US10980537B2 (en) | 2017-06-20 | 2021-04-20 | Ethicon Llc | Closed loop feedback control of motor velocity of a surgical stapling and cutting instrument based on measured time over a specified number of shaft rotations |
| US11090046B2 (en) | 2017-06-20 | 2021-08-17 | Cilag Gmbh International | Systems and methods for controlling displacement member motion of a surgical stapling and cutting instrument |
| US10307170B2 (en) | 2017-06-20 | 2019-06-04 | Ethicon Llc | Method for closed loop control of motor velocity of a surgical stapling and cutting instrument |
| US11071554B2 (en) | 2017-06-20 | 2021-07-27 | Cilag Gmbh International | Closed loop feedback control of motor velocity of a surgical stapling and cutting instrument based on magnitude of velocity error measurements |
| US10779820B2 (en) | 2017-06-20 | 2020-09-22 | Ethicon Llc | Systems and methods for controlling motor speed according to user input for a surgical instrument |
| US10881399B2 (en) | 2017-06-20 | 2021-01-05 | Ethicon Llc | Techniques for adaptive control of motor velocity of a surgical stapling and cutting instrument |
| US11382638B2 (en) | 2017-06-20 | 2022-07-12 | Cilag Gmbh International | Closed loop feedback control of motor velocity of a surgical stapling and cutting instrument based on measured time over a specified displacement distance |
| US11653914B2 (en) | 2017-06-20 | 2023-05-23 | Cilag Gmbh International | Systems and methods for controlling motor velocity of a surgical stapling and cutting instrument according to articulation angle of end effector |
| US10993716B2 (en) | 2017-06-27 | 2021-05-04 | Ethicon Llc | Surgical anvil arrangements |
| US11324503B2 (en) | 2017-06-27 | 2022-05-10 | Cilag Gmbh International | Surgical firing member arrangements |
| US11090049B2 (en) | 2017-06-27 | 2021-08-17 | Cilag Gmbh International | Staple forming pocket arrangements |
| US11266405B2 (en) | 2017-06-27 | 2022-03-08 | Cilag Gmbh International | Surgical anvil manufacturing methods |
| US10765427B2 (en) | 2017-06-28 | 2020-09-08 | Ethicon Llc | Method for articulating a surgical instrument |
| US10903685B2 (en) | 2017-06-28 | 2021-01-26 | Ethicon Llc | Surgical shaft assemblies with slip ring assemblies forming capacitive channels |
| US11246592B2 (en) | 2017-06-28 | 2022-02-15 | Cilag Gmbh International | Surgical instrument comprising an articulation system lockable to a frame |
| US10779824B2 (en) | 2017-06-28 | 2020-09-22 | Ethicon Llc | Surgical instrument comprising an articulation system lockable by a closure system |
| US11259805B2 (en) | 2017-06-28 | 2022-03-01 | Cilag Gmbh International | Surgical instrument comprising firing member supports |
| US11564686B2 (en) | 2017-06-28 | 2023-01-31 | Cilag Gmbh International | Surgical shaft assemblies with flexible interfaces |
| US10588633B2 (en) | 2017-06-28 | 2020-03-17 | Ethicon Llc | Surgical instruments with open and closable jaws and axially movable firing member that is initially parked in close proximity to the jaws prior to firing |
| EP4070740B1 (en) | 2017-06-28 | 2025-03-26 | Cilag GmbH International | Surgical instrument comprising selectively actuatable rotatable couplers |
| USD906355S1 (en) | 2017-06-28 | 2020-12-29 | Ethicon Llc | Display screen or portion thereof with a graphical user interface for a surgical instrument |
| US10932772B2 (en) | 2017-06-29 | 2021-03-02 | Ethicon Llc | Methods for closed loop velocity control for robotic surgical instrument |
| US11471155B2 (en) | 2017-08-03 | 2022-10-18 | Cilag Gmbh International | Surgical system bailout |
| US11304695B2 (en) | 2017-08-03 | 2022-04-19 | Cilag Gmbh International | Surgical system shaft interconnection |
| US11944300B2 (en) | 2017-08-03 | 2024-04-02 | Cilag Gmbh International | Method for operating a surgical system bailout |
| US11974742B2 (en) | 2017-08-03 | 2024-05-07 | Cilag Gmbh International | Surgical system comprising an articulation bailout |
| US10743872B2 (en) | 2017-09-29 | 2020-08-18 | Ethicon Llc | System and methods for controlling a display of a surgical instrument |
| US11399829B2 (en) | 2017-09-29 | 2022-08-02 | Cilag Gmbh International | Systems and methods of initiating a power shutdown mode for a surgical instrument |
| US11090075B2 (en) | 2017-10-30 | 2021-08-17 | Cilag Gmbh International | Articulation features for surgical end effector |
| US11134944B2 (en) | 2017-10-30 | 2021-10-05 | Cilag Gmbh International | Surgical stapler knife motion controls |
| US10842490B2 (en) | 2017-10-31 | 2020-11-24 | Ethicon Llc | Cartridge body design with force reduction based on firing completion |
| US11071543B2 (en) | 2017-12-15 | 2021-07-27 | Cilag Gmbh International | Surgical end effectors with clamping assemblies configured to increase jaw aperture ranges |
| US11197670B2 (en) | 2017-12-15 | 2021-12-14 | Cilag Gmbh International | Surgical end effectors with pivotal jaws configured to touch at their respective distal ends when fully closed |
| US11033267B2 (en) | 2017-12-15 | 2021-06-15 | Ethicon Llc | Systems and methods of controlling a clamping member firing rate of a surgical instrument |
| US10779826B2 (en) | 2017-12-15 | 2020-09-22 | Ethicon Llc | Methods of operating surgical end effectors |
| US10966718B2 (en) | 2017-12-15 | 2021-04-06 | Ethicon Llc | Dynamic clamping assemblies with improved wear characteristics for use in connection with electromechanical surgical instruments |
| US10835330B2 (en) | 2017-12-19 | 2020-11-17 | Ethicon Llc | Method for determining the position of a rotatable jaw of a surgical instrument attachment assembly |
| US11020112B2 (en) | 2017-12-19 | 2021-06-01 | Ethicon Llc | Surgical tools configured for interchangeable use with different controller interfaces |
| USD910847S1 (en) | 2017-12-19 | 2021-02-16 | Ethicon Llc | Surgical instrument assembly |
| US20190192151A1 (en) | 2017-12-21 | 2019-06-27 | Ethicon Llc | Surgical instrument having a display comprising image layers |
| US11076853B2 (en) | 2017-12-21 | 2021-08-03 | Cilag Gmbh International | Systems and methods of displaying a knife position during transection for a surgical instrument |
| US12336705B2 (en) | 2017-12-21 | 2025-06-24 | Cilag Gmbh International | Continuous use self-propelled stapling instrument |
| US11311290B2 (en) | 2017-12-21 | 2022-04-26 | Cilag Gmbh International | Surgical instrument comprising an end effector dampener |
| US11129680B2 (en) | 2017-12-21 | 2021-09-28 | Cilag Gmbh International | Surgical instrument comprising a projector |
| US11039834B2 (en) | 2018-08-20 | 2021-06-22 | Cilag Gmbh International | Surgical stapler anvils with staple directing protrusions and tissue stability features |
| US11324501B2 (en) | 2018-08-20 | 2022-05-10 | Cilag Gmbh International | Surgical stapling devices with improved closure members |
| US11045192B2 (en) | 2018-08-20 | 2021-06-29 | Cilag Gmbh International | Fabricating techniques for surgical stapler anvils |
| US11291440B2 (en) | 2018-08-20 | 2022-04-05 | Cilag Gmbh International | Method for operating a powered articulatable surgical instrument |
| US11083458B2 (en) | 2018-08-20 | 2021-08-10 | Cilag Gmbh International | Powered surgical instruments with clutching arrangements to convert linear drive motions to rotary drive motions |
| US11207065B2 (en) | 2018-08-20 | 2021-12-28 | Cilag Gmbh International | Method for fabricating surgical stapler anvils |
| US11253256B2 (en) | 2018-08-20 | 2022-02-22 | Cilag Gmbh International | Articulatable motor powered surgical instruments with dedicated articulation motor arrangements |
| US20200054321A1 (en) | 2018-08-20 | 2020-02-20 | Ethicon Llc | Surgical instruments with progressive jaw closure arrangements |
| USD914878S1 (en) | 2018-08-20 | 2021-03-30 | Ethicon Llc | Surgical instrument anvil |
| US10912559B2 (en) | 2018-08-20 | 2021-02-09 | Ethicon Llc | Reinforced deformable anvil tip for surgical stapler anvil |
| US11172929B2 (en) | 2019-03-25 | 2021-11-16 | Cilag Gmbh International | Articulation drive arrangements for surgical systems |
| US11147551B2 (en) | 2019-03-25 | 2021-10-19 | Cilag Gmbh International | Firing drive arrangements for surgical systems |
| US11696761B2 (en) | 2019-03-25 | 2023-07-11 | Cilag Gmbh International | Firing drive arrangements for surgical systems |
| US11147553B2 (en) | 2019-03-25 | 2021-10-19 | Cilag Gmbh International | Firing drive arrangements for surgical systems |
| US11432816B2 (en) | 2019-04-30 | 2022-09-06 | Cilag Gmbh International | Articulation pin for a surgical instrument |
| US11426251B2 (en) | 2019-04-30 | 2022-08-30 | Cilag Gmbh International | Articulation directional lights on a surgical instrument |
| US11253254B2 (en) | 2019-04-30 | 2022-02-22 | Cilag Gmbh International | Shaft rotation actuator on a surgical instrument |
| US11903581B2 (en) | 2019-04-30 | 2024-02-20 | Cilag Gmbh International | Methods for stapling tissue using a surgical instrument |
| US11648009B2 (en) | 2019-04-30 | 2023-05-16 | Cilag Gmbh International | Rotatable jaw tip for a surgical instrument |
| US11452528B2 (en) | 2019-04-30 | 2022-09-27 | Cilag Gmbh International | Articulation actuators for a surgical instrument |
| US11471157B2 (en) | 2019-04-30 | 2022-10-18 | Cilag Gmbh International | Articulation control mapping for a surgical instrument |
| US11246678B2 (en) | 2019-06-28 | 2022-02-15 | Cilag Gmbh International | Surgical stapling system having a frangible RFID tag |
| US12004740B2 (en) | 2019-06-28 | 2024-06-11 | Cilag Gmbh International | Surgical stapling system having an information decryption protocol |
| US11291451B2 (en) | 2019-06-28 | 2022-04-05 | Cilag Gmbh International | Surgical instrument with battery compatibility verification functionality |
| US11684434B2 (en) | 2019-06-28 | 2023-06-27 | Cilag Gmbh International | Surgical RFID assemblies for instrument operational setting control |
| US11426167B2 (en) | 2019-06-28 | 2022-08-30 | Cilag Gmbh International | Mechanisms for proper anvil attachment surgical stapling head assembly |
| US11553971B2 (en) | 2019-06-28 | 2023-01-17 | Cilag Gmbh International | Surgical RFID assemblies for display and communication |
| US11627959B2 (en) | 2019-06-28 | 2023-04-18 | Cilag Gmbh International | Surgical instruments including manual and powered system lockouts |
| US11464601B2 (en) | 2019-06-28 | 2022-10-11 | Cilag Gmbh International | Surgical instrument comprising an RFID system for tracking a movable component |
| US11478241B2 (en) | 2019-06-28 | 2022-10-25 | Cilag Gmbh International | Staple cartridge including projections |
| US11523822B2 (en) | 2019-06-28 | 2022-12-13 | Cilag Gmbh International | Battery pack including a circuit interrupter |
| US11298132B2 (en) | 2019-06-28 | 2022-04-12 | Cilag GmbH Inlernational | Staple cartridge including a honeycomb extension |
| US11259803B2 (en) | 2019-06-28 | 2022-03-01 | Cilag Gmbh International | Surgical stapling system having an information encryption protocol |
| US11660163B2 (en) | 2019-06-28 | 2023-05-30 | Cilag Gmbh International | Surgical system with RFID tags for updating motor assembly parameters |
| US11224497B2 (en) | 2019-06-28 | 2022-01-18 | Cilag Gmbh International | Surgical systems with multiple RFID tags |
| US11771419B2 (en) | 2019-06-28 | 2023-10-03 | Cilag Gmbh International | Packaging for a replaceable component of a surgical stapling system |
| US11219455B2 (en) | 2019-06-28 | 2022-01-11 | Cilag Gmbh International | Surgical instrument including a lockout key |
| US11399837B2 (en) | 2019-06-28 | 2022-08-02 | Cilag Gmbh International | Mechanisms for motor control adjustments of a motorized surgical instrument |
| US11497492B2 (en) | 2019-06-28 | 2022-11-15 | Cilag Gmbh International | Surgical instrument including an articulation lock |
| US11051807B2 (en) | 2019-06-28 | 2021-07-06 | Cilag Gmbh International | Packaging assembly including a particulate trap |
| US11241235B2 (en) | 2019-06-28 | 2022-02-08 | Cilag Gmbh International | Method of using multiple RFID chips with a surgical assembly |
| US11638587B2 (en) | 2019-06-28 | 2023-05-02 | Cilag Gmbh International | RFID identification systems for surgical instruments |
| US11376098B2 (en) | 2019-06-28 | 2022-07-05 | Cilag Gmbh International | Surgical instrument system comprising an RFID system |
| US11298127B2 (en) | 2019-06-28 | 2022-04-12 | Cilag GmbH Interational | Surgical stapling system having a lockout mechanism for an incompatible cartridge |
| US11517349B2 (en) | 2019-09-27 | 2022-12-06 | Bard Access Systems, Inc. | Autovance feature of an intraosseous device |
| CN112568976B (en) | 2019-09-27 | 2025-08-12 | 巴德阿克塞斯系统股份有限公司 | Various operating mechanisms for intraosseous access to medical devices and methods therefor |
| US11759235B2 (en) | 2019-09-27 | 2023-09-19 | Bard Access Systems, Inc. | Constant-torque intraosseous access devices and methods thereof |
| US11529137B2 (en) | 2019-12-19 | 2022-12-20 | Cilag Gmbh International | Staple cartridge comprising driver retention members |
| US11464512B2 (en) | 2019-12-19 | 2022-10-11 | Cilag Gmbh International | Staple cartridge comprising a curved deck surface |
| US11576672B2 (en) | 2019-12-19 | 2023-02-14 | Cilag Gmbh International | Surgical instrument comprising a closure system including a closure member and an opening member driven by a drive screw |
| US11701111B2 (en) | 2019-12-19 | 2023-07-18 | Cilag Gmbh International | Method for operating a surgical stapling instrument |
| US11931033B2 (en) | 2019-12-19 | 2024-03-19 | Cilag Gmbh International | Staple cartridge comprising a latch lockout |
| US11607219B2 (en) | 2019-12-19 | 2023-03-21 | Cilag Gmbh International | Staple cartridge comprising a detachable tissue cutting knife |
| US11304696B2 (en) | 2019-12-19 | 2022-04-19 | Cilag Gmbh International | Surgical instrument comprising a powered articulation system |
| US11559304B2 (en) | 2019-12-19 | 2023-01-24 | Cilag Gmbh International | Surgical instrument comprising a rapid closure mechanism |
| US11844520B2 (en) | 2019-12-19 | 2023-12-19 | Cilag Gmbh International | Staple cartridge comprising driver retention members |
| US11446029B2 (en) | 2019-12-19 | 2022-09-20 | Cilag Gmbh International | Staple cartridge comprising projections extending from a curved deck surface |
| US11911032B2 (en) | 2019-12-19 | 2024-02-27 | Cilag Gmbh International | Staple cartridge comprising a seating cam |
| US11529139B2 (en) | 2019-12-19 | 2022-12-20 | Cilag Gmbh International | Motor driven surgical instrument |
| US12035913B2 (en) | 2019-12-19 | 2024-07-16 | Cilag Gmbh International | Staple cartridge comprising a deployable knife |
| US11504122B2 (en) | 2019-12-19 | 2022-11-22 | Cilag Gmbh International | Surgical instrument comprising a nested firing member |
| US11234698B2 (en) | 2019-12-19 | 2022-02-01 | Cilag Gmbh International | Stapling system comprising a clamp lockout and a firing lockout |
| US11291447B2 (en) | 2019-12-19 | 2022-04-05 | Cilag Gmbh International | Stapling instrument comprising independent jaw closing and staple firing systems |
| CN215349256U (en) | 2020-04-21 | 2021-12-31 | 巴德阿克塞斯系统股份有限公司 | Intraosseous access device and access device |
| USD975278S1 (en) | 2020-06-02 | 2023-01-10 | Cilag Gmbh International | Staple cartridge |
| USD975850S1 (en) | 2020-06-02 | 2023-01-17 | Cilag Gmbh International | Staple cartridge |
| USD976401S1 (en) | 2020-06-02 | 2023-01-24 | Cilag Gmbh International | Staple cartridge |
| USD967421S1 (en) | 2020-06-02 | 2022-10-18 | Cilag Gmbh International | Staple cartridge |
| USD974560S1 (en) | 2020-06-02 | 2023-01-03 | Cilag Gmbh International | Staple cartridge |
| USD975851S1 (en) | 2020-06-02 | 2023-01-17 | Cilag Gmbh International | Staple cartridge |
| USD966512S1 (en) | 2020-06-02 | 2022-10-11 | Cilag Gmbh International | Staple cartridge |
| WO2021247723A2 (en) | 2020-06-03 | 2021-12-09 | Bard Access Systems, Inc. | Intraosseous device including a sensing obturator |
| US12220126B2 (en) | 2020-07-28 | 2025-02-11 | Cilag Gmbh International | Surgical instruments with double pivot articulation joint arrangements |
| CN114098918A (en) | 2020-08-25 | 2022-03-01 | 巴德阿克塞斯系统股份有限公司 | Angled intraosseous access system |
| CN215839325U (en) | 2020-09-09 | 2022-02-18 | 巴德阿克塞斯系统股份有限公司 | Suction device for an intraosseous access system |
| USD980425S1 (en) | 2020-10-29 | 2023-03-07 | Cilag Gmbh International | Surgical instrument assembly |
| US11617577B2 (en) | 2020-10-29 | 2023-04-04 | Cilag Gmbh International | Surgical instrument comprising a sensor configured to sense whether an articulation drive of the surgical instrument is actuatable |
| US11534259B2 (en) | 2020-10-29 | 2022-12-27 | Cilag Gmbh International | Surgical instrument comprising an articulation indicator |
| US11896217B2 (en) | 2020-10-29 | 2024-02-13 | Cilag Gmbh International | Surgical instrument comprising an articulation lock |
| US11844518B2 (en) | 2020-10-29 | 2023-12-19 | Cilag Gmbh International | Method for operating a surgical instrument |
| US11717289B2 (en) | 2020-10-29 | 2023-08-08 | Cilag Gmbh International | Surgical instrument comprising an indicator which indicates that an articulation drive is actuatable |
| US11779330B2 (en) | 2020-10-29 | 2023-10-10 | Cilag Gmbh International | Surgical instrument comprising a jaw alignment system |
| US11452526B2 (en) | 2020-10-29 | 2022-09-27 | Cilag Gmbh International | Surgical instrument comprising a staged voltage regulation start-up system |
| US12053175B2 (en) | 2020-10-29 | 2024-08-06 | Cilag Gmbh International | Surgical instrument comprising a stowed closure actuator stop |
| US11517390B2 (en) | 2020-10-29 | 2022-12-06 | Cilag Gmbh International | Surgical instrument comprising a limited travel switch |
| US11931025B2 (en) | 2020-10-29 | 2024-03-19 | Cilag Gmbh International | Surgical instrument comprising a releasable closure drive lock |
| USD1013170S1 (en) | 2020-10-29 | 2024-01-30 | Cilag Gmbh International | Surgical instrument assembly |
| US11744581B2 (en) | 2020-12-02 | 2023-09-05 | Cilag Gmbh International | Powered surgical instruments with multi-phase tissue treatment |
| US11849943B2 (en) | 2020-12-02 | 2023-12-26 | Cilag Gmbh International | Surgical instrument with cartridge release mechanisms |
| US11944296B2 (en) | 2020-12-02 | 2024-04-02 | Cilag Gmbh International | Powered surgical instruments with external connectors |
| US11653915B2 (en) | 2020-12-02 | 2023-05-23 | Cilag Gmbh International | Surgical instruments with sled location detection and adjustment features |
| US11737751B2 (en) | 2020-12-02 | 2023-08-29 | Cilag Gmbh International | Devices and methods of managing energy dissipated within sterile barriers of surgical instrument housings |
| US11890010B2 (en) | 2020-12-02 | 2024-02-06 | Cllag GmbH International | Dual-sided reinforced reload for surgical instruments |
| US11653920B2 (en) | 2020-12-02 | 2023-05-23 | Cilag Gmbh International | Powered surgical instruments with communication interfaces through sterile barrier |
| US11678882B2 (en) | 2020-12-02 | 2023-06-20 | Cilag Gmbh International | Surgical instruments with interactive features to remedy incidental sled movements |
| US11627960B2 (en) | 2020-12-02 | 2023-04-18 | Cilag Gmbh International | Powered surgical instruments with smart reload with separately attachable exteriorly mounted wiring connections |
| EP4287952A1 (en) | 2021-02-08 | 2023-12-13 | Bard Access Systems, Inc. | Intraosseous modular power |
| US11696757B2 (en) | 2021-02-26 | 2023-07-11 | Cilag Gmbh International | Monitoring of internal systems to detect and track cartridge motion status |
| US11925349B2 (en) | 2021-02-26 | 2024-03-12 | Cilag Gmbh International | Adjustment to transfer parameters to improve available power |
| US11812964B2 (en) | 2021-02-26 | 2023-11-14 | Cilag Gmbh International | Staple cartridge comprising a power management circuit |
| US11950777B2 (en) | 2021-02-26 | 2024-04-09 | Cilag Gmbh International | Staple cartridge comprising an information access control system |
| US11793514B2 (en) | 2021-02-26 | 2023-10-24 | Cilag Gmbh International | Staple cartridge comprising sensor array which may be embedded in cartridge body |
| US12108951B2 (en) | 2021-02-26 | 2024-10-08 | Cilag Gmbh International | Staple cartridge comprising a sensing array and a temperature control system |
| US11744583B2 (en) | 2021-02-26 | 2023-09-05 | Cilag Gmbh International | Distal communication array to tune frequency of RF systems |
| US11749877B2 (en) | 2021-02-26 | 2023-09-05 | Cilag Gmbh International | Stapling instrument comprising a signal antenna |
| US11723657B2 (en) | 2021-02-26 | 2023-08-15 | Cilag Gmbh International | Adjustable communication based on available bandwidth and power capacity |
| US11751869B2 (en) | 2021-02-26 | 2023-09-12 | Cilag Gmbh International | Monitoring of multiple sensors over time to detect moving characteristics of tissue |
| US12324580B2 (en) | 2021-02-26 | 2025-06-10 | Cilag Gmbh International | Method of powering and communicating with a staple cartridge |
| US11980362B2 (en) | 2021-02-26 | 2024-05-14 | Cilag Gmbh International | Surgical instrument system comprising a power transfer coil |
| US11950779B2 (en) | 2021-02-26 | 2024-04-09 | Cilag Gmbh International | Method of powering and communicating with a staple cartridge |
| US11701113B2 (en) | 2021-02-26 | 2023-07-18 | Cilag Gmbh International | Stapling instrument comprising a separate power antenna and a data transfer antenna |
| US11730473B2 (en) | 2021-02-26 | 2023-08-22 | Cilag Gmbh International | Monitoring of manufacturing life-cycle |
| US11806011B2 (en) | 2021-03-22 | 2023-11-07 | Cilag Gmbh International | Stapling instrument comprising tissue compression systems |
| US11826012B2 (en) | 2021-03-22 | 2023-11-28 | Cilag Gmbh International | Stapling instrument comprising a pulsed motor-driven firing rack |
| US11826042B2 (en) | 2021-03-22 | 2023-11-28 | Cilag Gmbh International | Surgical instrument comprising a firing drive including a selectable leverage mechanism |
| US11759202B2 (en) | 2021-03-22 | 2023-09-19 | Cilag Gmbh International | Staple cartridge comprising an implantable layer |
| US11723658B2 (en) | 2021-03-22 | 2023-08-15 | Cilag Gmbh International | Staple cartridge comprising a firing lockout |
| US11737749B2 (en) | 2021-03-22 | 2023-08-29 | Cilag Gmbh International | Surgical stapling instrument comprising a retraction system |
| US11717291B2 (en) | 2021-03-22 | 2023-08-08 | Cilag Gmbh International | Staple cartridge comprising staples configured to apply different tissue compression |
| US11857183B2 (en) | 2021-03-24 | 2024-01-02 | Cilag Gmbh International | Stapling assembly components having metal substrates and plastic bodies |
| US11849945B2 (en) | 2021-03-24 | 2023-12-26 | Cilag Gmbh International | Rotary-driven surgical stapling assembly comprising eccentrically driven firing member |
| US11832816B2 (en) | 2021-03-24 | 2023-12-05 | Cilag Gmbh International | Surgical stapling assembly comprising nonplanar staples and planar staples |
| US12102323B2 (en) | 2021-03-24 | 2024-10-01 | Cilag Gmbh International | Rotary-driven surgical stapling assembly comprising a floatable component |
| US11793516B2 (en) | 2021-03-24 | 2023-10-24 | Cilag Gmbh International | Surgical staple cartridge comprising longitudinal support beam |
| US11786243B2 (en) | 2021-03-24 | 2023-10-17 | Cilag Gmbh International | Firing members having flexible portions for adapting to a load during a surgical firing stroke |
| US11896218B2 (en) | 2021-03-24 | 2024-02-13 | Cilag Gmbh International | Method of using a powered stapling device |
| US11786239B2 (en) | 2021-03-24 | 2023-10-17 | Cilag Gmbh International | Surgical instrument articulation joint arrangements comprising multiple moving linkage features |
| US11849944B2 (en) | 2021-03-24 | 2023-12-26 | Cilag Gmbh International | Drivers for fastener cartridge assemblies having rotary drive screws |
| US11903582B2 (en) | 2021-03-24 | 2024-02-20 | Cilag Gmbh International | Leveraging surfaces for cartridge installation |
| US11744603B2 (en) | 2021-03-24 | 2023-09-05 | Cilag Gmbh International | Multi-axis pivot joints for surgical instruments and methods for manufacturing same |
| US11944336B2 (en) | 2021-03-24 | 2024-04-02 | Cilag Gmbh International | Joint arrangements for multi-planar alignment and support of operational drive shafts in articulatable surgical instruments |
| US11896219B2 (en) | 2021-03-24 | 2024-02-13 | Cilag Gmbh International | Mating features between drivers and underside of a cartridge deck |
| US20220378425A1 (en) | 2021-05-28 | 2022-12-01 | Cilag Gmbh International | Stapling instrument comprising a control system that controls a firing stroke length |
| US11980363B2 (en) | 2021-10-18 | 2024-05-14 | Cilag Gmbh International | Row-to-row staple array variations |
| US11957337B2 (en) | 2021-10-18 | 2024-04-16 | Cilag Gmbh International | Surgical stapling assembly with offset ramped drive surfaces |
| US11877745B2 (en) | 2021-10-18 | 2024-01-23 | Cilag Gmbh International | Surgical stapling assembly having longitudinally-repeating staple leg clusters |
| US12239317B2 (en) | 2021-10-18 | 2025-03-04 | Cilag Gmbh International | Anvil comprising an arrangement of forming pockets proximal to tissue stop |
| US11937816B2 (en) | 2021-10-28 | 2024-03-26 | Cilag Gmbh International | Electrical lead arrangements for surgical instruments |
| US12432790B2 (en) | 2021-10-28 | 2025-09-30 | Cilag Gmbh International | Method and device for transmitting UART communications over a security short range wireless communication |
| US12089841B2 (en) | 2021-10-28 | 2024-09-17 | Cilag CmbH International | Staple cartridge identification systems |
| Publication number | Priority date | Publication date | Assignee | Title |
|---|---|---|---|---|
| US5561881A (en)* | 1994-03-22 | 1996-10-08 | U.S. Philips Corporation | Electric toothbrush |
| US10105140B2 (en)* | 2009-11-20 | 2018-10-23 | Covidien Lp | Surgical console and hand-held surgical device |
| EP2554128B1 (en)* | 2010-03-30 | 2020-03-18 | Karl Storz SE & Co. KG | Medical manipulator system |
| US9468447B2 (en)* | 2012-08-14 | 2016-10-18 | Insurgical, LLC | Limited-use tool system and method of reprocessing |
| US20140207124A1 (en)* | 2013-01-23 | 2014-07-24 | Ethicon Endo-Surgery, Inc. | Surgical instrument with selectable integral or external power source |
| US20140209658A1 (en)* | 2013-01-25 | 2014-07-31 | Covidien Lp | Foam application to stapling device |
| Publication number | Publication date |
|---|---|
| JP2018509969A (en) | 2018-04-12 |
| CN107635483B (en) | 2020-09-11 |
| BR112017018222A2 (en) | 2018-04-17 |
| CN107635483A (en) | 2018-01-26 |
| Publication | Publication Date | Title |
|---|---|---|
| JP6762952B2 (en) | Surgical instrument system with inspection station | |
| JP6786503B2 (en) | Surgical device configured to evaluate whether the performance parameters of the surgical device are within the acceptable performance range | |
| JP6772164B2 (en) | Charging system that enables emergency resolution to charge the battery | |
| US10159483B2 (en) | Surgical apparatus configured to track an end-of-life parameter | |
| JP6724030B2 (en) | Surgical device configured to track end-of-life parameters | |
| JP6950030B2 (en) | Surgical instrument system | |
| JP6772165B2 (en) | Surgical charging system for charging and / or adjusting one or more batteries | |
| JP6698675B2 (en) | System for monitoring the need for repair of surgical instruments | |
| JP6651539B2 (en) | Enhanced batteries for surgical instruments |
| Date | Code | Title | Description |
|---|---|---|---|
| A621 | Written request for application examination | Free format text:JAPANESE INTERMEDIATE CODE: A621 Effective date:20181226 | |
| A131 | Notification of reasons for refusal | Free format text:JAPANESE INTERMEDIATE CODE: A131 Effective date:20191029 | |
| A977 | Report on retrieval | Free format text:JAPANESE INTERMEDIATE CODE: A971007 Effective date:20191025 | |
| A601 | Written request for extension of time | Free format text:JAPANESE INTERMEDIATE CODE: A601 Effective date:20200129 | |
| A521 | Request for written amendment filed | Free format text:JAPANESE INTERMEDIATE CODE: A523 Effective date:20200324 | |
| TRDD | Decision of grant or rejection written | ||
| A01 | Written decision to grant a patent or to grant a registration (utility model) | Free format text:JAPANESE INTERMEDIATE CODE: A01 Effective date:20200901 | |
| A61 | First payment of annual fees (during grant procedure) | Free format text:JAPANESE INTERMEDIATE CODE: A61 Effective date:20200909 | |
| R150 | Certificate of patent or registration of utility model | Ref document number:6762952 Country of ref document:JP Free format text:JAPANESE INTERMEDIATE CODE: R150 | |
| LAPS | Cancellation because of no payment of annual fees |