









本発明は周波数帯の異なる通信信号を用いる通信システムで兼用されるアンテナ装置およびそのアンテナ装置を備える電子機器に関する。 The present invention relates to an antenna device that is also used in a communication system that uses communication signals having different frequency bands, and an electronic device that includes the antenna device.
近年の通信機器の高機能化に伴い、例えば携帯電話端末やいわゆるスマートフォンは、基地局との通信用のアンテナだけではなく、NFC(Near field communication)などの近距離通信も必要になってきている。 With the recent sophistication of communication devices, for example, mobile phone terminals and so-called smartphones need not only an antenna for communication with a base station but also near field communication such as NFC (Near field communication). ..
例えば、特許文献1には、周波数帯の異なる複数のシステムで兼用される小型のアンテナ装置が開示されている。このアンテナ装置は、放射素子と、その放射素子に接続された第1周波数帯の給電回路と、放射素子に対向配置されたグランド導体と、放射素子とグランド導体との間を接続するリアクタンス素子と、給電コイルと、給電コイルに接続された第2周波数帯の給電回路とを備える。上記放射素子は、例えば、第1周波数帯では基地局との通信のための電界放射型アンテナとして作用し、第2周波数帯ではNFC用のアンテナの一部として作用する。 For example,
例えばUHF/SHF帯である第1周波数帯で電磁波放射型アンテナ(遠方界伝送用アンテナ)として作用する放射素子を、例えばHF帯である第2周波数帯で磁界放射型アンテナ(磁界結合型の近傍界伝送用アンテナ)の一部に兼用するためには、インピーダンス整合を図り、第2周波数帯の給電回路から磁界放射型アンテナに対して充分に給電できるように構成することが重要である。そのため、インピーダンス変換を行うとともに、第2周波数帯の給電回路と磁界放射型アンテナとを強く結合させる巻線トランスを設けることが有効である。 For example, a radiating element that acts as an electromagnetic radiation antenna (far-field transmission antenna) in the first frequency band, which is the UHF/SHF band, and a magnetic field radiation antenna (near the magnetic field coupling type, in the second frequency band, which is the HF band, for example) In order to be used also as a part of the field transmission antenna), it is important to achieve impedance matching so that power can be sufficiently fed from the feeding circuit in the second frequency band to the magnetic field radiation antenna. Therefore, it is effective to provide a winding transformer that performs impedance conversion and strongly couples the feeding circuit in the second frequency band and the magnetic field radiation antenna.
または、上記第2周波数帯を利用するNFC用給電回路は、実用上の出力を高めるため、コイルアンテナを接続する出力部は差動回路(平衡回路)で構成されることが多い。一方、上記第1周波数帯を利用する、例えば基地局との通信のための放射素子は、モノポール型アンテナを変形させたものが多く、等価回路上は不平衡回路である。そのため、NFC用給電回路を放射素子に接続すると、平衡回路と不平衡回路との間で不要なリーク電流が流れる等の問題が生じる。そのため、平衡・不平衡変換回路(バラン)を設けて、この平衡・不平衡変換回路を介して、放射素子とNFC用給電回路との間を電気的に接続することが有効である。 Alternatively, in the NFC power supply circuit that uses the second frequency band, the output section that connects the coil antenna is often configured by a differential circuit (balanced circuit) in order to increase the practical output. On the other hand, many radiating elements that utilize the above-mentioned first frequency band, for example, for communication with a base station, are modifications of a monopole antenna, and are equivalently unbalanced circuits. Therefore, when the NFC power supply circuit is connected to the radiating element, there arises a problem that an unnecessary leak current flows between the balanced circuit and the unbalanced circuit. Therefore, it is effective to provide a balanced/unbalanced conversion circuit (balun) and electrically connect the radiating element and the NFC power supply circuit through the balanced/unbalanced conversion circuit.
しかし、第1周波数帯と第2周波数帯とは周波数が大きく異なるので、アンテナ装置を電磁波放射型アンテナとして作用させる場合と磁界放射型アンテナとして作用させる場合とでは、トランスに必要とされる損失等の特性が大きく異なる。そのため、兼用される放射素子が電磁波放射型アンテナとして用いられる場合も、磁界放射型アンテナとして用いられる場合も、トランスやバランによる悪影響が生じやすい。 However, since the frequencies of the first frequency band and the second frequency band are significantly different, the loss required for the transformer is different depending on whether the antenna device acts as an electromagnetic radiation antenna or a magnetic field radiation antenna. The characteristics of are very different. Therefore, when the dual-purpose radiating element is used as an electromagnetic wave radiating antenna or a magnetic field radiating antenna, adverse effects due to a transformer or a balun are likely to occur.
上述のことは、一つの放射素子を、周波数帯の異なる二つの通信に兼用する場合に限らず、互いに異なる周波数帯で、一つの放射素子を通信とワイヤレス電力伝送とに兼用する場合にも同様に生じる。 The above is not limited to the case where one radiating element is used for two communication in different frequency bands, and the same applies when one radiating element is used for communication and wireless power transmission in different frequency bands. Occur in.
そこで、本発明の目的は、周波数が離れた2つの周波数帯で放射素子を兼用する場合に、その放射素子を2つの周波数帯で有効に利用できるようにしたアンテナ装置およびそれを備える電子機器を提供することにある。 Therefore, an object of the present invention is to provide an antenna device capable of effectively utilizing the radiating element in the two frequency bands when the radiating element is also used in the two frequency bands having different frequencies, and an electronic apparatus including the antenna device. To provide.
(1)本発明のアンテナ装置は、
第1絶縁体と、
前記第1絶縁体に固定され、透磁率が前記第1絶縁体より高い第2絶縁体と、
前記第1絶縁体に形成され、第1周波数帯の第1給電回路および放射素子に接続される第1結合導体と、
前記第2絶縁体に形成され、前記第1結合導体と結合し、前記第1周波数帯の周波数より低い第2周波数帯の第2給電回路に接続される第2結合導体と、
を備える。(1) The antenna device of the present invention is
A first insulator,
A second insulator fixed to the first insulator and having a magnetic permeability higher than that of the first insulator;
A first coupling conductor formed on the first insulator and connected to a first feeding circuit and a radiating element in a first frequency band;
A second coupling conductor formed on the second insulator, coupled to the first coupling conductor, and coupled to a second power supply circuit in a second frequency band lower than the frequency of the first frequency band;
Equipped with.
上記の構成により、相対的に高周波帯である第1周波数帯の信号が、例えば非磁性フェライトのように透磁率が相対的に低い第1絶縁体に形成された第1結合導体に印加(通電)されるので、第1絶縁体に生じるヒステリシス損は小さい。また、相対的に低周波帯である第2周波数帯の信号は、磁性フェライトのように透磁率の高い第2絶縁体に形成された第2結合導体に、印加(通電)されるので、少なくとも磁界を介して強く結合する。さらに、第2絶縁体の高い透磁率により、所定のインダクタンスを得るために要する第2結合導体は短くて済むので、第2結合導体による導体損は小さい。これらの作用により、周波数が離れた2つの周波数帯で放射素子を兼用する場合に、その放射素子にトランスやバランが接続されることによる悪影響が軽減される。 With the above configuration, a signal in the first frequency band, which is a relatively high frequency band, is applied (energized) to the first coupling conductor formed in the first insulator having a relatively low magnetic permeability such as non-magnetic ferrite. Therefore, the hysteresis loss generated in the first insulator is small. Since the signal in the second frequency band, which is a relatively low frequency band, is applied (energized) to the second coupling conductor formed in the second insulator having high magnetic permeability such as magnetic ferrite, at least Strongly couple via magnetic field. Further, due to the high magnetic permeability of the second insulator, the second coupling conductor required for obtaining the predetermined inductance can be short, so that the conductor loss due to the second coupling conductor is small. Due to these effects, when the radiating element is also used in the two frequency bands having different frequencies, the adverse effect due to the transformer or balun being connected to the radiating element is reduced.
(2)前記第1結合導体はコイル状であり、前記第2結合導体はコイル状であり、前記第1結合導体と前記第2結合導体とは、同じ巻回軸周りに巻回され、前記第1結合導体、前記第2結合導体、前記第1絶縁体および前記第2絶縁体が一つの素子として構成されることが好ましい。そのことにより、第1絶縁体と第2絶縁体との位置関係、および第1結合導体と第2結合導体との位置関係が一定になるので、第1給電回路および第2給電回路から視た放射素子の特性が安定化される。(2) The first coupling conductor has a coil shape, the second coupling conductor has a coil shape, and the first coupling conductor and the second coupling conductor are wound around the same winding axis. It is preferable that the first coupling conductor, the second coupling conductor, the first insulator, and the second insulator are configured as one element. As a result, the positional relationship between the first insulator and the second insulator and the positional relationship between the first coupling conductor and the second coupling conductor become constant, so that the first feeding circuit and the second feeding circuit viewed from each other. The characteristics of the radiating element are stabilized.
(3)上記(1)または(2)において、前記第2結合導体は少なくとも一部が前記第2絶縁体から露出していてもよい。そのことにより、第2結合導体は第2周波数帯の放射素子の一部として利用できる。(3) In the above (1) or (2), at least a part of the second coupling conductor may be exposed from the second insulator. Thereby, the second coupling conductor can be used as a part of the radiating element in the second frequency band.
(4)上記(1)から(3)のいずれかにおいて、前記第1絶縁体および前記第2絶縁体は一体焼結されたセラミックスであることが好ましい。これにより、第1絶縁体と第2絶縁体とは容易に一体化される。(4) In any one of (1) to (3) above, it is preferable that the first insulator and the second insulator are ceramics that are integrally sintered. Thereby, the first insulator and the second insulator are easily integrated.
(5)上記(1)から(4)のいずれかにおいて、前記第2結合導体のインダクタンスは前記第1結合導体のインダクタンスよりも大きいことが好ましい。(5) In any one of (1) to (4) above, the inductance of the second coupling conductor is preferably larger than the inductance of the first coupling conductor.
(6)上記(1)から(5)のいずれかにおいて、前記第1周波数帯はUHF帯またはSHF帯であり、前記第1周波数帯はHF帯であることが好ましい。(6) In any one of (1) to (5) above, it is preferable that the first frequency band is the UHF band or the SHF band, and the first frequency band is the HF band.
(7)本発明の電子機器は、
第1周波数帯の第1給電回路と、前記第1周波数帯の周波数より低い第2周波数帯の第2給電回路と、アンテナ装置とを備え、
前記アンテナ装置は、
第1絶縁体と、
前記第1絶縁体に固定され、透磁率が前記第1絶縁体より高い第2絶縁体と、
前記第1絶縁体に形成され、前記第1給電回路および放射素子に接続される第1結合導体と、
前記第2絶縁体に形成され、前記第1結合導体と結合し、前記第2給電回路に接続される第2結合導体と、
を備えることを特徴とする。(7) The electronic device of the present invention is
A first power supply circuit in a first frequency band, a second power supply circuit in a second frequency band lower than the frequency of the first frequency band, and an antenna device,
The antenna device is
A first insulator,
A second insulator fixed to the first insulator and having a magnetic permeability higher than that of the first insulator;
A first coupling conductor formed on the first insulator and connected to the first feeding circuit and the radiating element;
A second coupling conductor formed on the second insulator, coupled to the first coupling conductor, and coupled to the second feeding circuit;
It is characterized by including.
上記の構成により、第1周波数帯を使用する通信時または電力伝送時の損失が低減され、放射素子を兼用することで小型化されるとともに低損失化が図れる。 With the above configuration, loss during communication using the first frequency band or during power transmission can be reduced, and the radiation element can also be used to reduce the size and reduce the loss.
(8)上記(7)において、前記放射素子を少なくとも一部に含む筐体を備えることが好ましい。(8) In the above (7), it is preferable to include a housing including the radiating element in at least a part thereof.
本発明によれば、周波数が離れた2つの周波数帯で放射素子を兼用する場合に、その放射素子を2つの周波数帯で有効に利用できるようにしたアンテナ装置およびそれを備える電子機器が得られる。 According to the present invention, when a radiation element is also used in two frequency bands having different frequencies, an antenna device that can effectively utilize the radiation element in the two frequency bands, and an electronic device including the antenna device can be obtained. ..
各実施形態に示す「アンテナ装置」は、信号(または電力)の送信(送電)側、受信(受電)側のいずれにも適用できる。この「アンテナ装置」を、磁束を放射するアンテナとして説明する場合でも、そのアンテナ装置が磁束の発生源であることに限るものではない。伝送相手側アンテナ装置が発生した磁束を受ける(鎖交する)場合にも、すなわち各実施形態に示す「アンテナ装置」と通信相手側アンテナ装置との送受の関係が逆であっても、各実施形態に示す「アンテナ装置」は同様の作用効果を奏する。 The “antenna device” shown in each embodiment can be applied to both the transmission (power transmission) side and the reception (power reception) side of a signal (or power). Even when the "antenna device" is described as an antenna that radiates a magnetic flux, the antenna device is not limited to the source of the magnetic flux. Even when receiving (linking) the magnetic flux generated by the transmission partner antenna device, that is, even if the transmission/reception relationship between the “antenna device” and the communication partner antenna device shown in each embodiment is opposite, The "antenna device" shown in the form has the same effect.
以降に示す各実施形態に示す「アンテナ装置」は、通信相手側アンテナ装置と磁界結合を用いた近傍界通信のために用いられるアンテナ装置、または電力伝送相手側アンテナ装置と磁界結合を用いた近傍界での電力伝送のために用いられるアンテナ装置である。通信の場合には、例えばNFC(Near field communication)等の通信システムに適用される。電力伝送の場合には、例えば電磁誘導方式や磁界共鳴方式等の電力伝送システムに適用される。 The “antenna device” shown in each of the following embodiments is an antenna device used for near-field communication using a magnetic field coupling with a communication partner antenna device, or a proximity using magnetic field coupling with a power transmission partner antenna device. It is an antenna device used for power transmission in the field. In the case of communication, it is applied to a communication system such as NFC (Near field communication). In the case of power transmission, it is applied to a power transmission system such as an electromagnetic induction system or a magnetic field resonance system.
各実施形態に示す第2周波数帯は、例えばHF帯、特に13.56MHz、6.78MHzまたはそれらの近傍の周波数帯である。第2周波数帯におけるアンテナ装置の大きさは、第2周波数帯の波長λ2に比べて十分に小さく、使用周波数帯においては電磁波の放射効率は低い。アンテナ装置の大きさはλ2/10以下である。各実施形態に示す第1周波数帯は、例えばUHF帯またはSHF帯またはそれ以上高い周波数帯である。第1周波数帯におけるアンテナ装置の大きさは、第1周波数帯の波長λ1と同程度またはそれより大きく、使用周波数帯においては電磁波の放射効率は高い。アンテナ装置の大きさはλ1/10以上である。また、第2周波数帯は第1周波数帯の1/10以下の周波数である。なお、ここでいう波長とは、コイルアンテナ導体が形成される基材の誘電性や透磁性による波長短縮効果を考慮した実効的な波長である。The second frequency band shown in each embodiment is, for example, the HF band, particularly 13.56 MHz, 6.78 MHz, or a frequency band in the vicinity thereof. The size of the antenna device in the second frequency band is sufficiently smaller than the wavelength λ2 in the second frequency band, and the radiation efficiency of electromagnetic waves is low in the used frequency band. The size of the antenna device is λ2 /10 or less. The first frequency band shown in each embodiment is, for example, a UHF band, an SHF band, or a higher frequency band. The size of the antenna device in the first frequency band is the same as or larger than the wavelength λ1 of the first frequency band, and the radiation efficiency of electromagnetic waves is high in the used frequency band. The size of the antenna device is lambda1/10 or more. The second frequency band is a frequency that is 1/10 or less of the first frequency band. The wavelength here is an effective wavelength in consideration of the wavelength shortening effect due to the dielectric properties and magnetic permeability of the base material on which the coil antenna conductor is formed.
各実施形態において、「電子機器」とは、スマートフォンやフィーチャーフォン等の携帯電話端末、スマートウォッチやスマートグラス等のウェアラブル端末、ノートPCやタブレットPC等の携帯PC、カメラ、ゲーム機、玩具等の情報機器、ICタグ、SDカード、SIMカード、ICカード等の情報媒体等、様々な電子機器を指す。 In each embodiment, the "electronic device" includes mobile phone terminals such as smartphones and feature phones, wearable terminals such as smart watches and smart glasses, mobile PCs such as notebook PCs and tablet PCs, cameras, game machines, toys, and the like. It refers to various electronic devices such as information devices, IC tags, SD cards, SIM cards, and information media such as IC cards.
《第1の実施形態》
図1(A)は第1の実施形態に係るアンテナ装置101の平面図であり、図1(B)は、図1(A)におけるA−A断面図であり、図1(C)は、図1(A)におけるB−B断面図である。図2はアンテナ装置101を備える、例えばスマートフォン等の電子機器の金属筐体部を示す斜視図である。図3はアンテナ装置101の回路図である。<<First Embodiment>>
1A is a plan view of the
アンテナ装置101は、放射素子1、基板6A,6B、バッテリーパック8、キャパシタC1、第1給電回路81、第2給電回路82、バラン3、リアクタンス素子61,62およびキャパシタC41,C42,C43,C44を備える。電子機器の筐体は、第1給電回路81、第2給電回路82、その他の回路およびその他の部品を収納する。 The
放射素子1は、平面形状が矩形であって、導電性を有する平板である。放射素子1は、長手方向が横方向(図1(A)におけるX方向)に一致しており、長手方向の両端に第1端部E1および第2端部E2を有する。この放射素子1は、図2に示すように、電子機器の金属筐体の一部である。すなわち、電子機器の筐体は放射素子1を一部に含む。放射素子1は、放射素子1の任意の2点間の放射素子1の表面または内部のみを経由した最短の長さのうち、最長となる長さが、後述の第1周波数帯の波長をλ1で表したときのλ1/10以上、後述の第2周波数帯の波長をλ2で表したときのλ2/10以下である。The radiating
なお、電子機器の筐体のうち放射素子を兼ねる部分は金属に限らず、グラファイト等でもよく、導電性を有すればよい。 The portion of the housing of the electronic device that also serves as the radiating element is not limited to metal, and may be graphite or the like as long as it has conductivity.
基板6A,6Bは、平面形状が矩形である絶縁体の平板である。基板6Aは内部に平板状のグランド導体4を備える。基板6A,6Bは、バッテリーパック8を挟んで縦方向(図1(A)におけるY方向)に並べて配置され、且つ、同一平面上に配置される。基板6Aおよび基板6Bは、図示しない同軸ケーブル等によって接続される。 The
キャパシタC1、第1給電回路81、第2給電回路82、バラン3、リアクタンス素子61,62およびキャパシタC41〜C44は、基板6Aの一方主面(図1(A)における基板6Aの表側の面)に実装される。バラン3の構成については後に詳述する。キャパシタC1,C41〜C44は例えばチップキャパシタ等の電子部品である。チョークインダクタCHCは例えばチップコイル等の電子部品である。 The capacitor C1, the
図3は、図1(A)に示したアンテナ装置101の主要部を回路図として表した図であり、特に、バラン3に対する回路の接続関係を示す図である。 FIG. 3 is a circuit diagram showing a main part of the
バラン3の第1コイル(「第1結合導体」)31は、放射素子1とグランド導体4との間に接続される(図1(A)(B)(C)、図3参照)。具体的には、バラン3の端子P22は、接続導体71Aおよび接続ピン7を介して放射素子1の第1端部E1付近に接続され、バラン3の端子P21は、接続導体72Aおよび層間接続導体52Aを介してグランド導体4に接続される。バラン3の第2コイル(「第2結合導体」)32の接続については後述する。 The first coil (“first coupling conductor”) 31 of the
接続導体71A,72Aは、基板6Aの一方主面に形成された線状の導体パターンである。接続ピン7は例えば可動型プローブピンであり、層間接続導体52Aは例えばビア導体である。 The
キャパシタC1は、放射素子1とグランド導体4との間に接続される。具体的には、キャパシタC1の一端は、接続導体73Aおよび接続ピン7を介して放射素子1の第2端部E2付近に接続され、キャパシタC1の他端は、接続導体74Aおよび層間接続導体(図示省略)を介してグランド導体4に接続される。接続導体73A,74Aは、基板6Aの一方主面に形成された線状の導体パターンである。 The capacitor C1 is connected between the radiating
したがって、図1(A)に示すように、放射素子1、グランド導体4、バラン3の第1コイル31およびキャパシタC1を含むループが構成される。 Therefore, as shown in FIG. 1A, a loop including the
第1給電回路81は、UHF帯またはSHF帯(第1周波数帯)用ICである。第1給電回路81の入出力部は、基板6Aの一方主面に形成された接続導体、接続ピン7およびリアクタンス素子61を介して、放射素子1の長手方向の第2端部E2付近に接続される。リアクタンス素子61は例えばチップキャパシタ等の電子部品であり、第1給電回路81は例えば2.4GHz帯の無線LANの通信システムの給電回路である。 The first
リアクタンス素子62を含めた放射素子1とグランド導体4との接続部は、放射素子1を含むアンテナと第1給電回路81とのマッチング用に設けるスタブであり、リアクタンス素子62が基板6Aの一方主面に形成された接続導体および接続ピン7を介して、放射素子1の第2端部E2付近に接続される。リアクタンス素子62は例えばチップキャパシタ等の電子部品である。なお、リアクタンス素子62は必要に応じて複数備える構成であってもよい。但し、リアクタンス素子62は必須の構成ではなく、スタブを設けない構成でもよい。また、接続部はリアクタンス素子62を介さずに、放射素子1とグランド導体4とを直接接続してもよい。 The connecting portion between the radiating
第2給電回路82は、平衡入出力型のHF帯(第2周波数帯)ICである。第2給電回路82の入出力部は、キャパシタC41〜C44を介してバラン3の第2コイル(「第2結合導体」)32に接続されている(図3参照)。バラン3の第2コイル32にはキャパシタC41,C42の直列回路が並列に接続されており、バラン3の第2コイル32とキャパシタC41,C42とによってLC共振回路が構成されている。第2給電回路82はキャパシタC43,C44を介して上記LC共振回路にHF帯(第2周波数帯)の通信信号を給電する。第2給電回路82は例えば13.56MHzのRFID用のRFIC素子である。 The second
上記バラン3の第2コイル32は、放射素子1、グランド導体4、バラン3の第1コイル31およびキャパシタC1を含むループと、磁界結合または電磁界結合(磁界結合および電界結合)する。 The
図4は上記バラン3の分解斜視図である。図5は、図4におけるC−C部分での、バラン3の断面図である。 FIG. 4 is an exploded perspective view of the
バラン3は、コイルパターン32a,32b,32c,32dが形成された基材層S1,S2,S3,S4、コイルパターン31a,31b,31c,31dが形成された基材層S5,S6,S7,S8、コイルパターン32e,32f,32g,32hが形成された基材層S9,S10,S11,S12を備える。 The
コイルパターン31a,31b,31c,31dによって矩形ヘリカル状の第1コイル31が構成される。また、コイルパターン32a,32b,32c,32dによって矩形ヘリカル状のコイル32Aが構成され、コイルパターン32e,32f,32g,32hによって矩形ヘリカル状のコイル32Bが構成される。このコイル32A,32Bによって第2コイル32が構成される。第1コイル31と第2コイル32は、第1コイル31の巻回軸方向または第2コイル32の巻回軸方向に平面視したとき、第1コイル31のコイル開口と第2コイル32のコイル開口とは重なる。さらには、第1コイル31と第2コイル32とは同軸である。すなわち、第1コイル31と第2コイル32は同じ巻回軸周りに巻回されている。基材層S1〜S12の積層体の外面には入出力端子P11,P12,P21,P22が形成されるが、図4では図示を省略している。 The
上記複数の基材層のうち、基材層S1,S2,S3,S9,S10,S11は磁性フェライトの層であり、基材層S4,S5,S6,S7,S8,S12は非磁性フェライトの層である。基材層S4,S5,S6,S7,S8は、本発明に係る「第1絶縁体」に相当し、基材層S1,S2,S3,S9,S10,S11は、本発明に係る「第2絶縁体」に相当する。すなわち、第1コイル31は、実効透磁率が相対的に低い第1絶縁体に形成され、第2コイル32は実効透磁率の高い第2絶縁体に形成される。より具体的には、第1コイル31は、コイル導体に沿った長さ(コイル導体に流れる電流の電流経路の長さ)において、第2絶縁体よりも第1絶縁体に形成されている長さの割合が高く、第2コイル32は、コイル導体に沿った長さ(コイル導体に流れる電流の電流経路の長さ)において、第1絶縁体よりも第2絶縁体に形成されている長さの割合が高くなるように形成されている。 Of the plurality of base material layers, the base material layers S1, S2, S3, S9, S10, S11 are magnetic ferrite layers, and the base material layers S4, S5, S6, S7, S8, S12 are non-magnetic ferrite layers. It is a layer. The base material layers S4, S5, S6, S7 and S8 correspond to the "first insulator" according to the present invention, and the base material layers S1, S2, S3, S9, S10 and S11 correspond to the "first insulating material" according to the present invention. 2 insulators”. That is, the
バラン3は、磁性フェライトグリーンシートおよび非磁性フェライトグリーンシートに所定のコイルパターンが印刷形成され、積層圧着され、個片に分離され、それぞれ焼成されることで製造される。すなわち、「第2絶縁体」は「第1絶縁体」に固定され、両者は一体となっている。 The
このようにして、第1コイル31と第2コイル32とは、同じ巻回軸周りに巻回され、第1コイル31(第1結合導体)、第2コイル32(第2結合導体)、非磁性体層(第1絶縁体)および磁性体層(第2絶縁体)が一つの素子として構成される。そのことにより、非磁性体層と磁性体層との位置関係、および第1コイル31と第2コイル32との位置関係が一定になる。 In this way, the
図4・図5に表れているように、第2コイル32は、第2コイル32の巻回軸と垂直な平面において、磁性体(第2絶縁体)から露出している(磁性体内に埋設されていない)ので、また、磁性体層は第2コイル32に関する閉磁路を構成せず、第2コイル32に流れる電流により生じる磁束はバラン3の外部に拡がる。そのため、第2コイル32は第2周波数帯の放射素子の一部としても利用できる。さらに、磁性体層は第2コイル32に関する閉磁路を構成しないため、第2コイル32に流れる電流により生じる磁束は第1コイル31と鎖交しやすくなり、第1コイル31と第2コイル32との間の結合係数が高まり、第1コイル31と第2コイル32との間で伝送の効率が高まる。 As shown in FIGS. 4 and 5, the
図6はアンテナ装置101の、集中定数素子による等価回路図である。図6において、放射素子1をインダクタL0で表し、バラン3の第1コイル31をインダクタL1で表し、バラン3の第2コイル32をインダクタL2で表している。また、図6では、第2コイル32と放射素子1との間の相互インダクタンスをM02で表し、第1コイル31と第2コイル32との間の相互インダクタンスをM12で表している。第2コイル32と放射素子1との磁界結合は、上述のとおり、バラン3の第2コイルの磁路が開磁路であることに起因する。 FIG. 6 is an equivalent circuit diagram of the
なお、第2コイル32を構成する導体と放射素子1を構成する導体とが磁界結合する必要はなく、第2給電回路82が電気的に接続される第2コイル32と、放射素子1を含むループに含まれる第1コイル31とが少なくとも磁界結合により電気的に接続されればよい。 It is not necessary that the conductor forming the
図7(A)はUHF帯またはSHF帯でのアンテナ装置101の等価回路図であり、図7(B)はHF帯でのアンテナ装置101の等価回路図である。図7(A)において、リアクタンス素子61,62をキャパシタC61,C62で表している。 7A is an equivalent circuit diagram of the
UHF帯またはSHF帯(第1周波数帯)では、キャパシタC1は低インピーダンスであり、等価的にショート状態となる。そのため、図7(A)において接地端SPで示すとおり、放射素子1は所定の位置で接地される。チョークインダクタCHCとバラン3の第1コイル31との直列回路は、UHF帯またはSHF帯(第1周波数帯)では高インピーダンスであり、等価的にオープン状態となる。そのため、図7(A)において開放端OPで示すとおり、放射素子1の一端は開放される。 In the UHF band or the SHF band (first frequency band), the capacitor C1 has a low impedance and is equivalently in a short state. Therefore, the radiating
第1給電回路81は放射素子1の接続点を給電点として電圧給電する。UHF帯またはSHF帯(第1周波数帯)では、放射素子1の開放端OPが電流強度ゼロ、接地端SPが電圧強度ゼロとなるように共振する。言い換えると、UHF帯またはSHF帯で共振するように、放射素子1の長さ等が定められている。ただし、この放射素子1は700MHz〜2.4GHzの周波数帯域のうちローバンドでは基本モードで共振し、ハイバンドでは高次モードで共振する。したがって、UHF帯またはSHF帯(第1周波数帯)では、図6において実線の矢印で示す領域に電流が流れる。 The
なお、UHF帯またはSHF帯(第1周波数帯)において、共振回路とはせずにキャパシタC1単独で用いる場合は、キャパシタC1は完全にはショート状態にはならないので、放射素子1の接地端SPに多少の電圧強度が生じる。同様に、UHF帯またはSHF帯(第1周波数帯)において、反共振回路とはせずに第1コイル31単独で用いる場合は、チョークインダクタCHCとバラン3の第1コイル31との直列回路は完全にはオープン状態にはならないので、放射素子1の開放端OPに多少の電流強度が生じる。 In the UHF band or the SHF band (first frequency band), when the capacitor C1 is used alone without forming a resonance circuit, the capacitor C1 does not become a short circuit completely, so the ground end SP of the radiating
このようにして、UHF帯またはSHF帯(第1周波数帯)において、放射素子1に電流強度および電圧強度の定在波が生じ、放射素子1は逆F型アンテナとして作用する。なお、ここでは逆F型アンテナを例示しているが、モノポールアンテナ、1波長ループアンテナ、逆L型アンテナ、板状逆Fアンテナ(PIFA)等のパッチアンテナ、スロットアンテナ、ノッチアンテナ等の、放射素子上に共振による電流強度および電圧強度の定在波が生じる他の定在波型アンテナでも同様に適用できる。 In this way, in the UHF band or SHF band (first frequency band), standing waves of current intensity and voltage intensity are generated in the
一方、HF帯(第2周波数帯)では、図7(B)に示すように、放射素子1(インダクタL1)、グランド導体4、バラン3の第1コイル31およびキャパシタC1を含んだループが、LC共振回路を構成する。バラン3の第2コイル32は、上述のとおり、LC共振回路を構成するループと主に磁界結合する。 On the other hand, in the HF band (second frequency band), as shown in FIG. 7B, a loop including the radiating element 1 (inductor L1), the
上記ループはHF帯でLC共振し、共振電流が流れる。言い換えると、HF帯で共振するように、放射素子1の長さ、バラン3の第1コイル31およびキャパシタC1のリアクタンス成分等の回路定数が定められている。したがって、HF帯(第2周波数帯)では、図6において破線の矢印で示す領域に電流が流れる。 The loop causes LC resonance in the HF band and a resonance current flows. In other words, the circuit constants such as the length of the radiating
このようにして、HF帯(第2周波数帯)では、放射素子1、グランド導体4、バラン3の第1コイル31およびキャパシタC1を含んだループが磁界放射に寄与する磁界放射型アンテナとして作用する。ここで、HF帯(第2周波数帯)ではループの長さは波長に対して十分に短いため、ループは磁界結合による通信のための微小ループアンテナとなっている。 Thus, in the HF band (second frequency band), the loop including the
なお、リアクタンス素子61,62は、HF帯(第2周波数帯)では高インピーダンスとなって、第1給電回路81が等価的に接続されていない状態となるので、第1給電回路81はHF帯の通信に影響を与えない。また、バラン3の第1コイル31は、UHF帯またはSHF帯(第1周波数帯)では、高インピーダンスとなって、バラン3の第1コイル31が等価的に接続されていない状態となる。したがって、バラン3の第1コイル31を含んだループはオープン状態となるため、第2給電回路82にUHF帯またはSHF帯の通信信号が流れることがなく、第2給電回路82はUHF帯またはSHF帯の通信に影響を与えない。 The
本実施形態によれば次のような作用効果を奏する。 According to this embodiment, the following operational effects are achieved.
(1)UHF・SHF帯(第1周波数帯)の信号が、非磁性体(実効透磁率が相対的に低い第1絶縁体)に形成された第1コイル(第1結合導体)31に印加(通電)されるが、第1絶縁体では、同じ磁界強度に対するヒステリシスループは小さいので、周波数が高くなるほど顕著に現れるヒステリシス損は抑えられる。また、HF帯(第2周波数帯)の信号は、磁性体(実効透磁率の高い第2絶縁体)に形成された第2コイル(第2結合導体)32に、印加(通電)されるので、少なくとも磁界を介して強く結合する。さらに、磁性体(第2絶縁体)32の高い実効透磁率により、所定のインダクタンスを得るために要する第2コイル(第2結合導体)32は短くてよいので、第2コイル32による導体損は小さい。これらの作用により、周波数が離れた2つの周波数帯で放射素子を兼用する場合に、その放射素子にバランが接続されることによる悪影響が軽減される。すなわち、第1周波数帯を使用する通信または電力伝送時および第2周波数帯を使用する通信または電力伝送時の損失が低減され、放射素子を兼用することで小型化されるとともに低損失化が図れる。(1) A signal in the UHF/SHF band (first frequency band) is applied to the first coil (first coupling conductor) 31 formed in a non-magnetic body (first insulator having a relatively low effective magnetic permeability). Although (energized), the first insulator has a small hysteresis loop for the same magnetic field strength, so that the hysteresis loss that appears remarkably as the frequency increases can be suppressed. Further, the signal in the HF band (second frequency band) is applied (energized) to the second coil (second coupling conductor) 32 formed in the magnetic body (second insulator having high effective magnetic permeability). , Coupled strongly via at least a magnetic field. Further, due to the high effective magnetic permeability of the magnetic body (second insulator) 32, the second coil (second coupling conductor) 32 required to obtain a predetermined inductance may be short, so that the conductor loss due to the
(2)非磁性体層と磁性体層との位置関係、および第1コイル31と第2コイル32との位置関係が一定になるので、第1給電回路81および第2給電回路82から視た放射素子1の特性(電界放射型アンテナとしての特性)、およびバラン3の第2コイル32は、放射素子1、グランド導体4、バラン3の第1コイル31およびキャパシタC1を含んだループ(磁界放射型アンテナ)としての特性が安定化される。(2) Since the positional relationship between the non-magnetic material layer and the magnetic material layer and the positional relationship between the
(3)第2コイル32は磁性体(第2絶縁体)から露出している(磁性体に埋設されていない)ので、第2コイル32は第2周波数帯の放射素子の一部としても利用できる。(3) Since the
(4)第2コイル32は磁性体(第2絶縁体)から露出している(磁性体に埋設されていない)ので、第2コイル32に流れる電流により生じる磁束は第1コイル31と鎖交しやすくなり、第1コイル31と第2コイル32との間の結合係数が高まる。(4) Since the
(5)第1絶縁体および第2絶縁体は一体焼結されたセラミックスであるので、第1絶縁体と第2絶縁体とは容易に一体化される。(5) Since the first insulator and the second insulator are integrally sintered ceramics, the first insulator and the second insulator can be easily integrated.
(6)第2絶縁体の実効透磁率は高いので、(第1絶縁体の実効透磁率との比較では第1絶縁体の実効透磁率より高いので)、第2コイル32の自己インダクタンスは容易に大きくできる。このように、第2コイル32の自己インダクタンスは大きいことで、第2コイル32に流れる電流を抑えることができる。よって、大きなヒステリシス損を生じさせる第2コイル32で、UHF・SHF帯(第1周波数帯)の信号の電力が消費されるのを抑えることができる。(6) Since the effective magnetic permeability of the second insulator is high (because it is higher than the effective magnetic permeability of the first insulator in comparison with the effective magnetic permeability of the first insulator), the self-inductance of the
(7)第1絶縁体の実効透磁率は低いので、(第2絶縁体の実効透磁率との比較では第2絶縁体の実効透磁率より低いので)、第1コイル31の自己インダクタンスは容易に小さくできる。このように、第1コイル31の自己インダクタンスが小さければ、本実施形態のアンテナ装置における伝送相手側アンテナ装置と磁界結合または電磁界結合するループの漏れインダクタンスが抑えられる。(7) Since the effective magnetic permeability of the first insulator is low (because it is lower than the effective magnetic permeability of the second insulator in comparison with the effective magnetic permeability of the second insulator), the self-inductance of the
(8)第1絶縁体の、いわゆるスタインメッツの実験式におけるヒステリシス係数は小さくできる(第2絶縁体との比較では第2絶縁体より第1絶縁体のヒステリシス係数を小さくできる)。このように、第1絶縁体の、上記ヒステリシス係数が小さいことにより、第1絶縁体でのヒステリシス損をさらに抑えることができる。(8) The hysteresis coefficient of the first insulator in the so-called Steinmetz empirical formula can be made smaller (compared to the second insulator, the hysteresis coefficient of the first insulator can be made smaller than that of the second insulator). As described above, since the hysteresis coefficient of the first insulator is small, the hysteresis loss in the first insulator can be further suppressed.
(9)第1絶縁体の電気絶縁性は高くできる(第2絶縁体との比較では第2絶縁体より電気絶縁性を高くできる)。このように、第1絶縁体の電気絶縁性が高いことにより、第1絶縁体での渦電流損(渦電流損は周波数が高くなるほど顕著に現れる。)を抑えることができる。(9) The electric insulation of the first insulator can be made higher (compared to the second insulator, the electric insulation can be made higher than that of the second insulator). As described above, the high electrical insulation of the first insulator can suppress the eddy current loss in the first insulator (the eddy current loss becomes more remarkable as the frequency increases).
なお、本実施形態では、電子機器の筐体の一部に放射素子1を含む例を示したが、電子機器の筐体の全部が放射素子であってもよく、同様の作用効果を奏する。 Note that, in the present embodiment, an example in which the
《第2の実施形態》
第2の実施形態では、磁性体層、非磁性体層、第1コイル、および第2コイルの位置関係が第1の実施形態のバランとは異なるバランについて示す。<<Second Embodiment>>
In the second embodiment, a balun in which the magnetic layer, the non-magnetic layer, the first coil, and the second coil have a positional relationship different from that of the balun of the first embodiment will be described.
図8は第2の実施形態に係るバラン3の断面図である。このバラン3は、基材層S0〜S12を備え、基材層S5,S6,S7,S8に矩形ヘリカル状の第2コイル32が形成されている。また、基材層S1,S2,S3,S4に矩形ヘリカル状のコイル31A、基材層S9,S10,S11,S12に矩形ヘリカル状のコイル31B、がそれぞれ形成されている。このコイル31A,31Bによって第1コイル31が構成される。第1コイル31と第2コイル32は、第1コイル31の巻回軸方向または第2コイル32の巻回軸方向に平面視したとき、第1コイル31のコイル開口と第2コイル32のコイル開口は重なる。さらには、第1コイル31と第2コイル32は同軸である。すなわち、第1コイル31と第2コイル32は同じ巻回軸周りに巻回されている。基材層S0〜S12の積層体の外面には入出力端子が形成されている。 FIG. 8 is a sectional view of the
上記複数の基材層のうち、基材層S0〜S4,S8〜S12は非磁性フェライトの層であり、基材層S5〜S7は磁性フェライトの層である。上記非磁性フェライトの層は本発明に係る「第1絶縁体」に相当し、上記磁性フェライトの層は本発明に係る「第2絶縁体」に相当する。 Of the plurality of base material layers, the base material layers S0 to S4 and S8 to S12 are nonmagnetic ferrite layers, and the base material layers S5 to S7 are magnetic ferrite layers. The nonmagnetic ferrite layer corresponds to the "first insulator" according to the present invention, and the magnetic ferrite layer corresponds to the "second insulator" according to the present invention.
本実施形態のバラン3は、図5に示したバランとは逆に、第2コイル32が第1コイル31A,31Bで積層方向に挟まれた構造である。また、磁性体層が非磁性体層で挟まれた構造である。 Contrary to the balun shown in FIG. 5, the
本実施形態で示したバランを有するアンテナ装置およびそれを備える電子機器においても第1の実施形態と同様の作用効果を奏する。 The antenna device having the balun and the electronic device including the balun shown in this embodiment also have the same effects as the first embodiment.
《第3の実施形態》
第3の実施形態では、第1給電回路、第2給電回路のいずれも不平衡給電する場合について示す。<<Third Embodiment>>
The third embodiment shows a case where unbalanced power feeding is performed in both the first power feeding circuit and the second power feeding circuit.
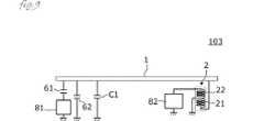
図9は、第3の実施形態に係るアンテナ装置103の主要部を回路図として表した図であり、特に、トランス2に対する回路の接続関係を示す。第1の実施形態で図3に示した回路と比較すると明らかなように、第2給電回路82は第2周波数帯の給電回路であり、トランス2の第2コイル22に不平衡給電する。トランス2の第1コイル21は放射素子1とグランド導体との間に接続される。第1コイル21は実効透磁率が低い第1絶縁体に形成され、第2コイル22は実効透磁率が高い第2絶縁体に形成される。第1絶縁体、第2絶縁体の構成は、図4、図5、図8等に示したとおりである。 FIG. 9 is a diagram showing, as a circuit diagram, a main part of the
放射素子1、グランド導体、トランス2の第1コイル21およびキャパシタC1を含んだループが構成される。このループが磁界放射型アンテナとして作用する。放射素子1に対する第1給電回路81の接続構造は第1の実施形態と同じである。 A loop including the
本実施形態によれば、放射素子1を含む磁界放射型アンテナと第2給電回路82とが、トランス2によりインピーダンス整合される。また、第2給電回路82と磁界放射型アンテナとの結合を高めることができ、第2給電回路82から磁界放射型アンテナに対して高効率で給電できる。 According to this embodiment, the magnetic field radiation antenna including the
《第4の実施形態》
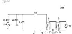
第4の実施形態では、平衡型の給電回路で磁界放射型アンテナに不平衡給電する例を示す。<<Fourth Embodiment>>
In the fourth embodiment, an example of unbalanced power feeding to a magnetic field radiation antenna by a balanced power feeding circuit is shown.
図10は第4の実施形態に係るアンテナ装置104の、集中定数素子による等価回路図である。このアンテナ装置104はバラン3およびトランス2を備える。バラン3の第1コイル33はトランス2の第2コイル22に、キャパシタC3を介して接続され、トランス2の第1コイル21は、磁界放射型アンテナのループの一部として接続されている。その他の構成は第1の実施形態で示したアンテナ装置101と同じである。 FIG. 10 is an equivalent circuit diagram of the
バラン3の第1コイル33、トランス2の第2コイル22およびキャパシタC3によってLC共振回路が構成されている。第2給電回路82はバラン3の第2コイル34に平衡給電する。この信号(電力)は上記LC共振回路を介してトランス2の第1コイル21を含む上記磁界放射型アンテナのループに不平衡給電される。 An LC resonance circuit is configured by the
第3の実施形態で示したアンテナ装置103と同様に、トランス2の第1コイル21は、実効透磁率の低い絶縁体に形成され、トランス2の第2コイル22は、実効透磁率の高い絶縁体に形成される。 Similar to the
本実施形態においては、バラン3の第1コイル33、第2コイル34のいずれにも、第1給電回路81から給電される第1周波数帯の信号電流は流れないので、バラン3の第1コイル33、第2コイル34のいずれも実効透磁率の高い絶縁体に形成される。従って、本実施形態によれば、第1コイル33と第2コイル34とは実効透磁率の高い絶縁体を介して磁界結合するので、第1コイル33と第2コイル34との間の結合係数が高まり、第1コイル33と第2コイル34との間で伝送効率が高まる。 In the present embodiment, since the signal current in the first frequency band fed from the
《他の実施形態》
図5、図8に示したバランでは、第2コイルが第1コイルで積層方向に挟まれた構造、または第1コイルが第2コイルで積層方向に挟まれた構造を示したが、このようなサンドイッチ構造ではなく、第1コイル31と第2コイル32が単に積層された構造であってもよい。更には、第1コイル31と第2コイル32とが交互に繰り返し配置される構造であってもよい。このことはバランに限らず、トランスについても同様である。<<Other Embodiments>>
In the balun shown in FIGS. 5 and 8, the structure in which the second coil is sandwiched by the first coil in the stacking direction or the first coil is sandwiched by the second coil in the stacking direction is shown. Instead of such a sandwich structure, the
また、バランやトランスの磁芯または空芯に相当する部分は、磁性体層と非磁性体層とが直線状に配置された構造に限らず、全体がトロイダル状であってもよい。例えば、C字状のように一部にギャップを有する磁性体と、そのギャップ位置に配置された非磁性体とで構成され、非磁性体部分に第1コイルが形成され、磁性体部分に第2コイルが形成されてもよい。 Further, the portion corresponding to the magnetic core or the air core of the balun or transformer is not limited to the structure in which the magnetic layer and the non-magnetic layer are linearly arranged, and may be a toroidal shape as a whole. For example, it is composed of a magnetic body having a gap like a C shape and a non-magnetic body arranged at the gap position, the first coil is formed in the non-magnetic body portion, and the first coil is formed in the magnetic body portion. Two coils may be formed.
また、本発明に係るバランやトランスは、基材の積層体に構成されるのではなく、非磁性体および磁性体で構成されるボビンに第1コイルおよび第2コイルが巻回されることによって構成されてもよい。 In addition, the balun or transformer according to the present invention is not formed by the laminated body of the base material but by winding the first coil and the second coil around the bobbin formed by the non-magnetic material and the magnetic material. It may be configured.
また、図5、図8に示したバランでは、磁性フェライトの層と非磁性フェライトの層を積層した例を示したが、透磁率が相対的に低い第1絶縁体に第1結合導体が形成され、透磁率が相対的に高い第2絶縁体に第2結合導体が形成されればよい。 In the balun shown in FIGS. 5 and 8, an example in which a magnetic ferrite layer and a non-magnetic ferrite layer are laminated is shown, but the first coupling conductor is formed on the first insulator having a relatively low magnetic permeability. The second coupling conductor may be formed on the second insulator having a relatively high magnetic permeability.
また、第1コイルが形成される基材層が直ちに第1絶縁体に対応する必要はなく、基材の積層状態で、第1コイルの近傍に非磁性体が存在し、第2コイルの近傍に磁性体が存在すればよい。 In addition, the base material layer on which the first coil is formed does not have to immediately correspond to the first insulator, and in the stacked state of the base material, there is a non-magnetic material near the first coil and the vicinity of the second coil. It suffices if there is a magnetic substance in
また、或る層内での透磁率が不均一であってもよい。例えば第2コイルのコイル開口内に磁性体、第2コイルのコイルパターンの外側が非磁性体であってもよい。 Moreover, the magnetic permeability in a certain layer may be non-uniform. For example, the magnetic material may be inside the coil opening of the second coil, and the outside of the coil pattern of the second coil may be a non-magnetic material.
また、第1絶縁体と第2絶縁体との境が、非磁性体と磁性体との明確な境界面である必要はない。第1絶縁体、第2絶縁体の一方または両方が磁性体と非磁性体との混合体であってもよい。また、磁性体と非磁性体との割合が偏在していて、透磁率に勾配があってもよい。 Further, the boundary between the first insulator and the second insulator does not have to be a definite boundary surface between the non-magnetic material and the magnetic material. One or both of the first insulator and the second insulator may be a mixture of a magnetic substance and a non-magnetic substance. Further, the ratio of the magnetic substance to the non-magnetic substance may be unevenly distributed, and the magnetic permeability may have a gradient.
また、第1結合導体(第1コイル)、第2結合導体(第2コイル)は、巻回軸から視て矩形に限らず、円形、楕円形、その他の形状であってもよい。 Further, the first coupling conductor (first coil) and the second coupling conductor (second coil) are not limited to being rectangular as viewed from the winding axis, and may be circular, elliptical, or any other shape.
また、第1結合導体、第2結合導体は、第2結合導体が第1結合導体に対して、磁界結合または電磁界結合(磁界結合および電界結合)するものであれば、巻回軸から視て周回していなくてもよい。すなわち、例えば第1結合導体、第2結合導体は、直線状であってもよい。 Further, the first coupling conductor and the second coupling conductor are viewed from the winding axis as long as the second coupling conductor is magnetically or electromagnetically coupled (magnetic field coupling and electric field coupling) to the first coupling conductor. You don't have to go around. That is, for example, the first coupling conductor and the second coupling conductor may be linear.
なお、上述の実施形態では、主にNFC等の磁界結合を利用した通信システムにおけるアンテナ装置および電子機器を説明したが、上述の実施形態におけるアンテナ装置および電子機器は、磁界結合を利用した非接触電力伝送システム(電磁誘導方式、磁界共鳴方式等)でも同様に用いることができる。例えば、上述の実施形態におけるアンテナ装置は、HF帯、特に6.78MHzまたは6.78MHz近傍の周波数で使用される磁界共鳴方式の非接触電力伝送システムの受電装置に受電アンテナ装置として適用できる。この場合でも、アンテナ装置は受電アンテナ装置として機能する。非接触電力伝送システムにおいては、上述の実施形態で示した「給電回路」は受電回路または送電回路に相当する。受電回路である場合は、受電アンテナ装置に接続され、負荷(例えば、二次電池)に電力を給電する。また、送電回路である場合は、送電アンテナ装置に接続され、送電アンテナ装置に電力を給電する。 Although the antenna device and the electronic device in the communication system mainly using magnetic field coupling such as NFC have been described in the above-described embodiments, the antenna device and the electronic device in the above-described embodiment are non-contact using magnetic field coupling. The power transmission system (electromagnetic induction method, magnetic field resonance method, etc.) can be used in the same manner. For example, the antenna device according to the above-described embodiment can be applied as a power receiving antenna device to a power receiving device of a magnetic field resonance type non-contact power transmission system used in the HF band, particularly at a frequency of 6.78 MHz or near 6.78 MHz. Even in this case, the antenna device functions as a power receiving antenna device. In the contactless power transmission system, the “power feeding circuit” described in the above embodiment corresponds to the power receiving circuit or the power transmitting circuit. In the case of a power receiving circuit, it is connected to a power receiving antenna device and supplies power to a load (for example, a secondary battery). In the case of a power transmission circuit, the power transmission circuit is connected to the power transmission antenna device and supplies power to the power transmission antenna device.
なお、以上に述べた「実効透磁率」とは、結合導体に実効的に影響を与える透磁率という意味での表現である。例えば、第1絶縁体の実効透磁率は、第1結合導体に影響を与える第1絶縁体の透磁率であり、第2絶縁体の実効透磁率は、第2結合導体に影響を与える第2絶縁体の透磁率である。また、透磁率が磁界強度によって変化する場合には、UHF・SHF帯(第1周波数帯)の信号において、電流1周期あたりの時間平均の透磁率が実効透磁率である。さらに、第1絶縁体と第2絶縁体の少なくとも何れかが、不均質性または異方性を有する場合は、第1絶縁体を含めた第1結合導体に生じるインダクタンスを、第1結合導体の導体形状のみにより定まるインダクタンスで割った値が第1絶縁体の実効透磁率である。同様に、第2絶縁体を含めた第2結合導体に生じるインダクタンスを、第2結合導体の導体形状のみにより定まるインダクタンスで割った値が第2絶縁体の実効透磁率である。 The "effective magnetic permeability" described above is an expression in the sense of magnetic permeability that effectively affects the coupling conductor. For example, the effective permeability of the first insulator is the permeability of the first insulator that affects the first coupling conductor, and the effective permeability of the second insulator is the second permeability that affects the second coupling conductor. It is the magnetic permeability of the insulator. When the magnetic permeability changes depending on the magnetic field strength, the time-average magnetic permeability per current cycle is the effective magnetic permeability in the UHF/SHF band (first frequency band) signal. Furthermore, when at least one of the first insulator and the second insulator has inhomogeneity or anisotropy, the inductance generated in the first coupling conductor including the first insulator is reduced to that of the first coupling conductor. The value obtained by dividing the inductance determined only by the conductor shape is the effective magnetic permeability of the first insulator. Similarly, the effective magnetic permeability of the second insulator is a value obtained by dividing the inductance generated in the second coupling conductor including the second insulator by the inductance determined only by the conductor shape of the second coupling conductor.
最後に、上述の実施形態の説明は、すべての点で例示であって、制限的なものではない。当業者にとって変形および変更が適宜可能である。本発明の範囲は、上述の実施形態ではなく、特許請求の範囲によって示される。さらに、本発明の範囲には、特許請求の範囲内と均等の範囲内での実施形態からの変更が含まれる。 Finally, the above description of the embodiments is illustrative in all respects and not restrictive. Those skilled in the art can appropriately make modifications and changes. The scope of the invention is indicated by the claims rather than by the embodiments described above. Further, the scope of the present invention includes modifications from the embodiments within the scope equivalent to the claims.
C1,C3…キャパシタ
C41,C42,C43,C44…キャパシタ
C61,C62…キャパシタ
CHC…チョークインダクタ
E1…第1端部
E2…第2端部
L0,L1,L2…インダクタ
OP…開放端
P11,P12,P21,P22…入出力端子
S0〜S12…基材層
SP…接地端
1…放射素子
2…トランス
3…バラン
4…グランド導体
6A,6B…基板
7…接続ピン
8…バッテリーパック
21…第1コイル
22…第2コイル
31…第1コイル(第1結合導体)
31A,31B…第1コイル
31a〜31d…コイルパターン
32…第2コイル(第2結合導体)
32A,32B…コイル
32a〜32h…コイルパターン
33…第1コイル
34…第2コイル
52A…層間接続導体
61,62…リアクタンス素子
71A,72A…接続導体
73A,74A…接続導体
81…第1給電回路
82…第2給電回路
101,103,104…アンテナ装置C1, C3... Capacitors C41, C42, C43, C44... Capacitor C61, C62... Capacitor CHC... Choke inductor E1... First end E2... Second end L0, L1, L2... Inductor OP... Open ends P11, P12, P21, P22... Input/output terminals S0 to S12... Base material layer SP... Grounding
31A, 31B...
32A, 32B... Coils 32a to 32h...
| Application Number | Priority Date | Filing Date | Title |
|---|---|---|---|
| JP2016043168AJP6724429B2 (en) | 2016-03-07 | 2016-03-07 | Antenna device and electronic device |
| Application Number | Priority Date | Filing Date | Title |
|---|---|---|---|
| JP2016043168AJP6724429B2 (en) | 2016-03-07 | 2016-03-07 | Antenna device and electronic device |
| Publication Number | Publication Date |
|---|---|
| JP2017163189A JP2017163189A (en) | 2017-09-14 |
| JP6724429B2true JP6724429B2 (en) | 2020-07-15 |
| Application Number | Title | Priority Date | Filing Date |
|---|---|---|---|
| JP2016043168AActiveJP6724429B2 (en) | 2016-03-07 | 2016-03-07 | Antenna device and electronic device |
| Country | Link |
|---|---|
| JP (1) | JP6724429B2 (en) |
| Publication number | Priority date | Publication date | Assignee | Title |
|---|---|---|---|---|
| JP4946876B2 (en)* | 2008-01-09 | 2012-06-06 | ソニー株式会社 | Balun resonator, semiconductor device and receiving device |
| JP5240050B2 (en)* | 2009-04-27 | 2013-07-17 | 株式会社村田製作所 | Coupling substrate, electromagnetic coupling module, and wireless IC device |
| JP2011217204A (en)* | 2010-03-31 | 2011-10-27 | Tokyo Keiki Inc | Planar antenna |
| CN103620869B (en)* | 2012-04-27 | 2016-06-22 | 株式会社村田制作所 | Coil antenna and communication terminal |
| JP6112383B2 (en)* | 2012-06-28 | 2017-04-12 | パナソニックIpマネジメント株式会社 | Mobile device |
| JP5924167B2 (en)* | 2012-07-11 | 2016-05-25 | 三菱マテリアル株式会社 | Multilayer chip resonator and antenna device including the same |
| EP2937937B1 (en)* | 2012-12-21 | 2020-01-08 | Murata Manufacturing Co., Ltd. | Antenna device and electronic device |
| US9325080B2 (en)* | 2014-03-03 | 2016-04-26 | Apple Inc. | Electronic device with shared antenna structures and balun |
| Publication number | Publication date |
|---|---|
| JP2017163189A (en) | 2017-09-14 |
| Publication | Publication Date | Title |
|---|---|---|
| JP6614363B2 (en) | ANTENNA DEVICE AND ELECTRONIC DEVICE | |
| US9997834B1 (en) | Antenna device and communication terminal apparatus | |
| US7629942B2 (en) | Antenna | |
| US9865924B2 (en) | Antenna device and communication terminal apparatus | |
| JP6465109B2 (en) | Multi-antenna and radio apparatus including the same | |
| CN103782446B (en) | Antenna device and wireless communication device | |
| US9153865B2 (en) | Antenna device and communication terminal apparatus | |
| US10135152B2 (en) | Antenna device and electronic device | |
| JP2018011353A (en) | Coil antenna and antenna device | |
| US10333198B2 (en) | Antenna apparatus and communication terminal apparatus | |
| US20190393604A1 (en) | Antenna device, communication system, and electronic apparatus | |
| US10511350B2 (en) | Antenna device and electronic device | |
| CN104885297A (en) | Multiband antenna and radio apparatus | |
| US10505267B2 (en) | Antenna device and electronic apparatus | |
| JP6724429B2 (en) | Antenna device and electronic device | |
| WO2016186090A1 (en) | Antenna device and electronic apparatus | |
| JP2021048530A (en) | Coil antenna, antenna device, and electronic apparatus |
| Date | Code | Title | Description |
|---|---|---|---|
| A621 | Written request for application examination | Free format text:JAPANESE INTERMEDIATE CODE: A621 Effective date:20181218 | |
| A977 | Report on retrieval | Free format text:JAPANESE INTERMEDIATE CODE: A971007 Effective date:20191018 | |
| A131 | Notification of reasons for refusal | Free format text:JAPANESE INTERMEDIATE CODE: A131 Effective date:20191029 | |
| TRDD | Decision of grant or rejection written | ||
| A01 | Written decision to grant a patent or to grant a registration (utility model) | Free format text:JAPANESE INTERMEDIATE CODE: A01 Effective date:20200526 | |
| A61 | First payment of annual fees (during grant procedure) | Free format text:JAPANESE INTERMEDIATE CODE: A61 Effective date:20200608 | |
| R150 | Certificate of patent or registration of utility model | Ref document number:6724429 Country of ref document:JP Free format text:JAPANESE INTERMEDIATE CODE: R150 |