
























  本願発明は、特許文献1中に開示された無煙喫煙具のさらなる改良に関するものである。  The present invention relates to a further improvement of the smokeless smoking tool disclosed in
  無煙喫煙具とは、特許文献1や、特許文献2や、特許文献3中に開示されているもので、市販のフィルター付き紙巻煙草や、紙巻煙草や、葉巻に火をつけて、該煙草の葉から蒸発してくるニコチンを吸引する通常の喫煙(以後  通常喫煙と表現する。)が持つ、色々な弊害を改善するために、販売されているもので、市販されているフィルター付き紙巻煙草等をそのままの形で使用しながら、該煙草の葉を燃焼させることなしに、該煙草の葉に含まれるニコチンを蒸発させて吸引可能なようにしたものである。以下の説明は、市販のフィルター付き紙巻煙草を例にとって説明するが、紙巻煙草や、葉巻でも、同じ説明ができる。  The smokeless smoking device is disclosed in
  特許文献2や、特許文献3に示された先出願治具が持つ不具合点と、その改善策については、特許文献1中に、詳しく説明されているのでここでは省略する。本願の出願人は、特許文献1中に、実施例4として開示され、本願では、図17に開示した無煙喫煙具100を試作して、多くの喫煙者に使用してもらった。無煙喫煙具100は、筐体部分401、充電池部49、電池部連結部24、フタ23の4つの部分から構成されている。26は、内蔵するリチウムイオン充電池を充電するときに供給するDC5V電圧を受取るDCジャック。27は、充電状態を表示する、充電表示LEDである。図18は、該無煙喫煙具100の軸方向断面図である。フィルター付紙巻煙草を挿入する筐体部分は、少なくとも一つの空気取入孔141を持った外管104と、少なくとも一つの空気取入孔142を持った内管105と、該内管のほぼセンター部分に位置するヒーター131を有している。フィルター付き紙巻煙草(図示せず)が、先端部101から煙草部を先頭に挿入されると、該煙草部のほぼ中央に、ヒーター131が、挿入される。この状態で、電源スイッチ28をONすると、コントロールされた電圧が、充電池部49からヒーターに供給され、ヒーター131が加熱され、その熱で、該煙草の葉からニコチンが蒸発し、喫煙者が、該フィルターから吸引すると、通常喫煙時に発生する有害な成分を含んだ煙の発生なしに、該ニコチンを吸引できる。表示器136により、該無煙喫煙具の動作状態を、色や点滅で喫煙者に知らせる。なを、ヒーター131の構造については、特許文献4に詳しく説明されているので、説明を省くが、該文献中の実施例3として開示されたヒーターの絶縁管20として、該文献中では、表面を酸化膜処理したAL管や、セラミック碍子が挙げられているが、本願中では、表面に耐熱塗料を塗布・硬化させたAL管やSUS管や黄銅管等を使用することによって、さらにコストダウンを行った。さらに、表面に耐熱塗料を塗布・硬化させたAL管やSUS管や黄銅管等の表面にニクロム線を巻いて固定後、さらに、その表面を耐熱塗料を塗布・硬化させて、ニクロム線間のリーク抵抗値を大きくして使うこともある。  The inconveniences of the prior application jigs shown in
  多くの喫煙者の感想は、挿入されたフィルター付き紙巻煙草の葉を、ヒーター131により加熱することにより、煙の発生なしに、該煙草の葉から蒸発して出てくるニコチンは十分に吸引できるので、脳内のニコチン欠乏症による喫煙願望は抑えられ、通常喫煙をしなくても、イライラしないで仕事を継続できるが、ニコチンを肺まで吸い込むときに、通常喫煙時に発生する煙が喉元を通過する感触が得られないために、喫煙したという実感がわかない。というものであった。さらに、使用中に、無煙喫煙具100のフィルター付き紙巻煙草を挿入する部分のほぼセンターに配置されているヒーターの先端が、該挿入部分のセンターからずれる時が有り、このようになってしまった場合は、無煙喫煙具を分解してヒーターの先端部を該挿入部分のセンターになるように  再調整しなければ、上手くフィルター付き紙巻煙草等が無煙喫煙具100に挿入できないというクレームも発生した。さらに、充電池29は、マイナス電極用バネ7でプラス電極(図示せず)に押しつけられているだけなので、充電池ホルダー9から、抜け落ちる場合もあり、不具合が指摘されている。  Many smokers comment that heating the inserted cigarette leaf with a filter with a
現在市販されている、いわゆる電子タバコは、喫煙者が吸引した時に、グリセリンと水を主成分とする溶液(E−ジュースと 言われている溶液。以後 E−ジュースと表現する。)を加熱用ヒーターで加熱し、グリセリンと水の細かな粒子の集まりを発生させる。この発生した粒子の粒径が、通常喫煙時に発生する煙の粒径とほぼ同じ位の大きさなので、あたかも煙草の煙のように見え、喫煙者の口の中に広がり、肺まで吸込んだ時に、該粒子の粒が喫煙者の喉元を通過する。この時、喫煙者には、本物の煙草の葉や巻紙が燃える時に出す煙が、喉元を通過するような感触が得られるようである。最近では、電子タバコの煙も非喫煙者から嫌われることが有るので、この電子タバコの煙を喫煙者が肺まで入れて吐き出した場合は、該煙が目に見えないよう工夫された、E−ジュースも販売されている。 The so-called electronic cigarettes currently on the market, when smokers inhale, use a solution containing glycerin and water as the main components (a solution called E-juice, hereinafter referred to as E-juice) for heating. Heat with a heater to generate a collection of fine particles of glycerin and water. The particle size of the generated particles is almost the same size as the smoke generated during smoking, so it looks like cigarette smoke, spreads in the smoker's mouth, and inhales to the lungs. The particles pass through the smoker's throat. At this time, it seems that the smoker feels that the smoke that is emitted when the leaves of the real cigarettes and the wrapping paper pass through the throat. Recently, since smoke of electronic cigarettes may be disliked by non-smokers, when smokers exhale the smoke of electronic cigarettes into the lungs, the smoke was devised so that the smoke is not visible. -Juice is also sold.
上記の喫煙者の不満を解決する手段として、特許文献1中には、煙草の葉を加熱するヒーターの近くにE−ジュースを入れた容器を置き、該ヒーターの熱で電子タバコの煙を発生させる無煙喫煙具が考案されているが、実際に試作してみると、煙草の葉を加熱するときに該ヒーターに与える電力では、喫煙者が要求する十分な電子タバコの煙を発生させることができないことがわかった。As means for solving the above-mentioned complaints of smokers, in
図1は、本願発明の実施例1の無煙喫煙具100の外観図。図2は、その軸方向断面図である。該無煙喫煙具は、市販の電子タバコの煙発生部(アトマイザーと言われる。)が装着できるように、接続部36を有している。該接続部36は、市販の電子タバコの電源部に標準的に使われている510口金と外形コンパチな形状である。本願では、部材の入手しやすさから、市販の電子タバコ用の510−510変換口金を改造して造られているが、この方法によらなくても、金属部材を加工して、510口金と外形コンパチな形状のものを機械加工で作ってもよい。以下の説明は、市販の電子タバコ用の510−510変換口金を使用して該接続部36を作る方法について記述する。本願実施例1の無煙喫煙具100の該接続部36に、市販の電子タバコのアトマイザーを取付け、該アトマイザーのマウスピース部より吸引することにより、該無煙喫煙具に挿入された市販のフィルター付き紙巻煙草の該煙草の葉から蒸発してきたニコチンと、該アトマイザーから発生する煙を、同時に吸引できるようにしたものである。FIG. 1 is an external view of a
さらに、図3は、本願発明の実施例2の無煙喫煙具100の外観図。図4は、その軸方向断面図である。該無煙喫煙具は、実施例1の無煙喫煙具の内管105の代わりに、穴あきスペーサー111を保持した終端部品B108と、先端部品B109を有するガイド管107を組込んだものである。喫煙者が、該ガイド管107を本体から引出した時に、穴あきスペーサー111の穴110により、ヒーター131がほぼ該ガイド管のセンターに強制的にくるように設計されている。その結果、該ヒーター131は、挿入されたフィルター付き紙巻煙草の煙草部のほぼセンターに挿入されるようになった。Furthermore, FIG. 3 is an external view of the
さらに、図6は、本願発明の実施例3の無煙喫煙具100の軸方向断面図である。該無煙喫煙具は、最近、フィリップ・モリス社から発売された新しい概念のフィルター付き紙巻煙草「ヒートスティク」や短い煙草を挿入して、使えるように造られている。Furthermore, FIG. 6 is an axial cross-sectional view of the
さらに、図12は、本願発明による加熱器600である。この加熱器600は、図13に示す、該接続部36に取付け可能な形状の接続部を持ったヒーター132と、外管4から構成されている。この加熱器600は、市販の煙草の葉(たとえば、パイプ用の煙草の葉等)を、使えるように新しく考案された加熱器である。Further, FIG. 12 shows a heater 600 according to the present invention. The heater 600 includes a
さらに、従来の無煙喫煙具100は、内蔵されているリチウムイオン充電池を充電するために、専用の充電回路を内蔵し、DC5Vを受取る専用のDCジャック26を有していたが、本願で開示された新たな駆動回路・新たなソフトの採用により、専用の充電回路、専用のDCジャックを組込まなくても、図22に示す市販の電子タバコ用のUSBコネクター付き充電器700を、該接続部36につなぐことにより、内蔵されているリチウムイオン充電池を充電することが可能になった。Furthermore, the conventional
さらに、従来の無煙喫煙具100には、コントロール回路付きリチウムイオン充電池が使われていたが、新たな駆動回路の採用により、コントロール回路無しの安価なリチウムイオン充電池が使えるようになった。Furthermore, the conventional
さらに、従来の無煙喫煙具100に使用されている外管104は、厚み0.3mmから0.6mmの非常に綺麗な表面を持つ酸化膜処理をしたAL管が使用されていたが、この処理をしたAL管は、非常に高価で製品コストを高くしていた。本願では、新たに、0.3mmから0.6mmの厚みで成型可能な半円状樹脂成型部品710を考案することにより、安価な外管を作ることが可能になった。Furthermore, the
さらに、無煙喫煙具100の中にある、挿入された紙巻煙草の葉を加熱するヒーターと、市販の電子タバコのアトマイザー400の中にあるヒーターや、加熱器600の中にあるヒーターを、別々にコントロールする新規な駆動用ソフトも考案した。Furthermore, a heater for heating the inserted cigarette leaf in the
さらに、新規な駆動用ソフトでは、通電初期のスイッチ操作により、無煙喫煙具の使用モードや、該モードにおけるヒーター加熱温度を、決めることが可能になった。Furthermore, in the new driving software, it is possible to determine the use mode of the smokeless smoking tool and the heater heating temperature in this mode by operating the switch at the initial stage of energization.
無煙喫煙具の内管の代わりに、ガイド管を採用することにより、煙草の葉を加熱するヒーターの先端部が、挿入されるフィルター付き紙巻煙草のセンターに強制的に持ってこられるようになった。さらに、半円状樹脂部品の内部形状を工夫し、終端部品Bが回転出来る領域を作ることにより、その場でガイド管を、約90度回転することにより、その場所から、該ガイド管が抜けてこないようになった。By adopting a guide tube instead of the inner tube of a smokeless smoking device, the tip of the heater that heats the tobacco leaf is now forced to the center of the inserted cigarette with a filter. . Furthermore, by devising the internal shape of the semi-circular resin part and creating an area where the terminal part B can rotate, the guide pipe is removed from the place by rotating the guide pipe about 90 degrees on the spot. I didn't come here.
さらに、本願発明による実施例1、あるいは実施例2の無煙喫煙具100の接続部36に、市販の電子タバコ用のアトマイザーを装着することにより、挿入された煙草の葉を加熱するヒーターと、E−ジュースを加熱するヒーターを有することになり、これらのヒーターを別々にコントロールすることにより、通常喫煙時に発生する有害な煙や副流煙の発生なしで、煙草の葉からのニコチンと、該アトマイザーからの電子タバコの煙が同時に摂取できるようになり、通常喫煙時に得られる「煙が喉元を通過する」という、喫煙感覚が、得られるようになった。以後、この使い方を、「無煙喫煙+電子タバコモード」と表現する。Furthermore, a heater for heating the inserted tobacco leaves by attaching a commercially available electronic cigarette atomizer to the
しかしながら、煙を出すことが憚れるところでは、煙発生用のスイッチを押さなければ、電子タバコの煙は発生せず、煙草の葉からのニコチンのみが吸引できるので、従来の無煙喫煙具としても使用することができる。However, in places where smoke can be produced, if the smoke generation switch is not pressed, the smoke of the electronic cigarette will not be generated, and only nicotine from the tobacco leaf can be sucked. Can be used.
さらに、本願発明による実施例1、あるいは実施例2の無煙喫煙具100に、市販のフィルター付き紙巻煙草を挿入しないで、接続部36に、電子タバコ用のアトマイザーのみを装着し、使用することにより、電子タバコとしての使い方ができるようになった。以後、この使い方を、「電子タバコモード」と表現する。Furthermore, by attaching and using only the atomizer for electronic cigarettes in the
さらに、本願発明による実施例1、あるいは実施例2の無煙喫煙具100の接続部36に、加熱器600を装着することにより、市販の煙草を使っての、無煙喫煙を喫煙者は楽しむことが可能になった。以後、この使い方を、「加熱器モード」という。Furthermore, a smoker can enjoy smokeless smoking using commercially available cigarettes by attaching the heater 600 to the
さらに、本願発明による実施例1、あるいは実施例2の無煙喫煙具100の接続部36に、マウスピースを装着することにより、従来の無煙喫煙具と、同じ使い方ができる。以後、この使い方を、「無煙喫煙専用モード」という。Further, by attaching a mouthpiece to the
さらに、本願発明の実施例3の無煙喫煙具100に、ヒートスティクや短い長さの紙巻煙草を挿入することにより、ヒートスティクや短い紙巻煙草の無煙喫煙が可能になった。さらに、ヒートスティクを挿入した場合、ヒーターの加熱温度を高くすることにより、蒸気が出る、有煙喫煙も可能になった。Further, by inserting a heat stick or a short cigarette into the
さらに、本願発明による無煙喫煙具100の接続部36に、市販の電子タバコ用の充電器を繋いで充電できるように新たな回路の採用により、内蔵されているリチウムイオン充電池を充電することが可能になった為、専用の充電回路、専用のDCジャック26が不要になり、無煙喫煙具の製造コストが安くなった。Furthermore, it is possible to charge a built-in lithium ion rechargeable battery by adopting a new circuit so that the connecting
さらに、本願発明の無煙喫煙具100の外管に、半円状樹脂成型部品を採用することにより、無煙喫煙具の製造コストが安くなった。Furthermore, the manufacturing cost of the smokeless smoking tool has been reduced by adopting a semi-circular resin molded part for the outer tube of the
さらに、新たな駆動回路の採用により、安価なコントロール回路無しのリチウムイオン充電池が使えるようになった。In addition, the adoption of a new drive circuit makes it possible to use an inexpensive lithium-ion rechargeable battery without a control circuit.
さらに、本願発明の実施例1、あるいは実施例2、あるいは実施例3の無煙喫煙具100には、新たに考案されたソフトが組込まれ、喫煙者は、喫煙初期のスイッチ操作の回数により、使用モードと、該モードにおけるヒーターの加熱温度を決めることができ、喫煙者の好みの加熱温度で喫煙が出来るようになった。Furthermore, the newly devised software is incorporated in the
さらに、図24は、充電池部49の充電池の軸方向と垂直な断面図で、充電池ホルダー9の断面と、充電池29の断面のみを示している。該充電池ホルダー9の該充電池29と接する面に、表と裏で接着力が違う両面粘着テープ3を貼る(接着力が強い方を、該充電池ホルダー9との接着に使う。)ことにより、該充電池ホルダー9に入れられたときは、該充電池29は、該両面テープの接着力が弱い方の面で固定されるようになり、簡単に、充電池が外れることが無くなった。また、充電池を取り出す時は、該両面テープが剥がれることなく、少しの力で、該充電池29を取り外すことが可能になった。Furthermore, FIG. 24 is a cross-sectional view perpendicular to the axial direction of the rechargeable battery of the
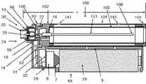
  図17は、特許文献1中で実施例4として開示された従来の無煙喫煙具100の外観図である。喫煙者は、市販のフィルター付き紙巻煙草(図示せず)の煙草部を先頭にして、先端部品101から、無煙喫煙具100に挿入し、該フィルター部より、吸引する。図18は、上記無煙喫煙具100の軸方向断面図で、空気取入孔142を有する内管105と、ヒーター131が図示されている。図19は、従来の無煙喫煙具100に組込まれている充電回路の回路図、図20は、従来の無煙喫煙具100に組込まれているメイン回路の回路図である。従来の無煙喫煙具100の各構成部品やその働きの詳細については、特許文献1中に詳しく説明されているので、ここでは省略する。  FIG. 17 is an external view of a conventional
  図1は、本願実施例1の無煙喫煙具100の外観図、図2は、その軸方向断面図である。但し、該断面図には、図1には記載されていないオーリング10が追加して書かれている。無煙喫煙具100は、本体部分200と、充電池部49と、電池部連結部24と、外側電極B35と内側電極K25とからなる接続部36から構成されている。電池部連結部24は、取付け穴40を使って、2本のビス74により、室48と、実装済みメインプリント基板31と共に、本体部分200と充電池部49に、固定されている。本体部分200は、先端部品101と、終端部品102と、ボタン30と、外管104と、内管105から構成されている。内管104のほぼ中央には、ヒーター先端部106を有するヒーター131が有る。なを、外管104には少なくとも2ヶ所の空気取入孔141を有しており、この孔により外管104と内管105との間にある空間に外気が流れるようになり、ヒーターの加熱による熱を無煙喫煙具の外に放出し、外管104の表面温度を下げる役目をしている。メインプリント基板31には、表示器136、スイッチ22等の図16に示す各種回路部品と、充電回路プリント基板32上のコネクターから電力を受取る2本のピン33と、煙草の葉を加熱するヒーター131と、接続部36の2本のピン66と嵌合するコネクター(図示せず)が実装されている。充電池部49は、充電池ホルダー9と、充電池29と、充電回路プリント基板32から構成されている。充電回路プリント基板32には、図16に示す回路図のSW1(電源スイッチ28)と、マイナス電極用バネ7と、該バネを固定する台8と、メインプリント基板31に電力を供給するコネクター(図示せず)と、が実装されている。18は、ニコチン導入管A,19は、ニコチン導入管B,66は、接続用ピンである。  FIG. 1 is an external view of the
図21は、市販されている電子タバコの代表的な外観図を示している。図21の(a)は、電子タバコ用の電源部500の外観図であり、電源部500は、充電池を含む充電池部504と、スイッチ503を有する駆動回路部と、外側電極E502と内側電極F505を有する510口金501からなる。図21の(b)は、この電源部に取付けて使われる市販のアトマイザー400(あるいは、カトマイザー)と呼ばれる部分の外観図である。図11の(a)は、該アトマイザー400の軸方向断面図である。図11の(b)は、幅2.0mmの切欠き部52、2mmφの穴38を有する外径4mmφの内側電極C54の先端部拡大図である。アトマイザー400は、外側電極D55と内側電極C54を有する電極部402と、煙発生部403と、マウスピース部404とからなっている。煙発生部は、E−ジュースを入れておく液ダメ64と、煙発生室65の中にある煙発生用ヒーター62の所までE−ジュースを運んでくるヒモ63とからなっている。図21の(c)は、510口金501の軸方向断面図である。外側電極502は、内部にネジ山が有り、絶縁物G506を用いて、ほぼ外側電極502の中央に、円形の内側電極F505を保持している。510口金501は、電子タバコ業界では、510口金と言われ、ほとんどの市販されている電子タバコの電源部に使われている口金である。市販されている電子タバコを使う場合、一般的には、下記のような手順で行う。図22は、市販されている電子タバコ用のUSBコネクター付き充電器700である。これは、USBコネクター701と、コード702と、表示器706を有する充電回路部703と、外側電極G704(GND電極)と内側電極H705(プラス電極)を有する口金707から構成されている。充電回路部703は、USBコネクター701からDC5V電圧をもらって、電子タバコに使われているリチウムイオン充電池を充電するコントロール電圧を発生する回路が内蔵されている。該表示器706は、充電状態をLEDの発光で表示する。電子タバコで喫煙しようとする人は、まず、電源部500に内蔵されているリチウムイオン充電池をフル充電する必要がある。そこで、電源部500の510口金501を、図22に示す、USBコネクター付き充電器700の口金707に回転させながら挿入する。この時、内側電極F505と、内側電極H705、外側電極E502と、外側電極G704がそれぞれ電気的に接続される。この状態で、USBコネクター付き充電器700のUSBコネクター701を、DC5V電源に挿入すると、充電部504の内部のリチウムイオン充電池への充電が始まる。充電開始後1から2時間後、表示器706が、充電が完了したというサインを発生したら、電源部500を、USBコネクター付き充電器700から、外す。つぎに、アトマイザー400の液ダメ64に、E−ジュースを充填し、アトマイザー400を電源部500の510口金501に、アトマイザーの電極部402を回転させながら挿入すると、内側電極F505と、内側電極C54、外側電極E502と、外側電極D55がそれぞれ電気的に接続される。この状態で、喫煙者が、マウスピース部404より吸引すると、510口金501と電極部402の隙間から外気が取込まれ、内側電極C54の先端部の切欠き部52⇒穴38⇒煙発生室65⇒マウスピースと外気が流れ、喫煙者の口に到達する。この時、喫煙者が、スイッチ503を押すと、リチウムイオン充電池の電圧が、煙発生用のヒーター62に供給され、該ヒーターの温度が、150℃から250℃位まで上昇する。この温度上昇により、ヒモ63の周辺にあるE−ジュースが加熱され、蒸気になり、外気と共に、喫煙者の口に運ばれる。喫煙者は、この蒸気を吸引して、吐き出すことにより、あたかも本物の煙草を喫煙しているような煙が吐き出されるのである。FIG. 21 shows a typical external view of a commercially available electronic cigarette. FIG. 21A is an external view of a
市販されている電子タバコ用の電源部500の510口金501の内部構造は、図21(c)に示すように、穴を有していない内側電極F505が中央にあり、外側が外側電極E502になっており、その間は絶縁物G506で埋められている。該両電極の電子回路への接続は、半田、あるいは、溶接を使い接続している。しかしながら、この方法は、中央の内側電極F505が、絶縁物G505で保持されているだけなので、使っているうちに、中央の内側電極F505が、押されて内側に移動するため、度々接触不良が発生するという不具合がある。さらに、内側電極F505、及び、絶縁物506には、穴が無いために、外気の取り込みは、上記で説明したように、510口金501の外側周囲からの回り込みでしか外気は、取込めない。このような構造の市販されている電子タバコ用の電源部500の510口金501は、本願発明の無煙喫煙具には使えない。なぜなら、喫煙者が、該接続部にマウスピースや市販の電子タバコ用のアトマイザーをつけて、使用する場合、外気を無煙喫煙具100の先端部101から取込み、発生してきたニコチンと共に接続部36の内部を通り、喫煙者の口内に運ぶようにできないからである。As shown in FIG. 21 (c), the internal structure of the 510
図7(a)は、市販されている電子タバコ用の510−510変換口金の外観図。図7(b)は、その軸方向断面図で、外側電極B35の中に、内側電極A34と、絶縁物39が有る。内側電極A34は、絶縁物39で外側電極のほぼ中央に保持・絶縁されている。なを、穴51が、2ヶ所にある。この510−510変換口金は、外側電極B35の内側で右と左の空間を空気が行き来できないので、このままでは、本願発明の無煙喫煙具の接続部としては、使えない。図8(a)は、本願発明の無煙喫煙具100用の接続部36として使用するために、新たに考案された接続部36の軸方向断面図である。すなわち、市販の510−510変換口金の内側電極A34と絶縁物39を取り出した外側電極B35に、円形P板D(図8(b)にその正面図を示す)12と、内側電極K25と、ピン66とで構成された電極部(図8(c)にその外観図を示す。)を、金属ネジ41で、外側電極B35の内部に固定した物である。穴46の径は、約1.6mmφである。円形P板Dには、2か所の切欠き部43と、接続用ピン66を取付ける2ヶ所のピン用穴45を有する。中央の穴46のランドと、一方のピン用穴45のランドとは、配線(図示せず)でつながれている。上下にある切欠き部43は、端面にも電極(金メッキ)がつけられており、もう一方のピン用穴45のランドと、配線(図示せず)でつながれている。内側電極K25は、先端部は、2.5mmφから6.0mmφの大きさの円形で、1.5mmφ、長さ3mmの棒状部分があり、表面は金メッキがされている。この棒状部分を、円形P板D12の穴46に入れて、ある一定の位置に半田付けを行い、中央の穴46のランドと電気的に接続する。内側電極K25の円形の先端部の大きさは、図11に示す市販のアトマイザーの内側電極C54の先端部にある切欠き部52と平面で接続するためには、MIN2.1mmφ以上必要である。さらに、接続部36の内部に収まるためには、接続部36の内径が、6.5mmφなので、6mmφ以下であることが必要である。FIG. 7A is an external view of a commercially available 510-510 conversion base for electronic cigarettes. FIG. 7B is an axial cross-sectional view thereof, and an inner electrode A34 and an
さらに、510−510変換口金が有する2ヶ所の穴51には、タップ加工(M1.0からM2.0)を行った。510−510変換口金から内側電極A34と絶縁物39を取り出した外側電極B35に、図8(c)に示す電極部を挿入し、棒状の金属ネジ(長さ1.5mmから3.5mm)41  2本を使い、このタップ加工して造られたネジ穴を利用して、該電極部を、内部に固定したものが、接続部36である。この時、挿入されるネジ41は、2枚のプリント基板の切欠き部43にねじ込まれ、切欠き部43の壁面の電極と外側電極B35を、電気的に接続する。これにより、接続部36の外側電極B35と、ビス41と、プリント基板の切欠き部43と、一方のピン66が電気的に接続され、接続部36の内側電極K25と、もう一方のピン66が、電気的に接続される。さらに、円形P板D12の切欠き部43の両サイドにある切欠きにより、接続部36の左右の空間を空気が行き来できるようになっている。Further, tapping (M1.0 to M2.0) was performed on the two
図9(a)は、接続部36を本願発明の無煙喫煙具100に組込むために考案された室48を説明するための、立体分解図である。室48は、三つの部品から構成されている。一つは、2本のピン66を有する接続部36、もう一つは、2つの部品からなる室構成部品A76、もう一つは、ニコチン導入管B19を有する室構成部品B75、である。図9(b)は、これらの三つの部品を組立後の軸方向断面図である。室構成部品A76は、半円状の2つの樹脂部品から構成されている。この半円状の2つの樹脂部品を組合せると、図9(b)からわかるように接続部36のくびれた部分と嵌合するようになっている。さらに、室構成部品B75には、図示していないが、2本のピン66が通る穴がある。このように作られた、接続部36を有する室48を使うことにより、ニコチン導入管B19から入った空気は、2枚の円形プリント基板の切欠き部43の両サイドにある切欠きを通って、接続部36の左側に出てくることが可能になっている。さらに、2本のピン66で、メインプリント基板上のコネクターに挿入したり、2本のピン66を直接メインプリント基板に半田付けしたりして、所定の回路に、簡単に接続することができるようになっている。さらに、接続部36に、アトマイザーを付ける時や、充電器を取付ける時に、大きな回転力が加わった場合、室構成部品Aの中で、接続部36が回転して、ピン66を曲げてしまう事も発生するので、図23に図示したように、金属ネジ41を長くして、室構成部品A76に穴81をあけて、該穴に該金属ネジを入れることにより、室構成部品A76内での接続部36の回転を防止し、かつ、室構成部品A76と、室構成部品B75とには、互いに動かないように、82と83で示すように、嵌合する部分をつけることにより、接続部36を有する室構成部品A76が、室構成部品B75内で、回転を防止することが出来る。さらに、室構成部品B75に、ストッパー84を付けて、該室構成部品B75が、電池部連絡部24の中で回転しないようにすることが可能になった。このような構造の改善された室48を組込むことにより、アトマイザーや、充電器を接続部36に取付ける時に、大きな力が加わっても、510口金が回転することが無くなった。FIG. 9A is a three-dimensional exploded view for explaining a chamber 48 devised for incorporating the connecting
図2や、図4の軸方向断面図からわかるように、本体部分200の煙草を挿入する空間と、電池部連結部24にある接続部36の空間は、ニコチン導入管A18と、ニコチン導入管B19を使って、繋がっている。なを、この室48の一部を使って、メインプリント基板の押えも兼ねている。本体側からニコチン導入管A18と、室48からニコチン導入管B19が出ており、電池部連結部24が、2本のビス74で、本体部分200と電池部49に固定されるときに、これらの2本の管は、空気が漏れないように嵌合するように作られている。これらの管の径は、0.5φ〜2.5mmφに設計されており、この径により、喫煙者の口に運ばれるニコチンの流量をコントロールすることが可能になっている。As can be seen from the axial sectional views of FIG. 2 and FIG. 4, the space for inserting the cigarette of the
図3は、本願発明による実施例2の無煙喫煙具100の外観図、図4はその軸方向断面図である。実施例2の無煙喫煙具100には、新たに考案された、先端部品B109と、穴110を有する穴付きスペーサー111が取付けられている終端部品B108を有するガイド管107が、内管105の代わりに、組み込まれている。このガイド管107を無煙喫煙具100から、一杯に引出した状態の軸方向断面図が、図5に示されている。穴110は、ヒーター131が入るとともに、挿入された煙草の葉から蒸発してきたニコチンが通る穴としての役目もある。このガイド管107の使い方について説明する。無煙喫煙具100を使っているうちに、ヒーター先端部106が、内管のセンターからずれてくることが、時々発生する。このような状態では、ヒーター131は、挿入されるフィルター付き紙巻煙草の煙草部のセンターからずれて挿入される。あるいは、挿入できなくなってしまうこともある。このように、ヒーターの先端部106がセンターからずれたような状態でも、図5に示すように、ガイド管を、本体から一杯に引き出すことにより、ヒーターの先端部106は、穴110により、強制的に、ガイド管107のセンター部分に位置決めされる。この状態で、先端部品B109側から、フィルター付き紙巻煙草(図示せづ)の煙草部を、ガイド管107に挿入し、ガイド管と共に、フィルター付き紙巻煙草を、無煙喫煙具100の本体部分200に挿入することにより、ヒーター131が、該煙草部のほぼ中央部分に挿入されることは容易に理解される。図4に示すように、ガイド管107が、本体部分200に挿入された状態では、終端部品B108は、終端部品102と嵌合し、嵌合することによって、外管104とガイド管107の間にある空気が、喫煙者の口に運ばれることを防止している。さらに、図5に見るように、ガイド管107が、本体200から一杯に引出されても、ヒーターの先端部106が、穴110から抜けない位置で止まるように、終端部品B108と、先端部品101の部品は作られている。さらに、穴付きスペーサー111を金属や、セラミックの様な高温に耐える材質で作った場合、ガイド管を、図5に示すように一杯に引出し、フィルター付き紙巻煙草を挿入したのち、ガイド管と共にフィルター付き紙巻煙草の煙草部の長さの、三分の一位の所で、挿入をやめて、使うこともできる。このような使い方をすると、1本のフィルター付き紙巻煙草を、3回に分けて喫煙することが可能になり、喫煙コストが、安くなる。ただし、発生したニコチンの濃度は、空気取入孔141からの空気が混ざるので、薄くなるという不具合点があるが、吸引回数を多くすれば、吸引できるニコチンの量は、変わらない。FIG. 3 is an external view of the
図6は本願発明による実施例3の無煙喫煙具100で、実施例1や実施例2のとの大きな相違点は、510口金36が無く、従来の無煙喫煙具に搭載の充電回路部が有ることと、電池部連結部24の外形が異なっているという点である。該無煙喫煙具100は、最近フィリップ・モリス社から発売された、新しい概念のフィルター付き紙巻煙草「ヒートスティク」(外観は、一般的なフィルター付き紙巻煙草の形状で、外径7.5mmφ、煙草部の長さが約15mm、フィルター部も含めた全長は約45mmのフィルター付き紙巻煙草である。この煙草はフィリップ社が発売している専用の加熱器に挿入することにより使えるように作られている。喫煙者がヒートスティクを、専用の加熱器に挿入して電源ONして、フィルター部より吸引すると、該たばこの煙草部に挿入された扁平なヒーターにより、該煙草部の煙草の葉が加熱され、該煙草の葉からニコチンと蒸気が発生し、喫煙者はこの発生してきたニコチンと蒸気を同時に吸引することができる。喫煙者はこの蒸気が喉元を通過するときに、通常喫煙時に得られる「煙が喉元を通過する。」という感触が得られるようにした商品であるが、該蒸気が通常喫煙時の煙のように見えることから、残念ながら該製品を使っての喫煙は、無煙喫煙とは言えないようであるが、通常喫煙時よりもはるかに煙による健康被害は少ないようである。さらに、このヒートスティクのフィルター部は、今までのフィルター付き紙巻煙草のフィルター部と違って、内部はスカスカに作られており、発生してきたニコチンや、蒸気を吸収することなく、喫煙者の口に運ばれるように工夫されている。)や、通常のフィルター付き紙巻煙草より長さが短い紙巻煙草も使えるように考案されたものである。実施例2との相違点は、ヒーター131の長さが短く作られ、挿入されたヒートスティクの煙草部や、短い紙巻煙草の煙草部にのみ、ヒーターが挿入されるようになっている。さらに、ガイド管A118を引出した時に、終端部品B108が、ヒーターの先端部106より、図面で左側に抜出さないように、ガイド管B6が、入れられている。さらに、穴付きスペーサー111と先端部品C119と、市販のマウスピース53が付け加えられている。なを、これらの三つの部品は、別々のものとして図面では書かれているが、三つの部品を一個の部品にする事は容易である。次に、本願発明による実施例3の無煙喫煙具を喫煙者が使用する方法について説明する。喫煙者は終端部品B108を有するガイド管A118を、ガイド管B6で止められる所まで本体から一杯に引出す。この状態で、ヒートスティクや、短い紙巻煙草の煙草部を先頭に、ヒートスティクや、短い煙草をガイド管の中に入れる。そして、先端部品C119をガイド管A118に嵌合させて、ガイド管A118と共に、本体に挿入する。この状態で、電源SW28をONすると、内蔵しているリチウムイオン充電池の電圧が、ある比率でON/OFFしながら、ヒーター131に供給され、該煙草部の煙草の葉は加熱され、ニコチンと蒸気が発生する。喫煙者は、市販のマウスピース53を先端部品C119に装着して、吸引・喫煙を行う。ヒートスティクは、約140℃から約180℃位で加熱すると、煙=蒸気が発生しないで、ニコチンが出てくる。約190℃から約250℃位で加熱すると、煙=蒸気が出てくることが実験の結果分かった。これにより、ステップ1における加熱温度の変更により、禁煙場所では、煙=蒸気を出さないで喫煙が可能になり、喫煙可能な場所では、煙=蒸気を出しての喫煙が可能になることがわかったので、電子タバコ用のアトマイザー無しでも、良いというご愛用者の声にお応えして、新たに開発されたものである。接続部36を取り外したことにより、その分本体の長さが短くなり、使用時に、本体が手の中に隠れてしまうというメリットが出てきた。FIG. 6 shows a
図10(a)は、本願発明の実施例1や実施例2の無煙喫煙治具100と組合せて使うように考案されたマウスピース47の一例の軸方向断面図である。このマウスピース47は、外側電極B35のネジと嵌合するようにネジ山を有している。喫煙者は、このマウスピース47を、該無煙喫煙具100の接続部36に取付けて使う。図10(b)は、セレクト25という商品名で市販されている市販のマウスピース53に、内径約9mmφのシリコン製の管50を取り付けた軸方向断面図である。この市販のマウスピース53の外径は、接続部36の外径9.1mmφとほぼ同じくらいなので、取り付けられたシリコン製の管50により、接続部36と、嵌合する。これらのマウスピースを接続部36に装着した場合、電子タバコの煙は発生させられないが、従来の無煙喫煙具と同じく、挿入された煙草の葉から蒸発してきたニコチンを吸引することができる。さらに、これらのマウスピースは、市販の電子タバコ用のアトマイザーより、小さいので、無煙喫煙治具100の使用状態での形状が小さくできることは、明らかである。さらに、喫煙者がマウスピースより吸引した場合、取込まれる空気は、挿入されたフィルター付き紙巻煙草やヒートスティクや短い煙草のフィルターを通過した空気なので、ゴミ等が取り除かれた綺麗な空気が取込まれる。さらに、マウスピースの内部の空間部分に、綿やフィルターを入れて、ここに室温で蒸発する香料やアンモニア水等を入れて、香料やアンモニア等の味をニコチンに添加することもできる。FIG. 10 (a) is an axial cross-sectional view of an example of a
  図11(a)は、市販されている電子タバコ用のアトマイザー400の一例の軸方向断面図である。喫煙者は、アトマイザー400を、本願発明による無煙喫煙具100の接続部36に、回転させながら取り付ける。取り付けが完了すると、アトマイザーの外側電極D55と、内側電極C54は、接続部36の外側電極B35と、内側電極K25にそれぞれ電気的に接続される。図11(b)は、内側電極C54の先端部の拡大図である。先端部は平面ではなく、幅2mmの切欠き部52を、持っている。無煙喫煙具100に挿入されたフィルター付き紙巻煙草やヒートスティクや短い煙草の煙草部の葉の加熱により発生したニコチンは、ニコチン導入管A18とニコチン導入管B19を通り、室48に入り、円形P板D12が有する切欠き部43を通り、接続部36の左側に到達する。そして、アトマイザーの内側電極C54の切欠き部52から、穴38に入り、煙発生室65を通り、煙発生用ヒーター62により発生した、E−ジュースの煙と混ざって、マウスピース404を通って、喫煙者の口に運ばれる。しかしながら、接続部36とアトマイザーの電極部402とは、密着していないので、この部分からも空気が入り込み、発生したニコチンを希釈してしまうという不具合を発生することもあるので、その対策として、図2に示すように、接続部36にオーリング10をいれる場合もある。図1,3,4,5には、該オーリングは図示していないが、同様にオーリングを入れることは可能である。  FIG. 11A is an axial cross-sectional view of an example of a commercially
図12は、パイプ等で使う煙草の葉も使えるように開発された加熱器600の軸方向断面図である。図12(a)に示す加熱器600は、図13に示す接続部36に取付け可能な形状の接続部を持ったヒーター132と、空気取入孔141を有する外管4とから構成されている。該ヒーター132は、図7に示す510−510変換口金から、内側電極A34と絶縁物39を取り除いたものに、絶縁管20と加熱素子線21により作られたヒーターを取り付けた円形P板E13を、2本の金属ネジ41を使って、外側電極B35の内部に固定した物である。ここで使われている、円形P板E13は、図8(b)に示すものと同じ形状で、二つのピン用穴45は無く、中央の穴46は、約0.5から0.8mmφの穴に変更されている。かつ、中央の穴46の周りには、円形の電極があり、切欠き部43と電気的に繋がれている。切欠き部43の所は、空気が流れないように、組立て後に、樹脂等でふさがれる。外側電極B35の外径は、約9.1mmφなので、ここで使われる外管4の内径は、約9.2mmφ、肉厚は、0.2から0.6mmのAL管が使われている。さらに、該ヒーター132は、ビスあるいは接着剤を使って、外管4に固定されている。リード線17の外径は、0.4mmφから0.7mmφの黄銅線で、内側電極K25との接触抵抗を下げるために、金メッキが施されている。あるいは、リード線に金メッキした管を被せてリード線と該管を半田で接続したり、外側が金メッキされたコネクターを該リード線に差し込んだりした、構造のものもある。さらにヒーター先端部106で、絶縁管20に巻きつけられた加熱素子線21は、溶接や半田でリード線17と接続したり、AF-0.5 という品番で市販されているコネクターを使いリード線17と加熱素子線21を固定後、該部分を半田付けされた構造の物もある。さらに、絶縁管20の終端部では、薄い耐熱性の絶縁テープを1回転以上巻きつけ、さらに、薄い銅テープ15を、1回転以上巻きつけ、その上に加熱素子線21の終端部分が巻きつけられる。その部分に、金属製金属製ハトメ14を被せて、ハンダを金属製ハトメと銅テープの間に流して、電気的に接続される。さらに、該金属製ハトメ14は、プリント基板上の穴46の周りの円形電極に半田付けされ、切欠き部43で、金属ビスにより、外側電極B35につながっている。図12(b)は、パイプ等で使う煙草の葉を、加熱器600を使って無煙喫煙するための、煙草葉挿入治具60である。該治具は、穴117を有する内管5と、先端部品C112と、市販のマウスピース53とから作られている。図12(c)に、先端部品C112の外観図を示す。先端部品C112は、マウスピース嵌合部116と、穴115を有する内管嵌合部114と、空気取入用の切込み113を有している。喫煙者は、加熱器600を、無煙喫煙具100の接続部36に、回転させながら取り付ける。そして、穴117を有する内管5に、パイプ等で使う煙草の葉を詰める。そして先端部品C112を、内管5に止まるまで挿入する。そして、市販のマウスピース53を、マウスピース嵌合部116に取付けた煙草葉挿入治具60を、加熱器600の外管4に挿入する。この状態で、本体からヒーター加熱用のコントロール電圧が、供給されると、ヒーターの周囲にある煙草葉が加熱され、ニコチンが蒸発してきて、穴115を通り、マウスピース53を通って、喫煙者の口に、該ニコチンが運ばれることになる。この時の空気の流れは、切込み113⇒外管4の内側と内管5の外側が作る空間⇒穴117⇒穴115⇒マウスピース53⇒喫煙者の口  という流れになり、この空気の流れが、外管の表面の温度を下げる働きをすることは自明である。なを、外管4の表面に、薄いテープを巻いて、熱伝導を悪くするとともに、外観を美しくするという工夫もできる。FIG. 12 is an axial cross-sectional view of a heater 600 that has been developed so that tobacco leaves used in pipes and the like can also be used. A heater 600 shown in FIG. 12A is composed of a
図14は、本願発明の無煙喫煙具100の外管104の代わりに使えるように作られた、半円状樹脂部品710を2個組合せて外管とした外観図と、先端部品101、ニコチン導入管A18を有する終端部品102の外観図である。従来の無煙喫煙具100の外管104は、外径14mmφ、肉厚0.5mmの表面が装飾用の酸化膜を付けたAL管が使われているが、装飾用の酸化膜を付ける工程は非常に高価であるという欠点を有していた。そこで、樹脂成型でAL管に置き換えられる管を作ることを考えたが、管の長さが長いものは、成型後、樹脂成型金型から抜き出すためには、抜き方向にテーパーが必要で、均一な厚みの管は、樹脂成型ではできない。すなわち、長手方向に、抜き勾配(1.5/100)が必要であり、長さ20mmの管を作る場合、両サイドでの肉厚の差を0.3mm位つける必要があり、長い管を均一な肉厚で樹脂成型で作ることはできないという事が分かった。そこで、図15(a)に示すような半円状の断面を持つ、肉厚0.6mmから0.3mmの部品710を考案した。この形状であれば、簡単に安い金型で作れることは明らかである。1個の半円状樹脂部品710を上下・左右に回転して、2個を組合せることにより、均一な肉厚を有する管を作ることが可能になった。該半円状樹脂部品710は、図15(a)に示すように、(C)で示される嵌合領域、(B)で示される回転領域、(A)で示される摺動領域を有している。図15(b)は、2個の半円状樹脂部品710によって作られた管の摺動領域(A)の断面図を示している。摺動領域(A)の内面は、図からわかるように、円形の一部が切り取られたような形状になっているが、これは、一つの金型で作った半円状樹脂部品710を、2個使い、嵌合させた時に隙間が無いように作るために、ある厚みが必要で、結果として、この切欠き部が出来てしまう。本願では、この切欠き部をうまく使い、回転領域と摺動領域を作り出した。図15(c)は、該管の回転領域(B)の断面図を示している。図15(d)は、終端部品B108の外観図である。終端部品B108は、幅L1の円柱部分を有し、その一部が切り欠かれた形状になっている。さらに、長さL2の凸部分103がつけられている。本願発明の実施例2や、実施例3の無煙喫煙具100において、この終端部品B108と、ガイド管107(あるいはガイド管A118)、先端部品B109(あるいは先端部品C119)が一体になったものが、2個の半円状樹脂部品710で作られた外管の中に入れられると、終端部品B108が、図15(b)に示す断面の所(摺動領域(A))にある場合は、ガイド管は外管の中央線の軸方向に動けるが、中央線をセンターとして回転することが出来ない。このことは、図15(b)、(d)の図から明らかである。しかしながら、終端部品B108が、図15(c)に示す断面の所(回転領域(B))にある場合は、(すなわち、外管から、ガイド管を一杯に引きたした所か、一杯に挿入した所)、ここで終端部品B付きのガイド管を、外管の中央線をセンターとして回転させることが可能になり、ほぼ90度回転する事により、中央線の軸方向には動くことが出来なくなる。すなわち、半円状樹脂部品710の両サイド嵌合領域(C)の内部に、断面が円状部分の回転領域(B)があり、その長さは、(L1+1.5)mmに作られている。さらに、凸部分103のL2は、1.3mmに作られている。この凸部分103が無い場合は、終端部品Bが、回転領域にあり、のぼ90度回転させても、回転領域の長さが、(L1+1.5)mmに作られているので、まだ、外管の中央線の軸方向に、1.5mmは、動くことになるので、この動きを  0.2mm位に抑えるために、凸部103は付け加えられたものである。本願発明の実施例3の無煙喫煙具において、使われる半円状樹脂部品には、摺動領域のほぼ中央あたりに、もう一か所回転領域が設けられている場合もある。以上の説明から明らかなように、終端部品B108付きのガイド管107(あるいは、ガイド管A118)は、少なくとも、本体に一杯に挿入したところで、ほぼ90度回転させることによりと、抜け出てこないようになることは明らかである。この半円状樹脂部品710の採用により、高価なAL管に代わる安価な外管を作ることが可能になった。さらに、製品の見かけを良くするために、先端部101、2個の半円状樹脂部品710、終端部102、を組合せた後に、表面に装飾用テープを巻いて、強度を上げるとともに、外観を見栄え良くして使用している。なを、図中には、空気孔141が記載されているが、この空気孔が無い場合、あるいは、表面に装飾用テープを巻いた場合は、この空気孔は、空気を流して、外管の表面温度を下げるという役目が果たせないが、実際に試作して実験をしてみると、外管と内管、あるいは、外管とガイド管の間に、空気層ができ、空気が流れなくても、内部にあるヒーターからの熱は、この空気層が断熱材となり、外管の表面温度をそれほど上げないことが分かったので、かならずしも、この空気孔は必要ではない。FIG. 14 shows an external view of a combination of two
図24は、本願発明による無煙喫煙具100の、充電池部49を構成する充電池ホルダー9と、充電池29と、両面粘着テープ3の断面図(無煙喫煙具の軸方向と垂直な面の断面図)である。従来の方式では、図18に示すように、充電池は、マイナス電極用バネ7で、プラス電極に押さえつけているだけで、すぐに下方向に抜けるようになっている。これは、無煙喫煙具を航空機の中に持ち込むためには、充電池を取り外さなければならないために、このような構造になっている。しかしながら、通常使用時でも、すぐに充電池がはずれるというクレームが発生していた。そこで、充電池ホルダー9の、充電池29と接する面に、長さ=充電池の長さからその半分の長さ位、幅=3から7mm位、厚み=0.3から1.5mm位の両面で粘着力の違う両面粘着テープ3(表裏の粘着力の差が、5から15(N/20mm)である事が必要なことが実験の結果分かっている)を張り付けた。粘着力の強い面が、充電池ホルダー側に張り付けられる。こうすることにより、充電池29は、弱い粘着力で固定され、外す時、充電池29は簡単に外れるが、両面粘着テープ3が剥がれてくる事はなく、上記クレームは無くなった。24 is a cross-sectional view of the rechargeable battery holder 9 constituting the
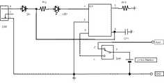
図19は、従来の無煙喫煙具や、実施例3の無煙喫煙具に使われている充電回路の回路図、図20は、メイン回路の回路図である。CN1は、DCジャック26、LEDは、充電表示LED27、SW1は、電源スイッチ28、IC3は、充電コントロールICである。SW1の端子3を、端子1に倒して、CN1から5VDCを供給すると、リチウムイオン充電池に、IC3によりコントロールされた電圧・電流が供給され、充電される。SW1の端子3を、端子2を倒していると、リチウムイオン充電池の電圧が、Voutから、メイン回路のVoutに供給される。IC2は、Voutの電圧から、一定の電圧を出力する定電圧出力用ICである。D1(2色表示のLED)は表示器136、IC1は駆動用ソフトを書きこんだEEPROMを有する8ビットマイコン、Heater1は内蔵ヒーター131である。図16は、本願発明の実施例1と、実施例2の無煙喫煙具100に使われている回路図で、図22に示す市販のUSBコネクター付き充電器700で、内蔵するリチウムイオン充電池を充電することが出来るようにした回路図である。具体的には、充電回路プリント基板32には、図16中の一点鎖線の左側にあるSW1が実装されている。さらに、前述のピン33は、Vout,GNDの2本で構成されている。前述のメインプリント基板31には、図16中の一点鎖線の右側にある各種部品が実装されている。FIG. 19 is a circuit diagram of a charging circuit used in a conventional smokeless smoking device and the smokeless smoking device of Example 3, and FIG. 20 is a circuit diagram of a main circuit. CN1 is a
まず、本回路の使用電圧について説明する。従来は、リチウムイオン充電池は、高価なコントロール回路付きリチウムイオン充電池使っていた。これは、リチウムイオン充電池の持つ特性で、出力電圧が、一定電圧(約2.3V)以下に低下するまで使用すると、該充電池を再充電できなくなるという弱点を回避するために、リチウムイオン充電池の出力電圧が、約2.7V位にまで低下した場合、リチウムイオン充電池の出力を止めてしまう回路を付けたリチウムイオン充電池である。しかしながら、この回路が付いている分は、この回路が付いていないリチウムイオン充電池よりも、価格が高いという事になる。そこで、本願では、安価なコントロール回路無しのリチウムイオン充電池が使えるように工夫を行った。すなわち、駆動用ソフトの色々なステップにおいて、ヒーターに電流を流しながら、リチウムイオン充電池の出力電圧を測定している。さらに、該電圧により、ヒーター131や、接続部36に繋がれた物への供給電力が一定になるように、ON/OFF比率を変えている。また、該電圧がある事前に設定された電圧よりも低くなると、内蔵リチウムイオン充電池の電圧が低くなったという警告を、表示器136の色と点滅で、喫煙者に知らせた後に、該回路の動作を停止する。このような動作をさせるためには、IC2の定電圧出力電圧と、IC1の駆動電圧と、該回路の動作を停止する電圧は、ある関係式を満足しなければならないことが、実験の結果わかった。すなわち、該回路の動作を停止する電圧>IC2の定電圧出力電圧+0.15V。かつ、IC1の駆動電圧>2.5V。このことより、該回路の動作を停止する電圧は、2.65V  以上の電圧しか設定できないことがわかった。この結果より、IC1の駆動電圧=2.8V(=IC2の定電圧出力電圧)にし、内蔵リチウムイオン充電池の出力電圧が、2.95V以下に低下すると、該回路の動作を停止するように設計された。First, the working voltage of this circuit will be described. Conventionally, lithium ion rechargeable batteries have used expensive lithium ion rechargeable batteries with control circuits. This is a characteristic of a lithium ion rechargeable battery. In order to avoid the weak point that the rechargeable battery cannot be recharged when the output voltage is used until the output voltage drops below a certain voltage (about 2.3 V). When the output voltage of the rechargeable battery drops to about 2.7 V, it is a lithium ion rechargeable battery with a circuit that stops the output of the lithium ion rechargeable battery. However, the portion with this circuit is more expensive than a lithium ion rechargeable battery without this circuit. Therefore, the present application has been devised so that an inexpensive lithium-ion rechargeable battery without a control circuit can be used. That is, in various steps of the driving software, the output voltage of the lithium ion rechargeable battery is measured while passing a current through the heater. Further, the ON / OFF ratio is changed by the voltage so that the power supplied to the
つぎに、本願発明による実施例1、あるいは、実施例2の無煙喫煙具に組込まれている駆動用ソフトについて説明する。該駆動用ソフトは、ステップ0からステップ5までの、六つのステップにわかれて作られており、各ステップは、ある一定期間の単位ソフトを作成し、継続時間はそれの繰返し回数で決めるように作られている。このようにすることにより、各ステップの継続時間を変更したい場合、簡単にソフト変更が行えるようになった。下記ソフトの説明で使われている、ある一定期間は、説明用に使っているものであり、ある一定期間は、自由に設定できることは説明を要しない。なお、ヒーターの表面温度を4水準変えるためには、あらかじめ4つのON/OFF比の値を表にしてある。たとえば、1の場合、ON/OFF比=20%。2の場合、ON/OFF比=30%。3の場合、ON/OFF比=40%。4の場合、ON/OFF比=50%。なを、この水準は、2から16水準まで、いかようにもソフト製作時に、変更する事が出来る。該駆動用ソフトは、1)無煙喫煙+電子タバコモード、2)電子タバコモード、3)加熱器モード、4)ソフトナンバー表示モード、5)充電モードの五つのモードを有している。Next, the drive software incorporated in the smokeless smoking device according to the first or second embodiment of the present invention will be described. The driving software is made up of six steps from step 0 to step 5. Each unit creates unit software for a certain period, and the duration is determined by the number of repetitions. It is made. In this way, when it is desired to change the duration of each step, the software can be easily changed. The certain period used in the explanation of the following software is used for explanation, and it is not necessary to explain that the certain period can be freely set. In order to change the surface temperature of the heater by four levels, the values of the four ON / OFF ratios are tabulated in advance. For example, in the case of 1, ON / OFF ratio = 20%. In the case of 2, ON / OFF ratio = 30%. In the case of 3, ON / OFF ratio = 40%. In the case of 4, ON / OFF ratio = 50%. This level can be changed from 2 to 16 at the time of software production. The driving software has five modes: 1) smokeless smoking + electronic cigarette mode, 2) electronic cigarette mode, 3) heater mode, 4) soft number display mode, and 5) charge mode.
ステップ0;このステップでは、このステップ期間中に、喫煙者がSW2を押す回数により、無煙喫煙具の使用モードを決める。すなわち、0回=無煙喫煙+電子タバコモード(接続部36に、アトマイザーをつけて、ニコチンと電子タバコの煙を同時に吸引する)。1回=電子タバコモード(接続部36に、アトマイザーをつけて、電子タバコとして使う)。2回=加熱器モード(接続部36に、加熱器600をつけて、加熱器に挿入された物を加熱して吸引する)。3回以上=ソフトナンバー表示モード。このステップでは、ダイオードD1の緑を0.1秒間ON⇒SW2のチェック⇒ダイオードD1の緑を0.1秒間OFF  を基本とする、0.2秒間のソフトを5回繰り返し(0.2秒x5回=1秒)、さらにこれを、5回繰り返すので、ダイオードD1の緑色LEDは、5秒間チカチカと早く点滅する。この5秒間の間に、喫煙者が、スイッチ22を押す回数をカウントし、無煙喫煙具の使用モードを決定し、ステップ1に進む。このステップ0では、ヒーター131に内蔵リチウムイオン充電池の出力電圧を連続印加するが、スイッチ22が一回でも押されると、ヒーター131への連続印加は止められる。その理由は、無煙喫煙+電子タバコモードの場合は、スイッチ22は一回も押されないので、この5秒間ヒーター131には、該電圧が連続印加されて、挿入された煙草の葉の加熱が続けられるので、喫煙可能になるまでの時間が早くなる。逆に、他のモードでは、ヒーター131への該電圧の印加は不要なので、スイッチ22が一回でも押されると、ヒーター131への印加はやめられるのである。Step 0: In this step, the use mode of the smokeless smoking device is determined by the number of times the smoker presses SW2 during this step period. That is, 0 times = smokeless smoking + electronic cigarette mode (with an atomizer attached to the connecting
ステップ1からは、各モードによって違うので、まず、無煙喫煙+電子タバコモードの場合について説明する。
・        ステップ1;このステップ1では、喫煙者がスイッチ22を押す回数(例えば、0から4回、5回以上は4回押したと同じ値になる。)により、ステップ3において、ヒーター131の表面温度を、4水準のいずれかの水準に設定することが出来る。このステップでは、ダイオードD1の緑を0.25秒間ON⇒SW2のチェック⇒ダイオードD1の緑を0.25秒間ON  を基本とする0.5秒間のソフトを2回繰返し(0.5秒x2回=1秒)、さらにこれを、10回繰り返す。この間ヒーター131には、内蔵リチウムイオン充電池の出力電圧が連続印加されている。この10秒間に、スイッチ22が押された回数によって、ステップ3において、該回数によりあらかじめ決められたON/OFF比で、ヒーター131に供給される、ヒーターの表面温度は、あらかじめ決められた温度になる。喫煙者がスイッチ22を押した時、ダイオードD1の赤色LEDが、点灯して、スイッチ22が押された事を喫煙者に知らせる。これにより、ダイオードD1の赤色LEDの点灯回数により、喫煙者は、ヒーター131の表面温度がどの温度に設定されたかがわかるようになっている。スイッチ22が押された回数は、4回までカウントされ、5回以上は4回と同じON/OFF比率になるようにソフトは作られている。すなわち4水準のON/OFF比率を喫煙者は選択することが出来る、すなわち、4水準の加熱温度を喫煙者は選択することが出来るようになっている。なを、喫煙者がスイッチ22を押した回数は、IC1に内蔵されているEEPROMの所定の場所に記録され、次回の喫煙時において、ステップ1で、一回も喫煙者がスイッチ22を押さなければ、前回使用されたヒーター131の表面温度で、挿入された煙草を加熱する。
・        ステップ2;このステップでは、ステップ1と同様に、ヒーター131に内蔵リチウムイオン充電池の出力電圧を連続して印加している。このステップでは、0.1秒間、GP2端子の出力を“H”にして、ヒーター131に連続通電⇒GP4端子の入力電圧から内蔵リチウムイオン充電池の出力電圧を測定⇒0.9秒間、GP2端子の出力を“H”にして、ヒーター131に連続通電、を基本とする1.0秒間のソフトを15回繰り返す。もし、内蔵リチウムイオン充電池の出力電圧が、最低使用電圧以下であれば、ダイオードD1の赤色LEDを、15秒間点滅し、動作を停止する。このステップ中は、ダイオードD1は、緑色LEDを、0.5秒―ON/0.5秒―OFF  させる。この緑色点滅を始めた時から、喫煙者は、喫煙を開始することが出来ると判断できるようになっている。
・        ステップ3;このステップでは、ステップ1におけるスイッチ22を押す回数によって、ヒーター131に、あらかじめ決められたON/OFF比率で、内蔵リチウムイオン充電池の出力電圧を印加して、ヒーター131の表面温度をある一定値にコントロールしているステップである。スイッチ22を押す回数が増えるにしたがって、該表面温度が高くなるようにソフトは組まれている。このステップでは、0.1秒間、GP2端子の出力を“H”にして、ヒーター131に連続通電している状態で、GP4端子の入力電圧から内蔵リチウムイオン充電池の出力電圧を測定⇒0.9秒間、測定した充電池電圧によりあらかじめ決められたON/OFF比率で、ヒーター131に内蔵リチウムイオン充電池の出力電圧を印加する。あるいは、0.1秒間に、ヒーター131に流れる電流値から、ヒーター131の抵抗値を測定し、この値を加味して、ヒーター131のON/OFF比率を変更することも可能である。もし、内蔵リチウムイオン充電池の出力電圧が、最低使用電圧以下であれば、ダイオードD1の赤色LEDを、15秒間点滅し、動作を停止する。このステップ中は、ダイオードD1は、緑色LEDを、0.5秒―ON/0.5秒―OFF  させる。このステップ中において、喫煙者が有る一定時間以上(例えば、0.2秒)SW2を押すと、IC1のGP2出力が“L”になり、ヒーター131への電力が停止され、表示器136は、赤色に変わり、GP0出力が、あらかじめ決められた割合でON/OFF信号を出すので、Connectorに繋がれたアトマイザーに電力が供給され電子タバコの煙が発生する。なを、SW2を10秒以上押し続けると、自動的に、GP0の出力が“L”になり、GP2に出力が出るように造られている。これは、アトマイザーが過度に加熱されることを防ぐためである。
・        ステップ4;このステップは、ヒーター131への出力電圧の印加は停止されるが、まだヒーター131の余熱で、煙草の葉からニコチンが出ている状態である。このステップをもおけることにより、このステップ終了時には、該煙草の葉の温度は低くなり、喫煙者は喫煙終了後、すぐに該煙草の葉を取り出しても、火傷を負うような危険が無くなる。ここでは、1秒間を基本周期としたソフトを、10回繰り返す。このステップ中は、ダイオードD1の緑色LEDを、0.5秒―ON/0.5秒―OFF  させる。このステップ終了後は、動作は、スリープに入る。
・        ステップ5;喫煙者が電源スイッチ28を、切ることにより、IC1への供給電圧が0Vになり、駆動用ソフトが停止する。
上記、ステップ2から、ステップ4までの、ダイオードD1の緑色LEDが、0.5秒―ON/0.5秒―OFFしている間に、本回路図中のSW2  が  1秒以上連続的にONされると、GP0端子の出力が”H”に、GP2の出力が、“L”になる。GP0の出力は、GP4端子により測定された内蔵リチウムイオン充電池の出力電圧により決められたON/OFF比率で、あるいは、接続部36に繋がれたヒーターに流れる電流値を測定し、この値により、ON/OFFし、接続部36に繋がれたヒーターに内蔵リチウムイオン充電池のON/OFF電圧が、供給される。この時、ダイオードD1の赤色LEDは、連続点灯に変わり、該ヒーターが、加熱されていることを喫煙者に知らせるようになっている。スイッチ22が、OFFされると、該ヒーターの加熱は中止され、ヒーター131の加熱に戻り、ダイオードD1の緑色LEDがON/OFFするようになる。Since
 Step 2: In this step, as in
 Step 3: In this step, the surface voltage of the
 Step 4: In this step, the application of the output voltage to the
 Step 5: When the smoker turns off the
 While the green LED of the diode D1 from
・        次に、電子タバコモードの場合は、上記ステップ0が終わると、ダイオードD1の緑色LEDと赤色LEDを同時点灯して、橙色点灯するステップ1が始まる。このステップ1では、0.25秒間橙色点灯⇒SW2のチェック⇒0.25秒間橙色点灯を基本とする0.5秒間のソフトを2回繰返し(0.5秒x2回=1秒)、さらにこれを、10回繰り返す。この10秒間では、接続部36に繋がれたアトマイザーのヒーターには、内蔵リチウムイオン充電池の出力電圧は、印加されていない。次ステップ3では、0.5秒間橙点灯⇒SW2のチェック⇒0.5秒間橙色消灯する1秒間のソフトを、120回繰返し、スリープに入る。ステップ3の橙色点滅している間に、喫煙者がスイッチ22を、1秒間以上押しつづけると、0.1秒間GP0の出力を“H”にして、接続部36に繋がれたアトマイザーのヒーターに電力を供給している状態で、GP4端子により内蔵リチウムイオン充電池の出力電圧を測定し、もし、内蔵リチウムイオン充電池の最低使用電圧以下であれば、ダイオードD1の赤LEDを、15秒間点滅して動作を停止する。もし、内蔵リチウムイオン充電池の最低使用電圧以上であれば、0.9秒間、測定した充電池電圧により、あらかじめ決められた比率で、該ヒーターを、ON/OFFする。あるいは、0.1秒間に、該ヒーターに流れる電流値を測定し、この値により、該ヒーターをON/OFFする。スイッチ22が押されている間、ダイオードD1の赤色LEDは、連続点灯させる。次に、スイッチ22の状態を確認する。スイッチ22が、押されている間は、上記動作を繰り返す。スイッチ22が  押されなくなったことを検知したら、該ヒーターへの通電はやめ、ダイオードD1を橙色点滅させる。しかしながら、該ヒーターへの通電は、10秒以上になると、該ヒーターが過熱しすぎるので、スイッチ22を10秒間以上おしつづけても、自動的に、該ヒーターへの、通電はストップするように、ソフトは作られている。なを、ステップ1において、喫煙者がスイッチ22を押した時、ダイオードD1は、赤色点灯して、喫煙者にスイッチ22が押されたことを知らせるとともに、押す回数によって、ステップ3において、該ヒーターをON/OFFする比率を変えることが出来る。なを、喫煙者がスイッチ22を押した回数は、IC1に内蔵されているEEPROMの所定の場所に記録され、次回の喫煙時において、ステップ1で、一回も喫煙者がスイッチ22を押さなければ、前回使用されたON/OFF比率が使われる。Next, in the electronic cigarette mode, when the above step 0 is completed, the green LED and the red LED of the diode D1 are simultaneously turned on, and the
      次に、加熱器モードの場合、無煙喫煙+電子タバコモードの場合の、ステップ1からステップ5までの動作を行う。ただし、動作説明文中のヒーター131は、Connectorに繋がれたHeater、ダイオードD1の色は、緑色⇒赤色、赤色⇒緑色に変更される。なを、このモードの時は、ステップ2以降で、スイッチ22を1秒間以上押した場合は、押している間だけダイオードD1は、緑色に変わり、Connctorに繋がれたHeaterには、内蔵リチウムイオン充電池の出力電圧が連続印加、あるいは、かなり高いON/OFF比率の電圧が出るように設計されている。その結果、該Heaterの表面温度は、スイッチ22が押されている間は、より高い温度になる。この機能を、ターボ機能と名付ける。      Next, in the heater mode, the operations from
      次に、ソフトナンバー表示モードの場合、ステップ1で、ダイオードD1の赤・緑色を使って、ソフトナンバーを16進数で、表示させる。具体的には、番号が「88」の場合、16進数表示では「0x58」なので、赤1回点灯、緑6回点滅、赤1回点灯、緑9回点灯  と表示する。なを、緑の点滅回数は表示すべき数字より1回多く表示させている。なを、ステップ2以降は、無い。このモードを入れることにより、内蔵駆動用ソフトのナンバーが、読み出せるようになり、故障解析等の時に、非常に有用になった。      Next, in the soft number display mode, in
  次に、充電モードの場合について説明する。図22に示す市販されている電子タバコ用のUSBコネクター付き充電器700を、接続部36(=Connector)に、取り付けて、行われるが、このままでは、Tr2が、OFF状態の為、充電することが出来ない。そこで、スイッチ22を押しながら、電源スイッチ28を、ONすると、充電モードになる。この充電モードに入ると、Tr2は、常時ON状態になる。この状態で、USBコネクター701を、DC5V出力のUSB端子に接続すると、内蔵リチウムイオン充電池にコントロールされた充電電流が流れて、充電される。充電の終了は、表示器706で、喫煙者に知らされる。当初は、ステップ0において、充電モードを入れた五つのモードが作られていた。しかしながら、この方法は、ステップ0における操作が少し煩雑になること。ステップ0中での内蔵リチウムイオン充電池の出力電圧低下により、充電モードに行くまでに、IC1を動作させられない電圧まで低下して、充電できなくなるという危険性がある。という二つの理由から、スイッチ22を押しながら、電源SWを、ONするという方式を考案した。  Next, the case of the charging mode will be described. The
次に、本願発明による実施例3の無煙喫煙具に組込まれている駆動用ソフトについて説明する。実施例3の無煙喫煙具は、ヒートスティクや短い煙草専用なので、該駆動用ソフトは、非常に簡単に作られている。すなわち、ステップ0からステップ3までの、四つステップにわかれて作られており、各ステップは、ある一定期間の単位ソフトを作成し、継続時間はそれの繰返し回数で決めるように作られている。該駆動用ソフトは、ステップ0において、無煙喫煙か、有煙喫煙か決める。ステップ1において、ヒーターの加熱温度変更の設定が出来る。ステップ2において、喫煙時間。ステップ3は、喫煙終了。さらに、スイッチ22を押しながら電源ONすることにより、ソフトナンバー表示・ヒーターの表面温度可変範囲変更モードが出来るように造られた。Next, the driving software incorporated in the smokeless smoking device of Example 3 according to the present invention will be described. Since the smokeless smoking tool of Example 3 is exclusively for heat sticks and short cigarettes, the driving software is very easily made. In other words, it is made up of four steps from Step 0 to
ステップ0;このステップでは、ダイオードD1の緑を0.1秒間ON⇒SW2のチェック⇒ダイオードD1の緑を0.1秒間ON  を基本とする0.2秒間のソフトを5回繰返し(0.2秒x5回=1秒)、さらにこれを、3回繰り返す.この間に、スイッチ22を、一回も押さなければ、有煙喫煙モード。一回以上押すと、無煙喫煙モードになるように、考案された。Step 0: In this step, the diode D1 is turned on for 0.1 seconds, the SW2 is checked, and then the diode D1 is turned on for 0.1 seconds. Second x 5 times = 1 second), and this is repeated 3 times. During this time, if the
まず、有煙喫煙モードの場合について説明する。
ステップ1;このステップ1では、喫煙者がスイッチ22を押す回数(例えば、0から6回、7回以上は6回押したと同じ値になる。)により、ステップ2において、ヒーター131の表面温度を、6水準のいずれかの水準に設定することが出来る。なお、ヒーターの表面温度を6水準変えるためには、あらかじめ6つのON/OFF比の値を表にしてある。なを、この水準は、2から16水準まで、いかようにもソフト製作時に、変更する事が出来る。このステップでは、ダイオードD1の緑を0.25秒間ON⇒SW2のチェック⇒ダイオードD1の緑を0.25秒間ON  を基本とする0.5秒間のソフトを2回繰返し(0.5秒x2回=1秒)、さらにこれを、10回繰り返す。この間ヒーター131には、内蔵リチウムイオン充電池の出力電圧が連続印加、あるいは、ある一定のON/OFF比の波形の出力電圧が印加されている。この10秒間に、スイッチ22が押された回数によって、ステップ2において、該出力電圧のON/OFF比率を変更して、ヒーター131に供給される。喫煙者がスイッチ22を押した時、ダイオードD1の赤色LEDが、点灯して、スイッチ22が押された事を喫煙者に知らせる。これにより、ダイオードD1の赤色LEDの点灯回数により、喫煙者は、ヒーター131の表面温度がどの温度に設定されたかがわかるようになっている。なを、喫煙者がスイッチ22を押した回数は、IC1に内蔵されているEEPROMの所定の場所に記録され、次回の喫煙時において、ステップ1で、一回も喫煙者がスイッチ22を押さなければ、前回使用されたヒーター131の表面温度で、挿入されたヒートスティクや短い煙草を加熱する。
・        ステップ2;このステップでは、ステップ1におけるスイッチ22を押す回数によって、ヒーター131に、あらかじめ決められたON/OFF比率で、内蔵リチウムイオン充電池の出力電圧を印加して、ヒーター131の表面温度をある一定値にコントロールしているステップである。スイッチ22を押す回数が増えるにしたがって、該表面温度が高くなるようにソフトは組まれている。このステップでは、0.1秒間、GP2端子の出力を“H”にして、ヒーター131に連続通電している状態で、GP4端子の入力電圧から内蔵リチウムイオン充電池の出力電圧を測定⇒0.9秒間、測定した充電池電圧によりあらかじめ決められたON/OFF比率で、ヒーター131に内蔵リチウムイオン充電池の出力電圧を印加する。あるいは、0.1秒間に、ヒーター131に流れる電流値から、ヒーター131の抵抗値を測定し、この値を加味して、ヒーター131のON/OFF比率を変更することも可能である。もし、内蔵リチウムイオン充電池の出力電圧が、最低使用電圧以下であれば、ダイオードD1の赤色LEDを、15秒間点滅し、動作を停止する。このステップ中は、ダイオードD1は、緑色LEDを、0.5秒―ON/0.5秒―OFF  させる。このステップは、約5分間継続される。
・        ステップ3;このステップは、ヒーター131への出力電圧の印加は停止されるが、まだヒーター131の余熱で、煙草の葉からニコチンが出ている状態である。このステップをもおけることにより、このステップ終了時には、該煙草の葉の温度は低くなり、喫煙者は喫煙終了後、すぐに該煙草の葉を取り出しても、火傷を負うような危険が無くなる。ここでは、1秒間を基本周期としたソフトを、5回繰り返す。このステップ中は、ダイオードD1の緑色LEDを、0.5秒―ON/0.5秒―OFF  させる。このステップ終了後は、動作は、停止する。上記、ステップ2において、ダイオードD1の緑色LEDが、0.5秒―ON/0.5秒―OFFしている間に、スイッチ22が  1秒以上連続的にONされると、IC1が、SW2が押されている事を検知して、ヒーター131への電力の供給を増やすようにソフトは組まれている。これは、喫煙者が喫煙中に、さらに、煙草の葉を加熱して、多くの煙を吸引したいと思った時に使うためである。これを、ターボ機能と呼ぶ。First, the case of the smoked smoking mode will be described.
 Step 1: In this
 Step 3: In this step, the application of the output voltage to the
次に、無煙喫煙モードの場合について、説明する。このモードの場合も、有煙モードと同じであるが、ヒーターの表面温度の可変範囲が、有煙モードより、より低い温度範囲で変えられるようになっている。さらに、煙が出ると困るので、ターボ機能は、搭載されていない。Next, the case of the smokeless smoking mode will be described. This mode is the same as the smoked mode, but the variable range of the heater surface temperature can be changed in a lower temperature range than the smoked mode. Furthermore, the turbo function is not installed because it is troubled if smoke is emitted.
つぎに、ソフトナンバー表示をする方法について説明する。このモードは、喫煙者には、知らせない隠しモードで、生産者がスイッチ22を押しながら、電源スイッチ28を入れることにより、このモードに入る。このモードに入ると、2秒間、赤色連続点灯する。次に、5秒間の緑色点滅し、この期間中に、スイッチ22を押す回数により、ヒーター131に印加されるON/OFF比の可変範囲を変えられるようにしたのが、ヒーターの表面温度可変範囲変更モードである。たとえば、ステップ2において、可変範囲が6水準の場合、10水準のON/OFF比の表をソフトに組み込んでおき、スイッチ22が、この5秒間に0回押された場合は、1から6水準のON/OFF比を、喫煙者は、ステップ2において、スイッチ22の押す回数によって、選択できる。1回押された場合は、2から7水準。2回押されたときは、3から8水準。3回押されたときは、4から9水準。4回押されたときは、5から10水準。このようにすることにより、生産者が商品を出荷するときに、組込まれたヒーター131の抵抗値により、どの水準を使うか設定が出来、ヒーター131の抵抗値のバラつきによる、設定温度のバラつきを少なくすることが出来るようになった。ヒーターの表面温度可変範囲変更モード次に、ソフトナンバー表示モードに入る。ソフトナンバー表示の方法は、前述と同じであるので説明は省略する。Next, a method for displaying a software number will be described. This mode is a hidden mode that does not inform the smoker, and the producer enters the mode by turning on the
      通常、割り込み動作を行う場合のソフトは、GP0からGP5の入出力端子の1つをスイッチ入力に割り当て、スイッチが押されたときに、割り込み動作を行うのが普通である。しかしながら、その場合、スイッチ動作のチャッタリングを押える回路が必要でその回路構成は複雑になる。且つ、本願回路のように6本の入出力端子を全部使っている場合は、8本端子しか持たない安価な8ビットマイコンではできなく、より多くの出力端子を持ったさらに高価なマイコンを使う必要がある。あるいは、間違ってスイッチを一瞬押してしまうと、動作がスタートするという不具合も発生する。そこで、入力専用端子であるGP3を使って、割り込み動作ができる方法を考案した。すなわち、上記ソフトの基本動作は、すべて1秒間の基本周期をもったソフトとし、この1秒間のソフトの中で、GP3端子が、“H”か“L”かを、チェックする行を入れたソフトを  新たに考案した。このようにすることにより、最長でも、1秒間はスイッチ22を押し続けないとGP3入力が“H”になったと判断しないので、チャッタリング防止回路は不要になる。さらに、一瞬押されただけでは、動作はスタートしないので誤動作が防げる。さらに、安価なマイコンが使える。という数々のメリットを持つようになった。さらに、この1秒間のソフトの中で、内蔵リチウムイオン充電池の出力電圧を測定する行を入れた。これにより、1秒毎に該充電池の出力電圧を測定することになり、使用する該充電池には、出力電圧を検知して出力を止めるというコントロール回路付きのリチウムイオン充電池を従来は使っていたが、コントロール回路無しのリチウムイオン充電池が使えるようになり、リチウムイオン充電池の購入価格が約半分で買えるようになった。      Normally, software for performing an interrupt operation normally assigns one of the input / output terminals GP0 to GP5 to a switch input and performs the interrupt operation when the switch is pressed. However, in that case, a circuit that suppresses the chattering of the switch operation is necessary, and the circuit configuration becomes complicated. In addition, when all six input / output terminals are used as in the present application circuit, an inexpensive 8-bit microcomputer having only eight terminals cannot be used, and a more expensive microcomputer having more output terminals is used. There is a need. Alternatively, if the switch is accidentally pressed for a moment, a problem that the operation starts will also occur. Therefore, a method has been devised that can perform an interrupt operation using GP3, which is an input-only terminal. That is, all the basic operations of the above software are software having a basic period of 1 second, and a line for checking whether the GP3 terminal is “H” or “L” in this 1 second software is inserted. A new software was devised. By doing so, it is not determined that the GP3 input has become “H” unless the
  次に本願発明による実施例1、あるいは、実施例2の無煙喫煙具100の使い方を説明する。まず、無煙喫煙+電子タバコモードとして使う場合について説明する。喫煙者は、アトマイザー400を、無煙喫煙具100に取付けた状態で、愛用する市販のフィルター付き紙巻煙草を、煙草部を先頭にして、本体部分200に  挿入する。あるいは、本願発明による実施例2の無煙喫煙具100の場合、ガイド管を引き出して、愛用する市販のフィルター付き紙巻煙草をガイド管に挿入し、ガイド管と共に無煙喫煙具に挿入する。挿入されたフィルター付き紙巻煙草は、フィルター部のみが  先端部品B109から  出ている状態になる。この状態で、喫煙者は、電源スイッチ28を、ONすると、表示器136が、5秒間の緑色の早い点滅を行う。この点滅中に、1回も押さないと、ステップ1では、10秒間緑色連続点灯になり、喫煙者は、無煙喫煙+電子タバコモードに入ったことが確認できる。次にステップ2では、15秒間緑色点滅になり、ヒーター131には、内蔵リチウムイオン充電池の出力電圧が、連続して印加される。次に、ステップ3では、170秒間緑色点滅するとともに、ヒーター131には、該充電池の出力電圧のON/OFF波形が印加されている。次に、ステップ4では、10秒間緑色点滅するとともに、ヒーター131には、該充電池の出力電圧は印加されていない。ボタン30は、透明あるいは半透明な材質で作られているので、表示器136の光が投射されて、ボタンがその色になるので、喫煙者は無煙喫煙具100の動作状態がわかるようになっている。表示器136が緑色点滅の場合は、ヒーター131にのみ電力が供給されている状態で、喫煙者がアトマイザー400のマウスピース404から吸引すると、ヒーター131で加熱された煙草の葉から蒸発してきたニコチンは、前記に説明のルートをとおり、喫煙者の口に運ばれる。この状態では、アトマイザーのヒーター62には電力が供給されていないので、E−ジュースの煙は発生していない。しかしながら、通常喫煙時は、フィルターを通してニコチンを吸引するので、フィルターでほとんどのニコチンが吸収されるが、本願無煙喫煙具を使うと、フィルターでのニコチンの吸収がないので、通常喫煙時の数十倍のニコチンが吸引できる。  Next, how to use the
ステップ2、3、4で、表示器136が緑色点滅している状態で、喫煙者が、ボタン30を押し下げると、メインプリント基板上のスイッチ22がONになる。ボタン30を、1秒以上連続して押すと、連続して押している間は、ヒーター駆動回路は、ヒーター131への電力供給を停止し、接続部36にあるピン66に、内蔵リチウムイオン充電池29の電力を供給する。このようにする理由は、2本のヒーターに同時に電力を供給すると、多くの電流が流れ、内蔵リチウムイオン充電池の内部抵抗での電圧ドロップが大きく、実質的にヒーターを加熱できる電力を供給できないためである。ヒーター131への電力供給を停止しても、該煙草の葉は、加熱されていたので、少なくとも10秒間位は、ニコチンの蒸発は継続されることが、実験の結果わかっている。ヒモ63には、毛細管現象で、液ダメ64中のE−ジュースが浸透しており、内蔵リチウムイオン充電池29の電力がピン66を経由して、煙発生用ヒーター62に供給されることにより、煙発生用ヒーター62が、加熱され、グリセリンと水を主成分とする煙が、発生する。喫煙者がこの状態でマウスピース404より吸引すると、ニコチンはニコチン導入管A18,ニコチン導入管B19から、アトマイザー400の  煙発生室62に導かれ、ここで  発生した煙と混ざって喫煙者に供給される。日本国内で販売されているE−ジュースは、ニコチンを含んだものは薬事法違反で販売されていないために、日本国内で市販されている電子タバコでは、ニコチンを摂取することができないが、本願発明による無煙喫煙具100を使えば、ニコチンを含まない電子タバコの煙に、愛用するフィルター付き紙巻煙草からのニコチンを混入させられるので、通常喫煙時と同じように、煙とニコチンを同時に摂取することができるようになる。If the smoker depresses the
次に、電子タバコモードで使用をする場合について説明する。この場合は、フィルター付き紙巻煙草を挿入しないで、アトマイザー400を、無煙喫煙具100に取付け、電源スイッチ28を、ONすると、表示器136が、5秒間の緑色の早い点滅をする。この点滅中に、ボタン30を  0.2秒以上、1回押すと、スイッチ22が  1回ON  されて、次ステップ1において、橙色連続点灯に変わる。この橙色連続点灯中に、スイッチ22を押す回数により、ヒーター62の表面温度を変えることが出来る。次ステップ2において、橙色点滅になる。このステップ2における橙色点滅中に、ボタン30を、1秒間以上を押すと、表示は  赤色連続点灯になり、アトマイザー内のヒーター62に内蔵リチウムイオン充電池の出力電圧が、あらかじめ決められたON/OFF比率で供給され、電子タバコの煙が発生する。ボタン30を押すのをやめると、橙色点滅に戻る。この動作から明らかなように、通常の電子タバコとしてのみ使えることがわかる。さらに、接続部36には、市販されているほとんどの電子タバコが使えるので、喫煙者は自分の好みのアトマイザーで、楽しむことができる。Next, a case where the electronic cigarette mode is used will be described. In this case, when the
次に、加熱器モードで使用する場合について説明する。この場合も、フィルター付き紙巻煙草を挿入しないで、加熱器600を、無煙喫煙具100の接続部36に取付ける。さらに、先端部品付き内管5に、煙草の葉を入れたものを、外管4に挿入する。この状態で、電源スイッチ28を、ONすると、表示器136が、5秒間の緑色の早い点滅をしている間(ステップ0)に、ボタン30を  0.2秒以上、2回押すと、次ステップ1では、10秒間の赤色連続点灯になる。この赤色連続点灯中に、ボタン30を押す回数により、次次ステップ3において加熱器のヒーターの表面温度を変えることが出来る。ステップ1、及び、ステップ2では、接続部36には、内蔵リチウムイオン充電池の出力電圧が連続印加される。次ステップ3(赤色点滅)では、接続部36には、内蔵リチウムイオン充電池の出力電圧が、ステップ2において、ボタン30が押された回数により、あらかじめ決められたON/OFF比率で供給される。Next, the case where it uses in heater mode is demonstrated. Also in this case, the heater 600 is attached to the
図25は、図6や、図12に示す、ヒートスティクや、短い紙巻煙草用の無煙喫煙具や、加熱器のヒーターに使われる、新たな考案された構造のヒーターである。いままで使われていたヒーターを構成する絶縁管20の断面は、ほぼ円形である。ほぼ円形のヒーターの場合、紙巻煙草に挿入可能な径は、1.6mmφ以下であることが実験の結果から判明している。これ以上太い径のヒーターを挿入しようとすれば、巻紙が破れてしまうことが実験の結果わかっている。そのために、煙草の葉と接するのは、ヒーター表面に接している、中心部のみで、加熱効率が、悪かった。この事象を改善するために、巻紙に挿入しやすく、ヒーター表面に接する面積を増やすために、絶縁管20を、図25(b)にその断面図、(c)にその外観図を示すように、断面が、楕円形あるいは、円形を横に引き伸ばした形状にした。この絶縁管は、横幅3mm、立て幅1mmのもので、AL管を、この形状になるように、引き抜きながら製作する。このような形状をした絶縁管を使うことにより、煙草の葉との接触面積が大きくなるが、容易に挿入できる、新規な形状にヒーターができ、煙草の葉の加熱効率が、高くなった。図25の(d)には、絶縁管20として、2つの穴を有する、碍子を絶縁管20として、作成したヒーターの外観図を示している。なを、碍子の表面に巻いてある、加熱素子線は図示していない。FIG. 25 shows a heater of a newly devised structure used for the heater of the heat stick, the smokeless smoking tool for short cigarettes and the heater shown in FIG. 6 and FIG. The cross section of the insulating
  従来の無煙喫煙具に、市販の電子タバコ用のアトマイザーが取り付け可能なように接続部を装備することにより、愛用のフィルター付き紙巻煙草から蒸発してくるニコチンと、ニコチンを含まないE−ジュースの煙を同時に吸引することが可能になり、火を点けての喫煙時に発生する有害な煙の害なしに、火を点けての喫煙時と同じような煙が喉元を通過する感触が得られるようになった。さらに、煙を出すことが憚れる場所では、ボタン30を押さなければ、E−ジュースの煙の発生はなく、ニコチンのみが吸引できるという従来の特徴も維持される。さらに、ガイド管の採用により、ヒーターの先端部が常に、本体の中心位置にあるようになった。さらに、半円状樹脂成型部品、回路変更による市販の電子タバコ用の充電器の使用等により、より安価な無煙喫煙具ができるようになった。  By equipping a conventional smokeless smoking device with a connection so that an atomizer for a commercially available electronic cigarette can be attached, nicotine evaporating from a cigarette with a favorite filter and E-juice without nicotine Smoke can be sucked in at the same time, so that you can feel the smoke passing through your throat without damaging the harmful smoke that occurs when smoking with fire. Became. Further, in a place where smoke can be produced, if the
          6      ガイド管C
          9      充電池ホルダー
        22      スイッチ
        25      内側電極K
        28      電源スイッチ
        29      充電池
        34      内側電極A
        35      外側電極B
       36      接続部
    43      切欠き部
    48      室
    49      充電池部
  100      無煙喫煙具
  103      凸部分
  104      外管
107      ガイド管
108      終端部品B
109      先端部品B
111      穴あきスペーサー
118      ガイド管A
119      先端部品C
132      接続部36に取り付け可能な形状の接続部を持ったヒーター
136      表示器
710      半円状樹脂成型部品
725      LED6 Guide tube C
 9
 28
 35 Outer electrode B
 36
 107
 109 Tip part B
 111 Perforated spacer 118 Guide tube A
 119 Advanced Parts C
 132
 710 Semi-circular resin molded part 725 LED
| Application Number | Priority Date | Filing Date | Title | 
|---|---|---|---|
| JP2016005342 | 2016-01-14 | ||
| JP2016005342 | 2016-01-14 | 
| Publication Number | Publication Date | 
|---|---|
| JP2017127300A JP2017127300A (en) | 2017-07-27 | 
| JP6458749B2true JP6458749B2 (en) | 2019-01-30 | 
| Application Number | Title | Priority Date | Filing Date | 
|---|---|---|---|
| JP2016039568AActiveJP6458749B2 (en) | 2016-01-14 | 2016-03-02 | Smokeless smoking equipment | 
| Country | Link | 
|---|---|
| JP (1) | JP6458749B2 (en) | 
| Publication number | Priority date | Publication date | Assignee | Title | 
|---|---|---|---|---|
| WO2025028948A1 (en)* | 2023-08-01 | 2025-02-06 | 주식회사 케이티앤지 | Aerosol-generating device and operation method thereof | 
| Publication number | Priority date | Publication date | Assignee | Title | 
|---|---|---|---|---|
| KR20180124739A (en) | 2017-05-11 | 2018-11-21 | 주식회사 케이티앤지 | An aerosol generating device for controlling the temperature of a heater according to the type of cigarette and method thereof | 
| KR20190049391A (en) | 2017-10-30 | 2019-05-09 | 주식회사 케이티앤지 | Aerosol generating apparatus having heater | 
| JP2019030574A (en)* | 2017-08-09 | 2019-02-28 | 紅粧生技有限公司 | Rod for permanent wave | 
| JP6959429B2 (en)* | 2017-09-06 | 2021-11-02 | ケーティー・アンド・ジー・コーポレーション | Aerosol generator | 
| JP6967408B2 (en)* | 2017-09-07 | 2021-11-17 | インテレクチュアルディスカバリーシーオー.,エルティーディー | Smokeless smoking equipment | 
| US12317923B2 (en) | 2017-10-30 | 2025-06-03 | Kt&G Corporation | Aerosol generating device | 
| KR102057216B1 (en) | 2017-10-30 | 2019-12-18 | 주식회사 케이티앤지 | An apparatus for generating aerosols and A heater assembly therein | 
| KR102180421B1 (en) | 2017-10-30 | 2020-11-18 | 주식회사 케이티앤지 | Apparatus for generating aerosols | 
| DK3750418T3 (en) | 2017-10-30 | 2024-04-02 | Kt & G Corp | AEROSOL GENERATION DEVICE AND METHOD OF CONTROLLING THE SAME | 
| WO2019088559A2 (en) | 2017-10-30 | 2019-05-09 | 주식회사 케이티앤지 | Aerosol generating device | 
| KR102057215B1 (en) | 2017-10-30 | 2019-12-18 | 주식회사 케이티앤지 | Method and apparatus for generating aerosols | 
| US11700884B2 (en) | 2017-10-30 | 2023-07-18 | Kt&G Corporation | Aerosol generation device and heater for aerosol generation device | 
| CN111182802A (en) | 2017-10-30 | 2020-05-19 | 韩国烟草人参公社 | Optical module and aerosol-generating device comprising the same | 
| KR102138246B1 (en) | 2017-10-30 | 2020-07-28 | 주식회사 케이티앤지 | Vaporizer and aerosol generating apparatus comprising the same | 
| GB201719579D0 (en)* | 2017-11-24 | 2018-01-10 | British American Tobacco Investments Ltd | Removable member for an aerosol provision device | 
| CN109892695B (en)* | 2017-12-11 | 2024-07-16 | 湖南中烟工业有限责任公司 | Low-temperature smoking set and cigarette | 
| CN109924545B (en)* | 2017-12-19 | 2024-05-28 | 上海新型烟草制品研究院有限公司 | Aerosol generating device | 
| GB201721765D0 (en)* | 2017-12-22 | 2018-02-07 | Nicoventures Holdings Ltd | Vapour provisions systems | 
| CN110063521B (en)* | 2018-01-24 | 2024-08-20 | 湖南中烟工业有限责任公司 | Low-temperature smoking set with two-way ejection of air pipe and cigarette | 
| TWI664922B (en) | 2018-04-30 | 2019-07-11 | 黃庭輝 | Heating device | 
| US12090267B2 (en) | 2018-05-18 | 2024-09-17 | Philip Morris Products S.A. | Aerosol-generating apparatus including self-diagnostics | 
| JP2019205369A (en)* | 2018-05-28 | 2019-12-05 | 深▲せん▼市威派盛科技有限公司 | Integral electronic cigarette based on low temperature burning | 
| CN110547509B (en)* | 2018-05-31 | 2024-06-14 | 湖南中烟工业有限责任公司 | Electric smoke extinguisher low temperature smoking set | 
| CN110547510B (en)* | 2018-05-31 | 2024-04-16 | 湖南中烟工业有限责任公司 | Electric smoke extinguisher low temperature smoking set | 
| EP3829357B1 (en) | 2018-08-01 | 2024-06-26 | Philip Morris Products S.A. | Extractor for an aerosol-generating device | 
| CN112638187A (en) | 2018-08-24 | 2021-04-09 | 日本烟草产业株式会社 | Aspirated component generation device, method for controlling aspirated component generation device, and program | 
| WO2020084760A1 (en)* | 2018-10-26 | 2020-04-30 | 日本たばこ産業株式会社 | Heating assembly and flavor inhaler provided with same | 
| WO2020106046A1 (en) | 2018-11-19 | 2020-05-28 | 인텔렉추얼디스커버리 주식회사 | Smoking tool | 
| JP6818003B2 (en) | 2018-11-19 | 2021-01-20 | インテレクチュアルディスカバリーシーオー.,エルティーディー | Smoking jig | 
| JP6608082B1 (en) | 2019-01-17 | 2019-11-20 | 日本たばこ産業株式会社 | Power supply unit for aerosol inhaler | 
| WO2020157813A1 (en)* | 2019-01-29 | 2020-08-06 | 日本たばこ産業株式会社 | Flavor inhaler | 
| EP3937684A2 (en) | 2019-03-11 | 2022-01-19 | Nicoventures Trading Limited | Aerosol provision device | 
| KR102728703B1 (en) | 2019-03-11 | 2024-11-08 | 니코벤처스 트레이딩 리미티드 | Aerosol delivery device | 
| WO2020199217A1 (en)* | 2019-04-04 | 2020-10-08 | Nicoventures Trading Limited | Apparatus for heating aerosolisable material and method of arranging an apparatus | 
| JP2020171229A (en)* | 2019-04-11 | 2020-10-22 | インテレクチュアルディスカバリーシーオー.,エルティーディー | Tobacco leaf mounting method of heating type tobacco | 
| GB201909343D0 (en)* | 2019-06-28 | 2019-08-14 | Nicoventures Trading Ltd | Aerosol provision device | 
| CN111493367A (en)* | 2019-07-04 | 2020-08-07 | 青岛颐中科技有限公司 | Cigarette clamping device of low-temperature smoking set, low-temperature smoking set and low-temperature smoking set assembly | 
| CN112137182B (en)* | 2020-09-25 | 2024-06-28 | 深圳麦克韦尔科技有限公司 | Battery rod, atomizer, electronic atomization device and use method of electronic atomization device | 
| TWI745219B (en)* | 2021-01-14 | 2021-11-01 | 黃庭輝 | Heating device and method | 
| WO2023197288A1 (en)* | 2022-04-15 | 2023-10-19 | 深圳市十国网络技术有限公司 | Square aerosol-specific vaping device capable of heating and burning flower cigarette and improving taste | 
| WO2024259608A1 (en)* | 2023-06-20 | 2024-12-26 | Nicoventures Trading Limited | Extractor element of an aerosol provision device | 
| WO2025004266A1 (en)* | 2023-06-29 | 2025-01-02 | 日本たばこ産業株式会社 | Aerosol generation device | 
| Publication number | Priority date | Publication date | Assignee | Title | 
|---|---|---|---|---|
| JP2005070953A (en)* | 2003-08-21 | 2005-03-17 | Riso Kagaku Corp | Smoking cessation support device | 
| JP2011087569A (en)* | 2009-05-15 | 2011-05-06 | Jbs:Kk | Electronic cigarette and charging unit | 
| JP5272200B2 (en)* | 2011-08-25 | 2013-08-28 | 和彦 清水 | Smokeless smoking jig | 
| AU2012342570B2 (en)* | 2011-11-21 | 2016-11-24 | Philip Morris Products S.A. | Ejector for an aerosol-generating device | 
| CN202714191U (en)* | 2012-06-04 | 2013-02-06 | 深圳市康泓威科技有限公司 | Cotton-free electronic cigarette atomizer | 
| Publication number | Priority date | Publication date | Assignee | Title | 
|---|---|---|---|---|
| WO2025028948A1 (en)* | 2023-08-01 | 2025-02-06 | 주식회사 케이티앤지 | Aerosol-generating device and operation method thereof | 
| Publication number | Publication date | 
|---|---|
| JP2017127300A (en) | 2017-07-27 | 
| Publication | Publication Date | Title | 
|---|---|---|
| JP6458749B2 (en) | Smokeless smoking equipment | |
| US10631575B2 (en) | Flexible circuit board and an electronic vaporizing inhaler comprising a flexible circuit board | |
| JP5272200B2 (en) | Smokeless smoking jig | |
| US11247006B2 (en) | Cartridge and control body of an aerosol delivery device including anti-rotation mechanism and related method | |
| US10531688B2 (en) | Non-burning type flavor inhaler | |
| WO2014020953A1 (en) | Smokeless smoking jig | |
| CN111050579B (en) | Aerosol generating device | |
| US8205622B2 (en) | Electronic cigarette | |
| JP5070562B2 (en) | Mouthpiece | |
| RU2656089C2 (en) | Atomiser for aerosol delivery device and related workpiece, aerosol production assembly, cartridge and method | |
| CN107397255B (en) | Atomizer and atomizer information transmission method of electronic cigarette | |
| JP2022504600A (en) | Aerosol delivery device with visual display | |
| WO2013110209A1 (en) | Electronic simulation cigarette and atomizer thereof | |
| WO2012117578A1 (en) | Mouthpiece | |
| CN106231932A (en) | Nebulizer and associated input, aerosol generating assembly, cartridge and method for use in an aerosol delivery device | |
| JP2011087569A (en) | Electronic cigarette and charging unit | |
| JP2017225357A (en) | Smokeless electronic cigarette | |
| CN206341943U (en) | A kind of electronic cigarette | |
| JP2021502073A (en) | Steam supply system | |
| HK1244639B (en) | Non-combusting flavor inhaler | 
| Date | Code | Title | Description | 
|---|---|---|---|
| A131 | Notification of reasons for refusal | Free format text:JAPANESE INTERMEDIATE CODE: A131 Effective date:20180227 | |
| A521 | Request for written amendment filed | Free format text:JAPANESE INTERMEDIATE CODE: A523 Effective date:20180414 | |
| A521 | Request for written amendment filed | Free format text:JAPANESE INTERMEDIATE CODE: A523 Effective date:20180610 | |
| TRDD | Decision of grant or rejection written | ||
| A01 | Written decision to grant a patent or to grant a registration (utility model) | Free format text:JAPANESE INTERMEDIATE CODE: A01 Effective date:20181120 | |
| A61 | First payment of annual fees (during grant procedure) | Free format text:JAPANESE INTERMEDIATE CODE: A61 Effective date:20181210 | |
| R150 | Certificate of patent or registration of utility model | Ref document number:6458749 Country of ref document:JP Free format text:JAPANESE INTERMEDIATE CODE: R150 | |
| S111 | Request for change of ownership or part of ownership | Free format text:JAPANESE INTERMEDIATE CODE: R313113 | |
| R350 | Written notification of registration of transfer | Free format text:JAPANESE INTERMEDIATE CODE: R350 | |
| R250 | Receipt of annual fees | Free format text:JAPANESE INTERMEDIATE CODE: R250 | |
| R250 | Receipt of annual fees | Free format text:JAPANESE INTERMEDIATE CODE: R250 | |
| R250 | Receipt of annual fees | Free format text:JAPANESE INTERMEDIATE CODE: R250 | |
| R250 | Receipt of annual fees | Free format text:JAPANESE INTERMEDIATE CODE: R250 |