










本発明は、バッチ冷却晶析プロセスをモデル化した晶析プロセスモデルを用いる制御方法および制御装置に関するものである。 The present invention relates to a control method and a control apparatus using a crystallization process model that models a batch cooling crystallization process.
晶析プロセスは、少ないエネルギーで微細な結晶が得られるのが特長であり、広く用いられている。攪拌晶析器で結晶を変種変量生産するバッチ冷却晶析プロセスを制御対象とする場合、初回のバッチ運転から直ちに、品質を規定する晶析温度を精密に制御することが求められる。このため、発明者は、プロセスモデルをベースにしたB2B(Batch to Batch)制御システムを提案した(非特許文献1参照)。 The crystallization process is characterized in that fine crystals can be obtained with less energy and is widely used. When a batch cooling crystallization process in which various types of crystals are produced in a stirred crystallizer is controlled, it is required to precisely control the crystallization temperature that defines the quality immediately after the first batch operation. For this reason, the inventor has proposed a B2B (Batch to Batch) control system based on a process model (see Non-Patent Document 1).
  非特許文献1に開示されたB2B制御システムでは、バッチ反応プロセス制御の主体である反応温度制御にPID制御を採用している。PIDパラメータは、バッチ運転を積み重ね経験的に調整することになる。しかしながら、プロセスの非線形性が強くバッチ経過時間と共にプロセス動特性が大きく変わるので、経験則だけでPIDパラメータを適切に調整することは難しい。  In the B2B control system disclosed in
  また、非特許文献1に開示されたB2B制御システムは、バッチ反応プロセスを制御対象としており、バッチ冷却晶析プロセスに特有のランプ状目標値変更に対応しておらず、非特許文献1に開示されたB2B制御システムをバッチ冷却晶析プロセスにそのまま適用することはできない。以上のように、バッチ冷却晶析プロセスを制御対象とするB2B制御システムは、実用性と一般性のある制御手法として確立されていないという問題点があった。  In addition, the B2B control system disclosed in Non-Patent
本発明は、上記課題を解決するためになされたもので、従来よりも実用性と一般性に優れたB2B制御方式の制御方法および制御装置を提供することを目的とする。 The present invention has been made to solve the above-described problems, and an object of the present invention is to provide a control method and a control device of a B2B control method that are more practical and general than conventional ones.
本発明の制御方法は、晶析器内の原料の晶析温度Tcと原料の冷却に用いる冷媒の入口温度Twiと冷媒出口温度Twoと冷媒の循環流量fwとの組からなる時系列データである実績データを、バッチ冷却晶析プロセスをモデル化した晶析プロセスモデルの入力として、前記晶析プロセスモデルのモデルパラメータを調整し、前記晶析プロセスモデルを線形近似した伝達関数モデルを得るモデル調整ステップと、晶析温度Tcが晶析温度目標値と一致するように第1の操作量を算出する第1のコントローラの制御パラメータを、前記伝達関数モデルと予め定められた制御パラメータ設定則とを用いて、ランプ状に変化する晶析温度目標値に対する定常制御偏差と晶析温度目標値がランプ状の変化から一定値に移行した後の晶析温度Tcのアンダーシュート許容値とを調整指標として調整する制御パラメータ調整ステップと、予め定められたフィードフォワード補償則により、晶析温度Tcが所望の晶析温度目標値と一致するように冷媒入口温度目標値の変更量の時間パターンを求める目標値変更量演算ステップと、前記晶析温度目標値がランプ状の変化から一定値に切り替わる切替時点の前後の一定時間において晶析温度目標値の変更速度を緩やかにして、この変更速度を緩やかにした晶析温度目標値を前記第1のコントローラに与えるアンダーシュート抑制ステップと、前記冷媒入口温度目標値の変更量の時間パターンを基にバッチ経過時間に応じた冷媒入口温度目標値の変更量を出力し、この冷媒入口温度目標値の変更量と前記第1の操作量との加算結果を冷媒入口温度目標値とするフィードフォワード補償ステップと、冷媒入口温度Twiが前記冷媒入口温度目標値と一致するように第2のコントローラが第2の操作量を算出して冷媒の注入量を調節する制御ステップとを備えることを特徴とするものである。The control method of the present invention comprises a combination of a crystallization temperature Tc of a raw material in a crystallizer, a refrigerant inlet temperature Twi used for cooling the raw material, a refrigerant outlet temperature Two, and a refrigerant circulation flow rate fw. Using actual data as series data as input to the crystallization process model that models the batch cooling crystallization process, the model parameters of the crystallization process model are adjusted, and a transfer function model that linearly approximates the crystallization process model is created. A model adjustment step to be obtained, a control parameter of the first controller for calculating the first manipulated variable so that the crystallization temperature Tc matches the crystallization temperature target value, the transfer function model and a predetermined control parameter using a setting rule, Andashi the crystallization temperature Tc after the steady-state control deviation and crystallization temperature target value for the crystallization temperature target value which changes in a ramp shape is shifted to a constant value from the ramp-shaped change A control parameter adjustment step of adjusting the over preparative tolerance as adjustment measure, the feed-forward compensation rule predetermined crystallization temperature coolant inlet temperature set point as Tc is consistent with the desired crystallization temperature target value A target value change amount calculation step for obtaining a time pattern of the change amount of the crystallization temperature, and a crystallization temperature target value change rate gradually during a predetermined time before and after the switching point at which the crystallization temperature target value switches from a ramp-like change to a constant value. In accordance with the elapsed time of the batch based on the undershoot suppression step of giving the crystallization temperature target value to the first controller with a slow change speed and the change time pattern of the refrigerant inlet temperature target value. A change amount of the refrigerant inlet temperature target value is output, and a sum of the change amount of the refrigerant inlet temperature target value and the first manipulated variable is used as a refrigerant inlet temperature target value. And over-forward compensation step, that as the refrigerant inlet temperature Twi coincides with the coolant inlet temperature set point second controller calculates the second manipulated variable and a control step of adjusting the injection amount of the refrigerant It is a feature.
  また、本発明の制御方法の1構成例は、前記第1のコントローラの制御アルゴリズムとしてPI−Dアルゴリズムが予め選定されていることを特徴とするものである。
  また、本発明の制御方法の1構成例において、前記制御パラメータ設定則は、ランプ状の目標値変更に対する前記定常制御偏差を規定値に保つ条件で、晶析温度Tcのアンダーシュート最大値が前記アンダーシュート許容値に最も近づくようにPIパラメータを求めるPI設定則、または前記PI設定則により求めたPIパラメータをPIDパラメータに換算するPID設定則のいずれかである。Also, one configuration example of the control method of the present invention is characterized in that a PI-D algorithm is selected in advance as a control algorithm of the first controller.
 Further, in one configuration example of the control method of the present invention, the control parameter setting rule is that the maximum undershoot value of the crystallization temperature Tc is a condition that keeps the steady control deviation with respect to the ramp-shaped target value change at a specified value. Either a PI setting rule for obtaining a PI parameter so as to be closest to the undershoot allowable value, or a PID setting rule for converting a PI parameter obtained by the PI setting rule into a PID parameter.
また、本発明の制御装置は、バッチ冷却晶析プロセスにおいて晶析器内の原料の晶析温度Tcが晶析温度目標値と一致するように第1の操作量を算出する第1のコントローラと、原料の冷却に用いる冷媒の入口温度Twiが冷媒入口温度目標値と一致するように第2の操作量を算出して冷媒の注入量を調節する第2のコントローラと、バッチ冷却晶析プロセスをモデル化した晶析プロセスモデルの式を予め記憶するモデル記憶手段と、晶析温度Tcと冷媒入口温度Twiと冷媒出口温度Twoと冷媒の循環流量fwとの組からなる時系列データである実績データを前記晶析プロセスモデルの入力として、前記晶析プロセスモデルのモデルパラメータを調整し、前記晶析プロセスモデルを線形近似した伝達関数モデルを得るモデル調整手段と、前記伝達関数モデルと予め定められた制御パラメータ設定則とを用い、ランプ状に変化する晶析温度目標値に対する定常制御偏差と晶析温度目標値がランプ状の変化から一定値に移行した後の晶析温度Tcのアンダーシュート許容値とを調整指標として、前記第1のコントローラの制御パラメータを調整する制御パラメータ調整手段と、予め定められたフィードフォワード補償則により、晶析温度Tcが所望の晶析温度目標値と一致するように冷媒入口温度目標値の変更量の時間パターンを求める目標値変更量演算手段と、前記晶析温度目標値がランプ状の変化から一定値に切り替わる切替時点の前後の一定時間において晶析温度目標値の変更速度を緩やかにして、この変更速度を緩やかにした晶析温度目標値を前記第1のコントローラに与えるアンダーシュート抑制手段と、前記冷媒入口温度目標値の変更量の時間パターンを基にバッチ経過時間に応じた冷媒入口温度目標値の変更量を出力し、この冷媒入口温度目標値の変更量と前記第1の操作量との加算結果を前記冷媒入口温度目標値として前記第2のコントローラに与えるフィードフォワード補償手段とを備えることを特徴とするものである。The control device of the present invention also includes a first controller that calculates a first manipulated variable so that the crystallization temperature Tc of the raw material in the crystallizer coincides with the target crystallization temperature in the batch cooling crystallization process. And a second controller for calculating the second manipulated variable so as to adjust the refrigerant injection amount so that the refrigerant inlet temperatureTwi used for cooling the raw material coincides with the refrigerant inlet temperature target value, and batch cooling crystallization A model storage means for storing in advance a crystallization process model expression that models the process, and a set of a crystallization temperature Tc , a refrigerant inlet temperature Twi , a refrigerant outlet temperature Two, and a refrigerant circulation flow rate fw Model adjustment means for adjusting the model parameters of the crystallization process model using actual data as series data as an input of the crystallization process model, and obtaining a transfer function model that linearly approximates the crystallization process model, and the transmission Crystallization after the steady-state control deviation from the ramp-like crystallization temperature target value and the crystallization temperature target value have shifted from the ramp-like change to a constant value using several models and predetermined control parameter setting rules The control parameter adjusting means for adjusting the control parameter of the first controller using the undershoot allowable value of the temperature Tc as an adjustment index, and a predetermined feedforward compensation law, the crystallization temperature Tc becomes a desired crystal. A target value change amount calculating means for obtaining a time pattern of the change amount of the refrigerant inlet temperature target value so as to coincide with the crystallization temperature target value, and before and after the switching point at which the crystallization temperature target value is switched from a ramp-like change to a constant value. The crystallization temperature target value change rate is moderated for a certain period of time, and the crystallization temperature target value with the gradual change rate is given to the first controller. Based on the time pattern of the chute suppression means and the change amount of the refrigerant inlet temperature target value, the change amount of the refrigerant inlet temperature target value corresponding to the batch elapsed time is output. Feedforward compensation means for providing the second controller with the addition result of the operation amount of 1 as the refrigerant inlet temperature target value.
本発明によれば、バッチ運転実績データを晶析プロセスモデルの入力として、晶析プロセスモデルのモデルパラメータを調整し、伝達関数モデルと予め定められた制御パラメータ設定則とを用い、ランプ状に変化する晶析温度目標値に対する定常制御偏差と晶析温度目標値がランプ状の変化から一定値に移行した後の晶析温度Tcのアンダーシュート許容値とを調整指標として、第1のコントローラの制御パラメータを調整し、予め定められたフィードフォワード補償則により、晶析温度Tcが所望の晶析温度目標値と一致するように冷媒入口温度目標値の変更量の時間パターンを求め、冷媒入口温度目標値の変更量と第1のコントローラの出力である第1の操作量との加算結果を冷媒入口温度目標値として第2のコントローラに与えるようにした。また、本発明では、晶析温度目標値がランプ状の変化から一定値に切り替わる切替時点の前後の一定時間において晶析温度目標値の変更速度が緩やかになるようにした。以上により、本発明では、バッチ冷却晶析プロセスに特有のランプ状目標値変更に対して高い追跡性能を実現することができるので、従来よりも実用性と一般性に優れたB2B制御方式の制御方法を実現することができる。According to the present invention, the batch operation result data is used as an input to the crystallization process model, the model parameters of the crystallization process model are adjusted, and the transfer function model and a predetermined control parameter setting rule are used to change into a ramp shape. The adjustment of the steady control deviation with respect to the target crystallization temperature value and the permissible undershoot value of the crystallization temperature Tc after the target crystallization temperature value has shifted from a ramp-like change to a constant value is used as an adjustment index. The control parameter is adjusted, and the time pattern of the change amount of the refrigerant inlet temperature target value is obtained by a predetermined feedforward compensation law so that the crystallization temperature Tc matches the desired crystallization temperature target value, and the refrigerant inlet An addition result of the change amount of the temperature target value and the first operation amount that is the output of the first controller is given to the second controller as the refrigerant inlet temperature target value. did. Further, in the present invention, the change rate of the crystallization temperature target value is made slow for a certain time before and after the switching point at which the crystallization temperature target value is switched from the ramp-like change to the constant value. As described above, in the present invention, it is possible to achieve high tracking performance with respect to the ramp-like target value change unique to the batch cooling crystallization process, so that the control of the B2B control method that is superior in practicality and generality compared to the past. A method can be realized.
また、本発明では、第1のコントローラの制御アルゴリズムとしてPI−Dアルゴリズムを予め選定しておくことにより、バッチ冷却晶析プロセスに適した制御を行うことができる。 Moreover, in this invention, the control suitable for a batch cooling crystallization process can be performed by selecting a PI-D algorithm beforehand as a control algorithm of a 1st controller.
また、本発明では、ランプ状の目標値変更に対する定常制御偏差を規定値に保つ条件で、晶析温度Tcのアンダーシュート最大値がアンダーシュート許容値に最も近づくようにPIパラメータを求めるPI設定則、またはPI設定則により求めたPIパラメータをPIDパラメータに換算するPID設定則のいずれかを、制御パラメータ設定則とすることにより、バッチ冷却晶析プロセスに適した制御パラメータ調整を実現することができる。Further, in the present invention, under conditions to maintain the steady-state control deviation for the ramp target value change the specified value, PI setting to obtain the PI parameters as undershoot maximum value of the crystallization temperature Tc approaches most undershoot tolerance The control parameter adjustment rule suitable for the batch cooling crystallization process can be realized by using either the PID setting rule for converting the PI parameter obtained by the PI setting rule or the PID parameter into the PID parameter as the control parameter setting rule. it can.
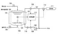
  以下、本発明の実施の形態について図面を参照して説明する。図1は本発明の実施の形態に係るバッチ冷却晶析プロセスの計装図である。
  バッチ冷却晶析プロセスにおいては、バルブ104を介して攪拌晶析器100に原料液を定量仕込み、所定の温度まで昇温後、晶析温度目標値の時間パターン(目標値軌道)に従い定速度で冷却する。攪拌晶析器100は、加熱・冷却のためのジャケット101と、原料液の晶析温度を測定する温度センサ102と、原料液を攪拌する攪拌機103とを備えている。Hereinafter, embodiments of the present invention will be described with reference to the drawings. FIG. 1 is an instrumentation diagram of a batch cooling crystallization process according to an embodiment of the present invention.
 In the batch cooling crystallization process, the raw material liquid is quantitatively charged into the stirring
  原料液が飽和濃度線を超え結晶析出が始まり、安定的に結晶化する準安定領域の温度で一定時間保持する。その後、準安定領域を保ちながら、さらに定速度で晶析温度を下げ、結晶を成長させ安定化する。規定時間経過後、晶析操作を終了し、攪拌晶析器100からバルブ105を介して晶析液を抜き出す。一連のバッチ晶析時間は、概ね数時間から1日である。  The raw material liquid exceeds the saturation concentration line and crystal precipitation starts, and is maintained for a certain period of time at a temperature in a metastable region where stable crystallization occurs. Thereafter, while maintaining the metastable region, the crystallization temperature is further lowered at a constant rate to grow and stabilize the crystal. After the lapse of the specified time, the crystallization operation is terminated, and the crystallization liquid is extracted from the stirring
  原料液は、攪拌晶析器100に設けられたジャケット101を一定流量で循環する冷媒(冷水)により冷却される。冷媒は、入口側配管106からジャケット101に供給され、出口側配管107に排出される。出口側配管107に排出された冷媒は、一部がチラー(chiller)111によって冷却され、残りが入口側配管106に戻されるようになっている。入口側配管106には、冷媒入口温度Twiを測定する温度センサ108が設けられ、出口側配管107には、冷媒出口温度Twoを測定する温度センサ109が設けられている。また、入口側配管106には、冷媒の循環流量fwを計測する流量センサ110が設けられている。The raw material liquid is cooled by a refrigerant (cold water) circulating at a constant flow rate through a
  制御装置113は、冷媒入口温度が冷媒入口温度目標値の時間パターンと一致し、かつ晶析温度が晶析温度目標値の時間パターンと一致するように、冷媒入口温度制御と晶析温度制御のカスケード制御を行う。また、制御装置113は、バッチ経過時間に対応して冷媒入口温度の目標値を変更する、フィードフォワード制御(Feed-Forward Control)の機能を有している。晶析温度を変えるためには、ジャケット101への冷媒の注入量を調整して、冷媒入口温度を変える。これにより、晶析温度を制御することができる。なお、原料液の加熱時には、ジャケット101に蒸気を注入する。ジャケット101への蒸気の注入量を制御することで、加熱時の温度を制御することができる。  The
  図2は制御装置113の構成を示すブロック図、図3は制御装置113の動作を示すフローチャートである。制御装置113は、バッチ冷却晶析プロセスの動特性モデルである晶析プロセスモデルを記憶するモデル記憶部1と、バッチ運転実績データを晶析プロセスモデルの入力として、晶析プロセスモデルのモデルパラメータを調整し、晶析プロセスモデルを線形近似した伝達関数モデルを得るモデル調整部2と、フィードフォワード制御を実行するフィードフォワード制御実行部3(フィードフォワード補償手段)と、伝達関数モデルと予め定められた制御パラメータ設定則とを用いて、カスケード制御のための制御パラメータ(PIDパラメータ)を調整する制御パラメータ調整部4と、カスケード制御を実行するカスケード制御実行部5と、予め定められたフィードフォワード補償則により、晶析温度Tcが所望の晶析温度目標値と一致するように冷媒入口温度目標値の変更量の時間パターンを求める冷媒入口温度時間パターン設定部6と、晶析温度目標値がランプ状の変化から一定値に切り替わる切替時点の前後の一定時間において晶析温度目標値の変更速度を緩やかにして、この変更速度を緩やかにした晶析温度目標値をカスケード制御実行部5に与えるアンダーシュート抑制部7とを備えている。FIG. 2 is a block diagram showing the configuration of the
  バッチ運転を開始する前に、モデル調整部2は、バッチ運転実績データを用いて晶析プロセスモデルのモデルパラメータを調整し、この晶析プロセスモデルを逐次線形化して伝達関数モデルに変換する(図3ステップS1)。  Before starting the batch operation, the
  制御パラメータ調整部4は、伝達関数モデルと予め定められた制御パラメータ設定則とを用い、ランプ状に変化する晶析温度目標値に対する定常制御偏差と晶析温度目標値がランプ状の変化から一定値に移行した後の晶析温度Tcのアンダーシュート許容値とを調整指標として、カスケード制御のための制御パラメータ(PIDパラメータ)を調整する(図3ステップS2)。The control
  冷媒入口温度時間パターン設定部6は、予め定められたフィードフォワード補償則に従って冷媒入口温度目標値の変更量の時間パターン{t,Δuf}を定める(図3ステップS3)。
  バッチ冷却晶析プロセスを制御対象とするバッチ運転が開始されると、アンダーシュート抑制部7は、晶析温度目標値r1がランプ状の変化から一定値に切り替わる切替時点の前後の一定時間において晶析温度目標値r1の変更速度を緩やかにして、この変更速度を緩やかにした晶析温度目標値r1’をカスケード制御実行部5に出力する(図3ステップS4)。The refrigerant inlet temperature time
 When the batch operation for controlling the batch cooling crystallization process is started, the
  フィードフォワード制御実行部3は、冷媒入口温度目標値の変更量の時間パターン{t,Δuf}に応じて冷媒入口温度目標値の変更量Δufを出力するフィードフォワード制御を実行し(図3ステップS5)、カスケード制御実行部5は、冷媒入口温度Twiが冷媒入口温度目標値r2と一致し且つ晶析温度Tcが晶析温度目標値r1’と一致するようにカスケード制御(PID制御)を実行する(図3ステップS6)。以上のようなステップS4〜S6の処理を、バッチ冷却晶析プロセスが終了するまで(図3ステップS7においてYES)、一定間隔のバッチ経過時間t毎に実行する。Feedforward
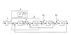
  図4は本実施の形態の制御系のブロック線図である。図4におけるFはフィードフォワード制御実行部3が実現するフィードフォワードコントローラである。フィードフォワード制御実行部3は、後述する冷媒入口温度時間パターン設定部6に記憶されている冷媒入口温度目標値の変更量の時間パターン{t,Δuf}を参照し、現在のバッチ経過時間tに対応する冷媒入口温度目標値の変更量Δufを出力する。図5に冷媒入口温度目標値の変更量の時間パターン{t,Δuf}の1例を示す。このように冷媒入口温度目標値の変更量の時間パターンは、バッチ経過時間tと冷媒入口温度目標値の変更量Δufとの組からなる時系列データである。FIG. 4 is a block diagram of the control system of the present embodiment. F in FIG. 4 is a feedforward controller realized by the feedforward
  また、図4におけるC1はカスケード制御実行部5が実現する晶析温度コントローラ(PI−Dコントローラ)、C2は同じくカスケード制御実行部5が実現する冷媒入口温度コントローラ(PI−Dコントローラ)、P2は冷媒入口温度プロセス、P1は晶析温度プロセス、d1,d2は外乱である。4, C1 is a crystallization temperature controller (PI-D controller) realized by the cascade
  晶析温度コントローラC1には、晶析温度目標値r1’が与えられる。図6に晶析温度目標値の時間パターン{t,r1}の1例を示す。このように晶析温度目標値の時間パターンは、バッチ経過時間tと晶析温度目標値r1との組からなる時系列データである。図6に示すように、晶析温度目標値r1は、一定値を保った後に一定の変更速度vrで継続的に降下し、再び一定値で安定するといったパターンを示すように予め設定されている。アンダーシュート抑制部7は、この晶析温度目標値r1を基に晶析温度目標値r1’を出力するが、このアンダーシュート抑制部7の動作については後述する。A crystallization temperature target value r1 ′ is given to the crystallization temperature controller C1 . FIG. 6 shows an example of the time pattern {t, r1 } of the crystallization temperature target value. As described above, the time pattern of the crystallization temperature target value is time-series data including a set of the batch elapsed time t and the crystallization temperature target value r1 . As shown in FIG. 6, the crystallization temperature target value r1 is continuously reduced at a constant change rate vr after maintaining a constant value, it is preset to indicate a pattern such again stabilized at a constant value ing.
  晶析温度コントローラC1は、晶析温度Tcと晶析温度目標値r1’とが一致するように操作量u1を演算する。操作量u1と冷媒入口温度目標値の変更量Δufとは加算され、この加算結果が冷媒入口温度目標値r2として冷媒入口温度コントローラC2に与えられる。冷媒入口温度コントローラC2は、冷媒入口温度Twiと冷媒入口温度目標値r2とが一致するように操作量u2を演算する。この操作量u2に応じて、図1に示したバルブ112の開度が決定され、ジャケット101への冷媒の注入量が制御される。The crystallization temperature controller C1 calculates the manipulated variable u1 so that the crystallization temperature Tc matches the crystallization temperature target value r1 ′. And the operation amount u1 and the coolant inlet temperature set point of the change amount Delta] uf are added, the addition result is provided to the refrigerant inlet temperature controller C2 as a refrigerant inlet temperature target value r2. The refrigerant inlet temperature controller C2 calculates the operation amount u2 so that the refrigerant inlet temperature Twi and the refrigerant inlet temperature target value r2 coincide. The opening degree of the
  次に、モデル調整部2の動作についてより詳細に説明する。本実施の形態では、冷媒入口温度制御と晶析温度制御のカスケード制御のアルゴリズムとしてPIDを用いるが、PIDによる制御を設計するには、操作量(冷媒入口温度)と制御量(晶析温度)との関係を表わす、線形の動特性モデルが必要になる。モデル調整部2は、このような線形の動特性モデルのモデルパラメータを調整するものである。具体的には、モデル調整部2は、バッチ運転実績データを用いて晶析プロセスモデルのモデルパラメータを調整し、この晶析プロセスモデルを逐次線形化して伝達関数モデルに変換する(図3ステップS1)。  Next, the operation of the
  バッチ冷却晶析プロセスの動特性モデルは、次の仮定のもとで、晶析液と冷媒のエネルギー収支から導かれる。
(a)晶析器内の晶析液は攪拌機で完全混合されている。
(b)攪拌熱と晶析器表面からの放熱は無視できる。
(c)ジャケットの伝熱面積は一定とする。
(d)晶析器壁の熱容量は微小なので無視する。
(e)晶析温度のカスケード制御2次ループの冷媒入口温度制御は、目標値応答特性が十分に速く動特性を無視できる。The dynamic model of the batch cooling crystallization process is derived from the energy balance of the crystallization liquid and refrigerant under the following assumptions.
 (A) The crystallization liquid in the crystallizer is completely mixed with a stirrer.
 (B) Heat of stirring and heat radiation from the crystallizer surface can be ignored.
 (C) The heat transfer area of the jacket is constant.
 (D) Since the heat capacity of the crystallizer wall is very small, it is ignored.
 (E) Cascade control of crystallization temperature The refrigerant inlet temperature control of the secondary loop has sufficiently fast target value response characteristics and can ignore dynamic characteristics.
晶析温度をTc、冷媒平均温度をTw、冷媒入口温度をTwi、冷媒出口温度をTwoとすると、エネルギー収支モデルは次式のようになる。Assuming that the crystallization temperature is Tc , the refrigerant average temperature is Tw , the refrigerant inlet temperature is Twi , and the refrigerant outlet temperature is Two , the energy balance model is as follows.
  式(1)、式(2)において、ccは晶析液の比熱、Wcは晶析器内部滞留量、cwは冷媒の比熱、Wjはジャケット内部滞留量、Qcは結晶化による発熱量(結晶化熱量)、Qw1はジャケット除熱量、Qw2は冷媒除熱量である。結晶化による発熱量(結晶化熱量)Qcは不確定外乱として作用する。なお、冷媒の循環流量fwは一定に保たれ、ジャケット101の入口と出口の温度差が小さいので、冷媒平均温度Tw=(Twi+Two)/2  とした。ジャケット除熱量Qw1、冷媒除熱量Qw2は次のように表すことができる。
  Qw1(t)=UA(Tc(t)−Tw(t))                        ・・・(3)
  Qw2(t)=cwfw(Two(t)−Twi(t))
            =2cwfw(Tw(t)−Twi(t))                   ・・・(4)In formulas (1) and (2), cc is the specific heat of the crystallization liquid, Wc is the amount of residence in the crystallizer, cw is the specific heat of the refrigerant, Wj is the amount of residence in the jacket, and Qc is the crystallization. The amount of heat generated due to heat (crystallization heat amount), Qw1 is the jacket heat removal amount, and Qw2 is the refrigerant heat removal amount. The amount of heat generated by crystallization (the amount of heat of crystallization) Qc acts as an uncertain disturbance. Note that the refrigerant circulation flow rate fw is kept constant, and the temperature difference between the inlet and the outlet of the
 Qw1 (t) = UA (Tc (t) −Tw (t)) (3)
 Qw2 (t) = cw fw (Two (t) −Twi (t))
 = 2cwfw (Tw (t) −Twi (t)) (4)
  式(3)、式(4)において、Uはジャケット101の総括伝熱係数、Aはジャケット101の伝熱面積である。式(1)〜式(4)より、晶析液と冷媒のエネルギー収支は、次の状態方程式モデルで表すことができる。  In the equations (3) and (4), U is the overall heat transfer coefficient of the
  モデル記憶部1には、以上のような状態方程式モデル(晶析プロセスモデル10)の式(5)、式(6)が予め記憶されている。
  モデル調整部2は、バッチ運転実績データを晶析プロセスモデル10の入力として与え、モデルパラメータである総括伝熱係数Uを求めると共に、不確定外乱である発熱量Qcを求める。本実施の形態で用いるバッチ運転実績データは、攪拌晶析器100で生成しようとする晶析液と同種の晶析液を過去に生産したときの実績データ(前回の実績データ)であり、バッチ経過時間t、晶析温度Tc、冷媒入口温度Twi、冷媒出口温度Two、循環流量fwの時系列データ{t,Tc,Twi,Two,fw}である。このようなバッチ運転実績データが晶析プロセスモデル10の入力として与えられ、モデルパラメータが調整される。なお、伝熱面積A、晶析液の比熱cc、晶析器内部滞留量Wc、冷媒の比熱cw、ジャケット内部滞留量Wjについては既知の値を用いる。The
 The
  次に、モデル調整部2は、パラメータ調整が完了した晶析プロセスモデル10から、晶析温度制御のための伝達関数モデルを得る。この伝達関数モデルは、操作量u2(冷媒入口温度)と制御量y(晶析温度Tc)の動的な特性を表す。状態量(冷媒平均温度Tw)をxとし、操作量u2の計測レンジRu、制御量yの計測レンジRy、状態量xの計測レンジRx(=Ry)でそれぞれ無次元化した操作量u2、制御量y、状態量xを用いると次の関係がある。
  Twi=Ruu2                                                    ・・・(7)
  Tc=Ryy                                                      ・・・(8)
  Tw=Rxx                                                      ・・・(9)Next, the
 Twi = Ru u2 (7)
 Tc = Ry y (8)
 Tw = Rx x (9)
このとき、伝達関数モデルP(s)は次式のようになる。なお、sはラプラス演算子である。 At this time, the transfer function model P (s) is as follows. Note that s is a Laplace operator.
定常ゲインKp、時定数Tp1,Tp2は次式のようになる。ここで、バッチ冷却晶析プロセスの動特性を支配する時定数をTp1(≫Tp2)とする。The steady gain Kp and the time constants Tp1 and Tp2 are as follows. Here, a time constant that governs the dynamic characteristics of the batch cooling crystallization process is Tp1 (>> Tp2 ).
式(11)、式(12)の定数T1,T2,Kx12,Kx21,Kuはそれぞれ次式のようになる。Equation (11), constants T1, T2 of the formula(12), K x12, K x21, K u are each expressed as follows.
  こうして、モデル調整部2は、晶析プロセスモデル10を逐次線形化して伝達関数モデルを得ることができる。なお、計測レンジRu,Ry,Rx(=Ry)については既知の値を用いる。
  バッチ冷却晶析プロセスの運転条件と伝達関数モデルパラメータの数値例を表1に示す。Ry=Ruのとき常にKp=1になり、長い時定数Tp1がバッチ冷却晶析プロセスの動特性を支配し、Tp2(≪Tp1)は無視できることが分かる。Thus, the
 Table 1 shows numerical examples of operating conditions and transfer function model parameters of the batch cooling crystallization process. It can be seen that when Ry = Ru , Kp = 1 at all times, and the long time constant Tp1 dominates the dynamic characteristics of the batch cooling crystallization process, and Tp2 (<< Tp1 ) can be ignored.
  次に、カスケード制御実行部5が実現する晶析温度コントローラC1について説明する。本実施の形態では、晶析温度制御のアルゴリズムとしてPI−Dアルゴリズムが予め選定されている。以下、PI−Dアルゴリズムを選定した理由について説明する。
  ここでは、目標値をr(s)、制御量をy(s)、制御偏差をe(s)=r(s)−y(s)、操作量をu(s)、PIDパラメータを{Kc,Ti,Td}とする。このとき、PIDコントローラC(s)は次式のように定まる。Next, the crystallization temperature controller C1 realized by the cascade
 Here, the target value is r (s), the control amount is y (s), the control deviation is e (s) = r (s) -y (s), the operation amount is u (s), and the PID parameter is {KLetc , Ti , Td }. At this time, the PID controller C (s) is determined as follows.
  PIDアルゴリズムの目標値フィルターF(s)は次式のようになる。
  F(s)=1                                                  ・・・(19)
また、PI−Dアルゴリズムの目標値フィルターF(s)は式(20)のようになり、I−PDアルゴリズムの目標値フィルターF(s)は式(21)のようになる。The target value filter F (s) of the PID algorithm is as follows:
 F (s) = 1 (19)
 Further, the target value filter F (s) of the PI-D algorithm is as shown in Expression (20), and the target value filter F (s) of the I-PD algorithm is as shown in Expression (21).
PID制御の目標値応答は次式で表される。 The target value response of PID control is expressed by the following equation.
目標値変更速度vrのランプ状目標値変更r(s)=vr/s2に対するPIDアルゴリズムの定常制御偏差e(∞)は次式で示される。Target value changing speed vr of the ramp-shaped target value changer (s) = v r / s stationary control deviation e of the PID algorithm for2 (∞) is expressed by the following equation.
同様に、PI−Dアルゴリズムの定常制御偏差e(∞)も式(23)のようになり、I−PDアルゴリズムの定常制御偏差e(∞)は式(24)のようになる。 Similarly, the steady control deviation e (∞) of the PI-D algorithm is as shown in Expression (23), and the steady control deviation e (∞) of the I-PD algorithm is as shown in Expression (24).
このように、I−PDアルゴリズムの定常制御偏差はPIDアルゴリズムおよびPI−Dアルゴリズムに比べて非常に大きくなる。例えば、Kp=1.0%/%、Kc=10%/%、Ti=10min、vr=−20%/90minのとき、PIDアルゴリズムおよびPI−Dアルゴリズムの定常制御偏差e(∞)=−0.22%に対して、I−PDアルゴリズムの定常制御偏差e(∞)は−2.44%で11倍にもなる。このため、プロセス制御で最も多く実用されているI−PDアルゴリズムは、晶析温度制御には使用できない。晶析温度制御のアルゴリズムとしては、微分動作が目標値に作用しないPI−Dアルゴリズムを適用するのが良いことになる。微分ゲインを1/γとすると、実用PI−Dコントローラは、次式で表される。Thus, the steady control deviation of the I-PD algorithm is very large compared to the PID algorithm and the PI-D algorithm. For example, when Kp = 1.0% /%, Kc = 10% /%, Ti = 10 min, vr = −20% / 90 min, steady control deviation e (∞ of PID algorithm and PI-D algorithm ) = − 0.22%, the steady control deviation e (∞) of the I-PD algorithm is −2.44%, which is 11 times as large. For this reason, the most frequently used I-PD algorithm in process control cannot be used for crystallization temperature control. As an algorithm for controlling the crystallization temperature, it is preferable to apply a PI-D algorithm in which the differential operation does not act on the target value. When the differential gain is 1 / γ, the practical PI-D controller is expressed by the following equation.
  こうして、本実施の形態では、晶析温度コントローラC1としてPI−Dコントローラを用いる。晶析温度コントローラC1のPIDパラメータは、制御パラメータ調整部4によって調整される。なお、冷媒入口温度コントローラC2についても、PI−Dコントローラを用いている。この冷媒入口温度コントローラC2のPIDパラメータは予め調整されているものとする。Thus, in this embodiment, a PI-D controller as crystallization temperature controller C1. The PID parameter of the crystallization temperature controller C1 is adjusted by the control
  次に、制御パラメータ調整部4の動作について説明する。プロセス制御で多用されるモデルベース設定則に、IMC(Internal Model Control)法がある。IMC法は、ステップ状の目標値変更に対する望ましい制御量応答を規定して、PID設定値を一意に決定する方法である。その積分時間はTi=Tp1+Tp2に設定されるため、ランプ状目標値変更に対する定常制御偏差が非常に大きくなる。したがって、常にランプ状目標値変更が行われる晶析温度制御に、IMC法を適用することはできない。本実施の形態では、晶析温度制御に適したPID調整指標を定め、このPID調整指標を満たすモデルベースPID設定則を導入している。Next, the operation of the control
本実施の形態では、晶析温度制御の調整指標として、ランプ状に変化する晶析温度目標値r1に対する定常制御偏差erと、晶析温度目標値r1がランプ状の変化から一定値に移行した後の制御量y(晶析温度Tc)のアンダーシュート許容値euという2つのパラメータを定義する。定常制御偏差erは、晶析温度目標値r1がランプ状に変化している最中に、十分に時間が経過したときの制御偏差である。目標値変更が終了し定値制御に移行した後は、制御量yの行き過ぎ(アンダーシュート)が避けられない。euは、そのアンダーシュートの最大許容値である。この晶析温度目標値変更に対する制御量応答の例を図7に示す。図7によると、定常制御偏差とアンダーシュートの存在を確認できる。図7におけるtrは晶析温度目標値r1の切替時点、uLはアンダーシュート下限値である。In this embodiment, crystals as the adjustment indication of precipitation temperature control, and the steady-state control error er for crystallization temperature target value r1 which changes in a ramp shape, the crystallization temperature target value r1 is a constant value from the ramp-like change to define two parameters undershoot tolerance eu of the controlled variable y after the transition (crystallization temperature Tc) to. Stationary control deviation er is while the crystallization temperature target value r1 is changed in a ramp form, which is the control deviation when sufficient time has elapsed. After the target value change is completed and the process shifts to the constant value control, it is inevitable that the control amount y is excessive (undershoot).eu is the maximum allowable value of the undershoot. FIG. 7 shows an example of the control amount response to this crystallization temperature target value change. According to FIG. 7, the existence of steady control deviation and undershoot can be confirmed. Tr in FIG. 7 crystallization temperature switching point of the target value r1, the uL is undershoot lower limit.
式(10)に示した伝達関数モデルでは、短い時定数Tp2(≪Tp1)が無視できるので、1次遅れ特性に近似する。このため、PI−Dアルゴリズムの微分動作は不要になるので、PIDパラメータの設定則としてPI設定則が利用できる。以下、このPI設定則について説明する。In the transfer function model shown in Expression (10), a short time constant Tp2 (<< Tp1 ) can be ignored, and thus approximates to the first-order lag characteristic. For this reason, the differential operation of the PI-D algorithm is not necessary, and the PI setting rule can be used as the PID parameter setting rule. Hereinafter, this PI setting rule will be described.
  ランプ状の目標値変更に対する定常制御偏差erを規定値に保つ条件で、アンダーシュート最大値が許容値euにできるだけ近くなるように、PIパラメータを求める。このPIパラメータの導出法は、定常制御偏差erを等式制約とし、アンダーシュート最大値とその許容値euとの差の2次形式を最小化する最適化問題として、次のように定式化できる。
  {Kc,Ti}=argmin(emax−eu)2                     ・・・(26)The steady-state control deviation er for the lamp-shaped target value change in the conditions keeping the prescribed value, so that undershoot maximum value is as close as possible to the allowable value eu, determine the PI parameters. Derivation of the PI parameters, the steady-state control deviation er and equality constraints as an optimization problem of minimizing the quadratic form of the difference between the undershoot maximum value and its allowable value eu, formula as follows Can be
{K c, T i} = argmin (e max -e u) 2 ··· (26)
  emax=max{r1(t)−y(t)}  (t≧tr)              ・・・(28)
こうして、制御パラメータ調整部4は、モデル調整部2が求めた伝達関数モデルと式(26)〜式(28)を用いることにより、晶析温度コントローラC1のPIパラメータである比例ゲインKcと積分時間Tiを得ることができる(図3ステップS2)。上記のとおり、PI設定則では、微分時間Tdを0とする。なお、晶析温度目標値r1については晶析温度目標値の時間パターン{t,r1}で予め定められた値を使用することができ、目標値変更速度vrも既知の値であるが、式(28)のアンダーシュート最大値emaxを求めるためには、晶析温度目標値r1が一定値に移行した後(t≧tr)の制御量y(晶析温度Tc)の応答が必要になる。以下、この制御量yの応答の求め方について説明する。emax = max {r1 (t) −y (t)} (t ≧ tr ) (28)
 In this way, the control
まず、式(10)に示した伝達関数モデルの式を1次遅れ特性の式に近似する。 First, the equation of the transfer function model shown in Equation (10) is approximated to the equation of the first-order lag characteristic.
次式で表されるPIコントローラC(s)を使用する。 A PI controller C (s) represented by the following equation is used.
晶析温度目標値r1は次のように与えられる。The crystallization temperature target value r1 is given as follows.
式(31)はランプ状に変化しているとき(0≦t<tr)の晶析温度目標値r1を示し、式(32)は一定値に移行した後(t≧tr)の晶析温度目標値r1を示している。このとき、目標値応答特性Wc(s)は次式のようになる。PIコントローラを用いるので、目標値フィルターF(s)=1である。Equation (31) shows the target crystallization temperature r1 when changing to a ramp shape (0 ≦ t <tr ), and equation (32) is obtained after shifting to a constant value (t ≧ tr ). shows the crystallization temperature target value r1. At this time, the target value response characteristic Wc (s) is expressed by the following equation. Since the PI controller is used, the target value filter F (s) = 1.
係数b1,b0,a1,a0は次のとおりである。The coefficients b1 , b0 , a1 and a0 are as follows.
特性方程式の共役複素根もしくは実根を次のようにする。制御系が安定になるように設定値を設計するので、α,β>0である。 The conjugate complex root or real root of the characteristic equation is as follows. Since the set values are designed so that the control system is stable, α, β> 0.
制御量応答は、特性方程式が安定な共役複素根を持つ場合、次式のようになる。 The controlled variable response is given by the following equation when the characteristic equation has a stable conjugate complex root.
式(39)は晶析温度目標値r1がランプ状に変化しているとき(0≦t<tr)の制御量yを示し、式(40)は晶析温度目標値r1が一定値に移行した後(t≧tr)の制御量yを示している。また、制御量応答は、特性方程式が安定な実根を持つ場合、次式のようになる。Equation (39) shows the controlled variable y when the crystallization temperature target value r1 changes in a ramp shape (0 ≦ t <tr ), and Equation (40) shows that the crystallization temperature target value r1 is constant. The control amount y after shifting to the value (t ≧ tr ) is shown. In addition, the control amount response is as follows when the characteristic equation has a stable real root.
式(41)は晶析温度目標値r1がランプ状に変化しているとき(0≦t<tr)の制御量yを示し、式(42)は晶析温度目標値r1が一定値に移行した後(t≧tr)の制御量yを示している。式(39)、式(41)の右辺第2項がランプ状の目標値変更に対する定常制御偏差を示している。係数c,d,φは次のとおりである。Equation (41) shows the controlled variable y when the crystallization temperature target value r1 changes in a ramp shape (0 ≦ t <tr ), and Equation (42) shows that the crystallization temperature target value r1 is constant. The control amount y after shifting to the value (t ≧ tr ) is shown. The second term on the right side of the equations (39) and (41) indicates the steady control deviation for the ramp-shaped target value change. The coefficients c, d, and φ are as follows.
  以上のようにして、制御パラメータ調整部4は、式(28)で用いる制御量yを式(40)、式(43)〜式(45)、または式(42)〜式(45)により算出することができる。  As described above, the control
なお、式(10)に示した伝達関数モデルの短い時定数Tp2を無視できない場合がある。このときは、PIDパラメータの設定則としてPI設定則の代わりに、以下のPID設定則を利用するものとし、次の直列補償型アルゴリズムで設計する。In some cases, the short time constant Tp2 of the transfer function model shown in Expression (10) cannot be ignored. In this case, the following PID setting rule is used instead of the PI setting rule as the PID parameter setting rule, and the following series compensation algorithm is used.
なお、以降では数式の頭に付した「〜」をチルダと呼ぶ。微分時間チルダTdをTp2に設定すれば、短い時定数の1次遅れ特性を、コントローラの微分動作項で極ゼロ相殺できる。これにより、前述したPI設定則により求めた比例ゲインKcを比例ゲインチルダKcとし、積分時間Tiを積分時間チルダTiとしてそのまま用いることができる。そして、次式により、並列補償型PIDアルゴリズムのパラメータに換算することができる。Hereinafter, “˜” attached to the head of the mathematical expression is referred to as a tilde. If the differential time tilde Td is set to Tp2 , the first-order lag characteristic with a short time constant can be zero-zero canceled by the differential operation term of the controller. As a result, the proportional gain Kc obtained by the PI setting rule described above can be used as the proportional gain tilde Kc and the integration time Ti can be used as the integration time tilde Ti as it is. And it can convert into the parameter of a parallel compensation type PID algorithm by following Formula.
  こうして、制御パラメータ調整部4は、モデル調整部2が求めた伝達関数モデルと式(26)〜式(28)を用いることにより、比例ゲインKcと積分時間Tiを求め、さらに、この比例ゲインKcを比例ゲインチルダKcとし、積分時間Tiを積分時間チルダTiとして、式(47)〜式(49)により、晶析温度コントローラC1のPIDパラメータである比例ゲインKcと積分時間Tiと微分時間Tdを得ることができる(図3ステップS2)。Thus, the control
晶析温度の伝達関数パラメータとPID調整指標の例を表2に示し、晶析温度目標値r1の切替時点tr=90min、目標値変更速度vr=−20℃/90min=−20%/90minのときのPI設定則およびPID設定則で求めたPIDパラメータの例を表3に示す。Examples of crystallization temperature transfer function parameters and PID adjustment indices are shown in Table 2, and the crystallization temperature target value r1 is switched at the time tr = 90 min, the target value changing rate vr = −20 ° C./90 min = −20%. Table 3 shows examples of PID parameters obtained by the PI setting rule and the PID setting rule at / 90 min.
  次に、冷媒入口温度時間パターン設定部6の動作について説明する。冷媒入口温度時間パターン設定部6は、目標値変更量演算部60と、時系列テーブル記憶部61とを有する。
  晶析温度制御の目標値変更速度vrのとき、dTc(t)/dtに関する状態方程式モデルをさらに時間微分すれば、冷媒平均温度Twの変更速度もvrに等しいことがわかる。すなわち、次式が成立する。Next, the operation of the refrigerant inlet temperature time
 When the target value changing speed vr of the crystallization temperature control and, more time differentiating the state equation model for dTc (t) / dt, it is found equal to even vr change rate of the refrigerant average temperature Tw. That is, the following equation is established.
この式(50)の条件を状態方程式に適用して、冷媒入口温度Twiの目標値軌道チルダTwiを得る。Conditions applied to the state equations of the equation (50), to obtain the target value trajectory tilde Twi coolant inlet temperature Twi.
晶析温度の目標値軌道チルダTcはフィードバック制御と組み合わせて実現できるとして、フィードフォワード補償が冷媒入口温度制御の目標値変更量Δufを与えるように制御系を構成する。すなわち、フィードフォワード補償則を次式のように定める。As the target value trajectory tilde Tc of crystallization temperature can be realized in combination with the feedback control, feedforward compensation constituting the control system to provide a target value change amount Delta] uf of the refrigerant inlet temperature control. That is, the feedforward compensation law is defined as follows:
  目標値変更量演算部60は、式(53)のフィードフォワード補償則により、晶析温度Tcが所望の晶析温度目標値の時間パターン{t,チルダTc}と一致するように冷媒入口温度目標値の変更量の時間パターン{t,Δuf}を定める。時系列テーブル記憶部61は、目標値変更量演算部60が定めた冷媒入口温度目標値の変更量の時間パターン{t,Δuf}を記憶する。Target value change
表1に示した運転条件で、晶析温度目標値の切替時点tr=1.5h、目標値変更速度vr=−20%/1.5hのとき、フィードフォワード補償による冷媒入口温度目標値の変更量Δufは次のようになる。Under the operating conditions shown in Table 1, when the crystallization temperature target value switching time tr = 1.5 h and the target value changing speed vr = −20% / 1.5 h, the refrigerant inlet temperature target value by feedforward compensation the amount of change Δuf is as follows.
  次に、アンダーシュート抑制部7の動作について説明する。晶析温度目標値r1がランプ状の変化から一定値に移行した後に、制御量y(晶析温度Tc)にアンダーシュートが生じることは既に述べた。より高い制御性能を得るには、アンダーシュートを最小化することが必要になる。本実施の形態では、前述したPID設定則によるPIDパラメータを持つPID制御システムにおいて、晶析温度目標値r1の切替時点trの前後の一定時間において晶析温度目標値r1の変更速度を緩和することによって、制御量y(晶析温度Tc)のアンダーシュートを最小化する。Next, the operation of the
閉ループ系の操作量と状態変数の制約を考慮し、制御性能を最適化する修正目標値を定める方法が、すでに提案されている(文献「杉江俊治,山本浩之,“状態および入力の制約を考慮した閉ループ系の目標値生成”,計測自動制御学会論文集,Vol.37,No.9,849/855,2001」)。しかし、この文献で開示された技術は、(1)目的が制約条件を満たす範囲での制御性能向上である点と、(2)制御対象が位置決めサーボ系である点と、(3)望ましい目標値軌道をステップ状に限定している点と、(4)修正目標値の形状が小刻みに変化するステップ状信号である点と、(5)PID制御を用いていない点で本実施の形態と異なる。 A method has already been proposed to determine a modified target value that optimizes the control performance, taking into account the constraints on the manipulated variable and state variables of the closed-loop system (referring to the documents “Shunji Sugie, Hiroyuki Yamamoto,“ Considering state and input constraints. Target value generation of closed loop system ", Transactions of the Society of Instrument and Control Engineers, Vol. 37, No. 9, 849/855, 2001"). However, the technique disclosed in this document is that (1) the objective is to improve the control performance in a range that satisfies the constraint conditions, (2) the control target is a positioning servo system, and (3) the desired target. The present embodiment differs from the present embodiment in that the value trajectory is limited to a step shape, (4) a step-like signal in which the shape of the correction target value changes in small increments, and (5) no PID control is used. Different.
  時間パターン{t,r1}によって予め規定される晶析温度目標値r1は、例えば次のように与えられる。
  r1(t)=r10+vrt      (0≦t<tr)                   ・・・(55)
  r1(t)=r11             (tr≦t)                       ・・・(56)
ここで、r10はランプ状に変化する前の晶析温度目標値r1、r11はランプ状の変化から一定値に移行した後の晶析温度目標値r1である(r10>r11)。The crystallization temperature target value r1 defined in advance by the time pattern {t, r1 } is given as follows, for example.
 r1 (t) = r10 + vr t (0 ≦ t <tr ) (55)
 r1 (t) = r11 (tr ≦ t) (56)
 Here, r10 is the crystallization temperature target value r1, r11 before changing in a ramp form is crystallization temperature target value r1 after the transition from the ramp-like change in a constant value (r10> r11 ).
  このように予め定められた晶析温度目標値r1に対して、アンダーシュート抑制部7は、晶析温度目標値切替時点trの前後の一定時間において晶析温度目標値r1の変更速度を緩やかにして、変更速度を緩やかにした晶析温度目標値をr1’としてカスケード制御実行部5に出力する。晶析温度目標値r1の変更速度緩和開始時点をts、変更速度緩和終了時点をte(ts<tr<te)、tsとte間の一定時間において緩やかにする変更速度をvs(|vr|>|vs|)とすると、アンダーシュート抑制部7が出力する晶析温度目標値r1’は次式のようになる。
  r1’(t)=r10+vrt          (0≦t<ts)             ・・・(57)
  r1’(t)=rs+vs(t−ts)  (ts≦t<te)            ・・・(58)
  r1’(t)=r11                 (te≦t)                 ・・・(59)Thus with respect to crystallization temperature target value r1 to a predetermined
 r1 ′ (t) = r10 + vrt (0 ≦ t <ts ) (57)
 r1 ′ (t) = rs + vs (t−ts ) (ts ≦ t <te ) (58)
r 1 '(t) = r 11 (t e ≦ t) ··· (59)
  ここで、変更速度を緩やかにする晶析温度目標値r1の始点rsはrs=r10+vrtsとなる。アンダーシュート抑制部7が出力する晶析温度目標値r1’の1例を図8に示す。こうして、晶析温度目標値r1の変更速度を緩やかにすることにより、晶析温度目標値切替時点trにおける操作量u1の行き過ぎを抑えることができ、制御量y(晶析温度Tc)のアンダーシュートを最小化できる。Here, the starting point rs of crystallization temperature target value r1 to slow changes speed becomesr s = r 10 + v r t s. An example of the crystallization temperature target value r1 ′ output from the
  r10,r11,vr,trは既知の値であるから、ts,te,vsを設定すれば、アンダーシュート抑制部7の動作を定めることができる。この晶析温度目標値軌道のパラメータ{ts,te,vs}の定め方について説明する。PIパラメータの場合と同様に、制御シミュレーションに基づく最適化によりパラメータ{ts,vs}の値を求める。このパラメータ{ts,vs}の導出法は、制御偏差e(t)の2乗を最小化する最適化問題として、次のように定式化できる。Since r10 , r11 , vr andtr are known values, the operation of the
こうして、式(60)を用いることにより、晶析温度目標値軌道のパラメータ{ts,vs}を予め求めておくことができる。この制御シミュレーションでは、制御偏差e(t)=r1’(t)−y(t)、プロセス伝達関数モデル{P(s)|Kp,Tp1,Tp2}、PI−Dコントローラ{C(s)|Kc,Ti,Td}は前記のPID設定則による。式(60)で用いる制御量yについては、式(40)、式(43)〜式(45)、または式(42)〜式(45)により算出することができる。また、変更速度緩和終了時点teはr1(te)=r1’(te)=r11から次のように一意に定まる。Thus, by using the equation (60), the parameters {ts , vs } of the crystallization temperature target value trajectory can be obtained in advance. In this control simulation, control deviation e (t) = r1 ′ (t) −y (t), process transfer function model {P (s) | Kp , Tp1 , Tp2 }, PI-D controller {C (S) | Kc , Ti , Td } follows the PID setting rule. The control amount y used in Expression (60) can be calculated by Expression (40), Expression (43) to Expression (45), or Expression (42) to Expression (45). Further, the change rate relaxation end time te is uniquely determined from r1 (te ) = r1 ′ (te ) = r11 as follows.
  こうして、パラメータ{ts,te,vs}を設定することができ、アンダーシュート抑制部7の動作を予め定めておくことができる。
  運転条件が表1、プロセス伝達関数モデルとPID調整指標が表2、PID設定値が表3に示した条件とする。晶析温度目標値切替時点tr=90min、目標値変更速度vr=−20%/90min=−0.222%/minとする。このとき、制御量y(晶析温度Tc)のアンダーシュートを最小にする晶析温度目標値軌道のパラメータを求めると、表4のようになる。Thus, the parameters{t s, t e, v s} can be set, it can be predetermined operation of the
 The operating conditions are as shown in Table 1, the process transfer function model and the PID adjustment index as shown in Table 2, and the PID set values as shown in Table 3. The crystallization temperature target value switching time tr = 90 min and the target value changing speed vr = −20% / 90 min = −0.222% / min. At this time, parameters of the crystallization temperature target value trajectory that minimize the undershoot of the control amount y (crystallization temperature Tc ) are as shown in Table 4.
  この晶析温度目標値軌道に対するPID制御シミュレーション結果を図9に示す。ここではフィードフォワード補償は利かせていない。y0は変更速度を緩和していない晶析温度目標値r1に対する制御量yである。図9によると、アンダーシュート抑制部7を設けることにより、制御量y(晶析温度Tc)のアンダーシュートが−0.40℃から−0.061℃まで1/6に減少することが分かる。The PID control simulation result for this crystallization temperature target value trajectory is shown in FIG. The feedforward compensation is not used here. y0 is a control amount y for the crystallization temperature target value r1 in which the change rate is not relaxed. According to FIG. 9, it can be seen that by providing the
以上のように、本実施の形態によれば、バッチ運転実績データを晶析プロセスモデルの入力として、晶析プロセスモデルのモデルパラメータを調整し、伝達関数モデルと予め定められた制御パラメータ設定則(PI設定則またはPID設定則)とを用い、ランプ状に変化する晶析温度目標値に対する定常制御偏差と晶析温度目標値がランプ状の変化から一定値に移行した後の晶析温度Tcのアンダーシュート許容値とを調整指標として、晶析温度コントローラC1の制御パラメータを調整し、予め定められたフィードフォワード補償則により、晶析温度Tcが所望の晶析温度目標値と一致するように冷媒入口温度目標値の変更量の時間パターンを求め、冷媒入口温度目標値の変更量と晶析温度コントローラC1の出力である操作量u1との加算結果を冷媒入口温度目標値として冷媒入口温度コントローラC2に与えるようにした。また、本実施の形態では、晶析温度目標値r1がランプ状の変化から一定値に切り替わる切替時点の前後の一定時間において晶析温度目標値r1の変更速度が緩やかになるようにした。以上により、本実施の形態では、バッチ冷却晶析プロセスに特有のランプ状目標値変更に対して高い追値制御性能を実現することができるので、従来よりも実用性と一般性に優れたB2B制御方式の制御方法を実現することができる。As described above, according to the present embodiment, batch operation result data is used as an input to a crystallization process model, model parameters of the crystallization process model are adjusted, and a transfer function model and a predetermined control parameter setting rule ( Using the PI setting rule or PID setting rule), the crystallization temperature Tc after the steady control deviation with respect to the ramp-like crystallization temperature target value and the crystallization temperature target value shift from the ramp-like change to a constant value. The control parameter of the crystallization temperature controller C1 is adjusted using the permissible undershoot allowable value as an adjustment index, and the crystallization temperature Tc matches the desired crystallization temperature target value by a predetermined feedforward compensation law. Thus, the time pattern of the change amount of the refrigerant inlet temperature target value is obtained, and the addition result of the change amount of the refrigerant inlet temperature target value and the operation amount u1 which is the output of the crystallization temperature controller C1 The result was given to the refrigerant inlet temperature controller C2 as the refrigerant inlet temperature target value. Further, in the present embodiment, the crystallization temperature target value r1 is as crystallization temperature change rate of the target value r1 at a predetermined time before and after the switching time to switch to a fixed value from the change in the ramp-like becomes gentle . As described above, according to the present embodiment, it is possible to realize a high value-added control performance with respect to the ramp-like target value change unique to the batch cooling crystallization process, so that B2B superior in practicality and generality compared to the past. A control method of the control method can be realized.
本実施の形態の有効性を制御シミュレーションで数値検証する。バッチ冷却晶析プロセスを式(5)、式(6)に示した状態方程式モデルで表現し、表1に示した運転条件とする。晶析温度Tcの目標値軌道は70℃→50℃→30℃と2段階に変更するものとし、いずれも変更速度vr=−20℃/1.5hとする。PIDパラメータは、表3のPI設定則の値を用い、フィードフォワード補償も式(54)で示した数値例の結果を適用する。The effectiveness of the present embodiment is numerically verified by a control simulation. The batch cooling crystallization process is expressed by the state equation model shown in Equation (5) and Equation (6), and the operating conditions shown in Table 1 are used. The target value orbit of the crystallization temperature Tc is changed in two stages of 70 ° C. → 50 ° C. → 30 ° C., and the change rate is vr = −20 ° C./1.5 h. As the PID parameter, the value of the PI setting rule shown in Table 3 is used, and the result of the numerical example shown in the equation (54) is applied to the feedforward compensation.
  外乱として、結晶化熱量Qc[kcal/h]と総括伝熱係数U[kcal/(m2hK)]の変化を図10(A)、図10(B)のように与える。この外乱を補償するためには、冷媒入口温度Twiを−15℃程度調節する必要がある。
  PIDカスケード制御とフィードフォワード補償による制御シミュレーション結果を図11に示す。この図11によれば、制御システム設計の要求性能(目標値±0.50℃以内)を満たす高い制御性能を実現できていることが分かる。As disturbance, changes in the crystallization heat quantity Qc [kcal / h] and the overall heat transfer coefficient U [kcal / (m2 hK)] are given as shown in FIG. 10 (A) and FIG. 10 (B). In order to compensate for this disturbance, it is necessary to adjust the refrigerant inlet temperatureTwi by about −15 ° C.
 FIG. 11 shows a control simulation result by PID cascade control and feedforward compensation. According to FIG. 11, it can be seen that high control performance that satisfies the required performance of the control system design (target value within ± 0.50 ° C.) can be realized.
  本実施の形態で説明した制御装置113は、CPU、記憶装置及びインタフェースを備えたコンピュータと、これらのハードウェア資源を制御するプログラムによって実現することができる。CPUは、記憶装置に格納されたプログラムに従って本実施の形態で説明した処理を実行する。  The
本発明は、バッチ冷却晶析プロセス制御に適用することができる。 The present invention can be applied to batch cooling crystallization process control.
  1…モデル記憶部、2…モデル調整部、3…フィードフォワード制御実行部、4…制御パラメータ調整部、5…カスケード制御実行部、6…冷媒入口温度時間パターン設定部、7…アンダーシュート抑制部、60…目標値変更量演算部、61…時系列テーブル記憶部、100…攪拌晶析器、101…ジャケット、102…温度センサ、103…攪拌機、104,105,112…バルブ、106…入口側配管、107…出口側配管、108,109…温度センサ、110…流量センサ、111…チラー。  DESCRIPTION OF
| Application Number | Priority Date | Filing Date | Title | 
|---|---|---|---|
| JP2013223006AJP6088399B2 (en) | 2013-10-28 | 2013-10-28 | Control method and control apparatus | 
| Application Number | Priority Date | Filing Date | Title | 
|---|---|---|---|
| JP2013223006AJP6088399B2 (en) | 2013-10-28 | 2013-10-28 | Control method and control apparatus | 
| Publication Number | Publication Date | 
|---|---|
| JP2015087781A JP2015087781A (en) | 2015-05-07 | 
| JP6088399B2true JP6088399B2 (en) | 2017-03-01 | 
| Application Number | Title | Priority Date | Filing Date | 
|---|---|---|---|
| JP2013223006AActiveJP6088399B2 (en) | 2013-10-28 | 2013-10-28 | Control method and control apparatus | 
| Country | Link | 
|---|---|
| JP (1) | JP6088399B2 (en) | 
| Publication number | Priority date | Publication date | Assignee | Title | 
|---|---|---|---|---|
| CN105487924B (en)* | 2015-11-30 | 2018-12-14 | 中国建设银行股份有限公司 | A kind of batch processing control method and device | 
| JP6796011B2 (en)* | 2017-03-15 | 2020-12-02 | アズビル株式会社 | Control method and control device | 
| US10509629B2 (en) | 2017-03-22 | 2019-12-17 | Kabushiki Kaisha Toshiba | Control device | 
| CN107526293B (en)* | 2017-09-28 | 2020-08-28 | 东北大学 | Compensation signal-based electrode current switching PID control method for electro-fused magnesia furnace | 
| JP6869306B2 (en)* | 2019-09-30 | 2021-05-12 | 月島機械株式会社 | Heat medium supply method and heat medium utilization equipment for heat medium utilization equipment | 
| CN113531882A (en)* | 2021-06-30 | 2021-10-22 | 青岛经济技术开发区海尔热水器有限公司 | Water heater constant temperature control method, device and water heater based on variable water temperature | 
| Publication number | Priority date | Publication date | Assignee | Title | 
|---|---|---|---|---|
| JPH07104807A (en)* | 1993-10-04 | 1995-04-21 | Fuji Electric Co Ltd | PV switching type 2-DOF PID controller | 
| JP2013069094A (en)* | 2011-09-22 | 2013-04-18 | Azbil Corp | Control method and controller | 
| Publication number | Publication date | 
|---|---|
| JP2015087781A (en) | 2015-05-07 | 
| Publication | Publication Date | Title | 
|---|---|---|
| JP6088399B2 (en) | Control method and control apparatus | |
| Ren et al. | Model-free adaptive iterative learning control method for the Czochralski silicon monocrystalline batch process | |
| US6688532B2 (en) | Controller, temperature controller and heat processor using same | |
| CN107885259B (en) | Chlorination reaction temperature control method, system and equipment | |
| CN110302728B (en) | A calibration power interventional temperature control method applied to a calorimetric reactor | |
| JP2013069094A (en) | Control method and controller | |
| CN108508870B (en) | Method for evaluating performance and optimizing parameters of boiler drum water level control system | |
| JP6017265B2 (en) | Control method and control apparatus | |
| JP6796011B2 (en) | Control method and control device | |
| Oravec et al. | Robust model-based predictive control of exothermic chemical reactor | |
| JP4177171B2 (en) | Process control apparatus and process control method | |
| JP4710345B2 (en) | Reactor temperature control method and reactor temperature control apparatus | |
| CN115480478A (en) | A DMC-PID-based process control method with constant speed and variable temperature | |
| Macias et al. | Fractional order calculus for modeling and fractional PID control of the heating process | |
| JP5083611B2 (en) | Auto tuning method, temperature controller and heat treatment apparatus | |
| CN115373273B (en) | A backstepping control method based on disturbance observer | |
| JP5488182B2 (en) | Switching line design apparatus and design method in sliding mode control | |
| Novosad et al. | Pole placement controller with compensator adapted to semi-batch reactor process | |
| Xiao et al. | Batch reactor temperature control based on DMC-optimization PID | |
| JPWO2006061892A1 (en) | Temperature control method and temperature control device | |
| TWI823295B (en) | Temperature control device and temperature control method | |
| Mao et al. | Temperature Control Method for Batch Reactors Based on Adaptive Delay Compensation | |
| Casado et al. | Control Station for Chemical Engineering: LOOP PRO | |
| Song et al. | Cascade temperature control for bench-scale batch reactor-an application of predictive functional control technique | |
| Said et al. | Tuning pid controller for two-continuous stirred tank reactors in series with time delay | 
| Date | Code | Title | Description | 
|---|---|---|---|
| A621 | Written request for application examination | Free format text:JAPANESE INTERMEDIATE CODE: A621 Effective date:20160324 | |
| A977 | Report on retrieval | Free format text:JAPANESE INTERMEDIATE CODE: A971007 Effective date:20170118 | |
| TRDD | Decision of grant or rejection written | ||
| A01 | Written decision to grant a patent or to grant a registration (utility model) | Free format text:JAPANESE INTERMEDIATE CODE: A01 Effective date:20170131 | |
| A61 | First payment of annual fees (during grant procedure) | Free format text:JAPANESE INTERMEDIATE CODE: A61 Effective date:20170203 | |
| R150 | Certificate of patent or registration of utility model | Ref document number:6088399 Country of ref document:JP Free format text:JAPANESE INTERMEDIATE CODE: R150 | |
| R250 | Receipt of annual fees | Free format text:JAPANESE INTERMEDIATE CODE: R250 |