






















本発明は、交流入力と絶縁された直流出力を得るとともに、交流入力の力率を改善するスイッチング電源に関する。 The present invention relates to a switching power supply that obtains a DC output insulated from an AC input and improves the power factor of the AC input.
商用交流電源(交流電力)から整流・平滑を行って直流出力を得るためには、ダイオードブリッジと平滑コンデンサとを用いる構成が最も単純である。しかし、この構成では、電源電圧のピーク付近にしか入力電流が通流しない、いわゆるコンデンサインプット形の整流回路となり、力率の低下や入力高調波の増大をもたらす。入力高調波の問題は国際規格で規制されており、入力電力に応じた対策が必要となっている。この動きに対し、力率改善(PFC:Power Factor Correction)コンバータ、あるいは高力率コンバータと称する各種回路方式のコンバータが提案されている。 In order to obtain a DC output by performing rectification and smoothing from a commercial AC power supply (AC power), a configuration using a diode bridge and a smoothing capacitor is the simplest. However, this configuration results in a so-called capacitor input type rectifier circuit in which the input current flows only near the peak of the power supply voltage, resulting in a decrease in power factor and an increase in input harmonics. The problem of input harmonics is regulated by international standards, and measures corresponding to the input power are required. In response to this movement, various circuit type converters called power factor correction (PFC) converters or high power factor converters have been proposed.
このうち最も一般的な回路方式は昇圧形PFCコンバータと称する回路方式である。これは、交流を整流するダイオードブリッジの正極側と負極側との間にコイルとスイッチとの直列対を接続し、コイルとスイッチとの接続点に昇圧ダイオードのアノード側を接続し、昇圧ダイオードのカソード側を出力平滑コンデンサの高電圧側に接続し、出力平滑コンデンサの低電圧側とダイオードブリッジの負極側とを接続した構成の回路である。しかし、この回路方式のPFCコンバータは絶縁機能を持たず、また昇圧形であることから、直流24Vや12Vといった電圧を得るためには、PFCコンバータの後段に絶縁トランスを有する絶縁形DC−DC(Direct current to Direct current)コンバータを接続し、所望の直流電圧に変換する必要がある。従来のこのようなコンバータの2段構成では、直流電圧を得るまでに2つの変換回路を通過することから、総合変換効率が低く、省エネルギーの観点で課題があった。 Of these, the most common circuit system is a circuit system called a step-up PFC converter. This is because a series pair of a coil and a switch is connected between the positive side and the negative side of a diode bridge that rectifies alternating current, and the anode side of the boost diode is connected to the connection point between the coil and the switch. In this circuit, the cathode side is connected to the high voltage side of the output smoothing capacitor, and the low voltage side of the output smoothing capacitor is connected to the negative side of the diode bridge. However, since the PFC converter of this circuit system does not have an insulation function and is a step-up type, in order to obtain a voltage such as DC 24V or 12V, an insulation type DC-DC (with an insulation transformer in the subsequent stage of the PFC converter) Direct current to direct current) converter must be connected and converted to the desired DC voltage. In the conventional two-stage configuration of such a converter, since the two conversion circuits are passed before the DC voltage is obtained, the total conversion efficiency is low, and there is a problem in terms of energy saving.
  これに対して、特許文献1には、1段構成のコンバータに力率改善機能と絶縁機能と出力安定化機能とを併せ持たせたほか、瞬停補償機能をも備えたスイッチング電源が開示されている。このスイッチング電源は、整流ダイオードブリッジの直流出力側と絶縁トランスの1次側との間に瞬停補償用の電荷蓄積手段を備えており、アクティブクランプ方式のフライバックコンバータをベースとするものである。これは、スイッチング素子を高速に制御して絶縁トランスを不連続モードで動作させることで力率改善を実現するものであり、力率改善機能を持つ絶縁形コンバータの回路方式として幾つかの種類が提案されている。  On the other hand,
  また、特許文献1では、瞬停補償用の電荷蓄積手段を昇圧することでコンデンサの容量を抑制する動作が提案されているが、その際のスイッチング素子の駆動周波数の詳細については明らかにされていない。すなわち、電荷蓄積手段を昇圧充電すると、瞬停補償時に電荷蓄積手段から絶縁トランスに流れる電流が過大となる可能性があるが、その対策は示されていない。  Further,
前記の1段構成の力率改善コンバータにおいては、力率改善制御の影響で入力電力が入力電圧波形に相関した波形となり、そのまま出力となる絶縁トランスの2次側に送出される。一方、負荷が要する電力は入力波形とは無関係であるから、例えば負荷側で最大出力が続くと、入出力電力の差分が出力電圧に反映されることとなり、出力電圧リップルの発生が避けられない。これを軽減するには出力コンデンサの容量を大きくすればよいが、機能やコストを勘案すると、大容量化には限界がある。さらに入力電力特性を観察すると、短時間ではあるが、入力交流電圧が0Vとなるいわゆるゼロクロスの前後に、入力電力がほぼ0となる期間があり、出力電圧が低下する要因となっている。このような入力電力特性の不均一性及び出力特性との独立性により、前記の1段構成の力率改善コンバータでは、原理的に出力電圧リップルを完全に抑制することは困難なため、出力コンデンサ容量の大容量化などで許容リップル内に収まるように対応するしかなかった。 In the one-stage power factor correction converter, the input power becomes a waveform correlated with the input voltage waveform due to the influence of the power factor correction control, and is sent as it is to the secondary side of the isolation transformer that is the output. On the other hand, the power required by the load is not related to the input waveform. For example, if the maximum output continues on the load side, the difference between the input and output power will be reflected in the output voltage, and output voltage ripple is inevitable. . To reduce this, the capacity of the output capacitor may be increased, but there is a limit to increasing the capacity in consideration of the function and cost. Further, when observing the input power characteristics, although it is a short time, there is a period in which the input power is almost zero before and after the so-called zero cross where the input AC voltage becomes 0 V, which causes the output voltage to decrease. Due to the nonuniformity of the input power characteristics and the independence from the output characteristics, it is difficult in principle to completely suppress the output voltage ripple in the above-described power factor improving converter having a single-stage configuration. There was no choice but to cope with it within the allowable ripple by increasing the capacity.
  また、特許文献1に記載の1段構成の力率改善コンバータでは、瞬停補償用に1次側に備えるコンデンサの容量低減の方策として、瞬停補償容量を昇圧する回路構成が提案されている。提案されているアクティブクランプ方式の動作では、絶縁トランスの入力電流を制御するスイッチング素子Q1の駆動周波数は一定で、オン期間の時間比率を変動させて入力電力を制御している。すなわち、入力電圧Vinと絶縁トランスの1次側のインダクタンスL1及びオン時間tとによって、スイッチング素子Q1の電流IQ1は、
    IQ1=Vin/L1・t
で表されることになる。従って、瞬停補償用のコンデンサの印加電圧を大幅に昇圧すると、瞬停補償動作時の入力電流が過大となって素子を破壊したり、あるいは絶縁トランスの磁気飽和を起こしたりするなど、故障や誤動作の原因となる可能性が大きい。その回避策としては、瞬停時の補償動作のために、より高耐圧な部品を採用するか、絶縁トランスのコア容量を大きくすることが考えられるが、いずれもコスト増要因となる。制御的な対応として、電流レベルを抑制するためにオン時間比率を下げてオン時間tを短くすることも対策となり得るが、オン時間を縮小した残りの期間をデッドタイムとすると、浮遊電位となる接点の電位が振動して、低損失なスイッチング条件が失われるため、効率が低下するという問題が発生する。In addition, in the power factor improvement converter having a single-stage configuration described in
 IQ1 = Vin / L1 · t
 It will be represented by Therefore, if the applied voltage of the capacitor for momentary power loss compensation is significantly increased, the input current during momentary power loss compensation operation will be excessive, causing damage to the element or causing magnetic saturation of the insulation transformer. There is a high possibility of causing a malfunction. As a workaround, it is conceivable to use a part with a higher withstand voltage or to increase the core capacity of the insulation transformer for the compensation operation at the momentary power failure. As a control measure, it is possible to reduce the on-time ratio by reducing the on-time ratio in order to suppress the current level. However, if the remaining period after reducing the on-time is set as the dead time, the floating potential is obtained. Since the potential of the contact vibrates and the low-loss switching condition is lost, there arises a problem that the efficiency is lowered.
前記のような瞬停補償用のコンデンサのエネルギーを利用する場合に生じる問題は、アクティブクランプ方式のフライバックコンバータに留まらず、電流共振方式を用いたスイッチング電源の1次側に瞬停補償用のコンデンサを備える場合についても共通の課題である。 The problem that arises when using the energy of the capacitor for instantaneous power failure compensation as described above is not limited to the flyback converter of the active clamp method, but the power source for the instantaneous power failure compensation is applied to the primary side of the switching power supply using the current resonance method. This is a common problem when a capacitor is provided.
本発明は、前記の課題を解決するためになされたものであり、出力安定化機能と瞬停補償機能とを併せ持つ高効率で小型のスイッチング電源を提供することを目的とする。 The present invention has been made to solve the above-described problems, and an object of the present invention is to provide a high-efficiency and small-sized switching power supply having both an output stabilization function and an instantaneous power failure compensation function.
前記の目的を達成するために、本発明に係るスイッチング電源は、入力される交流電力を整流する整流手段と、少なくとも1次巻線と2次巻線と3次巻線とを有する絶縁トランスと、前記2次巻線に接続され、前記交流電力と絶縁された直流電力を平滑して出力する平滑手段と、前記整流手段の直流側端子と前記1次巻線との間に接続された第1のスイッチング素子と、前記第1のスイッチング素子を制御して、前記入力される交流電力の力率を改善する力率改善制御手段と、前記整流手段の直流側端子に接続された、電荷蓄積手段及び前記電荷蓄積手段の放電を阻止するように前記電荷蓄積手段に直列接続された第3のスイッチング素子と、前記3次巻線からの電力によって前記電荷蓄積手段を、前記交流電力の最大電圧よりも大きい充電完了時電圧まで昇圧充電する充電回路と、前記交流電力の停電を検出する停電検出手段と、前記停電検出手段が前記交流電力の停電を検出した場合は、前記第3のスイッチング素子を制御して、予め前記電荷蓄積手段に蓄積した電荷を、前記絶縁トランスを介して前記絶縁された直流出力側に放電させ、このとき前記第1のスイッチング素子の駆動周波数を、前記交流電力の停電が検出されていない通常時の駆動周波数の略(前記電荷蓄積手段の充電完了時電圧/前記交流電力の最大電圧)倍以上に上げる充放電制御手段と、を備えるものとした。In order to achieve the above object, a switching power supply according to the present invention includes a rectifier for rectifying input AC power, an insulating transformer having at least a primary winding, a secondary winding, and a tertiary winding. A smoothing means connected to the secondary winding for smoothing and outputting the DC power insulated from the AC power, and connected between the DC side terminal of the rectifying means and the primary winding. A charge storage connected to a DC side terminal of the rectifying means, and a power factor improvement control means for controlling the first switching element to improve the power factor of the input AC power. And a third switching element connected in series to the charge storage means so as to prevent discharge of the charge storage means, and the charge storage means by the power from the tertiary winding, the maximum voltage of the AC power Larger charge than A charging circuit for boosting chargeto Ryoji voltage, and power failure detection means for detecting a power failure of the AC power, when the power failure detection means detects a power failure of the AC power by controlling the third switching element The electric charge accumulated in the charge accumulating means is discharged to the insulated DC output side through the insulating transformer, and at this time, the drive frequency of the first switching element is detected as the AC power outage is detected. Charging / discharging control means for raising the driving frequency to a value approximately equal to or higher than a normal driving frequency (voltage at completion of charging of the charge storage means / maximum voltage of the AC power).
本発明によれば、出力安定化機能と瞬停補償機能とを併せ持つ高効率で小型のスイッチング電源を提供することができる。 According to the present invention, it is possible to provide a highly efficient and small switching power supply having both an output stabilization function and an instantaneous power failure compensation function.
以下、本発明を実施するための形態(以下、本実施形態という。)につき適宜図面を参照して説明するが、本発明の実施の態様は本実施形態に限定されるものではなく、本発明の趣旨を逸脱しない範囲において各種の変形が可能である。 Hereinafter, modes for carrying out the present invention (hereinafter referred to as the present embodiment) will be described with reference to the drawings as appropriate. However, the embodiment of the present invention is not limited to the present embodiment, and the present invention is not limited thereto. Various modifications can be made without departing from the spirit of the present invention.
以下の実施形態では、本発明に係るスイッチング電源を厚さ10mm以下にすることで、このスイッチング電源を内蔵する液晶テレビやプラズマテレビのセット厚みの薄型化に貢献する例について述べる。 In the following embodiment, an example will be described in which the switching power supply according to the present invention has a thickness of 10 mm or less, thereby contributing to thinning of the set thickness of a liquid crystal television or a plasma television incorporating the switching power supply.
[第1実施形態]
  本発明の第1実施形態につき、図1〜図6、及び図15を用いて説明する。[First Embodiment]
 1st Embodiment of this invention is described using FIGS. 1-6 and FIG.
≪回路図≫
  図2は、本発明に係る第1実施形態のスイッチング電源の構成を示す回路図である。図2において、交流電源1から供給される交流電力は、ダイオードブリッジ2によって全波整流され、ダイオードブリッジ2の出力電圧は、図1に示す全波整流電圧Vacとなる。また、ダイオードブリッジ2の直流側の正負端子間には、入力コンデンサ16(Cin)が接続される。入力コンデンサ16は入力フィルタ用であり、容量は数μFである。ダイオードブリッジ2と入力コンデンサ16との間の入力電流Isnsが、電流計測器14によって計測される。≪Circuit diagram≫
 FIG. 2 is a circuit diagram showing a configuration of the switching power supply according to the first embodiment of the present invention. In FIG. 2, the AC power supplied from the
  また、ダイオードブリッジ2と入力コンデンサ16に対して並列に、パワーMOSFET(Metal-Oxide-Semiconductor Field-Effect Transistor)5c(Q3)と瞬停補償コンデンサ4(Ctk)との直列対が接続される。パワーMOSFET5cは、NチャンネルのパワーMOSFETであり、ソースが入力コンデンサ16の正極側に、ドレインが瞬停補償コンデンサ4に接続され、瞬停補償コンデンサ4の放電を阻止する向きとなっている。瞬停補償コンデンサ4は瞬停補償用のコンデンサであり、その容量は瞬停補償時間により変わるが、100μF〜1000μF程度を想定している。  A series pair of a power MOSFET (Metal-Oxide-Semiconductor Field-Effect Transistor) 5c (Q3) and an instantaneous power failure compensation capacitor 4 (Ctk) is connected in parallel to the
  また、絶縁トランス9(Tr)の1次巻線N1とパワーMOSFET5a(Q1)との直列対が、入力コンデンサ16と並列に接続される。このとき、1次巻線N1の巻き始め(図2の黒丸印側)は入力コンデンサ16の正極側と接続される。さらに、コンデンサ8(Cc)とパワーMOSFET5b(Q2)との直列対が、絶縁トランス9の1次巻線N1の両端に接続される。このとき、パワーMOSFET5aのドレインとパワーMOSFET5bのソースとが接続される。  A series pair of the primary winding N1 of the insulating transformer 9 (Tr) and the
  絶縁トランス9の2次巻線N2の巻き終わり側にはダイオード10a(D1)のアノードが接続され、ダイオード10aのカソードと2次巻線N2の巻き始めの間に出力平滑コンデンサ11(Co)が接続される。出力平滑コンデンサ11には負荷12が並列接続される。  The anode of the
  さらに、絶縁トランス9の3次巻線N3に瞬停補償コンデンサ4を充電するための充電回路15が接続され、瞬停補償コンデンサ4の負極側と充電回路15の出力端のうち電流の吸い込み口にあたる端子との間に、パワーMOSFET5d(Q4)が接続される。このときパワーMOSFET5dのドレインは瞬停補償コンデンサ4の負極側に、ソースは充電回路15側に接続される。パワーMOSFET5dは、NチャンネルのパワーMOSFETであり、充電回路15による瞬停補償コンデンサ4への充電電流を制御する。  Furthermore, a charging
  充電回路15においては、3次巻線N3の巻き終わり側にはダイオード10cのアノードが接続され、カソードと3次巻線N3の巻始め側との間に平滑コンデンサ48が接続され、さらにダイオード10cのカソードと瞬停補償コンデンサ4の正極側との間にコイル49が接続され、3次巻線N3の巻始め側はパワーMOSFET5dのソースと接続される。これにより、1次巻線N1と3次巻線N3との巻線比によって決まる電圧まで、充電回路15中の平滑コンデンサ48に蓄積される電荷が、パワーMOSFET5dの制御によって瞬停補償コンデンサ4に充電される。  In the charging
  ここでは、絶縁トランス9の2次側の負荷12への供給電圧は24Vであるものとし、負荷12としては液晶テレビのバックライト、論理回路、チューナなどを想定しているので、実際にはそれぞれインバータやDC・DCコンバータを介して負荷に接続される。このため、出力電圧Voutの精度は負荷が直接接続される構成よりも緩く設定することが可能であり、本実施形態における精度は±10%程度である。  Here, the supply voltage to the
  パワーMOSFET5a〜5d(Q1〜Q4)の各ゲートは、コントローラ51からの制御信号をそれぞれドライバ29a〜29dに入力して得られる出力によって駆動される。このうち、特にパワーMOSFET5a,5bを駆動する2つのゲート制御信号は、駆動周波数fのPWM(Pulse Width Modulation)信号で構成され、本実施形態においては入力電圧と負荷12の状態とにより、駆動周波数fが制御される。  The gates of the
なお、本実施形態では、スイッチング素子としてパワーMOSFETを用いたが、電流容量や電圧の条件によってはIGBT(Insulated Gate Bipolar Transistor)を用いてもよい。また、ダイオードを含め、SiC(Silicon Carbide)を素材としたパワーデバイスを用いることも好適である。 In this embodiment, a power MOSFET is used as a switching element. However, an IGBT (Insulated Gate Bipolar Transistor) may be used depending on current capacity and voltage conditions. It is also preferable to use a power device made of SiC (Silicon Carbide) including a diode.
≪制御回路ブロック≫
  図3は、第1実施形態のスイッチング電源の制御回路の概略構成を示すブロック図である。図3に示すように、本実施形態の検出系では、少なくとも入力電圧Vin(もしくは全波整流電圧Vac)(図1、図2参照)と、整流後の入力電流Isns(図1、図2参照)と、出力電圧Vout(図1、図2参照)と、瞬停補償コンデンサ4の電圧(瞬停補償容量電圧Vtk)(図1、図2参照)との4つの値を取得して用いている。≪Control circuit block≫
 FIG. 3 is a block diagram illustrating a schematic configuration of a control circuit of the switching power supply according to the first embodiment. As shown in FIG. 3, in the detection system of this embodiment, at least the input voltage Vin (or full-wave rectified voltage Vac) (see FIGS. 1 and 2) and the input current Isns after rectification (see FIGS. 1 and 2). ), The output voltage Vout (see FIGS. 1 and 2), and the voltage of the instantaneous power failure compensation capacitor 4 (momentary power loss compensation capacitance voltage Vtk) (see FIGS. 1 and 2). Yes.
このうち、電圧系の値は応答に時間的なマージンがあるため、制御サイクルの数回に1度のように間引いて取得するものとしてもよいが、電流については可能な限り短いサイクルで取得することが重要で、少なくとも2回に1回は取得することが望ましい。 Among them, the voltage system value has a time margin in the response, so it may be obtained by thinning out once every several control cycles, but the current is obtained in the shortest possible cycle. It is important to obtain at least once every two times.
  前記の各取得値は、コントローラ51(図2、図4参照)内部で演算し、第1〜第4の4つのスイッチング素子Q1〜Q4をそれぞれ制御するパルス幅制御信号(PWM信号)を出力する。これらの出力信号は、直接またはドライバICなどを用いて間接的に、パワーMOSFET5a〜5d(Q1〜Q4)のゲート端子に印加され、図2の回路のスイッチング動作が行われる。  Each acquired value is calculated inside the controller 51 (see FIGS. 2 and 4), and a pulse width control signal (PWM signal) for controlling the first to fourth switching elements Q1 to Q4 is output. . These output signals are applied to the gate terminals of the
≪制御フロー≫
  スイッチング電源の制御方法にはデジタル制御とアナログ制御とがあるが、以下ではアナログ回路で構成した場合を例に、その基本的な制御フローを図3を参照して説明する。図3において、入力電圧Vinは商用交流である交流電源1の電圧であり、これが停電検出器21に入力される。停電検出器21の出力はスイッチ19a及び乗算器22dに接続される。≪Control flow≫
 The control method of the switching power supply includes digital control and analog control. Hereinafter, the basic control flow will be described with reference to FIG. In FIG. 3, an input voltage Vin is a voltage of the
  出力電圧Voutは、アンプ20a及びアンプ20bの反転入力に接続される。アンプ20a及びアンプ20bの非反転入力には、出力電圧指令値が入力される。アンプ20aの出力は乗算器22aに接続される。乗算器22aには全波整流電圧Vacも入力される。そして乗算器22aの出力はアンプ20cの非反転入力に接続される。アンプ20cの反転入力には整流後の入力電流Isnsを電圧に変換した信号が入力される。アンプ20cの出力は、スイッチ19aの一方の入力端子に接続される。  The output voltage Vout is connected to the inverting inputs of the
  また、アンプ20bの出力は、スイッチ19aのもう一方の入力端子に接続される。スイッチ19aは、このようにアンプ20bとアンプ20cとの出力を、停電検出器21の出力に応じて切り替えるもので、定常時(通電時)と停電時の動作を切り替える働きを有する。  The output of the
  また、スイッチ19aの出力端子は、PWMコンパレータ27aの正入力に接続される。このPWMコンパレータ27aの負入力には、三角波発生器25が接続される。なお、図3では三角波発生器25を「三角波」と表記し、PWMコンパレータ27aを「PWM CMP」と表記している。  The output terminal of the
  三角波発生器25には乗算器22dの出力が接続されており、停電あるいは全波整流電圧Vacが参照電圧以下となってコンパレータ27cの出力がある場合に、三角波の傾きを変化させて、ドライバ29aと29bとを介してスイッチング素子Q1とQ2との駆動周波数fを制御する。  The output of the
  PWMコンパレータ27aの出力は、ドライバ29aを介してスイッチング素子Q1、すなわちパワーMOSFET5aのゲートに接続される。また、PWMコンパレータ27aの出力は、NOT回路28及びドライバ29bを介してスイッチング素子Q2、すなわちパワーMOSFET5bのゲートに接続される。さらに、PWMコンパレータ27aの出力は、停電検出器21の出力とともに乗算器22bに接続され、乗算器22bの出力がドライバ29cに入力される。そしてドライバ29cの出力は、スイッチング素子Q3、すなわちパワーMOSFET5cのゲートに接続される。これにより、スイッチング素子Q1とスイッチング素子Q2とは、互いに排他的にスイッチング動作を行う。また、停電時あるいはゼロクロス付近においては、スイッチング素子Q3はスイッチング素子Q1に同期してスイッチング動作を行う。  The output of the
  瞬停補償コンデンサ4の電圧である瞬停補償容量電圧Vtkは、コンパレータ27bの正入力に接続され、同じく負入力に接続される参照電圧の上限値(瞬停補償容量電圧上限値Vtk_lim)と比較される。そして、上限値以下であれば、その出力を乗算器22cに入力することで、ドライバ29dがスイッチング素子Q4、すなわちパワーMOSFET5dのゲートに、スイッチング素子Q2と同位相のパルス信号を出力する。  The instantaneous blackout compensation capacitor voltage Vtk, which is the voltage of the instantaneous
なお、デジタル制御であれば、停電検出信号は入力電圧Vin(もしくは全波整流電圧Vac)の値を判定して生成することが可能であり、その方がより回路を簡略化できる。 In the case of digital control, the power failure detection signal can be generated by determining the value of the input voltage Vin (or full-wave rectified voltage Vac), which can further simplify the circuit.
≪演算器≫
  図4は、第1実施形態のスイッチング電源の演算器の入出力信号を示すブロック図である。図4に示すように、演算器、つまりコントローラ51には、入力電圧Vin(もしくは全波整流電圧Vac)、整流後の入力電流Isns、出力電圧Vout、及び瞬停補償容量電圧Vtkの各信号が入力され、それらの情報を基にコントローラ51が状況、状態を判断して各スイッチング素子Q1〜Q4のスイッチング動作を制御するパルス幅制御波形を決定して出力する。<< Calculator >>
 FIG. 4 is a block diagram illustrating input / output signals of the arithmetic unit of the switching power supply according to the first embodiment. As shown in FIG. 4, each signal of the input voltage Vin (or full-wave rectified voltage Vac), the rectified input current Isns, the output voltage Vout, and the instantaneous power failure compensation capacitance voltage Vtk is supplied to the arithmetic unit, that is, the
  図4で示した演算器、つまりコントローラ51は、図3で示した制御回路の一部である。コントローラ51を構成するコントローラICには、FPGA(Field-Programmable Gate Array)やASIC(Application Specific Integrated Circuit)、DSP(Digital Signal Processor)などを用いてもよいし、安価なマイコンを用いることも可能である。  The computing unit shown in FIG. 4, that is, the
  実際の製品(部品)としてのコントローラICは様々なものがあり、内蔵される機能は様々である。コントローラIC(コントローラ51)として、どのようなICの部品を用いるかにより、図3の制御回路におけるコントローラ51の担当する機能は異なり、それとともに図4における制御回路ブロックの構成は異なるものとなる。  There are various controller ICs as actual products (parts), and various functions are built in. Depending on what IC component is used as the controller IC (controller 51), the function of the
例えば、図4における出力電圧Voutや入力電圧Vinなどの入力信号は、何らかの検出回路で検出するが、入力部にADC(Analog to Digital Converter:アナログ・デジタル変換器)を内蔵するコントローラICであれば検出したアナログ信号を直接入力し、ADCを内蔵していないコントローラICであれば外部に別途備えたADCによってデジタル信号に変換した結果の信号を入力する構成となる。 For example, an input signal such as the output voltage Vout and the input voltage Vin in FIG. 4 is detected by some detection circuit, but a controller IC that incorporates an ADC (Analog to Digital Converter) in the input unit. If the detected analog signal is directly input, and the controller IC does not include an ADC, a signal obtained as a result of conversion into a digital signal by an external ADC is input.
  また、後記するように、本発明では、入力電圧が高く十分な入力電流が得られる位相と、入力電圧が低く入力電流が殆ど得られない位相(いわゆるゼロクロス付近)とで動作条件を切り替えるので、デジタル制御とするのが好適である。デジタル制御では、コントローラ51に内蔵される演算処理部が制御プログラムを実行することによって、各検出値に応じて図3で説明したような各ゲートの制御信号を出力する。  Further, as will be described later, in the present invention, the operating conditions are switched between a phase where the input voltage is high and a sufficient input current is obtained, and a phase where the input voltage is low and the input current is hardly obtained (so-called zero cross vicinity). Digital control is preferable. In digital control, an arithmetic processing unit built in the
≪スイッチング電源の動作≫
  以上、本実施形態のスイッチング電源の回路構成について説明したところで、次に、商用交流の入力電圧と入力電流(電力)との関係と、スイッチング電源の具体的な駆動法について、図1及び比較のための図15を用いて説明する。<< Operation of switching power supply >>
 As described above, the circuit configuration of the switching power supply according to the present embodiment has been described. Next, the relationship between the commercial AC input voltage and the input current (power) and the specific driving method of the switching power supply are described in FIG. For this purpose, description will be made with reference to FIG.
  始めに定常時の動作について説明する。定常時には50Hzあるいは60Hzの商用交流の入力電圧Vin(100VAC)に対して、ダイオードブリッジ2の整流手段によって全波整流された全波整流電圧Vacが入力コンデンサ16に伝達される。ここで、図4に説明したような処理に従って、入力高調波の規格を満足させるための力率改善を実施すると、整流後の入力電流波形は、概ね図1の入力電流Iinのような略正弦波状の波形となるように制御できる。なお、商用交流の周期は50Hzまたは60Hzであるため、図1の横軸のスケールは最大で40〜50msのオーダーである。  First, the operation in a steady state will be described. In a steady state, a full-wave rectified voltage Vac that is full-wave rectified by the rectifier of the
電力は電圧と電流との積で表されることから、整流後の入力電力波形もまた、図1の入力電力Pinのような略正弦波状の波形を示す。つまり、入力電圧Vinの絶対値が小さい領域において、入力電力Pinが0となるか、極めて小さくなる位相が存在する。 Since power is represented by the product of voltage and current, the input power waveform after rectification also shows a substantially sinusoidal waveform like the input power Pin of FIG. That is, in a region where the absolute value of the input voltage Vin is small, there is a phase where the input power Pin becomes 0 or becomes extremely small.
以下、定常時において入力電圧Vinの絶対値が比較的大きく、入力電力Pin≠0の期間を期間A、入力電圧Vinの絶対値が小さく、0Vを通過するいわゆるゼロクロス近傍の入力電力Pin=0の期間を期間B、そして停電検出時の出力電圧補償動作を行う期間を期間Cと称することとして説明を続ける。 Hereinafter, in the steady state, the absolute value of the input voltage Vin is relatively large, the period of the input power Pin ≠ 0, the period A, the absolute value of the input voltage Vin is small, and the input power Pin = 0 in the vicinity of the so-called zero cross that passes 0V. The description will be continued assuming that the period is referred to as period B, and the period during which the output voltage compensation operation is performed when a power failure is detected is referred to as period C.
なお、実際には、期間Aと期間Bとの境界は動作条件により変動の余地があり、厳密に規定しうるものではないため、全波整流後の入力電圧波形である全波整流電圧Vacに任意の閾値を設定し、その閾値との比較によって期間Aか期間Bかを判定するのが現実的である。また、検出時の動作条件や応答時間を考慮して、全波整流電圧Vacが増加時と減少時とでは前記閾値が別の値となるようにヒステリシス特性を持たせることも可能である。 Actually, the boundary between the period A and the period B has a room for fluctuation depending on the operating conditions and cannot be strictly defined. Therefore, the full-wave rectified voltage Vac that is the input voltage waveform after full-wave rectification is used. It is realistic to set an arbitrary threshold and determine whether it is period A or period B by comparison with the threshold. In addition, in consideration of operating conditions and response time at the time of detection, it is possible to provide a hysteresis characteristic so that the threshold value is different between when the full-wave rectified voltage Vac increases and when it decreases.
  1次側から2次側に送出される送出電力Ptの波形は、期間Bに瞬停補償コンデンサ4からの補償動作を行わない場合は、入力電力Pinとほぼ一致する(図15)。そのため、期間Bの送出電力Ptが0となってしまい、出力電圧リップルが増大することになる。  The waveform of the transmission power Pt transmitted from the primary side to the secondary side substantially coincides with the input power Pin when the compensation operation from the instantaneous power
  この出力電圧リップルの増大を回避すべく、本実施形態では期間Bにスイッチング素子Q3となるパワーMOSFET5cをオンすることで、1次側から2次側へ瞬停補償コンデンサ4に蓄積したエネルギーを送出するための制御を行う。  In order to avoid this increase in output voltage ripple, in this embodiment, by turning on the
  ここで、期間Aと期間Bとの電流を供給する際のスイッチング素子Q1のオン時間が共にt1であるとすると、期間Aの最大電流ia及び期間Bの最大電流ibはそれぞれ、全波整流電圧Vacの最大値をV1(=141V)、瞬停補償コンデンサ4(Ctk)の充電設定電圧をV2とし、絶縁トランス9の1次巻線N1のインダクタンスをL1とするとき、
      ia=V1/L1・t1
      ib=V2/L1・t1
の式で表される。Here, assuming that the on-time of the switching element Q1 when supplying the current in the period A and the period B is both t1, the maximum current ia in the period A and the maximum current ib in the period B are the full-wave rectified voltages, respectively. When the maximum value of Vac is V1 (= 141V), the charging setting voltage of the instantaneous power failure compensation capacitor 4 (Ctk) is V2, and the inductance of the primary winding N1 of the insulating
 ia = V1 / L1 · t1
 ib = V2 / L1 · t1
 It is expressed by the following formula.
  ところで、瞬停補償コンデンサ4(Ctk)の電圧は、3次巻線N3に接続される充電回路15によって、定常的に上限となる充電設定電圧V2(ここでは220Vとする)に保持されているため、
      ib=(V2/V1)・ia
となる。前記の仮定により、
      V2/V1=220/141=1.56
であるから、期間Bでは期間Aの最大電流の約1.56倍の電流が生じることとなる。その結果、絶縁トランス9の磁気飽和を引き起こしたり、スイッチング素子の破壊や誤動作を引き起こしたりするおそれがある。By the way, the voltage of the instantaneous power failure compensation capacitor 4 (Ctk) is held at the charging setting voltage V2 (here, 220V) that is constantly the upper limit by the charging
 ib = (V2 / V1) · ia
 It becomes. With the above assumptions,
 V2 / V1 = 220/141 = 1.56
 Therefore, in period B, a current approximately 1.56 times as large as the maximum current in period A is generated. As a result, there is a risk of causing magnetic saturation of the insulating
この問題を回避するためには、期間Bでのスイッチング素子Q1のオン時間が短縮されて最大電流レベルが期間Aと同等となるように、PWM制御の駆動周波数fbを、期間Aでの駆動周波数faの(V2/V1)倍以上とすればよい。なお、回路の構成部品の素子耐性には数十%の動作マージンを見込んでおり、また動作上デッドタイムというオン時間比率に組み込めない期間が含まれることから、駆動周波数の倍率は必ずしも厳密でなくとも良い。 In order to avoid this problem, the PWM control drive frequency fb is set to the drive frequency in the period A so that the ON time of the switching element Q1 in the period B is shortened and the maximum current level becomes equal to the period A. What is necessary is just to be more than (V2 / V1) times fa. Note that the device tolerance of the circuit components is expected to be several tens of percent, and the on-time ratio of operation dead time includes a period that cannot be incorporated, so the drive frequency magnification is not always strict. Good.
例えば、期間Aの駆動周波数が100kHzのシステムでは1周期あたりの時間が10μsとなるが、ON/OFF各0.5μsのデッドタイムがある場合には、オン時間比率は最大でも90%を超えることがない。素子特性から、デッドタイムは駆動周波数にあまり依存しないため、駆動周波数を増大させることは実効的なオン時間比率の低下に相当する。 For example, in a system with a drive frequency of 100 kHz in period A, the time per cycle is 10 μs, but when there is a dead time of 0.5 μs for each ON / OFF, the on-time ratio exceeds 90% at the maximum. There is no. Since the dead time does not depend much on the drive frequency from the element characteristics, increasing the drive frequency corresponds to a reduction in the effective on-time ratio.
一方、素子耐圧的には駆動周波数をさらに増大させれば電流はより小さくなって安全であるが、逆にスイッチング回数が増えることによる損失増のためにエネルギー効率が低下する。以上のことから、期間Bの駆動周波数fbは、基準となる期間Aの駆動周波数faの(V2/V1)倍±20%を目安とする範囲に制御することが望ましいと考えられる。 On the other hand, if the drive frequency is further increased in terms of device breakdown voltage, the current becomes smaller and safer, but conversely the energy efficiency decreases due to an increase in loss due to an increase in the number of switching. From the above, it is considered that the drive frequency fb in the period B is desirably controlled within a range in which (V2 / V1) times ± 20% of the drive frequency fa in the reference period A is a guide.
  本実施形態のスイッチング電源においては、1次側から2次側への送出電力Ptは、図1に示すように、期間Bで補償されたエネルギーによって期間Bにおける0となる期間がなくなる一方、この補償動作で消費したエネルギーを、期間Aの途中でスイッチング素子Q4を制御して3次巻線N3からの出力により瞬停補償コンデンサCtkに再充電を行い、再び充電設定電圧V2まで充電してから状態を保持するため、ピーク付近がやや削られたような波形となる。結果として、送出電力Ptが平準化され、出力電圧リップルが抑えられるので、出力平滑コンデンサ11の容量値を小さくすることが可能となる。  In the switching power supply according to the present embodiment, the transmission power Pt from the primary side to the secondary side does not have a period of 0 in the period B due to the energy compensated in the period B, as shown in FIG. The energy consumed in the compensation operation is controlled in the middle of the period A, the switching element Q4 is controlled, the instantaneous power failure compensation capacitor Ctk is recharged by the output from the tertiary winding N3, and again charged to the charge setting voltage V2. In order to maintain the state, the waveform is such that the vicinity of the peak is slightly cut off. As a result, the transmission power Pt is leveled and the output voltage ripple is suppressed, so that the capacitance value of the
次に、期間Cとなる瞬停(瞬間停電)発生時の動作について説明する。瞬停が発生して停電検出器21(図3)の出力がハイ(High)となる状態では、入力電圧Vin、入力電流Iin、入力電力Pinは、図1の期間Cに示すように、いずれも0となるため、前記した期間Bと同じようにスイッチング素子Q3をオンすることで瞬停補償コンデンサCtkからエネルギーを供給し、出力電圧Voutが一定となるように制御を行う。 Next, an operation at the time of occurrence of a momentary power failure (momentary power failure) during period C will be described. In a state where an instantaneous power failure occurs and the output of the power failure detector 21 (FIG. 3) is high, the input voltage Vin, the input current Iin, and the input power Pin are Therefore, similarly to the period B described above, the switching element Q3 is turned on to supply energy from the instantaneous power failure compensation capacitor Ctk, and control is performed so that the output voltage Vout becomes constant.
この間、瞬停補償コンデンサCtkの電圧は一貫して減少するため、電源復帰後は期間Aの間に3次巻線N3からの充電を行う。なお、瞬停期間の補償エネルギー量が大きく、上限電圧に到達する前に期間Bを迎えた場合は、一旦スイッチング素子Q4をオフして充電は停止した状態で、スイッチング素子Q3を制御して電力送出を行い、再び期間Aを迎えてから、充電を再開するものとする。すなわち、スイッチング素子Q3とQ4のオン期間は互いに排他的となるように制御し、瞬停補償コンデンサCtkに充電する際はスイッチング素子Q4をオンし、瞬停補償コンデンサCtkから放電する際はスイッチング素子Q3をオンして、充放電期間が重複しないようにする必要がある。 During this time, since the voltage of the instantaneous power failure compensation capacitor Ctk decreases consistently, charging from the tertiary winding N3 is performed during the period A after the power is restored. When the amount of compensation energy during the instantaneous power interruption period is large and the period B is reached before reaching the upper limit voltage, the switching element Q3 is turned off and the charging is stopped. It is assumed that the charging is resumed after the period A is reached again and the period A is reached again. That is, the switching elements Q3 and Q4 are controlled so that the on periods are mutually exclusive. When charging the instantaneous power failure compensation capacitor Ctk, the switching device Q4 is turned on, and when discharging from the power failure compensation capacitor Ctk, the switching device Q4 is turned on. It is necessary to turn on Q3 so that the charge / discharge periods do not overlap.
<定常時の回路動作>
  次に、定常時の回路動作の詳細について、回路図と動作波形図を参照して説明する。<Circuit operation at steady state>
 Next, details of the circuit operation in a steady state will be described with reference to a circuit diagram and an operation waveform diagram.
(期間A・高入力電圧時)
  始めに、定常時の期間Aにおける基本的なスイッチング周期毎の動作について、図5及び図6を参照して説明する。スイッチング周波数は数十kHz〜200kHz程度の範囲が目安であり、仮に期間Aの駆動周波数を100kHzとすれば、図6の動作波形図の横軸は10数μsの時間を表している。(Period A with high input voltage)
 First, an operation for each basic switching period in the period A during steady state will be described with reference to FIGS. The switching frequency is approximately in the range of several tens of kHz to 200 kHz. If the driving frequency in period A is 100 kHz, the horizontal axis of the operation waveform diagram of FIG. 6 represents a time of several tens of μs.
図5A〜5Dは、第1実施形態のスイッチング電源の定常時動作の電流経路を模式的に表した図であり、入力コンデンサ16(Cin、図2)をCinという名称の可変電圧源で表記している。 5A to 5D are diagrams schematically showing the current path of the steady state operation of the switching power supply according to the first embodiment. The input capacitor 16 (Cin, FIG. 2) is represented by a variable voltage source named Cin. ing.
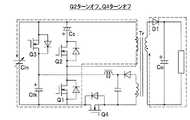
図5Aには、定常時(図1の期間A)において、スイッチング素子Q1がオンしているときの電流の流れを示している。期間A(図1)では、ダイオードブリッジ2(図2)の出力に相当する全波整流電圧Vac(図1、図2)が大きいため、スイッチング素子Q2がオフの状態でスイッチング素子Q1をオンすることにより、電流は可変電圧源Cinから絶縁トランスTr(9、図2)の1次巻線(N1、図2)を介してスイッチング素子Q1に流れる。このとき絶縁トランスTrは励磁されるが、ダイオードD1(10a、図2)によってブロックされる方向であるので、2次巻線(N2、図2)には電流が流れず、2次側には電力は伝達されない。その代わりに、出力平滑コンデンサCo(11、図2)に蓄積されていたエネルギーが負荷(12、図2)へ放電される。また、スイッチング素子Q4をオフして充電回路(15、図2)による充電機能を停止しているため、瞬停補償コンデンサCtk(4、図2)への充電は行われず、3次巻線(N3、図2)にも電流は発生しない。 FIG. 5A shows the flow of current when the switching element Q1 is on in the steady state (period A in FIG. 1). In period A (FIG. 1), since full-wave rectified voltage Vac (FIGS. 1 and 2) corresponding to the output of diode bridge 2 (FIG. 2) is large, switching element Q1 is turned on while switching element Q2 is off. As a result, current flows from the variable voltage source Cin to the switching element Q1 via the primary winding (N1, FIG. 2) of the isolation transformer Tr (9, FIG. 2). At this time, the insulating transformer Tr is excited, but since it is in the direction blocked by the diode D1 (10a, FIG. 2), no current flows through the secondary winding (N2, FIG. 2). Power is not transmitted. Instead, the energy stored in the output smoothing capacitor Co (11, FIG. 2) is discharged to the load (12, FIG. 2). Further, since the charging function by the charging circuit (15, FIG. 2) is stopped by turning off the switching element Q4, the instantaneous power failure compensation capacitor Ctk (4, FIG. 2) is not charged and the tertiary winding ( N3, FIG. 2) also does not generate current.
図5Bには、定常時(図1の期間A)において、スイッチング素子Q1がターンオフ(オフ)したときの電流の流れを示している。図5Aの状態でスイッチング素子Q1をターンオフすると、図5Bに示すように、スイッチング素子Q1を流れていた電流は、スイッチング素子Q1を流れることができなくなるため、スイッチング素子Q2の寄生ダイオードへと転流し、後記する図6に示すIQ2の波形のように、スイッチング素子Q2の電流は大きくマイナス側に振れることとなる。 FIG. 5B shows a current flow when the switching element Q1 is turned off (off) in a steady state (period A in FIG. 1). When the switching element Q1 is turned off in the state of FIG. 5A, the current flowing through the switching element Q1 can no longer flow through the switching element Q1, as shown in FIG. 5B, and is commutated to the parasitic diode of the switching element Q2. As shown in the waveform of IQ2 shown in FIG. 6 to be described later, the current of the switching element Q2 greatly fluctuates on the negative side.
図5Cには、定常時(図1の期間A)において、スイッチング素子Q1がオフ、スイッチング素子Q2,Q4がオンであるときの電流の流れを示している。図5Bの状態でスイッチング素子Q2,Q4をオンすると、図5Cに示すように、2次側の負荷に電流が供給されると共に、1次側では3次巻線(N3、図2)からの電流により、瞬停補償コンデンサCtk(4、図2)の充電が行われる。また、図5Bの状態では、電流がスイッチング素子Q2の寄生ダイオードへと転流しているので、スイッチング素子Q2には電流が流れていないことを示唆している。従って、図5Bの状態でスイッチング素子Q2をオンすることは、スイッチング素子Q2に流れる電流が0の状態でスイッチング素子Q2をオンすることになり、ZCS(Zero Current Switching)となって、スイッチング損失を抑制し、効率を向上することができる。 FIG. 5C shows a current flow when the switching element Q1 is off and the switching elements Q2 and Q4 are on in the steady state (period A in FIG. 1). When switching elements Q2 and Q4 are turned on in the state of FIG. 5B, as shown in FIG. 5C, current is supplied to the load on the secondary side and from the tertiary winding (N3, FIG. 2) on the primary side. The instantaneous charging compensation capacitor Ctk (4, FIG. 2) is charged by the current. Further, in the state of FIG. 5B, current is commutated to the parasitic diode of the switching element Q2, which suggests that no current flows through the switching element Q2. Therefore, turning on the switching element Q2 in the state of FIG. 5B means turning on the switching element Q2 when the current flowing through the switching element Q2 is 0, resulting in ZCS (Zero Current Switching), and switching loss is reduced. It can be suppressed and the efficiency can be improved.
図5Dには、定常時(図1の期間A)において、スイッチング素子Q1がオフで、スイッチング素子Q2,Q4がターンオフ(オフ)されたときの電流の流れを示している。図5Cの状態で、瞬停補償コンデンサCtk(4、図2)の電圧が別途定めた設定値に到達した時点で、スイッチング素子Q4のスイッチをターンオフして瞬停補償コンデンサCtkへの充電を停止する。その後、スイッチング素子Q2をターンオフすると、図5Dに示すように、スイッチング素子Q2を流れていた電流はスイッチング素子Q1の寄生ダイオードへと転流し、後記する図6に示すIQ1の波形のように、スイッチング素子Q1の電流は大きくマイナス側に振れることとなる。このタイミングで再びスイッチング素子Q1をターンオンすれば、スイッチング素子Q1に流れる電流が0の状態でスイッチング素子Q1をオンすることとなるため、前記と同様にZCSとなり、スイッチング損失を抑制し、効率を向上することができる。 FIG. 5D shows a current flow when the switching element Q1 is turned off and the switching elements Q2 and Q4 are turned off (off) in a steady state (period A in FIG. 1). In the state shown in FIG. 5C, when the voltage of the instantaneous power failure compensation capacitor Ctk (4, FIG. 2) reaches a separately set value, the switch of the switching element Q4 is turned off to stop charging the instantaneous power failure compensation capacitor Ctk. To do. After that, when the switching element Q2 is turned off, as shown in FIG. 5D, the current flowing through the switching element Q2 is commutated to the parasitic diode of the switching element Q1, and the switching is performed as shown in the waveform of IQ1 shown in FIG. The current of the element Q1 greatly fluctuates on the negative side. If the switching element Q1 is turned on again at this timing, the switching element Q1 is turned on when the current flowing through the switching element Q1 is 0. Therefore, the switching loss is suppressed and the efficiency is improved as in the case of the above. can do.
(期間B・低入力電圧時)
  一方、商用交流の入力電圧Vinの絶対値が小さい期間Bにおいては、前記のようにそのままでは殆ど入力電流が発生しないか、電流値が小さいため、通常では2次側に伝送すべきエネルギーが絶縁トランス9に励磁されない。しかし本発明では、スイッチング素子Q1のターンオンに先立って、スイッチング素子Q3をターンオンすることにより、1次側の回路では、スイッチング素子Q3と直列接続されている瞬停補償コンデンサCtkが、入力電源として機能する。従って、期間Bにおいては、前記の図5Aの入力電源の整流出力に相当する可変電圧源Cinの代わりに、瞬停補償コンデンサCtkから電流が供給されて図5A〜図5Dで説明した動作が実現され、2次側にエネルギーが伝送される。(Period B / low input voltage)
 On the other hand, in the period B in which the absolute value of the commercial AC input voltage Vin is small, the input current is hardly generated as it is or the current value is small as described above. The
また、低入力電圧時(期間B)の回路動作は、後記する瞬停検出時(期間C)の回路動作と同様であるが、瞬停補償コンデンサCtkからのエネルギー供給時間が短い分、期間Cよりも出力電圧Voutの低下は少なく、瞬停補償コンデンサCtkの充電時間も短くなる。 The circuit operation at the time of the low input voltage (period B) is the same as the circuit operation at the time of instantaneous power failure detection (period C) described later, but the energy supply time from the instantaneous power failure compensation capacitor Ctk is short. As a result, the output voltage Vout is less decreased and the charging time of the instantaneous power failure compensation capacitor Ctk is also shortened.
<期間Aにおける動作波形>
  図6は、第1実施形態のスイッチング電源の定常時の期間Aにおける動作波形を示す図である。図6において、Q1ゲートがハイ(High)でスイッチング素子Q1がオンとなっている期間が図5Aの状態に対応し、Q1ゲート、Q2ゲート、Q4ゲートがロー(Low)でスイッチング素子Q1,Q2,Q4がオフとなっている期間が図5Bの状態に対応し、Q1ゲートがロー(Low)でスイッチング素子Q1がオフ、Q2ゲート、Q4ゲートがハイ(High)でスイッチング素子Q2,Q4がオンとなっている期間が図5Cの状態に対応し、Q1ゲートがロー(Low)でスイッチング素子Q1がオフ、Q2ゲート、Q4ゲートがロー(Low)でスイッチング素子Q2,Q4がオフとなっている期間が図5Dの状態に対応している。<Operation waveform in period A>
 FIG. 6 is a diagram illustrating operation waveforms in the period A when the switching power supply according to the first embodiment is stationary. In FIG. 6, the period during which the Q1 gate is high and the switching element Q1 is on corresponds to the state of FIG. 5A. The Q1 gate, Q2 gate, and Q4 gate are low and the switching elements Q1, Q2 are low. , Q4 is OFF corresponding to the state of FIG. 5B, the switching element Q1 is OFF when the Q1 gate is LOW, and the switching elements Q2 and Q4 are ON when the Q2 gate and Q4 gate are HIGH. Corresponds to the state of FIG. 5C, the switching element Q1 is off when the Q1 gate is low, the switching elements Q2 and Q4 are off when the Q2 gate and Q4 gate are low. The period corresponds to the state of FIG. 5D.
なお、VQ1はスイッチング素子Q1のソース、ドレイン間に加わる電圧を表している。スイッチング素子Q1のゲート電位であるQ1ゲートがハイ(High)のときは、スイッチング素子Q1がオンしているためVQ1は0となり、かつスイッチング素子Q1のソース、ドレイン間に電流IQ1が流れている様子が示されている。 VQ1 represents the voltage applied between the source and drain of the switching element Q1. When the Q1 gate, which is the gate potential of the switching element Q1, is high, VQ1 is 0 because the switching element Q1 is on, and the current IQ1 flows between the source and drain of the switching element Q1. It is shown.
また、スイッチング素子Q1のゲート電位であるQ1ゲートがロー(Low)のときは、スイッチング素子Q1がオフしているためVQ1は高い電圧を示し、かつスイッチング素子Q1のソース、ドレイン間の電流IQ1は0となっている。 Further, when the gate Q1 which is the gate potential of the switching element Q1 is low, the switching element Q1 is off, so that VQ1 shows a high voltage, and the current IQ1 between the source and drain of the switching element Q1 is 0.
また、スイッチング素子Q2におけるQ2ゲート、VQ2、IQ2の関係についてもスイッチング素子Q1における関係とほぼ同様である。ただし、Q2ゲートがロー(Low)の状態でQ1ゲートがターンオフした瞬間には、スイッチング素子Q2のソース、ドレイン間には高い電圧が加わるため、IQ2は負の電流値を示している。これは、スイッチング素子Q2の寄生ダイオードに電流が流れていることを表している。 The relationship between the Q2 gate, VQ2, and IQ2 in the switching element Q2 is substantially the same as the relationship in the switching element Q1. However, at the moment when the Q1 gate is turned off while the Q2 gate is in a low state, a high voltage is applied between the source and drain of the switching element Q2, so IQ2 indicates a negative current value. This indicates that a current flows through the parasitic diode of the switching element Q2.
なお、期間Aにおいては、Q3ゲートはロー(Low)となっていて、スイッチング素子Q3はオフ状態を保っている。 Note that in the period A, the Q3 gate is low, and the switching element Q3 is kept off.
<力率改善動作>
  次に、力率改善動作について図1と図6を参照して説明する。
  図1における期間Aは概ね10ms(交流入力50Hzの場合)であり、図6のQ1,Q2ゲートがハイ、ローを繰り返す期間は概ね10μs(駆動周波数f=100kHzの場合)である。つまり、図1の期間Aの概ね10msの時間内で、図6のQ1,Q2ゲートがハイ、ローに変化する動作を繰り返すことによって、スイッチング素子Q1,Q2(図2)のオンオフ動作が約1000回程度、繰り返されることになる。<Power factor correction operation>
 Next, the power factor improving operation will be described with reference to FIGS.
 The period A in FIG. 1 is approximately 10 ms (in the case of AC input 50 Hz), and the period in which the Q1 and Q2 gates in FIG. 6 repeat high and low is approximately 10 μs (in the case of the drive frequency f = 100 kHz). In other words, by repeating the operation in which the Q1 and Q2 gates in FIG. 6 change to high and low within a period of about 10 ms in the period A in FIG. 1, the on / off operation of the switching elements Q1 and Q2 (FIG. 2) is about 1000 times. It will be repeated about once.
このとき、図6のQ1,Q2ゲートがハイ、ローに変化する周期を変えたり、ハイの期間とローの期間との比率を変えたりすると、入力電流Iinにおける高調波成分の電流波形が変化する。この原理を用いてコントローラ51(図4)がスイッチング素子Q1、Q2、Q3、Q4(図2)のパルス幅を含めたオンオフを状況に応じて最適に制御することによって、交流電源1における入力電流Iinの高調波成分の除去と、力率の改善ができる。 At this time, if the period in which the Q1 and Q2 gates in FIG. 6 are changed from high to low is changed, or the ratio between the high period and the low period is changed, the current waveform of the harmonic component in the input current Iin changes. . Using this principle, the controller 51 (FIG. 4) optimally controls on / off including the pulse widths of the switching elements Q1, Q2, Q3, and Q4 (FIG. 2) according to the situation. The harmonic component of Iin can be removed and the power factor can be improved.
<瞬停検出時(期間C)の回路動作>
  次に、瞬停検出時(期間C)の回路動作の詳細について説明する。商用交流(交流電源1)の入力電圧Vinの急激な低下を停電検出器21(図3)が検出した場合(図1の期間C)は、図1に示すように入力電流Iinも低下して、入力電力Pinが途絶えてしまうため、2次側に電力を伝送できなくなる。<Circuit operation when instantaneous power failure is detected (period C)>
 Next, details of the circuit operation at the time of instantaneous power failure detection (period C) will be described. When the power failure detector 21 (FIG. 3) detects a sudden drop in the input voltage Vin of commercial AC (AC power supply 1) (period C in FIG. 1), the input current Iin also decreases as shown in FIG. Since the input power Pin is interrupted, power cannot be transmitted to the secondary side.
そのままでは出力電圧Vout(図1)が低下して制御範囲以下となってしまうため、スイッチング素子Q3をオンし、瞬停補償コンデンサ4(Ctk、図2)からエネルギーを供給する。このとき、瞬停補償コンデンサ4(Ctk、図2)が3次巻線N3(図2)から充電中であれば、図には示さないが、先にスイッチング素子Q4をターンオフして充電を停止し、しかる後にスイッチング素子Q3をオンするものとする。 If the output voltage Vout (FIG. 1) remains as it is, the switching element Q3 is turned on and energy is supplied from the instantaneous power failure compensation capacitor 4 (Ctk, FIG. 2). At this time, if the instantaneous power failure compensation capacitor 4 (Ctk, FIG. 2) is charging from the tertiary winding N3 (FIG. 2), although not shown in the figure, the switching element Q4 is first turned off to stop the charging. After that, the switching element Q3 is turned on.
その後は、スイッチング素子Q1をオンすることで、絶縁トランス9(Tr、図2)には電流が発生し、続いて、スイッチング素子Q1をターンオフして、スイッチング素子Q2をオンすることで、2次側ではダイオードD1を介して出力平滑コンデンサ11(Co、図2)及び負荷12(図2)に電流が供給され、出力電圧Voutを制御範囲内に維持することができる。 Thereafter, the switching element Q1 is turned on to generate a current in the insulating transformer 9 (Tr, FIG. 2). Subsequently, the switching element Q1 is turned off and the switching element Q2 is turned on to obtain the secondary. On the side, current is supplied to the output smoothing capacitor 11 (Co, FIG. 2) and the load 12 (FIG. 2) via the diode D1, and the output voltage Vout can be maintained within the control range.
  従って、スイッチング素子Q4をオフし、スイッチング素子Q3をオンした後の基本的な動作は、スイッチング素子Q1,Q2の駆動周波数を増大させる点を除いて期間Aと共通となる。すなわち図1において、停電発生とともに全波整流電圧Vacと入力電流Iinが0となり、スイッチング素子Q3がオンされて、瞬停補償コンデンサCtkからエネルギーが供給されるので、瞬停補償容量電圧Vtkは除々に低下し、かつ出力電圧Voutも除々に低下するが、負荷12(図2)への電力の供給は継続される。また、交流電源1の復電とともに、定常時の動作(図1の期間A及び期間B)に復帰する。なお、この期間Cにおいては、補償動作を行う期間を通じて、スイッチング素子Q4をオフし、スイッチング素子Q3をオンした状態に維持するものとしてもよい。  Accordingly, the basic operation after turning off the switching element Q4 and turning on the switching element Q3 is common to the period A except that the drive frequency of the switching elements Q1 and Q2 is increased. That is, in FIG. 1, the full-wave rectified voltage Vac and the input current Iin become 0 with the occurrence of a power failure, the switching element Q3 is turned on, and energy is supplied from the instantaneous power failure compensation capacitor Ctk. The output voltage Vout gradually decreases, but the supply of power to the load 12 (FIG. 2) is continued. Moreover, it returns to the operation | movement at the time of a steady state (period A and period B of FIG. 1) with the power recovery of
[第2実施形態]
  次に、本発明の第2実施形態につき、図2、図7A、図7Bを参照して説明する。この第2実施形態は、回路構成や基本的な駆動手順は前記の第1実施形態とほぼ同じであるが、期間Aと期間Bとの移行時の処理をより詳細に規定するものである。[Second Embodiment]
 Next, a second embodiment of the present invention will be described with reference to FIGS. 2, 7A, and 7B. In the second embodiment, the circuit configuration and basic driving procedure are substantially the same as those in the first embodiment, but the process at the time of transition between the period A and the period B is defined in more detail.
  第1実施形態のなかでも説明したように、交流電源1の周波数が概ね50〜60Hzであるのに対して、PFC(力率改善)動作をしている期間Aにおける駆動周波数fは100kHz前後と大きく異なっている。従って、図1では、およそ10msの期間Aの時間内に10μsの周期で1000回のスイッチング動作が行われていることとなる。ここで、期間Aにおける駆動周波数faを100kHzとすれば、実際にはPFCの動作状況や図3の参照電圧に依存するが、仮に交流電源1の周波数が50Hzで期間Aが9msの長さであるとすると、Q1ゲートにはこの間に900回の制御パルスが出力されることとなる。  As described in the first embodiment, the frequency of the
一方、残る1msの期間Bにおいて、瞬停補償コンデンサCtkの充電設定電圧V2が220Vである場合には、V2/V1=1.56より駆動周波数fbは150kHz程度となるので、Q1ゲートには期間Bの間に150回程度の制御パルスが出力されることとなる。このように図1の横軸はQ1ゲートの制御パルス信号のスケールと大きな差があるため、切替時の動作について図7Aを用いてより詳細に説明する。 On the other hand, in the remaining 1 ms period B, when the charging set voltage V2 of the instantaneous power failure compensation capacitor Ctk is 220V, the driving frequency fb is about 150 kHz from V2 / V1 = 1.56, so the Q1 gate has a period. During B, about 150 control pulses are output. As described above, since the horizontal axis of FIG. 1 is greatly different from the scale of the control pulse signal of the Q1 gate, the operation at the time of switching will be described in more detail with reference to FIG. 7A.
図2の回路図において、改めて、まず期間Aから期間Bに移行する際の動作を確認すると、スイッチング素子Q3をオンしたタイミングで、スイッチング素子Q1,Q2から見た入力電源が、ダイオードブリッジ2の出力から瞬停補償コンデンサCtkに切り替わり、駆動周波数fがfaからfbに切り替えられて、その後入力電圧の低下と共に0に近付いていたスイッチング素子Q1の電流IQ1はピーク電流レベルまで急速に立ち上げられる。 In the circuit diagram of FIG. 2, once again confirming the operation when shifting from the period A to the period B, the input power source viewed from the switching elements Q1 and Q2 at the timing when the switching element Q3 is turned on is The output is switched to the instantaneous power failure compensation capacitor Ctk, the drive frequency f is switched from fa to fb, and then the current IQ1 of the switching element Q1, which has approached 0 as the input voltage decreases, is rapidly raised to the peak current level.
この動作を図7Aの波形図を用いて説明する。入力電圧Vinの低下にともなって入力コンデンサ16(Cin)の電圧(=全波整流電圧Vac)が低下すると、スイッチング素子Q1の電流IQ1もまた低下する。このときのスイッチング周期はta(=1/fa)である。 This operation will be described with reference to the waveform diagram of FIG. 7A. When the voltage of the input capacitor 16 (Cin) (= the full-wave rectified voltage Vac) decreases as the input voltage Vin decreases, the current IQ1 of the switching element Q1 also decreases. The switching period at this time is ta (= 1 / fa).
ここでスイッチング素子Q3がオンされて、充電設定電圧V2に充電された瞬停補償コンデンサCtkが接続されると、両者の電位が等しくなるように入力コンデンサCinが充電されてCin電圧が上昇する。図7Aでは安全のため、Cin電圧が瞬停補償コンデンサCtkの電圧と等しくなるまでの2周期はスイッチング素子Q1,Q2(不図示)の動作を停止している。 Here, when the switching element Q3 is turned on and the instantaneous power failure compensation capacitor Ctk charged to the charge setting voltage V2 is connected, the input capacitor Cin is charged so that the potentials of both are equal, and the Cin voltage rises. In FIG. 7A, for the sake of safety, the operation of the switching elements Q1 and Q2 (not shown) is stopped for two periods until the Cin voltage becomes equal to the voltage of the instantaneous power failure compensation capacitor Ctk.
なお、絶縁トランス9(Tr)のインダクタンスにより電流IQ1の急激な変化も抑制されるため、前記の2周期の停止期間は必ずしも設定しなくてもよい。また、回路条件によってはさらに長い停止期間を設けることも可能である。 In addition, since the rapid change of the current IQ1 is suppressed by the inductance of the insulating transformer 9 (Tr), the two periods of the stop period are not necessarily set. Further, a longer stop period can be provided depending on circuit conditions.
次に、Q1ゲートとQ2ゲートとの駆動周波数fをfbに増大させるが、その目的はピーク電流レベルが過大とならないようにすることにある。スイッチング素子Q1の電流IQ1は直前までの状態(=初期条件)にも影響されるので、直ちに電流値が過大とならない場合は、図7Aのように数周期にわたって周期とオン時間比率とを段階的に絞ることで、連続的に駆動周波数を上げるようにしてもよい。 Next, the drive frequency f of the Q1 gate and the Q2 gate is increased to fb, but the purpose is to prevent the peak current level from becoming excessive. Since the current IQ1 of the switching element Q1 is also affected by the state immediately before (= initial condition), if the current value does not immediately become excessive, the cycle and the on-time ratio are stepped over several cycles as shown in FIG. 7A. The drive frequency may be continuously increased by narrowing down to.
続いて、期間Bから期間Aに移行する際の動作を、図7Bを用いて説明する。期間B中の入力コンデンサ16(Cin)及び瞬停補償コンデンサ4(Ctk)の電圧であるCin電圧は、期間Bにおける放電処理により充電設定電圧V2(=Vtk_lim)よりも僅かに低下するが、本来20ms程度の瞬停期間を補償するためのエネルギーを蓄積しているので、1ms程度に過ぎない期間Bでの変化量は小さい。 Next, an operation when shifting from the period B to the period A will be described with reference to FIG. 7B. The Cin voltage that is the voltage of the input capacitor 16 (Cin) and the instantaneous power failure compensation capacitor 4 (Ctk) during the period B is slightly lower than the charge setting voltage V2 (= Vtk_lim) due to the discharging process in the period B. Since energy for compensating for the instantaneous power interruption period of about 20 ms is accumulated, the amount of change in the period B which is only about 1 ms is small.
  図7Bでは、期間Aを迎えるよりも数周期早くスイッチング素子Q3をオフしている。これにより、2次側に放電可能なエネルギー源は入力コンデンサCinのみに限られ、続く数周期でCin電圧及びそれに依存するスイッチング素子Q1の電流IQ1もまた大きく低下する。電流の低下と共に、周期tb(=1/fb)及びオン時間比率を期間Aの周期ta(1/fa)及びオン時間比率へと段階的に増加させて、入力コンデンサCinの電圧がダイオードブリッジ2の出力と一致したところで、期間Aの動作モードに切り替わる。  In FIG. 7B, the switching element Q3 is turned off several cycles earlier than the period A is reached. As a result, the energy source that can be discharged to the secondary side is limited to the input capacitor Cin only, and the Cin voltage and the current IQ1 of the switching element Q1 depending on the Cin voltage are also greatly reduced in the following several cycles. As the current decreases, the period tb (= 1 / fb) and the on-time ratio are gradually increased to the period ta (1 / fa) and the on-time ratio of the period A, so that the voltage of the input capacitor Cin becomes the
  このようにスイッチング素子Q3を早めにオフして、入力コンデンサCinの電圧がスムーズにダイオードブリッジ2の出力電圧と一致するように制御することで、電流IQ1も連続的な変化となるよう制御することができる。  In this way, the switching element Q3 is turned off early so that the voltage of the input capacitor Cin smoothly matches the output voltage of the
なお、期間Bから期間Aへの移行では、図7Aのようにスイッチング素子Q1(及び不図示のスイッチング素子Q2)をオフする周期を設けていないが、タイミング調整のために数周期の停止期間を設けてもよい。また、停止期間を除いて、第1実施形態のように、スイッチング素子Q3をスイッチング素子Q1と同期した制御パルス信号で制御するものとしてもよい。 In the transition from the period B to the period A, a period for turning off the switching element Q1 (and the switching element Q2 (not shown)) is not provided as in FIG. 7A, but a several period stop period is used for timing adjustment. It may be provided. Further, except for the suspension period, the switching element Q3 may be controlled by a control pulse signal synchronized with the switching element Q1 as in the first embodiment.
以上、期間Aと期間Bとの移行時の詳細動作について説明した。図1のスケールでは周期の桁が異なるため、駆動周波数fは不連続に変化するようにも見え、そのような制御も可能であるが、この第2実施形態のように短期間での連続的な制御を行っても、本発明の目的とする過電流防止と出力電圧リップルの抑制を実現できることは言うまでもない。 The detailed operation at the time of transition between the period A and the period B has been described above. In the scale of FIG. 1, the digit of the period is different, so the drive frequency f appears to change discontinuously, and such control is possible. However, as in the second embodiment, it is continuous in a short period. It goes without saying that even if such control is performed, it is possible to achieve overcurrent prevention and suppression of output voltage ripple, which are the objects of the present invention.
さらに、ここでは期間Aと期間Bとの間の移行時について説明したが、瞬停を検出して期間Aから期間Cに移行する場合、あるいは電源が復帰(復電)して期間Cから期間Aに移行する場合も、以上説明したような制御を実施できることは言うまでもない。 Further, here, the transition between the period A and the period B has been described. However, when a momentary power failure is detected and the period A is shifted to the period C, or when the power supply is restored (power recovery), the period C to the period C It goes without saying that the control as described above can also be performed when the process shifts to A.
[第3実施形態]
  次に、第3実施形態について、図8、図9、図10A〜10D、及び図11を用いて説明する。この第3実施形態は、第1実施形態がアクティブクランプ方式のフライバックコンバータによる電源回路であったのに対して、電流共振型コンバータによる電源回路を採用している。[Third Embodiment]
 Next, 3rd Embodiment is described using FIG. 8, FIG. 9, FIG. 10A-10D, and FIG. The third embodiment employs a power circuit using a current resonance type converter, whereas the first embodiment is a power circuit using an active clamp type flyback converter.
  図9は、第3実施形態のスイッチング電源の構成を示す回路図である。図9において、交流電源1の入力はダイオードブリッジ2を介して全波整流波形に変換される。ダイオードブリッジ2の直流側には、第1実施形態と同じように入力コンデンサ16(Cin)が接続される。入力コンデンサ16は入力フィルタ用であり、容量は数μFである。  FIG. 9 is a circuit diagram showing a configuration of the switching power supply according to the third embodiment. In FIG. 9, the input of the
  さらに、ダイオードブリッジ2と入力コンデンサ16に対して並列に、パワーMOSFET5c(Q3)と瞬停補償コンデンサ4(Ctk)との直列対が接続される。パワーMOSFET5cは、NチャンネルのパワーMOSFETであり、ソースが入力コンデンサ16の正極側に、ドレインが瞬停補償コンデンサ4に接続され、瞬停補償コンデンサ4の放電を阻止する向きとなっている。瞬停補償コンデンサ4は瞬停補償用のコンデンサであり、その容量は瞬停補償時間により変わるが、100μF〜1000μF程度を想定している。  Further, a series pair of a
  ダイオードブリッジ2と入力コンデンサ16にはさらに、パワーMOSFET5a(Q1)とパワーMOSFET5b(Q2)との直列対が並列に接続されており、パワーMOSFET5bには絶縁トランス9(Tr)の1次巻線N1と共振コンデンサ17(Cr)との直列対が並列に接続される。  A series pair of a
  絶縁トランス9の2次巻線N2は、各端子がそれぞれダイオード10a(D1)とダイオード10b(D2)とのアノードに接続され、ダイオード10aとダイオード10bとのカソードは、共に出力平滑コンデンサ11(Co)の正極側に接続される。2次巻線N2の中点は、出力平滑コンデンサ11の負極側と共にアース接続される。さらに、出力平滑コンデンサ11には負荷12が接続される。  Each terminal of the secondary winding N2 of the insulating
  絶縁トランス9の3次巻線N3には、瞬停補償コンデンサ4を充電するための充電回路15が接続され、瞬停補償コンデンサ4の負極側と充電回路15の出力端のうち電流の吸い込み口にあたる端子との間に、パワーMOSFET5d(Q4)が接続される。このときパワーMOSFET5dのドレインは瞬停補償コンデンサ4の負極側に、ソースは充電回路15側に接続される。パワーMOSFET5dは、NチャンネルのパワーMOSFETであり、充電回路15による瞬停補償コンデンサ4への充電電流を制御する。  A charging
  充電回路15においては、3次巻線N3の両端がダイオード10c(D3)及びダイオード10d(D4)のアノードに接続され、各カソードは共通してコイルを介して瞬停補償コンデンサ4の正極側と接続される。さらにダイオード10c及びダイオード10dのカソードは、平滑コンデンサ48を介して3次巻線N3の中点及びパワーMOSFET5dのソースと接続される。  In the charging
  この充電回路15が第1実施形態(図2)と異なるのは、電流共振型に合わせてダイオード10dを介しての充電経路が追加されていることであるが、瞬停補償コンデンサ4への充電は2次側への電力送出に比べてバックグラウンドで緩やかに行うべき性質のもので、出力電流及び動作期間は短いものであるから、1系統でも瞬停補償コンデンサ4の充電が可能である場合には、ダイオード10dは省くことができる。この場合、ダイオード10cを介して接続される平滑コンデンサ48と3次巻線N3との接続は、3次巻線N3の中点ではなく、ダイオード10cのアノードと接続される端子と逆側の端子で行われることとなる。  The charging
  この平滑コンデンサ48の正極側と、1次側回路の瞬停補償コンデンサ4の正極側とは、充電電流が過大とならないようにコイル49を介して接続される。平滑コンデンサ48の負極側は、パワーMOSFET5dのソースと接続され、パワーMOSFET5dの制御によって、充電回路15の動作を制御することができる。  The positive electrode side of the smoothing
  パワーMOSFET5a〜5d(Q1〜Q4)の各ゲートは、コントローラ51からの制御信号をそれぞれドライバ29a〜29dに入力して得られる出力によって駆動される。このうち、特にパワーMOSFET5a,5bを駆動する2つの信号については、駆動周波数fのPWM信号で構成され、本実施形態においては入力電圧と負荷12の状態とにより、駆動周波数fを制御する。  The gates of the
なお、本実施形態では、スイッチング素子としてパワーMOSFETを用いたが、電流容量や電圧の条件によってはIGBTを用いてもよい。また、ダイオードを含め、SiCを素材としたパワーデバイスを用いることも好適である。 In this embodiment, the power MOSFET is used as the switching element, but an IGBT may be used depending on the current capacity and voltage conditions. It is also suitable to use a power device made of SiC including a diode.
  なお、コントローラ51の入出力については、第1実施形態の図4と同じである。また、制御回路ブロックについては、概ね第1実施形態の図3と同じであるが、電流共振方式では、入力電流の制御をスイッチング素子Q1,Q2のオン時間比率ではなく、駆動周波数を変動させる方式のため、図3のアンプ20cの出力が三角波発生器25に接続され、出力される三角波の傾きを変動させて駆動周波数を変化させる点が異なっている。  The input / output of the
さらに動作の詳細について、図8を用いて説明する。電流共振型の電源回路では、スイッチング素子Q1とQ2とのオン期間は相補の関係にあり、デッドタイムを無視すれば各素子のオン時間比率は通常それぞれ50%で駆動し、力率改善制御における入力電流Iinの流量制御は周期を増減させて、すなわち駆動周波数を変動させてこれを制御するところが第1実施形態と異なっている。 Further details of the operation will be described with reference to FIG. In the current resonance type power supply circuit, the ON periods of the switching elements Q1 and Q2 are in a complementary relationship. If the dead time is ignored, the ON time ratio of each element is normally driven at 50%, respectively. The flow control of the input current Iin is different from the first embodiment in that this is controlled by increasing / decreasing the period, that is, by changing the drive frequency.
第1実施形態と同様に、入力電力の状況に応じて交流周期でみた場合の各段階を期間A、期間B、期間Cとすると、期間Aでは入力電圧と共に力率改善動作の効果で電流を増減させるため、期間Aの駆動周波数fは入力電圧に連動して変化する。この中で駆動周波数が最大(=f0)となるのは、入力電圧がピーク値V1をとる位相とほぼ一致する。Similarly to the first embodiment, if each stage when viewed in an AC cycle according to the state of input power is a period A, a period B, and a period C, in the period A, the current is obtained by the effect of the power factor improving operation together with the input voltage. In order to increase or decrease, the driving frequency f in the period A changes in conjunction with the input voltage. Among these, the drive frequency becomes maximum (= f0 ) almost coincides with the phase where the input voltage takes the peak value V1.
  次に期間Bを迎え、スイッチング素子Q3をオンして充電設定電圧V2に昇圧充電された瞬停補償コンデンサ4からの補償動作を行う。電流共振型の電源の場合、直前の駆動周波数fはむしろf0よりも低下しているため、そのままの周期をオン時間にあてると、印加電圧の増分とオン時間の増分の相乗効果でさらに大きな電流が発生する。Next, in the period B, the switching element Q3 is turned on, and the compensation operation from the instantaneous power
  従って、ピーク電流レベルを期間Aの最大レベルと同等に抑制するためには、スイッチング素子Q1,Q2の駆動周波数fbを
        fb=(V2/V1)・f0
のように上昇させる必要がある。なお、第1実施形態でも説明したように、変更時の駆動周波数fbの倍率は必ずしも厳密である必要はなく、ベースとなるf0に対して(V2/V1)倍±20%を目安とする範囲に制御することが望ましいと考えられる。Therefore, in order to suppress the peak current level to be equal to the maximum level of the period A, the drive frequency fb of the switching elements Q1, Q2 is set to fb = (V2 / V1) · f0
 Need to be raised. Incidentally, as described in the first embodiment, the magnification of the driving frequency fb when change is not necessarily exact, as a guide with respect to f0 as the base of (V2 / V1) times ± 20% It may be desirable to control the range.
  期間Bの補償動作で瞬停補償コンデンサ4から出力されたエネルギー分は、その後の期間Aに充電される。また、瞬停発生を検出後の期間Cにおいても同様に、スイッチング素子Q1,Q2の駆動周波数fcは
        fc=f0×V2/V1
となるように上昇させる必要がある。なお、こちらも駆動周波数の倍率は厳密なものではなく、また図8では期間Cを通じてほぼfcで一定のように示しているが、瞬停補償経過時間の長さによっては徐々に瞬停補償コンデンサCtkの電圧が充電設定電圧V2から低下してくることから、上式を満たす範囲で、瞬停補償コンデンサCtkの印加電圧にあわせて駆動周波数fcを下げていく操作を行うことも可能である。The energy output from the instantaneous power
 It is necessary to raise so that it becomes. Note that the magnification of the driving frequency is not strict, and in FIG. 8, it is shown as being almost constant at fc throughout the period C. However, depending on the length of the instantaneous power failure compensation elapsed time, Since the voltage of Ctk decreases from the charge setting voltage V2, it is also possible to perform an operation of decreasing the drive frequency fc in accordance with the voltage applied to the instantaneous power failure compensation capacitor Ctk within a range satisfying the above equation.
図10A〜10Dは、第2実施形態のスイッチング電源の定常時動作の電流経路を模式的に表した図であり、入力コンデンサ16(Cin、図9)をCinという名称の可変電圧源で表記している。 FIGS. 10A to 10D are diagrams schematically showing a current path of steady-state operation of the switching power supply according to the second embodiment. The input capacitor 16 (Cin, FIG. 9) is represented by a variable voltage source named Cin. ing.
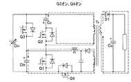
図10Aには、定常時(図8の期間A)において、スイッチング素子Q1がオンしているときの電流の流れを示している。期間A(図8)では、ダイオードブリッジ2(図9)の出力に相当する全波整流電圧Vac(図8、図9)が大きいため、スイッチング素子Q2がオフの状態でスイッチング素子Q1をオンすることにより、電流は可変電圧源Cinからスイッチング素子Q1を介して絶縁トランスTr(9、図9)の1次巻線(N1、図9)に流れる。このとき共振コンデンサCr(17、図9)が充電され、絶縁トランスTrが励磁されると共に、2次巻線(N2、図9)ではダイオードD2(10b、図9)にはブロックされるが、ブロックされていないダイオードD1(10a、図9)には電流が流れ、出力平滑コンデンサCo(11、図9)や負荷(12、図9)に電力が供給される。 FIG. 10A shows the flow of current when the switching element Q1 is on in the steady state (period A in FIG. 8). In period A (FIG. 8), since full-wave rectified voltage Vac (FIGS. 8 and 9) corresponding to the output of diode bridge 2 (FIG. 9) is large, switching element Q1 is turned on while switching element Q2 is off. As a result, current flows from the variable voltage source Cin to the primary winding (N1, FIG. 9) of the insulating transformer Tr (9, FIG. 9) via the switching element Q1. At this time, the resonant capacitor Cr (17, FIG. 9) is charged, the insulating transformer Tr is excited, and the secondary winding (N2, FIG. 9) is blocked by the diode D2 (10b, FIG. 9). A current flows through the unblocked diode D1 (10a, FIG. 9), and power is supplied to the output smoothing capacitor Co (11, FIG. 9) and the load (12, FIG. 9).
このとき、3次巻線(N3、図9)では、スイッチング素子Q4をオンしていれば、ダイオードD3(10c、図9)を通じて電流が流れ、瞬停補償コンデンサCtk(4、図9)への充電が行われる。 At this time, in the tertiary winding (N3, FIG. 9), if the switching element Q4 is turned on, a current flows through the diode D3 (10c, FIG. 9), and the instantaneous power failure compensation capacitor Ctk (4, FIG. 9). Is charged.
図10Bには、定常時(図8の期間A)において、スイッチング素子Q1がターンオフ(オフ)したときの電流の流れを示している。図10Aの状態でスイッチング素子Q1をターンオフすると、図10Bに示すように、スイッチング素子Q1を流れていた電流は、スイッチング素子Q1を流れることができなくなるため、スイッチング素子Q2の寄生ダイオードへと転流し、後記する図11に示すIQ2の波形のように、スイッチング素子Q2の電流は一旦マイナス側に振れることとなる。 FIG. 10B shows the flow of current when the switching element Q1 is turned off (off) in a steady state (period A in FIG. 8). When the switching element Q1 is turned off in the state of FIG. 10A, the current flowing through the switching element Q1 cannot flow through the switching element Q1 as shown in FIG. 10B, and therefore is commutated to the parasitic diode of the switching element Q2. As will be described later with reference to the waveform of IQ2 shown in FIG. 11, the current of the switching element Q2 once swings to the minus side.
図10Cには、定常時(図8の期間A)において、スイッチング素子Q1がオフ、Q2がオンであるときの電流の流れを示している。図10Bの状態でスイッチング素子Q2をオンすると、図10Cに示すように、共振コンデンサCr(17、図9)に充電された電荷が放電され、2次側ではダイオードD2を介して電流が供給されると共に、スイッチング素子Q4がオン状態であれば、1次側では3次巻線(N3、図9)からの電流がD4を通じて流れることで、瞬停補償コンデンサCtk(4、図9)の充電が行われる。また、図10Bの状態では、電流がスイッチング素子Q2の寄生ダイオードへと転流しているので、スイッチング素子Q2には電流が流れていないことを示唆している。従って、図10Bの状態でスイッチング素子Q2をオンすることは、スイッチング素子Q2に流れる電流が0の状態でスイッチング素子Q2をオンすることになり、ZCSとなって、スイッチング損失を抑制し、効率を向上することができる。 FIG. 10C shows a current flow when the switching element Q1 is off and Q2 is on in the steady state (period A in FIG. 8). When the switching element Q2 is turned on in the state of FIG. 10B, as shown in FIG. 10C, the charge charged in the resonance capacitor Cr (17, FIG. 9) is discharged, and current is supplied through the diode D2 on the secondary side. In addition, if the switching element Q4 is in the ON state, the current from the tertiary winding (N3, FIG. 9) flows through D4 on the primary side, so that the instantaneous power failure compensation capacitor Ctk (4, FIG. 9) is charged. Is done. Further, in the state of FIG. 10B, the current is commutated to the parasitic diode of the switching element Q2, which suggests that no current flows through the switching element Q2. Therefore, turning on the switching element Q2 in the state of FIG. 10B means turning on the switching element Q2 when the current flowing through the switching element Q2 is 0, which becomes ZCS, suppressing switching loss and improving efficiency. Can be improved.
図10Dには、定常時(図8の期間A)において、スイッチング素子Q1がオフで、スイッチング素子Q2がターンオフ(オフ)されたときの電流の流れを示している。図10Cの状態でスイッチング素子Q2をターンオフすると、図10Dに示すように、スイッチング素子Q2を流れていた電流はスイッチング素子Q1の寄生ダイオードへと転流し、図11に示すIQ1の波形のように、スイッチング素子Q1の電流は一旦マイナス側に振れることとなる。このタイミングで再びスイッチング素子Q1をターンオンすれば、スイッチング素子Q1に流れる電流が0の状態でスイッチング素子Q1をオンすることとなるため、前記と同様にZCSとなり、スイッチング損失を抑制し、効率を向上することができる。 FIG. 10D shows a current flow when the switching element Q1 is turned off and the switching element Q2 is turned off (off) in a steady state (period A in FIG. 8). When the switching element Q2 is turned off in the state of FIG. 10C, as shown in FIG. 10D, the current flowing through the switching element Q2 is commutated to the parasitic diode of the switching element Q1, and the waveform of IQ1 shown in FIG. The current of the switching element Q1 once swings to the minus side. If the switching element Q1 is turned on again at this timing, the switching element Q1 is turned on when the current flowing through the switching element Q1 is 0. Therefore, the switching loss is suppressed and the efficiency is improved as in the case of the above. can do.
  期間Aの開始時点でスイッチング素子Q4をターンオンすることにより充電される瞬停補償コンデンサCtk(4、図9)の電圧が、別途定めた設定値に到達した時点で、既に説明したようにスイッチング素子Q4をターンオフして瞬停補償コンデンサCtkへの充電を停止する。その後は、図10A〜10Dの処理を繰り返しても充電回路15からの出力が停止しているため、充電回路15の平滑コンデンサ(48、図9)の電圧が飽和したところで、ダイオードD3及びD4の電流は0となり、次の充電処理が実行されるまで待機状態となる。  As described above, when the voltage of the instantaneous power failure compensation capacitor Ctk (4, FIG. 9) charged by turning on the switching element Q4 at the start of the period A reaches a separately set value. Q4 is turned off to stop charging the instantaneous power failure compensation capacitor Ctk. After that, since the output from the charging
  次に、期間B(図8)では、スイッチング素子Q3をオンすることにより、入力コンデンサCin(16、図9)の役割を瞬停補償コンデンサCtk(4、図9)が代わりに機能して図10A〜10Dの動作が繰り返される。また、停電検出により期間C(図8)となった場面も同様である。ただし、期間B及び期間Cでは、スイッチング素子Q4をオフ状態に維持し、充電回路15は充電機能を停止している。  Next, in the period B (FIG. 8), the switching element Q3 is turned on, so that the role of the input capacitor Cin (16, FIG. 9) is replaced by the instantaneous power failure compensation capacitor Ctk (4, FIG. 9). The operation of 10A to 10D is repeated. The same applies to the scene in which the period C (FIG. 8) is reached due to the power failure detection. However, in the period B and the period C, the switching element Q4 is maintained in the off state, and the charging
図11は、第3実施形態のスイッチング電源の定常時の期間Aにおける動作波形を示す図である。図11において、Q1ゲートがハイ(High)でスイッチング素子Q1がオン、Q2ゲートがロー(Low)でスイッチング素子Q2がオフとなっている期間が図10Aの状態に対応し、Q1ゲート、Q2ゲートがロー(Low)でスイッチング素子Q1,Q2がオフとなっている期間が図10Bの状態に対応し、Q1ゲートがロー(Low)でスイッチング素子Q1がオフ、Q2ゲートがハイ(High)でスイッチング素子Q2がオンとなっている期間が図10Cの状態に対応し、Q1ゲートがロー(Low)でスイッチング素子Q1がオフ、Q2ゲートがロー(Low)でスイッチング素子Q2,Q4がオフとなっている期間が図10Dの状態に対応している。 FIG. 11 is a diagram illustrating operation waveforms in the period A when the switching power supply according to the third embodiment is in a steady state. In FIG. 11, the period during which the Q1 gate is high, the switching element Q1 is on, the Q2 gate is low, and the switching element Q2 is off corresponds to the state of FIG. 10A, and the Q1 gate and Q2 gate The period during which switching elements Q1 and Q2 are off corresponding to the low level corresponds to the state of FIG. 10B. Switching is performed when the Q1 gate is low, the switching element Q1 is off, and the Q2 gate is high. The period during which the element Q2 is on corresponds to the state of FIG. 10C. The switching element Q1 is off when the Q1 gate is low, and the switching elements Q2 and Q4 are off when the Q2 gate is low. The period of time corresponds to the state of FIG. 10D.
  図11には、瞬停補償コンデンサCtkの電圧が充電設定電圧V2(=Vtk_lim)に到達する以前の、スイッチング素子Q4がオンで充電回路15が充電動作を行っている状態の動作波形を示しており、スイッチング素子Q1がオンのときに2次側のダイオードD1の電流ID1及び充電回路15のダイオードD3の電流ID3が生じ、スイッチング素子Q2がオンのときに2次側のダイオードD2の電流ID2及び充電回路15のダイオードD4の電流ID4が発生する。  FIG. 11 shows an operation waveform in a state where the switching element Q4 is on and the charging
  図示は省略するが、瞬停補償コンデンサCtkの電圧が充電設定電圧V2に到達して充電が完了した場合には、スイッチング素子Q4をオフして充電回路15の充電動作を停止する。これにより、図11の電流ID3及び電流ID4は共に0となる。  Although illustration is omitted, when the voltage of the instantaneous power failure compensation capacitor Ctk reaches the charge setting voltage V2 and the charging is completed, the switching element Q4 is turned off and the charging operation of the charging
期間Aに続く期間B(図8)あるいは停電発生時の期間C(図8)における動作波形は、スイッチング素子Q1,Q2の駆動周波数が期間Aよりも増大する点と、スイッチング素子Q4をオフする一方でスイッチング素子Q3をオンしている点を除けば、図11において電流ID3及び電流ID4が共に0となっている状態と同じである。 The operation waveform in the period B (FIG. 8) following the period A or the period C (FIG. 8) when a power failure occurs is that the driving frequency of the switching elements Q1 and Q2 is higher than the period A and the switching element Q4 is turned off. On the other hand, except that the switching element Q3 is turned on, the current ID3 and the current ID4 are both 0 in FIG.
[第4実施形態]
  次に、本発明の第4実施形態を図9、図12A及び図12Bを参照して説明する。この第4実施形態は、回路構成や基本的な駆動手順は前記の第3実施形態とほぼ同じであるが、期間Aと期間Bとの移行時の処理を前記の第2実施形態と同様により詳細に規定するものである。[Fourth Embodiment]
 Next, a fourth embodiment of the present invention will be described with reference to FIGS. 9, 12A and 12B. In the fourth embodiment, the circuit configuration and the basic driving procedure are almost the same as those in the third embodiment, but the process at the time of transition between the period A and the period B is the same as in the second embodiment. It is specified in detail.
  第3実施形態のなかでも説明したように、交流電源1の周波数が概ね50〜60Hzであるのに対して、PFC(力率改善)動作をしている期間Aにおける駆動周波数fは60〜100kHz前後の範囲で大きく変化する。つまり図8の横軸はQ1ゲートの制御パルス信号のスケールと大きな差があるため、切替時の動作について図12Aを用いてより詳細に説明する。  As described in the third embodiment, while the frequency of the
  図9の回路図において、改めて、まず期間Aから期間Bに移行する際の動作を確認すると、スイッチング素子Q3をオンしたタイミングで、スイッチング素子Q1,Q2から見た入力電源が、ダイオードブリッジ2の出力から瞬停補償コンデンサCtkに切り替わり、駆動周波数fがf0以下の範囲からfbに切り替えられて、入力電圧Vinの低下と共に0に近付いていたスイッチング素子Q1の電流IQ1はピーク電流レベルまで急速に立ち上げられる。In the circuit diagram of FIG. 9, once again confirming the operation when shifting from the period A to the period B, at the timing when the switching element Q3 is turned on, the input power source viewed from the switching elements Q1 and Q2 is connected to the
この動作を図12Aの波形図を用いて説明する。入力電圧Vinの低下にともなって入力コンデンサ16(Cin)の電圧(=全波整流電圧Vac)が低下すると、それぞれオン時間比率50%で相補的に動作しているスイッチング素子Q1,Q2の電流IQ1,IQ2(不図示)もまた低下する。このときのスイッチング周期はta(>1/f0)である。This operation will be described with reference to the waveform diagram of FIG. 12A. When the voltage of the input capacitor 16 (Cin) (= the full-wave rectified voltage Vac) decreases as the input voltage Vin decreases, the current IQ1 of the switching elements Q1, Q2 operating complementarily at an on-time ratio of 50%, respectively. , IQ2 (not shown) also decreases. The switching period at this time is ta (> 1 / f0 ).
ここでスイッチング素子Q3がオンされて、充電設定電圧V2に充電された瞬停補償コンデンサCtkが接続されると、両者の電位が等しくなるように入力コンデンサCinが充電されてCin電圧が上昇する。図12Aでは安全のため、Cin電圧が瞬停補償コンデンサCtkの電圧と等しくなるまでの2周期はスイッチング素子Q1,Q2(不図示)の動作を停止している。 Here, when the switching element Q3 is turned on and the instantaneous power failure compensation capacitor Ctk charged to the charge setting voltage V2 is connected, the input capacitor Cin is charged so that the potentials of both are equal, and the Cin voltage rises. In FIG. 12A, for safety, the operations of the switching elements Q1 and Q2 (not shown) are stopped for two periods until the Cin voltage becomes equal to the voltage of the instantaneous power failure compensation capacitor Ctk.
なお、絶縁トランス9(Tr)のインダクタンスにより電流IQ1の急激な変化も抑制されるため、上記の2周期の停止期間は必ずしも設定しなくてもよい。また、回路条件によってはさらに長い周期を設けることも可能である。 In addition, since the rapid change of the current IQ1 is suppressed by the inductance of the insulating transformer 9 (Tr), the two periods of the stop period are not necessarily set. Further, a longer period can be provided depending on circuit conditions.
次に、Q1ゲートとQ2ゲートとの駆動周波数fをfbに増大させるが、その目的はピーク電流レベルが過大とならないようにすることにある。スイッチング素子Q1の電流IQ1は直前までの状態(=初期条件)にも影響されるので、直ちに電流値が過大とならない場合は、図12Aのように数周期にわたって周期を段階的に絞ることで、連続的に駆動周波数を上げるようにしてもよい。 Next, the drive frequency f of the Q1 gate and the Q2 gate is increased to fb, but the purpose is to prevent the peak current level from becoming excessive. Since the current IQ1 of the switching element Q1 is also affected by the state immediately before (= initial condition), if the current value does not immediately become excessive, the cycle is gradually reduced over several cycles as shown in FIG. The drive frequency may be increased continuously.
続いて、期間Bから期間Aに移行する際の動作を、図12Bを用いて説明する。期間B中の入力コンデンサCin及び瞬停補償コンデンサCtkの電圧であるCin電圧は、期間Bにおける放電処理により充電設定電圧V2よりも僅かに低下するが、本来20ms程度の瞬停期間を補償するためのエネルギーを蓄積しているので、1ms程度に過ぎない期間Bでの変化量は小さい。 Next, an operation when shifting from the period B to the period A will be described with reference to FIG. The Cin voltage, which is the voltage of the input capacitor Cin and the instantaneous blackout compensation capacitor Ctk in the period B, is slightly lower than the charge setting voltage V2 due to the discharging process in the period B, but originally compensates the instantaneous blackout period of about 20 ms. Therefore, the amount of change in the period B which is only about 1 ms is small.
  図12Bでは、期間Aを迎えるよりも数周期早くスイッチング素子Q3をオフしている。これにより、2次側に放電可能なエネルギー源は入力コンデンサCinのみに限られ、続く数周期でCin電圧及びそれに依存するスイッチング素子Q1の電流IQ1もまた大きく低下する。電流の低下と共に、周期tb(=1/fb)を期間Aの周期ta(>1/f0)へと段階的に増加させて、入力コンデンサCinの電圧(Cin電圧)がダイオードブリッジ2の出力電圧(Vac)と一致したところで、期間Aの動作モードに切り替わる。In FIG. 12B, the switching element Q3 is turned off several cycles earlier than the period A is reached. As a result, the energy source that can be discharged to the secondary side is limited to the input capacitor Cin only, and the Cin voltage and the current IQ1 of the switching element Q1 depending on the Cin voltage are also greatly reduced in the following several cycles. As the current decreases, the period tb (= 1 / fb) is gradually increased to the period ta (> 1 / f0 ) of the period A, and the voltage of the input capacitor Cin (Cin voltage) is output from the
  このようにスイッチング素子Q3を早めにオフして、入力コンデンサCinの電圧がスムーズにダイオードブリッジ2の出力電圧と一致するように制御することで、電流IQ1も連続的な変化となるよう制御することができる。  In this way, the switching element Q3 is turned off early so that the voltage of the input capacitor Cin smoothly matches the output voltage of the
なお、期間Bから期間Aへの移行では、図12Aのようにスイッチング素子Q1(及び不図示のスイッチング素子Q2)をオフする周期を設けていないが、タイミング調整のために数周期の停止期間を設けてもよい。 In the transition from the period B to the period A, a period for turning off the switching element Q1 (and the switching element Q2 (not shown)) is not provided as in FIG. 12A, but several periods of stop periods are provided for timing adjustment. It may be provided.
以上、期間Aと期間Bとの移行時の詳細動作について説明した。図8のスケールでは周期の桁が異なるため、駆動周波数fは不連続に変化するようにも見え、そのような制御も可能であるが、この第4実施形態のように短期間での連続的な制御を行っても、本発明の目的とする過電流防止と出力電圧リップルの抑制を実現できることは言うまでもない。 The detailed operation at the time of transition between the period A and the period B has been described above. In the scale of FIG. 8, since the digit of the period is different, the drive frequency f seems to change discontinuously, and such control is possible. However, as in the fourth embodiment, it is continuous in a short period. It goes without saying that even if such control is performed, it is possible to achieve overcurrent prevention and suppression of output voltage ripple, which are the objects of the present invention.
さらに、ここでは期間Aと期間Bとの間の移行時について説明したが、瞬停を検出して、期間Aから期間Cに移行する場合、あるいは電源が復帰(復電)して期間Cから期間Aに移行する場合も、以上説明したような制御を実施できることは言うまでもない。 Further, here, the transition between the period A and the period B has been described. However, when a momentary power failure is detected and the period A is shifted to the period C, or when the power is restored (recovered) and the period C is exceeded. It goes without saying that the control as described above can also be performed when the period A is shifted.
[第5実施形態]
  次に、本発明の第5実施形態を図13と図14とを参照して説明する。
  図13には、第1実施形態のスイッチング電源基板を上から見た図を示している。この電源基板32の回路構成は、図2の回路図と基本的には同じであり、図13において、図2の回路図と同じ構成要素には同じ符号を付与している。また、図2にはない新たな構成要素も示している。[Fifth Embodiment]
 Next, a fifth embodiment of the present invention will be described with reference to FIGS.
 FIG. 13 shows a top view of the switching power supply substrate of the first embodiment. The circuit configuration of the
  図14には、薄型テレビに図13に示した電源基板32を実装したときの形態を示している。図14において、電源基板32は面実装基板であり、電源基板32は図面の上側が液晶パネル33の上向きになるように実装される。  FIG. 14 shows a form in which the
  図13において、電源基板32の下部には入力コネクタ30があり、その近くにダイオードブリッジ2、入力コンデンサ16、充電回路15、及びパワーMOSFET5a(スイッチング素子Q1),5b(スイッチング素子Q2),5c(スイッチング素子Q3),5d(スイッチング素子Q4)が配置される。このうち、発熱部品であるダイオードブリッジ2とパワーMOSFET5a,5bとは、放熱のために厚さ1〜2mmのアルミ板31の上に取り付けられる。パワーMOSFET5c(スイッチング素子Q3),5d(スイッチング素子Q4)とダイオード10cとは、ほとんど発熱しないため基板に直に実装される。  In FIG. 13, there is an
  電源基板32の中央付近には、コントローラ51が配置され、各部からの検出信号が入力されると共に、駆動周波数fの出力制御信号がハイサイドとローサイドとの2出力のドライバIC29eに接続され、このドライバIC29eの出力によって、スイッチング素子Q1〜Q4が駆動される。  Near the center of the
  さらに電源基板32の中央付近には、瞬停補償コンデンサ4が数個に分けて並べて実装される。また、コンデンサ8が実装される。電源基板32のコンデンサ実装位置の上側には絶縁トランス9が実装される。電源基板32においては、絶縁トランス9の上部が2次側となっており、このエリアにはダイオード10aがアルミ板31とは別のアルミ板31aに取り付けられて実装される。ダイオード10aの近傍には、出力平滑コンデンサ11が数個に分けて並べて実装される。電源基板32の最上部には、出力コネクタ40a,40b,40cが実装される。また、充電回路15を構成するダイオード10c、平滑コンデンサ48、及びコイル49も電源基板32に実装される。  Further, near the center of the
このように、本発明に係るスイッチング電源装置によれば、高効率な回路方式を採用することで、必要なコンデンサ容量の低減が可能となり、薄型タイプのコンデンサを並列実装することなどによって、電源基板32全体の厚みを10mm未満に抑制することができる。 As described above, according to the switching power supply device according to the present invention, it is possible to reduce the required capacitor capacity by adopting a high-efficiency circuit system, and by mounting thin type capacitors in parallel, etc. The entire thickness of 32 can be suppressed to less than 10 mm.
次に図14を説明する。図14の中央には薄型液晶テレビセットを背面から見た図を、下側には上から見た図を、右側には真横から見た図をそれぞれ示している。 Next, FIG. 14 will be described. In the center of FIG. 14, a view of the thin liquid crystal television set as viewed from the back, a view as viewed from above at the lower side, and a view as viewed from the side at the right side are shown.
  背面から見た図においては、テレビセットの背面カバーをはずした状態で記載しており、電源基板32は、中央の支柱34bと右側にある支柱34cの間に実装されている。テレビセットには電源ケーブル38が入力され、電源基板32の下方に実装されているフィルタ基板39に接続される。フィルタ基板39からの出力ケーブルは電源基板32の入力コネクタ30(図13)に接続される。  In the figure seen from the back side, the television set is shown with the back cover removed, and the
  電源基板32の出力コネクタ40a,40b,40c(図13)は、それぞれLEDドライバ基板35b、LEDドライバ基板35a、回路基板36に接続される。LEDドライバ基板35b,35aは、電源基板32から出力した24Vの直流電圧を入力し、LEDバックライト(不図示)の点灯に必要な電圧に昇圧あるいは降圧するコンバータ(不図示)を搭載した基板であり、LEDに流れる電流を制御することにより、LEDの輝度を調整することが可能である。LEDバックライト(不図示)自体は電源基板32や回路基板36などと液晶パネル33との間にあり、10mm前後の厚さである。  The
  なお、T−con(タイミングコントローラ)基板37には、電源基板32から回路基板36に入力した24Vの直流電圧を必要な電圧に変換した上で、回路基板36から電力が供給される。  The T-con (timing controller)
  また、図14に示したように、厚さ10mm未満の電源基板32を、液晶パネル33を用いたテレビセット、あるいは他の薄型の画像モニタ装置(不図示)の表示パネル部の背面に実装することと、LEDドライバにより駆動される10mm前後の厚さのLEDバックライト(不図示)を用いることにより、表示パネル部のセット厚みを20mm以上30mm以下に薄型化することが可能になる。  Further, as shown in FIG. 14, a
[その他の実施形態]
  なお、前記した第1〜第5実施形態では、スイッチング素子としてNチャネルのパワーMOSFETを用いたが、用途によってはPチャネルのスイッチング素子を用いてもよい。また、第1及び第3実施形態では、スイッチング電源の制御については、アナログ回路の構成を例にとって説明したが、デジタル制御としてもよい。デジタル制御の場合においても、様々な制御アルゴリズムの形態を用いることができる。[Other Embodiments]
 In the first to fifth embodiments described above, the N-channel power MOSFET is used as the switching element, but a P-channel switching element may be used depending on the application. In the first and third embodiments, the control of the switching power supply has been described by taking the configuration of the analog circuit as an example, but digital control may be used. Even in the case of digital control, various forms of control algorithms can be used.
また、交流電力の供給源としては、商用交流を前提に述べたが、商用交流に限らず、自家発電などを用いてもよく、交流電力を電源として用いる一般的な場合に広く適用することができる。また、電源電圧や各素子に加わる電圧の実施例や、表示装置や実装基板において具体的な形態の数値を例に挙げたが、これらは設計事項であって、他の電圧値や形状値においても、本発明を適用することによって、スイッチング電源が小型化され、このスイッチング電源を搭載する装置の小型化、軽量化、薄型化が可能となる。 In addition, the AC power supply source has been described on the premise of commercial AC. However, it is not limited to commercial AC, and private power generation or the like may be used, which is widely applied to general cases where AC power is used as a power source. it can. In addition, examples of the power supply voltage and the voltage applied to each element, and numerical values of specific forms in the display device and the mounting substrate are given as examples, but these are design matters, and other voltage values and shape values However, by applying the present invention, the switching power supply can be reduced in size, and the apparatus equipped with the switching power supply can be reduced in size, weight, and thickness.
また、第5実施形態では本発明に係るスイッチング電源基板を搭載した薄型液晶テレビセットについて説明したが、これは単なる一例であって、本発明のスイッチング電源を用いれば、様々な電子機器の小型化、軽量化、薄型化を図ることができる。 In the fifth embodiment, the thin liquid crystal television set mounted with the switching power supply substrate according to the present invention has been described. However, this is merely an example, and the use of the switching power supply according to the present invention reduces the size of various electronic devices. It is possible to reduce the weight and thickness.
以上説明したように、これらの実施形態によれば、高調波抑制機能を有する交流入力の絶縁型スイッチング電源において、出力電圧変動を±10%前後に抑制し、かつ従来であれば入力電力がほぼ途絶えていた低入力電圧の位相においても電荷蓄積手段により絶縁された出力側に電力を伝送することができるため、全般的な入力電流の波高値を抑え、スイッチング損失を抑制して、1段変換による効果と共に電源効率の向上を図ることができる。 As described above, according to these embodiments, in an AC input isolated switching power supply having a harmonic suppression function, output voltage fluctuations are suppressed to around ± 10%, and in the conventional case, the input power is almost equal. Since power can be transmitted to the output side insulated by the charge storage means even in the phase of the low input voltage that was interrupted, the peak value of the general input current is suppressed, switching loss is suppressed, and one-stage conversion is performed. It is possible to improve the power supply efficiency together with the effect of the above.
また、電荷蓄積手段を3次巻線からのエネルギーで昇圧充電するため、電荷蓄積手段の容量を小さくすることができ、スイッチング電源の実装体積を低減し、電源の出力密度を向上させることができる。また、昇圧して高密度化した電荷蓄積手段のエネルギーを利用するに際してはスイッチング素子の駆動周波数を高く設定するため、素子破壊や磁気飽和といった誤動作を回避することができる。 In addition, since the charge storage means is boosted and charged with energy from the tertiary winding, the capacity of the charge storage means can be reduced, the mounting volume of the switching power supply can be reduced, and the output density of the power supply can be improved. . Further, when using the energy of the charge storage means that has been boosted and densified, the drive frequency of the switching element is set high, so that malfunctions such as element destruction and magnetic saturation can be avoided.
近年は多くの装置でデジタル制御が導入されており、例えば5V以下の低電圧で動作する制御IC系と、電力を要する電圧20Vの主系統が制御ICの出力信号でコントロールされる場合、瞬停などで制御系の電源が途絶えることは、アナログ制御系で構成される場合と比較して大きなトラブルとなりやすい。本発明の実施形態のような瞬停補償機能を有したスイッチング電源を用いることにより、制御系の動作が急停止することを回避でき、全体として高効率のシステムを構築することができる。 In recent years, digital control has been introduced in many devices. For example, when a control IC system that operates at a low voltage of 5 V or less and a main system that requires power of 20 V are controlled by an output signal of the control IC, If the power supply of the control system is cut off due to the above, it is easy to cause a big trouble as compared with the case where it is configured with an analog control system. By using the switching power supply having the instantaneous power failure compensation function as in the embodiment of the present invention, it is possible to avoid the sudden stop of the operation of the control system, and it is possible to construct a highly efficient system as a whole.
本発明は、交流電力を入力して動作する各種の電機機器、空調機器、家庭電化製品、パソコンやサーバ等の情報機器などに広く適用することができる。 The present invention can be widely applied to various electric devices, air conditioners, home appliances, information devices such as personal computers and servers that operate by inputting AC power.
  1    交流電源
  2    ダイオードブリッジ(整流手段)
  4,Ctk  瞬停補償コンデンサ(電荷蓄積手段)
  5a,Q1  パワーMOSFET(第1のスイッチング素子)
  5b,Q2  パワーMOSFET(第2のスイッチング素子)
  5c,Q3  パワーMOSFET(第3のスイッチング素子)
  5d,Q4  パワーMOSFET(第4のスイッチング素子)
  8,Cc  コンデンサ
  9,Tr  絶縁トランス
  10a,10b,D1,D2  ダイオード(平滑手段)
  10c,10d,D3,D4  ダイオード
  11,Co  出力平滑コンデンサ(平滑手段)
  12  負荷
  14  電流検出器
  15  充電回路
  16,Cin  入力コンデンサ
  17  共振コンデンサ
  19a  スイッチ
  20a,20b,20c  アンプ
  21  停電検出器(停電検出手段)
  22a,22b,22c,22d  乗算器
  25  三角波発生器
  27a  PWMコンパレータ
  27b,27c  コンパレータ、
  28  NOT回路
  29a,29b,29c,29d,29e  ドライバ
  30  入力コネクタ
  31,31a  アルミ板
  32  電源基板
  33  液晶パネル
  34a,34b,34c  支柱
  35a,35b  LEDドライバ基板
  36  回路基板
  37  T−con(タイミングコントローラ)基板
  38  電源ケーブル
  39  フィルタ基板
  40a,40b,40c  出力コネクタ
  48  平滑コンデンサ
  49  コイル
  51  コントローラ、演算器(力率改善手段、充放電制御手段)
  N1  1次巻線
  N2  2次巻線
  N3  3次巻線1
 4, Ctk Instantaneous power failure compensation capacitor (charge storage means)
 5a, Q1 power MOSFET (first switching element)
 5b, Q2 Power MOSFET (second switching element)
 5c, Q3 Power MOSFET (third switching element)
 5d, Q4 power MOSFET (fourth switching element)
 8,
 10c, 10d, D3,
 DESCRIPTION OF
 22a, 22b, 22c,
 28
 N1 Primary winding N2 Secondary winding N3 Tertiary winding
| Application Number | Priority Date | Filing Date | Title | 
|---|---|---|---|
| JP2012122959AJP6073077B2 (en) | 2012-05-30 | 2012-05-30 | Switching power supply and electronic device equipped with switching power supply | 
| Application Number | Priority Date | Filing Date | Title | 
|---|---|---|---|
| JP2012122959AJP6073077B2 (en) | 2012-05-30 | 2012-05-30 | Switching power supply and electronic device equipped with switching power supply | 
| Publication Number | Publication Date | 
|---|---|
| JP2013251938A JP2013251938A (en) | 2013-12-12 | 
| JP6073077B2true JP6073077B2 (en) | 2017-02-01 | 
| Application Number | Title | Priority Date | Filing Date | 
|---|---|---|---|
| JP2012122959AExpired - Fee RelatedJP6073077B2 (en) | 2012-05-30 | 2012-05-30 | Switching power supply and electronic device equipped with switching power supply | 
| Country | Link | 
|---|---|
| JP (1) | JP6073077B2 (en) | 
| Publication number | Priority date | Publication date | Assignee | Title | 
|---|---|---|---|---|
| JP5893089B2 (en)* | 2014-07-07 | 2016-03-23 | 三菱電機株式会社 | Control method of DC converter | 
| JP5813184B1 (en)* | 2014-07-07 | 2015-11-17 | 三菱電機株式会社 | DC converter | 
| JP6247176B2 (en)* | 2014-08-20 | 2017-12-13 | コーセル株式会社 | Switching power supply | 
| CN105337487A (en)* | 2014-11-22 | 2016-02-17 | 林福泳 | Efficient single stage power factor correction power supply | 
| JP6218244B2 (en)* | 2015-06-09 | 2017-10-25 | 三菱電機エンジニアリング株式会社 | Power converter | 
| JP6582923B2 (en)* | 2015-11-27 | 2019-10-02 | 岩崎電気株式会社 | LED lighting device and LED lighting device | 
| EP3454462B1 (en)* | 2016-05-04 | 2022-06-22 | Closed-up Joint-Stock Company Drive | Method for generating a high pulse voltage in an inductive load | 
| RU2703966C1 (en)* | 2016-05-04 | 2019-10-22 | Закрытое Акционерное Общество "Драйв" | Device for producing high-voltage pulse voltage | 
| WO2018186344A1 (en)* | 2017-04-05 | 2018-10-11 | 住友電気工業株式会社 | Power source and power source control method | 
| CN112019065B (en)* | 2019-05-31 | 2021-11-19 | 广东美的制冷设备有限公司 | Drive control method, device, household appliance and computer readable storage medium | 
| CN112503745B (en)* | 2020-11-23 | 2022-04-12 | 海信(山东)空调有限公司 | Air conditioner fault tolerance control method and air conditioner | 
| CN113098283B (en)* | 2021-01-28 | 2022-09-09 | 北京理工大学 | A single-stage single-phase rectifier control method based on real-time calculation with constant frequency and two degrees of freedom | 
| Publication number | Priority date | Publication date | Assignee | Title | 
|---|---|---|---|---|
| JP2917871B2 (en)* | 1995-09-22 | 1999-07-12 | 株式会社日本プロテクター | Uninterruptible switching regulator | 
| JP2004320970A (en)* | 2003-04-15 | 2004-11-11 | Noboru Abe | Switching power supply | 
| JP5174702B2 (en)* | 2009-01-30 | 2013-04-03 | 株式会社日立メディアエレクトロニクス | Switching power supply device and video display device | 
| JP4806455B2 (en)* | 2009-03-27 | 2011-11-02 | 株式会社日立メディアエレクトロニクス | Switching power supply and switching method | 
| Publication number | Publication date | 
|---|---|
| JP2013251938A (en) | 2013-12-12 | 
| Publication | Publication Date | Title | 
|---|---|---|
| JP6073077B2 (en) | Switching power supply and electronic device equipped with switching power supply | |
| US7532491B2 (en) | Apparatus and method for supplying DC power source | |
| JP5174702B2 (en) | Switching power supply device and video display device | |
| US7613018B2 (en) | Apparatus and method for supplying DC power source | |
| JP6255577B2 (en) | DC power supply circuit | |
| JP6065262B2 (en) | Power supply | |
| JP2012125090A (en) | Switching power supply and display device with it | |
| JP2009027895A (en) | Switching power supply | |
| JP5547603B2 (en) | Power supply | |
| US20130127248A1 (en) | Alternating current (ac) to direct current (dc) converter device | |
| JP7001896B2 (en) | DC-DC converter | |
| JP2013021861A (en) | Power-supply device and method of controlling the same | |
| JP2012244771A (en) | Power unit and electronic apparatus using the same | |
| CN101847938B (en) | Switching power supply and switching method | |
| US8824180B2 (en) | Power conversion apparatus | |
| KR20190043268A (en) | Dc-dc converter | |
| US8338984B2 (en) | Uninterruptible power supply supporting active loads | |
| JP2006230057A (en) | Power supply | |
| JP2018196271A (en) | Power conversion device | |
| JP4370844B2 (en) | DC converter | |
| KR101330639B1 (en) | Power supply apparatus with low power in standby mode | |
| JP5817225B2 (en) | Power converter | |
| JP2013110776A (en) | Semiconductor integrated circuit device and power conversion device | |
| JP2013247732A (en) | Power-supply device | |
| KR100788286B1 (en) | DC power supply and its method | 
| Date | Code | Title | Description | 
|---|---|---|---|
| A711 | Notification of change in applicant | Free format text:JAPANESE INTERMEDIATE CODE: A711 Effective date:20131216 | |
| A621 | Written request for application examination | Free format text:JAPANESE INTERMEDIATE CODE: A621 Effective date:20150528 | |
| A521 | Written amendment | Free format text:JAPANESE INTERMEDIATE CODE: A523 Effective date:20150708 | |
| A131 | Notification of reasons for refusal | Free format text:JAPANESE INTERMEDIATE CODE: A131 Effective date:20160614 | |
| A977 | Report on retrieval | Free format text:JAPANESE INTERMEDIATE CODE: A971007 Effective date:20160616 | |
| A521 | Written amendment | Free format text:JAPANESE INTERMEDIATE CODE: A523 Effective date:20160804 | |
| RD02 | Notification of acceptance of power of attorney | Free format text:JAPANESE INTERMEDIATE CODE: A7422 Effective date:20160804 | |
| TRDD | Decision of grant or rejection written | ||
| A01 | Written decision to grant a patent or to grant a registration (utility model) | Free format text:JAPANESE INTERMEDIATE CODE: A01 Effective date:20161213 | |
| A61 | First payment of annual fees (during grant procedure) | Free format text:JAPANESE INTERMEDIATE CODE: A61 Effective date:20170104 | |
| R150 | Certificate of patent or registration of utility model | Ref document number:6073077 Country of ref document:JP Free format text:JAPANESE INTERMEDIATE CODE: R150 | |
| LAPS | Cancellation because of no payment of annual fees |