










本発明は、磁気共鳴方式のワイヤレス電力伝送システムに用いられ、電力の受電又は送電を行うアンテナに関する。 The present invention relates to an antenna that is used in a magnetic resonance wireless power transmission system and receives power or transmits power.
近年、電源コードなどを用いることなく、ワイヤレスで電力(電気エネルギー)を伝送する技術の開発が盛んとなっている。ワイヤレスで電力を伝送する方式の中でも、特に注目されている技術として、磁気共鳴方式と呼ばれるものがある。この磁気共鳴方式は2007年にマサチューセッツ工科大学の研究グループが提案したものであり、これに関連する技術は、例えば、特許文献1(特表2009−501510号公報)に開示されている。 In recent years, development of technology for transmitting electric power (electric energy) wirelessly without using a power cord or the like has become active. Among wireless transmission methods, there is a technique called magnetic resonance as a technology that has attracted particular attention. This magnetic resonance method was proposed by a research group of Massachusetts Institute of Technology in 2007, and a technology related to this is disclosed in, for example, Japanese Patent Application Laid-Open No. 2009-501510.
磁気共鳴方式のワイヤレス電力伝送システムは、送電側アンテナの共振周波数と、受電側アンテナの共振周波数とを同一とし高いQ値(100以上)のアンテナを用いることで、送電側アンテナから受電側アンテナに対し、効率的にエネルギー伝達を行うものであり、電力伝送距離を数十cm〜数mとすることが可能であることが大きな特徴の一つである。 The magnetic resonance type wireless power transmission system uses an antenna having the same resonance frequency of the power transmission side antenna as that of the power reception side antenna and a high Q value (100 or more), so that the power transmission side antenna is changed to the power reception side antenna. On the other hand, energy transmission is performed efficiently, and one of the major features is that the power transmission distance can be several tens of centimeters to several meters.
  上記のような磁気共鳴方式のワイヤレス電力伝送システムに用いるアンテナの具体的な構成についてもこれまでいくつか提案がされてきた。例えば、特許文献2(特開2010−73976号公報)には、ワイヤレスで給電回路から受電回路へ電力を送信するワイヤレス電力伝送装置の、前記給電回路及び受電回路にそれぞれ設けられる通信コイルの構造において、比誘電率が1よりも大きい材質のプリント基板と、前記プリント基板の第1の層に設けられ、少なくとも1ループをなす導電パターンで形成された一次コイルと、前記プリント基板の第2の層に設けられ、渦巻き形状をなす導電パターンで形成された共鳴コイルと、を備えることを特徴とするワイヤレス電力伝送装置の通信コイル構造が開示されている。
上記のような磁気共鳴方式の電力伝送システムを電気自動車(EV)やハイブリッド電気自動車(HEV)などの車両に対する電力供給に用いる場合においては、送電用のアンテナは地中部に埋設され、また、受電用のアンテナは車両の底面部にレイアウトされることが想定される。しかしながら、特許文献1記載のコイル構造においては、金属体からなる車両の底部に設置するための最適な設計がなされておらず、これを車両底部に配して利用した場合、電力伝送効率が抑制される、という問題であった。 When the magnetic resonance type power transmission system as described above is used for power supply to vehicles such as an electric vehicle (EV) and a hybrid electric vehicle (HEV), a power transmission antenna is embedded in the ground and receives power. It is assumed that the antenna for use is laid out on the bottom of the vehicle. However, in the coil structure described in Patent Document 1, the optimum design for installation at the bottom of a vehicle made of a metal body is not made. When this is used at the bottom of the vehicle, the power transmission efficiency is suppressed. It was a problem of being.
  上記問題を解決するために、請求項1に係る発明は、主面を有する絶縁性基材上に所定のコイルパターン導電部が形成されてなるコイル体と、前記コイル体上に前記コイル体と第1距離離間されて配されるフェライト基材と、前記フェライト基材上に前記フェライト基材と第2距離離間されて配されるアルミニウム基材と、を有し、前記第1距離が前記第2距離より長いことを特徴とする。
In order to solve the above problem, the invention according to claim 1 is a coil body in which a predetermined coil pattern conductive portion is formed on an insulating base material having a main surface, and the coil body on the coil body. a ferrite substrate that is disposed are a first distance apart,have a, an aluminum substrate that is disposed the ferrite substrate and being a second distance apart on the ferritesubstrate, the first distance is the first It is characterizedby being longer than 2 distances .
  また、請求項2に係る発明は、請求項1に記載のアンテナにおいて、前記主面に対して垂直方向に投影を行ったとき、前記コイルパターン導電部が形成する投影は、前記フェラ
イト基材が形成する投影に含まれると共に、前記フェライト基材が形成する投影は、前記アルミニウム基材が形成する投影に含まれることを特徴とする。The invention according to claim 2 is the antenna according to claim 1, wherein when the projection is performed in a direction perpendicular to the main surface, the projection formed by the coil pattern conductive portion is the same as that of the ferrite base material. The projection formed by the ferrite base material is included in the projection formed by the aluminum base material.
  また、請求項3に係る発明は、請求項1又は請求項2に記載のアンテナにおいて、前記フェライト基材の厚さは、前記フェライト基材を通過する磁束量が飽和磁束以下となるように設定することを特徴とする。
The invention according to claim 3 is the antenna according toclaim 1or 2 , wherein the thickness of the ferrite base is set so that the amount of magnetic flux passing through the ferrite base is equal to or less than the saturation magnetic flux. It is characterized by doing.
  また、請求項4に係る発明は、請求項1乃至請求項3のいずれか1項に記載のアンテナにおいて、前記アルミニウム基材の厚さは、前記フェライト基材から漏洩する磁束を遮断する厚さとすることを特徴とする。
According to a fourth aspect of the present invention, in the antenna according to any one of the first tothird aspects, the thickness of the aluminum base is a thickness that blocks magnetic flux leaking from the ferrite base. It is characterized by doing.
本発明に係るアンテナは、コイル体上にコイル体と第1距離離間されて配されるフェライト基材と、フェライト基材上にフェライト基材と第2距離離間されて配されるアルミニウム基材と、が設けられているので、車両底面にアンテナを装着した場合でも、車両本体部を構成する金属物などの影響を抑制し、効率的に電力伝送を行うことが可能となる。 An antenna according to the present invention includes a ferrite base material disposed on a coil body and spaced apart from the coil body by a first distance, and an aluminum base material disposed on the ferrite base material and spaced apart from the ferrite base material by a second distance; Thus, even when an antenna is mounted on the bottom surface of the vehicle, it is possible to suppress the influence of a metal object constituting the vehicle main body and efficiently perform power transmission.
以下、本発明の実施形態を図面を参照しつつ説明する。図1は本発明の実施形態に係るアンテナが用いられる電力伝送システムのブロック図である。なお、本発明に係るアンテナは、電力伝送システムを構成する受電側のアンテナと送電側のアンテナのいずれにも適用可能であるが、以下の実施形態においては受電側のアンテナに本発明のアンテナを適用した例につき説明する。 Embodiments of the present invention will be described below with reference to the drawings. FIG. 1 is a block diagram of a power transmission system in which an antenna according to an embodiment of the present invention is used. The antenna according to the present invention can be applied to both a power receiving antenna and a power transmitting antenna constituting the power transmission system. However, in the following embodiments, the antenna of the present invention is used as the power receiving antenna. The applied example will be described.
  本発明のアンテナが用いられる電力伝送システムとしては、例えば、電気自動車(EV)やハイブリッド電気自動車(HEV)などの車両への充電のためのシステムが想定されている。電力伝送システムは、上記のような車両に対して電力を非接触で伝送するため、当該車両を停車させることが可能な停車スペースに設けられる。車両充電用のスペースで
ある当該停車スペースには、送電アンテナ105などが地中部に埋設されるような構成となっている。車両のユーザーはこの電力伝送システムが設けられている停車スペースに車両を停車させて、車両に搭載されている受電アンテナ201と、前記送電アンテナ105とを対向させることによって電力伝送システムからの電力を受電する。車両を停車スペースに停車させる際には、車両搭載の受電アンテナ201が、送電アンテナ105に対して最も伝送効率が良い位置関係となるようにする。As a power transmission system using the antenna of the present invention, for example, a system for charging a vehicle such as an electric vehicle (EV) or a hybrid electric vehicle (HEV) is assumed. Since the electric power transmission system transmits electric power to the vehicle as described above in a non-contact manner, the electric power transmission system is provided in a stop space where the vehicle can be stopped. The stop space, which is a vehicle charging space, is configured such that the
  電力伝送システムでは、電力伝送システム100側の送電アンテナ105から、受電側システム200側の受電アンテナ201へ効率的に電力を伝送する際、送電アンテナ105の共振周波数と、受電アンテナ201の共振周波数とを同一とすることで、送電側アンテナから受電側アンテナに対し、効率的にエネルギー伝達を行うようにする。  In the power transmission system, when power is efficiently transmitted from the
  電力伝送システム100におけるAC/DC変換部101は、入力される商用電源を一定の直流に変換するコンバータである。このAC/DC変換部101からの出力は高電圧発生部102において、所定の電圧に昇圧されたりする。この電圧調整部102で生成される電圧の設定は主制御部110から制御可能となっている。  The AC /
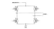
  インバーター部103は、高電圧発生部102から供給される高電圧から所定の交流電圧を生成して、整合器104に入力する。図2は電力伝送システムのインバーター部を示す図である。インバーター部103は、例えば図2に示すように、フルブリッジ方式で接続されたQA乃至QDからなる4つの電界効果トランジスタ(FET)によって構成されている。The inverter unit 103 generates a predetermined AC voltage from the high voltage supplied from the high
  本実施形態においては、直列接続されたスイッチング素子QAとスイッチング素子QBの間の接続部T1と、直列接続されたスイッチング素子QCとスイッチング素子QDとの間の接続部T2との間に整合器104が接続される構成となっており、スイッチング素子QA
とスイッチング素子QDがオンのとき、スイッチング素子QBとスイッチング素子QCがオ
フとされ、スイッチング素子QBとスイッチング素子QCがオンのとき、スイッチング素子QAとスイッチング素子QDがオフとされることで、接続部T1と接続部T2との間に矩形波の交流電圧を発生させる。なお、本実施形態においては、各スイッチング素子のスイッチングによって生成される矩形波の周波数の範囲は数100kHz〜数1000kHz程度である。In the present embodiment, between the connection portion T1 between the switching elements QA and QB connected in series and the connection portion T2 between the switching elements QC and QD connected in series. The matching device 104 is connected to the switching element QA.
 When the switching element QD is on, the switching element QB and the switching element QC are off. When the switching element QB and the switching element QC are on, the switching element QA and the switching element QD are off. As a result, a rectangular wave AC voltage is generated between the connection portion T1 and the connection portion T2. In the present embodiment, the range of the frequency of the rectangular wave generated by switching of each switching element is about several hundred kHz to several thousand kHz.
  上記のようなインバーター部103を構成するスイッチング素子QA乃至QDに対する駆動信号は主制御部110から入力されるようになっている。また、インバーター部103を駆動させるための周波数は主制御部110から制御することができるようになっている。Drive signals for the switching elements QA to QD constituting the inverter unit 103 as described above are input from the
  整合器104は、所定の回路定数を有する受動素子から構成され、インバーター部103からの出力が入力される。そして、整合器104からの出力は送電アンテナ105に供給される。整合器104を構成する受動素子の回路定数は、主制御部110からの指令に基づいて調整することができるようになっている。主制御部110は、送電アンテナ105と受電アンテナ201とが共振するように整合器104に対する指令を行う。  The matching unit 104 is composed of a passive element having a predetermined circuit constant, and receives an output from the inverter unit 103. The output from the matching unit 104 is supplied to the
  送電アンテナ105は、誘導性リアクタンス成分を有するコイルから構成されており、対向するようにして配置される車両搭載の受電アンテナ201と共鳴することで、送電アンテナ105から出力される電気エネルギーを受電アンテナ201に送ることができるようになっている。  The
  電力伝送システム100の主制御部110はCPUとCPU上で動作するプログラムを
保持するROMとCPUのワークエリアであるRAMなどからなる汎用の情報処理部である。この主制御部110は、図示されている主制御部110と接続される各構成と協働するように動作する。The
  また、通信部120は車両側の通信部220と無線通信を行い、車両との間でデータの送受を可能にする構成である。通信部120によって受信したデータは主制御部110に転送され、また、主制御部110は所定情報を通信部120を介して車両側に送信することができるようになっている。  The
  次に、車両側に設けられている構成について説明する。車両の受電側のシステムにおいて、受電アンテナ201は、送電アンテナ105と共鳴することによって、送電アンテナ105から出力される電気エネルギーを受電するものである。このような受電アンテナ201は、車両の底面部に取り付けられるようになっている。  Next, a configuration provided on the vehicle side will be described. In the system on the power receiving side of the vehicle, the
  受電アンテナ201で受電された交流電力は、整流部202において整流され、整流された電力は充電制御部203を通してバッテリー204に蓄電されるようになっている。充電制御部203は主制御部210からの指令に基づいてバッテリー204の蓄電を制御する。また、充電制御部203はバッテリー204の残量管理なども行い得るように構成される。  The AC power received by the
  主制御部210はCPUとCPU上で動作するプログラムを保持するROMとCPUのワークエリアであるRAMなどからなる汎用の情報処理部である。この主制御部210は、図示されている主制御部210と接続される各構成と協働するように動作する。  The
  インターフェイス部230は、車両の運転席部に設けられ、ユーザー(運転者)に対し所定の情報などを提供したり、或いは、ユーザーからの操作・入力を受け付けたりするものであり、表示装置、ボタン類、タッチパネル、スピーカーなどで構成されるものである。ユーザーによる所定の操作が実行されると、インターフェイス部230から操作データとして主制御部210に送られ処理される。また、ユーザーに所定の情報を提供する際には、主制御部210からインターフェイス部230に対して、所定情報を表示するための表示指示データが送信される。  The
  また、車両側の通信部220は送電側の通信部120と無線通信を行い、送電側のシステムとの間でデータの送受を可能にする構成である。通信部220によって受信したデータは主制御部210に転送され、また、主制御部210は所定情報を通信部220を介して送電システム側に送信することができるようになっている。  Further, the vehicle-
  電力伝送システムで、電力を受電しようとするユーザーは、上記のような送電側のシステムが設けられている停車スペースに車両を停車させ、インターフェイス部230から充電を実行する旨の入力を行う。これを受けた主制御部210は、充電制御部203からのバッテリー204の残量を取得し、バッテリー204の充電に必要な電力量を算出する。算出された電力量と送電を依頼する旨の情報は、車両側の通信部220から送電側のシステムの通信部120に送信される。これを受信した送電側システムの主制御部110は高電圧発生部102、インバーター部103、整合器104を制御することで、車両側に電力を伝送するようになっている。  In the power transmission system, a user who wants to receive power inputs the information indicating that charging is performed from the
  次に、以上のように構成される電力伝送システム100で用いるアンテナの具体的な構成について説明する。以下、受電アンテナ201に本発明の構成を採用した例について説明するが、本発明のアンテナは送電アンテナ105に対しても適用し得るものである。  Next, a specific configuration of the antenna used in the
  図3は本発明の第1実施形態に係る受電アンテナ201の分解斜視図であり、図4は本発明の第1実施形態に係る受電アンテナ201による電力伝送の様子を示す断面の模式図であり、図4における矢印は磁力線を模式的に示している。なお、以下の実施形態では、コイル体270として矩形平板状のものを例に説明するが、本発明のアンテナはこのような形状のコイルに限定されるものではない。例えば、コイル体270として円形平板状のものなども利用し得る。このようなコイル体270は、受電アンテナ201における磁気共鳴アンテナ部として機能する。この「磁気共鳴アンテナ部」は、コイル体270のインダクタンス成分のみならず、その浮游容量に基づくキャパシタンス成分、或いは意図的に追加したコンデンサに基づくキャパシタンス成分をも含むものである。  FIG. 3 is an exploded perspective view of the
  ケース体260は、受電アンテナ201の誘導性リアクタンス成分を有するコイル体270を収容するために用いられるものである。このケース体260は、例えばポリカーボネートなどの樹脂により構成される開口を有する箱体の形状をなしている。ケース体260の矩形状の底板部261の各辺からは側板部262が、前記底板部261に対して垂直方向に延在するようにして設けられている。そして、ケース体260の上方においては、側板部262に囲まれるような上方開口部263が構成されている。ケース体260にパッケージされた受電アンテナ201はこの上方開口部263側で車両本体部に取り付けられる。ケース体260を車両本体部に取り付けるためには、従来周知の任意の方法を用いることができる。なお、上方開口部263の周囲には、車両本体部への取り付け性を向上するために、フランジ部材などを設けるようにしても良い。  The
  コイル体270は、ガラスエポキシ製の矩形平板状の基材271と、この基材271上に形成される渦巻き状の導電部272とから構成されている。渦巻き状をなす導電部272の内周側の第1端部273、及び外周側の第2端部274には不図示の導電線路が電気接続される。これにより、受電アンテナ201によって受電した電力を整流部202へと導けるようになっている。このようなコイル体270はケース体260の矩形状の底板部216上に載置され、適当な固着手段によって底板部216上に固着される。  The
  コイル体270上には、コイル体270と第1距離d1離間されてフェライト基材28
0が配されている。フェライト基材280としては、比抵抗が大きく、透磁率が大きく、磁気ヒステリシスが小さいものが望ましい。フェライト基材280は、ケース体260に対して適当な手段により固着されることで、コイル体270の上方に第1距離d1の空間
を空けて配されるようになっている。このようなレイアウトにより、送電アンテナ105側で発生する磁力線は、フェライト基材280を透過する率が高くなり、送電アンテナ105から受電アンテナ201への電力伝送において、車両本体部を構成する金属物による磁力線への影響が軽微となる。On the
 0 is arranged. As the
  また、ケース体260の上方開口部263においては、前記上方開口部263を覆うような矩形平板状のアルミニウム基材290が、フェライト基材280の上方に第2距離d2をおいて配されるようになっている。このようなアルミニウム基材290に用いる金属
材料としてはアルミニウム以外の金属を用いることも可能である。In addition, in the
  本実施形態においては、アルミニウム基材290が前記上方開口部263を覆うように配されることで、コイル体270に対する車両本体金属部の影響を抑制することが可能となり、受信アンテナ201のアンテナとしての特性を確定することが可能となる。本実施形態によれば、アンテナの特性が確定しているために、受信アンテナ201を取り付ける車種に関わりなく、同様の電力伝送特性を期待することが可能となり、アンテナとしての汎用性が広がることとなる。  In the present embodiment, the
  また、本実施形態においては、受電アンテナ201は上方開口部263にある車体取り
付け部265を利用して車両本体部に取り付けられる。このような車体取り付け部265の構造は従来周知のものを適宜用いることができる。なお、上方開口部263の周囲には、車両本体部への取り付け性を向上するために、フランジ部材などを設けるようにしても良い。In the present embodiment, the
  以上のように本発明のアンテナは、主面を有する絶縁性の基材271上に所定の導電部272が形成されてなるコイル体270と、コイル体270上にコイル体270と第1距離d1離間されて配されるフェライト基材280と、フェライト基材280上にフェライ
ト基材280と第2距離d2離間されて配されるアルミニウム基材290と、アルミニウ
ム基材290上に配される車体取り付け部265と、を有している。As described above, the antenna of the present invention includes the
  ここで、本発明のアンテナを上記のように構成する理由について説明する。図5は本発明と比較例の電力伝送効率データを示す図であり、図6はデータ取得における条件を説明する図である。
図5の(A)に示すデータは、図6(A)に示すように、送電アンテナ、受電アンテナとして本発明に係る構成を利用し、受電側において、車両を模擬した鉄板と受電側コイル体との間の距離Dを変位させつつ、取得したものである。Here, the reason why the antenna of the present invention is configured as described above will be described. FIG. 5 is a diagram showing power transmission efficiency data of the present invention and a comparative example, and FIG. 6 is a diagram for explaining conditions in data acquisition.
 As shown in FIG. 6 (A), the data shown in FIG. 5 (A) is obtained by using the structure according to the present invention as a power transmission antenna and a power reception antenna. The distance D between the two is acquired while being displaced.
一方、図5の(B)に示すデータは、図6(B)に示すように、送電アンテナ、受電アンテナとして、アルミニウム基材を省略した比較例に係る構成を利用し、車両を模擬した鉄板と受電側コイル体との間の距離Dを変位させつつ、取得したものである。 On the other hand, as shown in FIG. 6 (B), the data shown in FIG. 5 (B) is an iron plate that simulates a vehicle using a configuration according to a comparative example in which an aluminum base material is omitted as a power transmitting antenna and a power receiving antenna. The distance D between the power receiving side coil body and the power receiving side coil body is obtained while being displaced.
本発明に係る効率データは、距離Dの如何に関わらず、ほぼ同程度の伝送効率が維持されるのに対して、比較例に係る効率データは、実際の車両にアンテナが搭載される際に用いられる可能性の高いDが約100以下の距離で、伝送効率が低下してしまうことがわかる。 The efficiency data according to the present invention maintains almost the same transmission efficiency regardless of the distance D, whereas the efficiency data according to the comparative example is obtained when an antenna is mounted on an actual vehicle. It can be seen that the transmission efficiency decreases when the distance D, which is likely to be used, is about 100 or less.
  このように、本発明に係るアンテナは、コイル体270上にコイル体270と第1距離d1離間されて配されるフェライト基材280と、フェライト基材280上にフェライト
基材280と第2距離d2離間されて配されるアルミニウム基材290と、が設けられて
いるので、車両底面にアンテナを装着した場合でも、車両本体部を構成する金属物などの影響を抑制し、効率的に電力伝送を行うことが可能となる。As described above, the antenna according to the present invention includes the
  次に、本発明の他の実施形態について説明する。図7は本発明の第2実施形態に係る受電アンテナ201の分解斜視図であり、図8は本発明の第2実施形態に係る受電アンテナ201による電力伝送の様子を示す断面の模式図である。なお、先の実施形態と同様の構成については同じ参照番号が付されている。  Next, another embodiment of the present invention will be described. FIG. 7 is an exploded perspective view of a
  第2実施形態は、先の実施形態と構成としては同様のものが用いられているが、図7に示すように、基材271の主面に対して垂直方向に投影を行ったとき、コイル体270のコイルパターン導電部272が形成する投影は、フェライト基材280が形成する投影に含まれるように、また、フェライト基材280が形成する投影は、アルミニウム基材290が形成する投影に含まれるように設定されていることを特徴としている。  In the second embodiment, the same configuration as that of the previous embodiment is used. However, when the projection is performed in the direction perpendicular to the main surface of the
  ここで、上記のような寸法関係とするメリットについて説明する。アンテナの効率を低下させる要因としては、鉄損(渦電流損)と銅損(抵抗損)を挙げることができる。鉄損は、鉄(車両)>アルミニウム>フェライトの順に大きく、鉄による損失を最小とすることが望ましい。そこで、磁性体であるフェライト基材280により磁束の流れを制御(磁束経路の形成)し、車体へと漏れる磁束を低減し、フェライト基材280だけでは防ぎきれない磁束の漏れをアルミニウム基材290で防ぐ事で、車体へと漏れる磁束を低減する
。このために、上記のように、コイル体270のコイルパターン導電部272→フェライト基材280→アルミニウム基材290→車両の金属部の順に投影面積を大きくすることで磁束の漏れを低減でき、効率低下を防止する。Here, the merit of the dimensional relationship as described above will be described. Factors that reduce the efficiency of the antenna include iron loss (eddy current loss) and copper loss (resistance loss). The iron loss is large in the order of iron (vehicle)>aluminum> ferrite, and it is desirable to minimize the loss due to iron. Therefore, the flow of magnetic flux is controlled by the
以上のような実施形態においても、先の実施形態と同様以上の効果を享受することができる。 In the embodiment as described above, the same effects as those in the previous embodiment can be obtained.
  次に、コイル体270とフェライト基材280との間の第1距離d1、及びフェライト
基材280とアルミニウム基材290との間の第2距離d2の関係をどのように設定する
とより好ましいアンテナを構成することが可能となるかについて説明する。Next, it is more preferable to set how the first distance d1 between the
図9は本発明と比較例の電力伝送効率データを示す図であり、図10はデータ取得における条件を説明する図である。 FIG. 9 is a diagram showing power transmission efficiency data of the present invention and a comparative example, and FIG. 10 is a diagram for explaining conditions in data acquisition.
図9に示すデータは、図10に示すように、送電アンテナ、受電アンテナとして本発明に係る構成を利用し、受電側において、車両を模擬した鉄板を配置し、鉄板、フェライト基材、コイル体は固定の上、送電アンテナ・受電アンテナの双方において、アルミニウム基材を変位させ(すなわち、第2距離d2を変化させ)て、取得したものである。As shown in FIG. 10, the data shown in FIG. 9 uses the configuration according to the present invention as a power transmitting antenna and a power receiving antenna, and on the power receiving side, an iron plate simulating a vehicle is arranged, and the iron plate, ferrite base material, coil body Is obtained by displacing the aluminum base material (that is, changing the second distance d2 ) in both the power transmitting antenna and the power receiving antenna after being fixed.
  図9からもわかると通り、コイル体270とフェライト基材280との間の第1距離d1は、フェライト基材280とアルミニウム基材290との間の第2距離d2より長い場合の方が、伝送効率がよくなることから、本発明では、(第1距離d1)>(第2距離d2)と設定するものである。As can be seen from FIG. 9, the first distance d1 between the
なお、第1実施形態と第2実施形態の双方において、(第1距離d1)>(第2距離d2)と設定することができ、これにより伝送効率を上げることが可能となる。In both of the first embodiment and the second embodiment, it is possible to set (first distance d1 )> (second distance d2 ), thereby increasing transmission efficiency.
以下、第1実施形態と第2実施形態を実施する上で、より好ましい設定例について説明する。 Hereinafter, more preferable setting examples will be described in carrying out the first embodiment and the second embodiment.
  まず、フェライト基材280の厚さは、フェライト基材280を通過する磁束量が飽和磁束以下となるように設定することが望ましい。これにより、アルミニウム基材290側に漏洩する磁束を低減することができ、伝送効率を上げることができる。  First, the thickness of the
  また、アルミニウム基材290の厚さは、フェライト基材280から漏洩する磁束を遮断する厚さとすることが望ましい。これにより、車両を構成する金属に漏洩する磁束を減らすことができ、伝送効率を上げることができる。  Moreover, it is desirable that the thickness of the
  また、図11はアンテナのインピーダンスと伝送効率との関係を示す図であるが、これによれば、アンテナとしてはインピーダンスの変化率が少ない構成を採用することが望ましいことがわかる。発明者らの実験によれば、コイル体270とフェライト基材280との間の第1距離d1は、9mm以上に設定することで、インピーダンスの変化は5Ω以内
となり、効率低下への影響は10%以下とすることがわかった。FIG. 11 is a diagram showing the relationship between the impedance of the antenna and the transmission efficiency. According to this, it can be seen that it is desirable to adopt a configuration with a small impedance change rate as the antenna. According to the experiments by the inventors, by setting the first distance d1 between the
以上、本発明に係るアンテナは、コイル体上にコイル体と第1距離離間されて配されるフェライト基材と、フェライト基材上にフェライト基材と第2距離離間されて配されるアルミニウム基材と、が設けられているので、車両底面にアンテナを装着した場合でも、車両本体部を構成する金属物などの影響を抑制し、効率的に電力伝送を行うことが可能となる。 As described above, the antenna according to the present invention includes a ferrite base material disposed on the coil body and spaced apart from the coil body by the first distance, and an aluminum base disposed on the ferrite base material and spaced apart from the ferrite base material by the second distance. Therefore, even when the antenna is mounted on the bottom surface of the vehicle, it is possible to suppress the influence of a metal object constituting the vehicle main body and efficiently perform power transmission.
100・・・電力伝送システム
101・・・AC/DC変換部
102・・・電圧調整部
103・・・インバーター部
104・・・整合器
105・・・送電アンテナ
110・・・主制御部
120・・・通信部
201・・・受電アンテナ
202・・・整流部
203・・・充電制御部
204・・・バッテリー
210・・・主制御部
220・・・通信部
230・・・インターフェイス部
260・・・ケース体
216・・・底板部
262・・・側板部
263・・・(上方)開口部
265・・・車体取り付け部
270・・・コイル体
271・・・基材
272・・・導電部
273・・・第1端部
274・・・第2端部
280・・・フェライト基材
290・・・アルミニウム基材DESCRIPTION OF
| Application Number | Priority Date | Filing Date | Title | 
|---|---|---|---|
| JP2012073275AJP5930182B2 (en) | 2012-03-28 | 2012-03-28 | antenna | 
| Application Number | Priority Date | Filing Date | Title | 
|---|---|---|---|
| JP2012073275AJP5930182B2 (en) | 2012-03-28 | 2012-03-28 | antenna | 
| Publication Number | Publication Date | 
|---|---|
| JP2013207479A JP2013207479A (en) | 2013-10-07 | 
| JP5930182B2true JP5930182B2 (en) | 2016-06-08 | 
| Application Number | Title | Priority Date | Filing Date | 
|---|---|---|---|
| JP2012073275AExpired - Fee RelatedJP5930182B2 (en) | 2012-03-28 | 2012-03-28 | antenna | 
| Country | Link | 
|---|---|
| JP (1) | JP5930182B2 (en) | 
| Publication number | Priority date | Publication date | Assignee | Title | 
|---|---|---|---|---|
| JP6299320B2 (en)* | 2014-03-25 | 2018-03-28 | Tdk株式会社 | Coil unit and wireless power transmission device | 
| JP6303684B2 (en) | 2014-03-25 | 2018-04-04 | Tdk株式会社 | Coil unit and wireless power transmission device | 
| KR102671965B1 (en)* | 2017-02-21 | 2024-06-05 | 삼성전기주식회사 | Magnetic Sheet and Electronic Device | 
| KR20220154156A (en) | 2020-03-06 | 2022-11-21 | 솔라스 파워 인크. | Wireless power transfer transmitter, system and method for wirelessly transferring power | 
| JP2023093097A (en)* | 2021-12-22 | 2023-07-04 | ミツミ電機株式会社 | antenna device | 
| Publication number | Priority date | Publication date | Assignee | Title | 
|---|---|---|---|---|
| JP2009076513A (en)* | 2007-09-19 | 2009-04-09 | Yoshi Takaishi | Shield structure for planar coil | 
| JP2010093180A (en)* | 2008-10-10 | 2010-04-22 | Showa Aircraft Ind Co Ltd | Non-contact power supply | 
| JP5746049B2 (en)* | 2009-12-17 | 2015-07-08 | トヨタ自動車株式会社 | Power receiving device and power transmitting device | 
| Publication number | Publication date | 
|---|---|
| JP2013207479A (en) | 2013-10-07 | 
| Publication | Publication Date | Title | 
|---|---|---|
| JP5915857B2 (en) | antenna | |
| JP5924496B2 (en) | Power transmission system | |
| JP2012178959A (en) | Antenna | |
| US20150048688A1 (en) | Electric power transmission system | |
| JP5988210B2 (en) | Power transmission system | |
| JP5988211B2 (en) | Power transmission system | |
| JP2012216569A (en) | Power transmission system | |
| JP2012178529A (en) | Antenna | |
| JP2015008547A (en) | Non-contact power charger | |
| JP5930182B2 (en) | antenna | |
| JP2013038893A (en) | Power transmission system | |
| JP2013135491A (en) | Antenna | |
| JP2012210118A (en) | Antenna | |
| JP6040510B2 (en) | Power transmission system | |
| JP2014197757A (en) | Antenna coil | |
| JP2013255349A (en) | Antenna | |
| JP5888504B2 (en) | antenna | |
| JP6085817B2 (en) | Power transmission system | |
| JP2013074683A (en) | antenna | |
| JP2012178530A (en) | Antenna | |
| JP2014093797A (en) | Power transmission system | |
| JP2014093320A (en) | Power transmission system | |
| JP2013254852A (en) | Antenna | |
| JP2013157944A (en) | Antenna | |
| JP2014197935A (en) | Power transmission system | 
| Date | Code | Title | Description | 
|---|---|---|---|
| A621 | Written request for application examination | Free format text:JAPANESE INTERMEDIATE CODE: A621 Effective date:20150327 | |
| A977 | Report on retrieval | Free format text:JAPANESE INTERMEDIATE CODE: A971007 Effective date:20151224 | |
| A131 | Notification of reasons for refusal | Free format text:JAPANESE INTERMEDIATE CODE: A131 Effective date:20160203 | |
| A521 | Request for written amendment filed | Free format text:JAPANESE INTERMEDIATE CODE: A523 Effective date:20160301 | |
| TRDD | Decision of grant or rejection written | ||
| A01 | Written decision to grant a patent or to grant a registration (utility model) | Free format text:JAPANESE INTERMEDIATE CODE: A01 Effective date:20160406 | |
| A61 | First payment of annual fees (during grant procedure) | Free format text:JAPANESE INTERMEDIATE CODE: A61 Effective date:20160419 | |
| R150 | Certificate of patent or registration of utility model | Ref document number:5930182 Country of ref document:JP Free format text:JAPANESE INTERMEDIATE CODE: R150 | |
| R250 | Receipt of annual fees | Free format text:JAPANESE INTERMEDIATE CODE: R250 | |
| R250 | Receipt of annual fees | Free format text:JAPANESE INTERMEDIATE CODE: R250 | |
| LAPS | Cancellation because of no payment of annual fees |