














本発明は、半導体装置の作製方法に関し、特に支持基板と素子形成層との間に設けられた剥離層を利用して、支持基板から素子形成層の剥離を行うことにより半導体装置を作製する方法に関する。 The present invention relates to a method for manufacturing a semiconductor device, and in particular, a method for manufacturing a semiconductor device by peeling an element formation layer from a support substrate using a release layer provided between a support substrate and an element formation layer. About.
近年、有価証券や商品の管理など、自動認識が必要なあらゆる分野を対象に、非接触でデータの授受が行えるRFID(Radio Frequency Identification)タグや、RFIDタグを搭載カード等の必要性が高まっている。RFIDタグを搭載したカードは、カード内部のループアンテナを介して外部の機器と非接触でデータの読み書きをするようになされる。また、RFIDタグを搭載したカードは、磁気記録方式によりデータを記録する磁気カードに比べて記憶容量が大きく、セキュリティ性に優れているため、最近では様々な分野への利用できる形態が提案されている。 In recent years, the need for RFID (Radio Frequency Identification) tags that can exchange data in a contactless manner and cards with RFID tags has increased in all fields that require automatic recognition, such as management of securities and products. Yes. A card equipped with an RFID tag reads and writes data without contact with an external device via a loop antenna inside the card. In addition, since a card equipped with an RFID tag has a larger storage capacity and superior security compared to a magnetic card that records data by a magnetic recording method, a form that can be used in various fields has recently been proposed. Yes.
一般的に、RFIDタグはアンテナとICチップとから構成され、ICチップはシリコンウェハ上に設けられたトランジスタ等を有する素子形成層により形成されている。しかし、近年、より低コスト化が求められており、ガラス基板上等に設けられた素子形成層を用いるRFIDタグの技術開発が進められている。このような技術では、ガラス基板上に設けられた素子形成層は、完成後に支持基板であるガラス基板から分離する必要がある。支持基板上に設けられた素子形成層を分離する方法として、これまで様々な技術が考えられている。 In general, an RFID tag includes an antenna and an IC chip, and the IC chip is formed by an element formation layer having a transistor or the like provided on a silicon wafer. However, in recent years, further cost reduction has been demanded, and technical development of an RFID tag using an element formation layer provided on a glass substrate or the like has been advanced. In such a technique, the element formation layer provided on the glass substrate needs to be separated from the glass substrate which is the support substrate after completion. Various techniques have heretofore been considered as a method for separating the element formation layer provided on the support substrate.
例えば、支持基板を研削、研磨することによって薄膜化を行い素子形成層を取り出す方法や、支持基板を化学反応等によって除去する方法または支持基板と素子形成層を剥がす方法等がある。例えば、支持基板上に設けられた素子形成層を剥がす方法としては、非晶質シリコン(またはポリシリコン)からなる分離層を設け、基板を通過させてレーザ光を照射して非晶質シリコンに含まれる水素を放出させることにより、空隙を生じさせて支持基板を分離させる技術がある(特許文献1参照)。また、他にも素子形成層と支持基板の間にシリコンを含む剥離層を設けて、当該剥離層をフッ化ハロゲンを含む気体を用いて除去することにより、素子形成層を支持基板から分離する技術がある(特許文献2参照)。このように、支持基板上に設けられた素子形成層を分離する方法は多数ある。 For example, there are a method of thinning a support substrate by grinding and polishing to take out an element formation layer, a method of removing the support substrate by a chemical reaction, or a method of peeling the support substrate and the element formation layer. For example, as a method of peeling an element formation layer provided on a supporting substrate, an isolation layer made of amorphous silicon (or polysilicon) is provided, and laser light is irradiated through the substrate to form amorphous silicon. There is a technique in which a support substrate is separated by generating voids by releasing contained hydrogen (see Patent Document 1). In addition, a separation layer containing silicon is provided between the element formation layer and the support substrate, and the separation layer is removed using a gas containing halogen fluoride, so that the element formation layer is separated from the support substrate. There is a technology (see Patent Document 2). As described above, there are many methods for separating the element formation layer provided on the support substrate.
しかしながら、支持基板を研削、研磨または溶解によって除去する方法では、応力等の物理的な力による損傷や汚染の問題等が生じる。また、これらの方法では、一度使用した基板を再度利用することが非常に困難であり、コストが増加するという問題がある。 However, in the method of removing the support substrate by grinding, polishing, or melting, there is a problem of damage or contamination due to physical force such as stress. Moreover, in these methods, it is very difficult to reuse the substrate once used, and there is a problem that the cost increases.
また、支持基板と素子形成層の間に設けられた剥離層を用いて、支持基板上に設けられた素子形成層を分離する場合、剥離層の性質が重要となる。つまり、剥離層を除去することにより支持基板と素子形成層を分離する場合には、剥離層に用いられる材料と当該剥離層を除去するためのエッチング剤の選択により、剥離層の除去に要する時間が左右される。また、剥離層を介して支持基板と素子形成層を物理的な力で分離する場合には、剥離層に用いられる材料により剥離層を介して形成された支持基板と素子形成層との密着性が左右される。また、剥離層上に薄膜トランジスタ等から構成される素子形成層を設ける場合に、剥離層の材料や膜質によっては、トランジスタの特性に影響を与え半導体装置の信頼性が低下する恐れがある。 Moreover, when the element formation layer provided on the support substrate is separated using the release layer provided between the support substrate and the element formation layer, the property of the release layer is important. That is, in the case where the supporting substrate and the element formation layer are separated by removing the release layer, the time required for removing the release layer can be selected by selecting a material used for the release layer and an etching agent for removing the release layer. Is affected. In addition, when the support substrate and the element formation layer are separated by a physical force via the release layer, the adhesion between the support substrate and the element formation layer formed via the release layer by the material used for the release layer Is affected. Further, in the case where an element formation layer including a thin film transistor or the like is provided over the separation layer, depending on the material and film quality of the separation layer, the characteristics of the transistor may be affected and the reliability of the semiconductor device may be reduced.
上記問題を鑑み、本発明では、低コストで信頼性の高い半導体装置の作製方法を提供することを目的とする。 In view of the above problems, an object of the present invention is to provide a method for manufacturing a semiconductor device with low cost and high reliability.
本発明における半導体装置の作製方法は、基板上に金属膜を形成し、金属膜にプラズマ処理を行うことによって金属膜の表面に金属酸化膜を形成し、金属酸化膜上に素子形成層を形成し、素子形成層を覆って絶縁膜を形成し、絶縁膜および素子形成層に開口部を形成し、開口部にエッチング剤を導入して金属膜および金属酸化膜を除去し、基板から素子形成層を剥離することを特徴としている。また、本発明における素子形成層とは、少なくとも薄膜トランジスタ(TFT)を有している。当該薄膜トランジスタにより、CPU(central processing unit)、メモリまたはマイクロプロセッサ等のありとあらゆる集積回路を設けることができる。また、素子形成層は、薄膜トランジスタに加えてアンテナを有した形態もとりうる。例えば、薄膜トランジスタで構成される素子形成層は、アンテナで発生した交流の電圧を用いて動作を行い、アンテナに印可する交流の電圧を変調することにより、リーダ/ライタへの送信を行うことができる。なお、アンテナは、薄膜トランジスタとともに形成してもよいし、薄膜トランジスタとは別個に形成し、後に電気的に接続するように設けてもよい。 In the method for manufacturing a semiconductor device in the present invention, a metal film is formed on a substrate, a metal oxide film is formed on the surface of the metal film by performing plasma treatment on the metal film, and an element formation layer is formed on the metal oxide film. Then, an insulating film is formed to cover the element forming layer, an opening is formed in the insulating film and the element forming layer, an etching agent is introduced into the opening to remove the metal film and the metal oxide film, and the element is formed from the substrate. It is characterized by peeling the layers. In addition, the element formation layer in the present invention includes at least a thin film transistor (TFT). With the thin film transistor, a variety of integrated circuits such as a central processing unit (CPU), a memory, or a microprocessor can be provided. In addition to the thin film transistor, the element formation layer may have an antenna. For example, an element formation layer formed of a thin film transistor operates using an alternating voltage generated by an antenna and can transmit to a reader / writer by modulating the alternating voltage applied to the antenna. . Note that the antenna may be formed together with the thin film transistor, or may be formed separately from the thin film transistor so as to be electrically connected later.
本発明における半導体装置の他の作製方法として、基板上に金属膜を形成し、金属膜にプラズマ処理を行うことによって金属膜の表面に金属酸化膜を形成し、金属酸化膜上に素子形成層を形成し、素子形成層を覆って絶縁膜を形成し、絶縁膜および素子形成層に開口部を形成し、開口部にエッチング剤を導入して金属膜および金属酸化膜の少なくとも一部を残して除去し、基板から素子形成層を物理的手段(物理的な力)により剥離することを特徴としている。なお、物理的手段とは化学ではなく、物理学により認識される手段であり、具体的には力学の法則に当てはめることが可能な過程を有する力学的手段または機械的手段を指し、何らかの力学的エネルギー(機械的エネルギー)を変化させる手段を指している。つまり、物理的手段を用いて剥離するとは、例えば人間の手、ノズルから吹付けられるガスの風圧、超音波または楔状の部材を用いた負荷等を用いて外部から衝撃(ストレス)を与えることによって剥離することを言う。なお、剥離層(ここでは金属膜および金属酸化膜)を介して形成された基板と素子形成層との密着力が弱い場合には、剥離層を除去せずに基板から素子形成層を分離することも可能である。 As another method for manufacturing a semiconductor device in the present invention, a metal film is formed on a substrate, a metal oxide film is formed on the surface of the metal film by performing plasma treatment on the metal film, and an element formation layer is formed on the metal oxide film. Forming an insulating film covering the element forming layer, forming an opening in the insulating film and the element forming layer, and introducing an etchant into the opening to leave at least a part of the metal film and the metal oxide film And the element formation layer is peeled off from the substrate by physical means (physical force). The physical means is a means recognized not by chemistry but by physics. Specifically, it means a mechanical means or a mechanical means having a process that can be applied to the laws of mechanics. It refers to a means of changing energy (mechanical energy). In other words, peeling using physical means means, for example, by applying an impact (stress) from the outside using a human hand, a wind pressure of a gas blown from a nozzle, a load using an ultrasonic wave or a wedge-shaped member, or the like. Say to peel. Note that when the adhesion between the substrate formed through the peeling layer (here, the metal film and the metal oxide film) and the element formation layer is weak, the element formation layer is separated from the substrate without removing the peeling layer. It is also possible.
また、本発明における半導体装置の他の作製方法として、上記構成において、基板上に形成された金属膜に熱処理を行うことによって金属膜の表面に金属酸化膜を形成してもよい。 As another method for manufacturing a semiconductor device in the present invention, in the above structure, a metal oxide film may be formed on the surface of the metal film by performing heat treatment on the metal film formed over the substrate.
また、本発明における半導体装置の他の作製方法として、基板上に酸素雰囲気下でスパッタ法により金属酸化膜を形成し、金属酸化膜上に素子形成層を形成し、素子形成層を覆って絶縁膜を形成し、絶縁膜および素子形成層に開口部を形成し、開口部にエッチング剤を導入して金属酸化膜を除去し、基板から素子形成層を剥離することを特徴としている。この場合、金属酸化膜は必ずしも全て除去しなくてもよく、金属酸化膜の一部を除去した後に物理的手段を用いて基板から素子形成層を剥離してもよい。また、CVD法等スパッタ法以外の方法を用いて金属酸化膜を形成してもよい。なお、金属酸化膜はガラス等の基板上に形成してもよいし、金属膜の上に形成してもよい。 As another method for manufacturing a semiconductor device in the present invention, a metal oxide film is formed on a substrate by a sputtering method in an oxygen atmosphere, an element formation layer is formed on the metal oxide film, and the element formation layer is covered and insulated. A film is formed, an opening is formed in the insulating film and the element formation layer, an etching agent is introduced into the opening to remove the metal oxide film, and the element formation layer is peeled from the substrate. In this case, it is not always necessary to remove the metal oxide film, and after removing a part of the metal oxide film, the element formation layer may be peeled off from the substrate using physical means. Alternatively, the metal oxide film may be formed using a method other than sputtering such as CVD. The metal oxide film may be formed on a substrate such as glass or may be formed on a metal film.
本発明を用いることにより、可撓性を有する基板上に設けられた半導体装置を低コストで提供することができる。また、本発明の半導体装置の作製方法を用いることにより、信頼性の高い半導体装置を得ることができる。 By using the present invention, a semiconductor device provided over a flexible substrate can be provided at low cost. Further, by using the method for manufacturing a semiconductor device of the present invention, a highly reliable semiconductor device can be obtained.
本発明の実施の形態について、図面を用いて以下に説明する。但し、本発明は以下の説明に限定されず、本発明の趣旨及びその範囲から逸脱することなくその形態及び詳細を様々に変更し得ることは当業者であれば容易に理解される。従って、本発明は以下に示す実施の形態の記載内容に限定して解釈されるものではない。なお、以下に説明する本発明の構成において、同じものを指す符号は異なる図面間で共通して用いる。 Embodiments of the present invention will be described below with reference to the drawings. However, the present invention is not limited to the following description, and it is easily understood by those skilled in the art that modes and details can be variously changed without departing from the spirit and scope of the present invention. Therefore, the present invention should not be construed as being limited to the description of the embodiments below. Note that in the structures of the present invention described below, the same reference numerals are used in common in different drawings.
(実施の形態1)
  本実施の形態では、本発明の半導体装置の作製方法の一構成例に関して図面を用いて説明する。(Embodiment 1)
 In this embodiment, a structural example of a method for manufacturing a semiconductor device of the present invention will be described with reference to drawings.
  まず、基板10の表面に、金属膜11を形成する(図1(A))。金属膜11は、単層で形成してもよいし、複数の層を積層させて形成してもよい。例えば、タングステン(W)膜をスパッタ法を用いて形成する。なお、金属膜11を形成する前に基板10上に絶縁膜を設けてもよい。特に、基板からの汚染が懸念される場合には、基板10と金属膜11との間に絶縁膜を形成するのが好ましい。  First, the
  次に、金属膜11に酸素雰囲気下でプラズマ処理を行い、金属膜11の表面に金属酸化膜12を形成する(図1(B))。金属酸化膜12は、当該金属膜11を構成する金属の金属酸化物で形成される。例えば、金属膜11としてタングステン膜を用いた場合、プラズマ処理を行うことによってタングステン膜の表面に、金属酸化物12としてタングステン酸化膜が形成される。なお、本実施の形態では、金属膜11と金属酸化膜12からなる層を剥離層19とよぶ。  Next, plasma treatment is performed on the
  次に、金属酸化膜12上に絶縁膜13を形成する(図1(C))。絶縁膜13は単層で設けてよいし、複数の膜を積層させて設けてもよい。  Next, an insulating
  次に、絶縁膜13上に薄膜トランジスタ等から構成される層14(以下、TFT層14とも記す)を形成する。なお、本実施の形態では、絶縁膜13とTFT層14からなる層を素子形成層30とよぶ。続いて、素子形成層30を覆うように保護膜として絶縁膜15を形成する(図1(D))。絶縁膜15は、素子形成層30の側面も覆うように形成することが好ましい。また、ここでは、絶縁膜15は、素子形成層30を覆うように全面に設けられているが、必ずしも全面に設ける必要はなく選択的に設けてもよい。  Next, a layer 14 (hereinafter also referred to as a TFT layer 14) composed of a thin film transistor or the like is formed on the insulating
  次に、絶縁膜15および素子形成層30に開口部16を形成し、剥離層19を露出させる(図1(E))。開口部16は、素子形成層30を構成する薄膜トランジスタ等を避けた領域や、基板10の端部に設けることが好ましい。また、開口部16は、レーザ光の照射や、試料の端面を研削、切断することにより形成することができる。  Next, the
  次に、開口部16からエッチング剤を導入して、剥離層19を選択的に除去する(図2(A))。剥離層19は、全て除去してもよいし、剥離層の一部分を残すように除去してもよい。剥離層19の一部を残すことによって、剥離層を除去した後も、基板10に素子形成層30を保持させておくことができる。また、剥離層19を全て除去せず処理を行うことにより、エッチング剤の消費量を減らし、処理時間の短縮化ができるため、低コスト化および高効率化を図ることができる。  Next, an etchant is introduced from the
  次に、絶縁膜15上に第1のシート材17を設ける(図2(B))。第1のシート材17は、少なくとも一方の面が接着性を有しており、素子形成層30上に形成された絶縁膜15と第1のシート材17を貼り合わせることによって設ける。  Next, a
  次に、基板10から素子形成層30を剥離する(図2(C))。基板10と素子形成層30との間に剥離層19が一部残っている場合は、物理的手段を用いて基板10から素子形成層30を剥離する。この場合、上述した方法で設けられた剥離層19を用いることによって、剥離層19を介して形成された基板10と素子形成層との密着性が低下しているため、物理的手段を用いても容易に基板10から素子形成層30を剥離することができる。なお、剥離層19を介して形成された基板10と素子形成層30との密着力が弱い場合には、エッチング剤を用いて剥離層を除去せず、開口部16を形成し剥離層19を露出させた後に物理的な力で基板10から素子形成層30を分離することも可能である。  Next, the
  なお、ここでは、基板10と素子形成層30とを剥離する場合に、金属酸化膜12と素子形成層30に含まれる絶縁膜13との界面で剥離する例を示しているが、素子形成層30の構成や剥離の際に加わる応力等の条件によっては、金属膜11と金属酸化膜12との界面、基板10と金属膜11との界面、金属酸化膜12の内部、金属膜11の内部等で剥離する場合もある。  Here, an example is shown in which the
  次に、基板10から剥離した素子形成層30の面に第2のシート材18を設ける(図2(D))。第2のシート材18は、素子形成層30に接着させた後、加熱処理と加圧処理の一方又は両方を行うことにより設ける。第2のシート材を設けることによって、素子形成層30の強度を補強し、水分や汚染物等の侵入を防ぐことができる。なお、素子形成層の第2のシート材が設けられた反対側にも、第2のシート材と同様のシート材を設けて封止を行ってもよい。この場合、半導体装置をより薄く形成したい場合には、第1のシート材を除去した後に新たにシート材を設けて封止することが好ましい。  Next, the
以上の工程を経て、可撓性を有する半導体装置を作製することができる。以下に、各工程における材料等に関して具体的に説明する。 Through the above steps, a flexible semiconductor device can be manufactured. Hereinafter, materials and the like in each process will be specifically described.
  基板10は、ガラス基板、石英基板、金属基板やステンレス基板の一表面に絶縁膜を形成したもの、本工程の処理温度に耐えうる耐熱性があるプラスチック基板等を用いるとよい。このような基板であれば、その面積や形状に大きな制限はないため、基板10として、例えば、1辺が1メートル以上であって、矩形状のものを用いれば、生産性を格段に向上させることができる。このような利点は、円形のシリコン基板を用いる場合と比較すると、大きな優位点である。また、本実施の形態では、剥離された基板10は再利用することができため、より低コストで半導体装置を作製することができる。例えば、原価の高い石英基板を用いた場合であっても、繰り返し石英基板を利用することにより、低コストで半導体装置を作製することができるといった利点を有している。  The
  金属膜11は、タングステン(W)、モリブデン(Mo)、チタン(Ti)、タンタル(Ta)、ニオブ(Nb)、ニッケル(Ni)、コバルト(Co)、ジルコニウム(Zr)、亜鉛(Zn)、ルテニウム(Ru)、ロジウム(Rh)、鉛(Pb)、オスミウム(Os)、イリジウム(Ir)から選択された元素または前記元素を主成分とする合金材料若しくは化合物材料からなる膜を、単層又は積層して形成する。また、これらの材料は、公知の手段(スパッタ法やプラズマCVD法等の各種CVD法)を用いて形成することができる。  The
  基板10と金属膜11との間に設ける絶縁膜は、酸化珪素(SiOx)、窒化珪素(SiNx)、酸化窒化珪素(SiOxNy)(x>y)、窒化酸化珪素(SiNxOy)(x>y)等の酸素または窒素を有する絶縁膜の単層構造、またはこれらの積層構造を用いることができる。これらの絶縁膜は、公知の手段(スパッタ法やプラズマCVD法等の各種CVD法)を用いて形成することができる。  The insulating film provided between the
  金属酸化膜12は、金属膜11の表面に酸素雰囲気下でプラズマ処理を行うことによって、金属膜11の表面に形成する。例えば、金属膜11としてスパッタ法により形成したタングステン膜を設けた場合、タングステン膜にプラズマ処理を行うことによって、タングステン膜表面にタングステン酸化物からなる金属酸化膜を形成することができる。また、この場合、タングステンの酸化物は、WOxで表され、Xは2〜3であり、Xが2の場合(WO2)、Xが2.5の場合(W2O5)、Xが2.75の場合(W4O11)、Xが3の場合(WO3)などがある。タングステンの酸化物を形成するにあたり、上記に挙げたXの値に特に制約はなく、エッチングレート等を基に、どの酸化物を形成するかを決めるとよい。また、金属酸化膜の他にも、金属窒化物や金属酸化窒化物を用いてもよい。この場合、上記金属膜に窒素雰囲気下、窒素と酸素雰囲気下または、N2O雰囲気下でプラズマ処理を行えばよい。The
  絶縁膜13は、公知の手段(スパッタ法やプラズマCVD法等)により、酸化珪素(SiOx)、窒化珪素(SiNx)、酸化窒化珪素(SiOxNy)(x>y)、窒化酸化珪素(SiNxOy)(x>y)等の酸素または窒素を有する絶縁膜の単層構造、またはこれらの積層構造を用いて形成することができる。例えば、絶縁膜13を2層構造で設ける場合、1層目の絶縁膜として窒化酸化珪素膜を形成し、2層目の絶縁膜として酸化窒化珪素膜を形成するとよい。また、絶縁膜13を3層構造で設ける場合、1層目の絶縁膜として酸化窒化珪素膜を形成し、2層目の絶縁膜として窒化酸化珪素膜を形成し、3層目の絶縁膜として酸化窒化珪素膜を形成するとよい。  The insulating
  TFT層14は、少なくとも薄膜トランジスタ(TFT)等を有している。TFT層14は、当該薄膜トランジスタによって、CPU、メモリまたはマイクロプロセッサ等のありとあらゆる集積回路を設けることができる。また、TFT層14は、薄膜トランジスタに加えてアンテナを有した形態もとりうる。例えば、薄膜トランジスタで構成される集積回路は、アンテナで発生した交流の電圧を用いて動作を行い、アンテナに印可する交流の電圧を変調することにより、リーダ/ライタへの送信を行うことができる。なお、アンテナは、薄膜トランジスタとともに形成してもよいし、薄膜トランジスタとは別個に形成し、後に電気的に接続するようにして設けてもよい。  The
  また、薄膜トランジスタとして、非晶質半導体または結晶質半導体を用いることができるが、より特性の高い薄膜トランジスタを用いる場合には、結晶質半導体を用いて薄膜トランジスタを設けることが好ましい。この場合、絶縁膜13上に公知の手段(スパッタ法、LPCVD法、プラズマCVD法等)により非晶質半導体膜を形成し、続いて、非晶質半導体膜を公知の結晶化法(レーザ結晶化、RTAまたはファーネスアニール炉を用いる熱結晶化法、結晶化を助長する金属元素を用いる熱結晶化法、結晶化を助長する金属元素を用いる熱結晶化法とレーザ結晶化法を組み合わせた方法等)により結晶化して、結晶質半導体膜を形成する。  As the thin film transistor, an amorphous semiconductor or a crystalline semiconductor can be used. However, in the case where a thin film transistor with higher characteristics is used, it is preferable to use a crystalline semiconductor to provide the thin film transistor. In this case, an amorphous semiconductor film is formed on the insulating
また、薄膜トランジスタを構成する半導体膜の構造もどのような構成としてもよく、例えば不純物領域(ソース領域、ドレイン領域、LDD領域を含む)を形成してもよい。薄膜トランジスタは、pチャネル型、nチャネル型またはCMOS回路で設けてもよい。また、半導体膜の上方に設けられるゲート電極の側面と接するように絶縁膜(サイドウォール)を形成してもよいし、ソース領域、ドレイン領域、ゲート電極に、ニッケル、モリブデンまたはコバルト等のシリサイド層を形成してもよい。 Further, the semiconductor film constituting the thin film transistor may have any structure, for example, an impurity region (including a source region, a drain region, and an LDD region) may be formed. The thin film transistor may be a p-channel type, an n-channel type, or a CMOS circuit. In addition, an insulating film (side wall) may be formed so as to be in contact with a side surface of the gate electrode provided above the semiconductor film, and a silicide layer such as nickel, molybdenum, or cobalt is formed on the source region, the drain region, and the gate electrode. May be formed.
  絶縁膜15は、DLC(ダイヤモンドライクカーボン)等の炭素を含む膜、窒素珪素を含む膜、窒素酸化珪素を含む膜、エポキシ等の樹脂材料やその他の有機材料からなる膜等で形成する。なお、絶縁膜15は、これらの膜を公知の手段(スパッタ法、プラズマCVD法等の各種CVD法、スピンコーティング法、液滴吐出法または印刷法)を用いて形成することができる。  The insulating
エッチング剤は、三フッ化塩素ガス等のフッ化ハロゲンまたはハロゲン間化合物を含む気体や液体を使用することができる。他にも、CF4、SF6、NF3、F2等を用いることもできる。As the etching agent, a gas or liquid containing halogen fluoride or an interhalogen compound such as chlorine trifluoride gas can be used. In addition, CF4 , SF6 , NF3 , F2 and the like can be used.
  第1のシート材17は、可撓性のフィルムを利用することができ、少なくとも一方の面に粘着剤を有する面が設けてある。例えば、ポリエステル等の基材として用いるベースフィルム上に粘着剤が設けてあるシート材を利用することができる。粘着剤としては、アクリル樹脂等を含んだ樹脂材料または合成ゴム材料からなる材料を用いることができる。  As the
  第2のシート材18は、可撓性のフィルムを利用することができ、例えば、ポリプロピレン、ポリエステル、ビニル、ポリフッ化ビニル、塩化ビニルなどからなるフィルム、繊維質な材料からなる紙、基材フィルム(ポリエステル、ポリアミド、無機蒸着フィルム、紙類等)と接着性合成樹脂フィルム(アクリル系合成樹脂、エポキシ系合成樹脂等)との積層フィルム等を利用することができる。また、フィルムは、熱圧着により、被処理体と加熱処理と加圧処理が行われるものであり、加熱処理と加圧処理を行う際には、フィルムの最表面に設けられた接着層か、または最外層に設けられた層(接着層ではない)を加熱処理によって溶かし、加圧により接着する。また、第1のシート材17と第2のシート材18とで素子形成層を封止する場合には、第1のシート材も同様の材料を用いて封止を行えばよい。  The
以上のように、本実施の形態によって、一度ガラス等の剛性を有する基板上に素子形成層を設けた後に、当該基板から素子形成層を剥離することによって、可撓性を有する半導体装置を作製することができる。さらに、本実施の形態で示した方法を用いて、剥離層を形成し且つ剥離を行うことによって、低コストで信頼性の高い半導体装置を作製することができる。 As described above, according to this embodiment mode, after providing an element formation layer over a rigid substrate such as glass, the element formation layer is peeled from the substrate, whereby a flexible semiconductor device is manufactured. can do. Further, by using the method described in this embodiment, a peeling layer is formed and peeling is performed, whereby a highly reliable semiconductor device can be manufactured at low cost.
(実施の形態2)
  本実施の形態では、上記実施の形態と異なる半導体装置の作製方法に関して、図面を用いて説明する。(Embodiment 2)
 In this embodiment, a method for manufacturing a semiconductor device, which is different from that in the above embodiment, will be described with reference to drawings.
  まず、基板10の表面に、金属膜11を形成する(図4(A))。金属膜11は、単層で形成してもよいし、複数の層を積層させて形成してもよい。例えば、タングステン(W)膜をスパッタ法を用いて形成する。なお、金属膜11を形成する前に基板10上に絶縁膜を設けてもよい。特に、基板からの汚染が懸念される場合には、基板10と金属膜11との間に絶縁膜を形成するのが好ましい。  First, the
  次に、本実施の形態では、RTAやファーネスアニール炉等を用いた熱処理を行うことによって、金属膜11を酸化させて、金属膜11の表面に金属酸化膜22を形成する。ここでは、RTAにより熱処理を行う例に関して示す。(図4(B))。図4(B)は、試料を加熱する装置であり、チャンバー70、支持台71、熱源体72および断熱材73等を有している。熱源体72としては、ニッケルクロム線(ニクロム線)や鉄クロム線等の電熱線や、赤外線ランプやハロゲンランプ等のランプを用いる。  Next, in the present embodiment, the
  まず、チャンバー70内の支持台71に金属膜11が設けられた基板10を配置する。そして、熱源体72を用いて加温することにより、酸素雰囲気下で金属膜11に熱処理を行い金属膜11の表面に金属酸化膜22を形成する。熱処理の温度や時間を制御することにより、金属酸化膜22の膜厚を調整することができる。また、窒素雰囲気下または酸素と窒素雰囲気下または、N2O雰囲気下で熱処理を行うことによって、金属窒化膜または金属酸化窒化膜を形成してもよい。First, the
なお、図4に示したのはあくまで一例であり、基板上に形成された金属膜に加熱処理を行い、表面に金属酸化膜を形成できるのであれば、とのような装置を用いてもよい。つまり、本実施の形態では、基板上に形成された金属膜に加熱処理を行うことによって、金属膜の表面に金属酸化膜を形成することが重要である。また、基板は1枚ごと処理してもよいし、多くの枚数を同時に処理してもよい。特に、一度に多くの基板を処理したい場合には、バッチ式のファーネスアニール炉を用いることができる。 Note that the example shown in FIG. 4 is merely an example, and a device such as that may be used as long as the metal film formed on the substrate can be subjected to heat treatment to form a metal oxide film on the surface. . That is, in this embodiment, it is important to form a metal oxide film on the surface of the metal film by performing heat treatment on the metal film formed over the substrate. Further, the substrates may be processed one by one, or a large number of substrates may be processed simultaneously. In particular, when it is desired to process many substrates at once, a batch type furnace annealing furnace can be used.
その後、上記実施の形態に示した図1(C)〜図2(D)と同様の工程を経ることによって、半導体装置を作製することができる。 After that, a semiconductor device can be manufactured through steps similar to those illustrated in FIGS. 1C to 2D described in the above embodiment.
なお、本実施の形態は上記実施の形態と自由に組み合わせて行うことができる。つまり、上記実施の形態で示した材料や形成方法は、本実施の形態でも自由に組み合わせて利用することができる。 Note that this embodiment mode can be freely combined with the above embodiment modes. That is, the materials and formation methods described in the above embodiment modes can be freely combined and used in this embodiment mode.
(実施の形態3)
  本実施の形態では、上記実施の形態と異なる半導体装置の作製方法に関して図面を用いて説明する。(Embodiment 3)
 In this embodiment, a method for manufacturing a semiconductor device, which is different from that described in the above embodiments, will be described with reference to drawings.
  まず、基板10の表面に、酸素雰囲気下でスパッタ法を行うことによって、金属酸化膜31を形成する(図5(A))。例えば、アルゴンと酸素の雰囲気下でタングステンをターゲットとしてスパッタを行うことにより、タングステン酸化膜(WOx)を基板10上に形成することができる。また、タングステンの他にも、モリブデン(Mo)、チタン(Ti)、タンタル(Ta)、ニオブ(Nb)、ニッケル(Ni)、コバルト(Co)、ジルコニウム(Zr)、亜鉛(Zn)、ルテニウム(Ru)、ロジウム(Rh)、鉛(Pb)、オスミウム(Os)、イリジウム(Ir)、珪素(Si)から選択された元素または前記元素を主成分とする合金材料若しくは化合物材料からなる膜を、単層又は積層して形成する。  First, a
  次に、金属酸化膜31上に絶縁膜13を形成する(図5(B))。絶縁膜13は単層で設けてよいし、複数の膜を積層させて設けてもよい。  Next, the insulating
  次に、絶縁膜13上に薄膜トランジスタ等から構成される層14(TFT層14)を形成する。なお、本実施の形態では、絶縁膜13とTFT層14からなる層を便宜上、素子形成層30とよぶ。続いて、素子形成層30を覆うように保護膜として絶縁膜15を形成する(図5(C))。絶縁膜15は、素子形成層30の側面も覆うように形成することが好ましい。また、ここでは、絶縁膜15は、素子形成層30を覆うように全面に設けられているが、必ずしも全面に設ける必要はなく選択的に設けてもよい。  Next, a layer 14 (TFT layer 14) composed of a thin film transistor or the like is formed on the insulating
  次に、絶縁膜15および素子形成層30に開口部16を形成し金属酸化膜31を露出させる(図5(D))。開口部16は、素子形成層30を構成する薄膜トランジスタ等を避けた領域や、基板10の端部に設けることが好ましい。また、開口部16は、レーザ光の照射や、試料の端面を研削、切断することにより形成することができる。  Next, the
  次に、開口部16から、三フッ化塩素ガス等のフッ化ハロゲン等のエッチング剤を導入して、選択的に金属酸化膜31の除去を行う(図5(E))。金属酸化膜31は、全て除去してもよいし、一部分を残すように除去してもよい。金属酸化膜31の一部を残すことによって、金属酸化膜31を除去した後であっても、基板10に素子形成層30を保持させておくことができる。また、金属酸化膜31を全て除去せず処理を行うことにより、エッチング剤の消費量を減らし、処理時間の短縮化ができるため、低コスト化および高効率化を図ることができる。  Next, an etching agent such as halogen fluoride such as chlorine trifluoride gas is introduced from the
  その後、上記実施の形態で示したように、素子形成層30に第1のシート材を設けて基板10から素子形成層30を分離することができる。本実施の形態では、金属酸化膜31が剥離層として機能している。  Thereafter, as shown in the above embodiment, the
  なお、本実施の形態では、基板10の表面上に直接酸素雰囲気下でスパッタを行うことによって、金属酸化膜31を形成する例を示したが、あらかじめ基板10上に金属膜を設け、当該金属膜上に金属酸化膜31を設けてもよい。この場合、金属膜と金属酸化膜とに含まれる金属元素が異なっていてもよい。金属膜と当該金属膜と金属元素が異なる金属酸化膜とを積層させて設けることにより、金属膜と金属酸化膜との間の密着性を制御し剥離の際に容易に剥がすことが可能となる。この場合、密着性を考慮して金属膜として用いる金属元素と金属酸化膜として用いる金属元素を選択することが好ましい。  In the present embodiment, the
なお、本実施の形態は上記実施の形態と自由に組み合わせて行うことができる。つまり、上記実施の形態で示した材料や形成方法は、本実施の形態でも自由に組み合わせて利用することができる。 Note that this embodiment mode can be freely combined with the above embodiment modes. That is, the materials and formation methods described in the above embodiment modes can be freely combined and used in this embodiment mode.
(実施の形態4)
  上記実施の形態では、金属膜、金属酸化膜、絶縁膜、素子形成層を構成する薄膜トランジスタの非晶質半導体膜を順次形成することにより半導体装置を作製する例を示した。本実施の形態では、このように、導電膜、絶縁膜または半導体膜を成膜する際に、連続して成膜する場合に関して図面を用いて説明する。(Embodiment 4)
 In the above embodiment, an example in which a semiconductor device is manufactured by sequentially forming a metal film, a metal oxide film, an insulating film, and an amorphous semiconductor film of a thin film transistor that forms an element formation layer is shown. In this embodiment mode, a case where a conductive film, an insulating film, or a semiconductor film are continuously formed as described above will be described with reference to drawings.
複数のチャンバーを備えた装置の一例を図3(A)に示す。なお、図3(A)は、本実施の形態で示す装置(連続成膜システム)の一構成例を上面からみた図である。 An example of an apparatus provided with a plurality of chambers is shown in FIG. Note that FIG. 3A is a top view of a structural example of the apparatus (continuous film formation system) described in this embodiment.
  図3(A)に示す装置は、第1のチャンバー111、第2のチャンバー112、第3のチャンバー113、第4のチャンバー114、ロードロック室110、115、共通室120を有しており、それぞれのチャンバーは気密性を有している。各チャンバーには、真空排気ポンプ、不活性ガスの導入系が備えられている。  The apparatus shown in FIG. 3A includes a
  ロードロック室110、115は、試料(処理基板)をシステムに搬入するための部屋である。また、第1〜第4のチャンバーは、基板10に導電膜、絶縁膜または半導体膜の成膜や、エッチングやプラズマ処理等を行うための部屋である。共通室120は、それぞれのロードロック室110、115および第1〜第4のチャンバーに対して共通に配置された試料の共通室120である。また、共通室120とロードロック室110、115、第1のチャンバー111〜第4のチャンバー114との間にはゲート弁122〜127が設けられている。なお、共通室120には、ロボットアーム121が設けてあり、ロボットアーム121によって、処理基板が各部屋へ運ばれる。  The
  以下に、具体例として、基板10に対して、第1のチャンバー111において金属膜11を成膜し、第2のチャンバー112において金属酸化膜12を形成し、第3のチャンバー113において絶縁膜13を成膜し、第4のチャンバー114において非晶質半導体膜を成膜する例を示す。  As a specific example, a
  まず、基板10は多数枚が収納されたカセット128ごとロードロック室110に搬入される。カセット128の搬入後、ロードロック室110の搬入扉を閉鎖する。この状態において、ゲート弁122を開けてカセット128から処理基板を1枚取り出し、ロボットアーム121によって共通室120に配置させる。この際、共通室120において基板10の位置合わせが行われる。  First, the
  次に、ゲート弁122を閉鎖し、ついでゲート弁124を開ける。そして、第1のチャンバー111へ基板10を移送する。第1のチャンバー111内で、成膜処理を行うことによって、基板10上に金属膜11を形成する。例えば、第1のチャンバー111において、プラズマCVD法やWをターゲットとして用いたスパッタ法によりタングステン(W)膜を形成することができる。  Next, the
  次に、金属膜11を成膜した後、基板10はロボットアーム121によって共通室120に引き出され、第2のチャンバー112に移送される。第2のチャンバー112内では、金属膜11に対して酸素雰囲気下でプラズマ処理を行うことによって、金属膜11の表面に金属酸化膜12を形成する。例えば、第2のチャンバー112において、タングステン膜にプラズマ処理を行うことによってタングステン酸化物(WOx)を形成することができる。  Next, after forming the
  次に、金属酸化膜12を形成後、基板10はロボットアーム121によって共通室120に引き出され、第3のチャンバー113に移送される。第3のチャンバー113内では、150℃〜300℃の温度で成膜処理を行い、絶縁膜13を形成する。絶縁膜13としては、酸化珪素、窒化珪素、酸化窒化ケイ素、窒化酸化珪素等の酸素または窒素を有する絶縁膜の単層膜またはこれらの積層膜を形成することができる。例えば、台3のチャンバー113において、プラズマCVD法により、1層目の絶縁膜として酸化窒化珪素膜を形成し、2層目の絶縁膜として窒化酸化珪素膜を形成し、3層目の絶縁膜として酸化窒化珪素膜を形成することができる。なお、プラズマCVD法に限られず、ターゲットを用いたスパッタ法により形成してもよい。  Next, after forming the
  次に、絶縁膜13を成膜した後、基板10はロボットアーム121によって共通室120に引き出され、第4のチャンバー114に移送される。第4のチャンバー114内では、150℃〜300℃の温度で成膜処理を行い、プラズマCVD法により非晶質半導体膜を形成する。なお、非晶質半導体膜としては、微結晶半導体膜、非晶質ゲルマニウム膜、非晶質シリコンゲルマニウム膜またはこれらの積層膜等を使用することができる。また、非晶質半導体膜の形成温度を350℃〜500℃として水素濃度を低減するための熱処理を省略してもよい。なお、ここではプラズマCVD法を用いて形成する例を示したが、ターゲットを用いたスパッタ法を用いて形成してもよい。  Next, after forming the insulating
  以上のように、非晶質半導体膜を成膜した後、基板10はロボットアーム121によってロードロック室115に移送されカセット129に収納される。  As described above, after the amorphous semiconductor film is formed, the
  なお、図3(A)に示したのはあくまで一例であり、例えば、チャンバーの数を増やしてさらに非晶質半導体膜を形成した後に続けて導電膜や絶縁膜を形成してもよいし、上記実施の形態2に示したように、第2のチャンバー112において、熱処理を行うことによって金属酸化膜22を形成してもよい。また、上記実施の形態3に示したように、第1のチャンバー111において、酸素雰囲気下でスパッタを行うことによって基板10上に金属酸化膜31を形成することもできる。つまり、上記実施の形態で示した工程や材料を用いて自由に図3(A)に示した装置と組み合わせて行うことができる。また、図3(A)において第1111〜第4のチャンバー114はシングル型のチャンバーを用いた例を示したが、バッチ型のチャンバーを用いて多数枚を一度に処理する構成としてもよい。  Note that FIG. 3A is just an example, and for example, a conductive film or an insulating film may be formed after the number of chambers is increased and an amorphous semiconductor film is further formed, As shown in Embodiment Mode 2, the
次に、上記図3(A)とは異なる構成を有する場合に関して図3(B)を用いて説明する。具体的には、図3(A)では、複数のチャンバーを用いて連続的に積層して形成する例を示したが、図3(B)では1つのチャンバー内で真空を保ったまま連続的に成膜する例を示す。 Next, the case where the structure is different from that in FIG. 3A is described with reference to FIG. Specifically, FIG. 3A illustrates an example in which a plurality of chambers are used to continuously stack layers, but FIG. 3B illustrates a case where continuous vacuum is maintained in one chamber. Shows an example of film formation.
  図3(B)に示す装置は、ロードロック室144、146、チャンバー145、共通室150を有している。また、各部屋には、真空排気ポンプ、不活性ガスの導入系が備えられている。また、共通室150は、ロードロック室144、146、チャンバー145対して共通に配置された試料の共通室である。また、共通室150とロードロック室144、146、チャンバー145との間にはゲート弁147〜149が設けられている。なお、共通室150には、ロボットアーム151が設けてあり、ロボットアーム151によって、処理基板が各部屋へ運ばれる。  The apparatus illustrated in FIG. 3B includes
  以下に、具体例として、基板10に対して、金属膜11、金属酸化膜12、絶縁膜13および非晶質半導体膜を成膜する例を示す。  As a specific example, an example in which the
  まず、基板10は多数枚が収納されたカセット142ごとロードロック室144に搬入される。カセット142の搬入後、ロードロック室144の搬入扉を閉鎖する。この状態において、ゲート弁147を開けてカセット142から処理基板を1枚取り出し、ロボットアーム151によって共通室150に配置させる。この際、共通室150において基板10の位置合わせが行われる。  First, the
  次に、ゲート弁147を閉鎖し、ついでゲート弁149を開ける。そして、ロボットアーム151によってチャンバー145へ基板10を移送する。チャンバ145は、複数のターゲットを備えており順次反応ガスを入れ替えることによって、基板10上に金属膜11、金属酸化膜12、絶縁膜13、非晶質半導体膜を連続して積層させて形成することができる。  Next, the
  その後、基板10はロボットアーム151によってロードロック室146に移送されカセット143に収納される。  Thereafter, the
  なお、図3(B)に示したのはあくまで一例であり、例えば、非晶質半導体膜を形成した後に続けて導電膜や絶縁膜を形成してもよいし、上記実施の形態2に示したように、熱処理を行うことによって金属酸化膜22を形成してもよい。また、上記実施の形態3に示したように、酸素雰囲気下でスパッタを行うことによって基板10上に金属酸化膜31を形成することもできる。つまり、上記実施の形態で示した工程や材料を用いて自由に図3(B)に示した装置と組み合わせて行うことができる。また、図3(B)においてチャンバー145はシングル型のチャンバーを用いた例を示したが、バッチ型のチャンバーを用いて多数枚を一度に処理する構成としてもよい。  Note that FIG. 3B is just an example, and for example, a conductive film or an insulating film may be formed after the formation of the amorphous semiconductor film, or as shown in Embodiment Mode 2 above. As described above, the
図3(B)に示す装置を用いることによって、同一チャンバー内で連続して膜を形成するため、基板の搬送時に生じる汚染等を防止することができる。 By using the apparatus shown in FIG. 3B, a film is continuously formed in the same chamber, so that contamination or the like that occurs when the substrate is transferred can be prevented.
本実施の形態で示した装置を用いることによって、大気に一度も曝されることなく導電膜、絶縁膜または半導体膜を連続して形成することができる。そのため、汚染物の混入の防止や生産効率の向上を実現することができる。 By using the apparatus described in this embodiment mode, a conductive film, an insulating film, or a semiconductor film can be continuously formed without being exposed to the atmosphere even once. Therefore, it is possible to prevent contamination from being mixed and improve production efficiency.
(実施の形態5)
  本実施の形態では、薄膜トランジスタ、記憶素子及びアンテナを含む本発明の半導体装置の作製方法について、図面を参照して説明する。(Embodiment 5)
 In this embodiment, a method for manufacturing a semiconductor device of the present invention including a thin film transistor, a memory element, and an antenna will be described with reference to drawings.
  まず、基板701の一表面に、剥離層702を形成する(図6(A))。  First, the
  基板701は、ガラス基板、石英基板、金属基板やステンレス基板の一表面に絶縁膜を形成したもの、本工程の処理温度に耐えうる耐熱性があるプラスチック基板等を用いるとよい。このような基板701であれば、その面積や形状に大きな制限はないため、基板701として、例えば、1辺が1メートル以上であって、矩形状のものを用いれば、生産性を格段に向上させることができる。このような利点は、円形のシリコン基板を用いる場合と比較すると、大きな優位点である。なお、本工程では、剥離層702は、基板701の全面に設けているが、必要に応じて、基板701の全面に剥離層を設けた後に、フォトリソグラフィ法によりエッチングして、選択的に設けてもよい。また、基板701に接するように剥離層702を形成しているが、必要に応じて、基板701に接するように下地となる絶縁膜を形成し、当該絶縁膜に接するように剥離層702を形成してもよい。  As the
  剥離層702は、金属膜と当該金属酸化膜により形成されている。金属膜は、スパッタリング法やプラズマCVD法等により、タングステン(W)、モリブデン(Mo)、チタン(Ti)、タンタル(Ta)、ニオブ(Nb)、ニッケル(Ni)、コバルト(Co)、ジルコニウム(Zr)、亜鉛(Zn)、ルテニウム(Ru)、ロジウム(Rh)、鉛(Pb)、オスミウム(Os)、イリジウム(Ir)から選択された元素または前記元素を主成分とする合金材料若しくは化合物材料からなる層を、単層又は積層して形成する。金属酸化膜は、金属膜に酸素雰囲気下でプラズマ処理を行うか、金属膜に酸素雰囲気下で熱処理を行うことによって金属膜の表面に形成する。なお、金属酸化膜の他にも金属酸化窒化膜を用いてもよい。  The
金属膜が単層構造の場合、例えば、タングステン層、モリブデン層またはタングステンとモリブデンの混合物を含む層を形成する。そして、金属膜の表面に、タングステンの酸化物若しくは酸化窒化物を含む層、モリブデンの酸化物若しくは酸化窒化物を含む層またはタングステンとモリブデンの混合物の酸化物若しくは酸化窒化物を含む層を形成する。なお、タングステンとモリブデンの混合物とは、例えば、タングステンとモリブデンの合金に相当する。 In the case where the metal film has a single-layer structure, for example, a tungsten layer, a molybdenum layer, or a layer containing a mixture of tungsten and molybdenum is formed. Then, a layer containing tungsten oxide or oxynitride, a layer containing molybdenum oxide or oxynitride, or a layer containing oxide or oxynitride of a mixture of tungsten and molybdenum is formed on the surface of the metal film. . Note that the mixture of tungsten and molybdenum corresponds to, for example, an alloy of tungsten and molybdenum.
  また、剥離層702として、基板701上に金属膜を形成した後に、酸素雰囲気下で上記金属膜の材料をターゲットとして、スパッタ法により金属酸化膜を形成してもよい。この場合、金属膜と金属酸化膜を別の金属元素を用いて形成することもできる。なお、基板701上に、直接金属酸化膜を形成しこれを剥離層702として用いてもよい。  Alternatively, after forming a metal film over the
  次に、剥離層702を覆うように、下地となる絶縁膜703を形成する。  Next, an insulating
  絶縁膜703は、公知の手段(スパッタ法やプラズマCVD法等)により、珪素の酸化物または珪素の窒化物を含む膜を、単層又は積層で形成する。下地となる絶縁膜が2層構造の場合、例えば、1層目として窒化酸化珪素膜を形成し、2層目として酸化窒化珪素膜を形成するとよい。下地となる絶縁膜が3層構造の場合、1層目の絶縁膜として酸化珪素膜を形成し、2層目の絶縁膜として窒化酸化珪素膜を形成し、3層目の絶縁膜として酸化窒化珪素膜を形成するとよい。または、1層目の絶縁膜として酸化窒化珪素膜を形成し、2層目の絶縁膜として窒化酸化珪素膜を形成し、3層目の絶縁膜として酸化窒化珪素膜を形成するとよい。下地となる絶縁膜は、基板701からの不純物の侵入を防止するブロッキング膜として機能する。  As the insulating
  次に、絶縁膜703上に、非晶質半導体膜704(例えば非晶質珪素を含む膜)を形成する。非晶質半導体膜704は、公知の手段(スパッタ法、LPCVD法、プラズマCVD法等)により、25〜200nm(好ましくは30〜150nm)の厚さで形成する。続いて、非晶質半導体膜704を公知の結晶化法(レーザ結晶化法、RTA又はファーネスアニール炉を用いる熱結晶化法、結晶化を助長する金属元素を用いる熱結晶化法、結晶化を助長する金属元素を用いる熱結晶化法とレーザ結晶化法を組み合わせた方法等)により結晶化して、結晶質半導体膜を形成する。その後、得られた結晶質半導体膜を所望の形状にエッチングして、結晶質半導体膜706〜710を形成する(図6(B))。なお、剥離層702、絶縁膜703および非晶質半導体膜704は、上記図3で示したように連続して形成することができる。  Next, an amorphous semiconductor film 704 (eg, a film containing amorphous silicon) is formed over the insulating
  結晶質半導体膜706〜710の作製工程の一例を以下に簡単に説明すると、まず、プラズマCVD法を用いて、膜厚66nmの非晶質半導体膜を形成する。次に、結晶化を助長する金属元素であるニッケルを含む溶液を非晶質半導体膜上に保持させた後、非晶質半導体膜に脱水素化の処理(500℃、1時間)と、熱結晶化の処理(550℃、4時間)を行って結晶質半導体膜を形成する。その後、必要に応じてレーザ光を照射し、フォトリソグラフィ法を用いることによって結晶質半導体膜706〜710を形成する。  An example of a manufacturing process of the
レーザ結晶化法で結晶質半導体膜を形成する場合、連続発振またはパルス発振の気体レーザ又は固体レーザを用いる。気体レーザとしては、エキシマレーザ、YAGレーザ、YVO4レーザ、YLFレーザ、YAlO3レーザ、ガラスレーザ、ルビーレーザ、Ti:サファイアレーザ等を用いる。固体レーザとしては、Cr、Nd、Er、Ho、Ce、Co、Ti又はTmがドーピングされたYAG、YVO4、YLF、YAlO3などの結晶を使ったレーザを用いる。特に、連続発振のレーザの基本波、及び当該基本波の第2高調波から第4高調波のレーザを照射することで、大粒径の結晶を得ることができる。例えば、Nd:YVO4レーザ(基本波1064nm)の第2高調波(532nm)や第3高調波(355nm)を用いることができる。なお連続発振の基本波のレーザ光と連続発振の高調波のレーザ光とを照射するようにしてもよいし、連続発振の基本波のレーザ光とパルス発振の高調波のレーザ光とを照射するようにしてもよい。複数のレーザ光を照射することにより、エネルギーを補うことができる。またパルス発振型のレーザであって、半導体膜がレーザ光によって溶融してから固化するまでに、次のパルスのレーザ光を照射できるような発振周波数でレーザ光を発振させることで、走査方向に向かって連続的に成長した結晶粒を得ることができる。すなわち、パルス発振の周期が、半導体膜が溶融してから完全に固化するまでの時間よりも短くなるように、発振の周波数の下限を定めたパルス発振のレーザを使用することができる。このようなレーザとして、発振周波数が10MHz以上のパルス発振のレーザ光を用いてもよい。In the case of forming a crystalline semiconductor film by a laser crystallization method, a continuous wave or pulsed gas laser or solid state laser is used. As the gas laser, excimer laser, YAG laser, YVO4 laser, YLF laser, YAlO3 laser, glass laser, ruby laser, Ti: sapphire laser, or the like is used. As the solid-state laser, a laser using a crystal such as YAG, YVO4 , YLF, or YAlO3 doped with Cr, Nd, Er, Ho, Ce, Co, Ti, or Tm is used. In particular, a crystal having a large grain size can be obtained by irradiating a fundamental wave of a continuous wave laser and a second to fourth harmonic laser of the fundamental wave. For example, a second harmonic (532 nm) or a third harmonic (355 nm) of an Nd: YVO4 laser (fundamental wave 1064 nm) can be used. The continuous wave fundamental laser beam and the continuous wave harmonic laser beam may be irradiated, or the continuous wave fundamental laser beam and the pulsed harmonic laser beam may be irradiated. You may do it. By irradiating a plurality of laser beams, energy can be supplemented. Also, it is a pulse oscillation type laser that oscillates the laser light at an oscillation frequency that can be irradiated with the laser light of the next pulse after the semiconductor film is melted by the laser light and solidifies in the scanning direction. Crystal grains grown continuously can be obtained. That is, it is possible to use a pulsed laser in which the lower limit of the oscillation frequency is set so that the period of pulse oscillation is shorter than the time until the semiconductor film is completely solidified after being melted. As such a laser, a pulsed laser beam having an oscillation frequency of 10 MHz or more may be used.
また、結晶化を助長する金属元素を用いて非晶質半導体膜の結晶化を行うと、低温で短時間の結晶化が可能となるうえ、結晶の方向が揃うという利点がある一方、金属元素が結晶質半導体膜に残存するためにオフ電流が上昇し、特性が安定しないという欠点がある。そこで、結晶質半導体膜上に、ゲッタリングサイトとして機能する非晶質半導体膜を形成するとよい。ゲッタリングサイトとなる非晶質半導体膜には、リンやアルゴンの不純物元素を含有させる必要があるため、好適には、アルゴンを高濃度に含有させることが可能なスパッタ法で形成するとよい。その後、加熱処理(RTA法やファーネスアニール炉を用いた熱アニール等)を行って、非晶質半導体膜中に金属元素を拡散させ、続いて、当該金属元素を含む非晶質半導体膜を除去する。そうすると、結晶質半導体膜中の金属元素の含有量を低減又は除去することができる。 In addition, when an amorphous semiconductor film is crystallized using a metal element that promotes crystallization, it is possible to perform crystallization at a low temperature for a short time, and the crystal orientation is aligned. Remains in the crystalline semiconductor film, so that the off-current increases and the characteristics are not stable. Therefore, an amorphous semiconductor film functioning as a gettering site is preferably formed over the crystalline semiconductor film. Since the amorphous semiconductor film serving as a gettering site needs to contain an impurity element such as phosphorus or argon, it is preferably formed by a sputtering method which can contain argon at a high concentration. Then, heat treatment (RTA method or thermal annealing using a furnace annealing furnace) is performed to diffuse the metal element in the amorphous semiconductor film, and then the amorphous semiconductor film containing the metal element is removed. To do. Then, the content of the metal element in the crystalline semiconductor film can be reduced or removed.
  次に、結晶質半導体膜706〜710を覆うゲート絶縁膜705を形成する。ゲート絶縁膜705は、公知の手段(プラズマCVD法やスパッタ法)により、珪素の酸化物又は珪素の窒化物を含む膜を、単層又は積層して形成する。具体的には、酸化珪素を含む膜、酸化窒化珪素を含む膜、窒化酸化珪素を含む膜を、単層又は積層して形成する。  Next, a
  次に、ゲート絶縁膜705上に、第1の導電膜と第2の導電膜とを積層して形成する。第1の導電膜は、公知の手段(プラズマCVD法やスパッタリング法)により、20〜100nmの厚さで形成する。第2の導電膜は、公知の手段により、100〜400nmの厚さで形成する。第1の導電膜と第2の導電膜は、タンタル(Ta)、タングステン(W)、チタン(Ti)、モリブデン(Mo)、アルミニウム(Al)、銅(Cu)、クロム(Cr)、ニオブ(Nb)等から選択された元素又はこれらの元素を主成分とする合金材料若しくは化合物材料で形成する。または、リン等の不純物元素をドーピングした多結晶珪素に代表される半導体材料により形成する。第1の導電膜と第2の導電膜の組み合わせの例を挙げると、窒化タンタル膜とタングステン膜、窒化タングステン膜とタングステン膜、窒化モリブデン膜とモリブデン膜等が挙げられる。タングステンや窒化タンタルは、耐熱性が高いため、第1の導電膜と第2の導電膜を形成した後に、熱活性化を目的とした加熱処理を行うことができる。また、2層構造ではなく、3層構造の場合は、モリブデン膜とアルミニウム膜とモリブデン膜の積層構造を採用するとよい。  Next, a first conductive film and a second conductive film are stacked over the
次に、フォトリソグラフィ法を用いてレジストからなるマスクを形成し、ゲート電極とゲート線を形成するためのエッチング処理を行って、ゲート電極として機能する導電膜(ゲート電極とよぶことがある)716〜725を形成する。 Next, a resist mask is formed using a photolithography method, etching treatment for forming a gate electrode and a gate line is performed, and a conductive film functioning as a gate electrode (also referred to as a gate electrode) 716 ~ 725 are formed.
  次に、フォトリソグラフィ法により、レジストからなるマスクを形成して、結晶質半導体膜706、708〜710に、イオンドープ法又はイオン注入法により、N型を付与する不純物元素を低濃度に添加して、N型不純物領域711、713〜715とチャネル形成領域780、782〜784を形成する。N型を付与する不純物元素は、15族に属する元素を用いれば良く、例えばリン(P)、砒素(As)を用いる。  Next, a resist mask is formed by photolithography, and an impurity element imparting N-type is added to the
  次に、フォトリソグラフィ法によりレジストからなるマスクを形成して、結晶質半導体膜707に、P型を付与する不純物元素を添加して、P型不純物領域712とチャネル形成領域781を形成する。P型を付与する不純物元素は、例えばボロン(B)を用いる。  Next, a resist mask is formed by photolithography, and an impurity element imparting P-type conductivity is added to the
  次に、ゲート絶縁膜705と導電膜716〜725を覆うように、絶縁膜を形成する。絶縁膜は、公知の手段(プラズマCVD法やスパッタ法)により、珪素、珪素の酸化物又は珪素の窒化物の無機材料を含む膜や、有機樹脂などの有機材料を含む膜を、単層又は積層して形成する。次に、絶縁膜を、垂直方向を主体とした異方性エッチングにより選択的にエッチングして、導電膜716〜725の側面に接する絶縁膜(サイドウォールともよばれる)739〜743を形成する(図6(C))。また、絶縁膜739〜743の作製と同時に、絶縁膜705がエッチングされた絶縁膜734〜738を形成する。絶縁膜739〜743は、後にLDD(Lightly  Doped  Drain)領域を形成する際のドーピング用のマスクとして用いる。  Next, an insulating film is formed so as to cover the
  次に、フォトリソグラフィ法により形成したレジストからなるマスクと、絶縁膜739〜743をマスクとして用いて、結晶質半導体膜706、708〜710にN型を付与する不純物元素を添加して、第1のN型不純物領域(LDD領域ともよぶ)727、729、731、733と、第2のN型不純物領域726、728、730、732とを形成する。第1のN型不純物領域727、729、731、733が含む不純物元素の濃度は、第2のN型不純物領域726、728、730、732の不純物元素の濃度よりも低い。上記工程を経て、N型の薄膜トランジスタ744、746〜748と、P型の薄膜トランジスタ745が完成する。  Next, an impurity element imparting n-type conductivity is added to the
なお、LDD領域を形成するためには、サイドウォールの絶縁膜をマスクとして用いる手法がある。サイドウォールの絶縁膜をマスクとして用いることによって、LDD領域の幅の制御が容易に可能となり、また、LDD領域を確実に形成することができる。 In order to form the LDD region, there is a method using an insulating film on the sidewall as a mask. By using the sidewall insulating film as a mask, the width of the LDD region can be easily controlled, and the LDD region can be reliably formed.
  続いて、薄膜トランジスタ744〜748を覆うように、絶縁膜を単層又は積層して形成する(図7(A))。薄膜トランジスタ744〜748を覆う絶縁膜は、公知の手段(SOG法、液滴吐出法等)により、珪素の酸化物や珪素の窒化物等の無機材料、ポリイミド、ポリアミド、ベンゾシクロブテン、アクリル、エポキシ、シロキサン等の有機材料等により、単層又は積層で形成する。例えば、薄膜トランジスタ744〜748を覆う絶縁膜が3層構造の場合、1層目の絶縁膜749として酸化珪素を含む膜を形成し、2層目の絶縁膜750として樹脂を含む膜を形成し、3層目の絶縁膜751として窒化珪素を含む膜を形成するとよい。なお、シロキサン材料とは、Si−O−Si結合を含む材料に相当する。シロキサンは、シリコン(Si)と酸素(O)との結合で骨格構造が構成される。置換基として、少なくとも水素を含む有機基(例えばアルキル基、芳香族炭化水素)が用いられる。置換基として、フルオロ基を用いることもできる。または置換基として、少なくとも水素を含む有機基と、フルオロ基とを用いてもよい。  Next, an insulating film is formed as a single layer or a stacked layer so as to cover the
  なお、絶縁膜749〜751を形成する前、又は絶縁膜749〜751のうちの1つ又は複数の薄膜を形成した後に、半導体膜の結晶性の回復や半導体膜に添加された不純物元素の活性化、半導体膜の水素化を目的とした加熱処理を行うとよい。加熱処理には、熱アニール、レーザアニール法又はRTA法などを適用するとよい。  Note that before the insulating
  次に、フォトリソグラフィ法により絶縁膜749〜751をエッチングして、N型不純物領域726、728〜732、P型不純物領域785を露出させるコンタクトホールを形成する。続いて、コンタクトホールを充填するように、導電膜を形成し、当該導電膜をパターン加工して、ソース配線とドレイン配線として機能する導電膜752〜761を形成する。  Next, the insulating
  導電膜752〜761は、公知の手段(プラズマCVD法やスパッタリング法)により、チタン(Ti)、アルミニウム(Al)、ネオジウム(Nd)から選択された元素、又はこれらの元素を主成分とする合金材料若しくは化合物材料で、単層又は積層で形成する。アルミニウムを主成分とする合金材料とは、例えば、アルミニウムを主成分としニッケルを含む材料、又は、アルミニウムを主成分とし、ニッケルと、炭素と珪素の一方又は両方とを含む合金材料に相当する。導電膜752〜761は、例えば、バリア膜とアルミニウムシリコン(Al−Si)膜とバリア膜の積層構造、バリア膜とアルミニウムシリコン(Al−Si)膜と窒化チタン膜とバリア膜の積層構造を採用するとよい。なお、バリア膜とは、チタン、チタンの窒化物、モリブデン、又はモリブデンの窒化物からなる薄膜に相当する。アルミニウムやアルミニウムシリコンは抵抗値が低く、安価であるため、導電膜752〜761を形成する材料として最適である。また、上層と下層のバリア層を設けると、アルミニウムやアルミニウムシリコンのヒロックの発生を防止することができる。また、還元性の高い元素であるチタンからなるバリア膜を形成すると、結晶質半導体膜上に薄い自然酸化膜ができていたとしても、この自然酸化膜を還元し、結晶質半導体膜と良好なコンタクトをとることができる。  The
  次に、導電膜752〜761を覆うように、絶縁膜762を形成する(図7(B))。絶縁膜762は、公知の手段(SOG法、液滴吐出法等)を用いて、無機材料又は有機材料により、単層又は積層で形成する。また、絶縁膜762は、好適には、0.75μm〜3μmの厚さで形成する。  Next, an insulating
  続いて、フォトリソグラフィ法により絶縁膜762をエッチングして、導電膜757、759、761を露出させるコンタクトホールを形成する。続いて、コンタクトホールを充填するように、導電膜を形成する。導電膜は、公知の手段(プラズマCVD法やスパッタリング法)を用いて、導電性材料により形成する。次に、導電膜をパターン加工して、導電膜763〜765を形成する。なお、導電膜763〜765は、記憶素子が含む一対の導電膜のうちの一方の導電膜となる。従って、好適には、導電膜763〜765は、チタン、又はチタンを主成分とする合金材料若しくは化合物材料により、単層又は積層で形成するとよい。チタンは、抵抗値が低いため、記憶素子のサイズの縮小につながり、高集積化を実現することができる。また、導電膜763〜765を形成するためのフォトリソグラフィ工程においては、下層の薄膜トランジスタ744〜748にダメージを与えないために、ウエットエッチング加工を行うとよく、エッチング剤にはフッ化水素(HF)又はアンモニア過水を用いるとよい。  Subsequently, the insulating
  次に、導電膜763〜765を覆うように、絶縁膜766を形成する。絶縁膜766は、公知の手段(SOG法、液滴吐出法等)を用いて、無機材料又は有機材料により、単層又は積層で形成する。また、絶縁膜766は、好適には、0.75μm〜3μmの厚さで形成する。続いて、フォトリソグラフィ法により、絶縁膜766をエッチングして、導電膜763〜765を露出させるコンタクトホール767〜769を形成する。  Next, an insulating
  次に、導電膜765に接し、アンテナとして機能する導電膜786を形成する(図8(A))。導電膜786は、公知の手段(プラズマCVD法、スパッタリング法、印刷法、液滴吐出法)を用いて、導電性材料により形成する。好ましくは、導電膜786は、アルミニウム(Al)、チタン(Ti)、銀(Ag)、銅(Cu)から選択された元素、又はこれらの元素を主成分とする合金材料若しくは化合物材料で、単層又は積層で形成する。具体的には、導電膜786は、スクリーン印刷法により、銀を含むペーストを用いて形成し、その後、50〜350度の加熱処理を行って形成する。又は、スパッタリング法によりアルミニウム膜を形成し、当該アルミニウム膜をパターン加工することにより形成する。アルミニウム膜のパターン加工は、ウエットエッチング加工を用いるとよく、ウエットエッチング加工後は200〜300度の加熱処理を行うとよい。  Next, a
  次に、導電膜763、764に接するように有機化合物層787を形成する(図8(B))。有機化合物層787は、公知の手段(液滴吐出法や蒸着法等)により形成する。続いて、有機化合物層787に接するように、導電膜771を形成する。導電膜771は、公知の手段(スパッタリング法や蒸着法)により形成する。  Next, an
  以上の工程を経て、導電膜763、有機化合物層787及び導電膜771の積層体からなる記憶素子部789と、導電膜764、有機化合物層787及び導電膜771の積層体からなる記憶素子部790が完成する。  Through the above steps, a
  なお、上記の作製工程では、有機化合物層787の耐熱性が強くないため、アンテナとして機能する導電膜786を形成する工程の後に、有機化合物層787を形成する工程を行うことを特徴とする。  Note that in the above manufacturing process, the heat resistance of the
  次に、記憶素子部789、790、アンテナとして機能する導電膜786を覆うように、公知の手段(SOG法、液滴吐出法等)により、保護膜として機能する絶縁膜772を形成する。絶縁膜772は、DLC(ダイヤモンドライクカーボン)などの炭素を含む膜、窒化珪素を含む膜、窒化酸化珪素を含む膜、有機材料により形成し、好ましくはエポキシ樹脂により形成する。  Next, an insulating
  次に、薄膜トランジスタ744〜748、記憶素子部789、790、アンテナとして機能する導電膜786等を含む素子形成層791を基板701から剥離する。ここでは、レーザ光(例えばUV光)を照射することによって開口部773、774を形成後(図9(A))、物理的な力を用いて基板701から素子形成層791を剥離することができる。また、開口部773、774を形成後、基板701から素子形成層791を剥離する前に、開口部773、774にエッチング剤を導入して、剥離層702を除去した後(図9(B))に剥離してもよい。エッチング剤は、フッ化ハロゲンまたはハロゲン間化合物を含む気体又は液体を使用する。例えば、フッ化ハロゲンを含む気体として三フッ化塩素(ClF3)を使用する。そうすると、素子形成層791は、基板701から剥離された状態となる。なお、剥離層702は、全て除去せず一部分を残存させてもよい。こうすることによって、エッチング剤の消費量を抑え剥離層の除去に要する処理時間を短縮することが可能となる。また、剥離層702の除去を行った後にも、基板701上に素子形成層791を保持しておくことが可能となる。Next, the
  素子形成層791が剥離された基板701は、コストの削減のために、再利用するとよい。また、絶縁膜772は、剥離膜702を除去した後に、素子形成層791が飛散しないように形成したものである。素子形成層791は小さく薄く軽いために、剥離層702を除去した後は、基板701に密着していないために飛散しやすい。しかしながら、素子形成層791上に絶縁膜772を形成することで、素子形成層791に重みが付き、基板701からの飛散を防止することができる。また、素子形成層791単体では薄くて軽いが、絶縁膜772を形成することで、基板701から剥離した素子形成層791が応力等により巻かれた形状になることがなく、ある程度の強度を確保することができる。  The
  次に、素子形成層791の一方の面を、第1のシート材775に接着させて基板701から完全に剥離する(図10(A))。剥離層702を全て除去せず一部を残した場合には、物理的手段を用いて基板701から素子形成層を剥離する。続いて、素子形成層791の他方の面に、第2のシート材776を設け、その後加熱処理と加圧処理の一方または両方を行って、第2のシート材776を貼り合わせる。また、第2のシート材776を設けると同時または設けた後に第1のシート材775を剥離し、代わりに第3のシート材777を設ける。そして、加熱処理と加圧処理の一方または両方を行って、第3のシート材777を貼り合わせる。そうすると、第2のシート材776と第3のシート材777により封止された半導体装置が完成する(図10(B))。  Next, one surface of the
  なお、第1のシート材775と第2のシート材776によって封止を行っても良いが、基板701から素子形成層791を剥離するためのシート材と素子形成層791を封止するためのシート材に異なるシート材を用いる場合には、上述したように、第2のシート材776と第3のシート材777で素子形成層791を封止する。これは、例えば、基板701から素子形成層791を剥離する際に、第1のシート材775が素子形成層791のみならず基板701への接着が懸念される場合等、粘着力が弱いシート材を利用したいときに有効となる。  Note that the
  封止に用いる第2のシート材776、第3のシート材777として、ポリプロピレン、ポリエステル、ビニル、ポリフッ化ビニル、塩化ビニルなどからなるフィルム、繊維質な材料からなる紙、基材フィルム(ポリエステル、ポリアミド、無機蒸着フィルム、紙類等)と接着性合成樹脂フィルム(アクリル系合成樹脂、エポキシ系合成樹脂等)との積層フィルム等を利用することができる。また、フィルムは、熱圧着により、被処理体と加熱処理と加圧処理が行われるものであり、加熱処理と加圧処理を行う際には、フィルムの最表面に設けられた接着層か、又は最外層に設けられた層(接着層ではない)を加熱処理によって溶かし、加圧により接着する。また、第2のシート材776と第3のシート材777の表面には接着層が設けられていてもよいし、接着層が設けられていなくてもよい。接着層は、熱硬化樹脂、紫外線硬化樹脂、エポキシ樹脂系接着剤、樹脂添加剤等の接着剤を含む層に相当する。また、封止後に内部への水分等の侵入を防ぐために封止するシート材にシリカコートを行うことが好ましく、例えば、接着層とポリエステル等のフィルムとシリカコートを積層させたシート材を利用することができる。  As the
  また、第2のシート材776、第3のシート材777として、静電気等を防止する帯電防止対策を施したフィルム(以下、帯電防止フィルムと記す)を用いることもできる。帯電防止フィルムとしては、帯電防止可能な材料を樹脂中に分散させたフィルム、及び帯電防止可能な材料が貼り付けられたフィルム等が挙げられる。帯電防止可能な材料が設けられたフィルムは、片面に帯電防止可能な材料を設けたフィルムであってもよいし、両面に帯電防止可能な材料を設けたフィルムであってもよい。さらに、片面に帯電防止可能な材料が設けられたフィルムは、帯電防止可能な材料が設けられた面をフィルムの内側になるように層に貼り付けてもよいし、フィルムの外側になるように貼り付けてもよい。なお、帯電防止可能な材料はフィルムの全面、あるいは一部に設けてあればよい。ここでの帯電防止可能な材料としては、金属、インジウムと錫の酸化物(ITO)、両性界面活性剤や陽イオン性界面活性剤や非イオン性界面活性剤等の界面活性剤を用いることができる。また、他にも帯電防止材料として、側鎖にカルボキシル基および4級アンモニウム塩基をもつ架橋性共重合体高分子を含む樹脂材料等を用いることができる。これらの材料をフィルムに貼り付けたり、練り込んだり、塗布したりすることによって帯電防止フィルムとすることができる。帯電防止フィルムで封止を行うことによって、商品として取り扱う際に、外部からの静電気等によって半導体素子に悪影響が及ぶことを抑制することができる。  In addition, as the
なお、本実施の形態は、上記実施の形態と自由に組み合わせて行うことができる。つまり、上記実施の形態で示した材料や形成方法は、本実施の形態でも利用することができるし、本実施の形態で示した材料や形成方法は上記実施の形態でも利用することができる。 Note that this embodiment can be freely combined with the above embodiment. That is, the material and the formation method described in the above embodiment can be used in this embodiment, and the material and the formation method described in this embodiment can be used in the above embodiment.
(実施の形態6)
  本実施の形態では、上記実施の形態で示した方法を用いて作製した半導体装置を非接触でデータの送受信が可能であるRFIDタグとして利用した場合の一実施形態に関して図11を用いて説明する。(Embodiment 6)
 In this embodiment, an embodiment in which a semiconductor device manufactured using the method described in the above embodiment is used as an RFID tag capable of transmitting and receiving data without contact will be described with reference to FIGS. .
  RFIDタグ220は、非接触でデータを交信する機能を有し、電源回路211、クロック発生回路212、データ復調/変調回路213、他の回路を制御する制御回路214、インターフェース回路215、メモリ216、データバス217、アンテナ(アンテナコイル)218を有する(図11(A))。  The
  電源回路211は、アンテナ218から入力された交流信号を基に、半導体装置の内部の各回路に供給する各種電源を生成する回路である。クロック発生回路212は、アンテナ218から入力された交流信号を基に、半導体装置内の各回路に供給する各種クロック信号を生成する回路である。データ復調/変調回路213は、リーダ/ライタ219と交信するデータを復調/変調する機能を有する。制御回路214は、メモリ216を制御する機能を有する。アンテナ218は、電磁界或いは電波の送受信を行う機能を有する。リーダ/ライタ219は、半導体装置との交信、制御及びそのデータに関する処理を制御する。なお、RFIDタグは上記構成に制約されず、例えば、電源電圧のリミッタ回路や暗号処理専用ハードウエアといった他の要素を追加した構成であってもよい。  The
また、RFIDタグは、各回路への電源電圧の供給を電源(バッテリ)を搭載せず電波により行うタイプとしてもよいし、各回路への電源電圧の供給をアンテナの代わりに電源(バッテリ)を搭載させて行うタイプとしてもよいし、電波と電源により電源電圧を供給するタイプとしてもよい。 The RFID tag may be of a type in which power supply voltage is supplied to each circuit by radio waves without mounting a power supply (battery), or power supply (battery) is supplied to each circuit instead of an antenna. It may be a type that is mounted, or may be a type that supplies a power supply voltage by radio waves and a power source.
本発明の半導体装置をRFIDタグ等に利用した場合、非接触で通信を行う点、複数読取りが可能である点、データの書き込みが可能である点、様々な形状に加工可能である点、選択する周波数によっては、指向性が広く、認識範囲が広い点等の利点を有する。RFIDタグは、非接触による無線通信で人や物の個々の情報を識別可能なICタグ、ラベル加工を施して目標物への貼り付けを可能としたラベル、イベントやアミューズメント向けのリストバンド等に適用することができる。また、RFIDタグを樹脂材料により成型加工してもよいし、無線通信を阻害する金属に直接固定してもよい。さらに、RFIDタグは、入退室管理システムや精算システムといった、システムの運用に活用することができる。 When the semiconductor device of the present invention is used for an RFID tag or the like, the point of performing contactless communication, the point that multiple reading is possible, the point that data can be written, the point that it can be processed into various shapes, and the selection Depending on the frequency to be used, there are advantages such as wide directivity and wide recognition range. RFID tags can be used for IC tags that can identify individual information about people and objects by wireless communication without contact, labels that can be attached to target objects by label processing, wristbands for events and amusements, etc. Can be applied. Further, the RFID tag may be molded using a resin material, or may be directly fixed to a metal that hinders wireless communication. Furthermore, the RFID tag can be used for system operation such as an entrance / exit management system and a payment system.
  次に、本発明の半導体装置をRFIDタグとして実際に使用するときの一形態について説明する。表示部321を含む携帯端末の側面には、リーダ/ライタ320が設けられ、品物322の側面にはRFIDタグ323が設けられる(図11(B))。品物322が含むRFIDタグ323にリーダ/ライタ320をかざすと、表示部321に品物の原材料や原産地、生産工程ごとの検査結果や流通過程の履歴等、更に商品の説明等の商品に関する情報が表示される。また、商品326をベルトコンベアにより搬送する際に、リーダ/ライタ324と、商品326に設けられたRFIDタグ325を用いて、該商品326の検品を行うことができる(図11(C))。このように、システムにRFIDタグを活用することで、情報の取得を簡単に行うことができ、高機能化と高付加価値化を実現する。  Next, one mode when the semiconductor device of the present invention is actually used as an RFID tag will be described. A reader /
また、上述した非接触データの入出力が可能である半導体装置における信号の伝送方式は、電磁結合方式、電磁誘導方式またはマイクロ波方式等を用いることができる。伝送方式は、実施者が使用用途を考慮して適宜選択すればよく、伝送方式に伴って最適なアンテナを設ければよい。 As a signal transmission method in the semiconductor device capable of inputting / outputting non-contact data described above, an electromagnetic coupling method, an electromagnetic induction method, a microwave method, or the like can be used. The transmission method may be appropriately selected by the practitioner in consideration of the intended use, and an optimal antenna may be provided according to the transmission method.
例えば、半導体装置における信号の伝送方式として、電磁結合方式または電磁誘導方式(例えば13.56MHz帯)を適用する場合には、磁界密度の変化による電磁誘導を利用するため、アンテナとして機能する導電膜を輪状(例えば、ループアンテナ)、らせん状(例えば、スパイラルアンテナ)に形成する。 For example, when an electromagnetic coupling method or an electromagnetic induction method (for example, 13.56 MHz band) is applied as a signal transmission method in a semiconductor device, the conductive film functioning as an antenna is used because electromagnetic induction due to a change in magnetic field density is used. Are formed in a ring shape (for example, a loop antenna) or a spiral shape (for example, a spiral antenna).
また、半導体装置における信号の伝送方式として、マイクロ波方式(例えば、UHF帯(860〜960MHz帯)、2.45GHz帯等)を適用する場合には、信号の伝送に用いる電磁波の波長を考慮してアンテナとして機能する導電層の長さ等の形状を適宜設定すればよく、例えば、アンテナとして機能する導電膜を線状(例えば、ダイポールアンテナ)、平坦な形状(例えば、パッチアンテナ)またはリボン型の形状等に形成することができる。また、アンテナとして機能する導電膜の形状は線状に限られず、電磁波の波長を考慮して曲線状や蛇行形状またはこれらを組み合わせた形状で設けてもよい。なお、アンテナとして機能する導電膜をどのような形状に設けた場合であっても、上記実施の形態で示したように、素子群を貼り合わせて設ける際に素子群に加わる圧力をモニタリングして素子群に過度の圧力が加わらないように制御することにより素子群の破損等を防止することができる。 In addition, when a microwave method (for example, UHF band (860 to 960 MHz band), 2.45 GHz band, or the like) is applied as a signal transmission method in a semiconductor device, the wavelength of an electromagnetic wave used for signal transmission is considered. The length of the conductive layer functioning as an antenna may be set as appropriate. For example, the conductive film functioning as an antenna may be linear (for example, a dipole antenna), flat (for example, a patch antenna), or ribbon type. It can be formed into a shape or the like. Further, the shape of the conductive film functioning as an antenna is not limited to a linear shape, and may be provided in a curved shape, a meandering shape, or a combination thereof in consideration of the wavelength of electromagnetic waves. Note that, regardless of the shape of the conductive film that functions as an antenna, as shown in the above embodiment mode, the pressure applied to the element group when the element group is attached and monitored is monitored. By controlling so that an excessive pressure is not applied to the element group, the element group can be prevented from being damaged.
なお、本実施の形態は、上記実施の形態と自由に組み合わせて行うことができる。 Note that this embodiment can be freely combined with the above embodiment.
(実施の形態7)
  本発明の半導体装置の用途は広範にわたるが、例えば、電子機器に用いることができる。電子機器として、例えばテレビ受像器、コンピュータ、携帯電話をはじめとする携帯情報端末、デジタルカメラ、ビデオカメラ、ナビゲーションシステム等に利用することができる。本発明の半導体装置を携帯電話に適用した場合に関して図12を用いて説明する。(Embodiment 7)
 Although the semiconductor device of the present invention has a wide range of uses, it can be used for electronic devices, for example. As an electronic device, it can be used for, for example, a television receiver, a computer, a portable information terminal such as a mobile phone, a digital camera, a video camera, a navigation system, and the like. A case where the semiconductor device of the present invention is applied to a cellular phone will be described with reference to FIG.
  携帯電話は、筐体2700、2706、パネル2701、ハウジング2702、プリント配線基板2703、操作ボタン2704、バッテリ2705とを有する。パネル2701はハウジング2702に脱着自在に組み込まれ、ハウジング2702はプリント配線基板2703に嵌着される。ハウジング2702はパネル2701が組み込まれる電子機器に合わせて、形状や寸法が適宜変更される。プリント配線基板2703には、パッケージングされた複数の半導体装置が実装されており、このうちの1つとして、本発明の半導体装置を用いることができる。プリント配線基板2703に実装される複数の半導体装置は、コントローラ、中央処理ユニット(CPU、Central  Processing  Unit)、メモリ、電源回路、音声処理回路、送受信回路等のいずれかの機能を有する。  The cellular phone includes
  パネル2701は、接続フィルム2708を介して、プリント配線基板2703と合わせて設けられる。上記のパネル2701、ハウジング2702、プリント配線基板2703は、操作ボタン2704やバッテリ2705と共に、筐体2700、2706の内部に収納される。パネル2701が含む画素領域2709は、筐体2700に設けられた開口窓から視認できるように配置されている。  The
  本発明の半導体装置は、小型、薄型、軽量であることを特徴としており、上記特徴により、電子機器の筐体2700、2706内部の限られた空間を有効に利用することができる。  The semiconductor device of the present invention is characterized in that it is small, thin, and lightweight. With the above characteristics, a limited space inside the
また、本発明の半導体装置はRFIDタグとしても利用可能であり、例えば、紙幣、硬貨、有価証券類、証書類、無記名債券類、包装用容器類、書籍類、記録媒体、身の回り品、乗物類、食品類、衣類、保健用品類、生活用品類、薬品類及び電子機器等に設けて使用することができる。これらの例に関して図13を用いて説明する。 The semiconductor device of the present invention can also be used as an RFID tag. For example, banknotes, coins, securities, certificates, bearer bonds, packaging containers, books, recording media, personal belongings, vehicles It can be used in foods, clothing, health supplies, daily necessities, medicines, electronic devices and the like. These examples will be described with reference to FIG.
紙幣、硬貨とは、市場に流通する金銭であり、特定の地域で貨幣と同じように通用するもの(金券)、記念コイン等を含む。有価証券類とは、小切手、証券、約束手形等を指す(図13(A))。証書類とは、運転免許証、住民票等を指す(図13(B))。無記名債券類とは、切手、おこめ券、各種ギフト券等を指す(図13(C))。包装用容器類とは、お弁当等の包装紙、ペットボトル等を指す(図13(D))。書籍類とは、書物、本等を指す(図13(E))。記録媒体とは、DVDソフト、ビデオテープ等を指す(図13(F))。乗物類とは、自転車等の車両、船舶等を指す(図13(G))。身の回り品とは、鞄、眼鏡等を指す(図13(H))。食品類とは、食料品、飲料等を指す。衣類とは、衣服、履物等を指す。保健用品類とは、医療器具、健康器具等を指す。生活用品類とは、家具、照明器具等を指す。薬品類とは、医薬品、農薬等を指す。電子機器とは、液晶表示装置、EL表示装置、テレビジョン装置(テレビ受像機、薄型テレビ受像機)、携帯電話等を指す。 Banknotes and coins are money that circulates in the market, and include those that are used in the same way as money in a specific area (cash vouchers), commemorative coins, and the like. Securities refer to checks, securities, promissory notes, etc. (FIG. 13A). The certificate refers to a driver's license, resident's card, etc. (FIG. 13B). Bearer bonds refer to stamps, gift certificates, various gift certificates, etc. (FIG. 13C). Packaging containers refer to wrapping paper for lunch boxes, plastic bottles, and the like (FIG. 13D). Books refer to books, books, and the like (FIG. 13E). The recording media refer to DVD software, video tapes, and the like (FIG. 13F). The vehicles refer to vehicles such as bicycles, ships, and the like (FIG. 13G). Personal belongings refer to bags, glasses, and the like (FIG. 13H). Foods refer to food products, beverages, and the like. Clothing refers to clothing, footwear, and the like. Health supplies refer to medical equipment, health equipment, and the like. Livingware refers to furniture, lighting equipment, and the like. Chemicals refer to pharmaceuticals, agricultural chemicals, and the like. Electronic devices refer to liquid crystal display devices, EL display devices, television devices (TV receivers, flat-screen TV receivers), mobile phones, and the like.
紙幣、硬貨、有価証券類、証書類、無記名債券類等にRFIDタグを設けることにより、偽造を防止することができる。また、包装用容器類、書籍類、記録媒体等、身の回り品、食品類、生活用品類、電子機器等にRFIDタグを設けることにより、検品システムやレンタル店のシステムなどの効率化を図ることができる。乗物類、保健用品類、薬品類等にRFIDタグを設けることにより、偽造や盗難の防止、薬品類ならば、薬の服用の間違いを防止することができる。RFIDタグの設け方としては、物品の表面に貼ったり、物品に埋め込んだりして設ける。例えば、本ならば紙に埋め込んだり、有機樹脂からなるパッケージなら当該有機樹脂に埋め込んだりするとよい。 Forgery can be prevented by providing RFID tags on bills, coins, securities, certificates, bearer bonds, and the like. In addition, it is possible to improve the efficiency of inspection systems and rental store systems by providing RFID tags for personal items such as packaging containers, books, and recording media, foods, daily necessities, and electronic devices. it can. By providing RFID tags on vehicles, health supplies, medicines, etc., counterfeiting and theft can be prevented, and medicines can prevent mistakes in taking medicines. The RFID tag is provided by being attached to the surface of the article or embedded in the article. For example, a book may be embedded in paper, and a package made of an organic resin may be embedded in the organic resin.
このように、包装用容器類、記録媒体、身の回り品、食品類、衣類、生活用品類、電子機器等にRFIDタグを設けることにより、検品システムやレンタル店のシステムなどの効率化を図ることができる。また乗物類にRFIDタグを設けることにより、偽造や盗難を防止することができる。また、動物等の生き物に埋め込むことによって、個々の生き物の識別を容易に行うことができる。例えば、家畜等の生き物にRFIDタグを埋め込むことによって、生まれた年や性別または種類等を容易に識別することが可能となる。 In this way, by providing RFID tags on packaging containers, recording media, personal items, foods, clothing, daily necessities, electronic devices, etc., it is possible to improve the efficiency of inspection systems and rental store systems. it can. In addition, forgery and theft can be prevented by providing an RFID tag in vehicles. Moreover, by embedding it in creatures such as animals, it is possible to easily identify individual creatures. For example, by burying an RFID tag in a living creature such as livestock, it is possible to easily identify the year of birth, sex, type, or the like.
以上のように、本発明の半導体装置は物品あればどのようなものにでも設けて使用することができる。なお、本実施の形態は、上記実施の形態と自由に組み合わせて行うことができる。 As described above, the semiconductor device of the present invention can be provided and used for any product. Note that this embodiment can be freely combined with the above embodiment.
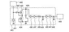
本実施例では、上記実施の形態で示した半導体装置について、当該半導体装置が含む電源回路と遅延回路の構成と、その動作の計算結果について、図14、図15を参照して説明する。 In this example, a structure of a power supply circuit and a delay circuit included in the semiconductor device described in the above embodiment modes and a calculation result of the operation will be described with reference to FIGS.
  本発明の半導体装置は、少なくとも電源回路430と遅延回路443を有する(図14)。  The semiconductor device of the present invention includes at least a
  電源回路430は、受信した搬送波(図15(A))を整流して平滑化した信号(図15(B))を生成する整流回路と、整流回路が生成した信号を保持するための容量素子を有する。整流回路が生成した信号は、遅延回路443に供給される。  The
  遅延回路443は、交流電源431、容量素子432、N型トランジスタ433、434、容量素子435、インバータ436、437、抵抗素子438、容量素子439、インバータ440、441、容量素子442を有する。容量素子432、435、439、442や抵抗素子438は、導電膜、半導体膜、リンやボロン等の不純物がドーピングされた半導体膜等から構成される。  The
  遅延回路443は、電源回路430から入力される信号(図15(B))を用いてリセット信号(図15(C))を生成し、なおかつ、生成したリセット信号を各回路に供給する。遅延回路443が生成するリセット信号は、書き込み動作または読み込み動作の間に、回路444に供給する信号である。また、リセット信号が供給される回路444とは、半導体装置が含む各回路であり、例えば、クロック信号生成回路、補正回路、判定回路、コントローラ回路、符号化回路等である。  The
  遅延回路443のリセット信号の生成が早すぎると、各回路に対する電源の供給が不安定となり、各回路がリセット動作を行わない場合がある。一方、遅延回路443のリセット信号の生成が遅すぎると、各回路はリセット動作を行わずに次の動作を開始してしまう場合がある。このように、遅延回路443が所望のタイミングでリセット信号を生成しない場合、各回路が正常に機能しない場合があるため、遅延回路443は所望のタイミングでリセット信号を生成する必要がある。  If the generation of the reset signal of the
  遅延回路443のリセット信号の生成のタイミングは、遅延回路443内の抵抗値と容量値にも依存する。より具体的には、抵抗素子438の抵抗値と、容量素子439の容量値に依存する。そこで、本発明は、抵抗素子438の抵抗値と容量素子439の値を最適化することにより、リセット信号を所望のタイミングで生成する。  The timing for generating the reset signal of the
  より詳しくは、リセット信号の生成のタイミングが早すぎるという不具合があったため、抵抗素子438の抵抗値を100kΩから400kΩに最適化する。その結果、搬送波が半導体装置に入力されてから、リセット信号の生成までの時間がm秒であった(m>0、図15(C)の1点鎖線の波形参照)ところを、n秒(n>0、図15(C)の点線の波形参照))にまで遅延することができた。このように、リセット信号の生成のタイミングを遅延させて、各回路に所望のタイミングでリセット信号を供給することにより、半導体装置を正常に動作させることができた。  More specifically, since there is a problem that the timing of generating the reset signal is too early, the resistance value of the
なお、本実施例は、上記実施の形態と自由に組み合わせて行うことができる。 Note that this embodiment can be freely combined with the above embodiment mode.
10  基板
11  金属膜
12  金属酸化膜
13  絶縁膜
14  TFT層
15  絶縁膜
16  開口部
17  第1のシート材
18  第2のシート材
19  剥離層
22  金属酸化膜
70  チャンバー
71  支持台
72  熱源体
73  断熱材
30  素子形成層
31  金属酸化膜
111  第1のチャンバー
112  第2のチャンバー
113  第3のチャンバー
114  第4のチャンバー
110  ロードロック室
115  ロードロック室
120  共通室
121  ロボットアーム
128  カセット
129  カセット
122  ゲート弁
123  ゲート弁
124  ゲート弁
125  ゲート弁
126  ゲート弁
127  ゲート弁
142  カセット
143  カセット
144  ロードロック室
146  ロードロック室
145  チャンバー
150  共通室
147  ゲート弁
148  ゲート弁
149  ゲート弁
151  ロボットアームDESCRIPTION OF
| Application Number | Priority Date | Filing Date | Title | 
|---|---|---|---|
| JP2005347770AJP5089037B2 (en) | 2004-12-03 | 2005-12-01 | Method for manufacturing semiconductor device | 
| Application Number | Priority Date | Filing Date | Title | 
|---|---|---|---|
| JP2004351263 | 2004-12-03 | ||
| JP2004351263 | 2004-12-03 | ||
| JP2005347770AJP5089037B2 (en) | 2004-12-03 | 2005-12-01 | Method for manufacturing semiconductor device | 
| Publication Number | Publication Date | 
|---|---|
| JP2006186347A JP2006186347A (en) | 2006-07-13 | 
| JP2006186347A5 JP2006186347A5 (en) | 2008-11-06 | 
| JP5089037B2true JP5089037B2 (en) | 2012-12-05 | 
| Application Number | Title | Priority Date | Filing Date | 
|---|---|---|---|
| JP2005347770AExpired - Fee RelatedJP5089037B2 (en) | 2004-12-03 | 2005-12-01 | Method for manufacturing semiconductor device | 
| Country | Link | 
|---|---|
| JP (1) | JP5089037B2 (en) | 
| Publication number | Priority date | Publication date | Assignee | Title | 
|---|---|---|---|---|
| WO2006123825A1 (en)* | 2005-05-20 | 2006-11-23 | Semiconductor Energy Laboratory Co., Ltd. | Manufacturing method of semiconductor device | 
| JP5057703B2 (en)* | 2005-05-31 | 2012-10-24 | 株式会社半導体エネルギー研究所 | Method for manufacturing semiconductor device | 
| US8137417B2 (en)* | 2006-09-29 | 2012-03-20 | Semiconductor Energy Laboratory Co., Ltd. | Peeling apparatus and manufacturing apparatus of semiconductor device | 
| TWI611565B (en) | 2006-09-29 | 2018-01-11 | 半導體能源研究所股份有限公司 | Semiconductor device manufacturing method | 
| JP5484853B2 (en)* | 2008-10-10 | 2014-05-07 | 株式会社半導体エネルギー研究所 | Method for manufacturing semiconductor device | 
| Publication number | Priority date | Publication date | Assignee | Title | 
|---|---|---|---|---|
| JPS62140896A (en)* | 1985-12-13 | 1987-06-24 | 日本写真印刷株式会社 | Manufacture of integrated circuit card | 
| JP4748859B2 (en)* | 2000-01-17 | 2011-08-17 | 株式会社半導体エネルギー研究所 | Method for manufacturing light emitting device | 
| JP4410928B2 (en)* | 2000-11-21 | 2010-02-10 | Nec液晶テクノロジー株式会社 | Opening pattern forming method and active matrix substrate manufacturing method using the same | 
| JP2002236896A (en)* | 2001-02-07 | 2002-08-23 | Toppan Printing Co Ltd | IC tag with heat sealability | 
| JP4019305B2 (en)* | 2001-07-13 | 2007-12-12 | セイコーエプソン株式会社 | Thin film device manufacturing method | 
| JP4566578B2 (en)* | 2003-02-24 | 2010-10-20 | 株式会社半導体エネルギー研究所 | Method for manufacturing thin film integrated circuit | 
| JP4748943B2 (en)* | 2003-02-28 | 2011-08-17 | 株式会社半導体エネルギー研究所 | Method for manufacturing semiconductor device | 
| Publication number | Publication date | 
|---|---|
| JP2006186347A (en) | 2006-07-13 | 
| Publication | Publication Date | Title | 
|---|---|---|
| US7482248B2 (en) | Manufacturing method of semiconductor device | |
| US8716834B2 (en) | Semiconductor device including antenna | |
| JP4942998B2 (en) | Semiconductor device and manufacturing method of semiconductor device | |
| CN101189625B (en) | Semiconductor device, method for manufacturing the same, and method for manufacturing antenna | |
| CN103985763B (en) | Semiconductor device and display device | |
| US7685706B2 (en) | Method of manufacturing a semiconductor device | |
| CN101111938B (en) | Semiconductor device and method of manufacturing the same | |
| KR101416876B1 (en) | Semiconductor device and method for manufacturing the same | |
| JP5726341B2 (en) | Method for manufacturing semiconductor device | |
| JP4827618B2 (en) | Method for manufacturing antenna, method for manufacturing semiconductor device | |
| JP5057703B2 (en) | Method for manufacturing semiconductor device | |
| EP1968111A2 (en) | Semiconductor device and manufacturing method thereof | |
| JP5052033B2 (en) | Method for manufacturing semiconductor device | |
| US7465596B2 (en) | Manufacturing method of semiconductor device | |
| JP5100012B2 (en) | Semiconductor device and manufacturing method thereof | |
| JP5089033B2 (en) | Method for manufacturing semiconductor device | |
| JP5089037B2 (en) | Method for manufacturing semiconductor device | |
| JP5030470B2 (en) | Method for manufacturing semiconductor device | |
| JP5350616B2 (en) | Semiconductor device | |
| JP4908936B2 (en) | Method for manufacturing semiconductor device | |
| JP2007043101A (en) | Method for fabricating semiconductor device | |
| JP5105918B2 (en) | Method for manufacturing semiconductor device | 
| Date | Code | Title | Description | 
|---|---|---|---|
| A521 | Written amendment | Free format text:JAPANESE INTERMEDIATE CODE: A523 Effective date:20080918 | |
| A621 | Written request for application examination | Free format text:JAPANESE INTERMEDIATE CODE: A621 Effective date:20080918 | |
| A977 | Report on retrieval | Free format text:JAPANESE INTERMEDIATE CODE: A971007 Effective date:20120312 | |
| A131 | Notification of reasons for refusal | Free format text:JAPANESE INTERMEDIATE CODE: A131 Effective date:20120321 | |
| A521 | Written amendment | Free format text:JAPANESE INTERMEDIATE CODE: A523 Effective date:20120403 | |
| TRDD | Decision of grant or rejection written | ||
| A01 | Written decision to grant a patent or to grant a registration (utility model) | Free format text:JAPANESE INTERMEDIATE CODE: A01 Effective date:20120904 | |
| A01 | Written decision to grant a patent or to grant a registration (utility model) | Free format text:JAPANESE INTERMEDIATE CODE: A01 | |
| A61 | First payment of annual fees (during grant procedure) | Free format text:JAPANESE INTERMEDIATE CODE: A61 Effective date:20120911 | |
| FPAY | Renewal fee payment (event date is renewal date of database) | Free format text:PAYMENT UNTIL: 20150921 Year of fee payment:3 | |
| R150 | Certificate of patent or registration of utility model | Free format text:JAPANESE INTERMEDIATE CODE: R150 | |
| FPAY | Renewal fee payment (event date is renewal date of database) | Free format text:PAYMENT UNTIL: 20150921 Year of fee payment:3 | |
| R250 | Receipt of annual fees | Free format text:JAPANESE INTERMEDIATE CODE: R250 | |
| R250 | Receipt of annual fees | Free format text:JAPANESE INTERMEDIATE CODE: R250 | |
| R250 | Receipt of annual fees | Free format text:JAPANESE INTERMEDIATE CODE: R250 | |
| LAPS | Cancellation because of no payment of annual fees |