


















本発明は放送素材やデータ等の伝送に用いられる各種シリアルデジタル信号を光波長多重伝送可能な光信号伝送システムと、それに使用される光信号伝送システム用光受信装置に関し、各種中継現場などから放送センター(ケーブルテレビ等の局舎を含む)などへの放送素材の伝送及び複数の放送センター間での放送素材の伝送に利用可能なものである。 The present invention relates to an optical signal transmission system capable of optical wavelength multiplexing transmission of various serial digital signals used for transmission of broadcasting materials and data, and an optical receiver for the optical signal transmission system used therefor. It can be used for transmission of broadcasting material to a center (including a station such as a cable TV) and the like and transmission of broadcasting material between a plurality of broadcasting centers.
近年のデジタル放送化に対応して、放送素材の高精細度化が進んでおり、一部では光ファイバケーブルを経由した光信号伝送システムが導入されている。
また、複数の放送素材を効率良く伝送させるため、HD−SDI(High Definition Serial Digital Interface)信号、SD−SDI(Standard Definition Serial Digital Interface)信号、DVB−ASI(Digital Video Broadcasting. Asynchronous Serial Interface)信号等といった各種シリアルデジタル信号を、信号数より少ない光ファイバケーブルで伝送できるようにした光波長多重伝送システムが導入されている場合もある。
光ファイバケーブルによる放送素材伝送方法は長距離伝送を可能にし、光波長多重伝送システムはファイバケーブルあたりの放送素材伝送数の増加を可能にする一方、光ファイバの断線や経路途中にある機器の故障等による伝送の停止や伝送の一時中断等のリスクを包含するため、生放送や重要な放送素材を伝送する場合を中心に、上記断線や故障に対するバックアップ(機器や光伝送路の冗長)の必要性が高まっている。Corresponding to the recent digital broadcasting, higher definition of broadcasting materials is progressing, and an optical signal transmission system via an optical fiber cable has been introduced in part.
In order to efficiently transmit a plurality of broadcasting materials, an HD-SDI (High Definition Serial Digital Interface) signal, an SD-SDI (Standard Definition Serial Digital Interface) signal, and a DVB-ASI (Digital Video Broadcasting. Asynchronous Serial Interface) signal In some cases, an optical wavelength division multiplex transmission system has been introduced in which various serial digital signals such as and the like can be transmitted with fewer optical fiber cables than the number of signals.
The broadcast material transmission method using optical fiber cable enables long-distance transmission, and the optical wavelength multiplexing transmission system can increase the number of broadcast material transmission per fiber cable, while the optical fiber is broken or the equipment in the route is broken. The necessity of backup (redundancy of equipment and optical transmission path) against the above disconnection and failure, mainly in the case of transmitting live broadcasts and important broadcast materials, to include risks such as transmission stoppage or temporary suspension of transmission Is growing.
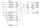
バックアップ機能を備えた従来の光信号伝送システムの一つとして図13に示すものがある。この光信号伝送システムは、複数の光送信装置TX(λ1)〜TX(λn)から送られる波長の異なる多数の光信号を光波長多重化装置WDMで多重化し、光波長多重化装置WDMより出力された多重光信号を光分岐装置(カプラ)Cにより分岐して複数の光伝送路Lで伝送させ、光波長分離装置WDMの手前に、複数の光入力部と一つの光出力部を有する光信号切換装置OSWを配置し、複数の光伝送路Lから光信号切換装置OSWに入力される光信号の光強度を予め設定された切替用の閾値と比較して閾値以下の場合は光入力が有効でないと判断し、有効であると判断された場合は光信号切換装置OSWが、予め設定された経路の優先順位等の情報に応じて、その光信号に対応する光入力部と光出力部の経路を確保するように切換わり、光受信部RXに送出されるようにしてある。One conventional optical signal transmission system having a backup function is shown in FIG. This optical signal transmission system multiplexes a large number of optical signals having different wavelengths transmitted from a plurality of optical transmission devices TX (λ1 ) to TX (λn ) by an optical wavelength multiplexing device WDM, and optical wavelength multiplexing device WDM The multiplexed optical signal output from the optical signal is branched by an optical branching device (coupler) C and transmitted through a plurality of optical transmission lines L. A plurality of optical input units and a single optical output unit are provided in front of the optical wavelength demultiplexing device WDM. The optical signal switching device OSW having the optical signal input from the plurality of optical transmission lines L to the optical signal switching device OSW is compared with a preset switching threshold value, and the optical signal switching device OSW If it is determined that the input is not valid, and if it is determined that the input is valid, the optical signal switching device OSW determines the optical input unit and the optical signal corresponding to the optical signal according to information such as the priority order of the preset route. The output is switched to ensure the output path and light The data is sent to the receiving unit RX.
従来の光伝送システムの他例として図14に示すものもある。この光伝送システムは同一または代替え運転が可能な信号源を波長ごとに共有する複数系統の光送信装置群TX1(TX(λ1)〜TX(λn))、TX2(TX(λ1)〜TX(λn))、・・・、TXnと、上記複数系統の光送信装置群TX1、TX2、・・・、TXnの夫々から出力された波長の異なる複数の光信号λ1〜λnを波長多重光信号として出力する光波長多重化装置WDM1、WDM2、・・・、WDMnとの組み合わせを複数組配置し、夫々の組の光波長多重化装置WDM1、WDM2、・・・、WDMnから出力された多重光信号を複数の光伝送路Lを用いて伝送し、光波長分離装置WDMの手前に複数の光入力部と1つの光出力部を有する光信号切換装置OSWを配置し、複数の光伝送路Lの夫々から光信号切換装置OSWに入力される光信号の光強度を予め設定された切換用の閾値と比較し、閾値以下の場合は光入力が有効でないと判断し、有効であると判断された場合は光信号切換装置OSWが、予め設定された経路の優先順位等の情報に応じて、その光信号に対応する光入力部と光出力部の経路を確保するように切換わり、光受信部RXに送出されるようにしてある。Another example of a conventional optical transmission system is shown in FIG. In this optical transmission system, a plurality of optical transmission device groups TX1 (TX (λ1 ) to TX (λn )) and TX2 (TX (λ1 ) to share a signal source that can be operated in the same or alternative manner for each wavelength. TX (λn )),..., TXn, and a plurality of optical signals λ1 to λn having different wavelengths output from the optical transmission
図13及び図14の光伝送システムでは異なる波長の複数の光信号λ1〜λnが光伝送路を伝搬される。異なる波長の複数の光信号λ1〜λnが一芯の光ファイバ中を伝搬する場合、多重光信号の光強度は各波長の光信号のトータル光パワーとなる。図13、図14の光信号切換装置OSWは各光入力部に入力される夫々の光信号の光強度を予め設定された切換用の閾値と比較し、閾値以下の場合は光入力部が有効でないと判断して切替を行う方法であるため、前記閾値は光信号切換装置OSWの各光入力部のトータル光パワーを基準に設定される必要がある。この場合、次のような課題がある。In the optical transmission systems of FIGS. 13 and 14, a plurality of optical signals λ1 to λn having different wavelengths are propagated through the optical transmission line. When a plurality of optical signals λ1 to λn having different wavelengths propagate through a single optical fiber, the optical intensity of the multiplexed optical signal is the total optical power of the optical signals of the respective wavelengths. The optical signal switching device OSW shown in FIGS. 13 and 14 compares the light intensity of each optical signal input to each optical input unit with a preset switching threshold value. When the optical signal switching unit OSW is below the threshold value, the optical input unit is effective. Therefore, the threshold value needs to be set based on the total optical power of each optical input unit of the optical signal switching device OSW. In this case, there are the following problems.
1.多重光信号は各波長の光信号の強度が均一でない場合があるため、光強度が最も小さい波長の光信号を基準に切換用の閾値を設定しなければならないというシステム構築上の制約がある。 1. Since the intensity of the optical signal of each wavelength may not be uniform in the multiplexed optical signal, there is a restriction on system construction that the switching threshold must be set based on the optical signal of the wavelength having the smallest optical intensity.
2.多重光信号のトータル光パワーは各波長の光信号の光強度の平均値を総和した値で求められるため、図15に示す光信号波長λ2のように他波長の信号光に比べて小さい光強度となっている光信号は、図14の光波長分離装置WDM通過後の光強度が他波長の光強度より相対的に小さくなる。光信号波長λ2に対応する光信号を受信する図14の光受信装置RXの光入力部の光強度を受信下限となる光強度より高く維持するために、光信号切換装置OSWの切替用の閾値を(他波長の光信号にとって)必要以上に低く設定せざるを得ないため、他波長の光信号が入力される光受信装置では受光下限に達する前に経路が切替ってしまうことになり(運用可能な光強度の範囲が狭くなり)、光受信装置のパフォーマンスを100%生かすことができず、システム設計における課題となっている。2. Since the total optical power of the multiplexed optical signal is obtained as a sum of the average values of the optical intensities of the optical signals of the respective wavelengths, light that is smaller than the signal light of other wavelengths, such as the optical signal wavelength λ2 shown in FIG. In the optical signal having the intensity, the light intensity after passing through the optical wavelength separation device WDM in FIG. 14 is relatively smaller than the light intensity of other wavelengths. In order to maintain the optical intensity of the optical input unit of the optical receiver RX of FIG. 14 that receives the optical signal corresponding to the optical signal wavelength λ2 higher than the optical intensity that is the reception lower limit, the optical signal switching apparatus OSW for switching is used. Since the threshold must be set lower than necessary (for optical signals of other wavelengths), the path is switched before the light reception lower limit is reached in the optical receiver to which optical signals of other wavelengths are input. (The range of the light intensity that can be operated becomes narrow), and the performance of the optical receiver cannot be fully utilized, which is a problem in system design.
3.図14において、光送信装置TXの数が運用開始後に増設された場合や、光送信装置TXの数は変更されないが、運用開始時は非運用状態(電源OFFまたは光ファイバ未接続)であった光送信装置TXの運用をある時期から開始すると、その時点で多重光信号のトータル光パワーが増加する。切換用の閾値はトータル光パワーと比較されるため、光波長数が増えると1光信号あたりに換算した閾値の光強度は低下する(初期状態の例:図16、トータル光パワー増加後の例:図17)。即ち、λ2の場合、光信号切換装置の一方の光入力部のトータル光パワーがΔa低下すれば他方の光入力部の経路に切換わるよう設定しておいた場合、Δb低下しなければ経路が切替らない状態となるため(光受信装置の受光下限を下回っても経路が切替わらない場合が発生する等)、システム上の運用に支障が出る恐れがある。3. In FIG. 14, when the number of optical transmitters TX is increased after the start of operation, or the number of optical transmitters TX is not changed, it is in a non-operational state (power supply OFF or optical fiber not connected) at the start of operation. When the operation of the optical transmitter TX is started from a certain time, the total optical power of the multiplexed optical signal increases at that time. Since the threshold value for switching is compared with the total optical power, the optical intensity of the threshold value converted per optical signal decreases as the number of optical wavelengths increases (example in the initial state: FIG. 16, example after the increase in total optical power) : FIG. 17). That is, in the case of λ2 , if the total optical power of one optical input unit of the optical signal switching device is set to switch to the path of the other optical input unit when Δa decreases, the path does not decrease Δb. May not be switched (for example, the path may not be switched even if the light reception lower limit of the optical receiver is not met), there is a possibility that operation on the system may be hindered.
4.光送信装置TXの数が運用開始後に減少された場合や、光送信装置TXの数は変更されないが、運用開始初期は運用され、ある時期から運用が中止または一時停止(電源OFFまたは光ファイバ未接続)される場合、その時点でトータル光パワーが低下する。切換用の閾値はトータル光パワーと比較されるため、光波長数が減ると1光信号あたりに換算した閾値の光強度は増加する(初期状態の例:図18、トータル光パワー低下後の例:図19)。即ち、初期状態のようにn波伝送時は1光信号あたりに換算した閾値の光強度が各波長の光信号強度に対して低く設定されていたとしても、波長数が減ることで1光信号あたりに換算した閾値の光強度が増加し、一部または全部の光信号の光強度より大きくなり、光波長分離装置WDM(図13、図14)通過後の光強度は光受信装置RXの受光許容下限に対して十分に余裕があっても、光経路が切替ってしまう場合が発生する等システム上の運用に支障が出る恐れがある。 4). If the number of optical transmitters TX decreases after the start of operation, or the number of optical transmitters TX is not changed, it is operated at the beginning of operation, and the operation is suspended or suspended from a certain time (power OFF or optical fiber not yet used). In the case of connection), the total optical power decreases at that time. Since the threshold value for switching is compared with the total optical power, the light intensity of the threshold value converted per optical signal increases as the number of optical wavelengths decreases (example in the initial state: FIG. 18, example after the total optical power is reduced) : FIG. 19). That is, even in the case of n-wave transmission as in the initial state, even if the threshold light intensity converted per one optical signal is set lower than the optical signal intensity of each wavelength, the number of wavelengths is reduced to reduce the number of wavelengths. The light intensity of the threshold value converted in the vicinity increases and becomes larger than the light intensity of a part or all of the optical signals, and the light intensity after passing through the optical wavelength demultiplexer WDM (FIGS. 13 and 14) is received by the optical receiver RX. Even if there is a sufficient margin for the allowable lower limit, there is a possibility that the operation on the system may be hindered, for example, the optical path may be switched.
5.光信号切換装置(OSW:図13、図14)は、多重信号光が通過する経路を切替えるため、切替が発生した場合は一部の信号光は正常であっても全信号光が別経路に切替わる。この場合、正常な信号光はそれまで伝送されていたルートのままで運用しておきたい場合に支障を生ずる。また、切替が起きると正常な信号光においても光信号の瞬断が発生するため、放送素材伝送の一時的な中断などが発生しシステム運用上の課題となっている。 5. Since the optical signal switching device (OSW: FIG. 13 and FIG. 14) switches the path through which the multiplexed signal light passes, if switching occurs, all signal light is routed to another path even if some signal light is normal. Switch. In this case, a problem occurs when normal signal light is desired to be operated in the route that has been transmitted until then. Further, when switching occurs, even in normal signal light, an instantaneous interruption of the optical signal occurs, which causes a temporary interruption of broadcasting material transmission, which is a problem in system operation.
6.光信号切換装置OSW(図13、図14)は各光入力部に入力される多重光信号のトータル光パワーにより経路を切替える方法をとっているため、各信号光の変調成分が伝送性能を満足するかどうか判断する手段を有さない。即ち、各信号の光信号の強度は十分であっても、変調信号成分が伝送性能を満足しない場合が発生する可能性があるが、光信号切換装置OSWではこれを判断することができず、実際の変調信号の伝送に支障が出る可能性がある。 6). Since the optical signal switching device OSW (FIGS. 13 and 14) employs a method of switching the path according to the total optical power of the multiplexed optical signal input to each optical input unit, the modulation component of each signal light satisfies the transmission performance. There is no means to judge whether or not. That is, even if the intensity of the optical signal of each signal is sufficient, the modulation signal component may not satisfy the transmission performance, but the optical signal switching device OSW cannot determine this, There is a possibility that the transmission of the actual modulation signal may be hindered.
本発明のシリアルデジタル信号の光信号伝送システムは、請求項1記載のように、複数のシリアルデジタルデータ信号を光波長多重に適した波長の光信号に変換する電気/光変換部を有する二以上の光送信装置と、それら光送信装置から出力される波長の異なる二以上の光信号を波長多重して出力する光波長多重化装置と、当該光波長多重化装置から出力される多重光信号を伝送する光伝送路と、当該光伝送路で伝送される前記多重光信号を波長別の光信号に分離する二以上の光波長分離装置と、当該光波長分離装置によって分離された夫々の波長の光信号を電気信号に変換する光/電気変換部を有する二以上の光受信装置を備えた光信号伝送システムにおいて、
前記光受信装置の夫々は二以上の伝送経路と、切替部と、制御部を備え、夫々の伝送経路が光信号入力部と、光/電気変換部と、検出部を備えた冗長構成であり、
前記二以上の光波長分離装置の波長別の出力側が前記夫々の伝送経路の光信号入力部に接続されて、前記二以上の光波長分離装置で波長分離された波長の異なる光信号のうち同じ波長の光信号が前記波長別の出力部から前記夫々の伝送経路の光信号入力部に入力され、当該二以上の入力光信号は夫々の伝送経路の光/電気変換部で光/電気変換され、当該電気信号に基づいて、前記入力光信号の夫々の強度、変調成分、振幅、タイミング精度、信号伝送速度、リクロック状態、エラーレートといった入力光信号情報の全部又は一部が、前記検出部において検出され、当該検出された入力光信号情報に基づいて当該入力光信号の有効性が制御部で判断され、制御部で有効と判断された入力光信号に対応する電気信号が、切替部で切替え選択されて切替部から出力されるシステムである。The serial digital signal optical signal transmission system according to the present invention includes at least two electrical / optical conversion units for converting a plurality of serial digital data signals into optical signals having wavelengths suitable for optical wavelength multiplexing. An optical wavelength division multiplexing apparatus, an optical wavelength division multiplexing apparatus for wavelength-multiplexing and outputting two or more optical signals having different wavelengths output from the optical transmission apparatuses, and a multiplexed optical signal output from the optical wavelength multiplexing apparatus. An optical transmission line for transmission,two or more optical wavelength separation devices for separating the multiplexed optical signal transmitted by the optical transmission route into optical signals of different wavelengths, and respective wavelengths separated by the optical wavelength separation device In an optical signal transmission system including two or more optical receivers having an optical / electrical converter that converts an optical signal into an electrical signal,
Each of the optical receivers has a redundant configuration including two or more transmission paths, a switching unit, and a control unit, and each transmission path includes an optical signal input unit, an optical / electrical conversion unit, and a detection unit. ,
The wavelength-side output sides of the two or more optical wavelength demultiplexing devices are connected to the optical signal input units of the respective transmission paths, and the same among the optical signals havingdifferent wavelengths separated by thetwo or more optical wavelength demultiplexing devices Optical signals ofwavelengths are input from the wavelength-specific output units to the optical signal input units of the respective transmission paths, and the two or more input optical signals are optically / electrically converted by the optical / electrical conversion units of the respective transmission paths. Based on the electric signal, all or part of the input optical signal information such as the intensity, modulation component, amplitude, timing accuracy, signal transmission speed, reclocking state, and error rate of the input optical signal is received by the detection unit. Based on the detected input optical signal information, the control unit determines the validity of the input optical signal, and the switching unit switches the electrical signal corresponding to the input optical signal determined to be valid by the control unit. Selected It is a system that is output from the switching unit.
本発明の光信号伝送システムは、請求項2記載のように、光受信装置の切替部の出力側に電気信号ドライブ部が設けられ、前記切替部で切替え出力された電気信号を電気信号ドライブ部において適正な振幅形式にして外部へ出力できるようにすることもできる。請求項3記載のように、光受信装置の切替部の出力側に電気信号リクロック部と電気信号ドライブ部が設けられ、当該電気信号リクロック部において、前記切替部で切替え出力された電気信号に含まれている情報から時間的なゆらぎの少ないクロックを生成し、そのクロックに基づいて電気信号の波形を再整形し、再整形された電気信号を前記電気信号ドライブ部において適正な振幅形式にして外部へ出力することもできる。また、請求項4記載のように、制御部において有効と判断された入力光信号が二以上あり、当該二以上の有効な入力光信号に対応する電気信号を選択する際に、予め設定された光信号入力部の優先順位に応じて前記電気信号を選択することができる。さらに、請求項5記載のように、光受信装置において有効と判断された入力光信号が二以上あり、当該二以上の有効な入力光信号に対応する電気信号を選択する際に、予め設定された優先順位に加えて、選択時に選択されている電気信号が有効ならばその状態を維持することもできる。 In the optical signal transmission system according to the present invention, an electrical signal drive unit is provided on the output side of the switching unit of the optical receiver, and the electrical signal switched and output by the switching unit is supplied to the electrical signal drive unit. Can be output to the outside in an appropriate amplitude format. The electrical signal reclocking unit and the electrical signal drive unit are provided on the output side of the switching unit of the optical receiver, and the electrical signal reclocking unit includes the electrical signal switched and output by the switching unit. A clock with less temporal fluctuation is generated from the information that has been reshaped, and the waveform of the electric signal is reshaped based on the clock, and the reshaped electric signal is converted into an appropriate amplitude format in the electric signal drive unit and externally generated. Can also be output. Further, as described in
本発明の光信号伝送システムは、請求項6記載のように、一つの送信局と二以上の受信局を備え、一つの送信局に光送信装置と、その光送信装置によって変換された波長の異なる二以上の光信号を波長多重して多重光信号として出力する光波長多重化装置と、カプラが設けられ、前記二以上の受信局の夫々にカプラと、光波長分離装置と、光受信装置が配置され、前記送信局のカプラと夫々の受信局のカプラの間に主系の光伝送路と副系の光伝送路が配線されて冗長化され、前記送信局の光送信装置は、複数のシリアルデジタルデータ信号を光波長多重に適した波長の光信号に変換する電気/光変換部を備え、前記送信局の光波長多重化装置は、前記光送信装置によって変換された波長の異なる二以上の光信号を波長多重して多重光信号として出力でき、前記受信局の光受信装置は二以上の伝送経路と、切替部と、制御部を備え、夫々の伝送経路は光信号入力部と、光/電気変換部と、検出部を備えた冗長構成であり、前記二以上の受信局の夫々は、夫々のカプラの出力側が光波長分離装置の入力側と接続され、夫々の光波長分離装置の波長別の出力側が夫々の光受信装置の伝送経路の光信号入力部と接続され、前記送信局の光波長多重化装置から送られる光波長多重信号が、前記送信局のカプラで分岐されて前記主系の光伝送路と副系の光伝送路により前記二以上の受信局の夫々のカプラに伝送され、前記受信局の夫々のカプラで分岐された光波長多重信号は夫々の受信局の主系と副系に配線された光波長分離装置で波長分離され、主系と副系それぞれで波長分離された波長の異なる光信号のうち同じ波長の光信号が前記波長別の出力部が接続された前記光信号入力部に入力され、当該二以上の入力光信号は夫々の伝送経路の光/電気変換部で光/電気変換され、当該電気信号に基づいて、前記入力光信号の夫々の強度、変調成分、振幅、タイミング精度、信号伝送速度、リクロック状態、エラーレートといった入力光信号情報の全部又は一部が、前記検出部において検出され、当該検出された入力光信号情報に基づいて当該入力光信号の有効性が制御部で判断され、制御部で有効と判断された入力光信号に対応する電気信号が、切替部で切替え選択されて切替部から出力されるようにすることもできる。また、請求項7記載のように、二以上の送信局と一つの受信局を備え、前記二以上の送信局の夫々に二以上の光送信装置と、夫々の光送信装置によって変換された波長の異なる二以上の光信号を波長多重して多重光信号として出力する二以上の光波長多重化装置が設けられ、前記一つの受信局に二以上の光波長分離装置と二以上の光受信装置が配置され、前記送信局の光波長多重化装置と受信局の光波長分離装置の間に主系の光伝送路と副系の光伝送路が配線されて冗長化され、前記送信局の夫々の光送信装置は、複数のシリアルデジタルデータ信号を光波長多重に適した波長の光信号に変換する電気/光変換部を備え、前記送信局の夫々の光波長多重化装置は、前記夫々の光送信装置によって変換された波長の異なる二以上の光信号を波長多重して多重光信号として出力でき、前記受信局の夫々の光受信装置は切替部と、制御部と、二以上の伝送経路を備え、夫々の伝送経路は光信号入力部と、光/電気変換部と、検出部を備えた冗長構成であり、前記二以上の送信局の光波長多重化装置は受信局の二以上の光波長分離装置の入力側と接続され、前記受信局の夫々の光波長分離装置の波長別の出力側が夫々の光受信装置の光信号入力部と接続され、前記夫々の送信局の光波長多重化装置から送られる光波長多重信号が前記主系の光伝送路と副系の光伝送路により前記一つの受信局に伝送され、前記受信局で受信された光波長多重信号は受信局の夫々の系統別に配置された光波長分離装置で波長分離され、主系と副系それぞれで波長分離された波長の異なる二以上の光信号のうち同じ波長の光信号が、前記受信局の夫々の光受信装置の夫々の伝送経路の光信号入力部に入力され、当該二以上の入力光信号は夫々の伝送経路の光/電気変換部で光/電気変換され、当該電気信号に基づいて、前記入力光信号の夫々の強度、変調成分、振幅、タイミング精度、信号伝送速度、リクロック状態、エラーレートといった入力光信号情報の全部又は一部が、前記検出部において検出され、当該検出された入力光信号情報に基づいて当該入力光信号の有効性が制御部で判断され、制御部で有効と判断された入力光信号に対応する電気信号が、切替部で切替え選択されて切替部から出力されるものである。The optical signal transmission system according to the present invention comprises a single transmitting station and two or more receiving stations as described in
本発明の光信号伝送システムは、請求項8記載のように、一つの送信局と二以上の受信局を備え、一つの送信局に二以上の光送信装置と、それら二以上の光送信装置によって変換された波長の異なる二以上の光信号を波長多重して多重光信号として出力する二以上の光波長多重化装置が設けられ、二以上の受信局の夫々にカプラと、二以上の光波長分離装置と、二以上の光受信装置が配置され、前記送信局と夫々の受信局のカプラの間に主系の光伝送路と副系の光伝送路が配線されて冗長化され、前記送信局の光送信装置は、複数のシリアルデジタルデータ信号を光波長多重に適した波長の光信号に変換する電気/光変換部を備え、前記送信局の光波長多重化装置は、前記光送信装置によって変換された波長の異なる二以上の光信号を波長多重して多重光信号として出力でき、前記受信局の光受信装置は切替部と、制御部と、二以上の伝送経路を備え、夫々の伝送経路は光信号入力部と、光/電気変換部と、検出部を備えた冗長構成であり、前記二以上の受信局の夫々は、夫々のカプラの出力側が光波長分離装置の入力側と接続され、夫々の光波長分離装置の波長別の出力側が夫々の光受信装置の伝送経路の光信号入力部と接続され、前記送信局の光波長多重化装置から送られる光波長多重信号が、前記主系の光伝送路と副系の光伝送路により前記二以上の受信局の夫々のカプラに伝送され、前記受信局の夫々のカプラで分岐された光波長多重信号は夫々の受信局の光波長分離装置で波長分離され、夫々の系統別に波長分離された波長の異なる光信号のうち同じ波長の光信号が前記波長別の出力部が接続された前記光信号入力部に入力され、当該二以上の入力光信号は夫々の伝送経路の光/電気変換部で光/電気変換され、当該電気信号に基づいて、前記入力光信号の夫々の強度、変調成分、振幅、タイミング精度、信号伝送速度、リクロック状態、エラーレートといった入力光信号情報の全部又は一部が、前記検出部において検出され、当該検出された入力光信号情報に基づいて当該入力光信号の有効性が制御部で判断され、制御部で有効と判断された入力光信号に対応する電気信号が、切替部で切替え選択されて切替部から出力され、送信局の光送信装置から送信される光信号が、前記冗長化された二本の光伝送路を同方向又は逆方向に伝送することもできる。The optical signal transmission system according to the present invention includes a single transmitting station and two or more receiving stations, and includestwo or more optical transmitting devices in one transmitting station, and thetwo or more optical transmitting devices.a coupler two or more optical signals having different converted wavelengths output totwo or more optical wavelength multiplexing device as multiplexed optical signals provided by wavelength multiplexing, to each of two ormore receiving stationsby two or more light A wavelength demultiplexer andtwo or more optical receivers are arranged, and amain optical transmission line and a sub optical transmission line are wired between the transmitting station and a coupler of each receiving station,and are made redundant; The optical transmission apparatus of the transmission station includes an electrical / optical conversion unit that converts a plurality of serial digital data signals into optical signals having wavelengths suitable for optical wavelength multiplexing, and the optical wavelength multiplexing apparatus of the transmission station includes the optical transmission Two or more optical signals with different wavelengths converted by the device The optical receiver of the receiving station includes a switching unit, a control unit, and two or more transmission paths, each of which includes an optical signal input unit, an optical / electrical conversion unit, and the like. Each of thetwo or more receiving stations has an output side of each coupler connected to an input side of the optical wavelength demultiplexer, and an output side for each wavelength of each optical wavelength demultiplexer The optical wavelength multiplexed signal thatis connected to the optical signal input unit of the transmission path of each optical receiver and sent from the optical wavelength multiplexer of the transmitting station is transmittedby themain optical transmission path and the sub optical transmission path.The optical wavelength division multiplexed signals transmitted tothe respective couplers ofthe two or more receiving stationsand branched by the respective couplers of the receiving stations are wavelength-separated by the optical wavelength demultiplexing devices of the respective receiving stations, and wavelength-separated foreach system.said optical signal having the same wavelength of been optical signalsof different wavelengthsIs input to the long-specific output unit is connected said optical signal input part, said two or more input optical signals are optical / electrical conversion in the optical / electrical converter of the transmission path of each, based on the electric signal, All or part of the input optical signal information such as the intensity, modulation component, amplitude, timing accuracy, signal transmission speed, reclock state, and error rate of each of the input optical signals is detected by the detection unit, and the detected input The validity of the input optical signal is determined by the control unit based on the optical signal information, and the electrical signal corresponding to the input optical signal determined to be valid by the control unit is switched and selected by the switching unit and output from the switching unit. The optical signal transmitted from the optical transmitter of the transmitting station can be transmitted in the same direction or in the opposite direction through the two redundant optical transmission lines.
本発明の光信号伝送システム用光受信装置は、請求項9記載のように、複数のシリアルデジタルデータ信号を光波長多重に適した波長の光信号に変換する電気/光変換部を有する二以上の光送信装置と、それら光送信装置から出力される波長の異なる二以上の光信号を波長多重して出力する光波長多重化装置と、当該光波長多重化装置から出力される多重光信号を伝送する光伝送路と、当該光伝送路で伝送される前記多重光信号を波長別の光信号に分離する二以上の光波長分離装置と、当該光波長分離装置によって分離された波長別の光信号を電気信号に変換する光/電気変換部を有する二以上の光受信装置を備え、前記二以上の光受信装置の夫々は、切替部と、制御部と、二以上の伝送経路を備え、夫々の伝送経路は夫々の系統別に光波長分離装置によって分離された波長の異なる光信号のうち同じ波長の光信号が入力される光信号入力部と、夫々の光信号入力部に入力された光信号を光/電気変換する光/電気変換部と、変換された電気信号に基づいて前記二以上の入力光信号の夫々の強度、変調成分、振幅、タイミング精度、信号伝送速度、リクロック状態、エラーレートといった光信号情報の全部又は一部を検出する検出部と、電気出力部を備えた冗長構成であり、前記切替器は、前記光/電気変換部で変換された電気信号を切替え出力するものであり、前記制御部は、前記光/電気変換部で変換された二以上の電気信号のうち、検出部において検出された光信号情報に基づいて夫々の入力光信号の有効性を判断して有効と判断された入力光信号に対応する電気信号を選択してその電気信号が出力されるように前記切替器を切替え制御するものであり、前記電気出力部は、前記切替器から出力された電気信号を光受信装置の外部に出力するものである。また、請求項10記載のように、切替器の出力側に、電気信号を必要な振幅を満たすようにして出力する電気信号ドライブ部が設けられたものとすることもできる。The optical receiver for an optical signal transmission system according to the present invention includes at least two electrical / optical converters that convert a plurality of serial digital data signals into optical signals having wavelengths suitable for optical wavelength multiplexing. An optical wavelength division multiplexing apparatus, an optical wavelength division multiplexing apparatus for wavelength-multiplexing and outputting two or more optical signals having different wavelengths output from the optical transmission apparatuses, and a multiplexed optical signal output from the optical wavelength multiplexing apparatus. an optical transmission line for transmitting, the optical transmission path and the optical wavelength separating devicefor two or more separating the wavelength-specific optical signal said multiplexed optical signal transmitted,the specific wavelength that is separated by the optical wavelength demultiplexing device light Comprising two or more optical receivers having optical / electrical converters for converting signals into electrical signals, each of the two or more optical receivers comprising a switching unit, a control unit, and two or more transmission paths; transmission path each optical wavelengthby each system An optical signal input optical signals are input at the same wavelength of the optical signalsof different wavelengths separated by the release device, the optical / electrical conversion of the optical / electrical converting an optical signal inputted to the optical signal input portion of the respective And all or part of the optical signal information such as intensity, modulation component, amplitude, timing accuracy, signal transmission speed, reclocking state, error rate of each of the two or more input optical signals based on the converted electrical signal A redundant configuration including a detection unit for detection and an electrical output unit, wherein the switching unit switches and outputs an electrical signal converted by the optical / electrical conversion unit, and the control unit is configured to output the optical / electrical unit Of the two or more electrical signals converted by the electrical conversion unit, the validity of each input optical signal is determined based on the optical signal information detected by the detection unit, and the input optical signal is determined to be valid. Select electrical signal The electrical signal Te are those controls switching the switch so as to output, the electric output unit, and outputs an electric signal output from the switch to the outside of the optical receiving apparatus. Further, as described in
本発明の光信号伝送システム用光受信装置は、請求項11記載のように、切替器の出力側に、切替器から出力される前記電気信号に含まれている情報から時間的なゆらぎの少ないクロックを生成し、このクロックに基づいて電気信号の波形を再整形する電気信号リクロック部が設けられ、電気信号リクロック部の出力側に、電気信号リクロック部で再整形された電気信号を、必要な振幅を満たすようにして出力する電気信号ドライブ部を備えたものである。 The optical receiver for an optical signal transmission system according to the present invention has less time fluctuation from the information included in the electrical signal output from the switch on the output side of the switch. An electric signal reclocking unit that generates a clock and reshapes the waveform of the electric signal based on the clock is provided, and an electric signal reshaped by the electric signal reclocking unit is required on the output side of the electric signal reclocking unit. An electric signal drive unit that outputs the signal so as to satisfy the amplitude is provided.
本発明の光伝送システム用光受信装置は、請求項12記載のように、検出部が、光/電気変換部で変換された電気信号の光強度を検出する光強度検出部であり、制御部は光強度検出部で検出された強度に基づいて有効と判断された光信号に対応する電気信号が出力されるように切替器を切替え制御するものである。 In the optical receiver for an optical transmission system according to the present invention, the detector is a light intensity detector that detects the light intensity of the electric signal converted by the optical / electric converter, and the controller Is for switching and controlling the switch so that an electric signal corresponding to the optical signal determined to be effective based on the intensity detected by the light intensity detector is output.
本発明の光信号伝送システム用光受信装置は、請求項13記載のように、検出部が、光/電気変換部で変換された電気信号の変調成分を検出する変調成分検出部であり、制御部は変調成分検出部で検出された変調成分情報に基づいて変調成分の有効性を判断して有効と判断された光信号に対応する電気信号が出力されるように切替器を切替え制御するものである。また、請求項14記載のように、検出部が、光/電気変換部で変換された電気信号のリクロック状態を検出するリクロック状態検出部であり、制御部がリクロック状態検出部より得られたリクロック状態情報に基づいてリクロック状態の有効性を判断して有効と判断された光信号に対応する電気信号が出力されるように切替器を切替え制御するものである。 In the optical receiver for an optical signal transmission system according to the present invention, the detection unit is a modulation component detection unit that detects a modulation component of the electrical signal converted by the optical / electrical conversion unit, and is controlled. The unit switches and controls the switch so that the electrical signal corresponding to the optical signal determined to be valid is output by judging the effectiveness of the modulation component based on the modulation component information detected by the modulation component detection unit. It is. The detection unit is a reclocking state detection unit that detects a reclocking state of the electrical signal converted by the optical / electrical conversion unit, and the control unit is a reclocking unit obtained from the reclocking state detection unit. Based on the state information, the validity of the reclocking state is determined, and the switch is switched and controlled so that an electrical signal corresponding to the optical signal determined to be valid is output.
本発明の光信号伝送システム用光受信装置は、請求項15記載のように、光受光装置の二以上の伝送経路の夫々に、光/電気変換部で変換された電気信号をシリアル/パラレル変換するシリアル/パラレル変換部と、当該変換後の電気信号をパラレル/シリアル変換するパラレル/シリアル変換部を備え、検出部は前記シリアル/パラレル変換部で変換されたパラレル信号のビットエラーレート、データエラーといったエラー情報を検出するエラー検出部であり、制御部はエラー検出部より得られたエラー発生状態またはビットエラーレートに類する情報に基づいてビットエラーの有効性を判断して有効と判断された光信号に対応する電気信号が出力されるように切替器を切替え制御するものである。 According to the optical receiver for an optical signal transmission system of the present invention, the electrical signal converted by the optical / electrical converter is serial / parallel converted to each of the two or more transmission paths of the optical receiver. And a parallel / serial conversion unit for parallel / serial conversion of the converted electric signal, and the detection unit converts the bit error rate and data error of the parallel signal converted by the serial / parallel conversion unit. An error detection unit that detects error information such as, and the control unit determines the validity of the bit error based on the error occurrence state obtained from the error detection unit or information similar to the bit error rate, and the light that is determined to be effective. The switch is switched and controlled so that an electric signal corresponding to the signal is output.
本発明の光信号伝送システム用光受信装置は、請求項16記載のように、制御部が二以上の電気信号のうち有効と判断された入力光信号に対応する電気信号を選択する際に、予め設定された光信号入力部の優先順位に応じて選択する機能を備えたものである。 In the optical receiver for an optical signal transmission system of the present invention, as described in claim 16, when the control unit selects an electrical signal corresponding to an input optical signal determined to be valid from two or more electrical signals, This is provided with a function of selecting according to a preset priority order of the optical signal input unit.
本発明の光信号伝送システム用光受信装置は、請求項17記載のように、制御部が二以上の電気信号のうち有効と判断された入力光信号に対応する電気信号を選択する際に、予め設定された光信号入力部の優先順位に加えて、選択時に選択されている光信号入力部が有効ならばその状態を維持する機能を備えたものである。 In the optical receiver for an optical signal transmission system of the present invention, as described in claim 17, when the control unit selects an electrical signal corresponding to an input optical signal determined to be valid from two or more electrical signals, In addition to the priorities of the optical signal input units set in advance, the optical signal input unit selected at the time of selection is provided with a function of maintaining the state if it is valid.
本発明の光信号伝送システムは機器冗長または光伝送路の冗長化を図る際に、光受信装置(RX)の二以上の光信号入力部1に入力された夫々の光信号をO/E変換した電気信号のうち有効と判断された入力光信号に対応する電気信号を選択して出力するものであり、本発明の光信号伝送システム用光受信装置は、二以上の光信号入力部1に入力された夫々の光信号をO/E変換した電気信号の有効性を判断する検出部3と、有効と判断された入力光信号に対応する電気信号を選択して出力するものであるため次のような効果がある。
1.図9に示すように、全ての光受信装置において受信下限まで光強度低下を許容可能な伝送システムとなる。ちなみ、従来の方法では図15に示すように、光波長多重する光信号数によって変化するトータル光パワーを用いて経路を切換えていたため「発明が解決しようとする課題」の欄に記載した前記各種課題があったが、本発明ではそれら課題が一掃される。
2.光強度、変調成分などの有効度を夫々の光信号別に判断するため、波長数が増減しても切換用の閾値の見直しが不要であり、伝送システム設計や運用中のメンテナンス作業が容易となる。従来方法では波長数の増減などに伴ってトータル光パワーが変化する度に切換用の閾値の見直しが必要であった。
3.波長分離された光信号のうち、同じ波長の光信号を二以上の経路で伝送し、有効と判断されたで光信号に対応する電気信号を切替器で切替え選択して出力するようにしたので、光波長多重伝送システムであっても、一部の光信号が有効でなくなっても、その他の正常な光信号は別経路に切替わることがなく、信号の瞬断なども発生せず、運用上の支障が防止される。従来方法では、多重信号光が通過する経路を切替えるため、切替えが発生した場合は一部の光信号は正常であっても全光信号が別経路に切替わり、正常な光信号はそれまで伝送されていたルートで運用しておきたい場合に支障(信号の瞬断など)が生ずることがあった。
4.機器冗長または光伝送路の冗長を図る際に、光受信装置RXの二以上の光信号入力部1に入力された夫々の光信号の光強度が閾値を満足するかどうか(有効性)を判断する方法(方法1)に加えて、O/E変換した電気信号の強度、変調成分、振幅、タイミング精度、伝送速度、リクロック状態、エラーレートなどの情報の全部又は一部が伝送性能を満足するかどうか(有効性)を判断する方法(方法2)により、有効と判断された光信号に対応する電気信号を出力することもできるため、光信号を伝送していない場合(待機状態)は、方法1を用いて安全な光経路を確保させ、光信号を伝送する際は、必要に応じ方法2を用いて他の伝送性能が満足するかどうか追加で判断させることで、出力される電気信号の品質が確保されるような運用をすることも可能である。
5.切替器4の出力側において、電気信号に含まれている情報から時間的なゆらぎの少ないクロックを生成し、これに基づいて電気信号の波形を再整形し、電気信号が光伝送システム用光受信装置の外部へ出力される際に必要な振幅等を満たすように電気信号を振幅する等の手段を用いて再出力できるようにしたので、出力される電気信号の振幅が確保される。The optical signal transmission system of the present invention performs O / E conversion on each optical signal input to two or more optical
1. As shown in FIG. 9, the transmission system is capable of allowing a decrease in light intensity up to the reception lower limit in all the optical receivers. Incidentally, in the conventional method, as shown in FIG. 15, since the path is switched using the total optical power that changes depending on the number of optical signals multiplexed in the optical wavelength, the various types described in the column “Problems to be solved by the invention” are described. Although there were problems, the present invention eliminates these problems.
2. Since the effectiveness of light intensity, modulation component, etc. is judged for each optical signal, it is not necessary to review the switching threshold even if the number of wavelengths increases or decreases, and maintenance work during transmission system design and operation is easy. . In the conventional method, it is necessary to review the switching threshold every time the total optical power changes as the number of wavelengths increases or decreases.
3. Because the optical signals of the same wavelength among the optical signals that have been wavelength-separated are transmitted through two or more paths, the electrical signals corresponding to the optical signals are switched and selected by the switch and output. Even if it is an optical wavelength division multiplex transmission system, even if some optical signals become ineffective, other normal optical signals will not be switched to another path, and there will be no instantaneous signal interruption, etc. The upper obstacle is prevented. In the conventional method, the path through which the multiplexed signal light passes is switched. When switching occurs, all the optical signals are switched to another path even if some of the optical signals are normal, and normal optical signals are transmitted until then. When it was desired to use the route that had been used, troubles (such as signal interruptions) sometimes occurred.
4). When device redundancy or optical transmission line redundancy is achieved, it is determined whether or not the light intensity of each of the optical signals input to the two or more optical
5. On the output side of the
本発明の光信号伝送システムは、光受信装置RXの二以上の光信号入力部1に入力された夫々の光信号をO/E変換した電気信号のうち有効と判断された入力光信号に対応する電気信号を選択する際に、予め設定された光入力部の優先順位に応じて選択することも、予め設定された光入力部の優先順位に加えて現在選択されている入力部が有効ならばその状態を維持することもできるようにしたので、例えば優先度の低い光入力部に対応した電気信号が選択されている時に、優先度が高い光入力部が有効でない状態から有効な状態に変化しても、自動的に切り替えが発生せず信号が瞬断しないよう運用することもできる、という効果もある。 The optical signal transmission system of the present invention supports input optical signals that are determined to be valid among electrical signals obtained by O / E conversion of the respective optical signals input to two or more optical
(光信号伝送システムの実施形態1)
本発明の光波長多重伝送システムの一実施例を図1〜図3に基づいて説明する。この実施形態は複数のデジタルビデオ及びオーディオ信号等の情報信号に基づくシリアルデジタルデータ信号等を光波長多重伝送する場合の例である。この光信号伝送システムの基本構成は図1に示すように、複数の光送信装置TX(λ1)〜TX(λn)から送られる波長の異なる多数の光信号を光波長多重化装置WDMで多重化し、それから出力された多重化信号を光ファイバ(光伝送路)Lで伝送し、光伝送路Lにより伝送される光波長多重信号を光波長分離装置WDMに入力し、それから分離された光信号を光受信部RXに送出されるようにしてある。(
An embodiment of the optical wavelength division multiplexing transmission system of the present invention will be described with reference to FIGS. This embodiment is an example of a case where serial digital data signals and the like based on information signals such as a plurality of digital video and audio signals are transmitted by optical wavelength multiplexing. As shown in FIG. 1, the basic configuration of this optical signal transmission system is that an optical wavelength multiplexing device WDM converts a large number of optical signals having different wavelengths sent from a plurality of optical transmission devices TX (λ1 ) to TX (λn ). multiplexed, then the outputted multiplexed signal transmitted in an optical fiber (optical transmission line) L, the optical wavelength-multiplexed signal transmitted by the optical transmission line L is input to the optical wavelength demultiplexing device WDM, is itor we separated The transmitted optical signal is transmitted to the optical receiver RX.
図2の光信号伝送システムは、異なる波長の光信号を送信する複数の光送信装置TX(λ1)〜TX(λn)から送られる多数の光信号を光波長多重化装置WDMで多重化し、光波長多重化装置WDMより出力された多重光信号を光分岐装置(カプラ)Cにより分岐して複数の光伝送路Lを用いて伝送し、光波長分離装置WDM1、WDM2、・・・で波長別の光信号に分離させて光受信装置RX2に入力するようにした光信号伝送システムである。 The optical signal transmission system in FIG. 2 multiplexes a number of optical signals transmitted from a plurality of optical transmission devices TX (λ1) to TX (λn) that transmit optical signals of different wavelengths by an optical wavelength multiplexing device WDM. The multiplexed optical signal output from the wavelength multiplexing device WDM is branched by an optical branching device (coupler) C and transmitted using a plurality of optical transmission lines L, and wavelength-dependent by the optical wavelength separation devices WDM1, WDM2,. This is an optical signal transmission system that is separated into optical signals and input to the optical receiver RX2.
図3の光信号伝送システムは、同一または代替運転が可能な信号源を波長ごとに共有する複数系統の光送信装置群TX1(TX(λ1)〜TX(λn))、TX2(TX(λ1)〜TX(λn))、・・・、TXn(TX(λ1)〜TX(λn))と、上記複数系統の光送信装置群TX1、TX2、・・・、TXnの夫々から出力された波長の異なる複数の光信号λ1〜λnを波長多重して多重光信号として出力する光波長多重化装置WDM1、WDM2、・・・、WDMnとの組み合わせを複数組配置し、夫々の組の光波長多重化装置WDM1、WDM2、・・・、WDMnから出力された多重光信号を複数の光伝送路Lを用いて伝送し、前記各組用の光波長分離装置WDM1、WDM2、・・・、WDMnで波長別の光信号に分離させて光受信装置RX2に入力するようにした光伝送システムである。The optical signal transmission system of FIG. 3 has a plurality of optical transmission device groups TX1 (TX (λ1 ) to TX (λn )), TX2 (TX ( λ1 ) to TX (λn )),..., TXn (TX (λ1 ) to TX (λn )), and the optical transmission
図2、図3では光波長分離装置WDM1、WDM2、・・・、WDMnを二以上使用し、光受信装置RX2として例えば図5〜図8のように光入力部1を二以上備えたものを二以上使用し、前記二以上の光波長分離装置WDM1、WDM2、・・・、WDMnの夫々から波長の異なる光信号λ1〜λnを出力し、それら光信号のうち同じ波長の複数の光信号を一つの光受信装置RX2に入力して、前記光波長分離装置WDM1、WDM2、・・・、WDMn以降を冗長化してある。この場合、光受信装置RX2の複数の光入力部に入力する光信号は、光波長分離装置WDM1、WDM2、・・・、WDMnにより分離された同一波長の光信号ではなく、それと代替運転可能な光信号に対応した波長の光信号を入力することもできる。 2 and 3 use two or more optical wavelength demultiplexing devices WDM1, WDM2,..., WDMn, and the optical receiving device RX2 includes, for example, two or more
図2、図3の光信号伝送システムにおける夫々の光受信装置RX2の光受信装置は、複数の光入力部1(図5〜図8)に入力された光信号の有効度を判断し、有効と判断された光信号の中から、あらかじめ設定された経路の優先順位等の情報に応じて、対応した電気信号を出力する機能及び電気出力を有する機能を備えている。 The optical receivers of the respective optical receivers RX2 in the optical signal transmission systems of FIGS. 2 and 3 determine the effectiveness of the optical signals input to the plurality of optical input units 1 (FIGS. 5 to 8), and are effective. A function of outputting a corresponding electrical signal and a function of having an electrical output are provided in accordance with information such as the priority order of a preset route from among the optical signals determined to be.
(光信号伝送システム用光受信装置の実施形態1:光強度検出)
本発明の光信号伝送システム光受信装置の実施例の一つを図5に示す。この光受信装置は図2、図3の光受信装置RX2の一例であり、光信号の強度を検出して出力信号を切替る方式である。図5に示す光受信装置RX2は二以上の光入力部1に入力される光信号を光/電気変換部(PD)2で電気信号に変換し、その電気信号の強度を検出部3で検出し、その検出強度を予め設定されている切替用の光強度(閾値)と制御部5で比較し、閾値より大きい場合に光入力部が有効であると判断し、閾値より小さい場合に光入力部が有効でないと判断し、閾値と同じ場合はどちらにも判断することができる機能(切替用の閾値と同等のときは機器の必要に応じて有効又は有効ではない、のいずれかに設定可能とする)を備えさせることも可能である。制御部5の後に、切替部4−電気信号リクロック部7−電気信号ドライブ部8−二つの電気出力部6を設けてある。(Embodiment 1: Optical intensity detection for optical signal transmission system)
One embodiment of an optical receiver of the optical signal transmission system of the present invention is shown in FIG. This optical receiving apparatus is an example of the optical receiving apparatus RX2 of FIGS. 2 and 3, and is a system that detects the intensity of an optical signal and switches an output signal. An optical receiver RX2 shown in FIG. 5 converts an optical signal input to two or more
図5の2つの光入力部1には主に光アダプタが用いられ、光ケーブルが接続される。光/電気変換部(Photo Diode:PD)2は光が入射されると光強度に応じたフォト電流が生じるものであり、ピンダイオード(PIN-PD)、アバランシュフォトダイオード(APD)等が使用される。PDフォト電流検出回路(光強度算出用)3はPDで生じたフォト電流の強さをもとに光/電気変換効率等により換算を行って光入力部1に入力された光信号の強度を算出し、制御部5へ光強度情報を送出するものである。 An optical adapter is mainly used for the two
電気信号増幅部は前記PD2で得られたフォト電流を電気信号として伝送可能な強度、形式(シングルエンド電圧出力,差動電圧出力等)に変換・増幅するものであり、必要に応じて電気信号を複数回変換・増幅することができる。前記シングルエンド電気信号は信号ラインとGND間の電圧情報(High/Low)により情報を伝達する信号であり、前記差動電気信号は2つの信号ライン間の電圧差情報(High/Low)により情報を伝達する信号である。 The electric signal amplifying unit converts and amplifies the photocurrent obtained by the
図5の制御部5は前記PDフォト電流検出部3より得られた光強度情報と、予め設定された切替え閾値強度とを比較して、光強度が有効だと判断された電気信号入力を出力するよう切替部4へ命令(指令)を行うものである。切替部4は入力される複数の電気信号のうち制御部5からの命令に応じた電気信号を出力するものである。制御部5は上記指令に加えて、想定される各種状態の際に切替部4がどのように動作すべきかを必要に応じてコントロールすることもできる。各系統とも有効な場合はどちらを優先して出力するか、各系統とも有効でない場合はどちらを優先して出力するか、別の系統に切替えられた後に、元の系統が復旧した場合のプロセス管理(自動で元の系統に戻すか、手動による命令がない限り別系統を出力し続けるか)といった制御をも行うことができる。 The
図5の電気信号リクロック部7は波形整形部であり、光伝送路で伝送されてきた信号は伝送前に比べて波形が劣化している(波形の時間的なゆらぎが生じ、信号の立上り/立下りタイミングが適切でなくなっている)場合があるため、電気信号に含まれている情報から時間的なゆらぎの少ないクロックを生成し、これを元に電気信号の波形を再整形する(タイミングを取り直す=リクロックという)ものである。電気信号ドライブ部8は前記リクロック後の信号を取り込んで、装置外部へ出力される電気信号が備えるべき振幅等を満たすようにして再出力するものである。SDI伝送ではケーブル・ドライバが使用される。この電気信号リクロック部7は波形劣化が少ないと予想される場合は省略することもできる。 The electric
図5の電気出力部6は前記電気信号リクロック部7で再整形され、前記電気信号ドライブ部8で適正な振幅等の形式となった電気信号を出力するものである。複数の電気出力部を備える場合もある。 The
(光信号伝送システム用光受信装置の実施形態2:変調成分検出)
図6に示す光受信装置RX2も図2、図3の光受信装置RX2の一例であり、図6の基本構成は図5と同様であり、異なるのは図6の検出部3を、図5のPDフォト電流検出回路に代えて電気信号変調成分検出部にしたことである。図6では二以上の光入力部1に入力される光信号が光/電気変換部(PD)2で電気信号に変換され、その電気信号のデジタルビデオ及びオーディオ信号等の情報信号に基づくシリアルデジタルデータ信号の変調成分(変調強度等)を検出してその検出結果を制御部5へ送出し、制御部5は電気信号変調成分検出部3で得られた変調成分情報を元に変調成分が有効と判断された電気信号入力を出力するように切替部4へ命令を行うものである。(
The optical receiver RX2 shown in FIG. 6 is also an example of the optical receiver RX2 of FIGS. 2 and 3, the basic configuration of FIG. 6 is the same as that of FIG. 5, and the difference is that the
(光信号伝送システム用光受信装置の実施形態3:リクロック検出)
本発明の光受信装置の他の実施形態を図7に示す。この光受信装置は電気信号のリクロック状態を検出して出力信号を切替える方式である。図7の基本構成は図6と同様であり、異なるのは、図7では検出部3を電気信号リクロック状態検出部としたことである。(Embodiment 3: Reclocking Detection of Optical Receiver for Optical Signal Transmission System)
Another embodiment of the optical receiver of the present invention is shown in FIG. This optical receiver is a method of switching the output signal by detecting the reclocked state of the electric signal. The basic configuration of FIG. 7 is the same as that of FIG. 6, and the difference is that in FIG. 7, the
図7の電気信号リクロック状態検出部3は図5の電気信号リクロック部7と似た機能又は同一の機能を有するものであり、光伝送路Lで伝送されてくるデジタル信号の波形が送信前に比べて劣化している(波形の時間的なゆらぎが生じ、信号のタイミングが適切でなくなっている)場合に、電気信号に含まれている情報から時間的なゆらぎの少ないクロックを生成し、これを元に電気信号の波形を再整形する(タイミングを取り直す=リクロックする)ものである。この場合、波形劣化が大きいと再整形できないことがある。このプロセスの成否(再整形できたか、できなかったか)を観察し、その結果を制御部5へ送出する機能を有する。図7の制御部5は前記電気信号リクロック状態検出部3より得られたリクロック状態の情報を元に、有効と判断された光信号に対応する電気信号を出力するように切替部4へ命令を行うものである。 The electric signal reclocking
(光信号伝送システム用光受信装置の実施形態4:エラー検出)
本発明の光信号伝送システム用光受信装置の他の実施形態を図8に示す。この光受信装置は電気信号のエラーを検出して出力信号を切替える方式である。図8には二つの光信号伝送経路があり、夫々の伝送経路に光入力部1、PD2、電気信号増幅部、シリアル/パラレル変換部10、パラレル/シリアル変換部11があり、前記検出部3をエラー検出部とし、二つのエラー検出部3間に制御部5を設けてある。(Embodiment 4: Optical Detection Device for Optical Signal Transmission System: Error Detection)
Another embodiment of the optical receiver for the optical signal transmission system of the present invention is shown in FIG. This optical receiver is a system that detects an error of an electric signal and switches an output signal. In FIG. 8, there are two optical signal transmission paths, each of which includes an
前記シリアル/パラレル変換部10はシリアルデータをパラレルデータに変換するためのものである。光受信装置に入力される光信号はシリアルデータであるが、元々の情報源はパラレルデータである場合は、シリアルデータのままではビットエラーレート(伝送すべきデータの総ビット数のうち何ビットエラーが発生したか)に類する情報、またはデータエラーが発生したか否かを観測することができないことが多いため、シリアルデータからパラレルデータに変換することがある。この場合に図8のシリアル/パラレル変換部10が必要になる。前記においてビットエラーレートに「類する情報」とした理由は、ビットエラーレートの他にエラー秒(総伝送時間中、何秒エラーが発生したか)等の観測方法があるためである。シリアルデータのままビットエラーレートまたはデータエラーが発生したか否かを観測することができる場合は図8のシリアル/パラレル変換部10の搭載は省略可能である。ここで、シリアルデータはシングルエンド電気信号/差動電気信号など、基本的に時間進行に対して一種類の情報を伝送する方式のデータであり、パラレルデータは時間進行に対して複数の情報を伝送する方式のデータ(旧式プリンタケーブルなどにおけるデータ方式)である。 The serial /
図8のエラー検出部(エラーレート検出部)3は、電気信号のビットエラーレート(伝送すべきデータの総ビット数のうち、何ビットエラーが発生したか)に類する情報、またはデータエラーが発生したか否かを検出し、制御部5へ送出するものである。 The error detection unit (error rate detection unit) 3 in FIG. 8 generates information similar to the bit error rate of the electrical signal (how many bit errors have occurred in the total number of bits of data to be transmitted) or a data error. It is detected whether or not it has been sent and sent to the
図8のパラレル/シリアル変換部11は、前記エラーレート検出部3でエラー検出を行うために、図8のシリアル/パラレル変換部10でパラレル変換した場合、伝送に適したシリアル信号に再変換する必要がある。即ち、パラレルデータをシリアルデータ変換するためのものである。シリアルデータのまま、ビットエラーレートまたはデータエラーが発生したか否かを観測できる場合はこのパラレル/シリアル変換部11は省略可能である。 The parallel /
図8の制御部5は、エラーレート検出部3より得られたエラー発生状態またはビットエラーレートに類する情報を元に、有効と判断された電気信号入力を出力するように切替部4へ切替命令を行う部分である。 The
図6〜図8のいずれの制御部5も、図5の制御部5と同様に、前記指令に加えて、想定される各種状態の際に切替部4がどのように動作すべきかを必要に応じてコントロールすることもできる。各系統とも有効な場合はどちらを優先して出力するか、各系統とも有効でない場合はどちらを優先して出力するか、別の系統に切替えられた後に、元の系統が復旧した場合のプロセス管理(自動で元の系統に戻すか、手動による命令がない限り別系統を出力し続けるか)といった制御をも行うことができる。 6 to 8, like the
(光波長多重されない光信号伝送システムの参考例)
図4のように光波長多重されないシステムにおいては、光受信装置RX2の複数の光入力部に、同一または代替運転可能な信号源を共有する複数の光送信装置(TX)から出力された光信号を入力する。(Reference example of optical signal transmission system without optical wavelength multiplexing)
In a system in which optical wavelength multiplexing is not performed as shown in FIG. 4, optical signals output from a plurality of optical transmission devices (TX) sharing a signal source that can be operated in the same or alternative manner in a plurality of optical input units of the optical reception device RX2. Enter.
(光信号伝送システムの冗長化の実施形態1)
図10は1つの送信側(送信局:Z局)20に図1〜図3の光送信装置TXとその光送信装置TXによって変換された複数の光信号λ1〜λnを波長多重して多重光信号として出力する光波長多重化装置WDMとカプラCを設け、複数の受信側(受信局:A局〜G局)21の夫々にカプラCと光波長分離装置WDMと光受信装置RX2を配置し、送信局(Z局)20のカプラCと夫々の受信局(A局〜G局)21のカプラの間に二本の光伝送路Lを配線して冗長化してある。受信局(A局〜G局)21の光受信装置RX2には図5〜図8のいずれかの実施形態の光信号伝送システム用光受信装置を使用することができる。(
FIG. 10 shows a single transmission side (transmitting station: Z station) 20 that wavelength-multiplexes the optical transmission device TX of FIGS. 1 to 3 and a plurality of optical signals λ1 to λn converted by the optical transmission device TX. An optical wavelength multiplexer WDM and a coupler C for outputting as multiplexed optical signals are provided, and a coupler C, an optical wavelength demultiplexer WDM, and an optical receiver RX2 are provided on each of a plurality of receiving sides (receiving stations: A station to G station) 21. Two optical transmission lines L are wired between the coupler C of the transmitting station (Z station) 20 and the couplers of the respective receiving stations (A station to G station) 21 for redundancy. The optical receiver for the optical signal transmission system according to any of the embodiments shown in FIGS. 5 to 8 can be used as the optical receiver RX2 of the receiving station (A station to G station) 21.
図10の光信号伝送システムでは、送信局(Z局)20から送信される光波長多重信号が、受信局(A局〜G局)21の夫々の光受信装置RX2(図5〜図8)の光受信部1に入力され、夫々の光受信装置RX2の検出部3で光強度、変調成分、振幅、タイミング精度、信号伝送速度、リクロック状態、エラーレートといった入力光信号情報の全部又は一部が検出され、検出された入力光信号情報に基づいて入力光信号の有効性が判断され、有効と判断された入力光信号に対応する電気信号が選択されて出力される。 In the optical signal transmission system of FIG. 10, the optical wavelength multiplexed signal transmitted from the transmitting station (Z station) 20 is received by each optical receiving device RX2 of the receiving station (A station to G station) 21 (FIGS. 5 to 8). All or part of the input optical signal information such as light intensity, modulation component, amplitude, timing accuracy, signal transmission speed, reclocking state, error rate, etc. by the detecting
(光信号伝送システムの冗長化の実施形態2)
図11は複数の送信側(送信局:B局〜K局)20に図1〜図3の光送信装置TXとその光送信装置TXによって変換された複数の光信号λ1〜λnを波長多重して多重光信号として出力する光波長多重化装置WDMを設け、1つの受信側(受信局:A局)21に光波長分離装置WDMと光受信装置RX2を設け、送信局(B局〜K局)20と受信局(A局)21の間に二本の光伝送路Lを配線して冗長化してある。受信局(A局)21の光受信装置RX2には図5〜図8のいずれかの実施形態の光信号伝送システム用光受信装置を使用することができる。この光信号伝送システムの作用は前記実施例1の場合と同様である。(
FIG. 11 shows the wavelengths of the optical transmission device TX of FIGS. 1 to 3 and the optical signals λ1 to λn converted by the optical transmission device TX to a plurality of transmission sides (transmission stations: B station to K station) 20. An optical wavelength multiplexing device WDM that multiplexes and outputs as a multiplexed optical signal is provided, an optical wavelength demultiplexing device WDM and an optical receiving device RX2 are provided on one receiving side (receiving station: A station) 21, and a transmitting station (B station to Two optical transmission lines L are wired between the K station) 20 and the receiving station (A station) 21 for redundancy. The optical receiver for the optical signal transmission system according to any one of FIGS. 5 to 8 can be used as the optical receiver RX2 of the receiving station (A station) 21. The operation of this optical signal transmission system is the same as that in the first embodiment.
(光信号伝送システムの冗長化の実施形態3)
図12は1つの送信側(送信局:A局)20に図1〜図3の光送信装置TXとその光送信装置TXによって変換された複数の光信号λ1〜λnを波長多重して多重光信号として出力する光波長多重化装置WDMを設け、複数の受信側(受信局:B局〜K局)21の夫々に光波長分離装置WDMと光受信装置RX2を配置し、送信局(A局)20と夫々の受信局(B局〜K局)21のカプラCの間に二本の光伝送路Lを配線して冗長化してある。受信局(B局〜K局)21の光受信装置RX2には図5〜図8のいずれかの実施形態の光信号伝送システム用光受信装置を使用することができる。図12の光信号伝送システムでは一方の光伝送路を右回りメイン幹線として使用し、他方の光伝送路を左回りメイン幹線(互いに逆回り)として使用する場合の例である。(
In FIG. 12, one transmitter (transmitting station: A station) 20 wavelength-multiplexes the optical transmitter TX of FIGS. 1 to 3 and a plurality of optical signals λ1 to λn converted by the optical transmitter TX. An optical wavelength multiplexing device WDM for outputting as a multiplexed optical signal is provided, and an optical wavelength demultiplexing device WDM and an optical receiving device RX2 are arranged on each of a plurality of receiving sides (receiving stations: B station to K station) 21, and a transmitting station ( Two optical transmission lines L are wired between the coupler C of the A station) 20 and the respective receiving stations (B station to K station) 21 for redundancy. The optical receiver for the optical signal transmission system according to any of the embodiments shown in FIGS. 5 to 8 can be used as the optical receiver RX2 of the receiving station (B station to K station) 21. In the optical signal transmission system of FIG. 12, one optical transmission path is used as a clockwise main trunk line, and the other optical transmission path is used as a counterclockwise main trunk line (counterclockwise).
図9〜図12の光信号伝送システム用光受信装置の作用は、前記した図5〜図8の光信号伝送システム用光受信装置の作用と同じである。 The operation of the optical receiver for the optical signal transmission system in FIGS. 9 to 12 is the same as the operation of the optical receiver for the optical signal transmission system in FIGS.
1 光信号入力部
2 光/電気変換部
3 検出部
4 切替器
5 制御部
6 電気出力部
7 電気信号リクロック部
8 電気信号ドライブ部
10 シリアル/パラレル変換部
11 パラレル/シリアル変換部
12 リクロック状態検出部
20 送信局
21 受信局
C カプラ
L 光伝送路DESCRIPTION OF
| Application Number | Priority Date | Filing Date | Title |
|---|---|---|---|
| JP2009074566AJP4862059B2 (en) | 2009-03-25 | 2009-03-25 | Optical signal transmission system and optical receiver for optical signal transmission system |
| Application Number | Priority Date | Filing Date | Title |
|---|---|---|---|
| JP2009074566AJP4862059B2 (en) | 2009-03-25 | 2009-03-25 | Optical signal transmission system and optical receiver for optical signal transmission system |
| Publication Number | Publication Date |
|---|---|
| JP2010226669A JP2010226669A (en) | 2010-10-07 |
| JP4862059B2true JP4862059B2 (en) | 2012-01-25 |
| Application Number | Title | Priority Date | Filing Date |
|---|---|---|---|
| JP2009074566AActiveJP4862059B2 (en) | 2009-03-25 | 2009-03-25 | Optical signal transmission system and optical receiver for optical signal transmission system |
| Country | Link |
|---|---|
| JP (1) | JP4862059B2 (en) |
| Publication number | Priority date | Publication date | Assignee | Title |
|---|---|---|---|---|
| CN113094327A (en)* | 2021-03-30 | 2021-07-09 | 湖州霍里思特智能科技有限公司 | Board card, detection mechanism and mineral product sorting machine |
| CN113102284A (en)* | 2021-03-30 | 2021-07-13 | 湖州霍里思特智能科技有限公司 | Board card, detection mechanism and mineral product sorting machine |
| Publication number | Priority date | Publication date | Assignee | Title |
|---|---|---|---|---|
| JP3123633B2 (en)* | 1993-09-22 | 2001-01-15 | 日本電信電話株式会社 | 1: n communication transmission method |
| JPH08125636A (en)* | 1994-10-20 | 1996-05-17 | Hitachi Ltd | Wavelength multiplexing protection method and transmission device |
| JPH11122172A (en)* | 1997-10-20 | 1999-04-30 | Fujitsu Ltd | Optical subscriber network system |
| JP3221401B2 (en)* | 1998-06-15 | 2001-10-22 | 日本電気株式会社 | Optical signal monitoring method and apparatus |
| JP2000312189A (en)* | 1999-04-28 | 2000-11-07 | Nec Corp | Optical communications equipment |
| KR100547709B1 (en)* | 2003-07-07 | 2006-01-31 | 삼성전자주식회사 | Self-Healing Wavelength Division Multiplexing Passive Optical Subscriber Network |
| JP4351189B2 (en)* | 2005-06-29 | 2009-10-28 | 富士通株式会社 | Optical transmission line monitoring method, optical transmission line monitoring program, and optical transmission line monitoring apparatus |
| JP2008199450A (en)* | 2007-02-15 | 2008-08-28 | Kddi Corp | Optical access system |
| Publication number | Publication date |
|---|---|
| JP2010226669A (en) | 2010-10-07 |
| Publication | Publication Date | Title |
|---|---|---|
| CN1905415B (en) | Optical communication network, node device and path fault relief method | |
| US7447398B2 (en) | Optical crossconnect apparatus | |
| US8879915B2 (en) | Optical switching device, optical add device, and optical drop device | |
| JP4096005B2 (en) | Path optimization method in optical network and optical transmission node realizing path optimization | |
| EP1897299B1 (en) | Modular adaptation and configuration of a network node architecture | |
| JP5398907B2 (en) | Optical communication system | |
| JPH10322287A (en) | Output port switching device in n-wdm system | |
| EP2151931B1 (en) | Wavelength division multiplexer and regenerative repeating method in wavelength division multiplexing network | |
| US11063684B2 (en) | Optical transmission system, optical transmission apparatus and transmission method | |
| JP4798711B2 (en) | All-optical network quality monitoring device | |
| JP3798642B2 (en) | WDM network management device | |
| JP4862059B2 (en) | Optical signal transmission system and optical receiver for optical signal transmission system | |
| JP4914409B2 (en) | WDM transmission equipment | |
| US20110188861A1 (en) | Reducing optical service channel interference in phase modulated wavelength division multiplexed (wdm) communication systems | |
| JP2002185485A (en) | Optical ring network system, optical node device, and optical ring network system redundancy method | |
| JP5473529B2 (en) | Node device and optical transmission system | |
| EP1427122A2 (en) | Bidirectional wavelength division multiplexing self-healing ring network | |
| CN101562493A (en) | Wavelength-division ring video optical transmitter and receiver | |
| JP2009218920A (en) | Communication system and communication method | |
| JP4999759B2 (en) | Optical path switching device | |
| JP2006186538A (en) | Optical transmission device and optical transmission line switching method | |
| JP2000286824A (en) | Wavelength division multiplex communication system | |
| US20040223760A1 (en) | Optical communications access network architecture and method | |
| WO2004077701A1 (en) | Method and device for switching between active and auxiliary circuits for optical transmission | |
| JP6090876B2 (en) | Transmission apparatus, transmission system, and path switching method |
| Date | Code | Title | Description |
|---|---|---|---|
| A977 | Report on retrieval | Free format text:JAPANESE INTERMEDIATE CODE: A971007 Effective date:20110114 | |
| A131 | Notification of reasons for refusal | Free format text:JAPANESE INTERMEDIATE CODE: A131 Effective date:20110125 | |
| A521 | Request for written amendment filed | Free format text:JAPANESE INTERMEDIATE CODE: A523 Effective date:20110328 | |
| A131 | Notification of reasons for refusal | Free format text:JAPANESE INTERMEDIATE CODE: A131 Effective date:20110809 | |
| A521 | Request for written amendment filed | Free format text:JAPANESE INTERMEDIATE CODE: A523 Effective date:20111011 | |
| TRDD | Decision of grant or rejection written | ||
| A01 | Written decision to grant a patent or to grant a registration (utility model) | Free format text:JAPANESE INTERMEDIATE CODE: A01 Effective date:20111101 | |
| A01 | Written decision to grant a patent or to grant a registration (utility model) | Free format text:JAPANESE INTERMEDIATE CODE: A01 | |
| A61 | First payment of annual fees (during grant procedure) | Free format text:JAPANESE INTERMEDIATE CODE: A61 Effective date:20111107 | |
| R150 | Certificate of patent or registration of utility model | Ref document number:4862059 Country of ref document:JP Free format text:JAPANESE INTERMEDIATE CODE: R150 Free format text:JAPANESE INTERMEDIATE CODE: R150 | |
| FPAY | Renewal fee payment (event date is renewal date of database) | Free format text:PAYMENT UNTIL: 20141111 Year of fee payment:3 | |
| R250 | Receipt of annual fees | Free format text:JAPANESE INTERMEDIATE CODE: R250 | |
| R250 | Receipt of annual fees | Free format text:JAPANESE INTERMEDIATE CODE: R250 | |
| R250 | Receipt of annual fees | Free format text:JAPANESE INTERMEDIATE CODE: R250 | |
| R250 | Receipt of annual fees | Free format text:JAPANESE INTERMEDIATE CODE: R250 | |
| R250 | Receipt of annual fees | Free format text:JAPANESE INTERMEDIATE CODE: R250 | |
| R250 | Receipt of annual fees | Free format text:JAPANESE INTERMEDIATE CODE: R250 | |
| R250 | Receipt of annual fees | Free format text:JAPANESE INTERMEDIATE CODE: R250 | |
| R250 | Receipt of annual fees | Free format text:JAPANESE INTERMEDIATE CODE: R250 | |
| R250 | Receipt of annual fees | Free format text:JAPANESE INTERMEDIATE CODE: R250 | |
| R250 | Receipt of annual fees | Free format text:JAPANESE INTERMEDIATE CODE: R250 | |
| R250 | Receipt of annual fees | Free format text:JAPANESE INTERMEDIATE CODE: R250 |