





この発明は、薄膜トランジスタ及びそれを用いた画像表示装置に関し、特に半導体層として有機半導体層を用いた薄膜トランジスタに関するものである。 The present invention relates to a thin film transistor and an image display device using the same, and more particularly to a thin film transistor using an organic semiconductor layer as a semiconductor layer.
液晶を表示素子とした電子ブックや電気泳動を表示素子とした電子ブックなどが製品として発売され、紙に代わる表示媒体として話題を呼んでいる。また、オフィスにおいても紙の消費の増大にともない,紙に替わるメディアとして,電子ペーパーの実用化が期待されている。 Electronic books that use liquid crystal as display elements and electronic books that use electrophoresis as display elements have been released as products, and are attracting attention as display media that can replace paper. Also, with the increase in paper consumption in offices, electronic paper is expected to be put to practical use as a medium that replaces paper.
電子ブックにおいては、液晶や電気泳動素子を駆動するアクティブマトリックス薄膜トランジスタとしてガラス基板上に形成されたアモルファスシリコン半導体が半導体材料として使用されている。しかし、電子ペーパーにおいては、基板として、フィルム基板を用いる必要があるため、200℃以上の高温プロセスが使えない。その観点から、フィルム基板上に低温プロセスで薄膜トランジスタが形成可能な有機半導体を用いた薄膜トランジスタが電子ペーパーに用いるアクティブマトリックス薄膜トランジスタとして注目されている。 In an electronic book, an amorphous silicon semiconductor formed on a glass substrate as an active matrix thin film transistor for driving a liquid crystal or an electrophoretic element is used as a semiconductor material. However, in electronic paper, since it is necessary to use a film substrate as a substrate, a high temperature process of 200 ° C. or higher cannot be used. From that point of view, a thin film transistor using an organic semiconductor capable of forming a thin film transistor on a film substrate by a low temperature process has attracted attention as an active matrix thin film transistor used for electronic paper.
  マトリックス状に薄膜トランジスタを形成する場合、隣接するトランジスタ同士を電気的に分離する必要があるため、半導体層をパターニングする必要がある。有機半導体層をパターニングする方法としては、特許文献1で開示されているようなレーザー照射を用いる方法、特許文献2で開示されているインクジェット印刷を用いる方法、特許文献3で開示されている材料を含有する溶液の液滴を噴射する方法などがある。  In the case where thin film transistors are formed in a matrix, it is necessary to electrically isolate adjacent transistors, and thus it is necessary to pattern a semiconductor layer. As a method for patterning the organic semiconductor layer, a method using laser irradiation as disclosed in
  また、有機半導体層に限らず、機能性材料をパターニングする一般的な方法としては、特許文献4で開示されているフォトリソグラフィー法を用いる方法がある。  Further, not only an organic semiconductor layer but also a general method for patterning a functional material includes a method using a photolithography method disclosed in
上記した従来技術の中で、フォトリソグラフィー法を用いる技術は、微細なパターンが形成できるというメリットがあるが、工程がレジスト塗布からエッチングを経てレジスト除去など工程数が多く、また工程によるダメージも多いため、有機半導体を用いたアクティブマトリックス薄膜トランジスタ形成にはコストや性能の面で問題が多い。 Among the above-described conventional techniques, the technique using the photolithography method has an advantage that a fine pattern can be formed. However, the number of processes such as resist removal from the resist coating through etching is large, and the damage due to the process is also large. Therefore, there are many problems in terms of cost and performance in forming an active matrix thin film transistor using an organic semiconductor.
また、レーザー照射を用いる方法については工程によるダメージが多いため、有機半導体を用いたアクティブマトリックス薄膜トランジスタ形成には性能の面で問題が多い。 In addition, the method using laser irradiation has many problems in terms of performance when forming an active matrix thin film transistor using an organic semiconductor because there is much damage due to the process.
一方、インクジェット印刷や液滴を噴射する方法は工程が少なく済み、有機半導体層に与えるダメージが少なく、コストや性能の面でメリットがあるが、有機半導体を溶解または溶融させた液滴を滴下する方法であるため、液滴の体積のばらつき、滴下速度のばらつき、滴下する液滴の滴下位置精度のばらつき、滴下する面の表面性の違いなどにより、滴下して形成された有機半導体層の面積がばらついてしまう問題がある。 On the other hand, inkjet printing and droplet ejection methods require fewer steps, have less damage to the organic semiconductor layer, and are advantageous in terms of cost and performance. However, droplets in which the organic semiconductor is dissolved or melted are dropped. Because of this method, the area of the organic semiconductor layer formed by dropping due to variations in the volume of the droplets, variations in the dropping speed, variations in the dropping position accuracy of the dropping droplets, surface properties of the dropping surface, etc. There is a problem that varies.
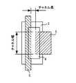
  図1は、ボトムゲートボトムコンタクト型の有機薄膜トランジスタを示す模式的断面図である。この有機薄膜トランジスタの構造は、基板1上にゲート電極2を設け、このゲート電極2を被覆するように、ゲート絶縁膜3が形成される。そして、このゲート絶縁膜3上にソース電極5、ドレイン電極6が設けられ、このソース電極5、ドレイン電極6間及びこれらの上に有機半導体層4が設けられる。この種の薄膜トランジスタにおけるチャネル部の長さはソース電極5とドレイン電極6の間の間隔で規定されるが、チャネル部の幅を規定する方法は2つの方法がある。  FIG. 1 is a schematic cross-sectional view showing a bottom gate bottom contact type organic thin film transistor. In the structure of the organic thin film transistor, a
  一つの方法はソース電極5(またはドレイン電極6)の幅を規定することにより、チャネル部の幅を規定する方法がある。図2はソース電極5(またはドレイン電極6)の幅を規定してチャネル幅を規定したものを示す平面図である。この場合には、半導体層4は、図2に示すように、ソース電極5(またはドレイン電極6)の幅よりも広くなるように形成される。One method is to define the width of the channel portion by defining the width of the source electrode5 (or the drain electrode 6). FIG. 2 is a plan view showing the channel width by defining the width of the source electrode5 (or drain electrode 6). In this case, the
  一方、他の方法として半導体層4の幅を規定することにより、チャネル部の幅を規定する方法がある。図3は半導体層4の幅を規定することにより、チャネル部の幅を規定したものを示す平面図である。この場合には、半導体層は図3に示すようにソース電極5(またはドレイン電極6)の幅よりも狭くなるように形成される。On the other hand, as another method, there is a method of defining the width of the channel portion by defining the width of the
  しかしながら、図2に示す構成の場合は、チャネルの幅がソース電極5(またはドレイン電極6)の幅で規定されるため、有機半導体層4の面積がばらついてもチャネル幅はばらつかないというメリットがある。しかし、ソース電極5(またはドレイン電極6)をはみ出して形成された半導体層4は、ゲート電極2でトランジスタを遮断した場合でもチャネル部としては寄与しない代わりに抵抗成分としては寄与するため、結果的にトランジスタのオフ(OFF)電流が増加してしまうという欠点がある。  However, in the case of the configuration shown in FIG. 2, the channel width is defined by the width of the source electrode 5 (or the drain electrode 6), so that the channel width does not vary even if the area of the
  一方、図3に示す構成の場合には、半導体層4の幅でチャネル部の幅が規定されるため、チャネルに寄与する部分以外の半導体層はないため、トランジスタのOFF電流の不要な増加を招く心配は無い。しかし、チャネル部の幅が半導体層の幅のばらつきに依存するため、液滴を滴下する方法で半導体層を形成する場合には、トランジスタのオン(ON)電流がばらついてしまうという欠点を有する。  On the other hand, in the case of the configuration shown in FIG. 3, since the width of the channel portion is defined by the width of the
この発明は、上述した問題点を解消するためになされたものにして、トランジスタのOFF電流が少なく、トランジスタのON電流のばらつきが少ない安価な薄膜トランジスタを提供することにある。 An object of the present invention is to provide an inexpensive thin film transistor which has been made in order to solve the above-described problems and has a small transistor OFF current and a small variation in the transistor ON current.
この発明の薄膜トランジスタは、ゲート電極部、ソース電極部、ドレイン電極部、およびチャネル部とから構成され、前記ソース電極部及び前記ドレイン電極部の上に形成した半導体層を前記チャネル部として寄与させる薄膜トランジスタであって、前記半導体層は、間隔をあけて孤立した複数の領域に、半導体材料を含む液滴を、滴下した後に乾燥させることにより形成されており、前記間隔の部分を除いた前記半導体層の幅の合計が前記チャネル部の全体幅として規定されるように構成されていることを特徴とする。The thin film transistor of the present invention comprises a gate electrode part, a source electrode part, a drain electrode part, and a channel part, anda thin film transistor that contributes as a channel part to a semiconductor layer formed on the source electrode part and the drain electrode part The semiconductor layer is formed by dropping a droplet containing a semiconductor material into a plurality of isolated regions at intervals, and then drying the droplet, and excluding the interval portion. The total width is defined as the overall width of the channel portion .
前記半導体層としては、有機半導体を用いると良い。As the semiconductor layer,it has good when an organicsemiconductor.
また、この発明の画像表示装置は、上記に記載の薄膜トランジスタをアクティブ素子として用いたことを特徴とする。 The image display device of the present invention is characterized in that the thin film transistor described above is used as an active element.
この発明によれば、チャネル部が複数の領域に分割されていることにより、チャネル幅のばらつきを平均化することが可能になり、トランジスタのON電流のばらつきをトランジスタ素子間で抑えることが可能になる。 According to the present invention, since the channel portion is divided into a plurality of regions, it is possible to average variations in channel width and to suppress variations in ON current of transistors among transistor elements. Become.
複数のチャネル部は、孤立した複数の領域に分割された半導体層で形成することにより、容易に複数のチャネル部分を形成できる。 The plurality of channel portions can be easily formed by forming a semiconductor layer divided into a plurality of isolated regions.
また、複数の半導体層が単一のソース電極部および単一のドレイン電極部に対して電気的に接触して形成されていることにより、一つのトランジスタ内に複数のチャンル部分を形成することが可能になる。 In addition, since a plurality of semiconductor layers are formed in electrical contact with a single source electrode portion and a single drain electrode portion, a plurality of channel portions can be formed in one transistor. It becomes possible.
また、半導体材料として有機半導体を用いることにより、液滴を滴下して半導体層を形成することが容易になる。 In addition, by using an organic semiconductor as a semiconductor material, it is easy to form a semiconductor layer by dropping droplets.
以下、この発明の実施形態につき図面を参照して説明する。図4は、この発明の実施に形態にかかる有機薄膜トランジスタの構成を示す平面図である。なお、従来例と同一もしくは相当部分には同一符号を付している。 Embodiments of the present invention will be described below with reference to the drawings. FIG. 4 is a plan view showing the configuration of the organic thin film transistor according to the embodiment of the present invention. In addition, the same code | symbol is attached | subjected to the same or equivalent part as a prior art example.
  この実施形態にかかる有機薄膜トランジスタは、図1に示すボトムゲートボトムコンタクト型の有機薄膜トランジスタであり、その構成は図4に示すように、単一のゲート電極2、ゲート絶縁膜3、単一のソース電極5、単一のドレイン電極6とチャネル部を構成する半導体層40とからなる。  The organic thin film transistor according to this embodiment is the bottom gate bottom contact type organic thin film transistor shown in FIG. 1, and the configuration thereof is as shown in FIG. 4 with a
  この発明の特徴とするところは、チャネル部が複数の領域に分かれていることである。より具体的には、チャネル部を構成する半導体層40が孤立した複数の領域40a…に形成されていることにより、複数のチャネル領域に分割したものである。この実施形態では、3つの半導体層40a…に分割し、これら3つの半導体層40a…でチャネル部を構成する半導体層40としている。  A feature of the present invention is that the channel portion is divided into a plurality of regions. More specifically, the
この発明で用いるゲート電極材料、ソース電極材料、ドレイン電極材料としては、真空蒸着法で作成するAu膜、Al膜、Cr膜やスクリーン印刷法で形成される銀膜、インクジェット法やディスペンサーを用いて形成される銀や金のナノメタル膜などが上げられる。 As the gate electrode material, source electrode material, and drain electrode material used in the present invention, an Au film, an Al film, a Cr film, a silver film formed by a screen printing method, an inkjet method, or a dispenser are used. The silver and gold nanometal films that are formed are raised.
  また、この発明で用いる半導体材料としては、アモルファスシリコン材料などの無機材料もあるが、この発明で特に有効な材料としては、有機半導体材料であり、ペンタセンなどの低分子材料や低分子材料を溶解可能にさせたプリカーサー、チオフェン系の高分子有機半導体材料、トリアリリールアミン系の高分子有機半導体材料などが上げられる。特に、高分子有機半導体材料は有機溶媒に可溶であるため、この発明には好適である。有機半導体材料で半導体層40を構成する場合、インクジェット法やディスペンサーを用いて形成される。  In addition, the semiconductor material used in the present invention includes inorganic materials such as amorphous silicon materials. However, particularly effective materials in the present invention are organic semiconductor materials that dissolve low-molecular materials such as pentacene and low-molecular materials. Examples include precursors, thiophene-based polymer organic semiconductor materials, and triarylylamine-based polymer organic semiconductor materials. In particular, the polymer organic semiconductor material is suitable for the present invention because it is soluble in an organic solvent. When the
そして、半導体材料を含む液滴を滴下させて形成する工程がソース電極およびドレイン電極を形成した後の工程で行うことにより、半導体層に損傷を与えることなく、容易に半導体層とソース電極およびドレイン電極との電気的な導通が可能になる。 Then, the step of forming the droplet containing the semiconductor material by dropping is performed in the step after forming the source electrode and the drain electrode, so that the semiconductor layer, the source electrode, and the drain can be easily formed without damaging the semiconductor layer. Electrical continuity with the electrode becomes possible.
  この発明の利点を上記した図2および図3に示す構成と比較して述べる。図2の構成においては、ドレイン電極6をはみ出して形成された半導体層4は、ゲート電極2でトランジスタを遮断した場合でもチャネル部としては寄与しない代わりに抵抗成分としては寄与する。この結果、トランジスタのOFF電流が増加してしまうという欠点がある。これに対して図4に示すこの発明の構成においては、各有機半導体層40aの幅の合計でチャネル部の幅が規定されるため、チャネルに寄与する部分以外の半導体層はないため、トランジスタのOFF電流の不要な増加を招く心配は無い。  The advantages of the present invention will be described in comparison with the configuration shown in FIGS. In the configuration of FIG. 2, the
  また、図3に示す構成においては、チャネル部の幅が有機半導体層4の幅のばらつきに依存するため、トランジスタのON電流がばらついてしまうという欠点がある。これに対して、図4に示すこの発明の構成においては、有機半導体40が複数の領域40a…に分割されているため、トータルのチャネル幅は複数の半導体層40a…の合計で決まるため、個々の有機半導体層40aの幅のばらつきが平均化され、トランジスタのON電流のばらつきが小さい薄膜トランジスタが実現できる。  In addition, the configuration shown in FIG. 3 has a drawback that the ON current of the transistor varies because the width of the channel portion depends on the variation in the width of the
次に、この発明を具体的実施例に基づき説明する。また、比較のために比較例も作成した。 Next, the present invention will be described based on specific examples. A comparative example was also created for comparison.
  (比較例1)
  まず、比較例1を次のように作成した。
  光学研磨したガラス基板1上に厚さ100nmのAl膜を真空蒸着法により成膜して、フォトリソグラフィーおよびエッチングを行い、ゲート電極2を形成した。ゲート電極2を形成後、シアノエチルプルラン絶縁膜(信越化学株式会社製  シアノレジンCR−S)をスピンコートし、ホットプレートを用い100℃で30分乾燥させて、ゲート絶縁膜3を形成した。このゲート絶縁膜3の膜厚は200nmとした。(Comparative Example 1)
 First, Comparative Example 1 was prepared as follows.
 An Al film having a thickness of 100 nm was formed on the optically
  次に、ゲート絶縁膜3上に厚さ50nmのAu膜をシャドウマスクを用いて真空蒸着法により成膜して、ソース電極5およびドレイン電極6を形成した。ソース電極5とドレイン電極6の間隔は5μm、ソース電極5の幅を1000μmとした。  Next, an Au film having a thickness of 50 nm was formed on the
  続いて、ソース電極5、ドレイン電極6間及びこれらの上に有機半導体層4を設ける。有機半導体材料としては、有機溶媒中に溶かしたトリアリリールアミンポリマーを用いた。ソース電極5、ドレイン電極6間及びこれらの上にディスペンサーを用いて有機溶媒中に溶かしたトリアリリールアミンポリマーを滴下した。液滴の量は滴下し形成された半導体層の直径が2000μmになるように調整した。滴下後、80℃30分乾燥させた。上記のようにサンプルをサンプルNo.1とする。このサンプルNo.1は、上述した従来例の図2の構造に対応する。  Subsequently, the
(比較例2)
  比較例2は有機半導体層の幅でチャネル幅を規定した。
  比較例1と同様に、光学研磨したガラス基板1上に厚さ100nmのAl膜を真空蒸着法により成膜して、フォトリソグラフィーおよびエッチングを行い、ゲート電極2を形成した。ゲート電極2を形成後、シアノエチルプルラン絶縁膜(信越化学株式会社製  シアノレジンCR−S)をスピンコートし、ホットプレートを用い100℃で30分乾燥させて、ゲート絶縁膜3を形成した。このゲート絶縁膜3の膜厚は200nmとした。(Comparative Example 2)
 In Comparative Example 2, the channel width was defined by the width of the organic semiconductor layer.
 As in Comparative Example 1, an Al film having a thickness of 100 nm was formed on the optically
  次に、ゲート絶縁膜3の上に厚さ50nmのAu膜を、シャドウマスクを用いて真空蒸着法により成膜して、ソース電極5およびドレイン電極6を形成した。ソース電極5とドレイン電極6の間隔は5μm、ソース電極幅を3000μmとした。  Next, an Au film having a thickness of 50 nm was formed on the
  続いて、ソース電極5、ドレイン電極6間及びこれらの上に有機半導体層4を設ける。有機半導体材料としては、有機溶媒中に溶かしたトリアリリールアミンポリマーを用いた。ソース電極5、ドレイン電極6間及びこれらの上にディスペンサーを用いて有機溶媒中に溶かしたトリアリリールアミンポリマーを滴下した。液滴の量は滴下し形成された半導体層の平均直径が1000μmになるように調整した。滴下後、80℃30分乾燥させた。上記のサンプルを同じ条件で10サンプル形成した。これらのサンプルをサンプルNo.2〜サンプルNo.11とする。これらのサンプルは、上述した従来例の図3に示す構成に対応する。  Subsequently, the
  (実施例)
  この発明の具体的実施例を以下のように作成した。
  光学研磨したガラス基板1上に厚さ100nmのAl膜を真空蒸着法により成膜して、フォトリソグラフィーおよびエッチングを行い、ゲート電極2を形成した。ゲート電極2を形成後、シアノエチルプルラン絶縁膜(信越化学株式会社製  シアノレジンCR−S)をスピンコートし、ホットプレートを用い100℃で30分乾燥させて、ゲート絶縁膜3を形成した。このゲート絶縁膜3の膜厚は200nmとした。(Example)
 A specific embodiment of the present invention was prepared as follows.
 An Al film having a thickness of 100 nm was formed on the optically
  次に、ゲート絶縁膜3の上に厚さ50nmのAu膜を、シャドウマスクを用いて真空蒸着法により成膜して、ソース電極5およびドレイン電極6を形成した。ソース電極5とドレイン電極6の間隔は5μm、ソース電極幅を3000μmとした。  Next, an Au film having a thickness of 50 nm was formed on the
  続いて、ソース電極5、ドレイン電極6間及びこれらの上に有機半導体層4を設ける。有機半導体材料としては、有機溶媒中に溶かしたトリアリリールアミンポリマーを用いた。ソース電極5、ドレイン電極6間及びこれらの上にディスペンサーを用いて有機溶媒中に溶かしたトリアリリールアミンポリマーを滴下した。液滴の量は滴下し形成された半導体層の平均直径が100μmになるように調整した。液滴を200μm間隔で10回滴下した後、80℃30分乾燥させた。このように、有機半導体層40を形成することで、3つに分割された有機半導体層40aが形成された。上記のサンプルを同じ条件で10サンプル形成した。これらのサンプルをサンプルNo.12〜サンプルNo.21とする。これらのサンプルは、この発明の実施形態に相当する図4に対応する。  Subsequently, the
上記のように、半導体材料を含む液滴を滴下させる際に、液滴を離散的に形成することにより、形成された半導体層の面積のばらつきが平均化される。 As described above, when droplets containing a semiconductor material are dropped, by forming the droplets discretely, variation in the area of the formed semiconductor layer is averaged.
  比較例1として作成したサンプルNo.1の試料、比較例2で作成したサンプルNo.2〜サンプルNo.11の試料及びこの発明の実施例で作成したサンプルNo.12〜サンプルNo.21についてトランジスタのON電流、OFF電流を測定した。いずれのサンプルもチャネル幅の設計値は1000μmである。測定した結果を表1に示す。  Sample No. prepared as Comparative Example 1 Sample No. 1 prepared in Comparative Example 2 2 to sample no. 11 and the sample No. prepared in the example of the present invention. 12 to Sample No. For
表1から判るように、比較例1とこの発明の実施例とを比較すると、この発明の実施例の方が、OFF電流が小さいことが判る。これは、この発明の実施例では、チャネル部以外の部分に半導体層が形成されていないことによると思われる。 As can be seen from Table 1, when Comparative Example 1 is compared with the example of the present invention, it can be seen that the OFF current is smaller in the example of the present invention. This is considered to be due to the fact that no semiconductor layer is formed in a portion other than the channel portion in the embodiment of the present invention.
一方、比較例2とこの発明の実施例を比較すると、OFF電流に関しては両者の違いはほとんど無いが、ON電流のサンプル間のばらつきに関しては、この発明の実施例の方が比較例2よりも小さいことが判る。これは、この発明の実施例では、半導体層を分割することで、半導体層の面積のばらつきが平均化されたためと思われる。 On the other hand, when comparing the comparative example 2 and the embodiment of the present invention, there is almost no difference between the two in terms of the OFF current, but the embodiment of the present invention is more in comparison with the comparative example 2 in terms of the variation in the ON current between samples. It turns out that it is small. This is presumably because in the embodiment of the present invention, the semiconductor layer was divided to average the variation in the area of the semiconductor layer.
次に、この発明の薄膜トランジスタを画像表示装置のアクティブマトリックス素子に用いた実施例につき説明する。図5は、この発明の薄膜トランジスタを画像表示装置のアクティブマトリックス基板に用いた例を示す平面図、図6は、この発明のアクティブマトリックス基板を用いた画像表示装置の縦断面図である。アクティブマトリックス基板に、液晶、電気泳動、有機ELなどの画像表示装置を組み合わせることで、アクティブマトリックス型表示装置を構成できる。 Next, an embodiment in which the thin film transistor of the present invention is used for an active matrix element of an image display device will be described. FIG. 5 is a plan view showing an example in which the thin film transistor of the present invention is used for an active matrix substrate of an image display device, and FIG. 6 is a longitudinal sectional view of the image display device using the active matrix substrate of the present invention. An active matrix display device can be configured by combining an active matrix substrate with an image display device such as liquid crystal, electrophoresis, or organic EL.
  図5に示すように、ガラス基板などの絶縁性基板1上に厚さ70nmのCr膜をスパッタリング法により成膜し、フォトリソグラフィ・エッチング工程により、走査線20、ゲート電極2が形成される。ゲート絶縁膜3及び走査線20と信号配線の層間絶縁膜となる絶縁膜が形成される。  As shown in FIG. 5, a Cr film having a thickness of 70 nm is formed on an insulating
  続いて、このゲート絶縁膜3上の所定領域に厚さ50nmのAu膜をシャドウマスクを用いた真空蒸着法によりパターン成膜し、ソース電極5及びドレイン電極6とドレイン電極6と連なる信号配線21及びソース電極5と連なる画素配線22を形成する。  Subsequently, an Au film having a thickness of 50 nm is formed in a predetermined region on the
  そして、ソース電極5、ドレイン電極6間及びこれらの上にディスペンサーを用いて有機溶媒中に溶かしたトリアリリールアミンポリマーを滴下し、3つに分割された有機半導体層からなる半導体層40を形成した。  Then, a triarylamine polymer dissolved in an organic solvent was dropped between and on the
  続いて、ソース電極6及びドレイン電極5と信号配線21及びドレイン電極5と連なる画素配線22を含み、有機半導体層4上に、パッシベーション保護層7を設けて、アクティブマトリックス基板31が形成される。  Subsequently, the
  図6に示すように、画像表示装置30は、前述のアクティブマトリックス基板31と、透明導電膜32を第2の基板33との間に表示素子が設けられ、画素電極22に連なるドレイン電極5上の表示素子がスイッチングされる。第2の基板33としては、ガラスやポリエステル、ポリカーボネート、ポリアリレート、ポリエーテルスルフォン等のプラスチックなどを用いることができる。表示素子34としては、液晶、電気泳動、有機EL等の方式を用いることができる。  As shown in FIG. 6, the
  液晶パネルを構成する場合には、例えば、アクティブマトリックス基板31の基板と第2の基板33には、スピンコート法により、配向膜を形成して、配向処理が施されている。そして、両基板1、33間にシリカスペーサを配置して接合し、ギャップ間に液晶性材料を封入することで液晶パネルが形成される。  In the case of configuring a liquid crystal panel, for example, an alignment film is formed on the substrate of the
また、電機泳動表示パネルは、透明導電膜を成膜後、対向基板にシリカスペーサを配置接合し、ギャップ間にマイクロカプセル型電気泳動素子を封入することで、電気泳動パネルが形成できる。 In addition, the electrophoretic display panel can be formed by forming a transparent conductive film, placing a silica spacer on a counter substrate and joining the same, and encapsulating a microcapsule type electrophoretic element between the gaps.
なお、上記した実施形態においては、薄膜トランジスタとしてボトムコンタクト型トランジスタを例に取り説明したが、この発明はトップコンタクト型トランジスタにも適用できる。 In the above-described embodiment, the bottom contact type transistor is described as an example of the thin film transistor. However, the present invention can also be applied to the top contact type transistor.
今回開示された実施の形態はすべての点で例示であって制限的なものではないと考えられるべきである。本発明の範囲は、上記した実施の形態の説明ではなくて特許請求の範囲によって示され、特許請求の範囲と均等の意味および範囲内でのすべての変更が含まれることが意図される。 The embodiment disclosed this time should be considered as illustrative in all points and not restrictive. The scope of the present invention is shown not by the above description of the embodiments but by the scope of claims for patent, and is intended to include meanings equivalent to the scope of claims for patent and all modifications within the scope.
  1  基板
  2  ゲート電極
  3  ゲート絶縁膜
  5  ソース電極
  6ドレイン電極
  40  半導体層
  40a  半導体層DESCRIPTION OF
| Application Number | Priority Date | Filing Date | Title | 
|---|---|---|---|
| JP2005077363AJP4843236B2 (en) | 2005-03-17 | 2005-03-17 | THIN FILM TRANSISTOR AND IMAGE DISPLAY DEVICE USING THE SAME | 
| Application Number | Priority Date | Filing Date | Title | 
|---|---|---|---|
| JP2005077363AJP4843236B2 (en) | 2005-03-17 | 2005-03-17 | THIN FILM TRANSISTOR AND IMAGE DISPLAY DEVICE USING THE SAME | 
| Publication Number | Publication Date | 
|---|---|
| JP2006261423A JP2006261423A (en) | 2006-09-28 | 
| JP4843236B2true JP4843236B2 (en) | 2011-12-21 | 
| Application Number | Title | Priority Date | Filing Date | 
|---|---|---|---|
| JP2005077363AExpired - Fee RelatedJP4843236B2 (en) | 2005-03-17 | 2005-03-17 | THIN FILM TRANSISTOR AND IMAGE DISPLAY DEVICE USING THE SAME | 
| Country | Link | 
|---|---|
| JP (1) | JP4843236B2 (en) | 
| Publication number | Priority date | Publication date | Assignee | Title | 
|---|---|---|---|---|
| JP2010093093A (en) | 2008-10-09 | 2010-04-22 | Hitachi Ltd | Semiconductor device and method of manufacturing the same | 
| CN102217109A (en)* | 2008-11-14 | 2011-10-12 | 3M创新有限公司 | Off-center deposition of organic semiconductor in an organic semiconductor device | 
| US7948016B1 (en) | 2009-11-03 | 2011-05-24 | 3M Innovative Properties Company | Off-center deposition of organic semiconductor in an organic semiconductor device | 
| US9029861B2 (en)* | 2010-07-16 | 2015-05-12 | Sharp Kabushiki Kaisha | Thin film transistor and shift register | 
| WO2012169397A1 (en)* | 2011-06-07 | 2012-12-13 | シャープ株式会社 | Thin-film transistor, method for producing same, and display element | 
| KR102630594B1 (en)* | 2017-12-28 | 2024-01-29 | 엘지디스플레이 주식회사 | Display device | 
| WO2020080109A1 (en) | 2018-10-18 | 2020-04-23 | 東レ株式会社 | Production method for field-effect transistor and production method for wireless communication device | 
| Publication number | Priority date | Publication date | Assignee | Title | 
|---|---|---|---|---|
| JP4542659B2 (en)* | 2000-03-07 | 2010-09-15 | 出光興産株式会社 | Active drive type organic EL display device and manufacturing method thereof | 
| JP2003124473A (en)* | 2001-10-19 | 2003-04-25 | Matsushita Electric Ind Co Ltd | Thin film transistor, liquid crystal display, and organic EL display | 
| JP2003332578A (en)* | 2002-05-09 | 2003-11-21 | Sharp Corp | Thin film transistor, method of manufacturing the same, and liquid crystal display device using the same | 
| JP2004087482A (en)* | 2002-07-01 | 2004-03-18 | Seiko Epson Corp | Composition, film-forming method and film-forming apparatus, electro-optical device and its manufacturing method, organic electroluminescence device and its manufacturing method, device and its manufacturing method, and electronic equipment | 
| JP4338948B2 (en)* | 2002-08-01 | 2009-10-07 | 株式会社半導体エネルギー研究所 | Method for producing carbon nanotube semiconductor device | 
| Publication number | Publication date | 
|---|---|
| JP2006261423A (en) | 2006-09-28 | 
| Publication | Publication Date | Title | 
|---|---|---|
| JP4946286B2 (en) | Thin film transistor array, image display device using the same, and driving method thereof | |
| US7504709B2 (en) | Electronic device, method of manufacturing an electronic device, and electronic apparatus | |
| KR101052578B1 (en) | Organic Transistors, Organic Transistor Arrays and Display Devices | |
| JP2000269504A (en) | Semiconductor device, manufacturing method thereof, and liquid crystal display device | |
| TW200532922A (en) | Thin film transistor and semiconductor device using the same | |
| JP2007165889A (en) | Display device and manufacturing method thereof | |
| JP5200443B2 (en) | Organic transistor and active matrix substrate | |
| JP5176414B2 (en) | Organic transistor array and display device | |
| JP2004080026A (en) | Organic thin film transistor, method for manufacturing the same, and semiconductor device having organic thin film transistor | |
| JP2010003723A (en) | Thin-film transistor, thin-film transistor array and image display | |
| JP5439723B2 (en) | Thin film transistor, matrix substrate, electrophoretic display device and electronic device | |
| JP2009272523A (en) | Thin-film transistor, and method of manufacturing the same | |
| TW200821778A (en) | Method for forming pattern, and method for manufacturing liquid crystal display | |
| KR100993551B1 (en) | Organic Transistors and Active Matrix Display | |
| JP4843236B2 (en) | THIN FILM TRANSISTOR AND IMAGE DISPLAY DEVICE USING THE SAME | |
| JP2009038337A (en) | Organic thin film transistor and manufacturing method thereof | |
| JP2007088001A (en) | THIN FILM TRANSISTOR, IMAGE DISPLAY DEVICE USING SAME, AND METHOD FOR PRODUCING THIN FILM TRANSISTOR | |
| US11187887B2 (en) | Electrode substrate, method for producing same, and electronic device | |
| CN107534056B (en) | Thin film transistor array forming substrate, manufacturing method thereof, and substrate for image display device | |
| JP2010262007A (en) | Display device and manufacturing method of display device | |
| JP2006261507A (en) | Organic thin film transistor and display device including the same. | |
| JP2016163029A (en) | Thin film transistor, thin film transistor array manufacturing method, and pixel display device | |
| JP2006261528A (en) | ORGANIC THIN FILM TRANSISTOR, DISPLAY DEVICE EQUIPPED WITH THE SAME, AND METHOD FOR PRODUCING ORGANIC THIN FILM TRANSISTOR | |
| TWI646668B (en) | Thin film transistor array, manufacturing method thereof, and image display device | |
| JP6331644B2 (en) | Thin film transistor array and manufacturing method thereof | 
| Date | Code | Title | Description | 
|---|---|---|---|
| A621 | Written request for application examination | Free format text:JAPANESE INTERMEDIATE CODE: A621 Effective date:20080212 | |
| RD02 | Notification of acceptance of power of attorney | Free format text:JAPANESE INTERMEDIATE CODE: A7422 Effective date:20090731 | |
| RD05 | Notification of revocation of power of attorney | Free format text:JAPANESE INTERMEDIATE CODE: A7425 Effective date:20090909 | |
| A977 | Report on retrieval | Free format text:JAPANESE INTERMEDIATE CODE: A971007 Effective date:20110428 | |
| A131 | Notification of reasons for refusal | Free format text:JAPANESE INTERMEDIATE CODE: A131 Effective date:20110510 | |
| A521 | Request for written amendment filed | Free format text:JAPANESE INTERMEDIATE CODE: A523 Effective date:20110620 | |
| TRDD | Decision of grant or rejection written | ||
| A01 | Written decision to grant a patent or to grant a registration (utility model) | Free format text:JAPANESE INTERMEDIATE CODE: A01 Effective date:20111004 | |
| A01 | Written decision to grant a patent or to grant a registration (utility model) | Free format text:JAPANESE INTERMEDIATE CODE: A01 | |
| A61 | First payment of annual fees (during grant procedure) | Free format text:JAPANESE INTERMEDIATE CODE: A61 Effective date:20111007 | |
| R150 | Certificate of patent or registration of utility model | Ref document number:4843236 Country of ref document:JP Free format text:JAPANESE INTERMEDIATE CODE: R150 Free format text:JAPANESE INTERMEDIATE CODE: R150 | |
| FPAY | Renewal fee payment (event date is renewal date of database) | Free format text:PAYMENT UNTIL: 20141014 Year of fee payment:3 | |
| LAPS | Cancellation because of no payment of annual fees |