
















【0001】
【発明の属する技術分野】
本発明は、化学的蒸着(CVD)によって被処理基板に対して所定の薄膜を形成する成膜装置に関する。
【0002】
【従来の技術】
半導体製造工程においては、被処理体である半導体ウエハに形成された配線間のホールを埋め込むために、あるいはバリア層として、Ti、Al、Cu等の金属や、WSi、TiN、TiSi等の金属化合物を堆積させて薄膜を形成している。
【0003】
従来、これら金属や金属化合物の薄膜は物理的蒸着(PVD)を用いて成膜されていたが、最近ではデバイスの微細化および高集積化が特に要求され、デザインルールが特に厳しくなっており、埋め込み性の悪いPVDでは十分な特性を得ることが困難となっている。そこで、このような薄膜をより良質の膜を形成することが期待できるCVDで成膜することが行われている。
【0004】
従来のCVD成膜装置は、Ti成膜用のものを例にとると、ヒーターを有するチャンバー内にヒーターを内蔵した半導体ウエハ載置用ステージおよびステージの上方に対向して処理ガス吐出用のシャワーヘッドを設け、チャンバーを所定温度に加熱し、かつチャンバー内を所定の真空度にするとともに、ステージ上の半導体ウエハを所定の温度に加熱しつつ、シャワーヘッドからTiCl4、H2等の処理ガスを供給し、シャワーヘッドに高周波電力を供給してこれらのガスをプラズマ化して成膜を行う。
【0005】
【発明が解決しようとする課題】
しかしながら、近時、半導体ウエハが300mmと大型化されつつあるため、このような成膜装置も大型化する必要があり、それにともなって以下のような問題点が顕在化するに至っている。
【0006】
すなわち、ステージに対向して設けられたシャワーヘッドは、ステージ内のヒーターが昇温された際の輻射熱により加熱されるが、装置の大型化にともないシャワーヘッドも大型化しているためその熱容量が大きく、昇温時に温度が安定するまでに長時間を要する。つまり、スループットが悪くなる。一方、シャワーヘッドの温度、特にシャワーヘッドの表面の温度が安定しないで処理すると、均一処理がなされない。また、従来のシャワーヘッドは処理時の温度安定性を確保するために断熱性の高い構造となっており、例えばクリーニング時に所定の温度まで降温する際にもやはり極めて長時間を要する。このため、高温状態でクリーニングすることが考えられるが、高温状態でクリーニングするとシャワーヘッド部材へダメージを与える。
【0007】
また、従来は、プラズマ処理すると、プラズマにより、チャンバ内の部材の温度が上昇する。特にシャワーヘッド表面は、ウエハ面と対向してプラズマに曝される面積が大きいため温度が高くなりやすい。しかし、アイドリングやクリーニングの後に成膜すると、ウエハ1枚目を成膜した際、成膜レートが低い場合がある。これは、シャワーヘッドの温度が、通常の成膜時に500℃程度のものが470〜480℃と20〜30℃低いことが原因と考えられる。そのため、ステージ温度を成膜時の温度より高い温度に設定する必要がある。
【0008】
さらに、従来は、シャワーヘッドのメンテナンスの際、装置の制約上、シャワーヘッドを含む上蓋を90度以下の角度で開いてからシャワーヘッドの取り外し等のメンテナンスを行っていたが、成膜装置の大型化に伴ってシャワーヘッドが大型化し、重量が大きくなると、このような方法でシャワーヘッドのメンテナンスを行うことが困難である。
【0009】
本発明はかかる事情に鑑みてなされたものであって、シャワーヘッドを短時間で所望の温度にすることができ、かつシャワーヘッドの温度安定性が高い成膜装置を提供すること、およびシャワーヘッドのメンテナンス性が高い成膜装置を提供することを目的とする。
【0010】
【課題を解決するための手段】
上記課題を解決するため、本発明は、被処理基板に成膜処理を施すチャンバーと、チャンバー内で被処理基板を載置する載置台と、前記載置台に対向して設けられた多数のガス吐出孔を有するシャワーヘッドと、前記シャワーヘッドを介してチャンバー内に処理ガスを供給するガス供給機構と、前記シャワーヘッドの温度を制御するシャワーヘッド温度制御手段とを具備し、前記シャワーヘッドは、ガス拡散空間およびガス吐出孔を有するシャワーヘッド本体と、シャワーヘッド本体の外周上方に連続する環状の支持部とを有し、前記支持部は、シャワーヘッドからの熱の散逸を抑制するようにその肉厚を薄くすることを可能にする、該支持部の熱変形を抑制するためおよび支持強度を高めるための複数のリブが、所定間隔をおいて内周側から中央に向けて突出するように設けられていることを特徴とする成膜装置を提供する。
【0012】
本発明によれば、シャワーヘッドに温度制御手段を設けたので、シャワーヘッドの加熱の際にステージからの輻射が支配的に作用するのではなく、積極的に所望の温度に制御することができ、大型の装置であっても、昇温および降温を短時間で行うことができる。また、このようにシャワーヘッドを積極的に温度制御することができることにより、シャワーヘッドの温度安定性を高めることができる。また、前記シャワーヘッドは、ガス拡散空間およびガス吐出孔を有するシャワーヘッド本体と、シャワーヘッド本体の外周上方に連続する環状の支持部とを有し、前記支持部は、シャワーヘッドからの熱の散逸を抑制するようにその肉厚を薄くすることを可能にする、複数の熱変形を抑制するためおよび支持強度を高めるためのリブがその内側に設けられているので、支持部のリブ以外の部分を薄くすることができ、支持部からの熱の散逸を少なくすることができ、温度制御性をより高めることができる。さらに、前記シャワーヘッド温度制御手段は、シャワーヘッドを加熱する加熱機構と、シャワーヘッドを冷却する冷却機構と、シャワーヘッドの温度を検出する温度検出機構と、温度検出機構の検出結果に基づいて少なくとも前記加熱機構を制御するコントローラとを有し、前記シャワーヘッドと前記断熱材との間には空間を有し、前記冷却機構は、前記空間に冷却ガスを供給することにより前記シャワーヘッドを冷却し、前記加熱機構は前記シャワーヘッドに埋設されたヒーターを有するようにしたので、昇温および降温のいずれの場合にもシャワーヘッドを迅速に所望の温度にすることが可能である。
【0013】
さらに、例えば被処理基板への処理前の、シャワーヘッド等へプリコートを形成する場合や、被処理基板へ成膜した際に、シャワーヘッド表面にも成膜されるが、安定した膜をシャワーヘッドに成膜させるのに、中間反応で生じるTiClxを揮発させる必要があることから、シャワーヘッドを425℃以上、好ましくは500℃以上に昇温する必要がある。従来の技術ではシャワーヘッドの昇温に長時間を要したり、シャワーヘッドが所望の温度になっているか否かが不明確であったため安定した膜を生成し得ない場合も生ずるが、シャワーヘッドに温度制御手段を設けることにより、成膜や、プリコートの際にシャワーヘッドを所望温度に制御することができ、安定した膜をシャワーヘッドに確実に形成することができる。そして、最初の成膜を安定して行うことができる。
【0014】
上記構成において、前記シャワーヘッドは、前記シャワーヘッド本体の上面が前記支持部の上面よりも低い位置にあって凹状をなしている構成とすることができる。また、前記シャワーヘッド温度制御手段は、シャワーヘッドを加熱する加熱機構と、シャワーヘッドを冷却する冷却機構と、シャワーヘッドの温度を検出する温度検出機構と、温度検出機構の検出結果に基づいて少なくとも前記加熱機構を制御するコントローラとを有する構成とすることができる。これにより、昇温および降温のいずれの場合にもシャワーヘッドを迅速に所望の温度にすることが可能である。
【0015】
また、前記シャワーヘッドのチャンバーと反対側の面に面して設けられた断熱材をさらに具備し、前記シャワーヘッドと前記断熱材との間には空間を有し、前記冷却機構は、前記空間に冷却ガスを供給することにより前記シャワーヘッドを冷却し、前記加熱機構は前記シャワーヘッドに配置されたヒーターを有する構成とすることができる。
【0016】
また、前記加熱機構は、前記シャワーヘッドの内側部分を加熱する内側ヒーターと、外側部分を加熱する外側ヒーターとを有し、前記温度検出機構は、前記内側部分の温度を検出する内側温度検出部と、前記外側部分の温度を検出する外側温度検出部とを有する構成とすることができる。また、前記コントローラは、前記内側温度検出部の検出値に基づいて設定温度になるように内側ヒーターを制御するとともに、内側温度検出部と外側温度検出部との検出温度差がゼロになるように外側ヒーターを制御する構成とすることができる。このような構成により、シャワーヘッドの外周部からの熱の散逸を抑制することができ、より高精度の温度制御を実現することができる。
【0017】
さらに、前記シャワーヘッド本体は、上段プレートと、中段プレートと、下段プレートとを有し、前記上段プレートと前記中段プレートとによって第1の空間が形成され、前記中段プレートと前記下段プレートとによって第2の空間が形成され、前記第1の空間と前記第2の空間とは連通しておらず、前記第1の空間を介して第1のガスが吐出され、前記第2の空間を介して第2のガスが吐出される構成とすることができる。また、前記第1の空間に前記第1のガスを導入する第1のガス導入管と、前記第2の空間に第2のガスを導入する第2のガス導入管とを有する構成とすることができる。また、前記シャワーヘッドを支持する蓋体と、前記蓋体と前記支持部との間に設けられた保温部材とをさらに具備し、前記支持部はその上端が前記保温部材に支持されるようにフランジ状をなしている構成とすることができる。
【0019】
さらにまた、前記チャンバーは真空引き可能に構成されていることが好ましい。この場合に、前記シャワーヘッドは、そのガス吐出孔形成面を含むチャンバー内に位置するチャンバー内部分と、チャンバー外の大気側に位置する大気側部分とを有し、前記シャワーヘッド温度制御手段は、前記チャンバーの大気側部分に設けられている構成とすることができる。これにより、温度制御手段を大気雰囲気で取り扱うことができ、取り扱いが容易である。
【0020】
また、前記載置台を加熱する載置台加熱手段をさらに具備することが好ましく、前記チャンバーを加熱するチャンバー加熱手段をさらに具備することが好ましい。さらに、前記チャンバー内で処理ガスのプラズマを生成するためのプラズマ生成手段をさらに具備することができる。この場合に、前記チャンバーと前記シャワーヘッドとの間に設けられ、これらを絶縁するとともに断熱する絶縁部材をさらに具備する構成とすることができる。
【0023】
【発明の実施の形態】
以下、本発明の一実施形態について、Ti薄膜形成用のCVD成膜装置を例にとって具体的に説明する。
【0024】
図1は本発明の一実施形態に係るTi薄膜形成用のCVD成膜装置を示す断面図であり、図2は図1のCVD成膜装置のシャワーヘッド上部を示す平面図である。このCVD成膜装置1は、気密に構成された略円筒状あるいは箱状のチャンバー2を有しており、その中には被処理体である半導体ウエハWを水平に載置するためのステージ3が設けられている。チャンバー2の底部中央には下方に突出したステージ保持部材7がシールリングを介して取り付けられており、ステージ3に接合された円筒形状の部材4がステージ保持部材7に取り付けられている。チャンバー2、ステージ保持部材7は図示しない加熱機構を有し、これらは図示しない電源から給電されることにより所定の温度に加熱される。
【0025】
ステージ3の外縁部には例えばプラズマの生成を安定させるリング5が設けられている。また、ステージ3内にはヒーター6が埋め込まれており、このヒーター6は図示しない電源から給電されることにより被処理体である半導体ウエハWを所定の温度に加熱する。また、ステージ3のヒーター6の上方部分には、メッシュ電極71が設けられている。
【0026】
ステージ3には、ウエハWを支持して昇降させるための3本(2本のみ図示)のウエハ支持ピン75がステージ3の表面に対して突没可能に設けられ、これらウエハ支持ピン75は支持板76に固定されている。そして、ウエハ支持ピン75は、エアシリンダ等の駆動機構77により支持板76を介して昇降される。
【0027】
チャンバー2の側壁には、ウエハWの搬入出を行うための搬入出口73と、この搬入出口73を開閉するゲートバルブ74とが設けられている。
【0028】
チャンバー2の上部には、ステージ3に対向するようにシャワーヘッド10が設けられている。このシャワーヘッド10は、上段プレート10a、中段プレート10b、下段プレート10cを有しており、平面形状が円形をなしている。
【0029】
上段プレート10aは、中段プレート10bおよび下段プレート10cとともにシャワーヘッド本体部分を構成する水平部10dと、この水平部10dの外周上方に連続する環状の支持部10eとを有し、凹状に形成されている。この支持部10eの内側には、図1および図2に示すようにシャワーヘッド10の中心に向かって等間隔にリブ10fが配置されている。このリブ10fの厚さは5mm以上が好ましい。このリブ10fを形成したことにより、支持部10eの熱変形を抑制し、かつ支持強度を高めることができ、支持部10eの肉厚を薄くすることができる。これにより、シャワーヘッド10からの熱の散逸を抑制することができる。
【0030】
上段プレート10aはベース部材として機能し、この上段プレート10aの水平部10dの外周下部に、環状に形成された凹状の中段プレート10bの外周上部がネジ止めされている。また、中段プレート10bの下面に、下段プレート10cの上面がネジ止めされている。上段プレート10aの水平部10dの下面と凹部を有する中段プレート10bの上面との間に空間11aが気密に形成されている。中段プレート10bの下面には、複数の溝が放射状に均等に形成されている。中段プレート10bと下段プレート10cとも気密に接合され、中段プレート10bの下面に形成された複数の溝と下段プレート10cの上面と間に空間11bが形成されている。中段プレート10bには、空間11aから中段プレート10bに形成される複数の孔を介して下段プレート10cへ貫通する多数の第1のガス通路12aと、空間11aへは連通せず空間11bへ連通する第2のガス通路12bとが形成されている。下段プレート10cには、第1ガス通路12aに連通する多数の第1のガス吐出孔13aと、空間11bに連通する多数の第2のガス吐出孔13bとが形成されている。
【0031】
ここで、中段プレート10bに形成された第1のガス流路12aの内径は、例えばφ0.5〜3mm、好ましくは1.0〜2.0mmである。また、下段プレート10cに形成された第1のガス吐出孔13aは2段構造となっており、その内径は、空間11a側が例えばφ1〜3.5mm、好ましくは1.2〜2.3mmであって、下面の開口側が例えばφ0.3〜1.0mm、好ましくは0.5〜0.7mmである。
【0032】
上段プレート10aの上面には、第1のガス導入管14aと第2のガス導入管14bとが接続されている。そして、第1のガス導入管14aは空間11aに連通しており、第2のガス導入管14bは中段プレート10bの第2のガス通路12bに連通し、さらに空間11bに連通している。したがって、第1のガス導入管14aを通って導入されたガスは、空間11aおよび第1のガス通路12aを通り、第1のガス吐出孔13aから吐出され、第2のガス導入管14bを通って導入されたガスは、第2のガス通路12bを通り空間11bへ導入され、第2のガス吐出孔13bから吐出される。すなわち、シャワーヘッド10は、第1のガス導入管14aを介して供給されたガスと第2のガス導入管14bを介して供給されたガスとがシャワーヘッド10内で混ざらないように別々にチャンバー2内に供給されるマトリックスタイプとなっている。
【0033】
図3は、図1のシャワーヘッド10の拡大図である。図1および図3に示すように、上段プレート10a上面の第2のガス導入管14bとの接続部を含む部分には凸部10gが形成されており、上段プレート10aの凸部10gに対応する部分の下面には凹部10hが形成されている。一方、中段プレート10bの第2のガス導入管14bと対応する位置には、その上面から上方に突出する、内部に第2のガス通路が形成された管部10jが一体に設けられ、この管部10jの上端には上記凹部10hに嵌合するフランジ部10iが一体に形成されている。上記凹部10hにおいて、上段プレート10aの下面とフランジ部10iの上面との間にはシールリング10kが設けられている。これにより、第1のガス導入管14aおよび第2のガス導入管14bから供給される各々のガスが混合されることをより確実に防止することができる。
【0034】
図3のA−A線による断面図を図4に、B−B線による断面図を図5に示す。図3および図4に示すように、中段プレート10bと下段プレート10cとはボルト101により締結されている。図5における矢印は、第2のガス通路12bから空間11b内に供給されるガスの流れの概略方向を示している。第2のガス導入管14bにつながる管部10jの先端部分には、図5および図6に示すように、平面扇形状に形成された一対のスリット状の吐出口121が設けられており、第2のガス通路12bを通過してきたガスがこれら吐出口121から矢印方向に吐出されるようになっている。平面扇形状の吐出口121の開口度は、第1のガス通路12aに連通しない程度、例えば160°より小さい開口度が好ましい。なお、図7に示すように、スリット状の吐出口121の代わりに複数の孔(図では両側に3個ずつ)からなる吐出口122を設けてもよい。この際の孔の配列は図示のような水平方向であっても垂直方向であってもよい。また、孔は第2のガス通路12bより小さく、その数は片側1個であってもよい。
【0035】
一方、図1に示すように、上段プレート10aに接続された第1および第2のガス導入管14a,14bの他端にはフランジ14が溶接されている。フランジ14には、第1のガス通路24aおよび第2のガス通路24bを有する絶縁部材24が接続されている。この絶縁部材24の他方には、第1のガス通路26aおよび第2のガス通路26bを有するガス導入部材26が接続されている。ガス導入部材26は蓋部材15の上面に接続されている。蓋部材15およびチャンバー2は、それぞれ第1のガス通路15a,2aおよび第2のガス通路15b,2bを有し、フランジ14からチャンバー2までの各ガス通路接続部には、それぞれOリング等のシールリングが介装されている。また、ガス配管25aがチャンバー2の第1のガス通路2aに、ガス配管25bが第2のガス通路2bに接続されている。ガス配管25a,25bの他端にはガス供給部30が接続されている。
【0036】
ガス供給部30は、クリーニングガスであるClF3を供給するClF3ガス源31、成膜ガスであるTiCl4を供給するTiCl4ガス源32、キャリアガスであるArを供給するArガス源33、還元ガスであるH2を供給するH2ガス源34およびTi膜の窒化の際に使用するNH3を供給するNH3ガス源35を有している。ClF3ガス源31、TiCl4ガス源32、Arガス源33にはそれぞれガス配管36,37,38が接続されており、これらガス配管36,37,38は、ガス配管25bに接続されている。また、H2ガス源34およびNH3ガス源35にはそれぞれガス配管39,40が接続されており、これらガス配管39,40はガス配管25aに接続されている。したがって、ClF3ガス源31、TiCl4ガス源32、Arガス源33からのガスは、ガス配管25bから、上記の各部品の第2のガス通路2b,15b,26b,24bおよびガス導入管14bを通ってシャワーヘッド10の中段プレート10bの第2のガス通路12bに至り、次いで空間11bに導入され、下段プレート10cの第2のガス吐出孔13bから吐出される。また、H2ガス源34、NH3ガス源35からのガスは、ガス配管25aから、上記の各部品の第1のガス通路2a,15a,26a,24aおよびガス導入管14aを通ってシャワーヘッド10の空間11aに導入され、そこから中段プレート10bの第1のガス通路12aを通って下段プレート10cの第1のガス吐出孔13aから吐出される。したがって、成膜処理の際には、TiCl4ガスとH2ガスとは、ガスの供給途中では混合されず、チャンバー2内に吐出した後に混合され、これらガスのプラズマが形成されて所望の反応が生じ、半導体ウエハW上にTi膜が生じるようにされている。なお、各ガス源からのガス配管36,37,38,39,40には、いずれもマスフローコントローラー41およびマスフローコントローラを挟むように設けられた一対の開閉バルブ42,43が設けられている。ここでは図示されないが、ガス供給部30には、N2ガス源やその他の配管、開閉バルブ等を含んでいる。また、ガス導入部材26内に形成されたの第1のガス通路26aおよび第2のガス通路26bに接続するガス源を変更することによって、空間11a,11bに供給されるガスを変更してもよい。
【0037】
上記チャンバー2の上面には、開口を有する蓋部材15が取り付けられており、この蓋部材15の内周部分には環状の絶縁部材16が取り付けられている。そして、絶縁部材16を介して上記上段プレート10aの支持部10eが蓋部材15に支持されている。支持部10eの上は、保温のために環状の絶縁部材21によってカバーされ、絶縁部材21は蓋部材15に支持されている。絶縁部材16はシャワーヘッド10とチャンバー2との間を絶縁し、かつ断熱の効果を有している。なお、チャンバー2と蓋部材15との間、蓋部材15と絶縁部材16との間、絶縁部材16と支持部10eとの間にOリング等のシールリングを介装することにより気密性を維持している。
【0038】
上段プレート10aの水平部10dの上面には、ステージ3上の半導体ウエハW全面に対応するように、内側ヒーター17が配置されている。また、その外側を囲むように円環状(ドーナツ状)の外側ヒーター18が嵌合されている。内側ヒーター17は、例えば、ヒーター線を形成した薄いシートを一対のマイカ絶縁板でサンドイッチした構造を有している。また、外側ヒーター18は、外管の内側に絶縁材が配され、その内側に発熱体が内装されたシース型である。なお、後述する図16に示すように、外側ヒーターとして内側ヒーターと同じものを用いることもできる。これらヒーターは後述するシャワーヘッド温度制御手段の構成要素として機能する。
【0039】
内側ヒーター17と上段プレート10aの水平部10dとの間には絶縁板72が設けられている。また内側ヒーター17の上方には空間19が設けられ、その上には断熱部材20が設けられている。断熱部材20としては、Al2O3等のセラミックス、樹脂材等を挙げることができる。断熱部材20は、冷却ガス通路20aと排出口20bとを有し、内側冷却用のドライエアー供給配管61aがその上部に接続されている。そして、配管61aから吐出されたドライエアーは空間19に供給されて内側ヒーター17およびその周辺を冷却するようになっている。また、上段プレート10aの支持部10eの上方には外側冷却用のドライエアー供給配管61bが配置されている。この配管61bは、絶縁部材21の内周側に沿って環状に設けられた配管61cに接続されており、この配管61cには下向きにドライエアを吐出する孔が全周に均等に設けられている。この吐出されたドライエアは、絶縁部材16と断熱部材20との隙間およびその周辺に供給され、外側ヒーター18およびその周辺を冷却するようになっている。
【0040】
シャワーヘッド10の上段プレート10aには、その上方から延びる給電棒45が接続されており、この給電棒45には、整合器46を介して高周波電源47が接続されている。そして、この高周波電源47からシャワーヘッド10に高周波電力が供給され、これによって前記メッシュ電極71との間に形成された高周波電界により、チャンバー2内に供給された処理ガスがプラズマ化され、成膜反応が促進される。
【0041】
シャワーヘッド10の下部の周囲の、上段プレート10a、中段プレート10b、下段プレート10cの側方と、絶縁部材16の下面と、蓋部材15の下面および側面と、チャンバー2の側壁とで囲まれた空間に、プラズマが形成されることを防止するための環状の石英製のフィラー48が嵌め込まれている。図8に示すように、このフィラー48はその外側部分に凹部48aを有し、この凹部48aに、蓋部材15にネジ止めされた複数個の支持部材49の凸部49aが嵌め込まれてフィラー48を支持するようになっている。そして、フィラー48の凹部48aの側面と支持部材49の凸部49aの側面との間にはフッ素ゴム等の弾性材料からなる複数の弾性部材50が介装されている。この弾性部材50の存在により、シャワーヘッド10のセンター合わせを容易に行うことができるとともに、フィラー48の着脱を簡略化することができ、さらに、熱による伸縮等によるフィラー48の破損を防止することができる。また、フィラー48と蓋部材15との間にも弾性部材51が介装されており、この弾性部材51もフィラー48の破損防止機能を有する。
【0042】
チャンバー2の底部に取り付けられた円筒状のステージ保持部材7の底部側壁には、排気管52が接続されており、この排気管52には排気装置53が接続されチャンバー2内を排気するようになっている。図示していないが、この排気装置53の上流側には、未反応物や副生成物を捕捉する装置を有する。そしてこの排気装置53を作動させることによりチャンバー2内を所定の真空度まで減圧することが可能となっている。また、蓋部材15上にはシールドボックス23が設けられ、その上部には、排気ポート54が設けられている。この排気ポート54からシールドボックス23内のインナードライエアおよびアウタードライエアの熱排気がなされるようになっている。
【0043】
また、本実施形態に係るCVD成膜装置1は、シャワーヘッド10の温度を制御するシャワーヘッド温度制御手段60が設けられている。以下、この温度制御手段60について詳細に説明する。
【0044】
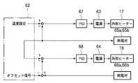
このシャワーヘッド温度制御手段60は、加熱機構として上述した内側ヒーター17および外側ヒーター18と、冷却機構としてドライエアーを供給するドライエアー供給配管61a,61bと、内側ヒーター17、外側ヒーター18、シャワーヘッド10の下段プレート10cの温度を検出する熱電対65a,65b,66a,66bと、これらを制御するコントローラ62とを有している。
【0045】
図9に拡大して示すように、内側ヒーター17には電源63が接続されており、外側ヒーター18には電源64が接続されている。また、シャワーヘッド10の上段プレート10a上の内側に配置される内側ヒーター17に対応する位置には、それぞれ内側ヒーター17近傍と下段プレート10cの内側の温度を検出するための熱電対65a,65bが設けられている。熱電対65aは内側ヒーター17を貫通してその先端が絶縁板72の上面に位置し、熱電対65bの先端は下段プレート10cの内部に達している。また、上段プレート10a上の外周側に配置される外側ヒーター18に対応する位置には、それぞれ上段プレート10aの外側および下段プレート10cの外側の温度を検出するための熱電対66a,66bが設けられている。熱電対66a,66bの先端はそれぞれ上段プレート10a,下段プレート10cの内部に達している。これら熱電対65a,65b,66a,66bは複数設けることができる。さらに、コントローラ62の指令および熱電対65aまたは65bの検出信号に基づいて、内側ヒーター17の出力をPID制御して温度調節を行う内側温度制御器67と、コントローラ62の指令および熱電対66aまたは66bの検出信号に基づいて、外側ヒーター18の出力をPID制御して温度調節を行う外側温度制御器68とを有している。そして、これらにより加熱時におけるシャワーヘッド10の温度制御が実現される。
【0046】
一方、上記冷媒体として、上記ドライエアー供給配管61aより供給されたドライエアーは、断熱部材20の冷却ガス通路20aを通り空間19へ導入され、内側ヒーター17から空間19内に放出された熱を奪い、排出口20bを経て、蓋部材15上部に設けられたシールドボックス23の排気ポート54から排出される。また、ドライエアー供給配管61bに供給されたドライエアーは、配管下方の吐出孔より供給され、シャワーヘッド外側部の熱を奪い、シールドボックス23の排気ポート54から排出される。ドライエアー供給配管61aおよび61bには、それぞれエアーオペレーションバルブ69a,69bが設けられており、これらエアーオペレーションバルブ69a,69bはコントローラ62により制御が行われる。
【0047】
このようなシャワーヘッド温度制御手段60を用いた加熱時においては、図10に示すように制御することにより、好ましい温度制御を実現することができる。図10の制御においては、コントローラ62に温度設定を行い、熱電対65aまたは65bの検出温度が設定温度となるように温度制御器67により内側ヒーター17の出力を制御するとともに、この熱電対65aまたは65bの検出値がコントローラ62から温度制御器68に出力され、外側ヒーター18に対応する位置の熱電対66aまたは66bの検出温度と内側ヒーター17に対応する熱電対65aまたは65bの検出温度との差が0になるように温度制御器68により外側ヒーター18の出力を制御する。これにより、シャワーヘッド10の外側部分が内側部分と略同じ温度になるように制御される。
【0048】
なお、シャワーヘッド10の上段プレート10aの上面およびその上の部分は、大気雰囲気に曝されている。つまり、シャワーヘッド温度制御手段60の熱電対65b,66bはシャワーヘッド10内に配置されており真空中であるが、それ以外の構成要素は大気雰囲気に配置される。
【0049】
図2に示すように、シャワーヘッド10は、ヒンジ機構からなる反転機構80によりチャンバー2外へ反転可能となっており、これによりシャワーヘッド10は、図11に示すように、そのガス吐出面を上にした状態でほぼ完全にチャンバー2外に存在させることができるので、シャワーヘッド10のメンテナンスを極めて容易に行うことが可能となる。具体的には、図11の状態から、まず複数の支持部材49を固定ネジを外すことで容易に取り外すことができ(矢印▲1▼)、支持部材49が取り外されると、フィラー48を上方へ容易に取り外すことが可能となる(矢印▲2▼)。そして、フィラー48が取り外されると、シャワーヘッド10のメンテナンスを容易に行うことが可能となる。例えば下段プレート10cおよび中段プレート10bを容易に上方へ取り外すことが可能となる(矢印▲3▼)。シャワーヘッド10を反転させる際には、シャワーヘッド10が180度回転した位置に存在することが好ましいが、その近傍の角度であればよい。なお、シャワーヘッド10をこのような角度に保持するために、例えばガススプリング等を用いることができる。
【0050】
次に、このように構成されるCVD成膜装置1の処理動作について説明する。はじめに、半導体ウエハW上にTi薄膜を形成するに先立って、次の手順でシャワーヘッド10やステージ3等の表面上にTiのプリコート膜を成膜する。まず、チャンバー2周辺、ステージ3のヒーター6、シャワーヘッド10の内側および外側ヒーター17,18を加熱し、排気装置53によりチャンバー2内を排気しつつ、所定のガスを所定の流量比でチャンバー2内に導入し、チャンバー2内を所定の圧力にする。次いで、H2ガス、TiCl4ガス、その他のガスを含む成膜ガスを所定流量でチャンバー2内に供給し、高周波電源47からシャワーヘッド10に高周波電力を供給してチャンバー2内にプラズマを生成させ、シャワーヘッド10やステージ3等の表面にTi膜を成膜する。次いで、高周波電源47の給電とTiCl4ガスの供給を停止し、NH3ガスおよびその他のガスを所定流量で供給し、再び高周波電源47からシャワーヘッド10に高周波電力を供給してプラズマを生成させ、成膜されたTi膜の表面を窒化する。これにより、シャワーヘッド10およびステージ3等の表面に安定したプリコート膜が形成される。窒化処理終了後、高周波電源47の給電とNH3ガスの供給を停止する。
【0051】
プリコート終了後、ゲートバルブ74を開にして半導体ウエハWをチャンバー2内に搬入し、突出されたウエハ支持ピン75へ受け渡し、ウエハ支持ピン75を下降させてステージ3上に載置する。次いでH2、TiCl4ガス、その他のガスを所定流量で供給し、高周波電源47からシャワーヘッド10に高周波電力を供給してチャンバー2内にプラズマを生成させ、半導体ウエハW上にTi膜を成膜する。次いで、高周波電源47の給電とTiCl4ガスの供給を停止し、NH3ガスおよびその他のガスを所定流量で供給し、再び高周波電源47からシャワーヘッド10に高周波電力を供給してプラズマを生成させ、半導体ウエハWに成膜されたTi膜を窒化する。窒化処理終了後、高周波電源47の給電とNH3ガスの供給を停止する。このようにして成膜処理が終了した後、チャンバー2から半導体ウエハWを搬出し、次に処理する半導体ウエハWを搬入し、その上に同様の成膜処理を行う。
【0052】
このような成膜処理を所定枚数の半導体ウエハWについて行った後、ステージ3、シャワーヘッド10を所定温度まで降温させ、クリーニングガスであるClF3ガスをチャンバー2内に供給し、クリーニングを行う。
【0053】
以上のような一連の工程において、本実施形態では、シャワーヘッド10にシャワーヘッド温度制御手段60を設けたことにより以下のような効果を得ることができる。
【0054】
プリコートや成膜の際に、TiClx(x=1,2,3)が発生するが、シャワーヘッドに安定した膜を形成するためこのようなTiClxをガスとして揮発させる必要がある。そのためには、425℃以上の温度が必要であるが、従来のシャワーヘッドの加熱はステージ内のヒーターによる受動的な加熱であったため、シャワーヘッドが必ずしも425℃以上になる保証はなく、シャワーヘッドに対して安定したプリコート膜を形成し得ない場合が生じていた。これに対し、本実施形態のようにシャワーヘッド10にシャワーヘッド温度制御手段60を設けることにより、シャワーヘッド10を積極的に425℃以上好ましくは500℃以上にすることができ、シャワーヘッド10に確実に安定したプリコート膜を形成することができる。
【0055】
また、チャンバー2内を成膜温度まで加熱する際に、従来のようにシャワーヘッド10をステージ3の輻射熱のみで昇温する場合には、所定の加熱温度に安定するまで長時間を要するが、本実施形態ではステージ3のヒーター6からの受動的な加熱に加えて、シャワーヘッド温度制御手段60の構成要素であるヒーター17,18により予めシャワーヘッド10を積極的に加熱することができるため、短時間でシャワーヘッド10の全体が加熱されて、シャワーヘッド10の下段プレート10cの表面の温度がほぼ一定の温度に安定化される。このため、チャンバー2内の温度を短時間で所定温度に安定させることができる。このように、シャワーヘッド10の温度が均一に制御されることで、半導体ウエハW上にTi膜を均一に成膜することが可能となる。特に、半導体ウエハが300mmと大型化したことに伴って装置が大型化した場合にその効果が著しい。
【0056】
さらに、アイドリングの際には高周波電源がオフにされていることから、シャワーヘッド10の温度を所定の温度に保持するため、従来ではステージ内のヒーターの温度を高めに設定していた。これに対して、このようにシャワーヘッド温度制御手段60によりシャワーヘッド10の温度を制御することにより、アイドリングの際の温度を所定の温度に保持し、安定化させることができる。
【0057】
さらにまた、クリーニングの際には、シャワーヘッド10の温度を成膜温度から200〜300℃のクリーニング温度まで低下させなくてはならず、従来は、シャワーヘッドの放熱性が悪かったため温度低下に長時間を要していたが、本実施形態ではシャワーヘッド温度制御手段60の構成要素であるドライエアー供給配管61a,61bから冷媒体としてのドライエアーをシャワーヘッド10上部に供給して冷却することにより、チャンバー2内を速やかにクリーニング温度まで低下させることができる。
【0058】
本実施形態の装置において、シャワーヘッド10はその上段プレート10aの上面が大気雰囲気に存在しているため、シャワーヘッド温度制御手段60の大部分の部材は大気雰囲気に設けることができ、シャワーヘッド温度制御手段60の取扱いが容易である。
【0059】
また、上述のように、シャワーヘッド温度制御手段60の加熱機構として、内側ヒーター17と外側ヒーター18とを設け2ゾーン制御とし、図9に示すように、熱電対65aまたは65bの検出温度が設定温度となるように温度制御器67により内側ヒーター17の出力を制御するとともに、外側ヒーター18に対応する位置の熱電対66aまたは66bの検出温度と、内側ヒーター17に対応する熱電対65aまたは65bの検出温度との差が0になるように温度制御器68により外側ヒーター18の出力を制御することにより、シャワーヘッド10の外側部分が内側部分と常に同じ温度になるように制御されるため、シャワーヘッド10の外側部分からの熱の散逸を抑制することができ、温度制御性を高めることができる。特に、半導体ウエハのサイズが300mmと大型化した場合に、シャワーヘッド10の外側から熱が散逸しやすいため、このような制御がより有効である。
【0060】
シャワーヘッド10のメンテナンス時には、シャワーヘッド10を反転機構80によりチャンバー2外へ反転する。これによりシャワーヘッド10は、図11に示すように、そのガス吐出面を上にした状態でメンテナンスが可能であるため、メンテナンスを極めて容易に行うことが可能となる。具体的には、図11の状態から、まず複数の支持部材49を外側へ外し、次いでフィラー48を上方へ取り外し、その後シャワーヘッド10の下段プレート10cおよび中段プレート10bを上方へ取り外すことができるので、これらの取り外し動作が極めて容易であるため、メンテナンスを極めて容易に行うことが可能となる。
【0061】
なお、本発明は上記実施形態に限らず本発明の思想の範囲内で種々変形が可能である。以下、そのような変形例について具体的に説明する。
【0062】
図5、図6に示すように、上記実施形態においては、第2のガス通路12bを介して供給されるガスは、空間11bの略中央部分における第2ガス通路12bの吐出口121から直接的に空間11b内に拡散するようになっている。しかしながら、このような態様では、第2のガス通路12bを介して供給されるガスの空間11bへの拡散が不十分な場合があり得る。そこで、空間11bの略中央部分における第2のガス通路12bの吐出口121にガス拡散促進用パイプを連結することが好ましい。このような例を図12に示す。図12の例では下段プレート10cの上方の空間11b内に、略H字状のガス拡散促進用パイプ110が設けられている。このガス拡散促進用パイプ110は、両側の吐出口121に直接嵌合された中央管110aと、この中央管110aの両端にこれに垂直に接合(溶接)され一体化された2つの側部管110b,110cとを有している。側部管110b,110cの両端部にガス吐出口110dが上段プレート10a側に向けて開口するように形成されている。そして、吐出口121から吐出されたガスが、中央管110aおよび側部管110b,110cを通って側部管110b,110cの両端部にそれぞれ設けられた合計4つのガス吐出口110dから図の矢印方向に吐出されるようになっている。したがって、第2のガス通路12bを介して供給されるガスが空間11b内に十分に均等に拡散可能である。側部管110b,110cの両端部は2つの支持部材110e,110fにより支持されており、これにより中央管110aのぶれが防止される。なお、ガス吐出口110dの個数および開口の態様は、第2のガス通路12bを介して供給されるガスが空間11b内に十分に均等に拡散できるものであれば特に限定されない。ただし、ガス吐出口110dは空間11b内に均等に配置されることが好ましい。図13は、図12に示す下段プレート10cおよびガス拡散促進用パイプ110に対して中段プレート10bを取り付けた状態の断面図である。この図から理解されるように、支持部材110eは上方から側部管110b,110cを支持しており、支持部材110fは中段プレート110bと下段プレート110cとの間に挟持された状態で側部管110b,110cを支持している。
【0063】
また、図14および図15は、制御系に関する変形例を示している。図14は、図9の加熱機構に相当する部分の変形例を示す模式図であり、図15は、図10の制御態様の変形例を示す図である。図14の例では制御系と各熱電対65a,65b,66a,66bとの間に、また図15の例では制御系と各ヒータ17,18との間にノイズフィルタ120が設けられている。このようにノイズフィルタ120を設けることにより、高周波電源47からのノイズを有効に除去することができ、制御特性を向上させることができる。
【0064】
さらに、図16に示す変形例では、断面円形のリング状のシース型ヒーターである外側ヒーター18の代わりに、内側ヒーター17と同様の平板状ヒーターをドーナツ状とした外側ヒーター118を配置している。このように、ヒーターの形状は特に限定されない。また、内側ヒーター17と上段プレート10aとの間には絶縁部材72の代わりに、より厚い絶縁板131が介在され、外側ヒータ118と上段プレート10aとの間にも厚い絶縁板132が介在されている。上段プレート10aは、プラズマ生成用電極として機能するため、ヒーターが受けるノイズの影響を抑制する必要があり、そのため、このように厚い絶縁板131および132を設けることが好ましい。ノイズの影響を有効に防止する観点からこのような絶縁板の厚さは0.5〜10mmであることが好ましい。このような絶縁板131および132は、高い熱伝導率と耐熱性を有する必要がある。したがって、絶縁板131および132の材料としては、窒化アルミニウムのような熱伝導率および耐熱性の高いセラミックスが好適である。
【0065】
さらにまた、図17に示す変形例では、図8のフィラー48の凹部48aの側面と支持部材49の凸部49aの側面との間に介装された弾性部材50の代わりに、例えばインコネル等のNi合金材で形成された耐食性メタルスプリングからなる弾性部材150が介装されている。このように、フィラー48の凹部48aの側面と支持部材49の凸部49aの側面との間に介装される弾性部材の態様は特に限定されない。
【0066】
その他、上記実施形態ではTi膜の成膜処理を例にとって説明したが、これに限らずTiN膜等他の膜のCVD成膜処理に適用することもできる。また、プラズマを形成した場合を例にとって説明したが、プラズマは必ずしも必須なものではない。シャワーヘッドの温度制御手段についても上記構成に限るものではなく、その制御方法も上記方法に限るものではない。例えば冷媒としてドライエアーを用いたがAr、N2等他のガスであってもよい。プラズマを用いない場合には、冷媒として水等の液体を用いることもできる。さらに、半導体ウエハの処理を例にとって説明したが、これに限るものではなく、液晶表示装置用ガラス基板等、他の基板に対する処理にも適用することができる。
【0067】
【発明の効果】
以上説明したように、本発明によれば、シャワーヘッドに温度制御手段を設けたので、シャワーヘッドが輻射によって加熱されるのではなく、積極的に所望の温度に制御することができ、大型の装置であっても、昇温および降温を短時間で行うことができる。また、このようにシャワーヘッドを積極的に温度制御することができることにより、チャンバー内の温度安定性を高めることができる。また、前記シャワーヘッドは、ガス拡散空間およびガス吐出孔を有するシャワーヘッド本体と、シャワーヘッド本体の外周上方に連続する環状の支持部とを有し、前記支持部は、シャワーヘッドからの熱の散逸を抑制するようにその肉厚を薄くすることを可能にする、複数の熱変形を抑制するためおよび支持強度を高めるためのリブがその内側に設けられているので、支持部のリブ以外の部分を薄くすることができ、支持部からの熱の散逸を少なくすることができ、温度制御性をより高めることができる。
【0069】
さらに、このようにシャワーヘッドに温度制御手段を設けることにより、成膜やプリコートの際にシャワーヘッドを所望温度に制御することができるため、シャワーヘッドに安定した膜を形成することができ、被処理体上に均一な膜を確実に形成することができる。
【0070】
さらにまた、シャワーヘッドの温度制御手段を大気側部分に設けたので、温度制御手段を大気雰囲気で取り扱うことができ、取扱いが容易である。
【図面の簡単な説明】
【図1】本発明の一実施形態に係るCVD成膜装置を示す断面図。
【図2】本発明の一実施形態に係るCVD成膜装置のシャワーヘッド上部を示す平面図。
【図3】図1の装置のシャワーヘッドを示す拡大図。
【図4】図3のA−A線による断面図。
【図5】図3のB−B線による断面図。
【図6】第2のガス通路からのガス吐出部を示す下面図および側面図。
【図7】第2のガス通路からのガス吐出部の他の例を示す下面図および側面図。
【図8】図1の装置のフィラー部分を拡大して示す断面図。
【図9】図1の装置の温度制御手段のうち、加熱機構に相当する部分を示す模式図。
【図10】図1の装置の温度制御手段により加熱制御する場合の好ましい制御態様を示す図。
【図11】図1の装置のシャワーヘッドを反転機構により反転させた状態を示す断面図。
【図12】ガス拡散促進用パイプが設けられた場合の下段プレートを示す平面図。
【図13】図12の下段プレートおよびガス拡散促進用パイプに中段プレートを取り付けた状態の断面図。
【図14】図1の装置の温度制御手段のうち、図9の加熱機構に相当する部分の変形例を示す模式図。
【図15】図14の温度制御手段により加熱制御する場合の好ましい制御態様を示す図。
【図16】加熱機構に相当する部分の変形例を示す断面図。
【図17】図8のフィラー部分の変形例を示す断面図。
【符号の説明】
1;CVD成膜装置
2;チャンバー
3;ステージ
6;ヒーター
10;シャワーヘッド
10a;上段プレート
10b;中段プレート
10c;下段プレート
10d;水平部
10e;支持部
10f;リブ
14a,14b;ガス導入管
15;蓋部材
17;内側ヒーター(加熱機構)
18;外側ヒーター(加熱機構)
20;断熱部材
25a,25b;ガス配管
30;ガス供給部
47;高周波電源
48;フィラー
49;支持部材
50,51;弾性部材
53;排気装置
60;シャワーヘッド温度制御手段
61a,61b;ドライエアー供給配管(冷却機構)
62;コントローラ
63,64;電源
65a,65b,66a,66b;熱電対(温度検出機構)
67,68;温度制御器
80;反転機構
W;半導体ウエハ(被処理基板)[0001]
BACKGROUND OF THE INVENTION
The present invention relates to a film forming apparatus for forming a predetermined thin film on a substrate to be processed by chemical vapor deposition (CVD).
[0002]
[Prior art]
In a semiconductor manufacturing process, a metal such as Ti, Al, or Cu, or a metal compound such as WSi, TiN, or TiSi is used as a barrier layer in order to embed holes between wirings formed in a semiconductor wafer that is an object to be processed. Is deposited to form a thin film.
[0003]
Conventionally, thin films of these metals and metal compounds have been formed using physical vapor deposition (PVD), but recently, miniaturization and high integration of devices are particularly required, and design rules are particularly strict. It is difficult to obtain sufficient characteristics with PVD having poor embedding properties. Therefore, such a thin film is formed by CVD which can be expected to form a higher quality film.
[0004]
When a conventional CVD film forming apparatus is used for Ti film formation, for example, a semiconductor wafer mounting stage in which a heater is built in a chamber having a heater, and a shower for discharging a processing gas facing above the stage. A head is provided, the chamber is heated to a predetermined temperature, the inside of the chamber is set to a predetermined degree of vacuum, and the semiconductor wafer on the stage is heated to a predetermined temperature, while the TiCl is transferred from the shower head.4, H2A process gas such as the above is supplied, high frequency power is supplied to the shower head, and these gases are turned into plasma to form a film.
[0005]
[Problems to be solved by the invention]
However, recently, since the size of the semiconductor wafer is increasing to 300 mm, it is necessary to increase the size of such a film forming apparatus, and accordingly, the following problems have become apparent.
[0006]
In other words, the shower head provided facing the stage is heated by the radiant heat generated when the heater in the stage is heated, but the shower head is also enlarged with the increase in the size of the apparatus, so the heat capacity is large. It takes a long time for the temperature to stabilize when the temperature is raised. That is, the throughput is deteriorated. On the other hand, if the temperature of the shower head, particularly the temperature of the surface of the shower head, is not stabilized, uniform processing is not performed. Further, the conventional shower head has a structure with high heat insulation in order to ensure temperature stability during processing. For example, it takes a very long time to lower the temperature to a predetermined temperature during cleaning. For this reason, it can be considered that the cleaning is performed at a high temperature, but if the cleaning is performed at a high temperature, the shower head member is damaged.
[0007]
Conventionally, when the plasma treatment is performed, the temperature of the members in the chamber rises due to the plasma. In particular, the temperature of the showerhead surface is likely to be high because the surface exposed to the plasma is large facing the wafer surface. However, when the film is formed after idling or cleaning, the film formation rate may be low when the first wafer is formed. This is thought to be because the temperature of the shower head is about 470 ° C. to 20 ° C., which is about 500 ° C. during normal film formation. Therefore, it is necessary to set the stage temperature to a temperature higher than the temperature at the time of film formation.
[0008]
Furthermore, conventionally, maintenance of the shower head has been performed such as removing the shower head after opening the upper lid including the shower head at an angle of 90 degrees or less due to restrictions on the apparatus. As the shower head becomes larger and the weight increases as the size of the shower head increases, it is difficult to perform maintenance of the shower head by such a method.
[0009]
The present invention has been made in view of such circumstances, and provides a film forming apparatus that can bring a shower head to a desired temperature in a short time and has high temperature stability of the shower head, and a shower head. An object of the present invention is to provide a film forming apparatus having high maintainability.
[0010]
[Means for Solving the Problems]
In order to solve the above problems, the present invention provides a chamber for performing a film forming process on a substrate to be processed, a mounting table for mounting the substrate to be processed in the chamber, and a number of gases provided to face the mounting table. A shower head having discharge holes, a gas supply mechanism for supplying a processing gas into the chamber through the shower head, and a shower head temperature control means for controlling the temperature of the shower head, A shower head main body having a gas diffusion space and a gas discharge hole, and an annular support portion continuous above the outer periphery of the shower head main body, and the support portion suppresses heat dissipation from the shower head. Which makes it possible to reduce the wall thickness,Of the supportA plurality of ribs for suppressing thermal deformation and increasing support strengthProjecting from the inner circumference toward the center at a predetermined intervalA film forming apparatus is provided.
[0012]
According to the present invention, since the temperature control means is provided in the shower head, radiation from the stage does not act dominantly when the shower head is heated, but can be actively controlled to a desired temperature. Even in a large apparatus, the temperature can be raised and lowered in a short time. In addition, since the temperature of the shower head can be positively controlled as described above, the temperature stability of the shower head can be improved.The shower head includes a shower head main body having a gas diffusion space and a gas discharge hole, and an annular support portion that is continuous above the outer periphery of the shower head main body, and the support portion is configured to absorb heat from the shower head. Since ribs for suppressing multiple thermal deformations and for increasing support strength are provided on the inside thereof, which makes it possible to reduce the thickness so as to suppress dissipation, other than the ribs of the support part A part can be made thin, the dissipation of the heat from a support part can be decreased, and temperature controllability can be improved more. Further, the shower head temperature control means includes at least a heating mechanism for heating the shower head, a cooling mechanism for cooling the shower head, a temperature detection mechanism for detecting the temperature of the shower head, and a detection result of the temperature detection mechanism. A controller for controlling the heating mechanism, and a space is provided between the shower head and the heat insulating material, and the cooling mechanism cools the shower head by supplying a cooling gas to the space. Since the heating mechanism has a heater embedded in the shower head, the shower head can be quickly brought to a desired temperature in both cases of temperature increase and temperature decrease.
[0013]
Furthermore, for example, when a precoat is formed on a showerhead or the like before processing on the substrate to be processed, or when a film is formed on the substrate to be processed, the film is also formed on the surface of the showerhead. TiCl generated in the intermediate reaction to form a filmxTherefore, it is necessary to raise the temperature of the shower head to 425 ° C. or higher, preferably 500 ° C. or higher. In the conventional technology, it takes a long time to raise the temperature of the shower head, or it is unclear whether the shower head is at a desired temperature, so there are cases where a stable film cannot be produced. By providing the temperature control means, the shower head can be controlled to a desired temperature during film formation or pre-coating, and a stable film can be reliably formed on the shower head. Then, the initial film formation can be performed stably.
[0014]
The above configurationIn the above, the shower head may have a concave shape in which the upper surface of the shower head main body is lower than the upper surface of the support portion. The shower head temperature control means includes at least a heating mechanism for heating the shower head, a cooling mechanism for cooling the shower head, a temperature detection mechanism for detecting the temperature of the shower head, and a detection result of the temperature detection mechanism. And a controller for controlling the heating mechanism. This makes it possible to quickly bring the shower head to a desired temperature in both cases of temperature rise and temperature drop.
[0015]
In addition, a heat insulating material provided on a surface opposite to the chamber of the shower head is further provided, and a space is provided between the shower head and the heat insulating material, and the cooling mechanism includes the space The shower head is cooled by supplying a cooling gas to the heating head, and the heating mechanism may have a heater disposed on the shower head.
[0016]
The heating mechanism includes an inner heater that heats an inner portion of the shower head and an outer heater that heats an outer portion, and the temperature detecting mechanism detects an inner temperature of the inner portion. And an outer temperature detection unit that detects the temperature of the outer portion. Further, the controller controls the inner heater so as to reach a set temperature based on the detection value of the inner temperature detection unit, and the detected temperature difference between the inner temperature detection unit and the outer temperature detection unit becomes zero. It can be set as the structure which controls an outside heater. With such a configuration, heat dissipation from the outer periphery of the shower head can be suppressed, and more accurate temperature control can be realized.
[0017]
Furthermore, the shower head main body includes an upper plate, a middle plate, and a lower plate, and a first space is formed by the upper plate and the middle plate, and a first space is formed by the middle plate and the lower plate. 2 spaces are formed, the first space and the second space are not in communication, the first gas is discharged through the first space, and the second space is passed through the second space. The second gas can be discharged. In addition, the first gas introduction pipe for introducing the first gas into the first space and the second gas introduction pipe for introducing the second gas into the second space are provided. Can do. Further, the apparatus further comprises a lid for supporting the shower head, and a heat retaining member provided between the lid and the support portion, the upper end of the support portion being supported by the heat retaining member. It can be set as the structure which has comprised the flange shape.
[0019]
FurthermoreThe chamber is preferably configured to be evacuated. In this case, the shower head has a chamber inner part located in the chamber including the gas discharge hole forming surface and an atmosphere side part located on the atmosphere side outside the chamber, and the shower head temperature control means , And can be configured to be provided in the atmosphere side portion of the chamber. Thereby, the temperature control means can be handled in an air atmosphere, and the handling is easy.
[0020]
Moreover, it is preferable to further include a mounting table heating means for heating the mounting table, and it is preferable to further include a chamber heating means for heating the chamber. Furthermore, plasma generation means for generating plasma of the processing gas in the chamber can be further provided. In this case, an insulating member that is provided between the chamber and the shower head and insulates and insulates them can be further provided.
[0023]
DETAILED DESCRIPTION OF THE INVENTION
Hereinafter, an embodiment of the present invention will be described in detail by taking a CVD film forming apparatus for forming a Ti thin film as an example.
[0024]
FIG. 1 is a cross-sectional view showing a CVD film forming apparatus for forming a Ti thin film according to an embodiment of the present invention, and FIG. 2 is a plan view showing an upper portion of a shower head of the CVD film forming apparatus of FIG. This CVD film-forming
[0025]
At the outer edge of the
[0026]
The
[0027]
On the side wall of the
[0028]
A
[0029]
The
[0030]
The
[0031]
Here, the inner diameter of the first
[0032]
A first
[0033]
FIG. 3 is an enlarged view of the
[0034]
4 is a sectional view taken along the line AA in FIG. 3, and FIG. 5 is a sectional view taken along the line BB. As shown in FIGS. 3 and 4, the
[0035]
On the other hand, as shown in FIG. 1, a flange 14 is welded to the other ends of the first and second
[0036]
The
[0037]
A
[0038]
An
[0039]
An insulating
[0040]
A
[0041]
Surrounded by the side of the
[0042]
An
[0043]
In addition, the CVD
[0044]
The shower head temperature control means 60 includes the
[0045]
As shown in an enlarged view in FIG. 9, a
[0046]
On the other hand, the dry air supplied from the dry
[0047]
At the time of heating using such a shower head temperature control means 60, preferable temperature control can be realized by controlling as shown in FIG. In the control of FIG. 10, the
[0048]
Note that the upper surface of the
[0049]
As shown in FIG. 2, the
[0050]
Next, the processing operation of the CVD
[0051]
After the pre-coating is completed, the
[0052]
After such a film forming process is performed on a predetermined number of semiconductor wafers W, the temperature of the
[0053]
In the above-described series of steps, in the present embodiment, the following effects can be obtained by providing the shower head temperature control means 60 in the
[0054]
TiCl during pre-coating and film formationx(X = 1, 2, 3) occurs, but such a TiCl is used to form a stable film on the showerhead.xMust be volatilized as a gas. For this purpose, a temperature of 425 ° C. or higher is required. However, since conventional heating of the shower head was passive heating by a heater in the stage, there is no guarantee that the shower head will always be 425 ° C. or higher. In some cases, a stable precoat film could not be formed. On the other hand, by providing the shower head temperature control means 60 in the
[0055]
Further, when the temperature of the
[0056]
Further, since the high frequency power supply is turned off during idling, the temperature of the heater in the stage has been conventionally set high to maintain the temperature of the
[0057]
Furthermore, during cleaning, the temperature of the
[0058]
In the apparatus of the present embodiment, since the upper surface of the
[0059]
Further, as described above, as the heating mechanism of the shower head temperature control means 60, the
[0060]
During maintenance of the
[0061]
The present invention is not limited to the above-described embodiment, and various modifications can be made within the scope of the idea of the present invention. Hereinafter, such a modification will be specifically described.
[0062]
As shown in FIGS. 5 and 6, in the above-described embodiment, the gas supplied through the
[0063]
FIG. 14 and FIG. 15 show modifications regarding the control system. FIG. 14 is a schematic diagram showing a modified example of a portion corresponding to the heating mechanism of FIG. 9, and FIG. 15 is a diagram showing a modified example of the control mode of FIG. In the example of FIG. 14, a
[0064]
Further, in the modification shown in FIG. 16, an
[0065]
Furthermore, in the modification shown in FIG. 17, instead of the
[0066]
In addition, although the film forming process of the Ti film has been described as an example in the above-described embodiment, the present invention is not limited to this and can be applied to the CVD film forming process of other films such as a TiN film. Moreover, although the case where plasma was formed was described as an example, the plasma is not necessarily essential. The shower head temperature control means is not limited to the above configuration, and the control method is not limited to the above method. For example, dry air was used as the refrigerant, but Ar, N2Other gases may be used. When plasma is not used, a liquid such as water can be used as the coolant. Further, the processing of the semiconductor wafer has been described as an example, but the present invention is not limited to this, and the present invention can be applied to processing on other substrates such as a glass substrate for a liquid crystal display device.
[0067]
【The invention's effect】
As described above, according to the present invention, since the temperature control means is provided in the shower head, the shower head is not heated by radiation, but can be actively controlled to a desired temperature, Even an apparatus can raise and lower the temperature in a short time. In addition, since the temperature of the shower head can be positively controlled as described above, the temperature stability in the chamber can be improved.The shower head includes a shower head main body having a gas diffusion space and a gas discharge hole, and an annular support portion that is continuous above the outer periphery of the shower head main body, and the support portion is configured to absorb heat from the shower head. Since ribs for suppressing multiple thermal deformations and for increasing support strength are provided on the inside thereof, which makes it possible to reduce the thickness so as to suppress dissipation, other than the ribs of the support part A part can be made thin, the dissipation of the heat from a support part can be decreased, and temperature controllability can be improved more.
[0069]
Furthermore, by providing the shower head with temperature control means in this way, the shower head can be controlled to a desired temperature during film formation or pre-coating, so that a stable film can be formed on the shower head. A uniform film can be reliably formed on the treatment body.
[0070]
Furthermore, since the temperature control means of the shower head is provided in the atmosphere side portion, the temperature control means can be handled in the atmosphere and easy to handle.
[Brief description of the drawings]
FIG. 1 is a cross-sectional view showing a CVD film forming apparatus according to an embodiment of the present invention.
FIG. 2 is a plan view showing an upper part of a shower head of a CVD film forming apparatus according to an embodiment of the present invention.
3 is an enlarged view showing a shower head of the apparatus of FIG. 1. FIG.
4 is a cross-sectional view taken along line AA in FIG.
5 is a cross-sectional view taken along line BB in FIG.
FIG. 6 is a bottom view and a side view showing a gas discharge portion from a second gas passage.
FIGS. 7A and 7B are a bottom view and a side view showing another example of a gas discharge portion from a second gas passage. FIGS.
8 is an enlarged cross-sectional view showing a filler portion of the apparatus of FIG.
9 is a schematic diagram showing a portion corresponding to a heating mechanism in the temperature control means of the apparatus of FIG.
FIG. 10 is a diagram showing a preferred control mode in the case where heating control is performed by the temperature control means of the apparatus of FIG.
11 is a cross-sectional view showing a state where the shower head of the apparatus of FIG. 1 is reversed by a reversing mechanism.
FIG. 12 is a plan view showing a lower plate when a gas diffusion promoting pipe is provided.
13 is a cross-sectional view of a state in which a middle plate is attached to the lower plate and the gas diffusion promoting pipe in FIG. 12;
14 is a schematic diagram showing a modification of a portion corresponding to the heating mechanism of FIG. 9 in the temperature control means of the apparatus of FIG. 1;
15 is a diagram showing a preferred control mode when heating control is performed by the temperature control means of FIG. 14;
FIG. 16 is a cross-sectional view showing a modification of a portion corresponding to a heating mechanism.
17 is a cross-sectional view showing a modification of the filler portion of FIG.
[Explanation of symbols]
1: CVD film forming equipment
2; chamber
3; Stage
6; Heater
10; Shower head
10a; upper plate
10b; middle plate
10c; lower plate
10d; horizontal part
10e; support part
10f; rib
14a, 14b; gas introduction pipes
15; Lid member
17; Inner heater (heating mechanism)
18; Outer heater (heating mechanism)
20; Thermal insulation member
25a, 25b; gas piping
30; gas supply unit
47; high frequency power supply
48; Filler
49; support member
50, 51; elastic member
53; exhaust system
60; shower head temperature control means
61a, 61b; dry air supply pipe (cooling mechanism)
62; Controller
63, 64; power supply
65a, 65b, 66a, 66b; thermocouple (temperature detection mechanism)
67, 68; temperature controller
80; reversing mechanism
W: Semiconductor wafer (substrate to be processed)
| Application Number | Priority Date | Filing Date | Title |
|---|---|---|---|
| JP2002030877AJP4260404B2 (en) | 2001-02-09 | 2002-02-07 | Deposition equipment |
| Application Number | Priority Date | Filing Date | Title |
|---|---|---|---|
| JP2001034520 | 2001-02-09 | ||
| JP2001-34520 | 2001-02-09 | ||
| JP2002030877AJP4260404B2 (en) | 2001-02-09 | 2002-02-07 | Deposition equipment |
| Application Number | Title | Priority Date | Filing Date |
|---|---|---|---|
| JP2007287768ADivisionJP4782761B2 (en) | 2001-02-09 | 2007-11-05 | Deposition equipment |
| JP2008142121ADivisionJP4889683B2 (en) | 2001-02-09 | 2008-05-30 | Deposition equipment |
| Publication Number | Publication Date |
|---|---|
| JP2002327274A JP2002327274A (en) | 2002-11-15 |
| JP4260404B2true JP4260404B2 (en) | 2009-04-30 |
| Application Number | Title | Priority Date | Filing Date |
|---|---|---|---|
| JP2002030877AExpired - Fee RelatedJP4260404B2 (en) | 2001-02-09 | 2002-02-07 | Deposition equipment |
| Country | Link |
|---|---|
| JP (1) | JP4260404B2 (en) |
| Publication number | Priority date | Publication date | Assignee | Title |
|---|---|---|---|---|
| US20140230730A1 (en)* | 2004-04-12 | 2014-08-21 | Applied Materials, Inc. | Gas diffusion shower head design for large area plasma enhanced chemical vapor deposition |
| KR101584116B1 (en) | 2010-02-11 | 2016-01-12 | 삼성전자주식회사 | Apparatus for MOCVD |
| Publication number | Priority date | Publication date | Assignee | Title |
|---|---|---|---|---|
| US20050230350A1 (en)* | 2004-02-26 | 2005-10-20 | Applied Materials, Inc. | In-situ dry clean chamber for front end of line fabrication |
| KR100628888B1 (en)* | 2004-12-27 | 2006-09-26 | 삼성전자주식회사 | Shower head thermostat and film forming apparatus having the same |
| JP5044931B2 (en)* | 2005-10-31 | 2012-10-10 | 東京エレクトロン株式会社 | Gas supply apparatus and substrate processing apparatus |
| JP2007146252A (en)* | 2005-11-29 | 2007-06-14 | Tokyo Electron Ltd | Heat treatment method, heat treatment device, and storage medium |
| KR100700448B1 (en) | 2006-02-16 | 2007-03-28 | 주식회사 메카로닉스 | Triple shower head and atomic layer deposition apparatus having the same |
| JP5045000B2 (en) | 2006-06-20 | 2012-10-10 | 東京エレクトロン株式会社 | Film forming apparatus, gas supply apparatus, film forming method, and storage medium |
| JP5140321B2 (en)* | 2007-05-31 | 2013-02-06 | 株式会社アルバック | shower head |
| JP4558810B2 (en)* | 2008-02-29 | 2010-10-06 | 富士フイルム株式会社 | Deposition equipment |
| TWI534291B (en)* | 2011-03-18 | 2016-05-21 | 應用材料股份有限公司 | Showerhead assembly |
| JP6379550B2 (en) | 2014-03-18 | 2018-08-29 | 東京エレクトロン株式会社 | Deposition equipment |
| FR3061914B1 (en)* | 2017-01-16 | 2019-05-31 | Kobus Sas | TREATMENT CHAMBER FOR A CHEMICAL VAPOR DEPOSITION REACTOR (CVD) AND METHOD OF THERMALIZATION IMPLEMENTED IN THIS CHAMBER |
| JP7186634B2 (en)* | 2019-02-19 | 2022-12-09 | 東京エレクトロン株式会社 | Deposition method |
| US11242600B2 (en)* | 2020-06-17 | 2022-02-08 | Applied Materials, Inc. | High temperature face plate for deposition application |
| WO2022066240A1 (en)* | 2020-09-25 | 2022-03-31 | Lam Research Corporation | Axially cooled metal showerheads for high temperature processes |
| JPWO2023190785A1 (en)* | 2022-03-29 | 2023-10-05 | ||
| JP2023147056A (en)* | 2022-03-29 | 2023-10-12 | 京セラ株式会社 | Passage structure and semiconductor manufacturing apparatus |
| US20250201600A1 (en)* | 2022-03-29 | 2025-06-19 | Kyocera Corporation | Channel structure and semiconductor manufacturing device |
| Publication number | Priority date | Publication date | Assignee | Title |
|---|---|---|---|---|
| US20140230730A1 (en)* | 2004-04-12 | 2014-08-21 | Applied Materials, Inc. | Gas diffusion shower head design for large area plasma enhanced chemical vapor deposition |
| US11692268B2 (en)* | 2004-04-12 | 2023-07-04 | Applied Materials, Inc. | Gas diffusion shower head design for large area plasma enhanced chemical vapor deposition |
| KR101584116B1 (en) | 2010-02-11 | 2016-01-12 | 삼성전자주식회사 | Apparatus for MOCVD |
| Publication number | Publication date |
|---|---|
| JP2002327274A (en) | 2002-11-15 |
| Publication | Publication Date | Title |
|---|---|---|
| JP4889683B2 (en) | Deposition equipment | |
| JP4260404B2 (en) | Deposition equipment | |
| JP5044931B2 (en) | Gas supply apparatus and substrate processing apparatus | |
| KR100628888B1 (en) | Shower head thermostat and film forming apparatus having the same | |
| WO2007145132A1 (en) | Placing table structure and heat treatment apparatus | |
| JP4317608B2 (en) | Deposition equipment | |
| TW200937561A (en) | Heat treatment apparatus, and method for controlling the same | |
| JP4222086B2 (en) | Heat treatment equipment | |
| JP4782761B2 (en) | Deposition equipment | |
| JPH11204443A (en) | Single wafer heat treatment device | |
| JPH03148829A (en) | Heat-treating device | |
| JP2004311550A (en) | Substrate processing equipment | |
| JPH0793268B2 (en) | Plasma CVD equipment |
| Date | Code | Title | Description |
|---|---|---|---|
| A621 | Written request for application examination | Free format text:JAPANESE INTERMEDIATE CODE: A621 Effective date:20050120 | |
| A977 | Report on retrieval | Free format text:JAPANESE INTERMEDIATE CODE: A971007 Effective date:20070806 | |
| A131 | Notification of reasons for refusal | Free format text:JAPANESE INTERMEDIATE CODE: A131 Effective date:20070904 | |
| A521 | Written amendment | Free format text:JAPANESE INTERMEDIATE CODE: A523 Effective date:20071105 | |
| A02 | Decision of refusal | Free format text:JAPANESE INTERMEDIATE CODE: A02 Effective date:20080401 | |
| A521 | Written amendment | Free format text:JAPANESE INTERMEDIATE CODE: A523 Effective date:20080530 | |
| A911 | Transfer of reconsideration by examiner before appeal (zenchi) | Free format text:JAPANESE INTERMEDIATE CODE: A911 Effective date:20080804 | |
| TRDD | Decision of grant or rejection written | ||
| A01 | Written decision to grant a patent or to grant a registration (utility model) | Free format text:JAPANESE INTERMEDIATE CODE: A01 Effective date:20090203 | |
| A01 | Written decision to grant a patent or to grant a registration (utility model) | Free format text:JAPANESE INTERMEDIATE CODE: A01 | |
| A61 | First payment of annual fees (during grant procedure) | Free format text:JAPANESE INTERMEDIATE CODE: A61 Effective date:20090204 | |
| FPAY | Renewal fee payment (event date is renewal date of database) | Free format text:PAYMENT UNTIL: 20120220 Year of fee payment:3 | |
| R150 | Certificate of patent or registration of utility model | Free format text:JAPANESE INTERMEDIATE CODE: R150 | |
| FPAY | Renewal fee payment (event date is renewal date of database) | Free format text:PAYMENT UNTIL: 20150220 Year of fee payment:6 | |
| LAPS | Cancellation because of no payment of annual fees |