











【0001】
【発明の属する技術分野】
本発明は、アクティブマトリクス型表示装置の駆動方法に関する。
【0002】
【従来の技術】
独立した画素電極に薄膜トランジスタ(TFT:Thin Film Transistor)のようなスイッチング素子を介してそれぞれの映像信号を供給するアクティブマトリクス型表示装置において、対向電極及び補助容量に交流電位を与えるAC駆動を行うことにより、液晶の劣化を防止すると同時に、ドレインドライバに入力されるビデオ信号の正・負極性間の電位差を小さくし、ドレインドライバの電流及び電圧を下げることで低消費電力を実現していた。
【0003】
しかし、1水平期間ごとに各ドレインラインに与えるビデオ信号極性を反転する水平反転対極AC駆動では、1水平期間ごとに、対向電極及び全補助容量ラインの電圧の極性を反転させるため、対向電極及び全補助容量ラインにおける容量性の負荷及びこれらによる消費電力は依然として大きかった。
【0004】
そこで、さらなる低消費電力化を実現するため、補助容量の電圧の極性を反転させることにより、対向電極電圧を一定の電圧とすることで消費電力を格段に低減することができると同時に、ビデオ信号の正・負極性間の電位差を小さくし、ドレインドライバの電流及び電圧を下げるという駆動方法(以下、「SC駆動」と称する。)が特開平12−81606号公報に開示されている。以下、SC駆動を用いたアクティブマトリクス型液晶表示装置について説明する。
【0005】
図10は、SC駆動を用いたアクティブマトリクス型液晶表示装置における表示パネルの等価回路図である。ドレインライン105とゲートライン107とが交差して配置され、その交差部には、スイッチング素子であるTFT109と、それぞれ容量電極の一方をTFT109に接続した液晶容量112及び補助容量110、補助容量110の容量電極の他方に接続された補助容量ライン108を有する。補助容量ライン108は、ゲートライン107と並設され、同一のゲートライン107に接続された補助容量110に共通となっている。また、液晶容量112の容量電極の他方は、TFT109が設けられた基板と液晶を挟んだ反対側の基板に一体的に設けられた対向電極111である。
【0006】
図11は、1つの画素に着目した表示パネルを駆動する信号波形を示したもので、ここには、ゲート電圧VG、画素電圧VP、ソース電圧VS、ビデオ信号電圧VD、補助容量電圧VSC、対向電極電圧VCOMが示されている。ゲート電圧VGは、1フレーム間に一度、ON期間がある。ゲートのON期間において、ゲートライン107に印加されるゲート電圧VGが高(以下、「High」と称する。)レベルになる。この期間中、TFT109がオンしてドレイン・ソース間が導通し、ソース電圧VSが、ドレインライン105に印加されているビデオ信号電圧VDに追従して同じレベルになり、液晶容量112及び補助容量110の一方に印加される。ゲートのOFF期間になるとゲート電圧VGが低(以下、「Low」と称する。)レベルとなってTFT109がオフし、ソース電圧VSが決まるとともに、ゲート電圧VGの立ち下がりに伴ってΔVSだけレベルが降下し、VPLとなる。対向電極電圧VCOMは一定の電圧で、予めソース電圧VSの降下分ΔVSだけ、ビデオ信号電圧VDのセンターレベルVcよりも低下したレベルにある。
【0007】
各補助容量ライン108には、対応するゲートライン107に印加されるゲート電圧VGの立ち下がり後に反転する補助容量電圧VSCが印加される。補助容量電圧VSCはVSCH及びVSCLという高低2つのレベルで反転し、例えば、ソース電圧VSが対向電極電圧VCOMよりも高い正極性期間では、ゲート電圧VGの立ち下がり後に、低いレベルVSCLから高いレベルVSCHに立ち上がる。従って、ゲート電圧VGが立ち下がってソース電圧VSがいったん決まり得られた画素電圧VPは、補助容量110を介して補助容量電圧VSCの立ち上がりの影響を受けてΔVPだけ上昇する。このときの画素電圧VPが、ゲートのOFF期間中、即ち1フレーム間、保持される。
【0008】
補助容量電圧VSCの立ち上がりによって、液晶容量112と補助容量110間で電荷の再配分が生じ、画素電圧VPは、ΔVP=VPH−VPLだけ上昇する。ソース電圧VSが対向電極電圧VCOMよりも低い負極期間では、逆に、補助容量電圧VSCは正側から負側へ立ち下がるので、画素電圧VPは、ΔVPだけ降下する。この結果、画素電圧VPの振幅が大きくなり、液晶容量112に印加される電圧を大きくすることができる。つまり、補助容量電圧VSCを2つのレベルに反転させることによって、対向電極電圧VCOMを直流電流としても、ビデオ信号電圧VDの振幅を小さくすることができる。
【0009】
通常、補助容量110は、液晶容量112よりも十分大きいため、画素電圧の変化分ΔVPは、1ラインの補助容量電圧の変動V(VSCH−VSCL)により制御される。そのため、補助容量ラインに流れる電流が小さくても、より大きな電圧が液晶容量112に印加される。つまり、補助容量電圧を変動させることによりビデオ信号電圧VDの振幅を小さくしている。
【0010】
ところで、現在、画素の増加に伴い、複数のドレインライン105を同時にオンにして、複数の液晶容量112及び補助容量110に対し、同時にビデオ信号電圧VDを印加する駆動方法が用いられている。これにより、ドレインライン105が液晶容量112及び補助容量110に対してビデオ信号電圧VDを印加する時間を十分確保することができる。
【0011】
特に、大型または高精細の表示パネルを点順次駆動するときには、数十本のドレインライン105を同時にオンにして、数十の液晶容量112及び補助容量110に対して同時にビデオ信号電圧VDを印加する。このように、数十本のドレインライン105が同時にオンになると、オンになっているドレインライン105と、補助容量ライン108とが重畳する部分において、大きな容量結合が発生する。この容量結合によって、補助容量ライン108やゲートライン107の電圧が、ドレインライン105の電圧の影響を受けて変動してしまう。この電圧変化により、同時にオンになるドレインライン105を単位に画像のムラが発生することがある。
【0012】
【発明が解決しようとしている課題】
容量結合及びそれに起因する画像のムラを防止するためには、ゲートライン方向に隣り合う画素電極に対して極性が異なる電圧を印加し、ドレインライン方向に隣り合う画素電極には同じ極性の電圧を印加する図12(a)のような垂直反転駆動や図12(b)のように、上下左右隣り合う画素全てに逆の極性が印加されるドット反転駆動が考えられる。どちらの駆動方法でも、液晶の劣化を防ぐため、1フレームごとに前のフレームとは逆の極性の電圧を印加している。より効果的に容量結合を防止するには、隣接して同じ極性の電圧が印加される画素電極の数をできるだけ少なくすることが考えられる。そこで、本発明は、SC駆動において、隣接する単数または複数の画素電極ごとに極性の異なる電圧を印加すること、いわゆるドット反転を実現することを目的とする。
【0013】
【課題を解決するための手段】
本発明は、上記の目的を達成するためになされたものであり、第1の基板上に行列状に配置される複数の画素電極と、前記画素電極それぞれに接続されるスイッチング素子と、前記画素電極が配置される画素領域ごとにそれぞれ配置される補助容量電極と、各行の前記画素電極に対応して配置される第1及び第2の補助容量ラインと、前記第1または第2の補助容量ラインのいずれかと前記補助容量電極とが対向してなる第1及び第2の補助容量とを有し、1フレーム期間ごとにその極性が反転する第1のビデオ信号電圧もしくは、前記第1のビデオ信号とは逆の極性を有する第2のビデオ信号電圧のいずれかを、前記画素電極及び前記補助容量電極に印加することによって表示を行うアクティブマトリクス型表示装置の駆動方法において、前記スイッチング素子がオフとなる期間にレベルが変化する第1及び第2の補助容量電圧を、前記第1及び第2の補助容量ラインにそれぞれ供給することにより、前記第1及び第2の補助容量が保持する電圧を増幅するアクティブマトリクス型表示装置の駆動方法である。
【0014】
または、第1の基板上に行列状に配置される複数の画素電極と、前記画素電極それぞれに接続されるスイッチング素子と、前記画素電極が配置される画素領域ごとにそれぞれ配置される補助容量電極と、各行の前記画素電極に対応して配置される第1及び第2の補助容量ラインと、前記第1または第2の補助容量ラインのいずれかと前記補助容量電極とが対向してなる第1及び第2の補助容量とを有し、1フレーム期間ごとにその極性が反転する第1のビデオ信号電圧もしくは、前記第1のビデオ信号とは逆の極性を有する第2のビデオ信号電圧のいずれかを、前記画素電極及び前記補助容量電極に印加することによって表示を行うアクティブマトリクス型表示装置の駆動方法において、前記スイッチング素子がオンとなる期間には、前記第1の補助容量が配置される画素電極及び前記第1の補助容量を構成する前記補助容量電極に対しては前記第1のビデオ信号電圧を供給し、前記第2の補助容量が配置される画素電極及び前記第2の補助容量を構成する前記補助容量電極に対しては前記第2のビデオ信号電圧を供給し、前記スイッチング素子がオフとなる期間には、前記第1の補助容量ラインに供給される第1の補助容量電圧が、前記第1のビデオ信号電圧と同じ極性へレベルが変化し、前記第2の補助容量ラインに供給される第2の補助容量電圧が、前記第2のビデオ信号電圧と同じ極性へレベルが変化することにより、前記第1及び第2の補助容量が保持する電圧を増幅するアクティブマトリクス型表示装置の駆動方法である。
【0015】
または、第1の基板上に行列状に配置される複数の画素電極と、前記画素電極それぞれに接続されるスイッチング素子と、前記画素電極が形成される画素領域ごとにそれぞれ配置される補助容量電極と、各行の前記画素電極に対応して配置される第1及び第2の補助容量ラインと、前記第1の補助容量ラインと前記補助容量電極とが対向してなる第1の補助容量と、前記第2の補助容量ラインと前記補助容量電極とが対向してなる第2の補助容量とを有し、1フレーム期間ごとにその極性が反転する第1のビデオ信号電圧もしくは、前記第1のビデオ信号とは逆の極性を有する第2のビデオ信号電圧のいずれかを、前記画素電極に印加することによって表示を行うアクティブマトリクス型表示装置の駆動方法において、前記スイッチング素子がオンとなる期間には、前記第1の補助容量が配置される画素電極及び前記第1の補助容量を構成する前記補助容量電極に対しては前記第1のビデオ信号電圧を、前記第1の補助容量ラインに対しては前記第1のビデオ信号電圧とは逆の極性を有する第1の補助容量電圧を供給し、前記第2の補助容量が配置される画素電極及び前記第2の補助容量を構成する前記補助容量電極に対しては前記第2のビデオ信号電圧を、前記第2の補助容量ラインに対しては前記第2のビデオ信号電圧とは逆の極性を有する第2の補助容量電圧を供給し、前記スイッチング素子がオフとなる期間には、前記第1の補助容量電圧が前記第1のビデオ信号電圧と同じ極性へレベルが変化し、前記第2の補助容量電圧が前記第2のビデオ信号電圧と同じ極性へレベルが変化することにより、前記第1及び第2の補助容量が保持する電圧を増幅するアクティブマトリクス型表示装置の駆動方法である。
【0016】
さらに、前記アクティブマトリクス型表示装置には、第2の基板上に共通電極が配置され、前記共通電極に対して一定の電圧を印加することを特徴とする上記のアクティブマトリクス型表示装置の駆動方法である。
【0017】
さらに、前記スイッチング素子がオフとなる期間において、前記スイッチング素子がオフした直後に、第1及び第2の補助容量電圧のレベルが変化する上記のアクティブマトリクス型表示装置の駆動方法である。
【0018】
【発明の実施の形態】
第1の実施形態について説明する。図1は、アクティブマトリクス型表示装置における表示パネルの平面図であり、図2は、第1の実施形態にかかる表示パネルの平面図であり、図3はその等価回路図である。
【0019】
まず、図1において、表示パネル1には、行方向にドレインドライバ2が配置され、列方向にはゲートドライバ3が配置されている。そして、ドレインドライバ2及びゲートドライバ3に囲まれるように、映像表示を行う表示領域4が配置されている。
【0020】
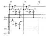
そして、表示領域4には、図2及び図3に示されるように、列方向には、ドレインライン5と、列方向に長い長方形の画素電極6が複数配置され、行方向には、ゲートライン7と、第1の補助容量ライン8a及び第2の補助容量ライン8bが配置されている。各画素電極6が配置される領域(以下、「画素領域」と称する。)には、TFT9と、第1の補助容量10aもしくは第2の補助容量10bのいずれかが配置されている。TFT9は、ゲートライン7から延びて形成されたゲート電極9gと、ドレインライン5とコンタクトを介して電気的に接続された半導体層のドレイン領域9dと、画素電極6とコンタクトを介して電気的に接続された半導体層のソース領域9sとで構成されている。第1の補助容量10aは、TFT9に接続された半導体層よりなる補助容量電極10xと、第1の補助容量ライン8aから延びて形成された補助容量電極10yで形成されている。第2の補助容量10bは、上記の補助容量電極10xと、第2の補助容量ライン8bから延びて形成された補助容量電極10zで形成されている。また、TFT9が設けられた基板と液晶を挟んだ反対側の基板に対向電極11が設けられ、液晶容量12の画素電極6に対応する補助容量電極を構成している。
【0021】
ドレインドライバ2は、図1に図示されているように、互いに逆の極性を持つ第1のビデオ信号電圧VDa及び第2のビデオ信号電圧VDbが入力され、ドレインライン5を順次選択して第1のビデオ信号電圧VDaもしくは第2のビデオ信号電圧VDbのいずれかを印加していく。ゲートドライバ3は、ゲートライン7を順次選択して、ゲート信号GVを印加する。表示領域4は、複数の画素電極6を有し、映像表示を行う領域である。ドレインライン5は、互いに逆の極性を持つ第1のビデオ信号電圧VDaもしくは第2のビデオ信号電圧VDbのいずれかを、コンタクトを介してTFT9に伝達する配線である。画素電極6は、表示単位である画素領域を構成し、対向電極11と共に、ドレインライン5からTFT9を介して伝達されたビデオ信号電圧VDによって液晶を駆動する電極である。ゲートライン7は、ゲートドライバ3によって選択され、ゲート信号GVが印加されると、接続されているTFT9をオンする。第1の補助容量ライン8aは、ゲートライン7と同じ層に、行方向に並ぶ補助容量電極10yに一体化して形成され、各行の第1の補助容量を互いに連結している。第2の補助容量ライン8bは、ゲートライン7と同じ層に、行方向に並ぶ補助容量電極10zに一体化して、各行の第2の補助容量を互いに連結している。なお、第1の補助容量ライン8aには、第1の補助容量電圧が供給され、第2の補助容量ライン8bには、第1の補助容量電圧とは逆の極性をもつ第2の補助容量電圧が供給される。TFT9は、ゲート電極9gに電圧が印加されたときにだけ、ソース領域9sからドレイン領域9dへの方向もしくはドレイン領域9dからソース領域9sへの方向のいずれかに、ゲート電極9gの直下にある半導体層のチャネル領域中を電流が流れるスイッチング素子である。第1の補助容量10a及び第2の補助容量10bは、ドレインライン5からTFT9を介して供給されたビデオ信号電圧VDによる電荷を1フレーム期間保持し、液晶容量12の電荷の損失を補う。対向電極11には、一定の電圧が印加され、画素電極6に印加されたビデオ信号電圧VDに応じて画素電極6と共に液晶を駆動する。液晶容量12は、液晶が保持しているドレインライン5からTFT9を介して供給されたビデオ信号電圧VDによる電荷である。しかし、液晶容量12が保持する電荷は、第1の補助容量10aや第2の補助容量10bの保持する電荷に比べて非常に少なく、TFT9のオフ動作によるリークや液晶中の不純物からのリークによって流出しやすいため、第1の補助容量10a及び第2の補助容量10bの保持する電荷によって電荷を補っている。
【0022】
次に、駆動方法について説明する。図4は、表示パネルにおける各信号の関連を示すタイミングチャートである。これは、垂直スタート信号STV及びゲート信号GV、水平スタート信号STH及び水平クロック信号CKHと、第1の補助容量ライン8aの電位SCa及び第2の補助容量ライン8bの電位SCbにおける電圧変化のタイミングを示している。
【0023】
まず、垂直スタート信号STVのパルスの立ち下がりに応じてゲート信号GV1のパルスが立ち上がり、1行目のゲートライン7にゲート信号GV1が供給されてこれに接続されたTFT9がオンになる。それから、水平スタート信号STHのパルスが立ち上がり、このパルスの立ち下がりに同期して、1行目のゲートライン7が選択される期間で最初の水平クロック信号CKHのパルスが立ち上がる。1行目のゲートライン7にゲート信号GV1が供給されている期間中に、水平クロック信号CKHのパルスが順次立ち上がり、これらのパルスの立ち上がりに同期して、ドレインライン5が順次選択され、順次ビデオ信号電圧VDが、TFT9を介して、画素電極6と、第1の補助容量10a及び第2の補助容量10bに印加されていく。なお、第1のビデオ信号電圧VDaは、画素電極6及び第1の補助容量10aに、第2のビデオ信号電圧VDbは、画素電極6及び第2の補助容量10bに印加される。全てのドレインライン5にビデオ信号電圧VDが印加されると、1行目のゲートライン7にゲート信号GV1が供給されなくなり、これに接続されるTFT9はオフとなる。そして、順次ゲート信号GV2、ゲート信号GV3のパルスが立ち上がり、2行目のゲートライン7にはゲート信号GV2、3行目のゲートライン7にはゲート信号GV3、という具合に、それぞれ印加され、上記の動作を繰り返す。ゲートライン7に接続されたTFT9がオフ状態、即ち、ゲートライン7にゲート信号GVが供給されていない期間中に、第1の補助容量ライン8aの電位SCaと、第2の補助容量ライン8bの電位SCbの極性が反転する。そして、全てのゲートライン7にゲート信号GVが供給されると、再び垂直スタート信号STVのパルスが立ち上がり、それに同期して1行目のゲートライン7にゲート信号GVが供給され、同様の動作を繰り返す。
【0024】
図5は、第1の実施形態にかかる表示装置の駆動方法を示す信号波形図であり、ゲートライン方向に隣り合う画素領域における1フレーム間の信号波形を示している。図5(a)は、第1の補助容量10aの信号波形を示し、図5(b)は、第2の補助容量10bの信号波形を示すこととする。図5(a)に示す信号波形は図11とほぼ同様であるが、図5(b)に示す信号波形は、ちょうど図11と極性が反転したものである。
【0025】
本実施形態におけるアクティブマトリクス型表示装置は、画素電極が形成される画素領域ごとに配置される補助容量と、行方向に並ぶ複数の画素電極に一体化して形成され、行方向に並ぶ補助容量電極を一つおきに連結する第1及び第2の補助容量ラインとを有し、1フレーム期間ごとにその極性が反転する第1のビデオ信号電圧と、第1のビデオ信号電圧とは逆の極性を有する第2のビデオ信号電圧のいずれかを、スイッチング素子を介して画素電極に印加することによって表示を行うことにより、補助容量ラインによる、いわゆるドット反転駆動を実現することができる。そして、このアクティブマトリクス型表示装置は、スイッチング素子がオンとなる期間、第1の補助容量ラインを有する第1の補助容量には、第1のビデオ信号電圧を供給すると同時に、第2の補助容量ラインを有する第2の補助容量には第2のビデオ信号電圧を供給するが、スイッチング素子がオフとなる動作を行うときに、第1及び第2の補助容量に供給された電圧が流出してしまう。しかし、このアクティブマトリクス型表示装置は、スイッチング素子がオフとなる期間、第1の補助容量ラインには、第1の補助容量が保持する電圧の極性へレベルが変化する第1の補助容量電圧を供給し、第2の補助容量ラインには、第1の補助容量電圧とは逆の極性を有し、第1の補助容量が保持する電圧の極性へレベルが変化する第2の補助容量電圧を供給することにより、スイッチング素子のオフ動作によって変動した第1及び第2の補助容量の電圧を補填することができ、さらに、第1及び第2の補助容量に供給された電圧を増幅することができる。
【0026】
本実施形態では、ドット反転駆動を行うことにより、隣接するビデオ信号電圧による影響を解消して、容量結合による画像のムラを防ぐ。さらに、スイッチング素子がオフとなる期間に第1及び第2の補助容量ラインに対し、第1もしくは第2の補助容量電圧のいずれかをそれぞれ印加することによって、ビデオ信号電圧の振幅を狭くすることもできるため、消費電力を削減することができる。
【0027】
なお、本実施形態では、できるだけ画像のムラやフリッカを小さくするために第1及び第2の補助容量ラインが、1つの画素電極を単位として、行方向において交互に補助容量電極を有する構成としていたが、本発明はこれに限定されることはなく、連続する画素電極の複数列を単位として、交互に補助容量電極を有する構成としても構わない。例えば、RGBの原色を表示する3つの画素電極を一つの単位として、この単位ごとに第1もしくは第2の補助容量ラインのいずれかに補助容量電極を有する構成としても構わない。
【0028】
ところで、本実施形態においては、図2に示されるように、第1の補助容量ライン8a及び第2の補助容量ライン8bが、全ての補助容量電極10xに重畳して形成されている。そして、第2の補助容量ライン8bと第2の補助容量10bを形成する補助容量電極10zが存在する画素領域にのみ、第1の補助容量ライン8aと補助容量電極10zと連続する半導体層とが重畳する重畳部分13に寄生容量CPARが発生する。
【0029】
そこで、第2の実施の形態について説明する。第2の実施形態は、寄生容量CPARが第2の補助容量10bにのみ形成されていることに起因する問題を解決するものである。図6は、第2の実施形態にかかる表示パネルの平面図であり、図7は、その等価回路図である。第1の実施形態と同様の構成については、同じ番号を付し、説明を省略する。
【0030】
本実施形態が、第1の実施形態と異なる点は、補助容量電極10yを有する画素領域内に、補助容量電極10yから延びて形成され、第2の補助容量ライン8bに重畳するダミー配線14が設けられている点である。このダミー配線14は、補助容量を形成しない第2の補助容量ライン8bとの重畳部分13’を形成することにより、補助容量電極10zと第1の補助容量ライン8aとの重畳部分13における寄生容量CPARと等しい寄生容量CPAR'を形成する。
【0031】
第1の実施形態においては、補助容量電極10zと第1の補助容量ライン8aとの重畳部分13にのみ寄生容量CPARが発生することにより、補助容量電極10zを有する第2の補助容量10bの電位のみが低下していた。そのため、補助容量電極10yが存在する画素領域と、補助容量電極10zが存在する画素領域との間に、各画素領域内の画素電極6に最適な対向電極電圧の大きさに差が生じ、コントラストのばらつきやフリッカが発生していた。しかし、本実施形態では、第1の補助容量電極10xにダミー配線14を形成することにより、第1の補助容量電極10xとは補助容量を形成しない第2の補助容量ライン8bとダミー配線14が重畳する重畳部分13’を形成し、そこで寄生容量CPAR'を発生させた。その結果、第1の補助容量10a及び第2の補助容量10bの間で極性のバランスを取ることにより、各画素電極6に最適な対向電極電圧の大きさの差をなくすことができ、この差に起因するコントラストのばらつきやフリッカを解消することができる。
【0032】
次に、第3の実施形態について説明する。図8は、第3の実施形態にかかる表示パネルの平面図であり、図9は、その等価回路図である。第1の実施形態と同様の構成については、同じ番号を付し、説明を省略する。本実施形態において、ドレインライン5及び画素電極6の配置は第1及び第2の実施形態と同様である。
【0033】
本実施形態が、第1及び第2の実施形態と異なる点は、ゲートライン7が、画素電極の中央部分に、第1の補助容量ライン8a及び第2の補助容量ライン8bの間に挟まれるように配置されているという点である。また、各画素領域において、ゲートライン7と一体的に形成され、TFT9を構成するゲート電極は、ゲートライン7を境界線として、補助容量電極10xが配置されている方の領域に形成されている。
【0034】
第2の実施形態では、本来必要な補助容量電極に加えてダミー配線が設けられていたため、パターンの複雑化及び開口率の低下を招いていた。しかし、本実施形態では、ゲートライン7が第1の補助容量ライン8a及び第2の補助容量ライン8bの間に配置されていることにより、全ての補助容量電極10xが、補助容量を構成する第1の補助容量ライン8aもしくは第2の補助容量ライン8bのいずれかにのみ重畳するため、重畳部分13及び重畳部分13’そのものをなくし、重畳部分に発生する寄生容量CPARをも解消することができる。さらに、本実施形態では、第2の補助容量ライン8bとTFT9との間の距離を短縮して配線抵抗を小さくすることができる。そして、第1の実施形態における補助容量電極10zや第2の実施形態におけるダミー配線14の形成に要する半導体層の面積を削減することができるため、開口率が向上する。
【0035】
なお、各実施形態において、ダブルゲート型のTFTを例示したが、本発明はこれに限定されず、ゲート電極は1つでもそれ以上でも構わない。また、補助容量ラインをゲートラインと同じ層に形成していたが、補助容量ラインをゲートラインと別の層に形成しても、本発明を実施することができる。
【0036】
さらに、各実施形態において、アクティブマトリクス型液晶表示装置を例示してきたが、本発明はこれに限定されず、アクティブマトリクス型のEL表示装置にも適用することができる。
【0037】
【発明の効果】
本発明は、アクティブマトリクス型表示装置を、第1の基板上に形成される画素電極と、画素電極に接続されるスイッチング素子と、画素電極が形成される画素領域ごとに配置される補助容量電極と、複数の画素電極に対応して配置される第1の補助容量ラインとが対向してなる第1の補助容量と、複数の画素電極に対応して配置される第2の補助容量ラインと、補助容量電極とが対向してなる第2の補助容量とを有する構成とし、1フレーム期間ごとにその極性が反転する第1のビデオ信号電圧もしくは、第1のビデオ信号とは逆の極性を有する第2のビデオ信号電圧のいずれかを、画素電極に印加することによって表示を行うことにより、補助容量ラインによる、いわゆるドット反転駆動を実現することができるアクティブマトリクス型表示装置の駆動方法である。そして、スイッチング素子がオンとなる期間には、第1の補助容量を構成する補助容量電極に対して、第1のビデオ信号電圧を供給すると同時に、第2の補助容量を構成する補助容量電極に対して、第2のビデオ信号電圧を供給するが、スイッチング素子がオフとなる動作を行うときに、第1及び第2の補助容量に供給された電圧が流出してしまう。しかし、スイッチング素子がオフとなる期間には、第1の補助容量ラインに対して、第1の補助容量が保持する電圧の極性へレベルが変化する第1の補助容量電圧を供給すると同時に、補助容量電極に対向する第2の補助容量ラインに対して、第1の補助容量電圧とは逆の極性を有し、第1の補助容量が保持する電圧の極性へレベルが変化する第2の補助容量電圧を供給することにより、スイッチング素子のオフ動作によって変動した第1及び第2の補助容量が保持する電圧を補填し、増幅することができる。
【0038】
また、上記の構成のアクティブマトリクス型表示装置で、1フレーム期間ごとにその極性が反転する第1のビデオ信号電圧もしくは、第1のビデオ信号とは逆の極性を有する第2のビデオ信号電圧のいずれかを、画素電極及び補助容量電極に印加することによって表示を行うアクティブマトリクス型表示装置の駆動方法において、スイッチング素子がオンとなる期間には、第1の補助容量が配置される画素電極及び第1の補助容量を構成する補助容量電極に対しては第1のビデオ信号電圧を供給し、第2の補助容量が配置される画素電極及び前記第2の補助容量を構成する補助容量電極に対しては第2のビデオ信号電圧を供給し、スイッチング素子がオフとなる期間には、第1の補助容量ラインに供給される第1の補助容量電圧が、第1のビデオ信号電圧と同じ極性へレベルが変化し、第2の補助容量ラインにされる第2の補助容量電圧が、第2のビデオ信号電圧と同じ極性へレベルが変化することによって、スイッチング素子のオフ動作によって変動した第1及び第2の補助容量が保持する電圧を補填し、さらに増幅することができる。
【0039】
また、上記の構成のアクティブマトリクス型表示装置で、1フレーム期間ごとにその極性が反転する第1のビデオ信号電圧もしくは、前記第1のビデオ信号とは逆の極性を有する第2のビデオ信号電圧のいずれかを、画素電極に印加することによって表示を行うアクティブマトリクス型表示装置の駆動方法において、スイッチング素子がオンとなる期間には、第1の補助容量が配置される画素電極及び第1の補助容量を構成する補助容量電極に対しては第1のビデオ信号電圧を、第1の補助容量ラインに対しては第1のビデオ信号電圧とは逆の極性を有する第1の補助容量電圧を供給し、第2の補助容量が配置される画素電極及び前記第2の補助容量を構成する補助容量電極に対しては第2のビデオ信号電圧を、第2の補助容量ラインに対しては第2のビデオ信号電圧とは逆の極性を有する第2の補助容量電圧を供給し、スイッチング素子がオフとなる期間には、第1の補助容量電圧が第1のビデオ信号電圧と同じ極性へレベルが変化し、第2の補助容量電圧が第2のビデオ信号電圧と同じ極性へレベルが変化することにより、スイッチング素子のオフ動作によって変動した第1及び第2の補助容量が保持する電圧を補填した上、さらに増幅することができる。
【0040】
さらに、このアクティブマトリクス型表示装置には、第2の基板上に共通電極が配置され、この共通電極に対して一定の電圧を印加することにより、面積の大きな共通電極の電圧の変動がなくなるため、より低い電圧及び消費電力によってアクティブマトリクス型表示装置を駆動することができる。
【0041】
さらに、スイッチング素子のオフ期間において、スイッチング素子がオフした直後に、第1及び第2の補助容量電圧のレベルがすることにより、スイッチング素子のオフ動作による影響を受けにくく、第1及び第2の補助容量の保持する電圧の変動が少ないうちに変動した補助容量の電荷を補填することができるため、より多くの電荷を第1及び第2の補助容量の保持する電圧を増幅するために用いることができる。
【0042】
その結果、低消費電力で、表示品位の高いアクティブマトリクス型表示装置を提供することができる。
【図面の簡単な説明】
【図1】アクティブマトリクス型表示装置の表示パネルの平面図である。
【図2】本発明の第1の実施形態にかかる表示パネルの平面図である。
【図3】本発明の第1の実施形態にかかる表示パネルの等価回路図である。
【図4】本発明の第1の実施形態にかかる表示パネルにおける各信号の関係を示すタイミングチャートである。
【図5】本発明の第1の実施形態にかかる表示装置の駆動方法を示す信号波形図である。
【図6】本発明の第2の実施形態にかかる表示パネルの平面図である。
【図7】本発明の第2の実施形態にかかる表示パネルの等価回路図である。
【図8】本発明の第3の実施形態にかかる表示パネルの平面図である。
【図9】本発明の第3の実施形態にかかる表示パネルの等価回路図である。
【図10】従来の表示パネルの等価回路図である。
【図11】従来の表示装置の駆動方法を示す信号波形図である。
【図12】垂直反転駆動及びドット反転駆動を示す概念図である。
【符号の説明】
1:表示パネル
2:ドレインドライバ
3:ゲートドライバ
4:表示領域
5:ドレインライン
6:画素電極
7:ゲートライン
8a:第1の補助容量ライン
8b:第2の補助容量ライン
9:TFT
10a:第1の補助容量
10b:第2の補助容量
11:対向電極
12:液晶容量
13,13’:重畳部分
14:ダミー配線
105:ドレインライン
107:ゲートライン
108:補助容量ライン
109:TFT
110:補助容量
111:対向電極
112:液晶容量[0001]
 BACKGROUND OF THE INVENTION
 The present invention relates to a method for driving an active matrix display device.
 [0002]
 [Prior art]
 In an active matrix display device that supplies each image signal to a separate pixel electrode via a switching element such as a thin film transistor (TFT), AC driving for applying an AC potential to the counter electrode and the auxiliary capacitor is performed. Thus, the deterioration of the liquid crystal is prevented, and at the same time, the potential difference between the positive and negative polarity of the video signal input to the drain driver is reduced, and the current and voltage of the drain driver are reduced, thereby realizing low power consumption.
 [0003]
 However, in the horizontal inversion counter electrode AC driving that inverts the video signal polarity applied to each drain line every horizontal period, the polarity of the voltage of the counter electrode and all the auxiliary capacitance lines is inverted every horizontal period. Capacitive loads in all auxiliary capacity lines and the power consumption due to them were still large.
 [0004]
 Therefore, in order to realize further reduction in power consumption, by reversing the polarity of the voltage of the auxiliary capacitor, the power consumption can be remarkably reduced by making the counter electrode voltage constant, and at the same time, the video signal Japanese Patent Laid-Open No. 12-81606 discloses a driving method (hereinafter referred to as “SC driving”) in which the potential difference between the positive and negative electrodes is reduced and the current and voltage of the drain driver are reduced. Hereinafter, an active matrix liquid crystal display device using SC drive will be described.
 [0005]
 FIG. 10 is an equivalent circuit diagram of a display panel in an active matrix liquid crystal display device using SC drive. The
 [0006]
 FIG. 11 shows a signal waveform for driving a display panel focusing on one pixel. Here, the gate voltage VG , Pixel voltage VP , Source voltage VS , Video signal voltage VD , Auxiliary capacitance voltage VSC , Counter electrode voltage VCOM It is shown. Gate voltage VG Has an ON period once in one frame. The gate voltage V applied to the
 [0007]
 Each
 [0008]
 Auxiliary capacitance voltage VSC , The charge redistribution between the
 [0009]
 Usually, the
 [0010]
 Now, as the number of pixels increases, the plurality of
 [0011]
 In particular, when a large or high-definition display panel is driven dot-sequentially, dozens of
 [0012]
 [Problems to be solved by the invention]
 In order to prevent capacitive coupling and image unevenness due to this, voltages having different polarities are applied to pixel electrodes adjacent in the gate line direction, and voltages having the same polarity are applied to pixel electrodes adjacent in the drain line direction. The vertical inversion driving as shown in FIG. 12A or the dot inversion driving in which the reverse polarity is applied to all the pixels adjacent to the upper, lower, left, and right as shown in FIG. 12B can be considered. In either driving method, in order to prevent deterioration of the liquid crystal, a voltage having a polarity opposite to that of the previous frame is applied every frame. In order to prevent capacitive coupling more effectively, it is conceivable to reduce the number of adjacent pixel electrodes to which the same polarity voltage is applied. Therefore, an object of the present invention is to realize so-called dot inversion by applying voltages having different polarities to each adjacent pixel electrode or electrodes in SC driving.
 [0013]
 [Means for Solving the Problems]
 The present invention has been made to achieve the above object, and includes a plurality of pixel electrodes arranged in a matrix on a first substrate, switching elements connected to the pixel electrodes, and the pixels. Auxiliary capacitance electrodes arranged for each pixel region where electrodes are arranged, first and second auxiliary capacitance lines arranged corresponding to the pixel electrodes in each row, and the first or second auxiliary capacitance A first video signal voltage having a first and a second auxiliary capacitor in which one of the lines and the auxiliary capacitor electrode are opposed to each other, the polarity of which is inverted every frame period, or the first video In the driving method of an active matrix display device for performing display by applying any one of the second video signal voltages having the opposite polarity to the signal to the pixel electrode and the auxiliary capacitance electrode, The first and second auxiliary capacitors are supplied to the first and second auxiliary capacitor lines by supplying first and second auxiliary capacitor voltages whose levels change during the period when the switching element is turned off. This is a method for driving an active matrix display device that amplifies the voltage held by.
 [0014]
 Alternatively, a plurality of pixel electrodes arranged in a matrix on the first substrate, a switching element connected to each of the pixel electrodes, and an auxiliary capacitance electrode arranged for each pixel region where the pixel electrode is arranged And first and second auxiliary capacitance lines arranged corresponding to the pixel electrodes in each row, and either the first or second auxiliary capacitance line and the auxiliary capacitance electrode are opposed to each other. And a second auxiliary capacitor, and a first video signal voltage whose polarity is inverted every frame period or a second video signal voltage having a polarity opposite to that of the first video signal. In the driving method of the active matrix display device that performs display by applying the voltage to the pixel electrode and the auxiliary capacitance electrode, the switching element is turned on during the period when the switching element is on. The pixel electrode in which the auxiliary capacitance is arranged and the pixel electrode in which the second auxiliary capacitance is arranged by supplying the first video signal voltage to the auxiliary capacitance electrode constituting the first auxiliary capacitance In addition, the second video signal voltage is supplied to the auxiliary capacitance electrode constituting the second auxiliary capacitance, and is supplied to the first auxiliary capacitance line during a period in which the switching element is turned off. The first auxiliary capacitance voltage changes in level to the same polarity as the first video signal voltage, and the second auxiliary capacitance voltage supplied to the second auxiliary capacitance line is the second video signal. This is a driving method of an active matrix display device that amplifies the voltage held by the first and second auxiliary capacitors by changing the level to the same polarity as the voltage.
 [0015]
 Alternatively, a plurality of pixel electrodes arranged in a matrix on the first substrate, a switching element connected to each of the pixel electrodes, and an auxiliary capacitance electrode arranged for each pixel region where the pixel electrode is formed And first and second auxiliary capacitance lines arranged corresponding to the pixel electrodes of each row, a first auxiliary capacitance formed by the first auxiliary capacitance line and the auxiliary capacitance electrode facing each other, A second auxiliary capacitance formed by the second auxiliary capacitance line and the auxiliary capacitance electrode facing each other; and a first video signal voltage whose polarity is inverted every frame period, or the first auxiliary capacitance line In the driving method of the active matrix display device for performing display by applying any one of the second video signal voltages having the opposite polarity to the video signal to the pixel electrode, the switching element During the on-period, the first video signal voltage is applied to the pixel electrode in which the first auxiliary capacitor is disposed and the auxiliary capacitor electrode constituting the first auxiliary capacitor. A first auxiliary capacitance voltage having a polarity opposite to that of the first video signal voltage is supplied to the auxiliary capacitance line, and a pixel electrode on which the second auxiliary capacitance is arranged and the second auxiliary capacitance The second auxiliary capacitance having the opposite polarity to the second video signal voltage for the auxiliary capacitance electrode and the second auxiliary capacitance line for the second auxiliary capacitance line. In the period when the voltage is supplied and the switching element is turned off, the level of the first auxiliary capacitance voltage changes to the same polarity as the first video signal voltage, and the second auxiliary capacitance voltage is Level to the same polarity as the video signal voltage of 2 By changing a driving method of an active matrix display device which amplifies the voltage of the first and second auxiliary capacitance is maintained.
 [0016]
 Further, in the active matrix display device, a common electrode is disposed on a second substrate, and a constant voltage is applied to the common electrode. It is.
 [0017]
 Further, in the driving method of the active matrix display device, the level of the first and second auxiliary capacitance voltages changes immediately after the switching element is turned off during the period when the switching element is turned off.
 [0018]
 DETAILED DESCRIPTION OF THE INVENTION
 A first embodiment will be described. FIG. 1 is a plan view of a display panel in an active matrix display device, FIG. 2 is a plan view of the display panel according to the first embodiment, and FIG. 3 is an equivalent circuit diagram thereof.
 [0019]
 First, in FIG. 1, the
 [0020]
 As shown in FIGS. 2 and 3, in the
 [0021]
 As shown in FIG. 1, the
 [0022]
 Next, a driving method will be described. FIG. 4 is a timing chart showing the relationship between signals in the display panel. This is the timing of voltage change in the vertical start signal STV and the gate signal GV, the horizontal start signal STH and the horizontal clock signal CKH, and the potential SCa of the first
 [0023]
 First, the pulse of the gate signal GV1 rises in response to the fall of the pulse of the vertical start signal STV, the gate signal GV1 is supplied to the
 [0024]
 FIG. 5 is a signal waveform diagram showing a driving method of the display device according to the first embodiment, and shows a signal waveform between one frame in a pixel region adjacent in the gate line direction. 5A shows a signal waveform of the first
 [0025]
 The active matrix display device according to the present embodiment includes an auxiliary capacitor arranged for each pixel region in which pixel electrodes are formed and an auxiliary capacitor electrode formed integrally with a plurality of pixel electrodes arranged in the row direction and arranged in the row direction. The first video signal voltage having first and second auxiliary capacitance lines connected to every other frame, the polarity of which is inverted every frame period, and the polarity opposite to the first video signal voltage By performing display by applying any one of the second video signal voltages having the above to the pixel electrode via the switching element, so-called dot inversion driving by the auxiliary capacitance line can be realized. In the active matrix display device, the first auxiliary signal having the first auxiliary capacitor line is supplied to the first auxiliary capacitor having the first auxiliary capacitor line and the second auxiliary capacitor at the same time as the switching element is turned on. A second video signal voltage is supplied to a second auxiliary capacitor having a line, but when the switching element is turned off, the voltage supplied to the first and second auxiliary capacitors flows out. End up. However, in this active matrix display device, the first auxiliary capacitance voltage whose level changes to the polarity of the voltage held by the first auxiliary capacitance is applied to the first auxiliary capacitance line during the period when the switching element is turned off. The second auxiliary capacitance line is supplied with a second auxiliary capacitance voltage having a polarity opposite to that of the first auxiliary capacitance voltage and whose level changes to the polarity of the voltage held by the first auxiliary capacitance. By supplying, it is possible to compensate for the voltages of the first and second auxiliary capacitors that have fluctuated due to the OFF operation of the switching element, and to amplify the voltage supplied to the first and second auxiliary capacitors. it can.
 [0026]
 In the present embodiment, by performing dot inversion driving, the influence of the adjacent video signal voltage is eliminated and image unevenness due to capacitive coupling is prevented. Further, the amplitude of the video signal voltage is narrowed by applying either the first or second auxiliary capacitance voltage to the first and second auxiliary capacitance lines during the period when the switching element is turned off. Therefore, power consumption can be reduced.
 [0027]
 In the present embodiment, the first and second auxiliary capacitance lines are configured to have auxiliary capacitance electrodes alternately in the row direction in units of one pixel electrode in order to reduce image unevenness and flicker as much as possible. However, the present invention is not limited to this, and a configuration may be adopted in which auxiliary capacitor electrodes are alternately provided in units of a plurality of columns of continuous pixel electrodes. For example, three pixel electrodes for displaying RGB primary colors may be used as one unit, and each unit may have an auxiliary capacitance electrode in either the first or second auxiliary capacitance line.
 [0028]
 By the way, in the present embodiment, as shown in FIG. 2, the first
 [0029]
 Therefore, a second embodiment will be described. In the second embodiment, the parasitic capacitance CPAR Is to solve the problem caused by being formed only in the second
 [0030]
 The present embodiment is different from the first embodiment in that a
 [0031]
 In the first embodiment, the parasitic capacitance C only in the overlapping
 [0032]
 Next, a third embodiment will be described. FIG. 8 is a plan view of a display panel according to the third embodiment, and FIG. 9 is an equivalent circuit diagram thereof. The same components as those in the first embodiment are denoted by the same reference numerals and description thereof is omitted. In the present embodiment, the arrangement of the
 [0033]
 The present embodiment is different from the first and second embodiments in that the
 [0034]
 In the second embodiment, since dummy wiring is provided in addition to the originally required auxiliary capacitance electrode, the pattern is complicated and the aperture ratio is reduced. However, in the present embodiment, since the
 [0035]
 In each embodiment, a double gate type TFT is exemplified, but the present invention is not limited to this, and the number of gate electrodes may be one or more. Further, although the auxiliary capacitance line is formed in the same layer as the gate line, the present invention can be implemented even if the auxiliary capacitance line is formed in a layer different from the gate line.
 [0036]
 Furthermore, in each embodiment, the active matrix type liquid crystal display device has been exemplified, but the present invention is not limited to this, and can be applied to an active matrix type EL display device.
 [0037]
 【The invention's effect】
 The present invention relates to an active matrix display device in which a pixel electrode formed on a first substrate, a switching element connected to the pixel electrode, and an auxiliary capacitance electrode arranged for each pixel region in which the pixel electrode is formed. A first auxiliary capacitance formed by facing a first auxiliary capacitance line arranged corresponding to the plurality of pixel electrodes, and a second auxiliary capacitance line arranged corresponding to the plurality of pixel electrodes, And a second auxiliary capacitor that is opposed to the auxiliary capacitor electrode, and has a first video signal voltage whose polarity is inverted every frame period or a polarity opposite to that of the first video signal. An active matrix type capable of realizing so-called dot inversion driving by an auxiliary capacitance line by performing display by applying one of the second video signal voltages to the pixel electrode A driving method shown apparatus. Then, during the period when the switching element is turned on, the first video signal voltage is supplied to the auxiliary capacitance electrode constituting the first auxiliary capacitance, and at the same time, the auxiliary capacitance electrode constituting the second auxiliary capacitance is applied to the auxiliary capacitance electrode. On the other hand, the second video signal voltage is supplied. However, when the switching element is turned off, the voltage supplied to the first and second auxiliary capacitors flows out. However, during the period in which the switching element is turned off, the first auxiliary capacitance voltage whose level changes to the polarity of the voltage held by the first auxiliary capacitance is supplied to the first auxiliary capacitance line at the same time. Second auxiliary capacitance line opposite to the first auxiliary capacitance voltage with respect to the second auxiliary capacitance line facing the capacitance electrode, and the level changes to the polarity of the voltage held by the first auxiliary capacitance By supplying the capacitance voltage, it is possible to compensate and amplify the voltage held by the first and second auxiliary capacitances that fluctuated due to the off operation of the switching element.
 [0038]
 Further, in the active matrix display device having the above structure, the first video signal voltage whose polarity is inverted every frame period or the second video signal voltage having the opposite polarity to the first video signal. In the driving method of an active matrix display device that performs display by applying any one to the pixel electrode and the auxiliary capacitance electrode, the pixel electrode in which the first auxiliary capacitance is arranged and the switching element are turned on during the period when the switching element is on A first video signal voltage is supplied to the auxiliary capacitance electrode constituting the first auxiliary capacitance, and the pixel electrode in which the second auxiliary capacitance is arranged and the auxiliary capacitance electrode constituting the second auxiliary capacitance. On the other hand, during the period when the second video signal voltage is supplied and the switching element is turned off, the first auxiliary capacitance voltage supplied to the first auxiliary capacitance line is the first video signal voltage. The level is changed to the same polarity as the signal voltage, and the second auxiliary capacitance voltage set to the second auxiliary capacitance line is changed to the same polarity as the second video signal voltage, so that the switching element is turned off. It is possible to compensate for and further amplify the voltage held by the first and second auxiliary capacitors that have been changed by the operation.
 [0039]
 In the active matrix display device having the above-described configuration, the first video signal voltage whose polarity is inverted every frame period or the second video signal voltage having the opposite polarity to the first video signal. In the driving method of the active matrix display device that performs display by applying any of the above to the pixel electrode, the pixel electrode in which the first auxiliary capacitor is arranged and the first electrode are provided during the period when the switching element is on. A first video signal voltage is applied to the auxiliary capacitance electrode constituting the auxiliary capacitance, and a first auxiliary capacitance voltage having a polarity opposite to that of the first video signal voltage is applied to the first auxiliary capacitance line. The second video signal voltage is supplied to the pixel electrode on which the second auxiliary capacitor is provided and the auxiliary capacitor electrode constituting the second auxiliary capacitor, and the second auxiliary capacitor line is supplied to the second auxiliary capacitor line. Supplies a second auxiliary capacitance voltage having a polarity opposite to that of the second video signal voltage, and the first auxiliary capacitance voltage has the same polarity as the first video signal voltage during a period when the switching element is turned off. The voltage held by the first and second auxiliary capacitors that have been changed due to the OFF operation of the switching element due to the change in level to the same polarity as the second video signal voltage. Can be further amplified.
 [0040]
 Further, in this active matrix display device, a common electrode is arranged on the second substrate, and by applying a constant voltage to the common electrode, fluctuations in the voltage of the common electrode having a large area are eliminated. Therefore, the active matrix display device can be driven with a lower voltage and power consumption.
 [0041]
 Further, in the OFF period of the switching element, immediately after the switching element is turned off, the first and second auxiliary capacitance voltages are leveled so that the switching element is less affected by the OFF operation. Since the charge of the auxiliary capacitor that has fluctuated while the fluctuation of the voltage held by the auxiliary capacitor is small can be compensated, more charge is used to amplify the voltage held by the first and second auxiliary capacitors. Can do.
 [0042]
 As a result, an active matrix display device with low power consumption and high display quality can be provided.
 [Brief description of the drawings]
 FIG. 1 is a plan view of a display panel of an active matrix display device.
 FIG. 2 is a plan view of the display panel according to the first embodiment of the present invention.
 FIG. 3 is an equivalent circuit diagram of the display panel according to the first embodiment of the present invention.
 FIG. 4 is a timing chart showing the relationship between signals in the display panel according to the first embodiment of the present invention.
 FIG. 5 is a signal waveform diagram showing a driving method of the display device according to the first embodiment of the present invention.
 FIG. 6 is a plan view of a display panel according to a second embodiment of the present invention.
 FIG. 7 is an equivalent circuit diagram of a display panel according to the second embodiment of the present invention.
 FIG. 8 is a plan view of a display panel according to a third embodiment of the present invention.
 FIG. 9 is an equivalent circuit diagram of a display panel according to a third embodiment of the present invention.
 FIG. 10 is an equivalent circuit diagram of a conventional display panel.
 FIG. 11 is a signal waveform diagram illustrating a driving method of a conventional display device.
 FIG. 12 is a conceptual diagram showing vertical inversion driving and dot inversion driving.
 [Explanation of symbols]
 1: Display panel
 2: Drain driver
 3: Gate driver
 4: Display area
 5: Drain line
 6: Pixel electrode
 7: Gate line
 8a: first auxiliary capacity line
 8b: Second auxiliary capacity line
 9: TFT
 10a: first auxiliary capacity
 10b: second auxiliary capacity
 11: Counter electrode
 12: Liquid crystal capacity
 13, 13 ': Overlapping part
 14: Dummy wiring
 105: Drain line
 107: Gate line
 108: Auxiliary capacity line
 109: TFT
 110: Auxiliary capacity
 111: Counter electrode
 112: Liquid crystal capacity
| Application Number | Priority Date | Filing Date | Title | 
|---|---|---|---|
| JP2001350509AJP3960780B2 (en) | 2001-11-15 | 2001-11-15 | Driving method of active matrix display device | 
| TW91137567ATW573291B (en) | 2001-11-15 | 2002-12-27 | Active matrix type display device | 
| Application Number | Priority Date | Filing Date | Title | 
|---|---|---|---|
| JP2001350509AJP3960780B2 (en) | 2001-11-15 | 2001-11-15 | Driving method of active matrix display device | 
| Publication Number | Publication Date | 
|---|---|
| JP2003150127A JP2003150127A (en) | 2003-05-23 | 
| JP3960780B2true JP3960780B2 (en) | 2007-08-15 | 
| Application Number | Title | Priority Date | Filing Date | 
|---|---|---|---|
| JP2001350509AExpired - LifetimeJP3960780B2 (en) | 2001-11-15 | 2001-11-15 | Driving method of active matrix display device | 
| Country | Link | 
|---|---|
| JP (1) | JP3960780B2 (en) | 
| Publication number | Priority date | Publication date | Assignee | Title | 
|---|---|---|---|---|
| KR100678553B1 (en) | 2002-10-29 | 2007-02-06 | 도시바 마쯔시따 디스플레이 테크놀로지 컴퍼니, 리미티드 | Flat display | 
| US7079100B2 (en) | 2002-12-20 | 2006-07-18 | Sanyo Electric Co., Ltd. | Active matrix type display | 
| JP2005156764A (en)* | 2003-11-25 | 2005-06-16 | Sanyo Electric Co Ltd | Display device | 
| JP2005250132A (en) | 2004-03-04 | 2005-09-15 | Sanyo Electric Co Ltd | Active matrix type liquid crystal liquid crystal device | 
| JP2005257929A (en)* | 2004-03-10 | 2005-09-22 | Sanyo Electric Co Ltd | Active matrix display device | 
| JP4761828B2 (en)* | 2004-05-21 | 2011-08-31 | 三洋電機株式会社 | Display device | 
| JP2006011393A (en)* | 2004-05-21 | 2006-01-12 | Sanyo Electric Co Ltd | Display device | 
| CN100472303C (en)* | 2004-05-21 | 2009-03-25 | 三洋电机株式会社 | display device | 
| JP4738055B2 (en)* | 2004-05-21 | 2011-08-03 | 三洋電機株式会社 | Liquid crystal display | 
| JP2006011405A (en)* | 2004-05-21 | 2006-01-12 | Sanyo Electric Co Ltd | Display device | 
| TWI297793B (en) | 2004-05-21 | 2008-06-11 | Sanyo Electric Co | Liquid crystal display device | 
| JP4753618B2 (en)* | 2004-05-21 | 2011-08-24 | 三洋電機株式会社 | Display device | 
| JP4794157B2 (en)* | 2004-11-22 | 2011-10-19 | 三洋電機株式会社 | Display device | 
| JP2006154088A (en) | 2004-11-26 | 2006-06-15 | Sanyo Electric Co Ltd | Active matrix type liquid crystal display device | 
| JP4969037B2 (en)* | 2004-11-30 | 2012-07-04 | 三洋電機株式会社 | Display device | 
| JP2006154545A (en)* | 2004-11-30 | 2006-06-15 | Sanyo Electric Co Ltd | Liquid crystal display device | 
| KR100712118B1 (en)* | 2005-02-23 | 2007-04-27 | 삼성에스디아이 주식회사 | Liquid crystal display device and dot driving method | 
| CN100495515C (en)* | 2005-11-02 | 2009-06-03 | 中华映管股份有限公司 | Driving method of thin film liquid crystal display | 
| JP4192980B2 (en)* | 2006-09-01 | 2008-12-10 | エプソンイメージングデバイス株式会社 | Electro-optical device, drive circuit, and electronic device | 
| JP4254824B2 (en) | 2006-09-01 | 2009-04-15 | エプソンイメージングデバイス株式会社 | Electro-optical device, drive circuit, and electronic device | 
| JP2008083320A (en)* | 2006-09-27 | 2008-04-10 | Seiko Epson Corp | Electro-optical device, driving method thereof, and electronic apparatus | 
| TWI514347B (en) | 2006-09-29 | 2015-12-21 | Semiconductor Energy Lab | Display device and electronic device | 
| JP2010008576A (en)* | 2008-06-25 | 2010-01-14 | Toshiba Mobile Display Co Ltd | Liquid crystal display, and method of driving liquid crystal display | 
| JP4811445B2 (en)* | 2008-10-16 | 2011-11-09 | ソニー株式会社 | Electro-optical device, drive circuit, and electronic device | 
| KR101613701B1 (en) | 2009-12-25 | 2016-04-19 | 가부시키가이샤 한도오따이 에네루기 켄큐쇼 | Method for driving liquid crystal display device | 
| JP2011191773A (en)* | 2011-04-28 | 2011-09-29 | Sanyo Electric Co Ltd | Display device | 
| WO2013031552A1 (en)* | 2011-08-26 | 2013-03-07 | シャープ株式会社 | Liquid-crystal display device and method for driving same | 
| US9754547B2 (en)* | 2013-05-29 | 2017-09-05 | Sakai Display Products Corporation | Display apparatus | 
| Publication number | Publication date | 
|---|---|
| JP2003150127A (en) | 2003-05-23 | 
| Publication | Publication Date | Title | 
|---|---|---|
| JP3960780B2 (en) | Driving method of active matrix display device | |
| JP3960781B2 (en) | Active matrix display device | |
| US7903072B2 (en) | Electro-optical device, driving circuit, and electronic apparatus for decreasing frame size | |
| KR101026802B1 (en) | LCD and its driving method | |
| JP5483517B2 (en) | Liquid crystal display | |
| KR101018755B1 (en) | Liquid crystal display | |
| US7928941B2 (en) | Electro-optical device, driving circuit and electronic apparatus | |
| KR100668544B1 (en) | Liquid crystal display | |
| JP2007025644A (en) | Liquid crystal display panel driving method, liquid crystal display panel using the driving method, and driving module used for driving the liquid crystal display panel | |
| JP3063670B2 (en) | Matrix display device | |
| US9542897B2 (en) | Gate signal line drive circuit and display device | |
| JPH07318901A (en) | Active matrix liquid crystal display device and driving method thereof | |
| US7463232B2 (en) | Thin film transistor LCD structure and driving method thereof | |
| JP2005010282A (en) | Image display device | |
| JP3128965B2 (en) | Active matrix liquid crystal display | |
| US7079100B2 (en) | Active matrix type display | |
| JP2005250132A (en) | Active matrix type liquid crystal liquid crystal device | |
| JP5418388B2 (en) | Liquid crystal display | |
| KR100701137B1 (en) | Active matrix display | |
| KR100538720B1 (en) | Active matrix display device | |
| JP2005128101A (en) | Liquid crystal display device | |
| WO2010125716A1 (en) | Display device and drive method for display devices | |
| JP2011164236A (en) | Display device | |
| JPH08328515A (en) | Image display device | |
| JP5092375B2 (en) | Liquid crystal display device, driving method thereof, and adjustment method of liquid crystal display device | 
| Date | Code | Title | Description | 
|---|---|---|---|
| A621 | Written request for application examination | Free format text:JAPANESE INTERMEDIATE CODE: A621 Effective date:20041108 | |
| RD01 | Notification of change of attorney | Free format text:JAPANESE INTERMEDIATE CODE: A7421 Effective date:20051226 | |
| A977 | Report on retrieval | Free format text:JAPANESE INTERMEDIATE CODE: A971007 Effective date:20070115 | |
| A131 | Notification of reasons for refusal | Free format text:JAPANESE INTERMEDIATE CODE: A131 Effective date:20070123 | |
| A521 | Written amendment | Free format text:JAPANESE INTERMEDIATE CODE: A523 Effective date:20070326 | |
| TRDD | Decision of grant or rejection written | ||
| A01 | Written decision to grant a patent or to grant a registration (utility model) | Free format text:JAPANESE INTERMEDIATE CODE: A01 Effective date:20070417 | |
| A61 | First payment of annual fees (during grant procedure) | Free format text:JAPANESE INTERMEDIATE CODE: A61 Effective date:20070515 | |
| R151 | Written notification of patent or utility model registration | Ref document number:3960780 Country of ref document:JP Free format text:JAPANESE INTERMEDIATE CODE: R151 | |
| FPAY | Renewal fee payment (event date is renewal date of database) | Free format text:PAYMENT UNTIL: 20110525 Year of fee payment:4 | |
| FPAY | Renewal fee payment (event date is renewal date of database) | Free format text:PAYMENT UNTIL: 20120525 Year of fee payment:5 | |
| FPAY | Renewal fee payment (event date is renewal date of database) | Free format text:PAYMENT UNTIL: 20130525 Year of fee payment:6 | |
| FPAY | Renewal fee payment (event date is renewal date of database) | Free format text:PAYMENT UNTIL: 20130525 Year of fee payment:6 | |
| R250 | Receipt of annual fees | Free format text:JAPANESE INTERMEDIATE CODE: R250 | |
| EXPY | Cancellation because of completion of term |