










【0001】
【発明の属する技術分野】
この発明は、チューブ用液体センサーに関し、とくに液体を送給する微細チューブ中の液体の有無や気泡の有無を検知するセンサーに関する。
【0002】
【従来の技術】
従来、この種のセンサーは、例えば、分析装置の送液チューブ内に液体が存在するか否かを判別するような場合に用いられる。そして、発光素子と受光素子との間に透光性チューブを設けチューブを透過する光の屈折が液体の有無によって異なることを利用して受光素子を特定の位置に設置するもの、つまり、発光素子がチューブの特定の位置に光を照射するとき、チューブ内に液体が存在しないときにチューブからの光を受光し、かつ、液体が存在するときにチューブからの光を受光しない位置に受光素子を配置して、チューブ内の液体の有無を検出するようにしたものが知られている(例えば、特開平4−42022号公報や特開平1−96515号公報参照)。
【0003】
【発明が解決しようとする課題】
しかしながら、チューブのサイズが発光素子の発光部や受光素子の受光部のサイズより小さくなると、発光素子によってチューブの特定の位置を照射したり、受光素子を液体の存在しないときのみチューブの透過光を受光する位置に配置することが困難になる。つまり、受光素子の位置を調整しても液体の有無に対する受光量の変化が小さいので、受光素子が液体の有無を明瞭に判別することが難しくなるという問題点があった。
【0004】
この発明は、このような事情を考慮してなされたもので、チューブの前後に適当なスリット部材を設置することにより、チューブが発光および受光素子のサイズに対して微細なサイズであっても、チューブ内の液体の有無を明瞭に検出することが可能な液体センサーを提供するものである。
【0005】
【課題を解決するための手段】
      この発明は、発光素子から受光素子への光路中に透光性チューブが配置されるように互いに対向して設けられた発光および受光素子と、発光素子と前記チューブとの間および前記チューブと受光素子との間にそれぞれ配置されるスリット部材を備え、各スリット部材は、前記チューブを透過する発光素子からの光をチューブ内の液体の有無に対応して選択的に受光素子へ通過させるよう配置され、
発光素子側のスリット部材は、発光素子からの光をチューブに導くための発光素子側スリットを備えるとともにチューブの中心からずれた部分に光を照射するように配置され、受光素子側のスリット部材は、チューブからの光を受光素子に導くための受光素子側スリットを備え、この受光素子側スリットはチューブ側のスリット幅に比べて、チューブから離れた所定の位置のスリット幅が小さくなるように段差が形成され、この段差による遮光部を備えるチューブ用液体センサーを提供するものである。
【0006】
【発明の実施の形態】
この発明における発光素子には、例えば市販の発光ダイオード(LED)やレーザダイオードを使用でき、また受光素子にはフォトダイオードやフォトトランジスタを用いることができる。
【0007】
この発明のスリット部材とは、光路中に設置され、光路の光の一部を通過させるスリット(間隙)部とその他の光の通過を阻止する遮光部とを備えるものである。
この発明のセンサーが検出対象とする液体は、屈折率が空気と異なるもの、あるいは、光を遮光するものであればいずれでもよく、例えば、水があげられる。
【0008】
この発明のセンサーの検出対象の液体を供給するチューブは、透光性(透明〜半透明)であれば特に限定されず、これには例えば、テフロンチューブのような合成樹脂チューブやガラス管などが用いられる。
【0009】
また、チューブのサイズは、発光素子の発光部や受光素子の受光部のサイズ(通常、5〜4mmφ)以下、例えば外径1〜4mmであってもよい。
【0010】
この発明において、発光素子とチューブとの間およびチューブと受光素子との間にそれぞれ配置されるスリット部材は、チューブを透過する発光素子からの光を、チューブ内の液体の有無に対応して選択的に受光素子から遮光するように配置される。
  受光素子側のスリット部材は、チューブ内に液体が存在する場合に発光素子からの光を遮光し、チューブ内に液体が存在しない場合に発光素子からの光を通過させるよう配置されてもよい。
  また、受光素子側のスリット部材は、チューブ内に液体が存在する場合に発光素子からの光を通過させ、チューブ内に液体が存在しない場合に発光素子からの光を遮光するよう配置されてもよい。
【0011】
その配置について次に説明する。図1に示すように、発光素子1から受光素子への光路中に透光性チューブ3が配置され、チューブ3内に液体が存在すると、チューブ3と液体とは一般に屈折率がほぼ等しいので、チューブ3は凸レンズのように作用して、発光素子1からの光は図1のように比較的単純に屈折して受光素子2に到達する。
【0012】
これに対して、図2のようにチューブ3内に液体が存在しない場合には、チューブの中空部を通過する光と中空部を通過しない光との屈折が大きく異なるので、発光素子1からの光は、複雑に屈折して受光素子2に到達する。その結果、図1および図2のいずれの場合でも受光素子2はほぼ等しい光量を受光することになる。
【0013】
そこで、この発明では、図3および図4に示すように発光素子1とチューブ3との間にスリット部材4を設け、チューブ3と受光素子との間にスリット部材5を設けている。
【0014】
この場合、スリット部材4は、発光素子1からの光がチューブ3の軸より片側を照射するように配置されることが好ましく、発光素子1からの光がチューブ3の軸の片側でしかもチューブ3の中空部のみに入射するように配置されることがさらに好ましい。
【0015】
そして、スリット部材5は、チューブ3の中空部に液体が存在する時には図3に示すようにチューブ3を透過した光を受光素子2から遮光し、かつ、チューブ3の中空部に液体が存在しない時には、図4に示すようにチューブ3を透過した光を受光素子2へ通過させるように配置される。
これによって、受光素子2はチューブ3内の液体の有無を明瞭に検出することができる。また、チューブ内に不透明な液体が存在する場合、光は液体によって遮光されるので液体が透明・不透明にかかわらず、液体の有無は明瞭に検出することができる。
【0016】
なお、スリット部材6は、図5、図6に示すように、チューブ3の中空部に液体が存在する時に、チューブ3を透過した光を受光素子2へ通過させ、チューブ3の中空部に液体が存在しない時にチューブ3を透過した光を受光素子2から遮光するように配置されてもよい。但し、この場合は不透明の液体の検出はできない場合もありうる。
【0017】
実施例
以下、図面に示す実施例に基づいてこの発明を詳述する。これによってこの発明が限定されるものではない。
図7および図8は、この発明の一実施例の微細チューブ用液体センサーを示す上面図および側面図であり、図9は図7の要部切り欠き断面図である。
【0018】
これらの図において、保持具14,15がその中央に貫通角孔16を形成するように外径3mmのビス17,18で互いに締結され、貫通角孔16にチューブ13が貫通して保持される。保持具14の凹部19には発光ダイオード11が挿入されて接着され、保持具15の凹部20にはフォトトランジスタ12が挿入され接着されている。
【0019】
そして、発光ダイオード11とフォトトランジスタ12は互いに対向するようチューブ13の軸に直交する直線上に配置されている。凹部19と貫通角孔16とはスリット21によって連通され、貫通角孔16と凹部20とはスリット22によって連通されている。
【0020】
ここで、保持具14、15は、ポリセアセタール樹脂を用いて機械加工によって製作され、発光ダイオード11およびフォトトランジスタ12には、それぞれ東芝製のTLN101A型(外径D1=4.7mm)およびTPS601A(外径D2=4.7mm)を使用し、チューブ13としては、外径2.0mm、内径1.2mmの透明テフロンチューブを用いている。
また、図10に示すように、スリット21は、幅W1=0.6mm、長さL2=3mmを有し、角孔16の中心から距離L1=0.1mmだけ離れて形成される。
【0021】
スリット22は、幅W2=0.8mm、長さL3=3mmを有し、角孔16の内壁面に沿って形成され、フォトトランジスタ12側から距離L4の位置にL5=0.5mmの段差を有し、幅W2が1.3mmに拡大して角孔16に連通する。つまり、スリット21、22が、図3のスリット部材4、5の有するスリットに対応するように構成されている。
【0022】
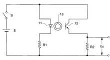
図11はこの実施例のセンサーの駆動回路図であり、スイッチSが投入されると、電源Eから直流電圧12Vが、抵抗R1を介して発光ダイオード11に、抵抗R2を介してフォトトランジスタ12に、それぞれ印加され、センサーの出力として抵抗R2の両端の電圧Vsが得られるようになっている。
【0023】
このような構成において、発光ダイオード11に51mAの電流が流れるように抵抗R1を設定し、チューブ13に水が有る場合と無い場合について電圧Vsを測定すると、水が有る場合には、Vs=0.15V、無い場合にはVs=4.0Vが得られ、このセンサーはチューブ内の水の有無を明確に検出できることが確かめられた。
【0024】
因に、図10のスリット22において段差をなくし幅W2を長さL3にわたって1.3mmにした場合には、チューブ内に水が有る場合にVs=3.2V、内場合にはVs=4.0Vが得られ、水の有無の検出が難しいことが分かった。これはチューブ内に水がある場合にも、光がスリット22の左壁面に反射してフォトトランジスタ12に届いてしまう為である。
【0025】
なお、スリット22に段差を設けるかわりに、左側の内壁面をノコ歯状凹凸面にしても良い。それによってチューブ内に液体が存在する場合の光が凹凸面によって反射されフォトトランジスタ12に入射する光が除去される。
【0026】
また、この実施例では、貫通角孔を外径2mmのチューブ用に形成しているが、さらに小径、例えば外径1.8mmのチューブに対してこのセンサーを兼用するために、外部からその突出長さが調整可能な貫通角孔内に突出するネジを設け、そのネジで貫通角孔の中心とチューブの軸が一致させて小径チューブを保持するようにしてもよい。
【0027】
さらに、この発明では、受光素子として単一の素子を用いているが、複数の微小受光素子からなるCCDラインセンサを用いることもできる。この場合、図1と図2の受光素子に入射する光のパターンをCCDラインセンサで認識するようにすれば、スリット部材を不要とすることもできる。
【0028】
【発明の効果】
この発明によれば、発光素子とチューブとの間およびチューブと受光素子との間にそれぞれスリット部材を設けたので、発光素子および受光素子のサイズよりも微細なサイズのチューブであっても、その中の液体の有無を確実に検出することができる。
【図面の簡単な説明】
【図1】この発明の原理を説明するための説明図である。
【図2】この発明の原理を説明するための説明図である。
【図3】この発明の原理を説明するための説明図である。
【図4】この発明の原理を説明するための説明図である。
【図5】この発明の原理を説明するための説明図である。
【図6】この発明の原理を説明するための説明図である。
【図7】この発明の一実施例の液体センサーを示す上面図である。
【図8】この発明の一実施例の液体センサーを示す側面図である。
【図9】この発明の一実施例の液体センサーを示す要部切り欠き断面図である。
【図10】図9の要部拡大図である。
【図11】この発明の一実施例の液体センサーの駆動回路図である。
【符号の説明】
11  発光ダイオード
12  フォトトランジスタ
13  チューブ
14  保持具
15  保持具
16  貫通角孔
17  ビス
18  ビス
19  凹部
20  凹部
21  スリット
22  スリット[0001]
 BACKGROUND OF THE INVENTION
 The present invention relates to a tube liquid sensor, and more particularly, to a sensor that detects the presence or absence of liquid or bubbles in a fine tube that feeds liquid.
 [0002]
 [Prior art]
 Conventionally, this type of sensor is used, for example, to determine whether or not a liquid exists in a liquid feeding tube of an analyzer. A light-transmitting tube is provided between the light-emitting element and the light-receiving element, and the light-receiving element is installed at a specific position by utilizing the fact that the refraction of light transmitted through the tube varies depending on the presence or absence of liquid, that is, Irradiates light to a specific position on the tube, receives light from the tube when there is no liquid in the tube, and places the light receiving element at a position where it does not receive light from the tube when there is liquid. An arrangement is known in which the presence or absence of liquid in the tube is detected (see, for example, Japanese Patent Laid-Open Nos. 4-42022 and 1-96515).
 [0003]
 [Problems to be solved by the invention]
 However, if the size of the tube is smaller than the size of the light emitting part of the light emitting element or the light receiving part of the light receiving element, the light emitting element irradiates a specific position of the tube or the light transmitted through the tube only when no liquid is present. It becomes difficult to arrange at a position to receive light. That is, there is a problem that even if the position of the light receiving element is adjusted, the change in the amount of received light with respect to the presence or absence of liquid is small, so that it becomes difficult for the light receiving element to clearly determine the presence or absence of liquid.
 [0004]
 This invention was made in consideration of such circumstances, and by installing appropriate slit members before and after the tube, even if the tube is a fine size relative to the size of the light emitting and receiving elements, A liquid sensor capable of clearly detecting the presence or absence of liquid in a tube is provided.
 [0005]
 [Means for Solving the Problems]
 The present invention relates to a light emitting and receiving element provided opposite to each other so that a translucent tube is disposed in an optical path from the light emitting element to the light receiving element, and between the light emitting element and the tube and between the tube and the light receiving element. Each of the slit members is arranged to selectively pass light from the light emitting element that passes through the tube to the light receiving element according to the presence or absence of liquid in the tube. And
 Emitting element side of the slit member is disposedthe light from the light emitting element to irradiate light to the offset portion from the center of the tubeprovided with a light-emitting element side slit for guiding the tube, the slit member of the light-receiving elementside A light receiving element side slit for guiding light from the tube to the light receiving element, and the light receiving element side slit is stepped so that the slit width at a predetermined position away from the tube is smaller than the slit width on the tube side. And a tube liquid sensor provided witha light-shielding portionformed by the step.
 [0006]
 DETAILED DESCRIPTION OF THE INVENTION
 For example, a commercially available light emitting diode (LED) or laser diode can be used as the light emitting element in the present invention, and a photodiode or phototransistor can be used as the light receiving element.
 [0007]
 The slit member of the present invention includes a slit (gap) part that is installed in the optical path and allows a part of the light in the optical path to pass therethrough, and a light shielding part that blocks the passage of other light.
 The liquid to be detected by the sensor of the present invention may be any liquid that has a refractive index different from that of air or that shields light, such as water.
 [0008]
 The tube for supplying the liquid to be detected by the sensor of the present invention is not particularly limited as long as it is translucent (transparent to translucent). For example, a synthetic resin tube such as a Teflon tube or a glass tube is used. Used.
 [0009]
 The size of the tube may be not more than the size of the light emitting part of the light emitting element and the light receiving part of the light receiving element (usually 5 to 4 mmφ), for example, the outer diameter may be 1 to 4 mm.
 [0010]
 In this invention, the slit members disposed between the light emitting element and the tube and between the tube and the light receiving element respectively select light from the light emitting element that passes through the tube in accordance with the presence or absence of liquid in the tube. Thus, the light receiving element is arranged so as to shield light.
The slit member on the light receiving element side may be arranged to shield light from the light emitting element when liquid is present in the tube and to allow light from the light emitting element to pass when no liquid is present in the tube.
In addition, the slit member on the light receiving element side may be arranged to allow light from the light emitting element to pass when liquid is present in the tube and to block light from the light emitting element when no liquid is present in the tube. Good.
 [0011]
 The arrangement will be described next. As shown in FIG. 1, when a
 [0012]
 On the other hand, when there is no liquid in the
 [0013]
 Therefore, in the present invention, as shown in FIGS. 3 and 4, the
 [0014]
 In this case, the
 [0015]
 And when the liquid exists in the hollow part of the
 As a result, the
 [0016]
 As shown in FIGS. 5 and 6, when the liquid exists in the hollow portion of the
 [0017]
Embodiment Hereinafter, the present invention will be described in detail based on an embodiment shown in the drawings. This does not limit the invention.
 7 and 8 are a top view and a side view showing a liquid sensor for a fine tube according to one embodiment of the present invention, and FIG. 9 is a cutaway sectional view of a main part of FIG.
 [0018]
 In these drawings, the
 [0019]
 The
 [0020]
 Here, the
 As shown in FIG. 10, the
 [0021]
 The
 [0022]
 FIG. 11 is a drive circuit diagram of the sensor of this embodiment. When the switch S is turned on, a DC voltage 12V is supplied from the power source E to the
 [0023]
 In such a configuration, the resistance R1 is set so that a current of 51 mA flows through the
 [0024]
 Incidentally, when the
 [0025]
 Instead of providing a step in the
 [0026]
 Further, in this embodiment, the through hole is formed for a tube having an outer diameter of 2 mm. However, in order to use this sensor for a tube having a smaller diameter, for example, an outer diameter of 1.8 mm, the projection protrudes from the outside. A screw projecting into a through-angle hole whose length can be adjusted may be provided, and the center of the through-square hole and the axis of the tube may be aligned with the screw to hold the small-diameter tube.
 [0027]
 Furthermore, in the present invention, a single element is used as the light receiving element, but a CCD line sensor comprising a plurality of minute light receiving elements can also be used. In this case, if the CCD line sensor recognizes the pattern of light incident on the light receiving element shown in FIGS. 1 and 2, the slit member can be dispensed with.
 [0028]
 【The invention's effect】
 According to the present invention, since the slit members are provided between the light emitting element and the tube and between the tube and the light receiving element, even if the tube is smaller than the size of the light emitting element and the light receiving element, It is possible to reliably detect the presence or absence of the liquid inside.
 [Brief description of the drawings]
 FIG. 1 is an explanatory diagram for explaining the principle of the present invention;
 FIG. 2 is an explanatory diagram for explaining the principle of the present invention.
 FIG. 3 is an explanatory diagram for explaining the principle of the present invention;
 FIG. 4 is an explanatory diagram for explaining the principle of the present invention;
 FIG. 5 is an explanatory diagram for explaining the principle of the present invention;
 FIG. 6 is an explanatory diagram for explaining the principle of the present invention.
 FIG. 7 is a top view showing a liquid sensor according to one embodiment of the present invention.
 FIG. 8 is a side view showing a liquid sensor according to one embodiment of the present invention.
 FIG. 9 is a cutaway cross-sectional view showing a main part of a liquid sensor according to an embodiment of the present invention.
 10 is an enlarged view of a main part of FIG. 9;
 FIG. 11 is a drive circuit diagram of a liquid sensor according to one embodiment of the present invention.
 [Explanation of symbols]
 11 Light-emitting
| Application Number | Priority Date | Filing Date | Title | 
|---|---|---|---|
| JP5807297AJP3741509B2 (en) | 1997-03-12 | 1997-03-12 | Tube liquid sensor | 
| Application Number | Priority Date | Filing Date | Title | 
|---|---|---|---|
| JP5807297AJP3741509B2 (en) | 1997-03-12 | 1997-03-12 | Tube liquid sensor | 
| Publication Number | Publication Date | 
|---|---|
| JPH10253425A JPH10253425A (en) | 1998-09-25 | 
| JP3741509B2true JP3741509B2 (en) | 2006-02-01 | 
| Application Number | Title | Priority Date | Filing Date | 
|---|---|---|---|
| JP5807297AExpired - Fee RelatedJP3741509B2 (en) | 1997-03-12 | 1997-03-12 | Tube liquid sensor | 
| Country | Link | 
|---|---|
| JP (1) | JP3741509B2 (en) | 
| Publication number | Priority date | Publication date | Assignee | Title | 
|---|---|---|---|---|
| EP3492882A1 (en) | 2017-12-04 | 2019-06-05 | Nihon Kohden Corporation | Specimen testing apparatus and liquid level detection sensor | 
| Publication number | Priority date | Publication date | Assignee | Title | 
|---|---|---|---|---|
| JP2006010597A (en)* | 2004-06-29 | 2006-01-12 | Takashi Wada | Detection sensor for out of liquid | 
| JP2007316041A (en)* | 2006-05-23 | 2007-12-06 | Sakata Denki | Liquid level detection device | 
| JP5317410B2 (en)* | 2006-12-28 | 2013-10-16 | パナソニック デバイスSunx株式会社 | Liquid detector | 
| KR101174821B1 (en) | 2010-04-02 | 2012-08-20 | 한국식품연구원 | Flow sensor of using refractive index and measuring method of flow rate | 
| EP2535699A1 (en) | 2011-06-13 | 2012-12-19 | Azbil Corporation | Fluid sensor | 
| JP5773770B2 (en)* | 2011-06-13 | 2015-09-02 | アズビル株式会社 | Liquid sensor | 
| JP6602598B2 (en)* | 2014-11-27 | 2019-11-06 | パナソニック デバイスSunx株式会社 | Liquid sensor | 
| JP6197093B1 (en)* | 2016-12-13 | 2017-09-13 | 日科ミクロン株式会社 | Ozone concentration measuring device | 
| Publication number | Priority date | Publication date | Assignee | Title | 
|---|---|---|---|---|
| EP3492882A1 (en) | 2017-12-04 | 2019-06-05 | Nihon Kohden Corporation | Specimen testing apparatus and liquid level detection sensor | 
| Publication number | Publication date | 
|---|---|
| JPH10253425A (en) | 1998-09-25 | 
| Publication | Publication Date | Title | 
|---|---|---|
| JP3741509B2 (en) | Tube liquid sensor | |
| KR101640989B1 (en) | Limited area reflective optical sensor and electronic device | |
| JPH0426751B2 (en) | ||
| JP2005186388A (en) | Inkjet printer | |
| JP2012063328A (en) | Liquid sensor | |
| KR100193586B1 (en) | Reflective photoelectric sensor | |
| JP2004037377A (en) | Reflection type sensor, filter for reflection type sensor used therefor, and detection object detection method using filter | |
| JP5559646B2 (en) | Liquid sensor | |
| US3932763A (en) | Detector for tubular transparent article | |
| CN1688756B (en) | Sensor systems for ring spinning machines | |
| KR101725797B1 (en) | Light projection head and optical sensor | |
| JPS597926B2 (en) | position detection device | |
| JP5317410B2 (en) | Liquid detector | |
| US4687943A (en) | Optical motion picture film inspection system | |
| WO2017033501A1 (en) | Liquid sensor | |
| JPS6129077Y2 (en) | ||
| US4652125A (en) | Film inspection system | |
| US4652124A (en) | Film inspection system | |
| JP7509597B2 (en) | Optical detection unit | |
| JPH0737888B2 (en) | Device for measuring cross-sectional area or volume of running yarn | |
| JP4087291B2 (en) | Tube liquid sensor | |
| JPH086307Y2 (en) | Optical sensor | |
| JP5580519B2 (en) | Light source device for sensitivity calibration | |
| JP3347542B2 (en) | Concentration sensor | |
| JPH0257678B2 (en) | 
| Date | Code | Title | Description | 
|---|---|---|---|
| A977 | Report on retrieval | Free format text:JAPANESE INTERMEDIATE CODE: A971007 Effective date:20050131 | |
| A131 | Notification of reasons for refusal | Free format text:JAPANESE INTERMEDIATE CODE: A131 Effective date:20050412 | |
| A521 | Written amendment | Free format text:JAPANESE INTERMEDIATE CODE: A523 Effective date:20050607 | |
| A02 | Decision of refusal | Free format text:JAPANESE INTERMEDIATE CODE: A02 Effective date:20050726 | |
| A521 | Written amendment | Free format text:JAPANESE INTERMEDIATE CODE: A523 Effective date:20050920 | |
| A911 | Transfer of reconsideration by examiner before appeal (zenchi) | Free format text:JAPANESE INTERMEDIATE CODE: A911 Effective date:20051006 | |
| TRDD | Decision of grant or rejection written | ||
| A01 | Written decision to grant a patent or to grant a registration (utility model) | Free format text:JAPANESE INTERMEDIATE CODE: A01 Effective date:20051101 | |
| A61 | First payment of annual fees (during grant procedure) | Free format text:JAPANESE INTERMEDIATE CODE: A61 Effective date:20051108 | |
| R150 | Certificate of patent or registration of utility model | Free format text:JAPANESE INTERMEDIATE CODE: R150 | |
| FPAY | Renewal fee payment (event date is renewal date of database) | Free format text:PAYMENT UNTIL: 20111118 Year of fee payment:6 | |
| FPAY | Renewal fee payment (event date is renewal date of database) | Free format text:PAYMENT UNTIL: 20141118 Year of fee payment:9 | |
| LAPS | Cancellation because of no payment of annual fees |