











【0001】
【発明の属する技術分野】
本発明は、交流電源を整流平滑した直流電圧を高周波電圧に変換して負荷に供給するインバータ装置に関するものである。
【0002】
【従来の技術】
(従来例1)
図10は従来のハーフブリッジインバータの回路図である。C1はインバータへ直流電圧を供給する比較的大容量の電解コンデンサであり、交流電源を整流した電圧に接続されるなどして直流電圧Vdcを生成される。コンデンサC1の両端には、スイッチング素子Q1,Q2の直列回路が並列接続され、さらに、コンデンサC1より小容量のコンデンサC31,C32の直列回路が並列接続されている。スイッチング素子Q1,Q2の接続点と、コンデンサC31,C32の接続点の間にはインバータ負荷回路が接続されている。インバータ負荷回路はインダクタL1とコンデンサC2の直列共振回路を含み、コンデンサC2に負荷loadが並列接続されている。負荷loadは特に限定していないが、放電灯などが用いられる。スイッチング素子Q1,Q2は交互にオンオフ駆動され、インバータ負荷回路に高周波電圧Vinvが印加される。高周波電圧Vinvは振幅がほぼコンデンサC1の電圧Vdcの半分になっている。
【0003】
このハーフブリッジインバータでは、インバータ負荷回路に印加される電圧は、インバータへの電源電圧Vdcの半分の電圧しかない。印加される電圧が低いため、必然的に同じ出力を得るには回路電流が大きくなり、したがって、回路損失が大きくなり、回路効率が良くない。また、部品の電流定格を大きくする必要があり、コストの上昇につながる。
【0004】
(従来例2)
図11は従来のフルブリッジインバータの回路図である。図10の回路と比べて、コンデンサC31,C32の直列回路をスイッチング素子Q3,Q4の直列回路に置き換えた構成となっている。動作はスイッチング素子Q1とQ4が同期してオン・オフ駆動され、スイッチング素子Q2とQ3も同期してオン・オフ駆動される。直列接続されるスイッチング素子Q1とQ2、スイッチング素子Q3とQ4は交互にオン・オフ駆動され、同時にオンすることが無いように制御される。この回路では、インバータ負荷回路に印加される電圧は、コンデンサC1の電圧Vdcであり、ハーフブリッジインバータの2倍である。従って、回路電流が比較的少なく、回路効率が高くなり、ハーフブリッジインバータの欠点は改善される。しかしながら、フルブリッジインバータでは、スイッチング素子数が4個と多い。それに伴ってスイッチング素子の駆動回路数も増え、回路全体が複雑化、大型化する欠点がある。
【0005】
(従来例3)
図12は従来の2スイッチフォワードコンバータである。C1は直流電源となるコンデンサであり、直流電圧Vdcを供給している。このコンデンサC1と並列に、スイッチング素子Q1,Q2をトランスTの一次巻線n1を介して接続する。また、ダイオードD1,D2をトランスTの一次巻線n1とスイッチング素子Q1,Q2との接続点と、コンデンサC1の両端間に接続し、トランスTの一次巻線n1の回生電流をコンデンサC1へ帰還する電流経路を形成する。スイッチング素子Q1,Q2は同期してオン・オフ駆動される。スイッチング素子Q1,Q2がオンしているとき、トランスTの一次巻線n1にはコンデンサC1の電圧Vdcが印加され、スイッチング素子Q1,Q2がオフすると、ダイオードD1,D2を介して残留エネルギーをコンデンサC1へ回生する。このとき、トランスTの一次巻線n1には逆向きに電圧Vdcが印加される。
【0006】
トランスTの二次巻線n2にはダイオードD3,D4、インダクタL2、コンデンサC2が接続され、直流電圧を発生する。コンデンサC2の両端には負荷回路loadが接続される。この回路では、トランスTの一次巻線n1に印加される電圧の振幅はコンデンサC1の電圧Vdcであるが、DC/DCコンバータ回路の応用例であり、負荷に高周波を供給するものではない。
【0007】
【発明が解決しようとする課題】
本発明は上述のような点に鑑みてなされたものであり、従来例で述べた欠点を解消し、インバータ負荷回路に高い電圧が印加され、従って回路電流が少なく、高効率のインバータ装置を少ない部品点数で実現することを目的とするものである。
【0008】
【課題を解決するための手段】
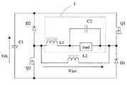
本発明のインバータ装置にあっては、上記の課題を解決するために、図1に示すように、コンデンサC1のような直流電源の正負両極に各一端を接続された第1及び第2のスイッチング素子Q1,Q2と、第1及び第2のスイッチング素子Q1,Q2を同時にオンする期間と同時にオフする期間を有するように同期してオン・オフ駆動する手段と、第1及び第2のスイッチング素子Q1,Q2の各他端の間に接続されたインバータ負荷回路1と、インバータ負荷回路1と第1及び第2のスイッチング素子Q1,Q2のそれぞれの接続点と直流電源の正負両極間に回生電流が直流電源に戻る向きに接続された第1及び第2のダイオードD1,D2とを備え、第1及び第2のスイッチング素子Q1,Q2の同時オフ時に残留エネルギーによる回生電流によって第1及び第2のダイオードD1,D2を同時オンさせるためのインダクタL2をインバータ負荷回路1に並列に接続したことを特徴とするものである。ここで、インバータ負荷回路1はインダクタL1とコンデンサC2の直列共振回路を有し、コンデンサC2と並列に負荷loadを接続されている。
【0009】
【発明の実施の形態】
(実施例1)
図1は本発明の実施例1の回路図である。C1は直流電源となるコンデンサであり、直流電圧Vdcを供給している。このコンデンサC1と並列に、スイッチング素子Q1,Q2をインバータ負荷回路1を介して接続する。インバータ負荷回路1はインダクタL1とコンデンサC2の直列共振回路を有し、コンデンサC2と並列に負荷loadを接続している。負荷loadは特に限定していないが、放電灯などが用いられる。また、ダイオードD1,D2をインバータ負荷回路1とスイッチング素子Q1,Q2との接続点と、コンデンサC1の両端間に接続し、インバータ負荷回路1の回生電流をコンデンサC1へ帰還する電流経路を形成する。さらに、インバータ負荷回路1と並列にインダクタL2を接続している。スイッチング素子Q1,Q2は同期してオン・オフ駆動される。
【0010】
スイッチング素子Q1,Q2がオンしているとき、インバータ負荷回路1にはコンデンサC1の電圧Vdcが図示された矢印Vinvの向きに印加され、同時にインダクタL2にも同じ電圧が印加される。このときの電流経路を図2(a)に示す。スイッチング素子Q1,Q2がオフすると、インバータ負荷回路1とインダクタL2は回生モードに入り、ダイオードD1,D2をオンさせて、残留エネルギーをコンデンサC1へ回生する。このとき、インバータ負荷回路1とインダクタL2には図示された矢印Vinvと逆向きに電圧Vdcが印加される。このときの電流経路を図2(b)に示す。インバータ負荷回路1の電流は徐々に減少し、インダクタL2が無いときにはゼロになって電流は流れなくなる。本回路では、インダクタL2が存在するため、インバータ負荷回路1の電流がゼロになると、インダクタL2を電源として、インダクタL2→インダクタL1→コンデンサC2と負荷load→インダクタL2の経路で逆向きにも電流が流れる。このときの電流経路を図2(c)に示す。
【0011】
本回路は2スイッチフォワードコンバータの構成を有しながら、負荷回路に交流電流を流すことができるので、2スイッチフォワード型インバータであると言える。本発明によれば、インバータ負荷回路1にコンデンサC1の電圧Vdcを振幅とする交流電圧が印加され、フルブリッジインバータと同様、インバータ負荷回路1に流れる回路電流は少なくなる。また、スイッチング素子は2個とハーフブリッジインバータと同じで少ない。追加部品としては、ダイオードD1,D2とインダクタL2であるが、ダイオードD1,D2は駆動回路は不要であり、制御回路は簡単である。また、インダクタL2も受動部品であり、制御回路は増加しない。従って、インバータ負荷回路1に高い電圧が印加され、回路電流が少なく、高効率のインバータを実現できる。
【0012】
さらに本回路では、スイッチング素子Q1,Q2は同期してオン・オフ駆動されるので、スイッチング素子Q1,Q2の駆動が従来例のハーフブリッジ回路やフルブリッジ回路に比べて容易である。すなわち、図10や図11の従来例では、直列のスイッチング素子は交互にオン・オフ制御されると述べたが、厳密には、スイッチング素子が同時にオンする期間が無いように、両方のスイッチング素子が同時にオフする僅かなデッドオフタイムを設ける必要がある。図3(a)は図10のハーフブリッジ回路のスイッチング素子Q1,Q2の駆動信号、図3(b)は図11のフルブリッジ回路のスイッチング素子Q1〜Q4の駆動信号であり、図中のt1,t2の期間がデッドオフタイムとなる。このデッドオフタイムはインバータ負荷回路の定数と駆動周波数に従い、適切に設定する必要があり、制御回路を複雑にしていた。これに対して、本回路では、図3(c)に示すように、スイッチング素子Q1,Q2は同期してオン・オフ制御されるので、デッドオフタイムを設ける必要が無く、制御回路は簡単となる。
【0013】
(実施例2)
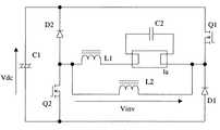
図4は本発明の実施例2の回路図である。本実施例では、図1の回路において、負荷loadを放電灯laとし、インバータ点灯装置に適用したものである。放電灯laは始動に高電圧が必要であるが、実施例1で述べたように、印加電圧が高くなるという特性により、本回路が放電灯点灯装置に適していることが分かる。なお、本実施例では、共振用のコンデンサC2は放電灯laの予熱用のコンデンサを兼用している。
【0014】
(実施例3)
図5は本発明の実施例3の回路図である。本実施例では、放電灯laを負荷とするインバータにおいて、出力を可変として、放電灯laを調光制御可能としている。基本の発振信号を生成する発振器2と、高電位側のスイッチング素子Q1を駆動するためのレベルシフター3、調光信号4に応じてスイッチング素子Q2の駆動信号のオン時間を変化させるためのパルス幅変調回路5が追加されている。図6の制御例に示すように、スイッチング素子Q1,Q2の駆動信号の周波数を一定とし、スイッチング素子Q2のオン時間を短くすることで調光制御を行う。
【0015】
図6の制御例では、インバータ負荷回路の動作周波数は固定とし、スイッチング素子Q2のオン時間を調整するだけで良いので、制御は容易である。また、動作周波数を無負荷共振点に近い周波数に選ぶことにより、放電灯laの印加電圧を高く維持することができ、調光下限での立ち消え防止に効果がある。また、図7の制御例に示すように、スイッチング素子Q1,Q2の駆動信号の周波数を変化させても調光できることは言うまでも無い。
【0016】
(実施例4)
図8は本発明の実施例4の回路図である。本実施例では、低電圧側のスイッチング素子Q2と、これに直列接続されたダイオードD2を、入力力率改善用のチョッパ回路の構成部品として兼用したものである。図1の回路と比較すると、交流電源Vsを全波整流器DBで整流した電圧をインダクタL3を介して、スイッチング素子Q2の両端に接続した点が異なる。スイッチング素子Q1,Q2の駆動は実施例1と同様に、同期してオン・オフ駆動する。スイッチング素子Q2はオン時に全波整流器DBで整流された電源電圧をインダクタL3を介して短絡し、インダクタL3に電流を流す。スイッチング素子Q2のオフ時には全波整流器DBで整流された電源電圧にインダクタL3の誘導起電圧を重畳してダイオードD2を介して電解コンデンサC1を充電する。すなわち、スイッチング素子Q2とダイオードD2は、昇圧チョッパ回路のスイッチング素子として兼用される。本実施例では、高入力力率のインバータ回路となる利点がある。その他の効果は、先の実施例と同様である。
【0017】
(実施例5)
図9は本発明の実施例5の回路図である。本実施例は、実施例3の調光インバータと、実施例4のチョッパスイッチ兼用インバータを組み合わせたものである。本実施例において、スイッチング素子Q2はチョッパのスイッチング素子を兼用している。また、調光信号に応じて、スイッチング素子Q2のオン時間だけを短くする。すなわち、調光すると周波数は一定のままで、スイッチング素子Q2のオン時間だけを短くする。これは、チョッパ回路としてみると、入力電力が減少していくことになり、周波数を高くしていくことによる調光制御に比べて、入力電力の減り方が大きいため、調光時にコンデンサC1の電圧Vdcが上昇しにくい。したがって、素子の耐圧面で有利である。
【0018】
【発明の効果】
請求項1の発明は、直流電源の正負両極間に第1及び第2のスイッチング素子を介してインバータ負荷回路を接続し、第1及び第2のスイッチング素子を同時にオンする期間と同時にオフする期間を有するように同期してオン・オフ駆動し、インバータ負荷回路と第1及び第2のスイッチング素子のそれぞれの接続点と直流電源の正負両極間に回生電流が直流電源に戻る向きに第1及び第2のダイオードを接続し、インバータ負荷回路に並列に、第1及び第2のスイッチング素子の同時オフ時に残留エネルギーによる回生電流によって第1及び第2のダイオードを同時オンさせるためのインダクタを接続したことにより、インバータ負荷回路に高い電圧を印加でき、回路電流が少なく、高効率のインバータを実現でき、また、部品点数が少なく、制御も容易であるという利点がある。
【0019】
請求項2の発明によれば、インバータ負荷回路がLC直列共振回路を含むことにより、負荷への印加電圧を高くすることができ、負荷が放電灯である場合に有利である。また、さらに、請求項3の発明によれば、一方のスイッチング素子とダイオードを昇圧チョッパ回路の素子として兼用できるので、簡単な回路構成で入力力率を改善できると共に、負荷への印加電圧を高くすることができる。
【0020】
請求項4又は5の発明によれば、スイッチング素子のデューティ制御又は周波数制御により、負荷への出力を調整することができ、特に、請求項4の発明によれば、一方のスイッチング素子の制御のみで出力を調整することができるので、出力調整のための制御回路を簡単化できるという効果がある。
【図面の簡単な説明】
【図1】本発明の実施例1の回路図である。
【図2】本発明の実施例1の電流経路を説明するための説明図である。
【図3】本発明の実施例1のデッドオフタイムを説明するための波形図である。
【図4】本発明の実施例2の回路図である。
【図5】本発明の実施例3の回路図である。
【図6】本発明の実施例3のデューティ制御による調光動作の説明図である。
【図7】本発明の実施例3の周波数制御による調光動作の説明図である。
【図8】本発明の実施例4の回路図である。
【図9】本発明の実施例5の回路図である。
【図10】従来例1の回路図である。
【図11】従来例2の回路図である。
【図12】従来例3の回路図である。
【符号の説明】
Q1,Q2        スイッチング素子
L1,L2        インダクタ
C1,C2        コンデンサ
D1,D2        ダイオード
load        負荷
1        インバータ負荷回路[0001]
 BACKGROUND OF THE INVENTION
 The present invention relates to an inverter device that converts a DC voltage obtained by rectifying and smoothing an AC power source into a high-frequency voltage and supplies it to a load.
 [0002]
 [Prior art]
 (Conventional example 1)
 FIG. 10 is a circuit diagram of a conventional half-bridge inverter. C1 is a relatively large-capacity electrolytic capacitor that supplies a DC voltage to the inverter, and is connected to a voltage obtained by rectifying an AC power source to generate the DC voltage Vdc. A series circuit of switching elements Q1, Q2 is connected in parallel to both ends of the capacitor C1, and a series circuit of capacitors C31, C32 having a smaller capacity than the capacitor C1 is connected in parallel. An inverter load circuit is connected between the connection point of the switching elements Q1, Q2 and the connection point of the capacitors C31, C32. The inverter load circuit includes a series resonant circuit of an inductor L1 and a capacitor C2, and a load load is connected in parallel to the capacitor C2. The load load is not particularly limited, but a discharge lamp or the like is used. The switching elements Q1 and Q2 are alternately turned on and off, and the high frequency voltage Vinv is applied to the inverter load circuit. The high frequency voltage Vinv has an amplitude that is approximately half of the voltage Vdc of the capacitor C1.
 [0003]
 In this half-bridge inverter, the voltage applied to the inverter load circuit is only half the power supply voltage Vdc to the inverter. Since the applied voltage is low, the circuit current is inevitably increased to obtain the same output, and therefore the circuit loss is increased and the circuit efficiency is not good. In addition, it is necessary to increase the current rating of the component, leading to an increase in cost.
 [0004]
 (Conventional example 2)
 FIG. 11 is a circuit diagram of a conventional full bridge inverter. Compared with the circuit of FIG. 10, the series circuit of capacitors C31 and C32 is replaced with a series circuit of switching elements Q3 and Q4. In operation, the switching elements Q1 and Q4 are driven on / off in synchronization, and the switching elements Q2 and Q3 are also driven on / off in synchronization. Switching elements Q1 and Q2 and switching elements Q3 and Q4 connected in series are alternately turned on / off and controlled so as not to be turned on simultaneously. In this circuit, the voltage applied to the inverter load circuit is the voltage Vdc of the capacitor C1, which is twice that of the half-bridge inverter. Accordingly, the circuit current is relatively small, the circuit efficiency is increased, and the drawbacks of the half-bridge inverter are improved. However, the full bridge inverter has a large number of switching elements of four. As a result, the number of drive circuits for the switching elements increases, and the entire circuit becomes complicated and large.
 [0005]
 (Conventional example 3)
 FIG. 12 shows a conventional two-switch forward converter. C1 is a capacitor serving as a DC power supply, and supplies a DC voltage Vdc. In parallel with the capacitor C1, switching elements Q1, Q2 are connected via a primary winding n1 of the transformer T. The diodes D1 and D2 are connected between the connection point between the primary winding n1 of the transformer T and the switching elements Q1 and Q2 and both ends of the capacitor C1, and the regenerative current of the primary winding n1 of the transformer T is fed back to the capacitor C1. Current path is formed. Switching elements Q1, Q2 are driven on and off in synchronization. When the switching elements Q1 and Q2 are turned on, the voltage Vdc of the capacitor C1 is applied to the primary winding n1 of the transformer T. When the switching elements Q1 and Q2 are turned off, the residual energy is passed through the diodes D1 and D2. Regenerate to C1. At this time, the voltage Vdc is applied to the primary winding n1 of the transformer T in the reverse direction.
 [0006]
 Diodes D3 and D4, an inductor L2, and a capacitor C2 are connected to the secondary winding n2 of the transformer T to generate a DC voltage. A load circuit load is connected to both ends of the capacitor C2. In this circuit, the amplitude of the voltage applied to the primary winding n1 of the transformer T is the voltage Vdc of the capacitor C1, but this is an application example of a DC / DC converter circuit and does not supply a high frequency to the load.
 [0007]
 [Problems to be solved by the invention]
 The present invention has been made in view of the above points, eliminates the drawbacks described in the prior art, applies a high voltage to the inverter load circuit, and therefore reduces the circuit current and reduces the number of highly efficient inverter devices. This is intended to be realized with the number of parts.
 [0008]
 [Means for Solving the Problems]
 In the inverter apparatus of the present invention, in order to solve the above problem, as shown in FIG. 1, first and second switching connected to each one end positive and negative polesof the DC power source such as a capacitor C1 Meansfor synchronously turning on / off the elements Q1, Q2 and the first and second switching elements Q1, Q2so as to have a period of turning off at the same time as the first and second switching elements Q1, Q2; Q1, Q2 and the
 [0009]
 DETAILED DESCRIPTION OF THE INVENTION
 (Example 1)
 FIG. 1 is a circuit diagram of
 [0010]
 When the switching elements Q1 and Q2 are on, the voltage Vdc of the capacitor C1 is applied to the
 [0011]
 Although this circuit has a configuration of a two-switch forward converter, an alternating current can be passed through the load circuit, so it can be said that this circuit is a two-switch forward inverter. According to the present invention, an AC voltage having an amplitude of the voltage Vdc of the capacitor C1 is applied to the
 [0012]
 Further, in this circuit, since the switching elements Q1 and Q2 are driven on and off in synchronization, the switching elements Q1 and Q2 can be easily driven as compared with the conventional half-bridge circuit and full-bridge circuit. That is, in the conventional examples of FIG. 10 and FIG. 11, it is described that the switching elements in series are alternately turned on / off, but strictly speaking, both switching elements are provided so that there is no period during which the switching elements are simultaneously turned on. It is necessary to provide a slight dead-off time for simultaneously turning off. 3A is a drive signal for the switching elements Q1 and Q2 of the half-bridge circuit of FIG. 10, and FIG. 3B is a drive signal of the switching elements Q1 to Q4 of the full-bridge circuit of FIG. , T2 is the dead-off time. This dead-off time needs to be set appropriately according to the constant and drive frequency of the inverter load circuit, and complicates the control circuit. On the other hand, in the present circuit, as shown in FIG. 3C, the switching elements Q1 and Q2 are controlled to be turned on / off in synchronization, so that it is not necessary to provide a dead-off time, and the control circuit is simple. Become.
 [0013]
 (Example 2)
 FIG. 4 is a circuit diagram of
 [0014]
 (Example 3)
 FIG. 5 is a circuit diagram of
 [0015]
 In the control example of FIG. 6, since the operating frequency of the inverter load circuit is fixed and only the on-time of the switching element Q2 needs to be adjusted, the control is easy. In addition, by selecting an operating frequency close to the no-load resonance point, the applied voltage of the discharge lamp la can be maintained high, which is effective in preventing extinction at the dimming lower limit. Further, as shown in the control example of FIG. 7, it goes without saying that the light can be adjusted even if the frequency of the drive signal of the switching elements Q1, Q2 is changed.
 [0016]
 (Example 4)
 FIG. 8 is a circuit diagram of
 [0017]
 (Example 5)
 FIG. 9 is a circuit diagram of
 [0018]
 【The invention's effect】
 According to the first aspect of the present invention, the inverter load circuit is connected between the positive and negative electrodes of the DC power source viathe first and second switching elements, and the first and second switching elements are simultaneously turned on and simultaneously turned off. synchronously driven on and off so as to have a first and in a direction regenerativecurrent between the positive and negative electrodes of the inverter load circuit and a DC power source and each of the connection points of the first and second switching elements is returned to the DC power supply A second diode is connected,and an inductorfor simultaneously turning on the first and second diodes by a regenerative current due to residual energy when the first and second switching elements are simultaneously turned off is connectedin parallelwith the inverter load circuit. Therefore, a high voltage can be applied to the inverter load circuit, a circuit current is small, a highly efficient inverter can be realized, and the number of parts is small. , There is an advantage that control is easy.
 [0019]
 According to the invention of
 [0020]
 According to the invention of
 [Brief description of the drawings]
 FIG. 1 is a circuit diagram of
 FIG. 2 is an explanatory diagram for explaining a current path according to the first embodiment of the present invention;
 FIG. 3 is a waveform diagram for explaining a dead-off time according to the first embodiment of the present invention.
 FIG. 4 is a circuit diagram of
 FIG. 5 is a circuit diagram of
 FIG. 6 is an explanatory diagram of a dimming operation by duty control according to the third embodiment of the present invention.
 FIG. 7 is an explanatory diagram of a dimming operation by frequency control according to the third embodiment of the present invention.
 FIG. 8 is a circuit diagram of
 FIG. 9 is a circuit diagram of
 10 is a circuit diagram of Conventional Example 1. FIG.
 FIG. 11 is a circuit diagram of a second conventional example.
 12 is a circuit diagram of Conventional Example 3. FIG.
 [Explanation of symbols]
 Q1, Q2 Switching element L1, L2 Inductor C1, C2 Capacitor D1, D2
| Application Number | Priority Date | Filing Date | Title | 
|---|---|---|---|
| JP36528098AJP3614011B2 (en) | 1998-12-22 | 1998-12-22 | Inverter device | 
| Application Number | Priority Date | Filing Date | Title | 
|---|---|---|---|
| JP36528098AJP3614011B2 (en) | 1998-12-22 | 1998-12-22 | Inverter device | 
| Publication Number | Publication Date | 
|---|---|
| JP2000188871A JP2000188871A (en) | 2000-07-04 | 
| JP3614011B2true JP3614011B2 (en) | 2005-01-26 | 
| Application Number | Title | Priority Date | Filing Date | 
|---|---|---|---|
| JP36528098AExpired - Fee RelatedJP3614011B2 (en) | 1998-12-22 | 1998-12-22 | Inverter device | 
| Country | Link | 
|---|---|
| JP (1) | JP3614011B2 (en) | 
| Publication number | Priority date | Publication date | Assignee | Title | 
|---|---|---|---|---|
| CN103916040B (en)* | 2014-03-24 | 2017-04-26 | 华为技术有限公司 | Inverter topological circuit, inverting method and inverter | 
| Publication number | Publication date | 
|---|---|
| JP2000188871A (en) | 2000-07-04 | 
| Publication | Publication Date | Title | 
|---|---|---|
| CN1156200C (en) | Ballast system | |
| JP2001112253A (en) | DC-to-DC CONVERTER | |
| KR20010029491A (en) | Electronic ballast | |
| KR19990083245A (en) | Discharge lamp lighting equipment and illuminating apparatus | |
| JP3480283B2 (en) | Power supply | |
| JP3614011B2 (en) | Inverter device | |
| JP4239615B2 (en) | Discharge lamp lighting device | |
| JPH0588067B2 (en) | ||
| JP3493943B2 (en) | Power supply | |
| JP3758276B2 (en) | Discharge lamp lighting device | |
| JP3329913B2 (en) | Power supply | |
| JP3654035B2 (en) | Power supply | |
| JP3400592B2 (en) | Power supply | |
| JP2000188872A (en) | Inverter device | |
| JP3787965B2 (en) | Power supply | |
| JP3757577B2 (en) | Discharge lamp lighting device | |
| JP3400594B2 (en) | Power supply | |
| JPH01252175A (en) | inverter device | |
| JP3653915B2 (en) | Power supply device, discharge lamp lighting device, and lighting device | |
| JP3820902B2 (en) | Discharge lamp lighting device | |
| JP3931591B2 (en) | Power supply | |
| JP4473533B2 (en) | Discharge lamp lighting device | |
| JP3654067B2 (en) | Power supply | |
| JP3692871B2 (en) | Power supply | |
| JP3811958B2 (en) | Discharge lamp lighting circuit | 
| Date | Code | Title | Description | 
|---|---|---|---|
| A977 | Report on retrieval | Free format text:JAPANESE INTERMEDIATE CODE: A971007 Effective date:20040713 | |
| A131 | Notification of reasons for refusal | Free format text:JAPANESE INTERMEDIATE CODE: A131 Effective date:20040720 | |
| A521 | Written amendment | Free format text:JAPANESE INTERMEDIATE CODE: A523 Effective date:20040917 | |
| TRDD | Decision of grant or rejection written | ||
| A01 | Written decision to grant a patent or to grant a registration (utility model) | Free format text:JAPANESE INTERMEDIATE CODE: A01 Effective date:20041012 | |
| A61 | First payment of annual fees (during grant procedure) | Free format text:JAPANESE INTERMEDIATE CODE: A61 Effective date:20041025 | |
| R150 | Certificate of patent or registration of utility model | Free format text:JAPANESE INTERMEDIATE CODE: R150 | |
| FPAY | Renewal fee payment (event date is renewal date of database) | Free format text:PAYMENT UNTIL: 20081112 Year of fee payment:4 | |
| FPAY | Renewal fee payment (event date is renewal date of database) | Free format text:PAYMENT UNTIL: 20081112 Year of fee payment:4 | |
| S533 | Written request for registration of change of name | Free format text:JAPANESE INTERMEDIATE CODE: R313533 | |
| R350 | Written notification of registration of transfer | Free format text:JAPANESE INTERMEDIATE CODE: R350 | |
| FPAY | Renewal fee payment (event date is renewal date of database) | Free format text:PAYMENT UNTIL: 20091112 Year of fee payment:5 | |
| FPAY | Renewal fee payment (event date is renewal date of database) | Free format text:PAYMENT UNTIL: 20091112 Year of fee payment:5 | |
| FPAY | Renewal fee payment (event date is renewal date of database) | Free format text:PAYMENT UNTIL: 20101112 Year of fee payment:6 | |
| FPAY | Renewal fee payment (event date is renewal date of database) | Free format text:PAYMENT UNTIL: 20111112 Year of fee payment:7 | |
| FPAY | Renewal fee payment (event date is renewal date of database) | Free format text:PAYMENT UNTIL: 20121112 Year of fee payment:8 | |
| FPAY | Renewal fee payment (event date is renewal date of database) | Free format text:PAYMENT UNTIL: 20121112 Year of fee payment:8 | |
| FPAY | Renewal fee payment (event date is renewal date of database) | Free format text:PAYMENT UNTIL: 20131112 Year of fee payment:9 | |
| LAPS | Cancellation because of no payment of annual fees |