






【0001】
【産業上の利用分野】
本発明は太陽電池による電気二重層コンデンサの充電方法に関し、さらに詳しく言えば、電気二重層コンデンサをより効率良く充電する方法に関するものである。
【0002】
【従来の技術】
例えば道路標識灯を例にして説明すると、一般的には電灯線などの商用電源が近傍にある場合にはそれから電源を得るようにしているが、商用電源からの配線距離が長くなる場合や、その配線が邪魔であったり、配線そのものが困難である場合には、太陽電池が使用され、二次電池との併用が提案されている。
【0003】
【発明が解決しようとする課題】
これによれば、太陽電池の出力を二次電池に貯えて使用するため、日照の有無に拘らず有効な電源として用いることができるが、最大の問題はサイクル寿命にある。
【0004】
すなわち、通常の二次電池はその種類や定格、放電の深度によって異なるが、300〜500回程度の放電回数が公称の寿命とされている。また、個々の二次電池について言えば、もっとも多く用いられている鉛電池では放電深度が60〜70%を越えると、その寿命が極端に短くなる。これとは逆に、ニッケルカドミウム電池では放電を完了せずに充電を開始すると、顕著な容量低下を来すなどの問題があった。
【0005】
ところで、コンデンサとりわけ電気二重層コンデンサは、二次電池と同等もしくはそれ以上の容量をもって電気エネルギを貯蔵し得るが、太陽電池と併用するにあたっては次の点を考慮する必要がある。
【0006】
二次電池は放電しても電圧がそれほどまでは下がらない。無負荷状態で見ると、例えば鉛電池なら充電中やその直後の過渡的な状態を除くと、満充電で2.2Vの端子電圧が1.8Vになる程度である。ニッケルカドミウム電池でも0Vになるまで使用するのは本来の使い方ではない。
【0007】
このような特性から判断されるように、電池は定電圧デバイスであり、満充電か放電が進んだ状態かは無負荷の端子電圧で区別するよりは、負荷をかけた際の電圧降下や内部抵抗の方が正確に区別することができる。
【0008】
定電圧デバイスへの充電は定電圧源から殆ど損失なく行なうことができるが、キャパシタの場合にはそれがそのまま当てはまらない。
【0009】
すなわち、キャパシタは放電すると電圧が極端に下がる。放電しきったキャパシタの端子電圧はゼロである。その途中での電圧Vと貯蔵エネルギEcの関係は良く知られているように、
Ec=C×V2/2
で表される。つまり、キャパシタは電池と異なり、定電圧デバイスではない。キャパシタに定電圧電源から充電すると、充電器からの電力Epは、流れ出した電流の積分値Qと電圧Vの積であるから、
Ep=Q×V=C×V2
となる。この両者の比、Ec/Epから定電圧電源にて充電した際の充電効率を求めると50%となり、残りの電力は充電器とキャパシタの間に必ず存在する抵抗成分R(キャパシタの内部抵抗も含めて)の中で熱になってしまう。
【0010】
このようなことから、キャパシタを定電圧電源から充電すると、介在する抵抗の値に関係なく、充電効率は50%以上にはなり得ない。
【0011】
キャパシタを太陽電池から充電するにあたって、まず、太陽電池の出力特性を図4を参照しながら説明する。同図には京セラ株式会社製の50Wアレイに100W/平方センチの日照があった場合の端子電圧(V2)−負荷電流(IL)特性が例示されている。
【0012】
その出力電力S(=V2×IL)を計算すると、図にプロットしたような軌跡を描き、その最大点を読み出すと、出力電流3.13Aのとき出力電力は50.08Wを示す。
【0013】
この太陽電池に例えば定格電圧12Vの鉛電池を接続して充電するとき、太陽電池からは出力電流3.20Aで、出力電力38.5Wが得られる。そして、これに公知のパワートラッカを使用すれば、理想的な状態で出力電力50.08Wが得られる。これが太陽電池の最大出力である。
【0014】
しかしながら、太陽電池に鉛電池に代えて電気二重層コンデンサを並列に接続して充電すると次のような問題が生ずる。ここで、図5に例示するように、上記太陽電池の各ソーラーセルをD1〜D3とし、これに内部抵抗R1が50mΩで静電容量が200Fの電気二重層コンデンサC1を接続したとして解析すると、太陽電池に上記の日照があたっている状態では、電気二重層コンデンサC1は図6のV9のような直線を描いて充電されて行く。そして、737秒で12Vに達する。
【0015】
図7の上段にこれに伴う充電電力SCを示す。このときの電気二重層コンデンサC1への充電電流をICとすると、その端子間電圧は上記のV9であるから、この充電電力SCはIC×V9で表され、ゼロから始まる右上がりの直線となっている。
【0016】
これでは太陽電池が発電している電力を初めは殆ど使用せず、終りにいくほど有効に使用することになるが、平均するとおよそ充電電力の半分しか充電に寄与していないことになる。
【0017】
図7の下段に電気二重層コンデンサC1への充電電流ICを示すが、殆ど全域で3.2Aを維持している。これは、図4の太陽電池の出力電圧V2の軌跡から見ても、はじめは出力が短絡状態で3.2A流れ、そのままずっと同出力電圧V2が12Vになるまで、3.2Aあたりに止まっていることと符合している。
【0018】
すなわち、太陽電池に電気二重層コンデンサを並列に接続すると、太陽電池が上記のように例えば3.2Aの定電流源になってしまい、コンデンサの電圧の低いところでは太陽電池からの出力電力が少ししか利用できず、発電電力が無駄となってしまう、という問題が生ずる。
【0019】
【課題を解決するための手段】
本発明は、上記の課題を解決するためになされたもので、その構成上の特徴は、太陽電池より得られる電気エネルギを電気二重層コンデンサに充電する充電方法において、上記太陽電池と上記電気二重層コンデンサとの間に、上記太陽電池の最大出力点に相当する負荷として動作するパワートラック機能を有する電流出力型のスイッチング・レギュレータを介在させ、上記スイッチング・レギュレータの電流出力の電流設定値(充電電流値)を上記電気二重層コンデンサの電圧と充電電流との積が上記太陽電池の最大出力に可及的に等しくなるように制御して、上記スイッチング・レギュレータにより上記電気二重層コンデンサを充電するようにしたことにある。
【0021】
スイッチング・レギュレータによる電流源を介することにより、電気二重層コンデンサの充電効率が飛躍的に向上し、太陽電池の出力電力を殆ど無駄なく使用することができる。
【0022】
なお、同スイッチング・レギュレータには内部抵抗が低く、オーミック損を小さくして、出力特性だけを電流型としたものを用い、また、パワートラック特性を持たせることにより、常に太陽電池の最大出力点で充電が行なわれることになる。
【0023】
【実施例】
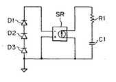
図1に例示するように、本発明では太陽電池の各ソーラーセルD1〜D3により電気二重層コンデンサC1を充電するにあたって、電流出力型のスイッチング・レギュレータSRを介在させている。
【0024】
同スイッチング・レギュレータSRの一例を図2に示す。この例は原理的には降圧型のスイッチング・レギュレータと同じであり、ここでダイオードD1はフライホイール・ダイオードと呼ばれ、スイッチング素子S1がオンのときにチョーク・コイルL1に蓄積されたエネルギをスイッチング素子S1がオフのときに流す電流経路を得るダイオードである。
【0025】
この例において、図示左側のV1,R1が太陽電池の各ソーラーセルD1〜D3に対応する。なお、C2は内部抵抗が低く静電容量が0.2〜2μF程度のコンデンサであり、スイッチング素子S1のオンオフごとに太陽電池側に尖頭電流が流れ込むのを防止している。
【0026】
動作としては、電流センサV2にて出力電流が検出され、同出力電流が一定値を越えると、制御回路U1が動作してスイッチング素子S1をオフにする。スイッチング素子S1がオフになってもチョーク・コイルL1に蓄積された電流がダイオードD1を介して流れるが、同電流値が一定値を割り込み、それが電流センサV2にて検出されると、制御回路U1が動作してスイッチング素子S1をオンにする。
【0027】
参考までに、図2における各部の波形を図3に示す。同図において、aは電流センサV2を流れる電流、bはコンデンサC1を流れる電流、cはチョーク・コイルL1を流れる電流、dは出力の端子間電圧、eは制御回路U1内部で使用されるクロックパルスである。
【0028】
このスイッチング・レギュレータSRにより、電気二重層コンデンサC1がその電流にて充電されるのであるが、太陽電池の出力は日照や気温の変動に応じて変化するため、本発明においては、制御回路U1にパワートラック特性を持たせて太陽電池の出力特性を一定の条件に揃えるようにしている。
【0029】
なお、電気二重層コンデンサC1の電圧がゼロ付近では出力電流が無限大になる計算なので、スイッチング・レギュレータSRの出力電流を10Aに制限した。図7下段のIC1がスイッチング・レギュレータSRの出力電流、図6のV19が端子電圧で、図7の上段にそれらを掛け合わせた充電電力SC1を示す。
【0030】
これによると、充電電力SC1は100秒以後は殆ど50Wになっている。なお、この充電電力SC1において、0〜100秒の削られている部分は、充電電流を電気二重層コンデンサC1の電流容量の制約から最大10Aに制限したことによる。
【0031】
本発明の充電方法によると、図6のV19に示すように端子間電圧が上昇し、336秒で満充電の12Vに達する。これを同一条件で実施した比較例としての電圧V9と比較すると、その充電時間は737/336=2.2倍の速さとなる。
【0032】
要するに、本発明においては、スイッチング・レギュレータSRの電流出力を上記の例でいえば3.2Aの一定とせずに、図7のSC1,IC1のように電流の設定値を一定電力例えば38.5Wになるように制御する。これにより、充電は図6のV19のように進み、毎秒38.5Wの電力を貯えることが可能となる。また、これにパワートラック機能を持たせ、太陽電池の負荷電流を調節してそのピーク点に追従させることにより、さらに増して50W程度の充電電力が得られる。
【0033】
電流制限の値、電子回路内の損失、充電電圧の設定法などにより、若干の相違はあるものの、本発明によると、太陽電池から電気二重層コンデンサへの充電効率はおよそ2倍程度改善される。
【0034】
本発明は比較的小電力を長時間使用する電気機器、例えば太陽電池で動作するソーラー時計台、ソーラー計算機、ソーラーパソコン、ソーラー常夜灯/街灯/門灯/庭園灯や一般住宅用、キャンプ用などのソーラー汎用電源などに適用可能である。
【0035】
【発明の効果】
以上説明したように、本発明によれば、太陽電池と電気二重層コンデンサとの間にパワートラック機能を有する電流出力型のスイッチング・レギュレータを介在させることにより、電気二重層コンデンサをきわめて効率良く充電することができる。
【0036】
また、その場合スイッチング・レギュレータに、その電圧電流負荷が太陽電池の最大出力となるように制御するパワートラック特性を持たせることにより、太陽電池の全電力を電気二重層コンデンサに充電することが可能となる。
【図面の簡単な説明】
【図1】本発明の充電方法の一実施例を説明するための概略的な回路図。
【図2】上記実施例に示されているスイッチング・レギュレータの具体的な構成例を示した回路図。
【図3】同スイッチング・レギュレータの各部の波形を示した波形図。
【図4】太陽電池の電流−電圧特性を示した特性図。
【図5】太陽電池により電気二重層コンデンサを直接接続して充電する状態を示した従来例としての回路図。
【図6】本発明による充電電圧と従来例による充電電圧とを対比的に示したグラフ。
【図7】本発明および従来例による充電電流および充電電力をそれぞれ対比的に示したグラフ。
【符号の説明】
D1〜D3  太陽電池のソーラーセル
SR  スイッチング・レギュレータ
C1  電気二重層コンデンサ[0001]
 [Industrial applications]
 The present invention relates to a method for charging an electric double layer capacitor using a solar cell, and more particularly, to a method for charging an electric double layer capacitor more efficiently.
 [0002]
 [Prior art]
 For example, when describing a road sign light as an example, generally, when a commercial power supply such as a power line is nearby, power is obtained from the power supply, but when a wiring distance from the commercial power supply is long, When the wiring is an obstacle or the wiring itself is difficult, a solar cell is used, and a combined use with a secondary battery has been proposed.
 [0003]
 [Problems to be solved by the invention]
 According to this, since the output of the solar cell is stored in the secondary battery and used, it can be used as an effective power source regardless of the presence or absence of sunshine, but the biggest problem is the cycle life.
 [0004]
 In other words, a normal secondary battery has a nominal life of about 300 to 500 discharges, depending on the type, rating, and depth of discharge. In addition, regarding the individual secondary batteries, the life of the lead batteries which are most frequently used becomes extremely short when the depth of discharge exceeds 60 to 70%. Conversely, if the nickel cadmium battery is started to be charged without completing discharge, there is a problem such as a remarkable decrease in capacity.
 [0005]
 By the way, a capacitor, particularly an electric double layer capacitor, can store electric energy with a capacity equal to or higher than that of a secondary battery, but the following points must be considered when used together with a solar cell.
 [0006]
 Even if the secondary battery is discharged, the voltage does not drop so much. When viewed in a no-load state, for example, in the case of a lead battery, a terminal voltage of 2.2 V becomes about 1.8 V when fully charged, except for a transient state immediately after charging or immediately after charging. It is not the original usage to use nickel cadmium batteries until they reach 0V.
 [0007]
 As can be judged from these characteristics, batteries are constant voltage devices, and the state of fully charged or discharged batteries can be distinguished by the no-load terminal voltage. Resistance can be distinguished more accurately.
 [0008]
 Charging a constant voltage device can be done with little loss from a constant voltage source, but this is not the case with capacitors.
 [0009]
 That is, when the capacitor is discharged, the voltage drops extremely. The terminal voltage of the completely discharged capacitor is zero. The relationship between the voltage V and the stored energy Ec on the way is well known,
 Ec = C ×V 2/2
 It is represented by That is, unlike a battery, a capacitor is not a constant voltage device. When the capacitor is charged from the constant voltage power supply, the power Ep from the charger is the product of the integrated value Q of the flowing current and the voltage V,
 Ep = Q × V = C × V2
 It becomes. The charging efficiency when charging with a constant voltage power supply is calculated from the ratio of these two, Ec / Ep, to 50%, and the remaining power is the resistance component R (the internal resistance of the capacitor, which is always present between the charger and the capacitor). (Including).
 [0010]
 For this reason, when the capacitor is charged from the constant voltage power supply, the charging efficiency cannot be higher than 50% regardless of the value of the intervening resistance.
 [0011]
 In charging the capacitor from the solar cell, first, the output characteristics of the solar cell will be described with reference to FIG. FIG. 5 illustrates a terminal voltage (V2) -load current (IL) characteristic when a 50 W array manufactured by Kyocera Corporation receives 100 W /
 [0012]
 When the output power S (= V2 × IL) is calculated, a locus is plotted as shown in the figure. When the maximum point is read out, the output power shows 50.08 W when the output current is 3.13 A.
 [0013]
 When a lead battery having a rated voltage of 12 V, for example, is connected to the solar cell and charged, the solar cell provides an output current of 3.20 A and an output power of 38.5 W. If a known power tracker is used for this, an output power of 50.08 W can be obtained in an ideal state. This is the maximum output of the solar cell.
 [0014]
 However, when an electric double layer capacitor is connected in parallel to a solar cell instead of a lead battery and charged, the following problems occur. Here, as illustrated in FIG. 5, when analyzing each solar cell of the solar cell as D1 to D3 and connecting an electric double layer capacitor C1 having an internal resistance R1 of 50 mΩ and a capacitance of 200 F to this solar cell, In the state where the solar cell is exposed to the above-mentioned sunshine, the electric double layer capacitor C1 is charged in a straight line like V9 in FIG. And it reaches 12V in 737 seconds.
 [0015]
 The upper part of FIG. 7 shows the associated charging power SC. Assuming that the charging current to the electric double layer capacitor C1 at this time is IC, the voltage between the terminals is the above-mentioned V9. Therefore, this charging power SC is represented by IC × V9, and is a straight line rising from zero and rising to the right. ing.
 [0016]
 In this case, the power generated by the solar cell is hardly used at first, but is effectively used toward the end, but on average only about half of the charging power contributes to charging.
 [0017]
 The charging current IC to the electric double layer capacitor C1 is shown in the lower part of FIG. 7, and it keeps 3.2 A in almost all regions. This means that, even when viewed from the locus of the output voltage V2 of the solar cell in FIG. 4, the output initially flows at 3.2 A in a short-circuited state and stays at about 3.2 A until the output voltage V2 becomes 12 V. It is consistent with that.
 [0018]
 That is, if an electric double-layer capacitor is connected in parallel to the solar cell, the solar cell becomes a constant current source of, for example, 3.2 A as described above, and the output power from the solar cell is small where the capacitor voltage is low. However, there is a problem that generated power is wasted.
 [0019]
 [Means for Solving the Problems]
 SUMMARY OF THE INVENTION The present invention has been made to solve the above-mentioned problems, and its structural feature is a charging method for charging an electric double-layer capacitor with electric energy obtained from a solar cell. A current output type switching regulator havinga power track function whichoperates as a load corresponding to the maximum output point of the solar cell is interposed between the multilayer capacitor and a current set value(charged) of the current output of the switching regulator.Current value) is controlled so thatthe product of the voltage of the electric double layer capacitor and the charging current is asequal as possible to the maximum output of the solar cell, and the switching regulator charges the electric double layer capacitor. That's what I did.
 [0021]
 By passing through the bythat current source to the switching regulator, the charge efficiency is remarkably improved in electric double layer capacitor can be hardly efficiently use the output power of the solar cell.
 [0022]
 Incidentally, the same switching regulator low internal resistance, the ohmic loss by reducing, used after onlya current-type output characteristic, also, by providing a power track characteristics, always the maximum output of the solar cell Charging will be performed at the point.
 [0023]
 【Example】
 As illustrated in FIG. 1, in the present invention, when charging the electric double-layer capacitor C1 by each of the solar cells D1 to D3 of the solar cell, a current output type switching regulator SR is interposed.
 [0024]
 FIG. 2 shows an example of the switching regulator SR. This example is in principle the same as a step-down switching regulator, where the diode D1 is called a flywheel diode, and switches the energy stored in the choke coil L1 when the switching element S1 is on. This is a diode for obtaining a current path to flow when the element S1 is off.
 [0025]
 In this example, V1 and R1 on the left side of the figure correspond to the solar cells D1 to D3 of the solar cell. C2 has a low internal resistance and a capacitance of about 0.2 to 2 μF, and prevents a peak current from flowing into the solar cell every time the switching element S1 is turned on and off.
 [0026]
 In operation, the output current is detected by the current sensor V2, and when the output current exceeds a certain value, the control circuit U1 operates to turn off the switching element S1. Even if the switching element S1 is turned off, the current accumulated in the choke coil L1 flows through the diode D1, but when the current value interrupts a constant value and is detected by the current sensor V2, the control circuit U1 operates to turn on the switching element S1.
 [0027]
 For reference, FIG. 3 shows the waveform of each part in FIG. In the figure, a is a current flowing through the current sensor V2, b is a current flowing through the capacitor C1, c is a current flowing through the choke coil L1, d is a voltage between output terminals, and e is a clock used inside the control circuit U1. It is a pulse.
 [0028]
 The switching regulator SR, since although being charged in an electric double layer capacitor C1pixels current, the output of the solar cell which varies in accordance with a variation in sunshine and temperature in the present invention, the control circuit U1 is provided with a power track characteristic so that the output characteristics of the solar cell are adjusted to certain conditions.
 [0029]
 The output current of the switching regulator SR is limited to 10 A because the output current becomes infinite when the voltage of the electric double layer capacitor C1 is near zero. IC1 in the lower part of FIG. 7 is the output current of the switching regulator SR, V19 in FIG. 6 is the terminal voltage, and the charging power SC1 obtained by multiplying them is shown in the upper part of FIG.
 [0030]
 According to this, the charging power SC1 is almost 50 W after 100 seconds. The part of the charging power SC1 that has been cut off from 0 to 100 seconds is due to the charging current being limited to a maximum of 10 A due to the restriction of the current capacity of the electric double layer capacitor C1.
 [0031]
 According to the charging method of the present invention, the inter-terminal voltage increases as shown by V19 in FIG. 6 and reaches 12 V at full charge in 336 seconds. When this is compared with a voltage V9 as a comparative example implemented under the same conditions, the charging time is 737/336 = 2.2 times as fast.
 [0032]
 In short, in the present invention, switching thecurrent outputof Lesformic Regulator SR without constant 3.2A In the example above, a constant power setting value ofcurrent as in Figure 7 of SC1, IC1 For example, it is controlled to be 38.5 W. As a result, charging proceeds as indicated by V19 in FIG. 6, and it becomes possible to store 38.5 W of power per second. In addition, by providing this with a power track function and adjusting the load current of the solar cell to follow the peak point, a charging power of about 50 W can be further obtained.
 [0033]
 According to the present invention, the charging efficiency from the solar cell to the electric double layer capacitor is improved about twice, although there are some differences depending on the value of the current limit, the loss in the electronic circuit, the setting method of the charging voltage, and the like. .
 [0034]
 The present invention relates to an electric device that uses relatively low power for a long time, for example, a solar clock tower operated by a solar cell, a solar calculator, a solar personal computer, a solar night light / a street light / a gate light / a garden light, and a solar power for a general house, camping, and the like. It is applicable to general-purpose power supplies.
 [0035]
 【The invention's effect】
 As described above, according to the present invention,a current output type switching regulatorhaving a power track function is interposed between a solar cell and an electric double layer capacitor, so that the electric double layer capacitor can be extremely efficiently charged. can do.
 [0036]
 In that case, the switching regulator has a power track characteristic that controls the voltage and current load to be the maximum output of the solar cell, so that the entire power of the solar cell can be charged to the electric double layer capacitor. It becomes.
 [Brief description of the drawings]
 FIG. 1 is a schematic circuit diagram for explaining an embodiment of a charging method according to the present invention.
 FIG. 2 is a circuit diagram showing a specific configuration example of the switching regulator shown in the embodiment.
 FIG. 3 is a waveform chart showing waveforms at various parts of the switching regulator.
 FIG. 4 is a characteristic diagram showing current-voltage characteristics of a solar cell.
 FIG. 5 is a circuit diagram as a conventional example showing a state in which an electric double layer capacitor is directly connected and charged by a solar cell.
 FIG. 6 is a graph showing a comparison between a charging voltage according to the present invention and a charging voltage according to a conventional example.
 FIG. 7 is a graph showing charging current and charging power according to the present invention and a conventional example, respectively.
 [Explanation of symbols]
 D1 to D3 Solar cell solar cell SR Switching regulator C1 Electric double layer capacitor
| Application Number | Priority Date | Filing Date | Title | 
|---|---|---|---|
| JP18754293AJP3559803B2 (en) | 1993-06-30 | 1993-06-30 | Charge method of electric double layer capacitor by solar cell | 
| US08/269,010US5498951A (en) | 1993-06-30 | 1994-06-30 | Method and apparatus for charging electric double layer capacitor | 
| Application Number | Priority Date | Filing Date | Title | 
|---|---|---|---|
| JP18754293AJP3559803B2 (en) | 1993-06-30 | 1993-06-30 | Charge method of electric double layer capacitor by solar cell | 
| Publication Number | Publication Date | 
|---|---|
| JPH0787669A JPH0787669A (en) | 1995-03-31 | 
| JP3559803B2true JP3559803B2 (en) | 2004-09-02 | 
| Application Number | Title | Priority Date | Filing Date | 
|---|---|---|---|
| JP18754293AExpired - Fee RelatedJP3559803B2 (en) | 1993-06-30 | 1993-06-30 | Charge method of electric double layer capacitor by solar cell | 
| Country | Link | 
|---|---|
| JP (1) | JP3559803B2 (en) | 
| Publication number | Priority date | Publication date | Assignee | Title | 
|---|---|---|---|---|
| WO2006101107A1 (en)* | 2005-03-22 | 2006-09-28 | Sankyo Kobunshi Co., Ltd. | Charging apparatus | 
| Publication number | Priority date | Publication date | Assignee | Title | 
|---|---|---|---|---|
| JP2964859B2 (en)* | 1993-12-22 | 1999-10-18 | 株式会社 多川商事 | Solar cell equipment | 
| CN1086844C (en)* | 1995-06-22 | 2002-06-26 | 株式会社多川商事 | Solar cell system | 
| JP4662862B2 (en)* | 2006-02-15 | 2011-03-30 | Necエンジニアリング株式会社 | Capacitor charging circuit using solar cells | 
| GB2475497B (en)* | 2009-11-19 | 2012-03-28 | Perpetuum Ltd | Vibration energy harvester for converting mechanical vibrational energy into electrical energy | 
| Publication number | Priority date | Publication date | Assignee | Title | 
|---|---|---|---|---|
| WO2006101107A1 (en)* | 2005-03-22 | 2006-09-28 | Sankyo Kobunshi Co., Ltd. | Charging apparatus | 
| Publication number | Publication date | 
|---|---|
| JPH0787669A (en) | 1995-03-31 | 
| Publication | Publication Date | Title | 
|---|---|---|
| Kim et al. | A new peak power tracker for cost-effective photovoltaic power system | |
| CN100384050C (en) | Power supply device and control method used in the power supply device | |
| KR101302541B1 (en) | Power extractor circuit | |
| US10038326B2 (en) | Power bank with charging management including charging interface | |
| US7622898B2 (en) | Charging or discharging apparatus for electrically charging or discharging a capacitor storage type power source adapted to store electric energy in electric double layer capacitors | |
| US11705752B1 (en) | Low-voltage direct supply system capable of switching between solar energy and mains supply | |
| KR20030011078A (en) | Oscillatorless DC-DC power converter | |
| JP2005500792A (en) | Improvement of photovoltaic cells | |
| US9065336B2 (en) | Maximum power point tracking method and apparatus | |
| GB1570985A (en) | Device for utilising solar energy | |
| CN109494793B (en) | Lithium-capacitor-based photovoltaic graded energy storage system with primary frequency modulation function | |
| US20170117730A1 (en) | Efficient supercapacitor charging technique by a hysteretic charging scheme | |
| CN101026917A (en) | Solar LED lamp circuit | |
| JPH08168182A (en) | Power supply device using batteries with large voltage fluctuations | |
| JP3559803B2 (en) | Charge method of electric double layer capacitor by solar cell | |
| JP4435179B2 (en) | Power supply | |
| CN113595393B (en) | DC/DC module, power generation system, and DC/DC module protection method | |
| JP2004336974A (en) | Power supply | |
| JP2000209775A (en) | Capacitor power supply with switchable number of series connection stages | |
| JP3517708B2 (en) | Power supply using solar cells | |
| CN111342508B (en) | Single-port bidirectional mobile power supply management chip and mobile power supply | |
| CN113241813A (en) | Intelligent load identification circuit and method and photovoltaic power generation system | |
| KR20220034441A (en) | High power density and low price type inverter system in solar Energy storage system for reduced switching loss | |
| CN221806539U (en) | Solar cell double-switching power supply circuit | |
| CN201828844U (en) | Double-layer capacitor output pulse-width modulation device for electric tool | 
| Date | Code | Title | Description | 
|---|---|---|---|
| TRDD | Decision of grant or rejection written | ||
| A01 | Written decision to grant a patent or to grant a registration (utility model) | Free format text:JAPANESE INTERMEDIATE CODE: A01 Effective date:20040317 | |
| A61 | First payment of annual fees (during grant procedure) | Free format text:JAPANESE INTERMEDIATE CODE: A61 Effective date:20040329 | |
| R150 | Certificate of patent or registration of utility model | Free format text:JAPANESE INTERMEDIATE CODE: R150 | |
| S531 | Written request for registration of change of domicile | Free format text:JAPANESE INTERMEDIATE CODE: R313531 | |
| S533 | Written request for registration of change of name | Free format text:JAPANESE INTERMEDIATE CODE: R313533 | |
| R350 | Written notification of registration of transfer | Free format text:JAPANESE INTERMEDIATE CODE: R350 | |
| R250 | Receipt of annual fees | Free format text:JAPANESE INTERMEDIATE CODE: R250 | |
| FPAY | Renewal fee payment (event date is renewal date of database) | Free format text:PAYMENT UNTIL: 20090604 Year of fee payment:5 | |
| FPAY | Renewal fee payment (event date is renewal date of database) | Free format text:PAYMENT UNTIL: 20100604 Year of fee payment:6 | |
| FPAY | Renewal fee payment (event date is renewal date of database) | Free format text:PAYMENT UNTIL: 20110604 Year of fee payment:7 | |
| FPAY | Renewal fee payment (event date is renewal date of database) | Free format text:PAYMENT UNTIL: 20120604 Year of fee payment:8 | |
| S531 | Written request for registration of change of domicile | Free format text:JAPANESE INTERMEDIATE CODE: R313531 | |
| FPAY | Renewal fee payment (event date is renewal date of database) | Free format text:PAYMENT UNTIL: 20120604 Year of fee payment:8 | |
| R360 | Written notification for declining of transfer of rights | Free format text:JAPANESE INTERMEDIATE CODE: R360 | |
| FPAY | Renewal fee payment (event date is renewal date of database) | Free format text:PAYMENT UNTIL: 20120604 Year of fee payment:8 | |
| R370 | Written measure of declining of transfer procedure | Free format text:JAPANESE INTERMEDIATE CODE: R370 | |
| FPAY | Renewal fee payment (event date is renewal date of database) | Free format text:PAYMENT UNTIL: 20120604 Year of fee payment:8 | |
| S531 | Written request for registration of change of domicile | Free format text:JAPANESE INTERMEDIATE CODE: R313531 | |
| FPAY | Renewal fee payment (event date is renewal date of database) | Free format text:PAYMENT UNTIL: 20120604 Year of fee payment:8 | |
| R350 | Written notification of registration of transfer | Free format text:JAPANESE INTERMEDIATE CODE: R350 | |
| FPAY | Renewal fee payment (event date is renewal date of database) | Free format text:PAYMENT UNTIL: 20120604 Year of fee payment:8 | |
| FPAY | Renewal fee payment (event date is renewal date of database) | Free format text:PAYMENT UNTIL: 20120604 Year of fee payment:8 | |
| FPAY | Renewal fee payment (event date is renewal date of database) | Free format text:PAYMENT UNTIL: 20120604 Year of fee payment:8 | |
| LAPS | Cancellation because of no payment of annual fees |