







本発明は、自動運転を行う車両を制御する車両制御システムに関する。 The present invention relates to a vehicle control system that controls a vehicle that automatically drives.
近年、運転者の負担を軽減し、快適かつ安全に運転できるようにするための自動運転技術の研究が盛んであり、一部は既に実用化されている。 In recent years, there has been a lot of research into automatic driving technologies that reduce the burden on drivers and enable them to drive comfortably and safely, and some have already been put into practical use.
特許文献1では、運転者自らが車両を操舵する手動運転モードと第1運転支援モードと第2運転支援モードとを運転者が任意に選択することの出来る運転モードスイッチを備えた運転支援システムが開示されている。なお、第1運転支援モードと第2運転支援モードは、自車両を目標進行路に沿って自動運転させる点は共通しているが、第1運転支援モードは運転者の保舵を条件とする運転モードであり、第2運転支援モードは運転者の保舵を条件としない運転モードである。In
この運転支援システムでは、運転者が運転モードスイッチをOFFにした場合は手動運転モードとなり、運転者が運転モードスイッチをONにした場合には第1運転支援モードか第2運転支援モードどちらかを選択して自動運転を行う構成となっている。In this driving assistance system, when the driver turns off the driving mode switch, the manual driving mode is entered, and when the driver turns on the driving mode switch, either the first driving assistance mode or the second driving assistance mode is selected. It is configured to select and operate automatically.
特許文献1に開示されている運転支援システムの第1運転支援モードには、レーンキープ制御や緊急自動ブレーキといった、交通事故を未然に防止するための予防安全機能が含まれている。一般的に運転技術が未熟であるほど、車線逸脱やアクセルとブレーキの踏み間違えといった車両が危険な状態になる可能性が高いため、予防安全機能の必要性は高くなる。 The first driving assistance mode of the driving assistance system disclosed in
しかし、特許文献1の構成では、運転技術を問わず運転者が運転モードスイッチによって手動運転モードを選択し、第1運転支援モードをOFFにすることができる。このため、本来運転技術が未熟な運転者にとって必要性の高い予防安全機能をOFFにすることができるため、万が一車両が危険な状態に陥った際に運転技術が未熟な運転者にこそ必要な予防安全機能が機能しない場合があるという問題があった。 However, with the configuration of
本開示は、上記の問題を解決するために、運転技術が未熟なドライバが予防安全機能を制限してしまうことを避け、車両の安全性を向上させることの出来る車両制御システムを提供することを目的とする。 In order to solve the above problems, the present disclosure aims to provide a vehicle control system that can improve the safety of the vehicle by avoiding the restriction of preventive safety functions by a driver who is unskilled in driving skills. aim.
上述した問題を解決するために、本開示の車両制御システムは、ドライバの個人認証を行う個人認証部と、個人認証部で認証されたドライバについての個人情報を管理する個人情報管理部と、ドライバにより予防安全機能についてのON/OFF設定入力が行われるドライバ入力取得部と、個人情報管理部の個人情報に基づいてドライバの運転技術が未熟かどうかを判断する運転技術未熟判断部と、ドライバ入力取得部からの入力情報と運転技術未熟判断部からの入力結果とを元に予防安全機能の制御演算を行う予防安全機能制御部と、を備え、予防安全機能制御部は、運転技術未熟判断部がドライバの運転技術が未熟と判断した場合にドライバ入力取得部からのOFF設定を反映しないことを特徴とする。In order to solve the above-described problems, the vehicle control system of the present disclosure includes a personal authentication unit that performs personal authentication of the driver, a personal information management unit that manages personal information about the driver authenticated by the personal authentication unit, a driver a driver input acquisition unit for performing ON/OFF setting input for the preventive safety function, a driving skill inexperienced judgment unit for judging whether the driver's driving technique is immature based on the personal information of the personal information management unit, and the driver input a preventive safety function control unit that performs control calculations for the preventive safety function based on input information from the acquisition unit and input results from the driving skill inexperienced judgment unit; is characterized in that it does not reflect the OFF setting from the driver input acquisition unit when it is determined that the driving technique of the driver is immature.
本開示に係る車両制御システムによれば、運転技術未熟判断部がドライバの運転技術が未熟と判断した場合にドライバ入力取得部からのОFF設定を反映しないことで、運転技術が未熟なドライバが予防安全機能をOFFに設定してしまった際に設定を反映せずに予防安全機能が機能した状態を維持できるため、車両の安全性を向上させることが出来る。 According to the vehicle control system according to the present disclosure, when the driving technique inexperienced judgment unit judges that the driving technique of the driver is inexperienced, the OFF setting from the driver input acquisition unit is not reflected, thereby preventing the driver with inexperienced driving technique. When the safety function is set to OFF, the active state of the preventive safety function can be maintained without reflecting the setting, so that the safety of the vehicle can be improved.
以下、図面を参照しながら、本開示の車両制御システムの実施の形態を説明する。実施形態は適宜変更し、組合せて適用することができる。また、以下の説明及び添付図面において、実質的に同一又は等価な構成には同一の符号を付して説明する。なお、本開示は、以下で説明する実施の形態に限定されるものではない。 Hereinafter, embodiments of the vehicle control system of the present disclosure will be described with reference to the drawings. Embodiments can be changed as appropriate and applied in combination. Also, in the following description and accompanying drawings, substantially the same or equivalent configurations are denoted by the same reference numerals. Note that the present disclosure is not limited to the embodiments described below.
また、本開示では、日本政府および米国運輸省道路交通安全局(NHTSA)により定義された以下の自動運転レベルを用い、レベル1からレベル2を予防安全機能、レベル3からレベル5を自動運転機能と定義する。なお、特許文献1の運転支援システムにおいては、第1運転支援モードがレベル1からレベル2、第2運転支援モードがレベル3からレベル5に相当する。In addition, in this disclosure, the following automated driving levels defined by the Japanese government and the US Department of Transportation Highway Traffic Safety Administration (NHTSA) are used,
レベル0:ドライバが常にすべての主制御系統(加速、操舵および制動)の操作を行う。 Level 0: Driver always operates all main control systems (acceleration, steering and braking).
レベル1:加速、操舵および制動のいずれか単一をシステムが支援的に行う。 Level 1: The system assists any one of acceleration, steering and braking.
レベル2:システムがドライビング環境を観測しながら、加速、操舵および制動のうち同時に複数の操作をシステムが行う。 Level 2: While the system observes the driving environment, the system simultaneously performs multiple operations among acceleration, steering and braking.
レベル3:限定的な環境下若しくは交通状況のみ、システムが加速、操舵および制動を行う。システムが要請したときはドライバが対応する。 Level 3: The system accelerates, steers and brakes only under restricted environmental or traffic conditions. Drivers respond when requested by the system.
レベル4:特定の状況下のみ(例えば高速道路上のみなど、極限環境を除く天候などの条件)、加速、操舵および制動といった操作を全てシステムが行い、その条件が続く限りドライバが関与しない。 Level 4: Only under certain circumstances (e.g., only on highways, weather conditions excluding extreme environments), the system performs all operations such as acceleration, steering and braking, and the driver is not involved as long as the conditions persist.
レベル5:無人運転。考え得る全ての状況下及び、極限環境での運転をシステムに任せる。 Level 5: Unmanned operation. Allow the system to operate under all conceivable conditions and in extreme environments.
実施の形態1.
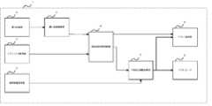
図1は実施の形態1に係る車両制御システムの構成を示すブロック図である。
FIG. 1 is a block diagram showing the configuration of a vehicle control system according to
図1に示すように、車両制御システム1は、個人認証部2と、個人情報管理部3と、ドライバ入力取得部4と、運転技術未熟判断部5と、車両情報取得部6と、予防安全機能制御部7と、ドライバ通知部8と、アクチュエータ9と、を備える。As shown in FIG. 1, a
まず、個人認証部2について説明する。個人認証部2は、ドライバがどの人物であるかを特定する個人認証を行う。例えば運転席に座っているドライバの運転免許証を画像認識するカメラを備え、画像認識した運転免許証からドライバが本システムに登録された人物のうち、どの人物か、または未登録の人物か、を特定する。First, the
ここで、個人認証部2は運転免許証を画像認識するカメラではなくICカードリーダーを備え、ICチップにより運転免許証情報を取得する構成でも問題ない。また運転免許証は、マイナンバーカードや健康保険証、ディーラで発行されたIDカード等のドライバが特定できるものであればどんなものでも構わない。さらに、個人認証部2は顔認証や指紋認証といった生体認証によって個人を特定する構成でもよい。 Here, the
次に、個人情報管理部3について説明する。個人情報管理部3は、個人認証部2で認証されたドライバについての個人情報を収集し、管理する。個人情報管理部3で管理するドライバについての個人情報は、ドライバの運転技術に係る情報であればどのような情報を管理してもよい。Next, the personal
例えば、個人情報管理部3ではドライバの運転免許証についての情報を、新規運転者、一般運転者、優良運転者等に区分して管理する。また、運転免許証の点数、運転可能な車種、運転免許証の保有年数等の運転免許証に関する他の情報を管理してもよい。For example, the personal
また、ドライバの運転履歴情報について管理してもよい。この場での運転履歴情報は、運転回数や運転頻度、走行距離、事故回数、事故種類(加害、被害、自損)、交通違反回数、加減速頻度、予防安全機能作動回数等、ドライバの運転技術に係る個人情報であればどのような情報でも構わない。Also, the driving history information of the driver may be managed. The driving history information on this site includes the number of times of driving, driving frequency, distance traveled, number of accidents, type of accident (injury, damage, personal injury), number of traffic violations, frequency of acceleration and deceleration, number of active safety functions, etc. Any information is acceptable as long as it is personal information related to technology.
さらに、ドライバが加入している自動車保険の情報について管理してもよい。この場での自動車保険の情報は、保険等級、保険利用回数、事故履歴、事故種類(加害、被害、自損)等、ドライバの運転技術に係る個人情報であればどのような情報でも構わない。Furthermore, information on automobile insurance that the driver has subscribed to may be managed. The car insurance information on this occasion may be any information as long as it is personal information related to the driver's driving skills, such as insurance grade, number of times insurance is used, accident history, accident type (injury, damage, self-inflicted loss), etc. .
次に、ドライバ入力取得部4について説明する。ドライバ入力取得部4は、例えばディスプレイに備えられたタッチパネルを介して、ドライバから予防安全機能についてON/OFF等の設定入力を受け付ける。ドライバが設定できる予防安全機能としては、緊急自動ブレーキ、車線逸脱防止機能、オートクルーズのON/OFF、車間距離設定、車速設定、踏み間違い防止機能、後側方車両接近警報、警報音音量等があげられる。Next, the driver
ここで、ドライバ入力取得部4は、ディスプレイに備えられたタッチパネルによる設定入力ではなく、ディスプレイ周辺やハンドル周りに備えられたスイッチによって設定入力する構成でも構わない。また、ドライバの音声やジェスチャを認識し設定入力する方法や、スマートフォン等の端末から設定入力する方法でも構わない。Here, the driver
次に、運転技術未熟判断部5について説明する。運転技術未熟判断部5は、ドライバ入力取得部4から予防安全機能に関する設定入力を受信した際に、個人認証部2で認証されたドライバについて、個人情報管理部3からの個人情報に基づいてドライバの運転技術が未熟かどうかを判断し予防安全機能制御部7にドライバ入力取得部4からの設定入力とともに入力結果を送信する。なお、本明細書では、予防安全機能がなくとも自らの判断で十分に危機対応が可能である状態を熟として、そのレベルに達していないものを未熟と定義する。Next, the driving skill immaturity determination unit 5 will be described. The driving technique immaturity determination unit 5 determines the driver based on the personal information from the personal
次に、車両情報取得部6について説明する。車両情報取得部6は、車両に備えられたセンサやカメラによって得られる、予防安全機能の制御に利用可能な情報を取得する。例えば、車速やヨーレート、カメラが認識した周囲の障害物、白線情報等があげられる。Next, the vehicle information acquisition section 6 will be described. The vehicle information acquisition unit 6 acquires information that can be used to control preventive safety functions, which is obtained from sensors and cameras provided in the vehicle. For example, vehicle speed, yaw rate, surrounding obstacles recognized by the camera, white line information, etc. can be mentioned.
次に、予防安全機能制御部7について説明する。予防安全機能制御部7は、運転技術未熟判断部5からの入力結果と、車両情報取得部6の車両情報とを元に、アクチュエータ9に対しての予防安全機能の制動指示や操舵指示を演算する。予防安全機能制御部7が扱う予防安全機能としては、緊急自動ブレーキ、車線逸脱防止機能、オートクルーズ、踏み間違い防止機能、後側方車両接近警報等が挙げられる。Next, the preventive safety function control section 7 will be described. The preventive safety function control unit 7 calculates braking instructions and steering instructions for the preventive safety functions to the actuator 9 based on the input result from the driving skill judging unit 5 and the vehicle information from the vehicle information acquisition unit 6. do. Preventive safety functions handled by the preventive safety function control unit 7 include emergency automatic braking, lane deviation prevention function, auto-cruise, stepping error prevention function, rear side vehicle approach warning, and the like.
次に、ドライバ通知部8について説明する。ドライバ通知部8は、運転技術未熟判断部5の入力結果を元にした情報や、緊急自動ブレーキ機能の警報といった、ドライバに知らせる必要がある情報を通知する。Next, the
ここで、ドライバ通知部8は、例えば専用に車両に設置されたディスプレイによって構成されるが、ナビの画面やメータ、HUD(Head-Up Display)、スマートフォン等の端末に表示するような構成でもよい。また、音や光など、ドライバに知らせる必要がある情報を通知出来る構成であれば、どのような構成でも構わない。Here, the
次に、アクチュエータ9について説明する。アクチュエータ9は、予防安全機能制御部7の制御指示に基づき、車両の加速、制動、操舵などを行う装置であり、例えば、エンジン、ブレーキ、電動パワーステアリング、およびそれらを制御するECU(Electronic Control Unit)などが含まれる。また、アクチュエータ9はヘッドライトやハザードランプ等の灯火系に指示を出すようにしてもよい。Next, the actuator 9 will be explained. The actuator 9 is a device that performs acceleration, braking, steering, etc. of the vehicle based on control instructions from the preventive safety function control unit 7. For example, the actuator 9 includes an engine, a brake, an electric power steering, and an ECU (Electronic Control Unit) that controls them. ) and so on. Also, the actuator 9 may issue instructions to a lighting system such as a headlight or a hazard lamp.
ここからは、実施の形態1に係る車両制御システムの動作について説明する。図2は本発明の実施の形態1に係る車両制御システムの動作を示すフローチャートである。From here, the operation of the vehicle control system according to
車両制御システム1はまず、個人認証部2にて個人情報を取得し、ドライバを認証する(ステップS101)。The
次に、個人情報管理部3が個人認証部2で認証されたドライバに対応する個人情報を
管理し、運転技術未熟判断部5に送信する(ステップS102)。Next, the personal
次に、ドライバ入力取得部4がドライバからの予防安全機能についてのON/OFF等の設定入力情報を取得する(ステップS103)。Next, the driver
次に、運転技術未熟判断部5が、個人情報管理部3から取得したドライバの個人情報を元にドライバの運転技術が未熟かどうかを判断し予防安全機能制御部7に判断情報を送信する(ステップS104)。Next, the driving skill immaturity determination unit 5 determines whether the driver's driving skill is immature based on the driver's personal information acquired from the personal
次に、車両情報取得部6が車両や車両周辺に関する情報を取得し、予防安全機能制御部7に送信する(ステップS105)。Next, the vehicle information acquisition unit 6 acquires information about the vehicle and its surroundings, and transmits the information to the preventive safety function control unit 7 (step S105).
次に、予防安全機能制御部7が、運転技術未熟判断部5からの入力結果および予防安全機能に関する入力情報と、車両情報取得部6からの車両に関する情報とを受信し、予防安全機能が必要であれば、受信した車両に関する情報から予防安全機能の制御演算を行う(ステップS106)。Next, the preventive safety function control unit 7 receives the input result from the driving skill judging unit 5 and the input information about the preventive safety function, and the information about the vehicle from the vehicle information acquisition unit 6. If so, the control calculation of the preventive safety function is performed from the received information about the vehicle (step S106).
次に、ドライバ通知部8が、運転技術未熟判断部7からの入力結果や緊急自動ブレーキ機能からの警報等をドライバに通知する(ステップS107)。Next, the
最後に、アクチュエータ9が予防安全機能制御部7からの制御指示に基づきブレーキや電動パワ―ステアリング等の車両の加速、制動、操舵に関する制御を行う(ステップS108)。Finally, the actuator 9 performs controls related to acceleration, braking, and steering of the vehicle, such as braking and electric power steering, based on control instructions from the preventive safety function control unit 7 (step S108).
ここからは、図3を用いて運転技術未熟判断部5のステップ104での動作について、予防安全機能の内、緊急自動ブレーキ機能を用いて詳細に説明する。図3は、本開示に係る実施の形態1の運転技術未熟判断部5の動作を説明するフローチャートである。なお、ドライバがドライバ入力取得部4で予防安全機能の設定をしていない状態では、予防安全機能はONに設定されている。また、ここでは一例として緊急自動ブレーキ機能について説明しているが、その他の予防安全機能についても同様の構成が成り立つものとする。From now on, the operation of
まず、ドライバ入力取得部4にてドライバにより緊急自動ブレーキ機能OFFが入力される。(ステップS1041)。First, the driver inputs the emergency automatic brake function OFF at the driver
ドライバ入力取得部4から緊急自動ブレーキ機能をOFFにする設定を受信した運転技術未熟判断部5は、個人情報管理部3から個人認証部2で認証されたドライバに関する個人情報を取得する(ステップS1042)。Upon receiving the setting to turn off the emergency automatic braking function from the driver
次に、運転技術未熟判断部5は、管理されている個人情報のうちドライバの運転免許証情報を用いて、新規運転者、一般運転者、優良運転者等の区分情報から、ドライバが新規運転者だった場合、運転技術が未熟であると判断する(ステップS1043)。運転技術が未熟であると判断した場合、ドライバ入力取得部4でドライバが緊急自動ブレーキ機能をOFFに設定しようとしても、ドライバ入力取得部4からの設定を予防安全機能制御部5に反映しないようにする(ステップS1044)。 Next, the driving skill immaturity determination unit 5 uses the driver's driver's license information among the managed personal information to determine whether the driver is a new driver based on the classification information such as a new driver, a general driver, and an excellent driver. If so, it is determined that the driving skill is inexperienced (step S1043). When it is determined that the driving technique is inexperienced, even if the driver tries to set the emergency automatic braking function to OFF by the driver
ステップS3でドライバが新規運転者以外だと判断された場合、次に、ドライバの運転免許証情報からドライバの加害事故や自損事故がある一定回数以上だった場合、運転技術が未熟であると判断する(ステップS1045)。運転技術が未熟であると判断された場合、ドライバ入力取得部4でドライバが緊急自動ブレーキ機能をOFF設定にしようとしても、ドライバ入力取得部4からのOFF設定を予防安全機能制御部7に反映しないようにする(ステップS1044)。If it is determined in step S3 that the driver is not a new driver, and if the driver's driver's license information indicates that the driver has caused accidents or self-inflicted accidents more than a certain number of times, it is determined that the driving skill is inexperienced. It judges (step S1045). When it is determined that the driving technique is inexperienced, even if the driver tries to turn off the emergency automatic braking function in the driver
また、加害事故や自損事故がある一定回数未満と判断された場合、次にドライバの運転免許証情報から、運転免許証の点数が一定点数以上だった場合に運転技術が未熟であると判断する(ステップS1046)。運転技術が未熟であると判断された場合、ドライバ入力取得部4でドライバが緊急自動ブレーキ機能をOFF設定にしようとしても、ドライバ入力取得部4からのOFF設定を予防安全機能制御部7に反映しないようにする。(ステップS1044)。In addition, if it is determined that there are less than a certain number of accidents causing injury or self-inflicted accidents, then based on the driver's driver's license information, if the number of points on the driver's license is above a certain number, then it is judged that the driving skill is inexperienced. (step S1046). When it is determined that the driving technique is inexperienced, even if the driver tries to turn off the emergency automatic braking function in the driver
運転免許証の点数が一定点数未満であると判断された場合、ドライバ入力取得部4からの緊急ブレーキ機能をOFFにする設定を予防安全機能制御部7に反映し、緊急自動ブレーキ機能を制限する(ステップS1047)。If it is determined that the number of points on the driver's license is less than a certain number, the setting to turn off the emergency brake function from the driver
なお、図3ではドライバの運転免許証情報に基づいて運転技術が未熟であるかを判断していたが、ドライバの運転履歴情報から判断しても構わない。例えば、ドライバの運転年数がある一定年数以下だった場合に運転技術が未熟であると判断し、ドライバ入力取得部4でドライバが緊急自動ブレーキ機能をOFF設定にしようとしても、ドライバ入力取得部4からのOFF設定を予防安全機能制御部7に反映しないようにしてもよい。In FIG. 3, whether or not the driving skill is inexperienced is determined based on the driver's license information, but it may be determined based on the driver's driving history information. For example, if the driver has been driving for a certain number of years or less, it is determined that the driving skill is inexperienced, and even if the driver tries to turn off the emergency automatic brake function in the driver
また、ドライバの運転履歴情報から運転回数が一定回数以下だった場合に運転技術が未熟であると判断し、ドライバ入取得部4でドライバが緊急自動ブレーキ機能をOFF設定にしようとしても、ドライバ入力取得部4からのOFF設定を予防安全機能制御部7に反映しないようにしてもよい。In addition, if the driver's driving history information shows that the number of times of driving is less than a certain number of times, it is determined that the driving technique is inexperienced. The OFF setting from the
なお、ドライバの運転履歴情報は運転回数に限らず、運転頻度がある一定閾値以下、走行距離がある一定距離以下、交通違反がある一定回数以上、運転時の加減速がある一定頻度以上、加減速の絶対値の大きさがある閾値以上、緊急自動ブレーキ機能の作動回数がある一定回数以上、車線逸脱防止機能の作動回数がある一定回数以上等、運転履歴情報の内1つ以上の要素を用いて運転技術が未熟であるか判断してもよい。In addition, the driving history information of the driver is not limited to the number of times of driving. One or more elements in the driving history information, such as a certain threshold or more of the absolute value of deceleration, a certain number of times that the emergency automatic braking function has been activated, or a certain number of times or more that the lane departure prevention function has been activated. may be used to determine if driving skills are immature.
また、ドライバの運転免許証情報ではなく,ドライバが加入する自動車保険の情報から運転技術が未熟かを判断してもよい。例えば、保険等級がある等級以下の場合に運転技術が未熟であると判断し、ドライバ入力取得部4でドライバが緊急自動ブレーキ機能をOFFに設定しようとしても、ドライバ入力取得部4からのOFF設定を予防安全機能制御部7に反映しないようにしてもよい。また、保険利用回数がある一定回数以上、事故回数がある一定回数以上、加害事故や自損事故がある一定回数以上等、自動車保険の情報の内1つ以上の要素を用いて運転技術が未熟であると判断し、ドライバ入力取得部4でドライバが緊急自動ブレーキ機能をOFF設定にしようとしても、ドライバ入力取得部4からのOFF設定を予防安全機能制御部7に反映しないようにしてもよい。It is also possible to determine whether the driving skill is inexperienced based on the information on the automobile insurance that the driver subscribes to instead of the information on the driver's driver's license. For example, if the insurance grade is lower than a certain grade, it is determined that the driving skill is inexperienced, and even if the driver tries to set the emergency automatic braking function to OFF in the driver
なお、図3のフローチャートでは運転免許証情報の中の3つの要素を用いてドライバの運転技術が未熟かどうかを判断していたが、少なくとも1つの要素を用いていればその数は問わない。In the flowchart of FIG. 3, three elements in the driver's license information are used to determine whether or not the driver's driving skills are unskilled, but the number of elements does not matter as long as at least one element is used.
また、運転技術未熟判断部5は、運転免許証情報、運転履歴情報、自動車保険の情報のうち1つの情報からドライバの運転技術が未熟かどうかを判断していたが、複数の項目を組み合わせてドライバの運転技術が未熟かどうかを判断してもよい。複数の項目を組み合わせることで,運転免許証では優良運転者であっても過去に事故や違反がある一定回数以上あれば,運転技術が未熟であると判断することが出来るため、ドライバの運転技術が未熟かどうかをより正確に把握し、車両の安全性を向上させることが出来る。In addition, the driving skill inexperienced judgment unit 5 judges whether or not the driver's driving skill is inexperienced based on one of the information on the driver's license, the driving history information, and the information on the automobile insurance. It may be determined whether the driving skill of the driver is immature. By combining multiple items, even if you are a good driver on your driver's license, if you have a certain number of accidents or violations in the past, you can judge that your driving skills are immature. It is possible to more accurately grasp whether the vehicle is immature and improve the safety of the vehicle.
ここからは、実施の形態1の変形例を説明する。図4は、本開示の実施の形態1の変形例に係る予防安全機能制御判断部5の運転技術点マップである。From here, the modification of
運転技術点マップは、運転技術未熟判断部5が複数の個人情報を用いて判断する際に用いるものである。それぞれの個人情報を点数で評価し、各個人情報の点数の合計に基づいて運転技術未熟判断部5はドライバの運転技術が未熟かどうかを判断する。The driving skill point map is used when the driving skill inexperienced judging unit 5 makes a judgment using a plurality of pieces of personal information. Each piece of personal information is evaluated by a score, and based on the total score of each piece of personal information, the inexperienced driving technique judging unit 5 judges whether or not the driver's driving technique is inexperienced.
例えば、図4に示すように、免許証区分、事故回数、保険等級の3つの個人情報に関して、それぞれ1点から3点までの3段階で評価点を設定する。ここで、運転技術点の合計点Hが5点以下の時に運転技術が未熟と判断する場合、免許証区分が新規、事故回数が1回、保険等級が6等級のドライバの場合、運転技術点の合計をHとすると、
H=1+2+1=4
となり、Hが5点以下のため、ドライバは運転技術が未熟だと判断される。For example, as shown in FIG. 4, evaluation points are set in three stages from 1 point to 3 points for each of the three pieces of personal information such as license category, number of accidents, and insurance grade. Here, when it is judged that the driving skill is immature when the total point H of the driving skill points is 5 points or less, if the license classification is new, the number of accidents is 1, and the insurance grade is 6, Let H be the sum of
H = 1 + 2 + 1 = 4
Since H is 5 points or less, it is judged that the driver is inexperienced in driving technique.
図4では、評価項目について免許証区分、事故回数、保険等級の3点を用いて判断したが、他の免許証情報や運転履歴情報、自動車保険の情報を組み合わせても構わない。また、図4では運転技術点について3段階で評価点を設定し、合計点が5点以下の場合に運転技術が未熟と判断していたが、点数設定については運転技術を正確に判断できる設定であればどんなものでも構わない。In FIG. 4, evaluation items are determined using the license category, the number of accidents, and the insurance grade, but other license information, driving history information, and automobile insurance information may be combined. In addition, in Figure 4, evaluation points were set in three stages for driving technique points, and when the total score was 5 points or less, it was judged that the driving technique was inexperienced, but the point setting is set so that the driving technique can be accurately judged. It doesn't matter what it is.
以上で説明したように、本実施の形態における車両制御システム1は運転技術未熟判断部5を備え、ドライバの操作によりドライバ入力取得部4から予防安全機能に関する設定の入力を受け付けた際に、運転技術未熟判断部5が個人情報管理部3からのドライバについての個人情報を元にドライバの運転技術が未熟かどうかを判断し、運転技術が未熟であると判断された場合に、ドライバ入力取得部4からのOFF設定を予防安全機能制御部7に反映しないようにしている、As described above, the
これにより、運転技術が未熟なドライバが運転している間は予防安全機能がOFFになることなくON状態が維持され、車両が危険な状態に陥った際に予防安全機能が作動するため、車両の安全性を確保することが出来る。As a result, the active safety function is maintained in the ON state without being turned off while a driver with inexperienced driving skills is driving. safety can be ensured.
また、個人情報管理部3は個人情報として運転免許証情報、運転履歴情報、自動車保険情報のうち、少なくとも1つの情報について管理し、運転技術未熟判断部5は当該情報(個人情報管理部3にて管理することとなった運転免許証情報、運転履歴情報、自動車保険情報のうち、少なくとも1つの情報)を用いてドライバの運転技術が未熟かどうかを判断することが出来る。In addition, the personal
これにより、予防安全機能により密接に関係するドライバについての個人情報を用いてドライバの運転技術が未熟かどうかを判断出来るため、車両の安全性を向上させることが出来る。As a result, it is possible to determine whether or not the driver's driving skills are inexperienced by using the personal information about the driver, which is closely related to the preventive safety function, so that the safety of the vehicle can be improved.
また、個人情報管理部3は個人情報として運転免許証情報、運転履歴情報、自動車保険情報のうち、少なくとも2つの情報について管理し、運転技術未熟判断部5は、運転免許証情報、運転履歴情報、自動車保険情報の中から少なくとも2つの情報を組み合わせてドライバの運転技術が未熟かどうかを判断することが出来る。In addition, the personal
これにより、運転免許証情報、運転履歴情報、自動車保険情報の内1つの情報だけを用いて判断する場合と比べて、複数の情報を用いてドライバの運転技術が未熟かどうかをより正確に判断出来るため、車両の安全性を向上させることが出来る。As a result, it is possible to more accurately determine whether the driver's driving skills are immature by using multiple pieces of information, compared to the case of making a judgment using only one of the driver's license information, driving history information, and automobile insurance information. Therefore, the safety of the vehicle can be improved.
また、運転技術未熟判断部5は、それぞれの個人情報を点数で評価して運転技術点マップを作成し、各個人情報の点数の合計に基づいてドライバの運転技術が未熟かどうかを判断する。In addition, a driving technique inexperienced judging part 5 prepares a driving technique score map by evaluating each individual information with a score, and judges whether the driving technique of the driver is inexperienced based on the total score of each individual information.
これにより合計点数で判断することによって、各個人情報を組み合わせて総合的に評価することが可能になるため、より正確にドライバの運転技術が未熟かどうかを判断することが可能になる。As a result, it is possible to make a comprehensive evaluation by combining individual pieces of personal information by making a judgment based on the total score, so it is possible to more accurately judge whether or not the driver's driving skills are immature.
また、運転技術未熟判断部5は、ドライバ入力取得部4からの予防安全機能の入力情報を反映させるかについて、予防安全機能のうち、車両の加速、操舵、制動の操作といった操作対象に応じて個別の判断基準で判断するように構成してもよい。In addition, the driving skill inexperienced determination unit 5 determines whether to reflect the input information of the preventive safety function from the driver
これにより、例えば過去の事故履歴が前方車両への追突のみであれば、緊急ブレーキ機能は制限するが車線逸脱防止機能は制限しないといったように、ドライバに応じたより細やかな予防安全機能の設定が可能になる。As a result, it is possible to set more detailed preventive safety functions according to the driver, such as restricting the emergency braking function but not limiting the lane departure prevention function, for example, if the past accident history is a rear-end collision with the vehicle ahead. become.
なお、緊急ブレーキ機能や車線逸脱防止機能といった、予防安全機能の種類だけでなく、例えば緊急ブレーキ機能の中の各設定項目についても個別の判断基準で判断しても構わない。設定項目とは、例えば緊急ブレーキ機能においての前方ブレーキ、後方ブレーキ、ブレーキ作動車速範囲、警報音量、作動タイミング等が挙げられ、操作対象についてそれぞれ複数の項目を設定可能である。これにより、設定項目に応じたより細やかな予防安全機能の設定が可能になる。In addition to the types of preventive safety functions such as the emergency braking function and the lane departure prevention function, for example, each setting item in the emergency braking function may also be judged based on individual judgment criteria. Setting items include, for example, the front brake, rear brake, brake activation vehicle speed range, alarm sound volume, activation timing, etc. in the emergency brake function, and a plurality of items can be set for each operation target. This makes it possible to set more detailed preventive safety functions according to the setting items.
実施の形態2.
本開示の実施の形態2について図5から図8を用いて説明する。実施の形態1との差異を説明する。そのため説明しない事項は実施の形態1と同様である。
図5は本開示の実施の形態2に係る車両制御システムの構成を示すブロック図である。図5に示す通り、本開示の実施の形態の車両制御システムには、ドライバ入力取得部4の入力情報を元に走行ルート情報を取得し管理する走行ルート管理部10が備えられている。FIG. 5 is a block diagram showing the configuration of a vehicle control system according to
なお、本実施の形態のドライバ入力取得部4は、予防安全機能についてのON/OFFの設定に加え、目的地の入力も受け付ける。また、本実施の形態の運転技術未熟判断部5は、個人情報管理部3からの個人情報に加え、走行ルート管理部10からの走行ルート情報にも基づいてドライバの運転技術が未熟かどうかを判断する。It should be noted that the driver
走行ルート管理部10について詳細に説明する。走行ルート管理部10は、現在地からドライバがドライバ入力取得部4にて設定入力した目的地までの走行ルートや、走行ルートについての様々な情報を取得し管理する。例えば、走行ルートにおける渋滞有無や渋滞の長さ、回数、渋滞が発生している位置などの渋滞情報について管理する。The travel
走行ルート管理部10は、渋滞情報だけでなく、走行ルートにおける工事の有無や区間の長さ、回数、位置、車線減少数等の工事に関する情報についても管理してよい。また、工事情報だけでなく、事故情報や移動体情報等、走行ルートに関係するあらゆる情報について管理してよい。The travel
また、走行ルート管理部10はドライバ入力取得部4からの情報だけでなく、カーナビや高精度地図、道路交通情報通信システム、カーメーカが提供するサーバ、インターネット等のあらゆる場所から情報を取得して管理してもよい。取得する情報は、例えばGPSや地図情報、車線情報、渋滞情報、工事情報等が挙げられる。In addition, the driving
次に、図6に示すフローチャート図を用いて、本実施の形態の車両制御システムの動作について詳細に説明する。なお、ドライバがドライバ入力取得部4で予防安全機能の設定をしていない状態では、予防安全機能はONに設定されている。また、ここでは一例として緊急自動ブレーキ機能について説明しているが、その他の予防安全機能についても同様の構成が成り立つものとする。Next, the operation of the vehicle control system according to the present embodiment will be described in detail using the flowchart shown in FIG. When the driver does not set the preventive safety function in the driver
車両制御システムはまず、個人認証部2にて個人情報を取得し、ドライバを認証する。(ステップS201)The vehicle control system first acquires personal information in the
次に、個人情報管理部3が個人認証部2で認証されたドライバに対応する個人情報を管理し、運転技術未熟判断部5に送信する(ステップS202)。Next, the personal
次に、ドライバ入力取得部4がドライバからの予防安全機能に関する入力情報を取得する(ステップS203)。Next, the driver
次に、走行ルート管理部10が現在地から目的地までの走行ルート情報を取得する(ステップS204)。Next, the travel
次に、予防安全機能制御判断部5が、個人情報管理部3から取得したドライバの個人情報と、走行ルート管理部10から取得した走行ルート情報とを元にドライバの運転技術が未熟かどうかを判断し予防安全機能制御部7に入力結果を送信する(ステップS205)。Next, based on the personal information of the driver obtained from the personal
次に、車両情報取得部6が車両に関する情報を取得し、予防安全機能制御部7に送信する(ステップS206)。Next, the vehicle information acquisition unit 6 acquires information about the vehicle and transmits it to the preventive safety function control unit 7 (step S206).
次に、予防安全機能制御部7が運転技術未熟判断部5からの入力結果および予防安全機能に関する入力情報と、車両情報取得部6からの車両に関する情報とを受信し、受信した車両に関する情報から予防安全機能の制御演算を行う、(ステップS207)。Next, the preventive safety function control unit 7 receives the input result from the driving skill judging unit 5 and the input information related to the preventive safety function, and the information related to the vehicle from the vehicle information acquisition unit 6, and from the received information related to the vehicle A control calculation for the preventive safety function is performed (step S207).
次に、ドライバ通知部8が、運転技術未熟判断部5からの判断情報や緊急自動ブレーキからの警報等をドライバに通知する(ステップS208)。Next, the
最後に、アクチュエータ9が予防安全機能制御部5からの制御指示に基づきブレーキや電動パワ―ステアリング等の車両の加速、制動、操舵に関する制御を行う(ステップS209)。Finally, the actuator 9 performs controls related to acceleration, braking, and steering of the vehicle, such as braking and electric power steering, based on control instructions from the preventive safety function control unit 5 (step S209).
次に、ステップ204での運転技術未熟判断部5について詳細に説明する。図7は実施の形態2に係る運転技術未熟判断部5の動作を示すフローチャート図である。Next, the driving skill inexperienced determination unit 5 at
図7に示すように、本実施の形態の運転技術未熟判断部5の動作を示すフローチャート図は、実施の形態1のフローチャート図と比べて、走行ルート管理部10からの走行ルート情報に基づいてドライバの運転技術が未熟かどうかを判断するステップS2043とステップS2045とが追加されている。なお、ステップS2043とステップS2045において、渋滞区間や工事区間では例え優良ドライバでも事故が発生してしまう可能性があるため、優良ドライバでも運転技術が未熟と定義する。As shown in FIG. 7, the flowchart showing the operation of the driving skill judging section 5 of the present embodiment is based on the traveling route information from the traveling
ステップS2043では、走行ルート管理部10からの渋滞情報に基づいて、ドライバの運転技術で安全に渋滞を運転できるかどうかを判断する。運転技術が未熟であると判断された場合、ドライバ入力取得部4でドライバが緊急自動ブレーキ機能をOFF設定にしようとしても、ドライバ入力取得部4からのOFF設定を予防安全機能制御部5に反映しないようにする(ステップS2044)。In step S2043, based on the traffic jam information from the travel
次に、ステップS2045では、走行ルート管理部10からの工事情報に基づいて、ドライバの運転技術で安全に工事区間を運転できるかどうかを判断する。運転技術が未熟であると判断された場合、ドライバ入力取得部4でドライバが緊急ブレーキ機能をOFF設定にしようとしても、ドライバ入力取得部4からのOFF設定を予防安全機能制御部7に反映しないようにする(ステップS2044)。Next, in step S2045, based on the construction information from the travel
なお、本実施の形態では渋滞情報と工事情報を用いてドライバの運転技術が未熟かどうかを判断したが、走行ルート管理部10で管理されている情報であればどんな情報を用いても構わない。In the present embodiment, it is determined whether or not the driver's driving skill is inexperienced by using traffic information and construction information, but any information managed by the travel
以上の説明より、本実施の形態の車両制御システム1は、ドライバがドライバ入力取得部4にて設定入力した目的地までの走行ルートについての走行ルート情報を管理する走行ルート管理部10を設け、運転技術未熟判断部5は個人情報に加えて走行ルート管理部10からの情報に基づいてドライバの運転技術が未熟かどうかを判断する。As described above, the
これにより、個人情報管理部3からのドライバの個人情報に加えて、目的地までの外的要因も参考にドライバの運転技術が未熟かどうかを判断することが出来る。そのため、たとえ優良ドライバであっても、予防安全機能を制限した状態で、予期せぬ渋滞や工事で事故に遭うことを回避しより確実に予防安全機能を作動することができるため、車両の安全性を向上することが出来る。Thus, in addition to the driver's personal information from the personal
また、運転技術未熟判断部5は、走行ルート情報と運転履歴情報を組み合わせてドライバにとって不慣れな道かどうかを判断し、不慣れな道だと判断した場合にドライバ入力取得部からの予防安全機能に関するOFF設定を反映しないようにしてもよい。ドライバにとって不慣れな道かどうかの判断基準は、例えば初めて走行する区間の有無でもよいし、走行履歴がある閾値回数以下かどうかでもよい。In addition, the driving skill inexperienced judgment unit 5 judges whether the road is unfamiliar to the driver by combining the driving route information and the driving history information. The OFF setting may not be reflected. The criterion for judging whether the road is unfamiliar to the driver may be, for example, the presence or absence of a section in which the driver is traveling for the first time, or whether the number of times the driver has traveled is equal to or less than a certain threshold number of times.
これにより、運転経験が少ない走行ルートを走行する際に確実に予防安全機能が機能できるため、車両の安全性をより向上させることが出来る。As a result, the preventive safety function can reliably function when traveling on a route with little driving experience, so the safety of the vehicle can be further improved.
次に、走行ルート情報を用いた運転技術点マップについて説明する。図8は実施の形態2に係る運転技術未熟判断部5の運転技術点マップを示す表である。実施の形態1の変形例の運転技術点マップと比べて渋滞区間長さ(最大)と、工事区間長さ(最大)と、渋滞回数と、工事回数という評価項目が追加されている。また、渋滞区間長さ(最大)と、工事区間長さ(最大)と、渋滞回数と、工事回数それぞれにも、1点から3点までの3段階で評価点を設定する。Next, a driving skill point map using travel route information will be described. FIG. 8 is a table showing a driving skill point map of the driving skill inexperienced determination unit 5 according to the second embodiment. Compared to the driving technique score map of the modified example of the first embodiment, evaluation items such as congestion section length (maximum), construction section length (maximum), number of times of congestion, and number of times of construction are added. In addition, the congestion section length (maximum), the construction section length (maximum), the number of times of congestion, and the number of times of construction are also set with three-level evaluation points from 1 point to 3 points.
本実施の形態の運転技術点マップでは、例えば、運転技術点の合計点Hが12点以下の場合に、運転技術が未熟であると判断する。免許証区分が新規、事故回数1回、保険等級が6等級,走行ルートでの渋滞区間長さ最大3km、渋滞回数2回、工事区間長さ500m、工事回数1回の場合、運転技術点の合計をHとすると、
H=1+2+1+1+2+2+2=11<12
となり、Hが12点以下のため、運転技術が未熟だと判断される。In the driving technique point map of the present embodiment, for example, when the total point H of the driving technique points is 12 points or less, it is determined that the driving technique is inexperienced. If the license classification is new, the number of accidents is 1, the insurance grade is 6, the length of the traffic section on the driving route is maximum 3km, the number of traffic jams is 2, the length of the construction section is 500m, and the number of construction work is 1. Letting the total be H,
H=1+2+1+1+2+2+2=11<12
Since the H is 12 points or less, it is judged that the driving technique is inexperienced.
運転技術点マップに走行ルート情報を加えて、合計点数に基づいてドライバの運転技術が未熟かどうかを判断することで、ドライバの個人情報のみで判断していた場合と比べて、複数の個人情報および走行ルート情報を細かく定義して組み合わせることで、より正確にドライバの運転技術が未熟かどうかを判断することができ、車両の安全性を向上することが出来る。By adding driving route information to the driving technique score map and judging whether the driver's driving technique is inexperienced based on the total score, it is possible to use multiple personal information compared to the case where the driver's personal information alone is used for judgment. By finely defining and combining the driving route information and the driving route information, it is possible to more accurately determine whether the driver's driving skills are inexperienced, and to improve the safety of the vehicle.
1.車両制御システム
2.個人認証部
3.個人情報管理部
4.ドライバ入力取得部
5.運転技術未熟判断部
6.車両情報取得部
7.予防安全機能制御部
8.ドライバ通知部
9.アクチュエータ
10.走行ルート管理部1. Vehicle control system2.
上述した問題を解決するために、本開示の車両制御システムは、ドライバの個人認証を行う個人認証部と、個人認証部で認証されたドライバについての個人情報を管理する個人情報管理部と、ドライバにより予防安全機能についてのON/OFF設定入力が行われるドライバ入力取得部と、個人情報管理部の個人情報に基づいてドライバの運転技術が未熟かどうかを判断する運転技術未熟判断部と、ドライバ入力取得部からの入力情報と運転技術未熟判断部からの入力結果とを元に予防安全機能の制御演算を行う予防安全機能制御部と、を備え、予防安全機能制御部は、運転技術未熟判断部がドライバの運転技術が未熟と判断した場合にドライバ入力取得部からのOFF設定を反映せず、個人情報管理部は個人情報として運転免許証情報、運転履歴情報、自動車保険情報のうち、少なくとも1つの情報について管理し、運転技術未熟判断部は当該情報を用いてドライバの運転技術が未熟かどうかを判断することを特徴とする。
In order to solve the above-described problems, the vehicle control system of the present disclosure includes a personal authentication unit that performs personal authentication of the driver, a personal information management unit that manages personal information about the driver authenticated by the personal authentication unit, a driver a driver input acquisition unit for performing ON/OFF setting input for the preventive safety function, a driving skill inexperienced judgment unit for judging whether the driver's driving technique is immature based on the personal information of the personal information management unit, and the driver input a preventive safety function control unit that performs control calculations for the preventive safety function based on input information from the acquisition unit and input results from the driving skill inexperienced judgment unit; determines that the driver's driving skills are immature, the OFF setting from the driver inputacquisition unit is not reflected, and the personal information management unit stores at least one of driver's license information, driving history information, and automobile insurance information as personal information. The driving technique inexperienced judging section uses the information to judge whether the driving technique of the driver is inexperienced .
| Application Number | Priority Date | Filing Date | Title |
|---|---|---|---|
| JP2022020239AJP7399202B2 (en) | 2022-02-14 | 2022-02-14 | vehicle control system |
| Application Number | Priority Date | Filing Date | Title |
|---|---|---|---|
| JP2022020239AJP7399202B2 (en) | 2022-02-14 | 2022-02-14 | vehicle control system |
| Publication Number | Publication Date |
|---|---|
| JP2023117594Atrue JP2023117594A (en) | 2023-08-24 |
| JP7399202B2 JP7399202B2 (en) | 2023-12-15 |
| Application Number | Title | Priority Date | Filing Date |
|---|---|---|---|
| JP2022020239AActiveJP7399202B2 (en) | 2022-02-14 | 2022-02-14 | vehicle control system |
| Country | Link |
|---|---|
| JP (1) | JP7399202B2 (en) |
| Publication number | Priority date | Publication date | Assignee | Title |
|---|---|---|---|---|
| JP2023167550A (en)* | 2022-05-12 | 2023-11-24 | ダイハツ工業株式会社 | Vehicle control device |
| Publication number | Priority date | Publication date | Assignee | Title |
|---|---|---|---|---|
| WO2014016910A1 (en)* | 2012-07-24 | 2014-01-30 | トヨタ自動車株式会社 | Drive assist device |
| JP2017045348A (en)* | 2015-08-28 | 2017-03-02 | いすゞ自動車株式会社 | Data recording apparatus and data recording method |
| JP2020121645A (en)* | 2019-01-30 | 2020-08-13 | トヨタ自動車株式会社 | Change operation support device |
| JP2021066363A (en)* | 2019-10-25 | 2021-04-30 | ロベルト・ボッシュ・ゲゼルシャフト・ミト・ベシュレンクテル・ハフツングRobert Bosch Gmbh | Vehicle control system |
| JP2021088245A (en)* | 2019-12-03 | 2021-06-10 | トヨタ自動車株式会社 | Automatic operation vehicle control device |
| Publication number | Priority date | Publication date | Assignee | Title |
|---|---|---|---|---|
| WO2014016910A1 (en)* | 2012-07-24 | 2014-01-30 | トヨタ自動車株式会社 | Drive assist device |
| JP2017045348A (en)* | 2015-08-28 | 2017-03-02 | いすゞ自動車株式会社 | Data recording apparatus and data recording method |
| JP2020121645A (en)* | 2019-01-30 | 2020-08-13 | トヨタ自動車株式会社 | Change operation support device |
| JP2021066363A (en)* | 2019-10-25 | 2021-04-30 | ロベルト・ボッシュ・ゲゼルシャフト・ミト・ベシュレンクテル・ハフツングRobert Bosch Gmbh | Vehicle control system |
| JP2021088245A (en)* | 2019-12-03 | 2021-06-10 | トヨタ自動車株式会社 | Automatic operation vehicle control device |
| Publication number | Priority date | Publication date | Assignee | Title |
|---|---|---|---|---|
| JP2023167550A (en)* | 2022-05-12 | 2023-11-24 | ダイハツ工業株式会社 | Vehicle control device |
| Publication number | Publication date |
|---|---|
| JP7399202B2 (en) | 2023-12-15 |
| Publication | Publication Date | Title |
|---|---|---|
| JP7345894B2 (en) | Automatic driving control equipment and vehicles | |
| US8725309B2 (en) | Safety driving support apparatus | |
| CN107111956B (en) | Travel control device | |
| CN108140314B (en) | Parking assistance method and parking assistance device | |
| CN111762183B (en) | Vehicle control device, vehicle and vehicle control method | |
| JP7088899B2 (en) | Information presentation device for autonomous vehicles | |
| JP6971300B2 (en) | Vehicle control device, vehicle control method and program | |
| US11897499B2 (en) | Autonomous driving vehicle information presentation device | |
| JP2021092981A (en) | Information presentation device for automatic driving vehicle | |
| US20240294188A1 (en) | Vehicle control device | |
| CN112017438B (en) | Driving decision generation method and system | |
| JP2019073107A (en) | Automatic driving suggestion device and automatic driving suggestion method | |
| JP7399202B2 (en) | vehicle control system | |
| JP2021107772A (en) | Notification device for vehicle, notification method for vehicle, and program | |
| JP2014089588A (en) | Operation support device | |
| US20210170942A1 (en) | Autonomous driving vehicle information presentation apparatus | |
| JP7101161B2 (en) | Vehicle control device, vehicle control method and program | |
| US20250249924A1 (en) | Notification control device, notification control method and medium storing notification control program | |
| CN116508074A (en) | Apparatus and method for identifying uncorrelated signal generators | |
| JP2022145203A (en) | Pedestrian-vehicle communication system | |
| CN111098857A (en) | Travel control device, travel control method, and storage medium storing program | |
| WO2018168047A1 (en) | Concentration degree determination apparatus, concentration degree determination method, and program for determining concentration degree |
| Date | Code | Title | Description |
|---|---|---|---|
| A621 | Written request for application examination | Free format text:JAPANESE INTERMEDIATE CODE: A621 Effective date:20220214 | |
| RD01 | Notification of change of attorney | Free format text:JAPANESE INTERMEDIATE CODE: A7421 Effective date:20220427 | |
| A131 | Notification of reasons for refusal | Free format text:JAPANESE INTERMEDIATE CODE: A131 Effective date:20230509 | |
| RD01 | Notification of change of attorney | Free format text:JAPANESE INTERMEDIATE CODE: A7421 Effective date:20230512 | |
| A521 | Request for written amendment filed | Free format text:JAPANESE INTERMEDIATE CODE: A523 Effective date:20230525 | |
| A131 | Notification of reasons for refusal | Free format text:JAPANESE INTERMEDIATE CODE: A131 Effective date:20230912 | |
| A521 | Request for written amendment filed | Free format text:JAPANESE INTERMEDIATE CODE: A523 Effective date:20231019 | |
| TRDD | Decision of grant or rejection written | ||
| A01 | Written decision to grant a patent or to grant a registration (utility model) | Free format text:JAPANESE INTERMEDIATE CODE: A01 Effective date:20231107 | |
| A61 | First payment of annual fees (during grant procedure) | Free format text:JAPANESE INTERMEDIATE CODE: A61 Effective date:20231205 | |
| R150 | Certificate of patent or registration of utility model | Ref document number:7399202 Country of ref document:JP Free format text:JAPANESE INTERMEDIATE CODE: R150 | |
| S111 | Request for change of ownership or part of ownership | Free format text:JAPANESE INTERMEDIATE CODE: R313111 | |
| R350 | Written notification of registration of transfer | Free format text:JAPANESE INTERMEDIATE CODE: R350 |