Movatterモバイル変換


[0]ホーム

URL:


JP2017005772A - Non-contact power supply device - Google Patents

Non-contact power supply device
Download PDF

Info

Publication number
JP2017005772A
JP2017005772AJP2015113761AJP2015113761AJP2017005772AJP 2017005772 AJP2017005772 AJP 2017005772AJP 2015113761 AJP2015113761 AJP 2015113761AJP 2015113761 AJP2015113761 AJP 2015113761AJP 2017005772 AJP2017005772 AJP 2017005772A
Authority
JP
Japan
Prior art keywords
coil
series
circuit
power
power transmission
Prior art date
Legal status (The legal status is an assumption and is not a legal conclusion. Google has not performed a legal analysis and makes no representation as to the accuracy of the status listed.)
Granted
Application number
JP2015113761A
Other languages
Japanese (ja)
Other versions
JP6394985B2 (en
Inventor
英介 高橋
Eisuke Takahashi
英介 高橋
大林 和良
Kazuyoshi Obayashi
和良 大林
Current Assignee (The listed assignees may be inaccurate. Google has not performed a legal analysis and makes no representation or warranty as to the accuracy of the list.)
Denso Corp
Original Assignee
Denso Corp
Priority date (The priority date is an assumption and is not a legal conclusion. Google has not performed a legal analysis and makes no representation as to the accuracy of the date listed.)
Filing date
Publication date
Application filed by Denso CorpfiledCriticalDenso Corp
Priority to JP2015113761ApriorityCriticalpatent/JP6394985B2/en
Publication of JP2017005772ApublicationCriticalpatent/JP2017005772A/en
Application grantedgrantedCritical
Publication of JP6394985B2publicationCriticalpatent/JP6394985B2/en
Activelegal-statusCriticalCurrent
Anticipated expirationlegal-statusCritical

Links

Images

Landscapes

Abstract

PROBLEM TO BE SOLVED: To provide a non-contact power supply device in which the impedance can be adjusted by a simple configuration, without providing a variable inductor or a variable capacitor separately.SOLUTION: A non-contact power supply device 1 includes a transmission coil 11 and a transmission side resonance capacitor 12 connected in series. Series LC circuits 170-172 each consisting of a coil and a capacitor connected in series, and a connection switching circuit 18 for switching the series connection of the series LC circuits 170-172 are also included. The transmission coil 11 and the transmission side resonance capacitor 12 connected in series are constituted by switching series connection of the series LC circuits 170-172 by means of the connection switching circuit 18. Consequently, when constituting the transmission coil 11 and the transmission side resonance capacitor 12 connected in series, impedance of the device can also be adjusted. Impedance of the device can thereby be adjusted by simple configuration, without providing a variable inductor or a variable capacitor separately.SELECTED DRAWING: Figure 2

Description

Translated fromJapanese

本発明は、送電コイルと、受電コイルと、送電コイルに交流を供給する送電回路と、受電コイルから供給される交流を直流に変換する受電回路とを備えた非接触給電装置に関する。  The present invention relates to a non-contact power supply apparatus including a power transmission coil, a power reception coil, a power transmission circuit that supplies alternating current to the power transmission coil, and a power reception circuit that converts alternating current supplied from the power reception coil into direct current.

従来、送電コイルと、受電コイルと、送電コイルに交流を供給する送電回路と、受電コイルから供給される交流を直流に変換する受電回路とを備えた非接触給電装置として、例えば特許文献1に開示されている非接触給電システムがある。  Conventionally, as a non-contact power supply device including a power transmission coil, a power reception coil, a power transmission circuit that supplies alternating current to the power transmission coil, and a power reception circuit that converts alternating current supplied from the power reception coil into direct current, for example, Patent Document 1 There is a disclosed contactless power supply system.

この非接触給電システムは、1次コイルと、2次コイルと、電源部と、整合部と、整流部とを備えている。1次コイル及び2次コイルが送電コイル及び受電コイルに、電源部及び整流部が送電回路及び受電回路に相当する。  This non-contact power feeding system includes a primary coil, a secondary coil, a power supply unit, a matching unit, and a rectifying unit. The primary coil and the secondary coil correspond to the power transmission coil and the power reception coil, and the power supply unit and the rectification unit correspond to the power transmission circuit and the power reception circuit.

1次コイルと2次コイルの距離が変化すると、システムのインピーダンスが変化する。その結果、電力の伝送効率が低下してしまう場合がある。整合部は、1次コイルと2次コイルの距離の変化に伴うシステムのインピーダンスの変化を抑えるための回路である。整合部は、可変インダクタと、切換え器と、可変コンデンサとを備えている。電力の伝送に先立って、切換え器によって可変インダクタのインダクタンスを可変してシステムのインピーダンスを調整する。電力の伝送中は、可変コンデンサのキャパシタンスを可変してシステムのインピーダンスを調整する。これにより、1次コイルと2次コイルの距離の変化に伴うシステムのインピーダンスの変化を抑えることができる。その結果、電力の伝送効率の低下を抑えることができる。  As the distance between the primary and secondary coils changes, the impedance of the system changes. As a result, power transmission efficiency may be reduced. The matching unit is a circuit for suppressing a change in the impedance of the system accompanying a change in the distance between the primary coil and the secondary coil. The matching unit includes a variable inductor, a switch, and a variable capacitor. Prior to power transmission, the inductance of the variable inductor is varied by a switch to adjust the impedance of the system. During power transmission, the capacitance of the variable capacitor is varied to adjust the system impedance. Thereby, the change of the impedance of the system accompanying the change of the distance of a primary coil and a secondary coil can be suppressed. As a result, a reduction in power transmission efficiency can be suppressed.

特開2013−5614号公報JP 2013-5614 A

前述した非接触給電システムは、1次コイルと2次コイルの距離の変化に伴うシステムのインピーダンスの変化を抑えるため、整合器を備えている。整合器は、可変インダクタと、切換え器と、可変コンデンサとを備えている。可変機構を有する可変インダクタや可変コンデンサを別途設けなければならない。そのため、構成が複雑になり、システムが大型化してしまう。また、可変機構や可動部を有するため、信頼性が低下してしまう可能性がある。  The above-described contactless power supply system includes a matching unit in order to suppress a change in the impedance of the system accompanying a change in the distance between the primary coil and the secondary coil. The matching device includes a variable inductor, a switching device, and a variable capacitor. A variable inductor or variable capacitor having a variable mechanism must be provided separately. This complicates the configuration and enlarges the system. Moreover, since it has a variable mechanism and a movable part, reliability may fall.

本発明はこのような事情に鑑みてなされたものであり、可変インダクタや可変コンデンサを別途設けることなく、簡素な構成で装置のインピーダンスを調整することができる非接触給電装置を提供することを目的とする。  The present invention has been made in view of such circumstances, and an object thereof is to provide a non-contact power feeding device capable of adjusting the impedance of the device with a simple configuration without separately providing a variable inductor or a variable capacitor. And

上記課題を解決するためになされた本発明は、交流が供給されることで磁束を発生する送電コイルと、送電コイルに直列接続され、送電コイルとともに共振回路を構成する送電側共振用コンデンサと、送電コイルの発生した磁束と鎖交することで交流を発生する受電コイルと、受電コイルに直列接続され、受電コイルとともに共振回路を構成する受電側共振用コンデンサと、直列接続された送電コイル及び送電側共振用コンデンサに接続され、送電コイルに交流を供給する送電回路と、直列接続された受電コイル及び受電側共振用コンデンサ、並びに、給電対象に接続され、受電コイルから供給される交流を直流に変換して給電対象に供給する受電回路と、を備えた非接触給電装置において、直列接続されたコイル及びコンデンサからなる、複数の直列LC回路と、複数の直列LC回路の直列接続の仕方を切換える接続切換え回路と、を有し、直列接続された送電コイル及び送電側共振用コンデンサ、並びに、直列接続された受電コイル及び受電側共振用コンデンサの少なくともいずれかは、複数の直列LC回路の直列接続の仕方を接続切換え回路で切換えることによって構成されていることを特徴とする。  The present invention made to solve the above problems, a power transmission coil that generates magnetic flux by being supplied with alternating current, a power transmission side resonance capacitor that is connected in series to the power transmission coil and forms a resonance circuit together with the power transmission coil, A power receiving coil that generates alternating current by interlinking with the magnetic flux generated by the power transmitting coil, a power receiving side resonance capacitor that is connected in series to the power receiving coil and forms a resonance circuit together with the power receiving coil, a power transmitting coil and power transmission that are connected in series A power transmission circuit that is connected to the side resonance capacitor and supplies alternating current to the power transmission coil, a power receiving coil and power reception side resonance capacitor that are connected in series, and an alternating current that is connected to the power supply target and is supplied from the power reception coil to direct current In a non-contact power feeding device including a power receiving circuit that converts and supplies power to a power supply target, the coil and the capacitor are connected in series. A plurality of series LC circuits, and a connection switching circuit that switches the manner of series connection of the plurality of series LC circuits, and a power transmission coil and a power transmission resonance capacitor connected in series, and a power reception coil connected in series, At least one of the power reception side resonance capacitors is configured by switching a series connection method of a plurality of series LC circuits by a connection switching circuit.

この構成によれば、直列接続された送電コイル及び送電側共振用コンデンサ、並びに、直列接続された受電コイル及び受電側共振用コンデンサを構成する際に、合わせて装置のインピーダンスも調整することができる。そのため、可変インダクタや可変コンデンサを別途設けることなく、簡素な構成で装置のインピーダンスを調整することができる。  According to this configuration, when configuring a power transmission coil and a power transmission resonance capacitor connected in series, and a power reception coil and a power reception resonance capacitor connected in series, the impedance of the device can also be adjusted. . Therefore, the impedance of the apparatus can be adjusted with a simple configuration without separately providing a variable inductor or a variable capacitor.

第1実施形態における非接触給電装置の概略構成を示す回路図である。It is a circuit diagram which shows schematic structure of the non-contact electric power feeder in 1st Embodiment.図1に示す送電コイル及び送電側共振用コンデンサを構成する直列LC回路及び接続切換え回路の回路図である。FIG. 2 is a circuit diagram of a series LC circuit and a connection switching circuit constituting the power transmission coil and the power transmission side resonance capacitor shown in FIG. 1.図2に示す直列LC回路のコイルの構成を説明するための断面図である。It is sectional drawing for demonstrating the structure of the coil of the serial LC circuit shown in FIG.第1実施形態における非接触給電装置の動作を説明するためのフローチャートである。It is a flowchart for demonstrating operation | movement of the non-contact electric power feeder in 1st Embodiment.図2に示す直列LC回路及び接続切換え回路の動作を説明するための第1の回路図である。FIG. 3 is a first circuit diagram for explaining operations of the series LC circuit and the connection switching circuit shown in FIG. 2.図2に示す直列LC回路及び接続切換え回路の動作を説明するための第2の回路図である。FIG. 3 is a second circuit diagram for explaining operations of the series LC circuit and the connection switching circuit shown in FIG. 2.図2に示す直列LC回路及び接続切換え回路の動作を説明するための第3の回路図である。FIG. 4 is a third circuit diagram for explaining operations of the series LC circuit and the connection switching circuit shown in FIG. 2.第1実施形態の別の変形形態における直列LC回路及び接続切換え回路の回路図である。It is a circuit diagram of the serial LC circuit and connection switching circuit in another modification of 1st Embodiment.第1実施形態の変形形態における非接触給電装置の概略構成を示す回路図である。It is a circuit diagram which shows schematic structure of the non-contact electric power feeder in the modification of 1st Embodiment.第2実施形態における直列LC回路のコイルの構成を説明するための断面図である。It is sectional drawing for demonstrating the structure of the coil of the serial LC circuit in 2nd Embodiment.第3実施形態における非接触給電装置の概略構成を示す回路図である。It is a circuit diagram which shows schematic structure of the non-contact electric power feeder in 3rd Embodiment.図11に示す送電コイル及び送電側共振用コンデンサを構成する直列LC回路及び接続切換え回路の回路図である。FIG. 12 is a circuit diagram of a series LC circuit and a connection switching circuit constituting the power transmission coil and the power transmission side resonance capacitor shown in FIG. 11.図12に示す直列LC回路のコイルの構成を説明するための断面図である。It is sectional drawing for demonstrating the structure of the coil of the serial LC circuit shown in FIG.図12に示す直列LC回路及び接続切換え回路の動作を説明するための第1の回路図である。FIG. 13 is a first circuit diagram for explaining operations of the series LC circuit and the connection switching circuit shown in FIG. 12.図12に示す直列LC回路及び接続切換え回路の動作を説明するための第2の回路図である。FIG. 13 is a second circuit diagram for explaining operations of the series LC circuit and the connection switching circuit shown in FIG. 12.図12に示す直列LC回路及び接続切換え回路の動作を説明するための第3の回路図である。FIG. 13 is a third circuit diagram for explaining operations of the series LC circuit and the connection switching circuit shown in FIG. 12.第4実施形態における直列LC回路のコイルの構成を説明するための断面図である。It is sectional drawing for demonstrating the structure of the coil of the serial LC circuit in 4th Embodiment.

次に、実施形態を挙げ、本発明をより詳しく説明する。本実施形態では、本発明に係る非接触給電装置を、電気自動車やハイブリッド車に搭載された車載バッテリに非接触で送電する非接触給電装置に適用した例を示す。  Next, the present invention will be described in more detail with reference to embodiments. In this embodiment, the example which applied the non-contact electric power feeder which concerns on this invention to the non-contact electric power feeder which transmits non-contact to the vehicle-mounted battery mounted in the electric vehicle or the hybrid vehicle is shown.

(第1実施形態)
まず、図1を参照して第1実施形態の非接触給電装置の概略構成について説明する。
(First embodiment)
First, a schematic configuration of the non-contact power feeding device according to the first embodiment will be described with reference to FIG.

図1に示す非接触給電装置1は、車両外部の商用電源AC1から車両に搭載された車載バッテリB1に非接触で送電し、車載バッテリB1を充電する装置である。非接触給電装置1は、送電回路10と、送電コイル11と、送電側共振用コンデンサ12と、受電コイル13と、受電側共振用コンデンサ14と、受電回路15と、制御回路16とを備えている。  A non-contact power supply device 1 shown in FIG. 1 is a device that transmits power from a commercial power supply AC1 outside the vehicle to an in-vehicle battery B1 mounted on the vehicle in a non-contact manner and charges the in-vehicle battery B1. The non-contact power feeding device 1 includes apower transmission circuit 10, apower transmission coil 11, a powertransmission resonance capacitor 12, apower reception coil 13, a powerreception resonance capacitor 14, apower reception circuit 15, and acontrol circuit 16. Yes.

送電回路10は、商用電源AC1から供給される交流を高周波数の交流に変換して直列接続された送電コイル11及び送電側共振用コンデンサ12に供給する回路である。送電回路10は、車両外部に設けられている。送電回路10の入力端は商用電源AC1に、出力端は送電コイル11及び送電側共振用コンデンサ12にそれぞれ接続されている。  Thepower transmission circuit 10 is a circuit that converts alternating current supplied from the commercial power source AC1 into high-frequency alternating current and supplies the alternating current to thepower transmission coil 11 and the power transmissionside resonance capacitor 12 connected in series. Thepower transmission circuit 10 is provided outside the vehicle. The input end of thepower transmission circuit 10 is connected to the commercial power supply AC1, and the output end is connected to thepower transmission coil 11 and the power transmissionside resonance capacitor 12, respectively.

送電コイル11は、送電回路10から交流が供給されることで交番磁束を発生する部材である。送電コイル11は、駐車スペース内の所定位置に、地表面から露出した状態で設置されている。  Thepower transmission coil 11 is a member that generates an alternating magnetic flux when AC is supplied from thepower transmission circuit 10. Thepower transmission coil 11 is installed at a predetermined position in the parking space in a state exposed from the ground surface.

送電側共振用コンデンサ12は、送電コイル11とともに共振回路を構成する素子である。送電側共振用コンデンサ12は、車両外部の送電コイル11の近傍に設けられ、送電コイル11に直列接続されている。直列接続された送電コイル11及び送電側共振用コンデンサ12は、送電回路10の出力端に接続されている。  The powertransmission resonance capacitor 12 is an element that forms a resonance circuit together with thepower transmission coil 11. The power transmissionside resonance capacitor 12 is provided in the vicinity of thepower transmission coil 11 outside the vehicle, and is connected in series to thepower transmission coil 11. Thepower transmission coil 11 and the powertransmission resonance capacitor 12 connected in series are connected to the output terminal of thepower transmission circuit 10.

受電コイル13は、送電コイル11の発生した交番磁束と鎖交することで電磁誘導によって交流を発生する部材である。受電コイル13は、車両の底部に設置されている。  Thepower receiving coil 13 is a member that generates alternating current by electromagnetic induction by interlinking with the alternating magnetic flux generated by thepower transmitting coil 11. Thepower receiving coil 13 is installed at the bottom of the vehicle.

受電側共振用コンデンサ14は、受電コイル13とともに共振回路を構成する素子である。受電側共振用コンデンサ14は、車両底部の受電コイル13の近傍に設けられ、受電コイル13に直列接続されている。直列接続された受電コイル13及び受電側共振用コンデンサ14は、受電回路15に接続されている。  The power receivingresonance capacitor 14 is an element that forms a resonance circuit together with thepower receiving coil 13. The power receivingside resonance capacitor 14 is provided in the vicinity of thepower receiving coil 13 at the bottom of the vehicle, and is connected in series to thepower receiving coil 13. Thepower receiving coil 13 and the power receivingside resonance capacitor 14 connected in series are connected to apower receiving circuit 15.

受電回路15は、受電側共振用コンデンサ14の接続された受電コイル13から供給される交流を直流に変換して車載バッテリB1に供給し、車載バッテリB1を充電する回路である。受電回路15は、車両に設けられている。受電回路15の入力端は直列接続された受電コイル13及び受電側共振用コンデンサ14に、出力端は車載バッテリB1にそれぞれ接続されている。  Thepower receiving circuit 15 is a circuit that converts the alternating current supplied from thepower receiving coil 13 connected to the power receivingside resonance capacitor 14 into direct current, supplies the direct current to the in-vehicle battery B1, and charges the in-vehicle battery B1. The power receivingcircuit 15 is provided in the vehicle. The input end of thepower receiving circuit 15 is connected to thepower receiving coil 13 and the power receivingside resonance capacitor 14 connected in series, and the output end is connected to the in-vehicle battery B1.

制御回路16は、外部から入力される出力電力目標値、及び、自ら検出した電流や電圧等の検出結果に基づいて、送電回路10及び受電回路15を制御する回路である。制御回路16は、送電側制御回路160と、受電側制御回路161とを備えている。  Thecontrol circuit 16 is a circuit that controls thepower transmission circuit 10 and thepower reception circuit 15 based on the output power target value input from the outside and the detection results of the current and voltage detected by itself. Thecontrol circuit 16 includes a power transmissionside control circuit 160 and a power receptionside control circuit 161.

送電側制御回路160は、自らの検出した電流や電圧等の検出結果、及び、無線通信によって受電側制御回路161から受信した情報に基づいて、送電回路10を制御する回路である。送電側制御回路160は、車両外部に設けられ、送電回路10に接続されている。  The power transmissionside control circuit 160 is a circuit that controls thepower transmission circuit 10 based on detection results such as current and voltage detected by itself and information received from the power receptionside control circuit 161 by wireless communication. The power transmissionside control circuit 160 is provided outside the vehicle and is connected to thepower transmission circuit 10.

受電側制御回路161は、外部から入力される出力電力目標値、及び、自ら検出した電流や電圧等の検出結果を無線通信によって送電側制御回路160に送信するとともに、送電側制御回路160から受信した情報に基づいて受電回路15を制御する回路である。受電側制御回路161は、車両に設けられ、受電回路15に接続されている。  The power receivingside control circuit 161 transmits the output power target value input from the outside and the detection result such as the current and voltage detected by itself to the power transmittingside control circuit 160 by wireless communication and receives from the power transmittingside control circuit 160. This circuit controls thepower receiving circuit 15 based on the information obtained. The power receivingside control circuit 161 is provided in the vehicle and is connected to thepower receiving circuit 15.

次に、図1〜図3を参照して送電コイル及び送電側共振用コンデンサの構成について詳細に説明する。  Next, the configuration of the power transmission coil and the power transmission side resonance capacitor will be described in detail with reference to FIGS.

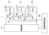
図2に示すように、非接触給電装置1は、3つの直列LC回路170〜172と、接続切換え回路18とを備えている。  As shown in FIG. 2, the non-contact power feeding device 1 includes threeseries LC circuits 170 to 172 and aconnection switching circuit 18.

直列LC回路170〜172は、図1に示す直列接続された送電コイル11及び送電側共振用コンデンサ12を構成するための直列接続されたコイル及びコンデンサからなる回路である。  Theseries LC circuits 170 to 172 are circuits including a series-connected coil and a capacitor for constituting the series-connectedpower transmission coil 11 and the power transmissionside resonance capacitor 12 shown in FIG.

図2に示すように、直列LC回路170は、直列接続されたコイル170a及びコンデンサ170bを備えている。コンデンサ170bの一端は送電回路10に、コイル170aの一端は接続切換え回路18にそれぞれ接続されている。直列LC回路171は、直列接続されたコイル171a及びコンデンサ171bを備えている。コンデンサ171bの一端及びコイル171aの一端は、接続切換え回路18にそれぞれ接続されている。直列LC回路172は、直列接続されたコイル172a及びコンデンサ172bを備えている。コンデンサ172bの一端は接続切換え回路18に、コイル172aの一端は送電回路10にそれぞれ接続されている。  As shown in FIG. 2, theseries LC circuit 170 includes acoil 170a and acapacitor 170b connected in series. One end of thecapacitor 170b is connected to thepower transmission circuit 10, and one end of thecoil 170a is connected to theconnection switching circuit 18. Theseries LC circuit 171 includes acoil 171a and acapacitor 171b connected in series. One end of thecapacitor 171b and one end of thecoil 171a are connected to theconnection switching circuit 18, respectively. Theseries LC circuit 172 includes acoil 172a and acapacitor 172b connected in series. One end of thecapacitor 172b is connected to theconnection switching circuit 18, and one end of thecoil 172a is connected to thepower transmission circuit 10.

図3に示すように、コイル170a、171a、172aは、磁路を構成するコア173に、それぞれ隣接して設けられている。具体的には、コア173にそれぞれ巻回されている。  As shown in FIG. 3, thecoils 170a, 171a, and 172a are provided adjacent to thecore 173 that constitutes the magnetic path. Specifically, each is wound around thecore 173.

図2に示す接続切換え回路18は、送電側制御回路160によって制御され、直列LC回路170〜172の直列接続の仕方を切換える回路である。具体的には、図1に示す送電コイル11と受電コイル13の距離が許容範囲内で変化しても、送電コイル11の後段回路の入力インピーダンスZinが許容範囲内に収まるように直列LC回路170〜172の直列接続の仕方を切換える回路である。より具体的には、送電コイル11と受電コイル13の距離が近くなるに従って直列接続される直列LC回路の数を減らすように直列接続の仕方を切換える回路である。ここで、送電コイル11と受電コイル13の距離の許容範囲とは、送電コイル11から受電コイル13に電力を供給することが可能な送電コイル11と受電コイル13の距離範囲のことである。送電コイル11の後段回路とは、受電コイル13、受電側共振用コンデンサ14、受電回路15及び車載バッテリB1によって構成される回路のことである。送電コイル11の後段回路の入力インピーダンスZinの許容範囲とは、入力インピーダンスZinの変化として許容できる範囲のことである。図2に示すように、接続切換え回路18は、切換えスイッチ180、181を備えている。  Theconnection switching circuit 18 shown in FIG. 2 is a circuit that is controlled by the power transmissionside control circuit 160 and switches the serial connection method of theserial LC circuits 170 to 172. Specifically, even if the distance between thepower transmission coil 11 and thepower reception coil 13 shown in FIG. 1 changes within the allowable range, theseries LC circuit 170 so that the input impedance Zin of the subsequent circuit of thepower transmission coil 11 falls within the allowable range. 172 is a circuit for switching the method of series connection. More specifically, it is a circuit that switches the way of series connection so that the number of series LC circuits connected in series is reduced as the distance between thepower transmission coil 11 and thepower reception coil 13 becomes shorter. Here, the allowable range of the distance between thepower transmission coil 11 and thepower reception coil 13 is a distance range between thepower transmission coil 11 and thepower reception coil 13 that can supply power from thepower transmission coil 11 to thepower reception coil 13. The subsequent circuit of thepower transmission coil 11 is a circuit constituted by thepower reception coil 13, the power receptionside resonance capacitor 14, thepower reception circuit 15, and the vehicle-mounted battery B1. The allowable range of the input impedance Zin of the subsequent circuit of thepower transmission coil 11 is a range allowable as a change in the input impedance Zin. As shown in FIG. 2, theconnection changeover circuit 18 includes changeover switches 180 and 181.

切換えスイッチ180は、接点180aと、端子180b〜180dとを備えている。接点180aの一端は端子180bに接続されている。端子180bはコイル170aの一端に、端子180cはコンデンサ171bの一端に、端子180dは送電回路10にそれぞれ接続されている。切換えスイッチ180の制御端は、送電側制御回路160に接続されている。  Thechangeover switch 180 includes acontact 180a andterminals 180b to 180d. One end of thecontact 180a is connected to the terminal 180b. The terminal 180b is connected to one end of thecoil 170a, the terminal 180c is connected to one end of thecapacitor 171b, and the terminal 180d is connected to thepower transmission circuit 10. The control end of thechangeover switch 180 is connected to the power transmissionside control circuit 160.

切換えスイッチ181は、接点181aと、端子181b〜181dとを備えている。接点181aの一端は端子181bに接続されている。端子181bはコイル171aの一端に、端子181cはコンデンサ172bの一端に、端子181dは送電回路10にそれぞれ接続されている。切換えスイッチ181の制御端は、送電側制御回路160に接続されている。  Thechangeover switch 181 includes acontact 181a andterminals 181b to 181d. One end of thecontact 181a is connected to the terminal 181b. The terminal 181b is connected to one end of thecoil 171a, the terminal 181c is connected to one end of thecapacitor 172b, and the terminal 181d is connected to thepower transmission circuit 10. The control end of thechangeover switch 181 is connected to the power transmissionside control circuit 160.

図1に示す直列接続された送電コイル11及び送電側共振用コンデンサ12は、図2に示す直列LC回路170〜172の直列接続の仕方を接続切換え回路18で切換えることによって構成されている。  Thepower transmission coil 11 and the powertransmission resonance capacitor 12 connected in series shown in FIG. 1 are configured by switching the series connection method of theseries LC circuits 170 to 172 shown in FIG.

送電回路10に接続される最前段の直列LC回路170は、コイル170aのインダクタンスL1が他の直列LC回路171、172のコイル171a、172aのインダクタンスより大きくなるように設定されている。直列LC回路171、172のコイル171a、172aのインダクタンスをそれぞれL2、L3とすると、L1>L2、L3となるように設定されている。図3に示すように、コイル170a、171a、172aは、隣接してコア174に巻回されている。このような場合、コイルのインダクタンスは、コイルのターン数の2乗に比例する。コイル171a、172aのインダクタンスL2、L3は、コイル171a、172aの単体のインダクタンスではなく、コイル171a、172aを直列接続した場合におけるインダクタンスの増加分を意味する。  The front-stageseries LC circuit 170 connected to thepower transmission circuit 10 is set so that the inductance L1 of thecoil 170a is larger than the inductances of thecoils 171a and 172a of the otherseries LC circuits 171 and 172. When the inductances of thecoils 171a and 172a of theseries LC circuits 171 and 172 are L2 and L3, respectively, L1> L2 and L3 are set. As shown in FIG. 3, thecoils 170 a, 171 a, and 172 a are wound around thecore 174 adjacent to each other. In such a case, the inductance of the coil is proportional to the square of the number of turns of the coil. The inductances L2 and L3 of thecoils 171a and 172a are not single inductances of thecoils 171a and 172a, but mean an increase in inductance when thecoils 171a and 172a are connected in series.

直列LC回路170〜172は、直列接続の仕方が接続切換え回路18によって切換えられても、送電コイル11と送電側共振用コンデンサ12によって構成される共振回路の共振周波数fが許容範囲内に収まるように、コイル170a、171a、172aのインダクタンスとコンデンサ170b、171b、172bのキャパシタンスの積が設定されている。具体的には、直列LC回路170のコイル170aのインダクタンスL1とコンデンサ170bのキャパシタンスC1の積L1・C1が、他の直列LC回路171、172のコイルのインダクタンスとコンデンサのキャパシタンスの積と異なるように設定されている。直列LC回路171、172のコンデンサ171b、172bのキャパシタンスをそれぞれC2、C3とすると、L1・C1≠L2・C2、L3・C3となるように設定されている。  Theseries LC circuits 170 to 172 are configured so that the resonance frequency f of the resonance circuit constituted by thepower transmission coil 11 and the power transmissionside resonance capacitor 12 is within the allowable range even when the serial connection method is switched by theconnection switching circuit 18. Further, the product of the inductances of thecoils 170a, 171a, and 172a and the capacitances of thecapacitors 170b, 171b, and 172b is set. Specifically, the product L1 · C1 of the inductance L1 of thecoil 170a of theseries LC circuit 170 and the capacitance C1 of thecapacitor 170b is different from the product of the inductance of the coils of the otherseries LC circuits 171 and 172 and the capacitance of the capacitor. Is set. When the capacitances of thecapacitors 171b and 172b of theseries LC circuits 171 and 172 are C2 and C3, respectively, L1 · C1 ≠ L2 · C2 and L3 · C3 are set.

送電コイル11を構成する直列LC回路170〜172のコイル170a、171a、172aは、コア173に設けられている。そのため、送電コイル11と受電コイル13の距離が近くなるに従ってコイル170a、171a、172aのインダクタンスが大きくなる。送電回路10に接続される最前段の直列LC回路170のコイル170aのインダクタンスL1とコンデンサ170bのキャパシタンスC1の積L1・C1が最も小さく、後段に接続される直列LC回路ほどコイルのインダクタンスとコンデンサのキャパシタンスの積が大きくなるように設定されている。L1・C1<L2・C2<L3・C3となるように設定されている。  Coils 170 a, 171 a, and 172 a ofserial LC circuits 170 to 172 constituting thepower transmission coil 11 are provided in thecore 173. Therefore, as the distance between thepower transmission coil 11 and thepower reception coil 13 becomes shorter, the inductances of thecoils 170a, 171a, and 172a increase. The product L1 · C1 of the inductance L1 of thecoil 170a and the capacitance C1 of thecapacitor 170b of the front-stageseries LC circuit 170 connected to thepower transmission circuit 10 is the smallest. The capacitance product is set to be large. L1 · C1 <L2 · C2 <L3 · C3 is set.

次に、図1〜図7を参照して第1実施形態の非接触給電装置の動作について説明する。  Next, the operation of the non-contact power feeding device according to the first embodiment will be described with reference to FIGS.

駐車スペース内に車両を駐車すると、図1に示す送電コイル11に対する受電コイル13の相対位置が決まる。そして、送電コイル11と受電コイル13が上下方向に所定の間隔をあけて対向する。この状態で充電開始ボタン(図略)が押され、充電の開始が指示されると、非接触給電装置1は動作を開始する。  When the vehicle is parked in the parking space, the relative position of thepower receiving coil 13 with respect to thepower transmitting coil 11 shown in FIG. 1 is determined. And thepower transmission coil 11 and the receivingcoil 13 oppose at predetermined intervals in the up-down direction. In this state, when a charge start button (not shown) is pressed and the start of charging is instructed, the non-contact power feeding device 1 starts operation.

送電側共振用コンデンサ12及び受電側共振用コンデンサ14は、送電コイル11及び受電コイル13に直列接続されている。このような構成の場合、送電回路10の後段回路の入力インピーダンスZinは、送電コイル11と受電コイル13の結合係数k、及び、送電コイル11のインダクタンスLに比例する。  The power transmissionside resonance capacitor 12 and the power receptionside resonance capacitor 14 are connected in series to thepower transmission coil 11 and thepower reception coil 13. In the case of such a configuration, the input impedance Zin of the subsequent circuit of thepower transmission circuit 10 is proportional to the coupling coefficient k between thepower transmission coil 11 and thepower reception coil 13 and the inductance L of thepower transmission coil 11.

結合係数kは、送電コイル11と受電コイル13の距離が遠いほど小さくなり、近いほど大きくなる。そのため、入力インピーダンスZinは、送電コイル11と受電コイル13の距離が遠いほど小さくなり、近いほど大きくなる。従って、送電コイル11と受電コイル13の距離に影響されることなく、入力インピーダンスZinが許容範囲内になるようにするには、送電コイル11と受電コイル13の距離が遠いほどインダクタンスLを大きく、近いほどインダクタンスLを小さくすればよい。つまり、送電コイル11と受電コイル13の距離が遠いほど直列LC回路の接続数を増やし、近いほど直列LC回路の接続数を減らせばよい。  The coupling coefficient k decreases as the distance between thepower transmission coil 11 and thepower reception coil 13 increases, and increases as the distance between thepower transmission coil 11 and thepower reception coil 13 decreases. Therefore, the input impedance Zin decreases as the distance between thepower transmitting coil 11 and thepower receiving coil 13 increases, and increases as the distance between thepower transmitting coil 11 and thepower receiving coil 13 increases. Therefore, in order to make the input impedance Zin within the allowable range without being affected by the distance between thepower transmission coil 11 and thepower reception coil 13, the inductance L increases as the distance between thepower transmission coil 11 and thepower reception coil 13 increases. The closer the distance is, the smaller the inductance L should be. That is, as the distance between thepower transmission coil 11 and thepower reception coil 13 is longer, the number of connections of the series LC circuit is increased, and as the distance is closer, the number of connections of the series LC circuit is decreased.

送電側制御回路160は、図4に示すように、図2に示す接続切換え回路18を制御して、送電回路10に接続される最前段の直列LC回路170のみを送電回路10に接続させる(S100)。そして、送電回路10を制御して、送電回路10を動作させる(S101)。なお、ステップS100においては、送電コイルと受電コイルの距離に応じて直列接続される直列LC回路の接続数を決定してもよい。  As shown in FIG. 4, the power transmissionside control circuit 160 controls theconnection switching circuit 18 shown in FIG. 2 to connect only the foremostseries LC circuit 170 connected to thepower transmission circuit 10 to the power transmission circuit 10 ( S100). Then, thepower transmission circuit 10 is controlled to operate the power transmission circuit 10 (S101). In step S100, the number of series LC circuits connected in series may be determined according to the distance between the power transmission coil and the power reception coil.

その後、送電側制御回路160は、無線通信によって受電側制御回路161から受信した情報に基づいて、図1に示す受電回路15の出力電流が許容電流より大きいか否かを判定する(S102)。  Thereafter, the power transmissionside control circuit 160 determines whether or not the output current of thepower reception circuit 15 shown in FIG. 1 is larger than the allowable current based on the information received from the power receptionside control circuit 161 by wireless communication (S102).

ステップS102において、受電回路15の出力電流が許容電流以下であると判定した場合、送電側制御回路160は、接続切換え回路18を制御して、直列接続される直列LC回路の接続数を増加させ(S103)、ステップS102に戻る。一方、ステップS102において、受電回路15の出力電流が許容電流より大きいと判定した場合、送電側制御回路160は、受電回路15の出力電力が出力電力目標値と等しいか否かを判定する(S104)。  If it is determined in step S102 that the output current of thepower receiving circuit 15 is less than or equal to the allowable current, the power transmissionside control circuit 160 controls theconnection switching circuit 18 to increase the number of series LC circuits connected in series. (S103), the process returns to step S102. On the other hand, when it is determined in step S102 that the output current of thepower receiving circuit 15 is larger than the allowable current, the power transmissionside control circuit 160 determines whether or not the output power of thepower receiving circuit 15 is equal to the output power target value (S104). ).

ステップS104において、受電回路15の出力電力が出力電力目標値と等しいと判定した場合、送電側制御回路160は、ステップS102に戻る。一方、ステップS104において、受電回路15の出力電力が出力電力目標値と等しくないと判定した場合、送電側制御回路160は、受電回路15の出力電力が出力電力目標値より大きいか否かを判定する(S105)。  In step S104, when it is determined that the output power of thepower receiving circuit 15 is equal to the output power target value, the power transmissionside control circuit 160 returns to step S102. On the other hand, if it is determined in step S104 that the output power of thepower receiving circuit 15 is not equal to the output power target value, the power transmissionside control circuit 160 determines whether or not the output power of thepower receiving circuit 15 is greater than the output power target value. (S105).

ステップS105において、受電回路15の出力電力が出力電力目標値より大きいと判定した場合、送電側制御回路160は、送電回路10を制御して、送電回路10の出力電圧を低下させ(S106)、ステップS102に戻る。一方、ステップS105において、受電回路15の出力電力が出力電力目標値より小さいと判定した場合、送電側制御回路160は、送電回路10の出力電圧を上昇させることができるか否かを判定する(S107)。  If it is determined in step S105 that the output power of thepower receiving circuit 15 is greater than the output power target value, the power transmissionside control circuit 160 controls thepower transmission circuit 10 to decrease the output voltage of the power transmission circuit 10 (S106). The process returns to step S102. On the other hand, when it is determined in step S105 that the output power of thepower reception circuit 15 is smaller than the output power target value, the power transmissionside control circuit 160 determines whether or not the output voltage of thepower transmission circuit 10 can be increased ( S107).

ステップS107において、送電回路10の出力電圧を上昇させることができると判定した場合、送電側制御回路160は、送電回路10を制御して、送電回路10の出力電圧を増加させる(S108)。一方、ステップS107において、送電回路10の出力電圧を上昇させることができないと判定した場合、送電側制御回路160は、直列接続される直列LC回路の接続数を減少させた際に許容電流及び出力電力目標値を超えないようにするため、送電回路10を制御して、送電回路10の出力電圧を低下させる(S109)。そして、接続切換え回路18を制御して、直列接続される直列LC回路の接続数を減少させ(S110)、ステップS102に戻る。  If it is determined in step S107 that the output voltage of thepower transmission circuit 10 can be increased, the power transmissionside control circuit 160 controls thepower transmission circuit 10 to increase the output voltage of the power transmission circuit 10 (S108). On the other hand, if it is determined in step S107 that the output voltage of thepower transmission circuit 10 cannot be increased, the power transmissionside control circuit 160 reduces the allowable current and output when the number of series LC circuits connected in series is decreased. In order not to exceed the power target value, thepower transmission circuit 10 is controlled to reduce the output voltage of the power transmission circuit 10 (S109). Then, theconnection switching circuit 18 is controlled to reduce the number of series LC circuits connected in series (S110), and the process returns to step S102.

図2に示す接続切換え回路18は、送電側制御回路160によって制御され、送電コイル11と受電コイル13の距離が近くなるに従って直列接続される直列LC回路の数を減らすように直列接続の仕方を切換える。  Theconnection switching circuit 18 shown in FIG. 2 is controlled by the power transmissionside control circuit 160, and the way of serial connection is reduced so as to reduce the number of series LC circuits connected in series as the distance between thepower transmission coil 11 and thepower reception coil 13 becomes shorter. Switch.

具体的には、送電コイル11と受電コイル13の距離が許容範囲内において遠い状態にある場合、図5に示すように、接続切換え回路18は、接点180aの他端を端子180cに接続するとともに、接点181aの他端を端子181cに接続する。つまり、直列LC回路170〜172を直列接続して送電回路10の出力端に接続する。その結果、直列接続されたコイル170a、171a、172a及び直列接続されたコンデンサ170b、171b、172bが、図1に示す送電コイル11及び送電側共振用コンデンサ12になる。  Specifically, when the distance between thepower transmission coil 11 and thepower reception coil 13 is far within the allowable range, theconnection switching circuit 18 connects the other end of thecontact 180a to the terminal 180c as shown in FIG. The other end of thecontact 181a is connected to the terminal 181c. That is, theseries LC circuits 170 to 172 are connected in series and connected to the output terminal of thepower transmission circuit 10. As a result, thecoils 170a, 171a, 172a connected in series and thecapacitors 170b, 171b, 172b connected in series become thepower transmission coil 11 and the power transmissionside resonance capacitor 12 shown in FIG.

送電コイル11と受電コイル13の距離が許容範囲内において前述した状態よりも近い状態にある場合、図6に示すように、接続切換え回路18は、接点180aの他端を端子180cに接続するとともに、接点181aの他端を端子181dに接続する。つまり、直列LC回路170、171を直列接続して送電回路10の出力端に接続する。その結果、直列接続されたコイル170a、171a及び直列接続されたコンデンサ170b、171bが、図1に示す送電コイル11及び送電側共振用コンデンサ12になる。  When the distance between thepower transmission coil 11 and thepower reception coil 13 is closer to the above-described range within the allowable range, theconnection switching circuit 18 connects the other end of thecontact 180a to the terminal 180c as shown in FIG. The other end of thecontact 181a is connected to theterminal 181d. That is, theseries LC circuits 170 and 171 are connected in series and connected to the output terminal of thepower transmission circuit 10. As a result, thecoils 170a and 171a connected in series and thecapacitors 170b and 171b connected in series become thepower transmission coil 11 and the power transmissionside resonance capacitor 12 shown in FIG.

送電コイル11と受電コイル13の距離が許容範囲内において前述した状態よりもさらに近い状態にある場合、図7に示すように、接続切換え回路18は、接点180aの他端を端子180dに接続するとともに、接点181aの他端を非接続状態にする。つまり、直列LC回路170だけを送電回路10の出力端に接続する。その結果、コイル170a及びコンデンサ170bが、図1に示す送電コイル11及び送電側共振用コンデンサ12になる。  When the distance between thepower transmitting coil 11 and thepower receiving coil 13 is in a state closer to the above-described range within the allowable range, theconnection switching circuit 18 connects the other end of thecontact 180a to the terminal 180d as shown in FIG. At the same time, the other end of thecontact 181a is disconnected. That is, only theserial LC circuit 170 is connected to the output terminal of thepower transmission circuit 10. As a result, thecoil 170a and thecapacitor 170b become thepower transmission coil 11 and the power transmissionside resonance capacitor 12 shown in FIG.

これにより、送電コイル11と受電コイル13の距離に影響されることなく、入力インピーダンスZinを許容範囲内にすることができる。つまり、装置のインピーダンスを所定囲内に調整することができる。  Thereby, the input impedance Zin can be within the allowable range without being affected by the distance between thepower transmission coil 11 and thepower reception coil 13. That is, the impedance of the device can be adjusted within a predetermined range.

図1に示す送電コイル11と送電側共振用コンデンサ12によって構成される共振回路の共振周波数fは、送電コイル11のインダクタンスLと送電側共振用コンデンサ12のキャパシタンスCの積の平方根に反比例する。図3に示すように、送電コイル11を構成する直列LC回路170〜172のコイル170a、171a、172aは、コア173に設けられている。このような構成の場合、コイル170a、171a、172aのインダクタンスL1、L2、L3は、結合係数kに比例し、送電コイル11と受電コイル13の距離が遠いほど小さくなり、近いほど大きくなる。そのため、図2に示す接続切換え回路18が、送電コイル11と受電コイル13の距離が近くなるに従って直列接続される直列LC回路の数を減らすように直列接続の仕方を切換えると、直列接続されるコイルの数の変化に伴うインダクタンスの変化と、送電コイル11と受電コイル13の距離の変化に伴うコイル170a、171a、172a自体のインダクタンスの変化によって、共振周波数fが変化してしまう。しかし、直列LC回路170〜172は、コイルのインダクタンスとコンデンサのキャパシタンスの積がL1・C1≠L2・C2、L3・C3となるように、具体的には、L1・C1<L2・C2<L3・C3となるように設定されている。そのため、入力インピーダンスZinが結合係数k及びインダクタンスLに比例するとともにインダクタンスLが結合係数kに比例するように構成された非接触給電装置1において、接続切換え回路18が、送電コイル11と受電コイル13の距離が近くなるに従って直列接続される直列LC回路の数を減らすように直列接続の仕方を切換えても、共振周波数fを許容範囲内に調整することができる。  The resonance frequency f of the resonance circuit constituted by thepower transmission coil 11 and the power transmissionside resonance capacitor 12 shown in FIG. 1 is inversely proportional to the square root of the product of the inductance L of thepower transmission coil 11 and the capacitance C of the power transmissionside resonance capacitor 12. As shown in FIG. 3, thecoils 170 a, 171 a, and 172 a of theseries LC circuits 170 to 172 constituting thepower transmission coil 11 are provided in thecore 173. In the case of such a configuration, the inductances L1, L2, and L3 of thecoils 170a, 171a, and 172a are proportional to the coupling coefficient k, and become smaller as the distance between thepower transmission coil 11 and thepower receiving coil 13 is longer, and become larger as the distance is closer. For this reason, theconnection switching circuit 18 shown in FIG. 2 is connected in series when the series connection method is switched so as to reduce the number of series LC circuits connected in series as the distance between thepower transmission coil 11 and thepower reception coil 13 decreases. The resonance frequency f changes due to a change in inductance due to a change in the number of coils and a change in inductance of thecoils 170a, 171a, 172a itself due to a change in the distance between thepower transmission coil 11 and thepower reception coil 13. However, theseries LC circuits 170 to 172 have L1 · C1 <L2 · C2 <L3 so that the product of the inductance of the coil and the capacitance of the capacitor is L1 · C1 ≠ L2 · C2 and L3 · C3. -It is set to be C3. Therefore, in the non-contact power feeding device 1 configured such that the input impedance Zin is proportional to the coupling coefficient k and the inductance L, and the inductance L is proportional to the coupling coefficient k, theconnection switching circuit 18 includes thepower transmission coil 11 and thepower reception coil 13. The resonance frequency f can be adjusted within an allowable range even if the method of series connection is switched so as to reduce the number of series LC circuits connected in series as the distance becomes shorter.

その後、非接触給電装置1は、商用電源AC1から車載バッテリB1に送電するための動作を開始する。  Thereafter, the non-contact power feeding device 1 starts an operation for transmitting power from the commercial power source AC1 to the in-vehicle battery B1.

図1に示す受電側制御回路161は、外部から入力される出力電力目標値、及び、自ら検出した電流や電圧等の検出結果を無線通信によって送電側制御回路160に送信するとともに、送電側制御回路160から受信した情報に基づいて受電回路15を制御する。送電側制御回路160は、自ら検出した電流や電圧等の検出結果、及び、無線通信によって受電側制御回路161から受信した情報に基づいて送電回路10を制御する。  The power receivingside control circuit 161 shown in FIG. 1 transmits the output power target value input from the outside and the detection results such as the current and voltage detected by itself to the power transmissionside control circuit 160 by wireless communication, and also performs power transmission side control. Thepower receiving circuit 15 is controlled based on the information received from thecircuit 160. The power transmissionside control circuit 160 controls thepower transmission circuit 10 based on detection results such as current and voltage detected by itself and information received from the power receptionside control circuit 161 by wireless communication.

送電回路10は、商用電源AC1から供給される交流を高周波の交流に変換して直列接続された送電コイル11及び送電側共振用コンデンサ12に供給する。交流が供給されると、送電コイル11は交番磁束を発生する。  Thepower transmission circuit 10 converts alternating current supplied from the commercial power supply AC1 into high-frequency alternating current and supplies the high-frequency alternating current to thepower transmission coil 11 and the power transmissionside resonance capacitor 12 connected in series. When alternating current is supplied, thepower transmission coil 11 generates an alternating magnetic flux.

受電コイル13は、送電コイル11の発生した交番磁束と鎖交することで電磁誘導によって交流を発生する。受電側制御回路161は、無線通信によって送電側制御回路160から受信した情報に基づいて受電回路15を制御する。受電回路15は、受電側共振用コンデンサ14が直列接続された受電コイル13から供給される交流を直流に変換して車載バッテリB1に供給し、車載バッテリB1を充電する。  Thepower reception coil 13 generates alternating current by electromagnetic induction by interlinking with the alternating magnetic flux generated by thepower transmission coil 11. The power receptionside control circuit 161 controls thepower reception circuit 15 based on information received from the power transmissionside control circuit 160 by wireless communication. Thepower receiving circuit 15 converts the alternating current supplied from thepower receiving coil 13 to which the power receivingside resonance capacitor 14 is connected in series into a direct current and supplies it to the in-vehicle battery B1 to charge the in-vehicle battery B1.

このようにして、商用電源AC1から車載バッテリB1に非接触で送電することができる。  In this way, power can be transmitted from the commercial power supply AC1 to the in-vehicle battery B1 in a contactless manner.

次に、第1実施形態の非接触給電装置の効果について説明する。  Next, the effect of the non-contact power feeding device of the first embodiment will be described.

第1実施形態によれば、非接触給電装置1は、直列接続された送電コイル11及び送電側共振用コンデンサ12を備えている。また、直列接続されたコイル及びコンデンサからなる直列LC回路170〜172と、3つの直列LC回路170〜172の直列接続の仕方を切換える接続切換え回路18とを備えている。直列接続された送電コイル11及び送電側共振用コンデンサ12は、3つの直列LC回路170〜172の直列接続の仕方を接続切換え回路18で切換えることによって構成されている。これにより、直列接続された送電コイル11及び送電側共振用コンデンサ12を構成する際に、合わせて装置のインピーダンスも調整することができる。従って、可変インダクタや可変コンデンサを別途設けることなく、簡素な構成で装置のインピーダンスを調整することができる。  According to the first embodiment, the contactless power supply device 1 includes apower transmission coil 11 and a power transmissionside resonance capacitor 12 connected in series. In addition, aseries LC circuit 170 to 172 composed of a coil and a capacitor connected in series and aconnection switching circuit 18 for switching the way of series connection of the threeseries LC circuits 170 to 172 are provided. Thepower transmission coil 11 and the powertransmission resonance capacitor 12 connected in series are configured by switching the serial connection method of the threeserial LC circuits 170 to 172 by theconnection switching circuit 18. Thereby, when configuring thepower transmission coil 11 and the power transmissionside resonance capacitor 12 connected in series, the impedance of the apparatus can also be adjusted. Therefore, the impedance of the apparatus can be adjusted with a simple configuration without separately providing a variable inductor or a variable capacitor.

第1実施形態によれば、接続切換え回路18は、送電コイル11と受電コイル13の距離が許容範囲内で変化しても、送電回路10の後段回路の入力インピーダンスZinが許容範囲内に収まるように直列LC回路170〜172の直列接続の仕方を切換える。そのため、送電コイル11と受電コイル13の距離が許容範囲内で変化しても、装置のインピーダンスを確実に所定範囲内に調整することができる。  According to the first embodiment, theconnection switching circuit 18 allows the input impedance Zin of the subsequent circuit of thepower transmission circuit 10 to be within the allowable range even if the distance between thepower transmission coil 11 and thepower receiving coil 13 changes within the allowable range. The method of serial connection of theserial LC circuits 170 to 172 is switched. Therefore, even if the distance between thepower transmission coil 11 and thepower reception coil 13 changes within the allowable range, the impedance of the apparatus can be reliably adjusted within the predetermined range.

送電側共振用コンデンサ12及び受電側共振用コンデンサ14は、送電コイル11及び受電コイル13に直列接続されている。このような構成の場合、送電回路10の後段回路の入力インピーダンスZinは、送電コイル11と受電コイル13の結合係数kに比例し、送電コイル11と受電コイル13の距離が遠いほど小さくなり、近いほど大きくなる。従って、送電コイル11と受電コイル13の距離に影響されることなく、入力インピーダンスZinが許容範囲内になるようにするには、送電コイル11と受電コイル13の距離が遠いほどインダクタンスLを大きく、近いほどインダクタンスLを小さくすればよい。第1実施形態によれば、接続切換え回路18は、送電コイル11と受電コイル13の距離が近くなるに従って直列接続される直列LC回路の数を減らすように直列接続の仕方を切換える。そのため、送電コイル11と受電コイル13の距離が許容範囲内で変化しても、装置のインピーダンスを確実に所定範囲内に調整することができる。  The power transmissionside resonance capacitor 12 and the power receptionside resonance capacitor 14 are connected in series to thepower transmission coil 11 and thepower reception coil 13. In the case of such a configuration, the input impedance Zin of the subsequent circuit of thepower transmission circuit 10 is proportional to the coupling coefficient k between thepower transmission coil 11 and thepower reception coil 13, and becomes smaller and closer as the distance between thepower transmission coil 11 and thepower reception coil 13 increases. It gets bigger. Therefore, in order to make the input impedance Zin within the allowable range without being affected by the distance between thepower transmission coil 11 and thepower reception coil 13, the inductance L increases as the distance between thepower transmission coil 11 and thepower reception coil 13 increases. The closer the distance is, the smaller the inductance L should be. According to the first embodiment, theconnection switching circuit 18 switches the way of series connection so as to reduce the number of series LC circuits connected in series as the distance between thepower transmission coil 11 and thepower reception coil 13 decreases. Therefore, even if the distance between thepower transmission coil 11 and thepower reception coil 13 changes within the allowable range, the impedance of the apparatus can be reliably adjusted within the predetermined range.

第1実施形態によれば、直列LC回路170〜172は、直列接続の仕方が接続切換え回路18によって切換えられても、送電コイル11と送電側共振用コンデンサ12によって構成される共振回路の共振周波数fが許容範囲内に収まるようにコイルのインダクタンスとコンデンサのキャパシタンスの積が設定されている。そのため、接続切換え回路18によって、直列LC回路170〜172の直列接続の仕方が切換えられても、共振周波数fを許容範囲内に調整することができる。  According to the first embodiment, theseries LC circuits 170 to 172 have the resonance frequency of the resonance circuit constituted by thepower transmission coil 11 and the power transmissionside resonance capacitor 12 even when the series connection method is switched by theconnection switching circuit 18. The product of the inductance of the coil and the capacitance of the capacitor is set so that f falls within the allowable range. Therefore, even if theconnection switching circuit 18 switches the series connection of theserial LC circuits 170 to 172, the resonance frequency f can be adjusted within an allowable range.

直列LC回路170〜172のコイルのインダクタンスとコンデンサのキャパシタンスの積が全て同一であった場合、接続切換え回路18によって、直列LC回路170〜172の直列接続の仕方が切換えられても、共振周波数fを変えることはできない。しかし、第1実施形態によれば、直列LC回路170のコイル170aのインダクタンスL1とコンデンサ170bのキャパシタンスC1の積L1・C1が、他の直列LC回路171、172のコイルのインダクタンスとコンデンサのキャパシタンスの積と異なるように設定されている。L1・C1≠L2・C2、L3・C3となるように設定されている。少なくとも1つの直列LC回路のコイルのインダクタンスとコンデンサのキャパシタンスの積が、他の直列LC回路のコイルのインダクタンスとコンデンサのキャパシタンスの積と異なるように設定されている。そのため、接続切換え回路18によって、直列LC回路170〜172の直列接続の仕方が切換えられても、共振周波数fを確実に許容範囲内に調整することができる。  When the products of the inductance of the coils of theseries LC circuits 170 to 172 and the capacitance of the capacitors are all the same, even if theconnection switching circuit 18 switches the series connection method of theseries LC circuits 170 to 172, the resonance frequency f Cannot be changed. However, according to the first embodiment, the product L1 · C1 of the inductance L1 of thecoil 170a of theseries LC circuit 170 and the capacitance C1 of thecapacitor 170b is equal to the inductance of the coils of the otherseries LC circuits 171 and 172 and the capacitance of the capacitor. It is set to be different from the product. L1 · C1 ≠ L2 · C2 and L3 · C3 are set. The product of the inductance of the coil and the capacitance of the capacitor of at least one series LC circuit is set to be different from the product of the inductance of the coil of the other series LC circuit and the capacitance of the capacitor. Therefore, even when theconnection switching circuit 18 switches the serial connection method of theserial LC circuits 170 to 172, the resonance frequency f can be reliably adjusted within the allowable range.

図3に示すように、直列LC回路170〜172のコイル170a、171a、172aは、コア173に設けられている。そのため、送電コイル11と受電コイル13の距離が近くなるに従ってコイル170a、171a、172aのインダクタンスが大きくなる。従って、図2に示す接続切換え回路18が、送電コイル11と受電コイル13の距離が近くなるに従って直列接続される直列LC回路の数を減らすように直列接続の仕方を切換えると、直列接続されるコイルの数の変化に伴うインダクタンスの変化と、送電コイル11と受電コイル13の距離の変化に伴うコイル170a、171a、172a自体のインダクタンスの変化によって、共振周波数fが変化してしまう。しかし、第1実施形態によれば、送電回路10に接続される最前段の直列LC回路170のコイル170aのインダクタンスL1とコンデンサ170bのキャパシタンスC1の積L1・C1が最も小さく、後段に接続される直列LC回路ほどコイルのインダクタンスとコンデンサのキャパシタンスの積が大きくなるように設定されている。そのため、接続切換え回路18が、送電コイル11と受電コイル13の距離が近くなるに従って直列接続される直列LC回路の数を減らすように直列接続の仕方を切換えても、共振周波数fを許容範囲内に調整することができる。  As shown in FIG. 3, thecoils 170 a, 171 a, and 172 a of theseries LC circuits 170 to 172 are provided in thecore 173. Therefore, as the distance between thepower transmission coil 11 and thepower reception coil 13 becomes shorter, the inductances of thecoils 170a, 171a, and 172a increase. Therefore, theconnection switching circuit 18 shown in FIG. 2 is connected in series when the method of series connection is switched so as to reduce the number of series LC circuits connected in series as the distance between thepower transmission coil 11 and thepower reception coil 13 decreases. The resonance frequency f changes due to a change in inductance due to a change in the number of coils and a change in inductance of thecoils 170a, 171a, 172a itself due to a change in the distance between thepower transmission coil 11 and thepower reception coil 13. However, according to the first embodiment, the product L1 · C1 of the inductance L1 of thecoil 170a and the capacitance C1 of thecapacitor 170b of the front-stageseries LC circuit 170 connected to thepower transmission circuit 10 is the smallest and is connected to the subsequent stage. The series LC circuit is set so that the product of the inductance of the coil and the capacitance of the capacitor increases. Therefore, even if theconnection switching circuit 18 switches the serial connection method so as to reduce the number of series LC circuits connected in series as the distance between thepower transmission coil 11 and thepower reception coil 13 decreases, the resonance frequency f remains within the allowable range. Can be adjusted.

送電回路10に接続される最前段の直列LC回路170のコイル170aは、常に送電回路10に接続されている。そのため、コイル170aに他の直列LC回路171、172のコイル171a、172aを接続することによって送電コイル11を構成することになる。第1実施形態によれば、送電回路10に接続される最前段の直列LC回路170は、コイル170aのインダクタンスL1が他の直列LC回路171、172のコイル171a、172aのインダクタンスより大きくなるように設定されている。L1>L2、L3となるように設定されている。そのため、コイル170aのインダクタンスL1を基準として、コイル171a、172aのインダクタンスL2、L3によって送電コイル11のインダクタンスLを細かく調整することができる。  Thecoil 170 a of the front-stageseries LC circuit 170 connected to thepower transmission circuit 10 is always connected to thepower transmission circuit 10. Therefore, thepower transmission coil 11 is configured by connecting thecoils 171a and 172a of the otherseries LC circuits 171 and 172 to thecoil 170a. According to the first embodiment, the front-stageseries LC circuit 170 connected to thepower transmission circuit 10 is configured such that the inductance L1 of thecoil 170a is larger than the inductances of thecoils 171a and 172a of the otherseries LC circuits 171 and 172. Is set. L1> L2 and L3 are set. Therefore, the inductance L of thepower transmission coil 11 can be finely adjusted by the inductances L2 and L3 of thecoils 171a and 172a with the inductance L1 of thecoil 170a as a reference.

なお、第1実施形態では、3つの直列LC回路170〜172を有し、接続切換え回路18がこれらの直列接続の仕方を切換える例を挙げているが、これに限られるものではない。2つ又は4つ以上の直列LC回路を有し、これらの直列接続の仕方を切換えるようにしてもよい。複数の直列LC回路を有し、これらの直列接続の仕方を切換えるようにすればよい。  In the first embodiment, an example is shown in which threeseries LC circuits 170 to 172 are provided and theconnection switching circuit 18 switches the manner of the series connection. However, the present invention is not limited to this. Two or four or more series LC circuits may be provided and the manner of series connection thereof may be switched. It is only necessary to have a plurality of series LC circuits and switch the way of these serial connections.

第1実施形態では、直列接続された送電コイル11及び送電側共振用コンデンサ12が、直列LC回路の直列接続の仕方を接続切換え回路で切換えることによって構成されている例を挙げているが、これに限られるものではない。直列接続された受電コイル13及び受電側共振用コンデンサ14が、直列LC回路の直列接続の仕方を接続切換え回路で切換えることによって構成されていてもよい。直列接続された送電コイル11及び送電側共振用コンデンサ12、並びに、直列接続された受電コイル13及び受電側共振用コンデンサ14の少なくともいずれかが、直列LC回路の直列接続の仕方を接続切換え回路で切換えることによって構成されていればよい。  In the first embodiment, an example is described in which thepower transmission coil 11 and the powertransmission resonance capacitor 12 connected in series are configured by switching the serial connection method of the serial LC circuit by a connection switching circuit. It is not limited to. Thepower receiving coil 13 and the power receivingside resonance capacitor 14 connected in series may be configured by switching the serial connection method of the serial LC circuit by a connection switching circuit. At least one of thepower transmission coil 11 and the power transmissionside resonance capacitor 12 connected in series, and thepower reception coil 13 and the power receptionside resonance capacitor 14 connected in series is a connection switching circuit that controls the series connection of the series LC circuit. What is necessary is just to be comprised by switching.

第1実施形態では、直列LC回路170〜172及び接続切換え回路18が、図2に示すように構成されている例を挙げている、これに限られるものではない。直列LC回路170〜172及び接続切換え回路18は、図8に示すように構成されていてもよい。コイル170aの一端はコンデンサ171bの一端に接続されている。コイル171aの一端はコンデンサ172bの一端に接続されている。切換えスイッチ180は、接点180aと、端子180b、180cとを備えている。接点180aの一端は端子180bに接続されている。端子180bはコイル170a及びコンデンサ171bの一端に、端子180cは送電回路10にそれぞれ接続されている。切換えスイッチ180の制御端は、送電側制御回路160に接続されている。切換えスイッチ181は、接点181aと、端子181b、181cとを備えている。接点181aの一端は端子181bに接続されている。端子181bはコイル171a及びコンデンサ171bの一端に、端子181cは送電回路10にそれぞれ接続されている。切換えスイッチ181の制御端は、送電側制御回路160に接続されている。このような構成であっても、同様に動作させることができる。  In the first embodiment, the example in which theseries LC circuits 170 to 172 and theconnection switching circuit 18 are configured as shown in FIG. 2 is given, but the present invention is not limited to this. Theserial LC circuits 170 to 172 and theconnection switching circuit 18 may be configured as shown in FIG. One end of thecoil 170a is connected to one end of acapacitor 171b. One end of thecoil 171a is connected to one end of acapacitor 172b. Thechangeover switch 180 includes acontact 180a andterminals 180b and 180c. One end of thecontact 180a is connected to the terminal 180b. The terminal 180b is connected to one end of thecoil 170a and thecapacitor 171b, and the terminal 180c is connected to thepower transmission circuit 10. The control end of thechangeover switch 180 is connected to the power transmissionside control circuit 160. Thechangeover switch 181 includes acontact 181a andterminals 181b and 181c. One end of thecontact 181a is connected to the terminal 181b. The terminal 181b is connected to one end of thecoil 171a and thecapacitor 171b, and the terminal 181c is connected to thepower transmission circuit 10. The control end of thechangeover switch 181 is connected to the power transmissionside control circuit 160. Even with such a configuration, the same operation can be performed.

第1実施形態では、非接触給電装置1が、送電回路10と、送電コイル11と、送電側共振用コンデンサ12と、受電コイル13と、受電側共振用コンデンサ14と、受電回路15とを備えている例を挙げているが、これに限られるものではない。図9に示すように、送電回路10と直列接続された送電コイル11及び送電側共振用コンデンサ12の間、並びに、直列接続された受電コイル13及び受電側共振用コンデンサ14と受電回路15の間に、ローパスフィルタ回路190、191を有していてもよい。このような構成の場合、送電回路10の後段回路の入力インピーダンスZinは、同様に、送電コイル11と受電コイル13の結合係数k、及び、送電コイル11のインダクタンスLに比例する。直列LC回路の直列接続の仕方を同様に切換えることで、同様の効果を得ることができる。  In the first embodiment, the contactless power supply device 1 includes apower transmission circuit 10, apower transmission coil 11, a power transmissionside resonance capacitor 12, apower reception coil 13, a power receptionside resonance capacitor 14, and apower reception circuit 15. However, this is not a limitation. 9, between thepower transmission coil 11 and the power transmissionside resonance capacitor 12 connected in series with thepower transmission circuit 10, and between thepower reception coil 13 and the power receptionside resonance capacitor 14 andpower reception circuit 15 connected in series. In addition, low-pass filter circuits 190 and 191 may be included. In the case of such a configuration, the input impedance Zin of the subsequent circuit of thepower transmission circuit 10 is similarly proportional to the coupling coefficient k between thepower transmission coil 11 and thepower reception coil 13 and the inductance L of thepower transmission coil 11. A similar effect can be obtained by switching the serial connection of the serial LC circuit in the same manner.

第1実施形態では、コイル170a、171a、172aが、図3に示すようにコア173に巻回されている例を挙げているが、これに限られるものではない。コイル170a、171a、172aは、どのような形状であってもよい。どのようにコア173に巻回されていてもよい。コア173に設けられていればよい。  In the first embodiment, thecoils 170a, 171a, and 172a are wound around thecore 173 as shown in FIG. 3, but the present invention is not limited to this. Thecoils 170a, 171a, 172a may have any shape. It may be wound around thecore 173 in any way. What is necessary is just to be provided in thecore 173.

(第2実施形態)
次に、第2実施形態の非接触給電装置について説明する。第2実施形態の非接触給電装置は、第1実施形態の非接触給電装置が、送電コイルと受電コイルの距離が近くなるに従って直列LC回路のコイルのインダクタンスが大きくなるのに対して、送電コイルと受電コイルの距離が近くなるに従って直列LC回路のコイルのインダクタンスが小さくなるようにしたものである。また、それに伴って、直列LC回路のコイルのインダクタンスとコンデンサのキャパシタンスの積の設定を変更したものである。
(Second Embodiment)
Next, the non-contact power feeding device of the second embodiment will be described. The contactless power supply device of the second embodiment is different from the contactless power supply device of the first embodiment in that the inductance of the coil of the series LC circuit increases as the distance between the power transmission coil and the power reception coil decreases. And the inductance of the coil of the series LC circuit is made smaller as the distance of the power receiving coil becomes shorter. Along with this, the setting of the product of the inductance of the coil of the series LC circuit and the capacitance of the capacitor is changed.

第2実施形態の非接触給電装置は、直列LC回路のコイルの機械的構造を除いて第1実施形態の非接触給電装置と同一である。そのため、直列LC回路のコイル以外は、必要がある場合を除いて説明を省略する。直列LC回路のコイルの機械的構造を除いて第1実施形態と同一であることから、第1実施形態の回路図を示す図2を参照するとともに、第2実施形態における直列LC回路のコイルの機械的構造を示す図10を参照して直列LC回路のコイルの構成について説明する。  The non-contact power feeding device of the second embodiment is the same as the non-contact power feeding device of the first embodiment except for the mechanical structure of the coil of the series LC circuit. Therefore, the description is omitted except where necessary except for the coils of the series LC circuit. Since it is the same as that of the first embodiment except for the mechanical structure of the coil of the series LC circuit, reference is made to FIG. 2 showing a circuit diagram of the first embodiment, and the coil of the series LC circuit in the second embodiment. The configuration of the coils of the series LC circuit will be described with reference to FIG. 10 showing the mechanical structure.

図10に示すように、送電コイル11を構成する直列LC回路170〜172のコイル170a、171a、172aは、漏洩磁束を遮蔽するシールド板174に、隙間をあけて、それぞれ隣接して設けられている。第1実施形態の場合とは異なり、磁路を構成するコアは有していない。ここで、シールド板174は、共振周波数で変動する磁界に対して比透磁率が1未満となる、例えば銅やアルミニウム等の材質によって形成されている。このような構成の場合、第1実施形態の場合とは異なり、コイル170a、171a、172aのインダクタンスL1、L2、L3は、結合係数kに反比例し、送電コイル11と受電コイル13の距離が遠いほど大きくなり、近いほど小さくなる。つまり、送電コイル11と受電コイル13の距離が近くなるに従ってコイル170a、171a、172aのインダクタンスL1、L2、L3が小さくなる。図2に示す送電回路10に接続される最前段の直列LC回路170のコイル170aのインダクタンスL1とコンデンサ170bのキャパシタンスC1積L1・C1が最も大きく、後段に接続される直列LC回路ほどコイルのインダクタンスとコンデンサのキャパシタンスの積が小さくなるように設定されている。つまり、L1・C1>L2・C2>L3・C3になるように設定されている。なお、このような構成の場合、シールド板によるインダクタンスの変化は、相手側のコイルに発生する。例えば、受電コイルにシールド板がある場合、送電コイルが近づいた際に送電コイルのインダクタンスが低下する。コアを有している場合も同様である。  As shown in FIG. 10, thecoils 170 a, 171 a, and 172 a of theseries LC circuits 170 to 172 constituting thepower transmission coil 11 are provided adjacent to each other with a gap in theshield plate 174 that shields leakage magnetic flux. Yes. Unlike the case of 1st Embodiment, it does not have the core which comprises a magnetic path. Here, theshield plate 174 is formed of a material having a relative permeability of less than 1 with respect to a magnetic field that fluctuates at a resonance frequency, such as copper or aluminum. In such a configuration, unlike the first embodiment, the inductances L1, L2, and L3 of thecoils 170a, 171a, and 172a are inversely proportional to the coupling coefficient k, and the distance between thepower transmission coil 11 and thepower reception coil 13 is long. The closer it is, the smaller it is. That is, the inductances L1, L2, and L3 of thecoils 170a, 171a, and 172a become smaller as the distance between thepower transmission coil 11 and thepower receiving coil 13 becomes shorter. The inductance L1 of thecoil 170a of the front-stageseries LC circuit 170 connected to thepower transmission circuit 10 shown in FIG. 2 and the capacitance C1 product L1 · C1 of thecapacitor 170b are the largest, and the inductance of the coil is higher in the series LC circuit connected to the rear stage. And the capacitance of the capacitor are set to be small. That is, L1 · C1> L2 · C2> L3 · C3 is set. In the case of such a configuration, a change in inductance due to the shield plate occurs in the counterpart coil. For example, when the power receiving coil has a shield plate, the inductance of the power transmission coil is reduced when the power transmission coil approaches. The same applies when the core is provided.

直列LC回路のコイルの機械的構造を除いて第1実施形態と同一であることから、第1実施形態の回路図を示す図1及び図2を参照するとともに、第2実施形態における直列LC回路のコイルの機械的構造を示す図10を参照して第2実施形態の非接触給電装置の動作について説明する。  Since it is the same as that of the first embodiment except for the mechanical structure of the coil of the series LC circuit, reference is made to FIGS. 1 and 2 showing the circuit diagrams of the first embodiment, and the series LC circuit in the second embodiment. The operation of the non-contact power feeding device according to the second embodiment will be described with reference to FIG.

第2実施形態の非接触給電装置は、直列LC回路のコイルの機械的構造を除いて第1実施形態の非接触給電装置と同一である。そのため、図1に示す送電回路10の後段回路の入力インピーダンスZinは、第1実施形態の場合と同様に、送電コイル11と受電コイル13の結合係数k、及び、送電コイル11のインダクタンスLに比例する。つまり、入力インピーダンスZinは、送電コイル11と受電コイル13の距離が遠いほど小さくなり、近いほど大きくなる。そのため、送電コイル11と受電コイル13の距離に影響されることなく、入力インピーダンスZinが許容範囲内になるようにするには、第1実施形態の場合と同様に、送電コイル11と受電コイル13の距離が遠いほど直列LC回路の接続数を増やし、近いほど直列LC回路の接続数を減らせばよい。つまり、第1実施形態の場合と同様の動作をすればよい。  The non-contact power feeding device of the second embodiment is the same as the non-contact power feeding device of the first embodiment except for the mechanical structure of the coil of the series LC circuit. Therefore, the input impedance Zin of the subsequent circuit of thepower transmission circuit 10 shown in FIG. 1 is proportional to the coupling coefficient k of thepower transmission coil 11 and thepower reception coil 13 and the inductance L of thepower transmission coil 11 as in the case of the first embodiment. To do. That is, the input impedance Zin decreases as the distance between thepower transmission coil 11 and thepower reception coil 13 increases, and increases as the distance between thepower transmission coil 11 and thepower reception coil 13 increases. Therefore, in order to make the input impedance Zin within the allowable range without being affected by the distance between thepower transmitting coil 11 and thepower receiving coil 13, as in the case of the first embodiment, thepower transmitting coil 11 and thepower receiving coil 13 are used. The longer the distance is, the more the number of connections of the serial LC circuit is increased, and the closer the distance is, the less the number of connections of the serial LC circuit is. That is, the same operation as in the first embodiment may be performed.

図2に示す接続切換え回路18は、第1実施形態の場合と同様に、送電コイル11と受電コイル13の距離が近くなるに従って直列接続される直列LC回路の数を減らすように直列接続の仕方を切換える。これにより、送電コイル11と受電コイル13の距離に影響されることなく、入力インピーダンスZinを許容範囲内にすることができる。つまり、装置のインピーダンスを所定囲内に調整することができる。  As in the case of the first embodiment, theconnection switching circuit 18 shown in FIG. 2 is connected in series so as to reduce the number of series LC circuits connected in series as the distance between thepower transmission coil 11 and thepower reception coil 13 decreases. Is switched. Thereby, the input impedance Zin can be within the allowable range without being affected by the distance between thepower transmission coil 11 and thepower reception coil 13. That is, the impedance of the device can be adjusted within a predetermined range.

図1に示す送電コイル11と送電側共振用コンデンサ12によって構成される共振回路の共振周波数fは、送電コイル11のインダクタンスLと送電側共振用コンデンサ12のキャパシタンスCの積の平方根に反比例する。図10に示すように、送電コイル11を構成する直列LC回路170〜172のコイル170a、171a、172aは、漏洩磁束を遮蔽するシールド板174に設けられている。そのため、コイル170a、171a、172aのインダクタンスL1、L2、L3は、結合係数kに反比例し、送電コイル11と受電コイル13の距離が遠いほど大きくなり、近いほど小さくなる。従って、接続切換え回路18が、送電コイル11と受電コイル13の距離が近くなるに従って直列接続される直列LC回路の数を減らすように直列接続の仕方を切換えると、直列接続されるコイルの数の変化に伴うインダクタンスの変化と、送電コイル11と受電コイル13の距離の変化に伴うコイル170a、171a、172a自体のインダクタンスの変化によって、共振周波数fが変化してしまう。しかし、直列LC回路170〜172は、コイルのインダクタンスとコンデンサのキャパシタンスの積がL1・C1>L2・C2>L3・C3となるように設定されている。そのため、入力インピーダンスZinが結合係数k及びインダクタンスLに比例するとともにインダクタンスLが結合係数kに反比例するように構成された非接触給電装置1において、接続切換え回路18が、送電コイル11と受電コイル13の距離が近くなるに従って直列接続される直列LC回路の数を減らすように直列接続の仕方を切換えても、共振周波数fを許容範囲内に調整することができる。  The resonance frequency f of the resonance circuit constituted by thepower transmission coil 11 and the power transmissionside resonance capacitor 12 shown in FIG. 1 is inversely proportional to the square root of the product of the inductance L of thepower transmission coil 11 and the capacitance C of the power transmissionside resonance capacitor 12. As shown in FIG. 10, thecoils 170a, 171a, and 172a of theseries LC circuits 170 to 172 constituting thepower transmission coil 11 are provided on ashield plate 174 that shields leakage magnetic flux. Therefore, the inductances L1, L2, and L3 of thecoils 170a, 171a, and 172a are inversely proportional to the coupling coefficient k, and increase as the distance between thepower transmission coil 11 and thepower reception coil 13 increases, and decrease as the distance decreases. Therefore, when theconnection switching circuit 18 switches the way of series connection so as to reduce the number of series LC circuits connected in series as the distance between thepower transmission coil 11 and thepower reception coil 13 decreases, the number of coils connected in series is reduced. The resonance frequency f changes due to the change in inductance accompanying the change and the change in inductance of thecoils 170a, 171a, 172a itself accompanying the change in the distance between thepower transmission coil 11 and thepower reception coil 13. However, theseries LC circuits 170 to 172 are set so that the product of the inductance of the coil and the capacitance of the capacitor satisfies L1 · C1> L2 · C2> L3 · C3. Therefore, in the non-contact power feeding device 1 configured such that the input impedance Zin is proportional to the coupling coefficient k and the inductance L and the inductance L is inversely proportional to the coupling coefficient k, theconnection switching circuit 18 includes thepower transmission coil 11 and thepower reception coil 13. The resonance frequency f can be adjusted within an allowable range even if the method of series connection is switched so as to reduce the number of series LC circuits connected in series as the distance becomes shorter.

次に、第2実施形態の非接触給電装置の効果について説明する。  Next, the effect of the non-contact power feeding device of the second embodiment will be described.

第2実施形態によれば、第1実施形態と同一構成を有することにより、その同一構成に対応した第1実施形態と同様の効果を得ることができる。  According to the second embodiment, by having the same configuration as that of the first embodiment, the same effect as that of the first embodiment corresponding to the same configuration can be obtained.

第2実施形態によれば、図10に示すように、直列LC回路170〜172のコイル170a、171a、172aは、漏洩磁束を遮蔽するシールド板174に設けられている。そのため、送電コイル11と受電コイル13の距離が近くなるに従ってコイル170a、171a、172aのインダクタンスL1、L2、L3が小さくなる。図2に示す送電回路10に接続される最前段の直列LC回路170のコイル170aのインダクタンスL1とコンデンサ170bのキャパシタンスC1積L1・C1が最も大きく、後段に接続される直列LC回路ほどコイルのインダクタンスとコンデンサのキャパシタンスの積が小さくなるように設定されている。そのため、接続切換え回路18が、送電コイル11と受電コイル13の距離が近くなるに従って直列接続される直列LC回路の数を減らすように直列接続の仕方を切換えても、共振周波数fを許容範囲内に調整することができる。  According to the second embodiment, as shown in FIG. 10, thecoils 170a, 171a, and 172a of theseries LC circuits 170 to 172 are provided on theshield plate 174 that shields leakage magnetic flux. Therefore, the inductances L1, L2, and L3 of thecoils 170a, 171a, and 172a become smaller as the distance between thepower transmission coil 11 and thepower receiving coil 13 becomes shorter. The inductance L1 of thecoil 170a of the front-stageseries LC circuit 170 connected to thepower transmission circuit 10 shown in FIG. 2 and the capacitance C1 product L1 · C1 of thecapacitor 170b are the largest, and the inductance of the coil is higher in the series LC circuit connected to the rear stage. And the capacitance of the capacitor are set to be small. Therefore, even if theconnection switching circuit 18 switches the serial connection method so as to reduce the number of series LC circuits connected in series as the distance between thepower transmission coil 11 and thepower reception coil 13 decreases, the resonance frequency f remains within the allowable range. Can be adjusted.

なお、第2実施形態では、3つの直列LC回路170〜172を有し、接続切換え回路18がこれらの直列接続の仕方を切換える例を挙げているが、これに限られるものではない。複数の直列LC回路を有し、これらの直列接続の仕方を切換えるようにすればよい。  In the second embodiment, an example in which the threeseries LC circuits 170 to 172 are provided and theconnection switching circuit 18 switches the way of the series connection is described. However, the present invention is not limited to this. It is only necessary to have a plurality of series LC circuits and switch the way of these serial connections.

第2実施形態では、直列接続された送電コイル11及び送電側共振用コンデンサ12が、直列LC回路の直列接続の仕方を接続切換え回路で切換えることによって構成されている例を挙げているが、これに限られるものではない。直列接続された送電コイル11及び送電側共振用コンデンサ12、並びに、直列接続された受電コイル13及び受電側共振用コンデンサ14の少なくともいずれかが、直列LC回路の直列接続の仕方を接続切換え回路で切換えることによって構成されていればよい。  In the second embodiment, an example is given in which thepower transmission coil 11 and the powertransmission resonance capacitor 12 connected in series are configured by switching the serial connection method of the serial LC circuit by a connection switching circuit. It is not limited to. At least one of thepower transmission coil 11 and the power transmissionside resonance capacitor 12 connected in series, and thepower reception coil 13 and the power receptionside resonance capacitor 14 connected in series is a connection switching circuit that controls the series connection of the series LC circuit. What is necessary is just to be comprised by switching.

第2実施形態では、非接触給電装置1が、送電回路10と、送電コイル11と、送電側共振用コンデンサ12と、受電コイル13と、受電側共振用コンデンサ14と、受電回路15とを備えている例を挙げているが、これに限られるものではない。図9に示すように、送電回路10と直列接続された送電コイル11及び送電側共振用コンデンサ12の間、及び、直列接続された受電コイル13及び受電側共振用コンデンサ14と受電回路15の間に、ローパスフィルタ回路190、191を有していてもよい。  In the second embodiment, the contactless power supply device 1 includes apower transmission circuit 10, apower transmission coil 11, a power transmissionside resonance capacitor 12, apower reception coil 13, a power receptionside resonance capacitor 14, and apower reception circuit 15. However, this is not a limitation. As shown in FIG. 9, between thepower transmission coil 11 and the power transmissionside resonance capacitor 12 connected in series with thepower transmission circuit 10, and between thepower reception coil 13 and the power receptionside resonance capacitor 14 andpower reception circuit 15 connected in series. In addition, low-pass filter circuits 190 and 191 may be included.

第2実施形態では、コイル170a、171a、172aが、図10に示すようにシールド板174に設けられている例を挙げているが、これに限られるものではない。コイル170a、171a、172aは、どのような形状であってもよい。どのように巻回されていてもよい。シールド板174に設けられていればよい。  In the second embodiment, thecoils 170a, 171a, and 172a are provided on theshield plate 174 as shown in FIG. 10, but the present invention is not limited to this. Thecoils 170a, 171a, 172a may have any shape. It may be wound in any way. What is necessary is just to be provided in theshield board 174. FIG.

(第3実施形態)
次に、第3実施形態の非接触給電装置について説明する。第3実施形態の非接触給電装置は、第1実施形態の非接触給電装置が、送電回路の後段回路の入力インピーダンスが送電コイルと受電コイルの結合係数に比例するのに対して、入力インピーダンスが結合係数に反比例するようにしたものである。また、それに伴って、直列LC回路のコイルのインダクタンスとコンデンサのキャパシタンスの積の設定を変更したものである。
(Third embodiment)
Next, the non-contact electric power feeder of 3rd Embodiment is demonstrated. In the non-contact power supply device of the third embodiment, the input impedance of the non-contact power supply device of the first embodiment is proportional to the coupling coefficient between the power transmission coil and the power reception coil, whereas the input impedance of the subsequent circuit of the power transmission circuit is This is inversely proportional to the coupling coefficient. Along with this, the setting of the product of the inductance of the coil of the series LC circuit and the capacitance of the capacitor is changed.

まず、図11を参照して第3実施形態の非接触給電装置の概略構成について説明する。  First, a schematic configuration of the non-contact power feeding device according to the third embodiment will be described with reference to FIG.

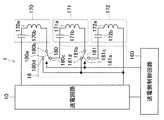
図11に示す非接触給電装置3は、車両外部の商用電源AC3から車両に搭載された車載バッテリB3に非接触で送電し、車載バッテリB3を充電する装置である。非接触給電装置3は、送電回路30と、送電コイル31と、送電側共振用コンデンサ32と、受電コイル33と、受電側共振用コンデンサ34と、受電回路35と、制御回路36とを備えている。さらに、送電側イミタンス変換回路390と、受電側イミタンス変換回路391とを備えている。  A non-contactpower supply device 3 shown in FIG. 11 is a device that transmits power from a commercial power supply AC3 outside the vehicle to an in-vehicle battery B3 mounted on the vehicle in a non-contact manner and charges the in-vehicle battery B3. The non-contactpower feeding device 3 includes apower transmission circuit 30, apower transmission coil 31, a power transmissionside resonance capacitor 32, apower reception coil 33, a power receptionside resonance capacitor 34, apower reception circuit 35, and acontrol circuit 36. Yes. Furthermore, a power transmission sideimmittance conversion circuit 390 and a power reception sideimmittance conversion circuit 391 are provided.

送電回路30は、第1実施形態の送電回路10と同一の回路である。送電コイル31は、第1実施形態の送電コイル11と同一の機能を有する部材である。送電側共振用コンデンサ32は、第1実施形態の送電側共振用コンデンサ12と同一の素子である。受電コイル33は、第1実施形態の受電コイル13と同一の機能を有する部材である。受電側共振用コンデンサ34は、第1実施形態の受電側共振用コンデンサ14と同一の素子である。受電回路35は、第1実施形態の受電回路15と同一の回路である。  Thepower transmission circuit 30 is the same circuit as thepower transmission circuit 10 of the first embodiment. Thepower transmission coil 31 is a member having the same function as thepower transmission coil 11 of the first embodiment. The power transmissionside resonance capacitor 32 is the same element as the power transmissionside resonance capacitor 12 of the first embodiment. Thepower receiving coil 33 is a member having the same function as thepower receiving coil 13 of the first embodiment. The powerreception resonance capacitor 34 is the same element as the powerreception resonance capacitor 14 of the first embodiment. Thepower receiving circuit 35 is the same circuit as thepower receiving circuit 15 of the first embodiment.

制御回路36は、外部から入力される出力電力目標値、及び、自ら検出した電流や電圧等の検出結果に基づいて、送電回路30及び受電回路35を制御する回路である。制御回路36は、送電側制御回路360と、受電側制御回路361とを備えている。  Thecontrol circuit 36 is a circuit that controls thepower transmission circuit 30 and thepower reception circuit 35 based on the output power target value input from the outside and the detection results of the current and voltage detected by itself. Thecontrol circuit 36 includes a power transmissionside control circuit 360 and a power receptionside control circuit 361.

送電側制御回路360は、後述する接続切換え回路38の制御を除いて、第1実施形態の送電側制御回路160と同一の回路である。受電側制御回路361は、第1実施形態の受電側制御回路161と同一の回路である。  The power transmissionside control circuit 360 is the same circuit as the power transmissionside control circuit 160 of the first embodiment except for the control of theconnection switching circuit 38 described later. The power receivingside control circuit 361 is the same circuit as the power receivingside control circuit 161 of the first embodiment.

送電側イミタンス変換回路390は、イミタンス変換を行う回路である。具体的には、一方の端子対から見たインピーダンスが、他方の端子対に接続された回路のアドミタンスに比例する回路である。送電側イミタンス変換回路390は、送電回路30と直列接続された送電コイル31及び送電側共振用コンデンサ32の間に接続されている。  The power transmission sideimmittance conversion circuit 390 is a circuit that performs immittance conversion. Specifically, it is a circuit in which the impedance viewed from one terminal pair is proportional to the admittance of the circuit connected to the other terminal pair. The power transmission sideimmittance conversion circuit 390 is connected between thepower transmission coil 31 and the power transmissionside resonance capacitor 32 connected in series with thepower transmission circuit 30.

受電側イミタンス変換回路391は、イミタンス変換を行う回路である。具体的には、一方の端子対から見たインピーダンスが、他方の端子対に接続された回路のアドミタンスに比例する回路である。受電側イミタンス変換回路391は、直列接続された受電コイル33及び受電側共振用コンデンサ34と受電回路35の間に接続されている。  The power receiving sideimmittance conversion circuit 391 is a circuit that performs immittance conversion. Specifically, it is a circuit in which the impedance viewed from one terminal pair is proportional to the admittance of the circuit connected to the other terminal pair. The power receiving sideimmittance conversion circuit 391 is connected between thepower receiving coil 33 and the power receivingside resonance capacitor 34 and thepower receiving circuit 35 connected in series.

次に、図11〜図13を参照して送電コイル及び送電側共振用コンデンサの構成について詳細に説明する。  Next, the configuration of the power transmission coil and the power transmission side resonance capacitor will be described in detail with reference to FIGS.

図12に示すように、非接触給電装置3は、3つの直列LC回路370〜372と、接続切換え回路38とを備えている。  As shown in FIG. 12, the non-contactpower feeding device 3 includes threeseries LC circuits 370 to 372 and aconnection switching circuit 38.

直列LC回路370〜372は、図11に示す直列接続された送電コイル31及び送電側共振用コンデンサ32を構成するための直列接続されたコイル及びコンデンサからなる回路である。  Theseries LC circuits 370 to 372 are circuits including a series-connected coil and a capacitor for configuring the series-connectedpower transmission coil 31 and the power transmissionside resonance capacitor 32 shown in FIG.

図12に示すように、直列LC回路370は、直列接続されたコイル370a及びコンデンサ370bを備えている。コンデンサ370bの一端は送電側イミタンス変換回路390に、コイル370aの一端は接続切換え回路38にそれぞれ接続されている。直列LC回路371は、直列接続されたコイル371a及びコンデンサ371bを備えている。コンデンサ371bの一端及びコイル371aの一端は、接続切換え回路38にそれぞれ接続されている。直列LC回路372は、直列接続されたコイル372a及びコンデンサ372bを備えている。コンデンサ372bの一端は接続切換え回路38に、コイル372aの一端は送電側イミタンス変換回路390にそれぞれ接続されている。  As shown in FIG. 12, theseries LC circuit 370 includes acoil 370a and acapacitor 370b connected in series. One end of thecapacitor 370b is connected to the power transmission sideimmittance conversion circuit 390, and one end of thecoil 370a is connected to theconnection switching circuit 38. Theseries LC circuit 371 includes acoil 371a and acapacitor 371b connected in series. One end of thecapacitor 371b and one end of thecoil 371a are connected to theconnection switching circuit 38, respectively. Theseries LC circuit 372 includes acoil 372a and acapacitor 372b connected in series. One end of thecapacitor 372b is connected to theconnection switching circuit 38, and one end of thecoil 372a is connected to the power transmission sideimmittance conversion circuit 390.

図13に示すように、コイル370a、371a、372aは、磁路を構成するコア373に、それぞれ隣接して設けられている。具体的には、コア373にそれぞれ巻回されている。  As shown in FIG. 13, thecoils 370a, 371a, and 372a are provided adjacent to thecore 373 constituting the magnetic path. Specifically, each is wound around thecore 373.

図12に示す接続切換え回38は、送電側制御回路360によって制御され、図11に示す送電コイル31と受電コイル33の距離が許容範囲内で変化しても、送電コイル31の後段回路の入力インピーダンスが許容範囲内に収まるように直列LC回路370〜372の直列接続の仕方を切換える回路である。具体的には、第1実施形態の場合と異なり、送電コイル31と受電コイル33の距離が近くなるに従って直列接続される直列LC回路の数を増やすように直列接続の仕方を切換える回路である。図12に示すように、接続切換え回路38は、切換えスイッチ380、381を備えている。  Theconnection switching circuit 38 shown in FIG. 12 is controlled by the power transmissionside control circuit 360, and even if the distance between thepower transmission coil 31 and thepower reception coil 33 shown in FIG. This is a circuit that switches the series connection method of theseries LC circuits 370 to 372 so that the impedance falls within an allowable range. Specifically, unlike the case of the first embodiment, this is a circuit that switches the way of series connection so that the number of series LC circuits connected in series increases as the distance between thepower transmission coil 31 and thepower reception coil 33 becomes shorter. As shown in FIG. 12, theconnection changeover circuit 38 includes changeover switches 380 and 381.

切換えスイッチ380は、接点380aと、端子380b〜380dとを備えている。接点380aの一端は端子380bに接続されている。端子380bはコイル370aの一端に、端子380cはコンデンサ371bの一端に、端子380dは送電側イミタンス変換回路390にそれぞれ接続されている。切換えスイッチ380の制御端は、送電側制御回路360に接続されている。  Thechangeover switch 380 includes acontact 380a andterminals 380b to 380d. One end of thecontact 380a is connected to the terminal 380b. The terminal 380b is connected to one end of thecoil 370a, the terminal 380c is connected to one end of thecapacitor 371b, and the terminal 380d is connected to the power transmission sideimmittance conversion circuit 390. The control end of thechangeover switch 380 is connected to the power transmissionside control circuit 360.

切換えスイッチ381は、接点381aと、端子381b〜381dとを備えている。接点381aの一端は端子381bに接続されている。端子381bはコイル371aの一端に、端子381cはコンデンサ372bの一端に、端子381dは送電側イミタンス変換回路390にそれぞれ接続されている。切換えスイッチ381の制御端は、送電側制御回路360に接続されている。  Thechangeover switch 381 includes acontact 381a andterminals 381b to 381d. One end of thecontact 381a is connected to the terminal 381b. The terminal 381b is connected to one end of thecoil 371a, the terminal 381c is connected to one end of thecapacitor 372b, and the terminal 381d is connected to the power transmission sideimmittance conversion circuit 390. The control end of thechangeover switch 381 is connected to the power transmissionside control circuit 360.

図11に示す直列接続された送電コイル31及び送電側共振用コンデンサ32は、図12に示す直列LC回路370〜372の直列接続の仕方を接続切換え回路38で切換えることによって構成されている。  Thepower transmission coil 31 and powertransmission resonance capacitor 32 connected in series shown in FIG. 11 are configured by switching the serial connection method of theserial LC circuits 370 to 372 shown in FIG.

送電側イミタンス変換回路390を介して送電回路30に接続される最前段の直列LC回路370は、第1実施形態の場合と同様に、コイル370aのインダクタンスL1が他の直列LC回路371、372のコイル371a、372aのインダクタンスより大きくなるように設定されている。L1>L2、L3となるように設定されている。  As in the case of the first embodiment, the foremostseries LC circuit 370 connected to thepower transmission circuit 30 via the power transmission sideimmittance conversion circuit 390 has an inductance L1 of thecoil 370a of the otherseries LC circuits 371 and 372. It is set to be larger than the inductances of thecoils 371a and 372a. L1> L2 and L3 are set.

直列LC回路370〜372は、直列接続の仕方が接続切換え回路38によって切換えられても、送電コイル31と送電側共振用コンデンサ32によって構成される共振回路の共振周波数fが許容範囲内に収まるようにコイル370a、371a、372aのインダクタンスとコンデンサ370b、371b、372bのキャパシタンスの積が設定されている。具体的には、第1実施形態の場合と同様に、直列LC回路370のコイル370aのインダクタンスL1とコンデンサ370bのキャパシタンスC1の積L1・C1が、他の直列LC回路371、372のコイルのインダクタンスとコンデンサのキャパシタンスの積と異なるように設定されている。L1・C1≠L2・C2、L3・C3となるように設定されている。  Theseries LC circuits 370 to 372 are configured so that the resonance frequency f of the resonance circuit constituted by thepower transmission coil 31 and the power transmissionside resonance capacitor 32 is within the allowable range even when the serial connection method is switched by theconnection switching circuit 38. The product of the inductance of thecoils 370a, 371a, 372a and the capacitance of thecapacitors 370b, 371b, 372b is set. Specifically, as in the case of the first embodiment, the product L1 · C1 of the inductance L1 of thecoil 370a of theseries LC circuit 370 and the capacitance C1 of thecapacitor 370b is the inductance of the coils of the otherseries LC circuits 371 and 372. And the capacitance of the capacitor are set differently. L1 · C1 ≠ L2 · C2 and L3 · C3 are set.

送電コイル31を構成する直列LC回路370〜372のコイル370a、371a、372aは、コア373に設けられている。そのため、送電コイル31と受電コイル33の距離が近くなるに従ってコイル370a、371a、372aのインダクタンスが大きくなる。第1実施形態の場合とは異なり、送電回路30に接続される最前段の直列LC回路370のコイル370aのインダクタンスL1とコンデンサ370bのキャパシタンスC1の積L1・C1が最も大きく、後段に接続される直列LC回路ほどコイルのインダクタンスとコンデンサのキャパシタンスの積が小さくなるように設定されている。L1・C1>L2・C2>L3・C3となるように設定されている。  Coils 370 a, 371 a, and 372 a ofserial LC circuits 370 to 372 constituting thepower transmission coil 31 are provided in thecore 373. Therefore, the inductances of thecoils 370a, 371a, and 372a increase as the distance between thepower transmission coil 31 and thepower reception coil 33 decreases. Unlike the case of the first embodiment, the product L1 · C1 of the inductance L1 of thecoil 370a and the capacitance C1 of thecapacitor 370b of the foremostseries LC circuit 370 connected to thepower transmission circuit 30 is the largest, and is connected to the subsequent stage. The series LC circuit is set so that the product of the inductance of the coil and the capacitance of the capacitor becomes smaller. L1 · C1> L2 · C2> L3 · C3 are set.

次に、図11〜図16を参照して第3実施形態の非接触給電装置の動作について説明する。  Next, the operation of the non-contact power feeding device according to the third embodiment will be described with reference to FIGS.

駐車スペース内に車両を駐車すると、図11に示す送電コイル31に対する受電コイル33の相対位置が決まる。そして、送電コイル31と受電コイル33が上下方向に所定の間隔をあけて対向する。この状態で充電開始ボタン(図略)が押され、充電の開始が指示されると、非接触給電装置3は動作を開始する。  When the vehicle is parked in the parking space, the relative position of thepower reception coil 33 with respect to thepower transmission coil 31 shown in FIG. 11 is determined. Thepower transmission coil 31 and thepower reception coil 33 are opposed to each other with a predetermined interval in the vertical direction. In this state, when a charge start button (not shown) is pressed and the start of charge is instructed, the non-contactpower feeding device 3 starts operation.

送電側共振用コンデンサ32及び受電側共振用コンデンサ34は、送電コイル31及び受電コイル33に直列接続されている。また、送電側イミタンス変換回路390及び受電側イミタンス変換回路391は、送電回路30と直列接続された送電コイル31及び送電側共振用コンデンサ32の間、並びに、直列接続された受電コイル33及び受電側共振用コンデンサ34と受電回路35の間に接続されている。このような構成の場合、送電回路30の後段回路の入力インピーダンスZinは、送電コイル31と受電コイル33の結合係数kに反比例するとともに、送電コイル31のインダクタンスLに比例する。  The power transmissionside resonance capacitor 32 and the power receptionside resonance capacitor 34 are connected in series to thepower transmission coil 31 and thepower reception coil 33. The power transmission sideimmittance conversion circuit 390 and the power reception sideimmittance conversion circuit 391 are provided between thepower transmission coil 31 and the power transmissionside resonance capacitor 32 connected in series with thepower transmission circuit 30, and between thepower reception coil 33 and the power reception side connected in series. It is connected between theresonance capacitor 34 and thepower receiving circuit 35. In the case of such a configuration, the input impedance Zin of the subsequent circuit of thepower transmission circuit 30 is inversely proportional to the coupling coefficient k between thepower transmission coil 31 and thepower reception coil 33 and is proportional to the inductance L of thepower transmission coil 31.

結合係数kは、送電コイル31と受電コイル33の距離が遠いほど小さくなり、近いほど大きくなる。そのため、入力インピーダンスZinは、第1実施形態の場合とは異なり、送電コイル31と受電コイル33の距離が遠いほど大きくなり、近いほど小さくなる。従って、送電コイル31と受電コイル33の距離に影響されることなく、入力インピーダンスZinが許容範囲内になるようにするには、送電コイル31と受電コイル33の距離が遠いほどインダクタンスLを小さく、近いほどインダクタンスLを大きくすればよい。つまり、送電コイル31と受電コイル33の距離が遠いほど直列LC回路の接続数を減らし、近いほど直列LC回路の接続数を増やせばよい。  The coupling coefficient k decreases as the distance between thepower transmitting coil 31 and thepower receiving coil 33 increases, and increases as the distance between thepower transmitting coil 31 and thepower receiving coil 33 increases. Therefore, unlike the case of the first embodiment, the input impedance Zin increases as the distance between thepower transmission coil 31 and thepower reception coil 33 increases, and decreases as the distance decreases. Therefore, in order to make the input impedance Zin within the allowable range without being affected by the distance between thepower transmission coil 31 and thepower reception coil 33, the inductance L is reduced as the distance between thepower transmission coil 31 and thepower reception coil 33 increases. What is necessary is just to enlarge the inductance L, so that it is near. That is, as the distance between thepower transmission coil 31 and thepower reception coil 33 is longer, the number of connections of the series LC circuit is reduced, and as the distance is closer, the number of connections of the series LC circuit is increased.

図12に示す接続切換え回路38は、送電側制御回路360によって制御され、送電コイル31と受電コイル33の距離が近くなるに従って直列接続される直列LC回路の数を増やすように直列接続の仕方を切換える。  Theconnection switching circuit 38 shown in FIG. 12 is controlled by the power transmissionside control circuit 360, and the serial connection method is increased so that the number of series LC circuits connected in series increases as the distance between thepower transmission coil 31 and thepower reception coil 33 decreases. Switch.

具体的には、送電コイル31と受電コイル33の距離が許容範囲内において遠い状態にある場合、図14に示すように、接続切換え回路38は、接点380aの他端を端子380dに接続するとともに、接点381aの他端を非接続状態にする。つまり、直列LC回路370だけを送電側イミタンス変換回路390に接続する。その結果、コイル370a及びコンデンサ370bが、図11に示す送電コイル31及び送電側共振用コンデンサ32になる。  Specifically, when the distance between thepower transmitting coil 31 and thepower receiving coil 33 is far within the allowable range, theconnection switching circuit 38 connects the other end of thecontact 380a to the terminal 380d as shown in FIG. Then, the other end of thecontact 381a is disconnected. That is, only theserial LC circuit 370 is connected to the power transmission sideimmittance conversion circuit 390. As a result, thecoil 370a and thecapacitor 370b become thepower transmission coil 31 and the powertransmission resonance capacitor 32 shown in FIG.

送電コイル31と受電コイル33の距離が許容範囲内において前述した状態よりも近い状態にある場合、図15に示すように、接続切換え回路38は、接点380aの他端を端子380cに接続するとともに、接点381aの他端を端子381dに接続する。つまり、直列LC回路370、371を直列接続して送電側イミタンス変換回路390に接続する。その結果、直列接続されたコイル370a、371a及び直列接続されたコンデンサ370b、371bが、図11に示す送電コイル31及び送電側共振用コンデンサ32になる。  When the distance between thepower transmission coil 31 and thepower reception coil 33 is closer than the above-described state within the allowable range, theconnection switching circuit 38 connects the other end of thecontact 380a to the terminal 380c as shown in FIG. The other end of thecontact 381a is connected to theterminal 381d. That is, theserial LC circuits 370 and 371 are connected in series and connected to the power transmission sideimmittance conversion circuit 390. As a result, thecoils 370a and 371a connected in series and thecapacitors 370b and 371b connected in series become thepower transmission coil 31 and the power transmissionside resonance capacitor 32 shown in FIG.

送電コイル31と受電コイル33の距離が許容範囲内において前述した状態よりもさらに近い状態にある場合、図16に示すように、接続切換え回路38は、接点380aの他端を端子380cに接続するとともに、接点381aの他端を端子381cに接続する。つまり、直列LC回路370〜372を直列接続して送電側イミタンス変換回路390に接続する。その結果、直列接続されたコイル370a、371a、372a及び直列接続されたコンデンサ370b、371b、372bが、図11に示す送電コイル31及び送電側共振用コンデンサ32になる。  When the distance between thepower transmission coil 31 and thepower reception coil 33 is in a state closer to the above-described range within the allowable range, theconnection switching circuit 38 connects the other end of thecontact 380a to the terminal 380c as shown in FIG. At the same time, the other end of thecontact 381a is connected to the terminal 381c. That is, theserial LC circuits 370 to 372 are connected in series and connected to the power transmission sideimmittance conversion circuit 390. As a result, thecoils 370a, 371a, 372a connected in series and thecapacitors 370b, 371b, 372b connected in series become thepower transmission coil 31 and the power transmissionside resonance capacitor 32 shown in FIG.

これにより、送電コイル31と受電コイル33の距離に影響されることなく、入力インピーダンスZinを許容範囲内にすることができる。つまり、装置のインピーダンスを所定範囲内に調整することができる。  Thereby, the input impedance Zin can be within the allowable range without being affected by the distance between thepower transmission coil 31 and thepower reception coil 33. That is, the impedance of the device can be adjusted within a predetermined range.

図11に示す送電コイル31と送電側共振用コンデンサ32によって構成される共振回路の共振周波数fは、送電コイル31のインダクタンスLと送電側共振用コンデンサ32のキャパシタンスCの積の平方根に反比例する。図13に示すように、送電コイル31を構成する直列LC回路370〜372のコイル370a、371a、372aは、コア373に設けられている。このような構成の場合、コイル370a、371a、372aのインダクタンスL1、L2、L3は、結合係数kに比例し、送電コイル31と受電コイル33の距離が遠いほど小さくなり、近いほど大きくなる。そのため、図12に示す接続切換え回路38が、送電コイル31と受電コイル33の距離が近くなるに従って直列接続される直列LC回路の数を増やすように直列接続の仕方を切換えると、直列接続されるコイルの数の変化に伴うインダクタンスの変化と、送電コイル31と受電コイル33の距離の変化に伴うコイル370a、371a、372a自体のインダクタンスの変化によって、共振周波数fが変化してしまう。しかし、直列LC回路370〜372は、コイルのインダクタンスとコンデンサのキャパシタンスの積がL1・C1≠L2・C2、L3・C3となるように、具体的には、L1・C1>L2・C2>L3・C3となるように設定されている。そのため、入力インピーダンスZinが結合係数kに反比例するとともにインダクタンスLに比例し、インダクタンスLが結合係数kに比例するように構成された非接触給電装置3において、接続切換え回路38が、送電コイル31と受電コイル33の距離が近くなるに従って直列接続される直列LC回路の数を増やすように直列接続の仕方を切換えても、共振周波数fを許容範囲内に調整することができる。  The resonance frequency f of the resonance circuit constituted by thepower transmission coil 31 and the power transmissionside resonance capacitor 32 shown in FIG. 11 is inversely proportional to the square root of the product of the inductance L of thepower transmission coil 31 and the capacitance C of the power transmissionside resonance capacitor 32. As shown in FIG. 13, coils 370 a, 371 a, and 372 a ofseries LC circuits 370 to 372 constituting thepower transmission coil 31 are provided in thecore 373. In the case of such a configuration, the inductances L1, L2, and L3 of thecoils 370a, 371a, and 372a are proportional to the coupling coefficient k, and become smaller as the distance between thepower transmission coil 31 and thepower reception coil 33 increases, and increase as the distance between them decreases. Therefore, theconnection switching circuit 38 shown in FIG. 12 is connected in series when the method of series connection is switched so as to increase the number of series LC circuits connected in series as the distance between thepower transmission coil 31 and thepower reception coil 33 decreases. The resonance frequency f changes due to a change in inductance accompanying a change in the number of coils and a change in inductance of thecoils 370a, 371a, 372a itself due to a change in the distance between thepower transmission coil 31 and thepower reception coil 33. However, theseries LC circuits 370 to 372 are configured so that the product of the inductance of the coil and the capacitance of the capacitor satisfies L1 · C1 ≠ L2 · C2 and L3 · C3, specifically, L1 · C1> L2 · C2> L3. -It is set to be C3. Therefore, in the non-contactpower feeding device 3 configured such that the input impedance Zin is inversely proportional to the coupling coefficient k and proportional to the inductance L, and the inductance L is proportional to the coupling coefficient k, theconnection switching circuit 38 is connected to thepower transmission coil 31. The resonance frequency f can be adjusted within an allowable range even if the method of series connection is switched so that the number of series LC circuits connected in series increases as the distance of thepower receiving coil 33 decreases.

その後、非接触給電装置3は、商用電源AC3から車載バッテリB3に送電するため、第1実施形態の場合と同様の動作をし、商用電源AC3から車載バッテリB3に非接触で送電する。  Thereafter, the non-contactpower feeding device 3 transmits power from the commercial power source AC3 to the on-vehicle battery B3, and thus performs the same operation as in the first embodiment, and transmits power from the commercial power source AC3 to the on-vehicle battery B3 in a contactless manner.

次に、第3実施形態の非接触給電装置の効果について説明する。  Next, the effect of the non-contact power feeding device of the third embodiment will be described.

第3実施形態によれば、第1実施形態と同一構成を有することにより、その同一構成に対応した第1実施形態と同様の効果を得ることができる。  According to the third embodiment, by having the same configuration as that of the first embodiment, it is possible to obtain the same effect as that of the first embodiment corresponding to the same configuration.

送電側共振用コンデンサ32及び受電側共振用コンデンサ34は、送電コイル31及び受電コイル33に直列接続されている。また、送電側イミタンス変換回路390及び受電側イミタンス変換回路391は、送電回路30と直列接続された送電コイル31及び送電側共振用コンデンサ32の間、並びに、直列接続された受電コイル33及び受電側共振用コンデンサ34と受電回路35の間に接続されている。そのため、送電回路30の後段回路の入力インピーダンスZinは、送電コイル31と受電コイル33の結合係数kに反比例するとともに、送電コイル31のインダクタンスLに比例する。従って、送電コイル31と受電コイル33の距離に影響されることなく、入力インピーダンスZinが許容範囲内になるようにするには、送電コイル31と受電コイル33の距離が遠いほどインダクタンスLを小さく、近いほどインダクタンスLを大きくすればよい。第3実施形態によれば、接続切換え回路38は、送電コイル31と受電コイル33の距離が近くなるに従って直列接続される直列LC回路の数を増やすように直列接続の仕方を切換える。そのため、送電コイル31と受電コイル33の距離が許容範囲内で変化しても、装置のインピーダンスを確実に所定範囲内に調整することができる。  The power transmissionside resonance capacitor 32 and the power receptionside resonance capacitor 34 are connected in series to thepower transmission coil 31 and thepower reception coil 33. The power transmission sideimmittance conversion circuit 390 and the power reception sideimmittance conversion circuit 391 are provided between thepower transmission coil 31 and the power transmissionside resonance capacitor 32 connected in series with thepower transmission circuit 30, and between thepower reception coil 33 and the power reception side connected in series. It is connected between theresonance capacitor 34 and thepower receiving circuit 35. Therefore, the input impedance Zin of the subsequent circuit of thepower transmission circuit 30 is inversely proportional to the coupling coefficient k between thepower transmission coil 31 and thepower reception coil 33 and is proportional to the inductance L of thepower transmission coil 31. Therefore, in order to make the input impedance Zin within the allowable range without being affected by the distance between thepower transmission coil 31 and thepower reception coil 33, the inductance L is reduced as the distance between thepower transmission coil 31 and thepower reception coil 33 increases. What is necessary is just to enlarge the inductance L, so that it is near. According to the third embodiment, theconnection switching circuit 38 switches the serial connection method so as to increase the number of series LC circuits connected in series as the distance between thepower transmission coil 31 and thepower reception coil 33 decreases. Therefore, even if the distance between thepower transmission coil 31 and thepower reception coil 33 changes within the allowable range, the impedance of the device can be reliably adjusted within the predetermined range.

図12に示すように、コイル370a、371a、372aは、コア373に設けられている。そのため、送電コイル31と受電コイル33の距離が近くになるに従ってコイル370a、371a、372aのインダクタンスが大きくなる。そのため、図12に示す接続切換え回路38が、送電コイル31と受電コイル33の距離が近くなるに従って直列接続される直列LC回路の数を増やすように直列接続の仕方を切換えると、直列接続されるコイルの数の変化に伴うインダクタンスの変化と、送電コイル31と受電コイル33の距離の変化に伴うコイル370a、371a、372a自体のインダクタンスの変化によって、共振周波数fが変化してしまう。しかし、第3実施形態によれば、送電側イミタンス変換回路390を介して送電回路30に接続される最前段の直列LC回路370のコイル370aのインダクタンスL1とコンデンサ370bのキャパシタンスC1の積L1・C1が最も大きく、後段に接続される直列LC回路ほどコイルのインダクタンスとコンデンサのキャパシタンスの積が小さくなるように設定されている。そのため、接続切換え回路38が、送電コイル31と受電コイル33の距離が近くなるに従って直列接続される直列LC回路の数を増やすように直列接続の仕方を切換えても、共振周波数fを許容範囲内に調整することができる。  As shown in FIG. 12, thecoils 370 a, 371 a, and 372 a are provided on thecore 373. Therefore, the inductances of thecoils 370a, 371a, and 372a increase as the distance between thepower transmission coil 31 and thepower reception coil 33 decreases. Therefore, theconnection switching circuit 38 shown in FIG. 12 is connected in series when the method of series connection is switched so as to increase the number of series LC circuits connected in series as the distance between thepower transmission coil 31 and thepower reception coil 33 decreases. The resonance frequency f changes due to a change in inductance accompanying a change in the number of coils and a change in inductance of thecoils 370a, 371a, 372a itself due to a change in the distance between thepower transmission coil 31 and thepower reception coil 33. However, according to the third embodiment, the product L1 · C1 of the inductance L1 of thecoil 370a and the capacitance C1 of thecapacitor 370b of theseries LC circuit 370 in the foremost stage connected to thepower transmission circuit 30 via the power transmission sideimmittance conversion circuit 390. Is set so that the product of the inductance of the coil and the capacitance of the capacitor becomes smaller in the series LC circuit connected in the subsequent stage. Therefore, even if theconnection switching circuit 38 switches the way of series connection so as to increase the number of series LC circuits connected in series as the distance between thepower transmission coil 31 and thepower reception coil 33 decreases, the resonance frequency f remains within the allowable range. Can be adjusted.

なお、第3実施形態では、3つの直列LC回路370〜372を有し、接続切換え回路38がこれらの直列接続の仕方を切換える例を挙げているが、これに限られるものではない。複数の直列LC回路を有し、これらの直列接続の仕方を切換えるようにすればよい。  In the third embodiment, there are threeserial LC circuits 370 to 372 and theconnection switching circuit 38 switches the way of serial connection. However, the present invention is not limited to this. It is only necessary to have a plurality of series LC circuits and switch the way of these serial connections.

第3実施形態では、直列接続された送電コイル31及び送電側共振用コンデンサ32が、直列LC回路の直列接続の仕方を接続切換え回路で切換えることによって構成されている例を挙げているが、これに限られるものではない。直列接続された送電コイル31及び送電側共振用コンデンサ32、並びに、直列接続された受電コイル33及び受電側共振用コンデンサ34の少なくともいずれかが、直列LC回路の直列接続の仕方を接続切換え回路で切換えることによって構成されていればよい。  In the third embodiment, an example is described in which thepower transmission coil 31 and the powertransmission resonance capacitor 32 connected in series are configured by switching the serial connection method of the serial LC circuit by a connection switching circuit. It is not limited to. At least one of thepower transmission coil 31 and the power transmissionside resonance capacitor 32 connected in series, and thepower reception coil 33 and the power receptionside resonance capacitor 34 connected in series is a connection switching circuit that controls the series connection of the series LC circuit. What is necessary is just to be comprised by switching.

第3実施形態では、直列LC回路370〜372及び接続切換え回路38が、図12に示すように構成されている例を挙げている、これに限られるものではない。直列LC回路370〜372及び接続切換え回路38は、第1実施形態における変形形態を示す図8に示すように構成されていてもよい。  In the third embodiment, an example in which theseries LC circuits 370 to 372 and theconnection switching circuit 38 are configured as shown in FIG. 12 is given, but the present invention is not limited to this. Theserial LC circuits 370 to 372 and theconnection switching circuit 38 may be configured as shown in FIG. 8 showing a modification of the first embodiment.

第3実施形態では、コイル370a、371a、372aが、図13に示すようにコア373に巻回されている例を挙げているが、これに限られるものではない。コイル370a、371a、372aは、どのような形状であってもよい。どのようにコア373に巻回されていてもよい。コア373に設けられていればよい。  In the third embodiment, thecoils 370a, 371a, and 372a are wound around thecore 373 as shown in FIG. 13, but the present invention is not limited to this. Thecoils 370a, 371a, 372a may have any shape. It may be wound around thecore 373 in any way. What is necessary is just to be provided in thecore 373. FIG.

(第4実施形態)
次に、第4実施形態の非接触給電装置について説明する。第4実施形態の非接触給電装置は、第3実施形態の非接触給電装置が、送電コイルと受電コイルの距離が近くなるに従って直列LC回路のコイルのインダクタンスが大きくなるのに対して、送電コイルと受電コイルの距離が近くなるに従って直列LC回路のコイルのインダクタンスが小さくなるようにしたものである。また、それに伴って、直列LC回路のコイルのインダクタンスとコンデンサのキャパシタンスの積の設定を変更したものである。
(Fourth embodiment)
Next, the non-contact electric power feeder of 4th Embodiment is demonstrated. The non-contact power feeding device of the fourth embodiment is different from the non-contact power feeding device of the third embodiment in that the inductance of the series LC circuit coil increases as the distance between the power transmitting coil and the power receiving coil decreases. And the inductance of the coil of the series LC circuit is made smaller as the distance of the power receiving coil becomes shorter. Along with this, the setting of the product of the inductance of the coil of the series LC circuit and the capacitance of the capacitor is changed.

第4実施形態の非接触給電装置は、直列LC回路のコイルの機械的構造を除いて第3実施形態の非接触給電装置と同一である。そのため、直列LC回路のコイル以外は、必要がある場合を除いて説明を省略する。直列LC回路のコイルの機械的構造を除いて第3実施形態と同一であることから、第3実施形態の回路図を示す図12を参照するとともに、第4実施形態における直列LC回路のコイルの機械的構造を示す図17を参照して直列LC回路のコイルの構成について説明する。  The contactless power supply device of the fourth embodiment is the same as the contactless power supply device of the third embodiment except for the mechanical structure of the coil of the series LC circuit. Therefore, the description is omitted except where necessary except for the coils of the series LC circuit. Since it is the same as that of the third embodiment except for the mechanical structure of the coil of the series LC circuit, reference is made to FIG. 12 showing a circuit diagram of the third embodiment, and the coil of the series LC circuit in the fourth embodiment The configuration of the coil of the serial LC circuit will be described with reference to FIG. 17 showing the mechanical structure.

図17に示すように、送電コイル31を構成する直列LC回路370〜372のコイル370a、371a、372aは、漏洩磁束を遮蔽するシールド板374に、隙間をあけて、それぞれ隣接して設けられている。第3実施形態の場合とは異なり、磁路を構成するコアは有していない。ここで、シールド板374は、共振周波数で変動する磁界に対して比透磁率が1未満となる、例えば銅やアルミニウム等の材質によって形成されている。このような構成の場合、第3実施形態の場合とは異なり、コイル370a、371a、372aのインダクタンスL1、L2、L3は、結合係数kに反比例し、送電コイル31と受電コイル33の距離が遠いほど大きくなり、近いほど小さくなる。つまり、送電コイル31と受電コイル33の距離が近くなるに従ってコイル370a、371a、372aのインダクタンスL1、L2、L3が小さくなる。第3実施形態の場合とは異なり、図12に示す送電側イミタンス変換回路390を介して送電回路30に接続される最前段の直列LC回路370のコイル370aのインダクタンスL1とコンデンサ370bのキャパシタンスC1積L1・C1が最も小さく、後段に接続される直列LC回路ほどコイルのインダクタンスとコンデンサのキャパシタンスの積が大きくなるように設定されている。つまり、L1・C1<L2・C2<L3・C3になるように設定されている。  As shown in FIG. 17, thecoils 370a, 371a, and 372a of theseries LC circuits 370 to 372 constituting thepower transmission coil 31 are provided adjacent to each other with a gap in theshield plate 374 that shields leakage magnetic flux. Yes. Unlike the case of 3rd Embodiment, it does not have the core which comprises a magnetic path. Here, theshield plate 374 is made of a material having a relative permeability of less than 1 with respect to a magnetic field that fluctuates at a resonance frequency, such as copper or aluminum. In such a configuration, unlike the third embodiment, the inductances L1, L2, and L3 of thecoils 370a, 371a, and 372a are inversely proportional to the coupling coefficient k, and the distance between thepower transmission coil 31 and thepower reception coil 33 is long. The closer it is, the smaller it is. That is, the inductances L1, L2, and L3 of thecoils 370a, 371a, and 372a become smaller as the distance between thepower transmission coil 31 and thepower receiving coil 33 becomes shorter. Unlike the case of the third embodiment, the product of the inductance L1 of thecoil 370a and the capacitance C1 of thecapacitor 370b of theseries LC circuit 370 in the foremost stage connected to thepower transmission circuit 30 via the power transmission sideimmittance conversion circuit 390 shown in FIG. L1 · C1 is the smallest, and the product of the inductance of the coil and the capacitance of the capacitor is set to be larger in the series LC circuit connected in the subsequent stage. That is, L1 · C1 <L2 · C2 <L3 · C3 is set.

直列LC回路のコイルの機械的構造を除いて第3実施形態と同一であることから、第3実施形態の回路図を示す図11及び図12を参照するとともに、第4実施形態における直列LC回路のコイルの機械的構造を示す図17を参照して第4実施形態の非接触給電装置の動作について説明する。  Since it is the same as that of the third embodiment except for the mechanical structure of the coil of the serial LC circuit, reference is made to FIGS. 11 and 12 showing the circuit diagrams of the third embodiment, and the serial LC circuit in the fourth embodiment. The operation of the non-contact power feeding device of the fourth embodiment will be described with reference to FIG.

第4実施形態の非接触給電装置は、直列LC回路のコイルの機械的構造を除いて第3実施形態の非接触給電装置と同一である。そのため、図11に示す送電回路30の後段回路の入力インピーダンスZinは、第3実施形態の場合と同様に、送電コイル31と受電コイル33の結合係数kに反比例するとともに、送電コイル31のインダクタンスLに比例する。つまり、入力インピーダンスZinは、送電コイル31と受電コイル33の距離が遠いほど大きくなり、近いほど小さくなる。そのため、送電コイル31と受電コイル33の距離に影響されることなく、入力インピーダンスZinが許容範囲内になるようにするには、第3実施形態の場合と同様に、送電コイル31と受電コイル33の距離が遠いほど直列LC回路の接続数を減らし、近いほど直列LC回路の接続数を増やせばよい。つまり、第3実施形態の場合と同様の動作をすればよい。  The contactless power supply device of the fourth embodiment is the same as the contactless power supply device of the third embodiment except for the mechanical structure of the coil of the series LC circuit. Therefore, the input impedance Zin of the subsequent circuit of thepower transmission circuit 30 shown in FIG. 11 is inversely proportional to the coupling coefficient k between thepower transmission coil 31 and thepower reception coil 33, and the inductance L of thepower transmission coil 31 is the same as in the third embodiment. Is proportional to That is, the input impedance Zin increases as the distance between thepower transmitting coil 31 and thepower receiving coil 33 increases, and decreases as the distance between thepower transmitting coil 31 and thepower receiving coil 33 increases. Therefore, in order to make the input impedance Zin within the allowable range without being affected by the distance between thepower transmission coil 31 and thepower reception coil 33, as in the case of the third embodiment, thepower transmission coil 31 and thepower reception coil 33. The longer the distance is, the fewer the number of connections of the series LC circuit is, and the closer the distance is, the more the number of connections of the series LC circuit is. That is, the same operation as in the third embodiment may be performed.

図12に示す接続切換え回路38は、第3実施形態の場合と同様に、送電コイル31と受電コイル33の距離が近くなるに従って直列接続される直列LC回路の数を増やすように直列接続の仕方を切換える。これにより、送電コイル31と受電コイル33の距離に影響されることなく、入力インピーダンスZinを許容範囲内にすることができる。つまり、装置のインピーダンスを所定囲内に調整することができる。  As in the case of the third embodiment, theconnection switching circuit 38 shown in FIG. 12 is connected in series so that the number of series LC circuits connected in series increases as the distance between thepower transmission coil 31 and thepower reception coil 33 decreases. Is switched. Thereby, the input impedance Zin can be within the allowable range without being affected by the distance between thepower transmission coil 31 and thepower reception coil 33. That is, the impedance of the device can be adjusted within a predetermined range.

図11に示す送電コイル31と送電側共振用コンデンサ32によって構成される共振回路の共振周波数fは、送電コイル31のインダクタンスLと送電側共振用コンデンサ32のキャパシタンスCの積の平方根に反比例する。図17に示すように、送電コイル31を構成する直列LC回路370〜372のコイル370a、371a、372aは、漏洩磁束を遮蔽するシールド板374に設けられている。そのため、コイル370a、371a、372aのインダクタンスL1、L2、L3は、結合係数kに反比例し、送電コイル31と受電コイル33の距離が遠いほど大きくなり、近いほど小さくなる。従って、接続切換え回路38が送電コイル31と受電コイル33の距離が近くなるに従って直列接続される直列LC回路の数を増やすように直列接続の仕方を切換えると、直列接続されるコイルの数の変化に伴うインダクタンスの変化と、送電コイル31と受電コイル33の距離の変化に伴うコイル370a、371a、372a自体のインダクタンスの変化によって、共振周波数fが変化してしまう。しかし、直列LC回路370〜372は、コイルのインダクタンスとコンデンサのキャパシタンスの積がL1・C1<L2・C2<L3・C3となるように設定されている。そのため、入力インピーダンスZinが結合係数kに反比例するとともに、及びインダクタンスLに比例し、インダクタンスLが結合係数kに反比例するように構成された非接触給電装置3において、接続切換え回路38が、送電コイル31と受電コイル33の距離が近くなるに従って直列接続される直列LC回路の数を増やすように直列接続の仕方を切換えても、共振周波数fを許容範囲内に調整することができる。  The resonance frequency f of the resonance circuit constituted by thepower transmission coil 31 and the power transmissionside resonance capacitor 32 shown in FIG. 11 is inversely proportional to the square root of the product of the inductance L of thepower transmission coil 31 and the capacitance C of the power transmissionside resonance capacitor 32. As shown in FIG. 17, thecoils 370a, 371a, and 372a of theseries LC circuits 370 to 372 constituting thepower transmission coil 31 are provided on ashield plate 374 that shields leakage magnetic flux. Therefore, the inductances L1, L2, and L3 of thecoils 370a, 371a, and 372a are inversely proportional to the coupling coefficient k, and increase as the distance between thepower transmission coil 31 and thepower reception coil 33 increases, and decrease as the distance decreases. Therefore, when theconnection switching circuit 38 switches the way of series connection so that the number of series LC circuits connected in series increases as the distance between thepower transmission coil 31 and thepower reception coil 33 decreases, the number of coils connected in series changes. The resonance frequency f changes due to the change in inductance caused by the change in the inductance of thecoils 370a, 371a, and 372a itself due to the change in the distance between thepower transmission coil 31 and thepower reception coil 33. However, theseries LC circuits 370 to 372 are set so that the product of the inductance of the coil and the capacitance of the capacitor satisfies L1 · C1 <L2 · C2 <L3 · C3. Therefore, in the non-contactpower feeding device 3 configured such that the input impedance Zin is inversely proportional to the coupling coefficient k, and proportional to the inductance L, and the inductance L is inversely proportional to the coupling coefficient k, theconnection switching circuit 38 includes a power transmission coil. Even if the way of serial connection is switched so that the number of series LC circuits connected in series increases as the distance between thepower receiving coil 31 and thepower receiving coil 33 decreases, the resonance frequency f can be adjusted within an allowable range.

次に、第4実施形態の非接触給電装置の効果について説明する。  Next, the effect of the non-contact power feeding device of the fourth embodiment will be described.

第4実施形態によれば、第3実施形態と同一構成を有することにより、その同一構成に対応した第3実施形態と同様の効果を得ることができる。  According to the fourth embodiment, by having the same configuration as that of the third embodiment, the same effect as that of the third embodiment corresponding to the same configuration can be obtained.

第4実施形態によれば、図17に示すように、直列LC回路370〜372のコイル370a、371a、372aは、漏洩磁束を遮蔽するシールド板374に設けられている。そのため、送電コイル31と受電コイル33の距離が近くなるに従ってコイル370a、371a、372aのインダクタンスL1、L2、L3が小さくなる。図12に示す送電側イミタンス変換回路390を介して送電回路30に接続される最前段の直列LC回路370のコイル370aのインダクタンスL1とコンデンサ370bのキャパシタンスC1積L1・C1が最も小さく、後段に接続される直列LC回路ほどコイルのインダクタンスとコンデンサのキャパシタンスの積が大きくなるように設定されている。そのため、接続切換え回路38が、送電コイル31と受電コイル33の距離が近くなるに従って直列接続される直列LC回路の数を増やすように直列接続の仕方を切換えても、共振周波数fを許容範囲内に調整することができる。  According to the fourth embodiment, as shown in FIG. 17, thecoils 370a, 371a, and 372a of theseries LC circuits 370 to 372 are provided on theshield plate 374 that shields leakage magnetic flux. Therefore, the inductances L1, L2, and L3 of thecoils 370a, 371a, and 372a become smaller as the distance between thepower transmission coil 31 and thepower receiving coil 33 becomes shorter. The inductance L1 of thecoil 370a and the capacitance C1 product L1 · C1 of thecapacitor 370b of the front-stageseries LC circuit 370 connected to thepower transmission circuit 30 via the power transmission sideimmittance conversion circuit 390 shown in FIG. The series LC circuit is set so that the product of the inductance of the coil and the capacitance of the capacitor increases. Therefore, even if theconnection switching circuit 38 switches the way of series connection so as to increase the number of series LC circuits connected in series as the distance between thepower transmission coil 31 and thepower reception coil 33 decreases, the resonance frequency f remains within the allowable range. Can be adjusted.

なお、第4実施形態では、3つの直列LC回路370〜372を有し、接続切換え回路38がこれらの直列接続の仕方を切換える例を挙げているが、これに限られるものではない。複数の直列LC回路を有し、これらの直列接続の仕方を切換えるようにすればよい。  Although the fourth embodiment has an example in which the threeseries LC circuits 370 to 372 are provided and theconnection switching circuit 38 switches the way of the series connection, the present invention is not limited to this. It is only necessary to have a plurality of series LC circuits and switch the way of these serial connections.

第4実施形態では、直列接続された送電コイル31及び送電側共振用コンデンサ32が、直列LC回路の直列接続の仕方を接続切換え回路で切換えることによって構成されている例を挙げているが、これに限られるものではない。直列接続された送電コイル31及び送電側共振用コンデンサ32、並びに、直列接続された受電コイル33及び受電側共振用コンデンサ34の少なくともいずれかが、直列LC回路の直列接続の仕方を接続切換え回路で切換えることによって構成されていればよい。  In the fourth embodiment, an example in which thepower transmission coil 31 and the powertransmission resonance capacitor 32 connected in series are configured by switching the serial connection method of the serial LC circuit with a connection switching circuit is described. It is not limited to. At least one of thepower transmission coil 31 and the power transmissionside resonance capacitor 32 connected in series, and thepower reception coil 33 and the power receptionside resonance capacitor 34 connected in series is a connection switching circuit that controls the series connection of the series LC circuit. What is necessary is just to be comprised by switching.

第4実施形態では、コイル470a、471a、472aが、図17に示すようにシールド板474に設けられている例を挙げているが、これに限られるものではない。コイル470a、471a、472aは、どのような形状であってもよい。どのように巻回されていてもよい。シールド板474に設けられていればよい。  In the fourth embodiment, the coils 470a, 471a, and 472a are provided on the shield plate 474 as shown in FIG. 17, but the present invention is not limited to this. The coils 470a, 471a, 472a may have any shape. It may be wound in any way. What is necessary is just to be provided in the shield board 474. FIG.

1・・・非接触給電装置、10・・・送電回路、11・・・送電コイル、12・・・送電側共振用コンデンサ、13・・・受電コイル、14・・・受電側共振用コンデンサ、15・・・受電回路、16・・・制御回路、160・・・送電側制御回路、161・・・受電側制御回路、170〜172・・・直列LC回路、170a、171a、172a・・・コイル、170b、171b、172b・・・コンデンサ、18・・・接続切換え回路、AC1・・・商用電源、B1・・・車載バッテリ  DESCRIPTION OF SYMBOLS 1 ... Non-contact electric power feeder, 10 ... Power transmission circuit, 11 ... Power transmission coil, 12 ... Power transmission side resonance capacitor, 13 ... Power reception coil, 14 ... Power reception side resonance capacitor, DESCRIPTION OFSYMBOLS 15 ... Power receiving circuit, 16 ... Control circuit, 160 ... Power transmission side control circuit, 161 ... Power receiving side control circuit, 170-172 ... Series LC circuit, 170a, 171a, 172a ... Coil, 170b, 171b, 172b ... capacitor, 18 ... connection switching circuit, AC1 ... commercial power supply, B1 ... vehicle battery

Claims (14)

Translated fromJapanese
交流が供給されることで磁束を発生する送電コイル(11、31)と、
前記送電コイルに直列接続され、前記送電コイルとともに共振回路を構成する送電側共振用コンデンサ(12、32)と、
前記送電コイルの発生した磁束と鎖交することで交流を発生する受電コイル(13、33)と、
前記受電コイルに直列接続され、前記受電コイルとともに共振回路を構成する受電側共振用コンデンサ(14、34)と、
直列接続された前記送電コイル及び前記送電側共振用コンデンサに接続され、前記送電コイルに交流を供給する送電回路(10、30)と、
直列接続された前記受電コイル及び前記受電側共振用コンデンサ、並びに、給電対象(B1、B3)に接続され、前記受電コイルから供給される交流を直流に変換して前記給電対象に供給する受電回路(15、35)と、
を備えた非接触給電装置において、
直列接続されたコイル及びコンデンサからなる、複数の直列LC回路(170〜172、370〜372)と、
複数の前記直列LC回路の直列接続の仕方を切換える接続切換え回路(18、38)と、
を有し、
直列接続された前記送電コイル及び前記送電側共振用コンデンサ、並びに、直列接続された前記受電コイル及び前記受電側共振用コンデンサの少なくともいずれかは、複数の前記直列LC回路の直列接続の仕方を前記接続切換え回路で切換えることによって構成されていることを特徴とする非接触給電装置。
A power transmission coil (11, 31) that generates magnetic flux by being supplied with alternating current;
A power transmission side resonance capacitor (12, 32) connected in series to the power transmission coil and constituting a resonance circuit together with the power transmission coil;
A power receiving coil (13, 33) that generates alternating current by interlinking with the magnetic flux generated by the power transmitting coil;
A power-receiving-side resonance capacitor (14, 34) that is connected in series to the power-receiving coil and forms a resonance circuit together with the power-receiving coil;
A power transmission circuit (10, 30) connected to the power transmission coil and the power transmission resonance capacitor connected in series and supplying alternating current to the power transmission coil;
The power receiving circuit connected to the power receiving side, the power receiving side resonance capacitor, and the power feeding target (B1, B3), and the power receiving circuit that converts the alternating current supplied from the power receiving coil into direct current and supplies the power to the power feeding target (15, 35),
In a non-contact power feeding device with
A plurality of series LC circuits (170 to 172, 370 to 372) composed of coils and capacitors connected in series;
A connection switching circuit (18, 38) for switching a series connection method of the plurality of series LC circuits;
Have
At least one of the power transmission coil and the power transmission side resonance capacitor connected in series, and the power reception coil and the power reception side resonance capacitor connected in series, the method of serial connection of a plurality of the series LC circuits, A non-contact power feeding device configured by switching with a connection switching circuit.
前記接続切換え回路は、前記送電コイルと前記受電コイルの距離が許容範囲内で変化しても、前記送電回路の後段回路の入力インピーダンスが許容範囲内に収まるように前記直列LC回路の直列接続の仕方を切換えることを特徴とする請求項1に記載の非接触給電装置。  In the connection switching circuit, even if the distance between the power transmission coil and the power reception coil changes within an allowable range, the series LC circuit is connected in series so that the input impedance of the subsequent circuit of the power transmission circuit is within the allowable range. The contactless power feeding device according to claim 1, wherein the manner is switched. 前記接続切換え回路(18)は、前記送電コイルと前記受電コイルの距離が近くなるに従って直列接続される前記直列LC回路の数を減らすように直列接続の仕方を切換えることを特徴とする請求項2に記載の非接触給電装置。  The connection switching circuit (18) switches the way of series connection so as to reduce the number of the series LC circuits connected in series as the distance between the power transmission coil and the power reception coil becomes shorter. The non-contact electric power feeder as described in. 前記送電回路と直列接続された前記送電コイル及び前記送電側共振用コンデンサの間、並びに、直列接続された前記受電コイル及び前記受電側共振用コンデンサと前記受電回路の間にフィルタ回路(190、191)を有することを特徴とする請求項3に記載の非接触給電装置。  Filter circuits (190, 191) between the power transmission coil and the power transmission side resonance capacitor connected in series with the power transmission circuit, and between the power reception coil and the power reception side resonance capacitor and the power reception circuit connected in series. The non-contact power feeding device according to claim 3, further comprising: 前記送電回路と直列接続された前記送電コイル及び前記送電側共振用コンデンサの間、並びに、直列接続された前記受電コイル及び前記受電側共振用コンデンサと前記受電回路の間に、イミタンス変換回路(390、391)を有し、
前記接続切換え回路(38)は、前記送電コイルと前記受電コイルの距離が近くなるに従って直列接続される前記直列LC回路の数を増やすように直列接続の仕方を切換えることを特徴とする請求項2に記載の非接触給電装置。
An immittance conversion circuit (390) is provided between the power transmission coil and the power transmission resonance capacitor connected in series with the power transmission circuit, and between the power reception coil and power reception resonance capacitor and the power reception circuit connected in series. 391),
The connection switching circuit (38) switches the way of series connection so as to increase the number of the series LC circuits connected in series as the distance between the power transmission coil and the power reception coil becomes shorter. The non-contact electric power feeder as described in.
複数の前記直列LC回路は、直列接続の仕方が前記接続切換え回路によって切換えられても、共振周波数が許容範囲内に収まるように前記コイルのインダクタンスと前記コンデンサのキャパシタンスの積が設定されていることを特徴とする請求項2〜5のいずれか1項に記載の非接触給電装置。  In the plurality of series LC circuits, the product of the inductance of the coil and the capacitance of the capacitor is set so that the resonance frequency is within an allowable range even if the way of serial connection is switched by the connection switching circuit. The non-contact electric power feeder of any one of Claims 2-5 characterized by these. 少なくとも1つの前記直列LC回路の前記コイルのインダクタンスと前記コンデンサのキャパシタンスの積が、他の前記直列LC回路の前記コイルのインダクタンスと前記コンデンサのキャパシタンスの積と異なるように設定されていることを特徴とする請求項6に記載の非接触給電装置。  The product of the inductance of the coil and the capacitance of the capacitor of at least one of the series LC circuits is set to be different from the product of the inductance of the coil of the other series LC circuit and the capacitance of the capacitor. The contactless power supply device according to claim 6. 前記送電コイルと前記受電コイルの距離が近くなるに従って前記直列LC回路の前記コイルのインダクタンスが大きくなる場合、前記送電回路に接続される最前段の前記直列LC回路の前記コイルのインダクタンスと前記コンデンサのキャパシタンスの積が最も小さく、後段に接続される前記直列LC回路ほど前記コイルのインダクタンスと前記コンデンサのキャパシタンスの積が大きくなるように設定されていることを特徴とする請求項3又は4に記載の非接触給電装置。  When the inductance of the coil of the series LC circuit increases as the distance between the power transmission coil and the power receiving coil becomes shorter, the inductance of the coil and the capacitor of the series LC circuit at the front stage connected to the power transmission circuit 5. The product according to claim 3 or 4, wherein the product of the capacitance is the smallest, and the product of the inductance of the coil and the capacitance of the capacitor is set to be larger in the series LC circuit connected in the subsequent stage. Non-contact power feeding device. 前記送電コイルと前記受電コイルの距離が近くなるに従って前記直列LC回路の前記コイルのインダクタンスが大きくなる場合、前記送電回路に接続される最前段の前記直列LC回路の前記コイルのインダクタンスと前記コンデンサのキャパシタンスの積が最も大きく、後段に接続される前記直列LC回路ほど前記コイルのインダクタンスと前記コンデンサのキャパシタンスの積が小さくなるように設定されていることを特徴とする請求項5に記載の非接触給電装置。  When the inductance of the coil of the series LC circuit increases as the distance between the power transmission coil and the power receiving coil becomes shorter, the inductance of the coil and the capacitor of the series LC circuit at the front stage connected to the power transmission circuit 6. The non-contact method according to claim 5, wherein the capacitance product is the largest, and the series LC circuit connected in the subsequent stage is set so that the product of the inductance of the coil and the capacitance of the capacitor becomes smaller. Power supply device. 前記直列LC回路の前記コイルは、磁路を構成するコアに設けられていることを特徴とする請求項8又は9に記載の非接触給電装置。  The non-contact power feeding device according to claim 8 or 9, wherein the coil of the series LC circuit is provided in a core constituting a magnetic path. 前記送電コイルと前記受電コイルの距離が近くなるに従って前記直列LC回路の前記コイルのインダクタンスが小さくなる場合、前記送電回路に接続される最前段の前記直列LC回路の前記コイルのインダクタンスと前記コンデンサのキャパシタンスの積が最も大きく、後段に接続される前記直列LC回路ほど前記コイルのインダクタンスと前記コンデンサのキャパシタンスの積が小さくなるように設定されていることを特徴とする請求項3又は4に記載の非接触給電装置。  When the inductance of the coil of the series LC circuit becomes smaller as the distance between the power transmission coil and the power receiving coil becomes shorter, the inductance of the coil and the capacitor of the series LC circuit in the foremost stage connected to the power transmission circuit The capacitance product is the largest, and the series LC circuit connected in the subsequent stage is set so that the product of the inductance of the coil and the capacitance of the capacitor becomes smaller. Non-contact power feeding device. 前記送電コイルと前記受電コイルの距離が近くなるに従って前記直列LC回路の前記コイルのインダクタンスが小さくなる場合、前記送電回路に接続される最前段の前記直列LC回路の前記コイルのインダクタンスと前記コンデンサのキャパシタンスの積が最も小さく、後段に接続される前記直列LC回路ほど前記コイルのインダクタンスと前記コンデンサのキャパシタンスの積が大きくなるように設定されていることを特徴とする請求項5に記載の非接触給電装置。  When the inductance of the coil of the series LC circuit becomes smaller as the distance between the power transmission coil and the power receiving coil becomes shorter, the inductance of the coil and the capacitor of the series LC circuit in the foremost stage connected to the power transmission circuit 6. The non-contact method according to claim 5, wherein the product of capacitance is the smallest, and the product of the inductance of the coil and the capacitance of the capacitor is set to be larger in the series LC circuit connected in the subsequent stage. Power supply device. 前記直列LC回路の前記コイルは、漏洩磁束を遮蔽するシールド板に設けられていることを特徴とする請求項11又は12に記載の非接触給電装置。  The non-contact power feeding device according to claim 11, wherein the coil of the series LC circuit is provided on a shield plate that shields leakage magnetic flux. 前記送電回路に接続される最前段の前記直列LC回路は、前記コイルのインダクタンスが他の前記直列LC回路の前記コイルのインダクタンスより大きくなるように設定されていることを特徴とする請求項1〜13のいずれか1項に記載の非接触給電装置。  The forefront LC circuit connected to the power transmission circuit is set so that the inductance of the coil is larger than the inductance of the coil of the other series LC circuit. The non-contact power feeding device according to any one of 13.
JP2015113761A2015-06-042015-06-04 Non-contact power feeding deviceActiveJP6394985B2 (en)

Priority Applications (1)

Application NumberPriority DateFiling DateTitle
JP2015113761AJP6394985B2 (en)2015-06-042015-06-04 Non-contact power feeding device

Applications Claiming Priority (1)

Application NumberPriority DateFiling DateTitle
JP2015113761AJP6394985B2 (en)2015-06-042015-06-04 Non-contact power feeding device

Publications (2)

Publication NumberPublication Date
JP2017005772Atrue JP2017005772A (en)2017-01-05
JP6394985B2 JP6394985B2 (en)2018-09-26

Family

ID=57754579

Family Applications (1)

Application NumberTitlePriority DateFiling Date
JP2015113761AActiveJP6394985B2 (en)2015-06-042015-06-04 Non-contact power feeding device

Country Status (1)

CountryLink
JP (1)JP6394985B2 (en)

Cited By (1)

* Cited by examiner, † Cited by third party
Publication numberPriority datePublication dateAssigneeTitle
WO2024048061A1 (en)*2022-09-012024-03-07トヨタ自動車株式会社Ground power supply device and wiring

Citations (3)

* Cited by examiner, † Cited by third party
Publication numberPriority datePublication dateAssigneeTitle
JP2010124545A (en)*2008-11-172010-06-03Olympus CorpPower feeder
JP2014150628A (en)*2013-01-312014-08-21Toyota Motor Corp Power receiving device, power transmitting device, and power transmission system
JP2014155250A (en)*2013-02-052014-08-25Toyota Motor CorpPower transmission device and power reception device

Patent Citations (3)

* Cited by examiner, † Cited by third party
Publication numberPriority datePublication dateAssigneeTitle
JP2010124545A (en)*2008-11-172010-06-03Olympus CorpPower feeder
JP2014150628A (en)*2013-01-312014-08-21Toyota Motor Corp Power receiving device, power transmitting device, and power transmission system
JP2014155250A (en)*2013-02-052014-08-25Toyota Motor CorpPower transmission device and power reception device

Cited By (1)

* Cited by examiner, † Cited by third party
Publication numberPriority datePublication dateAssigneeTitle
WO2024048061A1 (en)*2022-09-012024-03-07トヨタ自動車株式会社Ground power supply device and wiring

Also Published As

Publication numberPublication date
JP6394985B2 (en)2018-09-26

Similar Documents

PublicationPublication DateTitle
US11936202B2 (en)Hybrid wireless power transmitting system and method therefor
EP3743981B1 (en)Wireless power transfer systems with integrated impedance matching and methods for using the same
US11817834B2 (en)High frequency wireless power transfer system, transmitter, and receiver therefor
US10076966B2 (en)Contactless power transmission device, contactless power reception device, and contactless power transmission system
US9831681B2 (en)Power reception apparatus and power receiving method
US8664803B2 (en)Wireless power feeder, wireless power receiver, and wireless power transmission system
JP6305517B2 (en) Resonant power transmission device
EP2775590B1 (en)Coil unit and contactless electric power transmission device
US10411525B2 (en)System and method for frequency prediction
KR102125917B1 (en)Wireless power transmitting device
KR20140097372A (en)Wireless power supply apparatus, wireless power supply system, and wireless power supply method
EP3130070B1 (en)Inductive power transfer converters and system
CN109842215B (en)Wireless power transmitting device and wireless power receiving device capable of realizing multiple simultaneous charging
US10008882B2 (en)Power transfer system
US20250233458A1 (en)Contactless power feeding device
JP6535003B2 (en) Wireless power receiver
Chowdhury et al.Automatic tuning receiver for improved efficiency and EMI suppression in spread-spectrum wireless power transfer
JP6315109B2 (en) Power supply device
EP2306611A2 (en)High-frequency inductive coupling power transfer system and associated method
CN114868320A (en)Non-contact power supply device
JP6394985B2 (en) Non-contact power feeding device
JP2014033499A (en)Wireless power supply system, wireless power supply device, and wireless power receiving device
Yang et al.Design of a wireless power modulator for wireless power transfer systems
WO2014054395A1 (en)Power transmission device, power reception device and noncontact power transfer apparatus
JP2019161929A (en)Wireless power transmission system and power reception device

Legal Events

DateCodeTitleDescription
A621Written request for application examination

Free format text:JAPANESE INTERMEDIATE CODE: A621

Effective date:20170823

A977Report on retrieval

Free format text:JAPANESE INTERMEDIATE CODE: A971007

Effective date:20180427

A131Notification of reasons for refusal

Free format text:JAPANESE INTERMEDIATE CODE: A131

Effective date:20180508

A521Request for written amendment filed

Free format text:JAPANESE INTERMEDIATE CODE: A523

Effective date:20180619

TRDDDecision of grant or rejection written
A01Written decision to grant a patent or to grant a registration (utility model)

Free format text:JAPANESE INTERMEDIATE CODE: A01

Effective date:20180802

A61First payment of annual fees (during grant procedure)

Free format text:JAPANESE INTERMEDIATE CODE: A61

Effective date:20180815

R151Written notification of patent or utility model registration

Ref document number:6394985

Country of ref document:JP

Free format text:JAPANESE INTERMEDIATE CODE: R151

R250Receipt of annual fees

Free format text:JAPANESE INTERMEDIATE CODE: R250

R250Receipt of annual fees

Free format text:JAPANESE INTERMEDIATE CODE: R250

R250Receipt of annual fees

Free format text:JAPANESE INTERMEDIATE CODE: R250

R250Receipt of annual fees

Free format text:JAPANESE INTERMEDIATE CODE: R250

R250Receipt of annual fees

Free format text:JAPANESE INTERMEDIATE CODE: R250


[8]ページ先頭

©2009-2025 Movatter.jp