


























本発明は、タッチセンサ機能を備えた表示装置および電子機器に関する。 The present invention relates to a display device and an electronic apparatus having a touch sensor function.
近年、ユーザが指やスタイラス等で情報入力を行うことを可能とする(物体検出動作を行う)タッチセンサ機能が搭載された表示装置および電子機器が増えている。また最近では、そのような表示装置に、更に3D(3次元)映像の表示機能を付加したものも提案されている(特許文献1参照)。 In recent years, an increasing number of display devices and electronic devices are equipped with a touch sensor function that enables a user to input information with a finger, a stylus, or the like (performs an object detection operation). Recently, a display device having a display function of 3D (three-dimensional) video added to such a display device has also been proposed (see Patent Document 1).
上記特許文献1の表示装置では、表示画素を含む液晶パネル上に、バリアパララックス(またはレンチキュラレンズ)およびタッチパネルを順に積層した構造を有している。即ち、画像表示機能、3D表示機能およびタッチセンサ機能をそれぞれ有するモジュールを積み重ねた構造となっている。このような表示装置において、3D映像だけでなく通常の2D映像をも表示する機能の実現が望まれている。 The display device of
本発明はかかる問題点に鑑みてなされたもので、その目的は、3次元映像および2次元映像を切り替え可能に表示しつつ、ユーザによる情報入力が可能な表示装置および電子機器を提供することにある。 The present invention has been made in view of such problems, and an object of the present invention is to provide a display device and an electronic apparatus that allow a user to input information while switching between a 3D video and a 2D video. is there.
本発明の第1の表示装置は、複数の画素を含むと共に、第1基板上に、複数の画素電極と、有機電界発光層と、共通電極とをこの順に有する画素部と、画素部上に、対向電極と、印加電圧に応じて光線の出射角度または出射領域を変化させる機能層と、表示切り替え用駆動電極とをこの順に有し、画素部から発せられた光に基づく画像を表示すると共に、画像の3次元表示および2次元表示を切り替え可能に構成された液晶レンズ部と、液晶レンズ部の光出射側に設けられると共に、センサ用駆動電極上に第4基板を介して検出電極を有し、物体の接触または近接の有無を検出するセンサ部とを備え、センサ部におけるセンサ用駆動電極は、液晶レンズ部における表示切り替え用駆動電極を兼ねている。 A first display device of the present invention includes a plurality of pixels, a pixel portion having a plurality of pixel electrodes, an organic electroluminescent layer, and a common electrode in this order on a first substrate, and a pixel portion. The counter electrode, the functional layer that changes the emission angle or emission region of the light beam according to the applied voltage, and the display switching drive electrode in this order, and displays an image based on the light emitted from the pixel portion. A liquid crystal lens unit configured to be able to switch between three-dimensional display and two-dimensional display of an image, and provided on the light emitting side of the liquid crystal lens unit, and has a detection electrode on the sensor drive electrode via a fourth substrate. The sensor drive electrode in the sensor unit also serves as the display switching drive electrode in the liquid crystal lens unit.
本発明の第1の電子機器は、上記本発明の第1の表示装置を備えたものである。 A first electronic device of the present invention includes the first display device of the present invention.
本発明の第1の表示装置および電子機器では、液晶レンズ部が、複数の画素を含む画素部から発せられた光に基づく画像を、3次元映像または2次元映像として切り替え可能に表示する。また、センサ部を備えることにより、そのような映像を表示しながら、物体の接触または近接の有無が検出される。 In the first display device and the electronic apparatus of the present invention, the liquid crystal lens unit displays an image based on light emitted from the pixel unit including a plurality of pixels in a switchable manner as a three-dimensional video or a two-dimensional video. In addition, by providing the sensor unit, the presence or absence of contact or proximity of an object is detected while displaying such an image.
本発明の第2の表示装置は、複数の画素を含むと共に、第1基板上に、複数の画素電極と、有機電界発光層と、共通電極とをこの順に有する画素部と、画素部上に、対向電極と、印加電圧に応じて光線の出射角度または出射領域を変化させる機能層と、表示切り替え用駆動電極とをこの順に有し、画素部から発せられた光に基づく画像を表示すると共に、画像の3次元表示および2次元表示を切り替え可能に構成された液体レンズ部と、液体レンズ部の光出射側に設けられると共に、センサ用駆動電極上に第4基板を介して検出電極を有し、物体の接触または近接の有無を検出するセンサ部とを備え、センサ部におけるセンサ用駆動電極は、液体レンズ部における表示切り替え用駆動電極を兼ねているものである。 A second display device of the present invention includes a plurality of pixels, a pixel portion having a plurality of pixel electrodes, an organic electroluminescent layer, and a common electrode in this order on a first substrate, and a pixel portion. The counter electrode, the functional layer that changes the emission angle or emission region of the light beam according to the applied voltage, and the display switching drive electrode in this order, and displays an image based on the light emitted from the pixel portion. A liquid lens unit configured to be able to switch between three-dimensional display and two-dimensional display of an image, and provided on the light emitting side of the liquid lens unit, and has a detection electrode on the sensor drive electrode via a fourth substrate. The sensor drive electrode in the sensor unit also serves as the display switching drive electrode in the liquid lens unit.
本発明の第2の電子機器は、上記本発明の第2の表示装置を備えたものである。 A second electronic device of the present invention includes the second display device of the present invention.
本発明の第2の表示装置および電子機器では、液体レンズ部が、複数の画素を含む画素部から発せられた光に基づく画像を、3次元映像または2次元映像として切り替え可能に表示する。また、センサ部を備えることにより、そのような映像を表示しながら、物体の接触または近接の有無が検出される。 In the second display device and the electronic apparatus of the present invention, the liquid lens unit displays an image based on light emitted from the pixel unit including a plurality of pixels in a switchable manner as a three-dimensional video or a two-dimensional video. In addition, by providing the sensor unit, the presence or absence of contact or proximity of an object is detected while displaying such an image.
本発明の第1の表示装置および電子機器によれば、複数の画素を含む画素部と、画素部から発せられた光に基づく画像を表示すると共に、その画像の3次元表示および2次元表示を切り替え可能な液晶レンズ部と、物体の接触または近接の有無を検出するセンサ部とを備える。3次元映像および2次元映像を切り替え可能に表示しつつ、ユーザによる情報入力が可能となる。 According to the first display device and the electronic apparatus of the present invention, a pixel unit including a plurality of pixels and an image based on light emitted from the pixel unit are displayed, and three-dimensional display and two-dimensional display of the image are performed. A switchable liquid crystal lens unit and a sensor unit for detecting presence or absence of contact or proximity of an object are provided. The user can input information while displaying the 3D video and the 2D video in a switchable manner.
本発明の第2の表示装置および電子機器によれば、複数の画素を含む画素部と、画素部から発せられた光に基づく画像を表示すると共に、その画像の3次元表示および2次元表示を切り替え可能な液体レンズ部と、物体の接触または近接の有無を検出するセンサ部とを備える。3次元映像および2次元映像を切り替え可能に表示しつつ、ユーザによる情報入力が可能となる。 According to the second display device and the electronic apparatus of the present invention, a pixel unit including a plurality of pixels and an image based on light emitted from the pixel unit are displayed, and three-dimensional display and two-dimensional display of the image are performed. A switchable liquid lens unit and a sensor unit for detecting presence or absence of contact or proximity of an object are provided. The user can input information while displaying the 3D video and the 2D video in a switchable manner.
以下、本発明の実施の形態について、図面を参照して詳細に説明する。尚、説明は以下の順序で行う。
1.第1の実施の形態(液晶レンズ部(表示切り替え機能部)の駆動電極とセンサ部の駆動電極とを共通化した例(ガラス4枚))
2.変形例1(使用するガラス基板を3枚とした例)
3.変形例2(使用するガラス基板を2枚とし、画素部上に保護層を設けた例)
4.第2の実施の形態(液晶レンズ部の駆動電極とセンサ部の駆動電極とを共通化し、液晶レンズ部の対向電極と画素部の共通電極とを共通化した例)
5.第3の実施の形態(液体レンズ部(表示切り替え機能部)の駆動電極とセンサ部の駆動電極とを共通化した例)
6.変形例3(液体レンズ部の他の例)
7.変形例4(液体レンズ部の他の例)
8.第4の実施の形態(液晶バリア部(表示切り替え機能部)の駆動電極とセンサ部の駆動電極とを共通化した例)
9.変形例5(タッチパネルをオンセル構造とした例)
10.適用例(タッチセンサ付きの表示装置の電子機器への適用例)
Hereinafter, embodiments of the present invention will be described in detail with reference to the drawings. The description will be given in the following order.
1. First Embodiment (Example in which drive electrode of liquid crystal lens unit (display switching function unit) and drive electrode of sensor unit are made common (four glasses))
2. Modification 1 (example in which three glass substrates are used)
3. Modification 2 (Example in which two glass substrates are used and a protective layer is provided on the pixel portion)
4). Second Embodiment (Example in which the driving electrode of the liquid crystal lens unit and the driving electrode of the sensor unit are made common, and the counter electrode of the liquid crystal lens unit and the common electrode of the pixel unit are made common)
5. Third Embodiment (Example in which drive electrode of liquid lens unit (display switching function unit) and drive electrode of sensor unit are made common)
6). Modification 3 (Another example of the liquid lens portion)
7). Modification 4 (Another example of the liquid lens portion)
8). Fourth Embodiment (Example in which drive electrode of liquid crystal barrier unit (display switching function unit) and drive electrode of sensor unit are made common)
9. Modification 5 (example in which the touch panel has an on-cell structure)
10. Application example (application example of a display device with a touch sensor to an electronic device)
<第1の実施の形態>
[表示装置1の構成例]
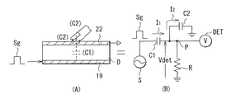
図1は、本発明の第1の実施の形態に係る表示装置1の断面構造を表すものである。表示装置1は、例えばタッチセンサ機能が搭載された有機EL(Electro luminescence:以下ELと称す)ディスプレイである。本実施の形態では、画素部10上に、表示切り替え機能部としての液晶レンズ部20と、タッチセンサ部30とがこの順に設けられている。画素部10は、表示画素として有機EL素子を複数備えると共に、タッチセンサ部30は、静電容量型のタッチセンサ機能を有するものである。これらの画素部10、液晶レンズ部20およびタッチセンサ部30はいずれも一対の電極を通じて駆動されるようになっている。以下、画素部10,液晶レンズ部20およびタッチセンサ部30の構成について説明する。<First Embodiment>
[Configuration Example of Display Device 1]
FIG. 1 shows a cross-sectional structure of a
(画素部10)
画素部10は、第1基板11上に設けられ、例えば、R(赤),G(緑),B(青)の画素としての複数の有機EL素子を有するものである。第1基板11は、画素部10を駆動するための回路基板であり、この第1基板11には、後述の画素駆動部71を構成する周辺回路および画素トランジスタ等が配設されている。画素部10は、その第1基板11の側から順に、少なくとも画素電極層11a、有機EL層12および共通電極13aを有するものである。尚、画素の回路構成例については後述する。(Pixel part 10)
The
画素電極層11aは、複数の画素電極から構成されており、各画素電極は、有機EL層12へ正孔を注入するためのアノードとして機能するものである。このような画素電極は、例えば反射性を有する金属材料、例えば銀(Ag)、アルミニウム(Al)、モリブデン(Mo)およびクロム(Cr)などの金属元素の単体または合金から構成されている。あるいは、例えばインジウムとスズの酸化物(ITO)やインジウムと亜鉛の酸化物(IZO)等の透明導電膜により構成されていてもよい。また、マグネシウム−銀(Mg−Ag)共蒸着膜の単層膜またはこれらの積層膜により構成されていてもよい。このような画素電極層11a上には、例えば各画素電極に対応して開口を有する画素分離膜(ウィンドウ膜、図示せず)が設けられており、画素毎に発光領域が区画されている。 The
有機EL層12は、例えば各画素に共通して、正孔および電子の再結合により白色光を発する白色発光層である。但し、有機EL層12としては、そのような白色発光層に限らず、各色の発光層(赤色発光層,緑色発光層,青色発光層)が、画素毎に塗り分けられていてもよい。白色発光層を用いる場合には、画素毎にカラーフィルタを配設して、R,G,Bの色光を取り出すようにすればよい。この有機EL層12上の全面に渡って、共通電極13aが積層されている。 The
共通電極13aは、各画素に共通の電極であり、例えば有機EL層12に電子を注入するカソードとして機能するものである。この共通電極13aは、例えばインジウムとスズの酸化物(ITO)やインジウムと亜鉛の酸化物(IZO)等の透明導電膜、あるいは、マグネシウム−銀(Mg−Ag)共蒸着膜の単層膜またはこれらの積層膜により構成されている。もしくは、例えば反射性を有する金属材料、例えば銀(Ag)、アルミニウム(Al)、モリブデン(Mo)およびクロム(Cr)などの金属元素の単体または合金から構成されていてもよい。 The
尚、画素電極層11aと有機EL層12との間には、例えば正孔注入層や正孔輸送層(いずれも図示せず)が設けられていてもよいし、共通電極13aと有機EL層12との間には、例えば電子注入層や電子輸送層(いずれも図示せず)が設けられていてもよい。また、共通電極13a上に図示しないカラーフィルタ層やブラックマトリクス層が設けられていてもよい。 For example, a hole injection layer or a hole transport layer (both not shown) may be provided between the
ここで、本実施の形態では、上記のような画素部10が第2基板13によって封止されており、この第2基板13上に、液晶レンズ部20の基材としての第3基板15が接着層14を介して貼り合わせられている。第2基板13および第3基板15は、例えばガラス等の透明基板より構成されている。 Here, in the present embodiment, the
(液晶レンズ部20)
液晶レンズ部20は、画素部10から発せられた光を通過させることにより画像表示を行うと共に、その際の画像を3次元映像または2次元映像として、切り替え可能に表示する機能を有している。このような液晶レンズ部20は、例えば対向電極16と駆動電極19との間に液晶層18を有し、液晶層18への印加電圧に応じて焦点(屈折率)を変化させる(光線の出射角度を変化させる)可変焦点レンズとなっている。この印加電圧に応じた屈折率の変化によって、3次元表示および2次元表示の切り替えがなされるようになっている。対向電極16および駆動電極19の液晶層18側の面には配向膜17a,17bがそれぞれ形成されている。(Liquid crystal lens unit 20)
The liquid
対向電極16は、ここでは第3基板15の全面にわたって設けられ、例えばITO,IZO等の透明導電膜よりなる。この対向電極16は、駆動電極19と共に液晶層18へ駆動電圧を印加するための電極であり、例えば固定電位(コモン電位)に保持されている。共通電位線等に接続されていてもよいし、接地されていてもよい。 Here, the
液晶層18は、例えばネマティック液晶により構成され、ホモジニアス配向を有するものである。配向膜17a,17bは、液晶層18における液晶の配向状態を制御するものであり、例えばポリイミド等により構成されている。 The
駆動電極19は、液晶レンズ部20の駆動電極(表示切り替え用駆動電極)であると共に、タッチセンサ部30におけるセンサ用の駆動電極としても機能するものである。この駆動電極19は、例えばITOやIZO等の透明導電膜により構成され、例えば短冊状(ストライプ状)の複数の電極に分割されている。換言すると、駆動電極19には、複数のスリット(電極の形成されていない部分)が設けられており、この電極間スリットによって、電圧印加時における液晶の配向状態が所定の配向状態に変化し、液晶レンズとして機能するようになっている。 The
(タッチセンサ部30)
タッチセンサ部30では、上記駆動電極19上に、この駆動電極19との間において静電容量(容量素子)を形成するように、検出電極22が積層されている。上述のように、駆動電極19が液晶レンズ部20と共に、このタッチセンサ部30をも駆動するようになっている。検出電極22は、駆動電極19上に第4基板21を介して配設されており、駆動電極19と同様、例えばITOやIZO等の透明導電膜により構成されると共に、短冊状(ストライプ状)の複数の電極に分割されている。これらの駆動電極19および検出電極22は、それぞれの短冊状電極が互いに交差するように配置されている(詳細は後述)。(Touch sensor unit 30)
In the
尚、駆動電極19を共用する液晶レンズ部20とタッチセンサ部30とは、例えば次のようにして作製することができる。即ち、例えば第4基板21の表面に検出電極22、裏面に駆動電極19をそれぞれ後述する所定のパターンで形成した後、駆動電極19の表面に配向膜17bを形成する。一方、対向電極16および配向膜17aを表面に有する第3基板15上に、例えばスペーサ等を設けて液晶層18を滴下した後、第3基板15上に、上記第4基板21の駆動電極19側の面を貼り合わせ、液晶層18を封止すればよい。本実施の形態では、このようにして作製された液晶レンズ部20およびタッチセンサ部30の積層体は、画素部10を封止する第2基板13上に、接着層14を介して貼り合わせられる。 The liquid
第4基板21は、上記第2基板13および第3基板15と同様、ガラス等の透明絶縁基板により構成されている。ここでは、この第4基板21が誘電体として、駆動電極19と検出電極22とが挟み込まれることにより、駆動電極19および検出電極22間に容量素子が形成されるようになっている。この第4基板21上には、偏光板23が貼り合わせられている。ここで、画素部10から発せられた光には、2つの偏光が含まれるが、これらのうちの一方の偏光は液晶レンズ部20において複屈折効果の影響を受けるが、他方の偏光はその影響を受けずに出射する。このため、液晶レンズ部20における複屈折効果の影響を受けていない偏光を、偏光板23において除去するようになっている。 Similar to the
このように、本実施の形態では、画素部10上に液晶レンズ部20およびタッチセンサ部30が積層されると共に、第1基板11、第2基板13、第3基板15および第4基板21の計4枚の基板が用いられている。ここでは、第1基板11および第2基板13は、画素部10の駆動基板および封止基板としてそれぞれ機能し、第3基板15は、液晶レンズ部20の下部基板(対向基板)として機能している。第4基板21は、液晶レンズ部20の封止基板およびタッチセンサ部30における誘電体として機能している。 Thus, in the present embodiment, the liquid
(全体構成)
図2は、上記画素部10、液晶レンズ部20およびタッチセンサ部30を含む表示装置1の全体構成を模式的に表した機能ブロック図である。このように、表示装置1は、制御部70と、上述の画素部10、液晶レンズ部20およびタッチセンサ部30と、それらを駆動するための画素駆動部71、表示切替・センサ駆動回路72および検出回路73を備えている。(overall structure)
FIG. 2 is a functional block diagram schematically illustrating the entire configuration of the
制御部70は、外部より供給される映像信号Vdispに基づいて、画素駆動部71、表示切替・センサ駆動回路72、および検出回路73に対してそれぞれ制御信号を供給し、これらが所定のタイミングで動作するように制御する回路である。具体的には、制御部70は、画素駆動部71に対して映像信号Vdispに基づく映像信号を供給すると共に、表示切替・センサ駆動回路72を制御して、液晶レンズ部20に対して所定の駆動信号を供給するようになっている。 The
(画素駆動部71)
画素駆動部71は、制御部70から供給される映像信号に基づいて画素部10を駆動するものである。この画素駆動部71は、例えば映像信号に対して所定の補正処理を施す映像信号処理回路、表示駆動およびセンサ駆動の各タイミングを制御するためのタイミング生成回路(いずれも図示せず)および各種ドライバを含んで構成されている。(Pixel driving unit 71)
The
図3は、画素部10の周辺回路(ドライバ)の構成例を表したものである。表示領域(有効表示領域)100内には、複数の画素(PXL)が例えばマトリクス状に2次元配置されており、この表示領域100の周辺には、走査線・電源線駆動回路31および信号線駆動回路32が配設されている。各画素(PXL)は、走査線WSL、電源線DSLおよび信号線DTLに接続されている。 FIG. 3 illustrates a configuration example of a peripheral circuit (driver) of the
走査線・電源線駆動回路31は、図示しない走査線駆動回路および電源線駆動回路を有している。走査線駆動回路は、所定のタイミングで複数の走査線WSLに対して選択パルスを順次印加することにより、各画素を順次選択するものである。具体的には、後述の書き込みトランジスタTr1をオン状態に設定するための電圧Von1と、オフ状態に設定するための電圧Voff1とを時分割で切り替えて出力する。電源線駆動回路は、所定のタイミングで複数の電源線DSLに対して制御パルスを順次印加することにより、各画素の発光動作および消光動作の制御を行うものである。具体的には、後述の駆動トランジスタTr2に電流Idsを流すための電圧VH1と、電流Idsを流さないようにするための電圧VL1とを時分割で切り替えて出力する。 The scanning line / power supply
信号線駆動回路32は、所定のタイミングで、外部から入力される映像信号に対応するアナログの映像信号を生成し、各信号線DTLに印加するものである。これにより、上記走査線駆動回路により選択された画素に対して、映像信号の書き込みを行うようになっている。 The signal
(画素回路の構成例)
図4は、画素(PXL)の回路構成の一例である。画素部10はそれぞれ、有機EL素子(OLED)、書き込み(サンプリング用)トランジスタTr1、駆動トランジスタTr2および保持容量素子Csを含むものである。書き込みトランジスタTr1および駆動トランジスタTr2はそれぞれ、例えばnチャネルMOS(Metal Oxide Semiconductor)型のTFTである。TFTの種類は特に限定されるものではなく、例えば、逆スタガー構造(いわゆるボトムゲート型)であってもよいし、スタガー構造(いわゆるトップゲート型)であってもよい。(Configuration example of pixel circuit)
FIG. 4 is an example of a circuit configuration of the pixel (PXL). Each of the
各画素ではそれぞれ、書き込みトランジスタTr1のゲートが走査線WSLに接続され、ドレインが信号線DTLに接続され、ソースが、駆動トランジスタTr2のゲートおよび保持容量素子Csの一端に接続されている。駆動トランジスタTr2のドレインは電源線DSLに接続され、ソースは、保持容量素子Csの他端および有機EL素子(OLED)のアノードに接続されている。有機EL素子(OLED)のカソードは固定電位に設定されており、ここではグランド(接地電位)に設定されている。 In each pixel, the gate of the writing transistor Tr1 is connected to the scanning line WSL, the drain is connected to the signal line DTL, and the source is connected to the gate of the driving transistor Tr2 and one end of the storage capacitor element Cs. The drain of the drive transistor Tr2 is connected to the power supply line DSL, and the source is connected to the other end of the storage capacitor element Cs and the anode of the organic EL element (OLED). The cathode of the organic EL element (OLED) is set to a fixed potential, and here is set to the ground (ground potential).
(表示切替・センサ駆動回路72)
表示切替・センサ駆動回路72は、制御部70から供給される制御信号に基づいて、液晶レンズ部20およびタッチセンサ部30へ所定の駆動信号を印加するものである。本実施の形態では、上述のように、液晶レンズ部20とタッチセンサ部30とにおいて駆動電極19が共用されるが、液晶レンズ部20用の駆動信号(後述の駆動信号Vd)と、タッチセンサ部30用の駆動信号(後述の駆動信号Vs)とがそれぞれ別個に設定されるようになっている。即ち、表示切替・センサ駆動回路72は、駆動電極19に対し、互いに異なる交流矩形波形の信号を、互いに異なるタイミングで印加するようになっている。(Display switching / sensor driving circuit 72)
The display switching /
図5に、表示切替・センサ駆動回路72の一例と検出回路73とを、駆動電極19および検出電極22のレイアウトと共に模式的に示す。尚、駆動電極19および検出電極22のレイアウトは、検出電極22の側からみたものである。 FIG. 5 schematically shows an example of the display switching /
(電極レイアウト例)
駆動電極19は、例えば一方向に延在する複数(n個)のストライプ状の駆動電極19(1)〜19(n)からなる。これらの駆動電極19(1)〜19 (n)は、m(m:2以上n以下の整数)本の駆動電極19同士が電気的に接続されていてもよいし、n本全ての駆動電極19がそれぞれ電気的に分離して設けられていてもよい。前者の場合には、m本の駆動電極19を、各端部において連結させた形状(櫛歯形状)とし、この連結されたm本の駆動電極19を1組(単位駆動ライン)として駆動信号を印加できる。(Electrode layout example)
The
他方、検出電極22は、上記複数の駆動電極19(1)〜19(n)と交差(ここでは直交)する方向に沿って延在する複数(p個)のストライプ状の検出電極22(1)〜22(p)からなる。これらの検出電極22についても、q本(q:2以上p以下の整数)の検出電極22が電気的に接続されていてもよいし、p本全ての検出電極22がそれぞれ電気的に分離して設けられていてもよい。前者の場合には、q本の検出電極22を、各端部において連結させた形状(櫛歯形状)とし、この連結されたq本の検出電極22を単位検出ラインとして検出信号を取得できる。後者の場合には、検出電極22毎に検出信号が取得される。 On the other hand, the
このような検出電極22および駆動電極19のレイアウトにより、それらの交差部では、誘電体層(ここでは、第4基板21)を検出電極22および駆動電極19によって上下から挟み込んだ構造となる。即ち、検出電極22および駆動電極19の交差部では、それらの間に容量素子が形成されるようになっている。 With such a layout of the
また、検出電極22および駆動電極19が互いに交差するように複数設けられることにより、それらの交差部がマトリクス状に2次元形成され、物体の位置を2次元座標として検出することが可能となっている。加えて、複数人および複数指によるタッチ(いわゆるマルチタッチ)の有無の検出等も実現できる。 Further, by providing a plurality of
(表示切替・センサ駆動回路72)
表示切替・センサ駆動回路72は、上記のような駆動電極19(1)〜19(n)に対して、駆動信号Vsを、例えば線順次(上述のような1またはm本の駆動電極19を単位駆動ラ
インとする)で供給するものである。この表示切替・センサ駆動回路72は、例えば、シフトレジスタ721と、セレクト部722と、レベルシフタ723と、バッファ724とを有している。(Display switching / sensor driving circuit 72)
The display switching /
シフトレジスタ721は、入力パルスを順次転送するためのロジック回路である。セレクト部722は、駆動信号(Vd,Vs)を、表示領域100内の各表示画素20に対して出力するか否かを制御するロジック回路であり、駆動信号(Vd,Vs)の出力を、表示領域100内の位置等に応じて制御するものである。レベルシフタ723は、セレクト部722から供給される制御信号を、駆動信号(Vd,Vs)を制御するのに十分な電位レベルまでシフトさせるための回路である。バッファ724は、駆動信号Vsを各ラインに順次供給するための最終出力ロジック回路であり、出力バッファ回路もしくはスイッチ回路等を含むものである。 The
この表示切替・センサ駆動回路72より、駆動電極19へ駆動信号Vsが印加されることで、検出電極22からは、静電容量に基づく検出信号(Vdet)が得られるようになっており、得られた検出信号は、検出回路73へ送られるようになっている。 By applying a drive signal Vs to the
(検出回路73)
図6は、物体検出動作を行う検出回路73およびタイミング・ジェネレータとしてのタイミング制御部74の機能ブロック構成を表したものである。尚、容量素子Cn1〜Cnpは、駆動電極19(1)〜19 (n)と、検出電極22(1)〜(p)との各交差部に形成される(静電)容量素子に対応するものである。これらの容量素子Cn1〜Cnpは、駆動信号Vsを供給するための駆動信号源Sにそれぞれ接続されている。(Detection circuit 73)
FIG. 6 shows a functional block configuration of a
検出回路73(電圧検出器DET)は、例えば増幅部81、A/D(アナログ/デジタル)変換部83、信号処理部84、フレームメモリ86、座標抽出部85および抵抗器Rを有している。この検出回路73の入力端子Tinは、各容量素子Cn1〜Cnpの他端側(検出電極22側)に共通して接続されている。 The detection circuit 73 (voltage detector DET) includes, for example, an
増幅部81は、入力端子Tinから入力される検出信号Vdetを増幅するものであり、信号増幅用のオペアンプやキャパシタ等を有している。抵抗器Rは、増幅部81と接地との間に配置されている。この抵抗器Rは、検出電極22がフローティング状態になってしまうのを回避して安定状態を保つためのものである。これにより、検出回路73において、検出信号Vdetの信号値がふらついて変動してしまうのが回避されると共に、この抵抗器Rを介して静電気を接地に逃がすことができるという利点もある。 The amplifying
A/D変換部83は、増幅部81において増幅されたアナログの検出信号Vdetを、デジタルの検出信号に変換する部分であり、図示しないコンパレータを含んで構成されている。このコンパレータは、入力された検出信号と所定のしきい値電圧Vthとの電位を比較するものである。尚、このA/D変換部83におけるA/D変換の際のサンプリングタイミングは、タイミング制御部74から供給されるタイミング制御信号CTL2によって制御されるようになっている。 The A /
信号処理部84は、A/D変換部83から出力されるデジタルの検出信号に対し、所定の信号処理(例えば、デジタル的なノイズ除去処理や、周波数情報を位置情報に変換する処理などの信号処理)を施すものである。 The signal processing unit 84 performs predetermined signal processing (for example, digital noise removal processing or processing for converting frequency information into position information, etc.) on the digital detection signal output from the A /
座標抽出部85は、信号処理部84から出力される検出信号に基づいて、物体が有るか無いか、または物体の位置(座標)を求め、これを検出結果(検出信号Dout)として出力端子Toutから出力するものである。 Based on the detection signal output from the signal processing unit 84, the coordinate
尚、この検出回路73は、第4基板21上に形成するようにしてもよいし、あるいは、第1基板11上の表示領域の周辺に形成するようにしてもよい。但し、第1基板11上に形成すれば、元々第1基板11上に形成されている画素駆動用のドライバ等との集積化が図れるので、集積化による簡略化という観点で好ましい。 The
[表示装置1の作用・効果]
(画素駆動動作)
まず、図1〜図3を参照して、表示装置1における画素駆動動作について説明する。この表示装置1では、制御部70から画素駆動部71へ映像信号が入力されると、走査線・電源線駆動回路31および信号線駆動回路32が、表示領域(有効表示領域)100内の各画素(PXL)を表示駆動する。これにより、各画素内の有機EL素子(OLED)に駆動電流が流れ、有機EL層12では、正孔と電子とが再結合して白色発光が起こる。画素部10から発せられた光は、第2基板13、接着層14および第3基板15を順に透過した後、液晶レンズ部20へ入射する。[Operation and Effect of Display Device 1]
(Pixel drive operation)
First, the pixel driving operation in the
このとき、3次元映像を表示する場合には、制御部70は、後述の液晶レンズ部20が3次元表示動作を行うように制御する(具体的には、駆動電極19へ駆動信号Vd1を印加する)と共に、画素駆動部71に対し、映像信号として、例えば左右の視差画像が合成された映像に対応する映像信号を供給する。一方、2次元映像を表示する場合には、制御部70は、後述の液晶レンズ部20が2次元表示動作を行うように制御する(具体的には、駆動電極19へ駆動信号Vd2を印加する)と共に、画素駆動部71に対し、映像信号として、通常の2次元映像に対応する映像信号を供給する。 At this time, when displaying a three-dimensional image, the
(3次元映像表示動作および2次元映像表示動作)
上記のようにして、液晶レンズ部20へ入射した光は、液晶レンズ部20を通過することにより画像として表示される。この際、液晶レンズ部20では、駆動電極19へ印加される駆動信号(Vd)に応じて、駆動電極19および対向電極16を通じて液晶層18へ電圧を供給する。これにより、液晶層18では配向状態が変化し、入射光に基づく画像を3次元映像または2次元映像として表示する。以下、このような映像表示動作について詳細に説明する。(3D image display operation and 2D image display operation)
As described above, the light incident on the liquid
図7は、3次元表示用および2次元表示用の駆動信号における交流矩形波形を、センサ用の波形と共に表したものである。表示切替・センサ駆動回路72は、制御部70からの制御指令に基づいて、駆動電極19へ対応する所定の駆動信号を印加する。具体的には、3次元映像表示を行う場合には、図7(A)に示したように、例えば交流矩形波において1フレーム期間を周期として極性反転する駆動信号Vd1を印加する。この際、表示切替・センサ駆動回路72は、駆動電極19を構成する複数の駆動電極19(1)〜19(n)の全てに対し、同一の駆動信号Vd1を、同一のタイミングで印加する。 FIG. 7 shows an AC rectangular waveform in a driving signal for 3D display and 2D display together with a waveform for a sensor. The display switching /
一方、2次元映像表示を行う場合には、図7(B)に示したように、例えば交流矩形波において1フレーム期間を周期として極性反転すると共に、上記駆動信号Vd1とは異なる駆動信号Vd2(ここではVd1>Vd2)を印加する。この際、表示切替・センサ駆動回路72は、上記3次元表示の場合と同様、複数の駆動電極19(1)〜19(n)の全てに対し、同一の駆動信号Vd2を、同一のタイミングで印加する。尚、これらの駆動信号Vd1,Vd2の交流矩形波形やその大小関係は、液晶層18に用いられる液晶の特性、液晶層18の厚み、駆動電極19における電極間スリットのスケール等に応じて、適宜設定されればよい。 On the other hand, when two-dimensional video display is performed, as shown in FIG. 7B, for example, in the AC rectangular wave, the polarity is inverted with one frame period as a cycle, and the drive signal Vd2 (different from the drive signal Vd1) Here, Vd1> Vd2) is applied. At this time, the display switching /
図8は、上記のような3次元表示時および2次元表示時の各場合における液晶レンズ部20の屈折率変化(詳細には、液晶分子の配列状態の変化)の様子を示したものである。図8(A)に示したように、駆動電極19へ駆動信号Vd1が印加されると、画素部10側から入射した光は、液晶層18を通過する過程において屈折され、互いに異なる複数の角度方向へ出射する。これにより、画素部10から発せられた光に基づく画像(左右の視差画像の合成画像)が、液晶レンズ部20によって左右の眼に分離して映し出され、3次元映像として表示(視認)される。 FIG. 8 shows the change in the refractive index of the liquid crystal lens unit 20 (specifically, the change in the arrangement state of the liquid crystal molecules) in each case of the three-dimensional display and the two-dimensional display as described above. . As shown in FIG. 8A, when the drive signal Vd1 is applied to the
一方、図8(B)に示したように、駆動電極19へ駆動信号Vd2が印加された場合には、画素部10側から入射した光は、液晶層18において屈折されずに液晶レンズ部20を出射する。これにより、画素部10から発せられた光に基づく画像(2次元画像)が、偏光板23上において、2次元映像として表示される。 On the other hand, as shown in FIG. 8B, when the drive signal Vd <b> 2 is applied to the
(物体検出動作)
このような映像表示動作と共に、表示装置1では、タッチセンサ部30を駆動することにより、物体(指やスタイラス等)が偏光板23上に接触または近接しているか否かを検出する。具体的には、表示切替・センサ駆動回路72は、駆動電極19(駆動電極19(1)〜19(n))に対し、上述した3次元表示用(または2次元表示用)の駆動信号Vd1(またはVd2)と共に、センサ用の駆動信号Vsを供給する。この際、表示切替・センサ駆動回路72は、駆動電極19(1)〜19(n)に対し、駆動信号Vsを例えば線順次で印加する。また、図7(A),(B)に示したように、この駆動信号Vsを、駆動信号Vd1,Vd2における印加期間に比べて極めて短期間に印加する。これにより、液晶レンズ部20における映像表示動作にほとんど影響を与えることなく(表示に影響を生じる程、液晶層18を応答させることなく)、物体検出が可能となる。また、この駆動信号Vsは、駆動信号Vd1(またはVd2)のブランキング期間に印加してもよい。このようにして駆動電極19に駆動信号Vsが供給されることにより、以下のようにして物体検出動作がなされる。(Object detection operation)
Along with such an image display operation, the
図9〜図11は、物体検出動作の原理について説明するための模式図である。図9(A)に示したように、誘電体D(第4基板21に相当)を挟んで互いに対向配置された駆動電極19および検出電極22により、容量素子C1を形成するが、この構造は、図9(B)のような等価回路として表される。容量素子C1は、その一端が交流信号源(駆動信号源)Sに接続され、端部Pは抵抗器Rを介して接地されると共に、電圧検出器(検出回路)DETに接続される。交流信号源Sから駆動電極19(容量素子C1の一端)に所定の周波数(例えば数kHz〜十数kHz程度)の交流矩形波Sg(図11(B))を印加すると、検出電極22(容量素子C1の端部P)に、図11(A)に示したような出力波形(検出信号Vdet)が現れる。尚、この交流矩形波Sgは、本実施の形態では、駆動信号Vsに相当するものである。 9 to 11 are schematic diagrams for explaining the principle of the object detection operation. As shown in FIG. 9A, the capacitive element C1 is formed by the
指が接触(または近接)していない状態では、図9(B)に示したように、容量素子C1に対する充放電に伴って、容量素子C1の容量値に応じた電流I0が流れる。このときの容量素子C1の端部Pの電位波形は、例えば図11(A)の波形V0のようになり、これが電圧検出器DETによって検出される。In a state where the finger is not in contact (or in proximity), as shown in FIG. 9B, a current I0 corresponding to the capacitance value of the capacitor C1 flows along with charge / discharge of the capacitor C1. The potential waveform at the end P of the capacitive element C1 at this time is, for example, a waveform V0 in FIG. 11A, which is detected by the voltage detector DET.
一方、指が接触(または近接)した状態では、図10(B)に示したように、物体(例えば、指)によって形成される容量素子C2が容量素子C1に直列に追加されたことに等価となる。この状態では、容量素子C1,C2に対する充放電に伴って、それぞれ電流I1,I2が流れる。このときの容量素子C1の端部Pの電位波形は、例えば図11(A)の波形V1のようになり、これが電圧検出器DETによって検出される。このとき、端部Pの電位は、容量素子C1,C2を流れる電流I1,I2の値によって定まる分圧電位となる。このため、波形V1は、非接触状態での波形V0よりも小さな値となる。この波形変化(電圧値の変化)を検出することにより、接触(または近接)する物体の検出が可能となる。On the other hand, when the finger is in contact (or close), as shown in FIG. 10B, it is equivalent to adding the capacitor C2 formed by an object (for example, a finger) in series to the capacitor C1. It becomes. In this state, currents I1 and I2 flow with charging / discharging of the capacitive elements C1 and C2, respectively. Potential waveform of the end portion P of the capacitive element C1 at this time is, for example, like the waveform V1 of the FIG. 11 (A), the which is detected by the voltage detector DET. At this time, the potential at the end P is a divided potential determined by the values of the currents I1 and I2 flowing through the capacitive elements C1 and C2. For this reason, the waveform V1 becomes a smaller value than the waveform V0 in the non-contact state. By detecting this change in waveform (change in voltage value), it is possible to detect an object in contact (or close proximity).
本実施の形態では、上述のように、n本の駆動電極19(1)〜19B(n)と、p本の検出電極22(1)〜22(p)との各交差部において、容量素子C1を形成する。ここで、例えば図7(A),(B)に示したように、駆動電極19(1)〜19B(n)に対し、駆動信号Vsを線順次に印加していくと、次のようになる。即ち、あるタイミングにおいて駆動信号Vsが印加されている1の駆動電極19と、検出電極22(1)〜12(p)との各交差部に形成される複数(ここではp個)の容量素子Cn1〜Cnpの各々に対し、充放電が行われる。その結果、容量素子C1の容量値に応じた大きさの検出信号Vdetが、検出電極22(1)〜12(p)のそれぞれから出力される。そして、駆動信号Vsのスキャンに伴い、充放電の対象となる容量素子C1の列が順次移動していく。 In the present embodiment, as described above, at each intersection of the n drive electrodes 19 (1) to 19B (n) and the p detection electrodes 22 (1) to 22 (p), the capacitive element C1 is formed. Here, for example, as shown in FIGS. 7A and 7B, when the drive signal Vs is applied to the drive electrodes 19 (1) to 19B (n) line-sequentially, as follows. Become. That is, a plurality (p in this case) of capacitive elements formed at each intersection of one
そのような駆動信号Vsのスキャンが行われている状態において、偏光板23の表面側にユーザの指等が存在しない場合には、この検出信号Vdetの大きさはほぼ一定となる。 In the state where the drive signal Vs is being scanned, when the user's finger or the like is not present on the surface side of the
一方、ユーザの指が偏光板23の表面に接触(または近接)すると、その接触箇所に元々形成されている容量素子C1に、指による容量素子C2が付加される。その結果、その接触箇所がスキャンされた時点(即ち、駆動電極19(1)〜19(n)のうち、タッチ箇所に対応する駆動電極19に駆動信号Vsが印加された時点)の検出信号Vdetの値が、他の箇所よりも小さくなる。このようにして検出電極22を介して得られた検出信号Vdetは、検出回路73へ出力される。 On the other hand, when the user's finger contacts (or approaches) the surface of the
検出回路73は、上記のようにして得られた検出信号Vdetを所定のしきい値電圧Vthと比較し、このしきい値電圧以上であれば非接触状態(非近接状態)と判断する一方、しきい値電圧未満であれば接触状態(近接状態)と判断する。このようにして、物体検出動作が行われる。尚、物体の接触箇所(位置座標)は、駆動信号Vsの印加タイミングと、しきい値電圧Vth未満の検出信号Vdetの検出タイミングとから割り出すことができる。 The
以上説明したように、本実施の形態では、画素部10上に上述のような液晶レンズ部20およびタッチセンサ部30を備えることにより、画素部10から発せられた光に基づく画像を3次元映像または2次元映像として表示することができる。また、そのような映像表示を行いながら、物体の接触または近接の有無を検出することができる。よって、3次元映像および2次元映像を切り替え可能に表示しつつ、ユーザによる情報入力が可能となる。 As described above, in the present embodiment, the liquid
また、タッチセンサ部30と液晶レンズ部20とにおいて、駆動電極19を共用する(センサ用の駆動電極が表示切り替え用の駆動電極を兼ねている)ことにより、センサ用の駆動電極が表示切り替え用の駆動電極を別々に設けた場合よりも薄型化に有利となる。 The
次に、上記第1の実施の形態に係る表示装置の変形例(変形例1,2)について説明する。以下では、上記第1の実施の形態の表示装置1と同様の構成要素については同一の符号を付し、適宜説明を省略する。 Next, modified examples (modified examples 1 and 2) of the display device according to the first embodiment will be described. Below, the same code | symbol is attached | subjected about the component similar to the
<変形例1>
図12は、変形例1に係る表示装置(表示装置1A)の断面構造を表すものである。表示装置1Aは、上記第1の実施の形態の表示装置1と同様、タッチセンサ機能が搭載された有機ELディスプレイであり、画素部10上に、表示切り替え機能部としての液晶レンズ部20と、タッチセンサ部30とがこの順に設けられている。また、これらの画素部10、液晶レンズ部20およびタッチセンサ部30はいずれも一対の電極を通じて駆動されるようになっている。<
FIG. 12 illustrates a cross-sectional structure of a display device (
但し、本変形例では、液晶レンズ部20が第2基板13上に設けられており、具体的には、第2基板13上に対向電極16が直に形成された積層構造となっている。即ち、上記第1実施の形態の表示装置1では、液晶レンズ部20(およびタッチセンサ部30)が第3基板15と第4基板21との間に封止されてなる積層体が、第2基板13上に接着層14を介して設けられていたが、本変形例では、それらの第3基板15および接着層14を省いた構造となっている。これにより、基板枚数は、第1基板11、第2基板13および第4基板21の計3枚となっている。 However, in this modification, the liquid
尚、この場合、画素部10を封止する第2基板13上に、対向電極16および配向膜17aを形成した後、この配向膜17a上に液晶層18を滴下し、その液晶層18を、上記第1の実施の形態で説明したように、駆動電極19を有する第4基板21で封止すればよい。 In this case, after forming the
このように、画素部10上に、液晶レンズ部20およびタッチセンサ部30が設けられた積層構造において、画素部10を封止する第2基板13を、液晶レンズ部20の下部基板(上記第1の実施の形態における第3基板15)として用いてもよい。これにより、上記第1実施の形態と同等の効果を得ることができると共に、部品点数を減らし、より薄型化を実現し易くなる。 As described above, in the laminated structure in which the liquid
<変形例2>
図13は、変形例2に係る表示装置(表示装置1B)の断面構造を表すものである。表示装置1Bは、上記第1の実施の形態の表示装置1と同様、タッチセンサ機能が搭載された有機ELディスプレイであり、画素部10上に、表示切り替え機能部としての液晶レンズ部20と、タッチセンサ部30とがこの順に設けられている。また、これらの画素部10、液晶レンズ部20およびタッチセンサ部30はいずれも一対の電極を通じて駆動されるようになっている。更に、上記変形例1と同様、第3基板15を省いた積層構造を有している。<
FIG. 13 illustrates a cross-sectional structure of a display device (
但し、本変形例では、上記第3基板15に加え、上記第2基板13をも省いた積層構造となっており、基板枚数は、第1基板11と第4基板21との計2枚となっている。具体的には、画素部10上に、保護層24が設けられており、この保護層24上に、対向電極16が直に形成されている。保護層24は、例えばシリコン窒化膜またはシリコン酸化膜等からなり、画素部10を封止保護するためのものである。 However, in this modification example, the
このように、画素部10上に、液晶レンズ部20およびタッチセンサ部30が設けられた積層構造において、画素部10を封止する第2基板13を省いた構造としてもよく、この場合、保護層24を設けて画素部10を保護するようにしてもよい。これにより、上記第1実施の形態と同等の効果を得ることができると共に、基板枚数を減らすことができる。 As described above, in the stacked structure in which the liquid
<第2の実施の形態>
次に、本発明の第2の実施の形態に係る表示装置(表示装置2)について説明する。上記第1の実施の形態の表示装置1と同様の構成要素については同一の符号を付し、適宜説明を省略する。<Second Embodiment>
Next, a display device (display device 2) according to a second embodiment of the present invention will be described. The same components as those of the
図14は、表示装置2の断面構造を表すものである。表示装置2は、上記第1の実施の形態の表示装置1と同様、タッチセンサ機能が搭載された有機ELディスプレイであり、画素部10上に、表示切り替え機能部としての液晶レンズ部(液晶レンズ部20A)と、タッチセンサ部30とがこの順に設けられている。また、これらの画素部10、液晶レンズ部20Aおよびタッチセンサ部30はいずれも一対の電極を通じて駆動されるようになっている。尚、画素部10の回路構成およびその周辺回路(走査線・電源線駆動回路31,信号線駆動回路32)、制御部70、表示切替・センサ駆動回路72、検出回路73の構成については、上記第1の実施の形態と同様である。 FIG. 14 shows a cross-sectional structure of the
但し、本実施の形態では、画素部10における共通電極13aが、液晶レンズ部20Aにおける対向電極(上記第1の実施の形態における対向電極16に相当)を兼ねている。換言すると、画素部10と液晶レンズ部20Aとにおいて、固定電位に保持される(あるいは接地される)一方の電極が共用されている。 However, in the present embodiment, the
具体的には、液晶レンズ部20Aでは、共通電極13a上に、配向膜17aが形成され、この配向膜17a上に液晶層18が設けられている。これにより、第2基板13および第3基板15が不要となり、基板枚数は表示装置全体として計2枚となる。液晶層18は、上記第1の実施の形態と同様、駆動電極19が配設された第4基板21によって封止されている。このような液晶レンズ部20Aは、上記第1の実施の形態の液晶レンズ部20と同様、駆動電圧に応じて焦点を変化させる可変焦点レンズであり、画素部10から発せられた光に基づく画像表示を行うと共に、その際の画像を3次元映像または2次元映像として表示する機能を有している。 Specifically, in the liquid
本実施の形態においても、上記第1の実施の形態と同様、画素部10上に液晶レンズ部20Aおよびタッチセンサ部30を備えることにより、画素部10から発せられた光に基づく画像を3次元映像または2次元映像として表示することができる。また、そのような映像表示を行いながら、物体の接触または近接の有無を検出することができる。よって、上記第1の実施の形態と同等の効果を得ることができる。また、液晶レンズ部20Aとタッチセンサ部30とにおいて駆動電極19を共用するだけでなく、画素部10と液晶レンズ部20Aとにおいて共通電極13aを共用することにより、基板数、電極層および配線の数を減らすことができ、より薄型で簡易な構成を実現し易くなる。 Also in the present embodiment, as in the first embodiment, by providing the liquid
尚、上記第2の実施の形態では、駆動電極19と共通電極13aとが、それぞれ共用される場合について説明したが、液晶レンズ部20Aおよびタッチセンサ部30において駆動電極が別々に設けられ、共通電極13aのみが画素部10と液晶レンズ部20Aにおいて共用された構造であってもよい。 In the second embodiment, the case where the
<第3の実施の形態>
次に、本発明の第3の実施の形態に係る表示装置(表示装置3)について説明する。上記第1の実施の形態の表示装置1と同様の構成要素については同一の符号を付し、適宜説明を省略する。<Third Embodiment>
Next, a display device (display device 3) according to a third embodiment of the present invention will be described. The same components as those of the
図15は、表示装置3の断面構造を表すものである。表示装置3は、上記第1の実施の形態の表示装置1と同様、タッチセンサ機能が搭載された有機ELディスプレイであり、画素部10上に、3次元表示および2次元表示を切り替え可能な表示切り替え機能部と、タッチセンサ部30とをこの順に有するものである。また、これらの画素部10、表示切り替え機能部およびタッチセンサ部30はいずれも一対の電極を通じて駆動されるようになっている。更に、表示切り替え機能部とタッチセンサ部30とにおいて駆動電極19が共用されている。尚、画素部10の回路構成およびその周辺回路(走査線・電源線駆動回路31,信号線駆動回路32)、制御部70、表示切替・センサ駆動回路72、検出回路73の構成については、上記第1の実施の形態と同様である。 FIG. 15 shows a cross-sectional structure of the
但し、本実施の形態では、上記表示切り替え機能部として、液体レンズ部(液体レンズ部20B)を備えている。この液体レンズ部20B以外の構成は、上記第1の実施の形態と同様である。 However, in the present embodiment, a liquid lens unit (liquid lens unit 20B) is provided as the display switching function unit. The configuration other than the liquid lens portion 20B is the same as that of the first embodiment.
液体レンズ部20Bは、上記第1の実施の形態の液晶レンズ部20と同様、駆動電圧に応じて焦点を変化させる可変焦点レンズであり、画素部10から発せられた光に基づく画像表示を行うと共に、その際の画像を3次元映像または2次元映像として表示する機能を有している。但し、液体レンズ部20Bでは、電極スリットを有する(複数のストライプ状パターンに分割された)駆動電極19と、対向電極16との間に、極性の異なる2つの液体層(極性液体層25A,無極性液体層25B)とを有している。また、駆動電極19の表面は絶縁膜26で覆われており、絶縁膜26上の領域が、例えば基板面に沿った面形状が格子状またはストライプ状の隔壁26aによって区画されている。この隔壁26aによって区画された各領域には、無極性液体層25Bが保持されており、そのような無極性液体層25Bの対向電極16側の全面に渡り、極性液体層25Aが存在している。 The liquid lens unit 20B, like the liquid
このような液体レンズ部20Bを有する本実施の形態においても、上記第1の実施の形態と同様、駆動電極19へ所定の駆動信号を供給することにより、駆動電極19と対向電極16との間に所定の電圧が印加され、液体レンズ部20Bでは、画素部10から発せられた光に基づく画像を、2次元映像または3次元映像として切り替え可能に表示することができる。 Also in the present embodiment having such a liquid lens portion 20B, a predetermined drive signal is supplied to the
図16(A),(B)に、3D表示時と2D表示時とにおける液体レンズ部20Bにおける表示動作(屈折率変化の様子)について模式的に示す。図16(A)に示したように、3次元表示用の駆動信号Vd3に応じた電圧が駆動電極19および対向電極16間に印加されると、液体レンズ部20Bでは、極性液体層25Aおよび無極性液体層25Bの界面(界面S1)が凸形状となる。このため、画素部10側から入射した光は、界面S1において屈折され、液体レンズ部20Bを出射する。これにより、上記第1の実施の形態の液晶レンズ部20の場合と同様、画素部10から発せられた光に基づく画像(左右の視差画像の合成画像)が、左右の眼に分離して映し出され、3次元映像として表示(視認)される。 FIGS. 16A and 16B schematically show a display operation (state of refractive index change) in the liquid lens unit 20B during 3D display and 2D display. As shown in FIG. 16A, when a voltage corresponding to the driving signal Vd3 for three-dimensional display is applied between the driving
一方、図16(B)に示したように、2次元表示用の駆動信号Vd4(例えば、Vd3>>Vd4)に応じた電圧が駆動電極19および対向電極16間に印加された場合には、極性液体層25Aと無極性液体層25Bとの界面(界面S2)が略平面状となる。このため、画素部10側から入射した光は、界面S2において屈折されずに液体レンズ部20Bを出射する。これにより、画素部10から発せられた光に基づく画像(2次元画像)が、偏光板23上において、2次元映像として表示される。 On the other hand, as shown in FIG. 16B, when a voltage corresponding to a drive signal Vd4 for two-dimensional display (for example, Vd3 >> Vd4) is applied between the
上記のように液体レンズ部20Bを用いて表示切り替え動作を行う本実施の形態においても、上記第1の実施の形態と同様、画素部10から発せられた光に基づく画像を3次元映像または2次元映像として表示することができる。また、タッチセンサ部30を備えることにより、そのような映像表示を行いながら、物体の接触または近接の有無を検出することができる。よって、上記第1の実施の形態と同等の効果を得ることができる。 In the present embodiment in which the display switching operation is performed using the liquid lens unit 20B as described above, an image based on the light emitted from the
次に、上記第3の実施の形態に係る表示装置の変形例(変形例3,4)について説明する。以下では、上記第3の実施の形態の表示装置3と同様の構成要素については同一の符号を付し、適宜説明を省略する。 Next, modified examples (modified examples 3 and 4) of the display device according to the third embodiment will be described. Below, the same code | symbol is attached | subjected about the component similar to the
<変形例3>
図17は、変形例3に係る表示装置(表示装置3A)の断面構造を表すものである。表示装置3Aは、上記第3の実施の形態の表示装置3と同様、タッチセンサ機能が搭載された有機ELディスプレイであり、画素部10上に、表示切り替え機能部としての液体レンズ部20B1と、タッチセンサ部30とをこの順に有するものである。また、これらの画素部10、液体レンズ部20B1およびタッチセンサ部30はいずれも一対の電極を通じて駆動されるようになっている。更に、液体レンズ部20B1とタッチセンサ部30とにおいて駆動電極19Aが共用されている。液体レンズ部20B1では、上記第3の実施の形態と同様、一対の電極間に極性液体層25Aおよび無極性液体層25Bを保持し、電圧供給によって屈折率を変化させるようになっている。<
FIG. 17 illustrates a cross-sectional structure of a display device (
但し、本変形例では、上記第3の実施の形態と異なり、第4基板21の一面側にストライプ状のパターンで設けられる駆動電極19Aが、隔壁26aの表面を覆って形成されており、全体としてストライプ状のパターンを形成するようになっている。無極性液体層25Bは、第4基板21上において、そのような駆動電極19Aおよび隔壁26aによって区画される各領域に保持されている。 However, in the present modification, unlike the third embodiment, the
本変形例においても、上記第3実施の形態と同様、そのような駆動電極19Aと対向電極16との間に、3次元表示用の駆動信号に応じた電圧が印加されると、極性液体層25Aおよび無極性液体層25Bの界面形状が変化し(界面S1;図17中において一点鎖線で示す)、入射した画像光が屈折されて3次元映像表示がなされる。一方、2次元表示用の駆動信号に応じた電圧が印加されると、極性液体層25Aおよび無極性液体層25Bの界面(界面S2;図17中において実線で示す)において、入射した画像光が屈折されることなく透過し、2次元映像表示がなされる。従って、本変形例のような構成によっても、上記第3の実施の形態と同等の効果を得ることができる。 Also in this modified example, when a voltage corresponding to a driving signal for three-dimensional display is applied between the driving
尚、上記変形例3では、駆動電極19Aが隔壁26aの表面を覆って形成される場合を例に挙げて説明したが、隔壁26aを設けずに、駆動電極19のパターニングによって(駆動電極19の高さおよびピッチ等を調節することによって)領域を区画し、区画された各領域に無極性液体層25Bを保持するようにしてもよい。 In the third modification, the case where the
<変形例4>
図18は、変形例4に係る表示装置(表示装置3B)の断面構造を表すものである。上記第3の実施の形態および変形例3の表示装置3,3Aの構成に限らず、<
FIG. 18 illustrates a cross-sectional structure of a display device (
表示装置3Bは、上記第3の実施の形態および変形例3と同様、表示切り替え機能部として、駆動電極19および対向電極16間に極性液体層25Aおよび無極性液体層25Bを有する液体レンズ部20B2を用いるものである。但し、表示装置3Bでは、上記第3の実施の形態と異なり、駆動電極19が無極性液体層25Bの保持領域を区画すると共に、その駆動電極19の表面が絶縁膜26bによって覆われている。換言すると、無極性液体層25Bは、駆動電極19によって区画された各領域に、絶縁膜26bを介して設けられている。 As in the third embodiment and the third modification, the
本変形例においても、上記第3実施の形態と同様、そのような駆動電極19と対向電極16との間に、3次元表示用の駆動信号に応じた電圧が印加されると、極性液体層25Aおよび無極性液体層25Bの界面形状が変化し(界面S1;図18中において一点鎖線で示す)、入射した画像光が屈折されて3次元映像表示がなされる。一方、2次元表示用の駆動信号に応じた電圧が印加されると、極性液体層25Aおよび無極性液体層25Bの界面(界面S2;図18中において実線で示す)において、入射した画像光が屈折されることなく透過し、2次元映像表示がなされる。従って、上記第3の実施の形態と同等の効果を得ることができる。 Also in the present modification, when a voltage corresponding to a driving signal for three-dimensional display is applied between the driving
尚、上記第3の実施の形態および変形例3,4ではいずれも、最表面に偏光板23を設けた構造を例に挙げたが、この偏光板23は外光反射の抑制を目的として設けられる。このため、上記第3の実施の形態および変形例3,4においては、偏光板23は、必ずしも設けられていなくともよい。 In the third embodiment and the third and fourth modifications, the structure in which the
<第4の実施の形態>
次に、本発明の第4の実施の形態に係る表示装置(表示装置4)について説明する。上記第1の実施の形態の表示装置1と同様の構成要素については同一の符号を付し、適宜説明を省略する。<Fourth embodiment>
Next, a display device (display device 4) according to a fourth embodiment of the present invention will be described. The same components as those of the
図19は、表示装置4の断面構造を表すものである。表示装置4は、上記第1の実施の形態の表示装置1と同様、タッチセンサ機能が搭載された有機ELディスプレイであり、画素部10上に、3次元表示および2次元表示を切り替え可能な表示切り替え機能部と、タッチセンサ部30とをこの順に有するものである。また、これらの画素部10、表示切り替え機能部およびタッチセンサ部30はいずれも一対の電極を通じて駆動されるようになっている。更に、表示切り替え機能部とタッチセンサ部30とにおいて駆動電極19が共用されている。尚、画素部10の回路構成およびその周辺回路(走査線・電源線駆動回路31,信号線駆動回路32)、制御部70、表示切替・センサ駆動回路72、検出回路73の構成については、上記第1の実施の形態と同様である。 FIG. 19 shows a cross-sectional structure of the
但し、本実施の形態では、上記表示切り替え機能部として、液晶を用いたバリアパララックス(液晶バリア部20C)を備えている。この液晶バリア部20C以外の構成は、上記第1の実施の形態と同様である。 However, in the present embodiment, a barrier parallax (liquid crystal barrier unit 20C) using liquid crystal is provided as the display switching function unit. The configuration other than the liquid crystal barrier unit 20C is the same as that of the first embodiment.
液晶バリア部20Cでは、駆動電圧に応じて、選択的な領域を遮蔽する(光線の出射領域を変化させる)ことにより、画素部10から発せられた光に基づく画像表示を行うと共に、その際の画像を3次元映像または2次元映像として表示する機能を有している。また、駆動電極19と対向電極16との間に液晶層28が封止された構造を有する。 The liquid crystal barrier unit 20C displays an image based on the light emitted from the
但し、液晶バリア部20Cでは、ストライプ状のパターンに分割された駆動電極19において、電極間領域に対応する領域(透過領域D1)において常時光を透過させる一方、電極部分に対向する各領域(開閉領域D2)において、透過率(透過状態または遮断状態)を切り替え可能となっている。また、第3基板15と接着層14との間には、液晶層28へ選択的な偏光を入射させるための偏光板29が設けられている。 However, in the liquid crystal barrier unit 20C, in the
このような液晶バリア部20Cを有する本実施の形態においても、上記第1の実施の形態と同様、駆動電極19へ所定の駆動信号を供給することにより、液晶バリア部20Cでは、画素部10から発せられた光に基づく画像を、2次元映像または3次元映像として切り替え可能に表示することができる。 Also in the present embodiment having such a liquid crystal barrier section 20C, in the same manner as in the first embodiment, by supplying a predetermined drive signal to the
図20(A),(B)に、3D表示時と2D表示時とにおける液晶バリア部20Cにおける表示動作について模式的に示す。図20(A)に示したように、駆動電極19へそれぞれ所定の駆動信号を印加して開閉領域D2を閉状態(遮断状態)とすることにより、液晶バリア部20Cでは、画素部10から発せられた光の出射方向が透過領域D1によって制限される。これにより、上記第1の実施の形態の液晶レンズ部20の場合と同様、画素部10から発せられた光に基づく画像(左右の視差画像の合成画像)が、左右の眼に分離して映し出され、3次元映像として表示(視認)される。 FIGS. 20A and 20B schematically show the display operation in the liquid crystal barrier unit 20C during 3D display and 2D display. As shown in FIG. 20A, by applying predetermined drive signals to the
一方、図20(B)に示したように、駆動電極19へ所定の駆動信号を印加して開閉領域D2を開状態(透過状態)とすることにより、画素部10側から入射した光は、出射方向が制限されることなく液晶バリア部20Cを出射する。これにより、画素部10から発せられた光に基づく画像(2次元画像)が、偏光板23上において、2次元映像として表示される。 On the other hand, as shown in FIG. 20B, by applying a predetermined drive signal to the
上記のように液晶バリア部20Cを用いて表示切り替え動作を行う本実施の形態においても、上記第1の実施の形態と同様、画素部10から発せられた光に基づく画像を3次元映像または2次元映像として表示することができる。また、タッチセンサ部30を備えることにより、そのような映像表示を行いながら、物体の接触または近接の有無を検出することができる。よって、上記第1の実施の形態と同等の効果を得ることができる。 Also in the present embodiment in which the display switching operation is performed using the liquid crystal barrier unit 20C as described above, an image based on the light emitted from the
尚、上記第3,4の実施の形態においても、上記変形例1のように、第3基板15を省いた積層構造としてもよいし、上記変形例2のように、共通電極13a上に保護層24を介して対向電極16を設けてもよい。また、上記第2の実施の形態のように、共通電極13aが対向電極16を兼用すると共に第3基板15および第2基板13を省いた構成としてもよい。 In the third and fourth embodiments, a laminated structure in which the
尚、上記第1〜第4の実施の形態および変形例1〜4ではいずれも、タッチセンサ部30と表示切り替え機能部(液晶レンズ部,液体レンズ部,液晶バリア部)とにおいて、駆動電極19が共用されている場合を例に挙げて説明したが、センサ用の駆動電極が別途設けられた構造(以下の変形例5,6に説明する、いわゆるオンセル化構造)であってもよい。 In each of the first to fourth embodiments and the first to fourth modifications, the
<変形例5>
図21は、変形例5に係る表示装置(表示装置1C)の断面構造を表したものである。表示装置1Cでは、タッチセンサ部30Aにおいて、センサ用駆動電極33が第4基板21上に、駆動電極19とは別に配設されている。即ち、第4基板21の一方の主面に駆動電極19、他方の主面にセンサ用駆動電極33がそれぞれストライプ状のパターンで設けられている。このセンサ用駆動電極33上には、例えばSiOなどよりなる絶縁膜34が設けられており、これによりセンサ用駆動電極33と検出電極22との間に容量素子を形成するようになっている。尚、検出電極22上には更に保護膜35が設けられ、この保護膜35上に偏光板23が貼り合わせられている。<
FIG. 21 illustrates a cross-sectional structure of a display device (
<変形例6>
図22は、変形例6に係る表示装置(表示装置1D)の断面構造を表したものである。表示装置1Dでは、タッチセンサ部30Bにおいて、第4基板21の一面側(駆動電極19とは反対側)に、センサ用駆動電極33Aおよび検出電極33Bが互いに同層に設けられ、絶縁膜34によって覆われている。即ち、第4基板21上に、センサ用駆動電極33Aおよび検出電極33Bが、互いに絶縁分離された状態で、同一面上に所定のパターンで配設されており、これにより、センサ用駆動電極33Aおよび検出電極33B間において容量素子を形成するようになっている。絶縁膜34上には、偏光板23が貼り合わせられている。<Modification 6>
FIG. 22 illustrates a cross-sectional structure of a display device (display device 1D) according to Modification 6. In the display device 1D, in the touch sensor unit 30B, the sensor drive electrode 33A and the
上記変形例5,6のように、画素部10上に液晶レンズ部20およびタッチセンサ部を積層した一体化構造において、タッチセンサ部をいわゆるオンセル化構造としてもよく、必ずしも、液晶レンズ部とタッチセンサ部との間において駆動電極を共通化しなくともよい。また、上記変形例では、第2基板13、接着層14、第3基板15および対向電極16を全て積層した構造を例に挙げたが、上記第2の実施の形態および変形例1,2で説明したように、いずれかの層を省略あるいは共用するようにしてもよい。 In the integrated structure in which the liquid
<適用例>
次に、図23〜図27を参照して、上記実施の形態および変形例で説明したタッチセンサ付きの表示装置の適用例(適用例1〜5)について説明する。上記実施の形態等の表示装置は、テレビジョン装置,デジタルカメラ,ノート型パーソナルコンピュータ、携帯電話等の携帯端末装置あるいはビデオカメラなどのあらゆる分野の電子機器に適用することが可能である。言い換えると、上記実施の形態等の表示装置は、外部から入力された映像信号あるいは内部で生成した映像信号を、画像あるいは映像として表示するあらゆる分野の電子機器に適用することが可能である。<Application example>
Next, with reference to FIGS. 23 to 27, application examples (application examples 1 to 5) of the display device with a touch sensor described in the above-described embodiment and modification examples will be described. The display device in the above embodiment and the like can be applied to electronic devices in various fields such as a television device, a digital camera, a laptop personal computer, a mobile terminal device such as a mobile phone, or a video camera. In other words, the display device according to the above-described embodiment or the like can be applied to electronic devices in various fields that display an externally input video signal or an internally generated video signal as an image or video.
(適用例1)
図23は、適用例1に係るテレビジョン装置の外観を表したものである。このテレビジョン装置は、例えば、フロントパネル511およびフィルターガラス512を含む映像表示画面部510を有しており、この映像表示画面部510が、上記実施の形態等に係る表示装置に相当する。(Application example 1)
FIG. 23 illustrates an appearance of a television device according to Application Example 1. This television device has, for example, a video display screen unit 510 including a front panel 511 and a filter glass 512, and this video display screen unit 510 corresponds to the display device according to the above-described embodiment and the like.
(適用例2)
図24は、適用例2に係るデジタルカメラの外観を表したものである。このデジタルカメラは、例えば、フラッシュ用の発光部521、表示部522、メニュースイッチ523およびシャッターボタン524を有しており、その表示部522が、上記実施の形態等に係る表示装置に相当する。(Application example 2)
FIG. 24 illustrates the appearance of a digital camera according to Application Example 2. The digital camera includes, for example, a flash light emitting unit 521, a display unit 522, a menu switch 523, and a
(適用例3)
図25は、適用例3に係るノート型パーソナルコンピュータの外観を表したものである。このノート型パーソナルコンピュータは、例えば、本体531,文字等の入力操作のためのキーボード532および画像を表示する表示部533を有しており、その表示部533は、上記実施の形態等に係る表示装置に相当する。(Application example 3)
FIG. 25 illustrates an appearance of a notebook personal computer according to the third application example. This notebook personal computer has, for example, a main body 531, a keyboard 532 for inputting characters and the like, and a display unit 533 for displaying an image. The display unit 533 is a display according to the above-described embodiment and the like. It corresponds to a device.
(適用例4)
図26は、適用例4に係るビデオカメラの外観を表したものである。このビデオカメラは、例えば、本体部541,この本体部541の前方側面に設けられた被写体撮影用のレンズ542,撮影時のスタート/ストップスイッチ543および表示部544を有している。そして、その表示部544は、上記実施の形態等に係る表示装置に相当する。(Application example 4)
FIG. 26 illustrates an appearance of a video camera according to Application Example 4. This video camera includes, for example, a main body 541, a
(適用例5)
図27は、適用例5に係る携帯電話機の外観を表したものである。この携帯電話機は、例えば、上側筐体710と下側筐体720とを連結部(ヒンジ部)730で連結したものであり、ディスプレイ740,サブディスプレイ750,ピクチャーライト760およびカメラ770を有している。そのディスプレイ740またはサブディスプレイ750は、上記実施の形態等に係る表示装置に相当する。(Application example 5)
FIG. 27 illustrates an appearance of a mobile phone according to Application Example 5. For example, the mobile phone is obtained by connecting an
以上、いくつかの実施の形態、変形例および適用例を挙げて本発明を説明したが、本発明はこれらの実施の形態等に限定されず、種々の変形が可能である。例えば、上記実施の形態等では、画素部上に表示切り替え機能部およびタッチセンサ部をこの順に設けた構造としたが、積層順はこれに限定されず、例えば画素部上にタッチセンサ部を介して表示切り替え機能部を設けるようにしてもよい。但し、センサ感度の観点からタッチセンサ部を最表面に積層することが望ましい。 The present invention has been described above with some embodiments, modifications, and application examples. However, the present invention is not limited to these embodiments and the like, and various modifications can be made. For example, in the above-described embodiment and the like, the display switching function unit and the touch sensor unit are provided in this order on the pixel unit. However, the stacking order is not limited to this. For example, the touch sensor unit is provided on the pixel unit via the touch sensor unit. A display switching function unit may be provided. However, it is desirable to stack the touch sensor portion on the outermost surface from the viewpoint of sensor sensitivity.
また、上記実施の形態等では、画素部10における表示画素として、有機EL素子を例に挙げて説明したが、表示画素はこれに限定されず、例えば液晶表示素子であってもよい。液晶表示素子を用いる場合には、他にバックライトを配設して画像表示を行うようにすればよい。 Moreover, in the said embodiment etc., although the organic EL element was mentioned as an example as a display pixel in the
更に、上記実施の形態等では、表示切り替え機能部とタッチセンサ部とにおいて駆動電極を共用した積層構造を例に挙げて説明したが、このような積層構造に限定されず、各部において駆動電極が別々に設けられていてもよい。但し、薄型化や装置構成の簡易化の観点から、上記実施の形態等のように駆動電極を共用することが望ましい。 Furthermore, in the above-described embodiment, the description has been given by taking the laminated structure in which the drive electrode is shared in the display switching function unit and the touch sensor unit as an example. However, the present invention is not limited to such a laminated structure, and the drive electrode It may be provided separately. However, it is desirable to share the drive electrode as in the above-described embodiment and the like from the viewpoint of thinning and simplification of the apparatus configuration.
1,1A〜1D,2〜4…表示装置、10…画素部、20,20A…液晶レンズ部、20B…液体レンズ部、20C…液晶バリア部、11…第1基板、11a…画素電極層、12…有機EL層、13a…共通電極、13…第2基板、14…接着層、15…第3基板、16…対向電極、17a,17b…配向膜、18,28…液晶層、19…駆動電極、21…第4基板、22…検出電極、23…偏光板、31…走査線・電源線駆動回路、32…信号線駆動回路、40…制御部、71…画素駆動部、72…表示切替・センサ駆動回路、73…検出回路、C1,C2…容量素子、Vd1…(3次元表示用)駆動信号、Vd2…(2次元表示用)駆動信号、Vs…(センサ用)駆動信号、Vdet…検出信号。
DESCRIPTION OF
| Application Number | Priority Date | Filing Date | Title |
|---|---|---|---|
| JP2016056755AJP6056018B2 (en) | 2016-03-22 | 2016-03-22 | Display device and electronic device |
| Application Number | Priority Date | Filing Date | Title |
|---|---|---|---|
| JP2016056755AJP6056018B2 (en) | 2016-03-22 | 2016-03-22 | Display device and electronic device |
| Application Number | Title | Priority Date | Filing Date |
|---|---|---|---|
| JP2011062920ADivisionJP5927532B2 (en) | 2011-03-22 | 2011-03-22 | Display device and electronic device |
| Publication Number | Publication Date |
|---|---|
| JP2016157449Atrue JP2016157449A (en) | 2016-09-01 |
| JP6056018B2 JP6056018B2 (en) | 2017-01-11 |
| Application Number | Title | Priority Date | Filing Date |
|---|---|---|---|
| JP2016056755AActiveJP6056018B2 (en) | 2016-03-22 | 2016-03-22 | Display device and electronic device |
| Country | Link |
|---|---|
| JP (1) | JP6056018B2 (en) |
| Publication number | Priority date | Publication date | Assignee | Title |
|---|---|---|---|---|
| JP2018106142A (en)* | 2016-12-27 | 2018-07-05 | 點晶科技股▲ふん▼有限公司 | Zoom liquid crystal lens unit and liquid crystal lens structure thereof |
| CN111771157A (en)* | 2019-02-01 | 2020-10-13 | 京东方科技集团股份有限公司 | Device integrated with display panel for TOF 3D spatial positioning |
| Publication number | Priority date | Publication date | Assignee | Title |
|---|---|---|---|---|
| JPH08297267A (en)* | 1995-04-25 | 1996-11-12 | Alps Electric Co Ltd | Liquid crystal display device with tablet |
| US20080252720A1 (en)* | 2007-04-12 | 2008-10-16 | Samsung Electronics Co., Ltd. | Highly efficient 2d-3d switchable display device |
| WO2009069358A1 (en)* | 2007-11-29 | 2009-06-04 | Sharp Kabushiki Kaisha | Display device |
| JP2009528565A (en)* | 2006-03-03 | 2009-08-06 | コーニンクレッカ フィリップス エレクトロニクス エヌ ヴィ | Autostereoscopic display device using controllable liquid crystal lens for 3D / 2D mode switching |
| US20100134426A1 (en)* | 2008-11-28 | 2010-06-03 | Dong-Ki Lee | Touch sensible organic light emitting device |
| US20100279739A1 (en)* | 2009-04-29 | 2010-11-04 | Unique Instruments Co.Ltd | Device having 2d and 3d image display functions for mobile phone |
| JP2011013778A (en)* | 2009-06-30 | 2011-01-20 | Sony Corp | Stereoscopic image display device, object proximity detection device and electronic apparatus |
| Publication number | Priority date | Publication date | Assignee | Title |
|---|---|---|---|---|
| JPH08297267A (en)* | 1995-04-25 | 1996-11-12 | Alps Electric Co Ltd | Liquid crystal display device with tablet |
| JP2009528565A (en)* | 2006-03-03 | 2009-08-06 | コーニンクレッカ フィリップス エレクトロニクス エヌ ヴィ | Autostereoscopic display device using controllable liquid crystal lens for 3D / 2D mode switching |
| US20080252720A1 (en)* | 2007-04-12 | 2008-10-16 | Samsung Electronics Co., Ltd. | Highly efficient 2d-3d switchable display device |
| WO2009069358A1 (en)* | 2007-11-29 | 2009-06-04 | Sharp Kabushiki Kaisha | Display device |
| US20100134426A1 (en)* | 2008-11-28 | 2010-06-03 | Dong-Ki Lee | Touch sensible organic light emitting device |
| US20100279739A1 (en)* | 2009-04-29 | 2010-11-04 | Unique Instruments Co.Ltd | Device having 2d and 3d image display functions for mobile phone |
| JP2011013778A (en)* | 2009-06-30 | 2011-01-20 | Sony Corp | Stereoscopic image display device, object proximity detection device and electronic apparatus |
| Publication number | Priority date | Publication date | Assignee | Title |
|---|---|---|---|---|
| JP2018106142A (en)* | 2016-12-27 | 2018-07-05 | 點晶科技股▲ふん▼有限公司 | Zoom liquid crystal lens unit and liquid crystal lens structure thereof |
| JP2019070856A (en)* | 2016-12-27 | 2019-05-09 | 點晶科技股▲ふん▼有限公司 | Liquid crystal zoom lens unit and liquid crystal lens structure |
| US10606136B2 (en) | 2016-12-27 | 2020-03-31 | Silicon Touch Technology Inc. | Variable focal length liquid crystal lens assembly comprising a plurality of first and second conductive lines that cross each and structure thereof |
| CN111771157A (en)* | 2019-02-01 | 2020-10-13 | 京东方科技集团股份有限公司 | Device integrated with display panel for TOF 3D spatial positioning |
| CN111771157B (en)* | 2019-02-01 | 2023-07-25 | 京东方科技集团股份有限公司 | Device integrated with display panel for TOF 3D space localization |
| Publication number | Publication date |
|---|---|
| JP6056018B2 (en) | 2017-01-11 |
| Publication | Publication Date | Title |
|---|---|---|
| JP5927532B2 (en) | Display device and electronic device | |
| JP5789113B2 (en) | Display device and electronic device | |
| JP7148688B2 (en) | input/output panel | |
| CN102738198B (en) | Display panel, display device and electronic apparatus | |
| CN104981908B (en) | For capacitive touch screen in LED pixel | |
| CN102043272B (en) | Liquid crystal display device | |
| CN102799306B (en) | Display floater, driving method, drive circuit, electronic installation | |
| US20160132148A1 (en) | Organic light-emitting diode (oled) display | |
| WO2014038160A1 (en) | Display device and electronic apparatus | |
| KR102660537B1 (en) | Display apparatus | |
| US20160291774A1 (en) | Display panel and method for forming the same | |
| JP6056018B2 (en) | Display device and electronic device | |
| KR20210080990A (en) | Display device and pixel array substrate thereof | |
| CN109857285B (en) | Touch display panel, touch detection circuit, display device, and electronic apparatus | |
| CN109947296B (en) | PMOLED display device, display panel, touch detection circuit and electronic equipment | |
| CN209842592U (en) | Touch display panel, touch detection circuit, display device, and electronic apparatus | |
| WO2014061400A1 (en) | Display device and electronic equipment | |
| KR20220072931A (en) | Display device | |
| CN109901751B (en) | PMOLED touch display panel, touch detection circuit, display device and electronic equipment | |
| CN109857280B (en) | Touch display panel, touch detection circuit and electronic equipment | |
| CN109857286B (en) | Touch display panel, touch detection circuit, display device, and electronic apparatus | |
| CN210402295U (en) | Touch display panel, touch detection circuit and electronic equipment | |
| CN210402294U (en) | PMOLED display device and electronic equipment | |
| CN110032302B (en) | Touch detection method | |
| CN116367682A (en) | Display device |
| Date | Code | Title | Description |
|---|---|---|---|
| TRDD | Decision of grant or rejection written | ||
| A01 | Written decision to grant a patent or to grant a registration (utility model) | Free format text:JAPANESE INTERMEDIATE CODE: A01 Effective date:20161018 | |
| A61 | First payment of annual fees (during grant procedure) | Free format text:JAPANESE INTERMEDIATE CODE: A61 Effective date:20161108 | |
| R150 | Certificate of patent or registration of utility model | Ref document number:6056018 Country of ref document:JP Free format text:JAPANESE INTERMEDIATE CODE: R150 | |
| R250 | Receipt of annual fees | Free format text:JAPANESE INTERMEDIATE CODE: R250 | |
| R250 | Receipt of annual fees | Free format text:JAPANESE INTERMEDIATE CODE: R250 | |
| R250 | Receipt of annual fees | Free format text:JAPANESE INTERMEDIATE CODE: R250 | |
| R250 | Receipt of annual fees | Free format text:JAPANESE INTERMEDIATE CODE: R250 | |
| S303 | Written request for registration of pledge or change of pledge | Free format text:JAPANESE INTERMEDIATE CODE: R316303 | |
| R350 | Written notification of registration of transfer | Free format text:JAPANESE INTERMEDIATE CODE: R350 | |
| S803 | Written request for registration of cancellation of provisional registration | Free format text:JAPANESE INTERMEDIATE CODE: R316803 | |
| R350 | Written notification of registration of transfer | Free format text:JAPANESE INTERMEDIATE CODE: R350 | |
| R250 | Receipt of annual fees | Free format text:JAPANESE INTERMEDIATE CODE: R250 | |
| S111 | Request for change of ownership or part of ownership | Free format text:JAPANESE INTERMEDIATE CODE: R313113 | |
| R350 | Written notification of registration of transfer | Free format text:JAPANESE INTERMEDIATE CODE: R350 | |
| R250 | Receipt of annual fees | Free format text:JAPANESE INTERMEDIATE CODE: R250 | |
| S111 | Request for change of ownership or part of ownership | Free format text:JAPANESE INTERMEDIATE CODE: R313113 | |
| R350 | Written notification of registration of transfer | Free format text:JAPANESE INTERMEDIATE CODE: R350 |