








































本発明は、広帯域に整合のとれる広帯域アンテナに関する。 The present invention relates to a broadband antenna capable of matching in a wide band.
近年はスマートフォン等の普及により、高速・大容量の伝送を可能にする超広帯域(UWB)無線システム、UHF帯のホワイトスペースを使った無線システムやコグニティブ無線システム等が注目されている。このような通信システムでは非常に広帯域の周波数を使用することが前提であるため、広帯域特性を有するアンテナが必要となる。 In recent years, with the spread of smartphones and the like, attention has been focused on ultra-wideband (UWB) wireless systems that enable high-speed and large-capacity transmission, wireless systems that use white space in the UHF band, cognitive wireless systems, and the like. Since such a communication system is premised on using a very wide band frequency, an antenna having a wide band characteristic is required.
広帯域特性を有するアンテナとして、アンテナエレメントをスパイラル状に形成したスパイラルアンテナが知られているが、基板に形成するアンテナエレメントの形状から縦横がほぼ同寸法の略正方形となってしまうため、小形アンテナとしての収納箇所に制約があり、携帯式通信デバイスで採用するのに適さない場合がある。 As an antenna having a wide band characteristic, a spiral antenna in which an antenna element is formed in a spiral shape is known. However, because of the shape of the antenna element formed on the substrate, the vertical and horizontal dimensions are substantially square, so that it is a small antenna. There are cases where there are restrictions on the storage location of the mobile phone, which may not be suitable for use in a portable communication device.
また、図41に示すように、プリント基板1001の表面に楕円形の放射素子1002を形成し、プリント基板1001の裏面にグランド導体1003を形成することで、広い地板を必要としないモノポールアンテナの技術も提案されている(例えば、非特許文献1を参照)。このモノポールアンテナでは、プリント基板1001の形状が正方形に制限されることがなく、アンテナ配置箇所の自由度を高めることができ、また、放射素子1002の楕円における長軸aと短軸bの長さの比を変えることで帯域を若干変化させることができる。 As shown in FIG. 41, an elliptical
しかしながら、上記非特許文献1に記載された発明では、地板とアンテナ素子が同一基板上に形成されるため、基板全体にある程度の大きさが必要となり、十分な小形化を図れるとは言えない。また、複数の周波数帯や複数の通信プロトコルに対応するためには、複数の入出力端子を持たせるマルチポート化が必要になるが、被特許文献1に記載の発明では、マルチポート化に対応できない。 However, in the invention described in
そこで、本発明は、小形装置への設置に適した小形化が可能で、広帯域特性を実現でき、マルチポート化にも対応可能な広帯域アンテナの提供を目的とする。 SUMMARY OF THE INVENTION An object of the present invention is to provide a wideband antenna that can be miniaturized for installation in a small apparatus, can achieve wideband characteristics, and can be adapted to multiporting.
前記課題を解決するために、請求項1に係る広帯域アンテナは、相対向する二辺の一方を給電位置が設定される給電側部とした地板と、前記地板の給電側部に直交配置される板状の受電平板部を備えるモノポールアンテナ構成体と、を備え、前記地板の給電位置は、給電側部のほぼ中央に設定し、前記モノポールアンテナ構成体への給電位置は、受電平板部の受電側部において給電線とのインピーダンス整合がとれるようにオフセットした基準給電点を含む許容変動範囲内から選定することで、所望の特性を得るようにしたことを特徴とする。 In order to solve the above-mentioned problem, the wideband antenna according to
また、請求項2に係る広帯域アンテナは、相対向する二辺を複数有し、各二辺の一方を給電位置が設定される給電側部とした地板と、前記地板の各給電側部に直交配置される板状の受電平板部を備える複数のモノポールアンテナ構成体と、を備え、前記地板の給電位置は、各給電側部のほぼ中央に設定し、前記モノポールアンテナ構成体への給電位置は、受電平板部の受電側部において給電線とのインピーダンス整合がとれるようにオフセットした基準給電点を含む許容変動範囲内から選定することで、所望の特性を得るようにしたことを特徴とする。 Further, the wideband antenna according to
また、請求項3に係る広帯域アンテナは、前記請求項1又は請求項2に記載の広帯域アンテナにおいて、前記モノポールアンテナ構成体は、受電平板部における給電側部と相対する延出端部より受電平板部に直交する二方向に各々延出する一対の分岐導電部を設け、受電平板部の延出長および/または両分岐導電部の延出長を調整することによって、所望の特性を得るようにしたことを特徴とする。 A wideband antenna according to a third aspect is the wideband antenna according to the first or second aspect, wherein the monopole antenna structure receives power from an extended end portion facing a power feeding side portion of the power receiving plate portion. A pair of branch conductive parts extending in two directions orthogonal to the flat plate part are provided, and desired characteristics can be obtained by adjusting the extension length of the power receiving flat plate part and / or the extension length of both branch conductive parts. It is characterized by that.
本発明に係る広帯域アンテナによれば、地板の給電側部にモノポールアンテナ構成体の受電平板部を直交配置する構造を採ることで、モノポールアンテナ構成体の立体構造や給電位置の調整によってアンテナ特性を変更できるので、必要とされる広帯域特性を保持しつつアンテナ全体の小型化が可能となり、マルチポート化も実現できる。 According to the wideband antenna according to the present invention, by adopting a structure in which the power receiving plate portion of the monopole antenna structure is orthogonally arranged on the power feeding side portion of the ground plane, the antenna can be adjusted by adjusting the three-dimensional structure of the monopole antenna structure and the power feeding position. Since the characteristics can be changed, the entire antenna can be miniaturized while maintaining the required broadband characteristics, and multi-ports can be realized.
次に、添付図面に基づいて、本発明に係る広帯域アンテナの実施形態につき説明する。 Next, an embodiment of a broadband antenna according to the present invention will be described with reference to the accompanying drawings.
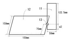
図1(1)は、本発明に係る広帯域アンテナの第1実施形態を示す概略構成図である。広帯域アンテナ10は、板状のモノポールアンテナ構成体11を地板12の横に直交配置し、その対向部位に給電ポート13を設けたものである。 FIG. 1A is a schematic configuration diagram showing a first embodiment of a wideband antenna according to the present invention. The
モノポールアンテナ構成体11は、縦方向の相対向する二辺である受電側部11aと非受電側部11bを有し、受電側部11aに設定される給電位置は、給電ポート13に接続される給電線とのインピーダンス整合がとれるようにオフセットした。本実施形態における板状のモノポールアンテナ構成体11の側面形状は、縦150mm×横50mmの長方形とし、受電側部11aの全長が150mmで、上端11a1から受電側部11aに設けた給電位置までの長さLは122.5mmにオフセットしている。なお、本図の上下は便宜上のもので、例えば、受電側部11aの下端11a2から122.5mmの位置を給電位置としても良い。また、板状のモノポールアンテナ構成体の長方形の各頂点は、適度に角を削りアールを持たせた形状でもよい。 The
地板12は、一辺200mmの正方形であり、相対向する二辺を2組備えるものであり、そのうち一組の相対向する二辺から給電側部12aを定め、この給電側部12aの中央に給電位置を設定し、この給電位置から対向位置にある非給電側部12bまでの距離は200mmである。また、地板の正方形の各頂点は、適度に角を削りアールを持たせた形状でもよい。 The
上述した第1実施形態に係る広帯域アンテナ10と対比するために、図1(2)に示す第1対比構成例の広帯域アンテナ10′は、モノポールアンテナ構成体11における受電側部11aの下端11a2を給電位置として地板12と接続したものである。すなわち、広帯域アンテナ10′においては、モノポールアンテナ構成体11における受電側部11aの上端11a1から給電位置までの長さLは150mmとなる。 In order to contrast with the
また、図1(3)に示す第1対比構成例の広帯域アンテナ10″は、モノポールアンテナ構成体11における受電側部11aの中央を給電位置として地板12と接続したものである。すなわち、広帯域アンテナ10″においては、モノポールアンテナ構成体11における受電側部11aの上端11a1から給電位置までの長さLは75mmとなる。 1 (3), the
図2(a)は、広帯域アンテナ10,10′,10″の各リターンロスS11を対比して示した周波数特性図であり、図2(b)は、その0.3〜0.8〔GHz〕の周波数範囲を拡大して示したものである。ここでは、モノポールアンテナ構成体11および地板12の銅厚さを32μmとし,給電ポート13で地板12からモノポールアンテナ構成体11を直接給電するモデルを設定し、HFSSを用いて計算した。 FIG. 2 (a) is a frequency characteristic diagram showing the return loss S11 of the
広帯域アンテナ10′のようにモノポールアンテナ構成体11の下端11a2から給電すると、リターンロスS11を−10dB以下に抑えられる周波数範囲を広くとることができない。広帯域アンテナ10″のようにモノポールアンテナ構成体11の中央から給電すると、0.8GHz〜1.7GHzの範囲でリターンロスS11が約−10dBを上回り、整合が良くない。すなわち、図17に示した従来の広帯域モノポールアンテナのようにモノポールアンテナ構成体における受電側部の中央から給電するのでは良い広帯域整合が得られないことが分かる。 When power is fed from the lower end 11a2 of the
一方、第1実施形態に係る広帯域アンテナ10のように、適切なオフセット位置(L=122.5mm)から給電することにより、0.39GHz〜2.8GHz(比帯域150%)の広帯域で、リターンロスS11が−10dB以下の整合を得られることが分かる。 On the other hand, by supplying power from an appropriate offset position (L = 122.5 mm) as in the
なお、リターンロスS11が−10dB以下となる最低周波数は、モノポールアンテナ構成体11における長さLが長いほど低くなっていることが、図2(a),(b)の周波数特性図からわかる。 It can be seen from the frequency characteristic diagrams of FIGS. 2A and 2B that the minimum frequency at which the return loss S11 is −10 dB or less is lower as the length L of the
ここで、L=122.5mmとオフセットした広帯域アンテナ10においては、リターンロスS11が−10dB以下となる最低共振周波数が約0.46GHzであり、その半波長は約326mmである。これは、広帯域アンテナ10における地板12の長さ(給電側部12aから非給電側部12bまでの長さ)200mmとモノポールアンテナ構成体11における受電側部11aの上端11a1から給電位置までの長さL=122.5mmとの和である322.5mmにほぼ一致する。 Here, in the
また、L=150mmとした広帯域アンテナ10′においては、最低共振周波数が0.39GHz付近であり、その半波長385mmに対し、地板12の長さ200とモノポールアンテナ構成体11のL=150mmの和は350mmとなり、両値を近似値と看做し得る。L=75mmとした広帯域アンテナ10″においては、最低共振周波数が0.54GHz付近であり、その半波長278mmに対し、地板12の長さ200mmとモノポールアンテナ構成体11のL=75mmの和は275mmとなり、両値はほぼ一致する。 Further, in the
このように、板状のモノポールアンテナ構成体11と地板12を直交配置して対向部位に設けた給電ポート13より給電する構造の広帯域アンテナ10,10′,10″においては、モノポールアンテナ構成体11における受電側部11aの上端11a1から給電位置までの長さLと地板12における給電側部12aから非給電側部12bまでの長さとの和が、最低共振周波数の約半波長となるので、モノポールアンテナ構成体11におけるLを長くして地板12の長さを短くしたり、逆にモノポールアンテナ構成体11におけるLを短くして地板12の長さを長くしたりして、最低共振周波数を変えずに(最低整合周波数を変えずに)ある程度アンテナ寸法を変えることができ、装置内のアンテナ収容部の形状に適合させやすいという利点がある。 As described above, in the
しかも、モノポールアンテナ構成体11における給電位置をオフセットした本実施形態に係る広帯域アンテナ10においては、その最低整合周波数から比帯域150%の広い帯域で良好な整合を実現できる。しかも、モノポールアンテナ構成体11のモノポール長は、最低整合周波数の波長の約0.2波長になるので、UHF帯の通信アンテナとしても小形に構成できる。 Moreover, in the
なお、図3は、広帯域アンテナ10の全電力(偏波で分離していない電力)での指向性を周波数毎に示したものである。0.5GHz以下では水平ダイポールパターンのようにy軸にヌルが形成され(図3(a),(b),(c)を参照)、モノポールアンテナ構成体11と地板12とでダイポールのような動作をしていると思われる。一方、0.8GHz以上では垂直モノポールパターンのようにz軸にヌルが形成されるものとなり(図3(f),(g),(h)を参照)、主にモノポールアンテナ構成体11が放射部として動作していると思われる。 FIG. 3 shows the directivity of the
ここで、板状のモノポールアンテナ構成体や地板の各部寸法を変化させたときにどのような特性変化が起きるか、いくつか例示する。 Here, some examples of changes in characteristics that occur when the dimensions of each part of the plate-shaped monopole antenna structure and the ground plane are changed will be described.
図4に示すように、モノポールアンテナ構成体11における給電位置から上端までの長さa1(=L)を122.5mm、給電位置から下端までの長さa2を27.5mm、延出長bを50mmとし、地板12の給電側部および非給電側部の長さAを200mm、これに直交する側縁部の長さBを200mmとしたとき、各部位の長さをその基本寸法から10mm長くしたときの周波数特性を図5に示す。どの部位を変化させても、周波数特性に変化が生ずることが分かる。特に、板状のモノポールアンテナ構成体におけるa1は最低共振周波数(図中、f1で示す周波数帯域を参照)に関与し、板状のモノポールアンテナ構成体におけるa2は2番目に低い共振周波数(図中、f2で示す周波数帯域を参照)に関与していると思われる。 As shown in FIG. 4, the length a1 (= L) from the feeding position to the upper end in the
図6に示す広帯域アンテナは、モノポールアンテナ構成体11における給電位置から下端までの長さa2を変化させたときの特性をみるための構成で、モノポールアンテナ構成体11における給電位置から上端までの長さa1を122.5mm、延出長bを50mmとし、地板12の給電側部および非給電側部の長さAを200mm、これに直交する辺の長さBを200mmとした。この構成で、a2を変化させたときの周波数特性が図7である。a2が長くなるほど、2番目に低い共振周波数が低くなって行くことが分かる。また、前述した第1実施形態の広帯域アンテナ10におけるモノポールアンテナ構成体11の場合に相当するa2=27.5mmよりも長くすると、2番目に低い共振周波数以上での整合が劣化し、27.5mmよりも短くすると、最低共振周波数から2番目に低い共振周波数までの間で整合が劣化している。このことから、上述した第1実施形態に係る広帯域アンテナ10のように、モノポールアンテナ構成体11では給電位置を適切にオフセットすることが広帯域特性を得る上で重要と分かる。 The broadband antenna shown in FIG. 6 is a configuration for checking the characteristics when the length a2 from the feeding position to the lower end in the
図8に示す広帯域アンテナは、地板12における給電位置を給電側部の中央から図の手前側へずらしたときの特性を見るための構成で、モノポールアンテナ構成体11における給電位置から上端までの長さa1を122.5mm、給電位置から下端までの長さa2を22.5mm、延出長bを50mmとし、地板12の給電側部および非給電側部の長さAを200mm、これに直交する辺の長さBを200mmとした。この構成で、地板12の給電位置を変化させたときの周波数特性が図9である。オフセット距離10mm(図8中、板状のモノポールアンテナ構成体を破線で示す位置)では、顕著な整合劣化は生じていないが、オフセット距離50mm(図8中、板状のモノポールアンテナ構成体を点線で示す位置)では、最低共振周波数から2番目に低い共振周波数までの間で整合が劣化している。このことから、地板12の給電位置である給電側部の中央とは、厳密にA/2のみに限定されるのでなく、顕著な整合劣化が生じない許容範囲を含むものである。 The broadband antenna shown in FIG. 8 has a configuration for viewing characteristics when the feeding position on the
上述した第1実施形態の広帯域アンテナ10は、モノポールアンテナ構成体11および地板12を32μm厚の銅板で形成したので、扱いが難しい。そこで、図10に示す第2実施形態に係る広帯域アンテナ20は、アンテナ用プリント基板21と地板用プリント基板22から構成することで、量産を容易にすると共に、地板や板状のモノポールアンテナ構成体に適度な強度を持たせた。 The
アンテナ用プリント基板21は、約1mm厚の誘電体基板21aの一側面に導電層を形成あるいは導電膜を貼着してモノポールアンテナ構成体21bとしたものであり、地板用プリント基板22は、約1mm厚の誘電体基板22aの一側面に導電層を形成あるいは導電膜を貼着して地板22bとしたものである。なお、アンテナ用プリント基板21と地板用プリント基板22の誘電体基板21a,22aは、それぞれモノポールアンテナ構成体21bや地板22bより広くしてもよい。 The antenna printed
第2実施形態に係る広帯域アンテナ20においては、モノポールアンテナ構成体21bと地板22bとに誘電体が接触することとなるため、その影響で広帯域特性が損なわれるようでは問題がある。図11は、誘電体基板として比誘電率2.17のテフロン(登録商標)を用いた場合の周波数特性と、比誘電率4.4のガラスエポキシマルチ(FR4)を用いた場合の周波数特性を示すものである。誘電体基板を設けない場合(比誘電率1の空気が接触しているものとみなす)と対比して、1.3GHz以下では、何れの特性もほとんど変わらず、2.8GHzまでリターンロスを約−10dB以下に抑制できている。このことから、広帯域アンテナ20のように、アンテナ用プリント基板21と地板用プリント基板22を用いても、広帯域特性を保持できることが分かる。 In the
図12は、第3実施形態に係る広帯域アンテナ30を示すもので、約1mm厚の誘電体基板31aの一側面に導電層を形成あるいは導電膜を貼着して板状モノポール素子31bとしたアンテナ用プリント基板31と、約1mm厚の誘電体基板32aの一側面に導電層を形成あるいは導電膜を貼着して地板32bとし、他側面には給電用の平面回路として導体帯を形成あるいは導電膜を貼着してマイクロストリップライン32cとした地板用プリント基板32とから構成した。 FIG. 12 shows a
すなわち、第3実施形態に係る広帯域アンテナ30では、マイクロストリップライン32cを板状アンテナ素子31bの給電位置で電気的に接続することで、給電構造を単純化でき、地板用プリント基板32上に送受信回路を設けた場合には、送受信回路との接続性を良くすることができる。なお、マイクロストリップライン32cに代えて、同軸線路から給電する構造としても良い。この場合、同軸線路の中心導体を板状モノポール素子に電気的に接続し、同軸線路の外皮導体を地板に電気的に接続する。 That is, in the
図13は、第3実施形態の広帯域アンテナ30のようにマイクロストリップライン32cで板状モノポール素子31bへ給電する場合と、第1実施形態の広帯域アンテナ10のように給電ポートでモノポールアンテナ構成体11と地板12へ直接給電(キャップ給電モデル)する場合とを対比させた周波数特性である。プリント基板の誘電体はテフロン(登録商標)で厚さは1mmとして計算した。マイクロストリップライン32cによる給電では、およそ0.7GHz以上になるとリターンロスが−10dBを上回り、ギャップ給電モデルによる広帯域アンテナ10よりリターンロスは増加している。しかしながら、給電ポート33の構造の工夫などにより整合特性の改善が可能であり、量産に適した給電構造であり実用的である。 FIG. 13 shows a case where power is supplied to the plate-shaped monopole element 31b through the
次に、マルチポート化した第4実施形態に係る広帯域アンテナ40の構造について、図14に基づき説明する。 Next, the structure of the multi-port
広帯域アンテナ40は、第1モノポールアンテナ構成体41を地板42の第1受電側部42aに直交配置して、その対向部位に第1給電ポート43を設け、更に、地板42の第2受電側部42cに第2モノポールアンテナ構成体44を直交配置して、その対向部位に第2給電ポート45を設けたものである。 In the
第1モノポールアンテナ構成体41は、縦方向の相対向する二辺である受電側部41aと非受電側部41bを有し、受電側部41aに設定される給電位置は、給電ポート43に接続される給電線とのインピーダンス整合がとれるようにオフセットした。また、第2モノポールアンテナ構成体44は、縦方向の相対向する二辺である受電側部44aと非受電側部44bを有し、受電側部44aに設定される給電位置は、給電ポート45に接続される給電線とのインピーダンス整合がとれるようにオフセットした。なお、第1,第2モノポールアンテナ構成体41,44の側面形状は、縦150mm×横50mmの長方形とし、受電側部41a,44aの全長が150mmで、受電側部41a,44aに設定した給電位置であるオフセット位置から上端41a1,44a1までの長さLは122.5mmである。なお、本図の上下は便宜上のもので、例えば、受電側部41a,44aの下端41a2,44a2から122.5mmの位置を給電位置としても良い。 The first
地板42は、一辺200mmの正方形であり、相対向する二辺として第1受電側部42aと第1非受電側部42b、第2受電側部42cと第2非受電側部42dを備える。第1受電側部42aの中央には第1給電位置を設定し、第1モノポールアンテナ構成体41の給電位置と対向させて第1給電ポート43より給電される。同様に、第2受電側部42cの中央には第2給電位置を設定し、第2モノポールアンテナ構成体44の給電位置と対向させて第2給電ポート45より給電される。 The
図15は、第4実施形態に係る広帯域アンテナ40において、第1モノポールアンテナ構成体41側の第1給電ポート43におけるリターンロスS11と、第2モノポールアンテナ構成体44側の第2給電ポート45に対するアイソレーションS21を示した周波数特性図である。参考に、第2モノポールアンテナ構成体44を設けない場合のリターンロスS11(図2におけるL=122.5mmのときの周波数特性と同じ)を点線で示した。第2モノポールアンテナ構成体44を設けない場合に比べて、S11が多少特性劣化する周波数は認められるものの、広帯域での使用に充分耐えうるものである。 FIG. 15 shows a return loss S11 at the
また、2ポート化した広帯域アンテナ40においては、0.4GHz以上の周波数帯でS21が−10dB以下となり、十分なアイソレーションがとれていることから、地板22に第1,第2モノポールアンテナ構成体41,44を設置してマルチポート化しても、広帯域での使用が充分可能である。また、図15においては、高周波ほどアイソレーションS21が良い傾向にあり、高周波帯での使用に好適である。なお、マルチポート化により、アレーアンテナあるいはダイバーシチアンテナとしての利用が可能となる。 Further, in the two-
第4実施形態においては、地板42の形状として、相対向する二辺を2組備える四角形を選定したが、例えば、六角形、八角形のように、相対向する二辺を3組以上備える形状の地板を用いれば、更に多くの多ポート化を期せる。また、前述した第2実施形態の広帯域アンテナ20と同様に、誘電体基板の一側に第1板状モノポール素子を設けた第1アンテナ用プリント基板と、誘電体基板の一側に第2板状モノポール素子を設けた第2アンテナ用プリント基板と、誘電体基板の一側に地板を設けた地板用プリント基板とからマルチポートの広帯域アンテナを構成することで、量産を容易にすると共に、地板や板状モノポール素子に適度な強度を持たせるようにしても良い。 In the fourth embodiment, a quadrangle having two sets of two opposite sides is selected as the shape of the
以上のように、板状のモノポールアンテナ構成体を地板に直交配置した構造の広帯域アンテナでは、S11が約−10dB以下となる整合が得られる比帯域が約150%と極めて広帯域である。しかし、最低動作周波数の波長の約7%のモノポール幅(板状のモノポールアンテナ構成体における延出長b)が必要であり、地板の奥行Bを含めると約半波長の大きさが必要となってしまう。そこで、比帯域が約100%程度に低下してしまうことを許容することで、モノポールアンテナ構成体の小形化が可能な実施形態について以下に説明する。 As described above, in a wideband antenna having a structure in which a plate-shaped monopole antenna structure is arranged orthogonally to the ground plane, the specific band where S11 is matched to be about −10 dB or less is approximately 150% and the bandwidth is extremely wide. However, a monopole width of about 7% of the wavelength of the minimum operating frequency (extension length b in the plate-like monopole antenna structure) is required, and if the depth B of the ground plane is included, a size of about half a wavelength is required. End up. Therefore, an embodiment in which the monopole antenna structure can be miniaturized by allowing the specific band to decrease to about 100% will be described below.
先ず、図1(1)の第1実施形態として示した広帯域アンテナ10におけるモノポールアンテナ構成体11をそのまま縮小して、0.75倍と0.5倍に小形化したときの周波数特性を図16に示す。本図より明らかなように、モノポールアンテナ構成体11を単純に縮小しても、比帯域150%の広帯域特性を維持することはできない。 First, frequency characteristics when the
そこで、図17(a)に示すように、平板な板状のモノポールアンテナ構成体(以下、−形モノポールアンテナ構成体という)の途中を側方へ折り返してL形としたモノポールアンテナ構成体51Aを地板52に直交配置した第5実施形態の広帯域アンテナ50Aとすることで、アンテナを小形化する場合を考える。L形のモノポールアンテナ構成体51Aの構成とすれば、−形のモノポールアンテナ構成体11よりも奥行を小さくでき、占有空間を小さくできる。なお、地板52における給電側部52aおよび非給電側部52bの長さA=200mm、給電側部52aから非給電側部52bまでの離隔距離である側縁部の長さB=200mmとしてある。 Therefore, as shown in FIG. 17 (a), a monopole antenna configuration in which a flat plate-like monopole antenna structure (hereinafter referred to as a "--type monopole antenna structure") is folded sideways to form an L shape. Consider a case where the
広帯域アンテナ50Aは、受電平板部511と側方延出部512とからなるL形のモノポールアンテナ構成体51Aを地板12の給電側部52aに直交配置し、給電ポート53より給電するもので、受電平板部511の延出長b=25mm、側方延出部512の延出長c=25mmとし、その和が−形モノポールアンテナ構成体11の奥行b=50mmと同じにすることで、両者の導電距離と表面積を等しくする。なお、L形のモノポールアンテナ構成体51Aにおける受電側部511aの上端511a1から給電位置までの長さa1は122.5mm、給電位置から下端511a2までの長さa2は27.5mmとし、−形モノポールアンテナ構成体11ではちょうどオフセット位置となって比帯域150%が得られる基準給電点を給電位置に設定した。 The
また、図17(b)に示すように、L形モノポールアンテナ構成体51Aの側方延出部を両側に形成したようなT形のモノポールアンテナ構成体51Bを地板52に直交配置した第6実施形態の広帯域アンテナ50Bとしても、−形のモノポールアンテナ構成体11よりも奥行を小さくでき、占有空間を小さくできる。 In addition, as shown in FIG. 17B, a T-shaped
T形のモノポールアンテナ構成体51Bは、受電平板部511における受電側部511aと相対する延出端部511bより受電平板部511に直交する二方向(図中、z−y平面に平行な面内)に各々延出する第1分岐導電部512−1および第2分岐導電部512−2を設けた、もので、受電平板部511の延出端部511bと電気的に接続した第1,第2分岐導電部521−1,512−2の各分岐端部512−1a,512−2aから延出端部512−1b,512−2bまでの延出長c1,c2は任意に設定可能であるが、占有空間を小さくするためには、地板52におけるA/2を超えない範囲に止めることが望ましい。また、第1分岐導電部521−1と第2分岐導電部521−2の延出長c1,c2を各々変えて非対称とした場合は特に示さないが、広帯域化や小型化に貢献するものではないので、第1,第2分岐導電部521−1,521−2の延出長c1,c2はなるべく誤差のない均等長としておくことが望ましい。 The T-shaped
なお、T形のモノポールアンテナ構成体51Bに対する給電位置も基準給電点となるように、受電側部511aの上端511a1から給電位置までの長さa1は122.5mm、給電位置から下端511a2までの長さa2は27.5mmとしてある。 The length a1 from the upper end 511a1 to the power feeding position of the power receiving
上述した第5実施形態の広帯域アンテナ50Aと第6実施形態の広帯域アンテナ50Bの周波数特性を図18に示す。なお、広帯域アンテナ50Bについては、第1,第2分岐導電部の延出長c1=c2=25mmとした場合(以下、T形1という)と、第1,第2分岐導電部の延出長c1=c2=12.5mmとした場合(以下、T形2という)の2種類を代表的に示す。 FIG. 18 shows the frequency characteristics of the
図18の周波数特性図より、L形やT形のモノポールアンテナ構成体を用いると、第2共振が深くなる。L形の広帯域アンテナ50Aでは第2共振周波数f2が高くなり1.1GHz付近に表れるが、第1共振周波数f1と第2共振周波数f2との間の整合が劣化し、リターンロスS11を−10dB以下に抑制できなくなっている。また、第1,第2分岐導電部512−1,512−2が12.5mmと短いT形2のモノポールアンテナ構成体51Bを用いた広帯域アンテナ50Bでは、第2共振周波数f2がさらに高くなるものの、やはり第1共振周波数f1と第2共振周波数f2との間の整合が劣化することが分かる。 From the frequency characteristic diagram of FIG. 18, the second resonance becomes deeper when an L-shaped or T-shaped monopole antenna structure is used. In the L-shaped
一方、第1,第2分岐導電部512−1,512−2を25mmとしたT形1のモノポールアンテナ構成体51Bを用いた広帯域アンテナ50Bでは、第2共振周波数f2が−形モノポールアンテナ構成体11の場合より低い0.95GHzに表れ、その結果,整合の得られる帯域は狭くなるものの、第1共振周波数f1と第2共振周波数f2との間の整合が改善し、0.42GHz〜1.09GHzの範囲(比帯域約88.7%)でS11<−14dBの整合が得られる。なお、S11<−10dBとなる整合範囲は、0.39GHz〜1.33GHz(比帯域109%)であり、広帯域アンテナとしての占有空間を抑制しつつ比帯域100%を実現できることがわかる。 On the other hand, in the
以上のように、T形のモノポールアンテナ構成体51Bを用いた第6実施形態の広帯域アンテナ50Bが広帯域化と小型化に有効であることが想定される。そこで、第1,第2分岐導電部に至る受電平板部の延出長が及ぼす影響を図19に示す。 As described above, it is assumed that the
図19(a)は、第1,第2分岐導電部512−1,512−2の延出長c1,c2を25mmに固定し、受電平板部511の延出長bを15mm,25mmとした場合の周波数特性を示し、図19(b)は、第1,第2分岐導電部512−1,512−2の延出長c1,c2を15mmに固定し、受電平板部511の延出長bを5mm,15mmとした場合の周波数特性を示す。受電平板部511の延出長bが短いと、第1共振周波数f1と第2共振周波数f2のどちらも高くなり、第2共振周波数f2の変化の方が大きいため、第1共振周波数f1と第2共振周波数f2の間の整合が劣化することが分かる。これはT形のモノポールアンテナ構成体51Bにおける第1,第2分岐導電部の延出長を短くした場合や、−形モノポールアンテナ構成体11の延出長bを短くした場合と同じ変化である。 In FIG. 19A, the extension lengths c1 and c2 of the first and second branch conductive portions 512-1 and 512-2 are fixed to 25 mm, and the extension length b of the power receiving
しかしながら、図19(a)においては、受電平板部511の延出長bを25mmとした方が、第2共振周波数f2より高周波の整合が劣化してしまい、むしろ受電平板部511の延出長bを15mmとした方が整合劣化を抑えられることが分かる。そこで、第1,第2分岐導電部512−1,512−2の延出長c1,c2を25mmにして、受電平板部511の延出長bを15mmに小形化した方が、S11<−10dBの整合帯域が広がる。なお、図19(a)では1.8GHz以上を省略したが、S11<−10dBとなる整合範囲は0.41〜1.91GHz(比帯域129%)である。 However, in FIG. 19A, when the extension length b of the power receiving
次いで、T形モノポールアンテナ構成体のような分岐導電部を多段に設けてなるモノポールアンテナ構成体51Cを地板52に直交配置した第7実施形態に係る広帯域アンテナ50Cを図20に示す。 Next, FIG. 20 shows a
モノポールアンテナ構成体51Cは、受電平板部511−1(延出長b−1)の延出端から両側に1段第1分岐導電部512−1(延出長c1−1),1段第2分岐導電部512−2(延出長c2−1)が延出し、受電平板部511−1の延出端から更に2段中間平板部511−2(延出長b−2)が受電平板部511−1の延出方向へ一直線に設けられ、この2段中間平板部511−2の延出端から両側に2段第1分岐導電部513−1(延出長c1−2),2段分岐導電部513−2(延出長c2−2)が延出し、以下同様にT形構造をM段まで連設してゆける。なお、M−1段第1分岐導電部51M−1(延出長c1−M−1),M−1段分岐導電部51M−2(延出長c2−M−1)が延出するM−1段中間平板部511−M−1(延出長b−M−1)の延出端から更にM段中間平板部511−M(延出長b−M)を設けることで、終端が+形となるように構成することも可能となる。 The
図20に示した第7実施形態に係る広帯域アンテナ50Cとして、特に+形モノポールアンテナ構成体(b−1=12.5mm,c1−1=c2−1=12.5mm,b−2=12.5mm)と++形モノポールアンテナ構成体(b−1=5mm,Sc1−1=c2−1=7.5mm,b−2=10mm,c1−2=c2−2=7.5mm,b−3=5mm)を用いた場合の周波数特性を図21に示す。対比のために、−形モノポールアンテナ構成体(b=50mm)とT形モノポールアンテナ構成体(b=25mm,c1=c2=12.5mm)を用いた場合を示す。これらは全て、アンテナ導体の表面積が同一である。 As the
図21から、アンテナ導体としての表面積を同一に保持した場合、−形→T形→+形→++形と分岐が増えるほど第2共振周波数f2が高くなり、第1共振周波数f1と第2共振周波数f2の間の整合が劣化することがわかる。これらモノポールアンテナ構成体は全て給電点から最外端までの導体表面に沿った長さは等しいが、最外端に至る導体内の距離は異なっている。そして、上記の順は、給電点からモノポールアンテナ構成体の最外端までの導体内の距離が短くなる順(−形:50mm→T形:37.5mm→+形:30mm→++形:20mm)であることから、アンテナ導体の表面に沿った距離よりも内側の導電経路に沿った距離が第2共振周波数f2を支配的に決めると考えられる。 From FIG. 21, when the surface area as the antenna conductor is kept the same, the second resonance frequency f2 becomes higher as the number of branches increases from -type → T-type → + type → ++ type, and the first resonance frequency f1 and the second resonance frequency. It can be seen that the matching between the frequencies f2 is degraded. All of these monopole antenna structures have the same length along the conductor surface from the feeding point to the outermost end, but the distances within the conductor reaching the outermost end are different. The above order is the order in which the distance in the conductor from the feeding point to the outermost end of the monopole antenna structure becomes shorter (-type: 50 mm → T type: 37.5 mm → + type: 30 mm → ++ type: 20 mm), it is considered that the distance along the conductive path inside the distance along the surface of the antenna conductor determines the second resonance frequency f2.
そこで、給電点から最外端までの導体内の距離が全て25mmとなるように、−形モノポールアンテナ構成体(b=25mm)、L形モノポールアンテナ構成体(b=c=12.5mm)、+形モノポールアンテナ構成体(b−1=c1+=c2=b−2=12.5mm)の各周波数特性を図22に示す。本特性図から、分岐の多い+形のモノポールアンテナ構成体における第2共振周波数f2が低く、第1共振周波数f1と第2共振周波数f2の間の周波数の整合が良いことが分かる。 Therefore, the -type monopole antenna structure (b = 25 mm) and the L-type monopole antenna structure (b = c = 12.5 mm) so that all the distances in the conductor from the feeding point to the outermost end are 25 mm. ), + Frequency monopole antenna structure (b-1 = c1 + = c2 = b-2 = 12.5 mm) frequency characteristics are shown in FIG. From this characteristic diagram, it can be seen that the second resonance frequency f2 in the + -shaped monopole antenna structure with many branches is low, and the frequency matching between the first resonance frequency f1 and the second resonance frequency f2 is good.
更に、図21に示した++形モノポールアンテナ構成体(b−1=5mm,Sc1−1=c2−1=7.5mm,b−2=10mm,c1−2=c2−2=7.5mm,b−3=5mm)の周波数特性を、−形モノポールアンテナ構成体(b=25mm)とL形モノポールアンテナ構成体(b=15mm,c=7.5mm)の各周波数特性と対比して図23に示す。やはり、分岐が多い++形モノポールアンテナ構成体の方が第2共振周波数f2が低く、第1共振周波数f1と第2共振周波数f2の間の周波数の整合が良いことが分かる。 Furthermore, the ++ type monopole antenna structure (b-1 = 5 mm, Sc1-1 = c2-1 = 7.5 mm, b-2 = 10 mm, c1-2 = c2-2 = 7.5 mm shown in FIG. , B-3 = 5 mm) and the frequency characteristics of the -type monopole antenna structure (b = 25 mm) and the L-type monopole antenna structure (b = 15 mm, c = 7.5 mm) FIG. Again, it can be seen that the ++ type monopole antenna structure with many branches has a lower second resonance frequency f2 and better frequency matching between the first resonance frequency f1 and the second resonance frequency f2.
これらのことから、第2共振周波数f2の決定要因としては、モノポールアンテナ構成体における給電点から最外端までの最短経路長ではないと推認される。また、折れ曲がりがあった方が第2共振周波数f2が高周波側にシフトし、枝分かれがある方が第2共振周波数f2が低周波側にシフトする。アンテナ導体の表面積(全長)が同じでも、分岐が多いほど第2共振周波数f2は高周波側にシフトする。 From these, it is presumed that the determining factor of the second resonance frequency f2 is not the shortest path length from the feeding point to the outermost end in the monopole antenna structure. In addition, the second resonance frequency f2 shifts to the high frequency side when there is a bend, and the second resonance frequency f2 shifts to the low frequency side when there is a branch. Even if the surface area (full length) of the antenna conductor is the same, the second resonance frequency f2 shifts to the higher frequency side as the number of branches increases.
上述した第5〜第7実施形態に係る広帯域アンテナのモノポールアンテナ構成体は、受電平板部に直交する分岐導電部か受電平板部と同方向に延出する中間平板部との組合せであったが、より立体的なモノポールアンテナ構成体の広帯域化および小型化の可能性について検討する。 The monopole antenna structure of the broadband antenna according to the fifth to seventh embodiments described above is a combination of a branched conductive portion orthogonal to the power receiving plate portion or an intermediate flat plate portion extending in the same direction as the power receiving plate portion. However, the possibility of widening and downsizing of a three-dimensional monopole antenna structure will be examined.
図21(a)に示す第8実施形態に係る広帯域アンテナ60Aのモノポールアンテナ構成体61Aは、受電平板部611(延出長b)の延出端より第1,第2分岐導電部612−1(延出長c1),612−2(延出長c2)を有すると共に、第1,第2分岐導電部612−1,612−2の延出端に第1側方導電部613−1(延出長d1),第2側方導電部613−2(延出長d2)を設けたもので、第1,第2側方導電部613−1,613−2は受電平板部611と平行に地板62から遠離る方へ延出することから、モノポールアンテナ構成体61Aはコ形モノポールアンテナ構成体という。 The
図21(b)に示す第9実施形態に係る広帯域アンテナ60Bのモノポールアンテナ構成体61Bは、受電平板部611(延出長b)の延出端より分岐する第1,第2分岐導電部612−1(延出長c1−1),612−2(延出長c2−1)の延出端に設けた第1,第2側方導電部613−1(延出長d1),613−2(延出長d2)の延出端より互いに結合する方向に延出する第1結合導電部614−1(延出長c1−2),第2結合導電部614−2(延出長c2−2)を設けたものである。 The
なお、第1,第2結合導電部614−1,614−2の延出長c1−2,c2−2が第1,第2分岐導電部612−1,612−2の延出長c1−1,延出長c2−1と同一であれば、第1,第2結合導電部614−1,614−2の延出端が電気的に結合して□筒形となるので、これを□形モノポールアンテナ構成体という。一方、第1,第2結合導電部614−1,614−2の延出長c1−2,c2−2が第1,第2分岐導電部612−1,612−2の延出長c1−1,延出長c2−1よりも短く、第1,第2結合導電部614−1,614−2の延出端が結合していない場合、もしくは第1,第2結合導電部614−1,614−2の延出長c1−2,c2−2と第1,第2分岐導電部612−1,612−2の延出長c1−1,延出長c2−1がほぼ同一でも第1結合導電部614−1の延出端と第2結合導電部614−2の延出端との間にギャップが存在する場合、これをC形モノポールアンテナ構成体という。 The extension lengths c1-2 and c2-2 of the first and second coupling conductive parts 614-1 and 614-2 are the extension lengths c1 and c2 of the first and second branch conductive parts 612-1 and 612-2. If the extension length c2-1 is the same as the extension length c2-1, the extension ends of the first and second coupling conductive portions 614-1 and 614-2 are electrically coupled to form a cylindrical shape. This is called a monopole antenna structure. On the other hand, the extension lengths c1-2 and c2-2 of the first and second coupling conductive portions 614-1 and 614-2 are equal to the extension length c1− of the first and second branch conductive portions 612-1 and 612-2. 1, when it is shorter than the extension length c2-1 and the extending ends of the first and second coupling conductive portions 614-1 and 614-2 are not coupled, or the first and second coupling conductive portions 614-1 , 614-2 and extension lengths c1-1 and c2-2 of first and second branch conductive portions 612-1 and 612-2 are substantially the same. When a gap exists between the extended end of the first coupled conductive portion 614-1 and the extended end of the second coupled conductive portion 614-2, this is referred to as a C-shaped monopole antenna structure.
図21(c)に示す第10実施形態に係る広帯域アンテナ60Cのモノポールアンテナ構成体は、□形モノポールアンテナ構成体61Bに更に中間平板部611−2を介して□筒構造を連設した□□形モノポールアンテナ構成体である。なお、受電平板部611−1(延出長b−1)の延出端に接続される初段の□筒構造は、1段第1,第2分岐導電部612−1(延出長c1−1),612−2(延出長c2−1)の延出端に設けた1段第1,第2分岐導電部612−1(延出長d1−1),612−2(延出長d2−1)の延出端より互いに結合する方向に延出する1段第1,第2結合導電部614−1(延出長c1−2),614−2(延出長c2−2)を設けたものであり、中間平板部611−2(延出長b−2)の延出単に接続される2段の各筒構造は、2段第1,第2分岐導電部615−1(延出長c1−3),615−2(延出長c2−3)の延出端に設けた2段第1,第2分岐導電部616−1(延出長d1−2),616−2(延出長d2−2)の延出端より互いに結合する方向に延出する2段第1,第2結合導電部617−1(延出長c1−4),617−2(延出長c2−4)を設けたものである。以降、同様に3段、4段の□筒構造を連結することができる。また、最終段は□筒構造とせずにC形とすることもできる。 The monopole antenna structure of the
図25に示すのは、コ形のモノポールアンテナ構成体(b=15mm,c1=c2=10mm,d1=d2=25mm)、C形のモノポールアンテナ構成体(b=15mm,c1−1=c2−1=c1−2=c2−2=10mm,d1=d2=15mm)、□形のモノポールアンテナ構成体(b=15mm,c1−1=c2−1=c1−2=c2−2=10mm,d1=d2=15mm)、□筒の中を銅で満たした■形のモノポールアンテナ構成体の周波数特性である。なお、対比のために、−形モノポールアンテナ構成体(b=50mm)とT形モノポールアンテナ構成体(b=25mm,c1=c2=12.5mm)の周波数特性も示す。 FIG. 25 shows a U-shaped monopole antenna structure (b = 15 mm, c1 = c2 = 10 mm, d1 = d2 = 25 mm), a C-shaped monopole antenna structure (b = 15 mm, c1-1 = c2-1 = c1-2 = c2-2 = 10 mm, d1 = d2 = 15 mm), □ -shaped monopole antenna structure (b = 15 mm, c1-1 = c2-1 = c1-2 = c2-2 = 10 mm, d1 = d2 = 15 mm), and □ is a frequency characteristic of a monopole antenna structure of a square shape filled with copper in a cylinder. For comparison, the frequency characteristics of a -type monopole antenna structure (b = 50 mm) and a T-type monopole antenna structure (b = 25 mm, c1 = c2 = 12.5 mm) are also shown.
本特性図から、T形モノポールアンテナ構成体は1GHz以上の周波数帯の整合が劣化するが、コ形や□形のモノポールアンテナ構成体では1GHz以上の周波数帯でも整合が改善される。また、コ形やC形のモノポールアンテナ構成体にすると第2共振周波数f2が高くなり、C形と□形、■形の差はほとんどなくなる。また、□形のモノポールアンテナ構成体では、第2共振周波数f2(〜1GHz)における整合は良くなるが、第2共振周波数f2は−形モノポールアンテナ構成体の場合とほぼ同じになり、帯域もほぼ等しくなる。そして、S11<−10dBとなる整合範囲は0.41〜2.2GHz(比帯域137%)である。 From this characteristic diagram, the T-type monopole antenna structure deteriorates the matching in the frequency band of 1 GHz or higher, but the U-shaped or □ -shaped monopole antenna structure improves the matching even in the frequency band of 1 GHz or higher. In addition, when the U-shaped or C-shaped monopole antenna structure is used, the second resonance frequency f2 is increased, and there is almost no difference between the C-shaped, □ -shaped, and ■ -shaped. In addition, in the □ -shaped monopole antenna structure, matching at the second resonance frequency f2 (˜1 GHz) is improved, but the second resonance frequency f2 is almost the same as in the case of the −-shaped monopole antenna structure. Are also almost equal. The matching range where S11 <−10 dB is 0.41 to 2.2 GHz (specific band 137%).
次に、□形や□□形のモノポールアンテナ構成体における全表面積(受電平板部や中間平板部に□筒部の表面積を加えた総面積)を一定にして、□筒の形状を種々に変化させた場合の特性変化を調べるため、図26(2)〜(7)に示すような形状のモノポールアンテナ構成体(□形1〜□形5、□□形)を設定し、その特性を図27に示す。なお、対比のために、図26(1)の−形モノポールアンテナ構成体の周波数特性も併せて示す。 Next, □ and □□ type monopole antenna structures have a constant total surface area (the total area of the power receiving plate and intermediate plate plus the surface area of the □ tube), and various shapes of the □ tube In order to investigate changes in characteristics when changing, monopole antenna components (□ 1 to □ 5, □□) with the shapes shown in FIGS. 26 (2) to (7) are set and their characteristics are set. Is shown in FIG. For comparison, the frequency characteristics of the negative monopole antenna structure shown in FIG. 26 (1) are also shown.
本周波数特性図より、□筒の断面積を大きくした□形4や□形5のモノポールアンテナ構成体では第2共振周波数f2が低くなり、第1共振周波数f1と第2共振周波数f2の間の整合が改善する。それに加え、第2共振周波数f2〜約2GHzの周波数帯での整合も−形モノポールアンテナ構成体の場合に比べて改善する。例えば、□形4の場合は、0.4〜2.42GHz(比帯域143%)でS11<−10dBの整合を実現できる。 From this frequency characteristic diagram, in the □ -
図28に示すのは、受電平板部711の延出端部711bに半径rの円筒導電部712を接続してなる○形のモノポールアンテナ構成体71を地板72に直交配置し、受電平板部711(延出長b)の受電側部711aの給電点(上端711a1から長さa1,下端711a2から長さa2の点)に給電ポート73より給電する第11実施形態に係る広帯域アンテナ70である。 FIG. 28 shows that a ○ -shaped
上述した○形のモノポールアンテナ構成体711を備える広帯域アンテナ70の周波数特性を図29に示す。○形1は受電平板部711の延出長bを5mm、円筒導電部712の半径rを14.3mmとしたもので、この○形1の円筒内を銅で満たしたものが●形である。○形2は受電平板部711の延出長を1mm、円筒導電部712の半径rを15.4mmとしたものである。これらと対比するために、受電平板部の延出長bを5mm、第1,第2分岐導電部の延出長c1−1,c2−1を10mm、第1,第2側方導電部の延出長d1,d2を25mm、第1,第2結合導電部の延出長c1−2,c2−2を10mmとした□形のモノポールアンテナ構成体を備える広帯域アンテナの周波数特性も合わせて示す。 FIG. 29 shows the frequency characteristics of the
本周波数特性図より、○形1と●形との差は1GHz以下では小さい。○形1と□形では、第2共振周波数f2がほぼ同じで、差が小さい。○形1の断面積は642mm2、□形の断面積は500mm2であるのに対して、○形1の表面積は13477mm2、□形の表面積は13500mm2であるから、両者は表面積が近似しているといえる。すなわち、周波数特性として現れる第2共振周波数f2はモノポールアンテナ構成体の表面積に影響を強く受けると考えられる。From this frequency characteristic diagram, the difference between the ◯
受電平板部711の延出長を1mmと短くし、円筒導電部712の半径rを15.4mmと若干太くした○形2は、○形1と表面積が同じであるものの、○形1に比べて第2共振周波数f2が高い。このことから、受電平板部711の延出長bを短くして円筒導電部712を太くすると、−形モノポールアンテナ構成体の延出長bを短くした場合に相当する変化を示すことが分かる。 ○
また、受電平板部711の延出長を5mmに固定し、円筒導電部712の半径rを変化させたときの周波数特性を図30に示す。本図において、○形1は円筒導電部712の半径rを16.0mmに、○形2は円筒導電部712の半径rを14.3mmに、○形3は円筒導電部712の半径rを12.0mmに設定した。本周波数特性図より、円筒導電部712半径rを小さくすると第2共振周波数f2は高くなり、0.8GHz付近の整合が劣化する。 Further, FIG. 30 shows frequency characteristics when the extension length of the power receiving
逆に、円筒導電部712の半径rを14.3mmに固定し、受電平板部711の延出長bを変化させたときの周波数特性を図31に示す。本図において、○形1は受電平板部711の延出長bを1mmに、○形2は受電平板部711の延出長bを5mmに、○形3は受電平板部711の延出長bを9mmに設定した。なお、対比のために○形4(受電平板部711の延出長b=1mm、円筒導電部712の半径r=15.4mm)を併せて示す。本周波数特性図より、受電平板部711の延出長bを短くすると第2共振周波数f2は高くなり、0.8GHz付近の整合が劣化する。また、受電平板部711の延出長bを短くすると、約1.3GHz以上の整合が改善することも分かる。○形1と同様に受電平板部711の延出長bが1mmである○形4は、○形1に比べて0.8GHz付近の整合が少し改善されている。このことから、受電平板部711の延出長bを短くする事による第1共振周波数f1と第2共振周波数f2の間の整合劣化は、円筒導電部712の半径rを大きくすることで改善されるものと考えられる。 Conversely, FIG. 31 shows frequency characteristics when the radius r of the cylindrical
以上、様々な形態のモノポールアンテナ構成体を適用した広帯域アンテナの周波数特性について検討した。そこで、地板とモノポールアンテナ構成体よりなる広帯域アンテナにおける可変要素と、第1共振周波数f1と第2共振周波数f2の変化の関係を表1に示す。 As described above, the frequency characteristics of a broadband antenna using various forms of monopole antenna structures have been studied. Therefore, Table 1 shows the relationship between the variable elements in the broadband antenna composed of the ground plane and the monopole antenna structure, and the changes in the first resonance frequency f1 and the second resonance frequency f2.
モノポールアンテナ構成体の給電位置から下端までの長さa2を短くできれば、アンテナが小形化になり,かつ、地板の下のでっぱりが小さくなるので好ましいが,表1の結果より、第2共振周波数f2が高くなり、第1共振周波数f1と第2共振周波数f2の間の整合が劣化する。一方、モノポールアンテナ構成体をT形にすると第2共振周波数f2が低くなる。すなわち、モノポールアンテナ構成体の給電位置から下端までの長さa2を短くすることで第2共振周波数が高くなることを、モノポールアンテナ構成体をT形化することで抑制できれば、第1共振周波数f1と第2共振周波数f2の間の整合劣化を回避して、整合範囲の比帯域を100%以上に保ちつつ、アンテナの小型化を実現できる可能性がある。 If the length a2 from the feeding position to the lower end of the monopole antenna structure can be shortened, it is preferable because the antenna becomes smaller and the protrusion under the ground plate becomes smaller. As f2 increases, the matching between the first resonance frequency f1 and the second resonance frequency f2 deteriorates. On the other hand, when the monopole antenna structure is T-shaped, the second resonance frequency f2 is lowered. In other words, if it is possible to suppress the increase in the second resonance frequency by shortening the length a2 from the feeding position to the lower end of the monopole antenna structure, by making the monopole antenna structure T-shaped, the first resonance There is a possibility that downsizing of the antenna can be realized while avoiding matching deterioration between the frequency f1 and the second resonance frequency f2 and keeping the ratio band of the matching range at 100% or more.
そこで,T形モノポールアンテナ構成体の受電平板部の延出長bを25mm、第1,第2分岐導電部の延出長c1,c2を25mmとして、受電側部の下端より給電点までのa2を変化させた場合の周波数特性を図32(a)に、T形モノポールアンテナ構成体の受電平板部の延出長bを15mm、第1,第2分岐導電部の延出長c1,c2を35mmとして、受電側部の下端より給電点までのa2を変化させた場合の周波数特性を図32(b)に示す。本特性図から、予想通りa2を短くすると第2共振周波数f2が高くなることが分かる。 Therefore, the extension length b of the power receiving flat plate portion of the T-shaped monopole antenna structure is 25 mm, the extension lengths c1 and c2 of the first and second branch conductive portions are 25 mm, and the distance from the lower end of the power receiving side portion to the feeding point FIG. 32A shows the frequency characteristics when a2 is changed. The extension length b of the power receiving plate portion of the T-shaped monopole antenna structure is 15 mm, and the extension length c1, of the first and second branch conductive portions. FIG. 32B shows frequency characteristics when c2 is set to 35 mm and a2 from the lower end of the power receiving side portion to the feeding point is changed. From this characteristic diagram, it can be seen that the second resonance frequency f2 increases as a2 is shortened as expected.
また、第1,第2分岐導電部の延出長c1,c2が25mmのT形モノポールアンテナ構成体では、受電側部の全長150mmから10mm短く(a1+a2を150−10=140mm)しても、0.39GHz〜1.29GHzの比帯域107%を実現でき、第1,第2分岐導電部の延出長c1,c2が35mmのT形モノポールアンテナ構成体では、受電側部の全長150mmから125mmに縮めても、0.4GHz〜1.32GHzの比帯域107%で、S11<−10dBの整合がとれることが分かる。特に、第1,第2分岐導電部の延出長c1,c2が35mmのT形モノポールアンテナ構成体では、全体を40/47に縮小して、125mm×40/47=106.4mmのモノポール長(受電側部の全長a1+a2)で、0.47GHz〜1.55GHzの広帯域で整合がとれる。 Further, in the T-shaped monopole antenna structure in which the extension lengths c1 and c2 of the first and second branch conductive portions are 25 mm, even if the total length of the power receiving side portion is 150 mm to 10 mm shorter (a1 + a2 is 150−10 = 140 mm). In the T-type monopole antenna structure in which the extension band c1 and c2 of the first and second branch conductive parts is 35 mm, the total length of the power receiving side part is 150 mm. It can be seen that even if the width is reduced to 125 mm, the matching of S11 <−10 dB can be obtained with a relative bandwidth of 107% of 0.4 GHz to 1.32 GHz. In particular, in a T-shaped monopole antenna structure in which the extension lengths c1 and c2 of the first and second branch conductive portions are 35 mm, the entire structure is reduced to 40/47, and a monolith of 125 mm × 40/47 = 106.4 mm. With the pole length (the total length a1 + a2 of the power receiving side), matching can be achieved in a wide band of 0.47 GHz to 1.55 GHz.
なお、表1より−形モノポールアンテナ構成体の延出長bを広げても、T形化した場合と同様に、第2共振周波数f2を低くする効果があるので、比較のため、−形モノポールアンテナ構成体の延出長bを基準の50mmから20mm増やして70mmとした上で、a2を変化させた場合の周波数特性を図32(c)に示す。本図からは、第2共振周波数f2があまり明確ではなく、広帯域性を得られていないことが分かる。 From Table 1, even if the extension length b of the -type monopole antenna structure is widened, there is an effect of lowering the second resonance frequency f2 as in the case of the T type. FIG. 32C shows the frequency characteristics when the extension length b of the monopole antenna structure is increased by 20 mm from the standard 50 mm to 70 mm and a2 is changed. From this figure, it can be seen that the second resonance frequency f2 is not so clear and the broadband property is not obtained.
ここで、−形モノポールアンテナ構成体を用いた広帯域アンテナ10(第1実施形態)の占有空間とT形モノポールアンテナ構成体を用いた広帯域アンテナ50B(第6実施形態)の占有空間を対比して図33に示す。−形モノポールアンテナ構成体11は、モノポール長が150mm、下端から給電点までの長さa2が27.5mm、延出長bが50mmであり、T形モノポールアンテナ構成体51Bは、モノポール長が125mm、下端から給電点までの長さa2が2.5mm、受電平板部の延出長bが15mm、第1,第2分岐導電部の延出長c1,c2が35mmである。 Here, the occupied space of the broadband antenna 10 (first embodiment) using the -type monopole antenna structure is compared with the occupied space of the
従って、−形モノポールアンテナ構成体を用いた広帯域アンテナ10の占有空間は200mm×250mm×150mmであり、T形モノポールアンテナ構成体を用いた広帯域アンテナ50Bの占有空間は200mm×215mm×125mmであるから、T形モノポールアンテナ構成体を用いることで、その占有空間は約71.7%に縮小されることが分かる。 Therefore, the occupied space of the
−形モノポールアンテナ構成体を用いた広帯域アンテナ10とT形モノポールアンテナ構成体を用いた広帯域アンテナ50Bの整合特性の比較を図34に示す。給電点から下端までの長さa2が27.5mmである−形1では、S11<−10dBの周波数帯が0.4GHz〜2.8GHz(比帯域150%)であるの対して、T形では0.4GHz〜1.32GHz(比帯域107%)に減少してしまうものの、100%を超える比帯域を実現できている。また、T形では0.8GHz付近の整合が−形1よりも改善していることも分かる。なお、−形モノポールアンテナ構成体のa2を2.5mmに短縮した場合の周波数特性を−形2,−形3として図34中に示すが、板状のモノポールアンテナ構成体の延出長bを70mmに広げても、約0.7GHz以上の整合がとれていない。このことより、給電点から下端までの長さa2を短縮しつつ広帯域の整合をとるには、モノポールアンテナ構成体をT形化する必要のあることが確認できる。 FIG. 34 shows a comparison of matching characteristics between the
以上のように、T形のモノポールアンテナ構成体を用いれば、アンテナの小型化が可能で比帯域100%以上を実現する。これを実証するべく、T形のモノポールアンテナ構成体を地板に直交配置した広帯域アンテナを実際に試作した(図35を参照)。これは、図33に示したT形モノポールアンテナ構成体51Bと同寸法で、給電はセミリジッドケーブルを地板に半田付けし、その中心導体にT形モノポールアンテナ構成体の受電平板部を半田付けした。地板およびT形モノポールアンテナ構成体は厚さ0.5mmのFR4プリント基板を用いた。T形モノポールアンテナ構成体は、受電平板部となるプリント基板と第1,第2分岐導電部となるプリント基板を半田付けしたものである。 As described above, if a T-shaped monopole antenna structure is used, the antenna can be miniaturized and a specific bandwidth of 100% or more can be realized. In order to verify this, a wideband antenna in which a T-shaped monopole antenna structure was arranged orthogonally to the ground plane was actually prototyped (see FIG. 35). This is the same size as that of the T-shaped
この試作品の広帯域アンテナの周波数特性の測定結果を図36に示す。対比のため、HFSSによる計算モデルでの計算結果も示す。HFSSによる計算モデルでは、FR4基板を考慮していないが(平板板状モノポールでは誘電体基板の影響が小さいという結果)、ほぼ計算と同じ実験結果が得られている。 FIG. 36 shows the measurement results of the frequency characteristics of the prototype broadband antenna. For comparison, the calculation result of the calculation model by HFSS is also shown. In the calculation model by HFSS, although the FR4 substrate is not taken into consideration (the result that the influence of the dielectric substrate is small in the flat plate-shaped monopole), almost the same experimental result as the calculation is obtained.
以上のように、平板状のモノポールアンテナ構成体を地板に直交配置した広帯域アンテナにおいて、モノポールアンテナ構成体への給電位置は、受電平板部の受電側部において給電線とのインピーダンス整合がとれるようにオフセットした基準給電点が最も好ましく、比帯域150%を超える広帯域化も可能である。しかしながら、極端に特性が劣化しない範囲で基準給電点からずれても十分な広帯域化を実現できるので、本発明に係る広帯域アンテナでは、基準給電点を含む許容変動範囲内からモノポールアンテナ構成体の給電点を選定することで、所望の特性を得るように調整できる。そして、給電点を基準給電点からずらすことでモノポールアンテナ構成体のモノポール長(特に、給電点から下端までの長さa2)を短くすることができ、アンテナの小型化に有効である。 As described above, in a wideband antenna in which a flat monopole antenna structure is arranged orthogonally to the ground plane, the power feeding position to the monopole antenna structure can be impedance-matched with the feed line at the power receiving side of the power receiving flat plate section. An offset reference feed point is most preferable, and a wider bandwidth exceeding a specific bandwidth of 150% is possible. However, since sufficient bandwidth can be realized even if the characteristics deviate from the reference feed point in a range where the characteristics are not extremely deteriorated, the broadband antenna according to the present invention has a monopole antenna structure within the allowable fluctuation range including the reference feed point. By selecting a feeding point, adjustment can be made to obtain desired characteristics. Then, by shifting the feeding point from the reference feeding point, the monopole length of the monopole antenna structure (particularly, the length a2 from the feeding point to the lower end) can be shortened, which is effective for miniaturization of the antenna.
しかも、モノポールアンテナ構成体が、受電平板部の延出端に第1,第2分岐導電部を形成したT形であれば、基準給電点から外れた位置を給電点とすることで生ずる特性劣化(第2共振周波数f2が高くなり第1共振周波数f1と第2共振周波数f2の間の整合が劣化すること等)を補完できる。加えて、T形のモノポールアンテナ構成体を用いる広帯域アンテナにおいては、受電平板部の延出長bが地板の給電側部から突出する距離であり、板状のモノポールアンテナ構成体を用いる広帯域アンテナに比べて、地板の給電側部からの突出量を抑えることができるので、この点でもアンテナの小型化に有効である。 In addition, if the monopole antenna structure is a T type in which the first and second branch conductive portions are formed at the extended end of the power receiving flat plate portion, the characteristic that occurs when the position deviated from the reference feed point is used as the feed point. Degradation (such as the fact that the second resonance frequency f2 becomes higher and the matching between the first resonance frequency f1 and the second resonance frequency f2 deteriorates) can be complemented. In addition, in the wideband antenna using the T-shaped monopole antenna structure, the extended length b of the power receiving flat plate portion is a distance protruding from the power feeding side portion of the ground plane, and the wideband antenna using the plate-like monopole antenna structure is used. Compared to the antenna, the amount of protrusion of the ground plane from the power feeding side can be suppressed, and this is also effective in reducing the size of the antenna.
さらに、前述した第4実施形態に係る広帯域アンテナ40と同様に、相対向する二辺に夫々T形モノポールアンテナ構成体を直交配置して2ポート化が可能であるし、例えば、六角形、八角形のように、相対向する二辺を3組以上備える形状の地板を用いれば、更なる多ポート化も期せる。 Furthermore, similarly to the
なお、地板を小型化できれば、広帯域アンテナとして一層の小型化を期せる。以下、地板の小型化可能性について考える。 If the ground plane can be miniaturized, it can be further miniaturized as a broadband antenna. In the following, the possibility of downsizing the ground plane will be considered.
図37(a)に示すのは、−形のモノポールアンテナ構成体81を地板82Aの給電側部に直交配置した第12実施形態に係る広帯域アンテナ80A(地板1タイプという)であり、モノポールアンテナ81と直交する地板82の基準部82aの両サイド(給電側部に直交する側縁部側)に第1折返し部82b1、第2折返し部82b2を設けたもので、基準部82aの幅A0は180mm、第1折返し部82b1の幅A1は10mm、第2折返し部82b2の幅A2は10mmである。 FIG. 37A shows a
図37(b)に示すのは、第12実施形態に係る広帯域アンテナ80Aに地板82A′を適用した広帯域アンテナ80A′(地板2タイプという)であり、その違いは、基準部82aの幅A0を150mm、第1折返し部82b1の幅A1が25mm、第2折返し部82b2の幅A2を25mmとした点で、地板1タイプよりも両サイドの折返し幅を大きくして基準部の幅を狭くしたものである。 FIG. 37B shows a
図37(c)に示すのは、前述した第1実施形態の広帯域アンテナ10と同様の構成であるが、地板12における給電側部の幅Aを150mmと短くしたもの(地板3タイプという)で、地板2タイプの第1,第2折返し部を切除して、幅の狭い基準部のみ残したものに相当する。 FIG. 37 (c) shows the same configuration as the
これら地板1〜3タイプを適用した広帯域アンテナにおける周波数特性の計算結果を図38に示す。対比のため、地板の幅Aを200mmとした広帯域アンテナ(地板0タイプという)の周波数特性も示す。これら地板0〜3の何れも低周波での変化が小さいことが分かる。折返し幅を25mmとした地板2タイプでは、1.28GHz以下の範囲で地板0タイプよりも整合は改善されている。対して、地板の幅Aを150mmと狭くした地板3タイプでは、0.58Hz付近で整合の劣化がみられることから、地板2タイプのように第1,第2折返し部を設けることは、0.58Hz付近での整合改善に寄与することが分かる。 The calculation result of the frequency characteristic in the wideband antenna which applied these ground planes 1-3 types is shown in FIG. For comparison, the frequency characteristics of a broadband antenna (
図39(a)に示すのは、−形のモノポールアンテナ構成体81を地板82Bの給電側部に直交配置した第13実施形態に係る広帯域アンテナ80B(地板4タイプという)であり、モノポールアンテナ81と直交する地板82の基準部82aの非給電測(給電側部に対向する側)に直交屈曲部82cを設けたもので、基準部82aの奥行B0は100mm、直交屈曲部82cの長さB1は100mmである。 FIG. 39A shows a
図39(b)に示すのは、−形のモノポールアンテナ構成体81を地板82Cの給電側部に直交配置した第14実施形態に係る広帯域アンテナ80C(地板5タイプという)であり、モノポールアンテナ81と直交する地板82の基準部82aの非給電測(給電側部に対向する側)に直交屈曲部82c1を設け、この直交屈曲部82c1の途中から給電側部側へ基準部82aと平行に延出する平行屈曲部82c2を設けたもので、基準部82aの奥行B0は100mm、直交屈曲部82c1の長さB1は10mm、平行屈曲部82c2の長さB2は90mmである。 FIG. 39B shows a wideband antenna 80C (referred to as a
これら地板4,5タイプを適用した広帯域アンテナにおける周波数特性の計算結果を図40に示す。対比のため、地板の幅Aを200mmとした広帯域アンテナ(地板0タイプという)の周波数特性も示す。地板0タイプと比較して、地板4,5タイプでは第1共振周波数f1と第2共振周波数f2がわずかに高くなり、0.8GHz付近の整合が劣化する。特に、コの字形の地板5タイプでは、0.5GHz付近の整合もさらに劣化することが分かる。 FIG. 40 shows the calculation results of the frequency characteristics of the wideband antenna to which these
上述した地板1〜5タイプからは、広帯域アンテナを小型化しつつ、少なくとも比帯域100%の整合範囲を維持するのに有効な態様を見出すことができなかった。 From the above-described
以上、本発明に係る広帯域アンテナを幾つかの実施形態に基づき説明したが、本発明は、これらの実施形態のみに限定されるものではなく、特許請求の範囲に記載の構成を変更しない限りにおいて実現可能な全ての広帯域アンテナを権利範囲として包摂するものである。 The broadband antenna according to the present invention has been described based on some embodiments. However, the present invention is not limited to only these embodiments, and the configuration described in the claims is not changed. All possible wideband antennas are included as a scope of rights.
10 広帯域アンテナ(第1実施形態)
11 板状モノポール素子
11a 給電側部
11a1 上端
11a2 下端
11b 非給電側部
12 地板
12a 給電側部
12b 非給電側部
13 給電ポート
50B 広帯域アンテナ(第6実施形態)
51B モノポールアンテナ構成体(T形)
511 受電平板部
511a 受電側部
511a1上端
511a2下端
511b 延出端部
512−1第1分岐導電部
512−2第2分岐導電部
52 地板10 Broadband antenna (first embodiment)
DESCRIPTION OF
51B Monopole antenna structure (T type)
511 Power receiving
| Application Number | Priority Date | Filing Date | Title |
|---|---|---|---|
| JP2013171186AJP6150287B2 (en) | 2013-08-21 | 2013-08-21 | Broadband antenna |
| Application Number | Priority Date | Filing Date | Title |
|---|---|---|---|
| JP2013171186AJP6150287B2 (en) | 2013-08-21 | 2013-08-21 | Broadband antenna |
| Publication Number | Publication Date |
|---|---|
| JP2015041837Atrue JP2015041837A (en) | 2015-03-02 |
| JP6150287B2 JP6150287B2 (en) | 2017-06-21 |
| Application Number | Title | Priority Date | Filing Date |
|---|---|---|---|
| JP2013171186AExpired - Fee RelatedJP6150287B2 (en) | 2013-08-21 | 2013-08-21 | Broadband antenna |
| Country | Link |
|---|---|
| JP (1) | JP6150287B2 (en) |
| Publication number | Priority date | Publication date | Assignee | Title |
|---|---|---|---|---|
| GB2236625A (en)* | 1989-09-27 | 1991-04-10 | Marconi Gec Ltd | Monopole antenna. |
| JP2004128696A (en)* | 2002-09-30 | 2004-04-22 | Harada Ind Co Ltd | Vehicle antenna device |
| US20050146471A1 (en)* | 2003-12-08 | 2005-07-07 | Samsung Electronics Co., Ltd. | Ultra-wideband antenna having an isotropic radiation pattern |
| US20050233786A1 (en)* | 2004-04-14 | 2005-10-20 | Hatch Robert J | Tapered multiband antenna |
| US20050243009A1 (en)* | 2004-04-29 | 2005-11-03 | Industrial Technology Research Institute | Omnidirectional broadband monopole antenna |
| US20090079655A1 (en)* | 2007-09-21 | 2009-03-26 | Samsung Electronics Co., Ltd. | Multi-band antenna and multi-band antenna system with enhanced isolation characteristic |
| WO2010002125A2 (en)* | 2008-07-04 | 2010-01-07 | 주식회사 이엠따블유안테나 | Tri-band antenna with spiral parasitic patches |
| JP2013017008A (en)* | 2011-07-04 | 2013-01-24 | Nec Casio Mobile Communications Ltd | Radio communication device |
| JP2013223022A (en)* | 2012-04-13 | 2013-10-28 | Nippon Soken Inc | Antenna device |
| JP2016522613A (en)* | 2013-04-28 | 2016-07-28 | グッテル カンパニーリミテッドGoodtell. Co.,Ltd. | Multiband antenna |
| Publication number | Priority date | Publication date | Assignee | Title |
|---|---|---|---|---|
| GB2236625A (en)* | 1989-09-27 | 1991-04-10 | Marconi Gec Ltd | Monopole antenna. |
| JP2004128696A (en)* | 2002-09-30 | 2004-04-22 | Harada Ind Co Ltd | Vehicle antenna device |
| US20050146471A1 (en)* | 2003-12-08 | 2005-07-07 | Samsung Electronics Co., Ltd. | Ultra-wideband antenna having an isotropic radiation pattern |
| US20050233786A1 (en)* | 2004-04-14 | 2005-10-20 | Hatch Robert J | Tapered multiband antenna |
| US20050243009A1 (en)* | 2004-04-29 | 2005-11-03 | Industrial Technology Research Institute | Omnidirectional broadband monopole antenna |
| US20090079655A1 (en)* | 2007-09-21 | 2009-03-26 | Samsung Electronics Co., Ltd. | Multi-band antenna and multi-band antenna system with enhanced isolation characteristic |
| WO2010002125A2 (en)* | 2008-07-04 | 2010-01-07 | 주식회사 이엠따블유안테나 | Tri-band antenna with spiral parasitic patches |
| JP2013017008A (en)* | 2011-07-04 | 2013-01-24 | Nec Casio Mobile Communications Ltd | Radio communication device |
| JP2013223022A (en)* | 2012-04-13 | 2013-10-28 | Nippon Soken Inc | Antenna device |
| JP2016522613A (en)* | 2013-04-28 | 2016-07-28 | グッテル カンパニーリミテッドGoodtell. Co.,Ltd. | Multiband antenna |
| Publication number | Publication date |
|---|---|
| JP6150287B2 (en) | 2017-06-21 |
| Publication | Publication Date | Title |
|---|---|---|
| JP4224081B2 (en) | Circularly polarized antenna device | |
| US20140002320A1 (en) | Antenna apparatus operable in dualbands with small size | |
| WO2020228399A1 (en) | Antenna device and mobile terminal | |
| CN107785661A (en) | A kind of uncoupling array antenna based on double frequency Meta Materials | |
| CN104321927B (en) | Wireless Telecom Equipment and its implementation with multiband aerial and the method for using | |
| US9831546B2 (en) | Multi-antenna device and communication device | |
| JP2011061758A (en) | Antenna device | |
| CN110176668B (en) | Antenna units and electronics | |
| CN108777355A (en) | A kind of low section broad-band antenna | |
| US20140085164A1 (en) | Antenna device and electronic apparatus with the antenna device | |
| CN105048081A (en) | Eight-element ultra wide band MIMO antenna | |
| CN105680175A (en) | Compact type multi-band MIMO mobile phone antenna | |
| US9093748B2 (en) | Dipole antenna | |
| US20230318186A1 (en) | Miniature antenna with omnidirectional radiation field | |
| US9123992B2 (en) | Micro-miniature base station antenna having dipole antenna | |
| CN105490035A (en) | Low-profile GSM-LTE coplanar directional antenna | |
| EP3817141B1 (en) | Antenna of mobile terminal, and mobile terminal | |
| JP6150287B2 (en) | Broadband antenna | |
| CN111478037A (en) | A S-band Miniaturized Ultra-Broadband Omnidirectional Radiating Vertically Polarized Antenna | |
| CN103746189B (en) | Monopole antenna and antenna system | |
| WO2024037128A1 (en) | Antenna module, antenna array, and electronic device | |
| CN105048071A (en) | Electric dipole and butterfly gap complementary antenna | |
| CN101494314B (en) | Antenna structure | |
| JP5112530B2 (en) | Folded monopole antenna | |
| CN107425259A (en) | A kind of four wave band monopole antennas with separate bands control characteristic |
| Date | Code | Title | Description |
|---|---|---|---|
| A621 | Written request for application examination | Free format text:JAPANESE INTERMEDIATE CODE: A621 Effective date:20160711 | |
| A977 | Report on retrieval | Free format text:JAPANESE INTERMEDIATE CODE: A971007 Effective date:20170427 | |
| TRDD | Decision of grant or rejection written | ||
| A01 | Written decision to grant a patent or to grant a registration (utility model) | Free format text:JAPANESE INTERMEDIATE CODE: A01 Effective date:20170509 | |
| A61 | First payment of annual fees (during grant procedure) | Free format text:JAPANESE INTERMEDIATE CODE: A61 Effective date:20170517 | |
| R150 | Certificate of patent or registration of utility model | Ref document number:6150287 Country of ref document:JP Free format text:JAPANESE INTERMEDIATE CODE: R150 | |
| LAPS | Cancellation because of no payment of annual fees |