







本発明は、燃料電池及び2次電池を備える燃料電池システムの電力制御技術に関する。 The present invention relates to a power control technique for a fuel cell system including a fuel cell and a secondary battery.
燃料電池は、燃料ガスと酸化剤ガスとの電気化学反応によって発電する装置である。燃料電池は、燃料ガス及び酸化剤ガスの供給量を制御して駆動モータからの要求電力を出力する。この燃料電池を動力源とする燃料電池システムでは、その燃料電池からの出力の応答性が低くなる場合があるため、それを補うべく2次電池が搭載される。この2次電池は、駆動モータの減速時に発生する回生エネルギや燃料電池で発電された電力を蓄電する。2次電池は、その蓄電された電力を放電することにより、上記燃料電池の出力を補う。 A fuel cell is a device that generates electricity by an electrochemical reaction between a fuel gas and an oxidant gas. The fuel cell outputs the required power from the drive motor by controlling the supply amounts of the fuel gas and the oxidant gas. In a fuel cell system using this fuel cell as a power source, the responsiveness of the output from the fuel cell may be low, and a secondary battery is mounted to compensate for this. The secondary battery stores regenerative energy generated when the drive motor decelerates and electric power generated by the fuel cell. The secondary battery supplements the output of the fuel cell by discharging the stored electric power.
このような燃料電池システムでは、燃料電池及び2次電池がDC−DCコンバータを介して並列に接続される。このDC−DCコンバータは、燃料電池又は2次電池の出力電圧を変換することにより両者の併用を可能とする。 In such a fuel cell system, the fuel cell and the secondary battery are connected in parallel via a DC-DC converter. This DC-DC converter enables the combined use of both by converting the output voltage of the fuel cell or secondary battery.
しかしながら、このDC−DCコンバータでは電圧変換の際に電力損失が生ずる。そこで、DC−DCコンバータのような電圧変換器を含む燃料電池システムにおいて出力効率を向上させる手法が各種提案されている(下記特許文献1、2及び3参照)。
上述のような燃料電池システムにおいて、燃料電池及び2次電池は、更に、コスト低減、軽量化、小型化等が望まれる。このような要求から各装置を小型化した場合、セル数が少なくなるため、燃料電池及び2次電池からの出力電力は低くなる。 In the fuel cell system as described above, it is desired that the fuel cell and the secondary battery are further reduced in cost, reduced in weight, reduced in size, and the like. When each device is miniaturized due to such a requirement, the number of cells is reduced, and the output power from the fuel cell and the secondary battery is reduced.
一方で、このような燃料電池システムの負荷となる駆動モータは、動力性能を向上させるために高回転化が望まれる。また、上記燃料電池システムから提供される直流電力を交流電力に変換して当該駆動モータへ送るインバータは小型化が望まれる。結果として、インバータ入力電圧の高電圧化が望まれている。 On the other hand, the drive motor that is the load of such a fuel cell system is desired to have a high rotation speed in order to improve the power performance. Further, it is desired to reduce the size of the inverter that converts the DC power provided from the fuel cell system into AC power and sends it to the drive motor. As a result, it is desired to increase the inverter input voltage.
上記双方の要求を満たすために、燃料電池の出力をDC−DC昇圧コンバータで昇圧し、この昇圧された電力をインバータへ印加する構成が採られる。しかしながら、このような構成では、DC−DC昇圧コンバータにおいて上述したように電力損失が生ずるため、燃費を悪化させることになってしまう。 In order to satisfy both of the above requirements, a configuration is adopted in which the output of the fuel cell is boosted by a DC-DC boost converter and the boosted power is applied to the inverter. However, in such a configuration, power loss occurs in the DC-DC boost converter as described above, which results in deterioration of fuel consumption.
本発明の課題は、動力性能を維持しながら燃費を向上させる燃料電池システムを提供することにある。 An object of the present invention is to provide a fuel cell system that improves fuel efficiency while maintaining power performance.
本発明は、上述した課題を解決するために以下の手段を採用する。即ち、本発明は、駆動モータに電力を供給する燃料電池と、この駆動モータに対して上記燃料電池と並列に接続され、出力電圧を段階的に切り替え可能な2次電池と、上記燃料電池から出力される電圧を昇圧し、昇圧後の電圧を上記駆動モータに供給する昇圧装置と、上記燃料電池及び上記2次電池の各出力電圧並びに上記駆動モータの必要電圧に基づいて、上記昇圧装置の昇
圧動作及び上記2次電池の出力電圧を制御する制御手段と、を備える燃料電池システムに関する。The present invention employs the following means in order to solve the above-described problems. That is, the present invention relates to a fuel cell that supplies electric power to a drive motor, a secondary battery that is connected in parallel to the fuel cell with respect to the drive motor and can switch an output voltage stepwise, and the fuel cell. Based on the output voltage of the fuel cell and the secondary battery and the required voltage of the drive motor, the booster device boosts the output voltage and supplies the boosted voltage to the drive motor. The present invention relates to a fuel cell system comprising a boosting operation and a control means for controlling the output voltage of the secondary battery.
本発明の態様によれば、昇圧装置の昇圧動作が制御され、2次電池の出力電圧が段階的に切り替えられることにより、動力性能を維持しながら燃費性能が高められる。 According to the aspect of the present invention, the boosting operation of the boosting device is controlled, and the output voltage of the secondary battery is switched in a stepwise manner, thereby improving the fuel efficiency while maintaining the power performance.
このため好ましくは、上記制御手段が、燃料電池の出力電圧が駆動モータの必要電圧及び2次電池の出力電圧よりも高い又は近似する場合に、昇圧装置の昇圧動作を停止させるように構成する。 Therefore, preferably, the control means is configured to stop the boosting operation of the boosting device when the output voltage of the fuel cell is higher than or approximates the required voltage of the drive motor and the output voltage of the secondary battery.
この構成によれば、駆動モータの必要電圧よりも高い又は近似する電圧が燃料電池から出力されるため駆動モータの動力性能を維持することができ、かつ、昇圧装置の昇圧動作が停止されるためこの昇圧動作により生じる電力損失を削減することができる。 According to this configuration, the power performance of the drive motor can be maintained because a voltage higher than or approximate to the required voltage of the drive motor is output from the fuel cell, and the boost operation of the boost device is stopped. The power loss caused by this boosting operation can be reduced.
また、好ましくは、上記制御手段が、燃料電池の出力電圧が駆動モータの必要電圧以上である場合に、2次電池の出力電圧が燃料電池の出力電圧よりも低く又は近似するように2次電池の出力電圧を段階的に切り替えるように構成する。 Preferably, when the output voltage of the fuel cell is equal to or higher than the required voltage of the drive motor, the control means is configured so that the output voltage of the secondary battery is lower or approximate to the output voltage of the fuel cell. The output voltage is switched in stages.
この構成では、2次電池の出力を制御するための昇圧装置を設けなくとも、燃料電池の出力電圧及び駆動モータの必要電圧等に応じて2次電池の出力電圧が段階的に切り替えられる。よって、2次電池の出力を制御する昇圧装置を含むシステムに比べ、その昇圧装置の昇圧動作による圧力損失をなくすことができ、高燃費のシステムを実現することができる。更に、このように2次電池の出力電圧を切り替えることにより、上記昇圧装置の昇圧動作を停止させる動作領域を増やすことができるため、一層燃費性能を向上させることができる。 In this configuration, the output voltage of the secondary battery can be switched stepwise in accordance with the output voltage of the fuel cell, the required voltage of the drive motor, etc., without providing a booster for controlling the output of the secondary battery. Therefore, compared with a system including a booster that controls the output of the secondary battery, pressure loss due to the boosting operation of the booster can be eliminated, and a high fuel efficiency system can be realized. Further, by switching the output voltage of the secondary battery in this way, it is possible to increase the operation region in which the boosting operation of the boosting device is stopped, so that the fuel efficiency can be further improved.
本発明によれば、動力性能を維持しながら燃費を向上させる燃料電池システムを実現することができる。 According to the present invention, it is possible to realize a fuel cell system that improves fuel efficiency while maintaining power performance.
以下、本発明の実施形態としての燃料電池システムについて具体例を挙げ説明する。本実施形態としての燃料電池システムは、船舶、車両等の動力源に適用されるのが一般的ではあるが、これら以外の電力の供給を受ける必要がある物に適用されてもよい。以下に挙げた各実施例はそれぞれ例示であり、本発明は以下の各実施例の構成に限定されない。 Hereinafter, specific examples of the fuel cell system according to the embodiment of the present invention will be described. The fuel cell system according to the present embodiment is generally applied to a power source such as a ship or a vehicle, but may be applied to an object that needs to be supplied with electric power other than these. Each Example given below is an illustration, respectively, and this invention is not limited to the structure of each following Example.
以下、本発明の実施形態としての燃料電池システムの第1実施例について説明する。 Hereinafter, a first example of a fuel cell system as an embodiment of the present invention will be described.
〔システム構成〕
第1実施例における燃料電池システムのシステム構成について図1を用いて説明する。図1は、第1実施例における燃料電池システムの概略構成を示す。第1実施例における燃料電池システム1は、燃料電池(以降、FCとも表記する)11、FC昇圧コンバータ12、バッテリ13、インバータ15、駆動モータ16、ECU(Electric Control Unit)5等から構成される。〔System configuration〕
The system configuration of the fuel cell system in the first embodiment will be described with reference to FIG. FIG. 1 shows a schematic configuration of the fuel cell system in the first embodiment. A
FC11は、燃料ガスタンク18から送出され圧力調整された燃料ガス(例えば水素ガス)と、エアフィルタ等を介して大気から取り込まれコンプレッサ19で圧縮された酸化剤ガス(例えば圧縮空気)との電気化学反応にて発電を行う。FC11は、バッテリ13と共にインバータ15に対して電気的に並列に接続される。FC11とバッテリ13とを
繋ぐ電力線には、FC昇圧コンバータ12が接続される。The FC 11 is an electrochemical reaction between a fuel gas (for example, hydrogen gas) sent from the
FC昇圧コンバータ12は、昇圧型のDC−DCコンバータとして動作し、内部のパワートランジスタ等により、FC11から出力される電圧を昇圧(変換)する。このとき、FC昇圧コンバータ12は、ECU5からの制御信号に応じて、その昇圧比、即ち入力されるFC11の出力電圧に対するインバータ15に印加される出力電圧の比が制御される。これにより、FC11からの出力電圧は、このFC昇圧コンバータ12によって制御可能な範囲でECU5からの制御信号に応じた電圧に昇圧され、インバータ15に印加される。なお、FC昇圧コンバータ12は、昇圧型コンバータとしてのみではなく昇降圧型のコンバータとして動作するようにしてもよい。 The FC
更に、FC昇圧コンバータ12は、FC11からの出力電力を変換せずに出力する動作モード(バイパスモード又はスルーモード)(以降、昇圧停止モードと表記する)を有する。この動作モード時では、FC昇圧コンバータ12は、例えば所定のスイッチ素子をターンオフ状態とすることで、一次側の電圧をバイパスさせてそのまま二次側に印加する。これにより、この動作モード時には、電圧の昇圧動作が実行されないため、電力損失を抑制することができる。FC昇圧コンバータ12は、ECU5からの制御信号に応じてこの昇圧停止モードへ移行し、この昇圧停止モードから復帰する。 Further, the
バッテリ13は、充放電が可能な蓄電装置であって、FC11と共にインバータ15に対して電気的に並列に接続される。これにより、バッテリ13からの出力電圧は、インバータ15に印加される。逆に、駆動モータ16が車両制動時等に回生発電する場合には、その回生電力はインバータ15からこのバッテリ13に充電される。一方で、バッテリ13は、上記FC昇圧コンバータ12を介してFC11と電気的に接続される。これにより、バッテリ13は、その残蓄電量に応じて、FC11からの出力電力であってFC昇圧コンバータ12により昇圧制御された電力により充電される。バッテリ13は、ECU5によるFC昇圧コンバータ12の制御により充放電される。 The
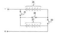
図2A及び図2Bは、第1実施例におけるバッテリ13の電気回路構成を模式的に示す図である。第1実施例におけるバッテリ13は、出力電圧が段階的に変更され得るように構成される。図2A及び図2Bに示す実施例では、バッテリ13は、6つのセルから構成されるバッテリモジュール26及び27と、各バッテリモジュール26及び27を接続するスイッチ21、22及び23とを有する。 2A and 2B are diagrams schematically showing an electric circuit configuration of the
バッテリ13は、ECU5から送られる制御信号に応じてスイッチ21、22及び23の開閉動作が制御され、その出力電圧が2段階に調整される。具体的には、ECU5からの制御信号に基づいて、スイッチ21及び23がOFF状態にセットされ、スイッチ22がON状態にセットされると、バッテリモジュール26及び27が入出力端子に対して電気的に直列に接続されるため、バッテリモジュール26及び27の合計電圧がバッテリ13の出力電圧となる。一方で、スイッチ21及び23がON状態にセットされ、スイッチ22がOFF状態にセットされると、バッテリモジュール26及び27が入出力端子に対して電気的に並列に接続されるため、バッテリモジュール1つ分の電圧がバッテリ13の出力電圧となる。すなわち、第1実施例におけるバッテリ13は、内部のバッテリモジュール26及び27の電気的接続が直列か並列かに切り替えられることにより、その出力電圧が2段階に調整される。以降、バッテリ13からの出力電圧のうち高い側の電圧を第1出力電圧、低い側の電圧を第2出力電圧と表記する場合もある。 The
インバータ15は、FC11からFC昇圧コンバータ12を介して供給される直流電力及びバッテリ13から供給される直流電力を3相交流電力に変換し、駆動モータ16へ送る。駆動モータ16は、例えば3相交流モータであり、インバータ15から与えられる交
流電力によって車輪軸を回転させる等、本燃料電池システム1が搭載される車両の主動力源を構成する。なお、本燃料電池システム1から電力を供給される負荷装置は、この駆動モータ16に限定する必要はない。The
ECU5は、CPU(Central Processing Unit)、メモリ、入出力インタフェース等により構成される。このECU5は、CPUがメモリに格納された制御プログラムを実行することによって各種制御を実現する。ECU5は、上述したFC11、FC昇圧コンバータ12、バッテリ13、インバータ15、駆動モータ16等と信号線により接続され、各信号線から各種情報を取得することにより、少なくともFC昇圧コンバータ12の動作モード及び出力電圧、並びにバッテリ13の出力電圧を制御する。ECU5は、各回路を制御するにあたり、上記信号線を用いて制御信号を送信する。 The
ECU5は、バッテリ13を制御するのに必要な信号として、バッテリ13の端子間に設置された電圧センサ(図示せず)からバッテリ13の出力電圧に関する情報、バッテリ13の出力端子に接続された電力線に取り付けられた電流センサ(図示せず)から充放電電流に関する情報を取得する。ECU5は、充放電電流に関する情報に基づいてバッテリ13の残蓄電量を算出する。 The
ECU5は、昇圧コンバータ12を制御するのに必要な信号として、ユーザからの加速要求を受け付けるアクセルペダルの開度情報、及び駆動モータ16の回転数情報などを取得し、これら情報に基づき、必要な電力が駆動モータ16に供給されるようにインバータ15に印加されるべき電圧(以降、モータ必要電圧と表記する)を算出する。更に、ECU5は、FC11の端子間に設置された電圧センサ(図示せず)からFC11の出力電圧に関する情報を取得する。 The
ECU5は、上述のように取得された情報のうち、上記モータ必要電圧及びFC11の出力電圧に基づいて算出される昇圧比等に基づいてFC昇圧コンバータ12の昇圧動作を制御し、結果としてFC昇圧コンバータ12の出力電圧を制御する。一方で、ECU5は、上記モータ必要電圧、FC11の出力電圧及びバッテリ13の出力電圧に基づいて、FC昇圧コンバータ12の動作モード(昇圧停止モードへの移行及び昇圧停止モードからの復帰)を制御する。更に、ECU5は、バッテリ13の残蓄電量及び出力電圧、並びにFC11の出力電圧に基づいて、バッテリ13の出力電圧を段階的に制御する。バッテリ13の出力電圧の段階的制御は、上述したように、バッテリ13内のスイッチ21、22及び23のON、OFF状態の切り替えにより実現される。 The
図3A及び3Bは、燃料電池システムにおけるFC11の出力電力、バッテリ13の出力電力、及びモータ必要電力の関係を示すグラフである。同図は、縦軸に電圧を横軸に出力電力を示し、各値の電圧−電力特性を示している。 3A and 3B are graphs showing the relationship between the output power of the
駆動モータ16へ提供されるべき電力が上昇すると駆動モータ16の逆起電圧が上昇するため、図3A及び3Bに示すように、モータ必要電圧も上昇する。また、FC11の電圧−電力特性では、FC11の出力電力が上昇するとその出力電圧は低下する。バッテリ13の出力電圧は、図3A及び3Bに示されるように、許容される残蓄電量を有する場合には出力電力によらず概ね一定である。図3Aには、バッテリ13から最大電圧が出力される場合(図2Aの直列接続状態時)の電圧−電力特性が示され、図3Bには、バッテリ13から小さい側の電圧が出力される場合(図2Bの並列接続状態時)の電圧−電力特性が示される。 When the electric power to be supplied to the
ECU5は、動力性能を維持するために、上述のモータ必要電圧を超える電圧が常にインバータ15に印加されるようにFC昇圧コンバータ12の昇圧比を制御する。更に、E
CU5は、FC昇圧コンバータ12での電力損失を抑え燃費性能を向上させるために、FC11の出力電圧を昇圧する必要がない場合にはFC昇圧コンバータ12を昇圧停止モードへ移行させる。基本的には、FC11の出力電圧がモータ必要電圧を超えている場合には、FC昇圧コンバータ12で昇圧する必要がない。そこで、図3A及び3Bに示されるB点よりもモータ必要電圧が低い動作領域、即ちB点よりも軽負荷時には、基本的には、FC昇圧コンバータ12の昇圧動作を停止させることができる。In order to maintain power performance, the
The
但し、FC11の出力電圧がバッテリ13の出力電圧よりも低い状態(図3A及び3BのA点よりも高負荷時)では、FC昇圧コンバータ12でFC11の出力を昇圧する必要がある。また、バッテリ13の端子に許容範囲を超える電圧が印加され続けるとバッテリ13の故障を引き起こす恐れがあるため、FC11の出力電圧とバッテリ13の出力電圧との差が許容範囲内に抑えられる必要がある。 However, when the output voltage of FC11 is lower than the output voltage of battery 13 (when the load is higher than point A in FIGS. 3A and 3B), it is necessary to boost the output of FC11 by
ECU5は、以上の点を加味して、FC昇圧コンバータ12の動作モード及び出力電圧(昇圧比等)、並びにバッテリ13の出力電圧を制御する。これらECU5による制御の詳細については以下の動作例において説明する。なお、第1実施例ではこれらバッテリ13及びFC昇圧コンバータ12の制御を主に説明するが、ECU5は、FC11の発電量制御も併せて実行するようにしてもよい。本発明は、このバッテリ13及びFC昇圧コンバータ12の制御以外の制御を限定するものではない。 The
〔動作例〕
以下、第1実施例における燃料電池システム1の動作例として、ECU5の制御について図4を用いて説明する。図4は、第1実施例における燃料電池システム1の制御例を示すグラフである。以下、軽負荷時から高負荷時へ移行する場合を例にECU5の制御を説明する。[Operation example]
Hereinafter, as an operation example of the
ECU5は、軽負荷時にはそのモータ必要電力に応じてFC11の出力電力を決定し、この決定された電力が出力されるようにFC11、燃料ガスタンク18、コンプレッサ19等を制御する。これにより、FC11の出力電圧はモータ必要電圧よりも十分に高くなる。 The
このとき、ECU5は、第1出力電圧が出力されるようにバッテリ13を制御する。具体的には、ECU5は、バッテリ13が図2Aの直列接続状態(スイッチ21がOFFに、スイッチ22がONに、スイッチ23がOFFに設定される状態)となるようにバッテリ13に指示する。これにより、FC11の出力電圧とバッテリ13の出力電圧との差が許容範囲内に抑えられる。バッテリ13の第1出力電圧は、FC11の最大出力電圧との差が許容範囲内となるように設計される。 At this time, the
ECU5は、バッテリ13の出力電圧がFC11の出力電圧よりも小さい領域(A点よりも低負荷領域)ではFC昇圧コンバータ12を昇圧停止モードへ移行するように指示する。これにより、FC11の出力電圧は変換されずインバータ15に印加される。従って、FC昇圧コンバータ12が昇圧停止モードへ移行されている間、昇圧動作による電力損失を防ぐことができる。 The
ECU5は、モータ必要電圧が増加しFC11の出力電圧がA点より低下すると、FC昇圧コンバータ12に昇圧停止モードから復帰するように指示する。これは、そのままではFC11の出力電圧がバッテリ13の出力電圧よりも許容される範囲を超えて低くなるからである。ECU5は、FC11の出力電圧がバッテリ13の出力電圧と許容される範囲で近似するまで昇圧されるようにFC昇圧コンバータ12を制御する。 The
ECU5は、モータ必要電圧が更に増加しFC11の出力電圧が更に低下すると、第2出力電圧が出力されるようにバッテリ13を制御する。具体的には、ECU5は、バッテリ13が図2Bの並列接続状態(スイッチ21がONに、スイッチ22がOFFに、スイッチ23がONに設定される状態)となるようにバッテリ13に指示する。これにより、バッテリ13の出力電圧はFC11の出力電圧よりも低くなる。バッテリ13の第2出力電圧は、第1出力電圧から切り替えられる時点でのFC11の出力電圧との差が許容範囲内となるように設計される。 The
これにより、FC11の出力電圧がモータ必要電圧及びバッテリ13の出力電圧よりも高くなるため、ECU5は、FC昇圧コンバータ12に対し昇圧停止モードへ移行するように指示する。結果、FC昇圧コンバータ12が昇圧停止モードへ移行されている間、昇圧動作による電力損失を防ぐことができる。 As a result, the output voltage of the
モータ必要電圧がB点より高くなると、FC11の出力電圧がモータ必要電圧よりも低くなる。これにより、ECU5は、FC昇圧コンバータ12に昇圧停止モードから復帰するように指示する。ECU5は、FC11の出力電圧がモータ必要電圧よりも高くなるまで昇圧されるようにFC昇圧コンバータ12を制御する。 When the motor required voltage becomes higher than the point B, the output voltage of FC11 becomes lower than the motor required voltage. Thereby, the
モータ必要電圧が更に上昇すると、ECU5は、第1出力電圧が出力されるようにバッテリ13を制御する。これにより、ECU5は、FC昇圧コンバータ12の出力電圧とバッテリ13の第2出力電圧との差を許容範囲内に抑える。以降、ECU5は、バッテリ13の第1出力電圧とモータ必要電圧との関係に応じてFC昇圧コンバータ12の昇圧動作を制御する。 When the required motor voltage further increases, the
〔第1実施例の作用及び効果〕
第1実施例における燃料電池システム1では、FC11は、FC昇圧コンバータ12を介してインバータ15(負荷装置)に対して電気的に並列に接続され、バッテリ13は、昇圧コンバータを介さずインバータ15に対して電気的に並列に接続される。[Operation and effect of the first embodiment]
In the
これにより、第1実施例によれば、バッテリ13が昇圧コンバータを介して負荷装置と接続されるシステムに比べて、昇圧コンバータの昇圧動作による電力損失を低減することができ、高燃費のシステムを実現することができる。 Thus, according to the first embodiment, compared to a system in which the
更に、第1実施例では、ECU5により、FC昇圧コンバータ12の出力電圧及び動作モード、並びにバッテリ13の出力電圧が制御される。 Further, in the first embodiment, the
具体的には、FC昇圧コンバータ12は、FC11の出力電圧を昇圧し、インバータ15に印加されるべきモータ必要電圧よりも高い電圧を出力する。これにより、モータ16の動力性能が維持される。更に、FC昇圧コンバータ12は、FC11の出力電圧がモータ必要電圧及びバッテリ13の出力電圧よりも高い場合には昇圧停止モードへ移行される。これにより、FC昇圧コンバータ12の昇圧動作による電力損失が低減される。 Specifically, the
以上より、第1実施例における燃料電池システム1によれば、動力性能を維持しながら、高燃費のシステムを実現することができる。 As described above, according to the
第1実施例では、バッテリ13は、その出力電圧が段階的に切り替え可能に構成される。FC昇圧コンバータ12を昇圧停止モードにする期間を多く設けるために、バッテリ13の出力電圧が段階的に切り替えられる。具体的には、モータ必要電圧よりもFC11の出力電圧が高い動作領域において、FC11の出力電圧とバッテリ13の出力電圧との差が許容範囲内に収まりかつFC11の出力電圧がバッテリ13の出力電圧よりも高い動作
領域が大きくなるようにバッテリ13の出力電圧が段階的に制御される。In the first embodiment, the
これにより、FC昇圧コンバータ12の昇圧動作を停止する動作領域を多く持てるため、その電力損失を低減し、高燃費のシステムを実現することができる。 As a result, since there are many operating regions in which the boost operation of the
[変形例]
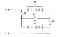
上述の第1実施例では、バッテリ13は、内部のバッテリモジュール26及び27の接続形態が直列か並列かで切り替えられることにより、その出力電圧を段階的に切り替えていた。バッテリ13は、図5A及び5Bに示すようにそのバッテリモジュールの数が切り替えられることにより、その出力電圧を段階的に切り替えるようにしてもよい。[Modification]
In the first embodiment described above, the output voltage of the
図5A及び5Bは、変形例におけるバッテリ13の電気回路構成を模式的に示す図である。変形例におけるバッテリ13は、第1実施例と同様にバッテリモジュール26及び27を有する共に、スイッチ51及び52を有する。バッテリ13は、ECU5から送られる制御信号に応じてスイッチ51及び52の開閉動作が制御される。 5A and 5B are diagrams schematically showing an electric circuit configuration of the
具体的には、スイッチ51がOFF状態とされ、スイッチ52がON状態とされる場合には(図5A参照)、バッテリモジュール26及び27が入出力端子に対して電気的に直列に接続されるため、バッテリモジュール26及び27の合計電圧がバッテリ13の出力電圧(第1出力電圧)となる。一方、スイッチ51がON状態にセットされ、スイッチ52がOFF状態にセットされる場合には(図5B参照)、バッテリモジュール26のみが入出力端子に対して電気的に接続されるため、バッテリモジュール26の電圧がバッテリ13の出力電圧(第2出力電圧)となる。 Specifically, when the
5 ECU
11 燃料電池(FC)
12 FC昇圧コンバータ
13 バッテリ
15 インバータ
16 駆動モータ
21、22、23、51、52 スイッチ
5 ECU
11 Fuel cell (FC)
12
| Application Number | Priority Date | Filing Date | Title |
|---|---|---|---|
| JP2008129678AJP2009277584A (en) | 2008-05-16 | 2008-05-16 | Fuel cell system |
| Application Number | Priority Date | Filing Date | Title |
|---|---|---|---|
| JP2008129678AJP2009277584A (en) | 2008-05-16 | 2008-05-16 | Fuel cell system |
| Publication Number | Publication Date |
|---|---|
| JP2009277584Atrue JP2009277584A (en) | 2009-11-26 |
| Application Number | Title | Priority Date | Filing Date |
|---|---|---|---|
| JP2008129678AWithdrawnJP2009277584A (en) | 2008-05-16 | 2008-05-16 | Fuel cell system |
| Country | Link |
|---|---|
| JP (1) | JP2009277584A (en) |
| Publication number | Priority date | Publication date | Assignee | Title |
|---|---|---|---|---|
| JP2011229357A (en)* | 2010-03-31 | 2011-11-10 | Honda Motor Co Ltd | Fuel cell-powered vehicle |
| JP2013013171A (en)* | 2011-06-28 | 2013-01-17 | Toyota Motor Corp | Fuel cell system |
| JP2016010268A (en)* | 2014-06-25 | 2016-01-18 | 本田技研工業株式会社 | Dual power load drive fuel cell system and fuel cell vehicle |
| JP2016091648A (en)* | 2014-10-30 | 2016-05-23 | 本田技研工業株式会社 | Control method for fuel cell system and fuel cell automobile |
| CN115528765A (en)* | 2021-06-25 | 2022-12-27 | 本田技研工业株式会社 | Power supply system |
| JP2023050870A (en)* | 2021-09-30 | 2023-04-11 | 本田技研工業株式会社 | Control method of fuel cell system, fuel cell vehicle, and fuel cell system |
| Publication number | Priority date | Publication date | Assignee | Title |
|---|---|---|---|---|
| JP2011229357A (en)* | 2010-03-31 | 2011-11-10 | Honda Motor Co Ltd | Fuel cell-powered vehicle |
| JP2013013171A (en)* | 2011-06-28 | 2013-01-17 | Toyota Motor Corp | Fuel cell system |
| US9083266B2 (en) | 2011-06-28 | 2015-07-14 | Toyota Jidosha Kabushiki Kaisha | Fuel cell system and control method therefor |
| JP2016010268A (en)* | 2014-06-25 | 2016-01-18 | 本田技研工業株式会社 | Dual power load drive fuel cell system and fuel cell vehicle |
| JP2016091648A (en)* | 2014-10-30 | 2016-05-23 | 本田技研工業株式会社 | Control method for fuel cell system and fuel cell automobile |
| CN115528765A (en)* | 2021-06-25 | 2022-12-27 | 本田技研工业株式会社 | Power supply system |
| JP2023050870A (en)* | 2021-09-30 | 2023-04-11 | 本田技研工業株式会社 | Control method of fuel cell system, fuel cell vehicle, and fuel cell system |
| JP7379434B2 (en) | 2021-09-30 | 2023-11-14 | 本田技研工業株式会社 | Fuel cell system control method and fuel cell system |
| Publication | Publication Date | Title |
|---|---|---|
| CN108725355B (en) | Solar panel power point tracker integrated with vehicle electrical system | |
| US7420339B2 (en) | Regenerative braking system of fuel cell vehicle using super capacitor | |
| US8018196B2 (en) | DC power source with fuel cell and electric power storage device | |
| US6920948B2 (en) | DC power supply using fuel cell | |
| JP4397739B2 (en) | Method for setting voltage state of fuel cell vehicle | |
| US9475439B2 (en) | Battery system for micro-hybrid vehicles comprising high-efficiency consumers | |
| US8836251B2 (en) | Drive system and machine | |
| KR100868609B1 (en) | Fuel Cell Supercap Hybrid Vehicle with Battery System and Its Power Distribution Control Method | |
| CN101909924A (en) | Fuel cell system and fuel cell boosting converter | |
| CN102782980A (en) | Power supply system and electric vehicle | |
| CN105706284B (en) | Dual Power Supply Load Drive Fuel Cell System | |
| JP2009277584A (en) | Fuel cell system | |
| US9475456B2 (en) | Battery system for micro-hybrid vehicles comprising high-efficiency consumers | |
| CN104159780B (en) | Electric power system | |
| JP2009225568A (en) | Fuel cell electric vehicle system | |
| WO2008114758A1 (en) | Fuel cell system | |
| US7402967B2 (en) | DC power source | |
| US20160167545A1 (en) | Control method of fuel cell system, fuel cell automobile, and fuel cell system | |
| JP2012244714A (en) | Fuel cell vehicle | |
| KR20080054286A (en) | Power down control method of fuel cell hybrid electric vehicle | |
| KR102824000B1 (en) | Electronic four-wheel drive control method and device according to bidirectional high voltage dc/dc converter of fuel cell electric vehicle | |
| JP2009232548A (en) | Fuel cell system | |
| JP2002186194A (en) | Power supply unit | |
| US20120088172A1 (en) | Fuel cell system | |
| US11305671B2 (en) | Method of controlling electric vehicle and electric vehicle system |
| Date | Code | Title | Description |
|---|---|---|---|
| A300 | Withdrawal of application because of no request for examination | Free format text:JAPANESE INTERMEDIATE CODE: A300 Effective date:20110802 |