












本発明は、タンク内に貯められた蓄熱用流体と給湯用水とを熱交換する給湯用熱交換器と、さらに給湯用水を再加熱可能な補助熱源装置と、を備えた給湯装置に関する。 The present invention relates to a hot water supply apparatus including a hot water supply heat exchanger that exchanges heat between a heat storage fluid stored in a tank and hot water supply water, and an auxiliary heat source device that can reheat the hot water supply water.
従来この種の給湯装置には、例えば、特許文献1に記載の装置が知られている。この給湯装置は、主熱源である集熱器と貯湯タンクとを熱媒体が流れる循環配管を介して接続し、貯湯タンクに接続された給湯管の途中に加圧ポンプを備えるとともに、加圧ポンプの吸入側に補助熱源(給湯機)に切替弁を介して分岐管を備えたものである。 Conventionally, for example, an apparatus described in
そしてこの従来の給湯装置の作動において、貯湯タンクからの湯が加圧ポンプの入口側給湯管に直接流れるように切替弁が切り替わっている場合には、貯湯タンクの湯は補助熱源(給湯機)には流れない。一方、貯湯タンクからの湯が分岐管に直接流れるように切替弁が切り替わっている場合には、貯湯タンクの湯は、直接、加圧ポンプへは流れず、補助熱源(給湯機)側へ直接流れる。そして、貯湯タンクの湯は、加圧ポンプに流れる前に予め補助熱源の給湯機で加熱された湯とともに分岐管を経由して、加圧ポンプでもって給湯栓側に流れることになる(以上、特許文献1の段落0022および0023参照)。
しかしながら、上記従来の給湯装置においては、補助熱源を経由しない給湯から補助熱源を経由する給湯に切り替えるときに、切り替えの初期に冷水が給湯栓側に排出されるという問題がある。これは、貯湯タンクと補助熱源との間の配管、補助熱源と給湯栓(出湯口)との間の配管等に冷水が停留しているからである。この冷水の停留発生は、冬期や補助熱源をしばらく使用していないときに補助熱源を経由した給湯経路を使用とする場合に顕著となる。このような冷水が例えばシャワー等の給湯栓(出湯口)から急に排出されると、湯が排出されると思っているユーザーは不意をつかれ、ユーザーに不快感を与えてしまう。 However, in the conventional hot water supply apparatus, when switching from hot water supply not passing through the auxiliary heat source to hot water supply passing through the auxiliary heat source, there is a problem that cold water is discharged to the hot water tap side at the initial stage of switching. This is because cold water is stopped in the piping between the hot water storage tank and the auxiliary heat source, the piping between the auxiliary heat source and the hot water tap (outlet tap), or the like. The occurrence of the cold water stoppage becomes significant when the hot water supply path via the auxiliary heat source is used in winter or when the auxiliary heat source is not used for a while. When such cold water is suddenly discharged from a hot water tap (outlet tap) such as a shower, for example, a user who thinks that hot water is discharged is surprised and gives the user an unpleasant feeling.
そこで、本発明は上記問題点に鑑みてなされたものであり、その目的は補助熱源器に接続された配管等に停留している冷水をユーザーに対して排出しない給湯装置を提供することである。 Therefore, the present invention has been made in view of the above problems, and an object of the present invention is to provide a hot water supply device that does not discharge cold water, which is stopped in a pipe or the like connected to an auxiliary heat source device, to a user. .
上記目的を達成するために以下の技術的手段を採用する。すなわち、給湯装置に係る第1の発明は、給湯端末に出湯される給湯用水に熱を移動させて加熱する主熱源と、主熱源によって加熱された給湯用水をさらに加熱するように設けられた補助熱源である補助熱源器(4)と、主熱源で加熱された給湯用水を、補助熱源器を経由しない流れと補助熱源器を経由した後、補助熱源器を経由しない当該流れに再び合流する流れとに分けるとともに、当該両方の流れの流量を調節する流量制御手段(11)と、流量制御手段の作動を制御する制御装置(100)と、を備えている。 In order to achieve the above object, the following technical means are adopted. That is, the first invention according to the hot water supply apparatus is provided with a main heat source that heats and moves the hot water to the hot water supplied to the hot water terminal, and auxiliary water that is provided to further heat the hot water heated by the main heat source. The auxiliary heat source (4), which is a heat source, and the hot water heated by the main heat source, the flow that passes through the auxiliary heat source device and the flow that does not pass through the auxiliary heat source device, and then rejoins the flow that does not pass through the auxiliary heat source device And a flow rate control means (11) for adjusting the flow rates of both flows and a control device (100) for controlling the operation of the flow rate control means.
そして、制御装置は、所定の条件が成立した場合に流量制御手段の作動を制御して上記両方の流れの流量を調節することにより、補助熱源器の内部および補助熱源器に接続される配管の内部に留まっている停留水と主熱源で加熱された給湯用水とを混合させてから給湯端末に出湯することを特徴とする。 The control device controls the operation of the flow rate control means and adjusts the flow rates of both the flows when a predetermined condition is satisfied, so that the pipes connected to the inside of the auxiliary heat source device and the pipe connected to the auxiliary heat source device are controlled. It is characterized in that the hot water supplied to the hot water supply terminal is mixed after mixing the stationary water staying inside and the hot water supply water heated by the main heat source.
この発明によれば、所定の切替条件が成立した場合に流量制御弁11を制御することにより、適切な流量に制御された給湯用水を補助熱源器の内部等に流せるため、当該停留水をまず補助熱源器側で給湯用水と混合させて加温することができる。さらにこの加温された停留水を、補助熱源器を経由せずに流れてきた給湯用水と混合させるため、より停留水を温度上昇させる効果が得られ、停留水は十分に温められた後、給湯端末から出湯される。これにより、ユーザーが低温の停留水を浴びてしまうような状況を回避することができる。したがって、補助熱源器に接続された配管等に停留している冷水をユーザーに対して排出しない給湯装置を提供できる。 According to the present invention, when the predetermined switching condition is satisfied, by controlling the flow
また、主熱源は、給湯端末に出湯される給湯用水と熱交換される蓄熱用流体を加熱する加熱手段(1)と、加熱手段によって加熱された蓄熱用流体を内部に貯えるタンク(2)と、タンク内の蓄熱用流体と給湯用水との間で熱交換を行って給湯用水を加熱する給湯用熱交換器(3)と、を含んでおり、
給湯用熱交換器を流通する蓄熱用流体の流量を調節する駆動手段(9)を備え、
さらに、制御装置は、所定の条件が成立した場合にさらに駆動手段の作動を制御することにより、停留水と混合させる給湯用水の温度を制御する。The main heat source includes a heating means (1) for heating a heat storage fluid that is heat-exchanged with hot water supplied to a hot water supply terminal, and a tank (2) for storing therein the heat storage fluid heated by the heating means. And a hot water supply heat exchanger (3) for heating the hot water supply water by exchanging heat between the heat storage fluid in the tank and the hot water supply water,
Drive means (9) for adjusting the flow rate of the heat storage fluid flowing through the hot water heat exchanger,
Further, the control device controls the temperature of the hot water to be mixed with the stationary water by further controlling the operation of the driving means when a predetermined condition is satisfied.
この発明によれば、流量制御手段によって停留水と混合させる給湯用水の流量を調節するとともに、駆動手段の作動を制御することによりその給湯用水の温度を調節することができる。このため、停留水と混合させる給湯用水の状態を温度と流量の両面から制御できるので、停留水をより所望の状態にして排出することが可能になる。したがって停留水の排出による違和感をユーザーに対してほとんど与えないようにできる。 According to this invention, the flow rate of the hot water to be mixed with the stationary water can be adjusted by the flow rate control means, and the temperature of the hot water can be adjusted by controlling the operation of the drive means. For this reason, since the state of the hot water to be mixed with the retained water can be controlled from both the temperature and the flow rate, the retained water can be discharged in a more desired state. Therefore, it is possible to hardly give the user an uncomfortable feeling due to the discharge of the stop water.
また、上記所定の切替条件の成立は、好ましくは出湯中であり、さらにタンク内の蓄熱用流体が所定の温度以下になったときである。この発明によれば、出湯中に停留水を出湯経路内で徐々に加温しながら搬送し、給湯用水とともに給湯端末から排出することにより、出湯温度が変動することなく、ユーザーに対して違和感を与えにくい。さらに、タンク内の流体温度を停留水排出の対策処理を実施するか否かの判定基準とするため、タンク内の流体温度があまり低くならないうちに補助熱源器の内部等の停留水を給湯端末から流出することができる。これにより、補助熱源器が再加熱を開始する給湯用水の温度よりも少し高い温度で当該停留水を流出させることが可能となり、補助熱源器が再加熱を開始するときに低温の停留水が排出されているので、効率の良い再加熱が実施できる。 The predetermined switching condition is preferably established when the hot water is being discharged, and when the heat storage fluid in the tank falls below a predetermined temperature. According to this invention, the hot water is transported while gradually warming in the hot water path during the hot water, and discharged from the hot water supply terminal together with the hot water supply water, so that the hot water temperature does not fluctuate and the user feels uncomfortable. Hard to give. Furthermore, since the fluid temperature in the tank is used as a criterion for determining whether or not to take measures to stop the discharge of the retained water, the retained water inside the auxiliary heat source device is supplied to the hot water supply terminal before the fluid temperature in the tank becomes too low. Can be spilled from. As a result, it becomes possible for the auxiliary heat source device to flow out the retained water at a temperature slightly higher than the temperature of the hot water supply water at which reheating starts, and when the auxiliary heat source device starts reheating, the low temperature retained water is discharged. Therefore, efficient reheating can be performed.
また、制御装置は、さらに停留水が第1の所定温度以上である場合は、停留水と混合する給湯用水の温度を、第1の所定温度よりも低温である第2の所定温度以下になるように駆動手段(9)の作動を制御し、その後、流量制御手段の作動を制御して前記給湯用水を停留水と混合させる。 Further, the control device further reduces the temperature of the hot water to be mixed with the stationary water to a temperature equal to or lower than the second predetermined temperature, which is lower than the first predetermined temperature, when the stopped water is equal to or higher than the first predetermined temperature. Thus, the operation of the drive means (9) is controlled, and then the operation of the flow rate control means is controlled to mix the hot water supply water with the retained water.
停留水の温度が高い状態であった場合に、これを給湯用水と混合させて出湯すると、ユーザーに対して熱いと感じる湯を提供することになる。そこで、本発明によれば、当該停留水と混合させる給湯用水の温度を下げるように制御してから混合させることにより、停留水が高い温度のまま配管内を流通することを解消するので、給湯端末から不意に暖かすぎる温水が出湯してしまうことを回避できる。 When the temperature of the stationary water is high, if this is mixed with hot water supply water and discharged, hot water that feels hot to the user is provided. Therefore, according to the present invention, by controlling the temperature of the hot water to be mixed with the stationary water to be lowered and then mixing, it is possible to eliminate the fact that the stationary water circulates in the pipe at a high temperature. It is possible to avoid hot water that is unexpectedly warm from the terminal.
また、主熱源は、水を加熱して温水に沸き上げる加熱手段(1)と、加熱手段によって沸き上げられた温水を給湯用水として内部に貯える貯湯タンク(2)と、を含み、貯湯タンクは流量制御手段に接続されている。 The main heat source includes heating means (1) for heating water to boil it to hot water, and a hot water storage tank (2) for storing hot water boiled by the heating means as hot water supply water, Connected to the flow control means.
この発明によれば、貯湯タンクから流出した温水は、流量制御手段によって、補助熱源器を経由しない流れと補助熱源器を経由した後、補助熱源器を経由しない流れに再び合流する流れとに分けられることにより、主熱源が直接出湯式である給湯装置において、ユーザーに低温の停留水が直接当たることを防止でき、ユーザーに対して不快感を与えない停留水の排出を行うことができる。 According to the present invention, the hot water flowing out of the hot water storage tank is divided into a flow that does not pass through the auxiliary heat source device and a flow that passes through the auxiliary heat source device and then merges again into a flow that does not pass through the auxiliary heat source device by the flow rate control means. Thus, in the hot water supply apparatus in which the main heat source is a direct hot water discharge type, it is possible to prevent the user from hitting the low-temperature stop water directly and to discharge the stop water without causing discomfort to the user.
なお、上記各手段の括弧内の符号は、後述する実施形態の具体的手段との対応関係を示す一例である。 In addition, the code | symbol in the bracket | parenthesis of each said means is an example which shows a corresponding relationship with the specific means of embodiment mentioned later.
以下に、図面を参照しながら本発明を実施するための複数の形態を説明する。各形態において先行する形態で説明した事項に対応する部分には同一の参照符号を付して重複する説明を省略する場合がある。各形態において構成の一部のみを説明している場合は、構成の他の部分については先行して説明した他の形態を適用することができる。各実施形態で具体的に組み合わせが可能であることを明示している部分同士の組み合わせばかりではなく、特に組合せに支障が生じなければ、明示してなくても実施形態同士を部分的に組み合せることも可能である。 A plurality of modes for carrying out the present invention will be described below with reference to the drawings. In each embodiment, parts corresponding to the matters described in the preceding embodiment may be denoted by the same reference numerals, and redundant description may be omitted. When only a part of the configuration is described in each mode, the other modes described above can be applied to the other parts of the configuration. In addition to the combination of the parts that clearly indicate that the combination is possible in each embodiment, the embodiments may be partially combined even if they are not clearly indicated unless there is a problem with the combination. It is also possible.
(第1実施形態)
本発明の一実施形態である第1実施形態について図1〜図10にしたがって説明する。図1は本実施形態に係る給湯装置の概略構成を示した模式図である。図2は本給湯装置に係る制御構成を示したブロック図である。(First embodiment)
1st Embodiment which is one Embodiment of this invention is described according to FIGS. FIG. 1 is a schematic diagram showing a schematic configuration of a hot water supply apparatus according to the present embodiment. FIG. 2 is a block diagram showing a control configuration according to the hot water supply apparatus.
本実施形態の給湯装置は、給湯端末に出湯される給湯用水に熱を移動させて加熱する主熱源と、主熱源によって加熱された給湯用水をさらに加熱する補助熱源と、を備えたものである。当該主熱源は、給湯端末に出湯される給湯用水と熱交換される蓄熱用流体を加熱する加熱手段と、加熱手段によって加熱された蓄熱用流体を内部に貯える貯湯タンク2と、貯湯タンク2内の蓄熱用流体と給湯用水との間で熱交換を行なって給湯用水を加熱する給湯用熱交換器3と、を含んでいる。 The hot water supply apparatus of the present embodiment includes a main heat source that moves heat to hot water supplied to a hot water supply terminal and heats it, and an auxiliary heat source that further heats hot water supplied by the main heat source. . The main heat source includes heating means for heating a heat storage fluid that is heat-exchanged with hot water supplied to a hot water supply terminal, a hot
本給湯装置は、例えば貯湯式のヒートポンプ式給湯装置であり、主に一般家庭用として使用され、貯湯タンク2内に蓄えられた蓄熱用の温水と給湯用水とを給湯用熱交換器3によって熱交換し、加熱された給湯用水を台所、洗面所、浴室などに設けられた給湯端末(手洗い栓、カラン、風呂等)に供給するとともに、所定の条件を満たすときには補助熱源器4により給湯用水をさらに加熱して温度調節する機能を有している。 This hot water supply device is, for example, a hot water storage type heat pump type hot water supply device, which is mainly used for general household use, and heat storage hot water stored in the hot
図1に示すように、給湯装置は、高温高圧の冷媒と熱交換させて温水を沸き上げる加熱手段であるヒートポンプユニット1と、このヒートポンプユニット1によって加熱された温水を貯える貯湯タンク2と、この貯湯タンク2内下部の低温水が流出してヒートポンプユニット1で加熱されて貯湯タンク2内の上部に戻るように設けられた蓄熱用循環回路6と、蓄熱用の温水と給湯用水とを熱交換する給湯用熱交換器3と、給湯用熱交換器3で加熱された給湯用水をさらに補助的に加熱することができる補助熱源器4と、本給湯装置の作動を制御する制御装置100と、を備えている。 As shown in FIG. 1, the hot water supply apparatus includes a
ヒートポンプユニット1は、少なくとも圧縮機、蓄熱用熱交換器、膨張弁、蒸発器およびアキュムレータ等の冷凍サイクル機能部品が環状に接続されて構成されている。ヒートポンプユニット1は、例えば、冷媒として臨界温度の低い二酸化炭素を使用することにより、高圧側の冷媒圧力が冷媒の臨界圧以上になる超臨界ヒートポンプサイクルを構成する。 The
ヒートポンプサイクルを超臨界ヒートポンプで構成した場合、一般的なヒートポンプサイクルよりも高温、例えば、85℃〜90℃程度の湯を貯湯タンク2内に蓄えることができる。ヒートポンプサイクルは、主に、料金設定の安価な深夜時間帯の深夜電力を利用して貯湯タンク2内の湯を沸き上げる沸き上げ運転を行う。 When the heat pump cycle is constituted by a supercritical heat pump, hot water having a temperature higher than that of a general heat pump cycle, for example, about 85 ° C. to 90 ° C. can be stored in the hot
蓄熱用循環回路6には、ヒートポンプユニット1内の蓄熱用熱交換器である水−冷媒熱交換器に供給される水の温度を検出する入水温度サーミスタと、水−冷媒熱交換器出口での沸き上げ温度を検出する沸上げ温度サーミスタと、電動ポンプと、が設けられている。そして、各サーミスタの検出温度信号は制御装置100に出力される。 In the heat storage circulation circuit 6, an incoming temperature thermistor for detecting the temperature of water supplied to the water-refrigerant heat exchanger, which is a heat storage heat exchanger in the
貯湯タンク2は、給湯用水を加熱する蓄熱用流体である温水を蓄える縦長形状の容器であり、耐食性に優れた金属製、例えば、ステンレス製からなり、その外周部に断熱材が設けられ、高温水を長時間に渡って保温することができる。また、蓄熱用流体は、主成分が水であり、防腐剤、凍結防止剤、LLC等を含んでいてもよい。また、蓄熱用流体は、交比熱を有する蓄熱材料をマイクロカプセル等の方法により封入し、これを水に分散させて混合してもよいし、スリラー状にして混合させてもよい。 The hot
蓄熱用循環回路6の電動ポンプが作動することにより、貯湯タンク2内の温水が循環する。これにより、蓄熱用熱交換器で加熱された貯湯タンク2内の温水は、蓄熱用循環回路6を通って貯湯タンク2内の上部に送り込まれるので、貯湯タンク2内の上部側から下部側へ向かって複数の温度層を形成するように順次蓄熱されていく。 The hot water in the hot
給湯用熱交換器3は、互いの内部を流れる流体同士が熱交換するように設けられた1次側通路3aおよび2次側通路3bを備えている。1次側通路3aは貯湯タンク2内部に連通し、貯湯タンク2内の温水が流れる流路である。2次側通路3bは上流側端部が給水用配管10に接続され、下流側端部が給湯用配管13に接続される流路であり、給湯端末に供給される給湯用水が流れる流路である。1次側通路3aおよび2次側通路3bは、各通路を流れる流体間で熱交換が行われる形態であればよい。例えば、一方の通路が内側管内に形成され、他方の通路が内側管の外側を覆う外側管内に形成される二重管構造で構成してもよい。また、給湯用熱交換器3は、1次側通路3aおよび2次側通路3bのそれぞれを流れる流体の流れ方向が対向する対向式熱交換器であることが好ましい。 The hot water supply heat exchanger 3 includes a
貯湯タンク2は、給湯用熱交換器3の1次側通路3aとの間で循環流路である1次側循環回路8を形成するように1次側通路3aに接続されている。この1次側循環回路8は、貯湯タンク2の最上部に設けられた導出口に接続されており、この導出口と1次側通路3aとをつなぐ流路に熱交換器入口温度を検出する1次側熱交換器入口温度サーミスタ18を備えている。 The hot
さらに1次側循環回路8は、貯湯タンク2の最下部に設けられた導入口に接続されており、この導入口と1次側通路3aとをつなぐ流路に、1次側通路3aから貯湯タンク2内の下部に向けて流出する蓄熱用流体の1次側熱交換器出口温度を検出する1次側循環戻り温度サーミスタ19と、蓄熱用流体を1次側循環回路8に強制的に循環させる蓄熱用流体駆動手段である循環用ポンプ9と、を備えている。1次側熱交換器入口温度サーミスタ18および1次側循環戻り温度サーミスタ19により検出される温度信号は、制御装置100の入力回路に入力されるようになっている。 Further, the primary
給水用配管10の上流は、水道配管に接続されており、市水(水道水)が給湯用熱交換器3の2次側通路3bに導入されるようになっている。給水用配管10には、流量検出器16と給水温度サーミスタ20とが設けられている。流量検出器16は2次側通路3b方向に向かう流量(2次側流量)を検出する検出手段であり、また給水温度サーミスタ20は市水の温度を検出し、検出された流量信号および温度信号は、制御装置100の入力回路に入力されるようになっている。 Upstream of the
給湯用配管13は、給湯用熱交換器3の2次側通路3b出口と台所、洗面所、浴室などへの給湯端末(手洗い栓、カラン、風呂等)とを接続する配管である。そして、給湯用配管13の下流側には、給湯温度を検出する給湯温度サーミスタ22と、流量カウンタ24とが設けられている。給湯温度サーミスタ22および流量カウンタ24によって検出された給湯温度信号および流量信号は、制御装置100の入力回路に入力されるようになっている。 The hot
給湯用配管13には、給湯用熱交換器3の2次側通路3b出口における給湯水の温度(熱交換器2次出口温度)を検出する2次側出口温度サーミスタ21(2次出口温度検出器)が設けられている。検出された熱交換器2次出口温度は制御装置100の入力回路に入力されるようになっている。また、給湯用配管13は、2次側出口温度サーミスタ21よりも下流側で給湯用配管13が補助熱源用通路15に分岐する分岐部を備えており、この分岐部には流量制御弁11が設けられている。 The hot
この流量制御弁11は、給湯用熱交換器3の2次側通路3b出口から流れてきた給湯用水を分流させることが可能であり、さらにこの分流する流れの流量比を制御することができる混合弁でもある。換言すれば、流量制御弁11は、当該給湯用水を、補助熱源器4を経由しない一方の流れと、補助熱源器4を経由した後、前述の一方の流れと再び合流する流れとに分けることができる手段であり、またその開度によっては、給湯用水を主熱源のみを利用して加熱するか、さらに補助熱源も利用して再加熱するかを切り替えることができる熱源切替手段でもある。つまり、流量制御弁11は2次側通路3bを流出した給湯用水を給湯用配管13側か、補助熱源側通路15側かのいずれかを流れるように切り替えることができるとともに、両方に流れるように分流させて、その流量比を調節することができる。 The flow
このように本給湯装置では、制御装置100によって流量制御弁11の作動を制御することにより、主熱源を構成する貯湯タンク2に貯えられた熱量に応じて給湯用水を補助熱源器4に通過させるか否かを切り替える。すなわち、主熱源の熱量が足りない場合(例えば、貯湯タンク2内に高温水が少なく中温水が大量に貯まっている場合)には、補助熱源器4によって熱量を補充するために、流量制御弁11を補助熱源器4側に切り替えるとともに、補助熱源器4を運転し、給湯用水を再加熱する。また、制御装置100は、流量制御弁11を給湯用配管13側または補助熱源側通路15側のいずれかを100%の開度にするだけでなく、両方の開度を0〜100%の範囲に調整して給湯用水を両方に流れるようにその流量比を制御することにより、補助熱源用通路15を流れる温水の温度を調節する。本給湯装置は、このような制御を実施することにより、シャワー、給湯水栓、風呂等の給湯端末側に所望温度の温水を供給する。 In this way, in the present hot water supply device, the
補助熱源用通路15の途中には、補助熱源側通路15を流れてきた給湯用水を再加熱する補助熱源器4が設けられ、補助熱源用通路15の下流端部は給湯用配管13に合流している。補助熱源器4は、発熱部と、発熱部からの熱を受熱する熱交換部と、を有しており、熱交換部を補助熱源用通路15が通っている。補助熱源用通路15を通る水は、熱交換部を通過するときに発熱部からの熱を吸熱する。補助熱源器4の熱交換部を通る補助熱源用通路15の表面には、補助熱源器4内部を流れる水の温度を検出できる熱交換部温度センサ23が設けられている。熱交換部温度センサ23によって検出された給湯温度信号は、制御装置100の入力回路に入力されるようになっている。 In the middle of the auxiliary
また、補助熱源器4は、通過する給湯用水を加熱可能な機器であれば特に限定するものではない。補助熱源器4として、例えば、ガス等の燃料による燃焼炎を用いて内部を通過する給湯用水を加熱する小型ガス湯沸かし器、灯油を燃料として燃焼させる燃焼部を発熱部とする機器、貯湯タンクに貯めた蓄熱性流体を加熱源とするもの、電気を利用した電気式ヒータ等を採用することができる。 The auxiliary
給水用配管10は、給湯用熱交換器3の2次側通路3bの手前で分岐し、この分岐した配管は給湯用配管13に合流している。この給水用配管10の分岐部から給湯用配管13の合流部に至るまでの配管は給湯用熱交換器3をバイパスする2次側バイパス通路14である。2次側バイパス通路14と給湯用配管13との合流部には給湯用混合弁12が設けられている。 The
この給湯用混合弁12は、給湯端末側に出湯する湯温を調節する温度調節弁であり、給湯用配管13側と2次側バイパス通路14側との開口面積比を調節することにより、給湯用熱交換器3で加熱された給湯用水と市水との混合比を調節して設定温度に調節するように制御される。制御装置100は、リモートコントローラ110等により設定される温度と、給水温度サーミスタ20、2次側出口温度サーミスタ21および給湯温度サーミスタ22によって検出される温度情報とに基づいて給湯用混合弁12を制御する。 This hot water
貯湯タンク2の外壁面には、蓄熱用温水の貯湯量、貯湯温度を検出するための水温センサである複数個の貯湯サーミスタ17が設けられており、本実施形態では縦方向にほぼ等間隔で最上部から順にTH1,TH2,TH3,TH4,TH5という5個のサーミスタが配設されている。これら5個のサーミスタの検出温度信号は、それぞれ制御装置100の入力回路に入力されるようになっており、各水位レベルでの蓄熱用流体の温度や湯量を検出可能である。また、複数個の貯湯サーミスタ17のうち、最上部に位置するTH1は、高温の蓄熱用流体を出湯する出湯温度を検出することができる。 The outer wall surface of the hot
貯湯タンク2の天面には、貯湯タンク2内に市水を給水するための間接タンク5が載置されている。間接タンク5の上部には市水が流れてくる給水用配管と、逃し用配管とが接続されており、その下部には貯湯タンク2内下部とつながっている循環用配管7が接続されている。また間接タンク5内には水位センサが設けられており、制御装置100に送信される水位センサの検出信号によって間接タンク5内に自動的に給水が行われる。給水用配管を通って流れてきた水が間接タンク5内に貯まると、間接タンク5内の水が循環用配管7を通って貯湯タンク2内下部に流入し、余分な水は逃がし用配管を通って外部に排出される。 An
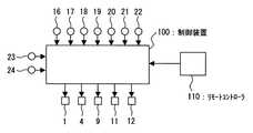
図2に示すように、制御装置100は、リモートコントローラ110上の各種スイッチからの信号、流量検出器16、各種サーミスタ17〜23、および流量カウンタ24からの通信信号が入力される入力回路と、入力回路からの信号を用いて各種演算を実行するマイクロコンピュータと、マイクロコンピュータによる演算に基づいてヒートポンプユニット1、補助熱源器4、循環用ポンプ9、流量制御弁11、給湯用混合弁12等を制御する通信信号を出力する出力回路と、を備えている。マイクロコンピュータは、記憶手段としてROMまたはRAMを内蔵し、あらかじめ設定された制御プログラムや更新可能な制御プログラムを有している。 As shown in FIG. 2, the
冬期や補助熱源器4をしばらく使用していないときには、貯湯タンク2と補助熱源器4との間の配管や補助熱源器4と給湯端末の出湯口との間の配管等に水が停留することがある。この停留水が低温の冷水となっているときであって、主熱源である貯湯タンク2内に十分な貯湯熱量が確保されていないときに、シャワーが使用されると、補助熱源器4での再加熱を利用する制御が行われる。このとき、まず、低温の停留水がシャワーの出湯口から流出するため、ユーザーが冷水を浴びてしまうことがある。 During winter or when the
そこで、本給湯装置は、このようなことを回避するために、所定の切替条件が成立した場合に、流量制御弁11の開度を調節して、加熱された給湯用水を補助熱源器4を経由する流れと補助熱源器4を経由しない流れとに分流し、両者を下流域で合流させることにより、当該停留水を給湯用水と混合させて暖めてから給湯端末に流出する。 Therefore, in order to avoid such a situation, the present hot water supply apparatus adjusts the opening degree of the flow
次に、上記構成における給湯装置の作動について説明する。まず、給湯装置の沸き上げ制御を説明する。ユーザーによってリモートコントローラ110の給湯スイッチがONされている場合には、制御装置100は主に電力料金の安価な深夜時間帯(例えば、当日の23時から翌日の7時までの時間帯)にヒートポンプユニット1を運転し、貯湯タンク2内の蓄熱用流体を加熱し、必要な熱量を蓄える。 Next, the operation of the hot water supply apparatus having the above configuration will be described. First, boiling control of the hot water supply device will be described. When the hot water supply switch of the remote controller 110 is turned on by the user, the
つまり、制御装置100は、深夜電力時間帯になって貯湯サーミスタが貯湯タンク2内に翌日に必要な熱量が残っていないことを検出すると、ヒートポンプユニット1に対して沸き上げ開始を指令する。指令を受けたヒートポンプユニット1は圧縮機を起動した後に蓄熱用循環回路6の循環用ポンプを駆動開始し、貯湯タンク2下部から取り出した低温水を水−冷媒熱交換器で70〜90℃程度の高温に加熱し、蓄熱用循環回路6を介して貯湯タンク2の上部から貯湯タンク2内に戻し、貯湯タンク2の上部から順次積層して高温水を貯湯していく。貯湯サーミスタ17が必要な熱量が貯湯されたことを検出すると、制御装置100はヒートポンプユニット1に対して沸き上げ停止を指令し、ヒートポンプユニット1は圧縮機を停止するとともに、循環用ポンプ9も停止して沸き上げ動作を終了する。 That is, when the hot water storage thermistor detects that the necessary amount of heat does not remain in the hot
次に、上記構成の給湯装置に係る一連の給湯制御において、補助熱源器4側に給湯用水を流す場合に実施される制御の一例を図3〜図10にしたがって説明する。まず、図3は第1実施形態の給湯装置の作動を示したメインフローチャートである。本給湯装置は、一連の給湯制御の中で予め定めた所定の条件が成立した場合(例えば、後述する第1の所定の条件および第2の所定の条件が満たされた場合)に、当該停留水をユーザーに対して不快を与えない温度に暖めて出湯する冷水対策制御を実施する。 Next, in a series of hot water supply control related to the hot water supply apparatus having the above-described configuration, an example of control that is performed when hot water is supplied to the auxiliary
給湯装置の電源がONされていると、流量制御手段である流量制御弁11は、例えば、給湯用配管13の通路を100%開放するように出湯側に開いた状態にある。さらに、補助熱源用通路15や補助熱源器4内部の通路には低温の水が停留している。そして、制御装置100は、ステップ10で、現時点がまだ給湯端末に出湯が行われていない出湯待機中であり、かつ複数個の貯湯サーミスタ17のうち上から2番目のサーミスタTH2により検出された温度がユーザーにより設定された給湯目標温度に所定温度Tαを加えた値(給湯目標温度+Tα)以下であること(条件2ともいう)、の両方の条件が満たされたか否かを判定する。ここで給湯目標温度は、給湯端末に出湯される湯の給湯設定温度よりも5℃高い温度である。所定温度Tαは、例えば15℃である。 When the power source of the hot water supply apparatus is turned on, the flow
制御装置100はステップ10の条件が満たされていないと判定すると、次に、ステップ20で、現時点が出湯中であり、かつ一番上の貯湯サーミスタTH1により検出された温度がユーザーにより設定された給湯目標温度に所定温度Tαを加えた値(給湯目標温度+Tα)以下であること(条件5ともいう)、の両方の条件が満たされたか否かを判定する。この両方の条件は、補助熱源器4の内部等の停留水を低温の状態で出湯させない冷水対策制御を実行するか否かを判断するための第1の所定の条件である。つまり、ステップ20の判定がイエスの場合は、ステップ30の判定処理を経てステップ40の冷水対策制御が実施され得る。逆に制御装置100はステップ20の条件が満たされていないと判定すると、ステップ40の冷水対策制御をスキップして通常の給湯制御を実施していくことになる。 If the
ステップ20の第1の所定の条件が満たされていると判定すると、制御装置100はさらに、ステップ30で冷水対策制御の実施の可否を判断する第2の所定の条件について判定を行う。ステップ30では、補助熱源器4の内部等の停留水が冷めた状態であるか否かを判定する。すなわち、制御装置100は、補助熱源器4内部の温度が予め定められた第1の所定温度未満であるか否かを判定する。このとき、補助熱源器4内部の温度は例えば熱交換部温度センサ23による検出値を用いる。この第1の所定温度は、停留水が比較的高温の熱だまり状態ではないことを判定するために用いられる温度であり、当該停留水がユーザーに向かって出湯されてもユーザーが不快に感じない上限の温度に設定されている。 If it is determined that the first predetermined condition in
制御装置100はステップ30の第2の所定の条件が満たされている(停留水が熱だまり状態でない)と判定すると、当該停留水が低温であり、そのまま給湯端末から出湯することができないとみなし、当該停留水を配管内で給湯用水と混ぜ合わせることにより暖めてから出湯する冷水対策制御を実施する(ステップ40)。冷水対策制御は、後述するが、図4〜図6に示すサブルーチンにしたがって行われ、流量制御弁11および循環用ポンプ9の作動が適切に制御される。 If the
一方、制御装置100はステップ30において第2の所定の条件が満たされていない(第1の所定温度以上である)と判定すると、当該停留水が熱だまり状態である可能性があるため、そのまま給湯用水とともに出湯するとユーザーに不快感を与える可能性があるので、当該停留水の温度を下げてから出湯する制御を実施する(ステップ32およびステップ34)。 On the other hand, if the
ステップ32では、制御装置100は循環用ポンプ9の回転数を低回転数に制御し、熱交換器2次出口温度(以下、熱交出口温度ともいう)の目標温度を第1の所定温度よりも低温に定められた第2の所定温度以下に下げるような制御を実施する。例えば、目標温度は、通常の目標温度よりも5〜10℃下げる。また、ステップ32の制御では、例えば、補助熱源器4内部の温度が実際に一定温度以上低下するまで(第2の所定温度以下になるまで)、目標温度を下げるように循環用ポンプ9を作動させる処理を繰り返すようにしてもよい。この制御では、まず、給湯用熱交換器3で1次側の流体と熱交換された2次側の水をぬるま湯状態にする。次に、ステップ34で補助熱源器4側の通路を100%開放するように流量制御弁11を制御することにより、このぬるま湯を補助熱源器4内に流入させて当該停留水を熱だまり状態でなくなるまで冷ましてから出湯する。これにより、給湯端末から不意に暖かい温水が出湯してしまうことを回避できる。 In step 32, the
ステップ40での冷水対策制御は、図4に示すサブルーチンにしたがって実施される。図4に示すように、制御装置100は、まず、フィードフォワード制御によって流量制御弁11の開度を制御し(ステップ41)、この制御とともに、循環用ポンプ9の回転数制御をフィードバック制御によって実施する(ステップ42)。そして、冷水対策制御は、ステップ41およびステップ42の制御をステップ43の判定処理が満たされるまで繰り返し行うことにより実施される。 The cold water countermeasure control in
ステップ41の制御は、図5に示す制御特性図にしたがって実施される。図5は、図4のステップ41における流量制御弁11のフィードフォワード制御で用いられる制御特性図である。この制御特性図は、流量制御弁11による全体流量に対する停留水の混合比率と、流量制御弁11の補助熱源器側通路の開度との関係を示しており、予め制御装置100に記憶されている所定のテーブルである。流量制御弁11の当該開度は、使用される流量制御弁11に固有の特性により、当該混合比率に対応して定まる開度である。制御装置100は、流量制御弁11の補助熱源器側通路の開度をこの特性図にしたがって決定し、流量制御弁11を決定された開度に制御する。図5に示す横軸の混合比率は以下の数式1に基づいて算出される。 The control in step 41 is performed according to the control characteristic diagram shown in FIG. FIG. 5 is a control characteristic diagram used in the feedforward control of the
(数式1)
混合比率=(給湯設定温度−補助熱源器内部温度)/(熱交出口温度−補助熱源器内部温度)×100
ここで給湯設定温度は給湯端末側で出湯される湯の設定温度である。補助熱源器内部温度は熱交換部温度センサ23によって検出された実測値であり、熱交出口温度は2次側出口温度サーミスタ21によって検出された実測値である。(Formula 1)
Mixing ratio = (hot-water supply set temperature-auxiliary heat source internal temperature) / (heat exchange outlet temperature-auxiliary heat source internal temperature) x 100
Here, the hot water supply set temperature is a set temperature of hot water discharged from the hot water supply terminal. The internal temperature of the auxiliary heat source device is an actual value detected by the heat exchanging
制御装置100は、実測値を数式1に代入することにより算出された混合比率と、図5の制御特性図とから、流量制御弁11の補助熱源器側通路の開度を求める。図5に示すように、流量制御弁11は、熱交出口温度が高くなるにつれて混合比率とともに、その補助熱源器側通路の開度が小さくなるようになっている。 The
ステップ42の制御は、図6に示すサブルーチンにしたがって実施される。図6は、図4のステップ42における循環用ポンプ9の回転数制御(フィードバック制御)のサブルーチンを示したフローチャートである。このサブルーチンでは、循環用ポンプ9の回転数を、ステップ422の判定処理が満たされるまで増加させたり、低下させたりする処理を繰り返すものである。つまり、ステップ422において、熱交出口温度と熱交出口目標温度(例えば給湯設定温度+5℃とする)との差が許容偏差内(例えば0.1℃内)になるまで、ステップ421における循環用ポンプ9回転数のフィードバック制御を実行する。例えば、制御装置100は、両者の差が0.1℃超えるほど、熱交出口温度が高かった場合にはステップ421で循環用ポンプ9の回転数を下げるように制御し、逆に熱交出口温度が低かった場合にはステップ421で循環用ポンプ9の回転数を上げるように制御する。循環用ポンプ9の回転数は、このようにフィードバックをかけながら、熱交出口温度と熱交出口目標温度との差が所定の許容偏差内に納まるように制御される。 The control in step 42 is performed according to a subroutine shown in FIG. FIG. 6 is a flowchart showing a subroutine of the rotational speed control (feedback control) of the
制御装置100は、以上の流量制御弁11の開度のフィードフォワード制御と、循環用ポンプ9の回転数のフィードバック制御と、を実施することによって、ステップ43で補助熱源器内部温度とその目標温度(例えば給湯設定温度+5℃とする)との差が許容偏差内(例えば0.5℃内)であると判定すると、冷水対策制御を完了する。 The
このように、補助熱源器4の内部等の停留水は、給湯設定温度よりも所定温度分高い目標温度にした給湯用水と混合されて温度上昇した状態で補助熱源用通路15を流れ、再び給湯用配管13で当該温度の給湯用水と合流するため、さらに温度上昇して給湯用端末に出湯されることになる。そして、この停留水の冷水対策制御は、補助熱源器内部温度が給湯設定温度よりも高い温度になるまで継続されるので、補助熱源器等の内部およびこれに接続される配管内部には低温の水は存在しないようになり、低温の停留水を確実に除去できるものである。 In this way, the remaining water inside the auxiliary
一方、制御装置100は、先のステップ10の条件が満たされていると判定すると、ステップ40の冷水対策制御を実施することなく、ステップ12で流量制御弁11を補助熱源器4側の通路を100%開放するように制御する。次に、制御装置100は、流量制御弁11の開度を出湯側に切り替える(給湯用配管13を全開し、補助熱源用通路15側を全閉する)制御を実行する(ステップ14)。この切替制御は図7に示すサブルーチンにしたがって実施される。図7は図3のステップ14における流量制御弁11を出湯側に切り替える制御のサブルーチンを示したフローチャートである。 On the other hand, if the
図7に示すように、制御装置100は、ステップ141で、最上部から2番目の貯湯サーミスタTH2により検出された温度がユーザーにより設定された給湯目標温度に所定温度Tβを加えた値(給湯目標温度+Tβ)より高いことおよび出湯の流量カウンタが所定値未満であること、の両方の条件(条件1ともいう)が満たされたか否かを判定する。この給湯目標温度は例えば給湯設定温度よりも5℃高い温度であり、所定温度Tβは例えば20℃である。出湯の流量カウンタは流量カウンタ24によって検出された流量信号である。 As shown in FIG. 7, in step 141, the
ステップ141の両方の条件(条件1)が満たされていると判定すると、制御装置100は、流量制御弁11を出湯側に戻すため、ステップ142で流量制御弁11を給湯用配管13側の通路を100%開放するように制御する。逆に、ステップ141の両方の条件が満たされていないと判定すると、制御装置100は流量制御弁11を出湯側に戻さず、補助熱源側を開放したままにして本制御を終了する。 If it is determined that both conditions of step 141 (condition 1) are satisfied, the
次に、本願の流量制御弁11に係る制御において、給湯装置の各種状態が遷移するときの条件の概要を図8にしたがって説明する。図8に示すように、図の右側は貯湯タンク2内に貯湯量が十分にあり、さらに流量制御弁11の開度が出湯側に開放されている状態を示し、図の左側は貯湯タンク2内に貯湯量が十分になく、さらに流量制御弁11の開度が補助熱源器4側に開放されている状態を示している。 Next, an outline of conditions when various states of the hot water supply device are transitioned in the control related to the
そして、図の左側にはさらに、貯湯タンク2内に「中温水がある状態」と「中温水がない状態」とが含まれている。「中温水がある状態」は、貯湯タンク2内に貯湯量が十分にないが、中温水が存在している状態である。「中温水がない状態」から「中温水がある状態」に移行するときに満たされる条件6は、貯湯サーミスタTH2により検出された温度が平均給水温度に所定温度Tγを加えた値(平均給水温度+Tγ)より大きいこと、および給湯流量が必要給湯流量に所定の流量を加えた値よりも大きいこと、の両方の条件である。所定温度Tγは例えば20℃である。この必要給湯流量は、数式2で算出するものとする。 Further, the left side of the figure further includes “a state with medium hot water” and “a state without medium hot water” in the hot
(数式2)
必要給湯流量=補助熱源器の最低加熱能力/{給湯目標温度−(平均給水温度+Tγ)}
なお、補助熱源器の最低加熱能力は使用する補助熱源器4が有する熱交換部の能力により決まる値である。例えば、補助熱源器4がガス燃焼型式の場合は、ガス燃焼部の能力である。(Formula 2)
Necessary hot water flow rate = minimum heating capacity of auxiliary heat source / {target hot water supply temperature− (average water supply temperature + Tγ)}
In addition, the minimum heating capability of the auxiliary heat source device is a value determined by the capability of the heat exchanging part of the auxiliary
「中温水がない状態」は、貯湯タンク2内に貯湯量が十分になく、さらに中温水もない状態である。「中温水がある状態」から「中温水がない状態」に移行するときに満たされる条件7は、貯湯サーミスタTH1により検出された温度が平均給水温度に所定温度Tγを加えた値(平均給水温度+Tγ)以下であること、または給湯流量が必要給湯流量以下であること、のいずれかの条件である。 The “state without intermediate hot water” is a state where there is not enough hot water storage in the hot
図の右側にはさらに、「貯湯タンク2からの出湯が待機中である状態」と「貯湯タンク2から出湯中である状態」とが含まれている。「貯湯タンク2からの出湯待機中の状態」が成立する条件3は、貯湯タンク2からの出湯が検出されない出湯停止中の場合である。「貯湯タンク2から出湯中の状態」が成立する条件4は、貯湯タンク2からの出湯が検出された場合である。 The right side of the figure further includes “a state in which hot water from the hot
前述のステップ141における条件1が成立する場合には、図の左側の「流量制御弁11が補助熱源器4側を開放する状態」から図の右側の「貯湯タンク2からの出湯待機中の状態」に移行する。前述のステップ10における条件2が成立する場合には、図の右側の「貯湯タンク2からの出湯待機中の状態」から図の左側の「流量制御弁11が補助熱源器4側を開放する状態」に移行する。 When the
条件5が成立する場合には、図の右側の「貯湯タンク2から出湯中の状態」から図の左側の「流量制御弁11が補助熱源器4側を開放する状態」に移行する。条件5は、貯湯サーミスタTH1により検出された温度が給湯目標温度に所定温度Tαを加えた値(給湯目標温度+Tα)以下であることである。 When the
次に、本給湯装置の各状態における循環用ポンプ9の制御仕様の概要を図9にしたがって説明する。ここで説明する循環用ポンプ9の作動は、前述の図8に示した各状態に対応して実施される。まず、図8の右側に示す状態のときに出湯する場合は、貯湯タンク2内の貯湯熱量のみを熱源として使用し、流量制御弁11は出湯側の通路を全開するように制御され、循環用ポンプ9の作動はその目標温度(熱交出口目標温度)が給湯設定温度になるように回転数が調整されて制御される。 Next, an outline of the control specifications of the
また、図8の左側に示す「中温水がある状態」のときに出湯する場合は、中温水はあるものの貯湯熱量が十分でないため、貯湯熱量および補助熱源器4を熱源として使用し、流量制御弁11は補助熱源器4の通路を全開するように制御され、循環用ポンプ9の作動はその目標温度(熱交出口目標温度)が平均給水温度に20℃を加えた値になるように回転数が調整されて制御される。 Further, when the hot water is discharged in the “state with intermediate temperature water” shown on the left side of FIG. 8, since the amount of stored hot water is not sufficient although there is intermediate temperature water, the amount of stored hot water and the
また、図8の左側に示す「中温水がない状態」のときに出湯する場合は、中温水および貯湯熱量が使用できないため、補助熱源器4のみを熱源として使用し、流量制御弁11は補助熱源器4の通路を全開するように制御され、循環用ポンプ9は停止される。 In addition, when the hot water is discharged in the “no intermediate temperature water” state shown on the left side of FIG. 8, since the intermediate temperature water and the stored hot water cannot be used, only the auxiliary
次に、前述の冷水対策制御が実施された後に実施され得る「中温水がある状態」のときの出湯について、その作動を図10にしたがって説明する。図10は、図3のステップ40(冷水対策制御)の後に、貯湯タンク2内の中温水を利用して出湯を行う場合に実施される目標温度の変動対策制御のサブルーチンを示したフローチャートである。 Next, the operation of the hot water in the “state with medium hot water” that can be performed after the above-described cold water countermeasure control is performed will be described with reference to FIG. FIG. 10 is a flow chart showing a subroutine for target temperature fluctuation countermeasure control that is performed when hot water is discharged using the medium temperature water in the hot
前述のステップ40の冷水対策制御が実施された後、前述の条件6が成立する場合は、前述したように循環用ポンプ9は熱交出口目標温度が平均給水温度に20℃を加えた値になるように制御されるため、冷水対策制御によって設定された熱交出口目標温度(給湯設定温度+5℃)に対して、温度変動が生じ、出湯時にユーザーに対して不快感を与える心配がある。 When the above condition 6 is satisfied after the cold water countermeasure control in
そこで、制御装置100は、まずステップ50で補助熱源器4の運転を開始するとともに、流量制御弁11を補助熱源器側の通路を全開に制御し、ステップ51で循環用ポンプ9の目標温度である熱交出口目標温度を給湯設定温度に設定する処理を実行する。熱交出口目標温度は最終的には平均給水温度に20℃を加えた値にするため、ステップ51では熱交出口目標温度をまず高い温度に設定し、熱交換後の給湯用水の温度が高くなるようにするものである。そして、制御装置100は、ステップ52で熱交出口目標温度を所定時間毎に所定温度Δt下げる(例えば、1秒毎に1℃ずつ下げる)ようにして運転を継続することにより、熱交出口目標温度を徐々に下げていく処理を実行する。このステップ52の処理は、熱交出口目標温度が平均給水温度に20℃を加えた値になるまで継続する。 Therefore, the
そして、制御装置100は、給湯温度サーミスタ22によって検出される温度が給湯設定温度となるように給湯用混合弁12について給湯用配管13側と2次側バイパス通路14側との開口面積比を調節することにより給湯用水と市水とを必要に応じて混合させるとともに、設定流量が得られるように流量調整弁(図示しない)の開度を調節する。これにより、ユーザーが所望する条件の給湯が給湯端末に出湯される。 Then, the
冷水対策制御の実施後に、補助熱源器4を活用した出湯を行う場合に、循環用ポンプ9についてこのような目標温度の変動対策制御を実施することにより、目標温度の温度変動を抑制することができ、ユーザーに対して温度変化を感じさせにくい出湯を提供することができる。 When performing hot water using the auxiliary
また、この制御により、貯湯タンク2内の貯湯熱量が低く、給湯用熱交換器3によって十分な熱量が得られないときには、補助熱源器4による加熱を併用することにより、ユーザー所望の出湯を実施でき、無駄な運転を排除してランニングコストの低減が図れる。 Also, by this control, when the amount of stored hot water in the hot
本実施形態に係る給湯装置がもたらす作用効果を以下に述べる。本給湯装置は、給湯端末に出湯される給湯用水に熱を移動させて加熱する主熱源と、主熱源によって加熱された給湯用水をさらに加熱するように設けられた補助熱源器4と、主熱源で加熱された給湯用水を、補助熱源器4を経由しない流れと補助熱源器4を経由した後、補助熱源器4を経由しない流れに再び合流する流れとに分けるとともに、この両方の流れの流量を調節する流量制御弁11と、流量制御弁11の作動を制御する制御装置100と、を備えている。 The effects provided by the hot water supply apparatus according to this embodiment will be described below. The present hot water supply apparatus includes a main heat source that transfers heat to hot water supplied to a hot water supply terminal and heats it, an
そして、制御装置100は、所定の条件が成立した場合に、所定の条件が成立した場合に流量制御弁11の作動を制御して当該両方の流れの流量を調節することにより、補助熱源器4の内部および補助熱源器4に接続される配管の内部に留まっている停留水と主熱源で加熱された給湯用水とを混合させてから給湯端末に出湯する。 Then, when the predetermined condition is satisfied, the
これによれば、所定の切替条件が成立した場合に流量制御弁11を制御することにより、当該停留水を給湯用水と混合させて温めてから出湯するので、ユーザーが低温の停留水を不意に浴びてしまうことを回避できる。したがって、停留水が冷水になっていた場合でもユーザーに対して不快感を与えないように停留水の排出を行うことができる。 According to this, by controlling the flow
また、主熱源は、給湯端末に出湯される給湯用水と熱交換される蓄熱用流体を加熱するヒートポンプユニット1と、ヒートポンプユニット1によって加熱された蓄熱用流体を内部に貯える貯湯タンク2と、貯湯タンク2内の蓄熱用流体と給湯用水との間で熱交換を行って給湯用水を加熱する給湯用熱交換器3と、を含んでいる。さらに、本給湯装置は給湯用熱交換器3を流通する蓄熱用流体の流量を調節する循環用ポンプ9を備えている。そして、制御装置100は、所定の条件が成立した場合にさらに循環用ポンプ9の作動を制御することにより、停留水と混合させる給湯用水の温度を制御する。 The main heat source includes a
これによれば、停留水と混合させる給湯用水の流量を流量制御弁11によって調節するとともに、その給湯用水の温度を循環用ポンプ9の制御によって調節することができる。このため、当該給湯用水の状態を温度と流量の両面から制御するため、停留水をより所望の状態にして排出することができる。したがって、主熱源が間接式である給湯装置において、ユーザーに低温の停留水が直接当たることを防止でき、ユーザーに対して不快感を与えない停留水の排出を行うことができる。 According to this, the flow rate of the hot water to be mixed with the stationary water can be adjusted by the
また、主熱源が間接式である給湯装置の場合には、貯湯温度が低下した場合でも、貯湯タンク2内の上部にまで及んでいる中温水を無駄なく使用する給湯運転を実施できる。さらに、循環戻り温度の低下を図ることにより、ヒートポンプユニット1への給水温度の上昇を抑え、ヒートポンプユニット1の成績係数の向上やランニングコストの低減を提供できる。また、本給湯装置では、貯湯タンク2内の中温水を回収するための中温水取り出し管や混合弁を設けずとも良好な給湯運転を実施できるので、部品点数の減少や製品コストの低減が図れる。 Further, in the case of a hot water supply apparatus in which the main heat source is an indirect type, even when the hot water storage temperature is lowered, it is possible to carry out a hot water supply operation that uses the medium-temperature water reaching the upper part of the hot
また、上記所定の切替条件の成立は、好ましくは出湯中であり、さらに貯湯タンク2内の蓄熱用流体が所定の温度以下になったときである。これによれば、出湯中に停留水を配管内で給湯用水と混合させ、出湯経路内で徐々に温度上昇させながら、搬送し、給湯端末から排出する。したがって、出湯温度が変動することなく、ユーザーに対して優しい停留水の排出を実施できる。さらに、貯湯タンク2内の流体温度を用いて停留水排出の対策処理を実施するか否かを判定するため、貯湯タンク2内の流体温度があまり低くならないうちに補助熱源器4の内部等の停留水を給湯端末に出湯することができる。これにより、補助熱源器4が再加熱を開始する給湯用水の温度よりも少し高い温度で当該停留水を流出させることが可能となる。よって、補助熱源器4が再加熱を開始するときに低温の停留水がすでに排出されているので、効率の良い再加熱が実施できる。 Further, the establishment of the predetermined switching condition is preferably during hot water discharge, and further when the heat storage fluid in the hot
また、制御装置100は、停留水が第1の所定温度以上である場合には、停留水と混合する給湯用水の温度を、第1の所定温度よりも低温の第2の所定温度以下になるように循環用ポンプ9の作動を制御し、その後、流量制御弁11の作動を制御して給湯用水を停留水と混合させるようにする。 In addition, when the stay water is equal to or higher than the first predetermined temperature, the
この制御によれば、当該停留水と混合させる給湯用水の温度を下げるように制御してから混合させることにより、熱だまりの停留水が配管内を流通していくことを防止できる。したがって、給湯端末から不意に暖かすぎる温水が出湯してしまうことを回避でき、ユーザーに対して不快感を与えない。 According to this control, it is possible to prevent the hot water pool water from flowing through the piping by mixing the hot water supply water to be mixed with the stationary water so as to lower the temperature. Therefore, it can be avoided that hot water that is too warm is unexpectedly discharged from the hot water supply terminal, and the user is not uncomfortable.
(第2実施形態)
第2実施形態では、上記第1実施形態において説明した給湯装置に対して他の形態である給湯装置およびこれに伴う冷水対策制御について説明する。図11は、本実施形態に係る給湯装置の概略構成を示した模式図である。図12は本給湯装置の作動を示したメインフローチャートである。図13は図12のステップ40aにおける冷水対策制御のサブルーチンを示したフローチャートである。本給湯装置は、図1に示す給湯装置に対して、貯湯タンク2内に貯めた温水を給湯用水として直接、給湯端末から出湯する形態である点が異なっている。これにより、本給湯装置は、給湯用熱交換器3および1次側循環回路8とこれに伴う各部材を備えておらず、代わりに、貯湯タンク2の底部には給水用配管10に接続され、市水を導入する導入管25が接続されている。図11において図1に示す図面と同符号を付した構成要素については、同一構成要素であり同様の作動および作用効果を奏しており、その説明は第1実施形態に記載のとおりである。(Second Embodiment)
2nd Embodiment demonstrates the hot water supply apparatus which is another form with respect to the hot water supply apparatus demonstrated in the said 1st Embodiment, and cold water countermeasure control accompanying this. FIG. 11 is a schematic diagram illustrating a schematic configuration of the hot water supply apparatus according to the present embodiment. FIG. 12 is a main flowchart showing the operation of the hot water supply apparatus. FIG. 13 is a flowchart showing a subroutine of cold water countermeasure control in step 40a of FIG. This hot water supply apparatus is different from the hot water supply apparatus shown in FIG. 1 in that hot water stored in the hot
次に、本給湯装置の作動について、図12および図13にしたがって説明する。また、図12のメインフローチャートにおいて、図3に示す図面と同符号を付したステップについては、図3と同一の処理を行うものであり、各部は同様の作動および作用効果を奏しており、その説明は第1実施形態に記載のとおりである。 Next, the operation of the hot water supply apparatus will be described with reference to FIGS. Further, in the main flowchart of FIG. 12, steps denoted by the same reference numerals as those in the drawing shown in FIG. 3 perform the same processing as in FIG. 3, and each part has the same operation and effect. The description is as described in the first embodiment.
したがって、以下にステップ40aの冷水対策制御について説明する。図13に示すように、制御装置100は、まず、フィードフォワード制御によって流量制御弁11の開度を制御する(ステップ41a)。そして、この冷水対策制御は、ステップ41の制御をステップ43の判定処理が満たされるまで繰り返し行うことにより実施される。 Therefore, the cold water countermeasure control in step 40a will be described below. As shown in FIG. 13, the
ステップ41aの制御は、前述の図5に示すものと同様の制御特性図にしたがって実施される。制御装置100は、流量制御弁11の補助熱源器側通路の開度をこの特性図にしたがって決定し、流量制御弁11を決定された開度に制御する。ただし、混合比率は以下の数式3に基づいて算出される。 The control in step 41a is performed according to the control characteristic diagram similar to that shown in FIG. The
(数式3)
混合比率=(給湯設定温度−補助熱源器内部温度)/(タンク出口温度−補助熱源器内部温度)×100
ここで、タンク出口温度は、タンク流出温度サーミスタ18aで検出されるタンクから流出した湯の温度である。(Formula 3)
Mixing ratio = (hot-water supply set temperature-auxiliary heat source internal temperature) / (tank outlet temperature-auxiliary heat source internal temperature) x 100
Here, the tank outlet temperature is the temperature of hot water flowing out of the tank detected by the tank outflow temperature thermistor 18a.
制御装置100は、各実測値を数式3に代入することにより算出された混合比率と、図5の制御特性図とから、流量制御弁11の補助熱源器側通路の開度を求める。 The
制御装置100は、以上の流量制御弁11の開度のフィードフォワード制御をステップ43の判定処理が満たされるまで繰り返し、ステップ43で補助熱源器内部温度とその目標温度(例えば給湯設定温度+5℃とする)との差が許容偏差内(例えば0.5℃内)であると判定すると、冷水対策制御を完了する。 The
このように、補助熱源器4の内部等の停留水は、貯湯タンク2から流出した高温の給湯用水と混合されて温度上昇した状態で補助熱源用通路15を流れ、再び給湯用配管13で当該温度の給湯用水と合流するため、さらに温度上昇して給湯用端末に出湯されることになる。そして、この停留水の冷水対策制御は、補助熱源器内部温度が給湯設定温度よりも高い温度になるまで継続されるので、補助熱源器等の内部およびこれに接続される配管内部には低温の水は存在しないようになり、低温の停留水を確実に除去することができる。 In this way, the remaining water inside the auxiliary
本実施形態に係る給湯装置がもたらす作用効果を以下に述べる。本給湯装置の主熱源は、水を加熱して温水に沸き上げるヒートポンプユニット1と、ヒートポンプユニット1によって沸き上げられた温水を給湯用水として内部に貯える貯湯タンク2と、を含んでいる。そして、貯湯タンク2は配管によって流量制御弁11に接続されている。 The effects provided by the hot water supply apparatus according to this embodiment will be described below. The main heat source of the hot water supply apparatus includes a
この構成によれば、貯湯タンク2から流出した温水は、流量制御弁11によって、補助熱源器4を経由しない流れと補助熱源器4を経由した後、補助熱源器4を経由しない流れに再び合流する流れとに分けられ、当該停留水と給湯用水を配管内で合流させ、混合させてから排出することができる。したがって、主熱源が直接出湯式である給湯装置において、ユーザーに低温の停留水が直接当たることを防止でき、ユーザーに対して不快感を与えない停留水の排出を行うことができる。 According to this configuration, the hot water flowing out of the hot
(その他の実施形態)
以上、本発明の好ましい実施形態について説明したが、本発明は上述した実施形態に何ら制限されることなく、本発明の主旨を逸脱しない範囲において種々変形して実施することが可能である。(Other embodiments)
The preferred embodiments of the present invention have been described above, but the present invention is not limited to the above-described embodiments, and various modifications can be made without departing from the spirit of the present invention.
例えば、上記各実施形態においてステップ43を、以下のような判断処理に置き換えてもよい。すなわち、流量制御弁11を制御して、給湯用水を補助熱源器4側を流した時から時間を計測し、所定時間経過すると、冷水対策制御を終了するようにしてもよい。この所定時間は、例えば本給湯装置と同機であるマスター機を用いた評価実験により得られた実験値であり、これを予めプログラムに記憶させておく。また、この所定時間は、機器に備えたディップスイッチ等を操作することにより製品設置後に可変できる構成としてもよい。 For example, step 43 in each of the above embodiments may be replaced with the following determination process. That is, by controlling the flow
このように所定時間の経過によるタイマー機構によって冷水対策制御を終了することにより、熱交換部温度センサ23がなく、補助熱源器4内部または補助熱源用通路15の水の温度を計測することができない場合でも、停留水を給湯用水と混合させ、温水にした状態で、給湯端末から確実に流出させる給湯装置が得られる。 Thus, by ending the cold water countermeasure control by the timer mechanism by the elapse of a predetermined time, there is no heat
また、上記各実施形態においてステップ41およびステップ41aは、フィードフォワード制御ではなく、給湯設定温度を目標温度するフィードバック制御により実施してもよい。 Moreover, in each said embodiment, you may implement step 41 and step 41a not by feedforward control but by feedback control which makes hot water supply preset temperature target temperature.
また、上記第1実施形態において、循環用ポンプ9の回転数制御における目標温度(ステップ422の目標温度)をより高い温度に設定してもよい。この場合には、下流の給湯用混合弁12を開度調整することにより、高い温度の給湯用水を水道水と混合させて温度低下させて給湯設定温度に調節してから出湯することとする。 In the first embodiment, the target temperature (target temperature in step 422) in the rotational speed control of the
また、上記第1実施形態において、循環用ポンプ9の回転数制御における目標温度(ステップ422の目標温度)を給湯設定温度に5℃を加えた値としているが、これを可変する値によって設定してもよい。例えば、可変させる場合のその基準としては、流量制御弁11の補助熱源器側通路の開度に応じて目標温度を可変させるようにする。具体的には、流量制御弁11の補助熱源器側通路の開度が10%,12%,14%,16%と変化するにときには、目標設定温度をそれぞれ、給湯設定温度に1℃を加えた値、給湯設定温度に2℃を加えた値、給湯設定温度に3℃を加えた値、給湯設定温度に4℃を加えた値というように可変させるものとする。 In the first embodiment, the target temperature (target temperature in step 422) in the rotational speed control of the
また、上記第1実施形態の図7に示すサブルーチン(流量制御弁11を出湯側通路全開に切り替える制御)は、図3に示すメインフローチャートにおいて、ステップ40の冷水対策制御が実施された以降に実施されるようにしてもよい。 Moreover, the subroutine (control which switches the
1…ヒートポンプユニット(加熱手段)
2…貯湯タンク(タンク)
3…給湯用熱交換器
4…補助熱源器
9…循環用ポンプ(駆動手段)
11…流量制御弁(流量制御手段)
100…制御装置1 ... Heat pump unit (heating means)
2 ... Hot water storage tank (tank)
3 ... Heat exchanger for
11 ... Flow control valve (flow control means)
100 ... Control device
| Application Number | Priority Date | Filing Date | Title |
|---|---|---|---|
| JP2008120825AJP5120057B2 (en) | 2008-05-06 | 2008-05-06 | Water heater |
| Application Number | Priority Date | Filing Date | Title |
|---|---|---|---|
| JP2008120825AJP5120057B2 (en) | 2008-05-06 | 2008-05-06 | Water heater |
| Publication Number | Publication Date |
|---|---|
| JP2009270751Atrue JP2009270751A (en) | 2009-11-19 |
| JP5120057B2 JP5120057B2 (en) | 2013-01-16 |
| Application Number | Title | Priority Date | Filing Date |
|---|---|---|---|
| JP2008120825AExpired - Fee RelatedJP5120057B2 (en) | 2008-05-06 | 2008-05-06 | Water heater |
| Country | Link |
|---|---|
| JP (1) | JP5120057B2 (en) |
| Publication number | Priority date | Publication date | Assignee | Title |
|---|---|---|---|---|
| JP2009287896A (en)* | 2008-05-30 | 2009-12-10 | Rinnai Corp | Water heater |
| JP2010236713A (en)* | 2009-03-30 | 2010-10-21 | Noritz Corp | Hot water storage type hot water supply system |
| JP2011214793A (en)* | 2010-04-01 | 2011-10-27 | Takagi Ind Co Ltd | Water heater |
| JP2012013301A (en)* | 2010-06-30 | 2012-01-19 | Panasonic Electric Works Co Ltd | Hot water supply system |
| JP2015031455A (en)* | 2013-08-02 | 2015-02-16 | 株式会社ハウステック | Hot water supply system |
| JP2019052827A (en)* | 2017-09-19 | 2019-04-04 | パーパス株式会社 | Hot water supply system, hot water supply control method and water heater |
| JP2019184146A (en)* | 2018-04-09 | 2019-10-24 | 東杜技研株式会社 | Storage type hot water supply system |
| Publication number | Priority date | Publication date | Assignee | Title |
|---|---|---|---|---|
| JPS5417537A (en)* | 1977-07-11 | 1979-02-08 | Matsushita Electric Ind Co Ltd | Solar-powered hot-water supply system |
| JPH1047764A (en)* | 1996-07-31 | 1998-02-20 | Kyocera Corp | Water heater |
| JP2003240345A (en)* | 2002-02-15 | 2003-08-27 | Osaka Gas Co Ltd | Waste heat recovery hot water supply system |
| JP2003254610A (en)* | 2002-03-01 | 2003-09-10 | Noritz Corp | Hot water supply system |
| JP2006242509A (en)* | 2005-03-04 | 2006-09-14 | Gastar Corp | Exhaust heat utilization-hot water supply system |
| Publication number | Priority date | Publication date | Assignee | Title |
|---|---|---|---|---|
| JPS5417537A (en)* | 1977-07-11 | 1979-02-08 | Matsushita Electric Ind Co Ltd | Solar-powered hot-water supply system |
| JPH1047764A (en)* | 1996-07-31 | 1998-02-20 | Kyocera Corp | Water heater |
| JP2003240345A (en)* | 2002-02-15 | 2003-08-27 | Osaka Gas Co Ltd | Waste heat recovery hot water supply system |
| JP2003254610A (en)* | 2002-03-01 | 2003-09-10 | Noritz Corp | Hot water supply system |
| JP2006242509A (en)* | 2005-03-04 | 2006-09-14 | Gastar Corp | Exhaust heat utilization-hot water supply system |
| Publication number | Priority date | Publication date | Assignee | Title |
|---|---|---|---|---|
| JP2009287896A (en)* | 2008-05-30 | 2009-12-10 | Rinnai Corp | Water heater |
| JP2010236713A (en)* | 2009-03-30 | 2010-10-21 | Noritz Corp | Hot water storage type hot water supply system |
| JP2011214793A (en)* | 2010-04-01 | 2011-10-27 | Takagi Ind Co Ltd | Water heater |
| JP2012013301A (en)* | 2010-06-30 | 2012-01-19 | Panasonic Electric Works Co Ltd | Hot water supply system |
| JP2015031455A (en)* | 2013-08-02 | 2015-02-16 | 株式会社ハウステック | Hot water supply system |
| JP2019052827A (en)* | 2017-09-19 | 2019-04-04 | パーパス株式会社 | Hot water supply system, hot water supply control method and water heater |
| JP2019184146A (en)* | 2018-04-09 | 2019-10-24 | 東杜技研株式会社 | Storage type hot water supply system |
| Publication number | Publication date |
|---|---|
| JP5120057B2 (en) | 2013-01-16 |
| Publication | Publication Date | Title |
|---|---|---|
| JP5228605B2 (en) | Water heater | |
| JP5206106B2 (en) | Water heater | |
| JP5200842B2 (en) | Water heater | |
| JP5120057B2 (en) | Water heater | |
| JP4893070B2 (en) | Return hot water recovery method and hot water supply system | |
| US10824178B2 (en) | Heating and hot water supply apparatus and control method thereof | |
| JP6682001B2 (en) | Hot water storage | |
| JP4876762B2 (en) | Heat pump type water heater | |
| JP4839141B2 (en) | Heat pump water heater | |
| JP4407643B2 (en) | Hot water storage water heater | |
| JP3887781B2 (en) | Heat pump water heater | |
| JP2008215810A (en) | Hot water storage type water heater | |
| JP2010169271A (en) | Storage type water heater | |
| JP5866217B2 (en) | Water heater | |
| JP4747799B2 (en) | Instant hot water system | |
| JP2005147557A (en) | Hot water supply apparatus | |
| KR101343445B1 (en) | Hybrid hot-water supply apparatus | |
| JP2004226011A (en) | Storage type water heater | |
| JP4515883B2 (en) | Hot water storage water heater | |
| JP5021385B2 (en) | Heat pump water heater and operating method thereof | |
| JP4148909B2 (en) | Heat pump water heater / heater | |
| JP2010014391A (en) | Hot water supply system | |
| JP2008008563A (en) | Storage type hot-water supply method and storage type hot-water supply device | |
| JP2009186070A (en) | Hot water storage water heater | |
| JP2007139258A (en) | Hot water storage type water heater |
| Date | Code | Title | Description |
|---|---|---|---|
| A621 | Written request for application examination | Free format text:JAPANESE INTERMEDIATE CODE: A621 Effective date:20100623 | |
| A521 | Request for written amendment filed | Free format text:JAPANESE INTERMEDIATE CODE: A523 Effective date:20110719 | |
| A711 | Notification of change in applicant | Free format text:JAPANESE INTERMEDIATE CODE: A711 Effective date:20110719 | |
| A521 | Request for written amendment filed | Free format text:JAPANESE INTERMEDIATE CODE: A821 Effective date:20110719 | |
| A521 | Request for written amendment filed | Free format text:JAPANESE INTERMEDIATE CODE: A821 Effective date:20110905 | |
| RD02 | Notification of acceptance of power of attorney | Free format text:JAPANESE INTERMEDIATE CODE: A7422 Effective date:20110905 | |
| A521 | Request for written amendment filed | Free format text:JAPANESE INTERMEDIATE CODE: A821 Effective date:20110905 | |
| A977 | Report on retrieval | Free format text:JAPANESE INTERMEDIATE CODE: A971007 Effective date:20120731 | |
| A131 | Notification of reasons for refusal | Free format text:JAPANESE INTERMEDIATE CODE: A131 Effective date:20120807 | |
| A521 | Request for written amendment filed | Free format text:JAPANESE INTERMEDIATE CODE: A523 Effective date:20120822 | |
| TRDD | Decision of grant or rejection written | ||
| A01 | Written decision to grant a patent or to grant a registration (utility model) | Free format text:JAPANESE INTERMEDIATE CODE: A01 Effective date:20120925 | |
| A01 | Written decision to grant a patent or to grant a registration (utility model) | Free format text:JAPANESE INTERMEDIATE CODE: A01 | |
| A61 | First payment of annual fees (during grant procedure) | Free format text:JAPANESE INTERMEDIATE CODE: A61 Effective date:20121008 | |
| FPAY | Renewal fee payment (event date is renewal date of database) | Free format text:PAYMENT UNTIL: 20151102 Year of fee payment:3 | |
| R150 | Certificate of patent or registration of utility model | Free format text:JAPANESE INTERMEDIATE CODE: R150 Ref document number:5120057 Country of ref document:JP Free format text:JAPANESE INTERMEDIATE CODE: R150 | |
| R250 | Receipt of annual fees | Free format text:JAPANESE INTERMEDIATE CODE: R250 | |
| R250 | Receipt of annual fees | Free format text:JAPANESE INTERMEDIATE CODE: R250 | |
| R250 | Receipt of annual fees | Free format text:JAPANESE INTERMEDIATE CODE: R250 | |
| R250 | Receipt of annual fees | Free format text:JAPANESE INTERMEDIATE CODE: R250 | |
| R250 | Receipt of annual fees | Free format text:JAPANESE INTERMEDIATE CODE: R250 | |
| R250 | Receipt of annual fees | Free format text:JAPANESE INTERMEDIATE CODE: R250 | |
| S111 | Request for change of ownership or part of ownership | Free format text:JAPANESE INTERMEDIATE CODE: R313117 | |
| R350 | Written notification of registration of transfer | Free format text:JAPANESE INTERMEDIATE CODE: R350 | |
| LAPS | Cancellation because of no payment of annual fees |