








本発明は、ヘッドホンに関する。 The present invention relates to headphones.
従来からユーザが装着して音声を聴くためにヘッドホンが使用されている。このヘッドホンは、スピーカを収容した左右2つのイヤカップを有する。そして、両イヤカップは、ヘッドバンドにより接続されている。 2. Description of the Related Art Conventionally, headphones are used for a user to wear and listen to sound. This headphone has two left and right earcups that house speakers. Both ear cups are connected by a headband.
このヘッドバンドは、両イヤパッドの間の空間を拡大して頭部に装着可能にするために弾力性を有する芯材を含んで構成され、従来の芯材は、ステンレス鋼で形成されたり、特許文献1及び2に示すように、炭素繊維強化プラスチックで形成されている。 This headband is configured to include a core material that has elasticity in order to expand the space between both ear pads so that it can be attached to the head, and the conventional core material is made of stainless steel or patented. As shown in
しかしながら、ヘッドホンは携帯性が重要である。芯材がステンレス鋼で形成されている場合、ステンレス鋼は、安価で入手しやすく製造は容易であるが、ステンレス鋼の重みは、ヘッドホンの携帯性を向上させる際に改善すべき課題であった。また、芯材を炭素繊維強化プラスチックで形成すれば、ヘッドホンのヘッドバンドを軽量化することができるが、炭素繊維強化プラスチックは非常に高価であるため、ヘッドホンの製造コストが増加するという欠点があった。 However, portability is important for headphones. When the core material is made of stainless steel, stainless steel is cheap, easy to obtain, and easy to manufacture, but the weight of stainless steel was an issue that should be improved when improving the portability of headphones. . In addition, if the core material is made of carbon fiber reinforced plastic, the headband of the headphones can be reduced in weight. However, since carbon fiber reinforced plastic is very expensive, there is a drawback that the manufacturing cost of the headphones increases. It was.
また、他の金属系の材料等をヘッドホンの芯材に使用しようとする場合、ヘッドバンドの剛性(強度)を保ちつつ、弾力性を持った芯材を形成することは困難であり、ヘッドバンドの剛性及び弾力性などの機能性を確保することは難しかった。よって、従来のヘッドホンでは、芯材として上記ステンレス鋼等の鉄系の材料又は炭素繊維強化プラスチックを使用せざるを得ないという現状があった。 Also, when other metal materials are used for the headphone core material, it is difficult to form a core material with elasticity while maintaining the rigidity (strength) of the headband. It was difficult to ensure functionality such as rigidity and elasticity. Therefore, there is a current situation that conventional headphones have to use iron-based materials such as stainless steel or carbon fiber reinforced plastic as the core material.
更に、ヘッドホンの芯材は、所望の剛性及び弾力性を実現するために、その剛性及び弾力性を調整する必要がある。しかしながら、剛性及び弾力性を調整するには、他の金属系の材料を使用する場合はもちろん、鉄系の材料又は炭素繊維強化プラスチックを使用する場合においても、所望の剛性及び弾力性に合わせて多数の種類の材料を用意する必要があった。よって、芯材の材料のストックが増加することにより、製造コストが増加していた。 Furthermore, the core material of the headphones needs to be adjusted in rigidity and elasticity in order to achieve desired rigidity and elasticity. However, in order to adjust the rigidity and elasticity, not only when using other metal-based materials, but also when using iron-based materials or carbon fiber reinforced plastics, the rigidity and elasticity can be adjusted according to the desired rigidity and elasticity. It was necessary to prepare many kinds of materials. Therefore, the manufacturing cost has increased due to an increase in the stock of the core material.
そこで、本発明は、上記問題に鑑みてなされたものであり、本発明の目的とするところは、ヘッドバンドの剛性及び弾力性などの機能性を維持しつつ、軽量化し、かつ、製造コストを低減することが可能な、新規かつ改良されたヘッドホンを提供することにある。 Therefore, the present invention has been made in view of the above problems, and the object of the present invention is to reduce the weight and maintain the manufacturing cost while maintaining the functionality such as the rigidity and elasticity of the headband. It is an object to provide a new and improved headphone that can be reduced.
上記課題を解決するために、本発明のある観点によれば、左右一対のイヤカップとイヤカップを接続するヘッドバンドとを備えたヘッドホンであって、ヘッドバンドは、左右方向にわたり長尺に構成された芯材と、芯材を覆う被覆材とを備え、芯材には長手方向に沿って1または2以上の凸条が形成されていることを特徴とする、ヘッドホンが提供される。 In order to solve the above-described problem, according to one aspect of the present invention, a headphone including a pair of left and right earcups and a headband connecting the earcups, the headband is configured to be long in the left-right direction. A headphone is provided, comprising: a core material; and a covering material covering the core material, wherein one or two or more ridges are formed along the longitudinal direction of the core material.
この構成によれば、ヘッドバンドが備える芯材には、その長手方向に沿って1又は2以上の凸条が形成される。この凸条は、芯材の剛性及び弾力性を調整することができる。つまり、この凸条の本数、長さ、厚み等を調整して芯材を形成することにより、芯材の剛性及び弾力性を調整することが可能となる。よって、芯材として、鉄系の材質や炭素繊維強化プラスチック以外の材質を使用しても、所望の剛性及び弾力性を有するヘッドバンドを形成することができる。 According to this structure, the core material with which the headband is provided is formed with one or more ridges along its longitudinal direction. This ridge can adjust the rigidity and elasticity of the core material. That is, it is possible to adjust the rigidity and elasticity of the core material by forming the core material by adjusting the number, length, thickness, and the like of the ridges. Therefore, even if a material other than iron-based materials or carbon fiber reinforced plastics is used as the core material, a headband having desired rigidity and elasticity can be formed.
また、凸条の凸部の厚みは、芯材の厚みの30パーセント以下であってもよい。
この構成によれば、凸条の凸部の厚みを、芯材の厚みの30パーセント以下に調整して、芯材に凸条を形成することができる。よって、芯材に凸条を形成することにより、芯材を曲げ伸ばしした際に、芯材が座屈することを防ぐことができる。Moreover, 30% or less of the thickness of a core material may be sufficient as the thickness of the convex part of a protruding item | line.
According to this configuration, the protrusion can be formed on the core by adjusting the thickness of the protrusion of the protrusion to 30% or less of the thickness of the core. Therefore, by forming the ridges on the core material, it is possible to prevent the core material from buckling when the core material is bent and stretched.
また、凸条の裏面は、凸条に対応する凹条として構成されてもよい。
この構成によれば、凸条の裏面に、凸条に対応する凹条が形成される。よって、芯材の剛性及び弾力性を、更に凹条によっても調整することができる。また、平坦な芯材の材料に半抜き加工を施すことにより、凸条と凹条を形成することができるので、製造工程を容易にすることができる。Moreover, the back surface of a protruding item | line may be comprised as a recessed item | line corresponding to a protruding item | line.
According to this configuration, the concave line corresponding to the convex line is formed on the back surface of the convex line. Therefore, the rigidity and elasticity of the core material can be further adjusted by the recess. Moreover, since a convex strip and a concave strip can be formed by performing a half blanking process on the flat core material, the manufacturing process can be facilitated.
また、芯材は、アルミニウムまたはアルミニウム合金であってもよい。
この構成によれば、鉄系の材料で形成するよりも、芯材を軽量化することができ、炭素繊維強化プラスチックで形成するよりも、芯材を安価に形成することができる。The core material may be aluminum or an aluminum alloy.
According to this structure, a core material can be reduced in weight rather than forming with an iron-type material, and a core material can be formed cheaply rather than forming with a carbon fiber reinforced plastic.
以上説明したように本発明によれば、ヘッドバンドの剛性及び弾力性などの機能性を維持しつつ、軽量化し、かつ、製造コストを低減することができる。 As described above, according to the present invention, it is possible to reduce the weight and reduce the manufacturing cost while maintaining the rigidity and elasticity of the headband.
以下に添付図面を参照しながら、本発明の好適な実施の形態について詳細に説明する。なお、本明細書及び図面において、実質的に同一の機能構成を有する構成要素については、同一の符号を付することにより重複説明を省略する。 Exemplary embodiments of the present invention will be described below in detail with reference to the accompanying drawings. In addition, in this specification and drawing, about the component which has the substantially same function structure, duplication description is abbreviate | omitted by attaching | subjecting the same code | symbol.
<ヘッドホン>
まず、図1及び図2を参照して、本発明の各実施形態に係るヘッドホンの概要について説明し、その後に、各実施形態に係るヘッドホンが有するヘッドバンドについて詳しく説明する。<Headphone>
First, an overview of headphones according to each embodiment of the present invention will be described with reference to FIGS. 1 and 2, and then a headband included in the headphones according to each embodiment will be described in detail.
図1及び図2は、本発明の各実施形態に係るヘッドホンを説明するための説明図である。図1に示すように、ヘッドホン1は、ヘッドバンド2と、左右のスライダ3,ハンガ4,及びイヤカップ5と、コード8とを有する。 1 and 2 are explanatory diagrams for explaining the headphones according to the embodiments of the present invention. As shown in FIG. 1, the headphone 1 includes a
尚、図1におけるx軸正の方向が、ユーザにとっての右方向を表し、y軸正の方向が、ユーザにとっての上方向を表す。そして、図2におけるz軸正の方向が、ユーザにとっての前方向を表す。つまり、x軸正の方向にあるスライダ3,ハンガ4,及びイヤカップ5が、ユーザの右耳用であり、x軸負の方向にあるスライダ3,ハンガ4,及びイヤカップ5が、ユーザの左耳用である。 Note that the positive x-axis direction in FIG. 1 represents the right direction for the user, and the positive y-axis direction represents the upward direction for the user. The z-axis positive direction in FIG. 2 represents the forward direction for the user. That is, the
ヘッドバンド2は、左右のスライダ3間を接続する接続部材であり、ユーザがヘッドホン1を装着した場合、通常、このヘッドバンド2の少なくとも一部がユーザの頭頂部に接して、ヘッドホン1を支持する。また、ヘッドバンド2は、所定の剛性及び弾力性を有しており、ヘッドホン1は、ヘッドバンド2の湾曲した形状が引き延ばされることにより、両イヤパッド7の間の空間が拡大されて、ユーザの頭部に装着可能となる。本実施形態に係るヘッドバンド2は、従来のヘッドバンドに比べて軽量であるが、このヘッドバンド2の構成については、詳しく後述する。 The
スライダ3は、ヘッドバンド2とハンガ4とを連結すると共に、ハンガ4をヘッドバンド2に対して軸方向に摺動可能に支持する摺動部材である。つまり、スライダ3は、伸縮することができ、このスライダ3の伸縮により、ハンガ4より下方の各部材が、ヘッドバンド2に対して下方に移動することができる。よって、装着時には、ヘッドホン1は、ユーザの頭部の大きさや耳と頭頂部との距離などに合わせてスライダ3の伸縮を調整して、イヤカップ5をユーザの耳に対向した状態で装着される。一方、使用しない場合などには、ヘッドホン1は、スライダ3を縮めた状態で保管することができるので、保管スペースを節約することができる。 The
ハンガ4は、スライダ3とイヤカップ5とを連結すると共に、略前後方向(z軸)を回転軸としてイヤカップ5を回動可能に支持する回動部材である。また、このハンガ4は、略上下方向(y軸)を回転軸としてスライダ3に回動可能に支持される。このハンガ4により、ハンガ4自身がy軸回りに回動し、かつ、イヤカップ5がz軸回りに回動するので、ヘッドホン1は、装着時においてユーザの耳周囲の形状に合わせてイヤカップ5の向きを変更し、イヤカップ5を耳に対向させることができる。 The
イヤカップ5は、ユーザの耳に当接してユーザに音声を提供する部材であり、大きく分けて、ハウジング6及びイヤパッド7を有する。 The
ハウジング6は、その内部に小型のスピーカ(図示せず)を収容する収容部である。また、このハウジング6には、スピーカを駆動する音声信号に対して、例えば音像定位処理・ノイズキャンセリング処理・信号増幅処理などの信号処理を施す所定の音響用の電気回路(「音響回路」ともいう。)等が配置されてもよい。また、右又は左のハウジング6には、一端に入力端子(図示せず)が接続された入力信号用のコード8が接続され、このコード8の他端は、ハウジング6に収容されたスピーカや音響回路に接続される。コード8が接続されてないハウジング6内のスピーカを駆動するために、コード8が接続されたハウジング6と、コード8が接続されていないハウジング6との間には、接続コード(図示せず)が配置される。尚、この接続コードは、ハンガ4,スライダ3,及びヘッドバンド2の内部に配置される。換言すれば、コード8を介して一方のハウジング6に入力した音声信号は、接続コードを介して他方のハウジング6にも入力し、左右両スピーカが駆動される。そして、音声信号は、スピーカが駆動することにより、音声に変換されてユーザの耳へと提供される。 The
イヤパッド7は、ハウジング6のユーザの耳に対向する面に取り付けられて、ハウジング6とユーザの頭部との間の緩衝の役割を担う。つまり、変形しにくい硬い素材で形成されたハウジング6が直接ユーザの頭部に接すると、ユーザの装着時の快適性を著しく損ねるが、イヤパッド7は、弾力性を有してハウジング6が直接ユーザに接することを防ぎ、両者の間で緩衝の役割を担う。 The
<第1実施形態>
次に、図3及び図4を参照して、本発明の第1実施形態に係るヘッドホン1が有するヘッドバンド2の構成について詳しく説明する。図3は、本実施形態に係るヘッドバンドの構成を説明するための説明図である。尚、図3(A)は、ヘッドバンド2から両スライダ3を取り外した状態を示し、図3(B)は、図3(A)のヘッドバンド2のA−A線での断面図を示す。図4は、本実施形態に係るヘッドバンドの構成を分解して説明する説明図である。<First Embodiment>
Next, the configuration of the
図3(A)及び図4に示すように、ヘッドバンド2の左右両端には、上下方向に貫通した貫通孔21と、前後両サイドに設けられた溝22とが形成される。貫通孔21と溝22は、スライダ3との接続部を形成する。つまり、スライダ3の上端には、貫通孔21に挿入される挿入部(図示せず。)と、溝22に係合する係合部(図示せず。)とが形成されており、この挿入部が貫通孔21に挿入され、係合部が溝22と係合することにより、スライダ3がヘッドバンド2に固定される。 As shown in FIGS. 3A and 4, a through
図3(B)及び図4に示すように、ヘッドバンド2は、内部が3層構造で形成されて、この三層構造を覆うカバー23により構成される。つまり、ヘッドバンド2は、カバー23と、上クッション部材24及び下クッション部材25と、芯材26とを有する。 As shown in FIGS. 3B and 4, the
カバー23は、被覆材の一例であって、内部の3層構造を覆う。このカバー23は、例えばレザー・化繊等の肌触りのよい材質で形成されことが好ましい。 The
上クッション部材24及び下クッション部材25は、ユーザがヘッドバンド2を把持したり、ユーザがヘッドホン1を装着した際に、ユーザの手や頭部に当接する個所に、弾力性を持たせる。よって、上クッション部材24及び下クッション部材25は、構造部材の硬さがユーザに不快感を与えることを防ぐ緩衝材部材ある。この上クッション部材24及び下クッション部材25は、例えば発泡ウレタン・綿・化学繊維などの弾力性のある材質により成される。尚、この上クッション部材24及び下クッション部材25の材質は、かかる例に限定されずに、適度な弾力性を有していればいかなる材質であってもよい。 The
芯材26は、剛性及び弾力性を有し、スライダ3以下の構成を支持するヘッドバンド2の構造部材である。本実施形態に係る芯材26は、ヘッドバンド2の軽量化を実現している。この芯材26について図5及び図6を参照して説明する。 The
(芯材について)
図5は、本実施形態に係る芯材の構成を説明するための説明図である。尚、図5(A)には、芯材26を上方(y軸正の方向)から見た図を示し、図5(B)には、芯材26を後方(z軸負の方向)から見た図を示す。また、図6は、図5(A)に示す芯材26のB−B線での断面形状を示す断面図である。(About core material)
FIG. 5 is an explanatory diagram for explaining the configuration of the core member according to the present embodiment. 5A shows a view of the
図5に示すように、この芯材26は、ユーザの左右方向(略x軸方向)にわたり長尺に構成される。また、上記の貫通孔21及び溝22は、この芯材26の左右方向の端部に形成される。本実施形態に係る芯材26は、アルミニウム又はアルミニウム合金で形成される。芯材26は、適度な剛性及び弾力性(バネ性)が要求されるため、特に例えばA7075系のジュラルミンが使用されることが好ましいが、他のアルミニウム又はアルミニウム合金を使用することが可能であることは言うまでもない。 As shown in FIG. 5, the
このように芯材26にアルミニウム又はアルミニウム合金を使用することにより、鉄系の材質が使用されていた従来のヘッドバンドに比べて、本実施形態に係るヘッドバンド2を軽量化することができる。また、炭素繊維強化プラスチックを使用する従来のヘッドバンドと比べると、アルミニウム又はアルミニウム合金は安価であり、本実施形態に係るヘッドバンド2は、製造コストを削減することができる。 Thus, by using aluminum or an aluminum alloy for the
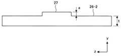
一方、アルミニウム合金により形成された芯材26は、アルミニウムを使用する場合に比べて、剛性を高めることが可能であるが、かかるアルミニウム合金であっても、ヘッドバンド2のように、曲げ伸ばしが繰り返し行われる環境下では、より高い剛性が求められる。よって、本実施形態に係るヘッドバンド2の芯材26は、図6に示すように、凸条27及び凹条28を有する。この凸条27及び凹条28を有することにより、芯材26にアルミニウム合金だけでなくアルミニウムを使用した場合でも、十分な剛性と弾力性を維持することを可能にしている。以下、この芯材26が有する凸条27及び凹条28について説明する。 On the other hand, the
本実施形態における凸条27及び凹条28は、平坦な芯材26に半抜きプレス加工を施すことで形成されるビードである。つまり、凸条27及び凹条28は、図5に示すように、左右方向の芯材26の長手方向に沿って、略中央部に帯状に形成され、凹条28は、芯材26における凸条27の裏面に形成される。凸条27及び凹条28の長手方向の展開長Lを、図5(B)に示す。尚、この凸条27及び凹条28は、スライダ3が接続される部位以外の芯材26に形成されることが好ましい。凸条27及び凹条28をこの部位に形成することにより、ヘッドバンド2の伸縮にともなう芯材26の変形を、加工された部位に吸収させることができ、かかる変形がスライダ3との接合部へと及び、スライダ3との接合部に歪みが生じることを防ぐことができる。 The
図6に示す凸条27の凸部の厚みa、つまり凹条28の凹部の厚みaは、芯材26の厚みtの約30パーセント以下の範囲で調整される。この厚みaを調整することにより、芯材26の剛性及び弾力性を調整することが可能である。尚、この厚みaは、所望の剛性及び弾力性を実現しうるように、実験等により求められる。また、この厚みaが、芯材26の厚みtの約30パーセントを超えると、ヘッドバンド2の曲げ伸ばしにより、芯材26が座屈する可能性が増加するため、厚みaは、芯材26の厚みtの約30パーセント以下であることが好ましい。 The thickness a of the
尚、凸条27及び凹条28の展開長Lを変更することにより、芯材26の剛性及び弾力性を調整することも可能である。例えば、凸条27及び凹条28の展開長Lを長くすることにより、芯材26の弾力性を増やすこともできる。この展開長も、上記厚みaと同様に、所望の剛性及び弾力性を実現しうるように、実験等により求められる。 Note that the rigidity and elasticity of the
また、本実施形態に係る凸条27及び凹条28は、半抜きプレス加工により形成されるが、この凸条27及び凹条28は、例えばエッチング・引き抜き加工・研磨加工などの他の加工方法により形成されてもよい。しかし、本実施形態のように半抜きプレス加工で作成する場合、凸条27及び凹条28を容易に作成することができ、かつ、作成後に厚みaを調整することも可能である。よって、ヘッドバンド2の製造コストを低減することができる。 Further, the
更に、本実施形態に係る芯材26は、凸条27及び凹条28の厚みaや展開長Lを調整することにより、剛性及び弾力性(バネ定数)を調整することができるため、所望の剛性及び弾力性に合わせて多数の種類の材料を用意する必要がない。よって、製造時の余剰在庫を削減することができ、製造コストを更に削減することができる。また、材料を統一することも可能で、材料調達のためのリードタイムを短縮することも可能である。 Furthermore, since the
以上、第1実施形態に係るヘッドホン1が有するヘッドバンド2について説明した。この第1実施形態では、上記のように芯材26の剛性及び弾力性を、凸条27の凸部の厚みa(凹条28の凹部の厚みa)と、凸条27及び凹条28の展開長Lを調整することにより、調整した。しかし、本発明は、芯材の剛性及び弾力性を他の方法により調整することも可能である。そこで、以下では、芯材の剛性及び弾力性を他の方法により調整する場合の実施形態について説明する。 The
<第2実施形態>
図7は、本発明の第2実施形態に係るヘッドバンドが有する芯材の断面形状を示す断面図である。図7に示す本実施形態に係る芯材26−1は、第1実施形態に係る芯材26とは、凸条及び凹条で形成されるビードの本数が異なる。本実施形態に係る芯材26−1の他の構成は、第1実施形態に係る芯材26と同様であるため、ここでの詳しい説明は省略する。Second Embodiment
FIG. 7 is a cross-sectional view showing a cross-sectional shape of a core member included in a headband according to a second embodiment of the present invention. The core material 26-1 according to the present embodiment illustrated in FIG. 7 is different from the
より具体的には、本実施形態に係る芯材26−1は、上記第1実施形態に係る芯材26に形成された凸条27及び凹条28に対応した、それぞれ2本の凸条27−1,27−2及び凹条28−1,28−2を有する。凸条27−1と凹条28−1は、同一の半抜きプレス加工により形成され、凸条27−2と凹条28−2も、他の同一の半抜きプレス加工により形成される。つまり、凹条28−1は、芯材26−1における凸条27−1の裏面に形成され、凹条28−2は、芯材26−1における凸条27−2の裏面に形成される。そして、凸条27−1及び凹条28−1と、凸条27−2及び凹条28−2とは、芯材26−1の長手方向に沿って延長形成され、かつ、相互に略平行に形成される。尚、この凸条27−1,27−2及び凹条28−1,28−2の厚みaと展開長L(図示せず。)は、上記第1実施形態に係る凸条27及び凹条28と同様である。 More specifically, the core material 26-1 according to the present embodiment has two
本実施形態のように凸条及び凹条の個数を増減させることにより、ヘッドバンド2の剛性及び弾力性を調整することができる。より具体的には、ビード(凸条及び凹条)の個数を増やすと、芯材26,26−1の剛性及びバネ定数(弾性力)が増加する。よって、このビードの個数と、ビードの厚みa及び展開長Lとを調整することにより、容易にヘッドバンド2の剛性及び弾力性を調整することが可能である。 The rigidity and elasticity of the
以上、添付図面を参照しながら本発明の好適な実施形態について詳細に説明したが、本発明はかかる例に限定されないことは言うまでもない。本発明の属する技術の分野における通常の知識を有する者であれば、特許請求の範囲に記載された技術的思想の範疇内において、各種の変更例または修正例に想到し得ることは明らかであり、これらについても当然に本発明の技術的範囲に属するものと了解される。 As mentioned above, although preferred embodiment of this invention was described in detail, referring an accompanying drawing, it cannot be overemphasized that this invention is not limited to this example. It is obvious that a person having ordinary knowledge in the technical field to which the present invention pertains can come up with various changes or modifications within the scope of the technical idea described in the claims. Of course, it is understood that these also belong to the technical scope of the present invention.
例えば、上記実施形態では、芯材26を半抜き加工するため、芯材26の上面及び下面には、対となった凸条27及び凹条28が形成されるとしたが、本発明はかかる例に限定されない。例えば図8に断面形状を示すように、芯材26−2は、凸部27のみを備えていてもよい。この凸条27は、例えばエッチング・引き抜き加工・研磨加工などの他の加工方法により形成することができる。この際、凸条27の厚みaや展開長L(図示せず。)及び他の構成は、第1実施形態と同様である。 For example, in the above embodiment, since the
また、図8には、凸条27を1つ形成した場合を示したが、第2実施形態と同様に、この凸条を複数本形成することにより、剛性及び弾性力を調整することも可能である。つまり、例えば図9に断面形状を示すように、芯材26−3は、幅方向(前後方向、z軸方向)の両端部に凸条27−3,27−4を形成することも可能である。この凸条27−3,27−4も、例えばエッチング・引き抜き加工・研磨加工などの他の加工方法により形成することができる。この際、凸条27−3,27−4の厚みaや展開長L(図示せず。)及び他の構成は、第1実施形態と同様である。また、図8には、2つの凸条27−3,27−4を形成した場合を示したが、第2実施形態と同様に、この凸条を3本以上形成することにより、剛性及び弾性力を調整することも可能である。 Further, FIG. 8 shows the case where one
1 ヘッドホン
2 ヘッドバンド
3 スライダ
4 ハンガ
5 イヤカップ
6 ハウジング
7 イヤパッド
8 コード
21 貫通孔
22 溝
23 カバー
24 上クッション部材
25 下クッション部材
26,26−1,26−3 芯材
27,27−1,27−2,27−3,27−4 凸条
28,28−1,28−2,28−3 凹条
L 展開長
a 凸条及び凹条の厚み
t 芯材の厚みDESCRIPTION OF SYMBOLS 1
| Application Number | Priority Date | Filing Date | Title |
|---|---|---|---|
| JP2007251701AJP2009088607A (en) | 2007-09-27 | 2007-09-27 | Headphone |
| Application Number | Priority Date | Filing Date | Title |
|---|---|---|---|
| JP2007251701AJP2009088607A (en) | 2007-09-27 | 2007-09-27 | Headphone |
| Publication Number | Publication Date |
|---|---|
| JP2009088607Atrue JP2009088607A (en) | 2009-04-23 |
| Application Number | Title | Priority Date | Filing Date |
|---|---|---|---|
| JP2007251701APendingJP2009088607A (en) | 2007-09-27 | 2007-09-27 | Headphone |
| Country | Link |
|---|---|
| JP (1) | JP2009088607A (en) |
| Publication number | Priority date | Publication date | Assignee | Title |
|---|---|---|---|---|
| KR101353588B1 (en) | 2012-08-24 | 2014-01-23 | 삼본정밀전자(주) | Headphone assembly |
| JP2016076870A (en)* | 2014-10-08 | 2016-05-12 | Pioneer DJ株式会社 | headphone |
| JP2017510199A (en)* | 2014-03-26 | 2017-04-06 | ボーズ・コーポレーションBose Corporation | head band |
| JP2018501725A (en)* | 2014-12-31 | 2018-01-18 | チンタオ ゴーアテック テクノロジー カンパニー リミテッドQingdao Goertek Technology Co., Ltd. | Adjustable head mounted display |
| JP2020184664A (en)* | 2019-05-07 | 2020-11-12 | 株式会社Jvcケンウッド | Headbands and headphones for headphones |
| JP2021034999A (en)* | 2019-08-29 | 2021-03-01 | 株式会社Jvcケンウッド | Head band for headphone and headphone |
| Publication number | Priority date | Publication date | Assignee | Title |
|---|---|---|---|---|
| JPS57157699A (en)* | 1981-03-05 | 1982-09-29 | Akg Akustische Kino Geraete | Head band for headphone |
| JPS5967087U (en)* | 1982-10-25 | 1984-05-07 | 太陽工業株式会社 | Headphone band with built-in signal line |
| JPS63131485U (en)* | 1987-02-19 | 1988-08-29 |
| Publication number | Priority date | Publication date | Assignee | Title |
|---|---|---|---|---|
| JPS57157699A (en)* | 1981-03-05 | 1982-09-29 | Akg Akustische Kino Geraete | Head band for headphone |
| JPS5967087U (en)* | 1982-10-25 | 1984-05-07 | 太陽工業株式会社 | Headphone band with built-in signal line |
| JPS63131485U (en)* | 1987-02-19 | 1988-08-29 |
| Publication number | Priority date | Publication date | Assignee | Title |
|---|---|---|---|---|
| KR101353588B1 (en) | 2012-08-24 | 2014-01-23 | 삼본정밀전자(주) | Headphone assembly |
| JP2017510199A (en)* | 2014-03-26 | 2017-04-06 | ボーズ・コーポレーションBose Corporation | head band |
| JP2016076870A (en)* | 2014-10-08 | 2016-05-12 | Pioneer DJ株式会社 | headphone |
| JP2018501725A (en)* | 2014-12-31 | 2018-01-18 | チンタオ ゴーアテック テクノロジー カンパニー リミテッドQingdao Goertek Technology Co., Ltd. | Adjustable head mounted display |
| US10353206B2 (en) | 2014-12-31 | 2019-07-16 | Qingdao Goertek Technology Co., Ltd. | Adjustable head-mounted display |
| JP2020184664A (en)* | 2019-05-07 | 2020-11-12 | 株式会社Jvcケンウッド | Headbands and headphones for headphones |
| JP7176471B2 (en) | 2019-05-07 | 2022-11-22 | 株式会社Jvcケンウッド | Headbands and headphones for headphones |
| JP2021034999A (en)* | 2019-08-29 | 2021-03-01 | 株式会社Jvcケンウッド | Head band for headphone and headphone |
| JP7338325B2 (en) | 2019-08-29 | 2023-09-05 | 株式会社Jvcケンウッド | Headbands and headphones for headphones |
| Publication | Publication Date | Title |
|---|---|---|
| JP5082764B2 (en) | Earpad and headphone device | |
| JP2009088607A (en) | Headphone | |
| EP3082347B1 (en) | In-ear headphones with retention members | |
| JP2650709B2 (en) | Headphone cushion | |
| JP3375135B2 (en) | Concha headphone stabilizer | |
| JP6520941B2 (en) | headphone | |
| CN115706886A (en) | Ear-sticking type headphone with staggered through holes | |
| CN103957489B (en) | Earphone | |
| US20140286520A1 (en) | Closed-back headphone | |
| CN107172512A (en) | Earphone earflap | |
| JP6303113B2 (en) | Ear pads and headphones | |
| WO2013099417A1 (en) | Headphones | |
| CN217011123U (en) | Bone conduction earphone | |
| WO2016151952A1 (en) | Wearable device | |
| JP2020184664A (en) | Headbands and headphones for headphones | |
| JPS6228154Y2 (en) | ||
| JP2016015609A (en) | headphone | |
| KR20090010390A (en) | Ear rubber | |
| CN214756860U (en) | Headset convenient to adjust and mount | |
| KR102475734B1 (en) | Pillow having positionable sound units | |
| CN220511245U (en) | A kind of bendable earphone handle and Bluetooth earphone | |
| CN218103455U (en) | Ear-wrapping type earphone | |
| CN220421987U (en) | Headset earphone | |
| CN206835320U (en) | An earphone headband inlaid metal sheet structure | |
| JP3145793U (en) | bra |
| Date | Code | Title | Description |
|---|---|---|---|
| A621 | Written request for application examination | Effective date:20100907 Free format text:JAPANESE INTERMEDIATE CODE: A621 | |
| A977 | Report on retrieval | Effective date:20120521 Free format text:JAPANESE INTERMEDIATE CODE: A971007 | |
| A131 | Notification of reasons for refusal | Free format text:JAPANESE INTERMEDIATE CODE: A131 Effective date:20120529 | |
| A02 | Decision of refusal | Effective date:20121002 Free format text:JAPANESE INTERMEDIATE CODE: A02 |