



本発明は、電子機器に用いられる二次電池の電池パックに関する。 The present invention relates to a battery pack for a secondary battery used in an electronic device.
近年、携帯性や作業性を考慮して電動工具の電源には二次電池の電池パックが搭載されている。二次電池としては、一般にニッカド電池やニッケル水素電池が使用されてきたが、最近ではエネルギー密度が高いリチウムイオン電池が軽量化の観点から注目されてきている。但し、このリチウムイオン電池は過充電や過放電に弱いため、信頼性や安全性の点から各セル電圧を監視する保護ICを設け、セル電圧による充放電制御が行われるのが一般的である。 In recent years, in consideration of portability and workability, a battery pack of a secondary battery is mounted on the power source of the electric tool. As the secondary battery, a nickel cadmium battery or a nickel metal hydride battery has been generally used, but recently, a lithium ion battery having a high energy density has attracted attention from the viewpoint of weight reduction. However, since this lithium ion battery is vulnerable to overcharge and overdischarge, a protection IC that monitors each cell voltage is provided from the viewpoint of reliability and safety, and charge / discharge control by the cell voltage is generally performed. .
ところで、電動工具においては、高出力化のために電池パック電圧を高くして用いる用途があり、二次電池を5セル以上直列接続したものが必要となる。ところが、各セル電圧監視用の保護ICとしては4セル直列に対応したものが一般に用いられており、5セル直列以上に対応したものはほとんど製品化されていない。そこで、二次電池を5セル以上直列接続した電池パックにおいては、例えば特許文献1に開示されているように、4セルまで対応した保護ICを多段に接続するものが提案されている。この従来例では、保護ICから各セル電圧をアナログ出力し、各保護IC間の電圧レベルの違いをオペアンプによりレベル変換して、電圧基準を一律化した後に制御マイコンに入力して充放電制御するようにしている。
しかしながら、上記従来例では、回路が複雑になる上に、回路消費電流が多くなるという問題があった。また、セル電圧を変換後マイコンに入力するため、電圧検出精度が悪くなるという問題があった。 However, the conventional example has a problem that the circuit becomes complicated and the circuit current consumption increases. Further, since the cell voltage is input to the microcomputer after conversion, there is a problem that the voltage detection accuracy is deteriorated.
本発明は、上記の点に鑑みて為されたもので、二次電池を5セル以上直列接続した場合においても高精度な充放電制御を行うことができ、且つ回路消費電流を低減することのできる電池パックを提供することを目的とする。 The present invention has been made in view of the above points, and it is possible to perform charge / discharge control with high accuracy even when five or more secondary batteries are connected in series, and to reduce circuit current consumption. An object of the present invention is to provide a battery pack that can be used.
請求項1の発明は、上記目的を達成するために、複数の二次電池を直列接続して成る組電池を複数段直列に接続した組電池群と、充電器又は負荷本体に着脱自在に装着されて充電器又は負荷本体と電気的に接続される端子部とを有する電池パックであって、各組電池に各々接続されて少なくとも何れか1つの二次電池の電圧値が第一の所定値より高くなると充電器に充電を制御するように指示する充電制御信号を出力する複数の充電制御電圧検出回路と、各充電制御電圧検出回路に各々接続されて充電制御信号を所定の信号に変換して出力する複数の充電制御信号変換回路と、各充電制御信号変換回路の出力の論理和をとるとともに充電器装着時に充電器から端子部を介して印加される起動信号の電圧を論理和に応じて変換した信号を充電器に出力する充電制御信号論理和回路と、起動信号により起動する電源起動回路と、該電源起動回路に各々接続されて電源起動回路が起動すると各充電制御信号変換回路及び充電制御信号論理和回路に各組電池の電圧を供給する複数の電源供給回路と、組電池群の高圧側の第一の電源端子と充電器又は負荷本体と接続される第二の電源端子との間に設けられて動作すると第一の電源端子及び第二の電源端子の間を遮断する保護素子と、各組電池に各々接続されて少なくとも何れか1つの二次電池の電圧値が第一の所定値よりも高い第二の所定値より高くなると過充電制御信号を出力する複数の過充電電圧検出回路と、最も高圧側の組電池の電圧が供給される過充電電圧検出回路に接続されて過充電制御信号が入力されると最も高圧側の組電池の電圧で保護素子を動作させる第一の駆動回路と、前記最も高圧側の組電池以外の組電池の電圧が供給される過充電電圧検出回路に接続されて過充電制御信号を最も高圧側の組電池の電圧に変換するとともに該電圧で保護素子を動作させる一乃至複数の第二の駆動回路とを備えたことを特徴とする。 In order to achieve the above object, the invention of
請求項2の発明は、請求項1の発明において、保護素子は非復帰であることを特徴とする。 The invention of
請求項3の発明は、請求項1又は2の発明において、過充電制御信号の遅延時間を前記充電制御信号の遅延時間よりも長くしたことを特徴とする。 The invention of claim 3 is characterized in that, in the invention of
請求項4の発明は、請求項1乃至3の何れか1項の発明において、組電池群の直列に接続された二次電池のうち、一つ置きの二次電池と並列に抵抗を接続したことを特徴とする。 The invention of
請求項1の発明によれば、各組電池毎に充電制御電圧検出回路及び充電制御信号変換回路を設けたので、充電電圧を高精度で検出することができ、また充電器装着時に充電器から端子部を介して印加される起動信号の電圧によって起動する電源起動回路と、電源起動回路が起動すると各組電池の電圧を充電制御信号変換回路及び充電制御信号論理和回路に供給する第一の電源供給回路とを設けたので、充電器が装着されていない状態での各回路における消費電流を低減することができる。また、過充電電圧検出回路から出力される過充電制御信号に応じて駆動する第一の駆動回路及び第二の駆動回路の何れもが最も高圧側の組電池の電圧で保護素子を動作させるので、過充電状態を検出した際に保護素子を確実に動作させることができる。 According to the first aspect of the present invention, since the charge control voltage detection circuit and the charge control signal conversion circuit are provided for each assembled battery, the charge voltage can be detected with high accuracy, and from the charger when the charger is mounted. A power start circuit that is activated by the voltage of the start signal applied through the terminal section, and a first power supply that supplies the voltage of each assembled battery to the charge control signal conversion circuit and the charge control signal logical sum circuit when the power start circuit is activated. Since the power supply circuit is provided, the current consumption in each circuit when the charger is not attached can be reduced. In addition, both the first drive circuit and the second drive circuit that are driven according to the overcharge control signal output from the overcharge voltage detection circuit operate the protection element with the voltage of the assembled battery on the highest voltage side. When the overcharge state is detected, the protection element can be reliably operated.
請求項3の発明によれば、過充電制御信号の遅延時間を充電制御信号の遅延時間よりも長くしたので、室温の低下或いは電池セルの劣化により電池セルの内部抵抗が上昇して最初の充電電流で第二の所定値を超えた場合でも、保護素子が溶断することなく、充電制御が先に働いて充電電流を下げるため、保護素子を無意味に溶断する誤動作を防ぐことができる。 According to the invention of claim 3, since the delay time of the overcharge control signal is made longer than the delay time of the charge control signal, the internal resistance of the battery cell is increased due to a decrease in room temperature or deterioration of the battery cell, and the first charge is performed. Even when the current exceeds the second predetermined value, the protective element does not melt, and the charge control works first to lower the charging current. Therefore, it is possible to prevent malfunctions that cause the protective element to melt without meaning.
請求項4の発明によれば、一つ置きの二次電池と並列に抵抗を接続したので、二次電池における短絡や、二次電池と充放電制御電圧検出回路及び過充電電圧検出回路との間の接続線の断線などの場合に、検出される電池電圧が異常値を示すことで充電制御の停止又は保護素子による電路遮断を行うことができ、過充電を防ぐことができる。 According to invention of
以下、本発明に係る電池パックの実施形態を図面に基づいて説明する。尚、本実施形態は、二次電池の電池セルを4セル直列に接続した組電池を直列に2個接続した8セル直列の電池パックであるが、複数の二次電池を直列接続した組電池を複数段直列に接続したものであれば良く、上記の構成に限定されるものではない。 Hereinafter, embodiments of a battery pack according to the present invention will be described with reference to the drawings. In addition, although this embodiment is an 8-cell series battery pack in which two assembled batteries in which four secondary battery cells are connected in series are connected in series, an assembled battery in which a plurality of secondary batteries are connected in series. As long as they are connected in a plurality of stages in series, the configuration is not limited to the above.
本実施形態は、図1に示すように、電池セルBAT1〜BAT4を直列に接続した組電池1−1及び電池セルBAT5〜BAT8を直列に接続した組電池1−2を直列に接続した組電池群1と、組電池群1のプラス電極と接続される端子S1及び組電池群1のマイナス電極と接続される端子S2及び組電池群1のプラス電極と保護素子10を介して接続される端子S3から成り、電動工具等の負荷本体(図示せず)又は充電器(図示せず)に設けられた端子部(図示せず)に着脱自在に装着される電源端子部と、負荷本体又は充電器の端子部に着脱自在に装着されて負荷本体又は充電器との間で信号の入出力を行う信号端子部2とを備える。ここで、保護素子10は、ヒータ抵抗に電流を流すことによりヒューズを切断して電路を遮断する非復帰型の素子である。また、端子S2は電源用のグラウンドと接続されている。 In this embodiment, as shown in FIG. 1, an assembled battery 1-1 in which battery cells BAT1 to BAT4 are connected in series and an assembled battery 1-2 in which battery cells BAT5 to BAT8 are connected in series is connected. A terminal S1 connected to the
電池セルBAT1〜BAT4各々のプラス電極と接続される端子V1〜V4は、それぞれ充放電制御電圧検出回路3−1、過充電電圧検出回路11−1に接続されている。充放電制御電圧検出回路3−1は、各電池セルBAT1〜BAT4の電圧を検出するための4セル対応の汎用ICであり、電池セルBAT1〜BAT4のセル電圧の少なくとも何れか1つが第1の所定値(本実施形態では、4.2V)より高くなると充電制御信号(オープンドレイン出力のアクティブハイ)を後述する充電制御信号変換回路4−1に出力し、電池セルBAT1〜BAT4のセル電圧の少なくとも何れか1つが第1の所定値より低い第2の所定値(本実施形態では、2V)より低くなると放電制御信号(C−MOS出力のアクティブハイ)を後述する放電制御信号変換回路5−1に出力する。充放電制御電圧検出制回路3−1は、電源側端子VDDが端子V4と接続されるとともに接地側端子VSSが端子S2と接続されることで、組電池1−1から電源が供給されるようになっている。また、充放電制御電圧検出回路3−1と端子S2との間には、それぞれ充電制御信号と放電制御信号の遅延時間を設定するためのコンデンサC1,C2が設けられている。 Terminals V1 to V4 connected to the positive electrodes of the battery cells BAT1 to BAT4 are connected to the charge / discharge control voltage detection circuit 3-1 and the overcharge voltage detection circuit 11-1, respectively. The charge / discharge control voltage detection circuit 3-1 is a general-purpose IC for four cells for detecting the voltage of each battery cell BAT1 to BAT4, and at least one of the cell voltages of the battery cells BAT1 to BAT4 is the first. When the voltage becomes higher than a predetermined value (4.2 V in this embodiment), a charge control signal (open drain output active high) is output to a charge control signal conversion circuit 4-1, which will be described later, and the cell voltages of the battery cells BAT1 to BAT4 are output. When at least one of them becomes lower than a second predetermined value (2 V in the present embodiment) lower than the first predetermined value, a discharge control signal (active high of C-MOS output) will be described later. Output to 1. The charge / discharge control voltage detection control circuit 3-1 is supplied with power from the assembled battery 1-1 by connecting the power supply side terminal VDD to the terminal V4 and connecting the ground side terminal VSS to the terminal S2. It has become. Capacitors C1 and C2 for setting delay times of the charge control signal and the discharge control signal are provided between the charge / discharge control voltage detection circuit 3-1 and the terminal S2, respectively.
過充電電圧検出回路11−1は、過充電電圧を検出するための4セル対応の汎用ICであり、電池セルBAT1〜BAT4のセル電圧の少なくとも何れか1つが第1の所定値より高い第3の所定値(本実施形態では、4.5V)より高くなると過充電制御信号(C−MOS出力のアクティブハイ)を後述する電圧変換回路13に出力する。過充電電圧検出回路11−1は、電源側端子VDDが端子V4と接続されるとともに接地側端子VSSが端子S2と接続されることで、組電池1−1から電源が供給されるようになっている。また、過充電電圧検出回路11−1と端子S2との間には、過充電制御信号の遅延時間を設定するためのコンデンサC5が設けられている。 The overcharge voltage detection circuit 11-1 is a four-cell general-purpose IC for detecting an overcharge voltage, and at least one of the cell voltages of the battery cells BAT1 to BAT4 is higher than a first predetermined value. Overcharge control signal (C-MOS output active high) is output to the
電池セルBAT5〜BAT8各々のプラス電極と接続される端子V5〜V7、及びVBは、それぞれ充放電制御電圧検出回路3−2、過充電電圧検出回路11−2に接続されている。充放電制御電圧検出回路3−2は、各電池セルBAT5〜BAT8の電圧を検出するための4セル対応の汎用ICであり、電池セルBAT5〜BAT8のセル電圧の少なくとも何れか1つが第1の所定値より高くなると充電制御信号を後述する充電制御信号変換回路4−2に出力し、電池セルBAT5〜BAT8のセル電圧の少なくとも何れか1つが第2の所定値より低くなると放電制御信号を後述する放電制御信号変換回路5−1に出力する。充放電制御電圧検出制回路3−2は、電源側端子VDDが端子VBと接続されるとともに接地側端子VSSが端子V4と接続されることで、組電池1−2から電源が供給されるようになっている。また、充放電制御電圧検出回路3−2と端子V4との間には、それぞれ充電制御信号と放電制御信号の遅延時間を設定するためのコンデンサC3,C4が設けられている。 The terminals V5 to V7 and VB connected to the positive electrodes of the battery cells BAT5 to BAT8 are connected to the charge / discharge control voltage detection circuit 3-2 and the overcharge voltage detection circuit 11-2, respectively. The charge / discharge control voltage detection circuit 3-2 is a general-purpose IC for four cells for detecting the voltage of each of the battery cells BAT5 to BAT8, and at least one of the cell voltages of the battery cells BAT5 to BAT8 is the first. When it becomes higher than a predetermined value, a charge control signal is outputted to a charge control signal conversion circuit 4-2 described later, and when at least one of the cell voltages of the battery cells BAT5 to BAT8 becomes lower than a second predetermined value, the discharge control signal is output later. To the discharge control signal conversion circuit 5-1. The charge / discharge control voltage detection control circuit 3-2 is configured such that power is supplied from the assembled battery 1-2 by connecting the power supply side terminal VDD to the terminal VB and connecting the ground side terminal VSS to the terminal V4. It has become. Capacitors C3 and C4 for setting delay times of the charge control signal and the discharge control signal are provided between the charge / discharge control voltage detection circuit 3-2 and the terminal V4, respectively.
過充電電圧検出回路11−2は、過充電電圧を検出するための4セル対応の汎用ICであり、電池セルBAT5〜BAT8のセル電圧の少なくとも何れか1つが第3の所定値より高くなると過充電制御信号を後述する駆動回路12に出力する。過充電電圧検出回路11−2は、電源側端子VDDが端子VBと接続されるとともに接地側端子VSSが端子V4と接続されることで、組電池1−2から電源が供給されるようになっている。また、過充電電圧検出回路11−2と端子V4との間には、過充電制御信号の遅延時間を設定するためのコンデンサC6が設けられている。 The overcharge voltage detection circuit 11-2 is a 4-cell general-purpose IC for detecting an overcharge voltage. When at least one of the cell voltages of the battery cells BAT5 to BAT8 becomes higher than a third predetermined value, the overcharge voltage detection circuit 11-2 is overcharged. The charge control signal is output to the
尚、電池セルBAT1,BAT3,BAT5,BAT7には、それぞれ並列に抵抗Ra〜Rd(例えば、1MΩ以上)が接続されている。このため、電池セルBAT1〜BAT8における短絡や、電池セルBAT1〜8と充放電制御電圧検出回路3−1,3−2及び過充電電圧検出回路11−1,11−2との間の接続線の断線などの場合に、検出されるセル電圧が異常値を示すことで充電制御の停止又は保護素子10による電路遮断を行うことができ、過充電を防ぐことができる。 Resistors Ra to Rd (for example, 1 MΩ or more) are connected in parallel to the battery cells BAT1, BAT3, BAT5, and BAT7, respectively. Therefore, a short circuit in the battery cells BAT1 to BAT8, and connection lines between the battery cells BAT1 to BAT8 and the charge / discharge control voltage detection circuits 3-1 and 3-2 and the overcharge voltage detection circuits 11-1 and 11-2. In the case of disconnection or the like, when the detected cell voltage shows an abnormal value, the charging control can be stopped or the electric circuit can be interrupted by the protective element 10, and overcharging can be prevented.
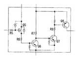
充電制御信号変換回路4−1,4−2は、それぞれ充放電制御電圧検出回路3−1,3−2と接続され、図2に示すように、ゲートに抵抗R1を介して充電制御信号が供給されるPチャンネルMOSトランジスタQ1と、NPN型トランジスタQ2,Q3と、オープンコレクタ出力のPNP型トランジスタQ4とを備えている。また、MOSトランジスタQ1のドレインとトランジスタQ2のベースとの間、トランジスタQ2のコレクタと後述する電源供給回路9−1,9−2の出力との間、トランジスタQ3のコレクタとトランジスタQ4のベースとの間には、それぞれ抵抗R2,R3,R4が設けられている。而して、入力の充電制御信号がハイレベルの場合、MOSトランジスタQ1、トランジスタQ2がオフになり、トランジスタQ3、トランジスタQ4がオンになることで、出力信号がハイレベル、即ち電源供給回路9−1,9−2の出力電圧になるような信号変換が行われる。 The charge control signal conversion circuits 4-1 and 4-2 are connected to the charge / discharge control voltage detection circuits 3-1 and 3-2, respectively. As shown in FIG. 2, the charge control signal is supplied to the gate via a resistor R1. A supplied P-channel MOS transistor Q1, NPN transistors Q2 and Q3, and an open collector output PNP transistor Q4 are provided. Further, between the drain of the MOS transistor Q1 and the base of the transistor Q2, between the collector of the transistor Q2 and the output of power supply circuits 9-1 and 9-2 described later, between the collector of the transistor Q3 and the base of the transistor Q4. Between them, resistors R2, R3 and R4 are provided, respectively. Thus, when the input charge control signal is at a high level, the MOS transistor Q1 and the transistor Q2 are turned off, and the transistor Q3 and the transistor Q4 are turned on, so that the output signal is at a high level, that is, the power supply circuit 9- Signal conversion is performed so that the output voltage is 1, 9-2.
放電制御信号変換回路5−1,5−2は、それぞれ充放電制御電圧検出回路3−1,3−2と接続され、図3に示すように、ゲートに抵抗R5を介して放電制御信号が供給されるPチャンネルMOSトランジスタQ5と、NPN型トランジスタQ6,Q7と、オープンコレクタ出力のPNP型トランジスタQ8とを備えている。また、MOSトランジスタQ5のドレインとトランジスタQ6のベースとの間、トランジスタQ6のコレクタと後述する電源供給回路9−1,9−2の出力との間、トランジスタQ7のコレクタとトランジスタQ8のベースとの間には、それぞれ抵抗R6,R7,R8が設けられている。而して、入力の放電制御信号がハイレベルの場合、MOSトランジスタQ5、トランジスタQ6がオフになり、トランジスタQ7、トランジスタQ8がオンになることで、出力信号がハイレベル、即ち電源供給回路9−1,9−2の出力電圧になるような信号変換が行われる。 Discharge control signal conversion circuits 5-1 and 5-2 are connected to charge / discharge control voltage detection circuits 3-1 and 3-2, respectively, and as shown in FIG. 3, the discharge control signal is supplied to the gate via resistor R5. A supplied P-channel MOS transistor Q5, NPN transistors Q6 and Q7, and an open collector output PNP transistor Q8 are provided. Further, between the drain of the MOS transistor Q5 and the base of the transistor Q6, between the collector of the transistor Q6 and the output of power supply circuits 9-1 and 9-2 described later, between the collector of the transistor Q7 and the base of the transistor Q8. Between them, resistors R6, R7, and R8 are provided, respectively. Thus, when the input discharge control signal is at a high level, the MOS transistor Q5 and the transistor Q6 are turned off and the transistor Q7 and the transistor Q8 are turned on, so that the output signal is at a high level, that is, the power supply circuit 9- Signal conversion is performed so that the output voltage is 1, 9-2.
充電制御信号論理和回路6は、エミッタが端子S2に接続されたNPN型トランジスタQ9を備え、ベースに充電制御信号変換回路4−1,4−2の出力信号がそれぞれ抵抗R9−1,9−2を介して入力される。トランジスタQ9のコレクタには、後述する起動信号VTが抵抗R10を介して入力されるようになっており、該コレクタ出力が後述する充電制御信号遅延回路14に入力されるようになっている。充電制御信号遅延回路14は、充電制御信号論理和回路6からの入力信号を遅延させるもので、電源側端子に起動信号VTが供給されるようになっている。また、出力は後述する信号端子部2の端子2gに接続される。而して、充電制御信号変換回路4−1,4−2の出力信号が何れもローレベルであれば、トランジスタQ9がオフとなり起動信号VTが充電制御信号遅延回路14に入力され、充電制御信号変換回路4−1,4−2の出力信号の少なくとも何れか1つがハイレベルになると、トランジスタQ9がオンとなって充電制御信号遅延回路14にローレベルの信号が入力される。 The charge control signal OR circuit 6 includes an NPN transistor Q9 whose emitter is connected to the terminal S2, and the output signals of the charge control signal conversion circuits 4-1 and 4-2 are connected to resistors R9-1 and 9-, respectively, at the base. 2 is input. A start signal VT, which will be described later, is input to the collector of the transistor Q9 via a resistor R10, and the collector output is input to a charge control
放電制御信号論理和回路7は、エミッタが端子S2に接続されたNPN型トランジスタQ10を備え、ベースに放電制御信号変換回路5−1,5−2の出力信号がそれぞれ抵抗R11−1,11−2を介して入力される。トランジスタQ10のコレクタには、起動信号VTが抵抗R12を介して入力されるようになっており、該コレクタ出力が後述する放電制御信号遅延回路15に入力されるようになっている。放電制御信号遅延回路15は、放電制御信号論理和回路7からの入力信号を遅延させるもので、電源側端子に起動信号VTが供給されるようになっている。また、出力は後述する信号端子部2の端子2cに接続される。而して、放電制御信号変換回路5−1,5−2の出力信号が何れもローレベルであれば、トランジスタQ10がオフとなり起動信号VTが放電制御信号遅延回路15に入力され、放電制御信号変換回路5−1,5−2の出力信号の少なくとも何れか1つがハイレベルになると、トランジスタQ10がオンとなって放電制御信号遅延回路14にローレベルの信号が入力される。 The discharge control signal OR circuit 7 includes an NPN transistor Q10 having an emitter connected to the terminal S2, and the output signals of the discharge control signal conversion circuits 5-1 and 5-2 are connected to resistors R11-1 and 11-, respectively, at the bases. 2 is input. The start signal VT is input to the collector of the transistor Q10 via the resistor R12, and the collector output is input to a discharge control
電源供給回路9−1は、エミッタが端子V4と接続されるとともにコレクタが充電制御信号変換回路4−1及び放電制御信号変換回路5−1の電源側端子にそれぞれ接続されるPNP型トランジスタQ12−1を備え、該トランジスタQ12−1のベースは、抵抗R14−1及びダイオードD1−1を介して後述する電源起動回路8に接続される。電源供給回路9−2は、エミッタが端子VBと接続されるとともにコレクタが充電制御信号変換回路4−2及び放電制御信号変換回路5−2の電源側端子にそれぞれ接続されるPNP型トランジスタQ12−2を備え、該トランジスタQ12−2のベースは、抵抗R14−2及びダイオードD1−2を介して電源起動回路8に接続される。 The power supply circuit 9-1 has a PNP transistor Q12- whose emitter is connected to the terminal V4 and whose collector is connected to the power supply side terminals of the charge control signal conversion circuit 4-1 and the discharge control signal conversion circuit 5-1. 1 and the base of the transistor Q12-1 is connected to a power supply starting circuit 8 to be described later via a resistor R14-1 and a diode D1-1. The power supply circuit 9-2 has a PNP transistor Q12- whose emitter is connected to the terminal VB and whose collector is connected to the power supply side terminals of the charge control signal conversion circuit 4-2 and the discharge control signal conversion circuit 5-2. 2 and the base of the transistor Q12-2 is connected to the power supply starting circuit 8 via a resistor R14-2 and a diode D1-2.
電源起動回路8は、エミッタが後述する信号端子部2の端子2hに接続されたNPN型トランジスタQ11を備え、ベースが信号端子部2の端子2bに抵抗R13を介して接続されることで負荷本体及び充電器で生成された起動信号VTが供給されるようになっている。また、トランジスタQ11のコレクタは、前述のように電源供給回路9−1,9−2に接続される。而して、電源起動回路8のトランジスタQ11のベースに起動信号VTが供給されると、トランジスタQ11,Q12−1,Q12−2がそれぞれオンになり、電源供給回路9−1から充電制御信号変換回路4−1及び放電制御信号変換回路5−1に組電池1−1の電池電圧が供給されるとともに、電源供給回路9−2から充電制御信号変換回路4−2及び放電制御信号変換回路5−2に組電池1−2の電池電圧が供給される。 The power supply starting circuit 8 includes an NPN transistor Q11 having an emitter connected to a terminal 2h of the
電圧変換回路13は、ソースが端子S2に接続されたNチャンネルMOSトランジスタQ14と、ソースが端子VBに接続されたPチャンネルMOSトランジスタQ15とを備え、MOSトランジスタQ14のドレインとMOSトランジスタQ15のゲートとが抵抗17を介して接続されている。MOSトランジスタQ14のゲートは、抵抗R16を介して過充電電圧検出回路11−1の出力と接続されており、MOSトランジスタQ15のドレインは、端子V4に接続されるとともに後述する駆動回路12の入力と接続されている。 The
駆動回路12は、ソースが端子V4に接続されたNチャンネルMOSトランジスタQ13−1,Q13−2を備え、各ドレインが保護素子10と接続されている。MOSトランジスタQ13−1のゲートは、抵抗R15−1を介して電圧変換回路13のMOSトランジスタQ15のドレインと接続されており、MOSトランジスタQ13−2のゲートは、抵抗R15−2を介して過充電電圧検出回路11−2の出力と接続されている。 The
而して、過充電電圧検出回路11−1の過充電制御信号がハイレベルになると、電圧変換回路13のMOSトランジスタQ14,Q15がオンとなり、駆動回路12のMOSトランジスタQ13−1をオンさせる。すると、保護素子10のヒータ抵抗に組電池1−2の電池電圧、若しくは充電器装着時であれば端子S3を介して充電電圧が印加され、その発熱で瞬時にヒューズを溶断し、端子S3と組電池群1のプラス電極との間の電路を遮断する。同様に、過充電電圧検出回路11−2の過充電制御信号がハイレベルになると、駆動回路12のMOSトランジスタQ13−2がオンとなり、保護素子10に組電池1−2の電池電圧若しくは充電電圧が印加されて端子S3と組電池群1のプラス電極との間の電路を遮断する。 Thus, when the overcharge control signal of the overcharge voltage detection circuit 11-1 becomes high level, the MOS transistors Q14 and Q15 of the
信号端子部2は、負荷本体又は充電器に設けられた端子部と接続される8つの端子2a〜2hから成り、端子2hは信号用のグラウンドに接続されている。端子2aと端子2hとの間には、組電池群1の情報(セル数、構成、電圧、容量など)に対応した抵抗値を有する識別用の抵抗16が接続されている。端子2bは、充電制御信号論理和回路6、放電制御信号論理和回路7、電源起動回路8、充電制御信号遅延回路14、放電制御信号遅延回路15に接続され、負荷本体又は充電器装着時に負荷本体又は充電器で生成される起動信号VTをそれぞれの回路に供給する。端子2c,2gには、それぞれ放電制御信号遅延回路15の出力信号と充電制御信号遅延回路14の出力信号が入力される。端子2dと端子2hとの間には、組電池群1の温度を検出する温度センサ(サーミスタ)18が接続されている。端子2eと端子2fとの間には、負荷本体又は充電器からの制御の履歴等を記録する不揮発性メモリから成る記憶部17が接続されており、端子2bから供給される起動信号VTによって起動する。 The
尚、組電池群1のマイナス電極に接続される端子S2と端子2hとは直接接続されず、互いに分離された構成となっている。このため、端子S2が導通不良になった場合に、端子2hを介して充放電の大電流が流れ、発火等の不具合が生じるのを防止することができる。 Note that the terminal S2 and the terminal 2h connected to the negative electrode of the assembled
而して、充電器が装着された場合は、電源端子部の端子S3,S2及び信号端子部2を介して充電制御を行う。また、負荷本体が装着された場合は、負荷本体に設けられたトリガスイッチ(図示せず)を操作することで、電源端子部の端子S1,S2及び信号端子部2を介して負荷制御を行う。尚、負荷本体及び充電器が装着された状態では、端子S2と端子2hとが内部で接続されており、電源用グラウンドと信号用グラウンドが共通接地となっている。 Thus, when a charger is attached, charge control is performed via the terminals S3 and S2 of the power supply terminal section and the
以下、本実施形態が充電器に装着された場合の動作について説明する。充電器が装着されると、端子2a及び端子2dを介して温度センサ18及び識別用の抵抗16の情報を検出することで、本実施形態が装着されたことを自動検出し、充電動作に入る。先ず、端子2bに起動信号VTを印加するとともに、端子2dにより検出される組電池群1の温度が所定の温度範囲内(本実施形態では70℃以下)であり、端子2gに入力される信号がハイレベル、即ち各電池セルBAT1〜BAT8の電池電圧が何れも第1の所定値(4.2V)以下であれば、端子S3,S2を介して定電流充電を開始する。端子2gに入力される信号がローレベル、即ち各電池セルBAT1〜BAT8の少なくとも何れか1つの電池電圧が第1の所定値(4.2V)以上になると、順次、充電電流を下げていく定電圧充電に移行し、充電電流が一定以下になると充電を完了し、端子2bの起動信号VTの印加を停止することで消費電流を抑える。尚、充電器が外されたことは、端子2a及び端子2bの電圧を検出することで判断する。 Hereinafter, an operation when the present embodiment is mounted on a charger will be described. When the charger is attached, the information of the
ここで、温度センサ18により検出される組電池群1の温度が所定の温度(70℃)を超えた場合、及び端子S3,S2に印加される充電電圧が所定値(本実施形態では、35V)を超えた場合には充電を停止するようになっている。更に、過充電電圧検出回路11−1,11−2において、各電池セルBAT1〜BAT8の少なくとも何れか1つの電池電圧が第3の所定値(4.5V)を超えると、駆動回路12を起動させて保護素子10を溶断することで充電できないようにしている。このため、充電時における高度な安全性を確保することができる。 Here, when the temperature of the assembled
次に、本実施形態が負荷本体に装着された場合の動作について説明する。負荷本体が装着され、起動のためのトリガスイッチが操作されると、負荷本体の制御回路が起動し、端子2bに起動信号VTを印加するとともに、端子2d及び端子2cを介して組電池群1の温度及び過放電か否かの情報を得て、正常な場合は端子S1,S2を介して負荷本体を起動する。トリガスイッチが離された場合、或いは端子2d,2cで異常が検出された場合は、放電を停止し、信号端子VT への起動信号の印加を停止することで消費電流を抑える。 Next, an operation when the present embodiment is mounted on the load body will be described. When the load main body is mounted and the trigger switch for activation is operated, the control circuit of the load main body is activated, the activation signal VT is applied to the terminal 2b, and the assembled
一般に、リチウムイオン電池は、過放電することにより信頼性が低下し、寿命が短くなる。具体的には、Feの析出電圧(1.0V)、Cuの析出電圧(0.5V)を下回ると容量低下の原因となる。そこで、負荷本体の制御回路で端子S1,S2間の電圧を監視し、所定電圧(本実施形態では、20V)以下となると負荷を止めて放電を停止するようになっている。また、端子2cに入力される信号がローレベル、即ち各電池セルBAT1〜BAT8の少なくとも何れか1つの電池電圧が第2の所定値(2.0V)以下になると負荷を停止するようになっている。更に、温度センサ18により検出される組電池群1の温度が所定値(70℃)を超えた場合、負荷を停止し放電を停止するようにしている。このため、放電による信頼性の低下を防止することができる。 In general, the lithium ion battery is over-discharged to reduce the reliability and shorten the life. Specifically, when the deposition voltage is lower than the Fe deposition voltage (1.0 V) and Cu deposition voltage (0.5 V), the capacity is reduced. Therefore, the voltage between the terminals S1 and S2 is monitored by the control circuit of the load main body, and when it becomes a predetermined voltage (20 V in this embodiment) or less, the load is stopped and the discharge is stopped. In addition, the load is stopped when the signal input to the terminal 2c is at a low level, that is, when the battery voltage of at least one of the battery cells BAT1 to BAT8 falls below the second predetermined value (2.0V). Yes. Furthermore, when the temperature of the assembled
次に、本実施形態が負荷本体及び充電器の何れにも装着されずに放置されている場合の動作について説明する。充放電制御電圧検出回路3−1,3−2及び過充電電圧検出回路11−1,11−2は、何れも放置時においても組電池1−1,1−2から電源が供給され駆動し続ける。従って、消費電流が極めて低い回路とする必要があり、充放電制御電圧検出回路3−1,3−2では、放置時においては検出動作が不要なため、端子2bから起動信号VTが入力されない時は待機モードになり、充電制御信号変換回路4−1,4−2及び放電制御信号変換回路5−1,5−2に対する出力信号がハイレベルとなるようにしている。また、電池セルBAT1〜BAT8の少なくとも何れか1つの電池電圧が第2の所定値(2.0V)以下になると、自動的に低消費電力モードに移行するようにしている。このモードでは、充電制御信号変換回路4−1,4−2及び放電制御信号変換回路5−1,5−2に対する出力信号がハイレベルとなり、回路停止状態(消費電流が0.1μA以下)となる。 Next, an operation when the present embodiment is left without being mounted on either the load body or the charger will be described. The charge / discharge control voltage detection circuits 3-1 and 3-2 and the overcharge voltage detection circuits 11-1 and 11-2 are all driven by being supplied with power from the assembled batteries 1-1 and 1-2 even when left unattended. to continue. Therefore, it is necessary to use a circuit with extremely low current consumption, and the charge / discharge control voltage detection circuits 3-1 and 3-2 do not require a detection operation when left unattended, and therefore when the start signal VT is not input from the terminal 2b. Is in a standby mode so that output signals to the charge control signal conversion circuits 4-1 and 4-2 and the discharge control signal conversion circuits 5-1 and 5-2 are at a high level. Further, when at least one battery voltage of the battery cells BAT1 to BAT8 becomes equal to or lower than the second predetermined value (2.0V), the mode automatically shifts to the low power consumption mode. In this mode, the output signals to the charge control signal conversion circuits 4-1 and 4-2 and the discharge control signal conversion circuits 5-1 and 5-2 are at a high level, and the circuit is stopped (consumption current is 0.1 μA or less). Become.
ところで、充電制御信号変換回路4−1,4−2及び放電制御信号変換回路5−1,5−2以降の回路は、低消費電流設計をしてもかなりの電流(1mA程度)が消費される。そこで、端子2bからの起動信号VTによって起動する電源起動回路8及び電源供給回路9−1,9−2を設け、端子2bから起動信号VTが入力されない場合、及び放置時には電源供給回路9−1,9−2からの電圧供給を停止することにより、回路を停止して消費電流を押さえている。このとき、充放電制御電圧検出回路3−1,3−2は、待機モード又は低消費電力モードとなり、前記端子が何れもハイレベルとなるため、充電制御信号変換回路4−1,4−2及び放電制御信号変換回路5−1,5−2の入力段のトランジスタがオフすることで電流が流れないようになっている。而して、消費電流を極めて低い値(3μA程度)に抑えられるため、長期間放置されても過放電による劣化を防ぐことができる。 By the way, the circuits after the charge control signal conversion circuits 4-1 and 4-2 and the discharge control signal conversion circuits 5-1 and 5-2 consume a considerable current (about 1 mA) even if they are designed to have a low current consumption. The Therefore, a power start circuit 8 and power supply circuits 9-1 and 9-2 that are started by a start signal VT from the terminal 2b are provided, and when the start signal VT is not input from the terminal 2b and when left unattended, the power supply circuit 9-1 is provided. , 9-2 is stopped to stop the circuit and suppress current consumption. At this time, the charge / discharge control voltage detection circuits 3-1 and 3-2 are in a standby mode or a low power consumption mode, and both of the terminals are at a high level. In addition, the transistors in the input stage of the discharge control signal conversion circuits 5-1 and 5-2 are turned off so that no current flows. Thus, since the current consumption can be suppressed to an extremely low value (about 3 μA), deterioration due to overdischarge can be prevented even when left for a long period of time.
以下、本実施形態の回路の動作について詳細に述べる。先ず、負荷本体又は充電器が装着されていて、端子2bから起動信号VTが印加されている場合について述べる。ここで、組電池群1の全ての電池セルBAT1〜BAT8の電池電圧が第1の所定値(4.2V)以下の場合は、充放電制御電圧検出回路3−1,3−2からそれぞれ出力される充電制御信号は何れもローレベルである。このため、充電制御信号変換回路4−1,4−2においては、MOSトランジスタQ1、トランジスタQ2がオンし、トランジスタQ3,Q4がオフとなるので、充電制御信号変換回路4−1,4−2から出力される信号は何れもローレベルとなる。したがって、充電制御信号論理和回路6のトランジスタQ9はオフとなり、充電制御信号遅延回路14には起動信号VT(例えば、5V)が入力され、充電制御信号遅延回路14で遅延された起動信号VTが端子2gに入力される。 Hereinafter, the operation of the circuit of this embodiment will be described in detail. First, the case where the load main body or the charger is attached and the activation signal VT is applied from the terminal 2b will be described. Here, when the battery voltages of all the battery cells BAT1 to BAT8 of the assembled
組電池群1の各電池セルBAT1〜BAT8の少なくとも何れか1つの電池電圧が第1の所定値(4.2V)を超えた場合、電池セルBAT1〜BAT4であれば充放電制御電圧検出回路3−1の充電制御信号が、電池セルBAT5〜BAT8であれば充放電制御電圧検出回路3−2の充電制御信号がハイレベルとなる。充電制御信号がハイレベルになると、充電制御信号変換回路4−1,4−2においては、MOSトランジスタQ1、トランジスタQ2がオフし、トランジスタQ3,Q4がオンとなるので、ハイレベルの充電制御信号が入力された充電制御信号変換回路4−1,4−2から出力される信号はハイレベルとなる。したがって、充電制御信号論理和回路6のトランジスタQ9はオンとなり、充電制御信号遅延回路14にはローレベルの信号が入力され、充電制御信号遅延回路14で遅延されたローレベルの信号が端子2gに入力される。 When at least one battery voltage of each of the battery cells BAT1 to BAT8 of the assembled
ここで、充電制御信号の遅延時間について図4を用いて説明する。充電器による充電電流は商用電源の周波数に応じた変動があり、電池セルBAT1〜BAT8の内部抵抗により、電池セルBAT1〜BAT8の電池電圧には電圧リプルが発生する(図4(a),(b)では端子V1における電圧信号を示す)。例えば、充電制御信号の解除遅延時間、即ち充電制御信号遅延回路14に入力されるハイレベルの信号の遅延時間を商用電源の周波数の半周期より長くすると、図4(b)に示すように、充電電流を下げても充電制御信号はハイレベルにならず、充電器においては連続して充電電流を下げていくことになり、電圧信号のリプル上端が充電制御電圧レベル(4.2V)を下回って初めてハイレベルとなり、ハイレベルとなった時点の充電電流によって充電が行われる。このため、充電電流の変化幅が荒くなることで充電効率が悪くなり、充電時間が長くなるという不具合が発生する。また、充電制御信号の検出遅延時間、即ち充電制御信号遅延回路に入力されるローレベルの信号の遅延時間を商用電源の周期よりも短くすると、商用電源のリプルに同期して充電制御信号がハイレベルとローレベルとで交互に切り替えられるので、単発ノイズが発生した場合に誤動作の原因となる。 Here, the delay time of the charge control signal will be described with reference to FIG. The charging current by the charger varies depending on the frequency of the commercial power supply, and voltage ripples are generated in the battery voltages of the battery cells BAT1 to BAT8 due to the internal resistance of the battery cells BAT1 to BAT8 (FIG. 4 (a), ( b) shows the voltage signal at the terminal V1). For example, if the release delay time of the charge control signal, that is, the delay time of the high level signal input to the charge control
そこで、遅延特性として充電制御信号の検出遅延時間を商用電源の周波数の周期よりも長くし、充電制御信号の解除遅延時間を商用電源の周波数の半周期より短くした場合を図4(a)に示す。このような遅延特性にした場合、電圧信号のリプル下端が充電制御レベルを商用電源の周波数の周期より長く超えると、端子2gにローレベルの信号が入力される。これを受けて、充電器が充電電流を下げることで電圧信号が低下し(図4(a)における電流制御)、充電制御電圧レベルを下回ると端子2gにハイレベルの信号が入力されて再び電圧信号が上昇する。このようにして、充電電流を徐々に下げながら定電圧充電を効率よく行うことができ、また、単発ノイズによる誤動作を防止することができる。尚、充電制御における遅延特性は、充放電電圧検出回路3−1,3−2のコンデンサC1,C3と充電制御信号遅延回路14の2箇所で設定できる。 FIG. 4A shows a case where the detection delay time of the charging control signal is made longer than the frequency cycle of the commercial power source and the release delay time of the charging control signal is made shorter than the half cycle of the commercial power source frequency as delay characteristics. Show. In the case of such delay characteristics, when the ripple lower end of the voltage signal exceeds the charge control level longer than the frequency cycle of the commercial power supply, a low level signal is input to the terminal 2g. In response to this, the charger lowers the charging current to decrease the voltage signal (current control in FIG. 4A). When the charging control voltage level falls below, a high level signal is input to the terminal 2g and the voltage is again applied. The signal rises. In this way, constant voltage charging can be performed efficiently while gradually reducing the charging current, and malfunction due to single noise can be prevented. In addition, the delay characteristic in charge control can be set in two places of the capacitors C1 and C3 of the charge / discharge voltage detection circuits 3-1 and 3-2 and the charge control
次に、組電池群1の全ての電池セルBAT1〜BAT8の電池電圧が第2の所定値(2V)以上の場合は、充放電制御電圧検出回路3−1,3−2の放電制御信号はローレベルである。このため、放電制御信号変換回路5−1,5−2においては、MOSトランジスタQ5、トランジスタQ6がオンし、トランジスタQ7,Q8がオフとなるので、放電制御信号変換回路5−1,5−2から出力される信号は何れもローレベルとなる。したがって、放電制御信号論理和回路7のトランジスタQ10はオフとなり、放電制御信号遅延回路14には起動信号VTが入力され、放電制御信号遅延回路15で遅延された起動信号VTが端子2cに入力される。 Next, when the battery voltages of all the battery cells BAT1 to BAT8 of the assembled
その後、負荷本体の駆動が行われ、組電池群1の電池セルBAT1〜BAT8の少なくとも何れか1つの電池電圧が第2の所定値(2.0V)以下となった場合、電池セルBAT1〜BAT4であれば充放電制御電圧検出回路3−1の放電制御信号が、電池セルBAT5〜BAT8であれば充放電制御電圧検出回路3−2の放電制御信号がハイレベルとなる。放電制御信号がハイレベルになると、放電制御信号変換回路5−1,5−2においては、MOSトランジスタQ5、トランジスタQ6がオフし、トランジスタQ7,Q8がオンとなるので、ハイレベルの放電制御信号が入力された放電制御信号変換回路5−1,5−2から出力される信号はハイレベルとなる。したがって、放電制御信号論理和回路7のトランジスタQ10はオンとなり、放電制御信号遅延回路15にはローレベルの信号が入力され、放電制御信号遅延回路15で遅延されたローレベルの信号が端子2cに入力される。尚、負荷本体がパルス駆動時に発生するノイズによる誤動作防止が必要となるため、放電制御信号の遅延特性は、検出遅延時間(約1秒)を解除遅延時間よりも長くするのが効果的である。 Thereafter, the load main body is driven, and when at least one battery voltage of the battery cells BAT1 to BAT8 of the assembled
次に、組電池群1の全ての電池セルBAT1〜BAT8が第3の所定値(4.5V)以下の場合は、過充電電圧検出回路11−1,11−2の過充電制御信号はローレベルである。このため、過充電電圧検出回路11−1からの過充電制御信号を受けて電圧変換回路13のMOSトランジスタQ14,Q15はオフとなり、組電池1−1の電池電圧を駆動回路12に出力する。一方、過充電電圧検出回路11−2については、組電池1−1の電池電圧を駆動回路12に出力する。この場合、駆動回路12のMOSトランジスタQ13−1,Q13−2は何れもオフのままであり、保護素子10は溶断することがないので、端子S3,S2を介して充電電流が組電池群1に供給される。 Next, when all the battery cells BAT1 to BAT8 of the assembled
その後、充電等により電池セルBAT1〜BAT8の電池電圧が上昇し、電池セルBAT1〜4の少なくとも何れか1つの電池電圧が第3の所定値(4.5V)を超えると、過充電電圧検出回路11−1の過充電制御信号はハイレベルとなる。このため、電圧変換回路13のMOSトランジスタQ14,Q15はオンとなり、組電池群1の電池電圧を駆動回路12に出力する。この電圧変換回路13の出力を受けて駆動回路12のMOSトランジスタQ13−1がオンし、保護素子10のヒータ抵抗に組電池1−2の電池電圧が印加され、この発熱により保護素子10が溶断されることで端子S3からの電源供給が遮断され、過充電を防止する。同様に、電池セルBAT5〜BAT8の少なくとも何れか1つの電池電圧が第3の所定値(4.5V)を超えると、過充電電圧検出回路11−2の過充電制御信号出力はハイレベルとなって駆動回路12に組電池群1の電池電圧を出力する。この過充電電圧検出回路11−2の出力を受けて駆動回路12のMOSトランジスタQ13−2がオンし、保護素子10のヒータ抵抗に組電池1−2の印加電圧が供給され、この発熱により保護素子10が溶断されることで端子S3からの電源供給が遮断され、過充電を防止する。 Thereafter, when the battery voltage of the battery cells BAT1 to BAT8 rises due to charging or the like and at least one of the battery voltages of the battery cells BAT1 to 4 exceeds a third predetermined value (4.5V), an overcharge voltage detection circuit The overcharge control signal 11-1 is at a high level. Therefore, the MOS transistors Q14 and Q15 of the
ここで、過充電電圧検出回路11−1,11−2の何れが作動した場合においても組電池1−2の電池電圧が保護素子10に印加されるようにしているので、4セル用の汎用の保護素子10を使用することができるとともに、どの電池セルBAT1〜BAT8が過充電電圧を超えた場合でも、安定な動作を実現することができる。 Here, the battery voltage of the assembled battery 1-2 is applied to the protection element 10 when any of the overcharge voltage detection circuits 11-1 and 11-2 is activated. The protective element 10 can be used, and a stable operation can be realized even when any of the battery cells BAT1 to BAT8 exceeds the overcharge voltage.
尚、過充電制御信号の遅延特性は、過充電電圧検出回路11−1,11−2のコンデンサC5,C6で設定できるが、速い動作を必要としないため、ノイズや電圧変動による誤動作を防止するため、長めの遅延時間(約1秒以上)が設定されることが望ましい。また、室温の低下或いは電池セルの劣化により電池セルの内部抵抗が上昇して最初の充電電流で第3の所定値(4.5V)を超えた場合でも、遅延時間を前述の充電制御信号の検出遅延時間よりも長く設定することにより、保護素子10が溶断することなく、充電制御が先に働いて充電電流を下げるため、保護素子10を無意味に溶断する誤動作を防ぐことができる。 Although the delay characteristic of the overcharge control signal can be set by the capacitors C5 and C6 of the overcharge voltage detection circuits 11-1 and 11-2, it does not require a fast operation, thereby preventing malfunction due to noise or voltage fluctuation. Therefore, it is desirable to set a longer delay time (about 1 second or more). Even when the internal resistance of the battery cell increases due to a decrease in room temperature or deterioration of the battery cell and exceeds the third predetermined value (4.5 V) at the initial charging current, the delay time is set to the above-described charging control signal. By setting the detection time longer than the detection delay time, the protection element 10 is not melted and charging control is performed first to lower the charging current. Therefore, it is possible to prevent malfunctions that cause the protection element 10 to melt without meaning.
次に、負荷本体及び充電器が接続されていて起動信号VTが供給されていない場合、或いは本実施形態が負荷本体及び充電器の何れにも装着されずに放置されている場合について述べる。先ず、通常状態(2.0〜4.2V)では、充放電電圧検出回路3−1,3−2の充電制御信号及び放電制御信号は何れもハイレベルとなる。この場合、充電制御信号変換回路4−1,4−2の入力はオープンとなり、電源供給回路9−1,9−2から電源が供給されないため、回路で電流が消費されることもない。充電制御信号論理和回路6も入力がオープンとなり、端子2bからの起動信号VTも供給されないために回路で電流が消費されることはない。充電制御信号遅延回路14等の端子2bからの起動信号VTで駆動される回路においても電流が消費されることはない。また、放電制御信号変換回路5−1,5−2の入力はそれぞれ端子V4,VBの電位となり、MOSトランジスタQ5はオフするとともに、電源供給回路9−1,9−2から電源が供給されないため、回路で電流が消費されることもない。また、過充電電圧検出回路11−1,11−2の過充電制御信号はローレベルとなるため、電圧変換回路13及び駆動回路12のトランジスタはすべてオフであり、回路で電流が消費されることはない。したがって、消費電流としては充放電電圧検出回路3−1,3−2の消費電流(約10μA)、過充電電電圧検出回路11−1,11−2(約1μA)の消費電流のみとなる。また、過放電状態(2.0V以下)では、充放電制御電圧検出回路3−1,3−2が低消費電力モード(0.1μA以下)となり、消費電流はさらに小さくなる。 Next, the case where the load body and the charger are connected and the activation signal VT is not supplied, or the case where the present embodiment is left unattached to either the load body or the charger will be described. First, in the normal state (2.0 to 4.2 V), both the charge control signal and the discharge control signal of the charge / discharge voltage detection circuits 3-1 and 3-2 are at a high level. In this case, the input of the charge control signal conversion circuits 4-1 and 4-2 is open, and no power is supplied from the power supply circuits 9-1 and 9-2, so that no current is consumed in the circuit. Since the input of the charge control signal logical sum circuit 6 is also open and the activation signal VT from the terminal 2b is not supplied, no current is consumed in the circuit. Even in a circuit driven by the activation signal VT from the terminal 2b such as the charge control
ところで、本実施形態では、充電制御信号論理和回路6及び放電制御信号論理和回路7、電源供給回路9−1,9−2で電圧変換を行なっているため、これらの回路において組電池1−1,1−2の間で消費電流のバラツキが発生する。そのため、本実施形態では以下の工夫をして、組電池1−1,1−2の間の消費電流のバラツキを解消した。 By the way, in this embodiment, voltage conversion is performed by the charge control signal logical sum circuit 6, the discharge control signal logical sum circuit 7, and the power supply circuits 9-1 and 9-2. Variations in current consumption occur between 1 and 1-2. For this reason, in the present embodiment, the following device has been devised to eliminate variations in current consumption between the assembled batteries 1-1 and 1-2.
一例として、充電制御信号について述べると、充電制御信号論理和回路6の抵抗R9−1,R9−2の抵抗値は、トランジスタQ9の駆動を安定させるために同一電流が流れるように設定されている。具体的には、抵抗R9−1には組電池1−1から電圧が供給され、抵抗R9−2には組電池1−1,1−2から電圧が供給されるので、抵抗R9−2の抵抗値は抵抗R9−1の抵抗値の2倍に設定されている。この時、充電制御信号論理和回路6において、組電池1−1は組電池1−2に比べて倍の電流を消費することになる(即ち、組電池1−1はV4/R9−1だけ多く流れる)。 As an example, the charge control signal will be described. The resistance values of the resistors R9-1 and R9-2 of the charge control signal OR circuit 6 are set so that the same current flows in order to stabilize the driving of the transistor Q9. . Specifically, voltage is supplied from the assembled battery 1-1 to the resistor R9-1, and voltage is supplied from the assembled batteries 1-1 and 1-2 to the resistor R9-2. The resistance value is set to twice the resistance value of the resistor R9-1. At this time, in the charge control signal logical sum circuit 6, the assembled battery 1-1 consumes twice as much current as the assembled battery 1-2 (that is, the assembled battery 1-1 is only V4 / R9-1. A lot)
そこで、この差分を組電池1−2で駆動される回路で多めに流すようにする必要がある。例えば、充電制御信号変換回路4−1の抵抗R2(以下、「抵抗R2−1」と呼ぶ)の抵抗値を充電制御信号変換回路4−2の抵抗R2(以下、「抵抗R2−2」と呼ぶ)の抵抗値よりも小さくし、充電制御信号変換回路4−2において消費電流を多く流すようにする。具体的には、充電制御信号変換回路4−1の抵抗R2−1を抵抗R9−1と同じ抵抗値にし、充電制御信号変換回路4−2の抵抗R2−2を充電制御信号変換回路4−1の抵抗R2の抵抗値の半分にすれば、充電制御信号変換回路4−2の消費電流は充電制御信号変換回路4−1に比べて、充電制御信号論理和回路6の抵抗R9−1での消費電流分だけ多く流れ、全体として組電池1−1,1−2の間での消費電流を略等しくすることができる。 Therefore, it is necessary to flow a large amount of this difference in a circuit driven by the assembled battery 1-2. For example, the resistance value of the resistor R2 (hereinafter referred to as “resistor R2-1”) of the charge control signal conversion circuit 4-1 is referred to as the resistance R2 (hereinafter referred to as “resistor R2-2”) of the charge control signal conversion circuit 4-2. So that a large amount of consumption current flows in the charge control signal conversion circuit 4-2. Specifically, the resistance R2-1 of the charging control signal conversion circuit 4-1 is set to the same resistance value as the resistance R9-1, and the resistance R2-2 of the charging control signal conversion circuit 4-2 is set to the charging control signal conversion circuit 4- If the resistance value of the resistor R2 of 1 is half, the consumption current of the charge control signal conversion circuit 4-2 is larger than that of the charge control signal conversion circuit 4-1, by the resistor R9-1 of the charge control signal OR circuit 6. Therefore, the current consumption between the assembled batteries 1-1 and 1-2 as a whole can be made substantially equal.
具体的には、各抵抗値をR9−1=(R9−2)/2=r、R2−1=2・(R2−2)=rとし、各電池セルBAT1〜BAT8の電池電圧をvとすると、組電池1−1での消費電流は、4v/r+8v/2r+4v/r=12v/rとなり、組電池1−2での消費電流は、8v/2r+4v/(r/2)=12v/rとなるので、組電池1−1,1−2それぞれの消費電流は同じとなる。他の回路についても上記と同様に抵抗値を調整することで組電池1−1,1−2の間の消費電流を略等しくすることができる。 Specifically, each resistance value is R9-1 = (R9-2) / 2 = r, R2-1 = 2 · (R2-2) = r, and the battery voltage of each battery cell BAT1 to BAT8 is v. Then, the consumption current in the assembled battery 1-1 is 4v / r + 8v / 2r + 4v / r = 12v / r, and the consumption current in the assembled battery 1-2 is 8v / 2r + 4v / (r / 2) = 12v / r. Therefore, the current consumption of each of the assembled batteries 1-1 and 1-2 is the same. For other circuits, the current consumption between the assembled batteries 1-1 and 1-2 can be made substantially equal by adjusting the resistance value in the same manner as described above.
このように、抵抗値のみで電流調整をしたことにより、組電池1−1,1−2の間で他の要因(初期電池容量、電池の容量劣化等)によって電池容量、電圧がばらついた場合でも、容量、電圧の高い組電池では他よりも多くの電流が流れることになり、消費電流のバラツキを少なくするように働かせることができる。尚、ここでは通常状態(2.0〜4.2V)について述べたが、充電制御状態(4.2V以上)についても同様の考え方で消費電流のバラツキを解消することができる(この場合、抵抗R3,R4を調整する。)また、過放電状態(2.0V以下)についても同じ考え方で消費電流のバラツキを解消することができる。 In this way, when the current is adjusted only by the resistance value, the battery capacity and voltage vary due to other factors (initial battery capacity, battery capacity deterioration, etc.) between the assembled batteries 1-1 and 1-2. However, an assembled battery having a high capacity and voltage will cause a larger amount of current to flow than the others, and can work to reduce variations in current consumption. In addition, although the normal state (2.0 to 4.2 V) has been described here, the variation in the consumption current can be eliminated in the same way in the charge control state (4.2 V or more) (in this case, the resistance R3 and R4 are adjusted.) In addition, the variation in current consumption can be eliminated with the same concept for the overdischarge state (2.0 V or less).
更に、通常状態(2.0〜4.2V)での消費電流に比べて、充電制御状態(4.2V以上)での消費電流(主に充電制御信号変換回路4−1,4−2での消費電流)を大きく、過放電状態(2.0V以下)での消費電流(主に放電制御信号変換回路5−1,5−2での消費電流)を小さくすることにより、組電池の間での電池容量、電圧のバラツキを平準化できる。即ち、充電制御状態に早く到達した組電池は電池の容量電圧が他に比べて大きいため、電流を多く消費するように設定されていると他の組電池と同じように自動的に調整されることになる。また、放電制御状態に早く到達した組電池は、電池の容量電圧が他に比べて小さいため、電流を少なく消費するように設定されていると他の組電池と同じように自動的に調整されることになる。 Furthermore, compared to the current consumption in the normal state (2.0 to 4.2 V), the current consumption in the charge control state (4.2 V or higher) (mainly in the charge control signal conversion circuits 4-1 and 4-2). Current consumption in the overdischarged state (2.0 V or less) (mainly current consumption in the discharge control signal conversion circuits 5-1 and 5-2) is reduced between the assembled batteries. Can be used to level out battery capacity and voltage variations. In other words, the battery pack that has reached the charge control state earlier has a larger capacity voltage than the other batteries, so if it is set to consume more current, it is automatically adjusted in the same way as other battery packs. It will be. In addition, battery packs that have reached the discharge control state sooner are automatically adjusted in the same way as other battery packs if they are set to consume less current because the capacity voltage of the batteries is lower than others. Will be.
1 組電池群
1−1,1−2 組電池
2 信号端子部
3−1,3−2 充放電制御電圧検出回路
4−1,4−2 充電制御信号変換回路
6 充電制御信号論理和回路
BAT1〜BAT8 電池セル(二次電池)
S1〜S3 電源端子部DESCRIPTION OF
S1-S3 Power supply terminal
| Application Number | Priority Date | Filing Date | Title |
|---|---|---|---|
| JP2007034084AJP4432981B2 (en) | 2007-02-14 | 2007-02-14 | Battery pack |
| Application Number | Priority Date | Filing Date | Title |
|---|---|---|---|
| JP2007034084AJP4432981B2 (en) | 2007-02-14 | 2007-02-14 | Battery pack |
| Publication Number | Publication Date |
|---|---|
| JP2008199828Atrue JP2008199828A (en) | 2008-08-28 |
| JP4432981B2 JP4432981B2 (en) | 2010-03-17 |
| Application Number | Title | Priority Date | Filing Date |
|---|---|---|---|
| JP2007034084AActiveJP4432981B2 (en) | 2007-02-14 | 2007-02-14 | Battery pack |
| Country | Link |
|---|---|
| JP (1) | JP4432981B2 (en) |
| Publication number | Priority date | Publication date | Assignee | Title |
|---|---|---|---|---|
| WO2010143670A1 (en) | 2009-06-12 | 2010-12-16 | Nissan Motor Co., Ltd. | Charge control device and method for secondary battery module |
| JP2012065392A (en)* | 2010-09-14 | 2012-03-29 | Ricoh Co Ltd | Secondary battery protection circuit, semiconductor device, and electronic appliance |
| JP5850197B1 (en)* | 2015-06-17 | 2016-02-03 | ミツミ電機株式会社 | Battery protection integrated circuit and circuit characteristic setting method |
| Publication number | Priority date | Publication date | Assignee | Title |
|---|---|---|---|---|
| WO2010143670A1 (en) | 2009-06-12 | 2010-12-16 | Nissan Motor Co., Ltd. | Charge control device and method for secondary battery module |
| US8907632B2 (en) | 2009-06-12 | 2014-12-09 | Nissan Motor Co., Ltd. | Charge control device and method for secondary battery module |
| JP2012065392A (en)* | 2010-09-14 | 2012-03-29 | Ricoh Co Ltd | Secondary battery protection circuit, semiconductor device, and electronic appliance |
| JP5850197B1 (en)* | 2015-06-17 | 2016-02-03 | ミツミ電機株式会社 | Battery protection integrated circuit and circuit characteristic setting method |
| JP2017011982A (en)* | 2015-06-17 | 2017-01-12 | ミツミ電機株式会社 | Battery protection integrated circuit and circuit characteristic setting method |
| Publication number | Publication date |
|---|---|
| JP4432981B2 (en) | 2010-03-17 |
| Publication | Publication Date | Title |
|---|---|---|
| JP4605166B2 (en) | Battery pack | |
| JP4241714B2 (en) | Battery pack for power tools | |
| EP2400628B1 (en) | Battery protecting circuit, and battery pack | |
| CN101916887B (en) | Battery pack | |
| US7570017B2 (en) | Rechargeable battery pack for a power tool including over-discharge protection | |
| KR101149186B1 (en) | Charging and discharging control circuit and charging type power supply device | |
| EP1533881B1 (en) | Battery Protection Circuit | |
| JP4533329B2 (en) | Semiconductor integrated circuit for charge control and charging device using the semiconductor integrated circuit for charge control | |
| JP4598815B2 (en) | Secondary battery charging circuit | |
| JP4080408B2 (en) | Battery protection IC and battery pack using the same | |
| JP5390925B2 (en) | Battery pack | |
| JP7538452B2 (en) | Secondary battery protection device, battery pack, and method for controlling secondary battery protection device | |
| JP5742593B2 (en) | Semiconductor integrated circuit, protection circuit and battery pack | |
| EP3026781B1 (en) | Battery pack | |
| US20090091295A1 (en) | Balanced charging/discharging circuit for lithium battery set | |
| TWI432748B (en) | Protective semiconductor apparatus for an assembled battery, a battery pack including the protective semiconductor apparatus, and an electronic device | |
| JP7235987B2 (en) | Secondary battery protection circuit and battery pack | |
| JP3935922B2 (en) | Secondary battery charge / discharge control circuit | |
| JP2017184562A (en) | Charger | |
| JP2003174720A (en) | Secondary battery protective circuit and protective circuit ic | |
| KR102785018B1 (en) | Secondary battery protection circuit, battery pack, battery system and method for protecting secondary battery | |
| JP4432981B2 (en) | Battery pack | |
| JP2016103937A (en) | Battery pack | |
| JP5505678B2 (en) | Battery pack and electric tool using the battery pack | |
| TW202505839A (en) | Battery management circuit |
| Date | Code | Title | Description |
|---|---|---|---|
| A621 | Written request for application examination | Free format text:JAPANESE INTERMEDIATE CODE: A621 Effective date:20090212 | |
| A977 | Report on retrieval | Free format text:JAPANESE INTERMEDIATE CODE: A971007 Effective date:20091120 | |
| TRDD | Decision of grant or rejection written | ||
| A01 | Written decision to grant a patent or to grant a registration (utility model) | Free format text:JAPANESE INTERMEDIATE CODE: A01 Effective date:20091201 | |
| A01 | Written decision to grant a patent or to grant a registration (utility model) | Free format text:JAPANESE INTERMEDIATE CODE: A01 | |
| A61 | First payment of annual fees (during grant procedure) | Free format text:JAPANESE INTERMEDIATE CODE: A61 Effective date:20091214 | |
| R151 | Written notification of patent or utility model registration | Ref document number:4432981 Country of ref document:JP Free format text:JAPANESE INTERMEDIATE CODE: R151 | |
| FPAY | Renewal fee payment (event date is renewal date of database) | Free format text:PAYMENT UNTIL: 20130108 Year of fee payment:3 | |
| FPAY | Renewal fee payment (event date is renewal date of database) | Free format text:PAYMENT UNTIL: 20130108 Year of fee payment:3 |