





本発明は、主に共振型DC−DCコンバータのメイントランス等に使用される疎結合トランス及びこれを備えるスイッチング電源に関する。 The present invention relates to a loosely coupled transformer mainly used for a main transformer of a resonance type DC-DC converter and a switching power supply including the same.
従来、この種の疎結合トランスでは、横型ロ字磁気コアにリーケージ足を設けることによって1次コイル(1次巻線)と2次コイル(2次巻線)間の結合を下げたり、あるいは1次コイルと2次コイルの距離を大きくして、コイル間の結合度を低くする構造がとられている。例えば、下記特許文献1及び特許文献2がある。 Conventionally, in this type of loosely coupled transformer, the coupling between the primary coil (primary winding) and the secondary coil (secondary winding) is lowered by providing a leakage leg in the horizontal-shaped magnetic core, or 1 A structure is adopted in which the distance between the secondary coil and the secondary coil is increased to reduce the degree of coupling between the coils. For example, there are
しかし、スイッチング周波数の高周波化に伴ってトランスの小型化が要求されているが、従来の構造では、床面積及びコイル間距離を確保するなどの面で対応が困難になってきている。 However, as the switching frequency increases, miniaturization of the transformer is required. However, the conventional structure is difficult to cope with in terms of securing the floor area and the distance between the coils.
従来から、トランスの結合係数を下げる為の手段としては、1次、2次コイルのコイル間距離を大きくしたり、リーケージ足などを設ける手段がとられていた。しかし、コイル間距離を大きくすることは床面積の増大を招く。また、リーケージ足などで結合係数を下げると、結合係数を下げたことによりトランスから漏洩磁束が大きく発生し、プリント基板の配線パターンや周辺部品に渦電流損失やノイズの悪影響を与える可能性が大きかった(特に、高周波使用により問題になる。)。それにより、1次、2次コイル及びプリント基板の銅箔などに熱が発生することや、放射ノイズの発生源になることもあった。放射ノイズの発生防止のためには、トランス全体を金属ケースなどで覆う必要があるが、この金属ケース自身が発熱する問題もあり、コスト上昇にも繋がっている。 Conventionally, as means for reducing the coupling coefficient of the transformer, means for increasing the distance between the coils of the primary and secondary coils or providing a leakage foot or the like have been taken. However, increasing the distance between the coils increases the floor area. In addition, if the coupling coefficient is lowered with a leakage foot or the like, a large leakage magnetic flux is generated from the transformer due to the lowering of the coupling coefficient, and there is a high possibility that eddy current loss and noise will be adversely affected on the printed circuit board wiring pattern and peripheral components. (In particular, it becomes a problem when using high frequency.) As a result, heat may be generated in the primary and secondary coils, the copper foil of the printed board, and the like, which may be a source of radiation noise. In order to prevent the generation of radiation noise, it is necessary to cover the entire transformer with a metal case or the like. However, there is a problem that the metal case itself generates heat, leading to an increase in cost.
本発明は、上記の点に鑑み、コイル相互の結合係数を適切値に設定可能であるとともに、小型化及び外部への磁束漏洩の低減を図った疎結合トランスを提供することを目的とする。 An object of the present invention is to provide a loosely coupled transformer in which the coupling coefficient between coils can be set to an appropriate value and the size of the coil is reduced and leakage of magnetic flux to the outside is reduced.
本発明のその他の目的や新規な特徴は後述の実施の形態において明らかにする。 Other objects and novel features of the present invention will be clarified in embodiments described later.
上記目的を達成するために、本発明の第1の態様の疎結合トランスは、第1の中央脚と、少なくともその両側を囲む第1の側脚と、前記第1の中央脚と前記第1の側脚とを連結する第1の板状部とを有する第1の磁気コアと、
第2の中央脚と、少なくとも第2の中央脚の両側を囲む第2の側脚と、前記第2の中央脚と前記第2の側脚とを連結する第2の板状部とを有する第2の磁気コアと、
前記第1の側脚と前記第2の側脚との間に挟持されるリング状磁気コアと、
前記第1の側脚の内側において前記第1の中央脚の周囲に設けられる第1のコイルと、
前記第2の側脚の内側において前記第2の中央脚の周囲に設けられる第2のコイルとを備え、
前記第1及び第2の中央脚間に第1の磁気ギャップが設けられ、前記第1及び第2の中央脚の側面と前記リング状磁気コアの内面間に第2の磁気ギャップがあることを特徴としている。To achieve the above object, a loosely coupled transformer according to a first aspect of the present invention includes a first central leg, a first side leg surrounding at least both sides thereof, the first central leg, and the first central leg. A first magnetic core having a first plate-like portion connecting the side legs of the first magnetic core;
A second central leg; a second side leg surrounding at least both sides of the second central leg; and a second plate-like portion connecting the second central leg and the second side leg. A second magnetic core;
A ring-shaped magnetic core sandwiched between the first side leg and the second side leg;
A first coil provided around the first central leg inside the first side leg;
A second coil provided around the second central leg inside the second side leg,
A first magnetic gap is provided between the first and second central legs, and a second magnetic gap is provided between a side surface of the first and second central legs and an inner surface of the ring-shaped magnetic core. It is a feature.
前記第1の態様の疎結合トランスにおいて、前記第1及び第2の磁気コアがE型コアであり、前記リング状磁気コアがロ字型コアであってもよい。 In the loosely coupled transformer of the first aspect, the first and second magnetic cores may be E-shaped cores, and the ring-shaped magnetic core may be a rectangular core.
前記第1の態様の疎結合トランスにおいて、前記第1の磁気ギャップが前記リング状磁気コアで囲まれていてもよい。 In the loosely coupled transformer according to the first aspect, the first magnetic gap may be surrounded by the ring-shaped magnetic core.
本発明の第2の態様の疎結合トランスは、第1の中央脚と、少なくともその両側を囲む第1の側脚と、前記第1の中央脚と前記第1の側脚とを連結する第1の板状部とを有する第1の磁気コアと、
第2の板状部と前記第2の板状部の少なくとも両側に設けられる第2の側脚とを有する第2の磁気コアと、
前記第1の側脚と前記第2の側脚との間に挟持されるリング状磁気コアと、
前記第1の側脚の内側において前記第1の中央脚の周囲に設けられる第1のコイルと、
前記第2の側脚の内側において前記第1の中央脚の周囲に設けられる第2のコイルとを備え、
前記第1の中央脚と前記第2の板状部間に第1の磁気ギャップが設けられ、前記第1の中央脚の側面と前記リング状磁気コアの内面間に第2の磁気ギャップがあることを特徴としている。The loosely coupled transformer according to the second aspect of the present invention includes a first central leg, a first side leg surrounding at least both sides thereof, a first central leg and the first side leg connected to each other. A first magnetic core having one plate-like portion;
A second magnetic core having a second plate-like portion and second side legs provided on at least both sides of the second plate-like portion;
A ring-shaped magnetic core sandwiched between the first side leg and the second side leg;
A first coil provided around the first central leg inside the first side leg;
A second coil provided around the first central leg inside the second side leg,
A first magnetic gap is provided between the first central leg and the second plate-like portion, and a second magnetic gap is provided between the side surface of the first central leg and the inner surface of the ring-shaped magnetic core. It is characterized by that.
前記第2の態様の疎結合トランスにおいて、前記第1の磁気コアがE型コアであり、前記第2の磁気コアがU型コアであり、前記リング状磁気コアがロ字型コアであることを特徴としている。 In the loosely coupled transformer of the second aspect, the first magnetic core is an E-type core, the second magnetic core is a U-type core, and the ring-shaped magnetic core is a R-shaped core. It is characterized by.
前記第1又は第2の態様の疎結合トランスにおいて、前記コイルが導体パターンを形成した多層基板よりなっていてもよい。 In the loosely coupled transformer of the first or second aspect, the coil may be formed of a multilayer substrate on which a conductor pattern is formed.
本発明の第3の態様のスイッチング電源は、前記第1又は第2の態様の疎結合トランスを備えることを特徴としている。 A switching power supply according to a third aspect of the present invention includes the loosely coupled transformer according to the first or second aspect.
本発明に係る疎結合トランスによれば、以下の効果を奏することができる。 The loosely coupled transformer according to the present invention can provide the following effects.
(1) 第1の磁気コアの第1の中央脚と、第2の磁気コアの第2の中央脚との間、又は第1の磁気コアの第1の中央脚と、第2の磁気コアの第2の板状部との間に設けられた第1の磁気ギャップの大きさで第1及び第2のコイルのそれぞれの自己インダクタンスを主に調整できる。(1) Between the first central leg of the first magnetic core and the second central leg of the second magnetic core, or the first central leg of the first magnetic core and the second magnetic core The self-inductance of each of the first and second coils can be mainly adjusted by the size of the first magnetic gap provided between the second plate-like portion and the second plate-like portion.
(2) 第1及び第2の磁気コア間に設けられたリング状磁気コアの内面と前記中央脚間の第2の磁気ギャップの大きさで第1及び第2のコイル間の結合度を主に調整できる。(2) The degree of coupling between the first and second coils is mainly determined by the size of the second magnetic gap between the inner surface of the ring-shaped magnetic core provided between the first and second magnetic cores and the central leg. Can be adjusted.
(3) 従って、例えば、共振型DC−DCコンバータのメイントランスのように、各コイルの自己インダクタンスは比較的大きな値が必要で、なおかつ結合度は低い必要がある場合であっても、第2の磁気ギャップで前記結合度を適切に設定できるため、第1の磁気ギャップは大きくする必要がなく、自己インダクタンスを大きいまま維持できる。また、結合度を低くするためにコイル相互の間隔を大きくする必要がないため、小型化できる。(3) Therefore, even if the self-inductance of each coil requires a relatively large value and the degree of coupling needs to be low, such as the main transformer of a resonant DC-DC converter, for example, Since the degree of coupling can be appropriately set with the magnetic gap, it is not necessary to increase the first magnetic gap, and the self-inductance can be maintained large. Further, since it is not necessary to increase the interval between the coils in order to reduce the degree of coupling, the size can be reduced.
(4) リング状磁気コアで漏洩磁束をシールドでき、外部への磁束漏洩を低減して他の部品への悪影響を防止できる。(4) The magnetic flux leakage can be shielded by the ring-shaped magnetic core, and magnetic flux leakage to the outside can be reduced to prevent adverse effects on other components.
以下、本発明を実施するための最良の形態として、疎結合トランス及びスイッチング電源の実施の形態を図面に従って説明する。 In the following, embodiments of a loosely coupled transformer and a switching power supply will be described with reference to the drawings as the best mode for carrying out the present invention.
図1乃至図4の疎結合トランスの実施の形態において、主に共振型DC−DCコンバータのメイントランス等に使用される疎結合トランス1は、第1及び第2の縦型磁気コアとしてのE型フェライトコア10,20(その他の基本的なE型を変形した形状も包含するものとする)と、中間のリング状磁気コアとしてのロ字型フェライトコア(方形リング型フェライトコア)30と、1次コイル40及び2次コイル50とを備えている。 In the embodiment of the loosely coupled transformer of FIGS. 1 to 4, the loosely coupled
図3の断面図及び図4のコア構造からわかるように、E型フェライトコア10は中央脚11と、その両側を囲む側脚12と、中央脚11と左右の側脚12とを連結する板状部13とを有し、同様に、E型フェライトコア20は中央脚21と、その両側を囲む側脚22と、中央脚21と左右の側脚22とを連結する板状部23とを有している。そして、E型フェライトコア10の側脚12とE型フェライトコア20の側脚22との間にロ字型フェライトコア30が挟持されている(介在している)。換言すれば、ロ字型フェライトコア30の上面に側脚12が当接し、下面に側脚22が当接している。 As can be seen from the cross-sectional view of FIG. 3 and the core structure of FIG. 4, the
前記中央脚11,21は側脚12,22よりもそれぞれ長く、図3のように、中央脚11,21の先端面間に第1の磁気ギャップG1が設けられている。また、中央脚11,21の側面とロ字型フェライトコア30の内面間に第2の磁気ギャップG2が設けられている。 The
1次コイル40及び2次コイル50は、絶縁被覆導線を巻回した巻線であってもよいが、所要回数周回した導体パターンを形成した多層基板で構成してもよい。1次コイル40は、E型フェライトコア10の左右の側脚12の内側において中央脚11の周囲に配設され、2次コイル50は、E型フェライトコア20の左右の側脚22の内側において中央脚21の周囲に配設されている。従って、1次コイル40と2次コイル50間にロ字型フェライトコア30が位置している。 The
共振型DC−DCコンバータのメイントランスの場合、自己インダクタンス、リーケージインダクタンス、及び1次、2次コイル間の結合係数等の条件を満足させる必要がある。従来のトランス構造であると、結合度、つまり結合係数を下げるために1次及び2次コイル間距離を大きくすると、小型化できず、中央脚間の磁気ギャップを大きくすると自己インダクタンスが低下してしまい、さらにリーケージ足を設けると外部への磁束漏洩が防止できない問題がある。 In the case of a main transformer of a resonance type DC-DC converter, it is necessary to satisfy conditions such as a self-inductance, a leakage inductance, and a coupling coefficient between the primary and secondary coils. In the conventional transformer structure, if the distance between the primary and secondary coils is increased in order to reduce the coupling degree, that is, the coupling coefficient, the size cannot be reduced, and if the magnetic gap between the central legs is increased, the self-inductance decreases. In addition, if a leakage leg is further provided, there is a problem that magnetic flux leakage to the outside cannot be prevented.
本発明の実施の形態では、1次コイル40を設けたE型フェライトコア10と2次コイル50を設けたE型フェライトコア20間にロ字型フェライトコア30を介在させることで、上記の問題点を解決している。 In the embodiment of the present invention, the above-mentioned problem is caused by interposing the R-
図3の第1及び第2の磁気コア10,20及びロ字型フェライトコア30からなる磁気回路の断面図において、1次コイル40や2次コイル50に通電したときに発生する磁束の磁路として、主磁路Φ1と副磁路Φ2,Φ3とがあると考えることができ、主磁路Φ1の第1の磁気ギャップG1を小さくすることで1次及び2次コイル40,50の自己インダクタンスを大きく設定可能である(G1減少→自己インダクタンス増加の関係がある)。 3 is a cross-sectional view of the magnetic circuit including the first and second
これに対し、副磁路Φ2は1次コイル40の周囲のみ、副磁路Φ3は2次コイル50の周囲のみをそれぞれ周回するものであり、副磁路Φ2,Φ3を通る磁束の割合を増減することで1次、2次コイル40,50間の結合度(結合係数)を大きく変化させることができる。 On the other hand, the secondary magnetic path Φ2 circulates only around the
すなわち、副磁路Φ2,Φ3中の第2の磁気ギャップG2が大きければ、副磁路Φ2,Φ3の磁気抵抗は大きく、主磁路Φ1を流れる磁束の割合が大きく、副磁路Φ2,Φ3を流れる磁束の割合は小さい。主磁路Φ1は1次、2次コイル40,50間の結合に寄与する磁路であるから、結合度は高い。 That is, if the second magnetic gap G2 in the secondary magnetic paths Φ2 and Φ3 is large, the magnetic resistance of the secondary magnetic paths Φ2 and Φ3 is large, and the ratio of the magnetic flux flowing through the main magnetic path Φ1 is large, and the secondary magnetic paths Φ2, Φ3 The proportion of magnetic flux flowing through is small. Since the main magnetic path Φ1 is a magnetic path contributing to the coupling between the primary and
逆に、副磁路Φ2,Φ3中の第2の磁気ギャップG2を小さくすると、副磁路Φ2,Φ3の磁気抵抗は小さくなり、主磁路Φ1を流れる磁束の割合は減じ、副磁路Φ2,Φ3を流れる磁束の割合が増加する。副磁路Φ2,Φ3は1次、2次コイル40,50間の結合に寄与しない磁路であるから、結合度は低くなる。 Conversely, when the second magnetic gap G2 in the secondary magnetic paths Φ2 and Φ3 is reduced, the magnetic resistance of the secondary magnetic paths Φ2 and Φ3 is reduced, and the ratio of the magnetic flux flowing through the main magnetic path Φ1 is reduced, and the secondary magnetic path Φ2 , Φ3 increases the proportion of magnetic flux. Since the secondary magnetic paths Φ2 and Φ3 are magnetic paths that do not contribute to the coupling between the primary and
この実施の形態によれば、次の通りの効果を得ることができる。 According to this embodiment, the following effects can be obtained.
(1) 共振型DC−DCコンバータのメイントランスの場合、自己インダクタンス、リーケージインダクタンス、及び1次、2次コイル間の結合係数(例えば、結合係数k≒0.7)等の条件を満足させる必要があるが、本実施の形態では、1次、2次コイル40,50の自己インダクタンスはあまり変化させずに第2の磁気ギャップG2で結合係数を大きく変化させることができ、また第1の磁気ギャップG1で1次、2次コイル40,50の自己インダクタンス及びリーゲージインダクタンスを適切値に設定できる。つまり、2つの磁気ギャップG1,G2の調整により、自己インダクタンス及び結合係数を独立的に設計することを可能にしている。また、結合度を低くするためにコイル相互の間隔を大きくする必要がないため、小型化できる。(1) In the case of a main transformer of a resonance type DC-DC converter, it is necessary to satisfy conditions such as self-inductance, leakage inductance, and coupling coefficient between primary and secondary coils (for example, coupling coefficient k≈0.7). However, in this embodiment, the self-inductance of the primary and
(2) 第1の磁気ギャップG1及び第2の磁気ギャップG2は共に方形リング状をなすロ字型フェライトコア30で囲まれる位置関係であり、ロ字型フェライトコア30でギャップG1,G2からの漏洩磁束をシールドでき、他の部品への悪影響を防止できる。換言すれば、プリント基板の配線パターンや周囲に配置される電子部品に対する漏洩磁束の影響を低減可能である。(2) Both the first magnetic gap G1 and the second magnetic gap G2 are in a positional relationship surrounded by a square-shaped
(3) 1次コイル40及び2次コイル50は第1の磁気ギャップG1から離れた位置となり、第1の磁気ギャップG1からの漏洩磁束に起因する1次コイル40及び2次コイル50の渦電流損失及びこれに伴う発熱を防止できる。なお、第2の磁気ギャップG2からの漏洩磁束は1次コイル40及び2次コイル50の巻線周回面に略平行に発生し、かつ磁束量も少ないことから影響は小さい。従って、例えば各コイル40,50を多層基板を用いて小型化、薄型化してプレーナ型トランスを構成したとき、各コイルの発熱を低減可能である。(3) The
図5は本発明に係る疎結合トランスの他の実施の形態であって、磁気コア形状を一部変更した例である。図5において、疎結合トランス1Aは、第1及び第2の縦型磁気コアとしてのE型フェライトコア60(その他の基本的なE型を変形した形状も包含するものとする)と、U型フェライトコア70と、中間のリング状磁気コアとしてのロ字型フェライトコア(方形リング型フェライトコア)30と、1次コイル40及び2次コイル50とを備えている。 FIG. 5 shows another embodiment of the loosely coupled transformer according to the present invention, which is an example in which the shape of the magnetic core is partially changed. In FIG. 5, a loosely coupled transformer 1A includes an E-type ferrite core 60 (which includes other basic E-shaped shapes) as a first and second vertical magnetic core, and a U-type. A
E型フェライトコア60は中央脚61と、その両側を囲む側脚62と、中央脚61と左右の側脚62とを連結する板状部63とを有し、U型フェライトコア70は左右の側脚72と、それらを連結する板状部73とを有している。そして、E型フェライトコア60の側脚62とU型フェライトコア70の側脚72との間にロ字型フェライトコア30が挟持されている(介在している)。換言すれば、ロ字型フェライトコア30の上面に側脚62が当接し、下面に側脚72が当接している。 The
前記中央脚61は側脚62よりも長く、中央脚61の先端面と板状部73間に第1の磁気ギャップG1が設けられている。また、中央脚61の側面とロ字型フェライトコア30の内面間に第2の磁気ギャップG2が設けられている。 The
1次コイル40は、E型フェライトコア60の左右の側脚62の内側において中央脚61の周囲に配設され、2次コイル50は、U型フェライトコア70の左右の側脚22の内側において中央脚61の周囲に配設されている。従って、1次コイル40と2次コイル50間にロ字型フェライトコア30が位置している。 The
この場合、第1の磁気ギャップG1の位置が図1〜図4の実施の形態とは異なるが、2つの磁気ギャップG1,G2の調整により、図1〜図4の実施の形態と同様に自己インダクタンス及び結合係数を独立的に設計し、適切値に設定可能であり、同様の効果を得ることができる。 In this case, the position of the first magnetic gap G1 is different from that in the embodiment shown in FIGS. 1 to 4, but the self-magnetism is adjusted in the same manner as in the embodiment shown in FIGS. 1 to 4 by adjusting the two magnetic gaps G1 and G2. The inductance and the coupling coefficient can be designed independently and set to appropriate values, and the same effect can be obtained.
なお、本発明において、第1及び第2の磁気コアとして中央脚の全周を実質的に囲む側脚を持つポット型コアを採用することも可能であり、第1及び第2の磁気コア間に介在するリング状磁気コアの形状も第1及び第2の磁気コアの形状にあわせてロ字型以外の円形リング等としてもよい。 In the present invention, it is also possible to employ a pot-type core having side legs that substantially surround the entire circumference of the center leg as the first and second magnetic cores, and between the first and second magnetic cores. The shape of the ring-shaped magnetic core interposed between the first and second magnetic cores may be a circular ring other than the square shape in accordance with the shapes of the first and second magnetic cores.
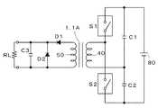
図6は上記の疎結合トランス1,1Aを備えるスイッチング電源の回路構成の1例であり、ハーフブリッジ方式のものを示す。図6において、直流電源80に対して2個の等容量のコンデンサC1,C2が直列に接続されるとともに、2個のスイッチング素子S1,S2が接続されている。疎結合トランス1,1Aの1次コイル40の一端はコンデンサC1,C2の接続点に、他端はスイッチング素子S1,S2の接続点に接続されている。スイッチング素子S1,S2が交互にオン、オフすることで、周期的に向きが反転する電流を1次コイル40に流すことができる。スイッチング周波数は例えば1MHz以上とすることができる。 FIG. 6 shows an example of a circuit configuration of a switching power supply including the above-described loosely coupled
疎結合トランス1,1Aの2次コイル50には、その誘起電圧を整流平滑するためにダイオードD1,D2及びコンデンサC3からなる整流平滑回路が接続されており、その整流平滑回路の出力が負荷RLに供給されるようになっている。 The
このような疎結合トランス1,1Aを具備したスイッチング電源は、疎結合トランス部分を小型化でき、かつ磁気ギャップからの漏洩磁束をシールドする効果により構成部品を疎結合トランス近傍に配置できるため、全体構成も小型化可能である。 Since the switching power supply having such a loosely coupled
なお、本発明のスイッチング電源の回路構成としては、ハーフブリッジ方式以外の回路構成も可能であり、必要に応じて本発明の疎結合トランスは1次コイルや2次コイルに追加して別のコイルを第1又は第2の磁気コア内に設けることが可能である。また、1次コイルや2次コイルに中点タップを設けることもできる。 In addition, as a circuit configuration of the switching power supply of the present invention, a circuit configuration other than the half-bridge method is possible, and if necessary, the loosely coupled transformer of the present invention is added to the primary coil or the secondary coil and another coil. Can be provided in the first or second magnetic core. Moreover, a midpoint tap can also be provided in a primary coil or a secondary coil.
以上本発明の実施の形態について説明してきたが、本発明はこれに限定されることなく請求項の記載の範囲内において各種の変形、変更が可能なことは当業者には自明であろう。 Although the embodiments of the present invention have been described above, it will be obvious to those skilled in the art that the present invention is not limited to these embodiments, and various modifications and changes can be made within the scope of the claims.
1,1A 疎結合トランス
10,20,60 E型フェライトコア
11,21,61 中央脚
12,22,62,72 側脚
13,23,63,73 板状部
30 ロ字型フェライトコア
40 1次コイル
50 2次コイル
70 U型フェライトコア
C1,C2,C3 コンデンサ
D1,D2 ダイオード
G1,G2 磁気ギャップ
S1,S2 スイッチング素子1,1A Loosely coupled transformer
10, 20, 60
C1, C2, C3 Capacitor D1, D2 Diode G1, G2 Magnetic gap S1, S2 Switching element
| Application Number | Priority Date | Filing Date | Title |
|---|---|---|---|
| JP2006261799AJP2008085004A (en) | 2006-09-27 | 2006-09-27 | Loosely-coupled transformer and switching power supply |
| Application Number | Priority Date | Filing Date | Title |
|---|---|---|---|
| JP2006261799AJP2008085004A (en) | 2006-09-27 | 2006-09-27 | Loosely-coupled transformer and switching power supply |
| Publication Number | Publication Date |
|---|---|
| JP2008085004Atrue JP2008085004A (en) | 2008-04-10 |
| Application Number | Title | Priority Date | Filing Date |
|---|---|---|---|
| JP2006261799APendingJP2008085004A (en) | 2006-09-27 | 2006-09-27 | Loosely-coupled transformer and switching power supply |
| Country | Link |
|---|---|
| JP (1) | JP2008085004A (en) |
| Publication number | Priority date | Publication date | Assignee | Title |
|---|---|---|---|---|
| WO2015107769A1 (en)* | 2014-01-15 | 2015-07-23 | カルソニックカンセイ株式会社 | Planar transformer and resonant converter |
| WO2015146739A1 (en)* | 2014-03-24 | 2015-10-01 | Ntn株式会社 | Magnetic element |
| EP3373312A1 (en) | 2017-03-10 | 2018-09-12 | Omron Corporation | Transformer and dc-dc converter |
| JP2019083261A (en)* | 2017-10-30 | 2019-05-30 | 太陽誘電株式会社 | Magnetic coupling type coil component |
| JP2019091829A (en)* | 2017-11-15 | 2019-06-13 | オムロン株式会社 | Transformer and DC-DC converter |
| JP2019201058A (en)* | 2018-05-14 | 2019-11-21 | スミダコーポレーション株式会社 | Reactor device |
| JP2021019030A (en)* | 2019-07-18 | 2021-02-15 | 矢崎総業株式会社 | Magnetic coupling type inductor |
| CN113284715A (en)* | 2020-02-19 | 2021-08-20 | 胜美达集团株式会社 | Magnetic coupling inductor |
| JP2022513161A (en)* | 2018-12-07 | 2022-02-07 | コミッサリア ア レネルジー アトミーク エ オ ゼネルジ ザルタナテイヴ | Electromagnetic induction device |
| WO2023188026A1 (en)* | 2022-03-29 | 2023-10-05 | スミダコーポレーション株式会社 | Magnetic coupling inductor and assembly method therefor |
| Publication number | Priority date | Publication date | Assignee | Title |
|---|---|---|---|---|
| JPS5528409B2 (en)* | 1974-09-02 | 1980-07-28 | ||
| JPS5922305A (en)* | 1982-07-28 | 1984-02-04 | Toshiba Electric Equip Corp | High frequency leakage transformer |
| JPS5944812A (en)* | 1982-09-06 | 1984-03-13 | Tdk Corp | Core composing members for leakage transformer |
| JPH1092668A (en)* | 1996-09-11 | 1998-04-10 | Tohoku Ricoh Co Ltd | Power unit |
| JPH1140425A (en)* | 1997-07-16 | 1999-02-12 | Murata Mfg Co Ltd | Transformers and inductors |
| Publication number | Priority date | Publication date | Assignee | Title |
|---|---|---|---|---|
| JPS5528409B2 (en)* | 1974-09-02 | 1980-07-28 | ||
| JPS5922305A (en)* | 1982-07-28 | 1984-02-04 | Toshiba Electric Equip Corp | High frequency leakage transformer |
| JPS5944812A (en)* | 1982-09-06 | 1984-03-13 | Tdk Corp | Core composing members for leakage transformer |
| JPH1092668A (en)* | 1996-09-11 | 1998-04-10 | Tohoku Ricoh Co Ltd | Power unit |
| JPH1140425A (en)* | 1997-07-16 | 1999-02-12 | Murata Mfg Co Ltd | Transformers and inductors |
| Publication number | Priority date | Publication date | Assignee | Title |
|---|---|---|---|---|
| WO2015107769A1 (en)* | 2014-01-15 | 2015-07-23 | カルソニックカンセイ株式会社 | Planar transformer and resonant converter |
| WO2015146739A1 (en)* | 2014-03-24 | 2015-10-01 | Ntn株式会社 | Magnetic element |
| JP2015185673A (en)* | 2014-03-24 | 2015-10-22 | Ntn株式会社 | Magnetic device |
| US10074471B2 (en) | 2014-03-24 | 2018-09-11 | Ntn Corporation | Magnetic element |
| US10643783B2 (en) | 2017-03-10 | 2020-05-05 | Omron Corporation | Transformer and DC-DC converter |
| EP3373312A1 (en) | 2017-03-10 | 2018-09-12 | Omron Corporation | Transformer and dc-dc converter |
| JP7168307B2 (en) | 2017-10-30 | 2022-11-09 | 太陽誘電株式会社 | Magnetically coupled coil parts |
| JP2019083261A (en)* | 2017-10-30 | 2019-05-30 | 太陽誘電株式会社 | Magnetic coupling type coil component |
| JP2019091829A (en)* | 2017-11-15 | 2019-06-13 | オムロン株式会社 | Transformer and DC-DC converter |
| JP7082267B2 (en) | 2017-11-15 | 2022-06-08 | オムロン株式会社 | Transformers and DC-DC converters |
| JP2019201058A (en)* | 2018-05-14 | 2019-11-21 | スミダコーポレーション株式会社 | Reactor device |
| JP2022513161A (en)* | 2018-12-07 | 2022-02-07 | コミッサリア ア レネルジー アトミーク エ オ ゼネルジ ザルタナテイヴ | Electromagnetic induction device |
| JP7611140B2 (en) | 2018-12-07 | 2025-01-09 | コミッサリア ア レネルジー アトミーク エ オ ゼネルジ ザルタナテイヴ | Electromagnetic Induction Device |
| JP2021019030A (en)* | 2019-07-18 | 2021-02-15 | 矢崎総業株式会社 | Magnetic coupling type inductor |
| JP7328815B2 (en) | 2019-07-18 | 2023-08-17 | 矢崎総業株式会社 | magnetically coupled inductor |
| CN113284715A (en)* | 2020-02-19 | 2021-08-20 | 胜美达集团株式会社 | Magnetic coupling inductor |
| JP2021132120A (en)* | 2020-02-19 | 2021-09-09 | スミダコーポレーション株式会社 | Magnetic coupling inductor |
| WO2023188026A1 (en)* | 2022-03-29 | 2023-10-05 | スミダコーポレーション株式会社 | Magnetic coupling inductor and assembly method therefor |
| Publication | Publication Date | Title |
|---|---|---|
| JP2008085004A (en) | Loosely-coupled transformer and switching power supply | |
| CN108364761B (en) | Integrated magnetic assembly and switched mode power converter | |
| US6980077B1 (en) | Composite magnetic core for switch-mode power converters | |
| US7427910B2 (en) | Winding structure for efficient switch-mode power converters | |
| US7605682B2 (en) | Magnetic core type laminated inductor | |
| US8174348B2 (en) | Two-phase coupled inductors which promote improved printed circuit board layout | |
| US8362867B2 (en) | Multi-turn inductors | |
| JP5062439B2 (en) | PFC choke coil for interleaving | |
| JP2000260639A (en) | Coil device and switching power supply device | |
| US20090128277A1 (en) | Transformer | |
| JP4757683B2 (en) | Power supply | |
| JP2008166624A (en) | Transformer and resonance type switching power supply using the same | |
| JP4873522B2 (en) | Multilayer inductor | |
| CN113257531A (en) | Magnetic core unit, integrated magnetic core and integrated magnetic core structure | |
| JP2009059995A (en) | Composite magnetic parts | |
| JP2007059507A (en) | Transformer for board mounting | |
| JP4009142B2 (en) | Magnetic core type multilayer inductor | |
| KR102366027B1 (en) | Transformer arrangement, circuit arrangement, and method of operating the transformer arrangement | |
| JP6326803B2 (en) | Coil substrate, winding component and power supply device | |
| US20090109717A1 (en) | Power factor corrected circuit having integrated coil | |
| JP2007128984A (en) | Magnetic parts | |
| JP2006108389A (en) | Transformer core and leakage transformer employing it | |
| TW202221734A (en) | Inductor | |
| US10404178B2 (en) | Insulation type step-up converter | |
| JP7451469B2 (en) | coupled inductor |
| Date | Code | Title | Description |
|---|---|---|---|
| A621 | Written request for application examination | Free format text:JAPANESE INTERMEDIATE CODE: A621 Effective date:20090302 | |
| A977 | Report on retrieval | Free format text:JAPANESE INTERMEDIATE CODE: A971007 Effective date:20101015 | |
| A131 | Notification of reasons for refusal | Free format text:JAPANESE INTERMEDIATE CODE: A131 Effective date:20101020 | |
| A02 | Decision of refusal | Free format text:JAPANESE INTERMEDIATE CODE: A02 Effective date:20110302 |