


































































本発明は負荷に供給する電流をトランジスタで制御する機能を設けた半導体装置に関する。また、特に電流によって輝度が変化する電流駆動型発光素子で形成された画素や、画素を駆動する信号線駆動回路を含む表示装置に関する。 The present invention relates to a semiconductor device having a function of controlling a current supplied to a load with a transistor. In particular, the present invention relates to a display device including a pixel formed of a current-driven light-emitting element whose luminance changes with current and a signal line driver circuit for driving the pixel.
有機発光ダイオード(OLED(Organic Light Emitting Diode)、有機EL素子、エレクトロルミネッセンス(Electro Luminescence:EL)素子などとも言う)に代表される自発光型の発光素子を用いた表示装置では、その駆動方式として単純マトリックス方式とアクティブマトリックス方式とが知られている。前者は構造は簡単であるが、大型かつ高輝度のディスプレイの実現が難しい等の問題があり、近年は発光素子に流れる電流を画素回路内部に設けた薄膜トランジスタ(TFT)によって制御するアクティブマトリックス方式の開発が進められている。 In a display device using a self-luminous light emitting element typified by an organic light emitting diode (also referred to as an organic light emitting diode (OLED), an organic EL element, or an electroluminescence (EL) element), as a driving method thereof. A simple matrix system and an active matrix system are known. Although the former has a simple structure, there is a problem that it is difficult to realize a large-sized and high-brightness display. In recent years, an active matrix system in which a current flowing through a light emitting element is controlled by a thin film transistor (TFT) provided in a pixel circuit is used. Development is underway.
アクティブマトリックス方式の表示装置の場合、駆動TFTの電流特性のバラツキにより発光素子に流れる電流が変化し輝度がばらついてしまうという問題が認識されていた。つまり、画素回路には発光素子に流れる電流を駆動する駆動TFTが用いられており、これらの駆動TFTの特性がばらつくことにより発光素子に流れる電流が変化し、輝度がばらついてしまうという問題があった。そこで画素回路内の駆動TFTの特性がばらついても発光素子に流れる電流は変化せず、輝度のバラツキを抑えるための種々の回路が提案されている(例えば、特許文献1乃至4参照。)。 In the case of an active matrix display device, a problem has been recognized that the current flowing through the light-emitting element changes due to variations in the current characteristics of the driving TFT, resulting in variations in luminance. In other words, a driving TFT that drives a current flowing through the light emitting element is used in the pixel circuit, and the current flowing through the light emitting element changes due to variations in characteristics of these driving TFTs, resulting in variations in luminance. It was. Therefore, even if the characteristics of the driving TFT in the pixel circuit vary, the current flowing through the light emitting element does not change, and various circuits for suppressing variations in luminance have been proposed (for example, see Patent Documents 1 to 4).
特許文献1乃至3には、画素回路内に配置された駆動TFTの特性のバラツキによって発光素子に流れる電流値の変動を防ぐための回路構成が開示されている。この構成は、電流書き込み型画素、もしくは電流入力型画素などと呼ばれている。また特許文献4には、ソースドライバ回路内のTFTのバラツキによる信号電流の変化を抑制するための回路構成が開示されている。 Patent Documents 1 to 3 disclose circuit configurations for preventing fluctuations in the current value flowing through the light emitting element due to variations in characteristics of the driving TFTs arranged in the pixel circuit. This configuration is called a current writing type pixel or a current input type pixel. Patent Document 4 discloses a circuit configuration for suppressing changes in signal current due to variations in TFTs in a source driver circuit.
図54に、特許文献1に開示されている従来のアクティブマトリックス型表示装置の第1の構成例を示す。図54の画素は、ソース信号線5401、第1〜第3のゲート信号線5402〜5404、電流供給線5405、TFT5406〜5409、保持容量5410、EL素子5411、信号電流入力用電流源5412を有する。 FIG. 54 shows a first configuration example of a conventional active matrix display device disclosed in Patent Document 1. The pixel in FIG. 54 includes a
図55を用いて、信号電流の書き込みから発光までの動作について説明する。図中、各部を示す図番は、図54に準ずる。図55(A)〜(C)は、電流の流れを模式的に示している。図55(D)は、信号電流の書き込み時における各経路を流れる電流の関係を示しており、図55(E)は、同じく信号電流の書き込み時に、保持容量5410に蓄積される電圧、つまりTFT5408のゲートソース間電圧について示している。 The operation from signal current writing to light emission will be described with reference to FIG. In the figure, the figure numbers indicating the respective parts are the same as those in FIG. FIGS. 55A to 55C schematically show the flow of current. FIG. 55D shows the relationship between currents flowing through the respective paths when signal current is written. FIG. 55E shows the voltage accumulated in the
まず、第1のゲート信号線5402および第2のゲート信号線5403にパルスが入力され、TFT5406、5407がONする。このとき、ソース信号線を流れる電流、すなわち信号電流をIdataとする。 First, a pulse is input to the first
ソース信号線には、電流Idataが流れているので、図55(A)に示すように、画素内では、電流の経路はI1とI2とに分かれて流れる。これらの関係を図55(D)に示している。なお、Idata=I1+I2であることは言うまでもない。 Since the current Idata flows through the source signal line, the current path is divided into I1 and I2 in the pixel as shown in FIG. These relationships are shown in FIG. Needless to say, Idata = I1 + I2.
TFT5406がONした瞬間には、まだ保持容量5410には電荷が保持されていないため、TFT5408はOFFしている。よって、I2=0となり、Idata=I1となる。すなわちこの間は、保持容量5410における電荷の蓄積による電流のみが流れている。 At the moment when the TFT 5406 is turned on, since the charge is not held in the
その後、徐々に保持容量5410に電荷が蓄積され、両電極間に電位差が生じ始める(図55(E))。両電極の電位差がVthとなると(図55(E) A点)、TFT5408がONして、I2が生ずる。先に述べたように、Idata=I1+I2であるので、I1は次第に減少するが、依然電流は流れており、さらに保持容量には電荷の蓄積が行われる。 Thereafter, electric charges are gradually accumulated in the
保持容量5410においては、その両電極の電位差、つまりTFT5408のゲートソース間電圧が所望の電圧、つまりTFT5408がIdataの電流を流すことが出来るだけの電圧(VGS)になるまで電荷の蓄積が続く。やがて電荷の蓄積が終了する(図55(E) B点)と、電流I1は流れなくなり、さらにTFT5408はそのときのVGSに見合った電流が流れ、Idata=I2となる(図55(B))。こうして、定常状態に達する。以上で信号の書き込み動作が完了する。最後に第1のゲート信号線5402および第2のゲート信号線5403の選択が終了し、TFT5406、5407がOFFする。 In the
続いて、発光動作に移る。第3のゲート信号線5404にパルスが入力され、TFT5409がONする。保持容量5410には、先ほど書き込んだVGSが保持されているため、TFT5408はONしており、電流供給線5405から、Idataの電流が流れる。これによりEL素子5411が発光する。このとき、TFT5408が飽和領域において動作するようにしておけば、TFT5408のソースドレイン間電圧が変化したとしても、Idataは変わりなく流れることが出来る。 Subsequently, the light emission operation is started. A pulse is input to the third
このように、設定した電流を出力する動作を、出力動作と呼ぶことにする。電流書き込み型画素のメリットとして、TFT5408の特性等にばらつきがあった場合であっても、保持容量5410には、電流Idataを流すのに必要なゲートソース間電圧が保持されるため、所望の電流を正確にEL素子に供給することが出来、よってTFTの特性ばらつきに起因した輝度ばらつきを抑えることが可能になる点がある。 Such an operation for outputting the set current is referred to as an output operation. As a merit of the current writing type pixel, even when the characteristics of the
以上の例は、画素回路内での駆動TFTのバラツキによる電流の変化を補正するための技術に関するものであるが、ソースドライバ回路内においても同一の問題が発生する。特許文献4には、ソースドライバ回路内でのTFTの製造上のバラツキによる信号電流の変化を防止するための回路構成が開示されている。 The above example relates to a technique for correcting a change in current due to variations in drive TFTs in a pixel circuit, but the same problem occurs in a source driver circuit. Patent Document 4 discloses a circuit configuration for preventing a change in signal current due to manufacturing variations of TFTs in a source driver circuit.
また、発光素子(EL)を駆動する電流を供給する供給トランジスタ(M5)から流れる電流(Ir)と同じ電流値の電流(Is)を参照トランジスタ(M4)を介して駆動制御回路(2a)に導き、該電流(Is)と参照トランジスタ(M4)のソースドレイン電圧情報(Vs)と供給トランジスタ(M5)のソースドレイン電圧情報(Vr、Vdrv)とに基づいて、電流(Is)が所望の設定電流値(Idrv)に近づくように且つ各ソースドレイン電圧情報(Vs、Vr)が等しくなるように制御することが可能な構成を有する電流供給回路(1)と駆動制御回路(2a)とを備えた発光素子の駆動回路が知られている(特許文献5参照。)。 The current (Is) having the same current value (Ir) flowing from the supply transistor (M5) that supplies the current for driving the light emitting element (EL) is supplied to the drive control circuit (2a) via the reference transistor (M4). Then, based on the current (Is), the source / drain voltage information (Vs) of the reference transistor (M4), and the source / drain voltage information (Vr, Vdrv) of the supply transistor (M5), the current (Is) is set to a desired value. A current supply circuit (1) and a drive control circuit (2a) having a configuration capable of controlling the source / drain voltage information (Vs, Vr) to be equal to each other so as to approach the current value (Idrv). A driving circuit for a light emitting element is known (see Patent Document 5).
また、第1の電源と第2の電源との間に直列に設けられた発光素子とこの発光素子を駆動する駆動トランジスタと、前記駆動トランジスタを制御する制御信号を前記駆動トランジスタのゲートに導くための第1のスイッチングトランジスタと、前記発光素子と駆動トランジスタとの接続点の電圧と前記表示装置に入力する画素の輝度を示す制御電圧とを比較し、前記制御信号を生成するための差動増幅器とからなり、前記制御信号を前記第1のスイッチングトランジスタを介して、前記駆動トランジスタのゲートに導くように構成した駆動回路が知られている(特許文献6参照。) In order to guide a light emitting element provided in series between the first power source and the second power source, a driving transistor for driving the light emitting element, and a control signal for controlling the driving transistor to the gate of the driving transistor. A differential amplifier for generating a control signal by comparing a voltage at a connection point between the first switching transistor, a light-emitting element and a driving transistor, and a control voltage indicating a luminance of a pixel input to the display device There is known a drive circuit configured to guide the control signal to the gate of the drive transistor via the first switching transistor (see Patent Document 6).
このように、従来の技術では、信号電流とTFTを駆動する電流、或いは信号電流と発光素子に発光時に流れる電流とが等しくなるように、または比例関係を保つように構成されている。
しかしながら、信号電流を駆動TFTや発光素子に供給するために用いられる配線の寄生容量は極めて大きいため、信号電流が小さい場合には配線の寄生容量を充電する時定数が大きくなり、信号書き込み速度が遅くなってしまうという問題点がある。すなわち、トランジスタに信号電流を供給しても、それを流すのに必要な電圧をゲート端子に生じさせるまでの時間が長くなってしまい、信号の書き込み速度が遅くなってしまうことが問題となっている。However, since the parasitic capacitance of the wiring used for supplying the signal current to the driving TFT and the light emitting element is extremely large, when the signal current is small, the time constant for charging the parasitic capacitance of the wiring is increased, and the signal writing speed is increased. There is a problem that it becomes slow. That is, even if a signal current is supplied to the transistor, it takes a long time to generate a voltage necessary to flow the transistor at the gate terminal, and the signal writing speed becomes slow. Yes.
また、図55(A)から分かるとおり、電流を入力しているときは、TFT5408のゲート端子とドレイン端子とは、接続されている。したがって、ゲートソース間電圧(Vgs)とドレインソース間電圧(Vds)が等しい。一方、図55(C)から分かるとおり、負荷に電流を供給しているときは、ドレインソース間電圧は、負荷の特性によって決まる。 As can be seen from FIG. 55A, when a current is input, the gate terminal and the drain terminal of the
図56は、TFT5408とEL素子5411に流れる電流と、各々に加わる電圧の関係を示している。また、図57は、図56に示した構成におけるEL素子5411の電圧電流特性5701と、TFT5408の電圧電流特性を示す。各々のグラフの交点が動作点となる。 FIG. 56 shows the relationship between the current flowing through the
まず、電流値が大きい場合(TFT5408のゲートソース間電圧の絶対値が大きい場合)には、TFT5408の電圧電流特性5702aにおいて、電流を入力しているときは、Vgs=Vdsなので、動作点5704において動作する。そして、EL素子5411に電流を供給しているときは、EL素子5411の電圧電流特性5701とTFT5408の電圧電流特性5702aの交点が動作点5705aとなる。つまり、ドレインソース間電圧は、電流を入力しているときとEL素子5411に電流を供給しているときとでは、異なる。しかし、飽和領域においては、電流値が一定なので、正しい大きさの電流をEL素子5411に供給することが出来る。 First, when the current value is large (when the absolute value of the gate-source voltage of the
しかしながら、実際のトランジスタは、キンク(アーリー)効果によって、飽和領域においても、電流が一定値にならない場合が多い。そのため、EL素子5411に電流を供給しているときは、EL素子5411の電圧電流特性5701とTFT5408の電圧電流特性5702cの交点が動作点5705cとなり電流値が変わってしまう。 However, in actual transistors, the current often does not become a constant value even in the saturation region due to the kink (Early) effect. Therefore, when a current is supplied to the
一方、電流値が小さい場合(TFT5408のゲートソース間電圧の絶対値が小さい場合)には、TFT5408の電圧電流特性5703aにおいて、電流を入力しているときは、Vgs=Vdsなので、動作点5706において動作する。そして、EL素子5411に電流を供給しているときは、EL素子5411の電圧電流特性5701とTFT5408の電圧電流特性5703aの交点が動作点5707aとなる。 On the other hand, when the current value is small (when the absolute value of the gate-source voltage of the
そして、キンク(アーリー)効果を考慮すると、EL素子5411に電流を供給しているときは、EL素子5411の電圧電流特性5701とTFT5408の電圧電流特性5703cの交点が動作点5707cとなる。よって、EL素子5411に供給する時の電流値は、電流を入力しているときとは異なってしまう。 In consideration of the kink (Early) effect, when a current is supplied to the
電流値が大きい場合(TFT5408のゲートソース間電圧の絶対値が大きい場合)と、電流値が小さい場合(TFT5408のゲートソース間電圧の絶対値が小さい場合)とを比較すると、前者は、動作点5704と動作点5705cは、あまりずれない。つまり、トランジスタのドレインソース間電圧は、電流入力時と、EL素子5411に電流を供給しているとでは、あまり変わらない。しかし、電流値が小さい場合、動作点5706と動作点5707cは、大きくずれていない。つまり、トランジスタのドレインソース間電圧は、電流を入力しているときと、EL素子5411に電流を供給しているときとで、大きく変化している。したがって、電流値のずれも大きい。 When the current value is large (when the absolute value of the gate-source voltage of the
その結果、EL素子5411には、より多くの電流が流れてしまう。したがって、輝度が小さい画像を表示させる場合、実際には、明るめの画像が表示されてしまう。そのため、黒を表示したいのに、少し発光してしまうということが生じてしまう。その結果、コントラストが低下してしまう。 As a result, more current flows through the
また、図54の構成の場合、図55(A)に示すように、信号電流を入力している時、TFT5408のゲートドレイン間は、接続されている。つまり、Vgs=Vdsとなっている。通常のトランジスタでは、Vgs=0の場合、電流はほとんど流れない。しかし、しきい値電圧(Vth)の値によっては、電流が流れてしまう場合がある。例えば、Pチャネル型トランジスタの場合、Vth>0のとき、また、Nチャネル型トランジスタの場合、Vth<0の場合は、電流がながれてしまう。このような場合、Vgs=Vdsの時は、飽和領域ではなく、線形領域で動作することになる。よって、図55(A)において線形領域で動作することになる。よって、図55(C)の時、飽和領域で動作すれば、図55(A)の時と図55(C)の時とでは、電流値が変わってしまう。 In the case of the configuration of FIG. 54, as shown in FIG. 55A, when a signal current is input, the gate and drain of the
つまり、Vgs=0の場合に、電流が流れるようなしきい値電圧(Vth)になっているトランジスタでは、Vgs=Vdsとなるような状態では、線形領域でしか動作しないことになり、飽和領域で動作させることが出来ない。 That is, when Vgs = 0, a transistor having a threshold voltage (Vth) that allows current to flow operates only in a linear region in a state where Vgs = Vds, and in a saturation region. I can't make it work.
例えば、図54や図55に示すような構成の場合、TFT5408は、飽和領域で動作させる。そのため、図58に示すように、EL素子5411の電圧電流特性5701aが劣化によってシフトした場合でも、動作点は動作点5705aから動作点5705bに移動するだけである。すなわち、EL素子5411に加わる電圧やTFT5408のドレインソース間電圧が変わっても、EL素子5411に流れる電流は変化しない。これにより、EL素子5411の焼きつきを低減することができる。 For example, in the case of the configuration shown in FIGS. 54 and 55, the
しかし、特許文献6に記載されていた構成の場合、EL素子と駆動トランジスタとの接続点の電圧と表示装置に入力する画素の輝度を示す制御電圧とを比較している。そのため、EL素子の電圧電流特性がシフトしたら、EL素子5411に流れる電流が変化してしまう。つまり、EL素子5411の焼きつきが生じてしまうことになる。 However, in the case of the configuration described in Patent Document 6, the voltage at the connection point between the EL element and the driving transistor is compared with the control voltage indicating the luminance of the pixel input to the display device. Therefore, when the voltage-current characteristics of the EL element shift, the current flowing through the
特許文献5に記載されていた構成の場合、トランジスタM7とトランジスタM9は、電流特性が揃っている必要がある。もし、ばらつけば、発光素子(EL)に流れる電流もばらついてしまう。同様に、トランジスタM8とトランジスタM11、トランジスタM10とトランジスタM12なども、電流特性が揃っている必要がある。このように、多くのトランジスタにおいて、電流特性が揃っている必要がある。もし揃っていなければ、発光素子(EL)に流れる電流もばらついてしまう。そのため、製造歩留まりが低下し、コスト高となり、回路のレイアウト面積が大きくなり、消費電力が高くなるといった問題が発生する。 In the case of the configuration described in Patent Document 5, the transistors M7 and M9 need to have the same current characteristics. If it varies, the current flowing through the light emitting element (EL) also varies. Similarly, the transistors M8 and M11, the transistors M10 and M12, and the like need to have the same current characteristics. Thus, in many transistors, it is necessary that current characteristics be uniform. If they are not aligned, the current flowing through the light emitting element (EL) also varies. As a result, the production yield decreases, the cost increases, the circuit layout area increases, and the power consumption increases.
本発明はこのような問題点に鑑み、トランジスタの特性バラツキの影響を低減し、負荷の電圧電流特性が変化しても、所定の電流を供給でき、信号電流が小さな場合であっても信号の書き込み速度を十分に向上させることのできる半導体装置を提供することを目的とする。 In view of such a problem, the present invention reduces the influence of transistor characteristic variation, can supply a predetermined current even if the voltage-current characteristic of a load changes, and even if the signal current is small, An object of the present invention is to provide a semiconductor device capable of sufficiently improving the writing speed.
本発明の半導体装置は、電流電圧変換素子とトランジスタとが直列に接続され、電流電圧変換素子に電流が流れるときにかかる電圧を増幅回路で検出し、その電圧に基づいて増幅回路がトランジスタのゲートソース間電圧を設定する。In the semiconductor device of the present invention, a current-voltage conversion element and a transistor are connected in series, and a voltage applied when a current flows through the current-voltage conversion element is detected by an amplifier circuit. Based on the voltage, the amplifier circuit is connected to the gate of the transistor. Set the source-to-source voltage.
本発明の半導体装置の第1の構成は、電流電圧変換素子と、トランジスタと、増幅回路と、を有し、該電流電圧変換素子と該トランジスタのソース端子又はドレイン端子の一方が接続され、該増幅回路は、第1の入力端子が該トランジスタのソース端子又はドレイン端子の一方と接続され、第2の入力端子には所定の電位が入力され、出力端子が該トランジスタのゲート端子と接続されている。そして、該増幅回路は第1の入力端子と第2の入力端子とが電位差が所定の電位差となるように該トランジスタのゲート端子の電位を制御する。A first configuration of a semiconductor device of the present invention includes a current-voltage conversion element, a transistor, and an amplifier circuit, and the current-voltage conversion element and one of a source terminal or a drain terminal of the transistor are connected, In the amplifier circuit, a first input terminal is connected to one of a source terminal or a drain terminal of the transistor, a predetermined potential is input to the second input terminal, and an output terminal is connected to the gate terminal of the transistor. Yes. The amplifier circuit controls the potential of the gate terminal of the transistor so that the potential difference between the first input terminal and the second input terminal becomes a predetermined potential difference.
本発明の半導体装置の一は、負荷に供給する電流をトランジスタで制御する回路を具備する半導体装置であって、該トランジスタのソース端子又はドレイン端子の一方が電流電圧変換素子と接続され、該トランジスタが飽和領域で動作するように該トランジスタのゲート端端子の電位を制御することにより該電流電圧変換素子に発生する電圧を制御する増幅回路が設けられている。One aspect of the semiconductor device of the present invention is a semiconductor device including a circuit for controlling a current supplied to a load by a transistor, and one of a source terminal and a drain terminal of the transistor is connected to a current-voltage conversion element, and the transistor An amplifier circuit is provided for controlling the voltage generated in the current-voltage conversion element by controlling the potential of the gate terminal of the transistor so that the transistor operates in the saturation region.
本発明の半導体装置の一は、ソース端子又はドレイン端子の一方には所定の電位が供給され、ソース端子又はドレイン端子の他方が電流電圧変換素子と接続されるトランジスタと、第1の入力端子が該トランジスタのソース端子又はドレイン端子の他方と接続され、第2の入力端子には所定の電位が供給され、出力端子が該トランジスタのゲート端子と接続される増幅回路と、を有する。In one embodiment of the semiconductor device of the present invention, one of a source terminal and a drain terminal is supplied with a predetermined potential, the other of the source terminal and the drain terminal is connected to a current-voltage conversion element, and a first input terminal An amplifier circuit connected to the other of the source terminal and the drain terminal of the transistor, supplied with a predetermined potential to the second input terminal, and connected to the gate terminal of the transistor;
本発明の半導体装置の一は、ソース端子又はドレイン端子の一方とゲート端子との間に容量を備え、ソース端子又はドレイン端子の他方が電流電圧変換素子と接続されるトランジスタと、第1の入力端子が該トランジスタのソース端子又はドレイン端子の他方と接続され、第2の入力端子には所定の電位が供給され、出力端子が該トランジスタのゲート端子と接続される増幅回路と、を有する。According to one embodiment of the semiconductor device of the present invention, a transistor includes a capacitor between one of a source terminal or a drain terminal and a gate terminal, and the other of the source terminal and the drain terminal is connected to a current-voltage conversion element, and a first input And an amplifier circuit in which a terminal is connected to the other of the source terminal and the drain terminal of the transistor, a predetermined potential is supplied to the second input terminal, and an output terminal is connected to the gate terminal of the transistor.
本発明の半導体装置の一は、ソース端子又はドレイン端子の一方には所定の電位が供給され、ソース端子又はドレイン端子の他方が電流電圧変換素子と接続されるトランジスタと、第1の入力端子が該トランジスタのソース端子又はドレイン端子の他方と接続され、第2の入力端子には所定の電位が供給され、出力端子が該トランジスタのゲート端子と接続される増幅回路と、該トランジスタのゲート端子に一方の電極が接続され、他方の電極には所定の電位が供給される容量素子と、を有する。In one embodiment of the semiconductor device of the present invention, one of a source terminal and a drain terminal is supplied with a predetermined potential, the other of the source terminal and the drain terminal is connected to a current-voltage conversion element, and a first input terminal An amplifier circuit connected to the other of the source terminal and the drain terminal of the transistor, a predetermined potential supplied to the second input terminal, and an output terminal connected to the gate terminal of the transistor, and a gate terminal of the transistor One electrode is connected, and the other electrode has a capacitor element to which a predetermined potential is supplied.
本発明の半導体装置の一は、上記構成において、該トランジスタはN型のトランジスタである。One of the semiconductor devices of the present invention has the above structure, and the transistor is an N-type transistor.
本発明の半導体装置の一は、上記構成において、該トランジスタはP型のトランジスタである。One of the semiconductor devices of the present invention has the above structure, and the transistor is a P-type transistor.
本発明の半導体装置の基本的な第2の構成は、電流電圧変換素子と、トランジスタと、増幅回路と、を有し、該電流電圧変換素子と該トランジスタのソース端子又はドレイン端子の一方が接続され、該トランジスタのゲート端子には所定の電位が供給され、該増幅回路は、第1の入力端子は該トランジスタのソース端子又はドレイン端子の一方と接続され、第2の入力端子が該トランジスタのゲート端子と接続され、出力端子が該トランジスタのソース端子又はドレイン端子の他方と接続されている。そして、該増幅回路は第1の入力端子と第2の入力端子とが所定の電位差となるように該トランジスタのソース端子又はドレイン端子の他方の電位を制御する。The second basic configuration of the semiconductor device of the present invention includes a current-voltage conversion element, a transistor, and an amplifier circuit, and the current-voltage conversion element and one of the source terminal or the drain terminal of the transistor are connected to each other. A predetermined potential is supplied to the gate terminal of the transistor, and the amplifier circuit includes a first input terminal connected to one of a source terminal or a drain terminal of the transistor, and a second input terminal connected to the transistor. The transistor is connected to the gate terminal, and the output terminal is connected to the other of the source terminal and the drain terminal of the transistor. The amplifier circuit controls the other potential of the source terminal or the drain terminal of the transistor so that the first input terminal and the second input terminal have a predetermined potential difference.
以下に本発明の半導体装置の第2の構成の具体的な構成を示す。A specific configuration of the second configuration of the semiconductor device of the present invention will be described below.
本発明の半導体装置の一は、負荷に供給する電流をトランジスタで制御する回路を具備する半導体装置であって、該トランジスタのソース端子又はドレイン端子の一方が電流電圧変換素子と接続され、該トランジスタが飽和領域で動作するように該トランジスタのソース端子又はドレイン端子の他方の電位を制御することにより該電流電圧変換素子に発生する電圧を制御する増幅回路が設けられている。One aspect of the semiconductor device of the present invention is a semiconductor device including a circuit for controlling a current supplied to a load by a transistor, and one of a source terminal and a drain terminal of the transistor is connected to a current-voltage conversion element, and the transistor An amplifying circuit is provided for controlling the voltage generated in the current-voltage conversion element by controlling the other potential of the source terminal or the drain terminal of the transistor so that the transistor operates in a saturation region.
本発明の半導体装置の一は、ソース端子又はドレイン端子の一方が電流電圧変換素子と接続され、ゲート端子に所定の電位が供給されるトランジスタと、第1の入力端子が該トランジスタのソース端子又はドレイン端子の一方と接続され、第2の入力端子が該トランジスタのゲート端子と接続され、出力端子が該トランジスタのソース端子又はドレイン端子の他方と接続される増幅回路と接続されている。One of the semiconductor devices of the present invention is a transistor in which one of a source terminal and a drain terminal is connected to a current-voltage conversion element, a gate terminal is supplied with a predetermined potential, and a first input terminal is the source terminal of the transistor or One of the drain terminals is connected, the second input terminal is connected to the gate terminal of the transistor, and the output terminal is connected to an amplifier circuit connected to the other of the source terminal or the drain terminal of the transistor.
本発明の半導体装置の一は、ソース端子又はドレイン端子の一方とゲート端子のとの間に容量を備え、ソース端子又はドレイン端子の他方が電流電圧変換素子と接続されるトランジスタと、第1の入力端子が該トランジスタのソース端子又はドレイン端子の他方と接続され、第2の入力端子が該トランジスタのゲート端子と接続され、出力端子が該トランジスタのソース端子又はドレイン端子の一方と接続される増幅回路と、を有する。According to one embodiment of the semiconductor device of the present invention, a transistor includes a capacitor between one of a source terminal or a drain terminal and a gate terminal, and the other of the source terminal or the drain terminal is connected to a current-voltage conversion element; Amplification in which the input terminal is connected to the other of the source terminal or the drain terminal of the transistor, the second input terminal is connected to the gate terminal of the transistor, and the output terminal is connected to one of the source terminal or the drain terminal of the transistor A circuit.
本発明の半導体装置の一は、ソース端子又はドレイン端子の一方が電流電圧変換素子と接続され、ゲート端子に所定の電位が供給されるトランジスタと、第1の入力端子が該トランジスタのソース端子又はドレイン端子の一方と接続され、第2の入力端子が該トランジスタのゲート端子と接続され、出力端子が該トランジスタのソース端子又はドレイン端子の他方と接続される増幅回路と、該トランジスタのゲート端子に一方の電極が接続され、他方の電極には所定の電位が供給される容量素子と、を有する。One of the semiconductor devices of the present invention is a transistor in which one of a source terminal and a drain terminal is connected to a current-voltage conversion element, a gate terminal is supplied with a predetermined potential, and a first input terminal is the source terminal of the transistor or An amplifier circuit connected to one of the drain terminals, a second input terminal connected to the gate terminal of the transistor, an output terminal connected to the other of the source terminal or the drain terminal of the transistor, and a gate terminal of the transistor One electrode is connected, and the other electrode has a capacitor element to which a predetermined potential is supplied.
本発明の半導体装置の一は、上記構成において、該トランジスタはN型のトランジスタである。One of the semiconductor devices of the present invention has the above structure, and the transistor is an N-type transistor.
本発明の半導体装置の一は、上記構成において、該トランジスタはP型のトランジスタである。One of the semiconductor devices of the present invention has the above structure, and the transistor is a P-type transistor.
なお、明細書に示すスイッチは、電流の流れを制御できるものなら様々な形態を用いることが出来る。それゆえ電気的スイッチや機械的なスイッチなどを適用することができる。トランジスタでもよいし、ダイオードでもよいし、それらを組み合わせた論理回路でもよい。よって、スイッチとしてトランジスタを用いる場合、そのトランジスタは、トランジスタの極性(導電型)は特に限定されない。ただし、オフ電流が少ない方が望ましい場合、オフ電流が少ない方の極性のトランジスタを用いることが望ましい。オフ電流が少ないトランジスタとしては、LDD領域を設けているものやマルチゲート構造にしているもの等がある。また、スイッチとして用いるトランジスタのソース端子の電位が、低電位側電源(Vss、GND、0Vなど)に近い状態で動作する場合はNチャネル型を、反対に、ソース端子の電位が、高電位側電源(Vddなど)に近い状態で動作する場合はPチャネル型を用いることが望ましい。なぜなら、ゲートソース間電圧の絶対値を大きくできるため、トランジスタがスイッチとしての機能を果たし易くなるからである。なお、Nチャネル型とPチャネル型の両方を用いて、CMOS型のスイッチにしてもよい。 Note that various types of switches can be used for the switch described in the specification as long as the current flow can be controlled. Therefore, an electrical switch or a mechanical switch can be applied. It may be a transistor, a diode, or a logic circuit combining them. Therefore, when a transistor is used as a switch, the polarity (conductivity type) of the transistor is not particularly limited. However, when it is desirable that the off-state current is small, it is desirable to use a transistor having a polarity with a small off-state current. As a transistor with low off-state current, there are a transistor provided with an LDD region and a transistor having a multi-gate structure. Further, when the transistor used as a switch operates at a source terminal potential close to a low potential side power supply (Vss, GND, 0 V, etc.), the N channel type is used. When operating in a state close to a power supply (Vdd or the like), it is desirable to use a P channel type. This is because the absolute value of the gate-source voltage can be increased, so that the transistor can easily function as a switch. Note that both N-channel and P-channel switches may be used as CMOS switches.
なお、本発明において接続されているとは、電気的に接続されていることと同義である。したがって、間に別の素子やスイッチなどが配置されていてもよい。In the present invention, being connected is synonymous with being electrically connected. Therefore, another element, a switch, or the like may be disposed between them.
なお、表示素子は、様々な形態を用いることが出来る。例えば、EL素子(有機EL素子、無機EL素子又は有機物及び無機物を含むEL素子)、電子放出素子、液晶素子、電子インクなど、電気磁気的作用によりコントラストが変化する表示媒体を適用することができる。なお、EL素子を用いた表示装置としてはELディスプレイ、電子放出素子を用いた表示装置としてはフィールドエミッションディスプレイ(FED)やSED方式平面型ディスプレイ(SED:Surface−conduction Electron−emitter Disply)など、液晶素子を用いた表示装置としては液晶ディスプレイ、電子インクを用いた表示装置としては電子ペーパーがある。Note that various forms of display elements can be used. For example, a display medium whose contrast is changed by an electromagnetic action, such as an EL element (an organic EL element, an inorganic EL element, or an EL element including an organic substance and an inorganic substance), an electron-emitting element, a liquid crystal element, and electronic ink can be used. . Note that a display device using an EL element is an EL display, and a display device using an electron-emitting device is a liquid crystal display such as a field emission display (FED) or a SED type flat display (SED: Surface-conduction Electron-Emitter Display). There is a liquid crystal display as a display device using an element, and an electronic paper as a display device using electronic ink.
なお、本発明において、適用可能なトランジスタの種類に限定はなく、非晶質シリコンや多結晶シリコンに代表される非単結晶半導体膜を用いた薄膜トランジスタ(TFT)、半導体基板やSOI基板を用いて形成されるMOS型トランジスタ、接合型トランジスタ、バイポーラトランジスタ、有機半導体やカーボンナノチューブを用いたトランジスタ、その他のトランジスタを適用することができる。また、トランジスタが配置されている基板の種類に限定はなく、単結晶基板、SOI基板、ガラス基板、プラスチック基板などに配置することが出来る。 Note that in the present invention, applicable transistor types are not limited, and a thin film transistor (TFT) using a non-single-crystal semiconductor film typified by amorphous silicon or polycrystalline silicon, a semiconductor substrate, or an SOI substrate is used. A MOS transistor, a junction transistor, a bipolar transistor, a transistor using an organic semiconductor or a carbon nanotube, and other transistors can be applied. There is no limitation on the kind of the substrate over which the transistor is provided, and the transistor can be provided on a single crystal substrate, an SOI substrate, a glass substrate, a plastic substrate, or the like.
なお、すでに述べたように、本発明におけるトランジスタは、どのようなタイプのトランジスタでもよいし、どのような基板上に形成されていてもよい。したがって、回路の全てガラス基板上に形成されていてもよいし、プラスチック基板に形成されていてもよいし、単結晶基板に形成されていてもよいし、SOI基板上に形成されていてもよいし、どのような基板上に形成されていてもよい。あるいは、回路の一部が、ある基板に形成されており、回路の別の一部が、別の基板に形成されていてもよい。つまり、回路の全てが同じ基板上に形成されていなくてもよい。例えば、回路の一部は、ガラス基板上にTFTを用いて形成し、回路の別の一部は、単結晶基板上に形成し、そのICチップをCOG(Chip On Glass)で接続してガラス基板上に配置してもよい。あるいは、そのICチップをTAB(Tape Auto Bonding)やプリント基板を用いてガラス基板と接続してもよい。Note that as described above, the transistor in the present invention may be any type of transistor, and may be formed on any substrate. Therefore, the entire circuit may be formed on a glass substrate, may be formed on a plastic substrate, may be formed on a single crystal substrate, or may be formed on an SOI substrate. However, it may be formed on any substrate. Alternatively, a part of the circuit may be formed on a certain substrate, and another part of the circuit may be formed on another substrate. That is, all of the circuits may not be formed on the same substrate. For example, part of a circuit is formed using a TFT over a glass substrate, another part of the circuit is formed over a single crystal substrate, and the IC chip is connected with COG (Chip On Glass) to form glass. You may arrange | position on a board | substrate. Alternatively, the IC chip may be connected to the glass substrate using TAB (Tape Auto Bonding) or a printed board.
なお、本明細書においては、一画素とは画像の最小単位を示すものとする。よって、R(赤)G(緑)B(青)の色要素からなるフルカラー表示装置の場合には、一画素とはRの色要素のドットとGの色要素のドットとBの色要素のドットとから構成されるものとする。In this specification, one pixel represents the minimum unit of an image. Therefore, in the case of a full-color display device composed of R (red), G (green), and B (blue) color elements, one pixel is a dot of the R color element, a dot of the G color element, and a B color element. It shall be composed of dots.
なお、本明細書において、画素がマトリクスに配置されているとは、縦縞と横縞を組み合わせたいわゆる格子状に配置されている場合はもちろんのこと、三色の色要素(例えばRGB)でフルカラー表示を行う場合に、三つの色要素のドットがいわゆるデルタ配置されている場合も含むものとする。また、色要素のドット毎にその発光領域の大きさが異なっていてもよい。Note that in this specification, the pixels are arranged in a matrix, not only in the case of a so-called grid pattern in which vertical stripes and horizontal stripes are combined, but also in full-color display with three color elements (for example, RGB). When performing the above, the case where the dots of the three color elements are arranged in a so-called delta arrangement is also included. In addition, the size of the light emitting area may be different for each dot of the color element.
トランジスタとは、それぞれ、ゲート電極と、ドレイン領域と、ソース領域とを含む少なくとも三つの端子を有する素子であり、ドレイン領域とソース領域の間にチャネル形成領域を有する。ここで、ソース領域とドレイン領域とは、トランジスタの構造や動作条件等によって変わるため、いずれがソース領域またはドレイン領域であるかを限定することが困難である。そこで、本形態においては、ソース領域及びドレイン領域として機能する領域を、それぞれ第1端子、第2端子と表記する。A transistor is an element having at least three terminals including a gate electrode, a drain region, and a source region, and has a channel formation region between the drain region and the source region. Here, since the source region and the drain region vary depending on the structure and operating conditions of the transistor, it is difficult to limit which is the source region or the drain region. Therefore, in this embodiment, regions functioning as a source region and a drain region are referred to as a first terminal and a second terminal, respectively.
なお、本明細書において、半導体装置とは半導体素子(トランジスタやダイオードなど)を含む回路を有する装置をいう。また、表示装置とは、基板上に表示素子を含む複数の画素やそれらの画素を駆動させる周辺駆動回路が形成された表示パネル本体だけでなく、それにフレキシブルプリントサーキット(FPC)やプリント配線基盤(PWB)が取り付けられたものも含む。また、発光装置とは、特に自発光型の表示素子を用いている表示装置をいう。Note that in this specification, a semiconductor device refers to a device having a circuit including a semiconductor element (such as a transistor or a diode). The display device is not only a display panel body in which a plurality of pixels including display elements on a substrate and peripheral drive circuits for driving these pixels are formed, but also a flexible printed circuit (FPC) and a printed wiring board ( Including those to which PWB) is attached. A light-emitting device refers to a display device using a self-luminous display element in particular.
本発明の半導体装置はトランジスタの特性バラツキの影響を低減し、負荷の電圧電流特性が変化しても、所定の電流を供給でき、信号電流が小さな場合であっても信号の書き込み速度を十分に向上させることができる。 The semiconductor device of the present invention reduces the influence of transistor characteristic variations, can supply a predetermined current even when the voltage-current characteristics of the load change, and sufficiently increases the signal writing speed even when the signal current is small. Can be improved.
以下、本発明の実施の形態について図面を参照しながら説明する。但し、本発明は多くの異なる態様で実施することが可能であり、本発明の趣旨及びその範囲から逸脱することなくその形態及び詳細を様々に変更し得ることは当業者であれば容易に理解される。従って、本実施の形態の記載内容に限定して解釈されるものではない。Hereinafter, embodiments of the present invention will be described with reference to the drawings. However, the present invention can be implemented in many different modes, and those skilled in the art can easily understand that the modes and details can be variously changed without departing from the spirit and scope of the present invention. Is done. Therefore, the present invention is not construed as being limited to the description of this embodiment mode.
(実施の形態1)
本発明の基本原理は、流れる電流値によって発光輝度を制御することが可能な発光素子で画素を形成した表示装置に適用することができる。代表的な発光素子としてEL素子が挙げられる。(Embodiment 1)
The basic principle of the present invention can be applied to a display device in which a pixel is formed using a light emitting element capable of controlling light emission luminance by a flowing current value. An EL element is given as a typical light emitting element.
また、EL素子などのような発光素子を有する画素だけでなく、電流源を有する様々なアナログ回路に適用することもできる。そこで、本実施の形態では本発明の基本原理について説明する。Further, the present invention can be applied not only to a pixel having a light emitting element such as an EL element but also to various analog circuits having a current source. In this embodiment, the basic principle of the present invention will be described.
まず、図1に本発明の基本原理に基づく半導体装置の基本構成を示す。トランジスタ101と、容量素子102と、電流電圧変換素子103と、増幅回路104とを有する。なおトランジスタ101はNチャネル型トランジスタである。First, FIG. 1 shows a basic configuration of a semiconductor device based on the basic principle of the present invention. The
トランジスタ101は、第1端子(ソース端子またはドレイン端子の一方)が配線105に接続され、第2端子(ソース端子またはドレイン端子の他方)が電流電圧変換素子103を介して配線107と接続され、ゲート端子が容量素子102を介して配線106と接続されている。なお、配線107には高電源電位Vddが供給され、配線105及び配線106には低電源電位Vssが供給されている。なお、Vdd>Vssである。The
なお、容量素子102はトランジスタ101のゲートソース間電圧を保持できればよい。よって、トランジスタ101のソース端子となる第1端子が接続された配線105の電位が一定であれば、容量素子102は、トランジスタ101のゲート電位を保持できればよい。したがって、容量素子102がトランジスタ101のゲート電位を保持することができるのであれば配線106に供給する電位は限定されない。配線105と配線106に供給する電位は同じでもよい。よって、配線105と配線106は別の配線でなく一続きの同じ配線であってもよい。また、容量素子102はトランジスタ101のゲート電位を保持するために設けているので、トランジスタ101のゲート容量で代用することができるときには容量素子102は設けなくともよい。Note that the
また、増幅回路104は、第1入力端子がトランジスタ101の第2端子と電流電圧変換素子103との間の配線に接続され、第2入力端子が配線108と接続され、出力端子がトランジスタ101のゲート端子に接続されている。なお、配線108には所定の電位が供給される。また、トランジスタ101の第2端子と電流電圧変換素子103との間の配線と、増幅回路104の第1入力端子と、の接続点をノード109とする。The
次に、動作について説明する。増幅回路104の第1入力端子において電流電圧変換素子103の電圧を検出する。つまり、ノード109の電位が増幅回路104の第1入力端子に入力される。そして、増幅回路104は、第1入力端子に入力される電位と第2入力端子に入力される電位との電位差が所定の電位差となるように出力端子から電位を出力する。つまり、増幅回路104は、ノード109の電位と配線108に供給される電位との電位差が所定の電位差となるようにトランジスタ101のゲート電位を制御する。なお、所定の電位差とは、電位差が0Vである場合も 含むものとする。Next, the operation will be described. The voltage of the current-
こうして、トランジスタ101は、ノード109の電位を所望の電位にするためのゲート電位を取得することができる。そして、ノード109を所望の電位にすることにより、電流電圧変換素子103にかかる電圧を所望の電圧にすることができる。このとき、電流電圧変換素子103にかかるこの所望の電圧に対する電流Idataが電流電圧変換素子103に流れる。そして、この電流Idataはトランジスタ101にも流れる。そして、トランジスタ101は、Idataを流すのに必要なゲートソース間電圧となっている。In this manner, the
このときのトランジスタ101のゲートソース間電圧は、トランジスタ101の電流特性(移動度やしきい値電圧など)やサイズ(ゲート幅やゲート長)に依存せずにIdataを流すのに適切な大きさとなっている。したがって、半導体装置内の、トランジスタ101に相当するトランジスタの電流特性やサイズがばらついてもトランジスタ101には電流Idataを流すことが出来るようになる。その結果、そのトランジスタ101は電流源として動作させることができ、さまざまな負荷(別のトランジスタや画素や信号線駆動回路など)に電流を供給することができる。At this time, the voltage between the gate and the source of the
なお、一般に、トランジスタ(ここでは簡単のため、Nチャネル型トランジスタであるとする)の動作領域は線形領域と飽和領域とに分けることができる。その境目は、ドレインソース間電圧をVds、ゲートソース間電圧をVgs、しきい値電圧をVthとすると、(Vgs−Vth)=Vdsのときになる。(Vgs−Vth)>Vdsの場合は、線形領域での動作となり、Vds,Vgsの大きさによって電流値が決まる。一方、(Vgs−Vth)<Vdsの場合は飽和領域での動作となり、理想的には、Vdsが変化しても、電流値はほとんど変化しない。つまり、Vgsの大きさだけによって電流値が決まる。Note that in general, an operation region of a transistor (here, for the sake of simplicity, an N-channel transistor) can be divided into a linear region and a saturation region. The boundary is when (Vgs−Vth) = Vds where the drain-source voltage is Vds, the gate-source voltage is Vgs, and the threshold voltage is Vth. When (Vgs−Vth)> Vds, the operation is performed in a linear region, and the current value is determined by the magnitudes of Vds and Vgs. On the other hand, when (Vgs−Vth) <Vds, the operation is performed in the saturation region, and ideally, even when Vds changes, the current value hardly changes. That is, the current value is determined only by the magnitude of Vgs.
したがって、トランジスタ101のドレインソース間電圧Vdsとゲートソース間電圧Vgsと、トランジスタ101のしきい値電圧Vthとから、トランジスタ101がどの領域で動作しているかが決定される。つまり、Vgs−Vth<Vdsの場合は、トランジスタ101は飽和領域で動作していることになる。飽和領域では、理想的な場合は、Vdsが変化しても、トランジスタに流れる電流値は変わらない。したがって、トランジスタ101に電流Idataが流れている場合、つまり、設定動作を行っているときと、トランジスタ101から負荷に電流を供給しているときとで、Vdsが変化しても、トランジスタ101に流れる電流値は変化しない。Therefore, in which region the
ただし、トランジスタを飽和領域で動作していても、キンク(アーリー)効果によって、電流値が変化してしまう場合がある。その場合は、増幅回路104の第2入力端子の電位を制御することにより、ノード109の電位つまりトランジスタ101の第2端子(このときドレイン端子となる)の電位を制御することができるので、キンク(アーリー)効果の影響を低減することができる。However, even if the transistor operates in the saturation region, the current value may change due to the kink (early) effect. In that case, by controlling the potential of the second input terminal of the
例えば、設定動作を行っているときと出力動作を行っているときとで、電流Idataの大きさに応じて、増幅回路104の第2入力端子の電位を適宜制御することによって、Vdsを概ね等しくすることができる。For example, when the setting operation is performed and when the output operation is performed, Vds is approximately equal by appropriately controlling the potential of the second input terminal of the
また、負荷の電圧電流特性が劣化などにより変化した場合においても。増幅回路104の第2入力端子に入力する電位を適宜制御することにより、設定動作を行うときのVdsを、出力動作を行うときのVdsに概ね等しくすることができる。よって、適切な電流を供給することができる。これにより、負荷がEL素子などの場合、EL素子の焼き付きを防止することができる。Even when the voltage-current characteristics of the load change due to deterioration. By appropriately controlling the potential input to the second input terminal of the
なお、増幅回路104は出力インピーダンスが低い。よって、大きな電流を供給することができる。したがって、トランジスタ101のゲート端子を素早く所望の電位にすることができる。つまり、電流Idataの書き込み速度が速くなり、素早く書き込みを完了することができる。また、電流Idataが小さくてもトランジスタ101のゲート端子を素早く所望の電位にすることができるので信号の書き込み不良も防止することができる。Note that the
増幅回路104は、第1入力端子と第2入力端子との電位差を検知し、増幅して出力する機能を有している。図1では、増幅回路104の第1入力端子とトランジスタ101の第2端子(このときドレイン端子となる)と、が接続され、増幅回路104の出力端子とトランジスタ101のゲート端子が接続されている。トランジスタ101のゲート電位が変化するとトランジスタ101のドレイン電位も変化するため増幅回路104の第1入力端子の電位も変化する。また、トランジスタ101のドレイン電位が変化すると増幅回路104の第1入力端子の電位も変化するため、増幅回路104の出力電位も変化する。そして、トランジスタ101のゲート電位も変化する。つまり、帰還回路が形成されている。そのため上記のような帰還動作を経て、各端子の状態が安定するような電位が増幅回路104から出力されるようになる。The
つまり、図1ではトランジスタ101の第2端子(ここではドレイン端子)の電位が安定するような電位が、増幅回路104からトランジスタ101のゲート端子に出力される。このときのトランジスタ101のドレイン電位は配線108に供給する電位によって制御することができる。したがって、配線108に供給する電位により、電流電圧変換素子103にかかる電圧を制御することができ、つまりはトランジスタ101に流す電流Idataを制御することができる。That is, in FIG. 1, a potential that stabilizes the potential of the second terminal (here, the drain terminal) of the
以上のように、増幅回路104を有する帰還回路を用いることにより、トランジスタ101に所望の電流を流すためのゲート電位を設定することができる。そして、このとき、増幅回路104を用いているため、トランジスタ101のゲート電位の設定を素早く完了することができ、短い時間で書き込みを終了することができる。そして、設定されたトランジスタ101は、電流源回路として用いることができ、様々な負荷に電流を供給することができる。As described above, by using the feedback circuit including the
なお、電流電圧変換素子103は、素子に電流が流れると素子の端子間に電圧が発生する素子であればよい。よって、抵抗素子や整流素子などを適用することができる。図1の半導体装置の電流電圧変換素子103に抵抗素子を適用した場合について、図3に示す。図3の半導体装置において、抵抗素子301が図1の電流電圧変換素子103に相当する。また、図1の半導体装置の電流電圧変換素子103に整流素子としてダイオード接続したトランジスタを適用した場合について図4(A)、(B)に示す。図4(A)の半導体装置において、トランジスタ401、図4(B)のトランジスタ402が図1の電流電圧変換素子103に相当する。Pチャネル型のトランジスタ401は、第1端子(ソース端子又はドレインドレイン端子の一方)を配線107に接続し、第2端子(ソース端子又はドレイン端子の他方)をゲート端子と接続するとともに、トランジスタ101の第2端子と接続する。Nチャネル型のトランジスタ402は、第1端子(ソース端子又はドレインドレイン端子の一方)をトランジスタ101の第2端子と接続し、第2端子(ソース端子又はドレイン端子の他方)をゲート端子と接続するとともに配線107と接続する。The current-
なお、図1では、ゲートソース間電圧を設定するトランジスタにはNチャネル型トランジスタを用いているが本発明はこれに限定されない。図12ではPチャネル型トランジスタを適用した場合の構成について示している。In FIG. 1, an N-channel transistor is used as the transistor for setting the gate-source voltage, but the present invention is not limited to this. FIG. 12 shows a configuration in the case where a P-channel transistor is applied.
図12に示す半導体装置は、トランジスタ1201と、容量素子1202と、電流電圧変換素子1203と、増幅回路1204とを有する。なおトランジスタ1201はPチャネル型トランジスタである。The semiconductor device illustrated in FIG. 12 includes a
トランジスタ1201は、第1端子(ソース端子またはドレイン端子の一方)が配線1205に接続され、第2端子(ソース端子またはドレイン端子の他方)が電流電圧変換素子1203を介して配線1207と接続され、ゲート端子が容量素子1202を介して配線1206と接続されている。なお、配線1207には低電源電位Vssが供給され、配線1205及び配線1206には高電源電位Vddが供給されている。ここで、Vss<Vddである。The
なお、容量素子1202はトランジスタ1201のゲートソース間電圧を保持できればよい。よって、トランジスタ1201のソース端子となる第1端子が接続された配線1205の電位が一定であれば、容量素子1202は、トランジスタ1201のゲート電位を保持できればよい。したがって、容量素子1202がトランジスタ1201のゲート電位を保持することができるのであれば配線1206に供給する電位は限定されない。配線1205と配線1206に供給する電位は同じでもよい。よって、配線1205と配線1206は別の配線でなく一続きの同じ配線であってもよい。また、容量素子1202はトランジスタ1201のゲート電位を保持するために設けているので、トランジスタ1201のゲート容量で代用することができるときには容量素子1202は設けなくともよい。Note that the
また、増幅回路1204は、第1入力端子がトランジスタ1201の第2端子と電流電圧変換素子1203との間の配線に接続され、第2入力端子が配線1208と接続され、出力端子がトランジスタ1201のゲート端子に接続されている。なお、配線1208には所定の電位が供給される。また、トランジスタ1201の第2端子と電流電圧変換素子1203との間の配線と増幅回路1204の第1入力端子との交点をノード1209とする。The
次に、動作について簡単に説明する。増幅回路1204の第1入力端子において電流電圧変換素子1203の電圧を検出する。つまり、ノード1209の電位が増幅回路1204の第1入力端子に入力される。そして、増幅回路1204は、第1入力端子に入力される電位と第2入力端子に入力される電位との電位差が所定の電位差となるように出力端子から電位を出力する。つまり、増幅回路1204は、ノード1209の電位と配線1208に供給される電位との電位差が所定の電位差となるようにトランジスタ1201のゲート電位を制御する。なお、所定の電位差とは、電位差が0Vである場合も含むものとする。Next, the operation will be briefly described. The voltage of the current-
こうして、トランジスタ1201は、ノード1209の電位を所望の電位にするためのゲート電位を取得することができる。そして、ノード1209を所望の電位にすることにより、電流電圧変換素子1203にかかる電圧を所望の電圧にすることができる。このとき、電流電圧変換素子1203にかかるこの所望の電圧に対する電流Idataが電流電圧変換素子1203に流れる。そして、この電流Idataはトランジスタ1201にも流れる。そして、トランジスタ1201は、Idataを流すのに必要なゲートソース間電圧となっている。In this manner, the
このときのトランジスタ1201のゲートソース間電圧は、トランジスタ1201の電流特性(移動度やしきい値電圧など)やサイズ(ゲート幅やゲート長)に依存せずにIdataを流すのに適切な大きさとなっている。したがって、半導体装置内の、トランジスタ1201に相当するトランジスタの電流特性やサイズがばらついてもトランジスタ1201には電流Idataを流すことが出来るようになる。その結果、そのトランジスタ1201は電流源として動作させることができ、さまざまな負荷(別のトランジスタや画素や信号線駆動回路など)に電流を供給することができる。At this time, the voltage between the gate and the source of the
そして、トランジスタ1201に電流Idataが流れている場合、つまり、設定動作を行っているときと、トランジスタ1201から負荷に電流を供給しているときとで、Vdsが変化しても、トランジスタ1201に流れる電流値は変化しない。ただし、トランジスタを飽和領域で動作していても、キンク(アーリー)効果によって、電流値が変化してしまう場合がある。その場合は、増幅回路1204の第2入力端子の電位を制御することにより、ノード1209の電位つまりトランジスタ1201の第2端子(このときドレイン端子となる)の電位を制御することができるので、キンク(アーリー)効果の影響を低減することができる。When the current Idata flows through the
例えば、設定動作を行っているときと出力動作を行っているときとで、電流Idataの大きさに応じて、増幅回路1204の第2入力端子の電位を適宜制御することによって、Vdsを概ね等しくすることができる。For example, when the setting operation is performed and when the output operation is performed, Vds is substantially equal by appropriately controlling the potential of the second input terminal of the
また、負荷の電圧電流特性が劣化などにより変化した場合においても。増幅回路1204の第2入力端子に入力する電位を適宜制御することにより、設定動作を行うときのVdsを、出力動作を行うときのVdsに概ね等しくすることができる。よって、適切な電流を供給することができる。これにより、負荷がEL素子などの場合、EL素子の焼き付きを防止することができる。Even when the voltage-current characteristics of the load change due to deterioration. By appropriately controlling the potential input to the second input terminal of the
なお、増幅回路1204は出力インピーダンスが低い。よって、大きな電流を供給することができる。したがって、トランジスタ1201のゲート端子を素早く所望の電位にすることができる。つまり、電流Idataの書き込み速度が速くなり、素早く書き込みを完了することができる。また、電流Idataが小さくてもトランジスタのゲート端子を素早く所望の電位にすることができるので信号の書き込み不良も防止することができる。Note that the
増幅回路1204は、第1入力端子と第2入力端子との電位差を検知し、増幅して出力する機能を有している。図12では、増幅回路1204の第1入力端子とトランジスタ1201の第2端子(このときドレイン端子となる)と、が接続され、増幅回路1204の出力端子とトランジスタ1201のゲート端子が接続されている。トランジスタ1201のゲート電位が変化するとトランジスタ1201のドレイン電位も変化するため、増幅回路1204の第1入力端子の電位も変化する。また、トランジスタ1201のドレイン電位が変化すると増幅回路1204の第1入力端子の電位も変化するため、増幅回路1204の出力電位も変化し、トランジスタ1201のゲート電位も変化する。つまり、帰還回路が形成されている。そのため上記のような帰還動作を経て、各端子の状態が安定するような電位が増幅回路1204から出力されるようになる。The
つまり、図12ではトランジスタ1201のドレイン端子の電位が安定するような電位が、増幅回路1204からトランジスタ1201のゲート端子に出力される。このときのトランジスタ1201のドレイン電位は配線1208に供給する電位によって制御することができる。したがって、配線1208に供給する電位により、電流電圧変換素子1203にかかる電圧を制御することができ、つまりはトランジスタ1201に流す電流Idataを制御することができる。In other words, in FIG. 12, a potential at which the drain terminal of the
以上のように、増幅回路1204を有する帰還回路を用いることにより、トランジスタ1201に所望の電流を流すためのゲート電位を設定することができる。そして、このとき、増幅回路1204を用いているため、トランジスタ1201のゲート電位の設定を素早く完了することができ、短い時間で書き込みを終了することができる。そして、設定されたトランジスタ1201は、電流源回路として用いることができ、様々な負荷に電流を供給することができる。As described above, by using the feedback circuit including the
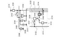
(実施の形態2)
実施の形態1においては、電流電圧変換素子と直列に接続されたトランジスタのドレイン電位を検出し、増幅回路によりトランジスタのゲート電位を設定することにより、トランジスタに流れる電流を制御している。本実施の形態においては、電流電圧変換素子と直列に接続されたトランジスタのドレイン電位を検出し、増幅回路によりトランジスタのソース電位を設定することにより、トランジスタに流れる電流を制御する構成について説明する。(Embodiment 2)
In the first embodiment, the current flowing through the transistor is controlled by detecting the drain potential of the transistor connected in series with the current-voltage conversion element and setting the gate potential of the transistor by the amplifier circuit. In this embodiment mode, a structure in which the drain potential of a transistor connected in series with a current-voltage conversion element is detected and the source potential of the transistor is set by an amplifier circuit to control the current flowing through the transistor will be described.
図20に示す半導体装置は、トランジスタ2001と、容量素子2002と、電流電圧変換素子2003と、増幅回路2004とを有している。なお、トランジスタ2001はNチャネル型トランジスタである。The semiconductor device illustrated in FIG. 20 includes a
なお、トランジスタ2001は、第1端子(ソース端子又はドレイン端子の一方)が増幅回路2004の出力端子と接続され、第2端子(ソース端子又はドレイン端子の他方)が電流電圧変換素子2003を介して配線2005と接続され、ゲート端子が配線2007と接続されている。また、トランジスタ2001のゲート端子は増幅回路2004の第2入力端子と接続されるとともに、容量素子2002を介して配線2006と接続されている。また、増幅回路2004の第1入力端子は、トランジスタ2001の第2端子と電流電圧変換素子2003との間の配線に接続されている。また、トランジスタ2001の第2端子と電流電圧変換素子2003との間の配線と増幅回路2004の第1入力端子との交点をノード2008とする。なお、配線2005には高電源電位Vddが供給され、配線2006には低電源電位Vssが供給され、配線2007には所定の電位が供給されている。ここで、Vss<Vddである。Note that the
なお、容量素子2002はトランジスタ2001のゲートソース間電圧を保持できればよい。よって、トランジスタ2001のソース端子となる第1端子に増幅回路2004の出力を供給し続けるのであれば、容量素子2002は、トランジスタ2001のゲート電位を保持できればよい。したがって、容量素子2002はトランジスタ2001のゲート電位を保持することができればよいため、配線2006に供給する電位は限定されない。また、トランジスタ2001のゲート容量で代用することができるときには容量素子2002は設けなくともよい。Note that the
次に、動作について簡単に説明する。増幅回路2004の第1入力端子において電流電圧変換素子2003の電圧を検出する。つまり、ノード2008の電位が増幅回路2004の第1入力端子に入力される。そして、増幅回路2004は、第1入力端子に入力される電位と第2入力端子に入力される電位との電位差が所定の電位差となるように出力端子から電位を出力する。つまり、増幅回路2004は、ノード2008の電位と配線2007に供給される電位との電位差が所定の電位差となるようにトランジスタ2001のソース電位を制御する。Next, the operation will be briefly described. The voltage of the current-
こうして、トランジスタ2001は、ノード2008の電位を所望の電位にするためのソース電位を取得することができる。そして、ノード2008を所望の電位にすることにより、電流電圧変換素子2003にかかる電圧を所望の電圧にすることができる。このとき、電流電圧変換素子2003にかかるこの所望の電圧に対する電流Idataが電流電圧変換素子2003に流れる。そして、この電流Idataはトランジスタ2001にも流れる。そして、トランジスタ2001は、Idataを流すのに必要なゲートソース間電圧となっている。In this manner, the
このときのトランジスタ2001のゲートソース間電圧は、トランジスタ2001の電流特性(移動度やしきい値電圧など)やサイズ(ゲート幅やゲート長)に依存せずにIdataを流すのに適切な大きさとなっている。したがって、トランジスタ2001の電流特性やサイズがばらついてもトランジスタ2001は電流Idataを流すことが出来るようになる。その結果、そのトランジスタ2001は電流源として動作させることができ、さまざまな負荷(別のトランジスタや画素や信号線駆動回路など)に電流を供給することができる。At this time, the voltage between the gate and the source of the
そして、トランジスタ2001に電流Idataが流れている場合、つまり、設定動作を行っているときと、トランジスタ2001から負荷に電流を供給しているときとで、Vdsが変化しても、トランジスタ2001に流れる電流値は変化しない。ただし、トランジスタを飽和領域で動作していても、キンク(アーリー)効果によって、電流値が変化してしまう場合がある。その場合は、増幅回路2004の第2入力端子の電位を制御することにより、ノード2008の電位つまりトランジスタ2001の第2端子(このときドレイン端子となる)の電位を制御することができるので、キンク(アーリー)効果の影響を低減することができる。When the current Idata flows through the
例えば、設定動作を行っているときと出力動作を行っているときとで、電流Idataの大きさに応じて、増幅回路2004の第2入力端子の電位を適宜制御することによって、Vdsを概ね等しくすることができる。For example, when the setting operation is performed and when the output operation is performed, Vds is substantially equal by appropriately controlling the potential of the second input terminal of the
また、負荷の電圧電流特性が劣化などにより変化した場合においても。増幅回路2004の第2入力端子に入力する電位を適宜制御することにより、設定動作を行うときのVdsを、出力動作を行うときのVdsに概ね等しくすることができる。よって、適切な電流を供給することができる。これにより、負荷がEL素子などの場合、EL素子の焼き付きを防止することができる。Even when the voltage-current characteristics of the load change due to deterioration. By appropriately controlling the potential input to the second input terminal of the
なお、増幅回路2004は出力インピーダンスが低い。よって、大きな電流を供給することができる。したがって、トランジスタ2001のソース電位を素早く設定することができる。つまり、電流Idataの書き込み速度が速くなり、素早く書き込みを完了することができる。また、電流Idataが小さくても、トランジスタのソース端子を素早く所望の電位にすることができるので信号の書き込み不良も防止することができる。Note that the
増幅回路2004は、第1入力端子と第2入力端子との電位差を検知し、増幅して出力する機能を有している。図20では、増幅回路2004の第1入力端子とトランジスタ2001の第2端子(このときドレイン端子となる)と、が接続され、増幅回路2004の出力端子とトランジスタ2001の第1端子(このときソース端子となる)と、が接続されている。トランジスタ2001のドレイン電位が変化すると増幅回路2004の第1入力端子の電位も変化するため、増幅回路2004の出力電位も変化し、トランジスタ2001のソース電位も変化する。そして、トランジスタ2001のソース電位が変化するとドレイン電位も変化する。つまり、帰還回路が形成されている。そのため上記のような帰還動作を経て、各端子の状態が安定するような電位が増幅回路2004から出力されるようになる。The
つまり、図20ではトランジスタ2001のドレイン端子の電位が安定するような電位が、増幅回路2004からトランジスタ2001のソース端子に出力される。このときのトランジスタ2001のドレイン電位は配線2007に供給する電位によって制御することができる。したがって、配線2007に供給する電位により、電流電圧変換素子2003にかかる電圧を制御することができ、つまりはトランジスタ2001に流す電流Idataを制御することができる。That is, in FIG. 20, a potential that stabilizes the potential of the drain terminal of the
以上のように、増幅回路2004を有する帰還回路を用いることにより、トランジスタ2001に所望の電流を流すためのソース電位を設定することができる。そして、このとき、増幅回路2004を用いているため、トランジスタ2001のソース電位の設定を素早く完了することができ、短い時間で書き込みを終了することができる。そして、設定されたトランジスタ2001は、電流源回路として用いることができ、様々な負荷に電流を供給することができる。As described above, by using the feedback circuit including the
なお、図20ではトランジスタにNチャネル型トランジスタを用いているが、本実施の形態に示す半導体装置にはPチャネル型トランジスタを適用することができる。その場合の構成を図24に示す。Note that although an N-channel transistor is used as a transistor in FIG. 20, a P-channel transistor can be applied to the semiconductor device described in this embodiment. The configuration in that case is shown in FIG.
図24に示す半導体装置は、トランジスタ2401と、容量素子2402と、電流電圧変換素子2403と、増幅回路2404とを有している。なお、トランジスタ2401はPチャネル型トランジスタである。The semiconductor device illustrated in FIG. 24 includes a
なお、トランジスタ2401は、第1端子(ソース端子又はドレイン端子)が増幅回路2404の出力端子と接続され、第2端子(ソース端子又はドレイン端子)が電流電圧変換素子2403を介して配線2405と接続され、ゲート端子が配線2407と接続されている。また、トランジスタ2401のゲート端子は増幅回路2404の第2入力端子と接続されるとともに、容量素子2402を介して配線2406と接続されている。また、増幅回路2404の第1入力端子は、トランジスタ2401の第2端子と電流電圧変換素子2403との間の配線に接続されている。なお、配線2407には所定の電位が供給される。また、トランジスタ2401の第2端子と電流電圧変換素子2403との間の配線と増幅回路2404の第1入力端子との交点をノード2408とする。なお、配線2405には低電源電位Vssが供給され、配線2406には高電源電位Vddが供給され、配線2407には所定の電位が供給されている。ここで、Vss<Vddである。Note that the
なお、容量素子2402はトランジスタ2401のゲートソース間電圧を保持できればよい。よって、トランジスタ2401のソース端子となる第1端子に増幅回路2404の出力を供給し続けるのであれば、容量素子2402は、トランジスタ2401のゲート電位を保持できればよい。したがって、容量素子2402はトランジスタ2401のゲート電位を保持することができればよいため、配線2406に供給する電位は限定されない。また、トランジスタ2401のゲート容量で代用することができるときには容量素子2402は設けなくともよい。Note that the
次に、動作について簡単に説明する。増幅回路2404の第1入力端子において電流電圧変換素子2403の電圧を検出する。つまり、ノード2408の電位が増幅回路2404の第1入力端子に入力される。そして、増幅回路2404は、第1入力端子に入力される電位と第2入力端子に入力される電位との電位差が所定の電位差となるように出力端子から電位を出力する。つまり、増幅回路2404は、ノード2408の電位と配線2407に供給される電位との電位差が所定の電位差となるようにトランジスタ2401のソース電位を制御する。Next, the operation will be briefly described. The voltage of the current-
こうして、トランジスタ2401は、ノード2408の電位を所望の電位にするためのソース電位を取得することができる。そして、ノード2408を所望の電位にすることにより、電流電圧変換素子2403にかかる電圧を所望の電圧にすることができる。このとき、電流電圧変換素子2403にかかるこの所望の電圧に対する電流Idataが電流電圧変換素子2403に流れる。そして、この電流Idataはトランジスタ2401にも流れる。そして、トランジスタ2401は、Idataを流すのに必要なゲートソース間電圧となっている。In this manner, the
このときのトランジスタ2401のゲートソース間電圧は、トランジスタ2401の電流特性(移動度やしきい値電圧など)やサイズ(ゲート幅やゲート長)に依存せずにIdataを流すのに適切な大きさとなっている。したがって、トランジスタ2401の電流特性やサイズがばらついてもトランジスタ2401は電流Idataを流すことが出来るようになる。その結果、そのトランジスタ2401は電流源として動作させることができ、さまざまな負荷(別のトランジスタや画素や信号線駆動回路など)に電流を供給することができる。At this time, the voltage between the gate and the source of the
そして、トランジスタ2401に電流Idataが流れている場合、つまり、設定動作を行っているときと、トランジスタ2401から負荷に電流を供給しているときとで、Vdsが変化しても、トランジスタ2401に流れる電流値は変化しない。ただし、トランジスタを飽和領域で動作していても、キンク(アーリー)効果によって、電流値が変化してしまう場合がある。その場合は、増幅回路2404の第2入力端子の電位を制御することにより、ノード2408の電位つまりトランジスタ2401の第2端子(このときドレイン端子となる)の電位を制御することができるので、キンク(アーリー)効果の影響を低減することができる。When the current Idata flows through the
例えば、設定動作を行っているときと出力動作を行っているときとで、電流Idataの大きさに応じて、増幅回路2404の第2入力端子の電位を適宜制御することによって、Vdsを概ね等しくすることができる。For example, when the setting operation is performed and when the output operation is performed, Vds is approximately equal by appropriately controlling the potential of the second input terminal of the
また、負荷の電圧電流特性が劣化などにより変化した場合においても。増幅回路2404の第2入力端子に入力する電位を適宜制御することにより、設定動作を行うときのVdsを、出力動作を行うときのVdsに概ね等しくすることができる。よって、適切な電流を供給することができる。これにより、負荷がEL素子などの場合、EL素子の焼き付きを防止することができる。Even when the voltage-current characteristics of the load change due to deterioration. By appropriately controlling the potential input to the second input terminal of the
なお、増幅回路2404は出力インピーダンスが低い。よって、大きな電流を供給することができる。したがって、トランジスタ2401のソース電位を素早く設定することができる。つまり、電流Idataの書き込み速度が速くなり、素早く書き込みを完了することができる。また、電流Idataが小さくてもトランジスタのソース端子を素早く所望の電位にすることができるので信号の書き込み不良を防止することができる。Note that the
増幅回路2404は、第1入力端子と第2入力端子との電位差を検知し、増幅して出力する機能を有している。図24では、増幅回路2404の第2入力端子とトランジスタ2401の第2端子(このときドレイン端子となる)と、が接続され、増幅回路2404の出力端子とトランジスタ2401の第1端子(このときソース端子となる)と、が接続されている。トランジスタ2401のドレイン電位が変化すると増幅回路2404の第1入力端子の電位も変化するため、増幅回路2404の出力電位も変化し、トランジスタ2401のソース電位も変化する。そして、トランジスタ2401のソース電位が変化するとドレイン電位も変化する。つまり、帰還回路が形成されている。そのため上記のような帰還動作を経て、各端子の状態が安定するような電位が増幅回路2404から出力されるようになる。The
つまり、図24ではトランジスタ2401のドレイン端子の電位が安定するような電位が、増幅回路2404からトランジスタ2401のソース端子に出力される。このときのトランジスタ2401のドレイン電位は配線2407に供給する電位によって制御することができる。したがって、配線2407に供給する電位により、電流電圧変換素子2403にかかる電圧を制御することができ、つまりはトランジスタ2401に流す電流Idataを制御することができる。That is, in FIG. 24, a potential that stabilizes the potential of the drain terminal of the
以上のように、増幅回路2404を有する帰還回路を用いることにより、トランジスタ2401に所望の電流を流すためのソース電位を設定することができる。そして、このとき、増幅回路2404を用いているため、トランジスタ2401のソース電位の設定を素早く完了することができ、短い時間で書き込みを終了することができる。そして、設定されたトランジスタ2401は、電流源回路として用いることができ、様々な負荷に電流を供給することができる。As described above, by using the feedback circuit including the
(実施の形態3)
本実施の形態においては、実施の形態1乃至実施の形態2で示した半導体装置の増幅回路に適用可能な構成を説明する。増幅回路としてはオペアンプや差動増幅回路を適用することができる。また、オペアンプとしては、電圧帰還型オペアンプでもよいし、電流帰還型オペアンプでもよいし、位相補償回路のような様々な補正回路を付加したオペアンプでもよい。なお、本実施の形態に示した増幅回路は後述する他の実施の形態においても用いることができる。(Embodiment 3)
In this embodiment, a structure applicable to the amplifier circuit of the semiconductor device described in Embodiments 1 and 2 will be described. An operational amplifier or a differential amplifier circuit can be applied as the amplifier circuit. The operational amplifier may be a voltage feedback operational amplifier, a current feedback operational amplifier, or an operational amplifier to which various correction circuits such as a phase compensation circuit are added. Note that the amplifier circuit described in this embodiment can be used in other embodiments described later.
なお、オペアンプは、通常、非反転入力端子の電位と反転入力端子の電位とは、等しくなるように動作するが、特性バラツキなどにより、非反転入力端子の電位と反転入力端子の電位とは等しくならない場合がある。つまり、オフセット電圧が生じる場合がある。その場合は、通常のオペアンプと同様に、非反転入力端子の電位と反転入力端子の電位が等しくなるように調節して動作させてもよい。しかし、本実施の形態の場合、トランジスタが飽和領域で動作するように制御すればよい。したがって、トランジスタが飽和領域で動作する範囲内であれば、オペアンプにオフセット電圧が生じても良いし、オフセット電圧がばらついても半導体装置の動作に影響は与えない。そのため、電流特性のバラツキが大きいようなトランジスタを用いてオペアンプを構成しても、正常に半導体装置が動作することになる。Note that the operational amplifier normally operates so that the potential of the non-inverting input terminal is equal to the potential of the inverting input terminal. However, due to characteristic variation, the potential of the non-inverting input terminal and the potential of the inverting input terminal are equal. It may not be possible. That is, an offset voltage may occur. In that case, similarly to a normal operational amplifier, the potential of the non-inverting input terminal and the potential of the inverting input terminal may be adjusted so as to be equal. However, in this embodiment mode, the transistor may be controlled to operate in the saturation region. Therefore, an offset voltage may be generated in the operational amplifier as long as the transistor operates within the saturation region, and even if the offset voltage varies, the operation of the semiconductor device is not affected. For this reason, even if an operational amplifier is formed using transistors that have large variations in current characteristics, the semiconductor device operates normally.
まず、実施の形態1で示した半導体装置の増幅回路に適用可能な構成について説明する。図1の半導体装置の増幅回路104にオペアンプを適用した場合について図2に示す。つまり、図1の増幅回路104としてオペアンプ201を用いている。そして、オペアンプ201は非反転入力端子と反転入力端子と出力端子とを有し、非反転入力端子が増幅回路104の第1入力端子に相当し、反転入力端子が増幅回路104の第2入力端子に相当し、出力端子が増幅回路104の出力端子に相当する。First, a structure applicable to the amplifier circuit of the semiconductor device described in Embodiment 1 is described. FIG. 2 shows the case where an operational amplifier is applied to the
オペアンプ201は、反転入力端子と非反転入力端子との電位差を増幅して出力端子から電圧を出力する。つまり、ノード109の電位すなわちオペアンプ201の非反転入力端子の電位が、配線108に供給される電位すなわち反転入力端子の電位よりも高いと、オペアンプ201の出力電圧は正の電圧となる。そして、オペアンプ201からの出力により、トランジスタ101のゲート電位が高くなり、トランジスタ101に流れる電流が大きくなると、ノード109の電位が下がる。そして、オペアンプ201の非反転入力端子の電位も下がる。よって、オペアンプ201の非反転入力端子と反転入力端子との電位差が小さくなる。すると、オペアンプ201の出力電圧の絶対値も小さくなる。The
つまり、ノード109の電位すなわちオペアンプ201の非反転入力端子の電位が、配線108に供給される電位すなわち反転入力端子の電位よりも低いと、オペアンプ201の出力電圧は負の電圧となる。そして、オペアンプ201からの出力により、トランジスタ101のゲート電位が低くなり、トランジスタ101に流れる電流が小さくなると、ノード109の電位が上がる。そして、オペアンプ201の非反転入力端子の電位も上がる。よって、オペアンプ201の非反転入力端子と反転入力端子との電位差が小さくなる。すると、オペアンプ201の出力電圧の絶対値も小さくなる。That is, when the potential of the
こうして、オペアンプ201の第1入力端子と第2入力端子とがある電位差となり、ノード109の電位が落ち着く。なお、ある電位差とは、電位差が0Vである場合も含むものとする。つまり、オペアンプ201の非反転入力端子と反転入力端子との電位差がほぼ0Vとなるような、いわゆる仮想短絡の状態も含むものとする。本構成においては、負帰還となるようにオペアンプ201が接続されている。Thus, there is a potential difference between the first input terminal and the second input terminal of the
次に、図12の半導体装置の増幅回路1204にオペアンプを適用した場合について図13に示す。つまり、図12の増幅回路1204としてオペアンプ1301を用いている。そして、オペアンプ1301は非反転入力端子と反転入力端子と出力端子とを有し、非反転入力端子が増幅回路1204の第1入力端子に相当し、反転入力端子が増幅回路1204の第2入力端子に相当し、出力端子が増幅回路1204の出力端子に相当する。Next, FIG. 13 illustrates the case where an operational amplifier is applied to the
オペアンプ1301は、反転入力端子と非反転入力端子との電位差を増幅して出力端子から電圧を出力する。つまり、ノード1209の電位すなわちオペアンプ1301の非反転入力端子の電位が、配線1208に供給される電位すなわち反転入力端子の電位よりも高ければ、オペアンプ1301の出力電圧は正の電圧となる。そして、オペアンプ1301からの出力により、トランジスタ1201のゲート電位が高くなり、トランジスタ1201に流れる電流が小さくなると、ノード1209の電位が低くなる。そして、オペアンプ1301の非反転入力端子の電位も低くなる。よって、オペアンプ1301の非反転入力端子と反転入力端子との電位差が小さくなる。すると、オペアンプ1301の出力電圧も小さくなる。こうして、オペアンプ1301の第1入力端子と第2入力端子とがある電位差になるようにノード1209の電位が落ち着く。本構成においては、負帰還となるようにオペアンプ1301が接続されている。The
次に、図1の半導体装置の増幅回路104に差動増幅回路を適用した場合について図11に示す。つまり、図1の増幅回路104として差動増幅回路1101を用いている。差動増幅回路1101は、第1のトランジスタ1102、第2のトランジスタ1103、第3のトランジスタ1104及び第4のトランジスタ1105を有している。Next, FIG. 11 shows the case where a differential amplifier circuit is applied to the
第1のトランジスタ1102は、第1端子(ソース端子またはドレイン端子の一方)が配線1107に接続され、第2端子(ソース端子またはドレイン端子の他方)が第3のトランジスタ1104の第2端子(ソースまたはドレイン端子の一方)に接続され、ゲート端子はノード109にてトランジスタ101の第2端子と接続されている。The
また、第2のトランジスタ1103は、第1端子(ソース端子またはドレイン端子の一方)が配線1107に接続され、第2端子(ソース端子またはドレイン端子の他方)が第4のトランジスタ1105の第2端子(ソース端子またはドレイン端子の一方)に接続され、ゲート端子が配線108に接続されている。The
また、第3のトランジスタ1104は、ゲート端子が第2端子と接続されると共に第4のトランジスタ1105のゲート端子に接続され、第1端子(ソース端子またはドレイン端子の他方)が配線1106に接続されている。The
また、第4のトランジスタ1105の第1端子(ソース端子またはドレイン端子の他方)が配線1106に接続されている。また、第2のトランジスタ1103の第2端子と第4のトランジスタ1105の第2端子とが接続されるノード1108はトランジスタ101のゲート端子と接続されている。In addition, the first terminal (the other of the source terminal and the drain terminal) of the
なお、配線1106には高電源電位Vddが供給され、配線1107には低電源電位Vssが供給されている。また、第1のトランジスタ1102のゲート端子は増幅回路104の第1入力端子に相当し、第2のトランジスタ1103のゲート端子は増幅回路104の第2入力端子に相当する。また、ノード1108が増幅回路104の出力端子に相当する。Note that a high power supply potential Vdd is supplied to the
ここで、差動増幅回路1101の動作について簡単に説明する。第3のトランジスタ1104は第2端子とゲート端子が接続されている。つまり、第3のトランジスタ1104の第2端子はドレイン端子となるので、第3のトランジスタ1104はドレイン端子とゲート端子が接続されていることになり、飽和領域で動作する。また、ノード109の電位により、第1のトランジスタ1102のゲートソース間電圧が決まり、その値により、ノード1109の電位が決定される。そして、ノード1109の電位は第4のトランジスタ1105のゲート端子にも入力される。こうして第4のトランジスタ1105のゲートソース間電圧が決まる。また、配線108に供給される電位により、第2のトランジスタ1103のゲートソース間電圧が決まる。そして、第4のトランジスタ1105のゲートソース間電圧と、第2のトランジスタ1103のゲートソース間電圧との値によって、ノード1108の電位が決定される。Here, the operation of the
ここで、第1のトランジスタ1102と第2のトランジスタ1103との特性が等しく、第3のトランジスタ1104と第4のトランジスタ1105との特性が等しい場合について説明する。この場合、ノード109の電位と配線108に供給される電位が等しいときにはノード1109の電位とノード1108の電位は等しくなり、ノード109の電位が配線108に供給される電位より高くなると、ノード1109の電位は配線1107の電位に近づく。すると第4のトランジスタ1105のゲートソース間電圧が大きくなり、ノード1108の電位は配線1106の電位に近づく。よって、差動増幅回路1101の出力端子から出力される電位が高くなる。Here, the case where the characteristics of the
すると、トランジスタ101のゲート電位が高くなるため、トランジスタ101のゲートソース間電圧が大きくなる。つまり、トランジスタ101に流れる電流が大きくなる。したがって、電流電圧変換素子103に流れる電流も大きくなるため、電流電圧変換素子103での電圧降下が大きくなり、ノード109の電位は低くなる。Then, since the gate potential of the
ノード109の電位が配線108に供給される電位より低くなると、ノード1109の電位は配線1106の電位に近づく。すると第4のトランジスタ1105のゲートソース間電圧が小さくなり、ノード1108の電位は配線1107の電位に近づく。よって、差動増幅回路1101の出力端子から出力される電位が低くなる。When the potential of the
すると、トランジスタ101のゲート電位が低くなるため、トランジスタ101のゲートソース間電圧が小さくなる。つまり、トランジスタ101に流れる電流が小さくなる。したがって、電流電圧変換素子103に流れる電流も小さくなるため、電流電圧変換素子103での電圧降下は小さくなり、ノード109の電位は高くなる。Then, since the gate potential of the
このように、本構成の半導体装置は、ノード109の電位が配線108に供給される電位より高くなると、ノード109の電位が低くなるように動作し、ノード109の電位が配線108に供給される電位より低くなると、ノード109の電位が高くなるように動作する。そして、ノード109の電位が配線108の電位と等しくなるように差動増幅回路1101は動作する。なお、第1のトランジスタ1102と第2のトランジスタ1103との特性が異なる場合には、所定の電位差となるように動作する。つまり、本実施の形態に示す半導体装置は負帰還となっている。As described above, the semiconductor device having this structure operates so that the potential of the
続いて、実施の形態2で示した半導体装置の増幅回路にオペアンプを適用した場合について説明する。Next, a case where an operational amplifier is applied to the amplifier circuit of the semiconductor device described in Embodiment Mode 2 will be described.
図20の半導体装置の増幅回路2004にオペアンプを適用した場合について図21に示す。つまり、図20の増幅回路2004としてオペアンプ2101を用いている。そして、オペアンプ2101は非反転入力端子と反転入力端子と出力端子を有し、非反転入力端子が増幅回路2004の第2入力端子に相当し、反転入力端子が増幅回路2004の第1入力端子に相当し、出力端子が増幅回路2004の出力端子に相当する。FIG. 21 shows the case where an operational amplifier is applied to the
なお、本構成の半導体装置は、ノード2008の電位が配線2007に供給される電位より高くなると、ノード2008の電位が低くなるように動作し、ノード2008の電位が配線2007に供給される電位より低くなると、ノード2008の電位が高くなるように動作する。つまり、本実施の形態に示す半導体装置は負帰還となっている。Note that when the potential of the
次に、図24の半導体装置の増幅回路2404にオペアンプを適用した場合について図25に示す。つまり、図24の増幅回路2404としてオペアンプ2501を用いている。そして、オペアンプ2501は非反転入力端子と反転入力端子と出力端子を有し、非反転入力端子が増幅回路2404の第2入力端子に相当し、反転入力端子が増幅回路2404の第1入力端子に相当し、出力端子が増幅回路2404の出力端子に相当する。Next, FIG. 25 illustrates the case where an operational amplifier is applied to the
なお、本構成の半導体装置は、ノード2408の電位が配線2407に供給される電位より高くなると、ノード2408の電位が低くなるように動作し、ノード2408の電位が配線2407に供給される電位より低くなると、ノード2408の電位が高くなるように動作する。つまり、本実施の形態に示す半導体装置は負帰還となっている。Note that the semiconductor device having this structure operates such that when the potential of the
(実施の形態4)
本実施の形態においては、実施の形態1乃至実施の形態3で示した半導体装置において、ゲートソース間電圧を設定したトランジスタを電流源として用いて、負荷に電流を供給する場合の半導体装置の構成を示す。(Embodiment 4)
In this embodiment mode, the semiconductor device structure in the case where a transistor in which a gate-source voltage is set is used as a current source and current is supplied to a load in the semiconductor device described in Embodiment Modes 1 to 3. Indicates.
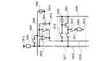
まず、実施の形態1の図1に示した半導体装置の基本原理を用いる場合において、ゲートソース間電圧を設定したトランジスタを電流源として用いて負荷に電流を供給する半導体装置の構成を図5に示す。なお、図5の構成において図1と共通するところは共通の符号を用いている。First, in the case of using the basic principle of the semiconductor device shown in FIG. 1 of Embodiment 1, the configuration of a semiconductor device that supplies current to a load using a transistor having a gate-source voltage set as a current source is shown in FIG. Show. In the configuration of FIG. 5, the same reference numerals are used for portions common to FIG. 1.
図5の半導体装置は、ゲートソース間電圧を設定したトランジスタ101を電流源として負荷501に電流を供給することができる。負荷501はトランジスタ101の第2端子と配線505の間に接続されている。また、負荷501とトランジスタ101の第2端子との間にはスイッチ502が接続されている。また、トランジスタ101の第2端子とノード109の間にはスイッチ503が接続されている。また、増幅回路104の出力端子とトランジスタ101のゲート端子との間にはスイッチ504が接続されている。なお、配線505には高電源電位Vdd2が供給されている。高電源電位Vdd2はVdd2<Vssであり、配線107に供給されている高電源電位Vddと等しくてもよいし異なっていてもよい。よって、配線505は配線107と同じ配線であってもよい。The semiconductor device in FIG. 5 can supply current to the
続いて、本構成の半導体装置の動作を図6(A)、(B)を用いて説明する。Next, the operation of the semiconductor device having this structure will be described with reference to FIGS.
図6(A)は本構成の半導体装置の設定動作を示している。スイッチ503及びスイッチ504をオンにし、スイッチ502はオフにする。すると、電流電圧変換素子103に電流が流れる。そして、ノード109の電位が増幅回路104の第1入力端子に入力され、増幅回路104は第1入力端子と第2入力端子の電位差が所定の電位差になるようにトランジスタ101のゲート端子の電位を設定する。こうして、トランジスタ101のゲートソース間電圧が設定される。つまり、信号電流の書き込みが完了したことになる。次に、スイッチ504及びスイッチ503をオフにする。スイッチ504をオフにすると、トランジスタ101のゲートソース間電圧を容量素子102で保持することができる。よって、トランジスタ101は電流源として用いることができるようになる。FIG. 6A shows a setting operation of the semiconductor device having this configuration. The
また、図6(B)は本構成の半導体装置の出力動作を示している。スイッチ503及びスイッチ504をオフにし、スイッチ502をオンにする。すると、トランジスタ101で設定された電流を負荷501に流すことができる。FIG. 6B shows an output operation of the semiconductor device having this structure. The
なお、図66に示すように、図5のスイッチ502にトランジスタ6601を適用し、トランジスタ6601のゲート端子とトランジスタ101のゲート端子とを接続してもよい。これにより、出力動作時にトランジスタ101とトランジスタ6601はマルチゲートトランジスタとして機能する。よって、設定動作時に設定する電流より、出力動作時に負荷に501に流す電流を小さくすることができる。つまり、設定動作時には大きな電流によりトランジスタのゲートソース間電圧を設定することができる。66, a
次に、実施の形態1の図12に示した半導体装置において、ゲートソース間電圧を設定したトランジスタを電流源として用いて負荷に電流を供給する場合の構成を図14に示す。なお、図14の構成において図12と共通するところは共通の符号を用いている。Next, in the semiconductor device shown in FIG. 12 of the first embodiment, FIG. 14 shows a configuration in the case where current is supplied to a load using a transistor having a gate-source voltage set as a current source. In the configuration of FIG. 14, the same reference numerals are used in common with FIG. 12.
図14の半導体装置は、ゲートソース間電圧を設定したトランジスタ1201を電流源として負荷1401に電流を供給することができる。負荷1401はトランジスタ1201の第2端子と配線1405の間に接続されている。また、負荷1401とトランジスタ1201の第2端子との間にはスイッチ1402が接続されている。また、トランジスタ1201の第2端子とノード1209の間にはスイッチ1403が接続されている。また、増幅回路1204の出力端子とトランジスタ1201のゲート端子との間にはスイッチ1404が接続されている。なお、配線1405には低電源電位Vss2が供給されている。低電源電位Vss2はVss2<Vddであり、配線1207に供給されている低電源電位Vssと等しくてもよいし異なっていてもよい。よって、配線1405は配線1207と同じ配線であってもよい。The semiconductor device in FIG. 14 can supply current to the
続いて、本構成の半導体装置の動作を図15(A)、(B)を用いて説明する。Next, the operation of the semiconductor device having this structure will be described with reference to FIGS.
図15(A)は本構成の半導体装置の設定動作を示している。スイッチ1403及びスイッチ1404をオンにし、スイッチ1402はオフにする。すると、電流電圧変換素子1203に電流が流れる。そして、ノード1209の電位が増幅回路1204の第1入力端子に入力され、増幅回路1204は第1入力端子と第2入力端子の電位差が所定の電位差になるようにトランジスタ1201のゲート端子の電位を設定する。こうして、トランジスタ1201のゲートソース間電圧が設定される。つまり、信号電流の書き込みが完了したことになる。次に、スイッチ1404及びスイッチ1403をオフにする。スイッチ1404をオフにすると、トランジスタ1201のゲートソース間電圧を容量素子1202で保持することができる。よって、トランジスタ1201は電流源として用いることができるようになる。FIG. 15A shows a setting operation of the semiconductor device having this configuration. The
また、図15(B)は本構成の半導体装置の出力動作を示している。スイッチ1403及びスイッチ1404をオフにし、スイッチ1402をオンにする。すると、トランジスタ1201で設定された電流を負荷1401に流すことができる。FIG. 15B shows an output operation of the semiconductor device having this structure. The
次に、実施の形態2の図20に示した半導体装置において、ゲートソース間電圧を設定したトランジスタを電流源として用いて負荷に電流を供給する場合の構成を図22に示す。なお、図22の構成において図20と共通するところは共通の符号を用いている。Next, in the semiconductor device shown in FIG. 20 of the second embodiment, FIG. 22 shows a configuration in the case where current is supplied to a load using a transistor having a gate-source voltage set as a current source. In the configuration of FIG. 22, the same reference numerals are used for portions common to FIG. 20.
図22の半導体装置は、ゲートソース間電圧を設定したトランジスタ2001を電流源として負荷2201に電流を供給することができる。負荷2201はトランジスタ2001の第2端子と配線2207の間に接続されている。また、負荷2201とトランジスタ2001の第2端子との間にはスイッチ2202が接続されている。また、トランジスタ2001の第2端子とノード2008の間にはスイッチ2205が接続されている。また、増幅回路2004の出力端子とトランジスタ2001の第1端子との間にはスイッチ2204が接続されている。また、増幅回路2004の第2入力端子とトランジスタ2001のゲート端子との間にはスイッチ2203が接続されている。また、トランジスタ2001の第1端子はスイッチ2206を介して配線2208と接続されている。なお、配線2207には高電源電位Vdd2が供給されている。高電源電位Vdd2はVdd2>Vssであり、配線2005に供給されている高電源電位Vddと等しくてもよいし異なっていてもよい。よって、配線2207は配線2005と同じ配線であってもよい。The semiconductor device in FIG. 22 can supply current to the
続いて、本構成の半導体装置の動作を図23(A)、(B)を用いて説明する。Next, the operation of the semiconductor device having this structure will be described with reference to FIGS.
図23(A)は本構成の半導体装置の設定動作を示している。スイッチ2203、スイッチ2204及びスイッチ2205をオンにし、スイッチ2202及びスイッチ2206はオフにする。すると、電流電圧変換素子2003に電流が流れる。そして、ノード2008の電位が増幅回路2004の第1入力端子に入力され、増幅回路2004は第1入力端子と第2入力端子の電位差が所定の電位差になるようにトランジスタ2001のソース端子の電位を設定する。こうして、トランジスタ2001のゲートソース間電圧が設定される。つまり、信号電流の書き込みが完了したことになる。次に、図23(B)は本構成の半導体装置の出力動作を示している。スイッチ2203、スイッチ2204及びスイッチ2205をオフにする。スイッチ2203をオフにすると、トランジスタ2001のゲート電位を容量素子2002で保持することができる。よって、トランジスタ2001は電流源として用いることができるようになる。そして、スイッチ2202及びスイッチ2206をオンにすると、トランジスタ2001で設定された電流を負荷2201に流すことができる。FIG. 23A shows a setting operation of the semiconductor device having this configuration. The
なお、配線2006がトランジスタ2001のソース端子に接続されておらず、配線2006にはある電位が供給されている場合、設定動作(図23(A))と出力動作(図23(B))とでトランジスタ2001のソース電位が変わってしまう場合がある。その場合、トランジスタ2001のゲートソース間電圧も変わってしまう場合がある。トランジスタ2001のゲートソース間電圧が変わってしまうと、トランジスタ2001に流れる電流値も変わってしまう。そこで、設定動作と出力動作とで、トランジスタ2001のゲートソース間電圧が変わらないようにする必要がある。それを実現するためには、例えば、配線2006をトランジスタ2001のソース端子に接続しておけばよい。そのようにすると、例えトランジスタ2001のソース電位が変わってしまっても、それに合わせてゲート電位も変わるため、結果としてゲートソース間電圧が変わらないようにすることができる。Note that in the case where the
あるいは、配線2208の電位を、設定動作のときの増幅回路2004の出力電位と等しくなるように制御してもよい。例えば、配線2208にボルテージフォロワ回路などを接続し、配線2208の電位を制御してもよい。Alternatively, the potential of the
または、図28に示すように出力動作のときも増幅回路2004から電流を供給してもよい。Alternatively, current may be supplied from the
なお、図67に示すように、図22のスイッチ2202にトランジスタ6701を適用し、トランジスタ6701のゲート端子とトランジスタ2001のゲート端子とを接続してもよい。これにより、出力動作時にトランジスタ2001とトランジスタ6701はマルチゲートトランジスタとして機能する。よって、設定動作時に設定する電流より、出力動作時に負荷2201に流す電流を小さくすることができる。つまり、設定動作時には大きな電流によりトランジスタのゲートソース間電圧を設定することができる。Note that as illustrated in FIG. 67, a
次に、実施の形態2の図24に示した半導体装置において、ゲートソース間電圧を設定したトランジスタを電流源として用いて負荷に電流を供給する場合の構成を図26に示す。なお、図26の構成において図24と共通するところは共通の符号を用いている。Next, in the semiconductor device shown in FIG. 24 of the second embodiment, FIG. 26 shows a configuration in the case where current is supplied to a load using a transistor having a gate-source voltage set as a current source. In the configuration of FIG. 26, the same reference numerals are used for portions common to FIG.
図26の半導体装置は、ゲートソース間電圧を設定したトランジスタ2401を電流源として負荷2601に電流を供給することができる。負荷2601はトランジスタ2401の第2端子と配線2607の間に接続されている。また、負荷2601とトランジスタ2401の第2端子との間にはスイッチ2602が接続されている。また、トランジスタ2401の第2端子とノード2408の間にはスイッチ2605が接続されている。また、増幅回路2404の出力端子とトランジスタ2401の第1端子との間にはスイッチ2604が接続されている。また、増幅回路2404の第1入力端子とトランジスタ2401のゲート端子の間にはスイッチ2603が接続されている。また、トランジスタ2401の第1端子はスイッチ2606を介して配線2608と接続されている。なお、配線2607には低電源電位Vss2が供給されている。低電源電位Vss2はVss2<Vddであり、配線2405に供給されている低電源電位Vssと等しくてもよいし異なっていてもよい。よって、配線2607は配線2405と同じ配線であってもよい。なお、本実施の形態において配線2406はトランジスタ2401の第1端子(ここではソース端子となる)に接続する。The semiconductor device in FIG. 26 can supply current to the
続いて、本構成の半導体装置の動作を図27(A)、(B)を用いて説明する。Next, the operation of the semiconductor device having this configuration will be described with reference to FIGS.
図27(A)は本構成の半導体装置の設定動作を示している。スイッチ2605、スイッチ2603及びスイッチ2604をオンにし、スイッチ2602及びスイッチ2606はオフにする。すると、電流電圧変換素子2403に電流が流れる。そして、ノード2408の電位が増幅回路2404の第1入力端子に入力され、増幅回路2404は第1入力端子と第2入力端子の電位差が所定の電位差になるようにトランジスタ2401のソース端子の電位を設定する。こうして、トランジスタ2401のゲートソース間電圧が設定される。つまり、信号電流の書き込みが完了したことになる。次に、スイッチ2603、スイッチ2604及びスイッチ2605をオフにする。スイッチ2603及びスイッチ2604をオフにすると、トランジスタ2401のゲートソース間電圧を容量素子2402で保持することができる。よって、トランジスタ2401は電流源として用いることができるようになる。FIG. 27A shows a setting operation of the semiconductor device having this configuration. The
また、図27(B)は本構成の半導体装置の出力動作を示している。スイッチ2605、スイッチ2604及びスイッチ2603をオフにし、スイッチ2602及びスイッチ2606をオンにする。すると、トランジスタ2401で設定された電流を負荷2601に流すことができる。FIG. 27B shows an output operation of the semiconductor device having this structure. The
(実施の形態5)
本実施の形態においては、設定動作時にトランジスタに設定された電流を出力動作時に増幅又は減衰して出力することが可能な半導体装置について説明する。つまり、本発明の半導体装置にカレントミラー回路を適用するか、設定動作時と出力動作時とで電流源となるトランジスタのゲート長を変える構成とする。(Embodiment 5)
In this embodiment, a semiconductor device capable of amplifying or attenuating a current set in a transistor during a setting operation and outputting it during an output operation will be described. That is, a current mirror circuit is applied to the semiconductor device of the present invention, or the gate length of a transistor serving as a current source is changed between a setting operation and an output operation.
まず、実施の形態4の図5に示した半導体装置の基本原理を用いた構成にカレントミラー回路を適用した構成について図59に示す。なお、図5と共通する構成については共通の符号を用いてその説明を省略する。First, FIG. 59 shows a structure in which a current mirror circuit is applied to a structure using the basic principle of the semiconductor device shown in FIG. In addition, about the structure which is common in FIG. 5, the description is abbreviate | omitted using a common code | symbol.
図59ではトランジスタ101のゲート端子に接続されるトランジスタ5901を有する。そして、トランジスタ5901は、第1端子(ソース端子又はドレイン端子の一方)が配線5902に接続され、第2端子(ソース端子又はドレイン端子の他方)が負荷5903を介して配線5904に接続されている。なお、配線5902は配線105と概略等しい電位とするとよい。そうすれば、トランジスタ101とトランジスタ5901のゲートソース間電圧を概略等しくすることができるので、トランジスタ5901に流れる電流を設定し易くなる。In FIG. 59, a
続いて、図59の半導体装置の動作について説明する。Subsequently, an operation of the semiconductor device in FIG. 59 will be described.
設定動作時にはスイッチ503及びスイッチ504をオンにする。すると、電流電圧変換素子103に電流が流れる。そして、増幅回路104はノード109の電位と配線108の電位とが所定の電位差となるようにトランジスタ101のゲート電位を制御する。こうして、トランジスタ101に流れる電流Idataを設定することができる。During the setting operation, the
このとき、トランジスタ5901のゲート端子もトランジスタ101のゲート端子と概略等しい電位となっている。よって、配線105と配線5902の電位が概略等しければ、トランジスタ101とトランジスタ5901のゲートソース間電圧は概ね等しくなっている。よって、トランジスタ101のチャネル長をL1、チャネル幅をW1、トランジスタ5901のチャネル長をL2、チャネル幅をW2とすると、(W1/L1)=(W2/L2)となるようにトランジスタ101及びトランジスタ5901を設計すればトランジスタ5901にも電流Idataが流れるようになっている。At this time, the gate terminal of the
そして、出力動作時には、スイッチ503及びスイッチ504をオフにする。すると、容量素子102でトランジスタ101及びトランジスタ5901のゲート電位が保持される。つまり、容量素子102によって、トランジスタ101及びトランジスタ5901のゲートソース間電圧が保持される。したがって、出力動作時には、トランジスタ5901によって設定される電流を負荷5903に流すことができる。During the output operation, the
また、(W1/L1)>(W2/L2)となるようにトランジスタ101及びトランジスタ5901を設計すれば、設定動作時にトランジスタ101に流れる電流より、出力動作時にトランジスタ5901に流れる電流を小さくすることができる。つまり、出力動作時に負荷に流したい電流より大きな電流によってトランジスタ5901の電流の設定ができる。よって、すばやく設定動作を完了することができる。Further, if the
逆に、(W1/L1)<(W2/L2)となるようにトランジスタ101及びトランジスタ5901を設計してもよい。この場合には、設定動作時にトランジスタ101に流れる電流より大きな電流を出力動作時に負荷5903に流すことができる。Conversely, the
次に、実施の形態4の図22に示した半導体装置の基本原理を用いた構成にカレントミラー回路を適用した構成について図60に示す。なお、図22と共通する構成については共通の符号を用いてその説明を省略する。
図60ではトランジスタ2001のゲート端子に接続されるトランジスタ6001を有する。そして、トランジスタ6001は、第1端子(ソース端子又はドレイン端子の一方)が配線2006と接続され、第2端子(ソース端子又はドレイン端子の他方)が負荷6002を介して配線6003に接続されている。
Next, FIG. 60 shows a configuration in which a current mirror circuit is applied to the configuration using the basic principle of the semiconductor device shown in FIG. 22 of the fourth embodiment. Note that the same components as those in FIG. 22 are denoted by the same reference numerals, and the description thereof is omitted.
In FIG. 60, the
続いて、図60の半導体装置の動作について説明する。Subsequently, an operation of the semiconductor device in FIG. 60 will be described.
設定動作時にはスイッチ2203、スイッチ2204及びスイッチ2205をオンにし、スイッチ2206はオフにする。すると、電流電圧変換素子2003に電流が流れる。そして、増幅回路2004はノード2008の電位と配線2007の電位とが所定の電位差となるようにトランジスタ2001のソース電位を制御する。こうして、トランジスタ2001に流れる電流Idataを設定することができる。During the setting operation, the
このとき、トランジスタ2001とトランジスタ6001のゲートソース間電圧は概ね等しくなっている。よって、トランジスタ2001のチャネル長をL1、チャネル幅をW1、トランジスタ6001のチャネル長をL2、チャネル幅をW2とすると、(W1/L1)=(W2/L2)となるようにトランジスタ2001及びトランジスタ6001を設計すればトランジスタ6001にも電流Idataが流れるようになっている。At this time, the gate-source voltages of the
そして、出力動作時には、スイッチ2203、スイッチ2204及びスイッチ2205をオフにし、スイッチ2206をオンにする。すると、容量素子2002でトランジスタ2001及びトランジスタ6001のゲートソース間電圧が保持される。よって、出力動作時には、トランジスタ6001によって設定される電流を負荷6002に流すことができる。During the output operation, the
また、(W1/L1)>(W2/L2)となるようにトランジスタ2001及びトランジスタ6001を設計すれば、設定動作時にトランジスタ2001に流れる電流より、出力動作時にトランジスタ6001に流れる電流を小さくすることができる。つまり、出力動作時に負荷に流したい電流より大きな電流によってトランジスタ6001の電流の設定ができる。よって、すばやく設定動作を完了することができる。Further, if the
逆に、(W1/L1)<(W2/L2)となるようにトランジスタ2001及びトランジスタ6001を設計してもよい。この場合には、設定動作時にトランジスタ2001に流れる電流より大きな電流を出力動作時に負荷6002に流すことができる。Conversely, the
続いて、設定動作時と出力動作時とで電流源となるトランジスタのゲート長を変えることができる構成について説明する。Next, a configuration in which the gate length of the transistor serving as a current source can be changed between the setting operation and the output operation will be described.
まず、実施の形態4の図5に示した半導体装置の基本原理を用いた構成において、設定動作時に所望の電流を流すためのゲートソース間電圧を設定するトランジスタと、出力動作時において設定動作時に設定したゲートソース間電圧を用いることによって電流源として機能するするトランジスタとのゲート長を変えることが可能な構成について図64に示す。なお、図5と共通する構成については共通の符号を用いてその説明を省略する。First, in the configuration using the basic principle of the semiconductor device shown in FIG. 5 of the fourth embodiment, a transistor for setting a gate-source voltage for flowing a desired current during the setting operation, and a setting operation during the output operation FIG. 64 shows a structure in which the gate length with the transistor functioning as a current source can be changed by using the set gate-source voltage. In addition, about the structure which is common in FIG. 5, the description is abbreviate | omitted using a common code | symbol.
図64の半導体装置では、トランジスタ101と直列に接続されるトランジスタ6401を有する。つまり、トランジスタ6401は、第1端子(ソース端子又はドレイン端子の一方)がトランジスタ101の第2端子に接続され、第2端子(ソース端子又はドレイン端子の他方)がスイッチ503を介して電流電圧変換素子103と接続されている。そして、トランジスタ6401はゲート端子がトランジスタ101のゲート端子と接続されている。また、トランジスタ6401は第1端子と第2端子とがスイッチ6402を介して接続されている。つまり、スイッチ6402がオンすると、トランジスタ6401の第1端子と第2端子、つまりソース端子とドレイン端子が短絡することになる。The semiconductor device in FIG. 64 includes a
次に動作について説明する。設定動作時には、スイッチ503、スイッチ504及びスイッチ6402をオンにして、スイッチ502をオフにする。すると、電流電圧変換素子103に電流が流れる。そして、トランジスタ101にも電流が流れる。なお、トランジスタ6401はソース端子とドレイン端子がスイッチ6402を介して短絡していることになり、トランジスタ6401には電流が流れない。Next, the operation will be described. During the setting operation, the
増幅回路2004はノード109の電位と配線108の電位とが所定の電位差となるようにトランジスタ101のゲート電位を制御する。こうして、トランジスタ101に流れる電流Idataを設定することができる。The
出力動作時には、スイッチ503、スイッチ504及びスイッチ6402をオフにし、スイッチ502をオンにする。すると、トランジスタ101とトランジスタ6401はマルチゲートトランジスタとして機能する。そして、トランジスタ101及びトランジスタ6401によって設定される電流が負荷501に流れる。During the output operation, the
ここで、トランジスタ101のチャネル長をL1、トランジスタ6401のチャネル長をL2とすると、設定動作時においてゲートソース間電圧が設定されるトランジスタのチャネル長はL1であり、出力動作時において設定動作時に設定したゲートソース間電圧を用いて電流源とするトランジスタのチャネル長はL1+L2である。よって、設定動作時において設定された電流より、小さい電流が出力動作時に負荷501に流れることになる。つまり、出力動作時に負荷501に流したい電流より大きな電流によって、設定動作を行うことができる。Here, assuming that the channel length of the
なお、スイッチ6402を設定動作時にオフにし、出力動作時にオンにすれば、設定動作より大きな電流を負荷501に流すことができる。Note that if the
次に、実施の形態4の図22に示した半導体装置の基本原理を用いた構成において、設定動作時に所望の電流を流すためのゲートソース間電圧を設定するトランジスタと、出力動作時において設定動作時に設定したゲートソース間電圧を用いて電流源とするトランジスタとのゲート長を変えることが可能な構成について図65に示す。なお、図22と共通する構成については共通の符号を用いてその説明を省略する。Next, in the configuration using the basic principle of the semiconductor device shown in FIG. 22 of the fourth embodiment, a transistor for setting a gate-source voltage for flowing a desired current during the setting operation, and a setting operation during the output operation FIG. 65 shows a structure in which the gate length with a transistor serving as a current source can be changed by using a gate-source voltage that is sometimes set. Note that the same components as those in FIG. 22 are denoted by the same reference numerals, and the description thereof is omitted.
図65の半導体装置では、トランジスタ2001と直列に接続されるトランジスタ6501を有する。つまり、トランジスタ6501は、第1端子(ソース端子又はドレイン端子の一方)がトランジスタ2001の第2端子に接続され、第2端子(ソース端子又はドレイン端子の他方)がスイッチ2205を介して電流電圧変換素子2003と接続されている。そして、トランジスタ6501はゲート端子がトランジスタ2001のゲート端子と接続されている。また、トランジスタ6501は第1端子と第2端子とがスイッチ6502を介して接続されている。つまり、スイッチ6502がオンすると、トランジスタ6501の第1端子と第2端子、つまりソース端子とドレイン端子が短絡することになる。The semiconductor device in FIG. 65 includes a
なお、設定動作時にスイッチ6502をオンにし、出力動作時にスイッチ6502をオフにすれば、設定動作時において設定された電流より、小さい電流が出力動作時に負荷2201に流れることになる。つまり、出力動作時に負荷2201に流したい電流より大きな電流によって、設定動作を行うことができる。また、スイッチ6502を設定動作時にオフにし、出力動作時にオンにすれば、設定動作より大きな電流を負荷2201に流すことができる。Note that if the
(実施の形態6)
本実施の形態においては、実施の形態3に示した半導体装置の構成において、オペアンプの一方の入力端子に入力する電位を設定する回路を有する半導体装置の構成を示す。(Embodiment 6)
In this embodiment, a structure of a semiconductor device including a circuit for setting a potential input to one input terminal of an operational amplifier in the structure of the semiconductor device described in Embodiment 3 is described.
まず、実施の形態1の図2に示した半導体装置のオペアンプ201の反転入力端子に入力される電位を設定する回路を有する半導体装置を図7に示す。なお、図2の構成と共通するところは共通の符号を用いてその説明を省略する。First, FIG. 7 shows a semiconductor device having a circuit for setting a potential input to the inverting input terminal of the
図7の半導体装置は、トランジスタ101の第2端子と電流電圧変換素子103とが接続される配線と配線707との間にスイッチ702及び電流源701が接続されている。またノード109とトランジスタ101の第2端子との間にスイッチ703が接続されている。また、オペアンプ201の出力端子とトランジスタ101のゲート端子との間にスイッチ704が接続されている。また、オペアンプ201の出力端子と反転入力端子との間にスイッチ705が接続されている。また、オペアンプ201の反転入力端子は容量素子706を介して配線708と接続されている。In the semiconductor device in FIG. 7, a
まず、オペアンプの反転入力端子に入力する電位を設定するための動作について説明する。図8に示すように、スイッチ702、スイッチ705をオンにし、スイッチ703、スイッチ704をオフにする。すると、電流源701に流れる電流Idataが電流電圧変換素子103に流れる。そして、そのときのノード109の電位がオペアンプ201の非反転入力端子に入力される。なお、ここで、オペアンプ201はスイッチ705がオンしていることにより、反転入力端子と出力端子が接続されていることになり、ボルテージフォロワとして働く。つまり、オペアンプ201は、非反転入力端子に入力される電位と概略等しい電位を出力する。そして、この電位分の電荷が容量素子706に蓄積される。First, an operation for setting a potential input to the inverting input terminal of the operational amplifier will be described. As shown in FIG. 8, the
次に、図9に示すようにスイッチ702をオン、スイッチ703及びスイッチ704をオフにした状態のままスイッチ705をオフにする。すると、容量素子706は、ノード109と概略等しい電位を保持する。つまり、オペアンプ201の反転入力端子にノード109の電位を入力し続けることができる。Next, as shown in FIG. 9, the
次に、トランジスタ101のゲートソース間電圧を設定する設定動作について説明する。図10に示すように、スイッチ702及びスイッチ705をオフにし、スイッチ703及びスイッチ704をオンにする。すると、ノード109の電位が反転入力端子に入力される電位と所定の電位差となるようにオペアンプ201から電圧が出力される。すると、トランジスタ101には電流源701に流れる電流Idataと概略等しい電流が流れるようになる。つまり、トランジスタ101は、電流Idataを流すだけのゲートソース間電圧となっている。よって、スイッチ704をオフにすれば、トランジスタ101のゲートソース間電圧を保持することができ、設定動作が完了する。Next, a setting operation for setting the gate-source voltage of the
次に、実施の形態1の図12に示した半導体装置において、オペアンプの一方の入力端子に入力する電位を設定する回路を有する半導体装置の構成を図16に示す。なお、図16の構成において図12と共通するところは共通の符号を用いている。Next, FIG. 16 illustrates a structure of a semiconductor device including a circuit for setting a potential input to one input terminal of an operational amplifier in the semiconductor device illustrated in FIG. 12 of Embodiment 1. In the configuration of FIG. 16, the same reference numerals are used for portions common to FIG. 12.
図16の半導体装置は、トランジスタ1201の第2端子と電流電圧変換素子1203とが接続される配線と配線1607との間にスイッチ1602及び電流源1601が接続されている。またノード1209とトランジスタ1201の第2端子との間にスイッチ1603が接続されている。また、オペアンプ1301の出力端子とトランジスタ1201のゲート端子との間にスイッチ1604が接続されている。また、オペアンプ1301の出力端子と反転入力端子との間にスイッチ1605が接続されている。また、オペアンプ1301の反転入力端子は容量素子1606を介して配線1608と接続されている。In the semiconductor device in FIG. 16, a
まず、オペアンプの反転入力端子に入力する電位を設定するための動作について説明する。図17に示すように、スイッチ1602、スイッチ1605をオンにし、スイッチ1603、スイッチ1604をオフにする。すると、電流源1601に流れる電流Idataが電流電圧変換素子1203に流れる。そして、そのときのノード1209の電位がオペアンプ1301の非反転入力端子に入力される。なお、ここで、オペアンプ1301はスイッチ1605がオンしていることにより、反転入力端子と出力端子が接続されていることになり、ボルテージフォロワとして働く。つまり、オペアンプ1301は、非反転入力端子に入力される電位と概略等しい電位を出力する。そして、この電位分の電荷が容量素子1606に蓄積される。First, an operation for setting a potential input to the inverting input terminal of the operational amplifier will be described. As shown in FIG. 17, the
次に、図18に示すようにスイッチ1602をオン、スイッチ1603及びスイッチ1604をオフにした状態のままスイッチ1605をオフにする。すると、容量素子1606は、ノード1209と概略等しい電位を保持する。つまり、オペアンプ1301の反転入力端子にノード1209の電位を入力し続けることができる。Next, as shown in FIG. 18, the
次に、トランジスタ1201のゲートソース間電圧を設定する設定動作について説明する。図19に示すように、スイッチ1602及びスイッチ1605をオフにし、スイッチ1603及びスイッチ1604をオンにする。すると、ノード1209の電位が反転入力端子に入力される電位と所定の電位差となるようにオペアンプ1301から電圧が出力される。すると、トランジスタ1201には電流源1601に流れる電流Idataと概略等しい電流が流れるようになる。つまり、トランジスタ1201は、電流Idataを流すだけのゲートソース間電圧となっている。よって、スイッチ1604をオフにすれば、トランジスタ1201のゲートソース間電圧を保持することができ、設定動作が完了する。Next, a setting operation for setting the gate-source voltage of the
(実施の形態7)
本発明は、流れる電流値によって発光輝度を制御することが可能な発光素子で画素を形成した表示装置に適用することができる。代表的にはEL素子に用いることができる。(Embodiment 7)
The present invention can be applied to a display device in which a pixel is formed using a light-emitting element capable of controlling light emission luminance by a flowing current value. Typically, it can be used for an EL element.
よって、本実施の形態においては、実施の形態3で示した半導体装置の構成を表示装置の画素に適用した場合について説明する。Therefore, in this embodiment, the case where the structure of the semiconductor device described in Embodiment 3 is applied to a pixel of a display device will be described.
まず、実施の形態3の図2に示した半導体装置の構成を画素に適用した場合について図29に示す。画素2917は、トランジスタ2907、容量素子2908、発光素子2909、スイッチ2910、スイッチ2911、スイッチ2912、第1の信号線2918、第2の信号線2919および電源線2920を有する。なお、発光素子2909の対向電極2916には所定の電位が供給されている。First, FIG. 29 shows the case where the structure of the semiconductor device shown in FIG. 2 of Embodiment 3 is applied to a pixel. The
トランジスタ2907は、ゲート端子が容量素子2908を介して電源線2920に接続され、第1端子(ソース端子又はドレイン端子の一方)が電源線2920に接続され、第2端子(ソース端子又はドレイン端子の他方)がスイッチ2912を介して発光素子2909の画素電極と接続されている。また、トランジスタ2907の第2端子はスイッチ2911を介して第1の信号線2918と接続され、トランジスタ2907のゲート端子はスイッチ2910を介して第2の信号線2919と接続されている。The
また、第1の信号線2918は電流電圧変換素子2901を介して配線2913と接続されている。また、第1の信号線2918はスイッチ2902および電流源2906を介して配線2914と接続されている。また、第1の信号線2918にはオペアンプ2903の非反転入力端子が接続されている。また、オペアンプ2903の反転入力端子は容量素子2905を介して配線2915と接続されている。また、オペアンプ2903の出力端子は第2の信号線2919に接続されている。また、オペアンプ2903の反転入力端子はスイッチ2904を介して出力端子と接続されている。The
次に、動作について図30を用いて説明する。なお、図30では符号を付していないが図29の構成と同様であるためそちらの符号を用いて説明する。Next, the operation will be described with reference to FIG. In addition, although the code | symbol is not attached in FIG. 30, since it is the same as that of the structure of FIG. 29, it demonstrates using the code | symbol there.
まず、図30(A)に示すように、スイッチ2902およびスイッチ2904をオンにする。すると、電流源2906によって設定される電流が電流電圧変換素子2901に流れる。そして、そのとき電流電圧変換素子2901に電圧が発生する。そして、オペアンプ2903の非反転入力端子に入力される電位は、電流電圧変換素子2901による電圧降下によって下がる。つまり、配線2913の電位から電流電圧変換素子2901に発生する電圧分下がった電位がオペアンプ2903の非反転入力端子に入力される。そして、このときオペアンプ2903は反転入力端子と出力端子が導通しているためボルテージフォロワとして働く。つまり、容量素子2905の一方の電極の電位が非反転入力端子の電位と概略等しい電位となるまでオペアンプ2903の出力端子から電流が供給される。そして、オペアンプ2903の出力端子からの電流の供給がない状態になったら、図30(B)に示すように、スイッチ2904をオフにする。すると、容量素子2905でオペアンプ2903の反転入力端子の電位が保持される。First, as shown in FIG. 30A, the
次に、図30(C)に示すように、スイッチ2902をオフにし、スイッチ2910およびスイッチ2911をオンにする。すると、オペアンプ2903の出力端子からは、非反転入力端子の電位が反転入力端子に入力される電位と等しくなるようにトランジスタ2907のゲート端子に電位を供給する。つまり、オペアンプ2903の非反転入力端子の電位が反転入力端子の電位よりも高いときには、トランジスタ2907のゲート電位が高くなるようにオペアンプ2903の出力端子から電位が供給される。よって、トランジスタ2907に流れる電流が大きくなる。すると、電流電圧変換素子2901に流れる電流が大きくなるため、電圧降下も大きくなる。よって、オペアンプ2903の非反転入力端子に入力される電位が低くなる。また、オペアンプ2903の非反転入力端子の電位が反転入力端子の電位よりも低いときには、トランジスタ2907のゲート電位が低くなるようにオペアンプ2903の出力端子から電位が供給される。よって、トランジスタ2907に流れる電流が小さくなる。すると、電流電圧変換素子2901に流れる電流が小さくなるため、電圧降下も小さくなる。よって、オペアンプ2903の非反転入力端子に入力される電位が高くなる。こうして、オペアンプ2903の非反転入力端子の電位が反転入力端子の電位と概略等しい電位となると信号電流Idataが電流電圧変換素子2901およびトランジスタ2907に流れるようになる。こうして、画素への信号の書き込みが完了する。Next, as illustrated in FIG. 30C, the
そして、発光期間には、図30(D)に示すように、スイッチ2910およびスイッチ2911をオフにし、スイッチ2912をオンにする。すると、トランジスタ2907に設定された電流が、対向電極2916から発光素子2909およびトランジスタ2907に流れる。In the light emission period, the
次に、実施の形態3の図2に示した半導体装置の構成を画素に適用した場合の他の構成について図31に示す。画素3119は、スイッチ3107、スイッチ3108、信号保持手段3109、電流源回路3110、発光素子3111、信号線3112、配線3113、配線3114、電源線3120を有する。なお、発光素子3111の対向電極3118には所定の電位が供給されている。Next, FIG. 31 illustrates another structure in the case where the structure of the semiconductor device illustrated in FIG. 2 of Embodiment 3 is applied to a pixel. The
電源線3120は電流源回路3110およびスイッチ3108を介して発光素子3111の画素電極と接続されている。また、信号保持手段3109はスイッチ3107を介して信号線3112と接続されている。また、配線3113および配線3114によって電流源回路3110に電流が設定される。そして、スイッチ3107がオンしているときに信号線3112から信号保持手段3109に信号が入力されると信号保持手段3109により信号が保持される。そして、その信号保持手段3109に保持された信号によって、スイッチ3108のオンオフが制御される。そして、スイッチ3108がオンする場合、信号が信号保持手段3109に保持されている間、電流源回路3110に設定された電流が発光素子3111に流れる。The
また、配線3113には電流電圧変換素子3101を介して配線3115が接続されている。また、配線3113にはスイッチ3102および電流源3106を介して配線3116が接続されている。また、オペアンプ3103の非反転入力端子が配線3113に接続されている。また、オペアンプ3103の反転入力端子が容量素子3105を介して配線3117に接続されている。また、オペアンプ3103の出力端子は、スイッチ3104を介して反転入力端子と接続されるとともに、配線3114とも接続されている。In addition, the
なお、電流源回路3110の一構成例を図32に示し、図33を用いてその動作について説明する。なお、図32の構成は図31の電流源回路3110の構成を詳細にした図であるため、共通するところは共通の符号を用いてその説明を省略する。An example of the configuration of the
まず、図32の構成について説明する。電流源回路3110は、トランジスタ3201、容量素子3202、スイッチ3203、スイッチ3204、スイッチ3205およびスイッチ3206を有する。トランジスタ3201の第1端子(ソース端子又はドレイン端子の一方)がスイッチ3108を介して発光素子3111の画素電極と接続されている。またトランジスタ3201の第1端子はスイッチ3204を介して配線3207と接続されている。また、トランジスタ3201は第1端子とゲート端子が容量素子3202を介して接続されている。また、トランジスタ3201のゲート端子はスイッチ3203を介して配線3114と接続されている。また、トランジスタ3201の第2端子(ソース端子又はドレイン端子の他方)は、スイッチ3206を介して電源線3120と、スイッチ3205を介して配線3113と接続されている。First, the configuration of FIG. 32 will be described. The
まず、図33(A)に示すように、スイッチ3102およびスイッチ3104をオンにする。すると、電流源3106によって設定される電流が電流電圧変換素子3101に流れる。そして、そのとき電流電圧変換素子3101に電圧が発生する。そして、オペアンプ3103の非反転入力端子に入力される電位は、電流電圧変換素子3101による電圧降下によって下がる。つまり、配線3115の電位から電流電圧変換素子3101に発生する電圧分下がった電位がオペアンプ3103の非反転入力端子に入力される。そして、このときオペアンプ3103は反転入力端子と出力端子が導通しているためボルテージフォロワとして働く。つまり、容量素子3105の一方の電極の電位が非反転入力端子の電位と概略等しい電位となるまでオペアンプ3103の出力端子から電流が供給される。そして、オペアンプ3103の出力端子からの電流の供給がない状態になったら、図33(B)に示すように、スイッチ3104をオフにする。すると、容量素子3105でオペアンプ3103の反転入力端子の電位が保持される。First, as shown in FIG. 33A, the
次に、図33(C)に示すように、スイッチ3102をオフにし、スイッチ3203、スイッチ3204およびスイッチ3205をオンにする。すると、オペアンプ3103の出力端子からは、非反転入力端子の電位が反転入力端子に入力される電位と等しくなるようにトランジスタ3201のゲート端子に電位を供給する。つまり、オペアンプ3103の非反転入力端子の電位が反転入力端子の電位よりも高いときには、トランジスタ3201のゲート電位が高くなるようにオペアンプ3103の出力端子から電位が供給される。よって、トランジスタ3201に流れる電流が大きくなる。すると、電流電圧変換素子3101に流れる電流が大きくなるため、電圧降下も大きくなる。よって、オペアンプ3103の非反転入力端子に入力される電位が低くなる。また、オペアンプ3103の非反転入力端子の電位が反転入力端子の電位よりも低いときには、トランジスタ3201のゲート電位が低くなるようにオペアンプ3103の出力端子から電位が供給される。よって、トランジスタ3201に流れる電流が小さくなる。すると、電流電圧変換素子3101に流れる電流が小さくなるため、電圧降下も小さくなる。よって、オペアンプ3103の非反転入力端子に入力される電位が高くなる。こうして、オペアンプ3103の非反転入力端子の電位が反転入力端子の電位と概略等しい電位となると信号電流Idataが電流電圧変換素子3101およびトランジスタ3201に流れるようになる。こうして、画素の電流源回路3110へのプログラミングが完了する。Next, as illustrated in FIG. 33C, the
そして、画素への信号書き込み期間には、スイッチ3203、スイッチ3204およびスイッチ3205をオフにし、スイッチ3206をオンにする。また、スイッチ3107をオンにし、信号線3112から信号保持手段3109に信号を入力する。そして、信号保持手段3109は入力された信号を保持する。この信号保持手段3109に保持されている信号によってスイッチ3108のオンオフが制御される。そして、スイッチ3108がオンする場合には図33(D)に示すように、トランジスタ3201によって設定される電流が発光素子3111に流れる。Then, in the signal writing period to the pixel, the
次に、実施の形態3の図21に示した半導体装置の構成を画素に適用した場合について図34に示す。画素3424は、トランジスタ3408、容量素子3409、発光素子3410、スイッチ3411、スイッチ3412、スイッチ3413、スイッチ3414、スイッチ3415、信号線3416、配線3417および配線3418を有する。なお、発光素子3410の対向電極3422には所定の電位が供給されている。Next, FIG. 34 shows the case where the structure of the semiconductor device shown in FIG. 21 of Embodiment 3 is applied to a pixel. The
トランジスタ3408は、ゲート端子がスイッチ3411を介して配線3418と接続され、第1端子(ソース端子又はドレイン端子の一方)がスイッチ3415を介して配線3417と接続され、また、第2端子(ソース端子又はドレイン端子の他方)がスイッチ3412を介して信号線3416と接続されている。また、トランジスタ3408は、第1端子がスイッチ3414を介して配線3423と接続され、第2端子がスイッチ3413を介して発光素子3410の画素電極と接続されている。また、トランジスタ3408のゲート端子と第1端子は容量素子3409を介して接続されている。The
また、信号線3416は電流電圧変換素子3401を介して配線3420と接続されている。また、信号線3416はスイッチ3402および電流源3419を介して配線3421と接続されている。また、信号線3416にはオペアンプ3403の反転入力端子が接続されている。また、オペアンプ3403は、非反転入力端子が配線3418と接続され、出力端子が配線3417と接続されている。また、信号線3416はスイッチ3402、スイッチ3406、スイッチ3407およびバッファ3405を介して配線3418と接続され、スイッチ3402およびスイッチ3406および容量素子3404を介して配線3425と接続されている。In addition, the
次に、動作について図35を用いて説明する。なお、図35では符号を付していないが図34の構成と同様であるためそちらの符号を用いて説明する。Next, the operation will be described with reference to FIG. In FIG. 35, the reference numerals are not used, but the structure is the same as that shown in FIG.
まず、図35(A)に示すように、スイッチ3402およびスイッチ3406をオンにする。すると、電流源3419によって設定される電流が電流電圧変換素子3401に流れる。そして、そのとき電流電圧変換素子3401に電圧が発生する。そして、容量素子3404の一方の電極に入力される電位は、電流電圧変換素子3401による電圧降下によって下がる。つまり、配線3420の電位から電流電圧変換素子3401に発生する電圧分下がった電位が容量素子3404の一方の電極に入力される。そして、図35(B)に示すように、スイッチ3406をオフにする。すると、容量素子3404の他方の電極は所定の電位の供給されている配線3425に接続されているため、容量素子3404の一方の電極に入力される電位が容量素子3404で保持される。First, as shown in FIG. 35A, the
次に、図35(C)に示すように、スイッチ3402をオフにし、スイッチ3407、スイッチ3411、スイッチ3412およびスイッチ3415をオンにする。すると、容量素子3404で保持されている電位と概略同じ電位がバッファ3405から出力される。そして、バッファ3405から出力された電位は、配線3418に供給され、オペアンプ3403の非反転入力端子およびトランジスタ3408のゲート端子に入力される。また、配線3420から電流電圧変換素子3401およびトランジスタ3408を介してオペアンプ3403の出力端子に電流が流れる。Next, as illustrated in FIG. 35C, the
オペアンプ3403の反転入力端子には、配線3420の電位から電流電圧変換素子3401に発生する電圧分下がった電位が入力される。そして、オペアンプ3403は、非反転入力端子に入力される電位と反転入力端子に入力される電位差が所定の電位差となるように、出力端子から電位を出力する。A potential that is lower than the potential of the
こうして、容量素子3409にはトランジスタ3408のゲートソース間電圧分の電荷が蓄積される。Thus, electric charge corresponding to the gate-source voltage of the
そして、発光期間には、図35(D)に示すように、スイッチ3407、スイッチ3411、スイッチ3412およびスイッチ3415をオフにし、スイッチ3413およびスイッチ3414をオンにする。すると、トランジスタ3408に設定された電流が、対向電極3422から発光素子3410およびトランジスタ3408を介して配線3423に流れる。Then, in the light emission period, as illustrated in FIG. 35D, the
(実施の形態8)
本実施の形態では、表示装置、および、信号線駆動回路などの構成とその動作について、説明する。信号線駆動回路の一部や画素に、本発明の半導体装置を適用することができる。(Embodiment 8)
In this embodiment, structures and operations of a display device, a signal line driver circuit, and the like are described. The semiconductor device of the present invention can be applied to a part of a signal line driver circuit or a pixel.
表示装置は、図36に示すように、画素部3601、走査線駆動回路3602、信号線駆動回路3610を有している。走査線駆動回路3602は、画素部3601に選択信号を順次出力する。信号線駆動回路3610は、画素部3601にビデオ信号を順次出力する。画素部3601では、ビデオ信号に従って、光の状態を制御することにより、画像を表示する。信号線駆動回路3610から画素部3601へ入力するビデオ信号は、電流である場合が多い。つまり、各画素に配置された表示素子や表示素子を制御する素子は、信号線駆動回路3610から入力されるビデオ信号(電流)によって、状態を変化させる。画素に配置する表示素子の例としては、EL素子やFED(フィールドエミッションディスプレイ)で用いる素子などがあげられる。 The display device includes a
なお、走査線駆動回路3602や信号線駆動回路3610は、複数配置されていてもよい。 Note that a plurality of scan
信号線駆動回路3610は、構成を複数の部分に分けられる。一例として、シフトレジスタ3603、第1ラッチ回路3604、第2ラッチ回路3605、デジタルアナログ変換回路3606に分けられる。デジタルアナログ変換回路3606には、電圧を電流に変換する機能も有しており、ガンマ補正を行う機能も有していてもよい。つまり、デジタルアナログ変換回路3606には、画素に電流(ビデオ信号)を出力する回路、すなわち、電流源回路を有しており、そこに本発明を適用することが出来る。 The signal
なお、図31に示したように、画素の構成によっては、ビデオ信号用のデジタル電圧信号と、画素の中の電流源回路のための制御用の電流とを、画素に入力する場合がある。その場合は、デジタルアナログ変換回路3606は、デジタルアナログ変換機能ではなく、電圧を電流に変換する機能を有しており、その電流を制御用の電流として画素に出力する回路、すなわち、電流源回路を有しており、そこに本発明を適用することが出来る。 As shown in FIG. 31, depending on the configuration of a pixel, a digital voltage signal for a video signal and a control current for a current source circuit in the pixel may be input to the pixel. In that case, the digital-
また、画素は、EL素子などの表示素子を有している。その表示素子に電流(ビデオ信号)を出力する回路、すなわち、電流源回路を有しており、そこにも、本発明を適用することが出来る。 Further, the pixel has a display element such as an EL element. A circuit for outputting a current (video signal) to the display element, that is, a current source circuit is provided, and the present invention can be applied thereto.
そこで、信号線駆動回路3610の動作を簡単に説明する。シフトレジスタ3603は、フリップフロップ回路(FF)等を複数列用いて構成され、クロック信号(S−CLK)、スタートパルス(SP)、クロック反転信号(S−CLKb)が入力される、これらの信号のタイミングに従って、順次サンプリングパルスが出力される。 Therefore, the operation of the signal
シフトレジスタ3603より出力されたサンプリングパルスは、第1ラッチ回路3604に入力される。第1ラッチ回路3604には、ビデオ信号線3608より、ビデオ信号が入力されており、サンプリングパルスが入力されるタイミングに従って、各列でビデオ信号を保持していく。なお、デジタルアナログ変換回路3606を配置している場合は、ビデオ信号はデジタル値である。また、この段階でのビデオ信号は、電圧であることが多い。
ただし、第1ラッチ回路3604や第2ラッチ回路3605が、アナログ値を保存できる回路である場合は、デジタルアナログ変換回路3606は省略できる場合が多い。その場合、ビデオ信号は、電流であることも多い。また、画素部3601に出力するデータが2値、つまり、デジタル値である場合は、デジタルアナログ変換回路3606は省略できる場合が多い。The sampling pulse output from the
However, in the case where the
第1ラッチ回路3604において、最終列までビデオ信号の保持が完了すると、水平帰線期間中に、ラッチ制御線3609よりラッチパルス(Latch Pulse)が入力され、第1ラッチ回路3604に保持されていたビデオ信号は、一斉に第2ラッチ回路3605に転送される。その後、第2ラッチ回路3605に保持されたビデオ信号は、1行分が同時に、デジタルアナログ変換回路3606へと入力される。そして、デジタルアナログ変換回路3606から出力される信号は、画素部3601へ入力される。 In the
第2ラッチ回路3605に保持されたビデオ信号がデジタルアナログ変換回路3606に入力され、そして、画素部3601に入力されている間、シフトレジスタ3603においては再びサンプリングパルスが出力される。つまり、同時に2つの動作が行われる。これにより、線順次駆動が可能となる。以後、この動作を繰り返す。 While the video signal held in the
つまり、デジタルアナログ変換回路3606には、図62に示すような構成の回路を有する。なお、図62では、簡単のため、3ビットの場合について説明する。すなわち、基本電流源回路6201A、6201B、6201Cがあり、設定動作の時の電流の大きさは、それぞれIc、2×Ic、4×Icというようになっている。そして、電流源回路6202A、6202B、6202Cが各々接続されている。したがって、出力動作の時には、電流源回路6202A、6202B、6202Cは、それぞれIc、2×Ic、4×Icの大きさの電流を出力することになる。そして、各電流源回路と直列に、スイッチ6203A、6203B、6203Cが接続されている。このスイッチは、図36で示した第2ラッチ回路3605から出力されるビデオ信号によって制御される。そして、各電流源回路とスイッチから出力される電流の合計が、負荷、すなわち、信号線に出力される。以上のように動作させることにより、画素にビデオ信号としてアナログ電流を出力している。That is, the digital-
なお、デジタルアナログ変換回路3606が有している電流源回路が、設定動作と出力動作とを行うような回路である場合、つまり、別の電流源回路から電流を入力して、トランジスタの特性バラツキの影響を受けない電流を出力できるような回路である場合、その電流源回路に、電流を流す回路が必要となる。そのような場合、リファレンス用電流源回路3614が配置されている。 Note that in the case where the current source circuit included in the digital-
なお、電流源回路に対して設定動作を行う場合、そのタイミングを制御する必要がある。その場合、設定動作を制御するために、専用の駆動回路(シフトレジスタなど)を配置してもよい。あるいは、第1ラッチ回路を制御するためのシフトレジスタから出力される信号を用いて、電流源回路への設定動作を制御してもよい。つまり、一つのシフトレジスタで、第1ラッチ回路と電流源回路とを両方制御するようにしてもよい。その場合は、第1ラッチ回路を制御するためのシフトレジスタから出力される信号を直接、電流源回路に入力してもよいし、第1ラッチ回路への制御と電流源回路への制御を切り分けるため、その切り分けを制御する回路を介して、電流源回路を制御してもよい。あるいは、第2ラッチ回路から出力される信号を用いて、電流源回路への設定動作を制御してもよい。第2ラッチ回路から出力される信号は、通常、ビデオ信号であるため、ビデオ信号として使用する場合と電流源回路を制御する場合とを切り分けるため、その切り替えを制御する回路を介して、電流源回路を制御すればよい。Note that when the setting operation is performed on the current source circuit, it is necessary to control the timing. In that case, a dedicated drive circuit (such as a shift register) may be arranged to control the setting operation. Alternatively, the setting operation for the current source circuit may be controlled using a signal output from a shift register for controlling the first latch circuit. That is, one shift register may control both the first latch circuit and the current source circuit. In that case, the signal output from the shift register for controlling the first latch circuit may be directly input to the current source circuit, or the control to the first latch circuit and the control to the current source circuit are separated. Therefore, the current source circuit may be controlled via a circuit that controls the separation. Alternatively, the setting operation to the current source circuit may be controlled using a signal output from the second latch circuit. Since the signal output from the second latch circuit is usually a video signal, in order to distinguish between the case where it is used as a video signal and the case where the current source circuit is controlled, a current source is connected via a circuit which controls the switching. What is necessary is just to control a circuit.
なお、信号線駆動回路やその一部(電流源回路や増幅回路など)は、画素部3601と同一基板上に存在せず、例えば、外付けのICチップを用いて構成されることもある。 Note that the signal line driver circuit and a part thereof (such as a current source circuit and an amplifier circuit) do not exist on the same substrate as the
なお、信号線駆動回路などの構成は、図36に限定されない。 Note that the structure of the signal line driver circuit and the like is not limited to that in FIG.
例えば、第1ラッチ回路3604や第2ラッチ回路3605が、アナログ値を保存できる回路である場合、図37に示すように、リファレンス用電流源回路3614から第1ラッチ回路3604に、ビデオ信号(アナログ電流)が入力されることもある。また、図37において、第2ラッチ回路3605が存在しない場合もある。そのような場合は、第1ラッチ回路3604に、より多くの電流源回路が配置されている場合が多い。 For example, when the
このような場合、図36における、デジタルアナログ変換回路3606の中の電流源回路に、本発明を適用することが出来る。デジタルアナログ変換回路3606の中に、複数のユニット回路があり、リファレンス用電流源回路3614に、電流源回路や増幅回路が配置されている。 In such a case, the present invention can be applied to the current source circuit in the digital-
あるいは、図37における、第1ラッチ回路3604の中の電流源回路に、本発明を適用することが出来る。第1ラッチ回路3604の中に、複数のユニット回路があり、リファレンス用電流源回路3614に、基本電流源や追加電流源が配置されている。例えば、図61に示すように基本電流源回路6101と各列の画素に対応して電流源回路6102が設けられている。 Alternatively, the present invention can be applied to the current source circuit in the
あるいは、図36、図37における画素部3601の中の画素(その中の電流源回路)に、本発明を適用することが出来る。画素部3601の中に、複数のユニット回路があり、信号線駆動回路3610に、電流源回路や増幅回路が配置されている。 Alternatively, the present invention can be applied to a pixel (current source circuit therein) in the
つまり、回路の様々な部分に、電流を供給するような回路が存在する。そのような電流源回路は、正確な電流を出力する必要がある。そのため、別の電流源回路を用いて、トランジスタが正確な電流が出力できるように設定を行う。別の電流源回路も、正確な電流を出力する必要がある。したがって、基本となる電流源回路があり、そこから電流源トランジスタを次々に設定していく。それにより、電流源回路は、正確な電流を出力することが可能となる。よって、そのような部分に、本発明を適用することが出来る。 That is, there are circuits that supply current to various parts of the circuit. Such a current source circuit needs to output an accurate current. Therefore, a setting is performed using another current source circuit so that the transistor can output an accurate current. Another current source circuit must also output an accurate current. Therefore, there is a basic current source circuit, from which current source transistors are set one after another. Thereby, the current source circuit can output an accurate current. Therefore, the present invention can be applied to such a portion.
(実施の形態9)
本実施の形態では、実施の形態1で示した表示パネルの構成について図38(a)、(b)を用いて説明する。(Embodiment 9)
In this embodiment, the structure of the display panel described in Embodiment 1 will be described with reference to FIGS.
なお、図38(a)は、表示パネルを示す上面図、図38(b)は図38(a)をA−A’で切断した断面図である。点線で示された信号線駆動回路3801、画素部3802、第1の走査線駆動回路3803、第2の走査線駆動回路3806を有する。また、封止基板3804、シール材3805を有し、シール材3805で囲まれた内側は、空間3807になっている。38A is a top view showing the display panel, and FIG. 38B is a cross-sectional view taken along line A-A ′ in FIG. 38A. A signal
なお、配線3808は第1の走査線駆動回路3803、第2の走査線駆動回路3806及び信号線駆動回路3801に入力される信号を伝送するための配線であり、外部入力端子となるFPC(フレキシブルプリントサーキット)3809からビデオ信号、クロック信号、スタートパルス信号等を受け取る。FPC3809と表示パネルとの接続部上にはICチップ(メモリ回路や、バッファ回路などが形成された半導体チップ)3819A及びICチップ3819BがCOG(Chip On Glass)等で実装されている。なお、ここではFPCしか図示されていないが、このFPCにはプリント配線基盤(PWB)が取り付けられていても良い。本明細書における表示装置とは、表示パネル本体だけでなく、それにFPCもしくはPWBが取り付けられた状態をも含むものとする。 Note that the
次に、断面構造について図38(b)を用いて説明する。基板3810上には画素部3802とその周辺駆動回路(第1の走査線駆動回路3803、第2の走査線駆動回路3806及び信号線駆動回路3801)が形成されているが、ここでは、信号線駆動回路3801と、画素部3802が示されている。 Next, a cross-sectional structure will be described with reference to FIG. A
なお、信号線駆動回路3801はTFT3820やTFT3821を有している。また、本実施の形態では、基板上に周辺駆動回路を一体形成した表示パネルを示すが、必ずしもその必要はなく、周辺駆動回路の全部若しくは一部をICチップなどに形成し、COGなどで実装しても良い。 Note that the signal
また、画素部3802はTFT3811と、TFT3812とを有している。なお、TFT3812のソース電極は第1の電極(画素電極)3813と接続されている。また、第1の電極3813の端部を覆って絶縁膜3814が形成されている。ここでは、ポジ型の感光性アクリル樹脂膜を用いることにより形成する。 In addition, the
また、カバレッジを良好なものとするため、絶縁膜3814の上端部または下端部に曲率を有する曲面が形成されるようにする。例えば、絶縁膜3814の材料としてポジ型の感光性アクリルを用いた場合、絶縁膜3814の上端部のみに曲率半径(0.2μm〜3μm)を有する曲面を持たせることが好ましい。また、絶縁膜3814として、光によってエッチャントに不溶解性となるネガ型、或いは光によってエッチャントに溶解性となるポジ型のいずれも使用することができる。 In order to improve the coverage, a curved surface having a curvature is formed at the upper end portion or the lower end portion of the insulating
第1の電極3813上には、有機化合物を含む層3816、および第2の電極(対向電極)3817がそれぞれ形成されている。ここで、陽極として機能する第1の電極3813に用いる材料としては、仕事関数の大きい材料を用いることが望ましい。例えば、ITO(インジウムスズ酸化物)膜、インジウム亜鉛酸化物(IZO)膜、窒化チタン膜、クロム膜、タングステン膜、Zn膜、Pt膜などの単層膜の他、窒化チタンとアルミニウムを主成分とする膜との積層、窒化チタン膜とアルミニウムを主成分とする膜と窒化チタン膜との3層構造等を用いることができる。なお、積層構造とすると、配線としての抵抗も低く、良好なオーミックコンタクトがとれ、さらに陽極として機能させることができる。 Over the
また、有機化合物を含む層3816は、蒸着マスクを用いた蒸着法、またはインクジェット法によって形成される。有機化合物を含む層3816には、元素周期表の第4族金属錯体をその一部に用いることとし、その他、組み合わせて用いることのできる材料としては、低分子系材料であっても高分子系材料であっても良い。また、有機化合物を含む層に用いる材料としては、通常、有機化合物を単層もしくは積層で用いる場合が多いが、本実施の形態においては、有機化合物からなる膜の一部に無機化合物を用いる構成も含めることとする。さらに、公知の三重項材料を用いることも可能である。 The
さらに、有機化合物を含む層3816上に形成される第2の電極3817に用いる材料としては、仕事関数の小さい材料(Al、Ag、Li、Ca、またはこれらの合金MgAg、MgIn、AlLi、CaF2、または窒化カルシウム)を用いればよい。なお、有機化合物を含む層3816で生じた光が第2の電極3817を透過させる場合には、第2の電極(陰極)3817として、膜厚を薄くした金属薄膜と、透明導電膜(インジウムスズ酸化物(ITO)、酸化インジウム酸化亜鉛合金(In2O3―ZnO)、酸化亜鉛(ZnO)等)との積層を用いるのが良い。Further, as a material used for the
さらにシール材3805で封止基板3804を基板3810と貼り合わせることにより、基板3810、封止基板3804、およびシール材3805で囲まれた空間3807に発光素子3818が備えられた構造になっている。なお、空間3807には、不活性気体(窒素やアルゴン等)が充填される場合の他、シール材3805で充填される構成も含むものとする。 Further, a sealing
なお、シール材3805にはエポキシ系樹脂を用いるのが好ましい。また、これらの材料はできるだけ水分や酸素を透過しない材料であることが望ましい。また、封止基板3804に用いる材料としてガラス基板や石英基板の他、FRP(Fiberglass−Reinforced Plastics)、PVF(ポリビニルフロライド)、マイラー、ポリエステルまたはアクリル等からなるプラスチック基板を用いることができる。 Note that an epoxy-based resin is preferably used for the
以上のようにして、表示パネルを得ることができる。なお、上述した構成は一例であって本発明の表示パネルの構成はこれに限定されない。なお、本発明の半導体装置は本実施の形態に示した表示パネルの信号線駆動回路や画素に適用することができる。 A display panel can be obtained as described above. Note that the above-described configuration is an example, and the configuration of the display panel of the present invention is not limited to this. Note that the semiconductor device of the present invention can be applied to the signal line driver circuit and the pixel of the display panel described in this embodiment mode.
図38示すように、信号線駆動回路3801、画素部3802、第1の走査線駆動回路3803及び第2の走査線駆動回路3806を一体形成することで、表示装置の低コスト化が図れる。As shown in FIG. 38, the signal
なお、表示パネルの構成としては、図38(a)に示したように信号線駆動回路3801、画素部3802、第1の走査線駆動回路3803及び第2の走査線駆動回路3806を一体形成した構成に限られず、信号線駆動回路3801に相当する図44に示す信号線駆動回路4401をICチップ上に形成して、COG等で表示パネルに実装した構成としても良い。なお、図44(a)の基板4400、画素部4402、第1の走査線駆動回路4403、第2の走査線駆動回路4404、FPC4405、ICチップ4406、ICチップ4407、封止基板4408、シール材4409は図38(a)の基板3810、画素部3802、第1の走査線駆動回路3803、第2の走査線駆動回路3806、FPC3809、ICチップ3819A、ICチップ3819B、封止基板3804、シール材3805に相当する。Note that as a structure of the display panel, as shown in FIG. 38A, a signal
つまり、駆動回路の高速動作が要求される信号線駆動回路のみを、CMOS等を用いてICチップに形成し、低消費電力化を図る。また、ICチップはシリコンウエハ等の半導体チップとすることで、より高速動作且つ低消費電力化を図れる。That is, only the signal line driver circuit that requires high-speed operation of the driver circuit is formed on the IC chip using a CMOS or the like to reduce power consumption. Further, by using a semiconductor chip such as a silicon wafer as the IC chip, higher speed operation and lower power consumption can be achieved.
そして、第2の走査線駆動回路4403や第1の走査線駆動回路4404を画素部4402と一体形成することで、低コスト化が図れる。The second scan
こうして、高精細な表示装置の低コスト化が図れる。また、FPC4405と基板4400との接続部において機能回路(メモリやバッファ)が形成されたICチップを実装することで基板面積を有効利用することができる。Thus, the cost of a high-definition display device can be reduced. Further, by mounting an IC chip on which a functional circuit (memory or buffer) is formed at a connection portion between the
また、図38(a)の信号線駆動回路3801、第1の走査線駆動回路3803及び第2の走査線駆動回路3806に相当する図44(b)の信号線駆動回路4411、第1の走査線駆動回路4414及び第2の走査線駆動回路4413をICチップ上に形成して、COG等で表示パネルに実装した構成としても良い。この場合には高精細な表示装置をより低消費電力にすることが可能である。よって、より消費電力が少ない表示装置とするためには、画素部に用いられるトランジスタの半導体層にはポリシリコンを用いることが望ましい。なお、図44(b)の基板4410、画素部4412、FPC4415、ICチップ4416、ICチップ4417、封止基板4418、シール材4419は図38(a)の基板3810、画素部3802、FPC3809、ICチップ3819A、ICチップ3819B、封止基板3804、シール材3805に相当する。Further, the signal
また、画素部4412のトランジスタの半導体層にアモルファスシリコンを用いることにより低コスト化を図ることができる。さらに、大型の表示パネルを作製することも可能となる。In addition, cost can be reduced by using amorphous silicon for the semiconductor layer of the transistor in the
また、画素の行方向及び列方向に第2の走査線駆動回路、第1の走査線駆動回路及び信号線駆動回路を設けなくても良い。例えば、図45(a)に示すようにICチップ上に形成された周辺駆動回路4501が図44(b)に示す、第1の走査線駆動回路4414、第2の走査線駆動回路4413及び信号線駆動回路4411の機能を有するようにしても良い。なお、図45(a)の基板4500、画素部4502、FPC4504、ICチップ4505、ICチップ4506、封止基板4507、シール材4508は図38(a)の基板3810、画素部3802、FPC3809、ICチップ3819A、ICチップ3819B、封止基板3804、シール材3805に相当する。Further, the second scan line driver circuit, the first scan line driver circuit, and the signal line driver circuit are not necessarily provided in the row direction and the column direction of the pixels. For example, as shown in FIG. 45A, the
なお、図45(a)の表示装置の配線の接続を説明する模式図を図45(b)に示す。基板4510、周辺駆動回路4511、画素部4512、FPC4513、FPC4514有する。FPC4513より周辺駆動回路4511に外部からの信号及び電源電位が入力される。そして、周辺駆動回路4511からの出力は、画素部4512の有する画素に接続された行方向及び列方向の配線に入力される。FIG. 45B is a schematic diagram for explaining the wiring connection of the display device in FIG. A
さらに、発光素子3818に適用可能な発光素子の例を図39(a)、(b)に示す。つまり、実施の形態1、実施の形態2、実施の形態3、実施の形態4及び本実施の形態で示した画素に適用可能な発光素子の構成について図39(a)、(b)を用いて説明する。Further, examples of light-emitting elements applicable to the light-emitting
図39(a)の発光素子は、基板3901の上に陽極3902、正孔注入材料からなる正孔注入層3903、その上に正孔輸送材料からなる正孔輸送層3904、発光層3905、電子輸送材料からなる電子輸送層3906、電子注入材料からなる電子注入層3907、そして陰極3908を積層させた素子構造である。ここで、発光層3905は、一種類の発光材料のみから形成されることもあるが、2種類以上の材料から形成されてもよい。また本発明の素子の構造は、この構造に限定されない。The light emitting element of FIG. 39A includes an
また、図39(a)で示した各機能層を積層した積層構造の他、高分子化合物を用いた素子、発光層に三重項励起状態から発光する三重項発光材料を利用した高効率素子など、バリエーションは多岐にわたる。ホールブロック層によってキャリヤの再結合領域を制御し、発光領域を二つの領域にわけることによって得られる白色発光素子などにも応用可能である。 In addition to the stacked structure in which the functional layers shown in FIG. 39A are stacked, an element using a polymer compound, a high-efficiency element using a triplet light emitting material that emits light from a triplet excited state in the light emitting layer, and the like. There are a wide variety of variations. The present invention can also be applied to a white light emitting element obtained by controlling the carrier recombination region by the hole blocking layer and dividing the light emitting region into two regions.
図39(a)に示す本発明の素子作製方法は、まず、陽極3902(インジウムスズ酸化物:ITO)を有する基板3901に正孔注入材料、正孔輸送材料、発光材料を順に蒸着する。次に電子輸送材料、電子注入材料を蒸着し、最後に陰極3908を蒸着で形成する。 In the element manufacturing method of the present invention shown in FIG. 39A, first, a hole injection material, a hole transport material, and a light emitting material are sequentially deposited on a
次に、正孔注入材料、正孔輸送材料、電子輸送材料、電子注入材料、発光材料の材料に好適な材料を以下に列挙する。 Next, materials suitable for the hole injection material, the hole transport material, the electron transport material, the electron injection material, and the light emitting material are listed below.
正孔注入材料としては、有機化合物でればポルフィリン系の化合物や、フタロシアニン(以下「H2Pc」と記す)、銅フタロシアニン(以下「CuPc」と記す)などが有効である。また、使用する正孔輸送材料よりもイオン化ポテンシャルの値が小さく、かつ、正孔輸送機能をもつ材料であれば、これも正孔注入材料として使用できる。導電性高分子化合物に化学ドーピングを施した材料もあり、ポリスチレンスルホン酸(以下「PSS」と記す)をドープしたポリエチレンジオキシチオフェン(以下「PEDOT」と記す)や、ポリアニリンなどが挙げられる。また、絶縁体の高分子化合物も陽極の平坦化の点で有効であり、ポリイミド(以下「PI」と記す)がよく用いられる。さらに、無機化合物も用いられ、金や白金などの金属薄膜の他、酸化アルミニウム(以下「アルミナ」と記す)の超薄膜などがある。As the hole injection material, porphyrin compounds, phthalocyanine (hereinafter referred to as “H2 Pc”), copper phthalocyanine (hereinafter referred to as “CuPc”), and the like are effective as long as they are organic compounds. In addition, any material that has a smaller ionization potential than the hole transport material used and has a hole transport function can also be used as the hole injection material. There is also a material obtained by chemically doping a conductive polymer compound, and examples thereof include polyethylenedioxythiophene (hereinafter referred to as “PEDOT”) doped with polystyrene sulfonic acid (hereinafter referred to as “PSS”), polyaniline, and the like. An insulating polymer compound is also effective in terms of planarization of the anode, and polyimide (hereinafter referred to as “PI”) is often used. In addition, inorganic compounds are also used. In addition to metal thin films such as gold and platinum, there are ultra thin films of aluminum oxide (hereinafter referred to as “alumina”).
正孔輸送材料として最も広く用いられているのは、芳香族アミン系(すなわち、ベンゼン環−窒素の結合を有するもの)の化合物である。広く用いられている材料として、4,4’−ビス(ジフェニルアミノ)−ビフェニル(以下、「TAD」と記す)や、その誘導体である4,4’−ビス[N−(3−メチルフェニル)−N−フェニル−アミノ]−ビフェニル(以下、「TPD」と記す)、4,4’−ビス[N−(1−ナフチル)−N−フェニル−アミノ]−ビフェニル(以下、「α−NPD」と記す)がある。4,4’,4”−トリス(N,N− ジフェニル−アミノ)−トリフェニルアミン(以下、「TDATA」と記す)、4,4’,4”−トリス[N−(3−メチルフェニル)−N− フェニル−アミノ]−トリフェニルアミン(以下、「MTDATA」と記す)などのスターバースト型芳香族アミン化合物が挙げられる。 The most widely used hole transport material is an aromatic amine-based compound (that is, a compound having a benzene ring-nitrogen bond). As widely used materials, 4,4′-bis (diphenylamino) -biphenyl (hereinafter referred to as “TAD”) and its derivative 4,4′-bis [N- (3-methylphenyl) -N-phenyl-amino] -biphenyl (hereinafter referred to as “TPD”), 4,4′-bis [N- (1-naphthyl) -N-phenyl-amino] -biphenyl (hereinafter referred to as “α-NPD”) ). 4,4 ′, 4 ″ -tris (N, N-diphenyl-amino) -triphenylamine (hereinafter referred to as “TDATA”), 4,4 ′, 4 ″ -tris [N- (3-methylphenyl) And starburst aromatic amine compounds such as —N-phenyl-amino] -triphenylamine (hereinafter referred to as “MTDATA”).
電子輸送材料としては、金属錯体がよく用いられ、先に述べたAlq3、BAlq、トリス(4−メチル−8−キノリノラト)アルミニウム(以下、「Almq」と記す)、ビス(10−ヒドロキシベンゾ[h]−キノリナト)ベリリウム(以下、「Bebq」と記す)などのキノリン骨格またはベンゾキノリン骨格を有する金属錯体などがある。また、ビス[2−(2−ヒドロキシフェニル)−ベンゾオキサゾラト]亜鉛(以下、「Zn(BOX)2」と記す)、ビス[2−(2−ヒドロキシフェニル)−ベンゾチアゾラト]亜鉛(以下、「Zn(BTZ)2」と記す)などのオキサゾール系、チアゾール系配位子を有する金属錯体もある。さらに、金属錯体以外にも、2−(4−ビフェニリル)−5−(4−tert−ブチルフェニル)−1,3,4−オキサジアゾール(以下、「PBD」と記す)、OXD−7などのオキサジアゾール誘導体、TAZ、3−(4−tert−ブチルフェニル)−4−(4−エチルフェニル)−5−(4−ビフェニリル)−23、4−トリアゾール(以下、「p−EtTAZ」と記す)などのトリアゾール誘導体、バソフェナントロリン(以下、「BPhen」と記す)、BCPなどのフェナントロリン誘導体が電子輸送性を有する。As an electron transport material, a metal complex is often used, and Alq3 , BAlq, tris (4-methyl-8-quinolinolato) aluminum (hereinafter referred to as “Almq”), bis (10-hydroxybenzo [ h] -quinolinato) beryllium (hereinafter referred to as “Bebq”) and the like, and metal complexes having a quinoline skeleton or a benzoquinoline skeleton. Further, bis [2- (2-hydroxyphenyl) -benzoxazolate] zinc (hereinafter referred to as “Zn (BOX)2 ”), bis [2- (2-hydroxyphenyl) -benzothiazolate] zinc (hereinafter referred to as “Zn (BOX)2 ”) There is also a metal complex having an oxazole-based or thiazole-based ligand such as “Zn (BTZ)2 ”). In addition to metal complexes, 2- (4-biphenylyl) -5- (4-tert-butylphenyl) -1,3,4-oxadiazole (hereinafter referred to as “PBD”), OXD-7, and the like Oxadiazole derivatives of TAZ, 3- (4-tert-butylphenyl) -4- (4-ethylphenyl) -5- (4-biphenylyl) -23, 4-triazole (hereinafter referred to as “p-EtTAZ”) And phenanthroline derivatives such as bathophenanthroline (hereinafter referred to as “BPhen”) and BCP have electron transport properties.
電子注入材料としては、上で述べた電子輸送材料を用いることができる。その他に、フッ化カルシウム、フッ化リチウム、フッ化セシウムなどの金属ハロゲン化物や、酸化リチウムなどのアルカリ金属酸化物のような絶縁体の、超薄膜がよく用いられる。また、リチウムアセチルアセトネート(以下、「Li(acac)」と記す)や8−キノリノラト−リチウム(以下、「Liq」と記す)などのアルカリ金属錯体も有効である。The electron transport material described above can be used as the electron injection material. In addition, an ultra-thin film of an insulator such as a metal halide such as calcium fluoride, lithium fluoride, or cesium fluoride, or an alkali metal oxide such as lithium oxide is often used. In addition, alkali metal complexes such as lithium acetylacetonate (hereinafter referred to as “Li (acac)”) and 8-quinolinolato-lithium (hereinafter referred to as “Liq”) are also effective.
発光材料としては、先に述べたAlq3、Almq、BeBq、BAlq、Zn(BOX)2、Zn(BTZ)2などの金属錯体の他、各種蛍光色素が有効である。蛍光色素としては、青色の4,4’−ビス(2,2 − ジフェニル−ビニル)−ビフェニルや、赤橙色の4−(ジシアノメチレン)−2−メチル−6−(p−ジメチルアミノスチリル)−4H−ピランなどがある。また、三重項発光材料も可能であり、白金ないしはイリジウムを中心金属とする錯体が主体である。三重項発光材料として、トリス(2−フェニルピリジン)イリジウム、ビス(2−(4’−トリル)ピリジナト−N,C2’)アセチルアセトナトイリジウム(以下「acacIr(tpy)2」と記す)、 2,3,7,8,12,13,17,18−オクタエチル−21H,23Hポルフィリン−白金などが知られている。As the luminescent material, various fluorescent dyes are effective in addition to the metal complexes such as Alq3 , Almq, BeBq, BAlq, Zn (BOX)2 , Zn (BTZ)2 described above. As fluorescent dyes, blue 4,4′-bis (2,2-diphenyl-vinyl) -biphenyl and red-orange 4- (dicyanomethylene) -2-methyl-6- (p-dimethylaminostyryl)- 4H-pyran. A triplet light emitting material is also possible, and is mainly a complex having platinum or iridium as a central metal. As the triplet light emitting material, tris (2-phenylpyridine) iridium, bis (2- (4′-tolyl) pyridinato-N, C2 ′ ) acetylacetonatoiridium (hereinafter referred to as “acacIr (tpy)2 ”), 2,3,7,8,12,13,17,18-octaethyl-21H, 23H porphyrin-platinum and the like are known.
以上で述べたような各機能を有する材料を、各々組み合わせ、高信頼性の発光素子を作製することができる。A highly reliable light-emitting element can be manufactured by combining the materials having the functions described above.
また、図39(b)に示すように図39(a)とは逆の順番に層を形成した発光素子を用いることができる。つまり、基板3911の上に陰極3918、電子注入材料からなる電子注入層3917、その上に電子輸送材料からなる電子輸送層3916、発光層3915、正孔輸送材料からなる正孔輸送層3914、正孔注入材料からなる正孔注入層3913、そして陽極3912を積層させた素子構造である。In addition, as illustrated in FIG. 39B, a light-emitting element in which layers are formed in the reverse order of FIG. 39A can be used. That is, a
また、発光素子は発光を取り出すために少なくとも陽極又は陰極の一方が透明であればよい。そして、基板上にTFT及び発光素子を形成し、基板とは逆側の面から発光を取り出す上面射出や、基板側の面から発光を取り出す下面射出や、基板側及び基板とは反対側の面から発光を取り出す両面射出構造の発光素子があり、本発明の画素構成はどの射出構造の発光素子にも適用することができる。In addition, in order to extract light emitted from the light emitting element, at least one of the anode and the cathode may be transparent. Then, a TFT and a light emitting element are formed on the substrate, and a top emission that extracts light emission from a surface opposite to the substrate, a bottom emission that extracts light emission from the surface on the substrate side, and a surface opposite to the substrate side and the substrate. The pixel structure of the present invention can be applied to a light emitting element having any emission structure.
上面射出構造の発光素子について図40(a)を用いて説明する。A light-emitting element having a top emission structure will be described with reference to FIG.
基板4000上に駆動用TFT4001が形成され、駆動用TFT4001のソース電極に接して第1の電極4002が形成され、その上に有機化合物を含む層4003と第2の電極4004が形成されている。A driving
また、第1の電極4002は発光素子の陽極である。そして第2の電極4004は発光素子の陰極である。つまり、第1の電極4002と第2の電極4004とで有機化合物を含む層4003が挟まれているところが発光素子となる。The
また、ここで、陽極として機能する第1の電極4002に用いる材料としては、仕事関数の大きい材料を用いることが望ましい。例えば、窒化チタン膜、クロム膜、タングステン膜、Zn膜、Pt膜などの単層膜の他、窒化チタンとアルミニウムを主成分とする膜との積層、窒化チタン膜とアルミニウムを主成分とする膜と窒化チタン膜との3層構造等を用いることができる。なお、積層構造とすると、配線としての抵抗も低く、良好なオーミックコンタクトがとれ、さらに陽極として機能させることができる。光を反射する金属膜を用いることで光を透過させない陽極を形成することができる。Here, as a material used for the
また、陰極として機能する第2の電極4004に用いる材料としては、仕事関数の小さい材料(Al、Ag、Li、Ca、またはこれらの合金MgAg、MgIn、AlLi、CaF2、または窒化カルシウム)からなる金属薄膜と、透明導電膜(ITO(インジウムスズ酸化物)、インジウム亜鉛酸化物(IZO)、酸化亜鉛(ZnO)等)との積層を用いるのが良い。こうして薄い金属薄膜と、透明性を有する透明導電膜を用いることで光を透過させることが可能な陰極を形成することができる。The material used for the
こうして、図40(a)の矢印に示すように発光素子からの光を上面に取り出すことが可能になる。つまり、図38の表示パネルに適用した場合には、封止基板3804側に光が射出することになる。従って上面射出構造の発光素子を表示装置に用いる場合には封止基板3804は光透過性を有する基板を用いる。In this manner, light from the light emitting element can be extracted to the upper surface as indicated by an arrow in FIG. That is, when applied to the display panel of FIG. 38, light is emitted to the sealing
また、光学フィルムを設ける場合には、封止基板3804に光学フィルムを設ければよい。 In the case where an optical film is provided, an optical film may be provided over the sealing
なお、第1の電極4002を陰極として機能するMgAg、MgIn、AlLi等の仕事関数の小さい材料からなる金属膜を用いることができる。そして、第2の電極4004にはITO(インジウムスズ酸化物)膜、インジウム亜鉛酸化物(IZO)などの透明導電膜を用いることができる。よって、この構成によれば、上面射出の透過率を高くすることができる。Note that a metal film made of a material having a low work function, such as MgAg, MgIn, or AlLi, which functions as the
また、下面射出構造の発光素子について図40(b)を用いて説明する。射出構造以外は図40(a)と同じ構造の発光素子であるため同じ符号を用いて説明する。A light-emitting element having a bottom emission structure will be described with reference to FIG. Since the light-emitting element has the same structure as that in FIG. 40A except for the emission structure, the description will be made using the same reference numerals.
ここで、陽極として機能する第1の電極4002に用いる材料としては、仕事関数の大きい材料を用いることが望ましい。例えば、ITO(インジウムスズ酸化物)膜、インジウム亜鉛酸化物(IZO)膜などの透明導電膜を用いることができる。透明性を有する透明導電膜を用いることで光を透過させることが可能な陽極を形成することができる。Here, as a material used for the
また、陰極として機能する第2の電極4004に用いる材料としては、仕事関数の小さい材料(Al、Ag、Li、Ca、またはこれらの合金MgAg、MgIn、AlLi、CaF2、または窒化カルシウム)からなる金属膜を用いることができる。こうして、光を反射する金属膜を用いることで光が透過しない陰極を形成することができる。The material used for the
こうして、図40(b)の矢印に示すように発光素子からの光を下面に取り出すことが可能になる。つまり、図38の表示パネルに適用した場合には、基板3810側に光が射出することになる。従って下面射出構造の発光素子を表示装置に用いる場合には基板3810は光透過性を有する基板を用いる。In this manner, light from the light emitting element can be extracted to the lower surface as indicated by an arrow in FIG. That is, when applied to the display panel of FIG. 38, light is emitted to the
また、光学フィルムを設ける場合には、基板3810に光学フィルムを設ければよい。 In the case of providing an optical film, the
両面射出構造の発光素子について図40(c)を用いて説明する。射出構造以外は図40(a)と同じ構造の発光素子であるため同じ符号を用いて説明する。A light-emitting element having a dual emission structure will be described with reference to FIG. Since the light-emitting element has the same structure as that in FIG. 40A except for the emission structure, the description will be made using the same reference numerals.
ここで、陽極として機能する第1の電極4002に用いる材料としては、仕事関数の大きい材料を用いることが望ましい。例えば、ITO(インジウムスズ酸化物)膜、インジウム亜鉛酸化物(IZO)膜などの透明導電膜を用いることができる。透光性を有する導電膜を用いることで光を透過させることが可能な陽極を形成することができる。Here, as a material used for the
また、陰極として機能する第2の電極4004に用いる材料としては、仕事関数の小さい材料(Al、Ag、Li、Ca、またはこれらの合金MgAg、MgIn、AlLi、CaF2、または窒化カルシウム)からなる金属薄膜と、透明導電膜(ITO(インジウムスズ酸化物)、酸化インジウム酸化亜鉛合金(In2O3―ZnO)、酸化亜鉛(ZnO)等)との積層を用いるのが良い。こうして薄い金属薄膜と、透明性を有する透明導電膜を用いることで光を透過させることが可能な陰極を形成することができる。The material used for the
こうして、図40(c)の矢印に示すように発光素子からの光を両面に取り出すことが可能になる。つまり、図38の表示パネルに適用した場合には、基板3810側と封止基板3804側に光が射出することになる。従って両面射出構造の発光素子を表示装置に用いる場合には基板3810および封止基板3804は、ともに光透過性を有する基板を用いる。In this manner, light from the light emitting element can be extracted on both sides as indicated by arrows in FIG. That is, when applied to the display panel in FIG. 38, light is emitted to the
また、光学フィルムを設ける場合には、基板3810および封止基板3804の両方に光学フィルムを設ければよい。 In the case where an optical film is provided, the optical film may be provided on both the
また、白色の発光素子とカラーフィルターを用いてフルカラー表示を実現する表示装置にも本発明を適用することが可能である。In addition, the present invention can be applied to a display device that realizes full color display using a white light emitting element and a color filter.
図41に示すように、基板4100上に下地膜4102が形成され、その上に駆動用TFT4101が形成され、駆動用TFT4101のソース電極に接して第1の電極4103が形成され、その上に有機化合物を含む層4104と第2の電極4105が形成されている。As shown in FIG. 41, a
また、第1の電極4103は発光素子の陽極である。そして第2の電極4105は発光素子の陰極である。つまり、第1の電極4103と第2の電極4105とで有機化合物を含む層4104が挟まれているところが発光素子となる。図41の構成では白色光を発光する。そして、発光素子の上部に赤色のカラーフィルター4106R、緑色のカラーフィルター4106G、青色のカラーフィルター4106Bを設けられており、フルカラー表示を行うことができる。また、これらのカラーフィルターを隔離するブラックマトリクス(BMともいう)4107が設けられている。The
上述した発光素子の構成は組み合わせて用いることができ、本発明の画素構成を有する表示装置に適宜用いることができる。また、上述した表示パネルの構成や、発光素子は例示であり、もちろん本発明の画素構成は他の構成の表示装置に適用することもできる。 The above-described structures of the light-emitting elements can be used in combination and can be used as appropriate for a display device having the pixel structure of the present invention. In addition, the structure of the display panel and the light emitting element described above are examples, and the pixel structure of the present invention can of course be applied to display devices having other structures.
次に、表示パネルの画素部の部分断面図を示す。Next, a partial cross-sectional view of a pixel portion of the display panel is shown.
まず、トランジスタの半導体層に結晶性半導体膜(ポリシリコン(p−Si:H)膜)を用いた場合について図42及び図43を用いて説明する。First, the case where a crystalline semiconductor film (polysilicon (p-Si: H) film) is used for a semiconductor layer of a transistor will be described with reference to FIGS.
ここで、半導体層は、例えば基板上にアモルファスシリコン(a−Si)膜を公知の成膜法で形成する。なお、アモルファスシリコン膜に限定する必要はなく、非晶質構造を含む半導体膜(微結晶半導体膜を含む)であれば良い。さらに非晶質シリコンゲルマニウム膜などの非晶質構造を含む化合物半導体膜でも良い。Here, as the semiconductor layer, for example, an amorphous silicon (a-Si) film is formed on a substrate by a known film formation method. Note that the semiconductor film is not limited to an amorphous silicon film, and any semiconductor film including an amorphous structure (including a microcrystalline semiconductor film) may be used. Further, a compound semiconductor film including an amorphous structure such as an amorphous silicon germanium film may be used.
そして、アモルファスシリコン膜をレーザ結晶化法や、RTAやファーネスアニール炉を用いた熱結晶化法や、結晶化を助長する金属元素を用いた熱結晶化法などとにより結晶化させる。もちろん、これらを組み合わせて行っても良い。Then, the amorphous silicon film is crystallized by a laser crystallization method, a thermal crystallization method using an RTA or a furnace annealing furnace, or a thermal crystallization method using a metal element that promotes crystallization. Of course, these may be combined.
上述した結晶化によって、非晶質半導体膜に部分的に結晶化された領域が形成される。 By the above crystallization, a partially crystallized region is formed in the amorphous semiconductor film.
さらに、部分的に結晶性が高められた結晶性半導体膜を所望の形状にパターニングして、結晶化された領域から島状の半導体膜を形成する。この半導体膜をトランジスタの半導体層に用いる。なお、パターニングとは、膜を形状加工することをいい、フォトリソグラフィー技術によって膜のパターンを形成すること(例えば、感光性アクリルにコンタクトホールを形成することや、感光性アクリルをスペーサとなるように形状加工することも含む)や、フォトリソグラフィー技術によってマスクパターンを形成し、当該マスクパターンを用いてエッチング加工を行うことなどをいう。 Further, the crystalline semiconductor film partially improved in crystallinity is patterned into a desired shape, and an island-shaped semiconductor film is formed from the crystallized region. This semiconductor film is used for a semiconductor layer of a transistor. Note that patterning refers to processing a shape of a film, and forming a film pattern by a photolithography technique (for example, forming a contact hole in a photosensitive acrylic or using a photosensitive acrylic as a spacer) Shape processing), a mask pattern formed by photolithography, and etching using the mask pattern.
図42に示すように、基板42101上に下地膜42102が形成され、その上に半導体層が形成されている。半導体層は駆動トランジスタ42118のチャネル形成領域42103及びソース領域又はドレイン領域となる不純物領域42105、並びに容量素子42119の下部電極となるチャネル形成領域42106、LDD領域42107及び不純物領域42108を有する。なお、チャネル形成領域42103及びチャネル形成領域42106にはチャネルドープが行われていても良い。As shown in FIG. 42, a
基板はガラス基板、石英基板、セラミック基板、プラスチック基板などを用いることができる。また、下地膜42102としては、窒化アルミニウム(AlN)や酸化珪素(SiO2)、酸化窒化珪素(SiOxNy)などの単層やこれらの積層を用いることができる。As the substrate, a glass substrate, a quartz substrate, a ceramic substrate, a plastic substrate, or the like can be used. As the
半導体層上にはゲート絶縁膜42109を介してゲート電極42110及び容量素子の上部電極42111が形成されている。Over the semiconductor layer, a
駆動トランジスタ42118及び容量素子42119を覆って層間絶縁膜42112が形成され、層間絶縁膜42112上にコンタクトホールを介して配線42113が不純物領域42105と接している。配線42113に接して画素電極42114が形成され、画素電極42114の端部及び配線42113を覆って第2の層間絶縁物42115が形成されている。ここでは、ポジ型の感光性アクリル樹脂膜を用いることにより形成する。そして、画素電極42114上に有機化合物を含む層42116及び対向電極42117が形成され、画素電極42114と対向電極42117とで有機化合物を含む層42116が挟まれた領域では発光素子42120が形成されている。An interlayer insulating
また、図42(b)に示すように、容量素子42119の下部電極の一部を構成するLDD領域が、上部電極42111と重なるような領域42201を設けても良い。なお、図42(a)と共通するところは共通の符号を用い、説明は省略する。In addition, as illustrated in FIG. 42B, a
また、図43(a)に示すように、駆動トランジスタ42118の不純物領域42105と接する配線42113と同じ層に形成された第2の上部電極421301を有していても良い。なお、図42(a)と共通するところは共通の符号を用い、説明は省略する。第2の上部電極42301と上部電極42111とで層間絶縁膜42112を挟みこみ、第2の容量素子を構成している。また、第2の上部電極42301は不純物領域42108と接しているため、上部電極42111とチャネル形成領域42106とでゲート絶縁膜42109を挟みこんで構成される第1の容量素子と、上部電極42111と第2の上部電極42301とで層間絶縁膜42112を挟みこんで構成される第2の容量素子と、が並列に接続され、第1の容量素子と第2の容量素子からなる容量素子42302を構成している。この容量素子42302の容量は第1の容量素子と第2の容量素子の容量を加算した合成容量であるため、小さい面積で大きな容量の容量素子を形成することができる。つまり、本発明の画素構成の容量素子として用いるとより開口率の向上が図れる。In addition, as illustrated in FIG. 43A, a second upper electrode 421301 formed in the same layer as the
また、図43(b)に示すような容量素子の構成としても良い。基板43101上に下地膜43102が形成され、その上に半導体層が形成されている。半導体層は駆動トランジスタ43118のチャネル形成領域43103及びソース領域又はドレイン領域となる不純物領域43105を有する。なお、チャネル形成領域43103はチャネルドープが行われていても良い。Further, a structure of a capacitor as shown in FIG. A
基板はガラス基板、石英基板、セラミック基板、プラスチック基板などを用いることができる。また、下地膜43102としては、窒化アルミニウム(AlN)や酸化珪素(SiO2)、酸化窒化珪素(SiOxNy)などの単層やこれらの積層を用いることができる。As the substrate, a glass substrate, a quartz substrate, a ceramic substrate, a plastic substrate, or the like can be used. The
半導体層上にはゲート絶縁膜43106を介してゲート電極43107及び第1の電極43108が形成されている。A
駆動トランジスタ43118及び第1の電極43108を覆って第1の層間絶縁膜43109が形成され、第1の層間絶縁膜43109上にコンタクトホールを介して配線4310が不純物領域43105と接している。また、配線43110と同じ材料からなる同層の第2の電極43111が形成される。A first
さらに、配線43110及び第2の電極43111を覆うように第2の層間絶縁膜43112が形成され、第2の層間絶縁膜43112上にコンタクトホールを介して、配線43110と接して画素電極43113が形成されている。また、画素電極43113のと同じ材料からなる同層の第3の電極43114が形成されている。ここで、第1の電極43108、第2の電極43111及び第3の電極43114からなる容量素子43119が形成される。Further, a second
画素電極43113の端部と第3の電極43114を覆って絶縁膜43115が形成され、絶縁膜43115及び第3の電極43114上に有機化合物を含む層43116及び対向電極43117が形成され、画素電極43113と対向電極43117とで有機化合物を含む層43116が挟まれた領域では発光素子43120が形成されている。An insulating
上述したように、結晶性半導体膜を半導体層に用いたトランジスタの構成は図42及び図43に示したような構成が挙げられる。なお、図42及び図43に示したトランジスタの構造はトップゲートの構造のトランジスタの一例である。つまり、トランジスタはP型でもN型でもよい。N型の場合には、LDD領域はゲート電極と重なっていても良いし、ゲート電極と重なっていなくても良いし、又はLDD領域の一部の領域が重なっていてもよい。さらに、ゲート電極はテーパー形状でもよく、ゲート電極のテーパー部の下部にLDD領域が自己整合的に設けられていても良い。また、ゲート電極は二つに限られず三以上のマルチゲート構造でも良いし、一つのゲート電極でも良い。As described above, the structure of the transistor in which the crystalline semiconductor film is used for the semiconductor layer includes structures illustrated in FIGS. Note that the structure of the transistor illustrated in FIGS. 42 and 43 is an example of a top-gate transistor. That is, the transistor may be P-type or N-type. In the case of the N-type, the LDD region may overlap with the gate electrode, may not overlap with the gate electrode, or a part of the LDD region may overlap. Further, the gate electrode may be tapered, and an LDD region may be provided in a self-aligned manner below the tapered portion of the gate electrode. Further, the number of gate electrodes is not limited to two, but may be three or more multi-gate structures, or one gate electrode.
また、半導体層にポリシリコン(p−Si)を用いたトランジスタの構成として、基板と半導体層の間にゲート電極が挟まれた構造、つまり、半導体層の下にゲート電極が位置するボトムゲートのトランジスタを適用した表示パネルの部分断面を図46(a)に示す。Further, as a transistor structure using polysilicon (p-Si) as a semiconductor layer, a structure in which a gate electrode is sandwiched between a substrate and a semiconductor layer, that is, a bottom gate in which a gate electrode is located under a semiconductor layer. FIG. 46A shows a partial cross section of a display panel to which a transistor is applied.
基板4601上に下地膜4602が形成されている。さらに下地膜4602上にゲート電極4603が形成されている。また、ゲート電極と同層に同じ材料からなる第1の電極4604が形成されている。ゲート電極4603の材料にはリンが添加された多結晶シリコンを用いることができる。多結晶シリコンの他に、金属とシリコンの化合物であるシリサイドでもよい。 A
また、ゲート電極4603及び第1の電極4604を覆うようにゲート絶縁膜4605が形成されている。ゲート絶縁膜4605としては酸化珪素膜や窒化珪素膜などが用いられる。A
また、ゲート絶縁膜4605上に、半導体層が形成されている。半導体層は駆動トランジスタ4622のチャネル形成領域4606、LDD領域4607及びソース領域又はドレイン領域となる不純物領域4608、並びに容量素子4623の第2の電極となるチャネル形成領域4609、LDD領域4610及び不純物領域4611を有する。なお、チャネル形成領域4606及びチャネル形成領域4609はチャネルドープが行われていても良い。 In addition, a semiconductor layer is formed over the
基板はガラス基板、石英基板、セラミック基板、プラスチック基板などを用いることができる。また、下地膜4602としては、窒化アルミニウム(AlN)や酸化珪素(SiO2)、酸化窒化珪素(SiOxNy)などの単層やこれらの積層を用いることができる。As the substrate, a glass substrate, a quartz substrate, a ceramic substrate, a plastic substrate, or the like can be used. As the
半導体層を覆って第1の層間絶縁膜4612が形成され、第1の層間絶縁膜4612上にコンタクトホールを介して配線4613が不純物領域4608と接している。また、配線4613と同層に同じ材料で第3の電極4614が形成されている。第1の電極4604、第2の電極、第3の電極4614によって容量素子4623が構成されている。A first
また、第1の層間絶縁膜4612には開口部4615が形成されている。駆動トランジスタ4622、容量素子4623及び開口部4615を覆うように第2の層間絶縁膜4616が形成され、第2の層間絶縁膜4616上にコンタクトホールを介して、画素電極4617が形成されている。また、画素電極4617の端部を覆って絶縁膜4618が形成されている。例えば、ポジ型の感光性アクリル樹脂膜を用いることができる。そして、画素電極4617上に有機化合物を含む層4619及び対向電極4620が形成され、画素電極4617と対向電極4620とで有機化合物を含む層4619が挟まれた領域では発光素子4621が形成されている。そして、発光素子4621の下部に開口部4615が位置している。つまり、発光素子4621からの発光を基板側から取り出すときには開口部4615を有するため透過率を高めることができる。In addition, an
また、図46(a)において画素電極4617と同層に同じ材料を用いて第4の電極4624を形成して、図46(b)のような構成としてもよい。すると、第1の電極4604、第2の電極、第3の電極4614及び第4の電極4624によって構成される容量素子4625を形成することができる。In FIG. 46A, the
次に、トランジスタの半導体層にアモルファスシリコン(a−Si:H)膜を用いた場合について説明する。図47にはトップゲートのトランジスタ、図48及び図49にはボトムゲートのトランジスタの場合について示す。Next, the case where an amorphous silicon (a-Si: H) film is used for the semiconductor layer of the transistor will be described. FIG. 47 shows the case of a top gate transistor, and FIGS. 48 and 49 show the case of a bottom gate transistor.
アモルファスシリコンを半導体層に用いた順スタガ構造のトランジスタの断面を図47(a)に示す。基板4701上に下地膜4702が形成されている。さらに下地膜4702上に画素電極4703が形成されている。また、画素電極4703と同層に同じ材料からなる第1の電極4704が形成されている。FIG. 47A shows a cross section of a forward staggered transistor using amorphous silicon as a semiconductor layer. A
基板はガラス基板、石英基板、セラミック基板、プラスチック基板などを用いることができる。また、下地膜4702としては、窒化アルミニウム(AlN)や酸化珪素(SiO2)、酸化窒化珪素(SiOxNy)などの単層やこれらの積層を用いることができる。As the substrate, a glass substrate, a quartz substrate, a ceramic substrate, a plastic substrate, or the like can be used. As the
また、下地膜4702上に配線4705及び配線4706が形成され、画素電極4703の端部が配線4705で覆われている。配線4705及び配線4706の上部にN型の導電型を有するN型半導体層4707及びN型半導体層4708が形成されている。また、配線4706と配線4705の間であって、下地膜4702上に半導体層4709が形成されている。そして、半導体層4709の一部はN型半導体層4707及びN型半導体層4708上にまで延長されている。なお、この半導体層はアモルファスシリコン(a−Si:H)、微結晶半導体(μ−Si:H)等の非結晶性を有する半導体膜で形成されている。また、半導体層4709上にゲート絶縁膜4710が形成されている。また、ゲート絶縁膜4710と同層の同じ材料からなる絶縁膜4711が第1の電極4704上にも形成されている。なお、ゲート絶縁膜4710としては酸化珪素膜や窒化珪素膜などが用いられる。Further, a
また、ゲート絶縁膜4710上に、ゲート電極4712が形成されている。また、ゲート電極と同層に同じ材料でなる第2の電極4713が第1の電極4704上に絶縁膜4711を介して形成されている。第1の電極4704及び第2の電極4713で絶縁膜4711を挟まれた容量素子4719が形成されている。また、画素電極4703の端部、駆動トランジスタ4718及び容量素子4719を覆い、層間絶縁膜4714が形成されている。 In addition, a
層間絶縁膜4714及びその開口部に位置する画素電極4703上に有機化合物を含む層4715及び対向電極4716が形成され、画素電極4703と対向電極4716とで有機化合物を含む層4715が挟まれた領域では発光素子4717が形成されている。A
また、図47(a)に示す第1の電極4704を図47(b)に示すように第1の電極4720で形成してもよい。第1の電極4720は配線4705及び4706と同層の同一材料で形成されている。Alternatively, the
また、アモルファスシリコンを半導体層に用いたボトムゲート構造のトランジスタを用いた表示パネルの部分断面を図48に示す。FIG. 48 shows a partial cross section of a display panel using a bottom-gate transistor using amorphous silicon as a semiconductor layer.
基板4801上に下地膜4802が形成されている。さらに下地膜4802上にゲート電極4803が形成されている。また、ゲート電極と同層に同じ材料からなる第1の電極4804が形成されている。ゲート電極4803の材料にはリンが添加された多結晶シリコンを用いることができる。多結晶シリコンの他に、金属とシリコンの化合物であるシリサイドでもよい。 A
また、ゲート電極4803及び第1の電極4804を覆うようにゲート絶縁膜4805が形成されている。ゲート絶縁膜4805としては酸化珪素膜や窒化珪素膜などが用いられる。A
また、ゲート絶縁膜4805上に、半導体層4806が形成されている。また、半導体層4806と同層に同じ材料からなる半導体層4807が形成されている。 In addition, a
基板はガラス基板、石英基板、セラミック基板、プラスチック基板などを用いることができる。また、下地膜4802としては、窒化アルミニウム(AlN)や酸化珪素(SiO2)、酸化窒化珪素(SiOxNy)などの単層やこれらの積層を用いることができる。As the substrate, a glass substrate, a quartz substrate, a ceramic substrate, a plastic substrate, or the like can be used. As the
半導体層4806上にはN型の導電性を有するN型半導体層4808、4809が形成され、半導体層4807上にはN型半導体層4810が形成されている。N-
N型半導体層4808、4809上にはそれぞれ配線4811、4812が形成され、N型半導体層4810上には配線4811及び4812と同層の同一材料からなる導電層4813が形成されている。
半導体層4807、N型半導体層4810及び導電層4813からなる第2の電極が構成される。なお、この第2の電極と第1の電極4804でゲート絶縁膜4805を挟み込んだ構造の容量素子4820が形成されている。A second electrode including the
また、配線4811の一方の端部は延在し、その延在した配線4811上部に接して画素電極4814が形成されている。One end of the
また、画素電極4814の端部、駆動トランジスタ4819及び容量素子4820を覆うように絶縁膜4815が形成されている。In addition, an insulating
画素電極4814及び絶縁膜4815上には有機化合物を含む層4816及び対向電極4817が形成され、画素電極4814と対向電極4817とで有機化合物を含む層4816が挟まれた領域では発光素子4818が形成されている。A
容量素子の第2の電極の一部となる半導体層4807及びN型半導体層4810は設けなくても良い。つまり第2の電極は導電層4813とし、第1の電極4804と導電層4813でゲート絶縁膜が挟まれた構造の容量素子としてもよい。The
なお、図48(a)において、配線4811を形成する前に画素電極4814を形成することで、図48(b)に示すような、画素電極4814からなる第2の電極4821と第1の電極4804でゲート絶縁膜4805が挟まれた構造の容量素子4822を形成することができる。Note that in FIG. 48A, the
なお、図48では、逆スタガ型のチャネルエッチ構造のトランジスタについて示したが、もちろんチャネル保護構造のトランジスタでも良い。チャネル保護構造のトランジスタの場合について、図49(a)、(b)を用いて説明する。Note that although an inverted staggered channel-etched transistor is shown in FIG. 48, it is needless to say that a transistor with a channel protective structure may be used. The case of a transistor having a channel protective structure will be described with reference to FIGS.
図49(a)に示すチャネル保護型構造のトランジスタは図48(a)に示したチャネルエッチ構造の駆動トランジスタ4819の半導体層4806のチャネルが形成される領域上にエッチングのマスクとなる絶縁物4901が設けられている点が異なり、他の共通しているところは共通の符号を用いている。A transistor with a channel protection structure shown in FIG. 49A is an
また、同様に、図49(b)に示すチャネル保護型構造のトランジスタは図48(b)に示したチャネルエッチ構造の駆動トランジスタ4819の半導体層4806のチャネルが形成される領域上にエッチングのマスクとなる絶縁物4901が設けられている点が異なり、他の共通しているところは共通の符号を用いている。Similarly, in the channel protection type transistor shown in FIG. 49B, an etching mask is formed on a region where the channel of the
本発明の画素を構成するトランジスタの半導体層(チャネル形成領域やソース領域やドレイン領域など)に非晶質半導体膜を用いることで、製造コストを削減することができる。By using an amorphous semiconductor film for a semiconductor layer (a channel formation region, a source region, a drain region, or the like) of a transistor included in the pixel of the present invention, manufacturing cost can be reduced.
なお、本発明の画素構成の適用することができるトランジスタの構造や、容量素子の構造は上述した構成に限られず、さまざまな構成のトランジスタの構造や、容量素子の構造のものを用いることができる。Note that the structure of the transistor to which the pixel structure of the present invention can be applied and the structure of the capacitor are not limited to those described above, and transistors having various structures and structures of capacitors can be used. .
(実施の形態10)
本発明の半導体装置は様々な電子機器の回路部に適用することができる。特に、電子機器の表示部を構成する回路に本発明の半導体装置を用いることができる。そのような電子機器として、ビデオカメラ、デジタルカメラ、ゴーグル型ディスプレイ、ナビゲーションシステム、音響再生装置(カーオーディオ、オーディオコンポ等)、コンピュータ、ゲーム機器、携帯情報端末(モバイルコンピュータ、携帯電話、携帯型ゲーム機又は電子書籍等)、記録媒体を備えた画像再生装置(具体的にはDigital Versatile Disc(DVD)等の記録媒体を再生し、その画像を表示しうるディスプレイを備えた装置)などが挙げられる。(Embodiment 10)
The semiconductor device of the present invention can be applied to circuit portions of various electronic devices. In particular, the semiconductor device of the present invention can be used for a circuit included in a display portion of an electronic device. Such electronic devices include video cameras, digital cameras, goggles-type displays, navigation systems, sound playback devices (car audio, audio components, etc.), computers, game devices, portable information terminals (mobile computers, mobile phones, portable games) Or an image reproducing apparatus (specifically, an apparatus having a display capable of reproducing a recording medium such as a digital versatile disc (DVD) and displaying the image). .
図50(A)はディスプレイであり、筐体50001、支持台50002、表示部50003、スピーカ部50004、ビデオ入力端子50005等を含む。なお、ディスプレイは、パーソナルコンピュータ用、テレビジョン放送受信用、広告表示用などの全ての情報表示用表示装置が含まれる。FIG. 50A shows a display including a
図50(B)はカメラであり、本体50101、表示部50102、受像部50103、操作キー50104、外部接続ポート50105、シャッター50106等を含む。FIG. 50B shows a camera, which includes a
図50(C)はコンピュータであり、本体50201、筐体50202、表示部50203、キーボード50204、外部接続ポート50205、ポインティングマウス50206等を含む。 FIG. 50C illustrates a computer, which includes a
図50(D)はモバイルコンピュータであり、本体50301、表示部50302、スイッチ50303、操作キー50304、赤外線ポート50305等を含む。 FIG. 50D illustrates a mobile computer, which includes a
図50(E)は記録媒体を備えた携帯型の画像再生装置(具体的にはDVD再生装置)であり、本体50401、筐体50402、表示部A50403、表示部B50404、記録媒体(DVD等)読み込み部50405、操作キー50406、スピーカ部50407等を含む。FIG. 50E shows a portable image reproducing device (specifically, a DVD reproducing device) provided with a recording medium, which includes a
図50(F)はゴーグル型ディスプレイであり、本体50501、表示部50502、アーム部50503を含む。 FIG. 50F illustrates a goggle type display which includes a
図50(G)はビデオカメラであり、本体50601、表示部50602、筐体50603、外部接続ポート50604、リモコン受信部50605、受像部50606、バッテリ50607、音声入力部50608、操作キー50609、接眼部50610等を含む。 FIG. 50G illustrates a video camera, which includes a main body 50601, a display portion 50602, a
図50(H)は携帯電話機であり、本体50701、筐体50702、表示部50703、音声入力部50704、音声出力部50705、操作キー50706、外部接続ポート50707、アンテナ50708等を含む。 FIG. 50H shows a cellular phone, which includes a
このように本発明は、あらゆる電子機器に適用することが可能である。 Thus, the present invention can be applied to all electronic devices.
(実施の形態11)
本実施の形態において携帯電話の構成例について図53を用いて説明する。(Embodiment 11)
A structural example of a mobile phone in this embodiment is described with reference to FIG.
表示パネル5310はハウジング5300に脱着自在に組み込まれる。ハウジング5300は表示パネル5310のサイズに合わせて、形状や寸法を適宜変更することができる。表示パネル5310を固定したハウジング5300はプリント基板5301に嵌入されモジュールとして組み立てられる。 A display panel 5310 is incorporated in a housing 5300 so as to be detachable. The shape and dimensions of the housing 5300 can be changed as appropriate in accordance with the size of the display panel 5310. A housing 5300 to which a display panel 5310 is fixed is fitted into a printed board 5301 and assembled as a module.
表示パネル5310はFPC5311を介してプリント基板5301に接続される。プリント基板5301には、スピーカ5302、マイクロフォン5303、送受信回路5304、CPU及びコントローラなどを含む信号処理回路5305が形成されている。このようなモジュールと、入力手段5306、バッテリ5307を組み合わせ、筐体5309に収納する。表示パネル5310の画素部は筐体5309に形成された開口窓から視認できように配置する。 The display panel 5310 is connected to the printed board 5301 through the
表示パネル5310は、画素部と一部の周辺駆動回路(複数の駆動回路のうち動作周波数の低い駆動回路)を基板上にTFTを用いて一体形成し、一部の周辺駆動回路(複数の駆動回路のうち動作周波数の高い駆動回路)をICチップ上に形成し、そのICチップをCOG(Chip On Glass)で表示パネル5310に実装しても良い。あるいは、そのICチップをTAB(Tape Auto Bonding)やプリント基板を用いてガラス基板と接続してもよい。なお、一部の周辺駆動回路を基板上に画素部と一体形成し、他の周辺駆動回路を形成したICチップをCOG等で実装した表示パネルの構成は図44(a)に一例を示してある。このような構成とすることで、表示装置の低消費電力化を図り、携帯電話機の一回の充電による使用時間を長くすることができる。また、携帯電話機の低コスト化を図ることができる。 In the display panel 5310, a pixel portion and some peripheral driver circuits (a driver circuit having a low operating frequency among the plurality of driver circuits) are integrally formed using a TFT over a substrate, and some peripheral driver circuits (a plurality of driver circuits) are formed. A driving circuit having a high operating frequency among the circuits) may be formed over the IC chip, and the IC chip may be mounted on the display panel 5310 by COG (Chip On Glass). Alternatively, the IC chip may be connected to the glass substrate using TAB (Tape Auto Bonding) or a printed board. Note that FIG. 44A shows an example of the structure of a display panel in which some peripheral drive circuits are formed integrally with a pixel portion on a substrate and an IC chip on which other peripheral drive circuits are formed is mounted by COG or the like. is there. With such a structure, the power consumption of the display device can be reduced, and the usage time by one charge of the mobile phone can be extended. In addition, the cost of the mobile phone can be reduced.
また、さらに消費電力の低減を図るため、図44(b)や図45(a)に示すように、基板上にTFTを用いて画素部を形成し、全ての周辺駆動回路をICチップ上に形成し、そのICチップをCOG(Chip On Glass)などで表示パネルに実装しても良い。そして、画素部には、図2の画素構成を用い、非晶質半導体膜をトランジスタの半導体層に用いることで製造コストの削減を図ることができる。In order to further reduce power consumption, as shown in FIGS. 44 (b) and 45 (a), a pixel portion is formed on a substrate using TFTs, and all peripheral drive circuits are placed on an IC chip. Then, the IC chip may be mounted on the display panel by COG (Chip On Glass) or the like. In the pixel portion, the pixel structure in FIG. 2 is used, and an amorphous semiconductor film is used for the semiconductor layer of the transistor, so that the manufacturing cost can be reduced.
また、本実施例に示した構成は携帯電話機の一例であって、このような構成の携帯電話機に限られず様々な構成の携帯電話機の回路部に本発明の半導体装置の原理を適用することができる。Further, the configuration shown in this embodiment is an example of a cellular phone, and the principle of the semiconductor device of the present invention can be applied to a circuit unit of a cellular phone having various configurations without being limited to the cellular phone having such a configuration. it can.
(実施の形態12)
図51は表示パネル5101と、回路基板5102を組み合わせたELモジュールを示している。表示パネル5101は画素部5103、走査線駆動回路5104及び信号線駆動回路5105を有している。回路基板5102には、例えば、コントロール回路5106や信号分割回路5107などが形成されている。表示パネル5101と回路基板5102は接続配線5108によって接続されている。接続配線にはFPC等を用いることができる。(Embodiment 12)
FIG. 51 shows an EL module in which a
表示パネル5101は、画素部と一部の周辺駆動回路(複数の駆動回路のうち動作周波数の低い駆動回路)を基板上にTFTを用いて一体形成し、一部の周辺駆動回路(複数の駆動回路のうち動作周波数の高い駆動回路)をICチップ上に形成し、そのICチップをCOG(Chip On Glass)などで表示パネル5101に実装するとよい。あるいは、そのICチップをTAB(Tape Auto Bonding)やプリント基板を用いて表示パネル5101に実装しても良い。なお、一部の周辺駆動回路を基板上に画素部と一体形成し、他の周辺駆動回路を形成したICチップをCOG等で実装した構成は図44(a)に一例を示してある。In the
また、さらに消費電力の低減を図るため、ガラス基板上にTFTを用いて画素部を形成し、全ての周辺駆動回路をICチップ上に形成し、そのICチップをCOG(Chip On Glass)表示パネルに実装してもよい。Further, in order to further reduce power consumption, a pixel portion is formed on a glass substrate using TFTs, all peripheral drive circuits are formed on an IC chip, and the IC chip is a COG (Chip On Glass) display panel. May be implemented.
なお、非晶質半導体膜を、画素を構成するトランジスタの半導体層に適用する場合には、基板上にTFTを用いて画素部を形成し、全ての周辺駆動回路をICチップ上に形成し、そのICチップをCOG(Chip On Glass)で表示パネルに実装するとよい。なお、基板上に画素部を形成し、その基板上に周辺駆動回路を形成したICチップをCOG等で実装した構成は図44(b)に一例を示してある。Note that when an amorphous semiconductor film is applied to a semiconductor layer of a transistor included in a pixel, a pixel portion is formed using a TFT over a substrate, and all peripheral driver circuits are formed over an IC chip. The IC chip may be mounted on the display panel by COG (Chip On Glass). FIG. 44B shows an example of a configuration in which an IC chip in which a pixel portion is formed on a substrate and a peripheral drive circuit is formed on the substrate is mounted by COG or the like.
このELモジュールによりELテレビ受像機を完成させることができる。図52は、ELテレビ受像機の主要な構成を示すブロック図である。チューナ5201は映像信号と音声信号を受信する。映像信号は、映像信号増幅回路5202と、そこから出力される信号を赤、緑、青の各色に対応した色信号に変換する映像信号処理回路5203と、その映像信号を駆動回路の入力仕様に変換するためのコントロール回路5106により処理される。コントロール回路5106は、走査線側と信号線側にそれぞれ信号が出力する。デジタル駆動する場合には、信号線側に信号分割回路5107を設け、入力デジタル信号をm個に分割して供給する構成としても良い。 With this EL module, an EL television receiver can be completed. FIG. 52 is a block diagram illustrating a main configuration of an EL television receiver. A
チューナ5201で受信した信号のうち、音声信号は音声信号増幅回路5204に送られ、その出力は音声信号処理回路5205を経てスピーカ5206に供給される。制御回路5207は受信局(受信周波数)や音量の制御情報を入力部5208から受け、チューナ5201や音声信号処理回路5205に信号を送出する。 Of the signals received by the
図50(A)に示すように、図51のELモジュールを筐体50001に組みこんで、テレビ受像機を完成させることができる。ELモジュールにより、表示部50003が形成される。また、スピーカ部50004、ビデオ入力端子50005などが適宜備えられている。 As shown in FIG. 50A, the television set can be completed by incorporating the EL module shown in FIG. 51 into a
勿論、テレビ受像機に限定されず、パーソナルコンピュータのモニタをはじめ、鉄道の駅や空港などにおける情報表示盤や、街頭における広告表示盤などの回路部に本発明の半導体装置の原理を適用することができる。 Of course, the present invention is not limited to a television receiver, and the principle of the semiconductor device of the present invention is applied to circuit sections such as personal computer monitors, information display boards at railway stations and airports, and advertisement display boards on streets. Can do.
本実施例では、本発明の半導体装置を表示装置に適用した場合の画素レイアウトの構成例を示す。In this embodiment, a configuration example of a pixel layout when the semiconductor device of the present invention is applied to a display device is shown.
図29に示した画素2917の画素レイアウトを図63に示す。FIG. 63 shows a pixel layout of the
図63の画素は、走査線6301、配線6302、トランジスタ6307、容量素子6308、画素電極6309、スイッチトランジスタ6310、スイッチトランジスタ6311、スイッチトランジスタ6312、第1の信号線6318、第2の信号線6319及び電源線6320を有する。63 includes a
トランジスタ6307のゲート端子と電気的に接続される配線と、電源線6320の一部とにより容量素子6308が形成されている。また、トランジスタ6307は、第1端子(ソース端子又はドレイン端子の一方)が電源線6320に接続され、第2端子(ソース端子又はドレイン端子の他方)がスイッチトランジスタ6312の第1端子(ソース端子又はドレイン端子の一方)、及びスイッチトランジスタ6311の第1端子(ソース端子又はドレイン端子の一方)と接続されている。また、またトランジスタ6307のゲート端子はスイッチトランジスタ6310の第1端子(ソース端子又はドレイン端子の一方)と接続されている。スイッチトランジスタ6310の第2端子(ソース端子又はドレイン端子の他方)は第2の信号線6319と接続され、スイッチトランジスタ6311の第2端子(ソース端子又はドレイン端子の他方)は第1の信号線6318に接続されている。また、スイッチトランジスタ6310の及びスイッチトランジスタ6311のゲート端子は共に走査線6301に接続されている。スイッチトランジスタ6312は、ゲート端子が配線6302に接続され、第2端子(ソース端子又はドレイン端子の他方)が画素電極6309と接続されている。A
なお、トランジスタ6307、容量素子6308、スイッチトランジスタ6310、スイッチトランジスタ6311、スイッチトランジスタ6312、第1の信号線6318、第2の信号線6319及び電源線6320は図29の画素のトランジスタ2907、容量素子2908、スイッチ2910、スイッチ2911、スイッチ2912、第1の信号線2918、第2の信号線2919及び電源線2920にそれぞれ対応する。そして、画素電極6309上に有機化合物を含む層と対向電極とが形成されることにより図29に示す発光素子2909が完成する。Note that the
なお、本実施例の画素レイアウトは一例であってこれに限定されない。Note that the pixel layout of this embodiment is an example, and the present invention is not limited to this.
| Application Number | Priority Date | Filing Date | Title |
|---|---|---|---|
| JP2006325656AJP2007179040A (en) | 2005-12-02 | 2006-12-01 | Semiconductor device |
| Application Number | Priority Date | Filing Date | Title |
|---|---|---|---|
| JP2005350023 | 2005-12-02 | ||
| JP2006325656AJP2007179040A (en) | 2005-12-02 | 2006-12-01 | Semiconductor device |
| Application Number | Title | Priority Date | Filing Date |
|---|---|---|---|
| JP2011150537ADivisionJP2011248371A (en) | 2005-12-02 | 2011-07-07 | Semiconductor device |
| Publication Number | Publication Date |
|---|---|
| JP2007179040Atrue JP2007179040A (en) | 2007-07-12 |
| JP2007179040A5 JP2007179040A5 (en) | 2009-11-12 |
| Application Number | Title | Priority Date | Filing Date |
|---|---|---|---|
| JP2006325656AWithdrawnJP2007179040A (en) | 2005-12-02 | 2006-12-01 | Semiconductor device |
| Country | Link |
|---|---|
| JP (1) | JP2007179040A (en) |
| Publication number | Priority date | Publication date | Assignee | Title |
|---|---|---|---|---|
| CN113124944A (en)* | 2019-12-31 | 2021-07-16 | 重庆川仪自动化股份有限公司 | Dynamic electricity taking circuit and two-wire system electromagnetic flowmeter |
| Publication number | Priority date | Publication date | Assignee | Title |
|---|---|---|---|---|
| JP2003058106A (en)* | 2001-08-09 | 2003-02-28 | Nec Corp | Driving circuit for display device |
| JP2004192000A (en)* | 2002-11-22 | 2004-07-08 | Univ Stuttgart | Driver circuit for light emitting diode |
| WO2004107078A1 (en)* | 2003-05-14 | 2004-12-09 | Semiconductor Energy Laboratory Co., Ltd. | Semiconductor device |
| WO2004109638A1 (en)* | 2003-06-06 | 2004-12-16 | Semiconductor Energy Laboratory Co., Ltd. | Semiconductor device |
| JP2005157123A (en)* | 2003-11-27 | 2005-06-16 | Dainippon Printing Co Ltd | Organic EL display device |
| JP2005266089A (en)* | 2004-03-17 | 2005-09-29 | Sanyo Electric Co Ltd | Display apparatus |
| Publication number | Priority date | Publication date | Assignee | Title |
|---|---|---|---|---|
| JP2003058106A (en)* | 2001-08-09 | 2003-02-28 | Nec Corp | Driving circuit for display device |
| JP2004192000A (en)* | 2002-11-22 | 2004-07-08 | Univ Stuttgart | Driver circuit for light emitting diode |
| WO2004107078A1 (en)* | 2003-05-14 | 2004-12-09 | Semiconductor Energy Laboratory Co., Ltd. | Semiconductor device |
| WO2004109638A1 (en)* | 2003-06-06 | 2004-12-16 | Semiconductor Energy Laboratory Co., Ltd. | Semiconductor device |
| JP2005157123A (en)* | 2003-11-27 | 2005-06-16 | Dainippon Printing Co Ltd | Organic EL display device |
| JP2005266089A (en)* | 2004-03-17 | 2005-09-29 | Sanyo Electric Co Ltd | Display apparatus |
| Publication number | Priority date | Publication date | Assignee | Title |
|---|---|---|---|---|
| CN113124944A (en)* | 2019-12-31 | 2021-07-16 | 重庆川仪自动化股份有限公司 | Dynamic electricity taking circuit and two-wire system electromagnetic flowmeter |
| Publication | Publication Date | Title |
|---|---|---|
| JP6743203B2 (en) | Display device | |
| JP5815091B2 (en) | Semiconductor device | |
| JP5917649B2 (en) | Semiconductor device, display module, and electronic device | |
| US7317435B2 (en) | Pixel driving circuit and method for use in active matrix OLED with threshold voltage compensation | |
| KR101359364B1 (en) | Semiconductor device, display device, and electronic device | |
| JP5647757B2 (en) | Semiconductor device, light emitting device, module, and electronic device | |
| CN102142226B (en) | Display device, and method of driving display device | |
| JP4999351B2 (en) | Semiconductor device and display device | |
| JP5057731B2 (en) | Display device, module, and electronic device | |
| JP5264014B2 (en) | Semiconductor device, display device and electronic apparatus | |
| JP2007179040A (en) | Semiconductor device |
| Date | Code | Title | Description |
|---|---|---|---|
| A521 | Request for written amendment filed | Free format text:JAPANESE INTERMEDIATE CODE: A523 Effective date:20090925 | |
| A621 | Written request for application examination | Free format text:JAPANESE INTERMEDIATE CODE: A621 Effective date:20090925 | |
| A977 | Report on retrieval | Free format text:JAPANESE INTERMEDIATE CODE: A971007 Effective date:20101101 | |
| A131 | Notification of reasons for refusal | Free format text:JAPANESE INTERMEDIATE CODE: A131 Effective date:20110510 | |
| A521 | Request for written amendment filed | Free format text:JAPANESE INTERMEDIATE CODE: A523 Effective date:20110708 | |
| A131 | Notification of reasons for refusal | Free format text:JAPANESE INTERMEDIATE CODE: A131 Effective date:20110830 | |
| A521 | Request for written amendment filed | Free format text:JAPANESE INTERMEDIATE CODE: A523 Effective date:20111012 | |
| A761 | Written withdrawal of application | Free format text:JAPANESE INTERMEDIATE CODE: A761 Effective date:20111017 |