






本発明は交流電圧もしくは任意の極性の直流電圧を所望の極性の直流電圧に変換する全波整流回路に関する。 The present invention relates to a full-wave rectifier circuit that converts an AC voltage or a DC voltage having an arbitrary polarity into a DC voltage having a desired polarity.
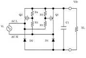
図6は従来のブリッジダイオードによる整流回路を示すものである。
図6に示すように、整流回路は4個のダイオードD11,D12,D13,D14と平滑コンデンサC11によって構成されている。D11のアノードは一方の交流入力端子AC Lに接続され、D12のアノードはもう一方の交流入力端子AC Nに接続されており、D11およびD12のカソードは平滑コンデンサC11の正側の端子に接続されている。さらに、D13のカソードはAC Lに接続され、D14のカソードはAC Nに接続され、D13のアノードおよびD14のアノードはC11の負側の端子に接続されている。交流入力端子AC L,AC Nに交流入力が供給されたとき、AC LがAC N比べて正の半サイクルにはD11とD14を介してC11に充電し、負の半サイクルにはD12とD13を介してC11に充電を行う。FIG. 6 shows a conventional rectifier circuit using a bridge diode.
As shown in FIG. 6, the rectifier circuit is composed of four diodes D11, D12, D13, D14 and a smoothing capacitor C11. The anode of D11 is connected to one AC input terminal ACL, the anode of D12 is connected to the other AC input terminal ACN, and the cathodes of D11 and D12 are connected to the positive terminal of the smoothing capacitor C11. ing. Further, the cathode of D13 is connected to AC L, the cathode of D14 is connected to AC N, and the anode of D13 and the anode of D14 are connected to the negative terminal of C11. When AC input is supplied to AC input terminals AC L and AC N, AC L charges C11 via D11 and D14 in the positive half cycle compared to AC N, and D12 and D13 in the negative half cycle. Charge C11 via
この回路ではいずれの半サイクルでも入力電流は必ず2個のダイオードを通るため、ダイオードの順方向電圧降下VFの2倍の電圧降下が発生し、電力損失となる。ダイオードには整流する電圧に応じた耐圧が必要となり、一般に耐圧が高いほどダイオードの順方向電圧降下は大きいが、順方向電圧降下は耐圧には比例せず、高圧回路に使用される一般のダイオードのVFは0.8〜1V程度、低圧回路に使用されるショットキーバリアダイオードのVFは0.4〜0.5V程度である。 In this circuit, since the input current always passes through two diodes in any half cycle, a voltage drop twice the forward voltage drop VF of the diode occurs, resulting in power loss. A diode needs to have a withstand voltage corresponding to the voltage to be rectified. Generally, the higher the withstand voltage, the larger the forward voltage drop of the diode, but the forward voltage drop is not proportional to the withstand voltage. The VF of the Schottky barrier diode used in the low voltage circuit is about 0.4 to 0.5V.
このため、整流する電圧が低いほど、整流する電力に対して順方向電圧降下による電力損失の割合が大きくなる。 For this reason, the lower the voltage to be rectified, the greater the ratio of power loss due to the forward voltage drop to the rectified power.
図6は交流電圧を直流電圧に変換する全波整流回路を示しているが、交流電源を直流電源に置き換えれば、任意の極性の直流電圧を所望する極性の直流電圧に変換する極性反転回路としても利用できるため、通信端末などに幅広く利用されている。
また他の先行技術文献としては、特許文献1〜特許文献5などが挙げられる。
Other prior art documents include
前記ダイオードの順方向電圧降下による電力損失を低減する手段として、オン抵抗の低いMOSFETを整流素子として利用する方法が試みられているが、MOSFETはゲートをバイアスすることよってはじめて導通状態となるため、MOSFETが導通状態となるべき期間を検出する検出回路、検出回路の出力信号を受けてゲートをバイアスする駆動回路、さらにはこれらの回路のための補助電源が必要になるなど、いずれも複雑で費用のかかる方法であった。 As a means for reducing the power loss due to the forward voltage drop of the diode, a method of using a MOSFET having a low on-resistance as a rectifying element has been tried, but since the MOSFET becomes conductive only by biasing the gate, A detection circuit that detects the period during which the MOSFET should be in a conductive state, a drive circuit that receives the output signal of the detection circuit and biases the gate, and an auxiliary power supply for these circuits are required. It was such a method.
従来の技術であるブリッジダイオードによる整流方式が非常に単純かつ安価な方式であるために、複雑な方式は費用対効果の点で実用性が低い。
本発明はこのような点に鑑みてなされたものであり、上記検出回路、補助電源を必要とせず、駆動回路も抵抗のみで構成することができる安価な方法により、電力損失を低減した全波整流回路を提供することを目的とする。Since the conventional rectification method using a bridge diode is a very simple and inexpensive method, a complicated method is not practical in terms of cost effectiveness.
The present invention has been made in view of the above points, and does not require the detection circuit and the auxiliary power source, and the drive circuit can be configured by only a resistor. An object is to provide a rectifier circuit.
本発明では上記課題を解決するために、2個のダイオードと2個のMOSFETをブリッジ型に接続し、それぞれのMOSFETのゲート端子が分圧抵抗によってそれぞれ異なる入力端子に接続されたことを特徴とする。このような整流回路においては、入力電圧の極性に応じて必要とされるどちらか一方のMOSFETのゲートのみがバイアスされる。また、各サイクルの充電完了後はダイオードが逆バイアスされるため直ちに電流は遮断され逆流が起こらず、MOSFETの導通期間を厳密に検出、制御する必要がない。 In order to solve the above problems, the present invention is characterized in that two diodes and two MOSFETs are connected in a bridge type, and the gate terminals of the respective MOSFETs are connected to different input terminals by voltage dividing resistors. To do. In such a rectifier circuit, only the gate of one of the required MOSFETs is biased according to the polarity of the input voltage. Further, since the diode is reverse-biased after the completion of charging in each cycle, the current is immediately cut off and no reverse flow occurs, and it is not necessary to strictly detect and control the MOSFET conduction period.
以下に発明の実施の一形態について図を用いて説明する。図1は本発明の実施例を示す。従来のブリッジ型に接続されたダイオードによる整流回路のダイオード2個をNチャネル型MOSFETに置き換えて構成されたものである。MOSFET Q1のゲートには抵抗R1およびR2によって分圧された入力電圧Viが印加され、MOSFET Q2のゲートには抵抗R3およびR4によって分圧された入力電圧Viが印加されるように接続されている。 Hereinafter, an embodiment of the invention will be described with reference to the drawings. FIG. 1 shows an embodiment of the present invention. It is constructed by replacing two diodes in a conventional rectifier circuit with diodes connected in a bridge type with N-channel MOSFETs. The input voltage Vi divided by the resistors R1 and R2 is applied to the gate of the MOSFET Q1, and the input voltage Vi divided by the resistors R3 and R4 is applied to the gate of the MOSFET Q2. .
入力電圧Viが正のとき、すなわちAC Lの電位がAC Nに対して高いときは入力電流IiはダイオードD1, MOSFET Q2を介してコンデンサC1に充電され、入力電圧Viが負のときはダイオードD2, MOSFET Q1を介してコンデンサC1に充電される。このとき、ダイオードD1,D2にはダイオードの順方向電圧降下VFが、MOSFET Q2,Q1にはオン抵抗Ronによる電圧降下Ii×Ronが発生する。 When the input voltage Vi is positive, that is, when the potential of ACL is higher than ACN, the input current Ii is charged to the capacitor C1 through the diode D1 and MOSFET Q2, and when the input voltage Vi is negative, the diode D2 The capacitor C1 is charged through the MOSFET Q1. At this time, a forward voltage drop VF of the diode is generated in the diodes D1 and D2, and a voltage drop Ii × Ron due to the on-resistance Ron is generated in the MOSFETs Q2 and Q1.
ところで、MOSFETのオン抵抗はプロセスの微細化やトレンチ化技術により年々低下しており、低耐圧のMOSFETでは数mΩのものが実用化されている。そのため、図7に示すように、上記MOSFETによる電圧降下はダイオードの電圧降下に比べて小さい。一例として、50V程度の耐圧で2Aの電流を流した場合を挙げれば、ショットキーバリアダイオードによる順方向電圧降下は0.4〜0.5V程度であるのに対して、MOSFETのオン抵抗を20mΩとすればその電圧降下は40mVであり、損失低減効果は明らかである。 By the way, the on-resistance of MOSFETs has been decreasing year by year due to process miniaturization and trenching technology, and low-voltage MOSFETs with a resistance of several mΩ have been put into practical use. Therefore, as shown in FIG. 7, the voltage drop due to the MOSFET is smaller than the voltage drop of the diode. As an example, if a current of 2A is passed with a breakdown voltage of about 50V, the forward voltage drop due to the Schottky barrier diode is about 0.4 to 0.5V, while the on-resistance of the MOSFET is 20mΩ. The voltage drop is 40 mV, and the loss reduction effect is obvious.
図3に各MOSFETのゲート・ソース間に印加される電圧とそれぞれの素子に流れる電流を示す。入力電圧が正のときMOSFET Q2のゲートには、
Vgs2=Vi×R4/(R3+R4)
の電圧が印加される。この電圧がMOSFET Q2のゲートの閾値Vthより高くなる期間、すなわち、
Vgs2≧Vth
となる期間MOSFET Q2は導通状態となる。Figure 3 shows the voltage applied between the gate and source of each MOSFET and the current flowing through each element. When the input voltage is positive, the gate of MOSFET Q2
Vgs2 = Vi × R4 / (R3 + R4)
Is applied. The period during which this voltage is higher than the gate threshold Vth of MOSFET Q2, that is,
Vgs2 ≧ Vth
During this period, MOSFET Q2 is in a conductive state.
このとき、MOSFET Q1のゲート・ソース間には負電圧が発生するが、抵抗R1とR2はMOSFET Q2のドレイン・ソース間に並列に接続されているので、MOSFET Q2のソース・ドレイン間の電圧はMOSFET Q2のボディダイオードDBの順方向電圧降下より大きくはならないため、MOSFET Q1のゲート電圧Vgs1はほぼ0となりMOSFET Q1は遮断状態を維持する。図2はMOSFETに寄生するボディダイオードDBの等価回路を示す。 At this time, a negative voltage is generated between the gate and source of MOSFET Q1, but resistors R1 and R2 are connected in parallel between the drain and source of MOSFET Q2, so the voltage between the source and drain of MOSFET Q2 is Since it cannot be larger than the forward voltage drop of the body diode DB of the MOSFET Q2, the gate voltage Vgs1 of the MOSFET Q1 becomes almost 0 and the MOSFET Q1 maintains the cutoff state. FIG. 2 shows an equivalent circuit of the body diode DB parasitic to the MOSFET.
同様に入力電圧Viが負のときには、MOSFET Q1が導通状態となり、MOSFET Q2が遮断状態となる。入力電圧Viは正と負を交互に繰り返すので、MOSFET Q1とQ2は交互に導通状態となり、かつ図3から明らかなようにMOSFET Q1とQ2は同時に導通状態とはならない。このようにして、前記回路は全波整流を実現する。 Similarly, when the input voltage Vi is negative, the MOSFET Q1 is turned on and the MOSFET Q2 is turned off. Since the input voltage Vi repeats positive and negative alternately, the MOSFETs Q1 and Q2 are alternately turned on, and the MOSFETs Q1 and Q2 are not turned on simultaneously as is apparent from FIG. In this way, the circuit realizes full wave rectification.
ここで、入力電圧Viが正のときダイオードD1,MOSFET Q2を介してコンデンサC1に流れる入力電流をi1、入力電圧が負のときダイオードD2,MOSFET Q1を介してコンデンサC1に流れる入力電流をi2、i1とi2が流れる期間をそれぞれt1およびt2としたとき、t1はMOSFET Q2が導通状態となっている期間に、t2はMOSFET Q1が導通状態となっている期間にそれぞれ包括されていることが必要となるが、i1およびi2はダイオードの整流作用を受けるため逆流することがないため、t1およびt2はそれぞれMOSFET Q2およびQ1の導通期間に一致している必要はなく、MOSFET Q2およびQ1のゲートを制御するために入力電流を検出する必要がない。MOSFET Q1およびQ2が導通状態となる期間は、分圧抵抗によって任意に設定することができるため前記条件を満たすことは容易である。 Here, when the input voltage Vi is positive, the input current flowing through the capacitor C1 via the diode D1, MOSFET Q2 is i1, and when the input voltage is negative, the input current flowing through the capacitor C1 via the diode D2, MOSFET Q1 is i2, When t1 and t2 are the periods in which i1 and i2 flow, respectively, t1 must be included in the period when MOSFET Q2 is in the conductive state, and t2 must be included in the period in which MOSFET Q1 is in the conductive state However, since i1 and i2 do not flow back because they are rectified by the diode, t1 and t2 do not need to match the conduction period of MOSFETs Q2 and Q1, respectively. There is no need to detect the input current to control. The period during which the MOSFETs Q1 and Q2 are in a conductive state can be arbitrarily set by a voltage dividing resistor, so that the above condition is easily satisfied.
MOSFET Q1およびQ2のゲート・ソース間に印加される電圧は、分圧抵抗の値によって任意に設定することができる。この電圧はゲートの閾値Vthを越え、かつゲートの耐圧を越えてはならないが、一般にゲートの閾値は1〜4V、ゲートの耐圧は10〜30Vとなっているため、ゲート・ソース間に印加される電圧を、この間に設定することもまた容易である。 The voltage applied between the gate and source of MOSFETs Q1 and Q2 can be arbitrarily set by the value of the voltage dividing resistor. This voltage exceeds the gate threshold Vth and must not exceed the gate breakdown voltage, but generally the gate threshold is 1 to 4 V and the gate breakdown voltage is 10 to 30 V, so it is applied between the gate and source. It is also easy to set the voltage during this period.
図1には分圧抵抗によって分圧された入力電圧をゲート・ソース間に印加する例を示したが、入力電圧がゲートの耐圧を越えない場合は、MOSFET Q1およびQ2のゲート・ソース間に接続される抵抗R2およびR4は開放状態であっても良い。また、抵抗R1およびR3の抵抗値は、ゲートの入力容量による時定数が実用上問題にならない範囲で任意に設定できるため短絡しても良いが、一般にMOSFETのゲートは過電圧や静電気に弱く、保護の観点からみれば短絡状態での使用は実用的ではなく、可能な限り抵抗値は大きくしておいた方が良い。また、複数の抵抗を直列接続して分圧抵抗とすることも可能である。さらに、入力電圧範囲が非常に広い用途の場合、入力電圧の下限値においてゲート・ソース間に印加される電圧が閾値を越えるような分割抵抗の値を設定すると、入力電圧の上限値においてゲート・ソース間に印加される電圧がゲートの耐圧を越えてしまう場合も考えられる。そのような場合には、ゲート・ソース間にツェナーダイオードを接続するなどの簡単な方法で印加電圧をクランプし、ゲートを過電圧から保護することができる。 Figure 1 shows an example in which the input voltage divided by the voltage-dividing resistor is applied between the gate and source. However, if the input voltage does not exceed the gate breakdown voltage, the MOSFET Q1 and Q2 are connected between the gate and source. The connected resistors R2 and R4 may be open. In addition, the resistance values of resistors R1 and R3 can be set as long as the time constant depending on the input capacitance of the gate does not cause a problem in practice, so it can be short-circuited. From this point of view, the use in a short-circuit state is not practical, and it is better to make the resistance value as large as possible. It is also possible to connect a plurality of resistors in series to form a voltage dividing resistor. In addition, in applications where the input voltage range is very wide, setting the dividing resistor value so that the voltage applied between the gate and source exceeds the threshold value at the lower limit value of the input voltage will cause the gate voltage at the upper limit value of the input voltage. There may be a case where the voltage applied between the sources exceeds the breakdown voltage of the gate. In such a case, the applied voltage can be clamped by a simple method such as connecting a Zener diode between the gate and the source to protect the gate from overvoltage.
このように、本形態では分圧抵抗のみで構成された単純かつ安価な駆動方式により、整流回路にMOSFETを用いて電力損失を低減することが可能となる。
次に、本発明の他の形態について説明する。図4は本発明の他の形態の整流回路の構成を示す回路図である。図4におけるMOSFET Q1,Q2にはPチャネル型MOSFETが使用されており、Pチャネル型MOSFETはゲート・ソース間の電圧を負電圧にバイアスすることで導通状態となる。この形態の回路における各部の動作波形を図5に示す。図5の波形より明らかなように、MOSFETのゲート・ソース間の電圧が負電圧にバイアスされることで導通状態となる点を除けば、図4に示す形態は図1に示す前記形態と同様の動作原理で整流が可能となるため、詳細な動作の説明は省略する。As described above, in this embodiment, the power loss can be reduced by using the MOSFET in the rectifier circuit by a simple and inexpensive driving system configured by only the voltage dividing resistor.
Next, another embodiment of the present invention will be described. FIG. 4 is a circuit diagram showing a configuration of a rectifier circuit according to another embodiment of the present invention. P-channel MOSFETs are used for the MOSFETs Q1 and Q2 in FIG. 4, and the P-channel MOSFET becomes conductive by biasing the gate-source voltage to a negative voltage. FIG. 5 shows operation waveforms of respective parts in the circuit of this embodiment. As is clear from the waveform of FIG. 5, the configuration shown in FIG. 4 is the same as the configuration shown in FIG. 1 except that the gate-source voltage of the MOSFET is biased to a negative voltage and becomes conductive. Since the rectification can be performed by the operation principle, detailed description of the operation is omitted.
これらの形態では、正弦波状の交流電圧を直流電圧に変換する全波整流回路を例にあげて説明したが、入力電圧が矩形波や三角波などの交流電圧であっても同様の整流作用があることや、所望する極性の直流電圧を出力する極性反転型の整流回路にも使用できることも図3の説明より明らかである。 In these embodiments, a full-wave rectifier circuit that converts a sinusoidal AC voltage to a DC voltage has been described as an example, but the same rectifying action is obtained even if the input voltage is an AC voltage such as a rectangular wave or a triangular wave. In addition, it is apparent from the description of FIG. 3 that it can also be used for a polarity inversion type rectifier circuit that outputs a DC voltage having a desired polarity.
以上のように本発明の実施例によれば、ブリッジ型に接続された2個のダイオードと2個のMOSFETと、これらのゲートをバイアスする抵抗によって構成された駆動回路を用いることにより、特別な検出回路や制御回路を必要とせず、さらにはそれらの補助電源も必要としない電力損失の小さな全波整流回路を、単純かつ安価に実現することができる。 As described above, according to the embodiment of the present invention, by using a drive circuit constituted by two diodes connected in a bridge type, two MOSFETs, and a resistor biasing these gates, a special circuit is used. A full-wave rectifier circuit with low power loss that does not require a detection circuit or a control circuit and that does not require an auxiliary power source thereof can be realized simply and inexpensively.
D1,D2 整流用ダイオード
Q1,Q2 MOSFET
R1,R2,R3,R4 分圧抵抗
C1 平滑コンデンサ
Vi 交流の入力電圧
Vdc 直流の出力電圧
Ii 入力電流
i1 D1,Q2を流れる入力電流
i2 D2,Q1を流れる入力電流
D MOSFETのドレイン
S MOSFETのソース
G MOSFETのゲート
DB MOSFETのボディダイオード
Vgs1 Q1のゲート・ソース間印加電圧
Vgs2 Q2のゲート・ソース間印加電圧
Vth Q1,Q2のゲート閾値
VF ダイオードの順方向電圧降下
D11,D12,D13,D14 整流ダイオード
C11 平滑コンデンサ
RL 負荷抵抗
Ron MOSFETのオン抵抗D1, D2 Rectifier diode
Q1, Q2 MOSFET
R1, R2, R3, R4 Voltage divider resistor
C1 smoothing capacitor
Vi AC input voltage
Vdc DC output voltage
Ii Input current
i1 Input current flowing through D1 and Q2
i2 Input current flowing through D2 and Q1
D MOSFET drain
S MOSFET source
G MOSFET gate
DB MOSFET body diode
Vgs1 Q1 gate-source applied voltage
Vgs2 Q2 gate-source applied voltage
Vth Q1, Q2 gate threshold
VF diode forward voltage drop
D11, D12, D13, D14 Rectifier diode
C11 Smoothing capacitor
RL load resistance
Ron MOSFET on-resistance
| Application Number | Priority Date | Filing Date | Title |
|---|---|---|---|
| JP2005198965AJP2007020307A (en) | 2005-07-07 | 2005-07-07 | Full-wave rectifying circuit |
| Application Number | Priority Date | Filing Date | Title |
|---|---|---|---|
| JP2005198965AJP2007020307A (en) | 2005-07-07 | 2005-07-07 | Full-wave rectifying circuit |
| Publication Number | Publication Date |
|---|---|
| JP2007020307Atrue JP2007020307A (en) | 2007-01-25 |
| Application Number | Title | Priority Date | Filing Date |
|---|---|---|---|
| JP2005198965APendingJP2007020307A (en) | 2005-07-07 | 2005-07-07 | Full-wave rectifying circuit |
| Country | Link |
|---|---|
| JP (1) | JP2007020307A (en) |
| Publication number | Priority date | Publication date | Assignee | Title |
|---|---|---|---|---|
| DE102008045745A1 (en) | 2007-09-05 | 2009-04-09 | Denso Corp., Kariya-shi | Vehicle alternator having a rectifier terminal comprising sections of different metals |
| CN103326596A (en)* | 2012-03-22 | 2013-09-25 | 立锜科技股份有限公司 | Power Supply Circuit and AC Signal Rectification Method |
| JP2013255392A (en)* | 2012-06-08 | 2013-12-19 | Yoshikawa Rf Semicon Co Ltd | Full wave rectification circuit |
| JP2014220886A (en)* | 2013-05-07 | 2014-11-20 | 株式会社リコー | Rectifier circuit and dc power supply device |
| CN104617794A (en)* | 2015-02-13 | 2015-05-13 | 深圳欧陆通电子有限公司 | Switch power supply and rectifying circuit |
| KR20220095344A (en)* | 2020-12-29 | 2022-07-07 | 청주대학교 산학협력단 | Bridgeless type switching rectifier |
| WO2023095478A1 (en)* | 2021-11-24 | 2023-06-01 | 株式会社日立パワーデバイス | Rectifier circuit and power supply using same |
| US11967903B2 (en) | 2021-02-25 | 2024-04-23 | Seiko Epson Corporation | Rectifier circuit and power reception control device |
| Publication number | Priority date | Publication date | Assignee | Title |
|---|---|---|---|---|
| JPS6364572A (en)* | 1986-09-01 | 1988-03-23 | Tamura Electric Works Ltd | Rectification circuit with less loss |
| JP2003092885A (en)* | 2001-09-19 | 2003-03-28 | Shindengen Electric Mfg Co Ltd | Input rectifying circuit for switching power supply unit |
| Publication number | Priority date | Publication date | Assignee | Title |
|---|---|---|---|---|
| JPS6364572A (en)* | 1986-09-01 | 1988-03-23 | Tamura Electric Works Ltd | Rectification circuit with less loss |
| JP2003092885A (en)* | 2001-09-19 | 2003-03-28 | Shindengen Electric Mfg Co Ltd | Input rectifying circuit for switching power supply unit |
| Publication number | Priority date | Publication date | Assignee | Title |
|---|---|---|---|---|
| DE102008045745A1 (en) | 2007-09-05 | 2009-04-09 | Denso Corp., Kariya-shi | Vehicle alternator having a rectifier terminal comprising sections of different metals |
| DE102008045745B4 (en) | 2007-09-05 | 2018-11-22 | Denso Corporation | Vehicle alternator having a rectifier terminal comprising sections of different metals |
| CN103326596A (en)* | 2012-03-22 | 2013-09-25 | 立锜科技股份有限公司 | Power Supply Circuit and AC Signal Rectification Method |
| JP2013255392A (en)* | 2012-06-08 | 2013-12-19 | Yoshikawa Rf Semicon Co Ltd | Full wave rectification circuit |
| JP2014220886A (en)* | 2013-05-07 | 2014-11-20 | 株式会社リコー | Rectifier circuit and dc power supply device |
| CN104617794A (en)* | 2015-02-13 | 2015-05-13 | 深圳欧陆通电子有限公司 | Switch power supply and rectifying circuit |
| KR20220095344A (en)* | 2020-12-29 | 2022-07-07 | 청주대학교 산학협력단 | Bridgeless type switching rectifier |
| KR102467253B1 (en) | 2020-12-29 | 2022-11-17 | 청주대학교 산학협력단 | Bridgeless type switching rectifier |
| US11967903B2 (en) | 2021-02-25 | 2024-04-23 | Seiko Epson Corporation | Rectifier circuit and power reception control device |
| WO2023095478A1 (en)* | 2021-11-24 | 2023-06-01 | 株式会社日立パワーデバイス | Rectifier circuit and power supply using same |
| Publication | Publication Date | Title |
|---|---|---|
| EP2128984B1 (en) | Rectifier | |
| US6541947B1 (en) | Step-down constant-current transformer | |
| US7411768B2 (en) | Low-loss rectifier with shoot-through current protection | |
| US9812963B1 (en) | Current detection and averaging circuit for switching power supplies with a half-bridge switch circuit topology | |
| US9293999B1 (en) | Automatic enhanced self-driven synchronous rectification for power converters | |
| US20210211060A1 (en) | Switching control device, driving device, isolated dc-dc converter, ac-dc converter, power adapter, and electric appliance | |
| US8614874B2 (en) | Biased MOSFET active bridge with active gate drive | |
| US8415932B2 (en) | Switching control circuit | |
| JP6981393B2 (en) | Switching element drive circuit and switching circuit | |
| CN103199717A (en) | Bridge rectifier applied to PFC power converter | |
| KR101761526B1 (en) | Semiconductor device | |
| US8174214B2 (en) | Three-phase low-loss rectifier with active gate drive | |
| US10365679B2 (en) | Regenerative current detection circuit, charge current detection circuit, and motor current detection system | |
| US8125808B2 (en) | Three-phase low-loss rectifier | |
| JP2007020307A (en) | Full-wave rectifying circuit | |
| US20080043499A1 (en) | Buck converter fault detection method | |
| US9472943B2 (en) | Offline power converter and the method thereof | |
| US9312688B1 (en) | Power supply protection system | |
| US10622911B1 (en) | Rectifier circuits for electrical power supplies | |
| JP5912726B2 (en) | Synchronous rectifier bridge | |
| JP2007020308A (en) | Polarity reversal rectifying circuit | |
| US9077256B2 (en) | Method of forming a low power dissipation regulator and structure therefor | |
| US20150381072A1 (en) | Switching power supply circuit | |
| JP2001069674A (en) | Negative-polarity input-voltage preventive circuit | |
| AU2002245411A1 (en) | Switching power supply |
| Date | Code | Title | Description |
|---|---|---|---|
| A621 | Written request for application examination | Free format text:JAPANESE INTERMEDIATE CODE: A621 Effective date:20080225 | |
| A977 | Report on retrieval | Free format text:JAPANESE INTERMEDIATE CODE: A971007 Effective date:20101129 | |
| A131 | Notification of reasons for refusal | Free format text:JAPANESE INTERMEDIATE CODE: A131 Effective date:20101203 | |
| A02 | Decision of refusal | Effective date:20110401 Free format text:JAPANESE INTERMEDIATE CODE: A02 |