









この発明は、直流電圧を昇圧あるいは降圧した直流電圧に変換する、スイッチドキャパシタ形DC/DCコンバータ装置に関するものである。The present invention relates to a switched capacitor type DC / DC converter device that converts a DC voltage into a DC voltage obtained by stepping up or down a DC voltage.
従来のスイッチドキャパシタ形DC/DCコンバータ装置は、m(mは2以上の整数)個の並列接続されたスイッチドキャパシタ変成器からなり、各変成器は、コンデンサと複数のスイッチングトランジスタとで構成される。各スイッチドキャパシタ変成器は、コンデンサへの充放電を交互に切り換えるスイッチングトランジスタを、それぞれ所定の入力電圧に応じて2π/m(rad)ずつ位相のずれたクロック信号あるいは常時オンまたは常時オフ状態とする信号で駆動するように構成した(例えば、特許文献1参照)。 A conventional switched capacitor type DC / DC converter device includes m (m is an integer of 2 or more) switched capacitor transformers connected in parallel, and each transformer includes a capacitor and a plurality of switching transistors. Is done. Each switched capacitor transformer switches a switching transistor that alternately switches between charging and discharging the capacitor to a clock signal that is shifted in phase by 2π / m (rad) according to a predetermined input voltage, or a normally on or a normally off state. (See, for example, Patent Document 1).
このような従来のスイッチドキャパシタ形DC/DCコンバータ装置では、コンデンサの充放電を交互に切り換えて電力移行するが、移行する電力量を大きくしようとすると、コンデンサの容量を増加させるか、スイッチ素子のスイッチング周波数を増加させることになる。コンデンサ容量の増加はコンバータ装置が大形化するという問題がある。また、スイッチング周波数の増加は、高周波に対応した高速で高精度な制御回路素子が必要であり、またスイッチ素子を高速に駆動するために駆動力の高いゲート駆動回路が必要となることから、コンバータ装置の高コスト化という問題がある。 In such a conventional switched capacitor type DC / DC converter device, the power is transferred by alternately switching the charge and discharge of the capacitor. However, if the amount of power to be transferred is increased, the capacity of the capacitor is increased or the switch element is switched. This increases the switching frequency. The increase in the capacitor capacity has a problem that the converter device becomes large. In addition, an increase in switching frequency requires a high-speed and high-precision control circuit element corresponding to a high frequency, and a gate drive circuit having a high driving force is required to drive the switch element at a high speed. There is a problem of high cost of the apparatus.
この発明は、上記のような問題点を解消するために成されたものであって、小型で簡略な回路構成で移行する電力量を増大できるスイッチドキャパシタ形DC/DCコンバータ装置を得ることを目的としている。 The present invention has been made to solve the above problems, and is to obtain a switched capacitor type DC / DC converter device capable of increasing the amount of power to be transferred with a small and simple circuit configuration. It is aimed.
この発明によるスイッチドキャパシタ形DC/DCコンバータ装置は、低電圧側直流電源と高電圧側直流電源との間に、コンデンサと複数の半導体スイッチング素子とを備え、該半導体スイッチング素子のスイッチング動作により上記コンデンサの充放電を交互に切り換えて上記2つの電源間でエネルギの移行を行う。そして、上記コンデンサの充電経路と放電経路とが重なる経路区間にインダクタを挿入して、上記コンデンサの充放電時に該コンデンサと上記インダクタとが直列に接続されるものである。 A switched capacitor type DC / DC converter device according to the present invention comprises a capacitor and a plurality of semiconductor switching elements between a low voltage side DC power supply and a high voltage side DC power supply, and the switching operation of the semiconductor switching element causes the above-described operation. The energy is transferred between the two power sources by alternately switching between charging and discharging of the capacitor. Then, an inductor is inserted in a path section where the charging path and discharging path of the capacitor overlap, and the capacitor and the inductor are connected in series when the capacitor is charged and discharged.
このようなスイッチドキャパシタ形DC/DCコンバータ装置では、コンデンサの充電経路および放電経路にインダクタを配置したため、半導体スイッチング素子のスイッチング周波数を適切に設定することで、コンデンサとインダクタとの共振現象を利用することが可能になる。これにより、1回のスイッチング動作により移行できるエネルギ量を増大することができ、コンデンサの容量を増加させたり、半導体スイッチング素子のスイッチング周波数を増加させたりすることなく、移行する電力量を増大できる。 In such a switched capacitor type DC / DC converter device, since the inductor is arranged in the charging path and discharging path of the capacitor, the resonance phenomenon between the capacitor and the inductor is utilized by appropriately setting the switching frequency of the semiconductor switching element. It becomes possible to do. Thus, the amount of energy that can be transferred by one switching operation can be increased, and the amount of power to be transferred can be increased without increasing the capacitance of the capacitor or increasing the switching frequency of the semiconductor switching element.
実施の形態1.
以下、この発明の実施の形態1によるスイッチドキャパシタ形DC/DCコンバータ装置(以下、コンバータ装置と称す)を図について説明する。
図1は、この発明の実施の形態1によるコンバータ装置の主回路構成を示す図である。
図に示すように、低電圧側(VL側)直流電源と高電圧側(VH側)直流電源との間に1つのSC形(スイッチドキャパシタ形)コンバータブロック1が接続される。低電圧側直流電源の両端子2、2a間、および高電圧側直流電源の両端子3、3a間には、電圧を平滑するための平滑コンデンサCL、CHが接続され、低電圧側直流電源の負極端子2aおよび高電圧側直流電源の負極端子3aは接地される。
Hereinafter, a switched capacitor type DC / DC converter device (hereinafter referred to as a converter device) according to
1 is a diagram showing a main circuit configuration of a converter apparatus according to
As shown, one SC type (switched capacitor type)
コンバータブロック1は、4個の半導体スイッチング素子としてのMOSFET(以下スイッチと称す)Sw1〜Sw4、コンデンサCeおよびインダクタLrを備える。
第1の半導体スイッチング素子としてのスイッチSw1のドレイン端子は高電圧側直流電源の正極端子3に接続される。第2の半導体スイッチング素子としてのスイッチSw2は、ドレイン端子がスイッチSw1のソース端子に、ソース端子が低電圧側直流電源の正極端子2に接続される。第3の半導体スイッチング素子としてのスイッチSw3のソース端子は、高電圧側直流電源の負極端子3aおよび低電圧側直流電源の負極端子2aに接続される。第4の半導体スイッチング素子としてのスイッチSw4は、ソース端子がスイッチSw3のドレイン端子に、ドレイン端子が低電圧側直流電源の正極端子2に接続される。また、コンデンサCeとインダクタLrとは直列接続されて、スイッチSw1、Sw2の接続点とスイッチSw3、Sw4の接続点との間に接続される。The
The drain terminal of the switch Sw1 as the first semiconductor switching element is connected to the
各スイッチSw1〜Sw4には、図示しない制御回路部により生成されたゲート駆動信号(以下、ゲート信号と称す)が入力され、そのゲート信号の電圧レベルに応じてオンオフ動作を行う。なお、低電圧側直流電源の端子2、2a間の電圧をVL、高電圧側直流電源の端子3、3a間の電圧をVHとする。
スイッチSw2、Sw3の同時導通とスイッチSw1、Sw4の同時導通とを交互に切り換えることにより、2VL>VHの場合には、低電圧側から高電圧側に電力移行し、2VL<VHの場合には、高電圧側から低電圧側に電力移行する。それぞれの場合におけるコンバータ装置の基本動作について、以下に説明する。なお、後述するようにインダクタLrとコンデンサCeとの直列共振現象を利用するが、ここでは電力移行の基本動作を説明するため、便宜上、インダクタLrの作用を無視して説明する。A gate drive signal (hereinafter referred to as a gate signal) generated by a control circuit unit (not shown) is input to each of the switches Sw1 to Sw4, and an on / off operation is performed according to the voltage level of the gate signal. It is assumed that the voltage between the
By switching between simultaneous conduction of switches Sw2 and Sw3 and simultaneous conduction of switches Sw1 and Sw4, when 2VL> VH, power is transferred from the low voltage side to the high voltage side, and when 2VL <VH The power is transferred from the high voltage side to the low voltage side. The basic operation of the converter device in each case will be described below. As will be described later, the series resonance phenomenon of the inductor Lr and the capacitor Ce is used, but here, for the sake of convenience, the operation of the inductor Lr will be ignored in order to explain the basic operation of power transfer.
2VL>VHの場合、スイッチSw2、Sw3がオンのときスイッチSw1、Sw4はオフであり、電流は、平滑コンデンサCL(低電圧側正極端子2)〜スイッチSw2〜インダクタLr〜コンデンサCe〜スイッチSw3〜接地端子2aの経路を流れる。これにより、低電圧側の平滑コンデンサCLとコンデンサCeは並列に接続され、コンデンサCeは低電圧側の端子間電圧VLによりVLに充電される。次いで、スイッチSw2、Sw3がオフになり、スイッチSw1、Sw4がオンになると、電流は、平滑コンデンサCL(低電圧側正極端子2)〜スイッチSw4〜コンデンサCe〜インダクタLr〜スイッチSw1〜平滑コンデンサCH〜接地端子3a、2aの経路を流れる。これにより、平滑コンデンサCLとコンデンサCeとは直列接続されて、その直列体は平滑コンデンサCHと並列接続される。平滑コンデンサCLおよびコンデンサCeは電圧VLであるため、その直列体の電圧は2VLとなる。高電圧側の端子電圧VHは2VLよりも小さいため、エネルギは低電圧側から高電圧側に移行する。 When 2VL> VH, when the switches Sw2 and Sw3 are on, the switches Sw1 and Sw4 are off, and the current is the smoothing capacitor CL (low voltage side positive terminal 2) to the switch Sw2 to the inductor Lr to the capacitor Ce to the switch Sw3 to It flows through the path of the
2VL<VHの場合、スイッチSw1、Sw4がオンのときスイッチSw2、Sw3はオフであり、電流は、平滑コンデンサCH(高電圧側正極端子3)〜スイッチSw1〜インダクタLr〜コンデンサCe〜スイッチSw4〜平滑コンデンサCL〜接地端子2a、3aの経路を流れる。これにより、平滑コンデンサCLとコンデンサCeとは直列接続されて、その直列体は平滑コンデンサCHと並列接続される。平滑コンデンサCL、CHの各電圧は、VL、VHであるため、コンデンサCeにはVH−VLの電圧が充電される。次いで、スイッチSw1、Sw4がオフになり、スイッチSw2、Sw3がオンになると、電流は、コンデンサCe〜インダクタLr〜スイッチSw2〜平滑コンデンサCL〜スイッチSw3の経路を流れる。これにより、低電圧側の平滑コンデンサCLとコンデンサCeは並列に接続される。平滑コンデンサCL、コンデンサCeの各電圧は、VL、VH−VLであり、VL<VH−VLであるため、コンデンサCeの電圧が低電圧側の端子間電圧VLと等しくなるように、エネルギは高電圧側から低電圧側に移行する。 When 2VL <VH, when the switches Sw1 and Sw4 are on, the switches Sw2 and Sw3 are off, and the current is the smoothing capacitor CH (high voltage side positive terminal 3) to the switch Sw1 to the inductor Lr to the capacitor Ce to the switch Sw4 to It flows through the path from the smoothing capacitor CL to the
このように、このコンバータ装置では、VH/VLが概2の関係で双方向に電力移行するように動作する。
いずれの方向でも、スイッチSw2、Sw3の同時導通とスイッチSw1、Sw4の同時導通とを交互に切り換え、スイッチSw2、Sw3のゲート信号とスイッチSw1、Sw4のゲート信号とは同形状である。このスイッチング動作の切り換えによりコンデンサCeの充電と放電とを切り換えて電力移行を行うが、充電時の電流経路と放電時の電流経路とが重なる区間にインダクタLrが挿入されているため、充電時および放電時の双方の電流経路が、インダクタLr、コンデンサCe、および電流が流れる経路の抵抗が直列に接続された経路となる。このため、スイッチSw2、Sw3のゲート信号およびスイッチSw1、Sw4のゲート信号のスイッチング周波数を、インダクタLrとコンデンサCeとが直列共振状態となる共振周波数に一致させる。Thus, in this converter device, VH / VL operates so as to transfer power bidirectionally in a relation of approximately two.
In either direction, the simultaneous conduction of the switches Sw2 and Sw3 and the simultaneous conduction of the switches Sw1 and Sw4 are alternately switched, and the gate signals of the switches Sw2 and Sw3 and the gate signals of the switches Sw1 and Sw4 have the same shape. By switching the switching operation, the capacitor Ce is switched between charging and discharging to perform power transfer.However, since the inductor Lr is inserted in a section where the current path during charging and the current path during discharging overlap, Both current paths during discharge are paths in which the inductor Lr, the capacitor Ce, and the resistance of the path through which the current flows are connected in series. For this reason, the switching frequency of the gate signals of the switches Sw2 and Sw3 and the gate signals of the switches Sw1 and Sw4 is made to coincide with the resonance frequency at which the inductor Lr and the capacitor Ce are in a series resonance state.
コンデンサCeの容量値をCe、インダクタLrのインダクタンス値をLr、電流が流れる経路の抵抗、即ち、スイッチSw2、Sw3またはスイッチSw1、Sw4のオン抵抗とコンデンサCe、インダクタLrの抵抗成分との合計をRとすると、ゲート信号の周期Tは、以下の式(1)で表せる。 The capacitance value of the capacitor Ce is Ce, the inductance value of the inductor Lr is Lr, the resistance of the path through which the current flows, that is, the sum of the on-resistance of the switch Sw2, Sw3 or the switch Sw1, Sw4 and the resistance component of the capacitor Ce, the inductor Lr. Assuming R, the period T of the gate signal can be expressed by the following equation (1).
このように、インダクタLrとコンデンサCeとが直列共振状態となるとき、各スイッチSw1〜Sw4のゲート信号および各部の電圧、電流波形を図2に示す。図2(a)は、2VL>VHの場合を示し、図2(b)は、2VL<VHの場合を示す。なお、低電圧側直流電源の正極端子2からコンバータブロック1に流れる電流をIL、コンバータブロック1から高電圧側直流電源の正極端子3に流れる電流をIH、コンデンサCeに流れる電流をIce、コンデンサCeの電圧をVceとする。また、図2中に示した電流、電圧の矢印の方向を正とする。
図に示すように、コンデンサCeに流れる電流IceがゼロになるタイミングでスイッチSw2、Sw3とスイッチSw1、Sw4とのオンオフが切り換えられ、コンデンサCeに流れる電流Iceは図2で示したように連続した正弦波状の電流となる。また、電流ILは電流Iceを絶対値変換して正負いずれかの一方向とした電流波形、電流IHは電流ILのスイッチSw1、Sw4のオン期間のみを取り出した電流波形になる。As described above, when the inductor Lr and the capacitor Ce are in a series resonance state, the gate signals of the switches Sw1 to Sw4 and the voltage and current waveforms of the respective parts are shown in FIG. FIG. 2A shows the case of 2VL> VH, and FIG. 2B shows the case of 2VL <VH. The current flowing from the
As shown in the figure, the switches Sw2, Sw3 and the switches Sw1, Sw4 are turned on and off at the timing when the current Ice flowing through the capacitor Ce becomes zero, and the current Ice flowing through the capacitor Ce is continuous as shown in FIG. It becomes a sinusoidal current. Further, the current IL has a current waveform in which the current Ice is converted into an absolute value in either a positive or negative direction, and the current IH has a current waveform obtained by taking out only the ON periods of the switches SW1 and Sw4 of the current IL.
また、コンデンサCeの電圧Vceは、電圧VLを中心とし正弦波状に振動する電圧となり、その電圧は、各ゲート信号の切り換えタイミングで最大値、最小値を示す。
この電圧Vceの波形が示すように、コンデンサCeの電圧Vceは、エネルギ移行時にVL+ΔVからVL−ΔVに変化している。仮に共振現象を利用しないとすると、(2VL−VH)分の電荷量しかエネルギが移行しないのに対して、この実施の形態では(2VL−VH)より大きな電荷量でエネルギ移行が可能となる。Further, the voltage Vce of the capacitor Ce is a voltage that oscillates in a sine wave shape centered on the voltage VL, and the voltage shows the maximum value and the minimum value at the switching timing of each gate signal.
As shown by the waveform of the voltage Vce, the voltage Vce of the capacitor Ce changes from VL + ΔV to VL−ΔV at the time of energy transfer. If the resonance phenomenon is not used, energy is transferred only by the amount of charge of (2VL−VH), whereas in this embodiment, energy can be transferred with a larger amount of charge than (2VL−VH).
このように、この実施の形態では、インダクタLrとコンデンサCeとの直列共振現象を利用するため、コンデンサCeに流れる電流Iceを連続した正弦波状の電流にでき、1スイッチング当りに利用するコンデンサCeの蓄積エネルギ量を大きくできる。このため、コンデンサ容量の増加やスイッチング周波数を高くすることなく、小型で簡略な回路構成で移行する電力量を増大できる。 In this way, in this embodiment, since the series resonance phenomenon of the inductor Lr and the capacitor Ce is used, the current Ice flowing through the capacitor Ce can be made a continuous sinusoidal current, and the capacitor Ce used per switching The amount of stored energy can be increased. For this reason, it is possible to increase the amount of power transferred with a small and simple circuit configuration without increasing the capacitor capacity or increasing the switching frequency.
次に、図1に示す回路構成でインダクタLrのないコンバータ装置を比較例に用いて、この実施の形態における実施例(インダクタLrあり)と比較例(インダクタLrなし)とで、特性比較を行った結果を、図3に示す。
図3(a)は、コンデンサCeの容量値Ceと、低電圧側から高電圧側への1スイッチング当りの移行電力量との関係を演算して示したもので、演算条件は、図3(b)に示すように、VL/VH=144V/284V、コンデンサCeの充電、放電経路の抵抗値Rを40mΩ、インダクタLrのインダクタンス値Lrを1μH、最大駆動周波数を100kHzとした。
また、コンデンサCeに流れる電流Iceがゼロになるタイミングでのスイッチングを前提とし、インダクタLrとコンデンサCeとの直列共振現象を利用する実施例(インダクタLrあり)の駆動周波数(ゲート信号の周波数)は、式(1)に基づいて求められ、以下のどちらか小さい方となる。Next, using a converter device having the circuit configuration shown in FIG. 1 and having no inductor Lr as a comparative example, a characteristic comparison is made between the example (with inductor Lr) and the comparative example (without inductor Lr) in this embodiment. The results are shown in FIG.
FIG. 3A shows the relationship between the capacitance value Ce of the capacitor Ce and the amount of power transferred per switching from the low voltage side to the high voltage side. The calculation conditions are as shown in FIG. As shown in b), VL / VH = 144V / 284V, capacitor Ce charging and discharging path resistance value R was 40 mΩ, inductor Lr inductance value Lr was 1 μH, and the maximum drive frequency was 100 kHz.
In addition, the driving frequency (the frequency of the gate signal) of the embodiment using the series resonance phenomenon of the inductor Lr and the capacitor Ce (with the inductor Lr) is premised on switching at a timing when the current Ice flowing through the capacitor Ce becomes zero. , Based on the formula (1), whichever is smaller.
比較例(インダクタLrなし)の駆動周波数は、時定数に基づいて求められ、以下のどちらか小さい方となる。 The drive frequency of the comparative example (without the inductor Lr) is obtained based on the time constant, and is the smaller one of the following.
図3に示すように、この発明による実施例(インダクタLrあり)は、比較例(インダクタLrなし)に比べ、小さなコンデンサ容量で大きな電力を移行するものである。 As shown in FIG. 3, the embodiment according to the present invention (with inductor Lr) shifts a large amount of power with a small capacitor capacity as compared with the comparative example (without inductor Lr).
なお、上記実施の形態では、インダクタLrは、コンデンサCeと直列接続して、スイッチSw1、Sw2の接続点とスイッチSw3、Sw4の接続点との間に接続したが、スイッチSw1、Sw2の接続点とスイッチSw3、Sw4の接続点との間にはコンデンサCeのみを接続して、インダクタLrは、低電圧側正極端子2とスイッチSw1、Sw2の接続点との間に挿入しても良い。この場合も、充電時の電流経路と放電時の電流経路とが重なる区間にインダクタLrが挿入されているため、上記実施の形態と同様に、インダクタLrとコンデンサCeとの直列共振現象を利用でき、同様の効果が得られる。 In the above embodiment, the inductor Lr is connected in series with the capacitor Ce and connected between the connection point of the switches Sw1 and Sw2 and the connection point of the switches Sw3 and Sw4, but the connection point of the switches Sw1 and Sw2 Further, only the capacitor Ce may be connected between the connection points of the switches Sw3 and Sw4, and the inductor Lr may be inserted between the low voltage side
実施の形態2.
上記実施の形態1において、小型化のために小形の磁性体を用い、多少の磁性体の磁気飽和を許容して製作したインダクタLrを用いた場合、流れる電流レベル(移行電力レベル)によりインダクタLrのインダクタンス値が変化する。インダクタLrに流れる電流量に依存する移行電力量と、インダクタLrのインダクタンス値・電流値との関係を、図4(a)に示す。図に示すように、電力量(電流量)の増加に伴ってインダクタンス値は減少する。
このため、この実施の形態では、駆動周波数を可変として、インダクタンス値の変化に応じて変化する共振周波数に駆動周波数を略一致するように設定する。ここでは図4(b)に示すように、移行電力領域を4つに分け、その領域毎に駆動周波数を変化させる。11は移行電力量により変化する共振周波数で、12は、共振周波数11に応じて切り換え設定される駆動周波数(設定周波数)である。例えば、図示しない記憶部を備え、予め、4種類の周波数の異なったクロック信号を記憶部に記憶しておき、低電圧側の直流電流値を検出し、その電流値に応じて記憶部からクロック信号を呼び出し、それを用いて各スイッチSw1〜Sw4のゲート信号を生成する。
In the first embodiment, when an inductor Lr manufactured using a small magnetic body for miniaturization and allowing a certain amount of magnetic saturation of the magnetic body is used, the inductor Lr depends on the flowing current level (transition power level). The inductance value changes. FIG. 4A shows the relationship between the amount of transition power depending on the amount of current flowing through the inductor Lr and the inductance value / current value of the inductor Lr. As shown in the figure, the inductance value decreases as the amount of electric power (current amount) increases.
For this reason, in this embodiment, the drive frequency is made variable, and the drive frequency is set to substantially coincide with the resonance frequency that changes in accordance with the change in the inductance value. Here, as shown in FIG. 4B, the transition power region is divided into four, and the drive frequency is changed for each region. 11 is a resonance frequency that varies depending on the amount of power transferred, and 12 is a drive frequency (set frequency) that is switched according to the
このように、この実施の形態では駆動周波数を可変として、共振周波数が変化する場合でも駆動周波数を共振周波数に略一致するように設定したため、小形の磁性体で多少の磁気飽和を許容して製作したインダクタLrを用いることができ、回路構成を安価で小型にできる。 As described above, in this embodiment, the drive frequency is variable, and the drive frequency is set so as to substantially match the resonance frequency even when the resonance frequency changes. Therefore, a small magnetic body is allowed to allow some magnetic saturation. The inductor Lr can be used, and the circuit configuration can be made inexpensive and small.
実施の形態3.
上記実施の形態1では、低電圧側(VL側)直流電源と高電圧側(VH側)直流電源との間に接続されたSC形コンバータブロック1を、4個のスイッチSw1〜Sw4、コンデンサCeおよびインダクタLrで構成したが、この実施の形態3では、コンバータブロック1を、第1、第2のダイオードとしてのダイオードDi1、Di2、第1、第2の半導体スイッチング素子としてのスイッチ(MOSFET)Sw3a、Sw4a、コンデンサCeおよびインダクタLrで構成する。
図5は、この発明の実施の形態3によるコンバータ装置の主回路構成を示す図である。
図に示すように、上記実施の形態1で示したスイッチSw3、Sw4の替わりに、同様のスイッチSw3a、Sw4aを用いる。また上記実施の形態1で示したスイッチSw1、Sw2の替わりに、カソード端子が高電圧側正極端子3に接続されたダイオードDi1と、カソード端子がダイオードDi1のアノード端子に接続され、アノード端子がスイッチSw4aに接続されたダイオードDi2とを用いる。また、ダイオードDi1、Di2の接続点とスイッチSw3a、Sw4aの接続点との間にはコンデンサCeのみを接続し、ダイオードDi2、スイッチSw4aの接続点はインダクタLrを介して低電圧側正極端子2に接続する。
なお、インダクタLrの位置は、コンデンサCeの充放電時にコンデンサCeと直列に接続されればよいので、実施の形態1(図1)と同じ位置でもよい。
In the first embodiment, the
FIG. 5 is a diagram showing a main circuit configuration of a converter device according to
As shown in the figure, similar switches Sw3a and Sw4a are used instead of the switches Sw3 and Sw4 shown in the first embodiment. Also, instead of the switches Sw1 and Sw2 shown in the first embodiment, the diode Di1 whose cathode terminal is connected to the
Note that the position of the inductor Lr only needs to be connected in series with the capacitor Ce when the capacitor Ce is charged and discharged, and therefore may be the same position as that of the first embodiment (FIG. 1).
次に動作について説明する。
スイッチSw3aのゲート信号およびスイッチSw4aのゲート信号のスイッチング周波数を、インダクタLrとコンデンサCeとが直列共振状態となる共振周波数に一致させ、スイッチSw3aとスイッチSw4aとを交互に切り換えることにより、2VL>VHの時に、低電圧側から高電圧側に電力移行する。ここでは、低電圧側から高電圧側へのエネルギ移行のみが行われ、上記実施の形態1の図2(a)で示した同様の電流、電圧波形が得られる。
ダイオードDi1は、スイッチSw4aがオンして高電圧側正極端子3に向かって電流が流れている間、インダクタLrの起電圧とコンデンサCeの電圧によりオン状態となる。ダイオードDi2は、スイッチSw3aがオンして低電圧側正極端子2から電流が流れている間、インダクタLrの起電圧および低電圧側正極端子2とコンデンサCe電圧との差電圧によりオン状態となる。両ダイオードDi1、Di2とも電流の向きが逆になれば自動的にオフする。Next, the operation will be described.
By switching the switching frequency of the gate signal of the switch Sw3a and the gate signal of the switch Sw4a to the resonance frequency at which the inductor Lr and the capacitor Ce are in a series resonance state, and alternately switching the switch Sw3a and the switch Sw4a, 2VL> VH At this time, power is transferred from the low voltage side to the high voltage side. Here, only energy transfer from the low voltage side to the high voltage side is performed, and the same current and voltage waveforms shown in FIG. 2A of the first embodiment are obtained.
The diode Di1 is turned on by the electromotive voltage of the inductor Lr and the voltage of the capacitor Ce while the switch Sw4a is turned on and the current flows toward the high-voltage side
この実施の形態においても、インダクタLrとコンデンサCeとの直列共振現象を利用するため、コンデンサCeに流れる電流Iceを連続した正弦波状の電流にでき、1スイッチング当りに利用するコンデンサCeの蓄積エネルギ量を大きくできる。このため、コンデンサ容量の増加やスイッチング周波数を高くすることなく、小型で簡略な回路構成で移行する電力量を増大できる。また、複数の半導体スイッチング素子を2つのスイッチSw3a、Sw4aとしたため、ゲート駆動回路が簡略化できる。 Also in this embodiment, since the series resonance phenomenon of the inductor Lr and the capacitor Ce is used, the current Ice flowing through the capacitor Ce can be changed to a continuous sinusoidal current, and the amount of energy stored in the capacitor Ce used per switching. Can be increased. For this reason, it is possible to increase the amount of power transferred with a small and simple circuit configuration without increasing the capacitor capacity or increasing the switching frequency. Further, since the plurality of semiconductor switching elements are two switches Sw3a and Sw4a, the gate drive circuit can be simplified.
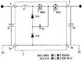
実施の形態4.
上記実施の形態1では、低電圧側(VL側)直流電源と高電圧側(VH側)直流電源との間に接続されたSC形コンバータブロック1を、4個のスイッチSw1〜Sw4、コンデンサCeおよびインダクタLrで構成したが、この実施の形態4では、コンバータブロック1を、第1、第2の半導体スイッチング素子としてのスイッチ(MOSFET)Sw1a、Sw2a、第1、第2のダイオードとしてのダイオードDi3、Di4、コンデンサCeおよびインダクタLrで構成する。
図6は、この発明の実施の形態4によるコンバータ装置の主回路構成を示す図である。
図に示すように、上記実施の形態1で示したスイッチSw1、Sw2の替わりに、同様のスイッチSw1a、Sw2aを用いる。また上記実施の形態1で示したスイッチSw3、Sw4の替わりに、アノード端子が接地端子2a、3aに接続されたダイオードDi3と、アノード端子がダイオードDi3のカソード端子に接続され、カソード端子がスイッチSw2aに接続されたダイオードDi4とを用いる。また、ダイオードDi3、Di4の接続点とスイッチSw1a、Sw2aの接続点との間にはコンデンサCeのみを接続し、ダイオードDi4、スイッチSw2aの接続点はインダクタLrを介して低電圧側正極端子2に接続する。
なおこの場合も、インダクタLrの位置は、コンデンサCeの充放電時にコンデンサCeと直列に接続されればよいので、実施の形態1(図1)と同じ位置でもよい。Embodiment 4 FIG.
In the first embodiment, the
FIG. 6 is a diagram showing a main circuit configuration of a converter device according to Embodiment 4 of the present invention.
As shown in the figure, similar switches Sw1a and Sw2a are used instead of the switches Sw1 and Sw2 shown in the first embodiment. Further, instead of the switches Sw3 and Sw4 shown in the first embodiment, the diode Di3 whose anode terminal is connected to the
In this case as well, the position of the inductor Lr only needs to be connected in series with the capacitor Ce when the capacitor Ce is charged / discharged, and therefore may be the same position as in the first embodiment (FIG. 1).
次に動作について説明する。
スイッチSw1aのゲート信号およびスイッチSw2aのゲート信号のスイッチング周波数を、インダクタLrとコンデンサCeとが直列共振状態となる共振周波数に一致させ、スイッチSw1aとスイッチSw2aとを交互に切り換えることにより、2VL<VHの時に、高電圧側から低電圧側に電力移行する。ここでは、高電圧側から低電圧側へのエネルギ移行のみが行われ、上記実施の形態1の図2(b)で示した同様の電流、電圧波形が得られる。
ダイオードDi3は、スイッチSw2aがオンしてコンデンサCeから低電圧側正極端子2に電流が流れている間、インダクタLrの起電圧とコンデンサCeの電圧によりオン状態となる。ダイオードDi4は、スイッチSw1aがオンして高電圧側正極端子3から低電圧側に電流が流れている間、インダクタLrの起電圧および低電圧側正極端子2に重畳されたコンデンサCe電圧と高電圧側端子3との差電圧によりオン状態となる。両ダイオードとも電流の向きが逆になれば自動的にオフする。Next, the operation will be described.
By switching the switching frequency of the gate signal of the switch Sw1a and the gate signal of the switch Sw2a to the resonance frequency at which the inductor Lr and the capacitor Ce are in a series resonance state, and switching the switch Sw1a and the switch Sw2a alternately, 2VL <VH At this time, power is transferred from the high voltage side to the low voltage side. Here, only energy transfer from the high voltage side to the low voltage side is performed, and the same current and voltage waveforms shown in FIG. 2B of the first embodiment are obtained.
The diode Di3 is turned on by the electromotive voltage of the inductor Lr and the voltage of the capacitor Ce while the switch Sw2a is turned on and current flows from the capacitor Ce to the low-voltage side
この実施の形態においても、インダクタLrとコンデンサCeとの直列共振現象を利用するため、コンデンサCeに流れる電流Iceを連続した正弦波状の電流にでき、1スイッチング当りに利用するコンデンサCeの蓄積エネルギ量を大きくできる。このため、コンデンサ容量の増加やスイッチング周波数を高くすることなく、小型で簡略な回路構成で移行する電力量を増大できる。また、複数の半導体スイッチング素子を2つのスイッチSw1a、Sw2aとしたため、ゲート駆動回路が簡略化できる。 Also in this embodiment, since the series resonance phenomenon of the inductor Lr and the capacitor Ce is used, the current Ice flowing through the capacitor Ce can be changed to a continuous sinusoidal current, and the amount of energy stored in the capacitor Ce used per switching. Can be increased. For this reason, it is possible to increase the amount of power transferred with a small and simple circuit configuration without increasing the capacitor capacity or increasing the switching frequency. Further, since the plurality of semiconductor switching elements are two switches Sw1a and Sw2a, the gate drive circuit can be simplified.
実施の形態5.
上記実施の形態1〜4では、低電圧側(VL側)直流電源と高電圧側(VH側)直流電源との間にSC形コンバータブロック1を1つ接続したが、この実施の形態では、このようなSC形コンバータブロックを複数個、並列に接続する。
図7は、この発明の実施の形態4によるコンバータ装置の主回路構成を示す図である。
図に示すように、上記実施の形態1で示したコンバータブロック1と同様のSC形コンバータブロックから成る4個のSCセル1a〜1dを、低電圧側(VL側)直流電源と高電圧側(VH側)直流電源との間に並列に接続する。また、上記実施の形態1と同様に、低電圧側両端子2、2a間、および高電圧側両端子3、3a間には、電圧を平滑するための平滑コンデンサCL、CHが接続され、低電圧側負極端子2aおよび高電圧側負極端子3aは接地される。Embodiment 5. FIG.
In the first to fourth embodiments, one
FIG. 7 is a diagram showing a main circuit configuration of a converter device according to Embodiment 4 of the present invention.
As shown in the figure, four SC cells 1a to 1d comprising SC converter blocks similar to the
各SCセル1a〜1dを駆動する基準となるクロック信号を、2π/4(rad)ずつずらす。このように、基準クロック信号を2π/4(rad)ずつずらすことにより、各1a〜1dを構成するスイッチSw1〜Sw4のゲート信号も各SCセル1a〜1d間で2π/4ずつずれる。また、このクロック信号の周波数を、インダクタLrとコンデンサCeとが直列共振状態となる共振周波数に一致させて、各SCセル1a〜1d内のスイッチのスイッチング周波数を上記共振周波数に一致させ、各SCセル1a〜1d内の動作は、上記実施の形態1と同様とする。
これにより、4個のSCセル1a〜1dにて4倍の電力量を移行でき、また、平滑コンデンサCL、CHのリップル電流を小さくすることができる。平滑コンデンサCL、CHの容量値(サイズ)は、リップル電流値の大きさに依存して決まるので、リップル電流を低減することにより平滑コンデンサCL、CHの容量(サイズ)を小さくすることができる。The reference clock signal for driving each of the SC cells 1a to 1d is shifted by 2π / 4 (rad). In this way, by shifting the reference clock signal by 2π / 4 (rad), the gate signals of the switches Sw1 to Sw4 constituting the 1a to 1d are also shifted by 2π / 4 between the SC cells 1a to 1d. Further, the frequency of the clock signal is made to coincide with the resonance frequency at which the inductor Lr and the capacitor Ce are in a series resonance state, and the switching frequency of the switch in each of the SC cells 1a to 1d is made to coincide with the resonance frequency. The operations in the cells 1a to 1d are the same as those in the first embodiment.
As a result, four times the amount of power can be transferred in the four SC cells 1a to 1d, and the ripple current of the smoothing capacitors CL and CH can be reduced. Since the capacitance values (size) of the smoothing capacitors CL and CH are determined depending on the magnitude of the ripple current value, the capacitance (size) of the smoothing capacitors CL and CH can be reduced by reducing the ripple current.
なお、この実施の形態では、4個のSCセル1a〜1dを用いたが、それ以外の複数個(n個)でも良く、基準クロック信号を2π/n(rad)ずつずらすことで、同様に動作する。この場合、SCセルの個数が多いほど、平滑コンデンサCL、CHのリップル電流を小さくする効果は大きくなり、平滑コンデンサCL、CHのサイズを小さくできる。
また、各SCセル1a〜1dには、上記実施の形態1を適用したが、上記実施の形態2〜4を適用しても良い。In this embodiment, four SC cells 1a to 1d are used. However, other plural (n) cells may be used, and the reference clock signal is similarly shifted by 2π / n (rad). Operate. In this case, the larger the number of SC cells, the greater the effect of reducing the ripple current of the smoothing capacitors CL and CH, and the size of the smoothing capacitors CL and CH can be reduced.
Moreover, although the said
実施の形態6.
上記実施の形態1〜5では、低電圧側(VL側)直流電源と高電圧側(VH側)直流電源との間で、VH/VLが概2の関係で電力移行するコンバータ装置を示したが、この実施の形態では、VHが約4VLとなる電圧比4の場合について説明する。
図8は、この発明の実施の形態6によるコンバータ装置の主回路構成を示す図である。
図に示すように、低電圧側(VL側)直流電源と高電圧側(VH側)直流電源との間にSC形コンバータ装置10が接続される。低電圧側両端子2、2a間、および高電圧側両端子3、3a間には、電圧を平滑するための平滑コンデンサCL、CHが接続され、低電圧側負極端子2aおよび高電圧側負極端子3aは接地される。
図に示すように、コンバータ装置10は、4個のスイッチSw100、Sw203、Sw303、Sw404、コンデンサCe3およびインダクタLr3を、上記実施の形態1のコンバータブロック1と同様の構成で備える。そして、これらの素子構成の中で、3個のスイッチSw203、Sw303、Sw404、コンデンサCe3およびインダクタLr3で構成されるユニットと同様のユニットである、3個のスイッチSw202、Sw302、Sw402、コンデンサCe2およびインダクタLr2と、3個のスイッチSw201、Sw301、Sw401、コンデンサCe1およびインダクタLr1とを、備える。Embodiment 6 FIG.
In the above-described first to fifth embodiments, the converter device in which VH / VL shifts power in the relationship of approximately 2 between the low voltage side (VL side) DC power source and the high voltage side (VH side) DC power source is shown. However, in this embodiment, a case where the voltage ratio is 4 where VH is about 4VL will be described.
FIG. 8 shows a main circuit configuration of the converter apparatus according to the sixth embodiment of the present invention.
As shown in the figure, an
As shown in the figure, the
なお、図8では、低電圧側正極端子2にスイッチSw201のソース端子を接続し、スイッチSw201のドレイン端子にスイッチSw202のソース端子を接続し、スイッチSw202のドレイン端子にスイッチSw203のソース端子を接続したが、図9に示すコンバータ装置10aのように、低電圧側正極端子2に各スイッチSw201〜Sw203のソース端子を接続しても良く、後述する同様の動作が得られる。 In FIG. 8, the source terminal of the switch Sw201 is connected to the
各スイッチSw100、Sw201〜203、Sw301〜303、Sw401〜403には、図示しない制御回路部により生成されたゲート信号が入力され、そのゲート信号の電圧レベルに応じてオンオフ動作を行う。
各スイッチのゲート信号および各部の電圧、電流波形を図10に示す。なお、VL、VH、IL、IHについては上記実施の形態1と同様の部分についての電圧、電流であり、各コンデンサCe1〜Ce3に流れる電流、および各コンデンサCe1〜Ce3の電圧も示す。さらに、図8中に示した電流、電圧の矢印の方向を正とする。
スイッチSw201〜203、Sw301〜303の同時導通とスイッチSw100、Sw401〜403の同時導通とを交互に切り換えることにより、4VL>VHの場合には、低電圧側から高電圧側に電力移行し、4VL<VHの場合には、高電圧側から低電圧側に電力移行する。それぞれの場合におけるコンバータ装置の動作について、図10(a)、図10(b)に基づいて以下に説明する。Each of the switches Sw100, Sw201 to 203, Sw301 to 303, and Sw401 to 403 receives a gate signal generated by a control circuit unit (not shown), and performs an on / off operation according to the voltage level of the gate signal.
FIG. 10 shows the gate signal of each switch and the voltage and current waveforms of each part. Note that VL, VH, IL, and IH are voltages and currents for the same parts as in the first embodiment, and currents that flow through the capacitors Ce1 to Ce3 and voltages of the capacitors Ce1 to Ce3 are also shown. Further, the directions of the current and voltage arrows shown in FIG. 8 are positive.
By alternately switching the simultaneous conduction of the switches Sw201 to 203 and Sw301 to 303 and the simultaneous conduction of the switches Sw100 and Sw401 to 403, when 4VL> VH, the power is transferred from the low voltage side to the high voltage side. In the case of <VH, power is transferred from the high voltage side to the low voltage side. The operation of the converter device in each case will be described below with reference to FIGS. 10 (a) and 10 (b).
図10(a)に示すように、4VL>VHの場合、スイッチSw201〜203、Sw301〜303がオンのときスイッチSw100、Sw401〜403はオフであり、このとき、各コンデンサCe1〜Ce3と各インダクタLr1〜Lr3とが直列接続された3つの直列体(Ce1,Lr1)、(Ce2,Lr2)、(Ce3,Lr3)は低電圧側直流電源の両端子2、2a間に同時に並列接続される。これにより、各コンデンサCe1〜Ce3の電圧はVL+ΔVに充電される。
次いで、スイッチSw201〜203、Sw301〜303がオフになり、スイッチSw100、Sw401〜403がオンになると、上記直列接続された3つの直列体(Ce1,Lr1)、(Ce2,Lr2)、(Ce3,Lr3)と平滑コンデンサCLとは直列接続され、これら直列接続された複合直列体CL−(Ce1,Lr1)−(Ce2,Lr2)−(Ce3,Lr3)は高電圧側直流電源の両端子3、3a間に並列接続される。エネルギは低電圧側から高電圧側に移行し、各コンデンサCe1〜Ce3は放電して電圧はVL−ΔVになる。As shown in FIG. 10A, when 4VL> VH, when the switches Sw201 to 203 and Sw301 to 303 are on, the switches Sw100 and Sw401 to 403 are off. At this time, the capacitors Ce1 to Ce3 and the inductors Three series bodies (Ce1, Lr1), (Ce2, Lr2), and (Ce3, Lr3) in which Lr1 to Lr3 are connected in series are simultaneously connected in parallel between both
Next, when the switches Sw201 to 203 and Sw301 to 303 are turned off and the switches Sw100 and Sw401 to 403 are turned on, the three series-connected bodies (Ce1, Lr1), (Ce2, Lr2), (Ce3, Lr3) and the smoothing capacitor CL are connected in series. These series-connected composite series CL- (Ce1, Lr1)-(Ce2, Lr2)-(Ce3, Lr3) are both
図10(b)に示すように、4VL<VHの場合、スイッチSw201〜203、Sw301〜303がオンのときスイッチSw100、Sw401〜403はオフであり、このとき、上記3つの直列体(Ce1,Lr1)、(Ce2,Lr2)、(Ce3,Lr3)は低電圧側直流電源の両端子2、2a間に同時に並列接続される。エネルギは高電圧側から低電圧側に移行し、各コンデンサCe1〜Ce3は放電して電圧はVL−ΔVになる。
次いで、スイッチSw201〜203、Sw301〜303がオフになり、スイッチSw100、Sw401〜403がオンになると、上記3つの直列体(Ce1,Lr1)、(Ce2,Lr2)、(Ce3,Lr3)と平滑コンデンサCLとは直列接続され、これら直列接続された複合直列体CL−(Ce1,Lr1)−(Ce2,Lr2)−(Ce3,Lr3)は高電圧側直流電源の両端子3、3a間に並列接続される。これにより、各コンデンサCe1〜Ce3の電圧はVL+ΔVに充電される。As shown in FIG. 10B, in the case of 4VL <VH, when the switches Sw201 to 203 and Sw301 to 303 are on, the switches Sw100 and Sw401 to 403 are off. At this time, the three series bodies (Ce1, Lr1), (Ce2, Lr2), and (Ce3, Lr3) are simultaneously connected in parallel between both
Next, when the switches Sw201 to 203 and Sw301 to 303 are turned off and the switches Sw100 and Sw401 to 403 are turned on, the three series bodies (Ce1, Lr1), (Ce2, Lr2), and (Ce3, Lr3) are smoothed. The capacitor CL is connected in series, and these series-connected composite series bodies CL- (Ce1, Lr1)-(Ce2, Lr2)-(Ce3, Lr3) are parallel between the
このように、一対のコンデンサCe(Ce1〜Ce3)とインダクタLr(Lr1〜Lr3)とが直列接続された直列体(Ce,Lr)を複数個(この場合、3個)備えて、この複数の直列体(Ce,Lr)を低電圧側直流電源の両端子2、2a間に同時に並列接続する第1のモードと、この複数の直列体(Ce,Lr)を低電圧側直流電源(平滑コンデンサCL)に同時に直列接続するとともに、直列接続された複合直列体を高電圧側直流電源の両端子3、3a間に並列接続する第2のモードとを交互に切り換えて、複数のコンデンサCe1〜Ce3の充放電を同時に切り換える。充放電経路の抵抗分は、ほぼ無視できるレベルであり、上記第1のモードにおいて、各インダクタLrと各コンデンサCeとが直列共振状態となる共振周期Taは、各Lrのインダクタンス値をLr、各Ceの容量値をCeとすると、以下の式(2)で表せる。 As described above, a plurality of (in this case, three) series bodies (Ce, Lr) in which a pair of capacitors Ce (Ce1 to Ce3) and inductors Lr (Lr1 to Lr3) are connected in series are provided. A first mode in which a series body (Ce, Lr) is simultaneously connected in parallel between both
また、上記第2のモードにおいて、各インダクタLrと各コンデンサCeとが直列共振状態となる共振周期Tbは、各Lrのインダクタンス値をLr、各Ceの容量値をCeとすると、以下の式(3)で表せる。 Further, in the second mode, the resonance period Tb in which each inductor Lr and each capacitor Ce is in a series resonance state is represented by the following formula (where Lr is the inductance value of each Lr and Ce is the capacitance value of each Ce): It can be expressed by 3).
上記式(2)(3)よりTa=Tbとなり、第1、第2のモードに用いる2種のゲート信号は、上記実施の形態1と同様に、単純なデューティ比50%の矩形パルス信号となる。
このように、電圧比4で電圧変換する場合においても、インダクタLrとコンデンサCeとの直列共振現象を利用し、1スイッチング当りに利用するコンデンサCeの蓄積エネルギ量を大きくできる。このため、コンデンサ容量の増加やスイッチング周波数を高くすることなく、小型で簡略な回路構成で移行する電力量を増大できる。From the above equations (2) and (3), Ta = Tb, and the two types of gate signals used in the first and second modes are a rectangular pulse signal with a simple duty ratio of 50%, as in the first embodiment. Become.
In this way, even when voltage conversion is performed at a voltage ratio of 4, the stored energy amount of the capacitor Ce used per switching can be increased by utilizing the series resonance phenomenon of the inductor Lr and the capacitor Ce. For this reason, it is possible to increase the amount of power transferred with a small and simple circuit configuration without increasing the capacitor capacity or increasing the switching frequency.
なお、実施の形態1の図1で示した回路構成を2段設けても、同様な電圧比4のコンバータ装置が構成できる。その場合、1段目と2段目の間に平滑コンデンサを設ける必要があるが、図8、図9で示した構成では、低電圧側両端子2、2a間、および高電圧側両端子3、3a間に接続される平滑コンデンサCL、CHのみでよい。
また、電圧比4の直流電圧変換の形態について述べたが、電圧比は2以上整数であれば良く、コンデンサCeとインダクタLrとが直列接続された直列体と複数のスイッチとを含む上記ユニットをさらに増やすことにより、さらに大きな電圧比で電力移行することができる。Even if the circuit configuration shown in FIG. 1 of the first embodiment is provided in two stages, a converter device having a similar voltage ratio of 4 can be configured. In this case, it is necessary to provide a smoothing capacitor between the first stage and the second stage. However, in the configuration shown in FIGS. 8 and 9, both the low
In addition, although the DC voltage conversion mode with a voltage ratio of 4 has been described, the voltage ratio may be an integer of 2 or more, and the above unit including a series body in which a capacitor Ce and an inductor Lr are connected in series and a plurality of switches is included. By further increasing the power, it is possible to transfer power at a larger voltage ratio.
また、上記実施の形態1〜6において、半導体スイッチング素子はMOSFETを用いたが、IGBT等の他の半導体スイッチング素子を用いても同様の効果が得られる。 In the first to sixth embodiments, MOSFETs are used as the semiconductor switching elements. However, similar effects can be obtained by using other semiconductor switching elements such as IGBTs.
1 SC形(スイッチドキャパシタ形)コンバータブロック、
1a〜1d SC形コンバータブロック(SC形セル)、
2 低電圧側直流電源正極端子、2a 低電圧側直流電源負極端子(接地端子)、
3 高電圧側直流電源正極端子、3a 高電圧側直流電源負極端子(接地端子)、
10,10a SC形コンバータ装置、12 設定周波数、
Ce,Ce1〜Ce3 コンデンサ、Di1,Di2 第1、第2のダイオード、
Di3,Di4 第1、第2のダイオード、
Sw1〜Sw4 第1〜第4の半導体スイッチング素子としてのスイッチ、
Sw1a,Sw2a 第1、第2の半導体スイッチング素子としてのスイッチ、
Sw3a,Sw4a 第1、第2の半導体スイッチング素子としてのスイッチ、
Sw100,Sw201〜Sw203,Sw301〜Sw303,Sw401〜Sw403 半導体スイッチング素子としてのスイッチ、
Lr,Lr1〜Lr3 インダクタ。1 SC type (switched capacitor type) converter block,
1a to 1d SC type converter block (SC type cell),
2 Low voltage side DC power supply positive terminal, 2a Low voltage side DC power supply negative terminal (grounding terminal),
3 High voltage side DC power supply positive terminal, 3a High voltage side DC power supply negative terminal (ground terminal),
10, 10a SC converter device, 12 set frequency,
Ce, Ce1 to Ce3 capacitors, Di1, Di2 first and second diodes,
Di3, Di4 first and second diodes,
Sw1 to Sw4 Switches as first to fourth semiconductor switching elements,
Sw1a, Sw2a Switches as first and second semiconductor switching elements,
Sw3a, Sw4a Switches as first and second semiconductor switching elements,
Sw100, Sw201 to Sw203, Sw301 to Sw303, Sw401 to Sw403 Switches as semiconductor switching elements,
Lr, Lr1 to Lr3 Inductors.
| Application Number | Priority Date | Filing Date | Title |
|---|---|---|---|
| JP2005076372AJP4546296B2 (en) | 2005-03-17 | 2005-03-17 | DC / DC converter device |
| Application Number | Priority Date | Filing Date | Title |
|---|---|---|---|
| JP2005076372AJP4546296B2 (en) | 2005-03-17 | 2005-03-17 | DC / DC converter device |
| Publication Number | Publication Date |
|---|---|
| JP2006262619Atrue JP2006262619A (en) | 2006-09-28 |
| JP2006262619A5 JP2006262619A5 (en) | 2007-02-08 |
| JP4546296B2 JP4546296B2 (en) | 2010-09-15 |
| Application Number | Title | Priority Date | Filing Date |
|---|---|---|---|
| JP2005076372AExpired - Fee RelatedJP4546296B2 (en) | 2005-03-17 | 2005-03-17 | DC / DC converter device |
| Country | Link |
|---|---|
| JP (1) | JP4546296B2 (en) |
| Publication number | Priority date | Publication date | Assignee | Title |
|---|---|---|---|---|
| WO2008032425A1 (en)* | 2006-09-15 | 2008-03-20 | Mitsubishi Electric Corporation | Dc/dc power converting apparatus |
| WO2008032362A1 (en)* | 2006-09-12 | 2008-03-20 | Mitsubishi Electric Corporation | Dc/dc converter device |
| WO2008032424A1 (en)* | 2006-09-15 | 2008-03-20 | Mitsubishi Electric Corporation | Dc/dc power converter |
| JP2009183093A (en)* | 2008-01-31 | 2009-08-13 | Mitsubishi Electric Corp | DC / DC power converter |
| JP2009201231A (en)* | 2008-02-21 | 2009-09-03 | Mitsubishi Electric Corp | Dc/dc power conversion apparatus |
| JP2009219250A (en)* | 2008-03-11 | 2009-09-24 | Mitsubishi Electric Corp | Dc-dc power converter |
| JP2010068585A (en)* | 2008-09-09 | 2010-03-25 | Mitsubishi Electric Corp | Power conversion device |
| US7729144B2 (en) | 2007-04-12 | 2010-06-01 | Mitsubishi Electric Corporation | DC/DC power conversion device |
| JP2010178447A (en)* | 2009-01-28 | 2010-08-12 | Mitsubishi Electric Corp | Semiconductor circuit device |
| JP2010246322A (en)* | 2009-04-09 | 2010-10-28 | Mitsubishi Electric Corp | DC / DC power converter |
| JP2011061900A (en)* | 2009-09-07 | 2011-03-24 | Mitsubishi Electric Corp | Dc/dc power converter |
| WO2012001828A1 (en)* | 2010-06-29 | 2012-01-05 | 三菱電機株式会社 | Dc-dc power conversion apparatus |
| US20130163302A1 (en)* | 2011-12-23 | 2013-06-27 | Abb Inc. | Dc-dc converter systems |
| JP2014072917A (en)* | 2012-09-27 | 2014-04-21 | Taiyo Yuden Co Ltd | Bidirectional dc-dc converter |
| CN102804571B (en)* | 2009-06-15 | 2015-05-13 | 阿尔斯通技术有限公司 | Converter |
| EP2637292A3 (en)* | 2012-03-05 | 2017-11-29 | Solaredge Technologies Ltd. | Direct current link circuit |
| CN107482903A (en)* | 2017-06-01 | 2017-12-15 | 中山大学 | A High Efficiency Switched Capacitor Power Converter |
| US9869701B2 (en) | 2009-05-26 | 2018-01-16 | Solaredge Technologies Ltd. | Theft detection and prevention in a power generation system |
| US9876430B2 (en) | 2008-03-24 | 2018-01-23 | Solaredge Technologies Ltd. | Zero voltage switching |
| US9923516B2 (en) | 2012-01-30 | 2018-03-20 | Solaredge Technologies Ltd. | Photovoltaic panel circuitry |
| US9948233B2 (en) | 2006-12-06 | 2018-04-17 | Solaredge Technologies Ltd. | Distributed power harvesting systems using DC power sources |
| US9960731B2 (en) | 2006-12-06 | 2018-05-01 | Solaredge Technologies Ltd. | Pairing of components in a direct current distributed power generation system |
| US9966766B2 (en) | 2006-12-06 | 2018-05-08 | Solaredge Technologies Ltd. | Battery power delivery module |
| US9979280B2 (en) | 2007-12-05 | 2018-05-22 | Solaredge Technologies Ltd. | Parallel connected inverters |
| US10097007B2 (en) | 2006-12-06 | 2018-10-09 | Solaredge Technologies Ltd. | Method for distributed power harvesting using DC power sources |
| US10116217B2 (en) | 2007-08-06 | 2018-10-30 | Solaredge Technologies Ltd. | Digital average input current control in power converter |
| US10230310B2 (en) | 2016-04-05 | 2019-03-12 | Solaredge Technologies Ltd | Safety switch for photovoltaic systems |
| US10396662B2 (en) | 2011-09-12 | 2019-08-27 | Solaredge Technologies Ltd | Direct current link circuit |
| US10447150B2 (en) | 2006-12-06 | 2019-10-15 | Solaredge Technologies Ltd. | Distributed power harvesting systems using DC power sources |
| US10461687B2 (en) | 2008-12-04 | 2019-10-29 | Solaredge Technologies Ltd. | Testing of a photovoltaic panel |
| US10468878B2 (en) | 2008-05-05 | 2019-11-05 | Solaredge Technologies Ltd. | Direct current power combiner |
| WO2019217577A1 (en)* | 2018-05-09 | 2019-11-14 | The University Of Texas At Austin | Modular high step-down dc/dc converter |
| US10608553B2 (en) | 2012-01-30 | 2020-03-31 | Solaredge Technologies Ltd. | Maximizing power in a photovoltaic distributed power system |
| US10637393B2 (en) | 2006-12-06 | 2020-04-28 | Solaredge Technologies Ltd. | Distributed power harvesting systems using DC power sources |
| US10666125B2 (en) | 2011-01-12 | 2020-05-26 | Solaredge Technologies Ltd. | Serially connected inverters |
| US10673229B2 (en) | 2010-11-09 | 2020-06-02 | Solaredge Technologies Ltd. | Arc detection and prevention in a power generation system |
| US10673222B2 (en) | 2010-11-09 | 2020-06-02 | Solaredge Technologies Ltd. | Arc detection and prevention in a power generation system |
| US10778025B2 (en) | 2013-03-14 | 2020-09-15 | Solaredge Technologies Ltd. | Method and apparatus for storing and depleting energy |
| US10931119B2 (en) | 2012-01-11 | 2021-02-23 | Solaredge Technologies Ltd. | Photovoltaic module |
| US10931228B2 (en) | 2010-11-09 | 2021-02-23 | Solaredge Technologies Ftd. | Arc detection and prevention in a power generation system |
| US10992238B2 (en) | 2012-01-30 | 2021-04-27 | Solaredge Technologies Ltd. | Maximizing power in a photovoltaic distributed power system |
| US11018623B2 (en) | 2016-04-05 | 2021-05-25 | Solaredge Technologies Ltd. | Safety switch for photovoltaic systems |
| US11031861B2 (en) | 2006-12-06 | 2021-06-08 | Solaredge Technologies Ltd. | System and method for protection during inverter shutdown in distributed power installations |
| US11177663B2 (en) | 2016-04-05 | 2021-11-16 | Solaredge Technologies Ltd. | Chain of power devices |
| EP2814158B1 (en)* | 2013-05-03 | 2021-12-22 | Samsung Electronics Co., Ltd. | Power supply |
| US11264947B2 (en) | 2007-12-05 | 2022-03-01 | Solaredge Technologies Ltd. | Testing of a photovoltaic panel |
| US11296650B2 (en) | 2006-12-06 | 2022-04-05 | Solaredge Technologies Ltd. | System and method for protection during inverter shutdown in distributed power installations |
| US11309832B2 (en) | 2006-12-06 | 2022-04-19 | Solaredge Technologies Ltd. | Distributed power harvesting systems using DC power sources |
| CN114514680A (en)* | 2020-09-14 | 2022-05-17 | 华为技术有限公司 | DC/DC power converter, method for controlling switching of a DC/DC power converter, DC/DC power converter arrangement, and system |
| WO2022107424A1 (en)* | 2020-11-19 | 2022-05-27 | 株式会社村田製作所 | Charge pump circuit |
| WO2022236825A1 (en)* | 2021-05-14 | 2022-11-17 | 华为数字能源技术有限公司 | Dc/dc converter |
| US11569660B2 (en) | 2006-12-06 | 2023-01-31 | Solaredge Technologies Ltd. | Distributed power harvesting systems using DC power sources |
| US11569659B2 (en) | 2006-12-06 | 2023-01-31 | Solaredge Technologies Ltd. | Distributed power harvesting systems using DC power sources |
| US11579235B2 (en) | 2006-12-06 | 2023-02-14 | Solaredge Technologies Ltd. | Safety mechanisms, wake up and shutdown methods in distributed power installations |
| US11598652B2 (en) | 2006-12-06 | 2023-03-07 | Solaredge Technologies Ltd. | Monitoring of distributed power harvesting systems using DC power sources |
| US11687112B2 (en) | 2006-12-06 | 2023-06-27 | Solaredge Technologies Ltd. | Distributed power harvesting systems using DC power sources |
| US11728768B2 (en) | 2006-12-06 | 2023-08-15 | Solaredge Technologies Ltd. | Pairing of components in a direct current distributed power generation system |
| US11735910B2 (en) | 2006-12-06 | 2023-08-22 | Solaredge Technologies Ltd. | Distributed power system using direct current power sources |
| WO2023226452A1 (en)* | 2022-05-27 | 2023-11-30 | 华为技术有限公司 | Direct-current-direct-current converter and electronic device |
| US11855231B2 (en) | 2006-12-06 | 2023-12-26 | Solaredge Technologies Ltd. | Distributed power harvesting systems using DC power sources |
| US11881814B2 (en) | 2005-12-05 | 2024-01-23 | Solaredge Technologies Ltd. | Testing of a photovoltaic panel |
| US11888387B2 (en) | 2006-12-06 | 2024-01-30 | Solaredge Technologies Ltd. | Safety mechanisms, wake up and shutdown methods in distributed power installations |
| US12027849B2 (en) | 2006-12-06 | 2024-07-02 | Solaredge Technologies Ltd. | Distributed power system using direct current power sources |
| US12057807B2 (en) | 2016-04-05 | 2024-08-06 | Solaredge Technologies Ltd. | Chain of power devices |
| US12418177B2 (en) | 2009-10-24 | 2025-09-16 | Solaredge Technologies Ltd. | Distributed power system using direct current power sources |
| Publication number | Priority date | Publication date | Assignee | Title |
|---|---|---|---|---|
| DE102012216691A1 (en)* | 2012-09-18 | 2014-03-20 | Bombardier Transportation Gmbh | Converter circuit and method for controlling the converter circuit |
| Publication number | Priority date | Publication date | Assignee | Title |
|---|---|---|---|---|
| JPS59106876A (en)* | 1982-11-30 | 1984-06-20 | ウエスターン・エレクトリック・カムパニー,インコーポレーテッド | Dc/dc converter |
| JPH07130484A (en)* | 1993-10-29 | 1995-05-19 | Toshiba Lighting & Technol Corp | Power supply device, lamp lighting device, and lighting device |
| WO2003063327A2 (en)* | 2002-01-22 | 2003-07-31 | Johnson Controls Automotive Electronics | Multicellular dc/dc voltage converter with protection switches |
| US20040141345A1 (en)* | 2003-01-17 | 2004-07-22 | The Hong Kong Polytechnic University | DC to DC converter |
| Publication number | Priority date | Publication date | Assignee | Title |
|---|---|---|---|---|
| JPS59106876A (en)* | 1982-11-30 | 1984-06-20 | ウエスターン・エレクトリック・カムパニー,インコーポレーテッド | Dc/dc converter |
| JPH07130484A (en)* | 1993-10-29 | 1995-05-19 | Toshiba Lighting & Technol Corp | Power supply device, lamp lighting device, and lighting device |
| WO2003063327A2 (en)* | 2002-01-22 | 2003-07-31 | Johnson Controls Automotive Electronics | Multicellular dc/dc voltage converter with protection switches |
| US20040141345A1 (en)* | 2003-01-17 | 2004-07-22 | The Hong Kong Polytechnic University | DC to DC converter |
| Publication number | Priority date | Publication date | Assignee | Title |
|---|---|---|---|---|
| US11881814B2 (en) | 2005-12-05 | 2024-01-23 | Solaredge Technologies Ltd. | Testing of a photovoltaic panel |
| WO2008032362A1 (en)* | 2006-09-12 | 2008-03-20 | Mitsubishi Electric Corporation | Dc/dc converter device |
| US8036008B2 (en) | 2006-09-15 | 2011-10-11 | Mitsubishi Electric Corporation | DC/DC power converting apparatus |
| WO2008032424A1 (en)* | 2006-09-15 | 2008-03-20 | Mitsubishi Electric Corporation | Dc/dc power converter |
| WO2008032425A1 (en)* | 2006-09-15 | 2008-03-20 | Mitsubishi Electric Corporation | Dc/dc power converting apparatus |
| JP4819902B2 (en)* | 2006-09-15 | 2011-11-24 | 三菱電機株式会社 | DC / DC power converter |
| JPWO2008032424A1 (en)* | 2006-09-15 | 2010-01-21 | 三菱電機株式会社 | DC / DC power converter |
| US8040702B2 (en) | 2006-09-15 | 2011-10-18 | Mitsubishi Electric Corporation | DC/DC power converting apparatus |
| US11031861B2 (en) | 2006-12-06 | 2021-06-08 | Solaredge Technologies Ltd. | System and method for protection during inverter shutdown in distributed power installations |
| US11476799B2 (en) | 2006-12-06 | 2022-10-18 | Solaredge Technologies Ltd. | Distributed power harvesting systems using DC power sources |
| US11569660B2 (en) | 2006-12-06 | 2023-01-31 | Solaredge Technologies Ltd. | Distributed power harvesting systems using DC power sources |
| US12388492B2 (en) | 2006-12-06 | 2025-08-12 | Solaredge Technologies Ltd. | Safety mechanisms, wake up and shutdown methods in distributed power installations |
| US11569659B2 (en) | 2006-12-06 | 2023-01-31 | Solaredge Technologies Ltd. | Distributed power harvesting systems using DC power sources |
| US11575260B2 (en) | 2006-12-06 | 2023-02-07 | Solaredge Technologies Ltd. | Distributed power harvesting systems using DC power sources |
| US11309832B2 (en) | 2006-12-06 | 2022-04-19 | Solaredge Technologies Ltd. | Distributed power harvesting systems using DC power sources |
| US12316274B2 (en) | 2006-12-06 | 2025-05-27 | Solaredge Technologies Ltd. | Pairing of components in a direct current distributed power generation system |
| US12281919B2 (en) | 2006-12-06 | 2025-04-22 | Solaredge Technologies Ltd. | Monitoring of distributed power harvesting systems using DC power sources |
| US12276997B2 (en) | 2006-12-06 | 2025-04-15 | Solaredge Technologies Ltd. | Distributed power harvesting systems using DC power sources |
| US12224706B2 (en) | 2006-12-06 | 2025-02-11 | Solaredge Technologies Ltd. | Pairing of components in a direct current distributed power generation system |
| US11296650B2 (en) | 2006-12-06 | 2022-04-05 | Solaredge Technologies Ltd. | System and method for protection during inverter shutdown in distributed power installations |
| US12107417B2 (en) | 2006-12-06 | 2024-10-01 | Solaredge Technologies Ltd. | Distributed power harvesting systems using DC power sources |
| US12068599B2 (en) | 2006-12-06 | 2024-08-20 | Solaredge Technologies Ltd. | System and method for protection during inverter shutdown in distributed power installations |
| US11575261B2 (en) | 2006-12-06 | 2023-02-07 | Solaredge Technologies Ltd. | Distributed power harvesting systems using DC power sources |
| US12046940B2 (en) | 2006-12-06 | 2024-07-23 | Solaredge Technologies Ltd. | Battery power control |
| US12032080B2 (en) | 2006-12-06 | 2024-07-09 | Solaredge Technologies Ltd. | Safety mechanisms, wake up and shutdown methods in distributed power installations |
| US11579235B2 (en) | 2006-12-06 | 2023-02-14 | Solaredge Technologies Ltd. | Safety mechanisms, wake up and shutdown methods in distributed power installations |
| US12027970B2 (en) | 2006-12-06 | 2024-07-02 | Solaredge Technologies Ltd. | Safety mechanisms, wake up and shutdown methods in distributed power installations |
| US9948233B2 (en) | 2006-12-06 | 2018-04-17 | Solaredge Technologies Ltd. | Distributed power harvesting systems using DC power sources |
| US9960731B2 (en) | 2006-12-06 | 2018-05-01 | Solaredge Technologies Ltd. | Pairing of components in a direct current distributed power generation system |
| US9966766B2 (en) | 2006-12-06 | 2018-05-08 | Solaredge Technologies Ltd. | Battery power delivery module |
| US11594881B2 (en) | 2006-12-06 | 2023-02-28 | Solaredge Technologies Ltd. | Distributed power harvesting systems using DC power sources |
| US12027849B2 (en) | 2006-12-06 | 2024-07-02 | Solaredge Technologies Ltd. | Distributed power system using direct current power sources |
| US10097007B2 (en) | 2006-12-06 | 2018-10-09 | Solaredge Technologies Ltd. | Method for distributed power harvesting using DC power sources |
| US11594880B2 (en) | 2006-12-06 | 2023-02-28 | Solaredge Technologies Ltd. | Distributed power harvesting systems using DC power sources |
| US10230245B2 (en) | 2006-12-06 | 2019-03-12 | Solaredge Technologies Ltd | Battery power delivery module |
| US11962243B2 (en) | 2006-12-06 | 2024-04-16 | Solaredge Technologies Ltd. | Method for distributed power harvesting using DC power sources |
| US11961922B2 (en) | 2006-12-06 | 2024-04-16 | Solaredge Technologies Ltd. | Distributed power harvesting systems using DC power sources |
| US11594882B2 (en) | 2006-12-06 | 2023-02-28 | Solaredge Technologies Ltd. | Distributed power harvesting systems using DC power sources |
| US10447150B2 (en) | 2006-12-06 | 2019-10-15 | Solaredge Technologies Ltd. | Distributed power harvesting systems using DC power sources |
| US11063440B2 (en) | 2006-12-06 | 2021-07-13 | Solaredge Technologies Ltd. | Method for distributed power harvesting using DC power sources |
| US11043820B2 (en) | 2006-12-06 | 2021-06-22 | Solaredge Technologies Ltd. | Battery power delivery module |
| US11598652B2 (en) | 2006-12-06 | 2023-03-07 | Solaredge Technologies Ltd. | Monitoring of distributed power harvesting systems using DC power sources |
| US11183922B2 (en) | 2006-12-06 | 2021-11-23 | Solaredge Technologies Ltd. | Distributed power harvesting systems using DC power sources |
| US11888387B2 (en) | 2006-12-06 | 2024-01-30 | Solaredge Technologies Ltd. | Safety mechanisms, wake up and shutdown methods in distributed power installations |
| US10637393B2 (en) | 2006-12-06 | 2020-04-28 | Solaredge Technologies Ltd. | Distributed power harvesting systems using DC power sources |
| US11658482B2 (en) | 2006-12-06 | 2023-05-23 | Solaredge Technologies Ltd. | Distributed power harvesting systems using DC power sources |
| US11682918B2 (en) | 2006-12-06 | 2023-06-20 | Solaredge Technologies Ltd. | Battery power delivery module |
| US11855231B2 (en) | 2006-12-06 | 2023-12-26 | Solaredge Technologies Ltd. | Distributed power harvesting systems using DC power sources |
| US10673253B2 (en) | 2006-12-06 | 2020-06-02 | Solaredge Technologies Ltd. | Battery power delivery module |
| US11735910B2 (en) | 2006-12-06 | 2023-08-22 | Solaredge Technologies Ltd. | Distributed power system using direct current power sources |
| US11687112B2 (en) | 2006-12-06 | 2023-06-27 | Solaredge Technologies Ltd. | Distributed power harvesting systems using DC power sources |
| US11728768B2 (en) | 2006-12-06 | 2023-08-15 | Solaredge Technologies Ltd. | Pairing of components in a direct current distributed power generation system |
| US7729144B2 (en) | 2007-04-12 | 2010-06-01 | Mitsubishi Electric Corporation | DC/DC power conversion device |
| US10516336B2 (en) | 2007-08-06 | 2019-12-24 | Solaredge Technologies Ltd. | Digital average input current control in power converter |
| US11594968B2 (en) | 2007-08-06 | 2023-02-28 | Solaredge Technologies Ltd. | Digital average input current control in power converter |
| US10116217B2 (en) | 2007-08-06 | 2018-10-30 | Solaredge Technologies Ltd. | Digital average input current control in power converter |
| US11183969B2 (en) | 2007-12-05 | 2021-11-23 | Solaredge Technologies Ltd. | Testing of a photovoltaic panel |
| US11183923B2 (en) | 2007-12-05 | 2021-11-23 | Solaredge Technologies Ltd. | Parallel connected inverters |
| US10693415B2 (en) | 2007-12-05 | 2020-06-23 | Solaredge Technologies Ltd. | Testing of a photovoltaic panel |
| US11894806B2 (en) | 2007-12-05 | 2024-02-06 | Solaredge Technologies Ltd. | Testing of a photovoltaic panel |
| US11693080B2 (en) | 2007-12-05 | 2023-07-04 | Solaredge Technologies Ltd. | Parallel connected inverters |
| US11264947B2 (en) | 2007-12-05 | 2022-03-01 | Solaredge Technologies Ltd. | Testing of a photovoltaic panel |
| US10644589B2 (en) | 2007-12-05 | 2020-05-05 | Solaredge Technologies Ltd. | Parallel connected inverters |
| US9979280B2 (en) | 2007-12-05 | 2018-05-22 | Solaredge Technologies Ltd. | Parallel connected inverters |
| US12055647B2 (en) | 2007-12-05 | 2024-08-06 | Solaredge Technologies Ltd. | Parallel connected inverters |
| JP2009183093A (en)* | 2008-01-31 | 2009-08-13 | Mitsubishi Electric Corp | DC / DC power converter |
| JP2009201231A (en)* | 2008-02-21 | 2009-09-03 | Mitsubishi Electric Corp | Dc/dc power conversion apparatus |
| JP2009219250A (en)* | 2008-03-11 | 2009-09-24 | Mitsubishi Electric Corp | Dc-dc power converter |
| US9876430B2 (en) | 2008-03-24 | 2018-01-23 | Solaredge Technologies Ltd. | Zero voltage switching |
| US12218498B2 (en) | 2008-05-05 | 2025-02-04 | Solaredge Technologies Ltd. | Direct current power combiner |
| US10468878B2 (en) | 2008-05-05 | 2019-11-05 | Solaredge Technologies Ltd. | Direct current power combiner |
| US11424616B2 (en) | 2008-05-05 | 2022-08-23 | Solaredge Technologies Ltd. | Direct current power combiner |
| JP2010068585A (en)* | 2008-09-09 | 2010-03-25 | Mitsubishi Electric Corp | Power conversion device |
| US10461687B2 (en) | 2008-12-04 | 2019-10-29 | Solaredge Technologies Ltd. | Testing of a photovoltaic panel |
| JP2010178447A (en)* | 2009-01-28 | 2010-08-12 | Mitsubishi Electric Corp | Semiconductor circuit device |
| JP2010246322A (en)* | 2009-04-09 | 2010-10-28 | Mitsubishi Electric Corp | DC / DC power converter |
| US11867729B2 (en) | 2009-05-26 | 2024-01-09 | Solaredge Technologies Ltd. | Theft detection and prevention in a power generation system |
| US10969412B2 (en) | 2009-05-26 | 2021-04-06 | Solaredge Technologies Ltd. | Theft detection and prevention in a power generation system |
| US9869701B2 (en) | 2009-05-26 | 2018-01-16 | Solaredge Technologies Ltd. | Theft detection and prevention in a power generation system |
| US12306215B2 (en) | 2009-05-26 | 2025-05-20 | Solaredge Technologies Ltd. | Theft detection and prevention in a power generation system |
| CN102804571B (en)* | 2009-06-15 | 2015-05-13 | 阿尔斯通技术有限公司 | Converter |
| JP2011061900A (en)* | 2009-09-07 | 2011-03-24 | Mitsubishi Electric Corp | Dc/dc power converter |
| US12418177B2 (en) | 2009-10-24 | 2025-09-16 | Solaredge Technologies Ltd. | Distributed power system using direct current power sources |
| US9007040B2 (en) | 2010-06-29 | 2015-04-14 | Mitsubishi Electric Corporation | DC-DC power conversion apparatus |
| WO2012001828A1 (en)* | 2010-06-29 | 2012-01-05 | 三菱電機株式会社 | Dc-dc power conversion apparatus |
| US10673229B2 (en) | 2010-11-09 | 2020-06-02 | Solaredge Technologies Ltd. | Arc detection and prevention in a power generation system |
| US10931228B2 (en) | 2010-11-09 | 2021-02-23 | Solaredge Technologies Ftd. | Arc detection and prevention in a power generation system |
| US11070051B2 (en) | 2010-11-09 | 2021-07-20 | Solaredge Technologies Ltd. | Arc detection and prevention in a power generation system |
| US11489330B2 (en) | 2010-11-09 | 2022-11-01 | Solaredge Technologies Ltd. | Arc detection and prevention in a power generation system |
| US12003215B2 (en) | 2010-11-09 | 2024-06-04 | Solaredge Technologies Ltd. | Arc detection and prevention in a power generation system |
| US10673222B2 (en) | 2010-11-09 | 2020-06-02 | Solaredge Technologies Ltd. | Arc detection and prevention in a power generation system |
| US12407158B2 (en) | 2010-11-09 | 2025-09-02 | Solaredge Technologies Ltd. | Arc detection and prevention in a power generation system |
| US11349432B2 (en) | 2010-11-09 | 2022-05-31 | Solaredge Technologies Ltd. | Arc detection and prevention in a power generation system |
| US11205946B2 (en) | 2011-01-12 | 2021-12-21 | Solaredge Technologies Ltd. | Serially connected inverters |
| US12218505B2 (en) | 2011-01-12 | 2025-02-04 | Solaredge Technologies Ltd. | Serially connected inverters |
| US10666125B2 (en) | 2011-01-12 | 2020-05-26 | Solaredge Technologies Ltd. | Serially connected inverters |
| US10396662B2 (en) | 2011-09-12 | 2019-08-27 | Solaredge Technologies Ltd | Direct current link circuit |
| US9397548B2 (en)* | 2011-12-23 | 2016-07-19 | Abb Research Ltd. | DC-DC converter systems |
| US9362814B2 (en) | 2011-12-23 | 2016-06-07 | North Carolina State University | Switched-capacitor DC-DC converter |
| US20130163302A1 (en)* | 2011-12-23 | 2013-06-27 | Abb Inc. | Dc-dc converter systems |
| US10931119B2 (en) | 2012-01-11 | 2021-02-23 | Solaredge Technologies Ltd. | Photovoltaic module |
| US11979037B2 (en) | 2012-01-11 | 2024-05-07 | Solaredge Technologies Ltd. | Photovoltaic module |
| US11929620B2 (en) | 2012-01-30 | 2024-03-12 | Solaredge Technologies Ltd. | Maximizing power in a photovoltaic distributed power system |
| US9923516B2 (en) | 2012-01-30 | 2018-03-20 | Solaredge Technologies Ltd. | Photovoltaic panel circuitry |
| US10608553B2 (en) | 2012-01-30 | 2020-03-31 | Solaredge Technologies Ltd. | Maximizing power in a photovoltaic distributed power system |
| US10381977B2 (en) | 2012-01-30 | 2019-08-13 | Solaredge Technologies Ltd | Photovoltaic panel circuitry |
| US11183968B2 (en) | 2012-01-30 | 2021-11-23 | Solaredge Technologies Ltd. | Photovoltaic panel circuitry |
| US11620885B2 (en) | 2012-01-30 | 2023-04-04 | Solaredge Technologies Ltd. | Photovoltaic panel circuitry |
| US12191668B2 (en) | 2012-01-30 | 2025-01-07 | Solaredge Technologies Ltd. | Maximizing power in a photovoltaic distributed power system |
| US10992238B2 (en) | 2012-01-30 | 2021-04-27 | Solaredge Technologies Ltd. | Maximizing power in a photovoltaic distributed power system |
| US12094306B2 (en) | 2012-01-30 | 2024-09-17 | Solaredge Technologies Ltd. | Photovoltaic panel circuitry |
| US10007288B2 (en) | 2012-03-05 | 2018-06-26 | Solaredge Technologies Ltd. | Direct current link circuit |
| EP2637292A3 (en)* | 2012-03-05 | 2017-11-29 | Solaredge Technologies Ltd. | Direct current link circuit |
| JP2014072917A (en)* | 2012-09-27 | 2014-04-21 | Taiyo Yuden Co Ltd | Bidirectional dc-dc converter |
| US12003107B2 (en) | 2013-03-14 | 2024-06-04 | Solaredge Technologies Ltd. | Method and apparatus for storing and depleting energy |
| US12255457B2 (en) | 2013-03-14 | 2025-03-18 | Solaredge Technologies Ltd. | Method and apparatus for storing and depleting energy |
| US10778025B2 (en) | 2013-03-14 | 2020-09-15 | Solaredge Technologies Ltd. | Method and apparatus for storing and depleting energy |
| EP2814158B1 (en)* | 2013-05-03 | 2021-12-22 | Samsung Electronics Co., Ltd. | Power supply |
| US11177663B2 (en) | 2016-04-05 | 2021-11-16 | Solaredge Technologies Ltd. | Chain of power devices |
| US12348182B2 (en) | 2016-04-05 | 2025-07-01 | Solaredge Technologies Ltd. | Safety switch for photovoltaic systems |
| US11870250B2 (en) | 2016-04-05 | 2024-01-09 | Solaredge Technologies Ltd. | Chain of power devices |
| US11018623B2 (en) | 2016-04-05 | 2021-05-25 | Solaredge Technologies Ltd. | Safety switch for photovoltaic systems |
| US11201476B2 (en) | 2016-04-05 | 2021-12-14 | Solaredge Technologies Ltd. | Photovoltaic power device and wiring |
| US10230310B2 (en) | 2016-04-05 | 2019-03-12 | Solaredge Technologies Ltd | Safety switch for photovoltaic systems |
| US12057807B2 (en) | 2016-04-05 | 2024-08-06 | Solaredge Technologies Ltd. | Chain of power devices |
| CN107482903A (en)* | 2017-06-01 | 2017-12-15 | 中山大学 | A High Efficiency Switched Capacitor Power Converter |
| US11671011B2 (en) | 2018-05-09 | 2023-06-06 | Board Of Regents, The University Of Texas System | Modular high step-down DC/DC converter |
| WO2019217577A1 (en)* | 2018-05-09 | 2019-11-14 | The University Of Texas At Austin | Modular high step-down dc/dc converter |
| CN114514680A (en)* | 2020-09-14 | 2022-05-17 | 华为技术有限公司 | DC/DC power converter, method for controlling switching of a DC/DC power converter, DC/DC power converter arrangement, and system |
| WO2022107424A1 (en)* | 2020-11-19 | 2022-05-27 | 株式会社村田製作所 | Charge pump circuit |
| WO2022236825A1 (en)* | 2021-05-14 | 2022-11-17 | 华为数字能源技术有限公司 | Dc/dc converter |
| WO2023226452A1 (en)* | 2022-05-27 | 2023-11-30 | 华为技术有限公司 | Direct-current-direct-current converter and electronic device |
| Publication number | Publication date |
|---|---|
| JP4546296B2 (en) | 2010-09-15 |
| Publication | Publication Date | Title |
|---|---|---|
| JP4546296B2 (en) | DC / DC converter device | |
| CN106664020B (en) | Shared bootstrap capacitor and method for multi-phase buck converter circuit | |
| US9806616B2 (en) | Control circuit for multiple high side switches | |
| JP6209744B2 (en) | DC / DC converter | |
| US7729144B2 (en) | DC/DC power conversion device | |
| US20190386572A1 (en) | Dc-dc converter | |
| CN111726003B (en) | Method for operating an electronic power converter and electronic power converter | |
| US7619907B2 (en) | DC/DC power conversion device | |
| JPWO2011161729A1 (en) | DC-DC converter | |
| EP1562278A2 (en) | DC/DC converter and program | |
| JP2012050330A (en) | Dc/dc power conversion device | |
| WO2008032362A1 (en) | Dc/dc converter device | |
| US20200119635A1 (en) | Resonant switched capacitor dc/dc converter | |
| JP5278298B2 (en) | Control device for power conversion circuit | |
| EP4554075A1 (en) | Power conversion device | |
| US8199540B2 (en) | High voltage gain power converter | |
| JP4619769B2 (en) | Power supply | |
| Hamo et al. | High-conversion ratio multi-phase VRM realized with stacking of generic series-capacitor-buck converter cells | |
| JP4358277B2 (en) | DC / DC power converter | |
| US11929672B2 (en) | Inverting buck-boost converter | |
| JP2020054071A (en) | Multilevel power conversion device | |
| JP6711449B2 (en) | DC-DC converter | |
| JP2014200173A (en) | DC-DC converter | |
| TWI746163B (en) | Resonant switching power converter | |
| JP4383946B2 (en) | Power supply |
| Date | Code | Title | Description |
|---|---|---|---|
| A521 | Request for written amendment filed | Free format text:JAPANESE INTERMEDIATE CODE: A523 Effective date:20061214 | |
| A621 | Written request for application examination | Free format text:JAPANESE INTERMEDIATE CODE: A621 Effective date:20061214 | |
| A977 | Report on retrieval | Free format text:JAPANESE INTERMEDIATE CODE: A971007 Effective date:20090910 | |
| A131 | Notification of reasons for refusal | Free format text:JAPANESE INTERMEDIATE CODE: A131 Effective date:20091006 | |
| A521 | Request for written amendment filed | Free format text:JAPANESE INTERMEDIATE CODE: A523 Effective date:20091203 | |
| A131 | Notification of reasons for refusal | Free format text:JAPANESE INTERMEDIATE CODE: A131 Effective date:20100223 | |
| A521 | Request for written amendment filed | Free format text:JAPANESE INTERMEDIATE CODE: A523 Effective date:20100413 | |
| TRDD | Decision of grant or rejection written | ||
| A01 | Written decision to grant a patent or to grant a registration (utility model) | Free format text:JAPANESE INTERMEDIATE CODE: A01 Effective date:20100629 | |
| A01 | Written decision to grant a patent or to grant a registration (utility model) | Free format text:JAPANESE INTERMEDIATE CODE: A01 | |
| A61 | First payment of annual fees (during grant procedure) | Free format text:JAPANESE INTERMEDIATE CODE: A61 Effective date:20100701 | |
| FPAY | Renewal fee payment (event date is renewal date of database) | Free format text:PAYMENT UNTIL: 20130709 Year of fee payment:3 | |
| R150 | Certificate of patent or registration of utility model | Free format text:JAPANESE INTERMEDIATE CODE: R150 | |
| LAPS | Cancellation because of no payment of annual fees |